VIN+
6
VIN-
7
VREF/2
9
CLK IN
4
A GND
8
RD
2
WR
3
INTR
5
CS
1
D GND
10
DB7(MSB)
11
DB6
12
DB5
13
DB4
14
DB3
15
DB2
16
DB1
17
DB0(LSB)
18
CLK R
19
VCC
20
U1
ADC0804
F8
D
C
B
A
U1(WR)
C2
150n
R1
10k
RV1
5K
C1
100n
69.0
3
1
VOUT
2
U2
LM35 R2
100R
C3
1.0u
A
1 2
7404
AN
B
3 4
U3:B
7404
BN
C
5 6
U3:C
7404
CN
D
13 12
U3:D
7404
DN
1
2
3
U4:A
7432
1
2
3
U5:A
7408
4
5
6
U5:B
7408
4
5
6
U4:B
7432
9
10
8
U5:C
7408
12
13
11
U5:D
7408
1
2
3
U6:A
7408
9
10
8
U4:C
7432
AN
C
AN
C
D
B
CN
BN
A
F4
12
13
11
U4:D
7432
4
5
6
U6:B
7408
C
B F3
A
1
2
3
U7:A
7432
9
10
8
U6:C
7408
12
13
11
U6:D
7408
1
2
3
U8:A
7408
4
5
6
U7:B
7432
4
5
6
U8:B
7408
AN
C
A
B
BN
CN
D
F7
9
10
8
U7:C
74329
10
8
U8:C
7408
12
13
11
U8:D
7408
12
13
11
U7:D
1
2
3
U9:A
7408
4
5
6
U9:B
7408
1
2
3
U10:A
7432
DN
B
CN
A
BN
D
AN
C
F6
9
10
8
U9:C
7408
12
13
11
U9:D
7408
1
2
3
U11:A
7408
4
5
6
U10:B
7432
A
BN
CN
D
Z
F5
4
5
6
U11:B
7408
9
10
8
U11:C
7408
12
13
11
U11:D
7408
AN
CN
A
C
1
2
3
U12:A
7408
4
5
6
U12:B
7408
Z
B
DN
A
7
QA
13
B
1
QB
12
C
2
QC
11
D
6
QD
10
BI/RBO
4
QE
9
RBI
5
QF
15
LT
3
QG
14
U13
7447
F4
F3
A
7
QA
13
B
1
QB
12
C
2
QC
11
D
6
QD
10
BI/RBO
4
QE
9
RBI
5
QF
15
LT
3
QG
14
U14
7447
F8
F7
F6
F5

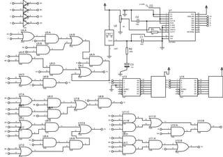
Termometro

  • 1.
    VIN+ 6 VIN- 7 VREF/2 9 CLK IN 4 A GND 8 RD 2 WR 3 INTR 5 CS 1 DGND 10 DB7(MSB) 11 DB6 12 DB5 13 DB4 14 DB3 15 DB2 16 DB1 17 DB0(LSB) 18 CLK R 19 VCC 20 U1 ADC0804 F8 D C B A U1(WR) C2 150n R1 10k RV1 5K C1 100n 69.0 3 1 VOUT 2 U2 LM35 R2 100R C3 1.0u A 1 2 7404 AN B 3 4 U3:B 7404 BN C 5 6 U3:C 7404 CN D 13 12 U3:D 7404 DN 1 2 3 U4:A 7432 1 2 3 U5:A 7408 4 5 6 U5:B 7408 4 5 6 U4:B 7432 9 10 8 U5:C 7408 12 13 11 U5:D 7408 1 2 3 U6:A 7408 9 10 8 U4:C 7432 AN C AN C D B CN BN A F4 12 13 11 U4:D 7432 4 5 6 U6:B 7408 C B F3 A 1 2 3 U7:A 7432 9 10 8 U6:C 7408 12 13 11 U6:D 7408 1 2 3 U8:A 7408 4 5 6 U7:B 7432 4 5 6 U8:B 7408 AN C A B BN CN D F7 9 10 8 U7:C 74329 10 8 U8:C 7408 12 13 11 U8:D 7408 12 13 11 U7:D 1 2 3 U9:A 7408 4 5 6 U9:B 7408 1 2 3 U10:A 7432 DN B CN A BN D AN C F6 9 10 8 U9:C 7408 12 13 11 U9:D 7408 1 2 3 U11:A 7408 4 5 6 U10:B 7432 A BN CN D Z F5 4 5 6 U11:B 7408 9 10 8 U11:C 7408 12 13 11 U11:D 7408 AN CN A C 1 2 3 U12:A 7408 4 5 6 U12:B 7408 Z B DN A 7 QA 13 B 1 QB 12 C 2 QC 11 D 6 QD 10 BI/RBO 4 QE 9 RBI 5 QF 15 LT 3 QG 14 U13 7447 F4 F3 A 7 QA 13 B 1 QB 12 C 2 QC 11 D 6 QD 10 BI/RBO 4 QE 9 RBI 5 QF 15 LT 3 QG 14 U14 7447 F8 F7 F6 F5