1 2 3 4 5 6 7 8
F
E
D
C
B
A
Rev. Change Date Name Orig. Sheet
Date
Drawn
Checked
Approved Replaces
Copyright
as
per
ISO
16016
to
be
observed!
Created
with
17-Feb-20
John Jose
Rajesh Ommi
Ravi Behara
Project 719
RTG
ATI Manila
A
B
C
D
E
F
1 2 3 4 5 6 7 8
Circuit Diagram
of
3 5
PROJECT : 1000719
CLIENT : ATI MANILA
LOCATION : MANILA
BT3233A-E-SETSUMEI 04/04/14
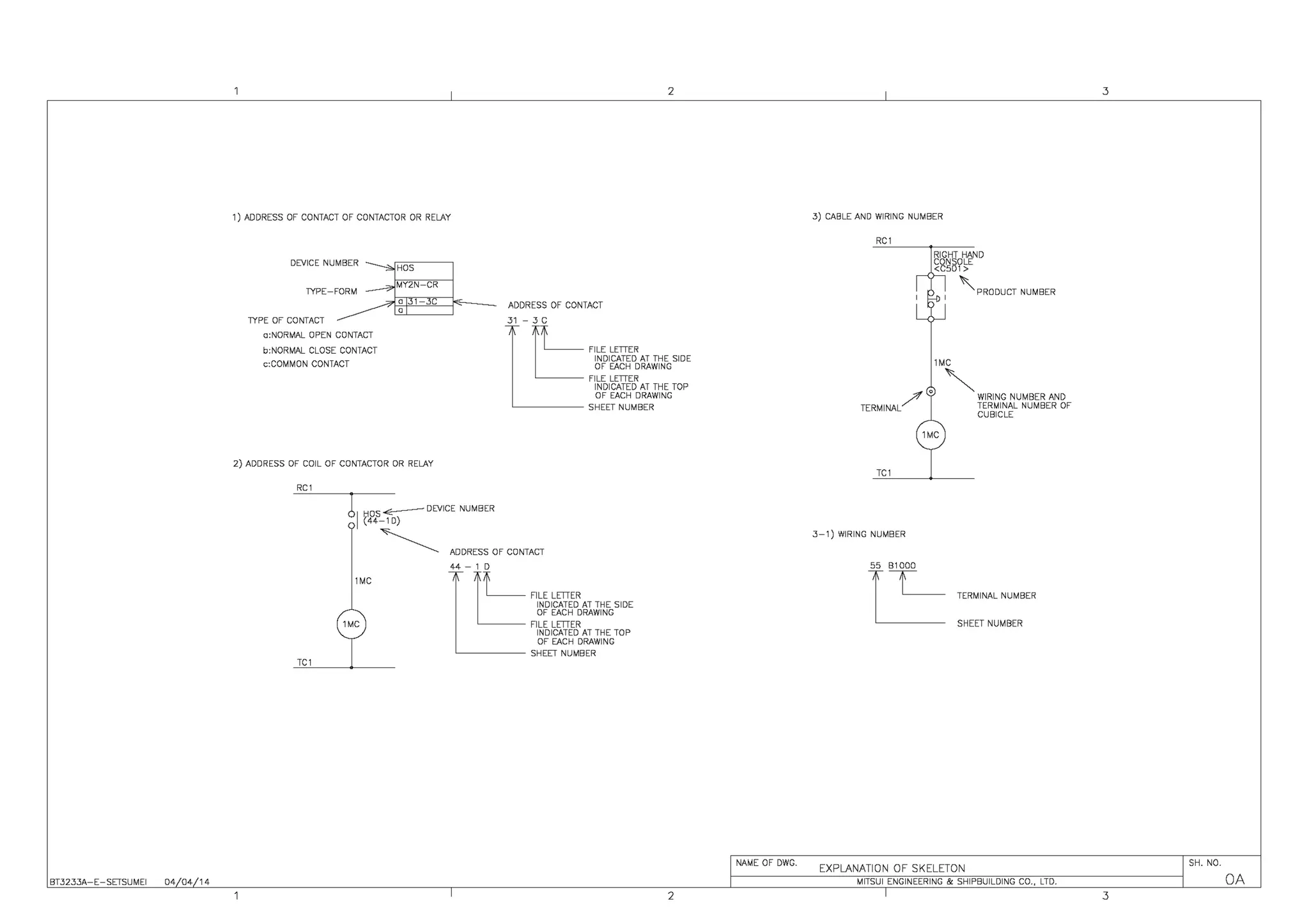
1) ADDRESS OF CONTACT OF CONTACTOR OR RELAY
DEVICE NUMBER
=HOS
TYPE-FORM ---------7 MY2N CR
TYPE OF CONTACT
a:NORMAL OPEN CONTACT
b:NORMAL CLOSE CONTACT
c:COMMON CONTACT
a 31 3C
2) ADDRESS OF COIL OF CONTACTOR OR RELAY
RCI
I
HOS~ DEVICE NUMBER
(44-1 D)
ADDRESS OF CONTACT
31 - 3 c
2
Fll~~l~~Vf~ AT THE SIDE
OF EACH DRAWING
FILE LETTER
INDICATED AT THE TOP
OF EACH DRAWING
SHEET NUMBER
~ ADDRESS OF CONTACT
44 - 1 D
IMC
TCI
I
Fll~~l~~EE~AT THE SIDE
OF EACH DRAWING
FILE LffiER
INDICATED AT THE TOP
OF EACH DRAWING
SHEET NUMBER
2
I
3) CABLE AND WIRING NUMBER
RCI
~lfrt1Jo~~ND
<C501>
~c: 'PRODUCT NUMBER
LJ
IMC
/f 0 'WIRING NUMBER AND
TERMINAL TERMINAL NUMBER OF
CUBICLE
TCI
3-1) WIRING NUMBER
55 81000
lL_ TERMINAL NUMBER
SHEET NUMBER
3
I NAME OF DWG. EXPLANATION OF SKELETON I SH. NO.
IC---~~~~~~~~M~ITS~U~l~EN~G~IN~E~ER~IN~G~&~SH~IP~B~U~ILD~IN~G~C~O~.~,~TD~.~~~~~~~---jl OA
I 3
I
JBO NO. UN0086(BT3233)
CLIENT : ATI
NO. TITLE SH NO.
INDEX DD
2 EXPLANATION OF SKELETON DA
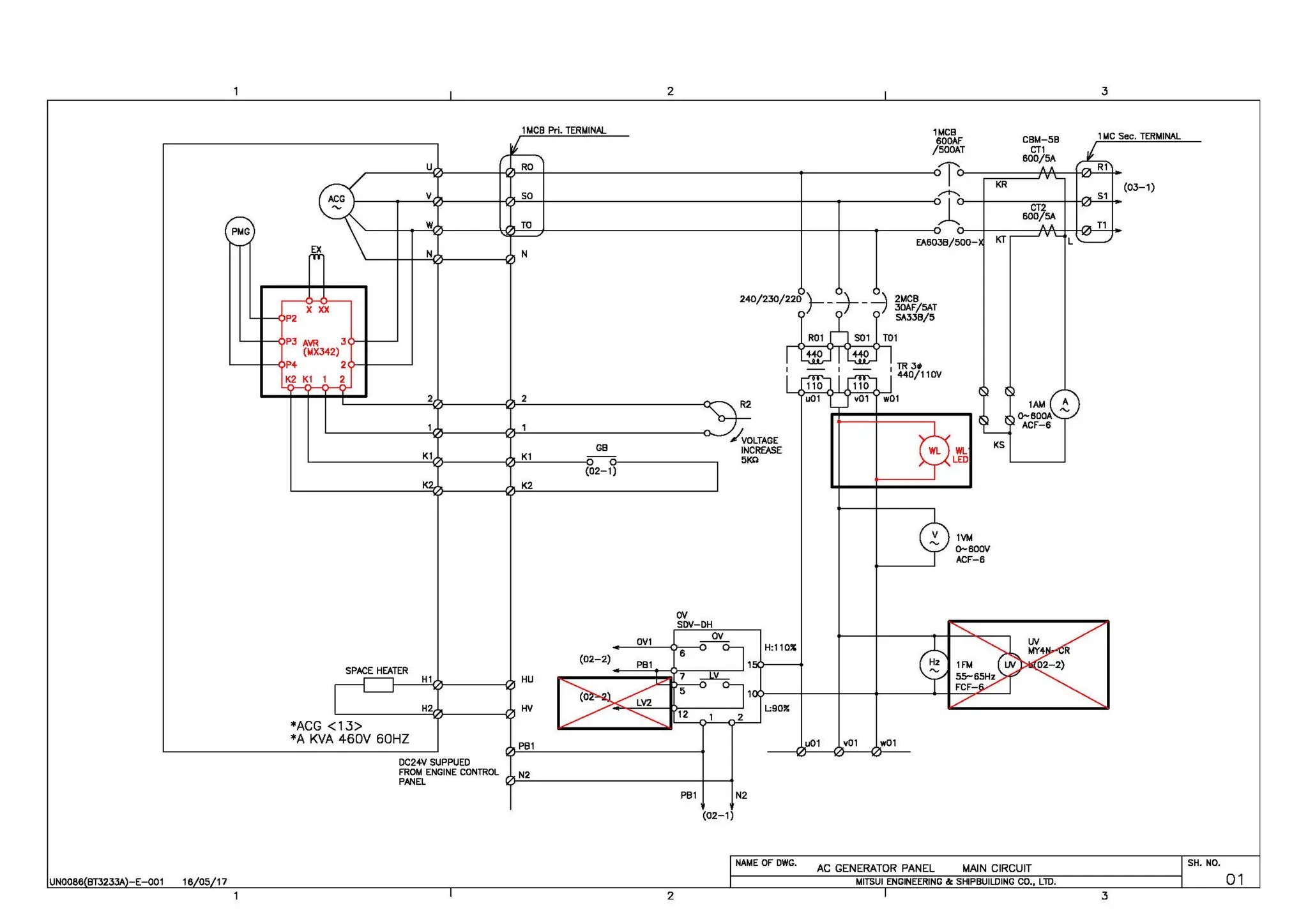
3 AC GENERATOR PANEL MAIN CIRCUIT D1
4 AC GENERATOR PANEL CONTROL CIRCUIT D2
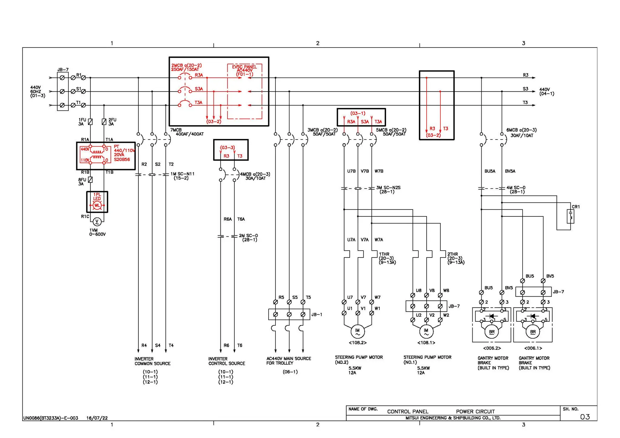
5 CONTROL PANEL POWER CIRCUIT D3
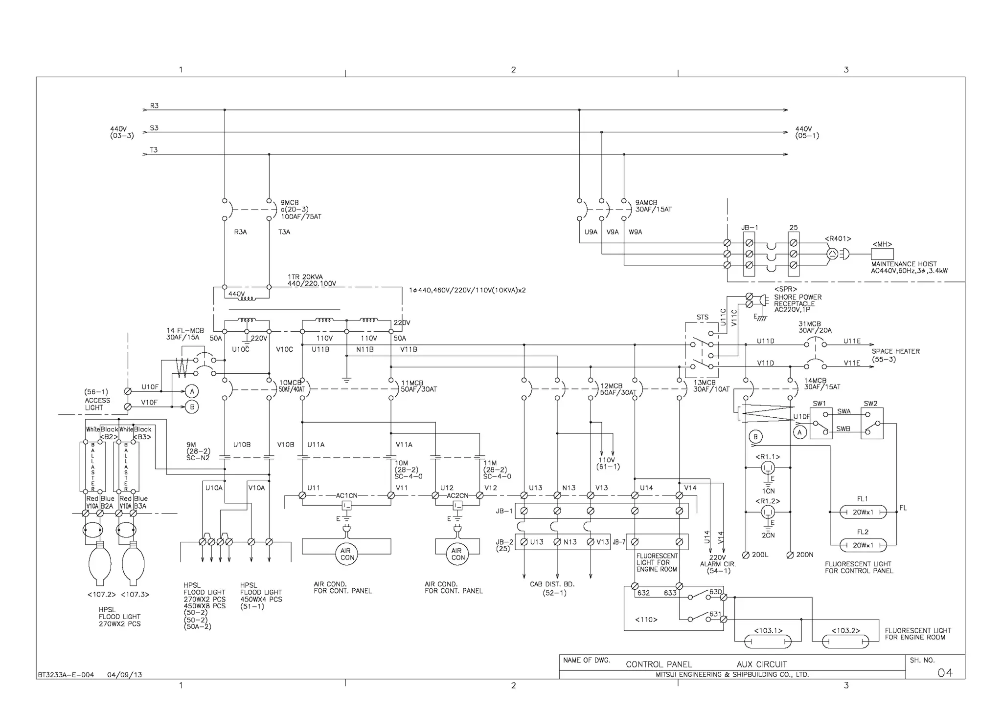
6 CONTROL PANEL AUX. CIRCUIT D4
7 CONTROL PANEL CONTROL CIRCUIT D5
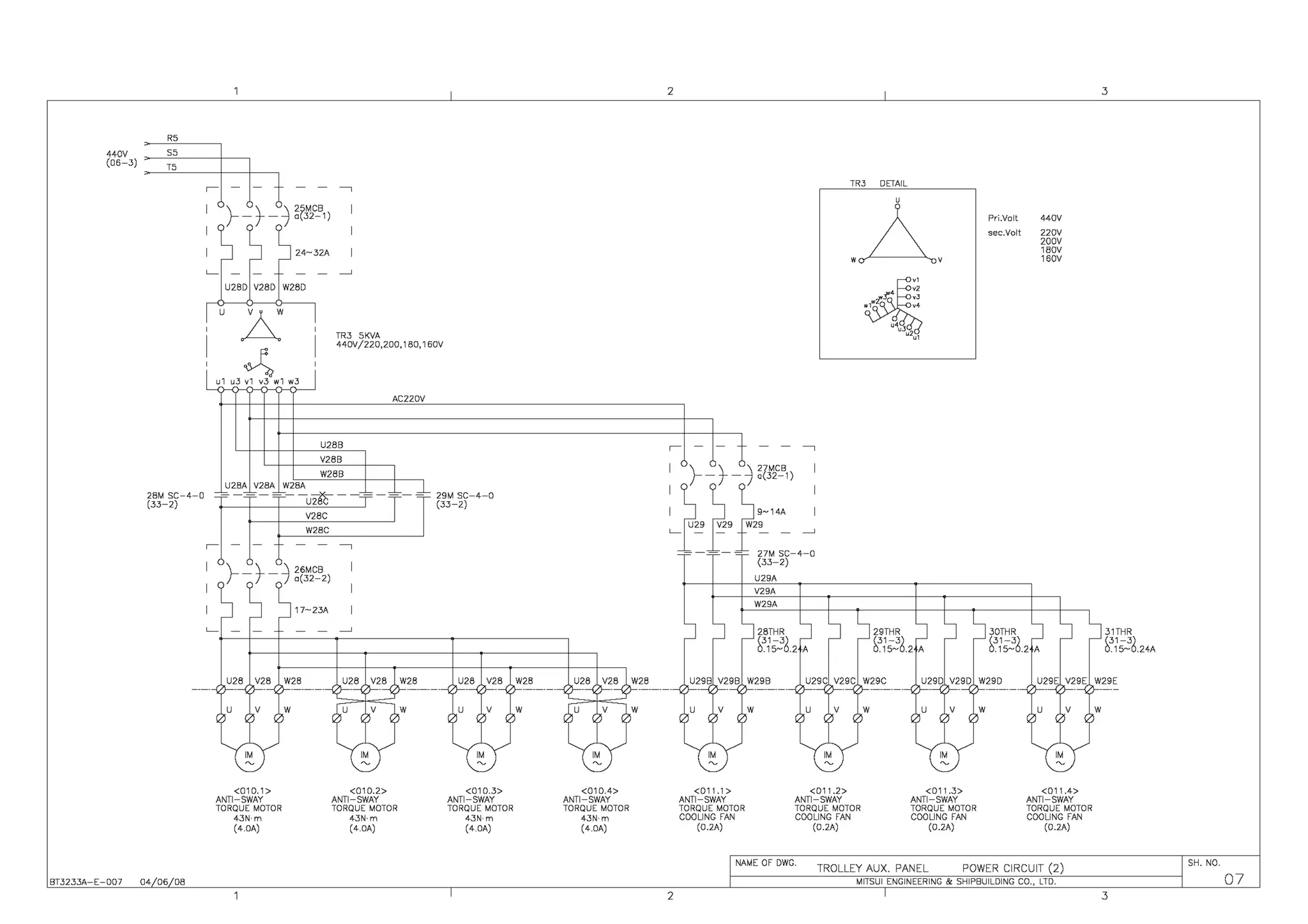
8 TROLLEY AUX. PANEL POWER CIRCUIT(1 )(2) 06,07
9 TROLLEY AUX. PANEL CONTROL SOURCE CIRCUIT DB
10 BACK POWER RESISTOR CIRCUIT D9
11 CONTROL PANEL HOIST/GANTRY MOTOR N0.1 CIRCUIT 10
12 CONTROL PANEL HOIST/GANTRY MOTOR N0.2 CIRCUIT 11
13 CONTROL PANEL TROLLEY MOTOR CIRCUIT 12
14 CONTROL PANEL STEERING SOLENOID CIRCUIT 13
15 TROLLEY AUX. PANEL SPREADER SOLENOID CIRCUIT(1)(2) 14,14A
16 TROLLEY AUX. PANEL LIMIT SWITCH CIRCUIT 148
17 CONTROL PANEL RELAY SIG.CIRCUIT(1)(2)(3)(4) 15-17A
18 REMOTE 1/0 CONFIGURATION 1B
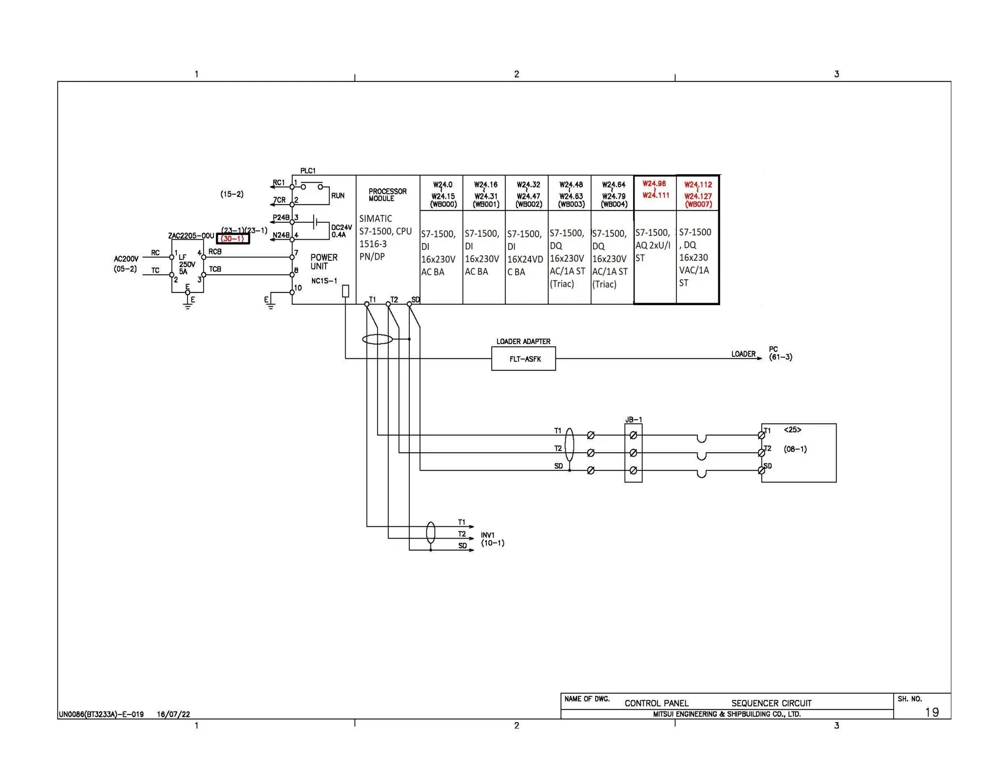
19 CONTROL PANEL SEQUENCER CIRCUIT 19
20 CONTROL PANEL 0/1 UNIT CIRCUIT(1)(2)(3) 20-23
21 BLANK 24~27
22 CONTROL PANEL D/O UNIT CIRCUIT(1 )(2) 28,29
23 CONTROL PANEL ANALOGUE OUTPUT CIRCUIT 30
24 CONTROL PANEL D/I UNIT CIRCUIT(4) 30A
25 TROLLEY AUX. PANEL D/I UNIT CIRCUIT(1)(2)(3) 31-32A
UN0086(BT3233Al-W-OOO 16/05/19
I
2 I
3
INDEX
NO. TITLE SH NO. NO. TITLE SH NO.
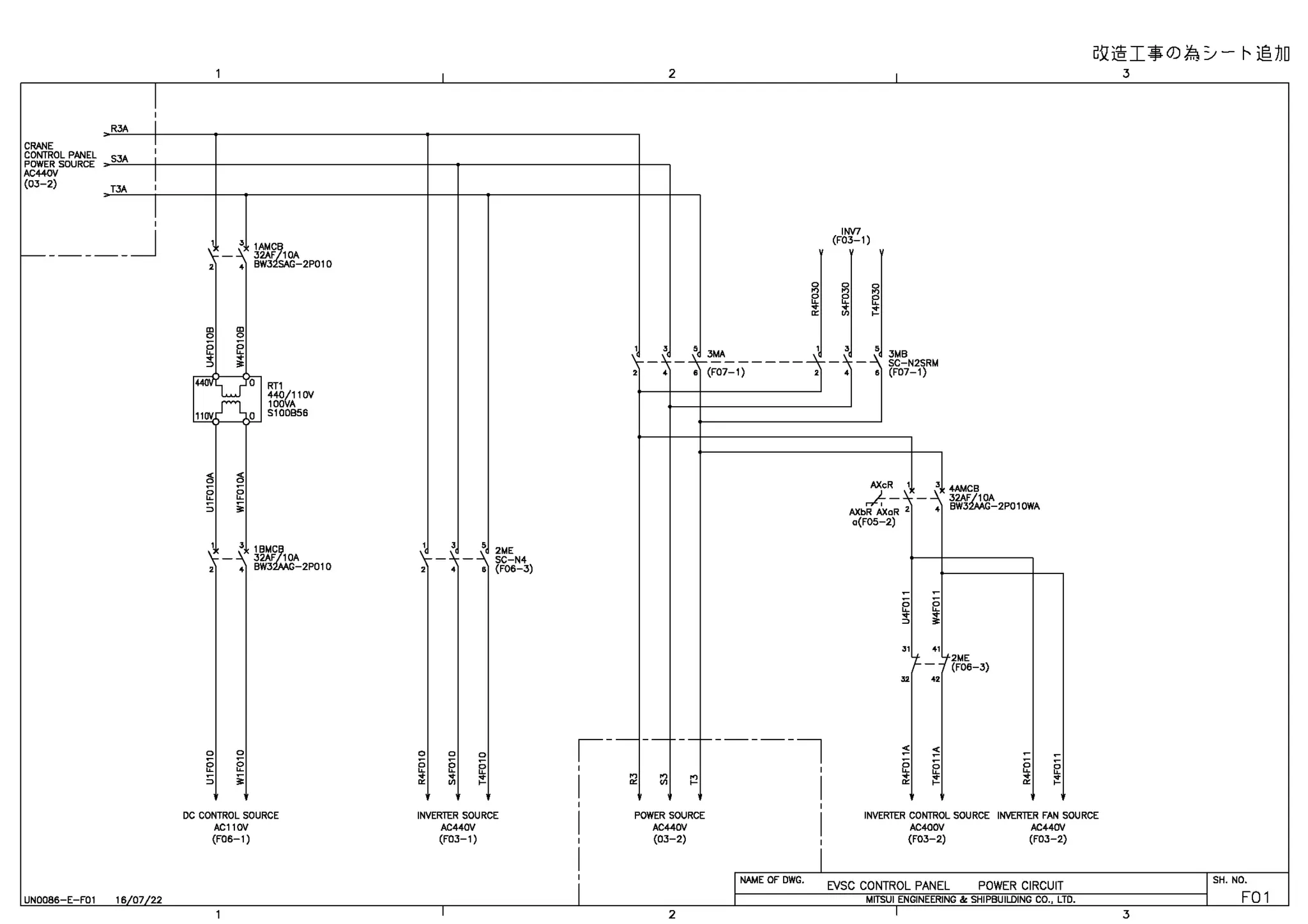
26 TROLLEY AUX. PANEL D/O UNIT CIRCUIT 33 51 EVSC CONTROL PANEL POWER CIRCUIT F01
27 TROLLEY AUX. PANEL LOAD CELL A/I CIRCUIT 34A 52 BLANK FD2
28 R/H CONSOLE M/S ENCODER INPUT CIRCUIT 35 53 EVSC CONTROL PANEL AC440V AUX. SUPPLY INVERTER CIRCUIT F03
29 R/H CONSOLE D/I UNIT CIRCUIT 36 54 BLANK F04
30 R/H CONSOLE D/O UNIT CIRCUIT 37 55 EVSC CONTROL PANEL ACG OPERATION CONTROL CIRCUIT F05
31 L/H CONSOLE M/S ENCODER INPUT CIRCUIT 3B 56 EVSC CONTROL PANEL INVERTER CIRCUIT OPERATION SOURCE (1) F06
32 L/H CONSOLE D/I UNIT CIRCUIT 39 57 EVSC CONTROL PANEL INVERTER CIRCUIT OPERATION SOURCE (2) F07
33 L/H CONSOLE D/O UNIT CIRCUIT 4D 58
34 L/H CONSOLE ENGINE EQUIPMENT 41 59
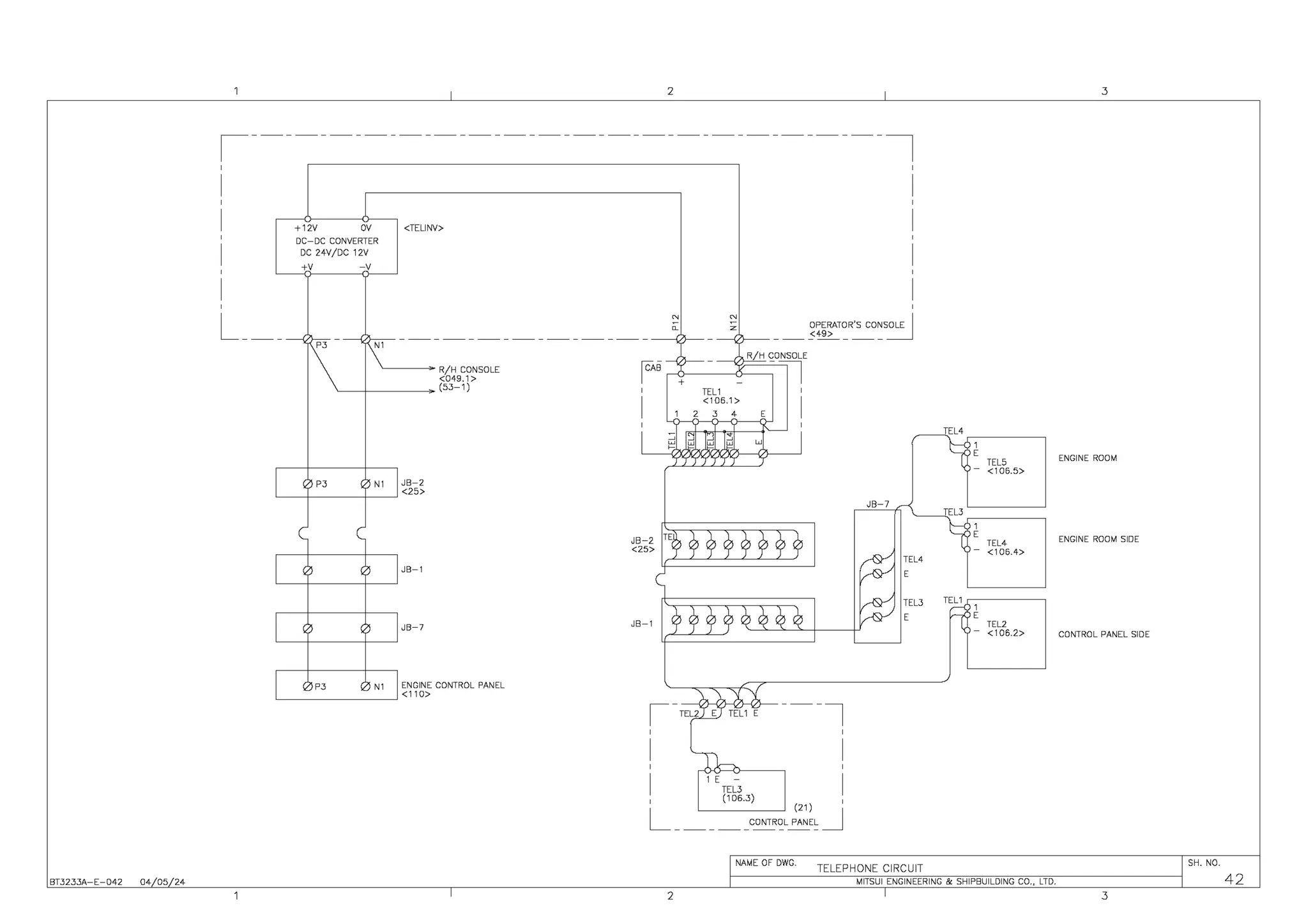
35 TELEPHONE CIRCUIT 42 60
36 BLANK 43-49
DRAWING HISTORY
37
f---~f---~~~~~~~~~~~~~~~~--J~~~--jlREV.
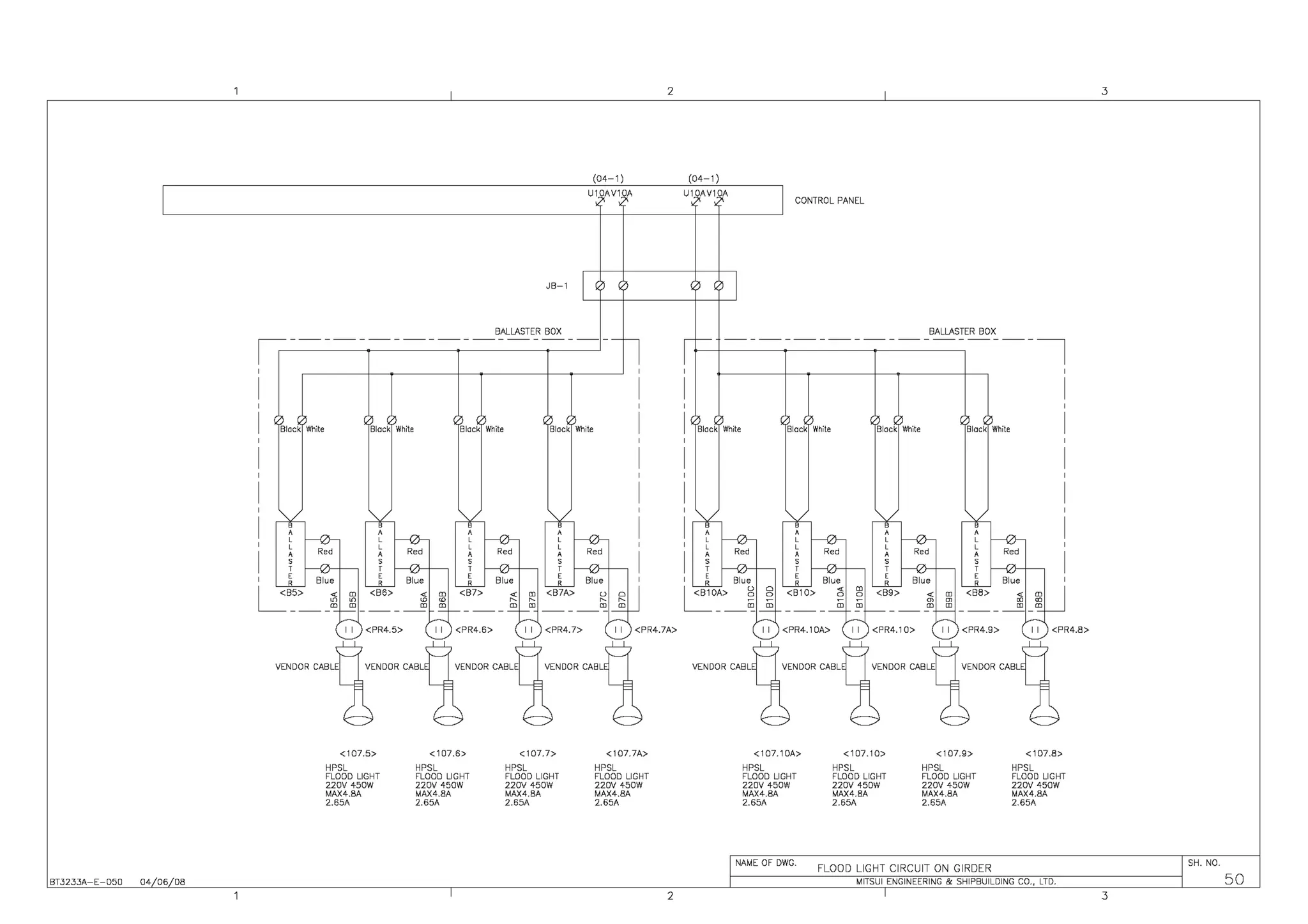
FLOOD LIGHT CIRCUIT ON GIRDER 5D
REASON BY SH NO.
38 FLOOD LIGHT CIRCUIT ON LEG 5DA
39 FLOOD LIGHT CIRCUIT ON TROLLEY 51
40 CAB DISTRIBUTION PANEL CIRCUIT 52
41 R/H CONSOLE WINDOW WIPER CIRCUIT 53
42 CONTROL PANEL ALARM & MISC. CIRCUIT 54
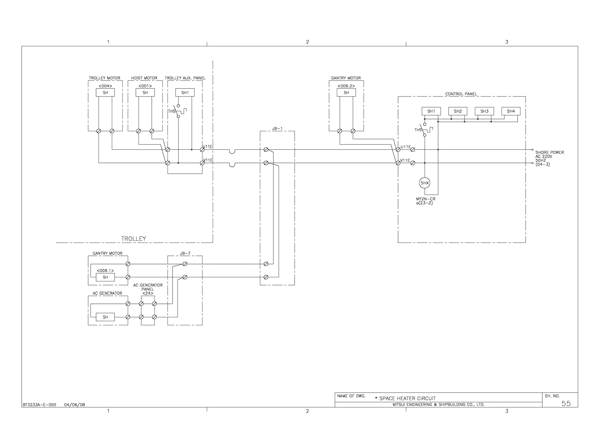
43 * SPACE HEATER CIRCUIT 55
44 ACCESS LIGHT CIRCUIT 56
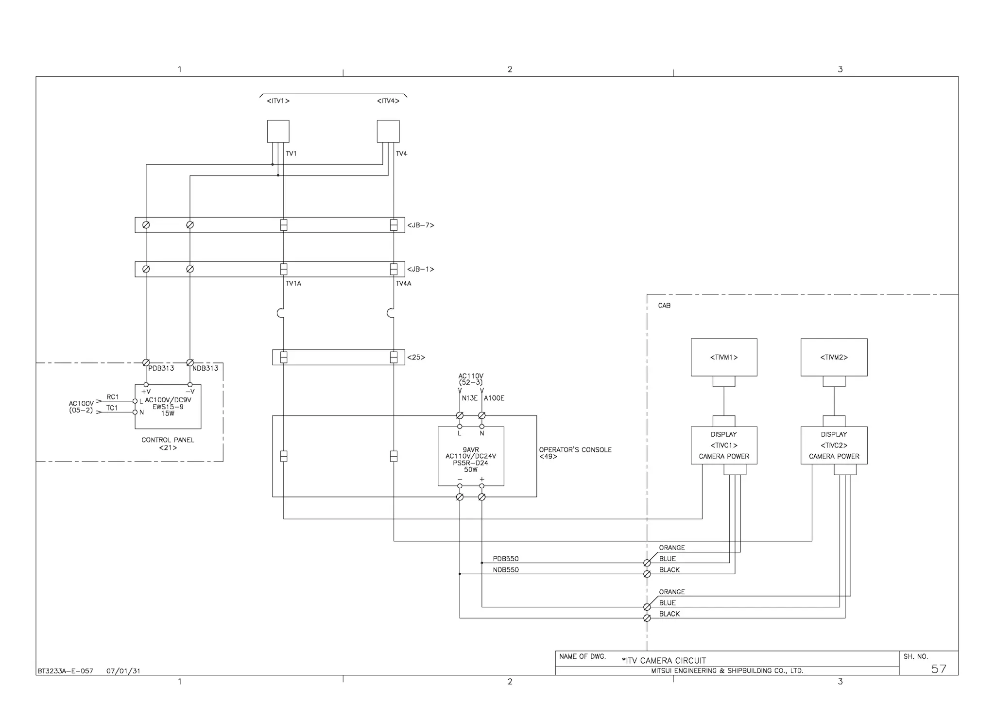
45 * ITV CAMERA CIRCUIT 57
46 * FIRE DETECTION SYSTEM 58
47 BLANK 59,60
48 *CMS EQUIPMENT(1)(2) 61,62
49 BLANK 63-100
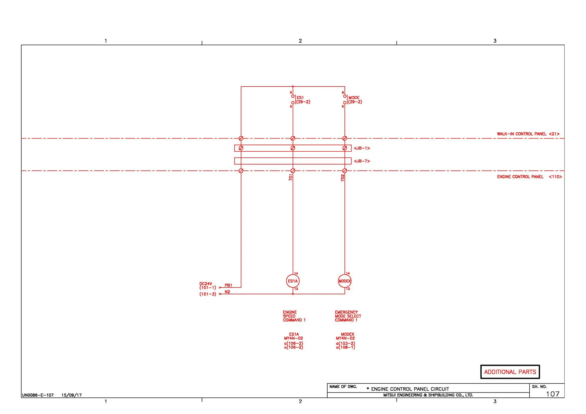
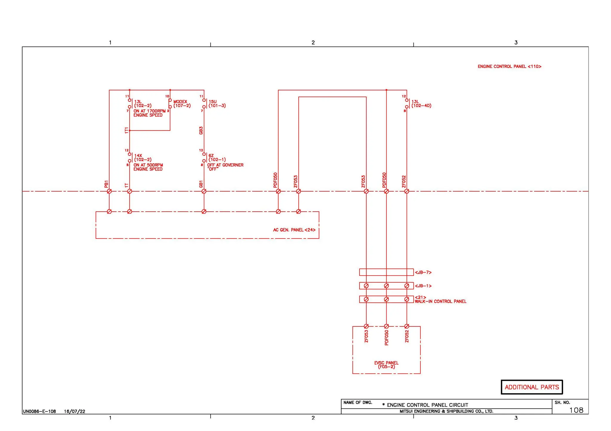
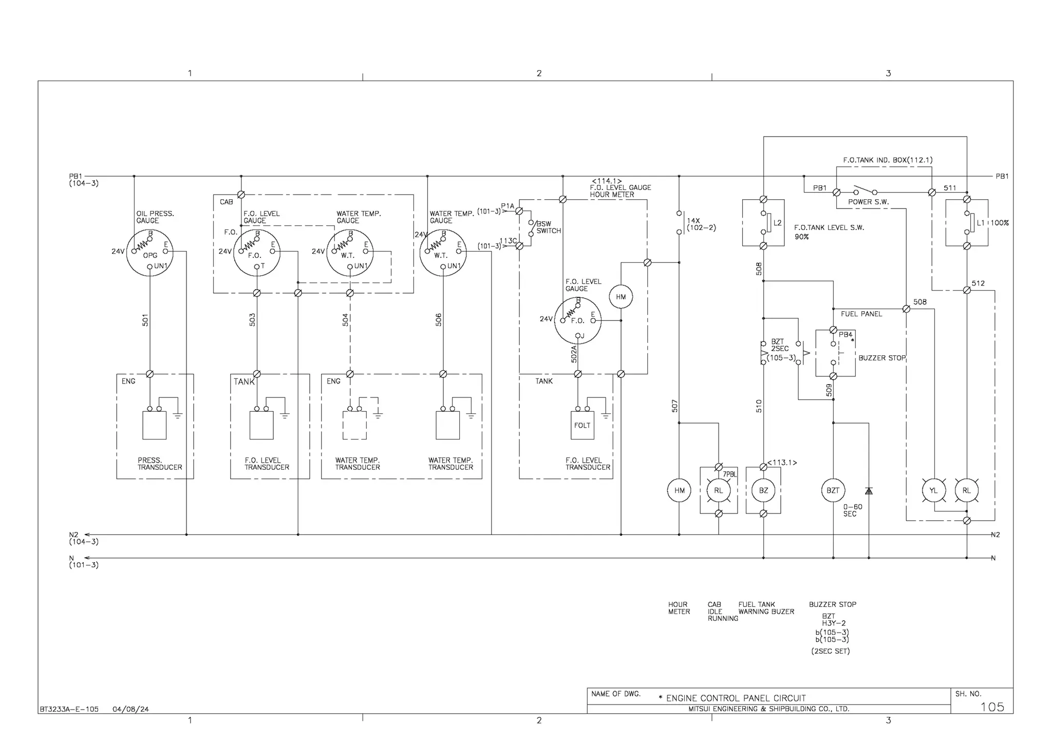
50 * ENGINE CONTROL PANEL CIRCUIT 101-106
I NAME OF DWG.
ELEMENTARY DIAGRAM INDEX
I MITSUI ENGINEERING & SHIPBUILDING CO., LTD.
2 I 3
SH. NO.
I 00
~
'- ...-
- ---<
UN0086 BT3233A -E-001 1e 05 17
2 3
1MCB Pri. TERMINAL
)f-~
1MCB lMC Sec. TERMINAL
600AF CBM-58
u RO
ACG v so
"'
w TO
-~
M N N
x xx
lP2
P3 AVR 3
(MX342)
P'4- 2
K2 K1 1 2
T
2 2
/500AT
-T
............
- -
x
EA603B/500-~
Cl ' ,,
240/230/220 )-- _ ;3--_3 2MCB
ff~
I
I rJJT"-i 1' ,-'lT'- 1' ~0
3
/11OV
l110l 1110,
u01 lJ v01 w01
CT1
' !R1'
600/5A
A A
y '-- ~
KR
,..,. S1
CT2 ~
600/ 5A
A A ,..,. T1
KT____, v '--
L-.::____..
1 1 ~
~------~'1-------<n----------------<-.J.-.//..lvoLTAGE
$~
1<1 1<1
1<2. 1<2
SPACE HEATER
r----cJ1----H-<1~----1/1 HU
l._______""H"'2V>-----</l HV
*ACG <13>
*A KVA 460V 60HZ PBl
DC2'4-V SUPPUED
FROM ENGINE CONTROL N2
GB
=---=
{02-1)
OV1
(02-2)
rJI/
SrJl/-DH
I
INCREASE
51«>
---~
~~or:rv
y ACF-6
t---~
PB1 s - ovl150--H_=_11_0_"_. ¢:K
~~-2}R
~---::::::1:;:?71,--~_..L'i_~~ 55- 65Hz
-..........__ . ~ ~ 0---, 1UJ-----+---+---+----+-+-FC-
....-
F
~
-~~
(O~V2 I ......
~ ~ 12 1 2 l.;90!1: ~----------
u01 v01 w01
PANEL V>---------------i-__,
PBl N2
(02-1)
NAME OF DWG.
AC GENERATOR PANEL MAIN CIRCUIT
MITSUI ENGINEERING &: SHIPBUILDING CO., LlD.
2 3
(03-1)
SH. NO.
01
2 3
P81 F2
RESIT
PB1
(01-2)
- - - - - - - - - - - - - ENGINE-- - - - - ,
lov1
n
CONTROL PANEL 1
(110)
I
11 10 11 I
(02- )
I1JL MOOEX
I
cw
{108-1) ENGINE RPM
ON AT 1530 RPM
(108-1)
RATED
ENGINE SPEED I
I
T2
1T1 I
12 12
I 1~1
I
GBT1
P~F050 -1
I1+X1 I6Z
(108-1) {10B-1) I
ON AT 500RPM OFF AT GOVERNER
I (02- )
ENGINE SPEED "OFF"
<21A>
I EVSC PANEL
_____:__J ~GBT AVR "ON" (F05- 2)
---------- (02-2)
1T G81
GBT2 I
~1T z~~-J
(02-1)
G82
FAL
(02-2) OV1 F1
FAL FAULT
(02-2)
GB
FAL2
D D
N2
(01-2)
'i1'
_Qyl_
a~02-1 l a(Ol-2) bf02-1l
l
a 02-3 b 02-3
TO Ct.15 RACK
ENGINE RPM AVR ON RELAY AVR on FAULT
RATED TIMER
HJY-2(10sec) G+F-1112JT HJY-2(5sec) MY+N-02 MY4N-D2
(Set5sec) (2pcs) (Set2.5sec)
NAME OF DWG.
AC GENERATOR PANEL CONTROL CIRCUIT
SH. NO.
UN0086 BTJ2JJA -E-002 1e 07 22 MITSUI ENGINEERING &: SHIPBUILDING CD., LTD. 02
2 3
2 3
JB-7 ~~g:J~%1.P 1~8/~~q
>-+<..'l-!-</l'-"Cl'!-..-~~~~~~..--~~~~1---0
~D-'R~3A"-'--'o--~~~~<F0.1-~
1~
) ~T--.__..-~~~~~~~~~~~~~~~~~~~~-+--...~~~--+~~~---.~~~~~~~R3=-.
440V
60HZ
(01-3)
I
>-+<-,......-<n-'-'</l-+-~~~~~~-+-~-+-~---41---o
/'"j""'n-S~3A~+--<,__----1~-­
1Vt.1
0-600V
R4 54 T+
I
,.-1...... T3A
(03-2)
I
L___J
R3 T3
_ - ~4t.1CB a(20-3)
r 7 30A/,OAT
R6A T6A
R6
2M SC-0
(28-1)
T6
(03-1)
R3A S3A T3A
3t.1CB a(20-2)
} _-)- _j SOAF/50AT
U7A V7A W7A
1THR
120-3)
9-13A)
RS SS TS U7 V7 W7
W1
JB-1
<108.2>
INVERTER INVERTER AC440V MAIN SOURCE STEERING PUt.1P t.10TOR
(N0.2)
COMMON SOURCE CONTROL SOURCE FOR TROLLEY
5.5KW
(10-1) (10-1) (06-1) 12A
(11-1)
(12-1)
(11-1)
(12-1)
R3 T3
(03-2)
2THR
120-il
9-1 )
UB VB WB
JB-7
<108.1>
<006.2>
STEERING PUMP t.10TOR GANTRY t.10TOR
(N0.1) BRAKE
5.SKW (BUILT IN lYPE)
12A
NAME OF OWG.
CONTROL PANEL POWER CIRCUIT
UNOOB6 BT3233A -E-003 18 07 22 MITSUI ENGINEERING &: SHIPBUILDING CO., LlD.
2
53
T3
BUS
440V
(04-1)
BVS
JB-7
<006.1>
GANTRY t.10TOR
BRAKE
(BUILT IN lYPE)
SH. NO.
3
03
440V
{03-3}
R3
53
T3
U10F
2
' ' '
)- 7
9MCB
- - - a(20-3)
1OOAF/75AT
R3A T3A
1TR 20KVA
440V
- -0--244DL220.1 oov
-------,1dl440,460V/220V/11 OV(1 OKVA)x2
14 FL-MCB
' '
)-
'_ ~ 9AMCB
- ) - ) 30AF/15AT
U9A V9A W9A
JB-1
440V
{05-1)
25
3
<MH>
,--10j----{0 v-----c::J
<SPR>
SHORE POWER
RECEPTACLE
AC220V, 1P
31MCB
30AF/20A
MAINTENANCE HOIST
AC440V,60Hz,34> ,3.4kW
30AF/15A 50A 220V
1-~1_1o~v--+-~1_1~o_v_+'s~oA~~---------~----------~----~ot--o+--+'~~U~l~IO~---O/'l"1o--~U~l~l~E~
U10C V10C U11B N11B V11B SPACE HEATER
)-
~10MC )- -=- ::_J11MCB
- --750AF/40AT - - - - - - - ~)50AF/30AT
V11D A V11E (55- 3)
""c+--+--"'~~--0
L_ __:j
)----1---j~§XfJ3oAT )-- - - -j
14MCB
30AF/15AT
(56-1)
ACCESS
LIGHT ~--'V~1~0Fc_J--f B
L.J,,.L,______J,,, t___J
Red Blue Red Blue
V10A B2A V10A BJA
<107.2> <107.3>
HPSL
FLOOD LIGHT
270WX2 PCS
BT3233A-E-004 04 09 13
9M
(28-2)
SC-N2
HPSL
FLOOD LIGHT
270WX2 PCS
450WX8 PCS
(50-2)
(50-2)
(SOA-2)
HPSL
FLOOD LIGHT
450WX4 PCS
(51-1)
Ul I
- -AC1CN- -
c~
=@=
CON
AIR COND.
FOR CONT. PANEL
10M
(28-2)
SC-4-0
VI I
E ~
,----!--,
~
AIR COND.
FOR CONT. PANEL
11M
(28-2)
SC-4-0
V12
2
U13 Nl3
CAB DIST. BO.
(52-1)
110V
(61-1)
Vl3
NAME OF DWG.
U14
FLUORESCENT
LIGHT FOR
ENGINE ROOM
632 633
<110>
CONTROL PANEL
220V
ALARM CIR
(54-1)
630
631
<R1.1>
I I
1CN
<R1.2>
I I
2CN
200L
AUX CIRCUIT
200N
MITSUI ENGINEERING & SHIPBUILDING CO., LTD.
FLI
FL2
FLUORESCENT LIGHT
FOR CONTROL PANEL
3
FLUORESCENT LIGHT
FOR ENGINE ROOM
SH. NO.
04
440V
(04-3)
BT3233A-E-005 04 05 21
R3
S3
T3
)--- -::7 l6Xi'J10AT
38
R 1KVA
0_/200V
'~
AC200V 5A
RCA TCA
)---
___:::_j 17MCB
~J 30AF/5AT
RC TC
I
'
I o i) I IJB-1
I
'
I ,
)RC ) TC 1 IJB-"
( 25)
ACZOOV
CONT. SOURCE
ON TROLLEY
(08-1)
RC
SPARE
TC
I
RC
AC200V
CONT. SOURCE
FOR TT CONT. PNL
(19-1)
TC
1
28-1) 128-1)
15-2) 15-2)
2
L 5AVR N
AC1 OOV/DC24V
sow
+v -V
P24C N24C
DC24V
(17A-1)
2
RC1 TC1
AC1 DOV
1/0 SOURCE
115-1l 115-1l
16-1 16-1
20-1 20-1
(57-1)
NAME OF DWG.
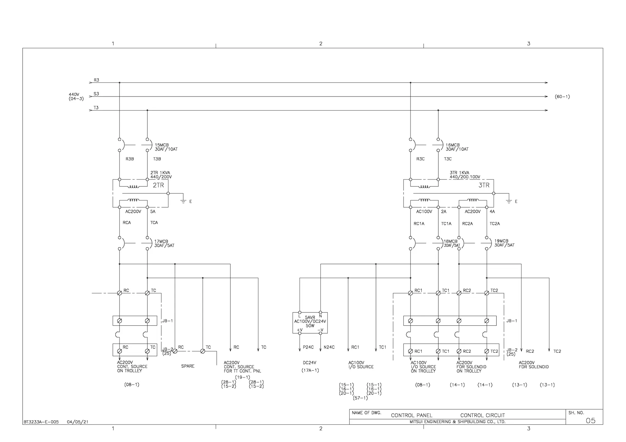
)--- -::7 l6Xi'Y1OAT
AC100V 2A
3C
3TR 1KVA
_j'!Qfl_O_g. 1DOV _
3TR
AC200V 4A
RC1A TC1A RC2A TCZA
~ E
)---
____:__j18MCB )--- ____:__j 19MCB
~) 30AF/5AT ~) 30AF/SAT
RC1 TC1 RC2 TC2
i JB-1
'
TC2 I JB-2
i (25)
AC1 DOV ACZOOV
~O SOURCE FOR SOLENOID
N TROLLEY ON TROLLEY
3
(60-1)
RC2 TC2
AC200V
FOR SOLENOID
(08-1) (14-1) (14-1) (13-1) (13-1)
CONTROL PANEL CONTROL CIRCUIT
SH. NO.
MITSUI ENGINEERING & SHIPBUILDING CO., LTD.
3
05
440V
(03-2)
R5
T5
BT3233A-E-006 04 05 06
:s-s-s'.1
~C~:A
~t"t"T'18 - ~
- - - - - 21M SC-03
(33-1)
U21A V21A W21A
U21 V21 W21
FU FY FW
FAN
(001.1)
0.65KW 4P
440V
HOIST MOTOR COOLING FAN
(ZA)
22MF
SC-5-1RM
(33-1)
22MCB
a(31-3)
4-6.3A
U23B V23B W23B
U23 V23 W23
u v w
IM
2.2KW 4P
440V
(009)
BR
22MR
(33-1)
SKEW MOTOR BRAKE FOR SKEW MOTOR
(4A)
2
:
1
)--±1--±j :13M1CB3)
I 9-14A
L_ u25s V2sa wz5B _J
- - - - - 23M
SC-4-1
(33-1)
:1)-'-1
1
'-lj :(JA,cs,)
I 1-1.6A
L_ u27c ll21c w27C _J
- - - - - 24M
SC-4-0
(15-2)
U27B V27B W27B
25M
SC-4-0
(33-2)
L
4
CONNECTOR
2
IM
5.5KW 4P
440V
SPREADER HYO.
PUMP MOTOR
(10A)
(20' -40'-45')
<PS>
JB-51
NAME OF DWG.
BU27
U27 V27 W27
u v w
BR
<003>
HOIST BRAKE TROLLEY BRAKE
(1.4A) Inrush 2.6A
Rated 0.3A
TROLLEY AUX. PANEL POWER CIRCUIT (1)
MITSUI ENGINEERING & SHIPBUILDING CO., LTD.
3
24AMCB
0(31-3)
0.25-0.4A
- - ~
26M
SC-03
(33-2)
BW27
<005>
3
SH. NO.
06
440V
(06-3)
BT3233A-E-007
R5
55
T5
~I) 1
11)'"'rn,
~
24-32A
~
U28D V28D W28D
UA
~
I u1 u3 v1 v3 w1 w3 I
~
TR3 5KVA
440V/220,200, 180, 160V
ACZZOV
U28B
V28B I
W28B I I
28M SC-4-0 -~~~~~A=--!'~B~U2~- - _-L _.l-_ J_ 29M SC-4-0
(33-2) ~I-I-I~~~~ ~ T T T(33-2)
04 06 08
I    26MCB
;-T-7 a(32-2)
17-23A
U28 V28 W28
<010.1>
ANTI-SWAY
TORQUE MOTOR
43N·m
(4.0A)
IM
<010.2>
ANTI-SWAY
TORQUE MOTOR
43N·m
(4.0A)
U28 V28 W28
<010.3>
ANTI-SWAY
TORQUE MOTOR
43N·m
(4.0A)
<010.4>
ANTI-SWAY
TORQUE MOTOR
43N·m
(4.0A)
2 3
~ -_~ _± 27MCB ~
I r T 7 o(32-1)
~t~~9t2~14
~ ~
- - - - - 27M SC-4-0
(33-2)
U29A
V29A
W29A
28THR
(31-3)
0.15-6.2 A
U29B V29B W29B
u v
IM
TR3 DETAIL
<011.1 >
ANTI-SWAY
TORQUE MOTOR
COOLING FAN
<011.2>
ANTI-SWAY
TORQUE MOTOR
COOLING FAN
(0.2A) (0.2A)
<011.3>
ANTI-SWAY
TORQUE MOTOR
COOLING FAN
(0.2A)
Pri.Volt
sec.Volt
440V
220V
200V
180V
160V
IM
<011.4>
ANTI-SWAY
TORQUE MOTOR
COOLING FAN
(0.2A)
NAME OF DWG.
TROLLEY AUX. PANEL POWER CIRCUIT (2)
MITSUI ENGINEERING & SHIPBUILDING CO., LTD.
2
31THR
(31-3)
0.15-6.24A
3
SH. NO.
07
2 3
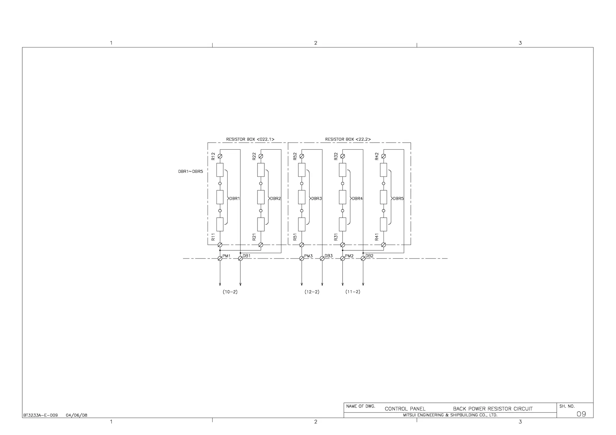
DBR1-DBR5
(10-2) (12-2) (11-2)
NAME OF DWG.
CONTROL PANEL BACK POWER RESISTOR CIRCUIT
SH. NO.
BT3233A-E-009 04 06 08 MITSUI ENGINEERING & SHIPBUILDING CO., LTD. 09
2 3
1 2 3 4 5 6 7 8
F
E
D
C
B
A
Rev. Change Date Name Orig. Sheet
Date
Drawn
Checked
Approved Replaces
Copyright
as
per
ISO
16016
to
be
observed!
Created
with
30-Jan-20
John Jose
Rajesh Ommi
Ravi Behara
Hoist/Gantry 1
RTG
ATI Manila
10
A
B
C
D
E
F
1 2 3 4 5 6 7 8
Circuit Diagram
of
.
.
.
SH1
L1 L2 L3 PE1
U2 V2 W2 PE2 R2 R1
F3
0V 24V
DCP
DCN SH2
-TB1
Sinamics
Hoist/Gantry 1
400V 132kW
SINAMICS PM240-2 IP20-FSF-U-400V-132kW SINAMICS G120
SIE.6SL3210-1PE32-5UL0
/10A.1A
Hoist/Gantry1
U2
/10A.1A
Hoist/Gantry1
V2
/10A.1A
Hoist/Gantry1
W2
R4
/11.2A
R4
/11.2A
S4
/11.2A
T4
S4
T4
AC440V
MAIN SOURCE
(03-1)
+24V Control Power
/12A.6B
0V Control Power
/12A.6B
1 2 3 4 5 6 7 8
F
E
D
C
B
A
Rev. Change Date Name Orig. Sheet
Date
Drawn
Checked
Approved Replaces
Copyright
as
per
ISO
16016
to
be
observed!
Created
with
30-Jan-20
John Jose
Rajesh Ommi
Ravi Behara
Control Adaptor
RTG
ATI Manila
10A
A
B
C
D
E
F
1 2 3 4 5 6 7 8
Circuit Diagram
of
SIEMENS
Incremental
Encoder
+
Temp
-
Temp
Enable
Pulse
M1
Enable
Pluse
+24V
+24V
GND
PE
SH
.
+ M
1 2 3 4
-TB2
CU Adaptor
Hoist/Gantry 1
-QA01
01
04
05
02
06
03
03
08
09
3AC
M
-MA01
Hoist Motor
150KW 4P, 1000/
2250RPM
W
V
U
H1U2
/11A.1E
H1V2
/11A.2E
H1W2
/11A.2E
3AC
M
-GA01
Gantry Motor 1
45KW 4P, 1533/
2300RPM
W
V
U
Existing Change
Over contact for
hoist and Gantry
Page 15-03
Encoder Cable
+24V Control Power
/12A.6B
0V Control Power
/12A.6B
Hoist Thermistor
Connection
Hoist/Gantry1 U2
/10.3F
Hoist/Gantry1 V2
/10.4F
Hoist/Gantry1 W2
/10.4F
-QA02
01
04
02
Hoist Encoder Gantry Encoder
Existing Switch over
Page 15-03
Thermistor Cable
/11.7A
/11A.4A
+24V Control Power
/11.7B
/11A.4A
0V Control Power
1 2 3 4 5 6 7 8
F
E
D
C
B
A
Rev. Change Date Name Orig. Sheet
Date
Drawn
Checked
Approved Replaces
Copyright
as
per
ISO
16016
to
be
observed!
Created
with
30-Jan-20
John Jose
Rajesh Ommi
Ravi Behara
Hoist/Gantry 2
RTG
ATI Manila
11
A
B
C
D
E
F
1 2 3 4 5 6 7 8
Circuit Diagram
of
.
.
.
SH1
L1 L2 L3 PE1
U2 V2 W2 PE2 R2 R1
F3
0V 24V
DCP
DCN SH2
-TB3
Sinamics
Hoist/Gantry 2
400V 132kW
SINAMICS PM240-2 IP20-FSF-U-400V-132kW SINAMICS G120
SIE.6SL3210-1PE32-5UL0
/11A.1A
Hoist/Gantry2
U2
/11A.1A
Hoist/Gantry2
V2
/11A.1A
Hoist/Gantry2
W2
R4
/10.7A /12.2A
R4
/12.2A
S4
/12.2A
T4
S4
/10.7A
T4
/10.7A
+24V Control Power
/10A.7A
0V Control Power
/10A.7A
1 2 3 4 5 6 7 8
F
E
D
C
B
A
Rev. Change Date Name Orig. Sheet
Date
Drawn
Checked
Approved Replaces
Copyright
as
per
ISO
16016
to
be
observed!
Created
with
03-Feb-20
John Jose
Rajesh Ommi
Ravi Behara
Control Adaptor
RTG
ATI Manila
11A
A
B
C
D
E
F
1 2 3 4 5 6 7 8
Circuit Diagram
of
SIEMENS
Incremental
Encoder
+
Temp
-
Temp
Enable
Pulse
M1
Enable
Pluse
+24V
+24V
GND
PE
SH
.
+ M
1 2 3 4
-TB4
-X200
-X201
-X202
CU Adaptor
Hoist/Gantry 2
-X220
-QA03
01
04
05
02
06
03
03
08
09
3AC
M
-GA02
Gantry Motor 2
45KW 4P, 1533/
2300RPM
W
V
U
Existing Change
Over contact for
hoist and Gantry
Page 15-03
Encoder Cable
+24V Control Power
/10A.7A
0V Control Power
/10A.7A
Hoist Thermistor
Connection
Hoist/Gantry2 U2
/11.3F
Hoist/Gantry2 V2
/11.4F
Hoist/Gantry2 W2
/11.4F
-QA04
01
04
02
Hoist Encoder Gantry Encoder
Existing Switch over
Page 15-03
Thermistor Cable
/10A.2C
H1V2
/10A.2C
H1W2
/10A.1C
H1U2
/12.7A
+24V Control Power
/12.7B
0V Control Power
1 2 3 4 5 6 7 8
F
E
D
C
B
A
Rev. Change Date Name Orig. Sheet
Date
Drawn
Checked
Approved Replaces
Copyright
as
per
ISO
16016
to
be
observed!
Created
with
03-Feb-20
John Jose
Rajesh Ommi
Ravi Behara
Trolley Drive and Motor
RTG
ATI Manila
12
A
B
C
D
E
F
1 2 3 4 5 6 7 8
Circuit Diagram
of
.
.
.
SH1
L1 L2 L3 PE1
U2 V2 W2 PE2 R2 R1
F3
0V 24V
DCP
DCN SH2
-TB5
Sinamics
Trolley 1
400V 55kW
SINAMICS PM240-2 IP20-FSE-U-400V-55KW SINAMICS G120
SIE.6SL3210-1PE31-1UL0
R4
/11.7A
S4
/11.7A
T4
/11.7A
3AC
M
-TA01
Trolley Motor With Brake
37KW 4P, 1800RPM
W
V
U
+24V Control Power
/11A.7A
0V Control Power
/11A.7A
1 2 3 4 5 6 7 8
F
E
D
C
B
A
Rev. Change Date Name Orig. Sheet
Date
Drawn
Checked
Approved Replaces
Copyright
as
per
ISO
16016
to
be
observed!
Created
with
03-Feb-20
John Jose
Rajesh Ommi
Ravi Behara
Control Adaptor
RTG
ATI Manila
12A
A
B
C
D
E
F
1 2 3 4 5 6 7 8
Circuit Diagram
of
SIEMENS
Incremental
Encoder
+
Temp
-
Temp
Enable
Pulse
M1
Enable
Pluse
+24V
+24V
GND
PE
SH
.
+ M
1 2 3 4
-TB6
-X200
-X201
-X202
CU Adaptor
Trolley
-X220
Encoder Cable
Trolley Encoder
L
N
-PS01
SITOP - 6EP1334-3BA10
PSU 200M, 10A 0V
24V
PE
AC 200V
CONT. SOURCE
Page (05-02)
/10.7A
/10A.4A
+24V Control Power
/10.7B
/10A.4A
0V Control Power
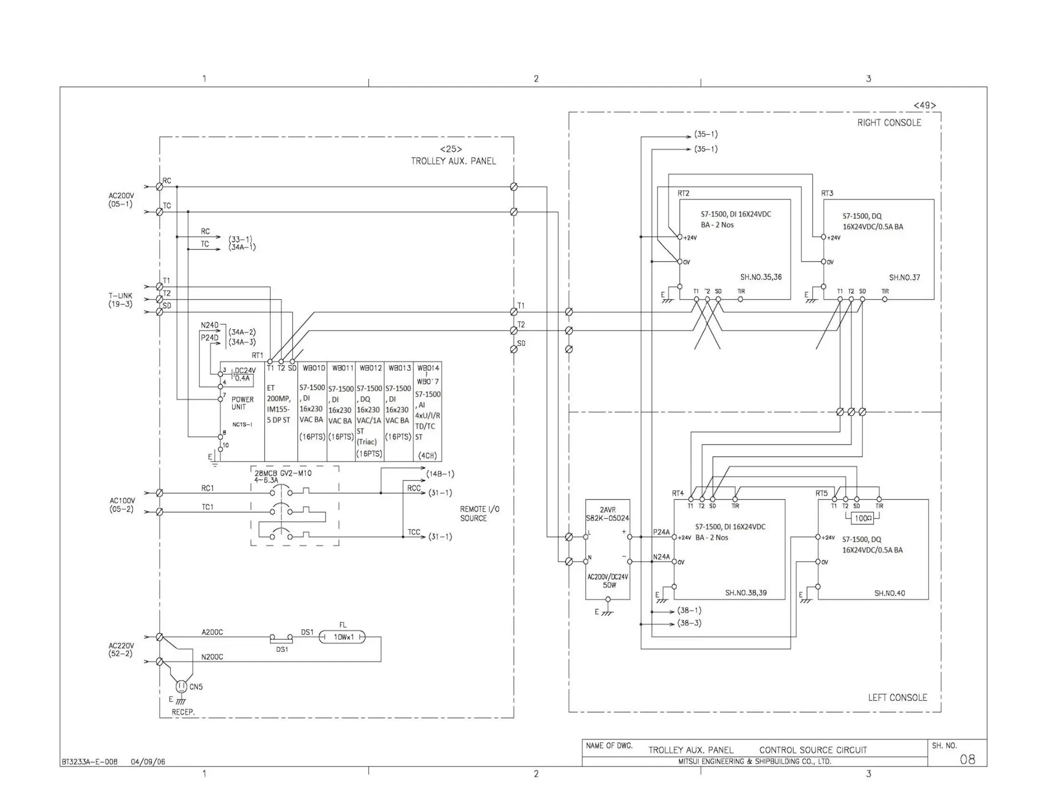
I 2 I 3
RC2 AC200V
(05-3)
I (29-1)
'
'I '
I90 I LCK ULCK I PARK1 I PARK2
(29-1)
'
(29-1) )I (29-1) (29-1)
'
{29-1}
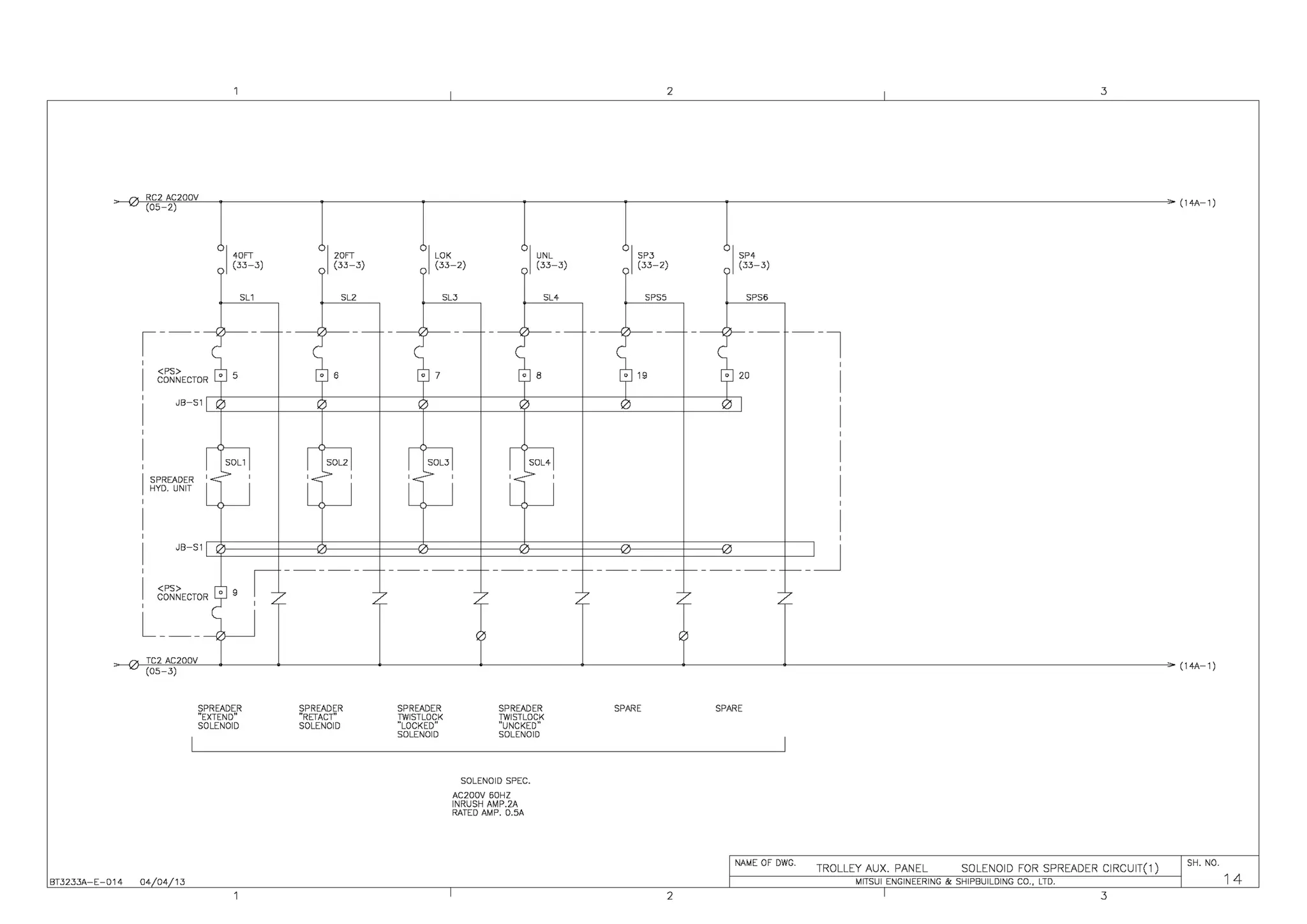
SOL1 SOL2 SOL3 SOL4 SOLS SOL?
I
---{
,,_____ - - ---( }- - ---{ }-------~---{ ')-- - ---{ -~----- - - - - - - - - ---( }- - ---{ }-------~
----,
c LJJB-1 c LJJB-1 I I JB-1 c LJJB-1 c LJJB-1 I I JB-1
[IOJB-7 [IDJB-7 I I JB- 7 [IDJB-7 [IDJB-7 I
' I JB-7
I
- - - - - - ~ - - - - - - - - - - - - - c---- - - - - - - ~ -- ~-- -------<
~S:LJ STEERING UNIT N0.1
>soL1 ISOL2 ISOL3 ISOL4 ISOL6 ENGINE SIDE
' '
<10B.1>
L____ ~-J
STEERING UNIT N0.2
- - - ~--------- - - - - - - - - - - - - - - - - ~----------- - - - r - - - - - - - - - - - ~-- --------<
CONT. PANEL SIDE <10B.2>
- -
I<
- - - - - - - - - - - - - - - - - - - - - - - - - - - - - - - - - - - - - - - - -
l
'.:>- SOL1
<
>SOL2 lSOL3 tSOL4 <
>- SOL6 lSOL7 1
L) - - - - - - - - - - - - - - - - - - - - - - - - - - - - - - - - - - - - - - - - - - - - - - - - - - - - - - - - - - - - - - - - - - - - - ~---_J DLJJB-7
-71 - 7 -7 -7 -, -7
DLJJB-_1____ _J
L
- + L_
L_
-------t--
TC2 AC200f
- - - - - - - - - - - - - - - - - - - - - - - - - - - - - - - - - - - - - - - - - - - - -
(05-3)
WHEEL SOLENOID WHEEL SOLENOID LOCK CYLINDER SOLENOID LOCK CYLINDER SOLENOID WHEEL SOLENOID WHEEL SOLENOID
FOR 90. FOR 0. FOR "EXTEND" FOR "RETRACT" FOR PARKING FOR PARKING
SOLENOID SPECIFICATIONS
AC200V 60HZ
INRUSH 2A
RATED 0.5A
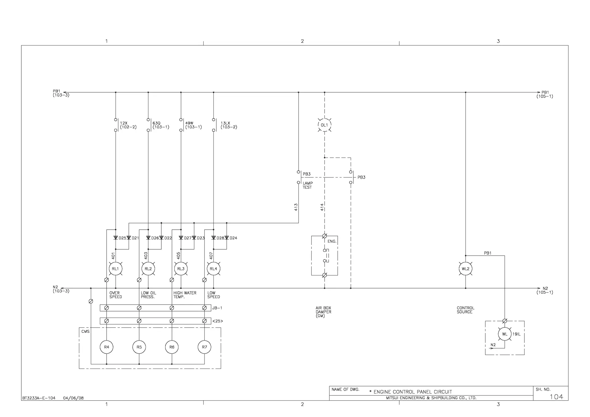
I NAME OF DWG.
CONTROL PANEL STEERING SOLENOID CIRCUIT
I SH, NO,
BT3233A-E-D13 D4/05/11 I MITSUI ENGINEERING & SHIPBUILDING CO., LTD. I 1 3
I 2 I 3
- RC2 AC200V
(05 2)
,---
<PS>
CONNECTOR
JB-S1
SPREADER
HYO. UNIT
<PS>
CONNECTOR
40FT
(33-3)
SL1
L___~
SPREADER
"EXTEND"
SOLENOID
BT3233A-E-014 04 04 13
, I 20FT
(33-3}
SL2
SPREADER
"RITACT"
SOLENOID
LOK UNL
{33-2} (33-3)
SLJ SL4
- - - - - - - - - - - - - -
SPREADER
TWISTLOCK
"LOCKED"
SOLENOID
SPREADER
TWISTLOCK
"LJNCKED"
SOLENOID
SOLENOID SPEC.
AC200V 60HZ
INRUSH AMP.2A
RATED AMP. 0.5A
2 3
(14A-1)
, I SPJ , I SP4
(33-2) (33-3)
SPS5 SPS6
--1
'
I
'
I
'
I
'
I
'
I
'
- - - - - - - - - - - - - -
_l_J
SPARE SPARE
NAME OF DWG.
TROLLEY AUX. PANEL SOLENOID FOR SPREADER CIRCUIT(1)
SH. NO.
MITSUI ENGINEERING & SHIPBUILDING CO., LTD. 14
2 3
2 3
(14-3) RC2
,----- - - - - - - - - - - - - - - - - - - - - - - - - - - - - - - - - - - - - - - - - - - - - - - - - - - - - - - - ,
(14-3)
<PS>
CONNECTOR
JB-S1
JB-S2
JB-52
TC2
a(32-3)
SPREADER
TWISTLOCK
"LOCKED1"
BT3233A-E-D14A 04 04 13
JB-S3
~ <LS-TL2>
JB-53
<PS>
CONNECTOR
13
a(31-2)
SPREADER
TWISTLOCK
"LOCKED2"
JB-S2
~<LS-TU1>
JB-52
<PS>
CONNECTOR
17
a(32-3)
SPREADER
TWISTLOCK
"UNLOCKED1"
JB-S3
~ <LS-TU2>
JB-53
<PS>
CONNECTOR
14
UL2
UL2
a(31-2)
SPREADER
TWISTLOCK
"UNLOCKED2"
JB-S2 JB-S3
~ <LS-LA1 > ~ <LS-LA3>
cfJB-S2 cfJB-S3
~ <LS-LA2> ~ <LS-LA4>
JB-53
0_ 1,, F
120D
a(32-2) a(32-3)
SPREADER SPREADER
TWISTLOCK TWISTLOCK
"LANDED1" "LANDED2"
MY2N-CR
(WITH ACTION INDICATOR)
NAME OF DWG.
2
~ <LS-P20>
<PS>
CONNECTOR
11
a(32A-3) a(32A-3)
SPREADER
POSITION
DETECT 20'
SPREADER
"CONNECTED"
~ <LS-P40>
a(32-2)
SPREADER
POSITION
DETECT 40'
_____ _J
Q_ 1" F
120D
TROLLEY AUX. PANEL SOLENOID FOR SPREADER CIRCUIT(2)
SH. NO.
MITSUI ENGINEERING & SHIPBUILDING CO., LTD.
3
14A
2 3
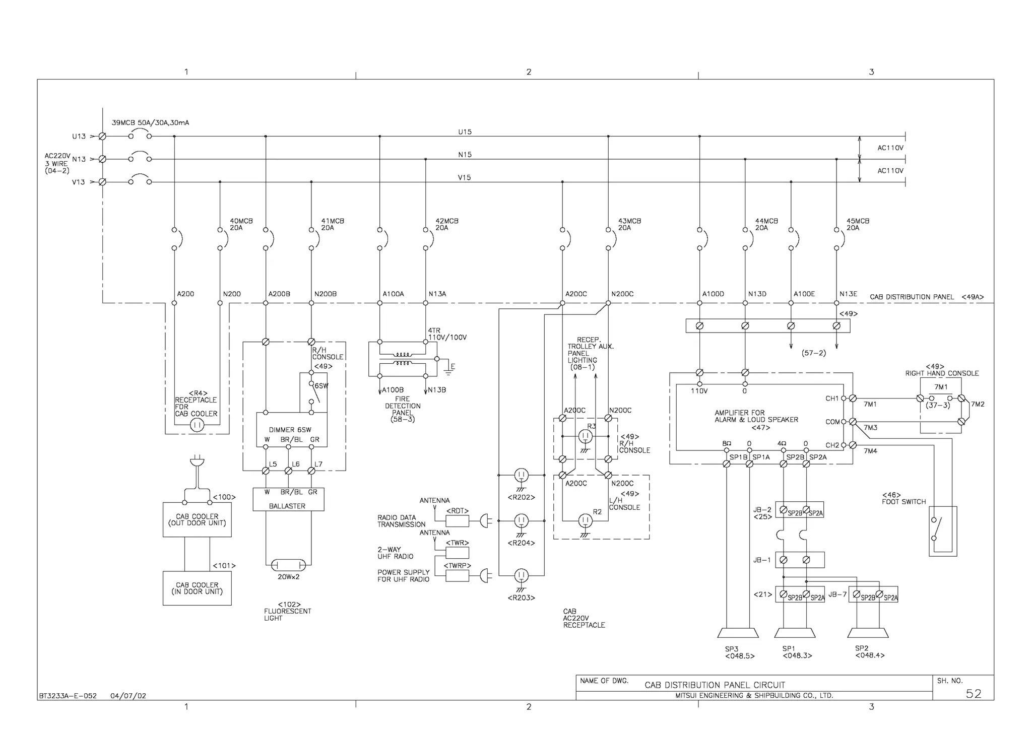
RCC AC1 OOV
(08-2)
BL BL BL BL 5 3
24 21
r, ro BN
<034.1 > <034.2> <033.1 > <033.2> <004> ~ <0591>
BR BR BR BR 6 4
25 22 29 32 BU
<031> <035>
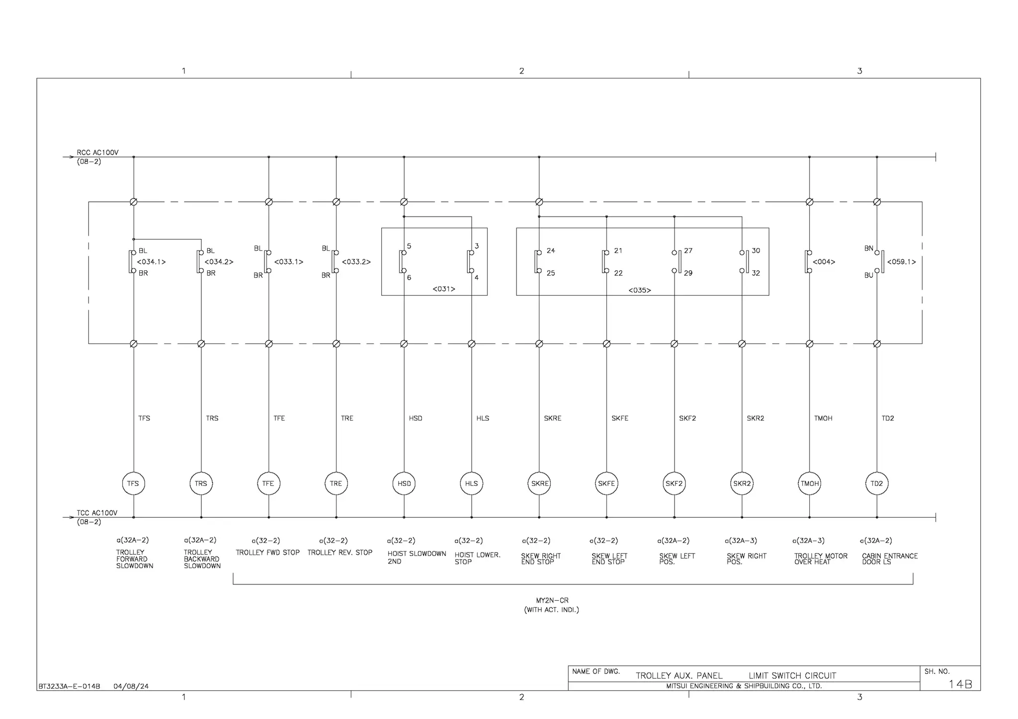
TFS TRS TFE TRE HSO HLS SKRE SKFE SKF2 SKR2 TMOH T02
TFS TRS TFE TRE HSD HLS SKRE SKFE SKF2 SKR2 TMOH TD2
TCC AC1 OOV
(08-2)
a(32A-2) o(32A-2) 0(32-2) 0(32-2) a(32-2) a(32-2) 0(32-2) 0(32-2) a(32A-2) o(32A-3) o(32A-3) o(32A-2)
TROLLEY TROLLEY TROLLEY FWD STOP TROLLEY REV. STOP HOIST SLOWDOWN HOIST LOWER. SKEW RIGHT SKEW LEFT SKEW LEFT SKEW RIGHT TROLLEY MOTOR CABIN ENTRANCE
FORWARD BACKWARD 2NO STOP END STOP END STOP POS. POS. OVER HEAT DOOR LS
SLOWDOWN SLOWDOWN
MY2N-CR
(WITH ACT. INDI.)
NAME OF DWG.
TROLLEY AUX. PANEL LIMIT SWITCH CIRCUIT
SH. NO.
BT3233A-E-014B 04 08 24 MITSUI ENGINEERING & SHIPBUILDING CO., LTD. 148
2 3
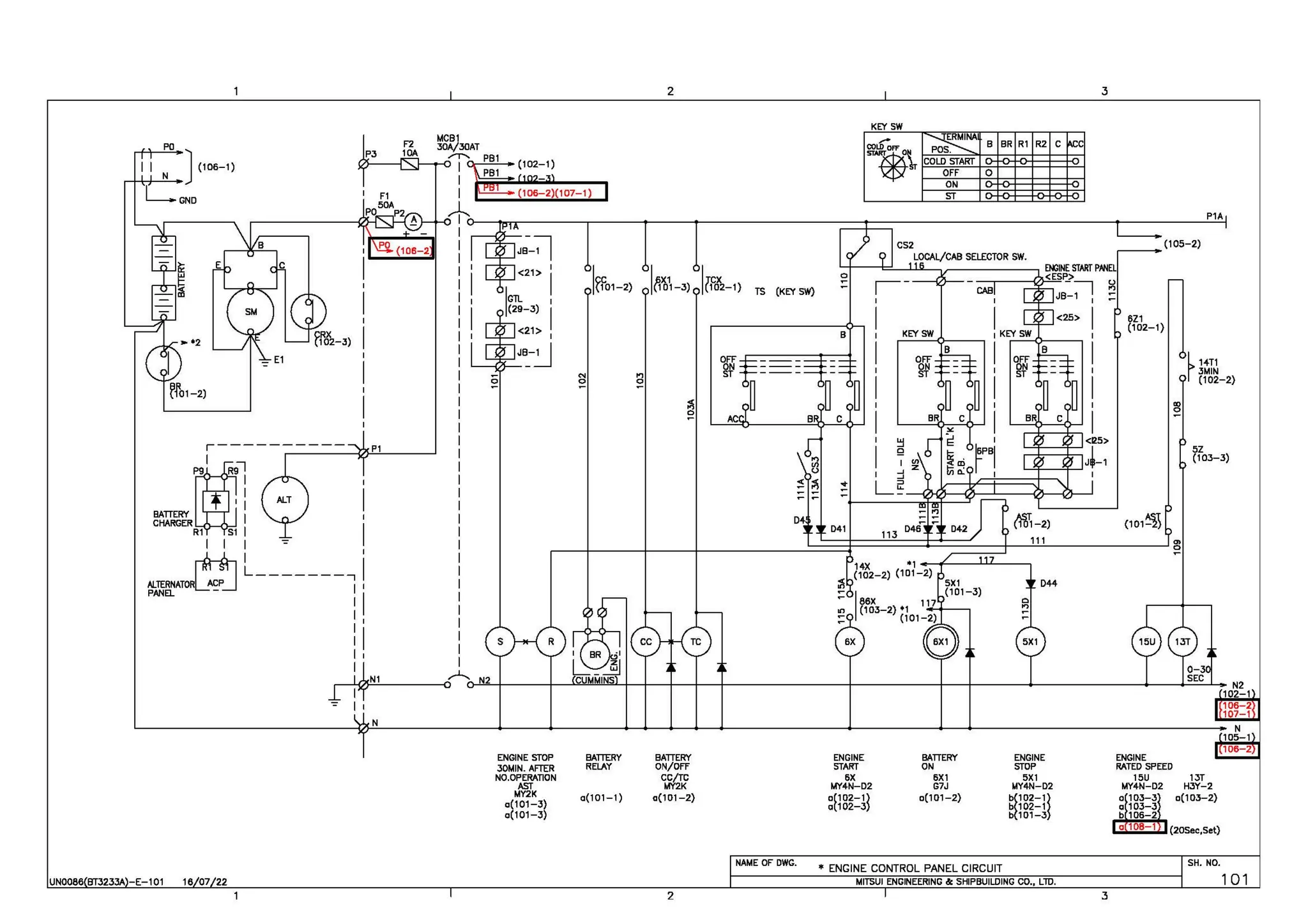
RC1 AC100V
(05-2)
INV1
TC1 AC100V
(05-2)
306
I
'
I
30C
10-2)
3CR
3CR
a(15-2)
a(21-3)
I
'
I
INVZ
306
I
'
I
30C
11-2)
4CR
4CR
a(15-2)
a(21-3)
I
'
I
INY3
306
30C
12-2)
5CR
5CR
a(15-2)
a(21-3)
HOIST/GANTRY HOIST/GANTRY TROLLEY
INV.1 FAULT INV.2 FAULT INV.3 FAULT
3-8CT MY2N-CT
(WITH ACTION INDICATOR)
BT3233A-E-015 04 05 19
CLOS1 AT
OPER TING
I ,
I
2
PLC1
(19-1}
7CR 2PL
6CR 7CR GL
o( - ) a(15-2)
o( - )
SPARE SEQUENCER
RUN
2 3
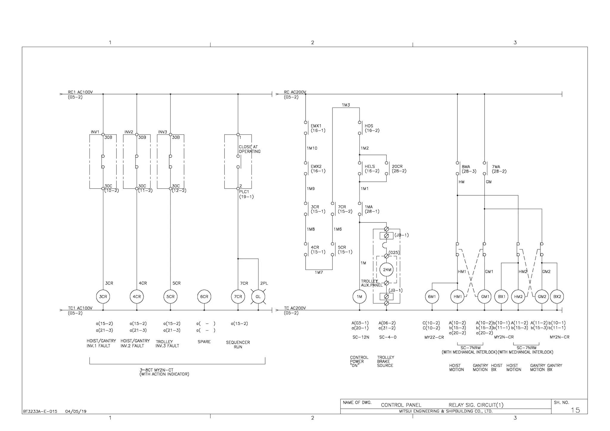
RC AC200
'
(05-2)
1M3
I EMX1
1
111°o'-2i
F:" h
I EMX2 I HELS I 20CR I BMA I 7MA
F'' F'"''
(28-3) (28-2)
HM GM
I 3CR I 7CR I 1MA
F'''F"'
(28-1)
I 4CR I 5CR
0 ( 1 5 - 1 ) ' -,
 I I I
1M I I
I I
 I
HM:ii I
1M7 HM1  I GM1 GM2
v I I
/ v
I  /
1M 6M1 HM1 GM1 6X1 HM2
TC AC200V
(05-2)
A(03-1) A(06-2} C(10-2) A(10-2) A(10-2)b(10-1) A(11-2) A(11-2) b(10-1)
a(20-1) 0(31-2) C(10-2) b(15-3) b(15-3)b(11-1) b(15-3) b(15-3) b(11-1)
a(20-2) a(Z0-2)
SC-12N SC-4-0 MY2Z-CR MY2N-CR MYZN-CR
SC-7NRM SC- 7NRM
(WITH MECHANICAL INTERLOCK)(WITH MECHANICAL INTERLOCK)
CONTROL TROLLEY
POWER BRAKE
"ON" SOURCE HOIST GANTRY HOIST HOIST GANTRY GANTRY
MOTION MOTION BX MOTION MOTION BX
1 5
NAME OF DWG.
CONTROL PANEL RELAY SIG. CIRCUIT(1)
SH. NO.
MITSUI ENGINEERING & SHIPBUILDING CO., LTD.
2 3
2 3
RC1 AC100V
(17-1)
(05-2)
-----------------------,
,-------
'
I
'
I
~----------
1
- - - - , - RC1
i JB-1 [ J
'
I
'i JB-2
<25>~-t----t----t=======:-----------------~
'
I <25>
I JB-2
I
'
I <25>
1
JB-2
LJ~--'_ ------JB-1
EPB2
JB-1
L__ - - - - - - - - - -
HOS HELS HUS HSL
EMX1 EMX2
EMX1 EMX2 HOS HELS HUS HSL
(17-1)
TC1 AC100V
(05-2)
a(15-2) a(15-2) a(21-1) a(21-1) a(21-2) a(21-2) a(21-2) <i(21-2)
a(21-1) a(21-1) a(15-2) a(15-2)
EM'CY STOP EM'CY STOP HOIST HOIST HOIST HOIST SPARE SPARE
(FOR ENGINE) (FOR MAIN. SOURCE) OVERSPEED OVER END STOP SLOWDOWN
TRAVEL (2ND)
SH. NO.
NAME OF DWG.
CONTROL PANEL RELAY SIG. CIRCUIT(2)
1 6
04 08 24 MITSUI ENGINEERING & SHIPBUILDING CO., LTD.
BT3233A-E-016
2 3
16-3
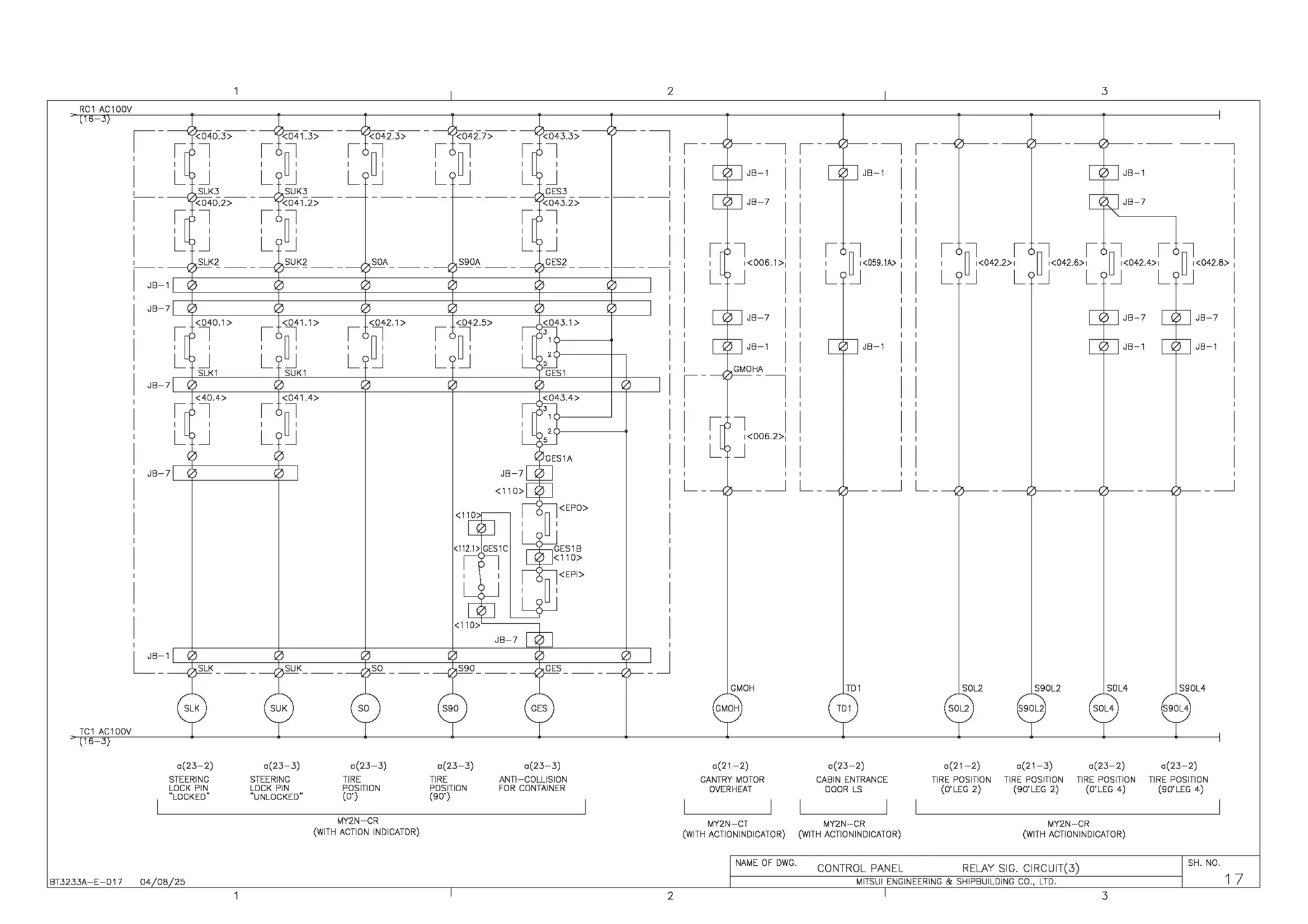
a(23-2)
STEERING
LOCK PIN
"LOCKED"
BT3233A-E-017 04 08 25
a(23-3)
STEERING
LOCK PIN
"UNLOCKED"
0(23-3)
TIRE
POSITION
(O")
MY2N-CR
(WITH ACTION INDICATOR)
0(23-3)
TIRE
POSITION
(90")
a(23-3)
ANTI-COLLISION
FOR CONTAINER
2
3
,--- ---, ,--- ----,
JB-1
JB-7
I :;-i
1 ~ 1<059.1A>
L :'J
JB-1
,-
'
I
'
I
L_ _ _J L_ - _J L - ---{,'>--- ---vi--_J
GMOH
GMOH
0(21-2)
GANTRY MOTOR
OVERHEAT
TOI
TDI
0(23-2)
CABIN ENTRANCE
DOOR LS
MY2N-CT MY2N-CR
(WITH ACTIONINDICATOR) (WITH ACTIONINDICATOR)
NAME OF DWG.
CONTROL PANEL
SOL2
SDL2
S90L2
S90L2
SOL4
SOL4
S90L4
S90L4
0(21-2) a(21-3) 0(23-2) 0(23-2)
TIRE POSITION TIRE POSITION TIRE POSITION TIRE POSITION
w=~ ~=~ w=~ ~·=~
MY2N-CR
(WITH ACTIONINDICATOR)
RELAY SIG. CIRCUIT(3)
SH. NO.
MITSUI ENGINEERING & SHIPBUILDING CO., LTD.
3
1 7
P24C
DC24V
(05-2)
N24C
BT3233A-E-017A 04 05 19
JB-1
JB-7
<J049>
1,---:;l
I 1 2 I
I
FILTER I
MYW-1203-22
250V, 3A
3 4 '
L:___:"_J
ANTL1AANTL1B
<045.1 >
~C>---0-"
BROWN BLUE
a(23-1)
ANTI-COLLISION
(LEG1)
MY2N-D2
<J048>
I, :;l
'
2
'
I
FILTER
I
MYW-1203-22
250V, 3A
' 4 '
L: :"J
ANTL4A ANTL4B
<045.4>
BROWN BLUE
BLACK
JB-7
JB-1
a(23-2)
ANTI-COLLISION
(LEG4)
MY2N-D2
2 3
<J022> <J034>
1,---:;l I, :;l
I 1 2 I
'
2
'
I
FILTER
I I
FILTER
I
MYW-1203-22 MYW-1203-22
250V, 3A 250V, 3A
3 4 ' ' 4 '
L:___:"_J L: :"J
ANTL2A ANTL2B ANTLJA ANTL3B
<045.2> <045.3>
BROWN BLUE BROWN BLUE
"~'
BLACK
ANTL2 N24C ANTL3
ANTL2 ANTL3
a(23-2) a(23-2)
ANTI-COLLISION ANTI-COLLISION
(LEG2) (LEG3)
MY2N-D2 MY2N-D2
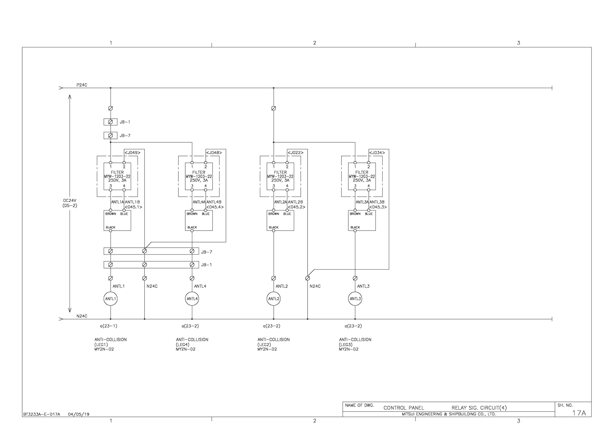
CONTROL PANEL RELAY SIG. CIRCUIT(4)
SH. NO.
NAME OF DWG.
17A
MITSUI ENGINEERING & SHIPBUILDING CO., LTD.
2 3
1 2 3 4 5
E
D
C
B
A
Date Name
Drawn
Checked
Approved
Rev. Change Date Name Orig. Replaces Replaced by
of
Sheet
Created
with
Copyright
as
per
ISO
16016
to
be
observed!
A
B
C
D
E
F
1 2 3 4 5 6 7 8
John Jose
Rajesh Ommi
Ravi Behara
18
ATI Manila
PLC
RTG_REVA
-CU04
6SL3040-0PA01-0AA0
P2
D-Clq
Trolley
-CU03
6SL3040-0PA01-0AA0
P2
D-Clq
Hoist/Gantry2
-CU02
6SL3040-0PA01-0AA0
P2
D-Clq
Hoist/Gantry1
DP
D-Clq
D-Clq
D-Clq
-CU01
CU320-2 DP
WITH PB
INTERFACE
HW AD - 5
6SL3040-1MA00-0AA0
P3
P4
P2
P1
Page
-
-K02
6ES7521-1FH00-0AA0
/20.2E
PN
DP
PN
PN
-K01
SIMATIC S7-1500,
CPU 1516-3 PN/DP
HW AD - 2
6ES7516-3AN01-0AB0
P3
P4
P2
P1
Page
-
-K03
6ES7521-1FH00-0AA0
/21.2E
Page
-
-K05
6ES7522-5FH00-0AA0
/28.2C
Page
-
-K06
6ES7522-5FH00-0AA0
/29.2C
Page
-
-K04
6ES7521-1BH10-0AA0
/23.2E
Page
-
-K07
6ES7532-5NB00-0AB0
/30.4E
Page
-
-K08
6ES7521-1FH00-0AA0
/30A.2E
PB
-K20
ET 200MP,
IM155-5
DP ST
HW AD - 3
6ES7155-5BA00-0AB0
P1
Page
-
-K21
6ES7521-1FH00-0AA0
/31.2E
Page
-
-K22
6ES7521-1FH00-0AA0
/32.2E
Page
-
-K25
6ES7531-7QD00-0AB0
/34A.4E
PB
-K30
ET 200MP,
IM155-5
DP ST
HW AD - 4
6ES7155-5BA00-0AB0
P1
Page
-
-K31
6ES7521-1BH10-0AA0
/35.2E
Page
-
-K32
6ES7521-1BH10-0AA0
/36.2E
Page
-
-K33
6ES7522-1BH10-0AA0
/37.2C
PB
-K40
ET 200MP,
IM155-5
DP ST
HW AD - 6
6ES7155-5BA00-0AB0
P1
Page
-
-K41
6ES7521-1BH10-0AA0
/38.2E
Page
-
-K42
6ES7521-1BH10-0AA0
/39.2E
Page
-
-K43
6ES7522-1BH10-0AA0
/40.2C
-TB1
6SL3210-1PE32-5UL0
P1
Drive/10.3C
Hoist/Gantry 1
400V 132kW
-TB3
6SL3210-1PE32-5UL0
P1
Drive/11.3C
Hoist/Gantry 2
400V 132kW
-TB5
6SL3210-1PE31-1UL0
P1
Drive/12.3C
Trolley 1
400V 55kW
CMS
-CU00
CMS
RJ45
TROLLEY AUX PANEL
CONTROL STATION
RIGHT HAND CONSOLE LEFT HAND CONSOLE
Page
-
-K23
6ES7522-5FH00-0AA0
/33.2C
Page
-
-K24
6ES7521-1FH00-0AA0
/32A.2E
DI
DI DI DI DO DO AO DO DI DO DI AI
DI DI DO DI DI DO
1 2 3 4 5 6 7 8
F
E
D
C
B
A
Rev. Change Date Name Orig. Sheet
Date
Drawn
Checked
Approved Replaces
Copyright
as
per
ISO
16016
to
be
observed!
Created
with
21-Jun-19
John Jose
Rajesh Ommi
Ravi Behara
Control Panel DI Unit
RTG_REVA
ATI Manila
20
A
B
C
D
E
F
1 2 3 4 5 6 7 8
PLC
of
19 21
-K02
S7-1500,
DI
16x230VAC
BA
8
18
28
38
/18.3A
Main
Contactor
1
B0000
%I0.0
INV.
CONTROL
SOURCE
3
B0001
%I0.1
GANTRY
STEER
PUMP
MOTOR
5
B0002
%I0.2
GANlRY
MOTOR
BRAKE
7
B0003
%I0.3
HOIST
MOTOR
11
B0004
%I0.4
GANTRY
MOTOR
13
B0005
%I0.5
SPARE
15
B0006
%I0.6
AUX.
MACHINE
MCB
17
B0007
%I0.7
AC+440V
MAIN
SOURCE
TROLLEY
21
B0008
%I1.0
INV.
CONT.
SOURCE
MCB
23
B0009
%I1.1
STEERING.
PUMP
MOTOR
MCB
25
B000A
%I1.2
GANTRY
MOTOR
BRAKE
MCB
27
B000B
%I1.3
AUX.
MACHINE
AC220V
MCB
31
B000C
%I1.4
STEERING
PUMP
MOTOR
THERMAL
33
B000D
%I1.5
SPARE
35
B000E
%I1.6
SPARE
37
B000F
%I1.7
2THR
(03-3)
1M
(15-2)
RC1 AC 100V
/21.1A
RC1 AC 100V
2M
(28-1)
3M
(28-1)
4M
(28-1)
HMI
(15-3)
GM1
(15-3)
2MCB
(03-1)
3MCB
(03-2)
4MCB
(03-2)
5MCB
(03-2)
6MCB
(03-02)
9MCB
(04-1)
1THR
(03-2)
(05-2)
TC1 AC100V
(05-2)
/21.1F
TC1 AC100V
1 2 3 4 5 6 7 8
F
E
D
C
B
A
Rev. Change Date Name Orig. Sheet
Date
Drawn
Checked
Approved Replaces
Copyright
as
per
ISO
16016
to
be
observed!
Created
with
06-Feb-20
John Jose
Rajesh Ommi
Ravi Behara
Control Panle DI Unit
RTG_REVA
ATI Manila
21
A
B
C
D
E
F
1 2 3 4 5 6 7 8
PLC
of
20 23
-K03
S7-1500,
DI
16x230VAC
BA
8
18
28
38
/18.4A
EMERGENCY
STOP
1
B0010
%I2.0
SPARE
3
B0011
%I2.1
HOIST
OVER
SPEED
5
B0012
%I2.2
HOIST
OVER
TRAVEL
LIMIT
SWITCH
7
B0013
%I2.3
HOIST
ORDINARY
END
STOP
LS
11
B0014
%I2.4
HOIST
SLOWDOWN
LS
13
B0015
%I2.5
SPARE
15
B0016
%I2.6
SPARE
17
B0017
%I2.7
GANTRY
MOTOR
OVER
HEAT
21
B0018
%I3.0
SPARE
23
B0019
%I3.1
SPARE
25
B001A
%I3.2
STEERING
0
(LEG
2)
27
B001B
%I3.3
STEERING
90
(LEG
2)
31
B001C
%I3.4
HOIST/
GANTRY
INVERTER
1
FAULT
33
B001D
%I3.5
HOIST/GANTRY
INVERETR
2
FAULT
35
B001E
%I3.6
TROLLEY
INV
3
FAULT
37
B001F
%I3.7
(03-3)
EMX1
(16-1)
RC1 AC 100V
/20.7A /30A.2A
RC1 AC 100V
HOS
(16-2)
HELS
(16-2)
HUS
(16-2)
HSL
(16-2)
GMOH
(17-2)
4CR
(15-1)
5CR
(15-1)
SOL2
(17-3)
S90L2
(17-3)
3CR
(15-1)
TC1 AC100V
/20.2F
EMX2
(16-1)
9CR
(16-3)
10CR
(16-3)
/30A.2F
TC1 AC100V
1 2 3 4 5 6 7 8
F
E
D
C
B
A
Rev. Change Date Name Orig. Sheet
Date
Drawn
Checked
Approved Replaces
Copyright
as
per
ISO
16016
to
be
observed!
Created
with
09-Feb-20
John Jose
Rajesh Ommi
Ravi Behara
Control Panel DI Unit
RTG_REVA
ATI Manila
23
A
B
C
D
E
F
1 2 3 4 5 6 7 8
PLC
of
21 28
-K04
S7-1500,
DI
16X24VDC
BA
20
18
28
38
/18.4A
FAULT
RESET
1
B0020
%14.0
SPARE
2
B0021
%I4.1
SPARE
3
B0022
%I4.2
ANTI
COLLISION
LEG
1
4
B0023
%I4.3
ANTI
COLLISION
LEG
2
5
B0024
%I4.4
ANTI
COLLISSION
LEG
3
6
B0025
%I4.5
ANTI
COLLISSION
LEG
4
7
B0026
%I4.6
STEERING
0
(LEG
4)
8
B0027
%I4.7
STEERING
90
(LEG
4)
11
B0028
%I5.0
SPACE
HEATER
ON
12
B0029
%I5.1
CABIN
ENTRANCE
DOOR
LS
13
B002A
%I5.2
STEERING
LOCK
PIN
INSERT
14
B002B
%I5.3
STEERING
LOCK
PIN
RETRACT
15
B002C
%I5.4
STEERING
0
(LEG
1,3)
16
B002D
%I5.5
STEERING
90
(LEG
1,3)
17
B002E
%I5.6
GANTRY
ABNORMAL
APPROACH
18
B002F
%I5.7
12PB
P24B
ANTIL1
(17A-1)
ANTIL2
(17A-1)
ANTIL3
(17A-2)
SOL4
(17-3)
S90L4
(17-3)
SHX
(55-3)
TD1
(17-2)
SLK
(17-1)
SUK
(17-1)
SO
(17-1)
N24B
ANTIL4
(17A-2)
S90
(17-2)
GES
(17-2)
(19-1)
(19-1)
1 2 3 4 5 6 7 8
F
E
D
C
B
A
Rev. Change Date Name Orig. Sheet
Date
Drawn
Checked
Approved Replaces
Copyright
as
per
ISO
16016
to
be
observed!
Created
with
09-Feb-20
John Jose
Rajesh Ommi
Ravi Behara
Control Panel DO Unit
RTG_REVA
ATI Manila
28
A
B
C
D
E
F
1 2 3 4 5 6 7 8
PLC
of
23 29
1MA
a(15-2)
MY2N-CR
-K05
S7-1500,
DQ
16x230VAC/1A
ST
(Triac)
1
5
11
15
21
24
/18.4A
31
35
MAIN
CONTACTOR
AUX
2
B0030
%Q0.0
INVERTER
CONTROL
SOURCE
3
B0031
%Q0.1
STEERING
PUMP
MOTOR
6
B0032
%Q0.2
GANTRY
MOTOR
BRAKE
7
B0033
%Q0.3
HOIST
EMERGENCY
END
STOP
LS
BYPASS
12
B0034
%Q0.4
SPARE
13
B0035
%Q0.5
GANTRY
CHANGE
OVER
AUX
16
B0036
%Q0.6
SPARE
17
B0037
%Q0.7
LIGHTING
22
B0038
%Q1.0
PANEL
COOLER
10M
23
B0039
%Q1.1
PANEL
COOLER
11M
26
B003A
%Q1.2
SPARE
27
B003B
%Q1.3
HOIST
CHANGEOVER
AUX
32
B003C
%Q1.4
SPARE
33
B003D
%Q1.5
MAIN
CONTACTOR
AUX
INDICATION
36
B003E
%Q1.6
FAULT
INDICATION
37
B003F
%Q1.7
7MA
a(15-3)
MY2N-CR
9M
A(04-1)
SC-NZ
10M
A(04-2)
SC-4-0
11M
A(04-2)
SC-4-0
8MA
a(15-3)
MY2N-CR
4PL
GL
3M
A(03-2)
a(20-1)
SC-N2S
20CR
a(15-2)
MY2N-CR
4M
A(03-3)
a(20-1)
SC-0
2M
A(03-2)
a(20-1
SC-0
5PL
OL
RC AC200V
TC AC200V
/29.2A
RC AC200V
/29.2E
TC AC200V
(05-2)
(05-2)
1 2 3 4 5 6 7 8
F
E
D
C
B
A
Rev. Change Date Name Orig. Sheet
Date
Drawn
Checked
Approved Replaces
Copyright
as
per
ISO
16016
to
be
observed!
Created
with
09-Feb-20
John Jose
Rajesh Ommi
Ravi Behara
Control Panel DO Unit
RTG_REVA
ATI Manila
29
A
B
C
D
E
F
1 2 3 4 5 6 7 8
PLC
of
28 30
-K06
S7-1500,
DQ
16x230VAC/1A
ST
(Triac)
1
5
11
15
21
24
/18.4A
31
35
TIRE
POSITION
0
DEGREE
SOLENOID
2
B0040
%Q2.0
TIRE
POSITION
90
DEGREE
SOLENOID
3
B0041
%Q2.1
STEERING
LOCK
SOLENOID
6
B0042
%Q2.2
STEERING
RELEASE
SOLENOID
7
B0043
%Q2.3
HOI/GAN
INVERTER
RESET
12
B0044
%Q2.4
TROLLEY
INVERTER
RESET
13
B0045
%Q2.5
TIRE
PARKING
POSITION
(PARK1)
16
B0046
%Q2.6
TIRE
PARKING
POSITION
(PARK2)
17
B0047
%Q2.7
EVSC
CONTROL
RESET
22
B0048
%Q3.0
INVERTER
(INV7)
STOP
SIGNAL
23
B0049
%Q3.1
ENGINE
SPEED
COMMAND
1
26
B004A
%Q3.2
ENGINE
NORMAL
CONTROL
MODE
27
B004B
%Q3.3
SPARE
32
B004C
%Q3.4
GANTRY
WARNING
LIGHT
33
B004D
%Q3.5
SPARE
36
B004E
%Q3.6
ENGINE
STOP
(30
MTS)
37
B004F
%Q3.7
ES1
a(107-2)
MY2N-CR
14
13
MODE
a(107-2)
a(F05-2)
MY2N-CR
14
13
RC AC200V
/28.3A
TC AC200V
/28.8E
0
a(13-2)
90
a(13-1)
LCK
a(13-2)
ULCK
a(13-2)
RST 1
a(10-1)
a(11-1)
RST 2
a(12-1)
PARK
1
a(13-2)
PARK
2
a(13-3)
EVSC PANEL
(F07-2)
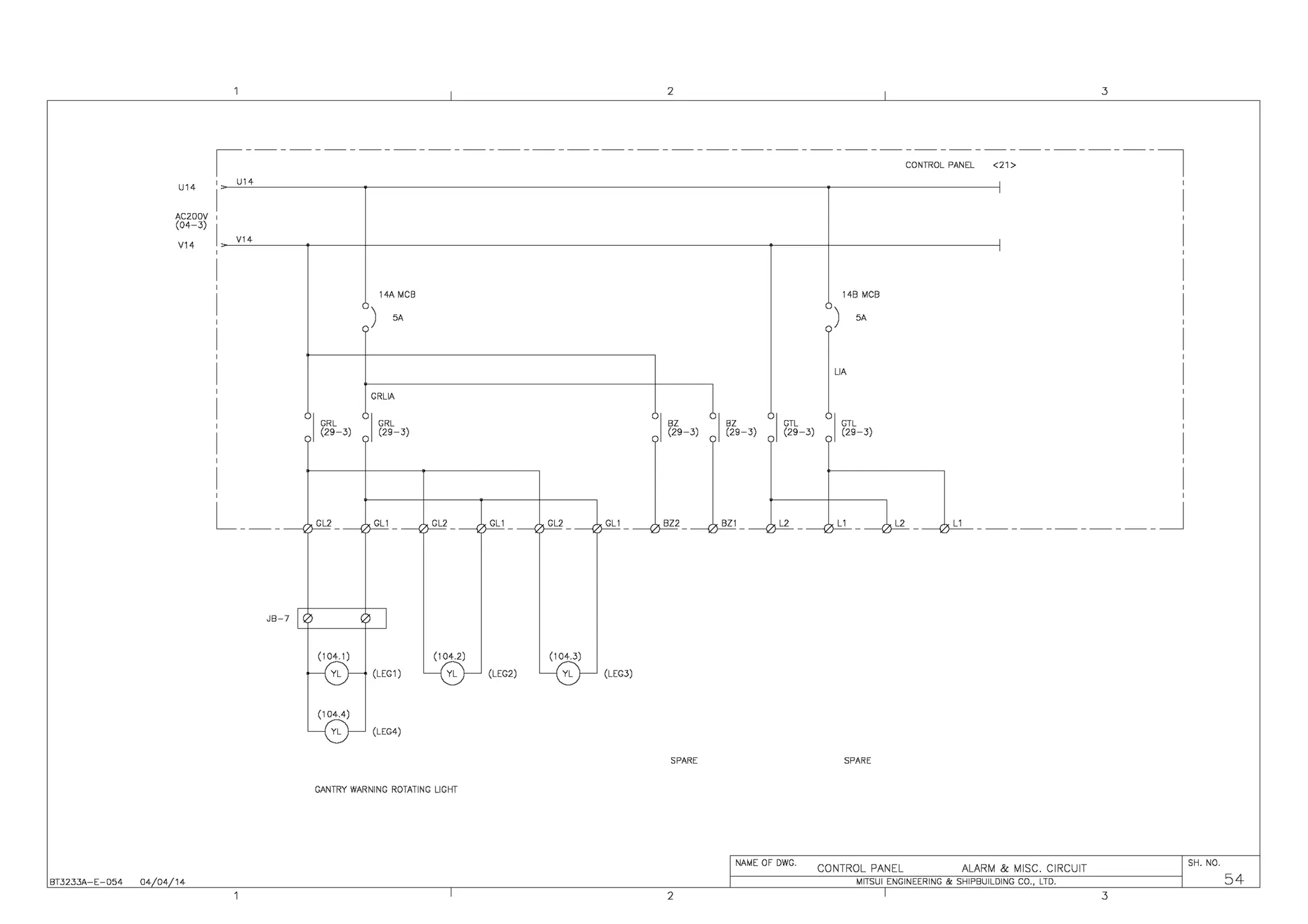
GRL
a(54-1)
a(54-1)
BZ
a(54-2)
a(54-2)
GTL
a(101-2)
LY2IN with Manual Button
LY2IN with Manual Button
1 2 3 4 5 6 7 8
F
E
D
C
B
A
Rev. Change Date Name Orig. Sheet
Date
Drawn
Checked
Approved Replaces
Copyright
as
per
ISO
16016
to
be
observed!
Created
with
09-Feb-20
John Jose
Rajesh Ommi
Ravi Behara
Control Panel AO Unit
RTG_REVA
ATI Manila
30
A
B
C
D
E
F
1 2 3 4 5 6 7 8
PLC
of
29 30A
-K07
S7-1500,
AQ
2xU/I
ST
41
43
/18.4A
1
2
Engine
Speed
Command
3
4
%QW4
5
6
SPARE
14
15
%QW6
Engine Speed Command
4~20mA
1800~700rpm)
(106-3)
JB-1
617
618
N24B
P24B
(19-1)
1 2 3 4 5 6 7 8
F
E
D
C
B
A
Rev. Change Date Name Orig. Sheet
Date
Drawn
Checked
Approved Replaces
Copyright
as
per
ISO
16016
to
be
observed!
Created
with
09-Feb-20
John Jose
Rajesh Ommi
Ravi Behara
Control Panel DI Unit
RTG_REVA
ATI Manila
30A
A
B
C
D
E
F
1 2 3 4 5 6 7 8
PLC
of
30 31
-K08
S7-1500,
DQ
16x230VAC/1A
ST
(Triac)
8
18
28
38
/18.4A
INVERTER
(INV7)
RUN
OK
1
B0070
%I6.0
INVERTER
MAIN
CIRCUIT
ON
3
B0071
%I6.1
EMERGENCY
SOUCE
(GENERATOR)
5
B0072
%I6.2
NORMAL
SOURCE
(INV)
7
B0073
%I6.3
ENGINE
RATED
SPEED
(1700RPM)
11
B0074
%I6.4
ECO
MODE
SELECTED
13
B0075
%I6.5
SPARE
15
B0076
%I6.6
SPARE
17
B0077
%I6.7
SPARE
21
B0078
%I7.0
SPARE
23
B0079
%I7.1
SPARE
25
B007A
%I7.2
SPARE
27
B007B
%I7.3
SPARE
31
B007C
%I7.4
SPARE
33
B007D
%I7.5
SPARE
35
B007E
%I7.6
SPARE
37
B007F
%I7.7
INVR
13
14
(F07-2)
RC1 AC 100V
/21.7A
RC1 AC 100V
2MS
13
14
(F07-3)
3MA
13
14
(F07-3)
3MB
13
14
(F07-3)
ESH
13
14
(F07-3)
TC1 AC100V
/21.2F
TC1 AC100V
3
ECO
MANUAL
4
EVSC PANEL
1 2 3 4 5 6 7 8
F
E
D
C
B
A
Rev. Change Date Name Orig. Sheet
Date
Drawn
Checked
Approved Replaces
Copyright
as
per
ISO
16016
to
be
observed!
Created
with
10-Feb-20
John Jose
Rajesh Ommi
Ravi Behara
Trolley Aux Panel DI Unit
RTG_REVA
ATI Manila
31
A
B
C
D
E
F
1 2 3 4 5 6 7 8
PLC
of
30A 32
-K21
S7-1500,
DI
16x230VAC
BA
8
18
28
38
/18.6A
Anti-SwyTrq
MtrColngFanThrml
1
B0100
%I16.0
Trolley
Brake
3
B0101
%I16.1
Spreader
Pmp
Motor
5
B0102
%I16.2
Skew
Motor
7
B0103
%I16.3
Spare
11
B0104
%I16.4
Spreader
Twl
"Locked"
13
B0105
%I16.5
Spreader
Twl
"Unlocked"
15
B0106
%I16.6
Torque
Mtr
"Trq
Low"
17
B0107
%I16.7
Torque
Mtr
"Trq
High"
21
B0108
%I17.0
Trolley
Brake
23
B0109
%I17.1
Hoist
Brake
25
B010A
%I17.2
Brake
Source
27
B010B
%I17.3
Spreader
Pump
Run
31
B010C
%I17.4
Skew
Mtr
(Left
Rev)
33
B010D
%I17.5
Skew
Mtr
(Right
Rev)
35
B010E
%I17.6
Hoist
Mtr
Cooling
Fan
37
B010F
%I17.7
21M
(33-1)
RCC AC100V
/32.2A
RCC AC100V
22MF
(33-1)
22MR
(33-1)
23M
(33-1)
24M
(15-2)
25M
(33-2)
28M
(33-2)
29M
(33-2)
UL2
(14A-2)
LK2
(14A-1)
22MCB
(06-2)
23MCB
(06-2)
TCC AC 100V
/32.1F
TCC AC 100V
26M
(33-2)
24A
MCB
(06-3)
28THR
(07-2)
29THR
(07-2)
30THR
(07-2)
31THR
(07-3)
(08-2)
(08-2)
1 2 3 4 5 6 7 8
F
E
D
C
B
A
Rev. Change Date Name Orig. Sheet
Date
Drawn
Checked
Approved Replaces
Copyright
as
per
ISO
16016
to
be
observed!
Created
with
10-Feb-20
John Jose
Rajesh Ommi
Ravi Behara
Trolley Aux Panel DI Unit
RTG_REVA
ATI Manila
32
A
B
C
D
E
F
1 2 3 4 5 6 7 8
PLC
of
31 32A
21MCB
(06-1)
RCC AC100V
/31.7A /32A.2A
RCC AC100V
24MCB
(06-2)
25MCB
(07-1)
27MCB
(07-2)
TFE
(14B-1)
TRE
(14B-1)
HLS
(14B-2)
SKRE
(14B-2)
SKFE
(14B-2)
PO40
(14A-3)
26MCB
(07-1)
LK1
(14-1)
TCC AC 100V
/31.2F /32A.2F
TCC AC 100V
-K22
S7-1500,
DI
16x230VAC
BA
8
18
28
38
/18.6A
Spreader
"Landed"
1
B0110
%I18.0
Spreader
"Landed"
3
B0111
%I18.1
Twist
Lock
"Unlocked"
5
B0112
%I18.2
Twist
Lock
"Locked"
7
B0113
%I18.3
Anti-Sway
Torque
Motor
11
B0114
%I18.4
Spreader
Pos
Detect
20FT
13
B0115
%I18.5
Skew
Left
End
Stop
15
B0116
%I18.6
Skew
Right
End
Stop
17
B0117
%I18.7
Lowering
Stop
21
B0118
%I19.0
HoistSlowDwn(2
Step
SlwDwn)
23
B0119
%I19.1
Trolley
Rev
End
Stop
LS
25
B011A
%I19.2
Trolley
Fwd
End
Stop
LS
27
B011B
%I19.3
Anti-Sway
TorqMtr
ColnFan
31
B011C
%I19.4
Anti-Sway
Torque
Motor
33
B011D
%I19.5
Brake
Source
on
Trolley
35
B011E
%I19.6
Hoist
Mtr
Cooling
Fan
37
B011F
%I19.7
HSD
(14B-2)
UL1
(14-1)
LD1
(14-3)
LD2
(14A-2)
1 2 3 4 5 6 7 8
F
E
D
C
B
A
Rev. Change Date Name Orig. Sheet
Date
Drawn
Checked
Approved Replaces
Copyright
as
per
ISO
16016
to
be
observed!
Created
with
21-Jun-19
John Jose
Rajesh Ommi
Ravi Behara
Trolley Aux Panel DI Unit
RTG_REVA
ATI Manila
32A
A
B
C
D
E
F
1 2 3 4 5 6 7 8
PLC
of
32 33
-K24
S7-1500,
DI
16x230VAC
BA
8
18
28
38
/18.6A
Spreader
Connect
Detect
1
B0130
%I20.0
Spreader
Pos
Detect
20FT
3
B0131
%I20.1
Trolley
Motor
Over
HeaT
5
B0132
%I20.2
Skew
Right
Pos.
7
B0133
%I20.3
Skew
Left
Pos.
11
B0134
%I20.4
Cabin
Entrance
Door
LS
13
B0135
%I20.5
Trolley
Fwd
Slow
Dwn
LS
15
B0136
%I20.6
Trolley
Rev
Slow
Down
LS
17
B0137
%I20.7
TROLLEY
SPARE2
21
B0138
%I21.0
TROLLEY
SPARE3
23
B0139
%I21.1
TROLLEY
SPARE4
25
B013A
%I21.2
TROLLEY
SPARE5
27
B013B
%I21.3
TROLLEY
SPARE6
31
B013C
%I21.4
TROLLEY
SPARE7
33
B013D
%I21.5
TROLLEY
SPARE8
35
B013E
%I21.6
TROLLEY
SPARE9
37
B013F
%I21.7
RCC AC100V
/32.8A
RCC AC100V
TMOH
14B-3)
CN
(14A-3)
P20
(14A-3)
TRS
(14B-1)
TFS
(14B-1)
TD2
(14B-3)
SKF2
(14B-2)
SKR2
(14A-3)
TCC AC 100V
/32.2F
TCC AC 100V
1 2 3 4 5 6 7 8
F
E
D
C
B
A
Rev. Change Date Name Orig. Sheet
Date
Drawn
Checked
Approved Replaces
Copyright
as
per
ISO
16016
to
be
observed!
Created
with
10-Feb-20
John Jose
Rajesh Ommi
Ravi Behara
Trolley Aux Panel DO Unit
RTG_REVA
ATI Manila
33
A
B
C
D
E
F
1 2 3 4 5 6 7 8
PLC
of
32A 34A
-K23
S7-1500,
DQ
16x230VAC/1A
ST
(Triac)
1
5
11
15
21
24
/18.6A
31
35
Spare
1
B0120
%Q12.0
Spreader
"Extend"
Solenoid
3
B0121
%Q12.1
Spreader
"Retract"
Solenoid
5
B0122
%Q12.2
TWL
"Unlocke"
Solenoid
7
B0123
%Q12.3
TWL
"Locked"
Solenoid
11
B0124
%Q12.4
Spare
13
B0125
%Q12.5
Spare
15
B0126
%Q12.6
Anti-Sway
Trq
Mtr"TorQ
Low"
17
B0127
%Q12.7
Anti-Sway
Trq
Mtr"TorQ
Low"
21
B0128
%Q13.0
Trolley
Brake
23
B0129
%Q13.1
Hoist
Brake
25
B012A
%Q13.2
Anti-Swy
Trq
Mtr
ColnFan
27
B012B
%Q13.3
Spreader
Hyd.
Pump
Motor
31
B012C
%Q13.4
Skew
Motor
"Reverse
Rev"
33
B012D
%Q13.5
Skew
Motor
"Normal
Rev"
35
B012E
%Q13.6
Hoist
Motot
Cooling
Fan
37
B012F
%Q13.7
RC
AC200
TC
AC200
21M
A(06-1)
A(06-1)
A(06-1)
a(31-1)
SC-03
22MF
A(06-2)
A(06-2)
A(06-2)
a(31-1)
b(33-1)
SC-03RM
22MR
A(06-2)
A(06-2)
A(06-2)
a(31-1)
b(33-1)
SC-03RM
23M
A(06-2)
A(06-2)
A(06-2)
a(31-1)
SC-4-1
27M
A(07-2)
A(07-2)
A(07-2)
a(32A-2)
SC-4-0
25M
A(06-2)
A(06-2)
A(06-3)
a(31-2)
SC-4-0
26M
A(06-3)
A(06-3)
a(31-2)
SC-03
28M
A(07-1)
A(07-1)
A(07-1)
a(31-2)
SC-4-0
29M
A(07-1)
A(07-1)
A(07-1)
a(31-2)
SC-4-0
SP3
a(14-2)
LY2IN
SP4
a(14-2)
LY2IN
LOK
a(14-1)
LY2IN
UNL
a(14-2)
LY2IN
20FT
a(14-1)
LY2IN
40FT
a(14-1)
LY2IN
(08-1)
(08-1)
1 2 3 4 5 6 7 8
F
E
D
C
B
A
Rev. Change Date Name Orig. Sheet
Date
Drawn
Checked
Approved Replaces
Copyright
as
per
ISO
16016
to
be
observed!
Created
with
10-Feb-20
John Jose
Rajesh Ommi
Ravi Behara
Trolley Aux Panel AI Unit
RTG_REVA
ATI Manila
34A
A
B
C
D
E
F
1 2 3 4 5 6 7 8
PLC
of
33 35
Load Cell L1
C
R
W
B
-K25
S7-1500,
AI
4xU/I/RTD/TC
ST
41
43
/18.6A
1
2
Load
Cell
1
Input
3
4
%IW22
5
6
Load
Cell
2
Input
7
8
%IW24
AD-4531A
ANALOG OUT
AMP1 (4~20mA)
EXC+
SIG+
EXC-
SIG-
S
COM OUT
4
5
7
6
8
11
9
10
16
15
AD-4531A
ANALOG OUT
AMP1 (4~20mA)
EXC+
SIG+
EXC-
SIG-
S
COM OUT
4
5
7
6
8
11
9
10
16
15
Load Cell L2
C
R
W
B
A1 B1 C1 D1 A2 B2 C2 D2
680Ω
680Ω
P24D
N24D
DC24V
(08-1)
RC
TC
AC200V
(08-1)
P24D
N24D
DC24V
(08-1)
1 2 3 4 5 6 7 8
F
E
D
C
B
A
Rev. Change Date Name Orig. Sheet
Date
Drawn
Checked
Approved Replaces
Copyright
as
per
ISO
16016
to
be
observed!
Created
with
13-Feb-20
John Jose
Rajesh Ommi
Ravi Behara
Right Hand Console DI Unit
RTG_REVA
ATI Manila
35
A
B
C
D
E
F
1 2 3 4 5 6 7 8
PLC
of
34A 36
8bit ABSOLUTE ENCODER
+24V
2^0
2^1
2^2
2^3
2^4
2^5
2^6
2^7
ENCODER FOR GANTRY CONTROL
0V
8bit ABSOLUTE ENCODER
+24V
2^0
2^1
2^2
2^3
2^4
2^5
2^6
2^7
ENCODER FOR HOIST CONTROL
0V
-K31
S7-1500,
DI
16X24VDC
BA
20
/18.7B
Hoist
Encdr
Bit
Fig
8
1
B0200
%I8.0
Hoist
Encdr
Bit
Fig
7
2
B0201
%I8.1
Hoist
Encdr
Bit
Fig
6
3
B0202
%I8.2
Hoist
Encdr
Bit
Fig
5
4
B0203
%I8.3
Hoist
Encdr
Bit
Fig
4
5
B0204
%I8.4
Hoist
Encdr
Bit
Fig
3
6
B0205
%I8.5
Hoist
Encdr
Bit
Fig
2
7
B0206
%I8.6
Hoist
Encdr
Bit
Fig
1
8
B0207
%I8.7
Gntry
Encdr
Bit
Fig
8
11
B0208
%I9.0
Gntry
Encdr
Bit
Fig
7
12
B0209
%I9.1
Gntry
Encdr
Bit
Fig
6
13
B020A
%I9.2
Gntry
Encdr
Bit
Fig
5
14
B020B
%I9.3
Gntry
Encdr
Bit
Fig
4
15
B020C
%I9.4
Gntry
Encdr
Bit
Fig
3
16
B020D
%I9.5
Gntry
Encdr
Bit
Fig
2
17
B020E
%I9.6
Gntry
Encdr
Bit
Fig
1
18
B020F
%I9.7
P24A
/36.2A
P24A
N24A
/36.2F
N24A
(08-2)
(08-2)
1 2 3 4 5 6 7 8
F
E
D
C
B
A
Rev. Change Date Name Orig. Sheet
Date
Drawn
Checked
Approved Replaces
Copyright
as
per
ISO
16016
to
be
observed!
Created
with
13-Feb-20
John Jose
Rajesh Ommi
Ravi Behara
Right Hand Console DI Unit
RTG_REVA
ATI Manila
36
A
B
C
D
E
F
1 2 3 4 5 6 7 8
PLC
of
35 37
-K32
S7-1500,
DI
16X24VDC
BA
20
/18.7B
WHEEL
POSITION
PARKING
1
B0210
%I10.0
TIRE
POSITION
0
2
B0211
%I10.1
TIRE
POSITION
90
3
B0212
%I10.2
TWISTLOCK
LOCKED
4
B0213
%I10.3
TWISTLOCK
UNLOCKED
5
B0214
%I10.4
LIGHTING
ON
6
B0215
%I10.5
WHEEL
LOCKPIN
RELEASED
7
B0216
%I10.6
WHEEL
LOCKPIN
LOCK
8
B0217
%I10.7
GANTRY
LEFT
DIR
NOTCH
11
B0218
%I11.0
GANTRY
RIGHT
DIR
NOTCH
12
B0219
%I11.1
SPARE
13
B021A
%I11.2
LOWERING
NOTCH
MASTER
CONTROLLER
14
B021B
%I11.3
HOIST
NOTCH
MASTER
CONTROLLER
15
B021C
%I11.4
SPARE
16
B021D
%I11.5
HOIST
5
NOTCHES
MASTER
CONTROLLER
17
B021E
%I11.6
EYE
PLATE
HANDLING
ON
18
B021F
%I11.7
P24A
/35.7A /37.1A
P24A
4PBL
SPBL
N24A
/35.2F /37.1E
N24A
OFF
ON
1
2
4TSW
MC-A
5
1
0
1
5
HOIST
LOWER
2
3
4
5
6
7
1TSW
UNLOCKED
5SW
LOCKED
LEFT
RIGHT
5
1
0
1
5
MC-A
2
3
4
5
2CS
21
22
11
12
11PBL
90
OFF
0
13
14
11
12
1 2 3 4 5 6 7 8
F
E
D
C
B
A
Rev. Change Date Name Orig. Sheet
Date
Drawn
Checked
Approved Replaces
Copyright
as
per
ISO
16016
to
be
observed!
Created
with
16-Feb-20
John Jose
Rajesh Ommi
Ravi Behara
Right Hand Console DO Unit
RTG_REVA
ATI Manila
37
A
B
C
D
E
F
1 2 3 4 5 6 7 8
PLC
of
36 38
-K33
S7-1500,
DQ
16X24VDC/0.5A
BA
9
19
10
/18.7B
20
ABNORMAL
APPROACH
BZ
1
B0220
%Q8.0
STEERING
DONE
BUZZER
2
B0221
%Q8.1
GANTRY
MOTION
ALARM
3
B0222
%Q8.2
HOIST
MOTOR
OVERHEAT
4
B0223
%Q8.3
OVERLOAD
ALARM
5
B0224
%Q8.4
CRANE
COLLISION
ALARM
6
B0225
%Q8.5
SPARE
7
B0226
%Q8.6
SPARE
8
B0227
%Q8.7
SPARE
11
B0228
%Q9.0
SPARE
12
B0229
%Q9.1
SPARE
13
B022A
%Q9.2
SPARE
14
B022B
%Q9.3
WHEEL
PARK
POSITION
15
B022C
%Q9.4
STEERING
HYD
PUMP
RUN
16
B022D
%Q9.5
LOCK
PIN
RELEASED
INDICATION
17
B022E
%Q9.6
LOCK
PIN
LOCKED
INDICATION
18
B022F
%Q9.7
P24A
/36.8A
N24A
/36.2F
/38.1A
P24A
/38.1F
N24A
GL
4PBL
7M1
a(52-3)
LY2IN
BZ
1X
a(37-3)
MY2N-D2
RL
5PBL
GL
1IL
WL
11PBL
RL
8IL
RL
9IL
RL
5IL
BZ
2X
a(37-3)
MY2N-D2
BZ1X
(37-3)
BZ2X
(37-3)
2
3
1
4
COM
COM
(W. MANUAL OP BUTION)
1 2 3 4 5 6 7 8
F
E
D
C
B
A
Rev. Change Date Name Orig. Sheet
Date
Drawn
Checked
Approved Replaces
Copyright
as
per
ISO
16016
to
be
observed!
Created
with
16-Feb-20
John Jose
Rajesh Ommi
Ravi Behara
Left Hand Console DI Unit
RTG_REVA
ATI Manila
38
A
B
C
D
E
F
1 2 3 4 5 6 7 8
PLC
of
37 39
-K41
S7-1500,
DI
16X24VDC
BA
20
/18.8B
SPARE
1
B0300
%I12.0
SKEW
CENTER
POS
2
B0301
%I12.1
SPARE
3
B0302
%I12.2
SPARE
4
B0303
%I12.3
SPARE
5
B0304
%I12.4
SPARE
6
B0305
%I12.5
SPARE
7
B0306
%I12.6
SPARE
8
B0307
%I12.7
Trolley
Encdr
Bit
Fig
8
11
B0308
%I13.0
Trolley
Encdr
Bit
Fig
7
12
B0309
%I13.1
Trolley
Encdr
Bit
Fig
6
13
B030A
%I13.2
Trolley
Encdr
Bit
Fig
5
14
B030B
%I13.3
Trolley
Encdr
Bit
Fig
4
15
B030C
%I13.4
Trolley
Encdr
Bit
Fig
3
16
B030D
%I13.5
Trolley
Encdr
Bit
Fig
2
17
B030E
%I13.6
Trolley
Encdr
Bit
Fig
1
18
B030F
%I13.7
P24A
/37.8A /39.2A
P24A
N24A
/37.8E /39.2F
N24A
7PBL
8bit ABSOLUTE ENCODER
+24V
2^0
2^1
2^2
2^3
2^4
2^5
2^6
2^7
ENCODER FOR TROLLEY CONTROL (MC-B)
0V
1 2 3 4 5 6 7 8
F
E
D
C
B
A
Rev. Change Date Name Orig. Sheet
Date
Drawn
Checked
Approved Replaces
Copyright
as
per
ISO
16016
to
be
observed!
Created
with
16-Feb-20
John Jose
Rajesh Ommi
Ravi Behara
Left Hand Console DI Unit
RTG_REVA
ATI Manila
39
A
B
C
D
E
F
1 2 3 4 5 6 7 8
PLC
of
38 40
-K42
S7-1500,
DI
16X24VDC
BA
20
/18.8B
SPARE
1
B0310
%I14.0
SPARE
2
B0311
%I14.1
SPREADER
20FT
3
B0312
%I14.2
SPREADER
40FT
4
B0313
%I14.3
SPARE
5
B0314
%I14.4
GAN
DEV.CORRECT
BACKWARD
6
B0315
%I14.5
GAN
DEV.CORRECT
FORWARD
7
B0316
%I14.6
SKEW
LEFT
8
B0317
%I14.7
SKEW
RIGHT
11
B0318
%I15.0
MAIN
CONT.SOURSCE
PB
OFF
12
B0319
%I15.1
SPREADER
PUMP
STOP
13
B031A
%I15.2
SPREADER
PUMP
START
14
B031B
%I15.3
MAIN
CONT.SOURSCE
PB
ON
15
B031C
%I15.4
TROLLEY
REVERSE
NOTCH
MASTERSWITCH
16
B031D
%I15.5
TROLLEY
FORWARD
NOTCH
MASTERSWITCH
17
B031E
%I15.6
SPARE
18
P24A
/38.8A /40.1A
P24A
1PBL
3PBL
N24A
/38.8F
N24A
2TSW
RIGHT
LEFT
REV
FWD
5
1
0
1
5
MC-B
4
5
2
3
40FT
20FT
(O49.1)
13
14
11
12
2PBL
2PB
1CS
FORWARD
BACKWARD
COMBINATION
13
14 12
11
3
4
1
2
1 2 3 4 5 6 7 8
F
E
D
C
B
A
Rev. Change Date Name Orig. Sheet
Date
Drawn
Checked
Approved Replaces
Copyright
as
per
ISO
16016
to
be
observed!
Created
with
16-Feb-20
John Jose
Rajesh Ommi
Ravi Behara
Left Hand Console DO Unit
RTG_REVA
ATI Manila
40
A
B
C
D
E
F
1 2 3 4 5 6 7 8
PLC
of
39 41
-K43
S7-1500,
DQ
16X24VDC/0.5A
BA
9
19
10
/18.8B
20
SPARE
1
B0320
%Q10.0
SPARE
2
B0321
%Q10.1
SPARE
3
B0322
%Q10.2
SPARE
4
B0323
%Q10.3
SPARE
5
B0324
%Q10.4
SPARE
6
B0325
%Q10.5
SPARE
7
B0326
%Q10.6
SKEW
CENTER
POS
8
B0327
%Q10.7
SPREADER
PUMP
STOP
INDICATION
11
B0328
%Q11.0
SPREADER
PUMP
RUN
INDICATION
12
B0329
%Q11.1
MAIN
CONTROL
SOURCE
ON
IND
13
B032A
%Q11.2
SPARE
14
B032B
%Q11.3
SPARE
15
B032C
%Q11.4
SPREADER
LOCKED
INDICATION
16
B032D
%Q11.5
SPREADER
UNLOCKED
INDICATION
17
B032E
%Q11.6
SPREADER
LANDED
INDICATION
18
B032F
%Q11.7
P24A
/39.8A
N24D
WL
1SL
GL
2SL
RL
3SL
Spreader Lamp Box
WL
1PBL
GL
3PBL
RL
2PBL
WL
7PBL
2 3
,---------------------------------------------------------,
'
l~10PB
LEFT HAND CONSOLE <49>
LAMP
) TEST
LT ENGINE ENGINE FUEL ENGINE ENGINE START SWITCH
IDLE NOMINAL LEVEL NOMINAL
RUNNING SPEED SPEED
BATIERY ENGINE
ON FAULT SW
c
t'. 191L 181L Ir " 151L 161L , F.O
~zc
START INTERLOCK ENGINE
~00
f-0-r-0-. ~--0~~ ~
I I I (FAULT RESET) EM'CY STOP
lj NS
I 11 I
6PB EEPB1
" . -.1'- -1'-
0 0
:;; :;; "
c)~ 6PB
' ' '
'
N2
'
~
-------- ___ _J
,,
PB1 PB1A
~-
PB1
~----{ ~7~------
324 503
~~B----{ ~3B ~-------
116 301A
~~_J
----------; ---{ -----j - --i ---{ ~-------{
L
I I) 0 0 j f 0 1) 0 I) I) 0 0 IJB-2
<25>
I 0 0 0
' f 0 1)
"
I) 0 0
"
I JB-1
323 PB1 N2 507A 324 503 1118 1138 114 116 301A 316A
ENGINE CONTROL < 110>
NAME OF DWG. SH. NO.
L/H CONSOLE ENGINE EQUIPMENT
41
MITSUI ENGINEERING & SHIPBUILDING CO., LTD.
BT3233A-E-041 04 06 09
2 3
BT3233A-E-042 04 05 24
2
,-------------------------------------,
'
I
'
I
'
I
'
I
'
+12V OV
DC-DC CONVERTER
DC 24V/DC 12V
+V -V
<TELINY>
L_
-----V>-- ---{/>--- - - - - - - - - - - - - - - - - - - - - - - ---{/l--
P3 N1
~---~ R/H CONSOLE
<049.1 >
~-r----~ (53-1)
N1 JB-2
~--+----+--~<25>
JB-1
JB-7
N1 ENGINE CONTROL PANEL
>----------~ <11 O>
R/H CONSOLE
rsc-0--~:J--~- =n
JB-1
TEL1
<106.1>
2 3 4
'
I
w
,-TEL2 E TEL1 E - - - - ,
'
I
'
ETEL3 I
I (106.3) I
L _
------CONTR~L ~:~~~ _J
JB-7
TEL4
TEL3
NAME OF DWG.
TELEPHONE CIRCUIT
1
E
TEL5
-
<106.5>
1
E
TEL4
-
<106.4>
1
E
TEL2
-
<106.2>
MITSUI ENGINEERING & SHIPBUILDING CO., LTD.
2
3
ENGINE ROOM
ENGINE ROOM SIDE
CONTROL PANEL SIDE
SH. NO.
42
3
2 3
(04-1) (04-1)
U10AV10A U10AV10A
CONTROL PANEL
JB-1
BALLASTER BOX BALLASTER BOX
![=------------------- ------------------~
Black White Black White Black White Black White Black White Black White Black White Black White
I I <PR4.5> I I <PR4.6> I I <PR4.7> I I <PR4.7A> I I <PR4.1 DA> 11 <PR4.10> I I <PR4.9> I I <PR4.8>
<107.5> <107.6> <107.7> <107.7A> <107.10A> <107.10> <107.9> <107.8>
HPSL HPSL HPSL HPSL HPSL HPSL HPSL HPSL
FLOOD LIGHT FLOOD LIGHT FLOOD LIGHT FLOOD LIGHT FLOOD LIGHT FLOOD LIGHT FLOOD LIGHT FLOOD LIGHT
220V 450W 220V 450W 220V 450W 220V 450W 220V 450W 220V 450W 220V 450W 220V 450W
MAX4.BA MAX4.8A MAX4.BA MAX4.8A MAX4.BA MAX4.BA MAX4.8A MAX4.8A
2.65A 2.65A 2.65A 2.65A 2.65A 2.65A 2.65A 2.65A
NAME OF DWG.
FLOOD LIGHT CIRCUIT ON GIRDER
SH. NO.
BT3233A-E-050 04 06 08 MITSUI ENGINEERING & SHIPBUILDING CO., LTD. 50
2 3
BT3233A-E-050A 04 06 08
JB-1
JB-7
ENGINE ROOM
,-----
'
I
Black White
e
'''
''''
'
L_<B1>
(04-1)
U10AV10A
Black White
_J
<J045> <J046>
VENDOR CABL VENDOR CABL
<107.1>
HPSL
FLOOD LIGHT
220V 270W
M1'X2.7A
1.56A
<107.4>
HPSL
FLOOD LIGHT
220V 270W
MAX2.7A
1.56A
2 3
CONTROL PANEL
NAME OF DWG.
FLOOD LIGHT CIRCUIT ON LEG
SH. NO.
MITSUI ENGINEERING & SHIPBUILDING CO., LTD. SOA
2 3
BT3233A-E-051 04 06 08
(04-1)
U10A V10A
U10A V10A
CONTROL PANEL
JB-1
JB-2
<25>
2
BALLASTER BOX
------------------~
Black White
,
'''
'
,
'
Black White
~ Blue
~,:__~
I I <PR4.21 >
<107.21>
HPSL
FLOOD LIGHT
220V 450W
MAX4.8A
2.65A
Black White
I I <PR4.22>
<107.22>
HPSL
FLOOD LIGHT
220V 450W
MAX4.8A
2.65A
Black White
I I <PR4.23> <J074>
<107.23> <107.24>
HPSL HPSL
FLOOD LIGHT FLOOD LIGHT
220V 450W 220V 450W
MAX4.8A MAX4.8A
2.65A 2.65A
2
3
NAME OF DWG.
FLOOD LIGHT CIRCUIT ON TROLLEY
SH. NO.
MITSUI ENGINEERING & SHIPBUILDING CO., LTD. 51
3
U13
~c~1~~v N13
(04-2)
V13
BT3233A-E-052
I
'
I
'
I
'
39MCB 50A/30A,30mA
~
) )
40MCB 41MCB
20A 20A
) )
A200B N200B
L A200
---1
N200
04 07 02
'
I
'
I I '
, , I
I
<R4> I '
RECEPTACLE I
FOR
i ICAB ~~OLER'JJ' '
L:___ I DIMMER 6SW
R/H - ,
CONSOLE I
<49>
BS I
'
I
'
W BR/BL GR I
'
~-f?>L_5~7>-L_6-<71-L7__ J
<100>
CAB COOLER
(OUT DOOR UNIT)
<101>
CAB COOLER
(IN DOOR UNIT)
W BR/BL GR
BALLASTER
20Wx2
<102>
FLUORESCENT
LIGHT
2
U15
N15
V15
42MCB 43MCB
' '
20A 20A
) ) ) )
A100A N13A A200C NZOOC
--0--- - - - - - - - - - - ---(>----
4TR
~"-----0-1c;1OV/1 DOV
A100B N13B
FIRE
DETECTION
PANEL
(58-3)
2-WAY
UHF RADIO
POWER SUPPLY
FOR UHF RADIO
<R203>
RECEP.
TROLLEY AU
PANEL
LIGHTING
(08-1)
A2 OC N200C
CAB
AC220V
RECEPTACLE
I
I <49>
i~b~sOLE
3
'
'
AC110V
'
AC110V
'
44MCB 45MCB
'
20A
'
) 20A
) ) ) )
' ' )
A100D N13D A100E N13E CAB DISTRIBUTION PANEL <4
-~ ~- - - - - - - - - - - -
<49>
lo
" " 1) I
(57-2)
<49>
I
- - - - - - - RIGHT HAND CONSO
r-==~1-
'
110V 0
I
CH1
T1,,-,f'h
7M1
AMPLIFIER FOR
'
ALARM & LOUD SPEAKER COM
I
<47> 7M3 L __
'
BD 0 4D 0 CH2
L_ 7M4
SP1B SP1A SPZB SPZA
-
I
JB-21 (
<25>
'.:lspzs( -<:pzAI
JB-1 11) 1) I
<21> I (
SP3
<048.5>
 I
)spzsl)sd JB-71 (

SP1
<048.3>
I
<46>
FOOT SWITCH
~SP2B( lsd

SP2
<048.4>
-
I
-
-
9A>
LE
7M2
NAME OF DWG.
CAB DISTRIBUTION PANEL CIRCUIT
SH. NO.
MITSUI ENGINEERING & SHIPBUILDING CO., LTD. 52
2 3
2 3
<49>
(42-1) ~ P3
D
,~------------------ - - - - - - - - - - - - - - - - - - - - - - - - - - - - - - - __ _J _____ I
' 6 ~11SW ~ ----~~2F~W 6 ·~ 3SW '
I ----;- - - - - OFF --;----- -1---QFF I
' '
I ~
l--- ~ON
-t - - - - ~ON
-t - - - - - -ON
I
' '
L_ - - - - - - - - - - - - - - - - - - - - - - - - - - - - - - - - - - - ~- - - - - - - - - - - - - - - - - - - - - - - - - - - - - -
__ _J
o N ----0~14SW - N ----0~15SW ;; N ----0~16SW
0
;; N
n n n n n n n n
" " " • " " " • " " " •
0
n ;; n
N
n
z n
z z n
" " " " " "
<49> ) 1) IJ
' ' I <49' I ' LW2
' L2 1) LB2 I DI <49> I , '.) LW3 0 L3
' LB3 I IJ I
I
Bu/W Be Bu/B B
I I
B Bu/RI
I
LW L ) LB B
I I
B Bu/RI
I
LW L LB B
I I
B Bu/RI
' ' ' ' ' ' ' ' '
I
' ' '
I I I (;;; I I M I I (;; I I M I I (;; I
' ' '
-
' '
-
' '
-
' '
-
' '
-
'
I I I I I I I I I I I I
' " ' ' ' ' " ' ' ' ' " ' ' '
L "C:33000PF _J
- - - - - - - - - - - - - - - - L___J L "C:33000PF _J
- - - - - - - - - - - - - - - - L___J L "C:33000PF _J
- - - - - - - - - - - - - - - - L___J
<105.1> <WS1> <105.2> <WS2> <105.3> <WS3>
WINDOW WIPER WINDOW WASHER WINDOW WIPER WINDOW WASHER WINDOW WIPER WINDOW WASHER
<49>
~ N1
D
(42-1)
NAME OF DWG.
WINDOW WIPER CIRCUIT
SH. NO.
R/H CONSOLE
53
MITSUI ENGINEERING & SHIPBUILDING CO., LTD.
BT3233A-E-053 04 06 09
2 3
I 2 I 3
,-----------------------------------------------------,
CONTROL PANEL <21>
U14
U14
'
ACZOOV
(04-3)
V14
V14
'
14A MCB 148 MCB
) 5A
(
5A
GRLIA
11
I
GRL I GRL
I
BZ BZ
I
GTL
I
GTL
(29-3) (29-3) (29-3) (29-3) (29-3) (29-3)
L__ GL2 GL1 GL2 GL1 GL2 GL1 BZ2 BZ1 L2 L1 1L2 L1 ___________J
~
JB-7 I ,3 o I
~
(104.2)
%
L (LEG1) ~ (LEG2) L (LEG3)
LG-
L (LEG4)
SPARE SPARE
GANTRY WARNING ROTATING LIGHT
I NAME OF DWG.
CONTROL PANEL ALARM & MISC. CIRCUIT I SH. NO.
BT3233A-E-054 04/04/14 I MITSUI ENGINEERING & SHIPBUILDING CO., LTD. I 54
I 2 I 3
BT3233A-E-055
TROLLEY MOTOR HOIST MOTOR TROLLEY AUX. PANEL
1-'°o'>-I 1-<001>-1 1---1
'
11 11
' ' ' '
11
I ITH
' '
I
11E
~-------TROLLEY _______ _j
GANTRY MOTOR
1,---
1 <006.1>
Lj_ SH
AC GENERATOR
1,---
,
Lj_ SH
04 06 08
AC GENERATOR
PANEL
<24>
___ _J
2 3
GANTRY MOTOR
I <006.2>
CONTROL PANEL
1-------------,
' '
I I
' '
I TH I
U11E
SHORE POWER
AC 220V
~~~~~~~~~--j~~~~~~~~~~~~~~~~~V~1~1~E{)~-+-~-+~~~~~~~~~~~~~--J~f3:!
3)
___J
NAME OF DWG.
2
SHX
MY2N-CR
a(23-2)
I
'
I
'
I
I ,
, I
L ______________j
* SPACE HEATER CIRCUIT
MITSUI ENGINEERING & SHIPBUILDING CO., LTD.
3
SH. NO.
55
BT3233A-E-056 04 06 08
<21>
,-----,,C
I U10F
I (04-1)
I V10F I
L____ _ j
JB-1
-
/
WL6
WL7
WLB
-
-
<J016> c-
-
<J015> (
-
I
-
<J014> (
-
-
<J013>
,-
<J011> ~
<21> PB-2
WLB
~
- WL7
-
- WL6
~
~
2 3
<25> <49>
-
-
U10F
WL6
WL7
- ~
>
11 CAB
I THREE-WAY SWITCH
- ~SJ12
~9.6> I
'
L:_ _ J
~9.5>
~9.4>
ACCESS LIGHT
~9
<109.3>
~9
<109.2>
G9
<109.1>
<3SW1 >
~ -11 LEG2
'
I THREE-WAY SWITCH
i_::__]
NAME OF DWG.
ACCESS LIGHT CIRCUIT
SH. NO.
MITSUI ENGINEERING & SHIPBUILDING CO., LTD. 56
2 3
- - -- - -- - -- - ---{'.i>os313------<~s3131
+V -V
AC1 OOV ~~R"C"
1
--0 LAC 1OOV/DC9V
(05-2) ~cTcCc1_-0 N EWfJ~-9
I
'
I
CONTROL PANEL I
<21> J
- - - - - - - - - - - - - - - - - - - -
BT3233A-E-057 07/01131
I
<ITV1 > <ITV4> '
~N1 TY4
1<25>
I
2
AC110V
(52-3)
N13E A100E
N
9AVR
AC11 OV/DCZ4V
PS5R-D24
sow
PDB550
NDB550
2
I 3
,--::--~-~-~-~-~-~-~-~-~-~-~
CAB
<TIVM1 > <TIVM2>
x x
DISPLAY DISPLAY
OPERATOR'S CONSOLE
<TIVC1 > <TIVC2>
<49> CAMERA POWER CAMERA POWER
l J l ~
I
ORANGE
/BLUE
BLACK
ORANGE
/BLUE
BLACK
i
I NAME OF DWG. *ITV CAMERA CIRCUIT I SH. NO.
,e---------M~ITs-u-1-EN_G_IN~E-ER-IN_G_&-sH-IP_B_U_ILD-IN_G_C_O_,_L_TD-.----------j, 57
I 3
I 2 I 3
<21> I I
CONTROL PANEL I ' CAB
I I
'
'
I I
AC110V
(52-2)
'
'
I I
A100B N13B
'
JB-1 <25> I P1 P2
- -
SDS2A
c
 SDS2B I <FDP1 >
j ~  '
L1
FIRE
'
DETECTION
PANEL
I 'Lo- cI
1OkQ
I L cl
<HOS> <SDS2> AC110V
HEAT SMOKE (52-2)
DETECTION DETECTION
SENSOR SENSOR A100B N13B
P1 P2
I
c <FDP2>
- L2
FIRE
'
- DETECTION
PANEL
__________________ _J
----------------------<-,@-!
ENGINE ROOM
I
'
I
'
I
J~7
SDS1A
'~
'
SDS1B 1:::
j I
,_
-
'
I L cl I
<SDS1> '
SMOKE
I
DETECTION
SENSOR
'
I
'
I
'
I
I
'
I NAME OF DWG.
*FIRE DETECTION SYSTEM FIRE DETECTION SYSTEM I SH. NO.
BT3233A-E-05B 04107102 I I MITSUI ENGINEERING & SHIPBUILDING CO., LTD. I 58
I 2 I 3
BT3233A-E-061
AC110V
(04-2)
V13
N13
04 07 22
~
g
AC ADAPTER
gv-----i
E
PRINTER
AC1 DOV
Deskje3420
UPS
AC1 DOV 60Hz
700VA
Smart-UPS 700
2
KEY BOARD
MOUSE
2
TFT
AC1 DOV
15'
EIS1 FPb
VGAIN
PC
OpliPlex GX270
COM1
VGA
USB/SERIAL CONVERTER
USB-CVRSV
AGP BLANK
LPc1lfiD"IO~C~A"RDDi-~~~~~~~~~~
NAME OF DWG.
*CMS EQUIPMENT (1)
ADAPTER
FLT-ASFX
010 CIRCUIT
(62-1)
MITSUI ENGINEERING & SHIPBUILDING CO., LTD.
3
PLC1
CMS ETHERNET
MODULE MODULE
F70S
NC1 P-SO NC1 L-ET1
3
SH. NO.
61
DC24V
ENGINE
BT3233A-E-062 04 07 22
"
0
0
+
P3
N1
0
0
0
' '
~ ~
0
0
x
I R1
N
0
'~
N
0
0
x
R2
N
0
~
<AC GEN.PANEL>N
;
0
;
0
~
0
>
~
>
0
~
0
n •
0 0
' '
~ ;;;
n •
0 0
0 0
x x
I R2 I R3
R3 R4
N
~ 0
•
~
~
0 0
>
~
•
g "
ITT
~ ~
>
0 0
ITT
0
'~
ITT
0
0
x
I R4 I R5
R5
'0
•
§
"
ITT
•
g
2
0
0
N
z
w
'0
0
0
0
x
R6
n
0
•
~
~
"
"
~
0
•
g
2 3
DIO BOARD PC0-16/16L(LPCl)H
8 CONNECTOR 50PIN
0
x
I R6 I R7
R7
<CMS RACK>
---<~- - -------0------- - -----0'- - -----0'- - -----0'- - -----0'- - -----0'- - -----0'- - -----0------- - -- - -- - -- - -- - - -
<ENGINE CONT.PANEL>
ITT
0
•
"
0
r
"
~
•
I
"
I
NAME OF DWG.
* CMS EQUIPMENT (2)
SH. NO.
MITSUI ENGINEERING & SHIPBUILDING CO., LTD.
2 3
62
PJ
r---------- P1
~
I R91
*I:
~~~'rR I
R1 S1 I
I
I I
AllERNATOR~
I
L---------,
PANEL - I
I
I
I
I
I I
F2
10A
<21> I
~---<,'>--JB_-~
0 "'
0
2 3
P1A
( 105-2)
u
"'
::
6Z1
(102-1)
~ HT1
JMIN
(102-2)
"'
0
<r.!5>
J·-1
5Z
(1 03-3)
(101~
"'
0
~,...-J-.....LI-'-"=-+-~~-+-~~~-+--+--+---+~+-~~~~~-+-~~~~-+---t~~~---~~~~~-------~_._,.
-= I I
N
UN0086 BT3233A -E-101 16 07 22
ENGINE STOP
30MIN. AFTER
NO.OPERATION
AST
MY2K
a(101-3)
a(101-3)
BATTERY
RELAY
a(101-1)
BATTERY
ON/OFF
CC/TC
MY2K
a(101-2)
2
NAME OF OWG.
ENGINE
START
6X
MY4N-D2
a(102-1)
a(102-3)
BATTERY
ON
6X1
G7J
a(101-2)
• ENGINE CONTROL PANEL CIRCUIT
ENGINE
STOP
5X1
lolY4N-D2
b~102-1~
b 102-1
b 101-3
MITSUI ENGINEERING &: SHIPBUILDING CO., LTD.
3
ENGINE
RATED SPEED
15U
MY4N-D2
13T
HJY-2
a(103-2)
SH. NO.
101
2 3
(101-2}
PB1---o--------o-----.-----...----.~-------------.----------.--------------.----.--p91
[101-2}
F'B1
r
SYr
JOSEC
(102-1)
BATTERY
OFF
TCX
G7J
a(1D1-2)
HX
(102-2}
BATTERY
OFF TIMER
6YT
HJY-2
a(102-1}
(JOSEC SET)
UN0086 BT3233A -E-102 1e 07 22
5X1
{101-
GOVERNOR
SOURCE
ON
BZ
4
t--+--~5
5X1
(101-3)
TACHOMETOR
BATIERY &: GOVERNOR
SOURCE OFF
TIMER
5T1
HJY-2
a{lOJ-J)
(2MIN SET)
SR SPEED REL.A:
2
7
RUNNING
14T 14T1
H3Y-2
a(lOJ-1)
(20SEC SET)
IL
500
RPM
2
IMI
"'
;::;
IH
A
(103-1)
LOW SPEED OVER SPEED
II
(103-1)
G:JI
~1
"'
01
~I
""'
~~I
~
;::;
AIR BOX
DAMPER
(GM)
NAME OF DWG.
• ENGINE CONTROL PANEL CIRCUIT
Ill
;::;
5Z1
(103-J}
N
0
N
I
BX
(101-2}
052
FUELSHUT OFF MAGNETIC SWITCH
VALVE
(CUMMINS)
MITSUI ENGINEERING &: SHIPBUILDING CO., LlD.
3
SH. NO.
102
2 3
PB1 PB1
(102-3) (104-1 )
ENG -, ABl LWL
I
(10J-2)
I ~
13L 14-X 5E 5ZT J18A I15U 86X1
(102- (102-2) (10J-2) 0.1SEC (101-3) (103-2)
~
I (10J-2)
_J 6JO
~ (10J-1) 86X
I MODEX
(10J-2)
~ "' (107-2) 318
,., .... .... ;2j
0 0 0 0
,., ,., ,., ,., 0 ;;; 49W 6Z
Ci
.,
., (10J-1) (102-1)
319
r5T1
01 02 DJ OJA 04 2MIN
J02 306 JOB 308A J11
(102-1)
I r 14T I r13T 1 ,JLX
13LX
(103-2)
rSZT
12X 20SEC 630 149W ILWL 20SEC (103_ 2) PB1
{H>Ml {rn'- ,,,,_,, {103-1) (103-2) (101- D.1SEC
A ~ ~
320 (103-2)
... n
12X
N N
., n
(102-2) I13L (102-2)
(102-2
~ "" ~ CAB
"'
,., ,., ,.,
0 ..
,., ., N
~ BPBL
N2 --~~~~~~~+-~~~~~---~~~~~--~--~~~~~-+~-+~~~~~~~-+-~~~+-~+-~~-+-~~-+~~~--~~--~~~~~~~~~~---->--~~~~--N2
(102-3) (104-1 )
UN0086 BT3233A -E-103 1e 07 20
LOW OIL
PRESS.
630
MY4N-02
~~18tlj
b~103-2
HIGH WATfH
TEMP.
+9W
MY+N-02
~~18t1j
bt103-2
LOW WATER
LEVEL
LWL
MY-4-N-02
a(10J-2l
b(103-2
LOW SPEED
1JLX
MY4N-D2
a!103-2l
a 104-2
b 103-2
EM'CY
STOP
SE
MY4N-D2
b(103-2)
EM'CY
HOLD
(0.1 SEC Set)
t.IAJOR
FAULT
AIR BOX DAMPER
OR FUEL SHUT OFF VALVE
5ZT B6X1 8 6X 5Z1 SZ
H3Y-4 MY4N-D2 MY4N-D2 LY4N-D2 LY4N-D2
ENGINE
RUNNING
~~rnt~j ~H8t~l ~frnt~l ~frnt~l ~frntjl _llL
ENGINE
FAULT
_Mn_ SZT ~ 5z J99 15U
bt10J-2 gf18!=5lr.;102-02)~~~~~---,
f"-1~ f"-1 1:;,"~1E1"'.1"
ENGINE FAULT AVR EMERGENCY STOP
NAME OF DWG.
• ENGINE CONTROL PANEL CIRCUIT
MITSUI ENGINEERING &: SHIPBUILDING CO., LTD.
2 3
SH. NO.
103
I
12X
(102-2)
1
630
(103-1)
I
49W
(103-1)
13LX
(103-2)
D25 D24
~ -1
'
I I
' '
L-~-~-~-~-~-~-~-~-J
BT3233A-E-104 04 06 08
2
y-1--../
I OL1 '
>-T<
I
I
I
L----,
I I
IP~ ___
:___ ~I PB3
ILAMP 1 ol
TEST I I
I
2
I
.1
;; I
I
I
I
~
i
6
~ i
I ?LJ I
4-J
AIR BOX
DAMPER
(GM)
NAME OF DWG.
3
PB1
WL2
NZ
(105-1)
CONTROL
SOURCE
,- -,
' '
I
191L I
* ENGINE CONTROL PANEL CIRCUIT
SH. NO.
MITSUI ENGINEERING & SHIPBUILDING CO., LTD. 104
3
N2
(104-3)
N
(101-3)
BT3233A-E-1 05
24V
jENG
OIL PRESS.
GAUGE
04 08 24
CAB
I
'
I 24V
'
L_
- - - - - - ----,
F.O. LEVEL WATER TEMP.
GAUGE GAUGE
-------,
8
I
I '
-VJ---~~---~ _J
;1
"1
I
I
I
2
WATER TEMP. (101-3)~
GAUGE -~I
6 ~~CH
(101-3)
1
I
'
I
'
24V
I
F.O. LEVEL
GAUGE
' ~
1
_ _ _
~0--
HM
-1
TANK rr-------- ,
I
TANK
'
I
'
' 6-['
I I , l ~
I I I I
'
I
' '
I
I I L_J '
I ,
L:
ATER TEMP. WATER TEM~.
RANSDUCER TRANSDUCER
- - - - - - - - - - - - -
I F.O. LEVE~FR I
L --- ~RANSD~5
NAME OF DWG.
2
3
F.O.TANK IND. BOX(112.1)
PBl
POWER S.W.
I
14X
(102-2) ~ L2 F.O.TANK LEVEL S.W.
90%
HM
HOUR
METER
0
:;;
BZT
2SEC
(105-3)
CAB FUEL TANK
IDLE WARNING BUZER
RUNNING
ENGINE CONTROL PANEL CIRCUIT
m
0
"
FUEL PANEL
PB4 1
~ *1
BUZZER STOP!
B2T
0-60
SEC
BUZZER STOP
BZT
H3Y-2
b(105-31
b(105-3
(2SEC SET)
MITSUI ENGINEERING & SHIPBUILDING CO., LTD.
3
511
~L11100%
L 512
- ---{/)-~
508
SH. NO.
105
6Z
(E02-1)
I
0
"- z
2
(101-1l
(101-7
UNOOB6 BTJ2JY. -E-106 16 07 22
FROM
BATTERY
s+
601
602
5 6
ACTUATOR PICK UP
s- 2
.., "'
<O ID
GND
2
RG
RAMP GENERATOR RG
J 4
~ ~'-----<+-~
I
11
11
CLOSE :IDLE
OPEN:RATED
2
15U
(E01-3)
(101-2)
DC24V
NAME OF OWG.
19+ 12,
13+] OUTPUT SIGNAL
SUPPLY SOURCE
l 4- INPUT SIGNAL
~
I I
(30-1)
4-2DmA DC
ENGINE
ISOLATOR
M2VS-AD-R
IN: 4~20mA
OUT: 0-20mA
ENGINE CONTROL PANEL CIRCUIT DIAGRAM(6)
MITSUI ENGINEERING &: SHIPBUILDING CO., LlD.
3
CUMMINS
SH. NO.
106
3
UN0086-E-107 15 09 17
2
gcJ,4~1) ,__~PB~1~~
N
0
....
I
MODE
(29-2)
(101-3) ,__~N2
=--~~~~~~~~~+-~~~~~~~~
ENGINE
SPEED
COMMAND 1
ES1A
MHN-02
c(106-2)
c(106-2)
2
EMERGENCY
M
ODE SELECT
COMMAND 1
MODEX
MY4N-D2
a(103-2l
a(108-1
NAME OF OWG.
3
WALK-IN CONTROL PANEL <21>
ENGINE CONTROL PANEL < 110>
IADDITIONAL PARTS I
• ENGINE CONTROL PANEL CIRCUIT
SH. NO.
MITSUI ENGINEERING &: SHIPBUILDING CO., LlD. 107
3
UN0086-E-108 16 07 22
11 ID
I
13L MODEX
(102-2) (107-2)
7 ON AT 1700RPM 2
ENGINE SPEED
;::::t------~
12
I
14X
(102-2)
• ON AT 500RPM
ENGINE SPEED
11
12
I
15U
{101-3)
I
6Z
{102-1)
• OFF AT GOVERNER
"OFF"
0
IC>
e
~
2
12
I
13L
(102-40)
3
ENGINE COlllTROL PANEL <110>
-{l'J--- - - - - - - - --(/}--
I I
L ;.{;GEN. PANEL <24> I
-------------------------------------
2
I I
L MC PANEL J
(F05-2)
----------
NAME OF DWG.
• ENGINE CONTROL PANEL CIRCUIT
MITSUI ENGINEERING &: SHIPBUILDING CO., LlD.
IADDITIONAL PARTS I
SH. NO.
3
108
I
'
R3A I
CRANE I
I
~il@I:$0)~ ::,,- r- ~JJD
2 I 3
CONTROL PANEL 1
POWERSOURCE >-"S3A~--1--'---+----------------+-~------------+---
AC440V I
(03-2) TJA 1
I
'
_______J
UN0086-E-F01 16/07122
' '""{,
 -~ 32AF 10A
2 4 BW3 SAG-2P010
,_,LJ 0
11ov n a
RT1
440/110V
1001/A
5100856
1 3
1BM~
,... - ~ 32AF 10A
2 4 BW3 -2P010
DC CONTROL SOURCE
AC110V
(F06-1)
1 J
5 2ME
 __ ) _ _ SC-N4
s {F06-3)
0 0
~ ~
INVERTER SOURCE
AC440V
(F03-1)
I
' '
, __)
•
INV7
(F03-1)
,
5
3MB
-~5-3~------~~-;
s (F07-1) 21 4
- -' SC-N2SRM
6 (F07-1)
AXcR 1 3
4AMCB
- ~ 32AF/10A
~-l
AXbR AXaR 2
c(FOS-2)
4 BW32AAG-2P010WA
31 41
+ f2ME
I- - - (F06-3)
" "
,---- --------,
' '
I ri ~ ~ I
~ ~
§ § §
.. ~
..
~ ~
E
~
AC440V AC400V AC440V
I
I POWER SOURCE II INVERTER CONTROL SOURCE INVERTER FAN SOURCE
i (03-2) ~~~~~-~1'------(F_0_3--2_)______(_FC_3_-_2_)________~~~---<
I
' INAME OF DWG. EVSC CONTROL PANEL POWER CIRCUIT ISH. NO.
,1-----------.~rrs~u-,-,-N-o-1N~,~,R-1N-G~&-s-H-1e-s-u-1ua-1-N-o-c-o-
..-,~m-.---------<1 FO 1
2 I 3
DCR4-110B
DCL3
P1
UN0086-E-F03 16/07/22
AC44DV
INVERTER SOURCE
(F01-1)
D D D
o o o
c c c
" " "
" ITT r
R s
N(-)
10FC
OFL-110-4-C
'
P(+)
X1
X2
"
D
n
D
c
"
"
H
H
u v
Y1
Y2
"
D
n
2
"
ITT
R s
u v
w
m
D
n
2
~
21
Z2
"
D
n
2
"
r
w
I
N( I G
INVERTER
FAN SOURCE
(F01-3)
R1 T1
FAN POWER SUPPLY
SWITCHING CONNECTOR
~
N
(R)
NC
2
INVERTER
CONTROL SOURCE
(F01-3)
~
2
"
"
~
2
"
r
RO TO
POWER SWITCHING
CONNECTOR
INV7 FRN110VG1S-4MESA
1OFL
OFL-110-4-L
TR
AC170/460V
50kVA
3ASOKB6 RT3
100VA
3AMCB 440V/110V
32AF/5A 5100856
BW32AAG-3P005WA R4F031 440V 110V R1F031
AC110V
I
u
n
D
~
CM
"IRST4
7
(F07-2)
X8
GJz@I:$ 0) J:: :_,, - ~©JD
9
12MSX
5
(F06-3)
RUN1
m (F07-2)
1
n
2
N
FWD
+
3
Y5C Y5A
ITT
2
N
INVERTER RUN
(FDS-2)
1 /I 2 J[c<1---~
gf----~~J'~-----T~4~F~0~3~1~,- -L{-~T~1~FD~3~1~
DC CONTROL SOURCE
(F06-1)
2 J,...., 4 O D
~ I
AC440V
AUX. SUPPLY
(F01-2)
I
AXcR ~- AXaR (FOS-2)
t:: AXbR
2
I NAME OF DWG.
I
EVSC CONTROL PANEL AC440V AUX. SUPPLY INVERTER CIRCUIT I SH. NO.
MITSUI ENGINEERING & SHIPBUILDING CO., LTD. I FQJ
I 3
DC24V
(FD6-1)
UN0086-E-F05
P24F
N24F
16/07/22
8MCB
32AF/5A
BW32SAG-2P005C2 PDF050
NDF050
ITT
2
N
" RUN1
(F07-2)
~
ITT
0
~
N
" INVRT
(F05-2)
rn
ITT
2
N
" "
INVF INVRT
SH-4/G H3YN-2
a 1314 rn' I 0" F07 2
bl?Jl?<IJ F07-1 a 12 B FOS-2
a l~Jl~<IJ
a l43144j
INVERTER(INV7) RUN INVERTER(INV7)
RUN
"OK"
(SET : 2sec.)
2
ESH
SH-4/G
a 13M4 rn;
'
a 23r.>4 F06-3
a 33"4 F07-1
al43l441 F07-3
ENGINE
1800rpm
2
GBE
SH-4/G
a 1314 F06 3
a 1?31?<J
a l~Jl~<IJ
a l43144j
ENGINE OFF
NAME OF DWG.
Tl
H3CR-A
a13 F063
RUN DELAY
(SET : 25sec.)
GJz@I:$ 0) J:: :_,, ~ ~©JD
3
(F06-1)
(F06-1)
EVSC CONTROL PANEL ACG OPERATION CONTROL CIRCUIT
SH. NO.
MITSUI ENGINEERING & SHIPBUILDING CO., LTD. F05
AC110V
(F01-1)
AC110V
(F03-2)
DC24V
SOURCE
(F05-3)
U1F010
W18010
R1F031
T1 F031
PDF050
NDF050
,1
2
3MB
(F07-1)
" "
SD
6 3
UV
1
4
UNDER VOLTAGE RELAY
(OFF< AC100V}
PICK UP 1.9
HOLD 2
Dip-SW
1-0FF
2-0N
3-0FF
4-0N
5-0FF
6-0FF
UN0086-E-F06 16 07 22
1RF
U1F060
e +
PF060
-DI-
e
2RF
e +<~
-DI-
e
FU
5A
PF060A
~
H L oc111&7~c24v+v
IN 30W 1.3A OUT
P24F
PS5R-SC24 N24F
I-< N
~
-v
Ji
NF060
DC24V
(F05-1)
"'

..
0
~
..
N
T
v
"
lN
SH-4/G
UNDER VOLTAGE
Gl/@I*O)~y- t--~JJD
2 3
lN lN
06-2) PF060A (F06-2) PF060B
2J ,,.--,-.,~~~~~~~~~~~~~l~~~--,l~~~~~~l~~~~~--,1~~~~0.... (F07-1)
23
ESH
13
2ME
23
2ME
1
T1
(F
,, /' 14
3MB
(F07-1
lN lN
(F06-2) NF060A (F06-2)
JJ / 34 ..
NAME OF DWG.
2
(FOS-3) (FOS-3) (FOS-3) (FOS-3)
"
~
N
2ME
GBE
(FOS-2)
SC-N4/SE
"
~
N
2MS
SH-4/G
INVERTER
MAIN CIRCUIT ON
'
~
N
NF0608
2MSX
RU2S-CD-D100
a 9 ~ FOJ-3
EVSC CONTROL PANEL INVERTER CIRCUIT OPERATION SOURCE (1)
MITSUI ENGINEERING & SHIPBUILDING CO., LTD.
3
(F07-1)
SH. NO.
F06
PDF060B
(F06-3)
DC100V
CONTROL SOURCE
NF060B
(F06-3)
UN0086-E-F07 16/07/22
" "
INVF INVF
"
(F05-2)
"
(F05-2)
m <
a N
N N
a a
~ ~
N N
" ESH
(F05-2)
"
" "
3MB 3MA
"
(F07-1)
"
(F07-1)
a N
N N
2 2
N N
" "
3MA 3MB
SC N2SRM/G
' ' ' '°' ' ' ' ' '°' '
'" '°' ' '" '°' '
''" '°' ' ''" F01 2
a 131 4 F07 3 a 131 F07 3
b 212 F07 1 b 212 F07 1
0 a 4.'.14 F06 2
b 313 b 313 F06 1
EMERGENCY NORMAL
440V SOURCE 440VCSOURCE
(GENERATOR) (INV. RUN)
GQ@:I~O)f'rj=j- ~ ©~D
2 3
EMERGENCY NORMAL
INVERTER(INV7) INVERTER SOURCE SOURCE ENGINE
RUN MAIN CIRCUIT (GENERATOR) (INV) RATED SPEED
ON (1700rpm)
" " " "
INVRT 2MS 3MA 3MB ESH
(F05-2)
"
(F06-3)
"
(F07-1)
"
(F07-1)
"
(F05-2)
,----------------- -----,
r--------------=----
0
I
' 0 ~
~.
'
I
'
(29-2)
I
'
6 ~
a
N
a
m
N
a
m
(30A-1)
N
N
a
m
CONTROL PANEL
---,'
I
'
(30A-2)
I
'
I
'
L _____
a
N
uu
c<
a
a
m
__~ ____________________ _J
L_______ _________________________ _J
2
14 14
RST4 RUN1
RU4S CR A200 RU2S CR A200
0"' 0 " '
F03 3
a 10 6 bl24F052
a 11 7 F03 3
o 12 B
FAULT RESIT INVERTER(INV7)
STOP SIGNAL
NAME OF DWG.
EVSC CONTROL PANEL INVERTER CIRCUIT OPERATION SOURCE (2)
SH. NO.
MITSUI ENGINEERING & SHIPBUILDING CO., LTD.
3
F07

RTG19_CircuitDiagram_REVB (2).pdf

  • 1.
    1 2 34 5 6 7 8 F E D C B A Rev. Change Date Name Orig. Sheet Date Drawn Checked Approved Replaces Copyright as per ISO 16016 to be observed! Created with 17-Feb-20 John Jose Rajesh Ommi Ravi Behara Project 719 RTG ATI Manila A B C D E F 1 2 3 4 5 6 7 8 Circuit Diagram of 3 5 PROJECT : 1000719 CLIENT : ATI MANILA LOCATION : MANILA
  • 2.
    BT3233A-E-SETSUMEI 04/04/14 1) ADDRESSOF CONTACT OF CONTACTOR OR RELAY DEVICE NUMBER =HOS TYPE-FORM ---------7 MY2N CR TYPE OF CONTACT a:NORMAL OPEN CONTACT b:NORMAL CLOSE CONTACT c:COMMON CONTACT a 31 3C 2) ADDRESS OF COIL OF CONTACTOR OR RELAY RCI I HOS~ DEVICE NUMBER (44-1 D) ADDRESS OF CONTACT 31 - 3 c 2 Fll~~l~~Vf~ AT THE SIDE OF EACH DRAWING FILE LETTER INDICATED AT THE TOP OF EACH DRAWING SHEET NUMBER ~ ADDRESS OF CONTACT 44 - 1 D IMC TCI I Fll~~l~~EE~AT THE SIDE OF EACH DRAWING FILE LffiER INDICATED AT THE TOP OF EACH DRAWING SHEET NUMBER 2 I 3) CABLE AND WIRING NUMBER RCI ~lfrt1Jo~~ND <C501> ~c: 'PRODUCT NUMBER LJ IMC /f 0 'WIRING NUMBER AND TERMINAL TERMINAL NUMBER OF CUBICLE TCI 3-1) WIRING NUMBER 55 81000 lL_ TERMINAL NUMBER SHEET NUMBER 3 I NAME OF DWG. EXPLANATION OF SKELETON I SH. NO. IC---~~~~~~~~M~ITS~U~l~EN~G~IN~E~ER~IN~G~&~SH~IP~B~U~ILD~IN~G~C~O~.~,~TD~.~~~~~~~---jl OA I 3
  • 3.
    I JBO NO. UN0086(BT3233) CLIENT: ATI NO. TITLE SH NO. INDEX DD 2 EXPLANATION OF SKELETON DA 3 AC GENERATOR PANEL MAIN CIRCUIT D1 4 AC GENERATOR PANEL CONTROL CIRCUIT D2 5 CONTROL PANEL POWER CIRCUIT D3 6 CONTROL PANEL AUX. CIRCUIT D4 7 CONTROL PANEL CONTROL CIRCUIT D5 8 TROLLEY AUX. PANEL POWER CIRCUIT(1 )(2) 06,07 9 TROLLEY AUX. PANEL CONTROL SOURCE CIRCUIT DB 10 BACK POWER RESISTOR CIRCUIT D9 11 CONTROL PANEL HOIST/GANTRY MOTOR N0.1 CIRCUIT 10 12 CONTROL PANEL HOIST/GANTRY MOTOR N0.2 CIRCUIT 11 13 CONTROL PANEL TROLLEY MOTOR CIRCUIT 12 14 CONTROL PANEL STEERING SOLENOID CIRCUIT 13 15 TROLLEY AUX. PANEL SPREADER SOLENOID CIRCUIT(1)(2) 14,14A 16 TROLLEY AUX. PANEL LIMIT SWITCH CIRCUIT 148 17 CONTROL PANEL RELAY SIG.CIRCUIT(1)(2)(3)(4) 15-17A 18 REMOTE 1/0 CONFIGURATION 1B 19 CONTROL PANEL SEQUENCER CIRCUIT 19 20 CONTROL PANEL 0/1 UNIT CIRCUIT(1)(2)(3) 20-23 21 BLANK 24~27 22 CONTROL PANEL D/O UNIT CIRCUIT(1 )(2) 28,29 23 CONTROL PANEL ANALOGUE OUTPUT CIRCUIT 30 24 CONTROL PANEL D/I UNIT CIRCUIT(4) 30A 25 TROLLEY AUX. PANEL D/I UNIT CIRCUIT(1)(2)(3) 31-32A UN0086(BT3233Al-W-OOO 16/05/19 I 2 I 3 INDEX NO. TITLE SH NO. NO. TITLE SH NO. 26 TROLLEY AUX. PANEL D/O UNIT CIRCUIT 33 51 EVSC CONTROL PANEL POWER CIRCUIT F01 27 TROLLEY AUX. PANEL LOAD CELL A/I CIRCUIT 34A 52 BLANK FD2 28 R/H CONSOLE M/S ENCODER INPUT CIRCUIT 35 53 EVSC CONTROL PANEL AC440V AUX. SUPPLY INVERTER CIRCUIT F03 29 R/H CONSOLE D/I UNIT CIRCUIT 36 54 BLANK F04 30 R/H CONSOLE D/O UNIT CIRCUIT 37 55 EVSC CONTROL PANEL ACG OPERATION CONTROL CIRCUIT F05 31 L/H CONSOLE M/S ENCODER INPUT CIRCUIT 3B 56 EVSC CONTROL PANEL INVERTER CIRCUIT OPERATION SOURCE (1) F06 32 L/H CONSOLE D/I UNIT CIRCUIT 39 57 EVSC CONTROL PANEL INVERTER CIRCUIT OPERATION SOURCE (2) F07 33 L/H CONSOLE D/O UNIT CIRCUIT 4D 58 34 L/H CONSOLE ENGINE EQUIPMENT 41 59 35 TELEPHONE CIRCUIT 42 60 36 BLANK 43-49 DRAWING HISTORY 37 f---~f---~~~~~~~~~~~~~~~~--J~~~--jlREV. FLOOD LIGHT CIRCUIT ON GIRDER 5D REASON BY SH NO. 38 FLOOD LIGHT CIRCUIT ON LEG 5DA 39 FLOOD LIGHT CIRCUIT ON TROLLEY 51 40 CAB DISTRIBUTION PANEL CIRCUIT 52 41 R/H CONSOLE WINDOW WIPER CIRCUIT 53 42 CONTROL PANEL ALARM & MISC. CIRCUIT 54 43 * SPACE HEATER CIRCUIT 55 44 ACCESS LIGHT CIRCUIT 56 45 * ITV CAMERA CIRCUIT 57 46 * FIRE DETECTION SYSTEM 58 47 BLANK 59,60 48 *CMS EQUIPMENT(1)(2) 61,62 49 BLANK 63-100 50 * ENGINE CONTROL PANEL CIRCUIT 101-106 I NAME OF DWG. ELEMENTARY DIAGRAM INDEX I MITSUI ENGINEERING & SHIPBUILDING CO., LTD. 2 I 3 SH. NO. I 00
  • 4.
    ~ '- ...- - ---< UN0086BT3233A -E-001 1e 05 17 2 3 1MCB Pri. TERMINAL )f-~ 1MCB lMC Sec. TERMINAL 600AF CBM-58 u RO ACG v so "' w TO -~ M N N x xx lP2 P3 AVR 3 (MX342) P'4- 2 K2 K1 1 2 T 2 2 /500AT -T ............ - - x EA603B/500-~ Cl ' ,, 240/230/220 )-- _ ;3--_3 2MCB ff~ I I rJJT"-i 1' ,-'lT'- 1' ~0 3 /11OV l110l 1110, u01 lJ v01 w01 CT1 ' !R1' 600/5A A A y '-- ~ KR ,..,. S1 CT2 ~ 600/ 5A A A ,..,. T1 KT____, v '-- L-.::____.. 1 1 ~ ~------~'1-------<n----------------<-.J.-.//..lvoLTAGE $~ 1<1 1<1 1<2. 1<2 SPACE HEATER r----cJ1----H-<1~----1/1 HU l._______""H"'2V>-----</l HV *ACG <13> *A KVA 460V 60HZ PBl DC2'4-V SUPPUED FROM ENGINE CONTROL N2 GB =---= {02-1) OV1 (02-2) rJI/ SrJl/-DH I INCREASE 51«> ---~ ~~or:rv y ACF-6 t---~ PB1 s - ovl150--H_=_11_0_"_. ¢:K ~~-2}R ~---::::::1:;:?71,--~_..L'i_~~ 55- 65Hz -..........__ . ~ ~ 0---, 1UJ-----+---+---+----+-+-FC- ....- F ~ -~~ (O~V2 I ...... ~ ~ 12 1 2 l.;90!1: ~---------- u01 v01 w01 PANEL V>---------------i-__, PBl N2 (02-1) NAME OF DWG. AC GENERATOR PANEL MAIN CIRCUIT MITSUI ENGINEERING &: SHIPBUILDING CO., LlD. 2 3 (03-1) SH. NO. 01
  • 5.
    2 3 P81 F2 RESIT PB1 (01-2) -- - - - - - - - - - - - ENGINE-- - - - - , lov1 n CONTROL PANEL 1 (110) I 11 10 11 I (02- ) I1JL MOOEX I cw {108-1) ENGINE RPM ON AT 1530 RPM (108-1) RATED ENGINE SPEED I I T2 1T1 I 12 12 I 1~1 I GBT1 P~F050 -1 I1+X1 I6Z (108-1) {10B-1) I ON AT 500RPM OFF AT GOVERNER I (02- ) ENGINE SPEED "OFF" <21A> I EVSC PANEL _____:__J ~GBT AVR "ON" (F05- 2) ---------- (02-2) 1T G81 GBT2 I ~1T z~~-J (02-1) G82 FAL (02-2) OV1 F1 FAL FAULT (02-2) GB FAL2 D D N2 (01-2) 'i1' _Qyl_ a~02-1 l a(Ol-2) bf02-1l l a 02-3 b 02-3 TO Ct.15 RACK ENGINE RPM AVR ON RELAY AVR on FAULT RATED TIMER HJY-2(10sec) G+F-1112JT HJY-2(5sec) MY+N-02 MY4N-D2 (Set5sec) (2pcs) (Set2.5sec) NAME OF DWG. AC GENERATOR PANEL CONTROL CIRCUIT SH. NO. UN0086 BTJ2JJA -E-002 1e 07 22 MITSUI ENGINEERING &: SHIPBUILDING CD., LTD. 02 2 3
  • 6.
    2 3 JB-7 ~~g:J~%1.P1~8/~~q >-+<..'l-!-</l'-"Cl'!-..-~~~~~~..--~~~~1---0 ~D-'R~3A"-'--'o--~~~~<F0.1-~ 1~ ) ~T--.__..-~~~~~~~~~~~~~~~~~~~~-+--...~~~--+~~~---.~~~~~~~R3=-. 440V 60HZ (01-3) I >-+<-,......-<n-'-'</l-+-~~~~~~-+-~-+-~---41---o /'"j""'n-S~3A~+--<,__----1~-­ 1Vt.1 0-600V R4 54 T+ I ,.-1...... T3A (03-2) I L___J R3 T3 _ - ~4t.1CB a(20-3) r 7 30A/,OAT R6A T6A R6 2M SC-0 (28-1) T6 (03-1) R3A S3A T3A 3t.1CB a(20-2) } _-)- _j SOAF/50AT U7A V7A W7A 1THR 120-3) 9-13A) RS SS TS U7 V7 W7 W1 JB-1 <108.2> INVERTER INVERTER AC440V MAIN SOURCE STEERING PUt.1P t.10TOR (N0.2) COMMON SOURCE CONTROL SOURCE FOR TROLLEY 5.5KW (10-1) (10-1) (06-1) 12A (11-1) (12-1) (11-1) (12-1) R3 T3 (03-2) 2THR 120-il 9-1 ) UB VB WB JB-7 <108.1> <006.2> STEERING PUMP t.10TOR GANTRY t.10TOR (N0.1) BRAKE 5.SKW (BUILT IN lYPE) 12A NAME OF OWG. CONTROL PANEL POWER CIRCUIT UNOOB6 BT3233A -E-003 18 07 22 MITSUI ENGINEERING &: SHIPBUILDING CO., LlD. 2 53 T3 BUS 440V (04-1) BVS JB-7 <006.1> GANTRY t.10TOR BRAKE (BUILT IN lYPE) SH. NO. 3 03
  • 7.
    440V {03-3} R3 53 T3 U10F 2 ' ' ' )-7 9MCB - - - a(20-3) 1OOAF/75AT R3A T3A 1TR 20KVA 440V - -0--244DL220.1 oov -------,1dl440,460V/220V/11 OV(1 OKVA)x2 14 FL-MCB ' ' )- '_ ~ 9AMCB - ) - ) 30AF/15AT U9A V9A W9A JB-1 440V {05-1) 25 3 <MH> ,--10j----{0 v-----c::J <SPR> SHORE POWER RECEPTACLE AC220V, 1P 31MCB 30AF/20A MAINTENANCE HOIST AC440V,60Hz,34> ,3.4kW 30AF/15A 50A 220V 1-~1_1o~v--+-~1_1~o_v_+'s~oA~~---------~----------~----~ot--o+--+'~~U~l~IO~---O/'l"1o--~U~l~l~E~ U10C V10C U11B N11B V11B SPACE HEATER )- ~10MC )- -=- ::_J11MCB - --750AF/40AT - - - - - - - ~)50AF/30AT V11D A V11E (55- 3) ""c+--+--"'~~--0 L_ __:j )----1---j~§XfJ3oAT )-- - - -j 14MCB 30AF/15AT (56-1) ACCESS LIGHT ~--'V~1~0Fc_J--f B L.J,,.L,______J,,, t___J Red Blue Red Blue V10A B2A V10A BJA <107.2> <107.3> HPSL FLOOD LIGHT 270WX2 PCS BT3233A-E-004 04 09 13 9M (28-2) SC-N2 HPSL FLOOD LIGHT 270WX2 PCS 450WX8 PCS (50-2) (50-2) (SOA-2) HPSL FLOOD LIGHT 450WX4 PCS (51-1) Ul I - -AC1CN- - c~ =@= CON AIR COND. FOR CONT. PANEL 10M (28-2) SC-4-0 VI I E ~ ,----!--, ~ AIR COND. FOR CONT. PANEL 11M (28-2) SC-4-0 V12 2 U13 Nl3 CAB DIST. BO. (52-1) 110V (61-1) Vl3 NAME OF DWG. U14 FLUORESCENT LIGHT FOR ENGINE ROOM 632 633 <110> CONTROL PANEL 220V ALARM CIR (54-1) 630 631 <R1.1> I I 1CN <R1.2> I I 2CN 200L AUX CIRCUIT 200N MITSUI ENGINEERING & SHIPBUILDING CO., LTD. FLI FL2 FLUORESCENT LIGHT FOR CONTROL PANEL 3 FLUORESCENT LIGHT FOR ENGINE ROOM SH. NO. 04
  • 8.
    440V (04-3) BT3233A-E-005 04 0521 R3 S3 T3 )--- -::7 l6Xi'J10AT 38 R 1KVA 0_/200V '~ AC200V 5A RCA TCA )--- ___:::_j 17MCB ~J 30AF/5AT RC TC I ' I o i) I IJB-1 I ' I , )RC ) TC 1 IJB-" ( 25) ACZOOV CONT. SOURCE ON TROLLEY (08-1) RC SPARE TC I RC AC200V CONT. SOURCE FOR TT CONT. PNL (19-1) TC 1 28-1) 128-1) 15-2) 15-2) 2 L 5AVR N AC1 OOV/DC24V sow +v -V P24C N24C DC24V (17A-1) 2 RC1 TC1 AC1 DOV 1/0 SOURCE 115-1l 115-1l 16-1 16-1 20-1 20-1 (57-1) NAME OF DWG. )--- -::7 l6Xi'Y1OAT AC100V 2A 3C 3TR 1KVA _j'!Qfl_O_g. 1DOV _ 3TR AC200V 4A RC1A TC1A RC2A TCZA ~ E )--- ____:__j18MCB )--- ____:__j 19MCB ~) 30AF/5AT ~) 30AF/SAT RC1 TC1 RC2 TC2 i JB-1 ' TC2 I JB-2 i (25) AC1 DOV ACZOOV ~O SOURCE FOR SOLENOID N TROLLEY ON TROLLEY 3 (60-1) RC2 TC2 AC200V FOR SOLENOID (08-1) (14-1) (14-1) (13-1) (13-1) CONTROL PANEL CONTROL CIRCUIT SH. NO. MITSUI ENGINEERING & SHIPBUILDING CO., LTD. 3 05
  • 9.
    440V (03-2) R5 T5 BT3233A-E-006 04 0506 :s-s-s'.1 ~C~:A ~t"t"T'18 - ~ - - - - - 21M SC-03 (33-1) U21A V21A W21A U21 V21 W21 FU FY FW FAN (001.1) 0.65KW 4P 440V HOIST MOTOR COOLING FAN (ZA) 22MF SC-5-1RM (33-1) 22MCB a(31-3) 4-6.3A U23B V23B W23B U23 V23 W23 u v w IM 2.2KW 4P 440V (009) BR 22MR (33-1) SKEW MOTOR BRAKE FOR SKEW MOTOR (4A) 2 : 1 )--±1--±j :13M1CB3) I 9-14A L_ u25s V2sa wz5B _J - - - - - 23M SC-4-1 (33-1) :1)-'-1 1 '-lj :(JA,cs,) I 1-1.6A L_ u27c ll21c w27C _J - - - - - 24M SC-4-0 (15-2) U27B V27B W27B 25M SC-4-0 (33-2) L 4 CONNECTOR 2 IM 5.5KW 4P 440V SPREADER HYO. PUMP MOTOR (10A) (20' -40'-45') <PS> JB-51 NAME OF DWG. BU27 U27 V27 W27 u v w BR <003> HOIST BRAKE TROLLEY BRAKE (1.4A) Inrush 2.6A Rated 0.3A TROLLEY AUX. PANEL POWER CIRCUIT (1) MITSUI ENGINEERING & SHIPBUILDING CO., LTD. 3 24AMCB 0(31-3) 0.25-0.4A - - ~ 26M SC-03 (33-2) BW27 <005> 3 SH. NO. 06
  • 10.
    440V (06-3) BT3233A-E-007 R5 55 T5 ~I) 1 11)'"'rn, ~ 24-32A ~ U28D V28DW28D UA ~ I u1 u3 v1 v3 w1 w3 I ~ TR3 5KVA 440V/220,200, 180, 160V ACZZOV U28B V28B I W28B I I 28M SC-4-0 -~~~~~A=--!'~B~U2~- - _-L _.l-_ J_ 29M SC-4-0 (33-2) ~I-I-I~~~~ ~ T T T(33-2) 04 06 08 I 26MCB ;-T-7 a(32-2) 17-23A U28 V28 W28 <010.1> ANTI-SWAY TORQUE MOTOR 43N·m (4.0A) IM <010.2> ANTI-SWAY TORQUE MOTOR 43N·m (4.0A) U28 V28 W28 <010.3> ANTI-SWAY TORQUE MOTOR 43N·m (4.0A) <010.4> ANTI-SWAY TORQUE MOTOR 43N·m (4.0A) 2 3 ~ -_~ _± 27MCB ~ I r T 7 o(32-1) ~t~~9t2~14 ~ ~ - - - - - 27M SC-4-0 (33-2) U29A V29A W29A 28THR (31-3) 0.15-6.2 A U29B V29B W29B u v IM TR3 DETAIL <011.1 > ANTI-SWAY TORQUE MOTOR COOLING FAN <011.2> ANTI-SWAY TORQUE MOTOR COOLING FAN (0.2A) (0.2A) <011.3> ANTI-SWAY TORQUE MOTOR COOLING FAN (0.2A) Pri.Volt sec.Volt 440V 220V 200V 180V 160V IM <011.4> ANTI-SWAY TORQUE MOTOR COOLING FAN (0.2A) NAME OF DWG. TROLLEY AUX. PANEL POWER CIRCUIT (2) MITSUI ENGINEERING & SHIPBUILDING CO., LTD. 2 31THR (31-3) 0.15-6.24A 3 SH. NO. 07
  • 12.
    2 3 DBR1-DBR5 (10-2) (12-2)(11-2) NAME OF DWG. CONTROL PANEL BACK POWER RESISTOR CIRCUIT SH. NO. BT3233A-E-009 04 06 08 MITSUI ENGINEERING & SHIPBUILDING CO., LTD. 09 2 3
  • 13.
    1 2 34 5 6 7 8 F E D C B A Rev. Change Date Name Orig. Sheet Date Drawn Checked Approved Replaces Copyright as per ISO 16016 to be observed! Created with 30-Jan-20 John Jose Rajesh Ommi Ravi Behara Hoist/Gantry 1 RTG ATI Manila 10 A B C D E F 1 2 3 4 5 6 7 8 Circuit Diagram of . . . SH1 L1 L2 L3 PE1 U2 V2 W2 PE2 R2 R1 F3 0V 24V DCP DCN SH2 -TB1 Sinamics Hoist/Gantry 1 400V 132kW SINAMICS PM240-2 IP20-FSF-U-400V-132kW SINAMICS G120 SIE.6SL3210-1PE32-5UL0 /10A.1A Hoist/Gantry1 U2 /10A.1A Hoist/Gantry1 V2 /10A.1A Hoist/Gantry1 W2 R4 /11.2A R4 /11.2A S4 /11.2A T4 S4 T4 AC440V MAIN SOURCE (03-1) +24V Control Power /12A.6B 0V Control Power /12A.6B
  • 14.
    1 2 34 5 6 7 8 F E D C B A Rev. Change Date Name Orig. Sheet Date Drawn Checked Approved Replaces Copyright as per ISO 16016 to be observed! Created with 30-Jan-20 John Jose Rajesh Ommi Ravi Behara Control Adaptor RTG ATI Manila 10A A B C D E F 1 2 3 4 5 6 7 8 Circuit Diagram of SIEMENS Incremental Encoder + Temp - Temp Enable Pulse M1 Enable Pluse +24V +24V GND PE SH . + M 1 2 3 4 -TB2 CU Adaptor Hoist/Gantry 1 -QA01 01 04 05 02 06 03 03 08 09 3AC M -MA01 Hoist Motor 150KW 4P, 1000/ 2250RPM W V U H1U2 /11A.1E H1V2 /11A.2E H1W2 /11A.2E 3AC M -GA01 Gantry Motor 1 45KW 4P, 1533/ 2300RPM W V U Existing Change Over contact for hoist and Gantry Page 15-03 Encoder Cable +24V Control Power /12A.6B 0V Control Power /12A.6B Hoist Thermistor Connection Hoist/Gantry1 U2 /10.3F Hoist/Gantry1 V2 /10.4F Hoist/Gantry1 W2 /10.4F -QA02 01 04 02 Hoist Encoder Gantry Encoder Existing Switch over Page 15-03 Thermistor Cable /11.7A /11A.4A +24V Control Power /11.7B /11A.4A 0V Control Power
  • 15.
    1 2 34 5 6 7 8 F E D C B A Rev. Change Date Name Orig. Sheet Date Drawn Checked Approved Replaces Copyright as per ISO 16016 to be observed! Created with 30-Jan-20 John Jose Rajesh Ommi Ravi Behara Hoist/Gantry 2 RTG ATI Manila 11 A B C D E F 1 2 3 4 5 6 7 8 Circuit Diagram of . . . SH1 L1 L2 L3 PE1 U2 V2 W2 PE2 R2 R1 F3 0V 24V DCP DCN SH2 -TB3 Sinamics Hoist/Gantry 2 400V 132kW SINAMICS PM240-2 IP20-FSF-U-400V-132kW SINAMICS G120 SIE.6SL3210-1PE32-5UL0 /11A.1A Hoist/Gantry2 U2 /11A.1A Hoist/Gantry2 V2 /11A.1A Hoist/Gantry2 W2 R4 /10.7A /12.2A R4 /12.2A S4 /12.2A T4 S4 /10.7A T4 /10.7A +24V Control Power /10A.7A 0V Control Power /10A.7A
  • 16.
    1 2 34 5 6 7 8 F E D C B A Rev. Change Date Name Orig. Sheet Date Drawn Checked Approved Replaces Copyright as per ISO 16016 to be observed! Created with 03-Feb-20 John Jose Rajesh Ommi Ravi Behara Control Adaptor RTG ATI Manila 11A A B C D E F 1 2 3 4 5 6 7 8 Circuit Diagram of SIEMENS Incremental Encoder + Temp - Temp Enable Pulse M1 Enable Pluse +24V +24V GND PE SH . + M 1 2 3 4 -TB4 -X200 -X201 -X202 CU Adaptor Hoist/Gantry 2 -X220 -QA03 01 04 05 02 06 03 03 08 09 3AC M -GA02 Gantry Motor 2 45KW 4P, 1533/ 2300RPM W V U Existing Change Over contact for hoist and Gantry Page 15-03 Encoder Cable +24V Control Power /10A.7A 0V Control Power /10A.7A Hoist Thermistor Connection Hoist/Gantry2 U2 /11.3F Hoist/Gantry2 V2 /11.4F Hoist/Gantry2 W2 /11.4F -QA04 01 04 02 Hoist Encoder Gantry Encoder Existing Switch over Page 15-03 Thermistor Cable /10A.2C H1V2 /10A.2C H1W2 /10A.1C H1U2 /12.7A +24V Control Power /12.7B 0V Control Power
  • 17.
    1 2 34 5 6 7 8 F E D C B A Rev. Change Date Name Orig. Sheet Date Drawn Checked Approved Replaces Copyright as per ISO 16016 to be observed! Created with 03-Feb-20 John Jose Rajesh Ommi Ravi Behara Trolley Drive and Motor RTG ATI Manila 12 A B C D E F 1 2 3 4 5 6 7 8 Circuit Diagram of . . . SH1 L1 L2 L3 PE1 U2 V2 W2 PE2 R2 R1 F3 0V 24V DCP DCN SH2 -TB5 Sinamics Trolley 1 400V 55kW SINAMICS PM240-2 IP20-FSE-U-400V-55KW SINAMICS G120 SIE.6SL3210-1PE31-1UL0 R4 /11.7A S4 /11.7A T4 /11.7A 3AC M -TA01 Trolley Motor With Brake 37KW 4P, 1800RPM W V U +24V Control Power /11A.7A 0V Control Power /11A.7A
  • 18.
    1 2 34 5 6 7 8 F E D C B A Rev. Change Date Name Orig. Sheet Date Drawn Checked Approved Replaces Copyright as per ISO 16016 to be observed! Created with 03-Feb-20 John Jose Rajesh Ommi Ravi Behara Control Adaptor RTG ATI Manila 12A A B C D E F 1 2 3 4 5 6 7 8 Circuit Diagram of SIEMENS Incremental Encoder + Temp - Temp Enable Pulse M1 Enable Pluse +24V +24V GND PE SH . + M 1 2 3 4 -TB6 -X200 -X201 -X202 CU Adaptor Trolley -X220 Encoder Cable Trolley Encoder L N -PS01 SITOP - 6EP1334-3BA10 PSU 200M, 10A 0V 24V PE AC 200V CONT. SOURCE Page (05-02) /10.7A /10A.4A +24V Control Power /10.7B /10A.4A 0V Control Power
  • 19.
    I 2 I3 RC2 AC200V (05-3) I (29-1) ' 'I ' I90 I LCK ULCK I PARK1 I PARK2 (29-1) ' (29-1) )I (29-1) (29-1) ' {29-1} SOL1 SOL2 SOL3 SOL4 SOLS SOL? I ---{ ,,_____ - - ---( }- - ---{ }-------~---{ ')-- - ---{ -~----- - - - - - - - - ---( }- - ---{ }-------~ ----, c LJJB-1 c LJJB-1 I I JB-1 c LJJB-1 c LJJB-1 I I JB-1 [IOJB-7 [IDJB-7 I I JB- 7 [IDJB-7 [IDJB-7 I ' I JB-7 I - - - - - - ~ - - - - - - - - - - - - - c---- - - - - - - ~ -- ~-- -------< ~S:LJ STEERING UNIT N0.1 >soL1 ISOL2 ISOL3 ISOL4 ISOL6 ENGINE SIDE ' ' <10B.1> L____ ~-J STEERING UNIT N0.2 - - - ~--------- - - - - - - - - - - - - - - - - ~----------- - - - r - - - - - - - - - - - ~-- --------< CONT. PANEL SIDE <10B.2> - - I< - - - - - - - - - - - - - - - - - - - - - - - - - - - - - - - - - - - - - - - - - l '.:>- SOL1 < >SOL2 lSOL3 tSOL4 < >- SOL6 lSOL7 1 L) - - - - - - - - - - - - - - - - - - - - - - - - - - - - - - - - - - - - - - - - - - - - - - - - - - - - - - - - - - - - - - - - - - - - - ~---_J DLJJB-7 -71 - 7 -7 -7 -, -7 DLJJB-_1____ _J L - + L_ L_ -------t-- TC2 AC200f - - - - - - - - - - - - - - - - - - - - - - - - - - - - - - - - - - - - - - - - - - - - - (05-3) WHEEL SOLENOID WHEEL SOLENOID LOCK CYLINDER SOLENOID LOCK CYLINDER SOLENOID WHEEL SOLENOID WHEEL SOLENOID FOR 90. FOR 0. FOR "EXTEND" FOR "RETRACT" FOR PARKING FOR PARKING SOLENOID SPECIFICATIONS AC200V 60HZ INRUSH 2A RATED 0.5A I NAME OF DWG. CONTROL PANEL STEERING SOLENOID CIRCUIT I SH, NO, BT3233A-E-D13 D4/05/11 I MITSUI ENGINEERING & SHIPBUILDING CO., LTD. I 1 3 I 2 I 3
  • 20.
    - RC2 AC200V (052) ,--- <PS> CONNECTOR JB-S1 SPREADER HYO. UNIT <PS> CONNECTOR 40FT (33-3) SL1 L___~ SPREADER "EXTEND" SOLENOID BT3233A-E-014 04 04 13 , I 20FT (33-3} SL2 SPREADER "RITACT" SOLENOID LOK UNL {33-2} (33-3) SLJ SL4 - - - - - - - - - - - - - - SPREADER TWISTLOCK "LOCKED" SOLENOID SPREADER TWISTLOCK "LJNCKED" SOLENOID SOLENOID SPEC. AC200V 60HZ INRUSH AMP.2A RATED AMP. 0.5A 2 3 (14A-1) , I SPJ , I SP4 (33-2) (33-3) SPS5 SPS6 --1 ' I ' I ' I ' I ' I ' - - - - - - - - - - - - - - _l_J SPARE SPARE NAME OF DWG. TROLLEY AUX. PANEL SOLENOID FOR SPREADER CIRCUIT(1) SH. NO. MITSUI ENGINEERING & SHIPBUILDING CO., LTD. 14 2 3
  • 21.
    2 3 (14-3) RC2 ,------ - - - - - - - - - - - - - - - - - - - - - - - - - - - - - - - - - - - - - - - - - - - - - - - - - - - - - - , (14-3) <PS> CONNECTOR JB-S1 JB-S2 JB-52 TC2 a(32-3) SPREADER TWISTLOCK "LOCKED1" BT3233A-E-D14A 04 04 13 JB-S3 ~ <LS-TL2> JB-53 <PS> CONNECTOR 13 a(31-2) SPREADER TWISTLOCK "LOCKED2" JB-S2 ~<LS-TU1> JB-52 <PS> CONNECTOR 17 a(32-3) SPREADER TWISTLOCK "UNLOCKED1" JB-S3 ~ <LS-TU2> JB-53 <PS> CONNECTOR 14 UL2 UL2 a(31-2) SPREADER TWISTLOCK "UNLOCKED2" JB-S2 JB-S3 ~ <LS-LA1 > ~ <LS-LA3> cfJB-S2 cfJB-S3 ~ <LS-LA2> ~ <LS-LA4> JB-53 0_ 1,, F 120D a(32-2) a(32-3) SPREADER SPREADER TWISTLOCK TWISTLOCK "LANDED1" "LANDED2" MY2N-CR (WITH ACTION INDICATOR) NAME OF DWG. 2 ~ <LS-P20> <PS> CONNECTOR 11 a(32A-3) a(32A-3) SPREADER POSITION DETECT 20' SPREADER "CONNECTED" ~ <LS-P40> a(32-2) SPREADER POSITION DETECT 40' _____ _J Q_ 1" F 120D TROLLEY AUX. PANEL SOLENOID FOR SPREADER CIRCUIT(2) SH. NO. MITSUI ENGINEERING & SHIPBUILDING CO., LTD. 3 14A
  • 22.
    2 3 RCC AC1OOV (08-2) BL BL BL BL 5 3 24 21 r, ro BN <034.1 > <034.2> <033.1 > <033.2> <004> ~ <0591> BR BR BR BR 6 4 25 22 29 32 BU <031> <035> TFS TRS TFE TRE HSO HLS SKRE SKFE SKF2 SKR2 TMOH T02 TFS TRS TFE TRE HSD HLS SKRE SKFE SKF2 SKR2 TMOH TD2 TCC AC1 OOV (08-2) a(32A-2) o(32A-2) 0(32-2) 0(32-2) a(32-2) a(32-2) 0(32-2) 0(32-2) a(32A-2) o(32A-3) o(32A-3) o(32A-2) TROLLEY TROLLEY TROLLEY FWD STOP TROLLEY REV. STOP HOIST SLOWDOWN HOIST LOWER. SKEW RIGHT SKEW LEFT SKEW LEFT SKEW RIGHT TROLLEY MOTOR CABIN ENTRANCE FORWARD BACKWARD 2NO STOP END STOP END STOP POS. POS. OVER HEAT DOOR LS SLOWDOWN SLOWDOWN MY2N-CR (WITH ACT. INDI.) NAME OF DWG. TROLLEY AUX. PANEL LIMIT SWITCH CIRCUIT SH. NO. BT3233A-E-014B 04 08 24 MITSUI ENGINEERING & SHIPBUILDING CO., LTD. 148 2 3
  • 23.
    RC1 AC100V (05-2) INV1 TC1 AC100V (05-2) 306 I ' I 30C 10-2) 3CR 3CR a(15-2) a(21-3) I ' I INVZ 306 I ' I 30C 11-2) 4CR 4CR a(15-2) a(21-3) I ' I INY3 306 30C 12-2) 5CR 5CR a(15-2) a(21-3) HOIST/GANTRYHOIST/GANTRY TROLLEY INV.1 FAULT INV.2 FAULT INV.3 FAULT 3-8CT MY2N-CT (WITH ACTION INDICATOR) BT3233A-E-015 04 05 19 CLOS1 AT OPER TING I , I 2 PLC1 (19-1} 7CR 2PL 6CR 7CR GL o( - ) a(15-2) o( - ) SPARE SEQUENCER RUN 2 3 RC AC200 ' (05-2) 1M3 I EMX1 1 111°o'-2i F:" h I EMX2 I HELS I 20CR I BMA I 7MA F'' F'"'' (28-3) (28-2) HM GM I 3CR I 7CR I 1MA F'''F"' (28-1) I 4CR I 5CR 0 ( 1 5 - 1 ) ' -, I I I 1M I I I I I HM:ii I 1M7 HM1 I GM1 GM2 v I I / v I / 1M 6M1 HM1 GM1 6X1 HM2 TC AC200V (05-2) A(03-1) A(06-2} C(10-2) A(10-2) A(10-2)b(10-1) A(11-2) A(11-2) b(10-1) a(20-1) 0(31-2) C(10-2) b(15-3) b(15-3)b(11-1) b(15-3) b(15-3) b(11-1) a(20-2) a(Z0-2) SC-12N SC-4-0 MY2Z-CR MY2N-CR MYZN-CR SC-7NRM SC- 7NRM (WITH MECHANICAL INTERLOCK)(WITH MECHANICAL INTERLOCK) CONTROL TROLLEY POWER BRAKE "ON" SOURCE HOIST GANTRY HOIST HOIST GANTRY GANTRY MOTION MOTION BX MOTION MOTION BX 1 5 NAME OF DWG. CONTROL PANEL RELAY SIG. CIRCUIT(1) SH. NO. MITSUI ENGINEERING & SHIPBUILDING CO., LTD. 2 3
  • 24.
    2 3 RC1 AC100V (17-1) (05-2) -----------------------, ,------- ' I ' I ~---------- 1 -- - - , - RC1 i JB-1 [ J ' I 'i JB-2 <25>~-t----t----t=======:-----------------~ ' I <25> I JB-2 I ' I <25> 1 JB-2 LJ~--'_ ------JB-1 EPB2 JB-1 L__ - - - - - - - - - - HOS HELS HUS HSL EMX1 EMX2 EMX1 EMX2 HOS HELS HUS HSL (17-1) TC1 AC100V (05-2) a(15-2) a(15-2) a(21-1) a(21-1) a(21-2) a(21-2) a(21-2) <i(21-2) a(21-1) a(21-1) a(15-2) a(15-2) EM'CY STOP EM'CY STOP HOIST HOIST HOIST HOIST SPARE SPARE (FOR ENGINE) (FOR MAIN. SOURCE) OVERSPEED OVER END STOP SLOWDOWN TRAVEL (2ND) SH. NO. NAME OF DWG. CONTROL PANEL RELAY SIG. CIRCUIT(2) 1 6 04 08 24 MITSUI ENGINEERING & SHIPBUILDING CO., LTD. BT3233A-E-016 2 3
  • 25.
    16-3 a(23-2) STEERING LOCK PIN "LOCKED" BT3233A-E-017 0408 25 a(23-3) STEERING LOCK PIN "UNLOCKED" 0(23-3) TIRE POSITION (O") MY2N-CR (WITH ACTION INDICATOR) 0(23-3) TIRE POSITION (90") a(23-3) ANTI-COLLISION FOR CONTAINER 2 3 ,--- ---, ,--- ----, JB-1 JB-7 I :;-i 1 ~ 1<059.1A> L :'J JB-1 ,- ' I ' I L_ _ _J L_ - _J L - ---{,'>--- ---vi--_J GMOH GMOH 0(21-2) GANTRY MOTOR OVERHEAT TOI TDI 0(23-2) CABIN ENTRANCE DOOR LS MY2N-CT MY2N-CR (WITH ACTIONINDICATOR) (WITH ACTIONINDICATOR) NAME OF DWG. CONTROL PANEL SOL2 SDL2 S90L2 S90L2 SOL4 SOL4 S90L4 S90L4 0(21-2) a(21-3) 0(23-2) 0(23-2) TIRE POSITION TIRE POSITION TIRE POSITION TIRE POSITION w=~ ~=~ w=~ ~·=~ MY2N-CR (WITH ACTIONINDICATOR) RELAY SIG. CIRCUIT(3) SH. NO. MITSUI ENGINEERING & SHIPBUILDING CO., LTD. 3 1 7
  • 26.
    P24C DC24V (05-2) N24C BT3233A-E-017A 04 0519 JB-1 JB-7 <J049> 1,---:;l I 1 2 I I FILTER I MYW-1203-22 250V, 3A 3 4 ' L:___:"_J ANTL1AANTL1B <045.1 > ~C>---0-" BROWN BLUE a(23-1) ANTI-COLLISION (LEG1) MY2N-D2 <J048> I, :;l ' 2 ' I FILTER I MYW-1203-22 250V, 3A ' 4 ' L: :"J ANTL4A ANTL4B <045.4> BROWN BLUE BLACK JB-7 JB-1 a(23-2) ANTI-COLLISION (LEG4) MY2N-D2 2 3 <J022> <J034> 1,---:;l I, :;l I 1 2 I ' 2 ' I FILTER I I FILTER I MYW-1203-22 MYW-1203-22 250V, 3A 250V, 3A 3 4 ' ' 4 ' L:___:"_J L: :"J ANTL2A ANTL2B ANTLJA ANTL3B <045.2> <045.3> BROWN BLUE BROWN BLUE "~' BLACK ANTL2 N24C ANTL3 ANTL2 ANTL3 a(23-2) a(23-2) ANTI-COLLISION ANTI-COLLISION (LEG2) (LEG3) MY2N-D2 MY2N-D2 CONTROL PANEL RELAY SIG. CIRCUIT(4) SH. NO. NAME OF DWG. 17A MITSUI ENGINEERING & SHIPBUILDING CO., LTD. 2 3
  • 27.
    1 2 34 5 E D C B A Date Name Drawn Checked Approved Rev. Change Date Name Orig. Replaces Replaced by of Sheet Created with Copyright as per ISO 16016 to be observed! A B C D E F 1 2 3 4 5 6 7 8 John Jose Rajesh Ommi Ravi Behara 18 ATI Manila PLC RTG_REVA -CU04 6SL3040-0PA01-0AA0 P2 D-Clq Trolley -CU03 6SL3040-0PA01-0AA0 P2 D-Clq Hoist/Gantry2 -CU02 6SL3040-0PA01-0AA0 P2 D-Clq Hoist/Gantry1 DP D-Clq D-Clq D-Clq -CU01 CU320-2 DP WITH PB INTERFACE HW AD - 5 6SL3040-1MA00-0AA0 P3 P4 P2 P1 Page - -K02 6ES7521-1FH00-0AA0 /20.2E PN DP PN PN -K01 SIMATIC S7-1500, CPU 1516-3 PN/DP HW AD - 2 6ES7516-3AN01-0AB0 P3 P4 P2 P1 Page - -K03 6ES7521-1FH00-0AA0 /21.2E Page - -K05 6ES7522-5FH00-0AA0 /28.2C Page - -K06 6ES7522-5FH00-0AA0 /29.2C Page - -K04 6ES7521-1BH10-0AA0 /23.2E Page - -K07 6ES7532-5NB00-0AB0 /30.4E Page - -K08 6ES7521-1FH00-0AA0 /30A.2E PB -K20 ET 200MP, IM155-5 DP ST HW AD - 3 6ES7155-5BA00-0AB0 P1 Page - -K21 6ES7521-1FH00-0AA0 /31.2E Page - -K22 6ES7521-1FH00-0AA0 /32.2E Page - -K25 6ES7531-7QD00-0AB0 /34A.4E PB -K30 ET 200MP, IM155-5 DP ST HW AD - 4 6ES7155-5BA00-0AB0 P1 Page - -K31 6ES7521-1BH10-0AA0 /35.2E Page - -K32 6ES7521-1BH10-0AA0 /36.2E Page - -K33 6ES7522-1BH10-0AA0 /37.2C PB -K40 ET 200MP, IM155-5 DP ST HW AD - 6 6ES7155-5BA00-0AB0 P1 Page - -K41 6ES7521-1BH10-0AA0 /38.2E Page - -K42 6ES7521-1BH10-0AA0 /39.2E Page - -K43 6ES7522-1BH10-0AA0 /40.2C -TB1 6SL3210-1PE32-5UL0 P1 Drive/10.3C Hoist/Gantry 1 400V 132kW -TB3 6SL3210-1PE32-5UL0 P1 Drive/11.3C Hoist/Gantry 2 400V 132kW -TB5 6SL3210-1PE31-1UL0 P1 Drive/12.3C Trolley 1 400V 55kW CMS -CU00 CMS RJ45 TROLLEY AUX PANEL CONTROL STATION RIGHT HAND CONSOLE LEFT HAND CONSOLE Page - -K23 6ES7522-5FH00-0AA0 /33.2C Page - -K24 6ES7521-1FH00-0AA0 /32A.2E DI DI DI DI DO DO AO DO DI DO DI AI DI DI DO DI DI DO
  • 29.
    1 2 34 5 6 7 8 F E D C B A Rev. Change Date Name Orig. Sheet Date Drawn Checked Approved Replaces Copyright as per ISO 16016 to be observed! Created with 21-Jun-19 John Jose Rajesh Ommi Ravi Behara Control Panel DI Unit RTG_REVA ATI Manila 20 A B C D E F 1 2 3 4 5 6 7 8 PLC of 19 21 -K02 S7-1500, DI 16x230VAC BA 8 18 28 38 /18.3A Main Contactor 1 B0000 %I0.0 INV. CONTROL SOURCE 3 B0001 %I0.1 GANTRY STEER PUMP MOTOR 5 B0002 %I0.2 GANlRY MOTOR BRAKE 7 B0003 %I0.3 HOIST MOTOR 11 B0004 %I0.4 GANTRY MOTOR 13 B0005 %I0.5 SPARE 15 B0006 %I0.6 AUX. MACHINE MCB 17 B0007 %I0.7 AC+440V MAIN SOURCE TROLLEY 21 B0008 %I1.0 INV. CONT. SOURCE MCB 23 B0009 %I1.1 STEERING. PUMP MOTOR MCB 25 B000A %I1.2 GANTRY MOTOR BRAKE MCB 27 B000B %I1.3 AUX. MACHINE AC220V MCB 31 B000C %I1.4 STEERING PUMP MOTOR THERMAL 33 B000D %I1.5 SPARE 35 B000E %I1.6 SPARE 37 B000F %I1.7 2THR (03-3) 1M (15-2) RC1 AC 100V /21.1A RC1 AC 100V 2M (28-1) 3M (28-1) 4M (28-1) HMI (15-3) GM1 (15-3) 2MCB (03-1) 3MCB (03-2) 4MCB (03-2) 5MCB (03-2) 6MCB (03-02) 9MCB (04-1) 1THR (03-2) (05-2) TC1 AC100V (05-2) /21.1F TC1 AC100V
  • 30.
    1 2 34 5 6 7 8 F E D C B A Rev. Change Date Name Orig. Sheet Date Drawn Checked Approved Replaces Copyright as per ISO 16016 to be observed! Created with 06-Feb-20 John Jose Rajesh Ommi Ravi Behara Control Panle DI Unit RTG_REVA ATI Manila 21 A B C D E F 1 2 3 4 5 6 7 8 PLC of 20 23 -K03 S7-1500, DI 16x230VAC BA 8 18 28 38 /18.4A EMERGENCY STOP 1 B0010 %I2.0 SPARE 3 B0011 %I2.1 HOIST OVER SPEED 5 B0012 %I2.2 HOIST OVER TRAVEL LIMIT SWITCH 7 B0013 %I2.3 HOIST ORDINARY END STOP LS 11 B0014 %I2.4 HOIST SLOWDOWN LS 13 B0015 %I2.5 SPARE 15 B0016 %I2.6 SPARE 17 B0017 %I2.7 GANTRY MOTOR OVER HEAT 21 B0018 %I3.0 SPARE 23 B0019 %I3.1 SPARE 25 B001A %I3.2 STEERING 0 (LEG 2) 27 B001B %I3.3 STEERING 90 (LEG 2) 31 B001C %I3.4 HOIST/ GANTRY INVERTER 1 FAULT 33 B001D %I3.5 HOIST/GANTRY INVERETR 2 FAULT 35 B001E %I3.6 TROLLEY INV 3 FAULT 37 B001F %I3.7 (03-3) EMX1 (16-1) RC1 AC 100V /20.7A /30A.2A RC1 AC 100V HOS (16-2) HELS (16-2) HUS (16-2) HSL (16-2) GMOH (17-2) 4CR (15-1) 5CR (15-1) SOL2 (17-3) S90L2 (17-3) 3CR (15-1) TC1 AC100V /20.2F EMX2 (16-1) 9CR (16-3) 10CR (16-3) /30A.2F TC1 AC100V
  • 31.
    1 2 34 5 6 7 8 F E D C B A Rev. Change Date Name Orig. Sheet Date Drawn Checked Approved Replaces Copyright as per ISO 16016 to be observed! Created with 09-Feb-20 John Jose Rajesh Ommi Ravi Behara Control Panel DI Unit RTG_REVA ATI Manila 23 A B C D E F 1 2 3 4 5 6 7 8 PLC of 21 28 -K04 S7-1500, DI 16X24VDC BA 20 18 28 38 /18.4A FAULT RESET 1 B0020 %14.0 SPARE 2 B0021 %I4.1 SPARE 3 B0022 %I4.2 ANTI COLLISION LEG 1 4 B0023 %I4.3 ANTI COLLISION LEG 2 5 B0024 %I4.4 ANTI COLLISSION LEG 3 6 B0025 %I4.5 ANTI COLLISSION LEG 4 7 B0026 %I4.6 STEERING 0 (LEG 4) 8 B0027 %I4.7 STEERING 90 (LEG 4) 11 B0028 %I5.0 SPACE HEATER ON 12 B0029 %I5.1 CABIN ENTRANCE DOOR LS 13 B002A %I5.2 STEERING LOCK PIN INSERT 14 B002B %I5.3 STEERING LOCK PIN RETRACT 15 B002C %I5.4 STEERING 0 (LEG 1,3) 16 B002D %I5.5 STEERING 90 (LEG 1,3) 17 B002E %I5.6 GANTRY ABNORMAL APPROACH 18 B002F %I5.7 12PB P24B ANTIL1 (17A-1) ANTIL2 (17A-1) ANTIL3 (17A-2) SOL4 (17-3) S90L4 (17-3) SHX (55-3) TD1 (17-2) SLK (17-1) SUK (17-1) SO (17-1) N24B ANTIL4 (17A-2) S90 (17-2) GES (17-2) (19-1) (19-1)
  • 32.
    1 2 34 5 6 7 8 F E D C B A Rev. Change Date Name Orig. Sheet Date Drawn Checked Approved Replaces Copyright as per ISO 16016 to be observed! Created with 09-Feb-20 John Jose Rajesh Ommi Ravi Behara Control Panel DO Unit RTG_REVA ATI Manila 28 A B C D E F 1 2 3 4 5 6 7 8 PLC of 23 29 1MA a(15-2) MY2N-CR -K05 S7-1500, DQ 16x230VAC/1A ST (Triac) 1 5 11 15 21 24 /18.4A 31 35 MAIN CONTACTOR AUX 2 B0030 %Q0.0 INVERTER CONTROL SOURCE 3 B0031 %Q0.1 STEERING PUMP MOTOR 6 B0032 %Q0.2 GANTRY MOTOR BRAKE 7 B0033 %Q0.3 HOIST EMERGENCY END STOP LS BYPASS 12 B0034 %Q0.4 SPARE 13 B0035 %Q0.5 GANTRY CHANGE OVER AUX 16 B0036 %Q0.6 SPARE 17 B0037 %Q0.7 LIGHTING 22 B0038 %Q1.0 PANEL COOLER 10M 23 B0039 %Q1.1 PANEL COOLER 11M 26 B003A %Q1.2 SPARE 27 B003B %Q1.3 HOIST CHANGEOVER AUX 32 B003C %Q1.4 SPARE 33 B003D %Q1.5 MAIN CONTACTOR AUX INDICATION 36 B003E %Q1.6 FAULT INDICATION 37 B003F %Q1.7 7MA a(15-3) MY2N-CR 9M A(04-1) SC-NZ 10M A(04-2) SC-4-0 11M A(04-2) SC-4-0 8MA a(15-3) MY2N-CR 4PL GL 3M A(03-2) a(20-1) SC-N2S 20CR a(15-2) MY2N-CR 4M A(03-3) a(20-1) SC-0 2M A(03-2) a(20-1 SC-0 5PL OL RC AC200V TC AC200V /29.2A RC AC200V /29.2E TC AC200V (05-2) (05-2)
  • 33.
    1 2 34 5 6 7 8 F E D C B A Rev. Change Date Name Orig. Sheet Date Drawn Checked Approved Replaces Copyright as per ISO 16016 to be observed! Created with 09-Feb-20 John Jose Rajesh Ommi Ravi Behara Control Panel DO Unit RTG_REVA ATI Manila 29 A B C D E F 1 2 3 4 5 6 7 8 PLC of 28 30 -K06 S7-1500, DQ 16x230VAC/1A ST (Triac) 1 5 11 15 21 24 /18.4A 31 35 TIRE POSITION 0 DEGREE SOLENOID 2 B0040 %Q2.0 TIRE POSITION 90 DEGREE SOLENOID 3 B0041 %Q2.1 STEERING LOCK SOLENOID 6 B0042 %Q2.2 STEERING RELEASE SOLENOID 7 B0043 %Q2.3 HOI/GAN INVERTER RESET 12 B0044 %Q2.4 TROLLEY INVERTER RESET 13 B0045 %Q2.5 TIRE PARKING POSITION (PARK1) 16 B0046 %Q2.6 TIRE PARKING POSITION (PARK2) 17 B0047 %Q2.7 EVSC CONTROL RESET 22 B0048 %Q3.0 INVERTER (INV7) STOP SIGNAL 23 B0049 %Q3.1 ENGINE SPEED COMMAND 1 26 B004A %Q3.2 ENGINE NORMAL CONTROL MODE 27 B004B %Q3.3 SPARE 32 B004C %Q3.4 GANTRY WARNING LIGHT 33 B004D %Q3.5 SPARE 36 B004E %Q3.6 ENGINE STOP (30 MTS) 37 B004F %Q3.7 ES1 a(107-2) MY2N-CR 14 13 MODE a(107-2) a(F05-2) MY2N-CR 14 13 RC AC200V /28.3A TC AC200V /28.8E 0 a(13-2) 90 a(13-1) LCK a(13-2) ULCK a(13-2) RST 1 a(10-1) a(11-1) RST 2 a(12-1) PARK 1 a(13-2) PARK 2 a(13-3) EVSC PANEL (F07-2) GRL a(54-1) a(54-1) BZ a(54-2) a(54-2) GTL a(101-2) LY2IN with Manual Button LY2IN with Manual Button
  • 34.
    1 2 34 5 6 7 8 F E D C B A Rev. Change Date Name Orig. Sheet Date Drawn Checked Approved Replaces Copyright as per ISO 16016 to be observed! Created with 09-Feb-20 John Jose Rajesh Ommi Ravi Behara Control Panel AO Unit RTG_REVA ATI Manila 30 A B C D E F 1 2 3 4 5 6 7 8 PLC of 29 30A -K07 S7-1500, AQ 2xU/I ST 41 43 /18.4A 1 2 Engine Speed Command 3 4 %QW4 5 6 SPARE 14 15 %QW6 Engine Speed Command 4~20mA 1800~700rpm) (106-3) JB-1 617 618 N24B P24B (19-1)
  • 35.
    1 2 34 5 6 7 8 F E D C B A Rev. Change Date Name Orig. Sheet Date Drawn Checked Approved Replaces Copyright as per ISO 16016 to be observed! Created with 09-Feb-20 John Jose Rajesh Ommi Ravi Behara Control Panel DI Unit RTG_REVA ATI Manila 30A A B C D E F 1 2 3 4 5 6 7 8 PLC of 30 31 -K08 S7-1500, DQ 16x230VAC/1A ST (Triac) 8 18 28 38 /18.4A INVERTER (INV7) RUN OK 1 B0070 %I6.0 INVERTER MAIN CIRCUIT ON 3 B0071 %I6.1 EMERGENCY SOUCE (GENERATOR) 5 B0072 %I6.2 NORMAL SOURCE (INV) 7 B0073 %I6.3 ENGINE RATED SPEED (1700RPM) 11 B0074 %I6.4 ECO MODE SELECTED 13 B0075 %I6.5 SPARE 15 B0076 %I6.6 SPARE 17 B0077 %I6.7 SPARE 21 B0078 %I7.0 SPARE 23 B0079 %I7.1 SPARE 25 B007A %I7.2 SPARE 27 B007B %I7.3 SPARE 31 B007C %I7.4 SPARE 33 B007D %I7.5 SPARE 35 B007E %I7.6 SPARE 37 B007F %I7.7 INVR 13 14 (F07-2) RC1 AC 100V /21.7A RC1 AC 100V 2MS 13 14 (F07-3) 3MA 13 14 (F07-3) 3MB 13 14 (F07-3) ESH 13 14 (F07-3) TC1 AC100V /21.2F TC1 AC100V 3 ECO MANUAL 4 EVSC PANEL
  • 36.
    1 2 34 5 6 7 8 F E D C B A Rev. Change Date Name Orig. Sheet Date Drawn Checked Approved Replaces Copyright as per ISO 16016 to be observed! Created with 10-Feb-20 John Jose Rajesh Ommi Ravi Behara Trolley Aux Panel DI Unit RTG_REVA ATI Manila 31 A B C D E F 1 2 3 4 5 6 7 8 PLC of 30A 32 -K21 S7-1500, DI 16x230VAC BA 8 18 28 38 /18.6A Anti-SwyTrq MtrColngFanThrml 1 B0100 %I16.0 Trolley Brake 3 B0101 %I16.1 Spreader Pmp Motor 5 B0102 %I16.2 Skew Motor 7 B0103 %I16.3 Spare 11 B0104 %I16.4 Spreader Twl "Locked" 13 B0105 %I16.5 Spreader Twl "Unlocked" 15 B0106 %I16.6 Torque Mtr "Trq Low" 17 B0107 %I16.7 Torque Mtr "Trq High" 21 B0108 %I17.0 Trolley Brake 23 B0109 %I17.1 Hoist Brake 25 B010A %I17.2 Brake Source 27 B010B %I17.3 Spreader Pump Run 31 B010C %I17.4 Skew Mtr (Left Rev) 33 B010D %I17.5 Skew Mtr (Right Rev) 35 B010E %I17.6 Hoist Mtr Cooling Fan 37 B010F %I17.7 21M (33-1) RCC AC100V /32.2A RCC AC100V 22MF (33-1) 22MR (33-1) 23M (33-1) 24M (15-2) 25M (33-2) 28M (33-2) 29M (33-2) UL2 (14A-2) LK2 (14A-1) 22MCB (06-2) 23MCB (06-2) TCC AC 100V /32.1F TCC AC 100V 26M (33-2) 24A MCB (06-3) 28THR (07-2) 29THR (07-2) 30THR (07-2) 31THR (07-3) (08-2) (08-2)
  • 37.
    1 2 34 5 6 7 8 F E D C B A Rev. Change Date Name Orig. Sheet Date Drawn Checked Approved Replaces Copyright as per ISO 16016 to be observed! Created with 10-Feb-20 John Jose Rajesh Ommi Ravi Behara Trolley Aux Panel DI Unit RTG_REVA ATI Manila 32 A B C D E F 1 2 3 4 5 6 7 8 PLC of 31 32A 21MCB (06-1) RCC AC100V /31.7A /32A.2A RCC AC100V 24MCB (06-2) 25MCB (07-1) 27MCB (07-2) TFE (14B-1) TRE (14B-1) HLS (14B-2) SKRE (14B-2) SKFE (14B-2) PO40 (14A-3) 26MCB (07-1) LK1 (14-1) TCC AC 100V /31.2F /32A.2F TCC AC 100V -K22 S7-1500, DI 16x230VAC BA 8 18 28 38 /18.6A Spreader "Landed" 1 B0110 %I18.0 Spreader "Landed" 3 B0111 %I18.1 Twist Lock "Unlocked" 5 B0112 %I18.2 Twist Lock "Locked" 7 B0113 %I18.3 Anti-Sway Torque Motor 11 B0114 %I18.4 Spreader Pos Detect 20FT 13 B0115 %I18.5 Skew Left End Stop 15 B0116 %I18.6 Skew Right End Stop 17 B0117 %I18.7 Lowering Stop 21 B0118 %I19.0 HoistSlowDwn(2 Step SlwDwn) 23 B0119 %I19.1 Trolley Rev End Stop LS 25 B011A %I19.2 Trolley Fwd End Stop LS 27 B011B %I19.3 Anti-Sway TorqMtr ColnFan 31 B011C %I19.4 Anti-Sway Torque Motor 33 B011D %I19.5 Brake Source on Trolley 35 B011E %I19.6 Hoist Mtr Cooling Fan 37 B011F %I19.7 HSD (14B-2) UL1 (14-1) LD1 (14-3) LD2 (14A-2)
  • 38.
    1 2 34 5 6 7 8 F E D C B A Rev. Change Date Name Orig. Sheet Date Drawn Checked Approved Replaces Copyright as per ISO 16016 to be observed! Created with 21-Jun-19 John Jose Rajesh Ommi Ravi Behara Trolley Aux Panel DI Unit RTG_REVA ATI Manila 32A A B C D E F 1 2 3 4 5 6 7 8 PLC of 32 33 -K24 S7-1500, DI 16x230VAC BA 8 18 28 38 /18.6A Spreader Connect Detect 1 B0130 %I20.0 Spreader Pos Detect 20FT 3 B0131 %I20.1 Trolley Motor Over HeaT 5 B0132 %I20.2 Skew Right Pos. 7 B0133 %I20.3 Skew Left Pos. 11 B0134 %I20.4 Cabin Entrance Door LS 13 B0135 %I20.5 Trolley Fwd Slow Dwn LS 15 B0136 %I20.6 Trolley Rev Slow Down LS 17 B0137 %I20.7 TROLLEY SPARE2 21 B0138 %I21.0 TROLLEY SPARE3 23 B0139 %I21.1 TROLLEY SPARE4 25 B013A %I21.2 TROLLEY SPARE5 27 B013B %I21.3 TROLLEY SPARE6 31 B013C %I21.4 TROLLEY SPARE7 33 B013D %I21.5 TROLLEY SPARE8 35 B013E %I21.6 TROLLEY SPARE9 37 B013F %I21.7 RCC AC100V /32.8A RCC AC100V TMOH 14B-3) CN (14A-3) P20 (14A-3) TRS (14B-1) TFS (14B-1) TD2 (14B-3) SKF2 (14B-2) SKR2 (14A-3) TCC AC 100V /32.2F TCC AC 100V
  • 39.
    1 2 34 5 6 7 8 F E D C B A Rev. Change Date Name Orig. Sheet Date Drawn Checked Approved Replaces Copyright as per ISO 16016 to be observed! Created with 10-Feb-20 John Jose Rajesh Ommi Ravi Behara Trolley Aux Panel DO Unit RTG_REVA ATI Manila 33 A B C D E F 1 2 3 4 5 6 7 8 PLC of 32A 34A -K23 S7-1500, DQ 16x230VAC/1A ST (Triac) 1 5 11 15 21 24 /18.6A 31 35 Spare 1 B0120 %Q12.0 Spreader "Extend" Solenoid 3 B0121 %Q12.1 Spreader "Retract" Solenoid 5 B0122 %Q12.2 TWL "Unlocke" Solenoid 7 B0123 %Q12.3 TWL "Locked" Solenoid 11 B0124 %Q12.4 Spare 13 B0125 %Q12.5 Spare 15 B0126 %Q12.6 Anti-Sway Trq Mtr"TorQ Low" 17 B0127 %Q12.7 Anti-Sway Trq Mtr"TorQ Low" 21 B0128 %Q13.0 Trolley Brake 23 B0129 %Q13.1 Hoist Brake 25 B012A %Q13.2 Anti-Swy Trq Mtr ColnFan 27 B012B %Q13.3 Spreader Hyd. Pump Motor 31 B012C %Q13.4 Skew Motor "Reverse Rev" 33 B012D %Q13.5 Skew Motor "Normal Rev" 35 B012E %Q13.6 Hoist Motot Cooling Fan 37 B012F %Q13.7 RC AC200 TC AC200 21M A(06-1) A(06-1) A(06-1) a(31-1) SC-03 22MF A(06-2) A(06-2) A(06-2) a(31-1) b(33-1) SC-03RM 22MR A(06-2) A(06-2) A(06-2) a(31-1) b(33-1) SC-03RM 23M A(06-2) A(06-2) A(06-2) a(31-1) SC-4-1 27M A(07-2) A(07-2) A(07-2) a(32A-2) SC-4-0 25M A(06-2) A(06-2) A(06-3) a(31-2) SC-4-0 26M A(06-3) A(06-3) a(31-2) SC-03 28M A(07-1) A(07-1) A(07-1) a(31-2) SC-4-0 29M A(07-1) A(07-1) A(07-1) a(31-2) SC-4-0 SP3 a(14-2) LY2IN SP4 a(14-2) LY2IN LOK a(14-1) LY2IN UNL a(14-2) LY2IN 20FT a(14-1) LY2IN 40FT a(14-1) LY2IN (08-1) (08-1)
  • 40.
    1 2 34 5 6 7 8 F E D C B A Rev. Change Date Name Orig. Sheet Date Drawn Checked Approved Replaces Copyright as per ISO 16016 to be observed! Created with 10-Feb-20 John Jose Rajesh Ommi Ravi Behara Trolley Aux Panel AI Unit RTG_REVA ATI Manila 34A A B C D E F 1 2 3 4 5 6 7 8 PLC of 33 35 Load Cell L1 C R W B -K25 S7-1500, AI 4xU/I/RTD/TC ST 41 43 /18.6A 1 2 Load Cell 1 Input 3 4 %IW22 5 6 Load Cell 2 Input 7 8 %IW24 AD-4531A ANALOG OUT AMP1 (4~20mA) EXC+ SIG+ EXC- SIG- S COM OUT 4 5 7 6 8 11 9 10 16 15 AD-4531A ANALOG OUT AMP1 (4~20mA) EXC+ SIG+ EXC- SIG- S COM OUT 4 5 7 6 8 11 9 10 16 15 Load Cell L2 C R W B A1 B1 C1 D1 A2 B2 C2 D2 680Ω 680Ω P24D N24D DC24V (08-1) RC TC AC200V (08-1) P24D N24D DC24V (08-1)
  • 41.
    1 2 34 5 6 7 8 F E D C B A Rev. Change Date Name Orig. Sheet Date Drawn Checked Approved Replaces Copyright as per ISO 16016 to be observed! Created with 13-Feb-20 John Jose Rajesh Ommi Ravi Behara Right Hand Console DI Unit RTG_REVA ATI Manila 35 A B C D E F 1 2 3 4 5 6 7 8 PLC of 34A 36 8bit ABSOLUTE ENCODER +24V 2^0 2^1 2^2 2^3 2^4 2^5 2^6 2^7 ENCODER FOR GANTRY CONTROL 0V 8bit ABSOLUTE ENCODER +24V 2^0 2^1 2^2 2^3 2^4 2^5 2^6 2^7 ENCODER FOR HOIST CONTROL 0V -K31 S7-1500, DI 16X24VDC BA 20 /18.7B Hoist Encdr Bit Fig 8 1 B0200 %I8.0 Hoist Encdr Bit Fig 7 2 B0201 %I8.1 Hoist Encdr Bit Fig 6 3 B0202 %I8.2 Hoist Encdr Bit Fig 5 4 B0203 %I8.3 Hoist Encdr Bit Fig 4 5 B0204 %I8.4 Hoist Encdr Bit Fig 3 6 B0205 %I8.5 Hoist Encdr Bit Fig 2 7 B0206 %I8.6 Hoist Encdr Bit Fig 1 8 B0207 %I8.7 Gntry Encdr Bit Fig 8 11 B0208 %I9.0 Gntry Encdr Bit Fig 7 12 B0209 %I9.1 Gntry Encdr Bit Fig 6 13 B020A %I9.2 Gntry Encdr Bit Fig 5 14 B020B %I9.3 Gntry Encdr Bit Fig 4 15 B020C %I9.4 Gntry Encdr Bit Fig 3 16 B020D %I9.5 Gntry Encdr Bit Fig 2 17 B020E %I9.6 Gntry Encdr Bit Fig 1 18 B020F %I9.7 P24A /36.2A P24A N24A /36.2F N24A (08-2) (08-2)
  • 42.
    1 2 34 5 6 7 8 F E D C B A Rev. Change Date Name Orig. Sheet Date Drawn Checked Approved Replaces Copyright as per ISO 16016 to be observed! Created with 13-Feb-20 John Jose Rajesh Ommi Ravi Behara Right Hand Console DI Unit RTG_REVA ATI Manila 36 A B C D E F 1 2 3 4 5 6 7 8 PLC of 35 37 -K32 S7-1500, DI 16X24VDC BA 20 /18.7B WHEEL POSITION PARKING 1 B0210 %I10.0 TIRE POSITION 0 2 B0211 %I10.1 TIRE POSITION 90 3 B0212 %I10.2 TWISTLOCK LOCKED 4 B0213 %I10.3 TWISTLOCK UNLOCKED 5 B0214 %I10.4 LIGHTING ON 6 B0215 %I10.5 WHEEL LOCKPIN RELEASED 7 B0216 %I10.6 WHEEL LOCKPIN LOCK 8 B0217 %I10.7 GANTRY LEFT DIR NOTCH 11 B0218 %I11.0 GANTRY RIGHT DIR NOTCH 12 B0219 %I11.1 SPARE 13 B021A %I11.2 LOWERING NOTCH MASTER CONTROLLER 14 B021B %I11.3 HOIST NOTCH MASTER CONTROLLER 15 B021C %I11.4 SPARE 16 B021D %I11.5 HOIST 5 NOTCHES MASTER CONTROLLER 17 B021E %I11.6 EYE PLATE HANDLING ON 18 B021F %I11.7 P24A /35.7A /37.1A P24A 4PBL SPBL N24A /35.2F /37.1E N24A OFF ON 1 2 4TSW MC-A 5 1 0 1 5 HOIST LOWER 2 3 4 5 6 7 1TSW UNLOCKED 5SW LOCKED LEFT RIGHT 5 1 0 1 5 MC-A 2 3 4 5 2CS 21 22 11 12 11PBL 90 OFF 0 13 14 11 12
  • 43.
    1 2 34 5 6 7 8 F E D C B A Rev. Change Date Name Orig. Sheet Date Drawn Checked Approved Replaces Copyright as per ISO 16016 to be observed! Created with 16-Feb-20 John Jose Rajesh Ommi Ravi Behara Right Hand Console DO Unit RTG_REVA ATI Manila 37 A B C D E F 1 2 3 4 5 6 7 8 PLC of 36 38 -K33 S7-1500, DQ 16X24VDC/0.5A BA 9 19 10 /18.7B 20 ABNORMAL APPROACH BZ 1 B0220 %Q8.0 STEERING DONE BUZZER 2 B0221 %Q8.1 GANTRY MOTION ALARM 3 B0222 %Q8.2 HOIST MOTOR OVERHEAT 4 B0223 %Q8.3 OVERLOAD ALARM 5 B0224 %Q8.4 CRANE COLLISION ALARM 6 B0225 %Q8.5 SPARE 7 B0226 %Q8.6 SPARE 8 B0227 %Q8.7 SPARE 11 B0228 %Q9.0 SPARE 12 B0229 %Q9.1 SPARE 13 B022A %Q9.2 SPARE 14 B022B %Q9.3 WHEEL PARK POSITION 15 B022C %Q9.4 STEERING HYD PUMP RUN 16 B022D %Q9.5 LOCK PIN RELEASED INDICATION 17 B022E %Q9.6 LOCK PIN LOCKED INDICATION 18 B022F %Q9.7 P24A /36.8A N24A /36.2F /38.1A P24A /38.1F N24A GL 4PBL 7M1 a(52-3) LY2IN BZ 1X a(37-3) MY2N-D2 RL 5PBL GL 1IL WL 11PBL RL 8IL RL 9IL RL 5IL BZ 2X a(37-3) MY2N-D2 BZ1X (37-3) BZ2X (37-3) 2 3 1 4 COM COM (W. MANUAL OP BUTION)
  • 44.
    1 2 34 5 6 7 8 F E D C B A Rev. Change Date Name Orig. Sheet Date Drawn Checked Approved Replaces Copyright as per ISO 16016 to be observed! Created with 16-Feb-20 John Jose Rajesh Ommi Ravi Behara Left Hand Console DI Unit RTG_REVA ATI Manila 38 A B C D E F 1 2 3 4 5 6 7 8 PLC of 37 39 -K41 S7-1500, DI 16X24VDC BA 20 /18.8B SPARE 1 B0300 %I12.0 SKEW CENTER POS 2 B0301 %I12.1 SPARE 3 B0302 %I12.2 SPARE 4 B0303 %I12.3 SPARE 5 B0304 %I12.4 SPARE 6 B0305 %I12.5 SPARE 7 B0306 %I12.6 SPARE 8 B0307 %I12.7 Trolley Encdr Bit Fig 8 11 B0308 %I13.0 Trolley Encdr Bit Fig 7 12 B0309 %I13.1 Trolley Encdr Bit Fig 6 13 B030A %I13.2 Trolley Encdr Bit Fig 5 14 B030B %I13.3 Trolley Encdr Bit Fig 4 15 B030C %I13.4 Trolley Encdr Bit Fig 3 16 B030D %I13.5 Trolley Encdr Bit Fig 2 17 B030E %I13.6 Trolley Encdr Bit Fig 1 18 B030F %I13.7 P24A /37.8A /39.2A P24A N24A /37.8E /39.2F N24A 7PBL 8bit ABSOLUTE ENCODER +24V 2^0 2^1 2^2 2^3 2^4 2^5 2^6 2^7 ENCODER FOR TROLLEY CONTROL (MC-B) 0V
  • 45.
    1 2 34 5 6 7 8 F E D C B A Rev. Change Date Name Orig. Sheet Date Drawn Checked Approved Replaces Copyright as per ISO 16016 to be observed! Created with 16-Feb-20 John Jose Rajesh Ommi Ravi Behara Left Hand Console DI Unit RTG_REVA ATI Manila 39 A B C D E F 1 2 3 4 5 6 7 8 PLC of 38 40 -K42 S7-1500, DI 16X24VDC BA 20 /18.8B SPARE 1 B0310 %I14.0 SPARE 2 B0311 %I14.1 SPREADER 20FT 3 B0312 %I14.2 SPREADER 40FT 4 B0313 %I14.3 SPARE 5 B0314 %I14.4 GAN DEV.CORRECT BACKWARD 6 B0315 %I14.5 GAN DEV.CORRECT FORWARD 7 B0316 %I14.6 SKEW LEFT 8 B0317 %I14.7 SKEW RIGHT 11 B0318 %I15.0 MAIN CONT.SOURSCE PB OFF 12 B0319 %I15.1 SPREADER PUMP STOP 13 B031A %I15.2 SPREADER PUMP START 14 B031B %I15.3 MAIN CONT.SOURSCE PB ON 15 B031C %I15.4 TROLLEY REVERSE NOTCH MASTERSWITCH 16 B031D %I15.5 TROLLEY FORWARD NOTCH MASTERSWITCH 17 B031E %I15.6 SPARE 18 P24A /38.8A /40.1A P24A 1PBL 3PBL N24A /38.8F N24A 2TSW RIGHT LEFT REV FWD 5 1 0 1 5 MC-B 4 5 2 3 40FT 20FT (O49.1) 13 14 11 12 2PBL 2PB 1CS FORWARD BACKWARD COMBINATION 13 14 12 11 3 4 1 2
  • 46.
    1 2 34 5 6 7 8 F E D C B A Rev. Change Date Name Orig. Sheet Date Drawn Checked Approved Replaces Copyright as per ISO 16016 to be observed! Created with 16-Feb-20 John Jose Rajesh Ommi Ravi Behara Left Hand Console DO Unit RTG_REVA ATI Manila 40 A B C D E F 1 2 3 4 5 6 7 8 PLC of 39 41 -K43 S7-1500, DQ 16X24VDC/0.5A BA 9 19 10 /18.8B 20 SPARE 1 B0320 %Q10.0 SPARE 2 B0321 %Q10.1 SPARE 3 B0322 %Q10.2 SPARE 4 B0323 %Q10.3 SPARE 5 B0324 %Q10.4 SPARE 6 B0325 %Q10.5 SPARE 7 B0326 %Q10.6 SKEW CENTER POS 8 B0327 %Q10.7 SPREADER PUMP STOP INDICATION 11 B0328 %Q11.0 SPREADER PUMP RUN INDICATION 12 B0329 %Q11.1 MAIN CONTROL SOURCE ON IND 13 B032A %Q11.2 SPARE 14 B032B %Q11.3 SPARE 15 B032C %Q11.4 SPREADER LOCKED INDICATION 16 B032D %Q11.5 SPREADER UNLOCKED INDICATION 17 B032E %Q11.6 SPREADER LANDED INDICATION 18 B032F %Q11.7 P24A /39.8A N24D WL 1SL GL 2SL RL 3SL Spreader Lamp Box WL 1PBL GL 3PBL RL 2PBL WL 7PBL
  • 47.
    2 3 ,---------------------------------------------------------, ' l~10PB LEFT HANDCONSOLE <49> LAMP ) TEST LT ENGINE ENGINE FUEL ENGINE ENGINE START SWITCH IDLE NOMINAL LEVEL NOMINAL RUNNING SPEED SPEED BATIERY ENGINE ON FAULT SW c t'. 191L 181L Ir " 151L 161L , F.O ~zc START INTERLOCK ENGINE ~00 f-0-r-0-. ~--0~~ ~ I I I (FAULT RESET) EM'CY STOP lj NS I 11 I 6PB EEPB1 " . -.1'- -1'- 0 0 :;; :;; " c)~ 6PB ' ' ' ' N2 ' ~ -------- ___ _J ,, PB1 PB1A ~- PB1 ~----{ ~7~------ 324 503 ~~B----{ ~3B ~------- 116 301A ~~_J ----------; ---{ -----j - --i ---{ ~-------{ L I I) 0 0 j f 0 1) 0 I) I) 0 0 IJB-2 <25> I 0 0 0 ' f 0 1) " I) 0 0 " I JB-1 323 PB1 N2 507A 324 503 1118 1138 114 116 301A 316A ENGINE CONTROL < 110> NAME OF DWG. SH. NO. L/H CONSOLE ENGINE EQUIPMENT 41 MITSUI ENGINEERING & SHIPBUILDING CO., LTD. BT3233A-E-041 04 06 09 2 3
  • 48.
    BT3233A-E-042 04 0524 2 ,-------------------------------------, ' I ' I ' I ' I ' +12V OV DC-DC CONVERTER DC 24V/DC 12V +V -V <TELINY> L_ -----V>-- ---{/>--- - - - - - - - - - - - - - - - - - - - - - - ---{/l-- P3 N1 ~---~ R/H CONSOLE <049.1 > ~-r----~ (53-1) N1 JB-2 ~--+----+--~<25> JB-1 JB-7 N1 ENGINE CONTROL PANEL >----------~ <11 O> R/H CONSOLE rsc-0--~:J--~- =n JB-1 TEL1 <106.1> 2 3 4 ' I w ,-TEL2 E TEL1 E - - - - , ' I ' ETEL3 I I (106.3) I L _ ------CONTR~L ~:~~~ _J JB-7 TEL4 TEL3 NAME OF DWG. TELEPHONE CIRCUIT 1 E TEL5 - <106.5> 1 E TEL4 - <106.4> 1 E TEL2 - <106.2> MITSUI ENGINEERING & SHIPBUILDING CO., LTD. 2 3 ENGINE ROOM ENGINE ROOM SIDE CONTROL PANEL SIDE SH. NO. 42 3
  • 49.
    2 3 (04-1) (04-1) U10AV10AU10AV10A CONTROL PANEL JB-1 BALLASTER BOX BALLASTER BOX ![=------------------- ------------------~ Black White Black White Black White Black White Black White Black White Black White Black White I I <PR4.5> I I <PR4.6> I I <PR4.7> I I <PR4.7A> I I <PR4.1 DA> 11 <PR4.10> I I <PR4.9> I I <PR4.8> <107.5> <107.6> <107.7> <107.7A> <107.10A> <107.10> <107.9> <107.8> HPSL HPSL HPSL HPSL HPSL HPSL HPSL HPSL FLOOD LIGHT FLOOD LIGHT FLOOD LIGHT FLOOD LIGHT FLOOD LIGHT FLOOD LIGHT FLOOD LIGHT FLOOD LIGHT 220V 450W 220V 450W 220V 450W 220V 450W 220V 450W 220V 450W 220V 450W 220V 450W MAX4.BA MAX4.8A MAX4.BA MAX4.8A MAX4.BA MAX4.BA MAX4.8A MAX4.8A 2.65A 2.65A 2.65A 2.65A 2.65A 2.65A 2.65A 2.65A NAME OF DWG. FLOOD LIGHT CIRCUIT ON GIRDER SH. NO. BT3233A-E-050 04 06 08 MITSUI ENGINEERING & SHIPBUILDING CO., LTD. 50 2 3
  • 50.
    BT3233A-E-050A 04 0608 JB-1 JB-7 ENGINE ROOM ,----- ' I Black White e ''' '''' ' L_<B1> (04-1) U10AV10A Black White _J <J045> <J046> VENDOR CABL VENDOR CABL <107.1> HPSL FLOOD LIGHT 220V 270W M1'X2.7A 1.56A <107.4> HPSL FLOOD LIGHT 220V 270W MAX2.7A 1.56A 2 3 CONTROL PANEL NAME OF DWG. FLOOD LIGHT CIRCUIT ON LEG SH. NO. MITSUI ENGINEERING & SHIPBUILDING CO., LTD. SOA 2 3
  • 51.
    BT3233A-E-051 04 0608 (04-1) U10A V10A U10A V10A CONTROL PANEL JB-1 JB-2 <25> 2 BALLASTER BOX ------------------~ Black White , ''' ' , ' Black White ~ Blue ~,:__~ I I <PR4.21 > <107.21> HPSL FLOOD LIGHT 220V 450W MAX4.8A 2.65A Black White I I <PR4.22> <107.22> HPSL FLOOD LIGHT 220V 450W MAX4.8A 2.65A Black White I I <PR4.23> <J074> <107.23> <107.24> HPSL HPSL FLOOD LIGHT FLOOD LIGHT 220V 450W 220V 450W MAX4.8A MAX4.8A 2.65A 2.65A 2 3 NAME OF DWG. FLOOD LIGHT CIRCUIT ON TROLLEY SH. NO. MITSUI ENGINEERING & SHIPBUILDING CO., LTD. 51 3
  • 52.
    U13 ~c~1~~v N13 (04-2) V13 BT3233A-E-052 I ' I ' I ' 39MCB 50A/30A,30mA ~ )) 40MCB 41MCB 20A 20A ) ) A200B N200B L A200 ---1 N200 04 07 02 ' I ' I I ' , , I I <R4> I ' RECEPTACLE I FOR i ICAB ~~OLER'JJ' ' L:___ I DIMMER 6SW R/H - , CONSOLE I <49> BS I ' I ' W BR/BL GR I ' ~-f?>L_5~7>-L_6-<71-L7__ J <100> CAB COOLER (OUT DOOR UNIT) <101> CAB COOLER (IN DOOR UNIT) W BR/BL GR BALLASTER 20Wx2 <102> FLUORESCENT LIGHT 2 U15 N15 V15 42MCB 43MCB ' ' 20A 20A ) ) ) ) A100A N13A A200C NZOOC --0--- - - - - - - - - - - ---(>---- 4TR ~"-----0-1c;1OV/1 DOV A100B N13B FIRE DETECTION PANEL (58-3) 2-WAY UHF RADIO POWER SUPPLY FOR UHF RADIO <R203> RECEP. TROLLEY AU PANEL LIGHTING (08-1) A2 OC N200C CAB AC220V RECEPTACLE I I <49> i~b~sOLE 3 ' ' AC110V ' AC110V ' 44MCB 45MCB ' 20A ' ) 20A ) ) ) ) ' ' ) A100D N13D A100E N13E CAB DISTRIBUTION PANEL <4 -~ ~- - - - - - - - - - - - <49> lo " " 1) I (57-2) <49> I - - - - - - - RIGHT HAND CONSO r-==~1- ' 110V 0 I CH1 T1,,-,f'h 7M1 AMPLIFIER FOR ' ALARM & LOUD SPEAKER COM I <47> 7M3 L __ ' BD 0 4D 0 CH2 L_ 7M4 SP1B SP1A SPZB SPZA - I JB-21 ( <25> '.:lspzs( -<:pzAI JB-1 11) 1) I <21> I ( SP3 <048.5> I )spzsl)sd JB-71 ( SP1 <048.3> I <46> FOOT SWITCH ~SP2B( lsd SP2 <048.4> - I - - 9A> LE 7M2 NAME OF DWG. CAB DISTRIBUTION PANEL CIRCUIT SH. NO. MITSUI ENGINEERING & SHIPBUILDING CO., LTD. 52 2 3
  • 53.
    2 3 <49> (42-1) ~P3 D ,~------------------ - - - - - - - - - - - - - - - - - - - - - - - - - - - - - - - __ _J _____ I ' 6 ~11SW ~ ----~~2F~W 6 ·~ 3SW ' I ----;- - - - - OFF --;----- -1---QFF I ' ' I ~ l--- ~ON -t - - - - ~ON -t - - - - - -ON I ' ' L_ - - - - - - - - - - - - - - - - - - - - - - - - - - - - - - - - - - - ~- - - - - - - - - - - - - - - - - - - - - - - - - - - - - - __ _J o N ----0~14SW - N ----0~15SW ;; N ----0~16SW 0 ;; N n n n n n n n n " " " • " " " • " " " • 0 n ;; n N n z n z z n " " " " " " <49> ) 1) IJ ' ' I <49' I ' LW2 ' L2 1) LB2 I DI <49> I , '.) LW3 0 L3 ' LB3 I IJ I I Bu/W Be Bu/B B I I B Bu/RI I LW L ) LB B I I B Bu/RI I LW L LB B I I B Bu/RI ' ' ' ' ' ' ' ' ' I ' ' ' I I I (;;; I I M I I (;; I I M I I (;; I ' ' ' - ' ' - ' ' - ' ' - ' ' - ' I I I I I I I I I I I I ' " ' ' ' ' " ' ' ' ' " ' ' ' L "C:33000PF _J - - - - - - - - - - - - - - - - L___J L "C:33000PF _J - - - - - - - - - - - - - - - - L___J L "C:33000PF _J - - - - - - - - - - - - - - - - L___J <105.1> <WS1> <105.2> <WS2> <105.3> <WS3> WINDOW WIPER WINDOW WASHER WINDOW WIPER WINDOW WASHER WINDOW WIPER WINDOW WASHER <49> ~ N1 D (42-1) NAME OF DWG. WINDOW WIPER CIRCUIT SH. NO. R/H CONSOLE 53 MITSUI ENGINEERING & SHIPBUILDING CO., LTD. BT3233A-E-053 04 06 09 2 3
  • 54.
    I 2 I3 ,-----------------------------------------------------, CONTROL PANEL <21> U14 U14 ' ACZOOV (04-3) V14 V14 ' 14A MCB 148 MCB ) 5A ( 5A GRLIA 11 I GRL I GRL I BZ BZ I GTL I GTL (29-3) (29-3) (29-3) (29-3) (29-3) (29-3) L__ GL2 GL1 GL2 GL1 GL2 GL1 BZ2 BZ1 L2 L1 1L2 L1 ___________J ~ JB-7 I ,3 o I ~ (104.2) % L (LEG1) ~ (LEG2) L (LEG3) LG- L (LEG4) SPARE SPARE GANTRY WARNING ROTATING LIGHT I NAME OF DWG. CONTROL PANEL ALARM & MISC. CIRCUIT I SH. NO. BT3233A-E-054 04/04/14 I MITSUI ENGINEERING & SHIPBUILDING CO., LTD. I 54 I 2 I 3
  • 55.
    BT3233A-E-055 TROLLEY MOTOR HOISTMOTOR TROLLEY AUX. PANEL 1-'°o'>-I 1-<001>-1 1---1 ' 11 11 ' ' ' ' 11 I ITH ' ' I 11E ~-------TROLLEY _______ _j GANTRY MOTOR 1,--- 1 <006.1> Lj_ SH AC GENERATOR 1,--- , Lj_ SH 04 06 08 AC GENERATOR PANEL <24> ___ _J 2 3 GANTRY MOTOR I <006.2> CONTROL PANEL 1-------------, ' ' I I ' ' I TH I U11E SHORE POWER AC 220V ~~~~~~~~~--j~~~~~~~~~~~~~~~~~V~1~1~E{)~-+-~-+~~~~~~~~~~~~~--J~f3:! 3) ___J NAME OF DWG. 2 SHX MY2N-CR a(23-2) I ' I ' I I , , I L ______________j * SPACE HEATER CIRCUIT MITSUI ENGINEERING & SHIPBUILDING CO., LTD. 3 SH. NO. 55
  • 56.
    BT3233A-E-056 04 0608 <21> ,-----,,C I U10F I (04-1) I V10F I L____ _ j JB-1 - / WL6 WL7 WLB - - <J016> c- - <J015> ( - I - <J014> ( - - <J013> ,- <J011> ~ <21> PB-2 WLB ~ - WL7 - - WL6 ~ ~ 2 3 <25> <49> - - U10F WL6 WL7 - ~ > 11 CAB I THREE-WAY SWITCH - ~SJ12 ~9.6> I ' L:_ _ J ~9.5> ~9.4> ACCESS LIGHT ~9 <109.3> ~9 <109.2> G9 <109.1> <3SW1 > ~ -11 LEG2 ' I THREE-WAY SWITCH i_::__] NAME OF DWG. ACCESS LIGHT CIRCUIT SH. NO. MITSUI ENGINEERING & SHIPBUILDING CO., LTD. 56 2 3
  • 57.
    - - --- -- - -- - ---{'.i>os313------<~s3131 +V -V AC1 OOV ~~R"C" 1 --0 LAC 1OOV/DC9V (05-2) ~cTcCc1_-0 N EWfJ~-9 I ' I CONTROL PANEL I <21> J - - - - - - - - - - - - - - - - - - - - BT3233A-E-057 07/01131 I <ITV1 > <ITV4> ' ~N1 TY4 1<25> I 2 AC110V (52-3) N13E A100E N 9AVR AC11 OV/DCZ4V PS5R-D24 sow PDB550 NDB550 2 I 3 ,--::--~-~-~-~-~-~-~-~-~-~-~ CAB <TIVM1 > <TIVM2> x x DISPLAY DISPLAY OPERATOR'S CONSOLE <TIVC1 > <TIVC2> <49> CAMERA POWER CAMERA POWER l J l ~ I ORANGE /BLUE BLACK ORANGE /BLUE BLACK i I NAME OF DWG. *ITV CAMERA CIRCUIT I SH. NO. ,e---------M~ITs-u-1-EN_G_IN~E-ER-IN_G_&-sH-IP_B_U_ILD-IN_G_C_O_,_L_TD-.----------j, 57 I 3
  • 58.
    I 2 I3 <21> I I CONTROL PANEL I ' CAB I I ' ' I I AC110V (52-2) ' ' I I A100B N13B ' JB-1 <25> I P1 P2 - - SDS2A c SDS2B I <FDP1 > j ~ ' L1 FIRE ' DETECTION PANEL I 'Lo- cI 1OkQ I L cl <HOS> <SDS2> AC110V HEAT SMOKE (52-2) DETECTION DETECTION SENSOR SENSOR A100B N13B P1 P2 I c <FDP2> - L2 FIRE ' - DETECTION PANEL __________________ _J ----------------------<-,@-! ENGINE ROOM I ' I ' I J~7 SDS1A '~ ' SDS1B 1::: j I ,_ - ' I L cl I <SDS1> ' SMOKE I DETECTION SENSOR ' I ' I ' I I ' I NAME OF DWG. *FIRE DETECTION SYSTEM FIRE DETECTION SYSTEM I SH. NO. BT3233A-E-05B 04107102 I I MITSUI ENGINEERING & SHIPBUILDING CO., LTD. I 58 I 2 I 3
  • 59.
    BT3233A-E-061 AC110V (04-2) V13 N13 04 07 22 ~ g ACADAPTER gv-----i E PRINTER AC1 DOV Deskje3420 UPS AC1 DOV 60Hz 700VA Smart-UPS 700 2 KEY BOARD MOUSE 2 TFT AC1 DOV 15' EIS1 FPb VGAIN PC OpliPlex GX270 COM1 VGA USB/SERIAL CONVERTER USB-CVRSV AGP BLANK LPc1lfiD"IO~C~A"RDDi-~~~~~~~~~~ NAME OF DWG. *CMS EQUIPMENT (1) ADAPTER FLT-ASFX 010 CIRCUIT (62-1) MITSUI ENGINEERING & SHIPBUILDING CO., LTD. 3 PLC1 CMS ETHERNET MODULE MODULE F70S NC1 P-SO NC1 L-ET1 3 SH. NO. 61
  • 60.
    DC24V ENGINE BT3233A-E-062 04 0722 " 0 0 + P3 N1 0 0 0 ' ' ~ ~ 0 0 x I R1 N 0 '~ N 0 0 x R2 N 0 ~ <AC GEN.PANEL>N ; 0 ; 0 ~ 0 > ~ > 0 ~ 0 n • 0 0 ' ' ~ ;;; n • 0 0 0 0 x x I R2 I R3 R3 R4 N ~ 0 • ~ ~ 0 0 > ~ • g " ITT ~ ~ > 0 0 ITT 0 '~ ITT 0 0 x I R4 I R5 R5 '0 • § " ITT • g 2 0 0 N z w '0 0 0 0 x R6 n 0 • ~ ~ " " ~ 0 • g 2 3 DIO BOARD PC0-16/16L(LPCl)H 8 CONNECTOR 50PIN 0 x I R6 I R7 R7 <CMS RACK> ---<~- - -------0------- - -----0'- - -----0'- - -----0'- - -----0'- - -----0'- - -----0'- - -----0------- - -- - -- - -- - -- - - - <ENGINE CONT.PANEL> ITT 0 • " 0 r " ~ • I " I NAME OF DWG. * CMS EQUIPMENT (2) SH. NO. MITSUI ENGINEERING & SHIPBUILDING CO., LTD. 2 3 62
  • 61.
    PJ r---------- P1 ~ I R91 *I: ~~~'rRI R1 S1 I I I I AllERNATOR~ I L---------, PANEL - I I I I I I I F2 10A <21> I ~---<,'>--JB_-~ 0 "' 0 2 3 P1A ( 105-2) u "' :: 6Z1 (102-1) ~ HT1 JMIN (102-2) "' 0 <r.!5> J·-1 5Z (1 03-3) (101~ "' 0 ~,...-J-.....LI-'-"=-+-~~-+-~~~-+--+--+---+~+-~~~~~-+-~~~~-+---t~~~---~~~~~-------~_._,. -= I I N UN0086 BT3233A -E-101 16 07 22 ENGINE STOP 30MIN. AFTER NO.OPERATION AST MY2K a(101-3) a(101-3) BATTERY RELAY a(101-1) BATTERY ON/OFF CC/TC MY2K a(101-2) 2 NAME OF OWG. ENGINE START 6X MY4N-D2 a(102-1) a(102-3) BATTERY ON 6X1 G7J a(101-2) • ENGINE CONTROL PANEL CIRCUIT ENGINE STOP 5X1 lolY4N-D2 b~102-1~ b 102-1 b 101-3 MITSUI ENGINEERING &: SHIPBUILDING CO., LTD. 3 ENGINE RATED SPEED 15U MY4N-D2 13T HJY-2 a(103-2) SH. NO. 101
  • 62.
    2 3 (101-2} PB1---o--------o-----.-----...----.~-------------.----------.--------------.----.--p91 [101-2} F'B1 r SYr JOSEC (102-1) BATTERY OFF TCX G7J a(1D1-2) HX (102-2} BATTERY OFF TIMER 6YT HJY-2 a(102-1} (JOSECSET) UN0086 BT3233A -E-102 1e 07 22 5X1 {101- GOVERNOR SOURCE ON BZ 4 t--+--~5 5X1 (101-3) TACHOMETOR BATIERY &: GOVERNOR SOURCE OFF TIMER 5T1 HJY-2 a{lOJ-J) (2MIN SET) SR SPEED REL.A: 2 7 RUNNING 14T 14T1 H3Y-2 a(lOJ-1) (20SEC SET) IL 500 RPM 2 IMI "' ;::; IH A (103-1) LOW SPEED OVER SPEED II (103-1) G:JI ~1 "' 01 ~I ""' ~~I ~ ;::; AIR BOX DAMPER (GM) NAME OF DWG. • ENGINE CONTROL PANEL CIRCUIT Ill ;::; 5Z1 (103-J} N 0 N I BX (101-2} 052 FUELSHUT OFF MAGNETIC SWITCH VALVE (CUMMINS) MITSUI ENGINEERING &: SHIPBUILDING CO., LlD. 3 SH. NO. 102
  • 63.
    2 3 PB1 PB1 (102-3)(104-1 ) ENG -, ABl LWL I (10J-2) I ~ 13L 14-X 5E 5ZT J18A I15U 86X1 (102- (102-2) (10J-2) 0.1SEC (101-3) (103-2) ~ I (10J-2) _J 6JO ~ (10J-1) 86X I MODEX (10J-2) ~ "' (107-2) 318 ,., .... .... ;2j 0 0 0 0 ,., ,., ,., ,., 0 ;;; 49W 6Z Ci ., ., (10J-1) (102-1) 319 r5T1 01 02 DJ OJA 04 2MIN J02 306 JOB 308A J11 (102-1) I r 14T I r13T 1 ,JLX 13LX (103-2) rSZT 12X 20SEC 630 149W ILWL 20SEC (103_ 2) PB1 {H>Ml {rn'- ,,,,_,, {103-1) (103-2) (101- D.1SEC A ~ ~ 320 (103-2) ... n 12X N N ., n (102-2) I13L (102-2) (102-2 ~ "" ~ CAB "' ,., ,., ,., 0 .. ,., ., N ~ BPBL N2 --~~~~~~~+-~~~~~---~~~~~--~--~~~~~-+~-+~~~~~~~-+-~~~+-~+-~~-+-~~-+~~~--~~--~~~~~~~~~~---->--~~~~--N2 (102-3) (104-1 ) UN0086 BT3233A -E-103 1e 07 20 LOW OIL PRESS. 630 MY4N-02 ~~18tlj b~103-2 HIGH WATfH TEMP. +9W MY+N-02 ~~18t1j bt103-2 LOW WATER LEVEL LWL MY-4-N-02 a(10J-2l b(103-2 LOW SPEED 1JLX MY4N-D2 a!103-2l a 104-2 b 103-2 EM'CY STOP SE MY4N-D2 b(103-2) EM'CY HOLD (0.1 SEC Set) t.IAJOR FAULT AIR BOX DAMPER OR FUEL SHUT OFF VALVE 5ZT B6X1 8 6X 5Z1 SZ H3Y-4 MY4N-D2 MY4N-D2 LY4N-D2 LY4N-D2 ENGINE RUNNING ~~rnt~j ~H8t~l ~frnt~l ~frnt~l ~frntjl _llL ENGINE FAULT _Mn_ SZT ~ 5z J99 15U bt10J-2 gf18!=5lr.;102-02)~~~~~---, f"-1~ f"-1 1:;,"~1E1"'.1" ENGINE FAULT AVR EMERGENCY STOP NAME OF DWG. • ENGINE CONTROL PANEL CIRCUIT MITSUI ENGINEERING &: SHIPBUILDING CO., LTD. 2 3 SH. NO. 103
  • 64.
    I 12X (102-2) 1 630 (103-1) I 49W (103-1) 13LX (103-2) D25 D24 ~ -1 ' II ' ' L-~-~-~-~-~-~-~-~-J BT3233A-E-104 04 06 08 2 y-1--../ I OL1 ' >-T< I I I L----, I I IP~ ___ :___ ~I PB3 ILAMP 1 ol TEST I I I 2 I .1 ;; I I I I ~ i 6 ~ i I ?LJ I 4-J AIR BOX DAMPER (GM) NAME OF DWG. 3 PB1 WL2 NZ (105-1) CONTROL SOURCE ,- -, ' ' I 191L I * ENGINE CONTROL PANEL CIRCUIT SH. NO. MITSUI ENGINEERING & SHIPBUILDING CO., LTD. 104 3
  • 65.
    N2 (104-3) N (101-3) BT3233A-E-1 05 24V jENG OIL PRESS. GAUGE 0408 24 CAB I ' I 24V ' L_ - - - - - - ----, F.O. LEVEL WATER TEMP. GAUGE GAUGE -------, 8 I I ' -VJ---~~---~ _J ;1 "1 I I I 2 WATER TEMP. (101-3)~ GAUGE -~I 6 ~~CH (101-3) 1 I ' I ' 24V I F.O. LEVEL GAUGE ' ~ 1 _ _ _ ~0-- HM -1 TANK rr-------- , I TANK ' I ' ' 6-[' I I , l ~ I I I I ' I ' ' I I I L_J ' I , L: ATER TEMP. WATER TEM~. RANSDUCER TRANSDUCER - - - - - - - - - - - - - I F.O. LEVE~FR I L --- ~RANSD~5 NAME OF DWG. 2 3 F.O.TANK IND. BOX(112.1) PBl POWER S.W. I 14X (102-2) ~ L2 F.O.TANK LEVEL S.W. 90% HM HOUR METER 0 :;; BZT 2SEC (105-3) CAB FUEL TANK IDLE WARNING BUZER RUNNING ENGINE CONTROL PANEL CIRCUIT m 0 " FUEL PANEL PB4 1 ~ *1 BUZZER STOP! B2T 0-60 SEC BUZZER STOP BZT H3Y-2 b(105-31 b(105-3 (2SEC SET) MITSUI ENGINEERING & SHIPBUILDING CO., LTD. 3 511 ~L11100% L 512 - ---{/)-~ 508 SH. NO. 105
  • 66.
    6Z (E02-1) I 0 "- z 2 (101-1l (101-7 UNOOB6 BTJ2JY.-E-106 16 07 22 FROM BATTERY s+ 601 602 5 6 ACTUATOR PICK UP s- 2 .., "' <O ID GND 2 RG RAMP GENERATOR RG J 4 ~ ~'-----<+-~ I 11 11 CLOSE :IDLE OPEN:RATED 2 15U (E01-3) (101-2) DC24V NAME OF OWG. 19+ 12, 13+] OUTPUT SIGNAL SUPPLY SOURCE l 4- INPUT SIGNAL ~ I I (30-1) 4-2DmA DC ENGINE ISOLATOR M2VS-AD-R IN: 4~20mA OUT: 0-20mA ENGINE CONTROL PANEL CIRCUIT DIAGRAM(6) MITSUI ENGINEERING &: SHIPBUILDING CO., LlD. 3 CUMMINS SH. NO. 106 3
  • 67.
    UN0086-E-107 15 0917 2 gcJ,4~1) ,__~PB~1~~ N 0 .... I MODE (29-2) (101-3) ,__~N2 =--~~~~~~~~~+-~~~~~~~~ ENGINE SPEED COMMAND 1 ES1A MHN-02 c(106-2) c(106-2) 2 EMERGENCY M ODE SELECT COMMAND 1 MODEX MY4N-D2 a(103-2l a(108-1 NAME OF OWG. 3 WALK-IN CONTROL PANEL <21> ENGINE CONTROL PANEL < 110> IADDITIONAL PARTS I • ENGINE CONTROL PANEL CIRCUIT SH. NO. MITSUI ENGINEERING &: SHIPBUILDING CO., LlD. 107 3
  • 68.
    UN0086-E-108 16 0722 11 ID I 13L MODEX (102-2) (107-2) 7 ON AT 1700RPM 2 ENGINE SPEED ;::::t------~ 12 I 14X (102-2) • ON AT 500RPM ENGINE SPEED 11 12 I 15U {101-3) I 6Z {102-1) • OFF AT GOVERNER "OFF" 0 IC> e ~ 2 12 I 13L (102-40) 3 ENGINE COlllTROL PANEL <110> -{l'J--- - - - - - - - --(/}-- I I L ;.{;GEN. PANEL <24> I ------------------------------------- 2 I I L MC PANEL J (F05-2) ---------- NAME OF DWG. • ENGINE CONTROL PANEL CIRCUIT MITSUI ENGINEERING &: SHIPBUILDING CO., LlD. IADDITIONAL PARTS I SH. NO. 3 108
  • 69.
    I ' R3A I CRANE I I ~il@I:$0)~::,,- r- ~JJD 2 I 3 CONTROL PANEL 1 POWERSOURCE >-"S3A~--1--'---+----------------+-~------------+--- AC440V I (03-2) TJA 1 I ' _______J UN0086-E-F01 16/07122 ' '""{, -~ 32AF 10A 2 4 BW3 SAG-2P010 ,_,LJ 0 11ov n a RT1 440/110V 1001/A 5100856 1 3 1BM~ ,... - ~ 32AF 10A 2 4 BW3 -2P010 DC CONTROL SOURCE AC110V (F06-1) 1 J 5 2ME __ ) _ _ SC-N4 s {F06-3) 0 0 ~ ~ INVERTER SOURCE AC440V (F03-1) I ' ' , __) • INV7 (F03-1) , 5 3MB -~5-3~------~~-; s (F07-1) 21 4 - -' SC-N2SRM 6 (F07-1) AXcR 1 3 4AMCB - ~ 32AF/10A ~-l AXbR AXaR 2 c(FOS-2) 4 BW32AAG-2P010WA 31 41 + f2ME I- - - (F06-3) " " ,---- --------, ' ' I ri ~ ~ I ~ ~ § § § .. ~ .. ~ ~ E ~ AC440V AC400V AC440V I I POWER SOURCE II INVERTER CONTROL SOURCE INVERTER FAN SOURCE i (03-2) ~~~~~-~1'------(F_0_3--2_)______(_FC_3_-_2_)________~~~---< I ' INAME OF DWG. EVSC CONTROL PANEL POWER CIRCUIT ISH. NO. ,1-----------.~rrs~u-,-,-N-o-1N~,~,R-1N-G~&-s-H-1e-s-u-1ua-1-N-o-c-o- ..-,~m-.---------<1 FO 1 2 I 3
  • 70.
    DCR4-110B DCL3 P1 UN0086-E-F03 16/07/22 AC44DV INVERTER SOURCE (F01-1) DD D o o o c c c " " " " ITT r R s N(-) 10FC OFL-110-4-C ' P(+) X1 X2 " D n D c " " H H u v Y1 Y2 " D n 2 " ITT R s u v w m D n 2 ~ 21 Z2 " D n 2 " r w I N( I G INVERTER FAN SOURCE (F01-3) R1 T1 FAN POWER SUPPLY SWITCHING CONNECTOR ~ N (R) NC 2 INVERTER CONTROL SOURCE (F01-3) ~ 2 " " ~ 2 " r RO TO POWER SWITCHING CONNECTOR INV7 FRN110VG1S-4MESA 1OFL OFL-110-4-L TR AC170/460V 50kVA 3ASOKB6 RT3 100VA 3AMCB 440V/110V 32AF/5A 5100856 BW32AAG-3P005WA R4F031 440V 110V R1F031 AC110V I u n D ~ CM "IRST4 7 (F07-2) X8 GJz@I:$ 0) J:: :_,, - ~©JD 9 12MSX 5 (F06-3) RUN1 m (F07-2) 1 n 2 N FWD + 3 Y5C Y5A ITT 2 N INVERTER RUN (FDS-2) 1 /I 2 J[c<1---~ gf----~~J'~-----T~4~F~0~3~1~,- -L{-~T~1~FD~3~1~ DC CONTROL SOURCE (F06-1) 2 J,...., 4 O D ~ I AC440V AUX. SUPPLY (F01-2) I AXcR ~- AXaR (FOS-2) t:: AXbR 2 I NAME OF DWG. I EVSC CONTROL PANEL AC440V AUX. SUPPLY INVERTER CIRCUIT I SH. NO. MITSUI ENGINEERING & SHIPBUILDING CO., LTD. I FQJ I 3
  • 71.
    DC24V (FD6-1) UN0086-E-F05 P24F N24F 16/07/22 8MCB 32AF/5A BW32SAG-2P005C2 PDF050 NDF050 ITT 2 N " RUN1 (F07-2) ~ ITT 0 ~ N "INVRT (F05-2) rn ITT 2 N " " INVF INVRT SH-4/G H3YN-2 a 1314 rn' I 0" F07 2 bl?Jl?<IJ F07-1 a 12 B FOS-2 a l~Jl~<IJ a l43144j INVERTER(INV7) RUN INVERTER(INV7) RUN "OK" (SET : 2sec.) 2 ESH SH-4/G a 13M4 rn; ' a 23r.>4 F06-3 a 33"4 F07-1 al43l441 F07-3 ENGINE 1800rpm 2 GBE SH-4/G a 1314 F06 3 a 1?31?<J a l~Jl~<IJ a l43144j ENGINE OFF NAME OF DWG. Tl H3CR-A a13 F063 RUN DELAY (SET : 25sec.) GJz@I:$ 0) J:: :_,, ~ ~©JD 3 (F06-1) (F06-1) EVSC CONTROL PANEL ACG OPERATION CONTROL CIRCUIT SH. NO. MITSUI ENGINEERING & SHIPBUILDING CO., LTD. F05
  • 72.
    AC110V (F01-1) AC110V (F03-2) DC24V SOURCE (F05-3) U1F010 W18010 R1F031 T1 F031 PDF050 NDF050 ,1 2 3MB (F07-1) " " SD 63 UV 1 4 UNDER VOLTAGE RELAY (OFF< AC100V} PICK UP 1.9 HOLD 2 Dip-SW 1-0FF 2-0N 3-0FF 4-0N 5-0FF 6-0FF UN0086-E-F06 16 07 22 1RF U1F060 e + PF060 -DI- e 2RF e +<~ -DI- e FU 5A PF060A ~ H L oc111&7~c24v+v IN 30W 1.3A OUT P24F PS5R-SC24 N24F I-< N ~ -v Ji NF060 DC24V (F05-1) "' .. 0 ~ .. N T v " lN SH-4/G UNDER VOLTAGE Gl/@I*O)~y- t--~JJD 2 3 lN lN 06-2) PF060A (F06-2) PF060B 2J ,,.--,-.,~~~~~~~~~~~~~l~~~--,l~~~~~~l~~~~~--,1~~~~0.... (F07-1) 23 ESH 13 2ME 23 2ME 1 T1 (F ,, /' 14 3MB (F07-1 lN lN (F06-2) NF060A (F06-2) JJ / 34 .. NAME OF DWG. 2 (FOS-3) (FOS-3) (FOS-3) (FOS-3) " ~ N 2ME GBE (FOS-2) SC-N4/SE " ~ N 2MS SH-4/G INVERTER MAIN CIRCUIT ON ' ~ N NF0608 2MSX RU2S-CD-D100 a 9 ~ FOJ-3 EVSC CONTROL PANEL INVERTER CIRCUIT OPERATION SOURCE (1) MITSUI ENGINEERING & SHIPBUILDING CO., LTD. 3 (F07-1) SH. NO. F06
  • 73.
    PDF060B (F06-3) DC100V CONTROL SOURCE NF060B (F06-3) UN0086-E-F07 16/07/22 "" INVF INVF " (F05-2) " (F05-2) m < a N N N a a ~ ~ N N " ESH (F05-2) " " " 3MB 3MA " (F07-1) " (F07-1) a N N N 2 2 N N " " 3MA 3MB SC N2SRM/G ' ' ' '°' ' ' ' ' '°' ' '" '°' ' '" '°' ' ''" '°' ' ''" F01 2 a 131 4 F07 3 a 131 F07 3 b 212 F07 1 b 212 F07 1 0 a 4.'.14 F06 2 b 313 b 313 F06 1 EMERGENCY NORMAL 440V SOURCE 440VCSOURCE (GENERATOR) (INV. RUN) GQ@:I~O)f'rj=j- ~ ©~D 2 3 EMERGENCY NORMAL INVERTER(INV7) INVERTER SOURCE SOURCE ENGINE RUN MAIN CIRCUIT (GENERATOR) (INV) RATED SPEED ON (1700rpm) " " " " INVRT 2MS 3MA 3MB ESH (F05-2) " (F06-3) " (F07-1) " (F07-1) " (F05-2) ,----------------- -----, r--------------=---- 0 I ' 0 ~ ~. ' I ' (29-2) I ' 6 ~ a N a m N a m (30A-1) N N a m CONTROL PANEL ---,' I ' (30A-2) I ' I ' L _____ a N uu c< a a m __~ ____________________ _J L_______ _________________________ _J 2 14 14 RST4 RUN1 RU4S CR A200 RU2S CR A200 0"' 0 " ' F03 3 a 10 6 bl24F052 a 11 7 F03 3 o 12 B FAULT RESIT INVERTER(INV7) STOP SIGNAL NAME OF DWG. EVSC CONTROL PANEL INVERTER CIRCUIT OPERATION SOURCE (2) SH. NO. MITSUI ENGINEERING & SHIPBUILDING CO., LTD. 3 F07