Thuyết minh Robot Structural Nhà văn phòng Trình bày: Lê Thanh Tuấn
Company: www.huytraining.com 1
THUYẾT MINH ROBOT
STRUCTURAL
Vẽ: Lê Thanh Tuấn
Home: https://www.facebook.com/tuan.le.1447342
Company: www.huytraining.com
Thuyết minh Robot Structural Nhà văn phòng Trình bày: Lê Thanh Tuấn
Company: www.huytraining.com 2
A. KIẾN TRÚC
Thuyết minh Robot Structural Nhà văn phòng Trình bày: Lê Thanh Tuấn
Company: www.huytraining.com 3
B. KẾT CẤU
Thuyết minh Robot Structural Nhà văn phòng Trình bày: Lê Thanh Tuấn
Company: www.huytraining.com 4
C. MÔ HÌNH ROBOT
STRUCTURAL
Thuyết minh Robot Structural Nhà văn phòng Trình bày: Lê Thanh Tuấn
Company: www.huytraining.com 5
D. CỐT THÉP
Thuyết minh Robot Structural Nhà văn phòng Trình bày: Lê Thanh Tuấn
Company: www.huytraining.com 6
1.MÔ HÌNH GÁN TẢI ROBOT
Thuyết minh Robot Structural Nhà văn phòng Trình bày: Lê Thanh Tuấn
Company: www.huytraining.com 7
2. BIỂU ĐỒ MOMEN My DẦM
Thuyết minh Robot Structural Nhà văn phòng Trình bày: Lê Thanh Tuấn
Company: www.huytraining.com 8
3.NỘI LỰC CHÂN CỘT
Thuyết minh Robot Structural Nhà văn phòng Trình bày: Lê Thanh Tuấn
Company: www.huytraining.com 9
4. THIẾT LẬP TC THIẾT KẾ THÉP DẦM
Thuyết minh Robot Structural Nhà văn phòng Trình bày: Lê Thanh Tuấn
Company: www.huytraining.com 10
5. MOMEN DẦM TRONG DESIGH
Thuyết minh Robot Structural Nhà văn phòng Trình bày: Lê Thanh Tuấn
Company: www.huytraining.com 11
6. THÉP DẦM BỐ TRÍ THEO TCVN
Thuyết minh Robot Structural Nhà văn phòng Trình bày: Lê Thanh Tuấn
Company: www.huytraining.com 12
7. CHUYỂN CẤU KIỆN CỘT VÀO PHẦN DESIGN
THÉP ( THIẾT LẬP TỔ HỢP TÍNH TOÁN )
Thuyết minh Robot Structural Nhà văn phòng Trình bày: Lê Thanh Tuấn
Company: www.huytraining.com 13
8. CẤU KIỆN CỘT CHUYỂN VÀO ĐẢM BẢO ĐÚNG
KẾT CẤU ( KHÔNG MẤT SÀN HOẶC DẦM GIAO )
Thuyết minh Robot Structural Nhà văn phòng Trình bày: Lê Thanh Tuấn
Company: www.huytraining.com 14
9. THÉP CỘT SẼ ÉP THEO ĐÚNG
TCVN PHÙ HỢP TIẾT DIỆN
Thuyết minh Robot Structural Nhà văn phòng Trình bày: Lê Thanh Tuấn
Company: www.huytraining.com 15
10. THÉP CỘT ĐẢM BẢO BỐ TRÍ TIẾT KIỆM
VẬT LIỆU ( THEO BIỂU ĐỒ TƯƠNG TÁC )
Thuyết minh Robot Structural Nhà văn phòng Trình bày: Lê Thanh Tuấn
Company: www.huytraining.com 16
11. THIẾT KẾ MÓNG ĐƠN CHO
Thuyết minh Robot Structural Nhà văn phòng Trình bày: Lê Thanh Tuấn
Company: www.huytraining.com 17
12. NỀN ĐẤT DƯỚI MÓNG
Thuyết minh Robot Structural Nhà văn phòng Trình bày: Lê Thanh Tuấn
Company: www.huytraining.com 18
13. BỐ TRÍ THÉP MÓNG
Thuyết minh Robot Structural Nhà văn phòng Trình bày: Lê Thanh Tuấn
Company: www.huytraining.com 19
14. THÉP SÀN BỐ TRÍ TCVN
Thuyết minh Robot Structural Nhà văn phòng Trình bày: Lê Thanh Tuấn
Company: www.huytraining.com 20
15. THIẾT KẾ DẦM BẰNG EXTENSION
Dầm D1 Dầm D2
Dầm D3 Dầm D4
Thuyết minh Robot Structural Nhà văn phòng Trình bày: Lê Thanh Tuấn
Company: www.huytraining.com 21
15. THIẾT KẾ DẦM D3 BẰNG EXTENSION
Thuyết minh Robot Structural Nhà văn phòng Trình bày: Lê Thanh Tuấn
Company: www.huytraining.com 22
15. THIẾT KẾ DẦM D3 BẰNG EXTENSION
Thuyết minh Robot Structural Nhà văn phòng Trình bày: Lê Thanh Tuấn
Company: www.huytraining.com 23
15. THIẾT KẾ DẦM D3 BẰNG EXTENSION
Thuyết minh Robot Structural Nhà văn phòng Trình bày: Lê Thanh Tuấn
Company: www.huytraining.com 24
15. THIẾT KẾ DẦM D4 BẰNG EXTENSION
Thuyết minh Robot Structural Nhà văn phòng Trình bày: Lê Thanh Tuấn
Company: www.huytraining.com 25
15. THIẾT KẾ DẦM D4 BẰNG EXTENSION
Thuyết minh Robot Structural Nhà văn phòng Trình bày: Lê Thanh Tuấn
Company: www.huytraining.com 26
15. THIẾT KẾ DẦM D4 BẰNG EXTENSION
Thuyết minh Robot Structural Nhà văn phòng Trình bày: Lê Thanh Tuấn
Company: www.huytraining.com 27
MỜI CÁC BẠN XEM TIẾP PHẦN BẢN VẼ
Vẽ: Lê Thanh Tuấn
Home: https://www.facebook.com/tuan.le.1447342
Company: www.huytraining.com
HỒ SƠ KẾT CẤU
■ BẢN VẼ THIẾT KẾ THUỘC BẢN QUYỀN CỦA NHÀ THIẾT KẾ VÀ CHỦ ĐẦU TƯ, MỌI PHÁT SINH HOẶC THAY ĐỔI PHẢI THÔNG QUA Ý CỦA KIẾN TRÚC SƯ VÀ CHỦ ĐẦU TƯ
■ ĐƠN VỊ THIẾT KẾ KHÔNG CHỊU TRÁCH NHIỆM VỀ MỌI MẶT THAY ĐỔI HAY PHÁT SINH MÀ KHÔNG ĐƯỢC THÔNG BÁO
VĂN PHÒNG 17B BÍCH VÂN
08/22/16
www.autodesk.com/revit
TỈ LỆ :
CHỦ ĐẦU TƯ - INVESTOR
ĐIỆN THOẠI: 0933.711.211
ĐƠN VỊ TƯ VẤN THIẾT KẾ - DESIGNED BY
ĐỊA CHỈ: 105, CHUNG CƯ A1, NGUYỄN ÁI
QUỐC, P.QUANG VINH, BIÊN HÒA-ĐỒNG NAI
ĐIỆN THOẠI: 0916.989.135
TÊN CÔNG TRÌNH - PROJECT:
VỊ TRÍ - LOCATION:
TÊN BẢN VẼ - DRAWING TITLE
CHỦ TRÌ - PRIMARY ARCHITECT:
THIẾT KẾ - DESIGN BY:
VẼ - DRAWN BY
QUẢN LÝ KỸ THUẬT - CHECKED BY:
KTS. NGUYỄN NGỌC BÍCH
KS. LÊ THANH TUẤN
KS. LÊ THANH TUẤN
KTS.VŨ MẠNH HẢI
NGÀY GIAO-ISSUE DATE :
MỤC ĐÍCH
PHÁT HÀNH
ISSUE DATE
T.K.SƠ BỘ-CONCEPT DESIGN
THI CÔNG - EXECUTION
MÃ BẢN VẼ :
8/22/20162:03:00PM
KC-01
Mr. Elijah
ĐỊA CHỈ : 161 Pasteur phường 6 Quận3 -
TP.HCM
VĂN PHÒNG 17B BÍCH VÂN
161 Pasteur phường 6 Quận3 - TP.HCM
DANH MỤC BẢN VẼ
20/08/2016
DANH MỤC BẢN VẼ KẾT CẤU
STT SỐ HIỆU BẢN VẼ TÊN BẢN VẼ
1 KC-01 DANH MỤC BẢN VẼ
2 KC-02 GHI CHÚ CHUNG
3 KC-03 MẶT BẰNG ĐỊNH VỊ CỘT TẦNG MÓNG & TRỆT
4 KC-04 MẶT BẰNG ĐỊNH VỊ CỘT LẦU 1,2 & MÁI
5 KC-05 MẶT BẰNG BỐ TRÍ MÓNG
6 KC-06 MẶT BẰNG BỐ TRÍ GIẰNG MÓNG
7 KC-07 MẶT BẰNG DẦM SÀN TẦNG TRỆT
8 KC-08 CHI TIẾT DẦM TẦNG TRỆT
9 KC-09 MẶT BẰNG THÉP SÀN TẦNG TRỆT
10 KC-10 MẶT BẰNG THÉP SÀN TẦNG TRỆT 3D
11 KC-11 MẶT BẰNG DẦM SÀN LẦU 1
12 KC-12 CHI TIẾT DẦM LẦU 1
13 KC-13 MẶT BẰNG THÉP SÀN LẦU 1
14 KC-14 MẶT BẰNG THÉP SÀN LẦU 1 3D
15 KC-15 MẶT BẰNG DẦM SÀN LẦU 2
16 KC-16 MẶT BẰNG THÉP SÀN LẦU 2
17 KC-17 MẶT BẰNG THÉP SÀN LẦU 2 3D
18 KC-18 MẶT BẰNG CẦU THANG BỘ
19 KC-19 THÉP CẦU THANG BỘ
20 KC-20 THỐNG KÊ CẤU KIỆN
21 KC-21 THỐNG KÊ THÉP MÓNG
22 KC-22 THỐNG KÊ THÉP DẦM CỘT TẦNG TRỆT
23 KC-23 THỐNG KÊ THÉP DẦM CỘT LẦU 1
24 KC-24 THỐNG KÊ THÉP DẦM CỘT LẦU 2
25 KC-25 THỐNG KÊ THÉP TẦNG MÁI 1 & MÁI 2
26 KC-26 THỐNG KÊ THÉP SÀN TẦNG TRỆT
27 KC-27 THỐNG KÊ THÉP SÀN LẦU 1(P.1)
28 KC-28 THỐNG KÊ THÉP SÀN LẦU 1 (P.2)
29 KC-29 THỐNG KÊ THÉP SÀN LẦU 2 (P.1)
30 KC-30 THỐNG KÊ THÉP SÀN LẦU 2 (P.2)
31 KC-31 THỐNG KÊ THÉP CẤU KIỆN CẦU THANG
32 KC-32 THỐNG KÊ THÉP DẦM CẦU THANG
Author KC-00 BÌA HỒ SƠ
STT HIỆU CHỈNH DATE
www.autodesk.com/revit
TỈ LỆ :
CHỦ ĐẦU TƯ - INVESTOR
ĐIỆN THOẠI: 0933.711.211
ĐƠN VỊ TƯ VẤN THIẾT KẾ - DESIGNED BY
ĐỊA CHỈ: 105, CHUNG CƯ A1, NGUYỄN ÁI
QUỐC, P.QUANG VINH, BIÊN HÒA-ĐỒNG NAI
ĐIỆN THOẠI: 0916.989.135
TÊN CÔNG TRÌNH - PROJECT:
VỊ TRÍ - LOCATION:
TÊN BẢN VẼ - DRAWING TITLE
CHỦ TRÌ - PRIMARY ARCHITECT:
THIẾT KẾ - DESIGN BY:
VẼ - DRAWN BY
QUẢN LÝ KỸ THUẬT - CHECKED BY:
KTS. NGUYỄN NGỌC BÍCH
KS. LÊ THANH TUẤN
KS. LÊ THANH TUẤN
KTS.VŨ MẠNH HẢI
NGÀY GIAO-ISSUE DATE :
MỤC ĐÍCH
PHÁT HÀNH
ISSUE DATE
T.K.SƠ BỘ-CONCEPT DESIGN
THI CÔNG - EXECUTION
MÃ BẢN VẼ :
8/22/20162:03:00PM
KC-02
Mr. Elijah
ĐỊA CHỈ : 161 Pasteur phường 6 Quận3 -
TP.HCM
VĂN PHÒNG 17B BÍCH VÂN
161 Pasteur phường 6 Quận3 - TP.HCM
GHI CHÚ CHUNG
20/08/2016
C Á C G H I C H Ú C H U N G
GHI CHÚ:■ NGOÀI NHỮNG GHI CHÚ CHO TỪNG BẢN VẼ, BẢNG GHI CHÚ NÀY SỬ DỤNG CHO TOÀN BỘ
BẢN VẼ CỦA HẠNG MỤC.
■ TRƯỚC KHI THI CÔNG ĐƠN VỊ THI CÔNG PHẢI ĐỊNH VỊ CHÍNH XÁC CÁ TRỤC VÀ MỐC XÂY DỰNG
VÀ PHẢI ĐƯỢC SỰ CHẤP THUÂN CỦA CHỦ ĐẦU TƯ VÀ ĐƠN VỊ THIẾT KẾ.
■ CAO TRÌNH ± 0,000 PHẢI ĐƯỢC QUYẾT ĐỊNH BỞI CHỦ ĐẦU TƯ VÀ ĐƠN VỊ THIẾT KẾ.
■ TẤT CẢ CÁC BẢN VẼ KẾT CẤU PHẢI ĐƯỢC ĐỌC CÙNG VỚI BẢN VẼ KIẾN TRÚC TƯƠNG ỨNG, ĐƠN
VỊ THI CÔNG SẼ KIỂM TRA TẤT CẢ CÁC BẢN VẼ, KIỂM TRA CAO ĐỘ, KÍCH THƯỚC CÔNG TRÌNH, VÀ
NẾU PHÁT HIỆN RA CÓ SỰ SAI KHÁC NÀO PHẢI BÁO NGAY VỚI ĐƠN VỊ THIẾT KẾ ĐỂ KỊP ĐIỀU CHỈNH.
■ ĐẶT SẮT RÂU Φ8a500 TRONG CỘT ĐỂ LIÊN KẾT VỚI TƯỜNG GẠCH
CHIỀU SAU NEO TRONG CỘT LÀ 200mm, TRONG TƯỜNG GẠCH LÀ 600mm, HAI ĐẦU UỐN MÓC
■ CẦN BỐ TRÍ MỐI NỐI CHỒNG SOLE NHAU TẠI VỊ TRÍ TRONG ĐOẠN Lneo CỐT CHỊU LỰC.
■ KHU VỰC TƯỜNG TRÊN SÀN CẦN TĂNG CƯỜNG 2D16 CHẠY DỌC THEO TƯỜNG DƯỚI SÀN.
VẬT LIỆU:■ TOÀN BỘ CẤU KIỆN BÊ TÔNG SỬ DỤNG ĐÁ 1x2, MÁC 350, (Rn = 185 KG/cm2).
■ THÉP ĐƯỜNG KÍNH Φ > = 10mm DÙNG THÉP GÂN SD390 HOẶC TƯƠNG ỨNG CÓ CƯỜNG ĐỘ
TÍNH TOÁN Ra = 2100 KG/cm2.
■ THÉP ĐƯỜNG KÍNH Φ < 10mm DÙNG THÉP TRƠN CÓ CƯỜNG ĐỘ TÍNH TOÁN Ra = 2100 KG/cm2.
■ THÉP GÂN KHÔNG CẦN UỐN ĐẦU MÓC
■ THÉP SỬ DỤNG CHẾ TẠO KHUNG LÀ THÉP CÓ CƯỜNG ĐỘ Ra = 2100 KG/cm2.
■ DÙNG QUE HÀN E42 HOẶC TƯƠNG ĐƯƠNG VỀ CƯỜNG ĐỘ Rgh = 2100 KG/cm2.
■ TẤT CẢ CÁC TẤM THÉP, THANH THÉP TIẾP XÚC NHAU ĐỀU PHẢI ĐƯỢC LIÊN KẾT VỚI NHAU
BẰNG LIÊN KẾT HÀN, CHIỀU CAO ĐƯỜNG HÀN > = 5mm.
■ TẤT CẢ CÁC CẤU KIỆN THÉP VÀ THÉP PHẢI ĐƯỢC LÀM SẠCH BỀ MẶT BẰNG BẢN CHẢI THÉP,
VÀ SƠN LỚP CHỐNG RĨ.
■ GIA CƯỜNG 2 THANH THÉP Φ14 DỌC THEO TƯỜNG XÂY TRỰC TIẾP TRÊN SÀN VÀ GIA CƯỜNG ĐAI
CHỐNG CẮT TẠI CÁC VỊ TRÍ TƯỜNG KHÔNG CÓ DẦM.
C H I T I Ế T C Ấ U T Ạ O N Ú T K H U N G
CỘT
DẦMLn1
Ln1
CỘT
DẦMLn2
Ln1
CỘT
DẦM
e/D <= 1/6
e
D
CỘT
DẦM
e/D > 1/6
e
DLn1Ln1
CỘT
DẦM
e/D <= 1/6
e
D
CỘT
DẦM
e/D <= 1/6
e
D Ln2
Ln2
CỘT
DẦMDẦM
BỐ TRÍ ĐAI CỘT
BỐ TRÍ ĐAI CỘT XUYÊN SUỐT CHIỀU DÀI CỘT
G H I C H Ú C H U N G
CHI TIẾT GIA CƯỜNG
CỘT DẦM TỰA LÊN DẦM
5Ø6a50 5Ø6a50
L Ớ P B Ê T Ô N G B Ả O V Ệ C Ấ U K I Ệ N B T C T
Trong trường hợp a>=d, a: lớp bê tông bảo vệ, d: đường kính cốt thép
CẤU KIỆN QUY ĐỊNH GHI CHÚ
DẦM BTCT
SÀN BTCT
CỘT BTCT
MÓNG BTCT
VÁCH BTCT
V Ị T R Í C Ắ T N Ố I T H É P S À N
V Ị T R Í C Ắ T N Ố I T H É P D Ầ M
160
3030 85
L/4 L/4
L
B
■ THÉP LỚP TRÊN KHÔNG ĐƯỢC NỐI
■ THÉP LỚP DƯỚI KHÔNG ĐƯỢC NỐI TRONG ĐOẠN B
A A
L0
B
145
10 10105
10 10
30
40
85 30
40
C<=L0/7 <=L0/7
400 400
■ THÉP LỚP TRÊN KHÔNG ĐƯỢC NỐI TẠI CỘT VÀ KHOẢNG (A)
■ THÉP LỚP DƯỚI KHÔNG ĐƯỢC NỐI TRONG KHOẢNG GIỮA (C)
K H O Ả N G C Á C H C Á C C Ố T T H É P
■ KHOẢNG TRỐNG GỮA CÁC CỐT THÉP PHƯƠNG NGANG t >= 30 và d với thép trên
■ KHOẢNG TRỐNG GỮA CÁC CỐT THÉP PHƯƠNG NGANG t >= 25 và d với thép dưới
■ KHOẢNG CÁCH GIỮA THÉP TRÊN VÀ DƯỚI KHÔNG ĐƯỢC NHỎ HƠN 400mm TÍNH
TỪ TRỤC GIỮA DẦM
12
H
a = 15mm khi H < 250 mm
a = 25mm khi H > 250 mm
a = 10mm khi H < 100 mm
a = 15mm khi H > 100 mm
a = 15mm khi H < 100 mm
a = 25mm khi H > 100 mm
a = 35mm khi có bê tông
lót
a = 70mm khi không có
bê tông lót
a = 20mm tiếp xúc với đất
a = 15mm thông thường
5
H
15
15
H
H
5
H
STT HIỆU CHỈNH DATE
1 2 3 4 5
A
B
C
2' 4'3'
1800 1000 3600 2000 2000 3600 2000
16000
35004000
7500
200
200
200200
200200200
200200200
C1
200 200 200
200 200 200
200200200200
C1 C2 C2 C2
C3C4C3C1C1
C1 C1 C2 C3 C2
200
2000
200200
200200200 200
200200
1 2 3 4 5
A
B
C
2' 4'3'
1800 1000 3600 2000 2000 3600 2000
16000
35004000
7500
200
200
200200
200200200
200200200
C1
200 200 200
200 200 200
200200200200
C1 C2 C1 C2
C3C2C1C1C1
C1 C1 C1 C2 C2
200200
200200
200200
200 200
200
200
200
200
1 2 Ø16
2 Ø6 a200
25 200
200
2 Ø6 a200
3 3 Ø18
25
200
200
8 2 Ø20
2 Ø6 a200
25
200
200
9 2 Ø22
2 Ø6 a200
25
200
200
25
1 2 Ø16
2 Ø6 a200
200
25
200
3 2 Ø18
2 Ø6 a200
200
200
25
9 2 Ø20
2 Ø6 a200
www.autodesk.com/revit
TỈ LỆ :
CHỦ ĐẦU TƯ - INVESTOR
ĐIỆN THOẠI: 0933.711.211
ĐƠN VỊ TƯ VẤN THIẾT KẾ - DESIGNED BY
ĐỊA CHỈ: 105, CHUNG CƯ A1, NGUYỄN ÁI
QUỐC, P.QUANG VINH, BIÊN HÒA-ĐỒNG NAI
ĐIỆN THOẠI: 0916.989.135
TÊN CÔNG TRÌNH - PROJECT:
VỊ TRÍ - LOCATION:
TÊN BẢN VẼ - DRAWING TITLE
CHỦ TRÌ - PRIMARY ARCHITECT:
THIẾT KẾ - DESIGN BY:
VẼ - DRAWN BY
QUẢN LÝ KỸ THUẬT - CHECKED BY:
KTS. NGUYỄN NGỌC BÍCH
KS. LÊ THANH TUẤN
KS. LÊ THANH TUẤN
KTS.VŨ MẠNH HẢI
NGÀY GIAO-ISSUE DATE :
MỤC ĐÍCH
PHÁT HÀNH
ISSUE DATE
T.K.SƠ BỘ-CONCEPT DESIGN
THI CÔNG - EXECUTION
MÃ BẢN VẼ :
As indicated
8/22/20162:03:01PM
KC-03
Mr. Elijah
ĐỊA CHỈ : 161 Pasteur phường 6 Quận3 -
TP.HCM
VĂN PHÒNG 17B BÍCH VÂN
161 Pasteur phường 6 Quận3 - TP.HCM
MẶT BẰNG ĐỊNH VỊ CỘT
TẦNG MÓNG & TRỆT
20/08/2016
TL:( 1 : 100 )
MẶT BẰNG CỘT TẦNG MÓNG
TL:( 1 : 100 )
MẶT BẰNG CỘT TẦNG TRỆT
TL:( 1 : 10 )
MC CỘT C1 TẦNG MÓNG
TL:( 1 : 10 )
MC CỘT C2 TẦNG MÓNG
TL:( 1 : 10 )
MC CỘT C3 TẦNG MÓNG
TL:( 1 : 10 )
MC CỘT C4 TẦNG MÓNG
TL:( 1 : 10 )
MC CỘT C1 TẦNG TRỆT
TL:( 1 : 10 )
MC CỘT C2 TẦNG TRỆT
TL:( 1 : 10 )
MC CỘT C3 TẦNG TRỆT
STT HIỆU CHỈNH DATE
1 2 3 4 5
A
B
C
2' 4'3'
1800 1000 3600 2000 2000 3600 2000
16000
35004000
7500
1000 1000
1000
1000
1000 1000
1000 1000 1000 1000 1000
1000 1000 1000 1000 1000
10001000
100010001000
10001000
100010001000
1000
100010001000
M1 M1 M1 M1 M1
M1M1M1M1M1
M1 M1 M1 M1 M1
1
A
500 500100 100
1000
100500500100
1000
A A
1
-2.500 m
Tầng Móng
100 500 500 100
1000
250250100
600
50 50
-3000
11
1 Ø12 a80
2Ø6 a100
12 Ø16
200
200
2 Ø6 a100
1 2 Ø16
www.autodesk.com/revit
TỈ LỆ :
CHỦ ĐẦU TƯ - INVESTOR
ĐIỆN THOẠI: 0933.711.211
ĐƠN VỊ TƯ VẤN THIẾT KẾ - DESIGNED BY
ĐỊA CHỈ: 105, CHUNG CƯ A1, NGUYỄN ÁI
QUỐC, P.QUANG VINH, BIÊN HÒA-ĐỒNG NAI
ĐIỆN THOẠI: 0916.989.135
TÊN CÔNG TRÌNH - PROJECT:
VỊ TRÍ - LOCATION:
TÊN BẢN VẼ - DRAWING TITLE
CHỦ TRÌ - PRIMARY ARCHITECT:
THIẾT KẾ - DESIGN BY:
VẼ - DRAWN BY
QUẢN LÝ KỸ THUẬT - CHECKED BY:
KTS. NGUYỄN NGỌC BÍCH
KS. LÊ THANH TUẤN
KS. LÊ THANH TUẤN
KTS.VŨ MẠNH HẢI
NGÀY GIAO-ISSUE DATE :
MỤC ĐÍCH
PHÁT HÀNH
ISSUE DATE
T.K.SƠ BỘ-CONCEPT DESIGN
THI CÔNG - EXECUTION
MÃ BẢN VẼ :
As indicated
8/22/20162:03:07PM
KC-05
Mr. Elijah
ĐỊA CHỈ : 161 Pasteur phường 6 Quận3 -
TP.HCM
VĂN PHÒNG 17B BÍCH VÂN
161 Pasteur phường 6 Quận3 - TP.HCM
MẶT BẰNG BỐ TRÍ MÓNG
20/08/2016
TL:( 1 : 100 )
MBKC TẦNG MÓNG
TL:( 1 : 25 )
CHI TIẾT MÓNG M1
TL:( 1 : 25 )
MẶT CẮT A-A
TL:( 1 : 10 )
MẶT CẮT 1-1
TL:( 1 : 1 )
3D MẶT BẰNG MÓNG
TL:( 1 : 1 )
3D CHI TIẾT MÓNG M1
TL:( 1 : 1 )
3D THÉP MÓNG M1
STT HIỆU CHỈNH DATE
1 2 3 4 5
A
B
C
2' 4'3'
1800 1000 3600 2000 2000 3600 2000
16000
35004000
7500
GM2
(200x200)
GM2
(200x200)
GM2
(200x200)
GM1
(200x200)
GM3
(200x200)
GM3
(200x200)
GM3
(200x200)
GM3
(200x200)
GM3
(200x200)
GM3
(200x200)
GM3
(200x200)
GM3
(200x200)
GM3
(200x200)
GM3
(200x200)
GM1
(200x200)
GM1
(200x200)
GM2
(200x200)
GM2
(200x200)
GM2
(200x200)
GM2
(200x200)
GM2
(200x200)
GM2
(200x200)
1 2
200 1500 200
3 2 Ø12
2 2 Ø12 4 Ø6 a150
1
1
200
200
4 Ø6 a150
2 2 Ø12
3 2 Ø12
2 3
150105022001050150
200 200
150 1050
2
2
2
2
4 Ø6 a200
4Ø6 a150
2 2 Ø12
3 2 Ø12
2 2 Ø12
3 2 Ø12
4 Ø6 a150
200
4 54'
150120028001200150150
2 2 Ø12
3 2 Ø12
4 Ø6 a150 4 Ø6 a200 4 Ø6 a150
200
200
100
200
175
2
2
2
2
200
200
4 Ø6 a150
2 2 Ø12
3 2 Ø12
ABC
7500
200 200 200
175 175
4 Ø6 a2006 2 Ø12
7 2 Ø14
6 2 Ø12
72 Ø14
2
2
2
2
2
2
2
2
www.autodesk.com/revit
TỈ LỆ :
CHỦ ĐẦU TƯ - INVESTOR
ĐIỆN THOẠI: 0933.711.211
ĐƠN VỊ TƯ VẤN THIẾT KẾ - DESIGNED BY
ĐỊA CHỈ: 105, CHUNG CƯ A1, NGUYỄN ÁI
QUỐC, P.QUANG VINH, BIÊN HÒA-ĐỒNG NAI
ĐIỆN THOẠI: 0916.989.135
TÊN CÔNG TRÌNH - PROJECT:
VỊ TRÍ - LOCATION:
TÊN BẢN VẼ - DRAWING TITLE
CHỦ TRÌ - PRIMARY ARCHITECT:
THIẾT KẾ - DESIGN BY:
VẼ - DRAWN BY
QUẢN LÝ KỸ THUẬT - CHECKED BY:
KTS. NGUYỄN NGỌC BÍCH
KS. LÊ THANH TUẤN
KS. LÊ THANH TUẤN
KTS.VŨ MẠNH HẢI
NGÀY GIAO-ISSUE DATE :
MỤC ĐÍCH
PHÁT HÀNH
ISSUE DATE
T.K.SƠ BỘ-CONCEPT DESIGN
THI CÔNG - EXECUTION
MÃ BẢN VẼ :
As indicated
8/22/20162:03:08PM
KC-06
Mr. Elijah
ĐỊA CHỈ : 161 Pasteur phường 6 Quận3 -
TP.HCM
VĂN PHÒNG 17B BÍCH VÂN
161 Pasteur phường 6 Quận3 - TP.HCM
MẶT BẰNG BỐ TRÍ GIẰNG
MÓNG
20/08/2016
TL:( 1 : 100 )
MBKC GIẰNG MÓNG
TL:( 1 : 25 )
CHI TIẾT GIẰNG GM1
TL:( 1 : 10 )
MC 1-1
TL:( 1 : 1 )
3D MẶT BẰNG GIẰNG MÓNG
TL:( 1 : 25 )
CHI TIẾT GIẰNG GM2
TL:( 1 : 25 )
CHI TIẾT GIẰNG GM2.
TL:( 1 : 10 )
MC 2-2
TL:( 1 : 25 )
CHI TIẾT GIẰNG GM3
TL:( 1 : 1 )
3D THÉP GIẰNG MÓNG
STT HIỆU CHỈNH DATE
1 2 3 4 5
A
B
C
2' 4'3'
1800 1000 3600 2000 2000 3600 2000
16000
35004000
7500
D1
(200x300)
D1
(200x300)
D1
(200x300)
D1
(200x300)
D2
(200x300)
D2
(200x300)
D2
(200x300)
D2
(200x300)
D2
(200x300)
D2
(200x300)
D2
(200x300)
D2
(200x300)
D3
(200x300)
D4
(200x300)
D4
(200x300)
D4
(200x300)
D4
(200x300)
D4
(200x300)
D4
(200x300)
D5
(200x300)
D5
(200x300)
(S 100)
-200
± 0 .000
-100
SÀN BTCT DÀY 100MM
SÀN WC - BAN CÔNG BTCT DÀY 100MM
GHI CHÚ:
+0.000 m
Tầng trệt
1 2 3
1501400250 150 1000 1502300
200 200 200
4 3 Ø16
5 2 Ø14
6 Ø6 a1501
1
1
1
6 Ø6 a100 6 Ø6 a150 6 Ø6 a100
4 3 Ø16
5 2 Ø145 2 Ø14
4 3 Ø16
1
1
1025150
7 Ø6 a1002
2
1000
300
75
2
2
2
2
200
300
4 3 Ø16
6 Ø6 a150
5 2 Ø14
25
200
300
4 3 Ø16
5 2 Ø14
6 Ø6 a100
25
+0.000 m
Tầng trệt
4 5
1025 150 150 1325 2550 1325 250
300
2002
2
2
2
2
2
1
1
43 Ø16
7 Ø6 a150
7 Ø6 a100
5 2 Ø14 7 Ø6 a100
43 Ø16
52 Ø14
7 Ø6 a150
7Ø6 a100
4 3 Ø16
+0.000 m
Tầng trệt
AB
150 700 1700 700 150 100
200 200
12 2 Ø14
13 3 Ø126 Ø6 a100
6Ø6 a100
6 Ø6 a200
3
3
3
3
4
4
6 Ø6 a100
12 2 Ø14
13 3 Ø12
200
300
25
200
300
6 Ø6 a200
12 2 Ø14
13 3 Ø12
25
www.autodesk.com/revit
TỈ LỆ :
CHỦ ĐẦU TƯ - INVESTOR
ĐIỆN THOẠI: 0933.711.211
ĐƠN VỊ TƯ VẤN THIẾT KẾ - DESIGNED BY
ĐỊA CHỈ: 105, CHUNG CƯ A1, NGUYỄN ÁI
QUỐC, P.QUANG VINH, BIÊN HÒA-ĐỒNG NAI
ĐIỆN THOẠI: 0916.989.135
TÊN CÔNG TRÌNH - PROJECT:
VỊ TRÍ - LOCATION:
TÊN BẢN VẼ - DRAWING TITLE
CHỦ TRÌ - PRIMARY ARCHITECT:
THIẾT KẾ - DESIGN BY:
VẼ - DRAWN BY
QUẢN LÝ KỸ THUẬT - CHECKED BY:
KTS. NGUYỄN NGỌC BÍCH
KS. LÊ THANH TUẤN
KS. LÊ THANH TUẤN
KTS.VŨ MẠNH HẢI
NGÀY GIAO-ISSUE DATE :
MỤC ĐÍCH
PHÁT HÀNH
ISSUE DATE
T.K.SƠ BỘ-CONCEPT DESIGN
THI CÔNG - EXECUTION
MÃ BẢN VẼ :
As indicated
8/22/20162:03:09PM
KC-07
Mr. Elijah
ĐỊA CHỈ : 161 Pasteur phường 6 Quận3 -
TP.HCM
VĂN PHÒNG 17B BÍCH VÂN
161 Pasteur phường 6 Quận3 - TP.HCM
MẶT BẰNG DẦM SÀN TẦNG
TRỆT
20/08/2016
TL:( 1 : 100 )
MBKC DẦM SÀN TẦNG TRỆT
TL:( 1 : 25 )
CHI TIẾT DẦM D1 TẦNG TRỆT
TL:( 1 : 10 )
MC 1-1 (D1-T)
TL:( 1 : 10 )
MC 2-2 (D1-T)
TL:( 1 : 25 )
CHI TIẾT DẦM D1 TẦNG TRÊT
TL:( 1 : 25 )
CHI TIẾT DẦM D3 TẦNG TRỆT
TL:( 1 : 10 )
MC 3-3 (D3-T)
TL:( 1 : 10 )
MC 4-4 (D3-T)
TL:( 1 : 1 )
3D THÉP DẦM D1 TẦNG TRỆT
STT HIỆU CHỈNH DATE
+0.000 m
Tầng trệt
1 2 3
200
1
1
1
1
2
2
1501501400150100 2300 1000 150 150
10 3 Ø18
5 3 Ø14
7 Ø6 a150
7 Ø6 a100 7Ø6 a150
10 3 Ø18
7Ø6 a100
10 3 Ø18
7 Ø6 a100 5 3 Ø14
2
2
2
2
1
1
1000 900
+0.000 m
Tầng trệt
4 5
900 150 1475 1325 250
200
300
2
2
1
1
2
2
2
210 3 Ø18
7Ø6 a100
5 3 Ø14
10 3 Ø18
7 Ø6 a100 7Ø6 a150 5 3 Ø14 7Ø6 a100
2550
+0.000 m
Tầng trệt
ABC
100 150 900 1800 900 150 150 800 1500 800 150 100
200
175
3
3
4
4
3
3
3
3
3
3
4
4
14 3 Ø20
6 Ø6 a100
152 Ø14 6 Ø6 a150 6Ø6 a100
14 3 Ø20
6Ø6 a150
6 Ø6 a100 152 Ø14
6Ø6 a100
+0.000 m
Tầng trệt
ABC
100 150 900 1800 900 150 150 800 1500 800 150 100
175
200 200 200
7 Ø6 a100
15 2 Ø14
7Ø6 a150
16 3 Ø18
5
5
5
5
5
5
5
5
6
6
6
6
7Ø6 a100
163 Ø18 16 3 Ø18
7 Ø6 a100 152 Ø14 7 Ø6 a150
163 Ø18
7Ø6 a100
A
A
200
300
7 Ø6 a150
10 3 Ø18
5 3 Ø14
25
10 3 Ø18
7 Ø6 a100
5 3 Ø14
200
300
25
200
300
25
14 3 Ø20
6 Ø6 a100
15 2 Ø14
200
300
25
14 3 Ø20
6 Ø6 a150
15 2 Ø14
200
300
25
16 3 Ø18
7 Ø6 a100
15 2 Ø14
200
300
25
16 3 Ø18
7 Ø6 a150
15 2 Ø14
www.autodesk.com/revit
TỈ LỆ :
CHỦ ĐẦU TƯ - INVESTOR
ĐIỆN THOẠI: 0933.711.211
ĐƠN VỊ TƯ VẤN THIẾT KẾ - DESIGNED BY
ĐỊA CHỈ: 105, CHUNG CƯ A1, NGUYỄN ÁI
QUỐC, P.QUANG VINH, BIÊN HÒA-ĐỒNG NAI
ĐIỆN THOẠI: 0916.989.135
TÊN CÔNG TRÌNH - PROJECT:
VỊ TRÍ - LOCATION:
TÊN BẢN VẼ - DRAWING TITLE
CHỦ TRÌ - PRIMARY ARCHITECT:
THIẾT KẾ - DESIGN BY:
VẼ - DRAWN BY
QUẢN LÝ KỸ THUẬT - CHECKED BY:
KTS. NGUYỄN NGỌC BÍCH
KS. LÊ THANH TUẤN
KS. LÊ THANH TUẤN
KTS.VŨ MẠNH HẢI
NGÀY GIAO-ISSUE DATE :
MỤC ĐÍCH
PHÁT HÀNH
ISSUE DATE
T.K.SƠ BỘ-CONCEPT DESIGN
THI CÔNG - EXECUTION
MÃ BẢN VẼ :
As indicated
8/22/20162:03:10PM
KC-08
Mr. Elijah
ĐỊA CHỈ : 161 Pasteur phường 6 Quận3 -
TP.HCM
VĂN PHÒNG 17B BÍCH VÂN
161 Pasteur phường 6 Quận3 - TP.HCM
CHI TIẾT DẦM TẦNG TRỆT
20/08/2016
TL:( 1 : 25 )
CHI TIẾT DẦM D2 TẦNG TRỆT
TL:( 1 : 25 )
CHI TIẾT DẦM D2 TẦNG TRÊT
TL:( 1 : 25 )
CHI TIẾT DẦM D4 TẦNG TRỆT
TL:( 1 : 25 )
CHI TIẾT DẦM SÀN D5 TẦNG TRỆT
TL:( 1 : 10 )
MC 1-1 (D2-T)
TL:( 1 : 10 )
MC 2-2 (D2-T)
TL:( 1 : 10 )
MC 3-3 (D4-T)
TL:( 1 : 10 )
MC 4-4 (D4-T)
TL:( 1 : 10 )
MC 5-5 (D5-T1)
TL:( 1 : 10 )
MC 6-6 (D5-T1)
STT HIỆU CHỈNH DATE
1 2 3 4 5
A
B
C
2' 4'3'
11
B
B
1800 1000 3600 2000 2000 3600 2000
35004000
Ø8a150
Ø8 a150
Ø8 a150
Ø8 a150
Ø8a150
Ø8 a150
Ø8a150
Ø8a150
Ø8a150
AA
1 2 3 4 5
A
B
C
2' 4'3'
11
B
B
1800 1000 3600 2000 2000 3600 2000
35004000
Ø10a180
Ø10 a180
Ø10a180
Ø10a180
Ø10a180Ø10a180
Ø10 a180
Ø10a170
Ø10 a180
Ø10a180
Ø10 a180
2150
1270
575
1325
1275
1875
1275
18751625
2500
4775
3350
1375
1375
1875
2500
1625
1375
3100
1375
1625
1325
Ø10a180
Ø10a180
1275
Ø10 a180
Ø10a180
Ø10 a180
Ø10a180
Ø10a180
Ø10a170
Ø10 a180Ø10 a180
Ø10a180
AA
+0.000 m
Tầng trệt
1 2 3
200 200
200
46001800
10 Ø10 a180
2 Ø8 a150 1 Ø8 a150
9 Ø10 a180
12 Ø10 a170 13 Ø10 a180
5 Ø8 a150 3 Ø8 a150
11 Ø10 a180 10 Ø10 a180
2 Ø8 a150 1 Ø8 a150
300
100
175
175
Uốn thép 180
100
+0.000 m
Tầng trệt
ABC
1200 1300 1200 1100 1000 1100200
4000 3500
200 200
23 Ø10 a180 24 Ø10 a170
300
100
7 Ø8 a150 8 Ø8 a150
26Ø10 a180 24 Ø10 a160
12 Ø10 a180 10 Ø10 a160
2 Ø8 a150
1Ø8 a150
11Ø10 a180 10 Ø10 a180
+0.000 m
Tầng trệt
4 5
100
5600
Uốn thép 45
13Ø10 a180 12 Ø10 a170
3 Ø8 a150 6 Ø8 a150
14Ø10 a18015Ø10 a180
12Ø10 a180 16 Ø10 a180
5 Ø8 a150 3 Ø8 a150
175
200
200
3Ø8 a150
Uốn thép 45
175
200
Uốn thép 180
www.autodesk.com/revit
TỈ LỆ :
CHỦ ĐẦU TƯ - INVESTOR
ĐIỆN THOẠI: 0933.711.211
ĐƠN VỊ TƯ VẤN THIẾT KẾ - DESIGNED BY
ĐỊA CHỈ: 105, CHUNG CƯ A1, NGUYỄN ÁI
QUỐC, P.QUANG VINH, BIÊN HÒA-ĐỒNG NAI
ĐIỆN THOẠI: 0916.989.135
TÊN CÔNG TRÌNH - PROJECT:
VỊ TRÍ - LOCATION:
TÊN BẢN VẼ - DRAWING TITLE
CHỦ TRÌ - PRIMARY ARCHITECT:
THIẾT KẾ - DESIGN BY:
VẼ - DRAWN BY
QUẢN LÝ KỸ THUẬT - CHECKED BY:
KTS. NGUYỄN NGỌC BÍCH
KS. LÊ THANH TUẤN
KS. LÊ THANH TUẤN
KTS.VŨ MẠNH HẢI
NGÀY GIAO-ISSUE DATE :
MỤC ĐÍCH
PHÁT HÀNH
ISSUE DATE
T.K.SƠ BỘ-CONCEPT DESIGN
THI CÔNG - EXECUTION
MÃ BẢN VẼ :
As indicated
8/22/20162:03:11PM
KC-09
Mr. Elijah
ĐỊA CHỈ : 161 Pasteur phường 6 Quận3 -
TP.HCM
VĂN PHÒNG 17B BÍCH VÂN
161 Pasteur phường 6 Quận3 - TP.HCM
MẶT BẰNG THÉP SÀN
TẦNG TRỆT
20/08/2016
TL:( 1 : 100 )
MẶT BẰNG THÉP SÀN LỚP DƯỚI TẦNG TRỆT
TL:( 1 : 100 )
MẶT BẰNG THÉP SÀN LỚP TRÊN TẦNG TRỆT
TL:( 1 : 20 )
MC A-A SÀN TẦNG TRỆT
TL:( 1 : 20 )
MC B-B SÀN TẦNG TRỆT
TL:( 1 : 20 )
MC A-A SÀN TẦNG TRÊT
STT HIỆU CHỈNH DATE
8Ø8 a150
2Ø8 a150
1 Ø8 a150
5 Ø8 a150
3 Ø8 a150
5Ø8 a150
6Ø8 a150
5Ø8 a150
8Ø8 a150
9Ø10 a180
10Ø10 a180
11 Ø10 a180
12 Ø10 a170
14 Ø10 a180
12 Ø10 a180
16 Ø10 a180
33 Ø10 a180
15 Ø10 a180
32 Ø10 a180
25 Ø10 a180
26 Ø10 a180
31Ø10 a180
25Ø10 a180
30Ø10 a180
29Ø10 a180
20 Ø10 a180
18Ø10 a180
23Ø10 a180
28Ø10 a170
24Ø10 a170
21Ø10 a170
25Ø10 a170
26Ø10 a180
24Ø10 a160
29Ø10 a180
www.autodesk.com/revit
TỈ LỆ :
CHỦ ĐẦU TƯ - INVESTOR
ĐIỆN THOẠI: 0933.711.211
ĐƠN VỊ TƯ VẤN THIẾT KẾ - DESIGNED BY
ĐỊA CHỈ: 105, CHUNG CƯ A1, NGUYỄN ÁI
QUỐC, P.QUANG VINH, BIÊN HÒA-ĐỒNG NAI
ĐIỆN THOẠI: 0916.989.135
TÊN CÔNG TRÌNH - PROJECT:
VỊ TRÍ - LOCATION:
TÊN BẢN VẼ - DRAWING TITLE
CHỦ TRÌ - PRIMARY ARCHITECT:
THIẾT KẾ - DESIGN BY:
VẼ - DRAWN BY
QUẢN LÝ KỸ THUẬT - CHECKED BY:
KTS. NGUYỄN NGỌC BÍCH
KS. LÊ THANH TUẤN
KS. LÊ THANH TUẤN
KTS.VŨ MẠNH HẢI
NGÀY GIAO-ISSUE DATE :
MỤC ĐÍCH
PHÁT HÀNH
ISSUE DATE
T.K.SƠ BỘ-CONCEPT DESIGN
THI CÔNG - EXECUTION
MÃ BẢN VẼ :
8/22/20162:03:18PM
KC-10
Mr. Elijah
ĐỊA CHỈ : 161 Pasteur phường 6 Quận3 -
TP.HCM
VĂN PHÒNG 17B BÍCH VÂN
161 Pasteur phường 6 Quận3 - TP.HCM
MẶT BẰNG THÉP SÀN
TẦNG TRỆT 3D
20/08/2016
TL:( )
3D THÉP SÀN LỚP DƯỚI TẦNG TRỆT
TL:( )
3D THÉP SÀN LỚP TRÊN TẦNG TRỆT
STT HIỆU CHỈNH DATE
1 2 3 4 5
A
B
C
2' 4'3'
1800 1000 3600 2000 2000 3600 2000
16000
35004000
7500
D1
(200x300)
D1
(200x300)
D1
(200x300)
D1
(200x300)
D2
(200x300)
D2
(200x300)
D2
(200x300)
D2
(200x300)
D2
(200x300)
D2
(200x300)
D2
(200x300)
D2
(200x300)
(S 100)
D3
(200x300)
D3
(200x300)
D4
(200x300)
D4
(200x300)
D5
(200x300)
D5
(200x300)
D5
(200x300)
D4
(200x300)
D4
(200x300)
D5
(200x300)
DCT
(200x300)
D5a
(200x300)
+ 3150
+ 2950
+ 3050
+ 3050
+ 3050
+ 3150
+ 3150
+ 3150
SÀN BTCT DÀY 100MM
SÀN WC - BAN CÔNG BTCT DÀY 100MM
GHI CHÚ:
+3.150 m
Lầu 1
1 2 3
1501501400150100 150150100023001000 900
175
300
4 3 Ø16
6 Ø6 a150
52 Ø14
4 3 Ø16
6 Ø6 a100
6 Ø6 a1505 2 Ø14
43 Ø16
6Ø6 a100
4 3 Ø16
52 Ø146 Ø6 a100
1
1
1
1
1
1
2
2
2
2
2
2
+3.150 m
Lầu 1
4 5
300
100150120028001200300900
200
1834 3 Ø16
6 Ø6 a10052 Ø14
4 3 Ø16
6 Ø6 a100 52 Ø14 6Ø6 a150
4 3 Ø16
6 Ø6 a100
2
2
2
2
2
2
1
1
200
300
25
4 3 Ø16
6 Ø6 a150
5 2 Ø14
200
300
25
4 3 Ø16
6 Ø6 a100
5 2 Ø14
+3.150 m
Lầu 1
AB
250 600 375 1925 350
175
200
175
200
300
163 Ø12
162 Ø1211 Ø6 a150 11Ø6 a1503
3
3
3
3
3
200
300
25
16 3 Ø12
11 Ø6 a150
16 2 Ø12
www.autodesk.com/revit
TỈ LỆ :
CHỦ ĐẦU TƯ - INVESTOR
ĐIỆN THOẠI: 0933.711.211
ĐƠN VỊ TƯ VẤN THIẾT KẾ - DESIGNED BY
ĐỊA CHỈ: 105, CHUNG CƯ A1, NGUYỄN ÁI
QUỐC, P.QUANG VINH, BIÊN HÒA-ĐỒNG NAI
ĐIỆN THOẠI: 0916.989.135
TÊN CÔNG TRÌNH - PROJECT:
VỊ TRÍ - LOCATION:
TÊN BẢN VẼ - DRAWING TITLE
CHỦ TRÌ - PRIMARY ARCHITECT:
THIẾT KẾ - DESIGN BY:
VẼ - DRAWN BY
QUẢN LÝ KỸ THUẬT - CHECKED BY:
KTS. NGUYỄN NGỌC BÍCH
KS. LÊ THANH TUẤN
KS. LÊ THANH TUẤN
KTS.VŨ MẠNH HẢI
NGÀY GIAO-ISSUE DATE :
MỤC ĐÍCH
PHÁT HÀNH
ISSUE DATE
T.K.SƠ BỘ-CONCEPT DESIGN
THI CÔNG - EXECUTION
MÃ BẢN VẼ :
As indicated
8/22/20162:03:20PM
KC-11
Mr. Elijah
ĐỊA CHỈ : 161 Pasteur phường 6 Quận3 -
TP.HCM
VĂN PHÒNG 17B BÍCH VÂN
161 Pasteur phường 6 Quận3 - TP.HCM
MẶT BẰNG DẦM SÀN LẦU 1
20/08/2016
TL:( 1 : 100 )
MBKC DẦM SÀN LẦU 1
TL:( 1 : 25 )
CHI TIẾT DẦM D1 LẦU 1
TL:( 1 : 25 )
CHI TIÊT DẦM D1 LẦU 1
TL:( 1 : 10 )
MC 1-1 (D1-L1)
TL:( 1 : 10 )
MC 2-2 (D1-L1)
TL:( 1 : 25 )
CHI TIẾT DẦM D5a LẦU 1
TL:( 1 : 10 )
MC 3-3 (D5a-L1)
STT HIỆU CHỈNH DATE
+3.150 m
Lầu 1
1 2 3
169
9001501501000230010001501501400150100
200
300
235
10 3 Ø18
5 3 Ø14
11Ø6 a150
10 3 Ø18
11 Ø6 a100 5 3 Ø14
11 Ø6 a150 11Ø6 a100
10 3 Ø18
11 Ø6 a100 5 3 Ø14
10 3 Ø18
1
1
1
1
1
1
2
2
2
2
2
2
+3.150 m
Lầu 1
4 5
300
900 150 150 1200 2800 1200 150 100
200 200
184
244
10 3 Ø18
5 3 Ø14 11 Ø6 a100
10 3 Ø18
11 Ø6 a100 5 3 Ø14 11 Ø6 a150
10 3 Ø18
11Ø6 a1001
1
2
2
2
2
2
2
+3.150 m
Lầu 1
ABC
100 150 900 1800 900 300 800 1500 800 150 100
12 3 Ø12
6Ø6 a100 13 2 Ø14 6 Ø6 a150 6 Ø6 a100
12 3 Ø12 12 3 Ø12
6 Ø6 a100 13 2 Ø14 6Ø6 a150
12 3 Ø12
6Ø6 a100
3
3
4
4
3
3
3
3
4
4
3
3
+3.150 m
Lầu 1
ABC
100 150 900 1800 900 150 150 800 1500 800 150 100
175 14 3 Ø16
13 2 Ø14
6 Ø6 a100 6 Ø6 a150
14 3 Ø16
6 Ø6 a100
14 3 Ø16
6 Ø6 a100
13 2 Ø14
6 Ø6 a150
14 3 Ø16
6Ø6 a100
5
5
6
6
5
5
5
5
6
6
5
5
+3.150 m
Lầu 1
ABC
100 150 900 1800 900 150 150 700 250 1350 800 150 100
200
15 3 Ø18
6 Ø6 a100
132 Ø14
15 3 Ø18
6 Ø6 a100
6 Ø6 a150
15 3 Ø18
68 Ø6 13 2 Ø14 6 Ø6 a150
153 Ø18
6Ø6 a100
7
7
8
8
200
300
25
10 3 Ø18
11 Ø6 a150
5 3 Ø14
200
300
25
10 3 Ø18
11 Ø6 a100
5 3 Ø14
200
300
25
12 3 Ø12
6 Ø6 a100
13 2 Ø14
200
300
25
12 3 Ø12
6 Ø6 a150
13 2 Ø14
200
300
25
14 3 Ø16
6 Ø6 a100
13 2 Ø14
200
300
25
14 3 Ø16
6 Ø6 a150
13 2 Ø14
200
300
25
15 3 Ø18
6 Ø6 a100
13 Ø14
200
300
25
15 3 Ø18
6 Ø6 a150
13 2 Ø14
www.autodesk.com/revit
TỈ LỆ :
CHỦ ĐẦU TƯ - INVESTOR
ĐIỆN THOẠI: 0933.711.211
ĐƠN VỊ TƯ VẤN THIẾT KẾ - DESIGNED BY
ĐỊA CHỈ: 105, CHUNG CƯ A1, NGUYỄN ÁI
QUỐC, P.QUANG VINH, BIÊN HÒA-ĐỒNG NAI
ĐIỆN THOẠI: 0916.989.135
TÊN CÔNG TRÌNH - PROJECT:
VỊ TRÍ - LOCATION:
TÊN BẢN VẼ - DRAWING TITLE
CHỦ TRÌ - PRIMARY ARCHITECT:
THIẾT KẾ - DESIGN BY:
VẼ - DRAWN BY
QUẢN LÝ KỸ THUẬT - CHECKED BY:
KTS. NGUYỄN NGỌC BÍCH
KS. LÊ THANH TUẤN
KS. LÊ THANH TUẤN
KTS.VŨ MẠNH HẢI
NGÀY GIAO-ISSUE DATE :
MỤC ĐÍCH
PHÁT HÀNH
ISSUE DATE
T.K.SƠ BỘ-CONCEPT DESIGN
THI CÔNG - EXECUTION
MÃ BẢN VẼ :
As indicated
8/22/20162:03:22PM
KC-12
Mr. Elijah
ĐỊA CHỈ : 161 Pasteur phường 6 Quận3 -
TP.HCM
VĂN PHÒNG 17B BÍCH VÂN
161 Pasteur phường 6 Quận3 - TP.HCM
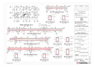
CHI TIẾT DẦM LẦU 1
20/08/2016
TL:( 1 : 25 )
CHI TIẾT DẦM D2 LẦU 1
TL:( 1 : 25 )
CHI TIÊT DẦM D2 LẦU 1
TL:( 1 : 25 )
CHI TIẾT DẦM D3 LẦU 1
TL:( 1 : 25 )
CHI TIẾT DẦM D4 LẦU 1
TL:( 1 : 25 )
CHI TIẾT DẦM D5 LẦU 1
TL:( 1 : 10 )
MC 1-1 (D2-L1)
TL:( 1 : 10 )
MC 2-2 (D2-L1)
TL:( 1 : 10 )
MC 3-3 (D3-L1)
TL:( 1 : 10 )
MC 4-4 (D3-L1)
TL:( 1 : 10 )
MC 5-5 (D4-L1)
TL:( 1 : 10 )
MC 6-6 (D4-L1)
TL:( 1 : 10 )
MC 7-7 (D5-L1)
TL:( 1 : 10 )
MC 8-8 (D5-L1)
STT HIỆU CHỈNH DATE
1 2 3 4 5
A
B
C
2' 4'3'
1800 1000 3600 2000 2000 3600 2000
35004000
CẦU
THANG
BỘ
11
B
B
Ø8 a150 Ø8a150
Ø8 a150
Ø8 a150
Ø8a150
Ø8 a150
Ø8 a150
Ø8 a150
Ø8 a150
Ø8a150
Ø8a150
Ø8a150
Ø8a150
Ø8a150
AA
1 2 3 4 5
A
B
C
2' 4'3'
11
B
B
1800 1000 3600 2000 2000 3600 2000
35004000
Ø10a180
Ø10a180
Ø10 a180
Ø10 a180
Ø10a180
Ø10 a180
Ø10a180
Ø10a180
Ø10 a180
Ø10 a180
Ø10a180
Ø10a180
Ø10a180
Ø10 a180
Ø10a180
Ø10 a180
Ø10 a180
Ø10a180
Ø10a180
Ø10a180
Ø10 a180
Ø10a180
Ø10a180
Ø10a180
Ø10 a180
1225
675
1375
1225
2885
1375
1860
3100
1375
1775
2450
7250
3475 1775
1225
2350
4775
2100
2450
1375
1575
1375
1850
1225
CẦU
THANG
BỘ
AA
+3.150 m
Lầu 1
1 2 3
46001800
200200200
300
100
175
175
22 Ø10 a180 23 Ø10 a180
14 Ø8 a150 13 Ø8 a150
22 Ø10 a180 30 Ø10 a180
3 Ø8 a150 12 Ø8 a150
22Ø10 a180 30 Ø10 a180
9 Ø8 a150
12 Ø8 a150
+3.150 m
Lầu 1
ABC
4000 3500
1200 1300 1200 200 1050 1100 1050 200200
300
100
12 Ø8 a150
3 Ø8 a150
22 Ø10 a180 30 Ø10 a180 19Ø10 a180 21Ø10 a180 19 Ø10 a180
8 Ø8 a150 3 Ø8 a150
15 Ø10 a18016Ø10 a16020 Ø10 a160
+3.150 m
Lầu 1
4 5
100
56002700
200 200
Uốn thép 45
43 Ø10 a180 30 Ø10 a180
10 Ø8 a150
12 Ø8 a150
22 Ø10 a180 22 Ø10 a180
3 Ø8 a150 12 Ø8 a150
175
www.autodesk.com/revit
TỈ LỆ :
CHỦ ĐẦU TƯ - INVESTOR
ĐIỆN THOẠI: 0933.711.211
ĐƠN VỊ TƯ VẤN THIẾT KẾ - DESIGNED BY
ĐỊA CHỈ: 105, CHUNG CƯ A1, NGUYỄN ÁI
QUỐC, P.QUANG VINH, BIÊN HÒA-ĐỒNG NAI
ĐIỆN THOẠI: 0916.989.135
TÊN CÔNG TRÌNH - PROJECT:
VỊ TRÍ - LOCATION:
TÊN BẢN VẼ - DRAWING TITLE
CHỦ TRÌ - PRIMARY ARCHITECT:
THIẾT KẾ - DESIGN BY:
VẼ - DRAWN BY
QUẢN LÝ KỸ THUẬT - CHECKED BY:
KTS. NGUYỄN NGỌC BÍCH
KS. LÊ THANH TUẤN
KS. LÊ THANH TUẤN
KTS.VŨ MẠNH HẢI
NGÀY GIAO-ISSUE DATE :
MỤC ĐÍCH
PHÁT HÀNH
ISSUE DATE
T.K.SƠ BỘ-CONCEPT DESIGN
THI CÔNG - EXECUTION
MÃ BẢN VẼ :
As indicated
8/22/20162:03:23PM
KC-13
Mr. Elijah
ĐỊA CHỈ : 161 Pasteur phường 6 Quận3 -
TP.HCM
VĂN PHÒNG 17B BÍCH VÂN
161 Pasteur phường 6 Quận3 - TP.HCM
MẶT BẰNG THÉP SÀN LẦU
1
20/08/2016
TL:( 1 : 100 )
MẶT BẰNG THÉP SÀN LỚP DƯỚI LẦU 1
TL:( 1 : 100 )
MẶT BẰNG THÉP SÀN LỚP TRÊN LẦU 1
TL:( 1 : 20 )
MC A-A SÀN LẦU 1
TL:( 1 : 20 )
MC B-B SÀN LẦU 1
TL:( 1 : 20 )
MC A-A SÀN LẦU 1.
STT HIỆU CHỈNH DATE
2 Ø8 a150
1Ø8 a150
3 Ø8 a150
4 Ø8 a150
6 Ø8 a150
5 Ø8 a150
11 Ø8 a150
8Ø8 a150
12Ø8 a150
10Ø8 a150
9Ø8 a150
1326 Ø8
14Ø8 a150
7 Ø8 a150
16Ø10 a160
15 Ø10 a180
27Ø10 a180
25Ø10 a180
26Ø10 a140
37 Ø10 a180
35 Ø10 a160
33 Ø10 a180
26 Ø10 a170
34 Ø10 a180
19 Ø10 a180
21 Ø10 a180
19 Ø10 a180
24 Ø10 a150
22Ø10 a180
43Ø10 a180
30Ø10 a180
23Ø10 a160
22Ø10 a170
24Ø10 a170
32Ø10 a180
26Ø10 a180
36Ø10 a180
29 Ø10 a180
28 Ø10 a180
24Ø10 a170
38Ø10 a180
40Ø10 a180
41 Ø10 a180
42 Ø10 a180
20Ø10 a160
17 Ø10 a180
18 Ø10 a180
44Ø10 a180
39Ø10 a160
31Ø10 a180
www.autodesk.com/revit
TỈ LỆ :
CHỦ ĐẦU TƯ - INVESTOR
ĐIỆN THOẠI: 0933.711.211
ĐƠN VỊ TƯ VẤN THIẾT KẾ - DESIGNED BY
ĐỊA CHỈ: 105, CHUNG CƯ A1, NGUYỄN ÁI
QUỐC, P.QUANG VINH, BIÊN HÒA-ĐỒNG NAI
ĐIỆN THOẠI: 0916.989.135
TÊN CÔNG TRÌNH - PROJECT:
VỊ TRÍ - LOCATION:
TÊN BẢN VẼ - DRAWING TITLE
CHỦ TRÌ - PRIMARY ARCHITECT:
THIẾT KẾ - DESIGN BY:
VẼ - DRAWN BY
QUẢN LÝ KỸ THUẬT - CHECKED BY:
KTS. NGUYỄN NGỌC BÍCH
KS. LÊ THANH TUẤN
KS. LÊ THANH TUẤN
KTS.VŨ MẠNH HẢI
NGÀY GIAO-ISSUE DATE :
MỤC ĐÍCH
PHÁT HÀNH
ISSUE DATE
T.K.SƠ BỘ-CONCEPT DESIGN
THI CÔNG - EXECUTION
MÃ BẢN VẼ :
8/22/20162:03:29PM
KC-14
Mr. Elijah
ĐỊA CHỈ : 161 Pasteur phường 6 Quận3 -
TP.HCM
VĂN PHÒNG 17B BÍCH VÂN
161 Pasteur phường 6 Quận3 - TP.HCM
MẶT BẰNG THÉP SÀN LẦU
1 3D
20/08/2016
TL:( )
3D THÉP SÀN LỚP DƯỚI LẦU 1
TL:( )
3D THÉP SÀN LỚP TRÊN LẦU 1
STT HIỆU CHỈNH DATE
1 2 3 4 5
A
B
C
2' 4'3'
1800 1000 3600 2000 2000 3600 2000
16000
35004000
7500
D1
(200x300)
D1
(200x300)
D1
(200x300)
D2
(200x400)
D1
(200x300)
(S 100)
D1
(200x300)
D1
(200x300)
D2
(200x400)
D3
(200x300)
D3
(200x300)
D3
(200x300)
D3
(200x300)
D1
(200x300)
D1
(200x300)
D1
(200x300)
D2
(200x400)
D3
(200x300)
D3
(200x300)
DCT
(200x300)
D3a
(200x300)
D3
(200x300)
D3
(200x300)
D3
(200x300)
D3
(200x300)
D3
(200x300)
+ 6300
+ 6200
+ 6100
+ 6300
+ 6200 + 6200
+ 6300
+ 6100
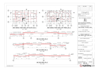
D3
(200x300)
+ 6100
SÀN BTCT DÀY 100MM
SÀN WC - BAN CÔNG BTCT DÀY 100MM
GHI CHÚ:
7500
+6.300 m
Lầu 2
1 2 32' 3'
174
200
1501501400150100 150150100023001000 1900800
300
200200
5 3 Ø18
6 3 Ø14 7 Ø6 a150
5 3 Ø18
7 Ø6 a100 7 Ø6 a150
5 3 Ø18
7Ø6 a100
5 3 Ø18
7 Ø6 a100 6 3 Ø14 7 Ø6 a1501
1
1
1
1
1
1
1
1
1
1
1
2
2
+6.300 m
Lầu 2
4 54'
300
200 200
175
200 50 1200 2800 1200 50 200
5 3 Ø18
63 Ø14
7Ø6 a100
8 3 Ø20
10 Ø6 a100 9 3 Ø18 10 Ø6 a150
8 3 Ø20
10Ø6 a100
310
165
3
3
3
3
4
4
+6.300 m
Lầu 2
ABC
800 1500 800 50 200200 50 900 1800 900 50 200 50
17515 3 Ø16
7 Ø6 a100 16 2 Ø14
7Ø6 a150
7 Ø6 a100
153 Ø16
7 Ø6 a100
15 3 Ø16
16 2 Ø14
7Ø6 a150 153 Ø16
7 Ø6 a1005
5
5
5
5
5
5
5
6
6
+6.300 m
Lầu 2
AB
200
300
175
200 150 675 300 1925 150 200
175
21 3 Ø12
21 2 Ø12
22Ø6 a150
22 Ø6 a150
7
7
8
8
7
7
200
300
25
5 3 Ø18
7 Ø6 a150
6 3 Ø14
200
300
25
5 3 Ø18
7 Ø6 a100
6 3 Ø14
200
400
25
8 3 Ø20
10 Ø6 a100
9 3 Ø18
200
400
25
8 3 Ø20
10 Ø6 a150
9 3 Ø18
200
300
25
15 3 Ø16
7 Ø6 a100
16 2 Ø14
200
300
25
15 3 Ø16
7 Ø6 a150
16 2 Ø14
200
300
25
21 3 Ø12
22 Ø6 a150
21 2 Ø12
200
300
25
21 3 Ø12
22 Ø6 a150
21 2 Ø12
www.autodesk.com/revit
TỈ LỆ :
CHỦ ĐẦU TƯ - INVESTOR
ĐIỆN THOẠI: 0933.711.211
ĐƠN VỊ TƯ VẤN THIẾT KẾ - DESIGNED BY
ĐỊA CHỈ: 105, CHUNG CƯ A1, NGUYỄN ÁI
QUỐC, P.QUANG VINH, BIÊN HÒA-ĐỒNG NAI
ĐIỆN THOẠI: 0916.989.135
TÊN CÔNG TRÌNH - PROJECT:
VỊ TRÍ - LOCATION:
TÊN BẢN VẼ - DRAWING TITLE
CHỦ TRÌ - PRIMARY ARCHITECT:
THIẾT KẾ - DESIGN BY:
VẼ - DRAWN BY
QUẢN LÝ KỸ THUẬT - CHECKED BY:
KTS. NGUYỄN NGỌC BÍCH
KS. LÊ THANH TUẤN
KS. LÊ THANH TUẤN
KTS.VŨ MẠNH HẢI
NGÀY GIAO-ISSUE DATE :
MỤC ĐÍCH
PHÁT HÀNH
ISSUE DATE
T.K.SƠ BỘ-CONCEPT DESIGN
THI CÔNG - EXECUTION
MÃ BẢN VẼ :
As indicated
8/22/20162:03:31PM
KC-15
Mr. Elijah
ĐỊA CHỈ : 161 Pasteur phường 6 Quận3 -
TP.HCM
VĂN PHÒNG 17B BÍCH VÂN
161 Pasteur phường 6 Quận3 - TP.HCM
MẶT BẰNG DẦM SÀN LẦU 2
20/08/2016
TL:( 1 : 100 )
MBKC DẦM SÀN LẦU 2
TL:( 1 : 25 )
CHI TIẾT DẦM D1 LẦU 2
TL:( 1 : 25 )
CHI TIẾT DẦM D2 LẦU 2
TL:( 1 : 25 )
CHI TIẾT DẦM D3 LẦU 2
TL:( 1 : 25 )
CHI TIẾT DẦM D3a LẦU 2
TL:( 1 : 10 )
MC 1-1 (D1-L2)
TL:( 1 : 10 )
MC 2-2 (D1-L2)
TL:( 1 : 10 )
MC 3-3 (D2-L2)
TL:( 1 : 10 )
MC 4-4 (D2-L2)
TL:( 1 : 10 )
MC 5-5 (D3-L2)
TL:( 1 : 10 )
MC 6-6 (D3-L2)
TL:( 1 : 10 )
MC 7-7 (D3a-L2)
TL:( 1 : 10 )
MC 8-8 (D3a-L2)
STT HIỆU CHỈNH DATE
1 2 3 4 5
A
B
C
2' 4'3'
1800 1000 3600 2000 2000 3600 2000
16000
35004000
CẦU
THANG
BỘ
B
B
11
Ø8 a150
Ø8a150
Ø8 a150
Ø8a150
Ø8 a150
Ø8 a150
Ø8a150
Ø8a150
Ø8a150
Ø8 a150
Ø8 a150Ø8 a150
Ø8 a150
Ø8 a150
Ø8a150
Ø8a150
Ø8a150
Ø8a150
Ø10 a150
Ø8 a150
Ø8 a150
Ø10 a150
AA
1 2 3 4 5
A
B
C
2' 4'3'
1800 1000 3600 2000 2000 3600 2000
16000
35004000
CẦU
THANG
BỘ
B
B
11
Ø10a150
Ø10 a150
575
1375Ø10a150
1375
2450
1575
1575
1575
1375
3035
1125
625
1125
1275
1375
1275
725 725
2450
24501375
1225
1225
2875 1850 725
5460
535
3755
2450
1225
1660
1960
1960
1225
1225
875
1275
2885
Ø10 a150
Ø10a150
Ø10a150Ø10a150
Ø10a150
Ø10 a150
Ø10a150
Ø10 a150
Ø10 a150
Ø10a150
Ø10a150
Ø10 a150
Ø10a150
Ø10 a150
Ø10 a150
Ø10a150
Ø10a150
Ø10 a150
AA
+6.300 m
Lầu 2
1 2 32'
950200140016001400200400700400200
44 Ø10 a150
21 Ø10 a150
3 Ø8 a150 1 Ø8 a150
44Ø10 a150
19Ø10 a150
9 Ø8 a150 5 Ø8 a150
19 Ø10 a150 18 Ø10 a150 18Ø10 a150 19 Ø10 a150
39 Ø10 a150 40 Ø10 a150
5 Ø8 a15011 Ø8 a150175
175
Uốn thép 45
100
+6.300 m
Lầu 2
ABC
200 450 900 450 100 1800 200 3200 200
42 Ø10 a150
41 Ø10 a150
12 Ø8 a1505 Ø8 a150
43Ø10 a150
42Ø10 a150 29 Ø10 a15031 Ø10 a150
12 Ø8 a150
14 Ø8 a150
26 Ø10 a15029 Ø10 a150
15 Ø8 a150 12 Ø8 a150
175
Uốn thép 45
85
85
175
+6.300 m
Lầu 2
4 54'
200550600550200110012001100200950
12 Ø8 a150
5 Ø8 a150
40 Ø10 a15039Ø10 a140
20 Ø10 a150 21 Ø10 a140
16 Ø10 a1503 Ø8 a150
20Ø10 a150 21 Ø10 a150
21 Ø10 a150
28 Ø10 a150
17 Ø8 a1503 Ø8 a150
21 Ø10 a150
28Ø10 a150
175
175
100
175
175
www.autodesk.com/revit
TỈ LỆ :
CHỦ ĐẦU TƯ - INVESTOR
ĐIỆN THOẠI: 0933.711.211
ĐƠN VỊ TƯ VẤN THIẾT KẾ - DESIGNED BY
ĐỊA CHỈ: 105, CHUNG CƯ A1, NGUYỄN ÁI
QUỐC, P.QUANG VINH, BIÊN HÒA-ĐỒNG NAI
ĐIỆN THOẠI: 0916.989.135
TÊN CÔNG TRÌNH - PROJECT:
VỊ TRÍ - LOCATION:
TÊN BẢN VẼ - DRAWING TITLE
CHỦ TRÌ - PRIMARY ARCHITECT:
THIẾT KẾ - DESIGN BY:
VẼ - DRAWN BY
QUẢN LÝ KỸ THUẬT - CHECKED BY:
KTS. NGUYỄN NGỌC BÍCH
KS. LÊ THANH TUẤN
KS. LÊ THANH TUẤN
KTS.VŨ MẠNH HẢI
NGÀY GIAO-ISSUE DATE :
MỤC ĐÍCH
PHÁT HÀNH
ISSUE DATE
T.K.SƠ BỘ-CONCEPT DESIGN
THI CÔNG - EXECUTION
MÃ BẢN VẼ :
As indicated
8/22/20162:03:32PM
KC-16
Mr. Elijah
ĐỊA CHỈ : 161 Pasteur phường 6 Quận3 -
TP.HCM
VĂN PHÒNG 17B BÍCH VÂN
161 Pasteur phường 6 Quận3 - TP.HCM
MẶT BẰNG THÉP SÀN LẦU
2
20/08/2016
TL:( 1 : 100 )
MẶT BẰNG THÉP SÀN LỚP DƯỚI LẦU 2
TL:( 1 : 100 )
MẶT BẰNG THÉP SÀN LỚP TRÊN LẦU 2
TL:( 1 : 20 )
MC A-A SÀN LẦU 2
TL:( 1 : 20 )
MC B-B SÀN LẦU 2
TL:( 1 : 20 )
MC A-A SÀN LẦU 2.
STT HIỆU CHỈNH DATE
3 Ø8 a150
2 Ø8 a150
4 Ø8 a150
1Ø8 a150
8 Ø8 a150
10 Ø8 a150
12 Ø8 a150
15 Ø8 a150
16 Ø10 a150
17 Ø8 a150
17 Ø8 a150
3 Ø8 a150
3 Ø8 a150
3Ø8 a150
5Ø8 a150
9Ø8 a150
11Ø8 a150
13 Ø8 a150
7 Ø8 a150
6Ø8 a150
14Ø8 a150
3 Ø8 a150
16Ø10 a150
21 Ø10 a150
46 Ø10 a130
45 Ø10 a150
22 Ø10 a150
38 Ø10 a140
44Ø10 a150
25Ø10 a150
19Ø10 a150
28 Ø10 a150
21 Ø10 a150
22 Ø10 a150
27 Ø10 a140
28Ø10 a150
21Ø10 a150
20Ø10 a150
29 Ø10 a150
26 Ø10 a150
30 Ø10 a150
36 Ø10 a150
49 Ø10 a15049 Ø10 a150
22 Ø10 a150
32 Ø10 a140
24Ø10 a150
47Ø10 a140
24Ø10 a150
18Ø10 a150
37Ø10 a150
42Ø10 a150
41Ø10 a150
40Ø10 a150
39Ø10 a140
43Ø10 a150
31Ø10 a150
21 Ø10 a140
23Ø10 a140
35 Ø10 a150
48 Ø10 a150
33Ø10 a150
34 Ø10 a150
www.autodesk.com/revit
TỈ LỆ :
CHỦ ĐẦU TƯ - INVESTOR
ĐIỆN THOẠI: 0933.711.211
ĐƠN VỊ TƯ VẤN THIẾT KẾ - DESIGNED BY
ĐỊA CHỈ: 105, CHUNG CƯ A1, NGUYỄN ÁI
QUỐC, P.QUANG VINH, BIÊN HÒA-ĐỒNG NAI
ĐIỆN THOẠI: 0916.989.135
TÊN CÔNG TRÌNH - PROJECT:
VỊ TRÍ - LOCATION:
TÊN BẢN VẼ - DRAWING TITLE
CHỦ TRÌ - PRIMARY ARCHITECT:
THIẾT KẾ - DESIGN BY:
VẼ - DRAWN BY
QUẢN LÝ KỸ THUẬT - CHECKED BY:
KTS. NGUYỄN NGỌC BÍCH
KS. LÊ THANH TUẤN
KS. LÊ THANH TUẤN
KTS.VŨ MẠNH HẢI
NGÀY GIAO-ISSUE DATE :
MỤC ĐÍCH
PHÁT HÀNH
ISSUE DATE
T.K.SƠ BỘ-CONCEPT DESIGN
THI CÔNG - EXECUTION
MÃ BẢN VẼ :
8/22/20162:03:40PM
KC-17
Mr. Elijah
ĐỊA CHỈ : 161 Pasteur phường 6 Quận3 -
TP.HCM
VĂN PHÒNG 17B BÍCH VÂN
161 Pasteur phường 6 Quận3 - TP.HCM
MẶT BẰNG THÉP SÀN LẦU
2 3D
20/08/2016
TL:( )
3D THÉP SÀN LỚP DƯỚI LẦU 2
TL:( )
3D THÉP SÀN LỚP TRÊN LẦU 2
STT HIỆU CHỈNH DATE
UP
DN
3 4
A
B
2300 200 1500
3500
2007001525200775200
975 250 975200 200 1400 200
D5
(200x300)
D5a
(200x300)
D2
(200x300)
(CẦU THANG KẾT CẤU CHIẾU
NGHỈ)
(CẦUTHANGKẾTCẤUVẾ1)
(CẦUTHANGKẾTCẤUVẾ2)
D1
(200x300)
D5
(200x300)
DCT
(200x300)
A
A
+3.150 m
Lầu 1
+0.000 m
Tầng trệt
AB
-0.475 m
MĐTN3500
4753150
10952055
900
175
275
300
200 200 2002225775
3600
145.01°
300
www.autodesk.com/revit
TỈ LỆ :
CHỦ ĐẦU TƯ - INVESTOR
ĐIỆN THOẠI: 0933.711.211
ĐƠN VỊ TƯ VẤN THIẾT KẾ - DESIGNED BY
ĐỊA CHỈ: 105, CHUNG CƯ A1, NGUYỄN ÁI
QUỐC, P.QUANG VINH, BIÊN HÒA-ĐỒNG NAI
ĐIỆN THOẠI: 0916.989.135
TÊN CÔNG TRÌNH - PROJECT:
VỊ TRÍ - LOCATION:
TÊN BẢN VẼ - DRAWING TITLE
CHỦ TRÌ - PRIMARY ARCHITECT:
THIẾT KẾ - DESIGN BY:
VẼ - DRAWN BY
QUẢN LÝ KỸ THUẬT - CHECKED BY:
KTS. NGUYỄN NGỌC BÍCH
KS. LÊ THANH TUẤN
KS. LÊ THANH TUẤN
KTS.VŨ MẠNH HẢI
NGÀY GIAO-ISSUE DATE :
MỤC ĐÍCH
PHÁT HÀNH
ISSUE DATE
T.K.SƠ BỘ-CONCEPT DESIGN
THI CÔNG - EXECUTION
MÃ BẢN VẼ :
As indicated
8/22/20162:03:41PM
KC-18
Mr. Elijah
ĐỊA CHỈ : 161 Pasteur phường 6 Quận3 -
TP.HCM
VĂN PHÒNG 17B BÍCH VÂN
161 Pasteur phường 6 Quận3 - TP.HCM
MẶT BẰNG CẦU THANG BỘ
20/08/2016
TL:( 1 : 25 )
MẶT BẰNG CẦU THANG
TL:( 1 : 1 )
3D CẦU THANG
TL:( 1 : 1 )
3D BẢN THANG KẾT CẤU
TL:( 1 : 25 )
MC ĐỨNG A-A CẦU THANG BỘ
STT HIỆU CHỈNH DATE
3 4
A
B
B
B
A
A
D5
(200x300)
D5a
(200x300)
D2
(200x300)
D1
(200x300)
D5
(200x300)
DCT
(200x300)
2300 200 1500
3500
2007001525200775200
975 250 975200 200 1400 200
1Ø10a150
5 Ø8 a150
10Ø10a150
11Ø10a150
5 Ø8 a150
5 Ø8 a150
4 Ø8 a150
5 Ø8 a150
6 Ø8 a150
4 Ø8 a100
5 Ø8 a150
3Ø10a150
7Ø10a150
9Ø10a150
+3.150 m
Lầu 1
AB
200 775 200 1525 700 200
300795
1395
300
11 Ø10 a150
5 Ø8 a150
4Ø8 a150
5Ø8 a150
4Ø8 a150
10Ø10 a150
6 Ø8 a150
175
76
179
5 Ø8 a150
6 Ø8 a150
9 Ø10 a150
+0.000 m
Tầng trệt
AB
2600 700 200
3500
3001755
2055
100
1 Ø10 a150
5 Ø8 a150
4 Ø8 a150
2Ø10 a150
5Ø8 a150
4 Ø8 a100
3Ø10 a150
5Ø8 a150
7 Ø10 a150
6Ø8 a150
6Ø8 a150
6 Ø8 a150
8 Ø10 a150
www.autodesk.com/revit
TỈ LỆ :
CHỦ ĐẦU TƯ - INVESTOR
ĐIỆN THOẠI: 0933.711.211
ĐƠN VỊ TƯ VẤN THIẾT KẾ - DESIGNED BY
ĐỊA CHỈ: 105, CHUNG CƯ A1, NGUYỄN ÁI
QUỐC, P.QUANG VINH, BIÊN HÒA-ĐỒNG NAI
ĐIỆN THOẠI: 0916.989.135
TÊN CÔNG TRÌNH - PROJECT:
VỊ TRÍ - LOCATION:
TÊN BẢN VẼ - DRAWING TITLE
CHỦ TRÌ - PRIMARY ARCHITECT:
THIẾT KẾ - DESIGN BY:
VẼ - DRAWN BY
QUẢN LÝ KỸ THUẬT - CHECKED BY:
KTS. NGUYỄN NGỌC BÍCH
KS. LÊ THANH TUẤN
KS. LÊ THANH TUẤN
KTS.VŨ MẠNH HẢI
NGÀY GIAO-ISSUE DATE :
MỤC ĐÍCH
PHÁT HÀNH
ISSUE DATE
T.K.SƠ BỘ-CONCEPT DESIGN
THI CÔNG - EXECUTION
MÃ BẢN VẼ :
As indicated
8/22/20162:03:44PM
KC-19
Mr. Elijah
ĐỊA CHỈ : 161 Pasteur phường 6 Quận3 -
TP.HCM
VĂN PHÒNG 17B BÍCH VÂN
161 Pasteur phường 6 Quận3 - TP.HCM
THÉP CẦU THANG BỘ
20/08/2016
TL:( )
3D THÉP BẢN THANG
TL:( 1 : 25 )
MẶT BẰNG BỐ TRÍ THÉP CẦU THANG
TL:( 1 : 20 )
MC A-A CẦU THANG
TL:( 1 : 20 )
MC B-B CẦU THANG
STT HIỆU CHỈNH DATE
www.autodesk.com/revit
TỈ LỆ :
CHỦ ĐẦU TƯ - INVESTOR
ĐIỆN THOẠI: 0933.711.211
ĐƠN VỊ TƯ VẤN THIẾT KẾ - DESIGNED BY
ĐỊA CHỈ: 105, CHUNG CƯ A1, NGUYỄN ÁI
QUỐC, P.QUANG VINH, BIÊN HÒA-ĐỒNG NAI
ĐIỆN THOẠI: 0916.989.135
TÊN CÔNG TRÌNH - PROJECT:
VỊ TRÍ - LOCATION:
TÊN BẢN VẼ - DRAWING TITLE
CHỦ TRÌ - PRIMARY ARCHITECT:
THIẾT KẾ - DESIGN BY:
VẼ - DRAWN BY
QUẢN LÝ KỸ THUẬT - CHECKED BY:
KTS. NGUYỄN NGỌC BÍCH
KS. LÊ THANH TUẤN
KS. LÊ THANH TUẤN
KTS.VŨ MẠNH HẢI
NGÀY GIAO-ISSUE DATE :
MỤC ĐÍCH
PHÁT HÀNH
ISSUE DATE
T.K.SƠ BỘ-CONCEPT DESIGN
THI CÔNG - EXECUTION
MÃ BẢN VẼ :
8/22/20162:03:45PM
KC-20
Mr. Elijah
ĐỊA CHỈ : 161 Pasteur phường 6 Quận3 -
TP.HCM
VĂN PHÒNG 17B BÍCH VÂN
161 Pasteur phường 6 Quận3 - TP.HCM
THỐNG KÊ CẤU KIỆN
20/08/2016
THỐNG KÊ CỘT
SỐ HIỆU
CỘT
TIẾT DIỆN
CỘT
SỐ
LƯỢNG
CHIỀU DÀI
(mm)
THỂ TÍCH
BÊ TÔNG
CỘT
Tầng Móng
C1 200x200 6 2025 0.49 m³
C2 200x200 5 2025 0.41 m³
C3 200x200 3 2025 0.24 m³
C4 200x200 1 2025 0.08 m³
Tầng trệt
C1 200x200 9 3150 1.13 m³
C2 200x200 5 3150 0.62 m³
C3 200x200 1 3150 0.12 m³
Lầu 1
C1 200x200 10 3150 1.24 m³
C2 200x200 2 3150 0.25 m³
C3 200x200 1 3150 0.13 m³
C4 200x200 2 3150 0.25 m³
Lầu 2
C1 200x200 12 2865 1.36 m³
Mái 1
C1 200x200 6 2075 0.50 m³
TỔNG 6.81 m³
THỐNG KÊ DẦM
SỐ HIỆU TIẾT DIỆN SỐ LƯỢNG
THỂ TÍCH BÊ
TÔNG DẦM
Tầng Móng
GM1 200x200 3 0.18 m³
GM2 200x200 9 1.62 m³
GM3 200x200 10 1.38 m³
Tầng trệt
D1 200x300 4 0.86 m³
D2 200x300 8 1.80 m³
D3 200x300 1 0.19 m³
D4 200x300 6 1.20 m³
D5 200x300 2 0.41 m³
Lầu 1
D1 200x300 4 0.90 m³
D2 200x300 8 1.80 m³
D3 200x300 2 0.41 m³
D4 200x300 4 0.83 m³
D5 200x300 4 0.65 m³
D5a 200x300 1 0.19 m³
DCT 200x300 2 0.36 m³
Lầu 2
D1 200x300 9 1.66 m³
D2 200x400 3 1.27 m³
D3 200x300 12 2.31 m³
D3a 200x300 1 0.19 m³
DCT 200x300 2 0.36 m³
Mái 1
DM 200x300 1 0.22 m³
DM1 200x300 4 0.60 m³
DM2 200x300 4 0.83 m³
Mái 2
DM1 200x300 2 0.83 m³
Đỉnh mái
DM2 200x300 1 0.45 m³
TỔNG 21.51 m³
THỐNG KÊ SÀN
KÝ HIỆU SÀN CHIỀU DÀY SÀN
THỂ TÍCH
SÀN
Tầng trệt
S 100 100 mm 10.94 m³
Lầu 1
S 100 100 mm 11.15 m³
Lầu 2
S 100 100 mm 11.27 m³
Mái 1
S 100 100 mm 1.72 m³
TỔNG 35.08 m³
THỐNG KÊ MÓNG
KÝ HIỆU
MÓNG
SỐ
LƯỢNG
VẬT LIỆU
MÓNG
THỂ TÍCH
MÓNG
M1
M1 15 M250 7.65 m³
STT HIỆU CHỈNH DATE
www.autodesk.com/revit
TỈ LỆ :
CHỦ ĐẦU TƯ - INVESTOR
ĐIỆN THOẠI: 0933.711.211
ĐƠN VỊ TƯ VẤN THIẾT KẾ - DESIGNED BY
ĐỊA CHỈ: 105, CHUNG CƯ A1, NGUYỄN ÁI
QUỐC, P.QUANG VINH, BIÊN HÒA-ĐỒNG NAI
ĐIỆN THOẠI: 0916.989.135
TÊN CÔNG TRÌNH - PROJECT:
VỊ TRÍ - LOCATION:
TÊN BẢN VẼ - DRAWING TITLE
CHỦ TRÌ - PRIMARY ARCHITECT:
THIẾT KẾ - DESIGN BY:
VẼ - DRAWN BY
QUẢN LÝ KỸ THUẬT - CHECKED BY:
KTS. NGUYỄN NGỌC BÍCH
KS. LÊ THANH TUẤN
KS. LÊ THANH TUẤN
KTS.VŨ MẠNH HẢI
NGÀY GIAO-ISSUE DATE :
MỤC ĐÍCH
PHÁT HÀNH
ISSUE DATE
T.K.SƠ BỘ-CONCEPT DESIGN
THI CÔNG - EXECUTION
MÃ BẢN VẼ :
8/22/20162:03:46PM
KC-21
Mr. Elijah
ĐỊA CHỈ : 161 Pasteur phường 6 Quận3 -
TP.HCM
VĂN PHÒNG 17B BÍCH VÂN
161 Pasteur phường 6 Quận3 - TP.HCM
THỐNG KÊ THÉP MÓNG
20/08/2016
THỐNG KÊ THÉP MÓNG
TẦNG
CẤU KIỆN
THÉP
SỐ
HIỆU
THÉP
Ø
(mm)
HÌNH DẠNG VÀ KÍCH THƯỚC
SỐ
LƯỢNG
CHIỀU
DÀI
THANH
(mm)
SỐ
CẤU
KIỆN
TỔNG
SỐ
THAN
H
TỔNG
CHIỀU DÀI
(m)
TỔNG
KHỐI
LƯỢNG
(Kg)
A B C HÌNH DẠNG D E F
TẦNG MÓNG
TẦNG MÓNG
THÉP
MÓNG 1 12 0 930 0 0 0 0 13 930 30 390 362.7 322.01
TẦNG MÓNG
THÉP
GIẰNG
MÓNG
2 12 0 156 15956 156 0 0 2 16208 1 2 32.4 28.78
TẦNG MÓNG
THÉP
GIẰNG
MÓNG
3 12 0 15956 0 0 0 0 2 15956 3 6 95.7 85.00
TẦNG MÓNG
THÉP
GIẰNG
MÓNG
4 6 35 150 150 150 150 0 8 639 23 184 117.6 26.09
TẦNG MÓNG
THÉP
GIẰNG
MÓNG
4 6 35 150 150 150 150 0 11 639 4 44 28.1 6.24
TẦNG MÓNG
THÉP
GIẰNG
MÓNG
4 6 35 150 150 150 150 0 15 639 3 45 28.8 6.38
TẦNG MÓNG
THÉP
GIẰNG
MÓNG
4 6 35 150 150 150 150 0 17 639 5 85 54.3 12.05
TẦNG MÓNG
THÉP
GIẰNG
MÓNG
4 6 35 150 150 150 150 0 19 639 5 95 60.7 13.47
TẦNG MÓNG
THÉP
GIẰNG
MÓNG
5 12 0 94 15956 94 0 0 2 16084 3 6 96.5 85.68
TẦNG MÓNG
THÉP
GIẰNG
MÓNG
6 12 0 7450 0 0 0 0 2 7450 10 20 149.0 132.28
TẦNG MÓNG
THÉP
GIẰNG
MÓNG
7 14 0 7450 0 0 0 0 2 7450 10 20 149.0 180.05
TỔNG KHỐI LƯỢNG THÉP CÓ ĐƯỜNG KÍNH Ø <= 8mm : 64.23 KG
TỔNG KHỐI LƯỢNG THÉP CÓ ĐƯỜNG KÍNH Ø > 8mm : 833.8 KG
STT HIỆU CHỈNH DATE
www.autodesk.com/revit
TỈ LỆ :
CHỦ ĐẦU TƯ - INVESTOR
ĐIỆN THOẠI: 0933.711.211
ĐƠN VỊ TƯ VẤN THIẾT KẾ - DESIGNED BY
ĐỊA CHỈ: 105, CHUNG CƯ A1, NGUYỄN ÁI
QUỐC, P.QUANG VINH, BIÊN HÒA-ĐỒNG NAI
ĐIỆN THOẠI: 0916.989.135
TÊN CÔNG TRÌNH - PROJECT:
VỊ TRÍ - LOCATION:
TÊN BẢN VẼ - DRAWING TITLE
CHỦ TRÌ - PRIMARY ARCHITECT:
THIẾT KẾ - DESIGN BY:
VẼ - DRAWN BY
QUẢN LÝ KỸ THUẬT - CHECKED BY:
KTS. NGUYỄN NGỌC BÍCH
KS. LÊ THANH TUẤN
KS. LÊ THANH TUẤN
KTS.VŨ MẠNH HẢI
NGÀY GIAO-ISSUE DATE :
MỤC ĐÍCH
PHÁT HÀNH
ISSUE DATE
T.K.SƠ BỘ-CONCEPT DESIGN
THI CÔNG - EXECUTION
MÃ BẢN VẼ :
8/22/20162:03:47PM
KC-22
Mr. Elijah
ĐỊA CHỈ : 161 Pasteur phường 6 Quận3 -
TP.HCM
VĂN PHÒNG 17B BÍCH VÂN
161 Pasteur phường 6 Quận3 - TP.HCM
THỐNG KÊ THÉP DẦM CỘT
TẦNG TRỆT
20/08/2016
THỐNG KÊ THÉP DẦM CỘT TẦNG TRỆT
TẦNG
CẤU KIỆN
THÉP
SỐ
HIỆU
THÉP
Ø
(mm)
HÌNH DẠNG VÀ KÍCH THƯỚC
SỐ
LƯỢNG
CHIỀU
DÀI
THANH
(mm)
SỐ
CẤU
KIỆN
TỔNG SỐ
THANH
TỔNG
CHIỀU DÀI
(m)
TỔNG
KHỐI
LƯỢNG
(Kg)
A B C HÌNH DẠNG D E F
TẦNG TRỆT
TẦNG TRỆT THÉP CỘT 1 16 0 3439 272 0 0 0 2 3671 12 24 88.1 139.07
TẦNG TRỆT THÉP CỘT 2 6 35 150 150 150 150 0 4 639 5 20 12.8 2.84
TẦNG TRỆT THÉP CỘT 2 6 35 150 150 150 150 0 5 639 15 75 47.9 10.64
TẦNG TRỆT THÉP CỘT 2 6 35 150 150 150 150 0 6 639 30 180 115.0 25.53
TẦNG TRỆT THÉP CỘT 3 18 0 3440 274 0 0 0 3 3669 10 30 110.1 219.90
TẦNG TRỆT THÉP DẦM 4 16 0 208 15958 208 0 0 3 16294 1 3 48.9 77.15
TẦNG TRỆT THÉP DẦM 5 14 0 15858 0 0 0 0 2 15858 1 2 31.7 38.33
TẦNG TRỆT THÉP DẦM 5 14 0 15859 0 0 0 0 3 15859 2 6 95.2 114.99
TẦNG TRỆT THÉP DẦM 6 6 35 150 250 150 250 0 8 839 3 24 20.1 4.47
TẦNG TRỆT THÉP DẦM 6 6 35 150 250 150 250 0 9 839
TẦNG TRỆT THÉP DẦM 6 6 35 150 250 150 250 0 11 839 3 33 27.7 6.14
TẦNG TRỆT THÉP DẦM 6 6 35 150 250 150 250 0 13 839 3 39 32.7 7.26
TẦNG TRỆT THÉP DẦM 6 6 35 150 250 150 250 0 15 839 1 15 12.6 2.79
TẦNG TRỆT THÉP DẦM 7 6 35 250 150 250 150 0 9 839 5 45 37.8 8.38
TẦNG TRỆT THÉP DẦM 7 6 35 250 150 250 150 0 10 839 6 60 50.3 11.17
TẦNG TRỆT THÉP DẦM 7 6 35 250 150 250 150 0 11 839 6 66 55.4 12.29
TẦNG TRỆT THÉP DẦM 7 6 35 250 150 250 150 0 12 839 3 36 30.2 6.70
TẦNG TRỆT THÉP DẦM 7 6 35 250 150 250 150 0 13 839 7 91 76.3
TẦNG TRỆT THÉP DẦM 7 6 35 250 150 250 150 0 14 839 2 28 23.5 5.21
TẦNG TRỆT THÉP DẦM 7 6 35 250 150 250 150 0 18 839 3 54 45.3 10.06
TẦNG TRỆT THÉP CỘT 8 20 0 3441 276 0 0 0 2 3659 8 16 58.5 144.37
TẦNG TRỆT THÉP CỘT 9 22 0 3442 278 0 0 0 2 3656 8 16 58.5 174.55
TẦNG TRỆT THÉP DẦM 10 18 0 209 15959 209 0 0 3 16287 2 6 97.7 195.21
TẦNG TRỆT THÉP DẦM 11 18 0 209 15950 209 0 0 3 16278 2 6 97.7 195.10
TẦNG TRỆT THÉP DẦM 12 14 0 3550 0 0 0 0 2 3550 2 4 14.2 17.16
TẦNG TRỆT THÉP DẦM 13 12 0 3550 0 0 0 0 3 3550 2 6 21.3 18.91
TẦNG TRỆT THÉP DẦM 14 20 0 7450 0 0 0 0 3 7450 3 9 67.1 165.36
TẦNG TRỆT THÉP DẦM 15 14 0 7450 0 0 0 0 2 7450 4 8 59.6 72.02
TẦNG TRỆT THÉP DẦM 16 18 0 7450 0 0 0 0 3 7450 1 3 22.4 44.65
15 135 113.6 25.21
16.95
TỔNG KHỐI LƯỢNG THÉP CÓ ĐƯỜNG KÍNH Ø <= 8mm : 155.64 KG
TỔNG KHỐI LƯỢNG THÉP CÓ ĐƯỜNG KÍNH Ø > 8mm : 1543.47 KG
STT HIỆU CHỈNH DATE
www.autodesk.com/revit
TỈ LỆ :
CHỦ ĐẦU TƯ - INVESTOR
ĐIỆN THOẠI: 0933.711.211
ĐƠN VỊ TƯ VẤN THIẾT KẾ - DESIGNED BY
ĐỊA CHỈ: 105, CHUNG CƯ A1, NGUYỄN ÁI
QUỐC, P.QUANG VINH, BIÊN HÒA-ĐỒNG NAI
ĐIỆN THOẠI: 0916.989.135
TÊN CÔNG TRÌNH - PROJECT:
VỊ TRÍ - LOCATION:
TÊN BẢN VẼ - DRAWING TITLE
CHỦ TRÌ - PRIMARY ARCHITECT:
THIẾT KẾ - DESIGN BY:
VẼ - DRAWN BY
QUẢN LÝ KỸ THUẬT - CHECKED BY:
KTS. NGUYỄN NGỌC BÍCH
KS. LÊ THANH TUẤN
KS. LÊ THANH TUẤN
KTS.VŨ MẠNH HẢI
NGÀY GIAO-ISSUE DATE :
MỤC ĐÍCH
PHÁT HÀNH
ISSUE DATE
T.K.SƠ BỘ-CONCEPT DESIGN
THI CÔNG - EXECUTION
MÃ BẢN VẼ :
8/22/20162:03:48PM
KC-23
Mr. Elijah
ĐỊA CHỈ : 161 Pasteur phường 6 Quận3 -
TP.HCM
VĂN PHÒNG 17B BÍCH VÂN
161 Pasteur phường 6 Quận3 - TP.HCM
THỐNG KÊ THÉP DẦM CỘT
LẦU 1
20/08/2016
THỐNG KÊ THÉP DẦM CỘT LẦU 1
TẦNG CẤU KIỆN THÉP
SỐ
HIỆU
THÉP
Ø
(mm)
HÌNH DẠNG VÀ KÍCH THƯỚC
SỐ
LƯỢNG
CHIỀU
DÀI
THANH
(mm)
SỐ
CẤU
KIỆN
TỔNG SỐ
THANH
TỔNG
CHIỀU DÀI
(m)
TỔNG
KHỐI
LƯỢNG
(Kg)
A B C HÌNH DẠNG D E F
LẦU 1
LẦU 1 THÉP CỘT 1 16 0 3625 0 0 0 0 2 3625 6 12 43.5 68.66
LẦU 1 THÉP CỘT 2 6 35 150 150 150 150 0 6 639 43 258 164.9 36.59
LẦU 1 THÉP CỘT 2 6 35 150 150 150 150 0 8 639 43 344 219.8 48.79
LẦU 1 THÉP CỘT 3 18 0 3625 0 0 0 0 2 3625 4 8 29.0 57.93
LẦU 1 THÉP DẦM 4 16 0 208 15958 208 0 0 3 16294 1 3 48.9 77.15
LẦU 1 THÉP DẦM 5 14 0 15958 0 0 0 0 2 15958 1 2 31.9 38.57
LẦU 1 THÉP DẦM 5 14 0 15959 0 0 0 0 3 15959 2 6 95.8 115.71
LẦU 1 THÉP DẦM 6 6 35 150 250 150 250 0 8 839 6 48 40.3 8.94
LẦU 1 THÉP DẦM 6 6 35 150 250 150 250 0 9 839 16 144 120.8 26.81
LẦU 1 THÉP DẦM 6 6 35 150 250 150 250 0 10 839 1 10 8.4 1.86
LẦU 1 THÉP DẦM 6 6 35 150 250 150 250 0 11 839 5 55 46.1 10.24
LẦU 1 THÉP DẦM 6 6 35 150 250 150 250 0 13 839 7 91 76.3 16.95
LẦU 1 THÉP DẦM 6 6 35 150 250 150 250 0 15 839 1 15 12.6 2.79
LẦU 1 THÉP DẦM 6 6 35 150 250 150 250 0 18 839 1 18 15.1 3.35
LẦU 1 THÉP CỘT 7 16 0 3650 0 0 0 0 2 3650 20 40 146.0 230.44
LẦU 1 THÉP CỘT 8 18 0 3650 0 0 0 0 2 3650 20 40 146.0 291.65
LẦU 1 THÉP CỘT 9 20 0 3650 0 0 0 0 2 3650 20 40 146.0 360.06
LẦU 1 THÉP DẦM 10 18 0 244 15938 244 0 0 3 16336 1 3 49.0 97.90
LẦU 1 THÉP DẦM 10 18 0 244 15944 244 0 0 3 16342 1 3 49.0 97.93
LẦU 1 THÉP DẦM 11 6 35 250 150 250 150 0 5 839 1 5 4.2 0.93
LẦU 1 THÉP DẦM 11 6 35 250 150 250 150 0 10 839 4 40 33.6 7.45
LẦU 1 THÉP DẦM 11 6 35 250 150 250 150 0 11 839 6 66 55.4 12.29
LẦU 1 THÉP DẦM 11 6 35 250 150 250 150 0 12 839 2 24 20.1 4.47
LẦU 1 THÉP DẦM 11 6 35 250 150 250 150 0 13 839 4 52 43.6 9.68
LẦU 1 THÉP DẦM 11 6 35 250 150 250 150 0 14 839 3 42 35.2 7.82
LẦU 1 THÉP DẦM 11 6 35 250 150 250 150 0 18 839 2 36 30.2 6.70
LẦU 1 THÉP DẦM 12 12 0 7450 0 0 0 0 3 7450 1 3 22.4 19.84
LẦU 1 THÉP DẦM 13 14 0 7450 0 0 0 0 2 7450 5 10 74.5 90.03
LẦU 1 THÉP DẦM 14 16 0 7450 0 0 0 0 3 7450 2 6 44.7 70.55
LẦU 1 THÉP DẦM 15 18 0 7450 0 0 0 0 3 7450 2 6 44.7 89.29
LẦU 1 THÉP DẦM 16 12 0 3550 0 0 0 0 2 3550 2 4 14.2 12.61
LẦU 1 THÉP DẦM 16 12 0 3550 0 0 0 0 3 3550 2 6 21.3 18.91
TỔNG KHỐI LƯỢNG THÉP CÓ ĐƯỜNG KÍNH Ø <= 8mm : 205.07 KG
TỔNG KHỐI LƯỢNG THÉP CÓ ĐƯỜNG KÍNH Ø > 8mm : 1727.33 KG
STT HIỆU CHỈNH DATE
www.autodesk.com/revit
TỈ LỆ :
CHỦ ĐẦU TƯ - INVESTOR
ĐIỆN THOẠI: 0933.711.211
ĐƠN VỊ TƯ VẤN THIẾT KẾ - DESIGNED BY
ĐỊA CHỈ: 105, CHUNG CƯ A1, NGUYỄN ÁI
QUỐC, P.QUANG VINH, BIÊN HÒA-ĐỒNG NAI
ĐIỆN THOẠI: 0916.989.135
TÊN CÔNG TRÌNH - PROJECT:
VỊ TRÍ - LOCATION:
TÊN BẢN VẼ - DRAWING TITLE
CHỦ TRÌ - PRIMARY ARCHITECT:
THIẾT KẾ - DESIGN BY:
VẼ - DRAWN BY
QUẢN LÝ KỸ THUẬT - CHECKED BY:
KTS. NGUYỄN NGỌC BÍCH
KS. LÊ THANH TUẤN
KS. LÊ THANH TUẤN
KTS.VŨ MẠNH HẢI
NGÀY GIAO-ISSUE DATE :
MỤC ĐÍCH
PHÁT HÀNH
ISSUE DATE
T.K.SƠ BỘ-CONCEPT DESIGN
THI CÔNG - EXECUTION
MÃ BẢN VẼ :
8/22/20162:03:49PM
KC-24
Mr. Elijah
ĐỊA CHỈ : 161 Pasteur phường 6 Quận3 -
TP.HCM
VĂN PHÒNG 17B BÍCH VÂN
161 Pasteur phường 6 Quận3 - TP.HCM
THỐNG KÊ THÉP DẦM CỘT
LẦU 2
20/08/2016
THỐNG KÊ THÉP DẦM CỘT LẦU 2
TẦNG CẤU KIỆN THÉP
SỐ
HIỆU
THÉP
Ø
(mm)
HÌNH DẠNG VÀ KÍCH THƯỚC
SỐ
LƯỢNG
CHIỀU
DÀI
THANH
(mm)
SỐ CẤU
KIỆN
TỔNG SỐ
THANH
TỔNG
CHIỀU DÀI
(m)
TỔNG
KHỐI
LƯỢNG
(Kg)
A B C HÌNH DẠNG D E F
LẦU 2
LẦU 2 THÉP CỘT 1 18 0 3125 0 0 0 0 2 3125 2 4 12.5 24.97
LẦU 2 THÉP CỘT 2 6 35 150 150 150 150 0 6 639 15 90 57.5 12.76
LẦU 2 THÉP CỘT 2 6 35 150 150 150 150 0 8 639 29 232 148.2 32.90
LẦU 2 THÉP CỘT 3 16 0 3125 0 0 0 0 2 3125 8 16 50.0 78.92
LẦU 2 THÉP CỘT 3 16 0 3127 0 0 0 0 2 3127 1 2 6.3 9.87
LẦU 2 THÉP CỘT 3 16 0 3131 0 0 0 0 2 3131 1 2 6.3 9.88
LẦU 2 THÉP CỘT 4 22 0 3125 0 0 0 0 2 3125 2 4 12.5 37.30
LẦU 2 THÉP DẦM 5 18 0 209 10474 0 0 0 3 10638 3 9 95.7 191.26
LẦU 2 THÉP DẦM 6 14 0 10375 0 0 0 0 3 10375 3 9 93.4 112.84
LẦU 2 THÉP DẦM 7 6 35 150 250 150 250 0 8 839 12 96
LẦU 2 THÉP DẦM 7 6 35 150 250 150 250 0 9 839 13 117
LẦU 2 THÉP DẦM 7 6 35 150 250 150 250 0 10 839 3 30 25.2 5.59
LẦU 2 THÉP DẦM 7 6 35 150 250 150 250 0 11 839 16 176 147.7 32.77
LẦU 2 THÉP DẦM 7 6 35 150 250 150 250 0 12 839 3 36 30.2 6.70
LẦU 2 THÉP DẦM 7 6 35 150 250 150 250 0 13 839 6 78 65.4 14.52
LẦU 2 THÉP DẦM 7 6 35 150 250 150 250 0 15 839 3 45 37.8 8.38
LẦU 2 THÉP DẦM 7 6 35 150 250 150 250 0 11 840 1 11 9.2 2.05
LẦU 2 THÉP DẦM 8 20 0 5650 310 0 0 0 3 5901 3 9 53.1 130.98
LẦU 2 THÉP DẦM 9 18 0 5660 0 0 0 0 3 5660 3 9 50.9 101.76
LẦU 2 THÉP DẦM 10 6 35 150 350 150 350 0 13 1039 6 78 81.0 17.99
LẦU 2 THÉP DẦM 10 6 35 150 350 150 350 0 18 1039 3 54 56.1 12.45
LẦU 2 THÉP CỘT 11 16 0 3260 0 0 0 0 2 3260 6 12 39.1 61.74
LẦU 2 THÉP CỘT 12 16 0 3135 0 0 0 0 2 3135 4 8 25.1 39.58
LẦU 2 THÉP CỘT 13 25 0 3125 0 0 0 0 2 3125 4 8 25.0 96.33
LẦU 2 THÉP CỘT 14 18 0 3260 0 0 0 0 2 3260 2 4 13.0 26.05
LẦU 2 THÉP DẦM 15 16 0 7444 0 0 0 0 3 7444 5 15 111.7 176.24
LẦU 2 THÉP DẦM 16 14 0 7438 0 0 0 0 2 7438 1 2 14.9 17.98
LẦU 2 THÉP DẦM 16 14 0 7444 0 0 0 0 2 7444 4 8 59.6 71.96
LẦU 2 THÉP DẦM 17 16 0 4038 0 0 0 0 3 4038 1 3 12.1 19.12
LẦU 2 THÉP DẦM 18 14 0 4038 0 0 0 0 2 4038 1 2 8.1 9.76
LẦU 2 THÉP DẦM 19 16 0 3550 0 0 0 0 3 3550 1 3 10.7 16.81
LẦU 2 THÉP DẦM 20 14 0 3550 0 0 0 0 2 3550 1 2 7.1 8.58
LẦU 2 THÉP DẦM 21 12 0 3550 0 0 0 0 2 3550 1 2 7.1 6.30
LẦU 2 THÉP DẦM 21 12 0 3550 0 0 0 0 3 3550 1 3 10.7 9.46
LẦU 2 THÉP DẦM 22 6 35 250 150 250 150 0 6 839 1 6 5.0 1.12
LẦU 2 THÉP DẦM 22 6 35 250 150 250 150 0 14 839 1 14 11.7 2.61
80.6 17.89
21.7998.2
TỔNG KHỐI LƯỢNG THÉP CÓ ĐƯỜNG KÍNH Ø <= 8mm : 205.07 KG
TỔNG KHỐI LƯỢNG THÉP CÓ ĐƯỜNG KÍNH Ø > 8mm : 1727.33 KG
STT HIỆU CHỈNH DATE
www.autodesk.com/revit
TỈ LỆ :
CHỦ ĐẦU TƯ - INVESTOR
ĐIỆN THOẠI: 0933.711.211
ĐƠN VỊ TƯ VẤN THIẾT KẾ - DESIGNED BY
ĐỊA CHỈ: 105, CHUNG CƯ A1, NGUYỄN ÁI
QUỐC, P.QUANG VINH, BIÊN HÒA-ĐỒNG NAI
ĐIỆN THOẠI: 0916.989.135
TÊN CÔNG TRÌNH - PROJECT:
VỊ TRÍ - LOCATION:
TÊN BẢN VẼ - DRAWING TITLE
CHỦ TRÌ - PRIMARY ARCHITECT:
THIẾT KẾ - DESIGN BY:
VẼ - DRAWN BY
QUẢN LÝ KỸ THUẬT - CHECKED BY:
KTS. NGUYỄN NGỌC BÍCH
KS. LÊ THANH TUẤN
KS. LÊ THANH TUẤN
KTS.VŨ MẠNH HẢI
NGÀY GIAO-ISSUE DATE :
MỤC ĐÍCH
PHÁT HÀNH
ISSUE DATE
T.K.SƠ BỘ-CONCEPT DESIGN
THI CÔNG - EXECUTION
MÃ BẢN VẼ :
8/22/20162:03:50PM
KC-25
Mr. Elijah
ĐỊA CHỈ : 161 Pasteur phường 6 Quận3 -
TP.HCM
VĂN PHÒNG 17B BÍCH VÂN
161 Pasteur phường 6 Quận3 - TP.HCM
THỐNG KÊ THÉP TẦNG
MÁI 1 & MÁI 2
20/08/2016
THỐNG KÊ THÉP DẦM CỘT TẦNG MÁI 1
TẦNG CẤU KIỆN THÉP
SỐ
HIỆU
THÉP
Ø
(mm)
HÌNH DẠNG VÀ KÍCH THƯỚC
SỐ
LƯỢNG
CHIỀU
DÀI
THANH
(mm)
SỐ CẤU
KIỆN
TỔNG SỐ
THANH
TỔNG
CHIỀU DÀI
(m)
TỔNG
KHỐI
LƯỢNG
(Kg)
A B C HÌNH DẠNG D E F
MÁI 1
MÁI 1 THÉP CỘT 1 16 0 2990 0 0 0 0 2 2990 16 32 95.7 151.02
MÁI 1 THÉP CỘT 2 6 35 150 150 150 150 0 5 639 3 15 9.6 2.13
MÁI 1 THÉP CỘT 2 6 35 150 150 150 150 0 6 639 12 72 46.0 10.21
MÁI 1 THÉP CỘT 2 6 35 150 150 150 150 0 8 639 21 168 107.3 23.83
MÁI 1 THÉP CỘT 3 16 0 3260 0 0 0 0 2 3260 8 16 52.2 82.32
THỐNG KÊ THÉP DẦM CỘT TẦNG MÁI 2
TẦNG CẤU KIỆN THÉP
SỐ
HIỆU
THÉP
Ø
(mm)
HÌNH DẠNG VÀ KÍCH THƯỚC
SỐ
LƯỢNG
CHIỀU
DÀI
THANH
(mm)
SỐ CẤU
KIỆN
TỔNG SỐ
THANH
TỔNG
CHIỀU DÀI
(m)
TỔNG
KHỐI
LƯỢNG
(Kg)
A B C HÌNH DẠNG D E F
MÁI 2
MÁI 2 THÉP CỘT 1 16 0 2225 0 0 0 0 2 2225 4 8 17.8 28.09
MÁI 2 THÉP CỘT 2 6 35 150 150 150 150 0 5 639 4 20 12.8 2.84
MÁI 2 THÉP CỘT 2 6 35 150 150 150 150 0 8 639 4 32 20.4 4.54
MÁI 2 THÉP CỘT 2 6 35 150 150 150 150 0 17 639 2 34 21.7 4.82
MÁI 2 THÉP CỘT 3 16 0 2050 0 0 0 0 2 2050 8 16 32.8 51.77
MÁI 2 THÉP DẦM 4 16 0 4150 0 0 0 0 3 4150 2 6 24.9 39.30
MÁI 2 THÉP DẦM 5 14 0 4150 0 0 0 0 2 4150 2 4 16.6 20.06
MÁI 2 THÉP DẦM 6 6 35 150 250 150 260 0 10 849 4 40 34.0 7.54
MÁI 2 THÉP DẦM 6 6 35 150 250 150 260 0 12 849 2 24 20.4 4.52
MÁI 2 THÉP DẦM 7 16 0 4060 0 0 0 0 3 4060 2 6 24.4 38.45
MÁI 2 THÉP DẦM 8 14 0 4050 0 0 0 0 2 4050 2 4 16.2 19.58
MÁI 2 THÉP DẦM 9 6 35 150 260 150 260 0 9 859 4 36 30.9 6.86
MÁI 2 THÉP DẦM 9 6 35 150 260 150 260 0 13 859 2 26 22.3 4.96
TỔNG KHỐI LƯỢNG THÉP CÓ ĐƯỜNG KÍNH Ø <= 8mm : 36.08 KG
TỔNG KHỐI LƯỢNG THÉP CÓ ĐƯỜNG KÍNH Ø > 8mm : 197.25 KG
TỔNG KHỐI LƯỢNG THÉP CÓ ĐƯỜNG KÍNH Ø <= 8mm : 36.17 KG
TỔNG KHỐI LƯỢNG THÉP CÓ ĐƯỜNG KÍNH Ø > 8mm : 233.34 KG
STT HIỆU CHỈNH DATE
www.autodesk.com/revit
TỈLỆ:
CHỦĐẦUTƯ-INVESTOR
ĐIỆNTHOẠI:0933.711.211
ĐƠNVỊTƯVẤNTHIẾTKẾ-DESIGNEDBY
ĐỊACHỈ:105,CHUNGCƯA1,NGUYỄNÁI
QUỐC,P.QUANGVINH,BIÊNHÒA-ĐỒNGNAI
ĐIỆNTHOẠI:0916.989.135
TÊNCÔNGTRÌNH-PROJECT:
VỊTRÍ-LOCATION:
TÊNBẢNVẼ-DRAWINGTITLE
CHỦTRÌ-PRIMARYARCHITECT:
THIẾTKẾ-DESIGNBY:
VẼ-DRAWNBY
QUẢNLÝKỸTHUẬT-CHECKEDBY:
KTS.NGUYỄNNGỌCBÍCH
KS.LÊTHANHTUẤN
KS.LÊTHANHTUẤN
KTS.VŨMẠNHHẢI
NGÀYGIAO-ISSUEDATE:
MỤCĐÍCH
PHÁTHÀNH
ISSUEDATE
T.K.SƠBỘ-CONCEPTDESIGN
THICÔNG-EXECUTION
MÃBẢNVẼ:
8/22/2016 11:26:43 AM
KC-26
Mr.Elijah
ĐỊACHỈ:161Pasteurphường6Quận3-
TP.HCM
VĂNPHÒNG17BBÍCHVÂN
161Pasteurphường6Quận3-TP.HCM
THỐNGKÊTHÉPSÀN
TẦNGTRỆT
20/08/2016
THỐNG KÊ THÉP SÀN TẦNG TRỆT
TẦNG
CẤU KIỆN
THÉP
SỐ HIỆU
THÉP
Ø
(mm)
HÌNH DẠNG VÀ KÍCH THƯỚC
SỐ LƯỢNG
CHIỀU DÀI
THANH
(mm)
SỐ CẤU
KIỆN
TỔNG SỐ
THANH
TỔNG
CHIỀU DÀI
(m)
TỔNG
KHỐI
LƯỢNG
(Kg)
A B C HÌNH DẠNG D E F
THÉP SÀN TẦNG TRỆT
THÉP SÀN TẦNG TRỆT TSLD 1 8 58 6449 0 0 0 0 23 6565 1 23 151.0 59.58
THÉP SÀN TẦNG TRỆT TSLD 2 8 50 3550 0 0 0 0 42 3650 1 42 153.3 60.49
THÉP SÀN TẦNG TRỆT TSLD 3 8 2375 145 1503 226 5476 0 16 9827 1 16 157.2 62.04
THÉP SÀN TẦNG TRỆT TSLD 4 8 58 9650 0 0 0 0 7 9766 1 7 68.4 26.97
THÉP SÀN TẦNG TRỆT TSLD 5 8 58 7450 0 0 0 0 16 7558 1 16 120.9 47.72
THÉP SÀN TẦNG TRỆT TSLD 5 8 58 7450 0 0 0 0 37 7558 1 37 279.6 110.34
THÉP SÀN TẦNG TRỆT TSLD 6 8 4992 133 2380 0 0 0 11 7612 1 11 83.7 33.04
THÉP SÀN TẦNG TRỆT TSLD 7 8 58 14250 0 0 0 0 26 14366 1 26 373.5 147.38
THÉP SÀN TẦNG TRỆT TSLD 8 8 58 4050 0 0 0 0 31 4166 1 31 129.1 50.96
THÉP SÀN TẦNG TRỆT TSLT 9 10 60 1325 0 0 0 0 10 1395 1 10 14.0 8.60
THÉP SÀN TẦNG TRỆT TSLT 10 10 0 6450 0 0 0 0 7 6450 1 7 45.2 27.84
THÉP SÀN TẦNG TRỆT TSLT 10 10 0 6450 0 0 0 0 8 6450 1 8 51.6 31.81
THÉP SÀN TẦNG TRỆT TSLT 11 10 60 1269 0 0 0 0 26 1339 1 26 34.8 21.46
THÉP SÀN TẦNG TRỆT TSLT 12 10 60 1275 0 0 0 0 15 1345 1 15 20.2 12.44
THÉP SÀN TẦNG TRỆT TSLT 12 10 60 1275 0 0 0 0 26 1345 1 26 35.0 21.56
THÉP SÀN TẦNG TRỆT TSLT 12 10 60 1275 0 0 0 0 32 1345 1 32 43.0 26.53
THÉP SÀN TẦNG TRỆT TSLT 13 10 0 2460 0 0 0 0 8 2460 1 8 19.7 12.13
THÉP SÀN TẦNG TRỆT TSLT 14 10 2302 134 2396 0 0 0 9 4888 1 9 44.0 27.12
THÉP SÀN TẦNG TRỆT TSLT 15 10 0 1500 0 0 0 0 14 1500 1 14 21.0 12.95
THÉP SÀN TẦNG TRỆT TSLT 16 10 0 5650 0 0 0 0 7 5650 1 7 39.6 24.38
THÉP SÀN TẦNG TRỆT TSLT 17 10 60 575 0 0 0 0 6 645 1 6 3.9 2.39
THÉP SÀN TẦNG TRỆT TSLT 18 10 0 900 0 0 0 0 4 900 2 8 7.2 4.44
THÉP SÀN TẦNG TRỆT TSLT 19 10 60 1325 0 0 0 0 10 1395 1 10 13.9 8.60
THÉP SÀN TẦNG TRỆT TSLT 20 10 60 2150 0 0 0 0 7 2220 1 7 15.5 9.58
THÉP SÀN TẦNG TRỆT TSLT 21 10 60 1625 0 0 0 0 7 1695 2 14 23.7 14.63
THÉP SÀN TẦNG TRỆT TSLT 21 10 60 1625 0 0 0 0 9 1695 1 9 15.3 9.41
THÉP SÀN TẦNG TRỆT TSLT 22 10 0 1000 0 0 0 0 9 1000 1 9 9.0 5.55
THÉP SÀN TẦNG TRỆT TSLT 22 10 0 1000 0 0 0 0 10 1000 2 20 20.0 12.33
THÉP SÀN TẦNG TRỆT TSLT 22 10 0 1000 0 0 0 0 11 1000 2 22 22.0 13.56
THÉP SÀN TẦNG TRỆT TSLT 23 10 60 1375 0 0 0 0 23 1445 1 23 33.2 20.49
THÉP SÀN TẦNG TRỆT TSLT 23 10 60 1375 0 0 0 0 27 1445 1 27 39.0 24.06
THÉP SÀN TẦNG TRỆT TSLT 24 10 0 4675 0 0 0 0 8 4675 1 8 37.4 23.06
THÉP SÀN TẦNG TRỆT TSLT 24 10 0 4675 0 0 0 0 9 4675 1 9 42.1 25.94
THÉP SÀN TẦNG TRỆT TSLT 25 10 0 1300 0 0 0 0 9 1300 1 9 11.7 7.21
THÉP SÀN TẦNG TRỆT TSLT 25 10 0 1300 0 0 0 0 10 1300 3 30 39.0 24.04
THÉP SÀN TẦNG TRỆT TSLT 25 10 0 1300 0 0 0 0 11 1300 2 22 28.6 17.63
THÉP SÀN TẦNG TRỆT TSLT 26 10 60 1375 0 0 0 0 27 1445 1 27 39.0 24.05
THÉP SÀN TẦNG TRỆT TSLT 26 10 60 1375 0 0 0 0 32 1445 1 32 46.2 28.51
THÉP SÀN TẦNG TRỆT TSLT 27 10 60 3100 0 0 0 0 9 3170 1 9 28.5 17.59
THÉP SÀN TẦNG TRỆT TSLT 28 10 0 4000 0 0 0 0 7 4000 1 7 28.0 17.26
THÉP SÀN TẦNG TRỆT TSLT 28 10 0 4000 0 0 0 0 8 4000 2 16 64.0 39.46
THÉP SÀN TẦNG TRỆT TSLT 29 10 60 2500 0 0 0 0 14 2570 1 14 36.0 22.18
THÉP SÀN TẦNG TRỆT TSLT 29 10 60 2500 0 0 0 0 32 2570 1 32 82.2 50.70
THÉP SÀN TẦNG TRỆT TSLT 30 10 60 3350 0 0 0 0 9 3420 1 9 30.8 18.98
THÉP SÀN TẦNG TRỆT TSLT 31 10 0 5470 0 0 0 0 7 5470 1 7 38.3 23.61
THÉP SÀN TẦNG TRỆT TSLT 31 10 0 5470 0 0 0 0 8 5470 1 8 43.8 26.98
THÉP SÀN TẦNG TRỆT TSLT 32 10 0 5575 0 0 0 0 8 5575 1 8 44.6 27.50
THÉP SÀN TẦNG TRỆT TSLT 33 10 60 1875 0 0 0 0 7 1945 2 14 27.2 16.79
THÉP SÀN TẦNG TRỆT TSLT 33 10 60 1875 0 0 0 0 9 1945 1 9 17.5 10.79
TỔNG KHỐI LƯỢNG THÉP CÓ ĐƯỜNG KÍNH Ø <= 8mm : 598.52 KG
TỔNG KHỐI LƯỢNG THÉP CÓ ĐƯỜNG KÍNH Ø > 8mm : 773.51 KG
GHI CHÚ BẢNG TÍNH: TSLT: THÉP SÀN LỚP TRÊN
TSLD: THÉP SÀN LỚP DƯỚI
STTHIỆUCHỈNHDATE
www.autodesk.com/revit
TỈLỆ:
CHỦĐẦUTƯ-INVESTOR
ĐIỆNTHOẠI:0933.711.211
ĐƠNVỊTƯVẤNTHIẾTKẾ-DESIGNEDBY
ĐỊACHỈ:105,CHUNGCƯA1,NGUYỄNÁI
QUỐC,P.QUANGVINH,BIÊNHÒA-ĐỒNGNAI
ĐIỆNTHOẠI:0916.989.135
TÊNCÔNGTRÌNH-PROJECT:
VỊTRÍ-LOCATION:
TÊNBẢNVẼ-DRAWINGTITLE
CHỦTRÌ-PRIMARYARCHITECT:
THIẾTKẾ-DESIGNBY:
VẼ-DRAWNBY
QUẢNLÝKỸTHUẬT-CHECKEDBY:
KTS.NGUYỄNNGỌCBÍCH
KS.LÊTHANHTUẤN
KS.LÊTHANHTUẤN
KTS.VŨMẠNHHẢI
NGÀYGIAO-ISSUEDATE:
MỤCĐÍCH
PHÁTHÀNH
ISSUEDATE
T.K.SƠBỘ-CONCEPTDESIGN
THICÔNG-EXECUTION
MÃBẢNVẼ:
8/22/2016 11:26:43 AM
KC-27
Mr.Elijah
ĐỊACHỈ:161Pasteurphường6Quận3-
TP.HCM
VĂNPHÒNG17BBÍCHVÂN
161Pasteurphường6Quận3-TP.HCM
THỐNGKÊTHÉPSÀNLẦU
1(P.1)
20/08/2016
THỐNG KÊ THÉP SÀN LẦU 1(P1)
TẦNG
CẤU KIỆN
THÉP
SỐ HIỆU
THÉP
Ø
(mm)
HÌNH DẠNG VÀ KÍCH THƯỚC
SỐ
LƯỢNG
CHIỀU DÀI
THANH
(mm)
SỐ CẤU
KIỆN
TỔNG SỐ
THANH
TỔNG CHIỀU
DÀI (m)
TỔNG
KHỐI
LƯỢNG
(Kg)
A B C HÌNH DẠNG D E F
THÉP SÀN LẦU 1
THÉP SÀN LẦU 1 TSLD 1 8 58 4477 145 1877 0 0 13 6606 1 13 85.9 33.89
THÉP SÀN LẦU 1 TSLD 2 8 58 3550 0 0 0 0 11 3666 1 11 40.3 15.91
THÉP SÀN LẦU 1 TSLD 3 8 58 7450 0 0 0 0 19 7566 1 19 143.8 56.72
THÉP SÀN LẦU 1 TSLD 3 8 58 7450 0 0 0 0 37 7566 1 37 279.9 110.46
THÉP SÀN LẦU 1 TSLD 4 8 58 5477 145 1877 0 0 13 7606 1 13 98.9 39.02
THÉP SÀN LẦU 1 TSLD 5 8 1576 226 5476 0 0 0 23 7389 1 23 170.0 67.06
THÉP SÀN LẦU 1 TSLD 6 8 1777 145 2003 226 3376 0 11 7630 1 11 83.9 33.12
THÉP SÀN LẦU 1 TSLD 7 8 50 6450 0 0 0 0 4 6558 1 4 26.2 10.35
THÉP SÀN LẦU 1 TSLD 8 8 50 8850 0 0 0 0 7 8958 1 7 62.7 24.74
THÉP SÀN LẦU 1 TSLD 9 8 58 5025 0 0 0 0 9 5141 1 9 46.3 18.26
THÉP SÀN LẦU 1 TSLD 10 8 58 3152 145 1777 0 0 7 5181 1 7 36.3 14.31
THÉP SÀN LẦU 1 TSLD 11 8 58 14250 0 0 0 0 15 14366 1 15 215.5 85.03
THÉP SÀN LẦU 1 TSLD 12 8 5977 145 2503 226 5473 0 11 14427 1 11 158.7 62.62
THÉP SÀN LẦU 1 TSLD 13 8 58 1850 0 0 0 0 26 1966 1 26 51.1 20.17
THÉP SÀN LẦU 1 TSLD 14 8 58 4050 0 0 0 0 11 4166 1 11 45.8 18.08
THÉP SÀN LẦU 1 TSLT 15 10 60 1225 0 0 0 0 10 1295 2 20 25.9 15.97
THÉP SÀN LẦU 1 TSLT 15 10 60 1225 0 0 0 0 16 1295 1 16 20.7 12.77
THÉP SÀN LẦU 1 TSLT 15 10 60 1225 0 0 0 0 32 1295 1 32 41.4 25.55
THÉP SÀN LẦU 1 TSLT 16 10 60 4477 146 1877 0 0 8 6558 1 8 52.5 32.35
THÉP SÀN LẦU 1 TSLT 17 10 60 2100 0 0 0 0 7 2170 1 7 15.2 9.37
THÉP SÀN LẦU 1 TSLT 18 10 60 1110 0 0 0 0 4 1180 1 4 4.7 2.91
THÉP SÀN LẦU 1 TSLT 18 10 60 1110 0 0 0 0 9 1180 1 9 10.6 6.55
THÉP SÀN LẦU 1 TSLT 19 10 60 2450 0 0 0 0 17 2520 1 17 42.8 26.41
THÉP SÀN LẦU 1 TSLT 19 10 60 2450 0 0 0 0 32 2520 1 32 80.6 49.72
THÉP SÀN LẦU 1 TSLT 20 10 60 6450 0 0 0 0 8 6520 1 8 52.2 32.16
THÉP SÀN LẦU 1 TSLT 21 10 60 14250 0 0 0 0 8 14320 1 8 114.6 70.63
THÉP SÀN LẦU 1 TSLT 22 10 60 1375 0 0 0 0 8 1445 1 8 11.6 7.13
THÉP SÀN LẦU 1 TSLT 22 10 60 1375 0 0 0 0 10 1445 2 20 28.9 17.82
THÉP SÀN LẦU 1 TSLT 22 10 60 1375 0 0 0 0 27 1445 1 27 39.0 24.05
THÉP SÀN LẦU 1 TSLT 22 10 60 1375 0 0 0 0 31 1445 1 31 44.8 27.62
THÉP SÀN LẦU 1 TSLT 23 10 60 1850 0 0 0 0 8 1920 2 16 30.7 18.94
THÉP SÀN LẦU 1 TSLT 23 10 60 1850 0 0 0 0 9 1920 1 9 17.3 10.65
THÉP SÀN LẦU 1 TSLT 24 10 60 1300 0 0 0 0 8 1370 1 8 11.0 6.76
THÉP SÀN LẦU 1 TSLT 24 10 60 1300 0 0 0 0 9 1370 1 9 12.3 7.60
THÉP SÀN LẦU 1 TSLT 24 10 60 1300 0 0 0 0 10 1370 2 20 27.4 16.89
THÉP SÀN LẦU 1 TSLT 24 10 60 1300 0 0 0 0 11 1370 1 11 15.1 9.29
THÉP SÀN LẦU 1 TSLT 24 10 60 1300 0 0 0 0 12 1370 1 12 16.4 10.14
THÉP SÀN LẦU 1 TSLT 25 10 60 675 0 0 0 0 7 745 1 7 5.2 3.22
THÉP SÀN LẦU 1 TSLT 26 10 60 1100 0 0 0 0 5 1170 1 5 5.8 3.61
THÉP SÀN LẦU 1 TSLT 26 10 60 1100 0 0 0 0 11 1170 2 22 25.7 15.87
THÉP SÀN LẦU 1 TSLT 27 10 60 2802 146 1877 0 0 10 4883 1 10 48.8 30.11
THÉP SÀN LẦU 1 TSLT 28 10 60 1931 0 0 0 0 3 2001 1 3 6.0 3.70
THÉP SÀN LẦU 1 TSLT 29 10 60 1951 0 0 0 0 5 2021 1 5 10.1 6.23
STTHIỆUCHỈNHDATE
www.autodesk.com/revit
TỈLỆ:
CHỦĐẦUTƯ-INVESTOR
ĐIỆNTHOẠI:0933.711.211
ĐƠNVỊTƯVẤNTHIẾTKẾ-DESIGNEDBY
ĐỊACHỈ:105,CHUNGCƯA1,NGUYỄNÁI
QUỐC,P.QUANGVINH,BIÊNHÒA-ĐỒNGNAI
ĐIỆNTHOẠI:0916.989.135
TÊNCÔNGTRÌNH-PROJECT:
VỊTRÍ-LOCATION:
TÊNBẢNVẼ-DRAWINGTITLE
CHỦTRÌ-PRIMARYARCHITECT:
THIẾTKẾ-DESIGNBY:
VẼ-DRAWNBY
QUẢNLÝKỸTHUẬT-CHECKEDBY:
KTS.NGUYỄNNGỌCBÍCH
KS.LÊTHANHTUẤN
KS.LÊTHANHTUẤN
KTS.VŨMẠNHHẢI
NGÀYGIAO-ISSUEDATE:
MỤCĐÍCH
PHÁTHÀNH
ISSUEDATE
T.K.SƠBỘ-CONCEPTDESIGN
THICÔNG-EXECUTION
MÃBẢNVẼ:
8/22/2016 11:26:43 AM
KC-28
Mr.Elijah
ĐỊACHỈ:161Pasteurphường6Quận3-
TP.HCM
VĂNPHÒNG17BBÍCHVÂN
161Pasteurphường6Quận3-TP.HCM
THỐNGKÊTHÉPSÀNLẦU
1(P.2)
20/08/2016
THỐNG KÊ THÉP SÀN LẦU 1(P2)
TẦNG
CẤU KIỆN
THÉP
SỐ HIỆU
THÉP
Ø
(mm)
HÌNH DẠNG VÀ KÍCH THƯỚC
SỐ
LƯỢNG
CHIỀU DÀI
THANH
(mm)
SỐ CẤU
KIỆN
TỔNG SỐ
THANH
TỔNG CHIỀU
DÀI (m)
TỔNG
KHỐI
LƯỢNG
(Kg)
A B C HÌNH DẠNG D E F
THÉP SÀN LẦU 1
THÉP SÀN LẦU 1 TSLT 30 10 5506 200 2503 146 5977 0 8 14385 1 8 115.1 70.95
THÉP SÀN LẦU 1 TSLT 31 10 60 1575 0 0 0 0 8 1645 1 8 13.2 8.11
THÉP SÀN LẦU 1 TSLT 32 10 60 2885 0 0 0 0 8 2955 1 8 23.6 14.57
THÉP SÀN LẦU 1 TSLT 33 10 60 1775 0 0 0 0 7 1845 1 7 12.9 7.96
THÉP SÀN LẦU 1 TSLT 33 10 60 1775 0 0 0 0 8 1845 1 8 14.8 9.10
THÉP SÀN LẦU 1 TSLT 34 10 1576 226 5476 0 0 0 7 7343 1 7 51.4 31.69
THÉP SÀN LẦU 1 TSLT 35 10 1576 226 5472 0 0 0 8 7339 1 8 58.7 36.20
THÉP SÀN LẦU 1 TSLT 36 10 1556 249 1701 0 0 0 7 3570 1 7 25.0 15.41
THÉP SÀN LẦU 1 TSLT 37 10 3376 226 1201 0 0 0 9 4868 1 9 43.8 27.01
THÉP SÀN LẦU 1 TSLT 38 10 60 3100 0 0 0 0 6 3170 1 6 19.0 11.73
THÉP SÀN LẦU 1 TSLT 39 10 60 1875 0 0 0 0 3 1945 1 3 5.8 3.60
THÉP SÀN LẦU 1 TSLT 40 10 60 885 0 0 0 0 8 955 1 8 7.6 4.71
THÉP SÀN LẦU 1 TSLT 41 10 60 2350 0 0 0 0 14 2420 1 14 33.9 20.89
THÉP SÀN LẦU 1 TSLT 42 10 60 2550 0 0 0 0 6 2620 1 6 15.7 9.69
THÉP SÀN LẦU 1 TSLT 43 10 60 1860 0 0 0 0 15 1930 1 15 28.9 17.85
THÉP SÀN LẦU 1 TSLT 44 10 60 2685 0 0 0 0 3 2755 1 3 8.3 5.10
TỔNG KHỐI LƯỢNG THÉP CÓ ĐƯỜNG KÍNH Ø <= 8mm : 609.74 KG
TỔNG KHỐI LƯỢNG THÉP CÓ ĐƯỜNG KÍNH Ø > 8mm : 798.58 KG
GHI CHÚ BẢNG TÍNH: TSLT: THÉP SÀN LỚP TRÊN
TSLD: THÉP SÀN LỚP DƯỚI
STTHIỆUCHỈNHDATE
www.autodesk.com/revit
TỈLỆ:
CHỦĐẦUTƯ-INVESTOR
ĐIỆNTHOẠI:0933.711.211
ĐƠNVỊTƯVẤNTHIẾTKẾ-DESIGNEDBY
ĐỊACHỈ:105,CHUNGCƯA1,NGUYỄNÁI
QUỐC,P.QUANGVINH,BIÊNHÒA-ĐỒNGNAI
ĐIỆNTHOẠI:0916.989.135
TÊNCÔNGTRÌNH-PROJECT:
VỊTRÍ-LOCATION:
TÊNBẢNVẼ-DRAWINGTITLE
CHỦTRÌ-PRIMARYARCHITECT:
THIẾTKẾ-DESIGNBY:
VẼ-DRAWNBY
QUẢNLÝKỸTHUẬT-CHECKEDBY:
KTS.NGUYỄNNGỌCBÍCH
KS.LÊTHANHTUẤN
KS.LÊTHANHTUẤN
KTS.VŨMẠNHHẢI
NGÀYGIAO-ISSUEDATE:
MỤCĐÍCH
PHÁTHÀNH
ISSUEDATE
T.K.SƠBỘ-CONCEPTDESIGN
THICÔNG-EXECUTION
MÃBẢNVẼ:
8/22/2016 11:26:43 AM
KC-29
Mr.Elijah
ĐỊACHỈ:161Pasteurphường6Quận3-
TP.HCM
VĂNPHÒNG17BBÍCHVÂN
161Pasteurphường6Quận3-TP.HCM
THỐNGKÊTHÉPSÀNLẦU
2(P.1)
20/08/2016 THỐNG KÊ THÉP SÀN LẦU 2 (P1)
TẦNG
CẤU KIỆN
THÉP
SỐ HIỆU
THÉP
Ø
(mm)
HÌNH DẠNG VÀ KÍCH THƯỚC
SỐ
LƯỢNG
CHIỀU DÀI
THANH (mm)
SỐ CẤU
KIỆN
TỔNG SỐ
THANH
TỔNG CHIỀU
DÀI (m)
TỔNG
KHỐI
LƯỢNG
(Kg)
A B C HÌNH DẠNG D E F
THÉP SÀN LẦU 2
THÉP SÀN LẦU 2 TSLD 1 8 58 1850 0 0 0 0 26 1966 1 26 51.1 20.17
THÉP SÀN LẦU 2 TSLD 2 8 58 2849 0 0 0 0 23 2965 1 23 68.2 26.91
THÉP SÀN LẦU 2 TSLD 3 8 58 7450 0 0 0 0 11 7566 1 11 83.2 32.84
THÉP SÀN LẦU 2 TSLD 3 8 58 7450 0 0 0 0 12 7566 1 12 90.8 35.82
THÉP SÀN LẦU 2 TSLD 3 8 58 7450 0 0 0 0 13 7566 1 13 98.4 38.81
THÉP SÀN LẦU 2 TSLD 3 8 58 7450 0 0 0 0 24 7566 1 24 181.6 71.65
THÉP SÀN LẦU 2 TSLD 4 8 58 3550 0 0 0 0 7 3666 1 7 25.7 10.13
THÉP SÀN LẦU 2 TSLD 5 8 3995 208 4573 0 0 0 13 8888 1 13 115.5 45.59
THÉP SÀN LẦU 2 TSLD 6 8 58 4750 0 0 0 0 14 4866 1 14 68.1 26.88
THÉP SÀN LẦU 2 TSLD 7 8 58 3750 0 0 0 0 11 3866 1 11 42.5 16.78
THÉP SÀN LẦU 2 TSLD 8 8 58 1777 145 1877 0 0 13 3907 1 13 50.8 20.04
THÉP SÀN LẦU 2 TSLD 9 8 58 4050 0 0 0 0 7 4166 1 7 29.2 11.51
THÉP SÀN LẦU 2 TSLD 10 8 58 5477 145 1877 0 0 13 7606 1 13 98.9 39.02
THÉP SÀN LẦU 2 TSLD 11 8 58 2952 145 1977 0 0 16 5181 1 16 82.9 32.71
THÉP SÀN LẦU 2 TSLD 12 8 3364 230 1802 145 1977 0 11 7622 1 11 83.8 33.08
THÉP SÀN LẦU 2 TSLD 13 8 58 2550 0 0 0 0 7 2666 1 7 18.7 7.36
THÉP SÀN LẦU 2 TSLD 14 8 58 4150 0 0 0 0 14 4266 1 14 59.7 23.57
THÉP SÀN LẦU 2 TSLD 15 8 58 1750 0 0 0 0 23 1866 1 23 42.9 16.93
THÉP SÀN LẦU 2 TSLD 16 10 110 3750 0 0 0 0 23 3970 1 23 91.3 56.29
THÉP SÀN LẦU 2 TSLD 16 10 110 3750 0 0 0 0 26 3970 1 26 103.2 63.64
THÉP SÀN LẦU 2 TSLD 17 8 58 2050 0 0 0 0 23 2166 1 23 49.8 19.66
THÉP SÀN LẦU 2 TSLD 17 8 58 2050 0 0 0 0 26 2166 1 26 56.3 22.22
THÉP SÀN LẦU 2 TSLT 18 10 60 1575 0 0 0 0 13 1645 1 13 21.4 13.18
THÉP SÀN LẦU 2 TSLT 18 10 60 1575 0 0 0 0 14 1645 1 14 23.0 14.20
THÉP SÀN LẦU 2 TSLT 18 10 60 1575 0 0 0 0 26 1645 1 26 42.8 26.37
THÉP SÀN LẦU 2 TSLT 19 10 60 4050 0 0 0 0 4 4120 1 4 16.5 10.16
THÉP SÀN LẦU 2 TSLT 19 10 60 4050 0 0 0 0 11 4120 2 22 90.6 55.88
THÉP SÀN LẦU 2 TSLT 20 10 60 1275 0 0 0 0 9 1345 1 9 12.1 7.46
THÉP SÀN LẦU 2 TSLT 20 10 60 1275 0 0 0 0 13 1345 1 13 17.5 10.78
THÉP SÀN LẦU 2 TSLT 20 10 60 1275 0 0 0 0 14 1345 1 14 18.8 11.61
THÉP SÀN LẦU 2 TSLT 20 10 60 1275 0 0 0 0 23 1345 1 23 30.9 19.07
THÉP SÀN LẦU 2 TSLT 20 10 60 1275 0 0 0 0 26 1345 1 26 35.0 21.56
THÉP SÀN LẦU 2 TSLT 21 10 60 7450 0 0 0 0 4 7520 1 4 30.1 18.55
THÉP SÀN LẦU 2 TSLT 21 10 60 7450 0 0 0 0 5 7520 2 10 75.2 46.36
THÉP SÀN LẦU 2 TSLT 21 10 60 7450 0 0 0 0 9 7520 2 18 135.4 83.45
THÉP SÀN LẦU 2 TSLT 22 10 60 1225 0 0 0 0 4 1295 1 4 5.2 3.19
THÉP SÀN LẦU 2 TSLT 22 10 60 1225 0 0 0 0 5 1295 1 5 6.5 3.99
THÉP SÀN LẦU 2 TSLT 22 10 60 1225 0 0 0 0 6 1295 1 6 7.8 4.79
THÉP SÀN LẦU 2 TSLT 22 10 60 1225 0 0 0 0 8 1295 1 8 10.4 6.39
THÉP SÀN LẦU 2 TSLT 22 10 60 1225 0 0 0 0 9 1295 1 9 11.7 7.19
THÉP SÀN LẦU 2 TSLT 22 10 60 1225 0 0 0 0 12 1295 1 12 15.5 9.58
THÉP SÀN LẦU 2 TSLT 23 10 60 1200 0 0 0 0 8 1270 1 8 10.2 6.26
THÉP SÀN LẦU 2 TSLT 23 10 60 1200 0 0 0 0 9 1270 2 18 22.9 14.09
THÉP SÀN LẦU 2 TSLT 23 10 60 1200 0 0 0 0 10 1270 1 10 12.7 7.83
STTHIỆUCHỈNHDATE
www.autodesk.com/revit
TỈLỆ:
CHỦĐẦUTƯ-INVESTOR
ĐIỆNTHOẠI:0933.711.211
ĐƠNVỊTƯVẤNTHIẾTKẾ-DESIGNEDBY
ĐỊACHỈ:105,CHUNGCƯA1,NGUYỄNÁI
QUỐC,P.QUANGVINH,BIÊNHÒA-ĐỒNGNAI
ĐIỆNTHOẠI:0916.989.135
TÊNCÔNGTRÌNH-PROJECT:
VỊTRÍ-LOCATION:
TÊNBẢNVẼ-DRAWINGTITLE
CHỦTRÌ-PRIMARYARCHITECT:
THIẾTKẾ-DESIGNBY:
VẼ-DRAWNBY
QUẢNLÝKỸTHUẬT-CHECKEDBY:
KTS.NGUYỄNNGỌCBÍCH
KS.LÊTHANHTUẤN
KS.LÊTHANHTUẤN
KTS.VŨMẠNHHẢI
NGÀYGIAO-ISSUEDATE:
MỤCĐÍCH
PHÁTHÀNH
ISSUEDATE
T.K.SƠBỘ-CONCEPTDESIGN
THICÔNG-EXECUTION
MÃBẢNVẼ:
8/22/2016 11:26:43 AM
KC-30
Mr.Elijah
ĐỊACHỈ:161Pasteurphường6Quận3-
TP.HCM
VĂNPHÒNG17BBÍCHVÂN
161Pasteurphường6Quận3-TP.HCM
THỐNGKÊTHÉPSÀNLẦU
2(P.2)
20/08/2016
THỐNG KÊ THÉP SÀN LẦU 2 (P2)
TẦNG
CẤU KIỆN
THÉP
SỐ HIỆU
THÉP
Ø
(mm)
HÌNH DẠNG VÀ KÍCH THƯỚC
SỐ
LƯỢNG
CHIỀU DÀI
THANH (mm)
SỐ CẤU
KIỆN
TỔNG SỐ
THANH
TỔNG CHIỀU
DÀI (m)
TỔNG
KHỐI
LƯỢNG
(Kg)
A B C HÌNH DẠNG D E F
THÉP SÀN LẦU 2
THÉP SÀN LẦU 2 TSLT 24 10 60 2450 0 0 0 0 3 2520 1 3 7.6 4.66
THÉP SÀN LẦU 2 TSLT 24 10 60 2450 0 0 0 0 5 2520 1 5 12.6 7.77
THÉP SÀN LẦU 2 TSLT 24 10 60 2450 0 0 0 0 9 2520 1 9 22.7 13.98
THÉP SÀN LẦU 2 TSLT 24 10 60 2450 0 0 0 0 10 2520 1 10 25.2 15.54
THÉP SÀN LẦU 2 TSLT 25 10 60 1375 0 0 0 0 3 1445 1 3 4.3 2.67
THÉP SÀN LẦU 2 TSLT 25 10 60 1375 0 0 0 0 5 1445 1 5 7.2 4.45
THÉP SÀN LẦU 2 TSLT 25 10 60 1375 0 0 0 0 6 1445 1 6 8.7 5.35
THÉP SÀN LẦU 2 TSLT 25 10 60 1375 0 0 0 0 9 1445 1 9 13.0 8.02
THÉP SÀN LẦU 2 TSLT 25 10 60 1375 0 0 0 0 12 1445 1 12 17.3 10.69
THÉP SÀN LẦU 2 TSLT 26 10 1576 249 1081 0 0 0 23 2970 1 23 68.3 42.12
THÉP SÀN LẦU 2 TSLT 27 10 60 600 0 0 0 0 8 670 1 8 5.4 3.30
THÉP SÀN LẦU 2 TSLT 27 10 60 600 0 0 0 0 9 670 2 18 12.1 7.43
THÉP SÀN LẦU 2 TSLT 27 10 60 600 0 0 0 0 10 670 1 10 6.7 4.13
THÉP SÀN LẦU 2 TSLT 28 10 60 725 0 0 0 0 23 795 2 46 36.6 22.55
THÉP SÀN LẦU 2 TSLT 28 10 60 725 0 0 0 0 26 795 2 52 41.3 25.49
THÉP SÀN LẦU 2 TSLT 29 10 3376 226 1886 0 0 0 11 5553 1 11 61.1 37.66
THÉP SÀN LẦU 2 TSLT 30 10 60 3035 0 0 0 0 16 3105 1 16 49.7 30.63
THÉP SÀN LẦU 2 TSLT 31 10 60 4160 0 0 0 0 13 4230 1 13 55.0 33.90
THÉP SÀN LẦU 2 TSLT 32 10 60 1786 0 0 0 0 9 1856 1 9 16.7 10.30
THÉP SÀN LẦU 2 TSLT 33 10 60 2885 0 0 0 0 2 2955 1 2 5.9 3.64
THÉP SÀN LẦU 2 TSLT 34 10 60 1660 0 0 0 0 10 1730 1 10 17.3 10.67
THÉP SÀN LẦU 2 TSLT 35 10 60 1875 0 0 0 0 3 1945 1 3 5.8 3.60
THÉP SÀN LẦU 2 TSLT 36 10 60 6150 0 0 0 0 7 6220 1 7 43.5 26.84
THÉP SÀN LẦU 2 TSLT 37 10 60 1600 0 0 0 0 9 1670 2 18 30.1 18.53
THÉP SÀN LẦU 2 TSLT 38 10 60 1100 0 0 0 0 8 1170 1 8 9.4 5.77
THÉP SÀN LẦU 2 TSLT 38 10 60 1100 0 0 0 0 9 1170 2 18 21.1 12.98
THÉP SÀN LẦU 2 TSLT 39 10 60 1125 0 0 0 0 13 1195 1 13 15.5 9.58
THÉP SÀN LẦU 2 TSLT 39 10 60 1125 0 0 0 0 14 1195 1 14 16.7 10.31
THÉP SÀN LẦU 2 TSLT 40 10 60 2060 0 0 0 0 8 2130 2 16 34.1 21.01
THÉP SÀN LẦU 2 TSLT 41 10 60 625 0 0 0 0 14 695 1 14 9.7 6.00
THÉP SÀN LẦU 2 TSLT 42 10 60 1900 0 0 0 0 4 1970 2 8 15.8 9.72
THÉP SÀN LẦU 2 TSLT 43 10 60 535 0 0 0 0 14 605 1 14 8.5 5.22
THÉP SÀN LẦU 2 TSLT 44 10 60 575 0 0 0 0 26 645 2 52 33.5 20.68
THÉP SÀN LẦU 2 TSLT 45 10 60 875 0 0 0 0 23 945 2 46 43.5 26.80
THÉP SÀN LẦU 2 TSLT 46 10 60 3550 0 0 0 0 3 3620 1 3 10.9 6.70
THÉP SÀN LẦU 2 TSLT 46 10 60 3550 0 0 0 0 6 3620 1 6 21.7 13.39
THÉP SÀN LẦU 2 TSLT 47 10 60 700 0 0 0 0 10 770 2 20 15.4 9.49
THÉP SÀN LẦU 2 TSLT 48 10 60 3750 0 0 0 0 2 3820 1 2 7.6 4.71
THÉP SÀN LẦU 2 TSLT 49 10 60 1960 0 0 0 0 13 2030 2 26 52.8 32.54
TỔNG KHỐI LƯỢNG THÉP CÓ ĐƯỜNG KÍNH Ø <= 8mm : 551.68 KG
TỔNG KHỐI LƯỢNG THÉP CÓ ĐƯỜNG KÍNH Ø > 8mm : 1070.69 KG
GHI CHÚ BẢNG TÍNH: TSLT: THÉP SÀN LỚP TRÊN
TSLD: THÉP SÀN LỚP DƯỚI
STTHIỆUCHỈNHDATE
www.autodesk.com/revit
TỈ LỆ :
CHỦ ĐẦU TƯ - INVESTOR
ĐIỆN THOẠI: 0933.711.211
ĐƠN VỊ TƯ VẤN THIẾT KẾ - DESIGNED BY
ĐỊA CHỈ: 105, CHUNG CƯ A1, NGUYỄN ÁI
QUỐC, P.QUANG VINH, BIÊN HÒA-ĐỒNG NAI
ĐIỆN THOẠI: 0916.989.135
TÊN CÔNG TRÌNH - PROJECT:
VỊ TRÍ - LOCATION:
TÊN BẢN VẼ - DRAWING TITLE
CHỦ TRÌ - PRIMARY ARCHITECT:
THIẾT KẾ - DESIGN BY:
VẼ - DRAWN BY
QUẢN LÝ KỸ THUẬT - CHECKED BY:
KTS. NGUYỄN NGỌC BÍCH
KS. LÊ THANH TUẤN
KS. LÊ THANH TUẤN
KTS.VŨ MẠNH HẢI
NGÀY GIAO-ISSUE DATE :
MỤC ĐÍCH
PHÁT HÀNH
ISSUE DATE
T.K.SƠ BỘ-CONCEPT DESIGN
THI CÔNG - EXECUTION
MÃ BẢN VẼ :
8/22/20162:03:54PM
KC-31
Mr. Elijah
ĐỊA CHỈ : 161 Pasteur phường 6 Quận3 -
TP.HCM
VĂN PHÒNG 17B BÍCH VÂN
161 Pasteur phường 6 Quận3 - TP.HCM
THỐNG KÊ THÉP CẤU KIỆN
CẦU THANG
20/08/2016
THỐNG KÊ THÉP SÀN CẦU THANG
TẦNG
CẤU KIỆN
THÉP
SỐ HIỆU
THÉP
Ø
(mm)
HÌNH DẠNG VÀ KÍCH THƯỚC
SỐ
LƯỢNG
CHIỀU DÀI
THANH
(mm)
SỐ CẤU
KIỆN
TỔNG SỐ
THANH
TỔNG CHIỀU
DÀI (m)
TỔNG
KHỐI
LƯỢNG
(Kg)
A B C HÌNH DẠNG D E F
CẦU THANG
CẦU THANG TSLD 1 10 52 532 3494 103 325 0 8 4444 1 8 35.6 21.92
CẦU THANG TSLT 2 10 70 767 181 86 159 99 8 1081 1 8 8.7 5.33
CẦU THANG TSLT 3 10 55 620 901 517 738 72 8 1606 1 8 12.9 7.92
CẦU THANG TSLD 4 8 50 945 0 0 0 0 5 1045 3 15 15.7 6.18
CẦU THANG TSLD 4 8 50 945 0 0 0 0 10 1045 1 10 10.4 4.12
CẦU THANG 5 8 0 945 0 0 0 0 5 945 4 20 18.9 7.46
CẦU THANG TSLT 5 8 0 945 0 0 0 0 7 945 1 7 6.6 2.61
CẦU THANG TSLD 5 8 0 945 0 0 0 0 13 945 1 13 12.3 4.85
CẦU THANG 6 8 0 2170 0 0 0 0 6 2170 2 12 26.0 10.27
CẦU THANG TSLT 7 10 0 55 860 155 0 0 7 1020 1 7 7.1 4.40
CẦU THANG TSLD 8 10 0 860 0 0 0 0 7 860 1 7 6.0 3.71
CẦU THANG TSLT 9 10 55 883 623 340 521 81 8 1606 1 8 12.8 7.92
CẦU THANG TSLD 10 10 885 1834 178 0 0 0 8 2889 1 8 23.1 14.25
CẦU THANG TSLT 11 10 56 142 648 372 531 58 8 863 1 8 6.9 4.26
TỔNG KHỐI LƯỢNG THÉP CÓ ĐƯỜNG KÍNH Ø <= 8mm : 43.35 KG
TỔNG KHỐI LƯỢNG THÉP CÓ ĐƯỜNG KÍNH Ø > 8mm : 68.96 KG
STT HIỆU CHỈNH DATE
www.autodesk.com/revit
TỈ LỆ :
CHỦ ĐẦU TƯ - INVESTOR
ĐIỆN THOẠI: 0933.711.211
ĐƠN VỊ TƯ VẤN THIẾT KẾ - DESIGNED BY
ĐỊA CHỈ: 105, CHUNG CƯ A1, NGUYỄN ÁI
QUỐC, P.QUANG VINH, BIÊN HÒA-ĐỒNG NAI
ĐIỆN THOẠI: 0916.989.135
TÊN CÔNG TRÌNH - PROJECT:
VỊ TRÍ - LOCATION:
TÊN BẢN VẼ - DRAWING TITLE
CHỦ TRÌ - PRIMARY ARCHITECT:
THIẾT KẾ - DESIGN BY:
VẼ - DRAWN BY
QUẢN LÝ KỸ THUẬT - CHECKED BY:
KTS. NGUYỄN NGỌC BÍCH
KS. LÊ THANH TUẤN
KS. LÊ THANH TUẤN
KTS.VŨ MẠNH HẢI
NGÀY GIAO-ISSUE DATE :
MỤC ĐÍCH
PHÁT HÀNH
ISSUE DATE
T.K.SƠ BỘ-CONCEPT DESIGN
THI CÔNG - EXECUTION
MÃ BẢN VẼ :
8/22/20162:03:55PM
KC-32
Mr. Elijah
ĐỊA CHỈ : 161 Pasteur phường 6 Quận3 -
TP.HCM
VĂN PHÒNG 17B BÍCH VÂN
161 Pasteur phường 6 Quận3 - TP.HCM
THỐNG KÊ THÉP DẦM CẦU
THANG
20/08/2016
THỐNG KÊ THÉP DẦM CẦU THANG
TẦNG CẤU KIỆN THÉP
SỐ HIỆU
THÉP
Ø
(mm)
HÌNH DẠNG VÀ KÍCH THƯỚC
SỐ
LƯỢNG
CHIỀU DÀI
THANH
(mm)
SỐ CẤU
KIỆN
TỔNG SỐ
THANH
TỔNG CHIỀU
DÀI (m)
TỔNG
KHỐI
LƯỢNG
(Kg)
A B C HÌNH DẠNG D E F
LẦU 1
LẦU 1
THÉP DẦM CẦU
THANG
6 6 35 150 250 150 250 0 5 839 1 5 4.2 0.93
LẦU 1
THÉP DẦM CẦU
THANG
6 6 35 150 250 150 250 0 7 839 2 14 11.7 2.61
LẦU 1
THÉP DẦM CẦU
THANG
6 6 35 150 250 150 250 0 10 839 2 20 16.8 3.72
LẦU 1
THÉP DẦM CẦU
THANG
6 6 35 150 250 150 250 0 12 839 2 24 20.1 4.47
LẦU 1
THÉP DẦM CẦU
THANG
17 16 0 194 4150 194 0 0 3 4458 1 3 13.4 21.11
LẦU 1
THÉP DẦM CẦU
THANG
18 16 0 4150 0 0 0 0 2 4150 1 2 8.3 13.10
LẦU 1
THÉP DẦM CẦU
THANG
19 12 0 2550 0 0 0 0 2 2550 2 4 10.2 9.06
LẦU 1
THÉP DẦM CẦU
THANG
19 12 0 2550 0 0 0 0 3 2550 2 6 15.3 13.58
LẦU 2
LẦU 2
THÉP DẦM CẦU
THANG
7 6 35 150 250 150 250 0 5 839 1 5 4.2 0.93
LẦU 2
THÉP DẦM CẦU
THANG
7 6 35 150 250 150 250 0 7 839 2 14 11.7 2.61
LẦU 2
THÉP DẦM CẦU
THANG
7 6 35 150 250 150 250 0 10 839 2 20 16.8 3.72
LẦU 2
THÉP DẦM CẦU
THANG
7 6 35 150 250 150 250 0 12 839 1 12 10.1 2.23
LẦU 2
THÉP DẦM CẦU
THANG
23 16 0 194 4150 194 0 0 3 4458 1 3 13.4 21.11
LẦU 2
THÉP DẦM CẦU
THANG
24 16 0 4150 0 0 0 0 2 4150 1 2 8.3 13.10
LẦU 2
THÉP DẦM CẦU
THANG
25 12 0 2550 0 0 0 0 2 2550 1 2 5.1 4.53
LẦU 2
THÉP DẦM CẦU
THANG
25 12 0 2550 0 0 0 0 3 2550 1 3 7.7 6.79
TỔNG KHỐI LƯỢNG THÉP CÓ ĐƯỜNG KÍNH Ø <= 8mm : 21.22 KG
TỔNG KHỐI LƯỢNG THÉP CÓ ĐƯỜNG KÍNH Ø > 8mm : 102.4 KG
STT HIỆU CHỈNH DATE

[Revit + Robot] Văn phòng - Lê Thanh Tuấn

  • 1.
    Thuyết minh RobotStructural Nhà văn phòng Trình bày: Lê Thanh Tuấn Company: www.huytraining.com 1 THUYẾT MINH ROBOT STRUCTURAL Vẽ: Lê Thanh Tuấn Home: https://www.facebook.com/tuan.le.1447342 Company: www.huytraining.com
  • 2.
    Thuyết minh RobotStructural Nhà văn phòng Trình bày: Lê Thanh Tuấn Company: www.huytraining.com 2 A. KIẾN TRÚC
  • 3.
    Thuyết minh RobotStructural Nhà văn phòng Trình bày: Lê Thanh Tuấn Company: www.huytraining.com 3 B. KẾT CẤU
  • 4.
    Thuyết minh RobotStructural Nhà văn phòng Trình bày: Lê Thanh Tuấn Company: www.huytraining.com 4 C. MÔ HÌNH ROBOT STRUCTURAL
  • 5.
    Thuyết minh RobotStructural Nhà văn phòng Trình bày: Lê Thanh Tuấn Company: www.huytraining.com 5 D. CỐT THÉP
  • 6.
    Thuyết minh RobotStructural Nhà văn phòng Trình bày: Lê Thanh Tuấn Company: www.huytraining.com 6 1.MÔ HÌNH GÁN TẢI ROBOT
  • 7.
    Thuyết minh RobotStructural Nhà văn phòng Trình bày: Lê Thanh Tuấn Company: www.huytraining.com 7 2. BIỂU ĐỒ MOMEN My DẦM
  • 8.
    Thuyết minh RobotStructural Nhà văn phòng Trình bày: Lê Thanh Tuấn Company: www.huytraining.com 8 3.NỘI LỰC CHÂN CỘT
  • 9.
    Thuyết minh RobotStructural Nhà văn phòng Trình bày: Lê Thanh Tuấn Company: www.huytraining.com 9 4. THIẾT LẬP TC THIẾT KẾ THÉP DẦM
  • 10.
    Thuyết minh RobotStructural Nhà văn phòng Trình bày: Lê Thanh Tuấn Company: www.huytraining.com 10 5. MOMEN DẦM TRONG DESIGH
  • 11.
    Thuyết minh RobotStructural Nhà văn phòng Trình bày: Lê Thanh Tuấn Company: www.huytraining.com 11 6. THÉP DẦM BỐ TRÍ THEO TCVN
  • 12.
    Thuyết minh RobotStructural Nhà văn phòng Trình bày: Lê Thanh Tuấn Company: www.huytraining.com 12 7. CHUYỂN CẤU KIỆN CỘT VÀO PHẦN DESIGN THÉP ( THIẾT LẬP TỔ HỢP TÍNH TOÁN )
  • 13.
    Thuyết minh RobotStructural Nhà văn phòng Trình bày: Lê Thanh Tuấn Company: www.huytraining.com 13 8. CẤU KIỆN CỘT CHUYỂN VÀO ĐẢM BẢO ĐÚNG KẾT CẤU ( KHÔNG MẤT SÀN HOẶC DẦM GIAO )
  • 14.
    Thuyết minh RobotStructural Nhà văn phòng Trình bày: Lê Thanh Tuấn Company: www.huytraining.com 14 9. THÉP CỘT SẼ ÉP THEO ĐÚNG TCVN PHÙ HỢP TIẾT DIỆN
  • 15.
    Thuyết minh RobotStructural Nhà văn phòng Trình bày: Lê Thanh Tuấn Company: www.huytraining.com 15 10. THÉP CỘT ĐẢM BẢO BỐ TRÍ TIẾT KIỆM VẬT LIỆU ( THEO BIỂU ĐỒ TƯƠNG TÁC )
  • 16.
    Thuyết minh RobotStructural Nhà văn phòng Trình bày: Lê Thanh Tuấn Company: www.huytraining.com 16 11. THIẾT KẾ MÓNG ĐƠN CHO
  • 17.
    Thuyết minh RobotStructural Nhà văn phòng Trình bày: Lê Thanh Tuấn Company: www.huytraining.com 17 12. NỀN ĐẤT DƯỚI MÓNG
  • 18.
    Thuyết minh RobotStructural Nhà văn phòng Trình bày: Lê Thanh Tuấn Company: www.huytraining.com 18 13. BỐ TRÍ THÉP MÓNG
  • 19.
    Thuyết minh RobotStructural Nhà văn phòng Trình bày: Lê Thanh Tuấn Company: www.huytraining.com 19 14. THÉP SÀN BỐ TRÍ TCVN
  • 20.
    Thuyết minh RobotStructural Nhà văn phòng Trình bày: Lê Thanh Tuấn Company: www.huytraining.com 20 15. THIẾT KẾ DẦM BẰNG EXTENSION Dầm D1 Dầm D2 Dầm D3 Dầm D4
  • 21.
    Thuyết minh RobotStructural Nhà văn phòng Trình bày: Lê Thanh Tuấn Company: www.huytraining.com 21 15. THIẾT KẾ DẦM D3 BẰNG EXTENSION
  • 22.
    Thuyết minh RobotStructural Nhà văn phòng Trình bày: Lê Thanh Tuấn Company: www.huytraining.com 22 15. THIẾT KẾ DẦM D3 BẰNG EXTENSION
  • 23.
    Thuyết minh RobotStructural Nhà văn phòng Trình bày: Lê Thanh Tuấn Company: www.huytraining.com 23 15. THIẾT KẾ DẦM D3 BẰNG EXTENSION
  • 24.
    Thuyết minh RobotStructural Nhà văn phòng Trình bày: Lê Thanh Tuấn Company: www.huytraining.com 24 15. THIẾT KẾ DẦM D4 BẰNG EXTENSION
  • 25.
    Thuyết minh RobotStructural Nhà văn phòng Trình bày: Lê Thanh Tuấn Company: www.huytraining.com 25 15. THIẾT KẾ DẦM D4 BẰNG EXTENSION
  • 26.
    Thuyết minh RobotStructural Nhà văn phòng Trình bày: Lê Thanh Tuấn Company: www.huytraining.com 26 15. THIẾT KẾ DẦM D4 BẰNG EXTENSION
  • 27.
    Thuyết minh RobotStructural Nhà văn phòng Trình bày: Lê Thanh Tuấn Company: www.huytraining.com 27 MỜI CÁC BẠN XEM TIẾP PHẦN BẢN VẼ Vẽ: Lê Thanh Tuấn Home: https://www.facebook.com/tuan.le.1447342 Company: www.huytraining.com
  • 28.
    HỒ SƠ KẾTCẤU ■ BẢN VẼ THIẾT KẾ THUỘC BẢN QUYỀN CỦA NHÀ THIẾT KẾ VÀ CHỦ ĐẦU TƯ, MỌI PHÁT SINH HOẶC THAY ĐỔI PHẢI THÔNG QUA Ý CỦA KIẾN TRÚC SƯ VÀ CHỦ ĐẦU TƯ ■ ĐƠN VỊ THIẾT KẾ KHÔNG CHỊU TRÁCH NHIỆM VỀ MỌI MẶT THAY ĐỔI HAY PHÁT SINH MÀ KHÔNG ĐƯỢC THÔNG BÁO VĂN PHÒNG 17B BÍCH VÂN 08/22/16
  • 29.
    www.autodesk.com/revit TỈ LỆ : CHỦĐẦU TƯ - INVESTOR ĐIỆN THOẠI: 0933.711.211 ĐƠN VỊ TƯ VẤN THIẾT KẾ - DESIGNED BY ĐỊA CHỈ: 105, CHUNG CƯ A1, NGUYỄN ÁI QUỐC, P.QUANG VINH, BIÊN HÒA-ĐỒNG NAI ĐIỆN THOẠI: 0916.989.135 TÊN CÔNG TRÌNH - PROJECT: VỊ TRÍ - LOCATION: TÊN BẢN VẼ - DRAWING TITLE CHỦ TRÌ - PRIMARY ARCHITECT: THIẾT KẾ - DESIGN BY: VẼ - DRAWN BY QUẢN LÝ KỸ THUẬT - CHECKED BY: KTS. NGUYỄN NGỌC BÍCH KS. LÊ THANH TUẤN KS. LÊ THANH TUẤN KTS.VŨ MẠNH HẢI NGÀY GIAO-ISSUE DATE : MỤC ĐÍCH PHÁT HÀNH ISSUE DATE T.K.SƠ BỘ-CONCEPT DESIGN THI CÔNG - EXECUTION MÃ BẢN VẼ : 8/22/20162:03:00PM KC-01 Mr. Elijah ĐỊA CHỈ : 161 Pasteur phường 6 Quận3 - TP.HCM VĂN PHÒNG 17B BÍCH VÂN 161 Pasteur phường 6 Quận3 - TP.HCM DANH MỤC BẢN VẼ 20/08/2016 DANH MỤC BẢN VẼ KẾT CẤU STT SỐ HIỆU BẢN VẼ TÊN BẢN VẼ 1 KC-01 DANH MỤC BẢN VẼ 2 KC-02 GHI CHÚ CHUNG 3 KC-03 MẶT BẰNG ĐỊNH VỊ CỘT TẦNG MÓNG & TRỆT 4 KC-04 MẶT BẰNG ĐỊNH VỊ CỘT LẦU 1,2 & MÁI 5 KC-05 MẶT BẰNG BỐ TRÍ MÓNG 6 KC-06 MẶT BẰNG BỐ TRÍ GIẰNG MÓNG 7 KC-07 MẶT BẰNG DẦM SÀN TẦNG TRỆT 8 KC-08 CHI TIẾT DẦM TẦNG TRỆT 9 KC-09 MẶT BẰNG THÉP SÀN TẦNG TRỆT 10 KC-10 MẶT BẰNG THÉP SÀN TẦNG TRỆT 3D 11 KC-11 MẶT BẰNG DẦM SÀN LẦU 1 12 KC-12 CHI TIẾT DẦM LẦU 1 13 KC-13 MẶT BẰNG THÉP SÀN LẦU 1 14 KC-14 MẶT BẰNG THÉP SÀN LẦU 1 3D 15 KC-15 MẶT BẰNG DẦM SÀN LẦU 2 16 KC-16 MẶT BẰNG THÉP SÀN LẦU 2 17 KC-17 MẶT BẰNG THÉP SÀN LẦU 2 3D 18 KC-18 MẶT BẰNG CẦU THANG BỘ 19 KC-19 THÉP CẦU THANG BỘ 20 KC-20 THỐNG KÊ CẤU KIỆN 21 KC-21 THỐNG KÊ THÉP MÓNG 22 KC-22 THỐNG KÊ THÉP DẦM CỘT TẦNG TRỆT 23 KC-23 THỐNG KÊ THÉP DẦM CỘT LẦU 1 24 KC-24 THỐNG KÊ THÉP DẦM CỘT LẦU 2 25 KC-25 THỐNG KÊ THÉP TẦNG MÁI 1 & MÁI 2 26 KC-26 THỐNG KÊ THÉP SÀN TẦNG TRỆT 27 KC-27 THỐNG KÊ THÉP SÀN LẦU 1(P.1) 28 KC-28 THỐNG KÊ THÉP SÀN LẦU 1 (P.2) 29 KC-29 THỐNG KÊ THÉP SÀN LẦU 2 (P.1) 30 KC-30 THỐNG KÊ THÉP SÀN LẦU 2 (P.2) 31 KC-31 THỐNG KÊ THÉP CẤU KIỆN CẦU THANG 32 KC-32 THỐNG KÊ THÉP DẦM CẦU THANG Author KC-00 BÌA HỒ SƠ STT HIỆU CHỈNH DATE
  • 30.
    www.autodesk.com/revit TỈ LỆ : CHỦĐẦU TƯ - INVESTOR ĐIỆN THOẠI: 0933.711.211 ĐƠN VỊ TƯ VẤN THIẾT KẾ - DESIGNED BY ĐỊA CHỈ: 105, CHUNG CƯ A1, NGUYỄN ÁI QUỐC, P.QUANG VINH, BIÊN HÒA-ĐỒNG NAI ĐIỆN THOẠI: 0916.989.135 TÊN CÔNG TRÌNH - PROJECT: VỊ TRÍ - LOCATION: TÊN BẢN VẼ - DRAWING TITLE CHỦ TRÌ - PRIMARY ARCHITECT: THIẾT KẾ - DESIGN BY: VẼ - DRAWN BY QUẢN LÝ KỸ THUẬT - CHECKED BY: KTS. NGUYỄN NGỌC BÍCH KS. LÊ THANH TUẤN KS. LÊ THANH TUẤN KTS.VŨ MẠNH HẢI NGÀY GIAO-ISSUE DATE : MỤC ĐÍCH PHÁT HÀNH ISSUE DATE T.K.SƠ BỘ-CONCEPT DESIGN THI CÔNG - EXECUTION MÃ BẢN VẼ : 8/22/20162:03:00PM KC-02 Mr. Elijah ĐỊA CHỈ : 161 Pasteur phường 6 Quận3 - TP.HCM VĂN PHÒNG 17B BÍCH VÂN 161 Pasteur phường 6 Quận3 - TP.HCM GHI CHÚ CHUNG 20/08/2016 C Á C G H I C H Ú C H U N G GHI CHÚ:■ NGOÀI NHỮNG GHI CHÚ CHO TỪNG BẢN VẼ, BẢNG GHI CHÚ NÀY SỬ DỤNG CHO TOÀN BỘ BẢN VẼ CỦA HẠNG MỤC. ■ TRƯỚC KHI THI CÔNG ĐƠN VỊ THI CÔNG PHẢI ĐỊNH VỊ CHÍNH XÁC CÁ TRỤC VÀ MỐC XÂY DỰNG VÀ PHẢI ĐƯỢC SỰ CHẤP THUÂN CỦA CHỦ ĐẦU TƯ VÀ ĐƠN VỊ THIẾT KẾ. ■ CAO TRÌNH ± 0,000 PHẢI ĐƯỢC QUYẾT ĐỊNH BỞI CHỦ ĐẦU TƯ VÀ ĐƠN VỊ THIẾT KẾ. ■ TẤT CẢ CÁC BẢN VẼ KẾT CẤU PHẢI ĐƯỢC ĐỌC CÙNG VỚI BẢN VẼ KIẾN TRÚC TƯƠNG ỨNG, ĐƠN VỊ THI CÔNG SẼ KIỂM TRA TẤT CẢ CÁC BẢN VẼ, KIỂM TRA CAO ĐỘ, KÍCH THƯỚC CÔNG TRÌNH, VÀ NẾU PHÁT HIỆN RA CÓ SỰ SAI KHÁC NÀO PHẢI BÁO NGAY VỚI ĐƠN VỊ THIẾT KẾ ĐỂ KỊP ĐIỀU CHỈNH. ■ ĐẶT SẮT RÂU Φ8a500 TRONG CỘT ĐỂ LIÊN KẾT VỚI TƯỜNG GẠCH CHIỀU SAU NEO TRONG CỘT LÀ 200mm, TRONG TƯỜNG GẠCH LÀ 600mm, HAI ĐẦU UỐN MÓC ■ CẦN BỐ TRÍ MỐI NỐI CHỒNG SOLE NHAU TẠI VỊ TRÍ TRONG ĐOẠN Lneo CỐT CHỊU LỰC. ■ KHU VỰC TƯỜNG TRÊN SÀN CẦN TĂNG CƯỜNG 2D16 CHẠY DỌC THEO TƯỜNG DƯỚI SÀN. VẬT LIỆU:■ TOÀN BỘ CẤU KIỆN BÊ TÔNG SỬ DỤNG ĐÁ 1x2, MÁC 350, (Rn = 185 KG/cm2). ■ THÉP ĐƯỜNG KÍNH Φ > = 10mm DÙNG THÉP GÂN SD390 HOẶC TƯƠNG ỨNG CÓ CƯỜNG ĐỘ TÍNH TOÁN Ra = 2100 KG/cm2. ■ THÉP ĐƯỜNG KÍNH Φ < 10mm DÙNG THÉP TRƠN CÓ CƯỜNG ĐỘ TÍNH TOÁN Ra = 2100 KG/cm2. ■ THÉP GÂN KHÔNG CẦN UỐN ĐẦU MÓC ■ THÉP SỬ DỤNG CHẾ TẠO KHUNG LÀ THÉP CÓ CƯỜNG ĐỘ Ra = 2100 KG/cm2. ■ DÙNG QUE HÀN E42 HOẶC TƯƠNG ĐƯƠNG VỀ CƯỜNG ĐỘ Rgh = 2100 KG/cm2. ■ TẤT CẢ CÁC TẤM THÉP, THANH THÉP TIẾP XÚC NHAU ĐỀU PHẢI ĐƯỢC LIÊN KẾT VỚI NHAU BẰNG LIÊN KẾT HÀN, CHIỀU CAO ĐƯỜNG HÀN > = 5mm. ■ TẤT CẢ CÁC CẤU KIỆN THÉP VÀ THÉP PHẢI ĐƯỢC LÀM SẠCH BỀ MẶT BẰNG BẢN CHẢI THÉP, VÀ SƠN LỚP CHỐNG RĨ. ■ GIA CƯỜNG 2 THANH THÉP Φ14 DỌC THEO TƯỜNG XÂY TRỰC TIẾP TRÊN SÀN VÀ GIA CƯỜNG ĐAI CHỐNG CẮT TẠI CÁC VỊ TRÍ TƯỜNG KHÔNG CÓ DẦM. C H I T I Ế T C Ấ U T Ạ O N Ú T K H U N G CỘT DẦMLn1 Ln1 CỘT DẦMLn2 Ln1 CỘT DẦM e/D <= 1/6 e D CỘT DẦM e/D > 1/6 e DLn1Ln1 CỘT DẦM e/D <= 1/6 e D CỘT DẦM e/D <= 1/6 e D Ln2 Ln2 CỘT DẦMDẦM BỐ TRÍ ĐAI CỘT BỐ TRÍ ĐAI CỘT XUYÊN SUỐT CHIỀU DÀI CỘT G H I C H Ú C H U N G CHI TIẾT GIA CƯỜNG CỘT DẦM TỰA LÊN DẦM 5Ø6a50 5Ø6a50 L Ớ P B Ê T Ô N G B Ả O V Ệ C Ấ U K I Ệ N B T C T Trong trường hợp a>=d, a: lớp bê tông bảo vệ, d: đường kính cốt thép CẤU KIỆN QUY ĐỊNH GHI CHÚ DẦM BTCT SÀN BTCT CỘT BTCT MÓNG BTCT VÁCH BTCT V Ị T R Í C Ắ T N Ố I T H É P S À N V Ị T R Í C Ắ T N Ố I T H É P D Ầ M 160 3030 85 L/4 L/4 L B ■ THÉP LỚP TRÊN KHÔNG ĐƯỢC NỐI ■ THÉP LỚP DƯỚI KHÔNG ĐƯỢC NỐI TRONG ĐOẠN B A A L0 B 145 10 10105 10 10 30 40 85 30 40 C<=L0/7 <=L0/7 400 400 ■ THÉP LỚP TRÊN KHÔNG ĐƯỢC NỐI TẠI CỘT VÀ KHOẢNG (A) ■ THÉP LỚP DƯỚI KHÔNG ĐƯỢC NỐI TRONG KHOẢNG GIỮA (C) K H O Ả N G C Á C H C Á C C Ố T T H É P ■ KHOẢNG TRỐNG GỮA CÁC CỐT THÉP PHƯƠNG NGANG t >= 30 và d với thép trên ■ KHOẢNG TRỐNG GỮA CÁC CỐT THÉP PHƯƠNG NGANG t >= 25 và d với thép dưới ■ KHOẢNG CÁCH GIỮA THÉP TRÊN VÀ DƯỚI KHÔNG ĐƯỢC NHỎ HƠN 400mm TÍNH TỪ TRỤC GIỮA DẦM 12 H a = 15mm khi H < 250 mm a = 25mm khi H > 250 mm a = 10mm khi H < 100 mm a = 15mm khi H > 100 mm a = 15mm khi H < 100 mm a = 25mm khi H > 100 mm a = 35mm khi có bê tông lót a = 70mm khi không có bê tông lót a = 20mm tiếp xúc với đất a = 15mm thông thường 5 H 15 15 H H 5 H STT HIỆU CHỈNH DATE
  • 31.
    1 2 34 5 A B C 2' 4'3' 1800 1000 3600 2000 2000 3600 2000 16000 35004000 7500 200 200 200200 200200200 200200200 C1 200 200 200 200 200 200 200200200200 C1 C2 C2 C2 C3C4C3C1C1 C1 C1 C2 C3 C2 200 2000 200200 200200200 200 200200 1 2 3 4 5 A B C 2' 4'3' 1800 1000 3600 2000 2000 3600 2000 16000 35004000 7500 200 200 200200 200200200 200200200 C1 200 200 200 200 200 200 200200200200 C1 C2 C1 C2 C3C2C1C1C1 C1 C1 C1 C2 C2 200200 200200 200200 200 200 200 200 200 200 1 2 Ø16 2 Ø6 a200 25 200 200 2 Ø6 a200 3 3 Ø18 25 200 200 8 2 Ø20 2 Ø6 a200 25 200 200 9 2 Ø22 2 Ø6 a200 25 200 200 25 1 2 Ø16 2 Ø6 a200 200 25 200 3 2 Ø18 2 Ø6 a200 200 200 25 9 2 Ø20 2 Ø6 a200 www.autodesk.com/revit TỈ LỆ : CHỦ ĐẦU TƯ - INVESTOR ĐIỆN THOẠI: 0933.711.211 ĐƠN VỊ TƯ VẤN THIẾT KẾ - DESIGNED BY ĐỊA CHỈ: 105, CHUNG CƯ A1, NGUYỄN ÁI QUỐC, P.QUANG VINH, BIÊN HÒA-ĐỒNG NAI ĐIỆN THOẠI: 0916.989.135 TÊN CÔNG TRÌNH - PROJECT: VỊ TRÍ - LOCATION: TÊN BẢN VẼ - DRAWING TITLE CHỦ TRÌ - PRIMARY ARCHITECT: THIẾT KẾ - DESIGN BY: VẼ - DRAWN BY QUẢN LÝ KỸ THUẬT - CHECKED BY: KTS. NGUYỄN NGỌC BÍCH KS. LÊ THANH TUẤN KS. LÊ THANH TUẤN KTS.VŨ MẠNH HẢI NGÀY GIAO-ISSUE DATE : MỤC ĐÍCH PHÁT HÀNH ISSUE DATE T.K.SƠ BỘ-CONCEPT DESIGN THI CÔNG - EXECUTION MÃ BẢN VẼ : As indicated 8/22/20162:03:01PM KC-03 Mr. Elijah ĐỊA CHỈ : 161 Pasteur phường 6 Quận3 - TP.HCM VĂN PHÒNG 17B BÍCH VÂN 161 Pasteur phường 6 Quận3 - TP.HCM MẶT BẰNG ĐỊNH VỊ CỘT TẦNG MÓNG & TRỆT 20/08/2016 TL:( 1 : 100 ) MẶT BẰNG CỘT TẦNG MÓNG TL:( 1 : 100 ) MẶT BẰNG CỘT TẦNG TRỆT TL:( 1 : 10 ) MC CỘT C1 TẦNG MÓNG TL:( 1 : 10 ) MC CỘT C2 TẦNG MÓNG TL:( 1 : 10 ) MC CỘT C3 TẦNG MÓNG TL:( 1 : 10 ) MC CỘT C4 TẦNG MÓNG TL:( 1 : 10 ) MC CỘT C1 TẦNG TRỆT TL:( 1 : 10 ) MC CỘT C2 TẦNG TRỆT TL:( 1 : 10 ) MC CỘT C3 TẦNG TRỆT STT HIỆU CHỈNH DATE
  • 32.
    1 2 34 5 A B C 2' 4'3' 1800 1000 3600 2000 2000 3600 2000 16000 35004000 7500 1000 1000 1000 1000 1000 1000 1000 1000 1000 1000 1000 1000 1000 1000 1000 1000 10001000 100010001000 10001000 100010001000 1000 100010001000 M1 M1 M1 M1 M1 M1M1M1M1M1 M1 M1 M1 M1 M1 1 A 500 500100 100 1000 100500500100 1000 A A 1 -2.500 m Tầng Móng 100 500 500 100 1000 250250100 600 50 50 -3000 11 1 Ø12 a80 2Ø6 a100 12 Ø16 200 200 2 Ø6 a100 1 2 Ø16 www.autodesk.com/revit TỈ LỆ : CHỦ ĐẦU TƯ - INVESTOR ĐIỆN THOẠI: 0933.711.211 ĐƠN VỊ TƯ VẤN THIẾT KẾ - DESIGNED BY ĐỊA CHỈ: 105, CHUNG CƯ A1, NGUYỄN ÁI QUỐC, P.QUANG VINH, BIÊN HÒA-ĐỒNG NAI ĐIỆN THOẠI: 0916.989.135 TÊN CÔNG TRÌNH - PROJECT: VỊ TRÍ - LOCATION: TÊN BẢN VẼ - DRAWING TITLE CHỦ TRÌ - PRIMARY ARCHITECT: THIẾT KẾ - DESIGN BY: VẼ - DRAWN BY QUẢN LÝ KỸ THUẬT - CHECKED BY: KTS. NGUYỄN NGỌC BÍCH KS. LÊ THANH TUẤN KS. LÊ THANH TUẤN KTS.VŨ MẠNH HẢI NGÀY GIAO-ISSUE DATE : MỤC ĐÍCH PHÁT HÀNH ISSUE DATE T.K.SƠ BỘ-CONCEPT DESIGN THI CÔNG - EXECUTION MÃ BẢN VẼ : As indicated 8/22/20162:03:07PM KC-05 Mr. Elijah ĐỊA CHỈ : 161 Pasteur phường 6 Quận3 - TP.HCM VĂN PHÒNG 17B BÍCH VÂN 161 Pasteur phường 6 Quận3 - TP.HCM MẶT BẰNG BỐ TRÍ MÓNG 20/08/2016 TL:( 1 : 100 ) MBKC TẦNG MÓNG TL:( 1 : 25 ) CHI TIẾT MÓNG M1 TL:( 1 : 25 ) MẶT CẮT A-A TL:( 1 : 10 ) MẶT CẮT 1-1 TL:( 1 : 1 ) 3D MẶT BẰNG MÓNG TL:( 1 : 1 ) 3D CHI TIẾT MÓNG M1 TL:( 1 : 1 ) 3D THÉP MÓNG M1 STT HIỆU CHỈNH DATE
  • 33.
    1 2 34 5 A B C 2' 4'3' 1800 1000 3600 2000 2000 3600 2000 16000 35004000 7500 GM2 (200x200) GM2 (200x200) GM2 (200x200) GM1 (200x200) GM3 (200x200) GM3 (200x200) GM3 (200x200) GM3 (200x200) GM3 (200x200) GM3 (200x200) GM3 (200x200) GM3 (200x200) GM3 (200x200) GM3 (200x200) GM1 (200x200) GM1 (200x200) GM2 (200x200) GM2 (200x200) GM2 (200x200) GM2 (200x200) GM2 (200x200) GM2 (200x200) 1 2 200 1500 200 3 2 Ø12 2 2 Ø12 4 Ø6 a150 1 1 200 200 4 Ø6 a150 2 2 Ø12 3 2 Ø12 2 3 150105022001050150 200 200 150 1050 2 2 2 2 4 Ø6 a200 4Ø6 a150 2 2 Ø12 3 2 Ø12 2 2 Ø12 3 2 Ø12 4 Ø6 a150 200 4 54' 150120028001200150150 2 2 Ø12 3 2 Ø12 4 Ø6 a150 4 Ø6 a200 4 Ø6 a150 200 200 100 200 175 2 2 2 2 200 200 4 Ø6 a150 2 2 Ø12 3 2 Ø12 ABC 7500 200 200 200 175 175 4 Ø6 a2006 2 Ø12 7 2 Ø14 6 2 Ø12 72 Ø14 2 2 2 2 2 2 2 2 www.autodesk.com/revit TỈ LỆ : CHỦ ĐẦU TƯ - INVESTOR ĐIỆN THOẠI: 0933.711.211 ĐƠN VỊ TƯ VẤN THIẾT KẾ - DESIGNED BY ĐỊA CHỈ: 105, CHUNG CƯ A1, NGUYỄN ÁI QUỐC, P.QUANG VINH, BIÊN HÒA-ĐỒNG NAI ĐIỆN THOẠI: 0916.989.135 TÊN CÔNG TRÌNH - PROJECT: VỊ TRÍ - LOCATION: TÊN BẢN VẼ - DRAWING TITLE CHỦ TRÌ - PRIMARY ARCHITECT: THIẾT KẾ - DESIGN BY: VẼ - DRAWN BY QUẢN LÝ KỸ THUẬT - CHECKED BY: KTS. NGUYỄN NGỌC BÍCH KS. LÊ THANH TUẤN KS. LÊ THANH TUẤN KTS.VŨ MẠNH HẢI NGÀY GIAO-ISSUE DATE : MỤC ĐÍCH PHÁT HÀNH ISSUE DATE T.K.SƠ BỘ-CONCEPT DESIGN THI CÔNG - EXECUTION MÃ BẢN VẼ : As indicated 8/22/20162:03:08PM KC-06 Mr. Elijah ĐỊA CHỈ : 161 Pasteur phường 6 Quận3 - TP.HCM VĂN PHÒNG 17B BÍCH VÂN 161 Pasteur phường 6 Quận3 - TP.HCM MẶT BẰNG BỐ TRÍ GIẰNG MÓNG 20/08/2016 TL:( 1 : 100 ) MBKC GIẰNG MÓNG TL:( 1 : 25 ) CHI TIẾT GIẰNG GM1 TL:( 1 : 10 ) MC 1-1 TL:( 1 : 1 ) 3D MẶT BẰNG GIẰNG MÓNG TL:( 1 : 25 ) CHI TIẾT GIẰNG GM2 TL:( 1 : 25 ) CHI TIẾT GIẰNG GM2. TL:( 1 : 10 ) MC 2-2 TL:( 1 : 25 ) CHI TIẾT GIẰNG GM3 TL:( 1 : 1 ) 3D THÉP GIẰNG MÓNG STT HIỆU CHỈNH DATE
  • 34.
    1 2 34 5 A B C 2' 4'3' 1800 1000 3600 2000 2000 3600 2000 16000 35004000 7500 D1 (200x300) D1 (200x300) D1 (200x300) D1 (200x300) D2 (200x300) D2 (200x300) D2 (200x300) D2 (200x300) D2 (200x300) D2 (200x300) D2 (200x300) D2 (200x300) D3 (200x300) D4 (200x300) D4 (200x300) D4 (200x300) D4 (200x300) D4 (200x300) D4 (200x300) D5 (200x300) D5 (200x300) (S 100) -200 ± 0 .000 -100 SÀN BTCT DÀY 100MM SÀN WC - BAN CÔNG BTCT DÀY 100MM GHI CHÚ: +0.000 m Tầng trệt 1 2 3 1501400250 150 1000 1502300 200 200 200 4 3 Ø16 5 2 Ø14 6 Ø6 a1501 1 1 1 6 Ø6 a100 6 Ø6 a150 6 Ø6 a100 4 3 Ø16 5 2 Ø145 2 Ø14 4 3 Ø16 1 1 1025150 7 Ø6 a1002 2 1000 300 75 2 2 2 2 200 300 4 3 Ø16 6 Ø6 a150 5 2 Ø14 25 200 300 4 3 Ø16 5 2 Ø14 6 Ø6 a100 25 +0.000 m Tầng trệt 4 5 1025 150 150 1325 2550 1325 250 300 2002 2 2 2 2 2 1 1 43 Ø16 7 Ø6 a150 7 Ø6 a100 5 2 Ø14 7 Ø6 a100 43 Ø16 52 Ø14 7 Ø6 a150 7Ø6 a100 4 3 Ø16 +0.000 m Tầng trệt AB 150 700 1700 700 150 100 200 200 12 2 Ø14 13 3 Ø126 Ø6 a100 6Ø6 a100 6 Ø6 a200 3 3 3 3 4 4 6 Ø6 a100 12 2 Ø14 13 3 Ø12 200 300 25 200 300 6 Ø6 a200 12 2 Ø14 13 3 Ø12 25 www.autodesk.com/revit TỈ LỆ : CHỦ ĐẦU TƯ - INVESTOR ĐIỆN THOẠI: 0933.711.211 ĐƠN VỊ TƯ VẤN THIẾT KẾ - DESIGNED BY ĐỊA CHỈ: 105, CHUNG CƯ A1, NGUYỄN ÁI QUỐC, P.QUANG VINH, BIÊN HÒA-ĐỒNG NAI ĐIỆN THOẠI: 0916.989.135 TÊN CÔNG TRÌNH - PROJECT: VỊ TRÍ - LOCATION: TÊN BẢN VẼ - DRAWING TITLE CHỦ TRÌ - PRIMARY ARCHITECT: THIẾT KẾ - DESIGN BY: VẼ - DRAWN BY QUẢN LÝ KỸ THUẬT - CHECKED BY: KTS. NGUYỄN NGỌC BÍCH KS. LÊ THANH TUẤN KS. LÊ THANH TUẤN KTS.VŨ MẠNH HẢI NGÀY GIAO-ISSUE DATE : MỤC ĐÍCH PHÁT HÀNH ISSUE DATE T.K.SƠ BỘ-CONCEPT DESIGN THI CÔNG - EXECUTION MÃ BẢN VẼ : As indicated 8/22/20162:03:09PM KC-07 Mr. Elijah ĐỊA CHỈ : 161 Pasteur phường 6 Quận3 - TP.HCM VĂN PHÒNG 17B BÍCH VÂN 161 Pasteur phường 6 Quận3 - TP.HCM MẶT BẰNG DẦM SÀN TẦNG TRỆT 20/08/2016 TL:( 1 : 100 ) MBKC DẦM SÀN TẦNG TRỆT TL:( 1 : 25 ) CHI TIẾT DẦM D1 TẦNG TRỆT TL:( 1 : 10 ) MC 1-1 (D1-T) TL:( 1 : 10 ) MC 2-2 (D1-T) TL:( 1 : 25 ) CHI TIẾT DẦM D1 TẦNG TRÊT TL:( 1 : 25 ) CHI TIẾT DẦM D3 TẦNG TRỆT TL:( 1 : 10 ) MC 3-3 (D3-T) TL:( 1 : 10 ) MC 4-4 (D3-T) TL:( 1 : 1 ) 3D THÉP DẦM D1 TẦNG TRỆT STT HIỆU CHỈNH DATE
  • 35.
    +0.000 m Tầng trệt 12 3 200 1 1 1 1 2 2 1501501400150100 2300 1000 150 150 10 3 Ø18 5 3 Ø14 7 Ø6 a150 7 Ø6 a100 7Ø6 a150 10 3 Ø18 7Ø6 a100 10 3 Ø18 7 Ø6 a100 5 3 Ø14 2 2 2 2 1 1 1000 900 +0.000 m Tầng trệt 4 5 900 150 1475 1325 250 200 300 2 2 1 1 2 2 2 210 3 Ø18 7Ø6 a100 5 3 Ø14 10 3 Ø18 7 Ø6 a100 7Ø6 a150 5 3 Ø14 7Ø6 a100 2550 +0.000 m Tầng trệt ABC 100 150 900 1800 900 150 150 800 1500 800 150 100 200 175 3 3 4 4 3 3 3 3 3 3 4 4 14 3 Ø20 6 Ø6 a100 152 Ø14 6 Ø6 a150 6Ø6 a100 14 3 Ø20 6Ø6 a150 6 Ø6 a100 152 Ø14 6Ø6 a100 +0.000 m Tầng trệt ABC 100 150 900 1800 900 150 150 800 1500 800 150 100 175 200 200 200 7 Ø6 a100 15 2 Ø14 7Ø6 a150 16 3 Ø18 5 5 5 5 5 5 5 5 6 6 6 6 7Ø6 a100 163 Ø18 16 3 Ø18 7 Ø6 a100 152 Ø14 7 Ø6 a150 163 Ø18 7Ø6 a100 A A 200 300 7 Ø6 a150 10 3 Ø18 5 3 Ø14 25 10 3 Ø18 7 Ø6 a100 5 3 Ø14 200 300 25 200 300 25 14 3 Ø20 6 Ø6 a100 15 2 Ø14 200 300 25 14 3 Ø20 6 Ø6 a150 15 2 Ø14 200 300 25 16 3 Ø18 7 Ø6 a100 15 2 Ø14 200 300 25 16 3 Ø18 7 Ø6 a150 15 2 Ø14 www.autodesk.com/revit TỈ LỆ : CHỦ ĐẦU TƯ - INVESTOR ĐIỆN THOẠI: 0933.711.211 ĐƠN VỊ TƯ VẤN THIẾT KẾ - DESIGNED BY ĐỊA CHỈ: 105, CHUNG CƯ A1, NGUYỄN ÁI QUỐC, P.QUANG VINH, BIÊN HÒA-ĐỒNG NAI ĐIỆN THOẠI: 0916.989.135 TÊN CÔNG TRÌNH - PROJECT: VỊ TRÍ - LOCATION: TÊN BẢN VẼ - DRAWING TITLE CHỦ TRÌ - PRIMARY ARCHITECT: THIẾT KẾ - DESIGN BY: VẼ - DRAWN BY QUẢN LÝ KỸ THUẬT - CHECKED BY: KTS. NGUYỄN NGỌC BÍCH KS. LÊ THANH TUẤN KS. LÊ THANH TUẤN KTS.VŨ MẠNH HẢI NGÀY GIAO-ISSUE DATE : MỤC ĐÍCH PHÁT HÀNH ISSUE DATE T.K.SƠ BỘ-CONCEPT DESIGN THI CÔNG - EXECUTION MÃ BẢN VẼ : As indicated 8/22/20162:03:10PM KC-08 Mr. Elijah ĐỊA CHỈ : 161 Pasteur phường 6 Quận3 - TP.HCM VĂN PHÒNG 17B BÍCH VÂN 161 Pasteur phường 6 Quận3 - TP.HCM CHI TIẾT DẦM TẦNG TRỆT 20/08/2016 TL:( 1 : 25 ) CHI TIẾT DẦM D2 TẦNG TRỆT TL:( 1 : 25 ) CHI TIẾT DẦM D2 TẦNG TRÊT TL:( 1 : 25 ) CHI TIẾT DẦM D4 TẦNG TRỆT TL:( 1 : 25 ) CHI TIẾT DẦM SÀN D5 TẦNG TRỆT TL:( 1 : 10 ) MC 1-1 (D2-T) TL:( 1 : 10 ) MC 2-2 (D2-T) TL:( 1 : 10 ) MC 3-3 (D4-T) TL:( 1 : 10 ) MC 4-4 (D4-T) TL:( 1 : 10 ) MC 5-5 (D5-T1) TL:( 1 : 10 ) MC 6-6 (D5-T1) STT HIỆU CHỈNH DATE
  • 36.
    1 2 34 5 A B C 2' 4'3' 11 B B 1800 1000 3600 2000 2000 3600 2000 35004000 Ø8a150 Ø8 a150 Ø8 a150 Ø8 a150 Ø8a150 Ø8 a150 Ø8a150 Ø8a150 Ø8a150 AA 1 2 3 4 5 A B C 2' 4'3' 11 B B 1800 1000 3600 2000 2000 3600 2000 35004000 Ø10a180 Ø10 a180 Ø10a180 Ø10a180 Ø10a180Ø10a180 Ø10 a180 Ø10a170 Ø10 a180 Ø10a180 Ø10 a180 2150 1270 575 1325 1275 1875 1275 18751625 2500 4775 3350 1375 1375 1875 2500 1625 1375 3100 1375 1625 1325 Ø10a180 Ø10a180 1275 Ø10 a180 Ø10a180 Ø10 a180 Ø10a180 Ø10a180 Ø10a170 Ø10 a180Ø10 a180 Ø10a180 AA +0.000 m Tầng trệt 1 2 3 200 200 200 46001800 10 Ø10 a180 2 Ø8 a150 1 Ø8 a150 9 Ø10 a180 12 Ø10 a170 13 Ø10 a180 5 Ø8 a150 3 Ø8 a150 11 Ø10 a180 10 Ø10 a180 2 Ø8 a150 1 Ø8 a150 300 100 175 175 Uốn thép 180 100 +0.000 m Tầng trệt ABC 1200 1300 1200 1100 1000 1100200 4000 3500 200 200 23 Ø10 a180 24 Ø10 a170 300 100 7 Ø8 a150 8 Ø8 a150 26Ø10 a180 24 Ø10 a160 12 Ø10 a180 10 Ø10 a160 2 Ø8 a150 1Ø8 a150 11Ø10 a180 10 Ø10 a180 +0.000 m Tầng trệt 4 5 100 5600 Uốn thép 45 13Ø10 a180 12 Ø10 a170 3 Ø8 a150 6 Ø8 a150 14Ø10 a18015Ø10 a180 12Ø10 a180 16 Ø10 a180 5 Ø8 a150 3 Ø8 a150 175 200 200 3Ø8 a150 Uốn thép 45 175 200 Uốn thép 180 www.autodesk.com/revit TỈ LỆ : CHỦ ĐẦU TƯ - INVESTOR ĐIỆN THOẠI: 0933.711.211 ĐƠN VỊ TƯ VẤN THIẾT KẾ - DESIGNED BY ĐỊA CHỈ: 105, CHUNG CƯ A1, NGUYỄN ÁI QUỐC, P.QUANG VINH, BIÊN HÒA-ĐỒNG NAI ĐIỆN THOẠI: 0916.989.135 TÊN CÔNG TRÌNH - PROJECT: VỊ TRÍ - LOCATION: TÊN BẢN VẼ - DRAWING TITLE CHỦ TRÌ - PRIMARY ARCHITECT: THIẾT KẾ - DESIGN BY: VẼ - DRAWN BY QUẢN LÝ KỸ THUẬT - CHECKED BY: KTS. NGUYỄN NGỌC BÍCH KS. LÊ THANH TUẤN KS. LÊ THANH TUẤN KTS.VŨ MẠNH HẢI NGÀY GIAO-ISSUE DATE : MỤC ĐÍCH PHÁT HÀNH ISSUE DATE T.K.SƠ BỘ-CONCEPT DESIGN THI CÔNG - EXECUTION MÃ BẢN VẼ : As indicated 8/22/20162:03:11PM KC-09 Mr. Elijah ĐỊA CHỈ : 161 Pasteur phường 6 Quận3 - TP.HCM VĂN PHÒNG 17B BÍCH VÂN 161 Pasteur phường 6 Quận3 - TP.HCM MẶT BẰNG THÉP SÀN TẦNG TRỆT 20/08/2016 TL:( 1 : 100 ) MẶT BẰNG THÉP SÀN LỚP DƯỚI TẦNG TRỆT TL:( 1 : 100 ) MẶT BẰNG THÉP SÀN LỚP TRÊN TẦNG TRỆT TL:( 1 : 20 ) MC A-A SÀN TẦNG TRỆT TL:( 1 : 20 ) MC B-B SÀN TẦNG TRỆT TL:( 1 : 20 ) MC A-A SÀN TẦNG TRÊT STT HIỆU CHỈNH DATE
  • 37.
    8Ø8 a150 2Ø8 a150 1Ø8 a150 5 Ø8 a150 3 Ø8 a150 5Ø8 a150 6Ø8 a150 5Ø8 a150 8Ø8 a150 9Ø10 a180 10Ø10 a180 11 Ø10 a180 12 Ø10 a170 14 Ø10 a180 12 Ø10 a180 16 Ø10 a180 33 Ø10 a180 15 Ø10 a180 32 Ø10 a180 25 Ø10 a180 26 Ø10 a180 31Ø10 a180 25Ø10 a180 30Ø10 a180 29Ø10 a180 20 Ø10 a180 18Ø10 a180 23Ø10 a180 28Ø10 a170 24Ø10 a170 21Ø10 a170 25Ø10 a170 26Ø10 a180 24Ø10 a160 29Ø10 a180 www.autodesk.com/revit TỈ LỆ : CHỦ ĐẦU TƯ - INVESTOR ĐIỆN THOẠI: 0933.711.211 ĐƠN VỊ TƯ VẤN THIẾT KẾ - DESIGNED BY ĐỊA CHỈ: 105, CHUNG CƯ A1, NGUYỄN ÁI QUỐC, P.QUANG VINH, BIÊN HÒA-ĐỒNG NAI ĐIỆN THOẠI: 0916.989.135 TÊN CÔNG TRÌNH - PROJECT: VỊ TRÍ - LOCATION: TÊN BẢN VẼ - DRAWING TITLE CHỦ TRÌ - PRIMARY ARCHITECT: THIẾT KẾ - DESIGN BY: VẼ - DRAWN BY QUẢN LÝ KỸ THUẬT - CHECKED BY: KTS. NGUYỄN NGỌC BÍCH KS. LÊ THANH TUẤN KS. LÊ THANH TUẤN KTS.VŨ MẠNH HẢI NGÀY GIAO-ISSUE DATE : MỤC ĐÍCH PHÁT HÀNH ISSUE DATE T.K.SƠ BỘ-CONCEPT DESIGN THI CÔNG - EXECUTION MÃ BẢN VẼ : 8/22/20162:03:18PM KC-10 Mr. Elijah ĐỊA CHỈ : 161 Pasteur phường 6 Quận3 - TP.HCM VĂN PHÒNG 17B BÍCH VÂN 161 Pasteur phường 6 Quận3 - TP.HCM MẶT BẰNG THÉP SÀN TẦNG TRỆT 3D 20/08/2016 TL:( ) 3D THÉP SÀN LỚP DƯỚI TẦNG TRỆT TL:( ) 3D THÉP SÀN LỚP TRÊN TẦNG TRỆT STT HIỆU CHỈNH DATE
  • 38.
    1 2 34 5 A B C 2' 4'3' 1800 1000 3600 2000 2000 3600 2000 16000 35004000 7500 D1 (200x300) D1 (200x300) D1 (200x300) D1 (200x300) D2 (200x300) D2 (200x300) D2 (200x300) D2 (200x300) D2 (200x300) D2 (200x300) D2 (200x300) D2 (200x300) (S 100) D3 (200x300) D3 (200x300) D4 (200x300) D4 (200x300) D5 (200x300) D5 (200x300) D5 (200x300) D4 (200x300) D4 (200x300) D5 (200x300) DCT (200x300) D5a (200x300) + 3150 + 2950 + 3050 + 3050 + 3050 + 3150 + 3150 + 3150 SÀN BTCT DÀY 100MM SÀN WC - BAN CÔNG BTCT DÀY 100MM GHI CHÚ: +3.150 m Lầu 1 1 2 3 1501501400150100 150150100023001000 900 175 300 4 3 Ø16 6 Ø6 a150 52 Ø14 4 3 Ø16 6 Ø6 a100 6 Ø6 a1505 2 Ø14 43 Ø16 6Ø6 a100 4 3 Ø16 52 Ø146 Ø6 a100 1 1 1 1 1 1 2 2 2 2 2 2 +3.150 m Lầu 1 4 5 300 100150120028001200300900 200 1834 3 Ø16 6 Ø6 a10052 Ø14 4 3 Ø16 6 Ø6 a100 52 Ø14 6Ø6 a150 4 3 Ø16 6 Ø6 a100 2 2 2 2 2 2 1 1 200 300 25 4 3 Ø16 6 Ø6 a150 5 2 Ø14 200 300 25 4 3 Ø16 6 Ø6 a100 5 2 Ø14 +3.150 m Lầu 1 AB 250 600 375 1925 350 175 200 175 200 300 163 Ø12 162 Ø1211 Ø6 a150 11Ø6 a1503 3 3 3 3 3 200 300 25 16 3 Ø12 11 Ø6 a150 16 2 Ø12 www.autodesk.com/revit TỈ LỆ : CHỦ ĐẦU TƯ - INVESTOR ĐIỆN THOẠI: 0933.711.211 ĐƠN VỊ TƯ VẤN THIẾT KẾ - DESIGNED BY ĐỊA CHỈ: 105, CHUNG CƯ A1, NGUYỄN ÁI QUỐC, P.QUANG VINH, BIÊN HÒA-ĐỒNG NAI ĐIỆN THOẠI: 0916.989.135 TÊN CÔNG TRÌNH - PROJECT: VỊ TRÍ - LOCATION: TÊN BẢN VẼ - DRAWING TITLE CHỦ TRÌ - PRIMARY ARCHITECT: THIẾT KẾ - DESIGN BY: VẼ - DRAWN BY QUẢN LÝ KỸ THUẬT - CHECKED BY: KTS. NGUYỄN NGỌC BÍCH KS. LÊ THANH TUẤN KS. LÊ THANH TUẤN KTS.VŨ MẠNH HẢI NGÀY GIAO-ISSUE DATE : MỤC ĐÍCH PHÁT HÀNH ISSUE DATE T.K.SƠ BỘ-CONCEPT DESIGN THI CÔNG - EXECUTION MÃ BẢN VẼ : As indicated 8/22/20162:03:20PM KC-11 Mr. Elijah ĐỊA CHỈ : 161 Pasteur phường 6 Quận3 - TP.HCM VĂN PHÒNG 17B BÍCH VÂN 161 Pasteur phường 6 Quận3 - TP.HCM MẶT BẰNG DẦM SÀN LẦU 1 20/08/2016 TL:( 1 : 100 ) MBKC DẦM SÀN LẦU 1 TL:( 1 : 25 ) CHI TIẾT DẦM D1 LẦU 1 TL:( 1 : 25 ) CHI TIÊT DẦM D1 LẦU 1 TL:( 1 : 10 ) MC 1-1 (D1-L1) TL:( 1 : 10 ) MC 2-2 (D1-L1) TL:( 1 : 25 ) CHI TIẾT DẦM D5a LẦU 1 TL:( 1 : 10 ) MC 3-3 (D5a-L1) STT HIỆU CHỈNH DATE
  • 39.
    +3.150 m Lầu 1 12 3 169 9001501501000230010001501501400150100 200 300 235 10 3 Ø18 5 3 Ø14 11Ø6 a150 10 3 Ø18 11 Ø6 a100 5 3 Ø14 11 Ø6 a150 11Ø6 a100 10 3 Ø18 11 Ø6 a100 5 3 Ø14 10 3 Ø18 1 1 1 1 1 1 2 2 2 2 2 2 +3.150 m Lầu 1 4 5 300 900 150 150 1200 2800 1200 150 100 200 200 184 244 10 3 Ø18 5 3 Ø14 11 Ø6 a100 10 3 Ø18 11 Ø6 a100 5 3 Ø14 11 Ø6 a150 10 3 Ø18 11Ø6 a1001 1 2 2 2 2 2 2 +3.150 m Lầu 1 ABC 100 150 900 1800 900 300 800 1500 800 150 100 12 3 Ø12 6Ø6 a100 13 2 Ø14 6 Ø6 a150 6 Ø6 a100 12 3 Ø12 12 3 Ø12 6 Ø6 a100 13 2 Ø14 6Ø6 a150 12 3 Ø12 6Ø6 a100 3 3 4 4 3 3 3 3 4 4 3 3 +3.150 m Lầu 1 ABC 100 150 900 1800 900 150 150 800 1500 800 150 100 175 14 3 Ø16 13 2 Ø14 6 Ø6 a100 6 Ø6 a150 14 3 Ø16 6 Ø6 a100 14 3 Ø16 6 Ø6 a100 13 2 Ø14 6 Ø6 a150 14 3 Ø16 6Ø6 a100 5 5 6 6 5 5 5 5 6 6 5 5 +3.150 m Lầu 1 ABC 100 150 900 1800 900 150 150 700 250 1350 800 150 100 200 15 3 Ø18 6 Ø6 a100 132 Ø14 15 3 Ø18 6 Ø6 a100 6 Ø6 a150 15 3 Ø18 68 Ø6 13 2 Ø14 6 Ø6 a150 153 Ø18 6Ø6 a100 7 7 8 8 200 300 25 10 3 Ø18 11 Ø6 a150 5 3 Ø14 200 300 25 10 3 Ø18 11 Ø6 a100 5 3 Ø14 200 300 25 12 3 Ø12 6 Ø6 a100 13 2 Ø14 200 300 25 12 3 Ø12 6 Ø6 a150 13 2 Ø14 200 300 25 14 3 Ø16 6 Ø6 a100 13 2 Ø14 200 300 25 14 3 Ø16 6 Ø6 a150 13 2 Ø14 200 300 25 15 3 Ø18 6 Ø6 a100 13 Ø14 200 300 25 15 3 Ø18 6 Ø6 a150 13 2 Ø14 www.autodesk.com/revit TỈ LỆ : CHỦ ĐẦU TƯ - INVESTOR ĐIỆN THOẠI: 0933.711.211 ĐƠN VỊ TƯ VẤN THIẾT KẾ - DESIGNED BY ĐỊA CHỈ: 105, CHUNG CƯ A1, NGUYỄN ÁI QUỐC, P.QUANG VINH, BIÊN HÒA-ĐỒNG NAI ĐIỆN THOẠI: 0916.989.135 TÊN CÔNG TRÌNH - PROJECT: VỊ TRÍ - LOCATION: TÊN BẢN VẼ - DRAWING TITLE CHỦ TRÌ - PRIMARY ARCHITECT: THIẾT KẾ - DESIGN BY: VẼ - DRAWN BY QUẢN LÝ KỸ THUẬT - CHECKED BY: KTS. NGUYỄN NGỌC BÍCH KS. LÊ THANH TUẤN KS. LÊ THANH TUẤN KTS.VŨ MẠNH HẢI NGÀY GIAO-ISSUE DATE : MỤC ĐÍCH PHÁT HÀNH ISSUE DATE T.K.SƠ BỘ-CONCEPT DESIGN THI CÔNG - EXECUTION MÃ BẢN VẼ : As indicated 8/22/20162:03:22PM KC-12 Mr. Elijah ĐỊA CHỈ : 161 Pasteur phường 6 Quận3 - TP.HCM VĂN PHÒNG 17B BÍCH VÂN 161 Pasteur phường 6 Quận3 - TP.HCM CHI TIẾT DẦM LẦU 1 20/08/2016 TL:( 1 : 25 ) CHI TIẾT DẦM D2 LẦU 1 TL:( 1 : 25 ) CHI TIÊT DẦM D2 LẦU 1 TL:( 1 : 25 ) CHI TIẾT DẦM D3 LẦU 1 TL:( 1 : 25 ) CHI TIẾT DẦM D4 LẦU 1 TL:( 1 : 25 ) CHI TIẾT DẦM D5 LẦU 1 TL:( 1 : 10 ) MC 1-1 (D2-L1) TL:( 1 : 10 ) MC 2-2 (D2-L1) TL:( 1 : 10 ) MC 3-3 (D3-L1) TL:( 1 : 10 ) MC 4-4 (D3-L1) TL:( 1 : 10 ) MC 5-5 (D4-L1) TL:( 1 : 10 ) MC 6-6 (D4-L1) TL:( 1 : 10 ) MC 7-7 (D5-L1) TL:( 1 : 10 ) MC 8-8 (D5-L1) STT HIỆU CHỈNH DATE
  • 40.
    1 2 34 5 A B C 2' 4'3' 1800 1000 3600 2000 2000 3600 2000 35004000 CẦU THANG BỘ 11 B B Ø8 a150 Ø8a150 Ø8 a150 Ø8 a150 Ø8a150 Ø8 a150 Ø8 a150 Ø8 a150 Ø8 a150 Ø8a150 Ø8a150 Ø8a150 Ø8a150 Ø8a150 AA 1 2 3 4 5 A B C 2' 4'3' 11 B B 1800 1000 3600 2000 2000 3600 2000 35004000 Ø10a180 Ø10a180 Ø10 a180 Ø10 a180 Ø10a180 Ø10 a180 Ø10a180 Ø10a180 Ø10 a180 Ø10 a180 Ø10a180 Ø10a180 Ø10a180 Ø10 a180 Ø10a180 Ø10 a180 Ø10 a180 Ø10a180 Ø10a180 Ø10a180 Ø10 a180 Ø10a180 Ø10a180 Ø10a180 Ø10 a180 1225 675 1375 1225 2885 1375 1860 3100 1375 1775 2450 7250 3475 1775 1225 2350 4775 2100 2450 1375 1575 1375 1850 1225 CẦU THANG BỘ AA +3.150 m Lầu 1 1 2 3 46001800 200200200 300 100 175 175 22 Ø10 a180 23 Ø10 a180 14 Ø8 a150 13 Ø8 a150 22 Ø10 a180 30 Ø10 a180 3 Ø8 a150 12 Ø8 a150 22Ø10 a180 30 Ø10 a180 9 Ø8 a150 12 Ø8 a150 +3.150 m Lầu 1 ABC 4000 3500 1200 1300 1200 200 1050 1100 1050 200200 300 100 12 Ø8 a150 3 Ø8 a150 22 Ø10 a180 30 Ø10 a180 19Ø10 a180 21Ø10 a180 19 Ø10 a180 8 Ø8 a150 3 Ø8 a150 15 Ø10 a18016Ø10 a16020 Ø10 a160 +3.150 m Lầu 1 4 5 100 56002700 200 200 Uốn thép 45 43 Ø10 a180 30 Ø10 a180 10 Ø8 a150 12 Ø8 a150 22 Ø10 a180 22 Ø10 a180 3 Ø8 a150 12 Ø8 a150 175 www.autodesk.com/revit TỈ LỆ : CHỦ ĐẦU TƯ - INVESTOR ĐIỆN THOẠI: 0933.711.211 ĐƠN VỊ TƯ VẤN THIẾT KẾ - DESIGNED BY ĐỊA CHỈ: 105, CHUNG CƯ A1, NGUYỄN ÁI QUỐC, P.QUANG VINH, BIÊN HÒA-ĐỒNG NAI ĐIỆN THOẠI: 0916.989.135 TÊN CÔNG TRÌNH - PROJECT: VỊ TRÍ - LOCATION: TÊN BẢN VẼ - DRAWING TITLE CHỦ TRÌ - PRIMARY ARCHITECT: THIẾT KẾ - DESIGN BY: VẼ - DRAWN BY QUẢN LÝ KỸ THUẬT - CHECKED BY: KTS. NGUYỄN NGỌC BÍCH KS. LÊ THANH TUẤN KS. LÊ THANH TUẤN KTS.VŨ MẠNH HẢI NGÀY GIAO-ISSUE DATE : MỤC ĐÍCH PHÁT HÀNH ISSUE DATE T.K.SƠ BỘ-CONCEPT DESIGN THI CÔNG - EXECUTION MÃ BẢN VẼ : As indicated 8/22/20162:03:23PM KC-13 Mr. Elijah ĐỊA CHỈ : 161 Pasteur phường 6 Quận3 - TP.HCM VĂN PHÒNG 17B BÍCH VÂN 161 Pasteur phường 6 Quận3 - TP.HCM MẶT BẰNG THÉP SÀN LẦU 1 20/08/2016 TL:( 1 : 100 ) MẶT BẰNG THÉP SÀN LỚP DƯỚI LẦU 1 TL:( 1 : 100 ) MẶT BẰNG THÉP SÀN LỚP TRÊN LẦU 1 TL:( 1 : 20 ) MC A-A SÀN LẦU 1 TL:( 1 : 20 ) MC B-B SÀN LẦU 1 TL:( 1 : 20 ) MC A-A SÀN LẦU 1. STT HIỆU CHỈNH DATE
  • 41.
    2 Ø8 a150 1Ø8a150 3 Ø8 a150 4 Ø8 a150 6 Ø8 a150 5 Ø8 a150 11 Ø8 a150 8Ø8 a150 12Ø8 a150 10Ø8 a150 9Ø8 a150 1326 Ø8 14Ø8 a150 7 Ø8 a150 16Ø10 a160 15 Ø10 a180 27Ø10 a180 25Ø10 a180 26Ø10 a140 37 Ø10 a180 35 Ø10 a160 33 Ø10 a180 26 Ø10 a170 34 Ø10 a180 19 Ø10 a180 21 Ø10 a180 19 Ø10 a180 24 Ø10 a150 22Ø10 a180 43Ø10 a180 30Ø10 a180 23Ø10 a160 22Ø10 a170 24Ø10 a170 32Ø10 a180 26Ø10 a180 36Ø10 a180 29 Ø10 a180 28 Ø10 a180 24Ø10 a170 38Ø10 a180 40Ø10 a180 41 Ø10 a180 42 Ø10 a180 20Ø10 a160 17 Ø10 a180 18 Ø10 a180 44Ø10 a180 39Ø10 a160 31Ø10 a180 www.autodesk.com/revit TỈ LỆ : CHỦ ĐẦU TƯ - INVESTOR ĐIỆN THOẠI: 0933.711.211 ĐƠN VỊ TƯ VẤN THIẾT KẾ - DESIGNED BY ĐỊA CHỈ: 105, CHUNG CƯ A1, NGUYỄN ÁI QUỐC, P.QUANG VINH, BIÊN HÒA-ĐỒNG NAI ĐIỆN THOẠI: 0916.989.135 TÊN CÔNG TRÌNH - PROJECT: VỊ TRÍ - LOCATION: TÊN BẢN VẼ - DRAWING TITLE CHỦ TRÌ - PRIMARY ARCHITECT: THIẾT KẾ - DESIGN BY: VẼ - DRAWN BY QUẢN LÝ KỸ THUẬT - CHECKED BY: KTS. NGUYỄN NGỌC BÍCH KS. LÊ THANH TUẤN KS. LÊ THANH TUẤN KTS.VŨ MẠNH HẢI NGÀY GIAO-ISSUE DATE : MỤC ĐÍCH PHÁT HÀNH ISSUE DATE T.K.SƠ BỘ-CONCEPT DESIGN THI CÔNG - EXECUTION MÃ BẢN VẼ : 8/22/20162:03:29PM KC-14 Mr. Elijah ĐỊA CHỈ : 161 Pasteur phường 6 Quận3 - TP.HCM VĂN PHÒNG 17B BÍCH VÂN 161 Pasteur phường 6 Quận3 - TP.HCM MẶT BẰNG THÉP SÀN LẦU 1 3D 20/08/2016 TL:( ) 3D THÉP SÀN LỚP DƯỚI LẦU 1 TL:( ) 3D THÉP SÀN LỚP TRÊN LẦU 1 STT HIỆU CHỈNH DATE
  • 42.
    1 2 34 5 A B C 2' 4'3' 1800 1000 3600 2000 2000 3600 2000 16000 35004000 7500 D1 (200x300) D1 (200x300) D1 (200x300) D2 (200x400) D1 (200x300) (S 100) D1 (200x300) D1 (200x300) D2 (200x400) D3 (200x300) D3 (200x300) D3 (200x300) D3 (200x300) D1 (200x300) D1 (200x300) D1 (200x300) D2 (200x400) D3 (200x300) D3 (200x300) DCT (200x300) D3a (200x300) D3 (200x300) D3 (200x300) D3 (200x300) D3 (200x300) D3 (200x300) + 6300 + 6200 + 6100 + 6300 + 6200 + 6200 + 6300 + 6100 D3 (200x300) + 6100 SÀN BTCT DÀY 100MM SÀN WC - BAN CÔNG BTCT DÀY 100MM GHI CHÚ: 7500 +6.300 m Lầu 2 1 2 32' 3' 174 200 1501501400150100 150150100023001000 1900800 300 200200 5 3 Ø18 6 3 Ø14 7 Ø6 a150 5 3 Ø18 7 Ø6 a100 7 Ø6 a150 5 3 Ø18 7Ø6 a100 5 3 Ø18 7 Ø6 a100 6 3 Ø14 7 Ø6 a1501 1 1 1 1 1 1 1 1 1 1 1 2 2 +6.300 m Lầu 2 4 54' 300 200 200 175 200 50 1200 2800 1200 50 200 5 3 Ø18 63 Ø14 7Ø6 a100 8 3 Ø20 10 Ø6 a100 9 3 Ø18 10 Ø6 a150 8 3 Ø20 10Ø6 a100 310 165 3 3 3 3 4 4 +6.300 m Lầu 2 ABC 800 1500 800 50 200200 50 900 1800 900 50 200 50 17515 3 Ø16 7 Ø6 a100 16 2 Ø14 7Ø6 a150 7 Ø6 a100 153 Ø16 7 Ø6 a100 15 3 Ø16 16 2 Ø14 7Ø6 a150 153 Ø16 7 Ø6 a1005 5 5 5 5 5 5 5 6 6 +6.300 m Lầu 2 AB 200 300 175 200 150 675 300 1925 150 200 175 21 3 Ø12 21 2 Ø12 22Ø6 a150 22 Ø6 a150 7 7 8 8 7 7 200 300 25 5 3 Ø18 7 Ø6 a150 6 3 Ø14 200 300 25 5 3 Ø18 7 Ø6 a100 6 3 Ø14 200 400 25 8 3 Ø20 10 Ø6 a100 9 3 Ø18 200 400 25 8 3 Ø20 10 Ø6 a150 9 3 Ø18 200 300 25 15 3 Ø16 7 Ø6 a100 16 2 Ø14 200 300 25 15 3 Ø16 7 Ø6 a150 16 2 Ø14 200 300 25 21 3 Ø12 22 Ø6 a150 21 2 Ø12 200 300 25 21 3 Ø12 22 Ø6 a150 21 2 Ø12 www.autodesk.com/revit TỈ LỆ : CHỦ ĐẦU TƯ - INVESTOR ĐIỆN THOẠI: 0933.711.211 ĐƠN VỊ TƯ VẤN THIẾT KẾ - DESIGNED BY ĐỊA CHỈ: 105, CHUNG CƯ A1, NGUYỄN ÁI QUỐC, P.QUANG VINH, BIÊN HÒA-ĐỒNG NAI ĐIỆN THOẠI: 0916.989.135 TÊN CÔNG TRÌNH - PROJECT: VỊ TRÍ - LOCATION: TÊN BẢN VẼ - DRAWING TITLE CHỦ TRÌ - PRIMARY ARCHITECT: THIẾT KẾ - DESIGN BY: VẼ - DRAWN BY QUẢN LÝ KỸ THUẬT - CHECKED BY: KTS. NGUYỄN NGỌC BÍCH KS. LÊ THANH TUẤN KS. LÊ THANH TUẤN KTS.VŨ MẠNH HẢI NGÀY GIAO-ISSUE DATE : MỤC ĐÍCH PHÁT HÀNH ISSUE DATE T.K.SƠ BỘ-CONCEPT DESIGN THI CÔNG - EXECUTION MÃ BẢN VẼ : As indicated 8/22/20162:03:31PM KC-15 Mr. Elijah ĐỊA CHỈ : 161 Pasteur phường 6 Quận3 - TP.HCM VĂN PHÒNG 17B BÍCH VÂN 161 Pasteur phường 6 Quận3 - TP.HCM MẶT BẰNG DẦM SÀN LẦU 2 20/08/2016 TL:( 1 : 100 ) MBKC DẦM SÀN LẦU 2 TL:( 1 : 25 ) CHI TIẾT DẦM D1 LẦU 2 TL:( 1 : 25 ) CHI TIẾT DẦM D2 LẦU 2 TL:( 1 : 25 ) CHI TIẾT DẦM D3 LẦU 2 TL:( 1 : 25 ) CHI TIẾT DẦM D3a LẦU 2 TL:( 1 : 10 ) MC 1-1 (D1-L2) TL:( 1 : 10 ) MC 2-2 (D1-L2) TL:( 1 : 10 ) MC 3-3 (D2-L2) TL:( 1 : 10 ) MC 4-4 (D2-L2) TL:( 1 : 10 ) MC 5-5 (D3-L2) TL:( 1 : 10 ) MC 6-6 (D3-L2) TL:( 1 : 10 ) MC 7-7 (D3a-L2) TL:( 1 : 10 ) MC 8-8 (D3a-L2) STT HIỆU CHỈNH DATE
  • 43.
    1 2 34 5 A B C 2' 4'3' 1800 1000 3600 2000 2000 3600 2000 16000 35004000 CẦU THANG BỘ B B 11 Ø8 a150 Ø8a150 Ø8 a150 Ø8a150 Ø8 a150 Ø8 a150 Ø8a150 Ø8a150 Ø8a150 Ø8 a150 Ø8 a150Ø8 a150 Ø8 a150 Ø8 a150 Ø8a150 Ø8a150 Ø8a150 Ø8a150 Ø10 a150 Ø8 a150 Ø8 a150 Ø10 a150 AA 1 2 3 4 5 A B C 2' 4'3' 1800 1000 3600 2000 2000 3600 2000 16000 35004000 CẦU THANG BỘ B B 11 Ø10a150 Ø10 a150 575 1375Ø10a150 1375 2450 1575 1575 1575 1375 3035 1125 625 1125 1275 1375 1275 725 725 2450 24501375 1225 1225 2875 1850 725 5460 535 3755 2450 1225 1660 1960 1960 1225 1225 875 1275 2885 Ø10 a150 Ø10a150 Ø10a150Ø10a150 Ø10a150 Ø10 a150 Ø10a150 Ø10 a150 Ø10 a150 Ø10a150 Ø10a150 Ø10 a150 Ø10a150 Ø10 a150 Ø10 a150 Ø10a150 Ø10a150 Ø10 a150 AA +6.300 m Lầu 2 1 2 32' 950200140016001400200400700400200 44 Ø10 a150 21 Ø10 a150 3 Ø8 a150 1 Ø8 a150 44Ø10 a150 19Ø10 a150 9 Ø8 a150 5 Ø8 a150 19 Ø10 a150 18 Ø10 a150 18Ø10 a150 19 Ø10 a150 39 Ø10 a150 40 Ø10 a150 5 Ø8 a15011 Ø8 a150175 175 Uốn thép 45 100 +6.300 m Lầu 2 ABC 200 450 900 450 100 1800 200 3200 200 42 Ø10 a150 41 Ø10 a150 12 Ø8 a1505 Ø8 a150 43Ø10 a150 42Ø10 a150 29 Ø10 a15031 Ø10 a150 12 Ø8 a150 14 Ø8 a150 26 Ø10 a15029 Ø10 a150 15 Ø8 a150 12 Ø8 a150 175 Uốn thép 45 85 85 175 +6.300 m Lầu 2 4 54' 200550600550200110012001100200950 12 Ø8 a150 5 Ø8 a150 40 Ø10 a15039Ø10 a140 20 Ø10 a150 21 Ø10 a140 16 Ø10 a1503 Ø8 a150 20Ø10 a150 21 Ø10 a150 21 Ø10 a150 28 Ø10 a150 17 Ø8 a1503 Ø8 a150 21 Ø10 a150 28Ø10 a150 175 175 100 175 175 www.autodesk.com/revit TỈ LỆ : CHỦ ĐẦU TƯ - INVESTOR ĐIỆN THOẠI: 0933.711.211 ĐƠN VỊ TƯ VẤN THIẾT KẾ - DESIGNED BY ĐỊA CHỈ: 105, CHUNG CƯ A1, NGUYỄN ÁI QUỐC, P.QUANG VINH, BIÊN HÒA-ĐỒNG NAI ĐIỆN THOẠI: 0916.989.135 TÊN CÔNG TRÌNH - PROJECT: VỊ TRÍ - LOCATION: TÊN BẢN VẼ - DRAWING TITLE CHỦ TRÌ - PRIMARY ARCHITECT: THIẾT KẾ - DESIGN BY: VẼ - DRAWN BY QUẢN LÝ KỸ THUẬT - CHECKED BY: KTS. NGUYỄN NGỌC BÍCH KS. LÊ THANH TUẤN KS. LÊ THANH TUẤN KTS.VŨ MẠNH HẢI NGÀY GIAO-ISSUE DATE : MỤC ĐÍCH PHÁT HÀNH ISSUE DATE T.K.SƠ BỘ-CONCEPT DESIGN THI CÔNG - EXECUTION MÃ BẢN VẼ : As indicated 8/22/20162:03:32PM KC-16 Mr. Elijah ĐỊA CHỈ : 161 Pasteur phường 6 Quận3 - TP.HCM VĂN PHÒNG 17B BÍCH VÂN 161 Pasteur phường 6 Quận3 - TP.HCM MẶT BẰNG THÉP SÀN LẦU 2 20/08/2016 TL:( 1 : 100 ) MẶT BẰNG THÉP SÀN LỚP DƯỚI LẦU 2 TL:( 1 : 100 ) MẶT BẰNG THÉP SÀN LỚP TRÊN LẦU 2 TL:( 1 : 20 ) MC A-A SÀN LẦU 2 TL:( 1 : 20 ) MC B-B SÀN LẦU 2 TL:( 1 : 20 ) MC A-A SÀN LẦU 2. STT HIỆU CHỈNH DATE
  • 44.
    3 Ø8 a150 2Ø8 a150 4 Ø8 a150 1Ø8 a150 8 Ø8 a150 10 Ø8 a150 12 Ø8 a150 15 Ø8 a150 16 Ø10 a150 17 Ø8 a150 17 Ø8 a150 3 Ø8 a150 3 Ø8 a150 3Ø8 a150 5Ø8 a150 9Ø8 a150 11Ø8 a150 13 Ø8 a150 7 Ø8 a150 6Ø8 a150 14Ø8 a150 3 Ø8 a150 16Ø10 a150 21 Ø10 a150 46 Ø10 a130 45 Ø10 a150 22 Ø10 a150 38 Ø10 a140 44Ø10 a150 25Ø10 a150 19Ø10 a150 28 Ø10 a150 21 Ø10 a150 22 Ø10 a150 27 Ø10 a140 28Ø10 a150 21Ø10 a150 20Ø10 a150 29 Ø10 a150 26 Ø10 a150 30 Ø10 a150 36 Ø10 a150 49 Ø10 a15049 Ø10 a150 22 Ø10 a150 32 Ø10 a140 24Ø10 a150 47Ø10 a140 24Ø10 a150 18Ø10 a150 37Ø10 a150 42Ø10 a150 41Ø10 a150 40Ø10 a150 39Ø10 a140 43Ø10 a150 31Ø10 a150 21 Ø10 a140 23Ø10 a140 35 Ø10 a150 48 Ø10 a150 33Ø10 a150 34 Ø10 a150 www.autodesk.com/revit TỈ LỆ : CHỦ ĐẦU TƯ - INVESTOR ĐIỆN THOẠI: 0933.711.211 ĐƠN VỊ TƯ VẤN THIẾT KẾ - DESIGNED BY ĐỊA CHỈ: 105, CHUNG CƯ A1, NGUYỄN ÁI QUỐC, P.QUANG VINH, BIÊN HÒA-ĐỒNG NAI ĐIỆN THOẠI: 0916.989.135 TÊN CÔNG TRÌNH - PROJECT: VỊ TRÍ - LOCATION: TÊN BẢN VẼ - DRAWING TITLE CHỦ TRÌ - PRIMARY ARCHITECT: THIẾT KẾ - DESIGN BY: VẼ - DRAWN BY QUẢN LÝ KỸ THUẬT - CHECKED BY: KTS. NGUYỄN NGỌC BÍCH KS. LÊ THANH TUẤN KS. LÊ THANH TUẤN KTS.VŨ MẠNH HẢI NGÀY GIAO-ISSUE DATE : MỤC ĐÍCH PHÁT HÀNH ISSUE DATE T.K.SƠ BỘ-CONCEPT DESIGN THI CÔNG - EXECUTION MÃ BẢN VẼ : 8/22/20162:03:40PM KC-17 Mr. Elijah ĐỊA CHỈ : 161 Pasteur phường 6 Quận3 - TP.HCM VĂN PHÒNG 17B BÍCH VÂN 161 Pasteur phường 6 Quận3 - TP.HCM MẶT BẰNG THÉP SÀN LẦU 2 3D 20/08/2016 TL:( ) 3D THÉP SÀN LỚP DƯỚI LẦU 2 TL:( ) 3D THÉP SÀN LỚP TRÊN LẦU 2 STT HIỆU CHỈNH DATE
  • 45.
    UP DN 3 4 A B 2300 2001500 3500 2007001525200775200 975 250 975200 200 1400 200 D5 (200x300) D5a (200x300) D2 (200x300) (CẦU THANG KẾT CẤU CHIẾU NGHỈ) (CẦUTHANGKẾTCẤUVẾ1) (CẦUTHANGKẾTCẤUVẾ2) D1 (200x300) D5 (200x300) DCT (200x300) A A +3.150 m Lầu 1 +0.000 m Tầng trệt AB -0.475 m MĐTN3500 4753150 10952055 900 175 275 300 200 200 2002225775 3600 145.01° 300 www.autodesk.com/revit TỈ LỆ : CHỦ ĐẦU TƯ - INVESTOR ĐIỆN THOẠI: 0933.711.211 ĐƠN VỊ TƯ VẤN THIẾT KẾ - DESIGNED BY ĐỊA CHỈ: 105, CHUNG CƯ A1, NGUYỄN ÁI QUỐC, P.QUANG VINH, BIÊN HÒA-ĐỒNG NAI ĐIỆN THOẠI: 0916.989.135 TÊN CÔNG TRÌNH - PROJECT: VỊ TRÍ - LOCATION: TÊN BẢN VẼ - DRAWING TITLE CHỦ TRÌ - PRIMARY ARCHITECT: THIẾT KẾ - DESIGN BY: VẼ - DRAWN BY QUẢN LÝ KỸ THUẬT - CHECKED BY: KTS. NGUYỄN NGỌC BÍCH KS. LÊ THANH TUẤN KS. LÊ THANH TUẤN KTS.VŨ MẠNH HẢI NGÀY GIAO-ISSUE DATE : MỤC ĐÍCH PHÁT HÀNH ISSUE DATE T.K.SƠ BỘ-CONCEPT DESIGN THI CÔNG - EXECUTION MÃ BẢN VẼ : As indicated 8/22/20162:03:41PM KC-18 Mr. Elijah ĐỊA CHỈ : 161 Pasteur phường 6 Quận3 - TP.HCM VĂN PHÒNG 17B BÍCH VÂN 161 Pasteur phường 6 Quận3 - TP.HCM MẶT BẰNG CẦU THANG BỘ 20/08/2016 TL:( 1 : 25 ) MẶT BẰNG CẦU THANG TL:( 1 : 1 ) 3D CẦU THANG TL:( 1 : 1 ) 3D BẢN THANG KẾT CẤU TL:( 1 : 25 ) MC ĐỨNG A-A CẦU THANG BỘ STT HIỆU CHỈNH DATE
  • 46.
    3 4 A B B B A A D5 (200x300) D5a (200x300) D2 (200x300) D1 (200x300) D5 (200x300) DCT (200x300) 2300 2001500 3500 2007001525200775200 975 250 975200 200 1400 200 1Ø10a150 5 Ø8 a150 10Ø10a150 11Ø10a150 5 Ø8 a150 5 Ø8 a150 4 Ø8 a150 5 Ø8 a150 6 Ø8 a150 4 Ø8 a100 5 Ø8 a150 3Ø10a150 7Ø10a150 9Ø10a150 +3.150 m Lầu 1 AB 200 775 200 1525 700 200 300795 1395 300 11 Ø10 a150 5 Ø8 a150 4Ø8 a150 5Ø8 a150 4Ø8 a150 10Ø10 a150 6 Ø8 a150 175 76 179 5 Ø8 a150 6 Ø8 a150 9 Ø10 a150 +0.000 m Tầng trệt AB 2600 700 200 3500 3001755 2055 100 1 Ø10 a150 5 Ø8 a150 4 Ø8 a150 2Ø10 a150 5Ø8 a150 4 Ø8 a100 3Ø10 a150 5Ø8 a150 7 Ø10 a150 6Ø8 a150 6Ø8 a150 6 Ø8 a150 8 Ø10 a150 www.autodesk.com/revit TỈ LỆ : CHỦ ĐẦU TƯ - INVESTOR ĐIỆN THOẠI: 0933.711.211 ĐƠN VỊ TƯ VẤN THIẾT KẾ - DESIGNED BY ĐỊA CHỈ: 105, CHUNG CƯ A1, NGUYỄN ÁI QUỐC, P.QUANG VINH, BIÊN HÒA-ĐỒNG NAI ĐIỆN THOẠI: 0916.989.135 TÊN CÔNG TRÌNH - PROJECT: VỊ TRÍ - LOCATION: TÊN BẢN VẼ - DRAWING TITLE CHỦ TRÌ - PRIMARY ARCHITECT: THIẾT KẾ - DESIGN BY: VẼ - DRAWN BY QUẢN LÝ KỸ THUẬT - CHECKED BY: KTS. NGUYỄN NGỌC BÍCH KS. LÊ THANH TUẤN KS. LÊ THANH TUẤN KTS.VŨ MẠNH HẢI NGÀY GIAO-ISSUE DATE : MỤC ĐÍCH PHÁT HÀNH ISSUE DATE T.K.SƠ BỘ-CONCEPT DESIGN THI CÔNG - EXECUTION MÃ BẢN VẼ : As indicated 8/22/20162:03:44PM KC-19 Mr. Elijah ĐỊA CHỈ : 161 Pasteur phường 6 Quận3 - TP.HCM VĂN PHÒNG 17B BÍCH VÂN 161 Pasteur phường 6 Quận3 - TP.HCM THÉP CẦU THANG BỘ 20/08/2016 TL:( ) 3D THÉP BẢN THANG TL:( 1 : 25 ) MẶT BẰNG BỐ TRÍ THÉP CẦU THANG TL:( 1 : 20 ) MC A-A CẦU THANG TL:( 1 : 20 ) MC B-B CẦU THANG STT HIỆU CHỈNH DATE
  • 47.
    www.autodesk.com/revit TỈ LỆ : CHỦĐẦU TƯ - INVESTOR ĐIỆN THOẠI: 0933.711.211 ĐƠN VỊ TƯ VẤN THIẾT KẾ - DESIGNED BY ĐỊA CHỈ: 105, CHUNG CƯ A1, NGUYỄN ÁI QUỐC, P.QUANG VINH, BIÊN HÒA-ĐỒNG NAI ĐIỆN THOẠI: 0916.989.135 TÊN CÔNG TRÌNH - PROJECT: VỊ TRÍ - LOCATION: TÊN BẢN VẼ - DRAWING TITLE CHỦ TRÌ - PRIMARY ARCHITECT: THIẾT KẾ - DESIGN BY: VẼ - DRAWN BY QUẢN LÝ KỸ THUẬT - CHECKED BY: KTS. NGUYỄN NGỌC BÍCH KS. LÊ THANH TUẤN KS. LÊ THANH TUẤN KTS.VŨ MẠNH HẢI NGÀY GIAO-ISSUE DATE : MỤC ĐÍCH PHÁT HÀNH ISSUE DATE T.K.SƠ BỘ-CONCEPT DESIGN THI CÔNG - EXECUTION MÃ BẢN VẼ : 8/22/20162:03:45PM KC-20 Mr. Elijah ĐỊA CHỈ : 161 Pasteur phường 6 Quận3 - TP.HCM VĂN PHÒNG 17B BÍCH VÂN 161 Pasteur phường 6 Quận3 - TP.HCM THỐNG KÊ CẤU KIỆN 20/08/2016 THỐNG KÊ CỘT SỐ HIỆU CỘT TIẾT DIỆN CỘT SỐ LƯỢNG CHIỀU DÀI (mm) THỂ TÍCH BÊ TÔNG CỘT Tầng Móng C1 200x200 6 2025 0.49 m³ C2 200x200 5 2025 0.41 m³ C3 200x200 3 2025 0.24 m³ C4 200x200 1 2025 0.08 m³ Tầng trệt C1 200x200 9 3150 1.13 m³ C2 200x200 5 3150 0.62 m³ C3 200x200 1 3150 0.12 m³ Lầu 1 C1 200x200 10 3150 1.24 m³ C2 200x200 2 3150 0.25 m³ C3 200x200 1 3150 0.13 m³ C4 200x200 2 3150 0.25 m³ Lầu 2 C1 200x200 12 2865 1.36 m³ Mái 1 C1 200x200 6 2075 0.50 m³ TỔNG 6.81 m³ THỐNG KÊ DẦM SỐ HIỆU TIẾT DIỆN SỐ LƯỢNG THỂ TÍCH BÊ TÔNG DẦM Tầng Móng GM1 200x200 3 0.18 m³ GM2 200x200 9 1.62 m³ GM3 200x200 10 1.38 m³ Tầng trệt D1 200x300 4 0.86 m³ D2 200x300 8 1.80 m³ D3 200x300 1 0.19 m³ D4 200x300 6 1.20 m³ D5 200x300 2 0.41 m³ Lầu 1 D1 200x300 4 0.90 m³ D2 200x300 8 1.80 m³ D3 200x300 2 0.41 m³ D4 200x300 4 0.83 m³ D5 200x300 4 0.65 m³ D5a 200x300 1 0.19 m³ DCT 200x300 2 0.36 m³ Lầu 2 D1 200x300 9 1.66 m³ D2 200x400 3 1.27 m³ D3 200x300 12 2.31 m³ D3a 200x300 1 0.19 m³ DCT 200x300 2 0.36 m³ Mái 1 DM 200x300 1 0.22 m³ DM1 200x300 4 0.60 m³ DM2 200x300 4 0.83 m³ Mái 2 DM1 200x300 2 0.83 m³ Đỉnh mái DM2 200x300 1 0.45 m³ TỔNG 21.51 m³ THỐNG KÊ SÀN KÝ HIỆU SÀN CHIỀU DÀY SÀN THỂ TÍCH SÀN Tầng trệt S 100 100 mm 10.94 m³ Lầu 1 S 100 100 mm 11.15 m³ Lầu 2 S 100 100 mm 11.27 m³ Mái 1 S 100 100 mm 1.72 m³ TỔNG 35.08 m³ THỐNG KÊ MÓNG KÝ HIỆU MÓNG SỐ LƯỢNG VẬT LIỆU MÓNG THỂ TÍCH MÓNG M1 M1 15 M250 7.65 m³ STT HIỆU CHỈNH DATE
  • 48.
    www.autodesk.com/revit TỈ LỆ : CHỦĐẦU TƯ - INVESTOR ĐIỆN THOẠI: 0933.711.211 ĐƠN VỊ TƯ VẤN THIẾT KẾ - DESIGNED BY ĐỊA CHỈ: 105, CHUNG CƯ A1, NGUYỄN ÁI QUỐC, P.QUANG VINH, BIÊN HÒA-ĐỒNG NAI ĐIỆN THOẠI: 0916.989.135 TÊN CÔNG TRÌNH - PROJECT: VỊ TRÍ - LOCATION: TÊN BẢN VẼ - DRAWING TITLE CHỦ TRÌ - PRIMARY ARCHITECT: THIẾT KẾ - DESIGN BY: VẼ - DRAWN BY QUẢN LÝ KỸ THUẬT - CHECKED BY: KTS. NGUYỄN NGỌC BÍCH KS. LÊ THANH TUẤN KS. LÊ THANH TUẤN KTS.VŨ MẠNH HẢI NGÀY GIAO-ISSUE DATE : MỤC ĐÍCH PHÁT HÀNH ISSUE DATE T.K.SƠ BỘ-CONCEPT DESIGN THI CÔNG - EXECUTION MÃ BẢN VẼ : 8/22/20162:03:46PM KC-21 Mr. Elijah ĐỊA CHỈ : 161 Pasteur phường 6 Quận3 - TP.HCM VĂN PHÒNG 17B BÍCH VÂN 161 Pasteur phường 6 Quận3 - TP.HCM THỐNG KÊ THÉP MÓNG 20/08/2016 THỐNG KÊ THÉP MÓNG TẦNG CẤU KIỆN THÉP SỐ HIỆU THÉP Ø (mm) HÌNH DẠNG VÀ KÍCH THƯỚC SỐ LƯỢNG CHIỀU DÀI THANH (mm) SỐ CẤU KIỆN TỔNG SỐ THAN H TỔNG CHIỀU DÀI (m) TỔNG KHỐI LƯỢNG (Kg) A B C HÌNH DẠNG D E F TẦNG MÓNG TẦNG MÓNG THÉP MÓNG 1 12 0 930 0 0 0 0 13 930 30 390 362.7 322.01 TẦNG MÓNG THÉP GIẰNG MÓNG 2 12 0 156 15956 156 0 0 2 16208 1 2 32.4 28.78 TẦNG MÓNG THÉP GIẰNG MÓNG 3 12 0 15956 0 0 0 0 2 15956 3 6 95.7 85.00 TẦNG MÓNG THÉP GIẰNG MÓNG 4 6 35 150 150 150 150 0 8 639 23 184 117.6 26.09 TẦNG MÓNG THÉP GIẰNG MÓNG 4 6 35 150 150 150 150 0 11 639 4 44 28.1 6.24 TẦNG MÓNG THÉP GIẰNG MÓNG 4 6 35 150 150 150 150 0 15 639 3 45 28.8 6.38 TẦNG MÓNG THÉP GIẰNG MÓNG 4 6 35 150 150 150 150 0 17 639 5 85 54.3 12.05 TẦNG MÓNG THÉP GIẰNG MÓNG 4 6 35 150 150 150 150 0 19 639 5 95 60.7 13.47 TẦNG MÓNG THÉP GIẰNG MÓNG 5 12 0 94 15956 94 0 0 2 16084 3 6 96.5 85.68 TẦNG MÓNG THÉP GIẰNG MÓNG 6 12 0 7450 0 0 0 0 2 7450 10 20 149.0 132.28 TẦNG MÓNG THÉP GIẰNG MÓNG 7 14 0 7450 0 0 0 0 2 7450 10 20 149.0 180.05 TỔNG KHỐI LƯỢNG THÉP CÓ ĐƯỜNG KÍNH Ø <= 8mm : 64.23 KG TỔNG KHỐI LƯỢNG THÉP CÓ ĐƯỜNG KÍNH Ø > 8mm : 833.8 KG STT HIỆU CHỈNH DATE
  • 49.
    www.autodesk.com/revit TỈ LỆ : CHỦĐẦU TƯ - INVESTOR ĐIỆN THOẠI: 0933.711.211 ĐƠN VỊ TƯ VẤN THIẾT KẾ - DESIGNED BY ĐỊA CHỈ: 105, CHUNG CƯ A1, NGUYỄN ÁI QUỐC, P.QUANG VINH, BIÊN HÒA-ĐỒNG NAI ĐIỆN THOẠI: 0916.989.135 TÊN CÔNG TRÌNH - PROJECT: VỊ TRÍ - LOCATION: TÊN BẢN VẼ - DRAWING TITLE CHỦ TRÌ - PRIMARY ARCHITECT: THIẾT KẾ - DESIGN BY: VẼ - DRAWN BY QUẢN LÝ KỸ THUẬT - CHECKED BY: KTS. NGUYỄN NGỌC BÍCH KS. LÊ THANH TUẤN KS. LÊ THANH TUẤN KTS.VŨ MẠNH HẢI NGÀY GIAO-ISSUE DATE : MỤC ĐÍCH PHÁT HÀNH ISSUE DATE T.K.SƠ BỘ-CONCEPT DESIGN THI CÔNG - EXECUTION MÃ BẢN VẼ : 8/22/20162:03:47PM KC-22 Mr. Elijah ĐỊA CHỈ : 161 Pasteur phường 6 Quận3 - TP.HCM VĂN PHÒNG 17B BÍCH VÂN 161 Pasteur phường 6 Quận3 - TP.HCM THỐNG KÊ THÉP DẦM CỘT TẦNG TRỆT 20/08/2016 THỐNG KÊ THÉP DẦM CỘT TẦNG TRỆT TẦNG CẤU KIỆN THÉP SỐ HIỆU THÉP Ø (mm) HÌNH DẠNG VÀ KÍCH THƯỚC SỐ LƯỢNG CHIỀU DÀI THANH (mm) SỐ CẤU KIỆN TỔNG SỐ THANH TỔNG CHIỀU DÀI (m) TỔNG KHỐI LƯỢNG (Kg) A B C HÌNH DẠNG D E F TẦNG TRỆT TẦNG TRỆT THÉP CỘT 1 16 0 3439 272 0 0 0 2 3671 12 24 88.1 139.07 TẦNG TRỆT THÉP CỘT 2 6 35 150 150 150 150 0 4 639 5 20 12.8 2.84 TẦNG TRỆT THÉP CỘT 2 6 35 150 150 150 150 0 5 639 15 75 47.9 10.64 TẦNG TRỆT THÉP CỘT 2 6 35 150 150 150 150 0 6 639 30 180 115.0 25.53 TẦNG TRỆT THÉP CỘT 3 18 0 3440 274 0 0 0 3 3669 10 30 110.1 219.90 TẦNG TRỆT THÉP DẦM 4 16 0 208 15958 208 0 0 3 16294 1 3 48.9 77.15 TẦNG TRỆT THÉP DẦM 5 14 0 15858 0 0 0 0 2 15858 1 2 31.7 38.33 TẦNG TRỆT THÉP DẦM 5 14 0 15859 0 0 0 0 3 15859 2 6 95.2 114.99 TẦNG TRỆT THÉP DẦM 6 6 35 150 250 150 250 0 8 839 3 24 20.1 4.47 TẦNG TRỆT THÉP DẦM 6 6 35 150 250 150 250 0 9 839 TẦNG TRỆT THÉP DẦM 6 6 35 150 250 150 250 0 11 839 3 33 27.7 6.14 TẦNG TRỆT THÉP DẦM 6 6 35 150 250 150 250 0 13 839 3 39 32.7 7.26 TẦNG TRỆT THÉP DẦM 6 6 35 150 250 150 250 0 15 839 1 15 12.6 2.79 TẦNG TRỆT THÉP DẦM 7 6 35 250 150 250 150 0 9 839 5 45 37.8 8.38 TẦNG TRỆT THÉP DẦM 7 6 35 250 150 250 150 0 10 839 6 60 50.3 11.17 TẦNG TRỆT THÉP DẦM 7 6 35 250 150 250 150 0 11 839 6 66 55.4 12.29 TẦNG TRỆT THÉP DẦM 7 6 35 250 150 250 150 0 12 839 3 36 30.2 6.70 TẦNG TRỆT THÉP DẦM 7 6 35 250 150 250 150 0 13 839 7 91 76.3 TẦNG TRỆT THÉP DẦM 7 6 35 250 150 250 150 0 14 839 2 28 23.5 5.21 TẦNG TRỆT THÉP DẦM 7 6 35 250 150 250 150 0 18 839 3 54 45.3 10.06 TẦNG TRỆT THÉP CỘT 8 20 0 3441 276 0 0 0 2 3659 8 16 58.5 144.37 TẦNG TRỆT THÉP CỘT 9 22 0 3442 278 0 0 0 2 3656 8 16 58.5 174.55 TẦNG TRỆT THÉP DẦM 10 18 0 209 15959 209 0 0 3 16287 2 6 97.7 195.21 TẦNG TRỆT THÉP DẦM 11 18 0 209 15950 209 0 0 3 16278 2 6 97.7 195.10 TẦNG TRỆT THÉP DẦM 12 14 0 3550 0 0 0 0 2 3550 2 4 14.2 17.16 TẦNG TRỆT THÉP DẦM 13 12 0 3550 0 0 0 0 3 3550 2 6 21.3 18.91 TẦNG TRỆT THÉP DẦM 14 20 0 7450 0 0 0 0 3 7450 3 9 67.1 165.36 TẦNG TRỆT THÉP DẦM 15 14 0 7450 0 0 0 0 2 7450 4 8 59.6 72.02 TẦNG TRỆT THÉP DẦM 16 18 0 7450 0 0 0 0 3 7450 1 3 22.4 44.65 15 135 113.6 25.21 16.95 TỔNG KHỐI LƯỢNG THÉP CÓ ĐƯỜNG KÍNH Ø <= 8mm : 155.64 KG TỔNG KHỐI LƯỢNG THÉP CÓ ĐƯỜNG KÍNH Ø > 8mm : 1543.47 KG STT HIỆU CHỈNH DATE
  • 50.
    www.autodesk.com/revit TỈ LỆ : CHỦĐẦU TƯ - INVESTOR ĐIỆN THOẠI: 0933.711.211 ĐƠN VỊ TƯ VẤN THIẾT KẾ - DESIGNED BY ĐỊA CHỈ: 105, CHUNG CƯ A1, NGUYỄN ÁI QUỐC, P.QUANG VINH, BIÊN HÒA-ĐỒNG NAI ĐIỆN THOẠI: 0916.989.135 TÊN CÔNG TRÌNH - PROJECT: VỊ TRÍ - LOCATION: TÊN BẢN VẼ - DRAWING TITLE CHỦ TRÌ - PRIMARY ARCHITECT: THIẾT KẾ - DESIGN BY: VẼ - DRAWN BY QUẢN LÝ KỸ THUẬT - CHECKED BY: KTS. NGUYỄN NGỌC BÍCH KS. LÊ THANH TUẤN KS. LÊ THANH TUẤN KTS.VŨ MẠNH HẢI NGÀY GIAO-ISSUE DATE : MỤC ĐÍCH PHÁT HÀNH ISSUE DATE T.K.SƠ BỘ-CONCEPT DESIGN THI CÔNG - EXECUTION MÃ BẢN VẼ : 8/22/20162:03:48PM KC-23 Mr. Elijah ĐỊA CHỈ : 161 Pasteur phường 6 Quận3 - TP.HCM VĂN PHÒNG 17B BÍCH VÂN 161 Pasteur phường 6 Quận3 - TP.HCM THỐNG KÊ THÉP DẦM CỘT LẦU 1 20/08/2016 THỐNG KÊ THÉP DẦM CỘT LẦU 1 TẦNG CẤU KIỆN THÉP SỐ HIỆU THÉP Ø (mm) HÌNH DẠNG VÀ KÍCH THƯỚC SỐ LƯỢNG CHIỀU DÀI THANH (mm) SỐ CẤU KIỆN TỔNG SỐ THANH TỔNG CHIỀU DÀI (m) TỔNG KHỐI LƯỢNG (Kg) A B C HÌNH DẠNG D E F LẦU 1 LẦU 1 THÉP CỘT 1 16 0 3625 0 0 0 0 2 3625 6 12 43.5 68.66 LẦU 1 THÉP CỘT 2 6 35 150 150 150 150 0 6 639 43 258 164.9 36.59 LẦU 1 THÉP CỘT 2 6 35 150 150 150 150 0 8 639 43 344 219.8 48.79 LẦU 1 THÉP CỘT 3 18 0 3625 0 0 0 0 2 3625 4 8 29.0 57.93 LẦU 1 THÉP DẦM 4 16 0 208 15958 208 0 0 3 16294 1 3 48.9 77.15 LẦU 1 THÉP DẦM 5 14 0 15958 0 0 0 0 2 15958 1 2 31.9 38.57 LẦU 1 THÉP DẦM 5 14 0 15959 0 0 0 0 3 15959 2 6 95.8 115.71 LẦU 1 THÉP DẦM 6 6 35 150 250 150 250 0 8 839 6 48 40.3 8.94 LẦU 1 THÉP DẦM 6 6 35 150 250 150 250 0 9 839 16 144 120.8 26.81 LẦU 1 THÉP DẦM 6 6 35 150 250 150 250 0 10 839 1 10 8.4 1.86 LẦU 1 THÉP DẦM 6 6 35 150 250 150 250 0 11 839 5 55 46.1 10.24 LẦU 1 THÉP DẦM 6 6 35 150 250 150 250 0 13 839 7 91 76.3 16.95 LẦU 1 THÉP DẦM 6 6 35 150 250 150 250 0 15 839 1 15 12.6 2.79 LẦU 1 THÉP DẦM 6 6 35 150 250 150 250 0 18 839 1 18 15.1 3.35 LẦU 1 THÉP CỘT 7 16 0 3650 0 0 0 0 2 3650 20 40 146.0 230.44 LẦU 1 THÉP CỘT 8 18 0 3650 0 0 0 0 2 3650 20 40 146.0 291.65 LẦU 1 THÉP CỘT 9 20 0 3650 0 0 0 0 2 3650 20 40 146.0 360.06 LẦU 1 THÉP DẦM 10 18 0 244 15938 244 0 0 3 16336 1 3 49.0 97.90 LẦU 1 THÉP DẦM 10 18 0 244 15944 244 0 0 3 16342 1 3 49.0 97.93 LẦU 1 THÉP DẦM 11 6 35 250 150 250 150 0 5 839 1 5 4.2 0.93 LẦU 1 THÉP DẦM 11 6 35 250 150 250 150 0 10 839 4 40 33.6 7.45 LẦU 1 THÉP DẦM 11 6 35 250 150 250 150 0 11 839 6 66 55.4 12.29 LẦU 1 THÉP DẦM 11 6 35 250 150 250 150 0 12 839 2 24 20.1 4.47 LẦU 1 THÉP DẦM 11 6 35 250 150 250 150 0 13 839 4 52 43.6 9.68 LẦU 1 THÉP DẦM 11 6 35 250 150 250 150 0 14 839 3 42 35.2 7.82 LẦU 1 THÉP DẦM 11 6 35 250 150 250 150 0 18 839 2 36 30.2 6.70 LẦU 1 THÉP DẦM 12 12 0 7450 0 0 0 0 3 7450 1 3 22.4 19.84 LẦU 1 THÉP DẦM 13 14 0 7450 0 0 0 0 2 7450 5 10 74.5 90.03 LẦU 1 THÉP DẦM 14 16 0 7450 0 0 0 0 3 7450 2 6 44.7 70.55 LẦU 1 THÉP DẦM 15 18 0 7450 0 0 0 0 3 7450 2 6 44.7 89.29 LẦU 1 THÉP DẦM 16 12 0 3550 0 0 0 0 2 3550 2 4 14.2 12.61 LẦU 1 THÉP DẦM 16 12 0 3550 0 0 0 0 3 3550 2 6 21.3 18.91 TỔNG KHỐI LƯỢNG THÉP CÓ ĐƯỜNG KÍNH Ø <= 8mm : 205.07 KG TỔNG KHỐI LƯỢNG THÉP CÓ ĐƯỜNG KÍNH Ø > 8mm : 1727.33 KG STT HIỆU CHỈNH DATE
  • 51.
    www.autodesk.com/revit TỈ LỆ : CHỦĐẦU TƯ - INVESTOR ĐIỆN THOẠI: 0933.711.211 ĐƠN VỊ TƯ VẤN THIẾT KẾ - DESIGNED BY ĐỊA CHỈ: 105, CHUNG CƯ A1, NGUYỄN ÁI QUỐC, P.QUANG VINH, BIÊN HÒA-ĐỒNG NAI ĐIỆN THOẠI: 0916.989.135 TÊN CÔNG TRÌNH - PROJECT: VỊ TRÍ - LOCATION: TÊN BẢN VẼ - DRAWING TITLE CHỦ TRÌ - PRIMARY ARCHITECT: THIẾT KẾ - DESIGN BY: VẼ - DRAWN BY QUẢN LÝ KỸ THUẬT - CHECKED BY: KTS. NGUYỄN NGỌC BÍCH KS. LÊ THANH TUẤN KS. LÊ THANH TUẤN KTS.VŨ MẠNH HẢI NGÀY GIAO-ISSUE DATE : MỤC ĐÍCH PHÁT HÀNH ISSUE DATE T.K.SƠ BỘ-CONCEPT DESIGN THI CÔNG - EXECUTION MÃ BẢN VẼ : 8/22/20162:03:49PM KC-24 Mr. Elijah ĐỊA CHỈ : 161 Pasteur phường 6 Quận3 - TP.HCM VĂN PHÒNG 17B BÍCH VÂN 161 Pasteur phường 6 Quận3 - TP.HCM THỐNG KÊ THÉP DẦM CỘT LẦU 2 20/08/2016 THỐNG KÊ THÉP DẦM CỘT LẦU 2 TẦNG CẤU KIỆN THÉP SỐ HIỆU THÉP Ø (mm) HÌNH DẠNG VÀ KÍCH THƯỚC SỐ LƯỢNG CHIỀU DÀI THANH (mm) SỐ CẤU KIỆN TỔNG SỐ THANH TỔNG CHIỀU DÀI (m) TỔNG KHỐI LƯỢNG (Kg) A B C HÌNH DẠNG D E F LẦU 2 LẦU 2 THÉP CỘT 1 18 0 3125 0 0 0 0 2 3125 2 4 12.5 24.97 LẦU 2 THÉP CỘT 2 6 35 150 150 150 150 0 6 639 15 90 57.5 12.76 LẦU 2 THÉP CỘT 2 6 35 150 150 150 150 0 8 639 29 232 148.2 32.90 LẦU 2 THÉP CỘT 3 16 0 3125 0 0 0 0 2 3125 8 16 50.0 78.92 LẦU 2 THÉP CỘT 3 16 0 3127 0 0 0 0 2 3127 1 2 6.3 9.87 LẦU 2 THÉP CỘT 3 16 0 3131 0 0 0 0 2 3131 1 2 6.3 9.88 LẦU 2 THÉP CỘT 4 22 0 3125 0 0 0 0 2 3125 2 4 12.5 37.30 LẦU 2 THÉP DẦM 5 18 0 209 10474 0 0 0 3 10638 3 9 95.7 191.26 LẦU 2 THÉP DẦM 6 14 0 10375 0 0 0 0 3 10375 3 9 93.4 112.84 LẦU 2 THÉP DẦM 7 6 35 150 250 150 250 0 8 839 12 96 LẦU 2 THÉP DẦM 7 6 35 150 250 150 250 0 9 839 13 117 LẦU 2 THÉP DẦM 7 6 35 150 250 150 250 0 10 839 3 30 25.2 5.59 LẦU 2 THÉP DẦM 7 6 35 150 250 150 250 0 11 839 16 176 147.7 32.77 LẦU 2 THÉP DẦM 7 6 35 150 250 150 250 0 12 839 3 36 30.2 6.70 LẦU 2 THÉP DẦM 7 6 35 150 250 150 250 0 13 839 6 78 65.4 14.52 LẦU 2 THÉP DẦM 7 6 35 150 250 150 250 0 15 839 3 45 37.8 8.38 LẦU 2 THÉP DẦM 7 6 35 150 250 150 250 0 11 840 1 11 9.2 2.05 LẦU 2 THÉP DẦM 8 20 0 5650 310 0 0 0 3 5901 3 9 53.1 130.98 LẦU 2 THÉP DẦM 9 18 0 5660 0 0 0 0 3 5660 3 9 50.9 101.76 LẦU 2 THÉP DẦM 10 6 35 150 350 150 350 0 13 1039 6 78 81.0 17.99 LẦU 2 THÉP DẦM 10 6 35 150 350 150 350 0 18 1039 3 54 56.1 12.45 LẦU 2 THÉP CỘT 11 16 0 3260 0 0 0 0 2 3260 6 12 39.1 61.74 LẦU 2 THÉP CỘT 12 16 0 3135 0 0 0 0 2 3135 4 8 25.1 39.58 LẦU 2 THÉP CỘT 13 25 0 3125 0 0 0 0 2 3125 4 8 25.0 96.33 LẦU 2 THÉP CỘT 14 18 0 3260 0 0 0 0 2 3260 2 4 13.0 26.05 LẦU 2 THÉP DẦM 15 16 0 7444 0 0 0 0 3 7444 5 15 111.7 176.24 LẦU 2 THÉP DẦM 16 14 0 7438 0 0 0 0 2 7438 1 2 14.9 17.98 LẦU 2 THÉP DẦM 16 14 0 7444 0 0 0 0 2 7444 4 8 59.6 71.96 LẦU 2 THÉP DẦM 17 16 0 4038 0 0 0 0 3 4038 1 3 12.1 19.12 LẦU 2 THÉP DẦM 18 14 0 4038 0 0 0 0 2 4038 1 2 8.1 9.76 LẦU 2 THÉP DẦM 19 16 0 3550 0 0 0 0 3 3550 1 3 10.7 16.81 LẦU 2 THÉP DẦM 20 14 0 3550 0 0 0 0 2 3550 1 2 7.1 8.58 LẦU 2 THÉP DẦM 21 12 0 3550 0 0 0 0 2 3550 1 2 7.1 6.30 LẦU 2 THÉP DẦM 21 12 0 3550 0 0 0 0 3 3550 1 3 10.7 9.46 LẦU 2 THÉP DẦM 22 6 35 250 150 250 150 0 6 839 1 6 5.0 1.12 LẦU 2 THÉP DẦM 22 6 35 250 150 250 150 0 14 839 1 14 11.7 2.61 80.6 17.89 21.7998.2 TỔNG KHỐI LƯỢNG THÉP CÓ ĐƯỜNG KÍNH Ø <= 8mm : 205.07 KG TỔNG KHỐI LƯỢNG THÉP CÓ ĐƯỜNG KÍNH Ø > 8mm : 1727.33 KG STT HIỆU CHỈNH DATE
  • 52.
    www.autodesk.com/revit TỈ LỆ : CHỦĐẦU TƯ - INVESTOR ĐIỆN THOẠI: 0933.711.211 ĐƠN VỊ TƯ VẤN THIẾT KẾ - DESIGNED BY ĐỊA CHỈ: 105, CHUNG CƯ A1, NGUYỄN ÁI QUỐC, P.QUANG VINH, BIÊN HÒA-ĐỒNG NAI ĐIỆN THOẠI: 0916.989.135 TÊN CÔNG TRÌNH - PROJECT: VỊ TRÍ - LOCATION: TÊN BẢN VẼ - DRAWING TITLE CHỦ TRÌ - PRIMARY ARCHITECT: THIẾT KẾ - DESIGN BY: VẼ - DRAWN BY QUẢN LÝ KỸ THUẬT - CHECKED BY: KTS. NGUYỄN NGỌC BÍCH KS. LÊ THANH TUẤN KS. LÊ THANH TUẤN KTS.VŨ MẠNH HẢI NGÀY GIAO-ISSUE DATE : MỤC ĐÍCH PHÁT HÀNH ISSUE DATE T.K.SƠ BỘ-CONCEPT DESIGN THI CÔNG - EXECUTION MÃ BẢN VẼ : 8/22/20162:03:50PM KC-25 Mr. Elijah ĐỊA CHỈ : 161 Pasteur phường 6 Quận3 - TP.HCM VĂN PHÒNG 17B BÍCH VÂN 161 Pasteur phường 6 Quận3 - TP.HCM THỐNG KÊ THÉP TẦNG MÁI 1 & MÁI 2 20/08/2016 THỐNG KÊ THÉP DẦM CỘT TẦNG MÁI 1 TẦNG CẤU KIỆN THÉP SỐ HIỆU THÉP Ø (mm) HÌNH DẠNG VÀ KÍCH THƯỚC SỐ LƯỢNG CHIỀU DÀI THANH (mm) SỐ CẤU KIỆN TỔNG SỐ THANH TỔNG CHIỀU DÀI (m) TỔNG KHỐI LƯỢNG (Kg) A B C HÌNH DẠNG D E F MÁI 1 MÁI 1 THÉP CỘT 1 16 0 2990 0 0 0 0 2 2990 16 32 95.7 151.02 MÁI 1 THÉP CỘT 2 6 35 150 150 150 150 0 5 639 3 15 9.6 2.13 MÁI 1 THÉP CỘT 2 6 35 150 150 150 150 0 6 639 12 72 46.0 10.21 MÁI 1 THÉP CỘT 2 6 35 150 150 150 150 0 8 639 21 168 107.3 23.83 MÁI 1 THÉP CỘT 3 16 0 3260 0 0 0 0 2 3260 8 16 52.2 82.32 THỐNG KÊ THÉP DẦM CỘT TẦNG MÁI 2 TẦNG CẤU KIỆN THÉP SỐ HIỆU THÉP Ø (mm) HÌNH DẠNG VÀ KÍCH THƯỚC SỐ LƯỢNG CHIỀU DÀI THANH (mm) SỐ CẤU KIỆN TỔNG SỐ THANH TỔNG CHIỀU DÀI (m) TỔNG KHỐI LƯỢNG (Kg) A B C HÌNH DẠNG D E F MÁI 2 MÁI 2 THÉP CỘT 1 16 0 2225 0 0 0 0 2 2225 4 8 17.8 28.09 MÁI 2 THÉP CỘT 2 6 35 150 150 150 150 0 5 639 4 20 12.8 2.84 MÁI 2 THÉP CỘT 2 6 35 150 150 150 150 0 8 639 4 32 20.4 4.54 MÁI 2 THÉP CỘT 2 6 35 150 150 150 150 0 17 639 2 34 21.7 4.82 MÁI 2 THÉP CỘT 3 16 0 2050 0 0 0 0 2 2050 8 16 32.8 51.77 MÁI 2 THÉP DẦM 4 16 0 4150 0 0 0 0 3 4150 2 6 24.9 39.30 MÁI 2 THÉP DẦM 5 14 0 4150 0 0 0 0 2 4150 2 4 16.6 20.06 MÁI 2 THÉP DẦM 6 6 35 150 250 150 260 0 10 849 4 40 34.0 7.54 MÁI 2 THÉP DẦM 6 6 35 150 250 150 260 0 12 849 2 24 20.4 4.52 MÁI 2 THÉP DẦM 7 16 0 4060 0 0 0 0 3 4060 2 6 24.4 38.45 MÁI 2 THÉP DẦM 8 14 0 4050 0 0 0 0 2 4050 2 4 16.2 19.58 MÁI 2 THÉP DẦM 9 6 35 150 260 150 260 0 9 859 4 36 30.9 6.86 MÁI 2 THÉP DẦM 9 6 35 150 260 150 260 0 13 859 2 26 22.3 4.96 TỔNG KHỐI LƯỢNG THÉP CÓ ĐƯỜNG KÍNH Ø <= 8mm : 36.08 KG TỔNG KHỐI LƯỢNG THÉP CÓ ĐƯỜNG KÍNH Ø > 8mm : 197.25 KG TỔNG KHỐI LƯỢNG THÉP CÓ ĐƯỜNG KÍNH Ø <= 8mm : 36.17 KG TỔNG KHỐI LƯỢNG THÉP CÓ ĐƯỜNG KÍNH Ø > 8mm : 233.34 KG STT HIỆU CHỈNH DATE
  • 53.
    www.autodesk.com/revit TỈLỆ: CHỦĐẦUTƯ-INVESTOR ĐIỆNTHOẠI:0933.711.211 ĐƠNVỊTƯVẤNTHIẾTKẾ-DESIGNEDBY ĐỊACHỈ:105,CHUNGCƯA1,NGUYỄNÁI QUỐC,P.QUANGVINH,BIÊNHÒA-ĐỒNGNAI ĐIỆNTHOẠI:0916.989.135 TÊNCÔNGTRÌNH-PROJECT: VỊTRÍ-LOCATION: TÊNBẢNVẼ-DRAWINGTITLE CHỦTRÌ-PRIMARYARCHITECT: THIẾTKẾ-DESIGNBY: VẼ-DRAWNBY QUẢNLÝKỸTHUẬT-CHECKEDBY: KTS.NGUYỄNNGỌCBÍCH KS.LÊTHANHTUẤN KS.LÊTHANHTUẤN KTS.VŨMẠNHHẢI NGÀYGIAO-ISSUEDATE: MỤCĐÍCH PHÁTHÀNH ISSUEDATE T.K.SƠBỘ-CONCEPTDESIGN THICÔNG-EXECUTION MÃBẢNVẼ: 8/22/2016 11:26:43 AM KC-26 Mr.Elijah ĐỊACHỈ:161Pasteurphường6Quận3- TP.HCM VĂNPHÒNG17BBÍCHVÂN 161Pasteurphường6Quận3-TP.HCM THỐNGKÊTHÉPSÀN TẦNGTRỆT 20/08/2016 THỐNGKÊ THÉP SÀN TẦNG TRỆT TẦNG CẤU KIỆN THÉP SỐ HIỆU THÉP Ø (mm) HÌNH DẠNG VÀ KÍCH THƯỚC SỐ LƯỢNG CHIỀU DÀI THANH (mm) SỐ CẤU KIỆN TỔNG SỐ THANH TỔNG CHIỀU DÀI (m) TỔNG KHỐI LƯỢNG (Kg) A B C HÌNH DẠNG D E F THÉP SÀN TẦNG TRỆT THÉP SÀN TẦNG TRỆT TSLD 1 8 58 6449 0 0 0 0 23 6565 1 23 151.0 59.58 THÉP SÀN TẦNG TRỆT TSLD 2 8 50 3550 0 0 0 0 42 3650 1 42 153.3 60.49 THÉP SÀN TẦNG TRỆT TSLD 3 8 2375 145 1503 226 5476 0 16 9827 1 16 157.2 62.04 THÉP SÀN TẦNG TRỆT TSLD 4 8 58 9650 0 0 0 0 7 9766 1 7 68.4 26.97 THÉP SÀN TẦNG TRỆT TSLD 5 8 58 7450 0 0 0 0 16 7558 1 16 120.9 47.72 THÉP SÀN TẦNG TRỆT TSLD 5 8 58 7450 0 0 0 0 37 7558 1 37 279.6 110.34 THÉP SÀN TẦNG TRỆT TSLD 6 8 4992 133 2380 0 0 0 11 7612 1 11 83.7 33.04 THÉP SÀN TẦNG TRỆT TSLD 7 8 58 14250 0 0 0 0 26 14366 1 26 373.5 147.38 THÉP SÀN TẦNG TRỆT TSLD 8 8 58 4050 0 0 0 0 31 4166 1 31 129.1 50.96 THÉP SÀN TẦNG TRỆT TSLT 9 10 60 1325 0 0 0 0 10 1395 1 10 14.0 8.60 THÉP SÀN TẦNG TRỆT TSLT 10 10 0 6450 0 0 0 0 7 6450 1 7 45.2 27.84 THÉP SÀN TẦNG TRỆT TSLT 10 10 0 6450 0 0 0 0 8 6450 1 8 51.6 31.81 THÉP SÀN TẦNG TRỆT TSLT 11 10 60 1269 0 0 0 0 26 1339 1 26 34.8 21.46 THÉP SÀN TẦNG TRỆT TSLT 12 10 60 1275 0 0 0 0 15 1345 1 15 20.2 12.44 THÉP SÀN TẦNG TRỆT TSLT 12 10 60 1275 0 0 0 0 26 1345 1 26 35.0 21.56 THÉP SÀN TẦNG TRỆT TSLT 12 10 60 1275 0 0 0 0 32 1345 1 32 43.0 26.53 THÉP SÀN TẦNG TRỆT TSLT 13 10 0 2460 0 0 0 0 8 2460 1 8 19.7 12.13 THÉP SÀN TẦNG TRỆT TSLT 14 10 2302 134 2396 0 0 0 9 4888 1 9 44.0 27.12 THÉP SÀN TẦNG TRỆT TSLT 15 10 0 1500 0 0 0 0 14 1500 1 14 21.0 12.95 THÉP SÀN TẦNG TRỆT TSLT 16 10 0 5650 0 0 0 0 7 5650 1 7 39.6 24.38 THÉP SÀN TẦNG TRỆT TSLT 17 10 60 575 0 0 0 0 6 645 1 6 3.9 2.39 THÉP SÀN TẦNG TRỆT TSLT 18 10 0 900 0 0 0 0 4 900 2 8 7.2 4.44 THÉP SÀN TẦNG TRỆT TSLT 19 10 60 1325 0 0 0 0 10 1395 1 10 13.9 8.60 THÉP SÀN TẦNG TRỆT TSLT 20 10 60 2150 0 0 0 0 7 2220 1 7 15.5 9.58 THÉP SÀN TẦNG TRỆT TSLT 21 10 60 1625 0 0 0 0 7 1695 2 14 23.7 14.63 THÉP SÀN TẦNG TRỆT TSLT 21 10 60 1625 0 0 0 0 9 1695 1 9 15.3 9.41 THÉP SÀN TẦNG TRỆT TSLT 22 10 0 1000 0 0 0 0 9 1000 1 9 9.0 5.55 THÉP SÀN TẦNG TRỆT TSLT 22 10 0 1000 0 0 0 0 10 1000 2 20 20.0 12.33 THÉP SÀN TẦNG TRỆT TSLT 22 10 0 1000 0 0 0 0 11 1000 2 22 22.0 13.56 THÉP SÀN TẦNG TRỆT TSLT 23 10 60 1375 0 0 0 0 23 1445 1 23 33.2 20.49 THÉP SÀN TẦNG TRỆT TSLT 23 10 60 1375 0 0 0 0 27 1445 1 27 39.0 24.06 THÉP SÀN TẦNG TRỆT TSLT 24 10 0 4675 0 0 0 0 8 4675 1 8 37.4 23.06 THÉP SÀN TẦNG TRỆT TSLT 24 10 0 4675 0 0 0 0 9 4675 1 9 42.1 25.94 THÉP SÀN TẦNG TRỆT TSLT 25 10 0 1300 0 0 0 0 9 1300 1 9 11.7 7.21 THÉP SÀN TẦNG TRỆT TSLT 25 10 0 1300 0 0 0 0 10 1300 3 30 39.0 24.04 THÉP SÀN TẦNG TRỆT TSLT 25 10 0 1300 0 0 0 0 11 1300 2 22 28.6 17.63 THÉP SÀN TẦNG TRỆT TSLT 26 10 60 1375 0 0 0 0 27 1445 1 27 39.0 24.05 THÉP SÀN TẦNG TRỆT TSLT 26 10 60 1375 0 0 0 0 32 1445 1 32 46.2 28.51 THÉP SÀN TẦNG TRỆT TSLT 27 10 60 3100 0 0 0 0 9 3170 1 9 28.5 17.59 THÉP SÀN TẦNG TRỆT TSLT 28 10 0 4000 0 0 0 0 7 4000 1 7 28.0 17.26 THÉP SÀN TẦNG TRỆT TSLT 28 10 0 4000 0 0 0 0 8 4000 2 16 64.0 39.46 THÉP SÀN TẦNG TRỆT TSLT 29 10 60 2500 0 0 0 0 14 2570 1 14 36.0 22.18 THÉP SÀN TẦNG TRỆT TSLT 29 10 60 2500 0 0 0 0 32 2570 1 32 82.2 50.70 THÉP SÀN TẦNG TRỆT TSLT 30 10 60 3350 0 0 0 0 9 3420 1 9 30.8 18.98 THÉP SÀN TẦNG TRỆT TSLT 31 10 0 5470 0 0 0 0 7 5470 1 7 38.3 23.61 THÉP SÀN TẦNG TRỆT TSLT 31 10 0 5470 0 0 0 0 8 5470 1 8 43.8 26.98 THÉP SÀN TẦNG TRỆT TSLT 32 10 0 5575 0 0 0 0 8 5575 1 8 44.6 27.50 THÉP SÀN TẦNG TRỆT TSLT 33 10 60 1875 0 0 0 0 7 1945 2 14 27.2 16.79 THÉP SÀN TẦNG TRỆT TSLT 33 10 60 1875 0 0 0 0 9 1945 1 9 17.5 10.79 TỔNG KHỐI LƯỢNG THÉP CÓ ĐƯỜNG KÍNH Ø <= 8mm : 598.52 KG TỔNG KHỐI LƯỢNG THÉP CÓ ĐƯỜNG KÍNH Ø > 8mm : 773.51 KG GHI CHÚ BẢNG TÍNH: TSLT: THÉP SÀN LỚP TRÊN TSLD: THÉP SÀN LỚP DƯỚI STTHIỆUCHỈNHDATE
  • 54.
    www.autodesk.com/revit TỈLỆ: CHỦĐẦUTƯ-INVESTOR ĐIỆNTHOẠI:0933.711.211 ĐƠNVỊTƯVẤNTHIẾTKẾ-DESIGNEDBY ĐỊACHỈ:105,CHUNGCƯA1,NGUYỄNÁI QUỐC,P.QUANGVINH,BIÊNHÒA-ĐỒNGNAI ĐIỆNTHOẠI:0916.989.135 TÊNCÔNGTRÌNH-PROJECT: VỊTRÍ-LOCATION: TÊNBẢNVẼ-DRAWINGTITLE CHỦTRÌ-PRIMARYARCHITECT: THIẾTKẾ-DESIGNBY: VẼ-DRAWNBY QUẢNLÝKỸTHUẬT-CHECKEDBY: KTS.NGUYỄNNGỌCBÍCH KS.LÊTHANHTUẤN KS.LÊTHANHTUẤN KTS.VŨMẠNHHẢI NGÀYGIAO-ISSUEDATE: MỤCĐÍCH PHÁTHÀNH ISSUEDATE T.K.SƠBỘ-CONCEPTDESIGN THICÔNG-EXECUTION MÃBẢNVẼ: 8/22/2016 11:26:43 AM KC-27 Mr.Elijah ĐỊACHỈ:161Pasteurphường6Quận3- TP.HCM VĂNPHÒNG17BBÍCHVÂN 161Pasteurphường6Quận3-TP.HCM THỐNGKÊTHÉPSÀNLẦU 1(P.1) 20/08/2016 THỐNGKÊ THÉP SÀN LẦU 1(P1) TẦNG CẤU KIỆN THÉP SỐ HIỆU THÉP Ø (mm) HÌNH DẠNG VÀ KÍCH THƯỚC SỐ LƯỢNG CHIỀU DÀI THANH (mm) SỐ CẤU KIỆN TỔNG SỐ THANH TỔNG CHIỀU DÀI (m) TỔNG KHỐI LƯỢNG (Kg) A B C HÌNH DẠNG D E F THÉP SÀN LẦU 1 THÉP SÀN LẦU 1 TSLD 1 8 58 4477 145 1877 0 0 13 6606 1 13 85.9 33.89 THÉP SÀN LẦU 1 TSLD 2 8 58 3550 0 0 0 0 11 3666 1 11 40.3 15.91 THÉP SÀN LẦU 1 TSLD 3 8 58 7450 0 0 0 0 19 7566 1 19 143.8 56.72 THÉP SÀN LẦU 1 TSLD 3 8 58 7450 0 0 0 0 37 7566 1 37 279.9 110.46 THÉP SÀN LẦU 1 TSLD 4 8 58 5477 145 1877 0 0 13 7606 1 13 98.9 39.02 THÉP SÀN LẦU 1 TSLD 5 8 1576 226 5476 0 0 0 23 7389 1 23 170.0 67.06 THÉP SÀN LẦU 1 TSLD 6 8 1777 145 2003 226 3376 0 11 7630 1 11 83.9 33.12 THÉP SÀN LẦU 1 TSLD 7 8 50 6450 0 0 0 0 4 6558 1 4 26.2 10.35 THÉP SÀN LẦU 1 TSLD 8 8 50 8850 0 0 0 0 7 8958 1 7 62.7 24.74 THÉP SÀN LẦU 1 TSLD 9 8 58 5025 0 0 0 0 9 5141 1 9 46.3 18.26 THÉP SÀN LẦU 1 TSLD 10 8 58 3152 145 1777 0 0 7 5181 1 7 36.3 14.31 THÉP SÀN LẦU 1 TSLD 11 8 58 14250 0 0 0 0 15 14366 1 15 215.5 85.03 THÉP SÀN LẦU 1 TSLD 12 8 5977 145 2503 226 5473 0 11 14427 1 11 158.7 62.62 THÉP SÀN LẦU 1 TSLD 13 8 58 1850 0 0 0 0 26 1966 1 26 51.1 20.17 THÉP SÀN LẦU 1 TSLD 14 8 58 4050 0 0 0 0 11 4166 1 11 45.8 18.08 THÉP SÀN LẦU 1 TSLT 15 10 60 1225 0 0 0 0 10 1295 2 20 25.9 15.97 THÉP SÀN LẦU 1 TSLT 15 10 60 1225 0 0 0 0 16 1295 1 16 20.7 12.77 THÉP SÀN LẦU 1 TSLT 15 10 60 1225 0 0 0 0 32 1295 1 32 41.4 25.55 THÉP SÀN LẦU 1 TSLT 16 10 60 4477 146 1877 0 0 8 6558 1 8 52.5 32.35 THÉP SÀN LẦU 1 TSLT 17 10 60 2100 0 0 0 0 7 2170 1 7 15.2 9.37 THÉP SÀN LẦU 1 TSLT 18 10 60 1110 0 0 0 0 4 1180 1 4 4.7 2.91 THÉP SÀN LẦU 1 TSLT 18 10 60 1110 0 0 0 0 9 1180 1 9 10.6 6.55 THÉP SÀN LẦU 1 TSLT 19 10 60 2450 0 0 0 0 17 2520 1 17 42.8 26.41 THÉP SÀN LẦU 1 TSLT 19 10 60 2450 0 0 0 0 32 2520 1 32 80.6 49.72 THÉP SÀN LẦU 1 TSLT 20 10 60 6450 0 0 0 0 8 6520 1 8 52.2 32.16 THÉP SÀN LẦU 1 TSLT 21 10 60 14250 0 0 0 0 8 14320 1 8 114.6 70.63 THÉP SÀN LẦU 1 TSLT 22 10 60 1375 0 0 0 0 8 1445 1 8 11.6 7.13 THÉP SÀN LẦU 1 TSLT 22 10 60 1375 0 0 0 0 10 1445 2 20 28.9 17.82 THÉP SÀN LẦU 1 TSLT 22 10 60 1375 0 0 0 0 27 1445 1 27 39.0 24.05 THÉP SÀN LẦU 1 TSLT 22 10 60 1375 0 0 0 0 31 1445 1 31 44.8 27.62 THÉP SÀN LẦU 1 TSLT 23 10 60 1850 0 0 0 0 8 1920 2 16 30.7 18.94 THÉP SÀN LẦU 1 TSLT 23 10 60 1850 0 0 0 0 9 1920 1 9 17.3 10.65 THÉP SÀN LẦU 1 TSLT 24 10 60 1300 0 0 0 0 8 1370 1 8 11.0 6.76 THÉP SÀN LẦU 1 TSLT 24 10 60 1300 0 0 0 0 9 1370 1 9 12.3 7.60 THÉP SÀN LẦU 1 TSLT 24 10 60 1300 0 0 0 0 10 1370 2 20 27.4 16.89 THÉP SÀN LẦU 1 TSLT 24 10 60 1300 0 0 0 0 11 1370 1 11 15.1 9.29 THÉP SÀN LẦU 1 TSLT 24 10 60 1300 0 0 0 0 12 1370 1 12 16.4 10.14 THÉP SÀN LẦU 1 TSLT 25 10 60 675 0 0 0 0 7 745 1 7 5.2 3.22 THÉP SÀN LẦU 1 TSLT 26 10 60 1100 0 0 0 0 5 1170 1 5 5.8 3.61 THÉP SÀN LẦU 1 TSLT 26 10 60 1100 0 0 0 0 11 1170 2 22 25.7 15.87 THÉP SÀN LẦU 1 TSLT 27 10 60 2802 146 1877 0 0 10 4883 1 10 48.8 30.11 THÉP SÀN LẦU 1 TSLT 28 10 60 1931 0 0 0 0 3 2001 1 3 6.0 3.70 THÉP SÀN LẦU 1 TSLT 29 10 60 1951 0 0 0 0 5 2021 1 5 10.1 6.23 STTHIỆUCHỈNHDATE
  • 55.
    www.autodesk.com/revit TỈLỆ: CHỦĐẦUTƯ-INVESTOR ĐIỆNTHOẠI:0933.711.211 ĐƠNVỊTƯVẤNTHIẾTKẾ-DESIGNEDBY ĐỊACHỈ:105,CHUNGCƯA1,NGUYỄNÁI QUỐC,P.QUANGVINH,BIÊNHÒA-ĐỒNGNAI ĐIỆNTHOẠI:0916.989.135 TÊNCÔNGTRÌNH-PROJECT: VỊTRÍ-LOCATION: TÊNBẢNVẼ-DRAWINGTITLE CHỦTRÌ-PRIMARYARCHITECT: THIẾTKẾ-DESIGNBY: VẼ-DRAWNBY QUẢNLÝKỸTHUẬT-CHECKEDBY: KTS.NGUYỄNNGỌCBÍCH KS.LÊTHANHTUẤN KS.LÊTHANHTUẤN KTS.VŨMẠNHHẢI NGÀYGIAO-ISSUEDATE: MỤCĐÍCH PHÁTHÀNH ISSUEDATE T.K.SƠBỘ-CONCEPTDESIGN THICÔNG-EXECUTION MÃBẢNVẼ: 8/22/2016 11:26:43 AM KC-28 Mr.Elijah ĐỊACHỈ:161Pasteurphường6Quận3- TP.HCM VĂNPHÒNG17BBÍCHVÂN 161Pasteurphường6Quận3-TP.HCM THỐNGKÊTHÉPSÀNLẦU 1(P.2) 20/08/2016 THỐNGKÊ THÉP SÀN LẦU 1(P2) TẦNG CẤU KIỆN THÉP SỐ HIỆU THÉP Ø (mm) HÌNH DẠNG VÀ KÍCH THƯỚC SỐ LƯỢNG CHIỀU DÀI THANH (mm) SỐ CẤU KIỆN TỔNG SỐ THANH TỔNG CHIỀU DÀI (m) TỔNG KHỐI LƯỢNG (Kg) A B C HÌNH DẠNG D E F THÉP SÀN LẦU 1 THÉP SÀN LẦU 1 TSLT 30 10 5506 200 2503 146 5977 0 8 14385 1 8 115.1 70.95 THÉP SÀN LẦU 1 TSLT 31 10 60 1575 0 0 0 0 8 1645 1 8 13.2 8.11 THÉP SÀN LẦU 1 TSLT 32 10 60 2885 0 0 0 0 8 2955 1 8 23.6 14.57 THÉP SÀN LẦU 1 TSLT 33 10 60 1775 0 0 0 0 7 1845 1 7 12.9 7.96 THÉP SÀN LẦU 1 TSLT 33 10 60 1775 0 0 0 0 8 1845 1 8 14.8 9.10 THÉP SÀN LẦU 1 TSLT 34 10 1576 226 5476 0 0 0 7 7343 1 7 51.4 31.69 THÉP SÀN LẦU 1 TSLT 35 10 1576 226 5472 0 0 0 8 7339 1 8 58.7 36.20 THÉP SÀN LẦU 1 TSLT 36 10 1556 249 1701 0 0 0 7 3570 1 7 25.0 15.41 THÉP SÀN LẦU 1 TSLT 37 10 3376 226 1201 0 0 0 9 4868 1 9 43.8 27.01 THÉP SÀN LẦU 1 TSLT 38 10 60 3100 0 0 0 0 6 3170 1 6 19.0 11.73 THÉP SÀN LẦU 1 TSLT 39 10 60 1875 0 0 0 0 3 1945 1 3 5.8 3.60 THÉP SÀN LẦU 1 TSLT 40 10 60 885 0 0 0 0 8 955 1 8 7.6 4.71 THÉP SÀN LẦU 1 TSLT 41 10 60 2350 0 0 0 0 14 2420 1 14 33.9 20.89 THÉP SÀN LẦU 1 TSLT 42 10 60 2550 0 0 0 0 6 2620 1 6 15.7 9.69 THÉP SÀN LẦU 1 TSLT 43 10 60 1860 0 0 0 0 15 1930 1 15 28.9 17.85 THÉP SÀN LẦU 1 TSLT 44 10 60 2685 0 0 0 0 3 2755 1 3 8.3 5.10 TỔNG KHỐI LƯỢNG THÉP CÓ ĐƯỜNG KÍNH Ø <= 8mm : 609.74 KG TỔNG KHỐI LƯỢNG THÉP CÓ ĐƯỜNG KÍNH Ø > 8mm : 798.58 KG GHI CHÚ BẢNG TÍNH: TSLT: THÉP SÀN LỚP TRÊN TSLD: THÉP SÀN LỚP DƯỚI STTHIỆUCHỈNHDATE
  • 56.
    www.autodesk.com/revit TỈLỆ: CHỦĐẦUTƯ-INVESTOR ĐIỆNTHOẠI:0933.711.211 ĐƠNVỊTƯVẤNTHIẾTKẾ-DESIGNEDBY ĐỊACHỈ:105,CHUNGCƯA1,NGUYỄNÁI QUỐC,P.QUANGVINH,BIÊNHÒA-ĐỒNGNAI ĐIỆNTHOẠI:0916.989.135 TÊNCÔNGTRÌNH-PROJECT: VỊTRÍ-LOCATION: TÊNBẢNVẼ-DRAWINGTITLE CHỦTRÌ-PRIMARYARCHITECT: THIẾTKẾ-DESIGNBY: VẼ-DRAWNBY QUẢNLÝKỸTHUẬT-CHECKEDBY: KTS.NGUYỄNNGỌCBÍCH KS.LÊTHANHTUẤN KS.LÊTHANHTUẤN KTS.VŨMẠNHHẢI NGÀYGIAO-ISSUEDATE: MỤCĐÍCH PHÁTHÀNH ISSUEDATE T.K.SƠBỘ-CONCEPTDESIGN THICÔNG-EXECUTION MÃBẢNVẼ: 8/22/2016 11:26:43 AM KC-29 Mr.Elijah ĐỊACHỈ:161Pasteurphường6Quận3- TP.HCM VĂNPHÒNG17BBÍCHVÂN 161Pasteurphường6Quận3-TP.HCM THỐNGKÊTHÉPSÀNLẦU 2(P.1) 20/08/2016THỐNG KÊ THÉP SÀN LẦU 2 (P1) TẦNG CẤU KIỆN THÉP SỐ HIỆU THÉP Ø (mm) HÌNH DẠNG VÀ KÍCH THƯỚC SỐ LƯỢNG CHIỀU DÀI THANH (mm) SỐ CẤU KIỆN TỔNG SỐ THANH TỔNG CHIỀU DÀI (m) TỔNG KHỐI LƯỢNG (Kg) A B C HÌNH DẠNG D E F THÉP SÀN LẦU 2 THÉP SÀN LẦU 2 TSLD 1 8 58 1850 0 0 0 0 26 1966 1 26 51.1 20.17 THÉP SÀN LẦU 2 TSLD 2 8 58 2849 0 0 0 0 23 2965 1 23 68.2 26.91 THÉP SÀN LẦU 2 TSLD 3 8 58 7450 0 0 0 0 11 7566 1 11 83.2 32.84 THÉP SÀN LẦU 2 TSLD 3 8 58 7450 0 0 0 0 12 7566 1 12 90.8 35.82 THÉP SÀN LẦU 2 TSLD 3 8 58 7450 0 0 0 0 13 7566 1 13 98.4 38.81 THÉP SÀN LẦU 2 TSLD 3 8 58 7450 0 0 0 0 24 7566 1 24 181.6 71.65 THÉP SÀN LẦU 2 TSLD 4 8 58 3550 0 0 0 0 7 3666 1 7 25.7 10.13 THÉP SÀN LẦU 2 TSLD 5 8 3995 208 4573 0 0 0 13 8888 1 13 115.5 45.59 THÉP SÀN LẦU 2 TSLD 6 8 58 4750 0 0 0 0 14 4866 1 14 68.1 26.88 THÉP SÀN LẦU 2 TSLD 7 8 58 3750 0 0 0 0 11 3866 1 11 42.5 16.78 THÉP SÀN LẦU 2 TSLD 8 8 58 1777 145 1877 0 0 13 3907 1 13 50.8 20.04 THÉP SÀN LẦU 2 TSLD 9 8 58 4050 0 0 0 0 7 4166 1 7 29.2 11.51 THÉP SÀN LẦU 2 TSLD 10 8 58 5477 145 1877 0 0 13 7606 1 13 98.9 39.02 THÉP SÀN LẦU 2 TSLD 11 8 58 2952 145 1977 0 0 16 5181 1 16 82.9 32.71 THÉP SÀN LẦU 2 TSLD 12 8 3364 230 1802 145 1977 0 11 7622 1 11 83.8 33.08 THÉP SÀN LẦU 2 TSLD 13 8 58 2550 0 0 0 0 7 2666 1 7 18.7 7.36 THÉP SÀN LẦU 2 TSLD 14 8 58 4150 0 0 0 0 14 4266 1 14 59.7 23.57 THÉP SÀN LẦU 2 TSLD 15 8 58 1750 0 0 0 0 23 1866 1 23 42.9 16.93 THÉP SÀN LẦU 2 TSLD 16 10 110 3750 0 0 0 0 23 3970 1 23 91.3 56.29 THÉP SÀN LẦU 2 TSLD 16 10 110 3750 0 0 0 0 26 3970 1 26 103.2 63.64 THÉP SÀN LẦU 2 TSLD 17 8 58 2050 0 0 0 0 23 2166 1 23 49.8 19.66 THÉP SÀN LẦU 2 TSLD 17 8 58 2050 0 0 0 0 26 2166 1 26 56.3 22.22 THÉP SÀN LẦU 2 TSLT 18 10 60 1575 0 0 0 0 13 1645 1 13 21.4 13.18 THÉP SÀN LẦU 2 TSLT 18 10 60 1575 0 0 0 0 14 1645 1 14 23.0 14.20 THÉP SÀN LẦU 2 TSLT 18 10 60 1575 0 0 0 0 26 1645 1 26 42.8 26.37 THÉP SÀN LẦU 2 TSLT 19 10 60 4050 0 0 0 0 4 4120 1 4 16.5 10.16 THÉP SÀN LẦU 2 TSLT 19 10 60 4050 0 0 0 0 11 4120 2 22 90.6 55.88 THÉP SÀN LẦU 2 TSLT 20 10 60 1275 0 0 0 0 9 1345 1 9 12.1 7.46 THÉP SÀN LẦU 2 TSLT 20 10 60 1275 0 0 0 0 13 1345 1 13 17.5 10.78 THÉP SÀN LẦU 2 TSLT 20 10 60 1275 0 0 0 0 14 1345 1 14 18.8 11.61 THÉP SÀN LẦU 2 TSLT 20 10 60 1275 0 0 0 0 23 1345 1 23 30.9 19.07 THÉP SÀN LẦU 2 TSLT 20 10 60 1275 0 0 0 0 26 1345 1 26 35.0 21.56 THÉP SÀN LẦU 2 TSLT 21 10 60 7450 0 0 0 0 4 7520 1 4 30.1 18.55 THÉP SÀN LẦU 2 TSLT 21 10 60 7450 0 0 0 0 5 7520 2 10 75.2 46.36 THÉP SÀN LẦU 2 TSLT 21 10 60 7450 0 0 0 0 9 7520 2 18 135.4 83.45 THÉP SÀN LẦU 2 TSLT 22 10 60 1225 0 0 0 0 4 1295 1 4 5.2 3.19 THÉP SÀN LẦU 2 TSLT 22 10 60 1225 0 0 0 0 5 1295 1 5 6.5 3.99 THÉP SÀN LẦU 2 TSLT 22 10 60 1225 0 0 0 0 6 1295 1 6 7.8 4.79 THÉP SÀN LẦU 2 TSLT 22 10 60 1225 0 0 0 0 8 1295 1 8 10.4 6.39 THÉP SÀN LẦU 2 TSLT 22 10 60 1225 0 0 0 0 9 1295 1 9 11.7 7.19 THÉP SÀN LẦU 2 TSLT 22 10 60 1225 0 0 0 0 12 1295 1 12 15.5 9.58 THÉP SÀN LẦU 2 TSLT 23 10 60 1200 0 0 0 0 8 1270 1 8 10.2 6.26 THÉP SÀN LẦU 2 TSLT 23 10 60 1200 0 0 0 0 9 1270 2 18 22.9 14.09 THÉP SÀN LẦU 2 TSLT 23 10 60 1200 0 0 0 0 10 1270 1 10 12.7 7.83 STTHIỆUCHỈNHDATE
  • 57.
    www.autodesk.com/revit TỈLỆ: CHỦĐẦUTƯ-INVESTOR ĐIỆNTHOẠI:0933.711.211 ĐƠNVỊTƯVẤNTHIẾTKẾ-DESIGNEDBY ĐỊACHỈ:105,CHUNGCƯA1,NGUYỄNÁI QUỐC,P.QUANGVINH,BIÊNHÒA-ĐỒNGNAI ĐIỆNTHOẠI:0916.989.135 TÊNCÔNGTRÌNH-PROJECT: VỊTRÍ-LOCATION: TÊNBẢNVẼ-DRAWINGTITLE CHỦTRÌ-PRIMARYARCHITECT: THIẾTKẾ-DESIGNBY: VẼ-DRAWNBY QUẢNLÝKỸTHUẬT-CHECKEDBY: KTS.NGUYỄNNGỌCBÍCH KS.LÊTHANHTUẤN KS.LÊTHANHTUẤN KTS.VŨMẠNHHẢI NGÀYGIAO-ISSUEDATE: MỤCĐÍCH PHÁTHÀNH ISSUEDATE T.K.SƠBỘ-CONCEPTDESIGN THICÔNG-EXECUTION MÃBẢNVẼ: 8/22/2016 11:26:43 AM KC-30 Mr.Elijah ĐỊACHỈ:161Pasteurphường6Quận3- TP.HCM VĂNPHÒNG17BBÍCHVÂN 161Pasteurphường6Quận3-TP.HCM THỐNGKÊTHÉPSÀNLẦU 2(P.2) 20/08/2016 THỐNGKÊ THÉP SÀN LẦU 2 (P2) TẦNG CẤU KIỆN THÉP SỐ HIỆU THÉP Ø (mm) HÌNH DẠNG VÀ KÍCH THƯỚC SỐ LƯỢNG CHIỀU DÀI THANH (mm) SỐ CẤU KIỆN TỔNG SỐ THANH TỔNG CHIỀU DÀI (m) TỔNG KHỐI LƯỢNG (Kg) A B C HÌNH DẠNG D E F THÉP SÀN LẦU 2 THÉP SÀN LẦU 2 TSLT 24 10 60 2450 0 0 0 0 3 2520 1 3 7.6 4.66 THÉP SÀN LẦU 2 TSLT 24 10 60 2450 0 0 0 0 5 2520 1 5 12.6 7.77 THÉP SÀN LẦU 2 TSLT 24 10 60 2450 0 0 0 0 9 2520 1 9 22.7 13.98 THÉP SÀN LẦU 2 TSLT 24 10 60 2450 0 0 0 0 10 2520 1 10 25.2 15.54 THÉP SÀN LẦU 2 TSLT 25 10 60 1375 0 0 0 0 3 1445 1 3 4.3 2.67 THÉP SÀN LẦU 2 TSLT 25 10 60 1375 0 0 0 0 5 1445 1 5 7.2 4.45 THÉP SÀN LẦU 2 TSLT 25 10 60 1375 0 0 0 0 6 1445 1 6 8.7 5.35 THÉP SÀN LẦU 2 TSLT 25 10 60 1375 0 0 0 0 9 1445 1 9 13.0 8.02 THÉP SÀN LẦU 2 TSLT 25 10 60 1375 0 0 0 0 12 1445 1 12 17.3 10.69 THÉP SÀN LẦU 2 TSLT 26 10 1576 249 1081 0 0 0 23 2970 1 23 68.3 42.12 THÉP SÀN LẦU 2 TSLT 27 10 60 600 0 0 0 0 8 670 1 8 5.4 3.30 THÉP SÀN LẦU 2 TSLT 27 10 60 600 0 0 0 0 9 670 2 18 12.1 7.43 THÉP SÀN LẦU 2 TSLT 27 10 60 600 0 0 0 0 10 670 1 10 6.7 4.13 THÉP SÀN LẦU 2 TSLT 28 10 60 725 0 0 0 0 23 795 2 46 36.6 22.55 THÉP SÀN LẦU 2 TSLT 28 10 60 725 0 0 0 0 26 795 2 52 41.3 25.49 THÉP SÀN LẦU 2 TSLT 29 10 3376 226 1886 0 0 0 11 5553 1 11 61.1 37.66 THÉP SÀN LẦU 2 TSLT 30 10 60 3035 0 0 0 0 16 3105 1 16 49.7 30.63 THÉP SÀN LẦU 2 TSLT 31 10 60 4160 0 0 0 0 13 4230 1 13 55.0 33.90 THÉP SÀN LẦU 2 TSLT 32 10 60 1786 0 0 0 0 9 1856 1 9 16.7 10.30 THÉP SÀN LẦU 2 TSLT 33 10 60 2885 0 0 0 0 2 2955 1 2 5.9 3.64 THÉP SÀN LẦU 2 TSLT 34 10 60 1660 0 0 0 0 10 1730 1 10 17.3 10.67 THÉP SÀN LẦU 2 TSLT 35 10 60 1875 0 0 0 0 3 1945 1 3 5.8 3.60 THÉP SÀN LẦU 2 TSLT 36 10 60 6150 0 0 0 0 7 6220 1 7 43.5 26.84 THÉP SÀN LẦU 2 TSLT 37 10 60 1600 0 0 0 0 9 1670 2 18 30.1 18.53 THÉP SÀN LẦU 2 TSLT 38 10 60 1100 0 0 0 0 8 1170 1 8 9.4 5.77 THÉP SÀN LẦU 2 TSLT 38 10 60 1100 0 0 0 0 9 1170 2 18 21.1 12.98 THÉP SÀN LẦU 2 TSLT 39 10 60 1125 0 0 0 0 13 1195 1 13 15.5 9.58 THÉP SÀN LẦU 2 TSLT 39 10 60 1125 0 0 0 0 14 1195 1 14 16.7 10.31 THÉP SÀN LẦU 2 TSLT 40 10 60 2060 0 0 0 0 8 2130 2 16 34.1 21.01 THÉP SÀN LẦU 2 TSLT 41 10 60 625 0 0 0 0 14 695 1 14 9.7 6.00 THÉP SÀN LẦU 2 TSLT 42 10 60 1900 0 0 0 0 4 1970 2 8 15.8 9.72 THÉP SÀN LẦU 2 TSLT 43 10 60 535 0 0 0 0 14 605 1 14 8.5 5.22 THÉP SÀN LẦU 2 TSLT 44 10 60 575 0 0 0 0 26 645 2 52 33.5 20.68 THÉP SÀN LẦU 2 TSLT 45 10 60 875 0 0 0 0 23 945 2 46 43.5 26.80 THÉP SÀN LẦU 2 TSLT 46 10 60 3550 0 0 0 0 3 3620 1 3 10.9 6.70 THÉP SÀN LẦU 2 TSLT 46 10 60 3550 0 0 0 0 6 3620 1 6 21.7 13.39 THÉP SÀN LẦU 2 TSLT 47 10 60 700 0 0 0 0 10 770 2 20 15.4 9.49 THÉP SÀN LẦU 2 TSLT 48 10 60 3750 0 0 0 0 2 3820 1 2 7.6 4.71 THÉP SÀN LẦU 2 TSLT 49 10 60 1960 0 0 0 0 13 2030 2 26 52.8 32.54 TỔNG KHỐI LƯỢNG THÉP CÓ ĐƯỜNG KÍNH Ø <= 8mm : 551.68 KG TỔNG KHỐI LƯỢNG THÉP CÓ ĐƯỜNG KÍNH Ø > 8mm : 1070.69 KG GHI CHÚ BẢNG TÍNH: TSLT: THÉP SÀN LỚP TRÊN TSLD: THÉP SÀN LỚP DƯỚI STTHIỆUCHỈNHDATE
  • 58.
    www.autodesk.com/revit TỈ LỆ : CHỦĐẦU TƯ - INVESTOR ĐIỆN THOẠI: 0933.711.211 ĐƠN VỊ TƯ VẤN THIẾT KẾ - DESIGNED BY ĐỊA CHỈ: 105, CHUNG CƯ A1, NGUYỄN ÁI QUỐC, P.QUANG VINH, BIÊN HÒA-ĐỒNG NAI ĐIỆN THOẠI: 0916.989.135 TÊN CÔNG TRÌNH - PROJECT: VỊ TRÍ - LOCATION: TÊN BẢN VẼ - DRAWING TITLE CHỦ TRÌ - PRIMARY ARCHITECT: THIẾT KẾ - DESIGN BY: VẼ - DRAWN BY QUẢN LÝ KỸ THUẬT - CHECKED BY: KTS. NGUYỄN NGỌC BÍCH KS. LÊ THANH TUẤN KS. LÊ THANH TUẤN KTS.VŨ MẠNH HẢI NGÀY GIAO-ISSUE DATE : MỤC ĐÍCH PHÁT HÀNH ISSUE DATE T.K.SƠ BỘ-CONCEPT DESIGN THI CÔNG - EXECUTION MÃ BẢN VẼ : 8/22/20162:03:54PM KC-31 Mr. Elijah ĐỊA CHỈ : 161 Pasteur phường 6 Quận3 - TP.HCM VĂN PHÒNG 17B BÍCH VÂN 161 Pasteur phường 6 Quận3 - TP.HCM THỐNG KÊ THÉP CẤU KIỆN CẦU THANG 20/08/2016 THỐNG KÊ THÉP SÀN CẦU THANG TẦNG CẤU KIỆN THÉP SỐ HIỆU THÉP Ø (mm) HÌNH DẠNG VÀ KÍCH THƯỚC SỐ LƯỢNG CHIỀU DÀI THANH (mm) SỐ CẤU KIỆN TỔNG SỐ THANH TỔNG CHIỀU DÀI (m) TỔNG KHỐI LƯỢNG (Kg) A B C HÌNH DẠNG D E F CẦU THANG CẦU THANG TSLD 1 10 52 532 3494 103 325 0 8 4444 1 8 35.6 21.92 CẦU THANG TSLT 2 10 70 767 181 86 159 99 8 1081 1 8 8.7 5.33 CẦU THANG TSLT 3 10 55 620 901 517 738 72 8 1606 1 8 12.9 7.92 CẦU THANG TSLD 4 8 50 945 0 0 0 0 5 1045 3 15 15.7 6.18 CẦU THANG TSLD 4 8 50 945 0 0 0 0 10 1045 1 10 10.4 4.12 CẦU THANG 5 8 0 945 0 0 0 0 5 945 4 20 18.9 7.46 CẦU THANG TSLT 5 8 0 945 0 0 0 0 7 945 1 7 6.6 2.61 CẦU THANG TSLD 5 8 0 945 0 0 0 0 13 945 1 13 12.3 4.85 CẦU THANG 6 8 0 2170 0 0 0 0 6 2170 2 12 26.0 10.27 CẦU THANG TSLT 7 10 0 55 860 155 0 0 7 1020 1 7 7.1 4.40 CẦU THANG TSLD 8 10 0 860 0 0 0 0 7 860 1 7 6.0 3.71 CẦU THANG TSLT 9 10 55 883 623 340 521 81 8 1606 1 8 12.8 7.92 CẦU THANG TSLD 10 10 885 1834 178 0 0 0 8 2889 1 8 23.1 14.25 CẦU THANG TSLT 11 10 56 142 648 372 531 58 8 863 1 8 6.9 4.26 TỔNG KHỐI LƯỢNG THÉP CÓ ĐƯỜNG KÍNH Ø <= 8mm : 43.35 KG TỔNG KHỐI LƯỢNG THÉP CÓ ĐƯỜNG KÍNH Ø > 8mm : 68.96 KG STT HIỆU CHỈNH DATE
  • 59.
    www.autodesk.com/revit TỈ LỆ : CHỦĐẦU TƯ - INVESTOR ĐIỆN THOẠI: 0933.711.211 ĐƠN VỊ TƯ VẤN THIẾT KẾ - DESIGNED BY ĐỊA CHỈ: 105, CHUNG CƯ A1, NGUYỄN ÁI QUỐC, P.QUANG VINH, BIÊN HÒA-ĐỒNG NAI ĐIỆN THOẠI: 0916.989.135 TÊN CÔNG TRÌNH - PROJECT: VỊ TRÍ - LOCATION: TÊN BẢN VẼ - DRAWING TITLE CHỦ TRÌ - PRIMARY ARCHITECT: THIẾT KẾ - DESIGN BY: VẼ - DRAWN BY QUẢN LÝ KỸ THUẬT - CHECKED BY: KTS. NGUYỄN NGỌC BÍCH KS. LÊ THANH TUẤN KS. LÊ THANH TUẤN KTS.VŨ MẠNH HẢI NGÀY GIAO-ISSUE DATE : MỤC ĐÍCH PHÁT HÀNH ISSUE DATE T.K.SƠ BỘ-CONCEPT DESIGN THI CÔNG - EXECUTION MÃ BẢN VẼ : 8/22/20162:03:55PM KC-32 Mr. Elijah ĐỊA CHỈ : 161 Pasteur phường 6 Quận3 - TP.HCM VĂN PHÒNG 17B BÍCH VÂN 161 Pasteur phường 6 Quận3 - TP.HCM THỐNG KÊ THÉP DẦM CẦU THANG 20/08/2016 THỐNG KÊ THÉP DẦM CẦU THANG TẦNG CẤU KIỆN THÉP SỐ HIỆU THÉP Ø (mm) HÌNH DẠNG VÀ KÍCH THƯỚC SỐ LƯỢNG CHIỀU DÀI THANH (mm) SỐ CẤU KIỆN TỔNG SỐ THANH TỔNG CHIỀU DÀI (m) TỔNG KHỐI LƯỢNG (Kg) A B C HÌNH DẠNG D E F LẦU 1 LẦU 1 THÉP DẦM CẦU THANG 6 6 35 150 250 150 250 0 5 839 1 5 4.2 0.93 LẦU 1 THÉP DẦM CẦU THANG 6 6 35 150 250 150 250 0 7 839 2 14 11.7 2.61 LẦU 1 THÉP DẦM CẦU THANG 6 6 35 150 250 150 250 0 10 839 2 20 16.8 3.72 LẦU 1 THÉP DẦM CẦU THANG 6 6 35 150 250 150 250 0 12 839 2 24 20.1 4.47 LẦU 1 THÉP DẦM CẦU THANG 17 16 0 194 4150 194 0 0 3 4458 1 3 13.4 21.11 LẦU 1 THÉP DẦM CẦU THANG 18 16 0 4150 0 0 0 0 2 4150 1 2 8.3 13.10 LẦU 1 THÉP DẦM CẦU THANG 19 12 0 2550 0 0 0 0 2 2550 2 4 10.2 9.06 LẦU 1 THÉP DẦM CẦU THANG 19 12 0 2550 0 0 0 0 3 2550 2 6 15.3 13.58 LẦU 2 LẦU 2 THÉP DẦM CẦU THANG 7 6 35 150 250 150 250 0 5 839 1 5 4.2 0.93 LẦU 2 THÉP DẦM CẦU THANG 7 6 35 150 250 150 250 0 7 839 2 14 11.7 2.61 LẦU 2 THÉP DẦM CẦU THANG 7 6 35 150 250 150 250 0 10 839 2 20 16.8 3.72 LẦU 2 THÉP DẦM CẦU THANG 7 6 35 150 250 150 250 0 12 839 1 12 10.1 2.23 LẦU 2 THÉP DẦM CẦU THANG 23 16 0 194 4150 194 0 0 3 4458 1 3 13.4 21.11 LẦU 2 THÉP DẦM CẦU THANG 24 16 0 4150 0 0 0 0 2 4150 1 2 8.3 13.10 LẦU 2 THÉP DẦM CẦU THANG 25 12 0 2550 0 0 0 0 2 2550 1 2 5.1 4.53 LẦU 2 THÉP DẦM CẦU THANG 25 12 0 2550 0 0 0 0 3 2550 1 3 7.7 6.79 TỔNG KHỐI LƯỢNG THÉP CÓ ĐƯỜNG KÍNH Ø <= 8mm : 21.22 KG TỔNG KHỐI LƯỢNG THÉP CÓ ĐƯỜNG KÍNH Ø > 8mm : 102.4 KG STT HIỆU CHỈNH DATE