Patents:
Note: All thru hole Resistors are 1/4 Watt unless otherwise indicated.
All SMT 1206 Resistors are 1/4 Watt.
All SMT 0805 Resistors are 1/10 Watt.
Note Capacitor Values are indicated as Follows:
val P = pF (picoFarads) val * 10 exp-12
val N = nF (nanoFarads) val * 10 exp-9 (1N=1000pF, 100N=0.1uF)
val U = uF (microFarads) val * 10 exp-6
INDEX
SHEET DESCRIPTION
REV Eng Date: Revision Description
A
B
C
D
E
F
ECN#
Meridian, MS 39301
Peavey Electronics Corp.
P. O. Box 2898
Title:
ofSheet Saved:
Eng: Release Date:
Project Number:
Product:
B
A
21
B
A
21
C
*Company Proprietary Information*
Copyright Peavey Electronics Corporation 2008.
DSP_15W
PWRAMP
1 2 8-13-2008_12:11
AGND
Meridian, MS 39301
Peavey Electronics Corp.
P. O. Box 2898
Sheet Title:
Title:
Sheet Date:of
B
A
21
B
A
21
C
DGND
VIN VOUT
GND
VIN VOUT
GND
VIN VOUT
GND
DGND
AGND
H
L
W
AGND
+
V+
V-
-
+
AGND
Master
Volume
Breakaway
POWER AMP
VYPYR 15
LARGE SHORT TRACE!!!!
BLUE (- SPEAKER)
YELLOW (+ SPEAKER)
TO XFMR HOT
TO XFMR NEU
IEC HOT
IEC NEU
POWER SWITCH
AC PRIMARY SECTION
(ALL VOLTAGE VERSIONS)
C8
50V
3.3N
HW1
LBRKT
PIN045
P15
P91 2
F1
F1A
P5
5
4
3
2
1 U2
TDA2040
C20
63V 220U
C21
63V
220U
R5
4.7
+18V
R8
39.2K
R9
475
R1
475
R3
475
R4
4.7K 1W
+30V
+8V
4
2
87
6
1
3
5
HDR8
P1
-12V
HW3
HS220V
+12V
+5V
+18V
-18V
+30V
-12V
+12V
-18V
+8V
+5V
3
2
1
P3
HDR3LKVR1
10K
B
1N4003
D13
1N4003
D14
100N
50V
C16
C13
50V
100N
100N
50V
C17 C1
16V
2200U
C5
50V
22U
22U
50V
C3C7
35V
1000U
1000U
35V
C6 C22
35V
1000U
C2
50V
22U
C4
50V
22U
C9
50V
22U
C18
50V
100N
220N 50V
C14
C12
50V220N
C15
50V33N
R7
68.1K
C10
1000V
10N
HW2
LBRKT
R2
4.7
15V
D2
D1
15V
1N4003
D4
P6 P10P8
C19
275V
100N
1 3
2
U1
7805F
D3
1N4003
2 3
1
U3
7912F
1 3
2
U4
7812F
PIN045
P14
1N4003
D12
D11
1N4003
P4
8-13-2008_12:112 2
R10
0.2
3W
D6
1N40031N4003
D5
P16
PIN045
PIN045
P13
10N
1000V
C11
D10
1N4003 1N4003
D9
D8
1N4003
P12
PIN045
1N4003
D7
P11P7
1000U
35V
C23
BILL OF MATERIAL REPORT
-----------------------
REPORT DATE/TIME: 8/18/2008 8:39:06 AM
BOARD NAME: VYPYR 15 Power Amp ASSEMBLY LEVEL NUMBER: 29098431
PROJECT NUMBER: P0600077 DESIGNER: JTH
Qty. Part # Description Reference Designators
--------------------------------------------------------------------------------
--
1 30200041 4.7 1/4W 5% MF 1206 R2
1 30200259 39.2K 1/10W 1% MF 0805 R8
1 30200335 68.1K 1/10W 1% MF 0805 R7
3 30200356 475 1/10W 1% MF 0805 R1 R3 R9
1 30200362 4.7 1/4W 5% FUSIBLE 1206 R5
1 30210006 4700 1W 5% MO AXL R4
1 30250099 0.2---3W-----5%---MO--T&R R10
3 30300093 0.1UF 50V 10% X7R 0805 C13 C16 C17
1 30300145 3300PF 50V 5% X7R 0805 C8
5 30320181 22UF 50V 20% EL RAD C2 C3 C4 C5
C9
4 30320186 1000UF 35V 20% EL RAD C6 C7 C22 C23
2 30320248 0.01UF 1000V 80-20% Z5U RAD C10 C11
1 30320298 0.1UF 275V 20% "X" RADH C19
2 30320566 220UF 63V 20% EL LOW ESR C20 C21
1 30320674 2200UF 16V 20% EL RAD C1
1 30330115 0.033UF 50V 5% PE RAD C15
2 30330128 0.22UF 50V 5% PE RAD C12 C14
1 30330129 0.1UF 50V 5% PE RAD C18
1 30400315 7912F -12V INSUL TO-220F U3
1 30400321 7812F +12V VREG TO-220F U4
1 30400322 7805F +5V INSUL TO-220F U1
1 30402040 TDA-2040 PWRAMP HOR.MNT U2
12 30418261 1N4003 - SMT - SMA PKG D3 D4 D5 D6
D7 D8 D9 D10
D11 D12 D13 D14
2 30418504 15V 1.5W ZENER SMA D1 D2
2 30651206 BLK 16G 5" CPTX2 P4 P5
1 30900629 AAVID VER TO220 HEATSINK HW3
1 30901244 1A FUSE 5X15MM PIG TAIL T&R F1
1 31190900 10KB SNGL 12MM HOR VR1
2 31500238 #741 LBRACKET W/4-40 HOLE HW1 HW2
6 33716194 SPADE .250 PC MNT .093 P6 P7 P8 P9
P10 P11
5 33717003 1 STAKE PIN .045 .625 TIN P12 P13 P14 P15
P16
1 33717013 3 HDR V SR .100" TIN LK P3
1 33717359 8 HDR V DR 2MM GOLD P1
3 FIDUCIAL ????????????????????????????? FID1 FID2 FID3
2 TAB_VCI ????????????????????????????? TAB2 TAB3
------------------------------
END OF BILL OF MATERIAL REPORT
------------------------------

Peavey Vypyr Schematic

  • 1.
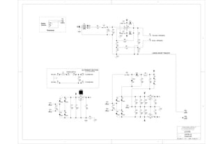
    Patents: Note: All thruhole Resistors are 1/4 Watt unless otherwise indicated. All SMT 1206 Resistors are 1/4 Watt. All SMT 0805 Resistors are 1/10 Watt. Note Capacitor Values are indicated as Follows: val P = pF (picoFarads) val * 10 exp-12 val N = nF (nanoFarads) val * 10 exp-9 (1N=1000pF, 100N=0.1uF) val U = uF (microFarads) val * 10 exp-6 INDEX SHEET DESCRIPTION REV Eng Date: Revision Description A B C D E F ECN# Meridian, MS 39301 Peavey Electronics Corp. P. O. Box 2898 Title: ofSheet Saved: Eng: Release Date: Project Number: Product: B A 21 B A 21 C *Company Proprietary Information* Copyright Peavey Electronics Corporation 2008. DSP_15W PWRAMP 1 2 8-13-2008_12:11
  • 2.
    AGND Meridian, MS 39301 PeaveyElectronics Corp. P. O. Box 2898 Sheet Title: Title: Sheet Date:of B A 21 B A 21 C DGND VIN VOUT GND VIN VOUT GND VIN VOUT GND DGND AGND H L W AGND + V+ V- - + AGND Master Volume Breakaway POWER AMP VYPYR 15 LARGE SHORT TRACE!!!! BLUE (- SPEAKER) YELLOW (+ SPEAKER) TO XFMR HOT TO XFMR NEU IEC HOT IEC NEU POWER SWITCH AC PRIMARY SECTION (ALL VOLTAGE VERSIONS) C8 50V 3.3N HW1 LBRKT PIN045 P15 P91 2 F1 F1A P5 5 4 3 2 1 U2 TDA2040 C20 63V 220U C21 63V 220U R5 4.7 +18V R8 39.2K R9 475 R1 475 R3 475 R4 4.7K 1W +30V +8V 4 2 87 6 1 3 5 HDR8 P1 -12V HW3 HS220V +12V +5V +18V -18V +30V -12V +12V -18V +8V +5V 3 2 1 P3 HDR3LKVR1 10K B 1N4003 D13 1N4003 D14 100N 50V C16 C13 50V 100N 100N 50V C17 C1 16V 2200U C5 50V 22U 22U 50V C3C7 35V 1000U 1000U 35V C6 C22 35V 1000U C2 50V 22U C4 50V 22U C9 50V 22U C18 50V 100N 220N 50V C14 C12 50V220N C15 50V33N R7 68.1K C10 1000V 10N HW2 LBRKT R2 4.7 15V D2 D1 15V 1N4003 D4 P6 P10P8 C19 275V 100N 1 3 2 U1 7805F D3 1N4003 2 3 1 U3 7912F 1 3 2 U4 7812F PIN045 P14 1N4003 D12 D11 1N4003 P4 8-13-2008_12:112 2 R10 0.2 3W D6 1N40031N4003 D5 P16 PIN045 PIN045 P13 10N 1000V C11 D10 1N4003 1N4003 D9 D8 1N4003 P12 PIN045 1N4003 D7 P11P7 1000U 35V C23
  • 4.
    BILL OF MATERIALREPORT ----------------------- REPORT DATE/TIME: 8/18/2008 8:39:06 AM BOARD NAME: VYPYR 15 Power Amp ASSEMBLY LEVEL NUMBER: 29098431 PROJECT NUMBER: P0600077 DESIGNER: JTH Qty. Part # Description Reference Designators -------------------------------------------------------------------------------- -- 1 30200041 4.7 1/4W 5% MF 1206 R2 1 30200259 39.2K 1/10W 1% MF 0805 R8 1 30200335 68.1K 1/10W 1% MF 0805 R7 3 30200356 475 1/10W 1% MF 0805 R1 R3 R9 1 30200362 4.7 1/4W 5% FUSIBLE 1206 R5 1 30210006 4700 1W 5% MO AXL R4 1 30250099 0.2---3W-----5%---MO--T&R R10 3 30300093 0.1UF 50V 10% X7R 0805 C13 C16 C17 1 30300145 3300PF 50V 5% X7R 0805 C8 5 30320181 22UF 50V 20% EL RAD C2 C3 C4 C5 C9 4 30320186 1000UF 35V 20% EL RAD C6 C7 C22 C23 2 30320248 0.01UF 1000V 80-20% Z5U RAD C10 C11 1 30320298 0.1UF 275V 20% "X" RADH C19 2 30320566 220UF 63V 20% EL LOW ESR C20 C21 1 30320674 2200UF 16V 20% EL RAD C1 1 30330115 0.033UF 50V 5% PE RAD C15 2 30330128 0.22UF 50V 5% PE RAD C12 C14 1 30330129 0.1UF 50V 5% PE RAD C18 1 30400315 7912F -12V INSUL TO-220F U3 1 30400321 7812F +12V VREG TO-220F U4
  • 5.
    1 30400322 7805F+5V INSUL TO-220F U1 1 30402040 TDA-2040 PWRAMP HOR.MNT U2 12 30418261 1N4003 - SMT - SMA PKG D3 D4 D5 D6 D7 D8 D9 D10 D11 D12 D13 D14 2 30418504 15V 1.5W ZENER SMA D1 D2 2 30651206 BLK 16G 5" CPTX2 P4 P5 1 30900629 AAVID VER TO220 HEATSINK HW3 1 30901244 1A FUSE 5X15MM PIG TAIL T&R F1 1 31190900 10KB SNGL 12MM HOR VR1 2 31500238 #741 LBRACKET W/4-40 HOLE HW1 HW2 6 33716194 SPADE .250 PC MNT .093 P6 P7 P8 P9 P10 P11 5 33717003 1 STAKE PIN .045 .625 TIN P12 P13 P14 P15 P16 1 33717013 3 HDR V SR .100" TIN LK P3 1 33717359 8 HDR V DR 2MM GOLD P1 3 FIDUCIAL ????????????????????????????? FID1 FID2 FID3 2 TAB_VCI ????????????????????????????? TAB2 TAB3 ------------------------------ END OF BILL OF MATERIAL REPORT ------------------------------