HTP-591
Front speakers (SKF-591)
Front speakers
Center speaker (SKC-591N/SKC-591)
Center speake
SKC-591N (North American and Brazilian)
SKC-591 (Asian)
Surround speakers (SKR-590)
Surround back speakers (SKB-590)
Powered subwoofer (SKW-591)
Surround speakers Surround back
speakers
Subwoofer
7.1ch Home Theater Speaker Package
Black model
MODEL HTP-591(B)
120V AC, 60Hz
220-240V AC, 50/60Hz
B MDD/MDC/MDS
B MMQ
Ref. No. 4373
032012
SKW-558/591/658/791
SERVICE PROCEDURE
A
1
2
3
4
5
B C D
AFIN D'ASSURER UNE PROTECTION
PERMANENTE CONTRE LES RISQUES
D'INCENDIE, REMPLACER UNIQUEMENT
PAR UN FUSIBLE DE MEME TYPE
ET CALIBRATION COMME INDIQUE.
ATTENTION
V A
THAT THE FUSE USED IS SLOW OPERATING TYPE
RATING REFER TO THE MAKING ADJACENT TO THE SYMBOL.
THIS SYMBOL LOCATED NEAR THE FUSE INDICATES
FOR CONTINUED PROTECTION AGAINST FIRE FUSE
HAZARD,REPLACE WITH SAME TYPE FUSE. FOR FUSE
CE SYMBOLE INDIQUE QUE LE FUSIBLE UTLISE EST
A LENT, E POUR UNE PROTECTION PERMANENTE,N'UTILISER
QUE DES FUSIBLES DE MEME TYPE. CE DARNIER EST
INDIQUE LA QU LE PRESENT SYMBOL EST APPOSE.
A
V
CAUTION
AND RATING INDICATED.
ONLY WITH FUSE OF SAME TYPE
AGAINST FIRE HAZARD, REPLACE
FOR CONTINUED PROTECTION
AFIN D'ASSURER UNE PROTECTION
PERMANENTE CONTRE LES RISQUES
D'INCENDIE, REMPLACER UNIQUEMENT
PAR UN FUSIBLE DE MEME TYPE
ET CALIBRATION COMME INDIQUE.
ATTENTION
V A
THAT THE FUSE USED IS SLOW OPERATING TYPE
RATING REFER TO THE MAKING ADJACENT TO THE SYMBOL.
THIS SYMBOL LOCATED NEAR THE FUSE INDICATES
FOR CONTINUED PROTECTION AGAINST FIRE FUSE
HAZARD,REPLACE WITH SAME TYPE FUSE. FOR FUSE
CE SYMBOLE INDIQUE QUE LE FUSIBLE UTLISE EST
A LENT, E POUR UNE PROTECTION PERMANENTE,N'UTILISER
QUE DES FUSIBLES DE MEME TYPE. CE DARNIER EST
INDIQUE LA QU LE PRESENT SYMBOL EST APPOSE.
A
V
CAUTION
AND RATING INDICATED.
ONLY WITH FUSE OF SAME TYPE
AGAINST FIRE HAZARD, REPLACE
FOR CONTINUED PROTECTION
1. Replacing the fuses
2. Safety-check out
(Only U.S.A. model)
After correcting the original service problem, perform the
following safety check before releasing the set to the customer.
Connect the insulating-resistance tester between the plug of power
supply cord and screw on the back panel.
Specifications: 3.3Mohm±10% at 500V.
CIRCUIT NO. PART NO. DESCRIPTION
F901 252395T 2.5A-SEUL-TL250V
HTP-591
Exploded views - 1
U0010
A003 A001
WOOD SCREW
NSP
<MDS> type only
A005
x 5PCS.
A002
SP01:COMPLETE SUBWOOFER AS
SP02:SUBWOOFER BOX AS (Without AMP. & SP Unit)
SP03:FOOT
x 4 PCS.
WOOD SCREW 4/20 BIND AB ED
x 8PCS.
SP04:WOOFER
WOOD SCREW 4/20 BIND AB ED
x 6 PCS.
R302A
P902
P901
HTP-591
Exploded views - 2
SP23
SP21
R-ch
SP20
L-ch
SP25
L-ch
SP26
R-ch
Front Speakers
SKF-591
Center speaker
SKC-591
SKC-591N
Surround speakers
SKR-590
SP35
L-ch
SP36
R-ch
Surround Back speakers
SKB-590
SKW-558/591/658/791
OPERATION CHECK
1. Power On Check
Enter the plug in a state of inputting a signal "-45dVB, 80Hz," and the LED turns on within 5 seconds.
2. Wave form
No input and 8 ohm load, immediately after POWER ON.
Output wave form is observed without letting a filter pass, and it checks that carrier wave forms are about
2.0Vpp.
3. Audio Sense operation
Confirm that it becomes ON after inputting a signal, "-45dBV, 80Hz".
A short with 0ohm at TEST POINT 4, it become OFF after a few seconds.
4. Voltage protection
The SKW-AMP become OFF immediately after "D.C. 1.5V input".
The same as above when "D.C. -1.5V" inputs.
NOTE:
Limit time to apply voltage is 0.5-1.0 seconds.
Don't connect load nor short speaker terminals.
5. Current protection
The SKW-AMP shall be ON when 2 ohm load is connected to output channel under the conditions of peak-
to-zero 10V output and no load by using Differentiationg circuit with 50Hz square signal.
The SKW-AMP shall be OFF when 0.5 ohm load is connected to output channel under the conditions of
peak-to-zero 10V output and no load by using Differentiationg circuit with 50Hz square signal.
6. Ponping protection
The SKW-AMP shall be OFF immediately after short-circuiting "TEST POINT 2 and 3" by resistance of
100k ohm.
7. Thermal protection
The SKW-AMP shall be OFF immediately after short-circuiting "TEST POINT 1" by resistance of 5.6k ohm.
INPUT
OUT-
PUT
3.3k
10k
1SS133
3.3k
GND
0.01 F
0.1 F
Differentiating Circuit
HTP-591
Packing view
A
1
2
3
4
5
B C D E F G H
6
7
8
I J K
SKW-591/558/791/658
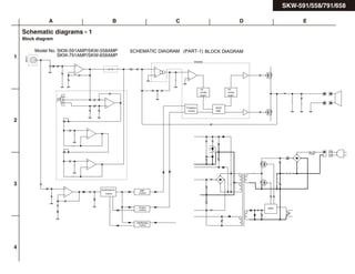
Schematic diagrams - 1
Block diagram
A
1
2
3
4
B C D E
SHIFT
LEVEL
HV
IRS2092
DEAD
TIME
SHIFT
LEVEL
HV
Control
Protection
FUSE
L6591
SCHEMATIC DIAGRAM (PART-1) BLOCK DIAGRAM
Model No. SKW-591AMP/SKW-558AMP
SKW-791AMP/SKW-658AMP
AutoPowerOn
Control Control
Control
ON/Standby
Control
Protect
AMP
INPUT
SKW-591/558/791/658
Schematic diagrams - 2
A
1
2
3
4
5
B C D E F G H
6
7
8
I J K
VAA
VSS
VB
+B
GND
-B
+12V
-12V
CSD
A_POWER
PROTECT
*
*
400kHz
400kHz
200kHz
Model No. SKW-591AMP/SKW-558AMP
SKW-791AMP/SKW-658AMP
SCHEMATIC DIAGRAM (PART-2)
FOR FILTER CONTROL MODEL ONLY
BAAF-1141
0.22u/275V
T2.5AL250V
0.001u/250V
*
*
*
0.001u/250V
*
*
POFF
BLUE RED
*
22u
-1A, -1B: 40V; -1C: 30V
*
*
*
-1A, -1B: -40V; -1C: -30V
0.22u/275V
*
0.001u/250V
FerriteCore
TR-25-15-12(Dot)
*
*
*
BAAF-1141-1B
BAAF-1141-1C
SKW-791<MDD>
SKW-591<MMK/Q>
BAAF-1141-1A SKW-591<MDS/D>
SKW-558<MMQ/A/P>
SKW-658<MMP>
NPT-1615S
NPT-1616S
100u/400V
100u/400V
NC
NC
180K
150K
180K
150K
220K 390K
180K 470K
1.2K
1.2K
2.2K
1.2K
5600/71
6800/56
5600/71
6800/56
10K
12K
5.6K
6.8K
NC
NC
ON
ON
T951 R738 C954 C955 R905 R908
R730 R434
R433 C901 C902
R465 R466 J951 J952
NPT-1615S 220K 390K 220u/250V 220u/250V 180K 180K 1.2K 2.2K 10K 5.6K 6800/56 6800/56 ON NC
D501
M1FL20U
C903
471
R557
10K
R901
6.8(1/4W)
R501
4.7(1/4W)
C434
102J
Q554
2SC2712
D551
UDZS5.6B
C922
10/50
R913
1K
R914
10K
Q954A
Q411 TC74HCU04AF
1
2
3
4
5
6
7
GND
8
OUT4
9
IN4
10
OUT5
11
IN5
12
OUT6
13
IN6
14
VCC
R405
NC
Q701
KRC104S
Q955A
Q724
KRA102S
C401
221
R401
100
R952
100K
AFIN D'ASSURER UNE PROTECTION
PERMANENTE CONTRE LES RISQUES
D'INCENDIE, REMPLACER UNIQUEMENT
PAR UN FUSIBLE DE MEME TYPE
ET CALIBRATION COMME INDIQUE.
ATTENTION
V A
THAT THE FUSE USED IS SLOW OPERATING TYPE
RATING REFER TO THE MAKING ADJACENT TO THE SYMBOL.
THIS SYMBOL LOCATED NEAR THE FUSE INDICATES
FOR CONTINUED PROTECTION AGAINST FIRE FUSE
HAZARD,REPLACE WITH SAME TYPE FUSE. FOR FUSE
CE SYMBOLE INDIQUE QUE LE FUSIBLE UTLISE EST
A LENT, E POUR UNE PROTECTION PERMANENTE,N'UTILISER
QUE DES FUSIBLES DE MEME TYPE. CE DARNIER EST
INDIQUE LA QU LE PRESENT SYMBOL EST APPOSE.
A
V
CAUTION
AND RATING INDICATED.
ONLY WITH FUSE OF SAME TYPE
AGAINST FIRE HAZARD, REPLACE
FOR CONTINUED PROTECTION
AFIN D'ASSURER UNE PROTECTION
PERMANENTE CONTRE LES RISQUES
D'INCENDIE, REMPLACER UNIQUEMENT
PAR UN FUSIBLE DE MEME TYPE
ET CALIBRATION COMME INDIQUE.
ATTENTION
V A
THAT THE FUSE USED IS SLOW OPERATING TYPE
RATING REFER TO THE MAKING ADJACENT TO THE SYMBOL.
THIS SYMBOL LOCATED NEAR THE FUSE INDICATES
FOR CONTINUED PROTECTION AGAINST FIRE FUSE
HAZARD,REPLACE WITH SAME TYPE FUSE. FOR FUSE
CE SYMBOLE INDIQUE QUE LE FUSIBLE UTLISE EST
A LENT, E POUR UNE PROTECTION PERMANENTE,N'UTILISER
QUE DES FUSIBLES DE MEME TYPE. CE DARNIER EST
INDIQUE LA QU LE PRESENT SYMBOL EST APPOSE.
A
V
CAUTION
AND RATING INDICATED.
ONLY WITH FUSE OF SAME TYPE
AGAINST FIRE HAZARD, REPLACE
FOR CONTINUED PROTECTION
Q301:A
NJM022M
3
2
1
J315
NC
R403
NC
C960
105K
D902
M1FL20U
T951
NPT-1616S
7
8
9
12
11
5
4
3
1
R918
150K
C914
104Z
Q911
KIA431A
Q912
KRC102S
R919
22K
C913
104Z
Q913
2SC2712
R553
470K
R559
470K
Q954B
C402
220/10
D432
1SS357(NC)
R409
22K
C409
330J
R407
3.3K
R315
3.3K
R361A
20K
8
9
6
7
5
R361B
20K
3
2
1
S301
NRSF-112-15SBM
5
10
9
8
7
6
1
2
3
4
R531
8.2K
+
C982
LE224-MX-C3.5
F901
R982
680K
R983
680K
R981
680K
C983
NC
L982
ELF18N008A
2
3 1
4
L981
ELF18N008A
3
2 4
1
325V
R951
M3R014C
D951
TS10B06G-07
1
3
4
2
C954
220/250
R957
47K
J952
J951
R963
680K
R964
680K
R954
680K
R953
680K
R956
18K
C957 470J
C962 102J
C968
103K
R955
680K
R958
12K
C959
221J
R959
47
C961
102J
Q955B
C967
106K/25
Q953
L6591
1
LINE
2
DIS
3
ISEN
4
SS
5
OSC
6
VREF
7
COMP
8
PFC_STOP
9
Vcc
10
LVG
11
GND
12
NC
13
FGND
14
HVG
15
BOOT
16
HVSTART
C965
104J
L951
LBC2518T220M
D957
M1FL20U
D956
M1FL20U
15V
C964
104Z
C963
22/50
R966
22(1/4W)
R962
1K
Q951
TK10A60D
3
1
2
T952
NPT-1617S
7
9 4
2
C973
DE1E3KX102MB4BL01
R973
NC
R974
0
R923
47K
C923
106K/25
C905
220/35
R902
4.7(1/4W)
L901
22uH
D901
D15XBN20
1
3
4
2
R731
100K
C908
102J
R728
47K
Q725
2SC3324-GR R729
10K
R738 390K
R730
220K
D717
UDZS5.6B
D716
1SS352
Q722
KRA102S
R724
4.7K
R722
22K
D715 1SS352
R735 12K
C722
222K
C720
47/25
C718
104Z
Q718
KRA102S
Q735
KRC102S
Q731
KRC103S
R718
22K
D718
1SS352
R714
47K
C714
22/50
Q716
KRA103S
R732
33K
R716
47K
D731
1SS352
R311
100K
C311
100/10
R312
100K
R314
3.3K
R313
3.3K
C312
334J
R316
5.6K
C313
104J
Q302:B
NJM4580M-D
6
5
7 C314
47/50
R317
2.2K
R319
100K
C316
104J
R320
5.6K
R321
270
C315
334J
R322
22
R323
22
D312
UDZS12B
D311
UDZS12B
C317
100/10
C318
100/10
Q302:A
NJM4580M-D
4
2 3
8
1
P311A
P311B
R301
1K
Q301:B
NJM022M
5
6
8
7
4
Q303:B
NJM4580M-D
7
6
5
Q303:A
NJM4580M-D
4
2 3
8
1
P301
NPJ-1PDB556
1
2
R302
N17RGL20KB15M
C301
221J
C302
100/25
R304
56K
R306
6.8K
R305
22K C303
223J
R307
270
R308
0
C343
100/25
C345
100/25 R332
100
R331
100
C701
470/10
R701
39K
R702
680K
D706
1SS352
Q703
2SC2712
R703
820K
R704
39K
Q702
KRC102S
R713
47K
D713
1SS352
R715
470
R723
22K
Q720
KRC102S
Q721
KRC103S
Q723
KRC102S
C723
104Z
R727
10K
R720
47K
Q719
2SC2712
R721
22K
C731
47/50
R719
3.9K
D714 1SS352
Q732
KRA103S
C732
1/50
R705
470K
Q734
KRC102S
R733
10K
Q733
2SC3324-GR
R737
3.3K
P632A
NPLG-3P131
3
2
1
Q704
KRA102S
R725
10K
Q711
2SA1312-GR
D711
1SS352
R712
47K
D712
1SS352
R739
1.5K
D732
UDZS5.6B
R463
4.7K
C462
104Z
R462
4.7K
Q461
LM61CIZ
G
O
Vs
C452
102J
C451
1/50
R453
8.2K
R452
120K
R451
47K
C454
104Z
+5V
R461
10K
R464
6.8K
R415
470
R417
470
R413 1K
C414 471J
R412 100K
R414 2.7K C411
104Z
R411
100
R421
150
C423
222K
C422
222K C421
222J
C431
220/25
R431
10K
5V
D431
1SS357(NC)
Q435
78L05
O
G
I
C435
104Z
C433
102J
Q433
2SA1312-GR
R437
10K
R435
47K
R506
22K(1/4W)
C502
104Z
R502
10K
R505
33
R433
1.2K(2W)
Q501
IRS2092
1
VAA
2
GND
3
IN-
4
COMP
5
CSD
6
VSS
7
VREF
8
OCSET
9
DT
10
COM
11
LO
12
VCC
13
VS
14
HO
15
VB
16
CSH
D502
1SS352
R513
33(1/4W)
R511
33(1/4W)
R512
12K
R509
22K
R510
22K
R504
6.8K
R503
3.3K C501
470/25
R507
3.3K
C504
104Z
C503
100/25
R508
8.2K
R525
47K(1/4W)
R528
33(1/4W)
Q551
2SC2712
C551
104Z
Q553
2SC2712
R555
47K
R556
47K
C552
100/25
R554
5.6K
R551
10K
Q555
2SA1312-GR
R558
10K
R434
2.2K(2W)
R438
10K
D552
UDZS5.6B R552
10K
R560
470K
R436
10K
Q436
79L05
O I
G
-5V
C436
104Z
R532
2.7K
R432
10K
C432
220/25
R514
12K
C515
471 L541
R543
1K(1/4W)
R544
1K(1/4W)
C542
ECQE250V-154J
R542
22
C543
102J
C541
ECWF4334JLC
C517
334
D515
M1FL20U
D516
M1FL20U
R516
10(1/4W)
R515
10(1/4W)
C516
471
Q502
IRFI4212H-117P
4
2
1
3
5
P541A
P541B
Q502A
R969
22(1/4W)
R968
22K(1/4W)
Q952
TK10A60D
3
1
2
R965
22K(1/4W)
C911
10/100
C912
10/100
R917
0
R915
560K
-12V
R916
47K
D921
UDZS12B
C921
10/50
D912
M1FL20U
R912
4.7(1/4W)
L912
LBC2518T470M
L911
LBC2518T470M
R911
4.7(1/4W)
D911
M1FL20U
D922
UDZS12B
R922
4.7K(1W)
12V
R924
470(1/4W)
R921
1K(1W)
R961
0.1(2W)
R905
180K
Q903
KRC102S
Q902
KRA102S
C907
47/25
C906
104Z
C902
5600/71
D903 1SS357
Q901
78M12
O G I
C904
ECWH8223HA
C909
104Z
R907
33K
R908
180K
C910
104Z
R906
33K
L902
22uH
Q462
2SA1162-GR
Q454
2SA1162-GR
Q434
2SC3324-GR
Q552
2SC3324-GR
C984
LE224-MX-C3.5
C955
220/250
C971
DE1E3KX102MB4BL01
C972
DE1E3KX102MB4BL01
P951A
NPLG-2P631
1
2
C901
5600/71
C956
ECWF4334N861
C703
102J
R353
150K
C351
10/50
R351
5.6K
R352
100K
D351
UDZS3.6B
D352
UDZS3.6B
R354
180
C354
10/50
D353
1SS352
R355
22
Q453
2SA1162-GR
R467
330K
Q451
2SC2712
C463
104Z
Q463
2SA1162-GR
R465
12K
R466
6.8K
1/16 PAGE
HTP-591
<Note>
Parts marked by "NSP" are generally
unavailable because they are not in our
Master Spare Parts List.
THE COMPONENTS IDENTIFIED BY THE
MARK ! ARE CRITICAL FOR RISK OF FIRE
AND ELECTRIC SHOCK. REPLACE ONLY
WITH PART NUMBER SPECIFIED.
<MDC> : 120V,Canadian model
<MDS> : 120V,Brazilian model
<MMK> : 220-240V,Korean model
<MMQ> : 220-240V,Hong kong model
HTP-591
EXPLODED VIEW PARTS LIST
[SKW-558] Subwoofer
REF. NO. PART NAME DESCRIPTION Q'TY PART NO. (SN) REMARKS
[CHASSIS SCREW]
A001 REAR PANEL SKW-591AMP MDD 1 27124398C N <MDD>
A001 REAR PANEL SKW-591AMP MDS 1 27124399A N <MDS>
A001 REAR PANEL SKW-591AMP MMQ 1 27124400B N <MMK, MMQ>
A002 RETAINER (HL) 1 27142285 N
A003 RETAINER (HR) 1 27142286 N
A004 SCREW 3TTB+8B(3BC) 4 838430088GR
A005 SCREW 3TTB+8B(3BC) 5 838430088GR
A011 CUSHION --- 1 28141691
A012 CLIP CS-1U 1 27255004
A012 SCREW 3TTF+10B(3BC) 2 835430108GR <MDS>
A013 CUSHION --- 2 28141751
A015 CORE TR-25-15-12(Dot) 1 230997
<Notes>
(B) : Black model
2/16 PAGE
A016 TAPE TAPE(CLOTH-16U) 1 29110083
A017 TAPE TAPE(CLOTH-16U) 1 29110083
A018 IB CUSHION W15*3t TAPE 1 28141585
R302A KNOB (VOL) 1 28326463
[SW TRM]
P901 AC CORD AS-BS 1 253198LTK <MMQ>
P901 AC CORD AS-CEE-2 1 253306VOL <MMK>
P901 AC CORD AS-UC-2 1 253368AYUN <MDD>
P901 or AC CORD AS-UC-2 ( 1) 253368BLTK <MDD>
P901 or AC CORD AS-CEE-2 ( 1) 253374YUN <MMK>
P902 AC INLET R301X2PSn 1 25053358 <MDS>
P902 BUSHING S-RELIEF #2271 1 27300750 <MDD, MMK, MMQ>
P902B FASTON AS FASTON SOCKET 1 1F999026A <MDS>
[TUNER UNIT]
U001 AF-AS BAAF-1141-1A 1 1B276541-1A N <MDD, MDS>
U001 AF-AS BAAF-1141-1B 1 1B276541-1B N <MMK, MMQ>
[ACCESSARY]
A100 SN LABEL(AS) SKW-558AMPMMP/A/Q 1 29392086 N
[SPEAKER]
SP01 COMPLETED SUBWOOFER ASS'Y 1 000-SKW591BMDDS <B MDD>
1 000-SKW591BMDSS <B MDS>
1 000-SKW591BMMKS <B MMQ>
1 000-SKW591BMMQS <B MMK>
SP02 SUBWOOFER BOX ASS'Y without AMP. & SPEAKER UNIT 1 100-SKW591-10S
SP03 PLASTIC FOOT BLACK 4 243-P46001B-00
SP04 SPEAKER UNIT 1 W2302D ONKYO
LED HARNESS Ass'y 1 335-SKW750-01
SATELLITE PACKAGE
(SKF-591L/R + SKC-591/591C + SKR-590L/R + SKB-590L/R)
00S-HTP591CBMDDS < B MDD/MDS>
00S-HTP591CBMMQS <B MMQ/MMK>
3/16 PAGE
[SKF-591] Front Speakers
REF. NO. PART NAME DESCRIPTION Q'TY PART NO. (SN) REMARKS
[SPEAKER]
SP20 COMPLETE UNIT SKF-591(B) Lch 1 00S-SKF591LBMCS < B MDD/MDS>
1 00S-SKF591LBMQS <B MMQ/MMK>
SP21 COMPLETE UNIT SKF-591(B) Rch 1 00S-SKF591RBMCS <B MDD/MDS>
1 00S-SKF591RBMQS <B MMQ/MMK>
WOOFER 1 W1280A
TWEETER 1 TW2176A
[SKC-591N / 591] Center Speaker
REF. NO. PART NAME DESCRIPTION Q'TY PART NO. (SN) REMARKS
[SPEAKER]
SP23 COMPLETE UNIT SKC-591N 00S-SKC591NBMCS <B MDD/MDS>
SKC-591 00S-SKC591BMQS <B MMQ/MMK>
[SKR-590] Surround Speakers
REF. NO. PART NAME DESCRIPTION Q'TY PART NO. (SN) REMARKS
[SPEAKER]
SP25 COMPLETE UNIT SKR-590(B)L MC 00S-SKR591LBMCS <B MDD/MDS>
SKR-590(B)L MQ 00S-SKR590LBMQS <B MMQ/MMK>
SP26 COMPLETE UNIT SKR-590(B)R MC 00S-SKR591RBMCS <B MDD/MDS>
SKR-590(B)R MQ 00S-SKR590RBMQS <B MMQ/MMK>
[SKB-590] Surround back Speakers
REF. NO. PART NAME DESCRIPTION Q'TY PART NO. (SN) REMARKS
[SPEAKER]
SP35 COMPLETE UNIT SKB-590(B)L MC 00S-SKB591LBMCS <B MDD/MDS>
SKB-590(B)L MQ 00S-SKB590LBMQS <B MMQ/MMK>
4/16 PAGE
SP36 COMPLETE UNIT SKB-590(B)R MC 00S-SKB591RBMCS <B MDD/MDS>
SKB-590(B)R MQ 00S-SKB590RBMQS <B MMQ/MMK>
HTP-591
PC BOARD PARTS LIST
U001 MAIN BAAF-1141-1C * 1 1B276541-1C
CIRCUIT NO. PART NAME DESCRIPTION Q'TY PART NO. (SN) REMARKS
[SEMI CONDUCTOR]
D351 ZENER D UDZS3.6B 1 224550360R2
D352 ZENER D UDZS3.6B 1 224550360R2
D353 C-DIODE 1SS352 1 223234R2
D353 or C-DIODE 1SS355 ( 1) 223269R2
D501 DIODE M1FL20U 1 223276R2
D502 C-DIODE 1SS352 1 223234R2
D502 or C-DIODE 1SS355 ( 1) 223269R2
D515 DIODE M1FL20U 1 223276R2
D516 DIODE M1FL20U 1 223276R2
D551 ZENER D UDZS5.6B 1 224550560R2
D551 or ZENER D MAZ8056-M ( 1) 224750562R2
D552 ZENER D UDZS5.6B 1 224550560R2
D552 or ZENER D MAZ8056-M ( 1) 224750562R2
D706 C-DIODE 1SS352 1 223234R2
D706 or C-DIODE 1SS355 ( 1) 223269R2
D711 C-DIODE 1SS352 1 223234R2
D711 or C-DIODE 1SS355 ( 1) 223269R2
D712 C-DIODE 1SS352 1 223234R2
D712 or C-DIODE 1SS355 ( 1) 223269R2
D713 C-DIODE 1SS352 1 223234R2
D713 or C-DIODE 1SS355 ( 1) 223269R2
5/16 PAGE
D714 C-DIODE 1SS352 1 223234R2
D714 or C-DIODE 1SS355 ( 1) 223269R2
D715 C-DIODE 1SS352 1 223234R2
D715 or C-DIODE 1SS355 ( 1) 223269R2
D716 C-DIODE 1SS352 1 223234R2
D716 or C-DIODE 1SS355 ( 1) 223269R2
D717 ZENER D UDZS5.6B 1 224550560R2
D717 or ZENER D MAZ8056-M ( 1) 224750562R2
D718 C-DIODE 1SS352 1 223234R2
D718 or C-DIODE 1SS355 ( 1) 223269R2
D731 C-DIODE 1SS352 1 223234R2
D731 or C-DIODE 1SS355 ( 1) 223269R2
D732 ZENER D UDZS5.6B 1 224550560R2
D732 or ZENER D MAZ8056-M ( 1) 224750562R2
D901 DIODE D15XBN20-7000 1 22380380 N
D901A SCREW 3P+10FN(3BC) 1 82143010GR
D902 DIODE M1FL20U 1 223276R2
D903 C-DIODE 1SS357 1 223281R2
D911 DIODE M1FL20U 1 223276R2
D912 DIODE M1FL20U 1 223276R2
D921 ZENER D UDZS12B 1 224551200R2
D922 ZENER D UDZS12B 1 224551200R2
D951 DIODE TS10B06G-07 1 22380379
D956 DIODE M1FL20U 1 223276R2
D957 DIODE M1FL20U 1 223276R2
Q301 IC NJM022M 1 22242790R2 N
Q411 IC TC74HCU04AF 1 222740046R2TO
Q433 TR 2SA1312-GR(TE85L_F) 1 2216835R2
Q434 TR 2SC3324-GR(TE85L_F) 1 2216825R2
Q435 IC 78L05(NJM78L05UA) 1 222780053R2JR
Q436 IC 79L05(NJM79L05UA) 1 222790053R2JR N
Q451 TR 2SC2712-GR 1 2213145R2
6/16 PAGE
Q453 TR 2SA1162-GR 1 2214375R2
Q454 TR 2SA1162-GR 1 2214375R2
Q461 IC LM61CIZ 1 22242212
Q462 TR 2SA1162-GR 1 2214375R2
Q463 TR 2SA1162-GR 1 2214375R2
Q501 IC IRS2092STRPBF 1 22242791R2 N
Q502 TR IRFI4212H-117P 1 2204194 N
Q502A HEAT SINK RAD-263 1 27160673A N
Q502B SCREW 3P+6FN(3BC) 1 82143006GR
Q551 TR 2SC2712-GR 1 2213145R2
Q552 TR 2SC3324-GR(TE85L_F) 1 2216825R2
Q553 TR 2SC2712-GR 1 2213145R2
Q554 TR 2SC2712-GR 1 2213145R2
Q555 TR 2SA1312-GR(TE85L_F) 1 2216835R2
Q701 TR KRC104S 1 2216210R2
Q701 or TR RN1404 ( 1) 2214490R2
Q702 TR KRC102S 1 2216190R2
Q702 or TR RN1402 ( 1) 2214470R2
Q703 TR 2SC2712-GR 1 2213145R2
Q704 TR KRA102S 1 2216220R2
Q704 or TR RN2402 ( 1) 2214530R2
Q711 TR 2SA1312-GR(TE85L_F) 1 2216835R2
Q716 TR KRA103S 1 2216230R2
Q716 or TR RN2403 ( 1) 2214540R2
Q718 TR KRA102S 1 2216220R2
Q718 or TR RN2402 ( 1) 2214530R2
Q719 TR 2SC2712-GR 1 2213145R2
Q720 TR KRC102S 1 2216190R2
Q720 or TR RN1402 ( 1) 2214470R2
Q721 TR KRC103S 1 2216200R2
Q721 or TR RN1403(TE85R_F) ( 1) 2214480R2
Q722 TR KRA102S 1 2216220R2
7/16 PAGE
Q722 or TR RN2402 ( 1) 2214530R2
Q723 TR KRC102S 1 2216190R2
Q723 or TR RN1402 ( 1) 2214470R2
Q724 TR KRA102S 1 2216220R2
Q724 or TR RN2402 ( 1) 2214530R2
Q725 TR 2SC3324-GR(TE85L_F) 1 2216825R2
Q731 TR KRC103S 1 2216200R2
Q731 or TR RN1403(TE85R_F) ( 1) 2214480R2
Q732 TR KRA103S 1 2216230R2
Q732 or TR RN2403 ( 1) 2214540R2
Q733 TR 2SC3324-GR(TE85L_F) 1 2216825R2
Q734 TR KRC102S 1 2216190R2
Q734 or TR RN1402 ( 1) 2214470R2
Q735 TR KRC102S 1 2216190R2
Q735 or TR RN1402 ( 1) 2214470R2
Q901 IC 78M12HF(NJM78M12FA) 1 222780125JRC
Q901B SCREW 3P+6FN(3BC) 1 82143006GR
Q902 TR KRA102S 1 2216220R2
Q902 or TR RN2402 ( 1) 2214530R2
Q903 TR KRC102S 1 2216190R2
Q903 or TR RN1402 ( 1) 2214470R2
Q911 IC KIA431A-AT/P 1 22242770T
Q912 TR KRC102S 1 2216190R2
Q912 or TR RN1402 ( 1) 2214470R2
Q913 TR 2SC2712-GR 1 2213145R2
Q951 TR TK10A60D 1 2204204 N
Q951A RADIATOR RAD-51 1 27160145
Q951B SCREW 3P+6FN(3BC) 1 82143006GR
Q952 TR TK10A60D 1 2204204 N
Q952A RADIATOR RAD-51 1 27160145
Q952B SCREW 3P+6FN(3BC) 1 82143006GR
Q953 IC L6591 1 22242792R2 N
8/16 PAGE
Q954 IC PS2561DL1-1Y-A(Q) 1 22242794
Q954 or IC PC123X8YFZ0F ( 1) 22242771
Q955 IC PS2561DL1-1Y-A(Q) 1 22242794
Q955 or IC PC123X8YFZ0F ( 1) 22242771
[TRANS COIL]
L541 CHOKE COIL NCH-1543 1 231368K220
L901 CHOKE COIL TT1706A2000 1 231450L220 N
L901 or CHOKE COIL PI-OR002-0390 ( 1) 231456L220 N
L902 CHOKE COIL TT1706A2000 1 231450L220 N
L902 or CHOKE COIL PI-OR002-0390 ( 1) 231456L220 N
L911 CHOKE COIL LBC2518T470M 1 231364M470R2
L912 CHOKE COIL LBC2518T470M 1 231364M470R2
L951 CHOKE COIL LBC2518T220M 1 231364M220R2
L981 CHOKE COIL ELF18N008A 1 231452223 N
L982 CHOKE COIL ELF18N008A 1 231452223 N
T951 P TRANS NPT-1615S 1 2302042B N <MDD, MDS, X MMK, MMQ>
T952 P TRANS NPT-1617S 1 2302044A N
[CAPACITOR]
C301 UPZ C 2AUPZTF221JE 1 376332214T
C302 UTSP C CE04W25V-100M(UTSP) 1 397551017T
C303 TF C ECQ-V50V-223J 1 374722234T
C343 UTSP C CE04W25V-100M(UTSP) 1 397551017T
C345 UTSP C CE04W25V-100M(UTSP) 1 397551017T
C351 UTSP C CE04W50V-10M(UTSP) 1 397581007T
C354 UTSP C CE04W50V-10M(UTSP) 1 397581007T
C401 UPZ C 2AUPZTF221JE 1 376332214T
C402 UTSP C CE04W10V-220M(UTSP) 1 397532217T
C409 C-CERA C CC725CH1H-330J1 1 342103304R1
C411 C-CERA C CK725F1H-104Z1 1 332151040R1
C414 C-CERA C CC725CH1H-471J1 1 342104714R1
C421 MKT C B32529C0222J289 1 376492224T
C422 C-CERA C CK725B1H-222K1 1 332102225R1
9/16 PAGE
C423 C-CERA C CK725B1H-222K1 1 332102225R1
C431 UTSP C CE04W25V-220M(UTSP) 1 397552217T
C432 UTSP C CE04W25V-220M(UTSP) 1 397552217T
C433 C-CERA C CC725CH1H-102J1 1 342101024R1
C434 C-CERA C CC725CH1H-102J1 1 342101024R1
C435 C-CERA C CK725F1H-104Z1 1 332151040R1
C436 C-CERA C CK725F1H-104Z1 1 332151040R1
C451 UTSP C CE04W50V-1M(UTSP) 1 397580107T
C452 C-CERA C CC725CH1H-102J1 1 342101024R1
C454 C-CERA C CK725F1H-104Z1 1 332151040R1
C462 C-CERA C CK725F1H-104Z1 1 332151040R1
C463 C-CERA C CK725F1H-104Z1 1 332151040R1
C501 UTSP C CE04W25V-470M(UTSP) 1 397554717T
C502 C-CERA C CK725F1H-104Z1 1 332151040R1
C503 UTSP C CE04W25V-100M(UTSP) 1 397551017T
C504 C-CERA C CK725F1H-104Z1 1 332151040R1
C515 C-CERA C CK725R2J-471J3 1 332194714R1
C516 C-CERA C CK725R2J-471J3 1 332194714R1
C517 C-CERA C CK725X7R2E-334K5 1 332213345R1
C541 PLA C ECWF4334JLC 1 3700105S
C541 or PLA C ECWF(S)250V-334 ( 1) 3700101S
C542 PLA C ECQE250V-154J 1 3700082S
C543 MKT C B32529C0102J289 1 376491024T
C551 C-CERA C CK725F1H-104Z1 1 332151040R1
C552 UTSP C CE04W25V-100M(UTSP) 1 397551017T
C701 UTSP C CE04W10V-470M(UTSP) 1 397534717T
C703 C-CERA C CK725B1H-103K1 1 332101035R1
C714 UTSP C CE04W50V-22M(UTSP) 1 397582207T
C718 C-CERA C CK725F1H-104Z1 1 332151040R1
C720 UTSP C CE04W25V-47M(UTSP) 1 397554707T
C722 C-CERA C CK725B1H-222K1 1 332102225R1
C723 C-CERA C CK725F1H-104Z1 1 332151040R1
10/16 PAGE
C731 UTSP C CE04W50V 47M(UTSP) 1 397584707T
C732 UTSP C CE04W50V-1M(UTSP) 1 397580107T
C733 TF C ECQ-V50V-103J 1 374721034T
C901 ELECT C CE69W56V-6800M 1 3504462 <MDD, MDS>
C901 ELECT C CE69W71V-5600M 1 3504497 N <MMK, MMQ>
C902 ELECT C CE69W56V-6800M 1 3504462 <MDD, MDS>
C902 ELECT C CE69W71V-5600M 1 3504497 N <MMK, MMQ>
C903 C-CERA C CK725R2J-471J3 1 332194714R1
C904 PLA C ECWH8223HA 1 3700106S N
C905 UTSP C CE04W35V-220M(UTSP) 1 397562217T
C906 C-CERA C CK725F1H-104Z1 1 332151040R1
C907 UTSP C CE04W25V-47M(UTSP) 1 397554707T
C908 C-CERA C CC725CH1H-102J1 1 342101024R1
C909 C-CERA C CK725F1H-104Z1 1 332151040R1
C910 C-CERA C CK725F1H-104Z1 1 332151040R1
C911 VX C CE04W100V-10M(VX_BLK) 1 397391007T
C912 VX C CE04W100V-10M(VX_BLK) 1 397391007T
C913 C-CERA C CK725F1H-104Z1 1 332151040R1
C914 C-CERA C CK725F1H-104Z1 1 332151040R1
C921 UTSP C CE04W50V-10M(UTSP) 1 397581007T
C922 UTSP C CE04W50V-10M(UTSP) 1 397581007T
C923 C-CERA C CK725B1E-106K 1 332221065R2
C954 ELECT C CE69W250V-220M 1 3504493 N <MDD, MDS>
C954 ELECT C CE69W400V-100M 1 3504494 N <MMK, MMQ>
C955 ELECT C CE69W250V-220M 1 3504493 N <MDD, MDS>
C956 PLA C B32652A4334J 1 3700112S N
C957 C-CERA C CC725CH1H-470J1 1 342104704R1
C959 C-CERA C CC725CH1H-221J1 1 342102214R1
C960 C-CERA C CK725B1A-105K1 1 332131055R1
C961 C-CERA C CC725CH1H-102J1 1 342101024R1
C962 C-CERA C CC725CH1H-102J1 1 342101024R1
C963 UTSP C CE04W50V-22M(UTSP) 1 397582207T
11/16 PAGE
C964 C-CERA C CK725F1H-104Z1 1 332151040R1
C965 TF C ECQ-V50V-104J 1 374721044T
C967 C-CERA C CK725B1E-106K 1 332221065R2
C968 C-CERA C CK725B1H-103K1 1 332101035R1
C971 IS C DE1E3KX102MB4BL01 1 3300066S
C972 IS C DE1E3KX102MB4BL01 1 3300066S
C973 IS C DE1E3KX102MB4BL01 1 3300066S
C982 IS C LE224-MX-C3.5 1 3800050S N
C982 or IS C MKP R46 224M ( 1) 3800040
C982 or IS C LE224-C3.5 ( 1) 3800047S
C984 IS C LE224-MX-C3.5 1 3800050S N
C984 or IS C MKP R46 224M ( 1) 3800040
C984 or IS C LE224-C3.5 ( 1) 3800047S
[RESISTOR]
R301 C-CARBON R RN72K1J-102JE 1 435031024R1
R302 VARI R N17RGL20KB15M 1 5151508
R304 C-CARBON R RN72K1J-563JE 1 435035634R1
R305 C-CARBON R RN72K1J-223JE 1 435032234R1
R306 C-CARBON R RN72K1J-123JE 1 435031234R1
R307 C-CARBON R RN72K1J-271JE 1 435032714R1
R308 C-CARBON R RN72K1J-000JE 1 435030004R1
R331 C-CARBON R RN72K1J-101JE 1 435031014R1
R332 C-CARBON R RN72K1J-101JE 1 435031014R1
R351 C-CARBON R RN72K1J-562JE 1 435035624R1
R352 C-CARBON R RN72K1J-104JE 1 435031044R1
R353 C-CARBON R RN72K1J-154JE 1 435031544R1
R354 C-CARBON R RN72K1J-181JE 1 435031814R1
R355 C-CARBON R RN72K1J-220JE 1 435032204R1
R401 C-CARBON R RN72K1J-101JE 1 435031014R1
R407 C-CARBON R RN72K1J-332JE 1 435033324R1
R409 C-CARBON R RN72K1J-223JE 1 435032234R1
R411 C-CARBON R RN72K1J-101JE 1 435031014R1
12/16 PAGE
R412 C-CARBON R RN72K1J-104JE 1 435031044R1
R413 C-CARBON R RN72K1J-102JE 1 435031024R1
R414 C-CARBON R RN72K1J-272JE 1 435032724R1
R415 C-CARBON R RN72K1J-471JE 1 435034714R1
R417 C-CARBON R RN72K1J-471JE 1 435034714R1
R421 C-CARBON R RN72K1J-151JE 1 435031514R1
R431 C-CARBON R RN72K1J-103JE 1 435031034R1
R432 C-CARBON R RN72K1J-103JE 1 435031034R1
R433 METAL O R RS2WBJ-1.2K 1 441721224F
R434 METAL O R RS2WBJ-2.2K 1 442722224F N
R435 C-CARBON R RN72K1J-473JE 1 435034734R1
R436 C-CARBON R RN72K1J-103JE 1 435031034R1
R437 C-CARBON R RN72K1J-103JE 1 435031034R1
R438 C-CARBON R RN72K1J-103JE 1 435031034R1
R451 C-CARBON R RN72K1J-473JE 1 435034734R1
R452 C-CARBON R RN72K1J-124JE 1 435031244R1
R453 C-CARBON R RN72K1J-822JE 1 435038224R1
R461 C-CARBON R RN72K1J-103JE 1 435031034R1
R462 C-CARBON R RN72K1J-472JE 1 435034724R1
R463 C-CARBON R RN72K1J-472JE 1 435034724R1
R464 C-CARBON R RN72K1J-682JE 1 435036824R1
R465 C-CARBON R RN72K1J-103JE 1 435031034R1 <MDD, MDS, X MMK, MMQ>
R466 C-CARBON R RN72K1J-562JE 1 435035624R1 <MDD, MDS, X MMK, MMQ>
R467 C-CARBON R RN72K1J-334JE 1 435033344R1
R501 C-CARBON R RN72K2E-047JE 1 435220474R1
R502 C-CARBON R RN72K1J-103JE 1 435031034R1
R503 C-CARBON R RN72K1J-332JE 1 435033324R1
R504 C-CARBON R RN72K1J-682JE 1 435036824R1
R505 C-CARBON R RN72K1J-330JE 1 435033304R1
R506 C-CARBON R RN72K2E-223JE 1 435222234R1
R507 C-CARBON R RN72K1J-332JE 1 435033324R1
R508 C-CARBON R RN72K1J-822JE 1 435038224R1
13/16 PAGE
R509 C-CARBON R RN72K1J-223JE 1 435032234R1
R510 C-CARBON R RN72K1J-223JE 1 435032234R1
R511 C-CARBON R RN72K2E-330JE 1 435223304R1
R512 C-CARBON R RN72K1J-123JE 1 435031234R1
R513 C-CARBON R RN72K2E-330JE 1 435223304R1
R514 C-CARBON R RN72K1J-123JE 1 435031234R1
R515 C-CARBON R RN72K2E-100JE 1 435221004R1
R516 C-CARBON R RN72K2E-100JE 1 435221004R1
R525 C-CARBON R RN72K2E-473JE 1 435224734R1
R528 C-CARBON R RN72K2E-330JE 1 435223304R1
R531 C-CARBON R RN72K1J-822JE 1 435038224R1
R532 C-CARBON R RN72K1J-272JE 1 435032724R1
R542 METAL O R RS2WBJ-22 1 442722204F
R543 C-CARBON R RN72K2E-102JE 1 435221024R1
R544 C-CARBON R RN72K2E-102JE 1 435221024R1
R551 C-CARBON R RN72K1J-103JE 1 435031034R1
R552 C-CARBON R RN72K1J-103JE 1 435031034R1
R553 C-CARBON R RN72K1J-474JE 1 435034744R1
R554 C-CARBON R RN72K1J-562JE 1 435035624R1
R555 C-CARBON R RN72K1J-473JE 1 435034734R1
R556 C-CARBON R RN72K1J-473JE 1 435034734R1
R557 C-CARBON R RN72K1J-103JE 1 435031034R1
R558 C-CARBON R RN72K1J-103JE 1 435031034R1
R559 C-CARBON R RN72K1J-474JE 1 435034744R1
R560 C-CARBON R RN72K1J-474JE 1 435034744R1
R701 C-CARBON R RN72K1J-393JE 1 435033934R1
R702 C-CARBON R RN72K1J-684JE 1 435036844R1
R703 C-CARBON R RN72K1J-824JE 1 435038244R1
R704 C-CARBON R RN72K1J-393JE 1 435033934R1
R705 C-CARBON R RN72K1J-474JE 1 435034744R1
R712 C-CARBON R RN72K1J-473JE 1 435034734R1
R713 C-CARBON R RN72K1J-473JE 1 435034734R1
14/16 PAGE
R714 C-CARBON R RN72K1J-473JE 1 435034734R1
R715 C-CARBON R RN72K1J-471JE 1 435034714R1
R716 C-CARBON R RN72K1J-473JE 1 435034734R1
R718 C-CARBON R RN72K1J-223JE 1 435032234R1
R719 C-CARBON R RN72K1J-392JE 1 435033924R1
R720 C-CARBON R RN72K1J-473JE 1 435034734R1
R721 C-CARBON R RN72K1J-223JE 1 435032234R1
R722 C-CARBON R RN72K1J-223JE 1 435032234R1
R723 C-CARBON R RN72K1J-223JE 1 435032234R1
R724 C-CARBON R RN72K1J-472JE 1 435034724R1
R725 C-CARBON R RN72K1J-103JE 1 435031034R1
R727 C-CARBON R RN72K1J-103JE 1 435031034R1
R728 C-CARBON R RN72K1J-473JE 1 435034734R1
R729 C-CARBON R RN72K1J-103JE 1 435031034R1
R730 C-CARBON R RN72K1J-224JE 1 435032244R1
R731 C-CARBON R RN72K1J-104JE 1 435031044R1
R732 C-CARBON R RN72K1J-333JE 1 435033334R1
R733 C-CARBON R RN72K1J-103JE 1 435031034R1
R735 C-CARBON R RN72K1J-123JE 1 435031234R1
R737 C-CARBON R RN72K1J-332JE 1 435033324R1
R738 C-CARBON R RN72K1J-394JE 1 435033944R1
R739 C-CARBON R RN72K1J-152JE 1 435031524R1
R751 C-CARBON R RN72K1J-000JE 1 435030004R1
R752 C-CARBON R RN72K1J-000JE 1 435030004R1
R753 C-CARBON R RN72K1J-000JE 1 435030004R1
R754 C-CARBON R RN72K1J-000JE 1 435030004R1
R755 C-CARBON R RN72K1J-000JE 1 435030004R1
R756 C-CARBON R RN72K1J-000JE 1 435030004R1
R757 C-CARBON R RN72K1J-000JE 1 435030004R1
R758 C-CARBON R RN72K1J-000JE 1 435030004R1
R759 C-CARBON R RN72K1J-000JE 1 435030004R1
R760 C-CARBON R RN72K1J-000JE 1 435030004R1
15/16 PAGE
R761 C-CARBON R RN72K1J-000JE 1 435030004R1
R763 C-CARBON R RN72K1J-000JE 1 435030004R1
R764 C-CARBON R RN72K1J-000JE 1 435030004R1
R765 C-CARBON R RN72K1J-000JE 1 435030004R1
R766 C-CARBON R RN72K1J-000JE 1 435030004R1
R767 C-CARBON R RN72K1J-000JE 1 435030004R1
R768 C-CARBON R RN72K1J-000JE 1 435030004R1
R901 C-CARBON R RN72K2E-068JE 1 435220684R1
R902 C-CARBON R RN72K2E-047JE 1 435220474R1
R905 C-CARBON R RN72K1J-184JE 1 435031844R1
R906 C-CARBON R RN72K1J-333JE 1 435033334R1
R907 C-CARBON R RN72K1J-333JE 1 435033334R1
R908 C-CARBON R RN72K1J-184JE 1 435031844R1
R911 C-CARBON R RN72K2E-047JE 1 435220474R1
R912 C-CARBON R RN72K2E-047JE 1 435220474R1
R913 C-CARBON R RN72K1J-102JE 1 435031024R1
R914 C-CARBON R RN72K1J-103JE 1 435031034R1
R915 C-CARBON R RN72K1J-564JE 1 435035644R1
R916 C-CARBON R RN72K1J-473JE 1 435034734R1
R917 C-CARBON R RN72K1J-000JE 1 435030004R1
R918 C-CARBON R RN72K1J-154JE 1 435031544R1
R919 C-CARBON R RN72K1J-223JE 1 435032234R1
R921 METAL O R RS1WBJ-1K 1 443621024T
R922 METAL O R RS1WBJ-4.7K 1 443624724T
R923 C-CARBON R RN72K1J-473JE 1 435034734R1
R924 C-CARBON R RN72K2E-471JE 1 435224714R1
R951 THERMISTOR M3R014C 1 4000148
R952 C-CARBON R RN72K1J-104JE 1 435031044R1
R953 C-CARBON R KTR18EZPF6803 1 435236842R1
R954 C-CARBON R KTR18EZPF6803 1 435236842R1
R955 C-CARBON R RN72K1J-684JE 1 435036844R1
R956 C-CARBON R RN72K1J-183JE 1 435031834R1
16/16 PAGE
R957 C-CARBON R RN72K2E-473JE 1 435224734R1
R958 C-CARBON R RN72K1J-123JE 1 435031234R1
R959 C-CARBON R RN72K1J-470JE 1 435034704R1
R961 METAL PR BPR2FK-0.10 1 4500001
R962 C-CARBON R RN72K1J-102JE 1 435031024R1
R963 C-CARBON R KTR18EZPF6803 1 435236842R1
R964 C-CARBON R KTR18EZPF6803 1 435236842R1
R965 C-CARBON R RN72K2E-223JE 1 435222234R1
R966 C-CARBON R RN72K2E-220JE 1 435222204R1
R968 C-CARBON R RN72K2E-223JE 1 435222234R1
R969 C-CARBON R RN72K2E-220JE 1 435222204R1
R974 C-CARBON R RN72K1J-000JE 1 435030004R1
R975 C-CARBON R RN72K1J-000JE 1 435030004R1
R981 C-CARBON R KTR18EZPF6803 1 435236842R1
R982 C-CARBON R KTR18EZPF6803 1 435236842R1
R983 C-CARBON R KTR18EZPF6803 1 435236842R1
[SW TRM]
F901 FUSE 2.5A-SEUL-TL250V 1 252395T N
P301 PIN JACK NPJ-1PDB556 1 25045774
P541 SOCKET AS NSAS-2P2026 1 2009991262UL N
P632A PLUG NPLG-3P131 1 25055147
P951A PLUG NPLG-2P631 1 25055675
HTP-591
Onkyo Europe Electronics GmbH (UK Branch)
The Coach House 81A High Street, Marlow, Buckinghamshire, SL7 1AB, UK
Tel: +44-(0)1628-473-350 Fax: +44-(0)1628-401-700
Onkyo U.S.A. Corporation
18 Park Way, Upper Saddle River, N.J. 07458, U.S.A.
Tel: 800-229-1687, 201-785-2600 Fax: 201-785-2650
http://www.us.onkyo.com/
Onkyo Europe Electronics GmbH
Liegnitzerstrasse 6, 82194 Groebenzell, GERMANY
Tel: +49-8142-4401-0 Fax: +49-8142-4208-213
http://www.eu.onkyo.com/
Technical Support, Service Department
2-1, Nisshin-cho, Neyagawa-shi, OSAKA 572-8540, JAPAN
Tel: 072-831-8023 Fax: 072-831-8163
Onkyo Sound & Vision Corporation
Onkyo China Limited
Unit 1033, 10/F, Star House, No 3, Salisbury Road, Tsim Sha Tsui Kowloon, Hong Kong.
Tel: 852-2429-3118 Fax: 852-2428-9039
http://www.onkyochina.com/
Onkyo China PRC
1301, 555 Tower, No.555 West NanJin Road, Jin an, Shanghai,
China 200041, Tel: 86-21-52131366 Fax: 86-21-52130396
http://www.cn.onkyo.com/

onkyo_htp-591_skw-591_sm.pdf

  • 1.
    HTP-591 Front speakers (SKF-591) Frontspeakers Center speaker (SKC-591N/SKC-591) Center speake SKC-591N (North American and Brazilian) SKC-591 (Asian) Surround speakers (SKR-590) Surround back speakers (SKB-590) Powered subwoofer (SKW-591) Surround speakers Surround back speakers Subwoofer 7.1ch Home Theater Speaker Package Black model MODEL HTP-591(B) 120V AC, 60Hz 220-240V AC, 50/60Hz B MDD/MDC/MDS B MMQ Ref. No. 4373 032012
  • 2.
    SKW-558/591/658/791 SERVICE PROCEDURE A 1 2 3 4 5 B CD AFIN D'ASSURER UNE PROTECTION PERMANENTE CONTRE LES RISQUES D'INCENDIE, REMPLACER UNIQUEMENT PAR UN FUSIBLE DE MEME TYPE ET CALIBRATION COMME INDIQUE. ATTENTION V A THAT THE FUSE USED IS SLOW OPERATING TYPE RATING REFER TO THE MAKING ADJACENT TO THE SYMBOL. THIS SYMBOL LOCATED NEAR THE FUSE INDICATES FOR CONTINUED PROTECTION AGAINST FIRE FUSE HAZARD,REPLACE WITH SAME TYPE FUSE. FOR FUSE CE SYMBOLE INDIQUE QUE LE FUSIBLE UTLISE EST A LENT, E POUR UNE PROTECTION PERMANENTE,N'UTILISER QUE DES FUSIBLES DE MEME TYPE. CE DARNIER EST INDIQUE LA QU LE PRESENT SYMBOL EST APPOSE. A V CAUTION AND RATING INDICATED. ONLY WITH FUSE OF SAME TYPE AGAINST FIRE HAZARD, REPLACE FOR CONTINUED PROTECTION AFIN D'ASSURER UNE PROTECTION PERMANENTE CONTRE LES RISQUES D'INCENDIE, REMPLACER UNIQUEMENT PAR UN FUSIBLE DE MEME TYPE ET CALIBRATION COMME INDIQUE. ATTENTION V A THAT THE FUSE USED IS SLOW OPERATING TYPE RATING REFER TO THE MAKING ADJACENT TO THE SYMBOL. THIS SYMBOL LOCATED NEAR THE FUSE INDICATES FOR CONTINUED PROTECTION AGAINST FIRE FUSE HAZARD,REPLACE WITH SAME TYPE FUSE. FOR FUSE CE SYMBOLE INDIQUE QUE LE FUSIBLE UTLISE EST A LENT, E POUR UNE PROTECTION PERMANENTE,N'UTILISER QUE DES FUSIBLES DE MEME TYPE. CE DARNIER EST INDIQUE LA QU LE PRESENT SYMBOL EST APPOSE. A V CAUTION AND RATING INDICATED. ONLY WITH FUSE OF SAME TYPE AGAINST FIRE HAZARD, REPLACE FOR CONTINUED PROTECTION 1. Replacing the fuses 2. Safety-check out (Only U.S.A. model) After correcting the original service problem, perform the following safety check before releasing the set to the customer. Connect the insulating-resistance tester between the plug of power supply cord and screw on the back panel. Specifications: 3.3Mohm±10% at 500V. CIRCUIT NO. PART NO. DESCRIPTION F901 252395T 2.5A-SEUL-TL250V
  • 3.
    HTP-591 Exploded views -1 U0010 A003 A001 WOOD SCREW NSP <MDS> type only A005 x 5PCS. A002 SP01:COMPLETE SUBWOOFER AS SP02:SUBWOOFER BOX AS (Without AMP. & SP Unit) SP03:FOOT x 4 PCS. WOOD SCREW 4/20 BIND AB ED x 8PCS. SP04:WOOFER WOOD SCREW 4/20 BIND AB ED x 6 PCS. R302A P902 P901
  • 4.
    HTP-591 Exploded views -2 SP23 SP21 R-ch SP20 L-ch SP25 L-ch SP26 R-ch Front Speakers SKF-591 Center speaker SKC-591 SKC-591N Surround speakers SKR-590 SP35 L-ch SP36 R-ch Surround Back speakers SKB-590
  • 5.
    SKW-558/591/658/791 OPERATION CHECK 1. PowerOn Check Enter the plug in a state of inputting a signal "-45dVB, 80Hz," and the LED turns on within 5 seconds. 2. Wave form No input and 8 ohm load, immediately after POWER ON. Output wave form is observed without letting a filter pass, and it checks that carrier wave forms are about 2.0Vpp. 3. Audio Sense operation Confirm that it becomes ON after inputting a signal, "-45dBV, 80Hz". A short with 0ohm at TEST POINT 4, it become OFF after a few seconds. 4. Voltage protection The SKW-AMP become OFF immediately after "D.C. 1.5V input". The same as above when "D.C. -1.5V" inputs. NOTE: Limit time to apply voltage is 0.5-1.0 seconds. Don't connect load nor short speaker terminals. 5. Current protection The SKW-AMP shall be ON when 2 ohm load is connected to output channel under the conditions of peak- to-zero 10V output and no load by using Differentiationg circuit with 50Hz square signal. The SKW-AMP shall be OFF when 0.5 ohm load is connected to output channel under the conditions of peak-to-zero 10V output and no load by using Differentiationg circuit with 50Hz square signal. 6. Ponping protection The SKW-AMP shall be OFF immediately after short-circuiting "TEST POINT 2 and 3" by resistance of 100k ohm. 7. Thermal protection The SKW-AMP shall be OFF immediately after short-circuiting "TEST POINT 1" by resistance of 5.6k ohm. INPUT OUT- PUT 3.3k 10k 1SS133 3.3k GND 0.01 F 0.1 F Differentiating Circuit
  • 6.
  • 7.
    SKW-591/558/791/658 Schematic diagrams -1 Block diagram A 1 2 3 4 B C D E SHIFT LEVEL HV IRS2092 DEAD TIME SHIFT LEVEL HV Control Protection FUSE L6591 SCHEMATIC DIAGRAM (PART-1) BLOCK DIAGRAM Model No. SKW-591AMP/SKW-558AMP SKW-791AMP/SKW-658AMP AutoPowerOn Control Control Control ON/Standby Control Protect AMP INPUT
  • 8.
    SKW-591/558/791/658 Schematic diagrams -2 A 1 2 3 4 5 B C D E F G H 6 7 8 I J K VAA VSS VB +B GND -B +12V -12V CSD A_POWER PROTECT * * 400kHz 400kHz 200kHz Model No. SKW-591AMP/SKW-558AMP SKW-791AMP/SKW-658AMP SCHEMATIC DIAGRAM (PART-2) FOR FILTER CONTROL MODEL ONLY BAAF-1141 0.22u/275V T2.5AL250V 0.001u/250V * * * 0.001u/250V * * POFF BLUE RED * 22u -1A, -1B: 40V; -1C: 30V * * * -1A, -1B: -40V; -1C: -30V 0.22u/275V * 0.001u/250V FerriteCore TR-25-15-12(Dot) * * * BAAF-1141-1B BAAF-1141-1C SKW-791<MDD> SKW-591<MMK/Q> BAAF-1141-1A SKW-591<MDS/D> SKW-558<MMQ/A/P> SKW-658<MMP> NPT-1615S NPT-1616S 100u/400V 100u/400V NC NC 180K 150K 180K 150K 220K 390K 180K 470K 1.2K 1.2K 2.2K 1.2K 5600/71 6800/56 5600/71 6800/56 10K 12K 5.6K 6.8K NC NC ON ON T951 R738 C954 C955 R905 R908 R730 R434 R433 C901 C902 R465 R466 J951 J952 NPT-1615S 220K 390K 220u/250V 220u/250V 180K 180K 1.2K 2.2K 10K 5.6K 6800/56 6800/56 ON NC D501 M1FL20U C903 471 R557 10K R901 6.8(1/4W) R501 4.7(1/4W) C434 102J Q554 2SC2712 D551 UDZS5.6B C922 10/50 R913 1K R914 10K Q954A Q411 TC74HCU04AF 1 2 3 4 5 6 7 GND 8 OUT4 9 IN4 10 OUT5 11 IN5 12 OUT6 13 IN6 14 VCC R405 NC Q701 KRC104S Q955A Q724 KRA102S C401 221 R401 100 R952 100K AFIN D'ASSURER UNE PROTECTION PERMANENTE CONTRE LES RISQUES D'INCENDIE, REMPLACER UNIQUEMENT PAR UN FUSIBLE DE MEME TYPE ET CALIBRATION COMME INDIQUE. ATTENTION V A THAT THE FUSE USED IS SLOW OPERATING TYPE RATING REFER TO THE MAKING ADJACENT TO THE SYMBOL. THIS SYMBOL LOCATED NEAR THE FUSE INDICATES FOR CONTINUED PROTECTION AGAINST FIRE FUSE HAZARD,REPLACE WITH SAME TYPE FUSE. FOR FUSE CE SYMBOLE INDIQUE QUE LE FUSIBLE UTLISE EST A LENT, E POUR UNE PROTECTION PERMANENTE,N'UTILISER QUE DES FUSIBLES DE MEME TYPE. CE DARNIER EST INDIQUE LA QU LE PRESENT SYMBOL EST APPOSE. A V CAUTION AND RATING INDICATED. ONLY WITH FUSE OF SAME TYPE AGAINST FIRE HAZARD, REPLACE FOR CONTINUED PROTECTION AFIN D'ASSURER UNE PROTECTION PERMANENTE CONTRE LES RISQUES D'INCENDIE, REMPLACER UNIQUEMENT PAR UN FUSIBLE DE MEME TYPE ET CALIBRATION COMME INDIQUE. ATTENTION V A THAT THE FUSE USED IS SLOW OPERATING TYPE RATING REFER TO THE MAKING ADJACENT TO THE SYMBOL. THIS SYMBOL LOCATED NEAR THE FUSE INDICATES FOR CONTINUED PROTECTION AGAINST FIRE FUSE HAZARD,REPLACE WITH SAME TYPE FUSE. FOR FUSE CE SYMBOLE INDIQUE QUE LE FUSIBLE UTLISE EST A LENT, E POUR UNE PROTECTION PERMANENTE,N'UTILISER QUE DES FUSIBLES DE MEME TYPE. CE DARNIER EST INDIQUE LA QU LE PRESENT SYMBOL EST APPOSE. A V CAUTION AND RATING INDICATED. ONLY WITH FUSE OF SAME TYPE AGAINST FIRE HAZARD, REPLACE FOR CONTINUED PROTECTION Q301:A NJM022M 3 2 1 J315 NC R403 NC C960 105K D902 M1FL20U T951 NPT-1616S 7 8 9 12 11 5 4 3 1 R918 150K C914 104Z Q911 KIA431A Q912 KRC102S R919 22K C913 104Z Q913 2SC2712 R553 470K R559 470K Q954B C402 220/10 D432 1SS357(NC) R409 22K C409 330J R407 3.3K R315 3.3K R361A 20K 8 9 6 7 5 R361B 20K 3 2 1 S301 NRSF-112-15SBM 5 10 9 8 7 6 1 2 3 4 R531 8.2K + C982 LE224-MX-C3.5 F901 R982 680K R983 680K R981 680K C983 NC L982 ELF18N008A 2 3 1 4 L981 ELF18N008A 3 2 4 1 325V R951 M3R014C D951 TS10B06G-07 1 3 4 2 C954 220/250 R957 47K J952 J951 R963 680K R964 680K R954 680K R953 680K R956 18K C957 470J C962 102J C968 103K R955 680K R958 12K C959 221J R959 47 C961 102J Q955B C967 106K/25 Q953 L6591 1 LINE 2 DIS 3 ISEN 4 SS 5 OSC 6 VREF 7 COMP 8 PFC_STOP 9 Vcc 10 LVG 11 GND 12 NC 13 FGND 14 HVG 15 BOOT 16 HVSTART C965 104J L951 LBC2518T220M D957 M1FL20U D956 M1FL20U 15V C964 104Z C963 22/50 R966 22(1/4W) R962 1K Q951 TK10A60D 3 1 2 T952 NPT-1617S 7 9 4 2 C973 DE1E3KX102MB4BL01 R973 NC R974 0 R923 47K C923 106K/25 C905 220/35 R902 4.7(1/4W) L901 22uH D901 D15XBN20 1 3 4 2 R731 100K C908 102J R728 47K Q725 2SC3324-GR R729 10K R738 390K R730 220K D717 UDZS5.6B D716 1SS352 Q722 KRA102S R724 4.7K R722 22K D715 1SS352 R735 12K C722 222K C720 47/25 C718 104Z Q718 KRA102S Q735 KRC102S Q731 KRC103S R718 22K D718 1SS352 R714 47K C714 22/50 Q716 KRA103S R732 33K R716 47K D731 1SS352 R311 100K C311 100/10 R312 100K R314 3.3K R313 3.3K C312 334J R316 5.6K C313 104J Q302:B NJM4580M-D 6 5 7 C314 47/50 R317 2.2K R319 100K C316 104J R320 5.6K R321 270 C315 334J R322 22 R323 22 D312 UDZS12B D311 UDZS12B C317 100/10 C318 100/10 Q302:A NJM4580M-D 4 2 3 8 1 P311A P311B R301 1K Q301:B NJM022M 5 6 8 7 4 Q303:B NJM4580M-D 7 6 5 Q303:A NJM4580M-D 4 2 3 8 1 P301 NPJ-1PDB556 1 2 R302 N17RGL20KB15M C301 221J C302 100/25 R304 56K R306 6.8K R305 22K C303 223J R307 270 R308 0 C343 100/25 C345 100/25 R332 100 R331 100 C701 470/10 R701 39K R702 680K D706 1SS352 Q703 2SC2712 R703 820K R704 39K Q702 KRC102S R713 47K D713 1SS352 R715 470 R723 22K Q720 KRC102S Q721 KRC103S Q723 KRC102S C723 104Z R727 10K R720 47K Q719 2SC2712 R721 22K C731 47/50 R719 3.9K D714 1SS352 Q732 KRA103S C732 1/50 R705 470K Q734 KRC102S R733 10K Q733 2SC3324-GR R737 3.3K P632A NPLG-3P131 3 2 1 Q704 KRA102S R725 10K Q711 2SA1312-GR D711 1SS352 R712 47K D712 1SS352 R739 1.5K D732 UDZS5.6B R463 4.7K C462 104Z R462 4.7K Q461 LM61CIZ G O Vs C452 102J C451 1/50 R453 8.2K R452 120K R451 47K C454 104Z +5V R461 10K R464 6.8K R415 470 R417 470 R413 1K C414 471J R412 100K R414 2.7K C411 104Z R411 100 R421 150 C423 222K C422 222K C421 222J C431 220/25 R431 10K 5V D431 1SS357(NC) Q435 78L05 O G I C435 104Z C433 102J Q433 2SA1312-GR R437 10K R435 47K R506 22K(1/4W) C502 104Z R502 10K R505 33 R433 1.2K(2W) Q501 IRS2092 1 VAA 2 GND 3 IN- 4 COMP 5 CSD 6 VSS 7 VREF 8 OCSET 9 DT 10 COM 11 LO 12 VCC 13 VS 14 HO 15 VB 16 CSH D502 1SS352 R513 33(1/4W) R511 33(1/4W) R512 12K R509 22K R510 22K R504 6.8K R503 3.3K C501 470/25 R507 3.3K C504 104Z C503 100/25 R508 8.2K R525 47K(1/4W) R528 33(1/4W) Q551 2SC2712 C551 104Z Q553 2SC2712 R555 47K R556 47K C552 100/25 R554 5.6K R551 10K Q555 2SA1312-GR R558 10K R434 2.2K(2W) R438 10K D552 UDZS5.6B R552 10K R560 470K R436 10K Q436 79L05 O I G -5V C436 104Z R532 2.7K R432 10K C432 220/25 R514 12K C515 471 L541 R543 1K(1/4W) R544 1K(1/4W) C542 ECQE250V-154J R542 22 C543 102J C541 ECWF4334JLC C517 334 D515 M1FL20U D516 M1FL20U R516 10(1/4W) R515 10(1/4W) C516 471 Q502 IRFI4212H-117P 4 2 1 3 5 P541A P541B Q502A R969 22(1/4W) R968 22K(1/4W) Q952 TK10A60D 3 1 2 R965 22K(1/4W) C911 10/100 C912 10/100 R917 0 R915 560K -12V R916 47K D921 UDZS12B C921 10/50 D912 M1FL20U R912 4.7(1/4W) L912 LBC2518T470M L911 LBC2518T470M R911 4.7(1/4W) D911 M1FL20U D922 UDZS12B R922 4.7K(1W) 12V R924 470(1/4W) R921 1K(1W) R961 0.1(2W) R905 180K Q903 KRC102S Q902 KRA102S C907 47/25 C906 104Z C902 5600/71 D903 1SS357 Q901 78M12 O G I C904 ECWH8223HA C909 104Z R907 33K R908 180K C910 104Z R906 33K L902 22uH Q462 2SA1162-GR Q454 2SA1162-GR Q434 2SC3324-GR Q552 2SC3324-GR C984 LE224-MX-C3.5 C955 220/250 C971 DE1E3KX102MB4BL01 C972 DE1E3KX102MB4BL01 P951A NPLG-2P631 1 2 C901 5600/71 C956 ECWF4334N861 C703 102J R353 150K C351 10/50 R351 5.6K R352 100K D351 UDZS3.6B D352 UDZS3.6B R354 180 C354 10/50 D353 1SS352 R355 22 Q453 2SA1162-GR R467 330K Q451 2SC2712 C463 104Z Q463 2SA1162-GR R465 12K R466 6.8K
  • 9.
    1/16 PAGE HTP-591 <Note> Parts markedby "NSP" are generally unavailable because they are not in our Master Spare Parts List. THE COMPONENTS IDENTIFIED BY THE MARK ! ARE CRITICAL FOR RISK OF FIRE AND ELECTRIC SHOCK. REPLACE ONLY WITH PART NUMBER SPECIFIED. <MDC> : 120V,Canadian model <MDS> : 120V,Brazilian model <MMK> : 220-240V,Korean model <MMQ> : 220-240V,Hong kong model HTP-591 EXPLODED VIEW PARTS LIST [SKW-558] Subwoofer REF. NO. PART NAME DESCRIPTION Q'TY PART NO. (SN) REMARKS [CHASSIS SCREW] A001 REAR PANEL SKW-591AMP MDD 1 27124398C N <MDD> A001 REAR PANEL SKW-591AMP MDS 1 27124399A N <MDS> A001 REAR PANEL SKW-591AMP MMQ 1 27124400B N <MMK, MMQ> A002 RETAINER (HL) 1 27142285 N A003 RETAINER (HR) 1 27142286 N A004 SCREW 3TTB+8B(3BC) 4 838430088GR A005 SCREW 3TTB+8B(3BC) 5 838430088GR A011 CUSHION --- 1 28141691 A012 CLIP CS-1U 1 27255004 A012 SCREW 3TTF+10B(3BC) 2 835430108GR <MDS> A013 CUSHION --- 2 28141751 A015 CORE TR-25-15-12(Dot) 1 230997 <Notes> (B) : Black model
  • 10.
    2/16 PAGE A016 TAPETAPE(CLOTH-16U) 1 29110083 A017 TAPE TAPE(CLOTH-16U) 1 29110083 A018 IB CUSHION W15*3t TAPE 1 28141585 R302A KNOB (VOL) 1 28326463 [SW TRM] P901 AC CORD AS-BS 1 253198LTK <MMQ> P901 AC CORD AS-CEE-2 1 253306VOL <MMK> P901 AC CORD AS-UC-2 1 253368AYUN <MDD> P901 or AC CORD AS-UC-2 ( 1) 253368BLTK <MDD> P901 or AC CORD AS-CEE-2 ( 1) 253374YUN <MMK> P902 AC INLET R301X2PSn 1 25053358 <MDS> P902 BUSHING S-RELIEF #2271 1 27300750 <MDD, MMK, MMQ> P902B FASTON AS FASTON SOCKET 1 1F999026A <MDS> [TUNER UNIT] U001 AF-AS BAAF-1141-1A 1 1B276541-1A N <MDD, MDS> U001 AF-AS BAAF-1141-1B 1 1B276541-1B N <MMK, MMQ> [ACCESSARY] A100 SN LABEL(AS) SKW-558AMPMMP/A/Q 1 29392086 N [SPEAKER] SP01 COMPLETED SUBWOOFER ASS'Y 1 000-SKW591BMDDS <B MDD> 1 000-SKW591BMDSS <B MDS> 1 000-SKW591BMMKS <B MMQ> 1 000-SKW591BMMQS <B MMK> SP02 SUBWOOFER BOX ASS'Y without AMP. & SPEAKER UNIT 1 100-SKW591-10S SP03 PLASTIC FOOT BLACK 4 243-P46001B-00 SP04 SPEAKER UNIT 1 W2302D ONKYO LED HARNESS Ass'y 1 335-SKW750-01 SATELLITE PACKAGE (SKF-591L/R + SKC-591/591C + SKR-590L/R + SKB-590L/R) 00S-HTP591CBMDDS < B MDD/MDS> 00S-HTP591CBMMQS <B MMQ/MMK>
  • 11.
    3/16 PAGE [SKF-591] FrontSpeakers REF. NO. PART NAME DESCRIPTION Q'TY PART NO. (SN) REMARKS [SPEAKER] SP20 COMPLETE UNIT SKF-591(B) Lch 1 00S-SKF591LBMCS < B MDD/MDS> 1 00S-SKF591LBMQS <B MMQ/MMK> SP21 COMPLETE UNIT SKF-591(B) Rch 1 00S-SKF591RBMCS <B MDD/MDS> 1 00S-SKF591RBMQS <B MMQ/MMK> WOOFER 1 W1280A TWEETER 1 TW2176A [SKC-591N / 591] Center Speaker REF. NO. PART NAME DESCRIPTION Q'TY PART NO. (SN) REMARKS [SPEAKER] SP23 COMPLETE UNIT SKC-591N 00S-SKC591NBMCS <B MDD/MDS> SKC-591 00S-SKC591BMQS <B MMQ/MMK> [SKR-590] Surround Speakers REF. NO. PART NAME DESCRIPTION Q'TY PART NO. (SN) REMARKS [SPEAKER] SP25 COMPLETE UNIT SKR-590(B)L MC 00S-SKR591LBMCS <B MDD/MDS> SKR-590(B)L MQ 00S-SKR590LBMQS <B MMQ/MMK> SP26 COMPLETE UNIT SKR-590(B)R MC 00S-SKR591RBMCS <B MDD/MDS> SKR-590(B)R MQ 00S-SKR590RBMQS <B MMQ/MMK> [SKB-590] Surround back Speakers REF. NO. PART NAME DESCRIPTION Q'TY PART NO. (SN) REMARKS [SPEAKER] SP35 COMPLETE UNIT SKB-590(B)L MC 00S-SKB591LBMCS <B MDD/MDS> SKB-590(B)L MQ 00S-SKB590LBMQS <B MMQ/MMK>
  • 12.
    4/16 PAGE SP36 COMPLETEUNIT SKB-590(B)R MC 00S-SKB591RBMCS <B MDD/MDS> SKB-590(B)R MQ 00S-SKB590RBMQS <B MMQ/MMK> HTP-591 PC BOARD PARTS LIST U001 MAIN BAAF-1141-1C * 1 1B276541-1C CIRCUIT NO. PART NAME DESCRIPTION Q'TY PART NO. (SN) REMARKS [SEMI CONDUCTOR] D351 ZENER D UDZS3.6B 1 224550360R2 D352 ZENER D UDZS3.6B 1 224550360R2 D353 C-DIODE 1SS352 1 223234R2 D353 or C-DIODE 1SS355 ( 1) 223269R2 D501 DIODE M1FL20U 1 223276R2 D502 C-DIODE 1SS352 1 223234R2 D502 or C-DIODE 1SS355 ( 1) 223269R2 D515 DIODE M1FL20U 1 223276R2 D516 DIODE M1FL20U 1 223276R2 D551 ZENER D UDZS5.6B 1 224550560R2 D551 or ZENER D MAZ8056-M ( 1) 224750562R2 D552 ZENER D UDZS5.6B 1 224550560R2 D552 or ZENER D MAZ8056-M ( 1) 224750562R2 D706 C-DIODE 1SS352 1 223234R2 D706 or C-DIODE 1SS355 ( 1) 223269R2 D711 C-DIODE 1SS352 1 223234R2 D711 or C-DIODE 1SS355 ( 1) 223269R2 D712 C-DIODE 1SS352 1 223234R2 D712 or C-DIODE 1SS355 ( 1) 223269R2 D713 C-DIODE 1SS352 1 223234R2 D713 or C-DIODE 1SS355 ( 1) 223269R2
  • 13.
    5/16 PAGE D714 C-DIODE1SS352 1 223234R2 D714 or C-DIODE 1SS355 ( 1) 223269R2 D715 C-DIODE 1SS352 1 223234R2 D715 or C-DIODE 1SS355 ( 1) 223269R2 D716 C-DIODE 1SS352 1 223234R2 D716 or C-DIODE 1SS355 ( 1) 223269R2 D717 ZENER D UDZS5.6B 1 224550560R2 D717 or ZENER D MAZ8056-M ( 1) 224750562R2 D718 C-DIODE 1SS352 1 223234R2 D718 or C-DIODE 1SS355 ( 1) 223269R2 D731 C-DIODE 1SS352 1 223234R2 D731 or C-DIODE 1SS355 ( 1) 223269R2 D732 ZENER D UDZS5.6B 1 224550560R2 D732 or ZENER D MAZ8056-M ( 1) 224750562R2 D901 DIODE D15XBN20-7000 1 22380380 N D901A SCREW 3P+10FN(3BC) 1 82143010GR D902 DIODE M1FL20U 1 223276R2 D903 C-DIODE 1SS357 1 223281R2 D911 DIODE M1FL20U 1 223276R2 D912 DIODE M1FL20U 1 223276R2 D921 ZENER D UDZS12B 1 224551200R2 D922 ZENER D UDZS12B 1 224551200R2 D951 DIODE TS10B06G-07 1 22380379 D956 DIODE M1FL20U 1 223276R2 D957 DIODE M1FL20U 1 223276R2 Q301 IC NJM022M 1 22242790R2 N Q411 IC TC74HCU04AF 1 222740046R2TO Q433 TR 2SA1312-GR(TE85L_F) 1 2216835R2 Q434 TR 2SC3324-GR(TE85L_F) 1 2216825R2 Q435 IC 78L05(NJM78L05UA) 1 222780053R2JR Q436 IC 79L05(NJM79L05UA) 1 222790053R2JR N Q451 TR 2SC2712-GR 1 2213145R2
  • 14.
    6/16 PAGE Q453 TR2SA1162-GR 1 2214375R2 Q454 TR 2SA1162-GR 1 2214375R2 Q461 IC LM61CIZ 1 22242212 Q462 TR 2SA1162-GR 1 2214375R2 Q463 TR 2SA1162-GR 1 2214375R2 Q501 IC IRS2092STRPBF 1 22242791R2 N Q502 TR IRFI4212H-117P 1 2204194 N Q502A HEAT SINK RAD-263 1 27160673A N Q502B SCREW 3P+6FN(3BC) 1 82143006GR Q551 TR 2SC2712-GR 1 2213145R2 Q552 TR 2SC3324-GR(TE85L_F) 1 2216825R2 Q553 TR 2SC2712-GR 1 2213145R2 Q554 TR 2SC2712-GR 1 2213145R2 Q555 TR 2SA1312-GR(TE85L_F) 1 2216835R2 Q701 TR KRC104S 1 2216210R2 Q701 or TR RN1404 ( 1) 2214490R2 Q702 TR KRC102S 1 2216190R2 Q702 or TR RN1402 ( 1) 2214470R2 Q703 TR 2SC2712-GR 1 2213145R2 Q704 TR KRA102S 1 2216220R2 Q704 or TR RN2402 ( 1) 2214530R2 Q711 TR 2SA1312-GR(TE85L_F) 1 2216835R2 Q716 TR KRA103S 1 2216230R2 Q716 or TR RN2403 ( 1) 2214540R2 Q718 TR KRA102S 1 2216220R2 Q718 or TR RN2402 ( 1) 2214530R2 Q719 TR 2SC2712-GR 1 2213145R2 Q720 TR KRC102S 1 2216190R2 Q720 or TR RN1402 ( 1) 2214470R2 Q721 TR KRC103S 1 2216200R2 Q721 or TR RN1403(TE85R_F) ( 1) 2214480R2 Q722 TR KRA102S 1 2216220R2
  • 15.
    7/16 PAGE Q722 orTR RN2402 ( 1) 2214530R2 Q723 TR KRC102S 1 2216190R2 Q723 or TR RN1402 ( 1) 2214470R2 Q724 TR KRA102S 1 2216220R2 Q724 or TR RN2402 ( 1) 2214530R2 Q725 TR 2SC3324-GR(TE85L_F) 1 2216825R2 Q731 TR KRC103S 1 2216200R2 Q731 or TR RN1403(TE85R_F) ( 1) 2214480R2 Q732 TR KRA103S 1 2216230R2 Q732 or TR RN2403 ( 1) 2214540R2 Q733 TR 2SC3324-GR(TE85L_F) 1 2216825R2 Q734 TR KRC102S 1 2216190R2 Q734 or TR RN1402 ( 1) 2214470R2 Q735 TR KRC102S 1 2216190R2 Q735 or TR RN1402 ( 1) 2214470R2 Q901 IC 78M12HF(NJM78M12FA) 1 222780125JRC Q901B SCREW 3P+6FN(3BC) 1 82143006GR Q902 TR KRA102S 1 2216220R2 Q902 or TR RN2402 ( 1) 2214530R2 Q903 TR KRC102S 1 2216190R2 Q903 or TR RN1402 ( 1) 2214470R2 Q911 IC KIA431A-AT/P 1 22242770T Q912 TR KRC102S 1 2216190R2 Q912 or TR RN1402 ( 1) 2214470R2 Q913 TR 2SC2712-GR 1 2213145R2 Q951 TR TK10A60D 1 2204204 N Q951A RADIATOR RAD-51 1 27160145 Q951B SCREW 3P+6FN(3BC) 1 82143006GR Q952 TR TK10A60D 1 2204204 N Q952A RADIATOR RAD-51 1 27160145 Q952B SCREW 3P+6FN(3BC) 1 82143006GR Q953 IC L6591 1 22242792R2 N
  • 16.
    8/16 PAGE Q954 ICPS2561DL1-1Y-A(Q) 1 22242794 Q954 or IC PC123X8YFZ0F ( 1) 22242771 Q955 IC PS2561DL1-1Y-A(Q) 1 22242794 Q955 or IC PC123X8YFZ0F ( 1) 22242771 [TRANS COIL] L541 CHOKE COIL NCH-1543 1 231368K220 L901 CHOKE COIL TT1706A2000 1 231450L220 N L901 or CHOKE COIL PI-OR002-0390 ( 1) 231456L220 N L902 CHOKE COIL TT1706A2000 1 231450L220 N L902 or CHOKE COIL PI-OR002-0390 ( 1) 231456L220 N L911 CHOKE COIL LBC2518T470M 1 231364M470R2 L912 CHOKE COIL LBC2518T470M 1 231364M470R2 L951 CHOKE COIL LBC2518T220M 1 231364M220R2 L981 CHOKE COIL ELF18N008A 1 231452223 N L982 CHOKE COIL ELF18N008A 1 231452223 N T951 P TRANS NPT-1615S 1 2302042B N <MDD, MDS, X MMK, MMQ> T952 P TRANS NPT-1617S 1 2302044A N [CAPACITOR] C301 UPZ C 2AUPZTF221JE 1 376332214T C302 UTSP C CE04W25V-100M(UTSP) 1 397551017T C303 TF C ECQ-V50V-223J 1 374722234T C343 UTSP C CE04W25V-100M(UTSP) 1 397551017T C345 UTSP C CE04W25V-100M(UTSP) 1 397551017T C351 UTSP C CE04W50V-10M(UTSP) 1 397581007T C354 UTSP C CE04W50V-10M(UTSP) 1 397581007T C401 UPZ C 2AUPZTF221JE 1 376332214T C402 UTSP C CE04W10V-220M(UTSP) 1 397532217T C409 C-CERA C CC725CH1H-330J1 1 342103304R1 C411 C-CERA C CK725F1H-104Z1 1 332151040R1 C414 C-CERA C CC725CH1H-471J1 1 342104714R1 C421 MKT C B32529C0222J289 1 376492224T C422 C-CERA C CK725B1H-222K1 1 332102225R1
  • 17.
    9/16 PAGE C423 C-CERAC CK725B1H-222K1 1 332102225R1 C431 UTSP C CE04W25V-220M(UTSP) 1 397552217T C432 UTSP C CE04W25V-220M(UTSP) 1 397552217T C433 C-CERA C CC725CH1H-102J1 1 342101024R1 C434 C-CERA C CC725CH1H-102J1 1 342101024R1 C435 C-CERA C CK725F1H-104Z1 1 332151040R1 C436 C-CERA C CK725F1H-104Z1 1 332151040R1 C451 UTSP C CE04W50V-1M(UTSP) 1 397580107T C452 C-CERA C CC725CH1H-102J1 1 342101024R1 C454 C-CERA C CK725F1H-104Z1 1 332151040R1 C462 C-CERA C CK725F1H-104Z1 1 332151040R1 C463 C-CERA C CK725F1H-104Z1 1 332151040R1 C501 UTSP C CE04W25V-470M(UTSP) 1 397554717T C502 C-CERA C CK725F1H-104Z1 1 332151040R1 C503 UTSP C CE04W25V-100M(UTSP) 1 397551017T C504 C-CERA C CK725F1H-104Z1 1 332151040R1 C515 C-CERA C CK725R2J-471J3 1 332194714R1 C516 C-CERA C CK725R2J-471J3 1 332194714R1 C517 C-CERA C CK725X7R2E-334K5 1 332213345R1 C541 PLA C ECWF4334JLC 1 3700105S C541 or PLA C ECWF(S)250V-334 ( 1) 3700101S C542 PLA C ECQE250V-154J 1 3700082S C543 MKT C B32529C0102J289 1 376491024T C551 C-CERA C CK725F1H-104Z1 1 332151040R1 C552 UTSP C CE04W25V-100M(UTSP) 1 397551017T C701 UTSP C CE04W10V-470M(UTSP) 1 397534717T C703 C-CERA C CK725B1H-103K1 1 332101035R1 C714 UTSP C CE04W50V-22M(UTSP) 1 397582207T C718 C-CERA C CK725F1H-104Z1 1 332151040R1 C720 UTSP C CE04W25V-47M(UTSP) 1 397554707T C722 C-CERA C CK725B1H-222K1 1 332102225R1 C723 C-CERA C CK725F1H-104Z1 1 332151040R1
  • 18.
    10/16 PAGE C731 UTSPC CE04W50V 47M(UTSP) 1 397584707T C732 UTSP C CE04W50V-1M(UTSP) 1 397580107T C733 TF C ECQ-V50V-103J 1 374721034T C901 ELECT C CE69W56V-6800M 1 3504462 <MDD, MDS> C901 ELECT C CE69W71V-5600M 1 3504497 N <MMK, MMQ> C902 ELECT C CE69W56V-6800M 1 3504462 <MDD, MDS> C902 ELECT C CE69W71V-5600M 1 3504497 N <MMK, MMQ> C903 C-CERA C CK725R2J-471J3 1 332194714R1 C904 PLA C ECWH8223HA 1 3700106S N C905 UTSP C CE04W35V-220M(UTSP) 1 397562217T C906 C-CERA C CK725F1H-104Z1 1 332151040R1 C907 UTSP C CE04W25V-47M(UTSP) 1 397554707T C908 C-CERA C CC725CH1H-102J1 1 342101024R1 C909 C-CERA C CK725F1H-104Z1 1 332151040R1 C910 C-CERA C CK725F1H-104Z1 1 332151040R1 C911 VX C CE04W100V-10M(VX_BLK) 1 397391007T C912 VX C CE04W100V-10M(VX_BLK) 1 397391007T C913 C-CERA C CK725F1H-104Z1 1 332151040R1 C914 C-CERA C CK725F1H-104Z1 1 332151040R1 C921 UTSP C CE04W50V-10M(UTSP) 1 397581007T C922 UTSP C CE04W50V-10M(UTSP) 1 397581007T C923 C-CERA C CK725B1E-106K 1 332221065R2 C954 ELECT C CE69W250V-220M 1 3504493 N <MDD, MDS> C954 ELECT C CE69W400V-100M 1 3504494 N <MMK, MMQ> C955 ELECT C CE69W250V-220M 1 3504493 N <MDD, MDS> C956 PLA C B32652A4334J 1 3700112S N C957 C-CERA C CC725CH1H-470J1 1 342104704R1 C959 C-CERA C CC725CH1H-221J1 1 342102214R1 C960 C-CERA C CK725B1A-105K1 1 332131055R1 C961 C-CERA C CC725CH1H-102J1 1 342101024R1 C962 C-CERA C CC725CH1H-102J1 1 342101024R1 C963 UTSP C CE04W50V-22M(UTSP) 1 397582207T
  • 19.
    11/16 PAGE C964 C-CERAC CK725F1H-104Z1 1 332151040R1 C965 TF C ECQ-V50V-104J 1 374721044T C967 C-CERA C CK725B1E-106K 1 332221065R2 C968 C-CERA C CK725B1H-103K1 1 332101035R1 C971 IS C DE1E3KX102MB4BL01 1 3300066S C972 IS C DE1E3KX102MB4BL01 1 3300066S C973 IS C DE1E3KX102MB4BL01 1 3300066S C982 IS C LE224-MX-C3.5 1 3800050S N C982 or IS C MKP R46 224M ( 1) 3800040 C982 or IS C LE224-C3.5 ( 1) 3800047S C984 IS C LE224-MX-C3.5 1 3800050S N C984 or IS C MKP R46 224M ( 1) 3800040 C984 or IS C LE224-C3.5 ( 1) 3800047S [RESISTOR] R301 C-CARBON R RN72K1J-102JE 1 435031024R1 R302 VARI R N17RGL20KB15M 1 5151508 R304 C-CARBON R RN72K1J-563JE 1 435035634R1 R305 C-CARBON R RN72K1J-223JE 1 435032234R1 R306 C-CARBON R RN72K1J-123JE 1 435031234R1 R307 C-CARBON R RN72K1J-271JE 1 435032714R1 R308 C-CARBON R RN72K1J-000JE 1 435030004R1 R331 C-CARBON R RN72K1J-101JE 1 435031014R1 R332 C-CARBON R RN72K1J-101JE 1 435031014R1 R351 C-CARBON R RN72K1J-562JE 1 435035624R1 R352 C-CARBON R RN72K1J-104JE 1 435031044R1 R353 C-CARBON R RN72K1J-154JE 1 435031544R1 R354 C-CARBON R RN72K1J-181JE 1 435031814R1 R355 C-CARBON R RN72K1J-220JE 1 435032204R1 R401 C-CARBON R RN72K1J-101JE 1 435031014R1 R407 C-CARBON R RN72K1J-332JE 1 435033324R1 R409 C-CARBON R RN72K1J-223JE 1 435032234R1 R411 C-CARBON R RN72K1J-101JE 1 435031014R1
  • 20.
    12/16 PAGE R412 C-CARBONR RN72K1J-104JE 1 435031044R1 R413 C-CARBON R RN72K1J-102JE 1 435031024R1 R414 C-CARBON R RN72K1J-272JE 1 435032724R1 R415 C-CARBON R RN72K1J-471JE 1 435034714R1 R417 C-CARBON R RN72K1J-471JE 1 435034714R1 R421 C-CARBON R RN72K1J-151JE 1 435031514R1 R431 C-CARBON R RN72K1J-103JE 1 435031034R1 R432 C-CARBON R RN72K1J-103JE 1 435031034R1 R433 METAL O R RS2WBJ-1.2K 1 441721224F R434 METAL O R RS2WBJ-2.2K 1 442722224F N R435 C-CARBON R RN72K1J-473JE 1 435034734R1 R436 C-CARBON R RN72K1J-103JE 1 435031034R1 R437 C-CARBON R RN72K1J-103JE 1 435031034R1 R438 C-CARBON R RN72K1J-103JE 1 435031034R1 R451 C-CARBON R RN72K1J-473JE 1 435034734R1 R452 C-CARBON R RN72K1J-124JE 1 435031244R1 R453 C-CARBON R RN72K1J-822JE 1 435038224R1 R461 C-CARBON R RN72K1J-103JE 1 435031034R1 R462 C-CARBON R RN72K1J-472JE 1 435034724R1 R463 C-CARBON R RN72K1J-472JE 1 435034724R1 R464 C-CARBON R RN72K1J-682JE 1 435036824R1 R465 C-CARBON R RN72K1J-103JE 1 435031034R1 <MDD, MDS, X MMK, MMQ> R466 C-CARBON R RN72K1J-562JE 1 435035624R1 <MDD, MDS, X MMK, MMQ> R467 C-CARBON R RN72K1J-334JE 1 435033344R1 R501 C-CARBON R RN72K2E-047JE 1 435220474R1 R502 C-CARBON R RN72K1J-103JE 1 435031034R1 R503 C-CARBON R RN72K1J-332JE 1 435033324R1 R504 C-CARBON R RN72K1J-682JE 1 435036824R1 R505 C-CARBON R RN72K1J-330JE 1 435033304R1 R506 C-CARBON R RN72K2E-223JE 1 435222234R1 R507 C-CARBON R RN72K1J-332JE 1 435033324R1 R508 C-CARBON R RN72K1J-822JE 1 435038224R1
  • 21.
    13/16 PAGE R509 C-CARBONR RN72K1J-223JE 1 435032234R1 R510 C-CARBON R RN72K1J-223JE 1 435032234R1 R511 C-CARBON R RN72K2E-330JE 1 435223304R1 R512 C-CARBON R RN72K1J-123JE 1 435031234R1 R513 C-CARBON R RN72K2E-330JE 1 435223304R1 R514 C-CARBON R RN72K1J-123JE 1 435031234R1 R515 C-CARBON R RN72K2E-100JE 1 435221004R1 R516 C-CARBON R RN72K2E-100JE 1 435221004R1 R525 C-CARBON R RN72K2E-473JE 1 435224734R1 R528 C-CARBON R RN72K2E-330JE 1 435223304R1 R531 C-CARBON R RN72K1J-822JE 1 435038224R1 R532 C-CARBON R RN72K1J-272JE 1 435032724R1 R542 METAL O R RS2WBJ-22 1 442722204F R543 C-CARBON R RN72K2E-102JE 1 435221024R1 R544 C-CARBON R RN72K2E-102JE 1 435221024R1 R551 C-CARBON R RN72K1J-103JE 1 435031034R1 R552 C-CARBON R RN72K1J-103JE 1 435031034R1 R553 C-CARBON R RN72K1J-474JE 1 435034744R1 R554 C-CARBON R RN72K1J-562JE 1 435035624R1 R555 C-CARBON R RN72K1J-473JE 1 435034734R1 R556 C-CARBON R RN72K1J-473JE 1 435034734R1 R557 C-CARBON R RN72K1J-103JE 1 435031034R1 R558 C-CARBON R RN72K1J-103JE 1 435031034R1 R559 C-CARBON R RN72K1J-474JE 1 435034744R1 R560 C-CARBON R RN72K1J-474JE 1 435034744R1 R701 C-CARBON R RN72K1J-393JE 1 435033934R1 R702 C-CARBON R RN72K1J-684JE 1 435036844R1 R703 C-CARBON R RN72K1J-824JE 1 435038244R1 R704 C-CARBON R RN72K1J-393JE 1 435033934R1 R705 C-CARBON R RN72K1J-474JE 1 435034744R1 R712 C-CARBON R RN72K1J-473JE 1 435034734R1 R713 C-CARBON R RN72K1J-473JE 1 435034734R1
  • 22.
    14/16 PAGE R714 C-CARBONR RN72K1J-473JE 1 435034734R1 R715 C-CARBON R RN72K1J-471JE 1 435034714R1 R716 C-CARBON R RN72K1J-473JE 1 435034734R1 R718 C-CARBON R RN72K1J-223JE 1 435032234R1 R719 C-CARBON R RN72K1J-392JE 1 435033924R1 R720 C-CARBON R RN72K1J-473JE 1 435034734R1 R721 C-CARBON R RN72K1J-223JE 1 435032234R1 R722 C-CARBON R RN72K1J-223JE 1 435032234R1 R723 C-CARBON R RN72K1J-223JE 1 435032234R1 R724 C-CARBON R RN72K1J-472JE 1 435034724R1 R725 C-CARBON R RN72K1J-103JE 1 435031034R1 R727 C-CARBON R RN72K1J-103JE 1 435031034R1 R728 C-CARBON R RN72K1J-473JE 1 435034734R1 R729 C-CARBON R RN72K1J-103JE 1 435031034R1 R730 C-CARBON R RN72K1J-224JE 1 435032244R1 R731 C-CARBON R RN72K1J-104JE 1 435031044R1 R732 C-CARBON R RN72K1J-333JE 1 435033334R1 R733 C-CARBON R RN72K1J-103JE 1 435031034R1 R735 C-CARBON R RN72K1J-123JE 1 435031234R1 R737 C-CARBON R RN72K1J-332JE 1 435033324R1 R738 C-CARBON R RN72K1J-394JE 1 435033944R1 R739 C-CARBON R RN72K1J-152JE 1 435031524R1 R751 C-CARBON R RN72K1J-000JE 1 435030004R1 R752 C-CARBON R RN72K1J-000JE 1 435030004R1 R753 C-CARBON R RN72K1J-000JE 1 435030004R1 R754 C-CARBON R RN72K1J-000JE 1 435030004R1 R755 C-CARBON R RN72K1J-000JE 1 435030004R1 R756 C-CARBON R RN72K1J-000JE 1 435030004R1 R757 C-CARBON R RN72K1J-000JE 1 435030004R1 R758 C-CARBON R RN72K1J-000JE 1 435030004R1 R759 C-CARBON R RN72K1J-000JE 1 435030004R1 R760 C-CARBON R RN72K1J-000JE 1 435030004R1
  • 23.
    15/16 PAGE R761 C-CARBONR RN72K1J-000JE 1 435030004R1 R763 C-CARBON R RN72K1J-000JE 1 435030004R1 R764 C-CARBON R RN72K1J-000JE 1 435030004R1 R765 C-CARBON R RN72K1J-000JE 1 435030004R1 R766 C-CARBON R RN72K1J-000JE 1 435030004R1 R767 C-CARBON R RN72K1J-000JE 1 435030004R1 R768 C-CARBON R RN72K1J-000JE 1 435030004R1 R901 C-CARBON R RN72K2E-068JE 1 435220684R1 R902 C-CARBON R RN72K2E-047JE 1 435220474R1 R905 C-CARBON R RN72K1J-184JE 1 435031844R1 R906 C-CARBON R RN72K1J-333JE 1 435033334R1 R907 C-CARBON R RN72K1J-333JE 1 435033334R1 R908 C-CARBON R RN72K1J-184JE 1 435031844R1 R911 C-CARBON R RN72K2E-047JE 1 435220474R1 R912 C-CARBON R RN72K2E-047JE 1 435220474R1 R913 C-CARBON R RN72K1J-102JE 1 435031024R1 R914 C-CARBON R RN72K1J-103JE 1 435031034R1 R915 C-CARBON R RN72K1J-564JE 1 435035644R1 R916 C-CARBON R RN72K1J-473JE 1 435034734R1 R917 C-CARBON R RN72K1J-000JE 1 435030004R1 R918 C-CARBON R RN72K1J-154JE 1 435031544R1 R919 C-CARBON R RN72K1J-223JE 1 435032234R1 R921 METAL O R RS1WBJ-1K 1 443621024T R922 METAL O R RS1WBJ-4.7K 1 443624724T R923 C-CARBON R RN72K1J-473JE 1 435034734R1 R924 C-CARBON R RN72K2E-471JE 1 435224714R1 R951 THERMISTOR M3R014C 1 4000148 R952 C-CARBON R RN72K1J-104JE 1 435031044R1 R953 C-CARBON R KTR18EZPF6803 1 435236842R1 R954 C-CARBON R KTR18EZPF6803 1 435236842R1 R955 C-CARBON R RN72K1J-684JE 1 435036844R1 R956 C-CARBON R RN72K1J-183JE 1 435031834R1
  • 24.
    16/16 PAGE R957 C-CARBONR RN72K2E-473JE 1 435224734R1 R958 C-CARBON R RN72K1J-123JE 1 435031234R1 R959 C-CARBON R RN72K1J-470JE 1 435034704R1 R961 METAL PR BPR2FK-0.10 1 4500001 R962 C-CARBON R RN72K1J-102JE 1 435031024R1 R963 C-CARBON R KTR18EZPF6803 1 435236842R1 R964 C-CARBON R KTR18EZPF6803 1 435236842R1 R965 C-CARBON R RN72K2E-223JE 1 435222234R1 R966 C-CARBON R RN72K2E-220JE 1 435222204R1 R968 C-CARBON R RN72K2E-223JE 1 435222234R1 R969 C-CARBON R RN72K2E-220JE 1 435222204R1 R974 C-CARBON R RN72K1J-000JE 1 435030004R1 R975 C-CARBON R RN72K1J-000JE 1 435030004R1 R981 C-CARBON R KTR18EZPF6803 1 435236842R1 R982 C-CARBON R KTR18EZPF6803 1 435236842R1 R983 C-CARBON R KTR18EZPF6803 1 435236842R1 [SW TRM] F901 FUSE 2.5A-SEUL-TL250V 1 252395T N P301 PIN JACK NPJ-1PDB556 1 25045774 P541 SOCKET AS NSAS-2P2026 1 2009991262UL N P632A PLUG NPLG-3P131 1 25055147 P951A PLUG NPLG-2P631 1 25055675
  • 25.
    HTP-591 Onkyo Europe ElectronicsGmbH (UK Branch) The Coach House 81A High Street, Marlow, Buckinghamshire, SL7 1AB, UK Tel: +44-(0)1628-473-350 Fax: +44-(0)1628-401-700 Onkyo U.S.A. Corporation 18 Park Way, Upper Saddle River, N.J. 07458, U.S.A. Tel: 800-229-1687, 201-785-2600 Fax: 201-785-2650 http://www.us.onkyo.com/ Onkyo Europe Electronics GmbH Liegnitzerstrasse 6, 82194 Groebenzell, GERMANY Tel: +49-8142-4401-0 Fax: +49-8142-4208-213 http://www.eu.onkyo.com/ Technical Support, Service Department 2-1, Nisshin-cho, Neyagawa-shi, OSAKA 572-8540, JAPAN Tel: 072-831-8023 Fax: 072-831-8163 Onkyo Sound & Vision Corporation Onkyo China Limited Unit 1033, 10/F, Star House, No 3, Salisbury Road, Tsim Sha Tsui Kowloon, Hong Kong. Tel: 852-2429-3118 Fax: 852-2428-9039 http://www.onkyochina.com/ Onkyo China PRC 1301, 555 Tower, No.555 West NanJin Road, Jin an, Shanghai, China 200041, Tel: 86-21-52131366 Fax: 86-21-52130396 http://www.cn.onkyo.com/