Embed presentation
Download as PDF, PPTX


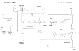
The document appears to be a flow diagram for a nitric acid production process. It shows the inputs of air and ammonia gas which are mixed and burned in an ammonia burner. The resulting gases pass through various cooling steps before the nitric acid product is separated out and the remainder passes through an expander and stack to the atmosphere. The diagram also includes components like an air compressor, steam drum, and bleacher column.
