A-A B-B
A
A
B
B
287561.350 mm^3 Inventor 61
10
76
6
0
9
0
1
0
4
20
R23
3
0
4
0
10
3
0
104
9
0
8
4
h
o
l
e
s
e
q
u
i
d
i
s
t
a
n
t
16
30
46
R23
30
40
20
60
10
10
46
110
8
4
h
o
l
e
s
e
q
u
i
d
i
s
t
a
n
t
8
M
R4
A-A
B-B
C
A
A
B
B
C
132724.206 mm^3 Inventor 62
68
68
R8
17
R4
76
9
34
26
120
43
R
6
14
2 holes
80
R14
30
41
2
10 31
R2
R2
37
25
30
42
50
R
2
27,5
22
13
R27,5
52
52
2 holes M8
2
h
o
l
e
s
M
8
d
e
p
t
h
9
A-A B
A
A
B
415970.176 mm^3 Inventor 63
17
67
56
62
10
17
25
R30
12
40
70
5
50
87
8
9
0
R
8
8
8
R8
R8
R
8
R8
R8
8
8
R18
R8
2
0
R18
R
1
8
18
2
holes
35
7
6
1
0
0
130
148
44
18
75
128
R
1
8
R
8
8
8
(18
grooves)
A
A
747534.832 mm^3 Inventor 64
1,5x45
1,5x45
1,5x45
1,5x45
R
0
,
5
60
6
0
6
2
2,06
45 grooves
36
70
59
R
5
19
R8
R5
1
7
0
148
29
4 counterbores
4
4 holes
7
2 holes
55
7,5
110
12
70
86
174
28
R30
(tool radius)
62
55
R
8
R
1
14
A-A
B-B
A
A
B
B
1682699.449 mm^3 Inventor 65
1,5x45
3
4
7
4 holes
equidistant
45
45
51,3
14
30
13 (6 equidistant ribs)
5
33
120
124
137
316
4
5
1,5
33
R
1
123
100
6
55,5
95
120
122
152
246
13
3
R5
13
12
4,15
33
20
63
15
28
47
1066608.787 mm^3 Inventor 66
350
425
75
R12,5
25
12,5
12,5
2
5
2
h
o
l
e
s
125
165
125
70
20
60
60
135
275
15
50
12,5
40
50
5
B-B
A-A
B
B
A A
295154.993 mm^3 Inventor 67
62
65
21 2,15
2,15
7
34
20
80
R
6
10
10
150
R
2
5
3
8
R6
R
6
R
6
27
3
8
58
2
R6
27
10
R
4
4
R19,7
44
70
100
3
6
10
20
R6
13
3
holes
40
A-A
A
A
46485.411 mm^3 Inventor 68
24
120
88
R
7
38
R3,5 R3,5
12
5
8
30
12,5
9
9
40
3
0
3,5
67 4
20
3
0
15
10
1
1
10
18
1
2
12
12
10 11
A-A
B-B
C
A A
B
B
C
116681.800 mm^3 Inventor 69
1x45
54
R
2
9
R8
6
3
holes
equidistant
84
4
5
6
4
R11
22
1
0
2
h
o
l
e
s
64
14
3
0
4
2
13
6
6
0
6
15
R25
22,5
12
8
4
holes
M
B-B
A
B B
A
1214143.564 mm^3 Inventor 70
1x45
6
0
98
6 equidistant ribs
35
4 counterbores
1
R100
15
17
35
100
210
101
88
6
164
R20
1
7
2
h
o
l
e
s
20
60
112
60
1
7
3
0
'
2
2
3
0
'
44,5 44,5
3
80
110
1
7
0
35
18
6 holes
equidistant
8
A-A
B-B
A A
B
B
Inventor 71
228500.505 mm^3
40
22
6
32
50 50
49
160
R50
55
80
62
H7
(
-
0
0,03
+
)
20 0,1
30
1
4
2,2
5
64
68
R6
R
1
R3
12
34
78
-
0,3
0
+
6 6
12
14
80
R1,5
R1,5
R
3
R3
72
30
12
15
118
R
1
2
R8
R8
13 H13 (- 0
0,27
+ )
3 holes
A-A
A A
2714866.225 mm^3 Inventor 72
108
237
470
R
2
0
R
8
5
R
1
1
5
R105
60
6
0
14
95
36
50
43
45
68
8
2
h
o
l
e
s
4
5
65
16
11
24
40
6
3
300
16
14
24
100
14
298
14
14
holes
R10
40 220
40
390
40
110
140
110
40
15
15
80 80
15
15
94
75
75
108
108
43
45
8 holes M10
2x4
holes M8
equidistant
A-A
A A
505885.027 mm^3 Inventor 73
2x45
66
148
10
160
10
66
3
72
60
3
70
24
36
80
R
6
0
120
R
4
2
R20
20
2 g uri
120
R42
R
2
0
20
2 g uri
56
46
3
22
80
42
50
2"
R4
R4
R4
R4 R2
A-A
B
A
A
B
43373.133 mm^3 Inventor 74
3
8
1
7
135
R
5
150
R
3
0
83
60
38
6
1
107
2
9
R26
6
R9
5
13
R9
17
8
3
9
2
3
10
8
1
27
17
17
6
5
0
1
8
6
8 1
12
31
6
8
16
7
144993.492 mm^3 Inventor 75
2x45
2x45
1x45
1x45
85
13
2 holes R15
30
34
34
22
82
82
22 20
30
10
20
40
4
68
10
25
75
80
20
18
40
30
18
14
8
8
1
5
45
R2
30
62201.971 mm^3 Inventor 76
1x45
R9
52
R26
8
54'
40
"
40
8
28
48,5
38,5
10
8
15
5
18
42
52
5
3
2
38
19
47
43
33
5
8,2
8
M
A-A
B-B
C
A
A
B
B
C
562869.072 mm^3 Inventor 77
14
45
12
2 holes
36
28
33
11
4 holes
6
45
58
5
9,5
10
4,5
1,6
42,5
45,6
R
2
3
9
R
2
5
0
R2
45
R2
50
R
3
4
0
56
4
0
56
R12
R3
R4
156
118 100
R
1
2
9
R
1
4
0
R
1
3
5
R
1
4
0
128
180
124
94
42
60
18
18
26
36
6
91
248
R
1
5
R20
24
R20
R15
170
8
1
,
7
61,05
6
6
24
60
134
1
1
0
158
R
3
R10
6
R4
54
36
8
6
holes
M
equidistant
14
8
6
holes
M
equidistant
14
A-A
B-B (rotated)
A
A
B
B
3586417.385 mm^3 Inventor 78
40
90
180
17
47
95
190
20, depth 140
125
170 32,5
39,5
10
262
13
20
14
3 holes
13,5
20
13,5
30
3
holes
M18
20
28
45
120
20 68 68
R18
R
5
R18
R
2
0
20, depth 180
110 153
35
31
3
32,5
7
31
65 64 53
15
20
47
74
130
2
45
10
165
48
R
2
4
A-A
A
A
61319.887 mm^3 Inventor 79
16
16
8
3
8
8
1
2
3
44
R19
R19
R15
R3
R3
19
22
41
28
R12
R98
74
8
4
5
56
2
5
173
125
R12
20
8
8
2 holes
16
R
2
2
0
A-A
B-B
A A
B B
3758030.252 mm^3 Inventor 80
4
5
R65
210
R75
R16
1
6
2
h
o
l
e
s
118
60
R55
R
5
0
60
15
100
130
70
80
100
48
6
28
140
15
25
45
42
18
22
213
315
150
R50
R
7
5
130 55 25
100
210
55
R16
R8
80
65
90
100
15
40
60
60
R
4
0
R
3
0
70
1
0
h
o
l
e
s
M
8
R
3
0
8 holes M10

machine drawing using cad sotware methods

  • 1.
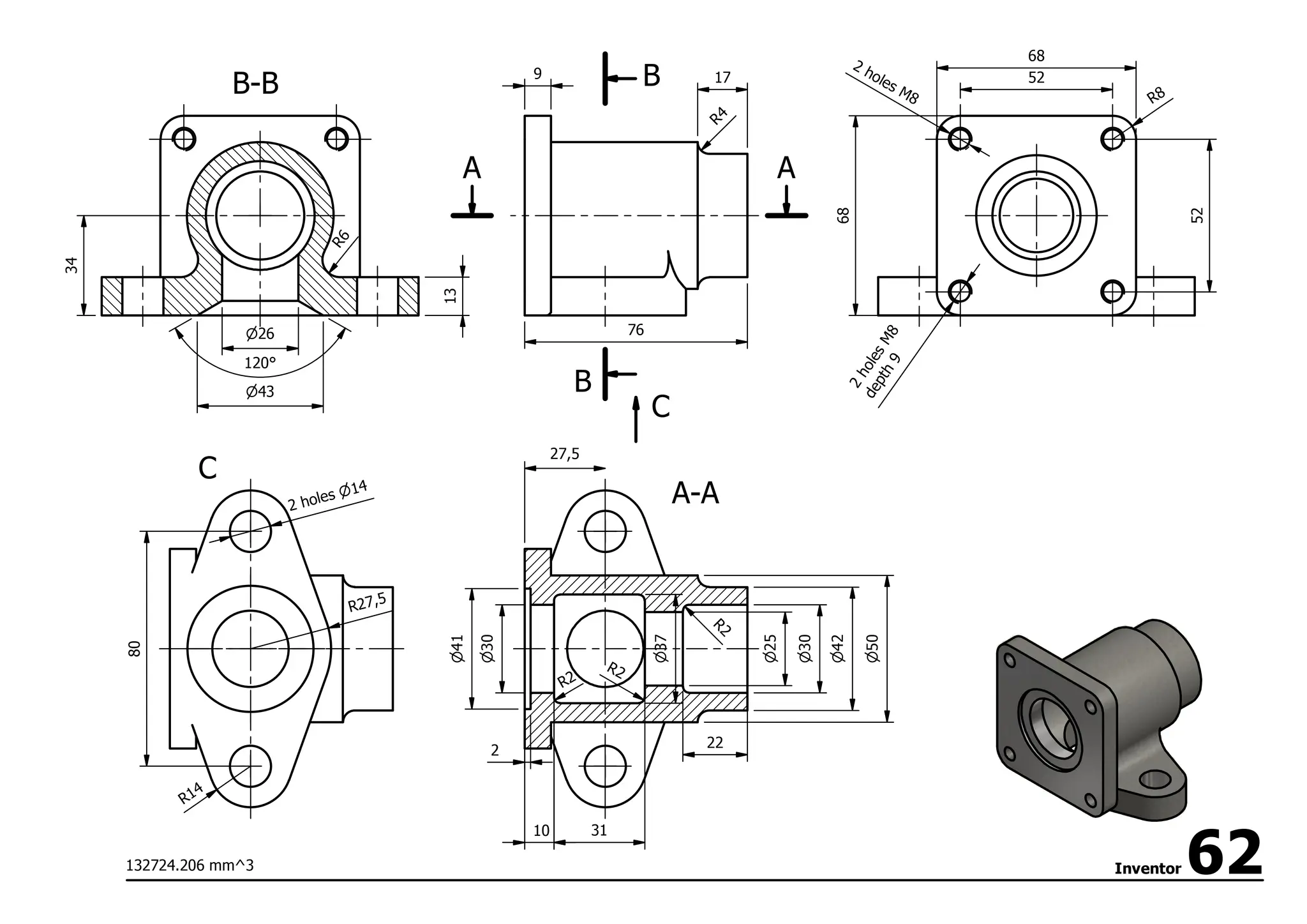
    A-A B-B A A B B 287561.350 mm^3Inventor 61 10 76 6 0 9 0 1 0 4 20 R23 3 0 4 0 10 3 0 104 9 0 8 4 h o l e s e q u i d i s t a n t 16 30 46 R23 30 40 20 60 10 10 46 110 8 4 h o l e s e q u i d i s t a n t 8 M R4
  • 2.
    A-A B-B C A A B B C 132724.206 mm^3 Inventor62 68 68 R8 17 R4 76 9 34 26 120 43 R 6 14 2 holes 80 R14 30 41 2 10 31 R2 R2 37 25 30 42 50 R 2 27,5 22 13 R27,5 52 52 2 holes M8 2 h o l e s M 8 d e p t h 9
  • 3.
    A-A B A A B 415970.176 mm^3Inventor 63 17 67 56 62 10 17 25 R30 12 40 70 5 50 87 8 9 0 R 8 8 8 R8 R8 R 8 R8 R8 8 8 R18 R8 2 0 R18 R 1 8 18 2 holes 35 7 6 1 0 0 130 148 44 18 75 128 R 1 8 R 8 8 8 (18 grooves)
  • 4.
    A A 747534.832 mm^3 Inventor64 1,5x45 1,5x45 1,5x45 1,5x45 R 0 , 5 60 6 0 6 2 2,06 45 grooves 36 70 59 R 5 19 R8 R5 1 7 0 148 29 4 counterbores 4 4 holes 7 2 holes 55 7,5 110 12 70 86 174 28 R30 (tool radius) 62 55 R 8 R 1 14
  • 5.
    A-A B-B A A B B 1682699.449 mm^3 Inventor65 1,5x45 3 4 7 4 holes equidistant 45 45 51,3 14 30 13 (6 equidistant ribs) 5 33 120 124 137 316 4 5 1,5 33 R 1 123 100 6 55,5 95 120 122 152 246 13 3 R5 13 12 4,15 33 20 63 15 28 47
  • 6.
    1066608.787 mm^3 Inventor66 350 425 75 R12,5 25 12,5 12,5 2 5 2 h o l e s 125 165 125 70 20 60 60 135 275 15 50 12,5 40 50 5
  • 7.
    B-B A-A B B A A 295154.993 mm^3Inventor 67 62 65 21 2,15 2,15 7 34 20 80 R 6 10 10 150 R 2 5 3 8 R6 R 6 R 6 27 3 8 58 2 R6 27 10 R 4 4 R19,7 44 70 100 3 6 10 20 R6 13 3 holes 40
  • 8.
    A-A A A 46485.411 mm^3 Inventor68 24 120 88 R 7 38 R3,5 R3,5 12 5 8 30 12,5 9 9 40 3 0 3,5 67 4 20 3 0 15 10 1 1 10 18 1 2 12 12 10 11
  • 9.
    A-A B-B C A A B B C 116681.800 mm^3Inventor 69 1x45 54 R 2 9 R8 6 3 holes equidistant 84 4 5 6 4 R11 22 1 0 2 h o l e s 64 14 3 0 4 2 13 6 6 0 6 15 R25 22,5 12 8 4 holes M
  • 10.
    B-B A B B A 1214143.564 mm^3Inventor 70 1x45 6 0 98 6 equidistant ribs 35 4 counterbores 1 R100 15 17 35 100 210 101 88 6 164 R20 1 7 2 h o l e s 20 60 112 60 1 7 3 0 ' 2 2 3 0 ' 44,5 44,5 3 80 110 1 7 0 35 18 6 holes equidistant 8
  • 11.
    A-A B-B A A B B Inventor 71 228500.505mm^3 40 22 6 32 50 50 49 160 R50 55 80 62 H7 ( - 0 0,03 + ) 20 0,1 30 1 4 2,2 5 64 68 R6 R 1 R3 12 34 78 - 0,3 0 + 6 6 12 14 80 R1,5 R1,5 R 3 R3 72 30 12 15 118 R 1 2 R8 R8 13 H13 (- 0 0,27 + ) 3 holes
  • 12.
    A-A A A 2714866.225 mm^3Inventor 72 108 237 470 R 2 0 R 8 5 R 1 1 5 R105 60 6 0 14 95 36 50 43 45 68 8 2 h o l e s 4 5 65 16 11 24 40 6 3 300 16 14 24 100 14 298 14 14 holes R10 40 220 40 390 40 110 140 110 40 15 15 80 80 15 15 94 75 75 108 108 43 45 8 holes M10 2x4 holes M8 equidistant
  • 13.
    A-A A A 505885.027 mm^3Inventor 73 2x45 66 148 10 160 10 66 3 72 60 3 70 24 36 80 R 6 0 120 R 4 2 R20 20 2 g uri 120 R42 R 2 0 20 2 g uri 56 46 3 22 80 42 50 2" R4 R4 R4 R4 R2
  • 14.
    A-A B A A B 43373.133 mm^3 Inventor74 3 8 1 7 135 R 5 150 R 3 0 83 60 38 6 1 107 2 9 R26 6 R9 5 13 R9 17 8 3 9 2 3 10 8 1 27 17 17 6 5 0 1 8 6 8 1 12 31 6 8 16 7
  • 15.
    144993.492 mm^3 Inventor75 2x45 2x45 1x45 1x45 85 13 2 holes R15 30 34 34 22 82 82 22 20 30 10 20 40 4 68 10 25 75 80 20 18 40 30 18 14 8 8 1 5 45 R2 30
  • 16.
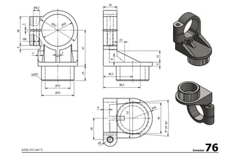
    62201.971 mm^3 Inventor76 1x45 R9 52 R26 8 54' 40 " 40 8 28 48,5 38,5 10 8 15 5 18 42 52 5 3 2 38 19 47 43 33 5 8,2 8 M
  • 17.
    A-A B-B C A A B B C 562869.072 mm^3 Inventor77 14 45 12 2 holes 36 28 33 11 4 holes 6 45 58 5 9,5 10 4,5 1,6 42,5 45,6 R 2 3 9 R 2 5 0 R2 45 R2 50 R 3 4 0 56 4 0 56 R12 R3 R4 156 118 100 R 1 2 9 R 1 4 0 R 1 3 5 R 1 4 0 128 180 124 94 42 60 18 18 26 36 6 91 248 R 1 5 R20 24 R20 R15 170 8 1 , 7 61,05 6 6 24 60 134 1 1 0 158 R 3 R10 6 R4 54 36 8 6 holes M equidistant 14 8 6 holes M equidistant 14
  • 18.
    A-A B-B (rotated) A A B B 3586417.385 mm^3Inventor 78 40 90 180 17 47 95 190 20, depth 140 125 170 32,5 39,5 10 262 13 20 14 3 holes 13,5 20 13,5 30 3 holes M18 20 28 45 120 20 68 68 R18 R 5 R18 R 2 0 20, depth 180 110 153 35 31 3 32,5 7 31 65 64 53 15 20 47 74 130 2 45 10 165 48 R 2 4
  • 19.
    A-A A A 61319.887 mm^3 Inventor79 16 16 8 3 8 8 1 2 3 44 R19 R19 R15 R3 R3 19 22 41 28 R12 R98 74 8 4 5 56 2 5 173 125 R12 20 8 8 2 holes 16 R 2 2 0
  • 20.
    A-A B-B A A B B 3758030.252mm^3 Inventor 80 4 5 R65 210 R75 R16 1 6 2 h o l e s 118 60 R55 R 5 0 60 15 100 130 70 80 100 48 6 28 140 15 25 45 42 18 22 213 315 150 R50 R 7 5 130 55 25 100 210 55 R16 R8 80 65 90 100 15 40 60 60 R 4 0 R 3 0 70 1 0 h o l e s M 8 R 3 0 8 holes M10