häc viÖn kü thuËt qu©n sù
bé m«n th«ng tin - khoa v« tuyÕn ®iÖn tö
mai v¨n quý, nguyÔn h÷u kiªn, nguyÔn v¨n gi¸o
kü thuËt chuyÓn m¹ch
(Dïng cho chuyªn ngµnh ®iÖn tö viÔn th«ng)
l-u hµnh néi bé
hµ néi 2003
môc lôc Trang
Môc lôc 1
lêi nãi ®Çu 6
ch-¬ng 1. C¸c thµnh phÇn cña m¹ng viÔn th«ng 8
1.1 Kh¸i qu¸t chung 8
1.1.1 Kh¸i qu¸t vÒ th«ng tin viÔn th«ng 8
1.1.2 C¸c thµnh phÇn cña m¹ng viÔn th«ng. 9
1.1.3 Tæ chøc m¹ng viÔn th«ng 15
1.1.4 C¸c thµnh phÇn thiÕt yÕu kh¸c cña m¹ng viÔn th«ng. 17
1.2.ChuyÓn m¹ch kªnh, chuyÓn m¹ch tin, chuyÓn m¹ch gãi. 19
1.2.1 Kh¸i niÖm vÒ chuyÓn m¹ch kªnh (Circuit Switching). 19
1.2.2 Kh¸i niÖm vÒ chuyÓn m¹ch b¶n tin (Message Switching). 20
1.2.3 Kh¸i niÖm vµ chuyÓn m¹ch gãi. 20
1.2.4 Kh¸i niÖm vÒ c«ng nghÖ atm (C«ng nghÖ chuyÓn giao
kh«ng ®ång bé–asynchronous Transfer Mode)
21
1.2.5 lÜnh vùc øng dông cña c¸c ph-¬ng thøc chuyÓn m¹ch 24
1.3. Kh¸i qu¸t vÒ tæng ®µi ®iÒu khiÓn theo ch-¬ng tr×nh ghi s½n SPC
(Stored Program Control)
25
1.3.1 Sù ph¸t triÓn cña c«ng nghÖ chuyÓn m¹ch vµ ph-¬ng thøc
®iÒu khiÓn.
25
1.3.2 Tæng quan vÒ tæng ®µi ®iÒu khiÓn theo ch-¬ng tr×nh l-u tr÷
SPC
28
1.3.3 S¬ ®å khèi tæng qu¸t cña tæng ®µi SPC 31
1.3.4 S¬ ®å khèi tæng qu¸t cña tæng ®µi sè SPC (DSS–Digital
Switching Systems)
34
Ch-¬ng 2. ChuyÓn m¹ch kªnh (Circuit switching) 39
2.1.Ph©n lo¹i chuyÓn m¹ch kªnh 39
2.2 ChuyÓn m¹ch kh«ng gian t-¬ng tù 41
2.2.1 Kh¸i qu¸t vÒ chuyÓn m¹ch kh«ng gian t-¬ng tù 41
2.2.2 CÊu t¹o vµ nguyªn lý ho¹t ®éng cña bé chuyÓn m¹ch kh«ng
gian c¬ b¶n
42
2.2.3 X©y dùng c¸c tr-êng chuyÓn m¹ch kh«ng gian t-¬ng tù trªn
c¬ së bé chuyÓn m¹ch c¬ b¶n
46
2.3. §iÒu chÕ biªn ®é xung (PAM-Pulse Amplitude Modulation) vµ
chuyÓn m¹ch thêi gian ®èi víi tÝn hiÖu rêi r¹c
57
2.3.1 Nguyªn lý ®iÒu biªn xung vµ -u thÕ ph©n kªnh theo thêi
gian
57
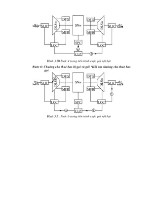
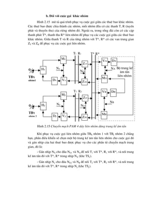
2.3.2 ChuyÓn m¹ch PAM 4 d©y dïng trung kÕ ©m tÇn 59
2.3.3 ChuyÓn m¹ch PAM 4 d©y kh«ng dïng trung kÕ ©m tÇn 63
2.3.4 So s¸nh nguyªn lý chuyÓn m¹ch PAM 4 d©y dïng trung kÕ
©m tÇn vµ nguyªn lý chuyÓn m¹ch PAM 4 d©y kh«ng dïng
trung kÕ ©m tÇn
65
2.3.5 ChuyÓn m¹ch PAM 2 d©y 66
2.4. Kh¸i qu¸t chung vÒ c«ng nghÖ PCM vµ kü thuËt chuyÓn m¹ch sè 68
2.4.1 Nh÷ng lîi thÕ c¬ b¶n cña sù kÕt hîp gi÷a truyÒn dÉn sè vµ
chuyÓn m¹ch sè
68
2.4.2 Kh¸i qu¸t vÒ c«ng nghÖ PCM, chøc n¨ng cña CODEC 71
2.4.3 TuyÕn PCM c¬ së vµ tæ chøc c¸c tuyÕn bËc cao trong c¸c
tæng ®µi sè
74
2.4.4 Kh¸i niÖm chuyÓn m¹ch PCM 75
2.5. C¸c bé chuyÓn m¹ch thêi gian sè c¬ b¶n 79
2.5.1 Kh¸i qu¸t vÒ chøc n¨ng cña c¸c bé chuyÓn m¹ch thêi gian
sè
79
2.5.2 Bé chuyÓn m¹ch thêi gian sè kiÓu ghi tuÇn tù-®äc ngÉu
nhiªn
80
2.5.3 Bé chuyÓn m¹ch thêi gian sè kiÓu ghi ngÉu nhiªn-®äc tuÇn
tù
85
2.5.4 Bé chuyÓn m¹ch thêi gian sè kiÓu c¶ ghi vµ ®äc ®Òu ngÉu
nhiªn
87
2.5.5 Kh¶ n¨ng ¸p dông cña c¸c bé chuyÓn m¹ch thêi gian sè. 90
2.6. C¸c bé chuyÓn m¹ch kh«ng gian sè c¬ b¶n 91
2.6.1 Kh¸i qu¸t vÒ chøc n¨ng cña c¸c bé chuyÓn m¹ch kh«ng gian sè 91
2.6.2 Bé chuyÓn m¹ch kh«ng gian sè ®iÒu khiÓn theo ®Çu ra 93
2.6.3 Bé chuyÓn m¹ch kh«ng gian sè ®iÒu khiÓn theo ®Çu vµo 95
2.6.4 C¸c ®Æc ®iÓm chung cña bé chuyÓn m¹ch kh«ng gian sè 97
2.6.5 D¹ng ®Æc biÖt cña chuyÓn m¹ch kh«ng gian sè 97
2.7. C¸c cÊu tróc tr-êng chuyÓn m¹ch sè 100
2.7.1 CÊu tróc mét bé chuyÓn m¹ch thêi gian (CÊu tróc T) 101
2.7.2 CÊu tróc chuyÓn m¹ch hai tÇng (CÊu tróc T-S, S-T) 103
2.7.3 CÊu tróc chuyÓn m¹ch ba tÇng (CÊu tróc T-S-T, S-T-S) 109
2.7.4 CÊu tróc chuyÓn m¹ch T-S-S-T 117
2.8. §iÒu khiÓn chuyÓn m¹ch sè. 120
2.8.1 Ho¹t ®éng chuyÓn m¹ch khi phôc vô mét cuéc gäi. 120
2.8.2 §iÒu khiÓn khèi chuyÓn m¹ch 121
ch-¬ng 3. Tæ chøc c¸c ph©n hÖ trong tæng ®µi SPC 128
3.1 Ph©n hÖ øng dông (Application Subsystem) 128
3.1.1 KÕt cuèi c¸c ®-êng thuª bao. 128
a. Tæng quan vÒ kÕt cuèi c¸c ®-êng thuª bao. 128
b. KÕt cuèi c¸c ®-êng thuª bao t-¬ng tù (Analog line) 129
c. KÕt cuèi thuª bao sè 135
d. Tæ chøc c¸c kÕt cuèi thuª bao 137
3.1.2 KÕt cuèi trung kÕ 140
a. Kh¸i qu¸t chung 140
b. KÕt cuèi trung kÕ t-¬ng tù ATTU 141
c. KÕt cuèi c¸c ®-êng trung kÕ sè DTI 142
d. Tæ chøc nhãm kÕt cuèi trung kÕ 144
3.1.3 C¸c bé tËp trung thuª bao xa RLU vµ chuyÓn m¹ch thuª bao
xa RSU
146
3.2 Ph©n hÖ chuyÓn m¹ch nhãm 150
3.2.1 CÊu t¹o chuyÓn m¹ch nhãm 150
3.2.2 KÕt cuèi t¹i ph©n hÖ chuyÓn m¹ch. 151
3.2.3 C¸c thiÕt bÞ quan träng kh¸c cña ph©n hÖ chuyÓn m¹ch 153
3.3 HÖ thèng ®iÒu khiÓn 154
3.3.1 Kh¸i qu¸t chung 154
3.3.2 Tæ chøc hÖ thèng xö lý ®iÒu khiÓn cña mét tæng ®µi 156
3.3.3 PhÇn mÒm tæng ®µi 162
3.4 Ph©n hÖ b¸o hiÖu SiGS 166
3.4.1 Kh¸i qu¸t chung 166
3.4.2 TiÕn tr×nh thùc hiÖn mét cuéc gäi 169
3.4.3 CÊu tróc mét sè thiÕt bÞ b¸o hiÖu 173
3.5 Ph©n hÖ ngo¹i vi ®iÒu khiÓn PCS 178
3.5.1 Kh¸i qu¸t chung 178
3.5.2 CÊu tróc cña mét sè thiÕt bÞ ngo¹i vi ®iÒu khiÓn 179
Ch-¬ng 4: tæng quan vÒ hÖ thèng b¸o hiÖu 183
4.1. Kh¸i qu¸t 183
4.2 B¸o hiÖu ®-êng d©y thuª bao 183
4.3 B¸o hiÖu liªn tæng ®µi 184
4.3.1 B¸o hiÖu kªnh liªn kÕt (Channel Associated Signalling) 186
4.3.2 B¸o hiÖu kªnh chung (Common Channel Signalling) 187
4.4. C¸c chøc n¨ng cña b¸o hiÖu 188
4.4.1 Chøc n¨ng gi¸m s¸t 188
4.4.2 Chøc n¨ng t×m chän 189
4.4.3 Chøc n¨ng vËn hµnh vµ qu¶n lý m¹ng 189
Ch-¬ng 5: HÖ thèng b¸o hiÖu m· R2 190
5.1 Kh¸i qu¸t 190
5.2 Ph-¬ng thøc truyÒn tÝn hiÖu cña b¸o hiÖu R2 190
5.3. Ph©n lo¹i b¸o hiÖu cña R2 191
5.3.1 B¸o hiÖu ®-êng d©y 191
5.3.2 B¸o hiÖu thanh ghi 195
5.3.3 C¸c ph-¬ng ph¸p truyÒn tÝn hiÖu b¸o hiÖu thanh ghi 201
Ch-¬ng 6: HÖ thèng b¸o hiÖu kªnh chung sè 7 204
6.1 Kh¸i qu¸t 204
6.2 C¸c kh¸i niÖm c¬ b¶n 204
6.2.1 §iÓm b¸o hiÖu SP (Signalling Point) 204
6.2.2 §iÓm truyÒn b¸o hiÖu STP (Signalling Transfer Point) 205
6.2.3 Liªn kÕt b¸o hiÖu SL (Signalling Link) vµ chïm liªn kÕt b¸o
hiÖu (Link Set)
205
6.2.4 C¸c ph-¬ng thøc b¸o hiÖu (Signalling Mode) 206
6.2.5 TuyÕn b¸o hiÖu (Signalling Route) vµ chïm tuyÕn b¸o hiÖu
(Signalling Route Set)
206
(Signalling Route Set)
6.2.6 M· ®iÓm b¸o hiÖu SPC (Signalling Point Code) 207
6.3 CÊu tróc cña hÖ thèng b¸o hiÖu sè 7 208
6.3.1 M« h×nh chuÈn hÖ thèng më OSI 208
6.3.2 CÊu tróc ph©n líp cña hÖ thèng b¸o hiÖu sè 7 209
6.3.3 C¸c khèi chøc n¨ng cña hÖ thèng b¸o hiÖu sè 7 211
1. PhÇn chuyÓn giao b¶n tin MTP (Message Transfer Part) 211
2. PhÇn ng-êi sö dông ®iÖn tho¹i TUP (Telephone User Part) 225
3. PhÇn ng-êi sö dông m¹ng sè liªn kÕt ®a dÞch vô (ISDN
User Part)
231
4. PhÇn ®iÒu khiÓn kÕt nèi b¸o hiÖu SCCP 235
5. PhÇn øng dông kh¶ n¨ng giao dÞch TCAP 241
ch-¬ng 7: c¬ së lý thuyÕt xö lý cuéc gäi vµ ph-¬ng
ph¸p tÝnh to¸n thiÕt bÞ m¹ng viÔn th«ng.
248
7.1 Môc tiªu cña lý thuyÕt xö lý cuéc gäi 248
7.2 T¶i vµ c-êng ®é t¶i 248
7.3 Dßng c¸c b¸o gäi vµ thêi gian chiÕm 251
7.4 C¸c hÖ thèng phôc vô cuéc gäi 259
7.5 C¸c ph-¬ng ph¸p tÝnh to¸n sè thiÕt bÞ phôc vô 263
7.6 TÝnh to¸n sè thiÕt bÞ phôc vô lµm viÖc víi tæn thÊt hiÓn nhiªn
kh«ng gäi lÆp.
265
7.7 TÝnh sè thiÕt bÞ phôc vô ho¹t ®éng víi tæn thÊt hiÓn nhiªn vµ víi
c¸c b¸o gäi lÆp l¹i
282
7.8 TÝnh to¸n sè thiÕt bÞ phôc vô lµm viÖc víi c¸c tæn thÊt h×nh thøc 285
7.9 §é sö dông trung b×nh c¸c kªnh (®-êng) cña c¸c chïm 289
7.10 Phôc vô nhiÒu pha 292
Tµi liÖu tham kh¶o 297
lêi giíi thiÖu
Kü thuËt chuyÓn m¹ch lµ mét lÜnh vùc t×m hiÓu, nghiªn cøu c¸c ph-¬ng
thøc chuyÓn m¹ch, ®Þnh h-íng th«ng tin tõ nguån tin ®Õn ®Ých nhËn tin mét c¸ch
chÝnh x¸c, hiÖu qu¶, nh»m ®¶m b¶o chÊt l-îng dÞch vô cao, t¹o c¬ së tæ chøc
m¹ng viÔn th«ng linh ho¹t, ®a n¨ng vµ t¹o nhiÒu tiÖn Ých cho ng-êi sö dông.
Trong qu¸ tr×nh lÞch sö ph¸t triÓn cña lÜnh vùc kü thuËt truyÒn vµ chuyÓn
m¹ch c¸c d¹ng th«ng tin ®iÖn nhiÒu c«ng nghÖ chuyÓn m¹ch ®· ®-îc ¸p dông
nh- c¸c thÕ hÖ chuyÓn m¹ch nh©n c«ng, c¸c lo¹i tæng ®µi chuyÓn m¹ch hÖ c¬
®iÖn, c¸c tæng ®µi chuÈn ®iÖn tö, c¸c tæng ®µi ®iÖn tö víi c¸c lo¹i phÇn tö chuyÓn
m¹ch kh¸c nhau nh- ma trËn chuyÓn m¹ch t-¬ng tù, c¸c chuyÓn m¹ch sè… . C¸c
nguyªn lý chuyÓn m¹ch kh¸c nhau còng lÇn l-ît thay thÕ nhau vµ kÕt hîp víi
nhau trong c¸c trung t©m chuyÓn m¹ch cña c¸c m¹ng viÔn th«ng nh- nguyªn lý
ph©n kªnh kh«ng gian, nguyªn lý chuyÓn m¹ch thêi gian t-¬ng tù (chuyÓn m¹ch
PAM), chuyÓn m¹ch sè ®èi víi c¸c tÝn hiÖu ®iÒu chÕ xung m· ghÐp kªnh ®ång bé
(chuyÓn m¹ch PCM), chuyÓn m¹ch ®èi víi c¸c th«ng tin sè d¹ng gãi…
Kü thuËt chuyÓn m¹ch th-êng kÕt hîp víi c¸c lÜnh vùc kü thuËt c«ng nghÖ
kh¸c trong mét cÊu tróc thiÕt bÞ hoÆc hÖ thèng c¸c thiÕt bÞ hoµn chØnh nh- kü
thuËt ®iÒu khiÓn, kü thuËt xö lý c¸c qu¸ tr×nh ngÉu nhiªn, kü thuËt ®iÖn-®iÖn tö
vµ chÕ t¹o linh kiÖn, kü thuËt truyÒn dÉn, b¸o hiÖu vµ xö lý b¸o hiÖu… . Nh×n
chung, mçi trung t©m chuyÓn m¹ch lµ mét hÖ thèng hoµn chØnh, rÊt phøc t¹p vµ lµ
sù kÕt hîp cña nhiÒu lÜnh vùc kü thuËt mµ trong ®ã kü thuËt chuyÓn m¹ch lµ nÒn
t¶ng.
MÆc dï trong c¸c m¹ng viÔn th«ng hiÖn nay phæ biÕn sö dông c¸c tæng ®µi
chuyÓn m¹ch sè ®iÒu khiÓn theo ch-¬ng tr×nh ghi s½n, nh-ng trong tµi liÖu nµy
vÉn ®Ò cËp ®Õn c¸c nguyªn lý chuyÓn m¹ch kh¸c nh- c¸c chuyÓn m¹ch kh«ng
gian t-¬ng tù, chuyÓn m¹ch PAM, hoÆc mét sè c¬ chÕ chuyÓn m¹ch sè liÖu kh¸c
víi môc ®Ých cung cÊp c¸c kiÕn thøc c¬ b¶n vÒ kü thuËt chuyÓn m¹ch, t¹o kh¶
n¨ng øng dông c¸c kü thuËt chuyÓn m¹ch nµy kh«ng chØ trong lÜnh vùc viÔn
th«ng mµ cßn trong c¸c øng dông mang tÝnh ®Æc thï kh¸c nh- lÜnh vùc ®iÒu khiÓn
hoÆc trong c¸c hÖ thèng c«ng nghÖ chuyªn dông. Mét lý do kh¸c cÇn nghiªn cøu,
t×m hiÓu c¸c kü thuËt chuyÓn m¹ch tr-íc ®©y ®ã lµ tÝnh lu©n phiªn cña c¸c c«ng
nghÖ nµy. VÝ dô trong c¸c chuyÓn m¹ch tèc ®é cao cã xu h-íng ¸p dông c¸c phÇn
tö chuyÓn m¹ch kh«ng gian ®¬n gi¶n nhÊt víi ®iÒu khiÓn ph©n t¸n ®Ó cã ®-îc tèc
®é chuyÓn m¹ch cao.
Tµi liÖu nµy gåm 2 tËp.
Néi dung cña tËp 1 ®-îc chia thµnh 5 ch-¬ng. Ch-¬ng 1: C¸c thµnh phÇn
cña m¹ng viÔn th«ng- Giíi thiÖu kh¸i qu¸t c¸c thµnh phÇn cña m¹ng viÔn th«ng,
vÞ trÝ, chøc n¨ng cña tõng thµnh phÇn; C¸c ph-¬ng thøc chuyÓn m¹ch vµ ®iÒu
khiÓn chuyÓn m¹ch; S¬ ®å khèi tæng qu¸t cña tæng ®µi SPC. Ch-¬ng 2: ChuyÓn
m¹ch kªnh- Giíi thiÖu c¸c c«ng nghÖ chuyÓn m¹ch kªnh; Nguyªn lý chuyÓn
m¹ch kh«ng gian t-¬ng tù; CÊu tróc chuyÓn m¹ch kh«ng gian mét kh©u vµ nhiÒu
kh©u; Nguyªn lý ®iÒu chÕ biªn ®é xung vµ chuyÓn m¹ch PAM; C¸c s¬ ®å chuyÓn
m¹ch PAM c¬ b¶n 4 d©y vµ 2 d©y; Kh¸i qu¸t chung vÒ c«ng nghÖ PCM vµ
chuyÓn m¹ch sè; Nguyªn lý ph©n kªnh thêi gian; C¸c bé chuyÓn m¹ch thêi gian
sè vµ chuyÓn m¹ch kh«ng gian sè c¬ b¶n; C¸c cÊu tróc chuyÓn m¹ch T, TS, ST ,
TST, STS, TSST; Ph-¬ng ph¸p ®iÒu khiÓn c¸c chuyÓn m¹ch sè. Ch-¬ng 3: Tæ
chøc c¸c ph©n hÖ trong tæng ®µi SPC- ®Ò cËp ®Õn cÊu tróc cña c¸c ph©n hÖ øng
dông, ph©n hÖ chuyÓn m¹ch, ph©n hÖ xö lý ®iÒu khiÓn, ph©n hÖ ngo¹i vi ®iÒu
khiÓn, ph©n hÖ b¸o hiÖu. Ch-¬ng 4- Tæng quan vÒ b¸o hiÖu vµ c¸c hÖ thèng b¸o
hiÖu: Giíi thiÖu vÒ c¸c kh¸i niÖm b¸o hiÖu thuª bao, b¸o hiÖu trung kÕ, c¸c hÖ
thèng b¸o hiÖu kªnh kÕt hîp vµ b¸o hiÖu kªnh chung. Ch-¬ng 5- Giíi thiÖu hÖ
thèng b¸o hiÖu R2 . Ch-¬ng 6- Giíi thiÖu hÖ thèng b¸o hiÖu sè 7 . Ch-¬ng 7: Lý
thuyÕt xö lý cuéc gäi vµ ph-¬ng ph¸p tÝnh to¸n thiÕt bÞ m¹ng viÔn th«ng- §-a ra
c¸c kh¸i niÖm vÒ xö lý cuéc gäi, t¶i vµ c-êng ®é t¶i, c¸c kh¸i niÖm vÒ ph-¬ng
thøc phôc vô víi tæn thÊt hiÓn nhiªn, phôc vô theo hµng ®îi vµ c¸c ph-¬ng ph¸p
tÝnh to¸n thiÕt bÞ theo tõng ph-¬ng thøc phôc vô vµ xö lý cuéc gäi.
TËp 2 cña tµi liÖu nµy tËp trung vµo c¸c kü thuËt chuyÓn m¹ch th«ng tin sè
liÖu trong ®ã tËp trung vµo c¸c ph-¬ng thøc chuyÓn m¹ch th«ng tin d¹ng gãi nh-
thñ tôc X25, Frame Relay, SMDS vµ ATM. Néi dung sÏ ®-îc giíi thiÖu kh¸i qu¸t
ë ®Çu tËp 2.
Trong tµi liÖu nµy cã thÓ cßn nh÷ng sai sãt, rÊt mong nhËn ®-îc ý kiÕn
®ãng gãp cña b¹n ®äc.
Ch-¬ng 1
C¸c thµnh phÇn cña m¹ng viÔn th«ng
1.1 Kh¸i qu¸t chung
1.1.1 Kh¸i qu¸t vÒ th«ng tin viÔn th«ng
Trao ®æi th«ng tin lµ mét nhu cÇu thiÕt yÕu trong ®êi sèng hµng ngµy. Khi
c¸c mèi quan hÖ kinh tÕ - x· héi cµng ph¸t triÓn th× nhu cÇu ®ã ngµy cµng t¨ng
cao. C¸c th«ng tin ®-îc trao ®æi rÊt ®a d¹ng vÒ h×nh thøc nh- tho¹i, v¨n b¶n, sè
liÖu, h×nh ¶nh vµ rÊt phong phó vÒ c¸ch thøc trao ®æi; chóng cã thÓ ®-îc trao ®æi
trùc tiÕp qua giao tiÕp, ®èi tho¹i vµ còng cã thÓ ®-îc thùc hiÖn mét c¸ch gi¸n tiÕp
qua th- tõ, ®iÖn tho¹i, ®iÖn tÝn …. Th«ng tin viÔn th«ng trªn nghÜa réng cã thÓ
hiÓu lµ h×nh thøc trao ®æi th«ng tin tõ xa, bao gåm c¶ b-u chÝnh, ®iÖn tÝn vµ ®iÖn
b¸o… vµ c¶ c¸c h×nh thøc th«ng tin ®¹i chóng qu¶ng b¸. Tuy nhiªn, tõ tr-íc tíi
nay kh¸i niÖm vÒ th«ng tin viÔn th«ng kh«ng bao hµm c¸c h×nh thøc trao ®æi
th«ng tin phi ®iÖn tÝn (kh«ng dïng tÝn hiÖu ®iÖn), ®ång thêi l¹i g¾n liÒn víi h×nh
thøc trao ®æi th«ng tin qua mét m¹ng nµo ®ã. Do ®ã, th«ng tin viÔn th«ng ®-îc
hiÓu lµ h×nh thøc trao ®æi th«ng tin tõ xa, mµ trong ®ã tin tøc cÇn truyÒn ®-îc
biÕn ®æi thµnh tÝn hiÖu ®iÖn ë ®Çu ph¸t vµ ®-îc truyÒn qua c¸c thiÕt bÞ cña m¹ng
viÔn th«ng (bao gåm c¸c thiÕt bÞ ®Çu cuèi, c¸c tuyÕn truyÒn dÉn, c¸c trung t©m
chuyÓn m¹ch); ë ®Çu thu tÝn hiÖu nhËn ®-îc sÏ ®-îc chuyÓn ®æi ng-îc l¹i thµnh
tin tøc cho ng-êi sö dông. Nãi c¸ch kh¸c truyÒn tin qua m¹ng viÔn th«ng lµ h×nh
thøc truyÒn th«ng tin tõ n¬i nµy tíi n¬i kh¸c b»ng c¸ch sö dông tÝn hiÖu ®iÖn,
®iÖn tõ, quang ®iÖn th«ng qua c¸c thiÕt bÞ m¹ng.
ThiÕt bÞ
®Çu cuèi
TÝn hiÖu
®iÖn
ThiÕt bÞ
®Çu cuèi
TÝn hiÖu
®iÖn
Tin tøc Tin tøc
M¹ng
viÔn th«ng
H×nh 1.1 : Nguyªn lý truyÒn tin qua m¹ng viÔn th«ng
1.1.2 C¸c thµnh phÇn cña m¹ng viÔn th«ng.
a. ThiÕt bÞ ®Çu cuèi.
Tin tøc cÇn truyÒn, nh- tiÕng nãi, v¨n b¶n, sè liÖu, h×nh ¶nh, ph¶i ®-îc
biÕn ®æi thµnh d¹ng tÝn hiÖu ®iÖn phï hîp ®Ó cã thÓ truyÒn qua m¹ng viÔn th«ng.
C¸c biÕn ®æi ®ã ®-îc thùc hiÖn bëi thiÕt bÞ ph¸t ®Æt t¹i ®Çu ph¸t (n¬i truyÒn tin).
Sau khi truyÒn qua m¹ng, tÝn hiÖu ®-îc thu t¹i n¬i nhËn, nã ph¶i ®-îc biÕn ®æi trë
l¹i tõ d¹ng tÝn hiÖu ®iÖn thµnh d¹ng tin tøc ban ®Çu hoÆc d¹ng tin tøc kh¸c nh-ng
cã thÓ hiÓu ®-îc cho ng-êi sö dông. PhÐp biÕn ®æi nµy ®-îc thùc hiÖn bëi thiÕt bÞ
thu t¹i ®Çu cuèi nhËn tin. Nh- vËy, cã thÓ cã c¸c thiÕt bÞ ®Çu cña m¹ng (®Æt t¹i n¬i
ph¸t) vµ c¸c thiÕt bÞ cuèi cña m¹ng (®Æt t¹i n¬i thu). Tuy nhiªn, t¹i c¸c ®iÓm trao
®æi th«ng tin th-êng cã nhu cÇu th«ng tin hai chiÒu, nghÜa lµ võa cã kh¶ n¨ng
truyÒn th«ng tin ®i võa cã kh¶ n¨ng nhËn th«ng tin vÒ. V× vËy, t¹i c¸c ®iÓm nµy
th-êng sö dông lo¹i thiÕt bÞ võa thùc hiÖn ®-îc chøc n¨ng ph¸t l¹i võa thùc hiÖn
®-îc chøc n¨ng thu, hay võa lµ thiÕt bÞ ®Çu cña m¹ng võa lµ thiÕt bÞ cuèi cña
m¹ng. §Ó thèng nhÊt, c¸c thiÕt bÞ thùc hiÖn chøc n¨ng truyÒn th«ng tin vµo m¹ng
viÔn th«ng hoÆc thiÕt bÞ nhËn th«ng tin tõ m¹ng hoÆc lo¹i thiÕt bÞ thùc hiÖn c¶ hai
chøc n¨ng trªn ®Òu cã tªn gäi chung lµ thiÕt bÞ ®Çu cuèi viÔn th«ng. Tõ ®ã, thiÕt
bÞ ®Çu cuèi cña m¹ng viÔn th«ng cã thÓ ®-îc hiÓu ®ã lµ thiÕt bÞ giao tiÕp gi÷a
ng-êi sö dông víi m¹ng mµ nhê thiÕt bÞ nµy ng-êi sö dông cã thÓ truyÒn tin tøc
qua m¹ng tíi ng-êi sö dông kh¸c cña m¹ng vµ nhËn c¸c tin tøc cña c¸c ng-êi sö
dông kh¸c göi tíi. Nh÷ng ®iÒu trªn ®©y míi chØ ®Ò cËp tíi khÝa c¹nh biÕn ®æi tÝn
tøc; ngoµi chøc n¨ng chÝnh nµy c¸c thiÕt bÞ ®Çu cuèi cßn tham gia vµo qu¸ tr×nh
thiÕt lËp, duy tr× vµ gi¶i to¶ tuyÕn truyÒn tin tõ nã tíi c¸c thiÕt bÞ ®Çu cuèi kh¸c
khi tham gia c¸c cuéc liªn l¹c qua m¹ng. C¸c chøc n¨ng lo¹i nµy bao gåm th«ng
b¸o cho m¹ng khi cã nhu cÇu gäi ®i, göi th«ng tin chän ®Þa chØ, nhËn c¸c tÝn hiÖu
th«ng b¸o vÒ t×nh tr¹ng cña m¹ng hoÆc t×nh tr¹ng cña thiÕt bÞ ®Çu cuèi cÇn liªn
l¹c. Chóng cã tªn chung lµ b¸o hiÖu thuª bao. Mçi thiÕt bÞ ®Çu cuèi th-êng ®-îc
nèi víi m¹ng b»ng mét ®«i d©y ®-îc gäi lµ ®-êng d©y thuª bao. T-¬ng øng mçi
®-êng d©y thuª bao sÏ lµ mét m¹ch ®iÖn bªn trong mét thiÕt bÞ nµo ®ã cña m¹ng.
M¹ch ®iÖn ®ã ®-îc gäi lµ m¹ch ®iÖn giao tiÕp ®-êng d©y thuª bao SLIC
(Subscribers Line Interface Circuit). M¹ch ®iÖn nµy cho phÐp thiÕt bÞ ®Çu cuèi
cña ng-êi sö dông, qua ®«i d©y dÉn (®-êng d©y thuª bao), giao tiÕp ®-îc víi c¸c
thiÕt bÞ bªn trong m¹ng .
H×nh 1.2 : Chøc n¨ng c¸c thiÕt bÞ ®Çu cuèi
Nh- vËy thiÕt bÞ ®Çu cuèi, ®«i d©y thuª bao vµ m¹ch ®iÖn giao tiÕp ®«i d©y
thuª bao trong m¹ng cho phÐp mçi ng-êi sö dông cã quan hÖ thuª bao víi m¹ng.
Ng-êi sö dông víi t- c¸ch lµ thuª bao cña m¹ng cã thÓ thùc hiÖn c¸c thao t¸c
®iÒu khiÓn tiÕn tr×nh tiÕn hµnh cuéc liªn l¹c qua m¹ng vµ trao ®æi tin tøc víi c¸c
thuª bao kh¸c qua m¹ng.
b. Trung t©m chuyÓn m¹ch
Qui m« cña mét m¹ng cã thÓ tõ rÊt ®¬n gi¶n ®Õn cùc kú phøc t¹p. Cã thÓ
lÊy m¹ng ®iÖn tho¹i lµm vÝ dô ®iÓn h×nh. Víi b¶n chÊt øng dông tù nhiªn cña
m×nh vµ víi c¸c lo¹i h×nh dÞch vô ngµy cµng phong phó, m¹ng ®iÖn tho¹i mang ý
nghÜa tæng qu¸t cña m¹ng viÔn th«ng vµ lµ mét ®èi t-îng nghiªn cøu chñ yÕu
trong lÜnh vùc viÔn th«ng.
Mét m¹ng ®iÖn tho¹i ®¬n gi¶n cã thÓ chØ bao gåm c¸c cÆp m¸y ®iÖn tho¹i
®Êu nèi trùc tiÕp víi nhau qua mét ®«i d©y nh- h×nh 1.3
Theo ph-¬ng thøc nµy, ®Ó phôc vô liªn l¹c gi÷a mçi cÆp ®iÓm cÇn ®Æt mét
cÆp m¸y ®iÖn tho¹i vµ nèi chóng b»ng mét ®«i d©y. Nh- vËy, nÕu cã n ®iÓm cÇn
liªn l¹c chÐo hoµn toµn víi nhau th× t¹i mçi ®iÓm cÇn cã (n-1) m¸y tho¹i ®Ó nèi
tíi c¸c ®iÓm cßn l¹i, do ®ã tæng sè m¸y ®iÖn tho¹i ph¶i dïng lµ n(n-1) m¸y, t-¬ng
øng cÇn n(n-1)/2 ®«i d©y ®Ó nèi chóng thµnh tõng cÆp.
ThiÕt bÞ
®Çu cuèi
ThiÕt bÞ
®Çu cuèi
SLIC
SLIC
ThiÕt bÞ
®Çu cuèi
SLIC
B¸o hiÖu
Tin tøc M¹ng
H×nh 1.3 : M¹ng ®iÖn tho¹i tæ chøc theo kiÓu ®Êu nèi trùc tiÕp tõng cÆp
Ph-¬ng thøc tæ chøc m¹ng kiÓu nµy chØ cã mét -u ®iÓm duy nhÊt ®ã lµ
®¶m b¶o sù ®éc lËp gi÷a c¸c cuéc liªn l¹c. VÝ dô : Khi A liªn l¹c víi B th× t¹i A
dïng m¸y sè 1, ®éc lËp hoµn toµn víi m¹ng liªn l¹c gi÷a A víi c¸c ®iÓm cßn l¹i
hoÆc gi÷a c¸c ®iÓm cßn l¹i víi nhau. Tõ ®ã t¹o kh¶ n¨ng tæ chøc m¹ng rÊt linh
ho¹t, dÔ dµng thªm bít c¸c mèi liªn l¹c, dÔ triÓn khai thu håi .
Tuy nhiªn ph-¬ng thøc nµy cã rÊt nhiÒu nh-îc ®iÓm nh-:
- Phøc t¹p trong sö dông: ta h×nh dung trªn bµn lµm viÖc cña gi¸m ®èc cã
tíi 4, 5 m¸y ®iÖn tho¹i ®Ó liªn l¹c tíi tõng ph©n x-ëng. Khi ®ã muèn lµm viÖc
víi mét ph©n x-ëng cô thÓ th× cÇn chän ®óng m¸y ®iÖn tho¹i nèi tíi ph©n x-ëng
®ã, hoÆc cã khi tÝn hiÖu gäi tíi tõ mét ph©n x-ëng th× ph¶i nghe, ph¶i quan s¸t ®Ó
x¸c ®Þnh cuéc gäi ®ã ®ang b¸o trªn m¸y nµo. RÊt khã h×nh dung nÕu sè ®iÓm liªn
l¹c lªn tíi hµng tr¨m, hµng ngµn, thËm chÝ lªn tíi hµng triÖu thuª bao, kh«ng râ
khi ®ã ng-êi sö dông sÏ xoay së ra sao víi n–1 chiÕc m¸y ®iÖn tho¹i trªn bµn
lµm viÖc cña m×nh.
- HiÖu qu¶ sö dông thiÕt bÞ ®Çu cuèi vµ ®-êng d©y thÊp do mçi thiÕt bÞ ®Çu
cuèi vµ ®«i d©y t-¬ng øng chØ dïng ®Ó liªn l¹c víi mét ®èi t¸c duy nhÊt nªn
chóng rÊt Ýt ®-îc dïng ®Õn.
- Phøc t¹p vµ tèn kÐm trong më réng m¹ng. Gi¶ sö m¹ng hiÖn hµnh cã n
®iÓm cã kh¶ n¨ng nèi chÐo hoµn toµn, nÕu thªm ®iÓm thø n + 1 th× cÇn bæ xung
2n thiÕt bÞ ®Çu cuèi vµ n ®«i d©y ®Ó nèi gi÷a ®iÓm míi bæ xung víi n ®iÓm ban
®Çu.
Mét ph-¬ng ¸n kh¶ dÜ kh¸c lµ t¹i mçi ®iÓm cÇn liªn l¹c chØ cÇn ®Æt mét
thiÕt bÞ ®Çu cuèi vµ mét bé chuyÓn m¹ch ®-êng d©y riªng. Khi cÇn nèi tíi mét

  
 

 

 
A
B
C
D
®iÓm cô thÓ nµo ®ã th× ng-êi sö dông chØ viÖc dïng chuyÓn m¹ch riªng ®Ó chän
®-êng d©y nèi tíi ®iÓm ®ã nh- m« t¶ trªn h×nh 1. 4
H×nh 1.4 : Ph-¬ng ¸n dïng chuyÓn m¹ch ®-êng d©y riªng
Theo c¸ch nµy ®· t¹o thuËn lîi cho ng-êi sö dông vµ gi¶m ®-îc sè thiÕt bÞ
®Çu cuèi. Tuy nhiªn, sè ®«i d©y nèi chÐo gi÷a c¸c ®iÓm vÉn kh«ng gi¶m, bªn
c¹nh ®ã, mçi khi thay ®æi sè vÞ trÝ sÏ kÐo theo tæ chøc l¹i c¸c ®«i d©y vµ thay ®æi
dung l-îng cña chuyÓn m¹ch riªng t¹i mçi thuª bao.
MÆc dï vËy, ph-¬ng ¸n tæ chøc m¹ng theo c¸ch nµy còng t¹o ra ®Þnh
h-íng cho sù ra ®êi cña ph-¬ng ¸n tæ chøc m¹ng míi mµ nã ®-îc sö dông cho tíi
ngµy nay, ®ã lµ, tËp trung toµn bé c¸c chuyÓn m¹ch riªng ®ã vµo mét thiÕt bÞ
dïng chung gäi lµ trung t©m chuyÓn m¹ch hay cßn gäi lµ tæng ®µi. Khi ®ã t¹i mçi
vÞ trÝ ng-êi sö dông sÏ chØ cßn l¹i mét thiÕt bÞ ®Çu cuèi. ThiÕt bÞ ®Çu cuèi nµy
®-îc nèi víi tæng ®µi chØ b»ng mét ®«i d©y gäi lµ ®-êng d©y thuª bao. C¸c bé
chuyÓn m¹ch riªng mµ tr-íc ®©y ®Æt t¹i tõng vÞ trÝ ng-êi sö dông th× nay ®-îc tËp
trung c¶ vµo trong tæng ®µi. Chøc n¨ng cña tæng ®µi lµ t¹o ra tuyÕn nèi gi÷a c¸c
®-êng d©y cña hai thuª bao khi chóng cÇn liªn l¹c víi nhau. NghÜa lµ, khi thuª
bao A cÇn liªn l¹c víi thuª bao B th× tæng ®µi sÏ sö dông thiÕt bÞ chuyÓn m¹ch
bªn trong nã ®Ó nèi m¹ch ®iÖn ®-êng d©y thuª bao A ®Õn m¹ch ®iÖn ®-êng d©y

 


A
B C
D
E
thuª bao B, duy tr× tuyÕn nèi ®ã khi hai thuª bao ®ã liªn l¹c (trao ®æi th«ng tin)
víi nhau, gi¶i phãng tuyÕn nèi ®ã khi c¸c thuª bao nµy kÕt thóc cuéc liªn l¹c.
Nh- vËy, chøc n¨ng chÝnh cña c¸c trung t©m chuyÓn m¹ch (tæng ®µi) lµ t¹o tuyÕn
truyÒn th«ng tin tõ thuª bao nµy tíi thuª bao kh¸c khi chóng cÇn liªn l¹c víi
nhau. §Ó thùc hiÖn ®-îc chøc n¨ng nµy cÇn trang bÞ c¸c thiÕt bÞ chuyÓn m¹ch phï
hîp trong tæng ®µi vµ ph¶i cã kh¶ n¨ng trao ®æi th«ng tin ®iÒu khiÓn gi÷a c¸c
thiÕt bÞ ®Çu cuèi vµ thiÕt bÞ ®iÒu khiÓn chuyÓn m¹ch cña tæng ®µi. §Õn ®©y ta cã
thÓ h×nh dung r»ng, tæng ®µi lµ thiÕt bÞ dïng chung cho c¸c thuª bao, c¸c thiÕt bÞ
®Çu cuèi cña c¸c thuª bao ®-îc nèi tíi tæng ®µi b»ng c¸c ®-êng d©y thuª bao; bªn
trong tæng ®µi sÏ cã c¸c m¹ch ®iÖn giao tiÕp ®-êng d©y thuª bao t-¬ng øng víi
tõng ®-êng d©y thuª bao; thiÕt bÞ chuyÓn m¹ch dïng ®Ó kÕt nèi c¸c ®-êng d©y
thuª bao, vµ cã phÇn ®iÒu khiÓn ®Ó ®iÒu khiÓn c¸c kÕt nèi ®ã.
Trung t©m chuyÓn m¹ch (tæng ®µi) lµ thiÕt bÞ m¹ng dïng ®Ó t¹o ra tuyÕn
th«ng tin gi÷a c¸c thiÕt bÞ ®Çu cuèi cña cïng tæng ®µi víi nhau (cuéc gäi néi h¹t),
hoÆc gi÷a thiÕt bÞ ®Çu cuèi cña tæng ®µi nµy víi thiÕt bÞ ®Çu cuèi cña tæng ®µi
kh¸c qua ®-êng trung kÕ (cuéc gäi liªn tæng ®µi, cuéc gäi ®-êng dµi), hoÆc gi÷a
c¸c trung kÕ víi nhau (cuéc gäi qu¸ giang).
H×nh 1. 5 : Ph-¬ng thøc liªn l¹c qua tæng ®µi


SLIC
SLIC
SLIC
SLIC 
 SLIC
SLIC SLIC 
ThiÕT BÞ
chuyÓn m¹ch
®iÒu khiÓn
chuyÓn m¹ch
Tæng ®µi
§-êng d©y
thuª bao
TIC
§-êng d©y
trung kÕ
C¸c nhãm chøc n¨ng cña Trung t©m chuyÓn m¹ch bao gåm:
- Nhãm chøc n¨ng chuyÓn m¹ch : T¹o tuyÕn nèi, duy tr×, gi¶i phãng tuyÕn
nèi ®èi víi tõng cuéc gäi.
- Nhãm chøc n¨ng b¸o hiÖu : Cung cÊp vµ xö lý c¸c b¸o hiÖu thuª bao vµ
b¸o hiÖu trung kÕ ®Ó phôc vô chøc n¨ng chuyÓn m¹ch.
Ngoµi ra c¸c trung t©m chuyÓn m¹ch cßn thùc hiÖn c¸c nhãm chøc n¨ng
m¹ng quan träng kh¸c nh- tæ chøc, qu¶n lý m¹ng (vai trß node m¹ng, qu¶n lý
tr¹ng th¸i cña c¸c ®Çu cuèi vµ tuyÕn truyÒn dÉn), cung cÊp giao tiÕp vµ c¸c dÞch
vô thuª bao, phèi hîp truyÒn dÉn( tæ chøc ng©n hµng kªnh, d¹ng, møc tÝn hiÖu...)
biÕn ®æi vµ tæ chøc th«ng tin bªn trong trung t©m chuyÓn m¹ch...
Trong tæ chøc m¹ng th× c¸c trung t©m chuyÓn m¹ch lµ c¸c node m¹ng, cã
thÓ dïng ®Ó phôc vô kÕt nèi gi÷a c¸c thuª bao víi nhau (chuyÓn m¹ch néi h¹t)
hoÆc gi÷a node nµy víi node kh¸c (chuyÓn m¹ch kÕt nèi, chuyÓn tiÕp, ®-êng dµi,
trung t©m cöa quèc tÕ).
c. C¸c tuyÕn truyÒn dÉn
Ph¹m vi phôc vô cña mét tæng ®µi th-êng bÞ giíi h¹n vÒ dung l-îng vµ vÒ
ph©n bè ®Þa lý. Th«ng th-êng, d©n c- tËp trung thµnh c¸c khu vùc. Do ®ã t¹i
trung t©m cña tõng vïng d©n c- ng-êi ta ®Æt mét tæng ®µi cã dung l-îng phï hîp
®Ó phôc vô nhu cÇu liªn l¹c cña d©n c- trong vïng. Gi÷a c¸c tæng ®µi nµy cã thÓ
cã c¸c ®-êng trung kÕ trùc tiÕp, c¸c tuyÕn truyÒn dÉn tíi c¸c tæng ®µi cña c¸c
vïng l©n cËn ®Ó phôc vô c¸c cuéc l¹c gi÷a thuª bao cña tæng ®µi nµy víi thuª bao
cña tæng ®µi kh¸c. Nh×n chung, c¸c tuyÕn truyÒn dÉn th-êng ®-îc l¾p ®Æt gi÷a
c¸c tæng ®µi mµ l-u l-îng th«ng tin cÇn trao ®æi lín hoÆc gi÷a c¸c trung t©m
th«ng tin. §ã lµ c¸c tuyÕn th«ng tin nhiÒu kªnh, trªn ®ã cã sö dông kü thuËt ghÐp
kªnh vµ c¸c gi¶i ph¸p kü thuËt cho viÖc truyÒn tÝn hiÖu ®i xa. Nhê viÖc ¸p dông
c¸c kü thuËt ®ã mµ cã thÓ tæ chøc m¹ng viÔn th«ng toµn cÇu.
Trong thµnh phÇn m¹ng viÔn th«ng c¸c tuyÕn truyÒn dÉn nèi c¸c trung t©m
chuyÓn m¹ch víi nhau, cho phÐp c¸c cuéc gäi cã thÓ tiÕn hµnh qua nhiÒu node
m¹ng. V× vËy, chøc n¨ng chÝnh cña chóng lµ t¹o ra liªn kÕt m¹ng gi÷a c¸c trung
t©m chuyÓn m¹ch. M¹ng viÔn th«ng th-êng ®-îc tæ chøc theo kiÓu ph©n cÊp,
ph©n vïng. TÝn hiÖu qua c¸c thiÕt bÞ truyÒn dÉn ®-îc biÕn ®æi, ®-îc tæ chøc ghÐp
t¸ch kªnh, ®-îc t¸i t¹o vµ khuÕch ®¹i bï n¨ng l-îng sau tõng chÆng ®Ó truyÒn
®-îc ®i xa, vµ nhê ®ã cã thÓ tæ chøc m¹ng lín (m¹ng toµn cÇu).
1.1.3 Tæ chøc m¹ng viÔn th«ng
a. M¹ng hîp nèi
Nh- ®· tr×nh bµy ë phÇn trªn , mçi tæng ®µi côc bé phôc vô c¸c thuª bao
trong mét vïng. C¸c vïng nµy kh«ng cã ranh giíi râ rµng, chóng cã thÓ ®an xen
nhau. Gi÷a c¸c tæng ®µi côc bé cã thÓ lµ c¸c trung kÕ trùc tiÕp hoÆc c¸c tuyÕn
truyÒn dÉn. Tuy nhiªn, nÕu sö dông c¸c trung kÕ vµ c¸c tuyÕn truyÒn dÉn trùc tiÕp
®Ó t¹o ra m¹ng nèi chÐo gi÷a c¸c tæng ®µi côc bé th× cÊu tróc m¹ng sÏ rÊt phøc
t¹p. Còng t-¬ng tù nh- viÖc dïng ®µi néi h¹t ®Ó gi¶m c¸c ®-êng d©y trùc tiÕp
gi÷a c¸c thuª bao, ë ®©y còng cã thÓ dïng tæng ®µi kÕt nèi trung gian gi÷a c¸c
tæng ®µi néi h¹t ®Ó gi¶m c¸c trung kÕ vµ c¸c tuyÕn truyÒn dÉn trùc tiÕp. Nh- vËy
c¸c trung kÕ trùc tiÕp vµ c¸c tuyÕn truyÒn dÉn trùc tiÕp chØ ®-îc ®Æt gi÷a c¸c tæng
®µi néi h¹t gÇn kÒ nhau vµ chØ phôc vô phÇn nµo l-u l-îng th«ng tin gi÷a chóng,
phÇn cßn l¹i chñ yÕu ®-îc phôc vô qua tæng ®µi hîp nèi trung gian nh- h×nh 1.6.
H×nh 1. 6 : Tæ chøc m¹ng kiÓu hîp nèi

§-êng d©y
thuª bao


§-êng d©y
thuª bao

Tæng ®µi
hîp nèi
Tæng ®µi
hîp nèi
Tæng ®µi
hîp nèi
§-êng d©y
thuª bao

§-êng d©y
thuª bao


§-êng d©y
thuª bao

Vïng 1
Vïng 2
Vïng 3
Ghi chó
Tæng ®µi néi h¹t
Trung kÕ trùc tiÕp
Trung kÕ hîp nèi
TuyÕn truyÒn dÉn
Trong ph-¬ng ph¸p tæ chøc m¹ng kiÓu nµy c¸c tæng ®µi hîp nèi ®ãng vai
trß nh- tæng ®µi cña c¸c tæng ®µi, chóng thùc hiÖn chøc n¨ng kÕt nèi gi÷a c¸c
tæng ®µi trong tõng vïng víi nhau vµ gi÷a vïng nµy víi vïng kh¸c, tõ ®ã cho
phÐp gi¶m c¸c trung kÕ trùc tiÕp, më réng ph¹m vi dÞch vô cho c¸c thuª bao vµ
t¹o ®iÒu kiÖn tæ chøc m¹ng linh ho¹t h¬n.
b.M¹ng ph©n cÊp
Khi x©y dùng m¹ng quèc gia cÇn ho¹ch ®Þnh c¸c cÊp chuyÓn m¹ch. NÕu
m¹ng kh«ng ®-îc ph©n cÊp th× viÖc phôc vô c¸c cuéc gäi ®-êng dµi sÏ gÆp khã
kh¨n do tuyÕn ®-êng dµi kh«ng ®-îc ho¹ch ®Þnh tr-íc, cuéc nèi sÏ ph¶i qua
nhiÒu tæng ®µi, thêi gian thiÕt lËp l©u, gi¸ thµnh cao, sö dông c¸c thiÕt bÞ kÐm
hiÖu qu¶, chÊt l-îng phôc vô thÊp... M¹ng ph©n cÊp cho phÐp kh¾c phôc ®-îc c¸c
nh-îc ®iÓm ®Ò cËp trªn ®©y lµm cho c¸c cuéc gäi ®-êng dµi ®-îc tiÕn hµnh
nhanh chãng, thuËn tiÖn vµ chÊt l-îng cao. ViÖc ph©n cÊp ®i ®«i víi viÖc ho¹ch
®Þnh chiÕn l-îc ®Þnh tuyÕn cho c¸c lo¹i cuéc gäi gi÷a hai thuª bao bÊt kú. C¸c
cuéc gäi ®-êng dµi ®-îc ®Þnh tuyÕn theo c¸c tiªu chuÈn tèi -u. M« h×nh m¹ng
ph©n cÊp ®-îc m« t¶ trªn h×nh 1.7. Nh×n chung viÖc xö lý ®Þnh tuyÕn ®-îc thùc
hiÖn trªn c¬ së ph©n tÝch h-íng cuéc gäi vµ tr¹ng th¸i cña c¸c ®-êng liªn kÕt gi÷a
c¸c trung t©m chuyÓn m¹ch. Khi ph¸t sinh mét cuéc gäi th× h-íng trùc tiÕp sÏ
®-îc chän tr-íc tiªn. NÕu h-íng trùc tiÕp kh«ng cã kh¶ n¨ng phôc vô th× cuéc
gäi sÏ ®-îc tiÕn hµnh trªn mét trong c¸c h-íng thay thÕ qua trung t©m chuyÓn
m¹ch cÊp cao h¬n.
Trung t©m quèc tÕ
Trung t©m liªn tØnh
Trung t©m vïng
Tæng ®µi néi h¹t
H-íng
trùc tiÕp
H-íng
thay thÕ
H×nh 1.7 : M« h×nh tæ chøc m¹ng kiÓu ph©n cÊp
1.1.4 C¸c thµnh phÇn thiÕt yÕu kh¸c cña m¹ng viÔn th«ng.
a. HÖ thèng b¸o hiÖu
§Ó c¸c thµnh phÇn chÝnh trong m¹ng viÔn th«ng nh- c¸c thiÕt bÞ ®Çu cuèi,
c¸c trung t©m chuyÓn m¹ch, c¸c tuyÕn truyÒn dÉn ho¹t ®éng phèi hîp nhÞp nhµng
víi nhau th× gi÷a chóng cÇn cã nh÷ng th«ng tin ®iÒu khiÓn. C¸c th«ng tin ®iÒu
khiÓn dïng ®Ó trao ®æi gi÷a c¸c thµnh phÇn chÝnh trong m¹ng phôc vô cho c¸c
qu¸ tr×nh thiÕt lËp, duy tr×, gi¶i to¶ cuéc gäi ®-îc gäi chung lµ b¸o hiÖu.
§Ó hiÓu ®-îc vai trß cña b¸o hiÖu ta xem xÐt qu¸ tr×nh thùc hiÖn cuéc gäi
gi÷a mét thuª bao cña tæng ®µi A víi mét thuª bao cña tæng ®µi B. H×nh1.8 thÓ
hiÖn nh÷ng tÝn hiÖu b¸o hiÖu ®-îc trao ®æi gi÷a c¸c thuª bao víi c¸c tæng ®µi vµ
gi÷a c¸c tæng ®µi víi nhau trong c¸c qu¸ tr×nh thiÕt lËp, duy tr× vµ gi¶i phãng kÕt
nèi.
H×nh 1. 8 : Qu¸ tr×nh tiÕn hµnh cuéc gäi qua tæng ®µi
Qu¸ tr×nh thùc hiÖn mét cuéc gäi trªn thùc tÕ cã thÓ x¶y ra nhiÒu kh¶ n¨ng
kh¸c nhau tuú thuéc vµo ®ã lµ cuéc gäi néi h¹t hay ®-êng dµi, cuéc gäi ®-îc thùc
hiÖn trän vÑn hay bÞ kÕt thóc gi÷a chõng, nguyªn nh©n cuéc gäi kh«ng thµnh
c«ng, mµ tõ ®ã sÏ cã c¸c lo¹i tÝn hiÖu b¸o hiÖu kh¸c nhau ®-îc trao ®æi gi÷a c¸c

Tæng ®µi
A 
Tæng ®µi
B
§-êng d©y
thuª bao
§-êng d©y
thuª bao
Trung kÕ
NhÊc tæ hîp
TÝn hiÖu "Mêi chän sè"
Chän c¸c ch÷ sè ®Þa chØ
Yªu cÇu chiÕm trung kÕ
ChÊp nhËn chiÕm
Yªu cÇu göi c¸c th«ng tin ®Þa chØ
C¸c ch÷ sè ®Þa chØ
TÝn hiÖu chu«ng
TÝn hiÖu "Håi ©m chu«ng"
Tr¶ lêi TÝn hiÖu nhÊc tæ hîp
Trao ®æi th«ng tin
KÕt thóc cuéc gäi Yªu cÇu gi¶i to¶ cuéc gäi
ChÊp nhËn gi¶i to¶ KÕt thóc
B¸o hiÖu ®-êng d©y
thuª bao bÞ gäi
B¸o hiÖu liªn tæng ®µi
B¸o hiÖu ®-êng d©y
thuª bao gäi
thµnh phÇn trong m¹ng . C¸c tÝn hiÖu b¸o hiÖu cã thÓ chia thµnh b¸o hiÖu thuª
bao (bao gåm b¸o hiÖu ®-êng thuª bao gäi, b¸o hiÖu ®-êng thuª bao bÞ gäi) vµ
b¸o hiÖu trung kÕ (hay b¸o hiÖu liªn tæng ®µi) tuú thuéc vµo tõng tÝn hiÖu b¸o
hiÖu ®ã ®-îc sö dông trªn cung ®o¹n nµo cña m¹ng. VÒ c¸c ®¬n vÞ tÝn hiÖu b¸o
hiÖu cô thÓ vµ ý nghÜa cña chóng sÏ ®-îc ®Ò cËp trong ch-¬ng riªng cña tµi liÖu
nµy.
b. HÖ thèng qu¶n lý, ®iÒu hµnh vµ b¶o d-ìng
C¸c thÕ hÖ tæng ®µi c¬ ®iÖn tr-íc ®©y còng ®· b¾t ®Çu h×nh thµnh c¬ së
qu¶n lý vµ b¶o d-ìng, tuy nhiªn chØ tËp trung vµo c«ng viÖc tÝnh c-íc ®¬n gi¶n vµ
c¶nh b¸o lçi th« s¬. C¸c thÕ hÖ tæng ®µi hiÖn ®¹i ®iÒu khiÓn theo ch-¬ng tr×nh ghi
s½n (SPC- Stored Program Control) cho phÐp l-u tr÷ ch-¬ng tr×nh ®iÒu hµnh ho¹t
®éng cña tæng ®µi, c¬ së d÷ liÖu thuª bao vµ d÷ liÖu trung kÕ, c¸c ch-¬ng tr×nh
qu¶n lý m¹ng vµ chän tuyÕn tèi -u, c¸c ch-¬ng tr×nh chuÈn ®o¸n háng hãc cho
phÐp qu¶n lý tËp trung c¸c tæng ®µi trong ph¹m vi nµo ®ã vµ thùc hiÖn c¸c quy
tr×nh b¶o hµnh, b¶o d-ìng tõ xa.
c. §ång bé m¹ng
C¸c trung t©m chuyÓn m¹ch hiÖn nay hÇu hÕt lµ c¸c tæng ®µi chuyÓn m¹ch
sè, do ®ã yªu cÇu sù ®ång bé chÆt chÏ gi÷a c¸c tæng ®µi. §ång bé cã ý nghÜa hÕt
søc quan träng, mang tÝnh sèng cßn cña m¹ng sè ho¸, nã ¶nh h-ëng trùc tiÕp ®Õn
chÊt l-îng phôc vô QoS cña hÖ thèng. Ngµy cµng nhiÒu lo¹i h×nh th«ng tin ®-îc
kÕt hîp víi nhau ®-îc phôc vô qua m¹ng viÔn th«ng, cã nh÷ng lo¹i h×nh th«ng tin
rÊt nh¹y c¶m víi hiÖn t-îng tr-ît vµ lÆp, vÝ dô nh- th«ng tin sè liÖu, v× vËy sai sãt
nhá trong ®ång bé sÏ dÉn tíi tr-ît vµ lÆp th«ng tin, ¶nh h-ëng tíi chÊt l-îng phôc
vô vµ cã thÓ g©y gi¸n ®o¹n liªn l¹c bëi vËy cÇn ¸p dông c¸c gi¶i ph¸p kü thuËt ®Ó
®¶m b¶o ®ång bé m¹ng th«ng tin sè. Chi tiÕt vÒ vÊn ®Ò nµy sÏ ®-îc ®Ò cËp c¸c
ch-¬ng sau.
1.2 ChuyÓn m¹ch kªnh, chuyÓn m¹ch tin, chuyÓn m¹ch
gãi.
1.2.1 Kh¸i niÖm vÒ chuyÓn m¹ch kªnh (Circuit Switching).
ChuyÓn m¹ch kªnh ®-îc hiÓu lµ mét ph-¬ng thøc chuyÓn m¹ch mµ khi
phôc vô mçi cuéc gäi gi÷a mét cÆp thiÕt bÞ ®Çu cuèi nµo ®ã th× kªnh truyÒn gi÷a
c¸c m¹ch ®iÖn giao tiÕp cña hai thiÕt bÞ ®Çu cuèi ®ã ®-îc thiÕt lËp vµ dµnh riªng
cho viÖc trao ®æi th«ng tin gi÷a hai thuª bao nµy. C¸c cuéc gäi ®ång thêi gi÷a c¸c
cÆp thuª bao kh¸c nhau ®-îc tiÕn hµnh trªn c¸c kªnh truyÒn kh¸c nhau, ®éc lËp
nhau.
Kªnh truyÒn nµy cã thÓ ®-îc hiÓu lµ tËp hîp c¸c ®o¹n m¹ch do c¸c thiÕt bÞ
chuyÓn m¹ch vµ c¸c kªnh ®-îc ph©n phèi trªn c¸c tuyÕn truyÒn dÉn t¹o ra mét
tuyÕn truyÒn tÝn hiÖu nèi tiÕp nhau tõ m¹ch ®iÖn cña thuª bao chñ gäi tíi m¹ch
®iÖn cña thuª bao bÞ gäi.
§Æc ®iÓm cña chuyÓn m¹ch kªnh lµ :
- ThiÕt lËp kªnh truyÒn råi míi truyÒn th«ng tin trªn kªnh ®· ®-îc thiÕt lËp.
- HÖ thèng chuyÓn m¹ch kh«ng kiÓm so¸t th«ng tin trªn kªnh ®· thiÕt lËp.
- Th«ng tin kh«ng bÞ trÔ hoÆc bÞ trÔ kh«ng ®¸ng kÓ vµ kh«ng g©y ra rung pha
(TrÔ ®Òu cho mäi thµnh phÇn tÝn hiÖu cña mçi cuéc gäi) do ®ã phï hîp víi
dÞch vô thêi gian thùc.
M« h×nh cña ph-¬ng thøc chuyÓn m¹ch kªnh ®-îc chØ ra trªn h×nh 1.9
H×nh 1.9 : M« h×nh chuyÓn m¹ch kªnh
C¸c thiÕt bÞ chuyÓn m¹ch kªnh cã thÓ lµ c¸c bé chuyÓn m¹ch kh«ng gian
(S-Switch) truyÒn tÝn hiÖu liªn tôc, c¸c bé chuyÓn m¹ch thêi gian (T-Switch) cho




TS1 TS2 TS4TS5 TS1 TS2 TS4 TS5
S-Switch S-Switch
T-Switch T-Switch
tÝn hiÖu pam hoÆc lµ c¸c bé chuyÓn m¹ch sè cho tÝn hiÖu PCM hay chØ ®¬n gi¶n
lµ c¸c bé nèi d©y.
1.2.2 Kh¸i niÖm vÒ chuyÓn m¹ch b¶n tin (Message Switching).
Trong thùc tÕ kh«ng cã m¹ng chuyÓn m¹ch chuyªn dông cho chuyÓn
m¹ch b¶n tin nh-ng chóng ta vÉn th-êng nhËn ®-îc c¸c th«ng tin d-íi d¹ng b¶n
tin. Cã thÓ h×nh dung nguyªn lý chuyÓn m¹ch b¶n tin nh- sau: Tin tøc cÇn truyÒn
lµ b¶n tin sÏ ®-îc göi ®Õn node gèc kÌm theo ®Þa chØ nguån vµ ®Þa chØ ®Ých. Node
gèc l-u b¶n tin trong bé nhí cña nã, lËp kÕ ho¹ch chän tuyÕn tíi ®Ých vµ göi yªu
cÇu tíi node kÕ tiÕp theo kÕ ho¹ch chän tuyÕn, khi node kÕ tiÕp s½n sµng tiÕp
nhËn b¶n tin th× hai node tiÕn hµnh trao ®æi b¶n tin cho nhau, cø nh- vËy b¶n tin
sÏ ®-îc truyÒn tíi ®Ých. Còng cã thÓ truyÒn b¶n tin theo c¸c thuËt truyÒn kh¸c
nhau, miÔn sao b¶n tin tíi ®-îc ®Ých.
H×nh 1.10 : M« h×nh m¹ng chuyÓn m¹ch b¶n tin
§Æc ®iÓm cña ph-¬ng thøc chuyÓn m¹ch b¶n tin:
- B¶n tin cã kÝch kh«ng x¸c ®Þnh v× vËy ph¶i cã bé nhí ®ñ lín t¹i c¸c node
®Ó tiÕp nhËn vµ l-u tr÷ b¶n tin.
- Thêi gian truyÒn t¶i tin lín, dÔ g©y t¾c nghÏn.
- TrÔ b¶n tin trong c¸c node vµ trong m¹ng kh«ng x¸c ®Þnh.
- ¸p dông c¸c biÖn ph¸p ph¸t hiÖn vµ söa lçi.
1.2.3 Kh¸i niÖm vµ chuyÓn m¹ch gãi.
B¶n tin ®-îc chia thµnh c¸c gãi vµ ®-îc truyÒn cïng c¸c tiÕp ®Çu vµ tiÕp
a
b
c
d
e
f
g
h
i
dte
dte
cuèi cña gãi, c¸c tiÕp ®Çu vµ tiÕp cuèi ®ã lµ c¸c tr-êng ®iÒu khiÓn ®Ó h-íng dÉn
c¸c node cña m¹ng ®-a c¸c gãi tíi ®Ých, kiÓm so¸t lçi vµ ®iÒu khiÓn l-u l-îng.
Mét b¶n tin cã thÓ gåm nhiÒu gãi, chóng cã thÓ ®-îc truyÒn tíi ®Ých theo ph-¬ng
thøc h-íng liªn kÕt (Connection-oriented) hoÆc theo ph-¬ng thøc phi kÕt nèi
(Connectionless). Nh- thÕ c¸c gãi cña mét b¶n tin cã thÓ ®-îc truyÒn theo cïng
mét tuyÕn qua c¸c nót m¹ng hoÆc còng cã thÓ ®-îc truyÒn trªn c¸c tuyÕn kh¸c
nhau. Thªm vµo ®ã, trong qu¸ tr×nh truyÒn c¸c gãi cã thÓ cã lçi, mét vµi gãi ph¶i
truyÒn l¹i vµ do ®ã c¸c gãi cã thÓ ®Õn ®Ých kh«ng theo thø tù, c¸c thiÕt bÞ m¹ng vµ
thiÕt bÞ ®Çu cuèi ph¶i cã kh¶ n¨ng kiÓm so¸t vµ s¾p xÕp l¹i c¸c gãi ®Ó kh«i phôc
l¹i b¶n tin t¹i ®Çu cuèi thu.
§Æc ®iÓm cña ph-¬ng thøc chuyÓn m¹ch gãi:
- Gi¶m ®-îc trÔ t¹i c¸c node vµ trong m¹ng
- Xö lý lçi vµ söa lçi hoÆc truyÒn l¹i gãi nhanh h¬n so víi chuyÓn m¹ch
b¶n tin do ®ã gi¶m ®-îc l-îng th«ng tin cÇn truyÒn l¹i, gi¶m t¾c nghÏn
vµ t¨ng tèc ®é truyÒn tin còng nh- kh¶ n¨ng phôc vô cña m¹ng.
- Cã thÓ ®Þnh tuyÕn cho tõng gãi hoÆc cho tÊt c¶ c¸c gãi cña cuéc gäi
theo c¸c thñ tôc kh¸c nhau.
H×nh 1.11 M« h×nh nguyªn lý chuyÓn m¹ch gãi
1.2.4 Kh¸i niÖm vÒ c«ng nghÖ atm (C«ng nghÖ chuyÓn giao kh«ng
®ång bé–asynchronous Transfer Mode)
atm lµ c«ng nghÖ bao gåm c¶ khÝa c¹nh truyÒn dÉn vµ khÝa c¹nh chuyÓn
m¹ch, ®©y còng lµ d¹ng chuyÓn m¹ch gãi ®Æc biÖt. VÒ khÝa c¹nh truyÒn dÉn cã
a
b
c
d
e
f
g
h
i
dte
dte
thÓ coi atm nh- mét ph-¬ng thøc ghÐp kªnh kh«ng ®ång bé (cßn gäi lµ ghÐp
kªnh thèng kª), nghÜa lµ ®-êng truyÒn ®-îc ph©n chia mét c¸ch linh ho¹t cho c¸c
tÕ bµo tõ c¸c nguån tin kh¸c nhau, kh«ng cÇn tu©n theo mét trËt tù nghiªm ngÆt.
C¸c tÕ bµo gièng nh- c¸c gãi tin ®Æc biÖt cã kÝch th-íc cè ®Þnh (53byte) ®Ó ®¹t
®-îc hiÖu qu¶ truyÒn dÉn vµ chuyÓn m¹ch cao, gi¶m trÔ trong m¹ng vµ tr¸nh t¾c
nghÏn. C¸c tr-êng thñ tôc trong mçi tÕ bµo ®-îc tèi thiÓu ho¸, ®¬n gi¶n thao t¸c
xö lý tÕ bµo t¹i c¸c node m¹ng, nh- thÕ sÏ t¨ng ®-îc tèc ®é chuyÓn m¹ch ®¸p øng
®-îc c¸c dÞch vô tèc ®é cao. VÒ chuyÓn m¹ch ¸p dông ph-¬ng thøc chuyÓn m¹ch
®Þa chØ thÓ hiÖn trong nhËn d¹ng kªnh ¶o (VCI) vµ nhËn d¹ng ®-êng ¶o (VPI) tõ
®ã ®¬n gi¶n ho¸ chøc n¨ng chuyÓn m¹ch, n©ng cao kh¶ n¨ng chuyÓn m¹ch, kÕt
hîp b¸o hiÖu kªnh chung t¹o kh¶ n¨ng sö dông VCI, VPI linh ®éng, dÔ dµng tæ
chøc m¹ng toµn cÇu.
a. ChÕ ®é truyÒn ®ång bé vµ chÕ ®é truyÒn kh«ng ®ång bé
Trªn h×nh 1.12a minh ho¹ nguyªn lý ghÐp kªnh thêi gian ®ång bé
(Synchronous Time Division Multiplexing) hay cßn gäi lµ ph-¬ng thøc truyÒn
®ång bé (Synchronous Transfer Mode). C¸c kªnh ®-îc tæ chøc thµnh khung vµ
®-îc s¾p xÕp theo thø tù mét c¸ch chÆt chÏ. ViÖc x¸c ®Þnh th«ng tin cña tõng
kªnh ®Ó phôc vô cho viÖc ph©n phèi chóng còng nh- thùc hiÖn c¸c thao t¸c
chuyÓn m¹ch ph¶i b¾t ®Çu b»ng viÖc x¸c ®Þnh ®ång bé ®a khung, ®ång bé khung
(Frame). MÊt hoÆc thu sai ®ång bé khung còng lµm mÊt th«ng tin cña c¸c kªnh.
Do b¨ng th«ng ®-îc ph©n phèi ®Òu cho c¸c kªnh nªn nh÷ng kªnh kh«ng cã th«ng
tin ®Ó truyÒn còng chiÕm khe thêi gian dµnh cho nã vµ c¸c kªnh kh¸c cã nhu cÇu
truyÒn tin kh«ng thÓ tËn dông ®-îc. ¦u ®iÓm c¬ b¶n cña ph-¬ng thøc nµy lµ tèc
®é truyÒn æn ®Þnh do vËy rÊt phï hîp víi c¸c dÞch vô cã tèc ®é bÝt cè ®Þnh vµ c¸c
dÞch vô yªu cÇu trÔ kh«ng ®æi cho c¸c dÞch vô nh¹y c¶m víi thêi gian thùc nh-
Framin
g
Framing Channel
1
Channel
2
… Channel
n
Framin
g
Framing Channel
1
Channel
2
… Channel
n
Framin
g
Framing Channel
1
Channel
2
… Channel
n
Framin
g
Framing Channel
1
Time Slot
Periodic Frame
H Channel
1
H Channel
1
H Unused
Channel
H Channel
5
H Channel
3
H Channel
7
H Channel
1
H Channel
5
H Channel
5
H Channel
4
H Channel
7
Occupied
Time Slot
Idle
Time Slot
a. ChÕ ®é truyÒn ®ång bé STM
b. ChÕ ®é truyÒn kh«ng ®ång bé ATM
H×nh1.12 Minh ho¹ c¸c chÕ ®é ghÐp kªnh ®ång bé vµ kh«ng ®ång bé
tÝn hiÖu tho¹i hoÆc h×nh ¶nh.
Trªn h×nh 1.12b minh ho¹ nguyªn lý ghÐp kªnh thêi gian kh«ng ®ång bé
ATDM (Asynchronous Time Division Multiplexing) hay cßn gäi lµ ph-¬ng thøc
chuyÓn giao kh«ng ®ång bé ATM(Asynchronous Transfer Mode). B¨ng th«ng
®-îc ph©n ph¸t cho c¸c kªnh theo nhu cÇu (ghÐp kªnh thèng kª - Statistical
Multiplexing) vµ kh«ng cÇn tu©n theo mét thø tù chÆt chÏ nh- trong ph-¬ng thøc
truyÒn ®ång bé. Th«ng tin cña tõng kªnh ®-îc truyÒn cïng víi phÇn tiÕp ®Çu H
(Header-Overhead) cña nã t¹o thµnh c¸c gãi. PhÇn Header chøa c¸c th«ng tin
®iÒu khiÓn gióp cho c¸c thiÕt bÞ m¹ng x¸c ®Þnh ®-îc th«ng tin cña tõng kªnh ®Ó
thùc hiÖn c¸c thao t¸c ®Þnh tuyÕn, chuyÓn m¹ch vµ s¾p xÕp l¹i b¶n tin. Nhê cã
phÇn Header nªn viÖc ghÐp vµ t¸ch kªnh ®-îc tiÕn hµnh rÊt thuËn tiÖn, b¨ng
th«ng ®-îc ph©n phèi mét c¸ch linh ho¹t cho c¸c kªnh. Còng nhê phÇn Header
mµ cã thÓ ¸p dông c¬ cÊu chuyÓn m¹ch t-¬ng ®èi ®¬n gi¶n, ®ã lµ nguyªn lý
chuyÓn m¹ch ®Þa chØ (Address Switching) hay cßn gäi lµ chuyÓn m¹ch nh·n
(Label Switching) mµ chóng ta sÏ ®iÓm qua d-íi ®©y.
Int@ Out@ Port
a m 1
b n *
Int@ Out@ Port
c o 2
Port1
Port1
b
a
c
Int@ Out@ Port
M a 1
n b 2
Int@ Out@ Port
o e 2
Port1
Port1
m n
o
Int@ Out@ Port
d p 2
e 0 1
Int@ Out@ Port
c o 2
Port1
Port1
e d
c
Int@ Out@ Port
o c 2
n b 1
n b 2
Int@ Out@ Port
o c 2
p d 1
Port1
Port1
n
o
p
o
a
b e
b
c
c
d b
H×nh 1.13 Nguyªn lý chuyÓn m¹ch ®Þa chØ
b. ChuyÓn m¹ch ®Þa chØ (Address Switching)
Trªn h×nh 1.13 minh ho¹ nguyªn lý chuyÓn m¹ch ®Þa chØ. Mçi bé chuyÓn
m¹ch cã 2 ®Çu vµo vµ 2 cæng ra. Trªn mçi ®Çu vµo cã mét b¶ng ®Þnh tuyÕn dïng
®Ó ®Þnh tuyÕn cho c¸c gãi d÷ liÖu. Mçi gãi d÷ liÖu ®-îc g¸n mét nh·n ®Þnh tuyÕn
(nh- c¸c chØ sè nhËn d¹ng trong header). Nh·n ®ã sÏ ®-îc so s¸nh víi c¸c nh·n
cña cét In@. Bé chuyÓn m¹ch sÏ chuyÓn ®æi nh·n ®ã thµnh nh·n ®Çu ra t-¬ng
øng nh- trong cét Out@ vµ ®-îc chuyÓn ra cæng ®Çu ra ®Þnh tr-íc bëi cét Port.
Nh- vËy c¸c gãi sÏ lÇn l-ît qua c¸c bé chuyÓn m¹ch ®Ó ®i tõ mét ®Çu vµo nµo ®ã
tíi ®Çu ra cña Node chuyÓn m¹ch. C¸c b¶ng ®Þnh tuyÕn sÏ thay ®æi mçi khi b¾t
®Çu hoÆc kÕt thóc mét cuéc liªn l¹c nµo ®ã d-íi sù hç trî cña hÖ thèng b¸o hiÖu.
Nh- thÕ thao t¸c cña bé chuyÓn m¹ch bao gåm xö lý nh·n ®Çu vµo, phiªn dÞch
thµnh nh·n ®Çu ra vµ h-íng gãi tíi cæng ra cÇn thiÕt. VÝ dô gãi ®Çu vµo cã nh·n
A sÏ ®-îc chuyÓn thµnh nh·n M vµ chuyÓn ra cæng vËt lý Port1. T¹i mçi cæng ra
vËt lý cã bé nhí ®Öm ®Ó t¹m thêi l-u tr÷ c¸c gãi khi cã nhiÒu gãi cïng ®-îc ®Þnh
h-íng ®Õn mét cæng ra vËt lý. Bé nhí ®Öm nµy lµm viÖc theo nguyªn lý FIFO
(Vµo tr-íc, ra tr-íc - First In First Out).
1.2.5 lÜnh vùc øng dông cña c¸c ph-¬ng thøc chuyÓn m¹ch
C¸c th«ng tin cã nguån gèc kh¸c nhau th-êng ®-îc thÓ hiÖn b»ng c¸c
d¹ng tÝn hiÖu kh¸c nhau. VÝ dô th«ng tin tho¹i hoÆc truyÒn h×nh th-êng lµ dßng
th«ng tin liªn tôc ®-îc thÓ hiÖn b»ng chuçi tÝn hiÖu sè tèc ®é bit kh«ng ®æi
(CBR-Constant Bit Rate), trong khi th«ng tin m¸y tÝnh, sè liÖu… l¹i th-êng mang
tÝnh gi¸n ®o¹n vµ d-íi d¹ng tÝn hiÖu sè cã tèc ®é bÝt thay ®æi (VBR-Variable Bit
Rate) vµ v× thÕ mçi lo¹i th«ng tin thÝch øng víi mét c«ng nghÖ truyÒn dÉn vµ
chuyÓn m¹ch. Nh÷ng th«ng tin cã tèc ®é bit kh«ng ®æi vµ nh¹y c¶m víi trÔ
th-êng chän h×nh thøc truyÒn ®ång bé vµ chuyÓn m¹ch kªnh. TruyÒn dÉn kiÓu
®ång bé ®¸p øng tèc ®é truyÒn kh«ng ®æi vµ trÔ truyÒn dÉn lµ nh- nhau cho tÊt c¶
c¸c tæ hîp tÝn hiÖu cña cïng mét cuéc gäi. ChuyÓn m¹ch kªnh thiÕt lËp kªnh
dµnh riªng cho mçi cuéc gäi tr-íc khi truyÒn th«ng tin cña cuéc gäi ®ã vµ ®¶m
b¶o tÊt c¶ c¸c tæ hîp tÝn hiÖu cña cïng mét cuéc gäi sÏ ®-îc truyÒn theo cïng
mét tuyÕn ®· ®-îc thiÕt lËp dµnh riªng ®ã vµ v× thÕ kh«ng lµm thay ®æi thø tù cña
c¸c tæ hîp tÝn hiÖu ®ã, ®ång thêi do ®-îc truyÒn theo cïng mét tuyÕn nªn c¸c tæ
hîp tÝn hiÖu nµy sÏ cã cïng ®é trÔ nh- nhau lµm cho tÝn hiÖu sau kh«i phôc kh«ng
bÞ mÐo pha, ®¸p øng ®-îc c¸c dÞch vô nh¹y c¶m víi trÔ. §èi víi lo¹i th«ng tin
®-îc tæ chøc thµnh c¸c gãi hoÆc c¸c tÕ bµo cho phÐp sö dông ph-¬ng thøc ghÐp
kªnh thèng kª ®Ó n©ng cao hiÖu qu¶ sö dông c¸c thiÕt bÞ m¹ng, ®ång thêi ¸p dông
nguyªn lý chuyÓn m¹ch ®Þa chØ ®Ó ®¬n gi¶n ho¸ c¸c thiÕt bÞ chuyÓn m¹ch ®ång
thêi thÝch øng víi nhiÒu lo¹i h×nh dÞch vô víi nhiÒu tèc ®é kh¸c nhau. §èi víi
nhu cÇu ph¸t triÓn m¹ng viÔn th«ng ®a dÞch vô b¨ng réng, cïng víi nh÷ng tiÕn bé
v-ît bËc trong lÜnh vùc quang dÉn th× c«ng nghÖ ATM lµ mét lùa chän cã thÓ ®¸p
øng ®-îc nh÷ng yªu cÇu cña mét m¹ng viÔn th«ng hiÖn ®¹i.
1.3 Kh¸i qu¸t vÒ tæng ®µi ®iÒu khiÓn theo ch-¬ng
tr×nh ghi s½n SPC (Stored Program Control)
1.3.1 Sù ph¸t triÓn cña c«ng nghÖ chuyÓn m¹ch vµ ph-¬ng thøc ®iÒu
khiÓn.
Trong phÇn nµy chØ ®Ò cËp tíi c«ng nghÖ chuyÓn m¹ch vµ ph-¬ng thøc
®iÒu khiÓn ®-îc ¸p dông trong lÜnh vùc chuyÓn m¹ch kªnh.
Cïng víi sù ph¸t triÓn cña c«ng nghÖ chuyÓn m¹ch th× c¸c ph-¬ng thøc
®iÒu khiÓn ¸p dông trong c¸c thÕ hÖ tæng ®µi còng ®-îc ph¸t triÓn, lu©n phiªn
thay thÕ lÉn nhau.
Nh- ®· tr×nh bµy ë môc 1.2, khi c¸c m¸y ®iÖn tho¹i ®-îc ph¸t minh th×
®Çu tiªn, ®Ó tæ chøc liªn l¹c, ®¬n gi¶n chóng nèi ®-îc tõng cÆp trùc tiÕp víi nhau
mµ kh«ng qua mét lo¹i tæng ®µi nµo c¶. Sau ®ã lµ viÖc ¸p dông c¸c lo¹i tæng ®µi
nh©n c«ng kiÓu tõ th¹ch hoÆc ®iÖn chung. Thùc chÊt c¸c tæng ®µi nµy lµ c¸c thiÕt
bÞ nèi d©y nh©n c«ng, dïng c¸c cÆp d©y phÝch ®Ó nèi m¹ch ®iÖn ®-êng d©y cña
thuª bao gäi víi ®-êng d©y cña thuª bao bÞ gäi. Trong c¸c tæng ®µi nh©n c«ng,
hÇu nh- kh«ng cã hÖ thèng ®iÒu khiÓn, c¸c tÝn hiÖu b¸o hiÖu còng hÕt søc ®¬n
gi¶n. C¸c th«ng tin ®Þa chØ ®-îc trao ®æi b»ng lêi yªu cÇu cña thuª bao tíi nh©n
viªn tæng ®µi hoÆc nh©n viªn tæng ®µi phÝa chñ gäi tíi nh©n viªn tæng ®µi phÝa bÞ
gäi. Nh©n viªn tæng ®µi thùc hiÖn chøc n¨ng cña hÖ thèng ®iÒu khiÓn trong tæng
®µi, bao gåm quan s¸t, ph¸t hiÖn yªu cÇu gäi trao ®æi ®Ó nhËn ®Þa chØ thuª bao bÞ
gäi, ph¸t tÝn hiÖu gäi chu«ng tíi thuª bao bÞ gäi, thiÕt lËp nèi gi÷a thuª bao bÞ gäi
vµ thuª bao gäi, gi¸m s¸t cuéc gäi ®Ó ph¸t hiÖn yªu cÇu kÕt thóc, gi¶i to¶ cuéc gäi
khi cã yªu cÇu kÕt thóc cuéc gäi.
Trong thÕ hÖ tæng ®µi tù ®éng dïng c¸c bé chän nhÈy nÊc viÖc t¹o tuyÕn
nèi gi÷a m¹ch ®iÖn ®-êng d©y thuª bao gäi víi m¹ch ®iÖn ®-êng d©y thuª bao bÞ
gäi ®-îc thùc hiÖn mét c¸ch tù ®éng d-íi sù ®iÒu khiÓn cña c¸c chïm xung quay
sè ®-îc t¹o tõ ®Üa quay sè cña thiÕt bÞ ®Çu cuèi thuª bao gäi. C¸c tÝn hiÖu b¸o
hiÖu ®· b¾t ®Çu phøc t¹p phï hîp víi b-íc ph¸t triÓn v-ît bËc vÒ c«ng nghÖ, tõ
chuyÓn m¹ch nh©n c«ng sang chuyÓn m¹ch tù ®éng. C¸c tÝn hiÖu b¸o hiÖu tèi
thiÓu ®ñ ®Ó ®¸p øng viÖc tù ®éng ho¸ qu¸ tr×nh chuyÓn m¹ch: Dßng m¹ch vßng
(b¸o hiÖu gi¸m s¸t), chän sè d¹ng xung (b¸o hiÖu ®Þa chØ), c¸c ©m phôc vô (b¸o
bËn, håi ©m chu«ng, mêi quay sè), dßng chu«ng. Ch-a h×nh thµnh hÖ thèng ®iÒu
khiÓn. Mçi thiÕt bÞ chuyÓn m¹ch cã bé phËn ®iÒu khiÓn riªng, h×nh thµnh ph-¬ng
thøc ®iÒu khiÓn ®éc lËp - trùc tiÕp - nèi tiÕp. §éc lËp cã nghÜa lµ mçi bé chän cã
bé®iÒu khiÓn riªng cña nã, trùc tiÕp nghÜa lµ chïm xung quay sè ®iÒu khiÓn trùc
tiÕp ho¹t ®éng cña tõng bé chän, cßn nèi tiÕp ®-îc hiÓu lµ m¹ch ®iÒu khiÓn cña
bé chän ®-îc h×nh thµnh mét c¸ch nèi tiÕp theo tiÕn tr×nh thiÕt lËp tuyÕn nèi (xem
h×nh 1.14)
Nh-îc ®iÓm cña ph-¬ng thøc ®iÒu khiÓn ®éc lËp-trùc tiÕp lµ thiÕt bÞ ®iÒu
khiÓn ph©n t¸n theo c¸c bé chän lµm hiÖu suÊt sö dông thÊp, kÝch th-íc chän bé
c«ng kÒnh, tèc ®é thiÕt lËp tuyÕn nèi chËm, kh«ng cho phÐp ¸p dông c¸c ph-¬ng
ph¸p ®Þnh tuyÕn, dÔ bÞ chän vµo ngâ côt. Tuy nhiªn, ph-¬ng thøc ®iÒu khiÓn nµy
còng cã mét vµi -u thÕ nh- nguyªn lý ®iÒu khiÓn rÊt ®¬n gi¶n, lçi ®iÒu khiÓn cña
mét thiÕt bÞ kh«ng g©y ¶nh h-ëng nghiªm träng, kh¾c phôc sù cè nhanh chãng…
Ngµy nay, mét sè hÖ thèng th«ng tin sè cÇn chuyÓn m¹ch tèc ®é cao còng
cã su h-íng ¸p dông ph-¬ng thøc ®iÒu khiÓn ®éc lËp, tuy nhiªn thao t¸c ®iÒu
khiÓn chuyÓn m¹ch cña nã dùa trªn viÖc xö lý nh·n nh- trong chuyÓn m¹ch ®Þa
chØ.

§K
§K
§K
§K
§K
§K
§K
§K
§K
§K
§K








CÊp chän
s¬ bé
CÊp chän
nhãm 1
CÊp chän
nhãm 2
CÊp chän
®-êng d©y
H×nh 1.14 M« h×nh ®iÒu khiÓn ®éc lËp-trùc tiÕp trong tæng ®µi nh¶y nÊc
ThÕ hÖ tæng ®µi tù ®éng dïng bé nèi d©y to¹ ®é (ngang däc) ®· t¹o ra
nh÷ng tiÕn bé ®¸ng kÓ. Kh¶ n¨ng nèi d©y cña c¸c bé nèi lo¹i nµy ®· t¨ng nhiÒu so
víi lo¹i bé chän nh¶y nÊc, mçi khèi däc cña bé nèi d©y täa ®é t-¬ng ®-¬ng mét
bé chän nhÈy nÊc ®¬n, tõ ®ã cho phÐp gi¶m ®¸ng kÓ thÓ tÝch thiÕt bÞ chuyÓn m¹ch
cña tæng ®µi. Nguyªn lý nèi d©y theo kiÓu tiÕp ®iÓm Ðp nªn gi¶m ®-îc sù mµi
mßn. §Æc biÖt, ®· cho phÐp ¸p dông ph-¬ng thøc ®iÒu khiÓn gi¸n tiÕp-tËp trung.
Nguyªn lý ®iÒu khiÓn gi¸n tiÕp ®-îc thÓ hiÖn: Tr-íc tiªn tÝn hiÖu chän sè
tõ thuª bao gäi ®-îc thu vµ nhí ë thanh ghi ®Þa chØ, sau ®ã míi chuyÓn tíi c¸c bé
®iÒu khiÓn cña c¸c cÊp chän vµ tõ ®ã ph©n phèi tíi tõng bé nèi d©y. Nh- vËy,
thiÕt bÞ ®iÒu khiÓn còng ®· b¾t ®Çu ®-îc tËp trung, n©ng cao ®-îc hiÖu suÊt sö
dông cña c¸c thiÕt bÞ ®iÒu khiÓn dïng chung, t¨ng kh¶ n¨ng ®iÒu khiÓn vµ cho
phÐp chän tuyÕn theo mét sè ph-¬ng ¸n ®Þnh tr-íc, viÖc chän tuyÕn mang tÝnh
bao qu¸t trong ph¹m vi mét tæng ®µi.
C¶ hai lo¹i tæng ®µi c¬ ®iÖn (nhÈy nÊc vµ to¹ ®é) cã ®Æc ®iÓm chung lµ
kÝch th-íc lín, chi phÝ khai th¸c kh¸ cao, tiªu thô n¨ng l-îng lín, dÞch vô nghÌo
nµn, chÊt l-îng dÞch vô thÊp. Tuy nhiªn chóng còng ®· phôc vô trong kho¶ng thêi
gian hµng vµi thËp kû (gÇn thÕ kû).
Nöa cuèi thÕ kû 20 c«ng nghÖ chÕ t¹o c¸c linh kiÖn b¸n dÉn ph¸t triÓn
m¹nh, kü thuËt xö lý tÝn hiÖu vµ kü thuËt vi xö lý t¹o ®iÒu kiÖn cho ngµnh c«ng




Bé d©y phÝch
Bé ®iÒu khiÓn cÊp chän
®-êng d©y kh©u AB
Thanh ghi
®Þa chØ
Bé ®iÒu khiÓn
cÊp chän thanh ghi
Bé ®iÒu khiÓn
cÊp chän nhãm
Giao tiÕp
trung kÕ
Bé ®iÒu khiÓn cÊp chän
®-êng d©y kh©u CD
A B
C D
A
B
H×nh 1.15 Ph-¬ng thøc ®iÒu khiÓn gi¸n tiÕp trong tæng ®µi to¹ ®é
nghÖ ®iÖn tö ph¸t triÓn, trong ®ã cã lÜnh vùc kü thuËt chuyÓn m¹ch. Hµng lo¹t
thiÕt kÕ, ph¸t minh míi trong lÜnh vùc truyÒn dÉn nh- ph©n kªnh theo thêi gian,
quang dÉn thóc ®Èy c¸c ph¸t kiÕn míi trong lÜnh vùc chuyÓn m¹ch.
C¸c tæng ®µi ®iÖn tö cã ®Æc ®iÓm chung lµ thiÕt bÞ chuyÓn m¹ch ®-îc chÕ
t¹o trªn c¬ së linh kiÖn ®iÖn tö, b¸n dÉn, vi m¹ch cã kÝch th-íc nhá, t¸c ®éng
nhanh, tiªu thô nguån thÊp, cã kh¶ n¨ng tÝch hîp cao vµ ®Æc biÖt lµ thÝch øng víi
c¸c kü thuËt truyÒn dÉn tèc ®é cao. Ph-¬ng thøc ®iÒu khiÓn trong c¸c tæng ®µi
®iÖn tö còng chuyÓn dÇn theo h-íng thay thÕ c¸c m¹ch logic rêi r¹c trong c¸c
khèi, c¸c bé ®iÒu khiÓn b»ng c¸c phÇm mÒn cïng c¸c bé xö lý chuyªn dông. Vµ
nh- thÕ ®· lµm xuÊt hiÖn thÕ hÖ tæng ®µi ®iÒu khiÓn theo ch-¬ng tr×nh l-u tr÷ SPC
(Stored Program Control). PhÇn mÒm ®iÒu khiÓn c¸c tæng ®µi còng ®-îc dÇn c¶i
tiÕn vµ cµng ngµy cµng cho phÐp ng-êi sö dông cã thªm nhiÒu tÝnh n¨ng dÞch vô
tuú tù chän. C¸c tæng ®µi ®iÒu khiÓn theo ch-¬ng tr×nh l-u tr÷ SPC cïng víi c«ng
nghÖ truyÒn dÉn hiÖn ®¹i vµ chuyÓn m¹ch sè nhanh chãng thay thÕ c¸c tæng ®µi
c¬ ®iÖn. Ph-¬ng thøc b¸o hiÖu còng cÇn ®-îc hoµn thiÖn lµm cho ho¹t ®éng cña
m¹ng viÔn th«ng ngµy cµng linh ho¹t, hiÖu qu¶, th«ng minh h¬n. C¸c dÞch vô
tho¹i vµ phi tho¹i ngµy cµng xÝch l¹i gÇn nhau h¬n trªn c¬ së chuyÓn m¹ch sè vµ
®iÒu khiÓn theo ch-¬ng tr×nh l-u tr÷. C«ng nghÖ truyÒn dÉn vµ chuyÓn m¹ch
atm më ra triÓn väng to lín cho c¸c dÞch vô cña m¹ng viÔn th«ng.
1.3.2. Tæng quan vÒ tæng ®µi ®iÒu khiÓn theo ch-¬ng tr×nh l-u tr÷ SPC
Trong qu¸ tr×nh ®iÒu khiÓn c¸c thiÕt bÞ chuyÓn m¹ch cÇn ph¶i thùc hiÖn rÊt
nhiÒu phÐp tÝnh logic, kÕt qu¶ cña chóng l¹i cÇn ®-îc nhí ®Ó ®iÒu khiÓn c¸c phÇn
tö chuyÓn m¹ch. Tr-íc ®©y c¸c phÐp tÝnh ®ã vµ c¸c chøc n¨ng nhí ®-îc thùc hiÖn
trªn c¸c linh kiÖn rêi, ®¬n lÎ, kh¶ n¨ng tÝnh to¸n chËm. Ngµy nay, nhê vµo thµnh
tùu cña kü thuËt vi xö lý ®· cho phÐp kÕt hîp c¸c chøc n¨ng xö lý nµy trao cho
c¸c bé vi xö lý chuyªn dông. C¸c phÐp tÝnh logÝc trong xö lý cuéc gäi, c¸c qu¸
tr×nh xö lý vµ ph©n phèi b¸o hiÖu, chän tuyÕn, t¹o c¸c b¶n tin ®iÒu khiÓn chuyÓn
m¹ch vµ c¸c thiÕt bÞ ngo¹i vi, kiÓm so¸t c¸c m¹ch giao tiÕp ®-îc xö lý bëi c¸c bé
vi xö lý trªn c¬ së c¸c phÇn mÒm ®· ®-îc l-u tr÷ nhê ®ã mµ gi¶m ®¸ng kÓ c¸c
linh kiÖn, n©ng cao chÊt l-îng vµ tèc ®é phôc vô cña c¸c tæng ®µi.
ViÖc kÕt hîp ®iÒu khiÓn theo ch-¬ng tr×nh l-u tr÷ víi kü thuËt chuyÓn
m¹ch sè cµng n©ng cao -u thÕ cña c¸c tæng ®µi SPC. Mét sè -u ®iÓm cña tæng ®µi
SPC cã thÓ liÖt kª d-íi ®©y:
-TÝnh linh ho¹t: C¸c tæng ®µi SPC cã tÝnh linh ho¹t ë møc cao thÓ hiÖn ë
khÝa c¹nh t¸c dông l©u dµi vµ t¸c dông trùc tiÕp. Tr-íc tiªn xem xÐt khÝa c¹nh t¸c
dông l©u dµi. Trong tõng giai ®o¹n ph¸t triÓn cña hÖ thèng chuyÓn m¹ch, mét lo¹t
ch-¬ng tr×nh cã thÓ t¹o ra ®Ó cho phÐp hç trî c¸c nhu cÇu dÞch vô vµ qu¶n lý. Sù
hiÖu chØnh phÇn mÒm ®¸p øng ngµy cµng da d¹ng vÒ dÞch vô lµm cho hÖ thèng
kh«ng trë thµnh l¹c hËu theo thêi gian. Nh- vËy, c¸c phÇn mÒm c¬ b¶n ®¶m b¶o
cho hÖ thèng ho¹t ®éng ®¸p øng c¸c dÞch vô truyÒn thèng vµ nhu cÇu hiÖn t¹i, cã
xem xÐt kh¶ n¨ng thay ®æi ®Ó khi cÇn n©ng cÊp chØ cÇn c¶i tiÕn ®«i chót vÒ phÇn
mÒm hoÆc ®-a thªm c¸c thñ tôc míi mµ kh«ng cÇn thay ®æi cÊu tróc phÇn cøng.
NghÜa lµ cÊu tróc phÇn cøng cña tæng ®µi SPC cïng víi phÇn mÒm ®iÒu khiÓn ban
®Çu cña nã ®-îc thiÕt kÕ theo khuynh h-íng module ho¸ phï hîp víi chiÕn l-îc
më réng c¶ vÒ dung l-îng vµ kh¶ n¨ng dÞch vô.
KhÝa c¹nh hiÖu qu¶ trùc tiÕp thÓ hiÖn ë kh¶ n¨ng thay ®æi nhanh chãng
b»ng c¬ së d÷ liÖu ®Ó cã thÓ thÝch øng víi ®iÒu kiÖn thay ®æi tr¹ng th¸i cña m¹ng,
nghÜa lµ kh¶ n¨ng thÝch nghi cña hÖ thèng víi tõng tr¹ng th¸i m¹ng khi cã c¸c
biÕn cè, vÝ dô khi cã mét t¾c nghÏn t¹i mét node m¹ng nµo ®ã hoÆc trªn tuyÕn
truyÒn dÉn ®Ó cã ®-îc c¸c phÐp chän tuyÕn tèi -u. HoÆc ®èi víi thuª bao dÔ dµng
thay ®æi dÞch vô cña tõng thuª bao b»ng viÖc thay ®æi c¬ së d÷ liÖu cña nã theo
yªu cÇu cña ng-êi sö dông.
-C¸c tiÖn Ých cho thuª bao: C¸c tæng ®µi SPC cung cÊp cho thuª bao
nhiÒu tiÖn Ých h¬n, dÔ dµng vµ rÎ h¬n trong c¸c tæng ®µi kh¸c. C¸c tiÖn Ých nµy
®-îc ph©n phèi bëi hÖ thèng qu¶n lý vµ theo tÝnh n¨ng tuú chän cña thuª bao.
C¸c tiÖn Ých ®ã bao gåm:
+ Short–code dialling (dÞch vô quay sè t¾t tõ bé nhí cña tæng ®µi): C¸c ®Þa
chØ th-êng gäi ®-îc nhí tr-íc vµo bé nhí cña tæng ®µi víi m· t-¬ng øng
nµo ®ã. Khi cÇn gäi, thuª bao chØ viÖc chän m· rót gän ®ã th× ®Þa chØ ®·
nhí sÏ tù ®éng ®-îc gäi ra.
+ Call transfer (dÞch vô chuyÓn cuéc gäi): ChuyÓn cuéc gäi tíi ®Þa chØ kh¸c
mét c¸ch tù ®éng (call forward).
+Ring back when free (camp – on): Cuéc gäi ®Õn mét thuª bao ®ang bËn sÏ
chu«ng l¹i khi thuª bao cÇn gäi gi¶i phãng trë l¹i.
+Automatic alarm call : Tæng ®µi tù ®éng ph¸t tÝn hiÖu c¶nh b¸o t¹i thêi ®iÓm
®· ®Æt tr-íc (b¸o giê).
+Outgoing and Incoming call barring: H¹n chÕ gäi tíi vµ gäi ®i. Cho phÐp
chñ thuª bao h¹n chÕ c¸c cuéc gäi ®Õn vµ c¸c cuéc gäi ®i (gäi ®-êng dµi)
+Itemized billing: Cung cÊp ho¸ ®¬n tÝnh c-íc chi tiÕt c¸c cuéc gäi.
+ Malicious – call tracing : Thuª bao hoÆc c¬ quan cã quyÒn ®-îc biÕt vÒ
nguån gèc cña cuéc gäi quÊy rèi.
NhiÒu tiÖn Ých trªn ®ßi hái t¨ng c-êng kh¶ n¨ng b¸o hiÖu thuª bao, vÝ dô
yªu cÇu sö dông tÝnh n¨ng chän m· b»ng b¸o hiÖu ®a tÇn (DTMF – Dual Tone
Multifrequency). Mét sè tiÖn Ých yªu cÇu hÖ thèng b¸o hiÖu liªn ®µi thÝch hîp.
- -u ®iÓm trong qu¶n trÞ : C¸c tæng ®µi SPC cung cÊp rÊt nhiÒu c¸c tiÖn
Ých qu¶n lý nh- : ®iÒu khiÓn c¸c tiÖn Ých cña thuª bao, thay ®æi ®Þnh tuyÕn, thay
®æi sè liÖu thuª bao vµ trung kÕ, xuÊt c¸c th«ng tin thèng kª qu¶n lý tæng ®µi, c¸c
sè liÖu phôc vô b¶o tr× , chuÈn ®o¸n dù b¸o háng hãc.
ViÖc kÕt hîp kü thuËt sè còng ®-a l¹i c¸c -u ®iÓm næi bËt: Kü thuËt sè
®-îc ¸p dông cho kh©u chuyÓn m¹ch vµ ®iÒu khiÓn t¹o thµnh tæng ®µi sè ho¸
hoµn toµn, kÕt hîp víi truyÒn dÉn sè lµm cho m¹ng viÔn th«ng sè cµng thÓ hiÖn
thÕ m¹nh cña m×nh.
Tèc ®é thiÕt lËp cuéc gäi ®-îc c¶i thiÖn ®¸ng kÓ do cã sù t-¬ng thÝch vÒ
dßng vµ ¸p gi÷a phÇn ®iÒu khiÓn vµ phÇn tö chuyÓn m¹ch, cïng víi ®Æc tÝnh
kh«ng nghÏn m¹ch (non-blocking) cña c¸c chuyÓn m¹ch sè cho phÐp thiÕt kÕ
m¹ng chuyÓn m¹ch gän nhÑ, tiÕt kiÖm vµ kh¶ th«ng cao. Ngoµi ra, nÕu cuéc gäi
®ang tiÕn hµnh bÞ gi¸n ®o¹n bëi mét lý do nµo ®ã th× cè g¾ng t¸i thiÕt lËp cuéc
gäi cã thÓ ®-îc thùc hiÖn mµ kh«ng g©y ra sù c¶m nhËn cho ng-êi sö dông.
- TiÕt kiÕm kh«ng gian: C¸c chuyÓn m¹ch sè cã kÝch th-íc rÊt nhá nh-ng
do ®é tÝch hîp rÊt cao nªn kh¶ n¨ng chuyÓn m¹ch rÊt lín l¹i ¸p dông kü thuËt
ghÐp kªnh theo thêi gian nªn hiÖu xuÊt sö dông rÊt cao tõ ®ã gi¶m ®-îc kh«ng
gian cña phÇn thiÕt bÞ chuyÓn m¹ch vµ kÝch th-íc chung cña tæng ®µi.
- §é tin cËy rÊt cao vµ rÊt dÔ dµng b¶o tr× : Do kh«ng cã c¸c phÇn tö c¬
®iÖn nªn trong ho¹t ®éng cña tæng ®µi lo¹i trõ ®-îc c¸c háng hãc, sai sãt c¬ khÝ.
KÝch th-íc cña c¸c linh kiÖn l¹i gän nhÑ nªn cho phÐp ¸p dông c¸c biÖn ph¸p dù
phßng ®¶m b¶o thay thÕ tù ®éng khi cã sai sãt, sù cè. C¸c m¹ch chøc n¨ng ®-îc
chÕ t¹o d-íi d¹ng module ®-îc kiÓm so¸t b»ng c¸c ch-¬ng tr×nh chuÈn ®o¸n,
c¶nh b¸o háng hãc, cung cÊp kh¶ n¨ng tù b¶o hµnh vµ cung cÊp th«ng tin ®Çy ®ñ
cho viÖc söa ch÷a, b¶o tr×. Ngoµi ra c¸c tæng ®µi SPC cßn cung cÊp kh¶ n¨ng qu¶n
lý vµ b¶o d-ìng tõ xa.
- ChÊt l-îng cuéc nèi: kÕt hîp chuyÓn m¹ch sè vµ truyÒn dÉn sè cho phÐp
c¶i thiÖn rÊt c¬ b¶n chÊt l-îng cuéc nèi bëi c¸c lý do: TruyÒn dÉn sè tr¸nh ®-îc
suy hao tÝn gèc, lo¹i trõ c¸c tÝn hiÖu nhiÔu, t¹p ©m, tr¸nh ®-îc t¹p ©m tÝch luü. Tõ
®ã chÊt l-îng c¸c cuéc gäi ®-êng dµi vµ cuéc gäi néi h¹t kh«ng cã sù kh¸c biÖt.
- Kh¶ n¨ng kÕt hîp c¸c dÞch vô phi tho¹i : C¸c lo¹i dÞch vô phi tho¹i nh-
video, fax, telex, sè liÖu ... ®-îc sè ho¸ cã thÓ ®-îc truyÒn vµ chuyÓn m¹ch trong
cïng m¹ng víi tÝn hiÖu tho¹i.
Mét m«i tr-êng sè ho¸ hoµn toµn (trõ m¹ng thuª bao) gåm chuyÓn m¹ch
sè, truyÒn dÉn sè, ®iÒu khiÓn theo ch-¬ng tr×nh l-u tr÷ SPC, kÕt hîp víi b¸o hiÖu
kªnh chung sÏ t¹o nªn mét m¹ng viÔn th«ng hoµn chØnh trong giai ®o¹n hiÖn nay
– Hoµn chØnh víi nghÜa ®ñ m¹nh ®Ó cung cÊp vµ b¶o ®¶m c¸c dÞch vô ®a d¹ng
®¸p øng nhu cÇu ngµy cµng t¨ng vµ cµng cao cña ng-êi sö dông. B¸o hiÖu kªnh
chung cung cÊp kh¶ n¨ng liªn l¹c nhanh chãng gi÷a c¸c hÖ thèng ®iÒu khiÓn cña
c¸c tæng ®µi, cung cÊp kh¶ n¨ng bao qu¸t t×nh tr¹ng cña c¸c node m¹ng vµ c¸c
tuyÕn truyÒn dÉn, tõ ®ã cã thÓ chän tuyÕn nhanh, hiÖu qu¶ vµ tèi -u h¬n. Ngoµi
ra b¸o hiÖu kªnh chung cßn cho phÐp më réng mét sè dÞch vô xuyªn qua m¹ng,
®iÒu hµnh vµ b¶o d-ìng tËp trung.
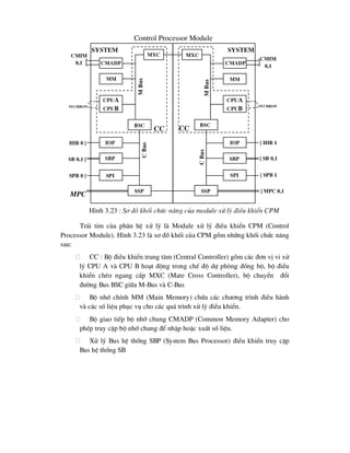
1.3.3. S¬ ®å khèi tæng qu¸t cña tæng ®µi SPC
Nh×n chung c¸c tæng ®µi SPC cã thÓ lµ tæng ®µi Analog hoÆc tæng ®µi
Digital dung l-îng vµ kÕt cÊu cña chóng rÊt ®a d¹ng. H×nh 1.16 chØ ®-a ra s¬ ®å
khèi tæng qu¸t cña tæng ®µi SPC. Cã thÓ chia cÊu tróc cña c¸c tæng ®µi SPC thµnh
hai hÖ thèng chÝnh : HÖ thèng tho¹i vµ HÖ thèng xö lý ®iÒu khiÓn.
HÖ thèng tho¹i l¹i cã thÓ chia thµnh c¸c ph©n hÖ : Ph©n hÖ thuª bao vµ
b¸o hiÖu thuª bao, ph©n hÖ trung kÕ vµ b¸o hiÖu trung kÕ, ph©n hÖ chuyÓn m¹ch.
Ph©n hÖ thuª bao vµ b¸o hiÖu thuª bao gåm c¸c m¹ch kÕt nèi ®-êng d©y thuª
bao thùc hiÖn c¸c chøc n¨ng BOCHTRS (B-Battery feed cÊp nguån, O-Over-
voltage protection chèng qu¸ ¸p, C- Codec (coder and decoder) m· ho¸ vµ gi¶i
m·, H-Hybrid biÕn ®æi 2d©y/4 d©y, T-Test kiÓm tra ®o thö, R-Ring rung chu«ng,
S-Supervision gi¸m s¸t tr¹ng th¸i). C¸c thiÕt bÞ ®Çu cuèi thuª bao cã thÓ lµ lo¹i
t-¬ng tù (analog) hoÆc lo¹i sè (digital). §èi víi lo¹i analog tÊt c¶ c¸c chøc n¨ng
trªn ®-îc thùc hiÖn t¹i m¹ch kÕt cuèi ®-êng thuª bao SLIC (Subscribers line
Interface circuit). §èi víi lo¹i thuª bao sè ISDN (Integrated Services digital
Network) mét sè chøc n¨ng trªn ®-îc thùc hiÖn ngay t¹i thiÕt bÞ ®Çu cuèi. Ngoµi
c¸c m¹ch giao tiÕp ®-êng d©y thuª bao, trong ph©n hÖ nµy cßn cã c¸c khèi
chuyÓn m¹ch tËp trung thuª bao dïng ®Ó tËp trung t¶i thuª bao. Chóng ®-îc thiÕt
kÕ theo tõng nhãm m¹ch kÕt cuèi ®-êng d©y thuª bao. Chøc n¨ng cña c¸c bé tËp
trung t¶i thuª bao lµ ph©n phèi c¸c kªnh tho¹i ®-a vµo m¹ng chuyÓn m¹ch cho
c¸c m¹ch kÕt cuèi ®-êng d©y thuª bao khi thuª bao tham gia mét cuéc gäi nµo ®ã
vµ gi¶i phãng kªnh tho¹i ®ã khi thuª bao kÕt thóc cuéc gäi.
§iÒu nµy rÊt quan träng, v× c-êng ®é t¶i cña mçi thuª bao chØ kho¶ng 0,02
Erlang. Bé chuyÓn m¹ch tËp trung t¶i thuª bao sÏ tËp trung c¸c t¶i cña c¸c thuª
bao trong tõng nhãm tíi chïm kªnh chuyÓn m¹ch dïng chung; nãi c¸ch kh¸c c¸c
bé tËp trung t¶i thuª bao t¹o kh¶ n¨ng dïng chung mét sè l-îng kªnh chuyÓn
m¹ch cho sè ®«ng thuª bao cña mét nhãm sao cho hiÖu suÊt sö dông kªnh chuyÓn
m¹ch gÇn b»ng 1 víi møc gäi hôt cho tr-íc. Ngoµi ra bé chuyÓn m¹ch tËp trung
t¶i thuª bao cßn lµm nhiÖm vô nèi m¹ch ®iÖn thuª bao tíi c¸c bé t¹o c¸c tÝn hiÖu
©m tÇn Tone Gen., ®Ó cÊp c¸c tÝn hiÖu “Mêi quay sè”, “B¸o bËn”, “Håi ©m
chu«ng”; hoÆc tíi bé thu m· ®a tÇn MFR-MultiFrequency Receiver tuú thuéc
vµo tõng giai ®o¹n khi thuª bao thiÕt lËp hoÆc kÕt thóc mét cuéc gäi nµo ®ã. Bé
®iÒu khiÓn giao tiÕp LOC-Local controller thùc hiÖn c¸c chøc n¨ng: ph©n phèi
c¸c tÝn hiÖu b¸o hiÖu ®-êng d©y thuª bao qua bé chuyÓn m¹ch tËp trung t¶i thuª
bao vµ ph©n phèi kªnh tho¹i qua bé chuyÓn m¹ch ®ã, qu¶n lý tr¹ng th¸i thuª bao,
®iÒu khiÓn ph©n phèi tÝn hiÖu b¸o hiÖu vµ c¸c tÝn hiÖu ®Þnh thêi, lËp c¸c b¶n tin
®iÒu khiÓn ®Ó truyÒn tíi ph©n hÖ xö lý ®iÒu khiÓn, nhËn vµ xö lý c¸c b¶n tin ®iÒu
khiÓn tõ ph©n hÖ xö lý ®iÒu khiÓn vµ t¹o c¸c tÝn hiÖu ®iÒu khiÓn bé chuyÓn m¹ch
tËp trung t¶i thuª bao vµ c¸c m¹ch kÕt cuèi.
Ph©n hÖ chuyÓn m¹ch nhãm th-êng bao gåm m¹ng chuyÓn m¹ch nhãm,
bé ®iÒu khiÓn chuyÓn m¹ch vµ mét sè khèi chøc n¨ng tuú thuéc vµo tõng lo¹i
 slic
 slic
Khèi
chuyÓn
m¹ch
tËp
trung
thuª
bao
Khèi ®iÒu khiÓn giao tiÕp
LOC
mfr
Tone
Gen.
M¹ng
chuyÓn
m¹ch
nhãm
atic
dtic
Anm Cas ccs
LOC
LOC
§iÒu khiÓn
chuyÓn m¹ch
Bé xö lý
trung t©m
Bé nhí
chÝnh
ThiÕt bÞ giao
tiÕp ng-êi-m¸y
Bé nhí
chung
ThiÕt bÞ
kiÓm tra
ThiÕt bÞ
c¶nh b¸o
Ph©n hÖ thuª bao vµ b¸o hiÖu thuª bao Ph©n hÖ chuyÓn m¹ch nhãm
Ph©n
hÖ
trung
kÕ
vµ
b¸o
hiÖu
trung
kÕ
Ph©n hÖ xö lý vµ ph©n phèi b¸o hiÖu
Ph©n hÖ xö lý trung t©m
Ph©n hÖ qu¶n lý vµ b¶o d-ìng
H×nh 1.16 S¬ ®å khèi tæng qu¸t cña tæng ®µi SPC
System Bus
Bus controller
tæng ®µi. M¹ng chuyÓn m¹ch cña chóng cã thÓ kh¸c nhau c¶ vÒ mÆt c«ng nghÖ,
c¶ vÒ cÊu tróc vµ dung l-îng. Cã thÓ lµ chuyÓn m¹ch analog hoÆc chuyÓn m¹ch
digital, cã thÓ cã cÊu tróc mét cÊp hoÆc nhiÒu cÊp tuú thuéc vµo lo¹i tæng ®µi vµ
dung l-îng. Bé ®iÒu khiÓn chuyÓn m¹ch thùc hiÖn c¸c chøc n¨ng nh- : NhËn c¸c
b¶n tin ®iÒu khiÓn chuyÓn m¹ch tõ ph©n hÖ xö lý trung t©m; xö lý c¸c b¶n tin ®ã
vµ chuyÓn chóng thµnh c¸c sè liÖu ®iÒu khiÓn t-¬ng øng sau ®ã ®-a ®Õn c¸c bé
chuyÓn m¹ch cô thÓ; thùc hiÖn chøc n¨ng chän tuyÕn theo yªu cÇu cña b¶n tin
®iÒu khiÓn; hoÆc gi¶i to¶ tuyÕn nèi theo b¶n tin gi¶i phãng cuéc gäi. Ngoµi ra,
c¸c bé ®iÒu khiÓn chuyÓn m¹ch cßn cã thÓ thùc hiÖn mét sè chøc n¨ng liªn quan
tíi viÖc chÌn vµ t¸ch c¸c b¶n tin ®iÒu khiÓn qua m¹ng chuyÓn m¹ch. C¸c thiÕt bÞ
kh¸c thuéc ph©n hÖ chuyÓn m¹ch th-êng bao gåm thiÕt bÞ t¹o c¸c tÝn hiÖu ®Þnh
thêi trong c¸c tæng ®µi chuyÓn m¹ch sè ®Ó ®ång bé m¹ng chuyÓn m¹ch vµ c¸c
thiÕt bÞ ngo¹i vi chuyÓn m¹ch; ngoµi ra, chóng cßn cã thÓ lµ c¸c thiÕt bÞ dïng
chung nh- bé nhí c¸c b¶n ghi tù ®éng tr¶ lêi, bé nhí c¸c ®Þa chØ th-êng gäi, thiÕt
bÞ chuyÓn m¹ch nhiÒu ®-êng...
Ph©n hÖ trung kÕ vµ b¸o hiÖu trung kÕ bao gåm c¸c m¹ch giao tiÕp c¸c
lo¹i trung kÕ t-¬ng tù ATIC-Analog trunk interface circuit, trung kÕ sè (DTIC-
Digital trunk Interface), xö lý tÝn hiÖu trung kÕ sè, xö lý b¸o hiÖu trung kÕ vµ
c¸c bé ®iÒu khiÓn kÌm theo. Tuú theo tõng lo¹i trung kÕ cã c¸c m¹ch ®iÖn giao
tiÕp trung kÕ kh¸c nhau. §èi víi trung kÕ analog cã thÓ cã lo¹i 2 d©y vµ 4 d©y.
Nh×n chung c¸c m¹ch giao tiÕp nµy cã c¸c chøc n¨ng gièng giao tiÕp thuª bao
t-¬ng tù, tuy nhiªn cã mét vµi chøc n¨ng kh¸c biÖt vÒ b¸o hiÖu vµ cÊp nguån.
§iÒu nµy sÏ ®-îc ®Ò cËp ë ch-¬ng riªng. C¸c m¹ch giao tiÕp trung kÕ sè thùc
hiÖn c¸c chøc n¨ng GAPZACHO (G-Generation of frame t¹o khung, A-
Alignment of frame ®ång chØnh khung, P-Polar conversion ®¶o cùc, Z-Zero
string compression nÐn chuçi bÝt 0 liªn tiÕp, A-Alarm c¶nh b¸o, C-Clock
recovery t¸i t¹o nhÞp, H-Hunt during reframe t¸i ®ång bé, O-office signaling
b¸o hiÖu liªn ®µi). Ngoµi ra, ph©n hÖ nµy cßn cã bé phËn ghÐp vµ t¸ch kªnh, c¸c
bé ®iÒu khiÓn nhãm trung kÕ LOC ®Ó phèi hîp víi hÖ thèng xö lý ®iÒu khiÓn.
HÖ thèng xö lý ®iÒu khiÓn ®-îc chia thµnh c¸c ph©n hÖ: ph©n hÖ xö lý vµ
ph©n phèi b¸o hiÖu, ph©n hÖ xö lý trung t©m, ph©n hÖ qu¶n lý vµ b¶o d-ìng.
Ph©n hÖ xö lý vµ ph©n phèi b¸o hiÖu th-êng bao gåm c¸c thiÕt bÞ thu,
ph¸t b¸o hiÖu, xö lý vµ ph©n phèi b¸o hiÖu cung cÊp kÕt qu¶ xö lý cho c¸c bé ®iÒu
khiÓn chuyÓn m¹ch vµ xö lý cuéc gäi. Tuú thuéc tõng lo¹i tæng ®µi cã thÓ cã c¸c
thiÕt bÞ b¸o hiÖu CAS-Channel Associated Signaling hoÆc b¸o hiÖu CCS-
Common Channel Signaling. §a sè c¸c tæng ®µi chuyÓn m¹ch sè hiÖn ®¹i ®Òu
xem xÐt øng dông CCS ®Ó thÝch øng víi sù ph¸t triÓn cña m¹ng viÔn th«ng trong
t-¬ng lai. Tuy nhiªn, còng cÇn cã thiÕt bÞ CAS ®Ó liªn kÕt víi c¸c hÖ thèng hiÖn
hµnh.
Ph©n hÖ xö lý trung t©m ®iÒu hµnh ho¹t ®éng cña toµn bé tæng ®µi th«ng
qua c¸c bé ®iÒu khiÓn cÊp thÊp h¬n nh- c¸c bé ®iÒu khiÓn giao tiÕp LOC trong
c¸c ph©n hÖ cña hÖ thèng tho¹i. C¸c bé ®iÒu khiÓn LOC trao ®æi th«ng tin ®iÒu
khiÓn víi bé xö lý trung t©m th«ng qua Bus hÖ thèng (System Bus) d-íi d¹ng c¸c
b¶n tin ®iÒu khiÓn. Bé xö lý trung t©m xö lý c¸c th«ng tin ®iÒu khiÓn nhËn ®-îc
tõ c¸c bé ®iÒu khiÓn LOC trong qu¸ tr×nh xö lý cuéc gäi vµ t¹o ra c¸c b¶n tin ®iÒu
khiÓn göi l¹i c¸c bé ®iÒu khiÓn ®ã ®Ó ®iÒu hµnh c¸c qu¸ tr×nh phôc vô cuéc gäi.
Bé nhí chÝnh MM-Main Memory chøa ch-¬ng tr×nh ®iÒu hµnh ho¹t ®éng cña bé
xö lý vµ c¸c th«ng tin cÇn thiÕt trong qu¸ tr×nh xö lý. Bé nhí chung chøa ch-¬ng
tr×nh gèc cña tæng ®µi vµ c¸c d÷ liÖu thuª bao, d÷ liÖu trung kÕ vµ d÷ liÖu chung
cña tæng ®µi. Bé xö lý trung t©m vµ c¸c bé ®iÒu khiÓn kh¸c cã thÓ truy cËp bé nhí
chung ®Ó sö dông c¸c c¬ së d÷ liÖu ®ã.
Ph©n hÖ qu¶n lý vµ b¶o d-ìng thùc hiÖn chøc n¨ng qu¶n lý ho¹t ®éng
cña toµn bé tæng ®µi th«ng qua viÖc gi¸m s¸t ho¹t ®éng cña c¸c bé ®iÒu khiÓn
LOC, bé xö lý trung t©m vµ th«ng qua c¸c thiÕt bÞ kiÓm tra, ®o thö. Nã sÏ ®-a ra
c¸c tÝn hiÖu hoÆc b¶n tin c¶nh b¸o, c¸c h-íng dÉn t-¬ng øng theo mçi tr¹ng th¸i
cña hÖ thèng. ThiÕt bÞ giao tiÕp Ng-êi-m¸y gióp cho nh©n viªn vËn hµnh vµ c¸n
bé kü thuËt cã thÓ theo dâi ho¹t ®éng cña hÖ thèng vµ cã kh¶ n¨ng giao tiÕp víi
hÖ thèng ®Ó thay ®æi c¸c tham sè vµ chÕ ®é ho¹t ®éng cña c¸c khèi chøc n¨ng cña
tæng ®µi.
Nh×n chung c¸c tæng ®µi SPC dung l-îng nhá th-êng x©y dùng hÖ thèng
xö lý ®iÒu khiÓn tËp trung ®a xö lý ®a chøc n¨ng. C¸c tæng ®µi SPC dung l-îng
th-êng lín tæ chøc theo cÊu h×nh nhiÒu bé xö lý chuyªn dông, ph©n cÊp, ph©n
dung l-îng .
1.3.4 S¬ ®å khèi tæng qu¸t cña tæng ®µi sè SPC (DSS–Digital Switching
Systems)
C¸c tæng ®µi SPC chuyÓn m¹ch sè gäi chung lµ HÖ thèng chuyÓn m¹ch sè
DSS ra ®êi vµo nöa cuèi thÕ kû 20. Ngµy nay trªn m¹ng viÔn th«ng n-íc ta vµ
nhiÒu n-íc kh¸c cã c¸c DSS cña nhiÒu h·ng s¶n xuÊt nh- NEC, Fujitsu NhËt b¶n,
Siemems §øc, Eriscon Thôy ®iÓn, Northern telecom Cana®a, AT&T Mü, Alcatel
Ph¸p, L-G Hµn Quèc… T¹i ViÖt nam, ngµnh b-u chÝnh viÔn th«ng ®· tiÕn hµnh
nghiªn cøu chÕ t¹o vµ ®-a vµo sö dông trªn m¹ng mét sè DSS, ®ång thêi ®· cïng
c¸c bªn liªn doanh x©y dùng mét sè c¬ së s¶n xuÊt chÕ t¹o c¸c lo¹i tæng ®µi DSS
®¸p øng nhu cÇu trong n-íc vµ h×nh thµnh c¸c c¬ së nghiªn cøu chuyªn ngµnh.
Nh×n chung tæng ®µi DSS lµ mét hÖ thèng tæng hîp c«ng nghÖ cao, tËp
trung héi tô rÊt nghiÒu ngµnh c«ng nghiÖp: C«ng nghiÖp ®iÖn tö, vi m¹ch, kü
H×nh 1.17 : S¬ ®å tæng quan tæng ®µi SPC chuyÓn m¹ch sè.
 slic
 slic
tsac
dlcd
loc
AT
atic
AT
atic
Mux
dmux
loc
mdf
DT
dtg
mfr
dtic
ddf
dtic
dtic
Tds
W
n
bt
Marker
Scanner
Distributor
Cas
ccs
bc
cc mm
ioc m-mi vdu prt
dku
mtu
To omc
Oa&ms
aps Swns
pcs
Sigs
cps
thuËt vi xö lý, c«ng nghÖ viÔn th«ng, c«ng nghÖ th«ng tin, kü thuËt ®IÒu khiÓn, c¬
khÝ chÝnh x¸c… Cã thÓ nãi, ngay c¶ nh÷ng tæng ®µi DSS dung l-îng kh«ng lín
l¾m nh-ng còng ®· lµ mét hÖ thèng tæng thÓ rÊt phøc t¹p trªn quan ®iÓm tæng hîp
cña c¸c ngµnh kü thuËt. Do ®ã, víi ph¹m vi cña tµi liÖu nµy chØ xem xÐt c¸c DSS
d-íi møc ®é ®¬n gi¶n nhÊt.
H×nh1.17 tr×nh bµy cÊu tróc tæng quan cña HÖ thèng chuyÓn m¹ch sè DSS
®iÒu khiÓn theo ch-¬ng tr×nh l-u tr÷ SPC.
Toµn bé tæng ®µi ®-îc chia thµnh c¸c ph©n hÖ chøc n¨ng, ®ã lµ : Ph©n hÖ
øng dông APS-Application subsystem, ph©n hÖ chuyÓn m¹ch SWNS-Switching
Network subsystem, ph©n hÖ xö lý trung t©m CPS-Central Processing subsystem,
ph©n hÖ b¸o hiÖu SiGS-Signaling subsystem, ph©n hÖ ngo¹i vi ®iÒu khiÓn PCS-
Peripheral control subsystem vµ ph©n hÖ ®iÒu hµnh, qu¶n lý vµ b¶o d-ìng
OA&MS-Operation, Administration & Maintenance subsystem.
Ph©n hÖ øng dông APS bao gåm c¸c m¹ch giao tiÕp ®-êng d©y thuª bao
SLic (Subscribers Line Interface Circuit) vµ c¸c m¹ch trung kÕ t-¬ng tù AT
(Analog Trunk Interface Circuit). Mçi ®-êng thuª bao ®-îc kÕt cuèi t¹i tæng ®µi
b»ng mét m¹ch SLIC riªng qua gi¸ phèi d©y chÝnh MDF (Main Distribution
Frame). C¸c thuª bao ®-îc chia thµnh tõng nhãm, mçi nhãm ®-îc ®iÒu khiÓn bëi
bé ®iÒu khiÓn vïng LOC (Local Controller), mét bé ph©n phèi c¸c tÝn hiÖu ®Þnh
thêi TSAC (Time Slot Assignment Circuit) cÇn ®Ó g¸n c¸c khe thêi gian ph¸t, thu
cho tõng m¹ch slic phôc vô chøc n¨ng m· hãa vµ gi¶i m· CODEC. Bé chuyÓn
m¹ch ®-êng d©y sè DLCD (Digital Line Concentration Device) thùc hiÖn chøc
n¨ng chuyÓn m¹ch tËp trung t¶i thuª bao vµ chuyÓn m¹ch tÝn hiÖu phôc vô tõ bé
t¹o tÝn hiÖu ©m tÇn d¹ng sè DTG (Digital Tone Generator), chuyÓn m¹ch ®-êng
d©y tíi bé thu tÝn hiÖu chän sè ®a tÇn MF (Multi Frequency Receiver).
Mçi ®-êng d©y trung kÕ t-¬ng tù còng ®-îc kÕt cuèi t¹i tæng ®µi b»ng
m¹ch ATIC(Analog Trunk Interface Circuit) chóng còng ®-îc tæ chøc thµnh tõng
nhãm vµ do bé ®iÒu khiÓn vïng LOC ®iÒu khiÓn. Mçi nhãm cã mét bé t¸ch vµ
ghÐp kªnh MUX/ DEMUX ( Multiplexer vµ Demultiplexer) ®Ó ghÐp tÝn hiÖu tõ
c¸c m¹ch ATIC theo h-íng vµo vµ t¸ch tÝn hiÖu theo h-íng ra ®Ó ®-a tíi tõng
m¹ch ATIC.
C¸c tuyÕn tÝn hiÖu sè PCM gi÷a ph©n hÖ øng dông vµ ph©n chuyÓn m¹ch
®-îc ®-a qua gi¸ ph©n phèi tÝn hiÖu sè DDF (Digital Distribution Frame), mçi
tuyÕn qua mét m¹ch giao tiÕp truyÒn dÉn sè DTIC(Digital Trunk Interface
Circuit). C¸c giao tiÕp nµy thùc hiÖn c¸c chøc n¨ng GAPZACHO phôc vô cho
viÖc x¸c ®Þnh khung, khe theo h-íng vµo vµ tæ chøc khung khe theo h-íng ra,
chuyÓn ®æi m· truyÒn dÉn phï hîp, t¸i t¹o xung nhÞp vµ ®ång bé …
Ph©n hÖ chuyÓn m¹ch SWNS bao gåm c¸c thiÕt bÞ cña m¹ng chuyÓn m¹ch
SwN-Switching Network vµ c¸c thiÕt bÞ phôc vô kh¸c. M¹ng chuyÓn m¹ch cña
tæng ®µi cã cÊu tróc phô thuéc vµo dung l-îng cña tõng lo¹i tæng ®µi vµ thiÕt kÕ
riªng cña tõng h·ng s¶n suÊt. Tuy nhiªn, ®a sè chóng lµ m¹ng chuyÓn m¹ch ph©n
chia thêi gian (Time Division Switching Network), chóng th-êng cã c¸c cÊu tróc
T, TS, ST, TST vµ TSST trong ®ã T lµ ký hiÖu chuyÓn m¹ch thêi gian sè Tsw-
Time Switch, cßn S lµ ký hiÖu chuyÓn m¹ch kh«ng gian sè Ssw Space Switch. C¸c
chuyÓn m¹ch ®ã ®Òu lµm viÖc theo nguyªn lý ph©n khe thêi gian v× vËy m¹ng
chuyÓn m¹ch cña c¸c tæng ®µi sè cßn ®-îc gäi lµ m¹ng ph©n thêi TDNw Time
Division Network. Ngoµi m¹ng chuyÓn m¹ch, trong ph©n hÖ nµy cÇn ph¶i cã
module ®ång hå chuÈn BT–Base time, th-êng lµ bé dao ®éng cã ®é æn ®Þnh cao
vÒ tÇn sè vµ c¸c bé chia t¹o c¸c tÝn hiÖu nhÞp cung cÊp cho ho¹t ®éng cña c¸c bé
chuyÓn m¹ch sè, c¸c thiÕt bÞ truyÒn dÉn tÝn hiÖu sè vµ c¸c bé ph©n phèi thêi
gianTSAC cña ph©n hÖ øng dông.
Ph©n hÖ b¸o hiÖu SiGS ®¶m nhËn chøc n¨ng xö lý vµ ph©n phèi b¸o hiÖu,
®iÒu khiÓn c¸c qu¸ tr×nh chÌn, t¸ch b¸o hiÖu. §èi víi tÝn hiÖu b¸o hiÖu CAS
(Channel Associated Signaling) khi qua chuyÓn m¹ch sè còng ®-îc chuyÓn thµnh
d¹ng sè gièng c¸c tÝn hiÖu tin tøc kh¸c vµ ®-îc phèi hîp víi hai phÝa cña m¹ng
chuyÓn m¹ch b»ng c¸c bé thÝch nghi. B¸o hiÖu CCS (Common Channel
Signaling) dïng ®Ó trao ®æi gi÷a c¸c hÖ thèng DSS víi nhau.
C¸c b¸o hiÖu ®-êng d©y thuª bao hoÆc sÏ ®-îc thu vµ xö lý s¬ bé t¹i ph©n
hÖ øng dông sau ®ã míi göi tíi ph©n hÖ ngo¹i vi ®iÒu khiÓn PCS-Peripheral
Control Subsystem hoÆc lµ ®-îc nhËn trùc tiÕp t¹i bé quÐt tr¹ng th¸i (Scanner),
c¸c b¶n tin ®iÒu khiÓn tõ bé xö lý trung t©m ®-îc chuyÓn qua bé ph©n phèi
Distributor. NhiÖm vô cña bé ®iÒu khiÓn chuyÓn m¹ch Marker lµ ®Öm b¶n tin
®iÒu khiÓn tõ ph©n hÖ xö lý trung t©m CPS ®Ó chuyÓn thµnh nh÷ng sè liÖu ®iÒu
khiÓn chuyÓn m¹ch .
Ph©n hÖ xö lý trung t©m CPS ®¶m nhËn chøc n¨ng ®iÒu khiÓn ho¹t ®éng
cña toµn bé tæng ®µi. Tuú thuéc vµo dung l-îng vµ cÊu h×nh tæng ®µi mµ ph©n hÖ
nµy cã cÊu tróc kiÓu mét bé xö lý hay nhiÒu bé xö lý. Trong cÊu tróc nhiÒu bé xö
lý th-êng xö lý theo kiÓu ph©n cÊp, mét bé xö lý cao nhÊt qu¶n lý ho¹t ®éng toµn
bé c¸c bé xö lý cÊp thÊp h¬n, mét sè bé xö lý ®¶m nhiÖm viÖc xö lý cuéc gäi vµ
ph©n chia t¶i theo khu vùc. Mçi bé xö lý th-êng cã bé nhí chÝnh ®Ó l-u ch-¬ng
tr×nh vµ c¸c kÕt qu¶ xö lý vµ cã kh¶ n¨ng truy cËp tíi bé nhí chung ®Ó nhËn thªm
d÷ liÖu thuª bao vµ b¶ng ®Þnh tuyÕn hoÆc tµi nguyªn khi cÇn thiÕt.
Ph©n hÖ ®iÒu hµnh, qu¶n lý vµ b¶o d-ìng OA&MS th-êng bao gåm
c¸c thiÕt bÞ tù ®éng theo dâi ho¹t ®éng cña hÖ thèng, ®iÒu khiÓn c¸c qu¸ tr×nh
chuyÓn ®æi dù phßng, c¶nh b¸o khi cã sù cè, c¸c thiÕt bÞ hiÓn thÞ, ©m thanh c¶nh
b¸o ®Ó ng-êi ®iÒu hµnh ®iÒu khiÓn vËn hµnh vµ theo dâi ho¹t ®éng cña hÖ thèng,
mét sè tµi nguyªn ®Ó l-u tr÷ sè liÖu l©u dµi vµ ch-¬ng tr×nh gèc. Cung cÊp kh¶
n¨ng ®iÒu khiÓn tõ xa vµ b¶o d-ìng tõ xa tËp trung t¹i trung t©m b¶o d-ìng.
Ch-¬ng 2
ChuyÓn m¹ch kªnh (Circuit switching)
2.1.Ph©n lo¹i chuyÓn m¹ch kªnh
Th«ng tin ®-îc trao ®æi qua m¹ng viÔn th«ng rÊt ®a d¹ng nh- th«ng tin
tho¹i, th«ng tin ¶nh, v¨n b¶n, sè liÖu. Mçi lo¹i cã yªu cÇu riªng ®èi víi thiÕt bÞ
truyÒn dÉn vµ chuyÓn m¹ch. Cã lo¹i th«ng tin rÊt nh¹y c¶m víi trÔ nh- th«ng tin
tho¹i, th«ng tin h×nh ¶nh; v× vËy chóng yªu cÇu thiÕt bÞ dïng ®Ó truyÒn dÉn vµ
chuyÓn m¹ch chóng ph¶i kh«ng g©y trÔ hoÆc cã trÔ th× ph¶i rÊt nhá ®Ó ng-êi sö
dông kh«ng c¶m nhËn ®-îc vµ gi¸ trÞ thêi gian trÔ ®ã ph¶i lµ h»ng sè trong suèt
thêi gian cña cuéc liªn l¹c ®Ó kh«ng g©y mÐo tÇn sè tÝn hiÖu. §èi víi lo¹i th«ng
tin nµy nªn dïng chuyÓn m¹ch kªnh ®Ó phôc vô–th«ng tin dÞch vô thêi gian thùc.
Tªn gäi chuyÓn m¹ch kªnh thÓ hiÖn ë nguyªn lý ho¹t ®éng cña m¹ng. Khi
phôc vô mét cuéc liªn l¹c gi÷a hai thiÕt bÞ ®Çu cuèi nµo ®ã th× mét kªnh th«ng tin
(®¬n c«ng hoÆc song c«ng tuú thuéc h×nh thøc liªn l¹c) hoÆc mét tuyÕn nèi ®-îc
thiÕt lËp xuyªn qua m¹ng tõ m¹ch ®iÖn cña thiÕt bÞ ®Çu cuèi nµy tíi m¹ch ®iÖn
cña thiÕt bÞ ®Çu cuèi kia. Kªnh th«ng tin hoÆc tuyÕn nèi ®ã tån t¹i dµnh riªng cho
cuéc liªn l¹c ®ã suèt tõ khi b¾t ®Çu tíi khi kÕt thóc cuéc gäi. C¸c cuéc gäi ®-îc
tiÕn hµnh ®ång thêi qua m¹ng ph¶i ®-îc phôc vô trªn c¸c kªnh ®éc lËp nhau.
Trong lÞch sö ph¸t triÓn kü thuËt chuyÓn m¹ch mét sè ph-¬ng thøc chuyÓn m¹ch
kªnh ®· ®-îc ¸p dông trong c¸c hÖ thèng tæng ®µi, ®ã lµ: chuyÓn m¹ch ph©n kªnh
Tæ hîp
ChuyÓn m¹ch kªnh
ChuyÓn m¹ch
kh«ng gian t-¬ng tù
ChuyÓn m¹ch PAM ChuyÓn m¹ch sè
PCM
Nh©n c«ng Tù ®éng 2 d©y 4 d©y Tsw ssw
Tõ
th¹ch
§iÖn
chung
Nh¶y
nÊc
To¹
®é
Ma
trËn
H×nh 2.1 Ph©n lo¹i chuyÓn m¹ch kªnh
theo kh«ng gian dïng cho tÝn hiÖu liªn tôc, chuyÓn m¹ch ph©n kªnh theo thêi
gian ®èi víi tÝn hiÖu rêi r¹c ho¸ (tÝn hiÖu ®iÒu biªn xung PAM-Pulse Amplitude
Modulation), chuyÓn m¹ch sè PCM ( cho tÝn hiÖu ®iÒu chÕ xung m· pcm-
Pulse Code Modulation). Thèng kª c¸c lo¹i chuyÓn m¹ch kªnh ®-îc chØ ra trªn
h×nh 2.1.
Trong c¸c tæng ®µi nh©n c«ng, tæng ®µi kiÓu nhÈy nÊc, tæng ®µi täa ®é
hoÆc tæng ®µi dïng bé nèi d©y ma trËn khi mét cuéc gäi ®-îc tiÕn hµnh th× c¸c
phÇn tö chuyÓn m¹ch sÏ t¹o thµnh m¹ch nèi d©y liªn tiÕp tõ m¹ch ®iÖn cña thiÕt
bÞ ®Çu cuèi nµy tíi m¹ch ®iÖn cña thiÕt bÞ ®Çu cuèi ®èi tho¹i víi nã. Sau ®ã tÝn
hiÖu trao ®æi gi÷a c¸c thiÕt bÞ ®Çu cuèi nµy sÏ ®i qua m¹ch nèi d©y ®ã. NÕu cã c¸c
cÆp thuª bao kh¸c cïng lµm viÖc ®ång thêi th× gi÷a tõng cÆp m¹ch ®iÖn cña c¸c
thuª bao ®ã còng cã tuyÕn nèi gi÷a chóng vµ c¸c tuyÕn nµy hoµn toµn ®éc lËp
nhau vÒ bè trÝ trong kh«ng gian. Khi kÕt thóc mçi cuéc gäi c¸c phÇn tö chuyÓn
m¹ch ®· dïng cho cuéc gäi ®ã sÏ ®-îc gi¶i phãng vµ c¸c cuéc gäi tiÕp tiÕp theo
gi÷a c¸c thuª bao kh¸c cã thÓ sö dông l¹i chóng ®Ó t¹o tuyÕn míi. C¸c thiÕt bÞ
chuyÓn m¹ch kh«ng gian t-¬ng tù cã ®Æc ®iÓm lµ trªn tuyÕn nèi ®· ®-îc thiÕt lËp
gi÷a hai thuª bao cã thÓ truyÒn tÝn hiÖu theo c¶ hai h-íng, nghÜa lµ cã thÓ phôc vô
cuéc gäi song c«ng trªn hai d©y vµ cã thÓ cho qua c¶ tÝn hiÖu analog vµ tÝn hiÖu
digital, thËm chÝ c¶ tÝn hiÖu rêi r¹c PAM.
Nguyªn lý chuyÓn m¹ch PAM dùa trªn viÖc ph©n chia c¸c khe thêi gian.
Mét phÇn tö chuyÓn m¹ch cã thÓ phôc vô cho nhiÒu cuéc gäi ®-îc tiÕn hµnh ®ång
thêi theo nguyªn t¾c cho tÝn hiÖu cña c¸c cuéc gäi kh¸c nhau qua nã trong c¸c
khe thêi gian kh¸c nhau theo tõng chu kú. TÝn hiÖu qua phÇn tö chuyÓn m¹ch lµ
tÝn hiÖu ®· ®-îc rêi r¹c ho¸ cã chu kú lÆp cña c¸c xung ®iÒu biªn b»ng víi chu kú
lÆp c¸c khe dµnh cho tõng m¹ch cho tÝn hiÖu cña mçi cuéc gäi ®i qua. Tuy c¸c
chuyÓn m¹ch PAM kh«ng ®-îc ¸p dông mét c¸ch réng r·i do nhiÒu h¹n chÕ cña
chóng, nh-ng chóng còng t¹o nÒn t¶ng cho c«ng nghÖ chuyÓn m¹ch tiªn tiÕn h¬n
sau nµy mµ hiÖn ®ang ®-îc sö dông réng r·i ®ã lµ c¸c chuyÓn m¹ch sè PCM.
C¸c xung ®iÒu biªn cña tÝn hiÖu PAM rÊt m¶nh (hÑp), c«ng suÊt tÝn hiÖu
rÊt nhá, v× vËy trong truyÒn dÉn rÊt dÔ bÞ t¸c ®éng cña c¸c tÝn hiÖu kh¸c lµm biÕn
d¹ng, tõ ®ã, viÖc kh«i phôc l¹i d¹ng ban ®Çu gÆp nhiÒu khã kh¨n vµ kü thuËt PCM
kh¾c phôc nh-îc ®iÓm nµy rÊt hiÖu qu¶. Trong kü thuËt sè ho¸ tÝn hiÖu PCM, c¸c
xung PAM cßn tr¶i qua c¸c c«ng ®o¹n l-îng tö vµ m· ho¸. Mçi xung ®iÒu biªn
®-îc m· ho¸ b»ng mét tæ hîp c¸c bÝt t-¬ng øng vµ sau ®ã chóng ®-îc truyÒn
d-íi d¹ng c¸c tæ hîp bÝt ®ã. T¹i ®Çu thu, tõ c¸c tæ hîp bÝt thu ®-îc sÏ kh«i phôc
l¹i d¹ng cña tÝn hiÖu ®· ®-îc truyÒn ®i gÇn ®óng víi tÝn hiÖu gèc. ViÖc chuyÓn
m¹ch tÝn hiÖu PCM còng ®-îc thùc hiÖn theo nguyªn lý ph©n khe thêi gian. Cã
c¸c lo¹i bé chuyÓn m¹ch PCM c¬ b¶n ®ã lµ chuyÓn m¹ch thêi gian sè Tsw-Time
switch vµ chuyÓn m¹ch kh«ng gian sè Ssw-Space switch, chóng kh¸c nhau vÒ
cÊu t¹o vµ tÝnh n¨ng. M¹ng chuyÓn m¹ch cña tõng tæng ®µi ®-îc x©y dùng trªn c¬
së kÕt hîp c¸c Tsw vµ Ssw theo mét trong c¸c cÊu h×nh T, TS, ST, TST, TSST,
STS, ....
2.2. ChuyÓn m¹ch kh«ng gian t-¬ng tù
2.2.1 Kh¸i qu¸t vÒ chuyÓn m¹ch kh«ng gian t-¬ng tù
C¸c tæng ®µi th-êng ®-îc thiÕt kÕ cho viÖc chuyÓn th«ng tin hai h-íng
(song c«ng), vÝ dô ®iÖn tho¹i th-êng truyÒn tÝn hiÖu thu vµ ph¸t trªn cïng ®«i d©y,
mÆc dï mét vµi ®iÓm cña tuyÕn truyÒn dÉn c¸c tÝn hiÖu h-íng ph¸t vµ h-íng thu
vÉn cã thÓ ®-îc t¸ch riªng ®Ó phôc vô viÖc khuyÕch ®¹i lÆp, t¨ng cù ly truyÒn,
nh-ng nh×n chung c¸c tÝn hiÖu tho¹i nãi riªng vµ c¸c tÝn hiÖu t-¬ng tù nãi chung
vÉn th-êng sö dông ph-¬ng thøc truyÒn hai h-íng trªn cïng ®«i d©y. Tõ ®ã c¸c
bé chuyÓn m¹ch kh«ng gian t-¬ng tù còng ph¶i cã kh¶ n¨ng chuyÓn m¹ch tÝn
hiÖu hai h-íng gi÷a m¹ch ®iÖn cña thuª bao nµo ®ã víi m¹ch ®iÖn cña thuª bao
kh¸c ®ang liªn l¹c víi nã. ChuyÓn m¹ch kh«ng gian t-¬ng tù t¹o ra tuyÕn nèi
truyÒn th«ng tin hai h-íng qua c¸c phÇn tö chuyÓn m¹ch ®Ó nèi gi÷a m¹ch ®iÖn
cña thuª bao nµy vµ m¹ch ®iÖn cña thuª bao kh¸c ®ang liªn l¹c víi nã. C¸c cuéc
liªn l¹c ®ång thêi qua chuyÓn m¹ch kh«ng gian t-¬ng tù ph¶i ®-îc tiÕn hµnh qua
c¸c tuyÕn nèi riªng biÖt xuyªn qua m¹ng chuyÓn m¹ch kh«ng gian ®ã, nghÜa lµ
gi÷a c¸c tuyÕn nµy kh«ng cã c¸c ®o¹n m¹ch ®iÖn dïng chung.
1
2
N
.
.
1
2
M
.
.
H×nh 2.2 : M« h×nh chøc n¨ng chuyÓn m¹ch kh«ng gian
C(,)
C¸c
®Çu
vµo
(I)
C¸c
®Çu
ra
(O)
C¸c tÝn hiÖu ®iÒu khiÓn
Tr-êng chuyÓn m¹ch kh«ng gian t-¬ng tù cã thÓ ®-îc t¹o thµnh tõ mét
hoÆc nhiÒu bé chuyÓn m¹ch kh«ng gian c¬ b¶n theo c¸c cÊu tróc ghÐp kh¸c nhau.
Sè phÇn tö chuyÓn m¹ch dïng ®Ó t¹o ra mét tuyÕn nèi xuyªn qua tr-êng chuyÓn
m¹ch cña mét tæng ®µi phô thuéc vµo sè cÊp chän, sè kh©u trong mçi cÊp chän vµ
c¸ch ghÐp nèi c¸c bé chuyÓn m¹ch. Mçi bé chuyÓn m¹ch kh«ng gian c¬ b¶n ®-îc
ký hiÖu vµ ®-îc m« t¶ chøc n¨ng nh- trªn h×nh 2.2
§Æc ®iÓm chung cña c¸c chuyÓn m¹ch lo¹i nµy lµ:
- Sè ®Çu vµo Input vµ sè ®Çu ra output cã thÓ gièng hoÆc kh¸c nhau.
- NÕu cã nhiÒu cuéc gäi ®i qua bé chuyÓn m¹ch th× ph¶i ®¶m b¶o mét ®Çu
vµo chØ nèi víi kh«ng qu¸ mét ®Çu ra nghÜa lµ c¸c tÝn hiÖu ®iÒu khiÓn C(, ) vµ
C(x, y) tån t¹i ®ång thêi khi vµ chØ khi x   vµ y .
2.2.2 CÊu t¹o vµ nguyªn lý ho¹t ®éng cña bé chuyÓn m¹ch kh«ng gian c¬
b¶n
Nh×n chung c¸c bé chuyÓn m¹ch kh«ng gian t-¬ng tù cã cÊu tróc ma trËn
nh- h×nh 2.3
PhÇn ma trËn chuyÓn m¹ch gåm c¸c ®Çu vµo 1, 2 ... N vµ c¸c ®Çu ra
1,2,3.... M, giao ®iÓm gi÷a mét ®Çu ra víi mçi ®Çu vµo lµ mét phÇn tö chuyÓn
m¹ch . Nh- vËy mçi phÇn tö chuyÓn m¹ch ®-îc dïng ®Ó "nèi xuyªn" tõ mét ®Çu
vµo tíi mét ®Çu ra cô thÓ, VÝ dô: phÇn tö chuyÓn m¹ch 31 dïng ®Ó nèi ®Çu vµo I1
víi ®Çu ra O3, cßn phÇn tö 25 l¹i dïng ®Ó nèi ®Çu vµo I5 víi ®Çu ra O2. PhÇn ®iÒu
khiÓn chuyÓn m¹ch th-êng lµ bé nhí vµ gi¶i m· sè liÖu ®iÒu khiÓn ®Ó ®-a ra tÝn
hiÖu ®iÒu khiÓn tõng phÇn tö cña ma trËn chuyÓn m¹ch.
Yªu cÇu ®èi víi c¸c phÇn tö chuyÓn m¹ch cña bé chuyÓn m¹ch kh«ng gian
t-¬ng tù lµ kh«ng lµm suy hao tÝn hiÖu, kh«ng g©y xuyªn ©m, kh«ng t¹o ra t¹p ©m
nÒn. §iÒu nµy cã thÓ hiÓu ®¬n gi¶n lµ khi ë tr¹ng th¸i më (nèi th«ng) th× trë
kh¸ng cña phÇn tö chuyÓn m¹ch ph¶i cùc nhá (lý t-ëng lµ = 0), nh- thÕ sÏ
kh«ng lµm tæn hao tÝn hiÖu truyÒn qua nã. Cßnkhi ë tr¹ng th¸i ®ãng(ng¾t m¹ch,
hë m¹ch) ph¶i cã trë kh¸ng rÊt lín () ®Ó tÝn hiÖu tõ mét ®Çu vµo kh«ng bÞ truyÒn
tíi c¸c ®Çu ra kh«ng mong muèn, dï chØ lµ rÊt nhá, nh- thÕ tÝn hiÖu ë kªnh th«ng
tin nµy kh«ng bÞ xuyªn sang cuéc nèi kh¸c.
VÝ dô: Khi phÇn tö 32 më th× ®Çu vµo I2 vµ ®Çu ra O3 ®-îc nèi th«ng, tÝn
hiÖu tõ ®Çu vµo I2 ®-îc truyÒn tíi ®Çu ra O3 hoÆc ng-îc l¹i mµ kh«ng bÞ suy hao.
Khi ®ã c¸c phÇn tö kh¸c trªn hµng 2 vµ cét 3 ph¶i ®ãng hoµn toµn ®Ó tr¸nh dß tÝn
hiÖu ra c¸c cuéc gäi ®ang tiÕn hµnh ®ång thêi trªn c¸c ®Çu vµo vµ ®Çu ra kh¸c.
Gi¶ sö phÇn tö 31 bÞ dß (trë kh¸ng hë m¹ch kh«ng ®ñ lín) th× tÝn hiÖu cña
cuéc gäi trªn phÇn tö 32 cã thÓ bÞ lät tíi cuéc gäi ®ang tiÕn hµnh gi÷a ®Çu vµo I1
víi ®Çu ra nµo ®ã. Hai chØ tiªu trªn cã thÓ biÓu diÔn th«ng qua ®iÒu kiÖn cÇn cña
phÇn tö chuyÓn m¹ch t-¬ng tù ®ã lµ hÖ sè chuyÓn m¹ch.
Ngoµi ra c¸c phÇn tö chuyÓn m¹ch khi nèi m¹ch ph¶i kh«ng g©y ra t¹p ©m
néi (t¹p ©m nÒn). T¹p ©m nÒn t¹o ra nh÷ng nhiÔu rµo trong tÝn hiÖu, c¶n trë viÖc
truyÒn vµ thu c¸c tÝn hiÖu h÷u Ých. C¸c t¹p ©m nÒn do tiÕp xóc cña tiÕp ®iÓm, chÊt
l-îng linh kiÖn g©y ra.
C¸c phÇn tö chuyÓn m¹ch cã thÓ lµ r¬ le ®iÖn tõ, r¬ le èng kÝn (Heccon),
c¸c lo¹i b¸n dÉn nh- diode, tranzistor ... Mét vµi phÇn tö chuyÓn m¹ch dïng trong
c¸c bé chuyÓn m¹ch kh«ng gian t-¬ng tù ®-îc m« t¶ trªn h×nh 2.4
VÒ thùc chÊt phÇn tö chuyÓn m¹ch kh«ng gian t-¬ng tù lµ phÇn tö dïng ®Ó
nèi th«ng tõ m¹ch ®Çu vµo tíi m¹ch ®Çu ra khi cã tÝn hiÖu ®iÒu khiÓn nèi vµ lµm
hë m¹ch khi cã tÝn hiÖu ng¾t m¹ch.
PhÇn ®iÒu khiÓn chuyÓn m¹ch
I1
I2
I3
I4
In
.
.
o1 O2 O3 O4 Om
. .
11
12
13
14
1N
21
22
23
24
2N
31
32
33
34
3N
41
42
43
44
4N
51
52
53
54
5N
C¸c ®Çu ra
C¸c
®Çu
vµo
Ma
trËn
chuyÓn
m¹ch
PhÇn
tö
chuyÓn
m¹ch
H×nh 2.3 CÊu tróc bé chuyÓn m¹ch kh«ng gian c¬ b¶n
Sl®k
H=
Trë kh¸ng hë m¹ch
Trë kh¸ng kÝn m¹ch
108
C¸c phÇn tö chuyÓn m¹ch kiÓu c¬ ®iÖn nh- r¬ le ®iÖn tõ hoÆc r¬ le èng kÝn
th-êng cã hÖ sè chuyÓn m¹ch H tèt h¬n so víi c¸c linh kiÖn b¸n dÉn. Tuy nhiªn
chóng cã kÝch th-íc lín, tiªu thô n¨ng l-îng cao h¬n, ®iÒu khiÓn phøc t¹p h¬n vµ
tèc ®é chuyÓn m¹ch thÊp. Do yªu cÇu vÒ trë kh¸ng th«ng vµ trë kh¸ng hë m¹ch
nªn chØ mét sè lo¹i linh kiÖn b¸n dÉn cã thÓ dïng ®Ó lµm phÇn tö chuyÓn m¹ch,
chóng tiªu thô n¨ng l-îng thÊp, dÔ phèi hîp víi phÇn ®iÒu khiÓn logic vµ c¸c hÖ
thèng ®iÒu khiÓn dïng vi xö lý.
PhÇn ®iÒu khiÓn cña bé chuyÓn m¹ch thùc hiÖn chøc n¨ng phèi hîp gi÷a
phÇn ®iÒu khiÓn chung víi c¸c phÇn tö chuyÓn m¹ch. Tuú thuéc vµo tõng lo¹i bé
chuyÓn m¹ch mµ phÇn ®iÒu khiÓn nµy cã thÓ cã cÊu tróc vµ tÝnh n¨ng kh¸c nhau
c¶ vÒ c¸ch thøc ®iÒu khiÓn, d¹ng tÝn hiÖu vµ møc tÝn hiÖu ®iÒu khiÓn. Nh×n chung
phÇn ®iÒu khiÓn cña bé chuyÓn m¹ch nhËn sè liÖu ®iÒu khiÓn tõ phÇn ®iÒu khiÓn
chung vµ chuyÓn nã thµnh tÝn hiÖu ®iÒu khiÓn ®Ó ®-a tíi phÇn tö chuyÓn m¹ch cô
thÓ cña bé chuyÓn m¹ch, nghÜa lµ nã thùc hiÖn chøc n¨ng nhí ®Öm vµ gi¶i m· sè
liÖu ®iÒu khiÓn .
Theo nguyªn lý ph©n kªnh kh«ng gian, khi tuyÕn nèi cho mét cuéc gäi
®-îc thiÕt lËp ®i qua mét bé chuyÓn m¹ch c¬ b¶n nµo ®ã th× phÇn tö chuyÓn m¹ch
®-îc dïng ®Ó thiÕt lËp tuyÕn nèi cho cuéc gäi ®ã sÏ bÞ chiÕm tõ khi b¾t ®Çu thiÕt
Cuén
d©y
§Çu
vµo
§Çu
ra
§Çu ®iÒu
khiÓn
Nguån
PhÇn tö chuyÓn m¹ch b»ng R¬le ®iÖn tõ
§Çu
vµo
§Çu
ra
§Çu ®iÒu
khiÓn
PhÇn tö chuyÓn m¹ch Heccon
Nguån
§Çu vµo
§Çu
ra
§iÒu
khiÓn
PhÇn tö chuyÓn m¹ch
dïng Tranzistor
§Çu vµo §Çu ra
R1
R2
R3
R4
L1
D1
§iÒu khiÓn
PhÇn tö chuyÓn m¹ch
dïng Diode
H×nh 2.4 Mét sè phÇn tö chuyÓn m¹ch dïng trong c¸c bé chuyÓn m¹ch kh«ng
gian c¬ b¶n
V+
lËp tuyÕn nèi ®Ó ®µm tho¹i cho tíi khi tuyÕn nèi ®ã ®-îc gi¶i phãng vµ nã ®-îc
dµnh riªng cho cuéc gäi ®ã trong suèt thêi gian tiÕn hµnh cuéc gäi. C¸c cuéc gäi
®-îc tiÕn hµnh ®ång thêi qua bé chuyÓn m¹ch ®ã sÏ ®i qua c¸c phÇn tö chuyÓn
m¹ch ®éc lËp cho mçi cuéc gäi. ViÖc truyÒn tÝn hiÖu cÇn ®-îc tiÕn hµnh trªn 2
hoÆc nhiÒu d©y, v× vËy phÇn ma trËn chuyÓn m¹ch th-êng gåm 2 hoÆc nhiÒu líp,
phÇn tö chuyÓn m¹ch t¹i mçi giao ®iÓm ph¶i cã nhiÒu cÆp tiÕp ®iÓm, mçi cÆp
dïng cho mét líp vµ cã chung ®iÒu khiÓn hoÆc mçi líp cã phÇn tö chuyÓn m¹ch
t¹i mçi giao ®iÓm nh-ng c¸c phÇn tö cña tõng giao ®iÓm cïng tªn cã ®Çu ®iÒu
khiÓn chung. §èi víi bé chuyÓn m¹ch kh«ng gian t-¬ng tù, khi mét phÇn tö ®· ë
tr¹ng th¸i nèi th× tÝn hiÖu truyÒn qua nã nh- qua mét ®iÓm nèi d©y th«ng th-êng,
nghÜa lµ kh«ng ph©n biÖt ®Çu vµo vµ ®Çu ra, tÝn hiÖu ®-îc truyÒn theo hai h-íng
vµ nh- thÕ ®èi víi bé chuyÓn m¹ch kh«ng gian t-¬ng tù còng kh«ng cã kh¸i niÖm
®Çu vµo vµ ®Çu ra cña bé chuyÓn m¹ch. ViÖc gäi lµ ®Çu vµo vµ ®Çu ra cña bé
chuyÓn m¹ch chØ ®Ó tiÖn cho viÖc gi¶i thÝch theo tiÕn tr×nh thiÕt lËp tuyÕn nèi cho
mçi cuéc gäi chø kh«ng cã ý nghÜa ®èi víi tÝn hiÖu truyÒn qua bé chuyÓn m¹ch.
C¸c quy -íc vµ kh¸i niÖm chung
*Ký hiÖu bé chuyÓn m¹ch kh«ng gian (Xem h×nh 2.5)
*Kh¶ th«ng cña bé chuyÓn m¹ch:
1
2
3
N
1 2 3 M
Ký hiÖu kiÓu ma trËn tiÕp ®iÓm
1
2
3
N
1 2 3 M
Ký hiÖu kiÓu ma trËn giao ®iÓm
1
2
3
N
1
2
3
M
Ký hiÖu kiÓu quy -íc Ký hiÖu kiÓu bé chän
N M
H×nh 2.5 C¸c ký hiÖu cña bé chuyÓn m¹ch kh«ng gian t-¬ng tù
Bé chuyÓn m¹ch tiÕp th«ng hoµn toµn (toµn th«ng) lµ bé chuyÓn m¹ch mµ
mçi ®Çu vµo ®Òu cã kh¶ n¨ng nèi tíi ®Çu ra bÊt kú. §èi víi lo¹i bé chuyÓn m¹ch
nµy ph¶i cã quan hÖ 1:1 gi÷a ®Çu vµo-phÇn tö chuyÓn m¹ch-®Çu ra, nghÜa lµ trªn
giao ®iÓm gi÷a mét ®Çu vµo bÊt kú víi mét ®Çu ra bÊt kú ®Òu ph¶i cã phÇn tö
chuyÓn m¹ch t-¬ng øng (h×nh 2.6a)
Bé chuyÓn m¹ch kh«ng toµn th«ng (tiÕp th«ng kh«ng hoµn toµn) lo¹i nµy
kh¸c lo¹i trªn lµ ë mét sè giao ®iÓm cña ma trËn chuyÓn kh«ng cã phÇn tö chuyÓn
m¹ch. Nh- thÕ mét sè ®Çu vµo kh«ng thÓ nèi tíi mét sè ®Çu ra nµo ®ã (h×nh 2.6b)
Bé chuyÓn m¹ch gËp : NÕu phÐp nèi C(i , j)  C (j, i) vµ C (, )  1 th×
c¸c phÇn tö cã thÓ tËp trung ë mét phÝa cña ®-êng chÐo chÝnh trªn ma
trËn chuyÓn m¹ch vµ ta ®-îc bé chuyÓn m¹ch gËp víi n(n-1)/2 phÇn tö chuyÓn
m¹ch nh- h×nh (2.6c)
*KÝch th-íc bé chuyÓn m¹ch
ChuyÓn m¹ch vu«ng : Khi sè ®Çu vµo vµ ®Çu ra cña bé chuyÓn m¹ch b»ng
nhau vµ toµn th«ng
ChuyÓn m¹ch ch÷ nhËt : ChuyÓn m¹ch toµn th«ng nh-ng sè ®Çu vµo vµ
®Çu ra kh¸c nhau.
Ngoµi ra tuú thuéc vµo øng dông cô thÓ th× sè líp cña bé chuyÓn m¹ch
còng cã thÓ kh¸c nhau.
2.2.3 X©y dùng c¸c tr-êng chuyÓn m¹ch kh«ng gian t-¬ng tù trªn c¬ së
bé chuyÓn m¹ch c¬ b¶n
a. Kh¸i qu¸t chung vÒ øng dông chuyÓn m¹ch kh«ng gian t-¬ng tù
VÒ c¬ b¶n c¸c bé chuyÓn m¹ch kh«ng gian t-¬ng tù ®-îc chÕ t¹o ®Ó x©y
dùng tr-êng chuyÓn m¹ch cña c¸c tæng ®µi ph©n kªnh theo kh«ng gian. Chóng
1
2
3
N
1 2 3 M
a. Bé chuyÓn m¹ch toµn th«ng
1
2
3
N
1 2 3 M
b. Bé chuyÓn m¹ch kh«ng toµn th«ng
1
2
3
5
5 4 3 1
c. Bé chuyÓn m¹ch gËp
4
2
H×nh 2.6 Minh ho¹ kh¶ th«ng cña bé chuyÓn m¹ch kh«ng gian
dïng ®Ó nèi m¹ch gi÷a m¹ch ®iÖn cña thuª bao nµy víi m¹ch ®iÖn cña thuª bao
kh¸c t¹o ra tuyÕn truyÒn tÝn hiÖu tho¹i gi÷a c¸c thuª bao nµy khi phôc vô cuéc gäi
gi÷a tõng cÆp thuª bao víi nhau (chuyÓn m¹ch néi bé), chóng còng cã thÓ ®-îc
dïng ®Ó t¹o ra c¸c tuyÕn nèi tõ c¸c trung kÕ tíi c¸c thuª bao (chuyÓn m¹ch trung
kÕ) hoÆc còng cã thÓ dïng ®Ó nèi m¹ch gi÷a m¹ch ®iÖn thuª bao hoÆc m¹ch ®iÖn
trung kÕ víi c¸c thiÕt bÞ b¸o hiÖu nh- c¸c ®Çu tÝn hiÖu mêi quay sè, b¸o bËn, håi
©m chu«ng, c¸c thiÕt bÞ th«ng b¸o b»ng lêi, c¸c bé thu tÝn hiÖu chän sè hoÆc víi
thiÕt bÞ kiÓm tra ®o thö.
Ngµy nay, trong c¸c tæng ®µi chuyÓn m¹ch sè ®a sè c¸c tr-êng chuyÓn
m¹ch nªu trªn ®· ®-îc thay b»ng chuyÓn m¹ch sè, tuy nhiªn, mét sè kh©u vÉn
ph¶i sö dông c¸c bé chuyÓn m¹ch kh«ng gian t-¬ng tù. VÝ dô : C¸c bé chuyÓn
m¹ch kiÓm tra, ®o thö kh«ng thÓ dïng chuyÓn m¹ch sè thay thÕ mµ ph¶i dïng c¸c
chuyÓn m¹ch kh«ng gian t-¬ng tù th× míi cã thÓ ®o ®-îc c¸c tham sè ®iÖn. Nh-
vËy, tuú thuéc vµo lÜnh vùc øng dông ng-êi ta x©y dùng c¸c tr-êng chuyÓn m¹ch
kh«ng gian t-¬ng tù cã cÊu tróc vµ kÝch th-íc (dung l-îng) kh¸c nhau, theo c¸c
chØ tiªu kh¸c nhau. §èi víi c¸c lo¹i tÝn hiÖu kh¸c nhau th× cÇn chän c¸c bé
chuyÓn m¹ch thÝch hîp vÒ c¸c chØ tiªu ®iÖn nh- trë kh¸ng cña phÇn tö chuyÓn
m¹ch, xuyªn ©m, t¹p ©m. §èi víi c¸c chuyÓn m¹ch cã c¸c tÝnh n¨ng kh¸c nhau
th× cÇn xem xÐt ®Õn chØ tiªu vÒ kh¶ th«ng cña cÊu tróc chuyÓn m¹ch. Trong c¸c
môc tiÕp theo chóng ta kh«ng ®Ò cËp tíi c¸c chØ tiªu ®iÖn (chóng ®-îc chän theo
yªu cÇu cô thÓ) mµ ta chØ xem xÐt c¸c cÊu tróc cña c¸c tr-êng chuyÓn m¹ch, kh¶
th«ng cña chóng vµ lÜnh vùc ¸p dông.
b. Tr-êng chuyÓn m¹ch mét kh©u
C¸c bé chuyÓn m¹ch kh«ng gian c¬ b¶n th-êng cã kÝch th-íc h¹n chÕ (sè
®Çu vµo, sè ®Çu ra kh«ng lín). Khi cÇn tr-êng chuyÓn m¹ch cã kÝch th-íc lín
h¬n, c¸ch ®¬n gi¶n nhÊt lµ ghÐp c¸c bé chuyÓn m¹ch c¬ b¶n l¹i víi nhau theo s¬
®å mét kh©u. Theo s¬ ®å mét kh©u ta cã thÓ nèi song song ®ång tªn c¸c ®Çu vµo
cña bé chuyÓn m¹ch nµy víi c¸c ®Çu vµo cña bé chuyÓn m¹ch kh¸c ®Ó t¨ng sè
®Çu ra nh- chØ ra ë trªn h×nh 2.7a hoÆc vÏ qui -íc trªn h×nh 2.7b (t¹m gäi lµ ghÐp
t¨ng ®Çu ra). Còng theo c¸ch nµy cã thÓ t¨ng sè ®Çu vµo, b»ng c¸ch chän bé
chuyÓn m¹ch hoÆc mét tr-êng chuyÓn m¹ch mét kh©u kh¸c, cã cïng sè ®Çu ra vµ
c¸c ®Çu ra nµy ®-îc nèi song song ®ång tªn víi nhau th× ta cã tr-êng chuyÓn
m¹ch mét kh©u míi cã sè ®Çu vµo ®-îc më réng b»ng tæng sè ®Çu vµo cña 2
tr-êng chuyÓn m¹ch mét kh©u cò ( h×nh 2.7c,d)
Nh- thÕ ta cã thÓ ghÐp c¸c bé chuyÓn m¹ch c¬ b¶n víi nhau theo c¸ch më
réng c¶ ®Çu vµo vµ ®Çu ra ta sÏ ®-îc tr-êng chuyÓn m¹ch mét kh©u cã sè ®Çu
vµo vµ ®Çu ra theo yªu cÇu.
§Æc ®iÓm cña tr-êng chuyÓn m¹ch kh«ng gian mét kh©u lµ:
-Mçi yªu cÇu chuyÓn m¹ch gi÷a mét ®Çu vµo víi mét ®Çu ra cña tr-êng
chuyÓn m¹ch chØ qua mét phÇn tö chuyÓn m¹ch. VÝ dô (xem h×nh 2.7c) : ®Ó nèi
®Çu vµo 1 víi ®Çu ra 3 dïng phÇn tö chuyÓn m¹ch 31 cña bé chuyÓn m¹ch phÝa
trªn, ®Ó nèi ®Çu vµo N+2 víi ®Çu ra 2, dïng phÇn tö 22 cña bé chuyÓn m¹ch phÝa
d-íi…
-Lu«n tån t¹i t-¬ng quan 1:1 gi÷a ®Çu vµo-phÇn tö chuyÓn m¹ch-®Çu ra
nÕu c¸c bé chuyÓn m¹ch dïng trong s¬ ®å mét kh©u lµ c¸c bé chuyÓn m¹ch toµn
1
2
3
M
1
2
3
M'
1
2
3
N
1 2 3 M
1
2
3
N
1 2 3 M'
M+M' ®Çu ra
N
®Çu
vµo
a.
1
2
3
N
NxM
NxM'
1
2
3
N
1 2 3 M
1
2
3
N'
1 2 3 M
N+N'
®Çu
vµo
M ®Çu ra
1
2
3
N
1
2
3
M
NxM
N'xM
d.
1
2
3
N'
c.
H×nh 2.7 C¸c c¸ch ghÐp c¬ b¶n x©y dùng tr-êng chuyÓn m¹ch mét kh©u
th«ng. NghÜa lµ tr-êng chuyÓn m¹ch mét kh©u sÏ lµ toµn th«ng nÕu c¸c bé
chuyÓn m¹ch ®-îc dïng trong nã lµ c¸c bé chuyÓn m¹ch toµn th«ng.
* C¸c nh-îc ®iÓm c¬ b¶n cña tr-êng chuyÓn m¹ch mét kh©u.
-Sè phÇn tö chuyÓn m¹ch t¨ng nhanh khi t¨ng sè ®Çu vµo hoÆc ®Çu ra cña
tr-êng chuyÓn m¹ch. Sè phÇn tö chuyÓn m¹ch cña tr-êng chuyÓn m¹ch b»ng tÝch
cña sè ®Çu vµo víi sè ®Çu ra
- Khi nèi song song nhiÒu bé chuyÓn m¹ch ®Ó t¨ng sè ®Çu vµo vµ ®Çu ra
cña tr-êng chuyÓn m¹ch sÏ g©y ra hiÖn t-îng dß kªnh (xuyªn ©m gi÷a c¸c kªnh)
c. Tr-êng chuyÓn m¹ch hai kh©u
§èi víi nh÷ng tr-êng chuyÓn m¹ch nhiÒu ®Çu vµo, nhiÒu ®Çu ra, nÕu x©y
dùng theo s¬ ®å mét kh©u sÏ qu¸ tèn kÐm do cÇn nhiÒu phÇn tö chuyÓn m¹ch.
Thªm vµo ®ã, viÖc nèi song song nhiÒu bé chuyÓn m¹ch víi nhau dÉn ®Õn lµm
gi¶m trë kh¸ng hë m¹nh trªn c¸c phÇn tö chuyÓn m¹ch vµ sÏ dÉn ®Õn dß tÝn hiÖu
gi÷a c¸c ®Çu vµo vµ c¸c ®Çu ra víi nhau lµm cho tÝn hiÖu bÞ suy gi¶m trªn c¸c
®-êng dÉn chÝnh vµ lµm t¨ng thªm hiÖn t-îng xuyªn ©m gi÷a c¸c kªnh l©n cËn.
§Ó kh¾c phôc nh÷ng nh-îc ®iÓm trªn, cÇn x©y dùng c¸c tr-êng chuyÓn m¹ch
theo s¬ ®å 2 kh©u hoÆc 3 kh©u.
Cã rÊt nhiÒu nguyªn t¾c ®Êu nèi s¬ ®å 2 kh©u, 3 kh©u. Trong phÇn nµy chØ
xem xÐt nguyªn t¾c ®Êu nèi ®¬n gi¶n nhÊt, ®ã lµ nguyªn t¾c 1:1, ®ång tªn.
Nguyªn t¾c 1:1 nghÜa lµ gi÷a mét bé chuyÓn m¹ch kh©u tr-íc víi mçi bé
chuyÓn m¹ch kh©u sau chØ cã duy nhÊt mét d©y trung gian. Nguyªn t¾c ®ång tªn
nghÜa lµ c¸c ®Çu ra cña bé chuyÓn m¹ch thø i kh©u tr-íc sÏ ®-îc nèi lÇn l-ît vµo
mçi ®Çu vµo thø i cña tõng bé chuyÓn m¹ch kh©u sau. VÝ dô (Xem h×nh 2.8): C¸c
®Çu ra cña bé chuyÓn m¹ch thø 1 kh©u A (ký hiÖu lµ A1) sÏ ®-îc ®Êu tíi ®Çu vµo
thø 1 cña tõng bé chuyÓn m¹ch kh©u B theo thø tù: ®Çu ra 1 cña A1 ®-îc nèi tíi
®Çu vµo 1 cña bé chuyÓn m¹ch B1; ®Çu ra 2 cña A1 nèi víi ®Çu vµo 1 cña bé
chuyÓn m¹ch B2; ®Çu ra 3 cña A1 nèi víi ®Çu vµo 1 cña bé chuyÓn m¹ch B3 ....
®Çu ra  cña A1 nèi víi ®Çu vµo 1 cña bé chuyÓn m¹ch B. T-¬ng tù nh- thÕ, c¸c
®Çu ra cña bé chuyÓn m¹ch thø 2 kh©u A (ký hiÖu lµ A2) sÏ ®-îc ®Êu tíi ®Çu vµo
thø 2 cña tõng bé chuyÓn m¹ch kh©u B còng theo thø tù trªn… . Cø nh- thÕ cho
tíi bé chuyÓn m¹ch cuèi cïng kh©u A (ký hiÖu lµ A). C¸c ®Çu ra cña nã sÏ ®-îc
®Êu tíi ®Çu vµo thø  cña tõng bé chuyÓn m¹ch kh©u B. Nh- vËy, tæng sè ®Çu ra
cña c¸c bé chuyÓn m¹ch kh©u A ph¶i b»ng tæng sè ®Çu vµo cña c¸c bé chuyÓn
m¹ch kh©u B. NÕu sè ®Çu ra cña mçi bé chuyÓn m¹ch kh©u A lµ  vµ sè bé
chuyÓn m¹ch kh©u A lµ , ®Ó ®Êu nèi theo nguyªn t¾c 1:1, ®ång tªn th× cÇn ®¶m
b¶o r»ng sè ®Çu vµo cña mçi bé chuyÓn m¹ch kh©u B ph¶i lµ  vµ sè bé chuyÓn
m¹ch kh©u B ph¶i lµ 
Theo nguyªn t¾c nµy :
- Mçi yªu cÇu nèi gi÷a mét ®Çu vµo vµ mét ®Çu ra cña tr-êng chuyÓn
m¹ch ph¶i ®i qua mét phÇn tö chuyÓn m¹ch cña mét bé chuyÓn m¹ch kh©u A,
1
2
3
4
m
1
2
3
4

A1
1
2
3
4
m
1
2
3
4

A2
1
2
3
4
m
1
2
3
4

A3
1
2
3
4
m
1
2
3
4

A
1
2
3
4

1
2
3
4
n
b1
1
2
3
4

1
2
3
4
n
b2
1
2
3
4

1
2
3
4
n
B3
1
2
3
4

1
2
3
4
n
b
H×nh 2.8 S¬ ®å tæng qu¸t tr-êng chuyÓn m¹ch 2 kh©u
ab11
ab12
ab13
ab1
ab21
ab22
ab23
ab2
ab31
ab1
ab2
ab3
ab
ab3
ab33
ab32
mét d©y trung gian gi÷a kh©u A vµ kh©u B, mét phÇn tö chuyÓn m¹ch t¹i mét bé
chuyÓn m¹ch kh©u B vµ ®-êng ®i ®ã lµ duy nhÊt. VÝ dô : §Ó nèi gi÷a ®Çu vµo x
cña bé chuyÓn m¹ch Ap tíi ®Çu ra y cña bé chuyÓn m¹ch Bq th× tuyÕn nèi duy
nhÊt lµ tõ ®Çu vµo x(Ap)  phÇn tö chuyÓn m¹ch qx(Ap)  ®Çu ra q(Ap)  d©y
trung gian abpq  ®Çu vµo p(Bq)  phÇn tö chuyÓn m¹ch yp(Bq)  ®Çu ra
y(Bq).
- Do mçi bé chuyÓn m¹ch kh©u A víi tõng bé chuyÓn m¹ch kh©u B chØ cã
duy nhÊt mét d©y trung gian nªn t¹i mçi thêi ®iÓm chØ cã thÓ phôc vô kh«ng qu¸
mét phÐp nèi tõ mét trong c¸c ®Çu vµo cña bé chuyÓn m¹ch kh©u A ®ã víi mét
trong c¸c ®Çu ra cña cïng mét bé chuyÓn m¹ch kh©u B. VÝ dô : Gi÷a A1 vµ B2
chØ cã duy nhÊt mét d©y trung gian ab12 nªn gi÷a c¸c ®Çu vµo cña A1 vµ c¸c ®Çu
ra cña B2 t¹i mçi thêi ®iÓm chØ cã thÓ thùc hiÖn kh«ng qu¸ mét phÐp nèi . Gi¶ sö
khi d©y ab12 ®· phôc vô cho mét phÐp nèi gi÷a ®Çu vµo 3A1 víi ®Çu ra 2B2, nÕu
xuÊt hiÖn mét yªu cÇu nèi kh¸c gi÷a ®Çu vµo 4A1 víi ®Çu ra 3B2 th× yªu cÇu míi
®ã sÏ bÞ tõ chèi do kh«ng cßn ®-êng d©y trung gian gi÷a A1 vµ B2 ®Ó phôc vô,
mÆc dï c¸c d©y trung gian kh¸c nh- ab11, ab13.... ab1 cã thÓ vÉn rçi, nh-ng
chóng kh«ng dÉn tíi B2. Ng-êi ta gäi hiÖn t-îng nµy lµ gäi hôt do thiÕu ®-êng
trung gian, hay lµ tæn thÊt néi cña tr-êng chuyÓn m¹ch .
§Ó tr¸nh hiÖn t-îng gäi hôt cÇn ph¶i t¹o ra c¸c tuyÕn nèi linh ®éng h¬n
gi÷a c¸c ®Çu vµo vµ c¸c ®Çu ra cña tr-êng chuyÓn m¹ch vµ ®iÒu nµy cã thÓ thùc
hiÖn ®-îc nhê c¸c s¬ ®å nhiÒu kh©u. §Ó lµm râ vÉn ®Ò nµy ta xem xÐt c¸c tr-êng
chuyÓn m¹ch kh«ng gian 3 kh©u.
d. Tr-êng chuyÓn m¹ch ba kh©u
Trªn h×nh 2.9 lµ tr-êng chuyÓn m¹ch kh«ng gian 3 kh©u ®-îc x©y dùng
theo nguyªn t¾c 1:1, ®ång tªn nh- ®· tr×nh bµy ë môc trªn. Nh×n vµo s¬ ®å nµy ta
nhËn thÊy r»ng mçi yªu cÇu nèi gi÷a mét ®Çu vµo cña tr-êng chuyÓn m¹ch víi
mét ®Çu ra cña nã ph¶i ®i qua 3 kh©u A, B, C vµ khi qua mçi kh©u ph¶i ®i qua 1
bé chuyÓn m¹ch nµo ®ã. NghÜa lµ, mçi yªu cÇu chuyÓn m¹ch sÏ ®-îc thùc hiÖn
qua 3 bé chuyÓn m¹ch ë 3 kh©u vµ 2 d©y trung gian gi÷a kh©u A tíi kh©u B vµ
gi÷a kh©u B tíi kh©u C. Tuy nhiªn, trong tr-êng hîp nµy chØ cã bé chuyÓn m¹ch
kh©u A vµ kh©u C cã chøa ®Çu vµo vµ ®Çu ra cña yªu cÇu chuyÓn m¹ch sÏ lµ n¬i
mµ tuyÕn nèi theo yªu cÇu trªn buéc ph¶i ®i qua. Cßn bÊt kú bé chuyÓn m¹ch nµo
cña kh©u B còng cã thÓ ®-îc dïng ®Ó phôc vô yªu cÇu nèi ®ã miÔn sao c¸c d©y
trung gian ab vµ bc tõ bé chuyÓn m¹ch ®ã cña kh©u B tíi bé chuyÓn m¹ch ®Çu
vµo kh©u A vµ bé chuyÓn m¹ch ra kh©u C theo yªu cÇu lµ ®ang ch-a bÞ dïng ®Ó
phôc vô yªu cÇu nèi kh¸c. Tõ ®ã, mçi yªu cÇu chuyÓn m¹ch cã thÓ ®-îc thùc
hiÖn theo nhiÒu tuyÕn nèi kh¸c nhau qua tr-êng chuyÓn m¹ch 3 kh©u vµ còng tõ
®ã gi÷a c¸c ®Çu vµo cña mét bé chuyÓn m¹ch kh©u A nµo ®ã víi c¸c ®Çu ra cña
cïng mét bé chuyÓn m¹ch kh©u C cã thÓ phôc vô ®ång thêi nhiÒu cuéc nèi (  )
VÝ dô : NÕu cuéc nèi gi÷a ®Çu vµo 2A1 víi ®Çu ra nC2 ®-îc thùc hiÖn theo
tuyÕn 1.
bc11
bc12
bc13
bc1
bc21
bc22
bc23
bc2
bc31
bc1
bc3
bc
bc3
bc33
bc32
H×nh 2.9 S¬ ®å tæng qu¸t tr-êng chuyÓn m¹ch 3 kh©u
1
2
3
4
m
1
2
3
4

A1
1
2
3
4
m
1
2
3
4

A2
1
2
3
4
m
1
2
3
4

A3
1
2
3
4
m
1
2
3
4

A
1
2
3
4

1
2
3
4

b1
1
2
3
4

1
2
3
4

b2
1
2
3
4

1
2
3
4

B3
1
2
3
4

1
2
3
4

b
ab11
ab12
ab13
ab1
ab2
1
ab22
ab23
ab2
ab31
ab1
ab2
ab3
ab
ab3
ab33
ab32
1
2
3
4
n
c1
1
2
3
4
n
c2
1
2
3
4
n
c3
1
2
3
4
n
c
1
2
3
4

1
2
3
4

1
2
3
4

1
2
3
4

bc2
TuyÕn 1 : §Çu vµo 2A1®Çu ra 1A1d©y trung gian ab11  ®Çu vµo
1B1®Çu ra 2B1d©y trung gian bc12 ®Çu vµo 1C2 ®Çu ra nC2
NÕu xuÊt hiÖn yªu cÇu nèi gi÷a ®Çu vµo 3A1 víi ®Çu ra 1C2 th× cã thÓ
thùc hiÖn theo tuyÕn 2
TuyÕn 2 : §Çu vµo 3 A1®Çu ra 2A1d©y trung gian ab12  ®Çu vµo
1B2®Çu ra 2B2d©y trung gian bc22 ®Çu vµo 2C2 ®Çu ra 1C2 hoÆc cã thÓ
®i qua c¸c bé chuyÓn m¹ch trung gian B3, B4,… , B
Tãm l¹i:
* S¬ ®å 3 kh©u cho phÐp t¹o tuyÕn nèi linh ®éng khi cÇn thùc hiÖn mét yªu
cÇu chuyÓn m¹ch nµo ®ã.
* S¬ ®å 3 kh©u cho phÐp thùc hiÖn nhiÒu yªu cÇu nèi ®ång thêi gi÷a mét
nhãm ®Çu vµo kh©u A víi c¸c ®Çu ra cïng nhãm kh©u C. hai ®Æc ®iÓm nµy lµm
cho s¬ ®å 3 kh©u gi¶m ®-îc ®¸ng kÓ kh¶ n¨ng gäi hôt so víi s¬ ®å 2 kh©u.
Quy t¾c chung x©y dùng tr-êng chuyÓn m¹ch nhiÒu kh©u
§Ó x©y dùng tr-êng chuyÓn m¹ch nhiÒu kh©u theo nguyªn t¾c 1:1, ®ång
tªn th× quan hÖ gi÷a c¸c bé chuyÓn m¹ch kh©u tr-íc víi c¸c bé chuyÓn m¹ch
kh©u tiÕp sau ph¶i tu©n theo nguyªn t¾c.
- Sè ®Çu ra cña mçi bé chuyÓn m¹ch kh©u tr-íc ph¶i b»ng sè bé chuyÓn
m¹ch kh©u sau.
- Sè ®Çu vµo cña c¸c bé chuyÓn m¹ch kh©u sau b»ng sè bé chuyÓn m¹ch
kh©u tr-íc.
VÝ dô : Xem h×nh 2.9 nÕu sè bé chuyÓn m¹ch kh©u B lµ  th× mçi bé
chuyÓn m¹ch kh©u A ph¶i cã  ®Çu ra, cßn mçi bé chuyÓn m¹ch kh©u C ph¶i cã
 ®Çu vµo. Kh©u A cã  bé chuyÓn m¹ch vËy nªn mçi bé chuyÓn m¹ch kh©u B
ph¶i cã  ®Çu vµo.
Tõ nguyªn t¾c ®Êu nèi 1:1, ®ång tªn nµy cã thÓ biÕn tÊu thµnh nhiÒu
nguyªn t¾c ®Êu nèi cã qui luËt hoÆc bÊt qui luËt kh¸c tuú thuéc vµo yªu cÇu thiÕt
kÕ. Trong c¸c tæng ®µi, ®Ó ®¬n gi¶n viÖc chän tuyÕn, nªn ¸p dông c¸c nguyªn t¾c
®Êu nèi cã qui luËt.
H×nh 2.10 cho mét s¬ ®å tham kh¶o cña lo¹i tr-êng chuyÓn m¹ch cã qui
luËt.
H×nh 2.10: Tr-êng chuyÓn m¹ch 3 kh©u ®Êu chÐo
* §Æc ®iÓm cña c¸c cÊu tróc chuyÓn m¹ch kh«ng gian t-¬ng tù vµ kh¶ n¨ng
øng dông cña tõng cÊu tróc
- S¬ ®å mét kh©u cã sè phÇn tö chuyÓn m¹ch lín nhÊt nh-ng ®¬n gi¶n nhÊt
vµ kh«ng cã tæn thÊt néi.
- §Ó x©y dùng tr-êng chuyÓn m¹ch kÝch th-íc cho tr-íc, s¬ ®å 2 kh©u cÇn
dïng Ýt phÇn tö chuyÓn m¹ch nhÊt, tuy nhiªn tæn thÊt néi cao nhÊt.
- Sè phÇn tö chuyÓn m¹ch cÇn sö dông trong s¬ ®å ba kh©u nhiÒu h¬n
trong ®å hai kh©u nh-ng Ýt h¬n so víi trong s¬ ®å mét kh©u cho tr-êng chuyÓn
m¹ch cïng sè ®Çu vµo vµ ®Çu ra. Tæn thÊt néi gi¶m h¬n so víi s¬ ®å hai kh©u.
Tuy nhiªn, c¸c nhËn xÐt trªn ®©y chØ ®óng trong tr-êng hîp sè ®Çu vµo vµ
®Çu ra cña tr-êng chuyÓn m¹ch ®ñ lín vµ ®-îc ph©n nhãm hîp lý, c¸c tr-êng hîp
kh¸c kÕt qu¶ cã thÓ ng-îc l¹i.
Do tÝnh chÊt vÒ kh¶ th«ng cña mçi cÊu tróc chuyÓn m¹ch lµ kh¸c nhau nªn
lÜnh vùc ¸p dông còng kh¸c nhau.
1
2
3
m
a1
1
2
3
m
a2
1
2
3
m
a3
1
2
3
m
a4
1
2
3
n
c1
1
2
3
n
c2
1
2
3
n
c3
1
2
3
n
c4
B1
b2
b3
b4
Lo¹i tr-êng chuyÓn m¹ch mét kh©u th-êng ®-îc ¸p dông ë cÊp chän mµ
sè ®Çu vµo vµ sè ®Çu ra chªnh lÖch nhau nhiÒu, nh- chän thiÕt bÞ kiÓm tra ®o thö
(c¸c ®Çu vµo lµ c¸c m¹ch thuª bao, c¸c ®Çu ra lµ c¸c thiÕt bÞ ®o). Còng cã thÓ sö
dông s¬ ®å nµy ®Ó chän trung kÕ gäi ra, gäi vµo (sè trung kÕ rÊt Ýt so víi sè thuª
bao) hoÆc chän c¸c bé thu ph¸t b¸o hiÖu ®-êng d©y thuª bao.
Lo¹i tr-êng chuyÓn m¹ch hai kh©u cã tæn thÊt néi cao v× vËy nªn sö dông
trong c¸c cÊp chän mang tÝnh tù do (chØ cã mét ®Þa chØ b¾t buéc, mét ®Þa chØ cã
thÓ chän tù do, vÝ dô nÕu ®Çu vµo lµ b¾t buéc th× cã thÓ chän ®Çu ra bÊt kú hoÆc
ng-îc l¹i). Nã thÝch hîp víi cÊp chän s¬ bé hoÆc cÊp chän nhãm trong c¸c tæng
®µi dung l-îng lín.
Tr-êng chuyÓn m¹ch ba kh©u cã tæn thÊt néi cã thÓ ®iÒu chØnh ®-îc khi
thay ®æi hÖ sè nÐn-d·n cña c¸c kh©u do ®ã cã thÓ ®¹t ®-îc chÊt l-îng dÞch vô
QoS-Quality of service theo yªu cÇu vµ hiÖu qu¶ kinh tÕ mong muèn, nã th-êng
®-îc ¸p dông ë c¸c cÊp chän mµ c¶ hai ®Þa chØ ®Òu lµ b¾t buéc (®Þa chØ ®Çu vµo vµ
®Þa chØ ®Çu ra cña tr-êng chuyÓn m¹ch ®èi víi mçi yªu cÇu lµ c¸c ®Þa chØ b¾t
buéc) vÝ dô: trong cÊp chän ®-êng d©y thuª bao bÞ gäi, khi ®ã ®Þa chØ ®Çu vµo cã
thÓ lµ ®Þa chØ m¹ch ®iÖn thuª bao chñ gäi hoÆc kªnh ®Çu vµo cßn ®Þa chØ ra lµ
m¹ch ®iÖn thuª bao bÞ gäi.
H×nh 2.11 chØ ra s¬ ®å cÊu tróc chung cho c¸c tæng ®µi dung l-îng lín.
Dung l-îng cña tæng ®µi ®-îc chia thµnh c¸c nhãm, mçi nhãm cã tõ vµi chôc tíi
vµi tr¨m thuª bao. C¸c cÊp chän thiÕt bÞ ®o thö, kiÓm tra hoÆc chän trung kÕ cã
thÓ dïng c¸c tr-êng chuyÓn m¹ch mét kh©u. CÊp chän s¬ bé, chän nhãm cã thÓ
Chän
trung kÕ
Tíi c¸c
trung kÕ


ThiÕt bÞ
b¸o hiÖu


ThiÕt bÞ
b¸o hiÖu
ThiÕt bÞ
kiÓm tra
ThiÕt bÞ
kiÓm tra
Chän thuª bao bÞ gäi
Chän thuª bao bÞ gäi
Chän nhãm
Chän
s¬ bé
Chän
s¬ bé
Chän nhãm
H×nh 2.11: S¬ ®å khèi c¸c tr-êng chuyÓn m¹ch trong tæng ®µi ph©n kªnh
kh«ng gian
dïng tr-êng chuyÓn m¹ch mét kh©u hoÆc hai kh©u, cßn cÊp chän ®-êng d©y dïng
tr-êng chuyÓn m¹ch ba kh©u. Trong c¸c tæng ®µi dung l-îng trung b×nh vµ dung
l-îng nhá c¸c cÊp chän cã thÓ kÕt hîp l¹i víi nhau vµ ®¬n gi¶n ho¸ cÊu tróc cña
tæng ®µi.
Bé chän trung kÕ ®Ó nèi thuª bao víi trung kÕ trong c¸c cuéc gäi vµo vµ
gäi ra. Bé chän ®o thö, kiÓm tra ®Ó nèi c¸c thiÕt bÞ kiÓm tra ®o thö víi c¸c ®-êng
d©y thuª bao hoÆc trung kÕ. C¸c bé chän nµy cã sè ®Çu vµo vµ ®Çu ra rÊt chªnh
lÖch nhau, v× vËy tèt nhÊt nªn dïng c¸c tr-êng chuyÓn m¹ch mét kh©u. CÊp chän
s¬ bé tù ®éng nèi thuª bao tíi c¸c thiÕt bÞ b¸o hiÖu nh- c¸c bé t¹o ©m mêi quay
sè, håi ©m chu«ng, b¸o bËn, hoÆc bé thu c¸c tÝn hiÖu chän sè. C¸c thiÕt bÞ b¸o
hiÖu th-êng gåm mét sè lo¹i, mçi lo¹i cã vµi bé. Khi cã yªu cÇu chän mét lo¹i
nµo ®ã ®Ó nèi víi mét ®-êng d©y th× cÊp chän nµy cã thÓ chän mét trong sè c¸c
bé thuéc lo¹i yªu cÇu. NghÜa lµ cã thÓ chän tù do gi÷a mét sè ®Çu ra cña cÊp
chän, do vËy ë ®©y nªn ¸p dông lo¹i tr-êng chuyÓn m¹ch hai kh©u ®Ó ®¹t hiÖu
qu¶ cao. Còng t-¬ng tù nh- vËy ®èi víi cÊp chän nhãm, c¸c ®Çu ra tõ mét bé
chän nhãm th-êng cã mét sè ®Çu ra cïng tíi bé chän ®-êng d©y cña cïng mét
nhãm, do ®ã còng cã thÓ chän tù do mét trong sè c¸c ®Çu ra ®ã. §èi víi tr-êng
chuyÓn m¹ch chän ®-êng d©y thuª bao th× c¶ hai ®Þa chØ ®Çu vµo vµ ®Çu ra ®Òu lµ
b¾t buéc nªn chØ cã thÓ ¸p dông lo¹i tr-êng chuyÓn m¹ch kh«ng tæn thÊt hoÆc tæn
thÊt nhá (mét kh©u hoÆc ba kh©u).
Víi sù ph¸t triÓn cña c«ng nghÖ ®iÖn tö, kÝch th-íc cña c¸c bé chuyÓn
m¹ch kh«ng gian t-¬ng tù ngµy cµng ®-îc thu nhá, dung l-îng ®-îc t¨ng cao vµ
tÝch hîp kh¶ n¨ng ®iÒu khiÓn mÒm dÎo, cïng víi tèc ®é chuyÓn m¹ch cao cho
phÐp chÕ t¹o c¸c tr-êng chuyÓn m¹ch gän nhÑ, tiªu thô nguån thÊp vµ víi c¸c chØ
tiªu kü thuËt tèt h¬n vµ kh«ng chØ ¸p dông trong c¸c tæng ®µi ph©n kªnh kh«ng
gian mµ cßn ®-îc ¸p dông trong mét sè kh©u cña c¸c tæng ®µi hiÖn ®¹i vµ mét sè
lÜnh vùc kü thuËt kh¸c.
2.3 §iÒu chÕ biªn ®é xung (PAM-Pulse Amplitude
Modulation) vµ chuyÓn m¹ch thêi gian ®èi víi tÝn
hiÖu rêi r¹c
2.3.1 Nguyªn lý ®iÒu biªn xung vµ -u thÕ ph©n kªnh theo thêi gian
§Þnh luËt Kocheniskov ph¸t biÓu r»ng : §èi víi tÝn hiÖu liªn tôc cã tÇn sè
cùc ®¹i lµ Fmax th× kh«ng cÇn truyÒn liªn tôc tÝn hiÖu ®ã mµ chØ cÇn truyÒn gi¸ trÞ
tøc thêi cña tÝn hiÖu t¹i c¸c thêi ®iÓm c¸ch ®Òu nhau sao cho tÇn sè rêi r¹c ho¸
lín h¬n 2Fmax. T¹i ®Çu thu, cã thÓ t¸i t¹o l¹i tÝn hiÖu t-¬ng ®èi chÝnh x¸c trªn c¬
së c¸c gi¸ trÞ rêi r¹c thu ®-îc. H×nh 2.12 thÓ hiÖn nguyªn lý nµy.
PhÝa ®Çu thu tõ chuçi xung PAM nhËn ®-îc ph¶i t¹o l¹i ®-êng bao cho tÝn
hiÖu. Do ë ®Çu ph¸t tÝn hiÖu bÞ rêi r¹c ho¸ nªn n¨ng l-îng tÝn hiÖu bÞ suy hao
®¸ng kÓ, v× vËy ë ®Çu thu viÖc t¸i t¹o l¹i d¹ng cña tÝn hiÖu còng ®ång nghÜa víi
viÖc bï l¹i n¨ng l-îng ®· mÊt do rêi r¹c ho¸. Do tÝn hiÖu ®-îc rêi r¹c ho¸ vµ
®-îc truyÒn kh«ng liªn tôc nªn trong kho¶ng thêi gian gi÷a hai xung PAM cña
mét nguån tÝn hiÖu cã thÓ truyÒn xen c¸c xung PAM cña c¸c nguån tÝn hiÖu kh¸c
trªn cïng mét ®-êng truyÒn nh- thÓ hiÖn trªn h×nh 2.13
H×nh 2.13 thÓ hiÖn nguyªn lý ph©n kªnh theo thêi gian. Bªn ph¸t, c¸c kho¸
EK võa lµ phÇn tö ®iÒu chÕ võa lµ phÇn tö ®Þnh thêi ph¸t. Bªn thu c¸c kho¸ EK' lµ
phÇn tö ®Þnh thêi thu. C¸c kho¸ EKi vµ EKi' ®-îc ®ãng më ®ång bé bëi c¸c tÝn
hiÖu nhÞp Ni t¹o nªn sù ph©n chia ®-êng truyÒn theo thêi gian. T¹i khe thêi gian
thø nhÊt c¸c kho¸ EK1 vµ EK1' ®-îc më, tÝn hiÖu ®-îc truyÒn tõ nguån 1 ®Õn
®Ých thu 1. C¸c kho¸ nµy bÞ ®ãng trong c¸c khe kh¸c cña chu kú. Tíi khe thêi
gian thø hai c¸c kho¸ EK2 vµ EK2' ®-îc më ®Ó truyÒn tÝn hiÖu cña kªnh 2 sau ®ã
Kho¸
TÝn hiÖu liªn tôc
®Çu vµo
D·y xung
nhÞp
D·y xung PAM
®Çu ra
H×nh 2.12: Nguyªn lý ®iÒu chÕ biªn ®é xung
chóng l¹i ®-îc ®ãng l¹i. Cø tuÇn tù nh- thÕ tíi khe thêi gian m c¸c kho¸ EKm vµ
EKm' ®-îc më ®Ó truyÒn tÝn hiÖu gi÷a nguån vµ ®Ých m. Sau ®ã qu¸ tr×nh trªn l¹i
®-îc lÆp l¹i theo chu kú. Nh- vËy c¸c kho¸ ®-îc më trong kho¶ng thêi gian cña
khe dµnh cho kªnh t-¬ng øng. Ta ký hiÖu ®é réng khe thêi gian lµ tx vµ nã còng
chÝnh lµ ®é réng cña mçi xung PAM. C¸c kho¸ cø ®ãng më tuÇn tù nh- vËy sau
mçi chu kú T.
Th«ng th-êng trong hÖ thèng ph©n kªnh thêi gian ®èi víi tÝn hiÖu PAM
chu kú T cã thÓ nhËn c¸c gi¸ trÞ 80 s, 100 s, 125 s t-¬ng øng víi tÇn sè rêi r¹c
FLM lµ 12,5 KHz, 10 KHz vµ 8 KHz. Cã thÓ c¶m nhËn r»ng FLM cµng cao th× sè
xung PAM cña mçi nguån tÝn hiÖu cµng lín, do ®ã tÝn hiÖu t¸i t¹o l¹i cµng gÇn
víi tÝn hiÖu gèc, tuy nhiªn khi ®ã chu kú T l¹i cµng nhá do ®ã hoÆc lµ ph¶i gi¶m
sè kªnh ®Ó ®¶m b¶o chÊt l-îng tÝn hiÖu hoÆc lµ ph¶i gi¶m thêi gian xung ®Ó ®¶m
b¶o sè kªnh. Nh- vËy, lu«n tån t¹i sù rµng buéc gi÷a tÇn sè rêi r¹c ho¸ tÝn hiÖu,
sè kªnh vµ ®é réng xung.
ek1
ek2
ek3
ekm
nm
n3
n2
n1
ek'1
n1
ek'2
n2
ek'3
n3
ek'm
nm
Bé läc
Bé läc
Bé läc
Bé läc
H×nh 2.13: Nguyªn lý ph©n kªnh theo thêi gian.
Trong ph©n kªnh theo thêi gian, do ®Æc tÝnh ®-êng truyÒn tån t¹i qu¸ tr×nh
qu¸ ®é, v× vËy, ®Ó tr¸nh xuyªn ©m gi÷a c¸c kªnh l©n cËn th× gi÷a c¸c khe thêi
gian kªnh cÇn cã kho¶ng thêi gian phßng vÖ tr, nghÜa lµ gi÷a c¸c xung PAM cña
c¸c kªnh sÏ lµ c¸c kho¶ng trèng. Sè kªnh trong hÖ thèng ph©n kªnh thêi gian
®-îc x¸c ®Þnh theo biÓu thøc.
(2.1)
Suy hao tÝn hiÖu do rêi r¹c ®-îc x¸c ®Þnh theo biÓu thøc
(2..2)
Trong thùc tÕ tx th-êng lÊy trong kho¶ng (0,5 10 s), cßn tr trong kho¶ng
(0,53s). NÕu TLM=125s (FLM=8KHz) vµ nÕu tx=0,75s, tr=0,5s, th× sè kªnh
sÏ lµ 100 vµ ®é suy hao lµ 22,2dB; cßn nÕu lÊy tx = 2s vµ tr = 0,5s th× sè kªnh
sÏ chØ lµ 50 kªnh vµ ®é suy hao tÝn hiÖu 17,9 dB. Qua biÓu thøc (3.1) vµ (3.2)
cµng thÊy râ sù liªn quan rµng buéc gi÷a tÇn sè rêi r¹c ho¸ tÝn hiÖu, sè kªnh vµ
n¨ng l-îng tÝn hiÖu PAM.
- T¨ng tÇn sè rêi r¹c th× sè mÉu tÝn hiÖu cña mçi nguån sÏ t¨ng, tõ ®ã dÔ
kh«i phôc tÝn hiÖu. Tuy nhiªn, nÕu t¨ng tÇn sè rêi r¹c mµ vÉn gi÷ nguyªn sè kªnh
th× ph¶i gi¶m tx vµ tr dÉn ®Õn khã thu tÝn hiÖu PAM vµ cã thÓ lµm t¨ng ®é xuyªn
kªnh, nghÜa lµ khã kh«i phôc ®-îc tÝn hiÖu gèc.
- NÕu kh«ng thay ®æi tÇn sè rêi r¹c mµ muèn t¨ng sè kªnh th× ph¶i gi¶m
c¸c gi¸ trÞ tx hoÆc tr, còng cã nghÜa lµ lµm gi¶m chÊt l-îng truyÒn tÝn hiÖu. V× vËy
cÇn ph¶i c©n ®èi gi÷a c¸c ®¹i l-îng nµy ®Ó ®¹t sù hµi hoµ gi÷a tÇn sè lÊy mÉu ®é,
réng xung PAM vµ sè kªnh.
2.3.2 ChuyÓn m¹ch PAM 4 d©y dïng trung kÕ ©m tÇn
a.§èi víi cuéc gäi trong cïng nhãm
Gi¶i ph¸p kü thuËt cña ph-¬ng ph¸p nµy lµ dïng bé trung kÕ ©m tÇn ®Ó gi÷
chËm c¸c xung PAM tõ khe thêi gian cña thuª bao ph¸t tíi khe thêi gian cña thuª
bao thu theo mçi h-íng. Nh- vËy sÏ t¹o ra mét d©y gi÷ chËm tÝn hiÖu theo mçi
h-íng. Trong liªn l¹c song c«ng cã hai h-íng truyÒn ®ång thêi cho mçi cuéc gäi
vµ do vËy mçi bé trung kÕ ©m tÇn cÇn cã hai d©y gi÷ chËm tÝn hiÖu. C¸c phÇn tö
trong d©y gi÷ chËm tÝn hiÖu bao gåm van V lµ kho¸ ®iÖn tö khèng chÕ thêi gian
dB
t
T
10lg
a
x

r
t
x
t
T
V


thu tÝn hiÖu PAM cña kªnh cÇn phôc vô; bé gi¶i m· ®iÒu chÕ D dïng ®Ó bï n¨ng
l-îng cho xung PAM nhËn ®-îc, t¹o l¹i ®-êng bao liªn tôc ®Ó gi÷ chËm tíi khe
thêi gian chuyÓn tiÕp, phÇn tö ®iÒu chÕ võa lµ kho¸ ®iÖn tö M khèng chÕ thêi gian
ph¸t tÝn hiÖu PAM vµ t¹o l¹i xung PAM.
M¹ch ®iÖn mçi thuª bao còng bao gåm c¸c phÇn tö: Bé ®iÒu chÕ M võa lµ
kho¸ ®iÖn tö, bé gi¶i ®iÒu chÕ D vµ van V cïng víi bé sai ®éng H. Bé sai ®éng
dïng ®Ó chuyÓn ®æi kiÓu truyÒn dÉn song c«ng 2 d©y phÝa ®-êng d©y thµnh kiÓu
truyÒn 4 d©y thu/ph¸t riªng phÝa bªn trong tæng ®µi. Mçi m¹ch ®iÖn thuª bao
®-îc g¸n mét tÝn hiÖu nhÞp N cã tÇn sè nhÞp b»ng tÇn sè rêi r¹c ho¸ tÝn hiÖu vµ
lÖch pha nhau sè nguyªn lÇn khe thêi gian. NghÜa lµ tÝn hiÖu nhÞp N cña mçi thuª
bao qui ®Þnh khe thêi gian më bé ®iÒu chÕ M vµ kho¸ V cña thuª bao ®ã dïng
cho viÖc ph¸t vµ thu tÝn hiÖu PAM.
C¸c phÇn tö cña trung kÕ ©m tÇn khi phôc vô mét cuéc gäi nµo ®ã míi
®-îc cÊp cÆp tÝn hiÖu nhÞp t-¬ng øng cña cÆp thuª bao mµ nã phôc vô. Nh- vËy,
tÝn hiÖu nhÞp cho c¸c thuª bao ®-îc g¸n cè ®Þnh (thuª bao x t-¬ng øng nhÞp Nx,
thuª bao y t-¬ng øng nhÞp Ny). Cßn ®èi víi c¸c trung kÕ ©m tÇn th× c¸c tÝn hiÖu
nhÞp sÏ chØ ®-îc g¸n khi chóng phôc vô mét cuéc gäi nµo ®ã.

tbx
Hx
Mx
Vx
Dx
Nx
T R

tby
Hy
My
Vy
Dy
Ny
DA
VA
DB
VB
MA
MB
NA= Nx
Bé trung kÕ
©m tÇn
H×nh 2.14 ChuyÓn m¹ch PAM 4d©y dïng trung kÕ ©m tÇn, cïng nhãm
NB= Ny
Gi¶ sö cÇn phôc vô cuéc gäi gi÷a thuª bao X vµ thuª bao Y th× phÇn ®iÒu
khiÓn sÏ chän mét trong c¸c bé trung kÕ ©m tÇn cña nhãm ®Ó phôc vô. NhÞp Nx sÏ
®-îc g¸n cho mét phÝa cña trung kÕ ©m tÇn vµ ®Çu kia sÏ ®-îc g¸n nhÞp Ny (nh-
trªn h×nh 2.14).
Nh- vËy cÆp tÝn hiÖu nhÞp cña trung kÕ ©m tÇn ®ã ®-îc g¸n trïng víi cÆp
nhÞp cña hai thuª bao mµ nã phôc vô.
Ta xem xÐt h-íng truyÒn tÝn hiÖu tõ thuª bao x sang thuª bao y.
* T¹i khe thêi gian TSx (Time slot x) : TÝn hiÖu tõ thuª bao x  Hx Mx
 T VA DA nhí t¹i trung kÕ ©m tÇn.
* Tíi khe thêi gian TSy: TÝn hiÖu tõ trung kÕ ©m tÇn  MB R Vy
Dy Hy Thuª bao y.
T-¬ng tù xem xÐt h-íng truyÒn tÝn hiÖu tõ thuª bao y ®Õn thuª bao x.
* T¹i TSy : TÝn hiÖu tõ thuª bao y  Hy MyTVB DB vµ ®-îc nhí
t¹i nhí t¹i trung kÕ ©m tÇn.
* Tíi TSx : TÝn hiÖu tõ trung kÕ ©m tÇn qua MA RVx Dx Hx
thuª bao x.
NÕu xÐt vÒ thêi gian gi÷ chËm th«ng tin th× h-íng tõ thuª bao x sang thuª
bao y th«ng tin sÏ bÞ gi÷ chËm tõ khe thêi gian x tíi khe thêi gian y, cßn theo
h-íng ng-îc l¹i tõ thuª bao y sang thuª bao x th× th«ng tin sÏ bÞ gi÷ chËm tõ khe
thêi gian y tíi khe thêi gian x vµ gi¶ sö khe thêi gian x tr-íc khe thêi gian y
(y>x) th× kho¶ng thêi gian gi÷ chËm th«ng tin tõ x tíi y lµ
(y-x)(tx+tr) = (y-x)tTS (2.3)
kho¶ng thêi gian gi÷ chËm th«ng tin tõ y tíi x lµ
(N-y+x) (tx+tr) = (N-y+x) tTS (2.4)
tæng thêi gian gi÷ chËm th«ng tin c¶ hai h-íng lµ
(N-y+x + y-x) tTS = N tTS = T
Trong c¸c biÓu thøc trªn x vµ y lµ thø tù c¸c khe thêi gian, tTS ®é réng cña
mét khe bao gåm thêi gian xung tx vµ thêi gian trèng tr, N lµ sè khe thêi gian cña
mét chu kú vµ T lµ chu kú lÊy mÉu. Tõ ®ã ta thÊy th«ng tin bÞ gi÷ chËm theo c¶
hai h-íng ®óng b»ng mét chu kú lÊy mÉu vµ do vËy mçi trung kÕ ©m tÇn chØ cã
thÓ phôc vô duy nhÊt mét cuéc gäi t¹i mçi thêi ®iÓm tõ khi b¾t ®Çu tíi khi kÕt
thóc cuéc gäi. §Ó phôc vô ®ång thêi nhiÒu cuéc gäi gi÷a c¸c thuª bao trong
nhãm ph¶i cã nhiÒu bé trung kÕ ©m tÇn. Sè trung kÕ ©m tÇn cho mçi nhãm ®-îc
chän tuú thuéc vµo l-u l-îng cuéc gäi trong nhãm t¹i giê cao ®iÓm.
b. §èi víi cuéc gäi kh¸c nhãm
H×nh 2.15 m« t¶ qu¸ tr×nh phôc vô cuéc gäi gi÷a c¸c thuª bao kh¸c nhãm.
C¸c thuª bao ®-îc chia thµnh c¸c nhãm, mçi nhãm ®Òu cã c¸c thanh T, R (tuyÕn
ph¸t vµ thuyÕn thu) cña riªng nhãm ®ã. Ngoµi ra, trong tæng ®µi cßn cã c¸c cÆp
thanh ph¸t T*, thanh thu R* liªn nhãm ®Ó phôc vô c¸c cuéc gäi gi÷a c¸c thuª bao
kh¸c nhãm. Gi÷a thanh T vµ R cña tõng nhãm víi T*, R* cã c¸c van trung gian
ZT vµ ZR ®Ó phôc vô c¸c cuéc gäi liªn nhãm.
Khi phôc vô cuéc gäi liªn nhãm gi÷a TBX nhãm 1 víi TBy nhãm 2 ch¼ng
h¹n, phÇn ®iÒu khiÓn sÏ chän mét bé trung kÕ ©m tÇn liªn nhãm cho cuéc gäi ®ã
vµ g¸n nhÞp cña hai thuª bao ®-îc phôc vô cho c¸c phÇn tö chuyÓn m¹ch trung
gian, ®ã lµ:
- G¸n nhÞp NX cho ®Çu NG1 vµ NA ®Ó nèi T1 víi T*, R1 víi R*, vµ nèi trung
kÕ ©m tÇn ®ã víi T*, R* trong nhÞp NX (khe TSx).
- G¸n nhÞp Ny cho ®Çu NG2 vµ NB ®Ó nèi T2 víi T*, R2 víi R*, vµ nèi trung
kÕ ©m tÇn ®ã víi T*, R* trong nhÞp Ny (khe TSy).

tbx
nhãm1
Hx
Mx
Vx
Dx
Nx

tby
nhãm 2
Hy
My
Vy
Dy
Ny
T* R*
DA
VA
DB
VB
MA
MB
NA Bé trung kÕ
©m tÇn
liªn nhãm
H×nh 2.15 ChuyÓn m¹ch PAM 4 d©y liªn nhãm dïng trung kÕ ©m tÇn
T1 R1
T2 R2
Z1T
Z1R
Z2T
Z2R
NG1
NG2
NB
Xem xÐt h-íng truyÒn th«ng tin tõ TBX nhãm 1 sang TBy nhãm 2:
*T¹i TSx: TÝn hiÖu tõ TBX nhãm 1HXMXT1Z1TT*VA DA 
gi÷ chËm trong trung kÕ ©m tÇn liªn nhãm tíi TSY.
*Tíi TSY: TÝn hiÖu tõ bé trung kÕ ©m tÇn liªn nhãm  MB R* Z2R 
R2 Vy  Dy HyTBy.
H-íng truyÒn th«ng tin tõ TBy nhãm 2 sang TBX nhãm 1:
*T¹i TSy: TÝn hiÖu tõ TBy nhãm 2 HyMyT2Z2TT1*VB DB
gi÷ chËm trong trung kÕ ©m tÇn liªn nhãm tíi khe TSX.
*T¹i TSX: TÝn hiÖu tõ bé trung kÕ ©m tÇn liªn nhãm MA R* Z1R 
R1Vx Dx Hx TBx nhãm 1.
Trong tr-êng hîp nµy tæng thêi gian gi÷ chËm th«ng tin trong trung kÕ ©m
tÇn liªn nhãm cho c¶ hai h-íng truyÒn th«ng tin còng b»ng mét chu kú lÊy mÉu,
do vËy mçi trung kÕ liªn nhãm chØ phôc vô ®-îc duy nhÊt mét cuéc gäi ®ång thêi
t¹i mçi thêi ®iÓm. Trªn c¬ së thèng kª l-u l-îng c¸c cuéc gäi liªn nhãm tõ ®ã
x¸c ®Þnh sè bé trung kÕ ©m tÇn liªn nhãm cÇn dïng trong mçi tæng ®µi cô thÓ.
Còng theo ph©n tÝch nµy mçi ®Çu NA, NB chØ cã thÓ nhËn mét tÝn hiÖu nhÞp khi
phôc vô mét cuéc gäi liªn nhãm cô thÓ.
C¸c van trung gian nhÞp ZT, ZR cña c¸c nhãm lµ c¸c phÇn tö dïng chung
phôc vô cho nhiÒu cuéc gäi cña nhãm ®ã víi c¸c nhãm kh¸c, v× vËy tÝn hiÖu nhÞp
cho cÆp van nµy cã thÓ nhËn nhiÒu khe më tuú thuéc c¸c cuéc gäi mµ nã phôc vô
®ång thêi.
2.3.3 ChuyÓn m¹ch PAM 4 d©y kh«ng dïng trung kÕ ©m tÇn
a. §èi víi cuéc gäi trong cïng nhãm
Theo ph-¬ng thøc nµy c¸c thuª bao khi kh«ng tham gia cuéc gäi th× ch-a
cã tÝn hiÖu nhÞp ®-a ®Õn c¸c phÇn tö trong m¹ch ®iÖn thuª bao cña chóng, chØ khi
mét thuª bao tham gia cuéc gäi víi thuª bao kh¸c th× tÝn hiÖu nhÞp míi ®-îc ®-a
tíi nã. §Ó phôc vô c¸c cuéc gäi gi÷a c¸c thuª bao trong nhãm ng-êi ta dïng mét
van trung gian Z ®Ó truyÒn tÝn hiÖu tõ tuyÕn ph¸t T sang tuyÕn thu R t¹i c¸c khe
thêi gian mµ c¸c cuéc gäi nµy tiÕn hµnh.
Khi phôc vô cuéc gäi gi÷a hai thuª bao x vµ y nµo ®ã trong cïng nhãm,
phÇn ®iÒu khiÓn sÏ chän cÆp khe thêi gian Np vµ Nq ®Ó g¸n c¸c phÇn tö trong
m¹ch ®iÖn cña thuª bao x vµ y, ®ång thêi còng g¸n c¸c khe nµy tíi phÇn tö Z. C¸c
khe nµy ®-îc g¸n sao cho c¸c tÝn hiÖu PAM tõ bé ®iÒu chÕ Mx cña TBx sÏ ®-îc
chuyÓn tíi thanh T, sau ®ã qua van Z ®Ó tíi thanh R vµo m¹ch thu cña TBy qua
van Vy trong nhÞp Np, cßn h-íng ng-îc l¹i tõ bé ®iÒu chÕ My tíi thanh T, sau ®ã
qua van Z tíi thanh R råi qua van VX vµo m¹ch thu cña thuª bao x ®-îc thùc hiÖn
trong khe thêi gian Nq.
CÆp khe thêi gian phôc vô cho tõng cuéc gäi ®-îc chän theo mét trong 3
nguyªn t¾c sau:
- Chän tù do (p vµ q kh«ng phô thuéc nhau)
- Chän liªn tiÕp (q = p +1)
- Chän c¸ch mét nöa chu kú lÊy mÉu (q = p +n/2, trong ®ã n lµ tæng sè khe
thêi gian trong mét chu kú lÊy mÉu).
Chän tù do sÏ linh ho¹t h¬n trong sö dông c¸c khe thêi gian nh-ng phøc
t¹p h¬n trong ®iÒu khiÓn. Chän theo qui luËt sÏ ®¬n gi¶n h¬n cho viÖc ®iÒu khiÓn
v× khi phôc vô mçi yªu cÇu nèi song h-íng chØ cÇn thùc hiÖn mét phÐp chän.
b. §èi víi cuéc gäi kh¸c nhãm
§Ó phôc vô cuéc gäi chÐo gi÷a tõng cÆp nhãm, dïng hai van trung gian ®Ó
nèi T cña nhãm nµy víi R cña nhãm kia vµ ng-îc l¹i. Do thuª bao ë hai nhãm
H×nh 2.16 ChuyÓn m¹ch PAM 4 d©y kh«ng dïng trung kÕ ©m tÇn, cïng
nhãm

tbx
Hx
Mx
Vx
Dx
Np

tby
Hy
My
Vy
Dy
T R
Z
Np, Nq
Nq
Nq
Np
kh¸c nhau nªn mçi cuéc gäi chØ cÇn dïng mét tÝn hiÖu nhÞp nh- trªn h×nh 2.17.
Trong khe thêi gian nhÞp Np ®· chän c¸c van Z12 vµ Z21 ®Òu më, tÝn hiÖu tõ
TBX nhãm 1 sÏ tõ tuyÕn ph¸t T1 qua van Z12 ®Ó ®-a sang tuyÕn thu nhãm 2 R2 ®Ó
vµo m¹ch thu cña TBy nhãm 2, cßn tÝn hiÖu tõ nhãm TBy nhãm 2 sÏ tõ tuyÕn T2
qua van Z21 tíi tuyÕn thu R1 råi vµo m¹ch thu cña TBX nhãm 1.
2.3.4 So s¸nh nguyªn lý chuyÓn m¹ch PAM 4 d©y dïng trung kÕ ©m tÇn
vµ nguyªn lý chuyÓn m¹ch PAM 4 d©y kh«ng dïng trung kÕ ©m tÇn
- Ph-¬ng ph¸p dïng trung kÕ ©m tÇn cho phÐp mçi thuª bao trong mçi nhãm
cã mét khe thêi gian riªng do ®ã kh«ng cÇn g¸n khe thêi gian chuyÓn
m¹ch cho chóng khi chóng tham gia cuéc gäi nµo ®ã. Tuy nhiªn, viÖc g¸n
cøng khe thêi gian cho mçi thuª bao lµm cho dung l-îng cña mçi nhãm
kh«ng v-ît qu¸ tæng sè khe thêi gian trong mçi chu kú lÊy mÉu.
- Ph-¬ng ph¸p kh«ng dïng trung kÕ ©m tÇn g¸n ®éng khe thêi gian nhÞp cho
thuª bao khi tham gia cuéc gäi do ®ã dÔ dµng t¨ng hoÆc gi¶m sè thuª bao
trong nhãm nh-ng nã còng ®ßi hái mét gi¶i ph¸p kh¸ phøc t¹p ®Ó cung cÊp
c¸c tÝn hiÖu nhÞp cho c¸c thuª bao vµ c¸c phÇn tö trung gian.
- Ph-¬ng ph¸p dïng trung kÕ ©m tÇn sö dông chuyÓn m¹ch thêi gian t-¬ng

tbx
nhãm1
Hx
Mx
Vx
Dx
Np

tby
nhãm 2
Hy
My
Vy
Dy
T1 R1
Z12
Np
Np
T2 R2
Z21
H×nh 2.17 ChuyÓn m¹ch PAM 4 d©y liªn nhãm, kh«ng dïng trung kÕ ©m tÇn
tù theo nguyªn lý gi÷ chËm xung PAM cßn ph-¬ng ph¸p kh«ng dïng
trung kÕ ©m tÇn vÒ thùc chÊt lµ chuyÓn m¹ch kh«ng gian t¸c ®éng nhanh
theo nhÞp thêi gian.
- Nguyªn lý kh«ng dïng trung kÕ ©m tÇn cã thÓ ®-a ®Õn mét s¬ ®å ®¬n
gi¶n nÕu nh- sè thuª bao Ýt chØ tæ chøc thµnh mét nhãm, nhËp chung tuyÕn
ph¸t vµ tuyÕn thu nh- trªn h×nh 2.18
.
2.3.5 ChuyÓn m¹ch PAM 2 d©y
M¹ch ®iÖn thuª bao kh¸ ®¬n gi¶n, bao gåm mét biÕn ¸p Tr, bé läc th«ng
thÊp F, tô ®iÖn C vµ mét van V. C¸c kho¸ V cña c¸c m¹ch ®iÖn thuª
H×nh 2.19 Nguyªn lý chuyÓn m¹ch PAM 2 d©y

tbx
Hx
Mx
Vx
Dx
Np

tby
Hy
My
Vy
Dy
Nq
H×nh 2.18 ChuyÓn m¹ch PAM 4d©y mét nhãm, kh«ng dïng trung kÕ ©m tÇn
Nq
Np
FP
LP
CP
VP
TBP
FQ
LQ
CQ
VQ
TBQ
Ni
Ni
T&R
TrP
bao ®-îc nèi tíi tuyÕn thu ph¸t chung T, tô ®iÖn C ®-îc dïng ®Ó bï n¨ng l-îng.
C¸c kho¸ V còng kh«ng ®-îc cÊp tr-íc tÝn hiÖu nhÞp. PhÇn ®iÒu khiÓn sÏ chän vµ
®-a tÝn hiÖu nhÞp tíi kho¸ V khi thuª bao tham gia cuéc gäi.
Gi¶ sö ®Ó phôc vô cuéc gäi gi÷a TBP vµ TBQ phÇn ®iÒu khiÓn chän khe thêi
gian nhÞp Ni cÊp cho 2 kho¸ VP vµ VQ. Trong c¸c khe thêi gian kh¸c nhÞp Ni,
thanh T&R ®-îc dïng cho c¸c cuéc gäi kh¸c, khi ®ã VP vµ VQ ®Òu ®ãng. T¹i
nhÞp Ni c¶ hai van VP vµ VQ ®Òu më ®Ó th«ng tÝn hiÖu ë hai m¹ch ®iÖn thuª bao P
vµ thuª bao Q sang nhau. C¸c tô ®iÖn CP vµ CQ tÝch luü n¨ng l-îng tÝn hiÖu khi
c¸c van VP vµ VQ ®ãng vµ n¨ng l-îng ®ã sÏ ®-îc phãng sang nhau ®Ó bæ xung
n¨ng l-îng h÷u Ých khi c¸c van VP vµ VQ më.
Theo nguyªn lý chuyÓn m¹ch PAM th× n¨ng l-îng tiÕng nãi bÞ suy hao
®¸ng kÓ do bÞ rêi r¹c ho¸ nh- ®· ®Ò cËp ë biÓu thøc (2..2) vµ ¶nh h-ëng tíi chÊt
l-îng truyÒn dÉn, v× vËy cÇn ¸p dông gi¶i ph¸p m¹ch ®Ó bï n¨ng l-îng. Trªn s¬
®å 2.19 sö dông cuén c¶m L vµ tô ®iÖn C t¹o thµnh khung céng h-ëng. Dao ®éng
riªng cña khung ®-îc ®iÒu chØnh sao cho chu kú cña nã b»ng víi thêi gian th«ng
tÝn hiÖu qua kho¸ V, nh- vËy trong kho¶ng thêi gian më kho¸ V n¨ng l-îng tÝn
hiÖu ®· tÝch luü trªn tô C phÝa thuª bao nµy sÏ ®-îc truyÒn kh«ng tæn hao sang
m¹ch ®iÖn thuª bao phÝa kia vµ ng-îc l¹i.
Nh×n chung chuyÓn m¹ch PAM 2 d©y cho s¬ ®å øng dông ®¬n gi¶n h¬n so
víi chuyÓn m¹ch PAM 4 d©y, tuy nhiªn chÊt l-îng tÝn hiÖu còng kÐm h¬n chuyÓn
m¹ch 4 d©y. MÆc dï ¸p dông c¸c gi¶i ph¶p kü thuËt ®Ó bï suy hao tÝn hiÖu do rêi
r¹c ho¸ nh-ng rÊt khã cã thÓ ®¹t ®-îc chÊt l-îng nh- kiÓu 4 d©y.
Nguyªn lý chuyÓn m¹ch PAM 2 d©y còng cã thÓ cho phÐp tæ chøc c¸c
thuª bao cña tæng ®µi thµnh c¸c nhãm. Liªn l¹c gi÷a c¸c thuª bao cïng nhãm nh-
®· m« t¶ trªn ®©y, cßn ®Ó phôc vô liªn l¹c gi÷a c¸c thuª bao kh¸c nhãm ng-êi ta
sö dông c¸c van trung gian nèi thanh T&R cña nhãm nµy víi thanh T&R cña
nhãm kh¸c t¹o ra mèi liªn kÕt gi÷a c¸c nhãm víi nhau.
***
VÒ nguyªn lý, chuyÓn m¹ch kh«ng gian t-¬ng tù t¹o ra tuyÕn nèi liªn tôc
tõ m¹ch ®iÖn cña thuª bao gäi tíi m¹ch ®iÖn cña thuª bao bÞ gäi suèt tõ khi b¾t
®Çu ®Õn khi kÕt thóc cuéc gäi vµ tuyÕn nèi ®ã hoµn toµn ®éc lËp víi c¸c tuyÕn nèi
phôc vô c¸c cuéc gäi kh¸c ®ang tiÕn hµnh ®ång thêi víi nã gi÷a c¸c thuª bao
kh¸c, do vËy ®ßi hái rÊt nhiÒu phÇn tö chuyÓn m¹ch. ChuyÓn m¹ch PAM còng lµ
mét d¹ng chuyÓn m¹ch t-¬ng tù nh-ng nã rêi r¹c ho¸ tÝn hiÖu ®ã tr-íc khi
chuyÓn m¹ch vµ ®èi víi mçi cuéc gäi chØ sö dông mét hoÆc mét cÆp khe thêi gian
®Ó chuyÓn m¹ch tÝn hiÖu gi÷a hai thuª bao v× vËy nã cho phÐp nhiÒu cuéc gäi cã
thÓ dïng chung mét sè phÇn tö chuyÓn m¹ch t¹i c¸c khe thêi gian dµnh riªng cho
tõng cuéc gäi vµ do ®ã thiÕt bÞ cña nã gän nhÑ h¬n, tuy nhiªn chÊt l-îng tÝn hiÖu
còng kÐm h¬n so víi ph-¬ng thøc chuyÓn m¹ch kh«ng gian.
2.4 Kh¸i qu¸t chung vÒ c«ng nghÖ PCM vµ kü thuËt
chuyÓn m¹ch sè
2.4.1 Nh÷ng lîi thÕ c¬ b¶n cña sù kÕt hîp gi÷a truyÒn dÉn sè vµ chuyÓn
m¹ch sè
1. Lîi thÕ vÒ chÊt l-îng tÝn hiÖu: Trong th«ng tin, chÊt l-îng tÝn hiÖu lµ
mét trong c¸c chØ tiªu kü thuËt quan träng nhÊt. §èi víi tÝn hiÖu t-¬ng tù, ®Ó
®¶m b¶o tÝn hiÖu kh«ng bÞ mÐo d¹ng d-íi t¸c ®éng cña c¸c nguån nhiÔu qu¶ lµ
mét viÖc rÊt khã. Khi truyÒn dÉn vµ chuyÓn m¹ch tÝn hiÖu t-¬ng tù sÏ bÞ t¸c ®éng
cña nhiÔu ®iÒu biªn ký sinh, bÞ suy hao. §Ó kh«i phôc d¹ng tÝn hiÖu vµ bï l¹i
n¨ng l-îng bÞ suy hao th× cÇn ph¶i läc vµ khuÕch ®¹i. Do kh«ng thÓ läc hÕt nhiÔu
®iÒu biªn vµ b¶n th©n c¸c phÐp läc còng lµm mÐo d¹ng tÝn hiÖu nªn sau nhiÒu lÇn
khuÕch ®¹i nh- vËy tû sè S/N sÏ gi¶m ®¸ng kÓ, t¹p ©m bÞ tÝch luü do khuÕch ®¹i
lÆp nhiÒu lÇn, sÏ lµm gi¶m chÊt l-îng tÝn hiÖu.
TÝn hiÖu
sau chÆng
thø nhÊt
TÝn hiÖu
sauchÆng
thø hai
Bé lÆp Bé lÆp
TÝn hiÖu
sau lÆp
TÝn hiÖu
sau lÆp
TÝn hiÖu
gèc
TÝn hiÖu
bÞ mÐo
TÝn hiÖu
bÞ mÐo
TÝn hiÖu
bÞ mÐo
Bé lÆp Bé lÆp Bé lÆp
TÝn hiÖu
sau lÆp
a. T¸c ®éng cña nhiÔu khi truyÒn tÝn hiÖu t-¬ng tù
b. T¸c ®éng cña nhiÔu khi truyÒn tÝn hiÖu sè
H×nh 2.20 T¸c ®éng trªn ®-êng truyÒn ®èi víi tÝn hiÖu t-¬ng tù vµ tÝn hiÖu sè
§èi víi tÝn hiÖu sè chØ cã hai gi¸ trÞ " 0" vµ "1" vµ cã thÓ ®-îc ®iÒu chÕ ®Ó
truyÒn trªn ®-êng truyÒn b»ng c¸c d¹ng tÝn hiÖu kh¸c nhau (m· ®-êng truyÒn).
Khi truyÒn ®i xa còng cã thÓ bÞ t¸c ®éng cña nhiÔu lµm mÐo d¹ng, lµm suy gi¶m
nh-ng gi¸ trÞ cña chóng dÔ dµng nhËn biÕt ®-îc vµ kh«i phôc l¹i nh- ban ®Çu.
Tõ ®ã mµ chÊt l-îng cuéc gäi néi h¹t cña hÖ thèng t-¬ng tù kh¸c h¼n so
víi chÊt l-îng cuéc gäi ®-êng dµi. Cßn trong hÖ thèng sè kh«ng cã sù kh¸c biÖt
®ã. NghÜa lµ hÖ thèng sè lµm c¶i thiÖn ®¸ng kÓ chÊt l-îng cña c¸c cuéc gäi ®-êng
dµi.
2. Hç trî gi÷a chuyÓn m¹ch vµ truyÒn dÉn: NÕu trong hÖ thèng sö dông kü
thuËt chuyÓn m¹ch t-¬ng tù vµ kü thuËt truyÒn dÉn t-¬ng tù hoÆc kü thuËt truyÒn
dÉn sè hay xen kÏ gi÷a chuyÓn m¹ch sè víi c¸c tuyÕn truyÒn dÉn t-¬ng, sè th×
gi÷a chuyÓn m¹ch víi truyÒn dÉn rÊt khã hç trî lÉn nhau, chuyÓn m¹ch nh- nhµ
m¸y bªn trong tæng ®µi, cßn truyÒn dÉn nh- nhµ m¸y bªn ngoµi. T¹i giao tiÕp
gi÷a truyÒn dÉn vµ chuyÓn m¹ch th-êng ph¶i tiÕn hµnh c¸c phÐp chuyÓn ®æi tÝn
hiÖu, ghÐp t¸ch kªnh cho phï hîp víi mçi kü thuËt ë mçi phÝa. VÝ dô : ë ®Çu ra
tæng ®µi tíi tuyÕn truyÒn dÉn ph¶i ®iÒu chÕ tÝn hiÖu cho phï hîp víi kü thuËt
truyÒn dÉn, ph¶i ghÐp kªnh. Cßn trªn giao diÖn gi÷a tuyÕn truyÒn dÉn víi ®Çu vµo
tæng ®µi l¹i ph¶i t¸ch kªnh vµ gi¶i ®iÒu chÕ. §èi víi hÖ thèng sè hoµn toµn
(chuyÓn m¹ch sè vµ truyÒn dÉn sè) rÊt nhiÒu c«ng ®o¹n cña truyÒn dÉn ®· ®-îc
thùc hiÖn ngay trong c¸c tæng ®µi. TruyÒn dÉn chØ cßn viÖc m· ho¸ vµ gi¶i m·
®-êng truyÒn vµ gi¶i quyÕt c¸c kh©u lÆp. H×nh.2.21 cho ta thÊy sù kh¸c biÖt nµy.
H×nh 2.21 cho thÊy, nÕu c¸c trung t©m chuyÓn m¹ch ¸p dông kü thuËt
chuyÓn m¹ch t-¬ng tù (ph©n kªnh kh«ng gian cho c¸c tÝn hiÖu liªn tôc hoÆc ph©n
kªnh thêi gian cho tÝn hiÖu PAM) th× t¹i giao tiÕp víi truyÒn dÉn dï truyÒn dÉn sè
hay truyÒn dÉn t-¬ng tù, bao giê còng yªu cÇu c¸c phÐp biÕn ®æi tÝn hiÖu vµ thùc
hiÖn c«ng viÖc t¸ch, ghÐp kªnh. Nh- thÕ chuyÓn m¹ch vµ truyÒn dÉn kh«ng
nh÷ng kh«ng hç trî ®-îc cho nhau mµ mçi lÇn chuyÓn ®æi sÏ g©y ra sai lÖch tÝn
hiÖu vµ qua nhiÒu lÇn chuyÓn ®æi nh- vËy sÏ t¹o ra t¹p ©m nÒn. ChuyÓn m¹ch sè
vµ truyÒn dÉn sè ch¼ng nh÷ng hç trî tèt cho nhau mµ cßn tr¸nh ®-îc sù chuyÓn
®æi nhiÒu lÇn, ë c¸c giao diÖn gi÷a truyÒn dÉn vµ chuyÓn m¹ch chØ cã sù chuyÓn
®æi tõ lo¹i m· nµy sang lo¹i m· kh¸c mµ kh«ng lµm thay ®æi gi¸ trÞ cña tæ hîp m·
®ã, do ®ã kh«ng g©y ra sai lÖch tÝn hiÖu do chuyÓn ®æi. Nãi c¸ch kh¸c, tÝn hiÖu sè
kh«ng mang b¶n th©n tÝn hiÖu cÇn truyÒn mµ chØ mang th«ng tin vÒ gi¸ trÞ tÝn hiÖu
®ã, v× vËy c¸c chuyÓn ®æi m· kh«ng lµm thay ®æi gi¸ trÞ tÝn hiÖu.
3. Lîi thÕ vÒ sö dông c¬ së linh kiÖn c«ng nghÖ cao: Kü thuËt vi m¹ch sè
vµ xö lý sè tÝn hiÖu ph¸t triÓn rÊt m¹nh ®· cho phÐp chÕ t¹o c¸c linh kiÖn cã ®é
tÝch hîp cao, nhiÒu tÝnh n¨ng, dung l-îng lín, tèc ®é cao mµ kÝch th-íc nhá, tiªu
thô n¨ng l-îng thÊp vµ gi¸ thµnh h¹. Tõ ®ã t¹o kh¶ n¨ng chÕ t¹o thiÕt bÞ chuyÓn
m¹ch kÝch th-íc nhá, kh¶ th«ng cao, ®a n¨ng vµ chÊt l-îng dÞch vô l¹i ®-îc n©ng
cao.
4. DÔ phèi hîp gi÷a chuyÓn m¹ch sè vµ ®iÒu khiÓn theo ch-¬ng tr×nh ghi
s½n ( Stored Progam Control) : C¸c chuyÓn m¹ch sè ho¹t ®éng víi tèc ®é cao,
møc tÝn hiÖu ®iÒu khiÓn phï hîp víi møc logÝc TTL, CMOS nªn rÊt dÔ phèi ghÐp
víi c¸c hÖ thèng vi xö lý. §iÒu khiÓn theo ch-¬ng tr×nh ghi s½n ph¸t huy hiÖu qu¶
tÝnh n¨ng cña chuyÓn m¹ch sè vµ lµm giµu c¸c dÞch vô cho thuª bao.
5. Lîi thÕ vÒ chÊt l-îng phôc vô vµ c¸c dÞch vô n©ng cao : ChuyÓn m¹ch
sè cã kh¶ th«ng cao cho phÐp x©y dùng m¹ng chuyÓn m¹ch kh«ng tæn thÊt (non-
A
A
A
A
At
dt
dt
dt
Bé ghÐp ,
t¸ch kªnh
Bé chuyÓn
®æi AD
§-êng truyÒn
t-¬ng tù
§-êng truyÒn
sè
a) ChuyÓn m¹ch t-¬ng tù truyÒn dÉn t-¬ng tù hoÆc sè.
dt
dt
dt
dt
dt
d
d
d
d
b) ChuyÓn m¹ch sè vµ truyÒn dÉn sè
H×nh 2.21 KÕt hîp gi÷a kü thuËt chuyÓn m¹ch sè vµ kü thuËt truyÒn dÉn sè
blocked). TruyÒn dÉn sè sö dông c¸c ®-êng truyÒn tèc ®é cao, chÊt l-îng tèt nh-
c¸p quang, vi ba sè, do ®ã c¸c cuéc gäi Ýt bÞ nghÏn m¹ch c¶ trong c¸c tæng ®µi, c¶
trªn c¸c tuyÕn truyÒn dÉn. KÕt hîp víi ®iÒu khiÓn theo ch-¬ng tr×nh ghi s½n SPC
vµ b¸o hiÖu kªnh chung lµm cho chÊt l-îng phôc vô (QoS-Quality of service)
®-îc n©ng cao thÓ hiÖn ë tèc ®é xö lý cuéc gäi nhanh, chän tuyÕn tèi -u ®èi víi
c¸c cuéc gäi ®-êng dµi, tr¸nh t¾c nghÏn trªn m¹ng ngoµi, t¨ng thªm c¸c dÞch vô
n©ng cao cho thuª bao. C¸c dÞch vô thuª bao n©ng cao bao gåm: §a d¹ng ho¸
dÞch vô, ngoµi dÞch vô tho¹i truyÒn thèng cßn cho phÐp sö dông c¸c dÞch vô kh¸c
nh- hép th- thoaÞ, th- ®iÖn tö, Fax, truyÒn sè liÖu, c¸c h×nh thøc chuyÓn cuéc gäi,
göi gäi, nhËn thay cuéc gäi, gäi qu¶ng b¸, tÝnh c-íc t¹i nhµ, thay ®æi sè thuª bao
mÒm, h¹n chÕ gäi d-êng dµi, truy cËp trùc tiÕp...
6. Lîi thÕ vÒ tæ chøc b¸o hiÖu : B¸o hiÖu ¶nh h-ëng rÊt lín tíi dÞch vô. b¸o
hiÖu mÒm dÎo, linh ho¹t, dÔ tæ chøc th× dÞch vô còng phong phó, ®a d¹ng. Trong
c¸c hÖ thèng t-¬ng tù ®Ó ®-a thªm mét dÞch vô míi vµo m¹ng th-êng gÆp rÊt
nhiÒu trë ng¹i do khã thªm hoÆc thay ®æi b¸o hiÖu ®i kÌm víi dÞch vô ®ã. Trong
hÖ thèng sè viÖc thªm hay thay ®æi mét ®¬n vÞ b¸o hiÖu dÔ dµng h¬n nhiÒu. Ngoµi
ra cßn cã rÊt nhiÒu lîi thÕ kh¸c cho phÐp hÖ thèng sè nhah chãng ®-îc chÊp
nhËn.
2.4.2 Kh¸i qu¸t vÒ c«ng nghÖ PCM, chøc n¨ng cña CODEC
C«ng nghÖ PCM (Pulse Code Modulation) cã thÓ hiÓu lµ c«ng nghÖ sè
ho¸ tÝn hiÖu trªn c¬ së kªnh tho¹i c¬ b¶n gåm c¸c b-íc läc th«ng thÊp, lÊy mÉu,
nÐn-l-îng tö ho¸, m· ho¸ theo h-íng m· ho¸ vµ c¸c b-íc gi¶i m·, gi·n, läc t¹o
l¹i ®-êng bao theo h-íng gi¶i m· . TuyÕn th«ng tin sè trªn c¬ së c«ng nghÖ PCM
cã thÓ m« t¶ theo m« h×nh trªn h×nh 2.22
Läc LÊy
mÉu
M· ho¸
NÐn-
L-îng tö
§-êng
truyÒn
Gi¶i m·
Gi·n
Läc
M· ho¸
Gi¶i m·
H×nh 2.22 : M« h×nh c«ng nghÖ PCM theo h-íng m· ho¸ vµ gi¶i m· tÝn hiÖu
Theo h-íng m· ho¸, ®Çu tiªn c¸c tÝn hiÖu ®-îc ®-a qua bé läc th«ng thÊp
®Ó g¹t bá c¸c thµnh phÇn tÝn hiÖu n»m ngoµi d¶i tÇn kªnh tho¹i c¬ b¶n (300-3400
Hz), sau ®ã tÝn hiÖu ®-îc rêi r¹c ho¸ bëi bé lÊy mÉu. TÇn sè lÊy mÉu ®-îc qui
®Þnh lµ 8KHz. Sau ®ã c¸c xung ®iÒu biªn sÏ ®-îc nÐn vÒ biªn ®é vµ ®-îc l-îng tö
ho¸ (t¹o thµnh kh©u l-îng tö phi tuyÕn), nghÜa lµ ®-îc so s¸nh víi c¸c møc l-îng
tö ®Ó chän ra møc gÇn ®óng cho mçi xung PAM. C¶ hai luËt l-îng tö A vµ  ®Òu
cã 256 møc l-îng tö vµ ®Òu lµ phi tuyÕn, nghÜa lµ c¸c møc ë vïng biªn ®é lín sÏ
c¸ch xa nhau h¬n so víi ë vïng biªn ®é nhá sao cho tØ sè gi÷a sai sè l-îng tö víi
biªn ®é tÝn hiÖu lµ t-¬ng ®èi ®ång ®Òu cho toµn bé d¶i réng cña tÝn hiÖu. Sau khi
l-îng tö mçi xung PAM sÏ nhËn mét møc l-îng tö gÇn ®óng víi biªn ®é cña nã
vµ bé m· ho¸ sÏ thÓ hiÖn nã b»ng mét tæ hîp m· 8 bÝt (mét bÝt dÊu, 3 bÝt ®o¹n, 4
bÝt møc trong ®o¹n). Nh- vËy mçi xung PAM sÏ t-¬ng øng víi mét tæ hîp m· 8
bÝt vµ do tÝn hiÖu gèc ®-îc lÊy mÉu víi tÇn sè 8KHz nªn tèc ®é cña kªnh tho¹i sè
c¬ b¶n lµ 64 kbÝt/s ( 64Kbps).
Theo h-íng gi¶i m·, tÝn hiÖu PCM sau khi qua ®-êng truyÒn, chuyÓn
m¹ch tr-íc khi ®-a ®Õn ng-êi nhËn ph¶i qua kh©u gi¶i m·. §Çu tiªn, tÝn hiÖu
PCM nhËn ®-îc ph¶i ®-îc chuyÓn ®æi trë l¹i møc l-îng tö cho mçi tæ hîp 8 bÝt
nhê bé gi¶i m·, sau ®ã qua bé gi·n ®Ó nhËn ®-îc biªn ®é xung PAM vµ qua bé
läc ®Ó t¹o l¹i ®-êng bao vµ bï n¨ng l-îng rêi r¹c ho¸ t¹o thµnh tÝn hiÖu liªn tôc
cã ®ñ n¨ng l-îng gÇn gièng tÝn hiÖu gèc.
C¸c vi m¹ch thùc hiÖn chøc n¨ng m· ho¸, gi¶i m· PCM ®-îc gäi b»ng tªn
chung PCM CODEC. Chóng th-êng cã c¸c ch©n chøc n¨ng sau :
Ain
Aout
PD
A/
Dout
TXCLK
TXSYN
Din
RXCLK
RXSYN
GND
V+
V-
H×nh 2.23 : C¸c ch©n chøc n¨ng cña vi m¹ch CODEC.
C¸c
tÝn
hiÖu
®Þnh
thêi
* Ain : §Çu vµo bé m· ho¸ ®Ó ®-a tÝn hiÖu t-¬ng tù vµo.
*Aout : §Çu ra bé gi¶i m· ®Ó lÊy tÝn hiÖu t-¬ng tù
*Din : §Çu vµo bé gi¶i m· ®Ó ®-a tÝn hiÖu sè vµo
*Dout : §Çu ra bé m· ho¸ ®Ó ®-a tÝn hiÖu sè ra
*Txsyn : §ång bé khe thêi gian ph¸t, më ®Çu ra Dout.
*TXCLK : TÝn hiÖu nhÞp ®ång bé tèc ®é bÝt ra trªn ®Çu Dout.
*Rxsyn : §ång bé khe thêi gian thu, më ®Çu vµo Din
*RXCKK : TÝn hiÖu nhÞp ®ång bé tèc ®é bÝt vµo trªn ®Çu Din
*V+
vµ V-
, GND c¸c ch©n cÊp nguån
*PD : Ch©n ®iÒu khiÓn nguån
*A/: Ch©n chän luËt nÐn.
Ngoµi ra cßn mét vµi ch©n cho c¸c linh kiÖn ngoµi cña bé läc. C¸c vi m¹ch
nµy th-êng ®-îc dïng trong c¸c m¹ch ®iÖn giao tiÕp ®-êng d©y thuª bao SLIC
cña c¸c tæng ®µi chuyÓn m¹ch sè, trong thiÕt bÞ ®Çu cuèi sè hoÆc trong c¸c bé thu
ph¸t b¸o hiÖu.
Ch©n TxSyn vµ TXCLK ®iÒu khiÓn viÖc ®-a tõ m· PCM ra ®Çu Dout, tÝn hiÖu
TxSyn më ®Çu Dout trong kho¶ng thêi gian dµnh cho mçi CODEC (nghÜa lµ t¹o ra
khe thêi gian ®-a tõ m· PCM ra ®Çu ra Dout), cßn ®Çu TXCLK t¹o nhÞp ®-a c¸c bÝt
cña tõ m· ra ®Çu Dout. Nh- vËy dïng c¸c ch©n TxSyn vµ TXCLK ®Ó ®iÒu khiÓn viÖc
ghÐp c¸c PCM tõ c¸c CODEC kh¸c nhau ra ®-êng truyÒn chung. Ng-îc l¹i tõ
®-êng truyÒn chung c¸c tõ m· PCM ®-îc t¸ch tíi tõng CODEC b»ng c¸c ch©n
RxSyn vµ RXCLK. H×nh 2.24 chØ ra viÖc ghÐp vµ t¸ch c¸c tõ m· PCM víi ®-êng
truyÒn chung.
Th«ng th-êng mçi CODEC ®-îc dïng ®Ó m· ho¸ vµ gi¶i m· cho mét
nguån/ ®Ých nµo ®ã (m¹ch ®Çu cuèi). C¸c CODEC ®-îc tæ chøc theo nhãm. C¸c
®Çu ra Dout cña chóng ®-îc nèi víi nhau vµ víi ®-êng PCMup viÖc ghÐp c¸c tõ m·
tõ c¸c CODEC ®Ó t¹o thµnh chuçi tÝn hiÖu trªn tuyÕn PCMup ®a kªnh ®-îc ®iÒu
khiÓn bëi bé ph©n phèi nhÞp ph¸t (ph©n phèi c¸c khe thêi gian TxSyn) cho mçi
CODEC. Chuçi tÝn hiÖu tõ ®-êng PCMdown ®-îc ®-a tíi tÊt c¶ c¸c CODEC, nh-ng
mçi CODEC chØ më ®Çu Din ®Ó t¸ch lÊy tõ m· trªn kªnh dµnh cho nã khi tÝn hiÖu
Rxsyn tõ bé ph©n phèi nhÞp thu më CODEC ®ã t¹i khe thêi gian t-¬ng øng. Sù më
lÇn l-ît tõng CODEC theo c¸c khe thêi gian t¹o ra sù ghÐp vµ t¸ch kªnh theo thêi
gian ®èi víi tÝn hiÖu PCM.
2.4.3 TuyÕn PCM c¬ së vµ tæ chøc c¸c tuyÕn bËc cao trong c¸c tæng ®µi sè
Tõ c¸c kªnh tho¹i c¬ b¶n 64 Kbps thùc hiÖn ghÐp ®a kªnh theo thêi gian
nh- m« t¶ ë môc trªn ®Ó ®-îc tuyÕn PCM c¬ së. Cã 2 hÖ thèng PCM c¬ së ®-îc
Héi ®ång t- vÊn vÒ ®iÖn tho¹i, ®iÖn b¸o quèc tÕ CCITT khuyÕn nghÞ sö dông:
- E1 : 30 ch/32TS tèc ®é 2048 Kbps (32 x 8b x 8KHz = 2048 Kbps)
- T1 : 24ch tèc ®é 1544 Kbps (24 x 8 + 1) x 8Khz = 1544 Kbps
Sau ®ã dïng c¸c bé ghÐp kªnh sè MUX (Multiplexer) ghÐp c¸c tuyÕn c¬
së ®Ó ®-îc c¸c tuyÕn cÊp 2, sau ®ã tõ cÊp 2 sang cÊp 3 .... Ng-îc l¹i tõ c¸c tuyÕn
PCM cÊp cao xuèng cÊp thÊp h¬n ng-êi ta sö dông t¸ch c¸c kªnh sè DEMUX
(Demultiplexer).
DÔ dµng nhËn thÊy r»ng, theo c¸ch ghÐp vµ t¸ch kªnh dïng c¸c tÝn hiÖu nhÞp
TxSyn vµ RxSyn th× mçi m¹ch ®iÖn CODEC t-¬ng øng víi mét khe thêi gian TS
(Time slot) trªn tuyÕn PCMup vµ mét khe thêi gian trªn tuyÕn PCMdown. Hay nãi

Ain
Aout
Dout
Din

Ain
Aout
Dout
Din

Ain
Aout
Dout
Din
Bé ph©n
phèi nhÞp
®Þnh thêi
TS1
TS2
TSN
Thuª baoN
Thuª bao2
Thuª bao1
PCMUP
PCMDOWN
§i vµo m¹ng chuyÓn m¹ch
Tõ m¹ng chuyÓn m¹ch ®i ra
H×nh 2.24 Nguyªn lý ghÐp/t¸ch ®a kªnh t¹i giao tiÕp ®Çu cuèi
c¸ch kh¸c, mçi m¹ch ®Çu cuèi t-¬ng øng víi mét kªnh trªn tuyÕn PCMup vµ mét
kªnh trªn tuyÕn PCMdown cña nhãm ®ã. NghÜa lµ tuyÕn PCM ®-îc chia thµnh c¸c
kªnh t-¬ng øng c¸c khe thêi gian (Time Division) PCM-TDM (Pulse Code
Modulation and Time Division Multiplexing). C¸c khe thêi gian nhÞp l¹i ®-îc g¸n
cho tõng m¹ch codec theo h-íng ph¸t (up) vµ theo h-íng thu (Down). Nh- thÕ
mçi m¹ch CODEC t-¬ng øng víi mçi cÆp kªnh ph¸t vµ kªnh thu. Thø tù kªnh
ph¸t vµ kªnh thu cã thÓ kh¸c nhau tuú thuéc vµo c¸c tÝn hiÖu TxSyn vµ RxSyn. NÕu
TxSyn vµ RxSyn ë c¸c nhÞp kh¸c nhau th× codec sÏ ph¸t ë mét khe vµ thu ë mét khe
thêi gian kh¸c. VÝ dô : TxSyn  N5 vµ RxSyn  N19 th× codec sÏ ph¸t ë khe TS5 vµ thu
ë TS19 (TS : Time Slot - khe thêi gian). Trong thùc tÕ TxSyn vµ RxSyn th-êng cïng
nhÞp nªn CODEC sÏ ph¸t vµ thu trong cïng khe thêi gian. Mçi CODEC khi ®ã
t-¬ng øng víi chØ mét khe hay mét kªnh. NÕu CODEC ®-îc bè trÝ ë m¹ch ®iÖn
thuª bao (Slic : Subscribers Line Interface Circuit) th× mçi m¹ch thuª bao khi
®ã sÏ t-¬ng øng víi mét CODEC, mét khe thêi gian, mét kªnh trªn tuyÕn PCM
cña cÊp ghÐp ban ®Çu (Primary PCM). C¸c tuyÕn PCM bËc cao th-êng ®-îc ghÐp
tõ c¸c tuyÕn PCM cÊp thÊp h¬n theo nguyªn t¾c ghÐp tõ. NghÜa lµ ghÐp tõ m·
PCM cña kªnh thø i cña tuyÕn nµy, sau ®ã tíi tõ m· PCM cña kªnh thø i cña
tuyÕn tiÕp theo ... Sau khi ghÐp hÕt c¸c kªnh thø i cña c¸c tuyÕn míi ghÐp tiÕp
®Õn c¸c kªnh thø i +1 cña c¸c tuyÕn còng theo thø tù trªn. Nh- vËy sÏ cã sù t-¬ng
øng gi÷a m¹ch ®iÖn thuª bao víi kªnh trªn tuyÕn PCM tõ cÊp thÊp tíi cÊp cao.
2.4.4 Kh¸i niÖm chuyÓn m¹ch PCM
Tõ h×nh 2.24 ®· m« t¶ nguyªn lý ph©n kªnh thêi gian. Bé ph©n phèi nhÞp
(bé ®Þnh thêi) sÏ ®-a c¸c tÝn hiÖu ®Þnh thêi ph¸t vµ ®Þnh thêi thu tíi lÇn l-ît c¸c
m¹ch CODEC. Gi¶ sö mçi CODEC sö dông trong mét m¹ch ®iÖn thuª bao, nhÞp
®Þnh thêi ph¸t vµ ®Þnh thêi thu cña mçi CODEC lµ cïng khe thêi gian th× trong
mçi chu kú, cø tíi khe thêi gian t-¬ng øng víi thuª bao ®ã th× CODEC cña nã l¹i
®-îc cÊp TxSyn vµ RxSyn ®Ó ph¸t mét tæ hîp m· lªn tuyÕn PCMup trong khe thêi
gian kªnh dµnh cho thuª bao ®ã, cßn tõ ®-êng PCMdown tæ hîp m· trong khe thêi
gian kªnh nµy còng ®-îc t¸ch bëi m¹ch thu trong CODEC cña thuª bao ®ã. C¸c
khe thêi gian kh¸c lÇn l-ît ®-îc dïng cho CODEC cña c¸c thuª bao kh¸c trong
nhãm. Cho tíi khe thêi gian dµnh cho thuª bao nµy ë chu kú tiÕp theo th× CODEC
cña nã l¹i ®-îc më ®Ó ph¸t vµ thu tæ hîp m· PCM trªn c¸c ®-êng PCMup,
PCMdown nh- h×nh 2.25 C¸c qu¸ tr×nh trªn ®-îc lÆp l¹i sau mçi chu kú 125 s.
Nh- vËy mçi thuª bao sÏ ph¸t lÇn l-ît c¸c tæ hîp m· PCM cña m×nh vµo
mét khe thêi gian cè ®Þnh dµnh cho thuª bao ®ã trong lÇn l-ît c¸c chu kú 125s
lªn tuyÕn PCMup cña nhãm thuª bao ®ã. Thuª bao nµy còng sÏ lÇn l-ît nhËn ®-îc
c¸c tæ hîp m· PCM t¹i khe thêi gian dµnh cho nã còng trong tõng chu kú 125s.
Tõ ph©n tÝch trªn ta thÊy ®Ó thuª bao A vµ thuª bao B cã thÓ trao ®æi th«ng
tin víi nhau th«ng qua tr-êng chuyÓn m¹ch sè cña tæng ®µi th× tr-êng chuyÓn
m¹ch ®ã ph¶i cã kh¶ n¨ng thùc hiÖn c¸c yªu cÇu chuyÓn m¹ch, nh- chØ ra trªn
h×nh 2.26, sao cho tõ m· PCM ®-îc ph¸t trªn kªnh øng víi khe thêi gian ph¸t cña
TBA trªn tuyÕn PCMup dµnh cho nhãm TBA ®-îc chuyÓn tíi kªnh øng víi khe thêi
gian thu cña TBB trªn tuyÕn PCMdown dµnh cho nhãm cña TBB. §ã lµ h-íng
truyÒn th«ng tin tõ TBA sang TBB.
TSn TSi+1TSi TSn TSi+1TSi
TSn TSi+1TSi TSn TSi+1TSi
SLIC
n
SLIC
i+1
SLIC
i
PCMup
PCMdown
H×nh 2.25 : Nguyªn lý ph©n kªnh thêi gian.
T = 125s
T = 125s
H×nh 2.26 Minh ho¹ chøc n¨ng cña tr-êng chuyÓn m¹ch sè
PCMup1
ts0
a
ts1
ts2
ts7
tsF-1
ts0
a
ts1
ts2
PCMup2
ts0
c
ts1
ts2
b
ts7
tsF-1
ts0
c
ts1
ts2
PCMupn
ts0
ts1
d
ts2
ts7
tsF-1
ts0
ts1
d
ts2
PCMdown1
ts0
b
ts1
ts2
ts7
tsF-1
ts0
b
ts1
ts2
PCMdown2
ts0
d
ts1
ts2
a
ts7
tsF-1
ts0
d
ts1
ts2
PCMdownn
ts0
ts1
c
ts2
ts7
tsF-1
ts0
ts1
c
ts2
Tr-êng
chuyÓn
m¹ch sè
H-íng ng-îc l¹i tõ TBB. sang TBA: Tõ m· PCM ®-îc ph¸t trªn kªnh øng
víi khe thêi gian dµnh cho TBB. trªn tuyÕn PCMup dµnh cho nhãm cã TBB sÏ ®-îc
chuyÓn tíi kªnh øng víi khe thêi gian thu cña TBA trªn tuyÕn PCMdown dµnh cho
nhãm cã TBA.
C¸c thao t¸c chuyÓn m¹ch nµy ®-îc thùc hiÖn lÇn l-ît trong c¸c khe thêi
gian TSA , TSB vµ sÏ lÇn l-ît ®-îc lÆp l¹i ë mçi chu kú sau. Nh- thÕ th«ng tin ®i
qua tr-êng chuyÓn m¹ch PCM sÏ bÞ gi÷ chËm tõ khe thêi gian dµnh cho thuª bao
A ®Õn khe thêi gian dµnh cho thuª bao B theo h-íng tõ A sang B. Cßn theo
h-íng ng-îc l¹i sÏ bÞ gi÷ chËm tõ khe TSB ®Õn khe TSA . Thêi gian gi÷ chËm cho
chuyÓn m¹ch ®èi ngÉu nµy sÏ lµ 125s.
Nh- vËy, vÒ tæng thÓ, mçi yªu cÇu chuyÓn m¹ch cã thÓ bao gåm mét hoÆc
mét vµi thao t¸c chuyÓn m¹ch, trong ®ã bao gåm Ýt nhÊt mét thao t¸c chuyÓn
m¹ch vÒ thêi gian vµ cã thÓ cã thao t¸c chuyÓn m¹ch vÒ kh«ng gian.
Thao t¸c chuyÓn m¹ch vÒ thêi gian lµ l-u gi÷ tæ hîp m· PCM tõ khe thêi
gian øng víi thuª bao ph¸t nã tíi khe thêi gian øng víi thuª bao nhËn nã, nghÜa lµ
ghi nã vµo mét bé nhí nµo ®ã t¹i khe thêi gian øng víi thuª bao ph¸t nã vµ ®äc
nã ra t¹i khe thêi gian øng víi thuª bao nhËn nã.
Thao t¸c chuyÓn m¹ch kh«ng gian lµ chuyÓn tõ m· PCM tõ tuyÕn nµy sang
tuyÕn kh¸c. Do c¸c thuª bao cã thÓ ®-îc chia thµnh nhãm, mçi nhãm øng víi
mét tuyÕn PCM theo h-íng ph¸t (PCMup) vµ mét tuyÕn PCM theo h-íng thu
(PCMdown), do ®ã ®Ó chuyÓn th«ng tin tõ tuyÕn ph¸t nµo ®ã tíi mét trong c¸c
tuyÕn thu th× cÇn cã c¸c thao t¸c chuyÓn m¹ch kh«ng gian. Tr-êng hîp nÕu c¸c
thuª bao vµ c¸c thiÕt bÞ ®Çu cuèi kh¸c chØ t¹o thµnh mét nhãm duy nhÊt th× chØ
cÇn thao t¸c chuyÓn m¹ch thêi gian nh- chØ ra trªn h×nh 2.27.
PCMup
ts0
ts1
d
ts2
c
ts7
tsF-1
ts0
ts1
d
ts2
PCMdown
ts0
ts1
c
ts2
d
ts7
tsF-1
ts0
ts1
c
ts2
Tr-êng
chuyÓn m¹ch
sè
H×nh 2.27 : Tr-êng chuyÓn m¹ch sè mét nhãm.
§Ó thÊy râ chøc n¨ng cña tr-êng chuyÓn m¹ch sè ta chØ cÇn so s¸nh c¸c
tuyÕn PCMup víi c¸c tuyÕn PCMdown (xem h×nh 2.26). Ta thÊy tõ m· A trªn ®Çu
vµo nã ®-îc bè trÝ ë khe TS1 cña tuyÕn PCMup1 cßn trªn ®Çu ra nã ®-îc chuyÓn
®Õn TS7 cña tuyÕn PCMdown2. Nh- vËy, ë ®©y cã c¶ sù thay ®æi vÒ kh«ng gian (tõ
PCMup1 PCMdown2) vµ c¶ vÒ thêi gian ( tõ khe thêi gian TS1 sang TS7).
Nh- vËy, yªu cÇu chuyÓn m¹ch ®èi víi tõ m· A lµ: Ch1PCM1Ch7PCM2.
Cßn ®èi víi tõ m· B th× ng-îc l¹i: Ch7PCM2 Ch1PCM1
Cßn trong tr-êng hîp trªn h×nh 2.27 th× yªu cÇu chuyÓn m¹ch còng chÝnh
lµ theo t¸c chuyÓn m¹ch (yªu cÇu chØ gåm mét thao t¸c chuyÓn m¹ch vÒ thêi
gian) VÝ dô, ®èi víi tõ m· C lµ Ch7  Ch2, cßn víi tõ m· D yªu cÇu ®ã lµ Ch2 
Ch7. C¸c cÆp yªu cÇu chuyÓn m¹ch ®· ®Ò cËp trªn ®©y lµ nh÷ng yªu cÇu chuyÓn
m¹ch ®èi ngÉu (hai h-íng ng-îc nhau). Còng cã thÓ cã nh÷ng yªu cÇu chuyÓn
m¹ch ®¬n h-íng.
Qua ®ã ta thÊy chøc n¨ng cña tr-êng chuyÓn m¹ch sè lµ chuyÓn th«ng tin
d-íi d¹ng c¸c tõ m· PCM tõ khe thêi gian nguån tíi khe thêi gian ®Ých vµ tõ
tuyÕn PCM nguån tíi tuyÕn PCM ®Ých theo chu kú. Mçi yªu cÇu chuyÓn m¹ch sÏ
cã sè thao t¸c tuú thuéc vµo cÊu tróc cña tr-êng chuyÓn m¹ch: 1 thao t¸c qua cÊu
tróc T; 2 thao t¸c qua c¸c cÊu tróc TS hoÆc ST; 3 thao t¸c qua c¸c cÊu tróc TST
hoÆc STS ... ( cô thÓ sÏ xem xÐt sau) . Khi thùc hiÖn mçi yªu cÇu chuyÓn m¹ch th×
c¸c thao t¸c cho mçi yªu cÇu ®ã sÏ cã chu kú lÆp lµ 125 s ®Õn khi kÕt thóc c¸c
yªu cÇu ®ã. C«ng cô thùc hiÖn thao t¸c chuyÓn m¹ch ®ã lµ c¸c bé chuyÓn m¹ch
thêi gian (T-sw : Time Switch) hoÆc c¸c bé chuyÓn m¹ch kh«ng gian (S-sw Space
Switch) mµ chóng ta sÏ ®Ò cËp d-íi ®©y trong c¸c môc 2.5 vµ 2. 6 cña ch-¬ng
nµy.
2.5 C¸c bé chuyÓn m¹nh thêi gian sè c¬ b¶n
2.5.1 Kh¸i qu¸t vÒ chøc n¨ng cña c¸c bé chuyÓn m¹ch thêi gian sè
Trong phÇn chuyÓn m¹ch PAM cã sö dông trung kÕ ©m tÇn chóng ta ®·
xem xÐt mét d¹ng chuyÓn m¹ch thêi gian. Chøc n¨ng cña bé chuyÓn m¹ch kiÓu
®ã lµ th«ng tin cÇn chuyÓn m¹ch ®-îc nhí tõ khe thêi gian ph¸t (kªnh nguån) tíi
khe thêi gian thu (kªnh ®Ých).
Tuy nhiªn, ®ã lµ bé chuyÓn m¹ch thêi gian ®èi víi tÝn hiÖu t-¬ng tù, nªn
mçi bé chuyÓn m¹ch ®ã (bé trung kÕ ©m tÇn) chØ cã kh¶ n¨ng phôc vô cho mét
cuéc gäi ®ång thêi t¹i mçi thêi ®iÓm. Nguyªn t¾c chuyÓn m¹ch nµy còng ®-îc ¸p
dông ®èi víi c¸c chuyÓn m¹ch thêi gian sè, nghÜa lµ th«ng tin cÇn chuyÓn m¹ch
còng sÏ ®-îc nhí trong mét bé nhí tõ khe thêi gian ph¸t vµ tíi khe thêi gian thu
nã sÏ ®-îc ®äc ra tõ bé nhí ®ã vµ còng t¹o ra kho¶ng thêi gian trÔ. Tuy nhiªn,
trong tr-êng hîp nµy sö dông bé nhí tÝn hiÖu sè nªn kh¶ n¨ng chuyÓn m¹ch cña
nã cao h¬n nhiÒu so víi bé nhí tÝn hiÖu PAM. Chøc n¨ng cña c¸c bé chuyÓn
m¹ch thêi gian sè ®-îc m« t¶ trªn h×nh 2.28a vµ b.
PCMin
Bé
chuyÓn m¹ch
thêi gian sè
a. TÝnh n¨ng cña bé chuyÓn m¹ch thêi gian sè.
b. TrÔ qua chuyÓn m¹ch thêi gian sè.
H×nh 2.28 TÝnh n¨ng cña bé chuyÓn m¹ch thêi gian sè sù gi÷ chËm tÝn hiÖu.
ts0
ts1
ts2
tsi
tsF-1
ts0
ts1
ts2
TFrame=125s
tsj ts0
ts1
ts2
tsi
tsF-1
ts0
ts1
ts2
TFrame=125s
tsj
PCMout
Ch0
Ch1
Ch2
Chi
ChF-1
Ch0
Ch1
Ch2 Chj Ch0
Ch1
Ch2
Chi
ChF-1
Ch0
Ch1
Ch2 Chj
PCMin
ts0
ts1
ts2
tsi
tsF-1
ts0
ts1
ts2 tsj
Ch0
Ch1
Ch2
Chi
ChF-1
Ch0
Ch1
Ch2 Chj
ts0
ts1
ts2
tsi
tsF-1
ts0
ts1
ts2 tsj
PCMout
Ch0
Ch1
Ch2
Chi
ChF-1
Ch0
Ch1
Ch2 Chj
TFrame=125s
H×nh 2.28 thÓ hiÖn nguyªn lý chuyÓn m¹ch thêi gian sè. C¸c tõ m· PCM
cña c¸c kªnh (Channel-kªnh) ®-îc s¾p xÕp kÕ tiÕp nhau trong c¸c khe thêi gian
t-¬ng øng (TS-Time slot khe thêi gian) trªn tuyÕn PCMin trªn ®Çu vµo, ®-îc ®-a
vµo bé nhí cña chuyÓn m¹ch T vµ ®-îc nhí trong c¸c ng¨n nhí cña bé nhí nµy.
C¸c tõ m· ®· ®-îc ghi trong bé nhí ®ã sau ®ã sÏ ®-îc ®äc ra t¹i c¸c khe thêi gian
cÇn thiÕt ®Ó ®-a ra c¸c kªnh trªn tuyÕn PCMout trªn ®Çu ra.
-ViÖc ghi c¸c tõ m· PCM cña c¸c kªnh tõ tuyÕn PCMin vµo bé nhí cña bé
chuyÓn m¹ch vµ viÖc ®äc chóng ra tõ bé nhí ®ã ®Ó chuyÓn lªn c¸c kªnh trªn
tuyÕn PCMout ph¶i ®-îc thùc hiÖn theo c¸c yªu cÇu chuyÓn m¹ch cña c¸c kªnh
t-¬ng øng. NghÜa lµ ®Ó thùc hiÖn yªu cÇu chuyÓn m¹ch Chi Chj th× tõ m· PCM
tõ tuyÕn PCMin ®-îc ghi vµo t¹i TSi ph¶i ®-îc ®äc ra t¹i TSj ®Ó ®-a ra tuyÕn
PCMout.
- Mçi tõ m· PCM tõ tuyÕn PCMin sÏ ®-îc nhí trong mçi ng¨n nhí riªng
cña bé chuyÓn m¹ch nªn mét bé chuyÓn m¹ch cã kh¶ n¨ng phôc vô ®ång thêi
nhiÒu yªu cÇu chuyÓn m¹ch qua nã theo nguyªn t¾c ph©n khe thêi gian.
- Thêi gian tõ m· PCM ®-îc nhí trong ng¨n nhí cña bé chuyÓn m¹ch (hay
lµ thêi gian gi÷ chËm th«ng tin qua bé chuyÓn m¹ch thêi gian sè hoÆc cßn gäi lµ
thêi gian trÔ) phô thuéc vµo vÞ trÝ gi÷a kªnh nguån vµ kªnh ®Ých.VÝ dô: §èi víi
thao t¸c chuyÓn m¹ch ChiChj th× thêi gian gi÷ chËm ®-îc x¸c ®Þnh theo biÓu
thøc sau :
tÝnh theo s vµ 125/ F chÝnh lµ ®é réng mét khe thêi gian. tM b»ng sè nguyªn lÇn
c¸c khe thêi gian vµ cã thÓ nhËn c¸c gi¸ trÞ trong kho¶ng (0125s)
Nh- vËy bé chuyÓn m¹ch thêi gian sè vÒ c¬ b¶n lµ bé nhí logic dïng ®Ó
nhí c¸c tõ m· PCM cã nguyªn t¾c ghi, ®äc c¸c tõ m· ®ã nh- thÕ nµo ®ã ®Ó thùc
hiÖn ®-îc c¸c thao t¸c chuyÓn m¹ch qua nã. Trong c¸c môc tiÕp theo chóng ta sÏ
xem xÐt cÊu t¹o vµ nguyªn lý ho¹t ®éng cña tõng chuyÓn m¹ch ®ã.
2.5.2 Bé chuyÓn m¹ch thêi gian sè kiÓu ghi tuÇn tù-®äc ngÉu nhiªn
Bé chuyÓn m¹ch thêi gian sè lo¹i nµy lµm viÖc theo nguyªn t¾c ghi th«ng
tin tõ c¸c kªnh ®Çu vµo mét c¸ch tuÇn tù vµ ®äc chóng ®Ó ®-a ra c¸c kªnh ®Çu ra
mét c¸ch ngÉu nhiªn (Time Switch Sequenctial Write Random Read ký hiÖu
T-SWRR).
 
 









j
i
F
F
125
i
j
F
125
t M
nÕu j > i
nÕu j < i
(2.5)
§Ó ®¬n gi¶n ta gäi bé chuyÓn m¹ch thêi gian sè lo¹i nµy lµ bé chuyÓn
m¹ch thêi gian ghi tuÇn tù, ®äc nhÉu nhiªn. CÊu t¹o cña nã ®-îc tr×nh bµy trªn
h×nh 2.29 C¸c ký hiÖu trªn h×nh nµy gåm :
- T- MEM : Time Memory - Bé
nhí thêi gian ( Bé nhí tho¹i)
- C- MEM : Control Memory - Bé
nhí ®iÒu khiÓn (Bé nhí ®Þa chØ)
- TS - Time Slot : Khe thêi gian
- TS - Counter : Bé ®Õm thêi gian
- Selector : Bé chän
- add : address bus : Bus ®Þa chØ
-R/w : Read/write : ®äc / viÕt.
H×nh 2.29 thÓ hiÖn s¬ ®å khèi chøc n¨ng cña bé chuyÓn m¹ch thêi gian
kiÓu ghi tuÇn tù ®äc ngÉu nhiªn. Nã gåm hai bé nhí : T-MEM lµ bé nhí ®Ó nhí
c¸c tõ m· PCM, C-MEM lµ bé nhí ®Þa chØ ®Ó ®iÒu khiÓn viÖc ®äc c¸c ng¨n nhí
T-MEM (C-MEM cßn ®-îc gäi lµ Bé nhí ®iÒu khiÓn). C¶ hai bé nhí C-MEM vµ
T-MEM ®Òu cã sè ng¨n nhí lµ F b»ng víi sè kªnh trªn tuyÕn PCM (F cã thÓ lµ
32, 64, 128, 256, 512 hoÆc 1028) sè bÝt trong mçi ng¨n nhí cña T-MEM b»ng sè
bÝt cña tõ m· PCM (8 bÝt), sè bÝt cña mçi ng¨n nhí cña C-MEM bao gåm P bÝt
®Þa chØ ng¨n nhí T-MEM cÇn ®äc vµ 1 bÝt chØ thÞ bËn rçi ( bÝt B).
p = log2 F = ldF
Bus ®Þa chØ (add) cña c¶ T-MEM vµ C-MEM ®Òu lµ p bÝt. Ngoµi c¸c bé
nhí T-MEM vµ C-MEM bé chuyÓn m¹ch T-SWRR cßn cã c¸c khèi chøc n¨ng
logic kh¸c, ®ã lµ bé ®Õm khe thêi gian TS Counter dïng ®Ó t¹o ra tÝn hiÖu ®Þnh
thêi ®ång bé c¸c c«ng viÖc tuÇn tù theo c¸c khe thêi gian t-¬ng øng víi viÖc ®-a
sè liÖu tõ tuyÕn ®Çu vµo vµo bé nhí T-MEM vµ ®äc sè liÖu tõ bé nhí T-MEM ®Ó
chÌn vµo c¸c kªnh ®Çu ra.
Xem xÐt nguyªn lý ho¹t ®éng cña bé chuyÓn m¹ch T-SWRR : Tr-íc tiªn lµ
viÖc ghi th«ng tin tõ tuyÕn PCMin vµo c¸c ng¨n nhí cña T-MEM. Qu¸ tr×nh nµy
®-îc thùc hiÖn theo tr×nh tù rÊt ®¬n gi¶n: T¹i khe TS0, tõ m· PCM cña kªnh Ch0
xuÊt hiÖn trªn ®Çu vµo cña T-MEM. Bé ®Õm khe thêi gian TS-Counter cung cÊp
®Þa chØ 0 qua bé Selector1 ®-a tíi Bus add cña T-MEM bÝt R/W = 0 vËy lµ tõ m·
cña Ch0 sÏ ®-îc ghi vµo ng¨n 0 cña T-MEM. §Õn TS1, bé ®Õm TS-Counter cung
cÊp ®Þa chØ 1 qua Selector1 ®Ó ®iÒu khiÓn ghi tõ m· cña kªnh Ch1 tõ tuyÕn PCMin
vµo ng¨n1 cña T-MEM, t-¬ng tù nh- thÕ TS-Counter sÏ t¨ng thªm mét sau mçi
khe thêi gian vµ tõ m· cña c¸c kªnh ®Çu vµo sÏ lÇn l-ît ®-îc ghi vµo c¸c ng¨n
t-¬ng øng cña T-MEM, cho tíi khe thêi gian TSF-1 tõ m· cña kªnh Ch F-1 sÏ ®-îc
ghi vµo ng¨n cuèi cïng cña T- MEM - ng¨n F-1. §ã lµ mét chu kú t-¬ng øng víi
mét khung (frame). Sau ®ã chu kú míi l¹i b¾t ®Çu tõ TS0 nh-ng víi tõ m· míi
cña Ch0 sÏ l¹i ®-îc ghi vµo ng¨n 0 cña T-MEM. Trong kho¶ng thêi gian TS0 cña
chu kú nµy tíi TS0 cña chu kú sau th× tõ m· PCM ®· d-îc ghi trong ng¨n 0 cña
T-MEM ph¶i ®-îc ®äc ra. Tõ m· míi cña kªnh Ch0 sÏ ®-îc ghi vµo ng¨n 0 cña
T-MEM thay thÕ tõ m· cò. T-¬ng tù nh- vËy ®èi víi c¸c kªnh tiÕp theo trong c¸c
khe kÕ tiÕp.
ViÖc ®äc tõ m· PCM tõ mét ng¨n nhí nµo ®ã cña T-MEM ®Ó ®-a ra kªnh
trªn tuyÕn PCMout ®-îc ®iÒu khiÓn bëi tõ m· ®Þa chØ chøa trong ng¨n nhí cña
CMEM theo nguyªn t¾c ®Þa chØ cña ng¨n nhí T-MEM cÇn ®äc sÏ ®-îc nhí trong
H×nh 2.29 : S¬ ®å khèi chøc n¨ng cña bé chuyÓn m¹ch thêi gian sè kiÓu T-SWRR.
Selector 1
0
1
2
F-1
t-mem
[1]
[2]
0
1
i
2
F-1
c-mem
Selector 2
R/W
add
TS
Counter
add R/W
C Bus
PCMin
ts0
ts1
ts2
tsi
tsF-1
ts0
ts1
ts2
TFrame=125s
tsj ts0
ts1
ts2
tsi
tsF-1
ts0
ts1
ts2
TFrame=125s
tsj
PCMout
Ch0
Ch1
Ch2
Chi
ChF-1
Ch0
Ch1
Ch2 Chj Ch0
Ch1
Ch2
Chi
ChF-1
Ch0
Ch1
Ch2 Chj
i
j
[i]
j
p
/
p
/
p
/
p+1
/
p+1
/
p
/
ng¨n nhí cña C-MEM mµ thø tù cña ng¨n nhí C-MEM nµy trïng víi thø tù cña
kªnh ®Çu ra. NghÜa lµ ®Ó ®äc ng¨n nhí i cña T-MEM ®-a ra kªnh Chj trªn tuyÕn
PCMout th× ®Þa chØ [i] ph¶i ®-îc nhí trong ng¨n j cña C-MEM vµ cø tíi khe thêi
gian TSj th× ®Þa chØ [i] trong ng¨n j cña C-MEM ®-îc ®äc ra cïng bÝt B trong
ng¨n ®ã ®-a lªn bé Selector1 ®Ó ®-a tíi add Bus cña T-MEM ®iÒu khiÓn viÖc ®äc
ng¨n i cña T-MEM. Do tõ m· PCM tõ ng¨n i cña T-MEM ®-îc ®äc trong khe
TSj, nªn nã sÏ ®-îc chÌn vµo kªnh Chj cña tuyÕn PCMout .
Nh- vËy viÖc ghi th«ng tin tõ tuyÕn PCMin vµo bé nhí T-MEM ®-îc tiÕn
hµnh tuÇn tù theo ®Þa chØ ®-îc cÊp tõ bé TS counter qua Selector1 cßn viÖc ®äc
th«ng tin tõ bé nhí T-MEM ®-îc tiÕn hµnh ngÉu nhiªn d-íi sù ®iÒu khiÓn cña C-
MEM, nghÜa lµ C-MEM cung cÊp ®Þa chØ ®äc T-MEM qua Selector1.
B©y giê ta tiÕp tôc xem xÐt ho¹t ®éng cña C-MEM. Bé nhí nµy ho¹t ®éng
theo ph-¬ng thøc ghi ngÉu nhiªn, ®äc tuÇn tù vµ th«ng tin ®äc ra tõ c¸c ng¨n nhí
cña nã ®-îc ®-a lªn bé Selector 1. NÕu bÝt tr¹ng th¸i B cña tõ m· ®-îc ®äc ra tõ
ng¨n nhí C-MEM cã gi¸ trÞ "0" logic th× P bÝt cßn l¹i cña nã sÏ ®-îc ®-a qua
Selector 1 tíi add Bus cña T-MEM vµ tÝn hiÖu R/W tõ Selector 1 sÏ lµ ''1'' nghÜa lµ
®äc ng¨n nhí cña T-MEM mµ ®Þa chØ cña nã ®-îc thÓ hiÖn qua P bit ®-a tõ C-
MEM.
ViÖc ghi th«ng tin ®Þa chØ vµo ng¨n nhí cña C-MEM ®-îc tiÕn hµnh theo
sè liÖu ®iÒu khiÓn chuyÓn m¹ch ®-îc ®-a tõ ph©n hÖ ®iÒu khiÓn qua C-Bus. Sè
liÖu nµy th-êng bao gåm ®Þa chØ bé chuyÓn m¹ch, ®Þa chØ ng¨n nhí vµ sè liÖu
®iÒu khiÓn sÏ ghi vµo ng¨n nhí ®ã. §Þa chØ bé chuyÓn m¹ch add.sw. sÏ ®-îc bé
chän Selector 2 ph©n tÝch, nÕu nã trïng víi add.sw. cña bé chuyÓn m¹ch nµy th×
Selector 2 sÏ chuyÓn R/W cña nã vÒ "0" logic , P+1 bit (P bit sè liÖu ®Þa chØ ®iÒu
khiÓn T-MEM vµ bit B) sÏ ®-îc ghi vµo ng¨n nhí cña C-MEM mµ ®Þa chØ cña
ng¨n nhí ®ã ®-îc ®-a bëi P bÝt kh¸c tõ C-Bus qua bé Selector 2 lªn add Bus cña
C-MEM.
ViÖc ®äc sè liÖu ®iÒu khiÓn tõ c¸c ng¨n nhí cña C-MEM ®Ó ®-a lªn bé
Selector 1 ®iÒu khiÓn qu¸ tr×nh ®äc bé nhí T-MEM ®-îc tiÕn hµnh ®ång bé, tuÇn
tù theo bé ®Õm TS-counter. Khi bé ®Õm TS-counter cã gi¸ trÞ 0 th× ®äc ng¨n 0 cña
C-MEM, nÕu bÝt B trong ng¨n ®ã b»ng 1 th× bá qua. Cßn nÕu B = 0 th× Selector 1
sÏ ®-a P bÝt sè liÖu ®Þa chØ ®äc ®-îc tõ ng¨n 0 cña C-MEM lªn add.Bus cña
T-MEM ®Ó ®äc ng¨n nhí t-¬ng øng cña T-MEM ®-a kªnh 0 trªn tuyÕn PCMout.
T¹i khe TS1 P bÝt tõ TS-counter l¹i qua Selector 2 ®Ó ®äc ng¨n 1 cña C-MEM vµ
tuú thuéc vµo bÝt B trong ng¨n ®ã, tõ m· ®iÒu khiÓn ®äc ra tõ ng¨n nµy cã thÓ sÏ
bÞ bá qua nÕu B=1 hay sÏ ®-a qua Selector 1 ®Ó ®iÒu khiÓn ®äc mét ng¨n nµo ®ã
cña T-MEM ®Ó ®-a Ch1 trªn PCMout nÕu B=0. Cø nh- vËy c¸c ng¨n tiÕp theo cña
C-MEM sÏ tham gia vµo qu¸ tr×nh ®iÒu khiÓn viÖc ®äc c¸c ng¨n nhí cña T-MEM.
Nh- vËy chÕ ®é th-êng xuyªn, tuÇn tù cña C-MEM lµ chÕ ®é ®äc ®Ó ®-a
sè liÖu ®iÒu khiÓn lªn T-MEM, cßn chÕ ®é ®ét suÊt (ngÉu nhiªn) cña nã lµ ghi
th«ng tin ®iÒu khiÓn tõ C-Bus vµo ng¨n nhí cÇn thiÕt khi b¾t ®Çu thiÕt lËp nèi
hoÆc khi kÕt thóc nèi. Khi thiÕt lËp nèi P bÝt ®Þa chØ ®iÒu khiÓn cïng bÝt B=0 sÏ
®-îc ghi vµo ng¨n nhí t-¬ng øng cña C-MEM, cßn khi kÕt thóc chØ cÇn ghi B=1
vµo ng¨n nhí ®ã.
Qua ph©n tÝch trªn ®©y vÒ ho¹t ®éng cña c¸c bé nhí T-MEM vµ C-MEM
cña bé chuyÓn m¹ch thêi gian sè kiÓu ghi tuÇn tù-®äc ngÉu nhiªn, ta thÊy ®Ó thùc
hiÖn mét thao t¸c chuyÓn m¹ch tõ kªnh i sang kªnh j (Chi Chj) qua bé chuyÓn
m¹ch lo¹i nµy th× ®Çu tiªn phÇn ®iÒu khiÓn chuyÓn m¹ch ph¶i ghi ®Þa chØ [i] vµo
ng¨n j cña C-MEM (qu¸ tr×nh ghi ngÉu nhiªn). Cßn th«ng tin tõ c¸c kªnh ®Çu vµo
®-îc ghi tuÇn tù vµo c¸c ng¨n nhí t-¬ng øng cña T-MEM. Nh- thÕ kªnh Chi ®Çu
vµo sÏ ®-îc ghi vµo ng¨n nhí i cña T-MEM. §ång thêi c¸c ng¨n nhí cña
C-MEM còng ®-îc ®äc ra tuÇn tù theo thø tù khe thêi gian vµ sè liÖu ®iÒu khiÓn
®-îc ®äc ra tõ mçi ng¨n nhí cña C-MEM sÏ chØ ra ng¨n nhí cña T-MEM sÏ
®-îc ®äc trong khe thêi gian t-¬ng øng ®Ó ®-a ra kªnh ®Çu ra t-¬ng øng víi thø
tù cña ng¨n nhí C-MEM ®ã. Nh- thÕ tíi khe thêi gian TSj ng¨n j cña C- MEM
®-îc ®äc vµ ®Þa chØ [i] ®-îc ®äc ra tõ ng¨n nhí nµy sÏ ®iÒu khiÓn ®äc ng¨n nhí i
cña T-MEM ®Ó ®-a ra kªnh Chj trªn tuyÕn PCMout .
Trªn ®©y lµ ph©n tÝch kh¸ chi tiÕt vÒ cÊu tróc vµ ho¹t ®éng cña bé chuyÓn
m¹ch thêi gian sè kiÓu ghi tuÇn tù ®äc ngÉu nhiªn. Nã còng cã thÓ gi¶i thÝch
tãm t¾t b»ng h×nh vÏ 2.30 d-íi ®©y.
H×nh 2.30 thÓ hiÖn r»ng qu¸ tr×nh ghi (W) tõ c¸c kªnh ®Çu vµo vµo c¸c ng¨n
nhí cña T-MEM ®-îc tiÕn hµnh mét c¸ch tuÇn tù theo chÕ ®é ®Õm cña TS-
Counter, cßn qu¸ tr×nh ®äc (R) ng¨n nhí cña T-MEM ®Ó ®-a ra c¸c kªnh ®Çu
ra ®-îc ®iÒu khiÓn bëi C-MEM. §èi víi bé nhí C-MEM th× qu¸ tr×nh ghi
th«ng tin ®iÒu khiÓn vµo c¸c ng¨n nhí tõ C-Bus ®-îc ®iÒu khiÓn bëi sè liÖu
®iÒu khiÓn (Data) ®-îc ®-a tõ hÖ thèng ®iÒu khiÓn cßn viÖc ®äc c¸c ng¨n nhí
cña C-MEM l¹i ®-îc tiÕn hµnh tuÇn tù theo thø tù khe thêi gian ®-îc ®-a tõ
bé ®Õm TS-Counter. §Ó ®¬n gi¶n, trªn s¬ ®å 2.30 kh«ng chØ ra c¸c bé
selector, bé ®Õm TS-counter vµ c¸c ®Çu ®iÒu khiÓn c¸c qu¸ tr×nh tuÇn tù.
Bé chuyÓn m¹ch thêi gian sè T-SWRR cã thÓ thùc hiÖn nhiÒu thao t¸c chuyÓn
m¹ch ®ång thêi theo nguyªn lý ph©n khe theo thêi gian cho c¸c thao t¸c ghi/®äc.
VÝ dô : Cã thÓ thùc hiÖn c¸c thao t¸c chuyÓn m¹ch Ch1Ch0, Ch2ChF-1,
Chi Chj ...vµ do sù t-¬ng quan gi÷a mçi kªnh ®Çu vµo/ng¨n nhí T-MEM/kªnh
®Çu ra/ng¨n nhí C-MEM nªn bÊt kú yªu cÇu chuyÓn m¹ch nµo qua nã còng ®Òu
cã thÓ thùc hiÖn ®-îc. NghÜa lµ bé chuyÓn m¹ch lo¹i nµy cã thÓ cïng lóc thùc
hiÖn ®ång thêi F yªu cÇu chuyÓn m¹ch kh«ng xung ®ét vµ ®©y lµ bé chuyÓn m¹ch
toµn th«ng.
2.5.3 Bé chuyÓn m¹ch thêi gian sè kiÓu ghi ngÉu nhiªn-®äc tuÇn tù
(Time Switch Random Write Sequential Read T-RWSR)
VÒ cÊu t¹o bé chuyÓn m¹ch thêi gian sè kiÓu ghi ngÉu nhiªn ®äc tuÇn tù (T-
RWSR) còng gièng lo¹i ghi tuÇn tù ®äc ngÉu nhiªn (T-SWRR), nghÜa lµ chóng
R
0
1
2
F-1
t-mem
[1]
[2]
0
1
i
2
F-1
c-mem
H×nh 2.30 : S¬ ®å khèi tãm t¾t cña bé chuyÓn m¹ch thêi gian sè kiÓu
T-SWRR.
PCMin
ts0
ts1
ts2
tsi
tsF-1
ts0
ts1
ts2
TFrame=125s
tsj ts0
ts1
ts2
tsi
tsF-1
ts0
ts1
ts2
TFrame=125s
tsj
PCMout
Ch0
Ch1
Ch2
Chi
ChF-1
Ch0
Ch1
Ch2 Chj Ch0
Ch1
Ch2
Chi
ChF-1
Ch0
Ch1
Ch2 Chj
i
j
[i]
j
Data
còng bao gåm bé nhí T-MEM, bé nhí C-MEM c¸c bé Selector vµ bé ®Õm
®Þnh thêi. Tuy nhiªn, chóng l¹i kh¸c nhau vÒ nguyªn lý ghi, ®äc th«ng tin ®èi
víi c¸c bé nhí T-MEM vµ C-MEM. §Ó ®¬n gi¶n ta chØ xem xÐt s¬ ®å khèi
tãm t¾t cña bé chuyÓn m¹ch lo¹i nµy nh- thÓ hiÖn trªn h×nh 2.31.
Bé nhí T-MEM dïng ®Ó nhí c¸c tõ m· PCM, cßn bé nhí C-MEM dïng
®Ó chøa c¸c th«ng tin ®iÒu khiÓn qu¸ tr×nh ghi c¸c tõ m· PCM vµo c¸c ng¨n nhí
cña T-MEM. C¶ hai bé nhí T-MEM vµ C-MEM ®Òu cã cïng sè ng¨n nhí lµ F
(0F-1) b»ng víi sè kªnh cña tuyÕn PCM (F cã thÓ lµ 32, 64, 128, 256, 512 vµ
1024). Sè bÝt cña mçi ng¨n nhí T- MEM b»ng sè bÝt cña tõ m· PCM (8 bÝt), sè
bÝt cña mçi ng¨n nhí C-MEM lµ P+1 (trong ®ã cã P bÝt ®Þa chØ vµ 1 bÝt tr¹ng th¸i
rçi/bËn( bit B- Busy bit). P ®-îc x¸c ®Þnh theo biÓu thøc:
P = log2F = ldF
W
0
1
2
F-1
t-mem
[0]
[F-1]
[j]
0
1
i
2
F-1
c-mem
H×nh 2.31: S¬ ®å khèi tãm t¾t cña bé chuyÓn m¹ch thêi gian sè kiÓu
T-RWSR.
PCMin
ts0
ts1
ts2
tsi
tsF-1
ts0
ts1
ts2
TFrame=125s
tsj ts0
ts1
ts2
tsi
tsF-1
ts0
ts1
ts2
TFrame=125s
tsj
PCMout
Ch0
Ch1
Ch2
Chi
ChF-1
Ch0
Ch1
Ch2 Chj Ch0
Ch1
Ch2
Chi
ChF-1
Ch0
Ch1
Ch2 Chj
i
j
j
Data
VÒ nguyªn lý ho¹t ®éng, c¶ hai bé nhí T-MEM vµ C-MEM cña T-RWSR ®Òu
lµm viÖc theo kiÓu RWSR (nghÜa lµ ghi ngÉu nhiªn, ®äc tuÇn tù). Khi cÇn
thiÕt lËp mét thao t¸c chuyÓn m¹ch nµo ®ã th× phÇn ®iÒu khiÓn chuyÓn m¹ch
sÏ ®-a sè liÖu ®iÒu khiÓn (Data) tíi C-MEM vµ ghi nã vµo ng¨n nhí ®iÒu
khiÓn cÇn thiÕt cho thao t¸c chuyÓn m¹ch ®ã theo nguyªn t¾c: sè thø tù cña
ng¨n nhí C-MEM trïng víi sè thø tù cña kªnh ®Çu vµo, cßn sè liÖu ®iÒu
khiÓn ghi vµo ng¨n nhí ®ã trïng víi thø tù kªnh ®Çu ra vµ chÝnh lµ ®Þa chØ
cña ng¨n nhí T-MEM mµ tõ m· cña kªnh ®Çu vµo sÏ ghi ®-îc vµo ®ã.
VÝ dô : §Ó thùc hiÖn thao t¸c chuyÓn m¹ch ChiChj th× t¹i thêi ®iÓm thiÕt
lËp, phÇn ®iÒu khiÓn sÏ ®-a sè liÖu ®iÒu khiÓn tíi C-MEM vµ ghi ®Þa chØ [j]
vµo ng¨n nhí i cña C-MEM, ®ång thêi chuyÓn bÝt B cña ng¨n nµy vÒ gi¸ trÞ 0.
Trong mçi chu kú, khi TS-counter ®Õm tíi i, nghÜa lµ t¹i khe thêi gian TSi, ®Þa
chØ ®äc C-MEM lµ i vµ ng¨n nhí i cña C-MEM ®-îc ®äc, ®Þa chØ [j] cïng bÝt
B=0 cña ng¨n i nµy sÏ ®-îc ®-a lªn ®Çu W cña T-MEM ®Ó ®iÒu khiÓn viÖc
ghi tõ m· PCM cña kªnh Chi tõ PCMin vµo ng¨n j cña T-MEM. Tõ m· nµy sÏ
®-îc nhí t¹i ®ã tíi khe TSj sÏ ®-îc ®äc ra (®äc tuÇn tù) ®Ó ®-a ra kªnh Chj
trªn PCMout. Nh- vËy, ë mçi chu kú (125 s) cø tíi khe TSi th× mét tõ m· míi
cña kªnh Chi l¹i ®-îc ghi vµo ng¨n nhí j cña T-MEM d-íi sù ®iÒu khiÓn cña
ng¨n i C-MEM (ghi ngÉu nhiªn) vµ tíi khe TSj th× tõ m· ®· nhí trong ng¨n j
cña T-MEM sÏ ®-îc ®äc ra ®Ó ®-a ra kªnh Chj ®Çu ra (®äc tuÇn tù). NghÜa lµ
thùc hiÖn thao t¸c chuyÓn m¹ch ChiChj theo hai b-íc:
- B-íc 1: T¹i TSi ghi tõ m· cña kªnh Chi PCMin vµo ng¨n j cña T-MEM
theo ®iÒu khiÓn tõ ng¨n i cña C-MEM.
- B-íc 2: T¹i TSj ®äc tõ m· tõ ng¨n j T-MEM ®Ó ®-a ra kªnh ChjPCMout
theo tuÇn tù.
Khi cÇn kÕt thóc thao t¸c chuyÓn m¹ch nµy phÇn ®iÒu khiÓn l¹i ®-a sè liÖu
®iÒu khiÓn tíi C-MEM ®Ó xo¸ néi dung ®iÒu khiÓn ®· ghi trong ng¨n i C-
MEM (®-a bÝt B cña ng¨n nhí nµy vÒ 1 logic) th× thao t¸c chuyÓn m¹ch sÏ
dõng.
Nh- vËy, còng gièng tr-êng hîp T-SWRR khi ®i qua chuyÓn m¹ch T-RWSR
th«ng tin sÏ bÞ trÔ (gi÷ chËm) mét kho¶ng tM ®-îc x¸c ®Þnh theo biÓu thøc 2.5 vµ
lo¹i T-RWSR còng lµ chuyÓn m¹ch toµn th«ng, kh«ng tæn thÊt néi.
2.5.4 Bé chuyÓn m¹ch thêi gian sè kiÓu c¶ ghi vµ ®äc ®Òu ngÉu nhiªn
(Time Switch Random Write Radom Read - T-RWRR)
C¸c bé chuyÓn m¹ch thêi gian T-SWRR vµ T-RWSR ®Òu cã mét phÐp chän
tuÇn tù, do ®ã hiÖu suÊt sö dông c¸c ng¨n nhí cña T-MEM kh«ng cao, thao t¸c
chuyÓn m¹ch qua chóng kh«ng linh ho¹t. ChuyÓn m¹ch T-RWRR cho phÐp ®iÒu
khiÓn c¶ qu¸ tr×nh ghi th«ng tin tõ tuyÕn PCMin vµo ng¨n nhí cña T-MEM vµ c¶
qu¸ tr×nh ®äc nã ra ®Ó ®-a lªn tuyÕn PCMout do ®ã cã thÓ dïng bé nhí T-MEM
víi dung l-îng nhá h¬n, linh ho¹t h¬n. CÊu tróc cña bé chuyÓn m¹ch lo¹i nµy
®-îc thÓ hiÖn trªn h×nh 2.32.
VÒ cÊu t¹o, bé nhí T-MEM cã m ng¨n nhí dïng ®Ó nhí c¸c tõ m· PCM,
bé nhí C-MEM gåm F ng¨n nhí b»ng víi sè kªnh cña tuyÕn PCM (F cã
thÓ lµ 32, 64, 128, 256, 512 hoÆc 1024) dïng ®Ó nhí c¸c tõ m· ®iÒu
khiÓn. Bé ®Õm khe thêi gian t¹o ra sù ®ång bé cho c¸c qu¸ tr×nh ghi ®äc
th«ng tin vµo c¸c bé nhí T-MEM vµ C- MEM.
Mçi ng¨n nhí cña T-MEM cã sè bÝt b»ng víi sè bÝt cña tõ m· PCM
(th-êng lµ 8 bÝt). Sè ng¨n nhí m cña T-mem th-êng rÊt nhá h¬n sè kªnh cña
tuyÕn PCM (m<< F) ®-îc chän ®ñ ®Ó phôc vô c¸c thao t¸c chuyÓn m¹ch ®ång
thêi qua nã. Mçi ng¨n nhí C-MEM ®-îc chia thµnh hai phÇn dïng ®Ó chøa ®Þa
chØ ®iÒu khiÓn ghi vµ ®iÒu khiÓn ®äc c¸c ng¨n nhí T-MEM.
PCMout
W
0
1
2
M-1
t-mem
[i]
0
1
i
2
F-1
c-mem
H×nh 2.32: S¬ ®å khèi tãm t¾t cña bé chuyÓn m¹ch thêi gian sè kiÓu
T-RWRR.
PCMin
ts0
ts1
ts2
tsi
tsF-1
ts0
ts1
ts2
TFrame=125s
tsj ts0
ts1
ts2
tsi
tsF-1
ts0
ts1
ts2
TFrame=125s
tsj
Ch0
Ch1
Ch2
Chi
ChF-1
Ch0
Ch1
Ch2 Chj Ch0
Ch1
Ch2
Chi
ChF-1
Ch0
Ch1
Ch2 Chj
i
j
j
Data
r
[i]
[j]
[2]
[2]
[j]
 




 1
log
log
2
2
M
M
Int
P
Sè bÝt cña mçi phÇn cña mçi ng¨n nhí C-MEM ph¶i ®ñ ®Ó biÓu diÔn ®Þa
chØ cña ng¨n nhí T-MEM cïng víi mét bÝt B vµ ®-îc x¸c ®Þnh b»ng
biÓu thøc:
r = P+1 trong ®ã P bit ®Þa chØ vµ bÝt cßn l¹i lµ bÝt B
NÕu log2M lµ sè nguyªn
NÕu log2M kh«ng ph¶i lµ sè nguyªn.
Nguyªn lý ho¹t ®éng : Khi cÇn thùc hiÖn mét thao t¸c chuyÓn m¹ch nµo ®ã
qua bé chuyÓn m¹ch nµy th× hÖ thèng ®iÒu khiÓn chuyÓn m¹ch ph¶i chän mét
mét ng¨n nhí rçi trªn bé nhí T-MEM cña bé chuyÓn m¹ch nµy ®Ó phôc vô yªu
cÇu chuyÓn m¹ch ®ã. §Þa chØ cña ng¨n nhí T-MEM nµy sÏ ®-îc ®-a tíi C-MEM
®Ó ghi vµo phÇn ®iÒu khiÓn ghi cña ng¨n nhí cã thø tù trïng víi kªnh ®Çu vµo vµ
còng ghi vµo phÇn ®iÒu khiÓn ®äc cña ng¨n nhí cã thø tù trïng víi kªnh ®Çu ra
cña yªu cÇu chuyÓn m¹ch ®ã, ®ång thêi bÝt B cña hai phÇn nµy cïng nhËn gi¸ trÞ
0 logic. VÝ dô : cÇn thùc hiÖn thao t¸c chuyÓn m¹ch Chi Chj vµ gi¶ sö phÇn
®iÒu khiÓn chän ng¨n 2 cña T-MEM ®Ó phôc vô yªu cÇu chuyÓn m¹ch ®ã. Khi ®ã
®Þa chØ [2] sÏ ®-îc ghi vµo ng¨n i cña C-MEM phÇn ®iÒu khiÓn ghi vµ vµo ng¨n j
cña C-MEM phÇn ®iÒu khiÓn ®äc. Sau ®ã c¸c sè liÖu ®iÒu khiÓn ®· ghi trong c¸c
ng¨n nhí C-MEM ®-îc ®äc ra trong mçi chu kú ®Ó ®iÒu khiÓn qu¸ tr×nh ghi/®äc
th«ng tin qua ng¨n nhí 2 cña T-MEM cho thao t¸c chuyÓn m¹ch nãi trªn.
T¹i TSi ®Þa chØ [2] trong ng¨n i phÇn ®iÒu khiÓn ghi cña C-MEM sÏ h-íng
tõ m· PCM cña kªnh Chi trªn PCMin vµo ng¨n nhí 2 ®· chän cña T-MEM. Tíi
khe thêi gian TSj ®Þa chØ [2] trong ng¨n j phÇn ®iÒu khiÓn ®äc cña C-MEM sÏ
®iÒu khiÓn viÖc ®äc tõ m· PCM ®· nhí trong ng¨n 2 cña T-MEM ®Ó ®-a ra kªnh
Chj trªn PCMout .
C¸c thao t¸c trªn sÏ ®-îc lÆp l¹i trong mçi chu kú cho tíi khi cã yªu cÇu
kÕt thóc thao t¸c chuyÓn m¹ch ChiChj th× phÇn ®iÒu khiÓn sÏ xo¸ c¸c
sè liÖu ®iÒu khiÓn liªn quan tíi thao t¸c chuyÓn m¹ch ®ã trong c¸c ng¨n
nhí i vµ j cña C-MEM vµ ®-a bÝt B cña chóng vÒ gi¸ trÞ 1 logic.
Bé chuyÓn m¹ch thêi gian sè kiÓu T-RWRR cho phÐp sö dông c¸c ng¨n nhí
cña T-MEM rÊt linh ho¹t, hiÖu qu¶ cao. Tuy vËy, do m <<F nªn cã thÓ x¶y ra gäi
hôt do kh«ng ®ñ ng¨n nhí ®Ó phôc vô c¸c yªu cÇu chuyÓn m¹ch ®ång thêi.
2.5.5 Kh¶ n¨ng ¸p dông cña c¸c bé chuyÓn m¹ch thêi gian sè.
Thêi kú ®Çu, khi míi ¸p dông kü thuËt chuyÓn m¹ch sè, do gi¸ thµnh chÕ
t¹o c¸c bé nhí rÊt cao nªn cÊu tróc chuyÓn m¹ch S-T-S (kh«ng gian-thêi gian-
kh«ng gian) ®-îc ¸p dông réng r·i ®Ó gi¶m sè chuyÓn m¹ch thêi gian sè. Trong
cÊu tróc ®ã c¸c chuyÓn m¹ch T ë kh©u gi÷a th-êng dïng lo¹i T-RWRR. Sau nµy,
gi¸ thµnh chÕ t¹o c¸c bé nhí sè gi¶m m¹nh, c«ng nghÖ chÕ t¹o vi m¹ch sè cho
phÐp chÕ t¹o c¸c bé dung l-îng lín, tèc ®é cao nªn cÊu tróc T-S-T ®-îc sö dông
réng r·i h¬n do kh¶ n¨ng phôc vô tèt h¬n, kh¶ th«ng cao, gi¸ thµnh thÊp, ®Æc biÖt
cã nhiÒu -u ®iÓm trong ®iÒu khiÓn vµ chän tuyÕn. Trong cÊu tróc nµy tÇng T ®Çu
vµo th-êng sö dông c¸c bé chuyÓn m¹ch lo¹i T-SWRR, cßn ë tÇng T ®Çu ra l¹i
dïng c¸c bé chuyÓn m¹ch lo¹i T-RWSR ®Ó cho ®-îc -u ®iÓm vÒ ®iÒu khiÓn (xem
xÐt sau ë phÇn ®iÒu khiÓn chuyÓn m¹ch).
Nh×n chung kh¶ n¨ng chuyÓn m¹ch cña bé chuyÓn m¹ch thêi gian sè lµ rÊt
lín. Mét bé chuyÓn m¹ch thêi gian cho luång PCM F kªnh t-¬ng ®-¬ng víi mét
ma trËn FxF toµn th«ng. V× vËy nÕu dung l-îng cña tæng ®µi kh«ng lín (tíi vµi
tr¨m thuª bao) th× chØ cÇn dïng mét bé chuyÓn m¹ch thêi gian sè phôc vô cho c¶
chuyÓn m¹ch tho¹i vµ c¸c tÝn hiÖu b¸o hiÖu. §èi víi c¸c tæng ®µi dung l-îng
trung b×nh vµ dung l-îng lín nªn ¸p dông cÊu tróc TS, ST hoÆc TST.
Trong c¸c cÊu tróc trªn, do ph-¬ng thøc ghÐp vµ ph©n kªnh tuÇn tù nªn
bao giê còng ph¶i cã chuyÓn m¹ch thêi gian sè ®Ó thay ®æi sù tuÇn tù ®ã th× míi
t¹o ra sù chuyÓn m¹ch c¸c kªnh.
C¸c chuyÓn m¹ch thêi gian sè t¹o ra trÔ tÝn hiÖu khi qua chuyÓn m¹ch ®ã.
Tuú thuéc vµo tõng yªu cÇu chuyÓn m¹ch mµ thêi gian trÔ TM cã thÓ kh¸c nhau
(phô thuéc vµo kho¶ng c¸ch khe thêi gian gi÷a kªnh nguån vµ kªnh ®Ých), nh-ng
®èi víi mét yªu cÇu chuyÓn m¹ch th× TM sÏ kh«ng ®æi víi mäi tõ m· vµ do ®ã
c¸c tõ m· kÕ tiÕp nhau kh«ng bÞ thay ®æi ph©n bè vÒ thêi gian, nghÜa lµ c¸c
chuyÓn m¹ch sè PCM kh«ng g©y mÐo pha. §Æc tÝnh nµy rÊt quan träng ®èi víi
nh÷ng dÞch vô nh¹y c¶m víi trÔ nh- tho¹i, video, fax…
2.6 C¸c bé chuyÓn m¹ch kh«ng gian sè c¬ b¶n
2.6.1Kh¸i qu¸t vÒ chøc n¨ng cña c¸c bé chuyÓn m¹ch kh«ng gian sè
Trong phÇn chuyÓn m¹ch thêi gian sè còng ®· cho thÊy, vÒ mÆt lý
thuyÕt, nÕu bé chuyÓn m¹ch thêi gian sè cã tèc ®é chuyÓn m¹ch ®ñ lín
th× chØ cÇn mét bé chuyÓn m¹ch thêi gian sè còng cã thÓ ®¶m b¶o chøc
n¨ng chuyÓn m¹ch gi÷a c¸c m¹ch ®Çu cuèi (gi÷a thuª bao-thuª bao, thuª
bao- trung kÕ, trung kÕ-trung kÕ, thuª bao víi thiÕt bÞ b¸o hiÖu, trung kÕ
víi thiÕt bÞ b¸o hiÖu). Tuy nhiªn, do h¹n chÕ vÒ kh¶ n¨ng c«ng nghÖ nªn
kh«ng thÓ chÕ t¹o bé chuyÓn m¹ch thêi gian sè cã dung l-îng qu¸ lín
(do bÞ giíi h¹n bëi tèc ®é truy cËp bé nhí). Do vËy, trong c¸c tæng ®µi
dung l-îng trung b×nh vµ dung l-îng lín th× toµn bé tæng ®µi ®-îc tæ
chøc thµnh c¸c nhãm, mçi nhãm giao tiÕp víi tr-êng chuyÓn m¹ch b»ng
mét hoÆc mét sè tuyÕn PCM. Tõ ®ã cã kh¸i niÖm tr-êng chuyÓn m¹ch
nhãm. Nh- thÕ sÏ ph¸t sinh yªu cÇu chuyÓn m¹ch th«ng tin tõ nhãm nµy
sang nhãm kh¸c, nghÜa lµ tõ tuyÕn PCMin cña nhãm nµy sang tuyÕn
PCMout cña nhãm kh¸c nh- minh ho¹ trªn h×nh 2.33
VÝ dô c¸c yªu cÇu chuyÓn m¹ch th-êng cã d¹ng tæng qu¸t:
Chi PCMP  Chj PCMQ
C¸c yªu cÇu nµy bao gåm c¶ thao t¸c chuyÓn m¹ch vÒ thêi gian (tõ kªnh
Chi sang kªnh Chj) vµ c¶ thao t¸c chuyÓn m¹ch vÒ kh«ng gian (tõ tuyÕn PCMinP
Bé
chuyÓn
m¹ch
kh«ng
gian
sè
ts0
ts1
ts2
tsi
tsF-1
ts0
ts1
ts2 tsj
Ch0
Ch1
Ch2
Chi
ChF-1
Ch0
Ch1
Ch2 Chj
pcmin0
ts0
ts1
ts2
tsi
tsF-1
ts0
ts1
ts2 tsj
Ch0
Ch1
Ch2
Chi
ChF-1
Ch0
Ch1
Ch2 Chj
pcmin1
ts0
ts1
ts2
tsi
tsF-1
ts0
ts1
ts2 tsj
Ch0
Ch1
Ch2
Chi
ChF-1
Ch0
Ch1
Ch2 Chj
pcmin2
ts0
ts1
ts2
tsi
tsF-1
ts0
ts1
ts2 tsj
Ch0
Ch1
Ch2
Chi
ChF-1
Ch0
Ch1
Ch2 Chj
pcminN-1
ts0
ts1
ts2
tsi
tsF-1
ts0
ts1
ts2 tsj
Ch0
Ch1
Ch2
Chi
ChF-1
Ch0
Ch1
Ch2 Chj
PCMout0
ts0
ts1
ts2
tsi
tsF-1
ts0
ts1
ts2 tsj
Ch0
Ch1
Ch2
Chi
ChF-1
Ch0
Ch1
Ch2 Chj
PCMout1
ts0
ts1
ts2
tsi
tsF-1
ts0
ts1
ts2 tsj
Ch0
Ch1
Ch2
Chi
ChF-1
Ch0
Ch1
Ch2 Chj
PCMout2
ts0
ts1
ts2
tsi
tsF-1
ts0
ts1
ts2 tsj
Ch0
Ch1
Ch2
Chi
ChF-1
Ch0
Ch1
Ch2 Chj
PCMoutN-1
H×nh 2.33: Chøc n¨ng chuyÓn m¹ch kh«ng gian sè.
sang tuyÕn PCMoutQ)
VËy bé chuyÓn m¹ch kh«ng gian thùc hiÖn chøc n¨ng chuyÓn m¹ch th«ng
tin tõ mét kªnh Chi trªn tuyÕn PCMinP tíi kªnh Chi trªn tuyÕn PCMoutQ nµo ®ã,
nghÜa lµ chØ chuyÓn th«ng tin tõ tuyÕn PCMin nµy tíi mét trong c¸c tuyÕn PCMout
mµ kh«ng lµm thay ®æi thø tù kªnh (gi÷ nguyªn thø tù kªnh Chi). Hay nãi c¸ch
kh¸c, chuyÓn m¹ch kh«ng gian sè thùc hiÖn chøc n¨ng chuyÓn tõ m· PCM cña
kªnh trªn tuyÕn PCM ®Çu vµo nµo ®ã tíi kªnh cã cïng thø tù víi nã trªn mét
trong c¸c tuyÕn PCM ®Çu ra cña bé chuyÓn m¹ch.
Nh- vËy, thao t¸c chuyÓn m¹ch cña bé chuyÓn m¹ch kh«ng gian cã thÓ
viÕt d-íi d¹ng tæng qu¸t:
Chi PCMP Chi PCMQ
trong biÓu thøc trªn, phÇn ®øng tr-íc dÊu  thÓ hiÖn ®Þa chØ kªnh ®Çu vµo, phÇn
®øng sau dÊu  thÓ hiÖn ®Þa chØ kªnh ®Çu ra. BiÓu thøc trªn còng cã thÓ viÕt d-íi
d¹ng :
Chi PCMinP Chi PCMoutQ
Cã thÓ chØ ra c¸c thao t¸c chuyÓn m¹ch ®-îc thùc hiÖn trªn bé chuyÓn
m¹ch kh«ng gian sè trong h×nh 2.33
1. Chj PCMin0 Chj PCMout2
2. ChF-1PCMin1 ChF-1PCMoutN-1
3. ChiPCMin2 Chi PCMout1
4. Ch2PCMin2 Ch2PCMoutN-1
5. ChjPCMin2 ChjPCMoutN-1
6. ChiPCMinN-1 Chi PCMout0
7. Ch1PCMinN-1 Ch1PCMout2
Qua thèng kª c¸c thao t¸c chuyÓn m¹ch trªn cã thÓ h×nh dung bé chuyÓn
m¹ch kh«ng gian sè nh- mét bé nèi xuyªn, mét ma trËn chuyÓn m¹ch mµ trong
®ã c¸c phÇn tö chuyÓn m¹ch ho¹t ®éng theo nguyªn lý ph©n chia khe thêi gian
sao cho mét tuyÕn PCMin ®Çu vµo nµo ®ã cã thÓ nèi ®ång thêi tíi nhiÒu tuyÕn
PCMout ®Çu ra kh¸c nhau chØ kh¸c lµ t¹i c¸c khe thêi gian (TS) kh¸c nhau øng víi
c¸c kªnh (Ch) kh¸c nhau, vÝ dô cÆp thao t¸c 3,4 PCMin2 nèi tíi PCMout1 t¹i khe
dµnh cho kªnh i (TSi) vµ nèi tíi PCMoutN-1 t¹i khe dµnh cho kªnh 2 (TS2); còng
t-¬ng tù nh- vËy ®èi víi c¸c thao t¸c 6 vµ 7. HoÆc trong cïng mét khe thêi gian
cã thÓ nèi c¸c cÆp PCMin –PCMout kh¸c nhau, vÝ dô trong c¸c thao t¸c 1 vµ 5 , 3
vµ 6. HoÆc c¸c kªnh kh¸c nhau cña mét tuyÕn PCMin cã thÓ ®-îc chuyÓn tíi c¸c
tuyÕn PCMout kh¸c nhau, vÝ dô nh- c¸c thao t¸c 3,4 vµ 5, hoÆc 6 vµ 7. §Ó ®¸p øng
®-îc c¸c thao t¸c chuyÓn m¹ch ®a d¹ng trªn th× bé chuyÓn m¹ch kh«ng gian sè
ph¶i bao gåm ma trËn chuyÓn m¹ch víi c¸c phÇn tö chuyÓn m¹ch sè cã kh¶ n¨ng
t¸c ®éng nhanh ®Ó cã thÓ ho¹t ®éng theo nguyªn lý ph©n khe thêi gian vµ phÇn
®iÒu khiÓn ma trËn chuyÓn m¹ch ®ã còng ph¶i t¸c ®éng theo nguyªn lý ph©n khe
thêi gian víi chu kú lÆp l¹i tõng thao t¸c lµ 125s. VËy cã thÓ ®-a ra s¬ ®å khèi
kh¸i qu¸t chøc n¨ng cña bé chuyÓn m¹ch kh«ng gian sè nh- trªn h×nh 2.34
2.6.2 Bé chuyÓn m¹ch kh«ng gian sè ®iÒu khiÓn theo ®Çu ra
VÒ cÊu t¹o, bé chuyÓn m¹ch kh«ng gian sè ®iÒu khiÓn theo ®Çu ra gåm hai
phÇn, ®ã lµ ma trËn chuyÓn m¹ch vµ bé nhí ®iÒu khiÓn .
Ma trËn chuyÓn m¹ch ®-îc tæ chøc theo hµng vµ cét. C¸c hµng lµ c¸c
tuyÕn PCMin , c¸c cét lµ c¸c tuyÕn PCMout, giao ®iÓm gi÷a hµng vµ cét lµ phÇn tö
chuyÓn m¹ch. PhÇn tö chuyÓn m¹ch thùc hiÖn chøc n¨ng cña m¹ch vµ (m¹ch
logic AND); th-êng ®ã lµ m¹ch cæng ba tr¹ng th¸i. Mét ®Çu vµo cña cæng ®-îc
nèi víi tuyÕn PCMin (hµng), ®Çu ra nèi víi tuyÕn PCMout (cét), ®Çu vµo thø hai
(®Çu ®iÒu khiÓn) ®-îc nèi ®Õn bé nhí ®iÒu khiÓn. Mçi phÇn tö chuyÓn m¹ch trong
cét ®-îc g¸n mét m· nhÞ ph©n t-¬ng øng víi thø tù (®Þa chØ) cña tuyÕn PCMin.
Bé nhí ®iÒu khiÓn C-MEM (Control Memory hay Connection Memory)
®-îc tæ chøc theo ®Çu ra (theo cét, v× thÕ bé chuyÓn m¹ch kh«ng gian lo¹i nµy
PCMinN-1
PCMin1
ma trËn c¸c
phÇn tö
chuyÓn m¹ch
logic
PCMin0
PCMin2
PCMout0
PCMout1
PCMout2
PCMoutN-1
bé nhí ®iÒu khiÓn
Sè liÖu
®iÒu
Bé chuyÓn m¹ch kh«ng gian sè
H×nh 2.34 S¬ ®å khèi chøc n¨ng cña bé chuyÓn m¹ch kh«ng gian sè
 







1
N
log
Int
N
log
r
2
2
cßn ®-îc gäi lµ Bé chuyÓn m¹ch kh«ng gian sè ®iÒu khiÓn theo cét), mçi cét cã
F ng¨n nhí (tõ 0 ®Õn F-1) b»ng víi dung l-îng cña tuyÕn PCM.
Sè bÝt trong mçi ng¨n nhí ph¶i ®ñ ®Ó chøa tõ m· ®Þa chØ cña c¸c phÇn tö
chuyÓn m¹ch vµ ®-îc x¸c ®Þnh theo biÓu thøc.
NÕu log2N lµ sè nguyªn
NÕu log2N kh«ng ph¶i lµ sè nguyªn.
Ngoµi ra mçi cét cßn cã mét bé gi¶i m· ®iÒu khiÓn ®Ó gi¶i m· c¸c tõ m·
®Þa chØ thµnh tÝn hiÖu ®iÒu khiÓn ®-a ®Õn tõng phÇn tö chuyÓn m¹ch trong cét.
VÒ ho¹t ®éng : C¸c ho¹t ®éng cña bé chuyÓn m¹ch nµy bao gåm ghi th«ng
tin ®iÒu khiÓn vµo C-MEM, ®äc vµ gi¶i m· th«ng tin ®iÒu khiÓn ®ã ®Ó ®iÒu khiÓn
phÇn tö chuyÓn m¹ch. Thø tù thùc hiÖn c¸c thao t¸c ®ã nh- sau: Khi cÇn thùc
hiÖn mét thao t¸c chuyÓn m¹ch nµo ®ã qua bé chuyÓn m¹ch nµy th× hÖ thèng ®iÒu
PCMout0 PCMout1 PCMout2 PCMout3 PCMoutM-1
PCMin 0
PCMin 1
PCMin 2
PCMin N-1
gm0 gm1 gm2 gm3 gmm-1
0
1
2
3
f-1
PCMin
PCM
out
and
H×nh 2.35 : Bé chuyÓn m¹ch kh«ng gian sè ®iÒu khiÓn theo ®Çu ra
Data
0
1
2
N-1
0
1
2
N-1
0
1
2
N-1
0
1
2
N-1
0
1
2
N-1
[1]
[2]
khiÓn sÏ göi d÷ liÖu ®iÒu khiÓn ®Õn ®Ó ghi vµo C-MEM. D÷ liÖu nµy bao gåm ®Þa
chØ cét, ®Þa chØ ng¨n nhí cña C-MEM vµ sè liÖu ghi vµo ng¨n nhí ®ã víi t-¬ng
øng sau: ®Þa chØ ng¨n nhí trïng víi kªnh cÇn chuyÓn m¹ch, ®Þa chØ cét cña ng¨n
nhí ®ã trïng tuyÕn PCMout, sè liÖu ghi vµo ng¨n nhí trïng víi m· nhÞ ph©n cña
tuyÕn PCMin.
VÝ dô : §Ó thùc hiÖn thao t¸c chuyÓn m¹ch Chi PCMP Chi PCMQ th× ®Þa
chØ ng¨n nhí lµ i, cét Q, sè liÖu ghi vµo ng¨n nhí [P]; nghÜa lµ tõ m· P ®-îc ghi
vµo ng¨n i cét Q cña C-MEM.
T¹i khe TSi tõ m· PCM cña kªnh Chi xuÊt hiÖn trªn tuyÕn PCMinP. Lóc
nµy ng¨n i cña cét Q cña C-MEM ®-îc ®äc vµ ®-a ra gi¶i m· GMQ t¹o ra tÝn hiÖu
më phÇn tö chuyÓn m¹ch P trong cét Q cña ma trËn chuyÓn m¹ch. Nh- vËy tõ m·
PCM cña kªnh Chi tõ tuyÕn PCMinP sÏ qua phÇn tö chuyÓn m¹ch P cña cét Q ®Ó
®-a ra tuyÕn PCMoutQ. Cø nh- vËy, trong mçi chu kú, t¹i khe TSi, phÇn tö P cét Q
cña ma trËn chuyÓn m¹ch l¹i ®-îc më d-íi sù ®iÒu khiÓn cña sè liÖu ®iÒu khiÓn
®· ®-îc ghi trong ng¨n i cét Q cña C-MEM ®Ó chuyÓn tõ m· PCM cña kªnh
ChiPCMinP sang kªnh ChiPCMoutQ. Khi cÇn kÕt thóc thao t¸c chuyÓn m¹ch nµy
phÇn ®iÒu khiÓn sÏ xo¸ sè liÖu ®iÒu khiÓn ®· ghi trong ng¨n i cét Q cña C-MEM
th× thao t¸c ®ã sÏ chÊm døt.
2.6.3 Bé chuyÓn m¹ch kh«ng gian sè ®iÒu khiÓn theo ®Çu vµo
Bé chuyÓn m¹ch lo¹i nµy cßn ®-îc gäi lµ Bé chuyÓn m¹ch kh«ng gian sè
®iÒu khiÓn theo hµng. CÊu t¹o: Gåm ma trËn chuyÓn m¹ch vµ bé nhí ®iÒu khiÓn
Ma trËn chuyÓn m¹ch bao gåm c¸c hµng lµ c¸c tuyÕn ®Çu vµo, ®-îc ký
hiÖu PCMin0  PCMinN-1, c¸c cét lµ c¸c tuyÕn ra PCMout0  PCMoutM-1. Giao ®iÓm
gi÷a hµng vµ cét lµ phÇn tö chuyÓn m¹ch. PhÇn tö chuyÓn m¹ch lµ m¹ch cæng
logic thùc hiÖn chøc n¨ng cña m¹ch Vµ (logic AND); mét ®Çu vµo cña phÇn tö
chuyÓn m¹ch ®-îc nèi víi tuyÕn PCMin, ®Çu ra nèi víi tuyÕn PCMout, ®Çu vµo thø
hai (®Çu ®iÒu khiÓn) cña c¸c phÇn tö chuyÓn m¹ch trong cïng mét hµng ®-îc nèi
víi gi¶i m· ®iÒu khiÓn GM. C¸c phÇn tö chuyÓn m¹ch trong mçi hµng ®-îc ®¸nh
sè theo sè thø tù cña c¸c tuyÕn PCMout ®Ó t-¬ng øng víi c¸c ®Çu ra cña gi¶i m·
®iÒu khiÓn.
Bé nhí ®iÒu khiÓn C-MEM ®-îc tæ chøc theo hµng (theo ®Çu vµo). Mçi
hµng cã F-1 ng¨n nhí (b»ng sè kªnh cña tuyÕn PCM). Sè bÝt trong mçi ng¨n nhí
®ñ ®Ó diÔn gi¶i ®Þa chØ cña phÇn tö chuyÓn m¹ch trong hµng d-íi d¹ng tõ m· nhÞ
ph©n vµ ®-îc x¸c ®Þnh bëi biÓu thøc.
 





1
log
log
2
2
M
Int
M
r
NÕu log2M lµ sè nguyªn
NÕu log2M kh«ng ph¶i lµ sè nguyªn
Nguyªn lý ho¹t ®éng: Còng gièng bé chuyÓn m¹ch kh«ng gian sè ®iÒu
khiÓn theo ®Çu ra, khi cÇn thùc hiÖn mét thao t¸c chuyÓn m¹ch nµo ®ã qua bé
chuyÓn m¹ch kh«ng gian ®iÒu khiÓn theo ®Çu vµo th× hÖ thèng ®iÒu khiÓn còng
ghi sè liÖu ®iÒu khiÓn cÇn thiÕt vµo ng¨n nhí ®iÒu khiÓn t-¬ng øng cña bé nhí
C-MEM. Sau ®ã sè liÖu ®iÒu khiÓn ®· ghi sÏ ®-îc ®äc ra t¹i khe thêi gian t-¬ng
øng trong mçi chu kú ®Ó ®iÒu khiÓn phÇn tö chuyÓn m¹ch cô thÓ cho thao t¸c
chuyÓn m¹ch ®ã. Khi cÇn kÕt thóc thao t¸c chuyÓn m¹ch nµy th× phÇn ®iÒu khiÓn
sÏ xo¸ sè liÖu ®iÒu khiÓn ®· ghi trong ng¨n nhí t-¬ng øng víi thao t¸c chuyÓn
m¹ch nµy trong C-MEM.
PCMout0 PCMout1 PCMout2 PCMout3 PCMoutM-1
PCMin 0
PCMin 1
PCMin 2
PCMin N-1
PCMin
PCM
out
and
H×nh 2.36 : Bé chuyÓn m¹ch kh«ng gian sè ®iÒu khiÓn theo ®Çu vµo
gm
0
gm
1
gm
2
gm
N-1
0
1
2
3
f-1
Data
[3]
[3]
[2]
[1]
0
1
2
3
f-1
0
1
2
3
f-1
0
1
2
3
f-1
0
1
2
3
f-1
[2]
[F-1]
 
 







1
1
log
1
log
2
2
N
Int
)
(N
r
VÝ dô: §Ó thùc hiÖn thao t¸c chuyÓn m¹ch Ch3PCM1  Ch3PCM2 th× cÇn
ghi [2] vµo ng¨n 3 hµng 1 cña C-MEM. T¹i khe thêi gian TS3 cña mçi chu kú th×
[2] trong ng¨n 3 hµng 1 cña C-MEM l¹i ®-îc ®äc ra ®Ó më phÇn tö chuyÓn m¹ch
2 trong hµng 1 cña ma trËn chuyÓn m¹ch trong suèt khe TS3 v× vËy kªnh
Ch3PCMin1 ®-îc chuyÓn tíi kªnh Ch3PCMout2. Khi [2] bÞ xo¸ khái ng¨n 3 cña
hµng 1 trong CMEM th× thao t¸c chuyÓn m¹ch trªn sÏ bÞ kÕt thóc.
2.6.4 C¸c ®Æc ®iÓm chung cña bé chuyÓn m¹ch kh«ng gian sè
- TÝn hiÖu qua bé chuyÓn m¹ch kh«ng gian sè ph¶i lµ tÝn hiÖu d¹ng sè vµ
chØ cã thÓ ®i tõ ®Çu vµo tíi ®Çu ra cña bé chuyÓn m¹ch tøc lµ tõ mét
PCMin nµo ®ã tíi mét trong c¸c PCMout (do phÇn tö chuyÓn m¹ch lµ phÇn
tö logic nªn chØ cho tÝn hiÖu sè ®i qua theo mét chiÒu).
- C¸c bé chuyÓn m¹ch kh«ng gian sè lµm viÖc theo nguyªn t¾c ph©n khe
thêi gian. Mçi thao t¸c chuyÓn m¹ch ®-îc thùc hiÖn trong mét khe thêi gian cô
thÓ t-¬ng øng víi kªnh ®-îc chuyÓn m¹ch.
- Mét phÇn tö chuyÓn m¹ch cã thÓ phôc vô ®ång thêi nhiÒu thao t¸c
chuyÓn m¹ch (trong c¸c khe thêi gian kh¸c nhau).
- Bé chuyÓn m¹ch kh«ng gian sè kh«ng thÓ thùc hiÖn chøc n¨ng chuyÓn
®æi khe thêi gian v× vËy th-êng ho¹t ®éng cïng c¸c bé chuyÓn m¹ch thêi gian sè.
2.6.5 D¹ng ®Æc biÖt cña chuyÓn m¹ch kh«ng gian sè
* D¹ng t-¬ng ®-¬ng víi bé chuyÓn m¹ch kh«ng gian ®iÒu khiÓn theo
®Çu ra.
Trong cÊu tróc nµy t-¬ng øng mçi ®Çu ra ta dïng mét bé ghÐp kªnh sè
MUX (Multiplexer) ®-îc ®iÒu khiÓn bëi bé nhí ®iÒu khiÓn CM t-¬ng øng . Mçi
bé nhí ®iÒu khiÓn cã F ng¨n nhí (tõ 0 ®Õn F-1 t-¬ng øng c¸c khe thêi gian). Mçi
ng¨n nhí cã sè bÝt ®-îc x¸c ®Þnh theo biÓu thøc:
NÕu log2(N+1) lµ sè nguyªn
NÕu log2(N+1) kh«ng lµ sè nguyªn
trong ®ã N lµ sè tuyÕn PCM vµo
Së dÜ ph¶i cã N+1 tr¹ng th¸i v× cÇn tÝnh ®Õn c¶ tr¹ng th¸i khi kh«ng
 
 







1
1
M
log
Int
1)
(M
log
r
2
2
cã ®Çu vµo nµo ®-îc nèi tíi ®Çu ra t-¬ng øng.
Nguyªn lý lµm viÖc: §Ó thùc hiÖn thao t¸c chuyÓn m¹ch kªnh ChiPCMP 
ChiPCMQ cÇn ghi [P] vµo ng¨n i cña CMQ Nh- vËy cø tíi khe thêi gian TSi th× [P]
trong ng¨n i cña CMQ nèi PCMinP víi PCMoutQ trong suèt khe thêi gian TSi vµ do
®ã:
Chi PCMP  Chi PCMQ
* D¹ng t-¬ng ®-¬ng bé chuyÓn m¹ch kh«ng gian ®iÒu khiÓn theo ®Çu
vµo (theo hµng).
Trong cÊu tróc nµy mçi ®Çu vµo ®-îc nèi tíi mét bé ph©n kªnh DEMUX
(Demultiplexer). Mét bé nhí ®iÒu khiÓn t-¬ng øng víi tõng bé
DEMUX. Sè ng¨n cña mçi bé nhí CM b»ng sè khe thêi gian cña mçi
chu kú. Sè bÝt trong mçi ng¨n nhí ®-îc x¸c ®Þnh theo biÓu
thøc:
NÕu log2(M+1) lµ sè nguyªn
NÕu log2(M+1) kh«ng lµ sè nguyªn
cm0
0
1
2
3
cm0
0
1
2
3
cm0
0
1
2
3
cm0
0
1
2
3
PCMin0
PCMin1
PCMin2
PCMin3
PCMinN-1
mux0 mux1 mux2
muxm-1
PCM
out
1
PCM
out
0
PCM
out
2
PCM
out
M-1
H×nh 2.37 Bé chuyÓn m¹ch kh«ng gian sè dïng c¸c bé MUX
trong ®ã M lµ sè tuyÕn PCM ra. CÇn M+1 tr¹ng th¸i kÓ c¶ tr¹ng th¸i khi kh«ng cã
®Çu ra nµo ®-îc nèi víi ®Çu vµo qua DEMUX
Do c¸c ®Çu ra cña c¸c DEMUX ®-îc nèi víi nhau nªn chóng ph¶i lµ c¸c
®Çu ra trë kh¸ng cao.
Nguyªn lý nµy ®-îc thÓ hiÖn trªn h×nh 2.38
Ho¹t ®éng cña bé chuyÓn m¹ch nµy cã thÓ tãm t¾t nh- sau: Khi cÇn thùc
hiÖn mét thao t¸c chuyÓn m¹ch nµo ®ã qua bé chuyÓn m¹ch th× phÇn ®iÒu khiÓn
cm
0
3
2
1
0
demux
0
PCMin 0
cm
0
3
2
1
0
demux
0
PCMin 1
cm
0
3
2
1
0
demux
0
PCMin N-1
PCM
out
0
PCM
out
1
PCM
out
2
PCM
out
3
PCM
out
M-1
H×nh 2.38 Bé chuyÓn m¹ch kh«ng gian sè dïng c¸c bé DEMUX
chuyÓn m¹ch sÏ ghi sè liÖu ®iÒu khiÓn vµo ng¨n nhí cña bé nhí ®iÒu khiÓn t-¬ng
øng theo nguyªn t¾c bé nhí CM trïng víi tuyÕn PCM vµo, ng¨n nhí trïng víi
kªnh cÇn chuyÓn m¹ch, cßn sè liÖu cÇn ghi trïng víi tuyÕn PCM ra . VÝ dô ®Ó
chuyÓn m¹ch kªnh Chi PCMP  Chi PCMQ th× trong ng¨n i cña CMP ph¶i ghi [Q].
Nh- vËy cø tíi khe TSi cña mçi chu kú th× [Q] trong ng¨n i cña CMP sÏ ®-îc ®äc
ra ®Ó ®iÒu khiÓn DEMUXP nèi ®Çu vµo P (PCMinP) víi ®Çu ra Q (PCMoutQ) vµ tõ
m· cña Chi tõ ®Çu vµo PCMinP ®-îc chuyÓn ra ®Çu ra PCMoutQ qua bé ph©n kªnh
sè DEMUXP.
2.7 C¸c cÊu tróc tr-êng chuyÓn m¹ch sè
Kh¸i qu¸t vÒ chøc n¨ng cña c¸c tr-êng chuyÓn m¹ch trong tæng ®µi
chuyÓn m¹ch sè:
H×nh 2.39 Minh ho¹ chøc n¨ng vµ tæ chøc c¸c tr-êng chuyÓn m¹ch
Trong c¸c tæng ®µi chuyÓn m¹ch sè, c¸c m¹ch ®iÖn giao tiÕp ®-êng d©y
thuª bao SLIC ( Subscribers Line Interface Circuit), giao tiÕp trung kÕ TIC (Trunk
Interface Circuit), giao tiÕp c¸c thiÕt bÞ dïng chung EIC (Equipment Interface
Circuit) b¸o hiÖu hoÆc th«ng b¸o b»ng lêi, thiÕt bÞ chuyÓn m¹ch nhiÒu ®-êng …
th-êng ®-îc tæ chøc thµnh tõng nhãm. Mçi nhãm cã thÓ cã c¸c chuyÓn m¹ch
riªng nh- chuyÓn m¹ch TEST dïng cho ®o thö, kiÓm tra; chuyÓn m¹ch DLSW



TEST LOC Ls
MU
TDNW
(sNW)



TEST LOC
Ls
MU



TEST LOC
Ls
MU
PCMin0
PCMin1
PCMinN-1
PCMout0
PCMout1
PCMoutN-1
MU
PinT
PoutT
MU
PinE
PoutE
loc
loc
am
ss7
…
(Digital Line Switch) dïng ®Ó nèi c¸c bé cÊp c¸c ©m phôc vô DTG (Digital Tone
Generator) nh- ©m “mêi quay sè”, “ b¸o bËn”, “håi ©m chu«ng”…, nèi c¸c bé
thu tÝn hiÖu chän sè MFR (Multi frequence receiver) vµ dïng ®Ó tËp trung t¶i.
C¸c nhãm thuª bao, trung kÕ, thiÕt bÞ dïng chung giao tiÕp víi tr-êng chuyÓn
m¹ch nhãm TDNw (Time Division Network) b»ng c¸c ®-êng PCMin vµ PCMout .
Chøc n¨ng cña tr-êng chuyÓn m¹ch nhãm TDNw lµ chuyÓn th«ng tin tõ c¸c
tuyÕn PCMin sang c¸c tuyÕn PCMout theo c¸c yªu cÇu chuyÓn m¹ch ®Ó phôc vô
c¸c cuéc gäi. Tuú thuéc vµo dung l-îng mµ tæng ®µi cã thÓ bao gåm mét sè
tr-êng chuyÓn m¹ch hoÆc chØ cã duy nhÊt mét tr-êng chuyÓn m¹ch, thËm chÝ chØ
cã mét bé chuyÓn m¹ch. Trong c¸c tæng ®µi riªng (tæng ®µi c¬ quan, tæng ®µi cña
mét toµ nhµ nhá - PBX (Private Branch Exchange) dung l-îng kh«ng qu¸ vµi ba
tr¨m sè th× tÝnh n¨ng kiÓm tra, ®o thö cã thÓ ®-îc ®¬n gi¶n bít, c¸c chøc n¨ng
chuyÓn m¹ch tho¹i, chuyÓn m¹ch b¸o hiÖu ®-îc tËp trung trong mét tr-êng
chuyÓn m¹ch duy nhÊt, thËm chÝ chØ dïng mét bé chuyÓn m¹ch thêi gian sè duy
nhÊt ®Ó phôc vô. Trong c¸c tæng ®µi dung l-îng võa vµ lín th-êng bao gåm mét
sè tr-êng chuyÓn m¹ch thùc hiÖn c¸c chøc n¨ng riªng biÖt: Tr-êng chuyÓn m¹ch
dïng cho kiÓm tra ®o thö, tr-êng chuyÓn m¹ch tËp trung t¶i ë c¸c nhãm thuª bao,
tr-êng chuyÓn m¹ch nhãm nh- trªn h×nh 2.39. Tuú thuéc vµo øng dông cô thÓ mµ
c¸c tr-êng chuyÓn m¹ch nµy cã thÓ cã cÊu tróc vµ c¸c ®Æc tr-ng kü thuËt kh¸c
nhau. Trong phÇn nµy chóng ta sÏ xem xÐt c¸c cÊu tróc th-êng gÆp trong c¸c tæng
®µi sè.
2.7.1 CÊu tróc T
Tr-êng chuyÓn m¹ch theo cÊu tróc T chØ gåm mét bé chuyÓn m¹ch thêi
gian sè nh- ®-îc minh ho¹ trªn h×nh 2.40
Do l-u l-îng chuyÓn m¹ch kh«ng lín nªn toµn bé c¸c yªu cÇu chuyÓn
m¹ch cã thÓ ®-îc phôc vô chØ bëi mét bé chuyÓn m¹ch thêi gian sè. C¸c nguån
tÝn hiÖu ®Çu vµo nh- c¸c kªnh tõ c¸c thiÕt bÞ ®Çu cuèi thuª bao, c¸c kªnh tõ c¸c
PCMin
Bé
chuyÓn m¹ch
thêi gian sè
T
ts0
ts1
ts2
tsi
tsF-1
ts0
ts1
ts2
TFrame=125s
tsj ts0
ts1
ts2
tsi
tsF-1
ts0
ts1
ts2
TFrame=125s
tsj
PCMout
Ch0
Ch1
Ch2
Chi
ChF-1
Ch0
Ch1
Ch2 Chj Ch0
Ch1
Ch2
Chi
ChF-1
Ch0
Ch1
Ch2 Chj
H×nh 2.40 Tr-êng chuyÓn m¹ch mét bé chuyÓn m¹ch thêi gian sè
giao tiÕp trung kÕ hoÆc tuyÕn truyÒn dÉn, c¸c kªnh tõ c¸c bé ph©n phèi b¸o hiÖu
sau khi ®· ®-îc sè ho¸ ®-îc ghÐp theo thêi gian víi nhau nhê bé ghÐp kªnh
MUX ®Ó t¹o thµnh mét tuyÕn PCMin duy nhÊt ®-a tíi ®Çu vµo cña chuyÓn m¹ch
T. TuyÕn PCMout tõ chuyÓn m¹ch T sÏ ®-îc ®-a qua bé ph©n kªnh DEMUX ®Ó
t¸ch thµnh c¸c kªnh ®-a tíi c¸c giao tiÕp thuª bao, giao tiÕp truyÒn dÉn hoÆc tíi
c¸c bé thu vµ xö lý b¸o hiÖu.
Do chØ cã mét tuyÕn PCMin vµ PCMout duy nhÊt nªn yªu cÇu chuyÓn m¹ch
chØ biÓu diÔn tæng qu¸t d-íi d¹ng:
Chi  Chj
Nh×n chung c¸c lo¹i chuyÓn m¹ch thêi gian sè ®Òu cã thÓ sö dông trong
cÊu tróc nµy, tuy nhiªn, nÕu sö dông lo¹i bé chuyÓn m¹ch T-SWRR hoÆc lo¹i
T-RWSR th× sÏ t¹o ra tr-êng chuyÓn m¹ch toµn th«ng (kh«ng t¾c nghÏn - non
blocking) do ®¶m b¶o quan hÖ gi÷a kªnh cÇn chuyÓn m¹ch-ng¨n nhí tho¹i-ng¨n
nhí ®iÒu khiÓn-kªnh ®Ých.
Tr-êng chuyÓn m¹ch theo cÊu tróc mét bé chuyÓn m¹ch nµy cã thÓ ®-îc
¸p dông lµm tr-êng chuyÓn m¹ch ®a n¨ng cña tæng ®µi dung l-îng nhá hoÆc lµm
bé chuyÓn m¹ch tËp trung t¶i thuª bao cña tõng nhãm thuª bao trong c¸c tæng ®µi
dung l-îng võa vµ lín.
C¸c yªu cÇu chuyÓn m¹ch qua cÊu tróc nµy còng cã thÓ lµ song h-íng vµ
còng cã thÓ lµ yªu cÇu chuyÓn m¹ch ®¬n h-íng. Trªn h×nh 2.40 c¸c thao t¸c
chuyÓn m¹ch Chi  Chj vµ Chj  Chi kÕt hîp thµnh yªu cÇu chuyÓn m¹ch song
h-íng Chi  Chj, cßn c¸c thao t¸c chuyÓn m¹ch Ch0  Ch1, Ch1ChF-1,
Ch2Ch0 lµ nh÷ng thao t¸c chuyÓn m¹ch ®¬n h-íng. Mçi yªu cÇu chuyÓn m¹ch
song h-íng d¹ng ChiChj ®-îc thùc hiÖn b»ng 2 thao t¸c chuyÓn m¹ch ChiChj
vµ Chj Chi. §iÒu nµy cã nghÜa lµ mçi thao t¸c chuyÓn m¹ch d¹ng ChiChj nÕu
viÕt ®Çy ®ñ ph¶i lµ ChiPCMinChjPCMout, còng cã nghÜa lµ c¸c chuyÓn m¹ch sè
chØ cho tÝn hiÖu ®i tõ ®Çu vµo ®Õn ®Çu ra cña bé chuyÓn m¹ch. Nh- thÕ, yªu cÇu
chuyÓn m¹ch song h-íng ChiChj ®-îc thùc hiÖn b»ng 2 thao t¸c chuyÓn m¹ch
®ång thêi ChiPCMinChjPCMoutvµ Chj PCMinChiPCMout. §-¬ng nhiªn chuyÓn
m¹ch sè kh«ng thÓ thùc hiÖn ®-îc c¸c thao t¸c chuyÓn m¹ch d¹ng
Chj PCMinChiPCMout. C¸c yªu cÇu chuyÓn m¹ch ®¬n h-íng th-êng ¸p dông ®Ó
nèi c¸c thiÕt bÞ chuyªn dông dïng chung tíi m¹ch ®iÖn thuª bao nh- c¸c thiÕt bÞ
b¸o hiÖu, thiÕt bÞ kiÓm tra, ®o thö. C¸c yªu cÇu chuyÓn m¹ch song h-íng dïng
trong viÖc nèi tho¹i.
H×nh 2.40b d-íi ®©y lµ mét vÝ dô minh ho¹ cÊu tróc chuyÓn m¹ch T
H×nh 2.40b: VÝ dô minh ho¹ cÊu tróc chuyÓn m¹ch T
2.7.2 CÊu tróc chuyÓn m¹ch hai tÇng (CÊu tróc T-S, CÊu tróc S-T)
Th«ng th-êng khi dung l-îng cña tæng ®µi t¨ng, th× nhu cÇu chuyÓn m¹ch
còng t¨ng. §èi víi c¸c tæng ®µi trung b×nh vµ tæng ®µi lín tÝn hiÖu tõ c¸c nhãm
thuª bao, trung kÕ , c¸c tuyÕn truyÒn dÉn vµ c¸c thiÕt bÞ b¸o hiÖu th-êng ®-îc
ghÐp kªnh b»ng mét vµi cÊp ghÐp vµ t¹o thµnh mét sè tuyÕn PCMin ®-a tíi tr-êng
chuyÓn m¹ch. Tõ ®Çu ra cña tr-êng chuyÓn m¹ch còng sÏ cã mét sè tuyÕn
PCMout ®-a trë l¹i ph©n hÖ øng dông.
Nh- vËy sÏ cã nhu cÇu chuyÓn m¹ch gi÷a c¸c m¹ch ®Çu cuèi cña nhãm
nµy víi m¹ch ®Çu cuèi cña nhãm kh¸c, nghÜa lµ sÏ cã yªu cÇu chuyÓn m¹ch gi÷a
mét kªnh nµo ®ã cña mét tuyÕn PCM nµy víi mét kªnh kh¸c cña cïng mét tuyÕn
PCM hay mét tuyÕn PCM kh¸c. Yªu cÇu chuyÓn m¹ch ®ã cã thÓ viÕt d-íi d¹ng
tæng qu¸t:
Chi PCMP  Chj PCMQ” (1)
trong ®ã c¸c chØ sè i, j vµ P, Q cã thÓ trïng hoÆc kh¸c nhau tõng cÆp.
Yªu cÇu chuyÓn m¹ch d¹ng nµy bao gåm hai thao t¸c chuyÓn m¹ch c¬
b¶n: Thø nhÊt lµ chuyÓn th«ng tin tõ kªnh i sang kªnh j, viÕt t¾t lµ ChiChj. Thø
hai lµ chuyÓn tõ kªnh j tuyÕn PCMP sang kªnh j tuyÕn PCMQ, nghÜa lµ chuyÓn tõ
tuyÕn P sang tuyÕn Q mµ kh«ng lµm thay ®æi chØ sè kªnh vµ viÕt t¾t lµ
ChjPCMP  ChjPCMQ”. Nh- vËy víi cÊu tróc T-S hoÆc cÊu tróc S -T ®Òu cã thÓ
®¸p øng ®-îc c¸c yªu cÇu chuyÓn m¹ch kiÓu nµy.


0
a
3
b
0
1
2
3
a
b
0
a
3
b
pcmin pcmOut
0
1
2
3
3
0
R
mux/Demux
t-mem
c-mem
2.7.2a CÊu tróc T-S (Time switch-Space switch)
CÊu tróc T-S gåm 2 tÇng chuyÓn m¹ch: TÇng ®Çu lµ chuyÓn m¹ch thêi gian
ITXB (Incoming Time Switch Board), mçi tuyÕn PCM ®Çu vµo (PCMin) ®-îc ®-a
tíi mét bé chuyÓn m¹ch thêi gian sè (T). §Çu ra cña c¸c bé chuyÓn m¹ch thêi
gian sè ®-îc ®-a tíi tÇng chuyÓn m¹ch thø hai, vµo bé chuyÓn m¹ch kh«ng gian
sè SXB (Space Switch Board). C¸c ®Çu ra cña bé chuyÓn m¹ch kh«ng gian chÝnh
lµ c¸c tuyÕn PCMout. CÊu tróc nµy ®-îc minh ho¹ trªn h×nh 2.41
§èi víi cÊu tróc nµy yªu cÇu chuyÓn m¹ch (1) ®-îc thùc hiÖn theo hai b-íc:
B-íc 1: T¹i bé chuyÓn m¹ch TP thùc hiÖn thao t¸c chuyÓn m¹ch vÒ thêi
gian, ®ã lµ chuyÓn th«ng tin tõ khe i sang khe j qua bé chuyÓn
m¹ch TP. Thao t¸c nµy cã thÓ viÕt t¾t lµ :
TP: Chi Chj , hay ChiPCMP  ChjPCMP’ (1.1)
B-íc 2: T¹i bé chuyÓn m¹ch S thùc hiÖn thao t¸c chuyÓn m¹ch kh«ng
gian, chuyÓn th«ng tin tõ tuyÕn vµo P sang tuyÕn ra Q t¹i khe j.
Thao t¸c nµy cã thÓ viÕt t¾t lµ :
PCMP’  PCMQ” t¹i khe j, hay ChjPCMP’  ChjPCMQ” (1.2)
Trong cÊu tróc T-S c¸c tuyÕn PCM ph¶i cïng dung l-îng, c¸c bé chuyÓn
m¹ch thêi gian ë ®Çu vµo nªn dïng lo¹i T-SWRR, bé chuyÓn m¹ch kh«ng gian sè ë
tÇng ra cã thÓ dïng lo¹i ®iÒu khiÓn theo ®Çu ra (theo cét) hoÆc lo¹i ®iÒu khiÓn
theo ®Çu vµo (theo hµng) v× nã lµ chuyÓn m¹ch vu«ng (N  N). Víi viÖc sö dông
c¸c bé chuyÓn m¹ch nh- vËy sÏ thuËn lîi cho viÖc ghi th«ng tin ®iÒu khiÓn vµo
c¸c bé nhí C-MEM cña c¸c bé chuyÓn m¹ch nµy. VÝ dô víi lùa chän gåm c¸c
chuyÓn m¹ch ITXB lµ lo¹i T-SWRR, chuyÓn m¹ch S lµ lo¹i ®iÒu khiÓn theo ®Çu ra
Bé
chuyÓn m¹ch
kh«ng gian
S
T0
Pcm0 Pcm0’ Pcm0”
T1
Pcm1 Pcm1’ Pcm1”
T2
Pcm2 Pcm2’ Pcm2”
TN-1
PcmN-1 PcmN-1’ PcmN-1”
Ch5 Ch7
Ch7
Ch7 Ch5
Ch5
H×nh 2.41 CÊu tróc chuyÓn m¹ch hai kh©u T-S
itxb sxb
th× ®èi víi c¸c thao t¸c chuyÓn m¹ch (1.1) vµ (1.2) trªn ®©y th«ng tin ®iÒu khiÓn
sÏ ®-îc ghi vµo ng¨n j cña CMEM TP vµ ng¨n j cét Q cña C-MEM S. ViÖc ghi
th«ng tin ®iÒu khiÓn vµo c¸c ng¨n nhí ®iÒu khiÓn cã cïng thø tù cã thÓ ®-îc tiÕn
hµnh t¹i chÝnh khe thêi gian nhÞp ®ã vµ khi ®ã sÏ bít ®-îc mét tr-êng ®Þa chØ x¸c
®Þnh ng¨n nhí cÇn ghi. Cßn nÕu ®Çu vµo sö dông c¸c bé chuyÓn m¹ch kiÓu T-
RWSR th× th«ng tin ®iÒu khiÓn l¹i ph¶i ghi vµo ng¨n i cña CMEMTP vµ ng¨n j cét
Q cña CMEMS, nh- vËy chóng kh«ng cã cïng thø tù vµ viÖc ghi c¸c th«ng tin
®iÒu khiÓn sÏ phøc t¹p h¬n.
H×nh 2.41b : VÝ dô minh ho¹ cÊu tróc chuyÓn m¹ch T-S
0
1
2
3
4
t-mem
0
1
2
3
4
c-mem
R
a
0
a
0
a
4
pcm
’
1
pcm
1
0
1
2
3
4
t-mem
0
1
2
3
4
c-mem
R
b
4
b
4
b
0
pcm
’
2
pcm
2

a


b

0
1
2
3
gm
1
c-mem
0
pcm
01
D
b
4
pcm
02
1
2
1
2
1
2
gm
2
a
4
IT
1
IT
2
2.7.2b CÊu tróc S-T(Space switch- Time switch)
CÊu tróc chuyÓn m¹ch nµy ®-îc minh ho¹ trªn h×nh 2.42
Yªu cÇu chuyÓn m¹ch (1) còng cã thÓ ®-îc phôc vô b»ng cÊu tróc S-T. §Çu
vµo sÏ lµ bé chuyÓn m¹ch kh«ng gian sè N  N, ®iÒu khiÓn theo ®Çu ra hoÆc theo
®Çu vµo, tÇng ra sÏ lµ c¸c bé chuyÓn m¹ch thêi gian sè. Trong cÊu tróc nµy l¹i cÇn
sö dông lo¹i bé chuyÓn m¹ch thêi gian kiÓu T-RWSR ë tÇng chuyÓn m¹ch thêi
gian ®Çu ra.
Nh- thÕ yªu cÇu chuyÓn m¹ch (1) sÏ ®-îc thùc hiÖn theo hai b-íc, b-íc 1
qua tÇng chuyÓn m¹ch kh«ng gian SXB, b-íc 2 qua tÇng chuyÓn m¹ch thêi gian
OTXB (Outgoing Time Switch Board).
Gi¶ sö bé chuyÓn m¹ch kh«ng gian lµ lo¹i ®iÒu khiÓn theo ®Çu ra (theo
cét), cßn c¸c bé chuyÓn m¹ch thêi gian ë tÇng ra lµ lo¹i T-RWSR th× c¸c b-íc ®ã
®-îc thùc hiÖn nh- sau:
B-íc 1: Qua bé chuyÓn m¹ch S trªn ®Çu vµo thùc hiÖn thao t¸c:
ChiPCMP  ChiPCMQ’ (1.3)
B-íc 2: Trong bé chuyÓn m¹ch thêi gian sè TQ ë tÇng ra thùc hiÖn thao t¸c:
ChiPCMQ’ ChjPCMQ” (1.4)
Nh- vËy c¸c ng¨n nhí ®iÒu khiÓn trong CMEMS vµ CMEMTQ dïng cho
thao t¸c (1.3) vµ (1.4) ®Òu cã thø tù i vµ v× vËy sÏ tiÖn cho viÖc ghi th«ng tin ®iÒu
khiÓn vµo chóng tõ hÖ thèng ®iÒu khiÓn chuyÓn m¹ch
Bé
chuyÓn m¹ch
kh«ng gian
S
T0
Pcm0 Pcm0’ Pcm0”
T1
Pcm1 Pcm1’ Pcm1”
T2
Pcm2 Pcm2’ Pcm2”
TN-1
PcmN-1 PcmN-1’ PcmN-1”
Ch5 Ch7
Ch7
Ch7 Ch5
Ch5
H×nh 2.42 CÊu tróc chuyÓn m¹ch hai kh©u S-T
sxb otxb
H×nh 2.42b: VÝ dô minh ho¹ cÊu tróc chuyÓn m¹ch S-T
* §¸nh gi¸ kh¶ th«ng cña cÊu tróc T-S vµ cÊu tróc S-T
§¸nh gi¸ kh¶ th«ng cña cÊu tróc lµ xem xÐt kh¶ n¨ng thùc hiÖn c¸c yªu
cÇu chuyÓn m¹ch qua cÊu tróc ®ã. Trong cÊu tróc T-S, khi thùc hiÖn yªu cÇu
chuyÓn m¹ch (1)
ChiPCMP ChjPCMQ” (1)
th× t¹i bé chuyÓn m¹ch ®Çu vµo TP kªnh Chi buéc ph¶i chuyÓn sang kªnh Chj,
nghÜa lµ
ChiPCMP ChjPCMP’ (1*)
còng cã nghÜa lµ kªnh Chj trªn PCMP’ ph¶i ®-îc dµnh cho (1*) th× míi thùc hiÖn
®-îc thao t¸c tiÕp theo lµ
a
0
pcm
1
b
4
pcm
2

a


b

0
1
2
3
gm
1
c-mem
0
1
2
3
4
t-mem
0
1
2
3
4
c-mem
w
0
0
a
0
pcm
01
D
pcm
”
1
0
1
2
3
4
t-mem
0
1
2
3
4
c-mem
w
b
4
b
4
b
4
pcm
02
pcm
”
2
1
2
1
2
1
2
gm
2
a
a
ot
1
ot
2
ChjPCMP’ChjPCMQ”
trªn chuyÓn m¹ch S theo yªu cÇu (1).
NÕu nh- xuÊt hiÖn mét yªu cÇu chuyÓn m¹ch kh¸c cã d¹ng:
ChxPCMP ChjPCMZ” (2)
Khi ®ã ®Ó cã thÓ chuyÓn tíi Chj PCMZ'' trªn ®Çu ra chuyÓn m¹ch S th× t¹i chuyÓn
m¹ch ®Çu vµo TP ph¶i thùc hiÖn thao t¸c chuyÓn tõ kªnh Chx ra kªnh Chj, nghÜa lµ
Chx PCMP  Chj PCMP' (2*)
Nh- vËy sÏ x¶y ra tranh chÊp gi÷a thao t¸c (1*) vµ (2*) do trªn chuyÓn
m¹ch TP cã hai kªnh ®Çu vµo (Chi vµ Chx) cïng cã nhu cÇu chuyÓn tíi mét kªnh
®Çu ra cña TP lµ kªnh Chj trªn PCMP' . Khi ®ã yªu cÇu chuyÓn m¹ch xuÊt hiÖn sau
sÏ bÞ huû mÆc dï kªnh ®Çu ra cña tr-êng chuyÓn m¹ch ®èi víi yªu cÇu ®ã vÉn rçi
vµ do vËy g©y ra tæn thÊt néi (gäi hôt) cña tr-êng chuyÓn m¹ch. Khi dung l-îng
cña c¸c tuyÕn PCM t¨ng th× s¸c xuÊt x¶y ra c¸c tranh chÊp nµy sÏ t¨ng vµ lµm ¶nh
h-ëng tíi chÊt l-îng phôc vô QoS cña tæng ®µi (QoS - Quality of service).
T-¬ng tù, trong cÊu tróc S-T còng cã thÓ x¶y ra c¸c tranh chÊp nh- vËy khi
cã hai hoÆc nhiÒu yªu cÇu chuyÓn m¹ch ®ång thêi cïng cã nhu cÇu chuyÓn m¹ch
tíi mét kªnh ®Çu vµo cña mét bé chuyÓn m¹ch thêi gian nµo ®ã. VÝ dô, nÕu cã
c¸c yªu cÇu chuyÓn m¹ch nh- sau:
Chi PCMP  Chj PCMQ'' (3) vµ Chi PCMZ  Chx PCMQ'' (4)
Râ rµng c¸c kªnh ®Çu vµo vµ ®Çu ra lµ ®éc lËp víi nhau, nghÜa lµ kh«ng cã
tranh chÊp vÒ ®Çu vµo, ®Çu ra cña tr-êng chuyÓn m¹ch. Tuy nhiªn ®Ó thùc hiÖn
®-îc yªu cÇu (3) vµ (4) th× ë tÇng chuyÓn m¹ch S ph¶i thùc hiÖn c¸c thao t¸c:
Chi PCMP  Chi PCMQ' (3*)
Chi PCMZ  Chi PCMQ' (4*)
Hai thao t¸c (3*) vµ (4*) kh«ng thÓ tiÕn hµnh ®ång thêi qua chuyÓn m¹ch
S do tranh chÊp ®Çu ra PCMQ' t¹i khe TSi vµ mét trong hai yªu cÇu chuyÓn m¹ch
sÏ bÞ tõ chèi vµ còng dÉn tíi gäi hôt (tæn thÊt cuéc gäi).
Nh- vËy, nÕu xem xÐt c¸c yªu cÇu chuyÓn m¹ch mét c¸c ®éc lËp th× c¸c
cÊu tróc T-S, S-T ®Òu cã thÓ phôc vô ®-îc mäi yªu cÇu chuyÓn m¹ch tõ mét kªnh
nµo ®ã trªn mét tuyÕn PCM ®Çu vµo tíi mét kªnh bÊt kú cña mét trong c¸c tuyÕn
PCM ®Çu ra cña tr-êng chuyÓn m¹ch. Tuy nhiªn chóng ®Òu lµ c¸c tr-êng chuyÓn
m¹ch kh«ng toµn th«ng do cã thÓ x¶y ra c¸c tranh chÊp khi cã nhiÒu cuéc gäi
®ång thêi cïng buéc ph¶i tiÕn hµnh qua mét kªnh trung gian nµo ®ã. CÇn nãi
thªm lµ tranh chÊp d¹ng nµy g©y ra tæn thÊt cuéc gäi ngay c¶ khi mËt ®é cuéc gäi
rÊt thÊp (tõ 2 cuéc gäi ®ång thêi trë lªn ®· cã thÓ x¶y ra tranh chÊp) vµ cã thÓ coi
®©y lµ tæn thÊt néi g©y ra do nguyªn lý chuyÓn m¹ch
2.7.3 CÊu tróc chuyÓn m¹ch ba tÇng (CÊu tróc T-S-T, CÊu tróc S-T-S)
2.7.3a CÊu tróc T-S-T (H×nh 2.43)
So víi cÊu tróc T-S th× cÊu tróc T-S-T cã thªm mét tÇng chuyÓn m¹ch T ë
®Çu ra (tÇng OTXB: Outgoing Time Switch Board) cßn so víi cÊu tróc S-T th× cÊu
tróc T-S-T l¹i cã thªm tÇng chuyÓn m¹ch T ë ®Çu vµo (ITXB: Incoming Time
Switch Board). Nh- ta ®· ph©n tÝch ë phÇn 2.7.2 th× mçi yªu cÇu chuyÓn m¹ch
d¹ng tæng qu¸t:
Chi PCMP  Chj PCMQ'' (1)
sÏ bao gåm hai thao t¸c chuyÓn m¹ch. Mét thao t¸c chuyÓn m¹ch vÒ thêi gian, tõ
khe TSi sang khe TSj vµ mét thao t¸c chuyÓn m¹ch vÒ kh«ng gian, tõ tuyÕn P sang
tuyÕn Q. Trong cÊu tróc T-S vµ cÊu tróc S-T do chØ cã hai tÇng chuyÓn m¹ch nªn
khi thùc hiÖn mçi yªu cÇu d¹ng (1) th× c¶ hai thao t¸c ®Òu lµ b¾t buéc. Cßn trong
cÊu tróc T-S-T do cã thªm mét tÇng chuyÓn m¹ch so víi hai cÊu tróc trªn nªn khi
thùc hiÖn mçi yªu cÇu chuyÓn m¹ch d¹ng (1) th× tÇng thªm vµo sÏ cho phÐp cã
mét thao t¸c chän tù do. Trong cÊu tróc T-S-T, do tÇng thªm vµo lµ tÇng chuyÓn
m¹ch thêi gian nªn thao t¸c chuyÓn m¹ch tù do ®ã chÝnh lµ thao chuyÓn m¹ch vÒ
thêi gian. VÝ dô, khi cÇn thùc hiÖn yªu cÇu chuyÓn m¹ch (1)
Chi PCMP  Chj PCMQ'' (1)
th× phÇn ®iÒu khiÓn m¹ng chuyÓn m¹ch cã thÓ chän tù do mét khe thêi gian k nµo
®ã ®Ó phôc vô c¸c thao t¸c chuyÓn m¹ch cña yªu cÇu (1), miÔn sao khe thêi gian
k ®ã ch-a bÞ sö dông trªn c¶ ®Çu ra cña bé chuyÓn m¹ch ITP vµ ®Çu vµo cña bé
chuyÓn m¹ch OTQ ®Ó phôc vô cho yªu cÇu chuyÓn m¹ch nµo kh¸c ®ang tiÕn hµnh
t¹i thêi ®iÓm ®ã. §©y lµ ®iÒu kiÖn chän khe thêi gian trung gian (hay cßn gäi lµ
khe thêi gian néi bé) khi phôc vô yªu cÇu chuyÓn m¹ch (1).
Pcm0 Pcm0’ Pcm0”
PcmP PcmP* PcmP”
PcmQ PcmQ* PcmQ”
PcmN-1 PcmN-1* PcmN-1”
Chi Chh
Chj
Chj Chk
Chi
H×nh 2.43 CÊu tróc chuyÓn m¹ch ba kh©u T-S-T
IT0
ITP
ITQ
ITN-1
Pcm0
PcmP’
PcmQ’
PcmN-1’
Chk
Chh

OT0
OTP
OTQ
OTN-1


itxb otxb
sxb

ChuyÓn m¹ch
kh«ng gian
S
Gi¶ sö tÇng chuyÓn m¹ch ITXB dïng lo¹i T-SWRR, tÇng chuyÓn m¹ch
kh«ng gian SXB dïng bé chuyÓn m¹ch kh«ng gian ®iÒu khiÓn theo cét, cßn tÇng
chuyÓn m¹ch OTXB dïng lo¹i T-RWRS th× yªu cÇu chuyÓn m¹ch (1) sÏ ®-îc thùc
hiÖn qua kªnh trung gian k theo 3 b-íc nh- sau:
B-íc 1: Trªn tÇng chuyÓn m¹ch thêi gian vµo ITXB, bé chuyÓn m¹ch ITP
thùc hiÖn thao t¸c chuyÓn m¹ch th«ng tin tõ kªnh Chi sang kªnh
trung gian Chk
Chi PCMP  Chk PCMP' (1.1)
§iÒu khiÓn : Ng¨n k CMEM ITP ghi [i]
B-íc 2: Trªn tÇng chuyÓn m¹ch kh«ng gian SXB thùc hiÖn thao t¸c chuyÓn
m¹ch th«ng tin tõ kªnh Chk tuyÕn P sang kªnh Chk tuyÕn Q
Chk PCMP'  Chk PCMQ* (1.2)
§iÒu khiÓn : Ng¨n k cét Q CMEMS ghi [P]
B-íc 3: Trªn tÇng chuyÓn m¹ch thêi gian ra OTXB bé chuyÓn m¹ch OTQ
thùc hiÖn thao t¸c chuyÓn m¹ch th«ng tin tõ kªnh trung gian Chk
sang kªnh Chj
Chk PCMQ*  Chj PCMQ'' (1.3)
§iÒu khiÓn : Ng¨n k CMEM OTQ ghi [j]
NghÜa lµ, khe thêi gian k ®-îc dïng nh- khe thêi gian trung gian ®Ó
chuyÓn th«ng tin tõ khe i tuyÕn vµo P sang khe j tuyÕn ra Q cña tr-êng chuyÓn
m¹ch. Khe thêi gian trung gian ®-îc dïng ®Ó chuyÓn m¹ch th«ng tin bªn trong
tr-êng chuyÓn m¹ch, v× vËy nã cßn ®-îc gäi lµ khe thêi gian néi bé (Internal
Time Slot). T-¬ng øng nã cßn cã mét vµi tªn kh¸c nh- kªnh trung gian, kªnh néi
bé hoÆc kªnh bªn trong. Do nã ®-îc chän tù do khi cÇn phôc vô mçi yªu cÇu
chuyÓn m¹ch nªn nã cã thÓ ®-îc chän theo nhiÒu c¸ch, miÔn sao tho¶ m·n ®iÒu
kiÖn chän khe thêi gian néi bé. Vµ do nã ®-îc chän tù do nh- vËy nªn cÊu tróc
T-S-T cã thÓ tr¸nh ®-îc c¸c d¹ng tranh chÊp vÒ khe thêi gian trªn ®Çu ra cña
chuyÓn m¹ch ITP (mµ ®· gÆp trong cÊu tróc T-S) hoÆc trªn ®Çu vµo cña chuyÓn
m¹ch OTQ (mµ ®· gÆp trong cÊu tróc S-T).
Trªn h×nh 2.42b minh ho¹ cuéc gäi gi÷a thuª bao A (t-¬ng øng kªnh 0
trªn tuyÕn PCM1) víi thuª bao B (t-¬ng øng kªnh 4 trªn tuyÕn PCM2) sö dông
khe thêi gian néi bé TS3 cho h-íng Ch0 PCM1  Ch4PCM02 vµ khe thêi gian
néi bé TS2 cho h-íng Ch4 PCM2  Ch0PCM01
H×nh 2.42b: VÝ dô minh ho¹ cÊu tróc chuyÓn m¹ch T-S-T
0
1
2
3
4
t-mem
0
1
2
3
4
c-mem
R
a
0
a
0
a
3
pcm
’
1
pcm
1
0
1
2
3
4
t-mem
0
1
2
3
4
c-mem
R
b
4
b
4
b
2
pcm
’
2
pcm
2

a


b

0
1
2
3
gm
1
c-mem
0
1
2
3
4
t-mem
0
1
2
3
4
c-mem
w
0
0
a
3
pcm
01
D
pcm
”
1
0
1
2
3
4
t-mem
0
1
2
3
4
c-mem
w
b
4
b
4
b
2
pcm
02
pcm
”
2
1
2
1
2
1
2
gm
2
a
a

Nh- vËy, khi phôc vô mét yªu cÇu chuyÓn m¹ch nµo ®ã, phÇn ®iÒu khiÓn
chuyÓn m¹ch ph¶i t×m mét khe thêi gian trung gian rçi (kªnh trung gian) ®Ó phôc
vô yªu cÇu chuyÓn m¹ch ®ã. ViÖc nµy th-êng sö dông tíi bÝt B trong c¸c ng¨n
nhí cña bé nhí ®iÒu khiÓn C-MEM trong c¸c chuyÓn m¹ch thêi gian. §èi víi lo¹i
T-SWRR bÝt B nµy trong mçi ng¨n nhí C-MEM ph¶n ¸nh tr¹ng th¸i cña khe thêi
gian t-¬ng øng trªn ®Çu ra cña bé chuyÓn m¹ch. VÝ dô, nÕu bÝt B cña ng¨n 12
trong C-MEM cña chuyÓn m¹ch T-SWRR cã gi¸ trÞ 0 nghÜa lµ kªnh Ch12 (t-¬ng
øng khe TS12) trªn tuyÕn ra cña chuyÓn m¹ch ®ã ®· bËn (®· sö dông), cßn nÕu bÝt
B ®ã lµ 1 th× kªnh ®Çu ra Ch12 cña chuyÓn m¹ch ®ã ®ang rçi cã thÓ chän cho yªu
cÇu chuyÓn m¹ch míi. Ng-îc l¹i, ®èi víi T-RWSR th× bÝt B trong ng¨n nhí C-
MEM l¹i ph¶n ¸nh tr¹ng th¸i cña kªnh ®Çu vµo. Nh- vËy ®Ó thuËn tiÖn cho viÖc
chän kªnh b»ng c¸c bÝt B th× tÇng IT nªn sö dông lo¹i T-SWRR cßn tÇng OT nªn
sö dông lo¹i T-RWSR.
§èi víi cÆp yªu cÇu chuyÓn m¹ch ®èi ngÉu, vÝ dô khi nèi tho¹i gi÷a hai
thuª bao ch¼ng h¹n th× chóng th-êng ®-îc thÓ hiÖn d-íi d¹ng:
Chi PCMP  Chj PCMQ” (1)
Chj PCMQ  Chi PCMP” (2)
khi ®ã yªu cÇu chuyÓn m¹ch (2) sÏ ®-îc phôc vô th«ng qua mét khe trung gian
kh¸c, vÝ dô TSh nh- m« t¶ trªn h×nh 2.43. NghÜa lµ ®èi víi cÆp yªu cÇu chuyÓn
m¹ch ®èi ngÉu th× hÖ thèng ®iÒu khiÓn chuyÓn m¹ch ph¶i dïng hai khe trung gian
hay mét cÆp khe thêi gian trung gian ®Ó phôc vô.
* ThuËt to¸n chän khe thêi gian trung gian cho mçi yªu cÇu chuyÓn
m¹ch qua cÊu tróc T-S-T
Nh- ®· ®Ò cËp trong phÇn trªn khi xuÊt hiÖn yªu cÇu chuyÓn m¹ch:
Chi PCMP  Chj PCMQ” (1)
th× phÇn ®iÒu khiÓn khèi chuyÓn m¹ch ph¶i chän ®-îc mét khe thêi gian trung
gian TSk nµo ®ã phôc vô chuçi c¸c thao t¸c chuyÓn m¹ch, gåm: ®äc th«ng tin tõ
bé nhí T-MEM cña bé chuyÓn m¹ch thêi gian ITP, ®ång thêi chuyÓn th«ng tin ®ã
(tõ m· PCM) qua phÇn tö chuyÓn m¹ch QP (gi÷a ®Çu vµo P vµ ®Çu ra Q) trong bé
chuyÓn m¹ch kh«ng gian S ®Ó chuyÓn tíi ®Çu vµo cña bé chuyÓn m¹ch thêi gian
OTQ vµ ghi nã vµo ng¨n nhí j cña OTQ. Nh- thÕ khe trung gian TSk (t-¬ng øng
kªnh trung gian Chk) ph¶i rçi trªn c¶ ®Çu ra cña ITP vµ trªn c¶ ®Çu vµo OTQ. §Ó
chän ®-îc khe thêi gian trung gian tho¶ m·n ®iÒu kiÖn trªn th× phÇn ®iÒu khiÓn
khèi chuyÓn m¹ch ph¶i thùc hiÖn xö lý tr¹ng th¸i cña c¸c bé chuyÓn m¹ch IT vµ
OT b»ng c¸ch tiÕn hµnh c¸c phÐp tÝnh logic ®èi víi c¸c gi¸ trÞ bÝt B trong c¸c
ng¨n nhí ®iÒu khiÓn (CMEM) cña c¸c bé chuyÓn m¹ch ITXB vµ OTXB ®Ó t×m ra
sù ®ång thêi cïng rçi ®ã.
C¸c chuyÓn m¹ch ITXB
C¸c chuyÓn m¹ch OTXB
0 1 2 P Q
-
1 0 1 2 P Q
-
1
1 0 1 … 1 … 0 … 0 0 1 … 1 … 1 …
Thanh ghi tr¹ng th¸i
0 0 0 … 1 … 0 … 0 0 0 … 0 … 1 …
Thanh ghi mÆt n¹
0 0 0 … 1 … 0 … 0 0 0 … 0 … 1 …
Thanh ghi kÕt qu¶
H×nh 2.44 Ph-¬ng ph¸p chän khe thêi gian trung gian rçi dïng mÆt n¹
Ph-¬ng ph¸p ®¬n gi¶n lµ dïng bé läc sè d-íi d¹ng thanh ghi mÆt n¹ ®-îc
m« t¶ trªn h×nh 2.44
Gi¶ sö cÊu h×nh T-S-T cã N tuyÕn vµo vµ N tuyÕn ra nh- h×nh 2.43. Khi ®ã
ng-êi ta dïng thanh ghi tr¹ng th¸i cã 2N bÝt chia lµm hai nöa, mét nöa dµnh ®Ó
ghi tr¹ng th¸i cña c¸c bé chuyÓn m¹ch thêi gian vµo ITXB, nöa kia lµ tr¹ng th¸i
cña c¸c bé chuyÓn m¹ch thêi gian ra OTXB. Trong mçi khe thêi gian, bÝt B tõ
ng¨n nhí CMEM t-¬ng øng cña mçi bé chuyÓn m¹ch T sÏ ®-îc ghi ®Öm trong
mçi bit cô thÓ cña thanh ghi tr¹ng th¸i. VÝ dô, trong khe thêi gian TSk tÊt c¶ c¸c
bÝt B cña c¸c ng¨n k trong c¸c C-MEM cña c¸c chuyÓn m¹ch T tÇng IT vµ OT
®Òu ®-îc ®-a ra thanh ghi tr¹ng th¸i. Gi¸ trÞ c¸c bÝt trong thanh ghi tr¹ng th¸i sÏ
ph¶n ¸nh tr¹ng th¸i kªnh Chk ®Çu ra cña tõng bé chuyÓn m¹ch IT vµ tr¹ng th¸i
kªnh Chk ®Çu vµo ®èi víi tõng bé chuyÓn m¹ch OT t-¬ng øng trong khe thêi gian
®ã.
ViÖc chän khe thêi gian trung gian rçi ®Ó phôc vô mét yªu cÇu chuyÓn
m¹ch chØ liªn quan tíi mét bé chuyÓn m¹ch IT vµ mét bé chuyÓn m¹ch OT, do
vËy, phÇn ®iÒu khiÓn chuyÓn m¹ch lËp mét tõ m· chän ghi vµo thanh ghi mÆt n¹
víi c¸c gi¸ trÞ 1 ë c¸c bit t-¬ng øng víi ®Çu vµo vµ ®Çu ra cÇn chän, cßn c¸c bÝt
kh¸c lËp gi¸ trÞ 0. VÝ dô: ®Ó phôc vô yªu cÇu(1) th× bit P tr-êng IT vµ bÝt Q tr-êng
OT cña mÆt n¹ sÏ cã gi¸ trÞ 1 cßn c¸c bÝt kh¸c cña mÆt n¹ cã gi¸ trÞ 0. Thanh ghi
kÕt qu¶ sÏ lµ kÕt qu¶ cña to¸n tö AND gi÷a tõng bÝt cña thanh ghi mÆt n¹ víi bÝt
t-¬ng øng cña thanh ghi tr¹ng th¸i. Gi¸ trÞ cña thanh ghi tr¹ng th¸i sÏ thay ®æi
theo tõng khe thêi gian vµ do vËy thanh ghi kÕt qu¶ còng thay ®æi tíi khi trong
thanh ghi kÕt qu¶ cã hai bÝt mét th× khe thêi gian t-¬ng øng sÏ ®-îc chän cho yªu
cÇu ®ã. Qu¸ tr×nh t×m kiÕm cã thÓ ®-îc thùc hiÖn theo mét trong c¸c qui t¾c ®-îc
®Æt tr-íc:

- B¾t ®Çu cè ®Þnh, t×m liªn tiÕp: ViÖc t×m khe thêi gian trung gian cho mçi
cuéc gäi ®-îc b¾t ®Çu tõ mét khe ®Þnh tr-íc sau ®ã t×m kiÕm liªn tiÕp tíi khi khe
®Çu tiªn ®-îc ph¸t hiÖn. Theo c¸ch ®ã c¸c khe trung gian ®-îc sö dông tËp trung.
- B¾t ®Çu ngÉu nhiªn, t×m liªn tiÕp: ViÖc t×m kiÕm ®-îc b¾t ®Çu tõ mét khe
bÊt kú, sau ®ã t×m liªn tiÕp qua c¸c khe tíi khi ph¸t hiÖn ®-îc khe rçi. Theo
ph-¬ng ph¸p nµy c¸c kªnh ®-îc ph©n bè ®Òu.
C¶ hai ph-¬ng ph¸p trªn ®Òu cã thÓ dÉn ®Õn kÕt qu¶ sau mét sè lÇn t×m qua
mét sè khe thêi gian mµ vÉn ch-a chän ®-îc kªnh rçi, tõ ®ã cÇn giíi h¹n sè lÇn
thö cho mçi yªu cÇu vµ cã thÓ cho thö lÆp sau kho¶ng thêi gian trÔ nµo ®ã.
Trªn ®©y tr×nh bµy viÖc chän khe thêi gian trung gian cho mét yªu cÇu
chuyÓn m¹ch ®¬n. Trong qu¸ tr×nh phôc vô c¸c cuéc gäi th-êng xuyªn xuÊt hiÖn
yªu cÇu chuyÓn m¹ch ®èi ngÉu, nghÜa lµ xuÊt hiÖn ®ång thêi 2 yªu cÇu chuyÓn
m¹ch d¹ng :
Chi PCMP  Chj PCMQ” (1)
Chj PCMQ  Chi PCMP” (2)
nh- thÕ cÇn ph¶i chän 2 khe thêi gian trung gian k vµ h nµo ®ã ®Ó phôc vô cho 2
yªu cÇu ®ã. C¸c khe nµy cã thÓ ®-îc chän ®éc lËp nhau theo ph-¬ng ph¸p ®· m«
t¶, hoÆc chóng còng cã thÓ chän liªn kÕt nhau theo mét trong hai c¸ch, ®ã lµ :
- Chän liªn tiÕp : h = k+1
- Chän c¸ch mét nöa chu kú : h = k+(F:2)
trong ®ã F lµ tæng sè khe thêi gian trong mét chu kú
* Quy tr×nh phôc vô qua cÊu tróc chuyÓn m¹ch T-S-T.
Sau khi xö lý cuéc gäi, yªu cÇu chuyÓn m¹ch ®-îc göi ®Õn khèi ®iÒu khiÓn
chuyÓn m¹ch (hay cßn gäi lµ bé ®iÒu khiÓn tuyÕn tho¹i SPC - Speech path
controller) d-íi d¹ng b¶n tin ®iÒu khiÓn lo¹i 1. B¶n tin ®iÒu khiÓn nµy chØ ra ®Þa
chØ kªnh vµ tuyÕn PCM ®Çu vµo, ®Þa chØ kªnh vµ tuyÕn PCM ®Çu ra cña tr-êng
chuyÓn m¹ch. Khi ®ã bé ®iÒu khiÓn tuyÕn tho¹i thùc hiÖn viÖc chän tuyÕn b»ng
c¸ch lËp mÆt n¹ chän tuyÕn vµ t×m kiÕm khe trung gian rçi nh- ®· m« t¶ ë phÇn
trªn. TiÕp ®ã, khi ®· t×m ®-îc khe trung gian, bé ®iÒu khiÓn nµy t¹o sè liÖu ®iÓu
khiÓn ®-a theo c¸c Bus ®Þa chØ vµ Bus sè liÖu tíi c¸c bé chuyÓn m¹ch ITXB, SXB,
OTXB cÇn thiÕt vµ ghi vµo c¸c ng¨n nhí ®iÒu khiÓn trong c¸c C-MEM cña
chóng. C¸c bé chuyÓn m¹ch nµy sau ®ã sÏ ho¹t ®éng trªn c¬ së sè liÖu ®iÒu khiÓn
®· ®-îc ghi vµo C-MEM.
2.7.3b CÊu tróc S-T-S
CÊu tróc chuyÓn m¹ch S -T-S lµ cÊu tróc rÊt linh ho¹t tuú thuéc vµo l-u l-îng
t¶i qua nã mµ cã thÓ chän cÊu h×nh theo c¸c tiªu chÝ cña ng-êi qu¶n lý tõ ®ã ®¹t
®-îc chØ tiªu vÒ kinh tÕ còng nh- vÒ chÊt l-îng phôc vô.
Nh- thÓ hiÖn trªn h×nh 2.45, cÊu tróc S-T-S cã chuyÓn m¹ch kh«ng gian
S1 trªn ®Çu vµo vµ S2 trªn ®Çu ra, gi÷a chóng lµ c¸c bé chuyÓn m¹ch thêi gian
cña tÇng TXB (Time Switch Board). C¸c chuyÓn m¹ch S cã thÓ chän lo¹i ch÷ nhËt
nÕu l-u l-îng t¶i kh«ng lín vµ yªu cÇu vÒ chÊt l-îng phôc vô kh«ng qu¸ cao,
nghÜa lµ chuyÓn m¹ch S1 cã sè ®Çu ra Ýt h¬n ®Çu vµo, cßn bé chuyÓn m¹ch S2 th×
ng-îc l¹i, sè bé chuyÓn m¹ch thêi gian cã thÓ t¨ng hay gi¶m tuú theo l-u l-îng
vµ yªu cÇu phôc vô. C¸c bé chuyÓn m¹ch thêi gian còng cã thÓ sö dông bÊt kú
lo¹i nµo, tuy nhiªn chóng ph¶i cïng mét lo¹i, th-êng sö dông lo¹i T-RWRR ®Ó ®¹t
®-îc hiÖu qu¶ kinh tÕ cao.
Ta thÊy r»ng, so víi cÊu tróc T-S vµ cÊu tróc S-T th× cÊu tróc S-T-S cã thªm
mét tÇng chuyÓn m¹ch kh«ng gian vµ do ®ã phÐp chän ®-îc thªm vµo (phÐp chän
tù do) ®ã lµ phÐp chän theo kh«ng gian, nghÜa lµ cã mét sè bé chuyÓn m¹ch thêi
gian ë kh©u TXB vµ mçi yªu cÇu chuyÓn m¹ch cã thÓ chän mét bé chuyÓn m¹ch
thêi gian bÊt kú nµo ®ã ®Ó phôc vô viÖc chuyÓn m¹ch mét kªnh nµo ®ã trªn mét
tuyÕn ®Çu vµo tíi mét kªnh trªn mét trong c¸c tuyÕn ®Çu ra, sao cho kªnh ®Çu vµo
vµ ®Çu ra cña bé chuyÓn m¹ch thêi gian ®ã t-¬ng øng c¸c kªnh vµo vµ ra cña yªu
cÇu chuyÓn m¹ch ch-a bÞ sö dông cho yªu cÇu chuyÓn m¹ch kh¸c. §iÒu nµy cã
nghÜa lµ, nÕu nh- kh©u TXB cã n bé chuyÓn m¹ch thêi gian th× khi xuÊt hiÖn yªu
cÇu chuyÓn m¹ch d¹ng chi pcmp  Chj PCMQ” (1) bé ®iÒu khiÓn chuyÓn m¹ch
txb
Pcm0 Pcm0* Pcm0”
PcmP
PcmH*
PcmP”
PcmQ
PcmK*
PcmQ”
PcmN-1 PcmM-1* PcmN-1”
Chi
Chi
Chj
Chj
Chj
Chi
H×nh 2.45 CÊu tróc chuyÓn m¹ch ba kh©u S-T-S
Pcm0’
PcmH’
PcmK’
PcmM-1’
Chj
Chi
T0
TP
TQ
TM-1


s1 s2
cã thÓ chän bé chuyÓn m¹ch TK nµo ®ã trong n bé chuyÓn m¹ch thêi gian cña
kh©u TXB ®Ó phôc vô yªu cÇu chuyÓn m¹ch (1) miÔm sao khe thêi gian TSi trªn
®Çu vµo vµ khe thêi gian TSj trªn ®Çu ra cña bé chuyÓn m¹ch TK ®ã ch-a bÞ bËn
(®ang sö dông cho yªu cÈu chuyÓn m¹ch kh¸c).
Nh- vËy khi cã mét yªu cÇu chuyÓn m¹ch d¹ng:
Chi pcmp  Chj PCMQ” (1)
th× viÖc chän tuyÕn sÏ ®-îc quy vÒ ®äc tr¹ng th¸i cña c¸c bé chuyÓn m¹ch thêi
gian ®Ó chän ra mét bé tho¶ m·n ®iÒu kiÖn Chi trªn ®Çu vµo vµ Chj trªn ®Çu ra cña
nã ch-a sö dông cho c¸c yªu cÇu chuyÓn m¹ch kh¸c. §Ó phôc vô c«ng viÖc nµy
mçi ng¨n nhí C- MEM cña bé chuyÓn m¹ch thêi gian cÇn cã 2 bÝt B ®Ó thÓ hiÖn
tr¹ng th¸i kªnh ®Çu vµo vµ kªnh ®Çu ra.
Mçi yªu cÇu chuyÓn m¹ch (1) ®-îc ph©n tÝch thµnh 3 thao t¸c chuyÓn
m¹ch qua chuyÓn m¹ch S1, chuyÓn m¹ch TK ®· ®-îc chän nµo ®ã vµ chuyÓn
m¹ch S2 theo c¸c b-íc sau:
B-íc 1: T¹i chuyÓn m¹ch kh«ng gian vµ S1 thùc hiÖn thao t¸c chuyÓn m¹ch
th«ng tin tõ kªnh Chi tuyÕn PCMP sang kªnh Chi tuyÕn PCMK’
Chi PCMP  Chi PCMK’ (1.1)
B-íc 2: Bé chuyÓn m¹ch thêi gian TK tÇng TXB thùc hiÖn thao t¸c chuyÓn
m¹ch th«ng tin tõ kªnh Chi sang kªnh Chj
Chi PCMK’  Chj PCMK* (1.2)
B-íc 3: ChuyÓn m¹ch kh«ng gian ra S2 thùc hiÖn thao t¸c chuyÓn m¹ch
th«ng tin tõ kªnh Chj tuyÕn K sang kªnh Chj tuyÕn Q
Chj PCMK*  Chj PCMQ” (1.3)
Tuú thuéc lo¹i bé chuyÓn m¹ch thêi gian ®-îc ¸p dông ë kh©u gi÷a mµ
nguyªn lý chuyÓn m¹ch vµ ®iÒu khiÓn cña m¹ng còng kh¸c nhau. §Ó tiÕt kiÖm vµ
thuËn lîi cho qu¸ tr×nh ®iÒu khiÓn th× ng-êi ta th-êng dïng lo¹i T- RWRR ë kh©u
TXB.
* VÒ kh¶ th«ng cña tr-êng chuyÓn m¹ch T-S-T vµ S-T-S
Kh¶ n¨ng chuyÓn m¹ch cña cÊu tróc T-S-T t-¬ng ®èi cao do c¸c kh©u
ITXB vµ OTXB lµ nh÷ng kh©u kh«ng g©y tæn thÊt cuéc gäi. ChuyÓn m¹ch S
dïng lo¹i cã kÝch th-íc NxN còng lµ chuyÓn m¹ch toµn th«ng. Kh¶ th«ng cña
cÊu tróc nµy chØ phô thuéc vµo ®iÒu kiÖn chän khe thêi gian trung gian vµ ®©y lµ
phÐp chän tù do nªn viÖc chän nã còng rÊt thuËn tiÖn, linh ho¹t dÉn ®Õn kh¶
th«ng cña cÊu tróc nµy rÊt cao.
Kh¶ th«ng cña cÊu tróc S-T-S phô thuéc nhiÒu vµo sè bé chuyÓn m¹ch thêi
gian ë kh©u TXB vµ dung l-îng cña tõng bé chuyÓn m¹ch ®ã. Khi chän bé
chuyÓn m¹ch thêi gian cho mçi yªu cÇu chuyÓn m¹ch, do ph¶i tho¶ m·n ®iÒu
kiÖn lµ kªnh ®Çu vµo vµ kªnh ®Çu ra cÇn cho yªu cÇu chuyÓn m¹ch ®ã trªn bé
chuyÓn m¹ch thêi gian ®-îc chän ®Òu ph¶i ch-a bÞ sö dông cho yªu cÇu chuyÓn
m¹ch kh¸c nªn khi sè bé chuyÓn m¹ch thêi gian Ýt th× dÔ g©y ra tæn thÊt cuéc gäi
do kh«ng cã bé chuyÓn m¹ch thêi gian nµo tho¶ m·n ®ång thêi ®iÒu kiÖn ®ã.
NÕu M = 2N th× míi cã thÓ tr¸nh hoµn toµn hiÖn t-îng trªn, nghÜa lµ míi
t¹o nªn khèi chuyÓn m¹ch toµn th«ng.
Tõ ph©n tÝch nµy cho thÊy cÊu tróc S -T-S cã kh¶ th«ng h¬n c¸c cÊu tróc
T-S, S -T do tr¸nh ®-îc c¸c xung ®ét do tranh chÊp kªnh ®Çu ra cña chuyÓn m¹ch
T trong cÊu tróc T-S, hoÆc tranh chÊp kªnh ®Çu vµo cña chuyÓn m¹ch T trong cÊu
tróc S-T. Tuy nhiªn, cÊu tróc S-T-S còng cã thÓ gÆp ph¶i tæn thÊt khi kh«ng cã
chuyÓn m¹ch thêi gian nµo tho¶ m·n ®ång thêi hai ®iÒu kiÖn chän tuyÕn, do ®ã
kh¶ th«ng cña nã kÐm h¬n cÊu tróc T-S-T. ¦u ®iÓm c¬ b¶n cña cÊu tróc nµy lµ
cÊu h×nh cña nã dÔ thay ®æi tuú thuéc vµo l-u l-îng t¶i vµ do ®ã cã thÓ ®¹t ®-îc
hiÖu qu¶ sö dông rÊt cao.
2.7.4 CÊu tróc chuyÓn m¹ch T-S-S-T
CÊu tróc T-S-T cã thÕ m¹nh lµ ®iÒu khiÓn thuËn tiÖn, cã thÓ ¸p dông c¸c
nguyªn lý chän tuyÕn ®¬n gi¶n, dÔ kÕp hîp ®iÒu khiÓn chuyÓn m¹ch thêi gian víi
chuyÓn m¹ch kh«ng gian sö dông chung bÝt B vµ nhÊt lµ cung cÊp mét kh¶ th«ng
tèt t¹o c¬ së ®Ó ®¹t chÊt l-îng phôc vô cao (QoS)
VÊn ®Ò më réng dung l-îng cña tr-êng chuyÓn m¹ch mµ vÉn cã thÓ gi÷
®-îc c¸c ®Æc tÝnh cña cÊu tróc T-S-T cã thÓ tiÕn hµnh theo hai h-íng chÝnh.
1. Gi÷ nguyªn kÝch th-íc cña chuyÓn m¹ch S, më réng dung l-îng cña tÊt
c¶ c¸c chuyÓn m¹ch T. H-íng nµy bÞ h¹n chÕ bëi kh¶ n¨ng c«ng nghÖ hiÖn t¹i
kh«ng thÓ chÕ t¹o c¸c bé chuyÓn m¹ch thêi gian tèc ®é cao.
2. Më réng chuyÓn m¹ch S b»ng c¸ch ghÐp c¸c chuyÓn m¹ch vu«ng víi
nhau ®Ó cã ®-îc chuyÓn m¹ch mét kh©u kÝch th-íc lín, hoÆc x©y dùng tr-êng
chuyÓn m¹ch S nhiÒu kh©u (hai kh©u) thay cho bé chuyÓn m¹ch S.
H×nh 2.46. Më réng chuyÓn m¹ch S cña cÊu tróc T-S-T.
H-íng thø hai ®-îc ph¸t triÓn theo c¶ hai c¸ch. C¸ch thø nhÊt ®-îc ¸p
dông trong rÊt nhiÒu c¸c tæng ®µi chuyÓn m¹ch sè (vÝ dô trong c¸c tæng ®µi TDX
cña Hµn quèc hoÆc c¸c tæng ®µi AXE cña Thuþ ®iÓn) do tÝnh ®¬n gi¶n vµ gi÷
nguyªn ®-îc b¶n chÊt cña cÊu tróc T-S-T nh- thÓ hiÖn trªn h×nh 2.46.
Trong c¸ch nµy c¸c bé chuyÓn m¹ch S vu«ng cã cïng kÝch th-íc NN
®-îc ghÐp víi nhau theo kiÓu ma trËn: c¸c bé chuyÓn m¹ch S trong cïng mét
hµng sÏ cã c¸c ®Çu vµo ®-îc nèi ®ång tªn víi nhau vµ nèi víi c¸c ®Çu ra cña c¸c
chuyÓn m¹ch T kh©u ITXB nh- h×nh 2.46. C¸c ®Çu ra cña c¸c chuyÓn m¹ch S
trong cïng mét cét còng ®-îc nèi ®ång tªn víi nhau vµ ®-îc nèi tíi ®Çu vµo cña
c¸c bé chuyÓn m¹ch T ë kh©u ®Çu ra OTXB. Nh- thÕ bé chuyÓn m¹ch S ban ®Çu
sÏ ®-îc më réng, t¨ng sè ®Çu vµo vµ sè ®Çu ra. Cø nh- thÕ khi t¨ng mét hµng bé
chuyÓn m¹ch S th× còng t¨ng mét cét c¸c bé chuyÓn m¹ch S (sè bé chuyÓn m¹ch
1
2
0
0 1 2 N-1
N-1
1
2
0
0 1 2 N-1
N-1
1
2
0
0 1 2 N-1
N-1
1
2
0
0 1 2 N-1
N-1
1
2
0
0 1 2 N-1
N-1
1
2
0
0 1 2 N-1
N-1
1
2
0
0 1 2 N-1
N-1
1
2
0
0 1 2 N-1
N-1
1
2
0
0 1 2 N-1
N-1
Tõ
®Çu
ra
cña
N
bé
chuyÓn
m¹chT
cña
kh©u
ITXB
Tõ
®Çu
ra
cña
N
bé
chuyÓn
m¹chT
cña
kh©u
ITXB
Tõ
®Çu
ra
cña
N
bé
chuyÓn
m¹chT
cña
kh©u
ITXB
Tíi ®Çu vµo cña N bé
chuyÓn m¹chT cña
kh©u OTXB
Tíi ®Çu vµo cña N bé
chuyÓn m¹chT cña
kh©u OTXB
Tíi ®Çu vµo cña N bé
chuyÓn m¹chT cña
kh©u OTXB
S sÏ lµ 1, 4, 9, 16, ... ). Nh- thÕ khi sè tuyÕn ®Çu vµo vµ ®Çu ra t¨ng A lÇn th× kÝch
th-íc chuyÓn m¹ch S t¨ng lªn A2
lÇn.
Nh-îc ®iÓm c¬ b¶n cña c¸ch më réng kh©u S theo c¸ch trªn ®ã lµ sè bé
chuyÓn m¹ch t¨ng nhanh khi t¨ng sè ®Çu vµo ®Çu ra, theo ®ã lµ sè ®iÓm nèi song
song gi÷a c¸c bé chuyÓn m¹ch còng t¨ng, hiÖu qu¶ sö dông c¸c chuyÓn m¹ch S
kh«ng cao. Tõ ®ã cã thÓ ®i ®Õn viÖc ¸p dông më réng kh©u nµy theo c¸ch thø hai
®ã lµ tæ chøc tÇng chuyÓn m¹ch kh«ng gian theo s¬ ®å hai kh©u vµ dÉn tíi cÊu
tróc T-S-S-T nh- h×nh 2.47.
Dung l-îng cña tæng ®µi ®-îc chia thµnh K m¹ng. Mçi m¹ng gåm N bé
chuyÓn m¹ch IT vµ N bé chuyÓn m¹ch OT, mét bé chuyÓn m¹ch kh«ng gian s¬
cÊp S1 vµ mét bé chuyÓn m¹ch kh«ng gian thø cÊp S2. ChuyÓn m¹ch S1 lµ lo¹i
NH cßn S2 lµ lo¹i HN. Dïng L ®-êng trung gian ®Ó phôc vô c¸c cuéc gäi cïng
m¹ng, H-L ®-êng cßn l¹i ®-îc nèi víi c¸c m¹ng kh¸c theo thÓ thøc 1:1. Tuy gi÷a
tõng cÆp m¹ng chØ cã mét ®-êng trung gian theo h-íng ®i vµ mét ®-êng trung
gian vÒ nh-ng do chóng lµ ®-êng tèc ®é cao (dung l-îng lín, th-êng lµ 256 hoÆc
512ch) nªn ®ñ ®Ó phôc vô c¸c cuéc gäi liªn l¹c gi÷a c¸c ®Çu cuèi cña tõng cÆp
m¹ng ®ã víi nhau. Nh- vËy ®· tÝnh ®Õn kh¶ n¨ng c¸c cuéc gäi cïng m¹ng sÏ lín
h¬n sè cuéc gäi ®ång thêi kh¸c m¹ng (L=2  6 < N) sè m¹ng cùc ®¹i lµ :
K = H - L + 1
Theo c¸ch nµy hiÖu suÊt sö dông c¸c chuyÓn m¹ch S sÏ cao lªn rÊt nhiÒu,
tuy nhiªn cÊu tróc kh«ng cßn ®-îc gi÷ nguyªn nh- T-S-T, nghÜa lµ kh¶ th«ng
gi¶m ®èi víi liªn l¹c kh¸c m¹ng. Nguyªn lý chän tuyÕn trªn c¬ b¶n vÉn gièng
trong cÊu tróc T-S-T. Ph-¬ng ph¸p nµy còng cho phÐp bè trÝ c¸c m¹ng chuyÓn
m¹ch trong cïng mét n¬i hoÆc mçi m¹ng ë mét vÞ trÝ kh¸c nhau, cã thÓ l¾p ®Æt
víi dung l-îng chuyÓn m¹ch ®Çy ®ñ hoÆc tõng phÇn, nghÜa lµ cho phÐp bè trÝ c¸c
m¹ng chuyÓn m¹ch cña tæng ®µi theo tõng vïng vµ tõng cung ®o¹n ph¸t triÓn thuª
bao.
VÒ ®iÒu khiÓn c¸c m¹ng chuyÓn m¹ch cña cÊu tróc T-S-S-T th× mçi m¹ng
nµy ®-îc ®iÒu khiÓn bëi mét bé ®iÒu khiÓn tuyÕn tho¹i SPC (SPC- Speech path
H×nh 2.47 CÊu tróc tr-êng chuyÓn m¹ch T-S-S-T.
T0
PCMin0 PCM0’
T1
PCMin1 PCM1’
TN-1
PCMinN-1 PCMN-1’
S10 S20 T0
PCM0* PCM0”
T1
PCM1* PCM1”
TN-1
PCMN-1* PCMN-1”
T0
PCMin0 PCM0’
T1
PCMin1 PCM1’
TN-1
PCMinN-1 PCMN-1’
S11 S21 T0
PCM0* PCM0”
T1
PCM1* PCM1”
TN-1
PCMN-1* PCMN-1”
T0
PCMin0 PCM0’
T1
PCMin1 PCM1’
TN-1
PCMinN-1 PCMN-1’
S1K-1 S2K-1 T0
PCM0* PCM0”
T1
PCM1* PCM1”
TN-1
PCMN-1* PCMN-1”
spck-1
spc1
spc0
Switching Network K-1
Switching Network 1
Switching Network 0
controller) thùc hiÖn c¸c chøc n¨ng xö lý c¸c yªu cÇu chuyÓn m¹ch, chän khe
thêi gian trung gian cho c¸c yªu cÇu chuyÓn m¹ch, chuyÓn ®æi thµnh c¸c sè liÖu
®iÒu khiÓn ®Ó ghi vµo c¸c ng¨n nhí ®iÒu khiÓn cña tõng bé chuyÓn m¹ch trong
m¹ng khi phôc vô mçi yªu cÇu.
2.8. §iÒu khiÓn chuyÓn m¹ch sè.
2.8.1. Ho¹t ®éng chuyÓn m¹ch khi phôc vô mét cuéc gäi.
Khi phôc vô mét cuéc gäi cã thÓ cã mét sè khèi chuyÓn m¹ch cïng tham
gia trong c¸c tiÕn tr×nh kh¸c nhau. VÝ dô khèi chuyÓn m¹ch tËp trung thuª bao
DLCD (Digital Line Concentration Device) hay DLSw (Digital Line Switch) cã
thÓ thùc hiÖn c¸c c«ng viÖc nh- nèi thuª bao gäi tíi c¸c kªnh ph¸t c¸c tÝn hiÖu ©m
tÇn (mêi quay sè, håi ©m, b¸o bËn) hoÆc tíi c¸c bé thu tÝn hiÖu chän sè, hoÆc
chuyÓn kªnh thu ph¸t cña thuª bao tíi tuyÕn PCMin ®i vµo khèi chuyÓn m¹ch
nhãm vµ tuyÕn PCMout ra tõ khèi chuyÓn m¹ch nhãm, cßn khèi chuyÓn m¹ch
nhãm chñ yÕu thùc hiÖn chøc n¨ng chuyÓn m¹ch song h-íng t¹o ra tuyÕn truyÒn
th«ng tin tõ thuª bao chñ gäi tíi thuª bao bÞ gäi (h-íng ®i) vµ tõ thuª bao bÞ gäi
®Õn thuª bao gäi (h-íng vÒ). L-u ý r»ng, do tÝn hiÖu ®-îc truyÒn lµ tÝn hiÖu sè
nªn c¸c h-íng truyÒn nµy ®éc lËp víi nhau, chóng chØ gÆp hîp l¹i nhau t¹i m¹ch
SLIC cña mçi thuª bao.
H×nh 2.48. M« h×nh phôc vô cuéc gäi.
Cuéc gäi ®-îc b¾t ®Çu khi thuª bao chñ gäi nhÊc tæ hîp, gi¶ sö chñ gäi lµ
Sub-A.
Bé ®iÒu khiÓn vïng LOC (Local controller) nhËn biÕt tr¹ng th¸i nhÊc tæ
hîp cña Sub-A, chän mét kªnh rçi trªn DLSw ®Ó nèi bé ph¸t tÝn hiÖu phôc vô
DTG tíi Sub-A th«ng b¸o thuª bao cã thÓ chän sè (©m mêi gäi), ®ång thêi nèi
 slic
dtg
mfr
dlsw
loc
snwa
spca
clpa
snwb
spcb
clpb
dtg
mfr
dlsw
loc

slic
Sub.A Sub.B
System Bus
Sub-A, b»ng mét kªnh kh¸c, tíi bé thu tÝn hiÖu chän sè ®a tÇn MFR. Thuª bao A
b¾t ®Çu chän sè, nÕu kiÓu chän sè lµ d¹ng xung thËp ph©n (Pulse) th× nã ®-îc thu
ngay bëi m¹ch tr¹ng th¸i cña LOC, cßn nÕu tÝn hiÖu chän sè d¹ng DTMF (Dual
Tone Multifrequecy) th× sÏ ®-îc thu ë bé MFR. Ngay khi nhËn ra ch÷ sè ®Çu tiªn
th× ©m mêi gäi ®-îc ng¾t (kªnh tõ DTG qua DLSw ®-îc gi¶i phãng) vµ nÕu lµ
chän sè kiÓu P (Pulse) th× tuyÕn nèi víi MF còng ®-îc gi¶i phãng, cßn nÕu chän
sè DTMF th× tuyÕn nèi víi MFR sÏ ®-îc duy tr× tíi khi thu xong c¸c ch÷ sè ®Þa
chØ. C¸c ch÷ sè ®Þa chØ sau khi ®-îc LOC thu nhËn (tù thu hoÆc lÊy tõ MFR) sÏ
®-îc göi vÒ CLP (Call Processor - xö lý gäi) ®Ó xö lý.
Bé xö lý cña m¹ng phÝa thuª bao A ( CLPA) göi yªu cÇu gäi tíi (CLPB).
CLPB kiÓm tra tr¹ng th¸i thuª bao B vµ nÕu thuª bao B rçi th× nã sÏ yªu cÇu
LOC-B ph¸t chu«ng cho Sub-B, ®ång thêi th«ng b¸o cho CLPA vÒ kÕt qu¶ cuéc
gäi, CLPA sÏ yªu cÇu LOC-A ph¸t håi ©m chu«ng tõ DTG qua DLSw cho Sub-A.
CLPA vµ CLPB göi yªu cÇu tíi SPC cña 2 m¹ng chuÈn bÞ tuyÕn nèi thuª bao A vµ
thuª bao B. Khi thuª bao B nhÊc tæ hîp ®Ó tr¶ lêi th× CLPB göi th«ng b¸o cho
CLPA ®Ó ng¾t håi ©m cho A, ng¾t chu«ng cho B ®ång thêi t¹o tuyÕn nèi tõ A
sang B vµ tõ B sang A qua c¸c chuyÓn m¹ch DLSw vµ SNw. Khi Sub-A hoÆc Sub-
B kÕt thóc cuéc gäi th× LOC cña nã sÏ th«ng b¸o tr¹ng th¸i tíi SPC vµ CLP. CLP
m¹ng nµy còng th«ng b¸o tíi CLP ®èi t¸c ®Ó gi¶i to¶ tuyÕn nèi nh- thÕ trong qu¸
tr×nh phôc vô cuéc gäi cÇn thùc hiÖn c¸c thao t¸c chuyÓn m¹ch ë DLSw, SNw
d-íi sù ®iÒu khiÓn cña bé xö lý cuéc gäi CLP, bé ®iÒu khiÓn tuyÕn tho¹i SPC vµ
bé ®iÒu khiÓn vïng LOC gi÷a chóng cÇn cã sù trao ®æi th«ng tin ®iÒu khiÓn theo
tiÕn tr×nh thùc hiÖn cuéc gäi.
2.8.2 §iÒu khiÓn khèi chuyÓn m¹ch
Trong mét tæng ®µi sè cã mét sè khèi chuyÓn m¹ch tËp trung t¶i ®-îc ®iÒu
khiÓn bëi LOC, mét hoÆc vµi khèi chuyÓn m¹ch nhãm ®-îc ®iÒu khiÓn bëi c¸c
SPC t-¬ng øng cïng c¸c CLP. C¸c bé xö lý cuéc gäi CLP mét mÆt qu¶n lý SPC
vµ c¸c LOC thuéc m¹ng cña nã, mÆt kh¸c th-êng xuyªn tra ®æi víi CLP cña
m¹ng kh¸c ®Ó t¹o nªn sù ®iÒu khiÓn chuyÓn m¹ch mét c¸ch tËp trung cho c¶ c¸c
cuéc gäi riªng trong tõng m¹ng vµ cuéc gäi gi÷a thuª bao cña m¹ng nµy víi thuª
bao cña m¹ng kh¸c, kÓ c¶ c¸c cuéc gäi víi thuª bao cña tæng ®µi kh¸c.
§iÒu khiÓn ho¹t ®éng chuyÓn m¹ch ph¶i th«ng qua viÖc trao ®æi th«ng tin
®iÒu khiÓn gi÷a CLP víi SPC vµ LOC sau ®ã tõ SPC hoÆc LOC víi tõng bé nhí
®iÒu khiÓn ( C-MEM) cña tõng bé chuyÓn m¹ch.
a. Trao ®æi th«ng tin ®iÒu khiÓn chuyÓn m¹ch gi÷a bé xö lý cuéc gäi
CLP víi bé ®iÒu khiÓn tuyÕn tho¹i SPC hoÆc bé ®iÒu khiÓn vïng
LOC.
KÕt qu¶ xö lý b¸o hiÖu thuª bao vµ b¸o hiÖu trung kÕ cung cÊp cho CLP
c¸c d÷ liÖu cÇn thiÕt ®Ó ®iÒu khiÓn c¸c khèi chuyÓn m¹ch. Nã t¹o ra c¸c yªu cÇu
göi ®Õn SPC hoÆc LOC vµ kÕt qu¶ thùc hiÖn c¸c yªu cÇu ®ã sÏ ®-îc SPC vµ LOC
b¸o hiÖu trë l¹i CLP. §Ó ®¹t ®-îc mét c¬ chÕ ®iÒu khiÓn hiÖu qu¶ cao th× viÖc
trao ®æi th«ng tin ®iÒu khiÓn ë møc nµy dïng tÝn hiÖu tèc ®é cao, trao ®æi d-íi
d¹ng b¶n tin møc cao ®Ó tËn dông kh¶ n¨ng xö lý cña c¸c bé vi xö lý. C¸c b¶n tin
nµy dùa trªn c¸c tr-êng (field) víi ý nghÜa cô thÓ.
C¸c b¶n tin mµ CLP göi ®Õn SPC hoÆc LOC th-êng lµ b¶n tin yªu cÇu thiÕt
lËp mét tuyÕn nèi, gi¶i to¶ mét tuyÕn nèi, ®¨ng ký tuyÕn nèi, chän mét tuyÕn nèi,
gi¸m s¸t tuyÕn nèi, thÈm ®Þnh mét tr¹ng th¸i nµo ®ã cña tuyÕn nèi qua mét khèi
chuyÓn m¹ch. C¸c yªu cÇu ®ã sÏ ®-îc thÓ hiÖn d-íi d¹ng m· ho¹t ®éng (m· t¸c
®éng). Nh- thÕ vÒ c¬ b¶n c¸c b¶n tin yªu cÇu (b¶n tin kiÓu 1) sÏ bao gåm m·
ho¹t ®éng vµ ph¹m vi t¸c ®éng, nghÜa lµ ®Þa chØ ®Çu vµo vµ ®Çu ra chuyÓn m¹ch,
ngoµi ra cßn cã mét sè tr-êng thñ tôc kh¸c nh- m· b¶n tin, m· ph¸t hiÖn lçi nh-
trªn h×nh 2.49 d-íi ®©y.
§Þa chØ ®Çu vµo §Þa chØ ®Çu ra
M·
b¶n
tin
M·
t¸c
®éng
M¹ng
TuyÕn
PCM
Kªnh M¹ng
TuyÕn
PCM
Kªnh
M·
ph¸t
hiÖn
lçi
H×nh 2.49 : Format b¶n tin kiÓu 1
* M· b¶n tin : mçi b¶n tin ®-îc ký hiÖu b»ng mét chØ sè ®¬n ®Ó ph©n biÖt
víi c¸c b¶n tin kh¸c vµ ®Ó thuËn tiÖn cho viÖc tham chiÕu trong ®iÒu kiÖn chuçi
c¸c b¶n tin ®-îc göi nèi tiÕp nhau. ViÖc dïng m· b¶n tin cho phÐp SPC hoÆc
LOC b¸o cho CLP biÕt khi nhËn ®-îc b¶n tin cã lçi vµ yªu cÇu truyÒn l¹i b¶n tin
hoÆc th«ng b¸o cho CLP biÕt kÕt qu¶ thùc hiÖn c¸c yªu cÇu thiÕt lËp tuyÕn, thñ
tôc chän tuyÕn, xo¸ tuyÕn hoÆc ®¨ng ký tuyÕn, nghÜa lµ m· b¶n tin sÏ dïng trong
b¶n tin phóc ®¸p cho mét yªu cÇu.
* M· t¸c ®éng : chØ ra r»ng b¶n tin nµy yªu cÇu SPC hoÆc LOC thùc hiÖn
thao t¸c nµo trong sè c¸c thao t¸c thiÕt lËp, chuÈn bÞ, ®¨ng ký, xo¸, kiÓm tra,
thÈm ®Þnh tr¹ng th¸i mét tuyÕn nèi.
* C¸c tr-êng ®Þa chØ kªnh ®Çu vµo: C¸c tr-êng nµy cung cÊp ®Þa chØ kªnh
®Çu vµo d-íi d¹ng ®Þa chØ m¹ng chuyÓn m¹ch, chØ sè tuyÕn PCMin vµ chØ sè khe
(®Þa chØ kªnh) trong tuyÕn. MÆc dï lµ ®Þa chØ ®¬n nh-ng ®æi víi chuyÓn m¹ch
song h-íng th× nã nhËn d¹ng c¶ kªnh truyÒn vµ kªnh nhËn. Tuú thuéc vµo cÊu
tróc khèi chuyÓn m¹ch vµ tæ chøc ghÐp kªnh c¸c tr-êng ®Þa chØ nµy cã thÓ cã
kÝch th-íc kh¸c nhau.
* Nhãm c¸c tr-êng ®Þa chØ ®Çu ra: Cung cÊp ®Þa chØ kªnh ®Çu ra d-íi
d¹ng t-¬ng tù nh- phÇn ®Þa chØ kªnh ®Çu vµo.
* M· ph¸t hiÖn lçi: Cho phÐp SPC hoÆc LOC ph¸t hiÖn bÊt kú sù gi¸n
®o¹n nµo trong b¶n tin tõ CLP hoÆc ph¸t hiÖn c¸c lçi cã thÓ x¶y ra trong truyÒn vµ
nhËn b¶n tin. Cã thÓ dïng ph-¬ng ph¸p tæng kiÓm tra ch½n lÎ (Parity) ®¬n gi¶n
hoÆc dïng m· cã ®-îc tõ ph-¬ng ph¸p CRC (Cyclic Redundancy check)
SPC hoÆc LOC cã thÓ tr¶ lêi CLP b»ng b¶n tin kiÓu 2 cã d¹ng nh- trªn h×nh 2.50.
M· b¶n tin Tr-êng tin M· b¶n tin tham kh¶o M· ph¸t hiÖn lçi
H×nh 2.50 Format b¶n tin kiÓu 2 (SPC, LOC  CLP)
* M· b¶n tin vµ m· ph¸t hiÖn lçi: còng gièng cña b¶n tin lo¹i 1 nh-ng
h-íng nhËn cña nã ng-îc l¹i.
* M· b¶n tin tham kh¶o: ChØ ra m· b¶n tin cña b¶n tin tõ CLP mµ b¶n tin
kiÓu 2 nµy phóc ®¸p.
* Tr-êng tin: Chøa th«ng tin phóc ®¸p lµ c¸c m· víi c¸c ý nghÜa nh-
tuyÕn ®· thiÕt lËp, tuyÕn ®· ®¨ng ký , b¶n tin võa nhËn bÞ lçi, kh«ng t×m ®-îc
®-êng dÉn theo yªu cÇu...
b. TruyÒn sè liÖu ®iÒu khiÓn tõ SPC hoÆc LOC tíi bé nhí ®iÒu khiÓn C-
MEM cña c¸c bé chuyÓn m¹ch.
C¸c bé ®iÒu khiÓn tuyÕn tho¹i SPC hoÆc bé ®iÒu khiÓn vïng khi nhËn
®-îc b¶n tin lo¹i 1 sÏ xö lý vµ chuyÓn ®æi nã thµnh sè liÖu ®iÒu khiÓn ®Ó göi tíi
tõng ®¬n vÞ ®iÒu khiÓn chuyÓn m¹ch cña c¸c bé chuyÓn m¹ch thêi gian vµ chuyÓn
m¹ch kh«ng gian cã liªn quan tíi yªu cÇu chuyÓn m¹ch ®ã. Nh×n chung sè liÖu
®iÒu khiÓn thÓ hiÖn râ ®Þa chØ mµ sè liÖu ®iÒu khiÓn cÇn ®-îc ghi vµo vµ b¶n th©n
sè liÖu ®ã. Tuú theo cÊu tróc khèi chuyÓn m¹ch mµ sè liÖu ®iÒu khiÓn cã khu«n
d¹ng kh¸c nhau. D-íi ®©y ®-a ra khu«n d¹ng sè liÖu ®iÒu khiÓn cho cÊu tróc
T-S-T nh- lµ mét vÝ dô cho lo¹i b¶n tin kiÓu 3.
TÇng chuyÓn m¹ch thêi
gian ®Çu vµo ITXB
TÇng chuyÓn m¹ch kh«ng
gian SXB
TÇng chuyÓn m¹ch thêi
gian ®Çu ra OTXB
§Þa
chØ
bé
nhí
C-MEM
Ng¨n
nhí
C-MEM
Sè
liÖu
®iÒu
khiÓn
Bit
B
Bit
P
§Þa
chØ
cét
C-MEM
§Þa
chØ
ng¨n
nhí
C-MEM
Sè
liÖu
®iÒu
khiÓn
Bit
P
§Þa
chØ
bé
nhí
C-MEM
Ng¨n
nhí
C-MEM
Sè
liÖu
®iÒu
khiÓn
Bit
B
Bit
P
H×nh 2.51. Khu«n d¹ng b¶n tin kiÓu 3 (T-S-T)
Nh×n vµo khu«n d¹ng cña b¶n tin kiÓu 3 ta thÊy ®èi víi mçi tÇng chuyÓn
m¹ch sè liÖu ®iÒu khiÓn tõ SPC hoÆc LOC thÓ hiÖn:
* §Þa chØ cña bé nhí C-MEM (®ã chÝnh lµ ®Þa chØ bé chuyÓn m¹ch IT
hoÆc bé nhí C-MEM IT cña tÇng vµo, ®Þa chØ cét C-MEM S trong tÇng chuyÓn
m¹ch kh«ng gian, ®Þa chØ bé chuyÓn m¹ch OT hoÆc bé nhí C-MEM OT cña tÇng
ra)
* §Þa chØ ng¨n nhí trªn C-MEM.
* Néi dung sè liÖu ®iÒu khiÓn sÏ ghi vµo ng¨n nhí ®ã.
Khi chän lo¹i bé chuyÓn m¹ch phï hîp ë c¸c tÇng chuyÓn m¹ch cho mçi
cÊu tróc vµ chän thêi ®iÓm ghi thÝch hîp th× ®Þa chØ ng¨n nhí cã thÓ bá qua. VÝ dô
víi cÊu tróc T-S-T nÕu tÇng vµo sö dông lo¹i T-SWRR cßn tÇng ra dïng lo¹i
T-RWSR (xem môc 2.7.3a) th× víi mét yªu cÇu chuyÓn m¹ch d¹ng:
Chi PCMP  Chj PCMQ''
vµ nÕu chän khe thêi gian trung gian TSK ®Ó phôc vô yªu cÇu nµy th× sÏ cã c¸c
thao t¸c:
TÇng ITXB: Chi PCMP  Chk PCMP'
§iÒu khiÓn: C-MEM ITP ng¨n k ghi [i]
TÇng SXB: Chk PCMP'  Chk PCMQ*
§iÒu khiÓn: Cét Q CMEMS ng¨n k ghi [P]
TÇng OTXB: Chk PCMQ*  Chj PCMQ”
§iÒu khiÓn: CMEM OTQ ng¨n k ghi [j]
nghÜa lµ víi c¸ch lùa chän cÊu tróc nh- trªn th× sè liÖu ®iÒu khiÓn sÏ ®-îc ghi vµo
c¸c ng¨n nhí cã cïng ®Þa chØ trong c¸c bé nhí CMEM tÇng ITXB, SXB vµ OTXB
cho mçi yªu cÇu chuyÓn m¹ch vµ nÕu chän c¸ch ghi c¸c sè liÖu nµy vµo c¸c ng¨n
nhí ®iÒu khiÓn ®ã t¹i khe thêi gian trïng víi ®Þa chØ ng¨n nhí th× tr-êng ®Þa chØ
®ã kh«ng cÇn thiÕt trong sè liÖu ®iÒu khiÓn do vËy mµ trong khu«n d¹ng b¶n tin
lo¹i 3 cã thÓ bá 3 tr-êng ®Þa chØ ng¨n nhí CMEM.
*Tr-êng bit B trong khu«n d¹ng b¶n tin kiÓu 3 cã mét vµi t¸c dông: Dïng
trong chän tuyÕn (xem phÇn 7.3.1) thÓ hiÖn tr¹ng th¸i bËn, rçi cña kªnh ®Çu ra
®èi víi T-SWRR, hoÆc cña kªnh ®Çu vµo ®èi víi T-RWSR ®Ó khi chän tuyÕn kh«ng
chän vµo ®ã n÷a nÕu B = 0. Dïng trong ®iÒu khiÓn chuyÓn m¹ch: BÝt B cã thÓ
®-îc dïng víi nghÜa chØ thÞ néi dông trong ng¨n nhí ®ã cã t¸c dông ®iÒu khiÓn
nÕu B = 0 cßn nÕu B = 1 th× néi dông trong ng¨n nhí ®ã kh«ng cã t¸c dông ®iÒu
khiÓn thao t¸c chuyÓn m¹ch. Nh- vËy c¸c gi¸ trÞ cña c¸c tæ hîp m· ®Òu cã thÓ
®-îc dïng vµ t¸c dông cña nã phô thuéc bÝt B. VÝ dô ®èi víi chuyÓn m¹ch T-
SWRR bit B ®-îc ®-a cïng c¸c bÝt néi dung kh¸c trong ng¨n nhí C-MEM cho
thÊy c¸c bÝt néi dung ®ã cã lµ ®Þa chØ ®Ó ®äc ng¨n nhí T-MEM kh«ng, cßn ®èi
víi T-RWSR th× thÓ hiÖn lµ c¸c bÝt néi dung ®ã cã lµ ®Þa chØ ®Ó ghi tõ m· PCM ®Çu
vµo vµo ng¨n nhí t-¬ng øng cña T-MEM trong khe thêi gian ®ã kh«ng. Ngoµi ra
bÝt B nµy cßn ®-îc sö dông ®Ó kÕt hîp ®iÒu khiÓn cét hoÆc hµng cña chuyÓn
m¹ch S, tøc lµ nÕu S ®iÒu khiÓn theo cét (theo ®Çu ra) th× mçi gi¶i m· cét
CMEMS ®-îc nèi ®Õn ®Çu B cña CMEM cña T-RWSR nh- h×nh 2.52.
Trong tr-êng sè liÖu ®iÒu khiÓn cña CMEM S kh«ng cã bÝt B vµ v× thÕ c¸c
bé gi¶i m· cña c¸c cét CMEM S (hoÆc c¸c hµng) ®-îc ®iÒu khiÓn bëi bÝt B cña
c¸c chuyÓn m¹ch T t-¬ng øng víi c¸c cét ë ®Çu ra (hoÆc c¸c T t-¬ng øng víi c¸c
hµng ë ®Çu vµo).
NÕu trong cÊu tróc T-S-T dïng bé chuyÓn m¹ch kh«ng gian lo¹i ®iÒu khiÓn theo
cét (theo ®Çu ra) th× khi ®ã bÝt B cña chuyÓn m¹ch ®Çu ra OTx sÏ võa ®-îc dïng
®Ó ®iÒu khiÓn chÝnh b¶n th©n bé chuyÓn m¹ch OTx võa ®-îc dïng ®Ó ®iÒu khiÓn
bé gi¶i m· cét x CMEM S, nghÜa lµ ®iÒu khiÓn cho phÐp ho¹t ®éng chuyÓn m¹ch
qua cét x cña chuyÓn m¹ch kh«ng gian S. (xem h×nh 2.52 vµ h×nh 2.53)
NÕu bé chuyÓn m¹ch kh«ng gian lo¹i ®iÒu khiÓn theo hµng (theo ®Çu vµo)
®-îc dïng ë tÇng SXB trong cÊu tróc T-S-T th× khi ®ã bÝt B cña chuyÓn m¹ch ®Çu
vµo ITx sÏ ®-îc dïng ®Ó ®iÒu khiÓn cho phÐp ho¹t ®éng chuyÓn m¹ch qua hµng x
cña chuyÓn m¹ch kh«ng gian S.
H×nh 2.52 VÝ dô sö dông bÝt B cña chuyÓn m¹ch T ®Ó ®iÒu khiÓn chuyÓn m¹ch S.
* BÝt P dïng ®Ó kiÓm tra ph¸t hiÖn lçi theo ph-¬ng ph¸p ch½n lÎ khi truyÒn
c¸c th«ng tin ®iÒu khiÓn ®Õn c¸c bé chuyÓn m¹ch.
Nh- vËy ta h×nh dung tõ SPC hoÆc LOC sÏ cã c¸c cÆp Bus ®Þa chØ ®Ó x¸c
®Þnh bé nhí vµ ng¨n nhí CMEM vµ bus d÷ liÖu (D÷ liÖu gåm Sè liÖu ®iÒu
Bé
chuyÓn m¹ch
kh«ng gian
®iÒukhiÓn
theo cét
Pcm0 Pcm0’ Pcm0”
PcmP PcmP* PcmP”
PcmQ PcmQ* PcmQ”
PcmN-1 PcmN-1* PcmN-1”
Chi Chh
Chj
Chj Chk
Chi
IT0
ITP
ITQ
ITN-1
Pcm0
PcmP’
PcmQ’
PcmN-1’
Chk
Chh

OT0
OTP
OTQ
OTN-1


itxb otxb
sxb

Bit B
Bit B
Bit B
Bit B
em
dr.
ter
t-mem
0
c-mem
0
addr.
Bit
B
Addr.
Filter
W
spc
clp
t-mem
N-1
addr.
Bit
B
Addr.
Bus
ITXB
Data
Bus
(CMEM
Contents)
for
Incoming
Time
Switches
Addr.
Bus
ITXB
W
c-mem
N-1
Addr.
Filter
Data
Bus
(CMEM
Contents)
for
columns
of
Space
Switch
Addr.
Bus
SXB
Addr.
Bus
SXB
Addr.
Bus
OTXB
Addr.
Bus
¤TXB
c-mems
Col.0
addr.
Addr.
Filter
W
dec 0
Addr.
Filter
W
c-mems
Col. N-1
addr.
dec N-1
Matrix
of
Space
Switch
Data
Bus
(CMEM
Contents)
for
Incoming
Time
Switches
t-mem
0
c-mem
0
Addr.
Filter
W
t-mem
N-1
addr.
Bit
B
W
c-mem
N-1
Addr.
Filter
addr.
Bit
B
H×nh 2.53. TruyÒn sè liÖu ®iÒu khiÓn tõ SPC tíi CMEM cña c¸c bé chuyÓn m¹ch.
khiÓn+B +P) dÉn tíi tõng tÇng chuyÓn m¹ch. ViÖc ph©n bæ d÷ liÖu vµo tõng
CMEM do m¹ch logic läc ®Þa chØ ®Ó t¹o ra xung W ghi sè liÖu vµo CMEM t-¬ng
øng.
Trªn h×nh 2.53 chØ ®-a ra m« h×nh truyÒn c¸c th«ng tin ®iÒu khiÓn tõ SPC
®Õn c¸c bé chuyÓn m¹ch thêi gian ®Çu vµo ITXB, bé chuyÓn m¹ch kh«ng gian
SXB vµ c¸c bé chuyÓn m¹ch thêi gian ®Çu ra OTXB cña cÊu tróc tr-êng chuyÓn
m¹ch 3 kh©u T-S-T. C¸c cÊu tróc chuyÓn m¹ch kh¸c nhau sÏ yªu cÇu nh÷ng m«
h×nh tæ chøc ®iÒu khiÓn t-¬ng øng, tuy nhiªn chóng gièng nhau vÒ nguyªn t¾c
chung vÒ viÖc ph©n phèi c¸c th«ng tin ®iÒu khiÓn ®ã.
ch-¬ng III. Tæ chøc c¸c ph©n hÖ trong tæng ®µi SPC
Trong ch-¬ng I chóng ta ®· xem xÐt mét c¸ch tæng qu¸t cÊu tróc cña tæng
®µi SPC. VÒ c¬ b¶n ®· ®Ò cËp tíi chøc n¨ng cña c¸c ph©n hÖ trong mét tæng ®µi
sè ®iÒu khiÓn theo ch-¬ng tr×nh ghi s½n (SPC). Trong ch-¬ng nµy chóng ta sÏ ®i
s©u t×m hiÓu tæ chøc cña c¸c ph©n hÖ trong tæng ®µi SPC chuyÓn m¹ch sè vµ xem
xÐt c¸c gi¶i ph¸p øng dông trong c¸c ph©n hÖ ®ã.
3.1 Ph©n hÖ øng dông (Application Subsystem)
Chøc n¨ng c¬ b¶n cña mét tæng ®µi lµ chuyÓn m¹ch c¸c cuéc gäi. C¸c kü
thuËt chuyÓn m¹ch chñ yÕu cña mét tæng ®µi chuyÓn m¹ch kªnh ®· ®-îc ®Ò cËp
trong c¸c ch-¬ng II. §èi t-îng phôc vô cña c¸c tæng ®µi lµ c¸c thiÕt bÞ ®Çu cuèi,
chóng ph¶i liªn kÕt víi c¸c thiÕt bÞ chuyÓn m¹ch ®Ó hoµn chØnh chøc n¨ng cña
tæng ®µi. Trong môc nµy ®Ò cËp tíi kÕt cuèi t¹i tæng ®µi chuyÓn m¹ch sè ®èi víi
c¸c thiÕt bÞ giao tiÕp kh¸c nhau nh- : ®-êng thuª bao t-¬ng tù, ®-êng thuª bao
sè, ®-êng trung kÕ t-¬ng tù, ®-êng truyÒn dÉn sè.
C¸c tæng ®µi néi h¹t cung cÊp ®Çy ®ñ 4 lo¹i kÕt cuèi, c¸c tæng ®µi chuyÓn
tiÕp (tæng ®µi cöa quèc tÕ, tæng ®µi ®-êng dµi) chØ cã kÕt cuèi ®-êng trung kÕ
t-¬ng tù, kÕt cuèi ®-êng truyÒn dÉn sè. C¸c lo¹i kÕt cuèi nµy ®-îc cung cÊp ë
ph©n hÖ øng dông cña tæng ®µi vµ chÝnh v× thÕ ph©n hÖ nµy lµ n¬i khai th¸c c¸c
tÝnh n¨ng dÞch vô cña tæng ®µi.
3.1.1 KÕt cuèi c¸c ®-êng thuª bao.
a. Tæng quan vÒ kÕt cuèi c¸c ®-êng thuª bao.
§-êng d©y thuª bao nèi thiÕt bÞ ®Çu cuèi (TB§C) cña ng-êi sö dông víi
tæng ®µi. Nh- thÕ TB§C lµ kÕt cuèi cña ®-êng d©y thuª bao phÝa ng-êi sö dông,
cßn m¹ch ®iÖn trong tæng ®µi mµ ®-êng d©y thuª bao nèi ®Õn nã lµ kÕt cuèi cña
®-êng d©y thuª bao ®ã phÝa tæng ®µi.
Nh- vËy mçi ®-êng d©y thuª bao (®«i d©y) ®-îc nèi tíi tæng ®µi t-¬ng
øng víi mét m¹ch ®iÖn ®-êng d©y thuª bao- m¹ch ®iÖn kÕt cuèi ®-êng d©y thuª
bao hay m¹ch ®iÖn giao tiÕp ®-êng d©y thuª bao (SLIC - Subsribers Line
Interface Circuit ). Trong c¸c tæng ®µi néi h¹t c¸c SLIC chiÓm thÓ tÝch phÇn cøng
chñ yÕu vµ lµ phÇn cøng khã nhÊt do c¸c lý do:
- Ph¶i cã kh¶ n¨ng truyÒn nhiÒu lo¹i tÝn hiÖu cho nhiÒu chøc n¨ng : cÊp
nguån mét chiÒu cho TB§C, cÊp dßng chu«ng xoay chiÒu ®iÖn ¸p lín, truyÒn
c¸c tÝn hiÖu b¸o hiÖu ©m tÇn, c¸c tÝn hiÖu mang tin tøc, c¸c tÝn hiÖu dïng cho
chøc n¨ng b¶o vÖ, kiÓm thö.
- ChiÒu dµi ®-êng d©y kh¸c nhau dÉn ®Õn c¸c tham sè ®iÖn còng thay ®æi
trong d¶i kh¸ réng v× vËy m¹ch giao tiÕp ®-êng d©y thuª bao ph¶i cã kh¶ n¨ng tù
®iÒu chØnh c¸c chÕ ®é ho¹t ®éng ®Ó phèi hîp víi tõng ®-êng d©y cô thÓ ®¶m b¶o
chÊt l-îng dÞch vô.
- Sù ®a d¹ng cña thiÕt bÞ ®Çu cuèi vµ c¸c thuª bao kh¸c nhau, vÝ dô : c¸c
thuª bao chñ yÕu vÉn dïng TB§C t-¬ng tù, tuy nhiªn còng b¾t ®Çu cã c¸c thiÕt
bÞ sè, thuª bao cã thÓ lµ ®-êng tæng ®µi c¬ quan (PABX) hoÆc c¸c tr¹m c«ng
céng.
- Sù phøc t¹p cña m¹ng : C¸c thiÕt bÞ ®Çu cuèi cã thÓ hiÖn ®¹i mµ còng cã
thÓ lµ c¸c thµnh phÇn cña hÖ thèng cò.
VÊn ®Ò lµ ph¶i ®-a ra chØ mét hoÆc mét vµi lo¹i m¹ch giao tiÕp cã thÓ ¸p
dông víi c¸c lo¹i thuª bao vµ c¸c thiÕt bÞ ®Çu cuèi kh¸c nhau ®Ó ®-a l¹i gi¸ thµnh
hîp lý cho ph©n hÖ øng dông.
C¸c lo¹i thuª bao hay ®Çu cuèi cÇn kÕt cuèi trªn mét tæng ®µi gåm:
1. C¸c ®-êng t-¬ng tù :
- §-êng thuª bao trùc tiÕp : ThiÕt bÞ ®iÖn tho¹i chuÈn cã chu«ng,
b¸o hiÖu d¹ng xung LD (Loop Disconnection) hoÆc b¸o hiÖu ®a tÇn
MF (Multifrequency).
- §-êng tæng ®µi c¬ quan : PABX (Private Automation Branch
Exchange) b¸o hiÖu LD hoÆc MF.
- §-êng thuª bao c«ng céng b¸o hiÖu LD hoÆc MF vµ c¸c ph-¬ng
thøc b¸o hiÖu kÌm theo ®Ó truyÒn th«ng tin tÝnh c-íc.
- ThiÕt bÞ phô : TruyÒn th«ng tin ®iÒu khiÓn ®ång hå c-íc t¹i thuª bao.
2- C¸c ®-êng sè
- §-êng thuª bao sè : ISDN ( Integrated Services Digital Network) truy
cËp c¬ b¶n (Basic Rate Interface)
- §-êng PABX : ISDN truy cÊp s¬ cÊp (Primary Rate Interface)
1.5Mbps hoÆc 2 Mbps qua c¸c hÖ thèng truyÒn dÉn sè.
b. KÕt cuèi c¸c ®-êng thuª bao t-¬ng tù (Analog line)
M¹ch kÕt cuèi ®-êng thuª bao t-¬ng tù cßn gäi lµ m¹ch giao tiÕp ®-êng
d©y thuª bao ( SLIC- Subscribers Line Interface Circuit) hoÆc (SLTU -
Subscribers Line Terminating Unit) thùc hiÖn 7 chøc n¨ng c¬ b¶n BOCHTRS ®ã
lµ : Battery Feed, Over Voltage Protection, Codec, Hybrid, Testing, Ringing,
Supervision; nghÜa lµ: CÊp nguån, chèng qu¸ ¸p, m· ho¸ vµ gi¶i m·, ghÐp biÕn ¸p
sai ®éng, kiÓm tra ®o thö( kiÓm thö), chu«ng vµ gi¸m s¸t. S¬ ®å chøc n¨ng SLIC
®-îc m« t¶ trªn h×nh 3.1
H×nh 3.1 : S¬ ®å khèi cña m¹ch ®iÖn giao tiÕp ®-êng d©y thuª bao t-¬ng tù
.
+ Chøc n¨ng cÊp nguån cho thiÕt bÞ ®Çu cuèi.
§a sè c¸c TB§C t-¬ng tù nèi víi c¸c ®-êng d©y thuª bao cña tæng ®µi sö
dông nguån chung cÊp tõ tæng ®µi.
Nguån ®iÖn mét chiÒu tõ tæng ®µi qua m¹ch cÊp nguån trong SLIC ®-îc
®-a qua ®-êng d©y thuª bao ®Õn TB§C ®Ó cÊp cho c¸c bé biÕn ®æi tin tøc nh-
Microphone, tai nghe, c¸c bé khuÕch ®¹i vµ c¸c thµnh phÇn linh kiÖn kh¸c trong
thiÕt bÞ ®Çu cuèi.
Dßng ®iÖn nµy ph¶i ®ñ lín ®Ó ®ñ cung cÊp cho c¸c bé phËn cña TB§C
ho¹t ®éng, th«ng th-êng kho¶ng 20-100mA. M¹ch cÊp nguån trong SLIC v× vËy
ph¶i ®¶m b¶o c-êng ®é dßng ®iÖn trong kho¶ng cho phÐp khi trë kh¸ng m¹ch
vßng ®-êng thuª bao (gåm trë kh¸ng vµo cña TB§C vµ ®iÖn trë ®«i d©y dÉn) thay
®æi trong kho¶ng vµi tr¨m  ®Õn 1800. §ång thêi víi ®iÖn ¸p cÊp nguån, c¸c
tÝn hiÖu kh¸c còng ®-îc truyÒn trªn cïng ®«i d©y, v× vËy m¹ch cÊp nguån ph¶i
®¶m b¶o ph©n c¸ch vÒ mÆt tÝn hiÖu, nghÜa lµ ng¨n kh«ng cho nã xuyªn qua
nguån, ¶nh h-ëng tíi m¹ch kh¸c còng nh- lµm suy hao chÝnh b¶n thµnh tÝn hiÖu
truyÒn trªn ®«i d©y ®ã.
Ngoµi ra, m¹ch ®iÖn ®-êng d©y cña c¸c thuª bao ph¶i ph©n c¸ch nhau vÒ
thµnh phÇn mét chiÒu (DC) ®Ó ®¶m b¶o c¸c ®-êng d©y thuª bao cã m¹ch cÊp
nguån ®éc lËp nh»m tr¸nh hiÖn t-îng ng¾n m¹ch bëi c¸c ®-êng thuª bao trë
kh¸ng thÊp vµ ®¶m b¶o chøc n¨ng gi¸m s¸t tr¹ng th¸i cña mçi ®-êng thuª bao.
§iÖn ¸p cung cÊp cho ®-êng d©y thuª bao th«ng th-êng lµ 50VDC hoÆc

R¬ le
kiÓm
thö
T
R¬ le
ph¸t
chu«ng
R
B¶o vÖ
thø
cÊp
O
CÊp
nguån
B
Gi¸m
s¸t
S
M· ho¸
Gi¶i
mux&demux
PCMin
PCMout
Syn
H C
Scanner
Battery
R.Bus
T.Bus
PD
24VDC qua t¶i ®èi xøng, ph©n c¸ch mét chiÒu b»ng tô nh- h×nh 3.2.
H×nh 3.2 : Chøc n¨ng B-cÊp nguån
+ Chøc n¨ng chèng qu¸ ¸p (0 - over voltage protection).
Hai nguyªn nh©n c¬ b¶n cã thÓ g©y ra qu¸ ¸p, qu¸ dßng lµm háng c¸c thiÕt
bÞ cña tæng ®µi ®ã lµ n¨ng l-îng sÐt vµ rß ®iÖn c«ng nghiÖp vµo ®-êng d©y. §Ó
b¶o vÖ c¸c thiÕt bÞ cña tæng ®µi, tÝnh m¹ng cña ng-êi vËn hµnh vµ cña ng-êi sö
dông th× trªn ®-êng d©y cÇn ¸p dông c¸c ph-¬ng ph¸p chèng sÐt, cßn bªn trong
tæng ®µi mçi ®-êng d©y thuª bao cã mét m¹ch b¶o vÖ ngay t¹i gi¸ phèi d©y chÝnh
(MFD - Main Distribution Frame) bao gåm ®Ìn chèng sÐt (ng-ìng 250V) vµ cÇu
ch× t¸c ®ång nhanh - ®©y lµ m¹ch b¶o vÖ s¬ cÊp. §èi víi c¸c tæng ®µi ®iÖn tö cÇn
cã thªm mét m¹ch thø cÊp trªn c¬ së mét m¹ch ®iÖn tö ®Ó b¶o vÖ qu¸ ¸p do v× c¸c
linh kiÖn ®iÖn tö nh¹y c¶m víi qu¸ ¸p, qu¸ dßng v× vËy m¹ch b¶o vÖ thø cÊp nµy
®¶m b¶o møc ®é an toµn cao h¬n, nh¹y c¶m vµ t¸c ®éng nhanh.
H×nh 3.3 : Nguyªn lý cÊp chu«ng vµ bè trÝ c¸c m¹ch b¶o vÖ
+

b
b
-
PhÝa ®-êng d©y PhÝa tæng ®µi
+

b
b
-
R¬le chu«ng
M¹ch b¶o vÖ
thø cÊp
F1
F2
D
Nguån
chu«ng
M¹ch b¶o vÖ
s¬ cÊp
+ Chøc n¨ng chu«ng ( R - ringing)
§©y lµ mét trong c¸c tÝn hiÖu b¸o hiÖu ®-êng d©y thuª bao ®-îc ph¸t tíi
®-êng d©y thuª bao bÞ gäi trong kho¶ng thêi gian ng¾n vµ lÆp l¹i ®Ó rung chu«ng
trong m¸y ®iÖn tho¹i chuÈn. TÝn hiÖu chu«ng dïng ®iÖn ¸p xoay chiÒu
70-110V/16-50Hz, dßng ®Õn 200 mA, ph¸t theo nhÞp. §©y lµ tÝn hiÖu ®iÖn ¸p cao,
dßng lín so víi c¸c tÝn hiÖu ©m tÇn kh¸c v× vËy nã th-êng ®-îc ph¸t lªn ®-êng
d©y qua r¬le khi ®· ng¾t c¸c m¹ch ®iÖn kh¸c, nh- m« t¶ trªn h×nh 3.3.
TÝn hiÖu ®-îc ph¸t ra ®-êng d©y thuª bao bÞ gäi theo nhÞp (th-êng lµ 1s
ph¸t 4s nghØ). CÇn cã m¹ch kiÓm so¸t dßng chu«ng ®Ó ph¸t hiÖn thêi ®iÓm thuª
bao bÞ gäi nhÊc tæ hîp ®Ó ng¾t tÝn hiÖu chu«ng. Khi thuª bao bÞ gäi nhÊc tæ hîp
trong kho¶ng 1s ®ang ph¸t chu«ng hay trong kho¶ng 4s nghØ th× ph¶i dõng ngay
viÖc ph¸t tÝn hiÖu chu«ng lªn ®-êng d©y cña thuª bao ®ã.
+ Chøc n¨ng gi¸m s¸t ( S -Supervisory) qu¶n lý.
C¸c tæng ®µi qu¶n lý cña mçi m¹ch giao tiÕp thuª bao mét c¸ch liªn tôc ®Ó
bÊt kú mét thay ®æi nµo vÒ tr¹ng th¸i còng ®Òu bÞ ph¸t hiÖn, xö lý vµ t¹o ra ph¶n
øng thÝch hîp. §èi víi c¸c thuª bao analog nãi chung, ho¹t ®éng qu¶n lý gi¸m s¸t
tr¹ng th¸i ®-îc thùc hiÖn b»ng viÖc gi¸m s¸t tr¹ng th¸i m¹ch vßng cña ®-êng d©y
thuª bao : kÝn hay hë, cã hay kh«ng cã dßng ®iÖn m¹ch vßng. KÕt hîp ®iÒu kiÖn
nhÞ ph©n nµy víi yªu tè thêi gian (sù kÕ tiÕp cña c¸c tr¹ng th¸i vµ thêi gian tõng
tr¹ng th¸i) cã thÓ suy ra c¸c chÕ ®é hiÖn t¹i cña thuª bao. §iÒu nµy ®-îc thÓ hiÖn
trong b¶ng 3.1 d-íi ®©y.
B¶ng 3.1 C¸c chÕ ®é cña thuª bao
Ho¹t ®éng thuª bao §iÒu kiÖn m¹ch vßng Tr¹ng th¸i
Rçi M¹ch vßng hë I0= 0mA Rçi ( ®Æt tæ hîp)
Thuª bao gäi
1. NhÊc tæ hîp -M¹ch vßng chuyÓn tõ hë
sang kÝn I0=(2070mA)
- Khëi ®éng cuéc gäi
2 .Quay sè -Xung hë/xung kÝn lu©n
phiªn (Break/Mark)
- Chän sè d¹ng xung
(Break<100ms)
3. Th«ng tho¹i - M¹ch vßng kÝn liªn tôc - NhÊc tæ hîp liªn tôc
4. KÕt thóc -Tõ kÝn sang hë m¹ch vßng
tH>100ms.
- ChuyÓn sang rçi
Thuª bao bÞ gäi
1. §ang chu«ng M¹ch vßng hë I0= 0mA
Dßng chu«ng I (200mA)
BËn- ®ang chu«ng
2. NhÊc tæ hîp tr¶
lêi
- M¹ch vßng chuyÓn tõ hë
sang kÝn I0=(2070mA)
- Dßng chu«ng I t¨ng
Tr¶ lêi cuéc gäi
3. Th«ng tho¹i - M¹ch vßng kÝn liªn tôc - NhÊc tæ hîp liªn tôc
4. KÕt thóc -Tõ kÝn sang hë m¹ch vßng
tH>100ms.
- ChuyÓn sang rçi
Trong c¸c tæng ®µi SPC tr¹ng th¸i cña c¸c m¹ch ®iÖn kÕt cuèi ®-îc qu¶n lý
bëi mét bé quÐt (Scanner) cña bé ®iÒu khiÓn vïng (loc). M¹ch t¹o tÝn hiÖu
tr¹ng th¸i th-êng ®-îc nèi tiÕp víi m¹ch cÊp nguån. TÝn hiÖu tr¹ng th¸i cña
m¹ch ®iÖn kÕt cuèi thuª bao t-¬ng tù trong tæng ®µi chuyÓn m¹ch sè cßn
tham gia vµo viÖc ®iÒu khiÓn bé CODEC cña chÝnh thuª bao ®ã.
+ Chøc n¨ng kiÓm thö ( T- Testing)
KiÓm tra c¸c chøc n¨ng vµ ®o thö c¸c tham sè nh- kiÓm tra m¹ch ph¸t
chu«ng cho thuª bao, ph¶n øng cña c¸c thiÕt bÞ tæng ®µi víi c¸c thay ®æi tr¹ng
th¸i ®-êng d©y, ®o trë kh¸ng ®-êng d©y, do dßng, do ¸p ë c¸c tr¹ng th¸i kh¸c
nhau. Th«ng th-êng trong c¸c tæng ®µi lín dïng tr-êng chuyÓn m¹ch kh«ng gian
t-¬ng tù ®Ó nèi c¸c ®-êng thuª bao víi c¸c thiÕt bÞ ®o dïng chung. Qu¸ tr×nh
kiÓm tra, ®o thö ®-îc lËp tr×nh tiÕn hµnh t¹i c¸c thêi ®iÓm Ýt sö dông vµ ®-îc tiÕn
hµnh tù ®éng. Khi cÇn cã thÓ ®o kiÓm nh©n c«ng.
+ Chøc n¨ng ghÐp sai ®éng biÕn ¸p (H- Hybrid Transformer).
§a sè c¸c thuª bao hiÖn nay lµ thuª bao 2 d©y, nghÜa lµ TB§C ®-îc nèi tíi
tæng ®µi b»ng 2 d©y vµ tÝn hiÖu truyÒn trªn chóng theo c¶ hai h-íng (song c«ng).
Bªn trong tæng ®µi tÝn hiÖu ®-îc truyÒn theo tõng h-íng riªng, nghÜa lµ dïng
ph-¬ng ph¸p 4 d©y (2 d©y ph¸t, 2 d©y thu), viÖc chuyÓn tõ kiÓu 2 d©y thµnh kiÓu
4 d©y ®-îc thùc hiÖn t¹i m¹ch giao tiÕp ®-êng d©y vµ th-êng b»ng c¸ch dïng
biÕn ¸p sai ®éng.
H×nh 3.4 m« t¶ chøc n¨ng nµy cña c¸c m¹ch giao tiÕp thuª bao t-¬ng tù.
Yªu cÇu cña chøc n¨ng nµy lµ m¹ch lai ph¶i cã suy hao truyÒn dÉn theo c¶ hai
h-íng nh- nhau vµ kh«ng v-ît qu¸ ng-ìng cho phÐp, ®ång thêi khö ®-îc tiÕng
déi Echo.
H×nh 3.4 Chøc n¨ng sai ®éng Hybrid Transformer
+. Chøc n¨ng- M· ho¸ vµ gi¶i m· C-Codec
Chøc n¨ng nµy t¹o nÒn t¶ng mét tæng ®µi chuyÓn m¹ch sè. C¸c tin tøc tõ
thiÕt bÞ ®Çu cuèi ng-êi sö dông ph¶i ®-îc sè ho¸ tr-íc khi ®-a vµo chuyÓn m¹ch
vµ nh- thÕ míi t¹o kh¶ n¨ng chuyÓn m¹ch c¸c tin tøc ®ã b»ng c¸c chuyÓn m¹ch
sè. C¸c tÝn hiÖu d¹ng sè sau chuyÓn m¹ch vµ truyÒn dÉn ph¶i ®-îc gi¶i m· trë l¹i
tr-íc khi ®-a tíi thiÕt bÞ ®Çu cuèi ng-êi sö dông. Nh÷ng thao t¸c nµy gäi chung lµ
m· ho¸ vµ gi¶i m· C.
Trong thêi kú ®Çu cña PCM ng-êi ta dïng bé m· ho¸ vµ gi¶i m· PCM
chung cho tÊt c¶ 24 hay 30 kªnh d-íi d¹ng nhãm. Theo c¸ch nµy, c¸c thuª bao
analog trong tõng nhãm ®-îc tËp trung qua mét bé chuyÓn m¹ch kh«ng gian
analog hoÆc chuyÓn m¹ch thêi gian cho tÝn hiÖu PAM. Bé m· ho¸ vµ gi¶i m·
PCM kiÓu nµy ®-îc x©y dùng tõ c¸c linh kiÖn rêi, gi¸ thµnh rÊt cao. N¨m 1978 bé
Codec ®¬n gåm c¶ m· ho¸, gi¶i m· vµ bé läc mét kªnh d-íi d¹ng m¹ch tÝch hîp
VLSI xuÊt hiÖn lµm gi¸ thµnh thùc hiÖn chøc n¨ng m· ho¸ vµ gi¶i m· gi¶m ®¸ng
kÓ. Sau nµy trong mçi chip codec ®¬n ngoµi bé m· ho¸, gi¶i m·, bé läc tiÒn lÊy
mÉu, bé läc sau kh«i phôc cßn cã c¸c m¹ch logic ®iÒu khiÓn lµm cho tÝnh n¨ng
cña nã cµng hoµn thiÖn vµ viÖc sö dông cµng thuËn tiÖn. Còng chÝnh v× gi¸ thµnh
cña c¸c chip CODEC ®-îc gi¶m ®¸ng kÓ nªn ngµy nay ng-êi ta th-êng thiÕt kÕ
mçi m¹ch kÕt cuèi ®-êng d©y thuª bao t-¬ng tù cã mét CODEC riªng.
H×nh 3.5. cho thÊy c¸c pin c¬ b¶n cña mçi codec th«ng dông. PhÝa
®-êng thuª bao cã c¸c ch©n vµo vµ ra cña tÝn hiÖu t-¬ng tù Ain, Aout, phÝa chuyÓn
m¹ch cã c¸c ch©n vµo vµ ra cña tÝn hiÖu sè Din, Dout. Ngoµi ra cßn cã c¸c ch©n

M· ho¸
Gi¶i
H CB
slic a
C¸c
khèi
chuyÓn
m¹ch
CB
slic b
H
M· ho¸
Gi¶i

Echo cho ng-êi nãi
Echo cho ng-êi nghe
dïng cho ®iÒu khiÓn vµ ®ång bé nh- m« t¶ d-íi ®©y :
H×nh 3.5 C¸c ch©n c¬ b¶n cña vi m¹ch CODEC
H-íng ph¸t: Ain - ch©n tÝn hiÖu t-¬ng tù vµo, Dout- ch©n tÝn hiÖu PCM ra,
Txsyn- ch©n më bé m· ho¸, ®Þnh khe thêi gian ra cho tÝn hiÖu ë ch©n Dout, Txclock-
ch©n ®-a tÝn hiÖu nhÞp h-íng ph¸t, ®Þnh tèc ®é tÝn hiÖu ra ë ch©n Dout.
H-íng thu: Din- ch©n tÝn hiÖu PCM vµo; Rxsyn- ch©n ®-a tÝn hiÖu më bé
gi¶i m·, ®Þnh khe thêi gian cho tÝn hiÖu vµo ë ch©n Din; Rxclock- ch©n tÝn hiÖu nhÞp
sè liÖu vµo, ®Þnh tèc ®é sè vµo ch©n Din; Aout- ch©n tÝn hiÖu t-¬ng tù ®Çu ra.
C¸c ch©n ®iÒu khiÓn :
- ch©n ®iÒu khiÓn chÕ ®é nguån cña codec; møc logic “1” codec
kh« ng tiªu thô nguån (chÕ ®é Standby); møc "0" codec thùc hiÖn m· ho¸ vµ
gi¶i m·
A/- ch©n chän luËt m· ho¸ A hoÆc .
C¸c ch©n nguån: Vcc
+
, Vss
-
, GND
Ngoµi ra cßn cã thÓ cã c¸c ch©n cho c¸c linh kiÖn ngoµi cña bé läc RC.
c. KÕt cuèi thuª bao sè:
V× mét sè lý do kü thuËt, kinh tÕ mµ ®a sè c¸c thuª bao cña c¸c tæng ®µi
chuyÓn m¹ch sè hiÖn nay vÉn lµ lo¹i analog, tuy nhiªn còng cã mét sè Ýt c¸c
®-êng thuª bao sè ®· ®-îc ®-a vµo sö dông. C¸c thuª bao nµy ®-îc thùc hiÖn
codec
Ain Dout
Txsyn
Txclock
Din
Rxsyn
Rxclock
Aout
+VCC -VSS
gnd
pd
a/
C¸c ch©n
®Þnh thêi ph¸t
C¸c ch©n
®Þnh thêi thu
PD
d-íi d¹ng truy cËp c¬ b¶n (BRI) cña m¹ng sè liÖu liªn kÕt ®a dÞch vô ISDN. §©y
lµ ®-êng truyÒn dÉn sè tõ vÞ trÝ thuª bao tíi tæng ®µi néi h¹t, nã cã kh¶ n¨ng hç
trî c¸c dÞch vô phi tho¹i (non-voice) còng nh- dÞch vô tho¹i th«ng th-êng. Nã
cung cÊp 2 kªnh 64Kbps ®éc lËp cho t¶i h÷u Ých vµ mét kªnh sè liÖu b¸o hiÖu
kªnh chung 16Kbps. (2B+D)
H×nh 3.6 cho thÊy cÊu tróc cña thiÕt bÞ ®Çu cuèi sè vµ giao tiÕp thuª bao sè
D-SLTU (Digital Subscribers Line Termination Unit).
H×nh 3.6 KÕt cuèi ®-êng d©y thuª bao sè
ThiÕt bÞ ®Çu cuèi cña thuª bao sè ®ãng vai trß mét ®¬n vÞ ®Çu cuèi m¹ng
NTU (Network Termination Unit) thùc hiÖn c¸c chøc n¨ng phèi hîp truyÒn dÉn

codec
Termina
l
Giao
tiÕp
truyÒn dÉn vµ ghÐp kªnh
tx Rx
HÖ
thèng
b¸o
hiÖu
th«ng
®iÖp
thuª
bao
Network
Termination
Unit
(NTU)
Phèi hîp
kiÓm tra
b¶o vÖ
cÊp nguån
Bus kiÓm tra
Nguån
ghÐp kªnh vµ truyÒn dÉn
2b
1 2 3 4 30
29
d HÖ thèng ®iÒu khiÓn
b¸o hiÖu thuª bao
mux& demux
2m
Exchange Termination Unit
(ETU-DSLTU)
144Kbps
PhÝa
PhÝa
2B+D
vµ ghÐp t¸ch kªnh cïng víi c¸c khèi chøc n¨ng thÝch øng ®Çu cuèi TA (Terminal
Adaptor) ®Ó biÕn ®æi tin tøc thµnh tÝn hiÖu sè vµ ng-îc l¹i hoÆc t-¬ng thÝch víi
®Çu cuèi sè liÖu.
Gi÷a thiÕt bÞ ®Çu cuèi sè víi tæng ®µi lµ ®-êng 2B+D, nã ®-îc nèi vµo
m¹ch giao tiÕp thuª bao sè t-¬ng øng (D-SLTU). M¹ch nµy còng cã c¸c khèi
kiÓm thö, b¶o vÖ, cÊp nguån nh- c¸c SLIC cña c¸c thuª bao t-¬ng tù, tuy nhiªn
s¬ ®å chi tiÕt cã nhiÒu kh¸c biÖt. Khèi truyÒn dÉn vµ ghÐp kªnh sè thùc hiÖn c¸c
chøc n¨ng phèi hîp truyÒn dÉn vµ ghÐp t¸ch kªnh ®èi víi hai kªnh tin tøc B
64Kbps vµ kªnh b¸o hiÖu D 16Kbps.
Trong mèi quan hÖ thuª bao-tæng ®µi mét sè chøc n¨ng BOCHTRS ®-îc
chuyÓn ®Õn vÞ trÝ thuª bao sè nh- chøc n¨ng H, C, R ®-îc ®-a ®Õn khèi TA. Chøc
n¨ng S nãi riªng vµ b¸o hiÖu thuª bao nãi chung còng cã nhiÒu thay ®æi, chóng
®-îc trao ®æi d-íi d¹ng th«ng ®iÖp b¸o hiÖu thuª bao trªn kªnh D16Kbps vµ qu¶n
lý c¶ hai kªnh B 64Kbps. Dßng chu«ng còng kh«ng ®-îc cÊp tõ tæng ®µi mµ chØ
cã th«ng ®iÖp b¸o hiÖu tõ tæng ®µi göi tíi NTU qua kªnh b¸o hiÖu sau ®ã TA sÏ
ph¸t dßng chu«ng tíi m¸y ®iÖn tho¹i.
d. Tæ chøc c¸c kÕt cuèi thuª bao
Th«ng th-êng c¸c m¹ch giao tiÕp thuª bao ®-îc chÕ t¹o d-íi d¹ng card-
m¶ng m¹ch (card) gåm vµi m¹ch giao tiÕp. Trong c¸c tæng ®µi lín th-êng cã hai
lo¹i card: lo¹i 8 LC vµ lo¹i 4LC. Lo¹i card 8 LC dïng cho c¸c thuª bao th«ng
th-êng, lo¹i card 4 LC dïng cho c¸c thuª bao ®Æc biÖt nh- c¸c hép ®iÖn tho¹i
c«ng céng cã chøc n¨ng thu c-íc b»ng tiÒn kim lo¹i, ®iÖn tho¹i thÎ, ®-êng
PABX… . LC lµ mét phÇn cña SLIC, th-êng bao gåm c¸c chøc n¨ng BSHC, cßn
c¸c chøc n¨ng TRO th-êng bè trÝ ë MDF.C¸c card ghÐp víi nhau thµnh module.
Cã c¸c lo¹i module 32LC, 64LC, 96LC, 128LC (Line Circuit m¹ch ®-êng d©y
thuª bao).
Mçi module ngoµi c¸c card LC cßn cã bé ®iÒu khiÓn module LMC (Line
Module controller), bé chuyÓn m¹ch tËp trung t¶i DLCD (Digital Line
Concentrator Device) hay bé chuyÓn m¹ch ®-êng d©y sè DLSw (Digital Line
Switch), thiÕt bÞ thÝch øng kiÓm thö T-ADP (Test Adapter) , bé t¹o tÝn hiÖu ©m
tÇn DTG (Digital Tone Generator) vµ bé thu tÝn hiÖu chän sè MFR (Multi
Frequency Receiver).
C¸c Module l¹i ®-îc tæ chøc ghÐp víi nhau thµnh nhãm. Ngoµi c¸c
Module, trong mçi nhãm cã bé ghÐp t¸ch kªnh s¬ cÊp PMUX & PDeMUX
(Primary Multiplexer and Primary Demultiplexer) vµ bé ®iÒu khiÓn vïng LOC
(Local Controller)
H×nh 3.7 Tæ chøc c¸c kÕt cuèi thuª bao
NhiÖm vô cña DLCD cña c¸c module lµ chuyÓn m¹ch kªnh cña thuª bao
®Õn mét trong c¸c kªnh trªn tuyÕn SHw dïng chung cña nhãm ®ã nh»m môc ®Ých
tËp trung t¶i cho m¹ng chuyÓn m¹ch nhãm. §iÒu nµy cã nghÜa lµ c¸c thuª bao
trong nhãm dïng chung mét tuyÕn SHw ®Ó giao tiÕp víi m¹ng chuyÓn m¹ch
nhãm, khi thuª bao nµo ®ã trªn mét Module cña nhãm ®ã cã nhu cÇu thùc hiÖn
liªn l¹c qua m¹ng chuyÓn m¹ch nhãm th× th«ng tin cña nã sÏ ®-îc chuyÓn m¹ch
qua DLCD tíi mét kªnh cña tuyÕn SHw. Nh- thÕ c¸c kªnh trªn tuyÕn SHw chØ
®-îc g¸n cho c¸c thuª bao khi chóng tham gia vµo c¸c cuéc gäi ®ang tiÕn hµnh,
kh«ng cã kªnh dµnh riªng cho tõng thuª bao vµ nh- vËy chØ cÇn sè l-îng kªnh
kh«ng lín l¾m ®Ó phôc vô nhu cÇu th«ng tin cña c¸c thuª bao trong nhãm. VÝ dô,
mçi module cã 32 ®Õn 128 LC, mét nhãm cã thÓ cã 8 tíi 12 Module t-¬ng øng
cã thÓ cã tíi 1024 LC. Nh-ng chØ cã mét tuyÕn SHw 120Ch/128TS do ®ã, hÖ sè
tËp trung lµ 8,5: 1.
Ngoµi ra c¸c bé DLCD cßn thùc hiÖn chøc n¨ng nèi c¸c thiÕt bÞ t¹o ©m
phôc vô DTG vµ c¸c bé thu tÝn hiÖu chän sè MFR tíi ®-êng thuª bao ®Ó thùc
hiÖn chøc n¨ng b¸o hiÖu.. Bé ®iÒu khiÓn module ®-êng d©y LMC ®iÒu khiÓn c¸c
thao t¸c chuyÓn m¹ch qua DLCD (DLSw); ph©n phèi c¸c tÝn hiÖu ®Þnh thêi cho
c¸c m¹ch SLIC, ®iÒu khiÓn kiÓm thö qua bé thÝch øng T-ADP.
C¸c LMC cßn thùc hiÖn chøc n¨ng qu¶n lý vµ göi b¸o c¸o vÒ tr¹ng th¸i
thuª bao tíi LOC. LOC ®iÒu khiÓn c¸c LMC, c¸c P-MUX (ghÐp kªnh s¬ cÊp) vµ
c¸c P-DeMUX (t¸ch kªnh s¬ cÊp) trong nhãm. LOC trao ®æi th«ng tin ®iÒu khiÓn
víi bé xö lý ®iÒu khiÓn cuéc gäi Call Proccessor – CLP b»ng c¸c b¶n tin b¸o hiÖu
bËc cao.
 slic
 slic
lmc
dlcd
(dlsw)
dtg
mfr
T-adp
lm
loc
pmux
&
pd
e
mux
shwup
shwdown
From/to
Switching
network
Nh- vËy LOC ®iÒu khiÓn c¸c ho¹t ®éng cña c¸c Module trong nhãm, c¸c
ho¹t ®éng ghÐp, t¸ch kªnh, trao ®æi th«ng tin b¸o hiÖu víi bé xö lý ®iÒu khiÓn cÊp
trªn.
Trong tæ chøc nhãm thuª bao liªn quan tíi nh÷ng vÊn ®Ò ph©n phèi khe
thêi gian cho codec cña tõng m¹ch SLIC, chuyÓn m¹ch tËp trung thuª bao, trao
®æi th«ng tin ®iÒu khiÓn.
-Ph©n phèi khe thêi gian: §Ó m· ho¸ vµ gi¶i m· tÝn hiÖu mçi bé codec cÇn
c¸c tÝn hÖu ®Þnh thêi Txsyn, Txclk, Rxsyn, Rxclk. Do tèc ®é ph¸t vµ thu sè liÖu cña
c¸c bé codec víi c¸c ®-êng PCM chung cña mçi Module lµ gièng nhau vµ b»ng
víi tèc ®é cña luång sè ®ã nªn c¸c tÝn hiÖu Txclk vµ Rxclk ®-îc ®-a cè ®Þnh, ®ång
thêi tíi c¸c codec. TÝn hiÖu Txsyn qui ®Þnh khe ph¸t, cßn Rxsyn qui ®Þnh khe thêi
gian thu cña mçi codec. §èi víi mét codec th× Txsyn vµ Rxsyn cã thÓ trïng nhau,
nghÜa lµ thu ph¸t cïng khe thêi gian, cßn gi÷a c¸c codec kh¸c nhau th× Txsyn vµ
Rxsyn cña codec nµy ph¶i kh¸c víi Txsyn vµ Rxsyn cña tÊt c¶ c¸c codec cña cïng
module vµ chóng ph¶i kÕ tiÕp nhau ®Ó t¹o ra sù ghÐp kªnh theo thêi gian. Trong
c¸c tæng ®µi mçi codec th-êng cã khe thêi gian Txsyn vµ Rxsyn trïng nhau (th-êng
mçi codec øng víi mét SLIC) gäi lµ khe thêi gian thuª bao. C¸c thuª bao cña
cïng mét module sÏ ®-îc cÊp c¸c khe thêi gian nèi tiÕp nhau. Trong module
kh¸c, codec cña c¸c m¹ch thuª bao sÏ ®-îc cÊp c¸c khe thêi gian gièng nh- ®·
cÊp ë module tr-íc. NghÜa lµ mét nhãm cã thÓ cã tíi 8 module 128 SLIC sÏ cã
thÓ cã tíi 8 codec cã cïng khe thêi gian thuª bao. Theo c¸ch nµy gäi lµ g¸n cøng
khe thêi gian cho mçi thuª bao.
H×nh 3.8 Ph©n phèi khe thêi gian thu ph¸t cho c¸c m¹ch ®iÖn thuª bao
 slic
 slic
tsac
dlcd
(dlsw)
lm
shwup
shwdown
 slic
1
2
n
ts1
ts2
tsN
Cßn cã mét c¸ch kh¸c lµ g¸n ®éng khe thêi gian cho mçi thuª bao. NghÜa
lµ dïng chuyÓn m¹ch ®Ó ®-a tÝn hiÖu nhÞp Txsyn vµ Rxsyn ®Õn mçi m¹ch giao tiÕp
thuª bao. Mçi CODEC chØ ®-îc cÊp c¸c tÝn hiÖu nhÞp Txsyn vµ Rxsyn khi thuª bao
tham gia mét cuéc gäi nµo ®ã. C¸ch nµy khã thùc hiÖn h¬n nh-ng l¹i cã thÓ bá
phÇn chuyÓn m¹ch tËp trung t¶i v× chøc n¨ng cña nã ®· ®-îc thùc hiÖn khi g¸n
®éng khe thêi gian thuª bao.
- ChuyÓn m¹ch tËp trung t¶i: cã mét sè c¸ch tËp trung t¶i nh- dïng
chuyÓn m¹ch kh«ng gian, dïng chuyÓn m¹ch thêi gian PAM hoÆc chuyÓn m¹ch
thêi gian sè. Hai c¸c ®Çu ®-îc ¸p dông trong thêi kú ®Çu cña c¸c tæng ®µi chuyÓn
m¹ch sè, trong ®ã sö dông chuyÓn m¹ch t-¬ng tù ®Ó tËp trung tai tr-íc, sau ®ã
míi dïng mét CODEC chung ®Ó m· ho¸ ®Ó ®-a lªn tuyÕn SHwup ; theo h-íng ra
th«ng tin qua CODEC chung ®Ó ®-îc gi¶i m·, sau ®ã ®-îc ®-a qua chuyÓn m¹ch
®Ó ph©n phèi vÒ thuª bao. Trong c¸c tæng ®ai chuyÓn m¹ch sè hiÖn nay th-êng
dïng chuyÓn m¹ch thêi gian sè ë kh©u nµy v× kh¶ n¨ng cña bé chuyÓn m¹ch thêi
gian sè rÊt cao vµ ho¹t ®éng linh ho¹t vµ ®¶m b¶o chÊt l-îng tÝn hiÖu.
- Trao ®æi th«ng tin ®iÒu khiÓn: Gi÷a c¸c LMC víi LOC trao ®æi d-íi
d¹ng sè liÖu theo hai chiÒu. Tõ LMC tíi LOC gåm th«ng tin gi¸m s¸t, th«ng tin
®Þa chØ. Tõ LOC tíi LMC ®iÒu khiÓn ph©n phèi b¸o hiÖu thuª bao, ®iÒu khiÓn
DLCD. C¸c tÝn hiÖu trao ®æi nµy ®-îc thùc hiÖn bëi c¸c bus sè liÖu trùc tiÕp .
Gi÷a LOC víi CLP cña hÖ thèng ®iÒu khiÓn cã thÓ sö dông bus ®iÒu khiÓn hoÆc
dïng c¸c khe thêi gian ®Æc biÖt, vÝ dô ®-êng SHw 128TS sö dông 120TS cho
120ch cßn 8TS dïng cho ®ång bé vµ b¸o hiÖu, thªm vµo 4TS ®Æc biÖt ®Ó truyÒn
th«ng tin ®iÒu khiÓn (TS0, TS33, TS66, TS99...)
Nh- thÕ trong c¸c tæng ®µi chuyÓn m¹ch sè c¸c thuª bao ®-îc tæ chøc theo
tõng m¹ch giao tiÕp, card, module, nhãm .
3.1.2 KÕt cuèi trung kÕ
a. Kh¸i qu¸t chung
Trong m¹ng sè liªn kÕt IDN- Integrated Digital Network nghÜa lµ chØ gåm
trung kÕ sè, tæng ®µi hîp nèi, c¸c trung t©m chuyÓn m¹ch sè ®iÒu khiÓn theo
ch-¬ng tr×nh SPC th× sÏ kh«ng cÇn c¸c trung kÕ t-¬ng tù. Tuy nhiªn, trong m¹ng
hiÖn nay vÉn tån t¹i c¸c tæng ®µi nhá dïng chuyÓn m¹ch t-¬ng tù. V× vËy, bªn
c¹nh c¸c trung kÕ sè gi÷a c¸c tæng ®µi chuyÓn m¹ch sè th× vÉn cÇn c¸c giao tiÕp
trung kÕ t-¬ng tù ®Ó nèi tæng ®µi chuyÓn m¹ch sè víi tæng ®µi t-¬ng tù.
Mçi ®-êng trung kÕ sè hay trung kÕ t-¬ng tù còng ®-îc kÕt cuèi t¹i tæng
®µi chuyÓn m¹ch sè b»ng mét m¹ch giao tiÕp dµnh cho tõng lo¹i trung kÕ nµy.
C¸c m¹ch nµy còng ®-îc chÕ t¹o d-íi d¹ng card, module vµ ghÐp víi nhau thµnh
nhãm. Kh¸c víi thuª bao ë chç c¸c trung kÕ lµ tµi nguyªn dïng chung ®Ó liªn l¹c
gi÷a c¸c thuª bao cña mét tæng ®µi nµy víi c¸c thuª bao cña tæng ®µi kh¸c nªn t¶i
sö dông chóng kh¸ lín ( 1), nghÜa lµ chóng th-êng xuyªn phôc vô c¸c cuéc liªn
l¹c, v× vËy trong c¸c module sÏ kh«ng cã bé tËp trung t¶i. Dung l-îng cña mçi
nhãm ®Õn 120ch.
b. KÕt cuèi trung kÕ t-¬ng tù ATTU (Analog Trunk Termination Unit)
VÒ c¬ b¶n kÕt cuèi trung kÕ analog t¹i tæng ®µi chuyÓn m¹ch sè còng gÇn
gièng víi kÕt cuèi thuª bao t-¬ng tù. C¸c chøc n¨ng T ( Testing) kiÓm thö, chøc
n¨ng O (Over voltage Protection) b¶o vÖ, chøc n¨ng H (Hybrid) sai ®éng, chøc
n¨ng code and decode (C) m· ho¸ vµ gi¶i m· lµ nh÷ng chøc n¨ng gièng nhau ë c¶
hai lo¹i kÕt cuèi nµy. Tuy nhiªn, cã mét vµi chøc n¨ng kh¸c biÖt thÓ hiÖn chñ yÕu
ë b¸o hiÖu.
- ATTU kh«ng thùc hiÖn chøc n¨ng cÊp nguån ®-êng d©y mµ ph¶i thùc
hiÖn viÖc ph©n c¸ch mét chiÒu, nghÜa lµ kh«ng cho thµnh phÇn mét chiÒu tõ trung
kÕ truyÒn vµo c¸c thiÕt bÞ bªn trong tæng ®µi. Thµnh phÇn mét chiÒu chØ ®-îc sö
dông cho viÖc ph¸t hiÖn m¹ch vßng trong b¸o hiÖu kiÓu Loop Disconnection. B¸o
hiÖu nµy ®-îc biÕn ®æi trong ATTU t-¬ng øng b¸o hiÖu trong khe TS16.
- B¸o hiÖu trung kÕ Analog cã thÓ ph©n chia thµnh b¸o hiÖu ®-êng (hay
cßn gäi lµ b¸o hiÖu gi¸m s¸t) vµ b¸o hiÖu lùa chän (hay cßn gäi lµ b¸o hiÖu thanh
ghi). B¸o hiÖu gi¸m s¸t dïng c¸c d¹ng tÝn hiÖu dßng m¹ch vßng LD (Loop
disconnect), b¸o hiÖu trong b¨ng nh- 1VF (Single voice frequency), E&M, GD,
Ringdown. B¸o hiÖu thanh ghi th-êng dïng MF (Multifrequency) hay MFC
(Multifrequency Code) hoÆc DP (Decade Pulse)
- C¸c trung kÕ Analog th«ng th-êng lµ c¸c trung kÕ ®¬n kªnh, song c«ng 2
d©y hoÆc 4d©y. Tuy nhiªn còng cã tr-êng hîp ®ã lµ tuyÕn truyÒn dÉn Analog
nhiÒu kªnh FDM hoÆc TDM. Khi ®ã viÖc t¸ch ghÐp kªnh ph¶i ®-îc thùc hiÖn ë
tr¹m truyÒn dÉn bªn ngoµi tæng ®µi vµ mçi ®-êng tho¹i sÏ ®-îc ®-a vµo tæng ®µi
theo kiÓu 4 d©y.
- C¸c ATTU th-êng ®-îc chÕ t¹o theo card 3AT vµ module 30AT. Mçi
Module ngoµi c¸c card 3AT cßn cã bé ghÐp vµ t¸ch kªnh sè MUX/DEMUX, giao
tiÕp víi tr-êng chuyÓn m¹ch b»ng tuyÕn sè PCM 30/32 mét bé ®iÒu khiÓn
Module ®Ó thùc hiÖn thu vµ xö lý b¸o hiÖu, t¹o vµ ph©n phèi b¸o hiÖu, phèi hîp
®iÒu khiÓn víi bé ®iÒu khiÓn nhãm trung kÕ.
H×nh 3.9 : KÕt cuèi trung kÕ Analog (ATTU) t¹i tæng ®µi sè
c. KÕt cuèi c¸c ®-êng trung kÕ sè DTI (Digital Trunk Interface)
H×nh 3.10 : S¬ ®å khèi m¹ch giao tiÕp truyÒn dÉn sè DTI
PCMin
PCMout
2M
1
2
30
T
KiÓm
thö
O
B¶o vÖ
S
B¸o
hiÖu
H
Sai
®éng
C
M·
ho¸
MDF
(Main
Distribution
Frame)
T
KiÓm
thö
O
B¶o vÖ
S
B¸o
hiÖu
H
Sai
®éng
C
M·
ho¸
T
KiÓm
thö
O
B¶o vÖ
S
B¸o
hiÖu
H
Sai
®éng
C
M·
ho¸
t-adp B¸o hiÖu
mux
&
demux
tmc
C¸c
trung
kÕ
t-¬ng
tù
Tx
M¹ch ph¸t
U/B
BiÕn ®æi U/B
Z
NÐn chuçi bit 0
IS
ChÌn b¸o hiÖu Tõ bé
PDeMUX
ddf
(Digital
Distribution
Frame)
Rx
M¹ch thu
B/U
BiÕn ®æi B/U
AF
§Öm khung
Dr.S
T¸ch b¸o hiÖu
Rcl
T¸i t¹o nhÞp
IF
NhËn biÕt
khung
Tíi module
®ång hå
NhÞp trong
Tíi bé xö lý
b¸o hiÖu
Tíi bé
PMUX
Tõ bé
ph©n phèi
b¸o hiÖu
Trung
kÕ
sè
DT
H-íng thu
H-íng ph¸t
C¸c kÕt cuèi truyÒn dÉn sè ®-îc dïng cho c¶ c¸c trung kÕ sè tõ tæng ®µi
ngoµi tíi khèi chuyÓn m¹nh nhãm vµ cho c¶ c¸c tuyÕn PCM tõ c¸c nhãm kÕt
cuèi thuª bao. Tuy truyÒn dÉn bªn ngoµi so víi truyÒn dÉn bªn trong cã mét
vµi yªu cÇu kh¸c nhau nh-ng mét kÕt cuèi chung cho c¸c d¹ng truyÒn dÉn sè
sÏ ®-a l¹i nhiÒu -u ®iÓm. Nã cung cÊp tÝnh linh ho¹t trong ph©n phèi c¸c
cæng chuyÓn m¹ch vµo c¸c luång 2Mbps, cho phÐp c¸c hçn hîp kh¸c nhau
gi÷a c¸c ®-êng d©y ngoµi vµ ®-êng d©y trong, dÔ dµng trong viÖc tæ chøc c¸c
bé tËp trung thuª bao vµ c¸c ®¬n vÞ tËp trung thuª bao xa. §iÒu bÊt tiÖn ë chç
c¸c truyÒn dÉn bªn trong còng ph¶i tr×nh bµy d-íi d¹ng giao tiÕp 2Mbps
chuÈn gièng truyÒn dÉn bªn ngoµi.
C¸c chøc n¨ng cña DTI lµ GAZPACHO
G: Generation of Frame : T¹o khung ( s¾p xÕp sè liÖu trong khung)
A : Alignment of Frame : §ång chØnh khung ( ®Öm ®ång bé)
Z : Zero String Suppression : NÐn chuçi bÝt 0 liªn tiÕp
P : Polar Conversion : BiÕn ®æi cùc tÝnh cña tÝn hiÖu
A : Alarm Processing : Xö lý c¶nh b¸o
C : Clock Recovery : Kh«i phôc tÝn hiÖu ®ång hå
H : Hunt During Reframe : T×m tõ m· ®a khung
O : Office Signaling : B¸o hiÖu liªn ®µi
C¸c chøc n¨ng nµy thÓ hiÖn trong c¸c thao t¸c biÕn ®æi m· ®-êng truyÒn
thµnh m· nhÞ ph©n theo h-íng thu vµ ng-îc l¹i theo h-íng ph¸t, ®ång bé
khung, b¸o hiÖu (chÌn, t¸ch b¸o hiÖu)
Trªn h×nh 3.10 lµ s¬ ®å khèi chøc n¨ng cña m¹ch giao tiÕp tuyÕn truyÒn
dÉn sè DTI. M¹ch ®iÖn nµy gåm 2 h-íng: H-íng ph¸t nhËn tÝn hiÖu sè PCM tõ
®Çu ra cña bé ph©n kªnh s¬ cÊp PDeMUX, chÌn th«ng tin b¸o hiÖu, chuyÓn ®æi
thµnh m· ®-êng truyÒn ®Ó ®-a ra ®-êng truyÒn dÉn; h-íng thu nhËn tÝn hiÖu tõ
®-êng truyÒn dÉn chuyÓn ®æi thµnh tÝn hiÖu sè ®¬n cùc, ®ång chØnh khung, t¸ch
b¸o hiÖu råi ®-a tíi bé ghÐp kªnh s¬ cÊp.
C¸c khèi chøc n¨ng theo h-íng ph¸t bao gåm : Is (Signaling Inserter) thùc
hiÖn viÖc chÌn b¸o hiÖu ®-îc ®-a tõ bé ph©n phèi b¸o hiÖu vµo luång tÝn hiÖu
PCM; khèi nÐn chuçi bit 0 liªn tiÕp Z (Zero String Suppression) vµ khèi chuyÓn
®æi d¹ng tÝn hiÖu ®¬n cùc thµnh d¹ng l-ìng cùc U/B (Unpolar/Bipolar) lµ c¸c
khèi thùc hiÖn chøc n¨ng chuyÓn ®æi tõ tÝn hiÖu PCM thµnh d¹ng tÝn hiÖu ®-êng
truyÒn; khèi Tx (Transmiter) thùc hiÖn chøc n¨ng ph¸t c¸c tÝn hiÖu lªn ®-êng
truyÒn.
H-íng thu bao gåm c¸c khèi: Khèi thu Rx (Receiver) thu tÝn hiÖu tõ
®-êng truyÒn, phèi hîp vµ t¸i t¹o l¹i d¹ng tÝn hiÖu; khèi B/U (Unpolar/Bipolar)
chuyÓn ®æi d¹ng tÝn hiÖu l-ìng cùc thu ®-îc thµnh d¹ng ®¬n cùc; khèi Rcl
(Clock Recovery) t¸i t¹o l¹i xung nhÞp ®Ó cung cÊp cho bé ghi ®Öm ®ång chØnh
khung AF vµ cung cÊp cho module ®ång hå ®Ó lµm nhÞp tham kh¶o; khèi IF
(Frame Identifier) nhËn biÕt giíi h¹n khung ®Ó phôc vô chøc n¨ng ®ång chØnh
khung, t¸ch b¸o hiÖu vµ t¸ch c¸c kªnh th«ng tin; khèi AF (Frame Aligner) thùc
hiÖn chøc n¨ng ghi ®Öm ®ång chØnh khung, tÝn hiÖu thu ®-îc sÏ ®-îc ghi vµo AF
theo nhÞp ngoµi tõ bé Rcl tÝn hiÖu ®-îc ®äc ra tõ AF theo nhÞp trong ®-a tõ bé
®Þnh thêi; khèi Dr.S (Signaling Dropper) thùc hiÖn chøc n¨ng t¸ch c¸c th«ng tin
b¸o hiÖu trung kÕ ®Ó chuyÓn tíi bé xö lý b¸o hiÖu.
VÒ tæ chøc nhãm : Mçi nhãm trung kÕ dung l-îng ®Õn 120Ch/128TS vµ ®-îc
qu¶n lý ®iÒu khiÓn bëi mét LOC.
d. Tæ chøc nhãm kÕt cuèi trung kÕ
§èi víi c¸c tæng ®µi dung l-îng nhá th× sè l-îng c¸c trung kÕ kh«ng
nhiÒu, th-êng chØ gåm mét vµi ®-êng trung kÕ t-¬ng tù hai chiÒu víi c¸c tæng ®µi
l©n cËn vµ tuyÕn truyÒn dÉn víi tæng ®µi chuyÓn tiÕp. C¸c tæng ®µi dung l-îng
trung b×nh vµ dung l-îng lín hoÆc c¸c tæng ®µi hîp nèi cã rÊt nhiÒu trung kÕ c¸c
lo¹i. Chóng th-êng ®-îc tæ chøc theo nhãm.
C¸c trung kÕ t-¬ng tù ®-îc ph©n lo¹i theo b¶ng 3.2
B¶ng 3.2 Analog Trunk
Lo¹i trung kÕ H-íng B¸o hiÖu
gi¸m s¸t
B¸o hiÖu
thanh ghi
Trung kÕ m¹ch vßng IC hoÆc OG (vµo
hoÆc ra)
M¹ch vßng LD MFC, MF, DP
Trung kÕ E&M IC, OG, 2way E&M MFC, MF, DP
Trung kÕ tiÕp ®Êt IC hoÆc OG GD MFC, MF, DP
Trung kÕ Ringdown IC, OG, 2way Ringing MFC, MF, DP
Nhãm c¸c trung kÕ t-¬ng tù ®-îc tæ chøc theo card 3AT, module 10 card
vµ mét nhãm 4 module nh- trªn h×nh 3.11
C¸c trung kÕ sè gi÷a c¸c tæng ®µi chuyÓn m¹ch sè hoÆc gi÷a tæng ®µi chñ
HOST víi c¸c bé tËp trung thuª bao xa RLU (Remote Line Unit) hoÆc c¸c bé
chuyÓn m¹ch thuª bao xa RSU (Remote Switching Unit) th-êng cã c¸c ®Æc tÝnh
nh- ®-îc chØ ra trong b¶ng 3.3 vµ th-êng ®-îc tæ chøc thµnh nhãm nh- m« t¶
trªn h×nh 3.12.
LOC ®iÒu khiÓn qu¸ tr×nh t¸ch ghÐp b¸o hiÖu, ghÐp vµ t¸ch kªnh sè, ®iÒu
khiÓn ®Öm ®ång bé, tæ chøc x¾p xÕp khung, t¸ch vµ ph©n phèi c¸c tÝn hiÖu nhËn
®-îc, xö lý kªnh rçi.
B¶ng 3.3 Digital Trunk
C¸c ®Æc tÝnh DTI luËt A DTI luËt 
Tèc ®é bÝt 2 048 Kbps 1 544 Kbps
M· ®-êng truyÒn HDB3 Ph©n cùc AMI, B8ZS
§iÖn trë ®-êng d©y 75 c¸p ®ång trôc.
120 c¸p song hµnh
100 danh ®Þnh
D¹ng xung Theo khuyÕn nghÞ
CCITT15/G 703 s¸ch ®á
§iÒu xung 2.4-3.6V
tm1
atic
atic
atic
tmc
mux
demux
pmux
pdemux
30
Trung
kÕ
1
2
30
H×nh 3.11: Tæ chøc c¸c kÕt cuèi trung kÕ t-¬ng tù.
loc
3. C¸c bé tËp trung thuª bao xa RLU vµ chuyÓn m¹ch thuª bao xa RSU:
Do ®Æc ®iÓm d©n c- th-êng ph©n bè thµnh tõng côm nªn c¸c h·ng s¶n xuÊt
c¸c tæng ®µi còng tÝnh ®Õn viÖc lµm sao ®Ó ph©n chia kÐo dµi mét phÇn thiÕt bÞ
cña tæng ®µi ®Ó cã thÓ bè trÝ chóng t¹i c¸c ®iÓm tËp trung d©n c- ®ã.
H×nh 3.13 Sö dông c¸c RLU/RSU ®Ó cung cÊp dÞch vô thuª bao xa
dtic
dtic
dtic
loc
pmux
pdemux
1
2
4
H×nh 3.12: Tæ chøc c¸c kÕt cuèi trung kÕ sè.
rsu1


 


 
rLu2


 


 
host






 
rsu2


 


 
rlu1


 


 
R10Km
L~10100Km
L~10100Km L~10100Km
L~10100Km
N=2000
N=150
N=1250
N=50
PhÇn thiÕt bÞ kÐo dµi nµy chñ yÕu thùc hiÖn chøc n¨ng tËp trung t¶i cña
côm thuª bao ®Ó chuyÓn vÒ tæng ®µi chÝnh, v× vËy, vÒ c¬ b¶n thiÕt bÞ nµy hoµn
toµn gièng nh- tæ chøc nhãm thuª bao t¹i tæng ®µi chÝnh chØ cã ®iÒu nã ®-îc ®Æt
ë xa tæng ®µi chÝnh vµ liªn hÖ víi tæng ®µi chÝnh qua tuyÕn truyÒn dÉn sè. Lµm
nh- thÕ gi¶m ®-îc kho¶ng c¸ch tõ thuª bao tíi thÕt bÞ giao tiÕp vµ c¶i thiÖn kh¶
n¨ng liªn l¹c cña thuª bao vµ chÊt l-îng dÞch vô. C¸c thiÕt bÞ lo¹i nµy ®-îc gäi lµ
c¸c bé tËp trung thuª bao xa RLU (Remote Line Unit).
Mét lo¹i thiÕt bÞ kh¸c gäi lµ bé chuyÓn m¹ch thuª bao xa RSU (Remote
Switching Unit). RSU kh¸c víi RLU ë chç ngoµi chøc n¨ng tËp trung thuª bao
nã cßn cã kh¶ n¨ng ho¹t ®éng ®éc lËp ®Ó phôc vô chuyÓn m¹ch c¸c cuéc gäi gi÷a
c¸c thuª bao trong côm khi tuyÕn truyÒn dÉn víi tæng ®µi chÝnh cã sù cè. Quan hÖ
gi÷a RLU/RSU víi tæng ®µi chÝnh ®-îc thÓ hiÖn trªn h×nh 3.13
Tæng ®µi chÝnh HOST chØ cung cÊp dÞch vô cho c¸c thuª bao ë gÇn. Th«ng
th-êng b¸n kÝnh phôc vô cña c¸c tæng ®µi chØ kho¶ng 3~7 Km. C¸c RSU cßn gäi
lµ c¸c tæng ®µi vÖ tinh, th-êng ®-îc l¾p ®Æt t¹i c¸c côm thuª bao cã dung l-îng tõ
kho¶ng 200 thuª bao trë lªn. C¸c côm thuª bao víi dung l-îng chØ vµi chôc th×
th-êng phôc vô bëi c¸c bé tËp trung RLU.
C¸c lîi thÕ c¬ b¶n cña viÖc sö dông c¸c RSU/RLU lµ: Gi¶m chi phÝ x©y
dùng c«ng tr×nh c¸p, t¨ng kh¶ n¨ng ph¹m vi phôc vô cña tæng ®µi, ®¶m b¶o chÊt
l-îng dÞch vô thuª bao. C¸c thuª bao cña RSU/RLU còng cã c¸c tÝnh n¨ng vµ kh¶
n¨ng sö dông dÞch vô nh- c¸c thuª bao cña tæng ®µi chÝnh.
CÊu h×nh c¬ b¶n cña RLU vµ RSU ®-îc tr×nh bµy trªn c¸c h×nh 3.14. C¸c
RLU chØ thùc hiÖn chøc n¨ng tËp trung t¶i cña c¸c thuª bao, v× vËy vÒ cÊu tróc,
RLU thùc chÊt lµ c¸c thiÕt bÞ giao tiÕp nhãm thuª bao ®-îc l¾p ®Æt ë xa tæng ®µi
chÝnh. Thµnh phÇn cña RLU bao gåm c¸c m¹ch giao tiÕp thuª bao SLIC, Bé
chuyÓn m¹ch tËp trung t¶i DLCD, bé ®iÒu khiÓn module LMC, c¸c bé t¹o ©m
phôc vô DTG vµ thu tÝn hiÖu chän sè MFR tæ chøc thµnh c¸c module LM nh- ë
tæng ®µi chÝnh. C¸c LM còng ®-íc ghÐp víi nhau thµnh nhãm vµ ®-îc qu¶n lý
bëi bé ®iÒu khiÓn vïng LOC. LOC còng ®iÒu khiÓn c¸c qu¸ tr×nh ghÐp/t¸ch kªnh
PMUX/PDeMUX, chÌn/t¸ch b¸o hiÖu vµ ®iÒu khiÓn kÕt cuèi truyÒn dÉn víi tæng
®µi chÝnh RTC (Remote Transmission Circuit).
C¸c RSU cã cÊu tróc nh- mét tæng ®µi ®¬n gi¶n, ngoµi c¸c khèi chøc n¨ng
nh- ®èi víi RLU cßn cÇn cã kh¶ n¨ng tù c« lËp khi ®-êng truyÒn gi÷a tæng ®µi
chÝnh vµ RSU cã sù cè hoÆc LOC vµ hÖ thèng ®iÒu khiÓn giao tiÕp kÕ cuèi ®-êng
truyÒn t¹i tæng ®µi chÝnh kh«ng trao ®æi ®-îc víi nhau. Khi ®ã RSU vÉn ®¶m b¶o
c¸c dÞch vô t¹i chç gi÷a c¸c thuª bao cña côm thuª bao xa ®ã. Nh- vËy ë RSU
®-îc t¨ng c-êng kh¶ n¨ng xö lý ®iÒu khiÓn cña LOC, ®ång thêi ®-îc trang bÞ
thªm khèi chuyÓn m¹ch t¹i chç.
H×nh 3.14 CÊu h×nh cña bé tËp trung thuª bao xa RLU vµ bé chuyÓn m¹ch thuª
bao xa RSU
Giao tiÕp gi÷a c¸c bé tËp trung thuª bao xa vµ chuyÓn m¹ch thuª bao xa
víi tæng ®µi chÝnh th«ng qua c¸c ®-êng truyÒn PCM30 hoÆc PCM24 vµ c¸c m¹ch
kÕt cuèi truyÒn dÉn RTC/ETC phÝa bé tËp trung vµ phÝa tæng ®µi chÝnh nh- trªn
h×nh 3.15.
Nh×n chung c¸c m¹ch kÕt cuèi truyÒn dÉn RTC/ETC (Remote Transmission
Circuit/Exchange Transmission Circuit) lµ c¸c thiÕt bÞ kÕt cuèi ®-êng truyÒn
dÉn liªn kÕt gi÷a tæng ®µi chÝnh víi bé tËp trung thuª bao xa hoÆc chuyÓn
m¹ch thuª bao xa. C¸c chøc n¨ng c¬ b¶n cña chóng lµ chuyÓn ®æi m· cña c¸c
tÝn hiÖu cÇn truyÒn thµnh m· ®-êng truyÒn, ®ång chØnh khung, t¸i t¹o ®Þnh
thêi, t¸ch/ghÐp b¸o hiÖu, xö lý c¶nh b¸o… . Nh×n chung chøc n¨ng c¬ b¶n
cña chóng gièng c¸c giao tiÕp DTI chuÈn vµ ë mét vµi lo¹i tæng ®µi ng-êi ta
còng dïng c¸c DTI chuÈn ®Ó thùc hiÖn chøc n¨ng cña c¸c RTC/ETC. Tuy
nhiªn, liªn kÕt gi÷a HOST vµ RLU/RSU cã ®iÓm ®Æc biÖt lµ chóng cÇn cã xö
lý t-¬ng t¸c gi÷a hÖ thèng ®iÒu khiÓn cña HOST víi LOC cña RLU/RSU do
®ã cÇn l-u ý ®Õn tæ chøc ®-êng sè liÖu cho viÖc trao ®æi c¸c b¶n tin t-¬ng t¸c
IPC (InterProcessor Communication). Gi÷a HOST vµ RLU/RSU kh«ng dïng
b¸o hiÖu liªn ®µi. Nh- thÕ cã thÓ hiÓu chøc n¨ng cña c¸c RTC/ETC lµ
chÌn/t¸ch c¸c b¶n tin xö lý t-¬ng t¸c víi th«ng tin tho¹i vµ chuyÓn ®æi m·
®-êng truyÒn. M« h×nh liªn kÕt ®ã ®-îc chØ ra trªn h×nh 3.15


lmc
dlcd
(dlsw)
dtg
mfr
lm
loc
pmux
&
pd
e
mux
slic
slic
remote
switch
To/From
HOST
rtc
test
H×nh 3.15 M« h×nh kÕt nèi gi÷a HOST vµ RLU/RSU
ViÖc trao ®æi th«ng tin ®iÒu khiÓn gi÷a HOST vµ RLU/RSU cã thÓ ®-îc thùc
hiÖn theo c¸c ph-¬ng thøc nh- dïng ®-êng b¸o hiÖu riªng, dïng khe thêi
gian dµnh riªng ®Ó t¹o Bus ¶o cho hÖ thèng xö lý cña hai phÝa. Trong c¸c tæng
®µi th-êng ¸p dông c¸ch thø hai ®Ó t¹o chøc n¨ng kÐp cho ®-êng truyÒn sè
liÖu, n©ng cao hiÖu suÊt sö dông cña ®-êng truyÒn mµ vÉn ®¶m b¶o yªu cÇu
dÞch vô. C¸c th«ng tin ®iÒu khiÓn trao ®ái gi÷a hai phÝa ®-îc tæ chøc d-íi
d¹ng b¶n tin, sö dông thñ tôc HDLC ®Ó t¹o kh¶ n¨ng truyÒn tin cã ®é tin cËy
cao.
rtc etc
ipc ipc
e1/t1
§-êng truyÒn
§Õn bé
PMUX/PDeMUX
hoÆc R.Switch
§Õn m¹ng chuyÓn
m¹ch cña tæng ®µi
chÝnh
§Õn bé LOC §Õn hÖ thèng ®iÒu khiÓn
PhÝa RLU/RSU PhÝa HOST
3.2. Ph©n hÖ chuyÓn m¹ch nhãm
Ph©n hÖ chuyÓn m¹ch nhãm gåm tr-êng chuyÓn m¹ch nhãm dïng cho
viÖc t¹o tuyÕn, module ®ång hå ®Ó cung cÊp c¸c tÝn hiÖu ®Þnh thêi cho chuyÓn
m¹ch vµ cho c¸c ph©n hÖ kh¸c, c¸c thiÕt bÞ dïng chung nh- c¸c bé thu ph¸t b¸o
hiÖu CAS, CCS, c¸c bé ph¸t c¸c th«ng b¸o b»ng lêi, ngoµi ra cßn c¸c thiÕt bÞ phôc
vô cho chuyÓn m¹ch chuyªn dông.
3.2.1 CÊu t¹o chuyÓn m¹ch nhãm
Tuú theo dung l-îng cña tæng ®µi vµ thiÕt kÕ cña tõng h·ng, tr-êng
chuyÓn m¹ch nhãm cña c¸c tång ®µi sè cã thÓ cã cÊu tróc T, TS, ST, TST, TSST
nh- ®· xem xÐt trong môc 2.7 ch-¬ng II. Tr-êng chuyÓn m¹ch nhãm còng cã thÓ
®-îc tæ chøc thµnh mét m¹ng chuyÓn m¹ch duy nhÊt ®èi víi c¸c cÊu tróc tõ 3
kh©u trë xuèng vµ còng cã thÓ tæ chøc thµnh nhiÒu m¹ng chuyÓn m¹ch víi cÊu
tróc tõ 4 kh©u hoÆc nhiÒu h¬n.
KÕt cuèi
thuª bao
xö lý trung t©m
KÕt cuèi
trung kÕ
m¹ng
chuyÓn
m¹ch
nhãm
clp
loc loc
H×nh 3.16 : CÊu tróc mét m¹ng chuyÓn m¹ch nhãm
C¸c cÊu tróc mét m¹ng chuyÓn m¹ch cã bé xö lý trung t©m thùc hiÖn viÖc
xö lý cuéc gäi trªn c¬ së kÕt qu¶ xö lý b¸o hiÖu thuª bao vµ b¸o hiÖu trung kÕ.
CLP ph¶i cã c«ng suÊt xö lý ®ñ lín ®Ó thùc hiÖn khèi l-îng lín c¸c c«ng
viÖc trong qu¸ tr×nh phôc vô c¸c cuéc gäi. Trong cÊu tróc nhiÒu m¹ng chuyÓn
m¹ch, mçi m¹ng cã c¸c ®-êng trung gian nèi trong m¹ng vµ ®-êng trung gian nèi
víi m¹ng kh¸c. Cuéc gäi ph¸t sinh tõ m¹ng nµo sÏ do CLP cña m¹ng ®ã qu¶n lý.
ChØ cuéc gäi gi÷a ®Çu cuèi cña hai m¹ng th× míi cÇn trao ®æi gi÷a 2 CLP liªn
quan. MPC (Multiprocessing Controller) ®iÒu khiÓn c¸c CLP vµ ph©n phèi tµi
nguyªn cña hÖ thèng.
KÕt cuèi
thuª bao
vµ
loc
M¹ng
chuyÓn
m¹ch
clp
M¹ng
chuyÓn
m¹ch
clp
KÕt cuèi
thuª bao
vµ
loc
KÕt cuèi
thuª bao
vµ
M¹ng
chuyÓn
m¹ch
M¹ng
chuyÓn
m¹ch
KÕt cuèi
thuª bao
vµ
clp clp
loc loc
mpc
H×nh 3.17 : CÊu tróc nhiÒu m¹ng chuyÓn m¹ch
3.2.2 KÕt cuèi t¹i ph©n hÖ chuyÓn m¹ch.
Tõ bªn ngoµi c¸c ®-êng d©y thuª bao vµ c¸c ®-êng trung kÕ ®-îc kÕt cuèi
t¹i c¸c m¹ch giao tiÕp cña ph©n hÖ øng dông nh- ®· tr×nh bµy t¹i môc 3.1 cña
phÇn nµy. C¸c m¹ch giao tiÕp ®ã ®-îc chia thµnh tõng nhãm, mçi nhãm nh- vËy
giao tiÕp víi ph©n hÖ chuyÓn m¹ch b»ng mét tuyÕn SHwup vµ mét tuyÕn SHwdown.
NghÜa lµ c¸c th«ng tin tõ c¸c ®Çu cuèi cña mçi nhãm ®-îc tæ chøc thµnh tuyÕn
PCM thø cÊp SHwup víi dung l-îng 120Ch/128TS /132TS ®-a vµo m¹ng chuyÓn
m¹ch ®Ó tham gia chuyÓn m¹ch víi c¸c nhãm kh¸c vµ sau khi chuyÓn m¹ch sÏ
nhËn l¹i mét luång PCM thø cÊp SHwdown còng víi dung l-îng nh- vËy(120
kªnh/128 khe thêi gian chuyÓn m¹ch/tæng 132 khe thêi gian). C¸c khe thêi gian
thªm vµo ®-îc dïng cho viÖc trao ®æi c¸c th«ng tin ®iÒu khiÓn gi÷a LOC víi CLP
khi gi÷a chóng kh«ng sö dông Bus ®iÒu khiÓn. Khi ®ã tèc ®é luång sè cña mçi
SHw lµ 8.448 Kbps.
§Ó n©ng cao ®é tin cËy, ®¶m b¶o ho¹t ®éng th-êng xuyªn cña tæng ®µi th×
phÇn quan träng nhÊt ®ã lµ tr-êng chuyÓn m¹ch ph¶i ®-îc thiÕt kÕ theo kiÓu dù
phßng nãng. C¸c thiÕt bÞ ®Òu ®-îc thiÕt kÕ gÊp ®«i t¹o thµnh hai mÆt, mét mÆt
ho¹t ®éng (active) vµ mét mÆt dù phßng (standby). C¸c tuyÕn SHwup ®-îc kÕt
cuèi t¹i bé thu CR (Cable Receiver) sau ®ã qua bé ghi ®Öm vµ chuyÓn ®æi nèi tiÕp
song song ES (Elastic Store), bé chän SEL (Selector) ®Ó chän luång tÝn hiÖu tõ
mÆt mét hoÆc mÆt hai ®-a vµo bé ghÐp kªnh thø cÊp SMUX (Secondary
Multiplexer) ®Ó ghÐp 4 tuyÕn SHwup thµnh mét tuyÕn chung ®-a vµo bé chuyÓn
m¹ch thêi gian T1 t-¬ng øng; ®ång thêi SMUX còng thùc hiÖn t¸ch c¸c th«ng tin
shwDOWN
4
shwDOWN
1
cr es
shwup
1
es
cr es
shwup
4
es
Tíi mÆt
2
Tõ mÆt
2
smux
dro
t1
-
swrr
sel1
sel4
S-SW
cr
cr
Tíi mÆt
2
Tõ mÆt
2
sDEmux
ins
sel1
sel4
t2
-
rwsr
SPC
CLP
H×nh 3.18 : Ph-¬ng thøc kÕt cuèi t¹i ph©n hÖ chuyÓn m¹ch
®iÒu khiÓn tõ c¸c khe thêi gian ®Æc biÖt cña c¸c ®-êng SHwup ®-a qua bé t¸ch
DRO (Dropper) ®Ó ®-a ®Õn bé xö lý cuéc gäi CLP (call processor). Sau khi qua
tr-êng chuyÓn m¹ch, t¹i ®Çu ra cña mçi chuyÓn m¹ch thêi gian T2 cã mét bé
ph©n kªnh thø cÊp SDMUX (Secondary DeMultiplexer) thùc hiÖn chøc n¨ng chÌn
c¸c th«ng tin ®iÒu khiÓn ®-a tõ bé xö lý cuéc gäi CLP qua bé chÌn INS (Inserter)
vµo c¸c khe thêi gian ®Æc biÖt dµnh cho ®iÒu khiÓn, ®ång thêi SDMUX còng thùc
hiÖn viÖc t¸ch thµnh 4 ®-êng SHwdown ®-a qua c¸c bé chän SEL ®Çu ra vµ bé
®iÒu khiÓn c¸p CD (Cable Driver) ®Ó ®-a c¸c SHwdown vÒ ph©n hÖ øng dông tíi
tõng nhãm thuª bao hoÆc trung kÕ.
Nh- vËy, SMUX ngoµi chøc n¨ng ghÐp kªnh cßn thùc hiÖn viÖc t¸ch c¸c
khe ®Æc biÖt tõ c¸c SHwup dïng cho th«ng tin ®iÒu khiÓn ®-îc göi tõ c¸c LOC
(Local controller) ®Ó ®-a tíi CLP; vµ CLP còng qua SDMUX ®Ó chÌn c¸c th«ng
tin ®iÒu khiÓn vµo c¸c khe ®Æc biÖt cu¶ c¸c luång SHwdown göi ®Õn c¸c LOC t-¬ng
øng trong tr-êng hîp gi÷a CLP vµ c¸c LOC kh«ng cã ®-êng truyÒn sè liÖu ®iÒu
khiÓn riªng. Bé ®iÒu khiÓn tuyÕn tho¹i SPC (Speech Path Controller) nhËn vµ xö
lý c¸c b¶n tin ®iÒu khiÓn ®-îc göi tõ CLP, chuyÓn ®æi chóng thµnh c¸c sè liÖu
®iÒu khiÓn sau ®ã ph©n phèi chóng tíi CMEM cña tõng bé chuyÓn m¹ch.
3.2.3 C¸c thiÕt bÞ quan träng kh¸c cña ph©n hÖ chuyÓn m¹ch
Trong ph©n hÖ chuyÓn m¹ch, ngoµi c¸c thiÕt bÞ chuyÓn m¹ch (c¸c bé
chuyÓn m¹ch t¹o nªn tr-êng chuyÓn m¹ch sè), c¸c bé ghÐp kªnh, ph©n kªnh vµ
c¸c thiÕt bÞ thµnh phÇn kh¸c t¹o nªn tuyÕn tho¹i nh- ®· m« t¶ trong phÇn 3.2.2
cßn ph¶i cã c¸c thiÕt bÞ quan träng kh¸c phôc vô cho ho¹t ®éng chuyÓn m¹ch cña
tæng ®µi, ®ã lµ thiÕt bÞ t¹o tÝn hiÖu ®Þnh thêi BT (Base Time-Bé t¹o nhÞp chñ vµ
c¸c tÝn hiÖu ®Þnh thêi), c¸c bé thu ph¸t b¸o hiÖu kªnh kÕt hîp CAS (Channel
associated signaling) vµ thiÕt bÞ b¸o hiÖu kªnh chung CCS (Common channel
signaling), c¸c bé t¹o c¸c b¶n tin th«ng b¸o.
Bé dao ®éng chñ cña tæng ®µi cung cÊp chuÈn thêi gian cho ho¹t ®éng cña
toµn bé hÖ thèng, bao gåm c¶ cung cÊp c¸c tÝn hiÖu nhÞp ®ång bé ho¹t ®éng cña
c¸c bé chuyÓn m¹ch sè, c¸c bé ghÐp t¸ch kªnh cña ph©n hÖ chuyÓn m¹ch, ®ång
thêi cung cÊp tÝn hiÖu nhÞp tíi c¸c m¹ch giao tiÕp ®-êng d©y thuª bao vµ c¸c
m¹ch giao tiÕp trung kÕ ®Ó ®ång bé ho¹t ®éng cña c¸c m¹ch nµy víi ho¹t ®éng
ghÐp, t¸ch kªnh, ho¹t ®éng chuyÓn m¹ch vµ cao h¬n n÷a lµ ®ång bé ho¹t ®éng
cña tæng ®µi nµy víi c¸c tæng ®µi kh¸c trong m¹ng. Cã thÓ hiÓu bé dao ®éng chñ
cña mçi tæng ®µi ®ãng vai trß nh- tr¸i tim cña toµn tæng ®µi. Tuú thuéc vµo vai
trß cña tæng ®µi trong m¹ng, mçi tæng ®µi ®-îc trang bÞ bé dao ®éng cã ®é chÝnh
x¸c vµ ®é æn ®Þnh tÇn sè kh¸c nhau vµ nh×n chung chóng lµ nh÷ng bé dao ®éng
cã ®é chÝnh x¸c vµ æn ®Þnh cao, ®-îc ®ång chØnh th-êng xuyªn víi tæng ®µi kh¸c.
Nh- vËy cã thÓ hiÓu r»ng mçi tæng ®µi ®-îc trang bÞ mét thiÕt bÞ t¹o tÝn
hiÖu ®ång hå gäi lµ ®ång hå gèc. ThiÕt bÞ nµy th-êng cã ®é chÝnh x¸c, ®é tin cËy
vµ ®é æn ®Þnh cao. Tõ tÝn hiÖu nhÞp cña ®ång hå gèc sÏ t¹o ra c¸c tÝn hiÖu ®Þnh
thêi kh¸c cung cÊp cho c¸c ho¹t ®éng biÕn ®æi tÝn hiÖu, ghÐp, t¸ch kªnh, truyÒn
dÉn, chuyÓn m¹ch vµ c¸c ho¹t ®éng ®iÒu khiÓn kh¸c. §Ó phèi hîp c¸c ho¹t ®éng
cña c¸c tæng ®µi trong m¹ng th«ng tin sè th× c¸c tæng ®µi trong m¹ng cÇn ®-îc
®ång bé víi nhau, nghÜa lµ ph¶i ¸p dông c¸c biÖn ph¸p ®ång chØnh c¸c ®ång hå
chñ cña c¸c tæng ®µi. HiÖn nay c¸c tæng ®µi th-êng ¸p dông mét trong ba ph-¬ng
thøc ®ång bé m¹ng chuyÓn m¹ch sè c¬ b¶n, ®ã lµ :
- Ph-¬ng thøc cËn ®ång bé (Plesiosynchronization) dïng c¸c ®ång hå cùc
chÝnh x¸c cho mçi tæng ®µi vµ trang bÞ c¸c bé ®Öm cho c¸c m¹ch giao tiÕp truyÒn
dÉn liªn ®µi ®Ó ®ång chØnh l¹i tèc ®é luång sè.
- Ph-¬ng thøc ®ång bé chñ-tí (Master-Slaver Synchronization) ph©n cÊp c¸c
tæng ®µi trong m¹ng, Tæng ®µi chñ ®-îc trang bÞ ®ång hå cã ®é chÝnh x¸c, ®é æn
®Þnh vµ ®é tin cËy cao nhÊt, c¸c ®ång hå cña c¸c tæng ®µi tí cã phÈm cÊp thÊp
h¬n vµ ®-îc ®ång chØnh kho¸ pha theo nhÞp tõ tæng ®µi chñ.
- Ph-¬ng thøc ®ång bé t-¬ng hç (Mutual Synchronization) sö dông c¸c tÝn
hiÖu nhÞp ®-îc t¸i t¹o tõ c¸c m¹ch giao tiÕp truyÒn dÉn DTI víi c¸c tæng ®µi kh¸c
trong m¹ng lµm c¸c tÝn hiÖu tham kh¶o ®Ó hiÖu chØnh tÇn sè nhÞp cña ®ång hå
gèc theo gi¸ trÞ trung b×nh cña c¸c tÝn hiÖu nhÞp tham kh¶o cã tÝnh ®Õn c¸c yÕu tè
¶nh h-ëng cña truyÒn dÉn nh- ®é trÔ, c¸c ®iÒu kiÖn m«i tr-êng…
Nh×n chung ®ång bé m¹ng chuyÓn m¹ch sè lµ yÕu tè sèng cßn cña m¹ng, ¶nh
h-ëng trùc tiÕp ®Õn chÊt l-îng dÞch vô vµ v× thÕ cÇn ph¶i ¸p dông ph-¬ng thøc
®ång bé m¹ng hîp víi c¸c yªu cÇu dÞch vô m¹ng.
Trong ph©n hÖ chuyÓn m¹ch th-êng chØ chøa c¸c thiÕt bÞ b¸o hiÖu liªn
quan tíi b¸o hiÖu liªn ®µi vµ mét sè thiÕt bÞ b¸o hiÖu dïng chung cho tÊt c¶ c¸c
thuª bao sö dung trong giai ®o¹n thiÕt lËp cuéc gäi. B¸o hiÖu liªn tæng ®µi
th-êng ®-îc t¸ch, ghÐp t¹i c¸c m¹ch giao tiÕp trung kÕ. C¸c m¹ch giao tiÕp nµy
cã ®-êng liªn hÖ trùc tiÕp tíi thiÕt bÞ xö lý vµ ph©n phèi b¸o hiÖu. Mét sè thiÕt bÞ
b¸o hiÖu dïng chung nh- c¸c bé thu ph¸t b¸o hiÖu m· ®a tÇn (CR- Code
Receiver, CS - Code Sender) hoÆc thiÕt bÞ b¸o hiÖu kªnh chung (ST -7 Signaling
Terminal N0
7) ®-îc nèi víi trung kÕ th«ng qua m¹ng chuyÓn m¹ch sè.
Qu¸ tr×nh xö lý cuéc gäi sau chän sè cã thÓ dÉn ®Õn tr-êng hîp cuéc gäi
kh«ng thÓ thùc hiÖn ®-îc do c¸c lý do nh- thuª bao bÞ ngõng khai th¸c, chän sè
sai, cuéc gäi bÞ t¾c nghÏn th× khi ®ã c¸c lý do nµy sÏ ®-îc th«ng b¸o b»ng lêi tíi
thuª bao chñ gäi (Announcement ).
3.3 HÖ thèng ®iÒu khiÓn
3.3.1 Kh¸i qu¸t chung
Trong c¸c tæng ®µi ®iÒu khiÓn theo ch-¬ng tr×nh ghi s½n SPC hÖ thèng
®iÒu khiÓn gåm c¶ phÇn cøng vµ phÇn mÒm. Tuú thuéc vµo dung l-îng, c¸c hÖ
thèng nµy cã thÓ lµ lo¹i hÖ thèng mét bé xö lý hoÆc hÖ thèng gåm nhiÒu bé xö lý.
C¸c hÖ thèng nhiÒu bé xö lý l¹i cã thÓ ®-îc x©y dùng theo nguyªn lý ph©n cÊp
(mét cÊp hay nhiÒu cÊp) vµ ph©n chia chøc n¨ng (xö lý b¸o hiÖu, ®iÒu khiÓn
chuyÓn m¹ch, qu¶n lý giao tiÕp, ®iÒu hµnh b¶o d-ìng...). VÒ phÇn mÒm còng
®-îc chia thµnh c¸c ®o¹n thñ tôc (Procedure) vµ nh×n chung chóng lµ c¸c s¶n
phÈm ®éc quyÒn cña h·ng cung cÊp thiÕt bÞ v× vËy chóng rÊt ®a d¹ng.
Trong c¸c tæng ®µi SPC thÕ hÖ ®Çu vµ c¸c tæng ®µi ®iÖn tö dung l-îng nhá
hiÖn nay vÉn ¸p dông cÊu tróc hÖ thèng ®iÒu khiÓn mét bé xö lý. §©y lµ bé xö lý
®iÒu khiÓn mäi c«ng viÖc nh- qu¶n lý tr¹ng th¸i, xö lý b¸o hiÖu, xö lý cuéc gäi,
®iÒu khiÓn chuyÓn m¹ch, xö lý c¶nh b¸o. HÖ thèng ®iÒu khiÓn lo¹i nµy tËn dông
®-îc hiÖu suÊt cña bé xö lý nh-ng ®é an toµn c«ng t¸c cña hÖ thèng kh«ng cao,
kh«ng cã kh¶ n¨ng module ho¸ cho viÖc chÕ t¹o c¸c khèi chøc n¨ng, do ®ã kh«ng
t¹o ®-îc sù linh ho¹t cho ph¸t triÓn dung l-îng.
HÖ thèng ®iÒu khiÓn cña c¸c tæng ®µi dung l-îng võa vµ lín hiÖn nay
th-êng ®-îc x©y dùng trªn c¬ së nhiÒu bé xö lý. Trong c¸c hÖ thèng kiÓu mét
cÊp, c¸c bé xö lý cã thÓ ®-îc tæ chøc theo chøc n¨ng hoÆc theo giai ®o¹n ph¸t
triÓn dung l-îng.
- Xö lý theo chøc n¨ng nghÜa lµ c¸c c«ng viÖc cÇn xö lý ®iÒu khiÓn ®-îc
ph©n lo¹i theo møc ®é phøc t¹p vµ tÇn xuÊt yªu cÇu thùc hiÖn ®Ó ph©n chia cho
tõng bé xö lý. Nh- thÕ, mçi bé xö lý phô tr¸ch mét hoÆc mét vµi c«ng viÖc
chuyªn tr¸ch, chuyªn m«n ho¸ viÖc xö lý ®iÒu khiÓn. §iÒu ®ã lµm cho viÖc xö lý
®iÒu khiÓn ®-îc thùc hiÖn mét c¸ch thuËn tiÖn vµ ch¾c ch¾n h¬n. Tuy nhiªn,
ph-¬ng thøc nµy còng buéc ph¶i l¾p ®Æt ®Çy ®ñ c¸c lo¹i bé xö lý chøc n¨ng ngay
t¹i giai ®o¹n ®Çu ph¸t triÓn dung l-îng, nh- vËy kh«ng khai th¸c hÕt c«ng suÊt
cña c¸c bé xö lý.
- Trong hÖ thèng xö lý ®iÒu khiÓn mét cÊp tæ chøc theo cung ®o¹n ph¸t
triÓn dung l-îng th× mçi bé xö lý ®¶m nhiÖm tÊt c¶ c¸c ho¹t ®éng xö lý ®iÒu
khiÓn phôc vô cho tõng nhãm thuª bao hoÆc trung kÕ. Nh- vËy c«ng viÖc cña bé
xö lý rÊt phøc t¹p, tèc ®é xö lý cuéc gäi cã thÓ thÊp h¬n ph-¬ng thøc chuyªn m«n
ho¸ nh-ng nã l¹i cho phÐp tæ chøc dung l-îng cña tæng ®µi theo kiÓu modul vµ
tËn dông hÕt kh¶ n¨ng xö lý cña hÖ thèng ®iÒu khiÓn.
H×nh 3.19 d-íi ®©y lµ m« h×nh tæ chøc hÖ thèng xö lý mét cÊp
H×nh 3.19 M« h×nh hÖ thèng xö lý mét cÊp
- Trong c¸c tæng ®µi mµ hÖ thèng xö lý ®iÒu khiÓn dïng nhiÒu bé xö lý tæ
chøc theo nhiÒu cÊp th× th-êng bao gåm 3 – 4 cÊp. CÊp cao nhÊt lµ bé xö lý ®iÒu
hµnh, qu¶n lý vµ b¶o d-ìng (OMP- Operation, Administration and Maintenance
Processor) vµ bé ®iÒu khiÓn ®a xö lý (MPC - Multi Processing Controller). CÊp
H×nh 3.20 M« h×nh hÖ thèng xö lý ph©n cÊp
thø hai th-êng lµ c¸c bé xö lý chøc n¨ng (xö lý cuéc gäi CLP- Call processor) vµ
chóng ®-îc ph©n bè theo dung l-îng. C¸c bé xö lý ®iÒu khiÓn cÊp thø ba thùc
C¸c c«ng viÖc cÇn xö lý
P1
m1
P2
m2
P3
m3
Pn
mn
cm
omp mpc
clp spc clp spc
clp spc
loc loc loc loc loc loc loc loc loc
hiÖn c¸c chøc n¨ng xö lý ®¬n gi¶n nh-ng tÇn suÊt xuÊt hiÖn cao cña c¸c nhãm
thuª bao vµ trung kÕ. CÊp thø t- th-êng lµ c¸c bé xö lý ®iÒu khiÓn thiÕt bÞ
(Device). Nh- vËy, cÊp thø t- cã thÓ coi lµ xö lý ®iÒu khiÓn riªng cho c¸c thiÕt bÞ
chuyªn dông cña tæng ®µi nh- hiÓn thÞ, c¶nh b¸o, ... Ýt liªn quan trùc tiÕp ®Õn
cuéc gäi. CÊp xö lý thø ba theo ph©n cÊp nµy cã thÓ coi lµ c¸c bé xö lý khu vùc,
liªn quan tíi c¸c c«ng viÖc xö lý ®iÒu khiÓn c¸c giao tiÕp. CÊu tróc ph©n cÊp nh-
vËy cho phÐp ph©n t¶i cho c¸c bé xö lý mét c¸ch hiÖu qu¶, hîp lý. C¸c bé xö lý
cÊp ba xö lý vµ ®iÒu khiÓn c¸c c«ng viÖc ®¬n gi¶n nh-ng l¹i xuÊt hiÖn th-êng
xuyªn, cßn c¸c bé xö lý cÊp 2 (xö lý cuéc gäi), xö lý c¸c c«ng viÖc phøc t¹p h¬n
nh- xö lý ®Þa chØ, chän tuyÕn, ®iÒu khiÓn chuyÓn m¹ch, ... tÇn suÊt cña c¸c c«ng
viÖc nµy kh«ng lín l¾m. C¸c bé xö lý OMP vµ MPC thùc hiÖn gi¸m s¸t ho¹t ®éng
cña c¸c bé xö lý cÊp thÊp h¬n, ph©n phèi tµi nguyªn vµ xö lý c¶nh b¸o ... ®©y lµ
c¸c c«ng viÖc rÊt phøc t¹p vµ cã ý nghÜa then chèt trong ho¹t ®éng toµn bé hÖ
thèng. ViÖc ph©n cÊp trong tæ chøc hÖ thèng ®iÒu khiÓn còng t¹o kh¶ n¨ng
module ho¸ trong chÕ t¹o vµ l¾p ®Æt c¸c thiÕt bÞ cña tæng ®µi theo giai ®o¹n ph¸t
triÓn dung l-îng.
3.3.2 Tæ chøc hÖ thèng xö lý ®iÒu khiÓn cña mét sè tæng ®µi
Trong phÇn nµy xem xÐt cÊu tróc hÖ thèng xö lý ®iÒu khiÓn cña tæng ®µi
TDX-1B vµ tæng ®µi NEAX-61E ®Ó tham kh¶o.
H×nh 3.21 lµ s¬ ®å cÊu tróc hÖ thèng xö lý ®iÒu khiÓn cña tæng ®µi
TDX-1B. C¬ së cña tæng ®µi nµy lµ tæ chøc c¸c giao tiÕp thuª bao, giao tiÕp trung
kÕ theo nhãm. CÊp qu¶n lý thÊp nhÊt lµ Module (cÊp nµy kh«ng ®-îc thÓ hiÖn
trªn s¬ ®å). Bé xö lý ALCP (Analog Line Circuit Processor) xö lý nhãm thuª bao
vµ b¸o hiÖu thuª bao cïng víi SSGP (Subscribers Signaling Processor). Mçi
ALCP qu¶n lý sè thuª bao trong nhãm cïng víi c¸c bé tËp trung thuª bao DLCD
(Digital Line Concentration Device) ®Ó t¹o ra luång 256 Ch, cßn SSGP th× ®iÒu
khiÓn vµ xö lý th«ng tin chän sè cña c¸c bé thu m· ®a tÇn DTMFR (Dual Tone
Multi Frequency Receiver) nèi víi c¸c bé tËp trung DLCD cña nhãm.
SLP - Bé xö lý cuéc gäi thuª bao (Subscribers Line Processor) lµ bé xö lý
cÊp B thùc hiÖn chøc n¨ng qu¶n lý vµ ®iÒu khiÓn ho¹t ®éng cña c¸c ALCP vµ
SSGP trùc thuéc, xö lý cuéc gäi, ®iÒu khiÓn t¸ch ghÐp kªnh, trao ®æi víi SNP
(Switching Network Processor) .
C¸c giao tiÕp trung kÕ sè còng ®-îc tæ chøc theo Module vµ theo nhãm.
Qu¶n lý c¸c giao tiÕp nµy lµ c¸c bé xö lý DTCP (DTCP - Digital Trunk Circuit
Processor) vµ TSGP ( TSGP- Signaling Processor) bao gåm qu¶n lý c¸c m¹ch
giao tiÕp, ®iÒu khiÓn qu¸ tr×nh t¸ch, chÌn b¸o hiÖu, xö lý ®ång bé, xö lý c¶nh b¸o,
biÕn ®æi m· ... vµ c¸c bé thu ph¸t b¸o hiÖu R2. Bé xö lý gäi trung kÕ TLP (Trunk
Line Processor) lµ bé xö lý cÊp B thùc hiÖn qu¶n lý vµ ®iÒu khiÓn c¸c bé xö lý
DTCP vµ TSGP trong nhãm vµ liªn hÖ víi SNP ®Ó phôc vô c¸c cuéc gäi trung kÕ.
Bé xö lý ®iÒu khiÓn m¹ng chuyÓn m¹ch SNP ( Switching Network
Processor) nhËn c¸c yªu cÇu chuyÓn m¹ch tõ TLP vµ SLP, xö lý vµ biÕn ®æi thµnh
sè liÖu ®iÒu khiÓn ®Ó ghi vµo c¸c bé nhí ®iÒu khiÓn cña m¹ng chuyÓn m¹ch.
Bé xö lý ®iÒu hµnh, qu¶n lý vµ b¶o d-ìng OMP (Operation Administration
and Maintenance Processor ) thùc hiÖn chøc n¨ng ®iÒu hµnh, qu¶n lý vµ b¶o
d-ìng toµn bé hÖ thèng bao gåm ph©n phèi ch-¬ng tr×nh, ph©n phèi tµi nguyªn
cho c¸c bé xö lý, gi¸m s¸t ho¹t ®éng vµ ®iÒu khiÓn dù phßng, ®iÒu khiÓn c¶nh
b¸o, xö lý lçi trong ho¹t ®éng c¸c bé xö lý.
C¸c bé xö lý cÊp D gåm : Bé xö lý thiÕt bÞ ®iÒu khiÓn c¶nh b¸o hÖ thèng
SAIP ( System Alarm Interface Processor), thiÕt bÞ kiÓm tra ®-êng t-¬ng tù
(Analog Line test Processor) , thiÕt bÞ ®o thö ngoµi (Outside Testing Equipment
Processor) thiÕt bÞ ®o thö trong (Inside Testing Equipment Processor), xö lý
®ång bé m¹ng ( Network Synchronization Circuit Processor - NSCP), ®iÒu khiÓn
c¸c bé nhí ngoµi nh- b¨ng tõ MTIP , æ ®Üa DKIP vµ c¸c thiÕt bÞ giao tiÕp ng-êi
m¸y nh- mµn h×nh CRT, bµn phÝm ...
Switch
Memory
snp
alcp
256Ch
(4)
alcp
256Ch
sscp
dtmfr
slp
alcp
256Ch
(4)
alcp
256Ch
sscp
dtmfr
slp
(Max
22)
dtcp
120Ch
(4)
dtcp
120Ch
tsgp
r2s/r
tlp
dtcp
120Ch
(4)
dtcp
120Ch
tsgp
r2s/r
tlp
(Max
8)
omp
dkip
dk1
dkip
dk0
mtip
mt2
mtip
mt1
mtip
mt0
crt
crt
saip
altp
otep
itep
nscp
T-Bus
B-Bus
D-Bus
Dk-Bus
Mt-Bus
B-Bus
B-Bus
B-Bus
H×nh
3.21
HÖ
thèng
xö
lý
®iÒu
khiÓn
cña
tæng
®µi
TDX-1B
HÖ thèng xö lý ®iÒu khiÓn cña tæng ®µi NEAX- 61E l¹i ®-îc tæ chøc theo
m¹ng chuyÓn m¹ch (Nw-Network) theo c¸c tñ thuª bao, trung kÕ TSCPF (Trunk
and Subscribers Circuit Processor Frame) vµ c¸c khèi chøc n¨ng b¸o hiÖu kªnh
chung CCSC (Common Channel Signaling Circuit) hoÆc c¸c bµn dÞch vô (Position
Controller). H¹t nh©n cña hÖ thèng lµ c¸c bé xö lý cuéc gäi CLP (Call Processor)
cña mçi m¹ng chuyÓn m¹ch. PhÇn cÊu tróc kh¸c còng gièng nh- tæng ®µi
TDX-1B.
Bé ®iÒu khiÓn ®a xö lý MPC (Multi Processing Controller) ®iÒu khiÓn ho¹t
®éng cña hÖ thèng trong c¸c thêi ®iÓm quan träng nh- khëi ®éng hÖ thèng, gi¸m
s¸t trong qu¸ tr×nh ho¹t ®éng, ph©n tÝch vµ xö lý lçi...
H×nh 3.22 lµ cÊu tróc ph©n hÖ xö lý ®iÒu khiÓn cña tæng ®µi NEAX-61E,
cßn h×nh 3.23 cho thÊy cÊu tróc cña Module xö lý ®iÒu khiÓn CPM
bc
ssp
cc
spi
mm
sbp
cmadp
To/From
MPC
To/From
SPC
or
PSC
To/From
CMIM
cpm
(cp)
ssp
cc
spi
mm
sbp
cmadp
To/From
MPC
To/From
SPC
or
PSC
To/From
CMIM
cpm
)
ssp
cc
spi
mm
sbp
cmadp
To/From
MPC
To/From
SPC
or
PSC
To/From
CMIM
cpm
(cp)
Up
to
32
CPMs
(22
CLPs
and
others)
ssp
cc
sbp
mm
iop
cmadp
cpm
(omp)
spi
To/From
tstm
spb
mpc
(16)
mpc
(16)
i/o
To/From
mcsl
To/From
ssp
HIB
(To/From
O&M
Subsystem)
cmim
(8)
cmim
(8)
To/From
mcsl
To/From
cmadp
(4)

cmm
H×nh 3.22: S¬ ®å khèi cña ph©n hÖ xö lý ®iÒu khiÓn NEAX-61E
System
Bus
Tr¸i tim cña ph©n hÖ xö lý lµ Module xö lý ®iÒu khiÓn CPM (Control
Processor Module). H×nh 3.23 lµ s¬ ®å khèi cña CPM gåm nh÷ng khèi chøc n¨ng
sau:
 CC : Bé ®iÒu khiÓn trung t©m (Central Controller) gåm c¸c ®¬n vÞ vi xö
lý CPU A vµ CPU B ho¹t ®éng trong chÕ ®é dù phßng ®ång bé, bé ®iÒu
khiÓn chÐo ngang cÊp MXC (Mate Cross Controller), bé chuyÓn ®æi
®-êng Bus BSC gi÷a M-Bus vµ C-Bus
 Bé nhí chÝnh MM (Main Memory) chøa c¸c ch-¬ng tr×nh ®iÒu hµnh
vµ c¸c sè liÖu phôc vô cho c¸c qu¸ tr×nh xö lý ®iÒu khiÓn.
 Bé giao tiÕp bé nhí chung CMADP (Common Memory Adapter) cho
phÐp truy cËp bé nhí chung ®Ó nhËp hoÆc xuÊt sè liÖu.
 Xö lý Bus hÖ thèng SBP (System Bus Processor) ®iÒu khiÓn truy cËp
Bus hÖ thèng SB
hib 0 [
sb 0,1 [
spb 0 [
mpc
cmim
0,1
System
cmadp
mm
cpua
cpub
mxc
bsc
iop
sbp
spi
ssp
cmim
0,1
mxc
mm
cmadp
cpua
cpub
bsc
iop
sbp
spi
ssp
Sychron Sychron
] hib 1
] sb 0,1
1
] spb 1
1
] mpc 0,1
1
System
Control Processor Module
H×nh 3.23 : S¬ ®å khèi chøc n¨ng cña module xö lý ®iÒu khiÓn CPM
cc cc
c
Bus
c
Bus
M
Bus
M
Bus
 Giao diÖn tuyÕn tho¹i SPI (Speech Path Interface) dïng ®Ó giao tiÕp víi
c¸c bé ®iÒu khiÓn tuyÕn tho¹i SPC hoÆc t-¬ng ®-¬ng
 Xö lý dÞch vô hÖ thèng SSP (System Service Processor) giao tiÕp víi bé
®iÒu khiÓn ®a xö lý MPC
NhiÖm vô cña CC lµ ®äc vµ thùc hiÖn c¸c ch-¬ng tr×nh cÇn thiÕt cho ®iÒu
hµnh xö lý c¸c cuéc gäi trong hÖ thèng. C¸c ch-¬ng tr×nh nµy ®-îc chøa trong bé
nhí chÝnh MM cña mçi CC t-¬ng øng cïng víi c¸c d÷ liÖu cÇn thiÕt. Trong qu¸
tr×nh xö lý, CC cã thÓ truy cËp bé nhí chung CM th«ng qua bé phèi hîp CMADP
®Ó lÊy thªm c¸c d÷ liÖu cÇn thiÕt nh- c¸c tham sè thuª bao hoÆc trung kÕ vµ ®Ó
chuyÓn c¸c sè liÖu liªn quan cuéc gäi ra bé nhí chung nh- sè liÖu tÝnh c-íc… .
Th«ng qua Bus hÖ thèng c¸c CPM cã thÓ trao ®æi sè liÖu ®iÒu khiÓn víi nhau d-íi
sù gi¸m s¸t cña bé ®iÒu khiÓn Bus BC (Bus Controller). Th«ng qua SSB c¸c CC
giao tiÕp víi bé ®iÒu khiÓn ®a xö lý MPC (Multi-Processing Controller) ®Ó göi
c¸c th«ng b¸o vÒ tr¹ng th¸i hÖ thèng. MPC còng gi¸m s¸t, ®iÒu hµnh ho¹t ®éng
cña c¸c CPM, cho phÐp ®iÒu khiÓn nh©n c«ng tõ MCSL (Master Console) th«ng
qua ng«n ng÷ giao tiÕp ng-êi-m¸y MML. C¸c Module xö lý ®iÒu khiÓn CPM
còng cã thÓ truyÒn sè liÖu gi÷a bé nhí chÝnh trong CPM víi c¸c thiÕt bÞ vµo ra
cña hÖ thèng th«ng qua Bus liªn kÕt cao HIB (High Integrated Bus)
Nh- trªn h×nh 3.22 ®· thÓ hiÖn toµn bé hÖ thèng xö lý ®iÒu khiÓn cña tæng
®µi NEAX-61E ®-îc tæ chøc theo kiÓu module ho¸ tõ c¸c CPM. Tuú thuéc vÞ trÝ
øng dung trong hÖ thèng mµ mçi CPM cã tªn gäi kh¸c nhau, chøc n¨ng kh¸c
nhau vµ ®-îc n¹p nh÷ng ch-¬ng tr×nh ®iÒu hµnh kh¸c nhau mçi khi khëi t¹o hÖ
thèng. CÊu tróc Module cho phÐp dÔ dµng më réng dung l-îng vµ t¹o ®iÒu kiÖn
thuËn tiÖn trong dù phßng, b¶o hµnh, b¶o d-ìng.
3.3.3 PhÇn mÒm tæng ®µi
Trong c¸c tæng ®µi SPC chuyÓn m¹ch sè, phÇn mÒm cña hÖ thèng xö lý
®iÒu khiÓn cã mét sè ®Æc tÝnh c¬ b¶n sau :
- Xö lý cuéc gäi theo ph-¬ng ph¸p ghÐp kªnh theo thêi gian trªn c¬ së thêi
gian thùc.
- §¶m b¶o ®é æn ®Þnh vµ ®é tin cËy cao cña dÞch vô.
- Cã kh¶ n¨ng thay ®æi vµ bæ xung c¸c chøc n¨ng mét c¸ch linh ho¹t.
PhÇn mÒm hÖ thèng cña c¸c tæng ®µi chuyÓn m¹ch sè ®iÒu khiÓn theo
ch-¬ng tr×nh th«ng th-êng gåm 3 phÇn.
- File hÖ thèng
- File sè liÖu tæng ®µi
- File sè liÖu thuª bao
File hÖ thèng cßn ®-îc gäi lµ file ch-¬ng tr×nh, chøa c¸c ch-¬ng tr×nh ®iÒu
khiÓn c¸c chøc n¨ng ho¹t ®éng chung cña hÖ thèng, chøc n¨ng xö lý cuéc gäi vµ
chuyÓn m¹ch, ®Æc biÖt nã chøa HÖ ®iÒu hµnh OS (Operating System) gåm c¸c
Ch-¬ng tr×nh vµ c¸c thñ tôc ®iÒu hµnh (Execution Control Program) , Ch-¬ng
tr×nh xö lý sù cè (Fault Processing Program), Ch-¬ng tr×nh chuÈn ®o¸n
(Diagnostic Program) vµ hÖ thèng C¸c ch-¬ng tr×nh øng dông (Application
Program) nh- Xö lý cuéc gäi (Call Processing Program) vµ Ch-¬ng tr×nh qu¶n lý
(Administration Program) (Xem h×nh 3.24)
 slic
dlcd
TDNw
Time
Division
Network
TEST
Test
Equipment
I/O
Input/
Output
Equipment
Trunk
To/From
distant office
Call
Processing
Program
Administration
Program
(Database
Control
Program)
Diagnostic
Program
Execution Control Program
Application Program
Operating
Fault Processing Program
Hardware
Software
§-êng ®iÒu khiÓn phÇn cøng
Gi¸m s¸t lçi
TÝn hiÖu th«ng tin (liªn hÖ gi÷a phÇn mÒm øng dông vµ hÖ thèng
®iÒu hµnh)
H×nh 3.24 CÊu tróc phÇn mÒm hÖ thèng vµ quan hÖ gi÷a c¸c ch-¬ng tr×nh phÇn
mÒm vµ cÊu tróc phÇn cøng
C¸c ch-¬ng tr×nh phÇn mÒm cña hÖ thèng xö lý ®iÒu khiÓn th-êng ®-îc
viÕt b»ng c¸c ng«n ng÷ lËp tr×nh bËc cao, sö dông ph-¬ng ph¸p lËp tr×nh logic
trªn c¬ së l-u ®å thuËt to¸n vµ ph©n chia Module. ViÖc ph©n chia Module lµm
cho c¸c thñ tôc (®o¹n ch-¬ng tr×nh) ®-îc ng¾n gän, râ rµng, ®¬n gi¶n, dÔ kiÓm
tra, söa ch÷a vµ bæ xung.
HÖ ®iÒu hµnh OS (Operating System) bao gåm c¸c ch-¬ng tr×nh ®iÒu khiÓn
c¸c ho¹t ®éng néi bé cña phÇn mÒm hÖ thèng. §©y lµ hÖ ®a xö lý thêi gian thùc,
cã kh¶ n¨ng ®iÒu khiÓn nhiÒu cÊp ho¹t ®éng kh¸c nhau b»ng c¸ch Ên ®Þnh møc -u
tiªn cho c¸c ch-¬ng tr×nh.
HÖ ®iÒu hµnh ®iÒu khiÓn viÖc ®Þnh thêi vµ tr×nh tù thùc hiÖn c¸c ch-¬ng
tr×nh xö lý cuéc gäi, chuÈn ®o¸n lçi vµ qu¶n lý. Nã sö dông ph-¬ng thøc ®a xö lý
ph©n chia c«ng viÖc theo thêi gian ®Ó thùc hiÖn nhiÒu thao t¸c xö lý kh¸c nhau
mét c¸ch hiÖu qu¶. Nã quyÕt ®Þnh cÇn kÝch ho¹t ch-¬ng tr×nh nµo vµ khi nµo kÝch
ho¹t. Nã còng cung cÊp c¸c chøc n¨ng hç trî chung cho hÖ ®iÒu hµnh vµ hÖ øng
dông nh- qu¶n lý vïng nhí, ®iÒu khiÓn ®ång hå, ®iÒu khiÓn vµo ra, giao tiÕp
ng-êi-m¸y, giao tiÕp gi÷a c¸c bé xö lý...
Ch-¬ng tr×nh xö lý lçi ph¸t hiÖn c¸c lçi cña hÖ thèng vµ kh¾c phôc b»ng
c¸ch n¹p l¹i ch-¬ng tr×nh vµ sè liÖu tæng ®µi. C¸c lçi ®-îc ph¸t hiÖn th«ng qua
c¸c thiÕt bÞ kiÓm tra ®o thö vµ xö lý ph©n tÝch tr¹ng th¸i, ph©n tÝch qua so s¸nh dù
phßng. Ch-¬ng tr×nh còng cÇn ®Æt ra c¸c ng-ìng xö lý vµ c¸c b-íc t¸i khëi ®éng
hÖ thèng mét c¸ch tù ®éng, cÊu h×nh cña hÖ thèng còng ®-îc ®Þnh l¹i mçi khi
ph¶i t¸i khëi ®éng hÖ thèng.
PhÇn chuÈn ®o¸n lçi gåm c¸c thñ tôc kiÓm tra tù ®éng c¸c khèi phÇn
cøng, hç trî viÖc kiÓm tra ho¹t ®éng cña hÖ thèng do nh©n viªn b¶o hµnh thùc
hiÖn. C¸c lçi ®-îc ph¸t hiÖn sÏ ®-îc ®-a ra thiÕt bÞ c¶nh b¸o vµ cã thÓ kÌm theo
c¸c h-íng dÉn xö lý, kh¾c phôc ®Ó nh©n viªn khai th¸c cã thÓ xö lý mét c¸ch hiÖu
qu¶ vµ thuËn tiÖn.
PhÇn mÒm øng dông cña hÖ ®iÒu hµnh bao gåm xö lý cuéc gäi vµ qu¶n lý.
Ch-¬ng tr×nh xö lý cuéc gäi gåm c¸c thñ tôc qu¶n lý tr¹ng th¸i ®-êng thuª bao,
®uêng trung kÕ, nhËn biÕt vµ xö lý sù thay ®æi tr¹ng th¸i, nhËn vµ xö lý b¸o hiÖu
(bao gåm c¶ th«ng tin ®Þa chØ) ®iÒu khiÓn t¹o vµ ph©n phèi b¸o hiÖu, ®iÒu khiÓn
chuyÓn m¹ch (kÓ c¶ m¹ch ph¸t c¸c b¸o hiÖu, th«ng b¸o) ... Ch-¬ng tr×nh qu¶n lý
theo dâi qu¸ tr×nh xö lý c¸c cuéc gäi, thu thËp c¸c sè liÖu ®Ó dïng vµo viÖc qu¶n
lý vµ thanh to¸n c-íc phÝ, c¸c thñ tôc qu¶n lý l-u l-îng vµ ®iÒu khiÓn c¸c cuéc
gäi ®Ó tr¸nh ¸ch t¾c. Ngoµi ra phÇn øng dông cßn cã ch-¬ng tr×nh dïng ®Ó ®iÒu
khiÓn c¬ s¬ d÷ liÖu, ®iÒu khiÓn viÖc truy xuÊt c¸c sè liÖu tæng ®µi vµ thuª bao, c¸c
thñ tôc b¶o vÖ c¬ së d÷ liÖu.
C¸c tÖp sè liÖu tæng ®µi chøa c¸c th«ng tin cÇn thiÕt cho viÖc thùc hiÖn c¸c
ho¹t ®éng chuyÓn m¹ch. Sè liÖu tæng ®µi ®Æc tr-ng cho mét tæng ®µi vµ ph¶n ¸nh
chÝnh x¸c t×nh tr¹ng cña tæng ®µi ®ã. TÖp sè liÖu tæng ®µi ®-îc cËp nhËt th-êng
xuyªn.
C¸c tÖp sè liÖu thuª bao chøa c¸c th«ng tin cã liªn quan ®Õn thuª bao (líp
thuª bao, líp dÞch vô ...) c¸c tÖp nµy ®-îc cËp nhËt theo nh÷ng sù thay ®æi cña
thuª bao
3.4. Ph©n hÖ b¸o hiÖu SiGS
3.4.1 Kh¸i qu¸t chung:
Trong Ch-¬ng I môc 1.1.4 cña tµi liÖu nµy chóng ta ®· ®Ò cËp ®Õn vai trß
cña b¸o hiÖu trong hÖ thèng m¹ng viÔn th«ng, trong phÇn nµy chóng ta t×m hiÓu
c¸c thiÕt bÞ thùc hiÖn chøc n¨ng thu nhËn, xö lý vµ ph©n phèi c¸c tÝn hiÖu b¸o
hiÖu, bè trÝ vµ tæ chøc c¸c thiÕt bÞ nµy trong c¸c tæng ®µi chuyÓn m¹ch sè.
Nh- ®· ®Ò cËp trong Ch-¬ng I, cã thÓ hiÓu b¸o hiÖu lµ h×nh thøc trao ®æi
c¸c th«ng tin ®iÒu khiÓn gi÷a c¸c thµnh phÇn m¹ng trong qu¸ tr×nh thiÕt lËp, duy
tr×, gi¶i to¶ cuéc gäi.
C¸c tÝn hiÖu b¸o hiÖu cã thÓ lµ nh÷ng tÝn hiÖu mang tÝnh chÊt th-êng
xuyªn nh- tr¹ng th¸i ®-êng thuª bao, tr¹ng th¸i ®-êng trung kÕ vµ ®-îc gäi
chung lµ b¸o hiÖu gi¸m s¸t; còng cã thÓ lµ nh÷ng tÝn hiÖu phôc vô cho viÖc chän
tuyÕn, ®-îc gäi lµ b¸o hiÖu lùa chän hay b¸o hiÖu thanh ghi.
C¸c tÝn hiÖu b¸o hiÖu còng cã thÓ ®-îc ph©n chia theo cung ®o¹n m¹ng
thµnh b¸o hiÖu ®-êng d©y thuª bao, b¸o hiÖu liªn tæng ®µi. Vµ do cã nhiÒu lo¹i
tÝn hiÖu b¸o hiÖu nh- vËy nªn còng sÏ cã nhiÒu lo¹i thiÕt bÞ b¸o hiÖu vµ chóng cã
thÓ ®-îc ph©n bè ngay trong ph©n hÖ øng dông, t¹i c¸c nhãm thuª bao, hoÆc
trong ph©n hÖ chuyÓn m¹ch nhãm, cïng víi c¸c thiÕt bÞ chuyÓn m¹ch.
Nh- vËy tuú thuéc vµo cÊu tróc cña tõng tæng ®µi cã thÓ tån t¹i mét nhãm
c¸c thiÕt bÞ b¸o hiÖu dïng chung ®-îc coi lµ mét ph©n hÖ b¸o hiÖu, còng cã thÓ
c¸c thiÕt bÞ thu ph¸t b¸o hiÖu ®-îc ph©n bè nh- thµnh phÇn cña c¸c ph©n hÖ kh¸c.
Nh×n chung ph©n hÖ b¸o hiÖu kh«ng ph¶i lµ mét khèi chøc n¨ng ®éc lËp trong c¸c
tæng ®µi, nã nhËn vµ xö lý c¸c tÝn hiÖu tõ ph©n hÖ øng dông hoÆc ph©n hÖ chuyÓn
m¹ch ®Ó t¹o thµnh c¸c th«ng tin ®-a ®Õn ph©n hÖ xö lý ®iÒu khiÓn ®Ó sau ®ã ®iÒu
khiÓn l¹i c¸c thµnh phÇn cña ph©n hÖ øng dông hoÆc ph©n hÖ chuyÓn m¹ch vµ v×
thÕ c¸c thiÕt bÞ b¸o hiÖu ph©n bè trong 2 ph©n hÖ nµy lµ hîp lý.
B¸o hiÖu ®-êng d©y thuª bao ®-îc chia thµnh b¸o hiÖu ®-êng d©y thuª
bao chñ gäi vµ b¸o hiÖu ®-êng d©y thuª bao bÞ gäi. C¸c tÝn hiÖu b¸o hiÖu ®ã còng
cã thÓ lµ dßng hoÆc ®iÖn ¸p mét chiÒu nh- ®iÖn ¸p ®-êng thuª bao hoÆc dßng
m¹ch vßng thuª bao, tÝn hiÖu chän sè d¹ng xung; còng cã thÓ lµ tÝn hiÖu ©m tÇn
nh- c¸c ©m mêi gäi, b¸o bËn, håi ©m hoÆc tÝn hiÖu ®iÖn xoay chiÒu nh- tÝn hiÖu
chu«ng. Thèng kª c¸c tÝn hiÖu b¸o hiÖu ®-êng d©y thuª bao ®-îc ®-a ra trong
b¶ng 3.4
B¶ng 3.4 C¸c tÝn hiÖu b¸o hiÖu ®-êng d©y thuª bao
Tªn gäi D¹ng tÝn hiÖu ThiÕt bÞ thu/ph¸t
§-êng d©y thuª bao chñ
gäi
-Rçi, ®Æt tæ hîp ILC=0mA
-Khëi t¹o cuéc gäi ILC=0mA(2070mA)
Bé quÐt tr¹ng th¸i SCN
(Scanner)
-Mêi chän sè, b¸o bËn,
håi ©m chu«ng, b¸o
cuéc gäi kÕt thóc
¢m tÇn
Bé t¹o tÝn hiÖu DTG
(Digital Tone Generator)
*D¹ng xung (Pulse
Dialing Mode)
Bé quÐt tr¹ng th¸i SCN
-Chän sè *D¹ng ®a tÇn (Tone
Dialing Mode)
Bé thu m· ®a tÇn MFR
(MultiFrequency
Receiver)
-C¸c th«ng b¸o cuéc
gäi kh«ng thµnh c«ng ¢m tÇn
Bé nhí c¸c th«ng b¸o
b»ng lêi DVM (Digital
Voice Message)
-KÕt thóc cuéc gäi ILC=(2070mA)0mA Bé quÐt tr¹ng th¸i SCN
§-êng d©y thuª bao bÞ
gäi
-Rçi, ®Æt tæ hîp ILC=0mA Bé quÐt tr¹ng th¸i SCN
-Chu«ng Dßng chu«ng xoay chiÒu
80V/25Hz
Bé t¹o chu«ng (Ringer)
-Tr¶ lêi cuéc gäi ILC=0mA(2070mA) Bé quÐt tr¹ng th¸i SCN
-B¸o cuéc gäi kÕt thóc ¢m tÇn Bé t¹o tÝn hiÖu DTG
-KÕt thóc cuéc gäi ILC=(2070mA)0mA Bé quÐt tr¹ng th¸i SCN
Trong mét tæng ®µi c¸c m¹ch ®iÖn giao tiÕp ®-êng d©y thuª bao lµ lo¹i
thiÕt bÞ chiÕm ®a sè, chóng ®-îc bè trÝ thµnh tõng tñ, tæ chøc thµnh tõng nhãm v×
thÕ mét sè c¸c thiÕt bÞ dïng ®Ó thu, nhËn biÕt hoÆc ph©n phèi c¸c tÝn hiÖu b¸o
hiÖu ®-êng d©y thuª bao mµ ph¶i th-êng xuyªn sö dông ®Õn nh- bé t¹o tÝn hiÖu
©m tÇn d¹ng sè DTG hoÆc m¹ch quÐt tr¹ng th¸i ®-êng thuª bao SCN, bé thu tÝn
hiÖu chän sè MFR nªn bè trÝ theo tõng tñ hoÆc tõng nhãm thuª bao. C¸c thiÕt bÞ
b¸o hiÖu dïng chung nh-ng tÇn xuÊt sö dông kh«ng th-êng xuyªn vµ cã ®é phøc
t¹p cao nh- bé t¹o c¸c b¶n tin th«ng b¸o b»ng lêi nªn bè trÝ cïng víi m¹ng
chuyÓn m¹ch nhãm. C¸c bé t¹o vµ ph©n phèi tÝn hiÖu chu«ng cho ®-êng thuª bao
bÞ gäi còng nªn ®Æt t¹i c¸c tñ thuª bao ®Ó tiÖn cho viÖc cÊp tíi c¸c m¹ch giao tiÕp
®-êng d©y thuª bao tr¸nh dÉn tÝn hiÖu ®iÖn ¸p cao nµy ®i qua dµi trong tæng ®µi
cã thÓ g©y ¶nh h-ëng xÊu tíi viÖc truyÒn c¸c tÝn hiÖu kh¸c. Trong mét sè tæng ®µi
cã møc ®é tËp trung cao th× c¸c thiÕt bÞ b¸o hiÖu dïng chung nh- c¸c bé t¹o c¸c
tÝn hiÖu ©m tÇn DTG, c¸c bé thu tÝn hiÖu chän sè ®a tÇn MFR còng ®-îc tËp trung
vµo ph©n hÖ chuyÓn m¹ch nhãm, nh- thÕ cã thÓ n©ng cao hiÖu xuÊt sö dông c¸c
thiÕt bÞ nµy, tuy nhiªn còng lµm t¨ng thªm nhiÖm vô chuyÓn m¹ch cña ph©n hÖ
chuyÓn m¹ch nhãm vµ t¨ng yªu cÇu ®iÒu khiÓn.
B¸o hiÖu liªn tæng ®µi còng ®-îc ph©n chia thµnh hÖ thèng b¸o hiÖu dïng
cho lo¹i giao tiÕp kh¸c nhau nh- hÖ thèng b¸o hiÖu dïng cho trung kÕ t-¬ng tù
gi÷a hai tæng ®µi t-¬ng tù, gi÷a tæng ®µi t-¬ng tù víi tæng ®µi chuyÓn m¹ch sè,
gi÷a c¸c tæng ®µi chuyÓn m¹ch sè ®iÒu khiÓn theo ch-¬ng tr×nh. Mçi hÖ thèng l¹i
chia thµnh c¸c tÝn hiÖu b¸o hiÖu gi¸m s¸t vµ c¸c tÝn hiÖu b¸o hiÖu chän lùa. Còng
t-¬ng tù b¸o hiÖu thuª bao, c¸c b¸o hiÖu trung kÕ còng cã c¸c thiÕt bÞ nhËn vµ xö
lý, t¹o vµ ph©n phèi nh÷ng tÝn hiÖu ®ã vµ tuú thuéc vµo dung l-îng, tÇn suÊt vµ
mét sè c¸c ®Æc tÝnh kh¸c cña c¸c tÝn hiÖu b¸o hiÖu mµ c¸c thiÕt bÞ b¸o hiÖu t-¬ng
øng ®-îc bè trÝ ë c¸c tñ trung kÕ hay ë ph©n hÖ chuyÓn m¹ch nhãm. Thèng kª
c¸c ph-¬ng thøc b¸o hiÖu liªn ®µi ®-îc ®-a ra trong b¶ng 3.5
B¶ng 3.5 C¸c ph-¬ng thøc b¸o hiÖu liªn tæng ®µi
C¸c tÝn hiÖu b¸o hiÖu
Tªn gäi
Ph-¬ng thøc
truyÒn B¸o hiÖu ®-êng d©y B¸o hiÖu lùa chän
B¸o hiÖu m¹ch
vßng (LD-Loop
disconnection)
T-¬ng tù T¸ch/ghÐp t¹i ATTU
B¸o hiÖu DC T-¬ng tù T¸ch/ghÐp t¹i ATTU
B¸o hiÖu 1VF T-¬ng tù ChuyÓn ®æi t¹i ATTU vµ t¹i ®¬n vÞ 1VF
B¸o hiÖu MF
víi b¸o hiÖu
®-êng d©y DC
T-¬ng tù T¸ch/ghÐp t¹i ATTU MF Sender/Receiver
B¸o hiÖu MF
víi b¸o hiÖu
®-êng d©y DC
T-¬ng tù ChuyÓn ®æi t¹i ATTU
vµ t¹i ®¬n vÞ 1VF
MF Sender/Receiver
B¸o hiÖu 1VF D¹ng sè ChuyÓn ®æi t¹i ATTU vµ t¹i ®¬n vÞ 1VF
B¸o hiÖu MF D¹ng sè
B¸o hiÖu cas D¹ng sè (TS16)
B¸o hiÖu CCS D¹ng sè (TS16)
pcm/cas
Sender/Receiver
3.4.2 TiÕn tr×nh thùc hiÖn mét cuéc gäi:
Chóng ta xem xÐt thñ tôc tiÕn hµnh mét cuéc gäi ®¬n gi¶n gi÷a thuª bao A
vµ thuª bao B
B-íc1: Thuª bao A khëi t¹o yªu cÇu gäi
Khi Sub A nhÊc tæ hîp ®Ó thùc hiÖn cuéc gäi ®i lµm dßng m¹ch vßng
®-êng d©y thuª bao A thay ®æi. TÝn hiÖu hang off theo m¹ch  ®-a tõ SLIC cña
thuª bao A ®Õn LOC cña nhãm thuª bao ®ã nh- thÓ hiÖn trªn h×nh 3.26
H×nh 3.26 B-íc 1 trong tiÕn tr×nh cuéc gäi néi h¹t
B-íc2: CÊp Tone “Mêi chän sè” cho thuª bao A
Bé ®iÒu khiÓn vïng LOC ®iÒu khiÓn DLSw t¹o tuyÕn nèi cung cÊp Tone
“Mêi chän sè” tõ bé t¹o ©m DTG ®Õn m¹ch ®iÖn thuª bao A theo m¹ch  nh-
trªn h×nh 3.27
H×nh 3.27 B-íc 2 trong tiÕn tr×nh cuéc gäi néi h¹t
B-íc3: Thuª bao A chän sè cña thuª bao bÞ gäi
Bé ®iÒu khiÓn vïng LOC còng ®iÒu khiÓn DLSw t¹o tuyÕn nèi m¹ch ®iÖn
thuª bao A víi bé thu tÝn hiÖu chän sè ®a tÇn MFR theo m¹ch . NÕu thuª bao A
sö dông chÕ ®é chän sè d¹ng xung (Pulse Dialing Mode) th× sù thay ®æi dßng
m¹ch vßng sÏ ®-îc nhËn biÕt theo m¹ch  t¹i LOC, cßn nÕu chän sè b»ng chÕ
®é ®a tÇn (Tone Dialing Mode) th× tÝn hiÖu chän sè DTMF (Dual Tone
Sub A Sub B
 sli
loc
dlsw
dtg
mf
spc
clp
loc
dlsw
sli 
dtg
mf
SNw
1
Sub A Sub B
 slic
loc
dlsw
dtg
mfr
spc
clp
loc
dlsw
slic 
dtg
mfr
SNw
2
MultiFrequency) sÏ ®-îc tiÕp nhËn bëi MFR theo m¹ch  nh- trªn h×nh 4.2.3.
Ngay sau khi nhËn ®-îc ch÷ sè ®Çu tiªn t¹i LOC th× m¹ch  sÏ bÞ ng¾t ®Ó ngõng
cung cÊp Tone “Mêi chän sè”. NÕu ch÷ sè ®Çu tiªn ®-îc chän d-íi d¹ng xung th×
®-êng  vµ bé MFR t-¬ng øng còng ®-îc gi¶i phãng ngay, cßn nÕu lµ chän sè
d¹ng tone th× ®-êng  vµ bé MFR t-¬ng øng sÏ ph¶i thu ®ñ c¸c ch÷ sè ®Þa chØ
cña thuª bao bÞ gäi vµ chuyÓn chóng cho LOC th× míi ®-îc gi¶i phãng.
H×nh 3.28 B-íc 3 trong tiÕn tr×nh cuéc gäi néi h¹t
B-íc 4: Yªu cÇu xö lý cuéc gäi
H×nh 3.29 B-íc 4 trong tiÕn tr×nh cuéc gäi néi h¹t
C¸c ch÷ sè thu nhËn ®-îc theo ®-êng hoÆc ®-êng  ®Òu ®-îc LOC
göi vÒ CLP theo ®-êng  trong b¶n tin yªu cÇu xö lý cuéc gäi. CLP c¨n cø vµo
®Þa chØ cña thuª bao gäi vµ thuª bao bÞ gäi ®Ó ®Þnh h-íng cuéc gäi.
Sub A Sub B
 slic
loc
dlsw
dtg
mfr
spc
clp
loc
dlsw
slic 
dtg
mfr
SNw
2
3
1
Sub A Sub B
 slic
loc
dlsw
dtg
mfr
spc
clp
loc
dlsw
slic 
dtg
mfr
SNw
4
B-íc 5: Xö lý cuéc gäi
NÕu ®ã lµ cuéc gäi néi h¹t th× sau khi nhËn ®ñ c¸c ch÷ sè ®Þa chØ cña thuª
bao bÞ gäi CLP yªu cÇu LOC qu¶n lý thuª bao B ®ã kiÓm tra tr¹ng th¸i hiÖn thêi
cña thuª bao ®ã b»ng b¶n tin yªu cÇu ®-îc göi theo ®-êng . §ång thêi t¹i CLP
c¸c ®Þa chØ ®-îc nhËn d-íi d¹ng sè danh b¹ DN (Directory Number) ®-îc biªn
dÞch thµnh ®Þa chØ thiÕt bÞ EN (Equipment Number) vµ ®-îc ®-a vµo b¶n tin ®Þnh
tuyÕn göi ®Õn bé ®iÒu khiÓn uyÕn tho¹i SPC theo ®-êng  ®Ó chuÈn bÞ tuyÕn nèi
tho¹i.
H×nh 3.30 B-íc 4 trong tiÕn tr×nh cuéc gäi néi h¹t
B-íc 6: Chu«ng cho thuª bao bÞ gäi vµ göi “Håi ©m chu«ng cho thuª bao
gäi
H×nh 3.31 B-íc 6 trong tiÕn tr×nh cuéc gäi néi h¹t
Sub A Sub B
 slic
loc
dlsw
dtg
mfr
spc
clp
loc
dlsw
slic 
dtg
mfr
SNw
5
6
Sub A Sub B
 slic
loc
dlsw
dtg
mfr
spc
clp
loc
dlsw
slic 
dtg
mfr
SNw
2
7
5
4
Thuª bao bÞ gäi ®-îc kiÓm tra, nÕu nã ®ang rçi th× LOC ®iÒu khiÓn ph¸t
chu«ng cho nã theo ®-êng , ®ång thêi tr¹ng th¸i ®ã còng ®-îc th«ng b¸o cho
CLP b»ng b¶n tin tr¶ lêi trªn ®-êng  vµ CLP göi b¶n tin ®iÒu khiÓn ®Õn LOC
phÝa chñ gäi trªn ®-êng  ®Ó yªu cÇu LOC ®iÒu khiÓn DLSw t¹o tuyÕn nèi cung
cÊp Tone “Håi ©m chu«ng” tõ bé t¹o ©m DTG ®Õn m¹ch ®iÖn thuª bao A theo
m¹ch  nh- trªn h×nh 3.31
B-íc 7: ThiÕt lËp tuyÕn nèi
TÝn hiÖu tr¶ lêi cuéc gäi tõ thuª bao B ®-îc LOC phÝa bÞ gäi nhËn
biÕt theo ®-êng  vµ göi vÒ CLP theo ®-êng . CLP ®iÒu khiÓn LOC phÝa bÞ
gäi ngõng ph¸t chu«ng cho thuª bao B, ®iÒu khiÓn LOC phÝa chñ gäi ngõng
ph¸t “Håi ©m chu«ng” cho thuª bao A, ®ång thêi theo ®-êng  yªu cÇu
SPC thiÕt lËp tuyÕn nèi ®· chän th«ng qua m¹ng chuyÓn m¹ch SNw
(Switching Network) nèi m¹ch ®iÖn thuª bao A víi m¹ch ®iÖn thuª bao B
th«ng qua c¸c bé chuyÓn m¹ch tËp trung ®-êng sè DLSw ë hai phÝa vµ
m¹ng chuyÓn m¹ch SNw theo m¹ch 
H×nh 3.32 B-íc 7 trong tiÕn tr×nh cuéc gäi néi h¹t
B-íc 8: KÕt thóc cuéc gäi vµ gi¶i to¶ tuyÕn nèi
TÝn hiÖu yªu cÇu kÕt thóc cuéc gäi tõ mét trong thuª bao tham gia cuéc
gäi t¹o ra sÏ ®-îc LOC t-¬ng øng nhËn biÕt theo ®-êng  hoÆc ®-êng  vµ göi vÒ
 slic
loc
dlsw
dtg
mfr
spc
clp
loc
dlsw
slic 
dtg
mfr
SNw
8
7
5
4
8
6
CLP theo ®-êng  hoÆc ®-êng. CLP ®iÒu khiÓn LOC hai phÝa vµ SPC gi¶i to¶
tuyÕn nèi , ®ång thêi ®iÒu khiÓn DLSw phÝa thuª bao ch-a ®Æt tæ hîp t¹o tuyÕn
nèi cÊp tÝn hiÖu “Cuéc gäi kÕt thóc” tõ DTG ®Õn m¹ch ®iÖn cña thuª bao ®ã ®Ó
th«ng b¸o cho thuª bao ®ã biÕt lµ ®èi t¸c ®· chÊm døt cuéc gäi. NÕu sau thêi gian
cho phÐp mµ thuª bao ®ã vÉn kh«ng ®Æt tæ hîp th× t¹o m¹ch ®-a tÝn hiÖu c¶nh
b¸o. Khi thuª bao ®ã ®· ®Æt tæ hîp th× tr¹ng th¸i cña nã ®-îc x¸c lËp vÒ tr¹ng th¸i
rçi (Idle).
H×nh 3.33 B-íc 8 trong tiÕn tr×nh cuéc gäi néi h¹t
3.4.3 CÊu tróc mét sè thiÕt bÞ b¸o hiÖu
a. S¬ ®å khèi bé thu tÝn hiÖu ®a tÇn MFR
 slic
loc
dlsw dtg
mfr
spc
clp
loc
dlsw
slic 
dtg
mfr
SNw
8
7
5
4
8
6
9
H×nh 3.34 S¬ ®å khèi bé thu tÝn hiÖu ®a tÇn MFR
Trªn h×nh 3.34 lµ s¬ ®å khèi chøc n¨ng cña bé thu c¸c tÝn hiÖu chän sè ®a
tÇn. Nguyªn lý ho¹t ®éng cña nã lµ tÝn hiÖu ®a tÇn ®-îc ®-a vµo ®Çu vµo tíi ®ång
thêi tÊt c¶ c¸c bé nhËn biÕt tÇn sè hµng fR.. vµ c¸c bé nhËn biÕt tÇn sè cét fC... NÕu
tÝn hiÖu ®Çu vµo lµ mét trong c¸c tÝn hiÖu chän sè ®a tÇn th× ®ång thêi sÏ cã 2
trong sè 8 tÇn sè trong thµnh phÇn cña tÝn hiÖu ®ã vµ nh- thÕ sÏ lµm cho mét bé
nhËn biÕt tÇn sè hµng fR.. .. vµ mét bé nhËn biÕt tÇn sè cét fC.. cã møc tÝn hiÖu ra
tÝch cùc, dÉn ®Õn bé chuyÓn ®æi logic sÏ cho ra mét tæ hîp m· nhÞ ph©n øng víi
tÝn hiÖu vµo ®ã, ®ång thêi nã còng t¹o tÝn hiÖu ST tÝch cùc ®Ó th«ng b¸o cho bé
thu vµ xö lý tiÕp theo vÒ viÖc ®· thu nhËn ®-îc mét tÝn hiÖu ®a tÇn. Nh- vËy, tÝn
hiÖu ®Çu vµo ph¶i lµ tÝn hiÖu ®a tÇn Analog. Trong c¸c tæng ®µi chuyÓn m¹ch sè
hiÖn nay, tÝn hiÖu sau m¹ch ®iÖn giao tiÕp thuª bao hoÆc trung kÕ ®Òu lµ tÝn hiÖu
®· sè ho¸ vµ do c¸c MFR th-êng bè trÝ sau DLSw hoÆc chuyÓn m¹ch nhãm nªn
tÝn hiÖu ë ®Çu vµo MFR sau chuyÓn m¹ch ph¶i ®-îc chuyÓn ®æi trë l¹i tõ d¹ng sè
thµnh d¹ng t-¬ng tù. C¸ch lµm nh- vËy ®-îc ¸p dông réng r·i trong c¸c tæng ®µi
chuyÓn m¹ch sè tr-íc ®©y. HiÖn nay do c«ng nghÖ xö lý sè tÝn hiÖu ph¸t triÓn
m¹nh nªn cã xu h-íng xö lý trùc tiÕp tÝn hiÖu sè nhËn ®-îc sau DLSw hoÆc
chuyÓn m¹ch nhãm ®Ó nhËn biÕt tÝn hiÖu DTMF.
Bé nhËn biÕt
tÇn sè fR1
Bé nhËn biÕt
tÇn sè fR2
Bé nhËn biÕt
tÇn sè fR3
Bé nhËn biÕt
tÇn sè fR4
Bé nhËn biÕt
tÇn sè fC1
Bé nhËn biÕt
tÇn sè fC2
Bé nhËn biÕt
tÇn sè fC3
Bé nhËn biÕt
tÇn sè fC4
Bé chuyÓn
®æi logic
m· 2 of 8
thµnh m·
BCD
§Çu vµo
a
b
c
d
st
b. Nguyªn lý th«ng b¸o b»ng lêi:
Trong c¸c tæng ®µi chuyÓn m¹ch sè ®iÒu khiÓn theo ch-¬ng tr×nh ghi s½n
hiÖn nay cã rÊt nhiÒu lo¹i dÞch vô n©ng cao, trong ®ã ph¶i kÓ ®Õn dÞch vô c¸c b¶n
tin th«ng b¸o b»ng lêi, vÝ dô nh- b¸o giê tù ®éng, c¸c b¶n tin th«ng b¸o nguyªn
nh©n theo c¸c t×nh huèng cuéc gäi kh«ng thµnh c«ng. Nh÷ng b¶n tin th«ng b¸o
nµy ®-îc chia thµnh c¸c ®o¹n tin, ®-îc m· ho¸, ghi vµo c¸c vïng nhí hoÆc c¸c bé
nhí cè ®Þnh ®Ó khi cÇn thiÕt sÏ ®-îc ®äc ra vµ ®-îc chuyÓn ®Õn thuª bao cÇn
thiÕt. C¸c b¶n th«ng b¸o b»ng lêi th-êng cã nh÷ng ®o¹n tin gièng nhau vµ c¸c
®o¹n tin phô thuéc t×nh huèng. C¸c ®o¹n tin nµy ®-îc m· ho¸ vµ ghi vµo nh÷ng
vïng cña bé nhí cè ®Þnh. X©y dùng c¸c thñ tôc ®iÒu khiÓn c¸c tr×nh tù ®äc c¸c
vïng nhí ®ã tuú thuéc theo c¸c t×nh huèng kh¸c nhau. Trong qu¸ tr×nh ho¹t ®éng,
c¸c thñ tôc ®ã sÏ ®-îc kÝch ho¹t vµ c¸c ®o¹n tin sÏ ®-îc ®äc ra ®Ó ghÐp víi nhau
t¹o thµnh c¸c b¶n tin th«ng b¸o phô thuéc t×nh huèng ®Ó cung cÊp tíi tõng m¹ch
thuª bao t-¬ng øng. §é dµi mçi b¶n tin cã thÓ tõ vµi gi©y ®Õn vµi chôc gi©y. §Ó
tiÕt kiÖm dung l-îng bé nhí cã thÓ ¸p dông c¸c biÖn ph¸p kü thuËt trong viÖc m·
ho¸ vµ gi¶i m· c¸c ®o¹n tin ®ã vµ c¸c thñ thuËt ghi ®äc chóng. VÝ dô c¸c b¶n tin
b¸o giê kiÓu 1: “1KÝnh chµo quý kh¸ch/ 2b©y giê lµ /X/ 3giê /Y/ 4phót /Z / 5gi©y/”
dïng cho c¸c thêi ®iÓm cã sè gi©y lµ 10, 20, 30, 40, 50 vµ c¸c b¶n tin b¸o giê
kiÓu 2: “1KÝnh chµo quý kh¸ch/6h«m nay lµ thø/O /7ngµy/ P / 8th¸ng/ Q / 9n¨m/ N
/ 2b©y giê lµ /Gx/ 3giê /Py/ 4phót / Sz / 5gi©y/” dïng cho c¸c thêi ®iÓm cã sè gi©y lµ
0. Nh- vËy ®Ó t¹o ®-îc 2 lo¹i b¶n tin b¸o giê trªn cÇn ghi 9 ®o¹n tin b»ng lêi ®·
®-îc m· ho¸ vµo c¸c vïng nhí dµnh riªng vµ c¸c bé nhí ®Öm phiªn dÞch c¸c gi¸
trÞ cña c¸c bé ®Õm thø, ngµy, th¸ng, n¨m, giê, phót, gi©y (c¸c bé nhí ®Öm nµy
dïng ®Ó nhí tõ phiªn gi¸ trÞ cña bé ®Õm t-¬ng øng, vÝ dô nÕu bé ®Õm giê cã gi¸
trÞ lµ 6 th× bé nhí X sÏ nhí tõ “s¸u”). Khi t¹o b¶n tin b¸o giê kiÓu 1 th× tr×nh tù
®äc c¸c bé nhí trªn sÏ lµ 12X3Y4Z5 vµ tr×nh tù t¹o b¶n tin kiÓu 2
lµ 16O7P8Q9N2X3Y4Z5 . Còng t-¬ng tù nh- trªn
cã thÓ thùc hiÖn viÖc t¹o c¸c b¶n tin th«ng b¸o t¾c nghÏn hoÆc c¸c lý do kh¸c dÉn
®Õn c¸c cuéc gäi hôt.
4.3.3 §èi víi b¸o hiÖu liªn tæng ®µi
Mçi tæng ®µi th-êng cã c¸c trung kÕ víi c¸c tæng ®µi kh¸c. B¸o hiÖu liªn
tæng ®µi cßn ®-îc gäi lµ b¸o hiÖu liªn ®µi hoÆc b¸o hiÖu trung kÕ dïng ®Ó phôc vô
c¸c cuéc gäi ®-îc thiÕt lËp qua c¸c trung kÕ ®ã. Cã hai ph-¬ng thøc b¸o hiÖu liªn
®µi hiÖn ®ang ®-îc sö dông réng r·i lµ ph-¬ng thøc b¸o hiÖu kªnh liªn kÕt CAS
(Channel Associated Signalling) vµ ph-¬ng thøc b¸o hiÖu kªnh chung CCS
(Common Channel Signalling)
Trong hÖ thèng b¸o hiÖu kªnh liªn kÕt CAS, c¸c tÝn hiÖu b¸o hiÖu cho tõng
cuéc gäi ®-îc truyÒn trªn cïng kªnh dµnh cho cuéc gäi ®ã v× thÕ cã tªn gäi lµ
b¸o hiÖu tõng kªnh liªn kÕt. Nh- thÕ mçi giao tiÕp trung kÕ cã c¶ c¸c thµnh phÇn
thu ph¸t b¸o hiÖu ®Ó thùc hiÖn c¸c chøc n¨ng t¸ch/ghÐp b¸o hiÖu ®-îc truyÒn
cïng c¸c th«ng tin cña cuéc gäi. M« h×nh b¸o hiÖu kªnh liªn kÕt ®-îc thÓ hiÖn
trªn h×nh 3.35. Tõ m« h×nh nµy ta thÊy mçi giao tiÕp trung kÕ còng ®ång thêi lµ
mét giao tiÕp b¸o hiÖu do ®ã thiÕt bÞ b¸o hiÖu bÞ ph©n t¸n, sè l-îng lín; mÆt kh¸c
b¸o hiÖu kªnh kÕt hîp sö dông ph-¬ng thøc truyÒn tin dùa trªn c¬ së tÝn hiÖu nªn
cã rÊt nhiÒu h¹n chÕ nh- : N¨ng lùc b¸o hiÖu kÐm do néi dung th«ng tin Ýt, ®¬n
®iÖu; tèc ®é truyÒn thÊp vµ phô thuéc vµo kªnh dÞch vô; rÊt khã thªm hoÆc më
réng c¸c tÝnh n¨ng vµ c¸c dÞch vô míi; kh«ng tiÖn cho viÖc giao tiÕp ng-êi-
m¸y…
C¸c hÖ thèng b¸o hiÖu CAS th«ng dông ®· ®-îc sö dông trong c¸c m¹ng
viÔn th«ng lµ:
-1VF (One Voice Frequency) sö dông 1 tÇn sè ©m tÇn vµ kü thuËt xung thËp
ph©n
-2VF (Two Voice Frequency) sö dông 2 tÇn sè ©m tÇn (C4)
-MFP (Multi Frequency Pulsing) M· ®a tÇn kiÓu xung (C5,R1)
MFC (Multi FrequencyCode) M· ®a tÇn ¸p chÕ (R2MFC)
H×nh 3.35 M« h×nh hÖ thèng b¸o hiÖu kªnh kÕt hîp
M« h×nh trªn h×nh 3.35 lµ m« h×nh chung cho viÖc sö dông c¸c hÖ thèng
b¸o hiÖu CAS. Tuy nhiªn, øng dông trong c¸c tæng ®µi chuyÓn m¹ch sè kÕt hîp
truyÒn dÉn sè vµ ®iÒu khiÓn theo ch-¬ng tr×nh cã ®-a l¹i mét sè c¶i thiÖn ®¸ng kÓ
nh- cã thÓ kh«ng sö dông c¸c thiÕt bÞ SiG riªng cho tõng giao tiÕp trung kÕ TIC

HÖ thèng
chuyÓn m¹ch
HÖ thèng
®iÒu khiÓn
tic
sig
tic
sig
tic
sig
tic
sig
tic
sig
tic
sig
HÖ thèng
chuyÓn m¹ch
HÖ thèng
®iÒu khiÓn

Tæng ®µi A Tæng ®µi B
mµ c¸c chøc n¨ng t¸ch/ghÐp b¸o hiÖu ®-îc giao cho chuyÓn m¹ch, nh- thÕ c¸c bé
SiG-Sender vµ SiG-Receiver ®-îc ®Æt trong ph©n hÖ chuyÓn m¹ch, cã thÓ dïng
c¸c bé chuyÓn ®èi A/D, D/A ®Ó phèi hîp c¸c thiÕt bÞ b¸o hiÖu CAS SiG-Sender vµ
SiG-Receiver víi chuyÓn m¹ch sè hoÆc cã thÓ sö dông c¸c CAS SiG-Sender vµ
SiG-Receiver d¹ng sè.
Ph-¬ng thøc b¸o hiÖu kªnh chung CCS th-êng ®-îc ¸p dông trong m¹ng
gåm c¸c tæng ®µi chuyÓn m¹ch sè ®iÒu khiÓn theo ch-¬ng tr×nh ghi s½n SPC. Khi
®ã hÖ thèng CCS sö dông ph-¬ng thøc truyÒn tin trªn c¬ së b¶n tin (Message
based) ®Ó truyÒn th«ng tin ®iÒu khiÓn gi÷a c¸c hÖ thèng ®iÒu khiÓn cña c¸c tæng
®µi sö dông b¸o hiÖu CCS. Mét sè ®-êng truyÒn hoÆc kªnh truyÒn ®-îc dµnh
riªng ®Ó truyÒn c¸c b¶n tin b¸o hiÖu cho tõng nhãm hoÆc tËp hîp c¸c kªnh th«ng
tin. M« h×nh b¸o hiÖu kªnh chung ®-îc thÓ hiÖn trªn h×nh 3.36
Trong m« h×nh nµy, c¸c hÖ thèng ®iÒu khiÓn cña c¸c tæng ®µi ®-îc coi lµ
c¸c ®iÓm dÞch vô b¸o hiÖu, n¬i truy cËp vµ trao ®æi b¸o hiÖu. Ngoµi c¸c ®iÓm dÞch
vô b¸o hiÖu nh- vËy hÖ thèng b¸o hiÖu kªnh chung CCS No
7 cßn cã c¸c ®iÓm
truyÒn tin vµ c¸c ®iÓm qu¶n lý ®iÒu khiÓn víi c¸c chøc n¨ng cô thÓ.
Qua m« h×nh trªn cã thÓ hiÓu mét c¸ch kh¸i qu¸t r»ng hÖ thèng ®iÒu khiÓn
cña c¸c tæng ®µi chuyÓn m¹ch sè lµ nh÷ng ®iÓm sö dông trong hÖ thèng b¸o hiÖu,
trong tõng tæng ®µi cã c¸c thiÕt bÞ giao tiÕp liªn kÕt b¸o hiÖu thùc hiÖn chøc n¨ng
nhËn vµ xö lý c¸c b¶n tin b¸o hiÖu ®Õn, t¹o vµ göi c¸c b¶n tin ®i. Trao ®æi b¸o
hiÖu ®-îc thùc hiÖn d-íi d¹ng c¸c b¶n tin sö dông ph-¬ng thøc ®iÒu khiÓn liªn
kÕt d÷ liÖu møc cao HDLC.
H×nh 3.36 M« h×nh hÖ thèng b¸o hiÖu kªnh chung

HÖ thèng
chuyÓn m¹ch
HÖ thèng
®iÒu khiÓn
HÖ thèng
chuyÓn m¹ch
HÖ thèng
®iÒu khiÓn

Tæng ®µi A Tæng ®µi B
Liªn kÕt b¸o
hiÖu
Tíi c¸c node
Tíi c¸c node
Mét vµi ®Æc ®iÓm chÝnh cña ph-¬ng thøc b¸o hiÖu kªnh chung cã thÓ chØ
ra ®ã lµ : ViÖc truyÒn b¸o hiÖu ®-îc t¸ch riªng víi truyÒn c¸c th«ng tin kh¸c lµm
cho nã cã -u ®iÓm h¬n h¼n so víi CAS nh- tèc ®é truyÒn cao h¬n, th«ng tin b¸o
hiÖu ®Çy ®ñ, phong phó h¬n vµ dÔ ®-a thªm c¸c dÞch vô míi; m« h×nh tæ chøc hÖ
thèng cho phÐp ¸p dông c¸c ph-¬ng thøc ®iÒu khiÓn tËp trung, t¹o kh¶ n¨ng bao
qu¸t toµn m¹ng, cã ®iÒu kiÖn ®Ó tèi -u trong chän tuyÕn, qu¶n lý ®iÒu hµnh tËp
trung…
Chi tiÕt vÒ c¸c hÖ thèng b¸o hiÖu chóng ta sÏ xem xÐt trong phÇn sau cña
tµi liÖu nµy.
3.5. Ph©n hÖ ngo¹i vi ®iÒu khiÓn PCS (Peripheral
Control Subsystem)
3.5.1 Kh¸i qu¸t chung:
C¸c hÖ thèng xö lý ®iÒu khiÓn th-êng sö dông c¸c bé xö lý tèc ®é cao ®Ó
cã thÓ ®¶m nhiÖm ®-îc c¸c chøc n¨ng xö lý phøc t¹p vµ ®-a tÝn hiÖu ®iÒu khiÓn
tíi c¸c thiÕt bÞ chÊp hµnh. Trong c¸c tæng ®µi ®iÒu khiÓn theo ch-¬ng tr×nh ghi
s½n nãi chung vµ c¸c tæng ®µi chuyÓn m¹ch sè nãi riªng th× c¸c thiÕt bÞ chÊp hµnh
®ã cã thÓ lµ c¸c bé chuyÓn m¹ch sè, c¸c m¹ch giao tiÕp ®-êng d©y thuª bao hoÆc
c¸c m¹ch ®iÖn trung kÕ…, chóng th-êng cã tèc ®é ho¹t ®éng thÊp vµ yªu cÇu c¸c
møc vµ d¹ng thøc tÝn hiÖu ®iÒu khiÓn kh¸c nhau vµ v× vËy gi÷a chóng vµ c¸c bé
xö lý cña ph©n hÖ xö lý ®iÒu khiÓn CPS cÇn ph¶i cã c¸c thiÕt bÞ phèi hîp; c¸c
thiÕt bÞ phèi hîp nµy ®-îc tæ chøc chung thµnh ph©n hÖ gäi lµ ngo¹i vi ®iÒu khiÓn
PCS.
Chøc n¨ng cña c¸c thiÕt bÞ ph©n hÖ ngo¹i vi ®iÒu khiÓn lµ nhí ®Öm c¸c
th«ng tin ®iÒu khiÓn c¶ theo h-íng vµo vµ h-íng ra ®Ó phèi hîp vÒ mÆt tèc ®é,
chuyÓn ®æi th«ng tin ®iÒu khiÓn tõ d¹ng tÝn hiÖu sang d¹ng b¶n tin theo h-íng
vµo vµ ng-îc l¹i theo h-íng ra ®Ó phï hîp víi c¸c ph-¬ng thøc truyÒn ë hai
phÝa… . Ngoµi chøc n¨ng trªn, c¸c thiÕt bÞ ngo¹i vi ®iÒu khiÓn cßn thùc hiÖn
nh÷ng chøc n¨ng ®iÒu khiÓn t-¬ng ®èi ®¬n gi¶n nh-ng cã tÇn suÊt cao vµ yªu cÇu
thêi gian thùc, nh- thÕ sÏ gi¶m ®-îc t¶i yªu cÇu ®Õn ph©n hÖ xö lý trung t©m vµ
t¨ng c-êng n¨ng lùc xö lý cho CPS ®¶m tr¸ch c¸c ho¹t ®éng xö lý phøc t¹p.
C¸c thiÕt bÞ chñ yÕu cña ph©n hÖ ngo¹i vi ®iÒu khiÓn bao gåm:
− C¸c bé ®iÒu khiÓn vïng LOC ®iÒu khiÓn c¸c module ®-êng d©y
hoÆc trung kÕ
− C¸c bé ®iÒu khiÓn tuyÕn tho¹i SPC
− C¸c bé ph©n phèi b¸o hiÖu
C¸c bé ®iÒu khiÓn vïng LOC (Local Controller) chñ yÕu thùc hiÖn c¸c
chøc n¨ng gi¸m s¸t tr¹ng th¸i cña c¸c giao tiÕp, tiÕp nhËn c¸c th«ng tin ®Þa chØ
yªu cÇu cuéc gäi d-íi d¹ng DN (Directory Number), chuyÓn ®æi c¸c th«ng tin
tr¹ng th¸i, th«ng tin ®Þa chØ thµnh b¶n tin b¸o hiÖu hoÆc chuçi c¸c tÝn hiÖu b¸o
hiÖu göi ®Õn CPS. Theo h-íng xuèng, c¸c bé ®iÒu khiÓn vïng nhËn c¸c b¶n tin
hoÆc chuçi c¸c tÝn hiÖu ®iÓu khiÓn, ghi ®Öm, biÕn ®æi thµnh c¸c tÝn hiÖu ®Ó ph©n
phèi ®Õn tõng m¹ch giao tiÕp, ®iÒu khiÓn viÖc thùc hiÖn c¸c lÖnh ®iÒu khiÓn ®ã.
3.5.2 CÊu tróc cña mét sè thiÕt bÞ ngo¹i vi ®iÒu khiÓn:
Nh×n chung c¸c thiÕt bÞ cña ph©n hÖ ngo¹i vi ®iÒu khiÓn PCS kh«ng bè trÝ
tËp trung thµnh tñ, khèi thiÕt bÞ riªng rÏ mµ ph©n bè trong c¸c tñ thiÕt bÞ giao tiÕp
®Çu cuèi thuª bao hoÆc trung kÕ hoÆc trong ph©n hÖ chuyÓn m¹ch. C¸c thiÕt bÞ
nµy trong c¸c tæng ®µi cña c¸c h·ng kh¸c nhau ®-îc thiÕt kÕ kh«ng gièng nhau vÒ
c¸c gi¶i ph¸p m¹ch, ph©n bè vÞ trÝ trÝ vµ v× thÕ chóng chØ gièng nhau ë c¸c chøc
n¨ng c¬ b¶n. D-íi ®©y xem xÐt cÊu tróc cña c¸c bé ®iÒu khiÓn vïng LOC vµ ®iÒu
khiÓn tuyÕn tho¹i ®-îc sö dông trong tæng ®µi NEAX-61E.
a Bé ®iÒu khiÓn vïng- Local Controller LOC
C¸c bé ®iÒu khiÓn vïng LOC trong tæng ®µi NEAX-61E ®-îc sö dông ®Ó
qu¶n lý vµ ®iÒu khiÓn ho¹t ®éng cña c¸c nhãm module giao tiÕp thuª bao, giao
tiÕp trung kÕ hoÆc c¸c thiÕt bÞ ®Çu cuèi kh¸c. Mçi LOC cã thÓ qu¶n lý ®iÒu khiÓn
mét sè module, mçi module cã bé ®iÒu khiÓn module LMC, trong ®ã cã c¸c m¹ch
chøc n¨ng riªng ®Ó ®iÒu khiÓn c¸c m¹ch giao tiÕp. Nh- thÕ LOC ®-îc coi nh-
thiÕt bÞ ®iÒu khiÓn trung gian gi÷a bé xö lý cuéc gäi CLP vµ c¸c bé ®iÒu khiÓn
LMC. H×nh 3.37 cho thÊy vÞ trÝ cña bé ®iÒu khiÓn vïng trong hÖ thèng ®iÒu khiÓn
ph©n cÊp
H×nh 3.37 VÞ trÝ cña LOC
Theo h-íng tõ d-íi lªn trªn LOC nhËn c¸c th«ng tin tr¹ng th¸i d-íi d¹ng tÝn
lmc
lmc
lmc
loc clp
hiÖu quÐt SCN tõ c¸c bé LMC hoÆc c¸c th«ng tin ®Þa chØ thu ®-îc tõ c¸c bé
thu tÝn hiÖu chän sè; chuyÓn ®æi c¸c th«ng tin nµy thµnh c¸c b¶n tin b¸o hiÖu
®Ó b¸o c¸o lªn bé xö lý cuéc gäi CLP. Theo h-íng xuèng, c¸c b¶n tin ®iÒu
khiÓn tõ CLP ®-îc göi ®Õn LOC cã thÓ lµ b¶n tin ®iÒu khiÓn thiÕt lËp hoÆc
gi¶i to¶ tuyÕn nèi mét m¹ch ®iÖn thuª bao nµo ®ã tíi mét trong c¸c thiÕt bÞ
dïng chung nh- DTG, MFR, hoÆc tíi mét kªnh trªn ®-êng SubHighway ®-a
tíi m¹ng chuyÓn m¹ch nhãm, còng cã thÓ lµ b¶n tin ®iÒu khiÓn cÊp tÝn hiÖu
chu«ng tíi mét thuª bao bÞ gäi nµo ®ã, b¶n tin ®iÒu khiÓn viÖc ghÐp vµ t¸ch
kªnh…; LOC nhËn ®-îc c¸c b¶n tin ®ã chuyÓn ®æi thµnh c¸c tÝn hiÖu ®iÒu
khiÓn vµ ghi chóng vµo c¸c ng¨n nhí ®iÒu khiÓn t-¬ng øng cña tõng module
cô thÓ; trong tr-êng hîp cÇn thiÕt nh- mét sè b¶n tin cÇn phóc ®¸p trë l¹i
CLP vÒ kÕt qu¶ thùc hiÖn th× sau khi ®· xö lý ®iÒu khiÓn LOC t¹o b¶n tin
phóc ®¸p kÕt qu¶ göi vÒ CLP. Ngoµi ra LOC thùc hiÖn c¸c c«ng viÖc xö lý
®iÒu khiÓn ®¬n gi¶n nh- ®iÒu khiÓn ph©n phèi ®Þnh thêi, xö lý c¸c th«ng tin
tr¹ng th¸i, chÌn t¸ch c¸c th«ng tin b¸o hiÖu, ®iÒu khiÓn viÖc t¸ch ghÐp kªnh…
. S¬ ®å khèi chøc n¨ng cña LOC ®-îc thÓ hiÖn trªn h×nh 3.38
H×nh 3.38 CÊu tróc bé ®iÒu khiÓn vïng LOC
LOC cã cÊu tróc dù phßng Uint0 vµ Uint1 ®Ó thùc hiÖn dù phßng. C¸c chøc
n¨ng c¬ b¶n cña LOC gåm: Trao ®æi th«ng tin ®iÒu khiÓn víi SPC, ®iÒu khiÓn
ghÐp kªnh vµ ph©n kªnh s¬ cÊp, ®iÒu khiÓn m¹ch thuª bao hoÆc trung kÕ qua
LMC hoÆc TMC, ®iÒu khiÓn m¹ch kiÓm tra, ®iÒu khiÓn bé tËp trung thuª
bao,®iÒu khiÓn giíi h¹n ph¹m vi cuéc gäi, ®iÒu khiÓn cÊp chu«ng cho thuª
bao, ®iÒu khiÓn viÖc thu tÝn hiÖu chän sè, nhËn vµ xö lý tÝn hiÖu tr¹ng th¸i
SCAN.
+TÝn hiÖu quÐt SCAN tõ c¸c module ®-êng d©y LM hoÆc module trung kÕ
TM ®-a ®Õn SCN CTL so s¸nh víi tr¹ng th¸i cò trong SCNM ®Ó ph¸t hiÖn sù
pdmux
pmux
drp
ins
shw inf
drpq insq
mem
cpu
scnq
scn ctl
scnM
mate
inf
sio
hw
shw
ctl
bus
scan
ctl
bus
scan
To
LM
To
SwN
loc unit0
loc unit1
thay ®æi tr¹ng th¸i cña ®-êng thuª bao sau ®ã ®-îc ghi vµo bé nhí SCNM.
NÕu ph¸t hiÖn tr¹ng th¸i thay ®æi th× sè liÖu quÐt ®-îc ®-a vµo hµng ®îi
SCNQ vµ ®-îc CPU xö lý ®Ó t¹o b¶n tin b¸o hiÖu ®Õn SPC.
+GhÐp vµ ph©n kªnh s¬ cÊp: C¸c bé PMUX ghÐp 4 ®-êng PCM Hw
(Highway 30 channels/32 timeslots) thµnh mét ®-êng SHw (SubHighway 120
channels/128 timeslots) vµ c¸c bé PDMUX t¸ch mét ®-êng SHw thµnh 4
®-êng Hw
+ChÌn th«ng tin b¸o hiÖu: C¸c tÝn hiÖu SCN nhËn tõ LM hoÆc TM qua
SCNM ®-îc chÌn vµo c¸c khe TS33, TS99 ®Ó göi ®Õn SPC; göi c¸c th«ng tin
®iÒu khiÓn tõ CPU cña LOC ®Õn SPC t¹i c¸c khe TS66. Bé nhí INSQ nhí
hµng ®îi c¸c th«ng tin cÇn chuyÓn tõ LOC ®Õn SPC qua INS.
+T¸ch th«ng tin ®iÒu khiÓn: C¸c th«ng tin ®iÒu khiÓn tõ SPC göi ®Õn
LOC ®-îc truyÒn trªn c¸c khe TS33, TS66, TS99 ®-îc t¸c bëi DRP vµ ®-îc
ghi vµ bé nhí hµng ®îi DRPQ. §©y lµ lo¹i bé nhí FIFO (First in first out).
C¸c th«ng tin nµy sau ®ã sÏ ®-îc CPU ®äc vµ xö lý theo tõng b-íc thêi gian
x¸c ®Þnh.
+Trao ®æi ®iÒu khiÓn víi LM (TM) c¸c lÖnh ®iÒu khiÓn ®i vµ ®Õn ®-îc
truyÒn qua bé chuyÓn ®æi nèi tiÕp/song song SIO
+C¬ chÕ dù phßng: MAT INF (Mate interface) cung cÊp giao tiÕp gi÷a
Unit0 vµ Unit1 ®Ó copy néi dung cña LOC active sang LOC standby.
+Bé nhí MEM gåm ROM vµ RAM ®Ó nhí ch-¬ng tr×nh ®iÒu hµnh vµ
c¸c sè liÖu ®iÒu khiÓn
+CPU bé xö lý trung t©m cña LOC thùc hiÖn chøc n¨ng xö lý ®iÒu
khiÓn.
b Bé ®iÒu khiÓn tuyÕn tho¹i SPC (Speech Path Controller)
Bé ®iÒu khiÓn tuyÕn tho¹i lµ mét thiÕt bÞ ngo¹i vi ®iÒu khiÓn thùc hiÖn
chøc n¨ng phèi hîp gi÷a c¸c thiÕt bÞ cña m¹ng chuyÓn m¹ch víi c¸c thiÕt bÞ xö lý
cuéc gäi. Tuú thuéc vµo s¬ ®å cÊu tróc cña tõng lo¹i tæng ®µi vµ ph-¬ng thøc xö
lý cuéc gäi mµ nã cã thÓ ®-îc t¸ch riªng thµnh mét thiÕt bÞ ®éc lËp hoÆc cã thÓ
®-îc gép chung trong thiÕt bÞ xö lý vµ ®iÓu khiÓn chung. §èi víi mét sè tæng ®µi
dung l-îng lín, viÖc t¸ch riªng c¸c chøc n¨ng nµy t¹o ®iÒu kiÖn thuËn tiÖn cho
viÖc modul ho¸ c¸c bé xö lý vµ dÔ dµng ph©n chia dung l-îng phôc vô. M« h×nh
chøc n¨ng cña bé ®iÒu khiÓn tuyÕn tho¹i ®-îc m« t¶ trªn h×nh 3.39 d-íi ®©y:
Trªn h×nh 3.39 vÞ trÝ cña SPC ë gi÷a bé xö lý cuéc gäi CLP vµ c¸c thiÕt bÞ
cña m¹ng chuyÓn m¹ch. Tõ ®Çu vµo cña m¹ng chuyÓn m¹ch, SPC thu nhËn c¸c
th«ng tin b¸o hiÖu tõ c¸c bé ®iÒu khiÓn vïng b»ng viÖc t¸ch chóng tõ c¸c ®-êng
PCM ®Çu vµo qua bé ghÐp kªnh thø cÊp SMUX (Secondary Multiplexer) ®Ó ®-a
®Õn bé thu vµ ph©n phèi b¸o hiÖu ®Çu vµo SRDI (Signaling Receiver and
Distributor Input), sau ®ã ®-a qua bé giao tiÕp bus BIU (Bus Interface Unit) ®Ó
®-a ®Õn bé xö lý cuéc gäi CLP (Call Processor). Ng-îc l¹i th«ng tin ®iÒu khiÓn
cÇn göi tõ CLP tíi c¸c bé ®iÒu khiÓn vïng còng ®-îc chÌn vµo c¸c ®-êng PCM
trªn ®Çu ra cña m¹ng chuyÓn m¹ch nhê c¸c bé ph©n kªnh thø cÊp SDMUX
(Secondary DeMultiplexer). §Ó lµm ®iÒu nµy b¶n tin ®iÒu khiÓn cÇn truyÒn tõ
CLP ®-îc ®-a qua BIU vµ ®-a ®Õn bé thu vµ ph©n phèi b¸o hiÖu ®Çu ra SRDO
(Signaling Receiver and Distributor Output), chuyÓn ®æi thµnh c¸c tõ m· PCM vµ
®-îc chÌn vµo c¸c khe ®Æc biÖt cña c¸c tuyÕn PCM ®Çu ra th«ng qua c¸c bé ph©n
kªnh thø cÊp SDMUX. C¸c b¶n tin ®iÒu khiÓn c¸c bé chuyÓn m¹ch thêi gian trªn
tÇng chuyÓn m¹ch ®Çu vµo ITXB (Incomming Time Switch Board), tÇng chuyÓn
m¹ch ®Çu ra OTXB (Outgoing Time Switch Board), chuyÓn m¹ch kh«ng gian S1
vµ chuyÓn m¹ch kh«ng gian S2 ®-îc ®-a tõ CLP qua BIU ®Õn bé ®iÒu khiÓn c¸c
bé nhí chuyÓn m¹ch SMC (Switch-Memory Controller). SMC thùc hiÖn viÖc
chuyÓn ®æi c¸c b¶n tin ®iÒu khiÓn chuyÓn m¹ch thµnh c¸c sè liÖu ®iÒu khiÓn ®Ó
ghi vµo c¸c ng¨n nhí CMEM cña c¸c bé chuyÓn m¹ch vµ th«ng tin ®Þa chØ ®Ó ®-a
c¸c sè liÖu ®ã ®Õn ®-îc c¸c bé chuyÓn m¹ch cÇn thiÕt vµ ghi chóng vµo ®óng
ng¨n nhí cÇn thiÕt; nghi· lµ thùc hiÖn viÖc chuyÓn ®æi b¶n tin ®iÒu khiÓn chuyÓn
m¹ch thµnh sè liÖu ®iÒu khiÓn vµ ghi chóng vµo ng¨n nhí ®iÒu khiÓn cña bé nhí
CMEM cña c¸c chuyÓn m¹ch T vµ c¸c chuyÓn m¹ch S tuú thuéc vµo tõng thao
t¸c chuyÓn m¹ch.
smc
srdi biu srdo
spc
clp
smux
smux
smux
smux
t1
t2
t3
t6
itxb
t1
t2
t3
t6
otxb
s1 s2
sdmux
sdmux
sdmux
sdmux
H×nh 3.39 M« h×nh chøc n¨ng cña SPC trong m¹ng chuyÓn m¹ch
Ch-¬ng 4
tæng quan vÒ hÖ thèng b¸o hiÖu
4.1. Kh¸i qu¸t
Trong m¹ng viÔn th«ng, b¸o hiÖu lµ viÖc trao ®æi th«ng tin gi÷a c¸c thµnh
phÇn tham gia vµo cuéc nèi ®Ó thiÕt lËp, gi¸m s¸t vµ gi¶i phãng cuéc gäi.
§ång thêi b¸o hiÖu còng ®-îc dïng ®Ó vËn hµnh vµ qu¶n lý m¹ng viÔn th«ng.
Th«ng th-êng b¸o hiÖu ®-îc chia thµnh 2 lo¹i chÝnh:
- B¸o hiÖu ®-êng d©y thuª bao (Subscriber Loop Signalling).
- B¸o hiÖu liªn tæng ®µi (Inter - Exchange Signalling).
HiÖn nay, b¸o hiÖu liªn tæng ®µi cã 2 lo¹i chÝnh:
+ B¸o hiÖu kªnh liªn kÕt CAS (Channel Associated Signalling).
+ B¸o hiÖu kªnh chung CCS (Common Channel Signalling).
4.2 B¸o hiÖu ®-êng d©y thuª bao
Lµ b¸o hiÖu ®-îc thùc hiÖn gi÷a thuª bao víi tæng ®µi hay gi÷a tæng ®µi víi
thuª bao.
§Ó thiÕt lËp cuéc gäi thuª bao “nhÊc tæ hîp” m¸y. Tr¹ng th¸i “nhÊc tæ hîp”
B¸o hiÖu
B¸o hiÖu ®-êng
d©y thuª bao
B¸o hiÖu liªn
tæng ®µi
B¸o hiÖu kªnh
liªn kÕt
B¸o hiÖu kªnh
chung
H×nh 4.1. Ph©n lo¹i b¸o hiÖu trong m¹ng viÔn th«ng.
®-îc tæng ®µi ph¸t hiÖn vµ nã göi tÝn hiÖu “mêi quay sè” ®Õn thuª bao. Lóc
nµy thuª bao cã thÓ quay sè cña thuª bao cÇn gäi. Khi quay sè xong thuª bao
nhËn ®-îc mét sè tÝn hiÖu cña tæng ®µi t-¬ng øng víi tõng tr¹ng th¸i nh- tÝn
hiÖu “håi ©m chu«ng”, tÝn hiÖu “b¸o bËn” hay mét sè tÝn hiÖu ®Æc biÖt kh¸c.
4.3 B¸o hiÖu liªn tæng ®µi
Lµ b¸o hiÖu ®-îc thùc hiÖn gi÷a c¸c tæng ®µi víi nhau.
Thuª bao
gäi Tæng ®µi
Thuª bao
bÞ gäi
NhÊc tæ hîp
¢m mêi quay sè
Sè hiÖu thuª bao bÞ gäi
TÝn hiÖu håi ©m chu«ng TÝn hiÖu chu«ng
TÝn hiÖu tr¶ lêi
§µm tho¹i
§Æt tæ hîp
§Æt tæ hîp
H×nh 4.2. VÝ dô vÒ b¸o hiÖu ®-êng d©y thuª bao.
C¸c lo¹i tÝn hiÖu trong b¸o hiÖu liªn tæng ®µi cã thÓ lµ: tÝn hiÖu chiÕm, tÝn
hiÖu c«ng nhËn chiÕm (hay tÝn hiÖu x¸c nhËn chiÕm), sè hiÖu thuª bao bÞ gäi,
t×nh tr¹ng t¾c nghÏn, xo¸ thuËn, xo¸ ng-îc…
TÝn hiÖu b¸o hiÖu liªn tæng ®µi bao gåm:
Thuª bao
bÞ gäi
Thuª bao
gäi
Tæng ®µi Tæng ®µi
TÝn hiÖu chiÕm
TÝn hiÖu x¸c nhËn chiÕm
Sè hiÖu m¸y bÞ gäi
TÝn hiÖu tr¶ lêi
§µm tho¹i
TÝn hiÖu xo¸ h-íng vÒ
TÝn hiÖu xo¸ h-íng ®i
H×nh 4.3. VÝ dô vÒ b¸o hiÖu liªn tæng ®µi.
- C¸c tÝn hiÖu b¸o hiÖu thanh ghi (Register Signals): ®-îc sö dông trong
thêi gian thiÕt lËp cuéc gäi ®Ó chuyÓn giao ®Þa chØ vµ th«ng tin thÓ lo¹i thuª bao.
- C¸c tÝn hiÖu b¸o hiÖu ®-êng d©y (Line Signals): ®-îc sö dông trong toµn
bé thêi gian cuéc gäi ®Ó gi¸m s¸t tr¹ng th¸i cña ®-êng d©y.
B¸o hiÖu liªn tæng ®µi ngµy nay cã 2 ph-¬ng ph¸p ®ang ®-îc sö dông lµ:
b¸o hiÖu kªnh liªn kÕt (CAS) vµ b¸o hiÖu kªnh chung (CCS).
4.3.1 B¸o hiÖu kªnh liªn kÕt (Channel Associated Signalling)
a) Kh¸i qu¸t b¸o hiÖu kªnh liªn kÕt:
Lµ b¸o hiÖu liªn tæng ®µi mµ tÝn hiÖu b¸o hiÖu ®-îc truyÒn cïng víi trung
kÕ tiÕng.
§Æc tr-ng cña lo¹i b¸o hiÖu nµy lµ ®èi víi mçi kªnh tho¹i cã mét ®-êng
tÝn hiÖu b¸o hiÖu x¸c ®Þnh kh«ng râ rµng. §iÒu ®ã cã nghÜa lµ:
- TÝn hiÖu b¸o hiÖu cã thÓ chuyÓn giao trªn kªnh tho¹i nÕu sö dông tÝn
hiÖu b¸o hiÖu trong b¨ng tÇn tho¹i.
- TÝn hiÖu b¸o hiÖu ®-îc chuyÓn giao trong mét kªnh b¸o hiÖu riªng biÖt
nh- s¾p xÕp ®a khung trong PCM, c¸c tÝn hiÖu b¸o hiÖu ®-êng d©y ®-îc chuyÓn
giao trong khe thêi gian TS16.
b) C¸c hÖ thèng b¸o hiÖu kªnh liªn kÕt:
* HÖ thèng b¸o hiÖu CCITT 1: §©y lµ hÖ thèng b¸o hiÖu l©u ®êi nhÊt vµ
ngµy nay kh«ng cßn ®-îc sö dông n÷a. HÖ thèng b¸o hiÖu nµy sö dông tÇn sè
500Hz, ng¾t qu·ng 20Hz.
* HÖ thèng b¸o hiÖu CCITT 2: §©y lµ hÖ thèng b¸o hiÖu sö dông tÇn sè
600Hz, ng¾t qu·ng 750Hz. HÖ thèng nµy ngµy nay vÉn cßn ®-îc sö dông ë
Australia, New Zealand vµ Nam Mü.
* HÖ thèng b¸o hiÖu CCITT 3: §©y lµ hÖ thèng b¸o hiÖu trong b¨ng ®Çu
tiªn sö dông tÇn sè 2280Hz cho c¶ b¸o hiÖu ®-êng d©y vµ b¸o hiÖu thanh ghi.
Ngµy nay hÖ thèng nµy ®-îc sö dông ë Ph¸p, ¸o, PhÇn Lan vµ Hungary.
* HÖ thèng b¸o hiÖu CCITT 4: §©y lµ mét biÕn thÓ cña hÖ thèng b¸o hiÖu
CCITT 3 nh-ng sö dông tÇn sè 2040Hz vµ 2400Hz cho b¸o hiÖu ®-êng d©y vµ
b¸o hiÖu thanh ghi.
* HÖ thèng b¸o hiÖu CCITT 5: §©y lµ hÖ thèng b¸o hiÖu ®-îc sö dông kh¸
réng r·i víi b¸o hiÖu ®-êng d©y sö dông tÇn sè 2400Hz vµ 2600Hz, b¸o hiÖu
thanh ghi sö dông tæ hîp 2 trong 6 tÇn sè 700Hz, 900Hz, 1100Hz, 1300Hz,
1500Hz vµ 1700Hz.
* HÖ thèng b¸o hiÖu R1: §©y lµ hÖ thèng b¸o hiÖu gÇn gièng víi hÖ thèng
b¸o hiÖu sè 5, nh-ng chØ sö dông mét tÇn sè 2600Hz cho b¸o hiÖu ®-êng d©y.
B¸o hiÖu thanh ghi gièng nh- trong b¸o hiÖu sè 5.
* HÖ thèng b¸o hiÖu R2: §©y lµ hÖ thèng b¸o hiÖu sö dông tÇn sè 3825Hz
cho b¸o hiÖu ®-êng d©y (víi phiªn b¶n analog) vµ c¸c tÇn sè 540Hz tíi 1140Hz
cho h-íng vÒ, tÇn sè tõ 1380Hz ®Õn 1980Hz cho h-íng ®i víi b-íc tÇn sè 120Hz.
c) -u ®iÓm vµ nh-îc ®iÓm cña b¸o hiÖu kªnh liªn kÕt:
* -u ®iÓm: Do b¸o hiÖu kªnh liªn kÕt t-¬ng ®èi ®éc lËp víi nhau nªn khi
cã sù cè ë mét kªnh b¸o hiÖu nµo ®ã th× c¸c kªnh cßn l¹i Ýt bÞ ¶nh h-ëng.
* Nh-îc ®iÓm:
- Thêi gian thiÕt lËp cuéc gäi l©u do tèc ®é trao ®æi th«ng tin b¸o hiÖu
chËm.
- Dung l-îng cña b¸o hiÖu kªnh liªn kÕt nhá do cã sè ®-êng d©y trung kÕ
giíi h¹n.
- §é tin cËy cña b¸o hiÖu kªnh liªn kÕt kh«ng cao do kh«ng cã ®-êng d©y
trung kÕ dù phßng.
4.3.2 B¸o hiÖu kªnh chung (Common Channel Signalling)
a) Kh¸i qu¸t b¸o hiÖu kªnh chung:
Lµ b¸o hiÖu liªn tæng ®µi mµ tÝn hiÖu b¸o hiÖu ®-îc truyÒn trªn mét ®-êng
sè liÖu tèc ®é cao ®éc lËp víi trung kÕ tiÕng. B¸o hiÖu ®-îc thùc hiÖn ë c¶ 2
h-íng, víi mét kªnh b¸o hiÖu cho mçi h-íng.
Th«ng tin b¸o hiÖu cÇn göi ®i ®-îc nhãm thµnh nh-ng gãi d÷ liÖu. Bªn
c¹nh nh÷ng th«ng tin dµnh cho viÖc b¸o hiÖu, còng cÇn cã thªm mét sè th«ng tin
nhËn d¹ng kªnh tho¹i mµ nã b¸o hiÖu cho, th«ng tin ®Þa chØ (nh·n) vµ th«ng tin
®Ó ®iÒu chØnh lçi.
C¸c tæng ®µi ®iÒu khiÓn b»ng ch-¬ng tr×nh l-u tr÷ (SPC) cïng víi c¸c kªnh
b¸o hiÖu sÏ t¹o thµnh m¹ng b¸o hiÖu “ChuyÓn m¹ch gãi”.
b) C¸c hÖ thèng b¸o hiÖu kªnh chung:
* HÖ thèng b¸o hiÖu CCITT 6: ra ®êi ®Çu n¨m 1968, ®-îc sö dông dµnh
cho c¸c ®-êng d©y Analog vµ cho l-u tho¹i quèc tÕ.
* HÖ thèng b¸o hiÖu CCITT 7: ra ®êi vµo nh÷ng n¨m 1979 - 1980 dµnh
cho c¸c m¹ng chuyÓn m¹ch sè trong n-íc vµ quèc tÕ, hÖ thèng truyÒn dÉn sè tèc
®é cao (64Kb/s).
c) ¦u ®iÓm cña hÖ thèng b¸o hiÖu kªnh chung:
- Thêi gian thiÕt lËp cuéc gäi nhanh do sö dông ®-êng truyÒn sè liÖu tèc
®é cao. Trong hÇu hÕt c¸c tr-êng hîp, thêi gian thiÕt lËp cuéc gäi gi¶m d-íi mét
gi©y.
- Dung l-îng cña b¸o hiÖu kªnh chung lín do mçi kªnh b¸o hiÖu cã thÓ
xö lý tÝn hiÖu b¸o hiÖu cho vµi ngh×n cuéc gäi cïng mét lóc.
- §é tin cËy cña b¸o hiÖu kªnh chung cao nhê sö dông c¸c tuyÕn b¸o
hiÖu linh ®éng.
- B¸o hiÖu kªnh chung cã ®é linh ho¹t cao v× hÖ thèng cã thÓ mang
th«ng tin cña nhiÒu lo¹i tÝn hiÖu kh¸c nhau, cã thÓ sö dông cho nhiÒu môc ®Ých,
kh«ng chØ phôc vô cho riªng tho¹i.
4.4. c¸c chøc n¨ng cña b¸o hiÖu
B¸o hiÖu trong m¹ng viÔn th«ng bao gåm ba chøc n¨ng c¬ b¶n;
- Chøc n¨ng gi¸m s¸t.
- Chøc n¨ng t×m chän.
- Chøc n¨ng vËn hµnh vµ qu¶n lý m¹ng.
4.4.1 Chøc n¨ng gi¸m s¸t
Chøc n¨ng nµy ®-îc sö dông ®Ó gi¸m s¸t vµ ph¸t hiÖn sù thay ®æi tr¹ng
th¸i cña c¸c phÇn tö (®-êng d©y thuª bao, ®-êng d©y trung kÕ…) ®Ó ®-a ra c¸c
quyÕt ®Þnh xö lý chÝnh x¸c vµ kÞp thêi.
4.4.2 Chøc n¨ng t×m chän
Chøc n¨ng nµy liªn quan ®Õn thñ tôc thiÕt lËp cuéc gäi, ®ã lµ viÖc truyÒn
sè liÖu thuª bao bÞ gäi vµ t×m tuyÕn nèi tèi -u tíi thuª bao bÞ gäi. §iÒu nµy phô
thuéc vµo kiÓu b¸o hiÖu vµ ph-¬ng ph¸p truyÒn b¸o hiÖu.
Yªu cÇu ®Æt ra víi chøc n¨ng t×m chän cho tæng ®µi lµ ph¶i cã tÝnh hiÖu
qu¶, ®é tin cËy cao ®Ó thùc hiÖn chÝnh x¸c chøc n¨ng chuyÓn m¹ch, thiÕt lËp cuéc
gäi thµnh c«ng, gi¶m thêi gian trÔ quay sè.
4.4.3 Chøc n¨ng vËn hµnh vµ qu¶n lý m¹ng
Kh¸c víi hai chøc n¨ng trªn, chøc n¨ng vËn hµnh vµ qu¶n lý m¹ng gióp
cho viÖc sö dông m¹ng mét c¸ch cã hiÖu qu¶ vµ tèi -u nhÊt. Nã thu thËp c¸c
th«ng tin b¸o c¶nh, tÝn hiÖu ®o l-êng kiÓm tra ®Ó th-êng xuyªn th«ng b¸o t×nh
h×nh cña c¸c thiÕt bÞ, c¸c phÇn tö trong hÖ thèng ®Ó cã quyÕt ®Þnh xö lý ®óng.
ch-¬ng 5: HÖ thèng b¸o hiÖu R2
5.1 Kh¸i qu¸t
HÖ thèng b¸o hiÖu R2 lµ hÖ thèng b¸o hiÖu m· ®a tÇn, kªnh kÕt hîp (kªnh
riªng), ®-îc thiÕt kÕ ®Ó phôc vô cho chøc n¨ng trao ®æi th«ng tin b¸o hiÖu gi÷a
c¸c tæng ®µi trong m¹ng viÔn th«ng. HÖ thèng b¸o hiÖu nµy ®-îc sö dông cho c¶
m¹ng quèc gia vµ m¹ng quèc tÕ.
HÖ thèng b¸o hiÖu R2 còng thÝch hîp cho c¸c ph-¬ng thøc tù ®éng vµ b¸n tù
®éng. §ång thêi nã cã thÓ ¸p dông cho c¸c ®-êng trung kÕ t-¬ng tù (Analog)
hay trung kÕ sè (Digital).
HÖ thèng b¸o hiÖu R2 ®-îc ph©n thµnh hai lo¹i:
- B¸o hiÖu ®-êng d©y.
- B¸o hiÖu thanh ghi.
5.2 Ph-¬ng thøc truyÒn tÝn hiÖu cña b¸o hiÖu R2
HÖ thèng b¸o hiÖu R2 ®-îc thùc hiÖn theo giao thøc b¾t buéc (¸p chÕ). §iÒu
nµy thÓ hiÖn ë chç tÝn hiÖu h-íng ®i ®-îc göi ®i liªn tôc cho tíi khi nhËn
®-îc tÝn hiÖu h-íng vÒ tõ tæng ®µi ®Çu kia. ViÖc b¸o hiÖu ®-îc thùc hiÖn gi÷a
bé truyÒn m· CS (Code Sender) vµ bé nhËn m· CR (Code Receiver). Trong
bé truyÒn m· CS, ngoµi c¸c thiÕt bÞ truyÒn ®Ó truyÒn tÝn hiÖu b¸o hiÖu cßn cã
c¸c thiÕt bÞ nhËn ®Ó nhËn tÝn hiÖu ®iÒu khiÓn. T-¬ng tù nh- vËy, bé nhËn m·
CR còng cã c¸c thiÕt bÞ nhËn vµ thiÕt bÞ truyÒn tÝn hiÖu.
Qu¸ tr×nh truyÒn b¾t buéc trong b¸o hiÖu R2 ®-îc thùc hiÖn nh- sau:
a. TÝn hiÖu ®-îc truyÒn liªn tôc d-íi d¹ng m· ®a tÇn tõ bé CS ®Õn bé CR.
b. Bé CR sau khi nhËn ®-îc tÝn hiÖu thø nhÊt nµy sÏ ra lÖnh cho thiÕt bÞ
truyÒn cña nã göi vÒ mét tÝn hiÖu ®iÒu khiÓn theo h-íng ng-îc l¹i.
c. TÝn hiÖu ®iÒu khiÓn d-íi d¹ng m· ®a tÇn ®-îc truyÒn tõ bé CR vÒ bé CS.
d. Bé CS khi nhËn ®-îc tÝn hiÖu ®iÒu khiÓn sÏ ngõng truyÒn tÝn hiÖu thø nhÊt
v× biÕt r»ng CR ®· nhËn ®-îc tÝn hiÖu nµy.
e. Bé CR nhËn thÊy bé CS ®· ngõng truyÒn tÝn hiÖu thø nhÊt, nã ra lÖnh cho
thiÕt bÞ truyÒn cña nã ngõng truyÒn tÝn hiÖu ®iÒu khiÓn v× biÕt r»ng CS ®·
nhËn ®-îc tÝn hiÖu nµy.
f. Bé CS nhËn thÊy tÝn hiÖu ®iÒu khiÓn ®· ngõng truyÒn. Nã chuÈn bÞ truyÒn
tÝn hiÖu thø hai.
g. Bé CS tiÕp tôc truyÒn tÝn hiÖu thø hai vµ qu¸ tr×nh trªn l¹i ®-îc lÆp l¹i.
5.3. Ph©n lo¹i b¸o hiÖu cña R2
5.3.1 B¸o hiÖu ®-êng d©y
+ C¸c tÝn hiÖu ®-êng d©y h-íng ®i
* TÝn hiÖu chiÕm
Lµ tÝn hiÖu ®-îc göi ®i khi b¾t ®Çu cuéc gäi nh»m thiÕt lËp l¹i tr¹ng th¸i
m¹ch vµo tõ tr¹ng th¸i rçi sang tr¹ng th¸i bÞ chiÕm.
S R S
R
CS CR
a
c
b
f
e
d
g
H×nh 5.1 . B¸o hiÖu b¾t buéc(¸p chÕ)
* TÝn hiÖu xo¸ thuËn
Lµ tÝn hiÖu ®-îc göi ®i ®Ó kÕt thóc cuéc gäi, nh»m gi¶i phãng tæng ®µi bÞ gäi
vµ c¸c khèi chuyÓn m¹ch ®ang tham gia phôc vô cho cuéc gäi.
+ C¸c tÝn hiÖu ®-êng d©y h-íng vÒ
* TÝn hiÖu c«ng nhËn chiÕm
Sau khi nhËn ®-îc tÝn hiÖu chiÕm tæng ®µi bÞ gäi sÏ ph¸t tÝn hiÖu c«ng
nhËn chiÕm cho tæng ®µi gäi x¸c nhËn viÖc m¹ch vµo ®· chuyÓn tõ tr¹ng th¸i rçi
sang tr¹ng th¸i bÞ chiÕm.
* TÝn hiÖu tr¶ lêi
TÝn hiÖu nµy ®-îc truyÒn tõ tæng ®µi bÞ gäi vÒ tæng ®µi gäi khi thuª bao bÞ
gäi nhÊc tæ hîp nh»m phôc vô cho viÖc tÝnh c-íc cña tæng ®µi gäi.
* TÝn hiÖu xo¸ ng-îc
Lµ tÝn hiÖu göi ®Õn tæng ®µi gäi khi thuª bao bÞ gäi ®Æt m¸y. Trong chÕ ®é
b¸n tù ®éng, tÝn hiÖu nµy thùc hiÖn chøc n¨ng gi¸m s¸t.
* TÝn hiÖu gi¶i phãng hoµn toµn
T¹i tæng ®µi bÞ gäi sau khi nhËn ®-îc tÝn hiÖu xo¸ thuËn sÏ göi vÒ tæng ®µi
gäi tÝn hiÖu gi¶i phãng hoµn toµn ®Ó x¸c ®Þnh ®· s½n sµng phôc vô c¸c khèi
chuyÓn m¹ch vµ tæng ®µi bÞ gäi hoµn toµn tù do, s½n sµng phôc vô cho cuéc gäi
kh¸c.
* TÝn hiÖu kho¸ m¹ch
TÝn hiÖu nµy ®-îc göi trªn c¸c m¹ch rçi tíi tæng ®µi gäi ®Ó g©y nªn tr¹ng
th¸i bËn nh»m b¶o vÖ viÖc chiÕm m¹ch tiÕp theo.
+ C¸c phiªn b¶n b¸o hiÖu ®-êng d©y
Trong b¸o hiÖu ®-êng d©y cã hai phiªn b¶n (Version), mét phiªn b¶n dïng
cho b¸o hiÖu ®-êng d©y t-¬ng tù (Analog) vµ mét phiªn b¶n dïng cho b¸o hiÖu
®-êng d©y sè (Digital).
a) Phiªn b¶n b¸o hiÖu ®-êng d©y t-¬ng tù:
Nguyªn t¾c truyÒn cña phiªn b¶n nµy lµ cã ©m hiÖu khi rçi vµ kh«ng cã ©m
hiÖu khi bËn.
Trong b¸o hiÖu ®-êng d©y kiÓu t-¬ng tù, ®èi víi mçi h-íng truyÒn dÉn cÇn
ph¶i cã mét kªnh b¸o hiÖu sö dông tÇn sè ngoµi b¨ng tho¹i lµ 3825Hz. Tr¹ng
th¸i ®-êng d©y ®-îc ph¶n ¸nh qua b¶ng 5.1
C¸c ®iÒu kiÖn ®Ó thùc hiÖn b¸o hiÖu ®-êng d©y:
- TÇn sè b¸o hiÖu danh ®Þnh lµ 3825Hz.
- Sai sè so víi tÇn sè trªn kh«ng v-ît qu¸ 4Hz.
Thêi gian ®Ó chuyÓn tr¹ng th¸i cã ©m hiÖu sang kh«ng cã ©m hiÖu lµ
40±10 (ms).
Thêi gian nhá nhÊt ®Ó nhËn biÕt cã ©m hiÖu ë h-íng ®i vµ mÊt ©m hiÖu ë
h-íng vÒ lµ 250 ± 50 (ms).
B¶ng 5.1. C¸c tr¹ng th¸i ®-êng d©y
C¸c tr¹ng th¸i ®-êng d©y
Tr¹ng th¸i m¹ch
H-íng ®i H-íng vÒ
Rçi Cã ©m hiÖu Cã ©m hiÖu
ChiÕm Kh«ng cã ©m hiÖu Cã ©m hiÖu
Tr¶ lêi Kh«ng cã ©m hiÖu Kh«ng cã ©m hiÖu
Xo¸ thuËn Cã ©m hiÖu Cã hoÆc kh«ng cã ©m hiÖu
Xo¸ ng-îc Kh«ng cã ©m hiÖu Cã ©m hiÖu
Gi¶i phãng Cã ©m hiÖu Cã hoÆc kh«ng cã ©m hiÖu
Kho¸ m¹ch Cã ©m hiÖu Kh«ng cã ©m hiÖu
Më kho¸ m¹ch Cã ©m hiÖu Cã ©m hiÖu
b) Phiªn b¶n b¸o hiÖu ®-êng d©y sè:
Trong hÖ thèng truyÒn dÉn sè PCM 30/32 ng-êi ta sö dông mét kªnh tho¹i
(TS16) ®Ó tæ chøc hai kªnh b¸o hiÖu ë c¸c khung 1 – 15. Sù s¾p xÕp c¸c kªnh
b¸o hiÖu trong khe thêi gian TS16 cña hÖ thèng PCM 30 nh- sau:
B¶ng 5.2. Quy ®Þnh khe thêi gian cho c¸c kªnh tho¹i cña b¸o hiÖu R2.
C¸c bit trong khe thêi gian TS16
Sè thø tù
khung abcd abcd
0 0000 xexx
1 Kªnh 1 Kªnh 16
2 Kªnh 2 Kªnh 17
3 Kªnh 3 Kªnh 18
4 Kªnh 4 Kªnh 19
5 Kªnh 5 Kªnh 20
6 Kªnh 6 Kªnh 21
7 Kªnh 7 Kªnh 22
8 Kªnh 8 Kªnh 23
9 Kªnh 9 Kªnh 24
10 Kªnh 10 Kªnh 25
11 Kªnh 11 Kªnh 26
12 Kªnh 12 Kªnh 27
13 Kªnh 13 Kªnh 28
14 Kªnh 14 Kªnh 29
15 Kªnh 15 Kªnh 30
Trong ®ã:
0000: §ång chØnh ®a khung.
e : Bit c¶nh b¸o mÊt ®ßng chØnh ®a khung.
e = 0: Kh«ng cã c¶nh b¸o.
e = 1: Cã c¶nh b¸o.
x : Bit dù tr÷ ch-a sö dông.
Th«ng th-êng ng-êi ta kh«ng sö dông hÕt 4 bit a, b, c, d cho b¸o hiÖu mµ
chØ sö dông hai bit a vµ b cßn bit c vµ d sö dông cho môc ®Ých kh¸c.
- H-íng ®i gåm bit af vµ bit bf .
- H-íng vÒ gåm bit ab vµ bit bb.
Trong ®ã:
+ af:: cho biÕt tr¹ng th¸i ho¹t ®éng cña c¸c thiÕt bÞ chuyÓn m¹ch ®Çu gäi
ra vµ tr¹ng th¸i cña ®-êng d©y thuª bao gäi.
+ bf.: cho biÕt cã sù cè trªn h-íng tõ tæng ®µi gäi tíi tæng ®µi bÞ gäi.
+ ab: cho biÕt tr¹ng th¸i cña thuª bao bÞ gäi.
+ bb: cho biÕt thiÕt bÞ chuyÓn m¹ch ë tæng ®µi bÞ gäi rçi hay bËn.
B¶ng 5.3. M· b¸o hiÖu ®-êng d©y.
M· b¸o hiÖu
H-íng ®i H-íng vÒ
Tr¹ng th¸i m¹ch
af bf ab bb
Rçi / Gi¶i phãng 1 0 1 0
ChiÕm 0 0 1 0
C«ng nhËn chiÕm 0 0 1 1
Tr¶ lêi 0 0 0 1
Xo¸ ng-îc 0 0 1 1
Xo¸ thuËn 1 0 0 1
Gi¶i phãng an toµn 1 1
Kho¸ m¹ch 1 0
5.3.2 B¸o hiÖu thanh ghi
B¸o hiÖu thanh ghi trong hÖ thèng b¸o hiÖu R2 ®-îc sö dông ë n-íc ta lµ
kiÓu b¸o hiÖu bÞ khèng chÕ, nghÜa lµ b¸o hiÖu mµ viÖc truyÒn th«ng tin gi÷a c¸c
tæng ®µi ®-îc thùc hiÖn lÇn l-ît theo sù hái ®¸p.
Trong b¸o hiÖu R2 ng-êi ta sö dông m· ®a tÇn lµ c¸c tæ hîp hai trong s¸u tÇn
sè ®Ó truyÒn b¸o hiÖu thanh ghi gi÷a c¸c tæng ®µi. C¸c m· ®a tÇn nµy sÏ ®-îc
thu vµ ph¸t bëi c¸c thiÕt bÞ m· ®a tÇn.
Thø tù c¸c tæ hîp m· theo hai h-íng ®-îc quy ®Þnh theo b¶ng sau ®©y:
B¶ng 5.4 C¸c tæ hîp m· ®a tÇn.
Tæ hîp C¸c tÇn sè (Hz)
H-íng ®i 1380 1500 1620 1740 1860 1980
H-íng vÒ 1140 1020 900 780 660 540
ChØ sè f0 f1 f2 f3 f4 f5
STT
x+y
Träng sè 0 1 2 4 7 11
1 0+1 x y
2 0+2 x y
3 1+2 x y
4 0+4 x y
5 1+4 x y
6 2+4 x y
7 0+7 x y
8 1+7 x y
9 2+7 x y
10 4+7 x y
11 0+11 x y
12 1+11 x y
13 2+11 x y
14 4+14 x y
15 7+11 x y
+ B¸o hiÖu h-íng ®i
C¸c tÝn hiÖu h-íng ®i ®-îc chia thµnh hai nhãm: tÝn hiÖu nhãm I vµ tÝn hiÖu
nhãm 2.
a) B¸o hiÖu h-íng ®i nhãm I:
C¸c tÝn hiÖu nhãm I chñ yÕu mang th«ng tin vÒ ®Þa chØ cña thuª bao bÞ gäi.
B¶ng 5.5. C¸c tÝn hiÖu h-íng ®i nhãm I.
Tæ
hîp
TÝn hiÖu ý nghÜa cña c¸c tÝn hiÖu
1 I-1 Ch÷ sè 1
2 I-2 Ch÷ sè 2
3 I-3 Ch÷ sè 3
4 I-4 Ch÷ sè 4
5 I-5 Ch÷ sè 5
6 I-6 Ch÷ sè 6
7 I-7 Ch÷ sè 7
8 I-8 Ch÷ sè 8
9 I-9 Ch÷ sè 9
10 I-10 Ch÷ sè 0
11 I-11 Kh«ng sö dông
12 I-12 Yªu cÇu kh«ng ®-îc chÊp nhËn
13 I-13 Truy nhËp tíi thiÕt bÞ kiÓm tra
Kh«ng dïng trong tuyÕn vÖ tinh
14 I-14 Kh«ng sö dông ®èi víi m¹ng viÔn th«ng ViÖt Nam
15 I-15 KÕt thóc m· truyÒn ®Þa chØ
(sè hiÖu cña thuª bao bÞ gäi)
b) B¸o hiÖu h-íng ®i nhãm II:
C¸c tÝn hiÖu nhãm II lµ tÝn hiÖu chØ thÞ vÒ ®Æc tÝnh cuéc gäi vµ thuª bao
chñ gäi.
B¶ng 5.6. C¸c tÝn hiÖu h-íng ®i nhãm II.
Tæ
hîp
TÝn
hiÖu
ý nghÜa cña c¸c tÝn hiÖu Chó thÝch
1 II-1 Thuª bao kh«ng -u tiªn
2 II-2 Thuª bao cã -u tiªn
3 II-3 ThiÕt bÞ b¶o d-ìng
4 II-4 Dù phßng
5 II-5 §iÖn tho¹i viªn
6 II-6 TruyÒn dÉn sè liÖu
Nh÷ng tÝn hiÖu nµy chØ sö
dông cho m¹ng quèc gia
7 II-7 Thuª bao quèc tÕ
8 II-8 TruyÒn dÉn sè liÖu quèc tÕ
9 II-9 Thuª bao cã -u tiªn quèc tÕ
10 II-10 §iÖn tho¹i viªn quèc tÕ
Nh÷ng tÝn hiÖu nµy ®-îc
sö dông cho m¹ng quèc
tÕ
11 II-11 Cuéc gäi tõ ®iÖn tho¹i c«ng
céng
12 II-12 Lo¹i thuª bao chñ gäi kh«ng
dïng hoÆc kh«ng nhËn d¹ng
®-îc
13 II-13
14 II-14
15 II-15
Dù tr÷ cho m¹ng quèc gia
Nh÷ng tÝn hiÖu nµy sö
dông néi bé trong n-íc
B¸o hiÖu h-íng vÒ
B¸o hiÖu h-íng vÒ ®-îc chia lµm hai nhãm: b¸o hiÖu h-íng vÒ nhãm A vµ
b¸o hiÖu h-íng vÒ nhãm B.
a) B¸o hiÖu h-íng vÒ nhãm A:
C¸c tÝn hiÖu nhãm A ®-îc sö dông ®Ó tr¶ lêi x¸c nhËn cho c¸c tÝn hiÖu
h-íng ®i nhãm I (trong mét sè tr-êng hîp ®-îc dïng ®Ó tr¶ lêi cho c¸c tÝn hiÖu
h-íng ®i nhãm II) vµ thùc hiÖn chøc n¨ng chuyÓn ®-a c¸c th«ng tin b¸o hiÖu.
B¶ng 5.7. C¸c tÝn hiÖu h-íng vÒ nhãm A
Tæ
hîp
TÝn
hiÖu
ý nghÜa cña c¸c tÝn hiÖu
1 A-1 Göi con sè tiÕp theo
2 A-2 Göi con sè tr-íc con sè cuèi (n-1)
3 A-3 KÕt thóc nhËn tÝn hiÖu ®Þa chØ, chuyÓn sang nhËn tÝn
hiÖu nhãm B
4 A-4 T¾c nghÏn trong m¹ng quèc gia
5 A-5 Göi ®Æc tÝnh thuª bao chñ gäi
6 A-6 §Þa chØ ®Çy ®ñ, thiÕt lËp tr¹ng th¸i tho¹i, tÝnh c-íc
7 A-7 Göi con sè tr-íc hai sè cuèi (n-2)
8 A-8 Göi con sè tr-íc ba sè cuèi (n-3)
9 A-9 Ph¸t l¹i sè bÞ gäi tõ ®Çu
10 A-10
11 A-11
12 A-12
13 A-13
14 A-14
Dù phßng
15 A-15 T¾c nghÏn trong m¹ng quèc tÕ
b) B¸o hiÖu h-íng vÒ nhãm B:
C¸c tÝn hiÖu h-íng vÒ nhãm B còng dïng ®Ó tr¶ lêi x¸c nhËn cho mét h-íng
®i nhãm II trong thñ tôc b¸o hiÖu b¾t buéc. §ång thêi c¸c tÝn hiÖu nµy thùc
hiÖn chøc n¨ng chuyÓn ®-a c¸c th«ng tin vÒ tr¹ng th¸i thiÕt bÞ chuyÓn m¹ch
hay tr¹ng th¸i ®-êng d©y thuª bao bÞ gäi.
B¶ng 5.8. C¸c tÝn hiÖu h-íng vÒ nhãm B.
Tæ
hîp
TÝn
hiÖu
ý nghÜa cña c¸c tÝn hiÖu
1 B-1 Thuª bao bÞ gäi rçi, yªu cÇu nhËn d¹ng cuéc gäi ph¸ rèi
2 B-2 Göi ©m hiÖu ®Æc biÖt hay th«ng b¸o vÒ thuª bao bÞ gäi
®· di chuyÓn hay thay ®æi
3 B-3 §-êng d©y thuª bao bÞ gäi bËn
4 B-4 TÝn hiÖu bÞ t¾c nghÏn
5 B-5 Sè thuª bao kh«ng cã trong danh b¹
6 B-6 §-êng d©y thuª bao bÞ gäi rçi, cã tÝnh c-íc
7 B-7 §-êng d©y thuª bao bÞ gäi rçi, kh«ng tÝnh c-íc
8 B-8 §-êng d©y thuª bao bÞ gäi cã sù cè
915 B-9 B-15 Dù tr÷ cho m¹ng quèc gia
Quy t¾c x¸c ®Þmh nhãm cña tõng tÝn hiÖu b¸o hiÖu:
Nh- vËy cã 15 tÝn hiÖu b¸o hiÖu h-íng ®i vµ 15 tÝn hiÖu b¸o hiÖu h-íng
vÒ. Mçi tÝn hiÖu h-íng ®i cã thÓ thuéc nhãm I hoÆc nhãm II vµ mçi tÝn hiÖu
h-íng vÒ còng cã thÓ thuéc nhãm A hoÆc nhãm B. ViÖc x¸c ®Þnh nhãm cña tõng
tÝn hiÖu b¸o hiÖu cô thÓ còng chÝnh lµ x¸c ®Þnh ý nghÜa cña tÝn hiÖu b¸o hiÖu ®ã
dùa vµo vÞ trÝ cña tÝn hiÖu b¸o hiÖu ®ã trong chuçi c¸c tÝn hiÖu b¸o hiÖu vµ vÞ trÝ
cña nã so víi c¸c tÝn hiÖu h-íng vÒ A3 vµ tÝn hiÖu h-íng vÒ A5 theo quy t¾c: TÝn
hiÖu ®Çu tiªn trong chuçi c¸c tÝn hiÖu h-íng ®i thuéc nhãm I; tÝn hiÖu ®Çu tiªn
trong chuçi c¸c tÝn hiÖu h-íng vÒ thuéc nhãm A; viÖc chuyÓn tõ nhãm I sang
nhãm II vµ tõ nhãm A sang nhãm B do c¸c tÝn hiÖu h-íng vÒ A3, A5 quyÕt ®Þnh.
Khi chuyÓn tõ nhãm I sang nhãm II b»ng tÝn hiÖu A5 th× cã thÓ chuyÓn trë l¹i
nhãm I; khi ®· chuyÓn tõ nhãm A sang nhãm B b»ng tÝn hiÖu A3 th× kh«ng thÓ
chuyÓn trë l¹i nhãm A ®-îc n÷a.
5.3.3 C¸c ph-¬ng ph¸p truyÒn tÝn hiÖu b¸o hiÖu thanh ghi
Trong qu¸ tr×nh kÕt nèi cuéc gäi tõ tæng ®µi chñ gäi ®Õn tæng ®µi bÞ gäi cã
thÓ cã mét sè tæng ®µi kh¸c tham gia kÕt nèi. Vµ b¸o hiÖu thanh ghi cã ba ph-¬ng
ph¸p truyÒn nh- sau:
- TruyÒn b¸o hiÖu kiÓu tõng chÆng (Link By Link).
- TruyÒn b¸o hiÖu kiÓu xuyªn suèt (End To End).
- TruyÒn b¸o hiÖu kiÓu hçn hîp (Mixed).
a. Ph-¬ng ph¸p truyÒn b¸o hiÖu kiÓu tõng chÆng
Ph-¬ng ph¸p nµy liªn quan ®Õn viÖc truyÒn tÝn hiÖu gi÷a c¸c tæng ®µi kÕ
cËn. Víi b¸o hiÖu kiÓu tõng chÆng, sè hiÖu cña thuª bao bÞ gäi sÏ bÞ gi¶m dÇn qua
mçi tæng ®µi qu¸ giang, tõ ®Çy ®ñ cho ®Õn khi chØ cßn mét phÇn cña sè bÞ gäi.
* ¦u ®iÓm:
DÔ dµng ph¸t hiÖn c¸c tÝn hiÖu (nhiÔu, mÐo do trÔ, mÐo do nhiÔu…).
T§ A T§ B T§ C T§ D
Khu vùc Hµ Néi (04) Khu vùc Nam §Þnh (035)
035823477
035823477
823477
3477
H×nh 5.2 VÝ dô vÒ b¸o hiÖu kiÓu Link By Link.
* Nh-îc ®iÓm:
- T¹i c¸c tæng ®µi qu¸ giang, c¸c thanh ghi võa ph¶i cã chøc n¨ng nhËn
sè hiÖu võa ph¶i cã chøc n¨ng göi sè hiÖu. Do vËy viÖc xö lý t¹i c¸c thanh ghi nµy
phøc t¹p h¬n.
- Thêi gian thiÕt lËp cuéc gäi l©u v× sè c¸c sè hiÖu truyÒn trªn tuyÕn lín.
- Khi sö dông c¸c tÝn hiÖu thanh ghi h-íng vÒ th× thêi gian chiÕm c¸c
thanh ghi qu¸ giang t¨ng lªn do tÊt c¶ c¸c thanh ghi trªn mét kÕt nèi nhiÒu liªn
kÕt ph¶i ®-îc kÕt nèi ®Ó truyÒn vÒ tÝn hiÖu cuèi cïng.
b. Ph-¬ng ph¸p truyÒn b¸o hiÖu kiÓu xuyªn suèt
Trong b¸o hiÖu kiÓu xuyªn suèt, c¸c thanh ghi cña tæng ®µi qu¸ giang chØ
nhËn c¸c sè ®ñ ®Ó ®Þnh tuyÕn. Thanh ghi cña tæng ®µi xuÊt ph¸t cuéc gäi sÏ lµm
viÖc trong suèt thêi gian thiÕt lËp cuéc gäi, nã cÇn ®-îc chuÈn bÞ dÓ göi mét phÇn
th«ng tin ®Þa chØ khi cã yªu cÇu b»ng c¸c tÝn hiÖu h-íng vÒ. Thanh ghi qu¸ giang
sÏ ®-îc gi¶i phãng khái kÕt nèi khi kÕt nèi ®-îc ph¸t triÓn lªn phÝa tr-íc tõ tæng
®µi qu¸ giang ®ã.
T§ A T§ B T§ C T§ D
Khu vùc Hµ Néi (04) Khu vùc Nam §Þnh (035)
035823477
035
82
3477
H×nh 5.3 VÝ dô vÒ b¸o hiÖu kiÓu End To End.
* ¦u ®iÓm:
- C¸c thanh ghi cña tæng dµi xuÊt ph¸t cuéc gäi ®-îc phÐp ®iÒu khiÓn
thiÕt lËp cuéc gäi. Tõ ®ã cho phÐp c¸c kh¶ n¨ng ®Þnh tuyÕn tõ tæng ®µi xuÊt ph¸t.
- T¹i c¸c tæng ®µi qu¸ giang, c¸c thanh ghi chØ cã chøc n¨ng nhËn mét
phÇn sè hiÖu thuª bao bÞ gäi chø kh«ng cÇn göi. Do ®ã qu¸ tr×nh xö lý t¹i c¸c
thanh ghi nµy dÔ dµng h¬n.
- Thêi gian thiÕt lËp cuéc gäi nhanh v× sè c¸c sè hiÖu truyÒn trªn tuyÕn
Ýt.
- Thêi gian chiÕm c¸c thanh ghi cña c¸c tæng ®µi qu¸ giang gi¶m xuèng.
- Gi¶m l-îng trÔ sau khi quay sè v× c¸c thanh ghi ®-îc gi¶i phãng sím
h¬n, th«ng m¹ch nhanh h¬n.
c. Ph-¬ng ph¸p truyÒn b¸o hiÖu kiÓu kÕt hîp
§©y lµ ph-¬ng ph¸p võa sö dông b¸o hiÖu kiÓu tõng chÆng võa sö dông b¸o
hiÖu kiÓu xuyªn suèt.
T§ A T§ B T§ C T§ D
Khu vùc Hµ Néi (04) Khu vùc Nam §Þnh (035)
035823477
035
823477
82
H×nh 5.4 VÝ dô vÒ b¸o hiÖu kiÓu kÕt hîp.
3477
T§ E
ch-¬ng 6
HÖ thèng b¸o hiÖu kªnh chung sè 7
6.1 Kh¸i qu¸t
HÖ thèng b¸o hiÖu sè 7 lµ hÖ thèng b¸o hiÖu kªnh chung, trong ®ã c¸c
kªnh b¸o hiÖu sö dông c¸c th«ng b¸o cã nh·n ®Ó chuyÓn th«ng tin b¸o hiÖu liªn
quan ®Õn viÖc thiÕt lËp cuéc gäi vµ c¸c th«ng tin kh¸c liªn quan ®Õn qu¶n lý, ®iÒu
hµnh vµ b¶o d-ìng m¹ng.
HiÓn nhiªn øng dông ®Çu tiªn cña m¹ng b¸o hiÖu sè 7 lµ øng dông cho
m¹ng ®iÖn tho¹i th«ng th-êng PSTN (Public Switching Telephone Network). HÖ
thèng b¸o hiÖu sè 7 thùc hiÖn cïng c¸c chøc n¨ng nh- c¸c hÖ thèng b¸o hiÖu
truyÒn thèng nh-ng víi kü thuËt cao, phï hîp h¬n ®èi víi hÖ thèng tæng ®µi sè
hiÖn ®¹i.
§èi víi thuª bao, hÖ thèng b¸o hiÖu sè 7 gióp viÖc thiÕt lËp cuéc gäi nhanh
h¬n vµ cã thÓ cung cÊp nhiÒu dÞch vô míi.
§èi víi viÖc qu¶n lý tõ xa, b¸o hiÖu sè 7 ®ßi hái Ýt thiÕt bÞ b¸o hiÖu trong
m¹ng h¬n vµ t¨ng dung l-îng cuéc gäi.
HiÖn nay m¹ng b¸o hiÖu sè 7 cßn ®-îc øng dông vµo nhiÒu chøc n¨ng nh-
b¸o hiÖu trong m¹ng sè liÖu liªn kÕt ®a dÞch vô ISDN (Intergrated Service Digital
Network), m¹ng th«ng minh IN (Intelligent Network), m¹ng th«ng tin di ®éng
mÆt ®Êt c«ng céng PLMN (Public Land Mobile Network).
6.2 C¸c kh¸i niÖm c¬ b¶n
6.2.1 §iÓm b¸o hiÖu SP (Signalling Point)
§iÓm b¸o hiÖu lµ nót chuyÓn m¹ch hay nót xö lý trong m¹ng b¸o hiÖu, cã
thÓ thùc hiÖn c¸c chøc n¨ng cña hÖ thèng b¸o hiÖu sè 7.
Mét tæng ®µi ®iÖn tho¹i ®-îc xem nh- lµ mét ®iÓm b¸o hiÖu SP th× ph¶i lµ
tæng ®µi ®-îc ®iÒu khiÓn b»ng ch-¬ng tr×nh l-u s½n, v× b¸o hiÖu sè 7 lµ d¹ng
th«ng tin sè liÖu gi÷a c¸c bé xö lý.
TÊt c¶ c¸c ®iÓm b¸o hiÖu trong hÖ thèng b¸o hiÖu sè 7 lµ d¹ng th«ng tin sè
liÖu gi÷a c¸c bé vi xö lý.
6.2.2 §iÓm truyÒn b¸o hiÖu STP (Signalling Transfer Point)
§iÓm b¸o hiÖu mµ th«ng tin b¸o hiÖu thu ®-îc trªn mét kªnh b¸o hiÖu vµ
sau ®ã chuyÓn giao cho kªnh kh¸c (mµ kh«ng xö lý néi dung tin b¸o) ®-îc gäi lµ
®iÓm truyÒn b¸o hiÖu.
6.2.3 Liªn kÕt b¸o hiÖu SL (Signalling Link) vµ chïm liªn kÕt b¸o hiÖu
(Link Set)
Liªn kÕt b¸o hiÖu lµ mét ph-¬ng tiÖn truyÒn dÉn bao gåm mét liªn kÕt d÷
liÖu 64Kb/s vµ c¸c chøc n¨ng ®iÒu khiÓn truyÒn. §Ó truyÒn c¸c th«ng ®iÖp tõ mét
®iÓm b¸o hiÖu nµy ®Õn ®iÓm b¸o hiÖu kh¸c ng-êi ta sö dông liªn kÕt b¸o hiÖu.
§èi víi b¸o hiÖu t-¬ng tù th× c¸c liªn kÕt analog cã tèc ®é truyÒn thÊp h¬n (cì
4,8Kb/s).
SP SP
STP
H×nh 6.2. §iÓm b¸o hiÖu vµ ®iÓm truyÒn b¸o hiÖu
SP SP
H×nh 6.1 C¸c ®iÓm b¸o hiÖu
TuyÕn tho¹i
TuyÕn liªn kÕt b¸o hiÖu
Mçi liªn kÕt b¸o hiÖu trong m¹ng b¸o hiÖu cã kh¶ n¨ng xö lý 4096 m¹ch
tho¹i. V× thÕ ®Ó ®¶m b¶o sù an toµn vµ tin cËy cho viÖc truyÒn tÝn hiÖu b¸o hiÖu,
ng-êi ta sö dông nhiÒu h¬n mét liªn kÕt vµ do ®ã cã ®-îc tËp liªn kÕt. Mét tËp
liªn kÕt ®-îc gäi lµ ®Çy ®ñ nÕu cã 16 liªn kÕt. Mét tËp liªn kÕt cã Ýt h¬n 16 liªn
kÕt th× vÉn ®-îc phÐp nh-ng gäi lµ tËp liªn kÕt kh«ng ®Çy ®ñ.
6.2.4 C¸c ph-¬ng thøc b¸o hiÖu (Signalling Mode)
ViÖc truyÒn th«ng tin b¸o hiÖu tõ ®iÓm b¸o hiÖu gèc OSP (Original
Signalling Point) tíi ®iÓm b¸o hiÖu ®Ých (Destination Signalling Point) sÏ ®i qua
mét sè liªn kÕt b¸o hiÖu vµ mét sè ®iÓm truyÒn b¸o hiÖu tuú thuéc vµo ph-¬ng
thøc b¸o hiÖu. HÖ thèng b¸o hiÖu sè 7 cã 2 ph-¬ng thøc:
- B¸o hiÖu kÕt hîp (Associated Signalling Mode).
- B¸o hiÖu nöa kÕt hîp (Quasi - Associated Signalling Mode)
a) B¸o hiÖu kÕt hîp:
ë ph-¬ng thøc nµy c¸c liªn kÕt b¸o hiÖu song song víi tuyÕn tho¹i vµ ®-îc
thùc hiÖn truyÒn trùc tiÕp tõ ®iÓm b¸o hiÖu gèc ®Õn ®iÓm b¸o hiÖu ®Ých.
b) B¸o hiÖu nöa kÕt hîp:
Víi ph-¬ng thøc nµy th× tuyÕn tho¹i ®-îc nèi trùc tiÕp gi÷a ®iÓm b¸o hiÖu
gèc vµ ®iÓm b¸o hiÖu ®Ých cßn tÝn hiÖu b¸o hiÖu ®-îc truyÒn th«ng qua c¸c liªn
kÕt b¸o hiÖu vµ ®iÓm truyÒn b¸o hiÖu kh¸c.
6.2.5 TuyÕn b¸o hiÖu (Signalling Route) vµ chïm tuyÕn b¸o hiÖu
(Signalling Route Set)
TuyÕn b¸o hiÖu lµ mét tuyÕn ®-êng ®· ®-îc x¸c ®Þnh tr-íc ®Ó c¸c b¶n tin
®i qua m¹ng b¸o hiÖu gi÷a ®iÓm b¸o hiÖu nguån vµ ®iÓm b¸o hiÖu ®Ých. TuyÕn
b¸o hiÖu bao g«mg mét chuçi SP/STP vµ ®-îc ®Êu nèi víi nhau b»ng c¸c liªn kÕt
b¸o hiÖu hay chïm liªn kÕt b¸o hiÖu.
OSP DSP
H×nh 6.3 ChÕ ®é b¸o hiÖu kÕt hîp
TÊt c¶ c¸c tuyÕn b¸o hiÖu cã thÓ sö dông ®Ó truyÒn c¸c th«ng tin b¸o hiÖu
®i qua m¹ng b¸o hiÖu gi÷a ®iÓm b¸o hiÖu nguån vµ ®iÓm b¸o hiÖu ®Ých th× ®-îc
gäi lµ chïm tuyÕn b¸o hiÖu ch mèi quan hÖ b¸o hiÖu ®ã.
6.2.6 M· ®iÓm b¸o hiÖu SPC (Signalling Point Code)
Mçi ®iÓm b¸o hiÖu ®Òu cã mét m· nhÞ ph©n 14 bit duy nhÊt, tuú theo vÞ trÝ
vµ chøc n¨ng mµ m· ®iÓm b¸o hiÖu ®-îc chia thµnh:
- M· ®iÓm b¸o hiÖu gèc OPC (Original Point Code)
- M· ®iÓm b¸o hiÖu ®Ých DPC ( Destination Point Code)
M· ®iÓm b¸o hiÖu gåm cã 3 tr-êng sau:
N M L K J I H G F E D C B A
+ Tr-êng 3 bit (NML): x¸c ®Þnh khu vùc ®Þa lý trªn thÕ giíi, víi 6 vïng
®Þa lý ®-îc ®¸nh sè tõ 2 ®Õn 7, ViÖt Nam thuéc vïng thø 4.
+ Tr-êng 8 bit (K-D): x¸c ®Þnh vïng ®Þa lý hay m¹ng trong mét khu vùc
®Þa lý cô thÓ nµo ®ã.
+ Tr-êng 3 bit (CBA): x¸c ®Þnh mét ®iÓm b¸o hiÖu trong mét vïng ®Þa lý
hay mét m¹ng.
Sù kÕt hîp c¸c tr-êng thø nhÊt vµ tr-êng thø hai ®-îc gäi lµ m· khu
vùc/m¹ng b¸o hiÖu SANC (Signalling Area/Network Code). VÝ dô: M· SACN cña
ViÖt Nam lµ 4-104.
OSP DSP
STP
H×nh 6.4 ChÕ ®é b¸o hiÖu nöa kÕt hîp
6.3 CÊu tróc cña hÖ thèng b¸o hiÖu sè 7
6.3.1 M« h×nh chuÈn hÖ thèng më OSI
M« h×nh chuÈn OSI do tæ chøc tiªu chuÈn Quèc tÕ ISO (International
Standard Organisation) ®-a ra n¨m 1980 víi môc ®Ých lµ do trong m¹ng truyÒn sè
liÖu, c¸c giao thøc rÊt khã x¸c ®Þnh chÝnh x¸c, v× thÕ ng-êi ta ph¶i ph©n nhá c¸c
giao thøc nµy thµnh 7 líp. ISO ®· c«ng nhËn m« h×nh chuÈn 7 líp lµ c¬ së cho
c¸c tiªu chuÈn kü thuËt trong t-¬ng lai cho c¸c hÖ thèng truyÒn sè liÖu.
-u ®iÓm cña m« h×nh nµy lµ giao thøc cña mét líp cã thÓ thay ®æi ®-îc
mµ kh«ng ¶nh h-ëng tíi c¸c líp kh¸c vµ viÖc thùc hiÖn c¸c chøc n¨ng trong mét
líp lµ tuú chän.
M« t¶ tãm t¾t c¸c líp nh- sau:
Líp 1 - Líp vËt lý (Physical Layer):
Cung cÊp c¸c chøc n¨ng vÒ vËt lý, ®iÖn vµ c¸c thñ tôc nguån ®Ó ho¹t ho¸,
b¶o d-ìng vµ khãa c¸c trung kÕ ®Ó truyÒn c¸c bÝt gi÷a c¸c ®-êng sè liÖu. Líp vËt
lý cßn cã chøc n¨ng biÕn ®æi sè liÖu thµnh c¸c tÝn hiÖu phï hîp víi m«i tr-êng
truyÒn dÉn.
Líp 7
Líp 6
Líp 5
Líp 4
Líp 3
Líp 2
Líp 1
Líp 7
Líp 6
Líp 5
Líp 4
Líp 3
Líp 2
Líp 1
Líp 3
Líp 2
Líp 1
H×nh 6.5. M« h×nh chuÈn OSI.
Líp 2 - Líp liªn kÕt d÷ liÖu (Data Link Layer):
Cung cÊp c¸c m¹ch kÕt nèi d÷ liÖu ®iÓm nèi ®iÓm kh«ng cã lçi gi÷a c¸c
líp m¹ng. Líp nµy gåm c¸c nguån nhËn biÕt lçi, söa lçi, ®iÒu khiÓn l-u l-îng vµ
ph¸t l¹i.
Líp 3 - Líp m¹ng (Network Layer):
DÞch vô c¬ b¶n cña líp m¹ng lµ cung cÊp mét kªnh ®Ó truyÒn sè liÖu gi÷a
c¸c líp vËn chuyÓn trong c¸c hÖ thèng kh¸c nhau. Líp nµy cã chøc n¨ng thiÕt lËp
b¶o d-ìng, c¾t ®Êu nèi gi÷a c¸c hÖ thèng, xö lý ®Þa chØ vµ t¹o c¸c tuyÕn trung kÕ.
Líp 4 - Líp vËn chuyÓn (Transport Layer):
§¶m b¶o cho c¸c dÞch vô m¹ng ®¸p øng ®-îc chÊt l-îng truyÒn tin mµ líp
øng dông yªu cÇu. C¸c chøc n¨ng cña nã lµ: nhËn biÕt lçi, söa lçi vµ ®iÒu khiÓn
l-u l-îng. Líp nµy lµm tèi -u ho¸ th«ng tin d÷ liÖu nh- ghÐp vµ t¸ch luång d÷
liÖu tr-íc khi chóng ®Õn líp m¹ng.
Líp 5 - Líp phiªn (Session Layer):
ThiÕt lËp ®Êu nèi gi÷a c¸c líp tr×nh bµy trong c¸c hÖ thèng kh¸c
nhau. Nã ®iÒu khiÓn ®Êu nèi nµy, ®ång bé tho¹i vµ c¾t ®Êu nèi. Nã cho phÐp líp
øng dông ®Þnh ®iÓm kiÓm tra ®Ó b¾t ®Çu viÖc ph¸t l¹i nÕu truyÒn dÉn bÞ gi¸n ®o¹n.
Líp 6- Tr×nh bµy (Presentation Layer):
§Þnh ra có ph¸p biÓu thÞ sè liÖu. Líp tr×nh bµy biÕn ®æi có ph¸p ®-îc sö
dông trong líp øng dông thµnh có ph¸p th«ng tin cÇn thiÕt ®Ó th«ng tin gi÷a c¸c
líp øng dông. VÝ dô: Telex sö dông m· ASCII.
Líp 7 - Líp øng dông (Applicaton Layer):
Cung cÊp c¸c dÞch vô ®Ó hç trî cho qu¸ tr×nh øng dông cña ng-êi sö dông
vµ ®iÒu khiÓn th«ng tin gi÷a c¸c øng dông. VÝ dô nh- c¸c giao thøc cho
chuyÓn giao File, xö lý b¶n tin, c¸c dÞch vô quay sè vµ c«ng viÖc vËn hµnh
b¶o d-ìng.
6.3.2 CÊu tróc ph©n líp cña hÖ thèng b¸o hiÖu sè 7
Vµo ®Çu nh÷ng n¨m 80, trong cuèn S¸ch Vµng cña CCITT, nh÷ng ®Æc tr-ng
kü thuËt ®Çu tiªn vÒ hÖ thèng b¸o hiÖu sè 7 ®-îc c«ng bè vµ m« h×nh OSI
còng ®-îc tæ chøc ISO giíi thiÖu cïng n¨m Êy. HÖ thèng b¸o hiÖu sè 7 lµ lo¹i
th«ng tin sè liÖu chuyÓn m¹ch gãi, cã cÊu tróc theo modul vµ gièng m« h×nh
OSI. Tuy nhiªn hÖ thèng b¸o hiÖu sè 7 chØ cã 4 líp thay v× 7 líp nh- m« h×nh
OSI.
Ba líp thÊp nhÊt trong cÊu tróc ph©n líp cña hÖ thèng b¸o hiÖu sè 7 t¹o
thµnh phÇn chuyÓn giao b¶n tin MTP (Message Transfer Part). Líp thø 4 lµ phÇn
cña ng-êi sö dông (User Part).
Nh- vËy hÖ thèng b¸o hiÖu sè 7 kh«ng hoµn toµn t-¬ng hîp víi m« h×nh OSI.
Sù kh¸c nhau c¬ b¶n cña 2 m« h×nh nµy lµ qu¸ tr×nh th«ng tin trong m¹ng.
M« h×nh OSI m« t¶ th«ng tin cã kÕt nèi gi÷a c¸c ®Çu cuèi sè liÖu. Qu¸ tr×nh
th«ng tin gåm 3 tr¹ng th¸i: thiÕt lËp, ®Êu nèi, chuyÓn giao sè liÖu vµ c¾t ®Êu
nèi. Trong khi ®ã phÇn chuyÓn giao b¶n tin chØ cã cung cÊp dÞch vô chuyÓn
giao kh«ng kÕt nèi. PhÇn chuyÓn giao b¶n tin chØ chuyÓn giao sè liÖu víi sè
l-îng nhá vµ yªu cÇu tèc ®é nhanh.
Trong ®ã:
OMAP
TCAP
ISUP TUP
SCCP
Møc 3
Møc 2
Møc 1 Líp 1
Líp 2
Líp 3
Líp 7
Líp 4,5,6
H×nh 6.6. M« h×nh ph©n líp hÖ thèng b¸o hiÖu sè 7.
CCSN0
7 OSI
MTP
1
3
2
4
- SCCP (Signal Connection Control Part): phÇn ®iÒu khiÓn kÕt nèi b¸o
hiÖu.
- TCAP (Transaction Capabilities Application Part): phÇn øng dông c¸c
kh¶ n¨ng giao dÞch.
- OMAP (Operations And Maintenance Application Part): phÇn øng dông
khai th¸c vµ b¶o d-ìng.
- TUP (Telephone User Part): phÇn ng-êi sö dông ®iÖn tho¹i.
- ISUP (ISDN User Part): phÇn ng-êi sö dông m¹ng sè liªn kÕt ®a dÞch vô.
- DUP (Data User Part): phÇn ng-êi sö dông sè liÖu.
6.3.3 C¸c khèi chøc n¨ng cña hÖ thèng b¸o hiÖu sè 7
1. PhÇn chuyÓn giao b¶n tin MTP (Message Transfer Part)
PhÇn chuyÓn giao b¶n tin cã c¸c chøc n¨ng chÝnh lµ chuyÓn ®-a c¸c b¶n tin
gi÷a nh÷ng ng-êi sö dông qua m¹ng b¸o hiÖu sè 7 mét c¸ch xuyªn suèt vµ
®¸ng tin cËy ®¶m b¶o tèc ®é vµ ®é chÝnh x¸c.
Cã thÓ thÊy ®èi t-îng sö dông UP göi ®i c¸c b¶n tin ®Õn phÇn chuyÓn giao
b¶n tin MTP. Sau ®ã c¸c b¶n tin sÏ ®-îc truyÒn ®Õn ®óng n¬i nhËn. MTP phÝa
®Çu nhËn sÏ ph©n chia c¸c b¶n tin nµy ®Õn ®óng ®èi t-îng sö dông cÇn göi.
Tõ ®ã cã ®-îc cÊu tróc tæng qu¸t cña MTP:
§èi t-îng
sö dông UP
§èi t-îng
sö dông UP
PhÇn chuyÓn giao
b¶n tin MTP
H×nh 6.7. CÊu tróc c¬ b¶n cña hÖ thèng b¸o hiÖu sè 7.
H×nh 6.8. CÊu tróc tæng qu¸t cña MTP
§èi t-îng
sö dông UP
SCCP SCCP
PhÇn ®iÒu
khiÓn kÕt
nèi b¸ohiÖu
HÖ thèng ®iÒu khiÓn
chuyÓn giao b¶n tin
§iÓm
chuyÓn
giao b¸o
hiÖu
§èi t-îng
sö dông UP
§èi t-îng
sö dông UP
§èi t-îng
sö dông UP
HÖ thèng ®iÒu khiÓn
chuyÓn giao b¶n tin
HÖ thèng ®iÒu khiÓn
chuyÓn giao b¶n tin
Kªnh liªn kÕt b¸o hiÖu Kªnh liªn kÕt b¸o hiÖu
PhÇn chuyÓn giao b¶n tin chiÕm 3 møc thÊp nhÊt trong hÖ thèng b¸o hiÖu
sè 7 nh- trong h×nh d-íi ®©y:
1.1 TuyÕn liªn kÕt d÷ liÖu b¸o hiÖu (Møc 1)
Lµ mét tuyÕn truyÒn dÉn d÷ liÖu song h-íng ®Ó b¸o hiÖu, bao gåm 2 kªnh
sè liÖu ho¹t ®éng víi nhau trªn 2 h-íng ng-îc nhau vµ cã cïng mét tèc ®é truyÒn
dÉn. Kªnh sè liÖu b¸o hiÖu cã thÓ thuéc d¹ng sè hay d¹ng t-¬ng tù. §èi víi kªnh
sè liÖu d¹ng sè ®-îc thiÕt lËp b»ng c¸c kªnh truyÒn dÉn sè vµ chuyÓn m¹ch sè,
tèc ®é kªnh tho¹i c¬ b¶n lµ 64Kb/s . Cßn ®èi víi kªnh sè liÖu b¸o hiÖu d¹ng
t-¬ng tù ®-îc thiÕt lËp b»ng c¸c kªnh truyÒn dÉn t-¬ng tù (4KHz) vµ c¸c Modem.
C¸c giao thøc ë møc 1 nµy x¸c ®Þnh tÝnh chÊt vÒ ®iÖn, vËt lý vµ c¸c ®Æc
®iÓm chøc n¨ng cña kªnh sè liÖu b¸o hiÖu.
C¸c phÇn cøng trong møc 1 nµy bao gåm c¸c kªnh d÷ liÖu, thiÕt bÞ ®Çu
cuèi. Khèi chuyÓn m¹ch còng ®-îc dïng ®Ó truy cËp c¸c kªnh truyÒn dÉn th«ng
tin cho c¸c ®-êng b¸o hiÖu.
1.2 C¸c chøc n¨ng liªn kÕt b¸o hiÖu (Møc 2)
C¸c chøc n¨ng liªn kÕt b¸o hiÖu ®¶m b¶o cho viÖc truyÒn tin mét c¸ch an
toµn vµ chÝnh x¸c. C¸c chøc n¨ng chÝnh cña møc 2 bao gåm:
- Giíi h¹n.
- Ph¸t hiÖn lçi.
Møc 3
Xö lý b¶n tin b¸o
hiÖu. C¸c chøc
n¨ng m¹ng
Møc 2
C¸c chøc n¨ng
liªn kÕt b¸o
hiÖu
Møc 1
Liªn kÕt d÷
liÖu
Møc 4
C¸c ®èi
t-îng sö
dông
H×nh 6.9 PhÇn chuyÓn giao b¶n tin MTP.
Møc 1
ThiÕt bÞ ®Çu cuèi Kªnh d÷ liÖu
H×nh 6.10. Møc 1.
- §ång bé.
Ngoµi ra møc 2 cßn cã c¸c chøc n¨ng sau: ®iÒu khiÓn cho viÖc truyÒn,
nhËn vµ ®iÒu khiÓn tr¹ng th¸i liªn kÕt.
C¸c th«ng tin cña hÖ thèng b¸o hiÖu sè 7 ®-îc ®ãng gãi thµnh 3 lo¹i ®¬n
vÞ b¶n tin: ®¬n vÞ b¶n tin b¸o hiÖu MSU (Message Signal Unit), ®¬n vÞ b¶n tin
tr¹ng th¸i liªn kÕt LSSU (Link Status Signal Unit), ®¬n vÞ b¶n tin lÊp ®Çy FISU
(Fill-In Signal Unit).
a) CÊu tróc c¸c ®¬n vÞ b¶n tin:
+ §¬n vÞ b¶n tin b¸o hiÖu MSU: chøa c¸c b¶n tin b¸o hiÖu ®-îc trao ®æi
gi÷a nh÷ng ng-êi sö dông hay gi÷a c¸c khèi xö lý chøc n¨ng qu¶n lý m¹ng b¸o
hiÖu ë 2 ®iÓm b¸o hiÖu víi nhau.
+ §¬n vÞ b¶n tin tr¹ng th¸i liªn kÕt LSSU: chøa ®ùng c¸c th«ng tin liªn
quan ®Õn ho¹t ®éng cña kªnh b¸o hiÖu, phôc vô cho viÖc kiÓm so¸t tr¹ng th¸i
®-êng d©y.
Møc
3
§iÒu
khiÓn
nhËn
§iÒu khiÓn
tr¹ng th¸i
liªn kÕt
- Ph¸t
hiÖn
lçi
§iÒu
khiÓn
truyÒn
Møc 1
H×nh 6.11 Møc 2.
F CK SIF SIO LI FIB FSN BIB BSN F
8 16 8*n,n>2 8 2 6 1 7 1 7 8
H×nh 6.12. B¶n tin MSU.
F CK SF LI FIB FSN BIB BSN F
8 16 8 hoÆc 16 2 6 1 7 1 7 8
H×nh 6.13. B¶n tin LSSU.
+ §¬n vÞ b¶n tin lÊp ®Çy FISU: ph¸t hiÖn sù cè trªn ®-êng b¸o hiÖu khi
kh«ng cßn b¶n tin MSU nµo ®-îc chuyÓn sang bªn ®èi ph-¬ng.
C¸c tr-êng trong c¸c d¹ng gãi tin:
BIB - Bit chØ thÞ h-íng vÒ.
BSN - Sè thø tù h-íng vÒ.
FIB - Bit chØ thÞ h-íng ®i.
FSN - Sè thø tù h-íng ®i.
SF - Tr-êng tr¹ng th¸i.
SIF - Tr-êng th«ng tin b¸o hiÖu.
LI - ChØ thÞ ®é dµi ®¬n vÞ b¸o hiÖu.
F - Cê.
SIO - Octet th«ng tin dÞch vô.
* Cê (Flag): ®-îc dïng víi môc ®Ých ph©n ®Þnh gi÷a c¸c b¶n tin, t¹i thêi
®iÓm b¾t ®Çu vµ kÕt thóc cña b¶n tin b¸o hiÖu ®-îc chØ thÞ bëi m« h×nh 8 bit duy
nhÊt hay cßn gäi lµ cê (01111110). §Ó ®¶m b¶o trong c¸c b¶n tin kh«ng cã sù
trïng lÆp gi÷a cê vµ tæ hîp bit th× bit chÌn ®-îc sö dông.
* C¸c bit chØ thÞ: C¸c bit chØ thÞ ®-îc sö dông ®Ó yªu cÇu ph¸t l¹i trªn
kªnh b¸o hiÖu. Cã 2 d¹ng bit chØ thÞ lµ bit chØ thÞ h-íng vÒ vµ bit chØ thÞ h-íng ®i.
* Tr-êng chØ thÞ ®é dµi LI (Length Indicator): §-îc dïng ®Ó chØ thÞ sè
c¸c Octets gi÷a hai tr-êng LI vµ CK. Nã ®-îc dïng ®Ó nhËn biÕt c¸c b¶n tin kh¸c
nhau.
LI = 0: b¶n tin FISU.
LI = 1 hoÆc 2: b¶n tin LSSU.
LI >2: b¶n tin MSU.
* Tr-êng th«ng tin b¸o hiÖu SIF (Service Information Field): SIF chøa
c¸c th«ng tin b¸o hiÖu thËt sù cña phÇn ng-êi sö dông.
F CK LI FIB FSN BIB BSN F
8 16 2 6 1 7 1 7 8
H×nh 6.14 B¶n tin FISU.
Tr-êng th«ng tin b¸o hiÖu gåm cã b¶n tin vµ nh·n ®Þnh tuyÕn (Label).
Trong nh·n ®Þnh tuyÕn cã:
- M· nhËn d¹ng m¹ch CIC (Circuit Identification Code): gåm cã 12 bit, ®Ó
x¸c ®Þnh kªnh tho¹i liªn quan ®Õn b¸o hiÖu gi÷a 2 ®iÓm.
Trong CIC ng-êi ta sö dông 4 bit cã sè thÊp nhÊt ®Ó thùc hiÖn lùa chän
kªnh liªn kÕt b¸o hiÖu SLS (Signalling Link Selector). Chøc n¨ng cña SLS lµ ph©n
phèi phô t¶i b¸o hiÖu sao cho ®ång ®Òu gi÷a c¸c liªn kÕt thuéc tËp liªn kÕt.
- M· ®iÓm b¸o hiÖu gèc OPC (Originating Point Code): x¸c ®Þnh n¬i xuÊt
ph¸t cña b¶n tin.
- M· ®iÓm b¸o hiÖu ®Ých DPC (Destination Point Code): x¸c ®Þnh n¬i ®Õn
cña b¶n tin.
* Octet th«ng tin dÞch vô SIO (Service Information Octet): §-îc ph©n
thµnh 2 tr-êng lµ tr-êng chØ thÞ dÞch vô SI (Service Indicator) vµ tr-êng dÞch vô
phô SF (Subservice Field).
SIF
Nh·n ®Þnh tuyÕn
B¶n tin
CIC OPC DPC
SLS
8*n 12 (4) 14 14
H×nh 6.15 CÊu tróc tr-êng SIF.
SIO
SF
SI
NI Dù tr÷
2 2 4
H×nh 6.16 CÊu tróc tr-êng SIO.
Tr-êng chØ thÞ dÞch vô SI ®-îc sö dông ®Ó chØ ra ®èi t-îng sö dông ë nót ®Õn.
VÝ dô: 0101=TUP, 0110=DUP…
Tr-êng dÞch vô phô SF cã tr-êng NI (Network Indicator) lµ tr-êng chØ thÞ
m¹ng.
00: M¹ng quèc tÕ 0.
01: M¹ng quèc tÕ 1.
10: M¹ng quèc gia 0.
11: M¹ng quèc gia 1.
* Sè thø tù: Cã 2 d¹ng
Sè thø tù h-íng ®i FSN (Forward Sequence Number ): chØ ra sè thø tù cña
b¶n tin ®-îc truyÒn ®i theo h-íng thuËn.
Sè thø tù h-íng vÒ BSN (Backward Sequence Number): chØ thÞ sè thø tù
b¾t ®Çu x¸c nhËn ®¬n vÞ tÝn hiÖu.
Sè thø tù cña FSN vµ BSN cã d¹ng m· nhÞ ph©n theo chu kú tuÇn tù tõ 0 –
127.
* C¸c bit kiÓm tra CK (Check): C¸c ®¬n vÞ tÝn hiÖu th«ng th-êng dïng
16 bit kiÓm tra dµnh cho söa lçi.
* Tr-êng tr¹ng th¸i SF (Status Field): ChØ thÞ tr¹ng th¸i th«ng tin b¸o
hiÖu
b) ViÖc thùc hiÖn c¸c chøc n¨ng cña møc 2:
- Chøc n¨ng ®ång bé c¸c cê hiÖu vµ giíi h¹n b¶n tin:
Mét b¶n tin ®-îc giíi h¹n bëi cê ®ãng vµ cê më, mét cê 8 bit cã gi¸ trÞ
“01111110”. §Ó tr¸nh lÆp l¹i c¸c gi¸ trÞ trong c¸c thµnh phÇn kh¸c cña MSU, ta
sö dông qu¸ tr×nh nhåi bit. Trong qu¸ tr×nh truyÒn nÕu cã 5 bit “1” liªn tiÕp cña
tr-êng th«ng tin th× bit “0” sÏ ®-îc chÌn vµo ®Ó tr¸nh nhÇm lÉn víi c¸c bit cê.
Bªn thu sÏ thùc hiÖn qu¸ tr×nh ng-îc l¹i, qu¸ tr×nh nµy sÏ ®Õm 5 bit “1” liªn tiÕp
vµ lo¹i bá bit “0” tiÕp theo.
- Chøc n¨ng ph¸t hiÖn lçi vµ söa lçi:
Chøc n¨ng nµy ®-îc thùc hiÖn b»ng c¸ch sö dông hÖ thèng truyÒn l¹i c¸c
tÝn hiÖu x¸c nhËn ®óng/sai (Positive/Negative Acknowledgement). HÖ thèng nµy
sö dông c¸c tr-êng sau: c¸c bit kiÓm tra CK, bit chØ thÞ h-íng ®i FIB, sè thø tù
h-íng ®i FSN, bit chØ thÞ h-íng vÒ BIB, sè thø tù h-íng vÒ BSN.
Mçi b¶n tin h-íng ®i ®-îc l-u gi÷ trong bé nhí ®Öm (dµnh cho viÖc truyÒn
l¹i) vµ g¸n cho mét sè thø tù trªn h-íng ®i. B¶n tin sau ®ã ®-îc m· ho¸ t¹o ra
tr-êng bit kiÓm tra CK. Bªn nhËn tin sÏ thùc hiÖn gi¶i m· c¸c bit kiÓm tra vµ ph©n
tÝch, so s¸nh xem b¶n tin cã bÞ lçi trªn ®-êng truyÒn hay kh«ng. §ång thêi, sè
thø tù cña b¶n tin h-íng ®i còng ®-îc kiÓm tra xem c¸c b¶n tin cã nhËn ®óng
theo tr×nh tù kh«ng. NÕu ph©n tÝch thÊy b¶n tin nhËn ®óng th× sÏ cã tÝn hiÖu x¸c
nhËn ®óng (Positive ACK) göi vÒ h-íng ph¸t. Lóc nµy sè thø tù b¶n tin h-íng vÒ
BSN t-¬ng øng víi sè thø tù b¶n tin h-íng ®i FSN, bit chØ thÞ h-íng vÒ BIB b»ng
víi bit chØ thÞ h-íng ®i FIB. NÕu bit chØ thÞ h-íng vÒ BIB kh¸c víi bit chØ thÞ
h-íng ®i FIB th× xuÊt hiÖn mét tÝn hiÖu x¸c nhËn sai (Negative ACK). C¸c b¶n tin
bÞ sai hoÆc kh«ng ®óng tr×nh tù ®Òu ®-îc truyÒn l¹i.
FIB = “1”: b¶n tin ph¸t lÇn ®Çu.
FIB = “0”: b¶n tin truyÒn l¹i lÇn thø hai.
Ngoµi ra møc 2 cña MTP cßn cã mét bé gi¸m s¸t ®Æc biÖt sÏ ghi nhËn
nh÷ng lÇn truyÒn l¹i c¸c b¶n tin. HÖ thèng nµy sö dông thuËt to¸n “g¸o rß” (leaky
bucket). G¸o sÏ ®-îc lµm ®Çy b»ng c¸c b¶n tin bÞ lçi vµ ®-îc lµm rçng dÇn bëi
c¸c b¶n tin nhËn ®óng. NÕu g¸o bÞ trµn th× liªn kÕt b¸o hiÖu kh«ng tho¶ m·n yªu
cÇu.
Nguyªn t¾c nµy ®-îc xem nh- bé ®Õm lªn/xuèng vµ ®-îc biÕt ®Õn víi c¸i
tªn “ Bé gi¸m s¸t tØ lÖ c¸c ®¬n vÞ b¸o hiÖu bÞ lçi ” SUERM (Signal Unit Error
Rate Mornitor). Gi¸ trÞ bé ®Õm sÏ t¨ng lªn mét ®¬n vÞ khi cã mét b¶n tin bÞ lçi vµ
sÏ gi¶m xuèng mét ®¬n vÞ khi cã 256 b¶n tin liªn tiÕp nhau ®-îc nhËn ®óng
kh«ng cã lçi. Mét møc ng-ìng c¶nh b¸o víi gi¸ trÞ lµ 64 ®-îc quy ®Þnh cho bé
®Õm nµy. Khi bé ®Õm t¨ng ®Õn gi¸ trÞ nµy th× bé phËn qu¶n lý m¹ng ë møc 3 sÏ
®-îc th«ng b¸o r»ng kªnh b¸o hiÖu nµy kh«ng cßn ®¸p øng ®-îc cho viÖc b¸o
hiÖu n÷a.
- Chøc n¨ng ®ång bé:
ViÖc ®ång bé lµ mét thñ tôc ®-îc sö dông ®Ó kÝch ho¹t khëi ®éng kªnh
b¸o hiÖu tr-íc khi chuyÓn nã sang chÕ ®é ho¹t ®éng. Thñ tôc nµy ®-îc sö dông
®Ó ®ång bé ban ®Çu kªnh b¸o hiÖu hay phôc håi tr¹ng th¸i ho¹t ®éng cho kªnh
b¸o hiÖu sau khi kªnh b¸o hiÖu nµy bÞ háng. Thñ tôc nµy ®-îc thùc hiÖn theo yªu
cÇu cña líp 3. Tr-íc hÕt mét chuçi c¸c ®¬n vÞ b¸o hiÖu tr¹ng th¸i liªn kÕt LSSU ë
líp 2 ®-îc göi ®i tõ bé ®iÒu khiÓn tr¹ng th¸i liªn kÕt LSC. Mçi LSSU cã mét
tr-êng chØ thÞ tr¹ng th¸i SF cã gi¸ trÞ “0”, cã nghÜa lµ kªnh b¸o hiÖu ®ang mÊt
®ång bé. Bªn nhËn sÏ chê nhËn tæ hîp cê hiÖu F cña b¶n tin ®ång bé nµy göi tíi
tõ phÝa ®èi ph-¬ng. Khi nhËn ®óng b¶n tin LSSU, bé ®iÒu khiÓn tr¹ng th¸i liªn kÕt
LSC sÏ göi ®i c¸c LSSU cã tr-êng chØ thÞ tr¹ng th¸i SF cã gi¸ trÞ “0”, cã nghÜa lµ
kªnh b¸o hiÖu ®ång bé b×nh th-êng. Sau kho¶ng thêi gian 8,2 gi©y nh»m ch¾c
ch¾n vÒ viÖc ®ång bé th× kªnh b¸o hiÖu sÏ ®-îc xem nh- lµ ®ång bé. Lóc nµy bªn
truyÒn göi ®i c¸c ®¬n vÞ b¶n tin lÊp ®Çy FISU vµ khi c¶ hai bªn ®Òu nhËn ®-îc c¸c
b¶n tin nµy th× qu¸ tr×nh xö lý c¸c b¶n tin b¸o hiÖu l¹i ®-îc tiÕp tôc. §¬n vÞ b¶n
tin lÊp ®Çy FISU ®-îc göi khi kh«ng cã ®¬n vÞ b¶n tin b¸o hiÖu MSU nµo ®-îc
göi ®Ó ®¶m b¶o nguån d÷ liÖu lu«n ®-îc duy tr× mét c¸ch liªn tôc trªn liªn kÕt.
- Chøc n¨ng ®iÒu khiÓn luång møc 2:
+ Tr-êng hîp bé ®iÒu khiÓn nhËn c¸c b¶n tin bÞ qu¸ t¶i:
64
Møc c¶nh b¸o SUERM
-1 cho 256 SU ®· thu ®-îc
+1 cho mçi SU ph¸t l¹i
H×nh 6.17 Nguyªn t¾c gi¸m s¸t tØ lÖ lçi.
Bé ®iÒu khiÓn qu¸ t¶i theo dâi ®Ó x¸c ®Þnh xem bé ®iÒu khiÓn nhËn cã
nhiÒu b¶n tin h¬n kh¶ n¨ng cña nã hay kh«ng. Trong tr-êng hîp x¶y ra qu¸ t¶i
nh- vËy bé ®iÒu khiÓn qu¸ t¶i sÏ göi b¶n tin LSSU lo¹i SIB (chØ thÞ tr¹ng th¸i bËn)
trªn h-íng ng-îc l¹i trong kho¶ng thêi gian gÇn b»ng 10 gi©y. Khi nhËn ®-îc
b¶n tin SIB th× ®iÓm xö lý b¸o hiÖu sÏ kh«ng ®-îc göi b¶n tin nµo n÷a. NÕu bé
nhí bÞ ®Çy th× ng-êi sö dông sÏ ®-îc yªu cÇu gi¶m sè l-îng b¶n tin göi ®i xuèng
mét møc giíi h¹n t¹m thêi nµo ®ã.
+ Tr-êng hîp bé ®iÒu khiÓn truyÒn c¸c b¶n tin bÞ qu¸ t¶i:
Khèi qu¶n lý m¹ng sÏ göi lÖnh yªu cÇu ng-êi sö dông gi¶m sè l-îng c¸c
b¶n tin khi ph¸t hiÖn ra tr-êng hîp qu¸ t¶i cña bé ®iÒu khiÓn truyÒn. §Ó gi¶m
thiÓu sè l-îng nµy ng-êi sö dông ph¶i gi¶m bít viÖc thiÕt lËp ®-êng kÕt nèi cho
c¸c cuéc gäi.
- §-êng ®i cña c¸c ®¬n vÞ b¶n tin ë møc 2:
C¸c b¶n tin MSU ®-îc nhËn ®óng sÏ ®-îc chuyÓn ®Õn bé ®iÒu khiÓn nhËn.
Bé ®iÒu khiÓn nhËn sÏ xö lý tr-êng LI, ®ång thêi göi néi dung c¸c tr-êng FSN,
BSN, BIB ®Õn bé ®iÒu khiÓn truyÒn. Bé ®iÒu khiÓn truyÒn sÏ xo¸ b¶n tin MSU (cã
sè thø tù h-íng ®i FSN b»ng sè thø tù h-íng vÒ BSN, cã bit chØ thÞ h-íng ®i FIB
b»ng bit chØ thÞ h-íng vÒ BIB) trong bé nhí ®Öm dù phßng cho viÖc truyÒn l¹i. Bé
®iÒu khiÓn truyÒn còng sÏ tr¶ lêi x¸c nhËn cho b¶n tin MSU cã sè thø tù b»ng víi
tr-êng FSN trong b¶n tin võa nhËn ®-îc. Ch¼ng h¹n nh- tr-êng hîp bé ®iÒu
khiÓn nhËn x¸c nhËn r»ng b¶n tin nhËn ®óng võa råi lµ mét MSU th× néi dung
tr-êng SIF vµ SIO sÏ ®-îc göi ®Õn khèi chøc n¨ng xö lý c¸c b¶n tin ë møc 3 nhê
vµo c¸c tr-êng SIO. Tõ ®ã nã cã thÓ ph©n phèi b¶n tin nµy ®Õn phÇn ng-êi sö
dông hay khèi qu¶n lý m¹ng b¸o hiÖu.
Mét b¶n tin LSSU (víi LI=1) ®-îc truyÒn ®Õn bé ®iÒu khiÓn tr¹ng th¸i
kªnh b¸o hiÖu, bé ®iÒu khiÓn tr¹ng th¸i sÏ kiÓm tra néi dung cña b¶n tin LSSU
nµy vµ göi th«ng b¸o vÒ cho khèi qu¶n lý m¹ng. Khèi qu¶n lý m¹ng sÏ kÝch ho¹t
c¸c ho¹t ®éng t-¬ng øng.
Trong tr-êng hîp mét ®¬n vÞ b¶n tin SU bÞ háng, néi dung cña b¶n tin sÏ
kh«ng ®-îc chuyÓn ®Õn khèi ®iÒu khiÓn nhËn. Khèi chøc n¨ng dß t×m lçi sÏ
th«ng b¸o cho khèi gi¸m s¸t tØ lÖ lçi.
Khèi ®iÒu khiÓn nhËn chØ truyÒn néi dung tr-êng SIF vµ tr-êng SIO ®Õn
khèi chøc n¨ng xö lý b¶n tin. Khèi ph¸t hiÖn lçi chØ gi÷ l¹i vµ xö lý cê hiÖu F vµ
tr-êng kiÓm tra CK cña b¶n tin. TÊt c¶ c¸c tr-êng kh¸c ®Òu ®-îc truyÒn ®Õn cho
khèi ®iÒu khiÓn nhËn.
- Dõng bé xö lý:
Bé xö lý ngõng ho¹t ®éng ®-îc xem nh- c¸c b¶n tin b¸o hiÖu kh«ng thÓ
chuyÓn ®Õn c¸c khèi chøc n¨ng ë møc 3 hay møc 4. §iÒu nµy x¶y ra cã thÓ do bé
xö lý trung t©m gÆp sù cè hay viÖc ng-ng ho¹t ®éng cña mét kªnh b¸o hiÖu nµo
®ã. Khi bé ®iÒu khiÓn kªnh b¸o hiÖu nhËn biÕt ®-îc tr¹ng th¸i h- háng nã b¾t ®Çu
truyÒn c¸c b¶n tin LSSU víi chØ thÞ tr¹ng th¸i ngõng ho¹t ®éng cña bé xö lý vµ
huû bá tÊt c¶ c¸c b¶n tin MSU nhËn ®-îc.
1.3 C¸c chøc n¨ng xö lý m¹ng b¸o hiÖu (Møc 3)
C¸c chøc n¨ng xö lý m¹ng b¸o hiÖu ®-îc ph©n thµnh 2 phÇn chøc n¨ng:
- Xö lý b¶n tin b¸o hiÖu (Signalling Message Handling).
- Qu¶n lý m¹ng b¸o hiÖu (Signalling Network Management).
a) Chøc n¨ng xö lý b¶n tin b¸o hiÖu:
Môc ®Ých cña chøc n¨ng xö lý b¶n tin b¸o hiÖu lµ ®Ó ®¶m b¶o cho c¸c b¶n
tin b¸o hiÖu ®-îc ph¸t ra bëi mét ng-êi sö dông t¹i ®iÓm b¸o hiÖu gèc ®-îc ph©n
phèi ®Õn cïng ng-êi sö dông t¹i ®iÓm b¸o hiÖu ®Ých ®óng theo yªu cÇu göi.
Møc
1
Møc 3: C¸c chøc n¨ng m¹ng b¸o hiÖu
Xö lý b¶n tin
b¸o hiÖu
Ph©n phèi
b¶n tin
Ph©n biÖt
b¶n tin
§Þnh tuyÕn b¶n
tin
Qu¶n lý m¹ng
b¸o hiÖu Qu¶n lý l-u
l-îng b¸o hiÖu
Qu¶n lý tuyÕn
b¸o hiÖu
Qu¶n lý liªn
kÕt b¸o hiÖu
Møc
2
H×nh 6.18 Møc 3.
C¸c chøc n¨ng xö lý b¶n tin b¸o hiÖu dùa vµo c¸c bit chØ thÞ ë tr-êng SIO
vµ nh·n ®Þnh tuyÕn chøa trong c¸c b¶n tin nh»m nhËn d¹ng râ rµng c¸c ®iÓm xuÊt
ph¸t vµ c¸c ®iÓm kÕt cuèi b¸o hiÖu.
C¸c chøc n¨ng xö lý b¶n tin b¸o hiÖu bao gåm c¸c chøc n¨ng sau:
+ §Þnh tuyÕn c¸c b¶n tin b¸o hiÖu (Message Routing): Chøc n¨ng nµy
®-îc sö dông ë mçi ®iÓm b¸o hiÖu SP ®Ó x¸c ®Þnh kªnh b¸o hiÖu ®i SL mµ trªn ®ã
c¸c b¶n tin ph¶i ®-îc göi vÒ ®iÓm b¸o hiÖu ®Ých cña nã.
+ Ph©n biÖt c¸c b¶n tin b¸o hiÖu (Message Discriminating): Chøc n¨ng
nµy ®-îc sö dông ë mét ®iÓm b¸o hiÖu SP ®Ó x¸c ®Þnh xem c¸c b¶n tin nhËn ®-îc
®· ®Õn ®iÓm b¸o hiÖu ®Ých ch-a.
+ Ph©n phèi b¶n tin b¸o hiÖu (Message Distribution): Chøc n¨ng nµy
®-îc sö dông ë mét ®iÓm b¸o hiÖu SP ®Ó ph©n phèi c¸c b¶n tin nhËn ®-îc tíi
ng-êi sö dông thÝch hîp hay tíi SCCP.
a.1) Chøc n¨ng ®Þnh tuyÕn b¶n tin b¸o hiÖu:
ViÖc ®Þnh tuyÕn c¸c b¶n tin b¸o hiÖu tíi c¸c kªnh b¸o hiÖu thÝch hîp dùa vµo
c¸c bit chØ thÞ m¹ng NI ë Octet th«ng tin dÞch vô SIO vµ c¸c bit dµnh cho viÖc
lùa chän kªnh liªn kÕt b¸o hiÖu SLS, m· ®iÓm b¸o hiÖu ®Ých DPC cña nh·n
®Þnh tuyÕn b¶n tin thuéc tr-êng th«ng tin b¸o hiÖu SIF.
ViÖc ®Þnh tuyÕn ®-îc thùc hiÖn sao cho c¸c b¶n tin cã c¸c th«ng tin trong
NI, SLS, DPC gièng nhau ®-îc ®Þnh tuyÕn trªn cïng mét tuyÕn b¸o hiÖu nÕu nh-
c¸c liªn kÕt b¸o hiÖu kh«ng cã sù cè x¶y ra.
ViÖc ph©n chia l-u l-îng b¸o hiÖu còng lµ mét phÇn cña chøc n¨ng ®Þnh
tuyÕn, mµ nhê vµo ®ã l-u l-îng b¸o hiÖu ®-îc ph©n bè ®Òu trªn tËp c¸c liªn kÕt
còng nh- tõng liªn kÕt trªn tËp. Khi c¸c liªn kÕt b¸o hiÖu cã sù cè th× viÖc ®Þnh
tuyÕn ®-îc thay ®æi theo c¸c quy luËt ®· ®-îc ®Þnh tr-íc.
a.2) Chøc n¨ng ph©n biÖt b¶n tin:
§iÓm b¸o hiÖu SP (Signalling Point) trong m¹ng b¸o hiÖu cã thÓ ho¹t ®éng
nh- mét ®iÓm b¸o hiÖu ®Ých DSP (Destination Signalling Point) hay ®iÓm truyÒn
b¸o hiÖu (Signalling Transfer Point).
NÕu SP lµ ®iÓm b¸o hiÖu ®Ých th× kÕt cuèi b¸o hiÖu ®-îc thùc hiÖn t¹i chÝnh
®iÓm nµy.
NÕu SP lµ ®iÓm truyÒn b¸o hiÖu th× khi nhËn ®-îc c¸c b¶n tin b¸o hiÖu nã
sÏ truyÒn ngay tíi khèi chøc n¨ng ®Þnh tuyÕn ®Ó chuyÓn tíi c¸c liªn kÕt b¸o hiÖu
vµ nèi tíi ®iÓm b¸o hiÖu ®Ých.
Chøc n¨ng ph©n biÖt b¶n tin dùa vµo sù ph©n tÝch c¸c bit chØ thÞ m¹ng NI
vµ m· ®iÓm b¸o hiÖu ®Ých nhËn ®-îc.
a.3) Chøc n¨ng ph©n phèi b¶n tin:
Dùa vµo c¸c bit trong trong tr-êng chØ thÞ dÞch vô SI nhËn ®-îc, ta x¸c
®Þnh ®-îc ®Þa chØ cña c¸c b¶n tin mét c¸ch chÝnh x¸c. Sau khi c¸c b¶n tin b¸o
hiÖu ®-îc ph©n biÖt, nã sÏ ®-îc ph©n phèi tíi ng-êi sö dông. Ngoµi ra c¸c b¶n tin
cßn ®-îc ph©n phèi ®Õn phÇn ®iÒu khiÓn kÕt nèi b¸o hiÖu SCCP, phÇn qu¶n lý
®iÒu hµnh m¹ng b¸o hiÖu cña MTP, phÇn kiÓm tra vµ b¶o d-ìng b¸o hiÖu cña
MTP.
b) Chøc n¨ng qu¶n lý m¹ng b¸o hiÖu:
Môc ®Ých cña chøc n¨ng nµy lµ lËp l¹i cÊu h×nh m¹ng b¸o hiÖu trong
tr-êng hîp cã lçi vµ ®iÒu khiÓn l-u l-îng trong tr-êng hîp x¶y ra nghÏn. ViÖc
lËp l¹i cÊu h×nh m¹ng b¸o hiÖu cã hiÖu qu¶ nhê c¸c thñ tôc thay ®æi thÝch hîp ®Ó
thay ®æi viÖc ®Þnh tuyÕn l-u l-îng b¸o hiÖu nh»m bá qua c¸c kªnh cã sù cè hoÆc
c¸c ®iÓm b¸o hiÖu liªn quan x¶y ra sù cè.
Chøc n¨ng qu¶n lý m¹ng b¸o hiÖu ®-îc chia nhá thµnh c¸c chøc n¨ng:
+ Qu¶n lý l-u l-îng b¸o hiÖu (Signalling Traffic Management).
+ Qu¶n lý liªn kÕt b¸o hiÖu (Signalling Link Management).
+ Qu¶n lý tuyÕn b¸o hiÖu (Signalling Route Management).
b.1) Chøc n¨ng qu¶n lý l-u l-îng b¸o hiÖu:
Chøc n¨ng qu¶n lý l-u l-îng b¸o hiÖu duy tr× dßng phô t¶i b¸o hiÖu xuyªn
qua m¹ng b¸o hiÖu mét c¸ch th-êng xuyªn. §Ó ®¶m b¶o ®-îc ®iÒu nµy cÇn thùc
hiÖn chuyÓn ®æi l-u l-îng b¸o hiÖu tõ kªnh b¸o hiÖu hoÆc tuyÕn b¸o hiÖu nµy tíi
kªnh b¸o hiÖu hoÆc tuyÕn b¸o hiÖu kh¸c, hoÆc gi¶m bít l-u l-îng b¸o hiÖu t¹m
thêi trong tr-êng hîp x¶y ra nghÏn ë ®iÓm b¸o hiÖu nµo ®ã. Chøc n¨ng ®iÒu hµnh
l-u l-îng b¸o hiÖu bao gåm c¸c thñ tôc sau:
- Thñ tôc chuyÓn ®æi: lµ thñ tôc chuyÓn ®æi l-u l-îng b¸o hiÖu tõ mét
kªnh b¸o hiÖu bÞ lçi ®Õn mét kªnh b¸o hiÖu dù phßng kh¸c. Khi thùc hiÖn b»ng
c¸ch nµy c¸c b¶n tin ph¶i ®-îc truyÒn l¹i mét c¸h tuÇn tù.
- Thñ tôc chuyÓn ®æi phôc håi: ®-îc sö dông ®Ó chuyÓn ®æi l-u l-îng b¸o
hiÖu ë mét kªnh b¸o hiÖu dù phßng ng-îc vÒ cho kªnh b¸o hiÖu ban ®Çu ®· bÞ sù
cè khi kªnh b¸o hiÖu bÞ sù cè nµy ®· ®-îc phôc håi.
- Thñ tôc t¸i ®Þnh tuyÕn b¾t buéc: lµ mét qu¸ tr×nh chuyÓn ®æi l-u l-îng
b¸o hiÖu xung quanh mét sù cè h- háng ë mét ®iÓm b¸o hiÖu ®Çu xa trong m¹ng
b¸o hiÖu. ViÖc nµy ®-îc thùc hiÖn b»ng c¸ch göi ®i c¸c b¶n tin cÊm truyÒn qua
®iÓm b¸o hiÖu nµy.
- Thñ tôc ®iÒu khiÓn luång: lµ thñ tôc ngõng ph¸t c¸c b¶n tin míi khi
kh«ng thÓ ph©n phèi c¸c b¶n tin ®ã qua m¹ng b¸o hiÖu. §iÒu nµy x¶y ra cã thÓ do
mét ®iÓm b¸o hiÖu bÞ qu¸ t¶i hay do sù h- háng hay qu¸ t¶i cña ng-êi sö dông.
- Thñ tôc t¸i ®Þnh tuyÕn ®iÒu khiÓn: lµ qu¸ tr×nh phôc håi chuyÓn ®æi l-u
l-îng b¸o hiÖu vÒ mét tuyÕn b¸o hiÖu ®· ®-îc mÆc ®Þnh cho nã sau khi thñ tôc t¸i
®Þnh tuyÕn b¾t buéc ®· kÕt thóc.
b.2) Qu¶n lý liªn kÕt b¸o hiÖu:
Chøc n¨ng qu¶n lý liªn kÕt b¸o hiÖu ®-îc sö dông ®Ó phôc håi c¸c kªnh
b¸o hiÖu bÞ háng, ®Ó kÝch ho¹t c¸c kªnh b¸o hiÖu ë tr¹ng th¸i rçi, vµ dõng kÝch
ho¹t c¸c kªnh b¸o hiÖu ®· ®ång bé.
C¸c thñ tôc trong chøc n¨ng qu¶n lý kªnh b¸o hiÖu lµ:
- Thñ tôc kÝch ho¹t kªnh b¸o hiÖu: lµ thñ tôc ®ång bé ban ®Çu.
- Thñ tôc phôc håi kªnh b¸o hiÖu: lµ thñ tôc ®ång bé sau khi mét kªnh
b¸o hiÖu bÞ h- háng.
- Thñ tôc ngõng kÝch ho¹t kªnh b¸o hiÖu: lµ thñ tôc ngõng ho¹t ®éng cña
mét kªnh b¸o hiÖu nµo ®ã mÆc dï kªnh b¸o hiÖu ®ã cã thÓ kh«ng bÞ sù cè g×.
- Thñ tôc kÝch ho¹t chïm kªnh b¸o hiÖu: lµ viÖc kÝch ho¹t c¸c kªnh b¸o
hiÖu trong chïm kªnh b¸o hiÖu.
- Thñ tôc chØ thÞ: ®-îc sö dông ®Ó chØ thÞ c¸c kªnh b¸o hiÖu ®Õn mét thiÕt
bÞ ®Çu cuèi b¸o hiÖu.
b.3) Chøc n¨ng qu¶n lý tuyÕn b¸o hiÖu:
Chøc n¨ng qu¶n lý tuyÕn b¸o hiÖu nh»m ®¶m b¶o sù trao ®æi c¸c b¶n tin
gi÷a c¸c nót b¸o hiÖu (SP hay STP) trong m¹ng b¸o hiÖu. Chøc n¨ng nµy còng
®-îc sö dông ®Ó ph©n phèi c¸c th«ng tin vÒ t×nh tr¹ng m¹ng b¸o hiÖu ®Ó kho¸ vµ
më c¸c tuyÕn b¸o hiÖu. Chøc n¨ng nµy bao gåm c¸c thñ tôc sau:
- Thñ tôc ®iÒu khiÓn chuyÓn giao c¸c b¶n tin: ®-îc thùc hiÖn t¹i mét ®iÓm
truyÒn b¸o hiÖu STP ®èi víi c¸c b¶n tin liªn quan ®Õn tíi ®Þa chØ ®Ých nµo ®ã, khi
nã cÇn ph¶i th«ng b¸o cho mét hay nhiÒu ®iÓm b¸o hiÖu SP phÝa nguån ®Ó h¹n
chÕ hoÆc kh«ng göi thªm c¸c b¶n tin cã cÊp ®é -u tiªn x¸c ®Þnh nµo ®ã hoÆc thÊp
h¬n.
- Thñ tôc ng¨n cÊm chuyÓn giao c¸c b¶n tin: ®-îc thùc hiÖn t¹i mét ®iÓm
b¸o hiÖu ®ãng vai trß nh- mét STP khi nã ph¶i th«ng b¸o cho mét hoÆc nhiÒu SP
l©n cËn r»ng chóng kh«ng ®-îc ®Þnh tuyÕn c¸c b¶n tin qua STP nµy.
- Thñ tôc cho phÐp chuyÓn giao c¸c b¶n tin: §-îc thùc hiÖn t¹i mét STP
khi nã ph¶i th«ng b¸o cho mét hay nhiÒu ®iÓm SP l©n cËn r»ng chóng cã thÓ thiÕt
lËp tuyÕn l-u l-îng b¸o hiÖu h-íng tíi ®iÓm ®Ých ®Þnh tr-íc th«ng qua STP nµy.
- Thñ tôc h¹n chÕ chuyÓn giao c¸c b¶n tin: ®-îc thùc hiÖn t¹i mét STP khi
nã ph¶i th«ng b¸o cho mét hay nhiÒu SP l©n cËn r»ng nÕu cã thÓ chóng kh«ng
nªn ®Þnh tuyÕn c¸c b¶n tin ®i qua STP nµy n÷a.
- Thñ tôc kiÓm tra chïm tuyÕn b¸o hiÖu: ®-îc thùc hiÖn t¹i c¸c SP ®Ó
kiÓm tra xem l-u l-îng b¸o hiÖu h-íng tíi ®iÓm b¸o hiÖu ®Ých nµo ®ã cã thÓ
®-îc thiÕt lËp th«ng qua mét STP l©n cËn hay kh«ng.
- Thñ tôc kiÓm tra ®é nghÏn m¹ch ë chïm tuyÕn b¸o hiÖu: ®-îc thùc hiÖn
ë mét ®iÓm b¸o hiÖu ®Ó cËp nhËt tr¹ng th¸i nghÏn liªn quan tíi mét chïm tuyÕn
b¸o hiÖu ®i ®Õn mét ®iÓm b¸o hiÖu ®Ých nµo ®ã.
2. PhÇn ng-êi sö dông ®iÖn tho¹i TUP (Telephone User Part)
Nh- ta ®· biÕt phÇn ng-êi sö dông ®iÖn tho¹i x¸c ®Þnh c¸c chøc n¨ng b¸o
hiÖu cÇn thiÕt trong m¹ng b¸o hiÖu sè 7 cho l-u l-îng quèc gia còng nh- l-u
l-îng quèc tÕ. Ng-êi sö dông ®iÖn tho¹i TUP lµ bé phËn qu¶n lý ®iÒu khiÓn viÖc
thiÕt lËp c¸c cuéc gäi trong tæng ®µi ®iÖn tho¹i b»ng c¸ch trao ®æi c¸c tÝn hiÖu
b¸o hiÖu tíi tæng ®µi ®iÖn tho¹i kh¸c. BÊt kú tÝn hiÖu ®iÒu khiÓn cuéc gäi nµo
®-îc göi ®i còng ®Òu liªn quan ®Õn mét kªnh tho¹i ®Æc biÖt nµo ®ã trong m¹ng
®iÖn tho¹i.
2.1 CÊu tróc b¶n tin TUP
C¸c th«ng tin b¸o hiÖu xuÊt ph¸t tõ phÇn ng-êi sö dông ®iÖn tho¹i TUP
®-îc truyÒn trong m¹ng b¸o hiÖu d-íi d¹ng c¸c b¶n tin mµ néi dung cña nã ®-îc
mang trong tr-êng th«ng tin b¸o hiÖu SIF cña c¸c ®¬n vÞ b¶n tin b¸o hiÖu MSU.
Tr-êng SIF bao gåm: Nh·n ®Þnh tuyÕn, phÇn tiªu ®Ò (Heading) vµ phÇn
th«ng tin cña ng-êi sö dông.
* Nh·n ®Þnh tuyÕn gåm 4 tr-êng kh¸c nhau :
+ M· ®iÓm b¸o hiÖu ®Ých (DPC): lµ mét phÇn cña nh·n ®Þnh tuyÕn, nã lµ
th«ng sè duy nhÊt ®Ó x¸c ®Þnh ®iÓm b¸o hiÖu trªn m¹ng b¸o hiÖu mµ b¶n tin MSU
ph¶i kÕt cuèi.
+ M· ®iÓm b¸o hiÖu gèc (OPC): lµ mét phÇn cña nh·n ®Þnh tuyÕn, nã lµ
tr-êng duy nhÊt ®Ó x¸c ®Þnh ®iÓm b¸o hiÖu trªn m¹ng b¸o hiÖu n¬i t¹o ra göi ®i
b¶n tin MSU.
B¶n Nh·n ®Þnh
tin H0 H1 tuyÕn
CIC
OPC DPC
SLS
F CK SIF SIO LI FIB FSN BIB BSN F
H×nh 6.19 CÊu tróc tæng qu¸t SIF trong TUP.
+ M· nhËn d¹ng kªnh tho¹i (CIC): lµ mét phÇn cña nh·n, nã lµ tr-êng
duy nhÊt ®Ó x¸c ®Þnh mét kªnh tho¹i hoÆc d÷ liÖu gi÷a ®iÓm b¸o hiÖu gèc vµ ®iÓm
b¸o hiÖu ®Ých.
+ M· chän lùa kªnh b¸o hiÖu (SLS): lµ 4 bit thÊp nhÊt trong tr-êng CIC.
Tr-êng nµy ®-îc sö dông ®Ó lùa chän mét ®-êng b¸o hiÖu tõ mét chïm kªnh b¸o
hiÖu, th«ng th-êng sö dông kiÓu chia t¶i.
* PhÇn tiªu ®Ò chia thµnh 2 tr-êng (mçi tr-êng 4 bit):
+ Tr-êng H0: nhãm c¸c b¶n tin cã c¸c chøc n¨ng gÇn gièng nhau thµnh
mét nhãm tæng qu¸t dïng cho mét c«ng viÖc chung nµo ®ã.
+ Tr-êng H1: x¸c ®Þnh chi tiÕt lo¹i cña tõng b¶n tin trong mét nhãm tæng
qu¸t nµo ®ã.
* PhÇn th«ng tin cña ng-êi sö dông:
Tuú thuéc vµo lo¹i b¶n tin mµ c¸c th«ng tin nµy cã chiÒu dµi vµ c¸c ®Þnh
d¹ng kh¸c nhau.
2.2 Mét sè b¶n tin cña TUP
Trong nhãm b¶n tin ®Þa chØ h-íng ®i FAM (Forward Address Message)
cã: b¶n tin ®Þa chØ khëi ®Çu IAM (Initial Address Message), b¶n tin ®Þa chØ khëi
®Çu cã th«ng tin phô IAI (Initial Address Message With Additional Information),
b¶n tin ®Þa chØ tiÕp theo SAM (Subsequent Address Message), b¶n tin ®Þa chØ tiÕp
theo víi mét tÝn hiÖu ®Þa chØ SAO (Subsequent Address Message With One
Address Signal).
a) B¶n tin ®Þa chØ khëi ®Çu IAM:
Lµ b¶n tin ®-îc göi ®i ®Çu tiªn víi th«ng tin ®Þa chØ kÌm theo. Th«ng th-êng
b¶n tin ®Çu tiªn nµy gåm tÊt c¶ c¸c th«ng tin yªu cÇu thiÕt lËp cuéc gäi.
FEDCBA 0001 0001
Dù Lo¹i thuª bao M· tiªu M· tiªu Nh·n
tr÷ chñ gäi ®Ò H1 ®Ò H0
Bit ®Çu tiªn
®-îc truyÒn ®i
2 6 4 4 40
C¸c tÝn hiÖu
®Þa chØ
Sè c¸c tÝn
hiÖu ®Þa chØ
LKJIHGEDCBA
C¸c chØ thÞ b¶n
tin
n*8 4 12
H×nh 6.20 B¶n tin IAM.
b) B¶n tin khëi ®Çu cã th«ng tin phô IAI:
Lµ b¶n tin IAM nh-ng cã thªm mét vµi th«ng tin phô trî vµ cã phÇn tiªu ®Ò
kh¸c b¶n tin IAM.
c) B¶n tin ®Þa chØ tiÕp theo SAM:
B¶n tin nµy cho phÐp truyÒn ®i c¸c con sè víi 2 ph-¬ng thøc: ph-¬ng thøc
chän gãi (End Block) hay ph-¬ng thøc chång chËp (Overlap). Víi ph-¬ng
thøc chän gãi, tÊt c¶ c¸c con sè cã thÓ truyÒn chØ trong mét b¶n tin IAM hay
IAI. Víi ph-¬ng thøc chång chËp th× ngay sau khi nhËn ®ñ c¸c con sè ®Ó
®Þnh tuyÕn cuéc gäi th× sö dông b¶n tin IAM ®Ó truyÒn ®i, c¸c con sè sau sÏ
®-îc göi trong b¶n tin SAM.
FEDCBA 0001 0001
Dù Lo¹i thuª bao M· tiªu M· tiªu Nh·n
tr÷ chñ gäi ®Ò H1 ®Ò H0
Bit ®Çu tiªn
®-îc truyÒn ®i
2 6 4 4 40
C¸c tÝn
hiÖu ®Þa
chØ
Sè tÝn
hiÖu ®Þa
chØ
M·
nhåi
0001
M·
tiªu dÒ
H1
0001
M·
tiªu ®Ò
H1
Nh·n
n*8 4 4 4 4 40
Bit ®Çu tiªn
®-îc truyÒn ®i
H×nh 6.22 B¶n tin SAM.
HGFEDCBA
Octet chØ thÞ
®Çu tiªn
C¸c tÝn hiÖu
®Þa chØ
Sè c¸c tÝn
hiÖu ®Þa chØ
LKJIHGEDCBA
C¸c chØ thÞ b¶n
tin
8 n*8 4 12
Th«ng
tin
tÝnh
c-íc
§Þa
chØ
®-îc
gäi
NhËn
d¹ng
thuª bao
chñ gäi
Th«ng
tin ®Þnh
tuyÕn
phô
Th«ng tin
phô vÒ
thuª bao
chñ gäi
Th«ng
tin
nhãm
thuª bao
Dïng
trong
n-íc
n*8 n*8 n*8 n*8 n*8 40 8
H×nh 6.21 B¶n tin IAI.
d) B¶n tin ®Þa chØ tiÕp theo víi mét tÝn hiÖu ®Þa chØ SAO:
B¶n tin nµy cho phÐp kh¶ n¨ng göi tõng con sè khi cÇn thiÕt trong m¹ng
b¸o hiÖu.
Ngoµi ra phÇn ng-êi sö dông ®iÖn tho¹i TUP cßn cã c¸c b¶n tin kh¸c ®-îc
sö dông trong qu¸ tr×nh xö lý cuéc gäi nh-:
- B¶n tin b¸o hiÖu kÕt thóc viÖc nhËn ®Þa chØ ACM.
- B¶n tin b¸o hiÖu tr¶ lêi, tÝnh c-íc ACN.
- B¶n tin yªu cÇu gi¶i to¶ theo h-íng vÒ CBK.
- B¶n tin yªu cÇu gi¶i to¶ theo h-íng ®i CLF.
- B¶n tin gi¶i to¶ b¶o an RLG.
2.3 C¸c thñ tôc b¸o hiÖu
Qu¸ tr×nh thiÕt lËp cuéc gäi cña tæng ®µi ®iÖn tho¹i sö dông hÖ thèng b¸o
hiÖu sè 7 gåm cã nhiÒu giai ®o¹n. ViÖc ®ã ®-îc kh¸i qu¸t nh- sau:
Ban ®Çu, tæng ®µi A göi ®i b¶n tin IAM hoÆc b¶n tin IAI. ViÖc quyÕt ®Þnh
dïng b¶n tin IAM hay IAI dùa trªn c¬ së c¸c con sè cã thÓ göi. §ång thêi nÕu
thÊy cÇn thùc hiÖn viÖc kiÓm tra tÝnh liªn tôc cña ®-êng th«ng tho¹i th× bé phËn
göi vµ nhËn c¸c ©m hiÖu kiÓm tra ®-îc ®iÒu khiÓn nèi vµo.
Khi nhËn ®-îc c¸c b¶n tin IAM hoÆc IAI, tæng ®µi B ph¶i x¸c ®Þnh xem cã
cÇn kiÓm tra tÝnh liªn tôc cña ®-êng th«ng tho¹i hay kh«ng. Tæng ®µi B còng tiÕn
hµnh ph©n tÝch c¸c tÝn hiÖu ®Þa chØ trong b¶n tin IAM hay IAI.
TiÕp ®ã tæng ®µi B sÏ göi b¶n tin b¸o hoµn thµnh ®Þa chØ ACM sau khi nã
®· xong phÇn ph©n tÝch sè vµ chuyÓn m¹ch thµnh c«ng cuéc gäi.
Khi nhËn ®-îc b¶n tin ACM tæng ®µi A gi¶i to¶ c¸c thiÕt bÞ dïng chung
cho viÖc xö lý cuéc gäi vµ kÕt nèi th«ng m¹ch tho¹i. TÝn hiÖu “håi ©m chu«ng” sÏ
0001
M· tiªu
dÒ H1
0001
M· tiªu
®Ò H1
Nh·n
Bit ®Çu tiªn
®-îc truyÒn ®i
TÝn hiÖu
®Þa chØ
4 4 4 4 40
M·
nhåi
H×nh 6.23 B¶n tin SAO.
®-îc göi tõ tæng ®µi B xuyªn qua m¹ch tho¹i ®Õn tæng ®µi A.
Khi thuª bao nhÊc m¸y, tæng ®µi B tr¶ vÒ b¶n tin tr¶ lêi ANS. Tæng ®µi A
nhËn ®-îc b¶n tin ANS th× b¾t ®Çu viÖc tÝnh c-íc. Qu¸ tr×nh ®µm tho¹i sÏ diÔn ra
trªn m¹ch.
Sau khi thuª bao bÞ gäi ®Æt m¸y, tæng ®µi B tr¶ vÒ b¶n tin xo¸ h-íng vÒ
CBK.
Tæng ®µi A nhËn ®-îc b¶n tin CBK sÏ tiÕn hµnh ng¾t cuéc gäi vµ göi b¶n
tin xo¸ h-íng ®i CLF.
Tæng ®µi A Tæng ®µi B
IAM (hoÆc IAI)
ACM
Håi ©m chu«ng
ANS
§µm tho¹i
CBK
CLF
RLG
H×nh 6.24 Qu¸ tr×nh thiÕt lËp cuéc gäi trong ®iÒu kiÖn b×nh th-êng
Khi tæng ®µi B nhËn ®-îc b¶n tin CLF, nã chuyÓn m¹ch trë vÒ tr¹ng th¸i
rçi vµ göi b¶n tin gi¶i to¶ b¶o an RLG ®Ó cho thÊy cuéc gäi ®· bÞ xo¸. Tæng ®µi A
nhËn ®-îc b¶n tin RLG còng tiÕn hµnh chuyÓn m¹ch vÒ tr¹ng th¸i rçi.
3. PhÇn ng-êi sö dông m¹ng sè liªn kÕt ®a dÞch vô (ISDN User Part)
3.1 NhiÖm vô cña ISUP
PhÇn nµy gåm c¸c giao thøc b¸o hiÖu sè 7 dïng ®Ó hç trî c¸c dÞch vô c¬
b¶n, c¸c dÞch vô bæ xung c¸c øng dông tho¹i vµ phi tho¹i cña m¹ng sè liªn kÕt ®a
dÞch vô ISDN.
ISUP lµ mét trong nhiÒu chñng lo¹i kh¸ch hµng sö dông c¸c giao thøc cña
b¸o hiÖu sè 7 n»m trong líp 4 cña m« h×nh ph©n líp b¸o hiÖu sè 7. Khi cÇn trao
®æi th«ng tin, nã cÇn sù hç trî cña phÇn chuyÓn giao b¶n tin MTP. Trong mét sè
tr-êng hîp ISUP cßn cÇn ®Õn c¸c giao thøc cña phÇn ®iÒu khiÓn kÕt nèi b¸o hiÖu
SCCP.
Th«ng tin b¸o hiÖu ®-îc t¹o ra tõ phÇn ng-êi sö dông ISDN (ISUP), nã
®-îc t¶i trªn tuyÕn kÕt nèi b¸o hiÖu b»ng ®¬n vÞ b¶n tin b¸o hiÖu MSU. Trong
MSU th× th«ng tin b¸o hiÖu ®-îc ®Æt trong tr-êng th«ng tin b¸o hiÖu SIF.
Octet th«ng tin dÞch vô SIO sÏ chØ thÞ m· SI lµ “0101” ®Ó biÓu thÞ ng-êi sö
dông lµ ISDN.
Sù bè trÝ cña tr-êng th«ng tin b¸o hiÖu SIF nh- sau:
Nh·n ®Þnh tuyÕn: Gåm c¸c tr-êng
Nh·n ®Þnh tuyÕn
PhÇn cè ®Þnh b¾t buéc
PhÇn biÕn ®æi b¾t buéc
M· nhËn d¹ng m¹ch CIC
M· kiÓu b¶n tin
PhÇn tuú chän
H×nh 6.25 Khu«n d¹ng tr-êng SIF.
+ M· ®iÓm b¸o hiÖu gèc OPC.
+ M· ®iÓm b¸o hiÖu ®Ých DPC.
+ M· lùa chän liªn kÕt b¸o hiÖu SLS.
M· nhËn d¹ng m¹ch (CIC):
M· nµy ®-îc dïng ®Ó chØ ®Þnh mét b¶n tin b¸o hiÖu ISUP cho mét kªnh
m¹ch nµo ®ã. Mäi kªnh m¹ch ®Òu cã mét m· nhËn d¹ng riªng.
M· kiÓu b¶n tin:
§©y lµ mét tr-êng, mét octet b¾t buéc víi tÊt c¶ c¸c b¶n tin. Nã x¸c ®Þnh
duy nhÊt chøc n¨ng vµ ®Þnh d¹ng cña mçi b¶n tin ISUP.
PhÇn cè ®Þnh b¾t buéc:
C¸c tham sè nµy lµ b¾t buéc víi b¶n tin riªng biÖt. Vµ ®é dµi cè ®Þnh sÏ
chøa trong phÇn cè ®Þnh b¾t buéc. VÞ trÝ, ®é dµi vµ trËt tù cña tham sè ®-îc x¸c
®Þnh duy nhÊt b»ng lo¹i tin b¸o. V× vËy tªn cña tham sè vµ c¸c khèi chØ thÞ ®é dµi
kh«ng cÇn thiÕt cã ë b¶n tin.
PhÇn biÕn ®æi b¾t buéc:
C¸c tham sè b¾t buéc cña phÇn ®é dµi thay ®æi sÏ ®-îc ®Æt trong phÇn biÕn
®æi b¾t buéc. Con trá ®-îc sö dông ®Ó chØ thÞ ®iÓm b¾t ®Çu cña mçi tham sè. Mçi
con trá ®-îc m· ho¸ b»ng 1 octet. Tªn cña mçi tham sè vµ trËt tù cña nã ®-îc
ngÇm ®Þnh trong b¶n tin. C¸c tªn tham sè do ®ã kh«ng chøa trong b¶n tin. Sè cña
c¸c tham sè vµ con trá ®-îc x¸c ®Þnh duy nhÊt bëi kiÓu b¶n tin. Mçi tham sè
trong phÇn biÕn ®æi b¾t buéc gåm c¶ chØ thÞ ®é dµi tham sè tiÕp theo sau lµ néi
dung tham sè.
PhÇn tuú chän:
Tr-êng nµy bao gåm c¸c tham sè mµ cã hoÆc kh«ng cã trong c¸c kiÓu gãi
tin riªng biÖt. C¸c tham sè tuú chän cã thÓ truyÒn ®i theo bÊt kú trËt tù nµo. Mçi
tham sè tuú chän sÏ bao gåm tªn tham sè (1 octet) vµ néi dung tham sè.
Tõ ®ã ta cã ®-îc cÊu tróc mét b¶n tin ISUP nh- sau:
Nh·n ®Þnh tuyÕn
M· nhËn d¹ng m¹ch
M· kiÓu b¶n tin
Tham sè b¾t buéc A
Tham sè b¾t buéc F
Con trá tíi tham sè M
Con trá tíi phÇn tuú chän
ChØ thÞ ®é dµi cña tham sè M
Con trá tíi tham sè P
Tham sè M
ChØ thÞ ®é dµi cña tham sè P
Tham sè P
Tªn tham sè = X
ChØ thÞ ®é dµi cña tham sè X
Tham sè X
Tªn tham sè = Z
ChØ thÞ ®é dµi cña tham sè Z
Tham sè Z
KÕt thóc tham sè tuú chän
8 7 6 5 4 3 2 1 Thø tù bÝt truyÒn
PhÇn cè
®Þnh b¾t
buéc
PhÇn biÕn
®æi b¾t
buéc
PhÇn tuú
chän
H×nh 6.26 CÊu tróc b¶n tin ISUP.
3.2 C¸c thñ tôc b¸o hiÖu cña ISUP
Tr-íc tiªn bé ®iÒu khiÓn ®Þnh tuyÕn sÏ chän ra mét kªnh m¹ch rçi sau khi ®·
nhËn ®Çy ®ñ vµ ph©n tÝch c¸c con sè tõ thuª bao gäi. TiÕp ®ã ISUP cña tæng
®µi xuÊt ph¸t cuéc gäi sÏ truyÒn ®i b¶n tin ®Þa chØ khëi ®Çu IAM ®Ó chiÕm
dïng mét kªnh vµ göi c¸c con sè quay nhËn ®-îc. C¸c con sè quay nhËn
®-îc sau ®ã sÏ ®-îc göi trong b¶n tin ®Þa chØ tiÕp theo SAM.
Khi tæng ®µi qu¸ giang nhËn ®-îc b¶n tin IAM sÏ thùc hiÖn viÖc chän lùa
®Þnh tuyÕn. NÕu t×m thÊy mét kªnh m¹ch ®ang rçi th× tæng ®µi qu¸ giang sÏ chiÕm
dïng nã. Sau ®ã ISUP cña tæng ®µi nµy còng göi mét b¶n tin IAM vµ c¸c th«ng
tin vÒ thuª bao bÞ gäi ®-îc göi tiÕp ®Õn tæng ®µi kÕt cuèi cuéc gäi. BÊt kú b¶n tin
SAM nµo ®-îc nhËn sau ®ã bëi tæng ®µi qu¸ giang sau khi b¶n tin IAM cña ISUP
ë tæng ®µi qu¸ giang nµy ®· ®-îc göi sÏ ®-îc ISUP cña tæng ®µi qóa giang
chuyÓn tiÕp mét c¸ch trùc tiÕp.
T¹i tæng ®µi kÕt cuèi, nã tiÕn hµnh ph©n tÝch c¸c th«ng tin nhËn ®-îc trong
b¶n tin IAM vµ kÕt hîp víi c¸c th«ng tin nhËn ®-îc trong b¶n tin SAM nÕu cã.
Sau khi thÊy viÖc nhËn sè thuª bao bÞ gäi ®· hoµn thµnh, tæng ®µi kÕt cuèi cuéc
gäi kiÓm tra tr¹ng th¸i ®-êng d©y thuª bao bÞ gäi vµ x¸c ®Þnh xem cã ®-îc cho
phÐp gäi thuª bao nµy hay kh«ng theo yªu cÇu cña dÞch vô. NÕu kÕt qu¶ kiÓm tra
cho phÐp, tæng ®µi kÕt cuèi cuéc gäi sÏ göi b¶n tin b¸o hiÖu kÕt thóc viÖc nhËn
®Þa chØ ACM ®Õn tæng ®µi xuÊt ph¸t cuéc gäi ®Ó th«ng b¸o viÖc thiÕt lËp cuéc gäi
thµnh c«ng.
Trong tr-êng hîp thiÕt lËp mét cuéc gäi ®iÖn tho¹i th«ng th-êng, thuª bao
bÞ gäi sÏ cã tÝn hiÖu “chu«ng” vµ thuª bao gäi sÏ nhËn ®-îc tÝn hiÖu “håi ©m
chu«ng”. NÕu thuª bao bÞ gäi tr¶ lêi cuéc gäi th× tæng ®µi kÕt cuèi cuéc gäi sÏ
th«ng b¸o cho tæng ®µi xuÊt ph¸t cuéc gäi b»ng mét b¶n tin tr¶ lêi ANM.
ViÖc gi¶i to¶ cuéc gäi cã thÓ ®-îc kÝch ho¹t bëi thuª bao gäi hay thuª bao
bÞ gäi.
ISUP ë tæng ®µi xuÊt ph¸t cuéc gäi göi b¶n tin gi¶i to¶ ®-êng kÕt nèi REL
®Õn tæng ®µi qu¸ giang, vµ tæng ®µi qu¸ giang lËp tøc chuyÓn b¶n tin REL nµy
®Õn tæng ®µi kÕt cuèi cuéc gäi.
Ngay sau khi kªnh m¹ch cã liªn quan trë vÒ tr¹ng th¸i rçi, ISUP cña tæng ®µi
kÕt cuèi cuéc gäi sÏ tr¶ lêi x¸c nhËn cho b¶n tin REL b»ng b¶n tin x¸c nhËn
gi¶i phãng kÕt nèi RLC.
4. PhÇn ®iÒu khiÓn kÕt nèi b¸o hiÖu SCCP
PhÇn ®iÒu khiÓn kÕt nèi b¸o hiÖu SCCP ®-îc bæ xung cho líp 3 cña MTP
gióp cho b¸o hiÖu sè 7 phï hîp víi m« h×nh OSI.
§Ó ®¸p øng c¸c yªu cÇu vÒ b¸o hiÖu trong t-¬ng lai, phÇn ®iÒu khiÓn kÕt
nèi b¸o hiÖu SCCP ra ®êi nh»m bæ sung cho MTP. MTP cïng SCCP t¹o nªn mét
phÇn mÒm míi NSP (phÇn dÞch vô m¹ng) gåm c¸c líp tõ 1 ®Õn 3.
4.1 Môc ®Ých cña SCCP
Trong mét sè tr-êng hîp, b¶n tin b¸o hiÖu ®-îc truyÒn tõ ®iÓm b¸o hiÖu
nµy tíi ®iÓm b¸o hiÖu kh¸c kh«ng nh»m môc ®Ých b¸o hiÖu cho mét cuéc gäi cô
Thuª bao
gäi
Tæng ®µi
xuÊt ph¸t
Tæng ®µi
qu¸ giang
Tæng ®µi
kÕt cuèi
Thuª bao
bÞ gäi
IAM
IAM
SAM SAM
SAM
ACM
ACM
ANM
ANM
REL
RLC
REL
RLC
H×nh 6.27 DiÔn biÕn cuéc gäi qu¸ giang trong ®iÒu kiÖn b×nh th-êng.
thÓ nµo. MTP ®-îc thiÕt kÕ chØ nh»m môc ®Ých chuyÓn c¸c b¶n tin b¸o hiÖu liªn
quan ®Õn cuéc gäi. SCCP ra ®êi víi môc ®Ých phôc vô cho c¶ 2 nhiÖm vô trªn.
Ngoµi ra SCCP cßn ®-îc sö dông ®Ó thùc hiÖn c¶ c¸c dÞch vô cña m¹ng
kh«ng kÕt nèi vµ ®Þnh h-íng kÕt nèi.
4.2 C¸c dÞch vô cña SCCP
Môc tiªu cña SCCP lµ cung cÊp ph-¬ng thøc cho c¸c kÕt nèi b¸o hiÖu logic
trong m¹ng b¸o hiÖu sè 7 vµ cung cÊp c¸c ph-¬ng thøc cho kh¶ n¨ng chuyÓn
giao c¸c khèi sè liÖu b¸o hiÖu, cã hoÆc kh«ng sö dông c¸c kÕt nèi b¸o hiÖu
logic.
Cã hai lo¹i dÞch vô ®-îc SCCP cung cÊp lµ: dÞch vô kÕt nèi ®Þnh h-íng vµ
dÞch vô kÕt nèi kh«ng ®Þnh h-íng.
a) DÞch vô kÕt nèi ®Þnh h-íng:
§©y lµ mét c¸ch ®Ó hîp lý ho¸ th«ng tin b¸o hiÖu cña tæng ®µi gi÷a hai ng-êi
sö dông dÞch vô cña m¹ng b»ng c¸ch thiÕt lËp ®Êu nèi b¸o hiÖu logic gi÷a
chóng. Sù ®Êu nèi b¸o hiÖu logic nµy ®¹t ®-îc nhê ®-a ra mét sè tham kh¶o
néi bé cho c¸c b¶n tin b¸o hiÖu ®ã.
DÞch vô kÕt nèi ®Þnh h-íng lµ kh¶ n¨ng chuyÓn giao b¶n tin b¸o hiÖu qua kÕt
nèi b¸o hiÖu ®· ®-îc thiÕt lËp. ViÖc kÕt nèi b¸o hiÖu cã thÓ lµ vÜnh cöu hay
chØ t¹m thêi.
Ph-¬ng thøc chuyÓn giao kÕt nèi ®Þnh h-íng chia lµm ba giai ®o¹n:
- ThiÕt lËp kÕt nèi.
- ChuyÓn giao sè liÖu.
- Gi¶i phãng kÕt nèi.
b) DÞch vô kÕt nèi kh«ng ®Þnh h-íng:
Víi dÞch vô nµy, tÊt c¶ c¸c th«ng tin ®Þnh tuyÕn cÇn ®Ó ®Þnh tuyÕn sè liÖu tíi
®Ých cña nã ph¶i cã ë trong mçi gãi sè liÖu. Kh«ng cã sù ®Êu nèi logic ®-îc
thiÕt lËp gi÷a c¸c nót ®Çu cuèi.
DÞch vô nµy th-êng ®-îc sö dông ®Ó chuyÓn giao nh÷ng l-îng nhá th«ng tin
tíi h¹n thêi gian thùc gi÷a nh÷ng ng-êi sö dông ë xa.
4.3 C¸c ph©n líp giao thøc cña SCCP
Cã 4 ph©n líp dïng ®Ó x¸c ®Þnh c¸c dÞch vô kÕt nèi:
- Ph©n líp 0: Lo¹i kh«ng kÕt nèi c¬ së.
- Ph©n líp 1: Lo¹i kh«ng kÕt nèi tuÇn tù .
- Ph©n líp 2: Lo¹i kÕt nèi cã ®Þnh h-íng c¬ së.
- Ph©n líp 3: Lo¹i kÕt nèi cã ®Þnh h-íng ®iÒu khiÓn luång.
Ph©n líp 0: Khèi d÷ liÖu dÞch vô m¹ng NSDU ®-îc SCCP vËn chuyÓn qua
m¹ng tíi SCCP ®Ých vµ c¸c ph©n líp cao h¬n ë ®Ých. C¸c khèi d÷ liÖu ®-îc vËn
chuyÓn lµ hoµn toµn ®éc lËp víi nhau nªn chóng cã thÓ ®-îc ph©n phèi kh«ng
tuÇn tù.
Ph©n líp 1: T¹i ph©n líp nµy, c¸c ®Æc ®iÓm cña ph©n líp 0 ®-îc hoµn
thiÖn nhê thiÖn nhê cã thªm tÝnh chÊt bæ sung. Nã cho phÐp líp cao h¬n chØ ra
mét luång ®· cã cña khèi d÷ liÖu dÞch vô m¹ng NSDU ph¶i ®-îc ph©n ph¸t tuÇn
tù ®Õn ®Ých. M· lùa chän kªnh b¸o hiÖu SLS ®-îc sö dông ®Ó cho luång cña c¸c
NSDU cã cïng tham sè ®iÒu khiÓn tuÇn tù lµ nh- nhau.
Ph©n líp 2: Khèi d÷ liÖu dÞch vô m¹ng NSDU ®-îc chuyÓn giao nhê kÕt
nèi b¸o hiÖu t¹m thêi hoÆc vÜnh cöu. C¸c tin b¸o thuéc vÒ mét kÕt nèi b¸o hiÖu
chøa cïng gi¸ trÞ tr-êng SLS ®Ó ®¶m b¶o tuÇn tù. Sè liÖu ®-îc chuyÓn giao d-íi
d¹ng gãi (DT1).
Ph©n líp 3: T-¬ng tù nh- ph©n líp 2 nh-ng cã thªm tÝnh chÊt ®iÒu khiÓn
luång. §iÒu khiÓn luång nghÜa lµ tèc ®é luång sè liÖu cã thÓ ®-îc ®iÒu khiÓn gi÷a
c¸c líp l©n cËn hay gi÷a hai líp. C¸c chøc n¨ng ®iÒu khiÓn luång cho phÐp h¹n
chÕ luång sè liÖu tõ phÝa ph¸t. Ngoµi ra kh¶ n¨ng ph¸t hiÖn mÊt b¶n tin hay mÊt
tuÇn tù còng ®-îc bæ sung. Trong tr-êng hîp nh- vËy, sù cè kÕt nèi b¸o hiÖu
®-îc thiÕt lËp l¹i. Sè liÖu th«ng th-êng ®-îc chuyÓn giao d-íi d¹ng gãi (DT2).
4.4 C¸c khèi chøc n¨ng cña SCCP
PhÇn ®iÒu khiÓn kÕt nèi b¸o hiÖu SCCP bao gåm c¸c phÇn chøc n¨ng chÝnh
sau:
- PhÇn ®iÒu khiÓn kÕt nèi ®Þnh h-íng cña SCCP (SCOC): Cung cÊp c¸c
chøc n¨ng cho viÖc thiÕt lËp, gi¸m s¸t vµ xo¸ c¸c kÕt nèi b¸o hiÖu t¹m thêi. Nã
còng xö lý viÖc truyÒn d÷ liÖu trªn kÕt nèi nµy.
- PhÇn ®iÒu khiÓn kh«ng kÕt nèi cña SCCP (SCLC): Cung cÊp thñ tôc
chuyÓn giao kh«ng kÕt nèi sè liÖu cña ng-êi sö dông.
- PhÇn ®Þnh tuyÕn cña SCCP (SCR): Dùa trªn MTP ®Ó ®Þnh tuyÕn vËt lý
chuyÓn c¸c b¶n tin tõ ®iÓm b¸o hiÖu nµy tíi ®iÓm b¸o hiÖu kh¸c. Ngoµi ra, nã cßn
cung cÊp kh¶ n¨ng ®Þnh tuyÕn bæ sung nh- viÖc diÔn dÞch tiªu ®Ò trªn toµn cÇu
cho ng-êi sö dông m¹ng (Global Title).
- PhÇn ®iÒu hµnh SCCP: Cung cÊp c¸c thñ tôc ®Ó duy tr× sù ho¹t ®éng cña
m¹ng b»ng c¸ch l-u th«ng hoÆc kh«ng l-u th«ng trong tr-êng hîp cã sù cè.
4.5 C¸c b¶n tin b¸o cña SCCP
C¸c b¶n tin b¸o cña SCCP ®-îc sö dông nhê giao thøc peer to peer. Mäi b¶n
tin ®Òu ®-îc nhËn d¹ng ®ång nhÊt b»ng m· cña c¸c lo¹i b¶n tin, m· nµy ®-îc
nhËn biÕt trong mäi b¶n tin b¸o.
a) DÞch vô kh«ng ®Êu nèi:
§èi víi lo¹i dÞch vô nµy, cã hai lo¹i b¶n tin ®-îc sö dông. §ã lµ vô d÷ liÖu
®¬n vÞ UDT vµ dÞch vô d÷ liÖu ®¬n vÞ UDTS.
PhÝa ph¸t sÏ ph¸t th«ng tin líp cao h¬n trong b¶n tin sè liÖu khèi UDT vµ göi
vÒ nót ®Ých nhê lo¹i giao thøc 1 hoÆc 0. B¶n tin UDTS ®-îc ph¸t ng-îc trë l¹i
khi UDT kh«ng ®Õn ®-îc ®Ých cña nã. UDTS chøa th«ng tin vÒ nguyªn nh©n,
chuÈn ®o¸n.
b) DÞch vô kÕt nèi ®Þnh h-íng:
§èi t-îng sö dông SCCP
SSA UDT, UDTS CR,CC, CREF
SSP RLSD, RLC
SST DT1, ERR,IT
SCOC
SCR
SCM
SCLC
MTP
H×nh 6.28 C¸c khèi chøc n¨ng cña SCCP.
Bªn c¹nh c¸c b¶n tin phôc vô cho viÖc truyÒn d÷ liÖu cßn cã c¸c b¶n tin
phôc vô cho viÖc thiÕt lËp vµ gi¶i phãng liªn kÕt.
* Giai ®o¹n thiÕt lËp kÕt nèi:
- B¶n tin yªu cÇu kÕt nèi (CR) sÏ ®-îc bªn gäi göi cho bªn bÞ gäi. Sau
khi nhËn ®-îc b¶n tin nµy, nÕu cã thÓ bªn bÞ gäi sÏ thiÕt lËp kÕt nèi b¸o
hiÖu.
- B¶n tin kh¼ng ®Þnh kÕt nèi (CC) sÏ ®-îc bªn bÞ gäi göi cho bªn gäi
nh»m môc ®Ých b¸o cho bªn ph¸t ®Ó biÕt r»ng nã ®· thiÕt lËp kÕt nèi b¸o
hiÖu. Dùa vµo b¶n tin nµy, nÕu cã thÓ bªn gäi hoµn tÊt viÖc thiÕt lËp
®-êng truyÒn.
- B¶n tin tõ chèi kÕt nèi (CREF) ®-îc göi cho bªn gäi nh»m môc ®Ých
b¸o cho bªn gäi biÕt r»ng bªn bÞ gäi hoÆc mét nót trung gian nµo ®ã tõ
chèi viÖc thiÕt lËp kÕt nèi v× mét lÝ do nµo ®ã.
* Giai ®o¹n truyÒn sè liÖu:
- Tin b¸o d¹ng sè liÖu 1 (DT1) ®-îc göi gi÷a hai nót SCCP. ViÖc truyÒn
lóc nµy ®-îc thùc hiÖn mét c¸ch th«ng suèt. D¹ng b¶n tin nµy chØ ®-îc
sö dông ë ph©n líp 2.
- Tin b¸o d¹ng sè liÖu 2 (DT2) ®-îc göi gi÷a hai nót SCCP trong qu¸ tr×nh
truyÒn sè liÖu vµ ®Ó c¸c tin b¸o thõa nhËn ®i theo mét h-íng kh¸c. B¶n
tin nµy chñ yÕu sö dông ë ph©n líp 3.
- B¶n tin kiÓm tra viÖc kh«ng ho¹t ®éng (IT) cã thÓ ®-îc ph¸t ®Þnh kú
nh»m môc ®Ých kiÓm tra xem phÇn kÕt nèi cã ho¹t ®éng ë c¶ hai ®Çu
cuèi hay kh«ng, ®ång thíi còng kiÓm tra tÝnh nhÊt qu¸n cña sè liÖu.
- B¶n tin b¸o lçi khèi sè liÖu cña giao thøc (ERR) ®-îc ph¸t khi x¶y ra lçi
bÊt kú cña giao thøc.
* Giai ®o¹n gi¶i phãng kÕt nèi:
- B¶n tin yªu cÇu gi¶i phãng kÕt nèi (RLSD) ®-îc göi trªn c¶ 2 h-íng
nh»m môc ®Ých th«ng b¸o bªn ph¸t muèn xo¸ bá kÕt nèi.
- B¶n tin x¸c nhËn gi¶i phãng kÕt nèi (RLC) ®-îc ph¸t nh»m ®¸p l¹i b¶n
tin RLSD vµ th«ng b¸o cho bªn ph¸t biÕt c¸c thñ tôc thÝch hîp ®· ®-îc
hoµn thµnh.
4.6 Khu«n d¹ng vµ m· b¶n tin SCCP
C¸c b¶n tin SCCP ®-îc mang trªn c¸c kªnh sè liÖu b¸o hiÖu nhê ®¬n vÞ
b¶n tin b¸o hiÖu MSU. Tr-êng chØ thÞ dÞch vô SI trong octet th«ng tin dÞch vô SIO
®-îc m· ho¸ lµ “0011” cho c¸c tin b¸o cña SCCP.
Tr-êng th«ng tin b¸o hiÖu SIF cña mçi MSU chøa b¶n tin SCCP, bao gåm
mét sè nguyªn c¸c octet (≤272 octet).
T-¬ng tù nh- trong b¶n tin cña ISUP, mçi b¶n tin SCCP chøa mét tham sè
víi th«ng tin b¸o hiÖu. C¸c tham sè cã thÓ cã ®é dµi cè ®Þnh, hoÆc cã ®é dµi thay
®æi vµ chóng cã thÓ tuú chän hay b¾t buéc.
4.7 §Þnh ®Þa chØ vµ ®Þnh tuyÕn trong SCCP
Khi phÇn chuyÓn giao b¶n tin MTP ®-îc sö dông th× ®Þa chØ cña phÇn bÞ
gäi ®-îc ph©n tÝch ë phÇn ng-êi sö dông. Sau khi DPC ®-îc x¸c ®Þnh, nã sÏ ®-îc
dïng ®Ó ®Þnh tuyÕn b¶n tin b¸o hiÖu.
Khi cã SCCP th× cã hai tham sè lµ: ®Þa chØ cña phÇn gäi vµ ®Þa chØ cña
phÇn bÞ gäi trong b¶n tin SCCP chøa th«ng tin cÇn thiÕt ®Ó SCCP x¸c ®Þnh nót
®Ých vµ nót nguån.
C¶ ®Þa chØ cña phÇn gäi vµ phÇn bÞ gäi ®Òu cã trong c¸c b¶n tin cña dÞch vô
kh«ng kÕt nèi. Cßn ®èi víi dÞch vô kÕt nèi ®Þnh h-íng th× chØ cã hai b¶n tin CR
vµ CC mang hai tham sè nµy.
§Ó ®Þnh tuyÕn SCCP th× cã hai lo¹i ®Þa chØ c¬ b¶n sau:
Nh·n ®Þnh tuyÕn
PhÇn cè ®Þnh b¾t buéc
PhÇn biÕn ®æi b¾t buéc
8 7 6 5 4 3 2 1
M· kiÓu b¶n tin
PhÇn tuú chän
H×nh 6.29 Khu«n d¹ng tr-êng SIF.
Thø tù truyÒn bit
Thø
tù
truyÒn
octet
* Tiªu ®Ò toµn côc GT (Global Title): lµ mét ®Þa chØ, nh- c¸c digit quay sè
mµ SCCP cÇn truyÒn tr-íc khi chóng ®-îc sö dông ®Ó ®Þnh tuyÕn trong m¹ng b¸o
hiÖu. Sù phiªn dÞch cña GT lu«n lu«n ®ßi hái ®èi víi c¸c tin b¸o cña CR.
* M· ®iÓm ®Ých DPC (Destination Point Code) vµ sè ph©n hÖ SSN
(Subsystem Number): cho phÐp ®Þnh tuyÕn trùc tiÕp nhê SCCP vµ MTP.
Sè ph©n hÖ SSN lµ mét ®Þa chØ x¸c ®Þnh mét phÇn sö dông SCCP, ch¼ng
h¹n TUP hay ISUP.
5. PhÇn øng dông kh¶ n¨ng giao dÞch TCAP
Trong t-¬ng lai, m¹ng viÔn th«ng sÏ cã rÊt nhiÒu dÞch vô míi. C¸c dÞch vô
nµy sÏ ®ßi hái chuyÓn giao sè liÖu b¸o hiÖu gi÷a c¸c nót trong m¹ng b¸o hiÖu
nhanh nhÊt vµ cã hiÖu qu¶ nhÊt.
Mét sè nót sÏ lµ c¬ së d÷ liÖu cã mét khèi l-îng lín sè liÖu vµ víi c¸c
ch-¬ng tr×nh øng dông kh¸c nhau.
CCITT ®· x¸c ®Þnh c¸c kh¶ n¨ng giao dÞch (TC) ®Ó cung cÊp c¸c dÞch vô tæng
thÓ cho mét sè lín c¸c dÞch vô kh¸c nhau nh- vËy mµ kh«ng øng dông nµo
rµng buéc víi øng dông nµo. Kh¸i niÖm TC tu©n theo c¸c chøc n¨ng cña giao
thøc ®· tiªu chuÈn ho¸ chung.
PhÇn øng dông c¸c kh¶ n¨ng giao dÞch (TCAP) lµ mét phÇn cña kh¸i niÖm
TC, cung cÊp c¸c giao thøc vµ c¸c dÞch vô cña líp øng dông.
C¸c vÝ dô vÒ c¸c øng dông sÏ dïng nh÷ng kh¶ n¨ng giao dÞch nµy lµ:
+ C¸c øng dông cña dÞch vô di ®éng.
+ DÞch vô ®iÖn tho¹i miÔn phÝ.
GT SSN SPC Khèi chØ thÞ ®Þa chØ
Dù tr÷ Khèi chØ
thÞ ®Þnh
tuyÕn
Khèi
chØ thÞ
GT
Khèi
chØ thÞ
SSN
Khèi chØ
thÞ m·
®iÓm
H×nh 6.30 Khu«n d¹ng ®Þa chØ phÇn bÞ gäi.
+ Gäi b»ng thÎ tÝn dông.
+ C¸c øng dông khai th¸c vµ b¶o d-ìng.
Nh÷ng ng-êi sö dông c¸c kh¶ n¨ng giao dÞch nµy ®-îc gäi lµ nh÷ng ng-êi
sö dông TC.
Môc ®Ých chÝnh cña TCAP lµ cung cÊp mét hÖ thèng chung vµ tæng qu¸t
cho viÖc truyÒn th«ng tin gi÷a 2 nót.
TCAP lµ giao thøc chung cã kh¶ n¨ng ®-a c¸c tÝnh chÊt míi vµo trong
m¹ng viÔn th«ng mét c¸ch dÔ dµng. Nã lµm gi¶m yªu cÇu ph¸t triÓn c¸c giao thøc
míi mçi khi cã c¸c tÝnh chÊt míi ®-îc ®-a ra.
5.1 Chøc n¨ng tæng qu¸t cña TCAP.
Khi ng-êi sö dông TC muèn b¾t ®Çu mét thao t¸c (ch¼ng h¹n nh- diÔn
dÞch sè ®iÖn tho¹i miÔn phÝ) ë mét nót tõ xa, hä ph¶i b¾t ®Çu ®µm tho¹i víi ng-êi
sö dông TC ë xa. ViÖc nµy ®-îc thùc hiÖn b»ng c¸ch göi c¸c c¬ së yªu cÇu tíi
giao thøc TCAP. TiÕp ®ã TCAP b¾t ®Çu giao dÞch víi TCAP ë xa b»ng c¸ch göi
b¶n tin TCAP tíi nót ®ã th«ng qua m¹ng b¸o hiÖu. Nhê cã phÇn dÞch vô m¹ng
NSP mµ viÖc chuyÓn giao tin b¸o TCAP ®-îc xö lý.
5.2 C¸c ph©n líp cña TCAP.
PhÇn øng dông c¸c kh¶ n¨ng giao dÞch TCAP ®-îc chia lµm hai ph©n líp
sau:
§èi t-îng sö
dông TC
§èi t-îng sö
dông TC
TCAP TCAP
MTP
SCCP
MTP
SCCP
MTP
SCCP
Héi tho¹i
Giao dÞch
SP STP SP
7
4-6
NSP
1-3
H×nh 6.31 Ph-¬ng thøc giao dÞch cña b¸o hiÖu sè 7.
+ Ph©n líp phÇn tö : lµ mét khèi sè liÖu cña giao thøc trao ®æi gi÷a ng-êi
sö dông TC.
+ Ph©n líp giao dÞch: sù trao ®æi c¸c tin b¸o, cã chøa mét sè phÇn tö gi÷a
hai ng-êi sö dông TC.
a) Ph©n líp phÇn tö (CSL):
Nhê sù trî gióp cña ph©n líp phÇn tö ng-êi sö dông TC cã kh¶ n¨ng yªu
cÇu hç trî c¸c khai th¸c tõ xa vµ nhËn ®-îc mét hay nhiÒu tr¶ lêi, ch¼ng h¹n nh-
mét cuéc gäi ®iÖn tho¹i miÔn phÝ tõ mét c¬ së d÷ liÖu ®Ó xö lý cuéc gäi.
Ph©n hÖ nµy cã hai chøc n¨ng chÝnh lµ xö lý héi tho¹i (DHA) vµ xö lý
phÇn tö (CHA).
Hai phÇn chøc n¨ng th«ng tin víi ng-êi sö dông TC nhê ph¸t vµ thu ®-îc
gäi lµ c¸c c¬ së (c¸c c¬ së héi tho¹i vµ phÇn tö).
b) Ph©n líp giao dÞch (TSL):
Ph©n líp nµy cung cÊp c¸c kh¶ n¨ng ®Ó ph¸t c¸c tin b¸o gi÷a c¸c phÇn
TCAP. Nh÷ng tin b¸o nµy cã thÓ chøa c¸c phÇn tö thuéc ph©n líp phÇn tö.
§Ó vËn chuyÓn c¸c tin b¸o TCAP, ph©n líp giao dÞch sö dông c¸c dÞch vô
cung cÊp bëi phÇn dÞch vô cña m¹ng (NSP). Vµ chØ cã c¸c dÞch vô cho b¸o hiÖu
kh«ng ®Êu nèi lµ ®-îc sö dông.
Thñ tôc cña ph©n líp giao dÞch liªn kÕt mçi tin b¸o TCAP víi mét giao
dÞch ®Æc biÖt. Nã còng s¾p xÕp th«ng tin ®iÒu khiÓn héi tho¹i vµo th«ng tin ®iÒu
khiÓn giao dÞch, ®Æc biÖt lµ cã sù s¾p xÕp tõng th«ng tin mét gi÷a héi tho¹i vµ
giao dÞch.
TSL còng xö lý mét phÇn cña tin b¸o TCAP vµ phÇn ®ã ®-îc gäi lµ phÇn
giao dÞch (TP). Khi ph¸t hiÖn thÊy lçi ë TP th× tin b¸o ®-îc bá ®i vµ nÕu thÝch hîp
viÖc giao dÞch sÏ kh«ng ®-îc thùc hiÖn n÷a.
5.3 C¸c dÞch vô líp cña TCAP
* Xö lý héi tho¹i (DHA)
TCAP cung cÊp hai lo¹i ph-¬ng tiÖn héi tho¹i nh- sau: héi tho¹i cã cÊu
tróc vµ héi tho¹i kh«ng cÊu tróc.
- Héi tho¹i cã cÊu tróc: cho phÐp ng-êi sö dông TC b¾t ®Çu héi tho¹i, trao
®æi c¸c phÇn tö trong héi tho¹i nµy, vµ sau ®ã kÕt cuèi hay b·i bá nã.
C¸c héi tho¹i cã cÊu tróc cho phÐp mét vµi luång phÇn tö cïng tån t¹i gi÷a
hai ng-êi sö dông TC. Mçi héi tho¹i sö dông tham sè ID ®Ó nhËn d¹ng héi tho¹i
cã cÊu tróc. §ång thêi tham sè nµy còng x¸c ®Þnh phÇn tö nµo g¾n liÒn víi tin b¸o
vµ héi tho¹i.
- Héi tho¹i kh«ng cÊu tróc: cã thÓ ®-îc sö dông ®Ó diÔn ®¹t sù ho¹t ®éng
mµ kh«ng cÇn ph¶i tr¶ lêi. Bªn c¹nh ®ã kh«ng cã sù b¾t ®Çu vµ kÕt cuèi râ rµng
nµo kÕt hîp víi héi tho¹i kh«ng cÊu tróc. C¸c héi tho¹i kh«ng cÊu tróc ®-îc kÕt
cuèi tõ quan ®iÓm cña TCAP ngay khi c¸c thµnh phÇn ®· ®-îc ph¸t ®i.
* Xö lý phÇn tö (CHA)
Ng-êi sö dông TC
CSL
DHA CHA
TSL
Xö lý giao dÞch
TCAP Tin b¸o TCAP
SCCP
H×nh 6.32 C¸c ph©n líp cña TCAP.
Mçi phÇn tö bao gåm mét yªu cÇu ®Ó thùc hiÖn vËn hµnh hay tr¶ lêi.
VËn hµnh lµ mét thao t¸c ®-îc thùc hiÖn bëi ®Çu xa. Yªu cÇu hç trî vËn
hµnh ®-îc nhËn biÕt nhê ID hç trî. §iÒu nµy cho phÐp mét sè yªu cÇu hç trî vËn
hµnh gièng hay kh¸c nhau t¸c ®éng tøc thêi. Mét hay nhiÒu tr¶ lêi cã thÓ ®-îc
göi ®Õn vËn hµnh.
Ng-êi sö dông TC lùa chän mét trong bèn lo¹i vËn hµnh ®-îc cung cÊp
tuú thuéc vµo yªu cÇu liªn quan tíi b¸o c¸o tr¶ lêi cho vËn hµnh ®· ®-îc yªu cÇu
hç trî. Bèn lo¹i vËn hµnh ®ã lµ:
- Lo¹i 1: gåm c¶ b¸o c¸o thµnh c«ng vµ sù cè.
- Lo¹i 2: chØ cã b¸o c¸o sù cè.
- Lo¹i 3: chØ cã b¸o c¸o thµnh c«ng.
- Lo¹i 4: kh«ng cã b¸o c¸o thµnh c«ng hay sù cè.
Chøc n¨ng xö lý nµy s¾p xÕp c¸c th«ng tin thµnh phÇn vµo c¸c phÇn tö vµ
ng-îc l¹i. TÊt c¶ c¸c phÇn tö trong vËn hµnh cã cïng ID, hç trî ®-îc ph©n ®Þnh
bëi ng-êi sö dông TC yªu cÇu hç trî. §Çu xa ®-a trë l¹i ID hç trî trong c¸c tr¶
lêi cña nã tíi yªu cÇu hç trî vËn hµnh.
C¸c phÇn tö ®-îc ®-a riªng biÖt gi÷a ng-êi sö dông TC vµ ph©n líp phÇn
tö.
Ng-êi sö dông TC nguån cã thÓ ph¸t vµi phÇn tö tíi ph©n líp phÇn tö tr-íc
khi chóng ®-îc ph¸t (trong tin b¸o ®¬n) tíi ®Çu xa.
Khi thu ®-îc vµi phÇn tö ë mét tin b¸o ®¬n, mçi phÇn tö sÏ ®-îc ph©n ph¸t
riªng biÖt tíi ng-êi sö dông TC vµ theo cïng trËt tù nh- chóng ®-îc cung cÊp ë
giao diÖn nguån.
Trong tr-êng hîp héi tho¹i cã cÊu tróc, phÇn xö lý phÇn tö cung cÊp bé
®Þnh thêi, kÕt hîp víi yªu cÇu hç trî vËn hµnh. §ång hå nµy ®-îc khëi ®éng khi
phÇn tö yªu cÇu hç trî ®-îc chuyÓn tíi ph©n líp giao dÞch. Gi¸ trÞ cña ®ång hå
®-îc x¸c ®Þnh bëi ng-êi sö dông TC ®èi víi mçi vËn hµnh. Khi ®· thu ®-îc tr¶
lêi cho phÇn tö yªu cÇu hç trî th× ®ång hå míi dõng. NÕu ng-êi sö dông TC b·i
bá th× ®ång hå còng cã thÓ dõng. Khi hÕt giê, ng-êi sö dông TC ®-îc th«ng b¸o
vµ vËn hµnh dõng l¹i.
* Ph©n ®o¹n c¸c tin b¸o
PhÇn tö thµnh phÇn, ®-îc ph©n ph¸t tõ ng-êi sö dông TC, kh«ng ®-îc
phÐp v-ît qu¸ ®é dµi tin b¸o lín nhÊt, bao gåm c¶ phÇn ®Çu bæ sung ë d-íi c¸c
líp.
TCAP cung cÊp dÞch vô cho ng-êi sö dông TC, nghÜa lµ TCAP kiÓm tra ®é
dµi víi mçi phÇn tö thµnh phÇn ®· thu ®-îc tõ ng-êi sö dông TC. PhÇn tö sÏ ®-îc
chÊp nhËn vµ l-u tr÷ nÕu nh- ®é dµi tho¶ m·n yªu cÇu. Ng-îc l¹i, ®é dµi mµ
kh«ng tho¶ m·n th× nã ®-îc ®-a trë l¹i víi ng-êi sö dông TC ®Ó ph©n ®o¹n.
* ChÊt l-îng cña dÞch vô (QOS)
ChÊt l-îng dÞch vô cã nghÜa lµ ng-êi sö dông TC chØ thÞ chÊt l-îng dÞch
vô cã thÓ chÊp nhËn ®-îc, chÊt l-îng nµy ®-îc cung cÊp bëi c¸c líp d-íi. DÞch
vô nµy ®-îc cung cÊp cho ng-êi sö dông TC bëi SCCP vµ TCAP hç trî.
Tham sè QOS cã trong tÊt c¶ c¸c c¬ së yªu cÇu héi tho¹i vµ ®-îc s¾p xÕp
bëi TCAP cho tham sè t-¬ng øng ë c¸c c¬ së yªu cÇu ®· ph¸t tíi SCCP.
* Ph©n ph¸t tuÇn tù
Ng-êi sö dông TC cã thÓ chØ thÞ liÖu tin b¸o cã cÇn ®-îc ph¸t theo mét
tuyÕn ®· ®Þnh trong m¹ng b¸o hiÖu. Tõ ®ã nã cã thÓ ®¶m b¶o cho viÖc ph©n ph¸t
tuÇn tù nh÷ng b¶n tin b¸o nµy, ®ång thêi chØ thÞ tuyÕn nµo kh«ng ®¶m b¶o tin b¸o
sÏ ®-îc ph©n ph¸t tuÇn tù.
Ph©n ph¸t tuÇn tù ®-îc sö dông trong ph©n ®o¹n tin b¸o vµ ®-îc s¾p xÕp
vµo ph©n líp giao thøc 1 cña SCCP. §iÒu nµy cã nghÜa lµ TCAP cung cÊp SCCP
víi tham sè ®iÒu khiÓn tuÇn tù ®-îc sö dông ®Ó lùa chän kªnh b¸o hiÖu.
Kh«ng ph©n ph¸t tuÇn tù ®-îc s¾p xÕp vµo ph©n líp giao thøc 0 cña
SCCP.
* PhÇn ®-a trë vÒ tin b¸o
NÕu tin b¸o kh«ng thÓ ph©n ph¸t ®-îc tíi ®Ých th× ng-êi sö dông TC cã
mét lùa chän, yªu cÇu tin b¸o cÇn ®-îc ®-a trë vÒ.
Khi tin b¸o ®-îc ®-a trë l¹i, TCAP sÏ thu mét chØ thÞ chøa toµn bé tin b¸o
vµ lý do quay trë l¹i. TCAP sÏ sö dông c¬ chÕ b¸o c¸o ngo¹i lÖ ®Ó th«ng b¸o cho
ng-êi sö dông TC biÕt ®iÒu nµy. Khi SCCP chØ thÞ ®-îc quay trë l¹i th× TCAP
t¸ch ra lÊy l¹i tin b¸o, lý do ®-a trë l¹i vµ ID giao dÞch/héi tho¹i (nÕu cã kh¶ n¨ng
øng dông) vµ göi c¬ së chØ thÞ chó ý TC cho ng-êi sö dông TC cã chøa th«ng tin
nµy. Sau ®ã, ng-êi sö dông TC sÏ ho¹t ®éng theo c¸ch thÝch hîp.
* B¸o c¸o ngo¹i lÖ
PhÇn xö lý héi tho¹i (DHA) th«ng b¸o cho ng-êi sö dông TC vÒ t×nh tr¹ng
kh«ng b×nh th-êng nµo ®ã.
Khi thu ®-îc chØ thÞ tin b¸o quay trë l¹i bëi ph©n líp phÝa d-íi, tin b¸o
®-îc ®-a trë l¹i bëi ph©n líp phÇn tö (CSL) tíi ng-êi sö dông TC. Ph-¬ng tiÖn
nµy dùa trªn yªu cÇu cña ng-êi sö dông TC.
Khi ph¸t hiÖn ®-îc kho¶ng thêi gian héi tho¹i kÐo dµi kh«ng b×nh th-êng
th× DHA sÏ th«ng b¸o cho ng-êi sö dông TC biÕt ®iÒu nµy.
ch-¬ng 7
c¬ së lý thuyÕt phôc vô cuéc gäi
vµ ph-¬ng ph¸p tÝnh to¸n thiÕt bÞ m¹ng viÔn th«ng.
7.1 môc tiªu cña lý thuyÕt phôc vô cuéc gäi
C¸c phÇn tö chÝnh cña c¸c tæng ®µi vµ c¸c m¹ng viÔn th«ng lµ: c¸c thiÕt
bÞ ®Çu cuèi vµ c¸c ®-êng d©y thuª bao, chóng chÝnh lµ c¸c nguån t¶i ban
®Çu; c¸c nhãm kªnh trung gian ®-îc t¹o trªn c¸c ®o¹n chung cña tuyÕn
nèi vµ dïng ®Ó phôc vô c¸c nhãm nguån t¶i tho¹i; c¸c thiÕt bÞ chuyÓn
m¹ch dïng ®Ó thùc hiÖn c¸c kÕt nèi gi÷a nguån vµ ®Ých cña t¶i; vµ cuèi
cïng lµ c¸c thiÕt bÞ ®iÒu khiÓn ®¶m b¶o viÖc ®iÒu khiÓn c¸c thiÕt bÞ
chuyÓn m¹ch.
C¸c nhãm kªnh trung gian, c¸c thiÕt bÞ chuyÓn m¹ch, c¸c thiÕt bÞ ®iÒu
khiÓn cÇn ®-îc x©y dùng sao cho viÖc sö dông chóng hiÖu qu¶ nhÊt. ViÖc tÝnh
to¸n sè kªnh cña c¸c nhãm, còng nh- sè l-îng c¸c thiÕt bÞ chuyÓn m¹ch vµ c¸c
thiÕt bÞ ®iÒu khiÓn ®Òu dùa trªn nh÷ng nguyªn t¾c chung vµ v× vËy sau nµy phÇn
lý thuyÕt c¸c tÝnh to¸n nµy sÏ xem xÐt chñ yÕu ®èi víi c¸c nhãm kªnh.
Sè kªnh cña mçi nhãm phô thuéc vµo ®¹i l-îng vµ tÝnh chÊt cña t¶i yªu
cÇu ®Æt lªn nhãm hoÆc chïm kªnh ®ã, phô thuéc vµo chÊt l-îng phôc vô mµ c¸c
thuª bao yªu cÇu, phô thuéc vµo tÝnh chÊt cña c¸c thiÕt bÞ chuyÓn m¹ch vµ d¹ng
cña nhãm.
Trong lý thuyÕt xö lý cuéc gäi nghiªn cøu tÝnh quy luËt ®Æc tr-ng cña t¶i
víi môc ®Ých ®-a ra c¸c ph-¬ng ph¸p tÝnh to¸n x©y dùng c¸c hÖ thèng
viÔn th«ng (c¸c trung t©m chuyÓn m¹ch vµ m¹ng) hîp lý nhÊt. NhiÖm vô
chñ yÕu cña lý thuyÕt xö lý cuéc gäi lµ lµm râ c¬ së sù phô thuéc gi÷a
®¹i l-îng t¶i, c¸c chØ tiªu chÊt l-îng phôc vô vµ sè ®-êng, sè thiÕt bÞ
chuyÓn m¹ch vµ sè thiÕt bÞ ®iÒu khiÓn cÇn thiÕt ®Ó phôc vô t¶i yªu cÇu
®ã. Lý thuyÕt xö lý cuéc gäi dùa trªn c¸c quy luËt cña lý thuyÕt s¸c xuÊt
vµ dùa trªn nÒn t¶ng lµ lý thuyÕt phôc vô sè ®«ng.
7.2. T¶i vµ c-êng ®é t¶i
T¶i ®-îc hiÓu lµ tæng thêi gian mµ c¸c thuª bao chiÕm c¸c thiÕt bÞ thiÕt bÞ
m¹ng. ThiÕt bÞ mang t¶i trong c¸c tr-êng hîp khi nã tham gia vµo qu¸ tr×nh cña
cuéc nèi, nghÜa lµ khi x¶y ra viÖc chuÈn bÞ thiÕt bÞ cho cuéc gäi, khi cuéc gäi
diÔn ra vµ khi gi¶i to¶ cuéc gäi.
T¶i xuÊt hiÖn do ý muèn cña ng-êi gäi vµ sau ®ã ®-îc truyÒn tõ thiÕt bÞ
nµy ®Õn thiÕt bÞ kh¸c theo h-íng nèi ®Õn thuª bao bÞ gäi. T¶i xuÊt hiÖn
tõ c¸c thuª bao theo c¸c ®-êng d©y riªng, sau ®ã ®-îc kÕt hîp l¹i thµnh
dßng t¶i chung vµ ®-îc phôc vô bëi c¸c nhãm kªnh trung gian. ViÖc kÕt
hîp c¸c t¶i x¶y ra, vÝ dô, ë tÇng chuyÓn m¹ch tËp trung t¶i trong ph©n hÖ
øng dông cña c¸c tæng ®µi tù ®éng (mét sè tµi liÖu gäi lµ cÊp chän s¬
bé). Sau ®ã c¸c dßng t¶i qua c¸c thiÕt bÞ chuyÓn m¹ch cña tr-êng chuyÓn
m¹ch nhãm ®Ó ®-îc ph©n phèi ®Õn h-íng yªu cÇu vµ cuèi cïng lµ ®-îc
ph©n phèi ®Õn c¸c ®-êng d©y cña c¸c thuª bao bÞ gäi.
T¶i ®-îc t¹o bëi dßng c¸c b¸o gäi. NÕu thuª bao tiÕn hµnh c cuéc gäi,
chiÕm ®-êng d©y thuª bao c¸c kho¶ng thêi gian t1, t2, t3,…, tc, th× t¶i y cña ®-êng
thuª bao ®ã sÏ lµ:
y = t1+ t2+ t3+…+ tc
nh©n vµ chia vÕ ph¶i cña biÓu thøc trªn víi c ta ®-îc:
t1+ t2+ t3+…+ tc
y = c
c
= c
t1+ t2+ t3+…+ tc
trong ®ã  =
c
lµ thêi gian chiÕm trung b×nh mét lÇn gäi
NÕu  ®-îc tÝnh theo phÇn cña giê th× t¶i ®-îc tÝnh theo giê-gäi. T¶i tho¹i
còng cã thÓ ®-îc tÝnh theo phót-gäi hoÆc gi©y-gäi.
Khi tån t¹i nhãm nguån t¶i chøa N thuª bao, mçi thuª bao t¹o t¶i nh- nhau
th× t¶i chung cña nhãm ®ã sÏ lµ :
Y = yN = cN
NÕu tÊt c¶ c¸c b¸o gäi xuÊt hiÖn ®Õn mét thiÕt bÞ hoÆc nhãm kªnh nµo ®ã ®Òu
®-îc ®¸p øng b»ng c¸c kÕt nèi th× gi¸ trÞ t¶i xuÊt hiÖn ®ã ®-îc gäi lµ t¶i ®Õn
®èi víi thiÕt bÞ hoÆc nhãm kªnh ®ã. Gi¸ trÞ t¶i sÏ kh«ng thÓ g¾n kÕt víi sè
kªnh cña nhãm ®Ðn khi nµo nã kh«ng thiÕt lËp ®-îc kho¶ng thêi gian t¸c
®éng cña t¶i ®ã. VÝ dô, nÕu t¶i lµ 1 giê-gäi t¸c ®éng liªn tôc trong vßng 1 giê
th× nã cã thÓ ®-îc phôc vô chØ bëi 1 kªnh. Nh-ng víi cïng l-îng t¶i nh- vËy
ph©n bè ®Òu trong kho¶ng 0.1 giê th× cÇn 10 kªnh ®Ó phôc vô.
§Ó phèi hîp gi¸ trÞ t¶i tho¹i víi sè thiÕt bÞ hoÆch sè kªnh cÇn thiÕt ®Ó phôc vô
l-îng t¶i ®ã th× kh¸i niÖm C-êng ®é t¶i ®-îc ®-a ra. C-êng ®é t¶i ®-îc hiÓu
lµ tØ sè gi÷a gi¸ trÞ t¶i vµ kho¶ng thêi gian xem xÐt, nghÜa lµ gi¸ trÞ t¶i trung
b×nh trong thêi gian ®ã. §¬n vÞ ®o c-êng ®é t¶i lµ Erlang b»ng 1 giê-gäi
trong 1 giê. VÝ dô nÕu t¶i tho¹i lµ 2giê-gäi t¸c ®éng trong kho¶ng 0,5 giê th×
c-êng ®é t¶i lµ:
0 10 15 24
y
yc
yHH
T¶i,
giê-gäi
Giê trong ngµy
H×nh 7.1. Ph©n bè t¶i theo giê trong ngµy
2 : 0.5 = 4 Erl
C-êng ®é t¶i lµ ®¹i l-îng thay ®æi vµ phô thuéc vµo lo¹i thuª bao t¹o
ra t¶i tho¹i ®ã, phô thuéc vµo thêi ®iÓm mµ t¶i ®ã t¸c ®éng. C-êng ®é t¶i lµ
thay ®æi theo giê trong ngµy, theo ngµy trong tuÇn vµ theo mïa trong n¨m…
§Æc tÝnh c¸c thay ®æi ®ã phô thuéc vµo nhiÒu nguyªn nh©n.
HÇu hÕt trªn c¸c m¹ng c-êng ®é t¶i trong c¸c ngµy lµm viÖc th-êng
cao h¬n trong c¸c ngµy nghØ lÔ. §Æc biÖt c¸c thay ®æi cã quy luËt cña c-êng
®é t¶i x¶y ra theo giê trong ngµy. C¸c m¸y ®iÖn tho¹i trong c¸c c¬ quan, nhµ
m¸y, tr-êng häc th-êng t¹o t¶i cao vµo c¸c giê ban ngµy, cßn t¶i kh«ng ®¸ng
kÓ vµo ban ®ªm. C¸c m¸y ®Æt trong c¸c c¨n hé l¹i th-êng cã t¶i cao vµo c¸c
giê buæi chiÒu tèi. Ban ®ªm hÇu hÕt c¸c m¹ng cã c-êng ®é t¶i thÊp. Sù ph©n
bé t¶i theo c¸c giê trong ngµy nµo ®ã ®Õn tõ mét nhãm c¸c thuª bao cã thÓ
®-îc biÓu diÔn d-íi d¹ng ®å thÞ nh- trªn h×nh 7.1. Trong c¸c ngµy kh¸c ph©n
bè t¶i sÏ kh¸c ®i ®«i chót nh-ng
®Æc ®iÓm cña nã th× kh«ng thay
®æi. Bªn c¹nh ®ã, sù trïng lÆp
hoµn toµn c¸c ®-êng ph©n bè t¶i
cña 2 ngµy kh¸c nhau lµ hiÕm khi
x¶y ra v× sù ph¸t sinh t¶i ®-îc x¸c
®Þnh bëi hµng lo¹t c¸c yÕu tè kh¸c
nhau. Trªn h×nh7.1, phÇn g¹ch
xiªn t¸ch riªng mét giê trong
ngµy mµ giê ®ã cã c-êng ®é t¶i
cao nhÊt vµ ®-îc gäi lµ giê cao ®iÓm. Kh¸i niÖm giê cao ®iÓm cã ý nghÜa ®Æc
biÖt quan trong trong lý thuyÕt th«ng tin ®iÖn tho¹i v× c¸c tÝnh to¸n thiÕt bÞ
lu«n ®-îc tiÕn hµnh dùa trªn c-êng ®é t¶i cña giê cao ®iÓm. Giê cao ®iÓm lµ
thêi ®iÓm víi kho¶ng thêi gian liªn tôc trong vßng 1 giê mµ trong vßng 1 giê
cña thêi ®iÓm ®ã t¶i trung b×nh cña ®a sè c¸c ngµy lµ cùc ®¹i.
Tû sè cña gi¸ trÞ t¶i giê cao ®iÓm YHH sinh ra bëi nhãm nguån t¶i nµo
®ã víi gi¸ trÞ t¶i YC sinh ra còng bëi nhãm nguån t¶i ®ã trong vßng mét ngµy
®-îc gäi lµ hÖ sè tËp trung t¶i k
k = YHH : YC
HÖ sè k ®Æc tr-ng cho sù kh«ng ®ång ®Òu cña ph©n bè t¶i theo giê trong
ngµy. Theo lý thuyÕt k cã thÓ nhËn c¸c gi¸ trÞ tõ 1/24 (khi ph©n bè ®ång ®Òu) ®Õn
1 (khi toµn bé t¶i ngµy ®ªm ®Òu tËp trung vµo 1 giê. Thùc tÕ k th-êng nhËn c¸c
gi¸ trÞ tõ 0.07 ®Õn 0.2 vµ phô thuéc vµo c¸c ®Æc ®iÓm cña c¸c thuª bao trong
0 12 24
1
2
3
4
5
6
7
Y
y1
yHH1
y12
yHH12
y2
yHH2
Giê trong ngµy
H×nh 7.2 Minh ho¹ sù phô thuéc
ph©n bè t¶i vµ dung l-îng
nhãm
nhãm ®ã vµ ®é lín cña nhãm. Nhãm thuª bao cµng lín th× hÖ sè k cña nhãm ®ã
cµng nhá, nghÜa lµ t¶i do nã t¹o ra ph©n bè theo c¸c giê trong ngµy cµng ®Òu h¬n.
§Ó minh chøng cho ®iÒu nµy chóng ta cïng xem xÐt 2 nhãm cïng cã N thuª bao
nh- nhau. Gi¶ sö r»ng ®-êng ph©n bè t¶i theo c¸c giê trong mét ngµy nµo ®ã cña
tõng nhãm cã thÓ minh ho¹ b»ng c¸c
®-êng cong y1 vµ y2 nh- trªn h×nh 7.2.
Nhãm chung h×nh thµnh tõ 2 nhãm trªn
sÏ t-¬ng øng víi ®-êng cong y12
y12 = y1 + y2
C¸c hÖ sè tËp trung t¶i t-¬ng øng lµ
k1 = yHH1/ y1, k2 = yHH2/ y2,
k12 = yHH12/ y12 . Tõ ®å thÞ thÊy r»ng
yHH12 < (yHH1+ yHH2) vµ do ®ã k12 <k1 k12
<k2 . Tõ ®ã suy ra r»ng sù ph©n bè t¶i
theo thêi gian cña nhãm hîp thµnh ®ång
®Òu h¬n so víi ph©n bè t¶i cña tõng
nhãm nhá thµnh phÇn. V× sè kªnh cÇn
thiÕt ®Ó phôc vô trªn c¸c ®o¹n chung cña
tuyÕn tho¹i phô thuéc vµo t¶i trong giê cao ®iÓm vµ tû lÖ víi hÖ sè tËp trung
t¶i nªn khi thiÕt kÕ c¸c m¹ng ®iÖn tho¹i cÇn tæ chøc c¸c nhãm lín nguån sinh
t¶i (nhãm thuª bao).
Sù thay ®æi c-êng ®é t¶i trong kho¶ng giê cao ®iÓm kh«ng ®-îc tÝnh ®Õn bëi
hÖ sè tËp trung t¶i k. yHH lµ gi¸ trÞ t¶i trung b×nh t¸c ®éng trong vßng mét giê
cao ®iÓm, tuy nhiªn trong c¸c thêi
®iÓm riªng cña mét giê ®ã c-êng ®é
t¶i cã thÓ lín h¬n hoÆc nhá h¬n
yHH.Sù ph©n bè t¶i trong ph¹m vi
giê cao ®iÓm x¸c ®Þnh ®Æc tÝnh cña
dßng b¸o gäi.
7.3. Dßng c¸c b¸o gäi
vµ thêi gian chiÕm
Dßng c¸c b¸o gäi ®-îc x¸c ®Þnh bëi
c¸c thêi ®iÓm xuÊt hiÖn c¸c b¸o gäi
t0, t1, t2,… ,ti hoÆc c¸c kho¶ng thêi
t0 t1 t2 t3 t4 t5
T1 T2
T3 T4 T5
T2
1
2
3
4
5
6
v1
v2
v3 v4
v5
v6 v7 v8
v9 v10
t
t
 

C1 C2 C3
H×nh 7.3. Dßng cuéc gäi vµ c¸c tham sè
gian chiÕm T1, T2,… ,Ti cña c¸c kho¶ng gi÷a c¸c lÇn gäi kÕ tiÕp nhau ®-îc
chØ ra trªn h×nh 7.3. NÕu mçi b¸o gäi ®Òu ®-îc phôc vô ngay lËp tøc th× c¸c
thiÕt bÞ phôc vô sÏ bÞ chiÕm trong nh÷ng kho¶ng thêi gian 1, 2,… , i. C¸c
kho¶ng thêi gian Ti, i cã thÓ lµ c¸c gi¸ trÞ kh«ng ®æi hoÆc lµ c¸c gi¸ trÞ ngÉu
nhiªn liªn tôc.
NÕu c¸c gi¸ trÞ Ti ®-îc cho tr-íc th× dßng b¸o gäi ®-îc coi lµ ®-îc ®Þnh
tr-íc. C¸c dßng b¸o gäi nh- thÕ thùc tÕ kh«ng cã vµ kü thuËt th«ng tin tho¹i
lu«n cã liªn quan víi c¸c ®¹i l-îng ngÉu nhiªn liªn tôc.
Kho¶ng thêi gian i chiÕm thiÕt bÞ tho¹i tham gia vµo cuéc gäi còng lµ ®¹i
l-îng ngÉu nhiªn liªn tôc. Kho¶ng thêi gian chiÕm c¸c thiÕt bÞ ®iÒu khiÓn
tham gia vµo qu¸ tr×nh thùc hiÖn cuéc nèi trong ®a sè c¸c tr-êng hîp cã thÓ
coi lµ kh«ng ®æi.
Gi¸ trÞ trung b×nh cña c¸c ®¹i l-îng ngÉu nhiªn liªn tôc Ti vµ i ký hiÖu lµ T
vµ  t-¬ng øng. Ta chän kho¶ng thêi gian chiÕm trung b×nh  lµm ®¬n vÞ tÝnh
thêi gian. Trong mçi kho¶ng thêi gian b»ng  cã thÓ xuÊt hiÖn sè c¸c cuéc
gäi kh¸c nhau c1, c2,… ,ci (h×nh 3). Sè cuéc gäi ci xuÊt hiÖn trong kho¶ng  lµ
c¸c ®¹i l-îng ngÉu nhiªn rêi r¹c. Sè cuéc gäi trung b×nh xuÊt hiÖn trong
kho¶ng  b»ng c = /T ®-îc gäi lµ c-êng ®é dßng cuéc gäi.
§Æc ®iÓm cña dßng cuéc gäi ®-îc x¸c ®Þnh b»ng x¸c suÊt xuÊt hiÖn ®óng x
cuéc gäi trong kho¶ng thêi gian b»ng , cßn gi¸ trÞ cña dßng ®-îc x¸c ®Þnh
bëi c-êng ®é vµ tham sè  cña nã ( lµ tØ sè gi÷a x¸c suÊt xuÊt hiÖn dÉu chØ
mét cuéc gäi trong kho¶ng thêi gian t víi gi¸ trÞ cña kho¶ng thêi gian t ®ã khi
t0, nghÜa lµ
t
t
Px )
(
0


 0
t
lim
 . Tham sè dßng  cã thÓ diÔn gi¶i nh- sè
thêi ®iÓm xuÊt hiÖn c¸c b¸o gäi trong kho¶ng thêi gian chiÕm trung b×nh 
mµ kh«ng tÝnh ®Õn mét sè thêi ®iÓm cã thÓ xuÊt hiÖn kh«ng ph¶i lµ mét b¸o
gäi mµ lµ ®ång thêi 2 hoÆc vµi b¸o gäi.
§Ó gi¶i thÝch sù kh¸c nhau gi÷a tham sè dßng  vµ c-êng ®é c cÇn nhí r»ng
gi¸ trÞ c tÝnh tÊt c¶ c¸c b¸o gäi xuÊt hiÖn trong kho¶ng thêi gian  mµ kh«ng
phô thuéc vµo c¸c b¸o gäi ®ã xuÊt hiÖn ®ång thêi hay riªng rÏ, cßn gi¸ trÞ 
chØ tÝnh c¸c thêi ®iÓm xuÊt hiÖn c¸c b¸o gäi trong kho¶ng thêi gian ®ã, nghÜa
lµ mçi thêi ®iÓm chØ coi cã mét b¸o gäi xuÊt hiÖn. V× thÕ c.
§Ó ®¶m b¶o phôc vô lËp tøc c¸c b¸o gäi trong c¸c kho¶ng thêi gian kh¸c
nhau®ßi hái sè thiÕt bÞ phôc vô kh¸c nhau v1, v2,… ,vi. Suy ra sè thiÕt bÞ phôc
vô yªu cÇu vi lµ ®¹i l-îng ngÉu nhiªn rêi r¹c. Thùc tÕ sè thiÕt bÞ v®-îc trang
bÞ ®Ó phôc vô t¶i ®· cho lµ mét gi¸ trÞ kh«ng ®æi. ViÖc chän gi¸ trÞ ®ã lµ mét
träng tr¸ch, nã x¸c ®Þnh c¸c chØ sè kinh tÕ-chÊt l-îng cña toµn bé hÖ thèng
®iÖn tho¹i.
C¸c ®¹i l-îng ngÉu nhiªn ®-îc x¸c ®Þnh bëi x¸c suÊt c¸c gi¸ trÞ cña chóng vµ
c¸c ®Æc tÝnh thèng kª.
X¸c suÊt xuÊt hiÖn mét gi¸ trÞ ®Þnh tr-íc cña mét ®¹i l-îng ngÉu nhiªn ®-îc
gäi lµ tÇn sè t-¬ng ®èi mµ víi tÇn sè ®ã gi¸ trÞ nµy xuÊt hiÖn trong sè lÇn thö
v« tËn. Tõ ®ã, thùc tÕ chØ cÇn tiÕn hµnh sè lÇn thö h÷u h¹n ®Ó ®-a ra kh¸i
niÖm vÒ tÇn xuÊt cña sù kiÖn.
TÇn xuÊt ®-îc gäi lµ tÇn sè t-¬ng ®èi, mµ víi tÇn sè ®ã gi¸ trÞ cña ®¹i l-îng
ngÉu nhiªn sÏ xuÊt hiÖn trong sè lÇn thö cùc lín.
§Þnh luËt quan träng cña lý thuyÕt x¸c suÊt liªn quan ®Õn gi¸ trÞ x¸c suÊt víi
c¸c ®¹i l-îng tÇn xuÊt ®ã lµ ®Þnh luËt c¸c sè lín. Nã kh¼ng ®Þnh r»ng sè lÇn
thö cµng lín th× tÇn xuÊt cña sù kiÖn ngÉu nhiªn ®-îc xem xÐt cµng gÇn víi
x¸c suÊt cña nã. X¸c suÊt cña sù kiÖn ®· cho lµ mét ®¹i l-îng kh«ng ®æi, nã
cã thÓ nhËn c¸c gi¸ trÞ tõ 0 ®Õn 1, cßn tÇn xuÊt lµ sè thay ®æi víi giíi h¹n
b»ng x¸c suÊt.
Trong kü thuËt ®iÖn tho¹i c¸c b¸o gäi vµ chiÕm c¸c thiÕt bÞ tho¹i lµ c¸c “sù
kiÖn ®¸m ®«ng”, sè c¸c sù kiÖn ®ã rÊt lín, do ®ã cã thÓ cho rµng tÇn xuÊt c¸c
sù kiÖn nµy ®-îc ®Æc tr-ng tèt bëi x¸c suÊt cña chóng ®-îc x¸c ®Þnh b»ng lý
thuyÕt. §¹i l-îng ngÉu nhiªn rêi r¹c hoµn toµn ®-îc dÆc tr-ng bëi c¸c x¸c
suÊt cña nã. §¹i l-îng ngÉu nhiªn liªn tôc ®-îc x¸c ®Þnh bëi mËt ®é x¸c suÊt,
nghÜa lµ bëi x¸c suÊt c¸c gi¸ trÞ cña nã n»m trong c¸c giíi h¹n x¸c ®Þnh.
§èi víi c¸c ®¹i l-îng ngÉu nhiªn liªn tôc xem xÐt hµm ph©n bè F(X)=
P(Xx), nghÜa lµ x¸c suÊt ®¹i l-îng ngÉu nhiªn X sÏ cã gi¸ trÞ kh«ng v-ît
qu¸ mét ®¹i l-îng x quan t©m nµo ®ã. NÕu hµm ph©n bè F(X) ®· biÕt th× mËt
®é x¸c suÊt ®-îc x¸c ®Þnh b»ng hiÖu cña c¸c gi¸ trÞ cña hµm F(X) t¹i 2 gi¸ trÞ
x1 vµ x2 giíi h¹n trong vïng gi¸ trÞ cña ®¹i l-îng ngÉu nhiªn.
§èi víi ®¹i l-îng ngÉu nhiªn rêi r¹c hµm ph©n bè lµ tæng c¸c x¸c suÊt cña tÊt
c¶ c¸c gi¸ trÞ cña ®¹i l-îng ®ã, kh«ng v-ît qu¸ gi¸ trÞ x x¸c ®Þnh. Hµm nµy
®-îc gäi lµ hµm tÝch luü cña ®¹i l-îng ngÉu nhiªn rêi r¹c.
C¸c ®Æc tÝnh thèng kª cña ®¹i l-îng ngÉu nhiªn lµ c¸c momen thèng kª cña
nã. Ph©n biÖt c¸c momen ban ®Çu vµ c¸c momen trung t©m. Kú väng to¸n
häc M(x) ®-îc gäi lµ momen ban ®Çu bËc nhÊt, vµ ph-¬ng sai D(X) ®-îc
gäi lµ momen trung t©m bËc hai ®ãng vai trß quan träng.
Kú väng to¸n häc M(x) cña ®¹i l-îng ngÉu nhiªn b»ng tæng c¸c tÝch cña mçi
gi¸ trÞ xi víi x¸c suÊt p(xi) cña gi¸ trÞ ®ã, nghÜa lµ M(x)= 
i
i
i x
p
x )
( . VÒ l-îng
kú väng to¸n häc b»ng gi¸ trÞ trung b×nh sè häc cña ®¹i l-îng ngÉu nhiªn.
Ph-¬ng sai cña ®¹i l-îng ngÉu nhiªn b»ng tæng c¸c tÝch b×nh ph-¬ng chªnh
lÖch gi÷a gi¸ trÞ ®¹i l-îng ngÉu nhiªn vµ kú väng to¸n häc víi x¸c suÊt cña
gi¸ trÞ t-¬ng øng cña ®¹i l-îng ngÉu nhiªn, nghÜa lµ
D(x)=  
  )
(
)
(
2
i
i x
p
X
M
x .
Ph-¬ng sai ®Æc tr-ngcho møc ®é ph©n bè kh«ng ®Òu c¸c gi¸ trÞ cña®¹i l-îng
ngÉu nhiªn.
Dßng c¸c b¸o gäi kÕ tiÕp c¸c b¸o gäi chiÕm c¸c thiÕt bÞ phôc vô vµ c¸c thêi
®iÓm kÕt thóc c¸c chiÕm nµy lµ c¸c qu¸ tr×nh ngÊu nhiªn, kÕt qu¶ cña chóng
trong c¸c kho¶ng thêi gian kh¸c nhau t¹o nªn c¸c tr¹ng th¸i cña hÖ thèng
phôc vô víi sè c¸c thiÕt bÞ bÞ chiÕm kh¸c nhau v1, v2,… ,vi.
Qu¸ tr×nh ngÉu nhiªn mµ trong ®ã c¸c ®èi sè ®éc lËp lµ thêi gian ®-îc gäi lµ
ñòîõàòè÷åñêèé qu¸ tr×nh ngÉu nhiªn t. Qu¸ tr×nh ngÉu nhiªn t trong hÖ
thèng ®iÖn tho¹i cã thÓ x¶y ra mét c¸ch ®a d¹ng tuú thuéc vµo ®iÒu kiÖn ph¸t
sinh b¸o gäi, sù t¹o thµnh vµ kÕt thóc cuéc gäi. Ng-êi ta ph©n chia c¸c qu¸
tr×nh ngÉu nhiªn t æn ®Þnh ñòàöèîíàðíûé vµ kh«ng æn ®Þnh íå
ñòàöèîíàðíûé, cã ïîñëåäñòâèå hoÆc kh«ng cã hÖ qu¶, th«ng th-êng
hoÆc kh«ng îðäèíàðíûé.
TÝnh chÊt æn ®Þnh nghÜa lµ c¸c x¸c suÊt xuÊt hiÖn cña mét sù kiÖn x¸c ®Þnh
trong kho¶ng thêi gian xem xÐt chØ phô thuéc vµ ®é dµi cña kho¶ng thêi gian
®ã vµ kh«ng phô thuéc vµo vÞ trÝ cña kho¶ng thêi gian ®ã trªn trôc thêi gian.
Trong tr-êng hîp ng-îc l¹i th× qu¸ tr×nh sÏ trë thµnh bÊt æn ®Þnh.
TÝnh kh«ng g©y hÖ qu¶ ®-îc hiÓu nh- tÝnh ®éc lËp t-¬ng hç cña c¸c sù kiÖn
t¹o nªn qu¸ tr×nh. C¸c qu¸ tr×nh, mµ ®èi víi chóng, trong mét tr¹ng th¸i cho
tr-íc cña hÖ thèng, t¹i thêi ®iÓm ®ang xÐt c¸c tr¹ng th¸i tiÕp theo cña hÖ
thèng kh«ng phô thuéc vµo c¸c tr¹ng th¸i ®· x¶y ra tr-íc ®ã, ®-îc gäi lµ c¸c
qu¸ tr×nh Mac-kèp, cßn ®èi víi c¸c hÖ thèng víi c¸c tr¹ng th¸i rêi r¸c th× c¸c
qu¸ tr×nh ®ã ®-îc gäi lµ c¸c chuçi Mac-kèp.
§èi víi c¸c qu¸ tr×nh Mac-kèp x¸c suÊt Wi(t+t) sao cho t¹i thêi ®iÓm (t+t)
hÖ thèng n»m trong tr¹ng th¸i i, nÕu t¹i thêi ®iÓm t hÖ thèng n»m trong tr¹ng
th¸i j víi x¸c suÊt Wj(t) b»ng Wi(t+t) = WjPji(t), trong ®ã Pji(t) lµ x¸c
suÊt chuyÓn dÞch hÖ thèng tõ tr¹ng th¸i j ®Õn tr¹ng th¸i i trong kho¶ng thêi
gian (t).
Qu¸ tr×nh ®-îc gäi lµ th«ng th-êng khi mµ trong hÖ thèng trong kho¶ng thêi
gian t x¸y ra kh«ng qu¸ mét sù kiÖn lµm thay ®æi tr¹ng th¸i cña hÖ thèng.
TÝnh chÊt nµy ®-îc ký hiÖu b»ng 0(t), nghÜa lµ x¸c suÊt ®ång thêi xuÊt hiÖn
qu¸ mét thay ®æi cña hÖ thèng trong kho¶ng thêi gian t lµ rÊt nhá so víi x¸c
suÊt cña chØ mét thay ®æi.
C¸c quan s¸t lÆp cho thÊy lµ c¸c qu¸ tr×nh, mµ x¶y ra trong giê cao ®iÓm
trong hÖ thèng ®iÖn tho¹i cã sè l-îng thuª bao lín c¸c b¸o gäi ®-îc phôc vô
ngay lËp tøc, cã thÓ ®-îc coi lµ c¸c qu¸ tr×nh æn ®Þnh, th«ng th-êng kh«ng hÖ
qu¶. Trong nh÷ng giê ®ã hÖ thèng ®iÖn tho¹i n»m trong tr¹ng th¸i cña qu¸
tr×nh c©n b»ng tÜnh, trong tr¹ng th¸i nµy trong vßng mçi kho¶ng thêi gian
kh«ng lín sè c¸c b¸o gäi xuÊt hiÖn b»ng víi sè thiÕt bÞ phôc vô ®-îc gi¶i
phãng.
C¸c tr¹ng th¸i cña hÖ thèng ®iÖn tho¹i ®-îc ®Æc tr-ng bëi sè c¸c thiÕt bÞ phôc
vô bÞ chiÕm ®ång thêi t¹o nªn qu¸ tr×nh ngÉu nhiªn t , ®Õn l-ît m×nh qu¸ tr×nh
nµy phô thuéc vµo 2 qu¸ tr×nh ngÉu nhiªn t kh¸c, ®ã lµ dßng b¸o gäi ph¸t sinh
vµ dßng cuéc gäi kÕt thóc. §Æc tÝnh cña dßng b¸o gäi ph¸t sinh phô thuéc vµo
sè l-îng vµ thãi quen cña nhãm thuª bao lµ c¸c nguån sinh t¶i vµ phô thuéc
vµo ph¶n øng cña c¸c thiÕt bÞ phôc vô ®èi víi c¸c b¸o gäi ®ã. §Æc tÝnh cña
dßng cuéc gäi kÕt thóc phô thuéc vµo ®Æc tÝnh cña dßng b¸o gäi ph¸t sinh,
ph¶n øng cña hÖ thèng phôc vô ®èi víi c¸c b¸o gäi vµ phô thuéc vµo ®é dµi
chiÕm c¸c thiÕt bÞ phôc vô.
Trong lý thuyÕt th«ng tin ®iÖn tho¹i nghiªn cøu møc ®é ®a d¹ng cña c¸c dßng
b¸o gäi cã ý nghÜa ®Æc biÖt to lín trong kü thuËt ®iÖn tho¹i. Chóng bao gåm
dßng ®¬n gi¶n nhÊt, c¸c dßng víi hÖ qu¶ ®¬n gi¶n vµ c¸c dßng víi hÖ qu¶ h¹n
chÕ.
Dßng ®¬n gi¶n nhÊt cã ý nghÜa quan träng nhÊt. §èi víi dßng nµy ®a sè c¸c
ph-¬ng ph¸p tÝnh to¸n c¸c thiÕt bÞ phôc vô ®· ®-îc ®-a ra. Dßng b¸o gäi ®¬n
gi¶n nhÊt gäi lµ qu¸ tr×nh ngÉu nhiªn t ñòîõàòè÷åñêèé xuÊt hiÖn c¸c b¸o
gäi, mµ qu¸ tr×nh ®ã cã c¸c tÝnh chÊt æn ®Þnh, th«ng th-êng vµ kh«ng hÖ qu¶.
§èi víi dßng nµy hÖ qu¶ cña tÝnh th«ng th-êng cña nã c-êng ®é c b»ng tham
sè  vµ ph©n bè c¸c b¸o gäi theo thêi gian tu©n thñ ®Þnh luËt Puassona mµ
theo ®ã x¸c suÊt xuÊt hiÖn cña ®óng x b¸o gäi trong kho¶ng thêi gian t sÏ lµ :
Px(t) = t
x
e
x
t 
 
!
)
(
(7.1)
VÝ dô, ph©n bè x¸c suÊt xuÊt hiÖn
®óng x b¸o gäi trong thêi gian chiÕm
trung b×nh  khi  = c = 2 ®-îc cho
d-íi d¹ng c¸c ®iÓm trªn ®-êng cong
trªn h×nh 7.4.
Tõ biÓu thøc (7.1) suy ra x¸c suÊt
kh«ng cã b¸o gäi trong kho¶ng thêi
gian t ®èi víi dßng ®¬n gi¶n nhÊt
b»ng
P0(t) = ët
e
(7.2)
Gi¸ trÞ nµy cã thÓ bµn luËn còng gièng nh- x¸c suÊt r»ng kho¶ng thêi gian
gi÷a c¸c b¸o gäi sÏ lín h¬n t. Khi ®ã hµm ph©n bè c¸c ®é dµi cña c¸c kho¶ng
thêi gian gi÷a c¸c b¸o gäi cña dßng ®¬n gi¶n nhÊt sÏ b»ng
P(Tit) = 1- ët
e
(7.3)
B»ng ®å thÞ c¸c hµm (7.2) vµ (7.3) ®-îc thÓ hiÖn trªn h×nh 7.5
Dßng ®¬n gi¶n nhÊt cã tÝnh chÊt ecgodic
mµ b¶n chÊt cña nã lµ ë chç x¸c suÊt Px(t),
mét mÆt cã thÓ xem nh- c¸c phÇn thêi gian
trªn kho¶ng thêi gian lín mµ trong vßng
kho¶ng thêi gian ®ã hÖ thèng ®ang ®-îc
xem xÐt n»m trong tr¹ng th¸i x, mÆt kh¸c
l¹i cã thÓ xem nh- mét phÇn cña c¸c hÖ
thèng gièng nhau, trong ®ã ®ång thêi xuÊt
hiÖn x b¸o gäi trong kho¶ng thêi gian t,
thªm vµo ®ã sè chung c¸c hÖ thèng xem
xÐt rÊt lín.
TÝnh chÊt ecgodic cã thÓ m« t¶ ng¾n gän lµ : Gi¸ trÞ trung b×nh theo thêi gian
®èi víi mçi hÖ thèng b»ng gi¸ trÞ trung b×nh theo tæng thÓ ®èi víi tËp hîp c¸c
0.1
0.2
Px(t)
0 1 2 3 4 5 6
H×nh 7.4. VÝ dô minh ho¹
x
P
0.8
0.6
0.4
0.2
1 2 3 t

P(Tt)
P0(t)
P(t)
H×nh 7.5 §å thÞ minh ho¹
hÖ thèng. VÝ dô, nÕu khi quan s¸t c¸c ®-êng d©y cña sè Ýt c¸c thuª bao tõ mét
nhãm thuª bao lín trong ®a sè c¸c giê cao ®iÓm x¸c ®Þnh ®-îc mét sè trung
b×nh nµo ®ã c¸c cuéc gäi ph¸t sinh tõ c¸c thuª bao trong giê cao ®iÓm th×
còng sè trung b×nh ®ã sÏ nhËn ®-îc c¶ trong tr-êng hîp nÕu quan s¸t tÊt c¶
c¸c ®-êng d©y thuª bao cña nhãm ®ã trong kho¶ng thêi gian cña mét giê cao
®iÓm.
Mét trong c¸c dÊu hiÖu cña dßng ®¬n gi¶n nhÊt lµ sù b»ng nhau cña kú väng
to¸n häc M(C) vµ ph-¬ng sai sè c¸c b¸o gäi D(C) cña dßng nµy, nghÜa lµ
M(C) = D(C), tuy nhiªn cÇn nhí r»ng ®¬n vÞ ®o cña c¸c ®¹i l-îng nµy lµ kh¸c
nhau.
Thùc tÕ c¸c dßng ®¬n gi¶n nhÊt cã vai trß trong c¸c tr-êng hîp khi sè l-îng
thuª bao lín vµ c¸c b¸o gäi ®-îc phôc vô lËp tøc. Dßng ®¬n gi¶n nhÊt cã thÓ
xem xÐt nh- tæng sè lín c¸c dßng æn ®Þnh th«ng th-êng nhá. Khi kÕt hîp vµ
ph©n chia c¸c dßng ®¬n gi¶n nhÊt còng t¹o thµnh c¸c dßng ®¬n gi¶n nhÊt.
Trong c¸c tr-êng hîp nµy chØ c-êng ®é c¸c dßng bÞ th©y ®æi.
C¸c dßng mµ tÝnh chÊt cña chóng phô thuéc vµo tr¹ng th¸i cña hÖ thèng phôc
vô gäi lµ c¸c dßng víi hÖ qu¶ ®¬n gi¶n ñ ïðîñòûì ïîñëåäñòâèåì. Tõ c¸c
dßng víi hÖ qu¶ ®¬n gi¶n th× dßng nguyªn thuû (s¬ khai ïðèìèòèâíûé) cã
ý nghÜa thùc tiÔn lín nhÊt. Dßng mµ c-êng ®é cña nã phô thuéc tuyÕn tÝnh
vµo sè c¸c nguån b¸o gäi bËn gäi lµ dßng nguyªn thuû víi hÖ qu¶ ®¬n gi¶n
nhÊt. NÕu c-êng ®é dßng t¹o bëi mçi nguån t¶i b»ng  th× ®èi víi dßng ®¬n
gi¶n nhÊt t¹o bëi N nguån, c-êng ®é dßng nhËn b»ng  = N. Tuy nhiªn khi
®ã kh«ng tÝnh ®Õn r»ng c¸c nguån b¸o gäi ®-îc ®¸p øng b»ng kÕt nèi kh«ng
thÓ t¹o b¸o gäi trong thêi gian bËn (thêi gian ®ang trong kÕt nèi). NÕu ®iÒu
nµy ®-îc tÝnh ®Õn th× c-êng ®é cña dßng sÏ thay ®æi phô thuéc vµo sè nguån
bÞ bËn theo ®Þnh luËt :
 = (N-i) (7.4)
§iÒu ®ã còng ph©n biÖt dßng nguyªn thuû víi dßng ®¬n gi¶n nhÊt. V× vËy
dßng nguyªn thuûph¶n ¸nh tr¹ng th¸i hÖ thèng chÝnh x¸c h¬n so víi dßng
®¬n gi¶n nhÊt. §é thiÕu chÝnh x¸c cho phÐp khi gi¶ sö r»ng dßng thùc lµ dßng
®¬n gi¶n nhÊt phô thuéc vµo t-¬ng quan c¸c ®¹i l-îng i vµ N. Thùc tÕ c¸c
dßng ®-îc coi lµ ®¬n gi¶n nhÊt chØ khi c¸c gi¸ trÞ N lín vµ c¸c gi¸ trÞ i t-¬ng
®èi nhá, kÕt qu¶ lµ ®é thiÕu chÝnh x¸c dao ®éng hÇu nh- nhá. Nã cã thÓ bá
qua khi N>(50100).
Phô thuéc tuyÕn tÝnh (nghÜa lµ nguyªn thuû nhÊt) gi÷a i vµ i ®-îc x¸c ®Þnh
theo biªu thøc (7.4), sö dông lµm c¬ së ®èi víi tªn gäi dßng nguyªn thuû.
Dßng æn ®Þnh th«ng th-êng víi c¸c kho¶ng t-¬ng t¸c ®éc lËp gi÷a c¸c b¸o
gäi mµ ph©n bè cña chóng lµ ngÉu nhiªn ®-îc gäi lµ dßng víi hÖ qu¶ h¹n chÕ.
HÖ qu¶ h¹n chÕ trong c¸c dßng nµy ®-îc hiÓu víi nghÜa lµ sù xuÊt hiÖn b¸o
gäi t¹i thêi ®iÓm t nµo ®ã g©y ra ¶nh h-ëng tíi c¸c x¸c suÊt nhËn ®-îc b¸o
gäi trong kho¶ng thêi gian trùc tiÕp ngay sau thêi ®iÓm t ®ã.
Dßng víi hÖ qu¶ h¹n chÕ ®-îc gäi lµ dßng Panma. C¸c tr-êng hîp quan träng
nhÊt xuÊt hiÖn thùc tÕ cña c¸c dßng nh- vËy lµ c¸c dßng b¸o gäi ®-îc chuyÓn
m¹ch qua c¸c cÊp chän vµ tæn thÊt trªn chïm kªnh mµ dßng ®¬n gi¶n nhÊt
xuÊt hiÖn. NÕu trªn chïm kªnh xuÊt hiÖn dßng b¸o gäi ®¬n gi¶n nhÊt th× dßng
®ã t¸c ®éng chØ trªn kªnh ®Çu tiªn cña chïm kªnh. Kªnh thø hai vµ c¸c kªnh
kh¸c cña chïm sÏ xuÊt hiÖn dßng Panma. Còng cïng ®Æc tÝnh nh- thÕ cã ë
dßng b¸o gäi bÞ tæn thÊt bëi chïm kªnh ®· cho vµ ®-îc gäi lµ dßng d- ®èi víi
chïm ®ã. NÕu trªn kªnh ®Çu tiªn xuÊt hiÖn dßng b¸o gäi ®¬n gi¶n nhÊt, mµ
®èi víi nã kú väng to¸n häc cña c-êng ®é b»ng ph-¬ng sai vÒ sè, nghÜa lµ
M(C) = D(C) th× trªn c¸c kªnh cßn l¹i sÏ t¸c ®ång c¸c dßng mµ ®èi víi chóng
M(C) < D(C), nghÜa lµ c¸c dßng sÏ Ýt ®Òu h¬n so víi dßng ®¬n gi¶n nhÊt. NÕu
t¨ng sè l-îng kªnh th× bÊt ®¼ng thøc nµy còng sÏ t¨ng, nghÜa lµ sè kªnh cµng
lín th× dßng t¸c ®éng ®Õn mét kªnh sÏ kh«ng ®ång ®Òu. C¸c dßng d- ®-îc
nghiªn cøu bëi Vinkinson.
NÕu sè kªnh cña chïm kh«ng h¹n chÕ th× dßng b¸o gäi ®-îc chuyÓn qua
chïm ®ã vµ xuÊt hiÖn ë cÊp chän tiÕp theo sÏ còng gièng nh- dßng ®· xuÊt
hiÖn ë cÊp chän tr-íc ®ã. Trong tr-êng hîp khi sè kªnh cña chïm lµ h¹n chÕ
th× dßng ®-îc chuyÓn qua sÏ còng gièng nh- dßng ®· t¸c ®éng chØ tíi khi sè
b¸o gäi xuÊt hiÖn sau thêi gian chiÕm trung b×nh  kh«ng v-ît qua sè kªnh
cña chïm. Khi tÊt c¶ c¸c kªnh cña chïm ®· bÞ chiÕm th× c¸c b¸o gäi tiÕp theo
sÏ kh«ng thÓ qua ®-îc cÊp chän ®Çu tiªn vµ trªn ®Çu vµo cÊp chän tiÕp sau t¹i
thê ®iÓm ®ã sÏ cã cu-êng ®é t¶i kh«ng ®æi. V× vËy, nÕu trªn ®Çu vµo cña cÊp
chän tr-íc t¸c ®éng dßng ®¬n gi¶n nhÊt víi M(C)= D(C), th× khi h¹n chÕ sè
kªnh cña chïm, trªn ®Çu vµo cÊp chän tiÕp theo sÏ t¸c ®éng dßng t¶i ®ång
®Òu h¬n víi M(C) > D(C). Khi cïng mét c-êng ®é dßng t¶i trªn ®Çu vµo cña
cÊp chän tr-íc th× dßng t¶i trªn ®Çu vµo cña cÊp chän sau sÏ ®ång ®Òu h¬n
nÕu cµng Ýt sè kªnh trong chïm kªnh. V× vËy c¸c dßng b¸o gäi ®-îc cho qua
c¸c cÊp chän ®-îc gäi lµ c¸c dßng ®-îc lµm ®ång ®Òu (san ph¼ng). Dßng
®-îc san ph¼ng lµ tr-êng hîp riªng cña cña c¸c dßng h¹n chÕ hÖ qu¶. Kh¸i
niÖm vÒ c¸c dßng kh¸c nhau trong c¸c ®iÒu kiÖn thùc tÕ ®-îc chØ ra trªn h×nh
7.6.
Dßng c¸c thêi ®iÓm kÕt thóc cuéc gäi cã thÓ cã ®Æc tÝnh kh¸c nhau phô thuéc
vµo ph©n bè ®é dµi c¸c cuéc gäi. NÕu ®é dµi c¸c cuéc gäi lµ h»ng sè th×
kh«ng cã ý nghÜa cho c¸c thiÕt bÞ ®iÒu khiÓn (c¸c thanh ghi, c¸c bé ph©n phèi
®iÒu khiÓn –Marker), vµ nÕu sè c¸c thiÕt bÞ phôc vô kh«ng h¹n chÕ th× dßng
c¸c thêi ®iÓm kÕt thóc c¸c cuéc gäi còng ®óng nh- dßng b¸o gäi. NÕu ®é dµi
c¸c cuéc gäi kh«ng lµ h»ng sè hoÆc sè thiÕt bÞ phôc vô nhá h¬n sè c¸c nguån
sinh t¶i th× dång c¸c thêi ®iÓm kÕt thóc c¸c cuéc gäi sÏ kh¸c víi dßng b¸o
gäi.
H×nh 7.6. Kh¸i niÖm vÒ c¸c dßng b¸o gäi kh¸c nhau
C¸c quan s¸t lÆp cho thÊy r»ng hµm ph©n bè ®¹i l-îng ngÉu nhiªn  ®¹i diÖn
cho ®é dµi chiÕm c¸c thiÕt bÞ tham gia vµo cuéc gäi, nghÜa lµ x¸c suÊt thêi
gian chiÕm kh«ng lín h¬n t, tu©n thñ theo quy luÊt hµm mò vµ ®-îc x¸c ®Þnh
b»ng biÓu thøc :
F() = P(t) = 1 - e ô
t

(7.5)
Trong ®ã  - thêi gian chiÕm trung b×nh. NÕu  ®-îc dïng ®Ó lµm ®¬n vÞ tÝnh
thêi gian hiÖn hµnh t th× biÓu thøc trªn cã thÓ viÕt d-íi d¹ng :
F() = 1 – e-t
(7.6)
Sù phô thuéc nµy ®-îc thÓ hiÖn trªn h×nh 5
N > 50100
thuª bao
N < 50100
thuª bao
C¸c nhãm nguån
sinh t¶i Dßng ®¬n gi¶n nhÊt
dßng Puasona
Dßng nguyªn thuû
dßng Engseta
Bé
chän
Bé
chän
CÊp chän Dßng san ph¼ng
Dßng d-
C¸c dßng
Palma
C¸c B¸o gäi ®i qua
cÊp chän b»ng sè kªnh
V<N
C¸c B¸o gäi bÞ mÊt do
sè kªnh cña chïm
V<N
NÕu dßng b¸o gäi lµ ®¬n gi¶n nhÊt, mµ ®èi víi nã c¸c kho¶ng thêi gian gi÷a
c¸c b¸o gäi ®-îc ph©n bè d¹ng hµm mò vµ ®é dµi cuéc gäi cã ph©n bè d¹ng
hµm mò th× dßng kÕt thóc cuéc gäi còng sÏ lµ mét ®¹i l-îng ngÉu nhiªn ,
nghÜa lµ c¸c thêi gian (chiÕm, ®îi, …) kh«ng v-ît qu¸ gi¸ trÞ t, sÏ kh«ng phô
thuéc thêi gian ®· kÐo dµi bao l©u tõ thêi ®iÓm b¾t ®Çu ®Õn thêi ®iÓm ®ang
xÐt.
7.4 C¸c hÖ thèng phôc vô cuéc gäi
Mét b¸o gäi bÊt kú xuÊt hiÖn tõ thuª bao ®-îc phôc vô ngay lËp tøc. Mét sè
b¸o gäi kh¸c nhËn ®-îc sù tõ chèi phôc vô hoÆc bÞ phôc vô sau kho¶ng thêi
gian gi÷ chËm do hËu qu¶ ®ang bÞ bËn cña c¸c kªnh trung gian, c¸c thiÕt bÞ
®iÒu khiÓn hoÆc cña thuª bao bÞ gäi. Sè l-îng c¸c thiÕt bÞ ®iÖn tho¹i ®-îc tÝnh
to¸n sao cho chÊt l-îng phôc vô t-¬ng ®èi tèt ®-îc ®¶m b¶o bëi chi phÝ nhá
nhÊt cho c¸c thiÕt bÞ nµy. Sè c¸c b¸o gäi ph¶i nhËn tõ chèi phôc vô t¹i cÊp
chän thuª bao (chän ®-êng d©y) th-êng lµ lín h¬n so víi trªn c¸c cÊp chän
kh¸c. §Ó gi¶m sè b¸o gäi bÞ tõ chèi ®ã cÇn t¨ng mËt ®é tho¹i, nghÜa lµ t¨ng
tæng sè m¸y ®iÖn tho¹i phôc vô ®èi t-îng ®ang ®-îc xem xÐt. Khi ®ã mçi
m¸y ®iÖn tho¹i sÏ bÞ chiÕm Ýt h¬n vµ sè tõ chèi sÏ ®-îc gi¶m. Kh¸i niÖm mËt
®é tho¹i ®-îc hiÓu lµ tû lÖ sè m¸y ®iÖn tho¹i phôc vô cho 100 d©n.
Tuú thuéc vµo ho¹t ®éng cña c¸c thiÕt bÞ tho¹i trong thêi ®iÓm kh«ng cã kh¶
n¨ng phôc vô b¸o gäi tøc thêi c¸c hÖ thèng phôc vô ®-îc ph©n chia thµnh hÖ
thèng víi tæn thÊt hiÓn nhiªn, hÖ thèng víi tæn thÊt h×nh thøc vµ hÖ thèng
tæn thÊt phøc hîp.
HÖ thèng phôc vô ®-îc gäi lµ hÖ thèng víi tæn thÊt hiÓn nhiªn (nã th-êng
®-îc gäi lµ hÖ thèng tæn thÊt ®¬n gi¶n) nÕu khi bËn tÊt c¶ c¸c thiÕt bÞ phôc
vô th× thuª bao chñ gäi tiÕp theo sÏ nhËn ®-îc tÝn hiÖu “b¸o bËn” vµ nã buéc
ph¶i kÕt thóc ngay cuéc gäi ®ã.
HÖ thèng phôc vô ®-îc gäi lµ hÖ thèng víi tæn thÊt h×nh thøc (nã th-êng
®-îc gäi lµ hÖ thèng cã chê) nÕu khi bËn tÊt c¶ c¸c thiÕt bÞ phôc vô th× thuª
bao chñ gäi tiÕp theo sÏ chê gi¶i phãng c¸c thiÕt bÞ ®ã sau ®ã nã sÏ nhËn ®-îc
sù phôc vô. Mét d¹ng ®Æc biÖt cña c¸c hÖ thèng cã chê lµ hÖ thèng khai th¸c
c¸c kªnh liªn tØnh ®Æt tr-íc, trong ®ã tÊt c¶ c¸c cuéc gäi ®Òu chê kÕt nèi.
Trong c¸c hÖ thèng cã chê ¸p dông hai ph-¬ng thøc phôc vô – theo thø tù
xuÊt hiÖn b¸o gäi hoÆc theo thø tù ngÉu nhiªn.
HÖ thèng phôc vô ®-îc gäi lµ hÖ thèng tæn thÊt phøc hîp nÕu khi bËn tÊt c¶
c¸c thiÕt bÞ phôc vô th× h×nh thøc phôc vô chê ®-îc ¸p dông nh-ng sè b¸o gäi
chê phôc vô bÞ giíi h¹n. Trong hÖ thèng nµy trong tr-êng hîp c¸c thiÕt bÞ
phôc vô bÞ bËn mét bé phËn c¸c b¸o gäi chê xÕp trong hµng ®îi phôc vô, c¸c
b¸o gäi xuÊt hiÖn tiÕp sau khi kh«ng cßn chç trong hµng ®îi sÏ bÞ tæn thÊt (bÞ
tõ chèi phôc vô).
Trong ho¹t ®éng cña c¸c thiÕt bÞ víi tæn thÊt hiÓn nhiªn th× chØ sè vÒ chÊt
l-îng phôc vô lµ hÖ sè tæn thÊt. C¸c kh¸i niÖm kh¸c nhau vÒ hÖ sè tæn thÊt
®-îc ph©n biÖt nh- sau:
HÖ sè tæn thÊt theo b¸o gäi
pg =
c
ctt
trong ®ã: ctt – Sè b¸o gäi bÞ tæn thÊt trong giê cao ®iÓm do bÞ bËn c¸c kªnh trung
gian
c - Tæng sè b¸o gäi xuÊt hiÖn trong kho¶ng thêi gian ®ã tõ c¸c
nguån sinh t¶i
HÖ sè tæn thÊt theo t¶i
pm =
Y
Y
Y i

trong ®ã: Y – T¶i xuÊt hiÖn trong giê cao ®iÓm
Yi- T¶i ®-îc ®i qua trong kho¶ng thêi gian ®ã
Trong ho¹t ®éng cña thiÕt bÞ phôc vô víi tæn thÊt hiÓn nhiªn t¶i xuÊt hiÖn Y
®-îc chia thµnh T¶i ®-îc ®i quaYi (t¶i nµy ®-îc phôc vô tøc thêi vµ ®-îc cho
qua) vµ t¶i bÞ tæn thÊt Ytt, Ytt = Y - Yi, t¶i nµy kh«ng chiÕm thiÕt bÞ phôc vô.
HÖ sè tæn thÊt theo thêi gian
pt =
t
tb
trong ®ã: tb- Mét phÇn cña giê cao ®iÓm mµ trong kho¶ng thêi gian ®ã tÊt c¶ c¸c
thiÕt bÞ phôc vô ®Òu bÞ bËn
t – §é dµi cña giê cao ®iÓm ®-îc dïng lµm ®¬n vÞ thêi gian, hÖ qu¶
lµ pt = tb , trong ®ã tb ®-îc biÓu diÔn trong phÇn cña giê
Kho¶ng thêi gian tb ®-îc gäi lµ thêi gian nguy hiÓm, trong kho¶ng thêi gian
®ã cã thÓ xuÊt hiÖn c¸c b¸o gäi mµ chóng sÏ kh«ng ®-îc phôc vô. Khi tån t¹i
dßng b¸o gäi ®¬n gian nhÊt (nghÜa lµ trong ®a sè tr-êng hîp gÆp trong kü
thuËt ®iÖn tho¹i) cã thÓ coi pi = pg = pt. Tuy nhiªn, trong mét sè tr-êng hîp
®¼ng thøc nµy bÞ ph¸ vì. §¬n cö, khi sè nguån t¶i nhá pg < pt , khi ho¹t ®éng
víi c¸c b¸o gäi lÆp pg > pt. Sau nµy nÕu kh«ng cã c¸c tho¶ thuËn ®Æc biÖt
chóng ta sÏ ký hiÖu hÖ sè tæn thÊt b»ng ký tù p vµ coi gi¸ trÞ cña nã lµ b»ng
nhau cho c¶ pi, pg, vµ pt.
T¶i mµ mét chïm kªnh nµo ®ã kh«ng thÓ phôc vô do bÞ bËn tÊt c¶ c¸c kªnh sÏ
lµ t¶i d- ®èi víi chïm kªnh ®ã. Trong mét sè tr-êng hîp nã cã thÓ ®-îc phôc
vô bëi mét chïm kªnh kh¸c mµ nã ®-îc gäi lµ ®-êng vßng trong mèi quan hÖ
víi chïm kªnh tr-íc. Nh- thÕ t¶i d- ®èi víi chïm kªnh ®· cho kh«ng ph¶i
lu«n bÞ tæn thÊt ®èi víi c¸c nguån sinh t¶i. C¸c b¸o gäi bÞ tæn thÊt ®èi víi c¸c
nguån sinh t¶i cã ý nghÜa thùc sù, sè l-îng cña chóng cã thÓ ®o ®Õm ®-îc.
ChÝnh kh¸i niÖm tæn thÊt t¶i cã ý nghÜa t-îng tr-ng, bëi v× nÕu mét sè b¸o
gäi ®· kh«ng ®-îc phôc vô th× thêi gian chiÕm c¸c thiÕt bÞ phôc vô bëi mçi
b¸o gäi ®ã còng kh«ng thÓ ®o ®-îc vµ quy -íc chÊp nhËn b»ng thêi gian
chiÕm trung b×nh.
Khi ho¹t ®éng víi tæn thÊt h×nh thøc hoÆc cã chê th× c¸c chØ sè chÊt l-îng
phôc vô lµ Hµm ph©n bè ®é dµi chê vµ Thêi gian chê phôc vô trung b×nh.
Ph©n bè ®é dµi chê  ®-îc ®Æc tr-ng bëi c¸c x¸c suÊt chê phôc vô l©u qu¸
mét thêi gian t cho tr-íc: P(t). ý nghÜa vËt lý cña c¸c x¸c suÊt nµy cã thÓ
®-îc thÓ hiÖn qua biÓu thøc sau:
P(t) =
c
cct
trong ®ã: cct – Sè b¸o gäi chê phôc vô l©u h¬n mét kho¶ng thêi gian t
c - Tæng sè b¸o gäi xuÊt hiÖn
Khi t = 0 x¸c suÊt nµy ®-îc gäi lµ hÖ sè tæn thÊt h×nh thøc vµ b»ng:
P(0) =
c
c
c 0

trong ®ã: c0 – Sè b¸o gäi phôc vô ngay
Thêi gian ®îi trung b×nh ®-îc xem xÐt hoÆc lµ trong quan hÖ c¸c b¸o gäi mµ
sù phôc vô chóng ®· bÞ gi÷ chËm hoÆc lµ trong quan hÖ víi tÊt c¶ c¸c b¸o gäi.
Thêi gian ®îi trung b×nh ®èi víi tÊt c¶ c¸c b¸o gäi b»ng :
tb =
c
T
trong ®ã: T – Tæng thêi gian gi÷ chËm c¸c b¸o gäi
c - Tæng sè b¸o gäi xuÊt hiÖn
Thêi gian ®îi trung b×nh ®èi víi c¸c b¸o gäi ®· bÞ gi÷ chËm b»ng :
d =
)
0
( 

P
c
T
Khi ho¹t ®éng víi tæn thÊt phøc hîp, mét sè c¸c chØ tiªu ®Æc tr-ng cho hÖ
thèng víi tæn thÊt hiÓn nhiªn vµ hÖ thèng chê ®-îc ¸p dông ®Ó ®¸nh gi¸ chÊt
l-îng phôc vô c¸c thuª bao. NghÜa lµ, ®èi víi c¸c b¸o gäi chê phôc vô th× ¸p
dông x¸c suÊt ®îi qu¸ thêi h¹n ®Þnh tr-íc nµo ®ã vµ thêi gian ®îi trung b×nh,
cßn ®èi víi nh÷ng b¸o gäi kh«ng ®-îc vµo hµng ®îi phôc vô th× ¸p dông hÖ
sè tæn thÊt hiÓn nhiªn.
Nghiªn cøu ®¸nh gi¸ cña c¸c thuª bao vÒ viÖc phôc vô hä víi c¸c møc ®é tæn
thÊt c¸c cuéc gäi kh¸c nhau cho thÊy r»ng ®èi víi m¹ng néi h¹t th× tæng tæn
thÊt b¸o gäi trªn c¸c cÊp chän ë møc kho¶ng 2% nh×n chung kh«ng g©y ra sù
bùc béi cho ng-êi sö dông; chÊt l-îng phôc vô nh- vËy cã thÓ coi lµ tèt.
Trªn c¸c m¹ng ®-êng dµi liªn tØnh (nghÜa lµ trªn h×nh thøc liªn l¹c mµ c¸c
thuª bao Ýt sö dông h¬n vµ gi¸ thµnh kªnh còng cao h¬n) th× tû lÖ tæn thÊt
cuéc gäi còng cho phÐp cao h¬n trong m¹ng néi h¹t.
7.5 C¸c ph-¬ng ph¸p tÝnh to¸n sè thiÕt bÞ phôc vô
NÕu hÖ thèng ®iÖn tho¹i gåm N thuª bao vµ kh«ng râ sè l-îng vc¸c thiÕt bÞ
phôc vô th× khi cho tr-íc dßng b¸o gäi vµ hµm ph©n bè c¸c ®é dµi cña c¸c
cuéc gäi cã thÓ x¸c ®Þnh x¸c suÊt c¸c tr¹ng th¸i cña hÖ thèng W0, W1,…, WN.
C¸c x¸c suÊt nµy cã thÓ ®-îc xem nh- c¸c phÇn cña kho¶ng thêi gian t nµo
®ã, vÝ dô cña giê cao ®iÓm ch¼ng h¹n, mµ trong kho¶ng cña c¸c phÇn ®ã cã 0,
1, 2,…, N thiÕt bÞ phôc vô bÞ chiÕm víi ®iÒu kiÖn lµ sè l-îng c¸c thiÕt bÞ phôc
vô ®ã kh«ng h¹n chÕ. Khi ®ã t¶i xuÊt hiÖn trong tr-êng hîp nµy b»ng víi t¶i
®-îc cho qua (®-îc phôc vô) vµ cã thÓ ®-îc biÓu thÞ d-íi d¹ng :
Y= 

N
i
i
iW
1
Theo lý thuyÕt, tÊt c¶ c¸c Wi > 0 vµ ®Ó chuyÓn qua kh«ng gi÷ chËm ®èi víi
toµn bé t¶i Y ®ßi hái cÇn trang bÞ N thiÕt bÞ phôc vô. HËu qu¶ phi kinh tÕ cña
gi¶i ph¸p ®ã nªn nã kh«ng bao giê ®-îc øng dông vµ trªn thùc tÕ ng-êi ta chØ
trang bÞ mé sè l-îng h¹n chÕ c¸c thiÕt bÞ phôc vô (v< N) cho phÐp phôc vô
c¸c b¸o gäi ë chÕ ®é cã tæn thÊt hoÆc cã ®îi (cuéc gäi ph¶i chê ®Õn khi cã
thiÕt bÞ phôc vô ®-îc gi¶i phãng khái cuéc gäi ®ang phôc vô sau ®ã míi phôc
vô nã vµ c¸c b¸o gäi kh¸c ®ang xÕp hµng chê). Theo c¸c chØ tiªu chÊt l-îng
phôc vô cho tr-íc vµ c¸c phÇn t¶i ®-îc phÐp tæn thÊt hoÆc chê mµ tõ ®ã x¸c
®Þnh x¸c suÊt c¸c tr¹ng th¸i cña hÖ thèng víi v thiÕt bÞ phôc vô vµ trong t-¬ng
quan ®ã ®Ó t×m ra sè l-îng c¸c thiÕt bÞ phôc vô.
§Ó gi¶i thÝch chóng ta xem xÐt biÓu ®å trªn h×nh 7.7. Nã lµ biÓu ®å ®-îc x©y
dùng cho nhãm cã N=10 thuª bao. Trªn trôc tung ®Æt c¸c gi¸ trÞ cña sè cuéc
gäi ®ång thêi tõ c¸c thuª bao ®ã , theo trôc tung lµ c¸c x¸c suÊt cña c¸c gi¸ trÞ
®ã. Trªn c¸c phÇn cña ®o¹n 01 ®Æt theo trôc hoµnh c¸c h×nh ch÷ nhËt ®-îc
x©y dùng víi chiÒu cao lµ sè cuéc gäi ®ång thêi. Tæng diÖn tÝch cña tÊt c¶ c¸c
h×nh ch÷ nhËt ®ã sÏ cho ta gi¸ trÞ t¶i Y.
Gi¶ sö r»ng sè thiÕt bÞ
phôc vô b»ng 7. T-¬ng
øng kÎ mét ®-êng song
song víi trôc hoµnh ë
møc 7 cuéc gäi ®ång
thêi. §-êng th¼ng nµy
chia t¶i Y thµnh 2 phÇn:
Mét phÇn n»m phÝa trªn
®-êng th¼ng x¸c ®Þnh
gi¸ trÞ t¶i bÞ tæn thÊt hoÆc
bÞ trÔ trong phôc vô (ph¶i
xÕp hµng chê phôc vô)
Ytt. PhÇn t¶i n»m phÝa
d-íi ®-êng th¼ng (phÇn
g¹ch chÐo) ph¶n ¸nh gi¸
trÞ t¶i ®-îc cho qua
(®-îc phôc vô ngay vµ
thµnh c«ng) Yi. Trong c¸c tr-êng hîp ®-îc xem xÐt, ta cã:
*Khi hÖ thèng cã tæn thÊt th× hÖ sè tæn thÊt theo t¶i lµ:
10
8
7
6
5
4
9
3
2
1
0 0.1 0.2 0.3 0.4 0.5 0.6 1.0
0.7 0.8 0.9
W0
W1 W2 W3
W10
Sè
cuéc
gäi
®ång
thêi
H×nh 7. VÝ dô vÒ ph©n bè c¸c cuéc gäi
C¸c phÇn cña kho¶ng thêi gian t
Sè thiÕt bÞ phôc vô hiÖn cã
pm =




 10
1
10
9
8 3
2
i
i
tt
iW
W
W
W
Y
Y
*Khi hÖ thèng hµng chê th× hÖ sè tæn thÊt h×nh thøc lµ:
P(>0) =




10
1
10
9
8 3
2
i
i
iW
W
W
W
Tr-êng hîp hÖ thèng cã tæn thÊt t¶i pmY kh«ng cã nghÜa thùc v× hoµn toµn bÞ
tõ chèi phôc vô. NÕu hÖ thèng cã hµng chê th× t¶i P(>0) Y ®-îc phôc vô
chËm, ®-îc dÞch chuyÓn mét ®o¹n theo thêi gian vÒ phÝa kÕ tiÕp cña giê cao
®iÓm, ®-îc céng vµo t¶i t¸c ®éng trong ®o¹n kÕ tiÕp ®ã vµ sÏ ®-îc phôc vô.
CÇn nhí r»ng trong hÖ thèng víi tæn thÊt, thËm chÝ c¶ cho lµ c¸c b¸o gäi
kh«ng ®-îc phôc vô ngay lËp tøc lµ hoµn toµn bÞ mÊt, nh-ng thùc tÕ c¸c thuª
bao lÆp l¹i ®a sè c¸c b¸o gäi ®· bÞ tõ chèi ®ã vµ nh- thÕ ®· dÞch chuyÓn mét
l-îng t¶i vÒ phÝa kÕ tiÕp gÇn gièng nh- trong hÖ thèng cã chê chØ kh¸c lµ
trong tr-êng hîp nµy sù dÞch chuyÓn ®ã ®-îc thùc hiÖn bëi ng-êi sö dông.
Khi ho¹t ®éng víi tæn thÊt nhá th× c¸c b¸o gäi lÆp Ýt g©y ¶nh h-ëng ®Õn sè
thiÕt bÞ phôc vô nh-ng nã sÏ cã ý nghÜa ®¸ng kÓ khi ho¹t ®éng víi møc ®é tæn
thÊt cao. §iÒu nµy ®-îc chó ý ®Õn trong c¸c ph-¬ng ph¸p tÝnh to¸n thiÕt bÞ
t-¬ng øng.
ViÖc x¸c ®Þnh c¸c x¸c suÊt cña c¸c tr¹ng th¸i cña hÖ thèng ®-îc tiÕn hµnh
cµng khã kh¨n khi cÊu tróc hÖ thèng, ®Æc tÝnh dßng b¸o gäi vµ hµm ph©n bè
®é dµi chiÕm cµng phøc t¹p. Thùc tÕ trong lý thuyÕt th«ng tin ®iÖn tho¹i diÔn
biÕn cña chïm kªnh truy cËp hoµn toµn vµ kh«ng t¾c nghÏn (toµn th«ng) ®·
®-îc nghiªn cøu kh¸ s©u khi t¸c ®éng lªn chïm kªnh ®ã lµ c¸c dßng b¸o gäi
®¬n gi¶n nhÊt hoÆc nguyªn thuû vµ ®é dµi c¸c cuéc chiÕm ®-îc ph©n bè theo
quy luËt hµm mò hoÆc lµ mét ®¹i l-îng kh«ng ®æi. §èi víi c¸c hÖ thèng nµy
tån t¹i c¸c ph-¬ng ph¸p tÝnh cã c¬ së rÊt chÆt chÏ. §èi víi c¸c chïm kªnh
truy cËp kh«ng hoµn toµn vµ kh«ng toµn th«ng, còng nh- ®èi víi c¸c chïm
truy cËp hoµn toµn mµ trªn ®ã t¸c ®éng c¸c dßng b¸o gäi kh¸c víi c¸c dßng
b¸o gäi ®¬n gi¶n nhÊt hoÆc nguyªn thuû th× chØ tån t¹i c¸c ph-¬ng ph¸p tÝnh
gÇn ®óng mµ ®· ®-îc kiÓm ®Þnh bëi c¸c d÷ liÖu thö nghiÖm hoÆc chóng dùa
vµo c¸c kÕt qu¶ m« pháng.
7.6. TÝnh to¸n sè thiÕt bÞ phôc vô lµm viÖc víi tæn thÊt
hiÓn nhiªn kh«ng gäi lÆp.
Chïm kªnh truy cËp hoµn toµn vµ kh«ng t¾c nghÏn. Dßng b¸o gäi ®¬n
gi¶n nhÊt. Chïm kªnh truy cËp hoµn toµn vµ kh«ng t¾c nghÏn chøa v kªnh
®-îc t¹o thµnh t¹i mét cÊp chän mét kh©u mµ trªn ®Çu vµo cña nã lµ c¸c
nguån sinh t¶i, cßn trªn ®Çu ra lµ c¸c kªnh cña chïm; mçi nguån t¶i ®Òu cã
thÓ chiÕm ®-îc mét kªnh bÊt kú cña chïm ®ã. Khi xuÊt hiÖn b¸o gäi th×
nguån sinh b¸o gäi ®ã sÏ ®-îc nèi ngay víi mét trong c¸c kªnh ®ang rçi cña
chïm kªnh vµ kÕt nèi ®ã sÏ tån t¹i trong suèt thêi gian chiÕm, sau ®ã kªnh vµ
nguån b¸o gäi ®ã sÏ ®-îc gi¶i phãng. §é dµi thêi gian chiÕm ®-îc ph©n bè
theo quy luËt hµm mò, nghÜa lµ P(t) = 1 - 
t
e

, trong ®ã  lµ thêi gian chiÕm
trung b×nh, hoÆc P(t) = 1 – e-t
khi mµ =1. Trong tr-êng hîp bËn c¶ v kªnh
cña chïm th× b¸o gäi xuÊt hiÖn sÏ bÞ mÊt vµ kh«ng ®-îc lÆp l¹i.
Sù tån t¹i cña dßng ®¬n gi¶n nhÊt ®-îc t¹o bëi sè l-îng lín c¸c thuª bao sinh
t¶i víi c-êng ®é Y = ct = t, trong ®ã c- c-êng ®é cña dßng b»ng víi tham sè
dßng  , cßn t ®-îc thÓ hiÖn trong ®¬n vÞ ®o .
HÖ thèng d-íi ¶nh h-ëng cña dßng ®¬n gi¶n nhÊt cña c¸c b¸o gäi t¸c ®éng vµ
cña dßng c¸c thêi ®iÓm kÕt thóc chiÕm (kÕt thóc chiÕm kªnh hoÆc thiÕt bÞ
phôc vô) sÏ ho¹t ®éng mét c¸ch t¶n m¸t vµ trong c¸c thêi ®iÓm kh¸c nhau cã
thÓ n»m t¹i mét trong v+1 tr¹ng th¸i víi c¸c x¸c suÊt W0, W1, W2, …, Wv. Sù
t¶n m¸t nµy cã thÓ coi nh- mét qu¸ tr×nh Markov víi h÷u h¹n c¸c tr¹ng th¸i.
TÝnh phæ th«ng cña qu¸ tr×nh nµy t¹o cho hÖ thèng kh¶ n¨ng trong kho¶ng
thêi gian t nµo ®ã vÉn tån t¹i ë tr¹ng th¸i i (lµ tr¹ng th¸i mµ hÖ thèng ®·
n»m t¹i ®Çu cña kho¶ng thêi gian ®ã) hoÆc chØ dÞch chuyÓn ®Õn c¸c tr¹ng th¸i
l©n cËn i-1 hoÆc i+1. NÕu ®é dµi cña kho¶ng thêi gian t ®-îc chän ®ñ nhá
th× x¸c suÊt dÞch chuyÓn cña hÖ thèng sau kho¶ng thêi gian t ®Õn mét tr¹ng
th¸i bÊt kú nµo kh¸c hÇu nh- rÊt nhá (cã thÓ bá qua) vµ b»ng 0(t). C¸c qu¸
tr×nh Markov mµ trong ®ã sau mét kho¶ng thêi gian t nµo ®ã hÖ thèng chØ
dÞch chuyÓn ®Õn c¸c tr¹ng th¸i l©n cËn th× ®-îc gäi lµ c¸c qu¸ tr×nh “sinh-tö”.
V× dßng t¸c ®«ng lªn hÖ thèng cã tÝnh chÊt kh«ng g©y hÖ qu¶, còng nh- tÝnh
®Õn c«ng thøc x¸c suÊt toµn phÇn ( 1


i
i
W ) ®èi víi mét trong i tr¹ng th¸i cã
thÓ viÕt:
Wi(t+t) = Wi(t) Pii(t) + Wi-1(t) Pi-1,i(t) + Wi+1(t) Pi+1,i(t) + 0(t) (7.7)
nghÜa lµ x¸c suÊt t¹i thêi ®iÓm (t+t) hÖ thèng sÏ n»m t¹i tr¹ng th¸i i sÏ b»ng
tæng c¸c tÝch:
 X¸c suÊt Wi(t) r»ng t¹i thêi ®iÓm
t hÖ thèng n»m t¹i tr¹ng th¸i i víi x¸c suÊt Pii(t) r»ng sau kho¶ng thêi gian
t trong hÖ thèng kh«ng x¶y ra bÊt kú mét thay ®æi tr¹ng th¸i nµo c¶.
 X¸c suÊt Wi-1(t) r»ng t¹i thêi
®iÓm t hÖ thèng n»m t¹i tr¹ng th¸i i-1 víi x¸c suÊt Pi-1,i(t) r»ng sau kho¶ng
thêi gian t hÖ thèng chuyÓn dÞch tõ tr¹ng th¸i i-1 sang tr¹ng th¸i i.
 X¸c suÊt Wi+1(t) r»ng t¹i thêi
®iÓm t hÖ thèng n»m t¹i tr¹ng th¸i i+1 víi x¸c suÊt Pi+1,i(t) r»ng sau kho¶ng
thêi gian t hÖ thèng chuyÓn dÞch tõ tr¹ng th¸i i+1 sang tr¹ng th¸i i.
 X¸c suÊt 0(t) r»ng trong
kho¶ng thêi gian t trong hÖ thèng x¶y ra kh«ng qu¸ 1 chuyÓn dÞch tr¹ng
th¸i. Tuy nhiªn do tÝnh chÊt phæ th«ng cña qu¸ tr×nh mµ x¸c suÊt nµy cã thÓ
nhËn gi¸ trÞ b»ng 0 vµ nã ®-îc ký hiÖu lµ 0(t) nghÜa lµ chóng ta gi¶ ®Þnh
r»ng kho¶ng thêi gian t ®-îc chän rÊt nhá sao cho trong kho¶ng thêi gian
®ã trong hÖ thèng x¶y ra kh«ng qu¸ 1 chuyÓn dÞch tr¹ng th¸i.
Mçi chuyÓn dÞch cña hÖ thèng tõ tr¹ng th¸i i sang tr¹ng th¸i i+1 ®-îc t¹o bëi
sù xuÊt hiÖn mét b¸o gäi míi (qu¸ tr×nh “sinh”), cßn mçi chuyÓn dÞch cña hÖ
thèng tõ tr¹ng th¸i i sang tr¹ng th¸i i-1 ®-îc t¹o bëi sù kÕt thóc mét cuéc gäi
(qu¸ tr×nh “tö”).
Chóng ta t×m x¸c suÊt chuyÓn dÞch cña hÖ thèng tõ tr¹ng th¸i i sang tr¹ng th¸i
i+1. NÕu tham sè cña dßng ®¬n gi¶n nhÊt b»ng  th× theo c«ng thøc Puassona
x¸c suÊt kh«ng cã c¸c b¸o gäi trong kho¶ng thêi gian t sÏ lµ P0(t) = e-t
,
khi ®ã x¸c suÊt xuÊt hiÖn dÉu chØ mét b¸o gäi trong kho¶ng thêi gian t sÏ lµ
P>0(t) = 1 - e-t
hoÆc khi tÝnh ®Õn r»ng: e-x
= ...
!
x
!
x
x 



3
2
1
3
2
(7.8) th× chóng ta cã thÓ
viÕt thµnh
P>0(t) = 1 -
    )
(
0
...
!
3
!
2
1
3
2
t
t
t
t
t 















 



tõ ®ã do tÝnh chÊt phæ th«ng cña qu¸ tr×nh nªn x¸c suÊt xuÊt hiÖn ®óng mét
b¸o gäi sÏ b»ng P1(t) = t + 0(t) hoÆc P1(t)  t.
Do kh«ng cã hÖ qu¶ nªn x¸c suÊt xuÊt hiÖn b¸o gäi kh«ng phô thuéc
vµo sè cuéc gäi ®ang tån t¹i, v× thÕ trong biÓu thøc (7.7) x¸c suÊt Pi-1,i(t) 
t.
Ta t×m x¸c suÊt chuyÓn dÞch cña hÖ thèng tõ tr¹ng th¸i i sang tr¹ng th¸i i-1.
NÕu trong thêi ®iÓm t trong hÖ thèng ®· cã i cuéc chiÕm vµ sau thêi gian
trung b×nh cña mét cuéc chiÕm  th× c¶ i cuéc chiÕm cÇn ph¶i kÕt thóc, v× thÕ
sè cuéc kÕt thóc trung b×nh sau kho¶ng thêi gian  còng b»ng i ( ®-îc dïng
lµm ®¬n vÞ tÝnh thêi gian), nghÜa lµ i cã thÓ ®-îc coi lµ c-êng ®é cña dßng kÕt
thóc chiÕm.
Do ph©n bè hµm mò thêi gian chiÕm nªn x¸c suÊt sau kho¶ng thêi gian t
cuéc chiÕm kh«ng kÕt thóc sÏ b»ng:
Q0(t) = e-it
khi ®ã x¸c suÊt kÕt thóc dÉu chØ mét cuéc chiÕm trong kho¶ng thêi gian t sÏ
lµ
Q>0(t) = 1 - e-it
hoÆc khi tÝnh ®Õn biÓu thøc (7.8) th× chóng ta cã thÓ viÕt thµnh
Q>0(t) = 1 -
    )
(
0
...
!
3
!
2
1
3
2
t
t
i
t
i
t
i
t
i 
















tõ ®ã do tÝnh chÊt phæ th«ng cña qu¸ tr×nh nªn x¸c suÊt kÕt thóc ®óng mét
cuéc chiÕm trong kho¶ng thêi gian t sÏ b»ng Q1(t) = it + 0(t) hoÆc
Q1(t)  it vµ cã nghÜa lµ trong biÓu thøc (7.7) Pi+1,i(t)  (i+1)t
X¸c suÊt Pi,i(t) r»ng sau kho¶ng thêi gian t hÖ thèng kh«ng thay ®æi tr¹ng
th¸i cña m×nh trªn c¬ së c«ng thøc x¸c suÊt toµn phÇn b»ng:
Pi,i(t) = 1 - Pi,i-1(t) - Pi,i+1(t) - 0(t) = 1 – i(t) - (t) - 0(t)
Khi biÕt tÊt c¶ c¸c x¸c suÊt cña c¸c th©y ®æi tr¹ng th¸i cña hÖ thèng ta cã thÓ
viÕt biÓu thøc (7.7) cho c¸c gi¸ trÞ i tõ 1 ®Õn v-1 d-íi d¹ng:
Wi(t+t) = tWi-1(t) + (1 – it - t)Wi(t) + (i + 1)t Wi+1(t) + 0(t) =
=tWi-1(t) + Wi(t) – (i + )t Wi(t) + (i + 1)t Wi+1(t) + 0(t)
ChuyÓn Wi(t) sang vÕ tr¸i vµ chia c¶ hai vÕ cho t ta cã:
   
           
t
t
W
i
t
W
i
t
W
t
t
W
t
t
W
i
i
i
i
i












 0
1 1
1 

NÕu b©y giê ta cho t0 th× sÏ nhËn ®-îc:
           
t
W
i
t
W
i
t
W
t
W i
i
i
i 1
1
'
1 
 



 
 (7.9)
®èi víi i=0, tÝnh ®Õn viÖc hÖ thèng kh«ng thÓ n»m trong tr¹ng th¸i 0-1 cuéc
chiÕm, t-¬ng tù trªn ta cã
     
t
W
t
W
t
W 1
0
'
0 

  (7.10)
®èi víi i=v, tÝnh ®Õn viÖc hÖ thèng kh«ng thÓ n»m trong tr¹ng th¸i v+1 cuéc
chiÕm, trªn ta cã
     
t
vW
t
W
t
W v
v
v 
 1
'
 (7.11)
HÖ thèng v+1 ph-¬ng tr×nh vi ph©n d¹ng (7.9), (7.10), (7.11)®-îc gäi lµ HÖ
thèng Erlang
Khi t tån t¹i c¸c giíi h¹n h÷u h¹n cña c¸c gi¸ trÞ Wi(t), nghÜa lµ c¸c cuèi
cïng Wi
NghiÖm cña c¸c ph-¬ng tr×nh nµy khi   1
0



t
W
v
i
i cã d¹ng sau
 
v
k
i
k
W v
i
i
k
k ,
,
2
,
1
,
0
!
!
0







Do khi bËn tÊt c¶ c¸c thiÕt bÞ phôc vô, x¸c suÊt ®ã b»ng Wv, ph¸t sinh tæn thÊt
c¸c b¸o gäi, hÖ sè tæn thÊt p ®èi víi hÖ thèng truy cËp hoµn toµn víi v thiÕt bÞ
phôc vô sÏ lµ


 v
i
i
v
i
v
p
0 !
!


C«ng thøc nµy nhËn ®-îc tªn gäi lµ C«ng thøc Erlang thø nhÊt. HÖ sè tæn
thÊt p nhËn ®-îc theo c«ng thøc Erlang thø nhÊt cã thÓ ®-îc xem nh- hÖ sè
tæn thÊt theo b¸o gäi pg, theo t¶i pm hoÆc theo thêi gian pt, bëi v× chóng b»ng
nhau pg= pm = pt.
Do tham sè  cña dßng ®¬n gi¶n nhÊt b»ng víi t¶i t¸c ®éng vÒ l-îng nªn
c«ng thøc Erlang thø nhÊt cã thÓ biÓu diÔn d-íi d¹ng:


 v
i
i
v
i
Y
v
Y
p
0 !
! (7.12)
KÕt qu¶ nµy còng cã thÓ nhËn ®-îc b»ng c¸ch ®¬n gi¶n h¬n nÕu l-u ý r»ng ®Ó
b¶o toµn c©n b»ng thèng kª cña hÖ thèng cÇn tu©n thñ ®¼ng thøc:
WiPi,i+1(t) = Wi+1Pi+1,i(t)
nghÜa lµ ph¶i sao cho x¸c suÊt hÖ thèng chuyÓn tõ tr¹ng th¸i cã i thiÕt bÞ phôc
vô bÞ chiÕm sang tr¹ng th¸i víi i+1 thiÕt bÞ phôc vô bÞ chiÕm còng b»ng x¸c
suÊt hÖ thèng chuyÓn tõ tr¹ng th¸i cã i+1 thiÕt bÞ phôc vô bÞ chiÕm sang tr¹ng
th¸i víi i thiÕt bÞ phôc vô bÞ chiÕm.
Tõ ®ã suy ra r»ng Wi(t) = Wi+1(i+1)t, nªn Wi+1 =
1

i
Wi

hoÆc Wi+1 =
1

i
Y
Wi . Trªn c¬ së ®ã cã thÓ rót ra c¸c kÕt luËn sau:
X¸c suÊt tÊt c¶ c¸c thiÕt bÞ phôc vô ®Òu rçi (kh«ng bÞ chiÕm) b»ng W0. X¸c
suÊt mét thiÕt bÞ phôc vô b»ng W1 = W0Y vµ tiÕp theo lµ:
w2 = w1.
2
Y
= w0.
2
2
Y
,
w3 = w2.
3
Y
= w0.
!
3
3
Y
,
………………………
wv = wv-1.
v
Y
= w0.
!
3
v
Y
.
Céng tÊt c¶ c¸c x¸c suÊt nµy ta ®-îc :

 



v
i
i
v
i
i
i
Y
W
W
0
0
0
1
!
tõ ®ã


 v
i
i
i
Y
W
0
0
!
1
B©y giê x¸c suÊt tÊt c¶ c¸c thiÕt bÞ phôc vô ®Òu bÞ chiÕm Wv cã thÓ viÕt
thµnh: p
i
Y
v
Y
v
Y
W
W v
i
i
v
v
v 



0
0
!
!
!
®iÒu nµy còng t-¬ng ®-¬ng víi biÓu thøc (7.12)
Th«ng th-êng biÓu thøc nµy
viÕt d-íi d¹ng p = E1;v(Y) , trong ®ã
ký hiÖu E1cã nghÜa lµ sö dông c«ng
thøc Erlang thø nhÊt, cßn E1;v(Y) chØ
ra gi¸ trÞ tæn thÊt ®-îc t×m thÊy theo
c«ng thøc Erlang thø nhÊt khi dßng
b¸o gäi ®¬n gi¶n nhÊt mang t¶i víi
c-êng ®é Y t¸c ®éng ®Õn chïm truy
cËp hoµn toµn víi v kªnh.
HÖ qu¶ ®-îc ®-a ra tõ c«ng
thøc Erlang thø nhÊt trªn ®©y ®· dùa
trªn gi¶ thiÕt ph©n bè hµm mò cña
thêi gian chiÕm, tuy nhiªn, nh- B.A
Sevatrianov ®· chøng minh, c«ng
thøc ®ã ®óng trong mäi ph©n bè cña
c¸c thêi gian chiÕm ®ã.
C«ng thøc Erlang thø nhÊt ®ãng mét vai trß hÕt søc quan träng trong lý
thuyÕt th«ng tin ®iÖn tho¹i vµ ®-îc øng dông kh«ng chØ theo c«ng dông trùc
tiÕp cña m×nh ®èi víi c¸c chïm kªnh truy cËp hoµn toµn vµ kh«ng kho¸ mµ
cßn c¶ trong vai trß hç trî trong c¸c tÝnh to¸n ®-îc tiÕn hµnh víi c¸c chïm
kªnh truy cËp kh«ng hoµn toµn vµ cã kho¸. Tuy nhiªn c¸c tÝnh to¸n trùc tiÕp
theo c«ng thøc Erlang thø nhÊt ®· gÆp nhiÒu trë ng¹i, v× vËy trong c¸c tÝnh
to¸n kü thuËt th-êng sö dông c¸c b¶ng vµ c¸c biÓu ®å. C¸c b¶ng Palma vµ c¸c
b¶ng Basarin rÊt phæ biÕn ®· ®-îc thiÕt lËp theo c«ng thøc Erlang thø nhÊt.
ynp
y p=0.01
ynp
y p=0.1
v
70
60
50
40
30
20
10
10 20 30 40 50 60 y, ynp
H×nh 7.8 Sù phô thuéc p vµo v, y
C¸c biÓu ®å phô thuéc ®-îc x¸c ®Þnh theo c«ng thøc nµy th-êng ®-îc ®-a ra
d-íi d¹ng biÓu thÞ nh- trªn h×nh 8
Trong c¸c tÝnh to¸n theo c«ng thøc Erlang nªn nhí r»ng Y lµ t¶i t¸c ®éng. Bëi
v× khi ho¹t ®éng víi tæn thÊt hiÓn nhiªn th-êng x¶y ra lµ chØ cã t¶i th«ng (t¶i
®-îc phôc vô, t¶i ®-îc ®i qua) Yi ®-îc biÕt tr-íc vµ cã thÓ ®o ®-îc nªn khi
tÝnh to¸n sè kªnh cÇn thiÕt ®Ó truyÒn t¶i Yi khi c¸c gi¸ trÞ tæn thÊt p th× ®Çu
tiªn cÇn x¸c ®Þnh t¶i t¸c ®éng Y=
p
Yi

1
sau ®ã míi sö dông c«ng thøc Erlang
nµy. C¸c ®å thÞ tÝnh to¸n ®-îc t¹i nhiÒu gi¸ trÞ p ®-îc x©y dùng vµ cho c¶ ®èi
víi yi. Chóng cã d¹ng ®-êng cong ®-îc chØ ra trªn h×nh 8 b»ng c¸c ®-êng ®øt
nÐt. Khi c¸c gi¸ trÞ tæn thÊt nhá sù chÕ ho¸ t¶i th«ng thay cho t¶i t¸c ®éng
kh«ng g©y ¶nh h-ëng ®¸ng kÓ, cßn khi gi¸ trÞ tæn thÊt lín sÏ g©y ra sai sè
®¸ng kÓ khi x¸c ®Þnh dung l-îng cña chïm kªnh.
Trong tr-êng hîp nµy, nÕu v th× c«ng thøc Erlang thø nhÊt chuyÓn thµnh
c«ng thøc Puassona.
Dßng b¸o gäi s¬ khai. C«ng thøc Erlang thø nhÊt ®óng chØ víi c¸c dßng b¸o
gäi ®¬n gi¶n nhÊt nhËn ®-îc tõ mét nhãm c¸c nguån sinh t¶i víi sè l-îng
thuª bao lín.
Khi sè thuª bao h¹n chÕ c-êng ®é dßng phô thuéc vµo sè c¸c nguån sinh t¶i
®· bËn lµm xuÊt hiÖn d-íi d¹ng cña hÖ thèng hÖ qu¶ ®¬n gi¶n.
§èi víi hÖ thèng cã sè nguån sinh t¶i h¹n chÕ N cho tr-íc tham sè  cña
dßng b¸o gäi ph¸t sinh tõ mçi nguån ch-a bËn (cßn rçi). Tham sè cña dßng
b¸o gäi ph¸t sinh tõ nhãm víi N nguån sinh t¶i, trong ®ã cã i nguån ®· bËn sÏ
b»ng:
i = (N - i) , (0  i  v), trong ®ã v lµ sè kªnh cña chïm (dung
l-îng cña chïm kªnh)
Ph©n tÝch hÖ thèng ®ã ®-îc tiÕn hµnh b»ng ph-¬ng ph¸p ®· ®-îc xem xÐt trªn
®èi víi dßng ®¬n gi¶n nhÊt cho ra c¸c x¸c suÊt cña c¸c tr¹ng th¸i cña hÖ
thèng :
Wi = 0
W
C i
i
N (i  1),


 v
i
i
i
N
C
W
0
0
1

trong ®ã 1
N
C lµ tæ hîp chËp i tõ N phÇn tö.
§èi víi dßng b¸o gäi s¬ khai c¸c hÖ sè tæn thÊt theo b¸o gäi pg, theo thêi gian
pt, vµ theo t¶i pm cã thÓ kh«ng b»ng nhau vÒ l-îng vµ ®-îc x¸c ®Þnh theo c¸c
biÓu thøc sau:
pt = Wv = 0
W
C v
v
N =


v
i
i
i
N
v
v
N
C
C
0


pg =




v
i
i
i
N
v
v
N
C
C
0
1
1


hoÆc pg =
 
 
























N
i
i
g
i
N
g
v
N
p
Y
N
Y
C
p
Y
N
Y
C
0
1
1
1
1
pm = 






N
v
1 pt.
TÊt c¶ c¸c c«ng thøc trªn ®èi víi cßng s¬ khai cc-îc gäi lµ c¸c c«ng thøc
Engseta. C¸c c«ng thøc nµy ®-îc sö dông khi dung l-îng c¸c thuª bao trong
nhãm N < 50100. Khi N c¸c c«ng thøc Engseta chuyÓn thµnh c«ng thøc
Erlang thø nhÊt.
Do nh÷ng phøc t¹p cña c¸c
c«ng thøc Engseta nªn
trong c¸c tÝnh to¸n thiÕt kÕ
nªn sö dông c¸c b¶ng .
Theo c¸c c«ng thøc
Engseta ®· thiÕt lËp c¸c
b¶ng B.C Livxisem vµ IA.B
Fidlin
Trªn h×nh 7.9 ®-a ra ®å thÞ
minh ho¹ sù phô thuéc sè
kªnh trong chïm vµo dung l-îng cña nhãm c¸c nguån sinh t¶i khi cïng mét
l-îng t¶i t¸c ®éng ®-îc t¹o bëi c¸c nhãm thuª bao. Sù sai kh¸c vÒ gi¸ trÞ c¸c
®¹i l-îng pg, pt, pm ®èi víi dßng s¬ khai ®-îc lý gi¶i r»ng trong thêi gian
chiÕm kªnh c-êng ®é dßng b¸o gäi bÞ thay ®æi phô thuéc vµo i
C¸c chïm truy cËp kh«ng hoµn toµn, kh«ng kho¸. §èi víi hÖ thèng chuyÓn
N=10
5
10
15
20
v
5
N=20
N=40
15
10 Y=N Erl
C¸c
dßng
Engseta
víi
c¸c
sè
thuª
bao
kh¸c
nhau
H×nh 7.9 Sù phô thuéc sè thiÕt bÞ phôc vô víi
sè thuª bao trong nhãm víi cïng l-îng t¶i
m¹ch phôc vô c¸c nhãm kªnh truy cËp kh«ng hoµn toµn víi kh¶ n¨ng truy
cËp D th× sè tr¹ng th¸i cã thÓ rÊt lín bëi v× nã phô thuéc vµo ph©n bè c¸c
kªnh bÞ chiÕm trong mçi nhãm con trong sè g nhãm con ®· t¹o nªn nhãm c¸c
nguån sinh t¶i cña nhãm truy cËp kh«ng hoµn toµn. Ph©n tÝch hÖ thèng nh-
thÕ dùa trªn sù ®¸nh gi¸ c¸c x¸c suÊt cña c¸c tr¹ng th¸i cña hÖ thèng tiÕn
hµnh ®èi víi hÖ ph-¬ng tr×nh nh×n chung lµ rÊt phøc t¹p mµ nghiÖm cña
chóng thùc tÕ lµ kh«ng tån t¹i ®èi víi sè lín vnn c¸c kªnh truy cËp kh«ng
hoµn toµn, kh«ng kho¸.
V× lý do nµy ®Ó tÝnh to¸n sè kªnh truy cËp kh«ng hoµn toµn ®-îc sö dông c¸c
ph-¬ng ph¸p gÇn ®óng dùa trªn mét sè c¸c c¬ së lý thuyÕt h¹n chÕ c¸c gi¸ trÞ
cã thÓ sè kªnh vµ trªn c¸c nghiªn cøu thùc nghiÖm cña c¸c m¹ng ®iÖn tho¹i
hiÖn hµnh vµ trªn c¶ c¸c m« h×nh cña chóng. C¸c ph-¬ng ph¸p ®ã ®¶m b¶o
c¸c kÕt qu¶ kh¸ tin cËy, nÕu khi l¾p dÆt c¸c kªnh truy cËp kh«ng hoµn toµn sö
dông s¬ ®å tèi -u t¹o nÒn bëi viÖc chän lùa sè nhãm con (g 
D
vnn
2
) vµ dùa
trªn viÖc ph©n bæ c¸c chïm kªnh theo h-íng däc theo tr-êng tiÕp ®iÓm t¹o
nªn cÊu tróc bËc thang hoÆc cÊu tróc ®ång ®Òu. CÊu tróc bËc thang cho phÐp
sö dông c¸c kªnh cña chïm truy cËp kh«ng hoµn toµn tèt h¬n ®«i chót so víi
c¸c tróc ®ång ®Òu, tuy nhiªn, c¸c tÝnh to¸n ®èi víi chóng ®-îc tiÕn hµnh
gièng nhau v× c¸c cÊu tróc nµy vÉn ch-a ®-îc nghiªn cøu mét c¸ch thÊu ®¸o
vµ ch-a thiÕt kÕ c¸c ph-¬ng ph¸p tÝnh to¸n riªng dµnh cho tõng cÊu tróc.
Trªn c¬ së cña ph-¬ng ph¸p phæ biÕn nhÊt tÝnh to¸n sè kªnh cña chïm truy
cËp kh«ng hoµn toµn ®· ®-a ra mét vµi suy luËn sau. Erlang ®Ò ra ph-¬ng
ph¸p tÝnh to¸n rót gän dùa trªn c¬ së lµ nÕu chïm chøa vnn kªnh, mµ trªn ®ã
t¸c ®éng dßng b¸o gäi ®¬n gi¶n nhÊt, cho qua víi tæn thÊt p trªn t¶i Yi th× t¶i
®-îc cho bëi mçi kªnh sÏ lµ
nn
i
v
Y
. ®¹i l-îng nµy cã thÓ ®-îc coi nh- x¸c suÊt
chiÕm cña mçi kªnh trong chïm ®ã. Khi ®ã x¸c suÊt chiÕm D cña nhøng
®-êng x¸c ®Þnh mµ mçi nguån sinh t¶i ®Òu coa thÓ truy cËp sÏ thÓ hiÖn tæn
thÊt, nghÜa lµ:
p =
D
nn
i
v
Y








tõ ®ã suy ra
D
i
nn
p
Y
v  vµ D
nn
i p
v
Y  (7.13)
C¸c nghiªn cøu thö nghiÖm ®· chøng minh r»ng cã sù kh¸c biÖt kh¸ lín gi÷a
kÕt qu¶ cña c«ng thøc nµy víi thùc tÕ.
§Ó lµm chÝnh x¸c ph-¬ng ph¸p nµy O’Dell ®· ®Ò xuÊt coi chïm kªnh truy
cËp kh«ng hoµn toµn nh- lµ nã ®-îc t¹o thµnh tõ 2 phÇn: mét phÇn chøa D
kªnh cßn phÇn thø hai chøa vnn - D kªnh. T¶i Yi1 ®-îc chuyÓn qua bëi phÇn
thø nhÊt, ®-îc x¸c ®Þnh bëi c«ng thøc Erlang thø nhÊt gièng nh- ®èi víi
chïm kªnh truy cËp hoµn toµn vµ b»ng YiD, t¶i Yi2 ®-îc chuyÓn qua bëi phÇn
thø hai ®-îc x¸c ®Þnh theo c«ng thøc (7.13) vµ b»ng D(vnn – D) D p
T¶i chung ®-îc phôc vô bëi chïm kªnh truy cËp kh«ng hoµn toµn sÏ lµ :
  p
nn
iD
i
i
i p
D
v
Y
Y
Y
Y §
2
1 



 (7.14)
sù phô thuéc nµy ®-îc biÓu diÔn trªn h×nh 10. Tõ biÓu thøc (7.14) suy ra:
,
D
nn
iD
i
D
iD
i
nn
D
v
Y
Y
p
D
p
Y
Y
v 












 vµ
nÕu tÝnh ®Õn r»ng Yi = Y(1 - p) vµ YiD = YD(1 - p), ta cã
  D
Y
Y
p
p
v D
D




1
  
D
nn
D
D
v
Y
Y
p
p 









1
(7.15)
trong ®ã YD- t¶i t¸c ®éng lªn
phÇn truy cËp hoµn toµn víi D
kªnh, ho¹t ®éng ë møc tæ thÊt
p.
C«ng thøc (7.15) ®-îc sö dông
réng r·i trong c¸c thùc tÕ tÝnh
to¸n sè kªnh cña c¸c nhãm
truy cËp kh«ng hoµn toµn, kh«ng kho¸.
T¹i c¸c gi¸ trÞ D vµ p cho tr-íc c«ng thøc trªn cã thÓ viÕt d-íi d¹ng :
vnn = Y +  (7.16)
C¸c hÖ sè  vµ  t¹i c¸c gi¸ trÞ D b»ng 10, 20, vµ c¸c gi¸ trÞ kh¸c nhau cña p
0
10
20
30
40
v
Yi0 Yi-Yi0
YiD Yi-YiD
Yi
p = 0.01 D=20
V
nn
V
nD
10 20 30
Yi Erl
H×nh 7.10 Sù phô thuéc gi÷a t¶i, sè thiÕt bÞ
vµ møc ®é chia nhãm
tõ 0.001 ®Õn 0.3 ®-îc chØ ra trªn b¶ng 7.1 vµ h×nh 7.11
B¶ng 7.1
D =10 D = 20 D =10 D = 20
p
   
p
   
0.
0
0
1
1.
9
9
3.
8
1.
4
1
6.
9
0.
0
3
0
1.
3
8
2.
3
5
1.
1
5
3.
8
0.
0
0
2
1.
8
6
3.
6
1.
3
6
6.
3
0.
0
5
0
1.
2
8
2.
0
1.
1
0
3.
2
0.
0
0
3
1.
7
9
3.
5
1.
3
4
5.
9
0.
1
0
0
1.
1
3
1.
5
1.
0
1
2.
2
0.
0
0
5
1.
7
0
3.
3
1.
3
0
5.
6
0.
2
0
0
0.
9
2
4
1.
0
5
0.
8
6
6
1.
2
0.
0
1
0
1.
5
8
2.
9
1.
2
4
4.
9
0.
3
0
0
0.
7
7
5
0.
8
0.
7
4
4
0.
7
0.
0
2
0
1.
4
4
2.
6
1.
1
9
4.
3
0.02 0.06 0.1 0.14 0.18 0.22 0.26 0.3 p
1
2
3
4
5
6
7

1.6
1.4
1.2
1.0
0.8
0.6
0.4

(D=10)
(D=20)
(D=20)
(D=10)
H×nh 7.11. Quan hÖ gi÷a , , D , cña chïm truy cËp kh«ng hoµn toµn,
kh«ng kho¸
Chïm kªnh truy cËp hoµn toµn, cã kho¸
Chïm kªnh cã kho¸ ®-îc t¹o thµnh khi sö dông c¸c thiÕt bÞ chuyÓn m¹ch hai
kh©u hoÆc nhiÒu kh©u mµ c¸c thiÕt bÞ ®ã t¹o ra sù kho¸ m¹ch bªn trong (tæn
thÊt néi - tù nghÏn m¹ch). TÝnh to¸n ¶nh h-ëng cña hiÖn t-îng kho¸ m¹ch
nµy ®Õn kh¶ th«ng cña chïm kªnh lµ viÖc lµm khã kh¨n. Sau ®©y ta xem xÐt
tiÕp viÖc tÝnh to¸n sè kªnh cña chïm ®-îc m¾c t¹i ®Çu vµo cña bé chän hai
kh©u ®-îc ¸p dông réng r·i trong kü thuËt tæng ®µi ®iÖn tho¹i tù ®éng. S¬ ®å
bé chän hai kh©u ®-îc chØ ra trªn h×nh 7.12
Nhãm nguån sinh t¶i cña chïm cã kho¸ ®-îc chia thµnh k nhãm con. Mçi
nhãm con chøa n nguån. C¸c nguån nµy cïng cã thÓ truy cËp ®Õn m kªnh
trung gian gi÷a kh©u thø nhÊt vµ kh©u thø hai cña c¸c bé chän. Trong tr¹ng
th¸i ban ®Çu mäi nguån cña hÖ thèng chuyÓn m¹ch ®Òu cã kh¶ n¨ng truy cËp
tíi mäi kªnh cña chïm kªnh cã kho¸, tuy nhiªn, trong mét sè tr¹ng th¸i cña
hÖ thèng chuyÓn m¹ch, mét sè kªnh cña chïm kªnh trë nªn kh«ng thÓ truy
cËp ®èi víi mét sè nguån, do ®ã ph¸t sinh tæn thÊt c¸c b¸o gäi vµ chóng nhËn
tªn gäi lµ tæn thÊt néi.
§· cã rÊt nhiÒu c«ng tr×nh nghiªn cøu c¸c chïm kªnh cã kho¸ ®· chøng minh
r»ng h-íng ph©n tÝch chÆt chÏ dùa trªn ph-¬ng ph¸p tÝnh to¸n cæ ®iÓn c¸c x¸c
suÊt cña c¸c tr¹ng th¸i cña hÖ thèng sÏ dÉn ®Õn nh÷ng khã kh¨n lín. V× vËy
c¸c ph-¬ng ph¸p tÝnh to¸n gÇn ®óng ®· nhËn ®-îc sù phæ biÕn réng r·i h¬n.
ý t-ëng cña ph-¬ng ph¸p ®é truy cËp hiÖu dông lµ: Chïm truy cËp hoµn toµn,
cã kho¸ lµ hÖ thèng phôc vô, trong ®ã ®èi víi mçi nguån t¶i, trong c¸c tr¹ng
th¸i kh¸c nhau cña hÖ thèng nµy cã thÓ truy cËp ®Õn sè kªnh rçi kh¸c nhau.
HÖ thèng nh- vËy cã thÓ ®-îc xem nh- chïm kªnh truy cËp kh«ng hoµn
toµn, kh«ng kho¸ víi ®é truy cËp thay ®æi. Trong tr¹ng th¸i ban ®Çu, khi tÊt
c¶ c¸c kªnh cña chïm ®Òu rçi th× ®é truy cËp b»ng sè kªnh cña chïm lµ vpb.
Trong c¸c tr¹ng th¸i kh¸c nhau cña chïm kªnh th× ®é truy cËp tíi c¸c kªnh
rçi cña nã ®èi víi c¸c nguån cã thÓ thay ®æi vµ nh×n chung lµ tõ vpb ®Õn 0.
Mçi gi¸ trÞ cña ®é truy cËp xuÊt hiÖn víi x¸c suÊt nhÊt ®Þnh. Cã thÓ t×m thÊy
®é truy cËp hiÖu dông trung b×nh Denµo ®ã t¹i t¶i cho tr-íc. B©y giê th× tÝnh
to¸n ®Æt ra cho chïm kªnh truy cËp hoµn toµn, cã kho¸ cã thÓ tiÕn hµnh theo
ph-¬ng thøc nh- ®· tr×nh bµy ®èi víi cho chïm kªnh truy cËp kh«ng hoµn
toµn, kh«ng kho¸ víi ®é truy cËp hiÖu dông D. Ph-¬ng ph¸p nµy ®-a ra kh¸i
niÖm râ rµng vÒ c¸c qu¸ tr×nh ho¹t ®éng cña c¸c chïm cã kho¸ vµ lµm
nhÑviÖc ph©n tÝch c¸c hÖ thèng chuyÓn m¹ch phøc t¹p. Tuy nhiªn, nh÷ng
nh-îc ®iÓm cña nã lµ ®é chÝnh x¸c kh«ng cao, cÇn tÝnh to¸n nhiÒu h¬n so víi
c¸c ph-¬ng ph¸p kh¸c v× kÕt qu¶ cuèi cïng dùa trªn c¸c ph-¬ng ph¸p gÇn
®óng cña c¸c chïm truy cËp kh«ng hoµn toµn.
C¸c c¬ së cña lý thuyÕt Iakobeis lµ: Gi¶ sö r»ng cã cÊu tróc hai kh©u ®-îc sö
dông trong cÊp chän nhãm nh- trªn h×nh 7.12.a. CÊp chän nµy cã ®é
B
H×nh 7.12 S¬ ®å thiÕt bÞ chuyÓn m¹ch hai kh©u
a.
b.
1
1
1
2
2
2
3 3
3
chia h=3, vµ trong mçi mét trong h h-íng t¹o thµnh c¸c chïm ®-êng truy cËp
hoµn toµn, cã kho¸; gåm mq ®-êng. Trong tr-êng hîp ®ang xem xÐt h=3;
m=3 vµ q=1. Nh÷ng kÕt nèi tõ mét nhãm con nguån t¶i bÊt kú tíi c¸c ®-êng
cña chïm kªnh thuéc h-íng nµo ®ã cã thÓ x¶y ra qua mét cét c¸c bé chän
cña kh©u B vµ qua mét cét tiÕp ®iÓm mµ c¸c ®-êng cña chïm cho tr-íc ®-îc
nèi víi chóng. Nh÷ng cét nµy ®èi víi nhãm con thø nhÊt c¸c nguån t¶i víi
chïm thø nhÊt trªn h×nh 7.12.a ®-îc khoanh b»ng c¸c ®-êng ®øt nÐt vµ ®-îc
t¸ch riªng b»ng h×nh 7.12.b. KÕt nèi tõ c¸c nguån t¶i cña nhãm con thø nhÊt
®Õn c¸c ®-êng cña chïm thø nhÊt sÏ chØ cã thÓ x¶y ra trong tr-êng hîp nÕu
®ång thêi cïng rçi c¶ bé chän cña kh©u B mµ bé chän ®ã cã thÓ truy cËp ®Õn
c¸c nguån t¶i ®ang xÐt vµ c¶ ®-êng cña chïm yªu cÇu mµ bé chän ®ã cã thÓ
truy cËp; ng-îc l¹i sÏ ph¸t sinh tæn thÊt cuéc gäi.
C¸c bé chän kh©u B bÞ chiÕm bëi c¸c nguån t¶i ®Ó kÕt nèi kh«ng chØ tíi c¸c
®-êng cña chïm thø nhÊt mµ c¶ tíi c¸c ®-êng cña h-1 chïm kh¸c. C¸c ®-êng
cña chïm thø nhÊt bÞ chiÕm bëi c¸c nguån t¶i kh«ng chØ cña nhãm con thø
nhÊt mµ cßn cña c¸c nhãm con kh¸c. Tæn thÊt b¸o gäi sÏ ph¸t sinh, vÝ dô, nÕu
bËn m-x bé chän kh©u B vµ x ®-êng cña chïm thø nhÊt mµ chóng kh«ng
t-¬ng øng víi c¸c bé chän bÞ chiÕm ë kh©u B. Trªn h×nh 12.b chØ ra tr¹ng th¸i
mµ khi ®ã bé chän thø nhÊt kh©u B bÞ bËn vµ c¸c ®-êng 2 vµ 3 cña chïm thø
nhÊt. C¸c thiÕt bÞ ®ang bËn ®-îc ®¸nh dÊu b»ng h×nh trßn t« ®en. Trong
tr-êng hîp ®ang xÐt, khi m=n, tæn thÊt khi nèi c¸c nguån t¶i víi c¸c bé chän
cña kh©u B sÏ lµ kh«ng thÓ nÕu nh- c¸c kÕt nèi ®ã x¶y ra kh«ng tÝnh ®Õn sù
bËn rçi cña ®-êng thuéc chïm yªu cÇu. NÕu xem xÐt kÕt nèi mét c¸ch tæng
thÓ qua cÊp chän th× kÕt nèi nguån t¶i víi bé chän kh©u B sÏ cã ý nghÜa chØ
trong tr-êng hîp nÕu kÕt nèi ®ã tiÕp tôc®-îc nèi ®Õn mét trong sè c¸c ®-êng
cña chïm yªu cÇu.
Ta ký hiÖu x¸c suÊt bËn x ®-êng cña chïm yªu cÇu (x=1, 2,…, m) b»ng Wx
vµ x¸c suÊt bËn (m-x) bé chän cña kh©u B t-¬ng øng víi c¸c ®-êng ®ang rçi
cña chïm t¹i thêi ®iÓm ®ang xÐt b»ng Gm-x, gi¶ sö r»ng tr¹ng th¸i cña c¸c bé
chän kh¸c cña kh©u B lµ kh«ng cÇn quan t©m. Khi ®ã tæn thÊt b¸o gäi sÏ xuÊt
hiÖn trong tÊt c¶ c¸c tr-êng hîp trïng hîp cña hai sù kiÖn, trong ®ã bao gåm
thø nhÊt lµ sù bËn cña x ®-êng cña chïm, thø hai lµ sù bËn cña (m-x) c¸c bé
chän x¸c ®Þnh cña kh©u B. X¸c suÊt trïng cña c¸c sù kiÖn nµy nÕu cho r»ng
chóng ®éc lËp nhau (®©y lµ mét trong c¸c gi¶ ®Þnh cña Iakobeis) b»ng tÝch
c¸c x¸c suÊt cña chóng, nghÜa lµ WxGm-x.
X¸c suÊt tæn thÊt p cã thÓ nhËn ®-îc b»ng c¸ch céng c¸c tÝch ®èi víi c¸c gi¸
trÞ x tõ 0 ®Õn m:




m
x
x
m
xG
W
p
0
(7.17)
BiÓu thøc nµy tÝnh ®Õn c¶ c¸c tæn thÊt b¸o gäi do bËn ®-êng cña chïm cã
kho¸ vµ c¶ tæn thÊt bªn trong (tæn thÊt néi) trªn cÊp chän.
L-u ý ®Õn viÖc trªn cÊp chän nhãm sè nguån b¸o gäi trong nhãm con kh«ng
lín Iakobeis ®· dïng qui luËt ph©n bè Becnully ®èi víi sè c¸c bé chän kh©u B
bÞ bËn, nghÜa lµ:
  i
m
a
i
a
i
m
i y
y
C
R


 1 (7.18)
trong ®ã Ri – x¸c suÊt trong kh©u B cã ®óng i bé chän bÞ bËn;
ya – t¶i t¸c ®éng tõ mçi mét trong n=m nguån t¶i cña kh©u A
khi ®ã t¹i i=x ta nhËn ®-îc biÓu thøc ®èi víi x¸c suÊt bËn ®ång thêi m-x bé
chän kh©u B:
x
m
a
x
m y
G 
 
thay vµo biÓu thøc (7.17), ta cã:




m
x
x
m
a
x y
W
p
0
(7.19)
C«ng thøc nµy ®-îc ¸p dông ®èi víi ph©n bè x¸c suÊt sè bé chän kh©u B bÞ
bËn kh¸c nhau theo qui luËt Becnully vµ luËt ph©n bè bÊt kú c¸c x¸c suÊt c¸c
®-êng bÞ bËn cña chïm Wx m¾c t¹i ®Çu ra cña cÊp chän nhãm. Do sè nguån
t¶i ®èi víi chïm xem xÐt th-êng lín vµ lín h¬n rÊt nhiÒu so víi sè ®-êng cña
chïm nªn Iakobeis dïng quy luËt Erlang ®èi víi ph©n bè c¸c x¸c suÊt Wx


 m
i
i
x
x
i
Y
x
Y
W
0 !
!
trong ®ã Y- tæng t¶i t¸c ®éng lªn m ®-êng cña chïm.
ThÕ gi¸ trÞ Wx vµo c«ng thøc (7.19), ta cã:






m
x
x
m
a
m
i
i
x
y
i
Y
x
Y
p
0
0 !
!
Sau khi biÕn ®æi biÓu thøc nµy, ta cã:
 









a
m
m
y
Y
E
Y
E
p (7.20)
§©y chÝnh lµ c«ng thøc Iakobeis c¬ b¶n, nã nhËn ®-îc trong ®iÒu kiÖn m=n,
nghÜa lµ phô thuéc vµo chïm truy cËp hoµn toµn, cã kho¸, ®-îc m¾c trong
cÊp chän hai kh©u cã c¸c tham sè m=n vµ q=1. Ph¸t triÓn nguyªn t¾c nµy
cïng víi mét vµi gi¶ ®Þnh (ch©m tr-íc) vÒ cÊu tróc víi c¸c tham sè kh¸c,
Iakobeis nhËn ®-îc c«ng thøc sau ®©y mang tinh chung h¬n ®èi víi cÊp chän
nhãm hai kh©u më (mn) vµ víi c¸c gi¸ trÞ q kh¸c nhau:
 









a
nq
mq
y
Y
E
Y
E
p (7.21)
Sù phô thuéc gi÷a Y, ya, vpb, p víi c¸c tham sè cña thiÕt bÞ chuyÓn m¹ch sÏ
chÝnh x¸c h¬n nh-ng còng phøc t¹p h¬n ®èi víi c¸c chïm truy cËp hoµn toµn,
kh«ng kho¸ ®-îc m¾c tíi ®Çu ra cña cÊp chän nhãm hai kh©u nhËn ®-îc trªn
c¬ së c¸c kÕt qu¶ m« pháng cña K.P Melnhikov. C¸c c«ng thøc «ng ®-a ra
th-êng sö dông ®Ó lËp c¸c b¶ng hoÆc c¸c ®å thÞ t¹i c¸c tham sè x¸c ®Þnh cña
c¸c thiÕt bÞ chuyÓn m¹ch.
§èi víi c¸c tÝnh to¸n trªn cÊp chän s¬ bé, níi mµ sö dông cÊp chän hai kh©u
víi sù tËp trung t¶i (m<n) th× c¸c c«ng thøc Iakobeis ®-îc phøc t¹p h¬n nhiÒu
vµ ®ßi hái c¸c c«ng viÖc tÝnh to¸n nÆng nÒ. Do ®ã ®èi víi nh÷ng tÝnh to¸n nµy
nªn ¸p dông c«ng thøc gÇn ®óng sau ®©y, nã dùa trªn viÖc sö dông c¸c hÖ sè
nhËn ®-îc b»ng c¸c nghiªn cøu thö nghiÖm:
p = (p1+p2) trong ®ã  
Y
E
p
y
E
p mq
n
a
m 








 2
1
1 vµ

nghÜa lµ  

















 Y
E
y
E
p mq
n
a
m

 1 (7.22)
trong ®ã:  - hÖ sè tÝnh ®Õn ¶nh h-ëng cña nghÏn bªn trong, gi¸ trÞ cña nã bao giê
còng lín h¬n 1 vµ ®-îc x¸c ®Þnh theo c¸c biÓu ®å ®-îc lËp theo c¸c
sè liÖu thùc nghiÖm
 - HÖ sè tÝnh ®Õn ¶nh h-ëng cña viÖc chuyÓn ®-êng ®-îc m¾c trªn
®Çu vµo cña cÊp chän vµ ®-îc x¸c ®Þnh theo c¸c sè liÖu thùc nghiÖm
ya- T¶i ph¸t sinh tõ mçi nguån sinh t¶i
Y – Tæng t¶i trªn chïm truy cËp hoµn toµn, cã kho¸, ®-îc m¾c tíi c¸c
®Çu ra cña cÊp chän
m, n, f, q- C¸c tham sè cña cÊp chän hai kh©u
C¸c chïm truy cËp kh«ng hoµn toµn, cã kho¸: Sù phô thuéc t-¬ng ®èi gi÷a
c¸c ®¹i l-îng t¶i Y, hÖ sè tæn thÊt p cña sè ®-êng thuéc chïm truy cËp kh«ng
hoµn toµn, cã kho¸, vµ c¸c tham sè cña hÖ thèng chuyÓn m¹ch cã thÓ nhËn
®-îc trªn c¬ së c¸c suy luËn sau ®©y.
Gi¶ sö r»ng t¹i c¸c tæn thÊt p ®ßi hái ph¶i cho qua l-îng t¶i Yi<YiD , trong ®ã
YiD lµ t¶i mµ cã thÓ ®-îc chïm truy cËp hoµn toµn, kh«ng kho¸, chøa D
®-êng cho qua t¹i cïng c¸c gi¸ trÞ tæn thÊt. Theo lý thuyÕt O’Dell gi¶ sö r»ng
chïm truy cËp kh«ng hoµn toµn, kh«ng kho¸, chøa vnn ®-êng, gåm tõ D
®-êng cho qua t¶i YiD vµ vnn-D ®-êng cho qua t¶i Yi -YiD . Mçi ®-êng cña
phÇn thø nhÊt thuéc chïm nµy cho qua t¶i
D
YiD
cßn mçi ®-êng cña phÇn thø
hai cho qua t¶i lµ
D
v
Y
Y
nn
iD
i


. NÕu chïm bÞ kho¸ th× trong nh÷ng ®iÒu kiÖn sè
®-êng trong chóng lµ vnb sÏ lín h¬n vnn vµ còng cã thÓ ph©n chia h×nh thøc
thµnh phÇn thø nhÊt chøa D ®-êng, cßn phÇn thø hai chøa vnb–D ®-êng. T¹i
c¸c tæn thÊt cho tr-íc phÇn thø nhÊt cã thÓ cho qua t¶i Yi0<YiD , cßn phÇn thø
hai cho qua t¶i Yi- Yi0. Mçi ®-êng cña phÇn thø nhÊt thuéc chïm nµy cho qua
t¶i
D
Yi0
cßn mçi ®-êng cña phÇn thø hai cho qua t¶i lµ
D
v
Y
Y
nb
i
i

 0
.
BiÕt Yi0 vµ YiD , cã thÓ x¸c ®Þnh t¶i y0 vµ yD ®-îc cho qua bëi mçi ®-êng cña
c¸c chïm truy cËp hoµn t«¸nc kho¸ vµ kh«ng kho¸ t-¬ng øng. HiÖu c¶u c¸c
gi¸ trÞ t¶i nµy ®-a ra sù gi¶m kh¶ th«ng cña mçi ®-êng cña phÇn thø nhÊt do
¶nh h-ëng cña hiÖn t-îng nghÏn m¹ch bªn trong cña hÖ thèng chuyÓn m¹ch.
Sù gi¶m ®ã b»ng yD - y0 =
D
Y
Y i
iD 0

.
Cho r»ng ¶nh h-ëng cña c¸c nghÏn m¹ch bªn trong còng t¹o nªn sù gi¶m kh¶
th«ng cña mçi ®-êng thuéc phÇn thø hai cña chïm cã kho¸ ®ang xem xÐt, ta
cã:
D
v
Y
Y
nb
i
i

 0
=
D
v
Y
Y
nn
iD
i


-
D
Y
Y i
iD 0

tõ ®ã D
D
Y
Y
D
v
Y
Y
Y
Y
v
i
iD
nn
iD
i
i
i
nb 






0
0
hoÆc sau c¸c biÕn ®æi ta cã
D
Y
Y
v
Y
Y
Y
Y
v
i
iD
nn
i
i
iD
i
nb
0
0 



 (7.23)
trong ®ã Y, YD vµ Y0 lµ c¸c t¶i t¸c ®éng. Nh÷ng phÇn tr×nh bµy trªn ®-îc
minh ho¹ bëi ®-êng ®øt nÐt trªn h×nh 7.10
7.7 TÝnh sè thiÕt bÞ phôc vô ho¹t ®éng víi tæn thÊt
hiÓn nhiªn vµ víi c¸c b¸o gäi lÆp l¹i
C¸c ph-¬ng ph¸p tÝnh to¸n sè thiÕt bÞ phôc vô ®· ®-îc tr×nh bµy trong môc
trªn dùa trªn gi¶ thiÕt r»ng c¸c b¸o gäi t¸c ®éng trong thêi gian bËn tÊt c¶ c¸c
thiÕt bÞ phôc vô sÏ bÞ mÊt m¸t kh«ng quay l¹i. Thùc tÕ ®a sè c¸c cuéc gäi
kh«ng thµnh c«ng lÇn ®Çu sÏ ®-îc c¸c thuª bao lÆp l¹i tíi khi hä tho¶ m·n.
Khi ho¹t ®éng víi tæn thÊt lín ®Õn nçi trªn c¸c m¹ng ®-îc tù ®éng ho¸ ®-êng
dµi vµ c¸c kiÓu gäi néi h¹t nÕu c¸c tÝnh to¸n sè kªnh mµ kh«ng tÝnh tíi ¶nh
h-ëng cña c¸c cuéc b¸o gäi lÆp sÏ dÉn ®Õn sai sè lín, kÕt qu¶ lµ chÊt l-îng
phôc vô c¸c thuª bao cã vÎ thÊp h¬n rÊt nhiÒu so víi ®· ®Ò ra. C¸c quan s¸t
cho thÊy khi mµ chÊt l-îng phôc vô trªn c¸c m¹ng ®-êng dµi kh«ng qu¸ thÊp
c¸c thuª bao (pg  0.2), c¸c thuª bao sÏ b¸o gäi lÆp l¹i ®Õn tho¶ m·n gÇn 90%
sè c¸c b¸o gäi bÞ tæn thÊt ban ®Çu. KÕt qu¶ lµ lµm cho tæn thÊt t¶i lín h¬n rÊt
nhiÒu, mÆc dï tæn thÊt b¸o gäi cã thÓ lín. Khi tÝnh to¸n c¸c thiÕt bÞ ®iÖn tho¹i
nªn ®¶m b¶o sù phôc vô tonµ bé t¶i xuÊt hiÖn tõ c¸c thuª bao, cßn chÊt l-îng
phôc vô c¸c thuª bao cÇn ®-îc x¸c ®Þnh kh«ng ph¶i bëi c¸c tæn thÊt t¶i mµ lµ
sè b¸o gäi lÆp trung b×nh mµ thuª bao cÇn tiÕn hµnh ®Ó c¸c b¸o gäi ban ®Çu
®-îc cho qua, nghÜa lµ bëi hÖ sè tæn thÊt theo b¸o gäi. Khi cã b¸o gäi lÆp,
®¼ng thøc cña c¸c hÖ sè tæn thÊt theo b¸o gäi, theo t¶i, theo thêi gian bÞ ph¸
vì. §¼ng thøc ®ã ®· lµ tÝnh chÊt cña sù phôc vô dßng b¸o gäi vµo ®¬n gi¶n
nhÊt. V× thÕ suy ra dßng chung t¹o bëi dßng ®¬n gi¶n nhÊt cña c¸c b¸o gäi
ban ®Çu víi c¸c b¸o gäi lÆp l¹i kh«ng ph¶i lµ dßng ®¬n gi¶n nhÊt. Khi phôc
vô dßng ®ã cÇn ph©n biÖt gi¸ trÞ vÒ l-îng cña c¸c hÖ sè tæn thÊt theo b¸o gäi,
theo t¶i vµ theo thêi gian. Chóng ta ký hiÖu c¸c hÖ sè nµy trong ®iÒu kiÖn ho¹t
®éng cã b¸o gäi lÆp l¹i b»ng pgp, pmp, ptp t-¬ng øng vµ
pgp = "
'
"
'
c
c
c
c p
p


(7.24)
ptp =
t
tbc
(7.25)
pmp = '
'
c
cpc
(7.26)
trong ®ã c’
– Sè b¸o gäi ban ®Çu
c”
– Sè b¸o gäi lÆp l¹i
'
p
c - Sè b¸o gäi ban ®Çu kh«ng thµnh c«ng
"
p
c - Sè b¸o gäi lÆp l¹i kh«ng thµnh c«ng
'
pc
c - Sè b¸o gäi ban ®Çu thùc sù kh«ng thµnh c«ng
bc
t - Kho¶ng thêi gian mµ trong ®ã tÊt c¶ c¸c thiÕt bÞ phôc vô ®Òu bÞ
chiÕm trong qu·ng thêi gian quan s¸t t ®Ó x¸c ®Þnh c¸c gi¸ trÞ c’
,
c”
, '
p
c , "
p
c , '
pc
c .
Sù phô thuéc cña pgp, pmp, ptp vµo sè b¸o gäi lÆp l¹i vµ tõ c¸c kho¶ng th¬i gian
lÆp l¹i trung b×nh ®-îc minh ho¹ trªn h×nh 13. ta ký hiÖu sè lÆp l¹i cña tõng
b¸o gäi bÞ tæn thÊt ban ®Çu b»ng k.
NÕu sè lÇn gäi lÆp cña c¸c b¸o gäi
b»ng 0 th× cã dßng b¸o gäi ®¬n gi¶n
nhÊt vµ pg = pm = pt. Khi xuÊt hiÖn
lÆp l¹i c¸c b¸o gäi kh«ng thµnh c«ng
(k > 0) gi¸ trÞ cña pmp gi¶m v× gi¶m
'
pc
c vµ t¨ng l-îng t¶i ®-îc cho qua;
cßn pgp t¨ng v× ngo¹i c¸c b¸o gäi ban
®Çu th× c¸c b¸o gäi lÆp l¹i còng bÞ
tæn thÊt, thªm vµo ®ã c¸c b¸o gäi lÆp
kh«ng ®-îc ®¸p øng t¨ng nhanh h¬n
so víi c¸c b¸o gäi lÆp ®-îc ®¸p øng. Bªn c¹nh ®ã ptp còng t¨ng do tæng t¶i
p
pgp
pmp ptp
s=0.125
s=0.25
s= 
0.5
0.4
0.3
0.2
0.1
0 1 2 3 4 5 6 k
Sè b¸o gäi lÆp l¹i
H×nh 7.14. Sù phô thuéc cña c¸c hÖ sè
tæn thÊt vµo sè b¸o gäi lÆp l¹i
®-îc chïm cho qua t¨ng vµ t¨ng thêi gian bËn bc
t (mµ trong kho¶ng thêi gian
®ã tÊt c¶ c¸c ®-êng cña chïm ®Òu bÞ chiÕm). Suy ra, lu«n cã pmp < pm, pgp >
pg, ptp > pt.
NÕu ®é dµi trung b×nh s cña c¸c kho¶ng thêi gian gi÷a c¸c b¸o gäi lµ nhá th×
pgp t¨ng nhanh, cßn pmp gi¶m chËm; cßn khi s lín th× pgp t¨ng chËm, cßn pmp
gi¶m nhanh. C¸c thay ®æi cña ptp x¶y ra trong ph¹m vÞ kh«ng lín vµ Ýt phô
thuéc vµo s.
Trªn h×nh 14 c¸c gi¸ trÞ ptp ®-îc chØ ra chØ khi s=0.25 , trong ®ã  lµ kho¶ng
thêi gian chiÕm trung b×nh, v× t¹i c¸c gi¸ trÞ kh¸c cña s c¸c ®-êng cong cña sù
phô thuéc ptp = f(k) n»m rÊt gÇn nhau.
Thùc tÕ s cã gi¸ trÞ trong kho¶ng 0.2 ®Õn 0.5. Tr-êng hîp khi pmp=0 cã ý
nghÜa thùc tÕ lín nhÊt, nghÜa lµ c¸c t¶i t¸c ®éng ban ®Çu ®Òu ®-îc cho qua.
§èi víi tr-êng hîp nµy, trong c¸c tÝnh to¸n nªn xem xÐt c¶ c¸c gi¸ trÞ pmp víi
vai trß nh- chØ sè chÊt l-îng phôc vô c¸c thuª bao QoS
C¸c b¸o gäi lÆp l¹i cã thÓ coi nh- mèi liªn hÖ ph¶n håi, mµ møc ®é tho¶ hiÖp
®Æc tÝnh cña dßng c¸c b¸o gäi t¸c ®éng ban ®Çu vµ cña dßng c¸c b¸o gäi lÆp
l¹i so víi dßng ®¬n gi¶n nhÊt phô thuéc vµo ®Æc tÝnh cña nã. C¸c ®Æc tÝnh
quan träng cña dßng b¸o gäi lÆp l¹i (mµ dßng ®ã ®-îc coi lµ ph¶n håi) lµ
c-êng ®é vµ ph-¬ng sai cña dßng ®ã.
C¸c ®Æc tÝnh cña dßng b¸o gäi lÆp l¹i phô thuéc vµo gi¸ trÞ cña hÖ sè tæn thÊt
theo b¸o gäi mµ t¹i ®ã chïm kªnh ®ang ®-îc xem xÐt lµm viÖc, vµ phô thuéc
vµo ®é dµi c¸c kho¶ng thêi gian lÆp l¹i cña tõng b¸o gäi s. §é dµi c¸c kho¶ng
thêi gian gäi lÆp ®-îc x¸c ®Þnh bëi tÝnh c¸ch cña thuª baovµ tÝnh chÊt cña c¸c
thiÕt bÞ kü thuËt cña m¹ng. Thuª bao, theo nhËn ®Þnh cña m×nh, cã thÓ lÆp l¹i
b¸o gäi sau c¸c kho¶ng thêi gian víi ®é dµi kh¸c nhau, nh-ng kh«ng nhá h¬n
kho¶ng thêi gian ®-îc t¹o bëi c¸c qu¸ tr×nh xö lý mçi cuéc gäi. §óng ra, c¸c
dßng b¸o gäi lÆp cã gi¸ trÞ ph-¬ng sai vÒ l-îng lín h¬n c-êng ®é vµ suy ra
c¸c dßng nµy kh«ng ®ång ®Òu b»ng c¸c dßng ®¬n gi¶n nhÊt.
Khi kÕt hîp dßng h-íng vµo ®¬n gi¶n nhÊt víi dßng b¸o gäi lÆp, c-êng ®é vµ
c¶ ph-¬ng sai cña c¶ hai dßng ®-îc céng víi nhau, v× vËy dßng tæng hîp
còng gièng dßng b¸o gäi lÆp sÏ cµng kh«ng ®ång ®Òu so víi dßng ®¬n gi¶n
nhÊt. §èi víi dßng nh- vËy ®ßi hái sè l-îng thiÕt bÞ phôc vô lín h¬n so víi
®èi víi dßng ®¬n gi¶n nhÊt cã cïng c-êng ®é.
NÕu theo c-êng ®é cña dßng tæng cña c¸c b¸o gäi ban ®Çu vµ c¸c b¸o gäi lÆp
l¹i tiÕn hµnh tÝnh to¸n c¸c thiÕt bÞ phôc vô b»ng c¸c ph-¬ng ph¸p ®èi víi
dßng ®¬n gi¶n nhÊt th× sè c¸c thiÕt bÞ phôc vô ®ã sÏ nhá h¬n yªu cÇu thùc tÕ.
Trong tr-êng hîp nµy ®Ó ®¶m b¶o chØ tiªu chÊt l-îng dÞch vô cho tr-íc cÇn
tiÕn hµnh tÝnh to¸n theo t¶i t-¬ng ®-¬ng cao h¬n t¶i cho tr-íc lµ l1 lÇn. HÖ sè
l1, mµ nã tÝnh ®Õn sù thay ®æi ®Æc tÝnh cña dßng d-íi sù ¶nh h-ëng cña c¸c
b¸o gäi lÆp, phô thuéc vµo gi¸ trÞ cña t¶i t¸c ®éng ban ®Çu, vµo hÖ sè tæn thÊt
theo cuéc gäi cho tr-íc pgp vµ ®é dµi trung b×nh cña c¸c kho¶ng thêi gian gäi
lÆp s ®-îc biÓu diÔn theo ®¬n vÞ b»ng ®é dµi chiÕm trung b×nh . Sù t¨ng
c-êng ®é dßng b¸o gäi chung do Ènh h-ëng cña c¸c b¸o gäi lÆp cã thÓ ®-îc
tÝnh ®Õn b»ng viÖc chia t¶i t¸c ®éng Y cho gi¸ trÞ 1-pgp. Suy ra, tÝnh sè ®-êng
cña c¸c chïm cã tÝnh ®Õn ¶nh h-ëng cña c¸c b¸o gäi lÆp cã thÓ tiÕn hµnh theo
gi¸ trÞ quy ®æi cña t¶i t¸c ®éng Z b»ng chÝnh c¸c ph-¬ng ph¸p ®· cho tr-íc
®©y tr«ng ®iÒu kiÖn kh«ng cã c¸c b¸o gäi lÆp.
gp
p
Y
l
Z


1
1
C¸c gi¸ trÞ cña hÖ sè l1 ®-îc x¸c ®Þnh bëi c«ng thøc sau:
 
sY
Y
Y
p
l
gp 022
.
0
013
.
0
00334
.
0
175
.
0
1
1





Trªn h×nh 7.15 lµ ®å thÞ hµm sè l1 = f(s,Y,pgp) t¹i c¸c gi¸ trÞ s=0.2 vµ
s=0.35. H×nh16 cho thÊy viÖc tÝnh ®Õn ¶nh h-ëng cña c¸c b¸o gäi lÆp sÏ lµm
t¨ng sè kªnh cña chïm lªn bao nhiªu khi chóng ho¹t ®éng víi c¸c tæn thÊt
b¸o gäi lín
a. b.
l1 l1
1.4
1.3
1.2
1.1
1.3
1.2
1.1
2 4 6 8 10 12 14 16 18 20 Z, Erl 2 4 6 8 10 12 14 16 18 20 Z, Erl
s=0.2 s=0.35
0.3
0.2
0.1
pgp
0.03
0.3
0.2
0.1
pgp
0.03
H×nh 7.15 §å thÞ hµm sè l1 = f(s,Y,pgp)
H×nh 16 ¶nh h-ëng cña c¸c b¸o gäi lÆp trong tÝnh to¸n c¸c thiÕt bÞ
7.8 TÝnh to¸n sè thiÕt bÞ phôc vô lµm viÖc víi c¸c tæn
thÊt h×nh thøc
C¸c hÖ thèng lµm viÖc kiÓu hµng ®îi ®-îc gäi lµ c¸c hÖ thèng cã tæn thÊt h×nh
thøc. VÝ dô ®iÓn h×nh cña c¸c hÖ thèng d¹ng nµy lµ hÖ thèng c¸c thiÕt bÞ ®iÒu
khiÓn. Trong mét sè c¸c tæng ®µi ®iÖn tho¹i tù ®éng c¸c thiÕt bÞ tuyÕn tho¹i
còng cã thÓ ho¹t ®éng theo kiÓu hÖ thèng hµng ®îi. Ngoµi ra c¸c hÖ thèng
phôc vô c¸c dÞch vô phi tho¹i còng th-êng lµm viÖc theo ph-¬ng thøc nµy.
HÖ thèng chuyÓn m¹ch lµm viÖc víi hµng ®îi th-êng cã cÊu tróc mét kh©u,
c¸c nhãm kªnh truy cËp hoµn toµn th-êng ®-îc m¾c vµo c¸c ®Çu ra cña kh©u
®ã. Trong kü thuËt ®iÖn tho¹i, c¸c hÖ thèng mét ®-êng gåm chØ mét thiÕt bÞ
phôc vô cho mét nhãm c¸c nguån sinh t¶i cã mét vÞ trÝ kh¸ quan träng. VÝ dô
vÒ hÖ thèng mét ®-êng cã thÓ lµ c¸c bé ®iÒu khiÓn chuyÓn m¹ch trong c¸c
tæng ®µi ®iÖn tho¹i tù ®éng (c¸c Marker) hoÆc hÖ thèng kªnh liªn l¹c ®-êng
dµi.
Thêi gian ®îi bëi thuª bao yªu cÇu nèi ®-îc tæng hîp tõ hai thµnh phÇn:
thµnh phÇn kü thuËt vµ thµnh phÇn chÊt l-îng. Thµnh phÇn kü thuËt lµ kho¶ng
thêi gian lµm viÖc cña c¸c thiÕt bÞ chuyÓn m¹ch phô thuéc vµo kiÓu cña
chóng. C¸c thiÕt bÞ ®iÖn tho¹i ®-îc x©y dùng sao cho chóng ®¶m b¶o gi¸ trÞ
cña thµnh phÇn kü thuËt lµ nhá nhÊt cã thÓ. Thµnh phÇn chÊt l-îng ®-îc x¸c
®Þnh bëi sè thiÕt bÞ phôc vô hiÖn cã vµ l-îng t¶i t¸c ®éng lªn chóng.
ViÖc x¸c ®Þnh sè l-îng c¸c thiÕt bÞ phôc vô dùa trªn viÖc xem xÐt x¸c suÊt
V
14
12
10
8
6
4
2
0.1 0.2 pgp
s=0.35 pmp=0
Ghi chó:
Cã tÝnh ®Õn c¸c b¸o
gäi lÆp
Kh«ng tÝnh ®Õn c¸c
b¸o gäi lÆp
®îi phôc vô cao h¬n thêi gian  cho tr-íc khi ®ã chØ tÝnh ®Õn thµnh phÇn chÊt
l-îng cña thêi gian ®îi.
Khi phôc vô víi hµng ®îi N nguån t¶i bëi chïm cã v kªnh cã thÓ x¶y ra c¸c
tr¹ng th¸i sau ®©y:
1. Sè b¸o gäi xuÊt hiÖn trong
kho¶ng thêi gian trung b×nh cña mét cuéc chiÕm (cuéc gäi)  b»ng
hoÆc nhá h¬n v. Trong tr-êng hîp nµy c¸c thuª bao ®-îc phôc vô ngay
lËp tøc vµ kh«ng ph¶i ®îi.
2. Sè b¸o gäi xuÊt hiÖn trong
kho¶ng thêi gian  lín h¬n v. Trong tr-êng hîp nµy mét phÇn c¸c thuª
bao ®-îc phôc vô ngay lËp tøc, sè thuª bao gäi cßn l¹i ph¶i ®îi sù gi¶i
phãng cña c¸c kªnh. C¸c nguån t¶i ®îi ®Ó ®-îc phôc vô t¹o thµnh hµng
®îi. C¸c hÖ thèng ®iÖn tho¹i víi hµng ®îi cã thÓ lµm viÖc víi sù phôc
vô theo thø tù xuÊt hiÖn b¸o gäi hoÆc phôc vô víi thø tù ngÉu nhiªn.
Thêi gian ®îi trung b×nh trong c¶ hai tr-êng hîp sÏ nh- nhau nh-ng
ph©n bè cña nh÷ng thêi gian nµy sÏ kh¸c nhau.
Thêi gian ®îi phôc vô phô thuéc vµo thêi gian chiÕm c¸c thiÕt bÞ phôc vô.
Th«ng th-êng c¸c hÖ thèng ®iÖn tho¹i ®-îc xem nh- c¸c hÖ thèng víi thêi
gian ®îi phôc vô kh«ng ®æi hoÆc víi thêi gian ®îi phôc vô ngÉu nhiªn cã qui
luËt ph©n bè hµm mò cña c¸c kho¶ng thêi gian chiÕm.
Khi nghiªn cøu c¸c hÖ thèng hµng ®îi th-êng gi¶ ®Þnh r»ng t¶i xuÊt hiÖn ®Õn
c¸c thiÕt bÞ phôc vô d-íi d¹ng cña dßng b¸o gäi ®¬n gi¶n nhÊt vµ ph©n bè c¸c
x¸c suÊt Px(t) cña sù xuÊt hiÖn x b¸o gäi trong kho¶ng thêi gian t tu©n theo
quy luËt Puassona. Trong mét sè tr-êng hîp khi sè nguån sinh t¶i nhá th×
chÊp nhËn ph©n bè theo qui luËt Becnully. §èi víi chïm truy cËp hoµn toµn,
kh«ng kho¸, cã v ®-êng ho¹t ®éng trong chÕ ®é hµng ®îi, mµ t¸c ®éng lªn nã
lµ t¶i Y d-íi d¹ng dßng b¸o gäi ®¬n gi¶n nhÊt, khi ph©n bè cña ®é dµi thêi
gian chiÕm kªnh theo kiÓu hµm mò vµ phôc vô c¸c b¸o gäi trong hµng ®îi
theo thø tù xuÊt hiÖn cña chóng, Erlang ®· ®-a ra c«ng thøc sau ®©y ®èi víi
x¸c suÊt ®îi P(>0):
 


 





 1
0 !
!
!
0 v
i
v
i
v
Y
v
v
v
Y
i
Y
Y
v
v
v
Y
P (7.27)
C«ng thøc nµy nhËn ®-îc tªn gäi lµ C«ng thøc Erlang thø hai.
TÝnh c¸c gi¸ trÞ cña P(>0) cã thÓ ®-îc ®¬n gi¶n ho¸ nÕu sö dông c«ng thøc
sau dùa trªn viÖc sö dông c¸c b¶ng Palma ®èi víi E1;v(Y) ®-îc lËp theo c«ng
thøc Erlang thø nhÊt:  
 
)
(
;
1
)
(
;
)
0
1
1
Y
v
E
Y
v
v
Y
v
E
P




X¸c suÊt ®îi qu¸ thêi gian t cho tr-íc P(>t) ®-îc x¸c ®Þnh bëi biÓu
thøc sau:
     
t
Y
v
e
P
t
P 



 0 (7.28)
trong ®ã  thêi gian chiÕm trung b×nh.
Do khã kh¨n trong viÖc tÝnh trùc tiÕp theo c«ng thøc (7.28) nªn thùc tÕ sö
dông c¸c b¶ng vµ c¸c ®å thÞ ®· ®-îc x©y dùng theo c«ng thøc nµy. VÝ dô x©y
dùng ®å thÞ nh- thÕ ®èi víi gi¸ trÞ P(>t) = 0.1 ®-îc cho trªn h×nh 7.17.
Thêi gian ®îi trung b×nh cã thÓ coi lµ liªn quan tíi tÊt c¶ c¸c b¸o gäi ®Õn
hoÆc chØ liªn quan tíi c¸c b¸o gäi chê phôc vô. Thêi gian ®îi trung b×nh hd
®èi víi c¸c b¸o gäi trong hµng ®îi khi
v>Y b»ng:
Y
v
hd




trong ®ã  lµ thêi gian chiÕm trung
b×nh khi ph©n bè thêi gian chiÕm theo
quy luËt hµm mò.
Thêi gian ®îi trung b×nh tb liªn
quan ®Õn tÊt c¶ c¸c b¸o gäi tíi sÏ lµ:
    hd
tb P
Y
v
P 

 0
0 




§èi víi cïng nh÷ng ®iÒu kiÖn nh-ng
khi thêi gian chiÕm c¸c thiÕt bÞ phôc vô
kh«ng ®æi c¸c c«ng thøc tÝnh ®· cho
bëi c¸c nhµ nghiªn cøu kh¸c nhau. Tõ
c¸c c«ng thøc nµy, trong kü thuËt thiÕt
kÕ c¸c tæng ®µi ®iÖn tho¹i tù ®éng,
c«ng thøc Crommelin nhËn ®-îc sù
0
4
8
54
52
48
44
40
36
32
28
24
20
16
12
0.5 1.0 1.5 2.0 2.5 3.0
Tû sè t/
y- Giê chiÕm Sè kªnh 55
50
45
40
35
30
25
20
15
10
5
H×nh 7.17
øng dông réng r·i. C¸c tÝnh to¸n ®-îc tiÕn hµnh nhê c¸c ®å thÞ ®-îc x©y
dùng theo c«ng thøc nµy. C¸c ®å thÞ riªng ®-îc x©y dùng ®èi víi c¸c sè thiÕt
bÞ phôc vô v kh¸c nhau.
Thêi gian ®îi phôc vô trung b×nh khi thêi gian chiÕm thiÕt bÞ phôc vô
kh«ng ®æi vµ khi v>Y ®-îc x¸c ®Þnh theo c¸c biÓu thøc:
− §èi víi c¸c b¸o gäi bÞ chê:
 
Y
v
hd


2


− §èi víi tÊt c¶ c¸c b¸o gäi :  
 
  hd
tb P
Y
v
P 

 0
2
0 




Trong c¸c hÖ thèng ®Æt tr-íc cuéc gäi tÊt c¶ c¸c b¸o gäi ®Òu ph¶i xÕp hµnh
chê phôc vô. HÖ thèng gäi ®Æt tr-íc th-êng ®-îc ¸p dông khi mµ t¶i yªu cÇu
Y tÝnh theo Erlang b»ng hoÆc lín h¬n sè kªnh liªn l¹c hiÖn cã v.
Sè l-îng kªnh ®ßi hái trong hÖ thèng gäi ®Æt tr-íc ®-îc x¸c ®Þnh trªn c¬ së
®å thÞ t¶i xuÊt hiÖn trªn tæng ®µi chuyÓn tiÕp vµ thêi gian ®îi cùc ®¹i thùc
hiÖn yªu cÇu t mµ trong ®a sè tr-êng hîp ®Æt ra lµ kh«ng qu¸ 30 phót. §Ó x¸c
®Þnh sè l-îng kªnh , ®Çu tiªn chóng ta ®-îc cho tr-íc mét sè v kªnh nµo ®ã
mµ trong kho¶ng thêi gian T chóng cã thÓ cho qua l-îng t¶i Y1 = vT Erlang.
L-îng t¶i kh«ng ®-îc cho qua Y2 trong kho¶ng thêi gian T cÇn ph¶i ®-îc cho
qua trong kho¶ng thêi gian tiÕp sau ®ã mµ nã ®-îc cho theo ®iÒu kiÖn vµ
b»ng t.
NÕu sè kªnh v ®-îc chän ®óng th× sÏ cã ®¼ng thøc
vt = Y2+Yt ,
trong ®ã lµ t¶i ®Õn trong thêi gian t theo biÓu ®å xuÊt hiÖn c¸c yªu c©u ®Æt
cuéc gäi. Tõ ®ã ta nhËn ®-îc:
v
Y
Y
t t

 2
(7.29)
NÕu theo tÝnh to¸n trªn c¬ së c«ng thøc (7.29) nhËn ®-îc thêi gian t lín
h¬n hoÆc nhá h¬n gi¸ trÞ cho tr-íc th× tÝnh to¸n sÏ ph¶i lÆp l¹i ®èi víi c¸c gi¸
trÞ kh¸c cña sè l-îng kªnh v cho tíi khi nhËn ®-îc kÕt qu¶ yªu cÇu theo c«ng
thøc (7.29).
7.9 §é sö dông trung b×nh c¸c kªnh (®-êng) cña c¸c
chïm
Gi¸ trÞ (møc ®é) sö dông c¸c kªnh cña c¸c chïm vµ c¸c thiÕt bÞ ®-îc m¾c
víi chóng lµ chØ sè kinh tÕ chÝnh cña c¸c thiÕt bÞ ®iÖn tho¹i. Gi¸ trÞ nµy ®-îc
®o b»ng phÇn cña giê ho¹c phót vµ chØ ra kho¶ng thêi gian ho¹t ®éng cña
phÇn tö thiÕt bÞ ®ang xem xÐt trong giê cao ®iÓm. V× viÖc sö dông cña c¸c
kªnh trong chïm vµ c¸c thiÕt bÞ kÌm theo cña mét nhãm nµo ®ã th-êng
kh«ng gièng nhau nªn th-êng xem xÐt ®é sö dông trung b×nh cña ®-êng
thuéc chïm cô thÓ hoÆc cña c¸c thiÕt bÞ thuéc nhãm cho tr-íc. Sau nµy chóng
ta sÏ xem xÐt ®é sö dông cña ®-êng thuéc chïm vµ nhí lu«n r»ng nã bao
hµm c¶ tíi c¸c thiÕt bÞ mµ c¸c kªnh nµy nèi víi chóng.
§é sö dông ®-êng thuéc chïm phô thuéc vµo kiÓu vµ dung l-îng cña
chïm, vµo kh¶ n¨ng truy cËp c¸c ®-êng cña chïm vµ c¶ vµo chÊt l-îng phôc
vô c¸c thuª bao ®· ®-îc ®Æt ra. §é sö dông trung b×nh c¸c ®-êng thuéc c¸c
chïm kh¸c nhau t¹i c¸c gi¸ trÞ kh¸c nhau cña chØ sè vÒ chÊt l-îng phôc vô cã
thÓ ®-îc t×m thÊy nhê c¸c c«ng thøc vµ ®å thÞ ®· ®-îc tr×nh bµy tr-íc ®©y.
§èi víi chïm truy cËp hoµn toµn, kh«ng kho¸, ho¹t ®éng trong chÕ ®é víi c¸c
tæn thÊt hiÓn nhiªn th× sù phô thuéc cña ®é sö dông trung b×nh vµo dung
l-îng cña chïm ®-îc ®-a ra trªn h×nh 18. C¸c ®-êng cong t-¬ng øng c¸c hÖ
sè tæn thÊt p b»ng 0.001, 0.01, 0.1, vµ 0.5 . Còng trªn h×nh 7.18 c¸c ®-êng ®øt
nÐt chØ ra sù phô thuéc tr-¬ng tù ®èi víi chïm truy cËp kh«ng hoµn toµn,
kh«ng kho¸, ®-îc m¾c trong tr-êng chuyÓn m¹ch nhiÒu kh©u t¹i c¸c gi¸ trÞ D
b»ng 10 vµ 20 khi p=0.001. Xem xÐt c¸c ®-êng cong ®· ®-a ra cã thÓ dÉn ra
kÕt luËn r»ng ®é sö dông trung b×nh cña ®-êng t¨ng khi t¨ng sè ®-êng thuéc
nhãm vµ còng t¨ng nhãm c¸c nguån sinh t¶i. KÕt luËn t-¬ng tù ®· ®-îc dÉn
c¶ khi xem xÐt vÊn ®Ò vÒ hÖ sè tËp trung t¶i.
§é sö dông ®-êng ®Æc biÖt t¨ng m¹nh khi më réng c¸c chïm nhá. VÝ dô,
p
0.5
0.1
0.01
0.00
1
10
20
30
40
50
60
0 10 20 30 40 50 60 70 80 90 100
Sè kªnh trong chïm
§é
sö
dông
trung
b×nh
cña
mçi
kªnh
trong
chïm,
phót
D=20
H×nh 7.18. Sù phô thuéc cña ®é sö dông trung b×nh cña kªnh thuéc chïm vµo c¸c
yÕu tè
D=10
Chïm truy cËp
hoµn toµn,
kh«ng kho¸
Chïm truy cËp kh«ng
hoµn toµn, kh«ng kho¸
p=0.001, tr-êng chuyÓn
m¹ch nhiÒu kh©u
khi t¨ng sè ®-êng cña chïm truy cËp hoµn toµn lµm viÖc t¹i p=0.001 tõ 5 lªn
10 th× ®é sö dông ®-êng trung b×nh t¨ng tõ 50 ®Õn 100 t¹o lªn sù t¨ng ®é sö
dông cña mçi ®-êng kho¶ng 1,15 lÇn. §é lín cña nhãm c¸c nguån sinh t¶i
®-îc phôc vô bëi chïm ®-êng t¨ng nhanh h¬n nhiÒu so víi sè ®-êng cña
chïm. VÝ dô, nÕu chïm truy cËp hoµn toµn chøa 10 ®-êng, th× t¹i p=0.001 ®é
sö dông trung b×nh cña ®-êng trong giê cao ®iÓm kho¶ng 19 phót vµ tæng t¶i
mµ chïm cã thÓ cho qua lµ 190 phót-gäi. NÕu mçi thuª bao lµ nguån t¶i cña
chïm nµy t¹o ra trong giê cao ®iÓm t¶i 3.8 phót-gäi th× chïm ®ang xÐt cã thÓ
phôc vô 190 : 3.8 = 50 thuª bao. Trong chïm truy cËp hoµn toµn cã 100
®-êng, còng t¹i hÖ sè tæn thÊt ®ã ®é sö dông trung b×nh cña mçi ®-êng sÏ lµ
45 phót. Tæng t¶i cã thÓ cho qua bëi c¶ chïm b»ng 4500 phut-gäi. Chïm nh-
thÕ cã thÓ phôc vô 4500 : 3.8 = 1184 thuª bao.
Khi so s¸nh hai chïm kªnh ®· xem xÐt trªn cã thÓ ®-a ra kÕt luËn r»ng
t¨ng chïm truy cËp hoµn toµn lªn 10 lÇn cho kh¶ n¨ng t¨ng nhãm nguån t¶i
lªn 23.6 lÇn. §iÒu nµy ®-îc minh ho¹ hiÖu qu¶ cña viÖc ghÐp hîp t¹o chïm
cã kÝch th-íc lín vµ ghÐp hîp c¸c nhãm nguån t¶i ®Ó t¹o nhãm chung cã
dung l-îng lín h¬n. Tuy nhiªn, viÖc t¹o c¸c chïm truy cËp hoµn toµn, kh«ng
kho¸, kÝch th-íc lín (nhiÒu kªnh h¬n) ®ßi hái ph¶i sö dông c¸c bé chän víi
tr-êng tiÕp ®iÓm lín h¬n. Gi¸ thµnh cao cña c¸c bé chän nh- vËy sÏ lµm gi¶m
nhanh chãng hiÖu qu¶ cña c¸c thiÕt bÞ ®iÖn tho¹i ®· ®¹t ®-îc trong viÖc n©ng
hiÖu qu¶ sö dông kªnh nhê viÖc ghÐp hîp c¸c chïm kªnh nhá. V× nguyªn
nh©n nµy mµ thùc tÕ c¸c chïm truy cËp hoµn toµn th-êng ®-îc ¸p dông víi sè
®-êng®Õn 20 vµ hiÕm khi víi dung l-îng lín.
Lîi thÕ c¬ b¶n cña c¸c chïm truy cËp kh«ng hoµn toµn so víi c¸c
chïm truy cËp hoµn toµn lµ kh¶ n¨ng t¨ng sè ®-êng cña chïm nhê c¸c bé
chän cã tr-êng tiÕp ®iÓm cã dung l-îng kh«ng lín l¾m. Tuy nhiªn, t¨ng ®é
sö dông ®-êng cña chïm truy cËp kh«ng hoµn toµn khi t¨ng sè ®-êng cña
chïm x¶y ra ë møc ®é nhá h¬n nhiÒu so víi chïm truy cËp hoµn toµn. VÝ dô,
®èi víi chïm truy cËp kh«ng hoµn toµn, kh«ng kho¸, víi ®é truy cËp D=10,
lµm viÖc t¹i p=0.001, khi t¨ng sè ®-êng cña chïm tõ 10 lªn 100 th× ®é sö
dông trung b×nh cña ®-êng t¨ng tõ 19 lªn 25 phót trong giê cao ®iÓm, nghÜa
lµ 1.32 lÇn. §èi víi chïm truy cËp hoµn toµn t¹i nh÷ng ®iÒu kiÖn nh- vËy ®é
sö dông trung b×nh t¨ng tõ 19 lªn 45 phót, nghÜa lµ 2.37 lÇn. Nh-ng khi ®ã
viÖc ¸p dông chïm truy cËp hoµn toµn g©y ra sù t¨ng gi¸ thµnh cña c¸c bé
chän lµm viÖc t¹i c¸c ®Çu vµo cña chïm lªn rÊt nhiÒu. ChÝnh yÕu tè nµy t¹o
nªn sù phæ biÕn réng r·i c¸c chïm truy cËp kh«ng hoµn toµn trong c¸c thiÕt
bÞ cña tæng ®µi ®iÖn tho¹i tù ®éng.
§é sö dông trung b×nh cña ®-êng thuéc c¸c chïm truy cËp kh«ng
hoµn toµn sÏ t¨ng khi t¨ng ®é truy cËp D, tuy nhiªn t¨ng ®é truy cËp D cña
chïm còng lµm t¨ng gi¸ thµnh cña c¸c bé chän lµm viÖc t¹i c¸c ®Çu vµo cña
chïm, do ®ã cã mét gi¸ trÞ nµo ®ã cña ®é truy cËp lµ tèi -u mµ sau gi¸ trÞ ®ã
viÖc tiÕp tôc t¨ng nã sÏ kÐo theo lµm gi¶m chØ sè vÒ kinh tÕ cña c¸c thiÕt bÞ
®iÖn tho¹i vÒ tæng thÓ. Xem xÐt c¸c ®-êng døt nÐt trªn h×nh 18 cã thÓ nhËn
thÊy r»ng ®èi víi c¸c chïm truy cËp kh«ng hoµn toµn sù t¨ng râ rÖt ®é sö
dông trung b×nh cña ®-êng x¶y ra khi t¨ng sè ®-êng ®Õn gi¸ trÞ gÇn b»ng
(35)D. V× vËy víi ®é truy cËp D=10 kh«ng nªn cè lµm c¸c chïm dung l-îng
lín h¬n 50 ®-êng, cßn c¸c chïm víi ®é truy cËp D=20 th× dung l-îng cña
chïm kh«ng nªn lín h¬n 100 ®-êng.
§é sö dông trung b×nh cña ®-êng thuéc chïm sÏ t¨ng ®¸ng kÓ khi t¨ng
møc ®é tæn thÊt cho phÐp, ®iÒu nµy xuÊt hiÖn ®Æc biÖt m¹nh t¹i khu vùc cña
c¸c chïm Ýt lín h¬n. VÝ dô, ®èi víi chïm truy cËp hoµn toµn, kh«ng kho¸ cã
10 ®-êng, khi t¨ng hÖ sè tæn thÊt tõ 0.001 lªn 0.5 sÏ lµm t¨ng ®é sö dông
trung b×nh cña ®-êng tõ 19 lªn 55 phót, nghÜa lµ 2.9 lÇn. Nªn nhí r»ng cÇn
dµnh sù quan t©m lín cho viÖc chän c¸c gi¸ trÞ cho phÐp cña c¸c hÖ sè tæn
thÊt trªn c¸c ®o¹n kh¸c nhau cña m¹ng ®iÖn tho¹i. Nh÷ng quan ®iÓm chung
khi nµy cÇn tham kh¶o lµ: gi¸ thµnh cña ®-êng cµng cao th× thuª bao cµng Ýt
sö dông, gi¸ trÞ cña hÖ sè tæn thÊt cã thÓ cµng cao. Trªn c¸c ®o¹n mµ c¸c thuª
bao sö dông th-êng xuyªn vµ n¬i c¸c ®-êng cã gi¸ thµnh kh«ng cao th× nªn
vËn dông c¸c gi¸ trÞ hÖ sè tæn thÊt thÊp. VÝ dô, trªn m¹ng néi ®« th-êng vËn
dông c¸c gi¸ trÞ cho phÐp cña hÖ sè tæn thÊt trªn mçi cÊp chän tõ 210‰, cßn
trªn m¹ng th«ng tin ®-êng dµi c¸c gi¸ trÞ nµy cã thÓ cao h¬n rÊt nhiÒu.
§é sö dông trung b×nh cña c¸c chïm cã kho¸ th-êng thÊp h¬n ®é sö
dông trung b×nh cña c¸c chïm kh«ng kho¸ t-¬ng øng, ®iÒu ®ã ®-îc gi¶i thÝch
bëi t¸c ®éng cña tæn thÊt néi do hiÖn t-îng kho¸ m¹ch bªn trong t¹o bëi tÝnh
chÊt cña thiÕt bÞ chuyÓn m¹ch lµm viÖc trªn ®Çu vµo cña chïm kªnh ®ang
xem xÐt. NÕu trªn ®å thÞ trªn h×nh 18 biÓu diÔn c¸c ®-êng cong ®èi víi c¸c
chïm cã kho¸ th× chóng sÏ n»m d-íi c¸c ®-êng cong t-¬ng øng dµnh cho c¸c
chïm kh«ng kho¸ vµ gÇn nh- song song víi chóng. Møc ®é xa gÇn cña c¸c
®-êng cong ®èi víi c¸c chïm cã kho¸ vµ kh«ng kho¸ trong cïng nh÷ng ®iÒu
kiÖn lµm viÖc nh- nhau phô thuéc vµo c¸c tÝnh chÊt cÊp chän hai kh©u hay
nhiÒu kh©u lµm viÖc trªn ®Çu vµo cña chïm. Thùc tÕ c¸c cÊp chän ®-îc ¸p
dông lµ c¸c bé chän mµ chóng ®¶m b¶o sù gi¶m kh«ng lín cña ®é sö dông
trung b×nh cña ®-êng thuéc chïm cã kho¸ so víi chïm kh«ng kho¸ t-¬ng
øng. Cïng víi ®iÒu nµy, viÖc t¹o c¸c chïm truy cËp hoµn toµn, kh«ng kho¸
lín vµ ®é sö dông ®-êng cña chóng cao cã thÓ ®¹t ®-îc nhê c¸c bé chän víi
dung l-îng tr-êng tiÕp ®iÓm nhá, chÝnh lµ -u thÕ cña c¸c chïm khèi (chïm
nhiÒu khèi), t¹o ra sù phæ biÕn réng r·i cña chóng trong c¸c hÖ thèng tæng ®µi
®iÖn tho¹i tù ®éng hiÖn ®¹i.
Còng cÇn nhí r»ng, viÖc øng dông c¸c chïm cã kho¸ cã lîi thÕ chØ
trong c¸c tr-êng hîp khi c¸c bé chän lµm viÖc t¹i ®Çu vµo cña c¸c chïm nh-
vËy cã gi¸ thµnh c¸c thiÕt bÞ cña chóng kh«ng cao. Khi tæ chøc th«ng tin liªn
tØnh th× c¸c ®-êng cña chïm lµ c¸c kªnh ®-êng dµi ®¾t tiÒn. T¨ng ®é sö dông
cña c¸c kªnh nµy lµ mét vÊn ®Ò quan träng, v× vËy, trªn c¸c m¹ng liªn l¹c liªn
tØnh khi sè kªnh nhá ¸p dông réng r·i ph-¬ng thøc phôc vô thuª bao theo
kiÓu hµng ®îi, ®-îc thùc hiÖn d-íi d¹ng cña hÖ thèng phôc vô lËp tøc hay hÖ
thèng gäi ®Æt tr-íc (hÑn giê).
7.10 Phôc vô nhiÒu pha
C¸c ph-¬ng ph¸p tÝnh to¸n ®· ®-îc tr×nh bµy trªn ®©y cho phÐp:
− X¸c ®Þnh sè thiÕt bÞ phôc vô v nÕu cho biÕt t¶i Y vµ chØ tiªu chÊt l-îng
dÞch vô mµ tuú thuéc vµo hÖ thèng phôc vô cã thÓ lµ hÖ sè tæn thÊt pgp
hoÆc x¸c suÊt P(>t). Bµi to¸n nµy xuÊt hiÖn chñ yÕu trong thiÕt kÕ
− T×m pgp hoÆc P(>t) nÕu cho biÕt v vµ Y. Bµi to¸n nµy xuÊt hiÖn khi
khai th¸c.
− TÝnh Y nÕu biÕt v, pgp hoÆc P(>t). Bµi to¸n nµy xuÊt hiÖn khi th¨m dß
vµ thiÕt kÕ s¬ bé
C¸c ph-¬ng ph¸p tÝnh to¸n ®· xem xÐt thuéc vµo lo¹i phôc vô mét pha, nghÜa
lµ dïng ®èi víi mçi chïm, mçi bé ®iÒu khiÓn, mét nhãm thanh ghi… . Tuy
nhiªn trong ®a sè tr-êng hîp thùc tÕ l¹i lµ phôc vô nhiÒu pha, khi mµ c¸c thiÕt
bÞ phôc vô kh¸c nhau lµm viÖc mét c¸ch nèi tiÕp theo thêi gian hoÆc theo
kh«ng gian, ngoµi ra trªn mçi pha phôc vô cã sù liªn kÕt hoÆc ph©n bè t¶i. VÝ
dô, trong c¸c tæng ®µi ®iÖn tho¹i tù ®éng sù kÕt nèi x¶y ra qua mét sè cÊp
chän, mçi cÊp chän t¹o nªn mét pha phôc vô. Trªn mçi cÊp chän cã thÓ x¶y
ra mét sè c¸c dßng cã b¶n chÊt kh¸c nhau vµ trªn mçi cÊp chän còng x¶y ra
c¸c qu¸ tr×nh liªn kÕt hoÆc ph©n chia c¸c dßng. Khi ®ã thËm chÝ trªn mçi cÊp
chän th-êng chia thµnh hai pha phôc vô – c¸c chïm nèi víi ®Çu ra cña cÊp
chän vµ marker ®iÒu khiÓn cÊp chän. C¸c pha riªng rÏ t¹o ra c¸c thanh ghi,
c¸c bé ®Õm… . Trªn c¸c m¹ng gåm nhiÒu h¬n mét tæng ®µi ®iÖn tho¹i tù
®éng c¸c pha phô xuÊt hiÖn trong c¸c kÕt nèi chuyÓn tiÕp. Phôc vô nhiÒu pha
nh- vËy bÞ phøc t¹p lªn nhiÒu trªn c¸c m¹ng th«ng tin ®-êng dµi.
Mçi pha ®-îc ®Æc tr-ng bëi chØ sè chÊt l-îng dÞch vô cña m×nh. ChØ sè chÊt
l-îng dÞch vô chung ®èi víi mét dßng b¸o gäi cho tr-íc ®-îc tÝch luü tõ c¸c
chØ sè chÊt l-îng dÞch vô cña tÊt c¶ c¸c pha tham gia vµo kÕt nèi ®ã, tuy
nhiªn quy luËt céng c¸c chØ sè nµy phøc t¹p, v×, thø nhÊt lµ b¶n th©n c¸c chØ
sè nµy kh«ng cïng b¶n chÊt ( vÝ dô pgp víi P(>t), thø hai lµ tõng chØ sè
kh«ng ph¶i lµ ®¹i l-îng kh«ng ®æi mµ thay ®æi phô théc hµng lo¹t c¸c ®iÒu
kiÖn. C¸c ®iÒu kiÖn nµy ®-îc x¸c ®Þnh: bëi nh÷ng phô thuéc t¹m thêi cña pha
lµm viÖc, bëi c¸c dßng b¸o gäi ®ång thêi, bëi sù hiÖn diÖn cña c¸c b¸o gäi
lÆp, bëi sù thay ®æi tÝnh chÊt cña dßng b¸o gäi d-íi ¶nh h-ëng cña c¸c thiÕt
bÞ chuyÓn m¹ch… .
Nh÷ng phô thuéc t¹m thêi cña pha lµm viÖc hµm ý trong ®é ®ång ®Òu cña sù
xuÊt hiÖn trong giê cao ®iÓm ®èi víi c¸c pha kh¸c nhau. §iÒu ®ã cã thÓ ph¸t
sinh ®Æc biÕt m¹nh trªn c¸c m¹ng th«ng tin ®-êng dµi mµ trong ®ã c¸c tr¹m
thùc hiÖn c¸c pha phôc vô kh¸c nhau, cã thÓ n»m thËm chÝ trªn c¸c mói giê
kh¸c nhau vÒ ®Þa lý. Trong tr-êng hîp nµy viÖc c«ng ®¬n gian c¸c chØ sè chÊt
l-îng dÞch vô cña c¸c pha kh¸c nhau sÏ cho mét kÕt qu¶ xÊu so víi ho¹t ®éng
thùc cña chóng.
Sù ¶nh h-ëng cña c¸c dßng ®ång thêi cã thÓ rÊt ®a d¹ng. NÕu mét dßng b¸o
gäi nµo ®ã cã kh¶ n¨ng ®éc lËp víi c¸c dßng kh¸c ®Ó qua mét cÊp chän vµ
®-îc ®-a hoµn toµn ®Õn cÊp chän tiÕp sau th× tæn thÊt trªn c¶ hai cÊp chän sÏ
gÇn víi tæn thÊt trªn cÊp chän mµ t¹i ®ã c¸c tæn thÊt nµy cã gi¸ trÞ lín h¬n.
NÕu còng dßng b¸o gäi ®ã ®i qua hai cÊp chän cïng c¸c dßng kh¸c hoÆc lµ bÞ
t¸ch khái trªn c¸c cÊp chän th× tæn thÊt chung ®èi víi dßng ®ã sÏ gÇn víi tæng
c¸c tæn thÊt x¶y ra trªn c¸c cÊp chän. Khi liªn kÕt c¸c dßng kh¸c nhau trªn
c¸c cÊp chän th× tæn thÊt chung cña dßng tæng ®óng ra lµ nhá h¬n tæn thÊt
®-îc tÝnh riªng cho tõng dßng. §iÒu nµy ®-îc gi¶i thÝch r»ng c¸c thêi ®iÓm
xuÊt hiÖn c¸c gi¸ trÞ ®Ønh cña c¸c dßng t¶i kh¸c nhau kh«ng trïng nhau.
B¸o gäi lÆp kh«ng thay ®æi t¶i cña c¸c thiÕt bÞ phôc vô mµ chóng h-íng tíi,
nh-ng chóng lµm t¨ng t¶i ®èi víi c¸c thiÕt bÞ phôc vô n»m trªn ®-êng tõ
nguån cña c¸c b¸o gäi nµy ®Õn thiÕt bÞ phôc vô lµ nguyªn nh©n cña tæn thÊt
nµy. VÝ dô, nÕu kÕt nèi ®i qua c¸c ®-êng cña hai chïm ®-îc m¾c nèi tiÕp, th×
trong tr-êng hîp bËn tÊt c¶ c¸c ®-êng cña chïm thø hai theo h-íng kÕt nèi
c¸c b¸o gäi lÆp h-íng tíi chïm ®ã sÏ chiÕm c¸c ®-êng cña chïm thø nhÊt
mét thêi gian vµ lµm t¨ng t¶i cña nã. C¸c tæn thÊt trªn c¸c pha cµng xa nguån
t¶i mµ cµng t¨ng th× cµng lµm t¨ng t¶i cho c¸c pha phôc vô phÝa tr-íc. §Æc
biÖt c¸c b¸o gäi lÆp g©y ra ¶nh h-ëng rÊt lín ®Õn t¶i trªn c¸c thiÕt bÞ ®iÒu
khiÓn (c¸c thanh ghi, c¸c marker…) v× mçi b¸o gäi lÆp t¹o ra t¶i phô cho
chóng mµ t¶i phô ®ã cã cïng ®é lín gièng nh- cña c¸c b¸o gäi ban ®Çu, trong
cïng thêi gian gièng nh- ®èi víi c¸c thiÕt bÞ bÞ chiÕm trong suèt cuéc gäi
(®-êng, kªnh th«ng tin…), mçi b¸o gäi lÆp t¹o t¶i phô b»ng phÇn kh«ng lín
cña t¶i t¹o bëi mçi cuéc gäi thµnh c«ng.
Ngoµi sù bËn cña ®-êng, kªnh, cña c¸c thanh ghi, nguyªn nh©n ®¸ng kÓ cña
viÖc ph¸t sinh c¸c b¸o gäi lÆp lµ sù bËn vµ kh«ng tr¶ lêi ngay cña c¸c thuª
bao bÞ gäi. Tæn thÊt cuéc gäi do c¸c nguyªn nh©n nµy cã trÞ sè lín, vµ trªn
mét sè m¹ng lªn tíi 30% c¸c b¸o gäi.
Sù thay ®æi ®Æc tÝnh cña dßng ®i qua cÊp chän lµm cho nã trë nªn ®ång ®Òu
h¬n vµ trªn cÊp chän tiÕp sau c¸c tæn thÊt ®èi víi dßng nh- vËy sÏ gi¶m.
Ng-îc l¹i, dßng d- kh«ng qua ®-îc cÊp chän nµo ®ã vµ ®-îc ®-a ®Õn mét
chïm kh¸c sÏ t¹o cho trªn cÊp chän sau c¸c tæn thÊt t¨ng thÕmo víi nhøng
tæn thÊt mµ chóng cã thÓ cã trong tr-êng hîp t¸c ®éng chØ cña dßng ®¬n gi¶n
nhÊt.
ViÖc tÝnh ®Õn tÊt c¶ c¸c ®Æc ®iÓm ho¹t ®éng cña tõng phÇn tö m¹ng khi ®¸nh
gi¸ chÊt l-îng phôc vô nhiÒu pha lµ mét c«ng viÖc rÊt phøc t¹p vµ kh«ng dÔ
thùc hiÖn ®èi víi c¸c hÖ thèng phøc t¹p, v× thÕ viÖc ®¸nh gi¸ nµy th-êng ®-îc
tiÕn hµnh mét c¸ch gÇn ®óng. Tuy nhiªn, nªn quan t©m ®Õn vÊn ®Ò lµm sao
cho møc gi¸ trÞ ®-îc ®-a ra bëi viÖc ®¸nh gi¸ ®ã lµ ®óng. TÝnh c¸c chØ sè chÊt
l-îng dÞch vô nhiÒu pha ®-îc tiÕn hµnh theo c¸c ph-¬ng ph¸p sau:
1. HÖ sè tæn thÊt chung ®-îc x¸c ®Þnh theo biÓu thøc:
pgp = 1 – (1 - pgp1) (1 - pgp2) … (1 - pgpn)
trong ®ã: n – Sè thiÕt bÞ phôc vô tham gia nèi tiÕp trong kÕt nèi ®ang xÐt
pgp1, pgp2,…, pgpn - C¸c hÖ sè tæn thÊt t¸c ®éng trªn mçi pha phôc vô
Khi pgp1= pgp2=…= pgpn = pgpi ta cã pgp = 1 - (1 - pgpi)n
. NÕu pgpi lµ nhá ( nhá
h¬n 0.1) th× pgp = 

n
i
gpi
p
1
2. Trªn mçi pha phôc vô, pgp ®-îc x¸c ®Þnh cã tÝnh ®Õn c¸c b¸o gäi lÆp, nÕu
pgp > 0.01
Khi pgp  0.01 c¸c tÝnh to¸n ®-îc tiÕn hµnh kh«ng tÝnh ®Õn c¸c b¸o
gäi lÆp nh-ng tÝnh ®Õn ¶nh h-ëng cña c¸c dao ®éng t¶i ngÉu nhiªn. §iÒu nµy
®-îc tiÕn hµnh b»ng viÖc t¨ng t¶i t¸c ®éng Y lªn gi¸ trÞ Yp = Y + k Y trong
®ã k lµ hÖ sè phô thuéc vµo gi¸ trÞ cho tr-íc cña hÖ sè tæn thÊt. Khi tÝnh to¸n
thiÕt bÞ cña tæng ®µi ®iÖn tho¹i tù ®éng hÖ sè k nhËn gi¸ trÞ 0.674
3. T¨ng t¶i cña c¸c kªnh hoÆc ®-êng do ¶nh h-ëng cña c¸c b¸o gäi lÆp,
còng nh- ¶nh h-ëng cña c¸c cÊp chän ®èi víi ®Æc tÝnh cña dßng t¶i ®-îc
chuyÓn qua, kh«ng tÝnh ®Õn viÖc chóng bï trõ nhau ®Õn møc ®é nµo.
4. Sù t¨ng t¶i cña c¸c thiÕt bÞ ®iÒu khiÓn do ¶nh h-ëng cña c¸c b¸o gäi lÆp
®-îc tÝnh ®Õn nhê biÓu thøc:
  
A
gp P
p
Y
Z



1
1
trong ®ã : pgp - HÖ sè tæn thÊt mµ khi ®ã tuyÕn
tho¹i ho¹t ®éng. Cßn b¶n th©n
tuyÕn tho¹i ®ã lµ do thiÕt bÞ
®iÒu khiÓn ®· cho phôc vô.
PA - HÖ sè tæn thÊt t¹o bëi sù bËn
hoÆc kh«ng tr¶ lêi cña thuª
bao bÞ gäi.
5. Khi ghÐp hîp c¸c dßng sù gi¶m tæn
thÊt trªn cÊp chän tiÕp sau®-îc tÝnh
b»ng c¸ch gi¶m t¶i tæng Y ®Õn gi¸ trÞ
Yc
mµ gi¸ trÞ nµy ®-îc x¸c ®Þnh nhê ®å
thÞ trªn h×nh 7.19
Yc
Erl
8
6
4
2
0
8
6
4
2
0
Y,Erl
10
H×nh 7.19. §å thÞ x¸c ®Þnh Yc
tµi liÖu tham kh¶o
1 NguyÔn Hång S¬n – C¬ së Kü thuËt chuyÓn m¹ch & Tæng ®µi – 2 tËp –
NXB Gi¸o dôc 2001
2. NguyÔn V¨n Th¾ng, NguyÔn TÊt §¾c, §Æng Anh S¬n – Kü thuËt chuyÓn m¹ch
sè i – 2 tËp – NXB Gi¸o dôc 1997
1. NguyÔn TÊt §¾c - C¬ së Kü thuËt tæng ®µi ®iÖn tö SPC - 2 tËp – Trung t©m
®µo t¹o nghiÖp vô kü thuËt B-u chÝnh viÔn th«ng I – 1992
2. D-¬ng V¨n Thµnh - C¬ së Kü thuËt chuyÓn m¹ch – Häc viÖn c«ng
nghÖ b-u chÝnh viÔn th«ng – 2000
3. D-¬ng V¨n Thµnh, Ng« Duy Thµnh, NguyÔn ThÞ Thanh Kú - Kü thuËt
Tæng ®µi ®iÖn tö sè - Häc viÖn c«ng nghÖ b-u chÝnh viÔn th«ng – 1997
4. D-¬ng V¨n Thµnh, Hoang Träng Minh – Tæng ®µi ®iÖn tö sè - Häc viÖn
c«ng nghÖ b-u chÝnh viÔn th«ng – 2001
5. Hiroshi Inose – An Introduction to Digital Integrated Communications
Systems – Tokyo-1982
6. Switching Techniques for Telecommunication Network – London
Conference Publication 1979
7. m.t. Hill and S. Kano Programming Electronic Switching Systems –
Peter Peregrinus 1976
8. F.J. Redmill and A.R. Valdar – SPC Digital Telephone Exchanges -
Peter Peregrinus 1990
9. Fundamentals of Electronic Exchanges – ALT Centre 1993

ki_thuat_chuyen_mach_ HVKTQS.pdf

  • 1.
    häc viÖn küthuËt qu©n sù bé m«n th«ng tin - khoa v« tuyÕn ®iÖn tö mai v¨n quý, nguyÔn h÷u kiªn, nguyÔn v¨n gi¸o kü thuËt chuyÓn m¹ch (Dïng cho chuyªn ngµnh ®iÖn tö viÔn th«ng) l-u hµnh néi bé hµ néi 2003
  • 2.
    môc lôc Trang Môclôc 1 lêi nãi ®Çu 6 ch-¬ng 1. C¸c thµnh phÇn cña m¹ng viÔn th«ng 8 1.1 Kh¸i qu¸t chung 8 1.1.1 Kh¸i qu¸t vÒ th«ng tin viÔn th«ng 8 1.1.2 C¸c thµnh phÇn cña m¹ng viÔn th«ng. 9 1.1.3 Tæ chøc m¹ng viÔn th«ng 15 1.1.4 C¸c thµnh phÇn thiÕt yÕu kh¸c cña m¹ng viÔn th«ng. 17 1.2.ChuyÓn m¹ch kªnh, chuyÓn m¹ch tin, chuyÓn m¹ch gãi. 19 1.2.1 Kh¸i niÖm vÒ chuyÓn m¹ch kªnh (Circuit Switching). 19 1.2.2 Kh¸i niÖm vÒ chuyÓn m¹ch b¶n tin (Message Switching). 20 1.2.3 Kh¸i niÖm vµ chuyÓn m¹ch gãi. 20 1.2.4 Kh¸i niÖm vÒ c«ng nghÖ atm (C«ng nghÖ chuyÓn giao kh«ng ®ång bé–asynchronous Transfer Mode) 21 1.2.5 lÜnh vùc øng dông cña c¸c ph-¬ng thøc chuyÓn m¹ch 24 1.3. Kh¸i qu¸t vÒ tæng ®µi ®iÒu khiÓn theo ch-¬ng tr×nh ghi s½n SPC (Stored Program Control) 25 1.3.1 Sù ph¸t triÓn cña c«ng nghÖ chuyÓn m¹ch vµ ph-¬ng thøc ®iÒu khiÓn. 25 1.3.2 Tæng quan vÒ tæng ®µi ®iÒu khiÓn theo ch-¬ng tr×nh l-u tr÷ SPC 28 1.3.3 S¬ ®å khèi tæng qu¸t cña tæng ®µi SPC 31 1.3.4 S¬ ®å khèi tæng qu¸t cña tæng ®µi sè SPC (DSS–Digital Switching Systems) 34 Ch-¬ng 2. ChuyÓn m¹ch kªnh (Circuit switching) 39 2.1.Ph©n lo¹i chuyÓn m¹ch kªnh 39 2.2 ChuyÓn m¹ch kh«ng gian t-¬ng tù 41 2.2.1 Kh¸i qu¸t vÒ chuyÓn m¹ch kh«ng gian t-¬ng tù 41 2.2.2 CÊu t¹o vµ nguyªn lý ho¹t ®éng cña bé chuyÓn m¹ch kh«ng gian c¬ b¶n 42 2.2.3 X©y dùng c¸c tr-êng chuyÓn m¹ch kh«ng gian t-¬ng tù trªn c¬ së bé chuyÓn m¹ch c¬ b¶n 46
  • 3.
    2.3. §iÒu chÕbiªn ®é xung (PAM-Pulse Amplitude Modulation) vµ chuyÓn m¹ch thêi gian ®èi víi tÝn hiÖu rêi r¹c 57 2.3.1 Nguyªn lý ®iÒu biªn xung vµ -u thÕ ph©n kªnh theo thêi gian 57 2.3.2 ChuyÓn m¹ch PAM 4 d©y dïng trung kÕ ©m tÇn 59 2.3.3 ChuyÓn m¹ch PAM 4 d©y kh«ng dïng trung kÕ ©m tÇn 63 2.3.4 So s¸nh nguyªn lý chuyÓn m¹ch PAM 4 d©y dïng trung kÕ ©m tÇn vµ nguyªn lý chuyÓn m¹ch PAM 4 d©y kh«ng dïng trung kÕ ©m tÇn 65 2.3.5 ChuyÓn m¹ch PAM 2 d©y 66 2.4. Kh¸i qu¸t chung vÒ c«ng nghÖ PCM vµ kü thuËt chuyÓn m¹ch sè 68 2.4.1 Nh÷ng lîi thÕ c¬ b¶n cña sù kÕt hîp gi÷a truyÒn dÉn sè vµ chuyÓn m¹ch sè 68 2.4.2 Kh¸i qu¸t vÒ c«ng nghÖ PCM, chøc n¨ng cña CODEC 71 2.4.3 TuyÕn PCM c¬ së vµ tæ chøc c¸c tuyÕn bËc cao trong c¸c tæng ®µi sè 74 2.4.4 Kh¸i niÖm chuyÓn m¹ch PCM 75 2.5. C¸c bé chuyÓn m¹ch thêi gian sè c¬ b¶n 79 2.5.1 Kh¸i qu¸t vÒ chøc n¨ng cña c¸c bé chuyÓn m¹ch thêi gian sè 79 2.5.2 Bé chuyÓn m¹ch thêi gian sè kiÓu ghi tuÇn tù-®äc ngÉu nhiªn 80 2.5.3 Bé chuyÓn m¹ch thêi gian sè kiÓu ghi ngÉu nhiªn-®äc tuÇn tù 85 2.5.4 Bé chuyÓn m¹ch thêi gian sè kiÓu c¶ ghi vµ ®äc ®Òu ngÉu nhiªn 87 2.5.5 Kh¶ n¨ng ¸p dông cña c¸c bé chuyÓn m¹ch thêi gian sè. 90 2.6. C¸c bé chuyÓn m¹ch kh«ng gian sè c¬ b¶n 91 2.6.1 Kh¸i qu¸t vÒ chøc n¨ng cña c¸c bé chuyÓn m¹ch kh«ng gian sè 91 2.6.2 Bé chuyÓn m¹ch kh«ng gian sè ®iÒu khiÓn theo ®Çu ra 93 2.6.3 Bé chuyÓn m¹ch kh«ng gian sè ®iÒu khiÓn theo ®Çu vµo 95 2.6.4 C¸c ®Æc ®iÓm chung cña bé chuyÓn m¹ch kh«ng gian sè 97 2.6.5 D¹ng ®Æc biÖt cña chuyÓn m¹ch kh«ng gian sè 97 2.7. C¸c cÊu tróc tr-êng chuyÓn m¹ch sè 100
  • 4.
    2.7.1 CÊu trócmét bé chuyÓn m¹ch thêi gian (CÊu tróc T) 101 2.7.2 CÊu tróc chuyÓn m¹ch hai tÇng (CÊu tróc T-S, S-T) 103 2.7.3 CÊu tróc chuyÓn m¹ch ba tÇng (CÊu tróc T-S-T, S-T-S) 109 2.7.4 CÊu tróc chuyÓn m¹ch T-S-S-T 117 2.8. §iÒu khiÓn chuyÓn m¹ch sè. 120 2.8.1 Ho¹t ®éng chuyÓn m¹ch khi phôc vô mét cuéc gäi. 120 2.8.2 §iÒu khiÓn khèi chuyÓn m¹ch 121 ch-¬ng 3. Tæ chøc c¸c ph©n hÖ trong tæng ®µi SPC 128 3.1 Ph©n hÖ øng dông (Application Subsystem) 128 3.1.1 KÕt cuèi c¸c ®-êng thuª bao. 128 a. Tæng quan vÒ kÕt cuèi c¸c ®-êng thuª bao. 128 b. KÕt cuèi c¸c ®-êng thuª bao t-¬ng tù (Analog line) 129 c. KÕt cuèi thuª bao sè 135 d. Tæ chøc c¸c kÕt cuèi thuª bao 137 3.1.2 KÕt cuèi trung kÕ 140 a. Kh¸i qu¸t chung 140 b. KÕt cuèi trung kÕ t-¬ng tù ATTU 141 c. KÕt cuèi c¸c ®-êng trung kÕ sè DTI 142 d. Tæ chøc nhãm kÕt cuèi trung kÕ 144 3.1.3 C¸c bé tËp trung thuª bao xa RLU vµ chuyÓn m¹ch thuª bao xa RSU 146 3.2 Ph©n hÖ chuyÓn m¹ch nhãm 150 3.2.1 CÊu t¹o chuyÓn m¹ch nhãm 150 3.2.2 KÕt cuèi t¹i ph©n hÖ chuyÓn m¹ch. 151 3.2.3 C¸c thiÕt bÞ quan träng kh¸c cña ph©n hÖ chuyÓn m¹ch 153 3.3 HÖ thèng ®iÒu khiÓn 154 3.3.1 Kh¸i qu¸t chung 154 3.3.2 Tæ chøc hÖ thèng xö lý ®iÒu khiÓn cña mét tæng ®µi 156 3.3.3 PhÇn mÒm tæng ®µi 162 3.4 Ph©n hÖ b¸o hiÖu SiGS 166 3.4.1 Kh¸i qu¸t chung 166 3.4.2 TiÕn tr×nh thùc hiÖn mét cuéc gäi 169
  • 5.
    3.4.3 CÊu trócmét sè thiÕt bÞ b¸o hiÖu 173 3.5 Ph©n hÖ ngo¹i vi ®iÒu khiÓn PCS 178 3.5.1 Kh¸i qu¸t chung 178 3.5.2 CÊu tróc cña mét sè thiÕt bÞ ngo¹i vi ®iÒu khiÓn 179 Ch-¬ng 4: tæng quan vÒ hÖ thèng b¸o hiÖu 183 4.1. Kh¸i qu¸t 183 4.2 B¸o hiÖu ®-êng d©y thuª bao 183 4.3 B¸o hiÖu liªn tæng ®µi 184 4.3.1 B¸o hiÖu kªnh liªn kÕt (Channel Associated Signalling) 186 4.3.2 B¸o hiÖu kªnh chung (Common Channel Signalling) 187 4.4. C¸c chøc n¨ng cña b¸o hiÖu 188 4.4.1 Chøc n¨ng gi¸m s¸t 188 4.4.2 Chøc n¨ng t×m chän 189 4.4.3 Chøc n¨ng vËn hµnh vµ qu¶n lý m¹ng 189 Ch-¬ng 5: HÖ thèng b¸o hiÖu m· R2 190 5.1 Kh¸i qu¸t 190 5.2 Ph-¬ng thøc truyÒn tÝn hiÖu cña b¸o hiÖu R2 190 5.3. Ph©n lo¹i b¸o hiÖu cña R2 191 5.3.1 B¸o hiÖu ®-êng d©y 191 5.3.2 B¸o hiÖu thanh ghi 195 5.3.3 C¸c ph-¬ng ph¸p truyÒn tÝn hiÖu b¸o hiÖu thanh ghi 201 Ch-¬ng 6: HÖ thèng b¸o hiÖu kªnh chung sè 7 204 6.1 Kh¸i qu¸t 204 6.2 C¸c kh¸i niÖm c¬ b¶n 204 6.2.1 §iÓm b¸o hiÖu SP (Signalling Point) 204 6.2.2 §iÓm truyÒn b¸o hiÖu STP (Signalling Transfer Point) 205 6.2.3 Liªn kÕt b¸o hiÖu SL (Signalling Link) vµ chïm liªn kÕt b¸o hiÖu (Link Set) 205 6.2.4 C¸c ph-¬ng thøc b¸o hiÖu (Signalling Mode) 206 6.2.5 TuyÕn b¸o hiÖu (Signalling Route) vµ chïm tuyÕn b¸o hiÖu (Signalling Route Set) 206
  • 6.
    (Signalling Route Set) 6.2.6M· ®iÓm b¸o hiÖu SPC (Signalling Point Code) 207 6.3 CÊu tróc cña hÖ thèng b¸o hiÖu sè 7 208 6.3.1 M« h×nh chuÈn hÖ thèng më OSI 208 6.3.2 CÊu tróc ph©n líp cña hÖ thèng b¸o hiÖu sè 7 209 6.3.3 C¸c khèi chøc n¨ng cña hÖ thèng b¸o hiÖu sè 7 211 1. PhÇn chuyÓn giao b¶n tin MTP (Message Transfer Part) 211 2. PhÇn ng-êi sö dông ®iÖn tho¹i TUP (Telephone User Part) 225 3. PhÇn ng-êi sö dông m¹ng sè liªn kÕt ®a dÞch vô (ISDN User Part) 231 4. PhÇn ®iÒu khiÓn kÕt nèi b¸o hiÖu SCCP 235 5. PhÇn øng dông kh¶ n¨ng giao dÞch TCAP 241 ch-¬ng 7: c¬ së lý thuyÕt xö lý cuéc gäi vµ ph-¬ng ph¸p tÝnh to¸n thiÕt bÞ m¹ng viÔn th«ng. 248 7.1 Môc tiªu cña lý thuyÕt xö lý cuéc gäi 248 7.2 T¶i vµ c-êng ®é t¶i 248 7.3 Dßng c¸c b¸o gäi vµ thêi gian chiÕm 251 7.4 C¸c hÖ thèng phôc vô cuéc gäi 259 7.5 C¸c ph-¬ng ph¸p tÝnh to¸n sè thiÕt bÞ phôc vô 263 7.6 TÝnh to¸n sè thiÕt bÞ phôc vô lµm viÖc víi tæn thÊt hiÓn nhiªn kh«ng gäi lÆp. 265 7.7 TÝnh sè thiÕt bÞ phôc vô ho¹t ®éng víi tæn thÊt hiÓn nhiªn vµ víi c¸c b¸o gäi lÆp l¹i 282 7.8 TÝnh to¸n sè thiÕt bÞ phôc vô lµm viÖc víi c¸c tæn thÊt h×nh thøc 285 7.9 §é sö dông trung b×nh c¸c kªnh (®-êng) cña c¸c chïm 289 7.10 Phôc vô nhiÒu pha 292 Tµi liÖu tham kh¶o 297
  • 7.
    lêi giíi thiÖu KüthuËt chuyÓn m¹ch lµ mét lÜnh vùc t×m hiÓu, nghiªn cøu c¸c ph-¬ng thøc chuyÓn m¹ch, ®Þnh h-íng th«ng tin tõ nguån tin ®Õn ®Ých nhËn tin mét c¸ch chÝnh x¸c, hiÖu qu¶, nh»m ®¶m b¶o chÊt l-îng dÞch vô cao, t¹o c¬ së tæ chøc m¹ng viÔn th«ng linh ho¹t, ®a n¨ng vµ t¹o nhiÒu tiÖn Ých cho ng-êi sö dông. Trong qu¸ tr×nh lÞch sö ph¸t triÓn cña lÜnh vùc kü thuËt truyÒn vµ chuyÓn m¹ch c¸c d¹ng th«ng tin ®iÖn nhiÒu c«ng nghÖ chuyÓn m¹ch ®· ®-îc ¸p dông nh- c¸c thÕ hÖ chuyÓn m¹ch nh©n c«ng, c¸c lo¹i tæng ®µi chuyÓn m¹ch hÖ c¬ ®iÖn, c¸c tæng ®µi chuÈn ®iÖn tö, c¸c tæng ®µi ®iÖn tö víi c¸c lo¹i phÇn tö chuyÓn m¹ch kh¸c nhau nh- ma trËn chuyÓn m¹ch t-¬ng tù, c¸c chuyÓn m¹ch sè… . C¸c nguyªn lý chuyÓn m¹ch kh¸c nhau còng lÇn l-ît thay thÕ nhau vµ kÕt hîp víi nhau trong c¸c trung t©m chuyÓn m¹ch cña c¸c m¹ng viÔn th«ng nh- nguyªn lý ph©n kªnh kh«ng gian, nguyªn lý chuyÓn m¹ch thêi gian t-¬ng tù (chuyÓn m¹ch PAM), chuyÓn m¹ch sè ®èi víi c¸c tÝn hiÖu ®iÒu chÕ xung m· ghÐp kªnh ®ång bé (chuyÓn m¹ch PCM), chuyÓn m¹ch ®èi víi c¸c th«ng tin sè d¹ng gãi… Kü thuËt chuyÓn m¹ch th-êng kÕt hîp víi c¸c lÜnh vùc kü thuËt c«ng nghÖ kh¸c trong mét cÊu tróc thiÕt bÞ hoÆc hÖ thèng c¸c thiÕt bÞ hoµn chØnh nh- kü thuËt ®iÒu khiÓn, kü thuËt xö lý c¸c qu¸ tr×nh ngÉu nhiªn, kü thuËt ®iÖn-®iÖn tö vµ chÕ t¹o linh kiÖn, kü thuËt truyÒn dÉn, b¸o hiÖu vµ xö lý b¸o hiÖu… . Nh×n chung, mçi trung t©m chuyÓn m¹ch lµ mét hÖ thèng hoµn chØnh, rÊt phøc t¹p vµ lµ sù kÕt hîp cña nhiÒu lÜnh vùc kü thuËt mµ trong ®ã kü thuËt chuyÓn m¹ch lµ nÒn t¶ng. MÆc dï trong c¸c m¹ng viÔn th«ng hiÖn nay phæ biÕn sö dông c¸c tæng ®µi chuyÓn m¹ch sè ®iÒu khiÓn theo ch-¬ng tr×nh ghi s½n, nh-ng trong tµi liÖu nµy vÉn ®Ò cËp ®Õn c¸c nguyªn lý chuyÓn m¹ch kh¸c nh- c¸c chuyÓn m¹ch kh«ng gian t-¬ng tù, chuyÓn m¹ch PAM, hoÆc mét sè c¬ chÕ chuyÓn m¹ch sè liÖu kh¸c víi môc ®Ých cung cÊp c¸c kiÕn thøc c¬ b¶n vÒ kü thuËt chuyÓn m¹ch, t¹o kh¶ n¨ng øng dông c¸c kü thuËt chuyÓn m¹ch nµy kh«ng chØ trong lÜnh vùc viÔn th«ng mµ cßn trong c¸c øng dông mang tÝnh ®Æc thï kh¸c nh- lÜnh vùc ®iÒu khiÓn hoÆc trong c¸c hÖ thèng c«ng nghÖ chuyªn dông. Mét lý do kh¸c cÇn nghiªn cøu, t×m hiÓu c¸c kü thuËt chuyÓn m¹ch tr-íc ®©y ®ã lµ tÝnh lu©n phiªn cña c¸c c«ng nghÖ nµy. VÝ dô trong c¸c chuyÓn m¹ch tèc ®é cao cã xu h-íng ¸p dông c¸c phÇn tö chuyÓn m¹ch kh«ng gian ®¬n gi¶n nhÊt víi ®iÒu khiÓn ph©n t¸n ®Ó cã ®-îc tèc ®é chuyÓn m¹ch cao. Tµi liÖu nµy gåm 2 tËp.
  • 8.
    Néi dung cñatËp 1 ®-îc chia thµnh 5 ch-¬ng. Ch-¬ng 1: C¸c thµnh phÇn cña m¹ng viÔn th«ng- Giíi thiÖu kh¸i qu¸t c¸c thµnh phÇn cña m¹ng viÔn th«ng, vÞ trÝ, chøc n¨ng cña tõng thµnh phÇn; C¸c ph-¬ng thøc chuyÓn m¹ch vµ ®iÒu khiÓn chuyÓn m¹ch; S¬ ®å khèi tæng qu¸t cña tæng ®µi SPC. Ch-¬ng 2: ChuyÓn m¹ch kªnh- Giíi thiÖu c¸c c«ng nghÖ chuyÓn m¹ch kªnh; Nguyªn lý chuyÓn m¹ch kh«ng gian t-¬ng tù; CÊu tróc chuyÓn m¹ch kh«ng gian mét kh©u vµ nhiÒu kh©u; Nguyªn lý ®iÒu chÕ biªn ®é xung vµ chuyÓn m¹ch PAM; C¸c s¬ ®å chuyÓn m¹ch PAM c¬ b¶n 4 d©y vµ 2 d©y; Kh¸i qu¸t chung vÒ c«ng nghÖ PCM vµ chuyÓn m¹ch sè; Nguyªn lý ph©n kªnh thêi gian; C¸c bé chuyÓn m¹ch thêi gian sè vµ chuyÓn m¹ch kh«ng gian sè c¬ b¶n; C¸c cÊu tróc chuyÓn m¹ch T, TS, ST , TST, STS, TSST; Ph-¬ng ph¸p ®iÒu khiÓn c¸c chuyÓn m¹ch sè. Ch-¬ng 3: Tæ chøc c¸c ph©n hÖ trong tæng ®µi SPC- ®Ò cËp ®Õn cÊu tróc cña c¸c ph©n hÖ øng dông, ph©n hÖ chuyÓn m¹ch, ph©n hÖ xö lý ®iÒu khiÓn, ph©n hÖ ngo¹i vi ®iÒu khiÓn, ph©n hÖ b¸o hiÖu. Ch-¬ng 4- Tæng quan vÒ b¸o hiÖu vµ c¸c hÖ thèng b¸o hiÖu: Giíi thiÖu vÒ c¸c kh¸i niÖm b¸o hiÖu thuª bao, b¸o hiÖu trung kÕ, c¸c hÖ thèng b¸o hiÖu kªnh kÕt hîp vµ b¸o hiÖu kªnh chung. Ch-¬ng 5- Giíi thiÖu hÖ thèng b¸o hiÖu R2 . Ch-¬ng 6- Giíi thiÖu hÖ thèng b¸o hiÖu sè 7 . Ch-¬ng 7: Lý thuyÕt xö lý cuéc gäi vµ ph-¬ng ph¸p tÝnh to¸n thiÕt bÞ m¹ng viÔn th«ng- §-a ra c¸c kh¸i niÖm vÒ xö lý cuéc gäi, t¶i vµ c-êng ®é t¶i, c¸c kh¸i niÖm vÒ ph-¬ng thøc phôc vô víi tæn thÊt hiÓn nhiªn, phôc vô theo hµng ®îi vµ c¸c ph-¬ng ph¸p tÝnh to¸n thiÕt bÞ theo tõng ph-¬ng thøc phôc vô vµ xö lý cuéc gäi. TËp 2 cña tµi liÖu nµy tËp trung vµo c¸c kü thuËt chuyÓn m¹ch th«ng tin sè liÖu trong ®ã tËp trung vµo c¸c ph-¬ng thøc chuyÓn m¹ch th«ng tin d¹ng gãi nh- thñ tôc X25, Frame Relay, SMDS vµ ATM. Néi dung sÏ ®-îc giíi thiÖu kh¸i qu¸t ë ®Çu tËp 2. Trong tµi liÖu nµy cã thÓ cßn nh÷ng sai sãt, rÊt mong nhËn ®-îc ý kiÕn ®ãng gãp cña b¹n ®äc.
  • 9.
    Ch-¬ng 1 C¸c thµnhphÇn cña m¹ng viÔn th«ng 1.1 Kh¸i qu¸t chung 1.1.1 Kh¸i qu¸t vÒ th«ng tin viÔn th«ng Trao ®æi th«ng tin lµ mét nhu cÇu thiÕt yÕu trong ®êi sèng hµng ngµy. Khi c¸c mèi quan hÖ kinh tÕ - x· héi cµng ph¸t triÓn th× nhu cÇu ®ã ngµy cµng t¨ng cao. C¸c th«ng tin ®-îc trao ®æi rÊt ®a d¹ng vÒ h×nh thøc nh- tho¹i, v¨n b¶n, sè liÖu, h×nh ¶nh vµ rÊt phong phó vÒ c¸ch thøc trao ®æi; chóng cã thÓ ®-îc trao ®æi trùc tiÕp qua giao tiÕp, ®èi tho¹i vµ còng cã thÓ ®-îc thùc hiÖn mét c¸ch gi¸n tiÕp qua th- tõ, ®iÖn tho¹i, ®iÖn tÝn …. Th«ng tin viÔn th«ng trªn nghÜa réng cã thÓ hiÓu lµ h×nh thøc trao ®æi th«ng tin tõ xa, bao gåm c¶ b-u chÝnh, ®iÖn tÝn vµ ®iÖn b¸o… vµ c¶ c¸c h×nh thøc th«ng tin ®¹i chóng qu¶ng b¸. Tuy nhiªn, tõ tr-íc tíi nay kh¸i niÖm vÒ th«ng tin viÔn th«ng kh«ng bao hµm c¸c h×nh thøc trao ®æi th«ng tin phi ®iÖn tÝn (kh«ng dïng tÝn hiÖu ®iÖn), ®ång thêi l¹i g¾n liÒn víi h×nh thøc trao ®æi th«ng tin qua mét m¹ng nµo ®ã. Do ®ã, th«ng tin viÔn th«ng ®-îc hiÓu lµ h×nh thøc trao ®æi th«ng tin tõ xa, mµ trong ®ã tin tøc cÇn truyÒn ®-îc biÕn ®æi thµnh tÝn hiÖu ®iÖn ë ®Çu ph¸t vµ ®-îc truyÒn qua c¸c thiÕt bÞ cña m¹ng viÔn th«ng (bao gåm c¸c thiÕt bÞ ®Çu cuèi, c¸c tuyÕn truyÒn dÉn, c¸c trung t©m chuyÓn m¹ch); ë ®Çu thu tÝn hiÖu nhËn ®-îc sÏ ®-îc chuyÓn ®æi ng-îc l¹i thµnh tin tøc cho ng-êi sö dông. Nãi c¸ch kh¸c truyÒn tin qua m¹ng viÔn th«ng lµ h×nh thøc truyÒn th«ng tin tõ n¬i nµy tíi n¬i kh¸c b»ng c¸ch sö dông tÝn hiÖu ®iÖn, ®iÖn tõ, quang ®iÖn th«ng qua c¸c thiÕt bÞ m¹ng. ThiÕt bÞ ®Çu cuèi TÝn hiÖu ®iÖn ThiÕt bÞ ®Çu cuèi TÝn hiÖu ®iÖn Tin tøc Tin tøc M¹ng viÔn th«ng H×nh 1.1 : Nguyªn lý truyÒn tin qua m¹ng viÔn th«ng
  • 10.
    1.1.2 C¸c thµnhphÇn cña m¹ng viÔn th«ng. a. ThiÕt bÞ ®Çu cuèi. Tin tøc cÇn truyÒn, nh- tiÕng nãi, v¨n b¶n, sè liÖu, h×nh ¶nh, ph¶i ®-îc biÕn ®æi thµnh d¹ng tÝn hiÖu ®iÖn phï hîp ®Ó cã thÓ truyÒn qua m¹ng viÔn th«ng. C¸c biÕn ®æi ®ã ®-îc thùc hiÖn bëi thiÕt bÞ ph¸t ®Æt t¹i ®Çu ph¸t (n¬i truyÒn tin). Sau khi truyÒn qua m¹ng, tÝn hiÖu ®-îc thu t¹i n¬i nhËn, nã ph¶i ®-îc biÕn ®æi trë l¹i tõ d¹ng tÝn hiÖu ®iÖn thµnh d¹ng tin tøc ban ®Çu hoÆc d¹ng tin tøc kh¸c nh-ng cã thÓ hiÓu ®-îc cho ng-êi sö dông. PhÐp biÕn ®æi nµy ®-îc thùc hiÖn bëi thiÕt bÞ thu t¹i ®Çu cuèi nhËn tin. Nh- vËy, cã thÓ cã c¸c thiÕt bÞ ®Çu cña m¹ng (®Æt t¹i n¬i ph¸t) vµ c¸c thiÕt bÞ cuèi cña m¹ng (®Æt t¹i n¬i thu). Tuy nhiªn, t¹i c¸c ®iÓm trao ®æi th«ng tin th-êng cã nhu cÇu th«ng tin hai chiÒu, nghÜa lµ võa cã kh¶ n¨ng truyÒn th«ng tin ®i võa cã kh¶ n¨ng nhËn th«ng tin vÒ. V× vËy, t¹i c¸c ®iÓm nµy th-êng sö dông lo¹i thiÕt bÞ võa thùc hiÖn ®-îc chøc n¨ng ph¸t l¹i võa thùc hiÖn ®-îc chøc n¨ng thu, hay võa lµ thiÕt bÞ ®Çu cña m¹ng võa lµ thiÕt bÞ cuèi cña m¹ng. §Ó thèng nhÊt, c¸c thiÕt bÞ thùc hiÖn chøc n¨ng truyÒn th«ng tin vµo m¹ng viÔn th«ng hoÆc thiÕt bÞ nhËn th«ng tin tõ m¹ng hoÆc lo¹i thiÕt bÞ thùc hiÖn c¶ hai chøc n¨ng trªn ®Òu cã tªn gäi chung lµ thiÕt bÞ ®Çu cuèi viÔn th«ng. Tõ ®ã, thiÕt bÞ ®Çu cuèi cña m¹ng viÔn th«ng cã thÓ ®-îc hiÓu ®ã lµ thiÕt bÞ giao tiÕp gi÷a ng-êi sö dông víi m¹ng mµ nhê thiÕt bÞ nµy ng-êi sö dông cã thÓ truyÒn tin tøc qua m¹ng tíi ng-êi sö dông kh¸c cña m¹ng vµ nhËn c¸c tin tøc cña c¸c ng-êi sö dông kh¸c göi tíi. Nh÷ng ®iÒu trªn ®©y míi chØ ®Ò cËp tíi khÝa c¹nh biÕn ®æi tÝn tøc; ngoµi chøc n¨ng chÝnh nµy c¸c thiÕt bÞ ®Çu cuèi cßn tham gia vµo qu¸ tr×nh thiÕt lËp, duy tr× vµ gi¶i to¶ tuyÕn truyÒn tin tõ nã tíi c¸c thiÕt bÞ ®Çu cuèi kh¸c khi tham gia c¸c cuéc liªn l¹c qua m¹ng. C¸c chøc n¨ng lo¹i nµy bao gåm th«ng b¸o cho m¹ng khi cã nhu cÇu gäi ®i, göi th«ng tin chän ®Þa chØ, nhËn c¸c tÝn hiÖu th«ng b¸o vÒ t×nh tr¹ng cña m¹ng hoÆc t×nh tr¹ng cña thiÕt bÞ ®Çu cuèi cÇn liªn l¹c. Chóng cã tªn chung lµ b¸o hiÖu thuª bao. Mçi thiÕt bÞ ®Çu cuèi th-êng ®-îc nèi víi m¹ng b»ng mét ®«i d©y ®-îc gäi lµ ®-êng d©y thuª bao. T-¬ng øng mçi ®-êng d©y thuª bao sÏ lµ mét m¹ch ®iÖn bªn trong mét thiÕt bÞ nµo ®ã cña m¹ng. M¹ch ®iÖn ®ã ®-îc gäi lµ m¹ch ®iÖn giao tiÕp ®-êng d©y thuª bao SLIC (Subscribers Line Interface Circuit). M¹ch ®iÖn nµy cho phÐp thiÕt bÞ ®Çu cuèi cña ng-êi sö dông, qua ®«i d©y dÉn (®-êng d©y thuª bao), giao tiÕp ®-îc víi c¸c thiÕt bÞ bªn trong m¹ng .
  • 11.
    H×nh 1.2 :Chøc n¨ng c¸c thiÕt bÞ ®Çu cuèi Nh- vËy thiÕt bÞ ®Çu cuèi, ®«i d©y thuª bao vµ m¹ch ®iÖn giao tiÕp ®«i d©y thuª bao trong m¹ng cho phÐp mçi ng-êi sö dông cã quan hÖ thuª bao víi m¹ng. Ng-êi sö dông víi t- c¸ch lµ thuª bao cña m¹ng cã thÓ thùc hiÖn c¸c thao t¸c ®iÒu khiÓn tiÕn tr×nh tiÕn hµnh cuéc liªn l¹c qua m¹ng vµ trao ®æi tin tøc víi c¸c thuª bao kh¸c qua m¹ng. b. Trung t©m chuyÓn m¹ch Qui m« cña mét m¹ng cã thÓ tõ rÊt ®¬n gi¶n ®Õn cùc kú phøc t¹p. Cã thÓ lÊy m¹ng ®iÖn tho¹i lµm vÝ dô ®iÓn h×nh. Víi b¶n chÊt øng dông tù nhiªn cña m×nh vµ víi c¸c lo¹i h×nh dÞch vô ngµy cµng phong phó, m¹ng ®iÖn tho¹i mang ý nghÜa tæng qu¸t cña m¹ng viÔn th«ng vµ lµ mét ®èi t-îng nghiªn cøu chñ yÕu trong lÜnh vùc viÔn th«ng. Mét m¹ng ®iÖn tho¹i ®¬n gi¶n cã thÓ chØ bao gåm c¸c cÆp m¸y ®iÖn tho¹i ®Êu nèi trùc tiÕp víi nhau qua mét ®«i d©y nh- h×nh 1.3 Theo ph-¬ng thøc nµy, ®Ó phôc vô liªn l¹c gi÷a mçi cÆp ®iÓm cÇn ®Æt mét cÆp m¸y ®iÖn tho¹i vµ nèi chóng b»ng mét ®«i d©y. Nh- vËy, nÕu cã n ®iÓm cÇn liªn l¹c chÐo hoµn toµn víi nhau th× t¹i mçi ®iÓm cÇn cã (n-1) m¸y tho¹i ®Ó nèi tíi c¸c ®iÓm cßn l¹i, do ®ã tæng sè m¸y ®iÖn tho¹i ph¶i dïng lµ n(n-1) m¸y, t-¬ng øng cÇn n(n-1)/2 ®«i d©y ®Ó nèi chóng thµnh tõng cÆp. ThiÕt bÞ ®Çu cuèi ThiÕt bÞ ®Çu cuèi SLIC SLIC ThiÕt bÞ ®Çu cuèi SLIC B¸o hiÖu Tin tøc M¹ng
  • 12.
    H×nh 1.3 :M¹ng ®iÖn tho¹i tæ chøc theo kiÓu ®Êu nèi trùc tiÕp tõng cÆp Ph-¬ng thøc tæ chøc m¹ng kiÓu nµy chØ cã mét -u ®iÓm duy nhÊt ®ã lµ ®¶m b¶o sù ®éc lËp gi÷a c¸c cuéc liªn l¹c. VÝ dô : Khi A liªn l¹c víi B th× t¹i A dïng m¸y sè 1, ®éc lËp hoµn toµn víi m¹ng liªn l¹c gi÷a A víi c¸c ®iÓm cßn l¹i hoÆc gi÷a c¸c ®iÓm cßn l¹i víi nhau. Tõ ®ã t¹o kh¶ n¨ng tæ chøc m¹ng rÊt linh ho¹t, dÔ dµng thªm bít c¸c mèi liªn l¹c, dÔ triÓn khai thu håi . Tuy nhiªn ph-¬ng thøc nµy cã rÊt nhiÒu nh-îc ®iÓm nh-: - Phøc t¹p trong sö dông: ta h×nh dung trªn bµn lµm viÖc cña gi¸m ®èc cã tíi 4, 5 m¸y ®iÖn tho¹i ®Ó liªn l¹c tíi tõng ph©n x-ëng. Khi ®ã muèn lµm viÖc víi mét ph©n x-ëng cô thÓ th× cÇn chän ®óng m¸y ®iÖn tho¹i nèi tíi ph©n x-ëng ®ã, hoÆc cã khi tÝn hiÖu gäi tíi tõ mét ph©n x-ëng th× ph¶i nghe, ph¶i quan s¸t ®Ó x¸c ®Þnh cuéc gäi ®ã ®ang b¸o trªn m¸y nµo. RÊt khã h×nh dung nÕu sè ®iÓm liªn l¹c lªn tíi hµng tr¨m, hµng ngµn, thËm chÝ lªn tíi hµng triÖu thuª bao, kh«ng râ khi ®ã ng-êi sö dông sÏ xoay së ra sao víi n–1 chiÕc m¸y ®iÖn tho¹i trªn bµn lµm viÖc cña m×nh. - HiÖu qu¶ sö dông thiÕt bÞ ®Çu cuèi vµ ®-êng d©y thÊp do mçi thiÕt bÞ ®Çu cuèi vµ ®«i d©y t-¬ng øng chØ dïng ®Ó liªn l¹c víi mét ®èi t¸c duy nhÊt nªn chóng rÊt Ýt ®-îc dïng ®Õn. - Phøc t¹p vµ tèn kÐm trong më réng m¹ng. Gi¶ sö m¹ng hiÖn hµnh cã n ®iÓm cã kh¶ n¨ng nèi chÐo hoµn toµn, nÕu thªm ®iÓm thø n + 1 th× cÇn bæ xung 2n thiÕt bÞ ®Çu cuèi vµ n ®«i d©y ®Ó nèi gi÷a ®iÓm míi bæ xung víi n ®iÓm ban ®Çu. Mét ph-¬ng ¸n kh¶ dÜ kh¸c lµ t¹i mçi ®iÓm cÇn liªn l¹c chØ cÇn ®Æt mét thiÕt bÞ ®Çu cuèi vµ mét bé chuyÓn m¹ch ®-êng d©y riªng. Khi cÇn nèi tíi mét             A B C D
  • 13.
    ®iÓm cô thÓnµo ®ã th× ng-êi sö dông chØ viÖc dïng chuyÓn m¹ch riªng ®Ó chän ®-êng d©y nèi tíi ®iÓm ®ã nh- m« t¶ trªn h×nh 1. 4 H×nh 1.4 : Ph-¬ng ¸n dïng chuyÓn m¹ch ®-êng d©y riªng Theo c¸ch nµy ®· t¹o thuËn lîi cho ng-êi sö dông vµ gi¶m ®-îc sè thiÕt bÞ ®Çu cuèi. Tuy nhiªn, sè ®«i d©y nèi chÐo gi÷a c¸c ®iÓm vÉn kh«ng gi¶m, bªn c¹nh ®ã, mçi khi thay ®æi sè vÞ trÝ sÏ kÐo theo tæ chøc l¹i c¸c ®«i d©y vµ thay ®æi dung l-îng cña chuyÓn m¹ch riªng t¹i mçi thuª bao. MÆc dï vËy, ph-¬ng ¸n tæ chøc m¹ng theo c¸ch nµy còng t¹o ra ®Þnh h-íng cho sù ra ®êi cña ph-¬ng ¸n tæ chøc m¹ng míi mµ nã ®-îc sö dông cho tíi ngµy nay, ®ã lµ, tËp trung toµn bé c¸c chuyÓn m¹ch riªng ®ã vµo mét thiÕt bÞ dïng chung gäi lµ trung t©m chuyÓn m¹ch hay cßn gäi lµ tæng ®µi. Khi ®ã t¹i mçi vÞ trÝ ng-êi sö dông sÏ chØ cßn l¹i mét thiÕt bÞ ®Çu cuèi. ThiÕt bÞ ®Çu cuèi nµy ®-îc nèi víi tæng ®µi chØ b»ng mét ®«i d©y gäi lµ ®-êng d©y thuª bao. C¸c bé chuyÓn m¹ch riªng mµ tr-íc ®©y ®Æt t¹i tõng vÞ trÝ ng-êi sö dông th× nay ®-îc tËp trung c¶ vµo trong tæng ®µi. Chøc n¨ng cña tæng ®µi lµ t¹o ra tuyÕn nèi gi÷a c¸c ®-êng d©y cña hai thuª bao khi chóng cÇn liªn l¹c víi nhau. NghÜa lµ, khi thuª bao A cÇn liªn l¹c víi thuª bao B th× tæng ®µi sÏ sö dông thiÕt bÞ chuyÓn m¹ch bªn trong nã ®Ó nèi m¹ch ®iÖn ®-êng d©y thuª bao A ®Õn m¹ch ®iÖn ®-êng d©y      A B C D E
  • 14.
    thuª bao B,duy tr× tuyÕn nèi ®ã khi hai thuª bao ®ã liªn l¹c (trao ®æi th«ng tin) víi nhau, gi¶i phãng tuyÕn nèi ®ã khi c¸c thuª bao nµy kÕt thóc cuéc liªn l¹c. Nh- vËy, chøc n¨ng chÝnh cña c¸c trung t©m chuyÓn m¹ch (tæng ®µi) lµ t¹o tuyÕn truyÒn th«ng tin tõ thuª bao nµy tíi thuª bao kh¸c khi chóng cÇn liªn l¹c víi nhau. §Ó thùc hiÖn ®-îc chøc n¨ng nµy cÇn trang bÞ c¸c thiÕt bÞ chuyÓn m¹ch phï hîp trong tæng ®µi vµ ph¶i cã kh¶ n¨ng trao ®æi th«ng tin ®iÒu khiÓn gi÷a c¸c thiÕt bÞ ®Çu cuèi vµ thiÕt bÞ ®iÒu khiÓn chuyÓn m¹ch cña tæng ®µi. §Õn ®©y ta cã thÓ h×nh dung r»ng, tæng ®µi lµ thiÕt bÞ dïng chung cho c¸c thuª bao, c¸c thiÕt bÞ ®Çu cuèi cña c¸c thuª bao ®-îc nèi tíi tæng ®µi b»ng c¸c ®-êng d©y thuª bao; bªn trong tæng ®µi sÏ cã c¸c m¹ch ®iÖn giao tiÕp ®-êng d©y thuª bao t-¬ng øng víi tõng ®-êng d©y thuª bao; thiÕt bÞ chuyÓn m¹ch dïng ®Ó kÕt nèi c¸c ®-êng d©y thuª bao, vµ cã phÇn ®iÒu khiÓn ®Ó ®iÒu khiÓn c¸c kÕt nèi ®ã. Trung t©m chuyÓn m¹ch (tæng ®µi) lµ thiÕt bÞ m¹ng dïng ®Ó t¹o ra tuyÕn th«ng tin gi÷a c¸c thiÕt bÞ ®Çu cuèi cña cïng tæng ®µi víi nhau (cuéc gäi néi h¹t), hoÆc gi÷a thiÕt bÞ ®Çu cuèi cña tæng ®µi nµy víi thiÕt bÞ ®Çu cuèi cña tæng ®µi kh¸c qua ®-êng trung kÕ (cuéc gäi liªn tæng ®µi, cuéc gäi ®-êng dµi), hoÆc gi÷a c¸c trung kÕ víi nhau (cuéc gäi qu¸ giang). H×nh 1. 5 : Ph-¬ng thøc liªn l¹c qua tæng ®µi   SLIC SLIC SLIC SLIC   SLIC SLIC SLIC  ThiÕT BÞ chuyÓn m¹ch ®iÒu khiÓn chuyÓn m¹ch Tæng ®µi §-êng d©y thuª bao TIC §-êng d©y trung kÕ
  • 15.
    C¸c nhãm chøcn¨ng cña Trung t©m chuyÓn m¹ch bao gåm: - Nhãm chøc n¨ng chuyÓn m¹ch : T¹o tuyÕn nèi, duy tr×, gi¶i phãng tuyÕn nèi ®èi víi tõng cuéc gäi. - Nhãm chøc n¨ng b¸o hiÖu : Cung cÊp vµ xö lý c¸c b¸o hiÖu thuª bao vµ b¸o hiÖu trung kÕ ®Ó phôc vô chøc n¨ng chuyÓn m¹ch. Ngoµi ra c¸c trung t©m chuyÓn m¹ch cßn thùc hiÖn c¸c nhãm chøc n¨ng m¹ng quan träng kh¸c nh- tæ chøc, qu¶n lý m¹ng (vai trß node m¹ng, qu¶n lý tr¹ng th¸i cña c¸c ®Çu cuèi vµ tuyÕn truyÒn dÉn), cung cÊp giao tiÕp vµ c¸c dÞch vô thuª bao, phèi hîp truyÒn dÉn( tæ chøc ng©n hµng kªnh, d¹ng, møc tÝn hiÖu...) biÕn ®æi vµ tæ chøc th«ng tin bªn trong trung t©m chuyÓn m¹ch... Trong tæ chøc m¹ng th× c¸c trung t©m chuyÓn m¹ch lµ c¸c node m¹ng, cã thÓ dïng ®Ó phôc vô kÕt nèi gi÷a c¸c thuª bao víi nhau (chuyÓn m¹ch néi h¹t) hoÆc gi÷a node nµy víi node kh¸c (chuyÓn m¹ch kÕt nèi, chuyÓn tiÕp, ®-êng dµi, trung t©m cöa quèc tÕ). c. C¸c tuyÕn truyÒn dÉn Ph¹m vi phôc vô cña mét tæng ®µi th-êng bÞ giíi h¹n vÒ dung l-îng vµ vÒ ph©n bè ®Þa lý. Th«ng th-êng, d©n c- tËp trung thµnh c¸c khu vùc. Do ®ã t¹i trung t©m cña tõng vïng d©n c- ng-êi ta ®Æt mét tæng ®µi cã dung l-îng phï hîp ®Ó phôc vô nhu cÇu liªn l¹c cña d©n c- trong vïng. Gi÷a c¸c tæng ®µi nµy cã thÓ cã c¸c ®-êng trung kÕ trùc tiÕp, c¸c tuyÕn truyÒn dÉn tíi c¸c tæng ®µi cña c¸c vïng l©n cËn ®Ó phôc vô c¸c cuéc l¹c gi÷a thuª bao cña tæng ®µi nµy víi thuª bao cña tæng ®µi kh¸c. Nh×n chung, c¸c tuyÕn truyÒn dÉn th-êng ®-îc l¾p ®Æt gi÷a c¸c tæng ®µi mµ l-u l-îng th«ng tin cÇn trao ®æi lín hoÆc gi÷a c¸c trung t©m th«ng tin. §ã lµ c¸c tuyÕn th«ng tin nhiÒu kªnh, trªn ®ã cã sö dông kü thuËt ghÐp kªnh vµ c¸c gi¶i ph¸p kü thuËt cho viÖc truyÒn tÝn hiÖu ®i xa. Nhê viÖc ¸p dông c¸c kü thuËt ®ã mµ cã thÓ tæ chøc m¹ng viÔn th«ng toµn cÇu. Trong thµnh phÇn m¹ng viÔn th«ng c¸c tuyÕn truyÒn dÉn nèi c¸c trung t©m chuyÓn m¹ch víi nhau, cho phÐp c¸c cuéc gäi cã thÓ tiÕn hµnh qua nhiÒu node m¹ng. V× vËy, chøc n¨ng chÝnh cña chóng lµ t¹o ra liªn kÕt m¹ng gi÷a c¸c trung t©m chuyÓn m¹ch. M¹ng viÔn th«ng th-êng ®-îc tæ chøc theo kiÓu ph©n cÊp, ph©n vïng. TÝn hiÖu qua c¸c thiÕt bÞ truyÒn dÉn ®-îc biÕn ®æi, ®-îc tæ chøc ghÐp t¸ch kªnh, ®-îc t¸i t¹o vµ khuÕch ®¹i bï n¨ng l-îng sau tõng chÆng ®Ó truyÒn ®-îc ®i xa, vµ nhê ®ã cã thÓ tæ chøc m¹ng lín (m¹ng toµn cÇu).
  • 16.
    1.1.3 Tæ chøcm¹ng viÔn th«ng a. M¹ng hîp nèi Nh- ®· tr×nh bµy ë phÇn trªn , mçi tæng ®µi côc bé phôc vô c¸c thuª bao trong mét vïng. C¸c vïng nµy kh«ng cã ranh giíi râ rµng, chóng cã thÓ ®an xen nhau. Gi÷a c¸c tæng ®µi côc bé cã thÓ lµ c¸c trung kÕ trùc tiÕp hoÆc c¸c tuyÕn truyÒn dÉn. Tuy nhiªn, nÕu sö dông c¸c trung kÕ vµ c¸c tuyÕn truyÒn dÉn trùc tiÕp ®Ó t¹o ra m¹ng nèi chÐo gi÷a c¸c tæng ®µi côc bé th× cÊu tróc m¹ng sÏ rÊt phøc t¹p. Còng t-¬ng tù nh- viÖc dïng ®µi néi h¹t ®Ó gi¶m c¸c ®-êng d©y trùc tiÕp gi÷a c¸c thuª bao, ë ®©y còng cã thÓ dïng tæng ®µi kÕt nèi trung gian gi÷a c¸c tæng ®µi néi h¹t ®Ó gi¶m c¸c trung kÕ vµ c¸c tuyÕn truyÒn dÉn trùc tiÕp. Nh- vËy c¸c trung kÕ trùc tiÕp vµ c¸c tuyÕn truyÒn dÉn trùc tiÕp chØ ®-îc ®Æt gi÷a c¸c tæng ®µi néi h¹t gÇn kÒ nhau vµ chØ phôc vô phÇn nµo l-u l-îng th«ng tin gi÷a chóng, phÇn cßn l¹i chñ yÕu ®-îc phôc vô qua tæng ®µi hîp nèi trung gian nh- h×nh 1.6. H×nh 1. 6 : Tæ chøc m¹ng kiÓu hîp nèi  §-êng d©y thuª bao   §-êng d©y thuª bao  Tæng ®µi hîp nèi Tæng ®µi hîp nèi Tæng ®µi hîp nèi §-êng d©y thuª bao  §-êng d©y thuª bao   §-êng d©y thuª bao  Vïng 1 Vïng 2 Vïng 3 Ghi chó Tæng ®µi néi h¹t Trung kÕ trùc tiÕp Trung kÕ hîp nèi TuyÕn truyÒn dÉn
  • 17.
    Trong ph-¬ng ph¸ptæ chøc m¹ng kiÓu nµy c¸c tæng ®µi hîp nèi ®ãng vai trß nh- tæng ®µi cña c¸c tæng ®µi, chóng thùc hiÖn chøc n¨ng kÕt nèi gi÷a c¸c tæng ®µi trong tõng vïng víi nhau vµ gi÷a vïng nµy víi vïng kh¸c, tõ ®ã cho phÐp gi¶m c¸c trung kÕ trùc tiÕp, më réng ph¹m vi dÞch vô cho c¸c thuª bao vµ t¹o ®iÒu kiÖn tæ chøc m¹ng linh ho¹t h¬n. b.M¹ng ph©n cÊp Khi x©y dùng m¹ng quèc gia cÇn ho¹ch ®Þnh c¸c cÊp chuyÓn m¹ch. NÕu m¹ng kh«ng ®-îc ph©n cÊp th× viÖc phôc vô c¸c cuéc gäi ®-êng dµi sÏ gÆp khã kh¨n do tuyÕn ®-êng dµi kh«ng ®-îc ho¹ch ®Þnh tr-íc, cuéc nèi sÏ ph¶i qua nhiÒu tæng ®µi, thêi gian thiÕt lËp l©u, gi¸ thµnh cao, sö dông c¸c thiÕt bÞ kÐm hiÖu qu¶, chÊt l-îng phôc vô thÊp... M¹ng ph©n cÊp cho phÐp kh¾c phôc ®-îc c¸c nh-îc ®iÓm ®Ò cËp trªn ®©y lµm cho c¸c cuéc gäi ®-êng dµi ®-îc tiÕn hµnh nhanh chãng, thuËn tiÖn vµ chÊt l-îng cao. ViÖc ph©n cÊp ®i ®«i víi viÖc ho¹ch ®Þnh chiÕn l-îc ®Þnh tuyÕn cho c¸c lo¹i cuéc gäi gi÷a hai thuª bao bÊt kú. C¸c cuéc gäi ®-êng dµi ®-îc ®Þnh tuyÕn theo c¸c tiªu chuÈn tèi -u. M« h×nh m¹ng ph©n cÊp ®-îc m« t¶ trªn h×nh 1.7. Nh×n chung viÖc xö lý ®Þnh tuyÕn ®-îc thùc hiÖn trªn c¬ së ph©n tÝch h-íng cuéc gäi vµ tr¹ng th¸i cña c¸c ®-êng liªn kÕt gi÷a c¸c trung t©m chuyÓn m¹ch. Khi ph¸t sinh mét cuéc gäi th× h-íng trùc tiÕp sÏ ®-îc chän tr-íc tiªn. NÕu h-íng trùc tiÕp kh«ng cã kh¶ n¨ng phôc vô th× cuéc gäi sÏ ®-îc tiÕn hµnh trªn mét trong c¸c h-íng thay thÕ qua trung t©m chuyÓn m¹ch cÊp cao h¬n. Trung t©m quèc tÕ Trung t©m liªn tØnh Trung t©m vïng Tæng ®µi néi h¹t H-íng trùc tiÕp H-íng thay thÕ H×nh 1.7 : M« h×nh tæ chøc m¹ng kiÓu ph©n cÊp
  • 18.
    1.1.4 C¸c thµnhphÇn thiÕt yÕu kh¸c cña m¹ng viÔn th«ng. a. HÖ thèng b¸o hiÖu §Ó c¸c thµnh phÇn chÝnh trong m¹ng viÔn th«ng nh- c¸c thiÕt bÞ ®Çu cuèi, c¸c trung t©m chuyÓn m¹ch, c¸c tuyÕn truyÒn dÉn ho¹t ®éng phèi hîp nhÞp nhµng víi nhau th× gi÷a chóng cÇn cã nh÷ng th«ng tin ®iÒu khiÓn. C¸c th«ng tin ®iÒu khiÓn dïng ®Ó trao ®æi gi÷a c¸c thµnh phÇn chÝnh trong m¹ng phôc vô cho c¸c qu¸ tr×nh thiÕt lËp, duy tr×, gi¶i to¶ cuéc gäi ®-îc gäi chung lµ b¸o hiÖu. §Ó hiÓu ®-îc vai trß cña b¸o hiÖu ta xem xÐt qu¸ tr×nh thùc hiÖn cuéc gäi gi÷a mét thuª bao cña tæng ®µi A víi mét thuª bao cña tæng ®µi B. H×nh1.8 thÓ hiÖn nh÷ng tÝn hiÖu b¸o hiÖu ®-îc trao ®æi gi÷a c¸c thuª bao víi c¸c tæng ®µi vµ gi÷a c¸c tæng ®µi víi nhau trong c¸c qu¸ tr×nh thiÕt lËp, duy tr× vµ gi¶i phãng kÕt nèi. H×nh 1. 8 : Qu¸ tr×nh tiÕn hµnh cuéc gäi qua tæng ®µi Qu¸ tr×nh thùc hiÖn mét cuéc gäi trªn thùc tÕ cã thÓ x¶y ra nhiÒu kh¶ n¨ng kh¸c nhau tuú thuéc vµo ®ã lµ cuéc gäi néi h¹t hay ®-êng dµi, cuéc gäi ®-îc thùc hiÖn trän vÑn hay bÞ kÕt thóc gi÷a chõng, nguyªn nh©n cuéc gäi kh«ng thµnh c«ng, mµ tõ ®ã sÏ cã c¸c lo¹i tÝn hiÖu b¸o hiÖu kh¸c nhau ®-îc trao ®æi gi÷a c¸c  Tæng ®µi A  Tæng ®µi B §-êng d©y thuª bao §-êng d©y thuª bao Trung kÕ NhÊc tæ hîp TÝn hiÖu "Mêi chän sè" Chän c¸c ch÷ sè ®Þa chØ Yªu cÇu chiÕm trung kÕ ChÊp nhËn chiÕm Yªu cÇu göi c¸c th«ng tin ®Þa chØ C¸c ch÷ sè ®Þa chØ TÝn hiÖu chu«ng TÝn hiÖu "Håi ©m chu«ng" Tr¶ lêi TÝn hiÖu nhÊc tæ hîp Trao ®æi th«ng tin KÕt thóc cuéc gäi Yªu cÇu gi¶i to¶ cuéc gäi ChÊp nhËn gi¶i to¶ KÕt thóc B¸o hiÖu ®-êng d©y thuª bao bÞ gäi B¸o hiÖu liªn tæng ®µi B¸o hiÖu ®-êng d©y thuª bao gäi
  • 19.
    thµnh phÇn trongm¹ng . C¸c tÝn hiÖu b¸o hiÖu cã thÓ chia thµnh b¸o hiÖu thuª bao (bao gåm b¸o hiÖu ®-êng thuª bao gäi, b¸o hiÖu ®-êng thuª bao bÞ gäi) vµ b¸o hiÖu trung kÕ (hay b¸o hiÖu liªn tæng ®µi) tuú thuéc vµo tõng tÝn hiÖu b¸o hiÖu ®ã ®-îc sö dông trªn cung ®o¹n nµo cña m¹ng. VÒ c¸c ®¬n vÞ tÝn hiÖu b¸o hiÖu cô thÓ vµ ý nghÜa cña chóng sÏ ®-îc ®Ò cËp trong ch-¬ng riªng cña tµi liÖu nµy. b. HÖ thèng qu¶n lý, ®iÒu hµnh vµ b¶o d-ìng C¸c thÕ hÖ tæng ®µi c¬ ®iÖn tr-íc ®©y còng ®· b¾t ®Çu h×nh thµnh c¬ së qu¶n lý vµ b¶o d-ìng, tuy nhiªn chØ tËp trung vµo c«ng viÖc tÝnh c-íc ®¬n gi¶n vµ c¶nh b¸o lçi th« s¬. C¸c thÕ hÖ tæng ®µi hiÖn ®¹i ®iÒu khiÓn theo ch-¬ng tr×nh ghi s½n (SPC- Stored Program Control) cho phÐp l-u tr÷ ch-¬ng tr×nh ®iÒu hµnh ho¹t ®éng cña tæng ®µi, c¬ së d÷ liÖu thuª bao vµ d÷ liÖu trung kÕ, c¸c ch-¬ng tr×nh qu¶n lý m¹ng vµ chän tuyÕn tèi -u, c¸c ch-¬ng tr×nh chuÈn ®o¸n háng hãc cho phÐp qu¶n lý tËp trung c¸c tæng ®µi trong ph¹m vi nµo ®ã vµ thùc hiÖn c¸c quy tr×nh b¶o hµnh, b¶o d-ìng tõ xa. c. §ång bé m¹ng C¸c trung t©m chuyÓn m¹ch hiÖn nay hÇu hÕt lµ c¸c tæng ®µi chuyÓn m¹ch sè, do ®ã yªu cÇu sù ®ång bé chÆt chÏ gi÷a c¸c tæng ®µi. §ång bé cã ý nghÜa hÕt søc quan träng, mang tÝnh sèng cßn cña m¹ng sè ho¸, nã ¶nh h-ëng trùc tiÕp ®Õn chÊt l-îng phôc vô QoS cña hÖ thèng. Ngµy cµng nhiÒu lo¹i h×nh th«ng tin ®-îc kÕt hîp víi nhau ®-îc phôc vô qua m¹ng viÔn th«ng, cã nh÷ng lo¹i h×nh th«ng tin rÊt nh¹y c¶m víi hiÖn t-îng tr-ît vµ lÆp, vÝ dô nh- th«ng tin sè liÖu, v× vËy sai sãt nhá trong ®ång bé sÏ dÉn tíi tr-ît vµ lÆp th«ng tin, ¶nh h-ëng tíi chÊt l-îng phôc vô vµ cã thÓ g©y gi¸n ®o¹n liªn l¹c bëi vËy cÇn ¸p dông c¸c gi¶i ph¸p kü thuËt ®Ó ®¶m b¶o ®ång bé m¹ng th«ng tin sè. Chi tiÕt vÒ vÊn ®Ò nµy sÏ ®-îc ®Ò cËp c¸c ch-¬ng sau.
  • 20.
    1.2 ChuyÓn m¹chkªnh, chuyÓn m¹ch tin, chuyÓn m¹ch gãi. 1.2.1 Kh¸i niÖm vÒ chuyÓn m¹ch kªnh (Circuit Switching). ChuyÓn m¹ch kªnh ®-îc hiÓu lµ mét ph-¬ng thøc chuyÓn m¹ch mµ khi phôc vô mçi cuéc gäi gi÷a mét cÆp thiÕt bÞ ®Çu cuèi nµo ®ã th× kªnh truyÒn gi÷a c¸c m¹ch ®iÖn giao tiÕp cña hai thiÕt bÞ ®Çu cuèi ®ã ®-îc thiÕt lËp vµ dµnh riªng cho viÖc trao ®æi th«ng tin gi÷a hai thuª bao nµy. C¸c cuéc gäi ®ång thêi gi÷a c¸c cÆp thuª bao kh¸c nhau ®-îc tiÕn hµnh trªn c¸c kªnh truyÒn kh¸c nhau, ®éc lËp nhau. Kªnh truyÒn nµy cã thÓ ®-îc hiÓu lµ tËp hîp c¸c ®o¹n m¹ch do c¸c thiÕt bÞ chuyÓn m¹ch vµ c¸c kªnh ®-îc ph©n phèi trªn c¸c tuyÕn truyÒn dÉn t¹o ra mét tuyÕn truyÒn tÝn hiÖu nèi tiÕp nhau tõ m¹ch ®iÖn cña thuª bao chñ gäi tíi m¹ch ®iÖn cña thuª bao bÞ gäi. §Æc ®iÓm cña chuyÓn m¹ch kªnh lµ : - ThiÕt lËp kªnh truyÒn råi míi truyÒn th«ng tin trªn kªnh ®· ®-îc thiÕt lËp. - HÖ thèng chuyÓn m¹ch kh«ng kiÓm so¸t th«ng tin trªn kªnh ®· thiÕt lËp. - Th«ng tin kh«ng bÞ trÔ hoÆc bÞ trÔ kh«ng ®¸ng kÓ vµ kh«ng g©y ra rung pha (TrÔ ®Òu cho mäi thµnh phÇn tÝn hiÖu cña mçi cuéc gäi) do ®ã phï hîp víi dÞch vô thêi gian thùc. M« h×nh cña ph-¬ng thøc chuyÓn m¹ch kªnh ®-îc chØ ra trªn h×nh 1.9 H×nh 1.9 : M« h×nh chuyÓn m¹ch kªnh C¸c thiÕt bÞ chuyÓn m¹ch kªnh cã thÓ lµ c¸c bé chuyÓn m¹ch kh«ng gian (S-Switch) truyÒn tÝn hiÖu liªn tôc, c¸c bé chuyÓn m¹ch thêi gian (T-Switch) cho     TS1 TS2 TS4TS5 TS1 TS2 TS4 TS5 S-Switch S-Switch T-Switch T-Switch
  • 21.
    tÝn hiÖu pamhoÆc lµ c¸c bé chuyÓn m¹ch sè cho tÝn hiÖu PCM hay chØ ®¬n gi¶n lµ c¸c bé nèi d©y. 1.2.2 Kh¸i niÖm vÒ chuyÓn m¹ch b¶n tin (Message Switching). Trong thùc tÕ kh«ng cã m¹ng chuyÓn m¹ch chuyªn dông cho chuyÓn m¹ch b¶n tin nh-ng chóng ta vÉn th-êng nhËn ®-îc c¸c th«ng tin d-íi d¹ng b¶n tin. Cã thÓ h×nh dung nguyªn lý chuyÓn m¹ch b¶n tin nh- sau: Tin tøc cÇn truyÒn lµ b¶n tin sÏ ®-îc göi ®Õn node gèc kÌm theo ®Þa chØ nguån vµ ®Þa chØ ®Ých. Node gèc l-u b¶n tin trong bé nhí cña nã, lËp kÕ ho¹ch chän tuyÕn tíi ®Ých vµ göi yªu cÇu tíi node kÕ tiÕp theo kÕ ho¹ch chän tuyÕn, khi node kÕ tiÕp s½n sµng tiÕp nhËn b¶n tin th× hai node tiÕn hµnh trao ®æi b¶n tin cho nhau, cø nh- vËy b¶n tin sÏ ®-îc truyÒn tíi ®Ých. Còng cã thÓ truyÒn b¶n tin theo c¸c thuËt truyÒn kh¸c nhau, miÔn sao b¶n tin tíi ®-îc ®Ých. H×nh 1.10 : M« h×nh m¹ng chuyÓn m¹ch b¶n tin §Æc ®iÓm cña ph-¬ng thøc chuyÓn m¹ch b¶n tin: - B¶n tin cã kÝch kh«ng x¸c ®Þnh v× vËy ph¶i cã bé nhí ®ñ lín t¹i c¸c node ®Ó tiÕp nhËn vµ l-u tr÷ b¶n tin. - Thêi gian truyÒn t¶i tin lín, dÔ g©y t¾c nghÏn. - TrÔ b¶n tin trong c¸c node vµ trong m¹ng kh«ng x¸c ®Þnh. - ¸p dông c¸c biÖn ph¸p ph¸t hiÖn vµ söa lçi. 1.2.3 Kh¸i niÖm vµ chuyÓn m¹ch gãi. B¶n tin ®-îc chia thµnh c¸c gãi vµ ®-îc truyÒn cïng c¸c tiÕp ®Çu vµ tiÕp a b c d e f g h i dte dte
  • 22.
    cuèi cña gãi,c¸c tiÕp ®Çu vµ tiÕp cuèi ®ã lµ c¸c tr-êng ®iÒu khiÓn ®Ó h-íng dÉn c¸c node cña m¹ng ®-a c¸c gãi tíi ®Ých, kiÓm so¸t lçi vµ ®iÒu khiÓn l-u l-îng. Mét b¶n tin cã thÓ gåm nhiÒu gãi, chóng cã thÓ ®-îc truyÒn tíi ®Ých theo ph-¬ng thøc h-íng liªn kÕt (Connection-oriented) hoÆc theo ph-¬ng thøc phi kÕt nèi (Connectionless). Nh- thÕ c¸c gãi cña mét b¶n tin cã thÓ ®-îc truyÒn theo cïng mét tuyÕn qua c¸c nót m¹ng hoÆc còng cã thÓ ®-îc truyÒn trªn c¸c tuyÕn kh¸c nhau. Thªm vµo ®ã, trong qu¸ tr×nh truyÒn c¸c gãi cã thÓ cã lçi, mét vµi gãi ph¶i truyÒn l¹i vµ do ®ã c¸c gãi cã thÓ ®Õn ®Ých kh«ng theo thø tù, c¸c thiÕt bÞ m¹ng vµ thiÕt bÞ ®Çu cuèi ph¶i cã kh¶ n¨ng kiÓm so¸t vµ s¾p xÕp l¹i c¸c gãi ®Ó kh«i phôc l¹i b¶n tin t¹i ®Çu cuèi thu. §Æc ®iÓm cña ph-¬ng thøc chuyÓn m¹ch gãi: - Gi¶m ®-îc trÔ t¹i c¸c node vµ trong m¹ng - Xö lý lçi vµ söa lçi hoÆc truyÒn l¹i gãi nhanh h¬n so víi chuyÓn m¹ch b¶n tin do ®ã gi¶m ®-îc l-îng th«ng tin cÇn truyÒn l¹i, gi¶m t¾c nghÏn vµ t¨ng tèc ®é truyÒn tin còng nh- kh¶ n¨ng phôc vô cña m¹ng. - Cã thÓ ®Þnh tuyÕn cho tõng gãi hoÆc cho tÊt c¶ c¸c gãi cña cuéc gäi theo c¸c thñ tôc kh¸c nhau. H×nh 1.11 M« h×nh nguyªn lý chuyÓn m¹ch gãi 1.2.4 Kh¸i niÖm vÒ c«ng nghÖ atm (C«ng nghÖ chuyÓn giao kh«ng ®ång bé–asynchronous Transfer Mode) atm lµ c«ng nghÖ bao gåm c¶ khÝa c¹nh truyÒn dÉn vµ khÝa c¹nh chuyÓn m¹ch, ®©y còng lµ d¹ng chuyÓn m¹ch gãi ®Æc biÖt. VÒ khÝa c¹nh truyÒn dÉn cã a b c d e f g h i dte dte
  • 23.
    thÓ coi atmnh- mét ph-¬ng thøc ghÐp kªnh kh«ng ®ång bé (cßn gäi lµ ghÐp kªnh thèng kª), nghÜa lµ ®-êng truyÒn ®-îc ph©n chia mét c¸ch linh ho¹t cho c¸c tÕ bµo tõ c¸c nguån tin kh¸c nhau, kh«ng cÇn tu©n theo mét trËt tù nghiªm ngÆt. C¸c tÕ bµo gièng nh- c¸c gãi tin ®Æc biÖt cã kÝch th-íc cè ®Þnh (53byte) ®Ó ®¹t ®-îc hiÖu qu¶ truyÒn dÉn vµ chuyÓn m¹ch cao, gi¶m trÔ trong m¹ng vµ tr¸nh t¾c nghÏn. C¸c tr-êng thñ tôc trong mçi tÕ bµo ®-îc tèi thiÓu ho¸, ®¬n gi¶n thao t¸c xö lý tÕ bµo t¹i c¸c node m¹ng, nh- thÕ sÏ t¨ng ®-îc tèc ®é chuyÓn m¹ch ®¸p øng ®-îc c¸c dÞch vô tèc ®é cao. VÒ chuyÓn m¹ch ¸p dông ph-¬ng thøc chuyÓn m¹ch ®Þa chØ thÓ hiÖn trong nhËn d¹ng kªnh ¶o (VCI) vµ nhËn d¹ng ®-êng ¶o (VPI) tõ ®ã ®¬n gi¶n ho¸ chøc n¨ng chuyÓn m¹ch, n©ng cao kh¶ n¨ng chuyÓn m¹ch, kÕt hîp b¸o hiÖu kªnh chung t¹o kh¶ n¨ng sö dông VCI, VPI linh ®éng, dÔ dµng tæ chøc m¹ng toµn cÇu. a. ChÕ ®é truyÒn ®ång bé vµ chÕ ®é truyÒn kh«ng ®ång bé Trªn h×nh 1.12a minh ho¹ nguyªn lý ghÐp kªnh thêi gian ®ång bé (Synchronous Time Division Multiplexing) hay cßn gäi lµ ph-¬ng thøc truyÒn ®ång bé (Synchronous Transfer Mode). C¸c kªnh ®-îc tæ chøc thµnh khung vµ ®-îc s¾p xÕp theo thø tù mét c¸ch chÆt chÏ. ViÖc x¸c ®Þnh th«ng tin cña tõng kªnh ®Ó phôc vô cho viÖc ph©n phèi chóng còng nh- thùc hiÖn c¸c thao t¸c chuyÓn m¹ch ph¶i b¾t ®Çu b»ng viÖc x¸c ®Þnh ®ång bé ®a khung, ®ång bé khung (Frame). MÊt hoÆc thu sai ®ång bé khung còng lµm mÊt th«ng tin cña c¸c kªnh. Do b¨ng th«ng ®-îc ph©n phèi ®Òu cho c¸c kªnh nªn nh÷ng kªnh kh«ng cã th«ng tin ®Ó truyÒn còng chiÕm khe thêi gian dµnh cho nã vµ c¸c kªnh kh¸c cã nhu cÇu truyÒn tin kh«ng thÓ tËn dông ®-îc. ¦u ®iÓm c¬ b¶n cña ph-¬ng thøc nµy lµ tèc ®é truyÒn æn ®Þnh do vËy rÊt phï hîp víi c¸c dÞch vô cã tèc ®é bÝt cè ®Þnh vµ c¸c dÞch vô yªu cÇu trÔ kh«ng ®æi cho c¸c dÞch vô nh¹y c¶m víi thêi gian thùc nh- Framin g Framing Channel 1 Channel 2 … Channel n Framin g Framing Channel 1 Channel 2 … Channel n Framin g Framing Channel 1 Channel 2 … Channel n Framin g Framing Channel 1 Time Slot Periodic Frame H Channel 1 H Channel 1 H Unused Channel H Channel 5 H Channel 3 H Channel 7 H Channel 1 H Channel 5 H Channel 5 H Channel 4 H Channel 7 Occupied Time Slot Idle Time Slot a. ChÕ ®é truyÒn ®ång bé STM b. ChÕ ®é truyÒn kh«ng ®ång bé ATM H×nh1.12 Minh ho¹ c¸c chÕ ®é ghÐp kªnh ®ång bé vµ kh«ng ®ång bé
  • 24.
    tÝn hiÖu tho¹ihoÆc h×nh ¶nh. Trªn h×nh 1.12b minh ho¹ nguyªn lý ghÐp kªnh thêi gian kh«ng ®ång bé ATDM (Asynchronous Time Division Multiplexing) hay cßn gäi lµ ph-¬ng thøc chuyÓn giao kh«ng ®ång bé ATM(Asynchronous Transfer Mode). B¨ng th«ng ®-îc ph©n ph¸t cho c¸c kªnh theo nhu cÇu (ghÐp kªnh thèng kª - Statistical Multiplexing) vµ kh«ng cÇn tu©n theo mét thø tù chÆt chÏ nh- trong ph-¬ng thøc truyÒn ®ång bé. Th«ng tin cña tõng kªnh ®-îc truyÒn cïng víi phÇn tiÕp ®Çu H (Header-Overhead) cña nã t¹o thµnh c¸c gãi. PhÇn Header chøa c¸c th«ng tin ®iÒu khiÓn gióp cho c¸c thiÕt bÞ m¹ng x¸c ®Þnh ®-îc th«ng tin cña tõng kªnh ®Ó thùc hiÖn c¸c thao t¸c ®Þnh tuyÕn, chuyÓn m¹ch vµ s¾p xÕp l¹i b¶n tin. Nhê cã phÇn Header nªn viÖc ghÐp vµ t¸ch kªnh ®-îc tiÕn hµnh rÊt thuËn tiÖn, b¨ng th«ng ®-îc ph©n phèi mét c¸ch linh ho¹t cho c¸c kªnh. Còng nhê phÇn Header mµ cã thÓ ¸p dông c¬ cÊu chuyÓn m¹ch t-¬ng ®èi ®¬n gi¶n, ®ã lµ nguyªn lý chuyÓn m¹ch ®Þa chØ (Address Switching) hay cßn gäi lµ chuyÓn m¹ch nh·n (Label Switching) mµ chóng ta sÏ ®iÓm qua d-íi ®©y. Int@ Out@ Port a m 1 b n * Int@ Out@ Port c o 2 Port1 Port1 b a c Int@ Out@ Port M a 1 n b 2 Int@ Out@ Port o e 2 Port1 Port1 m n o Int@ Out@ Port d p 2 e 0 1 Int@ Out@ Port c o 2 Port1 Port1 e d c Int@ Out@ Port o c 2 n b 1 n b 2 Int@ Out@ Port o c 2 p d 1 Port1 Port1 n o p o a b e b c c d b H×nh 1.13 Nguyªn lý chuyÓn m¹ch ®Þa chØ
  • 25.
    b. ChuyÓn m¹ch®Þa chØ (Address Switching) Trªn h×nh 1.13 minh ho¹ nguyªn lý chuyÓn m¹ch ®Þa chØ. Mçi bé chuyÓn m¹ch cã 2 ®Çu vµo vµ 2 cæng ra. Trªn mçi ®Çu vµo cã mét b¶ng ®Þnh tuyÕn dïng ®Ó ®Þnh tuyÕn cho c¸c gãi d÷ liÖu. Mçi gãi d÷ liÖu ®-îc g¸n mét nh·n ®Þnh tuyÕn (nh- c¸c chØ sè nhËn d¹ng trong header). Nh·n ®ã sÏ ®-îc so s¸nh víi c¸c nh·n cña cét In@. Bé chuyÓn m¹ch sÏ chuyÓn ®æi nh·n ®ã thµnh nh·n ®Çu ra t-¬ng øng nh- trong cét Out@ vµ ®-îc chuyÓn ra cæng ®Çu ra ®Þnh tr-íc bëi cét Port. Nh- vËy c¸c gãi sÏ lÇn l-ît qua c¸c bé chuyÓn m¹ch ®Ó ®i tõ mét ®Çu vµo nµo ®ã tíi ®Çu ra cña Node chuyÓn m¹ch. C¸c b¶ng ®Þnh tuyÕn sÏ thay ®æi mçi khi b¾t ®Çu hoÆc kÕt thóc mét cuéc liªn l¹c nµo ®ã d-íi sù hç trî cña hÖ thèng b¸o hiÖu. Nh- thÕ thao t¸c cña bé chuyÓn m¹ch bao gåm xö lý nh·n ®Çu vµo, phiªn dÞch thµnh nh·n ®Çu ra vµ h-íng gãi tíi cæng ra cÇn thiÕt. VÝ dô gãi ®Çu vµo cã nh·n A sÏ ®-îc chuyÓn thµnh nh·n M vµ chuyÓn ra cæng vËt lý Port1. T¹i mçi cæng ra vËt lý cã bé nhí ®Öm ®Ó t¹m thêi l-u tr÷ c¸c gãi khi cã nhiÒu gãi cïng ®-îc ®Þnh h-íng ®Õn mét cæng ra vËt lý. Bé nhí ®Öm nµy lµm viÖc theo nguyªn lý FIFO (Vµo tr-íc, ra tr-íc - First In First Out). 1.2.5 lÜnh vùc øng dông cña c¸c ph-¬ng thøc chuyÓn m¹ch C¸c th«ng tin cã nguån gèc kh¸c nhau th-êng ®-îc thÓ hiÖn b»ng c¸c d¹ng tÝn hiÖu kh¸c nhau. VÝ dô th«ng tin tho¹i hoÆc truyÒn h×nh th-êng lµ dßng th«ng tin liªn tôc ®-îc thÓ hiÖn b»ng chuçi tÝn hiÖu sè tèc ®é bit kh«ng ®æi (CBR-Constant Bit Rate), trong khi th«ng tin m¸y tÝnh, sè liÖu… l¹i th-êng mang tÝnh gi¸n ®o¹n vµ d-íi d¹ng tÝn hiÖu sè cã tèc ®é bÝt thay ®æi (VBR-Variable Bit Rate) vµ v× thÕ mçi lo¹i th«ng tin thÝch øng víi mét c«ng nghÖ truyÒn dÉn vµ chuyÓn m¹ch. Nh÷ng th«ng tin cã tèc ®é bit kh«ng ®æi vµ nh¹y c¶m víi trÔ th-êng chän h×nh thøc truyÒn ®ång bé vµ chuyÓn m¹ch kªnh. TruyÒn dÉn kiÓu ®ång bé ®¸p øng tèc ®é truyÒn kh«ng ®æi vµ trÔ truyÒn dÉn lµ nh- nhau cho tÊt c¶ c¸c tæ hîp tÝn hiÖu cña cïng mét cuéc gäi. ChuyÓn m¹ch kªnh thiÕt lËp kªnh dµnh riªng cho mçi cuéc gäi tr-íc khi truyÒn th«ng tin cña cuéc gäi ®ã vµ ®¶m b¶o tÊt c¶ c¸c tæ hîp tÝn hiÖu cña cïng mét cuéc gäi sÏ ®-îc truyÒn theo cïng mét tuyÕn ®· ®-îc thiÕt lËp dµnh riªng ®ã vµ v× thÕ kh«ng lµm thay ®æi thø tù cña c¸c tæ hîp tÝn hiÖu ®ã, ®ång thêi do ®-îc truyÒn theo cïng mét tuyÕn nªn c¸c tæ hîp tÝn hiÖu nµy sÏ cã cïng ®é trÔ nh- nhau lµm cho tÝn hiÖu sau kh«i phôc kh«ng bÞ mÐo pha, ®¸p øng ®-îc c¸c dÞch vô nh¹y c¶m víi trÔ. §èi víi lo¹i th«ng tin ®-îc tæ chøc thµnh c¸c gãi hoÆc c¸c tÕ bµo cho phÐp sö dông ph-¬ng thøc ghÐp kªnh thèng kª ®Ó n©ng cao hiÖu qu¶ sö dông c¸c thiÕt bÞ m¹ng, ®ång thêi ¸p dông nguyªn lý chuyÓn m¹ch ®Þa chØ ®Ó ®¬n gi¶n ho¸ c¸c thiÕt bÞ chuyÓn m¹ch ®ång
  • 26.
    thêi thÝch øngvíi nhiÒu lo¹i h×nh dÞch vô víi nhiÒu tèc ®é kh¸c nhau. §èi víi nhu cÇu ph¸t triÓn m¹ng viÔn th«ng ®a dÞch vô b¨ng réng, cïng víi nh÷ng tiÕn bé v-ît bËc trong lÜnh vùc quang dÉn th× c«ng nghÖ ATM lµ mét lùa chän cã thÓ ®¸p øng ®-îc nh÷ng yªu cÇu cña mét m¹ng viÔn th«ng hiÖn ®¹i. 1.3 Kh¸i qu¸t vÒ tæng ®µi ®iÒu khiÓn theo ch-¬ng tr×nh ghi s½n SPC (Stored Program Control) 1.3.1 Sù ph¸t triÓn cña c«ng nghÖ chuyÓn m¹ch vµ ph-¬ng thøc ®iÒu khiÓn. Trong phÇn nµy chØ ®Ò cËp tíi c«ng nghÖ chuyÓn m¹ch vµ ph-¬ng thøc ®iÒu khiÓn ®-îc ¸p dông trong lÜnh vùc chuyÓn m¹ch kªnh. Cïng víi sù ph¸t triÓn cña c«ng nghÖ chuyÓn m¹ch th× c¸c ph-¬ng thøc ®iÒu khiÓn ¸p dông trong c¸c thÕ hÖ tæng ®µi còng ®-îc ph¸t triÓn, lu©n phiªn thay thÕ lÉn nhau. Nh- ®· tr×nh bµy ë môc 1.2, khi c¸c m¸y ®iÖn tho¹i ®-îc ph¸t minh th× ®Çu tiªn, ®Ó tæ chøc liªn l¹c, ®¬n gi¶n chóng nèi ®-îc tõng cÆp trùc tiÕp víi nhau mµ kh«ng qua mét lo¹i tæng ®µi nµo c¶. Sau ®ã lµ viÖc ¸p dông c¸c lo¹i tæng ®µi nh©n c«ng kiÓu tõ th¹ch hoÆc ®iÖn chung. Thùc chÊt c¸c tæng ®µi nµy lµ c¸c thiÕt bÞ nèi d©y nh©n c«ng, dïng c¸c cÆp d©y phÝch ®Ó nèi m¹ch ®iÖn ®-êng d©y cña thuª bao gäi víi ®-êng d©y cña thuª bao bÞ gäi. Trong c¸c tæng ®µi nh©n c«ng, hÇu nh- kh«ng cã hÖ thèng ®iÒu khiÓn, c¸c tÝn hiÖu b¸o hiÖu còng hÕt søc ®¬n gi¶n. C¸c th«ng tin ®Þa chØ ®-îc trao ®æi b»ng lêi yªu cÇu cña thuª bao tíi nh©n viªn tæng ®µi hoÆc nh©n viªn tæng ®µi phÝa chñ gäi tíi nh©n viªn tæng ®µi phÝa bÞ gäi. Nh©n viªn tæng ®µi thùc hiÖn chøc n¨ng cña hÖ thèng ®iÒu khiÓn trong tæng ®µi, bao gåm quan s¸t, ph¸t hiÖn yªu cÇu gäi trao ®æi ®Ó nhËn ®Þa chØ thuª bao bÞ gäi, ph¸t tÝn hiÖu gäi chu«ng tíi thuª bao bÞ gäi, thiÕt lËp nèi gi÷a thuª bao bÞ gäi vµ thuª bao gäi, gi¸m s¸t cuéc gäi ®Ó ph¸t hiÖn yªu cÇu kÕt thóc, gi¶i to¶ cuéc gäi khi cã yªu cÇu kÕt thóc cuéc gäi. Trong thÕ hÖ tæng ®µi tù ®éng dïng c¸c bé chän nhÈy nÊc viÖc t¹o tuyÕn nèi gi÷a m¹ch ®iÖn ®-êng d©y thuª bao gäi víi m¹ch ®iÖn ®-êng d©y thuª bao bÞ gäi ®-îc thùc hiÖn mét c¸ch tù ®éng d-íi sù ®iÒu khiÓn cña c¸c chïm xung quay sè ®-îc t¹o tõ ®Üa quay sè cña thiÕt bÞ ®Çu cuèi thuª bao gäi. C¸c tÝn hiÖu b¸o hiÖu ®· b¾t ®Çu phøc t¹p phï hîp víi b-íc ph¸t triÓn v-ît bËc vÒ c«ng nghÖ, tõ chuyÓn m¹ch nh©n c«ng sang chuyÓn m¹ch tù ®éng. C¸c tÝn hiÖu b¸o hiÖu tèi thiÓu ®ñ ®Ó ®¸p øng viÖc tù ®éng ho¸ qu¸ tr×nh chuyÓn m¹ch: Dßng m¹ch vßng
  • 27.
    (b¸o hiÖu gi¸ms¸t), chän sè d¹ng xung (b¸o hiÖu ®Þa chØ), c¸c ©m phôc vô (b¸o bËn, håi ©m chu«ng, mêi quay sè), dßng chu«ng. Ch-a h×nh thµnh hÖ thèng ®iÒu khiÓn. Mçi thiÕt bÞ chuyÓn m¹ch cã bé phËn ®iÒu khiÓn riªng, h×nh thµnh ph-¬ng thøc ®iÒu khiÓn ®éc lËp - trùc tiÕp - nèi tiÕp. §éc lËp cã nghÜa lµ mçi bé chän cã bé®iÒu khiÓn riªng cña nã, trùc tiÕp nghÜa lµ chïm xung quay sè ®iÒu khiÓn trùc tiÕp ho¹t ®éng cña tõng bé chän, cßn nèi tiÕp ®-îc hiÓu lµ m¹ch ®iÒu khiÓn cña bé chän ®-îc h×nh thµnh mét c¸ch nèi tiÕp theo tiÕn tr×nh thiÕt lËp tuyÕn nèi (xem h×nh 1.14) Nh-îc ®iÓm cña ph-¬ng thøc ®iÒu khiÓn ®éc lËp-trùc tiÕp lµ thiÕt bÞ ®iÒu khiÓn ph©n t¸n theo c¸c bé chän lµm hiÖu suÊt sö dông thÊp, kÝch th-íc chän bé c«ng kÒnh, tèc ®é thiÕt lËp tuyÕn nèi chËm, kh«ng cho phÐp ¸p dông c¸c ph-¬ng ph¸p ®Þnh tuyÕn, dÔ bÞ chän vµo ngâ côt. Tuy nhiªn, ph-¬ng thøc ®iÒu khiÓn nµy còng cã mét vµi -u thÕ nh- nguyªn lý ®iÒu khiÓn rÊt ®¬n gi¶n, lçi ®iÒu khiÓn cña mét thiÕt bÞ kh«ng g©y ¶nh h-ëng nghiªm träng, kh¾c phôc sù cè nhanh chãng… Ngµy nay, mét sè hÖ thèng th«ng tin sè cÇn chuyÓn m¹ch tèc ®é cao còng cã su h-íng ¸p dông ph-¬ng thøc ®iÒu khiÓn ®éc lËp, tuy nhiªn thao t¸c ®iÒu khiÓn chuyÓn m¹ch cña nã dùa trªn viÖc xö lý nh·n nh- trong chuyÓn m¹ch ®Þa chØ.  §K §K §K §K §K §K §K §K §K §K §K         CÊp chän s¬ bé CÊp chän nhãm 1 CÊp chän nhãm 2 CÊp chän ®-êng d©y H×nh 1.14 M« h×nh ®iÒu khiÓn ®éc lËp-trùc tiÕp trong tæng ®µi nh¶y nÊc
  • 28.
    ThÕ hÖ tæng®µi tù ®éng dïng bé nèi d©y to¹ ®é (ngang däc) ®· t¹o ra nh÷ng tiÕn bé ®¸ng kÓ. Kh¶ n¨ng nèi d©y cña c¸c bé nèi lo¹i nµy ®· t¨ng nhiÒu so víi lo¹i bé chän nh¶y nÊc, mçi khèi däc cña bé nèi d©y täa ®é t-¬ng ®-¬ng mét bé chän nhÈy nÊc ®¬n, tõ ®ã cho phÐp gi¶m ®¸ng kÓ thÓ tÝch thiÕt bÞ chuyÓn m¹ch cña tæng ®µi. Nguyªn lý nèi d©y theo kiÓu tiÕp ®iÓm Ðp nªn gi¶m ®-îc sù mµi mßn. §Æc biÖt, ®· cho phÐp ¸p dông ph-¬ng thøc ®iÒu khiÓn gi¸n tiÕp-tËp trung. Nguyªn lý ®iÒu khiÓn gi¸n tiÕp ®-îc thÓ hiÖn: Tr-íc tiªn tÝn hiÖu chän sè tõ thuª bao gäi ®-îc thu vµ nhí ë thanh ghi ®Þa chØ, sau ®ã míi chuyÓn tíi c¸c bé ®iÒu khiÓn cña c¸c cÊp chän vµ tõ ®ã ph©n phèi tíi tõng bé nèi d©y. Nh- vËy, thiÕt bÞ ®iÒu khiÓn còng ®· b¾t ®Çu ®-îc tËp trung, n©ng cao ®-îc hiÖu suÊt sö dông cña c¸c thiÕt bÞ ®iÒu khiÓn dïng chung, t¨ng kh¶ n¨ng ®iÒu khiÓn vµ cho phÐp chän tuyÕn theo mét sè ph-¬ng ¸n ®Þnh tr-íc, viÖc chän tuyÕn mang tÝnh bao qu¸t trong ph¹m vi mét tæng ®µi. C¶ hai lo¹i tæng ®µi c¬ ®iÖn (nhÈy nÊc vµ to¹ ®é) cã ®Æc ®iÓm chung lµ kÝch th-íc lín, chi phÝ khai th¸c kh¸ cao, tiªu thô n¨ng l-îng lín, dÞch vô nghÌo nµn, chÊt l-îng dÞch vô thÊp. Tuy nhiªn chóng còng ®· phôc vô trong kho¶ng thêi gian hµng vµi thËp kû (gÇn thÕ kû). Nöa cuèi thÕ kû 20 c«ng nghÖ chÕ t¹o c¸c linh kiÖn b¸n dÉn ph¸t triÓn m¹nh, kü thuËt xö lý tÝn hiÖu vµ kü thuËt vi xö lý t¹o ®iÒu kiÖn cho ngµnh c«ng     Bé d©y phÝch Bé ®iÒu khiÓn cÊp chän ®-êng d©y kh©u AB Thanh ghi ®Þa chØ Bé ®iÒu khiÓn cÊp chän thanh ghi Bé ®iÒu khiÓn cÊp chän nhãm Giao tiÕp trung kÕ Bé ®iÒu khiÓn cÊp chän ®-êng d©y kh©u CD A B C D A B H×nh 1.15 Ph-¬ng thøc ®iÒu khiÓn gi¸n tiÕp trong tæng ®µi to¹ ®é
  • 29.
    nghÖ ®iÖn töph¸t triÓn, trong ®ã cã lÜnh vùc kü thuËt chuyÓn m¹ch. Hµng lo¹t thiÕt kÕ, ph¸t minh míi trong lÜnh vùc truyÒn dÉn nh- ph©n kªnh theo thêi gian, quang dÉn thóc ®Èy c¸c ph¸t kiÕn míi trong lÜnh vùc chuyÓn m¹ch. C¸c tæng ®µi ®iÖn tö cã ®Æc ®iÓm chung lµ thiÕt bÞ chuyÓn m¹ch ®-îc chÕ t¹o trªn c¬ së linh kiÖn ®iÖn tö, b¸n dÉn, vi m¹ch cã kÝch th-íc nhá, t¸c ®éng nhanh, tiªu thô nguån thÊp, cã kh¶ n¨ng tÝch hîp cao vµ ®Æc biÖt lµ thÝch øng víi c¸c kü thuËt truyÒn dÉn tèc ®é cao. Ph-¬ng thøc ®iÒu khiÓn trong c¸c tæng ®µi ®iÖn tö còng chuyÓn dÇn theo h-íng thay thÕ c¸c m¹ch logic rêi r¹c trong c¸c khèi, c¸c bé ®iÒu khiÓn b»ng c¸c phÇm mÒn cïng c¸c bé xö lý chuyªn dông. Vµ nh- thÕ ®· lµm xuÊt hiÖn thÕ hÖ tæng ®µi ®iÒu khiÓn theo ch-¬ng tr×nh l-u tr÷ SPC (Stored Program Control). PhÇn mÒm ®iÒu khiÓn c¸c tæng ®µi còng ®-îc dÇn c¶i tiÕn vµ cµng ngµy cµng cho phÐp ng-êi sö dông cã thªm nhiÒu tÝnh n¨ng dÞch vô tuú tù chän. C¸c tæng ®µi ®iÒu khiÓn theo ch-¬ng tr×nh l-u tr÷ SPC cïng víi c«ng nghÖ truyÒn dÉn hiÖn ®¹i vµ chuyÓn m¹ch sè nhanh chãng thay thÕ c¸c tæng ®µi c¬ ®iÖn. Ph-¬ng thøc b¸o hiÖu còng cÇn ®-îc hoµn thiÖn lµm cho ho¹t ®éng cña m¹ng viÔn th«ng ngµy cµng linh ho¹t, hiÖu qu¶, th«ng minh h¬n. C¸c dÞch vô tho¹i vµ phi tho¹i ngµy cµng xÝch l¹i gÇn nhau h¬n trªn c¬ së chuyÓn m¹ch sè vµ ®iÒu khiÓn theo ch-¬ng tr×nh l-u tr÷. C«ng nghÖ truyÒn dÉn vµ chuyÓn m¹ch atm më ra triÓn väng to lín cho c¸c dÞch vô cña m¹ng viÔn th«ng. 1.3.2. Tæng quan vÒ tæng ®µi ®iÒu khiÓn theo ch-¬ng tr×nh l-u tr÷ SPC Trong qu¸ tr×nh ®iÒu khiÓn c¸c thiÕt bÞ chuyÓn m¹ch cÇn ph¶i thùc hiÖn rÊt nhiÒu phÐp tÝnh logic, kÕt qu¶ cña chóng l¹i cÇn ®-îc nhí ®Ó ®iÒu khiÓn c¸c phÇn tö chuyÓn m¹ch. Tr-íc ®©y c¸c phÐp tÝnh ®ã vµ c¸c chøc n¨ng nhí ®-îc thùc hiÖn trªn c¸c linh kiÖn rêi, ®¬n lÎ, kh¶ n¨ng tÝnh to¸n chËm. Ngµy nay, nhê vµo thµnh tùu cña kü thuËt vi xö lý ®· cho phÐp kÕt hîp c¸c chøc n¨ng xö lý nµy trao cho c¸c bé vi xö lý chuyªn dông. C¸c phÐp tÝnh logÝc trong xö lý cuéc gäi, c¸c qu¸ tr×nh xö lý vµ ph©n phèi b¸o hiÖu, chän tuyÕn, t¹o c¸c b¶n tin ®iÒu khiÓn chuyÓn m¹ch vµ c¸c thiÕt bÞ ngo¹i vi, kiÓm so¸t c¸c m¹ch giao tiÕp ®-îc xö lý bëi c¸c bé vi xö lý trªn c¬ së c¸c phÇn mÒm ®· ®-îc l-u tr÷ nhê ®ã mµ gi¶m ®¸ng kÓ c¸c linh kiÖn, n©ng cao chÊt l-îng vµ tèc ®é phôc vô cña c¸c tæng ®µi. ViÖc kÕt hîp ®iÒu khiÓn theo ch-¬ng tr×nh l-u tr÷ víi kü thuËt chuyÓn m¹ch sè cµng n©ng cao -u thÕ cña c¸c tæng ®µi SPC. Mét sè -u ®iÓm cña tæng ®µi SPC cã thÓ liÖt kª d-íi ®©y: -TÝnh linh ho¹t: C¸c tæng ®µi SPC cã tÝnh linh ho¹t ë møc cao thÓ hiÖn ë khÝa c¹nh t¸c dông l©u dµi vµ t¸c dông trùc tiÕp. Tr-íc tiªn xem xÐt khÝa c¹nh t¸c dông l©u dµi. Trong tõng giai ®o¹n ph¸t triÓn cña hÖ thèng chuyÓn m¹ch, mét lo¹t
  • 30.
    ch-¬ng tr×nh cãthÓ t¹o ra ®Ó cho phÐp hç trî c¸c nhu cÇu dÞch vô vµ qu¶n lý. Sù hiÖu chØnh phÇn mÒm ®¸p øng ngµy cµng da d¹ng vÒ dÞch vô lµm cho hÖ thèng kh«ng trë thµnh l¹c hËu theo thêi gian. Nh- vËy, c¸c phÇn mÒm c¬ b¶n ®¶m b¶o cho hÖ thèng ho¹t ®éng ®¸p øng c¸c dÞch vô truyÒn thèng vµ nhu cÇu hiÖn t¹i, cã xem xÐt kh¶ n¨ng thay ®æi ®Ó khi cÇn n©ng cÊp chØ cÇn c¶i tiÕn ®«i chót vÒ phÇn mÒm hoÆc ®-a thªm c¸c thñ tôc míi mµ kh«ng cÇn thay ®æi cÊu tróc phÇn cøng. NghÜa lµ cÊu tróc phÇn cøng cña tæng ®µi SPC cïng víi phÇn mÒm ®iÒu khiÓn ban ®Çu cña nã ®-îc thiÕt kÕ theo khuynh h-íng module ho¸ phï hîp víi chiÕn l-îc më réng c¶ vÒ dung l-îng vµ kh¶ n¨ng dÞch vô. KhÝa c¹nh hiÖu qu¶ trùc tiÕp thÓ hiÖn ë kh¶ n¨ng thay ®æi nhanh chãng b»ng c¬ së d÷ liÖu ®Ó cã thÓ thÝch øng víi ®iÒu kiÖn thay ®æi tr¹ng th¸i cña m¹ng, nghÜa lµ kh¶ n¨ng thÝch nghi cña hÖ thèng víi tõng tr¹ng th¸i m¹ng khi cã c¸c biÕn cè, vÝ dô khi cã mét t¾c nghÏn t¹i mét node m¹ng nµo ®ã hoÆc trªn tuyÕn truyÒn dÉn ®Ó cã ®-îc c¸c phÐp chän tuyÕn tèi -u. HoÆc ®èi víi thuª bao dÔ dµng thay ®æi dÞch vô cña tõng thuª bao b»ng viÖc thay ®æi c¬ së d÷ liÖu cña nã theo yªu cÇu cña ng-êi sö dông. -C¸c tiÖn Ých cho thuª bao: C¸c tæng ®µi SPC cung cÊp cho thuª bao nhiÒu tiÖn Ých h¬n, dÔ dµng vµ rÎ h¬n trong c¸c tæng ®µi kh¸c. C¸c tiÖn Ých nµy ®-îc ph©n phèi bëi hÖ thèng qu¶n lý vµ theo tÝnh n¨ng tuú chän cña thuª bao. C¸c tiÖn Ých ®ã bao gåm: + Short–code dialling (dÞch vô quay sè t¾t tõ bé nhí cña tæng ®µi): C¸c ®Þa chØ th-êng gäi ®-îc nhí tr-íc vµo bé nhí cña tæng ®µi víi m· t-¬ng øng nµo ®ã. Khi cÇn gäi, thuª bao chØ viÖc chän m· rót gän ®ã th× ®Þa chØ ®· nhí sÏ tù ®éng ®-îc gäi ra. + Call transfer (dÞch vô chuyÓn cuéc gäi): ChuyÓn cuéc gäi tíi ®Þa chØ kh¸c mét c¸ch tù ®éng (call forward). +Ring back when free (camp – on): Cuéc gäi ®Õn mét thuª bao ®ang bËn sÏ chu«ng l¹i khi thuª bao cÇn gäi gi¶i phãng trë l¹i. +Automatic alarm call : Tæng ®µi tù ®éng ph¸t tÝn hiÖu c¶nh b¸o t¹i thêi ®iÓm ®· ®Æt tr-íc (b¸o giê). +Outgoing and Incoming call barring: H¹n chÕ gäi tíi vµ gäi ®i. Cho phÐp chñ thuª bao h¹n chÕ c¸c cuéc gäi ®Õn vµ c¸c cuéc gäi ®i (gäi ®-êng dµi) +Itemized billing: Cung cÊp ho¸ ®¬n tÝnh c-íc chi tiÕt c¸c cuéc gäi. + Malicious – call tracing : Thuª bao hoÆc c¬ quan cã quyÒn ®-îc biÕt vÒ nguån gèc cña cuéc gäi quÊy rèi.
  • 31.
    NhiÒu tiÖn Ýchtrªn ®ßi hái t¨ng c-êng kh¶ n¨ng b¸o hiÖu thuª bao, vÝ dô yªu cÇu sö dông tÝnh n¨ng chän m· b»ng b¸o hiÖu ®a tÇn (DTMF – Dual Tone Multifrequency). Mét sè tiÖn Ých yªu cÇu hÖ thèng b¸o hiÖu liªn ®µi thÝch hîp. - -u ®iÓm trong qu¶n trÞ : C¸c tæng ®µi SPC cung cÊp rÊt nhiÒu c¸c tiÖn Ých qu¶n lý nh- : ®iÒu khiÓn c¸c tiÖn Ých cña thuª bao, thay ®æi ®Þnh tuyÕn, thay ®æi sè liÖu thuª bao vµ trung kÕ, xuÊt c¸c th«ng tin thèng kª qu¶n lý tæng ®µi, c¸c sè liÖu phôc vô b¶o tr× , chuÈn ®o¸n dù b¸o háng hãc. ViÖc kÕt hîp kü thuËt sè còng ®-a l¹i c¸c -u ®iÓm næi bËt: Kü thuËt sè ®-îc ¸p dông cho kh©u chuyÓn m¹ch vµ ®iÒu khiÓn t¹o thµnh tæng ®µi sè ho¸ hoµn toµn, kÕt hîp víi truyÒn dÉn sè lµm cho m¹ng viÔn th«ng sè cµng thÓ hiÖn thÕ m¹nh cña m×nh. Tèc ®é thiÕt lËp cuéc gäi ®-îc c¶i thiÖn ®¸ng kÓ do cã sù t-¬ng thÝch vÒ dßng vµ ¸p gi÷a phÇn ®iÒu khiÓn vµ phÇn tö chuyÓn m¹ch, cïng víi ®Æc tÝnh kh«ng nghÏn m¹ch (non-blocking) cña c¸c chuyÓn m¹ch sè cho phÐp thiÕt kÕ m¹ng chuyÓn m¹ch gän nhÑ, tiÕt kiÖm vµ kh¶ th«ng cao. Ngoµi ra, nÕu cuéc gäi ®ang tiÕn hµnh bÞ gi¸n ®o¹n bëi mét lý do nµo ®ã th× cè g¾ng t¸i thiÕt lËp cuéc gäi cã thÓ ®-îc thùc hiÖn mµ kh«ng g©y ra sù c¶m nhËn cho ng-êi sö dông. - TiÕt kiÕm kh«ng gian: C¸c chuyÓn m¹ch sè cã kÝch th-íc rÊt nhá nh-ng do ®é tÝch hîp rÊt cao nªn kh¶ n¨ng chuyÓn m¹ch rÊt lín l¹i ¸p dông kü thuËt ghÐp kªnh theo thêi gian nªn hiÖu xuÊt sö dông rÊt cao tõ ®ã gi¶m ®-îc kh«ng gian cña phÇn thiÕt bÞ chuyÓn m¹ch vµ kÝch th-íc chung cña tæng ®µi. - §é tin cËy rÊt cao vµ rÊt dÔ dµng b¶o tr× : Do kh«ng cã c¸c phÇn tö c¬ ®iÖn nªn trong ho¹t ®éng cña tæng ®µi lo¹i trõ ®-îc c¸c háng hãc, sai sãt c¬ khÝ. KÝch th-íc cña c¸c linh kiÖn l¹i gän nhÑ nªn cho phÐp ¸p dông c¸c biÖn ph¸p dù phßng ®¶m b¶o thay thÕ tù ®éng khi cã sai sãt, sù cè. C¸c m¹ch chøc n¨ng ®-îc chÕ t¹o d-íi d¹ng module ®-îc kiÓm so¸t b»ng c¸c ch-¬ng tr×nh chuÈn ®o¸n, c¶nh b¸o háng hãc, cung cÊp kh¶ n¨ng tù b¶o hµnh vµ cung cÊp th«ng tin ®Çy ®ñ cho viÖc söa ch÷a, b¶o tr×. Ngoµi ra c¸c tæng ®µi SPC cßn cung cÊp kh¶ n¨ng qu¶n lý vµ b¶o d-ìng tõ xa. - ChÊt l-îng cuéc nèi: kÕt hîp chuyÓn m¹ch sè vµ truyÒn dÉn sè cho phÐp c¶i thiÖn rÊt c¬ b¶n chÊt l-îng cuéc nèi bëi c¸c lý do: TruyÒn dÉn sè tr¸nh ®-îc suy hao tÝn gèc, lo¹i trõ c¸c tÝn hiÖu nhiÔu, t¹p ©m, tr¸nh ®-îc t¹p ©m tÝch luü. Tõ ®ã chÊt l-îng c¸c cuéc gäi ®-êng dµi vµ cuéc gäi néi h¹t kh«ng cã sù kh¸c biÖt.
  • 32.
    - Kh¶ n¨ngkÕt hîp c¸c dÞch vô phi tho¹i : C¸c lo¹i dÞch vô phi tho¹i nh- video, fax, telex, sè liÖu ... ®-îc sè ho¸ cã thÓ ®-îc truyÒn vµ chuyÓn m¹ch trong cïng m¹ng víi tÝn hiÖu tho¹i. Mét m«i tr-êng sè ho¸ hoµn toµn (trõ m¹ng thuª bao) gåm chuyÓn m¹ch sè, truyÒn dÉn sè, ®iÒu khiÓn theo ch-¬ng tr×nh l-u tr÷ SPC, kÕt hîp víi b¸o hiÖu kªnh chung sÏ t¹o nªn mét m¹ng viÔn th«ng hoµn chØnh trong giai ®o¹n hiÖn nay – Hoµn chØnh víi nghÜa ®ñ m¹nh ®Ó cung cÊp vµ b¶o ®¶m c¸c dÞch vô ®a d¹ng ®¸p øng nhu cÇu ngµy cµng t¨ng vµ cµng cao cña ng-êi sö dông. B¸o hiÖu kªnh chung cung cÊp kh¶ n¨ng liªn l¹c nhanh chãng gi÷a c¸c hÖ thèng ®iÒu khiÓn cña c¸c tæng ®µi, cung cÊp kh¶ n¨ng bao qu¸t t×nh tr¹ng cña c¸c node m¹ng vµ c¸c tuyÕn truyÒn dÉn, tõ ®ã cã thÓ chän tuyÕn nhanh, hiÖu qu¶ vµ tèi -u h¬n. Ngoµi ra b¸o hiÖu kªnh chung cßn cho phÐp më réng mét sè dÞch vô xuyªn qua m¹ng, ®iÒu hµnh vµ b¶o d-ìng tËp trung. 1.3.3. S¬ ®å khèi tæng qu¸t cña tæng ®µi SPC Nh×n chung c¸c tæng ®µi SPC cã thÓ lµ tæng ®µi Analog hoÆc tæng ®µi Digital dung l-îng vµ kÕt cÊu cña chóng rÊt ®a d¹ng. H×nh 1.16 chØ ®-a ra s¬ ®å khèi tæng qu¸t cña tæng ®µi SPC. Cã thÓ chia cÊu tróc cña c¸c tæng ®µi SPC thµnh hai hÖ thèng chÝnh : HÖ thèng tho¹i vµ HÖ thèng xö lý ®iÒu khiÓn. HÖ thèng tho¹i l¹i cã thÓ chia thµnh c¸c ph©n hÖ : Ph©n hÖ thuª bao vµ b¸o hiÖu thuª bao, ph©n hÖ trung kÕ vµ b¸o hiÖu trung kÕ, ph©n hÖ chuyÓn m¹ch. Ph©n hÖ thuª bao vµ b¸o hiÖu thuª bao gåm c¸c m¹ch kÕt nèi ®-êng d©y thuª bao thùc hiÖn c¸c chøc n¨ng BOCHTRS (B-Battery feed cÊp nguån, O-Over- voltage protection chèng qu¸ ¸p, C- Codec (coder and decoder) m· ho¸ vµ gi¶i m·, H-Hybrid biÕn ®æi 2d©y/4 d©y, T-Test kiÓm tra ®o thö, R-Ring rung chu«ng, S-Supervision gi¸m s¸t tr¹ng th¸i). C¸c thiÕt bÞ ®Çu cuèi thuª bao cã thÓ lµ lo¹i t-¬ng tù (analog) hoÆc lo¹i sè (digital). §èi víi lo¹i analog tÊt c¶ c¸c chøc n¨ng trªn ®-îc thùc hiÖn t¹i m¹ch kÕt cuèi ®-êng thuª bao SLIC (Subscribers line Interface circuit). §èi víi lo¹i thuª bao sè ISDN (Integrated Services digital Network) mét sè chøc n¨ng trªn ®-îc thùc hiÖn ngay t¹i thiÕt bÞ ®Çu cuèi. Ngoµi c¸c m¹ch giao tiÕp ®-êng d©y thuª bao, trong ph©n hÖ nµy cßn cã c¸c khèi chuyÓn m¹ch tËp trung thuª bao dïng ®Ó tËp trung t¶i thuª bao. Chóng ®-îc thiÕt kÕ theo tõng nhãm m¹ch kÕt cuèi ®-êng d©y thuª bao. Chøc n¨ng cña c¸c bé tËp trung t¶i thuª bao lµ ph©n phèi c¸c kªnh tho¹i ®-a vµo m¹ng chuyÓn m¹ch cho c¸c m¹ch kÕt cuèi ®-êng d©y thuª bao khi thuª bao tham gia mét cuéc gäi nµo ®ã vµ gi¶i phãng kªnh tho¹i ®ã khi thuª bao kÕt thóc cuéc gäi.
  • 33.
    §iÒu nµy rÊtquan träng, v× c-êng ®é t¶i cña mçi thuª bao chØ kho¶ng 0,02 Erlang. Bé chuyÓn m¹ch tËp trung t¶i thuª bao sÏ tËp trung c¸c t¶i cña c¸c thuª bao trong tõng nhãm tíi chïm kªnh chuyÓn m¹ch dïng chung; nãi c¸ch kh¸c c¸c bé tËp trung t¶i thuª bao t¹o kh¶ n¨ng dïng chung mét sè l-îng kªnh chuyÓn m¹ch cho sè ®«ng thuª bao cña mét nhãm sao cho hiÖu suÊt sö dông kªnh chuyÓn m¹ch gÇn b»ng 1 víi møc gäi hôt cho tr-íc. Ngoµi ra bé chuyÓn m¹ch tËp trung t¶i thuª bao cßn lµm nhiÖm vô nèi m¹ch ®iÖn thuª bao tíi c¸c bé t¹o c¸c tÝn hiÖu ©m tÇn Tone Gen., ®Ó cÊp c¸c tÝn hiÖu “Mêi quay sè”, “B¸o bËn”, “Håi ©m chu«ng”; hoÆc tíi bé thu m· ®a tÇn MFR-MultiFrequency Receiver tuú thuéc vµo tõng giai ®o¹n khi thuª bao thiÕt lËp hoÆc kÕt thóc mét cuéc gäi nµo ®ã. Bé ®iÒu khiÓn giao tiÕp LOC-Local controller thùc hiÖn c¸c chøc n¨ng: ph©n phèi c¸c tÝn hiÖu b¸o hiÖu ®-êng d©y thuª bao qua bé chuyÓn m¹ch tËp trung t¶i thuª bao vµ ph©n phèi kªnh tho¹i qua bé chuyÓn m¹ch ®ã, qu¶n lý tr¹ng th¸i thuª bao, ®iÒu khiÓn ph©n phèi tÝn hiÖu b¸o hiÖu vµ c¸c tÝn hiÖu ®Þnh thêi, lËp c¸c b¶n tin ®iÒu khiÓn ®Ó truyÒn tíi ph©n hÖ xö lý ®iÒu khiÓn, nhËn vµ xö lý c¸c b¶n tin ®iÒu khiÓn tõ ph©n hÖ xö lý ®iÒu khiÓn vµ t¹o c¸c tÝn hiÖu ®iÒu khiÓn bé chuyÓn m¹ch tËp trung t¶i thuª bao vµ c¸c m¹ch kÕt cuèi. Ph©n hÖ chuyÓn m¹ch nhãm th-êng bao gåm m¹ng chuyÓn m¹ch nhãm, bé ®iÒu khiÓn chuyÓn m¹ch vµ mét sè khèi chøc n¨ng tuú thuéc vµo tõng lo¹i  slic  slic Khèi chuyÓn m¹ch tËp trung thuª bao Khèi ®iÒu khiÓn giao tiÕp LOC mfr Tone Gen. M¹ng chuyÓn m¹ch nhãm atic dtic Anm Cas ccs LOC LOC §iÒu khiÓn chuyÓn m¹ch Bé xö lý trung t©m Bé nhí chÝnh ThiÕt bÞ giao tiÕp ng-êi-m¸y Bé nhí chung ThiÕt bÞ kiÓm tra ThiÕt bÞ c¶nh b¸o Ph©n hÖ thuª bao vµ b¸o hiÖu thuª bao Ph©n hÖ chuyÓn m¹ch nhãm Ph©n hÖ trung kÕ vµ b¸o hiÖu trung kÕ Ph©n hÖ xö lý vµ ph©n phèi b¸o hiÖu Ph©n hÖ xö lý trung t©m Ph©n hÖ qu¶n lý vµ b¶o d-ìng H×nh 1.16 S¬ ®å khèi tæng qu¸t cña tæng ®µi SPC System Bus Bus controller
  • 34.
    tæng ®µi. M¹ngchuyÓn m¹ch cña chóng cã thÓ kh¸c nhau c¶ vÒ mÆt c«ng nghÖ, c¶ vÒ cÊu tróc vµ dung l-îng. Cã thÓ lµ chuyÓn m¹ch analog hoÆc chuyÓn m¹ch digital, cã thÓ cã cÊu tróc mét cÊp hoÆc nhiÒu cÊp tuú thuéc vµo lo¹i tæng ®µi vµ dung l-îng. Bé ®iÒu khiÓn chuyÓn m¹ch thùc hiÖn c¸c chøc n¨ng nh- : NhËn c¸c b¶n tin ®iÒu khiÓn chuyÓn m¹ch tõ ph©n hÖ xö lý trung t©m; xö lý c¸c b¶n tin ®ã vµ chuyÓn chóng thµnh c¸c sè liÖu ®iÒu khiÓn t-¬ng øng sau ®ã ®-a ®Õn c¸c bé chuyÓn m¹ch cô thÓ; thùc hiÖn chøc n¨ng chän tuyÕn theo yªu cÇu cña b¶n tin ®iÒu khiÓn; hoÆc gi¶i to¶ tuyÕn nèi theo b¶n tin gi¶i phãng cuéc gäi. Ngoµi ra, c¸c bé ®iÒu khiÓn chuyÓn m¹ch cßn cã thÓ thùc hiÖn mét sè chøc n¨ng liªn quan tíi viÖc chÌn vµ t¸ch c¸c b¶n tin ®iÒu khiÓn qua m¹ng chuyÓn m¹ch. C¸c thiÕt bÞ kh¸c thuéc ph©n hÖ chuyÓn m¹ch th-êng bao gåm thiÕt bÞ t¹o c¸c tÝn hiÖu ®Þnh thêi trong c¸c tæng ®µi chuyÓn m¹ch sè ®Ó ®ång bé m¹ng chuyÓn m¹ch vµ c¸c thiÕt bÞ ngo¹i vi chuyÓn m¹ch; ngoµi ra, chóng cßn cã thÓ lµ c¸c thiÕt bÞ dïng chung nh- bé nhí c¸c b¶n ghi tù ®éng tr¶ lêi, bé nhí c¸c ®Þa chØ th-êng gäi, thiÕt bÞ chuyÓn m¹ch nhiÒu ®-êng... Ph©n hÖ trung kÕ vµ b¸o hiÖu trung kÕ bao gåm c¸c m¹ch giao tiÕp c¸c lo¹i trung kÕ t-¬ng tù ATIC-Analog trunk interface circuit, trung kÕ sè (DTIC- Digital trunk Interface), xö lý tÝn hiÖu trung kÕ sè, xö lý b¸o hiÖu trung kÕ vµ c¸c bé ®iÒu khiÓn kÌm theo. Tuú theo tõng lo¹i trung kÕ cã c¸c m¹ch ®iÖn giao tiÕp trung kÕ kh¸c nhau. §èi víi trung kÕ analog cã thÓ cã lo¹i 2 d©y vµ 4 d©y. Nh×n chung c¸c m¹ch giao tiÕp nµy cã c¸c chøc n¨ng gièng giao tiÕp thuª bao t-¬ng tù, tuy nhiªn cã mét vµi chøc n¨ng kh¸c biÖt vÒ b¸o hiÖu vµ cÊp nguån. §iÒu nµy sÏ ®-îc ®Ò cËp ë ch-¬ng riªng. C¸c m¹ch giao tiÕp trung kÕ sè thùc hiÖn c¸c chøc n¨ng GAPZACHO (G-Generation of frame t¹o khung, A- Alignment of frame ®ång chØnh khung, P-Polar conversion ®¶o cùc, Z-Zero string compression nÐn chuçi bÝt 0 liªn tiÕp, A-Alarm c¶nh b¸o, C-Clock recovery t¸i t¹o nhÞp, H-Hunt during reframe t¸i ®ång bé, O-office signaling b¸o hiÖu liªn ®µi). Ngoµi ra, ph©n hÖ nµy cßn cã bé phËn ghÐp vµ t¸ch kªnh, c¸c bé ®iÒu khiÓn nhãm trung kÕ LOC ®Ó phèi hîp víi hÖ thèng xö lý ®iÒu khiÓn. HÖ thèng xö lý ®iÒu khiÓn ®-îc chia thµnh c¸c ph©n hÖ: ph©n hÖ xö lý vµ ph©n phèi b¸o hiÖu, ph©n hÖ xö lý trung t©m, ph©n hÖ qu¶n lý vµ b¶o d-ìng. Ph©n hÖ xö lý vµ ph©n phèi b¸o hiÖu th-êng bao gåm c¸c thiÕt bÞ thu, ph¸t b¸o hiÖu, xö lý vµ ph©n phèi b¸o hiÖu cung cÊp kÕt qu¶ xö lý cho c¸c bé ®iÒu khiÓn chuyÓn m¹ch vµ xö lý cuéc gäi. Tuú thuéc tõng lo¹i tæng ®µi cã thÓ cã c¸c thiÕt bÞ b¸o hiÖu CAS-Channel Associated Signaling hoÆc b¸o hiÖu CCS- Common Channel Signaling. §a sè c¸c tæng ®µi chuyÓn m¹ch sè hiÖn ®¹i ®Òu
  • 35.
    xem xÐt øngdông CCS ®Ó thÝch øng víi sù ph¸t triÓn cña m¹ng viÔn th«ng trong t-¬ng lai. Tuy nhiªn, còng cÇn cã thiÕt bÞ CAS ®Ó liªn kÕt víi c¸c hÖ thèng hiÖn hµnh. Ph©n hÖ xö lý trung t©m ®iÒu hµnh ho¹t ®éng cña toµn bé tæng ®µi th«ng qua c¸c bé ®iÒu khiÓn cÊp thÊp h¬n nh- c¸c bé ®iÒu khiÓn giao tiÕp LOC trong c¸c ph©n hÖ cña hÖ thèng tho¹i. C¸c bé ®iÒu khiÓn LOC trao ®æi th«ng tin ®iÒu khiÓn víi bé xö lý trung t©m th«ng qua Bus hÖ thèng (System Bus) d-íi d¹ng c¸c b¶n tin ®iÒu khiÓn. Bé xö lý trung t©m xö lý c¸c th«ng tin ®iÒu khiÓn nhËn ®-îc tõ c¸c bé ®iÒu khiÓn LOC trong qu¸ tr×nh xö lý cuéc gäi vµ t¹o ra c¸c b¶n tin ®iÒu khiÓn göi l¹i c¸c bé ®iÒu khiÓn ®ã ®Ó ®iÒu hµnh c¸c qu¸ tr×nh phôc vô cuéc gäi. Bé nhí chÝnh MM-Main Memory chøa ch-¬ng tr×nh ®iÒu hµnh ho¹t ®éng cña bé xö lý vµ c¸c th«ng tin cÇn thiÕt trong qu¸ tr×nh xö lý. Bé nhí chung chøa ch-¬ng tr×nh gèc cña tæng ®µi vµ c¸c d÷ liÖu thuª bao, d÷ liÖu trung kÕ vµ d÷ liÖu chung cña tæng ®µi. Bé xö lý trung t©m vµ c¸c bé ®iÒu khiÓn kh¸c cã thÓ truy cËp bé nhí chung ®Ó sö dông c¸c c¬ së d÷ liÖu ®ã. Ph©n hÖ qu¶n lý vµ b¶o d-ìng thùc hiÖn chøc n¨ng qu¶n lý ho¹t ®éng cña toµn bé tæng ®µi th«ng qua viÖc gi¸m s¸t ho¹t ®éng cña c¸c bé ®iÒu khiÓn LOC, bé xö lý trung t©m vµ th«ng qua c¸c thiÕt bÞ kiÓm tra, ®o thö. Nã sÏ ®-a ra c¸c tÝn hiÖu hoÆc b¶n tin c¶nh b¸o, c¸c h-íng dÉn t-¬ng øng theo mçi tr¹ng th¸i cña hÖ thèng. ThiÕt bÞ giao tiÕp Ng-êi-m¸y gióp cho nh©n viªn vËn hµnh vµ c¸n bé kü thuËt cã thÓ theo dâi ho¹t ®éng cña hÖ thèng vµ cã kh¶ n¨ng giao tiÕp víi hÖ thèng ®Ó thay ®æi c¸c tham sè vµ chÕ ®é ho¹t ®éng cña c¸c khèi chøc n¨ng cña tæng ®µi. Nh×n chung c¸c tæng ®µi SPC dung l-îng nhá th-êng x©y dùng hÖ thèng xö lý ®iÒu khiÓn tËp trung ®a xö lý ®a chøc n¨ng. C¸c tæng ®µi SPC dung l-îng th-êng lín tæ chøc theo cÊu h×nh nhiÒu bé xö lý chuyªn dông, ph©n cÊp, ph©n dung l-îng . 1.3.4 S¬ ®å khèi tæng qu¸t cña tæng ®µi sè SPC (DSS–Digital Switching Systems) C¸c tæng ®µi SPC chuyÓn m¹ch sè gäi chung lµ HÖ thèng chuyÓn m¹ch sè DSS ra ®êi vµo nöa cuèi thÕ kû 20. Ngµy nay trªn m¹ng viÔn th«ng n-íc ta vµ nhiÒu n-íc kh¸c cã c¸c DSS cña nhiÒu h·ng s¶n xuÊt nh- NEC, Fujitsu NhËt b¶n, Siemems §øc, Eriscon Thôy ®iÓn, Northern telecom Cana®a, AT&T Mü, Alcatel Ph¸p, L-G Hµn Quèc… T¹i ViÖt nam, ngµnh b-u chÝnh viÔn th«ng ®· tiÕn hµnh nghiªn cøu chÕ t¹o vµ ®-a vµo sö dông trªn m¹ng mét sè DSS, ®ång thêi ®· cïng
  • 36.
    c¸c bªn liªndoanh x©y dùng mét sè c¬ së s¶n xuÊt chÕ t¹o c¸c lo¹i tæng ®µi DSS ®¸p øng nhu cÇu trong n-íc vµ h×nh thµnh c¸c c¬ së nghiªn cøu chuyªn ngµnh. Nh×n chung tæng ®µi DSS lµ mét hÖ thèng tæng hîp c«ng nghÖ cao, tËp trung héi tô rÊt nghiÒu ngµnh c«ng nghiÖp: C«ng nghiÖp ®iÖn tö, vi m¹ch, kü H×nh 1.17 : S¬ ®å tæng quan tæng ®µi SPC chuyÓn m¹ch sè.  slic  slic tsac dlcd loc AT atic AT atic Mux dmux loc mdf DT dtg mfr dtic ddf dtic dtic Tds W n bt Marker Scanner Distributor Cas ccs bc cc mm ioc m-mi vdu prt dku mtu To omc Oa&ms aps Swns pcs Sigs cps
  • 37.
    thuËt vi xölý, c«ng nghÖ viÔn th«ng, c«ng nghÖ th«ng tin, kü thuËt ®IÒu khiÓn, c¬ khÝ chÝnh x¸c… Cã thÓ nãi, ngay c¶ nh÷ng tæng ®µi DSS dung l-îng kh«ng lín l¾m nh-ng còng ®· lµ mét hÖ thèng tæng thÓ rÊt phøc t¹p trªn quan ®iÓm tæng hîp cña c¸c ngµnh kü thuËt. Do ®ã, víi ph¹m vi cña tµi liÖu nµy chØ xem xÐt c¸c DSS d-íi møc ®é ®¬n gi¶n nhÊt. H×nh1.17 tr×nh bµy cÊu tróc tæng quan cña HÖ thèng chuyÓn m¹ch sè DSS ®iÒu khiÓn theo ch-¬ng tr×nh l-u tr÷ SPC. Toµn bé tæng ®µi ®-îc chia thµnh c¸c ph©n hÖ chøc n¨ng, ®ã lµ : Ph©n hÖ øng dông APS-Application subsystem, ph©n hÖ chuyÓn m¹ch SWNS-Switching Network subsystem, ph©n hÖ xö lý trung t©m CPS-Central Processing subsystem, ph©n hÖ b¸o hiÖu SiGS-Signaling subsystem, ph©n hÖ ngo¹i vi ®iÒu khiÓn PCS- Peripheral control subsystem vµ ph©n hÖ ®iÒu hµnh, qu¶n lý vµ b¶o d-ìng OA&MS-Operation, Administration & Maintenance subsystem. Ph©n hÖ øng dông APS bao gåm c¸c m¹ch giao tiÕp ®-êng d©y thuª bao SLic (Subscribers Line Interface Circuit) vµ c¸c m¹ch trung kÕ t-¬ng tù AT (Analog Trunk Interface Circuit). Mçi ®-êng thuª bao ®-îc kÕt cuèi t¹i tæng ®µi b»ng mét m¹ch SLIC riªng qua gi¸ phèi d©y chÝnh MDF (Main Distribution Frame). C¸c thuª bao ®-îc chia thµnh tõng nhãm, mçi nhãm ®-îc ®iÒu khiÓn bëi bé ®iÒu khiÓn vïng LOC (Local Controller), mét bé ph©n phèi c¸c tÝn hiÖu ®Þnh thêi TSAC (Time Slot Assignment Circuit) cÇn ®Ó g¸n c¸c khe thêi gian ph¸t, thu cho tõng m¹ch slic phôc vô chøc n¨ng m· hãa vµ gi¶i m· CODEC. Bé chuyÓn m¹ch ®-êng d©y sè DLCD (Digital Line Concentration Device) thùc hiÖn chøc n¨ng chuyÓn m¹ch tËp trung t¶i thuª bao vµ chuyÓn m¹ch tÝn hiÖu phôc vô tõ bé t¹o tÝn hiÖu ©m tÇn d¹ng sè DTG (Digital Tone Generator), chuyÓn m¹ch ®-êng d©y tíi bé thu tÝn hiÖu chän sè ®a tÇn MF (Multi Frequency Receiver). Mçi ®-êng d©y trung kÕ t-¬ng tù còng ®-îc kÕt cuèi t¹i tæng ®µi b»ng m¹ch ATIC(Analog Trunk Interface Circuit) chóng còng ®-îc tæ chøc thµnh tõng nhãm vµ do bé ®iÒu khiÓn vïng LOC ®iÒu khiÓn. Mçi nhãm cã mét bé t¸ch vµ ghÐp kªnh MUX/ DEMUX ( Multiplexer vµ Demultiplexer) ®Ó ghÐp tÝn hiÖu tõ c¸c m¹ch ATIC theo h-íng vµo vµ t¸ch tÝn hiÖu theo h-íng ra ®Ó ®-a tíi tõng m¹ch ATIC. C¸c tuyÕn tÝn hiÖu sè PCM gi÷a ph©n hÖ øng dông vµ ph©n chuyÓn m¹ch ®-îc ®-a qua gi¸ ph©n phèi tÝn hiÖu sè DDF (Digital Distribution Frame), mçi tuyÕn qua mét m¹ch giao tiÕp truyÒn dÉn sè DTIC(Digital Trunk Interface Circuit). C¸c giao tiÕp nµy thùc hiÖn c¸c chøc n¨ng GAPZACHO phôc vô cho
  • 38.
    viÖc x¸c ®Þnhkhung, khe theo h-íng vµo vµ tæ chøc khung khe theo h-íng ra, chuyÓn ®æi m· truyÒn dÉn phï hîp, t¸i t¹o xung nhÞp vµ ®ång bé … Ph©n hÖ chuyÓn m¹ch SWNS bao gåm c¸c thiÕt bÞ cña m¹ng chuyÓn m¹ch SwN-Switching Network vµ c¸c thiÕt bÞ phôc vô kh¸c. M¹ng chuyÓn m¹ch cña tæng ®µi cã cÊu tróc phô thuéc vµo dung l-îng cña tõng lo¹i tæng ®µi vµ thiÕt kÕ riªng cña tõng h·ng s¶n suÊt. Tuy nhiªn, ®a sè chóng lµ m¹ng chuyÓn m¹ch ph©n chia thêi gian (Time Division Switching Network), chóng th-êng cã c¸c cÊu tróc T, TS, ST, TST vµ TSST trong ®ã T lµ ký hiÖu chuyÓn m¹ch thêi gian sè Tsw- Time Switch, cßn S lµ ký hiÖu chuyÓn m¹ch kh«ng gian sè Ssw Space Switch. C¸c chuyÓn m¹ch ®ã ®Òu lµm viÖc theo nguyªn lý ph©n khe thêi gian v× vËy m¹ng chuyÓn m¹ch cña c¸c tæng ®µi sè cßn ®-îc gäi lµ m¹ng ph©n thêi TDNw Time Division Network. Ngoµi m¹ng chuyÓn m¹ch, trong ph©n hÖ nµy cÇn ph¶i cã module ®ång hå chuÈn BT–Base time, th-êng lµ bé dao ®éng cã ®é æn ®Þnh cao vÒ tÇn sè vµ c¸c bé chia t¹o c¸c tÝn hiÖu nhÞp cung cÊp cho ho¹t ®éng cña c¸c bé chuyÓn m¹ch sè, c¸c thiÕt bÞ truyÒn dÉn tÝn hiÖu sè vµ c¸c bé ph©n phèi thêi gianTSAC cña ph©n hÖ øng dông. Ph©n hÖ b¸o hiÖu SiGS ®¶m nhËn chøc n¨ng xö lý vµ ph©n phèi b¸o hiÖu, ®iÒu khiÓn c¸c qu¸ tr×nh chÌn, t¸ch b¸o hiÖu. §èi víi tÝn hiÖu b¸o hiÖu CAS (Channel Associated Signaling) khi qua chuyÓn m¹ch sè còng ®-îc chuyÓn thµnh d¹ng sè gièng c¸c tÝn hiÖu tin tøc kh¸c vµ ®-îc phèi hîp víi hai phÝa cña m¹ng chuyÓn m¹ch b»ng c¸c bé thÝch nghi. B¸o hiÖu CCS (Common Channel Signaling) dïng ®Ó trao ®æi gi÷a c¸c hÖ thèng DSS víi nhau. C¸c b¸o hiÖu ®-êng d©y thuª bao hoÆc sÏ ®-îc thu vµ xö lý s¬ bé t¹i ph©n hÖ øng dông sau ®ã míi göi tíi ph©n hÖ ngo¹i vi ®iÒu khiÓn PCS-Peripheral Control Subsystem hoÆc lµ ®-îc nhËn trùc tiÕp t¹i bé quÐt tr¹ng th¸i (Scanner), c¸c b¶n tin ®iÒu khiÓn tõ bé xö lý trung t©m ®-îc chuyÓn qua bé ph©n phèi Distributor. NhiÖm vô cña bé ®iÒu khiÓn chuyÓn m¹ch Marker lµ ®Öm b¶n tin ®iÒu khiÓn tõ ph©n hÖ xö lý trung t©m CPS ®Ó chuyÓn thµnh nh÷ng sè liÖu ®iÒu khiÓn chuyÓn m¹ch . Ph©n hÖ xö lý trung t©m CPS ®¶m nhËn chøc n¨ng ®iÒu khiÓn ho¹t ®éng cña toµn bé tæng ®µi. Tuú thuéc vµo dung l-îng vµ cÊu h×nh tæng ®µi mµ ph©n hÖ nµy cã cÊu tróc kiÓu mét bé xö lý hay nhiÒu bé xö lý. Trong cÊu tróc nhiÒu bé xö lý th-êng xö lý theo kiÓu ph©n cÊp, mét bé xö lý cao nhÊt qu¶n lý ho¹t ®éng toµn bé c¸c bé xö lý cÊp thÊp h¬n, mét sè bé xö lý ®¶m nhiÖm viÖc xö lý cuéc gäi vµ ph©n chia t¶i theo khu vùc. Mçi bé xö lý th-êng cã bé nhí chÝnh ®Ó l-u ch-¬ng
  • 39.
    tr×nh vµ c¸ckÕt qu¶ xö lý vµ cã kh¶ n¨ng truy cËp tíi bé nhí chung ®Ó nhËn thªm d÷ liÖu thuª bao vµ b¶ng ®Þnh tuyÕn hoÆc tµi nguyªn khi cÇn thiÕt. Ph©n hÖ ®iÒu hµnh, qu¶n lý vµ b¶o d-ìng OA&MS th-êng bao gåm c¸c thiÕt bÞ tù ®éng theo dâi ho¹t ®éng cña hÖ thèng, ®iÒu khiÓn c¸c qu¸ tr×nh chuyÓn ®æi dù phßng, c¶nh b¸o khi cã sù cè, c¸c thiÕt bÞ hiÓn thÞ, ©m thanh c¶nh b¸o ®Ó ng-êi ®iÒu hµnh ®iÒu khiÓn vËn hµnh vµ theo dâi ho¹t ®éng cña hÖ thèng, mét sè tµi nguyªn ®Ó l-u tr÷ sè liÖu l©u dµi vµ ch-¬ng tr×nh gèc. Cung cÊp kh¶ n¨ng ®iÒu khiÓn tõ xa vµ b¶o d-ìng tõ xa tËp trung t¹i trung t©m b¶o d-ìng.
  • 40.
    Ch-¬ng 2 ChuyÓn m¹chkªnh (Circuit switching) 2.1.Ph©n lo¹i chuyÓn m¹ch kªnh Th«ng tin ®-îc trao ®æi qua m¹ng viÔn th«ng rÊt ®a d¹ng nh- th«ng tin tho¹i, th«ng tin ¶nh, v¨n b¶n, sè liÖu. Mçi lo¹i cã yªu cÇu riªng ®èi víi thiÕt bÞ truyÒn dÉn vµ chuyÓn m¹ch. Cã lo¹i th«ng tin rÊt nh¹y c¶m víi trÔ nh- th«ng tin tho¹i, th«ng tin h×nh ¶nh; v× vËy chóng yªu cÇu thiÕt bÞ dïng ®Ó truyÒn dÉn vµ chuyÓn m¹ch chóng ph¶i kh«ng g©y trÔ hoÆc cã trÔ th× ph¶i rÊt nhá ®Ó ng-êi sö dông kh«ng c¶m nhËn ®-îc vµ gi¸ trÞ thêi gian trÔ ®ã ph¶i lµ h»ng sè trong suèt thêi gian cña cuéc liªn l¹c ®Ó kh«ng g©y mÐo tÇn sè tÝn hiÖu. §èi víi lo¹i th«ng tin nµy nªn dïng chuyÓn m¹ch kªnh ®Ó phôc vô–th«ng tin dÞch vô thêi gian thùc. Tªn gäi chuyÓn m¹ch kªnh thÓ hiÖn ë nguyªn lý ho¹t ®éng cña m¹ng. Khi phôc vô mét cuéc liªn l¹c gi÷a hai thiÕt bÞ ®Çu cuèi nµo ®ã th× mét kªnh th«ng tin (®¬n c«ng hoÆc song c«ng tuú thuéc h×nh thøc liªn l¹c) hoÆc mét tuyÕn nèi ®-îc thiÕt lËp xuyªn qua m¹ng tõ m¹ch ®iÖn cña thiÕt bÞ ®Çu cuèi nµy tíi m¹ch ®iÖn cña thiÕt bÞ ®Çu cuèi kia. Kªnh th«ng tin hoÆc tuyÕn nèi ®ã tån t¹i dµnh riªng cho cuéc liªn l¹c ®ã suèt tõ khi b¾t ®Çu tíi khi kÕt thóc cuéc gäi. C¸c cuéc gäi ®-îc tiÕn hµnh ®ång thêi qua m¹ng ph¶i ®-îc phôc vô trªn c¸c kªnh ®éc lËp nhau. Trong lÞch sö ph¸t triÓn kü thuËt chuyÓn m¹ch mét sè ph-¬ng thøc chuyÓn m¹ch kªnh ®· ®-îc ¸p dông trong c¸c hÖ thèng tæng ®µi, ®ã lµ: chuyÓn m¹ch ph©n kªnh Tæ hîp ChuyÓn m¹ch kªnh ChuyÓn m¹ch kh«ng gian t-¬ng tù ChuyÓn m¹ch PAM ChuyÓn m¹ch sè PCM Nh©n c«ng Tù ®éng 2 d©y 4 d©y Tsw ssw Tõ th¹ch §iÖn chung Nh¶y nÊc To¹ ®é Ma trËn H×nh 2.1 Ph©n lo¹i chuyÓn m¹ch kªnh
  • 41.
    theo kh«ng giandïng cho tÝn hiÖu liªn tôc, chuyÓn m¹ch ph©n kªnh theo thêi gian ®èi víi tÝn hiÖu rêi r¹c ho¸ (tÝn hiÖu ®iÒu biªn xung PAM-Pulse Amplitude Modulation), chuyÓn m¹ch sè PCM ( cho tÝn hiÖu ®iÒu chÕ xung m· pcm- Pulse Code Modulation). Thèng kª c¸c lo¹i chuyÓn m¹ch kªnh ®-îc chØ ra trªn h×nh 2.1. Trong c¸c tæng ®µi nh©n c«ng, tæng ®µi kiÓu nhÈy nÊc, tæng ®µi täa ®é hoÆc tæng ®µi dïng bé nèi d©y ma trËn khi mét cuéc gäi ®-îc tiÕn hµnh th× c¸c phÇn tö chuyÓn m¹ch sÏ t¹o thµnh m¹ch nèi d©y liªn tiÕp tõ m¹ch ®iÖn cña thiÕt bÞ ®Çu cuèi nµy tíi m¹ch ®iÖn cña thiÕt bÞ ®Çu cuèi ®èi tho¹i víi nã. Sau ®ã tÝn hiÖu trao ®æi gi÷a c¸c thiÕt bÞ ®Çu cuèi nµy sÏ ®i qua m¹ch nèi d©y ®ã. NÕu cã c¸c cÆp thuª bao kh¸c cïng lµm viÖc ®ång thêi th× gi÷a tõng cÆp m¹ch ®iÖn cña c¸c thuª bao ®ã còng cã tuyÕn nèi gi÷a chóng vµ c¸c tuyÕn nµy hoµn toµn ®éc lËp nhau vÒ bè trÝ trong kh«ng gian. Khi kÕt thóc mçi cuéc gäi c¸c phÇn tö chuyÓn m¹ch ®· dïng cho cuéc gäi ®ã sÏ ®-îc gi¶i phãng vµ c¸c cuéc gäi tiÕp tiÕp theo gi÷a c¸c thuª bao kh¸c cã thÓ sö dông l¹i chóng ®Ó t¹o tuyÕn míi. C¸c thiÕt bÞ chuyÓn m¹ch kh«ng gian t-¬ng tù cã ®Æc ®iÓm lµ trªn tuyÕn nèi ®· ®-îc thiÕt lËp gi÷a hai thuª bao cã thÓ truyÒn tÝn hiÖu theo c¶ hai h-íng, nghÜa lµ cã thÓ phôc vô cuéc gäi song c«ng trªn hai d©y vµ cã thÓ cho qua c¶ tÝn hiÖu analog vµ tÝn hiÖu digital, thËm chÝ c¶ tÝn hiÖu rêi r¹c PAM. Nguyªn lý chuyÓn m¹ch PAM dùa trªn viÖc ph©n chia c¸c khe thêi gian. Mét phÇn tö chuyÓn m¹ch cã thÓ phôc vô cho nhiÒu cuéc gäi ®-îc tiÕn hµnh ®ång thêi theo nguyªn t¾c cho tÝn hiÖu cña c¸c cuéc gäi kh¸c nhau qua nã trong c¸c khe thêi gian kh¸c nhau theo tõng chu kú. TÝn hiÖu qua phÇn tö chuyÓn m¹ch lµ tÝn hiÖu ®· ®-îc rêi r¹c ho¸ cã chu kú lÆp cña c¸c xung ®iÒu biªn b»ng víi chu kú lÆp c¸c khe dµnh cho tõng m¹ch cho tÝn hiÖu cña mçi cuéc gäi ®i qua. Tuy c¸c chuyÓn m¹ch PAM kh«ng ®-îc ¸p dông mét c¸ch réng r·i do nhiÒu h¹n chÕ cña chóng, nh-ng chóng còng t¹o nÒn t¶ng cho c«ng nghÖ chuyÓn m¹ch tiªn tiÕn h¬n sau nµy mµ hiÖn ®ang ®-îc sö dông réng r·i ®ã lµ c¸c chuyÓn m¹ch sè PCM. C¸c xung ®iÒu biªn cña tÝn hiÖu PAM rÊt m¶nh (hÑp), c«ng suÊt tÝn hiÖu rÊt nhá, v× vËy trong truyÒn dÉn rÊt dÔ bÞ t¸c ®éng cña c¸c tÝn hiÖu kh¸c lµm biÕn d¹ng, tõ ®ã, viÖc kh«i phôc l¹i d¹ng ban ®Çu gÆp nhiÒu khã kh¨n vµ kü thuËt PCM kh¾c phôc nh-îc ®iÓm nµy rÊt hiÖu qu¶. Trong kü thuËt sè ho¸ tÝn hiÖu PCM, c¸c xung PAM cßn tr¶i qua c¸c c«ng ®o¹n l-îng tö vµ m· ho¸. Mçi xung ®iÒu biªn ®-îc m· ho¸ b»ng mét tæ hîp c¸c bÝt t-¬ng øng vµ sau ®ã chóng ®-îc truyÒn d-íi d¹ng c¸c tæ hîp bÝt ®ã. T¹i ®Çu thu, tõ c¸c tæ hîp bÝt thu ®-îc sÏ kh«i phôc l¹i d¹ng cña tÝn hiÖu ®· ®-îc truyÒn ®i gÇn ®óng víi tÝn hiÖu gèc. ViÖc chuyÓn
  • 42.
    m¹ch tÝn hiÖuPCM còng ®-îc thùc hiÖn theo nguyªn lý ph©n khe thêi gian. Cã c¸c lo¹i bé chuyÓn m¹ch PCM c¬ b¶n ®ã lµ chuyÓn m¹ch thêi gian sè Tsw-Time switch vµ chuyÓn m¹ch kh«ng gian sè Ssw-Space switch, chóng kh¸c nhau vÒ cÊu t¹o vµ tÝnh n¨ng. M¹ng chuyÓn m¹ch cña tõng tæng ®µi ®-îc x©y dùng trªn c¬ së kÕt hîp c¸c Tsw vµ Ssw theo mét trong c¸c cÊu h×nh T, TS, ST, TST, TSST, STS, .... 2.2. ChuyÓn m¹ch kh«ng gian t-¬ng tù 2.2.1 Kh¸i qu¸t vÒ chuyÓn m¹ch kh«ng gian t-¬ng tù C¸c tæng ®µi th-êng ®-îc thiÕt kÕ cho viÖc chuyÓn th«ng tin hai h-íng (song c«ng), vÝ dô ®iÖn tho¹i th-êng truyÒn tÝn hiÖu thu vµ ph¸t trªn cïng ®«i d©y, mÆc dï mét vµi ®iÓm cña tuyÕn truyÒn dÉn c¸c tÝn hiÖu h-íng ph¸t vµ h-íng thu vÉn cã thÓ ®-îc t¸ch riªng ®Ó phôc vô viÖc khuyÕch ®¹i lÆp, t¨ng cù ly truyÒn, nh-ng nh×n chung c¸c tÝn hiÖu tho¹i nãi riªng vµ c¸c tÝn hiÖu t-¬ng tù nãi chung vÉn th-êng sö dông ph-¬ng thøc truyÒn hai h-íng trªn cïng ®«i d©y. Tõ ®ã c¸c bé chuyÓn m¹ch kh«ng gian t-¬ng tù còng ph¶i cã kh¶ n¨ng chuyÓn m¹ch tÝn hiÖu hai h-íng gi÷a m¹ch ®iÖn cña thuª bao nµo ®ã víi m¹ch ®iÖn cña thuª bao kh¸c ®ang liªn l¹c víi nã. ChuyÓn m¹ch kh«ng gian t-¬ng tù t¹o ra tuyÕn nèi truyÒn th«ng tin hai h-íng qua c¸c phÇn tö chuyÓn m¹ch ®Ó nèi gi÷a m¹ch ®iÖn cña thuª bao nµy vµ m¹ch ®iÖn cña thuª bao kh¸c ®ang liªn l¹c víi nã. C¸c cuéc liªn l¹c ®ång thêi qua chuyÓn m¹ch kh«ng gian t-¬ng tù ph¶i ®-îc tiÕn hµnh qua c¸c tuyÕn nèi riªng biÖt xuyªn qua m¹ng chuyÓn m¹ch kh«ng gian ®ã, nghÜa lµ gi÷a c¸c tuyÕn nµy kh«ng cã c¸c ®o¹n m¹ch ®iÖn dïng chung. 1 2 N . . 1 2 M . . H×nh 2.2 : M« h×nh chøc n¨ng chuyÓn m¹ch kh«ng gian C(,) C¸c ®Çu vµo (I) C¸c ®Çu ra (O) C¸c tÝn hiÖu ®iÒu khiÓn
  • 43.
    Tr-êng chuyÓn m¹chkh«ng gian t-¬ng tù cã thÓ ®-îc t¹o thµnh tõ mét hoÆc nhiÒu bé chuyÓn m¹ch kh«ng gian c¬ b¶n theo c¸c cÊu tróc ghÐp kh¸c nhau. Sè phÇn tö chuyÓn m¹ch dïng ®Ó t¹o ra mét tuyÕn nèi xuyªn qua tr-êng chuyÓn m¹ch cña mét tæng ®µi phô thuéc vµo sè cÊp chän, sè kh©u trong mçi cÊp chän vµ c¸ch ghÐp nèi c¸c bé chuyÓn m¹ch. Mçi bé chuyÓn m¹ch kh«ng gian c¬ b¶n ®-îc ký hiÖu vµ ®-îc m« t¶ chøc n¨ng nh- trªn h×nh 2.2 §Æc ®iÓm chung cña c¸c chuyÓn m¹ch lo¹i nµy lµ: - Sè ®Çu vµo Input vµ sè ®Çu ra output cã thÓ gièng hoÆc kh¸c nhau. - NÕu cã nhiÒu cuéc gäi ®i qua bé chuyÓn m¹ch th× ph¶i ®¶m b¶o mét ®Çu vµo chØ nèi víi kh«ng qu¸ mét ®Çu ra nghÜa lµ c¸c tÝn hiÖu ®iÒu khiÓn C(, ) vµ C(x, y) tån t¹i ®ång thêi khi vµ chØ khi x   vµ y . 2.2.2 CÊu t¹o vµ nguyªn lý ho¹t ®éng cña bé chuyÓn m¹ch kh«ng gian c¬ b¶n Nh×n chung c¸c bé chuyÓn m¹ch kh«ng gian t-¬ng tù cã cÊu tróc ma trËn nh- h×nh 2.3 PhÇn ma trËn chuyÓn m¹ch gåm c¸c ®Çu vµo 1, 2 ... N vµ c¸c ®Çu ra 1,2,3.... M, giao ®iÓm gi÷a mét ®Çu ra víi mçi ®Çu vµo lµ mét phÇn tö chuyÓn m¹ch . Nh- vËy mçi phÇn tö chuyÓn m¹ch ®-îc dïng ®Ó "nèi xuyªn" tõ mét ®Çu vµo tíi mét ®Çu ra cô thÓ, VÝ dô: phÇn tö chuyÓn m¹ch 31 dïng ®Ó nèi ®Çu vµo I1 víi ®Çu ra O3, cßn phÇn tö 25 l¹i dïng ®Ó nèi ®Çu vµo I5 víi ®Çu ra O2. PhÇn ®iÒu khiÓn chuyÓn m¹ch th-êng lµ bé nhí vµ gi¶i m· sè liÖu ®iÒu khiÓn ®Ó ®-a ra tÝn hiÖu ®iÒu khiÓn tõng phÇn tö cña ma trËn chuyÓn m¹ch. Yªu cÇu ®èi víi c¸c phÇn tö chuyÓn m¹ch cña bé chuyÓn m¹ch kh«ng gian t-¬ng tù lµ kh«ng lµm suy hao tÝn hiÖu, kh«ng g©y xuyªn ©m, kh«ng t¹o ra t¹p ©m nÒn. §iÒu nµy cã thÓ hiÓu ®¬n gi¶n lµ khi ë tr¹ng th¸i më (nèi th«ng) th× trë kh¸ng cña phÇn tö chuyÓn m¹ch ph¶i cùc nhá (lý t-ëng lµ = 0), nh- thÕ sÏ kh«ng lµm tæn hao tÝn hiÖu truyÒn qua nã. Cßnkhi ë tr¹ng th¸i ®ãng(ng¾t m¹ch, hë m¹ch) ph¶i cã trë kh¸ng rÊt lín () ®Ó tÝn hiÖu tõ mét ®Çu vµo kh«ng bÞ truyÒn tíi c¸c ®Çu ra kh«ng mong muèn, dï chØ lµ rÊt nhá, nh- thÕ tÝn hiÖu ë kªnh th«ng tin nµy kh«ng bÞ xuyªn sang cuéc nèi kh¸c. VÝ dô: Khi phÇn tö 32 më th× ®Çu vµo I2 vµ ®Çu ra O3 ®-îc nèi th«ng, tÝn hiÖu tõ ®Çu vµo I2 ®-îc truyÒn tíi ®Çu ra O3 hoÆc ng-îc l¹i mµ kh«ng bÞ suy hao. Khi ®ã c¸c phÇn tö kh¸c trªn hµng 2 vµ cét 3 ph¶i ®ãng hoµn toµn ®Ó tr¸nh dß tÝn hiÖu ra c¸c cuéc gäi ®ang tiÕn hµnh ®ång thêi trªn c¸c ®Çu vµo vµ ®Çu ra kh¸c.
  • 44.
    Gi¶ sö phÇntö 31 bÞ dß (trë kh¸ng hë m¹ch kh«ng ®ñ lín) th× tÝn hiÖu cña cuéc gäi trªn phÇn tö 32 cã thÓ bÞ lät tíi cuéc gäi ®ang tiÕn hµnh gi÷a ®Çu vµo I1 víi ®Çu ra nµo ®ã. Hai chØ tiªu trªn cã thÓ biÓu diÔn th«ng qua ®iÒu kiÖn cÇn cña phÇn tö chuyÓn m¹ch t-¬ng tù ®ã lµ hÖ sè chuyÓn m¹ch. Ngoµi ra c¸c phÇn tö chuyÓn m¹ch khi nèi m¹ch ph¶i kh«ng g©y ra t¹p ©m néi (t¹p ©m nÒn). T¹p ©m nÒn t¹o ra nh÷ng nhiÔu rµo trong tÝn hiÖu, c¶n trë viÖc truyÒn vµ thu c¸c tÝn hiÖu h÷u Ých. C¸c t¹p ©m nÒn do tiÕp xóc cña tiÕp ®iÓm, chÊt l-îng linh kiÖn g©y ra. C¸c phÇn tö chuyÓn m¹ch cã thÓ lµ r¬ le ®iÖn tõ, r¬ le èng kÝn (Heccon), c¸c lo¹i b¸n dÉn nh- diode, tranzistor ... Mét vµi phÇn tö chuyÓn m¹ch dïng trong c¸c bé chuyÓn m¹ch kh«ng gian t-¬ng tù ®-îc m« t¶ trªn h×nh 2.4 VÒ thùc chÊt phÇn tö chuyÓn m¹ch kh«ng gian t-¬ng tù lµ phÇn tö dïng ®Ó nèi th«ng tõ m¹ch ®Çu vµo tíi m¹ch ®Çu ra khi cã tÝn hiÖu ®iÒu khiÓn nèi vµ lµm hë m¹ch khi cã tÝn hiÖu ng¾t m¹ch. PhÇn ®iÒu khiÓn chuyÓn m¹ch I1 I2 I3 I4 In . . o1 O2 O3 O4 Om . . 11 12 13 14 1N 21 22 23 24 2N 31 32 33 34 3N 41 42 43 44 4N 51 52 53 54 5N C¸c ®Çu ra C¸c ®Çu vµo Ma trËn chuyÓn m¹ch PhÇn tö chuyÓn m¹ch H×nh 2.3 CÊu tróc bé chuyÓn m¹ch kh«ng gian c¬ b¶n Sl®k H= Trë kh¸ng hë m¹ch Trë kh¸ng kÝn m¹ch 108
  • 45.
    C¸c phÇn töchuyÓn m¹ch kiÓu c¬ ®iÖn nh- r¬ le ®iÖn tõ hoÆc r¬ le èng kÝn th-êng cã hÖ sè chuyÓn m¹ch H tèt h¬n so víi c¸c linh kiÖn b¸n dÉn. Tuy nhiªn chóng cã kÝch th-íc lín, tiªu thô n¨ng l-îng cao h¬n, ®iÒu khiÓn phøc t¹p h¬n vµ tèc ®é chuyÓn m¹ch thÊp. Do yªu cÇu vÒ trë kh¸ng th«ng vµ trë kh¸ng hë m¹ch nªn chØ mét sè lo¹i linh kiÖn b¸n dÉn cã thÓ dïng ®Ó lµm phÇn tö chuyÓn m¹ch, chóng tiªu thô n¨ng l-îng thÊp, dÔ phèi hîp víi phÇn ®iÒu khiÓn logic vµ c¸c hÖ thèng ®iÒu khiÓn dïng vi xö lý. PhÇn ®iÒu khiÓn cña bé chuyÓn m¹ch thùc hiÖn chøc n¨ng phèi hîp gi÷a phÇn ®iÒu khiÓn chung víi c¸c phÇn tö chuyÓn m¹ch. Tuú thuéc vµo tõng lo¹i bé chuyÓn m¹ch mµ phÇn ®iÒu khiÓn nµy cã thÓ cã cÊu tróc vµ tÝnh n¨ng kh¸c nhau c¶ vÒ c¸ch thøc ®iÒu khiÓn, d¹ng tÝn hiÖu vµ møc tÝn hiÖu ®iÒu khiÓn. Nh×n chung phÇn ®iÒu khiÓn cña bé chuyÓn m¹ch nhËn sè liÖu ®iÒu khiÓn tõ phÇn ®iÒu khiÓn chung vµ chuyÓn nã thµnh tÝn hiÖu ®iÒu khiÓn ®Ó ®-a tíi phÇn tö chuyÓn m¹ch cô thÓ cña bé chuyÓn m¹ch, nghÜa lµ nã thùc hiÖn chøc n¨ng nhí ®Öm vµ gi¶i m· sè liÖu ®iÒu khiÓn . Theo nguyªn lý ph©n kªnh kh«ng gian, khi tuyÕn nèi cho mét cuéc gäi ®-îc thiÕt lËp ®i qua mét bé chuyÓn m¹ch c¬ b¶n nµo ®ã th× phÇn tö chuyÓn m¹ch ®-îc dïng ®Ó thiÕt lËp tuyÕn nèi cho cuéc gäi ®ã sÏ bÞ chiÕm tõ khi b¾t ®Çu thiÕt Cuén d©y §Çu vµo §Çu ra §Çu ®iÒu khiÓn Nguån PhÇn tö chuyÓn m¹ch b»ng R¬le ®iÖn tõ §Çu vµo §Çu ra §Çu ®iÒu khiÓn PhÇn tö chuyÓn m¹ch Heccon Nguån §Çu vµo §Çu ra §iÒu khiÓn PhÇn tö chuyÓn m¹ch dïng Tranzistor §Çu vµo §Çu ra R1 R2 R3 R4 L1 D1 §iÒu khiÓn PhÇn tö chuyÓn m¹ch dïng Diode H×nh 2.4 Mét sè phÇn tö chuyÓn m¹ch dïng trong c¸c bé chuyÓn m¹ch kh«ng gian c¬ b¶n V+
  • 46.
    lËp tuyÕn nèi®Ó ®µm tho¹i cho tíi khi tuyÕn nèi ®ã ®-îc gi¶i phãng vµ nã ®-îc dµnh riªng cho cuéc gäi ®ã trong suèt thêi gian tiÕn hµnh cuéc gäi. C¸c cuéc gäi ®-îc tiÕn hµnh ®ång thêi qua bé chuyÓn m¹ch ®ã sÏ ®i qua c¸c phÇn tö chuyÓn m¹ch ®éc lËp cho mçi cuéc gäi. ViÖc truyÒn tÝn hiÖu cÇn ®-îc tiÕn hµnh trªn 2 hoÆc nhiÒu d©y, v× vËy phÇn ma trËn chuyÓn m¹ch th-êng gåm 2 hoÆc nhiÒu líp, phÇn tö chuyÓn m¹ch t¹i mçi giao ®iÓm ph¶i cã nhiÒu cÆp tiÕp ®iÓm, mçi cÆp dïng cho mét líp vµ cã chung ®iÒu khiÓn hoÆc mçi líp cã phÇn tö chuyÓn m¹ch t¹i mçi giao ®iÓm nh-ng c¸c phÇn tö cña tõng giao ®iÓm cïng tªn cã ®Çu ®iÒu khiÓn chung. §èi víi bé chuyÓn m¹ch kh«ng gian t-¬ng tù, khi mét phÇn tö ®· ë tr¹ng th¸i nèi th× tÝn hiÖu truyÒn qua nã nh- qua mét ®iÓm nèi d©y th«ng th-êng, nghÜa lµ kh«ng ph©n biÖt ®Çu vµo vµ ®Çu ra, tÝn hiÖu ®-îc truyÒn theo hai h-íng vµ nh- thÕ ®èi víi bé chuyÓn m¹ch kh«ng gian t-¬ng tù còng kh«ng cã kh¸i niÖm ®Çu vµo vµ ®Çu ra cña bé chuyÓn m¹ch. ViÖc gäi lµ ®Çu vµo vµ ®Çu ra cña bé chuyÓn m¹ch chØ ®Ó tiÖn cho viÖc gi¶i thÝch theo tiÕn tr×nh thiÕt lËp tuyÕn nèi cho mçi cuéc gäi chø kh«ng cã ý nghÜa ®èi víi tÝn hiÖu truyÒn qua bé chuyÓn m¹ch. C¸c quy -íc vµ kh¸i niÖm chung *Ký hiÖu bé chuyÓn m¹ch kh«ng gian (Xem h×nh 2.5) *Kh¶ th«ng cña bé chuyÓn m¹ch: 1 2 3 N 1 2 3 M Ký hiÖu kiÓu ma trËn tiÕp ®iÓm 1 2 3 N 1 2 3 M Ký hiÖu kiÓu ma trËn giao ®iÓm 1 2 3 N 1 2 3 M Ký hiÖu kiÓu quy -íc Ký hiÖu kiÓu bé chän N M H×nh 2.5 C¸c ký hiÖu cña bé chuyÓn m¹ch kh«ng gian t-¬ng tù
  • 47.
    Bé chuyÓn m¹chtiÕp th«ng hoµn toµn (toµn th«ng) lµ bé chuyÓn m¹ch mµ mçi ®Çu vµo ®Òu cã kh¶ n¨ng nèi tíi ®Çu ra bÊt kú. §èi víi lo¹i bé chuyÓn m¹ch nµy ph¶i cã quan hÖ 1:1 gi÷a ®Çu vµo-phÇn tö chuyÓn m¹ch-®Çu ra, nghÜa lµ trªn giao ®iÓm gi÷a mét ®Çu vµo bÊt kú víi mét ®Çu ra bÊt kú ®Òu ph¶i cã phÇn tö chuyÓn m¹ch t-¬ng øng (h×nh 2.6a) Bé chuyÓn m¹ch kh«ng toµn th«ng (tiÕp th«ng kh«ng hoµn toµn) lo¹i nµy kh¸c lo¹i trªn lµ ë mét sè giao ®iÓm cña ma trËn chuyÓn kh«ng cã phÇn tö chuyÓn m¹ch. Nh- thÕ mét sè ®Çu vµo kh«ng thÓ nèi tíi mét sè ®Çu ra nµo ®ã (h×nh 2.6b) Bé chuyÓn m¹ch gËp : NÕu phÐp nèi C(i , j)  C (j, i) vµ C (, )  1 th× c¸c phÇn tö cã thÓ tËp trung ë mét phÝa cña ®-êng chÐo chÝnh trªn ma trËn chuyÓn m¹ch vµ ta ®-îc bé chuyÓn m¹ch gËp víi n(n-1)/2 phÇn tö chuyÓn m¹ch nh- h×nh (2.6c) *KÝch th-íc bé chuyÓn m¹ch ChuyÓn m¹ch vu«ng : Khi sè ®Çu vµo vµ ®Çu ra cña bé chuyÓn m¹ch b»ng nhau vµ toµn th«ng ChuyÓn m¹ch ch÷ nhËt : ChuyÓn m¹ch toµn th«ng nh-ng sè ®Çu vµo vµ ®Çu ra kh¸c nhau. Ngoµi ra tuú thuéc vµo øng dông cô thÓ th× sè líp cña bé chuyÓn m¹ch còng cã thÓ kh¸c nhau. 2.2.3 X©y dùng c¸c tr-êng chuyÓn m¹ch kh«ng gian t-¬ng tù trªn c¬ së bé chuyÓn m¹ch c¬ b¶n a. Kh¸i qu¸t chung vÒ øng dông chuyÓn m¹ch kh«ng gian t-¬ng tù VÒ c¬ b¶n c¸c bé chuyÓn m¹ch kh«ng gian t-¬ng tù ®-îc chÕ t¹o ®Ó x©y dùng tr-êng chuyÓn m¹ch cña c¸c tæng ®µi ph©n kªnh theo kh«ng gian. Chóng 1 2 3 N 1 2 3 M a. Bé chuyÓn m¹ch toµn th«ng 1 2 3 N 1 2 3 M b. Bé chuyÓn m¹ch kh«ng toµn th«ng 1 2 3 5 5 4 3 1 c. Bé chuyÓn m¹ch gËp 4 2 H×nh 2.6 Minh ho¹ kh¶ th«ng cña bé chuyÓn m¹ch kh«ng gian
  • 48.
    dïng ®Ó nèim¹ch gi÷a m¹ch ®iÖn cña thuª bao nµy víi m¹ch ®iÖn cña thuª bao kh¸c t¹o ra tuyÕn truyÒn tÝn hiÖu tho¹i gi÷a c¸c thuª bao nµy khi phôc vô cuéc gäi gi÷a tõng cÆp thuª bao víi nhau (chuyÓn m¹ch néi bé), chóng còng cã thÓ ®-îc dïng ®Ó t¹o ra c¸c tuyÕn nèi tõ c¸c trung kÕ tíi c¸c thuª bao (chuyÓn m¹ch trung kÕ) hoÆc còng cã thÓ dïng ®Ó nèi m¹ch gi÷a m¹ch ®iÖn thuª bao hoÆc m¹ch ®iÖn trung kÕ víi c¸c thiÕt bÞ b¸o hiÖu nh- c¸c ®Çu tÝn hiÖu mêi quay sè, b¸o bËn, håi ©m chu«ng, c¸c thiÕt bÞ th«ng b¸o b»ng lêi, c¸c bé thu tÝn hiÖu chän sè hoÆc víi thiÕt bÞ kiÓm tra ®o thö. Ngµy nay, trong c¸c tæng ®µi chuyÓn m¹ch sè ®a sè c¸c tr-êng chuyÓn m¹ch nªu trªn ®· ®-îc thay b»ng chuyÓn m¹ch sè, tuy nhiªn, mét sè kh©u vÉn ph¶i sö dông c¸c bé chuyÓn m¹ch kh«ng gian t-¬ng tù. VÝ dô : C¸c bé chuyÓn m¹ch kiÓm tra, ®o thö kh«ng thÓ dïng chuyÓn m¹ch sè thay thÕ mµ ph¶i dïng c¸c chuyÓn m¹ch kh«ng gian t-¬ng tù th× míi cã thÓ ®o ®-îc c¸c tham sè ®iÖn. Nh- vËy, tuú thuéc vµo lÜnh vùc øng dông ng-êi ta x©y dùng c¸c tr-êng chuyÓn m¹ch kh«ng gian t-¬ng tù cã cÊu tróc vµ kÝch th-íc (dung l-îng) kh¸c nhau, theo c¸c chØ tiªu kh¸c nhau. §èi víi c¸c lo¹i tÝn hiÖu kh¸c nhau th× cÇn chän c¸c bé chuyÓn m¹ch thÝch hîp vÒ c¸c chØ tiªu ®iÖn nh- trë kh¸ng cña phÇn tö chuyÓn m¹ch, xuyªn ©m, t¹p ©m. §èi víi c¸c chuyÓn m¹ch cã c¸c tÝnh n¨ng kh¸c nhau th× cÇn xem xÐt ®Õn chØ tiªu vÒ kh¶ th«ng cña cÊu tróc chuyÓn m¹ch. Trong c¸c môc tiÕp theo chóng ta kh«ng ®Ò cËp tíi c¸c chØ tiªu ®iÖn (chóng ®-îc chän theo yªu cÇu cô thÓ) mµ ta chØ xem xÐt c¸c cÊu tróc cña c¸c tr-êng chuyÓn m¹ch, kh¶ th«ng cña chóng vµ lÜnh vùc ¸p dông. b. Tr-êng chuyÓn m¹ch mét kh©u C¸c bé chuyÓn m¹ch kh«ng gian c¬ b¶n th-êng cã kÝch th-íc h¹n chÕ (sè ®Çu vµo, sè ®Çu ra kh«ng lín). Khi cÇn tr-êng chuyÓn m¹ch cã kÝch th-íc lín h¬n, c¸ch ®¬n gi¶n nhÊt lµ ghÐp c¸c bé chuyÓn m¹ch c¬ b¶n l¹i víi nhau theo s¬ ®å mét kh©u. Theo s¬ ®å mét kh©u ta cã thÓ nèi song song ®ång tªn c¸c ®Çu vµo cña bé chuyÓn m¹ch nµy víi c¸c ®Çu vµo cña bé chuyÓn m¹ch kh¸c ®Ó t¨ng sè ®Çu ra nh- chØ ra ë trªn h×nh 2.7a hoÆc vÏ qui -íc trªn h×nh 2.7b (t¹m gäi lµ ghÐp t¨ng ®Çu ra). Còng theo c¸ch nµy cã thÓ t¨ng sè ®Çu vµo, b»ng c¸ch chän bé chuyÓn m¹ch hoÆc mét tr-êng chuyÓn m¹ch mét kh©u kh¸c, cã cïng sè ®Çu ra vµ c¸c ®Çu ra nµy ®-îc nèi song song ®ång tªn víi nhau th× ta cã tr-êng chuyÓn m¹ch mét kh©u míi cã sè ®Çu vµo ®-îc më réng b»ng tæng sè ®Çu vµo cña 2 tr-êng chuyÓn m¹ch mét kh©u cò ( h×nh 2.7c,d)
  • 49.
    Nh- thÕ tacã thÓ ghÐp c¸c bé chuyÓn m¹ch c¬ b¶n víi nhau theo c¸ch më réng c¶ ®Çu vµo vµ ®Çu ra ta sÏ ®-îc tr-êng chuyÓn m¹ch mét kh©u cã sè ®Çu vµo vµ ®Çu ra theo yªu cÇu. §Æc ®iÓm cña tr-êng chuyÓn m¹ch kh«ng gian mét kh©u lµ: -Mçi yªu cÇu chuyÓn m¹ch gi÷a mét ®Çu vµo víi mét ®Çu ra cña tr-êng chuyÓn m¹ch chØ qua mét phÇn tö chuyÓn m¹ch. VÝ dô (xem h×nh 2.7c) : ®Ó nèi ®Çu vµo 1 víi ®Çu ra 3 dïng phÇn tö chuyÓn m¹ch 31 cña bé chuyÓn m¹ch phÝa trªn, ®Ó nèi ®Çu vµo N+2 víi ®Çu ra 2, dïng phÇn tö 22 cña bé chuyÓn m¹ch phÝa d-íi… -Lu«n tån t¹i t-¬ng quan 1:1 gi÷a ®Çu vµo-phÇn tö chuyÓn m¹ch-®Çu ra nÕu c¸c bé chuyÓn m¹ch dïng trong s¬ ®å mét kh©u lµ c¸c bé chuyÓn m¹ch toµn 1 2 3 M 1 2 3 M' 1 2 3 N 1 2 3 M 1 2 3 N 1 2 3 M' M+M' ®Çu ra N ®Çu vµo a. 1 2 3 N NxM NxM' 1 2 3 N 1 2 3 M 1 2 3 N' 1 2 3 M N+N' ®Çu vµo M ®Çu ra 1 2 3 N 1 2 3 M NxM N'xM d. 1 2 3 N' c. H×nh 2.7 C¸c c¸ch ghÐp c¬ b¶n x©y dùng tr-êng chuyÓn m¹ch mét kh©u
  • 50.
    th«ng. NghÜa lµtr-êng chuyÓn m¹ch mét kh©u sÏ lµ toµn th«ng nÕu c¸c bé chuyÓn m¹ch ®-îc dïng trong nã lµ c¸c bé chuyÓn m¹ch toµn th«ng. * C¸c nh-îc ®iÓm c¬ b¶n cña tr-êng chuyÓn m¹ch mét kh©u. -Sè phÇn tö chuyÓn m¹ch t¨ng nhanh khi t¨ng sè ®Çu vµo hoÆc ®Çu ra cña tr-êng chuyÓn m¹ch. Sè phÇn tö chuyÓn m¹ch cña tr-êng chuyÓn m¹ch b»ng tÝch cña sè ®Çu vµo víi sè ®Çu ra - Khi nèi song song nhiÒu bé chuyÓn m¹ch ®Ó t¨ng sè ®Çu vµo vµ ®Çu ra cña tr-êng chuyÓn m¹ch sÏ g©y ra hiÖn t-îng dß kªnh (xuyªn ©m gi÷a c¸c kªnh) c. Tr-êng chuyÓn m¹ch hai kh©u §èi víi nh÷ng tr-êng chuyÓn m¹ch nhiÒu ®Çu vµo, nhiÒu ®Çu ra, nÕu x©y dùng theo s¬ ®å mét kh©u sÏ qu¸ tèn kÐm do cÇn nhiÒu phÇn tö chuyÓn m¹ch. Thªm vµo ®ã, viÖc nèi song song nhiÒu bé chuyÓn m¹ch víi nhau dÉn ®Õn lµm gi¶m trë kh¸ng hë m¹nh trªn c¸c phÇn tö chuyÓn m¹ch vµ sÏ dÉn ®Õn dß tÝn hiÖu gi÷a c¸c ®Çu vµo vµ c¸c ®Çu ra víi nhau lµm cho tÝn hiÖu bÞ suy gi¶m trªn c¸c ®-êng dÉn chÝnh vµ lµm t¨ng thªm hiÖn t-îng xuyªn ©m gi÷a c¸c kªnh l©n cËn. §Ó kh¾c phôc nh÷ng nh-îc ®iÓm trªn, cÇn x©y dùng c¸c tr-êng chuyÓn m¹ch theo s¬ ®å 2 kh©u hoÆc 3 kh©u. Cã rÊt nhiÒu nguyªn t¾c ®Êu nèi s¬ ®å 2 kh©u, 3 kh©u. Trong phÇn nµy chØ xem xÐt nguyªn t¾c ®Êu nèi ®¬n gi¶n nhÊt, ®ã lµ nguyªn t¾c 1:1, ®ång tªn. Nguyªn t¾c 1:1 nghÜa lµ gi÷a mét bé chuyÓn m¹ch kh©u tr-íc víi mçi bé chuyÓn m¹ch kh©u sau chØ cã duy nhÊt mét d©y trung gian. Nguyªn t¾c ®ång tªn nghÜa lµ c¸c ®Çu ra cña bé chuyÓn m¹ch thø i kh©u tr-íc sÏ ®-îc nèi lÇn l-ît vµo mçi ®Çu vµo thø i cña tõng bé chuyÓn m¹ch kh©u sau. VÝ dô (Xem h×nh 2.8): C¸c ®Çu ra cña bé chuyÓn m¹ch thø 1 kh©u A (ký hiÖu lµ A1) sÏ ®-îc ®Êu tíi ®Çu vµo thø 1 cña tõng bé chuyÓn m¹ch kh©u B theo thø tù: ®Çu ra 1 cña A1 ®-îc nèi tíi ®Çu vµo 1 cña bé chuyÓn m¹ch B1; ®Çu ra 2 cña A1 nèi víi ®Çu vµo 1 cña bé chuyÓn m¹ch B2; ®Çu ra 3 cña A1 nèi víi ®Çu vµo 1 cña bé chuyÓn m¹ch B3 .... ®Çu ra  cña A1 nèi víi ®Çu vµo 1 cña bé chuyÓn m¹ch B. T-¬ng tù nh- thÕ, c¸c ®Çu ra cña bé chuyÓn m¹ch thø 2 kh©u A (ký hiÖu lµ A2) sÏ ®-îc ®Êu tíi ®Çu vµo thø 2 cña tõng bé chuyÓn m¹ch kh©u B còng theo thø tù trªn… . Cø nh- thÕ cho tíi bé chuyÓn m¹ch cuèi cïng kh©u A (ký hiÖu lµ A). C¸c ®Çu ra cña nã sÏ ®-îc ®Êu tíi ®Çu vµo thø  cña tõng bé chuyÓn m¹ch kh©u B. Nh- vËy, tæng sè ®Çu ra cña c¸c bé chuyÓn m¹ch kh©u A ph¶i b»ng tæng sè ®Çu vµo cña c¸c bé chuyÓn m¹ch kh©u B. NÕu sè ®Çu ra cña mçi bé chuyÓn m¹ch kh©u A lµ  vµ sè bé chuyÓn m¹ch kh©u A lµ , ®Ó ®Êu nèi theo nguyªn t¾c 1:1, ®ång tªn th× cÇn ®¶m
  • 51.
    b¶o r»ng sè®Çu vµo cña mçi bé chuyÓn m¹ch kh©u B ph¶i lµ  vµ sè bé chuyÓn m¹ch kh©u B ph¶i lµ  Theo nguyªn t¾c nµy : - Mçi yªu cÇu nèi gi÷a mét ®Çu vµo vµ mét ®Çu ra cña tr-êng chuyÓn m¹ch ph¶i ®i qua mét phÇn tö chuyÓn m¹ch cña mét bé chuyÓn m¹ch kh©u A, 1 2 3 4 m 1 2 3 4  A1 1 2 3 4 m 1 2 3 4  A2 1 2 3 4 m 1 2 3 4  A3 1 2 3 4 m 1 2 3 4  A 1 2 3 4  1 2 3 4 n b1 1 2 3 4  1 2 3 4 n b2 1 2 3 4  1 2 3 4 n B3 1 2 3 4  1 2 3 4 n b H×nh 2.8 S¬ ®å tæng qu¸t tr-êng chuyÓn m¹ch 2 kh©u ab11 ab12 ab13 ab1 ab21 ab22 ab23 ab2 ab31 ab1 ab2 ab3 ab ab3 ab33 ab32
  • 52.
    mét d©y trunggian gi÷a kh©u A vµ kh©u B, mét phÇn tö chuyÓn m¹ch t¹i mét bé chuyÓn m¹ch kh©u B vµ ®-êng ®i ®ã lµ duy nhÊt. VÝ dô : §Ó nèi gi÷a ®Çu vµo x cña bé chuyÓn m¹ch Ap tíi ®Çu ra y cña bé chuyÓn m¹ch Bq th× tuyÕn nèi duy nhÊt lµ tõ ®Çu vµo x(Ap)  phÇn tö chuyÓn m¹ch qx(Ap)  ®Çu ra q(Ap)  d©y trung gian abpq  ®Çu vµo p(Bq)  phÇn tö chuyÓn m¹ch yp(Bq)  ®Çu ra y(Bq). - Do mçi bé chuyÓn m¹ch kh©u A víi tõng bé chuyÓn m¹ch kh©u B chØ cã duy nhÊt mét d©y trung gian nªn t¹i mçi thêi ®iÓm chØ cã thÓ phôc vô kh«ng qu¸ mét phÐp nèi tõ mét trong c¸c ®Çu vµo cña bé chuyÓn m¹ch kh©u A ®ã víi mét trong c¸c ®Çu ra cña cïng mét bé chuyÓn m¹ch kh©u B. VÝ dô : Gi÷a A1 vµ B2 chØ cã duy nhÊt mét d©y trung gian ab12 nªn gi÷a c¸c ®Çu vµo cña A1 vµ c¸c ®Çu ra cña B2 t¹i mçi thêi ®iÓm chØ cã thÓ thùc hiÖn kh«ng qu¸ mét phÐp nèi . Gi¶ sö khi d©y ab12 ®· phôc vô cho mét phÐp nèi gi÷a ®Çu vµo 3A1 víi ®Çu ra 2B2, nÕu xuÊt hiÖn mét yªu cÇu nèi kh¸c gi÷a ®Çu vµo 4A1 víi ®Çu ra 3B2 th× yªu cÇu míi ®ã sÏ bÞ tõ chèi do kh«ng cßn ®-êng d©y trung gian gi÷a A1 vµ B2 ®Ó phôc vô, mÆc dï c¸c d©y trung gian kh¸c nh- ab11, ab13.... ab1 cã thÓ vÉn rçi, nh-ng chóng kh«ng dÉn tíi B2. Ng-êi ta gäi hiÖn t-îng nµy lµ gäi hôt do thiÕu ®-êng trung gian, hay lµ tæn thÊt néi cña tr-êng chuyÓn m¹ch . §Ó tr¸nh hiÖn t-îng gäi hôt cÇn ph¶i t¹o ra c¸c tuyÕn nèi linh ®éng h¬n gi÷a c¸c ®Çu vµo vµ c¸c ®Çu ra cña tr-êng chuyÓn m¹ch vµ ®iÒu nµy cã thÓ thùc hiÖn ®-îc nhê c¸c s¬ ®å nhiÒu kh©u. §Ó lµm râ vÉn ®Ò nµy ta xem xÐt c¸c tr-êng chuyÓn m¹ch kh«ng gian 3 kh©u. d. Tr-êng chuyÓn m¹ch ba kh©u Trªn h×nh 2.9 lµ tr-êng chuyÓn m¹ch kh«ng gian 3 kh©u ®-îc x©y dùng theo nguyªn t¾c 1:1, ®ång tªn nh- ®· tr×nh bµy ë môc trªn. Nh×n vµo s¬ ®å nµy ta nhËn thÊy r»ng mçi yªu cÇu nèi gi÷a mét ®Çu vµo cña tr-êng chuyÓn m¹ch víi mét ®Çu ra cña nã ph¶i ®i qua 3 kh©u A, B, C vµ khi qua mçi kh©u ph¶i ®i qua 1 bé chuyÓn m¹ch nµo ®ã. NghÜa lµ, mçi yªu cÇu chuyÓn m¹ch sÏ ®-îc thùc hiÖn qua 3 bé chuyÓn m¹ch ë 3 kh©u vµ 2 d©y trung gian gi÷a kh©u A tíi kh©u B vµ gi÷a kh©u B tíi kh©u C. Tuy nhiªn, trong tr-êng hîp nµy chØ cã bé chuyÓn m¹ch kh©u A vµ kh©u C cã chøa ®Çu vµo vµ ®Çu ra cña yªu cÇu chuyÓn m¹ch sÏ lµ n¬i mµ tuyÕn nèi theo yªu cÇu trªn buéc ph¶i ®i qua. Cßn bÊt kú bé chuyÓn m¹ch nµo cña kh©u B còng cã thÓ ®-îc dïng ®Ó phôc vô yªu cÇu nèi ®ã miÔn sao c¸c d©y trung gian ab vµ bc tõ bé chuyÓn m¹ch ®ã cña kh©u B tíi bé chuyÓn m¹ch ®Çu vµo kh©u A vµ bé chuyÓn m¹ch ra kh©u C theo yªu cÇu lµ ®ang ch-a bÞ dïng ®Ó
  • 53.
    phôc vô yªucÇu nèi kh¸c. Tõ ®ã, mçi yªu cÇu chuyÓn m¹ch cã thÓ ®-îc thùc hiÖn theo nhiÒu tuyÕn nèi kh¸c nhau qua tr-êng chuyÓn m¹ch 3 kh©u vµ còng tõ ®ã gi÷a c¸c ®Çu vµo cña mét bé chuyÓn m¹ch kh©u A nµo ®ã víi c¸c ®Çu ra cña cïng mét bé chuyÓn m¹ch kh©u C cã thÓ phôc vô ®ång thêi nhiÒu cuéc nèi (  ) VÝ dô : NÕu cuéc nèi gi÷a ®Çu vµo 2A1 víi ®Çu ra nC2 ®-îc thùc hiÖn theo tuyÕn 1. bc11 bc12 bc13 bc1 bc21 bc22 bc23 bc2 bc31 bc1 bc3 bc bc3 bc33 bc32 H×nh 2.9 S¬ ®å tæng qu¸t tr-êng chuyÓn m¹ch 3 kh©u 1 2 3 4 m 1 2 3 4  A1 1 2 3 4 m 1 2 3 4  A2 1 2 3 4 m 1 2 3 4  A3 1 2 3 4 m 1 2 3 4  A 1 2 3 4  1 2 3 4  b1 1 2 3 4  1 2 3 4  b2 1 2 3 4  1 2 3 4  B3 1 2 3 4  1 2 3 4  b ab11 ab12 ab13 ab1 ab2 1 ab22 ab23 ab2 ab31 ab1 ab2 ab3 ab ab3 ab33 ab32 1 2 3 4 n c1 1 2 3 4 n c2 1 2 3 4 n c3 1 2 3 4 n c 1 2 3 4  1 2 3 4  1 2 3 4  1 2 3 4  bc2
  • 54.
    TuyÕn 1 :§Çu vµo 2A1®Çu ra 1A1d©y trung gian ab11  ®Çu vµo 1B1®Çu ra 2B1d©y trung gian bc12 ®Çu vµo 1C2 ®Çu ra nC2 NÕu xuÊt hiÖn yªu cÇu nèi gi÷a ®Çu vµo 3A1 víi ®Çu ra 1C2 th× cã thÓ thùc hiÖn theo tuyÕn 2 TuyÕn 2 : §Çu vµo 3 A1®Çu ra 2A1d©y trung gian ab12  ®Çu vµo 1B2®Çu ra 2B2d©y trung gian bc22 ®Çu vµo 2C2 ®Çu ra 1C2 hoÆc cã thÓ ®i qua c¸c bé chuyÓn m¹ch trung gian B3, B4,… , B Tãm l¹i: * S¬ ®å 3 kh©u cho phÐp t¹o tuyÕn nèi linh ®éng khi cÇn thùc hiÖn mét yªu cÇu chuyÓn m¹ch nµo ®ã. * S¬ ®å 3 kh©u cho phÐp thùc hiÖn nhiÒu yªu cÇu nèi ®ång thêi gi÷a mét nhãm ®Çu vµo kh©u A víi c¸c ®Çu ra cïng nhãm kh©u C. hai ®Æc ®iÓm nµy lµm cho s¬ ®å 3 kh©u gi¶m ®-îc ®¸ng kÓ kh¶ n¨ng gäi hôt so víi s¬ ®å 2 kh©u. Quy t¾c chung x©y dùng tr-êng chuyÓn m¹ch nhiÒu kh©u §Ó x©y dùng tr-êng chuyÓn m¹ch nhiÒu kh©u theo nguyªn t¾c 1:1, ®ång tªn th× quan hÖ gi÷a c¸c bé chuyÓn m¹ch kh©u tr-íc víi c¸c bé chuyÓn m¹ch kh©u tiÕp sau ph¶i tu©n theo nguyªn t¾c. - Sè ®Çu ra cña mçi bé chuyÓn m¹ch kh©u tr-íc ph¶i b»ng sè bé chuyÓn m¹ch kh©u sau. - Sè ®Çu vµo cña c¸c bé chuyÓn m¹ch kh©u sau b»ng sè bé chuyÓn m¹ch kh©u tr-íc. VÝ dô : Xem h×nh 2.9 nÕu sè bé chuyÓn m¹ch kh©u B lµ  th× mçi bé chuyÓn m¹ch kh©u A ph¶i cã  ®Çu ra, cßn mçi bé chuyÓn m¹ch kh©u C ph¶i cã  ®Çu vµo. Kh©u A cã  bé chuyÓn m¹ch vËy nªn mçi bé chuyÓn m¹ch kh©u B ph¶i cã  ®Çu vµo. Tõ nguyªn t¾c ®Êu nèi 1:1, ®ång tªn nµy cã thÓ biÕn tÊu thµnh nhiÒu nguyªn t¾c ®Êu nèi cã qui luËt hoÆc bÊt qui luËt kh¸c tuú thuéc vµo yªu cÇu thiÕt kÕ. Trong c¸c tæng ®µi, ®Ó ®¬n gi¶n viÖc chän tuyÕn, nªn ¸p dông c¸c nguyªn t¾c ®Êu nèi cã qui luËt. H×nh 2.10 cho mét s¬ ®å tham kh¶o cña lo¹i tr-êng chuyÓn m¹ch cã qui luËt.
  • 55.
    H×nh 2.10: Tr-êngchuyÓn m¹ch 3 kh©u ®Êu chÐo * §Æc ®iÓm cña c¸c cÊu tróc chuyÓn m¹ch kh«ng gian t-¬ng tù vµ kh¶ n¨ng øng dông cña tõng cÊu tróc - S¬ ®å mét kh©u cã sè phÇn tö chuyÓn m¹ch lín nhÊt nh-ng ®¬n gi¶n nhÊt vµ kh«ng cã tæn thÊt néi. - §Ó x©y dùng tr-êng chuyÓn m¹ch kÝch th-íc cho tr-íc, s¬ ®å 2 kh©u cÇn dïng Ýt phÇn tö chuyÓn m¹ch nhÊt, tuy nhiªn tæn thÊt néi cao nhÊt. - Sè phÇn tö chuyÓn m¹ch cÇn sö dông trong s¬ ®å ba kh©u nhiÒu h¬n trong ®å hai kh©u nh-ng Ýt h¬n so víi trong s¬ ®å mét kh©u cho tr-êng chuyÓn m¹ch cïng sè ®Çu vµo vµ ®Çu ra. Tæn thÊt néi gi¶m h¬n so víi s¬ ®å hai kh©u. Tuy nhiªn, c¸c nhËn xÐt trªn ®©y chØ ®óng trong tr-êng hîp sè ®Çu vµo vµ ®Çu ra cña tr-êng chuyÓn m¹ch ®ñ lín vµ ®-îc ph©n nhãm hîp lý, c¸c tr-êng hîp kh¸c kÕt qu¶ cã thÓ ng-îc l¹i. Do tÝnh chÊt vÒ kh¶ th«ng cña mçi cÊu tróc chuyÓn m¹ch lµ kh¸c nhau nªn lÜnh vùc ¸p dông còng kh¸c nhau. 1 2 3 m a1 1 2 3 m a2 1 2 3 m a3 1 2 3 m a4 1 2 3 n c1 1 2 3 n c2 1 2 3 n c3 1 2 3 n c4 B1 b2 b3 b4
  • 56.
    Lo¹i tr-êng chuyÓnm¹ch mét kh©u th-êng ®-îc ¸p dông ë cÊp chän mµ sè ®Çu vµo vµ sè ®Çu ra chªnh lÖch nhau nhiÒu, nh- chän thiÕt bÞ kiÓm tra ®o thö (c¸c ®Çu vµo lµ c¸c m¹ch thuª bao, c¸c ®Çu ra lµ c¸c thiÕt bÞ ®o). Còng cã thÓ sö dông s¬ ®å nµy ®Ó chän trung kÕ gäi ra, gäi vµo (sè trung kÕ rÊt Ýt so víi sè thuª bao) hoÆc chän c¸c bé thu ph¸t b¸o hiÖu ®-êng d©y thuª bao. Lo¹i tr-êng chuyÓn m¹ch hai kh©u cã tæn thÊt néi cao v× vËy nªn sö dông trong c¸c cÊp chän mang tÝnh tù do (chØ cã mét ®Þa chØ b¾t buéc, mét ®Þa chØ cã thÓ chän tù do, vÝ dô nÕu ®Çu vµo lµ b¾t buéc th× cã thÓ chän ®Çu ra bÊt kú hoÆc ng-îc l¹i). Nã thÝch hîp víi cÊp chän s¬ bé hoÆc cÊp chän nhãm trong c¸c tæng ®µi dung l-îng lín. Tr-êng chuyÓn m¹ch ba kh©u cã tæn thÊt néi cã thÓ ®iÒu chØnh ®-îc khi thay ®æi hÖ sè nÐn-d·n cña c¸c kh©u do ®ã cã thÓ ®¹t ®-îc chÊt l-îng dÞch vô QoS-Quality of service theo yªu cÇu vµ hiÖu qu¶ kinh tÕ mong muèn, nã th-êng ®-îc ¸p dông ë c¸c cÊp chän mµ c¶ hai ®Þa chØ ®Òu lµ b¾t buéc (®Þa chØ ®Çu vµo vµ ®Þa chØ ®Çu ra cña tr-êng chuyÓn m¹ch ®èi víi mçi yªu cÇu lµ c¸c ®Þa chØ b¾t buéc) vÝ dô: trong cÊp chän ®-êng d©y thuª bao bÞ gäi, khi ®ã ®Þa chØ ®Çu vµo cã thÓ lµ ®Þa chØ m¹ch ®iÖn thuª bao chñ gäi hoÆc kªnh ®Çu vµo cßn ®Þa chØ ra lµ m¹ch ®iÖn thuª bao bÞ gäi. H×nh 2.11 chØ ra s¬ ®å cÊu tróc chung cho c¸c tæng ®µi dung l-îng lín. Dung l-îng cña tæng ®µi ®-îc chia thµnh c¸c nhãm, mçi nhãm cã tõ vµi chôc tíi vµi tr¨m thuª bao. C¸c cÊp chän thiÕt bÞ ®o thö, kiÓm tra hoÆc chän trung kÕ cã thÓ dïng c¸c tr-êng chuyÓn m¹ch mét kh©u. CÊp chän s¬ bé, chän nhãm cã thÓ Chän trung kÕ Tíi c¸c trung kÕ   ThiÕt bÞ b¸o hiÖu   ThiÕt bÞ b¸o hiÖu ThiÕt bÞ kiÓm tra ThiÕt bÞ kiÓm tra Chän thuª bao bÞ gäi Chän thuª bao bÞ gäi Chän nhãm Chän s¬ bé Chän s¬ bé Chän nhãm H×nh 2.11: S¬ ®å khèi c¸c tr-êng chuyÓn m¹ch trong tæng ®µi ph©n kªnh kh«ng gian
  • 57.
    dïng tr-êng chuyÓnm¹ch mét kh©u hoÆc hai kh©u, cßn cÊp chän ®-êng d©y dïng tr-êng chuyÓn m¹ch ba kh©u. Trong c¸c tæng ®µi dung l-îng trung b×nh vµ dung l-îng nhá c¸c cÊp chän cã thÓ kÕt hîp l¹i víi nhau vµ ®¬n gi¶n ho¸ cÊu tróc cña tæng ®µi. Bé chän trung kÕ ®Ó nèi thuª bao víi trung kÕ trong c¸c cuéc gäi vµo vµ gäi ra. Bé chän ®o thö, kiÓm tra ®Ó nèi c¸c thiÕt bÞ kiÓm tra ®o thö víi c¸c ®-êng d©y thuª bao hoÆc trung kÕ. C¸c bé chän nµy cã sè ®Çu vµo vµ ®Çu ra rÊt chªnh lÖch nhau, v× vËy tèt nhÊt nªn dïng c¸c tr-êng chuyÓn m¹ch mét kh©u. CÊp chän s¬ bé tù ®éng nèi thuª bao tíi c¸c thiÕt bÞ b¸o hiÖu nh- c¸c bé t¹o ©m mêi quay sè, håi ©m chu«ng, b¸o bËn, hoÆc bé thu c¸c tÝn hiÖu chän sè. C¸c thiÕt bÞ b¸o hiÖu th-êng gåm mét sè lo¹i, mçi lo¹i cã vµi bé. Khi cã yªu cÇu chän mét lo¹i nµo ®ã ®Ó nèi víi mét ®-êng d©y th× cÊp chän nµy cã thÓ chän mét trong sè c¸c bé thuéc lo¹i yªu cÇu. NghÜa lµ cã thÓ chän tù do gi÷a mét sè ®Çu ra cña cÊp chän, do vËy ë ®©y nªn ¸p dông lo¹i tr-êng chuyÓn m¹ch hai kh©u ®Ó ®¹t hiÖu qu¶ cao. Còng t-¬ng tù nh- vËy ®èi víi cÊp chän nhãm, c¸c ®Çu ra tõ mét bé chän nhãm th-êng cã mét sè ®Çu ra cïng tíi bé chän ®-êng d©y cña cïng mét nhãm, do ®ã còng cã thÓ chän tù do mét trong sè c¸c ®Çu ra ®ã. §èi víi tr-êng chuyÓn m¹ch chän ®-êng d©y thuª bao th× c¶ hai ®Þa chØ ®Çu vµo vµ ®Çu ra ®Òu lµ b¾t buéc nªn chØ cã thÓ ¸p dông lo¹i tr-êng chuyÓn m¹ch kh«ng tæn thÊt hoÆc tæn thÊt nhá (mét kh©u hoÆc ba kh©u). Víi sù ph¸t triÓn cña c«ng nghÖ ®iÖn tö, kÝch th-íc cña c¸c bé chuyÓn m¹ch kh«ng gian t-¬ng tù ngµy cµng ®-îc thu nhá, dung l-îng ®-îc t¨ng cao vµ tÝch hîp kh¶ n¨ng ®iÒu khiÓn mÒm dÎo, cïng víi tèc ®é chuyÓn m¹ch cao cho phÐp chÕ t¹o c¸c tr-êng chuyÓn m¹ch gän nhÑ, tiªu thô nguån thÊp vµ víi c¸c chØ tiªu kü thuËt tèt h¬n vµ kh«ng chØ ¸p dông trong c¸c tæng ®µi ph©n kªnh kh«ng gian mµ cßn ®-îc ¸p dông trong mét sè kh©u cña c¸c tæng ®µi hiÖn ®¹i vµ mét sè lÜnh vùc kü thuËt kh¸c.
  • 58.
    2.3 §iÒu chÕbiªn ®é xung (PAM-Pulse Amplitude Modulation) vµ chuyÓn m¹ch thêi gian ®èi víi tÝn hiÖu rêi r¹c 2.3.1 Nguyªn lý ®iÒu biªn xung vµ -u thÕ ph©n kªnh theo thêi gian §Þnh luËt Kocheniskov ph¸t biÓu r»ng : §èi víi tÝn hiÖu liªn tôc cã tÇn sè cùc ®¹i lµ Fmax th× kh«ng cÇn truyÒn liªn tôc tÝn hiÖu ®ã mµ chØ cÇn truyÒn gi¸ trÞ tøc thêi cña tÝn hiÖu t¹i c¸c thêi ®iÓm c¸ch ®Òu nhau sao cho tÇn sè rêi r¹c ho¸ lín h¬n 2Fmax. T¹i ®Çu thu, cã thÓ t¸i t¹o l¹i tÝn hiÖu t-¬ng ®èi chÝnh x¸c trªn c¬ së c¸c gi¸ trÞ rêi r¹c thu ®-îc. H×nh 2.12 thÓ hiÖn nguyªn lý nµy. PhÝa ®Çu thu tõ chuçi xung PAM nhËn ®-îc ph¶i t¹o l¹i ®-êng bao cho tÝn hiÖu. Do ë ®Çu ph¸t tÝn hiÖu bÞ rêi r¹c ho¸ nªn n¨ng l-îng tÝn hiÖu bÞ suy hao ®¸ng kÓ, v× vËy ë ®Çu thu viÖc t¸i t¹o l¹i d¹ng cña tÝn hiÖu còng ®ång nghÜa víi viÖc bï l¹i n¨ng l-îng ®· mÊt do rêi r¹c ho¸. Do tÝn hiÖu ®-îc rêi r¹c ho¸ vµ ®-îc truyÒn kh«ng liªn tôc nªn trong kho¶ng thêi gian gi÷a hai xung PAM cña mét nguån tÝn hiÖu cã thÓ truyÒn xen c¸c xung PAM cña c¸c nguån tÝn hiÖu kh¸c trªn cïng mét ®-êng truyÒn nh- thÓ hiÖn trªn h×nh 2.13 H×nh 2.13 thÓ hiÖn nguyªn lý ph©n kªnh theo thêi gian. Bªn ph¸t, c¸c kho¸ EK võa lµ phÇn tö ®iÒu chÕ võa lµ phÇn tö ®Þnh thêi ph¸t. Bªn thu c¸c kho¸ EK' lµ phÇn tö ®Þnh thêi thu. C¸c kho¸ EKi vµ EKi' ®-îc ®ãng më ®ång bé bëi c¸c tÝn hiÖu nhÞp Ni t¹o nªn sù ph©n chia ®-êng truyÒn theo thêi gian. T¹i khe thêi gian thø nhÊt c¸c kho¸ EK1 vµ EK1' ®-îc më, tÝn hiÖu ®-îc truyÒn tõ nguån 1 ®Õn ®Ých thu 1. C¸c kho¸ nµy bÞ ®ãng trong c¸c khe kh¸c cña chu kú. Tíi khe thêi gian thø hai c¸c kho¸ EK2 vµ EK2' ®-îc më ®Ó truyÒn tÝn hiÖu cña kªnh 2 sau ®ã Kho¸ TÝn hiÖu liªn tôc ®Çu vµo D·y xung nhÞp D·y xung PAM ®Çu ra H×nh 2.12: Nguyªn lý ®iÒu chÕ biªn ®é xung
  • 59.
    chóng l¹i ®-îc®ãng l¹i. Cø tuÇn tù nh- thÕ tíi khe thêi gian m c¸c kho¸ EKm vµ EKm' ®-îc më ®Ó truyÒn tÝn hiÖu gi÷a nguån vµ ®Ých m. Sau ®ã qu¸ tr×nh trªn l¹i ®-îc lÆp l¹i theo chu kú. Nh- vËy c¸c kho¸ ®-îc më trong kho¶ng thêi gian cña khe dµnh cho kªnh t-¬ng øng. Ta ký hiÖu ®é réng khe thêi gian lµ tx vµ nã còng chÝnh lµ ®é réng cña mçi xung PAM. C¸c kho¸ cø ®ãng më tuÇn tù nh- vËy sau mçi chu kú T. Th«ng th-êng trong hÖ thèng ph©n kªnh thêi gian ®èi víi tÝn hiÖu PAM chu kú T cã thÓ nhËn c¸c gi¸ trÞ 80 s, 100 s, 125 s t-¬ng øng víi tÇn sè rêi r¹c FLM lµ 12,5 KHz, 10 KHz vµ 8 KHz. Cã thÓ c¶m nhËn r»ng FLM cµng cao th× sè xung PAM cña mçi nguån tÝn hiÖu cµng lín, do ®ã tÝn hiÖu t¸i t¹o l¹i cµng gÇn víi tÝn hiÖu gèc, tuy nhiªn khi ®ã chu kú T l¹i cµng nhá do ®ã hoÆc lµ ph¶i gi¶m sè kªnh ®Ó ®¶m b¶o chÊt l-îng tÝn hiÖu hoÆc lµ ph¶i gi¶m thêi gian xung ®Ó ®¶m b¶o sè kªnh. Nh- vËy, lu«n tån t¹i sù rµng buéc gi÷a tÇn sè rêi r¹c ho¸ tÝn hiÖu, sè kªnh vµ ®é réng xung. ek1 ek2 ek3 ekm nm n3 n2 n1 ek'1 n1 ek'2 n2 ek'3 n3 ek'm nm Bé läc Bé läc Bé läc Bé läc H×nh 2.13: Nguyªn lý ph©n kªnh theo thêi gian.
  • 60.
    Trong ph©n kªnhtheo thêi gian, do ®Æc tÝnh ®-êng truyÒn tån t¹i qu¸ tr×nh qu¸ ®é, v× vËy, ®Ó tr¸nh xuyªn ©m gi÷a c¸c kªnh l©n cËn th× gi÷a c¸c khe thêi gian kªnh cÇn cã kho¶ng thêi gian phßng vÖ tr, nghÜa lµ gi÷a c¸c xung PAM cña c¸c kªnh sÏ lµ c¸c kho¶ng trèng. Sè kªnh trong hÖ thèng ph©n kªnh thêi gian ®-îc x¸c ®Þnh theo biÓu thøc. (2.1) Suy hao tÝn hiÖu do rêi r¹c ®-îc x¸c ®Þnh theo biÓu thøc (2..2) Trong thùc tÕ tx th-êng lÊy trong kho¶ng (0,5 10 s), cßn tr trong kho¶ng (0,53s). NÕu TLM=125s (FLM=8KHz) vµ nÕu tx=0,75s, tr=0,5s, th× sè kªnh sÏ lµ 100 vµ ®é suy hao lµ 22,2dB; cßn nÕu lÊy tx = 2s vµ tr = 0,5s th× sè kªnh sÏ chØ lµ 50 kªnh vµ ®é suy hao tÝn hiÖu 17,9 dB. Qua biÓu thøc (3.1) vµ (3.2) cµng thÊy râ sù liªn quan rµng buéc gi÷a tÇn sè rêi r¹c ho¸ tÝn hiÖu, sè kªnh vµ n¨ng l-îng tÝn hiÖu PAM. - T¨ng tÇn sè rêi r¹c th× sè mÉu tÝn hiÖu cña mçi nguån sÏ t¨ng, tõ ®ã dÔ kh«i phôc tÝn hiÖu. Tuy nhiªn, nÕu t¨ng tÇn sè rêi r¹c mµ vÉn gi÷ nguyªn sè kªnh th× ph¶i gi¶m tx vµ tr dÉn ®Õn khã thu tÝn hiÖu PAM vµ cã thÓ lµm t¨ng ®é xuyªn kªnh, nghÜa lµ khã kh«i phôc ®-îc tÝn hiÖu gèc. - NÕu kh«ng thay ®æi tÇn sè rêi r¹c mµ muèn t¨ng sè kªnh th× ph¶i gi¶m c¸c gi¸ trÞ tx hoÆc tr, còng cã nghÜa lµ lµm gi¶m chÊt l-îng truyÒn tÝn hiÖu. V× vËy cÇn ph¶i c©n ®èi gi÷a c¸c ®¹i l-îng nµy ®Ó ®¹t sù hµi hoµ gi÷a tÇn sè lÊy mÉu ®é, réng xung PAM vµ sè kªnh. 2.3.2 ChuyÓn m¹ch PAM 4 d©y dïng trung kÕ ©m tÇn a.§èi víi cuéc gäi trong cïng nhãm Gi¶i ph¸p kü thuËt cña ph-¬ng ph¸p nµy lµ dïng bé trung kÕ ©m tÇn ®Ó gi÷ chËm c¸c xung PAM tõ khe thêi gian cña thuª bao ph¸t tíi khe thêi gian cña thuª bao thu theo mçi h-íng. Nh- vËy sÏ t¹o ra mét d©y gi÷ chËm tÝn hiÖu theo mçi h-íng. Trong liªn l¹c song c«ng cã hai h-íng truyÒn ®ång thêi cho mçi cuéc gäi vµ do vËy mçi bé trung kÕ ©m tÇn cÇn cã hai d©y gi÷ chËm tÝn hiÖu. C¸c phÇn tö trong d©y gi÷ chËm tÝn hiÖu bao gåm van V lµ kho¸ ®iÖn tö khèng chÕ thêi gian dB t T 10lg a x  r t x t T V  
  • 61.
    thu tÝn hiÖuPAM cña kªnh cÇn phôc vô; bé gi¶i m· ®iÒu chÕ D dïng ®Ó bï n¨ng l-îng cho xung PAM nhËn ®-îc, t¹o l¹i ®-êng bao liªn tôc ®Ó gi÷ chËm tíi khe thêi gian chuyÓn tiÕp, phÇn tö ®iÒu chÕ võa lµ kho¸ ®iÖn tö M khèng chÕ thêi gian ph¸t tÝn hiÖu PAM vµ t¹o l¹i xung PAM. M¹ch ®iÖn mçi thuª bao còng bao gåm c¸c phÇn tö: Bé ®iÒu chÕ M võa lµ kho¸ ®iÖn tö, bé gi¶i ®iÒu chÕ D vµ van V cïng víi bé sai ®éng H. Bé sai ®éng dïng ®Ó chuyÓn ®æi kiÓu truyÒn dÉn song c«ng 2 d©y phÝa ®-êng d©y thµnh kiÓu truyÒn 4 d©y thu/ph¸t riªng phÝa bªn trong tæng ®µi. Mçi m¹ch ®iÖn thuª bao ®-îc g¸n mét tÝn hiÖu nhÞp N cã tÇn sè nhÞp b»ng tÇn sè rêi r¹c ho¸ tÝn hiÖu vµ lÖch pha nhau sè nguyªn lÇn khe thêi gian. NghÜa lµ tÝn hiÖu nhÞp N cña mçi thuª bao qui ®Þnh khe thêi gian më bé ®iÒu chÕ M vµ kho¸ V cña thuª bao ®ã dïng cho viÖc ph¸t vµ thu tÝn hiÖu PAM. C¸c phÇn tö cña trung kÕ ©m tÇn khi phôc vô mét cuéc gäi nµo ®ã míi ®-îc cÊp cÆp tÝn hiÖu nhÞp t-¬ng øng cña cÆp thuª bao mµ nã phôc vô. Nh- vËy, tÝn hiÖu nhÞp cho c¸c thuª bao ®-îc g¸n cè ®Þnh (thuª bao x t-¬ng øng nhÞp Nx, thuª bao y t-¬ng øng nhÞp Ny). Cßn ®èi víi c¸c trung kÕ ©m tÇn th× c¸c tÝn hiÖu nhÞp sÏ chØ ®-îc g¸n khi chóng phôc vô mét cuéc gäi nµo ®ã.  tbx Hx Mx Vx Dx Nx T R  tby Hy My Vy Dy Ny DA VA DB VB MA MB NA= Nx Bé trung kÕ ©m tÇn H×nh 2.14 ChuyÓn m¹ch PAM 4d©y dïng trung kÕ ©m tÇn, cïng nhãm NB= Ny
  • 62.
    Gi¶ sö cÇnphôc vô cuéc gäi gi÷a thuª bao X vµ thuª bao Y th× phÇn ®iÒu khiÓn sÏ chän mét trong c¸c bé trung kÕ ©m tÇn cña nhãm ®Ó phôc vô. NhÞp Nx sÏ ®-îc g¸n cho mét phÝa cña trung kÕ ©m tÇn vµ ®Çu kia sÏ ®-îc g¸n nhÞp Ny (nh- trªn h×nh 2.14). Nh- vËy cÆp tÝn hiÖu nhÞp cña trung kÕ ©m tÇn ®ã ®-îc g¸n trïng víi cÆp nhÞp cña hai thuª bao mµ nã phôc vô. Ta xem xÐt h-íng truyÒn tÝn hiÖu tõ thuª bao x sang thuª bao y. * T¹i khe thêi gian TSx (Time slot x) : TÝn hiÖu tõ thuª bao x  Hx Mx  T VA DA nhí t¹i trung kÕ ©m tÇn. * Tíi khe thêi gian TSy: TÝn hiÖu tõ trung kÕ ©m tÇn  MB R Vy Dy Hy Thuª bao y. T-¬ng tù xem xÐt h-íng truyÒn tÝn hiÖu tõ thuª bao y ®Õn thuª bao x. * T¹i TSy : TÝn hiÖu tõ thuª bao y  Hy MyTVB DB vµ ®-îc nhí t¹i nhí t¹i trung kÕ ©m tÇn. * Tíi TSx : TÝn hiÖu tõ trung kÕ ©m tÇn qua MA RVx Dx Hx thuª bao x. NÕu xÐt vÒ thêi gian gi÷ chËm th«ng tin th× h-íng tõ thuª bao x sang thuª bao y th«ng tin sÏ bÞ gi÷ chËm tõ khe thêi gian x tíi khe thêi gian y, cßn theo h-íng ng-îc l¹i tõ thuª bao y sang thuª bao x th× th«ng tin sÏ bÞ gi÷ chËm tõ khe thêi gian y tíi khe thêi gian x vµ gi¶ sö khe thêi gian x tr-íc khe thêi gian y (y>x) th× kho¶ng thêi gian gi÷ chËm th«ng tin tõ x tíi y lµ (y-x)(tx+tr) = (y-x)tTS (2.3) kho¶ng thêi gian gi÷ chËm th«ng tin tõ y tíi x lµ (N-y+x) (tx+tr) = (N-y+x) tTS (2.4) tæng thêi gian gi÷ chËm th«ng tin c¶ hai h-íng lµ (N-y+x + y-x) tTS = N tTS = T Trong c¸c biÓu thøc trªn x vµ y lµ thø tù c¸c khe thêi gian, tTS ®é réng cña mét khe bao gåm thêi gian xung tx vµ thêi gian trèng tr, N lµ sè khe thêi gian cña mét chu kú vµ T lµ chu kú lÊy mÉu. Tõ ®ã ta thÊy th«ng tin bÞ gi÷ chËm theo c¶ hai h-íng ®óng b»ng mét chu kú lÊy mÉu vµ do vËy mçi trung kÕ ©m tÇn chØ cã thÓ phôc vô duy nhÊt mét cuéc gäi t¹i mçi thêi ®iÓm tõ khi b¾t ®Çu tíi khi kÕt thóc cuéc gäi. §Ó phôc vô ®ång thêi nhiÒu cuéc gäi gi÷a c¸c thuª bao trong nhãm ph¶i cã nhiÒu bé trung kÕ ©m tÇn. Sè trung kÕ ©m tÇn cho mçi nhãm ®-îc chän tuú thuéc vµo l-u l-îng cuéc gäi trong nhãm t¹i giê cao ®iÓm.
  • 63.
    b. §èi víicuéc gäi kh¸c nhãm H×nh 2.15 m« t¶ qu¸ tr×nh phôc vô cuéc gäi gi÷a c¸c thuª bao kh¸c nhãm. C¸c thuª bao ®-îc chia thµnh c¸c nhãm, mçi nhãm ®Òu cã c¸c thanh T, R (tuyÕn ph¸t vµ thuyÕn thu) cña riªng nhãm ®ã. Ngoµi ra, trong tæng ®µi cßn cã c¸c cÆp thanh ph¸t T*, thanh thu R* liªn nhãm ®Ó phôc vô c¸c cuéc gäi gi÷a c¸c thuª bao kh¸c nhãm. Gi÷a thanh T vµ R cña tõng nhãm víi T*, R* cã c¸c van trung gian ZT vµ ZR ®Ó phôc vô c¸c cuéc gäi liªn nhãm. Khi phôc vô cuéc gäi liªn nhãm gi÷a TBX nhãm 1 víi TBy nhãm 2 ch¼ng h¹n, phÇn ®iÒu khiÓn sÏ chän mét bé trung kÕ ©m tÇn liªn nhãm cho cuéc gäi ®ã vµ g¸n nhÞp cña hai thuª bao ®-îc phôc vô cho c¸c phÇn tö chuyÓn m¹ch trung gian, ®ã lµ: - G¸n nhÞp NX cho ®Çu NG1 vµ NA ®Ó nèi T1 víi T*, R1 víi R*, vµ nèi trung kÕ ©m tÇn ®ã víi T*, R* trong nhÞp NX (khe TSx). - G¸n nhÞp Ny cho ®Çu NG2 vµ NB ®Ó nèi T2 víi T*, R2 víi R*, vµ nèi trung kÕ ©m tÇn ®ã víi T*, R* trong nhÞp Ny (khe TSy).  tbx nhãm1 Hx Mx Vx Dx Nx  tby nhãm 2 Hy My Vy Dy Ny T* R* DA VA DB VB MA MB NA Bé trung kÕ ©m tÇn liªn nhãm H×nh 2.15 ChuyÓn m¹ch PAM 4 d©y liªn nhãm dïng trung kÕ ©m tÇn T1 R1 T2 R2 Z1T Z1R Z2T Z2R NG1 NG2 NB
  • 64.
    Xem xÐt h-íngtruyÒn th«ng tin tõ TBX nhãm 1 sang TBy nhãm 2: *T¹i TSx: TÝn hiÖu tõ TBX nhãm 1HXMXT1Z1TT*VA DA  gi÷ chËm trong trung kÕ ©m tÇn liªn nhãm tíi TSY. *Tíi TSY: TÝn hiÖu tõ bé trung kÕ ©m tÇn liªn nhãm  MB R* Z2R  R2 Vy  Dy HyTBy. H-íng truyÒn th«ng tin tõ TBy nhãm 2 sang TBX nhãm 1: *T¹i TSy: TÝn hiÖu tõ TBy nhãm 2 HyMyT2Z2TT1*VB DB gi÷ chËm trong trung kÕ ©m tÇn liªn nhãm tíi khe TSX. *T¹i TSX: TÝn hiÖu tõ bé trung kÕ ©m tÇn liªn nhãm MA R* Z1R  R1Vx Dx Hx TBx nhãm 1. Trong tr-êng hîp nµy tæng thêi gian gi÷ chËm th«ng tin trong trung kÕ ©m tÇn liªn nhãm cho c¶ hai h-íng truyÒn th«ng tin còng b»ng mét chu kú lÊy mÉu, do vËy mçi trung kÕ liªn nhãm chØ phôc vô ®-îc duy nhÊt mét cuéc gäi ®ång thêi t¹i mçi thêi ®iÓm. Trªn c¬ së thèng kª l-u l-îng c¸c cuéc gäi liªn nhãm tõ ®ã x¸c ®Þnh sè bé trung kÕ ©m tÇn liªn nhãm cÇn dïng trong mçi tæng ®µi cô thÓ. Còng theo ph©n tÝch nµy mçi ®Çu NA, NB chØ cã thÓ nhËn mét tÝn hiÖu nhÞp khi phôc vô mét cuéc gäi liªn nhãm cô thÓ. C¸c van trung gian nhÞp ZT, ZR cña c¸c nhãm lµ c¸c phÇn tö dïng chung phôc vô cho nhiÒu cuéc gäi cña nhãm ®ã víi c¸c nhãm kh¸c, v× vËy tÝn hiÖu nhÞp cho cÆp van nµy cã thÓ nhËn nhiÒu khe më tuú thuéc c¸c cuéc gäi mµ nã phôc vô ®ång thêi. 2.3.3 ChuyÓn m¹ch PAM 4 d©y kh«ng dïng trung kÕ ©m tÇn a. §èi víi cuéc gäi trong cïng nhãm Theo ph-¬ng thøc nµy c¸c thuª bao khi kh«ng tham gia cuéc gäi th× ch-a cã tÝn hiÖu nhÞp ®-a ®Õn c¸c phÇn tö trong m¹ch ®iÖn thuª bao cña chóng, chØ khi mét thuª bao tham gia cuéc gäi víi thuª bao kh¸c th× tÝn hiÖu nhÞp míi ®-îc ®-a tíi nã. §Ó phôc vô c¸c cuéc gäi gi÷a c¸c thuª bao trong nhãm ng-êi ta dïng mét van trung gian Z ®Ó truyÒn tÝn hiÖu tõ tuyÕn ph¸t T sang tuyÕn thu R t¹i c¸c khe thêi gian mµ c¸c cuéc gäi nµy tiÕn hµnh. Khi phôc vô cuéc gäi gi÷a hai thuª bao x vµ y nµo ®ã trong cïng nhãm, phÇn ®iÒu khiÓn sÏ chän cÆp khe thêi gian Np vµ Nq ®Ó g¸n c¸c phÇn tö trong m¹ch ®iÖn cña thuª bao x vµ y, ®ång thêi còng g¸n c¸c khe nµy tíi phÇn tö Z. C¸c khe nµy ®-îc g¸n sao cho c¸c tÝn hiÖu PAM tõ bé ®iÒu chÕ Mx cña TBx sÏ ®-îc
  • 65.
    chuyÓn tíi thanhT, sau ®ã qua van Z ®Ó tíi thanh R vµo m¹ch thu cña TBy qua van Vy trong nhÞp Np, cßn h-íng ng-îc l¹i tõ bé ®iÒu chÕ My tíi thanh T, sau ®ã qua van Z tíi thanh R råi qua van VX vµo m¹ch thu cña thuª bao x ®-îc thùc hiÖn trong khe thêi gian Nq. CÆp khe thêi gian phôc vô cho tõng cuéc gäi ®-îc chän theo mét trong 3 nguyªn t¾c sau: - Chän tù do (p vµ q kh«ng phô thuéc nhau) - Chän liªn tiÕp (q = p +1) - Chän c¸ch mét nöa chu kú lÊy mÉu (q = p +n/2, trong ®ã n lµ tæng sè khe thêi gian trong mét chu kú lÊy mÉu). Chän tù do sÏ linh ho¹t h¬n trong sö dông c¸c khe thêi gian nh-ng phøc t¹p h¬n trong ®iÒu khiÓn. Chän theo qui luËt sÏ ®¬n gi¶n h¬n cho viÖc ®iÒu khiÓn v× khi phôc vô mçi yªu cÇu nèi song h-íng chØ cÇn thùc hiÖn mét phÐp chän. b. §èi víi cuéc gäi kh¸c nhãm §Ó phôc vô cuéc gäi chÐo gi÷a tõng cÆp nhãm, dïng hai van trung gian ®Ó nèi T cña nhãm nµy víi R cña nhãm kia vµ ng-îc l¹i. Do thuª bao ë hai nhãm H×nh 2.16 ChuyÓn m¹ch PAM 4 d©y kh«ng dïng trung kÕ ©m tÇn, cïng nhãm  tbx Hx Mx Vx Dx Np  tby Hy My Vy Dy T R Z Np, Nq Nq Nq Np
  • 66.
    kh¸c nhau nªnmçi cuéc gäi chØ cÇn dïng mét tÝn hiÖu nhÞp nh- trªn h×nh 2.17. Trong khe thêi gian nhÞp Np ®· chän c¸c van Z12 vµ Z21 ®Òu më, tÝn hiÖu tõ TBX nhãm 1 sÏ tõ tuyÕn ph¸t T1 qua van Z12 ®Ó ®-a sang tuyÕn thu nhãm 2 R2 ®Ó vµo m¹ch thu cña TBy nhãm 2, cßn tÝn hiÖu tõ nhãm TBy nhãm 2 sÏ tõ tuyÕn T2 qua van Z21 tíi tuyÕn thu R1 råi vµo m¹ch thu cña TBX nhãm 1. 2.3.4 So s¸nh nguyªn lý chuyÓn m¹ch PAM 4 d©y dïng trung kÕ ©m tÇn vµ nguyªn lý chuyÓn m¹ch PAM 4 d©y kh«ng dïng trung kÕ ©m tÇn - Ph-¬ng ph¸p dïng trung kÕ ©m tÇn cho phÐp mçi thuª bao trong mçi nhãm cã mét khe thêi gian riªng do ®ã kh«ng cÇn g¸n khe thêi gian chuyÓn m¹ch cho chóng khi chóng tham gia cuéc gäi nµo ®ã. Tuy nhiªn, viÖc g¸n cøng khe thêi gian cho mçi thuª bao lµm cho dung l-îng cña mçi nhãm kh«ng v-ît qu¸ tæng sè khe thêi gian trong mçi chu kú lÊy mÉu. - Ph-¬ng ph¸p kh«ng dïng trung kÕ ©m tÇn g¸n ®éng khe thêi gian nhÞp cho thuª bao khi tham gia cuéc gäi do ®ã dÔ dµng t¨ng hoÆc gi¶m sè thuª bao trong nhãm nh-ng nã còng ®ßi hái mét gi¶i ph¸p kh¸ phøc t¹p ®Ó cung cÊp c¸c tÝn hiÖu nhÞp cho c¸c thuª bao vµ c¸c phÇn tö trung gian. - Ph-¬ng ph¸p dïng trung kÕ ©m tÇn sö dông chuyÓn m¹ch thêi gian t-¬ng  tbx nhãm1 Hx Mx Vx Dx Np  tby nhãm 2 Hy My Vy Dy T1 R1 Z12 Np Np T2 R2 Z21 H×nh 2.17 ChuyÓn m¹ch PAM 4 d©y liªn nhãm, kh«ng dïng trung kÕ ©m tÇn
  • 67.
    tù theo nguyªnlý gi÷ chËm xung PAM cßn ph-¬ng ph¸p kh«ng dïng trung kÕ ©m tÇn vÒ thùc chÊt lµ chuyÓn m¹ch kh«ng gian t¸c ®éng nhanh theo nhÞp thêi gian. - Nguyªn lý kh«ng dïng trung kÕ ©m tÇn cã thÓ ®-a ®Õn mét s¬ ®å ®¬n gi¶n nÕu nh- sè thuª bao Ýt chØ tæ chøc thµnh mét nhãm, nhËp chung tuyÕn ph¸t vµ tuyÕn thu nh- trªn h×nh 2.18 . 2.3.5 ChuyÓn m¹ch PAM 2 d©y M¹ch ®iÖn thuª bao kh¸ ®¬n gi¶n, bao gåm mét biÕn ¸p Tr, bé läc th«ng thÊp F, tô ®iÖn C vµ mét van V. C¸c kho¸ V cña c¸c m¹ch ®iÖn thuª H×nh 2.19 Nguyªn lý chuyÓn m¹ch PAM 2 d©y  tbx Hx Mx Vx Dx Np  tby Hy My Vy Dy Nq H×nh 2.18 ChuyÓn m¹ch PAM 4d©y mét nhãm, kh«ng dïng trung kÕ ©m tÇn Nq Np FP LP CP VP TBP FQ LQ CQ VQ TBQ Ni Ni T&R TrP
  • 68.
    bao ®-îc nèitíi tuyÕn thu ph¸t chung T, tô ®iÖn C ®-îc dïng ®Ó bï n¨ng l-îng. C¸c kho¸ V còng kh«ng ®-îc cÊp tr-íc tÝn hiÖu nhÞp. PhÇn ®iÒu khiÓn sÏ chän vµ ®-a tÝn hiÖu nhÞp tíi kho¸ V khi thuª bao tham gia cuéc gäi. Gi¶ sö ®Ó phôc vô cuéc gäi gi÷a TBP vµ TBQ phÇn ®iÒu khiÓn chän khe thêi gian nhÞp Ni cÊp cho 2 kho¸ VP vµ VQ. Trong c¸c khe thêi gian kh¸c nhÞp Ni, thanh T&R ®-îc dïng cho c¸c cuéc gäi kh¸c, khi ®ã VP vµ VQ ®Òu ®ãng. T¹i nhÞp Ni c¶ hai van VP vµ VQ ®Òu më ®Ó th«ng tÝn hiÖu ë hai m¹ch ®iÖn thuª bao P vµ thuª bao Q sang nhau. C¸c tô ®iÖn CP vµ CQ tÝch luü n¨ng l-îng tÝn hiÖu khi c¸c van VP vµ VQ ®ãng vµ n¨ng l-îng ®ã sÏ ®-îc phãng sang nhau ®Ó bæ xung n¨ng l-îng h÷u Ých khi c¸c van VP vµ VQ më. Theo nguyªn lý chuyÓn m¹ch PAM th× n¨ng l-îng tiÕng nãi bÞ suy hao ®¸ng kÓ do bÞ rêi r¹c ho¸ nh- ®· ®Ò cËp ë biÓu thøc (2..2) vµ ¶nh h-ëng tíi chÊt l-îng truyÒn dÉn, v× vËy cÇn ¸p dông gi¶i ph¸p m¹ch ®Ó bï n¨ng l-îng. Trªn s¬ ®å 2.19 sö dông cuén c¶m L vµ tô ®iÖn C t¹o thµnh khung céng h-ëng. Dao ®éng riªng cña khung ®-îc ®iÒu chØnh sao cho chu kú cña nã b»ng víi thêi gian th«ng tÝn hiÖu qua kho¸ V, nh- vËy trong kho¶ng thêi gian më kho¸ V n¨ng l-îng tÝn hiÖu ®· tÝch luü trªn tô C phÝa thuª bao nµy sÏ ®-îc truyÒn kh«ng tæn hao sang m¹ch ®iÖn thuª bao phÝa kia vµ ng-îc l¹i. Nh×n chung chuyÓn m¹ch PAM 2 d©y cho s¬ ®å øng dông ®¬n gi¶n h¬n so víi chuyÓn m¹ch PAM 4 d©y, tuy nhiªn chÊt l-îng tÝn hiÖu còng kÐm h¬n chuyÓn m¹ch 4 d©y. MÆc dï ¸p dông c¸c gi¶i ph¶p kü thuËt ®Ó bï suy hao tÝn hiÖu do rêi r¹c ho¸ nh-ng rÊt khã cã thÓ ®¹t ®-îc chÊt l-îng nh- kiÓu 4 d©y. Nguyªn lý chuyÓn m¹ch PAM 2 d©y còng cã thÓ cho phÐp tæ chøc c¸c thuª bao cña tæng ®µi thµnh c¸c nhãm. Liªn l¹c gi÷a c¸c thuª bao cïng nhãm nh- ®· m« t¶ trªn ®©y, cßn ®Ó phôc vô liªn l¹c gi÷a c¸c thuª bao kh¸c nhãm ng-êi ta sö dông c¸c van trung gian nèi thanh T&R cña nhãm nµy víi thanh T&R cña nhãm kh¸c t¹o ra mèi liªn kÕt gi÷a c¸c nhãm víi nhau. *** VÒ nguyªn lý, chuyÓn m¹ch kh«ng gian t-¬ng tù t¹o ra tuyÕn nèi liªn tôc tõ m¹ch ®iÖn cña thuª bao gäi tíi m¹ch ®iÖn cña thuª bao bÞ gäi suèt tõ khi b¾t ®Çu ®Õn khi kÕt thóc cuéc gäi vµ tuyÕn nèi ®ã hoµn toµn ®éc lËp víi c¸c tuyÕn nèi phôc vô c¸c cuéc gäi kh¸c ®ang tiÕn hµnh ®ång thêi víi nã gi÷a c¸c thuª bao kh¸c, do vËy ®ßi hái rÊt nhiÒu phÇn tö chuyÓn m¹ch. ChuyÓn m¹ch PAM còng lµ mét d¹ng chuyÓn m¹ch t-¬ng tù nh-ng nã rêi r¹c ho¸ tÝn hiÖu ®ã tr-íc khi chuyÓn m¹ch vµ ®èi víi mçi cuéc gäi chØ sö dông mét hoÆc mét cÆp khe thêi gian ®Ó chuyÓn m¹ch tÝn hiÖu gi÷a hai thuª bao v× vËy nã cho phÐp nhiÒu cuéc gäi cã thÓ dïng chung mét sè phÇn tö chuyÓn m¹ch t¹i c¸c khe thêi gian dµnh riªng cho
  • 69.
    tõng cuéc gäivµ do ®ã thiÕt bÞ cña nã gän nhÑ h¬n, tuy nhiªn chÊt l-îng tÝn hiÖu còng kÐm h¬n so víi ph-¬ng thøc chuyÓn m¹ch kh«ng gian. 2.4 Kh¸i qu¸t chung vÒ c«ng nghÖ PCM vµ kü thuËt chuyÓn m¹ch sè 2.4.1 Nh÷ng lîi thÕ c¬ b¶n cña sù kÕt hîp gi÷a truyÒn dÉn sè vµ chuyÓn m¹ch sè 1. Lîi thÕ vÒ chÊt l-îng tÝn hiÖu: Trong th«ng tin, chÊt l-îng tÝn hiÖu lµ mét trong c¸c chØ tiªu kü thuËt quan träng nhÊt. §èi víi tÝn hiÖu t-¬ng tù, ®Ó ®¶m b¶o tÝn hiÖu kh«ng bÞ mÐo d¹ng d-íi t¸c ®éng cña c¸c nguån nhiÔu qu¶ lµ mét viÖc rÊt khã. Khi truyÒn dÉn vµ chuyÓn m¹ch tÝn hiÖu t-¬ng tù sÏ bÞ t¸c ®éng cña nhiÔu ®iÒu biªn ký sinh, bÞ suy hao. §Ó kh«i phôc d¹ng tÝn hiÖu vµ bï l¹i n¨ng l-îng bÞ suy hao th× cÇn ph¶i läc vµ khuÕch ®¹i. Do kh«ng thÓ läc hÕt nhiÔu ®iÒu biªn vµ b¶n th©n c¸c phÐp läc còng lµm mÐo d¹ng tÝn hiÖu nªn sau nhiÒu lÇn khuÕch ®¹i nh- vËy tû sè S/N sÏ gi¶m ®¸ng kÓ, t¹p ©m bÞ tÝch luü do khuÕch ®¹i lÆp nhiÒu lÇn, sÏ lµm gi¶m chÊt l-îng tÝn hiÖu. TÝn hiÖu sau chÆng thø nhÊt TÝn hiÖu sauchÆng thø hai Bé lÆp Bé lÆp TÝn hiÖu sau lÆp TÝn hiÖu sau lÆp TÝn hiÖu gèc TÝn hiÖu bÞ mÐo TÝn hiÖu bÞ mÐo TÝn hiÖu bÞ mÐo Bé lÆp Bé lÆp Bé lÆp TÝn hiÖu sau lÆp a. T¸c ®éng cña nhiÔu khi truyÒn tÝn hiÖu t-¬ng tù b. T¸c ®éng cña nhiÔu khi truyÒn tÝn hiÖu sè H×nh 2.20 T¸c ®éng trªn ®-êng truyÒn ®èi víi tÝn hiÖu t-¬ng tù vµ tÝn hiÖu sè
  • 70.
    §èi víi tÝnhiÖu sè chØ cã hai gi¸ trÞ " 0" vµ "1" vµ cã thÓ ®-îc ®iÒu chÕ ®Ó truyÒn trªn ®-êng truyÒn b»ng c¸c d¹ng tÝn hiÖu kh¸c nhau (m· ®-êng truyÒn). Khi truyÒn ®i xa còng cã thÓ bÞ t¸c ®éng cña nhiÔu lµm mÐo d¹ng, lµm suy gi¶m nh-ng gi¸ trÞ cña chóng dÔ dµng nhËn biÕt ®-îc vµ kh«i phôc l¹i nh- ban ®Çu. Tõ ®ã mµ chÊt l-îng cuéc gäi néi h¹t cña hÖ thèng t-¬ng tù kh¸c h¼n so víi chÊt l-îng cuéc gäi ®-êng dµi. Cßn trong hÖ thèng sè kh«ng cã sù kh¸c biÖt ®ã. NghÜa lµ hÖ thèng sè lµm c¶i thiÖn ®¸ng kÓ chÊt l-îng cña c¸c cuéc gäi ®-êng dµi. 2. Hç trî gi÷a chuyÓn m¹ch vµ truyÒn dÉn: NÕu trong hÖ thèng sö dông kü thuËt chuyÓn m¹ch t-¬ng tù vµ kü thuËt truyÒn dÉn t-¬ng tù hoÆc kü thuËt truyÒn dÉn sè hay xen kÏ gi÷a chuyÓn m¹ch sè víi c¸c tuyÕn truyÒn dÉn t-¬ng, sè th× gi÷a chuyÓn m¹ch víi truyÒn dÉn rÊt khã hç trî lÉn nhau, chuyÓn m¹ch nh- nhµ m¸y bªn trong tæng ®µi, cßn truyÒn dÉn nh- nhµ m¸y bªn ngoµi. T¹i giao tiÕp gi÷a truyÒn dÉn vµ chuyÓn m¹ch th-êng ph¶i tiÕn hµnh c¸c phÐp chuyÓn ®æi tÝn hiÖu, ghÐp t¸ch kªnh cho phï hîp víi mçi kü thuËt ë mçi phÝa. VÝ dô : ë ®Çu ra tæng ®µi tíi tuyÕn truyÒn dÉn ph¶i ®iÒu chÕ tÝn hiÖu cho phï hîp víi kü thuËt truyÒn dÉn, ph¶i ghÐp kªnh. Cßn trªn giao diÖn gi÷a tuyÕn truyÒn dÉn víi ®Çu vµo tæng ®µi l¹i ph¶i t¸ch kªnh vµ gi¶i ®iÒu chÕ. §èi víi hÖ thèng sè hoµn toµn (chuyÓn m¹ch sè vµ truyÒn dÉn sè) rÊt nhiÒu c«ng ®o¹n cña truyÒn dÉn ®· ®-îc thùc hiÖn ngay trong c¸c tæng ®µi. TruyÒn dÉn chØ cßn viÖc m· ho¸ vµ gi¶i m· ®-êng truyÒn vµ gi¶i quyÕt c¸c kh©u lÆp. H×nh.2.21 cho ta thÊy sù kh¸c biÖt nµy. H×nh 2.21 cho thÊy, nÕu c¸c trung t©m chuyÓn m¹ch ¸p dông kü thuËt chuyÓn m¹ch t-¬ng tù (ph©n kªnh kh«ng gian cho c¸c tÝn hiÖu liªn tôc hoÆc ph©n kªnh thêi gian cho tÝn hiÖu PAM) th× t¹i giao tiÕp víi truyÒn dÉn dï truyÒn dÉn sè hay truyÒn dÉn t-¬ng tù, bao giê còng yªu cÇu c¸c phÐp biÕn ®æi tÝn hiÖu vµ thùc hiÖn c«ng viÖc t¸ch, ghÐp kªnh. Nh- thÕ chuyÓn m¹ch vµ truyÒn dÉn kh«ng nh÷ng kh«ng hç trî ®-îc cho nhau mµ mçi lÇn chuyÓn ®æi sÏ g©y ra sai lÖch tÝn hiÖu vµ qua nhiÒu lÇn chuyÓn ®æi nh- vËy sÏ t¹o ra t¹p ©m nÒn. ChuyÓn m¹ch sè vµ truyÒn dÉn sè ch¼ng nh÷ng hç trî tèt cho nhau mµ cßn tr¸nh ®-îc sù chuyÓn ®æi nhiÒu lÇn, ë c¸c giao diÖn gi÷a truyÒn dÉn vµ chuyÓn m¹ch chØ cã sù chuyÓn ®æi tõ lo¹i m· nµy sang lo¹i m· kh¸c mµ kh«ng lµm thay ®æi gi¸ trÞ cña tæ hîp m· ®ã, do ®ã kh«ng g©y ra sai lÖch tÝn hiÖu do chuyÓn ®æi. Nãi c¸ch kh¸c, tÝn hiÖu sè kh«ng mang b¶n th©n tÝn hiÖu cÇn truyÒn mµ chØ mang th«ng tin vÒ gi¸ trÞ tÝn hiÖu ®ã, v× vËy c¸c chuyÓn ®æi m· kh«ng lµm thay ®æi gi¸ trÞ tÝn hiÖu.
  • 71.
    3. Lîi thÕvÒ sö dông c¬ së linh kiÖn c«ng nghÖ cao: Kü thuËt vi m¹ch sè vµ xö lý sè tÝn hiÖu ph¸t triÓn rÊt m¹nh ®· cho phÐp chÕ t¹o c¸c linh kiÖn cã ®é tÝch hîp cao, nhiÒu tÝnh n¨ng, dung l-îng lín, tèc ®é cao mµ kÝch th-íc nhá, tiªu thô n¨ng l-îng thÊp vµ gi¸ thµnh h¹. Tõ ®ã t¹o kh¶ n¨ng chÕ t¹o thiÕt bÞ chuyÓn m¹ch kÝch th-íc nhá, kh¶ th«ng cao, ®a n¨ng vµ chÊt l-îng dÞch vô l¹i ®-îc n©ng cao. 4. DÔ phèi hîp gi÷a chuyÓn m¹ch sè vµ ®iÒu khiÓn theo ch-¬ng tr×nh ghi s½n ( Stored Progam Control) : C¸c chuyÓn m¹ch sè ho¹t ®éng víi tèc ®é cao, møc tÝn hiÖu ®iÒu khiÓn phï hîp víi møc logÝc TTL, CMOS nªn rÊt dÔ phèi ghÐp víi c¸c hÖ thèng vi xö lý. §iÒu khiÓn theo ch-¬ng tr×nh ghi s½n ph¸t huy hiÖu qu¶ tÝnh n¨ng cña chuyÓn m¹ch sè vµ lµm giµu c¸c dÞch vô cho thuª bao. 5. Lîi thÕ vÒ chÊt l-îng phôc vô vµ c¸c dÞch vô n©ng cao : ChuyÓn m¹ch sè cã kh¶ th«ng cao cho phÐp x©y dùng m¹ng chuyÓn m¹ch kh«ng tæn thÊt (non- A A A A At dt dt dt Bé ghÐp , t¸ch kªnh Bé chuyÓn ®æi AD §-êng truyÒn t-¬ng tù §-êng truyÒn sè a) ChuyÓn m¹ch t-¬ng tù truyÒn dÉn t-¬ng tù hoÆc sè. dt dt dt dt dt d d d d b) ChuyÓn m¹ch sè vµ truyÒn dÉn sè H×nh 2.21 KÕt hîp gi÷a kü thuËt chuyÓn m¹ch sè vµ kü thuËt truyÒn dÉn sè
  • 72.
    blocked). TruyÒn dÉnsè sö dông c¸c ®-êng truyÒn tèc ®é cao, chÊt l-îng tèt nh- c¸p quang, vi ba sè, do ®ã c¸c cuéc gäi Ýt bÞ nghÏn m¹ch c¶ trong c¸c tæng ®µi, c¶ trªn c¸c tuyÕn truyÒn dÉn. KÕt hîp víi ®iÒu khiÓn theo ch-¬ng tr×nh ghi s½n SPC vµ b¸o hiÖu kªnh chung lµm cho chÊt l-îng phôc vô (QoS-Quality of service) ®-îc n©ng cao thÓ hiÖn ë tèc ®é xö lý cuéc gäi nhanh, chän tuyÕn tèi -u ®èi víi c¸c cuéc gäi ®-êng dµi, tr¸nh t¾c nghÏn trªn m¹ng ngoµi, t¨ng thªm c¸c dÞch vô n©ng cao cho thuª bao. C¸c dÞch vô thuª bao n©ng cao bao gåm: §a d¹ng ho¸ dÞch vô, ngoµi dÞch vô tho¹i truyÒn thèng cßn cho phÐp sö dông c¸c dÞch vô kh¸c nh- hép th- thoaÞ, th- ®iÖn tö, Fax, truyÒn sè liÖu, c¸c h×nh thøc chuyÓn cuéc gäi, göi gäi, nhËn thay cuéc gäi, gäi qu¶ng b¸, tÝnh c-íc t¹i nhµ, thay ®æi sè thuª bao mÒm, h¹n chÕ gäi d-êng dµi, truy cËp trùc tiÕp... 6. Lîi thÕ vÒ tæ chøc b¸o hiÖu : B¸o hiÖu ¶nh h-ëng rÊt lín tíi dÞch vô. b¸o hiÖu mÒm dÎo, linh ho¹t, dÔ tæ chøc th× dÞch vô còng phong phó, ®a d¹ng. Trong c¸c hÖ thèng t-¬ng tù ®Ó ®-a thªm mét dÞch vô míi vµo m¹ng th-êng gÆp rÊt nhiÒu trë ng¹i do khã thªm hoÆc thay ®æi b¸o hiÖu ®i kÌm víi dÞch vô ®ã. Trong hÖ thèng sè viÖc thªm hay thay ®æi mét ®¬n vÞ b¸o hiÖu dÔ dµng h¬n nhiÒu. Ngoµi ra cßn cã rÊt nhiÒu lîi thÕ kh¸c cho phÐp hÖ thèng sè nhah chãng ®-îc chÊp nhËn. 2.4.2 Kh¸i qu¸t vÒ c«ng nghÖ PCM, chøc n¨ng cña CODEC C«ng nghÖ PCM (Pulse Code Modulation) cã thÓ hiÓu lµ c«ng nghÖ sè ho¸ tÝn hiÖu trªn c¬ së kªnh tho¹i c¬ b¶n gåm c¸c b-íc läc th«ng thÊp, lÊy mÉu, nÐn-l-îng tö ho¸, m· ho¸ theo h-íng m· ho¸ vµ c¸c b-íc gi¶i m·, gi·n, läc t¹o l¹i ®-êng bao theo h-íng gi¶i m· . TuyÕn th«ng tin sè trªn c¬ së c«ng nghÖ PCM cã thÓ m« t¶ theo m« h×nh trªn h×nh 2.22 Läc LÊy mÉu M· ho¸ NÐn- L-îng tö §-êng truyÒn Gi¶i m· Gi·n Läc M· ho¸ Gi¶i m· H×nh 2.22 : M« h×nh c«ng nghÖ PCM theo h-íng m· ho¸ vµ gi¶i m· tÝn hiÖu
  • 73.
    Theo h-íng m·ho¸, ®Çu tiªn c¸c tÝn hiÖu ®-îc ®-a qua bé läc th«ng thÊp ®Ó g¹t bá c¸c thµnh phÇn tÝn hiÖu n»m ngoµi d¶i tÇn kªnh tho¹i c¬ b¶n (300-3400 Hz), sau ®ã tÝn hiÖu ®-îc rêi r¹c ho¸ bëi bé lÊy mÉu. TÇn sè lÊy mÉu ®-îc qui ®Þnh lµ 8KHz. Sau ®ã c¸c xung ®iÒu biªn sÏ ®-îc nÐn vÒ biªn ®é vµ ®-îc l-îng tö ho¸ (t¹o thµnh kh©u l-îng tö phi tuyÕn), nghÜa lµ ®-îc so s¸nh víi c¸c møc l-îng tö ®Ó chän ra møc gÇn ®óng cho mçi xung PAM. C¶ hai luËt l-îng tö A vµ  ®Òu cã 256 møc l-îng tö vµ ®Òu lµ phi tuyÕn, nghÜa lµ c¸c møc ë vïng biªn ®é lín sÏ c¸ch xa nhau h¬n so víi ë vïng biªn ®é nhá sao cho tØ sè gi÷a sai sè l-îng tö víi biªn ®é tÝn hiÖu lµ t-¬ng ®èi ®ång ®Òu cho toµn bé d¶i réng cña tÝn hiÖu. Sau khi l-îng tö mçi xung PAM sÏ nhËn mét møc l-îng tö gÇn ®óng víi biªn ®é cña nã vµ bé m· ho¸ sÏ thÓ hiÖn nã b»ng mét tæ hîp m· 8 bÝt (mét bÝt dÊu, 3 bÝt ®o¹n, 4 bÝt møc trong ®o¹n). Nh- vËy mçi xung PAM sÏ t-¬ng øng víi mét tæ hîp m· 8 bÝt vµ do tÝn hiÖu gèc ®-îc lÊy mÉu víi tÇn sè 8KHz nªn tèc ®é cña kªnh tho¹i sè c¬ b¶n lµ 64 kbÝt/s ( 64Kbps). Theo h-íng gi¶i m·, tÝn hiÖu PCM sau khi qua ®-êng truyÒn, chuyÓn m¹ch tr-íc khi ®-a ®Õn ng-êi nhËn ph¶i qua kh©u gi¶i m·. §Çu tiªn, tÝn hiÖu PCM nhËn ®-îc ph¶i ®-îc chuyÓn ®æi trë l¹i møc l-îng tö cho mçi tæ hîp 8 bÝt nhê bé gi¶i m·, sau ®ã qua bé gi·n ®Ó nhËn ®-îc biªn ®é xung PAM vµ qua bé läc ®Ó t¹o l¹i ®-êng bao vµ bï n¨ng l-îng rêi r¹c ho¸ t¹o thµnh tÝn hiÖu liªn tôc cã ®ñ n¨ng l-îng gÇn gièng tÝn hiÖu gèc. C¸c vi m¹ch thùc hiÖn chøc n¨ng m· ho¸, gi¶i m· PCM ®-îc gäi b»ng tªn chung PCM CODEC. Chóng th-êng cã c¸c ch©n chøc n¨ng sau : Ain Aout PD A/ Dout TXCLK TXSYN Din RXCLK RXSYN GND V+ V- H×nh 2.23 : C¸c ch©n chøc n¨ng cña vi m¹ch CODEC. C¸c tÝn hiÖu ®Þnh thêi
  • 74.
    * Ain :§Çu vµo bé m· ho¸ ®Ó ®-a tÝn hiÖu t-¬ng tù vµo. *Aout : §Çu ra bé gi¶i m· ®Ó lÊy tÝn hiÖu t-¬ng tù *Din : §Çu vµo bé gi¶i m· ®Ó ®-a tÝn hiÖu sè vµo *Dout : §Çu ra bé m· ho¸ ®Ó ®-a tÝn hiÖu sè ra *Txsyn : §ång bé khe thêi gian ph¸t, më ®Çu ra Dout. *TXCLK : TÝn hiÖu nhÞp ®ång bé tèc ®é bÝt ra trªn ®Çu Dout. *Rxsyn : §ång bé khe thêi gian thu, më ®Çu vµo Din *RXCKK : TÝn hiÖu nhÞp ®ång bé tèc ®é bÝt vµo trªn ®Çu Din *V+ vµ V- , GND c¸c ch©n cÊp nguån *PD : Ch©n ®iÒu khiÓn nguån *A/: Ch©n chän luËt nÐn. Ngoµi ra cßn mét vµi ch©n cho c¸c linh kiÖn ngoµi cña bé läc. C¸c vi m¹ch nµy th-êng ®-îc dïng trong c¸c m¹ch ®iÖn giao tiÕp ®-êng d©y thuª bao SLIC cña c¸c tæng ®µi chuyÓn m¹ch sè, trong thiÕt bÞ ®Çu cuèi sè hoÆc trong c¸c bé thu ph¸t b¸o hiÖu. Ch©n TxSyn vµ TXCLK ®iÒu khiÓn viÖc ®-a tõ m· PCM ra ®Çu Dout, tÝn hiÖu TxSyn më ®Çu Dout trong kho¶ng thêi gian dµnh cho mçi CODEC (nghÜa lµ t¹o ra khe thêi gian ®-a tõ m· PCM ra ®Çu ra Dout), cßn ®Çu TXCLK t¹o nhÞp ®-a c¸c bÝt cña tõ m· ra ®Çu Dout. Nh- vËy dïng c¸c ch©n TxSyn vµ TXCLK ®Ó ®iÒu khiÓn viÖc ghÐp c¸c PCM tõ c¸c CODEC kh¸c nhau ra ®-êng truyÒn chung. Ng-îc l¹i tõ ®-êng truyÒn chung c¸c tõ m· PCM ®-îc t¸ch tíi tõng CODEC b»ng c¸c ch©n RxSyn vµ RXCLK. H×nh 2.24 chØ ra viÖc ghÐp vµ t¸ch c¸c tõ m· PCM víi ®-êng truyÒn chung. Th«ng th-êng mçi CODEC ®-îc dïng ®Ó m· ho¸ vµ gi¶i m· cho mét nguån/ ®Ých nµo ®ã (m¹ch ®Çu cuèi). C¸c CODEC ®-îc tæ chøc theo nhãm. C¸c ®Çu ra Dout cña chóng ®-îc nèi víi nhau vµ víi ®-êng PCMup viÖc ghÐp c¸c tõ m· tõ c¸c CODEC ®Ó t¹o thµnh chuçi tÝn hiÖu trªn tuyÕn PCMup ®a kªnh ®-îc ®iÒu khiÓn bëi bé ph©n phèi nhÞp ph¸t (ph©n phèi c¸c khe thêi gian TxSyn) cho mçi CODEC. Chuçi tÝn hiÖu tõ ®-êng PCMdown ®-îc ®-a tíi tÊt c¶ c¸c CODEC, nh-ng mçi CODEC chØ më ®Çu Din ®Ó t¸ch lÊy tõ m· trªn kªnh dµnh cho nã khi tÝn hiÖu Rxsyn tõ bé ph©n phèi nhÞp thu më CODEC ®ã t¹i khe thêi gian t-¬ng øng. Sù më lÇn l-ît tõng CODEC theo c¸c khe thêi gian t¹o ra sù ghÐp vµ t¸ch kªnh theo thêi gian ®èi víi tÝn hiÖu PCM.
  • 75.
    2.4.3 TuyÕn PCMc¬ së vµ tæ chøc c¸c tuyÕn bËc cao trong c¸c tæng ®µi sè Tõ c¸c kªnh tho¹i c¬ b¶n 64 Kbps thùc hiÖn ghÐp ®a kªnh theo thêi gian nh- m« t¶ ë môc trªn ®Ó ®-îc tuyÕn PCM c¬ së. Cã 2 hÖ thèng PCM c¬ së ®-îc Héi ®ång t- vÊn vÒ ®iÖn tho¹i, ®iÖn b¸o quèc tÕ CCITT khuyÕn nghÞ sö dông: - E1 : 30 ch/32TS tèc ®é 2048 Kbps (32 x 8b x 8KHz = 2048 Kbps) - T1 : 24ch tèc ®é 1544 Kbps (24 x 8 + 1) x 8Khz = 1544 Kbps Sau ®ã dïng c¸c bé ghÐp kªnh sè MUX (Multiplexer) ghÐp c¸c tuyÕn c¬ së ®Ó ®-îc c¸c tuyÕn cÊp 2, sau ®ã tõ cÊp 2 sang cÊp 3 .... Ng-îc l¹i tõ c¸c tuyÕn PCM cÊp cao xuèng cÊp thÊp h¬n ng-êi ta sö dông t¸ch c¸c kªnh sè DEMUX (Demultiplexer). DÔ dµng nhËn thÊy r»ng, theo c¸ch ghÐp vµ t¸ch kªnh dïng c¸c tÝn hiÖu nhÞp TxSyn vµ RxSyn th× mçi m¹ch ®iÖn CODEC t-¬ng øng víi mét khe thêi gian TS (Time slot) trªn tuyÕn PCMup vµ mét khe thêi gian trªn tuyÕn PCMdown. Hay nãi  Ain Aout Dout Din  Ain Aout Dout Din  Ain Aout Dout Din Bé ph©n phèi nhÞp ®Þnh thêi TS1 TS2 TSN Thuª baoN Thuª bao2 Thuª bao1 PCMUP PCMDOWN §i vµo m¹ng chuyÓn m¹ch Tõ m¹ng chuyÓn m¹ch ®i ra H×nh 2.24 Nguyªn lý ghÐp/t¸ch ®a kªnh t¹i giao tiÕp ®Çu cuèi
  • 76.
    c¸ch kh¸c, mçim¹ch ®Çu cuèi t-¬ng øng víi mét kªnh trªn tuyÕn PCMup vµ mét kªnh trªn tuyÕn PCMdown cña nhãm ®ã. NghÜa lµ tuyÕn PCM ®-îc chia thµnh c¸c kªnh t-¬ng øng c¸c khe thêi gian (Time Division) PCM-TDM (Pulse Code Modulation and Time Division Multiplexing). C¸c khe thêi gian nhÞp l¹i ®-îc g¸n cho tõng m¹ch codec theo h-íng ph¸t (up) vµ theo h-íng thu (Down). Nh- thÕ mçi m¹ch CODEC t-¬ng øng víi mçi cÆp kªnh ph¸t vµ kªnh thu. Thø tù kªnh ph¸t vµ kªnh thu cã thÓ kh¸c nhau tuú thuéc vµo c¸c tÝn hiÖu TxSyn vµ RxSyn. NÕu TxSyn vµ RxSyn ë c¸c nhÞp kh¸c nhau th× codec sÏ ph¸t ë mét khe vµ thu ë mét khe thêi gian kh¸c. VÝ dô : TxSyn  N5 vµ RxSyn  N19 th× codec sÏ ph¸t ë khe TS5 vµ thu ë TS19 (TS : Time Slot - khe thêi gian). Trong thùc tÕ TxSyn vµ RxSyn th-êng cïng nhÞp nªn CODEC sÏ ph¸t vµ thu trong cïng khe thêi gian. Mçi CODEC khi ®ã t-¬ng øng víi chØ mét khe hay mét kªnh. NÕu CODEC ®-îc bè trÝ ë m¹ch ®iÖn thuª bao (Slic : Subscribers Line Interface Circuit) th× mçi m¹ch thuª bao khi ®ã sÏ t-¬ng øng víi mét CODEC, mét khe thêi gian, mét kªnh trªn tuyÕn PCM cña cÊp ghÐp ban ®Çu (Primary PCM). C¸c tuyÕn PCM bËc cao th-êng ®-îc ghÐp tõ c¸c tuyÕn PCM cÊp thÊp h¬n theo nguyªn t¾c ghÐp tõ. NghÜa lµ ghÐp tõ m· PCM cña kªnh thø i cña tuyÕn nµy, sau ®ã tíi tõ m· PCM cña kªnh thø i cña tuyÕn tiÕp theo ... Sau khi ghÐp hÕt c¸c kªnh thø i cña c¸c tuyÕn míi ghÐp tiÕp ®Õn c¸c kªnh thø i +1 cña c¸c tuyÕn còng theo thø tù trªn. Nh- vËy sÏ cã sù t-¬ng øng gi÷a m¹ch ®iÖn thuª bao víi kªnh trªn tuyÕn PCM tõ cÊp thÊp tíi cÊp cao. 2.4.4 Kh¸i niÖm chuyÓn m¹ch PCM Tõ h×nh 2.24 ®· m« t¶ nguyªn lý ph©n kªnh thêi gian. Bé ph©n phèi nhÞp (bé ®Þnh thêi) sÏ ®-a c¸c tÝn hiÖu ®Þnh thêi ph¸t vµ ®Þnh thêi thu tíi lÇn l-ît c¸c m¹ch CODEC. Gi¶ sö mçi CODEC sö dông trong mét m¹ch ®iÖn thuª bao, nhÞp ®Þnh thêi ph¸t vµ ®Þnh thêi thu cña mçi CODEC lµ cïng khe thêi gian th× trong mçi chu kú, cø tíi khe thêi gian t-¬ng øng víi thuª bao ®ã th× CODEC cña nã l¹i ®-îc cÊp TxSyn vµ RxSyn ®Ó ph¸t mét tæ hîp m· lªn tuyÕn PCMup trong khe thêi gian kªnh dµnh cho thuª bao ®ã, cßn tõ ®-êng PCMdown tæ hîp m· trong khe thêi gian kªnh nµy còng ®-îc t¸ch bëi m¹ch thu trong CODEC cña thuª bao ®ã. C¸c khe thêi gian kh¸c lÇn l-ît ®-îc dïng cho CODEC cña c¸c thuª bao kh¸c trong nhãm. Cho tíi khe thêi gian dµnh cho thuª bao nµy ë chu kú tiÕp theo th× CODEC cña nã l¹i ®-îc më ®Ó ph¸t vµ thu tæ hîp m· PCM trªn c¸c ®-êng PCMup, PCMdown nh- h×nh 2.25 C¸c qu¸ tr×nh trªn ®-îc lÆp l¹i sau mçi chu kú 125 s.
  • 77.
    Nh- vËy mçithuª bao sÏ ph¸t lÇn l-ît c¸c tæ hîp m· PCM cña m×nh vµo mét khe thêi gian cè ®Þnh dµnh cho thuª bao ®ã trong lÇn l-ît c¸c chu kú 125s lªn tuyÕn PCMup cña nhãm thuª bao ®ã. Thuª bao nµy còng sÏ lÇn l-ît nhËn ®-îc c¸c tæ hîp m· PCM t¹i khe thêi gian dµnh cho nã còng trong tõng chu kú 125s. Tõ ph©n tÝch trªn ta thÊy ®Ó thuª bao A vµ thuª bao B cã thÓ trao ®æi th«ng tin víi nhau th«ng qua tr-êng chuyÓn m¹ch sè cña tæng ®µi th× tr-êng chuyÓn m¹ch ®ã ph¶i cã kh¶ n¨ng thùc hiÖn c¸c yªu cÇu chuyÓn m¹ch, nh- chØ ra trªn h×nh 2.26, sao cho tõ m· PCM ®-îc ph¸t trªn kªnh øng víi khe thêi gian ph¸t cña TBA trªn tuyÕn PCMup dµnh cho nhãm TBA ®-îc chuyÓn tíi kªnh øng víi khe thêi gian thu cña TBB trªn tuyÕn PCMdown dµnh cho nhãm cña TBB. §ã lµ h-íng truyÒn th«ng tin tõ TBA sang TBB. TSn TSi+1TSi TSn TSi+1TSi TSn TSi+1TSi TSn TSi+1TSi SLIC n SLIC i+1 SLIC i PCMup PCMdown H×nh 2.25 : Nguyªn lý ph©n kªnh thêi gian. T = 125s T = 125s H×nh 2.26 Minh ho¹ chøc n¨ng cña tr-êng chuyÓn m¹ch sè PCMup1 ts0 a ts1 ts2 ts7 tsF-1 ts0 a ts1 ts2 PCMup2 ts0 c ts1 ts2 b ts7 tsF-1 ts0 c ts1 ts2 PCMupn ts0 ts1 d ts2 ts7 tsF-1 ts0 ts1 d ts2 PCMdown1 ts0 b ts1 ts2 ts7 tsF-1 ts0 b ts1 ts2 PCMdown2 ts0 d ts1 ts2 a ts7 tsF-1 ts0 d ts1 ts2 PCMdownn ts0 ts1 c ts2 ts7 tsF-1 ts0 ts1 c ts2 Tr-êng chuyÓn m¹ch sè
  • 78.
    H-íng ng-îc l¹itõ TBB. sang TBA: Tõ m· PCM ®-îc ph¸t trªn kªnh øng víi khe thêi gian dµnh cho TBB. trªn tuyÕn PCMup dµnh cho nhãm cã TBB sÏ ®-îc chuyÓn tíi kªnh øng víi khe thêi gian thu cña TBA trªn tuyÕn PCMdown dµnh cho nhãm cã TBA. C¸c thao t¸c chuyÓn m¹ch nµy ®-îc thùc hiÖn lÇn l-ît trong c¸c khe thêi gian TSA , TSB vµ sÏ lÇn l-ît ®-îc lÆp l¹i ë mçi chu kú sau. Nh- thÕ th«ng tin ®i qua tr-êng chuyÓn m¹ch PCM sÏ bÞ gi÷ chËm tõ khe thêi gian dµnh cho thuª bao A ®Õn khe thêi gian dµnh cho thuª bao B theo h-íng tõ A sang B. Cßn theo h-íng ng-îc l¹i sÏ bÞ gi÷ chËm tõ khe TSB ®Õn khe TSA . Thêi gian gi÷ chËm cho chuyÓn m¹ch ®èi ngÉu nµy sÏ lµ 125s. Nh- vËy, vÒ tæng thÓ, mçi yªu cÇu chuyÓn m¹ch cã thÓ bao gåm mét hoÆc mét vµi thao t¸c chuyÓn m¹ch, trong ®ã bao gåm Ýt nhÊt mét thao t¸c chuyÓn m¹ch vÒ thêi gian vµ cã thÓ cã thao t¸c chuyÓn m¹ch vÒ kh«ng gian. Thao t¸c chuyÓn m¹ch vÒ thêi gian lµ l-u gi÷ tæ hîp m· PCM tõ khe thêi gian øng víi thuª bao ph¸t nã tíi khe thêi gian øng víi thuª bao nhËn nã, nghÜa lµ ghi nã vµo mét bé nhí nµo ®ã t¹i khe thêi gian øng víi thuª bao ph¸t nã vµ ®äc nã ra t¹i khe thêi gian øng víi thuª bao nhËn nã. Thao t¸c chuyÓn m¹ch kh«ng gian lµ chuyÓn tõ m· PCM tõ tuyÕn nµy sang tuyÕn kh¸c. Do c¸c thuª bao cã thÓ ®-îc chia thµnh nhãm, mçi nhãm øng víi mét tuyÕn PCM theo h-íng ph¸t (PCMup) vµ mét tuyÕn PCM theo h-íng thu (PCMdown), do ®ã ®Ó chuyÓn th«ng tin tõ tuyÕn ph¸t nµo ®ã tíi mét trong c¸c tuyÕn thu th× cÇn cã c¸c thao t¸c chuyÓn m¹ch kh«ng gian. Tr-êng hîp nÕu c¸c thuª bao vµ c¸c thiÕt bÞ ®Çu cuèi kh¸c chØ t¹o thµnh mét nhãm duy nhÊt th× chØ cÇn thao t¸c chuyÓn m¹ch thêi gian nh- chØ ra trªn h×nh 2.27. PCMup ts0 ts1 d ts2 c ts7 tsF-1 ts0 ts1 d ts2 PCMdown ts0 ts1 c ts2 d ts7 tsF-1 ts0 ts1 c ts2 Tr-êng chuyÓn m¹ch sè H×nh 2.27 : Tr-êng chuyÓn m¹ch sè mét nhãm.
  • 79.
    §Ó thÊy râchøc n¨ng cña tr-êng chuyÓn m¹ch sè ta chØ cÇn so s¸nh c¸c tuyÕn PCMup víi c¸c tuyÕn PCMdown (xem h×nh 2.26). Ta thÊy tõ m· A trªn ®Çu vµo nã ®-îc bè trÝ ë khe TS1 cña tuyÕn PCMup1 cßn trªn ®Çu ra nã ®-îc chuyÓn ®Õn TS7 cña tuyÕn PCMdown2. Nh- vËy, ë ®©y cã c¶ sù thay ®æi vÒ kh«ng gian (tõ PCMup1 PCMdown2) vµ c¶ vÒ thêi gian ( tõ khe thêi gian TS1 sang TS7). Nh- vËy, yªu cÇu chuyÓn m¹ch ®èi víi tõ m· A lµ: Ch1PCM1Ch7PCM2. Cßn ®èi víi tõ m· B th× ng-îc l¹i: Ch7PCM2 Ch1PCM1 Cßn trong tr-êng hîp trªn h×nh 2.27 th× yªu cÇu chuyÓn m¹ch còng chÝnh lµ theo t¸c chuyÓn m¹ch (yªu cÇu chØ gåm mét thao t¸c chuyÓn m¹ch vÒ thêi gian) VÝ dô, ®èi víi tõ m· C lµ Ch7  Ch2, cßn víi tõ m· D yªu cÇu ®ã lµ Ch2  Ch7. C¸c cÆp yªu cÇu chuyÓn m¹ch ®· ®Ò cËp trªn ®©y lµ nh÷ng yªu cÇu chuyÓn m¹ch ®èi ngÉu (hai h-íng ng-îc nhau). Còng cã thÓ cã nh÷ng yªu cÇu chuyÓn m¹ch ®¬n h-íng. Qua ®ã ta thÊy chøc n¨ng cña tr-êng chuyÓn m¹ch sè lµ chuyÓn th«ng tin d-íi d¹ng c¸c tõ m· PCM tõ khe thêi gian nguån tíi khe thêi gian ®Ých vµ tõ tuyÕn PCM nguån tíi tuyÕn PCM ®Ých theo chu kú. Mçi yªu cÇu chuyÓn m¹ch sÏ cã sè thao t¸c tuú thuéc vµo cÊu tróc cña tr-êng chuyÓn m¹ch: 1 thao t¸c qua cÊu tróc T; 2 thao t¸c qua c¸c cÊu tróc TS hoÆc ST; 3 thao t¸c qua c¸c cÊu tróc TST hoÆc STS ... ( cô thÓ sÏ xem xÐt sau) . Khi thùc hiÖn mçi yªu cÇu chuyÓn m¹ch th× c¸c thao t¸c cho mçi yªu cÇu ®ã sÏ cã chu kú lÆp lµ 125 s ®Õn khi kÕt thóc c¸c yªu cÇu ®ã. C«ng cô thùc hiÖn thao t¸c chuyÓn m¹ch ®ã lµ c¸c bé chuyÓn m¹ch thêi gian (T-sw : Time Switch) hoÆc c¸c bé chuyÓn m¹ch kh«ng gian (S-sw Space Switch) mµ chóng ta sÏ ®Ò cËp d-íi ®©y trong c¸c môc 2.5 vµ 2. 6 cña ch-¬ng nµy.
  • 80.
    2.5 C¸c béchuyÓn m¹nh thêi gian sè c¬ b¶n 2.5.1 Kh¸i qu¸t vÒ chøc n¨ng cña c¸c bé chuyÓn m¹ch thêi gian sè Trong phÇn chuyÓn m¹ch PAM cã sö dông trung kÕ ©m tÇn chóng ta ®· xem xÐt mét d¹ng chuyÓn m¹ch thêi gian. Chøc n¨ng cña bé chuyÓn m¹ch kiÓu ®ã lµ th«ng tin cÇn chuyÓn m¹ch ®-îc nhí tõ khe thêi gian ph¸t (kªnh nguån) tíi khe thêi gian thu (kªnh ®Ých). Tuy nhiªn, ®ã lµ bé chuyÓn m¹ch thêi gian ®èi víi tÝn hiÖu t-¬ng tù, nªn mçi bé chuyÓn m¹ch ®ã (bé trung kÕ ©m tÇn) chØ cã kh¶ n¨ng phôc vô cho mét cuéc gäi ®ång thêi t¹i mçi thêi ®iÓm. Nguyªn t¾c chuyÓn m¹ch nµy còng ®-îc ¸p dông ®èi víi c¸c chuyÓn m¹ch thêi gian sè, nghÜa lµ th«ng tin cÇn chuyÓn m¹ch còng sÏ ®-îc nhí trong mét bé nhí tõ khe thêi gian ph¸t vµ tíi khe thêi gian thu nã sÏ ®-îc ®äc ra tõ bé nhí ®ã vµ còng t¹o ra kho¶ng thêi gian trÔ. Tuy nhiªn, trong tr-êng hîp nµy sö dông bé nhí tÝn hiÖu sè nªn kh¶ n¨ng chuyÓn m¹ch cña nã cao h¬n nhiÒu so víi bé nhí tÝn hiÖu PAM. Chøc n¨ng cña c¸c bé chuyÓn m¹ch thêi gian sè ®-îc m« t¶ trªn h×nh 2.28a vµ b. PCMin Bé chuyÓn m¹ch thêi gian sè a. TÝnh n¨ng cña bé chuyÓn m¹ch thêi gian sè. b. TrÔ qua chuyÓn m¹ch thêi gian sè. H×nh 2.28 TÝnh n¨ng cña bé chuyÓn m¹ch thêi gian sè sù gi÷ chËm tÝn hiÖu. ts0 ts1 ts2 tsi tsF-1 ts0 ts1 ts2 TFrame=125s tsj ts0 ts1 ts2 tsi tsF-1 ts0 ts1 ts2 TFrame=125s tsj PCMout Ch0 Ch1 Ch2 Chi ChF-1 Ch0 Ch1 Ch2 Chj Ch0 Ch1 Ch2 Chi ChF-1 Ch0 Ch1 Ch2 Chj PCMin ts0 ts1 ts2 tsi tsF-1 ts0 ts1 ts2 tsj Ch0 Ch1 Ch2 Chi ChF-1 Ch0 Ch1 Ch2 Chj ts0 ts1 ts2 tsi tsF-1 ts0 ts1 ts2 tsj PCMout Ch0 Ch1 Ch2 Chi ChF-1 Ch0 Ch1 Ch2 Chj TFrame=125s
  • 81.
    H×nh 2.28 thÓhiÖn nguyªn lý chuyÓn m¹ch thêi gian sè. C¸c tõ m· PCM cña c¸c kªnh (Channel-kªnh) ®-îc s¾p xÕp kÕ tiÕp nhau trong c¸c khe thêi gian t-¬ng øng (TS-Time slot khe thêi gian) trªn tuyÕn PCMin trªn ®Çu vµo, ®-îc ®-a vµo bé nhí cña chuyÓn m¹ch T vµ ®-îc nhí trong c¸c ng¨n nhí cña bé nhí nµy. C¸c tõ m· ®· ®-îc ghi trong bé nhí ®ã sau ®ã sÏ ®-îc ®äc ra t¹i c¸c khe thêi gian cÇn thiÕt ®Ó ®-a ra c¸c kªnh trªn tuyÕn PCMout trªn ®Çu ra. -ViÖc ghi c¸c tõ m· PCM cña c¸c kªnh tõ tuyÕn PCMin vµo bé nhí cña bé chuyÓn m¹ch vµ viÖc ®äc chóng ra tõ bé nhí ®ã ®Ó chuyÓn lªn c¸c kªnh trªn tuyÕn PCMout ph¶i ®-îc thùc hiÖn theo c¸c yªu cÇu chuyÓn m¹ch cña c¸c kªnh t-¬ng øng. NghÜa lµ ®Ó thùc hiÖn yªu cÇu chuyÓn m¹ch Chi Chj th× tõ m· PCM tõ tuyÕn PCMin ®-îc ghi vµo t¹i TSi ph¶i ®-îc ®äc ra t¹i TSj ®Ó ®-a ra tuyÕn PCMout. - Mçi tõ m· PCM tõ tuyÕn PCMin sÏ ®-îc nhí trong mçi ng¨n nhí riªng cña bé chuyÓn m¹ch nªn mét bé chuyÓn m¹ch cã kh¶ n¨ng phôc vô ®ång thêi nhiÒu yªu cÇu chuyÓn m¹ch qua nã theo nguyªn t¾c ph©n khe thêi gian. - Thêi gian tõ m· PCM ®-îc nhí trong ng¨n nhí cña bé chuyÓn m¹ch (hay lµ thêi gian gi÷ chËm th«ng tin qua bé chuyÓn m¹ch thêi gian sè hoÆc cßn gäi lµ thêi gian trÔ) phô thuéc vµo vÞ trÝ gi÷a kªnh nguån vµ kªnh ®Ých.VÝ dô: §èi víi thao t¸c chuyÓn m¹ch ChiChj th× thêi gian gi÷ chËm ®-îc x¸c ®Þnh theo biÓu thøc sau : tÝnh theo s vµ 125/ F chÝnh lµ ®é réng mét khe thêi gian. tM b»ng sè nguyªn lÇn c¸c khe thêi gian vµ cã thÓ nhËn c¸c gi¸ trÞ trong kho¶ng (0125s) Nh- vËy bé chuyÓn m¹ch thêi gian sè vÒ c¬ b¶n lµ bé nhí logic dïng ®Ó nhí c¸c tõ m· PCM cã nguyªn t¾c ghi, ®äc c¸c tõ m· ®ã nh- thÕ nµo ®ã ®Ó thùc hiÖn ®-îc c¸c thao t¸c chuyÓn m¹ch qua nã. Trong c¸c môc tiÕp theo chóng ta sÏ xem xÐt cÊu t¹o vµ nguyªn lý ho¹t ®éng cña tõng chuyÓn m¹ch ®ã. 2.5.2 Bé chuyÓn m¹ch thêi gian sè kiÓu ghi tuÇn tù-®äc ngÉu nhiªn Bé chuyÓn m¹ch thêi gian sè lo¹i nµy lµm viÖc theo nguyªn t¾c ghi th«ng tin tõ c¸c kªnh ®Çu vµo mét c¸ch tuÇn tù vµ ®äc chóng ®Ó ®-a ra c¸c kªnh ®Çu ra mét c¸ch ngÉu nhiªn (Time Switch Sequenctial Write Random Read ký hiÖu T-SWRR).              j i F F 125 i j F 125 t M nÕu j > i nÕu j < i (2.5)
  • 82.
    §Ó ®¬n gi¶nta gäi bé chuyÓn m¹ch thêi gian sè lo¹i nµy lµ bé chuyÓn m¹ch thêi gian ghi tuÇn tù, ®äc nhÉu nhiªn. CÊu t¹o cña nã ®-îc tr×nh bµy trªn h×nh 2.29 C¸c ký hiÖu trªn h×nh nµy gåm : - T- MEM : Time Memory - Bé nhí thêi gian ( Bé nhí tho¹i) - C- MEM : Control Memory - Bé nhí ®iÒu khiÓn (Bé nhí ®Þa chØ) - TS - Time Slot : Khe thêi gian - TS - Counter : Bé ®Õm thêi gian - Selector : Bé chän - add : address bus : Bus ®Þa chØ -R/w : Read/write : ®äc / viÕt. H×nh 2.29 thÓ hiÖn s¬ ®å khèi chøc n¨ng cña bé chuyÓn m¹ch thêi gian kiÓu ghi tuÇn tù ®äc ngÉu nhiªn. Nã gåm hai bé nhí : T-MEM lµ bé nhí ®Ó nhí c¸c tõ m· PCM, C-MEM lµ bé nhí ®Þa chØ ®Ó ®iÒu khiÓn viÖc ®äc c¸c ng¨n nhí T-MEM (C-MEM cßn ®-îc gäi lµ Bé nhí ®iÒu khiÓn). C¶ hai bé nhí C-MEM vµ T-MEM ®Òu cã sè ng¨n nhí lµ F b»ng víi sè kªnh trªn tuyÕn PCM (F cã thÓ lµ 32, 64, 128, 256, 512 hoÆc 1028) sè bÝt trong mçi ng¨n nhí cña T-MEM b»ng sè bÝt cña tõ m· PCM (8 bÝt), sè bÝt cña mçi ng¨n nhí cña C-MEM bao gåm P bÝt ®Þa chØ ng¨n nhí T-MEM cÇn ®äc vµ 1 bÝt chØ thÞ bËn rçi ( bÝt B). p = log2 F = ldF Bus ®Þa chØ (add) cña c¶ T-MEM vµ C-MEM ®Òu lµ p bÝt. Ngoµi c¸c bé nhí T-MEM vµ C-MEM bé chuyÓn m¹ch T-SWRR cßn cã c¸c khèi chøc n¨ng logic kh¸c, ®ã lµ bé ®Õm khe thêi gian TS Counter dïng ®Ó t¹o ra tÝn hiÖu ®Þnh thêi ®ång bé c¸c c«ng viÖc tuÇn tù theo c¸c khe thêi gian t-¬ng øng víi viÖc ®-a sè liÖu tõ tuyÕn ®Çu vµo vµo bé nhí T-MEM vµ ®äc sè liÖu tõ bé nhí T-MEM ®Ó chÌn vµo c¸c kªnh ®Çu ra. Xem xÐt nguyªn lý ho¹t ®éng cña bé chuyÓn m¹ch T-SWRR : Tr-íc tiªn lµ viÖc ghi th«ng tin tõ tuyÕn PCMin vµo c¸c ng¨n nhí cña T-MEM. Qu¸ tr×nh nµy ®-îc thùc hiÖn theo tr×nh tù rÊt ®¬n gi¶n: T¹i khe TS0, tõ m· PCM cña kªnh Ch0 xuÊt hiÖn trªn ®Çu vµo cña T-MEM. Bé ®Õm khe thêi gian TS-Counter cung cÊp ®Þa chØ 0 qua bé Selector1 ®-a tíi Bus add cña T-MEM bÝt R/W = 0 vËy lµ tõ m· cña Ch0 sÏ ®-îc ghi vµo ng¨n 0 cña T-MEM. §Õn TS1, bé ®Õm TS-Counter cung cÊp ®Þa chØ 1 qua Selector1 ®Ó ®iÒu khiÓn ghi tõ m· cña kªnh Ch1 tõ tuyÕn PCMin vµo ng¨n1 cña T-MEM, t-¬ng tù nh- thÕ TS-Counter sÏ t¨ng thªm mét sau mçi khe thêi gian vµ tõ m· cña c¸c kªnh ®Çu vµo sÏ lÇn l-ît ®-îc ghi vµo c¸c ng¨n t-¬ng øng cña T-MEM, cho tíi khe thêi gian TSF-1 tõ m· cña kªnh Ch F-1 sÏ ®-îc ghi vµo ng¨n cuèi cïng cña T- MEM - ng¨n F-1. §ã lµ mét chu kú t-¬ng øng víi
  • 83.
    mét khung (frame).Sau ®ã chu kú míi l¹i b¾t ®Çu tõ TS0 nh-ng víi tõ m· míi cña Ch0 sÏ l¹i ®-îc ghi vµo ng¨n 0 cña T-MEM. Trong kho¶ng thêi gian TS0 cña chu kú nµy tíi TS0 cña chu kú sau th× tõ m· PCM ®· d-îc ghi trong ng¨n 0 cña T-MEM ph¶i ®-îc ®äc ra. Tõ m· míi cña kªnh Ch0 sÏ ®-îc ghi vµo ng¨n 0 cña T-MEM thay thÕ tõ m· cò. T-¬ng tù nh- vËy ®èi víi c¸c kªnh tiÕp theo trong c¸c khe kÕ tiÕp. ViÖc ®äc tõ m· PCM tõ mét ng¨n nhí nµo ®ã cña T-MEM ®Ó ®-a ra kªnh trªn tuyÕn PCMout ®-îc ®iÒu khiÓn bëi tõ m· ®Þa chØ chøa trong ng¨n nhí cña CMEM theo nguyªn t¾c ®Þa chØ cña ng¨n nhí T-MEM cÇn ®äc sÏ ®-îc nhí trong H×nh 2.29 : S¬ ®å khèi chøc n¨ng cña bé chuyÓn m¹ch thêi gian sè kiÓu T-SWRR. Selector 1 0 1 2 F-1 t-mem [1] [2] 0 1 i 2 F-1 c-mem Selector 2 R/W add TS Counter add R/W C Bus PCMin ts0 ts1 ts2 tsi tsF-1 ts0 ts1 ts2 TFrame=125s tsj ts0 ts1 ts2 tsi tsF-1 ts0 ts1 ts2 TFrame=125s tsj PCMout Ch0 Ch1 Ch2 Chi ChF-1 Ch0 Ch1 Ch2 Chj Ch0 Ch1 Ch2 Chi ChF-1 Ch0 Ch1 Ch2 Chj i j [i] j p / p / p / p+1 / p+1 / p /
  • 84.
    ng¨n nhí cñaC-MEM mµ thø tù cña ng¨n nhí C-MEM nµy trïng víi thø tù cña kªnh ®Çu ra. NghÜa lµ ®Ó ®äc ng¨n nhí i cña T-MEM ®-a ra kªnh Chj trªn tuyÕn PCMout th× ®Þa chØ [i] ph¶i ®-îc nhí trong ng¨n j cña C-MEM vµ cø tíi khe thêi gian TSj th× ®Þa chØ [i] trong ng¨n j cña C-MEM ®-îc ®äc ra cïng bÝt B trong ng¨n ®ã ®-a lªn bé Selector1 ®Ó ®-a tíi add Bus cña T-MEM ®iÒu khiÓn viÖc ®äc ng¨n i cña T-MEM. Do tõ m· PCM tõ ng¨n i cña T-MEM ®-îc ®äc trong khe TSj, nªn nã sÏ ®-îc chÌn vµo kªnh Chj cña tuyÕn PCMout . Nh- vËy viÖc ghi th«ng tin tõ tuyÕn PCMin vµo bé nhí T-MEM ®-îc tiÕn hµnh tuÇn tù theo ®Þa chØ ®-îc cÊp tõ bé TS counter qua Selector1 cßn viÖc ®äc th«ng tin tõ bé nhí T-MEM ®-îc tiÕn hµnh ngÉu nhiªn d-íi sù ®iÒu khiÓn cña C- MEM, nghÜa lµ C-MEM cung cÊp ®Þa chØ ®äc T-MEM qua Selector1. B©y giê ta tiÕp tôc xem xÐt ho¹t ®éng cña C-MEM. Bé nhí nµy ho¹t ®éng theo ph-¬ng thøc ghi ngÉu nhiªn, ®äc tuÇn tù vµ th«ng tin ®äc ra tõ c¸c ng¨n nhí cña nã ®-îc ®-a lªn bé Selector 1. NÕu bÝt tr¹ng th¸i B cña tõ m· ®-îc ®äc ra tõ ng¨n nhí C-MEM cã gi¸ trÞ "0" logic th× P bÝt cßn l¹i cña nã sÏ ®-îc ®-a qua Selector 1 tíi add Bus cña T-MEM vµ tÝn hiÖu R/W tõ Selector 1 sÏ lµ ''1'' nghÜa lµ ®äc ng¨n nhí cña T-MEM mµ ®Þa chØ cña nã ®-îc thÓ hiÖn qua P bit ®-a tõ C- MEM. ViÖc ghi th«ng tin ®Þa chØ vµo ng¨n nhí cña C-MEM ®-îc tiÕn hµnh theo sè liÖu ®iÒu khiÓn chuyÓn m¹ch ®-îc ®-a tõ ph©n hÖ ®iÒu khiÓn qua C-Bus. Sè liÖu nµy th-êng bao gåm ®Þa chØ bé chuyÓn m¹ch, ®Þa chØ ng¨n nhí vµ sè liÖu ®iÒu khiÓn sÏ ghi vµo ng¨n nhí ®ã. §Þa chØ bé chuyÓn m¹ch add.sw. sÏ ®-îc bé chän Selector 2 ph©n tÝch, nÕu nã trïng víi add.sw. cña bé chuyÓn m¹ch nµy th× Selector 2 sÏ chuyÓn R/W cña nã vÒ "0" logic , P+1 bit (P bit sè liÖu ®Þa chØ ®iÒu khiÓn T-MEM vµ bit B) sÏ ®-îc ghi vµo ng¨n nhí cña C-MEM mµ ®Þa chØ cña ng¨n nhí ®ã ®-îc ®-a bëi P bÝt kh¸c tõ C-Bus qua bé Selector 2 lªn add Bus cña C-MEM. ViÖc ®äc sè liÖu ®iÒu khiÓn tõ c¸c ng¨n nhí cña C-MEM ®Ó ®-a lªn bé Selector 1 ®iÒu khiÓn qu¸ tr×nh ®äc bé nhí T-MEM ®-îc tiÕn hµnh ®ång bé, tuÇn tù theo bé ®Õm TS-counter. Khi bé ®Õm TS-counter cã gi¸ trÞ 0 th× ®äc ng¨n 0 cña C-MEM, nÕu bÝt B trong ng¨n ®ã b»ng 1 th× bá qua. Cßn nÕu B = 0 th× Selector 1 sÏ ®-a P bÝt sè liÖu ®Þa chØ ®äc ®-îc tõ ng¨n 0 cña C-MEM lªn add.Bus cña T-MEM ®Ó ®äc ng¨n nhí t-¬ng øng cña T-MEM ®-a kªnh 0 trªn tuyÕn PCMout. T¹i khe TS1 P bÝt tõ TS-counter l¹i qua Selector 2 ®Ó ®äc ng¨n 1 cña C-MEM vµ tuú thuéc vµo bÝt B trong ng¨n ®ã, tõ m· ®iÒu khiÓn ®äc ra tõ ng¨n nµy cã thÓ sÏ
  • 85.
    bÞ bá quanÕu B=1 hay sÏ ®-a qua Selector 1 ®Ó ®iÒu khiÓn ®äc mét ng¨n nµo ®ã cña T-MEM ®Ó ®-a Ch1 trªn PCMout nÕu B=0. Cø nh- vËy c¸c ng¨n tiÕp theo cña C-MEM sÏ tham gia vµo qu¸ tr×nh ®iÒu khiÓn viÖc ®äc c¸c ng¨n nhí cña T-MEM. Nh- vËy chÕ ®é th-êng xuyªn, tuÇn tù cña C-MEM lµ chÕ ®é ®äc ®Ó ®-a sè liÖu ®iÒu khiÓn lªn T-MEM, cßn chÕ ®é ®ét suÊt (ngÉu nhiªn) cña nã lµ ghi th«ng tin ®iÒu khiÓn tõ C-Bus vµo ng¨n nhí cÇn thiÕt khi b¾t ®Çu thiÕt lËp nèi hoÆc khi kÕt thóc nèi. Khi thiÕt lËp nèi P bÝt ®Þa chØ ®iÒu khiÓn cïng bÝt B=0 sÏ ®-îc ghi vµo ng¨n nhí t-¬ng øng cña C-MEM, cßn khi kÕt thóc chØ cÇn ghi B=1 vµo ng¨n nhí ®ã. Qua ph©n tÝch trªn ®©y vÒ ho¹t ®éng cña c¸c bé nhí T-MEM vµ C-MEM cña bé chuyÓn m¹ch thêi gian sè kiÓu ghi tuÇn tù-®äc ngÉu nhiªn, ta thÊy ®Ó thùc hiÖn mét thao t¸c chuyÓn m¹ch tõ kªnh i sang kªnh j (Chi Chj) qua bé chuyÓn m¹ch lo¹i nµy th× ®Çu tiªn phÇn ®iÒu khiÓn chuyÓn m¹ch ph¶i ghi ®Þa chØ [i] vµo ng¨n j cña C-MEM (qu¸ tr×nh ghi ngÉu nhiªn). Cßn th«ng tin tõ c¸c kªnh ®Çu vµo ®-îc ghi tuÇn tù vµo c¸c ng¨n nhí t-¬ng øng cña T-MEM. Nh- thÕ kªnh Chi ®Çu vµo sÏ ®-îc ghi vµo ng¨n nhí i cña T-MEM. §ång thêi c¸c ng¨n nhí cña C-MEM còng ®-îc ®äc ra tuÇn tù theo thø tù khe thêi gian vµ sè liÖu ®iÒu khiÓn ®-îc ®äc ra tõ mçi ng¨n nhí cña C-MEM sÏ chØ ra ng¨n nhí cña T-MEM sÏ ®-îc ®äc trong khe thêi gian t-¬ng øng ®Ó ®-a ra kªnh ®Çu ra t-¬ng øng víi thø tù cña ng¨n nhí C-MEM ®ã. Nh- thÕ tíi khe thêi gian TSj ng¨n j cña C- MEM ®-îc ®äc vµ ®Þa chØ [i] ®-îc ®äc ra tõ ng¨n nhí nµy sÏ ®iÒu khiÓn ®äc ng¨n nhí i cña T-MEM ®Ó ®-a ra kªnh Chj trªn tuyÕn PCMout . Trªn ®©y lµ ph©n tÝch kh¸ chi tiÕt vÒ cÊu tróc vµ ho¹t ®éng cña bé chuyÓn m¹ch thêi gian sè kiÓu ghi tuÇn tù ®äc ngÉu nhiªn. Nã còng cã thÓ gi¶i thÝch tãm t¾t b»ng h×nh vÏ 2.30 d-íi ®©y. H×nh 2.30 thÓ hiÖn r»ng qu¸ tr×nh ghi (W) tõ c¸c kªnh ®Çu vµo vµo c¸c ng¨n nhí cña T-MEM ®-îc tiÕn hµnh mét c¸ch tuÇn tù theo chÕ ®é ®Õm cña TS- Counter, cßn qu¸ tr×nh ®äc (R) ng¨n nhí cña T-MEM ®Ó ®-a ra c¸c kªnh ®Çu ra ®-îc ®iÒu khiÓn bëi C-MEM. §èi víi bé nhí C-MEM th× qu¸ tr×nh ghi th«ng tin ®iÒu khiÓn vµo c¸c ng¨n nhí tõ C-Bus ®-îc ®iÒu khiÓn bëi sè liÖu ®iÒu khiÓn (Data) ®-îc ®-a tõ hÖ thèng ®iÒu khiÓn cßn viÖc ®äc c¸c ng¨n nhí cña C-MEM l¹i ®-îc tiÕn hµnh tuÇn tù theo thø tù khe thêi gian ®-îc ®-a tõ bé ®Õm TS-Counter. §Ó ®¬n gi¶n, trªn s¬ ®å 2.30 kh«ng chØ ra c¸c bé selector, bé ®Õm TS-counter vµ c¸c ®Çu ®iÒu khiÓn c¸c qu¸ tr×nh tuÇn tù.
  • 86.
    Bé chuyÓn m¹chthêi gian sè T-SWRR cã thÓ thùc hiÖn nhiÒu thao t¸c chuyÓn m¹ch ®ång thêi theo nguyªn lý ph©n khe theo thêi gian cho c¸c thao t¸c ghi/®äc. VÝ dô : Cã thÓ thùc hiÖn c¸c thao t¸c chuyÓn m¹ch Ch1Ch0, Ch2ChF-1, Chi Chj ...vµ do sù t-¬ng quan gi÷a mçi kªnh ®Çu vµo/ng¨n nhí T-MEM/kªnh ®Çu ra/ng¨n nhí C-MEM nªn bÊt kú yªu cÇu chuyÓn m¹ch nµo qua nã còng ®Òu cã thÓ thùc hiÖn ®-îc. NghÜa lµ bé chuyÓn m¹ch lo¹i nµy cã thÓ cïng lóc thùc hiÖn ®ång thêi F yªu cÇu chuyÓn m¹ch kh«ng xung ®ét vµ ®©y lµ bé chuyÓn m¹ch toµn th«ng. 2.5.3 Bé chuyÓn m¹ch thêi gian sè kiÓu ghi ngÉu nhiªn-®äc tuÇn tù (Time Switch Random Write Sequential Read T-RWSR) VÒ cÊu t¹o bé chuyÓn m¹ch thêi gian sè kiÓu ghi ngÉu nhiªn ®äc tuÇn tù (T- RWSR) còng gièng lo¹i ghi tuÇn tù ®äc ngÉu nhiªn (T-SWRR), nghÜa lµ chóng R 0 1 2 F-1 t-mem [1] [2] 0 1 i 2 F-1 c-mem H×nh 2.30 : S¬ ®å khèi tãm t¾t cña bé chuyÓn m¹ch thêi gian sè kiÓu T-SWRR. PCMin ts0 ts1 ts2 tsi tsF-1 ts0 ts1 ts2 TFrame=125s tsj ts0 ts1 ts2 tsi tsF-1 ts0 ts1 ts2 TFrame=125s tsj PCMout Ch0 Ch1 Ch2 Chi ChF-1 Ch0 Ch1 Ch2 Chj Ch0 Ch1 Ch2 Chi ChF-1 Ch0 Ch1 Ch2 Chj i j [i] j Data
  • 87.
    còng bao gåmbé nhí T-MEM, bé nhí C-MEM c¸c bé Selector vµ bé ®Õm ®Þnh thêi. Tuy nhiªn, chóng l¹i kh¸c nhau vÒ nguyªn lý ghi, ®äc th«ng tin ®èi víi c¸c bé nhí T-MEM vµ C-MEM. §Ó ®¬n gi¶n ta chØ xem xÐt s¬ ®å khèi tãm t¾t cña bé chuyÓn m¹ch lo¹i nµy nh- thÓ hiÖn trªn h×nh 2.31. Bé nhí T-MEM dïng ®Ó nhí c¸c tõ m· PCM, cßn bé nhí C-MEM dïng ®Ó chøa c¸c th«ng tin ®iÒu khiÓn qu¸ tr×nh ghi c¸c tõ m· PCM vµo c¸c ng¨n nhí cña T-MEM. C¶ hai bé nhí T-MEM vµ C-MEM ®Òu cã cïng sè ng¨n nhí lµ F (0F-1) b»ng víi sè kªnh cña tuyÕn PCM (F cã thÓ lµ 32, 64, 128, 256, 512 vµ 1024). Sè bÝt cña mçi ng¨n nhí T- MEM b»ng sè bÝt cña tõ m· PCM (8 bÝt), sè bÝt cña mçi ng¨n nhí C-MEM lµ P+1 (trong ®ã cã P bÝt ®Þa chØ vµ 1 bÝt tr¹ng th¸i rçi/bËn( bit B- Busy bit). P ®-îc x¸c ®Þnh theo biÓu thøc: P = log2F = ldF W 0 1 2 F-1 t-mem [0] [F-1] [j] 0 1 i 2 F-1 c-mem H×nh 2.31: S¬ ®å khèi tãm t¾t cña bé chuyÓn m¹ch thêi gian sè kiÓu T-RWSR. PCMin ts0 ts1 ts2 tsi tsF-1 ts0 ts1 ts2 TFrame=125s tsj ts0 ts1 ts2 tsi tsF-1 ts0 ts1 ts2 TFrame=125s tsj PCMout Ch0 Ch1 Ch2 Chi ChF-1 Ch0 Ch1 Ch2 Chj Ch0 Ch1 Ch2 Chi ChF-1 Ch0 Ch1 Ch2 Chj i j j Data
  • 88.
    VÒ nguyªn lýho¹t ®éng, c¶ hai bé nhí T-MEM vµ C-MEM cña T-RWSR ®Òu lµm viÖc theo kiÓu RWSR (nghÜa lµ ghi ngÉu nhiªn, ®äc tuÇn tù). Khi cÇn thiÕt lËp mét thao t¸c chuyÓn m¹ch nµo ®ã th× phÇn ®iÒu khiÓn chuyÓn m¹ch sÏ ®-a sè liÖu ®iÒu khiÓn (Data) tíi C-MEM vµ ghi nã vµo ng¨n nhí ®iÒu khiÓn cÇn thiÕt cho thao t¸c chuyÓn m¹ch ®ã theo nguyªn t¾c: sè thø tù cña ng¨n nhí C-MEM trïng víi sè thø tù cña kªnh ®Çu vµo, cßn sè liÖu ®iÒu khiÓn ghi vµo ng¨n nhí ®ã trïng víi thø tù kªnh ®Çu ra vµ chÝnh lµ ®Þa chØ cña ng¨n nhí T-MEM mµ tõ m· cña kªnh ®Çu vµo sÏ ghi ®-îc vµo ®ã. VÝ dô : §Ó thùc hiÖn thao t¸c chuyÓn m¹ch ChiChj th× t¹i thêi ®iÓm thiÕt lËp, phÇn ®iÒu khiÓn sÏ ®-a sè liÖu ®iÒu khiÓn tíi C-MEM vµ ghi ®Þa chØ [j] vµo ng¨n nhí i cña C-MEM, ®ång thêi chuyÓn bÝt B cña ng¨n nµy vÒ gi¸ trÞ 0. Trong mçi chu kú, khi TS-counter ®Õm tíi i, nghÜa lµ t¹i khe thêi gian TSi, ®Þa chØ ®äc C-MEM lµ i vµ ng¨n nhí i cña C-MEM ®-îc ®äc, ®Þa chØ [j] cïng bÝt B=0 cña ng¨n i nµy sÏ ®-îc ®-a lªn ®Çu W cña T-MEM ®Ó ®iÒu khiÓn viÖc ghi tõ m· PCM cña kªnh Chi tõ PCMin vµo ng¨n j cña T-MEM. Tõ m· nµy sÏ ®-îc nhí t¹i ®ã tíi khe TSj sÏ ®-îc ®äc ra (®äc tuÇn tù) ®Ó ®-a ra kªnh Chj trªn PCMout. Nh- vËy, ë mçi chu kú (125 s) cø tíi khe TSi th× mét tõ m· míi cña kªnh Chi l¹i ®-îc ghi vµo ng¨n nhí j cña T-MEM d-íi sù ®iÒu khiÓn cña ng¨n i C-MEM (ghi ngÉu nhiªn) vµ tíi khe TSj th× tõ m· ®· nhí trong ng¨n j cña T-MEM sÏ ®-îc ®äc ra ®Ó ®-a ra kªnh Chj ®Çu ra (®äc tuÇn tù). NghÜa lµ thùc hiÖn thao t¸c chuyÓn m¹ch ChiChj theo hai b-íc: - B-íc 1: T¹i TSi ghi tõ m· cña kªnh Chi PCMin vµo ng¨n j cña T-MEM theo ®iÒu khiÓn tõ ng¨n i cña C-MEM. - B-íc 2: T¹i TSj ®äc tõ m· tõ ng¨n j T-MEM ®Ó ®-a ra kªnh ChjPCMout theo tuÇn tù. Khi cÇn kÕt thóc thao t¸c chuyÓn m¹ch nµy phÇn ®iÒu khiÓn l¹i ®-a sè liÖu ®iÒu khiÓn tíi C-MEM ®Ó xo¸ néi dung ®iÒu khiÓn ®· ghi trong ng¨n i C- MEM (®-a bÝt B cña ng¨n nhí nµy vÒ 1 logic) th× thao t¸c chuyÓn m¹ch sÏ dõng. Nh- vËy, còng gièng tr-êng hîp T-SWRR khi ®i qua chuyÓn m¹ch T-RWSR th«ng tin sÏ bÞ trÔ (gi÷ chËm) mét kho¶ng tM ®-îc x¸c ®Þnh theo biÓu thøc 2.5 vµ lo¹i T-RWSR còng lµ chuyÓn m¹ch toµn th«ng, kh«ng tæn thÊt néi. 2.5.4 Bé chuyÓn m¹ch thêi gian sè kiÓu c¶ ghi vµ ®äc ®Òu ngÉu nhiªn (Time Switch Random Write Radom Read - T-RWRR) C¸c bé chuyÓn m¹ch thêi gian T-SWRR vµ T-RWSR ®Òu cã mét phÐp chän tuÇn tù, do ®ã hiÖu suÊt sö dông c¸c ng¨n nhí cña T-MEM kh«ng cao, thao t¸c chuyÓn m¹ch qua chóng kh«ng linh ho¹t. ChuyÓn m¹ch T-RWRR cho phÐp ®iÒu khiÓn c¶ qu¸ tr×nh ghi th«ng tin tõ tuyÕn PCMin vµo ng¨n nhí cña T-MEM vµ c¶ qu¸ tr×nh ®äc nã ra ®Ó ®-a lªn tuyÕn PCMout do ®ã cã thÓ dïng bé nhí T-MEM
  • 89.
    víi dung l-îngnhá h¬n, linh ho¹t h¬n. CÊu tróc cña bé chuyÓn m¹ch lo¹i nµy ®-îc thÓ hiÖn trªn h×nh 2.32. VÒ cÊu t¹o, bé nhí T-MEM cã m ng¨n nhí dïng ®Ó nhí c¸c tõ m· PCM, bé nhí C-MEM gåm F ng¨n nhí b»ng víi sè kªnh cña tuyÕn PCM (F cã thÓ lµ 32, 64, 128, 256, 512 hoÆc 1024) dïng ®Ó nhí c¸c tõ m· ®iÒu khiÓn. Bé ®Õm khe thêi gian t¹o ra sù ®ång bé cho c¸c qu¸ tr×nh ghi ®äc th«ng tin vµo c¸c bé nhí T-MEM vµ C- MEM. Mçi ng¨n nhí cña T-MEM cã sè bÝt b»ng víi sè bÝt cña tõ m· PCM (th-êng lµ 8 bÝt). Sè ng¨n nhí m cña T-mem th-êng rÊt nhá h¬n sè kªnh cña tuyÕn PCM (m<< F) ®-îc chän ®ñ ®Ó phôc vô c¸c thao t¸c chuyÓn m¹ch ®ång thêi qua nã. Mçi ng¨n nhí C-MEM ®-îc chia thµnh hai phÇn dïng ®Ó chøa ®Þa chØ ®iÒu khiÓn ghi vµ ®iÒu khiÓn ®äc c¸c ng¨n nhí T-MEM. PCMout W 0 1 2 M-1 t-mem [i] 0 1 i 2 F-1 c-mem H×nh 2.32: S¬ ®å khèi tãm t¾t cña bé chuyÓn m¹ch thêi gian sè kiÓu T-RWRR. PCMin ts0 ts1 ts2 tsi tsF-1 ts0 ts1 ts2 TFrame=125s tsj ts0 ts1 ts2 tsi tsF-1 ts0 ts1 ts2 TFrame=125s tsj Ch0 Ch1 Ch2 Chi ChF-1 Ch0 Ch1 Ch2 Chj Ch0 Ch1 Ch2 Chi ChF-1 Ch0 Ch1 Ch2 Chj i j j Data r [i] [j] [2] [2] [j]
  • 90.
           1 log log 2 2 M M Int P SèbÝt cña mçi phÇn cña mçi ng¨n nhí C-MEM ph¶i ®ñ ®Ó biÓu diÔn ®Þa chØ cña ng¨n nhí T-MEM cïng víi mét bÝt B vµ ®-îc x¸c ®Þnh b»ng biÓu thøc: r = P+1 trong ®ã P bit ®Þa chØ vµ bÝt cßn l¹i lµ bÝt B NÕu log2M lµ sè nguyªn NÕu log2M kh«ng ph¶i lµ sè nguyªn. Nguyªn lý ho¹t ®éng : Khi cÇn thùc hiÖn mét thao t¸c chuyÓn m¹ch nµo ®ã qua bé chuyÓn m¹ch nµy th× hÖ thèng ®iÒu khiÓn chuyÓn m¹ch ph¶i chän mét mét ng¨n nhí rçi trªn bé nhí T-MEM cña bé chuyÓn m¹ch nµy ®Ó phôc vô yªu cÇu chuyÓn m¹ch ®ã. §Þa chØ cña ng¨n nhí T-MEM nµy sÏ ®-îc ®-a tíi C-MEM ®Ó ghi vµo phÇn ®iÒu khiÓn ghi cña ng¨n nhí cã thø tù trïng víi kªnh ®Çu vµo vµ còng ghi vµo phÇn ®iÒu khiÓn ®äc cña ng¨n nhí cã thø tù trïng víi kªnh ®Çu ra cña yªu cÇu chuyÓn m¹ch ®ã, ®ång thêi bÝt B cña hai phÇn nµy cïng nhËn gi¸ trÞ 0 logic. VÝ dô : cÇn thùc hiÖn thao t¸c chuyÓn m¹ch Chi Chj vµ gi¶ sö phÇn ®iÒu khiÓn chän ng¨n 2 cña T-MEM ®Ó phôc vô yªu cÇu chuyÓn m¹ch ®ã. Khi ®ã ®Þa chØ [2] sÏ ®-îc ghi vµo ng¨n i cña C-MEM phÇn ®iÒu khiÓn ghi vµ vµo ng¨n j cña C-MEM phÇn ®iÒu khiÓn ®äc. Sau ®ã c¸c sè liÖu ®iÒu khiÓn ®· ghi trong c¸c ng¨n nhí C-MEM ®-îc ®äc ra trong mçi chu kú ®Ó ®iÒu khiÓn qu¸ tr×nh ghi/®äc th«ng tin qua ng¨n nhí 2 cña T-MEM cho thao t¸c chuyÓn m¹ch nãi trªn. T¹i TSi ®Þa chØ [2] trong ng¨n i phÇn ®iÒu khiÓn ghi cña C-MEM sÏ h-íng tõ m· PCM cña kªnh Chi trªn PCMin vµo ng¨n nhí 2 ®· chän cña T-MEM. Tíi khe thêi gian TSj ®Þa chØ [2] trong ng¨n j phÇn ®iÒu khiÓn ®äc cña C-MEM sÏ ®iÒu khiÓn viÖc ®äc tõ m· PCM ®· nhí trong ng¨n 2 cña T-MEM ®Ó ®-a ra kªnh Chj trªn PCMout . C¸c thao t¸c trªn sÏ ®-îc lÆp l¹i trong mçi chu kú cho tíi khi cã yªu cÇu kÕt thóc thao t¸c chuyÓn m¹ch ChiChj th× phÇn ®iÒu khiÓn sÏ xo¸ c¸c sè liÖu ®iÒu khiÓn liªn quan tíi thao t¸c chuyÓn m¹ch ®ã trong c¸c ng¨n nhí i vµ j cña C-MEM vµ ®-a bÝt B cña chóng vÒ gi¸ trÞ 1 logic. Bé chuyÓn m¹ch thêi gian sè kiÓu T-RWRR cho phÐp sö dông c¸c ng¨n nhí cña T-MEM rÊt linh ho¹t, hiÖu qu¶ cao. Tuy vËy, do m <<F nªn cã thÓ x¶y ra gäi
  • 91.
    hôt do kh«ng®ñ ng¨n nhí ®Ó phôc vô c¸c yªu cÇu chuyÓn m¹ch ®ång thêi. 2.5.5 Kh¶ n¨ng ¸p dông cña c¸c bé chuyÓn m¹ch thêi gian sè. Thêi kú ®Çu, khi míi ¸p dông kü thuËt chuyÓn m¹ch sè, do gi¸ thµnh chÕ t¹o c¸c bé nhí rÊt cao nªn cÊu tróc chuyÓn m¹ch S-T-S (kh«ng gian-thêi gian- kh«ng gian) ®-îc ¸p dông réng r·i ®Ó gi¶m sè chuyÓn m¹ch thêi gian sè. Trong cÊu tróc ®ã c¸c chuyÓn m¹ch T ë kh©u gi÷a th-êng dïng lo¹i T-RWRR. Sau nµy, gi¸ thµnh chÕ t¹o c¸c bé nhí sè gi¶m m¹nh, c«ng nghÖ chÕ t¹o vi m¹ch sè cho phÐp chÕ t¹o c¸c bé dung l-îng lín, tèc ®é cao nªn cÊu tróc T-S-T ®-îc sö dông réng r·i h¬n do kh¶ n¨ng phôc vô tèt h¬n, kh¶ th«ng cao, gi¸ thµnh thÊp, ®Æc biÖt cã nhiÒu -u ®iÓm trong ®iÒu khiÓn vµ chän tuyÕn. Trong cÊu tróc nµy tÇng T ®Çu vµo th-êng sö dông c¸c bé chuyÓn m¹ch lo¹i T-SWRR, cßn ë tÇng T ®Çu ra l¹i dïng c¸c bé chuyÓn m¹ch lo¹i T-RWSR ®Ó cho ®-îc -u ®iÓm vÒ ®iÒu khiÓn (xem xÐt sau ë phÇn ®iÒu khiÓn chuyÓn m¹ch). Nh×n chung kh¶ n¨ng chuyÓn m¹ch cña bé chuyÓn m¹ch thêi gian sè lµ rÊt lín. Mét bé chuyÓn m¹ch thêi gian cho luång PCM F kªnh t-¬ng ®-¬ng víi mét ma trËn FxF toµn th«ng. V× vËy nÕu dung l-îng cña tæng ®µi kh«ng lín (tíi vµi tr¨m thuª bao) th× chØ cÇn dïng mét bé chuyÓn m¹ch thêi gian sè phôc vô cho c¶ chuyÓn m¹ch tho¹i vµ c¸c tÝn hiÖu b¸o hiÖu. §èi víi c¸c tæng ®µi dung l-îng trung b×nh vµ dung l-îng lín nªn ¸p dông cÊu tróc TS, ST hoÆc TST. Trong c¸c cÊu tróc trªn, do ph-¬ng thøc ghÐp vµ ph©n kªnh tuÇn tù nªn bao giê còng ph¶i cã chuyÓn m¹ch thêi gian sè ®Ó thay ®æi sù tuÇn tù ®ã th× míi t¹o ra sù chuyÓn m¹ch c¸c kªnh. C¸c chuyÓn m¹ch thêi gian sè t¹o ra trÔ tÝn hiÖu khi qua chuyÓn m¹ch ®ã. Tuú thuéc vµo tõng yªu cÇu chuyÓn m¹ch mµ thêi gian trÔ TM cã thÓ kh¸c nhau (phô thuéc vµo kho¶ng c¸ch khe thêi gian gi÷a kªnh nguån vµ kªnh ®Ých), nh-ng ®èi víi mét yªu cÇu chuyÓn m¹ch th× TM sÏ kh«ng ®æi víi mäi tõ m· vµ do ®ã c¸c tõ m· kÕ tiÕp nhau kh«ng bÞ thay ®æi ph©n bè vÒ thêi gian, nghÜa lµ c¸c chuyÓn m¹ch sè PCM kh«ng g©y mÐo pha. §Æc tÝnh nµy rÊt quan träng ®èi víi nh÷ng dÞch vô nh¹y c¶m víi trÔ nh- tho¹i, video, fax…
  • 92.
    2.6 C¸c béchuyÓn m¹ch kh«ng gian sè c¬ b¶n 2.6.1Kh¸i qu¸t vÒ chøc n¨ng cña c¸c bé chuyÓn m¹ch kh«ng gian sè Trong phÇn chuyÓn m¹ch thêi gian sè còng ®· cho thÊy, vÒ mÆt lý thuyÕt, nÕu bé chuyÓn m¹ch thêi gian sè cã tèc ®é chuyÓn m¹ch ®ñ lín th× chØ cÇn mét bé chuyÓn m¹ch thêi gian sè còng cã thÓ ®¶m b¶o chøc n¨ng chuyÓn m¹ch gi÷a c¸c m¹ch ®Çu cuèi (gi÷a thuª bao-thuª bao, thuª bao- trung kÕ, trung kÕ-trung kÕ, thuª bao víi thiÕt bÞ b¸o hiÖu, trung kÕ víi thiÕt bÞ b¸o hiÖu). Tuy nhiªn, do h¹n chÕ vÒ kh¶ n¨ng c«ng nghÖ nªn kh«ng thÓ chÕ t¹o bé chuyÓn m¹ch thêi gian sè cã dung l-îng qu¸ lín (do bÞ giíi h¹n bëi tèc ®é truy cËp bé nhí). Do vËy, trong c¸c tæng ®µi dung l-îng trung b×nh vµ dung l-îng lín th× toµn bé tæng ®µi ®-îc tæ chøc thµnh c¸c nhãm, mçi nhãm giao tiÕp víi tr-êng chuyÓn m¹ch b»ng mét hoÆc mét sè tuyÕn PCM. Tõ ®ã cã kh¸i niÖm tr-êng chuyÓn m¹ch nhãm. Nh- thÕ sÏ ph¸t sinh yªu cÇu chuyÓn m¹ch th«ng tin tõ nhãm nµy sang nhãm kh¸c, nghÜa lµ tõ tuyÕn PCMin cña nhãm nµy sang tuyÕn PCMout cña nhãm kh¸c nh- minh ho¹ trªn h×nh 2.33 VÝ dô c¸c yªu cÇu chuyÓn m¹ch th-êng cã d¹ng tæng qu¸t: Chi PCMP  Chj PCMQ C¸c yªu cÇu nµy bao gåm c¶ thao t¸c chuyÓn m¹ch vÒ thêi gian (tõ kªnh Chi sang kªnh Chj) vµ c¶ thao t¸c chuyÓn m¹ch vÒ kh«ng gian (tõ tuyÕn PCMinP Bé chuyÓn m¹ch kh«ng gian sè ts0 ts1 ts2 tsi tsF-1 ts0 ts1 ts2 tsj Ch0 Ch1 Ch2 Chi ChF-1 Ch0 Ch1 Ch2 Chj pcmin0 ts0 ts1 ts2 tsi tsF-1 ts0 ts1 ts2 tsj Ch0 Ch1 Ch2 Chi ChF-1 Ch0 Ch1 Ch2 Chj pcmin1 ts0 ts1 ts2 tsi tsF-1 ts0 ts1 ts2 tsj Ch0 Ch1 Ch2 Chi ChF-1 Ch0 Ch1 Ch2 Chj pcmin2 ts0 ts1 ts2 tsi tsF-1 ts0 ts1 ts2 tsj Ch0 Ch1 Ch2 Chi ChF-1 Ch0 Ch1 Ch2 Chj pcminN-1 ts0 ts1 ts2 tsi tsF-1 ts0 ts1 ts2 tsj Ch0 Ch1 Ch2 Chi ChF-1 Ch0 Ch1 Ch2 Chj PCMout0 ts0 ts1 ts2 tsi tsF-1 ts0 ts1 ts2 tsj Ch0 Ch1 Ch2 Chi ChF-1 Ch0 Ch1 Ch2 Chj PCMout1 ts0 ts1 ts2 tsi tsF-1 ts0 ts1 ts2 tsj Ch0 Ch1 Ch2 Chi ChF-1 Ch0 Ch1 Ch2 Chj PCMout2 ts0 ts1 ts2 tsi tsF-1 ts0 ts1 ts2 tsj Ch0 Ch1 Ch2 Chi ChF-1 Ch0 Ch1 Ch2 Chj PCMoutN-1 H×nh 2.33: Chøc n¨ng chuyÓn m¹ch kh«ng gian sè.
  • 93.
    sang tuyÕn PCMoutQ) VËybé chuyÓn m¹ch kh«ng gian thùc hiÖn chøc n¨ng chuyÓn m¹ch th«ng tin tõ mét kªnh Chi trªn tuyÕn PCMinP tíi kªnh Chi trªn tuyÕn PCMoutQ nµo ®ã, nghÜa lµ chØ chuyÓn th«ng tin tõ tuyÕn PCMin nµy tíi mét trong c¸c tuyÕn PCMout mµ kh«ng lµm thay ®æi thø tù kªnh (gi÷ nguyªn thø tù kªnh Chi). Hay nãi c¸ch kh¸c, chuyÓn m¹ch kh«ng gian sè thùc hiÖn chøc n¨ng chuyÓn tõ m· PCM cña kªnh trªn tuyÕn PCM ®Çu vµo nµo ®ã tíi kªnh cã cïng thø tù víi nã trªn mét trong c¸c tuyÕn PCM ®Çu ra cña bé chuyÓn m¹ch. Nh- vËy, thao t¸c chuyÓn m¹ch cña bé chuyÓn m¹ch kh«ng gian cã thÓ viÕt d-íi d¹ng tæng qu¸t: Chi PCMP Chi PCMQ trong biÓu thøc trªn, phÇn ®øng tr-íc dÊu  thÓ hiÖn ®Þa chØ kªnh ®Çu vµo, phÇn ®øng sau dÊu  thÓ hiÖn ®Þa chØ kªnh ®Çu ra. BiÓu thøc trªn còng cã thÓ viÕt d-íi d¹ng : Chi PCMinP Chi PCMoutQ Cã thÓ chØ ra c¸c thao t¸c chuyÓn m¹ch ®-îc thùc hiÖn trªn bé chuyÓn m¹ch kh«ng gian sè trong h×nh 2.33 1. Chj PCMin0 Chj PCMout2 2. ChF-1PCMin1 ChF-1PCMoutN-1 3. ChiPCMin2 Chi PCMout1 4. Ch2PCMin2 Ch2PCMoutN-1 5. ChjPCMin2 ChjPCMoutN-1 6. ChiPCMinN-1 Chi PCMout0 7. Ch1PCMinN-1 Ch1PCMout2 Qua thèng kª c¸c thao t¸c chuyÓn m¹ch trªn cã thÓ h×nh dung bé chuyÓn m¹ch kh«ng gian sè nh- mét bé nèi xuyªn, mét ma trËn chuyÓn m¹ch mµ trong ®ã c¸c phÇn tö chuyÓn m¹ch ho¹t ®éng theo nguyªn lý ph©n chia khe thêi gian sao cho mét tuyÕn PCMin ®Çu vµo nµo ®ã cã thÓ nèi ®ång thêi tíi nhiÒu tuyÕn PCMout ®Çu ra kh¸c nhau chØ kh¸c lµ t¹i c¸c khe thêi gian (TS) kh¸c nhau øng víi c¸c kªnh (Ch) kh¸c nhau, vÝ dô cÆp thao t¸c 3,4 PCMin2 nèi tíi PCMout1 t¹i khe dµnh cho kªnh i (TSi) vµ nèi tíi PCMoutN-1 t¹i khe dµnh cho kªnh 2 (TS2); còng t-¬ng tù nh- vËy ®èi víi c¸c thao t¸c 6 vµ 7. HoÆc trong cïng mét khe thêi gian
  • 94.
    cã thÓ nèic¸c cÆp PCMin –PCMout kh¸c nhau, vÝ dô trong c¸c thao t¸c 1 vµ 5 , 3 vµ 6. HoÆc c¸c kªnh kh¸c nhau cña mét tuyÕn PCMin cã thÓ ®-îc chuyÓn tíi c¸c tuyÕn PCMout kh¸c nhau, vÝ dô nh- c¸c thao t¸c 3,4 vµ 5, hoÆc 6 vµ 7. §Ó ®¸p øng ®-îc c¸c thao t¸c chuyÓn m¹ch ®a d¹ng trªn th× bé chuyÓn m¹ch kh«ng gian sè ph¶i bao gåm ma trËn chuyÓn m¹ch víi c¸c phÇn tö chuyÓn m¹ch sè cã kh¶ n¨ng t¸c ®éng nhanh ®Ó cã thÓ ho¹t ®éng theo nguyªn lý ph©n khe thêi gian vµ phÇn ®iÒu khiÓn ma trËn chuyÓn m¹ch ®ã còng ph¶i t¸c ®éng theo nguyªn lý ph©n khe thêi gian víi chu kú lÆp l¹i tõng thao t¸c lµ 125s. VËy cã thÓ ®-a ra s¬ ®å khèi kh¸i qu¸t chøc n¨ng cña bé chuyÓn m¹ch kh«ng gian sè nh- trªn h×nh 2.34 2.6.2 Bé chuyÓn m¹ch kh«ng gian sè ®iÒu khiÓn theo ®Çu ra VÒ cÊu t¹o, bé chuyÓn m¹ch kh«ng gian sè ®iÒu khiÓn theo ®Çu ra gåm hai phÇn, ®ã lµ ma trËn chuyÓn m¹ch vµ bé nhí ®iÒu khiÓn . Ma trËn chuyÓn m¹ch ®-îc tæ chøc theo hµng vµ cét. C¸c hµng lµ c¸c tuyÕn PCMin , c¸c cét lµ c¸c tuyÕn PCMout, giao ®iÓm gi÷a hµng vµ cét lµ phÇn tö chuyÓn m¹ch. PhÇn tö chuyÓn m¹ch thùc hiÖn chøc n¨ng cña m¹ch vµ (m¹ch logic AND); th-êng ®ã lµ m¹ch cæng ba tr¹ng th¸i. Mét ®Çu vµo cña cæng ®-îc nèi víi tuyÕn PCMin (hµng), ®Çu ra nèi víi tuyÕn PCMout (cét), ®Çu vµo thø hai (®Çu ®iÒu khiÓn) ®-îc nèi ®Õn bé nhí ®iÒu khiÓn. Mçi phÇn tö chuyÓn m¹ch trong cét ®-îc g¸n mét m· nhÞ ph©n t-¬ng øng víi thø tù (®Þa chØ) cña tuyÕn PCMin. Bé nhí ®iÒu khiÓn C-MEM (Control Memory hay Connection Memory) ®-îc tæ chøc theo ®Çu ra (theo cét, v× thÕ bé chuyÓn m¹ch kh«ng gian lo¹i nµy PCMinN-1 PCMin1 ma trËn c¸c phÇn tö chuyÓn m¹ch logic PCMin0 PCMin2 PCMout0 PCMout1 PCMout2 PCMoutN-1 bé nhí ®iÒu khiÓn Sè liÖu ®iÒu Bé chuyÓn m¹ch kh«ng gian sè H×nh 2.34 S¬ ®å khèi chøc n¨ng cña bé chuyÓn m¹ch kh«ng gian sè
  • 95.
             1 N log Int N log r 2 2 cßn ®-îcgäi lµ Bé chuyÓn m¹ch kh«ng gian sè ®iÒu khiÓn theo cét), mçi cét cã F ng¨n nhí (tõ 0 ®Õn F-1) b»ng víi dung l-îng cña tuyÕn PCM. Sè bÝt trong mçi ng¨n nhí ph¶i ®ñ ®Ó chøa tõ m· ®Þa chØ cña c¸c phÇn tö chuyÓn m¹ch vµ ®-îc x¸c ®Þnh theo biÓu thøc. NÕu log2N lµ sè nguyªn NÕu log2N kh«ng ph¶i lµ sè nguyªn. Ngoµi ra mçi cét cßn cã mét bé gi¶i m· ®iÒu khiÓn ®Ó gi¶i m· c¸c tõ m· ®Þa chØ thµnh tÝn hiÖu ®iÒu khiÓn ®-a ®Õn tõng phÇn tö chuyÓn m¹ch trong cét. VÒ ho¹t ®éng : C¸c ho¹t ®éng cña bé chuyÓn m¹ch nµy bao gåm ghi th«ng tin ®iÒu khiÓn vµo C-MEM, ®äc vµ gi¶i m· th«ng tin ®iÒu khiÓn ®ã ®Ó ®iÒu khiÓn phÇn tö chuyÓn m¹ch. Thø tù thùc hiÖn c¸c thao t¸c ®ã nh- sau: Khi cÇn thùc hiÖn mét thao t¸c chuyÓn m¹ch nµo ®ã qua bé chuyÓn m¹ch nµy th× hÖ thèng ®iÒu PCMout0 PCMout1 PCMout2 PCMout3 PCMoutM-1 PCMin 0 PCMin 1 PCMin 2 PCMin N-1 gm0 gm1 gm2 gm3 gmm-1 0 1 2 3 f-1 PCMin PCM out and H×nh 2.35 : Bé chuyÓn m¹ch kh«ng gian sè ®iÒu khiÓn theo ®Çu ra Data 0 1 2 N-1 0 1 2 N-1 0 1 2 N-1 0 1 2 N-1 0 1 2 N-1 [1] [2]
  • 96.
    khiÓn sÏ göid÷ liÖu ®iÒu khiÓn ®Õn ®Ó ghi vµo C-MEM. D÷ liÖu nµy bao gåm ®Þa chØ cét, ®Þa chØ ng¨n nhí cña C-MEM vµ sè liÖu ghi vµo ng¨n nhí ®ã víi t-¬ng øng sau: ®Þa chØ ng¨n nhí trïng víi kªnh cÇn chuyÓn m¹ch, ®Þa chØ cét cña ng¨n nhí ®ã trïng tuyÕn PCMout, sè liÖu ghi vµo ng¨n nhí trïng víi m· nhÞ ph©n cña tuyÕn PCMin. VÝ dô : §Ó thùc hiÖn thao t¸c chuyÓn m¹ch Chi PCMP Chi PCMQ th× ®Þa chØ ng¨n nhí lµ i, cét Q, sè liÖu ghi vµo ng¨n nhí [P]; nghÜa lµ tõ m· P ®-îc ghi vµo ng¨n i cét Q cña C-MEM. T¹i khe TSi tõ m· PCM cña kªnh Chi xuÊt hiÖn trªn tuyÕn PCMinP. Lóc nµy ng¨n i cña cét Q cña C-MEM ®-îc ®äc vµ ®-a ra gi¶i m· GMQ t¹o ra tÝn hiÖu më phÇn tö chuyÓn m¹ch P trong cét Q cña ma trËn chuyÓn m¹ch. Nh- vËy tõ m· PCM cña kªnh Chi tõ tuyÕn PCMinP sÏ qua phÇn tö chuyÓn m¹ch P cña cét Q ®Ó ®-a ra tuyÕn PCMoutQ. Cø nh- vËy, trong mçi chu kú, t¹i khe TSi, phÇn tö P cét Q cña ma trËn chuyÓn m¹ch l¹i ®-îc më d-íi sù ®iÒu khiÓn cña sè liÖu ®iÒu khiÓn ®· ®-îc ghi trong ng¨n i cét Q cña C-MEM ®Ó chuyÓn tõ m· PCM cña kªnh ChiPCMinP sang kªnh ChiPCMoutQ. Khi cÇn kÕt thóc thao t¸c chuyÓn m¹ch nµy phÇn ®iÒu khiÓn sÏ xo¸ sè liÖu ®iÒu khiÓn ®· ghi trong ng¨n i cét Q cña C-MEM th× thao t¸c ®ã sÏ chÊm døt. 2.6.3 Bé chuyÓn m¹ch kh«ng gian sè ®iÒu khiÓn theo ®Çu vµo Bé chuyÓn m¹ch lo¹i nµy cßn ®-îc gäi lµ Bé chuyÓn m¹ch kh«ng gian sè ®iÒu khiÓn theo hµng. CÊu t¹o: Gåm ma trËn chuyÓn m¹ch vµ bé nhí ®iÒu khiÓn Ma trËn chuyÓn m¹ch bao gåm c¸c hµng lµ c¸c tuyÕn ®Çu vµo, ®-îc ký hiÖu PCMin0  PCMinN-1, c¸c cét lµ c¸c tuyÕn ra PCMout0  PCMoutM-1. Giao ®iÓm gi÷a hµng vµ cét lµ phÇn tö chuyÓn m¹ch. PhÇn tö chuyÓn m¹ch lµ m¹ch cæng logic thùc hiÖn chøc n¨ng cña m¹ch Vµ (logic AND); mét ®Çu vµo cña phÇn tö chuyÓn m¹ch ®-îc nèi víi tuyÕn PCMin, ®Çu ra nèi víi tuyÕn PCMout, ®Çu vµo thø hai (®Çu ®iÒu khiÓn) cña c¸c phÇn tö chuyÓn m¹ch trong cïng mét hµng ®-îc nèi víi gi¶i m· ®iÒu khiÓn GM. C¸c phÇn tö chuyÓn m¹ch trong mçi hµng ®-îc ®¸nh sè theo sè thø tù cña c¸c tuyÕn PCMout ®Ó t-¬ng øng víi c¸c ®Çu ra cña gi¶i m· ®iÒu khiÓn. Bé nhí ®iÒu khiÓn C-MEM ®-îc tæ chøc theo hµng (theo ®Çu vµo). Mçi hµng cã F-1 ng¨n nhí (b»ng sè kªnh cña tuyÕn PCM). Sè bÝt trong mçi ng¨n nhí ®ñ ®Ó diÔn gi¶i ®Þa chØ cña phÇn tö chuyÓn m¹ch trong hµng d-íi d¹ng tõ m· nhÞ ph©n vµ ®-îc x¸c ®Þnh bëi biÓu thøc.
  • 97.
           1 log log 2 2 M Int M r NÕu log2Mlµ sè nguyªn NÕu log2M kh«ng ph¶i lµ sè nguyªn Nguyªn lý ho¹t ®éng: Còng gièng bé chuyÓn m¹ch kh«ng gian sè ®iÒu khiÓn theo ®Çu ra, khi cÇn thùc hiÖn mét thao t¸c chuyÓn m¹ch nµo ®ã qua bé chuyÓn m¹ch kh«ng gian ®iÒu khiÓn theo ®Çu vµo th× hÖ thèng ®iÒu khiÓn còng ghi sè liÖu ®iÒu khiÓn cÇn thiÕt vµo ng¨n nhí ®iÒu khiÓn t-¬ng øng cña bé nhí C-MEM. Sau ®ã sè liÖu ®iÒu khiÓn ®· ghi sÏ ®-îc ®äc ra t¹i khe thêi gian t-¬ng øng trong mçi chu kú ®Ó ®iÒu khiÓn phÇn tö chuyÓn m¹ch cô thÓ cho thao t¸c chuyÓn m¹ch ®ã. Khi cÇn kÕt thóc thao t¸c chuyÓn m¹ch nµy th× phÇn ®iÒu khiÓn sÏ xo¸ sè liÖu ®iÒu khiÓn ®· ghi trong ng¨n nhí t-¬ng øng víi thao t¸c chuyÓn m¹ch nµy trong C-MEM. PCMout0 PCMout1 PCMout2 PCMout3 PCMoutM-1 PCMin 0 PCMin 1 PCMin 2 PCMin N-1 PCMin PCM out and H×nh 2.36 : Bé chuyÓn m¹ch kh«ng gian sè ®iÒu khiÓn theo ®Çu vµo gm 0 gm 1 gm 2 gm N-1 0 1 2 3 f-1 Data [3] [3] [2] [1] 0 1 2 3 f-1 0 1 2 3 f-1 0 1 2 3 f-1 0 1 2 3 f-1 [2] [F-1]
  • 98.
               1 1 log 1 log 2 2 N Int ) (N r VÝdô: §Ó thùc hiÖn thao t¸c chuyÓn m¹ch Ch3PCM1  Ch3PCM2 th× cÇn ghi [2] vµo ng¨n 3 hµng 1 cña C-MEM. T¹i khe thêi gian TS3 cña mçi chu kú th× [2] trong ng¨n 3 hµng 1 cña C-MEM l¹i ®-îc ®äc ra ®Ó më phÇn tö chuyÓn m¹ch 2 trong hµng 1 cña ma trËn chuyÓn m¹ch trong suèt khe TS3 v× vËy kªnh Ch3PCMin1 ®-îc chuyÓn tíi kªnh Ch3PCMout2. Khi [2] bÞ xo¸ khái ng¨n 3 cña hµng 1 trong CMEM th× thao t¸c chuyÓn m¹ch trªn sÏ bÞ kÕt thóc. 2.6.4 C¸c ®Æc ®iÓm chung cña bé chuyÓn m¹ch kh«ng gian sè - TÝn hiÖu qua bé chuyÓn m¹ch kh«ng gian sè ph¶i lµ tÝn hiÖu d¹ng sè vµ chØ cã thÓ ®i tõ ®Çu vµo tíi ®Çu ra cña bé chuyÓn m¹ch tøc lµ tõ mét PCMin nµo ®ã tíi mét trong c¸c PCMout (do phÇn tö chuyÓn m¹ch lµ phÇn tö logic nªn chØ cho tÝn hiÖu sè ®i qua theo mét chiÒu). - C¸c bé chuyÓn m¹ch kh«ng gian sè lµm viÖc theo nguyªn t¾c ph©n khe thêi gian. Mçi thao t¸c chuyÓn m¹ch ®-îc thùc hiÖn trong mét khe thêi gian cô thÓ t-¬ng øng víi kªnh ®-îc chuyÓn m¹ch. - Mét phÇn tö chuyÓn m¹ch cã thÓ phôc vô ®ång thêi nhiÒu thao t¸c chuyÓn m¹ch (trong c¸c khe thêi gian kh¸c nhau). - Bé chuyÓn m¹ch kh«ng gian sè kh«ng thÓ thùc hiÖn chøc n¨ng chuyÓn ®æi khe thêi gian v× vËy th-êng ho¹t ®éng cïng c¸c bé chuyÓn m¹ch thêi gian sè. 2.6.5 D¹ng ®Æc biÖt cña chuyÓn m¹ch kh«ng gian sè * D¹ng t-¬ng ®-¬ng víi bé chuyÓn m¹ch kh«ng gian ®iÒu khiÓn theo ®Çu ra. Trong cÊu tróc nµy t-¬ng øng mçi ®Çu ra ta dïng mét bé ghÐp kªnh sè MUX (Multiplexer) ®-îc ®iÒu khiÓn bëi bé nhí ®iÒu khiÓn CM t-¬ng øng . Mçi bé nhí ®iÒu khiÓn cã F ng¨n nhí (tõ 0 ®Õn F-1 t-¬ng øng c¸c khe thêi gian). Mçi ng¨n nhí cã sè bÝt ®-îc x¸c ®Þnh theo biÓu thøc: NÕu log2(N+1) lµ sè nguyªn NÕu log2(N+1) kh«ng lµ sè nguyªn trong ®ã N lµ sè tuyÕn PCM vµo Së dÜ ph¶i cã N+1 tr¹ng th¸i v× cÇn tÝnh ®Õn c¶ tr¹ng th¸i khi kh«ng
  • 99.
               1 1 M log Int 1) (M log r 2 2 cã®Çu vµo nµo ®-îc nèi tíi ®Çu ra t-¬ng øng. Nguyªn lý lµm viÖc: §Ó thùc hiÖn thao t¸c chuyÓn m¹ch kªnh ChiPCMP  ChiPCMQ cÇn ghi [P] vµo ng¨n i cña CMQ Nh- vËy cø tíi khe thêi gian TSi th× [P] trong ng¨n i cña CMQ nèi PCMinP víi PCMoutQ trong suèt khe thêi gian TSi vµ do ®ã: Chi PCMP  Chi PCMQ * D¹ng t-¬ng ®-¬ng bé chuyÓn m¹ch kh«ng gian ®iÒu khiÓn theo ®Çu vµo (theo hµng). Trong cÊu tróc nµy mçi ®Çu vµo ®-îc nèi tíi mét bé ph©n kªnh DEMUX (Demultiplexer). Mét bé nhí ®iÒu khiÓn t-¬ng øng víi tõng bé DEMUX. Sè ng¨n cña mçi bé nhí CM b»ng sè khe thêi gian cña mçi chu kú. Sè bÝt trong mçi ng¨n nhí ®-îc x¸c ®Þnh theo biÓu thøc: NÕu log2(M+1) lµ sè nguyªn NÕu log2(M+1) kh«ng lµ sè nguyªn cm0 0 1 2 3 cm0 0 1 2 3 cm0 0 1 2 3 cm0 0 1 2 3 PCMin0 PCMin1 PCMin2 PCMin3 PCMinN-1 mux0 mux1 mux2 muxm-1 PCM out 1 PCM out 0 PCM out 2 PCM out M-1 H×nh 2.37 Bé chuyÓn m¹ch kh«ng gian sè dïng c¸c bé MUX
  • 100.
    trong ®ã Mlµ sè tuyÕn PCM ra. CÇn M+1 tr¹ng th¸i kÓ c¶ tr¹ng th¸i khi kh«ng cã ®Çu ra nµo ®-îc nèi víi ®Çu vµo qua DEMUX Do c¸c ®Çu ra cña c¸c DEMUX ®-îc nèi víi nhau nªn chóng ph¶i lµ c¸c ®Çu ra trë kh¸ng cao. Nguyªn lý nµy ®-îc thÓ hiÖn trªn h×nh 2.38 Ho¹t ®éng cña bé chuyÓn m¹ch nµy cã thÓ tãm t¾t nh- sau: Khi cÇn thùc hiÖn mét thao t¸c chuyÓn m¹ch nµo ®ã qua bé chuyÓn m¹ch th× phÇn ®iÒu khiÓn cm 0 3 2 1 0 demux 0 PCMin 0 cm 0 3 2 1 0 demux 0 PCMin 1 cm 0 3 2 1 0 demux 0 PCMin N-1 PCM out 0 PCM out 1 PCM out 2 PCM out 3 PCM out M-1 H×nh 2.38 Bé chuyÓn m¹ch kh«ng gian sè dïng c¸c bé DEMUX
  • 101.
    chuyÓn m¹ch sÏghi sè liÖu ®iÒu khiÓn vµo ng¨n nhí cña bé nhí ®iÒu khiÓn t-¬ng øng theo nguyªn t¾c bé nhí CM trïng víi tuyÕn PCM vµo, ng¨n nhí trïng víi kªnh cÇn chuyÓn m¹ch, cßn sè liÖu cÇn ghi trïng víi tuyÕn PCM ra . VÝ dô ®Ó chuyÓn m¹ch kªnh Chi PCMP  Chi PCMQ th× trong ng¨n i cña CMP ph¶i ghi [Q]. Nh- vËy cø tíi khe TSi cña mçi chu kú th× [Q] trong ng¨n i cña CMP sÏ ®-îc ®äc ra ®Ó ®iÒu khiÓn DEMUXP nèi ®Çu vµo P (PCMinP) víi ®Çu ra Q (PCMoutQ) vµ tõ m· cña Chi tõ ®Çu vµo PCMinP ®-îc chuyÓn ra ®Çu ra PCMoutQ qua bé ph©n kªnh sè DEMUXP.
  • 102.
    2.7 C¸c cÊutróc tr-êng chuyÓn m¹ch sè Kh¸i qu¸t vÒ chøc n¨ng cña c¸c tr-êng chuyÓn m¹ch trong tæng ®µi chuyÓn m¹ch sè: H×nh 2.39 Minh ho¹ chøc n¨ng vµ tæ chøc c¸c tr-êng chuyÓn m¹ch Trong c¸c tæng ®µi chuyÓn m¹ch sè, c¸c m¹ch ®iÖn giao tiÕp ®-êng d©y thuª bao SLIC ( Subscribers Line Interface Circuit), giao tiÕp trung kÕ TIC (Trunk Interface Circuit), giao tiÕp c¸c thiÕt bÞ dïng chung EIC (Equipment Interface Circuit) b¸o hiÖu hoÆc th«ng b¸o b»ng lêi, thiÕt bÞ chuyÓn m¹ch nhiÒu ®-êng … th-êng ®-îc tæ chøc thµnh tõng nhãm. Mçi nhãm cã thÓ cã c¸c chuyÓn m¹ch riªng nh- chuyÓn m¹ch TEST dïng cho ®o thö, kiÓm tra; chuyÓn m¹ch DLSW    TEST LOC Ls MU TDNW (sNW)    TEST LOC Ls MU    TEST LOC Ls MU PCMin0 PCMin1 PCMinN-1 PCMout0 PCMout1 PCMoutN-1 MU PinT PoutT MU PinE PoutE loc loc am ss7 …
  • 103.
    (Digital Line Switch)dïng ®Ó nèi c¸c bé cÊp c¸c ©m phôc vô DTG (Digital Tone Generator) nh- ©m “mêi quay sè”, “ b¸o bËn”, “håi ©m chu«ng”…, nèi c¸c bé thu tÝn hiÖu chän sè MFR (Multi frequence receiver) vµ dïng ®Ó tËp trung t¶i. C¸c nhãm thuª bao, trung kÕ, thiÕt bÞ dïng chung giao tiÕp víi tr-êng chuyÓn m¹ch nhãm TDNw (Time Division Network) b»ng c¸c ®-êng PCMin vµ PCMout . Chøc n¨ng cña tr-êng chuyÓn m¹ch nhãm TDNw lµ chuyÓn th«ng tin tõ c¸c tuyÕn PCMin sang c¸c tuyÕn PCMout theo c¸c yªu cÇu chuyÓn m¹ch ®Ó phôc vô c¸c cuéc gäi. Tuú thuéc vµo dung l-îng mµ tæng ®µi cã thÓ bao gåm mét sè tr-êng chuyÓn m¹ch hoÆc chØ cã duy nhÊt mét tr-êng chuyÓn m¹ch, thËm chÝ chØ cã mét bé chuyÓn m¹ch. Trong c¸c tæng ®µi riªng (tæng ®µi c¬ quan, tæng ®µi cña mét toµ nhµ nhá - PBX (Private Branch Exchange) dung l-îng kh«ng qu¸ vµi ba tr¨m sè th× tÝnh n¨ng kiÓm tra, ®o thö cã thÓ ®-îc ®¬n gi¶n bít, c¸c chøc n¨ng chuyÓn m¹ch tho¹i, chuyÓn m¹ch b¸o hiÖu ®-îc tËp trung trong mét tr-êng chuyÓn m¹ch duy nhÊt, thËm chÝ chØ dïng mét bé chuyÓn m¹ch thêi gian sè duy nhÊt ®Ó phôc vô. Trong c¸c tæng ®µi dung l-îng võa vµ lín th-êng bao gåm mét sè tr-êng chuyÓn m¹ch thùc hiÖn c¸c chøc n¨ng riªng biÖt: Tr-êng chuyÓn m¹ch dïng cho kiÓm tra ®o thö, tr-êng chuyÓn m¹ch tËp trung t¶i ë c¸c nhãm thuª bao, tr-êng chuyÓn m¹ch nhãm nh- trªn h×nh 2.39. Tuú thuéc vµo øng dông cô thÓ mµ c¸c tr-êng chuyÓn m¹ch nµy cã thÓ cã cÊu tróc vµ c¸c ®Æc tr-ng kü thuËt kh¸c nhau. Trong phÇn nµy chóng ta sÏ xem xÐt c¸c cÊu tróc th-êng gÆp trong c¸c tæng ®µi sè. 2.7.1 CÊu tróc T Tr-êng chuyÓn m¹ch theo cÊu tróc T chØ gåm mét bé chuyÓn m¹ch thêi gian sè nh- ®-îc minh ho¹ trªn h×nh 2.40 Do l-u l-îng chuyÓn m¹ch kh«ng lín nªn toµn bé c¸c yªu cÇu chuyÓn m¹ch cã thÓ ®-îc phôc vô chØ bëi mét bé chuyÓn m¹ch thêi gian sè. C¸c nguån tÝn hiÖu ®Çu vµo nh- c¸c kªnh tõ c¸c thiÕt bÞ ®Çu cuèi thuª bao, c¸c kªnh tõ c¸c PCMin Bé chuyÓn m¹ch thêi gian sè T ts0 ts1 ts2 tsi tsF-1 ts0 ts1 ts2 TFrame=125s tsj ts0 ts1 ts2 tsi tsF-1 ts0 ts1 ts2 TFrame=125s tsj PCMout Ch0 Ch1 Ch2 Chi ChF-1 Ch0 Ch1 Ch2 Chj Ch0 Ch1 Ch2 Chi ChF-1 Ch0 Ch1 Ch2 Chj H×nh 2.40 Tr-êng chuyÓn m¹ch mét bé chuyÓn m¹ch thêi gian sè
  • 104.
    giao tiÕp trungkÕ hoÆc tuyÕn truyÒn dÉn, c¸c kªnh tõ c¸c bé ph©n phèi b¸o hiÖu sau khi ®· ®-îc sè ho¸ ®-îc ghÐp theo thêi gian víi nhau nhê bé ghÐp kªnh MUX ®Ó t¹o thµnh mét tuyÕn PCMin duy nhÊt ®-a tíi ®Çu vµo cña chuyÓn m¹ch T. TuyÕn PCMout tõ chuyÓn m¹ch T sÏ ®-îc ®-a qua bé ph©n kªnh DEMUX ®Ó t¸ch thµnh c¸c kªnh ®-a tíi c¸c giao tiÕp thuª bao, giao tiÕp truyÒn dÉn hoÆc tíi c¸c bé thu vµ xö lý b¸o hiÖu. Do chØ cã mét tuyÕn PCMin vµ PCMout duy nhÊt nªn yªu cÇu chuyÓn m¹ch chØ biÓu diÔn tæng qu¸t d-íi d¹ng: Chi  Chj Nh×n chung c¸c lo¹i chuyÓn m¹ch thêi gian sè ®Òu cã thÓ sö dông trong cÊu tróc nµy, tuy nhiªn, nÕu sö dông lo¹i bé chuyÓn m¹ch T-SWRR hoÆc lo¹i T-RWSR th× sÏ t¹o ra tr-êng chuyÓn m¹ch toµn th«ng (kh«ng t¾c nghÏn - non blocking) do ®¶m b¶o quan hÖ gi÷a kªnh cÇn chuyÓn m¹ch-ng¨n nhí tho¹i-ng¨n nhí ®iÒu khiÓn-kªnh ®Ých. Tr-êng chuyÓn m¹ch theo cÊu tróc mét bé chuyÓn m¹ch nµy cã thÓ ®-îc ¸p dông lµm tr-êng chuyÓn m¹ch ®a n¨ng cña tæng ®µi dung l-îng nhá hoÆc lµm bé chuyÓn m¹ch tËp trung t¶i thuª bao cña tõng nhãm thuª bao trong c¸c tæng ®µi dung l-îng võa vµ lín. C¸c yªu cÇu chuyÓn m¹ch qua cÊu tróc nµy còng cã thÓ lµ song h-íng vµ còng cã thÓ lµ yªu cÇu chuyÓn m¹ch ®¬n h-íng. Trªn h×nh 2.40 c¸c thao t¸c chuyÓn m¹ch Chi  Chj vµ Chj  Chi kÕt hîp thµnh yªu cÇu chuyÓn m¹ch song h-íng Chi  Chj, cßn c¸c thao t¸c chuyÓn m¹ch Ch0  Ch1, Ch1ChF-1, Ch2Ch0 lµ nh÷ng thao t¸c chuyÓn m¹ch ®¬n h-íng. Mçi yªu cÇu chuyÓn m¹ch song h-íng d¹ng ChiChj ®-îc thùc hiÖn b»ng 2 thao t¸c chuyÓn m¹ch ChiChj vµ Chj Chi. §iÒu nµy cã nghÜa lµ mçi thao t¸c chuyÓn m¹ch d¹ng ChiChj nÕu viÕt ®Çy ®ñ ph¶i lµ ChiPCMinChjPCMout, còng cã nghÜa lµ c¸c chuyÓn m¹ch sè chØ cho tÝn hiÖu ®i tõ ®Çu vµo ®Õn ®Çu ra cña bé chuyÓn m¹ch. Nh- thÕ, yªu cÇu chuyÓn m¹ch song h-íng ChiChj ®-îc thùc hiÖn b»ng 2 thao t¸c chuyÓn m¹ch ®ång thêi ChiPCMinChjPCMoutvµ Chj PCMinChiPCMout. §-¬ng nhiªn chuyÓn m¹ch sè kh«ng thÓ thùc hiÖn ®-îc c¸c thao t¸c chuyÓn m¹ch d¹ng Chj PCMinChiPCMout. C¸c yªu cÇu chuyÓn m¹ch ®¬n h-íng th-êng ¸p dông ®Ó nèi c¸c thiÕt bÞ chuyªn dông dïng chung tíi m¹ch ®iÖn thuª bao nh- c¸c thiÕt bÞ b¸o hiÖu, thiÕt bÞ kiÓm tra, ®o thö. C¸c yªu cÇu chuyÓn m¹ch song h-íng dïng trong viÖc nèi tho¹i. H×nh 2.40b d-íi ®©y lµ mét vÝ dô minh ho¹ cÊu tróc chuyÓn m¹ch T
  • 105.
    H×nh 2.40b: VÝdô minh ho¹ cÊu tróc chuyÓn m¹ch T 2.7.2 CÊu tróc chuyÓn m¹ch hai tÇng (CÊu tróc T-S, CÊu tróc S-T) Th«ng th-êng khi dung l-îng cña tæng ®µi t¨ng, th× nhu cÇu chuyÓn m¹ch còng t¨ng. §èi víi c¸c tæng ®µi trung b×nh vµ tæng ®µi lín tÝn hiÖu tõ c¸c nhãm thuª bao, trung kÕ , c¸c tuyÕn truyÒn dÉn vµ c¸c thiÕt bÞ b¸o hiÖu th-êng ®-îc ghÐp kªnh b»ng mét vµi cÊp ghÐp vµ t¹o thµnh mét sè tuyÕn PCMin ®-a tíi tr-êng chuyÓn m¹ch. Tõ ®Çu ra cña tr-êng chuyÓn m¹ch còng sÏ cã mét sè tuyÕn PCMout ®-a trë l¹i ph©n hÖ øng dông. Nh- vËy sÏ cã nhu cÇu chuyÓn m¹ch gi÷a c¸c m¹ch ®Çu cuèi cña nhãm nµy víi m¹ch ®Çu cuèi cña nhãm kh¸c, nghÜa lµ sÏ cã yªu cÇu chuyÓn m¹ch gi÷a mét kªnh nµo ®ã cña mét tuyÕn PCM nµy víi mét kªnh kh¸c cña cïng mét tuyÕn PCM hay mét tuyÕn PCM kh¸c. Yªu cÇu chuyÓn m¹ch ®ã cã thÓ viÕt d-íi d¹ng tæng qu¸t: Chi PCMP  Chj PCMQ” (1) trong ®ã c¸c chØ sè i, j vµ P, Q cã thÓ trïng hoÆc kh¸c nhau tõng cÆp. Yªu cÇu chuyÓn m¹ch d¹ng nµy bao gåm hai thao t¸c chuyÓn m¹ch c¬ b¶n: Thø nhÊt lµ chuyÓn th«ng tin tõ kªnh i sang kªnh j, viÕt t¾t lµ ChiChj. Thø hai lµ chuyÓn tõ kªnh j tuyÕn PCMP sang kªnh j tuyÕn PCMQ, nghÜa lµ chuyÓn tõ tuyÕn P sang tuyÕn Q mµ kh«ng lµm thay ®æi chØ sè kªnh vµ viÕt t¾t lµ ChjPCMP  ChjPCMQ”. Nh- vËy víi cÊu tróc T-S hoÆc cÊu tróc S -T ®Òu cã thÓ ®¸p øng ®-îc c¸c yªu cÇu chuyÓn m¹ch kiÓu nµy.   0 a 3 b 0 1 2 3 a b 0 a 3 b pcmin pcmOut 0 1 2 3 3 0 R mux/Demux t-mem c-mem
  • 106.
    2.7.2a CÊu trócT-S (Time switch-Space switch) CÊu tróc T-S gåm 2 tÇng chuyÓn m¹ch: TÇng ®Çu lµ chuyÓn m¹ch thêi gian ITXB (Incoming Time Switch Board), mçi tuyÕn PCM ®Çu vµo (PCMin) ®-îc ®-a tíi mét bé chuyÓn m¹ch thêi gian sè (T). §Çu ra cña c¸c bé chuyÓn m¹ch thêi gian sè ®-îc ®-a tíi tÇng chuyÓn m¹ch thø hai, vµo bé chuyÓn m¹ch kh«ng gian sè SXB (Space Switch Board). C¸c ®Çu ra cña bé chuyÓn m¹ch kh«ng gian chÝnh lµ c¸c tuyÕn PCMout. CÊu tróc nµy ®-îc minh ho¹ trªn h×nh 2.41 §èi víi cÊu tróc nµy yªu cÇu chuyÓn m¹ch (1) ®-îc thùc hiÖn theo hai b-íc: B-íc 1: T¹i bé chuyÓn m¹ch TP thùc hiÖn thao t¸c chuyÓn m¹ch vÒ thêi gian, ®ã lµ chuyÓn th«ng tin tõ khe i sang khe j qua bé chuyÓn m¹ch TP. Thao t¸c nµy cã thÓ viÕt t¾t lµ : TP: Chi Chj , hay ChiPCMP  ChjPCMP’ (1.1) B-íc 2: T¹i bé chuyÓn m¹ch S thùc hiÖn thao t¸c chuyÓn m¹ch kh«ng gian, chuyÓn th«ng tin tõ tuyÕn vµo P sang tuyÕn ra Q t¹i khe j. Thao t¸c nµy cã thÓ viÕt t¾t lµ : PCMP’  PCMQ” t¹i khe j, hay ChjPCMP’  ChjPCMQ” (1.2) Trong cÊu tróc T-S c¸c tuyÕn PCM ph¶i cïng dung l-îng, c¸c bé chuyÓn m¹ch thêi gian ë ®Çu vµo nªn dïng lo¹i T-SWRR, bé chuyÓn m¹ch kh«ng gian sè ë tÇng ra cã thÓ dïng lo¹i ®iÒu khiÓn theo ®Çu ra (theo cét) hoÆc lo¹i ®iÒu khiÓn theo ®Çu vµo (theo hµng) v× nã lµ chuyÓn m¹ch vu«ng (N  N). Víi viÖc sö dông c¸c bé chuyÓn m¹ch nh- vËy sÏ thuËn lîi cho viÖc ghi th«ng tin ®iÒu khiÓn vµo c¸c bé nhí C-MEM cña c¸c bé chuyÓn m¹ch nµy. VÝ dô víi lùa chän gåm c¸c chuyÓn m¹ch ITXB lµ lo¹i T-SWRR, chuyÓn m¹ch S lµ lo¹i ®iÒu khiÓn theo ®Çu ra Bé chuyÓn m¹ch kh«ng gian S T0 Pcm0 Pcm0’ Pcm0” T1 Pcm1 Pcm1’ Pcm1” T2 Pcm2 Pcm2’ Pcm2” TN-1 PcmN-1 PcmN-1’ PcmN-1” Ch5 Ch7 Ch7 Ch7 Ch5 Ch5 H×nh 2.41 CÊu tróc chuyÓn m¹ch hai kh©u T-S itxb sxb
  • 107.
    th× ®èi víic¸c thao t¸c chuyÓn m¹ch (1.1) vµ (1.2) trªn ®©y th«ng tin ®iÒu khiÓn sÏ ®-îc ghi vµo ng¨n j cña CMEM TP vµ ng¨n j cét Q cña C-MEM S. ViÖc ghi th«ng tin ®iÒu khiÓn vµo c¸c ng¨n nhí ®iÒu khiÓn cã cïng thø tù cã thÓ ®-îc tiÕn hµnh t¹i chÝnh khe thêi gian nhÞp ®ã vµ khi ®ã sÏ bít ®-îc mét tr-êng ®Þa chØ x¸c ®Þnh ng¨n nhí cÇn ghi. Cßn nÕu ®Çu vµo sö dông c¸c bé chuyÓn m¹ch kiÓu T- RWSR th× th«ng tin ®iÒu khiÓn l¹i ph¶i ghi vµo ng¨n i cña CMEMTP vµ ng¨n j cét Q cña CMEMS, nh- vËy chóng kh«ng cã cïng thø tù vµ viÖc ghi c¸c th«ng tin ®iÒu khiÓn sÏ phøc t¹p h¬n. H×nh 2.41b : VÝ dô minh ho¹ cÊu tróc chuyÓn m¹ch T-S 0 1 2 3 4 t-mem 0 1 2 3 4 c-mem R a 0 a 0 a 4 pcm ’ 1 pcm 1 0 1 2 3 4 t-mem 0 1 2 3 4 c-mem R b 4 b 4 b 0 pcm ’ 2 pcm 2  a   b  0 1 2 3 gm 1 c-mem 0 pcm 01 D b 4 pcm 02 1 2 1 2 1 2 gm 2 a 4 IT 1 IT 2
  • 108.
    2.7.2b CÊu trócS-T(Space switch- Time switch) CÊu tróc chuyÓn m¹ch nµy ®-îc minh ho¹ trªn h×nh 2.42 Yªu cÇu chuyÓn m¹ch (1) còng cã thÓ ®-îc phôc vô b»ng cÊu tróc S-T. §Çu vµo sÏ lµ bé chuyÓn m¹ch kh«ng gian sè N  N, ®iÒu khiÓn theo ®Çu ra hoÆc theo ®Çu vµo, tÇng ra sÏ lµ c¸c bé chuyÓn m¹ch thêi gian sè. Trong cÊu tróc nµy l¹i cÇn sö dông lo¹i bé chuyÓn m¹ch thêi gian kiÓu T-RWSR ë tÇng chuyÓn m¹ch thêi gian ®Çu ra. Nh- thÕ yªu cÇu chuyÓn m¹ch (1) sÏ ®-îc thùc hiÖn theo hai b-íc, b-íc 1 qua tÇng chuyÓn m¹ch kh«ng gian SXB, b-íc 2 qua tÇng chuyÓn m¹ch thêi gian OTXB (Outgoing Time Switch Board). Gi¶ sö bé chuyÓn m¹ch kh«ng gian lµ lo¹i ®iÒu khiÓn theo ®Çu ra (theo cét), cßn c¸c bé chuyÓn m¹ch thêi gian ë tÇng ra lµ lo¹i T-RWSR th× c¸c b-íc ®ã ®-îc thùc hiÖn nh- sau: B-íc 1: Qua bé chuyÓn m¹ch S trªn ®Çu vµo thùc hiÖn thao t¸c: ChiPCMP  ChiPCMQ’ (1.3) B-íc 2: Trong bé chuyÓn m¹ch thêi gian sè TQ ë tÇng ra thùc hiÖn thao t¸c: ChiPCMQ’ ChjPCMQ” (1.4) Nh- vËy c¸c ng¨n nhí ®iÒu khiÓn trong CMEMS vµ CMEMTQ dïng cho thao t¸c (1.3) vµ (1.4) ®Òu cã thø tù i vµ v× vËy sÏ tiÖn cho viÖc ghi th«ng tin ®iÒu khiÓn vµo chóng tõ hÖ thèng ®iÒu khiÓn chuyÓn m¹ch Bé chuyÓn m¹ch kh«ng gian S T0 Pcm0 Pcm0’ Pcm0” T1 Pcm1 Pcm1’ Pcm1” T2 Pcm2 Pcm2’ Pcm2” TN-1 PcmN-1 PcmN-1’ PcmN-1” Ch5 Ch7 Ch7 Ch7 Ch5 Ch5 H×nh 2.42 CÊu tróc chuyÓn m¹ch hai kh©u S-T sxb otxb
  • 109.
    H×nh 2.42b: VÝdô minh ho¹ cÊu tróc chuyÓn m¹ch S-T * §¸nh gi¸ kh¶ th«ng cña cÊu tróc T-S vµ cÊu tróc S-T §¸nh gi¸ kh¶ th«ng cña cÊu tróc lµ xem xÐt kh¶ n¨ng thùc hiÖn c¸c yªu cÇu chuyÓn m¹ch qua cÊu tróc ®ã. Trong cÊu tróc T-S, khi thùc hiÖn yªu cÇu chuyÓn m¹ch (1) ChiPCMP ChjPCMQ” (1) th× t¹i bé chuyÓn m¹ch ®Çu vµo TP kªnh Chi buéc ph¶i chuyÓn sang kªnh Chj, nghÜa lµ ChiPCMP ChjPCMP’ (1*) còng cã nghÜa lµ kªnh Chj trªn PCMP’ ph¶i ®-îc dµnh cho (1*) th× míi thùc hiÖn ®-îc thao t¸c tiÕp theo lµ a 0 pcm 1 b 4 pcm 2  a   b  0 1 2 3 gm 1 c-mem 0 1 2 3 4 t-mem 0 1 2 3 4 c-mem w 0 0 a 0 pcm 01 D pcm ” 1 0 1 2 3 4 t-mem 0 1 2 3 4 c-mem w b 4 b 4 b 4 pcm 02 pcm ” 2 1 2 1 2 1 2 gm 2 a a ot 1 ot 2
  • 110.
    ChjPCMP’ChjPCMQ” trªn chuyÓn m¹chS theo yªu cÇu (1). NÕu nh- xuÊt hiÖn mét yªu cÇu chuyÓn m¹ch kh¸c cã d¹ng: ChxPCMP ChjPCMZ” (2) Khi ®ã ®Ó cã thÓ chuyÓn tíi Chj PCMZ'' trªn ®Çu ra chuyÓn m¹ch S th× t¹i chuyÓn m¹ch ®Çu vµo TP ph¶i thùc hiÖn thao t¸c chuyÓn tõ kªnh Chx ra kªnh Chj, nghÜa lµ Chx PCMP  Chj PCMP' (2*) Nh- vËy sÏ x¶y ra tranh chÊp gi÷a thao t¸c (1*) vµ (2*) do trªn chuyÓn m¹ch TP cã hai kªnh ®Çu vµo (Chi vµ Chx) cïng cã nhu cÇu chuyÓn tíi mét kªnh ®Çu ra cña TP lµ kªnh Chj trªn PCMP' . Khi ®ã yªu cÇu chuyÓn m¹ch xuÊt hiÖn sau sÏ bÞ huû mÆc dï kªnh ®Çu ra cña tr-êng chuyÓn m¹ch ®èi víi yªu cÇu ®ã vÉn rçi vµ do vËy g©y ra tæn thÊt néi (gäi hôt) cña tr-êng chuyÓn m¹ch. Khi dung l-îng cña c¸c tuyÕn PCM t¨ng th× s¸c xuÊt x¶y ra c¸c tranh chÊp nµy sÏ t¨ng vµ lµm ¶nh h-ëng tíi chÊt l-îng phôc vô QoS cña tæng ®µi (QoS - Quality of service). T-¬ng tù, trong cÊu tróc S-T còng cã thÓ x¶y ra c¸c tranh chÊp nh- vËy khi cã hai hoÆc nhiÒu yªu cÇu chuyÓn m¹ch ®ång thêi cïng cã nhu cÇu chuyÓn m¹ch tíi mét kªnh ®Çu vµo cña mét bé chuyÓn m¹ch thêi gian nµo ®ã. VÝ dô, nÕu cã c¸c yªu cÇu chuyÓn m¹ch nh- sau: Chi PCMP  Chj PCMQ'' (3) vµ Chi PCMZ  Chx PCMQ'' (4) Râ rµng c¸c kªnh ®Çu vµo vµ ®Çu ra lµ ®éc lËp víi nhau, nghÜa lµ kh«ng cã tranh chÊp vÒ ®Çu vµo, ®Çu ra cña tr-êng chuyÓn m¹ch. Tuy nhiªn ®Ó thùc hiÖn ®-îc yªu cÇu (3) vµ (4) th× ë tÇng chuyÓn m¹ch S ph¶i thùc hiÖn c¸c thao t¸c: Chi PCMP  Chi PCMQ' (3*) Chi PCMZ  Chi PCMQ' (4*) Hai thao t¸c (3*) vµ (4*) kh«ng thÓ tiÕn hµnh ®ång thêi qua chuyÓn m¹ch S do tranh chÊp ®Çu ra PCMQ' t¹i khe TSi vµ mét trong hai yªu cÇu chuyÓn m¹ch sÏ bÞ tõ chèi vµ còng dÉn tíi gäi hôt (tæn thÊt cuéc gäi). Nh- vËy, nÕu xem xÐt c¸c yªu cÇu chuyÓn m¹ch mét c¸c ®éc lËp th× c¸c cÊu tróc T-S, S-T ®Òu cã thÓ phôc vô ®-îc mäi yªu cÇu chuyÓn m¹ch tõ mét kªnh nµo ®ã trªn mét tuyÕn PCM ®Çu vµo tíi mét kªnh bÊt kú cña mét trong c¸c tuyÕn PCM ®Çu ra cña tr-êng chuyÓn m¹ch. Tuy nhiªn chóng ®Òu lµ c¸c tr-êng chuyÓn m¹ch kh«ng toµn th«ng do cã thÓ x¶y ra c¸c tranh chÊp khi cã nhiÒu cuéc gäi ®ång thêi cïng buéc ph¶i tiÕn hµnh qua mét kªnh trung gian nµo ®ã. CÇn nãi thªm lµ tranh chÊp d¹ng nµy g©y ra tæn thÊt cuéc gäi ngay c¶ khi mËt ®é cuéc gäi rÊt thÊp (tõ 2 cuéc gäi ®ång thêi trë lªn ®· cã thÓ x¶y ra tranh chÊp) vµ cã thÓ coi ®©y lµ tæn thÊt néi g©y ra do nguyªn lý chuyÓn m¹ch
  • 111.
    2.7.3 CÊu trócchuyÓn m¹ch ba tÇng (CÊu tróc T-S-T, CÊu tróc S-T-S) 2.7.3a CÊu tróc T-S-T (H×nh 2.43) So víi cÊu tróc T-S th× cÊu tróc T-S-T cã thªm mét tÇng chuyÓn m¹ch T ë ®Çu ra (tÇng OTXB: Outgoing Time Switch Board) cßn so víi cÊu tróc S-T th× cÊu tróc T-S-T l¹i cã thªm tÇng chuyÓn m¹ch T ë ®Çu vµo (ITXB: Incoming Time Switch Board). Nh- ta ®· ph©n tÝch ë phÇn 2.7.2 th× mçi yªu cÇu chuyÓn m¹ch d¹ng tæng qu¸t: Chi PCMP  Chj PCMQ'' (1) sÏ bao gåm hai thao t¸c chuyÓn m¹ch. Mét thao t¸c chuyÓn m¹ch vÒ thêi gian, tõ khe TSi sang khe TSj vµ mét thao t¸c chuyÓn m¹ch vÒ kh«ng gian, tõ tuyÕn P sang tuyÕn Q. Trong cÊu tróc T-S vµ cÊu tróc S-T do chØ cã hai tÇng chuyÓn m¹ch nªn khi thùc hiÖn mçi yªu cÇu d¹ng (1) th× c¶ hai thao t¸c ®Òu lµ b¾t buéc. Cßn trong cÊu tróc T-S-T do cã thªm mét tÇng chuyÓn m¹ch so víi hai cÊu tróc trªn nªn khi thùc hiÖn mçi yªu cÇu chuyÓn m¹ch d¹ng (1) th× tÇng thªm vµo sÏ cho phÐp cã mét thao t¸c chän tù do. Trong cÊu tróc T-S-T, do tÇng thªm vµo lµ tÇng chuyÓn m¹ch thêi gian nªn thao t¸c chuyÓn m¹ch tù do ®ã chÝnh lµ thao chuyÓn m¹ch vÒ thêi gian. VÝ dô, khi cÇn thùc hiÖn yªu cÇu chuyÓn m¹ch (1) Chi PCMP  Chj PCMQ'' (1) th× phÇn ®iÒu khiÓn m¹ng chuyÓn m¹ch cã thÓ chän tù do mét khe thêi gian k nµo ®ã ®Ó phôc vô c¸c thao t¸c chuyÓn m¹ch cña yªu cÇu (1), miÔn sao khe thêi gian k ®ã ch-a bÞ sö dông trªn c¶ ®Çu ra cña bé chuyÓn m¹ch ITP vµ ®Çu vµo cña bé chuyÓn m¹ch OTQ ®Ó phôc vô cho yªu cÇu chuyÓn m¹ch nµo kh¸c ®ang tiÕn hµnh t¹i thêi ®iÓm ®ã. §©y lµ ®iÒu kiÖn chän khe thêi gian trung gian (hay cßn gäi lµ khe thêi gian néi bé) khi phôc vô yªu cÇu chuyÓn m¹ch (1). Pcm0 Pcm0’ Pcm0” PcmP PcmP* PcmP” PcmQ PcmQ* PcmQ” PcmN-1 PcmN-1* PcmN-1” Chi Chh Chj Chj Chk Chi H×nh 2.43 CÊu tróc chuyÓn m¹ch ba kh©u T-S-T IT0 ITP ITQ ITN-1 Pcm0 PcmP’ PcmQ’ PcmN-1’ Chk Chh  OT0 OTP OTQ OTN-1   itxb otxb sxb  ChuyÓn m¹ch kh«ng gian S
  • 112.
    Gi¶ sö tÇngchuyÓn m¹ch ITXB dïng lo¹i T-SWRR, tÇng chuyÓn m¹ch kh«ng gian SXB dïng bé chuyÓn m¹ch kh«ng gian ®iÒu khiÓn theo cét, cßn tÇng chuyÓn m¹ch OTXB dïng lo¹i T-RWRS th× yªu cÇu chuyÓn m¹ch (1) sÏ ®-îc thùc hiÖn qua kªnh trung gian k theo 3 b-íc nh- sau: B-íc 1: Trªn tÇng chuyÓn m¹ch thêi gian vµo ITXB, bé chuyÓn m¹ch ITP thùc hiÖn thao t¸c chuyÓn m¹ch th«ng tin tõ kªnh Chi sang kªnh trung gian Chk Chi PCMP  Chk PCMP' (1.1) §iÒu khiÓn : Ng¨n k CMEM ITP ghi [i] B-íc 2: Trªn tÇng chuyÓn m¹ch kh«ng gian SXB thùc hiÖn thao t¸c chuyÓn m¹ch th«ng tin tõ kªnh Chk tuyÕn P sang kªnh Chk tuyÕn Q Chk PCMP'  Chk PCMQ* (1.2) §iÒu khiÓn : Ng¨n k cét Q CMEMS ghi [P] B-íc 3: Trªn tÇng chuyÓn m¹ch thêi gian ra OTXB bé chuyÓn m¹ch OTQ thùc hiÖn thao t¸c chuyÓn m¹ch th«ng tin tõ kªnh trung gian Chk sang kªnh Chj Chk PCMQ*  Chj PCMQ'' (1.3) §iÒu khiÓn : Ng¨n k CMEM OTQ ghi [j] NghÜa lµ, khe thêi gian k ®-îc dïng nh- khe thêi gian trung gian ®Ó chuyÓn th«ng tin tõ khe i tuyÕn vµo P sang khe j tuyÕn ra Q cña tr-êng chuyÓn m¹ch. Khe thêi gian trung gian ®-îc dïng ®Ó chuyÓn m¹ch th«ng tin bªn trong tr-êng chuyÓn m¹ch, v× vËy nã cßn ®-îc gäi lµ khe thêi gian néi bé (Internal Time Slot). T-¬ng øng nã cßn cã mét vµi tªn kh¸c nh- kªnh trung gian, kªnh néi bé hoÆc kªnh bªn trong. Do nã ®-îc chän tù do khi cÇn phôc vô mçi yªu cÇu chuyÓn m¹ch nªn nã cã thÓ ®-îc chän theo nhiÒu c¸ch, miÔn sao tho¶ m·n ®iÒu kiÖn chän khe thêi gian néi bé. Vµ do nã ®-îc chän tù do nh- vËy nªn cÊu tróc T-S-T cã thÓ tr¸nh ®-îc c¸c d¹ng tranh chÊp vÒ khe thêi gian trªn ®Çu ra cña chuyÓn m¹ch ITP (mµ ®· gÆp trong cÊu tróc T-S) hoÆc trªn ®Çu vµo cña chuyÓn m¹ch OTQ (mµ ®· gÆp trong cÊu tróc S-T). Trªn h×nh 2.42b minh ho¹ cuéc gäi gi÷a thuª bao A (t-¬ng øng kªnh 0 trªn tuyÕn PCM1) víi thuª bao B (t-¬ng øng kªnh 4 trªn tuyÕn PCM2) sö dông khe thêi gian néi bé TS3 cho h-íng Ch0 PCM1  Ch4PCM02 vµ khe thêi gian néi bé TS2 cho h-íng Ch4 PCM2  Ch0PCM01
  • 113.
    H×nh 2.42b: VÝdô minh ho¹ cÊu tróc chuyÓn m¹ch T-S-T 0 1 2 3 4 t-mem 0 1 2 3 4 c-mem R a 0 a 0 a 3 pcm ’ 1 pcm 1 0 1 2 3 4 t-mem 0 1 2 3 4 c-mem R b 4 b 4 b 2 pcm ’ 2 pcm 2  a   b  0 1 2 3 gm 1 c-mem 0 1 2 3 4 t-mem 0 1 2 3 4 c-mem w 0 0 a 3 pcm 01 D pcm ” 1 0 1 2 3 4 t-mem 0 1 2 3 4 c-mem w b 4 b 4 b 2 pcm 02 pcm ” 2 1 2 1 2 1 2 gm 2 a a
  • 114.
     Nh- vËy, khiphôc vô mét yªu cÇu chuyÓn m¹ch nµo ®ã, phÇn ®iÒu khiÓn chuyÓn m¹ch ph¶i t×m mét khe thêi gian trung gian rçi (kªnh trung gian) ®Ó phôc vô yªu cÇu chuyÓn m¹ch ®ã. ViÖc nµy th-êng sö dông tíi bÝt B trong c¸c ng¨n nhí cña bé nhí ®iÒu khiÓn C-MEM trong c¸c chuyÓn m¹ch thêi gian. §èi víi lo¹i T-SWRR bÝt B nµy trong mçi ng¨n nhí C-MEM ph¶n ¸nh tr¹ng th¸i cña khe thêi gian t-¬ng øng trªn ®Çu ra cña bé chuyÓn m¹ch. VÝ dô, nÕu bÝt B cña ng¨n 12 trong C-MEM cña chuyÓn m¹ch T-SWRR cã gi¸ trÞ 0 nghÜa lµ kªnh Ch12 (t-¬ng øng khe TS12) trªn tuyÕn ra cña chuyÓn m¹ch ®ã ®· bËn (®· sö dông), cßn nÕu bÝt B ®ã lµ 1 th× kªnh ®Çu ra Ch12 cña chuyÓn m¹ch ®ã ®ang rçi cã thÓ chän cho yªu cÇu chuyÓn m¹ch míi. Ng-îc l¹i, ®èi víi T-RWSR th× bÝt B trong ng¨n nhí C- MEM l¹i ph¶n ¸nh tr¹ng th¸i cña kªnh ®Çu vµo. Nh- vËy ®Ó thuËn tiÖn cho viÖc chän kªnh b»ng c¸c bÝt B th× tÇng IT nªn sö dông lo¹i T-SWRR cßn tÇng OT nªn sö dông lo¹i T-RWSR. §èi víi cÆp yªu cÇu chuyÓn m¹ch ®èi ngÉu, vÝ dô khi nèi tho¹i gi÷a hai thuª bao ch¼ng h¹n th× chóng th-êng ®-îc thÓ hiÖn d-íi d¹ng: Chi PCMP  Chj PCMQ” (1) Chj PCMQ  Chi PCMP” (2) khi ®ã yªu cÇu chuyÓn m¹ch (2) sÏ ®-îc phôc vô th«ng qua mét khe trung gian kh¸c, vÝ dô TSh nh- m« t¶ trªn h×nh 2.43. NghÜa lµ ®èi víi cÆp yªu cÇu chuyÓn m¹ch ®èi ngÉu th× hÖ thèng ®iÒu khiÓn chuyÓn m¹ch ph¶i dïng hai khe trung gian hay mét cÆp khe thêi gian trung gian ®Ó phôc vô. * ThuËt to¸n chän khe thêi gian trung gian cho mçi yªu cÇu chuyÓn m¹ch qua cÊu tróc T-S-T Nh- ®· ®Ò cËp trong phÇn trªn khi xuÊt hiÖn yªu cÇu chuyÓn m¹ch: Chi PCMP  Chj PCMQ” (1) th× phÇn ®iÒu khiÓn khèi chuyÓn m¹ch ph¶i chän ®-îc mét khe thêi gian trung gian TSk nµo ®ã phôc vô chuçi c¸c thao t¸c chuyÓn m¹ch, gåm: ®äc th«ng tin tõ bé nhí T-MEM cña bé chuyÓn m¹ch thêi gian ITP, ®ång thêi chuyÓn th«ng tin ®ã (tõ m· PCM) qua phÇn tö chuyÓn m¹ch QP (gi÷a ®Çu vµo P vµ ®Çu ra Q) trong bé chuyÓn m¹ch kh«ng gian S ®Ó chuyÓn tíi ®Çu vµo cña bé chuyÓn m¹ch thêi gian OTQ vµ ghi nã vµo ng¨n nhí j cña OTQ. Nh- thÕ khe trung gian TSk (t-¬ng øng kªnh trung gian Chk) ph¶i rçi trªn c¶ ®Çu ra cña ITP vµ trªn c¶ ®Çu vµo OTQ. §Ó chän ®-îc khe thêi gian trung gian tho¶ m·n ®iÒu kiÖn trªn th× phÇn ®iÒu khiÓn khèi chuyÓn m¹ch ph¶i thùc hiÖn xö lý tr¹ng th¸i cña c¸c bé chuyÓn m¹ch IT vµ OT b»ng c¸ch tiÕn hµnh c¸c phÐp tÝnh logic ®èi víi c¸c gi¸ trÞ bÝt B trong c¸c ng¨n nhí ®iÒu khiÓn (CMEM) cña c¸c bé chuyÓn m¹ch ITXB vµ OTXB ®Ó t×m ra sù ®ång thêi cïng rçi ®ã.
  • 115.
    C¸c chuyÓn m¹chITXB C¸c chuyÓn m¹ch OTXB 0 1 2 P Q - 1 0 1 2 P Q - 1 1 0 1 … 1 … 0 … 0 0 1 … 1 … 1 … Thanh ghi tr¹ng th¸i 0 0 0 … 1 … 0 … 0 0 0 … 0 … 1 … Thanh ghi mÆt n¹ 0 0 0 … 1 … 0 … 0 0 0 … 0 … 1 … Thanh ghi kÕt qu¶ H×nh 2.44 Ph-¬ng ph¸p chän khe thêi gian trung gian rçi dïng mÆt n¹ Ph-¬ng ph¸p ®¬n gi¶n lµ dïng bé läc sè d-íi d¹ng thanh ghi mÆt n¹ ®-îc m« t¶ trªn h×nh 2.44 Gi¶ sö cÊu h×nh T-S-T cã N tuyÕn vµo vµ N tuyÕn ra nh- h×nh 2.43. Khi ®ã ng-êi ta dïng thanh ghi tr¹ng th¸i cã 2N bÝt chia lµm hai nöa, mét nöa dµnh ®Ó ghi tr¹ng th¸i cña c¸c bé chuyÓn m¹ch thêi gian vµo ITXB, nöa kia lµ tr¹ng th¸i cña c¸c bé chuyÓn m¹ch thêi gian ra OTXB. Trong mçi khe thêi gian, bÝt B tõ ng¨n nhí CMEM t-¬ng øng cña mçi bé chuyÓn m¹ch T sÏ ®-îc ghi ®Öm trong mçi bit cô thÓ cña thanh ghi tr¹ng th¸i. VÝ dô, trong khe thêi gian TSk tÊt c¶ c¸c bÝt B cña c¸c ng¨n k trong c¸c C-MEM cña c¸c chuyÓn m¹ch T tÇng IT vµ OT ®Òu ®-îc ®-a ra thanh ghi tr¹ng th¸i. Gi¸ trÞ c¸c bÝt trong thanh ghi tr¹ng th¸i sÏ ph¶n ¸nh tr¹ng th¸i kªnh Chk ®Çu ra cña tõng bé chuyÓn m¹ch IT vµ tr¹ng th¸i kªnh Chk ®Çu vµo ®èi víi tõng bé chuyÓn m¹ch OT t-¬ng øng trong khe thêi gian ®ã. ViÖc chän khe thêi gian trung gian rçi ®Ó phôc vô mét yªu cÇu chuyÓn m¹ch chØ liªn quan tíi mét bé chuyÓn m¹ch IT vµ mét bé chuyÓn m¹ch OT, do vËy, phÇn ®iÒu khiÓn chuyÓn m¹ch lËp mét tõ m· chän ghi vµo thanh ghi mÆt n¹ víi c¸c gi¸ trÞ 1 ë c¸c bit t-¬ng øng víi ®Çu vµo vµ ®Çu ra cÇn chän, cßn c¸c bÝt kh¸c lËp gi¸ trÞ 0. VÝ dô: ®Ó phôc vô yªu cÇu(1) th× bit P tr-êng IT vµ bÝt Q tr-êng OT cña mÆt n¹ sÏ cã gi¸ trÞ 1 cßn c¸c bÝt kh¸c cña mÆt n¹ cã gi¸ trÞ 0. Thanh ghi kÕt qu¶ sÏ lµ kÕt qu¶ cña to¸n tö AND gi÷a tõng bÝt cña thanh ghi mÆt n¹ víi bÝt t-¬ng øng cña thanh ghi tr¹ng th¸i. Gi¸ trÞ cña thanh ghi tr¹ng th¸i sÏ thay ®æi theo tõng khe thêi gian vµ do vËy thanh ghi kÕt qu¶ còng thay ®æi tíi khi trong thanh ghi kÕt qu¶ cã hai bÝt mét th× khe thêi gian t-¬ng øng sÏ ®-îc chän cho yªu cÇu ®ã. Qu¸ tr×nh t×m kiÕm cã thÓ ®-îc thùc hiÖn theo mét trong c¸c qui t¾c ®-îc ®Æt tr-íc:
  • 116.
     - B¾t ®Çucè ®Þnh, t×m liªn tiÕp: ViÖc t×m khe thêi gian trung gian cho mçi cuéc gäi ®-îc b¾t ®Çu tõ mét khe ®Þnh tr-íc sau ®ã t×m kiÕm liªn tiÕp tíi khi khe ®Çu tiªn ®-îc ph¸t hiÖn. Theo c¸ch ®ã c¸c khe trung gian ®-îc sö dông tËp trung. - B¾t ®Çu ngÉu nhiªn, t×m liªn tiÕp: ViÖc t×m kiÕm ®-îc b¾t ®Çu tõ mét khe bÊt kú, sau ®ã t×m liªn tiÕp qua c¸c khe tíi khi ph¸t hiÖn ®-îc khe rçi. Theo ph-¬ng ph¸p nµy c¸c kªnh ®-îc ph©n bè ®Òu. C¶ hai ph-¬ng ph¸p trªn ®Òu cã thÓ dÉn ®Õn kÕt qu¶ sau mét sè lÇn t×m qua mét sè khe thêi gian mµ vÉn ch-a chän ®-îc kªnh rçi, tõ ®ã cÇn giíi h¹n sè lÇn thö cho mçi yªu cÇu vµ cã thÓ cho thö lÆp sau kho¶ng thêi gian trÔ nµo ®ã. Trªn ®©y tr×nh bµy viÖc chän khe thêi gian trung gian cho mét yªu cÇu chuyÓn m¹ch ®¬n. Trong qu¸ tr×nh phôc vô c¸c cuéc gäi th-êng xuyªn xuÊt hiÖn yªu cÇu chuyÓn m¹ch ®èi ngÉu, nghÜa lµ xuÊt hiÖn ®ång thêi 2 yªu cÇu chuyÓn m¹ch d¹ng : Chi PCMP  Chj PCMQ” (1) Chj PCMQ  Chi PCMP” (2) nh- thÕ cÇn ph¶i chän 2 khe thêi gian trung gian k vµ h nµo ®ã ®Ó phôc vô cho 2 yªu cÇu ®ã. C¸c khe nµy cã thÓ ®-îc chän ®éc lËp nhau theo ph-¬ng ph¸p ®· m« t¶, hoÆc chóng còng cã thÓ chän liªn kÕt nhau theo mét trong hai c¸ch, ®ã lµ : - Chän liªn tiÕp : h = k+1 - Chän c¸ch mét nöa chu kú : h = k+(F:2) trong ®ã F lµ tæng sè khe thêi gian trong mét chu kú * Quy tr×nh phôc vô qua cÊu tróc chuyÓn m¹ch T-S-T. Sau khi xö lý cuéc gäi, yªu cÇu chuyÓn m¹ch ®-îc göi ®Õn khèi ®iÒu khiÓn chuyÓn m¹ch (hay cßn gäi lµ bé ®iÒu khiÓn tuyÕn tho¹i SPC - Speech path controller) d-íi d¹ng b¶n tin ®iÒu khiÓn lo¹i 1. B¶n tin ®iÒu khiÓn nµy chØ ra ®Þa chØ kªnh vµ tuyÕn PCM ®Çu vµo, ®Þa chØ kªnh vµ tuyÕn PCM ®Çu ra cña tr-êng chuyÓn m¹ch. Khi ®ã bé ®iÒu khiÓn tuyÕn tho¹i thùc hiÖn viÖc chän tuyÕn b»ng c¸ch lËp mÆt n¹ chän tuyÕn vµ t×m kiÕm khe trung gian rçi nh- ®· m« t¶ ë phÇn trªn. TiÕp ®ã, khi ®· t×m ®-îc khe trung gian, bé ®iÒu khiÓn nµy t¹o sè liÖu ®iÓu khiÓn ®-a theo c¸c Bus ®Þa chØ vµ Bus sè liÖu tíi c¸c bé chuyÓn m¹ch ITXB, SXB, OTXB cÇn thiÕt vµ ghi vµo c¸c ng¨n nhí ®iÒu khiÓn trong c¸c C-MEM cña chóng. C¸c bé chuyÓn m¹ch nµy sau ®ã sÏ ho¹t ®éng trªn c¬ së sè liÖu ®iÒu khiÓn ®· ®-îc ghi vµo C-MEM.
  • 117.
    2.7.3b CÊu trócS-T-S CÊu tróc chuyÓn m¹ch S -T-S lµ cÊu tróc rÊt linh ho¹t tuú thuéc vµo l-u l-îng t¶i qua nã mµ cã thÓ chän cÊu h×nh theo c¸c tiªu chÝ cña ng-êi qu¶n lý tõ ®ã ®¹t ®-îc chØ tiªu vÒ kinh tÕ còng nh- vÒ chÊt l-îng phôc vô. Nh- thÓ hiÖn trªn h×nh 2.45, cÊu tróc S-T-S cã chuyÓn m¹ch kh«ng gian S1 trªn ®Çu vµo vµ S2 trªn ®Çu ra, gi÷a chóng lµ c¸c bé chuyÓn m¹ch thêi gian cña tÇng TXB (Time Switch Board). C¸c chuyÓn m¹ch S cã thÓ chän lo¹i ch÷ nhËt nÕu l-u l-îng t¶i kh«ng lín vµ yªu cÇu vÒ chÊt l-îng phôc vô kh«ng qu¸ cao, nghÜa lµ chuyÓn m¹ch S1 cã sè ®Çu ra Ýt h¬n ®Çu vµo, cßn bé chuyÓn m¹ch S2 th× ng-îc l¹i, sè bé chuyÓn m¹ch thêi gian cã thÓ t¨ng hay gi¶m tuú theo l-u l-îng vµ yªu cÇu phôc vô. C¸c bé chuyÓn m¹ch thêi gian còng cã thÓ sö dông bÊt kú lo¹i nµo, tuy nhiªn chóng ph¶i cïng mét lo¹i, th-êng sö dông lo¹i T-RWRR ®Ó ®¹t ®-îc hiÖu qu¶ kinh tÕ cao. Ta thÊy r»ng, so víi cÊu tróc T-S vµ cÊu tróc S-T th× cÊu tróc S-T-S cã thªm mét tÇng chuyÓn m¹ch kh«ng gian vµ do ®ã phÐp chän ®-îc thªm vµo (phÐp chän tù do) ®ã lµ phÐp chän theo kh«ng gian, nghÜa lµ cã mét sè bé chuyÓn m¹ch thêi gian ë kh©u TXB vµ mçi yªu cÇu chuyÓn m¹ch cã thÓ chän mét bé chuyÓn m¹ch thêi gian bÊt kú nµo ®ã ®Ó phôc vô viÖc chuyÓn m¹ch mét kªnh nµo ®ã trªn mét tuyÕn ®Çu vµo tíi mét kªnh trªn mét trong c¸c tuyÕn ®Çu ra, sao cho kªnh ®Çu vµo vµ ®Çu ra cña bé chuyÓn m¹ch thêi gian ®ã t-¬ng øng c¸c kªnh vµo vµ ra cña yªu cÇu chuyÓn m¹ch ch-a bÞ sö dông cho yªu cÇu chuyÓn m¹ch kh¸c. §iÒu nµy cã nghÜa lµ, nÕu nh- kh©u TXB cã n bé chuyÓn m¹ch thêi gian th× khi xuÊt hiÖn yªu cÇu chuyÓn m¹ch d¹ng chi pcmp  Chj PCMQ” (1) bé ®iÒu khiÓn chuyÓn m¹ch txb Pcm0 Pcm0* Pcm0” PcmP PcmH* PcmP” PcmQ PcmK* PcmQ” PcmN-1 PcmM-1* PcmN-1” Chi Chi Chj Chj Chj Chi H×nh 2.45 CÊu tróc chuyÓn m¹ch ba kh©u S-T-S Pcm0’ PcmH’ PcmK’ PcmM-1’ Chj Chi T0 TP TQ TM-1   s1 s2
  • 118.
    cã thÓ chänbé chuyÓn m¹ch TK nµo ®ã trong n bé chuyÓn m¹ch thêi gian cña kh©u TXB ®Ó phôc vô yªu cÇu chuyÓn m¹ch (1) miÔm sao khe thêi gian TSi trªn ®Çu vµo vµ khe thêi gian TSj trªn ®Çu ra cña bé chuyÓn m¹ch TK ®ã ch-a bÞ bËn (®ang sö dông cho yªu cÈu chuyÓn m¹ch kh¸c). Nh- vËy khi cã mét yªu cÇu chuyÓn m¹ch d¹ng: Chi pcmp  Chj PCMQ” (1) th× viÖc chän tuyÕn sÏ ®-îc quy vÒ ®äc tr¹ng th¸i cña c¸c bé chuyÓn m¹ch thêi gian ®Ó chän ra mét bé tho¶ m·n ®iÒu kiÖn Chi trªn ®Çu vµo vµ Chj trªn ®Çu ra cña nã ch-a sö dông cho c¸c yªu cÇu chuyÓn m¹ch kh¸c. §Ó phôc vô c«ng viÖc nµy mçi ng¨n nhí C- MEM cña bé chuyÓn m¹ch thêi gian cÇn cã 2 bÝt B ®Ó thÓ hiÖn tr¹ng th¸i kªnh ®Çu vµo vµ kªnh ®Çu ra. Mçi yªu cÇu chuyÓn m¹ch (1) ®-îc ph©n tÝch thµnh 3 thao t¸c chuyÓn m¹ch qua chuyÓn m¹ch S1, chuyÓn m¹ch TK ®· ®-îc chän nµo ®ã vµ chuyÓn m¹ch S2 theo c¸c b-íc sau: B-íc 1: T¹i chuyÓn m¹ch kh«ng gian vµ S1 thùc hiÖn thao t¸c chuyÓn m¹ch th«ng tin tõ kªnh Chi tuyÕn PCMP sang kªnh Chi tuyÕn PCMK’ Chi PCMP  Chi PCMK’ (1.1) B-íc 2: Bé chuyÓn m¹ch thêi gian TK tÇng TXB thùc hiÖn thao t¸c chuyÓn m¹ch th«ng tin tõ kªnh Chi sang kªnh Chj Chi PCMK’  Chj PCMK* (1.2) B-íc 3: ChuyÓn m¹ch kh«ng gian ra S2 thùc hiÖn thao t¸c chuyÓn m¹ch th«ng tin tõ kªnh Chj tuyÕn K sang kªnh Chj tuyÕn Q Chj PCMK*  Chj PCMQ” (1.3) Tuú thuéc lo¹i bé chuyÓn m¹ch thêi gian ®-îc ¸p dông ë kh©u gi÷a mµ nguyªn lý chuyÓn m¹ch vµ ®iÒu khiÓn cña m¹ng còng kh¸c nhau. §Ó tiÕt kiÖm vµ thuËn lîi cho qu¸ tr×nh ®iÒu khiÓn th× ng-êi ta th-êng dïng lo¹i T- RWRR ë kh©u TXB. * VÒ kh¶ th«ng cña tr-êng chuyÓn m¹ch T-S-T vµ S-T-S Kh¶ n¨ng chuyÓn m¹ch cña cÊu tróc T-S-T t-¬ng ®èi cao do c¸c kh©u ITXB vµ OTXB lµ nh÷ng kh©u kh«ng g©y tæn thÊt cuéc gäi. ChuyÓn m¹ch S dïng lo¹i cã kÝch th-íc NxN còng lµ chuyÓn m¹ch toµn th«ng. Kh¶ th«ng cña cÊu tróc nµy chØ phô thuéc vµo ®iÒu kiÖn chän khe thêi gian trung gian vµ ®©y lµ phÐp chän tù do nªn viÖc chän nã còng rÊt thuËn tiÖn, linh ho¹t dÉn ®Õn kh¶ th«ng cña cÊu tróc nµy rÊt cao. Kh¶ th«ng cña cÊu tróc S-T-S phô thuéc nhiÒu vµo sè bé chuyÓn m¹ch thêi gian ë kh©u TXB vµ dung l-îng cña tõng bé chuyÓn m¹ch ®ã. Khi chän bé
  • 119.
    chuyÓn m¹ch thêigian cho mçi yªu cÇu chuyÓn m¹ch, do ph¶i tho¶ m·n ®iÒu kiÖn lµ kªnh ®Çu vµo vµ kªnh ®Çu ra cÇn cho yªu cÇu chuyÓn m¹ch ®ã trªn bé chuyÓn m¹ch thêi gian ®-îc chän ®Òu ph¶i ch-a bÞ sö dông cho yªu cÇu chuyÓn m¹ch kh¸c nªn khi sè bé chuyÓn m¹ch thêi gian Ýt th× dÔ g©y ra tæn thÊt cuéc gäi do kh«ng cã bé chuyÓn m¹ch thêi gian nµo tho¶ m·n ®ång thêi ®iÒu kiÖn ®ã. NÕu M = 2N th× míi cã thÓ tr¸nh hoµn toµn hiÖn t-îng trªn, nghÜa lµ míi t¹o nªn khèi chuyÓn m¹ch toµn th«ng. Tõ ph©n tÝch nµy cho thÊy cÊu tróc S -T-S cã kh¶ th«ng h¬n c¸c cÊu tróc T-S, S -T do tr¸nh ®-îc c¸c xung ®ét do tranh chÊp kªnh ®Çu ra cña chuyÓn m¹ch T trong cÊu tróc T-S, hoÆc tranh chÊp kªnh ®Çu vµo cña chuyÓn m¹ch T trong cÊu tróc S-T. Tuy nhiªn, cÊu tróc S-T-S còng cã thÓ gÆp ph¶i tæn thÊt khi kh«ng cã chuyÓn m¹ch thêi gian nµo tho¶ m·n ®ång thêi hai ®iÒu kiÖn chän tuyÕn, do ®ã kh¶ th«ng cña nã kÐm h¬n cÊu tróc T-S-T. ¦u ®iÓm c¬ b¶n cña cÊu tróc nµy lµ cÊu h×nh cña nã dÔ thay ®æi tuú thuéc vµo l-u l-îng t¶i vµ do ®ã cã thÓ ®¹t ®-îc hiÖu qu¶ sö dông rÊt cao. 2.7.4 CÊu tróc chuyÓn m¹ch T-S-S-T CÊu tróc T-S-T cã thÕ m¹nh lµ ®iÒu khiÓn thuËn tiÖn, cã thÓ ¸p dông c¸c nguyªn lý chän tuyÕn ®¬n gi¶n, dÔ kÕp hîp ®iÒu khiÓn chuyÓn m¹ch thêi gian víi chuyÓn m¹ch kh«ng gian sö dông chung bÝt B vµ nhÊt lµ cung cÊp mét kh¶ th«ng tèt t¹o c¬ së ®Ó ®¹t chÊt l-îng phôc vô cao (QoS) VÊn ®Ò më réng dung l-îng cña tr-êng chuyÓn m¹ch mµ vÉn cã thÓ gi÷ ®-îc c¸c ®Æc tÝnh cña cÊu tróc T-S-T cã thÓ tiÕn hµnh theo hai h-íng chÝnh. 1. Gi÷ nguyªn kÝch th-íc cña chuyÓn m¹ch S, më réng dung l-îng cña tÊt c¶ c¸c chuyÓn m¹ch T. H-íng nµy bÞ h¹n chÕ bëi kh¶ n¨ng c«ng nghÖ hiÖn t¹i kh«ng thÓ chÕ t¹o c¸c bé chuyÓn m¹ch thêi gian tèc ®é cao. 2. Më réng chuyÓn m¹ch S b»ng c¸ch ghÐp c¸c chuyÓn m¹ch vu«ng víi nhau ®Ó cã ®-îc chuyÓn m¹ch mét kh©u kÝch th-íc lín, hoÆc x©y dùng tr-êng chuyÓn m¹ch S nhiÒu kh©u (hai kh©u) thay cho bé chuyÓn m¹ch S.
  • 120.
    H×nh 2.46. Mëréng chuyÓn m¹ch S cña cÊu tróc T-S-T. H-íng thø hai ®-îc ph¸t triÓn theo c¶ hai c¸ch. C¸ch thø nhÊt ®-îc ¸p dông trong rÊt nhiÒu c¸c tæng ®µi chuyÓn m¹ch sè (vÝ dô trong c¸c tæng ®µi TDX cña Hµn quèc hoÆc c¸c tæng ®µi AXE cña Thuþ ®iÓn) do tÝnh ®¬n gi¶n vµ gi÷ nguyªn ®-îc b¶n chÊt cña cÊu tróc T-S-T nh- thÓ hiÖn trªn h×nh 2.46. Trong c¸ch nµy c¸c bé chuyÓn m¹ch S vu«ng cã cïng kÝch th-íc NN ®-îc ghÐp víi nhau theo kiÓu ma trËn: c¸c bé chuyÓn m¹ch S trong cïng mét hµng sÏ cã c¸c ®Çu vµo ®-îc nèi ®ång tªn víi nhau vµ nèi víi c¸c ®Çu ra cña c¸c chuyÓn m¹ch T kh©u ITXB nh- h×nh 2.46. C¸c ®Çu ra cña c¸c chuyÓn m¹ch S trong cïng mét cét còng ®-îc nèi ®ång tªn víi nhau vµ ®-îc nèi tíi ®Çu vµo cña c¸c bé chuyÓn m¹ch T ë kh©u ®Çu ra OTXB. Nh- thÕ bé chuyÓn m¹ch S ban ®Çu sÏ ®-îc më réng, t¨ng sè ®Çu vµo vµ sè ®Çu ra. Cø nh- thÕ khi t¨ng mét hµng bé chuyÓn m¹ch S th× còng t¨ng mét cét c¸c bé chuyÓn m¹ch S (sè bé chuyÓn m¹ch 1 2 0 0 1 2 N-1 N-1 1 2 0 0 1 2 N-1 N-1 1 2 0 0 1 2 N-1 N-1 1 2 0 0 1 2 N-1 N-1 1 2 0 0 1 2 N-1 N-1 1 2 0 0 1 2 N-1 N-1 1 2 0 0 1 2 N-1 N-1 1 2 0 0 1 2 N-1 N-1 1 2 0 0 1 2 N-1 N-1 Tõ ®Çu ra cña N bé chuyÓn m¹chT cña kh©u ITXB Tõ ®Çu ra cña N bé chuyÓn m¹chT cña kh©u ITXB Tõ ®Çu ra cña N bé chuyÓn m¹chT cña kh©u ITXB Tíi ®Çu vµo cña N bé chuyÓn m¹chT cña kh©u OTXB Tíi ®Çu vµo cña N bé chuyÓn m¹chT cña kh©u OTXB Tíi ®Çu vµo cña N bé chuyÓn m¹chT cña kh©u OTXB
  • 121.
    S sÏ lµ1, 4, 9, 16, ... ). Nh- thÕ khi sè tuyÕn ®Çu vµo vµ ®Çu ra t¨ng A lÇn th× kÝch th-íc chuyÓn m¹ch S t¨ng lªn A2 lÇn. Nh-îc ®iÓm c¬ b¶n cña c¸ch më réng kh©u S theo c¸ch trªn ®ã lµ sè bé chuyÓn m¹ch t¨ng nhanh khi t¨ng sè ®Çu vµo ®Çu ra, theo ®ã lµ sè ®iÓm nèi song song gi÷a c¸c bé chuyÓn m¹ch còng t¨ng, hiÖu qu¶ sö dông c¸c chuyÓn m¹ch S kh«ng cao. Tõ ®ã cã thÓ ®i ®Õn viÖc ¸p dông më réng kh©u nµy theo c¸ch thø hai ®ã lµ tæ chøc tÇng chuyÓn m¹ch kh«ng gian theo s¬ ®å hai kh©u vµ dÉn tíi cÊu tróc T-S-S-T nh- h×nh 2.47. Dung l-îng cña tæng ®µi ®-îc chia thµnh K m¹ng. Mçi m¹ng gåm N bé chuyÓn m¹ch IT vµ N bé chuyÓn m¹ch OT, mét bé chuyÓn m¹ch kh«ng gian s¬ cÊp S1 vµ mét bé chuyÓn m¹ch kh«ng gian thø cÊp S2. ChuyÓn m¹ch S1 lµ lo¹i NH cßn S2 lµ lo¹i HN. Dïng L ®-êng trung gian ®Ó phôc vô c¸c cuéc gäi cïng m¹ng, H-L ®-êng cßn l¹i ®-îc nèi víi c¸c m¹ng kh¸c theo thÓ thøc 1:1. Tuy gi÷a tõng cÆp m¹ng chØ cã mét ®-êng trung gian theo h-íng ®i vµ mét ®-êng trung gian vÒ nh-ng do chóng lµ ®-êng tèc ®é cao (dung l-îng lín, th-êng lµ 256 hoÆc 512ch) nªn ®ñ ®Ó phôc vô c¸c cuéc gäi liªn l¹c gi÷a c¸c ®Çu cuèi cña tõng cÆp m¹ng ®ã víi nhau. Nh- vËy ®· tÝnh ®Õn kh¶ n¨ng c¸c cuéc gäi cïng m¹ng sÏ lín h¬n sè cuéc gäi ®ång thêi kh¸c m¹ng (L=2  6 < N) sè m¹ng cùc ®¹i lµ : K = H - L + 1 Theo c¸ch nµy hiÖu suÊt sö dông c¸c chuyÓn m¹ch S sÏ cao lªn rÊt nhiÒu, tuy nhiªn cÊu tróc kh«ng cßn ®-îc gi÷ nguyªn nh- T-S-T, nghÜa lµ kh¶ th«ng gi¶m ®èi víi liªn l¹c kh¸c m¹ng. Nguyªn lý chän tuyÕn trªn c¬ b¶n vÉn gièng trong cÊu tróc T-S-T. Ph-¬ng ph¸p nµy còng cho phÐp bè trÝ c¸c m¹ng chuyÓn m¹ch trong cïng mét n¬i hoÆc mçi m¹ng ë mét vÞ trÝ kh¸c nhau, cã thÓ l¾p ®Æt víi dung l-îng chuyÓn m¹ch ®Çy ®ñ hoÆc tõng phÇn, nghÜa lµ cho phÐp bè trÝ c¸c m¹ng chuyÓn m¹ch cña tæng ®µi theo tõng vïng vµ tõng cung ®o¹n ph¸t triÓn thuª bao. VÒ ®iÒu khiÓn c¸c m¹ng chuyÓn m¹ch cña cÊu tróc T-S-S-T th× mçi m¹ng nµy ®-îc ®iÒu khiÓn bëi mét bé ®iÒu khiÓn tuyÕn tho¹i SPC (SPC- Speech path
  • 122.
    H×nh 2.47 CÊutróc tr-êng chuyÓn m¹ch T-S-S-T. T0 PCMin0 PCM0’ T1 PCMin1 PCM1’ TN-1 PCMinN-1 PCMN-1’ S10 S20 T0 PCM0* PCM0” T1 PCM1* PCM1” TN-1 PCMN-1* PCMN-1” T0 PCMin0 PCM0’ T1 PCMin1 PCM1’ TN-1 PCMinN-1 PCMN-1’ S11 S21 T0 PCM0* PCM0” T1 PCM1* PCM1” TN-1 PCMN-1* PCMN-1” T0 PCMin0 PCM0’ T1 PCMin1 PCM1’ TN-1 PCMinN-1 PCMN-1’ S1K-1 S2K-1 T0 PCM0* PCM0” T1 PCM1* PCM1” TN-1 PCMN-1* PCMN-1” spck-1 spc1 spc0 Switching Network K-1 Switching Network 1 Switching Network 0
  • 123.
    controller) thùc hiÖnc¸c chøc n¨ng xö lý c¸c yªu cÇu chuyÓn m¹ch, chän khe thêi gian trung gian cho c¸c yªu cÇu chuyÓn m¹ch, chuyÓn ®æi thµnh c¸c sè liÖu ®iÒu khiÓn ®Ó ghi vµo c¸c ng¨n nhí ®iÒu khiÓn cña tõng bé chuyÓn m¹ch trong m¹ng khi phôc vô mçi yªu cÇu. 2.8. §iÒu khiÓn chuyÓn m¹ch sè. 2.8.1. Ho¹t ®éng chuyÓn m¹ch khi phôc vô mét cuéc gäi. Khi phôc vô mét cuéc gäi cã thÓ cã mét sè khèi chuyÓn m¹ch cïng tham gia trong c¸c tiÕn tr×nh kh¸c nhau. VÝ dô khèi chuyÓn m¹ch tËp trung thuª bao DLCD (Digital Line Concentration Device) hay DLSw (Digital Line Switch) cã thÓ thùc hiÖn c¸c c«ng viÖc nh- nèi thuª bao gäi tíi c¸c kªnh ph¸t c¸c tÝn hiÖu ©m tÇn (mêi quay sè, håi ©m, b¸o bËn) hoÆc tíi c¸c bé thu tÝn hiÖu chän sè, hoÆc chuyÓn kªnh thu ph¸t cña thuª bao tíi tuyÕn PCMin ®i vµo khèi chuyÓn m¹ch nhãm vµ tuyÕn PCMout ra tõ khèi chuyÓn m¹ch nhãm, cßn khèi chuyÓn m¹ch nhãm chñ yÕu thùc hiÖn chøc n¨ng chuyÓn m¹ch song h-íng t¹o ra tuyÕn truyÒn th«ng tin tõ thuª bao chñ gäi tíi thuª bao bÞ gäi (h-íng ®i) vµ tõ thuª bao bÞ gäi ®Õn thuª bao gäi (h-íng vÒ). L-u ý r»ng, do tÝn hiÖu ®-îc truyÒn lµ tÝn hiÖu sè nªn c¸c h-íng truyÒn nµy ®éc lËp víi nhau, chóng chØ gÆp hîp l¹i nhau t¹i m¹ch SLIC cña mçi thuª bao. H×nh 2.48. M« h×nh phôc vô cuéc gäi. Cuéc gäi ®-îc b¾t ®Çu khi thuª bao chñ gäi nhÊc tæ hîp, gi¶ sö chñ gäi lµ Sub-A. Bé ®iÒu khiÓn vïng LOC (Local controller) nhËn biÕt tr¹ng th¸i nhÊc tæ hîp cña Sub-A, chän mét kªnh rçi trªn DLSw ®Ó nèi bé ph¸t tÝn hiÖu phôc vô DTG tíi Sub-A th«ng b¸o thuª bao cã thÓ chän sè (©m mêi gäi), ®ång thêi nèi  slic dtg mfr dlsw loc snwa spca clpa snwb spcb clpb dtg mfr dlsw loc  slic Sub.A Sub.B System Bus
  • 124.
    Sub-A, b»ng métkªnh kh¸c, tíi bé thu tÝn hiÖu chän sè ®a tÇn MFR. Thuª bao A b¾t ®Çu chän sè, nÕu kiÓu chän sè lµ d¹ng xung thËp ph©n (Pulse) th× nã ®-îc thu ngay bëi m¹ch tr¹ng th¸i cña LOC, cßn nÕu tÝn hiÖu chän sè d¹ng DTMF (Dual Tone Multifrequecy) th× sÏ ®-îc thu ë bé MFR. Ngay khi nhËn ra ch÷ sè ®Çu tiªn th× ©m mêi gäi ®-îc ng¾t (kªnh tõ DTG qua DLSw ®-îc gi¶i phãng) vµ nÕu lµ chän sè kiÓu P (Pulse) th× tuyÕn nèi víi MF còng ®-îc gi¶i phãng, cßn nÕu chän sè DTMF th× tuyÕn nèi víi MFR sÏ ®-îc duy tr× tíi khi thu xong c¸c ch÷ sè ®Þa chØ. C¸c ch÷ sè ®Þa chØ sau khi ®-îc LOC thu nhËn (tù thu hoÆc lÊy tõ MFR) sÏ ®-îc göi vÒ CLP (Call Processor - xö lý gäi) ®Ó xö lý. Bé xö lý cña m¹ng phÝa thuª bao A ( CLPA) göi yªu cÇu gäi tíi (CLPB). CLPB kiÓm tra tr¹ng th¸i thuª bao B vµ nÕu thuª bao B rçi th× nã sÏ yªu cÇu LOC-B ph¸t chu«ng cho Sub-B, ®ång thêi th«ng b¸o cho CLPA vÒ kÕt qu¶ cuéc gäi, CLPA sÏ yªu cÇu LOC-A ph¸t håi ©m chu«ng tõ DTG qua DLSw cho Sub-A. CLPA vµ CLPB göi yªu cÇu tíi SPC cña 2 m¹ng chuÈn bÞ tuyÕn nèi thuª bao A vµ thuª bao B. Khi thuª bao B nhÊc tæ hîp ®Ó tr¶ lêi th× CLPB göi th«ng b¸o cho CLPA ®Ó ng¾t håi ©m cho A, ng¾t chu«ng cho B ®ång thêi t¹o tuyÕn nèi tõ A sang B vµ tõ B sang A qua c¸c chuyÓn m¹ch DLSw vµ SNw. Khi Sub-A hoÆc Sub- B kÕt thóc cuéc gäi th× LOC cña nã sÏ th«ng b¸o tr¹ng th¸i tíi SPC vµ CLP. CLP m¹ng nµy còng th«ng b¸o tíi CLP ®èi t¸c ®Ó gi¶i to¶ tuyÕn nèi nh- thÕ trong qu¸ tr×nh phôc vô cuéc gäi cÇn thùc hiÖn c¸c thao t¸c chuyÓn m¹ch ë DLSw, SNw d-íi sù ®iÒu khiÓn cña bé xö lý cuéc gäi CLP, bé ®iÒu khiÓn tuyÕn tho¹i SPC vµ bé ®iÒu khiÓn vïng LOC gi÷a chóng cÇn cã sù trao ®æi th«ng tin ®iÒu khiÓn theo tiÕn tr×nh thùc hiÖn cuéc gäi. 2.8.2 §iÒu khiÓn khèi chuyÓn m¹ch Trong mét tæng ®µi sè cã mét sè khèi chuyÓn m¹ch tËp trung t¶i ®-îc ®iÒu khiÓn bëi LOC, mét hoÆc vµi khèi chuyÓn m¹ch nhãm ®-îc ®iÒu khiÓn bëi c¸c SPC t-¬ng øng cïng c¸c CLP. C¸c bé xö lý cuéc gäi CLP mét mÆt qu¶n lý SPC vµ c¸c LOC thuéc m¹ng cña nã, mÆt kh¸c th-êng xuyªn tra ®æi víi CLP cña m¹ng kh¸c ®Ó t¹o nªn sù ®iÒu khiÓn chuyÓn m¹ch mét c¸ch tËp trung cho c¶ c¸c cuéc gäi riªng trong tõng m¹ng vµ cuéc gäi gi÷a thuª bao cña m¹ng nµy víi thuª bao cña m¹ng kh¸c, kÓ c¶ c¸c cuéc gäi víi thuª bao cña tæng ®µi kh¸c. §iÒu khiÓn ho¹t ®éng chuyÓn m¹ch ph¶i th«ng qua viÖc trao ®æi th«ng tin ®iÒu khiÓn gi÷a CLP víi SPC vµ LOC sau ®ã tõ SPC hoÆc LOC víi tõng bé nhí ®iÒu khiÓn ( C-MEM) cña tõng bé chuyÓn m¹ch. a. Trao ®æi th«ng tin ®iÒu khiÓn chuyÓn m¹ch gi÷a bé xö lý cuéc gäi CLP víi bé ®iÒu khiÓn tuyÕn tho¹i SPC hoÆc bé ®iÒu khiÓn vïng LOC. KÕt qu¶ xö lý b¸o hiÖu thuª bao vµ b¸o hiÖu trung kÕ cung cÊp cho CLP c¸c d÷ liÖu cÇn thiÕt ®Ó ®iÒu khiÓn c¸c khèi chuyÓn m¹ch. Nã t¹o ra c¸c yªu cÇu göi ®Õn SPC hoÆc LOC vµ kÕt qu¶ thùc hiÖn c¸c yªu cÇu ®ã sÏ ®-îc SPC vµ LOC b¸o hiÖu trë l¹i CLP. §Ó ®¹t ®-îc mét c¬ chÕ ®iÒu khiÓn hiÖu qu¶ cao th× viÖc
  • 125.
    trao ®æi th«ngtin ®iÒu khiÓn ë møc nµy dïng tÝn hiÖu tèc ®é cao, trao ®æi d-íi d¹ng b¶n tin møc cao ®Ó tËn dông kh¶ n¨ng xö lý cña c¸c bé vi xö lý. C¸c b¶n tin nµy dùa trªn c¸c tr-êng (field) víi ý nghÜa cô thÓ. C¸c b¶n tin mµ CLP göi ®Õn SPC hoÆc LOC th-êng lµ b¶n tin yªu cÇu thiÕt lËp mét tuyÕn nèi, gi¶i to¶ mét tuyÕn nèi, ®¨ng ký tuyÕn nèi, chän mét tuyÕn nèi, gi¸m s¸t tuyÕn nèi, thÈm ®Þnh mét tr¹ng th¸i nµo ®ã cña tuyÕn nèi qua mét khèi chuyÓn m¹ch. C¸c yªu cÇu ®ã sÏ ®-îc thÓ hiÖn d-íi d¹ng m· ho¹t ®éng (m· t¸c ®éng). Nh- thÕ vÒ c¬ b¶n c¸c b¶n tin yªu cÇu (b¶n tin kiÓu 1) sÏ bao gåm m· ho¹t ®éng vµ ph¹m vi t¸c ®éng, nghÜa lµ ®Þa chØ ®Çu vµo vµ ®Çu ra chuyÓn m¹ch, ngoµi ra cßn cã mét sè tr-êng thñ tôc kh¸c nh- m· b¶n tin, m· ph¸t hiÖn lçi nh- trªn h×nh 2.49 d-íi ®©y. §Þa chØ ®Çu vµo §Þa chØ ®Çu ra M· b¶n tin M· t¸c ®éng M¹ng TuyÕn PCM Kªnh M¹ng TuyÕn PCM Kªnh M· ph¸t hiÖn lçi H×nh 2.49 : Format b¶n tin kiÓu 1 * M· b¶n tin : mçi b¶n tin ®-îc ký hiÖu b»ng mét chØ sè ®¬n ®Ó ph©n biÖt víi c¸c b¶n tin kh¸c vµ ®Ó thuËn tiÖn cho viÖc tham chiÕu trong ®iÒu kiÖn chuçi c¸c b¶n tin ®-îc göi nèi tiÕp nhau. ViÖc dïng m· b¶n tin cho phÐp SPC hoÆc LOC b¸o cho CLP biÕt khi nhËn ®-îc b¶n tin cã lçi vµ yªu cÇu truyÒn l¹i b¶n tin hoÆc th«ng b¸o cho CLP biÕt kÕt qu¶ thùc hiÖn c¸c yªu cÇu thiÕt lËp tuyÕn, thñ tôc chän tuyÕn, xo¸ tuyÕn hoÆc ®¨ng ký tuyÕn, nghÜa lµ m· b¶n tin sÏ dïng trong b¶n tin phóc ®¸p cho mét yªu cÇu. * M· t¸c ®éng : chØ ra r»ng b¶n tin nµy yªu cÇu SPC hoÆc LOC thùc hiÖn thao t¸c nµo trong sè c¸c thao t¸c thiÕt lËp, chuÈn bÞ, ®¨ng ký, xo¸, kiÓm tra, thÈm ®Þnh tr¹ng th¸i mét tuyÕn nèi. * C¸c tr-êng ®Þa chØ kªnh ®Çu vµo: C¸c tr-êng nµy cung cÊp ®Þa chØ kªnh ®Çu vµo d-íi d¹ng ®Þa chØ m¹ng chuyÓn m¹ch, chØ sè tuyÕn PCMin vµ chØ sè khe (®Þa chØ kªnh) trong tuyÕn. MÆc dï lµ ®Þa chØ ®¬n nh-ng ®æi víi chuyÓn m¹ch song h-íng th× nã nhËn d¹ng c¶ kªnh truyÒn vµ kªnh nhËn. Tuú thuéc vµo cÊu tróc khèi chuyÓn m¹ch vµ tæ chøc ghÐp kªnh c¸c tr-êng ®Þa chØ nµy cã thÓ cã kÝch th-íc kh¸c nhau. * Nhãm c¸c tr-êng ®Þa chØ ®Çu ra: Cung cÊp ®Þa chØ kªnh ®Çu ra d-íi d¹ng t-¬ng tù nh- phÇn ®Þa chØ kªnh ®Çu vµo. * M· ph¸t hiÖn lçi: Cho phÐp SPC hoÆc LOC ph¸t hiÖn bÊt kú sù gi¸n ®o¹n nµo trong b¶n tin tõ CLP hoÆc ph¸t hiÖn c¸c lçi cã thÓ x¶y ra trong truyÒn vµ
  • 126.
    nhËn b¶n tin.Cã thÓ dïng ph-¬ng ph¸p tæng kiÓm tra ch½n lÎ (Parity) ®¬n gi¶n hoÆc dïng m· cã ®-îc tõ ph-¬ng ph¸p CRC (Cyclic Redundancy check) SPC hoÆc LOC cã thÓ tr¶ lêi CLP b»ng b¶n tin kiÓu 2 cã d¹ng nh- trªn h×nh 2.50. M· b¶n tin Tr-êng tin M· b¶n tin tham kh¶o M· ph¸t hiÖn lçi H×nh 2.50 Format b¶n tin kiÓu 2 (SPC, LOC  CLP) * M· b¶n tin vµ m· ph¸t hiÖn lçi: còng gièng cña b¶n tin lo¹i 1 nh-ng h-íng nhËn cña nã ng-îc l¹i. * M· b¶n tin tham kh¶o: ChØ ra m· b¶n tin cña b¶n tin tõ CLP mµ b¶n tin kiÓu 2 nµy phóc ®¸p. * Tr-êng tin: Chøa th«ng tin phóc ®¸p lµ c¸c m· víi c¸c ý nghÜa nh- tuyÕn ®· thiÕt lËp, tuyÕn ®· ®¨ng ký , b¶n tin võa nhËn bÞ lçi, kh«ng t×m ®-îc ®-êng dÉn theo yªu cÇu... b. TruyÒn sè liÖu ®iÒu khiÓn tõ SPC hoÆc LOC tíi bé nhí ®iÒu khiÓn C- MEM cña c¸c bé chuyÓn m¹ch. C¸c bé ®iÒu khiÓn tuyÕn tho¹i SPC hoÆc bé ®iÒu khiÓn vïng khi nhËn ®-îc b¶n tin lo¹i 1 sÏ xö lý vµ chuyÓn ®æi nã thµnh sè liÖu ®iÒu khiÓn ®Ó göi tíi tõng ®¬n vÞ ®iÒu khiÓn chuyÓn m¹ch cña c¸c bé chuyÓn m¹ch thêi gian vµ chuyÓn m¹ch kh«ng gian cã liªn quan tíi yªu cÇu chuyÓn m¹ch ®ã. Nh×n chung sè liÖu ®iÒu khiÓn thÓ hiÖn râ ®Þa chØ mµ sè liÖu ®iÒu khiÓn cÇn ®-îc ghi vµo vµ b¶n th©n sè liÖu ®ã. Tuú theo cÊu tróc khèi chuyÓn m¹ch mµ sè liÖu ®iÒu khiÓn cã khu«n d¹ng kh¸c nhau. D-íi ®©y ®-a ra khu«n d¹ng sè liÖu ®iÒu khiÓn cho cÊu tróc T-S-T nh- lµ mét vÝ dô cho lo¹i b¶n tin kiÓu 3. TÇng chuyÓn m¹ch thêi gian ®Çu vµo ITXB TÇng chuyÓn m¹ch kh«ng gian SXB TÇng chuyÓn m¹ch thêi gian ®Çu ra OTXB §Þa chØ bé nhí C-MEM Ng¨n nhí C-MEM Sè liÖu ®iÒu khiÓn Bit B Bit P §Þa chØ cét C-MEM §Þa chØ ng¨n nhí C-MEM Sè liÖu ®iÒu khiÓn Bit P §Þa chØ bé nhí C-MEM Ng¨n nhí C-MEM Sè liÖu ®iÒu khiÓn Bit B Bit P H×nh 2.51. Khu«n d¹ng b¶n tin kiÓu 3 (T-S-T)
  • 127.
    Nh×n vµo khu«nd¹ng cña b¶n tin kiÓu 3 ta thÊy ®èi víi mçi tÇng chuyÓn m¹ch sè liÖu ®iÒu khiÓn tõ SPC hoÆc LOC thÓ hiÖn: * §Þa chØ cña bé nhí C-MEM (®ã chÝnh lµ ®Þa chØ bé chuyÓn m¹ch IT hoÆc bé nhí C-MEM IT cña tÇng vµo, ®Þa chØ cét C-MEM S trong tÇng chuyÓn m¹ch kh«ng gian, ®Þa chØ bé chuyÓn m¹ch OT hoÆc bé nhí C-MEM OT cña tÇng ra) * §Þa chØ ng¨n nhí trªn C-MEM. * Néi dung sè liÖu ®iÒu khiÓn sÏ ghi vµo ng¨n nhí ®ã. Khi chän lo¹i bé chuyÓn m¹ch phï hîp ë c¸c tÇng chuyÓn m¹ch cho mçi cÊu tróc vµ chän thêi ®iÓm ghi thÝch hîp th× ®Þa chØ ng¨n nhí cã thÓ bá qua. VÝ dô víi cÊu tróc T-S-T nÕu tÇng vµo sö dông lo¹i T-SWRR cßn tÇng ra dïng lo¹i T-RWSR (xem môc 2.7.3a) th× víi mét yªu cÇu chuyÓn m¹ch d¹ng: Chi PCMP  Chj PCMQ'' vµ nÕu chän khe thêi gian trung gian TSK ®Ó phôc vô yªu cÇu nµy th× sÏ cã c¸c thao t¸c: TÇng ITXB: Chi PCMP  Chk PCMP' §iÒu khiÓn: C-MEM ITP ng¨n k ghi [i] TÇng SXB: Chk PCMP'  Chk PCMQ* §iÒu khiÓn: Cét Q CMEMS ng¨n k ghi [P] TÇng OTXB: Chk PCMQ*  Chj PCMQ” §iÒu khiÓn: CMEM OTQ ng¨n k ghi [j] nghÜa lµ víi c¸ch lùa chän cÊu tróc nh- trªn th× sè liÖu ®iÒu khiÓn sÏ ®-îc ghi vµo c¸c ng¨n nhí cã cïng ®Þa chØ trong c¸c bé nhí CMEM tÇng ITXB, SXB vµ OTXB cho mçi yªu cÇu chuyÓn m¹ch vµ nÕu chän c¸ch ghi c¸c sè liÖu nµy vµo c¸c ng¨n nhí ®iÒu khiÓn ®ã t¹i khe thêi gian trïng víi ®Þa chØ ng¨n nhí th× tr-êng ®Þa chØ ®ã kh«ng cÇn thiÕt trong sè liÖu ®iÒu khiÓn do vËy mµ trong khu«n d¹ng b¶n tin lo¹i 3 cã thÓ bá 3 tr-êng ®Þa chØ ng¨n nhí CMEM. *Tr-êng bit B trong khu«n d¹ng b¶n tin kiÓu 3 cã mét vµi t¸c dông: Dïng trong chän tuyÕn (xem phÇn 7.3.1) thÓ hiÖn tr¹ng th¸i bËn, rçi cña kªnh ®Çu ra ®èi víi T-SWRR, hoÆc cña kªnh ®Çu vµo ®èi víi T-RWSR ®Ó khi chän tuyÕn kh«ng chän vµo ®ã n÷a nÕu B = 0. Dïng trong ®iÒu khiÓn chuyÓn m¹ch: BÝt B cã thÓ ®-îc dïng víi nghÜa chØ thÞ néi dông trong ng¨n nhí ®ã cã t¸c dông ®iÒu khiÓn nÕu B = 0 cßn nÕu B = 1 th× néi dông trong ng¨n nhí ®ã kh«ng cã t¸c dông ®iÒu khiÓn thao t¸c chuyÓn m¹ch. Nh- vËy c¸c gi¸ trÞ cña c¸c tæ hîp m· ®Òu cã thÓ ®-îc dïng vµ t¸c dông cña nã phô thuéc bÝt B. VÝ dô ®èi víi chuyÓn m¹ch T- SWRR bit B ®-îc ®-a cïng c¸c bÝt néi dung kh¸c trong ng¨n nhí C-MEM cho thÊy c¸c bÝt néi dung ®ã cã lµ ®Þa chØ ®Ó ®äc ng¨n nhí T-MEM kh«ng, cßn ®èi
  • 128.
    víi T-RWSR th×thÓ hiÖn lµ c¸c bÝt néi dung ®ã cã lµ ®Þa chØ ®Ó ghi tõ m· PCM ®Çu vµo vµo ng¨n nhí t-¬ng øng cña T-MEM trong khe thêi gian ®ã kh«ng. Ngoµi ra bÝt B nµy cßn ®-îc sö dông ®Ó kÕt hîp ®iÒu khiÓn cét hoÆc hµng cña chuyÓn m¹ch S, tøc lµ nÕu S ®iÒu khiÓn theo cét (theo ®Çu ra) th× mçi gi¶i m· cét CMEMS ®-îc nèi ®Õn ®Çu B cña CMEM cña T-RWSR nh- h×nh 2.52. Trong tr-êng sè liÖu ®iÒu khiÓn cña CMEM S kh«ng cã bÝt B vµ v× thÕ c¸c bé gi¶i m· cña c¸c cét CMEM S (hoÆc c¸c hµng) ®-îc ®iÒu khiÓn bëi bÝt B cña c¸c chuyÓn m¹ch T t-¬ng øng víi c¸c cét ë ®Çu ra (hoÆc c¸c T t-¬ng øng víi c¸c hµng ë ®Çu vµo). NÕu trong cÊu tróc T-S-T dïng bé chuyÓn m¹ch kh«ng gian lo¹i ®iÒu khiÓn theo cét (theo ®Çu ra) th× khi ®ã bÝt B cña chuyÓn m¹ch ®Çu ra OTx sÏ võa ®-îc dïng ®Ó ®iÒu khiÓn chÝnh b¶n th©n bé chuyÓn m¹ch OTx võa ®-îc dïng ®Ó ®iÒu khiÓn bé gi¶i m· cét x CMEM S, nghÜa lµ ®iÒu khiÓn cho phÐp ho¹t ®éng chuyÓn m¹ch qua cét x cña chuyÓn m¹ch kh«ng gian S. (xem h×nh 2.52 vµ h×nh 2.53) NÕu bé chuyÓn m¹ch kh«ng gian lo¹i ®iÒu khiÓn theo hµng (theo ®Çu vµo) ®-îc dïng ë tÇng SXB trong cÊu tróc T-S-T th× khi ®ã bÝt B cña chuyÓn m¹ch ®Çu vµo ITx sÏ ®-îc dïng ®Ó ®iÒu khiÓn cho phÐp ho¹t ®éng chuyÓn m¹ch qua hµng x cña chuyÓn m¹ch kh«ng gian S. H×nh 2.52 VÝ dô sö dông bÝt B cña chuyÓn m¹ch T ®Ó ®iÒu khiÓn chuyÓn m¹ch S. * BÝt P dïng ®Ó kiÓm tra ph¸t hiÖn lçi theo ph-¬ng ph¸p ch½n lÎ khi truyÒn c¸c th«ng tin ®iÒu khiÓn ®Õn c¸c bé chuyÓn m¹ch. Nh- vËy ta h×nh dung tõ SPC hoÆc LOC sÏ cã c¸c cÆp Bus ®Þa chØ ®Ó x¸c ®Þnh bé nhí vµ ng¨n nhí CMEM vµ bus d÷ liÖu (D÷ liÖu gåm Sè liÖu ®iÒu Bé chuyÓn m¹ch kh«ng gian ®iÒukhiÓn theo cét Pcm0 Pcm0’ Pcm0” PcmP PcmP* PcmP” PcmQ PcmQ* PcmQ” PcmN-1 PcmN-1* PcmN-1” Chi Chh Chj Chj Chk Chi IT0 ITP ITQ ITN-1 Pcm0 PcmP’ PcmQ’ PcmN-1’ Chk Chh  OT0 OTP OTQ OTN-1   itxb otxb sxb  Bit B Bit B Bit B Bit B
  • 129.
    em dr. ter t-mem 0 c-mem 0 addr. Bit B Addr. Filter W spc clp t-mem N-1 addr. Bit B Addr. Bus ITXB Data Bus (CMEM Contents) for Incoming Time Switches Addr. Bus ITXB W c-mem N-1 Addr. Filter Data Bus (CMEM Contents) for columns of Space Switch Addr. Bus SXB Addr. Bus SXB Addr. Bus OTXB Addr. Bus ¤TXB c-mems Col.0 addr. Addr. Filter W dec 0 Addr. Filter W c-mems Col. N-1 addr. decN-1 Matrix of Space Switch Data Bus (CMEM Contents) for Incoming Time Switches t-mem 0 c-mem 0 Addr. Filter W t-mem N-1 addr. Bit B W c-mem N-1 Addr. Filter addr. Bit B H×nh 2.53. TruyÒn sè liÖu ®iÒu khiÓn tõ SPC tíi CMEM cña c¸c bé chuyÓn m¹ch.
  • 130.
    khiÓn+B +P) dÉntíi tõng tÇng chuyÓn m¹ch. ViÖc ph©n bæ d÷ liÖu vµo tõng CMEM do m¹ch logic läc ®Þa chØ ®Ó t¹o ra xung W ghi sè liÖu vµo CMEM t-¬ng øng. Trªn h×nh 2.53 chØ ®-a ra m« h×nh truyÒn c¸c th«ng tin ®iÒu khiÓn tõ SPC ®Õn c¸c bé chuyÓn m¹ch thêi gian ®Çu vµo ITXB, bé chuyÓn m¹ch kh«ng gian SXB vµ c¸c bé chuyÓn m¹ch thêi gian ®Çu ra OTXB cña cÊu tróc tr-êng chuyÓn m¹ch 3 kh©u T-S-T. C¸c cÊu tróc chuyÓn m¹ch kh¸c nhau sÏ yªu cÇu nh÷ng m« h×nh tæ chøc ®iÒu khiÓn t-¬ng øng, tuy nhiªn chóng gièng nhau vÒ nguyªn t¾c chung vÒ viÖc ph©n phèi c¸c th«ng tin ®iÒu khiÓn ®ã.
  • 131.
    ch-¬ng III. Tæchøc c¸c ph©n hÖ trong tæng ®µi SPC Trong ch-¬ng I chóng ta ®· xem xÐt mét c¸ch tæng qu¸t cÊu tróc cña tæng ®µi SPC. VÒ c¬ b¶n ®· ®Ò cËp tíi chøc n¨ng cña c¸c ph©n hÖ trong mét tæng ®µi sè ®iÒu khiÓn theo ch-¬ng tr×nh ghi s½n (SPC). Trong ch-¬ng nµy chóng ta sÏ ®i s©u t×m hiÓu tæ chøc cña c¸c ph©n hÖ trong tæng ®µi SPC chuyÓn m¹ch sè vµ xem xÐt c¸c gi¶i ph¸p øng dông trong c¸c ph©n hÖ ®ã. 3.1 Ph©n hÖ øng dông (Application Subsystem) Chøc n¨ng c¬ b¶n cña mét tæng ®µi lµ chuyÓn m¹ch c¸c cuéc gäi. C¸c kü thuËt chuyÓn m¹ch chñ yÕu cña mét tæng ®µi chuyÓn m¹ch kªnh ®· ®-îc ®Ò cËp trong c¸c ch-¬ng II. §èi t-îng phôc vô cña c¸c tæng ®µi lµ c¸c thiÕt bÞ ®Çu cuèi, chóng ph¶i liªn kÕt víi c¸c thiÕt bÞ chuyÓn m¹ch ®Ó hoµn chØnh chøc n¨ng cña tæng ®µi. Trong môc nµy ®Ò cËp tíi kÕt cuèi t¹i tæng ®µi chuyÓn m¹ch sè ®èi víi c¸c thiÕt bÞ giao tiÕp kh¸c nhau nh- : ®-êng thuª bao t-¬ng tù, ®-êng thuª bao sè, ®-êng trung kÕ t-¬ng tù, ®-êng truyÒn dÉn sè. C¸c tæng ®µi néi h¹t cung cÊp ®Çy ®ñ 4 lo¹i kÕt cuèi, c¸c tæng ®µi chuyÓn tiÕp (tæng ®µi cöa quèc tÕ, tæng ®µi ®-êng dµi) chØ cã kÕt cuèi ®-êng trung kÕ t-¬ng tù, kÕt cuèi ®-êng truyÒn dÉn sè. C¸c lo¹i kÕt cuèi nµy ®-îc cung cÊp ë ph©n hÖ øng dông cña tæng ®µi vµ chÝnh v× thÕ ph©n hÖ nµy lµ n¬i khai th¸c c¸c tÝnh n¨ng dÞch vô cña tæng ®µi. 3.1.1 KÕt cuèi c¸c ®-êng thuª bao. a. Tæng quan vÒ kÕt cuèi c¸c ®-êng thuª bao. §-êng d©y thuª bao nèi thiÕt bÞ ®Çu cuèi (TB§C) cña ng-êi sö dông víi tæng ®µi. Nh- thÕ TB§C lµ kÕt cuèi cña ®-êng d©y thuª bao phÝa ng-êi sö dông, cßn m¹ch ®iÖn trong tæng ®µi mµ ®-êng d©y thuª bao nèi ®Õn nã lµ kÕt cuèi cña ®-êng d©y thuª bao ®ã phÝa tæng ®µi. Nh- vËy mçi ®-êng d©y thuª bao (®«i d©y) ®-îc nèi tíi tæng ®µi t-¬ng øng víi mét m¹ch ®iÖn ®-êng d©y thuª bao- m¹ch ®iÖn kÕt cuèi ®-êng d©y thuª bao hay m¹ch ®iÖn giao tiÕp ®-êng d©y thuª bao (SLIC - Subsribers Line Interface Circuit ). Trong c¸c tæng ®µi néi h¹t c¸c SLIC chiÓm thÓ tÝch phÇn cøng chñ yÕu vµ lµ phÇn cøng khã nhÊt do c¸c lý do: - Ph¶i cã kh¶ n¨ng truyÒn nhiÒu lo¹i tÝn hiÖu cho nhiÒu chøc n¨ng : cÊp nguån mét chiÒu cho TB§C, cÊp dßng chu«ng xoay chiÒu ®iÖn ¸p lín, truyÒn c¸c tÝn hiÖu b¸o hiÖu ©m tÇn, c¸c tÝn hiÖu mang tin tøc, c¸c tÝn hiÖu dïng cho chøc n¨ng b¶o vÖ, kiÓm thö. - ChiÒu dµi ®-êng d©y kh¸c nhau dÉn ®Õn c¸c tham sè ®iÖn còng thay ®æi
  • 132.
    trong d¶i kh¸réng v× vËy m¹ch giao tiÕp ®-êng d©y thuª bao ph¶i cã kh¶ n¨ng tù ®iÒu chØnh c¸c chÕ ®é ho¹t ®éng ®Ó phèi hîp víi tõng ®-êng d©y cô thÓ ®¶m b¶o chÊt l-îng dÞch vô. - Sù ®a d¹ng cña thiÕt bÞ ®Çu cuèi vµ c¸c thuª bao kh¸c nhau, vÝ dô : c¸c thuª bao chñ yÕu vÉn dïng TB§C t-¬ng tù, tuy nhiªn còng b¾t ®Çu cã c¸c thiÕt bÞ sè, thuª bao cã thÓ lµ ®-êng tæng ®µi c¬ quan (PABX) hoÆc c¸c tr¹m c«ng céng. - Sù phøc t¹p cña m¹ng : C¸c thiÕt bÞ ®Çu cuèi cã thÓ hiÖn ®¹i mµ còng cã thÓ lµ c¸c thµnh phÇn cña hÖ thèng cò. VÊn ®Ò lµ ph¶i ®-a ra chØ mét hoÆc mét vµi lo¹i m¹ch giao tiÕp cã thÓ ¸p dông víi c¸c lo¹i thuª bao vµ c¸c thiÕt bÞ ®Çu cuèi kh¸c nhau ®Ó ®-a l¹i gi¸ thµnh hîp lý cho ph©n hÖ øng dông. C¸c lo¹i thuª bao hay ®Çu cuèi cÇn kÕt cuèi trªn mét tæng ®µi gåm: 1. C¸c ®-êng t-¬ng tù : - §-êng thuª bao trùc tiÕp : ThiÕt bÞ ®iÖn tho¹i chuÈn cã chu«ng, b¸o hiÖu d¹ng xung LD (Loop Disconnection) hoÆc b¸o hiÖu ®a tÇn MF (Multifrequency). - §-êng tæng ®µi c¬ quan : PABX (Private Automation Branch Exchange) b¸o hiÖu LD hoÆc MF. - §-êng thuª bao c«ng céng b¸o hiÖu LD hoÆc MF vµ c¸c ph-¬ng thøc b¸o hiÖu kÌm theo ®Ó truyÒn th«ng tin tÝnh c-íc. - ThiÕt bÞ phô : TruyÒn th«ng tin ®iÒu khiÓn ®ång hå c-íc t¹i thuª bao. 2- C¸c ®-êng sè - §-êng thuª bao sè : ISDN ( Integrated Services Digital Network) truy cËp c¬ b¶n (Basic Rate Interface) - §-êng PABX : ISDN truy cÊp s¬ cÊp (Primary Rate Interface) 1.5Mbps hoÆc 2 Mbps qua c¸c hÖ thèng truyÒn dÉn sè. b. KÕt cuèi c¸c ®-êng thuª bao t-¬ng tù (Analog line) M¹ch kÕt cuèi ®-êng thuª bao t-¬ng tù cßn gäi lµ m¹ch giao tiÕp ®-êng d©y thuª bao ( SLIC- Subscribers Line Interface Circuit) hoÆc (SLTU - Subscribers Line Terminating Unit) thùc hiÖn 7 chøc n¨ng c¬ b¶n BOCHTRS ®ã lµ : Battery Feed, Over Voltage Protection, Codec, Hybrid, Testing, Ringing, Supervision; nghÜa lµ: CÊp nguån, chèng qu¸ ¸p, m· ho¸ vµ gi¶i m·, ghÐp biÕn ¸p
  • 133.
    sai ®éng, kiÓmtra ®o thö( kiÓm thö), chu«ng vµ gi¸m s¸t. S¬ ®å chøc n¨ng SLIC ®-îc m« t¶ trªn h×nh 3.1 H×nh 3.1 : S¬ ®å khèi cña m¹ch ®iÖn giao tiÕp ®-êng d©y thuª bao t-¬ng tù . + Chøc n¨ng cÊp nguån cho thiÕt bÞ ®Çu cuèi. §a sè c¸c TB§C t-¬ng tù nèi víi c¸c ®-êng d©y thuª bao cña tæng ®µi sö dông nguån chung cÊp tõ tæng ®µi. Nguån ®iÖn mét chiÒu tõ tæng ®µi qua m¹ch cÊp nguån trong SLIC ®-îc ®-a qua ®-êng d©y thuª bao ®Õn TB§C ®Ó cÊp cho c¸c bé biÕn ®æi tin tøc nh- Microphone, tai nghe, c¸c bé khuÕch ®¹i vµ c¸c thµnh phÇn linh kiÖn kh¸c trong thiÕt bÞ ®Çu cuèi. Dßng ®iÖn nµy ph¶i ®ñ lín ®Ó ®ñ cung cÊp cho c¸c bé phËn cña TB§C ho¹t ®éng, th«ng th-êng kho¶ng 20-100mA. M¹ch cÊp nguån trong SLIC v× vËy ph¶i ®¶m b¶o c-êng ®é dßng ®iÖn trong kho¶ng cho phÐp khi trë kh¸ng m¹ch vßng ®-êng thuª bao (gåm trë kh¸ng vµo cña TB§C vµ ®iÖn trë ®«i d©y dÉn) thay ®æi trong kho¶ng vµi tr¨m  ®Õn 1800. §ång thêi víi ®iÖn ¸p cÊp nguån, c¸c tÝn hiÖu kh¸c còng ®-îc truyÒn trªn cïng ®«i d©y, v× vËy m¹ch cÊp nguån ph¶i ®¶m b¶o ph©n c¸ch vÒ mÆt tÝn hiÖu, nghÜa lµ ng¨n kh«ng cho nã xuyªn qua nguån, ¶nh h-ëng tíi m¹ch kh¸c còng nh- lµm suy hao chÝnh b¶n thµnh tÝn hiÖu truyÒn trªn ®«i d©y ®ã. Ngoµi ra, m¹ch ®iÖn ®-êng d©y cña c¸c thuª bao ph¶i ph©n c¸ch nhau vÒ thµnh phÇn mét chiÒu (DC) ®Ó ®¶m b¶o c¸c ®-êng d©y thuª bao cã m¹ch cÊp nguån ®éc lËp nh»m tr¸nh hiÖn t-îng ng¾n m¹ch bëi c¸c ®-êng thuª bao trë kh¸ng thÊp vµ ®¶m b¶o chøc n¨ng gi¸m s¸t tr¹ng th¸i cña mçi ®-êng thuª bao. §iÖn ¸p cung cÊp cho ®-êng d©y thuª bao th«ng th-êng lµ 50VDC hoÆc  R¬ le kiÓm thö T R¬ le ph¸t chu«ng R B¶o vÖ thø cÊp O CÊp nguån B Gi¸m s¸t S M· ho¸ Gi¶i mux&demux PCMin PCMout Syn H C Scanner Battery R.Bus T.Bus PD
  • 134.
    24VDC qua t¶i®èi xøng, ph©n c¸ch mét chiÒu b»ng tô nh- h×nh 3.2. H×nh 3.2 : Chøc n¨ng B-cÊp nguån + Chøc n¨ng chèng qu¸ ¸p (0 - over voltage protection). Hai nguyªn nh©n c¬ b¶n cã thÓ g©y ra qu¸ ¸p, qu¸ dßng lµm háng c¸c thiÕt bÞ cña tæng ®µi ®ã lµ n¨ng l-îng sÐt vµ rß ®iÖn c«ng nghiÖp vµo ®-êng d©y. §Ó b¶o vÖ c¸c thiÕt bÞ cña tæng ®µi, tÝnh m¹ng cña ng-êi vËn hµnh vµ cña ng-êi sö dông th× trªn ®-êng d©y cÇn ¸p dông c¸c ph-¬ng ph¸p chèng sÐt, cßn bªn trong tæng ®µi mçi ®-êng d©y thuª bao cã mét m¹ch b¶o vÖ ngay t¹i gi¸ phèi d©y chÝnh (MFD - Main Distribution Frame) bao gåm ®Ìn chèng sÐt (ng-ìng 250V) vµ cÇu ch× t¸c ®ång nhanh - ®©y lµ m¹ch b¶o vÖ s¬ cÊp. §èi víi c¸c tæng ®µi ®iÖn tö cÇn cã thªm mét m¹ch thø cÊp trªn c¬ së mét m¹ch ®iÖn tö ®Ó b¶o vÖ qu¸ ¸p do v× c¸c linh kiÖn ®iÖn tö nh¹y c¶m víi qu¸ ¸p, qu¸ dßng v× vËy m¹ch b¶o vÖ thø cÊp nµy ®¶m b¶o møc ®é an toµn cao h¬n, nh¹y c¶m vµ t¸c ®éng nhanh. H×nh 3.3 : Nguyªn lý cÊp chu«ng vµ bè trÝ c¸c m¹ch b¶o vÖ +  b b - PhÝa ®-êng d©y PhÝa tæng ®µi +  b b - R¬le chu«ng M¹ch b¶o vÖ thø cÊp F1 F2 D Nguån chu«ng M¹ch b¶o vÖ s¬ cÊp
  • 135.
    + Chøc n¨ngchu«ng ( R - ringing) §©y lµ mét trong c¸c tÝn hiÖu b¸o hiÖu ®-êng d©y thuª bao ®-îc ph¸t tíi ®-êng d©y thuª bao bÞ gäi trong kho¶ng thêi gian ng¾n vµ lÆp l¹i ®Ó rung chu«ng trong m¸y ®iÖn tho¹i chuÈn. TÝn hiÖu chu«ng dïng ®iÖn ¸p xoay chiÒu 70-110V/16-50Hz, dßng ®Õn 200 mA, ph¸t theo nhÞp. §©y lµ tÝn hiÖu ®iÖn ¸p cao, dßng lín so víi c¸c tÝn hiÖu ©m tÇn kh¸c v× vËy nã th-êng ®-îc ph¸t lªn ®-êng d©y qua r¬le khi ®· ng¾t c¸c m¹ch ®iÖn kh¸c, nh- m« t¶ trªn h×nh 3.3. TÝn hiÖu ®-îc ph¸t ra ®-êng d©y thuª bao bÞ gäi theo nhÞp (th-êng lµ 1s ph¸t 4s nghØ). CÇn cã m¹ch kiÓm so¸t dßng chu«ng ®Ó ph¸t hiÖn thêi ®iÓm thuª bao bÞ gäi nhÊc tæ hîp ®Ó ng¾t tÝn hiÖu chu«ng. Khi thuª bao bÞ gäi nhÊc tæ hîp trong kho¶ng 1s ®ang ph¸t chu«ng hay trong kho¶ng 4s nghØ th× ph¶i dõng ngay viÖc ph¸t tÝn hiÖu chu«ng lªn ®-êng d©y cña thuª bao ®ã. + Chøc n¨ng gi¸m s¸t ( S -Supervisory) qu¶n lý. C¸c tæng ®µi qu¶n lý cña mçi m¹ch giao tiÕp thuª bao mét c¸ch liªn tôc ®Ó bÊt kú mét thay ®æi nµo vÒ tr¹ng th¸i còng ®Òu bÞ ph¸t hiÖn, xö lý vµ t¹o ra ph¶n øng thÝch hîp. §èi víi c¸c thuª bao analog nãi chung, ho¹t ®éng qu¶n lý gi¸m s¸t tr¹ng th¸i ®-îc thùc hiÖn b»ng viÖc gi¸m s¸t tr¹ng th¸i m¹ch vßng cña ®-êng d©y thuª bao : kÝn hay hë, cã hay kh«ng cã dßng ®iÖn m¹ch vßng. KÕt hîp ®iÒu kiÖn nhÞ ph©n nµy víi yªu tè thêi gian (sù kÕ tiÕp cña c¸c tr¹ng th¸i vµ thêi gian tõng tr¹ng th¸i) cã thÓ suy ra c¸c chÕ ®é hiÖn t¹i cña thuª bao. §iÒu nµy ®-îc thÓ hiÖn trong b¶ng 3.1 d-íi ®©y. B¶ng 3.1 C¸c chÕ ®é cña thuª bao Ho¹t ®éng thuª bao §iÒu kiÖn m¹ch vßng Tr¹ng th¸i Rçi M¹ch vßng hë I0= 0mA Rçi ( ®Æt tæ hîp) Thuª bao gäi 1. NhÊc tæ hîp -M¹ch vßng chuyÓn tõ hë sang kÝn I0=(2070mA) - Khëi ®éng cuéc gäi 2 .Quay sè -Xung hë/xung kÝn lu©n phiªn (Break/Mark) - Chän sè d¹ng xung (Break<100ms) 3. Th«ng tho¹i - M¹ch vßng kÝn liªn tôc - NhÊc tæ hîp liªn tôc 4. KÕt thóc -Tõ kÝn sang hë m¹ch vßng tH>100ms. - ChuyÓn sang rçi
  • 136.
    Thuª bao bÞgäi 1. §ang chu«ng M¹ch vßng hë I0= 0mA Dßng chu«ng I (200mA) BËn- ®ang chu«ng 2. NhÊc tæ hîp tr¶ lêi - M¹ch vßng chuyÓn tõ hë sang kÝn I0=(2070mA) - Dßng chu«ng I t¨ng Tr¶ lêi cuéc gäi 3. Th«ng tho¹i - M¹ch vßng kÝn liªn tôc - NhÊc tæ hîp liªn tôc 4. KÕt thóc -Tõ kÝn sang hë m¹ch vßng tH>100ms. - ChuyÓn sang rçi Trong c¸c tæng ®µi SPC tr¹ng th¸i cña c¸c m¹ch ®iÖn kÕt cuèi ®-îc qu¶n lý bëi mét bé quÐt (Scanner) cña bé ®iÒu khiÓn vïng (loc). M¹ch t¹o tÝn hiÖu tr¹ng th¸i th-êng ®-îc nèi tiÕp víi m¹ch cÊp nguån. TÝn hiÖu tr¹ng th¸i cña m¹ch ®iÖn kÕt cuèi thuª bao t-¬ng tù trong tæng ®µi chuyÓn m¹ch sè cßn tham gia vµo viÖc ®iÒu khiÓn bé CODEC cña chÝnh thuª bao ®ã. + Chøc n¨ng kiÓm thö ( T- Testing) KiÓm tra c¸c chøc n¨ng vµ ®o thö c¸c tham sè nh- kiÓm tra m¹ch ph¸t chu«ng cho thuª bao, ph¶n øng cña c¸c thiÕt bÞ tæng ®µi víi c¸c thay ®æi tr¹ng th¸i ®-êng d©y, ®o trë kh¸ng ®-êng d©y, do dßng, do ¸p ë c¸c tr¹ng th¸i kh¸c nhau. Th«ng th-êng trong c¸c tæng ®µi lín dïng tr-êng chuyÓn m¹ch kh«ng gian t-¬ng tù ®Ó nèi c¸c ®-êng thuª bao víi c¸c thiÕt bÞ ®o dïng chung. Qu¸ tr×nh kiÓm tra, ®o thö ®-îc lËp tr×nh tiÕn hµnh t¹i c¸c thêi ®iÓm Ýt sö dông vµ ®-îc tiÕn hµnh tù ®éng. Khi cÇn cã thÓ ®o kiÓm nh©n c«ng. + Chøc n¨ng ghÐp sai ®éng biÕn ¸p (H- Hybrid Transformer). §a sè c¸c thuª bao hiÖn nay lµ thuª bao 2 d©y, nghÜa lµ TB§C ®-îc nèi tíi tæng ®µi b»ng 2 d©y vµ tÝn hiÖu truyÒn trªn chóng theo c¶ hai h-íng (song c«ng). Bªn trong tæng ®µi tÝn hiÖu ®-îc truyÒn theo tõng h-íng riªng, nghÜa lµ dïng ph-¬ng ph¸p 4 d©y (2 d©y ph¸t, 2 d©y thu), viÖc chuyÓn tõ kiÓu 2 d©y thµnh kiÓu 4 d©y ®-îc thùc hiÖn t¹i m¹ch giao tiÕp ®-êng d©y vµ th-êng b»ng c¸ch dïng biÕn ¸p sai ®éng. H×nh 3.4 m« t¶ chøc n¨ng nµy cña c¸c m¹ch giao tiÕp thuª bao t-¬ng tù. Yªu cÇu cña chøc n¨ng nµy lµ m¹ch lai ph¶i cã suy hao truyÒn dÉn theo c¶ hai h-íng nh- nhau vµ kh«ng v-ît qu¸ ng-ìng cho phÐp, ®ång thêi khö ®-îc tiÕng déi Echo.
  • 137.
    H×nh 3.4 Chøcn¨ng sai ®éng Hybrid Transformer +. Chøc n¨ng- M· ho¸ vµ gi¶i m· C-Codec Chøc n¨ng nµy t¹o nÒn t¶ng mét tæng ®µi chuyÓn m¹ch sè. C¸c tin tøc tõ thiÕt bÞ ®Çu cuèi ng-êi sö dông ph¶i ®-îc sè ho¸ tr-íc khi ®-a vµo chuyÓn m¹ch vµ nh- thÕ míi t¹o kh¶ n¨ng chuyÓn m¹ch c¸c tin tøc ®ã b»ng c¸c chuyÓn m¹ch sè. C¸c tÝn hiÖu d¹ng sè sau chuyÓn m¹ch vµ truyÒn dÉn ph¶i ®-îc gi¶i m· trë l¹i tr-íc khi ®-a tíi thiÕt bÞ ®Çu cuèi ng-êi sö dông. Nh÷ng thao t¸c nµy gäi chung lµ m· ho¸ vµ gi¶i m· C. Trong thêi kú ®Çu cña PCM ng-êi ta dïng bé m· ho¸ vµ gi¶i m· PCM chung cho tÊt c¶ 24 hay 30 kªnh d-íi d¹ng nhãm. Theo c¸ch nµy, c¸c thuª bao analog trong tõng nhãm ®-îc tËp trung qua mét bé chuyÓn m¹ch kh«ng gian analog hoÆc chuyÓn m¹ch thêi gian cho tÝn hiÖu PAM. Bé m· ho¸ vµ gi¶i m· PCM kiÓu nµy ®-îc x©y dùng tõ c¸c linh kiÖn rêi, gi¸ thµnh rÊt cao. N¨m 1978 bé Codec ®¬n gåm c¶ m· ho¸, gi¶i m· vµ bé läc mét kªnh d-íi d¹ng m¹ch tÝch hîp VLSI xuÊt hiÖn lµm gi¸ thµnh thùc hiÖn chøc n¨ng m· ho¸ vµ gi¶i m· gi¶m ®¸ng kÓ. Sau nµy trong mçi chip codec ®¬n ngoµi bé m· ho¸, gi¶i m·, bé läc tiÒn lÊy mÉu, bé läc sau kh«i phôc cßn cã c¸c m¹ch logic ®iÒu khiÓn lµm cho tÝnh n¨ng cña nã cµng hoµn thiÖn vµ viÖc sö dông cµng thuËn tiÖn. Còng chÝnh v× gi¸ thµnh cña c¸c chip CODEC ®-îc gi¶m ®¸ng kÓ nªn ngµy nay ng-êi ta th-êng thiÕt kÕ mçi m¹ch kÕt cuèi ®-êng d©y thuª bao t-¬ng tù cã mét CODEC riªng. H×nh 3.5. cho thÊy c¸c pin c¬ b¶n cña mçi codec th«ng dông. PhÝa ®-êng thuª bao cã c¸c ch©n vµo vµ ra cña tÝn hiÖu t-¬ng tù Ain, Aout, phÝa chuyÓn m¹ch cã c¸c ch©n vµo vµ ra cña tÝn hiÖu sè Din, Dout. Ngoµi ra cßn cã c¸c ch©n  M· ho¸ Gi¶i H CB slic a C¸c khèi chuyÓn m¹ch CB slic b H M· ho¸ Gi¶i  Echo cho ng-êi nãi Echo cho ng-êi nghe
  • 138.
    dïng cho ®iÒukhiÓn vµ ®ång bé nh- m« t¶ d-íi ®©y : H×nh 3.5 C¸c ch©n c¬ b¶n cña vi m¹ch CODEC H-íng ph¸t: Ain - ch©n tÝn hiÖu t-¬ng tù vµo, Dout- ch©n tÝn hiÖu PCM ra, Txsyn- ch©n më bé m· ho¸, ®Þnh khe thêi gian ra cho tÝn hiÖu ë ch©n Dout, Txclock- ch©n ®-a tÝn hiÖu nhÞp h-íng ph¸t, ®Þnh tèc ®é tÝn hiÖu ra ë ch©n Dout. H-íng thu: Din- ch©n tÝn hiÖu PCM vµo; Rxsyn- ch©n ®-a tÝn hiÖu më bé gi¶i m·, ®Þnh khe thêi gian cho tÝn hiÖu vµo ë ch©n Din; Rxclock- ch©n tÝn hiÖu nhÞp sè liÖu vµo, ®Þnh tèc ®é sè vµo ch©n Din; Aout- ch©n tÝn hiÖu t-¬ng tù ®Çu ra. C¸c ch©n ®iÒu khiÓn : - ch©n ®iÒu khiÓn chÕ ®é nguån cña codec; møc logic “1” codec kh« ng tiªu thô nguån (chÕ ®é Standby); møc "0" codec thùc hiÖn m· ho¸ vµ gi¶i m· A/- ch©n chän luËt m· ho¸ A hoÆc . C¸c ch©n nguån: Vcc + , Vss - , GND Ngoµi ra cßn cã thÓ cã c¸c ch©n cho c¸c linh kiÖn ngoµi cña bé läc RC. c. KÕt cuèi thuª bao sè: V× mét sè lý do kü thuËt, kinh tÕ mµ ®a sè c¸c thuª bao cña c¸c tæng ®µi chuyÓn m¹ch sè hiÖn nay vÉn lµ lo¹i analog, tuy nhiªn còng cã mét sè Ýt c¸c ®-êng thuª bao sè ®· ®-îc ®-a vµo sö dông. C¸c thuª bao nµy ®-îc thùc hiÖn codec Ain Dout Txsyn Txclock Din Rxsyn Rxclock Aout +VCC -VSS gnd pd a/ C¸c ch©n ®Þnh thêi ph¸t C¸c ch©n ®Þnh thêi thu PD
  • 139.
    d-íi d¹ng truycËp c¬ b¶n (BRI) cña m¹ng sè liÖu liªn kÕt ®a dÞch vô ISDN. §©y lµ ®-êng truyÒn dÉn sè tõ vÞ trÝ thuª bao tíi tæng ®µi néi h¹t, nã cã kh¶ n¨ng hç trî c¸c dÞch vô phi tho¹i (non-voice) còng nh- dÞch vô tho¹i th«ng th-êng. Nã cung cÊp 2 kªnh 64Kbps ®éc lËp cho t¶i h÷u Ých vµ mét kªnh sè liÖu b¸o hiÖu kªnh chung 16Kbps. (2B+D) H×nh 3.6 cho thÊy cÊu tróc cña thiÕt bÞ ®Çu cuèi sè vµ giao tiÕp thuª bao sè D-SLTU (Digital Subscribers Line Termination Unit). H×nh 3.6 KÕt cuèi ®-êng d©y thuª bao sè ThiÕt bÞ ®Çu cuèi cña thuª bao sè ®ãng vai trß mét ®¬n vÞ ®Çu cuèi m¹ng NTU (Network Termination Unit) thùc hiÖn c¸c chøc n¨ng phèi hîp truyÒn dÉn  codec Termina l Giao tiÕp truyÒn dÉn vµ ghÐp kªnh tx Rx HÖ thèng b¸o hiÖu th«ng ®iÖp thuª bao Network Termination Unit (NTU) Phèi hîp kiÓm tra b¶o vÖ cÊp nguån Bus kiÓm tra Nguån ghÐp kªnh vµ truyÒn dÉn 2b 1 2 3 4 30 29 d HÖ thèng ®iÒu khiÓn b¸o hiÖu thuª bao mux& demux 2m Exchange Termination Unit (ETU-DSLTU) 144Kbps PhÝa PhÝa 2B+D
  • 140.
    vµ ghÐp t¸chkªnh cïng víi c¸c khèi chøc n¨ng thÝch øng ®Çu cuèi TA (Terminal Adaptor) ®Ó biÕn ®æi tin tøc thµnh tÝn hiÖu sè vµ ng-îc l¹i hoÆc t-¬ng thÝch víi ®Çu cuèi sè liÖu. Gi÷a thiÕt bÞ ®Çu cuèi sè víi tæng ®µi lµ ®-êng 2B+D, nã ®-îc nèi vµo m¹ch giao tiÕp thuª bao sè t-¬ng øng (D-SLTU). M¹ch nµy còng cã c¸c khèi kiÓm thö, b¶o vÖ, cÊp nguån nh- c¸c SLIC cña c¸c thuª bao t-¬ng tù, tuy nhiªn s¬ ®å chi tiÕt cã nhiÒu kh¸c biÖt. Khèi truyÒn dÉn vµ ghÐp kªnh sè thùc hiÖn c¸c chøc n¨ng phèi hîp truyÒn dÉn vµ ghÐp t¸ch kªnh ®èi víi hai kªnh tin tøc B 64Kbps vµ kªnh b¸o hiÖu D 16Kbps. Trong mèi quan hÖ thuª bao-tæng ®µi mét sè chøc n¨ng BOCHTRS ®-îc chuyÓn ®Õn vÞ trÝ thuª bao sè nh- chøc n¨ng H, C, R ®-îc ®-a ®Õn khèi TA. Chøc n¨ng S nãi riªng vµ b¸o hiÖu thuª bao nãi chung còng cã nhiÒu thay ®æi, chóng ®-îc trao ®æi d-íi d¹ng th«ng ®iÖp b¸o hiÖu thuª bao trªn kªnh D16Kbps vµ qu¶n lý c¶ hai kªnh B 64Kbps. Dßng chu«ng còng kh«ng ®-îc cÊp tõ tæng ®µi mµ chØ cã th«ng ®iÖp b¸o hiÖu tõ tæng ®µi göi tíi NTU qua kªnh b¸o hiÖu sau ®ã TA sÏ ph¸t dßng chu«ng tíi m¸y ®iÖn tho¹i. d. Tæ chøc c¸c kÕt cuèi thuª bao Th«ng th-êng c¸c m¹ch giao tiÕp thuª bao ®-îc chÕ t¹o d-íi d¹ng card- m¶ng m¹ch (card) gåm vµi m¹ch giao tiÕp. Trong c¸c tæng ®µi lín th-êng cã hai lo¹i card: lo¹i 8 LC vµ lo¹i 4LC. Lo¹i card 8 LC dïng cho c¸c thuª bao th«ng th-êng, lo¹i card 4 LC dïng cho c¸c thuª bao ®Æc biÖt nh- c¸c hép ®iÖn tho¹i c«ng céng cã chøc n¨ng thu c-íc b»ng tiÒn kim lo¹i, ®iÖn tho¹i thÎ, ®-êng PABX… . LC lµ mét phÇn cña SLIC, th-êng bao gåm c¸c chøc n¨ng BSHC, cßn c¸c chøc n¨ng TRO th-êng bè trÝ ë MDF.C¸c card ghÐp víi nhau thµnh module. Cã c¸c lo¹i module 32LC, 64LC, 96LC, 128LC (Line Circuit m¹ch ®-êng d©y thuª bao). Mçi module ngoµi c¸c card LC cßn cã bé ®iÒu khiÓn module LMC (Line Module controller), bé chuyÓn m¹ch tËp trung t¶i DLCD (Digital Line Concentrator Device) hay bé chuyÓn m¹ch ®-êng d©y sè DLSw (Digital Line Switch), thiÕt bÞ thÝch øng kiÓm thö T-ADP (Test Adapter) , bé t¹o tÝn hiÖu ©m tÇn DTG (Digital Tone Generator) vµ bé thu tÝn hiÖu chän sè MFR (Multi Frequency Receiver). C¸c Module l¹i ®-îc tæ chøc ghÐp víi nhau thµnh nhãm. Ngoµi c¸c Module, trong mçi nhãm cã bé ghÐp t¸ch kªnh s¬ cÊp PMUX & PDeMUX (Primary Multiplexer and Primary Demultiplexer) vµ bé ®iÒu khiÓn vïng LOC (Local Controller)
  • 141.
    H×nh 3.7 Tæchøc c¸c kÕt cuèi thuª bao NhiÖm vô cña DLCD cña c¸c module lµ chuyÓn m¹ch kªnh cña thuª bao ®Õn mét trong c¸c kªnh trªn tuyÕn SHw dïng chung cña nhãm ®ã nh»m môc ®Ých tËp trung t¶i cho m¹ng chuyÓn m¹ch nhãm. §iÒu nµy cã nghÜa lµ c¸c thuª bao trong nhãm dïng chung mét tuyÕn SHw ®Ó giao tiÕp víi m¹ng chuyÓn m¹ch nhãm, khi thuª bao nµo ®ã trªn mét Module cña nhãm ®ã cã nhu cÇu thùc hiÖn liªn l¹c qua m¹ng chuyÓn m¹ch nhãm th× th«ng tin cña nã sÏ ®-îc chuyÓn m¹ch qua DLCD tíi mét kªnh cña tuyÕn SHw. Nh- thÕ c¸c kªnh trªn tuyÕn SHw chØ ®-îc g¸n cho c¸c thuª bao khi chóng tham gia vµo c¸c cuéc gäi ®ang tiÕn hµnh, kh«ng cã kªnh dµnh riªng cho tõng thuª bao vµ nh- vËy chØ cÇn sè l-îng kªnh kh«ng lín l¾m ®Ó phôc vô nhu cÇu th«ng tin cña c¸c thuª bao trong nhãm. VÝ dô, mçi module cã 32 ®Õn 128 LC, mét nhãm cã thÓ cã 8 tíi 12 Module t-¬ng øng cã thÓ cã tíi 1024 LC. Nh-ng chØ cã mét tuyÕn SHw 120Ch/128TS do ®ã, hÖ sè tËp trung lµ 8,5: 1. Ngoµi ra c¸c bé DLCD cßn thùc hiÖn chøc n¨ng nèi c¸c thiÕt bÞ t¹o ©m phôc vô DTG vµ c¸c bé thu tÝn hiÖu chän sè MFR tíi ®-êng thuª bao ®Ó thùc hiÖn chøc n¨ng b¸o hiÖu.. Bé ®iÒu khiÓn module ®-êng d©y LMC ®iÒu khiÓn c¸c thao t¸c chuyÓn m¹ch qua DLCD (DLSw); ph©n phèi c¸c tÝn hiÖu ®Þnh thêi cho c¸c m¹ch SLIC, ®iÒu khiÓn kiÓm thö qua bé thÝch øng T-ADP. C¸c LMC cßn thùc hiÖn chøc n¨ng qu¶n lý vµ göi b¸o c¸o vÒ tr¹ng th¸i thuª bao tíi LOC. LOC ®iÒu khiÓn c¸c LMC, c¸c P-MUX (ghÐp kªnh s¬ cÊp) vµ c¸c P-DeMUX (t¸ch kªnh s¬ cÊp) trong nhãm. LOC trao ®æi th«ng tin ®iÒu khiÓn víi bé xö lý ®iÒu khiÓn cuéc gäi Call Proccessor – CLP b»ng c¸c b¶n tin b¸o hiÖu bËc cao.  slic  slic lmc dlcd (dlsw) dtg mfr T-adp lm loc pmux & pd e mux shwup shwdown From/to Switching network
  • 142.
    Nh- vËy LOC®iÒu khiÓn c¸c ho¹t ®éng cña c¸c Module trong nhãm, c¸c ho¹t ®éng ghÐp, t¸ch kªnh, trao ®æi th«ng tin b¸o hiÖu víi bé xö lý ®iÒu khiÓn cÊp trªn. Trong tæ chøc nhãm thuª bao liªn quan tíi nh÷ng vÊn ®Ò ph©n phèi khe thêi gian cho codec cña tõng m¹ch SLIC, chuyÓn m¹ch tËp trung thuª bao, trao ®æi th«ng tin ®iÒu khiÓn. -Ph©n phèi khe thêi gian: §Ó m· ho¸ vµ gi¶i m· tÝn hiÖu mçi bé codec cÇn c¸c tÝn hÖu ®Þnh thêi Txsyn, Txclk, Rxsyn, Rxclk. Do tèc ®é ph¸t vµ thu sè liÖu cña c¸c bé codec víi c¸c ®-êng PCM chung cña mçi Module lµ gièng nhau vµ b»ng víi tèc ®é cña luång sè ®ã nªn c¸c tÝn hiÖu Txclk vµ Rxclk ®-îc ®-a cè ®Þnh, ®ång thêi tíi c¸c codec. TÝn hiÖu Txsyn qui ®Þnh khe ph¸t, cßn Rxsyn qui ®Þnh khe thêi gian thu cña mçi codec. §èi víi mét codec th× Txsyn vµ Rxsyn cã thÓ trïng nhau, nghÜa lµ thu ph¸t cïng khe thêi gian, cßn gi÷a c¸c codec kh¸c nhau th× Txsyn vµ Rxsyn cña codec nµy ph¶i kh¸c víi Txsyn vµ Rxsyn cña tÊt c¶ c¸c codec cña cïng module vµ chóng ph¶i kÕ tiÕp nhau ®Ó t¹o ra sù ghÐp kªnh theo thêi gian. Trong c¸c tæng ®µi mçi codec th-êng cã khe thêi gian Txsyn vµ Rxsyn trïng nhau (th-êng mçi codec øng víi mét SLIC) gäi lµ khe thêi gian thuª bao. C¸c thuª bao cña cïng mét module sÏ ®-îc cÊp c¸c khe thêi gian nèi tiÕp nhau. Trong module kh¸c, codec cña c¸c m¹ch thuª bao sÏ ®-îc cÊp c¸c khe thêi gian gièng nh- ®· cÊp ë module tr-íc. NghÜa lµ mét nhãm cã thÓ cã tíi 8 module 128 SLIC sÏ cã thÓ cã tíi 8 codec cã cïng khe thêi gian thuª bao. Theo c¸ch nµy gäi lµ g¸n cøng khe thêi gian cho mçi thuª bao. H×nh 3.8 Ph©n phèi khe thêi gian thu ph¸t cho c¸c m¹ch ®iÖn thuª bao  slic  slic tsac dlcd (dlsw) lm shwup shwdown  slic 1 2 n ts1 ts2 tsN
  • 143.
    Cßn cã métc¸ch kh¸c lµ g¸n ®éng khe thêi gian cho mçi thuª bao. NghÜa lµ dïng chuyÓn m¹ch ®Ó ®-a tÝn hiÖu nhÞp Txsyn vµ Rxsyn ®Õn mçi m¹ch giao tiÕp thuª bao. Mçi CODEC chØ ®-îc cÊp c¸c tÝn hiÖu nhÞp Txsyn vµ Rxsyn khi thuª bao tham gia mét cuéc gäi nµo ®ã. C¸ch nµy khã thùc hiÖn h¬n nh-ng l¹i cã thÓ bá phÇn chuyÓn m¹ch tËp trung t¶i v× chøc n¨ng cña nã ®· ®-îc thùc hiÖn khi g¸n ®éng khe thêi gian thuª bao. - ChuyÓn m¹ch tËp trung t¶i: cã mét sè c¸ch tËp trung t¶i nh- dïng chuyÓn m¹ch kh«ng gian, dïng chuyÓn m¹ch thêi gian PAM hoÆc chuyÓn m¹ch thêi gian sè. Hai c¸c ®Çu ®-îc ¸p dông trong thêi kú ®Çu cña c¸c tæng ®µi chuyÓn m¹ch sè, trong ®ã sö dông chuyÓn m¹ch t-¬ng tù ®Ó tËp trung tai tr-íc, sau ®ã míi dïng mét CODEC chung ®Ó m· ho¸ ®Ó ®-a lªn tuyÕn SHwup ; theo h-íng ra th«ng tin qua CODEC chung ®Ó ®-îc gi¶i m·, sau ®ã ®-îc ®-a qua chuyÓn m¹ch ®Ó ph©n phèi vÒ thuª bao. Trong c¸c tæng ®ai chuyÓn m¹ch sè hiÖn nay th-êng dïng chuyÓn m¹ch thêi gian sè ë kh©u nµy v× kh¶ n¨ng cña bé chuyÓn m¹ch thêi gian sè rÊt cao vµ ho¹t ®éng linh ho¹t vµ ®¶m b¶o chÊt l-îng tÝn hiÖu. - Trao ®æi th«ng tin ®iÒu khiÓn: Gi÷a c¸c LMC víi LOC trao ®æi d-íi d¹ng sè liÖu theo hai chiÒu. Tõ LMC tíi LOC gåm th«ng tin gi¸m s¸t, th«ng tin ®Þa chØ. Tõ LOC tíi LMC ®iÒu khiÓn ph©n phèi b¸o hiÖu thuª bao, ®iÒu khiÓn DLCD. C¸c tÝn hiÖu trao ®æi nµy ®-îc thùc hiÖn bëi c¸c bus sè liÖu trùc tiÕp . Gi÷a LOC víi CLP cña hÖ thèng ®iÒu khiÓn cã thÓ sö dông bus ®iÒu khiÓn hoÆc dïng c¸c khe thêi gian ®Æc biÖt, vÝ dô ®-êng SHw 128TS sö dông 120TS cho 120ch cßn 8TS dïng cho ®ång bé vµ b¸o hiÖu, thªm vµo 4TS ®Æc biÖt ®Ó truyÒn th«ng tin ®iÒu khiÓn (TS0, TS33, TS66, TS99...) Nh- thÕ trong c¸c tæng ®µi chuyÓn m¹ch sè c¸c thuª bao ®-îc tæ chøc theo tõng m¹ch giao tiÕp, card, module, nhãm . 3.1.2 KÕt cuèi trung kÕ a. Kh¸i qu¸t chung Trong m¹ng sè liªn kÕt IDN- Integrated Digital Network nghÜa lµ chØ gåm trung kÕ sè, tæng ®µi hîp nèi, c¸c trung t©m chuyÓn m¹ch sè ®iÒu khiÓn theo ch-¬ng tr×nh SPC th× sÏ kh«ng cÇn c¸c trung kÕ t-¬ng tù. Tuy nhiªn, trong m¹ng hiÖn nay vÉn tån t¹i c¸c tæng ®µi nhá dïng chuyÓn m¹ch t-¬ng tù. V× vËy, bªn c¹nh c¸c trung kÕ sè gi÷a c¸c tæng ®µi chuyÓn m¹ch sè th× vÉn cÇn c¸c giao tiÕp trung kÕ t-¬ng tù ®Ó nèi tæng ®µi chuyÓn m¹ch sè víi tæng ®µi t-¬ng tù. Mçi ®-êng trung kÕ sè hay trung kÕ t-¬ng tù còng ®-îc kÕt cuèi t¹i tæng
  • 144.
    ®µi chuyÓn m¹chsè b»ng mét m¹ch giao tiÕp dµnh cho tõng lo¹i trung kÕ nµy. C¸c m¹ch nµy còng ®-îc chÕ t¹o d-íi d¹ng card, module vµ ghÐp víi nhau thµnh nhãm. Kh¸c víi thuª bao ë chç c¸c trung kÕ lµ tµi nguyªn dïng chung ®Ó liªn l¹c gi÷a c¸c thuª bao cña mét tæng ®µi nµy víi c¸c thuª bao cña tæng ®µi kh¸c nªn t¶i sö dông chóng kh¸ lín ( 1), nghÜa lµ chóng th-êng xuyªn phôc vô c¸c cuéc liªn l¹c, v× vËy trong c¸c module sÏ kh«ng cã bé tËp trung t¶i. Dung l-îng cña mçi nhãm ®Õn 120ch. b. KÕt cuèi trung kÕ t-¬ng tù ATTU (Analog Trunk Termination Unit) VÒ c¬ b¶n kÕt cuèi trung kÕ analog t¹i tæng ®µi chuyÓn m¹ch sè còng gÇn gièng víi kÕt cuèi thuª bao t-¬ng tù. C¸c chøc n¨ng T ( Testing) kiÓm thö, chøc n¨ng O (Over voltage Protection) b¶o vÖ, chøc n¨ng H (Hybrid) sai ®éng, chøc n¨ng code and decode (C) m· ho¸ vµ gi¶i m· lµ nh÷ng chøc n¨ng gièng nhau ë c¶ hai lo¹i kÕt cuèi nµy. Tuy nhiªn, cã mét vµi chøc n¨ng kh¸c biÖt thÓ hiÖn chñ yÕu ë b¸o hiÖu. - ATTU kh«ng thùc hiÖn chøc n¨ng cÊp nguån ®-êng d©y mµ ph¶i thùc hiÖn viÖc ph©n c¸ch mét chiÒu, nghÜa lµ kh«ng cho thµnh phÇn mét chiÒu tõ trung kÕ truyÒn vµo c¸c thiÕt bÞ bªn trong tæng ®µi. Thµnh phÇn mét chiÒu chØ ®-îc sö dông cho viÖc ph¸t hiÖn m¹ch vßng trong b¸o hiÖu kiÓu Loop Disconnection. B¸o hiÖu nµy ®-îc biÕn ®æi trong ATTU t-¬ng øng b¸o hiÖu trong khe TS16. - B¸o hiÖu trung kÕ Analog cã thÓ ph©n chia thµnh b¸o hiÖu ®-êng (hay cßn gäi lµ b¸o hiÖu gi¸m s¸t) vµ b¸o hiÖu lùa chän (hay cßn gäi lµ b¸o hiÖu thanh ghi). B¸o hiÖu gi¸m s¸t dïng c¸c d¹ng tÝn hiÖu dßng m¹ch vßng LD (Loop disconnect), b¸o hiÖu trong b¨ng nh- 1VF (Single voice frequency), E&M, GD, Ringdown. B¸o hiÖu thanh ghi th-êng dïng MF (Multifrequency) hay MFC (Multifrequency Code) hoÆc DP (Decade Pulse) - C¸c trung kÕ Analog th«ng th-êng lµ c¸c trung kÕ ®¬n kªnh, song c«ng 2 d©y hoÆc 4d©y. Tuy nhiªn còng cã tr-êng hîp ®ã lµ tuyÕn truyÒn dÉn Analog nhiÒu kªnh FDM hoÆc TDM. Khi ®ã viÖc t¸ch ghÐp kªnh ph¶i ®-îc thùc hiÖn ë tr¹m truyÒn dÉn bªn ngoµi tæng ®µi vµ mçi ®-êng tho¹i sÏ ®-îc ®-a vµo tæng ®µi theo kiÓu 4 d©y. - C¸c ATTU th-êng ®-îc chÕ t¹o theo card 3AT vµ module 30AT. Mçi Module ngoµi c¸c card 3AT cßn cã bé ghÐp vµ t¸ch kªnh sè MUX/DEMUX, giao tiÕp víi tr-êng chuyÓn m¹ch b»ng tuyÕn sè PCM 30/32 mét bé ®iÒu khiÓn Module ®Ó thùc hiÖn thu vµ xö lý b¸o hiÖu, t¹o vµ ph©n phèi b¸o hiÖu, phèi hîp ®iÒu khiÓn víi bé ®iÒu khiÓn nhãm trung kÕ.
  • 145.
    H×nh 3.9 :KÕt cuèi trung kÕ Analog (ATTU) t¹i tæng ®µi sè c. KÕt cuèi c¸c ®-êng trung kÕ sè DTI (Digital Trunk Interface) H×nh 3.10 : S¬ ®å khèi m¹ch giao tiÕp truyÒn dÉn sè DTI PCMin PCMout 2M 1 2 30 T KiÓm thö O B¶o vÖ S B¸o hiÖu H Sai ®éng C M· ho¸ MDF (Main Distribution Frame) T KiÓm thö O B¶o vÖ S B¸o hiÖu H Sai ®éng C M· ho¸ T KiÓm thö O B¶o vÖ S B¸o hiÖu H Sai ®éng C M· ho¸ t-adp B¸o hiÖu mux & demux tmc C¸c trung kÕ t-¬ng tù Tx M¹ch ph¸t U/B BiÕn ®æi U/B Z NÐn chuçi bit 0 IS ChÌn b¸o hiÖu Tõ bé PDeMUX ddf (Digital Distribution Frame) Rx M¹ch thu B/U BiÕn ®æi B/U AF §Öm khung Dr.S T¸ch b¸o hiÖu Rcl T¸i t¹o nhÞp IF NhËn biÕt khung Tíi module ®ång hå NhÞp trong Tíi bé xö lý b¸o hiÖu Tíi bé PMUX Tõ bé ph©n phèi b¸o hiÖu Trung kÕ sè DT H-íng thu H-íng ph¸t
  • 146.
    C¸c kÕt cuèitruyÒn dÉn sè ®-îc dïng cho c¶ c¸c trung kÕ sè tõ tæng ®µi ngoµi tíi khèi chuyÓn m¹nh nhãm vµ cho c¶ c¸c tuyÕn PCM tõ c¸c nhãm kÕt cuèi thuª bao. Tuy truyÒn dÉn bªn ngoµi so víi truyÒn dÉn bªn trong cã mét vµi yªu cÇu kh¸c nhau nh-ng mét kÕt cuèi chung cho c¸c d¹ng truyÒn dÉn sè sÏ ®-a l¹i nhiÒu -u ®iÓm. Nã cung cÊp tÝnh linh ho¹t trong ph©n phèi c¸c cæng chuyÓn m¹ch vµo c¸c luång 2Mbps, cho phÐp c¸c hçn hîp kh¸c nhau gi÷a c¸c ®-êng d©y ngoµi vµ ®-êng d©y trong, dÔ dµng trong viÖc tæ chøc c¸c bé tËp trung thuª bao vµ c¸c ®¬n vÞ tËp trung thuª bao xa. §iÒu bÊt tiÖn ë chç c¸c truyÒn dÉn bªn trong còng ph¶i tr×nh bµy d-íi d¹ng giao tiÕp 2Mbps chuÈn gièng truyÒn dÉn bªn ngoµi. C¸c chøc n¨ng cña DTI lµ GAZPACHO G: Generation of Frame : T¹o khung ( s¾p xÕp sè liÖu trong khung) A : Alignment of Frame : §ång chØnh khung ( ®Öm ®ång bé) Z : Zero String Suppression : NÐn chuçi bÝt 0 liªn tiÕp P : Polar Conversion : BiÕn ®æi cùc tÝnh cña tÝn hiÖu A : Alarm Processing : Xö lý c¶nh b¸o C : Clock Recovery : Kh«i phôc tÝn hiÖu ®ång hå H : Hunt During Reframe : T×m tõ m· ®a khung O : Office Signaling : B¸o hiÖu liªn ®µi C¸c chøc n¨ng nµy thÓ hiÖn trong c¸c thao t¸c biÕn ®æi m· ®-êng truyÒn thµnh m· nhÞ ph©n theo h-íng thu vµ ng-îc l¹i theo h-íng ph¸t, ®ång bé khung, b¸o hiÖu (chÌn, t¸ch b¸o hiÖu) Trªn h×nh 3.10 lµ s¬ ®å khèi chøc n¨ng cña m¹ch giao tiÕp tuyÕn truyÒn dÉn sè DTI. M¹ch ®iÖn nµy gåm 2 h-íng: H-íng ph¸t nhËn tÝn hiÖu sè PCM tõ ®Çu ra cña bé ph©n kªnh s¬ cÊp PDeMUX, chÌn th«ng tin b¸o hiÖu, chuyÓn ®æi thµnh m· ®-êng truyÒn ®Ó ®-a ra ®-êng truyÒn dÉn; h-íng thu nhËn tÝn hiÖu tõ ®-êng truyÒn dÉn chuyÓn ®æi thµnh tÝn hiÖu sè ®¬n cùc, ®ång chØnh khung, t¸ch b¸o hiÖu råi ®-a tíi bé ghÐp kªnh s¬ cÊp. C¸c khèi chøc n¨ng theo h-íng ph¸t bao gåm : Is (Signaling Inserter) thùc hiÖn viÖc chÌn b¸o hiÖu ®-îc ®-a tõ bé ph©n phèi b¸o hiÖu vµo luång tÝn hiÖu PCM; khèi nÐn chuçi bit 0 liªn tiÕp Z (Zero String Suppression) vµ khèi chuyÓn ®æi d¹ng tÝn hiÖu ®¬n cùc thµnh d¹ng l-ìng cùc U/B (Unpolar/Bipolar) lµ c¸c khèi thùc hiÖn chøc n¨ng chuyÓn ®æi tõ tÝn hiÖu PCM thµnh d¹ng tÝn hiÖu ®-êng truyÒn; khèi Tx (Transmiter) thùc hiÖn chøc n¨ng ph¸t c¸c tÝn hiÖu lªn ®-êng truyÒn. H-íng thu bao gåm c¸c khèi: Khèi thu Rx (Receiver) thu tÝn hiÖu tõ ®-êng truyÒn, phèi hîp vµ t¸i t¹o l¹i d¹ng tÝn hiÖu; khèi B/U (Unpolar/Bipolar)
  • 147.
    chuyÓn ®æi d¹ngtÝn hiÖu l-ìng cùc thu ®-îc thµnh d¹ng ®¬n cùc; khèi Rcl (Clock Recovery) t¸i t¹o l¹i xung nhÞp ®Ó cung cÊp cho bé ghi ®Öm ®ång chØnh khung AF vµ cung cÊp cho module ®ång hå ®Ó lµm nhÞp tham kh¶o; khèi IF (Frame Identifier) nhËn biÕt giíi h¹n khung ®Ó phôc vô chøc n¨ng ®ång chØnh khung, t¸ch b¸o hiÖu vµ t¸ch c¸c kªnh th«ng tin; khèi AF (Frame Aligner) thùc hiÖn chøc n¨ng ghi ®Öm ®ång chØnh khung, tÝn hiÖu thu ®-îc sÏ ®-îc ghi vµo AF theo nhÞp ngoµi tõ bé Rcl tÝn hiÖu ®-îc ®äc ra tõ AF theo nhÞp trong ®-a tõ bé ®Þnh thêi; khèi Dr.S (Signaling Dropper) thùc hiÖn chøc n¨ng t¸ch c¸c th«ng tin b¸o hiÖu trung kÕ ®Ó chuyÓn tíi bé xö lý b¸o hiÖu. VÒ tæ chøc nhãm : Mçi nhãm trung kÕ dung l-îng ®Õn 120Ch/128TS vµ ®-îc qu¶n lý ®iÒu khiÓn bëi mét LOC. d. Tæ chøc nhãm kÕt cuèi trung kÕ §èi víi c¸c tæng ®µi dung l-îng nhá th× sè l-îng c¸c trung kÕ kh«ng nhiÒu, th-êng chØ gåm mét vµi ®-êng trung kÕ t-¬ng tù hai chiÒu víi c¸c tæng ®µi l©n cËn vµ tuyÕn truyÒn dÉn víi tæng ®µi chuyÓn tiÕp. C¸c tæng ®µi dung l-îng trung b×nh vµ dung l-îng lín hoÆc c¸c tæng ®µi hîp nèi cã rÊt nhiÒu trung kÕ c¸c lo¹i. Chóng th-êng ®-îc tæ chøc theo nhãm. C¸c trung kÕ t-¬ng tù ®-îc ph©n lo¹i theo b¶ng 3.2 B¶ng 3.2 Analog Trunk Lo¹i trung kÕ H-íng B¸o hiÖu gi¸m s¸t B¸o hiÖu thanh ghi Trung kÕ m¹ch vßng IC hoÆc OG (vµo hoÆc ra) M¹ch vßng LD MFC, MF, DP Trung kÕ E&M IC, OG, 2way E&M MFC, MF, DP Trung kÕ tiÕp ®Êt IC hoÆc OG GD MFC, MF, DP Trung kÕ Ringdown IC, OG, 2way Ringing MFC, MF, DP Nhãm c¸c trung kÕ t-¬ng tù ®-îc tæ chøc theo card 3AT, module 10 card vµ mét nhãm 4 module nh- trªn h×nh 3.11
  • 148.
    C¸c trung kÕsè gi÷a c¸c tæng ®µi chuyÓn m¹ch sè hoÆc gi÷a tæng ®µi chñ HOST víi c¸c bé tËp trung thuª bao xa RLU (Remote Line Unit) hoÆc c¸c bé chuyÓn m¹ch thuª bao xa RSU (Remote Switching Unit) th-êng cã c¸c ®Æc tÝnh nh- ®-îc chØ ra trong b¶ng 3.3 vµ th-êng ®-îc tæ chøc thµnh nhãm nh- m« t¶ trªn h×nh 3.12. LOC ®iÒu khiÓn qu¸ tr×nh t¸ch ghÐp b¸o hiÖu, ghÐp vµ t¸ch kªnh sè, ®iÒu khiÓn ®Öm ®ång bé, tæ chøc x¾p xÕp khung, t¸ch vµ ph©n phèi c¸c tÝn hiÖu nhËn ®-îc, xö lý kªnh rçi. B¶ng 3.3 Digital Trunk C¸c ®Æc tÝnh DTI luËt A DTI luËt  Tèc ®é bÝt 2 048 Kbps 1 544 Kbps M· ®-êng truyÒn HDB3 Ph©n cùc AMI, B8ZS §iÖn trë ®-êng d©y 75 c¸p ®ång trôc. 120 c¸p song hµnh 100 danh ®Þnh D¹ng xung Theo khuyÕn nghÞ CCITT15/G 703 s¸ch ®á §iÒu xung 2.4-3.6V tm1 atic atic atic tmc mux demux pmux pdemux 30 Trung kÕ 1 2 30 H×nh 3.11: Tæ chøc c¸c kÕt cuèi trung kÕ t-¬ng tù. loc
  • 149.
    3. C¸c bétËp trung thuª bao xa RLU vµ chuyÓn m¹ch thuª bao xa RSU: Do ®Æc ®iÓm d©n c- th-êng ph©n bè thµnh tõng côm nªn c¸c h·ng s¶n xuÊt c¸c tæng ®µi còng tÝnh ®Õn viÖc lµm sao ®Ó ph©n chia kÐo dµi mét phÇn thiÕt bÞ cña tæng ®µi ®Ó cã thÓ bè trÝ chóng t¹i c¸c ®iÓm tËp trung d©n c- ®ã. H×nh 3.13 Sö dông c¸c RLU/RSU ®Ó cung cÊp dÞch vô thuª bao xa dtic dtic dtic loc pmux pdemux 1 2 4 H×nh 3.12: Tæ chøc c¸c kÕt cuèi trung kÕ sè. rsu1         rLu2         host         rsu2         rlu1         R10Km L~10100Km L~10100Km L~10100Km L~10100Km N=2000 N=150 N=1250 N=50
  • 150.
    PhÇn thiÕt bÞkÐo dµi nµy chñ yÕu thùc hiÖn chøc n¨ng tËp trung t¶i cña côm thuª bao ®Ó chuyÓn vÒ tæng ®µi chÝnh, v× vËy, vÒ c¬ b¶n thiÕt bÞ nµy hoµn toµn gièng nh- tæ chøc nhãm thuª bao t¹i tæng ®µi chÝnh chØ cã ®iÒu nã ®-îc ®Æt ë xa tæng ®µi chÝnh vµ liªn hÖ víi tæng ®µi chÝnh qua tuyÕn truyÒn dÉn sè. Lµm nh- thÕ gi¶m ®-îc kho¶ng c¸ch tõ thuª bao tíi thÕt bÞ giao tiÕp vµ c¶i thiÖn kh¶ n¨ng liªn l¹c cña thuª bao vµ chÊt l-îng dÞch vô. C¸c thiÕt bÞ lo¹i nµy ®-îc gäi lµ c¸c bé tËp trung thuª bao xa RLU (Remote Line Unit). Mét lo¹i thiÕt bÞ kh¸c gäi lµ bé chuyÓn m¹ch thuª bao xa RSU (Remote Switching Unit). RSU kh¸c víi RLU ë chç ngoµi chøc n¨ng tËp trung thuª bao nã cßn cã kh¶ n¨ng ho¹t ®éng ®éc lËp ®Ó phôc vô chuyÓn m¹ch c¸c cuéc gäi gi÷a c¸c thuª bao trong côm khi tuyÕn truyÒn dÉn víi tæng ®µi chÝnh cã sù cè. Quan hÖ gi÷a RLU/RSU víi tæng ®µi chÝnh ®-îc thÓ hiÖn trªn h×nh 3.13 Tæng ®µi chÝnh HOST chØ cung cÊp dÞch vô cho c¸c thuª bao ë gÇn. Th«ng th-êng b¸n kÝnh phôc vô cña c¸c tæng ®µi chØ kho¶ng 3~7 Km. C¸c RSU cßn gäi lµ c¸c tæng ®µi vÖ tinh, th-êng ®-îc l¾p ®Æt t¹i c¸c côm thuª bao cã dung l-îng tõ kho¶ng 200 thuª bao trë lªn. C¸c côm thuª bao víi dung l-îng chØ vµi chôc th× th-êng phôc vô bëi c¸c bé tËp trung RLU. C¸c lîi thÕ c¬ b¶n cña viÖc sö dông c¸c RSU/RLU lµ: Gi¶m chi phÝ x©y dùng c«ng tr×nh c¸p, t¨ng kh¶ n¨ng ph¹m vi phôc vô cña tæng ®µi, ®¶m b¶o chÊt l-îng dÞch vô thuª bao. C¸c thuª bao cña RSU/RLU còng cã c¸c tÝnh n¨ng vµ kh¶ n¨ng sö dông dÞch vô nh- c¸c thuª bao cña tæng ®µi chÝnh. CÊu h×nh c¬ b¶n cña RLU vµ RSU ®-îc tr×nh bµy trªn c¸c h×nh 3.14. C¸c RLU chØ thùc hiÖn chøc n¨ng tËp trung t¶i cña c¸c thuª bao, v× vËy vÒ cÊu tróc, RLU thùc chÊt lµ c¸c thiÕt bÞ giao tiÕp nhãm thuª bao ®-îc l¾p ®Æt ë xa tæng ®µi chÝnh. Thµnh phÇn cña RLU bao gåm c¸c m¹ch giao tiÕp thuª bao SLIC, Bé chuyÓn m¹ch tËp trung t¶i DLCD, bé ®iÒu khiÓn module LMC, c¸c bé t¹o ©m phôc vô DTG vµ thu tÝn hiÖu chän sè MFR tæ chøc thµnh c¸c module LM nh- ë tæng ®µi chÝnh. C¸c LM còng ®-íc ghÐp víi nhau thµnh nhãm vµ ®-îc qu¶n lý bëi bé ®iÒu khiÓn vïng LOC. LOC còng ®iÒu khiÓn c¸c qu¸ tr×nh ghÐp/t¸ch kªnh PMUX/PDeMUX, chÌn/t¸ch b¸o hiÖu vµ ®iÒu khiÓn kÕt cuèi truyÒn dÉn víi tæng ®µi chÝnh RTC (Remote Transmission Circuit). C¸c RSU cã cÊu tróc nh- mét tæng ®µi ®¬n gi¶n, ngoµi c¸c khèi chøc n¨ng nh- ®èi víi RLU cßn cÇn cã kh¶ n¨ng tù c« lËp khi ®-êng truyÒn gi÷a tæng ®µi chÝnh vµ RSU cã sù cè hoÆc LOC vµ hÖ thèng ®iÒu khiÓn giao tiÕp kÕ cuèi ®-êng truyÒn t¹i tæng ®µi chÝnh kh«ng trao ®æi ®-îc víi nhau. Khi ®ã RSU vÉn ®¶m b¶o c¸c dÞch vô t¹i chç gi÷a c¸c thuª bao cña côm thuª bao xa ®ã. Nh- vËy ë RSU
  • 151.
    ®-îc t¨ng c-êngkh¶ n¨ng xö lý ®iÒu khiÓn cña LOC, ®ång thêi ®-îc trang bÞ thªm khèi chuyÓn m¹ch t¹i chç. H×nh 3.14 CÊu h×nh cña bé tËp trung thuª bao xa RLU vµ bé chuyÓn m¹ch thuª bao xa RSU Giao tiÕp gi÷a c¸c bé tËp trung thuª bao xa vµ chuyÓn m¹ch thuª bao xa víi tæng ®µi chÝnh th«ng qua c¸c ®-êng truyÒn PCM30 hoÆc PCM24 vµ c¸c m¹ch kÕt cuèi truyÒn dÉn RTC/ETC phÝa bé tËp trung vµ phÝa tæng ®µi chÝnh nh- trªn h×nh 3.15. Nh×n chung c¸c m¹ch kÕt cuèi truyÒn dÉn RTC/ETC (Remote Transmission Circuit/Exchange Transmission Circuit) lµ c¸c thiÕt bÞ kÕt cuèi ®-êng truyÒn dÉn liªn kÕt gi÷a tæng ®µi chÝnh víi bé tËp trung thuª bao xa hoÆc chuyÓn m¹ch thuª bao xa. C¸c chøc n¨ng c¬ b¶n cña chóng lµ chuyÓn ®æi m· cña c¸c tÝn hiÖu cÇn truyÒn thµnh m· ®-êng truyÒn, ®ång chØnh khung, t¸i t¹o ®Þnh thêi, t¸ch/ghÐp b¸o hiÖu, xö lý c¶nh b¸o… . Nh×n chung chøc n¨ng c¬ b¶n cña chóng gièng c¸c giao tiÕp DTI chuÈn vµ ë mét vµi lo¹i tæng ®µi ng-êi ta còng dïng c¸c DTI chuÈn ®Ó thùc hiÖn chøc n¨ng cña c¸c RTC/ETC. Tuy nhiªn, liªn kÕt gi÷a HOST vµ RLU/RSU cã ®iÓm ®Æc biÖt lµ chóng cÇn cã xö lý t-¬ng t¸c gi÷a hÖ thèng ®iÒu khiÓn cña HOST víi LOC cña RLU/RSU do ®ã cÇn l-u ý ®Õn tæ chøc ®-êng sè liÖu cho viÖc trao ®æi c¸c b¶n tin t-¬ng t¸c IPC (InterProcessor Communication). Gi÷a HOST vµ RLU/RSU kh«ng dïng b¸o hiÖu liªn ®µi. Nh- thÕ cã thÓ hiÓu chøc n¨ng cña c¸c RTC/ETC lµ chÌn/t¸ch c¸c b¶n tin xö lý t-¬ng t¸c víi th«ng tin tho¹i vµ chuyÓn ®æi m· ®-êng truyÒn. M« h×nh liªn kÕt ®ã ®-îc chØ ra trªn h×nh 3.15   lmc dlcd (dlsw) dtg mfr lm loc pmux & pd e mux slic slic remote switch To/From HOST rtc test
  • 152.
    H×nh 3.15 M«h×nh kÕt nèi gi÷a HOST vµ RLU/RSU ViÖc trao ®æi th«ng tin ®iÒu khiÓn gi÷a HOST vµ RLU/RSU cã thÓ ®-îc thùc hiÖn theo c¸c ph-¬ng thøc nh- dïng ®-êng b¸o hiÖu riªng, dïng khe thêi gian dµnh riªng ®Ó t¹o Bus ¶o cho hÖ thèng xö lý cña hai phÝa. Trong c¸c tæng ®µi th-êng ¸p dông c¸ch thø hai ®Ó t¹o chøc n¨ng kÐp cho ®-êng truyÒn sè liÖu, n©ng cao hiÖu suÊt sö dông cña ®-êng truyÒn mµ vÉn ®¶m b¶o yªu cÇu dÞch vô. C¸c th«ng tin ®iÒu khiÓn trao ®ái gi÷a hai phÝa ®-îc tæ chøc d-íi d¹ng b¶n tin, sö dông thñ tôc HDLC ®Ó t¹o kh¶ n¨ng truyÒn tin cã ®é tin cËy cao. rtc etc ipc ipc e1/t1 §-êng truyÒn §Õn bé PMUX/PDeMUX hoÆc R.Switch §Õn m¹ng chuyÓn m¹ch cña tæng ®µi chÝnh §Õn bé LOC §Õn hÖ thèng ®iÒu khiÓn PhÝa RLU/RSU PhÝa HOST
  • 153.
    3.2. Ph©n hÖchuyÓn m¹ch nhãm Ph©n hÖ chuyÓn m¹ch nhãm gåm tr-êng chuyÓn m¹ch nhãm dïng cho viÖc t¹o tuyÕn, module ®ång hå ®Ó cung cÊp c¸c tÝn hiÖu ®Þnh thêi cho chuyÓn m¹ch vµ cho c¸c ph©n hÖ kh¸c, c¸c thiÕt bÞ dïng chung nh- c¸c bé thu ph¸t b¸o hiÖu CAS, CCS, c¸c bé ph¸t c¸c th«ng b¸o b»ng lêi, ngoµi ra cßn c¸c thiÕt bÞ phôc vô cho chuyÓn m¹ch chuyªn dông. 3.2.1 CÊu t¹o chuyÓn m¹ch nhãm Tuú theo dung l-îng cña tæng ®µi vµ thiÕt kÕ cña tõng h·ng, tr-êng chuyÓn m¹ch nhãm cña c¸c tång ®µi sè cã thÓ cã cÊu tróc T, TS, ST, TST, TSST nh- ®· xem xÐt trong môc 2.7 ch-¬ng II. Tr-êng chuyÓn m¹ch nhãm còng cã thÓ ®-îc tæ chøc thµnh mét m¹ng chuyÓn m¹ch duy nhÊt ®èi víi c¸c cÊu tróc tõ 3 kh©u trë xuèng vµ còng cã thÓ tæ chøc thµnh nhiÒu m¹ng chuyÓn m¹ch víi cÊu tróc tõ 4 kh©u hoÆc nhiÒu h¬n. KÕt cuèi thuª bao xö lý trung t©m KÕt cuèi trung kÕ m¹ng chuyÓn m¹ch nhãm clp loc loc H×nh 3.16 : CÊu tróc mét m¹ng chuyÓn m¹ch nhãm
  • 154.
    C¸c cÊu trócmét m¹ng chuyÓn m¹ch cã bé xö lý trung t©m thùc hiÖn viÖc xö lý cuéc gäi trªn c¬ së kÕt qu¶ xö lý b¸o hiÖu thuª bao vµ b¸o hiÖu trung kÕ. CLP ph¶i cã c«ng suÊt xö lý ®ñ lín ®Ó thùc hiÖn khèi l-îng lín c¸c c«ng viÖc trong qu¸ tr×nh phôc vô c¸c cuéc gäi. Trong cÊu tróc nhiÒu m¹ng chuyÓn m¹ch, mçi m¹ng cã c¸c ®-êng trung gian nèi trong m¹ng vµ ®-êng trung gian nèi víi m¹ng kh¸c. Cuéc gäi ph¸t sinh tõ m¹ng nµo sÏ do CLP cña m¹ng ®ã qu¶n lý. ChØ cuéc gäi gi÷a ®Çu cuèi cña hai m¹ng th× míi cÇn trao ®æi gi÷a 2 CLP liªn quan. MPC (Multiprocessing Controller) ®iÒu khiÓn c¸c CLP vµ ph©n phèi tµi nguyªn cña hÖ thèng. KÕt cuèi thuª bao vµ loc M¹ng chuyÓn m¹ch clp M¹ng chuyÓn m¹ch clp KÕt cuèi thuª bao vµ loc KÕt cuèi thuª bao vµ M¹ng chuyÓn m¹ch M¹ng chuyÓn m¹ch KÕt cuèi thuª bao vµ clp clp loc loc mpc H×nh 3.17 : CÊu tróc nhiÒu m¹ng chuyÓn m¹ch
  • 155.
    3.2.2 KÕt cuèit¹i ph©n hÖ chuyÓn m¹ch. Tõ bªn ngoµi c¸c ®-êng d©y thuª bao vµ c¸c ®-êng trung kÕ ®-îc kÕt cuèi t¹i c¸c m¹ch giao tiÕp cña ph©n hÖ øng dông nh- ®· tr×nh bµy t¹i môc 3.1 cña phÇn nµy. C¸c m¹ch giao tiÕp ®ã ®-îc chia thµnh tõng nhãm, mçi nhãm nh- vËy giao tiÕp víi ph©n hÖ chuyÓn m¹ch b»ng mét tuyÕn SHwup vµ mét tuyÕn SHwdown. NghÜa lµ c¸c th«ng tin tõ c¸c ®Çu cuèi cña mçi nhãm ®-îc tæ chøc thµnh tuyÕn PCM thø cÊp SHwup víi dung l-îng 120Ch/128TS /132TS ®-a vµo m¹ng chuyÓn m¹ch ®Ó tham gia chuyÓn m¹ch víi c¸c nhãm kh¸c vµ sau khi chuyÓn m¹ch sÏ nhËn l¹i mét luång PCM thø cÊp SHwdown còng víi dung l-îng nh- vËy(120 kªnh/128 khe thêi gian chuyÓn m¹ch/tæng 132 khe thêi gian). C¸c khe thêi gian thªm vµo ®-îc dïng cho viÖc trao ®æi c¸c th«ng tin ®iÒu khiÓn gi÷a LOC víi CLP khi gi÷a chóng kh«ng sö dông Bus ®iÒu khiÓn. Khi ®ã tèc ®é luång sè cña mçi SHw lµ 8.448 Kbps. §Ó n©ng cao ®é tin cËy, ®¶m b¶o ho¹t ®éng th-êng xuyªn cña tæng ®µi th× phÇn quan träng nhÊt ®ã lµ tr-êng chuyÓn m¹ch ph¶i ®-îc thiÕt kÕ theo kiÓu dù phßng nãng. C¸c thiÕt bÞ ®Òu ®-îc thiÕt kÕ gÊp ®«i t¹o thµnh hai mÆt, mét mÆt ho¹t ®éng (active) vµ mét mÆt dù phßng (standby). C¸c tuyÕn SHwup ®-îc kÕt cuèi t¹i bé thu CR (Cable Receiver) sau ®ã qua bé ghi ®Öm vµ chuyÓn ®æi nèi tiÕp song song ES (Elastic Store), bé chän SEL (Selector) ®Ó chän luång tÝn hiÖu tõ mÆt mét hoÆc mÆt hai ®-a vµo bé ghÐp kªnh thø cÊp SMUX (Secondary Multiplexer) ®Ó ghÐp 4 tuyÕn SHwup thµnh mét tuyÕn chung ®-a vµo bé chuyÓn m¹ch thêi gian T1 t-¬ng øng; ®ång thêi SMUX còng thùc hiÖn t¸ch c¸c th«ng tin shwDOWN 4 shwDOWN 1 cr es shwup 1 es cr es shwup 4 es Tíi mÆt 2 Tõ mÆt 2 smux dro t1 - swrr sel1 sel4 S-SW cr cr Tíi mÆt 2 Tõ mÆt 2 sDEmux ins sel1 sel4 t2 - rwsr SPC CLP H×nh 3.18 : Ph-¬ng thøc kÕt cuèi t¹i ph©n hÖ chuyÓn m¹ch
  • 156.
    ®iÒu khiÓn tõc¸c khe thêi gian ®Æc biÖt cña c¸c ®-êng SHwup ®-a qua bé t¸ch DRO (Dropper) ®Ó ®-a ®Õn bé xö lý cuéc gäi CLP (call processor). Sau khi qua tr-êng chuyÓn m¹ch, t¹i ®Çu ra cña mçi chuyÓn m¹ch thêi gian T2 cã mét bé ph©n kªnh thø cÊp SDMUX (Secondary DeMultiplexer) thùc hiÖn chøc n¨ng chÌn c¸c th«ng tin ®iÒu khiÓn ®-a tõ bé xö lý cuéc gäi CLP qua bé chÌn INS (Inserter) vµo c¸c khe thêi gian ®Æc biÖt dµnh cho ®iÒu khiÓn, ®ång thêi SDMUX còng thùc hiÖn viÖc t¸ch thµnh 4 ®-êng SHwdown ®-a qua c¸c bé chän SEL ®Çu ra vµ bé ®iÒu khiÓn c¸p CD (Cable Driver) ®Ó ®-a c¸c SHwdown vÒ ph©n hÖ øng dông tíi tõng nhãm thuª bao hoÆc trung kÕ. Nh- vËy, SMUX ngoµi chøc n¨ng ghÐp kªnh cßn thùc hiÖn viÖc t¸ch c¸c khe ®Æc biÖt tõ c¸c SHwup dïng cho th«ng tin ®iÒu khiÓn ®-îc göi tõ c¸c LOC (Local controller) ®Ó ®-a tíi CLP; vµ CLP còng qua SDMUX ®Ó chÌn c¸c th«ng tin ®iÒu khiÓn vµo c¸c khe ®Æc biÖt cu¶ c¸c luång SHwdown göi ®Õn c¸c LOC t-¬ng øng trong tr-êng hîp gi÷a CLP vµ c¸c LOC kh«ng cã ®-êng truyÒn sè liÖu ®iÒu khiÓn riªng. Bé ®iÒu khiÓn tuyÕn tho¹i SPC (Speech Path Controller) nhËn vµ xö lý c¸c b¶n tin ®iÒu khiÓn ®-îc göi tõ CLP, chuyÓn ®æi chóng thµnh c¸c sè liÖu ®iÒu khiÓn sau ®ã ph©n phèi chóng tíi CMEM cña tõng bé chuyÓn m¹ch. 3.2.3 C¸c thiÕt bÞ quan träng kh¸c cña ph©n hÖ chuyÓn m¹ch Trong ph©n hÖ chuyÓn m¹ch, ngoµi c¸c thiÕt bÞ chuyÓn m¹ch (c¸c bé chuyÓn m¹ch t¹o nªn tr-êng chuyÓn m¹ch sè), c¸c bé ghÐp kªnh, ph©n kªnh vµ c¸c thiÕt bÞ thµnh phÇn kh¸c t¹o nªn tuyÕn tho¹i nh- ®· m« t¶ trong phÇn 3.2.2 cßn ph¶i cã c¸c thiÕt bÞ quan träng kh¸c phôc vô cho ho¹t ®éng chuyÓn m¹ch cña tæng ®µi, ®ã lµ thiÕt bÞ t¹o tÝn hiÖu ®Þnh thêi BT (Base Time-Bé t¹o nhÞp chñ vµ c¸c tÝn hiÖu ®Þnh thêi), c¸c bé thu ph¸t b¸o hiÖu kªnh kÕt hîp CAS (Channel associated signaling) vµ thiÕt bÞ b¸o hiÖu kªnh chung CCS (Common channel signaling), c¸c bé t¹o c¸c b¶n tin th«ng b¸o. Bé dao ®éng chñ cña tæng ®µi cung cÊp chuÈn thêi gian cho ho¹t ®éng cña toµn bé hÖ thèng, bao gåm c¶ cung cÊp c¸c tÝn hiÖu nhÞp ®ång bé ho¹t ®éng cña c¸c bé chuyÓn m¹ch sè, c¸c bé ghÐp t¸ch kªnh cña ph©n hÖ chuyÓn m¹ch, ®ång thêi cung cÊp tÝn hiÖu nhÞp tíi c¸c m¹ch giao tiÕp ®-êng d©y thuª bao vµ c¸c m¹ch giao tiÕp trung kÕ ®Ó ®ång bé ho¹t ®éng cña c¸c m¹ch nµy víi ho¹t ®éng ghÐp, t¸ch kªnh, ho¹t ®éng chuyÓn m¹ch vµ cao h¬n n÷a lµ ®ång bé ho¹t ®éng cña tæng ®µi nµy víi c¸c tæng ®µi kh¸c trong m¹ng. Cã thÓ hiÓu bé dao ®éng chñ cña mçi tæng ®µi ®ãng vai trß nh- tr¸i tim cña toµn tæng ®µi. Tuú thuéc vµo vai trß cña tæng ®µi trong m¹ng, mçi tæng ®µi ®-îc trang bÞ bé dao ®éng cã ®é chÝnh
  • 157.
    x¸c vµ ®éæn ®Þnh tÇn sè kh¸c nhau vµ nh×n chung chóng lµ nh÷ng bé dao ®éng cã ®é chÝnh x¸c vµ æn ®Þnh cao, ®-îc ®ång chØnh th-êng xuyªn víi tæng ®µi kh¸c. Nh- vËy cã thÓ hiÓu r»ng mçi tæng ®µi ®-îc trang bÞ mét thiÕt bÞ t¹o tÝn hiÖu ®ång hå gäi lµ ®ång hå gèc. ThiÕt bÞ nµy th-êng cã ®é chÝnh x¸c, ®é tin cËy vµ ®é æn ®Þnh cao. Tõ tÝn hiÖu nhÞp cña ®ång hå gèc sÏ t¹o ra c¸c tÝn hiÖu ®Þnh thêi kh¸c cung cÊp cho c¸c ho¹t ®éng biÕn ®æi tÝn hiÖu, ghÐp, t¸ch kªnh, truyÒn dÉn, chuyÓn m¹ch vµ c¸c ho¹t ®éng ®iÒu khiÓn kh¸c. §Ó phèi hîp c¸c ho¹t ®éng cña c¸c tæng ®µi trong m¹ng th«ng tin sè th× c¸c tæng ®µi trong m¹ng cÇn ®-îc ®ång bé víi nhau, nghÜa lµ ph¶i ¸p dông c¸c biÖn ph¸p ®ång chØnh c¸c ®ång hå chñ cña c¸c tæng ®µi. HiÖn nay c¸c tæng ®µi th-êng ¸p dông mét trong ba ph-¬ng thøc ®ång bé m¹ng chuyÓn m¹ch sè c¬ b¶n, ®ã lµ : - Ph-¬ng thøc cËn ®ång bé (Plesiosynchronization) dïng c¸c ®ång hå cùc chÝnh x¸c cho mçi tæng ®µi vµ trang bÞ c¸c bé ®Öm cho c¸c m¹ch giao tiÕp truyÒn dÉn liªn ®µi ®Ó ®ång chØnh l¹i tèc ®é luång sè. - Ph-¬ng thøc ®ång bé chñ-tí (Master-Slaver Synchronization) ph©n cÊp c¸c tæng ®µi trong m¹ng, Tæng ®µi chñ ®-îc trang bÞ ®ång hå cã ®é chÝnh x¸c, ®é æn ®Þnh vµ ®é tin cËy cao nhÊt, c¸c ®ång hå cña c¸c tæng ®µi tí cã phÈm cÊp thÊp h¬n vµ ®-îc ®ång chØnh kho¸ pha theo nhÞp tõ tæng ®µi chñ. - Ph-¬ng thøc ®ång bé t-¬ng hç (Mutual Synchronization) sö dông c¸c tÝn hiÖu nhÞp ®-îc t¸i t¹o tõ c¸c m¹ch giao tiÕp truyÒn dÉn DTI víi c¸c tæng ®µi kh¸c trong m¹ng lµm c¸c tÝn hiÖu tham kh¶o ®Ó hiÖu chØnh tÇn sè nhÞp cña ®ång hå gèc theo gi¸ trÞ trung b×nh cña c¸c tÝn hiÖu nhÞp tham kh¶o cã tÝnh ®Õn c¸c yÕu tè ¶nh h-ëng cña truyÒn dÉn nh- ®é trÔ, c¸c ®iÒu kiÖn m«i tr-êng… Nh×n chung ®ång bé m¹ng chuyÓn m¹ch sè lµ yÕu tè sèng cßn cña m¹ng, ¶nh h-ëng trùc tiÕp ®Õn chÊt l-îng dÞch vô vµ v× thÕ cÇn ph¶i ¸p dông ph-¬ng thøc ®ång bé m¹ng hîp víi c¸c yªu cÇu dÞch vô m¹ng. Trong ph©n hÖ chuyÓn m¹ch th-êng chØ chøa c¸c thiÕt bÞ b¸o hiÖu liªn quan tíi b¸o hiÖu liªn ®µi vµ mét sè thiÕt bÞ b¸o hiÖu dïng chung cho tÊt c¶ c¸c thuª bao sö dung trong giai ®o¹n thiÕt lËp cuéc gäi. B¸o hiÖu liªn tæng ®µi th-êng ®-îc t¸ch, ghÐp t¹i c¸c m¹ch giao tiÕp trung kÕ. C¸c m¹ch giao tiÕp nµy cã ®-êng liªn hÖ trùc tiÕp tíi thiÕt bÞ xö lý vµ ph©n phèi b¸o hiÖu. Mét sè thiÕt bÞ b¸o hiÖu dïng chung nh- c¸c bé thu ph¸t b¸o hiÖu m· ®a tÇn (CR- Code Receiver, CS - Code Sender) hoÆc thiÕt bÞ b¸o hiÖu kªnh chung (ST -7 Signaling Terminal N0 7) ®-îc nèi víi trung kÕ th«ng qua m¹ng chuyÓn m¹ch sè.
  • 158.
    Qu¸ tr×nh xölý cuéc gäi sau chän sè cã thÓ dÉn ®Õn tr-êng hîp cuéc gäi kh«ng thÓ thùc hiÖn ®-îc do c¸c lý do nh- thuª bao bÞ ngõng khai th¸c, chän sè sai, cuéc gäi bÞ t¾c nghÏn th× khi ®ã c¸c lý do nµy sÏ ®-îc th«ng b¸o b»ng lêi tíi thuª bao chñ gäi (Announcement ). 3.3 HÖ thèng ®iÒu khiÓn 3.3.1 Kh¸i qu¸t chung Trong c¸c tæng ®µi ®iÒu khiÓn theo ch-¬ng tr×nh ghi s½n SPC hÖ thèng ®iÒu khiÓn gåm c¶ phÇn cøng vµ phÇn mÒm. Tuú thuéc vµo dung l-îng, c¸c hÖ thèng nµy cã thÓ lµ lo¹i hÖ thèng mét bé xö lý hoÆc hÖ thèng gåm nhiÒu bé xö lý. C¸c hÖ thèng nhiÒu bé xö lý l¹i cã thÓ ®-îc x©y dùng theo nguyªn lý ph©n cÊp (mét cÊp hay nhiÒu cÊp) vµ ph©n chia chøc n¨ng (xö lý b¸o hiÖu, ®iÒu khiÓn chuyÓn m¹ch, qu¶n lý giao tiÕp, ®iÒu hµnh b¶o d-ìng...). VÒ phÇn mÒm còng ®-îc chia thµnh c¸c ®o¹n thñ tôc (Procedure) vµ nh×n chung chóng lµ c¸c s¶n phÈm ®éc quyÒn cña h·ng cung cÊp thiÕt bÞ v× vËy chóng rÊt ®a d¹ng. Trong c¸c tæng ®µi SPC thÕ hÖ ®Çu vµ c¸c tæng ®µi ®iÖn tö dung l-îng nhá hiÖn nay vÉn ¸p dông cÊu tróc hÖ thèng ®iÒu khiÓn mét bé xö lý. §©y lµ bé xö lý ®iÒu khiÓn mäi c«ng viÖc nh- qu¶n lý tr¹ng th¸i, xö lý b¸o hiÖu, xö lý cuéc gäi, ®iÒu khiÓn chuyÓn m¹ch, xö lý c¶nh b¸o. HÖ thèng ®iÒu khiÓn lo¹i nµy tËn dông ®-îc hiÖu suÊt cña bé xö lý nh-ng ®é an toµn c«ng t¸c cña hÖ thèng kh«ng cao, kh«ng cã kh¶ n¨ng module ho¸ cho viÖc chÕ t¹o c¸c khèi chøc n¨ng, do ®ã kh«ng t¹o ®-îc sù linh ho¹t cho ph¸t triÓn dung l-îng. HÖ thèng ®iÒu khiÓn cña c¸c tæng ®µi dung l-îng võa vµ lín hiÖn nay th-êng ®-îc x©y dùng trªn c¬ së nhiÒu bé xö lý. Trong c¸c hÖ thèng kiÓu mét cÊp, c¸c bé xö lý cã thÓ ®-îc tæ chøc theo chøc n¨ng hoÆc theo giai ®o¹n ph¸t triÓn dung l-îng. - Xö lý theo chøc n¨ng nghÜa lµ c¸c c«ng viÖc cÇn xö lý ®iÒu khiÓn ®-îc ph©n lo¹i theo møc ®é phøc t¹p vµ tÇn xuÊt yªu cÇu thùc hiÖn ®Ó ph©n chia cho tõng bé xö lý. Nh- thÕ, mçi bé xö lý phô tr¸ch mét hoÆc mét vµi c«ng viÖc chuyªn tr¸ch, chuyªn m«n ho¸ viÖc xö lý ®iÒu khiÓn. §iÒu ®ã lµm cho viÖc xö lý ®iÒu khiÓn ®-îc thùc hiÖn mét c¸ch thuËn tiÖn vµ ch¾c ch¾n h¬n. Tuy nhiªn, ph-¬ng thøc nµy còng buéc ph¶i l¾p ®Æt ®Çy ®ñ c¸c lo¹i bé xö lý chøc n¨ng ngay t¹i giai ®o¹n ®Çu ph¸t triÓn dung l-îng, nh- vËy kh«ng khai th¸c hÕt c«ng suÊt cña c¸c bé xö lý.
  • 159.
    - Trong hÖthèng xö lý ®iÒu khiÓn mét cÊp tæ chøc theo cung ®o¹n ph¸t triÓn dung l-îng th× mçi bé xö lý ®¶m nhiÖm tÊt c¶ c¸c ho¹t ®éng xö lý ®iÒu khiÓn phôc vô cho tõng nhãm thuª bao hoÆc trung kÕ. Nh- vËy c«ng viÖc cña bé xö lý rÊt phøc t¹p, tèc ®é xö lý cuéc gäi cã thÓ thÊp h¬n ph-¬ng thøc chuyªn m«n ho¸ nh-ng nã l¹i cho phÐp tæ chøc dung l-îng cña tæng ®µi theo kiÓu modul vµ tËn dông hÕt kh¶ n¨ng xö lý cña hÖ thèng ®iÒu khiÓn. H×nh 3.19 d-íi ®©y lµ m« h×nh tæ chøc hÖ thèng xö lý mét cÊp H×nh 3.19 M« h×nh hÖ thèng xö lý mét cÊp - Trong c¸c tæng ®µi mµ hÖ thèng xö lý ®iÒu khiÓn dïng nhiÒu bé xö lý tæ chøc theo nhiÒu cÊp th× th-êng bao gåm 3 – 4 cÊp. CÊp cao nhÊt lµ bé xö lý ®iÒu hµnh, qu¶n lý vµ b¶o d-ìng (OMP- Operation, Administration and Maintenance Processor) vµ bé ®iÒu khiÓn ®a xö lý (MPC - Multi Processing Controller). CÊp H×nh 3.20 M« h×nh hÖ thèng xö lý ph©n cÊp thø hai th-êng lµ c¸c bé xö lý chøc n¨ng (xö lý cuéc gäi CLP- Call processor) vµ chóng ®-îc ph©n bè theo dung l-îng. C¸c bé xö lý ®iÒu khiÓn cÊp thø ba thùc C¸c c«ng viÖc cÇn xö lý P1 m1 P2 m2 P3 m3 Pn mn cm omp mpc clp spc clp spc clp spc loc loc loc loc loc loc loc loc loc
  • 160.
    hiÖn c¸c chøcn¨ng xö lý ®¬n gi¶n nh-ng tÇn suÊt xuÊt hiÖn cao cña c¸c nhãm thuª bao vµ trung kÕ. CÊp thø t- th-êng lµ c¸c bé xö lý ®iÒu khiÓn thiÕt bÞ (Device). Nh- vËy, cÊp thø t- cã thÓ coi lµ xö lý ®iÒu khiÓn riªng cho c¸c thiÕt bÞ chuyªn dông cña tæng ®µi nh- hiÓn thÞ, c¶nh b¸o, ... Ýt liªn quan trùc tiÕp ®Õn cuéc gäi. CÊp xö lý thø ba theo ph©n cÊp nµy cã thÓ coi lµ c¸c bé xö lý khu vùc, liªn quan tíi c¸c c«ng viÖc xö lý ®iÒu khiÓn c¸c giao tiÕp. CÊu tróc ph©n cÊp nh- vËy cho phÐp ph©n t¶i cho c¸c bé xö lý mét c¸ch hiÖu qu¶, hîp lý. C¸c bé xö lý cÊp ba xö lý vµ ®iÒu khiÓn c¸c c«ng viÖc ®¬n gi¶n nh-ng l¹i xuÊt hiÖn th-êng xuyªn, cßn c¸c bé xö lý cÊp 2 (xö lý cuéc gäi), xö lý c¸c c«ng viÖc phøc t¹p h¬n nh- xö lý ®Þa chØ, chän tuyÕn, ®iÒu khiÓn chuyÓn m¹ch, ... tÇn suÊt cña c¸c c«ng viÖc nµy kh«ng lín l¾m. C¸c bé xö lý OMP vµ MPC thùc hiÖn gi¸m s¸t ho¹t ®éng cña c¸c bé xö lý cÊp thÊp h¬n, ph©n phèi tµi nguyªn vµ xö lý c¶nh b¸o ... ®©y lµ c¸c c«ng viÖc rÊt phøc t¹p vµ cã ý nghÜa then chèt trong ho¹t ®éng toµn bé hÖ thèng. ViÖc ph©n cÊp trong tæ chøc hÖ thèng ®iÒu khiÓn còng t¹o kh¶ n¨ng module ho¸ trong chÕ t¹o vµ l¾p ®Æt c¸c thiÕt bÞ cña tæng ®µi theo giai ®o¹n ph¸t triÓn dung l-îng. 3.3.2 Tæ chøc hÖ thèng xö lý ®iÒu khiÓn cña mét sè tæng ®µi Trong phÇn nµy xem xÐt cÊu tróc hÖ thèng xö lý ®iÒu khiÓn cña tæng ®µi TDX-1B vµ tæng ®µi NEAX-61E ®Ó tham kh¶o. H×nh 3.21 lµ s¬ ®å cÊu tróc hÖ thèng xö lý ®iÒu khiÓn cña tæng ®µi TDX-1B. C¬ së cña tæng ®µi nµy lµ tæ chøc c¸c giao tiÕp thuª bao, giao tiÕp trung kÕ theo nhãm. CÊp qu¶n lý thÊp nhÊt lµ Module (cÊp nµy kh«ng ®-îc thÓ hiÖn trªn s¬ ®å). Bé xö lý ALCP (Analog Line Circuit Processor) xö lý nhãm thuª bao vµ b¸o hiÖu thuª bao cïng víi SSGP (Subscribers Signaling Processor). Mçi ALCP qu¶n lý sè thuª bao trong nhãm cïng víi c¸c bé tËp trung thuª bao DLCD (Digital Line Concentration Device) ®Ó t¹o ra luång 256 Ch, cßn SSGP th× ®iÒu khiÓn vµ xö lý th«ng tin chän sè cña c¸c bé thu m· ®a tÇn DTMFR (Dual Tone Multi Frequency Receiver) nèi víi c¸c bé tËp trung DLCD cña nhãm. SLP - Bé xö lý cuéc gäi thuª bao (Subscribers Line Processor) lµ bé xö lý cÊp B thùc hiÖn chøc n¨ng qu¶n lý vµ ®iÒu khiÓn ho¹t ®éng cña c¸c ALCP vµ SSGP trùc thuéc, xö lý cuéc gäi, ®iÒu khiÓn t¸ch ghÐp kªnh, trao ®æi víi SNP (Switching Network Processor) . C¸c giao tiÕp trung kÕ sè còng ®-îc tæ chøc theo Module vµ theo nhãm. Qu¶n lý c¸c giao tiÕp nµy lµ c¸c bé xö lý DTCP (DTCP - Digital Trunk Circuit Processor) vµ TSGP ( TSGP- Signaling Processor) bao gåm qu¶n lý c¸c m¹ch
  • 161.
    giao tiÕp, ®iÒukhiÓn qu¸ tr×nh t¸ch, chÌn b¸o hiÖu, xö lý ®ång bé, xö lý c¶nh b¸o, biÕn ®æi m· ... vµ c¸c bé thu ph¸t b¸o hiÖu R2. Bé xö lý gäi trung kÕ TLP (Trunk Line Processor) lµ bé xö lý cÊp B thùc hiÖn qu¶n lý vµ ®iÒu khiÓn c¸c bé xö lý DTCP vµ TSGP trong nhãm vµ liªn hÖ víi SNP ®Ó phôc vô c¸c cuéc gäi trung kÕ. Bé xö lý ®iÒu khiÓn m¹ng chuyÓn m¹ch SNP ( Switching Network Processor) nhËn c¸c yªu cÇu chuyÓn m¹ch tõ TLP vµ SLP, xö lý vµ biÕn ®æi thµnh sè liÖu ®iÒu khiÓn ®Ó ghi vµo c¸c bé nhí ®iÒu khiÓn cña m¹ng chuyÓn m¹ch. Bé xö lý ®iÒu hµnh, qu¶n lý vµ b¶o d-ìng OMP (Operation Administration and Maintenance Processor ) thùc hiÖn chøc n¨ng ®iÒu hµnh, qu¶n lý vµ b¶o d-ìng toµn bé hÖ thèng bao gåm ph©n phèi ch-¬ng tr×nh, ph©n phèi tµi nguyªn cho c¸c bé xö lý, gi¸m s¸t ho¹t ®éng vµ ®iÒu khiÓn dù phßng, ®iÒu khiÓn c¶nh b¸o, xö lý lçi trong ho¹t ®éng c¸c bé xö lý. C¸c bé xö lý cÊp D gåm : Bé xö lý thiÕt bÞ ®iÒu khiÓn c¶nh b¸o hÖ thèng SAIP ( System Alarm Interface Processor), thiÕt bÞ kiÓm tra ®-êng t-¬ng tù (Analog Line test Processor) , thiÕt bÞ ®o thö ngoµi (Outside Testing Equipment Processor) thiÕt bÞ ®o thö trong (Inside Testing Equipment Processor), xö lý ®ång bé m¹ng ( Network Synchronization Circuit Processor - NSCP), ®iÒu khiÓn c¸c bé nhí ngoµi nh- b¨ng tõ MTIP , æ ®Üa DKIP vµ c¸c thiÕt bÞ giao tiÕp ng-êi m¸y nh- mµn h×nh CRT, bµn phÝm ...
  • 162.
  • 163.
    HÖ thèng xölý ®iÒu khiÓn cña tæng ®µi NEAX- 61E l¹i ®-îc tæ chøc theo m¹ng chuyÓn m¹ch (Nw-Network) theo c¸c tñ thuª bao, trung kÕ TSCPF (Trunk and Subscribers Circuit Processor Frame) vµ c¸c khèi chøc n¨ng b¸o hiÖu kªnh chung CCSC (Common Channel Signaling Circuit) hoÆc c¸c bµn dÞch vô (Position Controller). H¹t nh©n cña hÖ thèng lµ c¸c bé xö lý cuéc gäi CLP (Call Processor) cña mçi m¹ng chuyÓn m¹ch. PhÇn cÊu tróc kh¸c còng gièng nh- tæng ®µi TDX-1B. Bé ®iÒu khiÓn ®a xö lý MPC (Multi Processing Controller) ®iÒu khiÓn ho¹t ®éng cña hÖ thèng trong c¸c thêi ®iÓm quan träng nh- khëi ®éng hÖ thèng, gi¸m s¸t trong qu¸ tr×nh ho¹t ®éng, ph©n tÝch vµ xö lý lçi... H×nh 3.22 lµ cÊu tróc ph©n hÖ xö lý ®iÒu khiÓn cña tæng ®µi NEAX-61E, cßn h×nh 3.23 cho thÊy cÊu tróc cña Module xö lý ®iÒu khiÓn CPM
  • 164.
  • 165.
    Tr¸i tim cñaph©n hÖ xö lý lµ Module xö lý ®iÒu khiÓn CPM (Control Processor Module). H×nh 3.23 lµ s¬ ®å khèi cña CPM gåm nh÷ng khèi chøc n¨ng sau:  CC : Bé ®iÒu khiÓn trung t©m (Central Controller) gåm c¸c ®¬n vÞ vi xö lý CPU A vµ CPU B ho¹t ®éng trong chÕ ®é dù phßng ®ång bé, bé ®iÒu khiÓn chÐo ngang cÊp MXC (Mate Cross Controller), bé chuyÓn ®æi ®-êng Bus BSC gi÷a M-Bus vµ C-Bus  Bé nhí chÝnh MM (Main Memory) chøa c¸c ch-¬ng tr×nh ®iÒu hµnh vµ c¸c sè liÖu phôc vô cho c¸c qu¸ tr×nh xö lý ®iÒu khiÓn.  Bé giao tiÕp bé nhí chung CMADP (Common Memory Adapter) cho phÐp truy cËp bé nhí chung ®Ó nhËp hoÆc xuÊt sè liÖu.  Xö lý Bus hÖ thèng SBP (System Bus Processor) ®iÒu khiÓn truy cËp Bus hÖ thèng SB hib 0 [ sb 0,1 [ spb 0 [ mpc cmim 0,1 System cmadp mm cpua cpub mxc bsc iop sbp spi ssp cmim 0,1 mxc mm cmadp cpua cpub bsc iop sbp spi ssp Sychron Sychron ] hib 1 ] sb 0,1 1 ] spb 1 1 ] mpc 0,1 1 System Control Processor Module H×nh 3.23 : S¬ ®å khèi chøc n¨ng cña module xö lý ®iÒu khiÓn CPM cc cc c Bus c Bus M Bus M Bus
  • 166.
     Giao diÖntuyÕn tho¹i SPI (Speech Path Interface) dïng ®Ó giao tiÕp víi c¸c bé ®iÒu khiÓn tuyÕn tho¹i SPC hoÆc t-¬ng ®-¬ng  Xö lý dÞch vô hÖ thèng SSP (System Service Processor) giao tiÕp víi bé ®iÒu khiÓn ®a xö lý MPC NhiÖm vô cña CC lµ ®äc vµ thùc hiÖn c¸c ch-¬ng tr×nh cÇn thiÕt cho ®iÒu hµnh xö lý c¸c cuéc gäi trong hÖ thèng. C¸c ch-¬ng tr×nh nµy ®-îc chøa trong bé nhí chÝnh MM cña mçi CC t-¬ng øng cïng víi c¸c d÷ liÖu cÇn thiÕt. Trong qu¸ tr×nh xö lý, CC cã thÓ truy cËp bé nhí chung CM th«ng qua bé phèi hîp CMADP ®Ó lÊy thªm c¸c d÷ liÖu cÇn thiÕt nh- c¸c tham sè thuª bao hoÆc trung kÕ vµ ®Ó chuyÓn c¸c sè liÖu liªn quan cuéc gäi ra bé nhí chung nh- sè liÖu tÝnh c-íc… . Th«ng qua Bus hÖ thèng c¸c CPM cã thÓ trao ®æi sè liÖu ®iÒu khiÓn víi nhau d-íi sù gi¸m s¸t cña bé ®iÒu khiÓn Bus BC (Bus Controller). Th«ng qua SSB c¸c CC giao tiÕp víi bé ®iÒu khiÓn ®a xö lý MPC (Multi-Processing Controller) ®Ó göi c¸c th«ng b¸o vÒ tr¹ng th¸i hÖ thèng. MPC còng gi¸m s¸t, ®iÒu hµnh ho¹t ®éng cña c¸c CPM, cho phÐp ®iÒu khiÓn nh©n c«ng tõ MCSL (Master Console) th«ng qua ng«n ng÷ giao tiÕp ng-êi-m¸y MML. C¸c Module xö lý ®iÒu khiÓn CPM còng cã thÓ truyÒn sè liÖu gi÷a bé nhí chÝnh trong CPM víi c¸c thiÕt bÞ vµo ra cña hÖ thèng th«ng qua Bus liªn kÕt cao HIB (High Integrated Bus) Nh- trªn h×nh 3.22 ®· thÓ hiÖn toµn bé hÖ thèng xö lý ®iÒu khiÓn cña tæng ®µi NEAX-61E ®-îc tæ chøc theo kiÓu module ho¸ tõ c¸c CPM. Tuú thuéc vÞ trÝ øng dung trong hÖ thèng mµ mçi CPM cã tªn gäi kh¸c nhau, chøc n¨ng kh¸c nhau vµ ®-îc n¹p nh÷ng ch-¬ng tr×nh ®iÒu hµnh kh¸c nhau mçi khi khëi t¹o hÖ thèng. CÊu tróc Module cho phÐp dÔ dµng më réng dung l-îng vµ t¹o ®iÒu kiÖn thuËn tiÖn trong dù phßng, b¶o hµnh, b¶o d-ìng. 3.3.3 PhÇn mÒm tæng ®µi Trong c¸c tæng ®µi SPC chuyÓn m¹ch sè, phÇn mÒm cña hÖ thèng xö lý ®iÒu khiÓn cã mét sè ®Æc tÝnh c¬ b¶n sau : - Xö lý cuéc gäi theo ph-¬ng ph¸p ghÐp kªnh theo thêi gian trªn c¬ së thêi gian thùc. - §¶m b¶o ®é æn ®Þnh vµ ®é tin cËy cao cña dÞch vô. - Cã kh¶ n¨ng thay ®æi vµ bæ xung c¸c chøc n¨ng mét c¸ch linh ho¹t. PhÇn mÒm hÖ thèng cña c¸c tæng ®µi chuyÓn m¹ch sè ®iÒu khiÓn theo ch-¬ng tr×nh th«ng th-êng gåm 3 phÇn.
  • 167.
    - File hÖthèng - File sè liÖu tæng ®µi - File sè liÖu thuª bao File hÖ thèng cßn ®-îc gäi lµ file ch-¬ng tr×nh, chøa c¸c ch-¬ng tr×nh ®iÒu khiÓn c¸c chøc n¨ng ho¹t ®éng chung cña hÖ thèng, chøc n¨ng xö lý cuéc gäi vµ chuyÓn m¹ch, ®Æc biÖt nã chøa HÖ ®iÒu hµnh OS (Operating System) gåm c¸c Ch-¬ng tr×nh vµ c¸c thñ tôc ®iÒu hµnh (Execution Control Program) , Ch-¬ng tr×nh xö lý sù cè (Fault Processing Program), Ch-¬ng tr×nh chuÈn ®o¸n (Diagnostic Program) vµ hÖ thèng C¸c ch-¬ng tr×nh øng dông (Application Program) nh- Xö lý cuéc gäi (Call Processing Program) vµ Ch-¬ng tr×nh qu¶n lý (Administration Program) (Xem h×nh 3.24)  slic dlcd TDNw Time Division Network TEST Test Equipment I/O Input/ Output Equipment Trunk To/From distant office Call Processing Program Administration Program (Database Control Program) Diagnostic Program Execution Control Program Application Program Operating Fault Processing Program Hardware Software
  • 168.
    §-êng ®iÒu khiÓnphÇn cøng Gi¸m s¸t lçi TÝn hiÖu th«ng tin (liªn hÖ gi÷a phÇn mÒm øng dông vµ hÖ thèng ®iÒu hµnh) H×nh 3.24 CÊu tróc phÇn mÒm hÖ thèng vµ quan hÖ gi÷a c¸c ch-¬ng tr×nh phÇn mÒm vµ cÊu tróc phÇn cøng C¸c ch-¬ng tr×nh phÇn mÒm cña hÖ thèng xö lý ®iÒu khiÓn th-êng ®-îc viÕt b»ng c¸c ng«n ng÷ lËp tr×nh bËc cao, sö dông ph-¬ng ph¸p lËp tr×nh logic trªn c¬ së l-u ®å thuËt to¸n vµ ph©n chia Module. ViÖc ph©n chia Module lµm cho c¸c thñ tôc (®o¹n ch-¬ng tr×nh) ®-îc ng¾n gän, râ rµng, ®¬n gi¶n, dÔ kiÓm tra, söa ch÷a vµ bæ xung. HÖ ®iÒu hµnh OS (Operating System) bao gåm c¸c ch-¬ng tr×nh ®iÒu khiÓn c¸c ho¹t ®éng néi bé cña phÇn mÒm hÖ thèng. §©y lµ hÖ ®a xö lý thêi gian thùc, cã kh¶ n¨ng ®iÒu khiÓn nhiÒu cÊp ho¹t ®éng kh¸c nhau b»ng c¸ch Ên ®Þnh møc -u tiªn cho c¸c ch-¬ng tr×nh. HÖ ®iÒu hµnh ®iÒu khiÓn viÖc ®Þnh thêi vµ tr×nh tù thùc hiÖn c¸c ch-¬ng tr×nh xö lý cuéc gäi, chuÈn ®o¸n lçi vµ qu¶n lý. Nã sö dông ph-¬ng thøc ®a xö lý ph©n chia c«ng viÖc theo thêi gian ®Ó thùc hiÖn nhiÒu thao t¸c xö lý kh¸c nhau mét c¸ch hiÖu qu¶. Nã quyÕt ®Þnh cÇn kÝch ho¹t ch-¬ng tr×nh nµo vµ khi nµo kÝch ho¹t. Nã còng cung cÊp c¸c chøc n¨ng hç trî chung cho hÖ ®iÒu hµnh vµ hÖ øng dông nh- qu¶n lý vïng nhí, ®iÒu khiÓn ®ång hå, ®iÒu khiÓn vµo ra, giao tiÕp ng-êi-m¸y, giao tiÕp gi÷a c¸c bé xö lý... Ch-¬ng tr×nh xö lý lçi ph¸t hiÖn c¸c lçi cña hÖ thèng vµ kh¾c phôc b»ng c¸ch n¹p l¹i ch-¬ng tr×nh vµ sè liÖu tæng ®µi. C¸c lçi ®-îc ph¸t hiÖn th«ng qua c¸c thiÕt bÞ kiÓm tra ®o thö vµ xö lý ph©n tÝch tr¹ng th¸i, ph©n tÝch qua so s¸nh dù phßng. Ch-¬ng tr×nh còng cÇn ®Æt ra c¸c ng-ìng xö lý vµ c¸c b-íc t¸i khëi ®éng hÖ thèng mét c¸ch tù ®éng, cÊu h×nh cña hÖ thèng còng ®-îc ®Þnh l¹i mçi khi ph¶i t¸i khëi ®éng hÖ thèng. PhÇn chuÈn ®o¸n lçi gåm c¸c thñ tôc kiÓm tra tù ®éng c¸c khèi phÇn cøng, hç trî viÖc kiÓm tra ho¹t ®éng cña hÖ thèng do nh©n viªn b¶o hµnh thùc hiÖn. C¸c lçi ®-îc ph¸t hiÖn sÏ ®-îc ®-a ra thiÕt bÞ c¶nh b¸o vµ cã thÓ kÌm theo c¸c h-íng dÉn xö lý, kh¾c phôc ®Ó nh©n viªn khai th¸c cã thÓ xö lý mét c¸ch hiÖu qu¶ vµ thuËn tiÖn.
  • 169.
    PhÇn mÒm øngdông cña hÖ ®iÒu hµnh bao gåm xö lý cuéc gäi vµ qu¶n lý. Ch-¬ng tr×nh xö lý cuéc gäi gåm c¸c thñ tôc qu¶n lý tr¹ng th¸i ®-êng thuª bao, ®uêng trung kÕ, nhËn biÕt vµ xö lý sù thay ®æi tr¹ng th¸i, nhËn vµ xö lý b¸o hiÖu (bao gåm c¶ th«ng tin ®Þa chØ) ®iÒu khiÓn t¹o vµ ph©n phèi b¸o hiÖu, ®iÒu khiÓn chuyÓn m¹ch (kÓ c¶ m¹ch ph¸t c¸c b¸o hiÖu, th«ng b¸o) ... Ch-¬ng tr×nh qu¶n lý theo dâi qu¸ tr×nh xö lý c¸c cuéc gäi, thu thËp c¸c sè liÖu ®Ó dïng vµo viÖc qu¶n lý vµ thanh to¸n c-íc phÝ, c¸c thñ tôc qu¶n lý l-u l-îng vµ ®iÒu khiÓn c¸c cuéc gäi ®Ó tr¸nh ¸ch t¾c. Ngoµi ra phÇn øng dông cßn cã ch-¬ng tr×nh dïng ®Ó ®iÒu khiÓn c¬ s¬ d÷ liÖu, ®iÒu khiÓn viÖc truy xuÊt c¸c sè liÖu tæng ®µi vµ thuª bao, c¸c thñ tôc b¶o vÖ c¬ së d÷ liÖu. C¸c tÖp sè liÖu tæng ®µi chøa c¸c th«ng tin cÇn thiÕt cho viÖc thùc hiÖn c¸c ho¹t ®éng chuyÓn m¹ch. Sè liÖu tæng ®µi ®Æc tr-ng cho mét tæng ®µi vµ ph¶n ¸nh chÝnh x¸c t×nh tr¹ng cña tæng ®µi ®ã. TÖp sè liÖu tæng ®µi ®-îc cËp nhËt th-êng xuyªn. C¸c tÖp sè liÖu thuª bao chøa c¸c th«ng tin cã liªn quan ®Õn thuª bao (líp thuª bao, líp dÞch vô ...) c¸c tÖp nµy ®-îc cËp nhËt theo nh÷ng sù thay ®æi cña thuª bao 3.4. Ph©n hÖ b¸o hiÖu SiGS 3.4.1 Kh¸i qu¸t chung: Trong Ch-¬ng I môc 1.1.4 cña tµi liÖu nµy chóng ta ®· ®Ò cËp ®Õn vai trß cña b¸o hiÖu trong hÖ thèng m¹ng viÔn th«ng, trong phÇn nµy chóng ta t×m hiÓu c¸c thiÕt bÞ thùc hiÖn chøc n¨ng thu nhËn, xö lý vµ ph©n phèi c¸c tÝn hiÖu b¸o hiÖu, bè trÝ vµ tæ chøc c¸c thiÕt bÞ nµy trong c¸c tæng ®µi chuyÓn m¹ch sè. Nh- ®· ®Ò cËp trong Ch-¬ng I, cã thÓ hiÓu b¸o hiÖu lµ h×nh thøc trao ®æi c¸c th«ng tin ®iÒu khiÓn gi÷a c¸c thµnh phÇn m¹ng trong qu¸ tr×nh thiÕt lËp, duy tr×, gi¶i to¶ cuéc gäi. C¸c tÝn hiÖu b¸o hiÖu cã thÓ lµ nh÷ng tÝn hiÖu mang tÝnh chÊt th-êng xuyªn nh- tr¹ng th¸i ®-êng thuª bao, tr¹ng th¸i ®-êng trung kÕ vµ ®-îc gäi chung lµ b¸o hiÖu gi¸m s¸t; còng cã thÓ lµ nh÷ng tÝn hiÖu phôc vô cho viÖc chän tuyÕn, ®-îc gäi lµ b¸o hiÖu lùa chän hay b¸o hiÖu thanh ghi. C¸c tÝn hiÖu b¸o hiÖu còng cã thÓ ®-îc ph©n chia theo cung ®o¹n m¹ng thµnh b¸o hiÖu ®-êng d©y thuª bao, b¸o hiÖu liªn tæng ®µi. Vµ do cã nhiÒu lo¹i
  • 170.
    tÝn hiÖu b¸ohiÖu nh- vËy nªn còng sÏ cã nhiÒu lo¹i thiÕt bÞ b¸o hiÖu vµ chóng cã thÓ ®-îc ph©n bè ngay trong ph©n hÖ øng dông, t¹i c¸c nhãm thuª bao, hoÆc trong ph©n hÖ chuyÓn m¹ch nhãm, cïng víi c¸c thiÕt bÞ chuyÓn m¹ch. Nh- vËy tuú thuéc vµo cÊu tróc cña tõng tæng ®µi cã thÓ tån t¹i mét nhãm c¸c thiÕt bÞ b¸o hiÖu dïng chung ®-îc coi lµ mét ph©n hÖ b¸o hiÖu, còng cã thÓ c¸c thiÕt bÞ thu ph¸t b¸o hiÖu ®-îc ph©n bè nh- thµnh phÇn cña c¸c ph©n hÖ kh¸c. Nh×n chung ph©n hÖ b¸o hiÖu kh«ng ph¶i lµ mét khèi chøc n¨ng ®éc lËp trong c¸c tæng ®µi, nã nhËn vµ xö lý c¸c tÝn hiÖu tõ ph©n hÖ øng dông hoÆc ph©n hÖ chuyÓn m¹ch ®Ó t¹o thµnh c¸c th«ng tin ®-a ®Õn ph©n hÖ xö lý ®iÒu khiÓn ®Ó sau ®ã ®iÒu khiÓn l¹i c¸c thµnh phÇn cña ph©n hÖ øng dông hoÆc ph©n hÖ chuyÓn m¹ch vµ v× thÕ c¸c thiÕt bÞ b¸o hiÖu ph©n bè trong 2 ph©n hÖ nµy lµ hîp lý. B¸o hiÖu ®-êng d©y thuª bao ®-îc chia thµnh b¸o hiÖu ®-êng d©y thuª bao chñ gäi vµ b¸o hiÖu ®-êng d©y thuª bao bÞ gäi. C¸c tÝn hiÖu b¸o hiÖu ®ã còng cã thÓ lµ dßng hoÆc ®iÖn ¸p mét chiÒu nh- ®iÖn ¸p ®-êng thuª bao hoÆc dßng m¹ch vßng thuª bao, tÝn hiÖu chän sè d¹ng xung; còng cã thÓ lµ tÝn hiÖu ©m tÇn nh- c¸c ©m mêi gäi, b¸o bËn, håi ©m hoÆc tÝn hiÖu ®iÖn xoay chiÒu nh- tÝn hiÖu chu«ng. Thèng kª c¸c tÝn hiÖu b¸o hiÖu ®-êng d©y thuª bao ®-îc ®-a ra trong b¶ng 3.4 B¶ng 3.4 C¸c tÝn hiÖu b¸o hiÖu ®-êng d©y thuª bao Tªn gäi D¹ng tÝn hiÖu ThiÕt bÞ thu/ph¸t §-êng d©y thuª bao chñ gäi -Rçi, ®Æt tæ hîp ILC=0mA -Khëi t¹o cuéc gäi ILC=0mA(2070mA) Bé quÐt tr¹ng th¸i SCN (Scanner) -Mêi chän sè, b¸o bËn, håi ©m chu«ng, b¸o cuéc gäi kÕt thóc ¢m tÇn Bé t¹o tÝn hiÖu DTG (Digital Tone Generator) *D¹ng xung (Pulse Dialing Mode) Bé quÐt tr¹ng th¸i SCN -Chän sè *D¹ng ®a tÇn (Tone Dialing Mode) Bé thu m· ®a tÇn MFR (MultiFrequency Receiver) -C¸c th«ng b¸o cuéc gäi kh«ng thµnh c«ng ¢m tÇn Bé nhí c¸c th«ng b¸o b»ng lêi DVM (Digital Voice Message) -KÕt thóc cuéc gäi ILC=(2070mA)0mA Bé quÐt tr¹ng th¸i SCN
  • 171.
    §-êng d©y thuªbao bÞ gäi -Rçi, ®Æt tæ hîp ILC=0mA Bé quÐt tr¹ng th¸i SCN -Chu«ng Dßng chu«ng xoay chiÒu 80V/25Hz Bé t¹o chu«ng (Ringer) -Tr¶ lêi cuéc gäi ILC=0mA(2070mA) Bé quÐt tr¹ng th¸i SCN -B¸o cuéc gäi kÕt thóc ¢m tÇn Bé t¹o tÝn hiÖu DTG -KÕt thóc cuéc gäi ILC=(2070mA)0mA Bé quÐt tr¹ng th¸i SCN Trong mét tæng ®µi c¸c m¹ch ®iÖn giao tiÕp ®-êng d©y thuª bao lµ lo¹i thiÕt bÞ chiÕm ®a sè, chóng ®-îc bè trÝ thµnh tõng tñ, tæ chøc thµnh tõng nhãm v× thÕ mét sè c¸c thiÕt bÞ dïng ®Ó thu, nhËn biÕt hoÆc ph©n phèi c¸c tÝn hiÖu b¸o hiÖu ®-êng d©y thuª bao mµ ph¶i th-êng xuyªn sö dông ®Õn nh- bé t¹o tÝn hiÖu ©m tÇn d¹ng sè DTG hoÆc m¹ch quÐt tr¹ng th¸i ®-êng thuª bao SCN, bé thu tÝn hiÖu chän sè MFR nªn bè trÝ theo tõng tñ hoÆc tõng nhãm thuª bao. C¸c thiÕt bÞ b¸o hiÖu dïng chung nh-ng tÇn xuÊt sö dông kh«ng th-êng xuyªn vµ cã ®é phøc t¹p cao nh- bé t¹o c¸c b¶n tin th«ng b¸o b»ng lêi nªn bè trÝ cïng víi m¹ng chuyÓn m¹ch nhãm. C¸c bé t¹o vµ ph©n phèi tÝn hiÖu chu«ng cho ®-êng thuª bao bÞ gäi còng nªn ®Æt t¹i c¸c tñ thuª bao ®Ó tiÖn cho viÖc cÊp tíi c¸c m¹ch giao tiÕp ®-êng d©y thuª bao tr¸nh dÉn tÝn hiÖu ®iÖn ¸p cao nµy ®i qua dµi trong tæng ®µi cã thÓ g©y ¶nh h-ëng xÊu tíi viÖc truyÒn c¸c tÝn hiÖu kh¸c. Trong mét sè tæng ®µi cã møc ®é tËp trung cao th× c¸c thiÕt bÞ b¸o hiÖu dïng chung nh- c¸c bé t¹o c¸c tÝn hiÖu ©m tÇn DTG, c¸c bé thu tÝn hiÖu chän sè ®a tÇn MFR còng ®-îc tËp trung vµo ph©n hÖ chuyÓn m¹ch nhãm, nh- thÕ cã thÓ n©ng cao hiÖu xuÊt sö dông c¸c thiÕt bÞ nµy, tuy nhiªn còng lµm t¨ng thªm nhiÖm vô chuyÓn m¹ch cña ph©n hÖ chuyÓn m¹ch nhãm vµ t¨ng yªu cÇu ®iÒu khiÓn. B¸o hiÖu liªn tæng ®µi còng ®-îc ph©n chia thµnh hÖ thèng b¸o hiÖu dïng cho lo¹i giao tiÕp kh¸c nhau nh- hÖ thèng b¸o hiÖu dïng cho trung kÕ t-¬ng tù gi÷a hai tæng ®µi t-¬ng tù, gi÷a tæng ®µi t-¬ng tù víi tæng ®µi chuyÓn m¹ch sè, gi÷a c¸c tæng ®µi chuyÓn m¹ch sè ®iÒu khiÓn theo ch-¬ng tr×nh. Mçi hÖ thèng l¹i chia thµnh c¸c tÝn hiÖu b¸o hiÖu gi¸m s¸t vµ c¸c tÝn hiÖu b¸o hiÖu chän lùa. Còng t-¬ng tù b¸o hiÖu thuª bao, c¸c b¸o hiÖu trung kÕ còng cã c¸c thiÕt bÞ nhËn vµ xö lý, t¹o vµ ph©n phèi nh÷ng tÝn hiÖu ®ã vµ tuú thuéc vµo dung l-îng, tÇn suÊt vµ mét sè c¸c ®Æc tÝnh kh¸c cña c¸c tÝn hiÖu b¸o hiÖu mµ c¸c thiÕt bÞ b¸o hiÖu t-¬ng øng ®-îc bè trÝ ë c¸c tñ trung kÕ hay ë ph©n hÖ chuyÓn m¹ch nhãm. Thèng kª c¸c ph-¬ng thøc b¸o hiÖu liªn ®µi ®-îc ®-a ra trong b¶ng 3.5
  • 172.
    B¶ng 3.5 C¸cph-¬ng thøc b¸o hiÖu liªn tæng ®µi C¸c tÝn hiÖu b¸o hiÖu Tªn gäi Ph-¬ng thøc truyÒn B¸o hiÖu ®-êng d©y B¸o hiÖu lùa chän B¸o hiÖu m¹ch vßng (LD-Loop disconnection) T-¬ng tù T¸ch/ghÐp t¹i ATTU B¸o hiÖu DC T-¬ng tù T¸ch/ghÐp t¹i ATTU B¸o hiÖu 1VF T-¬ng tù ChuyÓn ®æi t¹i ATTU vµ t¹i ®¬n vÞ 1VF B¸o hiÖu MF víi b¸o hiÖu ®-êng d©y DC T-¬ng tù T¸ch/ghÐp t¹i ATTU MF Sender/Receiver B¸o hiÖu MF víi b¸o hiÖu ®-êng d©y DC T-¬ng tù ChuyÓn ®æi t¹i ATTU vµ t¹i ®¬n vÞ 1VF MF Sender/Receiver B¸o hiÖu 1VF D¹ng sè ChuyÓn ®æi t¹i ATTU vµ t¹i ®¬n vÞ 1VF B¸o hiÖu MF D¹ng sè B¸o hiÖu cas D¹ng sè (TS16) B¸o hiÖu CCS D¹ng sè (TS16) pcm/cas Sender/Receiver 3.4.2 TiÕn tr×nh thùc hiÖn mét cuéc gäi: Chóng ta xem xÐt thñ tôc tiÕn hµnh mét cuéc gäi ®¬n gi¶n gi÷a thuª bao A vµ thuª bao B B-íc1: Thuª bao A khëi t¹o yªu cÇu gäi Khi Sub A nhÊc tæ hîp ®Ó thùc hiÖn cuéc gäi ®i lµm dßng m¹ch vßng ®-êng d©y thuª bao A thay ®æi. TÝn hiÖu hang off theo m¹ch  ®-a tõ SLIC cña thuª bao A ®Õn LOC cña nhãm thuª bao ®ã nh- thÓ hiÖn trªn h×nh 3.26
  • 173.
    H×nh 3.26 B-íc1 trong tiÕn tr×nh cuéc gäi néi h¹t B-íc2: CÊp Tone “Mêi chän sè” cho thuª bao A Bé ®iÒu khiÓn vïng LOC ®iÒu khiÓn DLSw t¹o tuyÕn nèi cung cÊp Tone “Mêi chän sè” tõ bé t¹o ©m DTG ®Õn m¹ch ®iÖn thuª bao A theo m¹ch  nh- trªn h×nh 3.27 H×nh 3.27 B-íc 2 trong tiÕn tr×nh cuéc gäi néi h¹t B-íc3: Thuª bao A chän sè cña thuª bao bÞ gäi Bé ®iÒu khiÓn vïng LOC còng ®iÒu khiÓn DLSw t¹o tuyÕn nèi m¹ch ®iÖn thuª bao A víi bé thu tÝn hiÖu chän sè ®a tÇn MFR theo m¹ch . NÕu thuª bao A sö dông chÕ ®é chän sè d¹ng xung (Pulse Dialing Mode) th× sù thay ®æi dßng m¹ch vßng sÏ ®-îc nhËn biÕt theo m¹ch  t¹i LOC, cßn nÕu chän sè b»ng chÕ ®é ®a tÇn (Tone Dialing Mode) th× tÝn hiÖu chän sè DTMF (Dual Tone Sub A Sub B  sli loc dlsw dtg mf spc clp loc dlsw sli  dtg mf SNw 1 Sub A Sub B  slic loc dlsw dtg mfr spc clp loc dlsw slic  dtg mfr SNw 2
  • 174.
    MultiFrequency) sÏ ®-îctiÕp nhËn bëi MFR theo m¹ch  nh- trªn h×nh 4.2.3. Ngay sau khi nhËn ®-îc ch÷ sè ®Çu tiªn t¹i LOC th× m¹ch  sÏ bÞ ng¾t ®Ó ngõng cung cÊp Tone “Mêi chän sè”. NÕu ch÷ sè ®Çu tiªn ®-îc chän d-íi d¹ng xung th× ®-êng  vµ bé MFR t-¬ng øng còng ®-îc gi¶i phãng ngay, cßn nÕu lµ chän sè d¹ng tone th× ®-êng  vµ bé MFR t-¬ng øng sÏ ph¶i thu ®ñ c¸c ch÷ sè ®Þa chØ cña thuª bao bÞ gäi vµ chuyÓn chóng cho LOC th× míi ®-îc gi¶i phãng. H×nh 3.28 B-íc 3 trong tiÕn tr×nh cuéc gäi néi h¹t B-íc 4: Yªu cÇu xö lý cuéc gäi H×nh 3.29 B-íc 4 trong tiÕn tr×nh cuéc gäi néi h¹t C¸c ch÷ sè thu nhËn ®-îc theo ®-êng hoÆc ®-êng  ®Òu ®-îc LOC göi vÒ CLP theo ®-êng  trong b¶n tin yªu cÇu xö lý cuéc gäi. CLP c¨n cø vµo ®Þa chØ cña thuª bao gäi vµ thuª bao bÞ gäi ®Ó ®Þnh h-íng cuéc gäi. Sub A Sub B  slic loc dlsw dtg mfr spc clp loc dlsw slic  dtg mfr SNw 2 3 1 Sub A Sub B  slic loc dlsw dtg mfr spc clp loc dlsw slic  dtg mfr SNw 4
  • 175.
    B-íc 5: Xölý cuéc gäi NÕu ®ã lµ cuéc gäi néi h¹t th× sau khi nhËn ®ñ c¸c ch÷ sè ®Þa chØ cña thuª bao bÞ gäi CLP yªu cÇu LOC qu¶n lý thuª bao B ®ã kiÓm tra tr¹ng th¸i hiÖn thêi cña thuª bao ®ã b»ng b¶n tin yªu cÇu ®-îc göi theo ®-êng . §ång thêi t¹i CLP c¸c ®Þa chØ ®-îc nhËn d-íi d¹ng sè danh b¹ DN (Directory Number) ®-îc biªn dÞch thµnh ®Þa chØ thiÕt bÞ EN (Equipment Number) vµ ®-îc ®-a vµo b¶n tin ®Þnh tuyÕn göi ®Õn bé ®iÒu khiÓn uyÕn tho¹i SPC theo ®-êng  ®Ó chuÈn bÞ tuyÕn nèi tho¹i.
  • 176.
    H×nh 3.30 B-íc4 trong tiÕn tr×nh cuéc gäi néi h¹t B-íc 6: Chu«ng cho thuª bao bÞ gäi vµ göi “Håi ©m chu«ng cho thuª bao gäi H×nh 3.31 B-íc 6 trong tiÕn tr×nh cuéc gäi néi h¹t Sub A Sub B  slic loc dlsw dtg mfr spc clp loc dlsw slic  dtg mfr SNw 5 6 Sub A Sub B  slic loc dlsw dtg mfr spc clp loc dlsw slic  dtg mfr SNw 2 7 5 4
  • 177.
    Thuª bao bÞgäi ®-îc kiÓm tra, nÕu nã ®ang rçi th× LOC ®iÒu khiÓn ph¸t chu«ng cho nã theo ®-êng , ®ång thêi tr¹ng th¸i ®ã còng ®-îc th«ng b¸o cho CLP b»ng b¶n tin tr¶ lêi trªn ®-êng  vµ CLP göi b¶n tin ®iÒu khiÓn ®Õn LOC phÝa chñ gäi trªn ®-êng  ®Ó yªu cÇu LOC ®iÒu khiÓn DLSw t¹o tuyÕn nèi cung cÊp Tone “Håi ©m chu«ng” tõ bé t¹o ©m DTG ®Õn m¹ch ®iÖn thuª bao A theo m¹ch  nh- trªn h×nh 3.31 B-íc 7: ThiÕt lËp tuyÕn nèi TÝn hiÖu tr¶ lêi cuéc gäi tõ thuª bao B ®-îc LOC phÝa bÞ gäi nhËn biÕt theo ®-êng  vµ göi vÒ CLP theo ®-êng . CLP ®iÒu khiÓn LOC phÝa bÞ gäi ngõng ph¸t chu«ng cho thuª bao B, ®iÒu khiÓn LOC phÝa chñ gäi ngõng ph¸t “Håi ©m chu«ng” cho thuª bao A, ®ång thêi theo ®-êng  yªu cÇu SPC thiÕt lËp tuyÕn nèi ®· chän th«ng qua m¹ng chuyÓn m¹ch SNw (Switching Network) nèi m¹ch ®iÖn thuª bao A víi m¹ch ®iÖn thuª bao B th«ng qua c¸c bé chuyÓn m¹ch tËp trung ®-êng sè DLSw ë hai phÝa vµ m¹ng chuyÓn m¹ch SNw theo m¹ch  H×nh 3.32 B-íc 7 trong tiÕn tr×nh cuéc gäi néi h¹t B-íc 8: KÕt thóc cuéc gäi vµ gi¶i to¶ tuyÕn nèi TÝn hiÖu yªu cÇu kÕt thóc cuéc gäi tõ mét trong thuª bao tham gia cuéc gäi t¹o ra sÏ ®-îc LOC t-¬ng øng nhËn biÕt theo ®-êng  hoÆc ®-êng  vµ göi vÒ  slic loc dlsw dtg mfr spc clp loc dlsw slic  dtg mfr SNw 8 7 5 4 8 6
  • 178.
    CLP theo ®-êng hoÆc ®-êng. CLP ®iÒu khiÓn LOC hai phÝa vµ SPC gi¶i to¶ tuyÕn nèi , ®ång thêi ®iÒu khiÓn DLSw phÝa thuª bao ch-a ®Æt tæ hîp t¹o tuyÕn nèi cÊp tÝn hiÖu “Cuéc gäi kÕt thóc” tõ DTG ®Õn m¹ch ®iÖn cña thuª bao ®ã ®Ó th«ng b¸o cho thuª bao ®ã biÕt lµ ®èi t¸c ®· chÊm døt cuéc gäi. NÕu sau thêi gian cho phÐp mµ thuª bao ®ã vÉn kh«ng ®Æt tæ hîp th× t¹o m¹ch ®-a tÝn hiÖu c¶nh b¸o. Khi thuª bao ®ã ®· ®Æt tæ hîp th× tr¹ng th¸i cña nã ®-îc x¸c lËp vÒ tr¹ng th¸i rçi (Idle). H×nh 3.33 B-íc 8 trong tiÕn tr×nh cuéc gäi néi h¹t 3.4.3 CÊu tróc mét sè thiÕt bÞ b¸o hiÖu a. S¬ ®å khèi bé thu tÝn hiÖu ®a tÇn MFR  slic loc dlsw dtg mfr spc clp loc dlsw slic  dtg mfr SNw 8 7 5 4 8 6 9
  • 179.
    H×nh 3.34 S¬®å khèi bé thu tÝn hiÖu ®a tÇn MFR Trªn h×nh 3.34 lµ s¬ ®å khèi chøc n¨ng cña bé thu c¸c tÝn hiÖu chän sè ®a tÇn. Nguyªn lý ho¹t ®éng cña nã lµ tÝn hiÖu ®a tÇn ®-îc ®-a vµo ®Çu vµo tíi ®ång thêi tÊt c¶ c¸c bé nhËn biÕt tÇn sè hµng fR.. vµ c¸c bé nhËn biÕt tÇn sè cét fC... NÕu tÝn hiÖu ®Çu vµo lµ mét trong c¸c tÝn hiÖu chän sè ®a tÇn th× ®ång thêi sÏ cã 2 trong sè 8 tÇn sè trong thµnh phÇn cña tÝn hiÖu ®ã vµ nh- thÕ sÏ lµm cho mét bé nhËn biÕt tÇn sè hµng fR.. .. vµ mét bé nhËn biÕt tÇn sè cét fC.. cã møc tÝn hiÖu ra tÝch cùc, dÉn ®Õn bé chuyÓn ®æi logic sÏ cho ra mét tæ hîp m· nhÞ ph©n øng víi tÝn hiÖu vµo ®ã, ®ång thêi nã còng t¹o tÝn hiÖu ST tÝch cùc ®Ó th«ng b¸o cho bé thu vµ xö lý tiÕp theo vÒ viÖc ®· thu nhËn ®-îc mét tÝn hiÖu ®a tÇn. Nh- vËy, tÝn hiÖu ®Çu vµo ph¶i lµ tÝn hiÖu ®a tÇn Analog. Trong c¸c tæng ®µi chuyÓn m¹ch sè hiÖn nay, tÝn hiÖu sau m¹ch ®iÖn giao tiÕp thuª bao hoÆc trung kÕ ®Òu lµ tÝn hiÖu ®· sè ho¸ vµ do c¸c MFR th-êng bè trÝ sau DLSw hoÆc chuyÓn m¹ch nhãm nªn tÝn hiÖu ë ®Çu vµo MFR sau chuyÓn m¹ch ph¶i ®-îc chuyÓn ®æi trë l¹i tõ d¹ng sè thµnh d¹ng t-¬ng tù. C¸ch lµm nh- vËy ®-îc ¸p dông réng r·i trong c¸c tæng ®µi chuyÓn m¹ch sè tr-íc ®©y. HiÖn nay do c«ng nghÖ xö lý sè tÝn hiÖu ph¸t triÓn m¹nh nªn cã xu h-íng xö lý trùc tiÕp tÝn hiÖu sè nhËn ®-îc sau DLSw hoÆc chuyÓn m¹ch nhãm ®Ó nhËn biÕt tÝn hiÖu DTMF. Bé nhËn biÕt tÇn sè fR1 Bé nhËn biÕt tÇn sè fR2 Bé nhËn biÕt tÇn sè fR3 Bé nhËn biÕt tÇn sè fR4 Bé nhËn biÕt tÇn sè fC1 Bé nhËn biÕt tÇn sè fC2 Bé nhËn biÕt tÇn sè fC3 Bé nhËn biÕt tÇn sè fC4 Bé chuyÓn ®æi logic m· 2 of 8 thµnh m· BCD §Çu vµo a b c d st
  • 180.
    b. Nguyªn lýth«ng b¸o b»ng lêi: Trong c¸c tæng ®µi chuyÓn m¹ch sè ®iÒu khiÓn theo ch-¬ng tr×nh ghi s½n hiÖn nay cã rÊt nhiÒu lo¹i dÞch vô n©ng cao, trong ®ã ph¶i kÓ ®Õn dÞch vô c¸c b¶n tin th«ng b¸o b»ng lêi, vÝ dô nh- b¸o giê tù ®éng, c¸c b¶n tin th«ng b¸o nguyªn nh©n theo c¸c t×nh huèng cuéc gäi kh«ng thµnh c«ng. Nh÷ng b¶n tin th«ng b¸o nµy ®-îc chia thµnh c¸c ®o¹n tin, ®-îc m· ho¸, ghi vµo c¸c vïng nhí hoÆc c¸c bé nhí cè ®Þnh ®Ó khi cÇn thiÕt sÏ ®-îc ®äc ra vµ ®-îc chuyÓn ®Õn thuª bao cÇn thiÕt. C¸c b¶n th«ng b¸o b»ng lêi th-êng cã nh÷ng ®o¹n tin gièng nhau vµ c¸c ®o¹n tin phô thuéc t×nh huèng. C¸c ®o¹n tin nµy ®-îc m· ho¸ vµ ghi vµo nh÷ng vïng cña bé nhí cè ®Þnh. X©y dùng c¸c thñ tôc ®iÒu khiÓn c¸c tr×nh tù ®äc c¸c vïng nhí ®ã tuú thuéc theo c¸c t×nh huèng kh¸c nhau. Trong qu¸ tr×nh ho¹t ®éng, c¸c thñ tôc ®ã sÏ ®-îc kÝch ho¹t vµ c¸c ®o¹n tin sÏ ®-îc ®äc ra ®Ó ghÐp víi nhau t¹o thµnh c¸c b¶n tin th«ng b¸o phô thuéc t×nh huèng ®Ó cung cÊp tíi tõng m¹ch thuª bao t-¬ng øng. §é dµi mçi b¶n tin cã thÓ tõ vµi gi©y ®Õn vµi chôc gi©y. §Ó tiÕt kiÖm dung l-îng bé nhí cã thÓ ¸p dông c¸c biÖn ph¸p kü thuËt trong viÖc m· ho¸ vµ gi¶i m· c¸c ®o¹n tin ®ã vµ c¸c thñ thuËt ghi ®äc chóng. VÝ dô c¸c b¶n tin b¸o giê kiÓu 1: “1KÝnh chµo quý kh¸ch/ 2b©y giê lµ /X/ 3giê /Y/ 4phót /Z / 5gi©y/” dïng cho c¸c thêi ®iÓm cã sè gi©y lµ 10, 20, 30, 40, 50 vµ c¸c b¶n tin b¸o giê kiÓu 2: “1KÝnh chµo quý kh¸ch/6h«m nay lµ thø/O /7ngµy/ P / 8th¸ng/ Q / 9n¨m/ N / 2b©y giê lµ /Gx/ 3giê /Py/ 4phót / Sz / 5gi©y/” dïng cho c¸c thêi ®iÓm cã sè gi©y lµ 0. Nh- vËy ®Ó t¹o ®-îc 2 lo¹i b¶n tin b¸o giê trªn cÇn ghi 9 ®o¹n tin b»ng lêi ®· ®-îc m· ho¸ vµo c¸c vïng nhí dµnh riªng vµ c¸c bé nhí ®Öm phiªn dÞch c¸c gi¸ trÞ cña c¸c bé ®Õm thø, ngµy, th¸ng, n¨m, giê, phót, gi©y (c¸c bé nhí ®Öm nµy dïng ®Ó nhí tõ phiªn gi¸ trÞ cña bé ®Õm t-¬ng øng, vÝ dô nÕu bé ®Õm giê cã gi¸ trÞ lµ 6 th× bé nhí X sÏ nhí tõ “s¸u”). Khi t¹o b¶n tin b¸o giê kiÓu 1 th× tr×nh tù ®äc c¸c bé nhí trªn sÏ lµ 12X3Y4Z5 vµ tr×nh tù t¹o b¶n tin kiÓu 2 lµ 16O7P8Q9N2X3Y4Z5 . Còng t-¬ng tù nh- trªn cã thÓ thùc hiÖn viÖc t¹o c¸c b¶n tin th«ng b¸o t¾c nghÏn hoÆc c¸c lý do kh¸c dÉn ®Õn c¸c cuéc gäi hôt. 4.3.3 §èi víi b¸o hiÖu liªn tæng ®µi Mçi tæng ®µi th-êng cã c¸c trung kÕ víi c¸c tæng ®µi kh¸c. B¸o hiÖu liªn tæng ®µi cßn ®-îc gäi lµ b¸o hiÖu liªn ®µi hoÆc b¸o hiÖu trung kÕ dïng ®Ó phôc vô c¸c cuéc gäi ®-îc thiÕt lËp qua c¸c trung kÕ ®ã. Cã hai ph-¬ng thøc b¸o hiÖu liªn ®µi hiÖn ®ang ®-îc sö dông réng r·i lµ ph-¬ng thøc b¸o hiÖu kªnh liªn kÕt CAS (Channel Associated Signalling) vµ ph-¬ng thøc b¸o hiÖu kªnh chung CCS
  • 181.
    (Common Channel Signalling) TronghÖ thèng b¸o hiÖu kªnh liªn kÕt CAS, c¸c tÝn hiÖu b¸o hiÖu cho tõng cuéc gäi ®-îc truyÒn trªn cïng kªnh dµnh cho cuéc gäi ®ã v× thÕ cã tªn gäi lµ b¸o hiÖu tõng kªnh liªn kÕt. Nh- thÕ mçi giao tiÕp trung kÕ cã c¶ c¸c thµnh phÇn thu ph¸t b¸o hiÖu ®Ó thùc hiÖn c¸c chøc n¨ng t¸ch/ghÐp b¸o hiÖu ®-îc truyÒn cïng c¸c th«ng tin cña cuéc gäi. M« h×nh b¸o hiÖu kªnh liªn kÕt ®-îc thÓ hiÖn trªn h×nh 3.35. Tõ m« h×nh nµy ta thÊy mçi giao tiÕp trung kÕ còng ®ång thêi lµ mét giao tiÕp b¸o hiÖu do ®ã thiÕt bÞ b¸o hiÖu bÞ ph©n t¸n, sè l-îng lín; mÆt kh¸c b¸o hiÖu kªnh kÕt hîp sö dông ph-¬ng thøc truyÒn tin dùa trªn c¬ së tÝn hiÖu nªn cã rÊt nhiÒu h¹n chÕ nh- : N¨ng lùc b¸o hiÖu kÐm do néi dung th«ng tin Ýt, ®¬n ®iÖu; tèc ®é truyÒn thÊp vµ phô thuéc vµo kªnh dÞch vô; rÊt khã thªm hoÆc më réng c¸c tÝnh n¨ng vµ c¸c dÞch vô míi; kh«ng tiÖn cho viÖc giao tiÕp ng-êi- m¸y… C¸c hÖ thèng b¸o hiÖu CAS th«ng dông ®· ®-îc sö dông trong c¸c m¹ng viÔn th«ng lµ: -1VF (One Voice Frequency) sö dông 1 tÇn sè ©m tÇn vµ kü thuËt xung thËp ph©n -2VF (Two Voice Frequency) sö dông 2 tÇn sè ©m tÇn (C4) -MFP (Multi Frequency Pulsing) M· ®a tÇn kiÓu xung (C5,R1) MFC (Multi FrequencyCode) M· ®a tÇn ¸p chÕ (R2MFC) H×nh 3.35 M« h×nh hÖ thèng b¸o hiÖu kªnh kÕt hîp M« h×nh trªn h×nh 3.35 lµ m« h×nh chung cho viÖc sö dông c¸c hÖ thèng b¸o hiÖu CAS. Tuy nhiªn, øng dông trong c¸c tæng ®µi chuyÓn m¹ch sè kÕt hîp truyÒn dÉn sè vµ ®iÒu khiÓn theo ch-¬ng tr×nh cã ®-a l¹i mét sè c¶i thiÖn ®¸ng kÓ nh- cã thÓ kh«ng sö dông c¸c thiÕt bÞ SiG riªng cho tõng giao tiÕp trung kÕ TIC  HÖ thèng chuyÓn m¹ch HÖ thèng ®iÒu khiÓn tic sig tic sig tic sig tic sig tic sig tic sig HÖ thèng chuyÓn m¹ch HÖ thèng ®iÒu khiÓn  Tæng ®µi A Tæng ®µi B
  • 182.
    mµ c¸c chøcn¨ng t¸ch/ghÐp b¸o hiÖu ®-îc giao cho chuyÓn m¹ch, nh- thÕ c¸c bé SiG-Sender vµ SiG-Receiver ®-îc ®Æt trong ph©n hÖ chuyÓn m¹ch, cã thÓ dïng c¸c bé chuyÓn ®èi A/D, D/A ®Ó phèi hîp c¸c thiÕt bÞ b¸o hiÖu CAS SiG-Sender vµ SiG-Receiver víi chuyÓn m¹ch sè hoÆc cã thÓ sö dông c¸c CAS SiG-Sender vµ SiG-Receiver d¹ng sè. Ph-¬ng thøc b¸o hiÖu kªnh chung CCS th-êng ®-îc ¸p dông trong m¹ng gåm c¸c tæng ®µi chuyÓn m¹ch sè ®iÒu khiÓn theo ch-¬ng tr×nh ghi s½n SPC. Khi ®ã hÖ thèng CCS sö dông ph-¬ng thøc truyÒn tin trªn c¬ së b¶n tin (Message based) ®Ó truyÒn th«ng tin ®iÒu khiÓn gi÷a c¸c hÖ thèng ®iÒu khiÓn cña c¸c tæng ®µi sö dông b¸o hiÖu CCS. Mét sè ®-êng truyÒn hoÆc kªnh truyÒn ®-îc dµnh riªng ®Ó truyÒn c¸c b¶n tin b¸o hiÖu cho tõng nhãm hoÆc tËp hîp c¸c kªnh th«ng tin. M« h×nh b¸o hiÖu kªnh chung ®-îc thÓ hiÖn trªn h×nh 3.36 Trong m« h×nh nµy, c¸c hÖ thèng ®iÒu khiÓn cña c¸c tæng ®µi ®-îc coi lµ c¸c ®iÓm dÞch vô b¸o hiÖu, n¬i truy cËp vµ trao ®æi b¸o hiÖu. Ngoµi c¸c ®iÓm dÞch vô b¸o hiÖu nh- vËy hÖ thèng b¸o hiÖu kªnh chung CCS No 7 cßn cã c¸c ®iÓm truyÒn tin vµ c¸c ®iÓm qu¶n lý ®iÒu khiÓn víi c¸c chøc n¨ng cô thÓ. Qua m« h×nh trªn cã thÓ hiÓu mét c¸ch kh¸i qu¸t r»ng hÖ thèng ®iÒu khiÓn cña c¸c tæng ®µi chuyÓn m¹ch sè lµ nh÷ng ®iÓm sö dông trong hÖ thèng b¸o hiÖu, trong tõng tæng ®µi cã c¸c thiÕt bÞ giao tiÕp liªn kÕt b¸o hiÖu thùc hiÖn chøc n¨ng nhËn vµ xö lý c¸c b¶n tin b¸o hiÖu ®Õn, t¹o vµ göi c¸c b¶n tin ®i. Trao ®æi b¸o hiÖu ®-îc thùc hiÖn d-íi d¹ng c¸c b¶n tin sö dông ph-¬ng thøc ®iÒu khiÓn liªn kÕt d÷ liÖu møc cao HDLC. H×nh 3.36 M« h×nh hÖ thèng b¸o hiÖu kªnh chung  HÖ thèng chuyÓn m¹ch HÖ thèng ®iÒu khiÓn HÖ thèng chuyÓn m¹ch HÖ thèng ®iÒu khiÓn  Tæng ®µi A Tæng ®µi B Liªn kÕt b¸o hiÖu Tíi c¸c node Tíi c¸c node
  • 183.
    Mét vµi ®Æc®iÓm chÝnh cña ph-¬ng thøc b¸o hiÖu kªnh chung cã thÓ chØ ra ®ã lµ : ViÖc truyÒn b¸o hiÖu ®-îc t¸ch riªng víi truyÒn c¸c th«ng tin kh¸c lµm cho nã cã -u ®iÓm h¬n h¼n so víi CAS nh- tèc ®é truyÒn cao h¬n, th«ng tin b¸o hiÖu ®Çy ®ñ, phong phó h¬n vµ dÔ ®-a thªm c¸c dÞch vô míi; m« h×nh tæ chøc hÖ thèng cho phÐp ¸p dông c¸c ph-¬ng thøc ®iÒu khiÓn tËp trung, t¹o kh¶ n¨ng bao qu¸t toµn m¹ng, cã ®iÒu kiÖn ®Ó tèi -u trong chän tuyÕn, qu¶n lý ®iÒu hµnh tËp trung… Chi tiÕt vÒ c¸c hÖ thèng b¸o hiÖu chóng ta sÏ xem xÐt trong phÇn sau cña tµi liÖu nµy. 3.5. Ph©n hÖ ngo¹i vi ®iÒu khiÓn PCS (Peripheral Control Subsystem) 3.5.1 Kh¸i qu¸t chung: C¸c hÖ thèng xö lý ®iÒu khiÓn th-êng sö dông c¸c bé xö lý tèc ®é cao ®Ó cã thÓ ®¶m nhiÖm ®-îc c¸c chøc n¨ng xö lý phøc t¹p vµ ®-a tÝn hiÖu ®iÒu khiÓn tíi c¸c thiÕt bÞ chÊp hµnh. Trong c¸c tæng ®µi ®iÒu khiÓn theo ch-¬ng tr×nh ghi s½n nãi chung vµ c¸c tæng ®µi chuyÓn m¹ch sè nãi riªng th× c¸c thiÕt bÞ chÊp hµnh ®ã cã thÓ lµ c¸c bé chuyÓn m¹ch sè, c¸c m¹ch giao tiÕp ®-êng d©y thuª bao hoÆc c¸c m¹ch ®iÖn trung kÕ…, chóng th-êng cã tèc ®é ho¹t ®éng thÊp vµ yªu cÇu c¸c møc vµ d¹ng thøc tÝn hiÖu ®iÒu khiÓn kh¸c nhau vµ v× vËy gi÷a chóng vµ c¸c bé xö lý cña ph©n hÖ xö lý ®iÒu khiÓn CPS cÇn ph¶i cã c¸c thiÕt bÞ phèi hîp; c¸c thiÕt bÞ phèi hîp nµy ®-îc tæ chøc chung thµnh ph©n hÖ gäi lµ ngo¹i vi ®iÒu khiÓn PCS. Chøc n¨ng cña c¸c thiÕt bÞ ph©n hÖ ngo¹i vi ®iÒu khiÓn lµ nhí ®Öm c¸c th«ng tin ®iÒu khiÓn c¶ theo h-íng vµo vµ h-íng ra ®Ó phèi hîp vÒ mÆt tèc ®é, chuyÓn ®æi th«ng tin ®iÒu khiÓn tõ d¹ng tÝn hiÖu sang d¹ng b¶n tin theo h-íng vµo vµ ng-îc l¹i theo h-íng ra ®Ó phï hîp víi c¸c ph-¬ng thøc truyÒn ë hai phÝa… . Ngoµi chøc n¨ng trªn, c¸c thiÕt bÞ ngo¹i vi ®iÒu khiÓn cßn thùc hiÖn nh÷ng chøc n¨ng ®iÒu khiÓn t-¬ng ®èi ®¬n gi¶n nh-ng cã tÇn suÊt cao vµ yªu cÇu thêi gian thùc, nh- thÕ sÏ gi¶m ®-îc t¶i yªu cÇu ®Õn ph©n hÖ xö lý trung t©m vµ t¨ng c-êng n¨ng lùc xö lý cho CPS ®¶m tr¸ch c¸c ho¹t ®éng xö lý phøc t¹p. C¸c thiÕt bÞ chñ yÕu cña ph©n hÖ ngo¹i vi ®iÒu khiÓn bao gåm: − C¸c bé ®iÒu khiÓn vïng LOC ®iÒu khiÓn c¸c module ®-êng d©y hoÆc trung kÕ − C¸c bé ®iÒu khiÓn tuyÕn tho¹i SPC
  • 184.
    − C¸c béph©n phèi b¸o hiÖu C¸c bé ®iÒu khiÓn vïng LOC (Local Controller) chñ yÕu thùc hiÖn c¸c chøc n¨ng gi¸m s¸t tr¹ng th¸i cña c¸c giao tiÕp, tiÕp nhËn c¸c th«ng tin ®Þa chØ yªu cÇu cuéc gäi d-íi d¹ng DN (Directory Number), chuyÓn ®æi c¸c th«ng tin tr¹ng th¸i, th«ng tin ®Þa chØ thµnh b¶n tin b¸o hiÖu hoÆc chuçi c¸c tÝn hiÖu b¸o hiÖu göi ®Õn CPS. Theo h-íng xuèng, c¸c bé ®iÒu khiÓn vïng nhËn c¸c b¶n tin hoÆc chuçi c¸c tÝn hiÖu ®iÓu khiÓn, ghi ®Öm, biÕn ®æi thµnh c¸c tÝn hiÖu ®Ó ph©n phèi ®Õn tõng m¹ch giao tiÕp, ®iÒu khiÓn viÖc thùc hiÖn c¸c lÖnh ®iÒu khiÓn ®ã. 3.5.2 CÊu tróc cña mét sè thiÕt bÞ ngo¹i vi ®iÒu khiÓn: Nh×n chung c¸c thiÕt bÞ cña ph©n hÖ ngo¹i vi ®iÒu khiÓn PCS kh«ng bè trÝ tËp trung thµnh tñ, khèi thiÕt bÞ riªng rÏ mµ ph©n bè trong c¸c tñ thiÕt bÞ giao tiÕp ®Çu cuèi thuª bao hoÆc trung kÕ hoÆc trong ph©n hÖ chuyÓn m¹ch. C¸c thiÕt bÞ nµy trong c¸c tæng ®µi cña c¸c h·ng kh¸c nhau ®-îc thiÕt kÕ kh«ng gièng nhau vÒ c¸c gi¶i ph¸p m¹ch, ph©n bè vÞ trÝ trÝ vµ v× thÕ chóng chØ gièng nhau ë c¸c chøc n¨ng c¬ b¶n. D-íi ®©y xem xÐt cÊu tróc cña c¸c bé ®iÒu khiÓn vïng LOC vµ ®iÒu khiÓn tuyÕn tho¹i ®-îc sö dông trong tæng ®µi NEAX-61E. a Bé ®iÒu khiÓn vïng- Local Controller LOC C¸c bé ®iÒu khiÓn vïng LOC trong tæng ®µi NEAX-61E ®-îc sö dông ®Ó qu¶n lý vµ ®iÒu khiÓn ho¹t ®éng cña c¸c nhãm module giao tiÕp thuª bao, giao tiÕp trung kÕ hoÆc c¸c thiÕt bÞ ®Çu cuèi kh¸c. Mçi LOC cã thÓ qu¶n lý ®iÒu khiÓn mét sè module, mçi module cã bé ®iÒu khiÓn module LMC, trong ®ã cã c¸c m¹ch chøc n¨ng riªng ®Ó ®iÒu khiÓn c¸c m¹ch giao tiÕp. Nh- thÕ LOC ®-îc coi nh- thiÕt bÞ ®iÒu khiÓn trung gian gi÷a bé xö lý cuéc gäi CLP vµ c¸c bé ®iÒu khiÓn LMC. H×nh 3.37 cho thÊy vÞ trÝ cña bé ®iÒu khiÓn vïng trong hÖ thèng ®iÒu khiÓn ph©n cÊp H×nh 3.37 VÞ trÝ cña LOC Theo h-íng tõ d-íi lªn trªn LOC nhËn c¸c th«ng tin tr¹ng th¸i d-íi d¹ng tÝn lmc lmc lmc loc clp
  • 185.
    hiÖu quÐt SCNtõ c¸c bé LMC hoÆc c¸c th«ng tin ®Þa chØ thu ®-îc tõ c¸c bé thu tÝn hiÖu chän sè; chuyÓn ®æi c¸c th«ng tin nµy thµnh c¸c b¶n tin b¸o hiÖu ®Ó b¸o c¸o lªn bé xö lý cuéc gäi CLP. Theo h-íng xuèng, c¸c b¶n tin ®iÒu khiÓn tõ CLP ®-îc göi ®Õn LOC cã thÓ lµ b¶n tin ®iÒu khiÓn thiÕt lËp hoÆc gi¶i to¶ tuyÕn nèi mét m¹ch ®iÖn thuª bao nµo ®ã tíi mét trong c¸c thiÕt bÞ dïng chung nh- DTG, MFR, hoÆc tíi mét kªnh trªn ®-êng SubHighway ®-a tíi m¹ng chuyÓn m¹ch nhãm, còng cã thÓ lµ b¶n tin ®iÒu khiÓn cÊp tÝn hiÖu chu«ng tíi mét thuª bao bÞ gäi nµo ®ã, b¶n tin ®iÒu khiÓn viÖc ghÐp vµ t¸ch kªnh…; LOC nhËn ®-îc c¸c b¶n tin ®ã chuyÓn ®æi thµnh c¸c tÝn hiÖu ®iÒu khiÓn vµ ghi chóng vµo c¸c ng¨n nhí ®iÒu khiÓn t-¬ng øng cña tõng module cô thÓ; trong tr-êng hîp cÇn thiÕt nh- mét sè b¶n tin cÇn phóc ®¸p trë l¹i CLP vÒ kÕt qu¶ thùc hiÖn th× sau khi ®· xö lý ®iÒu khiÓn LOC t¹o b¶n tin phóc ®¸p kÕt qu¶ göi vÒ CLP. Ngoµi ra LOC thùc hiÖn c¸c c«ng viÖc xö lý ®iÒu khiÓn ®¬n gi¶n nh- ®iÒu khiÓn ph©n phèi ®Þnh thêi, xö lý c¸c th«ng tin tr¹ng th¸i, chÌn t¸ch c¸c th«ng tin b¸o hiÖu, ®iÒu khiÓn viÖc t¸ch ghÐp kªnh… . S¬ ®å khèi chøc n¨ng cña LOC ®-îc thÓ hiÖn trªn h×nh 3.38 H×nh 3.38 CÊu tróc bé ®iÒu khiÓn vïng LOC LOC cã cÊu tróc dù phßng Uint0 vµ Uint1 ®Ó thùc hiÖn dù phßng. C¸c chøc n¨ng c¬ b¶n cña LOC gåm: Trao ®æi th«ng tin ®iÒu khiÓn víi SPC, ®iÒu khiÓn ghÐp kªnh vµ ph©n kªnh s¬ cÊp, ®iÒu khiÓn m¹ch thuª bao hoÆc trung kÕ qua LMC hoÆc TMC, ®iÒu khiÓn m¹ch kiÓm tra, ®iÒu khiÓn bé tËp trung thuª bao,®iÒu khiÓn giíi h¹n ph¹m vi cuéc gäi, ®iÒu khiÓn cÊp chu«ng cho thuª bao, ®iÒu khiÓn viÖc thu tÝn hiÖu chän sè, nhËn vµ xö lý tÝn hiÖu tr¹ng th¸i SCAN. +TÝn hiÖu quÐt SCAN tõ c¸c module ®-êng d©y LM hoÆc module trung kÕ TM ®-a ®Õn SCN CTL so s¸nh víi tr¹ng th¸i cò trong SCNM ®Ó ph¸t hiÖn sù pdmux pmux drp ins shw inf drpq insq mem cpu scnq scn ctl scnM mate inf sio hw shw ctl bus scan ctl bus scan To LM To SwN loc unit0 loc unit1
  • 186.
    thay ®æi tr¹ngth¸i cña ®-êng thuª bao sau ®ã ®-îc ghi vµo bé nhí SCNM. NÕu ph¸t hiÖn tr¹ng th¸i thay ®æi th× sè liÖu quÐt ®-îc ®-a vµo hµng ®îi SCNQ vµ ®-îc CPU xö lý ®Ó t¹o b¶n tin b¸o hiÖu ®Õn SPC. +GhÐp vµ ph©n kªnh s¬ cÊp: C¸c bé PMUX ghÐp 4 ®-êng PCM Hw (Highway 30 channels/32 timeslots) thµnh mét ®-êng SHw (SubHighway 120 channels/128 timeslots) vµ c¸c bé PDMUX t¸ch mét ®-êng SHw thµnh 4 ®-êng Hw +ChÌn th«ng tin b¸o hiÖu: C¸c tÝn hiÖu SCN nhËn tõ LM hoÆc TM qua SCNM ®-îc chÌn vµo c¸c khe TS33, TS99 ®Ó göi ®Õn SPC; göi c¸c th«ng tin ®iÒu khiÓn tõ CPU cña LOC ®Õn SPC t¹i c¸c khe TS66. Bé nhí INSQ nhí hµng ®îi c¸c th«ng tin cÇn chuyÓn tõ LOC ®Õn SPC qua INS. +T¸ch th«ng tin ®iÒu khiÓn: C¸c th«ng tin ®iÒu khiÓn tõ SPC göi ®Õn LOC ®-îc truyÒn trªn c¸c khe TS33, TS66, TS99 ®-îc t¸c bëi DRP vµ ®-îc ghi vµ bé nhí hµng ®îi DRPQ. §©y lµ lo¹i bé nhí FIFO (First in first out). C¸c th«ng tin nµy sau ®ã sÏ ®-îc CPU ®äc vµ xö lý theo tõng b-íc thêi gian x¸c ®Þnh. +Trao ®æi ®iÒu khiÓn víi LM (TM) c¸c lÖnh ®iÒu khiÓn ®i vµ ®Õn ®-îc truyÒn qua bé chuyÓn ®æi nèi tiÕp/song song SIO +C¬ chÕ dù phßng: MAT INF (Mate interface) cung cÊp giao tiÕp gi÷a Unit0 vµ Unit1 ®Ó copy néi dung cña LOC active sang LOC standby. +Bé nhí MEM gåm ROM vµ RAM ®Ó nhí ch-¬ng tr×nh ®iÒu hµnh vµ c¸c sè liÖu ®iÒu khiÓn +CPU bé xö lý trung t©m cña LOC thùc hiÖn chøc n¨ng xö lý ®iÒu khiÓn. b Bé ®iÒu khiÓn tuyÕn tho¹i SPC (Speech Path Controller) Bé ®iÒu khiÓn tuyÕn tho¹i lµ mét thiÕt bÞ ngo¹i vi ®iÒu khiÓn thùc hiÖn chøc n¨ng phèi hîp gi÷a c¸c thiÕt bÞ cña m¹ng chuyÓn m¹ch víi c¸c thiÕt bÞ xö lý cuéc gäi. Tuú thuéc vµo s¬ ®å cÊu tróc cña tõng lo¹i tæng ®µi vµ ph-¬ng thøc xö lý cuéc gäi mµ nã cã thÓ ®-îc t¸ch riªng thµnh mét thiÕt bÞ ®éc lËp hoÆc cã thÓ ®-îc gép chung trong thiÕt bÞ xö lý vµ ®iÓu khiÓn chung. §èi víi mét sè tæng ®µi dung l-îng lín, viÖc t¸ch riªng c¸c chøc n¨ng nµy t¹o ®iÒu kiÖn thuËn tiÖn cho viÖc modul ho¸ c¸c bé xö lý vµ dÔ dµng ph©n chia dung l-îng phôc vô. M« h×nh chøc n¨ng cña bé ®iÒu khiÓn tuyÕn tho¹i ®-îc m« t¶ trªn h×nh 3.39 d-íi ®©y: Trªn h×nh 3.39 vÞ trÝ cña SPC ë gi÷a bé xö lý cuéc gäi CLP vµ c¸c thiÕt bÞ cña m¹ng chuyÓn m¹ch. Tõ ®Çu vµo cña m¹ng chuyÓn m¹ch, SPC thu nhËn c¸c th«ng tin b¸o hiÖu tõ c¸c bé ®iÒu khiÓn vïng b»ng viÖc t¸ch chóng tõ c¸c ®-êng PCM ®Çu vµo qua bé ghÐp kªnh thø cÊp SMUX (Secondary Multiplexer) ®Ó ®-a ®Õn bé thu vµ ph©n phèi b¸o hiÖu ®Çu vµo SRDI (Signaling Receiver and Distributor Input), sau ®ã ®-a qua bé giao tiÕp bus BIU (Bus Interface Unit) ®Ó ®-a ®Õn bé xö lý cuéc gäi CLP (Call Processor). Ng-îc l¹i th«ng tin ®iÒu khiÓn cÇn göi tõ CLP tíi c¸c bé ®iÒu khiÓn vïng còng ®-îc chÌn vµo c¸c ®-êng PCM
  • 187.
    trªn ®Çu racña m¹ng chuyÓn m¹ch nhê c¸c bé ph©n kªnh thø cÊp SDMUX (Secondary DeMultiplexer). §Ó lµm ®iÒu nµy b¶n tin ®iÒu khiÓn cÇn truyÒn tõ CLP ®-îc ®-a qua BIU vµ ®-a ®Õn bé thu vµ ph©n phèi b¸o hiÖu ®Çu ra SRDO (Signaling Receiver and Distributor Output), chuyÓn ®æi thµnh c¸c tõ m· PCM vµ ®-îc chÌn vµo c¸c khe ®Æc biÖt cña c¸c tuyÕn PCM ®Çu ra th«ng qua c¸c bé ph©n kªnh thø cÊp SDMUX. C¸c b¶n tin ®iÒu khiÓn c¸c bé chuyÓn m¹ch thêi gian trªn tÇng chuyÓn m¹ch ®Çu vµo ITXB (Incomming Time Switch Board), tÇng chuyÓn m¹ch ®Çu ra OTXB (Outgoing Time Switch Board), chuyÓn m¹ch kh«ng gian S1 vµ chuyÓn m¹ch kh«ng gian S2 ®-îc ®-a tõ CLP qua BIU ®Õn bé ®iÒu khiÓn c¸c bé nhí chuyÓn m¹ch SMC (Switch-Memory Controller). SMC thùc hiÖn viÖc chuyÓn ®æi c¸c b¶n tin ®iÒu khiÓn chuyÓn m¹ch thµnh c¸c sè liÖu ®iÒu khiÓn ®Ó ghi vµo c¸c ng¨n nhí CMEM cña c¸c bé chuyÓn m¹ch vµ th«ng tin ®Þa chØ ®Ó ®-a c¸c sè liÖu ®ã ®Õn ®-îc c¸c bé chuyÓn m¹ch cÇn thiÕt vµ ghi chóng vµo ®óng ng¨n nhí cÇn thiÕt; nghi· lµ thùc hiÖn viÖc chuyÓn ®æi b¶n tin ®iÒu khiÓn chuyÓn m¹ch thµnh sè liÖu ®iÒu khiÓn vµ ghi chóng vµo ng¨n nhí ®iÒu khiÓn cña bé nhí CMEM cña c¸c chuyÓn m¹ch T vµ c¸c chuyÓn m¹ch S tuú thuéc vµo tõng thao t¸c chuyÓn m¹ch. smc srdi biu srdo spc clp smux smux smux smux t1 t2 t3 t6 itxb t1 t2 t3 t6 otxb s1 s2 sdmux sdmux sdmux sdmux H×nh 3.39 M« h×nh chøc n¨ng cña SPC trong m¹ng chuyÓn m¹ch
  • 188.
    Ch-¬ng 4 tæng quanvÒ hÖ thèng b¸o hiÖu 4.1. Kh¸i qu¸t Trong m¹ng viÔn th«ng, b¸o hiÖu lµ viÖc trao ®æi th«ng tin gi÷a c¸c thµnh phÇn tham gia vµo cuéc nèi ®Ó thiÕt lËp, gi¸m s¸t vµ gi¶i phãng cuéc gäi. §ång thêi b¸o hiÖu còng ®-îc dïng ®Ó vËn hµnh vµ qu¶n lý m¹ng viÔn th«ng. Th«ng th-êng b¸o hiÖu ®-îc chia thµnh 2 lo¹i chÝnh: - B¸o hiÖu ®-êng d©y thuª bao (Subscriber Loop Signalling). - B¸o hiÖu liªn tæng ®µi (Inter - Exchange Signalling). HiÖn nay, b¸o hiÖu liªn tæng ®µi cã 2 lo¹i chÝnh: + B¸o hiÖu kªnh liªn kÕt CAS (Channel Associated Signalling). + B¸o hiÖu kªnh chung CCS (Common Channel Signalling). 4.2 B¸o hiÖu ®-êng d©y thuª bao Lµ b¸o hiÖu ®-îc thùc hiÖn gi÷a thuª bao víi tæng ®µi hay gi÷a tæng ®µi víi thuª bao. §Ó thiÕt lËp cuéc gäi thuª bao “nhÊc tæ hîp” m¸y. Tr¹ng th¸i “nhÊc tæ hîp” B¸o hiÖu B¸o hiÖu ®-êng d©y thuª bao B¸o hiÖu liªn tæng ®µi B¸o hiÖu kªnh liªn kÕt B¸o hiÖu kªnh chung H×nh 4.1. Ph©n lo¹i b¸o hiÖu trong m¹ng viÔn th«ng.
  • 189.
    ®-îc tæng ®µiph¸t hiÖn vµ nã göi tÝn hiÖu “mêi quay sè” ®Õn thuª bao. Lóc nµy thuª bao cã thÓ quay sè cña thuª bao cÇn gäi. Khi quay sè xong thuª bao nhËn ®-îc mét sè tÝn hiÖu cña tæng ®µi t-¬ng øng víi tõng tr¹ng th¸i nh- tÝn hiÖu “håi ©m chu«ng”, tÝn hiÖu “b¸o bËn” hay mét sè tÝn hiÖu ®Æc biÖt kh¸c. 4.3 B¸o hiÖu liªn tæng ®µi Lµ b¸o hiÖu ®-îc thùc hiÖn gi÷a c¸c tæng ®µi víi nhau. Thuª bao gäi Tæng ®µi Thuª bao bÞ gäi NhÊc tæ hîp ¢m mêi quay sè Sè hiÖu thuª bao bÞ gäi TÝn hiÖu håi ©m chu«ng TÝn hiÖu chu«ng TÝn hiÖu tr¶ lêi §µm tho¹i §Æt tæ hîp §Æt tæ hîp H×nh 4.2. VÝ dô vÒ b¸o hiÖu ®-êng d©y thuª bao.
  • 190.
    C¸c lo¹i tÝnhiÖu trong b¸o hiÖu liªn tæng ®µi cã thÓ lµ: tÝn hiÖu chiÕm, tÝn hiÖu c«ng nhËn chiÕm (hay tÝn hiÖu x¸c nhËn chiÕm), sè hiÖu thuª bao bÞ gäi, t×nh tr¹ng t¾c nghÏn, xo¸ thuËn, xo¸ ng-îc… TÝn hiÖu b¸o hiÖu liªn tæng ®µi bao gåm: Thuª bao bÞ gäi Thuª bao gäi Tæng ®µi Tæng ®µi TÝn hiÖu chiÕm TÝn hiÖu x¸c nhËn chiÕm Sè hiÖu m¸y bÞ gäi TÝn hiÖu tr¶ lêi §µm tho¹i TÝn hiÖu xo¸ h-íng vÒ TÝn hiÖu xo¸ h-íng ®i H×nh 4.3. VÝ dô vÒ b¸o hiÖu liªn tæng ®µi.
  • 191.
    - C¸c tÝnhiÖu b¸o hiÖu thanh ghi (Register Signals): ®-îc sö dông trong thêi gian thiÕt lËp cuéc gäi ®Ó chuyÓn giao ®Þa chØ vµ th«ng tin thÓ lo¹i thuª bao. - C¸c tÝn hiÖu b¸o hiÖu ®-êng d©y (Line Signals): ®-îc sö dông trong toµn bé thêi gian cuéc gäi ®Ó gi¸m s¸t tr¹ng th¸i cña ®-êng d©y. B¸o hiÖu liªn tæng ®µi ngµy nay cã 2 ph-¬ng ph¸p ®ang ®-îc sö dông lµ: b¸o hiÖu kªnh liªn kÕt (CAS) vµ b¸o hiÖu kªnh chung (CCS). 4.3.1 B¸o hiÖu kªnh liªn kÕt (Channel Associated Signalling) a) Kh¸i qu¸t b¸o hiÖu kªnh liªn kÕt: Lµ b¸o hiÖu liªn tæng ®µi mµ tÝn hiÖu b¸o hiÖu ®-îc truyÒn cïng víi trung kÕ tiÕng. §Æc tr-ng cña lo¹i b¸o hiÖu nµy lµ ®èi víi mçi kªnh tho¹i cã mét ®-êng tÝn hiÖu b¸o hiÖu x¸c ®Þnh kh«ng râ rµng. §iÒu ®ã cã nghÜa lµ: - TÝn hiÖu b¸o hiÖu cã thÓ chuyÓn giao trªn kªnh tho¹i nÕu sö dông tÝn hiÖu b¸o hiÖu trong b¨ng tÇn tho¹i. - TÝn hiÖu b¸o hiÖu ®-îc chuyÓn giao trong mét kªnh b¸o hiÖu riªng biÖt nh- s¾p xÕp ®a khung trong PCM, c¸c tÝn hiÖu b¸o hiÖu ®-êng d©y ®-îc chuyÓn giao trong khe thêi gian TS16. b) C¸c hÖ thèng b¸o hiÖu kªnh liªn kÕt: * HÖ thèng b¸o hiÖu CCITT 1: §©y lµ hÖ thèng b¸o hiÖu l©u ®êi nhÊt vµ ngµy nay kh«ng cßn ®-îc sö dông n÷a. HÖ thèng b¸o hiÖu nµy sö dông tÇn sè 500Hz, ng¾t qu·ng 20Hz. * HÖ thèng b¸o hiÖu CCITT 2: §©y lµ hÖ thèng b¸o hiÖu sö dông tÇn sè 600Hz, ng¾t qu·ng 750Hz. HÖ thèng nµy ngµy nay vÉn cßn ®-îc sö dông ë Australia, New Zealand vµ Nam Mü. * HÖ thèng b¸o hiÖu CCITT 3: §©y lµ hÖ thèng b¸o hiÖu trong b¨ng ®Çu tiªn sö dông tÇn sè 2280Hz cho c¶ b¸o hiÖu ®-êng d©y vµ b¸o hiÖu thanh ghi. Ngµy nay hÖ thèng nµy ®-îc sö dông ë Ph¸p, ¸o, PhÇn Lan vµ Hungary. * HÖ thèng b¸o hiÖu CCITT 4: §©y lµ mét biÕn thÓ cña hÖ thèng b¸o hiÖu CCITT 3 nh-ng sö dông tÇn sè 2040Hz vµ 2400Hz cho b¸o hiÖu ®-êng d©y vµ
  • 192.
    b¸o hiÖu thanhghi. * HÖ thèng b¸o hiÖu CCITT 5: §©y lµ hÖ thèng b¸o hiÖu ®-îc sö dông kh¸ réng r·i víi b¸o hiÖu ®-êng d©y sö dông tÇn sè 2400Hz vµ 2600Hz, b¸o hiÖu thanh ghi sö dông tæ hîp 2 trong 6 tÇn sè 700Hz, 900Hz, 1100Hz, 1300Hz, 1500Hz vµ 1700Hz. * HÖ thèng b¸o hiÖu R1: §©y lµ hÖ thèng b¸o hiÖu gÇn gièng víi hÖ thèng b¸o hiÖu sè 5, nh-ng chØ sö dông mét tÇn sè 2600Hz cho b¸o hiÖu ®-êng d©y. B¸o hiÖu thanh ghi gièng nh- trong b¸o hiÖu sè 5. * HÖ thèng b¸o hiÖu R2: §©y lµ hÖ thèng b¸o hiÖu sö dông tÇn sè 3825Hz cho b¸o hiÖu ®-êng d©y (víi phiªn b¶n analog) vµ c¸c tÇn sè 540Hz tíi 1140Hz cho h-íng vÒ, tÇn sè tõ 1380Hz ®Õn 1980Hz cho h-íng ®i víi b-íc tÇn sè 120Hz. c) -u ®iÓm vµ nh-îc ®iÓm cña b¸o hiÖu kªnh liªn kÕt: * -u ®iÓm: Do b¸o hiÖu kªnh liªn kÕt t-¬ng ®èi ®éc lËp víi nhau nªn khi cã sù cè ë mét kªnh b¸o hiÖu nµo ®ã th× c¸c kªnh cßn l¹i Ýt bÞ ¶nh h-ëng. * Nh-îc ®iÓm: - Thêi gian thiÕt lËp cuéc gäi l©u do tèc ®é trao ®æi th«ng tin b¸o hiÖu chËm. - Dung l-îng cña b¸o hiÖu kªnh liªn kÕt nhá do cã sè ®-êng d©y trung kÕ giíi h¹n. - §é tin cËy cña b¸o hiÖu kªnh liªn kÕt kh«ng cao do kh«ng cã ®-êng d©y trung kÕ dù phßng. 4.3.2 B¸o hiÖu kªnh chung (Common Channel Signalling) a) Kh¸i qu¸t b¸o hiÖu kªnh chung: Lµ b¸o hiÖu liªn tæng ®µi mµ tÝn hiÖu b¸o hiÖu ®-îc truyÒn trªn mét ®-êng sè liÖu tèc ®é cao ®éc lËp víi trung kÕ tiÕng. B¸o hiÖu ®-îc thùc hiÖn ë c¶ 2 h-íng, víi mét kªnh b¸o hiÖu cho mçi h-íng. Th«ng tin b¸o hiÖu cÇn göi ®i ®-îc nhãm thµnh nh-ng gãi d÷ liÖu. Bªn c¹nh nh÷ng th«ng tin dµnh cho viÖc b¸o hiÖu, còng cÇn cã thªm mét sè th«ng tin
  • 193.
    nhËn d¹ng kªnhtho¹i mµ nã b¸o hiÖu cho, th«ng tin ®Þa chØ (nh·n) vµ th«ng tin ®Ó ®iÒu chØnh lçi. C¸c tæng ®µi ®iÒu khiÓn b»ng ch-¬ng tr×nh l-u tr÷ (SPC) cïng víi c¸c kªnh b¸o hiÖu sÏ t¹o thµnh m¹ng b¸o hiÖu “ChuyÓn m¹ch gãi”. b) C¸c hÖ thèng b¸o hiÖu kªnh chung: * HÖ thèng b¸o hiÖu CCITT 6: ra ®êi ®Çu n¨m 1968, ®-îc sö dông dµnh cho c¸c ®-êng d©y Analog vµ cho l-u tho¹i quèc tÕ. * HÖ thèng b¸o hiÖu CCITT 7: ra ®êi vµo nh÷ng n¨m 1979 - 1980 dµnh cho c¸c m¹ng chuyÓn m¹ch sè trong n-íc vµ quèc tÕ, hÖ thèng truyÒn dÉn sè tèc ®é cao (64Kb/s). c) ¦u ®iÓm cña hÖ thèng b¸o hiÖu kªnh chung: - Thêi gian thiÕt lËp cuéc gäi nhanh do sö dông ®-êng truyÒn sè liÖu tèc ®é cao. Trong hÇu hÕt c¸c tr-êng hîp, thêi gian thiÕt lËp cuéc gäi gi¶m d-íi mét gi©y. - Dung l-îng cña b¸o hiÖu kªnh chung lín do mçi kªnh b¸o hiÖu cã thÓ xö lý tÝn hiÖu b¸o hiÖu cho vµi ngh×n cuéc gäi cïng mét lóc. - §é tin cËy cña b¸o hiÖu kªnh chung cao nhê sö dông c¸c tuyÕn b¸o hiÖu linh ®éng. - B¸o hiÖu kªnh chung cã ®é linh ho¹t cao v× hÖ thèng cã thÓ mang th«ng tin cña nhiÒu lo¹i tÝn hiÖu kh¸c nhau, cã thÓ sö dông cho nhiÒu môc ®Ých, kh«ng chØ phôc vô cho riªng tho¹i. 4.4. c¸c chøc n¨ng cña b¸o hiÖu B¸o hiÖu trong m¹ng viÔn th«ng bao gåm ba chøc n¨ng c¬ b¶n; - Chøc n¨ng gi¸m s¸t. - Chøc n¨ng t×m chän. - Chøc n¨ng vËn hµnh vµ qu¶n lý m¹ng. 4.4.1 Chøc n¨ng gi¸m s¸t Chøc n¨ng nµy ®-îc sö dông ®Ó gi¸m s¸t vµ ph¸t hiÖn sù thay ®æi tr¹ng
  • 194.
    th¸i cña c¸cphÇn tö (®-êng d©y thuª bao, ®-êng d©y trung kÕ…) ®Ó ®-a ra c¸c quyÕt ®Þnh xö lý chÝnh x¸c vµ kÞp thêi. 4.4.2 Chøc n¨ng t×m chän Chøc n¨ng nµy liªn quan ®Õn thñ tôc thiÕt lËp cuéc gäi, ®ã lµ viÖc truyÒn sè liÖu thuª bao bÞ gäi vµ t×m tuyÕn nèi tèi -u tíi thuª bao bÞ gäi. §iÒu nµy phô thuéc vµo kiÓu b¸o hiÖu vµ ph-¬ng ph¸p truyÒn b¸o hiÖu. Yªu cÇu ®Æt ra víi chøc n¨ng t×m chän cho tæng ®µi lµ ph¶i cã tÝnh hiÖu qu¶, ®é tin cËy cao ®Ó thùc hiÖn chÝnh x¸c chøc n¨ng chuyÓn m¹ch, thiÕt lËp cuéc gäi thµnh c«ng, gi¶m thêi gian trÔ quay sè. 4.4.3 Chøc n¨ng vËn hµnh vµ qu¶n lý m¹ng Kh¸c víi hai chøc n¨ng trªn, chøc n¨ng vËn hµnh vµ qu¶n lý m¹ng gióp cho viÖc sö dông m¹ng mét c¸ch cã hiÖu qu¶ vµ tèi -u nhÊt. Nã thu thËp c¸c th«ng tin b¸o c¶nh, tÝn hiÖu ®o l-êng kiÓm tra ®Ó th-êng xuyªn th«ng b¸o t×nh h×nh cña c¸c thiÕt bÞ, c¸c phÇn tö trong hÖ thèng ®Ó cã quyÕt ®Þnh xö lý ®óng.
  • 195.
    ch-¬ng 5: HÖthèng b¸o hiÖu R2 5.1 Kh¸i qu¸t HÖ thèng b¸o hiÖu R2 lµ hÖ thèng b¸o hiÖu m· ®a tÇn, kªnh kÕt hîp (kªnh riªng), ®-îc thiÕt kÕ ®Ó phôc vô cho chøc n¨ng trao ®æi th«ng tin b¸o hiÖu gi÷a c¸c tæng ®µi trong m¹ng viÔn th«ng. HÖ thèng b¸o hiÖu nµy ®-îc sö dông cho c¶ m¹ng quèc gia vµ m¹ng quèc tÕ. HÖ thèng b¸o hiÖu R2 còng thÝch hîp cho c¸c ph-¬ng thøc tù ®éng vµ b¸n tù ®éng. §ång thêi nã cã thÓ ¸p dông cho c¸c ®-êng trung kÕ t-¬ng tù (Analog) hay trung kÕ sè (Digital). HÖ thèng b¸o hiÖu R2 ®-îc ph©n thµnh hai lo¹i: - B¸o hiÖu ®-êng d©y. - B¸o hiÖu thanh ghi. 5.2 Ph-¬ng thøc truyÒn tÝn hiÖu cña b¸o hiÖu R2 HÖ thèng b¸o hiÖu R2 ®-îc thùc hiÖn theo giao thøc b¾t buéc (¸p chÕ). §iÒu nµy thÓ hiÖn ë chç tÝn hiÖu h-íng ®i ®-îc göi ®i liªn tôc cho tíi khi nhËn ®-îc tÝn hiÖu h-íng vÒ tõ tæng ®µi ®Çu kia. ViÖc b¸o hiÖu ®-îc thùc hiÖn gi÷a bé truyÒn m· CS (Code Sender) vµ bé nhËn m· CR (Code Receiver). Trong bé truyÒn m· CS, ngoµi c¸c thiÕt bÞ truyÒn ®Ó truyÒn tÝn hiÖu b¸o hiÖu cßn cã c¸c thiÕt bÞ nhËn ®Ó nhËn tÝn hiÖu ®iÒu khiÓn. T-¬ng tù nh- vËy, bé nhËn m· CR còng cã c¸c thiÕt bÞ nhËn vµ thiÕt bÞ truyÒn tÝn hiÖu. Qu¸ tr×nh truyÒn b¾t buéc trong b¸o hiÖu R2 ®-îc thùc hiÖn nh- sau: a. TÝn hiÖu ®-îc truyÒn liªn tôc d-íi d¹ng m· ®a tÇn tõ bé CS ®Õn bé CR. b. Bé CR sau khi nhËn ®-îc tÝn hiÖu thø nhÊt nµy sÏ ra lÖnh cho thiÕt bÞ truyÒn cña nã göi vÒ mét tÝn hiÖu ®iÒu khiÓn theo h-íng ng-îc l¹i. c. TÝn hiÖu ®iÒu khiÓn d-íi d¹ng m· ®a tÇn ®-îc truyÒn tõ bé CR vÒ bé CS. d. Bé CS khi nhËn ®-îc tÝn hiÖu ®iÒu khiÓn sÏ ngõng truyÒn tÝn hiÖu thø nhÊt v× biÕt r»ng CR ®· nhËn ®-îc tÝn hiÖu nµy. e. Bé CR nhËn thÊy bé CS ®· ngõng truyÒn tÝn hiÖu thø nhÊt, nã ra lÖnh cho thiÕt bÞ truyÒn cña nã ngõng truyÒn tÝn hiÖu ®iÒu khiÓn v× biÕt r»ng CS ®· nhËn ®-îc tÝn hiÖu nµy.
  • 196.
    f. Bé CSnhËn thÊy tÝn hiÖu ®iÒu khiÓn ®· ngõng truyÒn. Nã chuÈn bÞ truyÒn tÝn hiÖu thø hai. g. Bé CS tiÕp tôc truyÒn tÝn hiÖu thø hai vµ qu¸ tr×nh trªn l¹i ®-îc lÆp l¹i. 5.3. Ph©n lo¹i b¸o hiÖu cña R2 5.3.1 B¸o hiÖu ®-êng d©y + C¸c tÝn hiÖu ®-êng d©y h-íng ®i * TÝn hiÖu chiÕm Lµ tÝn hiÖu ®-îc göi ®i khi b¾t ®Çu cuéc gäi nh»m thiÕt lËp l¹i tr¹ng th¸i m¹ch vµo tõ tr¹ng th¸i rçi sang tr¹ng th¸i bÞ chiÕm. S R S R CS CR a c b f e d g H×nh 5.1 . B¸o hiÖu b¾t buéc(¸p chÕ)
  • 197.
    * TÝn hiÖuxo¸ thuËn Lµ tÝn hiÖu ®-îc göi ®i ®Ó kÕt thóc cuéc gäi, nh»m gi¶i phãng tæng ®µi bÞ gäi vµ c¸c khèi chuyÓn m¹ch ®ang tham gia phôc vô cho cuéc gäi. + C¸c tÝn hiÖu ®-êng d©y h-íng vÒ * TÝn hiÖu c«ng nhËn chiÕm Sau khi nhËn ®-îc tÝn hiÖu chiÕm tæng ®µi bÞ gäi sÏ ph¸t tÝn hiÖu c«ng nhËn chiÕm cho tæng ®µi gäi x¸c nhËn viÖc m¹ch vµo ®· chuyÓn tõ tr¹ng th¸i rçi sang tr¹ng th¸i bÞ chiÕm. * TÝn hiÖu tr¶ lêi TÝn hiÖu nµy ®-îc truyÒn tõ tæng ®µi bÞ gäi vÒ tæng ®µi gäi khi thuª bao bÞ gäi nhÊc tæ hîp nh»m phôc vô cho viÖc tÝnh c-íc cña tæng ®µi gäi. * TÝn hiÖu xo¸ ng-îc Lµ tÝn hiÖu göi ®Õn tæng ®µi gäi khi thuª bao bÞ gäi ®Æt m¸y. Trong chÕ ®é b¸n tù ®éng, tÝn hiÖu nµy thùc hiÖn chøc n¨ng gi¸m s¸t. * TÝn hiÖu gi¶i phãng hoµn toµn T¹i tæng ®µi bÞ gäi sau khi nhËn ®-îc tÝn hiÖu xo¸ thuËn sÏ göi vÒ tæng ®µi gäi tÝn hiÖu gi¶i phãng hoµn toµn ®Ó x¸c ®Þnh ®· s½n sµng phôc vô c¸c khèi chuyÓn m¹ch vµ tæng ®µi bÞ gäi hoµn toµn tù do, s½n sµng phôc vô cho cuéc gäi kh¸c. * TÝn hiÖu kho¸ m¹ch TÝn hiÖu nµy ®-îc göi trªn c¸c m¹ch rçi tíi tæng ®µi gäi ®Ó g©y nªn tr¹ng th¸i bËn nh»m b¶o vÖ viÖc chiÕm m¹ch tiÕp theo. + C¸c phiªn b¶n b¸o hiÖu ®-êng d©y Trong b¸o hiÖu ®-êng d©y cã hai phiªn b¶n (Version), mét phiªn b¶n dïng cho b¸o hiÖu ®-êng d©y t-¬ng tù (Analog) vµ mét phiªn b¶n dïng cho b¸o hiÖu ®-êng d©y sè (Digital). a) Phiªn b¶n b¸o hiÖu ®-êng d©y t-¬ng tù:
  • 198.
    Nguyªn t¾c truyÒncña phiªn b¶n nµy lµ cã ©m hiÖu khi rçi vµ kh«ng cã ©m hiÖu khi bËn. Trong b¸o hiÖu ®-êng d©y kiÓu t-¬ng tù, ®èi víi mçi h-íng truyÒn dÉn cÇn ph¶i cã mét kªnh b¸o hiÖu sö dông tÇn sè ngoµi b¨ng tho¹i lµ 3825Hz. Tr¹ng th¸i ®-êng d©y ®-îc ph¶n ¸nh qua b¶ng 5.1 C¸c ®iÒu kiÖn ®Ó thùc hiÖn b¸o hiÖu ®-êng d©y: - TÇn sè b¸o hiÖu danh ®Þnh lµ 3825Hz. - Sai sè so víi tÇn sè trªn kh«ng v-ît qu¸ 4Hz. Thêi gian ®Ó chuyÓn tr¹ng th¸i cã ©m hiÖu sang kh«ng cã ©m hiÖu lµ 40±10 (ms). Thêi gian nhá nhÊt ®Ó nhËn biÕt cã ©m hiÖu ë h-íng ®i vµ mÊt ©m hiÖu ë h-íng vÒ lµ 250 ± 50 (ms). B¶ng 5.1. C¸c tr¹ng th¸i ®-êng d©y C¸c tr¹ng th¸i ®-êng d©y Tr¹ng th¸i m¹ch H-íng ®i H-íng vÒ Rçi Cã ©m hiÖu Cã ©m hiÖu ChiÕm Kh«ng cã ©m hiÖu Cã ©m hiÖu Tr¶ lêi Kh«ng cã ©m hiÖu Kh«ng cã ©m hiÖu Xo¸ thuËn Cã ©m hiÖu Cã hoÆc kh«ng cã ©m hiÖu Xo¸ ng-îc Kh«ng cã ©m hiÖu Cã ©m hiÖu Gi¶i phãng Cã ©m hiÖu Cã hoÆc kh«ng cã ©m hiÖu Kho¸ m¹ch Cã ©m hiÖu Kh«ng cã ©m hiÖu Më kho¸ m¹ch Cã ©m hiÖu Cã ©m hiÖu b) Phiªn b¶n b¸o hiÖu ®-êng d©y sè: Trong hÖ thèng truyÒn dÉn sè PCM 30/32 ng-êi ta sö dông mét kªnh tho¹i (TS16) ®Ó tæ chøc hai kªnh b¸o hiÖu ë c¸c khung 1 – 15. Sù s¾p xÕp c¸c kªnh b¸o hiÖu trong khe thêi gian TS16 cña hÖ thèng PCM 30 nh- sau:
  • 199.
    B¶ng 5.2. Quy®Þnh khe thêi gian cho c¸c kªnh tho¹i cña b¸o hiÖu R2. C¸c bit trong khe thêi gian TS16 Sè thø tù khung abcd abcd 0 0000 xexx 1 Kªnh 1 Kªnh 16 2 Kªnh 2 Kªnh 17 3 Kªnh 3 Kªnh 18 4 Kªnh 4 Kªnh 19 5 Kªnh 5 Kªnh 20 6 Kªnh 6 Kªnh 21 7 Kªnh 7 Kªnh 22 8 Kªnh 8 Kªnh 23 9 Kªnh 9 Kªnh 24 10 Kªnh 10 Kªnh 25 11 Kªnh 11 Kªnh 26 12 Kªnh 12 Kªnh 27 13 Kªnh 13 Kªnh 28 14 Kªnh 14 Kªnh 29 15 Kªnh 15 Kªnh 30 Trong ®ã: 0000: §ång chØnh ®a khung. e : Bit c¶nh b¸o mÊt ®ßng chØnh ®a khung. e = 0: Kh«ng cã c¶nh b¸o. e = 1: Cã c¶nh b¸o. x : Bit dù tr÷ ch-a sö dông. Th«ng th-êng ng-êi ta kh«ng sö dông hÕt 4 bit a, b, c, d cho b¸o hiÖu mµ chØ sö dông hai bit a vµ b cßn bit c vµ d sö dông cho môc ®Ých kh¸c.
  • 200.
    - H-íng ®igåm bit af vµ bit bf . - H-íng vÒ gåm bit ab vµ bit bb. Trong ®ã: + af:: cho biÕt tr¹ng th¸i ho¹t ®éng cña c¸c thiÕt bÞ chuyÓn m¹ch ®Çu gäi ra vµ tr¹ng th¸i cña ®-êng d©y thuª bao gäi. + bf.: cho biÕt cã sù cè trªn h-íng tõ tæng ®µi gäi tíi tæng ®µi bÞ gäi. + ab: cho biÕt tr¹ng th¸i cña thuª bao bÞ gäi. + bb: cho biÕt thiÕt bÞ chuyÓn m¹ch ë tæng ®µi bÞ gäi rçi hay bËn. B¶ng 5.3. M· b¸o hiÖu ®-êng d©y. M· b¸o hiÖu H-íng ®i H-íng vÒ Tr¹ng th¸i m¹ch af bf ab bb Rçi / Gi¶i phãng 1 0 1 0 ChiÕm 0 0 1 0 C«ng nhËn chiÕm 0 0 1 1 Tr¶ lêi 0 0 0 1 Xo¸ ng-îc 0 0 1 1 Xo¸ thuËn 1 0 0 1 Gi¶i phãng an toµn 1 1 Kho¸ m¹ch 1 0 5.3.2 B¸o hiÖu thanh ghi B¸o hiÖu thanh ghi trong hÖ thèng b¸o hiÖu R2 ®-îc sö dông ë n-íc ta lµ kiÓu b¸o hiÖu bÞ khèng chÕ, nghÜa lµ b¸o hiÖu mµ viÖc truyÒn th«ng tin gi÷a c¸c tæng ®µi ®-îc thùc hiÖn lÇn l-ît theo sù hái ®¸p.
  • 201.
    Trong b¸o hiÖuR2 ng-êi ta sö dông m· ®a tÇn lµ c¸c tæ hîp hai trong s¸u tÇn sè ®Ó truyÒn b¸o hiÖu thanh ghi gi÷a c¸c tæng ®µi. C¸c m· ®a tÇn nµy sÏ ®-îc thu vµ ph¸t bëi c¸c thiÕt bÞ m· ®a tÇn. Thø tù c¸c tæ hîp m· theo hai h-íng ®-îc quy ®Þnh theo b¶ng sau ®©y: B¶ng 5.4 C¸c tæ hîp m· ®a tÇn. Tæ hîp C¸c tÇn sè (Hz) H-íng ®i 1380 1500 1620 1740 1860 1980 H-íng vÒ 1140 1020 900 780 660 540 ChØ sè f0 f1 f2 f3 f4 f5 STT x+y Träng sè 0 1 2 4 7 11 1 0+1 x y 2 0+2 x y 3 1+2 x y 4 0+4 x y 5 1+4 x y 6 2+4 x y 7 0+7 x y 8 1+7 x y 9 2+7 x y 10 4+7 x y 11 0+11 x y 12 1+11 x y 13 2+11 x y 14 4+14 x y 15 7+11 x y
  • 202.
    + B¸o hiÖuh-íng ®i C¸c tÝn hiÖu h-íng ®i ®-îc chia thµnh hai nhãm: tÝn hiÖu nhãm I vµ tÝn hiÖu nhãm 2. a) B¸o hiÖu h-íng ®i nhãm I: C¸c tÝn hiÖu nhãm I chñ yÕu mang th«ng tin vÒ ®Þa chØ cña thuª bao bÞ gäi. B¶ng 5.5. C¸c tÝn hiÖu h-íng ®i nhãm I. Tæ hîp TÝn hiÖu ý nghÜa cña c¸c tÝn hiÖu 1 I-1 Ch÷ sè 1 2 I-2 Ch÷ sè 2 3 I-3 Ch÷ sè 3 4 I-4 Ch÷ sè 4 5 I-5 Ch÷ sè 5 6 I-6 Ch÷ sè 6 7 I-7 Ch÷ sè 7 8 I-8 Ch÷ sè 8 9 I-9 Ch÷ sè 9 10 I-10 Ch÷ sè 0 11 I-11 Kh«ng sö dông 12 I-12 Yªu cÇu kh«ng ®-îc chÊp nhËn 13 I-13 Truy nhËp tíi thiÕt bÞ kiÓm tra Kh«ng dïng trong tuyÕn vÖ tinh 14 I-14 Kh«ng sö dông ®èi víi m¹ng viÔn th«ng ViÖt Nam 15 I-15 KÕt thóc m· truyÒn ®Þa chØ (sè hiÖu cña thuª bao bÞ gäi)
  • 203.
    b) B¸o hiÖuh-íng ®i nhãm II: C¸c tÝn hiÖu nhãm II lµ tÝn hiÖu chØ thÞ vÒ ®Æc tÝnh cuéc gäi vµ thuª bao chñ gäi. B¶ng 5.6. C¸c tÝn hiÖu h-íng ®i nhãm II. Tæ hîp TÝn hiÖu ý nghÜa cña c¸c tÝn hiÖu Chó thÝch 1 II-1 Thuª bao kh«ng -u tiªn 2 II-2 Thuª bao cã -u tiªn 3 II-3 ThiÕt bÞ b¶o d-ìng 4 II-4 Dù phßng 5 II-5 §iÖn tho¹i viªn 6 II-6 TruyÒn dÉn sè liÖu Nh÷ng tÝn hiÖu nµy chØ sö dông cho m¹ng quèc gia 7 II-7 Thuª bao quèc tÕ 8 II-8 TruyÒn dÉn sè liÖu quèc tÕ 9 II-9 Thuª bao cã -u tiªn quèc tÕ 10 II-10 §iÖn tho¹i viªn quèc tÕ Nh÷ng tÝn hiÖu nµy ®-îc sö dông cho m¹ng quèc tÕ 11 II-11 Cuéc gäi tõ ®iÖn tho¹i c«ng céng 12 II-12 Lo¹i thuª bao chñ gäi kh«ng dïng hoÆc kh«ng nhËn d¹ng ®-îc 13 II-13 14 II-14 15 II-15 Dù tr÷ cho m¹ng quèc gia Nh÷ng tÝn hiÖu nµy sö dông néi bé trong n-íc
  • 204.
    B¸o hiÖu h-íngvÒ B¸o hiÖu h-íng vÒ ®-îc chia lµm hai nhãm: b¸o hiÖu h-íng vÒ nhãm A vµ b¸o hiÖu h-íng vÒ nhãm B. a) B¸o hiÖu h-íng vÒ nhãm A: C¸c tÝn hiÖu nhãm A ®-îc sö dông ®Ó tr¶ lêi x¸c nhËn cho c¸c tÝn hiÖu h-íng ®i nhãm I (trong mét sè tr-êng hîp ®-îc dïng ®Ó tr¶ lêi cho c¸c tÝn hiÖu h-íng ®i nhãm II) vµ thùc hiÖn chøc n¨ng chuyÓn ®-a c¸c th«ng tin b¸o hiÖu. B¶ng 5.7. C¸c tÝn hiÖu h-íng vÒ nhãm A Tæ hîp TÝn hiÖu ý nghÜa cña c¸c tÝn hiÖu 1 A-1 Göi con sè tiÕp theo 2 A-2 Göi con sè tr-íc con sè cuèi (n-1) 3 A-3 KÕt thóc nhËn tÝn hiÖu ®Þa chØ, chuyÓn sang nhËn tÝn hiÖu nhãm B 4 A-4 T¾c nghÏn trong m¹ng quèc gia 5 A-5 Göi ®Æc tÝnh thuª bao chñ gäi 6 A-6 §Þa chØ ®Çy ®ñ, thiÕt lËp tr¹ng th¸i tho¹i, tÝnh c-íc 7 A-7 Göi con sè tr-íc hai sè cuèi (n-2) 8 A-8 Göi con sè tr-íc ba sè cuèi (n-3) 9 A-9 Ph¸t l¹i sè bÞ gäi tõ ®Çu 10 A-10 11 A-11 12 A-12 13 A-13 14 A-14 Dù phßng 15 A-15 T¾c nghÏn trong m¹ng quèc tÕ
  • 205.
    b) B¸o hiÖuh-íng vÒ nhãm B: C¸c tÝn hiÖu h-íng vÒ nhãm B còng dïng ®Ó tr¶ lêi x¸c nhËn cho mét h-íng ®i nhãm II trong thñ tôc b¸o hiÖu b¾t buéc. §ång thêi c¸c tÝn hiÖu nµy thùc hiÖn chøc n¨ng chuyÓn ®-a c¸c th«ng tin vÒ tr¹ng th¸i thiÕt bÞ chuyÓn m¹ch hay tr¹ng th¸i ®-êng d©y thuª bao bÞ gäi. B¶ng 5.8. C¸c tÝn hiÖu h-íng vÒ nhãm B. Tæ hîp TÝn hiÖu ý nghÜa cña c¸c tÝn hiÖu 1 B-1 Thuª bao bÞ gäi rçi, yªu cÇu nhËn d¹ng cuéc gäi ph¸ rèi 2 B-2 Göi ©m hiÖu ®Æc biÖt hay th«ng b¸o vÒ thuª bao bÞ gäi ®· di chuyÓn hay thay ®æi 3 B-3 §-êng d©y thuª bao bÞ gäi bËn 4 B-4 TÝn hiÖu bÞ t¾c nghÏn 5 B-5 Sè thuª bao kh«ng cã trong danh b¹ 6 B-6 §-êng d©y thuª bao bÞ gäi rçi, cã tÝnh c-íc 7 B-7 §-êng d©y thuª bao bÞ gäi rçi, kh«ng tÝnh c-íc 8 B-8 §-êng d©y thuª bao bÞ gäi cã sù cè 915 B-9 B-15 Dù tr÷ cho m¹ng quèc gia Quy t¾c x¸c ®Þmh nhãm cña tõng tÝn hiÖu b¸o hiÖu: Nh- vËy cã 15 tÝn hiÖu b¸o hiÖu h-íng ®i vµ 15 tÝn hiÖu b¸o hiÖu h-íng vÒ. Mçi tÝn hiÖu h-íng ®i cã thÓ thuéc nhãm I hoÆc nhãm II vµ mçi tÝn hiÖu h-íng vÒ còng cã thÓ thuéc nhãm A hoÆc nhãm B. ViÖc x¸c ®Þnh nhãm cña tõng tÝn hiÖu b¸o hiÖu cô thÓ còng chÝnh lµ x¸c ®Þnh ý nghÜa cña tÝn hiÖu b¸o hiÖu ®ã dùa vµo vÞ trÝ cña tÝn hiÖu b¸o hiÖu ®ã trong chuçi c¸c tÝn hiÖu b¸o hiÖu vµ vÞ trÝ cña nã so víi c¸c tÝn hiÖu h-íng vÒ A3 vµ tÝn hiÖu h-íng vÒ A5 theo quy t¾c: TÝn hiÖu ®Çu tiªn trong chuçi c¸c tÝn hiÖu h-íng ®i thuéc nhãm I; tÝn hiÖu ®Çu tiªn trong chuçi c¸c tÝn hiÖu h-íng vÒ thuéc nhãm A; viÖc chuyÓn tõ nhãm I sang nhãm II vµ tõ nhãm A sang nhãm B do c¸c tÝn hiÖu h-íng vÒ A3, A5 quyÕt ®Þnh. Khi chuyÓn tõ nhãm I sang nhãm II b»ng tÝn hiÖu A5 th× cã thÓ chuyÓn trë l¹i
  • 206.
    nhãm I; khi®· chuyÓn tõ nhãm A sang nhãm B b»ng tÝn hiÖu A3 th× kh«ng thÓ chuyÓn trë l¹i nhãm A ®-îc n÷a. 5.3.3 C¸c ph-¬ng ph¸p truyÒn tÝn hiÖu b¸o hiÖu thanh ghi Trong qu¸ tr×nh kÕt nèi cuéc gäi tõ tæng ®µi chñ gäi ®Õn tæng ®µi bÞ gäi cã thÓ cã mét sè tæng ®µi kh¸c tham gia kÕt nèi. Vµ b¸o hiÖu thanh ghi cã ba ph-¬ng ph¸p truyÒn nh- sau: - TruyÒn b¸o hiÖu kiÓu tõng chÆng (Link By Link). - TruyÒn b¸o hiÖu kiÓu xuyªn suèt (End To End). - TruyÒn b¸o hiÖu kiÓu hçn hîp (Mixed). a. Ph-¬ng ph¸p truyÒn b¸o hiÖu kiÓu tõng chÆng Ph-¬ng ph¸p nµy liªn quan ®Õn viÖc truyÒn tÝn hiÖu gi÷a c¸c tæng ®µi kÕ cËn. Víi b¸o hiÖu kiÓu tõng chÆng, sè hiÖu cña thuª bao bÞ gäi sÏ bÞ gi¶m dÇn qua mçi tæng ®µi qu¸ giang, tõ ®Çy ®ñ cho ®Õn khi chØ cßn mét phÇn cña sè bÞ gäi. * ¦u ®iÓm: DÔ dµng ph¸t hiÖn c¸c tÝn hiÖu (nhiÔu, mÐo do trÔ, mÐo do nhiÔu…). T§ A T§ B T§ C T§ D Khu vùc Hµ Néi (04) Khu vùc Nam §Þnh (035) 035823477 035823477 823477 3477 H×nh 5.2 VÝ dô vÒ b¸o hiÖu kiÓu Link By Link.
  • 207.
    * Nh-îc ®iÓm: -T¹i c¸c tæng ®µi qu¸ giang, c¸c thanh ghi võa ph¶i cã chøc n¨ng nhËn sè hiÖu võa ph¶i cã chøc n¨ng göi sè hiÖu. Do vËy viÖc xö lý t¹i c¸c thanh ghi nµy phøc t¹p h¬n. - Thêi gian thiÕt lËp cuéc gäi l©u v× sè c¸c sè hiÖu truyÒn trªn tuyÕn lín. - Khi sö dông c¸c tÝn hiÖu thanh ghi h-íng vÒ th× thêi gian chiÕm c¸c thanh ghi qu¸ giang t¨ng lªn do tÊt c¶ c¸c thanh ghi trªn mét kÕt nèi nhiÒu liªn kÕt ph¶i ®-îc kÕt nèi ®Ó truyÒn vÒ tÝn hiÖu cuèi cïng. b. Ph-¬ng ph¸p truyÒn b¸o hiÖu kiÓu xuyªn suèt Trong b¸o hiÖu kiÓu xuyªn suèt, c¸c thanh ghi cña tæng ®µi qu¸ giang chØ nhËn c¸c sè ®ñ ®Ó ®Þnh tuyÕn. Thanh ghi cña tæng ®µi xuÊt ph¸t cuéc gäi sÏ lµm viÖc trong suèt thêi gian thiÕt lËp cuéc gäi, nã cÇn ®-îc chuÈn bÞ dÓ göi mét phÇn th«ng tin ®Þa chØ khi cã yªu cÇu b»ng c¸c tÝn hiÖu h-íng vÒ. Thanh ghi qu¸ giang sÏ ®-îc gi¶i phãng khái kÕt nèi khi kÕt nèi ®-îc ph¸t triÓn lªn phÝa tr-íc tõ tæng ®µi qu¸ giang ®ã. T§ A T§ B T§ C T§ D Khu vùc Hµ Néi (04) Khu vùc Nam §Þnh (035) 035823477 035 82 3477 H×nh 5.3 VÝ dô vÒ b¸o hiÖu kiÓu End To End.
  • 208.
    * ¦u ®iÓm: -C¸c thanh ghi cña tæng dµi xuÊt ph¸t cuéc gäi ®-îc phÐp ®iÒu khiÓn thiÕt lËp cuéc gäi. Tõ ®ã cho phÐp c¸c kh¶ n¨ng ®Þnh tuyÕn tõ tæng ®µi xuÊt ph¸t. - T¹i c¸c tæng ®µi qu¸ giang, c¸c thanh ghi chØ cã chøc n¨ng nhËn mét phÇn sè hiÖu thuª bao bÞ gäi chø kh«ng cÇn göi. Do ®ã qu¸ tr×nh xö lý t¹i c¸c thanh ghi nµy dÔ dµng h¬n. - Thêi gian thiÕt lËp cuéc gäi nhanh v× sè c¸c sè hiÖu truyÒn trªn tuyÕn Ýt. - Thêi gian chiÕm c¸c thanh ghi cña c¸c tæng ®µi qu¸ giang gi¶m xuèng. - Gi¶m l-îng trÔ sau khi quay sè v× c¸c thanh ghi ®-îc gi¶i phãng sím h¬n, th«ng m¹ch nhanh h¬n. c. Ph-¬ng ph¸p truyÒn b¸o hiÖu kiÓu kÕt hîp §©y lµ ph-¬ng ph¸p võa sö dông b¸o hiÖu kiÓu tõng chÆng võa sö dông b¸o hiÖu kiÓu xuyªn suèt. T§ A T§ B T§ C T§ D Khu vùc Hµ Néi (04) Khu vùc Nam §Þnh (035) 035823477 035 823477 82 H×nh 5.4 VÝ dô vÒ b¸o hiÖu kiÓu kÕt hîp. 3477 T§ E
  • 209.
    ch-¬ng 6 HÖ thèngb¸o hiÖu kªnh chung sè 7 6.1 Kh¸i qu¸t HÖ thèng b¸o hiÖu sè 7 lµ hÖ thèng b¸o hiÖu kªnh chung, trong ®ã c¸c kªnh b¸o hiÖu sö dông c¸c th«ng b¸o cã nh·n ®Ó chuyÓn th«ng tin b¸o hiÖu liªn quan ®Õn viÖc thiÕt lËp cuéc gäi vµ c¸c th«ng tin kh¸c liªn quan ®Õn qu¶n lý, ®iÒu hµnh vµ b¶o d-ìng m¹ng. HiÓn nhiªn øng dông ®Çu tiªn cña m¹ng b¸o hiÖu sè 7 lµ øng dông cho m¹ng ®iÖn tho¹i th«ng th-êng PSTN (Public Switching Telephone Network). HÖ thèng b¸o hiÖu sè 7 thùc hiÖn cïng c¸c chøc n¨ng nh- c¸c hÖ thèng b¸o hiÖu truyÒn thèng nh-ng víi kü thuËt cao, phï hîp h¬n ®èi víi hÖ thèng tæng ®µi sè hiÖn ®¹i. §èi víi thuª bao, hÖ thèng b¸o hiÖu sè 7 gióp viÖc thiÕt lËp cuéc gäi nhanh h¬n vµ cã thÓ cung cÊp nhiÒu dÞch vô míi. §èi víi viÖc qu¶n lý tõ xa, b¸o hiÖu sè 7 ®ßi hái Ýt thiÕt bÞ b¸o hiÖu trong m¹ng h¬n vµ t¨ng dung l-îng cuéc gäi. HiÖn nay m¹ng b¸o hiÖu sè 7 cßn ®-îc øng dông vµo nhiÒu chøc n¨ng nh- b¸o hiÖu trong m¹ng sè liÖu liªn kÕt ®a dÞch vô ISDN (Intergrated Service Digital Network), m¹ng th«ng minh IN (Intelligent Network), m¹ng th«ng tin di ®éng mÆt ®Êt c«ng céng PLMN (Public Land Mobile Network). 6.2 C¸c kh¸i niÖm c¬ b¶n 6.2.1 §iÓm b¸o hiÖu SP (Signalling Point) §iÓm b¸o hiÖu lµ nót chuyÓn m¹ch hay nót xö lý trong m¹ng b¸o hiÖu, cã thÓ thùc hiÖn c¸c chøc n¨ng cña hÖ thèng b¸o hiÖu sè 7. Mét tæng ®µi ®iÖn tho¹i ®-îc xem nh- lµ mét ®iÓm b¸o hiÖu SP th× ph¶i lµ tæng ®µi ®-îc ®iÒu khiÓn b»ng ch-¬ng tr×nh l-u s½n, v× b¸o hiÖu sè 7 lµ d¹ng th«ng tin sè liÖu gi÷a c¸c bé xö lý. TÊt c¶ c¸c ®iÓm b¸o hiÖu trong hÖ thèng b¸o hiÖu sè 7 lµ d¹ng th«ng tin sè liÖu gi÷a c¸c bé vi xö lý.
  • 210.
    6.2.2 §iÓm truyÒnb¸o hiÖu STP (Signalling Transfer Point) §iÓm b¸o hiÖu mµ th«ng tin b¸o hiÖu thu ®-îc trªn mét kªnh b¸o hiÖu vµ sau ®ã chuyÓn giao cho kªnh kh¸c (mµ kh«ng xö lý néi dung tin b¸o) ®-îc gäi lµ ®iÓm truyÒn b¸o hiÖu. 6.2.3 Liªn kÕt b¸o hiÖu SL (Signalling Link) vµ chïm liªn kÕt b¸o hiÖu (Link Set) Liªn kÕt b¸o hiÖu lµ mét ph-¬ng tiÖn truyÒn dÉn bao gåm mét liªn kÕt d÷ liÖu 64Kb/s vµ c¸c chøc n¨ng ®iÒu khiÓn truyÒn. §Ó truyÒn c¸c th«ng ®iÖp tõ mét ®iÓm b¸o hiÖu nµy ®Õn ®iÓm b¸o hiÖu kh¸c ng-êi ta sö dông liªn kÕt b¸o hiÖu. §èi víi b¸o hiÖu t-¬ng tù th× c¸c liªn kÕt analog cã tèc ®é truyÒn thÊp h¬n (cì 4,8Kb/s). SP SP STP H×nh 6.2. §iÓm b¸o hiÖu vµ ®iÓm truyÒn b¸o hiÖu SP SP H×nh 6.1 C¸c ®iÓm b¸o hiÖu TuyÕn tho¹i TuyÕn liªn kÕt b¸o hiÖu
  • 211.
    Mçi liªn kÕtb¸o hiÖu trong m¹ng b¸o hiÖu cã kh¶ n¨ng xö lý 4096 m¹ch tho¹i. V× thÕ ®Ó ®¶m b¶o sù an toµn vµ tin cËy cho viÖc truyÒn tÝn hiÖu b¸o hiÖu, ng-êi ta sö dông nhiÒu h¬n mét liªn kÕt vµ do ®ã cã ®-îc tËp liªn kÕt. Mét tËp liªn kÕt ®-îc gäi lµ ®Çy ®ñ nÕu cã 16 liªn kÕt. Mét tËp liªn kÕt cã Ýt h¬n 16 liªn kÕt th× vÉn ®-îc phÐp nh-ng gäi lµ tËp liªn kÕt kh«ng ®Çy ®ñ. 6.2.4 C¸c ph-¬ng thøc b¸o hiÖu (Signalling Mode) ViÖc truyÒn th«ng tin b¸o hiÖu tõ ®iÓm b¸o hiÖu gèc OSP (Original Signalling Point) tíi ®iÓm b¸o hiÖu ®Ých (Destination Signalling Point) sÏ ®i qua mét sè liªn kÕt b¸o hiÖu vµ mét sè ®iÓm truyÒn b¸o hiÖu tuú thuéc vµo ph-¬ng thøc b¸o hiÖu. HÖ thèng b¸o hiÖu sè 7 cã 2 ph-¬ng thøc: - B¸o hiÖu kÕt hîp (Associated Signalling Mode). - B¸o hiÖu nöa kÕt hîp (Quasi - Associated Signalling Mode) a) B¸o hiÖu kÕt hîp: ë ph-¬ng thøc nµy c¸c liªn kÕt b¸o hiÖu song song víi tuyÕn tho¹i vµ ®-îc thùc hiÖn truyÒn trùc tiÕp tõ ®iÓm b¸o hiÖu gèc ®Õn ®iÓm b¸o hiÖu ®Ých. b) B¸o hiÖu nöa kÕt hîp: Víi ph-¬ng thøc nµy th× tuyÕn tho¹i ®-îc nèi trùc tiÕp gi÷a ®iÓm b¸o hiÖu gèc vµ ®iÓm b¸o hiÖu ®Ých cßn tÝn hiÖu b¸o hiÖu ®-îc truyÒn th«ng qua c¸c liªn kÕt b¸o hiÖu vµ ®iÓm truyÒn b¸o hiÖu kh¸c. 6.2.5 TuyÕn b¸o hiÖu (Signalling Route) vµ chïm tuyÕn b¸o hiÖu (Signalling Route Set) TuyÕn b¸o hiÖu lµ mét tuyÕn ®-êng ®· ®-îc x¸c ®Þnh tr-íc ®Ó c¸c b¶n tin ®i qua m¹ng b¸o hiÖu gi÷a ®iÓm b¸o hiÖu nguån vµ ®iÓm b¸o hiÖu ®Ých. TuyÕn b¸o hiÖu bao g«mg mét chuçi SP/STP vµ ®-îc ®Êu nèi víi nhau b»ng c¸c liªn kÕt b¸o hiÖu hay chïm liªn kÕt b¸o hiÖu. OSP DSP H×nh 6.3 ChÕ ®é b¸o hiÖu kÕt hîp
  • 212.
    TÊt c¶ c¸ctuyÕn b¸o hiÖu cã thÓ sö dông ®Ó truyÒn c¸c th«ng tin b¸o hiÖu ®i qua m¹ng b¸o hiÖu gi÷a ®iÓm b¸o hiÖu nguån vµ ®iÓm b¸o hiÖu ®Ých th× ®-îc gäi lµ chïm tuyÕn b¸o hiÖu ch mèi quan hÖ b¸o hiÖu ®ã. 6.2.6 M· ®iÓm b¸o hiÖu SPC (Signalling Point Code) Mçi ®iÓm b¸o hiÖu ®Òu cã mét m· nhÞ ph©n 14 bit duy nhÊt, tuú theo vÞ trÝ vµ chøc n¨ng mµ m· ®iÓm b¸o hiÖu ®-îc chia thµnh: - M· ®iÓm b¸o hiÖu gèc OPC (Original Point Code) - M· ®iÓm b¸o hiÖu ®Ých DPC ( Destination Point Code) M· ®iÓm b¸o hiÖu gåm cã 3 tr-êng sau: N M L K J I H G F E D C B A + Tr-êng 3 bit (NML): x¸c ®Þnh khu vùc ®Þa lý trªn thÕ giíi, víi 6 vïng ®Þa lý ®-îc ®¸nh sè tõ 2 ®Õn 7, ViÖt Nam thuéc vïng thø 4. + Tr-êng 8 bit (K-D): x¸c ®Þnh vïng ®Þa lý hay m¹ng trong mét khu vùc ®Þa lý cô thÓ nµo ®ã. + Tr-êng 3 bit (CBA): x¸c ®Þnh mét ®iÓm b¸o hiÖu trong mét vïng ®Þa lý hay mét m¹ng. Sù kÕt hîp c¸c tr-êng thø nhÊt vµ tr-êng thø hai ®-îc gäi lµ m· khu vùc/m¹ng b¸o hiÖu SANC (Signalling Area/Network Code). VÝ dô: M· SACN cña ViÖt Nam lµ 4-104. OSP DSP STP H×nh 6.4 ChÕ ®é b¸o hiÖu nöa kÕt hîp
  • 213.
    6.3 CÊu tróccña hÖ thèng b¸o hiÖu sè 7 6.3.1 M« h×nh chuÈn hÖ thèng më OSI M« h×nh chuÈn OSI do tæ chøc tiªu chuÈn Quèc tÕ ISO (International Standard Organisation) ®-a ra n¨m 1980 víi môc ®Ých lµ do trong m¹ng truyÒn sè liÖu, c¸c giao thøc rÊt khã x¸c ®Þnh chÝnh x¸c, v× thÕ ng-êi ta ph¶i ph©n nhá c¸c giao thøc nµy thµnh 7 líp. ISO ®· c«ng nhËn m« h×nh chuÈn 7 líp lµ c¬ së cho c¸c tiªu chuÈn kü thuËt trong t-¬ng lai cho c¸c hÖ thèng truyÒn sè liÖu. -u ®iÓm cña m« h×nh nµy lµ giao thøc cña mét líp cã thÓ thay ®æi ®-îc mµ kh«ng ¶nh h-ëng tíi c¸c líp kh¸c vµ viÖc thùc hiÖn c¸c chøc n¨ng trong mét líp lµ tuú chän. M« t¶ tãm t¾t c¸c líp nh- sau: Líp 1 - Líp vËt lý (Physical Layer): Cung cÊp c¸c chøc n¨ng vÒ vËt lý, ®iÖn vµ c¸c thñ tôc nguån ®Ó ho¹t ho¸, b¶o d-ìng vµ khãa c¸c trung kÕ ®Ó truyÒn c¸c bÝt gi÷a c¸c ®-êng sè liÖu. Líp vËt lý cßn cã chøc n¨ng biÕn ®æi sè liÖu thµnh c¸c tÝn hiÖu phï hîp víi m«i tr-êng truyÒn dÉn. Líp 7 Líp 6 Líp 5 Líp 4 Líp 3 Líp 2 Líp 1 Líp 7 Líp 6 Líp 5 Líp 4 Líp 3 Líp 2 Líp 1 Líp 3 Líp 2 Líp 1 H×nh 6.5. M« h×nh chuÈn OSI.
  • 214.
    Líp 2 -Líp liªn kÕt d÷ liÖu (Data Link Layer): Cung cÊp c¸c m¹ch kÕt nèi d÷ liÖu ®iÓm nèi ®iÓm kh«ng cã lçi gi÷a c¸c líp m¹ng. Líp nµy gåm c¸c nguån nhËn biÕt lçi, söa lçi, ®iÒu khiÓn l-u l-îng vµ ph¸t l¹i. Líp 3 - Líp m¹ng (Network Layer): DÞch vô c¬ b¶n cña líp m¹ng lµ cung cÊp mét kªnh ®Ó truyÒn sè liÖu gi÷a c¸c líp vËn chuyÓn trong c¸c hÖ thèng kh¸c nhau. Líp nµy cã chøc n¨ng thiÕt lËp b¶o d-ìng, c¾t ®Êu nèi gi÷a c¸c hÖ thèng, xö lý ®Þa chØ vµ t¹o c¸c tuyÕn trung kÕ. Líp 4 - Líp vËn chuyÓn (Transport Layer): §¶m b¶o cho c¸c dÞch vô m¹ng ®¸p øng ®-îc chÊt l-îng truyÒn tin mµ líp øng dông yªu cÇu. C¸c chøc n¨ng cña nã lµ: nhËn biÕt lçi, söa lçi vµ ®iÒu khiÓn l-u l-îng. Líp nµy lµm tèi -u ho¸ th«ng tin d÷ liÖu nh- ghÐp vµ t¸ch luång d÷ liÖu tr-íc khi chóng ®Õn líp m¹ng. Líp 5 - Líp phiªn (Session Layer): ThiÕt lËp ®Êu nèi gi÷a c¸c líp tr×nh bµy trong c¸c hÖ thèng kh¸c nhau. Nã ®iÒu khiÓn ®Êu nèi nµy, ®ång bé tho¹i vµ c¾t ®Êu nèi. Nã cho phÐp líp øng dông ®Þnh ®iÓm kiÓm tra ®Ó b¾t ®Çu viÖc ph¸t l¹i nÕu truyÒn dÉn bÞ gi¸n ®o¹n. Líp 6- Tr×nh bµy (Presentation Layer): §Þnh ra có ph¸p biÓu thÞ sè liÖu. Líp tr×nh bµy biÕn ®æi có ph¸p ®-îc sö dông trong líp øng dông thµnh có ph¸p th«ng tin cÇn thiÕt ®Ó th«ng tin gi÷a c¸c líp øng dông. VÝ dô: Telex sö dông m· ASCII. Líp 7 - Líp øng dông (Applicaton Layer): Cung cÊp c¸c dÞch vô ®Ó hç trî cho qu¸ tr×nh øng dông cña ng-êi sö dông vµ ®iÒu khiÓn th«ng tin gi÷a c¸c øng dông. VÝ dô nh- c¸c giao thøc cho chuyÓn giao File, xö lý b¶n tin, c¸c dÞch vô quay sè vµ c«ng viÖc vËn hµnh b¶o d-ìng. 6.3.2 CÊu tróc ph©n líp cña hÖ thèng b¸o hiÖu sè 7 Vµo ®Çu nh÷ng n¨m 80, trong cuèn S¸ch Vµng cña CCITT, nh÷ng ®Æc tr-ng kü thuËt ®Çu tiªn vÒ hÖ thèng b¸o hiÖu sè 7 ®-îc c«ng bè vµ m« h×nh OSI còng ®-îc tæ chøc ISO giíi thiÖu cïng n¨m Êy. HÖ thèng b¸o hiÖu sè 7 lµ lo¹i th«ng tin sè liÖu chuyÓn m¹ch gãi, cã cÊu tróc theo modul vµ gièng m« h×nh
  • 215.
    OSI. Tuy nhiªnhÖ thèng b¸o hiÖu sè 7 chØ cã 4 líp thay v× 7 líp nh- m« h×nh OSI. Ba líp thÊp nhÊt trong cÊu tróc ph©n líp cña hÖ thèng b¸o hiÖu sè 7 t¹o thµnh phÇn chuyÓn giao b¶n tin MTP (Message Transfer Part). Líp thø 4 lµ phÇn cña ng-êi sö dông (User Part). Nh- vËy hÖ thèng b¸o hiÖu sè 7 kh«ng hoµn toµn t-¬ng hîp víi m« h×nh OSI. Sù kh¸c nhau c¬ b¶n cña 2 m« h×nh nµy lµ qu¸ tr×nh th«ng tin trong m¹ng. M« h×nh OSI m« t¶ th«ng tin cã kÕt nèi gi÷a c¸c ®Çu cuèi sè liÖu. Qu¸ tr×nh th«ng tin gåm 3 tr¹ng th¸i: thiÕt lËp, ®Êu nèi, chuyÓn giao sè liÖu vµ c¾t ®Êu nèi. Trong khi ®ã phÇn chuyÓn giao b¶n tin chØ cã cung cÊp dÞch vô chuyÓn giao kh«ng kÕt nèi. PhÇn chuyÓn giao b¶n tin chØ chuyÓn giao sè liÖu víi sè l-îng nhá vµ yªu cÇu tèc ®é nhanh. Trong ®ã: OMAP TCAP ISUP TUP SCCP Møc 3 Møc 2 Møc 1 Líp 1 Líp 2 Líp 3 Líp 7 Líp 4,5,6 H×nh 6.6. M« h×nh ph©n líp hÖ thèng b¸o hiÖu sè 7. CCSN0 7 OSI MTP 1 3 2 4
  • 216.
    - SCCP (SignalConnection Control Part): phÇn ®iÒu khiÓn kÕt nèi b¸o hiÖu. - TCAP (Transaction Capabilities Application Part): phÇn øng dông c¸c kh¶ n¨ng giao dÞch. - OMAP (Operations And Maintenance Application Part): phÇn øng dông khai th¸c vµ b¶o d-ìng. - TUP (Telephone User Part): phÇn ng-êi sö dông ®iÖn tho¹i. - ISUP (ISDN User Part): phÇn ng-êi sö dông m¹ng sè liªn kÕt ®a dÞch vô. - DUP (Data User Part): phÇn ng-êi sö dông sè liÖu. 6.3.3 C¸c khèi chøc n¨ng cña hÖ thèng b¸o hiÖu sè 7 1. PhÇn chuyÓn giao b¶n tin MTP (Message Transfer Part) PhÇn chuyÓn giao b¶n tin cã c¸c chøc n¨ng chÝnh lµ chuyÓn ®-a c¸c b¶n tin gi÷a nh÷ng ng-êi sö dông qua m¹ng b¸o hiÖu sè 7 mét c¸ch xuyªn suèt vµ ®¸ng tin cËy ®¶m b¶o tèc ®é vµ ®é chÝnh x¸c. Cã thÓ thÊy ®èi t-îng sö dông UP göi ®i c¸c b¶n tin ®Õn phÇn chuyÓn giao b¶n tin MTP. Sau ®ã c¸c b¶n tin sÏ ®-îc truyÒn ®Õn ®óng n¬i nhËn. MTP phÝa ®Çu nhËn sÏ ph©n chia c¸c b¶n tin nµy ®Õn ®óng ®èi t-îng sö dông cÇn göi. Tõ ®ã cã ®-îc cÊu tróc tæng qu¸t cña MTP: §èi t-îng sö dông UP §èi t-îng sö dông UP PhÇn chuyÓn giao b¶n tin MTP H×nh 6.7. CÊu tróc c¬ b¶n cña hÖ thèng b¸o hiÖu sè 7. H×nh 6.8. CÊu tróc tæng qu¸t cña MTP §èi t-îng sö dông UP SCCP SCCP PhÇn ®iÒu khiÓn kÕt nèi b¸ohiÖu HÖ thèng ®iÒu khiÓn chuyÓn giao b¶n tin §iÓm chuyÓn giao b¸o hiÖu §èi t-îng sö dông UP §èi t-îng sö dông UP §èi t-îng sö dông UP HÖ thèng ®iÒu khiÓn chuyÓn giao b¶n tin HÖ thèng ®iÒu khiÓn chuyÓn giao b¶n tin Kªnh liªn kÕt b¸o hiÖu Kªnh liªn kÕt b¸o hiÖu
  • 217.
    PhÇn chuyÓn giaob¶n tin chiÕm 3 møc thÊp nhÊt trong hÖ thèng b¸o hiÖu sè 7 nh- trong h×nh d-íi ®©y: 1.1 TuyÕn liªn kÕt d÷ liÖu b¸o hiÖu (Møc 1) Lµ mét tuyÕn truyÒn dÉn d÷ liÖu song h-íng ®Ó b¸o hiÖu, bao gåm 2 kªnh sè liÖu ho¹t ®éng víi nhau trªn 2 h-íng ng-îc nhau vµ cã cïng mét tèc ®é truyÒn dÉn. Kªnh sè liÖu b¸o hiÖu cã thÓ thuéc d¹ng sè hay d¹ng t-¬ng tù. §èi víi kªnh sè liÖu d¹ng sè ®-îc thiÕt lËp b»ng c¸c kªnh truyÒn dÉn sè vµ chuyÓn m¹ch sè, tèc ®é kªnh tho¹i c¬ b¶n lµ 64Kb/s . Cßn ®èi víi kªnh sè liÖu b¸o hiÖu d¹ng t-¬ng tù ®-îc thiÕt lËp b»ng c¸c kªnh truyÒn dÉn t-¬ng tù (4KHz) vµ c¸c Modem. C¸c giao thøc ë møc 1 nµy x¸c ®Þnh tÝnh chÊt vÒ ®iÖn, vËt lý vµ c¸c ®Æc ®iÓm chøc n¨ng cña kªnh sè liÖu b¸o hiÖu. C¸c phÇn cøng trong møc 1 nµy bao gåm c¸c kªnh d÷ liÖu, thiÕt bÞ ®Çu cuèi. Khèi chuyÓn m¹ch còng ®-îc dïng ®Ó truy cËp c¸c kªnh truyÒn dÉn th«ng tin cho c¸c ®-êng b¸o hiÖu. 1.2 C¸c chøc n¨ng liªn kÕt b¸o hiÖu (Møc 2) C¸c chøc n¨ng liªn kÕt b¸o hiÖu ®¶m b¶o cho viÖc truyÒn tin mét c¸ch an toµn vµ chÝnh x¸c. C¸c chøc n¨ng chÝnh cña møc 2 bao gåm: - Giíi h¹n. - Ph¸t hiÖn lçi. Møc 3 Xö lý b¶n tin b¸o hiÖu. C¸c chøc n¨ng m¹ng Møc 2 C¸c chøc n¨ng liªn kÕt b¸o hiÖu Møc 1 Liªn kÕt d÷ liÖu Møc 4 C¸c ®èi t-îng sö dông H×nh 6.9 PhÇn chuyÓn giao b¶n tin MTP. Møc 1 ThiÕt bÞ ®Çu cuèi Kªnh d÷ liÖu H×nh 6.10. Møc 1.
  • 218.
    - §ång bé. Ngoµira møc 2 cßn cã c¸c chøc n¨ng sau: ®iÒu khiÓn cho viÖc truyÒn, nhËn vµ ®iÒu khiÓn tr¹ng th¸i liªn kÕt. C¸c th«ng tin cña hÖ thèng b¸o hiÖu sè 7 ®-îc ®ãng gãi thµnh 3 lo¹i ®¬n vÞ b¶n tin: ®¬n vÞ b¶n tin b¸o hiÖu MSU (Message Signal Unit), ®¬n vÞ b¶n tin tr¹ng th¸i liªn kÕt LSSU (Link Status Signal Unit), ®¬n vÞ b¶n tin lÊp ®Çy FISU (Fill-In Signal Unit). a) CÊu tróc c¸c ®¬n vÞ b¶n tin: + §¬n vÞ b¶n tin b¸o hiÖu MSU: chøa c¸c b¶n tin b¸o hiÖu ®-îc trao ®æi gi÷a nh÷ng ng-êi sö dông hay gi÷a c¸c khèi xö lý chøc n¨ng qu¶n lý m¹ng b¸o hiÖu ë 2 ®iÓm b¸o hiÖu víi nhau. + §¬n vÞ b¶n tin tr¹ng th¸i liªn kÕt LSSU: chøa ®ùng c¸c th«ng tin liªn quan ®Õn ho¹t ®éng cña kªnh b¸o hiÖu, phôc vô cho viÖc kiÓm so¸t tr¹ng th¸i ®-êng d©y. Møc 3 §iÒu khiÓn nhËn §iÒu khiÓn tr¹ng th¸i liªn kÕt - Ph¸t hiÖn lçi §iÒu khiÓn truyÒn Møc 1 H×nh 6.11 Møc 2. F CK SIF SIO LI FIB FSN BIB BSN F 8 16 8*n,n>2 8 2 6 1 7 1 7 8 H×nh 6.12. B¶n tin MSU. F CK SF LI FIB FSN BIB BSN F 8 16 8 hoÆc 16 2 6 1 7 1 7 8 H×nh 6.13. B¶n tin LSSU.
  • 219.
    + §¬n vÞb¶n tin lÊp ®Çy FISU: ph¸t hiÖn sù cè trªn ®-êng b¸o hiÖu khi kh«ng cßn b¶n tin MSU nµo ®-îc chuyÓn sang bªn ®èi ph-¬ng. C¸c tr-êng trong c¸c d¹ng gãi tin: BIB - Bit chØ thÞ h-íng vÒ. BSN - Sè thø tù h-íng vÒ. FIB - Bit chØ thÞ h-íng ®i. FSN - Sè thø tù h-íng ®i. SF - Tr-êng tr¹ng th¸i. SIF - Tr-êng th«ng tin b¸o hiÖu. LI - ChØ thÞ ®é dµi ®¬n vÞ b¸o hiÖu. F - Cê. SIO - Octet th«ng tin dÞch vô. * Cê (Flag): ®-îc dïng víi môc ®Ých ph©n ®Þnh gi÷a c¸c b¶n tin, t¹i thêi ®iÓm b¾t ®Çu vµ kÕt thóc cña b¶n tin b¸o hiÖu ®-îc chØ thÞ bëi m« h×nh 8 bit duy nhÊt hay cßn gäi lµ cê (01111110). §Ó ®¶m b¶o trong c¸c b¶n tin kh«ng cã sù trïng lÆp gi÷a cê vµ tæ hîp bit th× bit chÌn ®-îc sö dông. * C¸c bit chØ thÞ: C¸c bit chØ thÞ ®-îc sö dông ®Ó yªu cÇu ph¸t l¹i trªn kªnh b¸o hiÖu. Cã 2 d¹ng bit chØ thÞ lµ bit chØ thÞ h-íng vÒ vµ bit chØ thÞ h-íng ®i. * Tr-êng chØ thÞ ®é dµi LI (Length Indicator): §-îc dïng ®Ó chØ thÞ sè c¸c Octets gi÷a hai tr-êng LI vµ CK. Nã ®-îc dïng ®Ó nhËn biÕt c¸c b¶n tin kh¸c nhau. LI = 0: b¶n tin FISU. LI = 1 hoÆc 2: b¶n tin LSSU. LI >2: b¶n tin MSU. * Tr-êng th«ng tin b¸o hiÖu SIF (Service Information Field): SIF chøa c¸c th«ng tin b¸o hiÖu thËt sù cña phÇn ng-êi sö dông. F CK LI FIB FSN BIB BSN F 8 16 2 6 1 7 1 7 8 H×nh 6.14 B¶n tin FISU.
  • 220.
    Tr-êng th«ng tinb¸o hiÖu gåm cã b¶n tin vµ nh·n ®Þnh tuyÕn (Label). Trong nh·n ®Þnh tuyÕn cã: - M· nhËn d¹ng m¹ch CIC (Circuit Identification Code): gåm cã 12 bit, ®Ó x¸c ®Þnh kªnh tho¹i liªn quan ®Õn b¸o hiÖu gi÷a 2 ®iÓm. Trong CIC ng-êi ta sö dông 4 bit cã sè thÊp nhÊt ®Ó thùc hiÖn lùa chän kªnh liªn kÕt b¸o hiÖu SLS (Signalling Link Selector). Chøc n¨ng cña SLS lµ ph©n phèi phô t¶i b¸o hiÖu sao cho ®ång ®Òu gi÷a c¸c liªn kÕt thuéc tËp liªn kÕt. - M· ®iÓm b¸o hiÖu gèc OPC (Originating Point Code): x¸c ®Þnh n¬i xuÊt ph¸t cña b¶n tin. - M· ®iÓm b¸o hiÖu ®Ých DPC (Destination Point Code): x¸c ®Þnh n¬i ®Õn cña b¶n tin. * Octet th«ng tin dÞch vô SIO (Service Information Octet): §-îc ph©n thµnh 2 tr-êng lµ tr-êng chØ thÞ dÞch vô SI (Service Indicator) vµ tr-êng dÞch vô phô SF (Subservice Field). SIF Nh·n ®Þnh tuyÕn B¶n tin CIC OPC DPC SLS 8*n 12 (4) 14 14 H×nh 6.15 CÊu tróc tr-êng SIF. SIO SF SI NI Dù tr÷ 2 2 4 H×nh 6.16 CÊu tróc tr-êng SIO.
  • 221.
    Tr-êng chØ thÞdÞch vô SI ®-îc sö dông ®Ó chØ ra ®èi t-îng sö dông ë nót ®Õn. VÝ dô: 0101=TUP, 0110=DUP… Tr-êng dÞch vô phô SF cã tr-êng NI (Network Indicator) lµ tr-êng chØ thÞ m¹ng. 00: M¹ng quèc tÕ 0. 01: M¹ng quèc tÕ 1. 10: M¹ng quèc gia 0. 11: M¹ng quèc gia 1. * Sè thø tù: Cã 2 d¹ng Sè thø tù h-íng ®i FSN (Forward Sequence Number ): chØ ra sè thø tù cña b¶n tin ®-îc truyÒn ®i theo h-íng thuËn. Sè thø tù h-íng vÒ BSN (Backward Sequence Number): chØ thÞ sè thø tù b¾t ®Çu x¸c nhËn ®¬n vÞ tÝn hiÖu. Sè thø tù cña FSN vµ BSN cã d¹ng m· nhÞ ph©n theo chu kú tuÇn tù tõ 0 – 127. * C¸c bit kiÓm tra CK (Check): C¸c ®¬n vÞ tÝn hiÖu th«ng th-êng dïng 16 bit kiÓm tra dµnh cho söa lçi. * Tr-êng tr¹ng th¸i SF (Status Field): ChØ thÞ tr¹ng th¸i th«ng tin b¸o hiÖu b) ViÖc thùc hiÖn c¸c chøc n¨ng cña møc 2: - Chøc n¨ng ®ång bé c¸c cê hiÖu vµ giíi h¹n b¶n tin: Mét b¶n tin ®-îc giíi h¹n bëi cê ®ãng vµ cê më, mét cê 8 bit cã gi¸ trÞ “01111110”. §Ó tr¸nh lÆp l¹i c¸c gi¸ trÞ trong c¸c thµnh phÇn kh¸c cña MSU, ta sö dông qu¸ tr×nh nhåi bit. Trong qu¸ tr×nh truyÒn nÕu cã 5 bit “1” liªn tiÕp cña tr-êng th«ng tin th× bit “0” sÏ ®-îc chÌn vµo ®Ó tr¸nh nhÇm lÉn víi c¸c bit cê. Bªn thu sÏ thùc hiÖn qu¸ tr×nh ng-îc l¹i, qu¸ tr×nh nµy sÏ ®Õm 5 bit “1” liªn tiÕp vµ lo¹i bá bit “0” tiÕp theo. - Chøc n¨ng ph¸t hiÖn lçi vµ söa lçi:
  • 222.
    Chøc n¨ng nµy®-îc thùc hiÖn b»ng c¸ch sö dông hÖ thèng truyÒn l¹i c¸c tÝn hiÖu x¸c nhËn ®óng/sai (Positive/Negative Acknowledgement). HÖ thèng nµy sö dông c¸c tr-êng sau: c¸c bit kiÓm tra CK, bit chØ thÞ h-íng ®i FIB, sè thø tù h-íng ®i FSN, bit chØ thÞ h-íng vÒ BIB, sè thø tù h-íng vÒ BSN. Mçi b¶n tin h-íng ®i ®-îc l-u gi÷ trong bé nhí ®Öm (dµnh cho viÖc truyÒn l¹i) vµ g¸n cho mét sè thø tù trªn h-íng ®i. B¶n tin sau ®ã ®-îc m· ho¸ t¹o ra tr-êng bit kiÓm tra CK. Bªn nhËn tin sÏ thùc hiÖn gi¶i m· c¸c bit kiÓm tra vµ ph©n tÝch, so s¸nh xem b¶n tin cã bÞ lçi trªn ®-êng truyÒn hay kh«ng. §ång thêi, sè thø tù cña b¶n tin h-íng ®i còng ®-îc kiÓm tra xem c¸c b¶n tin cã nhËn ®óng theo tr×nh tù kh«ng. NÕu ph©n tÝch thÊy b¶n tin nhËn ®óng th× sÏ cã tÝn hiÖu x¸c nhËn ®óng (Positive ACK) göi vÒ h-íng ph¸t. Lóc nµy sè thø tù b¶n tin h-íng vÒ BSN t-¬ng øng víi sè thø tù b¶n tin h-íng ®i FSN, bit chØ thÞ h-íng vÒ BIB b»ng víi bit chØ thÞ h-íng ®i FIB. NÕu bit chØ thÞ h-íng vÒ BIB kh¸c víi bit chØ thÞ h-íng ®i FIB th× xuÊt hiÖn mét tÝn hiÖu x¸c nhËn sai (Negative ACK). C¸c b¶n tin bÞ sai hoÆc kh«ng ®óng tr×nh tù ®Òu ®-îc truyÒn l¹i. FIB = “1”: b¶n tin ph¸t lÇn ®Çu. FIB = “0”: b¶n tin truyÒn l¹i lÇn thø hai. Ngoµi ra møc 2 cña MTP cßn cã mét bé gi¸m s¸t ®Æc biÖt sÏ ghi nhËn nh÷ng lÇn truyÒn l¹i c¸c b¶n tin. HÖ thèng nµy sö dông thuËt to¸n “g¸o rß” (leaky bucket). G¸o sÏ ®-îc lµm ®Çy b»ng c¸c b¶n tin bÞ lçi vµ ®-îc lµm rçng dÇn bëi c¸c b¶n tin nhËn ®óng. NÕu g¸o bÞ trµn th× liªn kÕt b¸o hiÖu kh«ng tho¶ m·n yªu cÇu. Nguyªn t¾c nµy ®-îc xem nh- bé ®Õm lªn/xuèng vµ ®-îc biÕt ®Õn víi c¸i tªn “ Bé gi¸m s¸t tØ lÖ c¸c ®¬n vÞ b¸o hiÖu bÞ lçi ” SUERM (Signal Unit Error Rate Mornitor). Gi¸ trÞ bé ®Õm sÏ t¨ng lªn mét ®¬n vÞ khi cã mét b¶n tin bÞ lçi vµ sÏ gi¶m xuèng mét ®¬n vÞ khi cã 256 b¶n tin liªn tiÕp nhau ®-îc nhËn ®óng kh«ng cã lçi. Mét møc ng-ìng c¶nh b¸o víi gi¸ trÞ lµ 64 ®-îc quy ®Þnh cho bé ®Õm nµy. Khi bé ®Õm t¨ng ®Õn gi¸ trÞ nµy th× bé phËn qu¶n lý m¹ng ë møc 3 sÏ ®-îc th«ng b¸o r»ng kªnh b¸o hiÖu nµy kh«ng cßn ®¸p øng ®-îc cho viÖc b¸o hiÖu n÷a.
  • 223.
    - Chøc n¨ng®ång bé: ViÖc ®ång bé lµ mét thñ tôc ®-îc sö dông ®Ó kÝch ho¹t khëi ®éng kªnh b¸o hiÖu tr-íc khi chuyÓn nã sang chÕ ®é ho¹t ®éng. Thñ tôc nµy ®-îc sö dông ®Ó ®ång bé ban ®Çu kªnh b¸o hiÖu hay phôc håi tr¹ng th¸i ho¹t ®éng cho kªnh b¸o hiÖu sau khi kªnh b¸o hiÖu nµy bÞ háng. Thñ tôc nµy ®-îc thùc hiÖn theo yªu cÇu cña líp 3. Tr-íc hÕt mét chuçi c¸c ®¬n vÞ b¸o hiÖu tr¹ng th¸i liªn kÕt LSSU ë líp 2 ®-îc göi ®i tõ bé ®iÒu khiÓn tr¹ng th¸i liªn kÕt LSC. Mçi LSSU cã mét tr-êng chØ thÞ tr¹ng th¸i SF cã gi¸ trÞ “0”, cã nghÜa lµ kªnh b¸o hiÖu ®ang mÊt ®ång bé. Bªn nhËn sÏ chê nhËn tæ hîp cê hiÖu F cña b¶n tin ®ång bé nµy göi tíi tõ phÝa ®èi ph-¬ng. Khi nhËn ®óng b¶n tin LSSU, bé ®iÒu khiÓn tr¹ng th¸i liªn kÕt LSC sÏ göi ®i c¸c LSSU cã tr-êng chØ thÞ tr¹ng th¸i SF cã gi¸ trÞ “0”, cã nghÜa lµ kªnh b¸o hiÖu ®ång bé b×nh th-êng. Sau kho¶ng thêi gian 8,2 gi©y nh»m ch¾c ch¾n vÒ viÖc ®ång bé th× kªnh b¸o hiÖu sÏ ®-îc xem nh- lµ ®ång bé. Lóc nµy bªn truyÒn göi ®i c¸c ®¬n vÞ b¶n tin lÊp ®Çy FISU vµ khi c¶ hai bªn ®Òu nhËn ®-îc c¸c b¶n tin nµy th× qu¸ tr×nh xö lý c¸c b¶n tin b¸o hiÖu l¹i ®-îc tiÕp tôc. §¬n vÞ b¶n tin lÊp ®Çy FISU ®-îc göi khi kh«ng cã ®¬n vÞ b¶n tin b¸o hiÖu MSU nµo ®-îc göi ®Ó ®¶m b¶o nguån d÷ liÖu lu«n ®-îc duy tr× mét c¸ch liªn tôc trªn liªn kÕt. - Chøc n¨ng ®iÒu khiÓn luång møc 2: + Tr-êng hîp bé ®iÒu khiÓn nhËn c¸c b¶n tin bÞ qu¸ t¶i: 64 Møc c¶nh b¸o SUERM -1 cho 256 SU ®· thu ®-îc +1 cho mçi SU ph¸t l¹i H×nh 6.17 Nguyªn t¾c gi¸m s¸t tØ lÖ lçi.
  • 224.
    Bé ®iÒu khiÓnqu¸ t¶i theo dâi ®Ó x¸c ®Þnh xem bé ®iÒu khiÓn nhËn cã nhiÒu b¶n tin h¬n kh¶ n¨ng cña nã hay kh«ng. Trong tr-êng hîp x¶y ra qu¸ t¶i nh- vËy bé ®iÒu khiÓn qu¸ t¶i sÏ göi b¶n tin LSSU lo¹i SIB (chØ thÞ tr¹ng th¸i bËn) trªn h-íng ng-îc l¹i trong kho¶ng thêi gian gÇn b»ng 10 gi©y. Khi nhËn ®-îc b¶n tin SIB th× ®iÓm xö lý b¸o hiÖu sÏ kh«ng ®-îc göi b¶n tin nµo n÷a. NÕu bé nhí bÞ ®Çy th× ng-êi sö dông sÏ ®-îc yªu cÇu gi¶m sè l-îng b¶n tin göi ®i xuèng mét møc giíi h¹n t¹m thêi nµo ®ã. + Tr-êng hîp bé ®iÒu khiÓn truyÒn c¸c b¶n tin bÞ qu¸ t¶i: Khèi qu¶n lý m¹ng sÏ göi lÖnh yªu cÇu ng-êi sö dông gi¶m sè l-îng c¸c b¶n tin khi ph¸t hiÖn ra tr-êng hîp qu¸ t¶i cña bé ®iÒu khiÓn truyÒn. §Ó gi¶m thiÓu sè l-îng nµy ng-êi sö dông ph¶i gi¶m bít viÖc thiÕt lËp ®-êng kÕt nèi cho c¸c cuéc gäi. - §-êng ®i cña c¸c ®¬n vÞ b¶n tin ë møc 2: C¸c b¶n tin MSU ®-îc nhËn ®óng sÏ ®-îc chuyÓn ®Õn bé ®iÒu khiÓn nhËn. Bé ®iÒu khiÓn nhËn sÏ xö lý tr-êng LI, ®ång thêi göi néi dung c¸c tr-êng FSN, BSN, BIB ®Õn bé ®iÒu khiÓn truyÒn. Bé ®iÒu khiÓn truyÒn sÏ xo¸ b¶n tin MSU (cã sè thø tù h-íng ®i FSN b»ng sè thø tù h-íng vÒ BSN, cã bit chØ thÞ h-íng ®i FIB b»ng bit chØ thÞ h-íng vÒ BIB) trong bé nhí ®Öm dù phßng cho viÖc truyÒn l¹i. Bé ®iÒu khiÓn truyÒn còng sÏ tr¶ lêi x¸c nhËn cho b¶n tin MSU cã sè thø tù b»ng víi tr-êng FSN trong b¶n tin võa nhËn ®-îc. Ch¼ng h¹n nh- tr-êng hîp bé ®iÒu khiÓn nhËn x¸c nhËn r»ng b¶n tin nhËn ®óng võa råi lµ mét MSU th× néi dung tr-êng SIF vµ SIO sÏ ®-îc göi ®Õn khèi chøc n¨ng xö lý c¸c b¶n tin ë møc 3 nhê vµo c¸c tr-êng SIO. Tõ ®ã nã cã thÓ ph©n phèi b¶n tin nµy ®Õn phÇn ng-êi sö dông hay khèi qu¶n lý m¹ng b¸o hiÖu. Mét b¶n tin LSSU (víi LI=1) ®-îc truyÒn ®Õn bé ®iÒu khiÓn tr¹ng th¸i kªnh b¸o hiÖu, bé ®iÒu khiÓn tr¹ng th¸i sÏ kiÓm tra néi dung cña b¶n tin LSSU nµy vµ göi th«ng b¸o vÒ cho khèi qu¶n lý m¹ng. Khèi qu¶n lý m¹ng sÏ kÝch ho¹t c¸c ho¹t ®éng t-¬ng øng. Trong tr-êng hîp mét ®¬n vÞ b¶n tin SU bÞ háng, néi dung cña b¶n tin sÏ kh«ng ®-îc chuyÓn ®Õn khèi ®iÒu khiÓn nhËn. Khèi chøc n¨ng dß t×m lçi sÏ th«ng b¸o cho khèi gi¸m s¸t tØ lÖ lçi. Khèi ®iÒu khiÓn nhËn chØ truyÒn néi dung tr-êng SIF vµ tr-êng SIO ®Õn khèi chøc n¨ng xö lý b¶n tin. Khèi ph¸t hiÖn lçi chØ gi÷ l¹i vµ xö lý cê hiÖu F vµ tr-êng kiÓm tra CK cña b¶n tin. TÊt c¶ c¸c tr-êng kh¸c ®Òu ®-îc truyÒn ®Õn cho
  • 225.
    khèi ®iÒu khiÓnnhËn. - Dõng bé xö lý: Bé xö lý ngõng ho¹t ®éng ®-îc xem nh- c¸c b¶n tin b¸o hiÖu kh«ng thÓ chuyÓn ®Õn c¸c khèi chøc n¨ng ë møc 3 hay møc 4. §iÒu nµy x¶y ra cã thÓ do bé xö lý trung t©m gÆp sù cè hay viÖc ng-ng ho¹t ®éng cña mét kªnh b¸o hiÖu nµo ®ã. Khi bé ®iÒu khiÓn kªnh b¸o hiÖu nhËn biÕt ®-îc tr¹ng th¸i h- háng nã b¾t ®Çu truyÒn c¸c b¶n tin LSSU víi chØ thÞ tr¹ng th¸i ngõng ho¹t ®éng cña bé xö lý vµ huû bá tÊt c¶ c¸c b¶n tin MSU nhËn ®-îc. 1.3 C¸c chøc n¨ng xö lý m¹ng b¸o hiÖu (Møc 3) C¸c chøc n¨ng xö lý m¹ng b¸o hiÖu ®-îc ph©n thµnh 2 phÇn chøc n¨ng: - Xö lý b¶n tin b¸o hiÖu (Signalling Message Handling). - Qu¶n lý m¹ng b¸o hiÖu (Signalling Network Management). a) Chøc n¨ng xö lý b¶n tin b¸o hiÖu: Môc ®Ých cña chøc n¨ng xö lý b¶n tin b¸o hiÖu lµ ®Ó ®¶m b¶o cho c¸c b¶n tin b¸o hiÖu ®-îc ph¸t ra bëi mét ng-êi sö dông t¹i ®iÓm b¸o hiÖu gèc ®-îc ph©n phèi ®Õn cïng ng-êi sö dông t¹i ®iÓm b¸o hiÖu ®Ých ®óng theo yªu cÇu göi. Møc 1 Møc 3: C¸c chøc n¨ng m¹ng b¸o hiÖu Xö lý b¶n tin b¸o hiÖu Ph©n phèi b¶n tin Ph©n biÖt b¶n tin §Þnh tuyÕn b¶n tin Qu¶n lý m¹ng b¸o hiÖu Qu¶n lý l-u l-îng b¸o hiÖu Qu¶n lý tuyÕn b¸o hiÖu Qu¶n lý liªn kÕt b¸o hiÖu Møc 2 H×nh 6.18 Møc 3.
  • 226.
    C¸c chøc n¨ngxö lý b¶n tin b¸o hiÖu dùa vµo c¸c bit chØ thÞ ë tr-êng SIO vµ nh·n ®Þnh tuyÕn chøa trong c¸c b¶n tin nh»m nhËn d¹ng râ rµng c¸c ®iÓm xuÊt ph¸t vµ c¸c ®iÓm kÕt cuèi b¸o hiÖu. C¸c chøc n¨ng xö lý b¶n tin b¸o hiÖu bao gåm c¸c chøc n¨ng sau: + §Þnh tuyÕn c¸c b¶n tin b¸o hiÖu (Message Routing): Chøc n¨ng nµy ®-îc sö dông ë mçi ®iÓm b¸o hiÖu SP ®Ó x¸c ®Þnh kªnh b¸o hiÖu ®i SL mµ trªn ®ã c¸c b¶n tin ph¶i ®-îc göi vÒ ®iÓm b¸o hiÖu ®Ých cña nã. + Ph©n biÖt c¸c b¶n tin b¸o hiÖu (Message Discriminating): Chøc n¨ng nµy ®-îc sö dông ë mét ®iÓm b¸o hiÖu SP ®Ó x¸c ®Þnh xem c¸c b¶n tin nhËn ®-îc ®· ®Õn ®iÓm b¸o hiÖu ®Ých ch-a. + Ph©n phèi b¶n tin b¸o hiÖu (Message Distribution): Chøc n¨ng nµy ®-îc sö dông ë mét ®iÓm b¸o hiÖu SP ®Ó ph©n phèi c¸c b¶n tin nhËn ®-îc tíi ng-êi sö dông thÝch hîp hay tíi SCCP. a.1) Chøc n¨ng ®Þnh tuyÕn b¶n tin b¸o hiÖu: ViÖc ®Þnh tuyÕn c¸c b¶n tin b¸o hiÖu tíi c¸c kªnh b¸o hiÖu thÝch hîp dùa vµo c¸c bit chØ thÞ m¹ng NI ë Octet th«ng tin dÞch vô SIO vµ c¸c bit dµnh cho viÖc lùa chän kªnh liªn kÕt b¸o hiÖu SLS, m· ®iÓm b¸o hiÖu ®Ých DPC cña nh·n ®Þnh tuyÕn b¶n tin thuéc tr-êng th«ng tin b¸o hiÖu SIF. ViÖc ®Þnh tuyÕn ®-îc thùc hiÖn sao cho c¸c b¶n tin cã c¸c th«ng tin trong NI, SLS, DPC gièng nhau ®-îc ®Þnh tuyÕn trªn cïng mét tuyÕn b¸o hiÖu nÕu nh- c¸c liªn kÕt b¸o hiÖu kh«ng cã sù cè x¶y ra. ViÖc ph©n chia l-u l-îng b¸o hiÖu còng lµ mét phÇn cña chøc n¨ng ®Þnh tuyÕn, mµ nhê vµo ®ã l-u l-îng b¸o hiÖu ®-îc ph©n bè ®Òu trªn tËp c¸c liªn kÕt còng nh- tõng liªn kÕt trªn tËp. Khi c¸c liªn kÕt b¸o hiÖu cã sù cè th× viÖc ®Þnh tuyÕn ®-îc thay ®æi theo c¸c quy luËt ®· ®-îc ®Þnh tr-íc. a.2) Chøc n¨ng ph©n biÖt b¶n tin: §iÓm b¸o hiÖu SP (Signalling Point) trong m¹ng b¸o hiÖu cã thÓ ho¹t ®éng nh- mét ®iÓm b¸o hiÖu ®Ých DSP (Destination Signalling Point) hay ®iÓm truyÒn b¸o hiÖu (Signalling Transfer Point). NÕu SP lµ ®iÓm b¸o hiÖu ®Ých th× kÕt cuèi b¸o hiÖu ®-îc thùc hiÖn t¹i chÝnh ®iÓm nµy.
  • 227.
    NÕu SP lµ®iÓm truyÒn b¸o hiÖu th× khi nhËn ®-îc c¸c b¶n tin b¸o hiÖu nã sÏ truyÒn ngay tíi khèi chøc n¨ng ®Þnh tuyÕn ®Ó chuyÓn tíi c¸c liªn kÕt b¸o hiÖu vµ nèi tíi ®iÓm b¸o hiÖu ®Ých. Chøc n¨ng ph©n biÖt b¶n tin dùa vµo sù ph©n tÝch c¸c bit chØ thÞ m¹ng NI vµ m· ®iÓm b¸o hiÖu ®Ých nhËn ®-îc. a.3) Chøc n¨ng ph©n phèi b¶n tin: Dùa vµo c¸c bit trong trong tr-êng chØ thÞ dÞch vô SI nhËn ®-îc, ta x¸c ®Þnh ®-îc ®Þa chØ cña c¸c b¶n tin mét c¸ch chÝnh x¸c. Sau khi c¸c b¶n tin b¸o hiÖu ®-îc ph©n biÖt, nã sÏ ®-îc ph©n phèi tíi ng-êi sö dông. Ngoµi ra c¸c b¶n tin cßn ®-îc ph©n phèi ®Õn phÇn ®iÒu khiÓn kÕt nèi b¸o hiÖu SCCP, phÇn qu¶n lý ®iÒu hµnh m¹ng b¸o hiÖu cña MTP, phÇn kiÓm tra vµ b¶o d-ìng b¸o hiÖu cña MTP. b) Chøc n¨ng qu¶n lý m¹ng b¸o hiÖu: Môc ®Ých cña chøc n¨ng nµy lµ lËp l¹i cÊu h×nh m¹ng b¸o hiÖu trong tr-êng hîp cã lçi vµ ®iÒu khiÓn l-u l-îng trong tr-êng hîp x¶y ra nghÏn. ViÖc lËp l¹i cÊu h×nh m¹ng b¸o hiÖu cã hiÖu qu¶ nhê c¸c thñ tôc thay ®æi thÝch hîp ®Ó thay ®æi viÖc ®Þnh tuyÕn l-u l-îng b¸o hiÖu nh»m bá qua c¸c kªnh cã sù cè hoÆc c¸c ®iÓm b¸o hiÖu liªn quan x¶y ra sù cè. Chøc n¨ng qu¶n lý m¹ng b¸o hiÖu ®-îc chia nhá thµnh c¸c chøc n¨ng: + Qu¶n lý l-u l-îng b¸o hiÖu (Signalling Traffic Management). + Qu¶n lý liªn kÕt b¸o hiÖu (Signalling Link Management). + Qu¶n lý tuyÕn b¸o hiÖu (Signalling Route Management). b.1) Chøc n¨ng qu¶n lý l-u l-îng b¸o hiÖu: Chøc n¨ng qu¶n lý l-u l-îng b¸o hiÖu duy tr× dßng phô t¶i b¸o hiÖu xuyªn qua m¹ng b¸o hiÖu mét c¸ch th-êng xuyªn. §Ó ®¶m b¶o ®-îc ®iÒu nµy cÇn thùc hiÖn chuyÓn ®æi l-u l-îng b¸o hiÖu tõ kªnh b¸o hiÖu hoÆc tuyÕn b¸o hiÖu nµy tíi kªnh b¸o hiÖu hoÆc tuyÕn b¸o hiÖu kh¸c, hoÆc gi¶m bít l-u l-îng b¸o hiÖu t¹m thêi trong tr-êng hîp x¶y ra nghÏn ë ®iÓm b¸o hiÖu nµo ®ã. Chøc n¨ng ®iÒu hµnh l-u l-îng b¸o hiÖu bao gåm c¸c thñ tôc sau:
  • 228.
    - Thñ tôcchuyÓn ®æi: lµ thñ tôc chuyÓn ®æi l-u l-îng b¸o hiÖu tõ mét kªnh b¸o hiÖu bÞ lçi ®Õn mét kªnh b¸o hiÖu dù phßng kh¸c. Khi thùc hiÖn b»ng c¸ch nµy c¸c b¶n tin ph¶i ®-îc truyÒn l¹i mét c¸h tuÇn tù. - Thñ tôc chuyÓn ®æi phôc håi: ®-îc sö dông ®Ó chuyÓn ®æi l-u l-îng b¸o hiÖu ë mét kªnh b¸o hiÖu dù phßng ng-îc vÒ cho kªnh b¸o hiÖu ban ®Çu ®· bÞ sù cè khi kªnh b¸o hiÖu bÞ sù cè nµy ®· ®-îc phôc håi. - Thñ tôc t¸i ®Þnh tuyÕn b¾t buéc: lµ mét qu¸ tr×nh chuyÓn ®æi l-u l-îng b¸o hiÖu xung quanh mét sù cè h- háng ë mét ®iÓm b¸o hiÖu ®Çu xa trong m¹ng b¸o hiÖu. ViÖc nµy ®-îc thùc hiÖn b»ng c¸ch göi ®i c¸c b¶n tin cÊm truyÒn qua ®iÓm b¸o hiÖu nµy. - Thñ tôc ®iÒu khiÓn luång: lµ thñ tôc ngõng ph¸t c¸c b¶n tin míi khi kh«ng thÓ ph©n phèi c¸c b¶n tin ®ã qua m¹ng b¸o hiÖu. §iÒu nµy x¶y ra cã thÓ do mét ®iÓm b¸o hiÖu bÞ qu¸ t¶i hay do sù h- háng hay qu¸ t¶i cña ng-êi sö dông. - Thñ tôc t¸i ®Þnh tuyÕn ®iÒu khiÓn: lµ qu¸ tr×nh phôc håi chuyÓn ®æi l-u l-îng b¸o hiÖu vÒ mét tuyÕn b¸o hiÖu ®· ®-îc mÆc ®Þnh cho nã sau khi thñ tôc t¸i ®Þnh tuyÕn b¾t buéc ®· kÕt thóc. b.2) Qu¶n lý liªn kÕt b¸o hiÖu: Chøc n¨ng qu¶n lý liªn kÕt b¸o hiÖu ®-îc sö dông ®Ó phôc håi c¸c kªnh b¸o hiÖu bÞ háng, ®Ó kÝch ho¹t c¸c kªnh b¸o hiÖu ë tr¹ng th¸i rçi, vµ dõng kÝch ho¹t c¸c kªnh b¸o hiÖu ®· ®ång bé. C¸c thñ tôc trong chøc n¨ng qu¶n lý kªnh b¸o hiÖu lµ: - Thñ tôc kÝch ho¹t kªnh b¸o hiÖu: lµ thñ tôc ®ång bé ban ®Çu. - Thñ tôc phôc håi kªnh b¸o hiÖu: lµ thñ tôc ®ång bé sau khi mét kªnh b¸o hiÖu bÞ h- háng. - Thñ tôc ngõng kÝch ho¹t kªnh b¸o hiÖu: lµ thñ tôc ngõng ho¹t ®éng cña mét kªnh b¸o hiÖu nµo ®ã mÆc dï kªnh b¸o hiÖu ®ã cã thÓ kh«ng bÞ sù cè g×. - Thñ tôc kÝch ho¹t chïm kªnh b¸o hiÖu: lµ viÖc kÝch ho¹t c¸c kªnh b¸o hiÖu trong chïm kªnh b¸o hiÖu. - Thñ tôc chØ thÞ: ®-îc sö dông ®Ó chØ thÞ c¸c kªnh b¸o hiÖu ®Õn mét thiÕt bÞ ®Çu cuèi b¸o hiÖu.
  • 229.
    b.3) Chøc n¨ngqu¶n lý tuyÕn b¸o hiÖu: Chøc n¨ng qu¶n lý tuyÕn b¸o hiÖu nh»m ®¶m b¶o sù trao ®æi c¸c b¶n tin gi÷a c¸c nót b¸o hiÖu (SP hay STP) trong m¹ng b¸o hiÖu. Chøc n¨ng nµy còng ®-îc sö dông ®Ó ph©n phèi c¸c th«ng tin vÒ t×nh tr¹ng m¹ng b¸o hiÖu ®Ó kho¸ vµ më c¸c tuyÕn b¸o hiÖu. Chøc n¨ng nµy bao gåm c¸c thñ tôc sau: - Thñ tôc ®iÒu khiÓn chuyÓn giao c¸c b¶n tin: ®-îc thùc hiÖn t¹i mét ®iÓm truyÒn b¸o hiÖu STP ®èi víi c¸c b¶n tin liªn quan ®Õn tíi ®Þa chØ ®Ých nµo ®ã, khi nã cÇn ph¶i th«ng b¸o cho mét hay nhiÒu ®iÓm b¸o hiÖu SP phÝa nguån ®Ó h¹n chÕ hoÆc kh«ng göi thªm c¸c b¶n tin cã cÊp ®é -u tiªn x¸c ®Þnh nµo ®ã hoÆc thÊp h¬n. - Thñ tôc ng¨n cÊm chuyÓn giao c¸c b¶n tin: ®-îc thùc hiÖn t¹i mét ®iÓm b¸o hiÖu ®ãng vai trß nh- mét STP khi nã ph¶i th«ng b¸o cho mét hoÆc nhiÒu SP l©n cËn r»ng chóng kh«ng ®-îc ®Þnh tuyÕn c¸c b¶n tin qua STP nµy. - Thñ tôc cho phÐp chuyÓn giao c¸c b¶n tin: §-îc thùc hiÖn t¹i mét STP khi nã ph¶i th«ng b¸o cho mét hay nhiÒu ®iÓm SP l©n cËn r»ng chóng cã thÓ thiÕt lËp tuyÕn l-u l-îng b¸o hiÖu h-íng tíi ®iÓm ®Ých ®Þnh tr-íc th«ng qua STP nµy. - Thñ tôc h¹n chÕ chuyÓn giao c¸c b¶n tin: ®-îc thùc hiÖn t¹i mét STP khi nã ph¶i th«ng b¸o cho mét hay nhiÒu SP l©n cËn r»ng nÕu cã thÓ chóng kh«ng nªn ®Þnh tuyÕn c¸c b¶n tin ®i qua STP nµy n÷a. - Thñ tôc kiÓm tra chïm tuyÕn b¸o hiÖu: ®-îc thùc hiÖn t¹i c¸c SP ®Ó kiÓm tra xem l-u l-îng b¸o hiÖu h-íng tíi ®iÓm b¸o hiÖu ®Ých nµo ®ã cã thÓ ®-îc thiÕt lËp th«ng qua mét STP l©n cËn hay kh«ng. - Thñ tôc kiÓm tra ®é nghÏn m¹ch ë chïm tuyÕn b¸o hiÖu: ®-îc thùc hiÖn ë mét ®iÓm b¸o hiÖu ®Ó cËp nhËt tr¹ng th¸i nghÏn liªn quan tíi mét chïm tuyÕn b¸o hiÖu ®i ®Õn mét ®iÓm b¸o hiÖu ®Ých nµo ®ã. 2. PhÇn ng-êi sö dông ®iÖn tho¹i TUP (Telephone User Part) Nh- ta ®· biÕt phÇn ng-êi sö dông ®iÖn tho¹i x¸c ®Þnh c¸c chøc n¨ng b¸o hiÖu cÇn thiÕt trong m¹ng b¸o hiÖu sè 7 cho l-u l-îng quèc gia còng nh- l-u l-îng quèc tÕ. Ng-êi sö dông ®iÖn tho¹i TUP lµ bé phËn qu¶n lý ®iÒu khiÓn viÖc thiÕt lËp c¸c cuéc gäi trong tæng ®µi ®iÖn tho¹i b»ng c¸ch trao ®æi c¸c tÝn hiÖu b¸o hiÖu tíi tæng ®µi ®iÖn tho¹i kh¸c. BÊt kú tÝn hiÖu ®iÒu khiÓn cuéc gäi nµo
  • 230.
    ®-îc göi ®icòng ®Òu liªn quan ®Õn mét kªnh tho¹i ®Æc biÖt nµo ®ã trong m¹ng ®iÖn tho¹i. 2.1 CÊu tróc b¶n tin TUP C¸c th«ng tin b¸o hiÖu xuÊt ph¸t tõ phÇn ng-êi sö dông ®iÖn tho¹i TUP ®-îc truyÒn trong m¹ng b¸o hiÖu d-íi d¹ng c¸c b¶n tin mµ néi dung cña nã ®-îc mang trong tr-êng th«ng tin b¸o hiÖu SIF cña c¸c ®¬n vÞ b¶n tin b¸o hiÖu MSU. Tr-êng SIF bao gåm: Nh·n ®Þnh tuyÕn, phÇn tiªu ®Ò (Heading) vµ phÇn th«ng tin cña ng-êi sö dông. * Nh·n ®Þnh tuyÕn gåm 4 tr-êng kh¸c nhau : + M· ®iÓm b¸o hiÖu ®Ých (DPC): lµ mét phÇn cña nh·n ®Þnh tuyÕn, nã lµ th«ng sè duy nhÊt ®Ó x¸c ®Þnh ®iÓm b¸o hiÖu trªn m¹ng b¸o hiÖu mµ b¶n tin MSU ph¶i kÕt cuèi. + M· ®iÓm b¸o hiÖu gèc (OPC): lµ mét phÇn cña nh·n ®Þnh tuyÕn, nã lµ tr-êng duy nhÊt ®Ó x¸c ®Þnh ®iÓm b¸o hiÖu trªn m¹ng b¸o hiÖu n¬i t¹o ra göi ®i b¶n tin MSU. B¶n Nh·n ®Þnh tin H0 H1 tuyÕn CIC OPC DPC SLS F CK SIF SIO LI FIB FSN BIB BSN F H×nh 6.19 CÊu tróc tæng qu¸t SIF trong TUP.
  • 231.
    + M· nhËnd¹ng kªnh tho¹i (CIC): lµ mét phÇn cña nh·n, nã lµ tr-êng duy nhÊt ®Ó x¸c ®Þnh mét kªnh tho¹i hoÆc d÷ liÖu gi÷a ®iÓm b¸o hiÖu gèc vµ ®iÓm b¸o hiÖu ®Ých. + M· chän lùa kªnh b¸o hiÖu (SLS): lµ 4 bit thÊp nhÊt trong tr-êng CIC. Tr-êng nµy ®-îc sö dông ®Ó lùa chän mét ®-êng b¸o hiÖu tõ mét chïm kªnh b¸o hiÖu, th«ng th-êng sö dông kiÓu chia t¶i. * PhÇn tiªu ®Ò chia thµnh 2 tr-êng (mçi tr-êng 4 bit): + Tr-êng H0: nhãm c¸c b¶n tin cã c¸c chøc n¨ng gÇn gièng nhau thµnh mét nhãm tæng qu¸t dïng cho mét c«ng viÖc chung nµo ®ã. + Tr-êng H1: x¸c ®Þnh chi tiÕt lo¹i cña tõng b¶n tin trong mét nhãm tæng qu¸t nµo ®ã. * PhÇn th«ng tin cña ng-êi sö dông: Tuú thuéc vµo lo¹i b¶n tin mµ c¸c th«ng tin nµy cã chiÒu dµi vµ c¸c ®Þnh d¹ng kh¸c nhau. 2.2 Mét sè b¶n tin cña TUP Trong nhãm b¶n tin ®Þa chØ h-íng ®i FAM (Forward Address Message) cã: b¶n tin ®Þa chØ khëi ®Çu IAM (Initial Address Message), b¶n tin ®Þa chØ khëi ®Çu cã th«ng tin phô IAI (Initial Address Message With Additional Information), b¶n tin ®Þa chØ tiÕp theo SAM (Subsequent Address Message), b¶n tin ®Þa chØ tiÕp theo víi mét tÝn hiÖu ®Þa chØ SAO (Subsequent Address Message With One Address Signal). a) B¶n tin ®Þa chØ khëi ®Çu IAM: Lµ b¶n tin ®-îc göi ®i ®Çu tiªn víi th«ng tin ®Þa chØ kÌm theo. Th«ng th-êng b¶n tin ®Çu tiªn nµy gåm tÊt c¶ c¸c th«ng tin yªu cÇu thiÕt lËp cuéc gäi. FEDCBA 0001 0001 Dù Lo¹i thuª bao M· tiªu M· tiªu Nh·n tr÷ chñ gäi ®Ò H1 ®Ò H0 Bit ®Çu tiªn ®-îc truyÒn ®i 2 6 4 4 40 C¸c tÝn hiÖu ®Þa chØ Sè c¸c tÝn hiÖu ®Þa chØ LKJIHGEDCBA C¸c chØ thÞ b¶n tin n*8 4 12 H×nh 6.20 B¶n tin IAM.
  • 232.
    b) B¶n tinkhëi ®Çu cã th«ng tin phô IAI: Lµ b¶n tin IAM nh-ng cã thªm mét vµi th«ng tin phô trî vµ cã phÇn tiªu ®Ò kh¸c b¶n tin IAM. c) B¶n tin ®Þa chØ tiÕp theo SAM: B¶n tin nµy cho phÐp truyÒn ®i c¸c con sè víi 2 ph-¬ng thøc: ph-¬ng thøc chän gãi (End Block) hay ph-¬ng thøc chång chËp (Overlap). Víi ph-¬ng thøc chän gãi, tÊt c¶ c¸c con sè cã thÓ truyÒn chØ trong mét b¶n tin IAM hay IAI. Víi ph-¬ng thøc chång chËp th× ngay sau khi nhËn ®ñ c¸c con sè ®Ó ®Þnh tuyÕn cuéc gäi th× sö dông b¶n tin IAM ®Ó truyÒn ®i, c¸c con sè sau sÏ ®-îc göi trong b¶n tin SAM. FEDCBA 0001 0001 Dù Lo¹i thuª bao M· tiªu M· tiªu Nh·n tr÷ chñ gäi ®Ò H1 ®Ò H0 Bit ®Çu tiªn ®-îc truyÒn ®i 2 6 4 4 40 C¸c tÝn hiÖu ®Þa chØ Sè tÝn hiÖu ®Þa chØ M· nhåi 0001 M· tiªu dÒ H1 0001 M· tiªu ®Ò H1 Nh·n n*8 4 4 4 4 40 Bit ®Çu tiªn ®-îc truyÒn ®i H×nh 6.22 B¶n tin SAM. HGFEDCBA Octet chØ thÞ ®Çu tiªn C¸c tÝn hiÖu ®Þa chØ Sè c¸c tÝn hiÖu ®Þa chØ LKJIHGEDCBA C¸c chØ thÞ b¶n tin 8 n*8 4 12 Th«ng tin tÝnh c-íc §Þa chØ ®-îc gäi NhËn d¹ng thuª bao chñ gäi Th«ng tin ®Þnh tuyÕn phô Th«ng tin phô vÒ thuª bao chñ gäi Th«ng tin nhãm thuª bao Dïng trong n-íc n*8 n*8 n*8 n*8 n*8 40 8 H×nh 6.21 B¶n tin IAI.
  • 233.
    d) B¶n tin®Þa chØ tiÕp theo víi mét tÝn hiÖu ®Þa chØ SAO: B¶n tin nµy cho phÐp kh¶ n¨ng göi tõng con sè khi cÇn thiÕt trong m¹ng b¸o hiÖu. Ngoµi ra phÇn ng-êi sö dông ®iÖn tho¹i TUP cßn cã c¸c b¶n tin kh¸c ®-îc sö dông trong qu¸ tr×nh xö lý cuéc gäi nh-: - B¶n tin b¸o hiÖu kÕt thóc viÖc nhËn ®Þa chØ ACM. - B¶n tin b¸o hiÖu tr¶ lêi, tÝnh c-íc ACN. - B¶n tin yªu cÇu gi¶i to¶ theo h-íng vÒ CBK. - B¶n tin yªu cÇu gi¶i to¶ theo h-íng ®i CLF. - B¶n tin gi¶i to¶ b¶o an RLG. 2.3 C¸c thñ tôc b¸o hiÖu Qu¸ tr×nh thiÕt lËp cuéc gäi cña tæng ®µi ®iÖn tho¹i sö dông hÖ thèng b¸o hiÖu sè 7 gåm cã nhiÒu giai ®o¹n. ViÖc ®ã ®-îc kh¸i qu¸t nh- sau: Ban ®Çu, tæng ®µi A göi ®i b¶n tin IAM hoÆc b¶n tin IAI. ViÖc quyÕt ®Þnh dïng b¶n tin IAM hay IAI dùa trªn c¬ së c¸c con sè cã thÓ göi. §ång thêi nÕu thÊy cÇn thùc hiÖn viÖc kiÓm tra tÝnh liªn tôc cña ®-êng th«ng tho¹i th× bé phËn göi vµ nhËn c¸c ©m hiÖu kiÓm tra ®-îc ®iÒu khiÓn nèi vµo. Khi nhËn ®-îc c¸c b¶n tin IAM hoÆc IAI, tæng ®µi B ph¶i x¸c ®Þnh xem cã cÇn kiÓm tra tÝnh liªn tôc cña ®-êng th«ng tho¹i hay kh«ng. Tæng ®µi B còng tiÕn hµnh ph©n tÝch c¸c tÝn hiÖu ®Þa chØ trong b¶n tin IAM hay IAI. TiÕp ®ã tæng ®µi B sÏ göi b¶n tin b¸o hoµn thµnh ®Þa chØ ACM sau khi nã ®· xong phÇn ph©n tÝch sè vµ chuyÓn m¹ch thµnh c«ng cuéc gäi. Khi nhËn ®-îc b¶n tin ACM tæng ®µi A gi¶i to¶ c¸c thiÕt bÞ dïng chung cho viÖc xö lý cuéc gäi vµ kÕt nèi th«ng m¹ch tho¹i. TÝn hiÖu “håi ©m chu«ng” sÏ 0001 M· tiªu dÒ H1 0001 M· tiªu ®Ò H1 Nh·n Bit ®Çu tiªn ®-îc truyÒn ®i TÝn hiÖu ®Þa chØ 4 4 4 4 40 M· nhåi H×nh 6.23 B¶n tin SAO.
  • 234.
    ®-îc göi tõtæng ®µi B xuyªn qua m¹ch tho¹i ®Õn tæng ®µi A. Khi thuª bao nhÊc m¸y, tæng ®µi B tr¶ vÒ b¶n tin tr¶ lêi ANS. Tæng ®µi A nhËn ®-îc b¶n tin ANS th× b¾t ®Çu viÖc tÝnh c-íc. Qu¸ tr×nh ®µm tho¹i sÏ diÔn ra trªn m¹ch. Sau khi thuª bao bÞ gäi ®Æt m¸y, tæng ®µi B tr¶ vÒ b¶n tin xo¸ h-íng vÒ CBK. Tæng ®µi A nhËn ®-îc b¶n tin CBK sÏ tiÕn hµnh ng¾t cuéc gäi vµ göi b¶n tin xo¸ h-íng ®i CLF. Tæng ®µi A Tæng ®µi B IAM (hoÆc IAI) ACM Håi ©m chu«ng ANS §µm tho¹i CBK CLF RLG H×nh 6.24 Qu¸ tr×nh thiÕt lËp cuéc gäi trong ®iÒu kiÖn b×nh th-êng
  • 235.
    Khi tæng ®µiB nhËn ®-îc b¶n tin CLF, nã chuyÓn m¹ch trë vÒ tr¹ng th¸i rçi vµ göi b¶n tin gi¶i to¶ b¶o an RLG ®Ó cho thÊy cuéc gäi ®· bÞ xo¸. Tæng ®µi A nhËn ®-îc b¶n tin RLG còng tiÕn hµnh chuyÓn m¹ch vÒ tr¹ng th¸i rçi. 3. PhÇn ng-êi sö dông m¹ng sè liªn kÕt ®a dÞch vô (ISDN User Part) 3.1 NhiÖm vô cña ISUP PhÇn nµy gåm c¸c giao thøc b¸o hiÖu sè 7 dïng ®Ó hç trî c¸c dÞch vô c¬ b¶n, c¸c dÞch vô bæ xung c¸c øng dông tho¹i vµ phi tho¹i cña m¹ng sè liªn kÕt ®a dÞch vô ISDN. ISUP lµ mét trong nhiÒu chñng lo¹i kh¸ch hµng sö dông c¸c giao thøc cña b¸o hiÖu sè 7 n»m trong líp 4 cña m« h×nh ph©n líp b¸o hiÖu sè 7. Khi cÇn trao ®æi th«ng tin, nã cÇn sù hç trî cña phÇn chuyÓn giao b¶n tin MTP. Trong mét sè tr-êng hîp ISUP cßn cÇn ®Õn c¸c giao thøc cña phÇn ®iÒu khiÓn kÕt nèi b¸o hiÖu SCCP. Th«ng tin b¸o hiÖu ®-îc t¹o ra tõ phÇn ng-êi sö dông ISDN (ISUP), nã ®-îc t¶i trªn tuyÕn kÕt nèi b¸o hiÖu b»ng ®¬n vÞ b¶n tin b¸o hiÖu MSU. Trong MSU th× th«ng tin b¸o hiÖu ®-îc ®Æt trong tr-êng th«ng tin b¸o hiÖu SIF. Octet th«ng tin dÞch vô SIO sÏ chØ thÞ m· SI lµ “0101” ®Ó biÓu thÞ ng-êi sö dông lµ ISDN. Sù bè trÝ cña tr-êng th«ng tin b¸o hiÖu SIF nh- sau: Nh·n ®Þnh tuyÕn: Gåm c¸c tr-êng Nh·n ®Þnh tuyÕn PhÇn cè ®Þnh b¾t buéc PhÇn biÕn ®æi b¾t buéc M· nhËn d¹ng m¹ch CIC M· kiÓu b¶n tin PhÇn tuú chän H×nh 6.25 Khu«n d¹ng tr-êng SIF.
  • 236.
    + M· ®iÓmb¸o hiÖu gèc OPC. + M· ®iÓm b¸o hiÖu ®Ých DPC. + M· lùa chän liªn kÕt b¸o hiÖu SLS. M· nhËn d¹ng m¹ch (CIC): M· nµy ®-îc dïng ®Ó chØ ®Þnh mét b¶n tin b¸o hiÖu ISUP cho mét kªnh m¹ch nµo ®ã. Mäi kªnh m¹ch ®Òu cã mét m· nhËn d¹ng riªng. M· kiÓu b¶n tin: §©y lµ mét tr-êng, mét octet b¾t buéc víi tÊt c¶ c¸c b¶n tin. Nã x¸c ®Þnh duy nhÊt chøc n¨ng vµ ®Þnh d¹ng cña mçi b¶n tin ISUP. PhÇn cè ®Þnh b¾t buéc: C¸c tham sè nµy lµ b¾t buéc víi b¶n tin riªng biÖt. Vµ ®é dµi cè ®Þnh sÏ chøa trong phÇn cè ®Þnh b¾t buéc. VÞ trÝ, ®é dµi vµ trËt tù cña tham sè ®-îc x¸c ®Þnh duy nhÊt b»ng lo¹i tin b¸o. V× vËy tªn cña tham sè vµ c¸c khèi chØ thÞ ®é dµi kh«ng cÇn thiÕt cã ë b¶n tin. PhÇn biÕn ®æi b¾t buéc: C¸c tham sè b¾t buéc cña phÇn ®é dµi thay ®æi sÏ ®-îc ®Æt trong phÇn biÕn ®æi b¾t buéc. Con trá ®-îc sö dông ®Ó chØ thÞ ®iÓm b¾t ®Çu cña mçi tham sè. Mçi con trá ®-îc m· ho¸ b»ng 1 octet. Tªn cña mçi tham sè vµ trËt tù cña nã ®-îc ngÇm ®Þnh trong b¶n tin. C¸c tªn tham sè do ®ã kh«ng chøa trong b¶n tin. Sè cña c¸c tham sè vµ con trá ®-îc x¸c ®Þnh duy nhÊt bëi kiÓu b¶n tin. Mçi tham sè trong phÇn biÕn ®æi b¾t buéc gåm c¶ chØ thÞ ®é dµi tham sè tiÕp theo sau lµ néi dung tham sè. PhÇn tuú chän: Tr-êng nµy bao gåm c¸c tham sè mµ cã hoÆc kh«ng cã trong c¸c kiÓu gãi tin riªng biÖt. C¸c tham sè tuú chän cã thÓ truyÒn ®i theo bÊt kú trËt tù nµo. Mçi tham sè tuú chän sÏ bao gåm tªn tham sè (1 octet) vµ néi dung tham sè. Tõ ®ã ta cã ®-îc cÊu tróc mét b¶n tin ISUP nh- sau:
  • 237.
    Nh·n ®Þnh tuyÕn M·nhËn d¹ng m¹ch M· kiÓu b¶n tin Tham sè b¾t buéc A Tham sè b¾t buéc F Con trá tíi tham sè M Con trá tíi phÇn tuú chän ChØ thÞ ®é dµi cña tham sè M Con trá tíi tham sè P Tham sè M ChØ thÞ ®é dµi cña tham sè P Tham sè P Tªn tham sè = X ChØ thÞ ®é dµi cña tham sè X Tham sè X Tªn tham sè = Z ChØ thÞ ®é dµi cña tham sè Z Tham sè Z KÕt thóc tham sè tuú chän 8 7 6 5 4 3 2 1 Thø tù bÝt truyÒn PhÇn cè ®Þnh b¾t buéc PhÇn biÕn ®æi b¾t buéc PhÇn tuú chän H×nh 6.26 CÊu tróc b¶n tin ISUP.
  • 238.
    3.2 C¸c thñtôc b¸o hiÖu cña ISUP Tr-íc tiªn bé ®iÒu khiÓn ®Þnh tuyÕn sÏ chän ra mét kªnh m¹ch rçi sau khi ®· nhËn ®Çy ®ñ vµ ph©n tÝch c¸c con sè tõ thuª bao gäi. TiÕp ®ã ISUP cña tæng ®µi xuÊt ph¸t cuéc gäi sÏ truyÒn ®i b¶n tin ®Þa chØ khëi ®Çu IAM ®Ó chiÕm dïng mét kªnh vµ göi c¸c con sè quay nhËn ®-îc. C¸c con sè quay nhËn ®-îc sau ®ã sÏ ®-îc göi trong b¶n tin ®Þa chØ tiÕp theo SAM. Khi tæng ®µi qu¸ giang nhËn ®-îc b¶n tin IAM sÏ thùc hiÖn viÖc chän lùa ®Þnh tuyÕn. NÕu t×m thÊy mét kªnh m¹ch ®ang rçi th× tæng ®µi qu¸ giang sÏ chiÕm dïng nã. Sau ®ã ISUP cña tæng ®µi nµy còng göi mét b¶n tin IAM vµ c¸c th«ng tin vÒ thuª bao bÞ gäi ®-îc göi tiÕp ®Õn tæng ®µi kÕt cuèi cuéc gäi. BÊt kú b¶n tin SAM nµo ®-îc nhËn sau ®ã bëi tæng ®µi qu¸ giang sau khi b¶n tin IAM cña ISUP ë tæng ®µi qu¸ giang nµy ®· ®-îc göi sÏ ®-îc ISUP cña tæng ®µi qóa giang chuyÓn tiÕp mét c¸ch trùc tiÕp. T¹i tæng ®µi kÕt cuèi, nã tiÕn hµnh ph©n tÝch c¸c th«ng tin nhËn ®-îc trong b¶n tin IAM vµ kÕt hîp víi c¸c th«ng tin nhËn ®-îc trong b¶n tin SAM nÕu cã. Sau khi thÊy viÖc nhËn sè thuª bao bÞ gäi ®· hoµn thµnh, tæng ®µi kÕt cuèi cuéc gäi kiÓm tra tr¹ng th¸i ®-êng d©y thuª bao bÞ gäi vµ x¸c ®Þnh xem cã ®-îc cho phÐp gäi thuª bao nµy hay kh«ng theo yªu cÇu cña dÞch vô. NÕu kÕt qu¶ kiÓm tra cho phÐp, tæng ®µi kÕt cuèi cuéc gäi sÏ göi b¶n tin b¸o hiÖu kÕt thóc viÖc nhËn ®Þa chØ ACM ®Õn tæng ®µi xuÊt ph¸t cuéc gäi ®Ó th«ng b¸o viÖc thiÕt lËp cuéc gäi thµnh c«ng. Trong tr-êng hîp thiÕt lËp mét cuéc gäi ®iÖn tho¹i th«ng th-êng, thuª bao bÞ gäi sÏ cã tÝn hiÖu “chu«ng” vµ thuª bao gäi sÏ nhËn ®-îc tÝn hiÖu “håi ©m chu«ng”. NÕu thuª bao bÞ gäi tr¶ lêi cuéc gäi th× tæng ®µi kÕt cuèi cuéc gäi sÏ th«ng b¸o cho tæng ®µi xuÊt ph¸t cuéc gäi b»ng mét b¶n tin tr¶ lêi ANM. ViÖc gi¶i to¶ cuéc gäi cã thÓ ®-îc kÝch ho¹t bëi thuª bao gäi hay thuª bao bÞ gäi. ISUP ë tæng ®µi xuÊt ph¸t cuéc gäi göi b¶n tin gi¶i to¶ ®-êng kÕt nèi REL ®Õn tæng ®µi qu¸ giang, vµ tæng ®µi qu¸ giang lËp tøc chuyÓn b¶n tin REL nµy ®Õn tæng ®µi kÕt cuèi cuéc gäi. Ngay sau khi kªnh m¹ch cã liªn quan trë vÒ tr¹ng th¸i rçi, ISUP cña tæng ®µi kÕt cuèi cuéc gäi sÏ tr¶ lêi x¸c nhËn cho b¶n tin REL b»ng b¶n tin x¸c nhËn gi¶i phãng kÕt nèi RLC.
  • 239.
    4. PhÇn ®iÒukhiÓn kÕt nèi b¸o hiÖu SCCP PhÇn ®iÒu khiÓn kÕt nèi b¸o hiÖu SCCP ®-îc bæ xung cho líp 3 cña MTP gióp cho b¸o hiÖu sè 7 phï hîp víi m« h×nh OSI. §Ó ®¸p øng c¸c yªu cÇu vÒ b¸o hiÖu trong t-¬ng lai, phÇn ®iÒu khiÓn kÕt nèi b¸o hiÖu SCCP ra ®êi nh»m bæ sung cho MTP. MTP cïng SCCP t¹o nªn mét phÇn mÒm míi NSP (phÇn dÞch vô m¹ng) gåm c¸c líp tõ 1 ®Õn 3. 4.1 Môc ®Ých cña SCCP Trong mét sè tr-êng hîp, b¶n tin b¸o hiÖu ®-îc truyÒn tõ ®iÓm b¸o hiÖu nµy tíi ®iÓm b¸o hiÖu kh¸c kh«ng nh»m môc ®Ých b¸o hiÖu cho mét cuéc gäi cô Thuª bao gäi Tæng ®µi xuÊt ph¸t Tæng ®µi qu¸ giang Tæng ®µi kÕt cuèi Thuª bao bÞ gäi IAM IAM SAM SAM SAM ACM ACM ANM ANM REL RLC REL RLC H×nh 6.27 DiÔn biÕn cuéc gäi qu¸ giang trong ®iÒu kiÖn b×nh th-êng.
  • 240.
    thÓ nµo. MTP®-îc thiÕt kÕ chØ nh»m môc ®Ých chuyÓn c¸c b¶n tin b¸o hiÖu liªn quan ®Õn cuéc gäi. SCCP ra ®êi víi môc ®Ých phôc vô cho c¶ 2 nhiÖm vô trªn. Ngoµi ra SCCP cßn ®-îc sö dông ®Ó thùc hiÖn c¶ c¸c dÞch vô cña m¹ng kh«ng kÕt nèi vµ ®Þnh h-íng kÕt nèi. 4.2 C¸c dÞch vô cña SCCP Môc tiªu cña SCCP lµ cung cÊp ph-¬ng thøc cho c¸c kÕt nèi b¸o hiÖu logic trong m¹ng b¸o hiÖu sè 7 vµ cung cÊp c¸c ph-¬ng thøc cho kh¶ n¨ng chuyÓn giao c¸c khèi sè liÖu b¸o hiÖu, cã hoÆc kh«ng sö dông c¸c kÕt nèi b¸o hiÖu logic. Cã hai lo¹i dÞch vô ®-îc SCCP cung cÊp lµ: dÞch vô kÕt nèi ®Þnh h-íng vµ dÞch vô kÕt nèi kh«ng ®Þnh h-íng. a) DÞch vô kÕt nèi ®Þnh h-íng: §©y lµ mét c¸ch ®Ó hîp lý ho¸ th«ng tin b¸o hiÖu cña tæng ®µi gi÷a hai ng-êi sö dông dÞch vô cña m¹ng b»ng c¸ch thiÕt lËp ®Êu nèi b¸o hiÖu logic gi÷a chóng. Sù ®Êu nèi b¸o hiÖu logic nµy ®¹t ®-îc nhê ®-a ra mét sè tham kh¶o néi bé cho c¸c b¶n tin b¸o hiÖu ®ã. DÞch vô kÕt nèi ®Þnh h-íng lµ kh¶ n¨ng chuyÓn giao b¶n tin b¸o hiÖu qua kÕt nèi b¸o hiÖu ®· ®-îc thiÕt lËp. ViÖc kÕt nèi b¸o hiÖu cã thÓ lµ vÜnh cöu hay chØ t¹m thêi. Ph-¬ng thøc chuyÓn giao kÕt nèi ®Þnh h-íng chia lµm ba giai ®o¹n: - ThiÕt lËp kÕt nèi. - ChuyÓn giao sè liÖu. - Gi¶i phãng kÕt nèi. b) DÞch vô kÕt nèi kh«ng ®Þnh h-íng: Víi dÞch vô nµy, tÊt c¶ c¸c th«ng tin ®Þnh tuyÕn cÇn ®Ó ®Þnh tuyÕn sè liÖu tíi ®Ých cña nã ph¶i cã ë trong mçi gãi sè liÖu. Kh«ng cã sù ®Êu nèi logic ®-îc thiÕt lËp gi÷a c¸c nót ®Çu cuèi. DÞch vô nµy th-êng ®-îc sö dông ®Ó chuyÓn giao nh÷ng l-îng nhá th«ng tin tíi h¹n thêi gian thùc gi÷a nh÷ng ng-êi sö dông ë xa. 4.3 C¸c ph©n líp giao thøc cña SCCP
  • 241.
    Cã 4 ph©nlíp dïng ®Ó x¸c ®Þnh c¸c dÞch vô kÕt nèi: - Ph©n líp 0: Lo¹i kh«ng kÕt nèi c¬ së. - Ph©n líp 1: Lo¹i kh«ng kÕt nèi tuÇn tù . - Ph©n líp 2: Lo¹i kÕt nèi cã ®Þnh h-íng c¬ së. - Ph©n líp 3: Lo¹i kÕt nèi cã ®Þnh h-íng ®iÒu khiÓn luång. Ph©n líp 0: Khèi d÷ liÖu dÞch vô m¹ng NSDU ®-îc SCCP vËn chuyÓn qua m¹ng tíi SCCP ®Ých vµ c¸c ph©n líp cao h¬n ë ®Ých. C¸c khèi d÷ liÖu ®-îc vËn chuyÓn lµ hoµn toµn ®éc lËp víi nhau nªn chóng cã thÓ ®-îc ph©n phèi kh«ng tuÇn tù. Ph©n líp 1: T¹i ph©n líp nµy, c¸c ®Æc ®iÓm cña ph©n líp 0 ®-îc hoµn thiÖn nhê thiÖn nhê cã thªm tÝnh chÊt bæ sung. Nã cho phÐp líp cao h¬n chØ ra mét luång ®· cã cña khèi d÷ liÖu dÞch vô m¹ng NSDU ph¶i ®-îc ph©n ph¸t tuÇn tù ®Õn ®Ých. M· lùa chän kªnh b¸o hiÖu SLS ®-îc sö dông ®Ó cho luång cña c¸c NSDU cã cïng tham sè ®iÒu khiÓn tuÇn tù lµ nh- nhau. Ph©n líp 2: Khèi d÷ liÖu dÞch vô m¹ng NSDU ®-îc chuyÓn giao nhê kÕt nèi b¸o hiÖu t¹m thêi hoÆc vÜnh cöu. C¸c tin b¸o thuéc vÒ mét kÕt nèi b¸o hiÖu chøa cïng gi¸ trÞ tr-êng SLS ®Ó ®¶m b¶o tuÇn tù. Sè liÖu ®-îc chuyÓn giao d-íi d¹ng gãi (DT1). Ph©n líp 3: T-¬ng tù nh- ph©n líp 2 nh-ng cã thªm tÝnh chÊt ®iÒu khiÓn luång. §iÒu khiÓn luång nghÜa lµ tèc ®é luång sè liÖu cã thÓ ®-îc ®iÒu khiÓn gi÷a c¸c líp l©n cËn hay gi÷a hai líp. C¸c chøc n¨ng ®iÒu khiÓn luång cho phÐp h¹n chÕ luång sè liÖu tõ phÝa ph¸t. Ngoµi ra kh¶ n¨ng ph¸t hiÖn mÊt b¶n tin hay mÊt tuÇn tù còng ®-îc bæ sung. Trong tr-êng hîp nh- vËy, sù cè kÕt nèi b¸o hiÖu ®-îc thiÕt lËp l¹i. Sè liÖu th«ng th-êng ®-îc chuyÓn giao d-íi d¹ng gãi (DT2). 4.4 C¸c khèi chøc n¨ng cña SCCP PhÇn ®iÒu khiÓn kÕt nèi b¸o hiÖu SCCP bao gåm c¸c phÇn chøc n¨ng chÝnh sau: - PhÇn ®iÒu khiÓn kÕt nèi ®Þnh h-íng cña SCCP (SCOC): Cung cÊp c¸c chøc n¨ng cho viÖc thiÕt lËp, gi¸m s¸t vµ xo¸ c¸c kÕt nèi b¸o hiÖu t¹m thêi. Nã còng xö lý viÖc truyÒn d÷ liÖu trªn kÕt nèi nµy. - PhÇn ®iÒu khiÓn kh«ng kÕt nèi cña SCCP (SCLC): Cung cÊp thñ tôc chuyÓn giao kh«ng kÕt nèi sè liÖu cña ng-êi sö dông.
  • 242.
    - PhÇn ®ÞnhtuyÕn cña SCCP (SCR): Dùa trªn MTP ®Ó ®Þnh tuyÕn vËt lý chuyÓn c¸c b¶n tin tõ ®iÓm b¸o hiÖu nµy tíi ®iÓm b¸o hiÖu kh¸c. Ngoµi ra, nã cßn cung cÊp kh¶ n¨ng ®Þnh tuyÕn bæ sung nh- viÖc diÔn dÞch tiªu ®Ò trªn toµn cÇu cho ng-êi sö dông m¹ng (Global Title). - PhÇn ®iÒu hµnh SCCP: Cung cÊp c¸c thñ tôc ®Ó duy tr× sù ho¹t ®éng cña m¹ng b»ng c¸ch l-u th«ng hoÆc kh«ng l-u th«ng trong tr-êng hîp cã sù cè. 4.5 C¸c b¶n tin b¸o cña SCCP C¸c b¶n tin b¸o cña SCCP ®-îc sö dông nhê giao thøc peer to peer. Mäi b¶n tin ®Òu ®-îc nhËn d¹ng ®ång nhÊt b»ng m· cña c¸c lo¹i b¶n tin, m· nµy ®-îc nhËn biÕt trong mäi b¶n tin b¸o. a) DÞch vô kh«ng ®Êu nèi: §èi víi lo¹i dÞch vô nµy, cã hai lo¹i b¶n tin ®-îc sö dông. §ã lµ vô d÷ liÖu ®¬n vÞ UDT vµ dÞch vô d÷ liÖu ®¬n vÞ UDTS. PhÝa ph¸t sÏ ph¸t th«ng tin líp cao h¬n trong b¶n tin sè liÖu khèi UDT vµ göi vÒ nót ®Ých nhê lo¹i giao thøc 1 hoÆc 0. B¶n tin UDTS ®-îc ph¸t ng-îc trë l¹i khi UDT kh«ng ®Õn ®-îc ®Ých cña nã. UDTS chøa th«ng tin vÒ nguyªn nh©n, chuÈn ®o¸n. b) DÞch vô kÕt nèi ®Þnh h-íng: §èi t-îng sö dông SCCP SSA UDT, UDTS CR,CC, CREF SSP RLSD, RLC SST DT1, ERR,IT SCOC SCR SCM SCLC MTP H×nh 6.28 C¸c khèi chøc n¨ng cña SCCP.
  • 243.
    Bªn c¹nh c¸cb¶n tin phôc vô cho viÖc truyÒn d÷ liÖu cßn cã c¸c b¶n tin phôc vô cho viÖc thiÕt lËp vµ gi¶i phãng liªn kÕt. * Giai ®o¹n thiÕt lËp kÕt nèi: - B¶n tin yªu cÇu kÕt nèi (CR) sÏ ®-îc bªn gäi göi cho bªn bÞ gäi. Sau khi nhËn ®-îc b¶n tin nµy, nÕu cã thÓ bªn bÞ gäi sÏ thiÕt lËp kÕt nèi b¸o hiÖu. - B¶n tin kh¼ng ®Þnh kÕt nèi (CC) sÏ ®-îc bªn bÞ gäi göi cho bªn gäi nh»m môc ®Ých b¸o cho bªn ph¸t ®Ó biÕt r»ng nã ®· thiÕt lËp kÕt nèi b¸o hiÖu. Dùa vµo b¶n tin nµy, nÕu cã thÓ bªn gäi hoµn tÊt viÖc thiÕt lËp ®-êng truyÒn. - B¶n tin tõ chèi kÕt nèi (CREF) ®-îc göi cho bªn gäi nh»m môc ®Ých b¸o cho bªn gäi biÕt r»ng bªn bÞ gäi hoÆc mét nót trung gian nµo ®ã tõ chèi viÖc thiÕt lËp kÕt nèi v× mét lÝ do nµo ®ã. * Giai ®o¹n truyÒn sè liÖu: - Tin b¸o d¹ng sè liÖu 1 (DT1) ®-îc göi gi÷a hai nót SCCP. ViÖc truyÒn lóc nµy ®-îc thùc hiÖn mét c¸ch th«ng suèt. D¹ng b¶n tin nµy chØ ®-îc sö dông ë ph©n líp 2. - Tin b¸o d¹ng sè liÖu 2 (DT2) ®-îc göi gi÷a hai nót SCCP trong qu¸ tr×nh truyÒn sè liÖu vµ ®Ó c¸c tin b¸o thõa nhËn ®i theo mét h-íng kh¸c. B¶n tin nµy chñ yÕu sö dông ë ph©n líp 3. - B¶n tin kiÓm tra viÖc kh«ng ho¹t ®éng (IT) cã thÓ ®-îc ph¸t ®Þnh kú nh»m môc ®Ých kiÓm tra xem phÇn kÕt nèi cã ho¹t ®éng ë c¶ hai ®Çu cuèi hay kh«ng, ®ång thíi còng kiÓm tra tÝnh nhÊt qu¸n cña sè liÖu. - B¶n tin b¸o lçi khèi sè liÖu cña giao thøc (ERR) ®-îc ph¸t khi x¶y ra lçi bÊt kú cña giao thøc. * Giai ®o¹n gi¶i phãng kÕt nèi: - B¶n tin yªu cÇu gi¶i phãng kÕt nèi (RLSD) ®-îc göi trªn c¶ 2 h-íng nh»m môc ®Ých th«ng b¸o bªn ph¸t muèn xo¸ bá kÕt nèi. - B¶n tin x¸c nhËn gi¶i phãng kÕt nèi (RLC) ®-îc ph¸t nh»m ®¸p l¹i b¶n tin RLSD vµ th«ng b¸o cho bªn ph¸t biÕt c¸c thñ tôc thÝch hîp ®· ®-îc hoµn thµnh.
  • 244.
    4.6 Khu«n d¹ngvµ m· b¶n tin SCCP C¸c b¶n tin SCCP ®-îc mang trªn c¸c kªnh sè liÖu b¸o hiÖu nhê ®¬n vÞ b¶n tin b¸o hiÖu MSU. Tr-êng chØ thÞ dÞch vô SI trong octet th«ng tin dÞch vô SIO ®-îc m· ho¸ lµ “0011” cho c¸c tin b¸o cña SCCP. Tr-êng th«ng tin b¸o hiÖu SIF cña mçi MSU chøa b¶n tin SCCP, bao gåm mét sè nguyªn c¸c octet (≤272 octet). T-¬ng tù nh- trong b¶n tin cña ISUP, mçi b¶n tin SCCP chøa mét tham sè víi th«ng tin b¸o hiÖu. C¸c tham sè cã thÓ cã ®é dµi cè ®Þnh, hoÆc cã ®é dµi thay ®æi vµ chóng cã thÓ tuú chän hay b¾t buéc. 4.7 §Þnh ®Þa chØ vµ ®Þnh tuyÕn trong SCCP Khi phÇn chuyÓn giao b¶n tin MTP ®-îc sö dông th× ®Þa chØ cña phÇn bÞ gäi ®-îc ph©n tÝch ë phÇn ng-êi sö dông. Sau khi DPC ®-îc x¸c ®Þnh, nã sÏ ®-îc dïng ®Ó ®Þnh tuyÕn b¶n tin b¸o hiÖu. Khi cã SCCP th× cã hai tham sè lµ: ®Þa chØ cña phÇn gäi vµ ®Þa chØ cña phÇn bÞ gäi trong b¶n tin SCCP chøa th«ng tin cÇn thiÕt ®Ó SCCP x¸c ®Þnh nót ®Ých vµ nót nguån. C¶ ®Þa chØ cña phÇn gäi vµ phÇn bÞ gäi ®Òu cã trong c¸c b¶n tin cña dÞch vô kh«ng kÕt nèi. Cßn ®èi víi dÞch vô kÕt nèi ®Þnh h-íng th× chØ cã hai b¶n tin CR vµ CC mang hai tham sè nµy. §Ó ®Þnh tuyÕn SCCP th× cã hai lo¹i ®Þa chØ c¬ b¶n sau: Nh·n ®Þnh tuyÕn PhÇn cè ®Þnh b¾t buéc PhÇn biÕn ®æi b¾t buéc 8 7 6 5 4 3 2 1 M· kiÓu b¶n tin PhÇn tuú chän H×nh 6.29 Khu«n d¹ng tr-êng SIF. Thø tù truyÒn bit Thø tù truyÒn octet
  • 245.
    * Tiªu ®Òtoµn côc GT (Global Title): lµ mét ®Þa chØ, nh- c¸c digit quay sè mµ SCCP cÇn truyÒn tr-íc khi chóng ®-îc sö dông ®Ó ®Þnh tuyÕn trong m¹ng b¸o hiÖu. Sù phiªn dÞch cña GT lu«n lu«n ®ßi hái ®èi víi c¸c tin b¸o cña CR. * M· ®iÓm ®Ých DPC (Destination Point Code) vµ sè ph©n hÖ SSN (Subsystem Number): cho phÐp ®Þnh tuyÕn trùc tiÕp nhê SCCP vµ MTP. Sè ph©n hÖ SSN lµ mét ®Þa chØ x¸c ®Þnh mét phÇn sö dông SCCP, ch¼ng h¹n TUP hay ISUP. 5. PhÇn øng dông kh¶ n¨ng giao dÞch TCAP Trong t-¬ng lai, m¹ng viÔn th«ng sÏ cã rÊt nhiÒu dÞch vô míi. C¸c dÞch vô nµy sÏ ®ßi hái chuyÓn giao sè liÖu b¸o hiÖu gi÷a c¸c nót trong m¹ng b¸o hiÖu nhanh nhÊt vµ cã hiÖu qu¶ nhÊt. Mét sè nót sÏ lµ c¬ së d÷ liÖu cã mét khèi l-îng lín sè liÖu vµ víi c¸c ch-¬ng tr×nh øng dông kh¸c nhau. CCITT ®· x¸c ®Þnh c¸c kh¶ n¨ng giao dÞch (TC) ®Ó cung cÊp c¸c dÞch vô tæng thÓ cho mét sè lín c¸c dÞch vô kh¸c nhau nh- vËy mµ kh«ng øng dông nµo rµng buéc víi øng dông nµo. Kh¸i niÖm TC tu©n theo c¸c chøc n¨ng cña giao thøc ®· tiªu chuÈn ho¸ chung. PhÇn øng dông c¸c kh¶ n¨ng giao dÞch (TCAP) lµ mét phÇn cña kh¸i niÖm TC, cung cÊp c¸c giao thøc vµ c¸c dÞch vô cña líp øng dông. C¸c vÝ dô vÒ c¸c øng dông sÏ dïng nh÷ng kh¶ n¨ng giao dÞch nµy lµ: + C¸c øng dông cña dÞch vô di ®éng. + DÞch vô ®iÖn tho¹i miÔn phÝ. GT SSN SPC Khèi chØ thÞ ®Þa chØ Dù tr÷ Khèi chØ thÞ ®Þnh tuyÕn Khèi chØ thÞ GT Khèi chØ thÞ SSN Khèi chØ thÞ m· ®iÓm H×nh 6.30 Khu«n d¹ng ®Þa chØ phÇn bÞ gäi.
  • 246.
    + Gäi b»ngthÎ tÝn dông. + C¸c øng dông khai th¸c vµ b¶o d-ìng. Nh÷ng ng-êi sö dông c¸c kh¶ n¨ng giao dÞch nµy ®-îc gäi lµ nh÷ng ng-êi sö dông TC. Môc ®Ých chÝnh cña TCAP lµ cung cÊp mét hÖ thèng chung vµ tæng qu¸t cho viÖc truyÒn th«ng tin gi÷a 2 nót. TCAP lµ giao thøc chung cã kh¶ n¨ng ®-a c¸c tÝnh chÊt míi vµo trong m¹ng viÔn th«ng mét c¸ch dÔ dµng. Nã lµm gi¶m yªu cÇu ph¸t triÓn c¸c giao thøc míi mçi khi cã c¸c tÝnh chÊt míi ®-îc ®-a ra. 5.1 Chøc n¨ng tæng qu¸t cña TCAP. Khi ng-êi sö dông TC muèn b¾t ®Çu mét thao t¸c (ch¼ng h¹n nh- diÔn dÞch sè ®iÖn tho¹i miÔn phÝ) ë mét nót tõ xa, hä ph¶i b¾t ®Çu ®µm tho¹i víi ng-êi sö dông TC ë xa. ViÖc nµy ®-îc thùc hiÖn b»ng c¸ch göi c¸c c¬ së yªu cÇu tíi giao thøc TCAP. TiÕp ®ã TCAP b¾t ®Çu giao dÞch víi TCAP ë xa b»ng c¸ch göi b¶n tin TCAP tíi nót ®ã th«ng qua m¹ng b¸o hiÖu. Nhê cã phÇn dÞch vô m¹ng NSP mµ viÖc chuyÓn giao tin b¸o TCAP ®-îc xö lý. 5.2 C¸c ph©n líp cña TCAP. PhÇn øng dông c¸c kh¶ n¨ng giao dÞch TCAP ®-îc chia lµm hai ph©n líp sau: §èi t-îng sö dông TC §èi t-îng sö dông TC TCAP TCAP MTP SCCP MTP SCCP MTP SCCP Héi tho¹i Giao dÞch SP STP SP 7 4-6 NSP 1-3 H×nh 6.31 Ph-¬ng thøc giao dÞch cña b¸o hiÖu sè 7.
  • 247.
    + Ph©n lípphÇn tö : lµ mét khèi sè liÖu cña giao thøc trao ®æi gi÷a ng-êi sö dông TC. + Ph©n líp giao dÞch: sù trao ®æi c¸c tin b¸o, cã chøa mét sè phÇn tö gi÷a hai ng-êi sö dông TC. a) Ph©n líp phÇn tö (CSL): Nhê sù trî gióp cña ph©n líp phÇn tö ng-êi sö dông TC cã kh¶ n¨ng yªu cÇu hç trî c¸c khai th¸c tõ xa vµ nhËn ®-îc mét hay nhiÒu tr¶ lêi, ch¼ng h¹n nh- mét cuéc gäi ®iÖn tho¹i miÔn phÝ tõ mét c¬ së d÷ liÖu ®Ó xö lý cuéc gäi. Ph©n hÖ nµy cã hai chøc n¨ng chÝnh lµ xö lý héi tho¹i (DHA) vµ xö lý phÇn tö (CHA). Hai phÇn chøc n¨ng th«ng tin víi ng-êi sö dông TC nhê ph¸t vµ thu ®-îc gäi lµ c¸c c¬ së (c¸c c¬ së héi tho¹i vµ phÇn tö). b) Ph©n líp giao dÞch (TSL): Ph©n líp nµy cung cÊp c¸c kh¶ n¨ng ®Ó ph¸t c¸c tin b¸o gi÷a c¸c phÇn TCAP. Nh÷ng tin b¸o nµy cã thÓ chøa c¸c phÇn tö thuéc ph©n líp phÇn tö. §Ó vËn chuyÓn c¸c tin b¸o TCAP, ph©n líp giao dÞch sö dông c¸c dÞch vô cung cÊp bëi phÇn dÞch vô cña m¹ng (NSP). Vµ chØ cã c¸c dÞch vô cho b¸o hiÖu kh«ng ®Êu nèi lµ ®-îc sö dông. Thñ tôc cña ph©n líp giao dÞch liªn kÕt mçi tin b¸o TCAP víi mét giao dÞch ®Æc biÖt. Nã còng s¾p xÕp th«ng tin ®iÒu khiÓn héi tho¹i vµo th«ng tin ®iÒu khiÓn giao dÞch, ®Æc biÖt lµ cã sù s¾p xÕp tõng th«ng tin mét gi÷a héi tho¹i vµ giao dÞch. TSL còng xö lý mét phÇn cña tin b¸o TCAP vµ phÇn ®ã ®-îc gäi lµ phÇn giao dÞch (TP). Khi ph¸t hiÖn thÊy lçi ë TP th× tin b¸o ®-îc bá ®i vµ nÕu thÝch hîp viÖc giao dÞch sÏ kh«ng ®-îc thùc hiÖn n÷a.
  • 248.
    5.3 C¸c dÞchvô líp cña TCAP * Xö lý héi tho¹i (DHA) TCAP cung cÊp hai lo¹i ph-¬ng tiÖn héi tho¹i nh- sau: héi tho¹i cã cÊu tróc vµ héi tho¹i kh«ng cÊu tróc. - Héi tho¹i cã cÊu tróc: cho phÐp ng-êi sö dông TC b¾t ®Çu héi tho¹i, trao ®æi c¸c phÇn tö trong héi tho¹i nµy, vµ sau ®ã kÕt cuèi hay b·i bá nã. C¸c héi tho¹i cã cÊu tróc cho phÐp mét vµi luång phÇn tö cïng tån t¹i gi÷a hai ng-êi sö dông TC. Mçi héi tho¹i sö dông tham sè ID ®Ó nhËn d¹ng héi tho¹i cã cÊu tróc. §ång thêi tham sè nµy còng x¸c ®Þnh phÇn tö nµo g¾n liÒn víi tin b¸o vµ héi tho¹i. - Héi tho¹i kh«ng cÊu tróc: cã thÓ ®-îc sö dông ®Ó diÔn ®¹t sù ho¹t ®éng mµ kh«ng cÇn ph¶i tr¶ lêi. Bªn c¹nh ®ã kh«ng cã sù b¾t ®Çu vµ kÕt cuèi râ rµng nµo kÕt hîp víi héi tho¹i kh«ng cÊu tróc. C¸c héi tho¹i kh«ng cÊu tróc ®-îc kÕt cuèi tõ quan ®iÓm cña TCAP ngay khi c¸c thµnh phÇn ®· ®-îc ph¸t ®i. * Xö lý phÇn tö (CHA) Ng-êi sö dông TC CSL DHA CHA TSL Xö lý giao dÞch TCAP Tin b¸o TCAP SCCP H×nh 6.32 C¸c ph©n líp cña TCAP.
  • 249.
    Mçi phÇn töbao gåm mét yªu cÇu ®Ó thùc hiÖn vËn hµnh hay tr¶ lêi. VËn hµnh lµ mét thao t¸c ®-îc thùc hiÖn bëi ®Çu xa. Yªu cÇu hç trî vËn hµnh ®-îc nhËn biÕt nhê ID hç trî. §iÒu nµy cho phÐp mét sè yªu cÇu hç trî vËn hµnh gièng hay kh¸c nhau t¸c ®éng tøc thêi. Mét hay nhiÒu tr¶ lêi cã thÓ ®-îc göi ®Õn vËn hµnh. Ng-êi sö dông TC lùa chän mét trong bèn lo¹i vËn hµnh ®-îc cung cÊp tuú thuéc vµo yªu cÇu liªn quan tíi b¸o c¸o tr¶ lêi cho vËn hµnh ®· ®-îc yªu cÇu hç trî. Bèn lo¹i vËn hµnh ®ã lµ: - Lo¹i 1: gåm c¶ b¸o c¸o thµnh c«ng vµ sù cè. - Lo¹i 2: chØ cã b¸o c¸o sù cè. - Lo¹i 3: chØ cã b¸o c¸o thµnh c«ng. - Lo¹i 4: kh«ng cã b¸o c¸o thµnh c«ng hay sù cè. Chøc n¨ng xö lý nµy s¾p xÕp c¸c th«ng tin thµnh phÇn vµo c¸c phÇn tö vµ ng-îc l¹i. TÊt c¶ c¸c phÇn tö trong vËn hµnh cã cïng ID, hç trî ®-îc ph©n ®Þnh bëi ng-êi sö dông TC yªu cÇu hç trî. §Çu xa ®-a trë l¹i ID hç trî trong c¸c tr¶ lêi cña nã tíi yªu cÇu hç trî vËn hµnh. C¸c phÇn tö ®-îc ®-a riªng biÖt gi÷a ng-êi sö dông TC vµ ph©n líp phÇn tö. Ng-êi sö dông TC nguån cã thÓ ph¸t vµi phÇn tö tíi ph©n líp phÇn tö tr-íc khi chóng ®-îc ph¸t (trong tin b¸o ®¬n) tíi ®Çu xa. Khi thu ®-îc vµi phÇn tö ë mét tin b¸o ®¬n, mçi phÇn tö sÏ ®-îc ph©n ph¸t riªng biÖt tíi ng-êi sö dông TC vµ theo cïng trËt tù nh- chóng ®-îc cung cÊp ë giao diÖn nguån. Trong tr-êng hîp héi tho¹i cã cÊu tróc, phÇn xö lý phÇn tö cung cÊp bé ®Þnh thêi, kÕt hîp víi yªu cÇu hç trî vËn hµnh. §ång hå nµy ®-îc khëi ®éng khi phÇn tö yªu cÇu hç trî ®-îc chuyÓn tíi ph©n líp giao dÞch. Gi¸ trÞ cña ®ång hå ®-îc x¸c ®Þnh bëi ng-êi sö dông TC ®èi víi mçi vËn hµnh. Khi ®· thu ®-îc tr¶ lêi cho phÇn tö yªu cÇu hç trî th× ®ång hå míi dõng. NÕu ng-êi sö dông TC b·i bá th× ®ång hå còng cã thÓ dõng. Khi hÕt giê, ng-êi sö dông TC ®-îc th«ng b¸o vµ vËn hµnh dõng l¹i. * Ph©n ®o¹n c¸c tin b¸o
  • 250.
    PhÇn tö thµnhphÇn, ®-îc ph©n ph¸t tõ ng-êi sö dông TC, kh«ng ®-îc phÐp v-ît qu¸ ®é dµi tin b¸o lín nhÊt, bao gåm c¶ phÇn ®Çu bæ sung ë d-íi c¸c líp. TCAP cung cÊp dÞch vô cho ng-êi sö dông TC, nghÜa lµ TCAP kiÓm tra ®é dµi víi mçi phÇn tö thµnh phÇn ®· thu ®-îc tõ ng-êi sö dông TC. PhÇn tö sÏ ®-îc chÊp nhËn vµ l-u tr÷ nÕu nh- ®é dµi tho¶ m·n yªu cÇu. Ng-îc l¹i, ®é dµi mµ kh«ng tho¶ m·n th× nã ®-îc ®-a trë l¹i víi ng-êi sö dông TC ®Ó ph©n ®o¹n. * ChÊt l-îng cña dÞch vô (QOS) ChÊt l-îng dÞch vô cã nghÜa lµ ng-êi sö dông TC chØ thÞ chÊt l-îng dÞch vô cã thÓ chÊp nhËn ®-îc, chÊt l-îng nµy ®-îc cung cÊp bëi c¸c líp d-íi. DÞch vô nµy ®-îc cung cÊp cho ng-êi sö dông TC bëi SCCP vµ TCAP hç trî. Tham sè QOS cã trong tÊt c¶ c¸c c¬ së yªu cÇu héi tho¹i vµ ®-îc s¾p xÕp bëi TCAP cho tham sè t-¬ng øng ë c¸c c¬ së yªu cÇu ®· ph¸t tíi SCCP. * Ph©n ph¸t tuÇn tù Ng-êi sö dông TC cã thÓ chØ thÞ liÖu tin b¸o cã cÇn ®-îc ph¸t theo mét tuyÕn ®· ®Þnh trong m¹ng b¸o hiÖu. Tõ ®ã nã cã thÓ ®¶m b¶o cho viÖc ph©n ph¸t tuÇn tù nh÷ng b¶n tin b¸o nµy, ®ång thêi chØ thÞ tuyÕn nµo kh«ng ®¶m b¶o tin b¸o sÏ ®-îc ph©n ph¸t tuÇn tù. Ph©n ph¸t tuÇn tù ®-îc sö dông trong ph©n ®o¹n tin b¸o vµ ®-îc s¾p xÕp vµo ph©n líp giao thøc 1 cña SCCP. §iÒu nµy cã nghÜa lµ TCAP cung cÊp SCCP víi tham sè ®iÒu khiÓn tuÇn tù ®-îc sö dông ®Ó lùa chän kªnh b¸o hiÖu. Kh«ng ph©n ph¸t tuÇn tù ®-îc s¾p xÕp vµo ph©n líp giao thøc 0 cña SCCP. * PhÇn ®-a trë vÒ tin b¸o NÕu tin b¸o kh«ng thÓ ph©n ph¸t ®-îc tíi ®Ých th× ng-êi sö dông TC cã mét lùa chän, yªu cÇu tin b¸o cÇn ®-îc ®-a trë vÒ. Khi tin b¸o ®-îc ®-a trë l¹i, TCAP sÏ thu mét chØ thÞ chøa toµn bé tin b¸o vµ lý do quay trë l¹i. TCAP sÏ sö dông c¬ chÕ b¸o c¸o ngo¹i lÖ ®Ó th«ng b¸o cho ng-êi sö dông TC biÕt ®iÒu nµy. Khi SCCP chØ thÞ ®-îc quay trë l¹i th× TCAP t¸ch ra lÊy l¹i tin b¸o, lý do ®-a trë l¹i vµ ID giao dÞch/héi tho¹i (nÕu cã kh¶ n¨ng øng dông) vµ göi c¬ së chØ thÞ chó ý TC cho ng-êi sö dông TC cã chøa th«ng tin nµy. Sau ®ã, ng-êi sö dông TC sÏ ho¹t ®éng theo c¸ch thÝch hîp.
  • 251.
    * B¸o c¸ongo¹i lÖ PhÇn xö lý héi tho¹i (DHA) th«ng b¸o cho ng-êi sö dông TC vÒ t×nh tr¹ng kh«ng b×nh th-êng nµo ®ã. Khi thu ®-îc chØ thÞ tin b¸o quay trë l¹i bëi ph©n líp phÝa d-íi, tin b¸o ®-îc ®-a trë l¹i bëi ph©n líp phÇn tö (CSL) tíi ng-êi sö dông TC. Ph-¬ng tiÖn nµy dùa trªn yªu cÇu cña ng-êi sö dông TC. Khi ph¸t hiÖn ®-îc kho¶ng thêi gian héi tho¹i kÐo dµi kh«ng b×nh th-êng th× DHA sÏ th«ng b¸o cho ng-êi sö dông TC biÕt ®iÒu nµy.
  • 252.
    ch-¬ng 7 c¬ sëlý thuyÕt phôc vô cuéc gäi vµ ph-¬ng ph¸p tÝnh to¸n thiÕt bÞ m¹ng viÔn th«ng. 7.1 môc tiªu cña lý thuyÕt phôc vô cuéc gäi C¸c phÇn tö chÝnh cña c¸c tæng ®µi vµ c¸c m¹ng viÔn th«ng lµ: c¸c thiÕt bÞ ®Çu cuèi vµ c¸c ®-êng d©y thuª bao, chóng chÝnh lµ c¸c nguån t¶i ban ®Çu; c¸c nhãm kªnh trung gian ®-îc t¹o trªn c¸c ®o¹n chung cña tuyÕn nèi vµ dïng ®Ó phôc vô c¸c nhãm nguån t¶i tho¹i; c¸c thiÕt bÞ chuyÓn m¹ch dïng ®Ó thùc hiÖn c¸c kÕt nèi gi÷a nguån vµ ®Ých cña t¶i; vµ cuèi cïng lµ c¸c thiÕt bÞ ®iÒu khiÓn ®¶m b¶o viÖc ®iÒu khiÓn c¸c thiÕt bÞ chuyÓn m¹ch. C¸c nhãm kªnh trung gian, c¸c thiÕt bÞ chuyÓn m¹ch, c¸c thiÕt bÞ ®iÒu khiÓn cÇn ®-îc x©y dùng sao cho viÖc sö dông chóng hiÖu qu¶ nhÊt. ViÖc tÝnh to¸n sè kªnh cña c¸c nhãm, còng nh- sè l-îng c¸c thiÕt bÞ chuyÓn m¹ch vµ c¸c thiÕt bÞ ®iÒu khiÓn ®Òu dùa trªn nh÷ng nguyªn t¾c chung vµ v× vËy sau nµy phÇn lý thuyÕt c¸c tÝnh to¸n nµy sÏ xem xÐt chñ yÕu ®èi víi c¸c nhãm kªnh. Sè kªnh cña mçi nhãm phô thuéc vµo ®¹i l-îng vµ tÝnh chÊt cña t¶i yªu cÇu ®Æt lªn nhãm hoÆc chïm kªnh ®ã, phô thuéc vµo chÊt l-îng phôc vô mµ c¸c thuª bao yªu cÇu, phô thuéc vµo tÝnh chÊt cña c¸c thiÕt bÞ chuyÓn m¹ch vµ d¹ng cña nhãm. Trong lý thuyÕt xö lý cuéc gäi nghiªn cøu tÝnh quy luËt ®Æc tr-ng cña t¶i víi môc ®Ých ®-a ra c¸c ph-¬ng ph¸p tÝnh to¸n x©y dùng c¸c hÖ thèng viÔn th«ng (c¸c trung t©m chuyÓn m¹ch vµ m¹ng) hîp lý nhÊt. NhiÖm vô chñ yÕu cña lý thuyÕt xö lý cuéc gäi lµ lµm râ c¬ së sù phô thuéc gi÷a ®¹i l-îng t¶i, c¸c chØ tiªu chÊt l-îng phôc vô vµ sè ®-êng, sè thiÕt bÞ chuyÓn m¹ch vµ sè thiÕt bÞ ®iÒu khiÓn cÇn thiÕt ®Ó phôc vô t¶i yªu cÇu ®ã. Lý thuyÕt xö lý cuéc gäi dùa trªn c¸c quy luËt cña lý thuyÕt s¸c xuÊt vµ dùa trªn nÒn t¶ng lµ lý thuyÕt phôc vô sè ®«ng. 7.2. T¶i vµ c-êng ®é t¶i T¶i ®-îc hiÓu lµ tæng thêi gian mµ c¸c thuª bao chiÕm c¸c thiÕt bÞ thiÕt bÞ m¹ng. ThiÕt bÞ mang t¶i trong c¸c tr-êng hîp khi nã tham gia vµo qu¸ tr×nh cña cuéc nèi, nghÜa lµ khi x¶y ra viÖc chuÈn bÞ thiÕt bÞ cho cuéc gäi, khi cuéc gäi diÔn ra vµ khi gi¶i to¶ cuéc gäi. T¶i xuÊt hiÖn do ý muèn cña ng-êi gäi vµ sau ®ã ®-îc truyÒn tõ thiÕt bÞ nµy ®Õn thiÕt bÞ kh¸c theo h-íng nèi ®Õn thuª bao bÞ gäi. T¶i xuÊt hiÖn
  • 253.
    tõ c¸c thuªbao theo c¸c ®-êng d©y riªng, sau ®ã ®-îc kÕt hîp l¹i thµnh dßng t¶i chung vµ ®-îc phôc vô bëi c¸c nhãm kªnh trung gian. ViÖc kÕt hîp c¸c t¶i x¶y ra, vÝ dô, ë tÇng chuyÓn m¹ch tËp trung t¶i trong ph©n hÖ øng dông cña c¸c tæng ®µi tù ®éng (mét sè tµi liÖu gäi lµ cÊp chän s¬ bé). Sau ®ã c¸c dßng t¶i qua c¸c thiÕt bÞ chuyÓn m¹ch cña tr-êng chuyÓn m¹ch nhãm ®Ó ®-îc ph©n phèi ®Õn h-íng yªu cÇu vµ cuèi cïng lµ ®-îc ph©n phèi ®Õn c¸c ®-êng d©y cña c¸c thuª bao bÞ gäi. T¶i ®-îc t¹o bëi dßng c¸c b¸o gäi. NÕu thuª bao tiÕn hµnh c cuéc gäi, chiÕm ®-êng d©y thuª bao c¸c kho¶ng thêi gian t1, t2, t3,…, tc, th× t¶i y cña ®-êng thuª bao ®ã sÏ lµ: y = t1+ t2+ t3+…+ tc nh©n vµ chia vÕ ph¶i cña biÓu thøc trªn víi c ta ®-îc: t1+ t2+ t3+…+ tc y = c c = c t1+ t2+ t3+…+ tc trong ®ã  = c lµ thêi gian chiÕm trung b×nh mét lÇn gäi NÕu  ®-îc tÝnh theo phÇn cña giê th× t¶i ®-îc tÝnh theo giê-gäi. T¶i tho¹i còng cã thÓ ®-îc tÝnh theo phót-gäi hoÆc gi©y-gäi. Khi tån t¹i nhãm nguån t¶i chøa N thuª bao, mçi thuª bao t¹o t¶i nh- nhau th× t¶i chung cña nhãm ®ã sÏ lµ : Y = yN = cN NÕu tÊt c¶ c¸c b¸o gäi xuÊt hiÖn ®Õn mét thiÕt bÞ hoÆc nhãm kªnh nµo ®ã ®Òu ®-îc ®¸p øng b»ng c¸c kÕt nèi th× gi¸ trÞ t¶i xuÊt hiÖn ®ã ®-îc gäi lµ t¶i ®Õn ®èi víi thiÕt bÞ hoÆc nhãm kªnh ®ã. Gi¸ trÞ t¶i sÏ kh«ng thÓ g¾n kÕt víi sè kªnh cña nhãm ®Ðn khi nµo nã kh«ng thiÕt lËp ®-îc kho¶ng thêi gian t¸c ®éng cña t¶i ®ã. VÝ dô, nÕu t¶i lµ 1 giê-gäi t¸c ®éng liªn tôc trong vßng 1 giê th× nã cã thÓ ®-îc phôc vô chØ bëi 1 kªnh. Nh-ng víi cïng l-îng t¶i nh- vËy ph©n bè ®Òu trong kho¶ng 0.1 giê th× cÇn 10 kªnh ®Ó phôc vô. §Ó phèi hîp gi¸ trÞ t¶i tho¹i víi sè thiÕt bÞ hoÆch sè kªnh cÇn thiÕt ®Ó phôc vô l-îng t¶i ®ã th× kh¸i niÖm C-êng ®é t¶i ®-îc ®-a ra. C-êng ®é t¶i ®-îc hiÓu lµ tØ sè gi÷a gi¸ trÞ t¶i vµ kho¶ng thêi gian xem xÐt, nghÜa lµ gi¸ trÞ t¶i trung b×nh trong thêi gian ®ã. §¬n vÞ ®o c-êng ®é t¶i lµ Erlang b»ng 1 giê-gäi trong 1 giê. VÝ dô nÕu t¶i tho¹i lµ 2giê-gäi t¸c ®éng trong kho¶ng 0,5 giê th× c-êng ®é t¶i lµ:
  • 254.
    0 10 1524 y yc yHH T¶i, giê-gäi Giê trong ngµy H×nh 7.1. Ph©n bè t¶i theo giê trong ngµy 2 : 0.5 = 4 Erl C-êng ®é t¶i lµ ®¹i l-îng thay ®æi vµ phô thuéc vµo lo¹i thuª bao t¹o ra t¶i tho¹i ®ã, phô thuéc vµo thêi ®iÓm mµ t¶i ®ã t¸c ®éng. C-êng ®é t¶i lµ thay ®æi theo giê trong ngµy, theo ngµy trong tuÇn vµ theo mïa trong n¨m… §Æc tÝnh c¸c thay ®æi ®ã phô thuéc vµo nhiÒu nguyªn nh©n. HÇu hÕt trªn c¸c m¹ng c-êng ®é t¶i trong c¸c ngµy lµm viÖc th-êng cao h¬n trong c¸c ngµy nghØ lÔ. §Æc biÖt c¸c thay ®æi cã quy luËt cña c-êng ®é t¶i x¶y ra theo giê trong ngµy. C¸c m¸y ®iÖn tho¹i trong c¸c c¬ quan, nhµ m¸y, tr-êng häc th-êng t¹o t¶i cao vµo c¸c giê ban ngµy, cßn t¶i kh«ng ®¸ng kÓ vµo ban ®ªm. C¸c m¸y ®Æt trong c¸c c¨n hé l¹i th-êng cã t¶i cao vµo c¸c giê buæi chiÒu tèi. Ban ®ªm hÇu hÕt c¸c m¹ng cã c-êng ®é t¶i thÊp. Sù ph©n bé t¶i theo c¸c giê trong ngµy nµo ®ã ®Õn tõ mét nhãm c¸c thuª bao cã thÓ ®-îc biÓu diÔn d-íi d¹ng ®å thÞ nh- trªn h×nh 7.1. Trong c¸c ngµy kh¸c ph©n bè t¶i sÏ kh¸c ®i ®«i chót nh-ng ®Æc ®iÓm cña nã th× kh«ng thay ®æi. Bªn c¹nh ®ã, sù trïng lÆp hoµn toµn c¸c ®-êng ph©n bè t¶i cña 2 ngµy kh¸c nhau lµ hiÕm khi x¶y ra v× sù ph¸t sinh t¶i ®-îc x¸c ®Þnh bëi hµng lo¹t c¸c yÕu tè kh¸c nhau. Trªn h×nh7.1, phÇn g¹ch xiªn t¸ch riªng mét giê trong ngµy mµ giê ®ã cã c-êng ®é t¶i cao nhÊt vµ ®-îc gäi lµ giê cao ®iÓm. Kh¸i niÖm giê cao ®iÓm cã ý nghÜa ®Æc biÖt quan trong trong lý thuyÕt th«ng tin ®iÖn tho¹i v× c¸c tÝnh to¸n thiÕt bÞ lu«n ®-îc tiÕn hµnh dùa trªn c-êng ®é t¶i cña giê cao ®iÓm. Giê cao ®iÓm lµ thêi ®iÓm víi kho¶ng thêi gian liªn tôc trong vßng 1 giê mµ trong vßng 1 giê cña thêi ®iÓm ®ã t¶i trung b×nh cña ®a sè c¸c ngµy lµ cùc ®¹i. Tû sè cña gi¸ trÞ t¶i giê cao ®iÓm YHH sinh ra bëi nhãm nguån t¶i nµo ®ã víi gi¸ trÞ t¶i YC sinh ra còng bëi nhãm nguån t¶i ®ã trong vßng mét ngµy ®-îc gäi lµ hÖ sè tËp trung t¶i k k = YHH : YC HÖ sè k ®Æc tr-ng cho sù kh«ng ®ång ®Òu cña ph©n bè t¶i theo giê trong ngµy. Theo lý thuyÕt k cã thÓ nhËn c¸c gi¸ trÞ tõ 1/24 (khi ph©n bè ®ång ®Òu) ®Õn 1 (khi toµn bé t¶i ngµy ®ªm ®Òu tËp trung vµo 1 giê. Thùc tÕ k th-êng nhËn c¸c gi¸ trÞ tõ 0.07 ®Õn 0.2 vµ phô thuéc vµo c¸c ®Æc ®iÓm cña c¸c thuª bao trong
  • 255.
    0 12 24 1 2 3 4 5 6 7 Y y1 yHH1 y12 yHH12 y2 yHH2 Giêtrong ngµy H×nh 7.2 Minh ho¹ sù phô thuéc ph©n bè t¶i vµ dung l-îng nhãm nhãm ®ã vµ ®é lín cña nhãm. Nhãm thuª bao cµng lín th× hÖ sè k cña nhãm ®ã cµng nhá, nghÜa lµ t¶i do nã t¹o ra ph©n bè theo c¸c giê trong ngµy cµng ®Òu h¬n. §Ó minh chøng cho ®iÒu nµy chóng ta cïng xem xÐt 2 nhãm cïng cã N thuª bao nh- nhau. Gi¶ sö r»ng ®-êng ph©n bè t¶i theo c¸c giê trong mét ngµy nµo ®ã cña tõng nhãm cã thÓ minh ho¹ b»ng c¸c ®-êng cong y1 vµ y2 nh- trªn h×nh 7.2. Nhãm chung h×nh thµnh tõ 2 nhãm trªn sÏ t-¬ng øng víi ®-êng cong y12 y12 = y1 + y2 C¸c hÖ sè tËp trung t¶i t-¬ng øng lµ k1 = yHH1/ y1, k2 = yHH2/ y2, k12 = yHH12/ y12 . Tõ ®å thÞ thÊy r»ng yHH12 < (yHH1+ yHH2) vµ do ®ã k12 <k1 k12 <k2 . Tõ ®ã suy ra r»ng sù ph©n bè t¶i theo thêi gian cña nhãm hîp thµnh ®ång ®Òu h¬n so víi ph©n bè t¶i cña tõng nhãm nhá thµnh phÇn. V× sè kªnh cÇn thiÕt ®Ó phôc vô trªn c¸c ®o¹n chung cña tuyÕn tho¹i phô thuéc vµo t¶i trong giê cao ®iÓm vµ tû lÖ víi hÖ sè tËp trung t¶i nªn khi thiÕt kÕ c¸c m¹ng ®iÖn tho¹i cÇn tæ chøc c¸c nhãm lín nguån sinh t¶i (nhãm thuª bao). Sù thay ®æi c-êng ®é t¶i trong kho¶ng giê cao ®iÓm kh«ng ®-îc tÝnh ®Õn bëi hÖ sè tËp trung t¶i k. yHH lµ gi¸ trÞ t¶i trung b×nh t¸c ®éng trong vßng mét giê cao ®iÓm, tuy nhiªn trong c¸c thêi ®iÓm riªng cña mét giê ®ã c-êng ®é t¶i cã thÓ lín h¬n hoÆc nhá h¬n yHH.Sù ph©n bè t¶i trong ph¹m vi giê cao ®iÓm x¸c ®Þnh ®Æc tÝnh cña dßng b¸o gäi. 7.3. Dßng c¸c b¸o gäi vµ thêi gian chiÕm Dßng c¸c b¸o gäi ®-îc x¸c ®Þnh bëi c¸c thêi ®iÓm xuÊt hiÖn c¸c b¸o gäi t0, t1, t2,… ,ti hoÆc c¸c kho¶ng thêi t0 t1 t2 t3 t4 t5 T1 T2 T3 T4 T5 T2 1 2 3 4 5 6 v1 v2 v3 v4 v5 v6 v7 v8 v9 v10 t t    C1 C2 C3 H×nh 7.3. Dßng cuéc gäi vµ c¸c tham sè
  • 256.
    gian chiÕm T1,T2,… ,Ti cña c¸c kho¶ng gi÷a c¸c lÇn gäi kÕ tiÕp nhau ®-îc chØ ra trªn h×nh 7.3. NÕu mçi b¸o gäi ®Òu ®-îc phôc vô ngay lËp tøc th× c¸c thiÕt bÞ phôc vô sÏ bÞ chiÕm trong nh÷ng kho¶ng thêi gian 1, 2,… , i. C¸c kho¶ng thêi gian Ti, i cã thÓ lµ c¸c gi¸ trÞ kh«ng ®æi hoÆc lµ c¸c gi¸ trÞ ngÉu nhiªn liªn tôc. NÕu c¸c gi¸ trÞ Ti ®-îc cho tr-íc th× dßng b¸o gäi ®-îc coi lµ ®-îc ®Þnh tr-íc. C¸c dßng b¸o gäi nh- thÕ thùc tÕ kh«ng cã vµ kü thuËt th«ng tin tho¹i lu«n cã liªn quan víi c¸c ®¹i l-îng ngÉu nhiªn liªn tôc. Kho¶ng thêi gian i chiÕm thiÕt bÞ tho¹i tham gia vµo cuéc gäi còng lµ ®¹i l-îng ngÉu nhiªn liªn tôc. Kho¶ng thêi gian chiÕm c¸c thiÕt bÞ ®iÒu khiÓn tham gia vµo qu¸ tr×nh thùc hiÖn cuéc nèi trong ®a sè c¸c tr-êng hîp cã thÓ coi lµ kh«ng ®æi. Gi¸ trÞ trung b×nh cña c¸c ®¹i l-îng ngÉu nhiªn liªn tôc Ti vµ i ký hiÖu lµ T vµ  t-¬ng øng. Ta chän kho¶ng thêi gian chiÕm trung b×nh  lµm ®¬n vÞ tÝnh thêi gian. Trong mçi kho¶ng thêi gian b»ng  cã thÓ xuÊt hiÖn sè c¸c cuéc gäi kh¸c nhau c1, c2,… ,ci (h×nh 3). Sè cuéc gäi ci xuÊt hiÖn trong kho¶ng  lµ c¸c ®¹i l-îng ngÉu nhiªn rêi r¹c. Sè cuéc gäi trung b×nh xuÊt hiÖn trong kho¶ng  b»ng c = /T ®-îc gäi lµ c-êng ®é dßng cuéc gäi. §Æc ®iÓm cña dßng cuéc gäi ®-îc x¸c ®Þnh b»ng x¸c suÊt xuÊt hiÖn ®óng x cuéc gäi trong kho¶ng thêi gian b»ng , cßn gi¸ trÞ cña dßng ®-îc x¸c ®Þnh bëi c-êng ®é vµ tham sè  cña nã ( lµ tØ sè gi÷a x¸c suÊt xuÊt hiÖn dÉu chØ mét cuéc gäi trong kho¶ng thêi gian t víi gi¸ trÞ cña kho¶ng thêi gian t ®ã khi t0, nghÜa lµ t t Px ) ( 0    0 t lim  . Tham sè dßng  cã thÓ diÔn gi¶i nh- sè thêi ®iÓm xuÊt hiÖn c¸c b¸o gäi trong kho¶ng thêi gian chiÕm trung b×nh  mµ kh«ng tÝnh ®Õn mét sè thêi ®iÓm cã thÓ xuÊt hiÖn kh«ng ph¶i lµ mét b¸o gäi mµ lµ ®ång thêi 2 hoÆc vµi b¸o gäi. §Ó gi¶i thÝch sù kh¸c nhau gi÷a tham sè dßng  vµ c-êng ®é c cÇn nhí r»ng gi¸ trÞ c tÝnh tÊt c¶ c¸c b¸o gäi xuÊt hiÖn trong kho¶ng thêi gian  mµ kh«ng phô thuéc vµo c¸c b¸o gäi ®ã xuÊt hiÖn ®ång thêi hay riªng rÏ, cßn gi¸ trÞ  chØ tÝnh c¸c thêi ®iÓm xuÊt hiÖn c¸c b¸o gäi trong kho¶ng thêi gian ®ã, nghÜa lµ mçi thêi ®iÓm chØ coi cã mét b¸o gäi xuÊt hiÖn. V× thÕ c. §Ó ®¶m b¶o phôc vô lËp tøc c¸c b¸o gäi trong c¸c kho¶ng thêi gian kh¸c
  • 257.
    nhau®ßi hái sèthiÕt bÞ phôc vô kh¸c nhau v1, v2,… ,vi. Suy ra sè thiÕt bÞ phôc vô yªu cÇu vi lµ ®¹i l-îng ngÉu nhiªn rêi r¹c. Thùc tÕ sè thiÕt bÞ v®-îc trang bÞ ®Ó phôc vô t¶i ®· cho lµ mét gi¸ trÞ kh«ng ®æi. ViÖc chän gi¸ trÞ ®ã lµ mét träng tr¸ch, nã x¸c ®Þnh c¸c chØ sè kinh tÕ-chÊt l-îng cña toµn bé hÖ thèng ®iÖn tho¹i. C¸c ®¹i l-îng ngÉu nhiªn ®-îc x¸c ®Þnh bëi x¸c suÊt c¸c gi¸ trÞ cña chóng vµ c¸c ®Æc tÝnh thèng kª. X¸c suÊt xuÊt hiÖn mét gi¸ trÞ ®Þnh tr-íc cña mét ®¹i l-îng ngÉu nhiªn ®-îc gäi lµ tÇn sè t-¬ng ®èi mµ víi tÇn sè ®ã gi¸ trÞ nµy xuÊt hiÖn trong sè lÇn thö v« tËn. Tõ ®ã, thùc tÕ chØ cÇn tiÕn hµnh sè lÇn thö h÷u h¹n ®Ó ®-a ra kh¸i niÖm vÒ tÇn xuÊt cña sù kiÖn. TÇn xuÊt ®-îc gäi lµ tÇn sè t-¬ng ®èi, mµ víi tÇn sè ®ã gi¸ trÞ cña ®¹i l-îng ngÉu nhiªn sÏ xuÊt hiÖn trong sè lÇn thö cùc lín. §Þnh luËt quan träng cña lý thuyÕt x¸c suÊt liªn quan ®Õn gi¸ trÞ x¸c suÊt víi c¸c ®¹i l-îng tÇn xuÊt ®ã lµ ®Þnh luËt c¸c sè lín. Nã kh¼ng ®Þnh r»ng sè lÇn thö cµng lín th× tÇn xuÊt cña sù kiÖn ngÉu nhiªn ®-îc xem xÐt cµng gÇn víi x¸c suÊt cña nã. X¸c suÊt cña sù kiÖn ®· cho lµ mét ®¹i l-îng kh«ng ®æi, nã cã thÓ nhËn c¸c gi¸ trÞ tõ 0 ®Õn 1, cßn tÇn xuÊt lµ sè thay ®æi víi giíi h¹n b»ng x¸c suÊt. Trong kü thuËt ®iÖn tho¹i c¸c b¸o gäi vµ chiÕm c¸c thiÕt bÞ tho¹i lµ c¸c “sù kiÖn ®¸m ®«ng”, sè c¸c sù kiÖn ®ã rÊt lín, do ®ã cã thÓ cho rµng tÇn xuÊt c¸c sù kiÖn nµy ®-îc ®Æc tr-ng tèt bëi x¸c suÊt cña chóng ®-îc x¸c ®Þnh b»ng lý thuyÕt. §¹i l-îng ngÉu nhiªn rêi r¹c hoµn toµn ®-îc dÆc tr-ng bëi c¸c x¸c suÊt cña nã. §¹i l-îng ngÉu nhiªn liªn tôc ®-îc x¸c ®Þnh bëi mËt ®é x¸c suÊt, nghÜa lµ bëi x¸c suÊt c¸c gi¸ trÞ cña nã n»m trong c¸c giíi h¹n x¸c ®Þnh. §èi víi c¸c ®¹i l-îng ngÉu nhiªn liªn tôc xem xÐt hµm ph©n bè F(X)= P(Xx), nghÜa lµ x¸c suÊt ®¹i l-îng ngÉu nhiªn X sÏ cã gi¸ trÞ kh«ng v-ît qu¸ mét ®¹i l-îng x quan t©m nµo ®ã. NÕu hµm ph©n bè F(X) ®· biÕt th× mËt ®é x¸c suÊt ®-îc x¸c ®Þnh b»ng hiÖu cña c¸c gi¸ trÞ cña hµm F(X) t¹i 2 gi¸ trÞ x1 vµ x2 giíi h¹n trong vïng gi¸ trÞ cña ®¹i l-îng ngÉu nhiªn. §èi víi ®¹i l-îng ngÉu nhiªn rêi r¹c hµm ph©n bè lµ tæng c¸c x¸c suÊt cña tÊt c¶ c¸c gi¸ trÞ cña ®¹i l-îng ®ã, kh«ng v-ît qu¸ gi¸ trÞ x x¸c ®Þnh. Hµm nµy ®-îc gäi lµ hµm tÝch luü cña ®¹i l-îng ngÉu nhiªn rêi r¹c. C¸c ®Æc tÝnh thèng kª cña ®¹i l-îng ngÉu nhiªn lµ c¸c momen thèng kª cña
  • 258.
    nã. Ph©n biÖtc¸c momen ban ®Çu vµ c¸c momen trung t©m. Kú väng to¸n häc M(x) ®-îc gäi lµ momen ban ®Çu bËc nhÊt, vµ ph-¬ng sai D(X) ®-îc gäi lµ momen trung t©m bËc hai ®ãng vai trß quan träng. Kú väng to¸n häc M(x) cña ®¹i l-îng ngÉu nhiªn b»ng tæng c¸c tÝch cña mçi gi¸ trÞ xi víi x¸c suÊt p(xi) cña gi¸ trÞ ®ã, nghÜa lµ M(x)=  i i i x p x ) ( . VÒ l-îng kú väng to¸n häc b»ng gi¸ trÞ trung b×nh sè häc cña ®¹i l-îng ngÉu nhiªn. Ph-¬ng sai cña ®¹i l-îng ngÉu nhiªn b»ng tæng c¸c tÝch b×nh ph-¬ng chªnh lÖch gi÷a gi¸ trÞ ®¹i l-îng ngÉu nhiªn vµ kú väng to¸n häc víi x¸c suÊt cña gi¸ trÞ t-¬ng øng cña ®¹i l-îng ngÉu nhiªn, nghÜa lµ D(x)=     ) ( ) ( 2 i i x p X M x . Ph-¬ng sai ®Æc tr-ngcho møc ®é ph©n bè kh«ng ®Òu c¸c gi¸ trÞ cña®¹i l-îng ngÉu nhiªn. Dßng c¸c b¸o gäi kÕ tiÕp c¸c b¸o gäi chiÕm c¸c thiÕt bÞ phôc vô vµ c¸c thêi ®iÓm kÕt thóc c¸c chiÕm nµy lµ c¸c qu¸ tr×nh ngÊu nhiªn, kÕt qu¶ cña chóng trong c¸c kho¶ng thêi gian kh¸c nhau t¹o nªn c¸c tr¹ng th¸i cña hÖ thèng phôc vô víi sè c¸c thiÕt bÞ bÞ chiÕm kh¸c nhau v1, v2,… ,vi. Qu¸ tr×nh ngÉu nhiªn mµ trong ®ã c¸c ®èi sè ®éc lËp lµ thêi gian ®-îc gäi lµ ñòîõàòè÷åñêèé qu¸ tr×nh ngÉu nhiªn t. Qu¸ tr×nh ngÉu nhiªn t trong hÖ thèng ®iÖn tho¹i cã thÓ x¶y ra mét c¸ch ®a d¹ng tuú thuéc vµo ®iÒu kiÖn ph¸t sinh b¸o gäi, sù t¹o thµnh vµ kÕt thóc cuéc gäi. Ng-êi ta ph©n chia c¸c qu¸ tr×nh ngÉu nhiªn t æn ®Þnh ñòàöèîíàðíûé vµ kh«ng æn ®Þnh íå ñòàöèîíàðíûé, cã ïîñëåäñòâèå hoÆc kh«ng cã hÖ qu¶, th«ng th-êng hoÆc kh«ng îðäèíàðíûé. TÝnh chÊt æn ®Þnh nghÜa lµ c¸c x¸c suÊt xuÊt hiÖn cña mét sù kiÖn x¸c ®Þnh trong kho¶ng thêi gian xem xÐt chØ phô thuéc vµ ®é dµi cña kho¶ng thêi gian ®ã vµ kh«ng phô thuéc vµo vÞ trÝ cña kho¶ng thêi gian ®ã trªn trôc thêi gian. Trong tr-êng hîp ng-îc l¹i th× qu¸ tr×nh sÏ trë thµnh bÊt æn ®Þnh. TÝnh kh«ng g©y hÖ qu¶ ®-îc hiÓu nh- tÝnh ®éc lËp t-¬ng hç cña c¸c sù kiÖn t¹o nªn qu¸ tr×nh. C¸c qu¸ tr×nh, mµ ®èi víi chóng, trong mét tr¹ng th¸i cho tr-íc cña hÖ thèng, t¹i thêi ®iÓm ®ang xÐt c¸c tr¹ng th¸i tiÕp theo cña hÖ thèng kh«ng phô thuéc vµo c¸c tr¹ng th¸i ®· x¶y ra tr-íc ®ã, ®-îc gäi lµ c¸c qu¸ tr×nh Mac-kèp, cßn ®èi víi c¸c hÖ thèng víi c¸c tr¹ng th¸i rêi r¸c th× c¸c qu¸ tr×nh ®ã ®-îc gäi lµ c¸c chuçi Mac-kèp.
  • 259.
    §èi víi c¸cqu¸ tr×nh Mac-kèp x¸c suÊt Wi(t+t) sao cho t¹i thêi ®iÓm (t+t) hÖ thèng n»m trong tr¹ng th¸i i, nÕu t¹i thêi ®iÓm t hÖ thèng n»m trong tr¹ng th¸i j víi x¸c suÊt Wj(t) b»ng Wi(t+t) = WjPji(t), trong ®ã Pji(t) lµ x¸c suÊt chuyÓn dÞch hÖ thèng tõ tr¹ng th¸i j ®Õn tr¹ng th¸i i trong kho¶ng thêi gian (t). Qu¸ tr×nh ®-îc gäi lµ th«ng th-êng khi mµ trong hÖ thèng trong kho¶ng thêi gian t x¸y ra kh«ng qu¸ mét sù kiÖn lµm thay ®æi tr¹ng th¸i cña hÖ thèng. TÝnh chÊt nµy ®-îc ký hiÖu b»ng 0(t), nghÜa lµ x¸c suÊt ®ång thêi xuÊt hiÖn qu¸ mét thay ®æi cña hÖ thèng trong kho¶ng thêi gian t lµ rÊt nhá so víi x¸c suÊt cña chØ mét thay ®æi. C¸c quan s¸t lÆp cho thÊy lµ c¸c qu¸ tr×nh, mµ x¶y ra trong giê cao ®iÓm trong hÖ thèng ®iÖn tho¹i cã sè l-îng thuª bao lín c¸c b¸o gäi ®-îc phôc vô ngay lËp tøc, cã thÓ ®-îc coi lµ c¸c qu¸ tr×nh æn ®Þnh, th«ng th-êng kh«ng hÖ qu¶. Trong nh÷ng giê ®ã hÖ thèng ®iÖn tho¹i n»m trong tr¹ng th¸i cña qu¸ tr×nh c©n b»ng tÜnh, trong tr¹ng th¸i nµy trong vßng mçi kho¶ng thêi gian kh«ng lín sè c¸c b¸o gäi xuÊt hiÖn b»ng víi sè thiÕt bÞ phôc vô ®-îc gi¶i phãng. C¸c tr¹ng th¸i cña hÖ thèng ®iÖn tho¹i ®-îc ®Æc tr-ng bëi sè c¸c thiÕt bÞ phôc vô bÞ chiÕm ®ång thêi t¹o nªn qu¸ tr×nh ngÉu nhiªn t , ®Õn l-ît m×nh qu¸ tr×nh nµy phô thuéc vµo 2 qu¸ tr×nh ngÉu nhiªn t kh¸c, ®ã lµ dßng b¸o gäi ph¸t sinh vµ dßng cuéc gäi kÕt thóc. §Æc tÝnh cña dßng b¸o gäi ph¸t sinh phô thuéc vµo sè l-îng vµ thãi quen cña nhãm thuª bao lµ c¸c nguån sinh t¶i vµ phô thuéc vµo ph¶n øng cña c¸c thiÕt bÞ phôc vô ®èi víi c¸c b¸o gäi ®ã. §Æc tÝnh cña dßng cuéc gäi kÕt thóc phô thuéc vµo ®Æc tÝnh cña dßng b¸o gäi ph¸t sinh, ph¶n øng cña hÖ thèng phôc vô ®èi víi c¸c b¸o gäi vµ phô thuéc vµo ®é dµi chiÕm c¸c thiÕt bÞ phôc vô. Trong lý thuyÕt th«ng tin ®iÖn tho¹i nghiªn cøu møc ®é ®a d¹ng cña c¸c dßng b¸o gäi cã ý nghÜa ®Æc biÖt to lín trong kü thuËt ®iÖn tho¹i. Chóng bao gåm dßng ®¬n gi¶n nhÊt, c¸c dßng víi hÖ qu¶ ®¬n gi¶n vµ c¸c dßng víi hÖ qu¶ h¹n chÕ. Dßng ®¬n gi¶n nhÊt cã ý nghÜa quan träng nhÊt. §èi víi dßng nµy ®a sè c¸c ph-¬ng ph¸p tÝnh to¸n c¸c thiÕt bÞ phôc vô ®· ®-îc ®-a ra. Dßng b¸o gäi ®¬n gi¶n nhÊt gäi lµ qu¸ tr×nh ngÉu nhiªn t ñòîõàòè÷åñêèé xuÊt hiÖn c¸c b¸o gäi, mµ qu¸ tr×nh ®ã cã c¸c tÝnh chÊt æn ®Þnh, th«ng th-êng vµ kh«ng hÖ qu¶.
  • 260.
    §èi víi dßngnµy hÖ qu¶ cña tÝnh th«ng th-êng cña nã c-êng ®é c b»ng tham sè  vµ ph©n bè c¸c b¸o gäi theo thêi gian tu©n thñ ®Þnh luËt Puassona mµ theo ®ã x¸c suÊt xuÊt hiÖn cña ®óng x b¸o gäi trong kho¶ng thêi gian t sÏ lµ : Px(t) = t x e x t    ! ) ( (7.1) VÝ dô, ph©n bè x¸c suÊt xuÊt hiÖn ®óng x b¸o gäi trong thêi gian chiÕm trung b×nh  khi  = c = 2 ®-îc cho d-íi d¹ng c¸c ®iÓm trªn ®-êng cong trªn h×nh 7.4. Tõ biÓu thøc (7.1) suy ra x¸c suÊt kh«ng cã b¸o gäi trong kho¶ng thêi gian t ®èi víi dßng ®¬n gi¶n nhÊt b»ng P0(t) = ët e (7.2) Gi¸ trÞ nµy cã thÓ bµn luËn còng gièng nh- x¸c suÊt r»ng kho¶ng thêi gian gi÷a c¸c b¸o gäi sÏ lín h¬n t. Khi ®ã hµm ph©n bè c¸c ®é dµi cña c¸c kho¶ng thêi gian gi÷a c¸c b¸o gäi cña dßng ®¬n gi¶n nhÊt sÏ b»ng P(Tit) = 1- ët e (7.3) B»ng ®å thÞ c¸c hµm (7.2) vµ (7.3) ®-îc thÓ hiÖn trªn h×nh 7.5 Dßng ®¬n gi¶n nhÊt cã tÝnh chÊt ecgodic mµ b¶n chÊt cña nã lµ ë chç x¸c suÊt Px(t), mét mÆt cã thÓ xem nh- c¸c phÇn thêi gian trªn kho¶ng thêi gian lín mµ trong vßng kho¶ng thêi gian ®ã hÖ thèng ®ang ®-îc xem xÐt n»m trong tr¹ng th¸i x, mÆt kh¸c l¹i cã thÓ xem nh- mét phÇn cña c¸c hÖ thèng gièng nhau, trong ®ã ®ång thêi xuÊt hiÖn x b¸o gäi trong kho¶ng thêi gian t, thªm vµo ®ã sè chung c¸c hÖ thèng xem xÐt rÊt lín. TÝnh chÊt ecgodic cã thÓ m« t¶ ng¾n gän lµ : Gi¸ trÞ trung b×nh theo thêi gian ®èi víi mçi hÖ thèng b»ng gi¸ trÞ trung b×nh theo tæng thÓ ®èi víi tËp hîp c¸c 0.1 0.2 Px(t) 0 1 2 3 4 5 6 H×nh 7.4. VÝ dô minh ho¹ x P 0.8 0.6 0.4 0.2 1 2 3 t  P(Tt) P0(t) P(t) H×nh 7.5 §å thÞ minh ho¹
  • 261.
    hÖ thèng. VÝdô, nÕu khi quan s¸t c¸c ®-êng d©y cña sè Ýt c¸c thuª bao tõ mét nhãm thuª bao lín trong ®a sè c¸c giê cao ®iÓm x¸c ®Þnh ®-îc mét sè trung b×nh nµo ®ã c¸c cuéc gäi ph¸t sinh tõ c¸c thuª bao trong giê cao ®iÓm th× còng sè trung b×nh ®ã sÏ nhËn ®-îc c¶ trong tr-êng hîp nÕu quan s¸t tÊt c¶ c¸c ®-êng d©y thuª bao cña nhãm ®ã trong kho¶ng thêi gian cña mét giê cao ®iÓm. Mét trong c¸c dÊu hiÖu cña dßng ®¬n gi¶n nhÊt lµ sù b»ng nhau cña kú väng to¸n häc M(C) vµ ph-¬ng sai sè c¸c b¸o gäi D(C) cña dßng nµy, nghÜa lµ M(C) = D(C), tuy nhiªn cÇn nhí r»ng ®¬n vÞ ®o cña c¸c ®¹i l-îng nµy lµ kh¸c nhau. Thùc tÕ c¸c dßng ®¬n gi¶n nhÊt cã vai trß trong c¸c tr-êng hîp khi sè l-îng thuª bao lín vµ c¸c b¸o gäi ®-îc phôc vô lËp tøc. Dßng ®¬n gi¶n nhÊt cã thÓ xem xÐt nh- tæng sè lín c¸c dßng æn ®Þnh th«ng th-êng nhá. Khi kÕt hîp vµ ph©n chia c¸c dßng ®¬n gi¶n nhÊt còng t¹o thµnh c¸c dßng ®¬n gi¶n nhÊt. Trong c¸c tr-êng hîp nµy chØ c-êng ®é c¸c dßng bÞ th©y ®æi. C¸c dßng mµ tÝnh chÊt cña chóng phô thuéc vµo tr¹ng th¸i cña hÖ thèng phôc vô gäi lµ c¸c dßng víi hÖ qu¶ ®¬n gi¶n ñ ïðîñòûì ïîñëåäñòâèåì. Tõ c¸c dßng víi hÖ qu¶ ®¬n gi¶n th× dßng nguyªn thuû (s¬ khai ïðèìèòèâíûé) cã ý nghÜa thùc tiÔn lín nhÊt. Dßng mµ c-êng ®é cña nã phô thuéc tuyÕn tÝnh vµo sè c¸c nguån b¸o gäi bËn gäi lµ dßng nguyªn thuû víi hÖ qu¶ ®¬n gi¶n nhÊt. NÕu c-êng ®é dßng t¹o bëi mçi nguån t¶i b»ng  th× ®èi víi dßng ®¬n gi¶n nhÊt t¹o bëi N nguån, c-êng ®é dßng nhËn b»ng  = N. Tuy nhiªn khi ®ã kh«ng tÝnh ®Õn r»ng c¸c nguån b¸o gäi ®-îc ®¸p øng b»ng kÕt nèi kh«ng thÓ t¹o b¸o gäi trong thêi gian bËn (thêi gian ®ang trong kÕt nèi). NÕu ®iÒu nµy ®-îc tÝnh ®Õn th× c-êng ®é cña dßng sÏ thay ®æi phô thuéc vµo sè nguån bÞ bËn theo ®Þnh luËt :  = (N-i) (7.4) §iÒu ®ã còng ph©n biÖt dßng nguyªn thuû víi dßng ®¬n gi¶n nhÊt. V× vËy dßng nguyªn thuûph¶n ¸nh tr¹ng th¸i hÖ thèng chÝnh x¸c h¬n so víi dßng ®¬n gi¶n nhÊt. §é thiÕu chÝnh x¸c cho phÐp khi gi¶ sö r»ng dßng thùc lµ dßng ®¬n gi¶n nhÊt phô thuéc vµo t-¬ng quan c¸c ®¹i l-îng i vµ N. Thùc tÕ c¸c dßng ®-îc coi lµ ®¬n gi¶n nhÊt chØ khi c¸c gi¸ trÞ N lín vµ c¸c gi¸ trÞ i t-¬ng ®èi nhá, kÕt qu¶ lµ ®é thiÕu chÝnh x¸c dao ®éng hÇu nh- nhá. Nã cã thÓ bá qua khi N>(50100).
  • 262.
    Phô thuéc tuyÕntÝnh (nghÜa lµ nguyªn thuû nhÊt) gi÷a i vµ i ®-îc x¸c ®Þnh theo biªu thøc (7.4), sö dông lµm c¬ së ®èi víi tªn gäi dßng nguyªn thuû. Dßng æn ®Þnh th«ng th-êng víi c¸c kho¶ng t-¬ng t¸c ®éc lËp gi÷a c¸c b¸o gäi mµ ph©n bè cña chóng lµ ngÉu nhiªn ®-îc gäi lµ dßng víi hÖ qu¶ h¹n chÕ. HÖ qu¶ h¹n chÕ trong c¸c dßng nµy ®-îc hiÓu víi nghÜa lµ sù xuÊt hiÖn b¸o gäi t¹i thêi ®iÓm t nµo ®ã g©y ra ¶nh h-ëng tíi c¸c x¸c suÊt nhËn ®-îc b¸o gäi trong kho¶ng thêi gian trùc tiÕp ngay sau thêi ®iÓm t ®ã. Dßng víi hÖ qu¶ h¹n chÕ ®-îc gäi lµ dßng Panma. C¸c tr-êng hîp quan träng nhÊt xuÊt hiÖn thùc tÕ cña c¸c dßng nh- vËy lµ c¸c dßng b¸o gäi ®-îc chuyÓn m¹ch qua c¸c cÊp chän vµ tæn thÊt trªn chïm kªnh mµ dßng ®¬n gi¶n nhÊt xuÊt hiÖn. NÕu trªn chïm kªnh xuÊt hiÖn dßng b¸o gäi ®¬n gi¶n nhÊt th× dßng ®ã t¸c ®éng chØ trªn kªnh ®Çu tiªn cña chïm kªnh. Kªnh thø hai vµ c¸c kªnh kh¸c cña chïm sÏ xuÊt hiÖn dßng Panma. Còng cïng ®Æc tÝnh nh- thÕ cã ë dßng b¸o gäi bÞ tæn thÊt bëi chïm kªnh ®· cho vµ ®-îc gäi lµ dßng d- ®èi víi chïm ®ã. NÕu trªn kªnh ®Çu tiªn xuÊt hiÖn dßng b¸o gäi ®¬n gi¶n nhÊt, mµ ®èi víi nã kú väng to¸n häc cña c-êng ®é b»ng ph-¬ng sai vÒ sè, nghÜa lµ M(C) = D(C) th× trªn c¸c kªnh cßn l¹i sÏ t¸c ®ång c¸c dßng mµ ®èi víi chóng M(C) < D(C), nghÜa lµ c¸c dßng sÏ Ýt ®Òu h¬n so víi dßng ®¬n gi¶n nhÊt. NÕu t¨ng sè l-îng kªnh th× bÊt ®¼ng thøc nµy còng sÏ t¨ng, nghÜa lµ sè kªnh cµng lín th× dßng t¸c ®éng ®Õn mét kªnh sÏ kh«ng ®ång ®Òu. C¸c dßng d- ®-îc nghiªn cøu bëi Vinkinson. NÕu sè kªnh cña chïm kh«ng h¹n chÕ th× dßng b¸o gäi ®-îc chuyÓn qua chïm ®ã vµ xuÊt hiÖn ë cÊp chän tiÕp theo sÏ còng gièng nh- dßng ®· xuÊt hiÖn ë cÊp chän tr-íc ®ã. Trong tr-êng hîp khi sè kªnh cña chïm lµ h¹n chÕ th× dßng ®-îc chuyÓn qua sÏ còng gièng nh- dßng ®· t¸c ®éng chØ tíi khi sè b¸o gäi xuÊt hiÖn sau thêi gian chiÕm trung b×nh  kh«ng v-ît qua sè kªnh cña chïm. Khi tÊt c¶ c¸c kªnh cña chïm ®· bÞ chiÕm th× c¸c b¸o gäi tiÕp theo sÏ kh«ng thÓ qua ®-îc cÊp chän ®Çu tiªn vµ trªn ®Çu vµo cÊp chän tiÕp sau t¹i thê ®iÓm ®ã sÏ cã cu-êng ®é t¶i kh«ng ®æi. V× vËy, nÕu trªn ®Çu vµo cña cÊp chän tr-íc t¸c ®éng dßng ®¬n gi¶n nhÊt víi M(C)= D(C), th× khi h¹n chÕ sè kªnh cña chïm, trªn ®Çu vµo cÊp chän tiÕp theo sÏ t¸c ®éng dßng t¶i ®ång ®Òu h¬n víi M(C) > D(C). Khi cïng mét c-êng ®é dßng t¶i trªn ®Çu vµo cña cÊp chän tr-íc th× dßng t¶i trªn ®Çu vµo cña cÊp chän sau sÏ ®ång ®Òu h¬n nÕu cµng Ýt sè kªnh trong chïm kªnh. V× vËy c¸c dßng b¸o gäi ®-îc cho qua c¸c cÊp chän ®-îc gäi lµ c¸c dßng ®-îc lµm ®ång ®Òu (san ph¼ng). Dßng
  • 263.
    ®-îc san ph¼nglµ tr-êng hîp riªng cña cña c¸c dßng h¹n chÕ hÖ qu¶. Kh¸i niÖm vÒ c¸c dßng kh¸c nhau trong c¸c ®iÒu kiÖn thùc tÕ ®-îc chØ ra trªn h×nh 7.6. Dßng c¸c thêi ®iÓm kÕt thóc cuéc gäi cã thÓ cã ®Æc tÝnh kh¸c nhau phô thuéc vµo ph©n bè ®é dµi c¸c cuéc gäi. NÕu ®é dµi c¸c cuéc gäi lµ h»ng sè th× kh«ng cã ý nghÜa cho c¸c thiÕt bÞ ®iÒu khiÓn (c¸c thanh ghi, c¸c bé ph©n phèi ®iÒu khiÓn –Marker), vµ nÕu sè c¸c thiÕt bÞ phôc vô kh«ng h¹n chÕ th× dßng c¸c thêi ®iÓm kÕt thóc c¸c cuéc gäi còng ®óng nh- dßng b¸o gäi. NÕu ®é dµi c¸c cuéc gäi kh«ng lµ h»ng sè hoÆc sè thiÕt bÞ phôc vô nhá h¬n sè c¸c nguån sinh t¶i th× dång c¸c thêi ®iÓm kÕt thóc c¸c cuéc gäi sÏ kh¸c víi dßng b¸o gäi. H×nh 7.6. Kh¸i niÖm vÒ c¸c dßng b¸o gäi kh¸c nhau C¸c quan s¸t lÆp cho thÊy r»ng hµm ph©n bè ®¹i l-îng ngÉu nhiªn  ®¹i diÖn cho ®é dµi chiÕm c¸c thiÕt bÞ tham gia vµo cuéc gäi, nghÜa lµ x¸c suÊt thêi gian chiÕm kh«ng lín h¬n t, tu©n thñ theo quy luÊt hµm mò vµ ®-îc x¸c ®Þnh b»ng biÓu thøc : F() = P(t) = 1 - e ô t  (7.5) Trong ®ã  - thêi gian chiÕm trung b×nh. NÕu  ®-îc dïng ®Ó lµm ®¬n vÞ tÝnh thêi gian hiÖn hµnh t th× biÓu thøc trªn cã thÓ viÕt d-íi d¹ng : F() = 1 – e-t (7.6) Sù phô thuéc nµy ®-îc thÓ hiÖn trªn h×nh 5 N > 50100 thuª bao N < 50100 thuª bao C¸c nhãm nguån sinh t¶i Dßng ®¬n gi¶n nhÊt dßng Puasona Dßng nguyªn thuû dßng Engseta Bé chän Bé chän CÊp chän Dßng san ph¼ng Dßng d- C¸c dßng Palma C¸c B¸o gäi ®i qua cÊp chän b»ng sè kªnh V<N C¸c B¸o gäi bÞ mÊt do sè kªnh cña chïm V<N
  • 264.
    NÕu dßng b¸ogäi lµ ®¬n gi¶n nhÊt, mµ ®èi víi nã c¸c kho¶ng thêi gian gi÷a c¸c b¸o gäi ®-îc ph©n bè d¹ng hµm mò vµ ®é dµi cuéc gäi cã ph©n bè d¹ng hµm mò th× dßng kÕt thóc cuéc gäi còng sÏ lµ mét ®¹i l-îng ngÉu nhiªn , nghÜa lµ c¸c thêi gian (chiÕm, ®îi, …) kh«ng v-ît qu¸ gi¸ trÞ t, sÏ kh«ng phô thuéc thêi gian ®· kÐo dµi bao l©u tõ thêi ®iÓm b¾t ®Çu ®Õn thêi ®iÓm ®ang xÐt. 7.4 C¸c hÖ thèng phôc vô cuéc gäi Mét b¸o gäi bÊt kú xuÊt hiÖn tõ thuª bao ®-îc phôc vô ngay lËp tøc. Mét sè b¸o gäi kh¸c nhËn ®-îc sù tõ chèi phôc vô hoÆc bÞ phôc vô sau kho¶ng thêi gian gi÷ chËm do hËu qu¶ ®ang bÞ bËn cña c¸c kªnh trung gian, c¸c thiÕt bÞ ®iÒu khiÓn hoÆc cña thuª bao bÞ gäi. Sè l-îng c¸c thiÕt bÞ ®iÖn tho¹i ®-îc tÝnh to¸n sao cho chÊt l-îng phôc vô t-¬ng ®èi tèt ®-îc ®¶m b¶o bëi chi phÝ nhá nhÊt cho c¸c thiÕt bÞ nµy. Sè c¸c b¸o gäi ph¶i nhËn tõ chèi phôc vô t¹i cÊp chän thuª bao (chän ®-êng d©y) th-êng lµ lín h¬n so víi trªn c¸c cÊp chän kh¸c. §Ó gi¶m sè b¸o gäi bÞ tõ chèi ®ã cÇn t¨ng mËt ®é tho¹i, nghÜa lµ t¨ng tæng sè m¸y ®iÖn tho¹i phôc vô ®èi t-îng ®ang ®-îc xem xÐt. Khi ®ã mçi m¸y ®iÖn tho¹i sÏ bÞ chiÕm Ýt h¬n vµ sè tõ chèi sÏ ®-îc gi¶m. Kh¸i niÖm mËt ®é tho¹i ®-îc hiÓu lµ tû lÖ sè m¸y ®iÖn tho¹i phôc vô cho 100 d©n. Tuú thuéc vµo ho¹t ®éng cña c¸c thiÕt bÞ tho¹i trong thêi ®iÓm kh«ng cã kh¶ n¨ng phôc vô b¸o gäi tøc thêi c¸c hÖ thèng phôc vô ®-îc ph©n chia thµnh hÖ thèng víi tæn thÊt hiÓn nhiªn, hÖ thèng víi tæn thÊt h×nh thøc vµ hÖ thèng tæn thÊt phøc hîp. HÖ thèng phôc vô ®-îc gäi lµ hÖ thèng víi tæn thÊt hiÓn nhiªn (nã th-êng ®-îc gäi lµ hÖ thèng tæn thÊt ®¬n gi¶n) nÕu khi bËn tÊt c¶ c¸c thiÕt bÞ phôc vô th× thuª bao chñ gäi tiÕp theo sÏ nhËn ®-îc tÝn hiÖu “b¸o bËn” vµ nã buéc ph¶i kÕt thóc ngay cuéc gäi ®ã. HÖ thèng phôc vô ®-îc gäi lµ hÖ thèng víi tæn thÊt h×nh thøc (nã th-êng ®-îc gäi lµ hÖ thèng cã chê) nÕu khi bËn tÊt c¶ c¸c thiÕt bÞ phôc vô th× thuª bao chñ gäi tiÕp theo sÏ chê gi¶i phãng c¸c thiÕt bÞ ®ã sau ®ã nã sÏ nhËn ®-îc sù phôc vô. Mét d¹ng ®Æc biÖt cña c¸c hÖ thèng cã chê lµ hÖ thèng khai th¸c c¸c kªnh liªn tØnh ®Æt tr-íc, trong ®ã tÊt c¶ c¸c cuéc gäi ®Òu chê kÕt nèi. Trong c¸c hÖ thèng cã chê ¸p dông hai ph-¬ng thøc phôc vô – theo thø tù xuÊt hiÖn b¸o gäi hoÆc theo thø tù ngÉu nhiªn. HÖ thèng phôc vô ®-îc gäi lµ hÖ thèng tæn thÊt phøc hîp nÕu khi bËn tÊt c¶
  • 265.
    c¸c thiÕt bÞphôc vô th× h×nh thøc phôc vô chê ®-îc ¸p dông nh-ng sè b¸o gäi chê phôc vô bÞ giíi h¹n. Trong hÖ thèng nµy trong tr-êng hîp c¸c thiÕt bÞ phôc vô bÞ bËn mét bé phËn c¸c b¸o gäi chê xÕp trong hµng ®îi phôc vô, c¸c b¸o gäi xuÊt hiÖn tiÕp sau khi kh«ng cßn chç trong hµng ®îi sÏ bÞ tæn thÊt (bÞ tõ chèi phôc vô). Trong ho¹t ®éng cña c¸c thiÕt bÞ víi tæn thÊt hiÓn nhiªn th× chØ sè vÒ chÊt l-îng phôc vô lµ hÖ sè tæn thÊt. C¸c kh¸i niÖm kh¸c nhau vÒ hÖ sè tæn thÊt ®-îc ph©n biÖt nh- sau: HÖ sè tæn thÊt theo b¸o gäi pg = c ctt trong ®ã: ctt – Sè b¸o gäi bÞ tæn thÊt trong giê cao ®iÓm do bÞ bËn c¸c kªnh trung gian c - Tæng sè b¸o gäi xuÊt hiÖn trong kho¶ng thêi gian ®ã tõ c¸c nguån sinh t¶i HÖ sè tæn thÊt theo t¶i pm = Y Y Y i  trong ®ã: Y – T¶i xuÊt hiÖn trong giê cao ®iÓm Yi- T¶i ®-îc ®i qua trong kho¶ng thêi gian ®ã Trong ho¹t ®éng cña thiÕt bÞ phôc vô víi tæn thÊt hiÓn nhiªn t¶i xuÊt hiÖn Y ®-îc chia thµnh T¶i ®-îc ®i quaYi (t¶i nµy ®-îc phôc vô tøc thêi vµ ®-îc cho qua) vµ t¶i bÞ tæn thÊt Ytt, Ytt = Y - Yi, t¶i nµy kh«ng chiÕm thiÕt bÞ phôc vô. HÖ sè tæn thÊt theo thêi gian pt = t tb trong ®ã: tb- Mét phÇn cña giê cao ®iÓm mµ trong kho¶ng thêi gian ®ã tÊt c¶ c¸c thiÕt bÞ phôc vô ®Òu bÞ bËn t – §é dµi cña giê cao ®iÓm ®-îc dïng lµm ®¬n vÞ thêi gian, hÖ qu¶ lµ pt = tb , trong ®ã tb ®-îc biÓu diÔn trong phÇn cña giê Kho¶ng thêi gian tb ®-îc gäi lµ thêi gian nguy hiÓm, trong kho¶ng thêi gian
  • 266.
    ®ã cã thÓxuÊt hiÖn c¸c b¸o gäi mµ chóng sÏ kh«ng ®-îc phôc vô. Khi tån t¹i dßng b¸o gäi ®¬n gian nhÊt (nghÜa lµ trong ®a sè tr-êng hîp gÆp trong kü thuËt ®iÖn tho¹i) cã thÓ coi pi = pg = pt. Tuy nhiªn, trong mét sè tr-êng hîp ®¼ng thøc nµy bÞ ph¸ vì. §¬n cö, khi sè nguån t¶i nhá pg < pt , khi ho¹t ®éng víi c¸c b¸o gäi lÆp pg > pt. Sau nµy nÕu kh«ng cã c¸c tho¶ thuËn ®Æc biÖt chóng ta sÏ ký hiÖu hÖ sè tæn thÊt b»ng ký tù p vµ coi gi¸ trÞ cña nã lµ b»ng nhau cho c¶ pi, pg, vµ pt. T¶i mµ mét chïm kªnh nµo ®ã kh«ng thÓ phôc vô do bÞ bËn tÊt c¶ c¸c kªnh sÏ lµ t¶i d- ®èi víi chïm kªnh ®ã. Trong mét sè tr-êng hîp nã cã thÓ ®-îc phôc vô bëi mét chïm kªnh kh¸c mµ nã ®-îc gäi lµ ®-êng vßng trong mèi quan hÖ víi chïm kªnh tr-íc. Nh- thÕ t¶i d- ®èi víi chïm kªnh ®· cho kh«ng ph¶i lu«n bÞ tæn thÊt ®èi víi c¸c nguån sinh t¶i. C¸c b¸o gäi bÞ tæn thÊt ®èi víi c¸c nguån sinh t¶i cã ý nghÜa thùc sù, sè l-îng cña chóng cã thÓ ®o ®Õm ®-îc. ChÝnh kh¸i niÖm tæn thÊt t¶i cã ý nghÜa t-îng tr-ng, bëi v× nÕu mét sè b¸o gäi ®· kh«ng ®-îc phôc vô th× thêi gian chiÕm c¸c thiÕt bÞ phôc vô bëi mçi b¸o gäi ®ã còng kh«ng thÓ ®o ®-îc vµ quy -íc chÊp nhËn b»ng thêi gian chiÕm trung b×nh. Khi ho¹t ®éng víi tæn thÊt h×nh thøc hoÆc cã chê th× c¸c chØ sè chÊt l-îng phôc vô lµ Hµm ph©n bè ®é dµi chê vµ Thêi gian chê phôc vô trung b×nh. Ph©n bè ®é dµi chê  ®-îc ®Æc tr-ng bëi c¸c x¸c suÊt chê phôc vô l©u qu¸ mét thêi gian t cho tr-íc: P(t). ý nghÜa vËt lý cña c¸c x¸c suÊt nµy cã thÓ ®-îc thÓ hiÖn qua biÓu thøc sau: P(t) = c cct trong ®ã: cct – Sè b¸o gäi chê phôc vô l©u h¬n mét kho¶ng thêi gian t c - Tæng sè b¸o gäi xuÊt hiÖn Khi t = 0 x¸c suÊt nµy ®-îc gäi lµ hÖ sè tæn thÊt h×nh thøc vµ b»ng: P(0) = c c c 0  trong ®ã: c0 – Sè b¸o gäi phôc vô ngay Thêi gian ®îi trung b×nh ®-îc xem xÐt hoÆc lµ trong quan hÖ c¸c b¸o gäi mµ sù phôc vô chóng ®· bÞ gi÷ chËm hoÆc lµ trong quan hÖ víi tÊt c¶ c¸c b¸o gäi.
  • 267.
    Thêi gian ®îitrung b×nh ®èi víi tÊt c¶ c¸c b¸o gäi b»ng : tb = c T trong ®ã: T – Tæng thêi gian gi÷ chËm c¸c b¸o gäi c - Tæng sè b¸o gäi xuÊt hiÖn Thêi gian ®îi trung b×nh ®èi víi c¸c b¸o gäi ®· bÞ gi÷ chËm b»ng : d = ) 0 (   P c T Khi ho¹t ®éng víi tæn thÊt phøc hîp, mét sè c¸c chØ tiªu ®Æc tr-ng cho hÖ thèng víi tæn thÊt hiÓn nhiªn vµ hÖ thèng chê ®-îc ¸p dông ®Ó ®¸nh gi¸ chÊt l-îng phôc vô c¸c thuª bao. NghÜa lµ, ®èi víi c¸c b¸o gäi chê phôc vô th× ¸p dông x¸c suÊt ®îi qu¸ thêi h¹n ®Þnh tr-íc nµo ®ã vµ thêi gian ®îi trung b×nh, cßn ®èi víi nh÷ng b¸o gäi kh«ng ®-îc vµo hµng ®îi phôc vô th× ¸p dông hÖ sè tæn thÊt hiÓn nhiªn. Nghiªn cøu ®¸nh gi¸ cña c¸c thuª bao vÒ viÖc phôc vô hä víi c¸c møc ®é tæn thÊt c¸c cuéc gäi kh¸c nhau cho thÊy r»ng ®èi víi m¹ng néi h¹t th× tæng tæn thÊt b¸o gäi trªn c¸c cÊp chän ë møc kho¶ng 2% nh×n chung kh«ng g©y ra sù bùc béi cho ng-êi sö dông; chÊt l-îng phôc vô nh- vËy cã thÓ coi lµ tèt. Trªn c¸c m¹ng ®-êng dµi liªn tØnh (nghÜa lµ trªn h×nh thøc liªn l¹c mµ c¸c thuª bao Ýt sö dông h¬n vµ gi¸ thµnh kªnh còng cao h¬n) th× tû lÖ tæn thÊt cuéc gäi còng cho phÐp cao h¬n trong m¹ng néi h¹t. 7.5 C¸c ph-¬ng ph¸p tÝnh to¸n sè thiÕt bÞ phôc vô NÕu hÖ thèng ®iÖn tho¹i gåm N thuª bao vµ kh«ng râ sè l-îng vc¸c thiÕt bÞ phôc vô th× khi cho tr-íc dßng b¸o gäi vµ hµm ph©n bè c¸c ®é dµi cña c¸c cuéc gäi cã thÓ x¸c ®Þnh x¸c suÊt c¸c tr¹ng th¸i cña hÖ thèng W0, W1,…, WN. C¸c x¸c suÊt nµy cã thÓ ®-îc xem nh- c¸c phÇn cña kho¶ng thêi gian t nµo ®ã, vÝ dô cña giê cao ®iÓm ch¼ng h¹n, mµ trong kho¶ng cña c¸c phÇn ®ã cã 0, 1, 2,…, N thiÕt bÞ phôc vô bÞ chiÕm víi ®iÒu kiÖn lµ sè l-îng c¸c thiÕt bÞ phôc vô ®ã kh«ng h¹n chÕ. Khi ®ã t¶i xuÊt hiÖn trong tr-êng hîp nµy b»ng víi t¶i ®-îc cho qua (®-îc phôc vô) vµ cã thÓ ®-îc biÓu thÞ d-íi d¹ng : Y=   N i i iW 1
  • 268.
    Theo lý thuyÕt,tÊt c¶ c¸c Wi > 0 vµ ®Ó chuyÓn qua kh«ng gi÷ chËm ®èi víi toµn bé t¶i Y ®ßi hái cÇn trang bÞ N thiÕt bÞ phôc vô. HËu qu¶ phi kinh tÕ cña gi¶i ph¸p ®ã nªn nã kh«ng bao giê ®-îc øng dông vµ trªn thùc tÕ ng-êi ta chØ trang bÞ mé sè l-îng h¹n chÕ c¸c thiÕt bÞ phôc vô (v< N) cho phÐp phôc vô c¸c b¸o gäi ë chÕ ®é cã tæn thÊt hoÆc cã ®îi (cuéc gäi ph¶i chê ®Õn khi cã thiÕt bÞ phôc vô ®-îc gi¶i phãng khái cuéc gäi ®ang phôc vô sau ®ã míi phôc vô nã vµ c¸c b¸o gäi kh¸c ®ang xÕp hµng chê). Theo c¸c chØ tiªu chÊt l-îng phôc vô cho tr-íc vµ c¸c phÇn t¶i ®-îc phÐp tæn thÊt hoÆc chê mµ tõ ®ã x¸c ®Þnh x¸c suÊt c¸c tr¹ng th¸i cña hÖ thèng víi v thiÕt bÞ phôc vô vµ trong t-¬ng quan ®ã ®Ó t×m ra sè l-îng c¸c thiÕt bÞ phôc vô. §Ó gi¶i thÝch chóng ta xem xÐt biÓu ®å trªn h×nh 7.7. Nã lµ biÓu ®å ®-îc x©y dùng cho nhãm cã N=10 thuª bao. Trªn trôc tung ®Æt c¸c gi¸ trÞ cña sè cuéc gäi ®ång thêi tõ c¸c thuª bao ®ã , theo trôc tung lµ c¸c x¸c suÊt cña c¸c gi¸ trÞ ®ã. Trªn c¸c phÇn cña ®o¹n 01 ®Æt theo trôc hoµnh c¸c h×nh ch÷ nhËt ®-îc x©y dùng víi chiÒu cao lµ sè cuéc gäi ®ång thêi. Tæng diÖn tÝch cña tÊt c¶ c¸c h×nh ch÷ nhËt ®ã sÏ cho ta gi¸ trÞ t¶i Y. Gi¶ sö r»ng sè thiÕt bÞ phôc vô b»ng 7. T-¬ng øng kÎ mét ®-êng song song víi trôc hoµnh ë møc 7 cuéc gäi ®ång thêi. §-êng th¼ng nµy chia t¶i Y thµnh 2 phÇn: Mét phÇn n»m phÝa trªn ®-êng th¼ng x¸c ®Þnh gi¸ trÞ t¶i bÞ tæn thÊt hoÆc bÞ trÔ trong phôc vô (ph¶i xÕp hµng chê phôc vô) Ytt. PhÇn t¶i n»m phÝa d-íi ®-êng th¼ng (phÇn g¹ch chÐo) ph¶n ¸nh gi¸ trÞ t¶i ®-îc cho qua (®-îc phôc vô ngay vµ thµnh c«ng) Yi. Trong c¸c tr-êng hîp ®-îc xem xÐt, ta cã: *Khi hÖ thèng cã tæn thÊt th× hÖ sè tæn thÊt theo t¶i lµ: 10 8 7 6 5 4 9 3 2 1 0 0.1 0.2 0.3 0.4 0.5 0.6 1.0 0.7 0.8 0.9 W0 W1 W2 W3 W10 Sè cuéc gäi ®ång thêi H×nh 7. VÝ dô vÒ ph©n bè c¸c cuéc gäi C¸c phÇn cña kho¶ng thêi gian t Sè thiÕt bÞ phôc vô hiÖn cã
  • 269.
    pm =      10 1 10 9 83 2 i i tt iW W W W Y Y *Khi hÖ thèng hµng chê th× hÖ sè tæn thÊt h×nh thøc lµ: P(>0) =     10 1 10 9 8 3 2 i i iW W W W Tr-êng hîp hÖ thèng cã tæn thÊt t¶i pmY kh«ng cã nghÜa thùc v× hoµn toµn bÞ tõ chèi phôc vô. NÕu hÖ thèng cã hµng chê th× t¶i P(>0) Y ®-îc phôc vô chËm, ®-îc dÞch chuyÓn mét ®o¹n theo thêi gian vÒ phÝa kÕ tiÕp cña giê cao ®iÓm, ®-îc céng vµo t¶i t¸c ®éng trong ®o¹n kÕ tiÕp ®ã vµ sÏ ®-îc phôc vô. CÇn nhí r»ng trong hÖ thèng víi tæn thÊt, thËm chÝ c¶ cho lµ c¸c b¸o gäi kh«ng ®-îc phôc vô ngay lËp tøc lµ hoµn toµn bÞ mÊt, nh-ng thùc tÕ c¸c thuª bao lÆp l¹i ®a sè c¸c b¸o gäi ®· bÞ tõ chèi ®ã vµ nh- thÕ ®· dÞch chuyÓn mét l-îng t¶i vÒ phÝa kÕ tiÕp gÇn gièng nh- trong hÖ thèng cã chê chØ kh¸c lµ trong tr-êng hîp nµy sù dÞch chuyÓn ®ã ®-îc thùc hiÖn bëi ng-êi sö dông. Khi ho¹t ®éng víi tæn thÊt nhá th× c¸c b¸o gäi lÆp Ýt g©y ¶nh h-ëng ®Õn sè thiÕt bÞ phôc vô nh-ng nã sÏ cã ý nghÜa ®¸ng kÓ khi ho¹t ®éng víi møc ®é tæn thÊt cao. §iÒu nµy ®-îc chó ý ®Õn trong c¸c ph-¬ng ph¸p tÝnh to¸n thiÕt bÞ t-¬ng øng. ViÖc x¸c ®Þnh c¸c x¸c suÊt cña c¸c tr¹ng th¸i cña hÖ thèng ®-îc tiÕn hµnh cµng khã kh¨n khi cÊu tróc hÖ thèng, ®Æc tÝnh dßng b¸o gäi vµ hµm ph©n bè ®é dµi chiÕm cµng phøc t¹p. Thùc tÕ trong lý thuyÕt th«ng tin ®iÖn tho¹i diÔn biÕn cña chïm kªnh truy cËp hoµn toµn vµ kh«ng t¾c nghÏn (toµn th«ng) ®· ®-îc nghiªn cøu kh¸ s©u khi t¸c ®éng lªn chïm kªnh ®ã lµ c¸c dßng b¸o gäi ®¬n gi¶n nhÊt hoÆc nguyªn thuû vµ ®é dµi c¸c cuéc chiÕm ®-îc ph©n bè theo quy luËt hµm mò hoÆc lµ mét ®¹i l-îng kh«ng ®æi. §èi víi c¸c hÖ thèng nµy tån t¹i c¸c ph-¬ng ph¸p tÝnh cã c¬ së rÊt chÆt chÏ. §èi víi c¸c chïm kªnh truy cËp kh«ng hoµn toµn vµ kh«ng toµn th«ng, còng nh- ®èi víi c¸c chïm truy cËp hoµn toµn mµ trªn ®ã t¸c ®éng c¸c dßng b¸o gäi kh¸c víi c¸c dßng b¸o gäi ®¬n gi¶n nhÊt hoÆc nguyªn thuû th× chØ tån t¹i c¸c ph-¬ng ph¸p tÝnh gÇn ®óng mµ ®· ®-îc kiÓm ®Þnh bëi c¸c d÷ liÖu thö nghiÖm hoÆc chóng dùa vµo c¸c kÕt qu¶ m« pháng.
  • 270.
    7.6. TÝnh to¸nsè thiÕt bÞ phôc vô lµm viÖc víi tæn thÊt hiÓn nhiªn kh«ng gäi lÆp. Chïm kªnh truy cËp hoµn toµn vµ kh«ng t¾c nghÏn. Dßng b¸o gäi ®¬n gi¶n nhÊt. Chïm kªnh truy cËp hoµn toµn vµ kh«ng t¾c nghÏn chøa v kªnh ®-îc t¹o thµnh t¹i mét cÊp chän mét kh©u mµ trªn ®Çu vµo cña nã lµ c¸c nguån sinh t¶i, cßn trªn ®Çu ra lµ c¸c kªnh cña chïm; mçi nguån t¶i ®Òu cã thÓ chiÕm ®-îc mét kªnh bÊt kú cña chïm ®ã. Khi xuÊt hiÖn b¸o gäi th× nguån sinh b¸o gäi ®ã sÏ ®-îc nèi ngay víi mét trong c¸c kªnh ®ang rçi cña chïm kªnh vµ kÕt nèi ®ã sÏ tån t¹i trong suèt thêi gian chiÕm, sau ®ã kªnh vµ nguån b¸o gäi ®ã sÏ ®-îc gi¶i phãng. §é dµi thêi gian chiÕm ®-îc ph©n bè theo quy luËt hµm mò, nghÜa lµ P(t) = 1 -  t e  , trong ®ã  lµ thêi gian chiÕm trung b×nh, hoÆc P(t) = 1 – e-t khi mµ =1. Trong tr-êng hîp bËn c¶ v kªnh cña chïm th× b¸o gäi xuÊt hiÖn sÏ bÞ mÊt vµ kh«ng ®-îc lÆp l¹i. Sù tån t¹i cña dßng ®¬n gi¶n nhÊt ®-îc t¹o bëi sè l-îng lín c¸c thuª bao sinh t¶i víi c-êng ®é Y = ct = t, trong ®ã c- c-êng ®é cña dßng b»ng víi tham sè dßng  , cßn t ®-îc thÓ hiÖn trong ®¬n vÞ ®o . HÖ thèng d-íi ¶nh h-ëng cña dßng ®¬n gi¶n nhÊt cña c¸c b¸o gäi t¸c ®éng vµ cña dßng c¸c thêi ®iÓm kÕt thóc chiÕm (kÕt thóc chiÕm kªnh hoÆc thiÕt bÞ phôc vô) sÏ ho¹t ®éng mét c¸ch t¶n m¸t vµ trong c¸c thêi ®iÓm kh¸c nhau cã thÓ n»m t¹i mét trong v+1 tr¹ng th¸i víi c¸c x¸c suÊt W0, W1, W2, …, Wv. Sù t¶n m¸t nµy cã thÓ coi nh- mét qu¸ tr×nh Markov víi h÷u h¹n c¸c tr¹ng th¸i. TÝnh phæ th«ng cña qu¸ tr×nh nµy t¹o cho hÖ thèng kh¶ n¨ng trong kho¶ng thêi gian t nµo ®ã vÉn tån t¹i ë tr¹ng th¸i i (lµ tr¹ng th¸i mµ hÖ thèng ®· n»m t¹i ®Çu cña kho¶ng thêi gian ®ã) hoÆc chØ dÞch chuyÓn ®Õn c¸c tr¹ng th¸i l©n cËn i-1 hoÆc i+1. NÕu ®é dµi cña kho¶ng thêi gian t ®-îc chän ®ñ nhá th× x¸c suÊt dÞch chuyÓn cña hÖ thèng sau kho¶ng thêi gian t ®Õn mét tr¹ng th¸i bÊt kú nµo kh¸c hÇu nh- rÊt nhá (cã thÓ bá qua) vµ b»ng 0(t). C¸c qu¸ tr×nh Markov mµ trong ®ã sau mét kho¶ng thêi gian t nµo ®ã hÖ thèng chØ dÞch chuyÓn ®Õn c¸c tr¹ng th¸i l©n cËn th× ®-îc gäi lµ c¸c qu¸ tr×nh “sinh-tö”. V× dßng t¸c ®«ng lªn hÖ thèng cã tÝnh chÊt kh«ng g©y hÖ qu¶, còng nh- tÝnh ®Õn c«ng thøc x¸c suÊt toµn phÇn ( 1   i i W ) ®èi víi mét trong i tr¹ng th¸i cã thÓ viÕt:
  • 271.
    Wi(t+t) = Wi(t)Pii(t) + Wi-1(t) Pi-1,i(t) + Wi+1(t) Pi+1,i(t) + 0(t) (7.7) nghÜa lµ x¸c suÊt t¹i thêi ®iÓm (t+t) hÖ thèng sÏ n»m t¹i tr¹ng th¸i i sÏ b»ng tæng c¸c tÝch:  X¸c suÊt Wi(t) r»ng t¹i thêi ®iÓm t hÖ thèng n»m t¹i tr¹ng th¸i i víi x¸c suÊt Pii(t) r»ng sau kho¶ng thêi gian t trong hÖ thèng kh«ng x¶y ra bÊt kú mét thay ®æi tr¹ng th¸i nµo c¶.  X¸c suÊt Wi-1(t) r»ng t¹i thêi ®iÓm t hÖ thèng n»m t¹i tr¹ng th¸i i-1 víi x¸c suÊt Pi-1,i(t) r»ng sau kho¶ng thêi gian t hÖ thèng chuyÓn dÞch tõ tr¹ng th¸i i-1 sang tr¹ng th¸i i.  X¸c suÊt Wi+1(t) r»ng t¹i thêi ®iÓm t hÖ thèng n»m t¹i tr¹ng th¸i i+1 víi x¸c suÊt Pi+1,i(t) r»ng sau kho¶ng thêi gian t hÖ thèng chuyÓn dÞch tõ tr¹ng th¸i i+1 sang tr¹ng th¸i i.  X¸c suÊt 0(t) r»ng trong kho¶ng thêi gian t trong hÖ thèng x¶y ra kh«ng qu¸ 1 chuyÓn dÞch tr¹ng th¸i. Tuy nhiªn do tÝnh chÊt phæ th«ng cña qu¸ tr×nh mµ x¸c suÊt nµy cã thÓ nhËn gi¸ trÞ b»ng 0 vµ nã ®-îc ký hiÖu lµ 0(t) nghÜa lµ chóng ta gi¶ ®Þnh r»ng kho¶ng thêi gian t ®-îc chän rÊt nhá sao cho trong kho¶ng thêi gian ®ã trong hÖ thèng x¶y ra kh«ng qu¸ 1 chuyÓn dÞch tr¹ng th¸i. Mçi chuyÓn dÞch cña hÖ thèng tõ tr¹ng th¸i i sang tr¹ng th¸i i+1 ®-îc t¹o bëi sù xuÊt hiÖn mét b¸o gäi míi (qu¸ tr×nh “sinh”), cßn mçi chuyÓn dÞch cña hÖ thèng tõ tr¹ng th¸i i sang tr¹ng th¸i i-1 ®-îc t¹o bëi sù kÕt thóc mét cuéc gäi (qu¸ tr×nh “tö”). Chóng ta t×m x¸c suÊt chuyÓn dÞch cña hÖ thèng tõ tr¹ng th¸i i sang tr¹ng th¸i i+1. NÕu tham sè cña dßng ®¬n gi¶n nhÊt b»ng  th× theo c«ng thøc Puassona x¸c suÊt kh«ng cã c¸c b¸o gäi trong kho¶ng thêi gian t sÏ lµ P0(t) = e-t , khi ®ã x¸c suÊt xuÊt hiÖn dÉu chØ mét b¸o gäi trong kho¶ng thêi gian t sÏ lµ P>0(t) = 1 - e-t hoÆc khi tÝnh ®Õn r»ng: e-x = ... ! x ! x x     3 2 1 3 2 (7.8) th× chóng ta cã thÓ viÕt thµnh
  • 272.
    P>0(t) = 1-     ) ( 0 ... ! 3 ! 2 1 3 2 t t t t t                      tõ ®ã do tÝnh chÊt phæ th«ng cña qu¸ tr×nh nªn x¸c suÊt xuÊt hiÖn ®óng mét b¸o gäi sÏ b»ng P1(t) = t + 0(t) hoÆc P1(t)  t. Do kh«ng cã hÖ qu¶ nªn x¸c suÊt xuÊt hiÖn b¸o gäi kh«ng phô thuéc vµo sè cuéc gäi ®ang tån t¹i, v× thÕ trong biÓu thøc (7.7) x¸c suÊt Pi-1,i(t)  t. Ta t×m x¸c suÊt chuyÓn dÞch cña hÖ thèng tõ tr¹ng th¸i i sang tr¹ng th¸i i-1. NÕu trong thêi ®iÓm t trong hÖ thèng ®· cã i cuéc chiÕm vµ sau thêi gian trung b×nh cña mét cuéc chiÕm  th× c¶ i cuéc chiÕm cÇn ph¶i kÕt thóc, v× thÕ sè cuéc kÕt thóc trung b×nh sau kho¶ng thêi gian  còng b»ng i ( ®-îc dïng lµm ®¬n vÞ tÝnh thêi gian), nghÜa lµ i cã thÓ ®-îc coi lµ c-êng ®é cña dßng kÕt thóc chiÕm. Do ph©n bè hµm mò thêi gian chiÕm nªn x¸c suÊt sau kho¶ng thêi gian t cuéc chiÕm kh«ng kÕt thóc sÏ b»ng: Q0(t) = e-it khi ®ã x¸c suÊt kÕt thóc dÉu chØ mét cuéc chiÕm trong kho¶ng thêi gian t sÏ lµ Q>0(t) = 1 - e-it hoÆc khi tÝnh ®Õn biÓu thøc (7.8) th× chóng ta cã thÓ viÕt thµnh Q>0(t) = 1 -     ) ( 0 ... ! 3 ! 2 1 3 2 t t i t i t i t i                  tõ ®ã do tÝnh chÊt phæ th«ng cña qu¸ tr×nh nªn x¸c suÊt kÕt thóc ®óng mét cuéc chiÕm trong kho¶ng thêi gian t sÏ b»ng Q1(t) = it + 0(t) hoÆc Q1(t)  it vµ cã nghÜa lµ trong biÓu thøc (7.7) Pi+1,i(t)  (i+1)t X¸c suÊt Pi,i(t) r»ng sau kho¶ng thêi gian t hÖ thèng kh«ng thay ®æi tr¹ng th¸i cña m×nh trªn c¬ së c«ng thøc x¸c suÊt toµn phÇn b»ng: Pi,i(t) = 1 - Pi,i-1(t) - Pi,i+1(t) - 0(t) = 1 – i(t) - (t) - 0(t) Khi biÕt tÊt c¶ c¸c x¸c suÊt cña c¸c th©y ®æi tr¹ng th¸i cña hÖ thèng ta cã thÓ
  • 273.
    viÕt biÓu thøc(7.7) cho c¸c gi¸ trÞ i tõ 1 ®Õn v-1 d-íi d¹ng: Wi(t+t) = tWi-1(t) + (1 – it - t)Wi(t) + (i + 1)t Wi+1(t) + 0(t) = =tWi-1(t) + Wi(t) – (i + )t Wi(t) + (i + 1)t Wi+1(t) + 0(t) ChuyÓn Wi(t) sang vÕ tr¸i vµ chia c¶ hai vÕ cho t ta cã:                 t t W i t W i t W t t W t t W i i i i i              0 1 1 1   NÕu b©y giê ta cho t0 th× sÏ nhËn ®-îc:             t W i t W i t W t W i i i i 1 1 ' 1          (7.9) ®èi víi i=0, tÝnh ®Õn viÖc hÖ thèng kh«ng thÓ n»m trong tr¹ng th¸i 0-1 cuéc chiÕm, t-¬ng tù trªn ta cã       t W t W t W 1 0 ' 0     (7.10) ®èi víi i=v, tÝnh ®Õn viÖc hÖ thèng kh«ng thÓ n»m trong tr¹ng th¸i v+1 cuéc chiÕm, trªn ta cã       t vW t W t W v v v   1 '  (7.11) HÖ thèng v+1 ph-¬ng tr×nh vi ph©n d¹ng (7.9), (7.10), (7.11)®-îc gäi lµ HÖ thèng Erlang Khi t tån t¹i c¸c giíi h¹n h÷u h¹n cña c¸c gi¸ trÞ Wi(t), nghÜa lµ c¸c cuèi cïng Wi NghiÖm cña c¸c ph-¬ng tr×nh nµy khi   1 0    t W v i i cã d¹ng sau   v k i k W v i i k k , , 2 , 1 , 0 ! ! 0        Do khi bËn tÊt c¶ c¸c thiÕt bÞ phôc vô, x¸c suÊt ®ã b»ng Wv, ph¸t sinh tæn thÊt c¸c b¸o gäi, hÖ sè tæn thÊt p ®èi víi hÖ thèng truy cËp hoµn toµn víi v thiÕt bÞ phôc vô sÏ lµ
  • 274.
       v i i v i v p 0 ! !   C«ngthøc nµy nhËn ®-îc tªn gäi lµ C«ng thøc Erlang thø nhÊt. HÖ sè tæn thÊt p nhËn ®-îc theo c«ng thøc Erlang thø nhÊt cã thÓ ®-îc xem nh- hÖ sè tæn thÊt theo b¸o gäi pg, theo t¶i pm hoÆc theo thêi gian pt, bëi v× chóng b»ng nhau pg= pm = pt. Do tham sè  cña dßng ®¬n gi¶n nhÊt b»ng víi t¶i t¸c ®éng vÒ l-îng nªn c«ng thøc Erlang thø nhÊt cã thÓ biÓu diÔn d-íi d¹ng:    v i i v i Y v Y p 0 ! ! (7.12) KÕt qu¶ nµy còng cã thÓ nhËn ®-îc b»ng c¸ch ®¬n gi¶n h¬n nÕu l-u ý r»ng ®Ó b¶o toµn c©n b»ng thèng kª cña hÖ thèng cÇn tu©n thñ ®¼ng thøc: WiPi,i+1(t) = Wi+1Pi+1,i(t) nghÜa lµ ph¶i sao cho x¸c suÊt hÖ thèng chuyÓn tõ tr¹ng th¸i cã i thiÕt bÞ phôc vô bÞ chiÕm sang tr¹ng th¸i víi i+1 thiÕt bÞ phôc vô bÞ chiÕm còng b»ng x¸c suÊt hÖ thèng chuyÓn tõ tr¹ng th¸i cã i+1 thiÕt bÞ phôc vô bÞ chiÕm sang tr¹ng th¸i víi i thiÕt bÞ phôc vô bÞ chiÕm. Tõ ®ã suy ra r»ng Wi(t) = Wi+1(i+1)t, nªn Wi+1 = 1  i Wi  hoÆc Wi+1 = 1  i Y Wi . Trªn c¬ së ®ã cã thÓ rót ra c¸c kÕt luËn sau: X¸c suÊt tÊt c¶ c¸c thiÕt bÞ phôc vô ®Òu rçi (kh«ng bÞ chiÕm) b»ng W0. X¸c suÊt mét thiÕt bÞ phôc vô b»ng W1 = W0Y vµ tiÕp theo lµ: w2 = w1. 2 Y = w0. 2 2 Y , w3 = w2. 3 Y = w0. ! 3 3 Y , ………………………
  • 275.
    wv = wv-1. v Y =w0. ! 3 v Y . Céng tÊt c¶ c¸c x¸c suÊt nµy ta ®-îc :       v i i v i i i Y W W 0 0 0 1 ! tõ ®ã    v i i i Y W 0 0 ! 1 B©y giê x¸c suÊt tÊt c¶ c¸c thiÕt bÞ phôc vô ®Òu bÞ chiÕm Wv cã thÓ viÕt thµnh: p i Y v Y v Y W W v i i v v v     0 0 ! ! ! ®iÒu nµy còng t-¬ng ®-¬ng víi biÓu thøc (7.12) Th«ng th-êng biÓu thøc nµy viÕt d-íi d¹ng p = E1;v(Y) , trong ®ã ký hiÖu E1cã nghÜa lµ sö dông c«ng thøc Erlang thø nhÊt, cßn E1;v(Y) chØ ra gi¸ trÞ tæn thÊt ®-îc t×m thÊy theo c«ng thøc Erlang thø nhÊt khi dßng b¸o gäi ®¬n gi¶n nhÊt mang t¶i víi c-êng ®é Y t¸c ®éng ®Õn chïm truy cËp hoµn toµn víi v kªnh. HÖ qu¶ ®-îc ®-a ra tõ c«ng thøc Erlang thø nhÊt trªn ®©y ®· dùa trªn gi¶ thiÕt ph©n bè hµm mò cña thêi gian chiÕm, tuy nhiªn, nh- B.A Sevatrianov ®· chøng minh, c«ng thøc ®ã ®óng trong mäi ph©n bè cña c¸c thêi gian chiÕm ®ã. C«ng thøc Erlang thø nhÊt ®ãng mét vai trß hÕt søc quan träng trong lý thuyÕt th«ng tin ®iÖn tho¹i vµ ®-îc øng dông kh«ng chØ theo c«ng dông trùc tiÕp cña m×nh ®èi víi c¸c chïm kªnh truy cËp hoµn toµn vµ kh«ng kho¸ mµ cßn c¶ trong vai trß hç trî trong c¸c tÝnh to¸n ®-îc tiÕn hµnh víi c¸c chïm kªnh truy cËp kh«ng hoµn toµn vµ cã kho¸. Tuy nhiªn c¸c tÝnh to¸n trùc tiÕp theo c«ng thøc Erlang thø nhÊt ®· gÆp nhiÒu trë ng¹i, v× vËy trong c¸c tÝnh to¸n kü thuËt th-êng sö dông c¸c b¶ng vµ c¸c biÓu ®å. C¸c b¶ng Palma vµ c¸c b¶ng Basarin rÊt phæ biÕn ®· ®-îc thiÕt lËp theo c«ng thøc Erlang thø nhÊt. ynp y p=0.01 ynp y p=0.1 v 70 60 50 40 30 20 10 10 20 30 40 50 60 y, ynp H×nh 7.8 Sù phô thuéc p vµo v, y
  • 276.
    C¸c biÓu ®åphô thuéc ®-îc x¸c ®Þnh theo c«ng thøc nµy th-êng ®-îc ®-a ra d-íi d¹ng biÓu thÞ nh- trªn h×nh 8 Trong c¸c tÝnh to¸n theo c«ng thøc Erlang nªn nhí r»ng Y lµ t¶i t¸c ®éng. Bëi v× khi ho¹t ®éng víi tæn thÊt hiÓn nhiªn th-êng x¶y ra lµ chØ cã t¶i th«ng (t¶i ®-îc phôc vô, t¶i ®-îc ®i qua) Yi ®-îc biÕt tr-íc vµ cã thÓ ®o ®-îc nªn khi tÝnh to¸n sè kªnh cÇn thiÕt ®Ó truyÒn t¶i Yi khi c¸c gi¸ trÞ tæn thÊt p th× ®Çu tiªn cÇn x¸c ®Þnh t¶i t¸c ®éng Y= p Yi  1 sau ®ã míi sö dông c«ng thøc Erlang nµy. C¸c ®å thÞ tÝnh to¸n ®-îc t¹i nhiÒu gi¸ trÞ p ®-îc x©y dùng vµ cho c¶ ®èi víi yi. Chóng cã d¹ng ®-êng cong ®-îc chØ ra trªn h×nh 8 b»ng c¸c ®-êng ®øt nÐt. Khi c¸c gi¸ trÞ tæn thÊt nhá sù chÕ ho¸ t¶i th«ng thay cho t¶i t¸c ®éng kh«ng g©y ¶nh h-ëng ®¸ng kÓ, cßn khi gi¸ trÞ tæn thÊt lín sÏ g©y ra sai sè ®¸ng kÓ khi x¸c ®Þnh dung l-îng cña chïm kªnh. Trong tr-êng hîp nµy, nÕu v th× c«ng thøc Erlang thø nhÊt chuyÓn thµnh c«ng thøc Puassona. Dßng b¸o gäi s¬ khai. C«ng thøc Erlang thø nhÊt ®óng chØ víi c¸c dßng b¸o gäi ®¬n gi¶n nhÊt nhËn ®-îc tõ mét nhãm c¸c nguån sinh t¶i víi sè l-îng thuª bao lín. Khi sè thuª bao h¹n chÕ c-êng ®é dßng phô thuéc vµo sè c¸c nguån sinh t¶i ®· bËn lµm xuÊt hiÖn d-íi d¹ng cña hÖ thèng hÖ qu¶ ®¬n gi¶n. §èi víi hÖ thèng cã sè nguån sinh t¶i h¹n chÕ N cho tr-íc tham sè  cña dßng b¸o gäi ph¸t sinh tõ mçi nguån ch-a bËn (cßn rçi). Tham sè cña dßng b¸o gäi ph¸t sinh tõ nhãm víi N nguån sinh t¶i, trong ®ã cã i nguån ®· bËn sÏ b»ng: i = (N - i) , (0  i  v), trong ®ã v lµ sè kªnh cña chïm (dung l-îng cña chïm kªnh) Ph©n tÝch hÖ thèng ®ã ®-îc tiÕn hµnh b»ng ph-¬ng ph¸p ®· ®-îc xem xÐt trªn ®èi víi dßng ®¬n gi¶n nhÊt cho ra c¸c x¸c suÊt cña c¸c tr¹ng th¸i cña hÖ thèng : Wi = 0 W C i i N (i  1),    v i i i N C W 0 0 1 
  • 277.
    trong ®ã 1 N Clµ tæ hîp chËp i tõ N phÇn tö. §èi víi dßng b¸o gäi s¬ khai c¸c hÖ sè tæn thÊt theo b¸o gäi pg, theo thêi gian pt, vµ theo t¶i pm cã thÓ kh«ng b»ng nhau vÒ l-îng vµ ®-îc x¸c ®Þnh theo c¸c biÓu thøc sau: pt = Wv = 0 W C v v N =   v i i i N v v N C C 0   pg =     v i i i N v v N C C 0 1 1   hoÆc pg =                             N i i g i N g v N p Y N Y C p Y N Y C 0 1 1 1 1 pm =        N v 1 pt. TÊt c¶ c¸c c«ng thøc trªn ®èi víi cßng s¬ khai cc-îc gäi lµ c¸c c«ng thøc Engseta. C¸c c«ng thøc nµy ®-îc sö dông khi dung l-îng c¸c thuª bao trong nhãm N < 50100. Khi N c¸c c«ng thøc Engseta chuyÓn thµnh c«ng thøc Erlang thø nhÊt. Do nh÷ng phøc t¹p cña c¸c c«ng thøc Engseta nªn trong c¸c tÝnh to¸n thiÕt kÕ nªn sö dông c¸c b¶ng . Theo c¸c c«ng thøc Engseta ®· thiÕt lËp c¸c b¶ng B.C Livxisem vµ IA.B Fidlin Trªn h×nh 7.9 ®-a ra ®å thÞ minh ho¹ sù phô thuéc sè kªnh trong chïm vµo dung l-îng cña nhãm c¸c nguån sinh t¶i khi cïng mét l-îng t¶i t¸c ®éng ®-îc t¹o bëi c¸c nhãm thuª bao. Sù sai kh¸c vÒ gi¸ trÞ c¸c ®¹i l-îng pg, pt, pm ®èi víi dßng s¬ khai ®-îc lý gi¶i r»ng trong thêi gian chiÕm kªnh c-êng ®é dßng b¸o gäi bÞ thay ®æi phô thuéc vµo i C¸c chïm truy cËp kh«ng hoµn toµn, kh«ng kho¸. §èi víi hÖ thèng chuyÓn N=10 5 10 15 20 v 5 N=20 N=40 15 10 Y=N Erl C¸c dßng Engseta víi c¸c sè thuª bao kh¸c nhau H×nh 7.9 Sù phô thuéc sè thiÕt bÞ phôc vô víi sè thuª bao trong nhãm víi cïng l-îng t¶i
  • 278.
    m¹ch phôc vôc¸c nhãm kªnh truy cËp kh«ng hoµn toµn víi kh¶ n¨ng truy cËp D th× sè tr¹ng th¸i cã thÓ rÊt lín bëi v× nã phô thuéc vµo ph©n bè c¸c kªnh bÞ chiÕm trong mçi nhãm con trong sè g nhãm con ®· t¹o nªn nhãm c¸c nguån sinh t¶i cña nhãm truy cËp kh«ng hoµn toµn. Ph©n tÝch hÖ thèng nh- thÕ dùa trªn sù ®¸nh gi¸ c¸c x¸c suÊt cña c¸c tr¹ng th¸i cña hÖ thèng tiÕn hµnh ®èi víi hÖ ph-¬ng tr×nh nh×n chung lµ rÊt phøc t¹p mµ nghiÖm cña chóng thùc tÕ lµ kh«ng tån t¹i ®èi víi sè lín vnn c¸c kªnh truy cËp kh«ng hoµn toµn, kh«ng kho¸. V× lý do nµy ®Ó tÝnh to¸n sè kªnh truy cËp kh«ng hoµn toµn ®-îc sö dông c¸c ph-¬ng ph¸p gÇn ®óng dùa trªn mét sè c¸c c¬ së lý thuyÕt h¹n chÕ c¸c gi¸ trÞ cã thÓ sè kªnh vµ trªn c¸c nghiªn cøu thùc nghiÖm cña c¸c m¹ng ®iÖn tho¹i hiÖn hµnh vµ trªn c¶ c¸c m« h×nh cña chóng. C¸c ph-¬ng ph¸p ®ã ®¶m b¶o c¸c kÕt qu¶ kh¸ tin cËy, nÕu khi l¾p dÆt c¸c kªnh truy cËp kh«ng hoµn toµn sö dông s¬ ®å tèi -u t¹o nÒn bëi viÖc chän lùa sè nhãm con (g  D vnn 2 ) vµ dùa trªn viÖc ph©n bæ c¸c chïm kªnh theo h-íng däc theo tr-êng tiÕp ®iÓm t¹o nªn cÊu tróc bËc thang hoÆc cÊu tróc ®ång ®Òu. CÊu tróc bËc thang cho phÐp sö dông c¸c kªnh cña chïm truy cËp kh«ng hoµn toµn tèt h¬n ®«i chót so víi c¸c tróc ®ång ®Òu, tuy nhiªn, c¸c tÝnh to¸n ®èi víi chóng ®-îc tiÕn hµnh gièng nhau v× c¸c cÊu tróc nµy vÉn ch-a ®-îc nghiªn cøu mét c¸ch thÊu ®¸o vµ ch-a thiÕt kÕ c¸c ph-¬ng ph¸p tÝnh to¸n riªng dµnh cho tõng cÊu tróc. Trªn c¬ së cña ph-¬ng ph¸p phæ biÕn nhÊt tÝnh to¸n sè kªnh cña chïm truy cËp kh«ng hoµn toµn ®· ®-a ra mét vµi suy luËn sau. Erlang ®Ò ra ph-¬ng ph¸p tÝnh to¸n rót gän dùa trªn c¬ së lµ nÕu chïm chøa vnn kªnh, mµ trªn ®ã t¸c ®éng dßng b¸o gäi ®¬n gi¶n nhÊt, cho qua víi tæn thÊt p trªn t¶i Yi th× t¶i ®-îc cho bëi mçi kªnh sÏ lµ nn i v Y . ®¹i l-îng nµy cã thÓ ®-îc coi nh- x¸c suÊt chiÕm cña mçi kªnh trong chïm ®ã. Khi ®ã x¸c suÊt chiÕm D cña nhøng ®-êng x¸c ®Þnh mµ mçi nguån sinh t¶i ®Òu coa thÓ truy cËp sÏ thÓ hiÖn tæn thÊt, nghÜa lµ: p = D nn i v Y         tõ ®ã suy ra D i nn p Y v  vµ D nn i p v Y  (7.13)
  • 279.
    C¸c nghiªn cøuthö nghiÖm ®· chøng minh r»ng cã sù kh¸c biÖt kh¸ lín gi÷a kÕt qu¶ cña c«ng thøc nµy víi thùc tÕ. §Ó lµm chÝnh x¸c ph-¬ng ph¸p nµy O’Dell ®· ®Ò xuÊt coi chïm kªnh truy cËp kh«ng hoµn toµn nh- lµ nã ®-îc t¹o thµnh tõ 2 phÇn: mét phÇn chøa D kªnh cßn phÇn thø hai chøa vnn - D kªnh. T¶i Yi1 ®-îc chuyÓn qua bëi phÇn thø nhÊt, ®-îc x¸c ®Þnh bëi c«ng thøc Erlang thø nhÊt gièng nh- ®èi víi chïm kªnh truy cËp hoµn toµn vµ b»ng YiD, t¶i Yi2 ®-îc chuyÓn qua bëi phÇn thø hai ®-îc x¸c ®Þnh theo c«ng thøc (7.13) vµ b»ng D(vnn – D) D p T¶i chung ®-îc phôc vô bëi chïm kªnh truy cËp kh«ng hoµn toµn sÏ lµ :   p nn iD i i i p D v Y Y Y Y § 2 1      (7.14) sù phô thuéc nµy ®-îc biÓu diÔn trªn h×nh 10. Tõ biÓu thøc (7.14) suy ra: , D nn iD i D iD i nn D v Y Y p D p Y Y v               vµ nÕu tÝnh ®Õn r»ng Yi = Y(1 - p) vµ YiD = YD(1 - p), ta cã   D Y Y p p v D D     1    D nn D D v Y Y p p           1 (7.15) trong ®ã YD- t¶i t¸c ®éng lªn phÇn truy cËp hoµn toµn víi D kªnh, ho¹t ®éng ë møc tæ thÊt p. C«ng thøc (7.15) ®-îc sö dông réng r·i trong c¸c thùc tÕ tÝnh to¸n sè kªnh cña c¸c nhãm truy cËp kh«ng hoµn toµn, kh«ng kho¸. T¹i c¸c gi¸ trÞ D vµ p cho tr-íc c«ng thøc trªn cã thÓ viÕt d-íi d¹ng : vnn = Y +  (7.16) C¸c hÖ sè  vµ  t¹i c¸c gi¸ trÞ D b»ng 10, 20, vµ c¸c gi¸ trÞ kh¸c nhau cña p 0 10 20 30 40 v Yi0 Yi-Yi0 YiD Yi-YiD Yi p = 0.01 D=20 V nn V nD 10 20 30 Yi Erl H×nh 7.10 Sù phô thuéc gi÷a t¶i, sè thiÕt bÞ vµ møc ®é chia nhãm
  • 280.
    tõ 0.001 ®Õn0.3 ®-îc chØ ra trªn b¶ng 7.1 vµ h×nh 7.11 B¶ng 7.1 D =10 D = 20 D =10 D = 20 p     p     0. 0 0 1 1. 9 9 3. 8 1. 4 1 6. 9 0. 0 3 0 1. 3 8 2. 3 5 1. 1 5 3. 8 0. 0 0 2 1. 8 6 3. 6 1. 3 6 6. 3 0. 0 5 0 1. 2 8 2. 0 1. 1 0 3. 2 0. 0 0 3 1. 7 9 3. 5 1. 3 4 5. 9 0. 1 0 0 1. 1 3 1. 5 1. 0 1 2. 2 0. 0 0 5 1. 7 0 3. 3 1. 3 0 5. 6 0. 2 0 0 0. 9 2 4 1. 0 5 0. 8 6 6 1. 2 0. 0 1 0 1. 5 8 2. 9 1. 2 4 4. 9 0. 3 0 0 0. 7 7 5 0. 8 0. 7 4 4 0. 7 0. 0 2 0 1. 4 4 2. 6 1. 1 9 4. 3 0.02 0.06 0.1 0.14 0.18 0.22 0.26 0.3 p 1 2 3 4 5 6 7  1.6 1.4 1.2 1.0 0.8 0.6 0.4  (D=10) (D=20) (D=20) (D=10) H×nh 7.11. Quan hÖ gi÷a , , D , cña chïm truy cËp kh«ng hoµn toµn, kh«ng kho¸
  • 281.
    Chïm kªnh truycËp hoµn toµn, cã kho¸ Chïm kªnh cã kho¸ ®-îc t¹o thµnh khi sö dông c¸c thiÕt bÞ chuyÓn m¹ch hai kh©u hoÆc nhiÒu kh©u mµ c¸c thiÕt bÞ ®ã t¹o ra sù kho¸ m¹ch bªn trong (tæn thÊt néi - tù nghÏn m¹ch). TÝnh to¸n ¶nh h-ëng cña hiÖn t-îng kho¸ m¹ch nµy ®Õn kh¶ th«ng cña chïm kªnh lµ viÖc lµm khã kh¨n. Sau ®©y ta xem xÐt tiÕp viÖc tÝnh to¸n sè kªnh cña chïm ®-îc m¾c t¹i ®Çu vµo cña bé chän hai kh©u ®-îc ¸p dông réng r·i trong kü thuËt tæng ®µi ®iÖn tho¹i tù ®éng. S¬ ®å bé chän hai kh©u ®-îc chØ ra trªn h×nh 7.12 Nhãm nguån sinh t¶i cña chïm cã kho¸ ®-îc chia thµnh k nhãm con. Mçi nhãm con chøa n nguån. C¸c nguån nµy cïng cã thÓ truy cËp ®Õn m kªnh trung gian gi÷a kh©u thø nhÊt vµ kh©u thø hai cña c¸c bé chän. Trong tr¹ng th¸i ban ®Çu mäi nguån cña hÖ thèng chuyÓn m¹ch ®Òu cã kh¶ n¨ng truy cËp tíi mäi kªnh cña chïm kªnh cã kho¸, tuy nhiªn, trong mét sè tr¹ng th¸i cña hÖ thèng chuyÓn m¹ch, mét sè kªnh cña chïm kªnh trë nªn kh«ng thÓ truy cËp ®èi víi mét sè nguån, do ®ã ph¸t sinh tæn thÊt c¸c b¸o gäi vµ chóng nhËn tªn gäi lµ tæn thÊt néi. §· cã rÊt nhiÒu c«ng tr×nh nghiªn cøu c¸c chïm kªnh cã kho¸ ®· chøng minh r»ng h-íng ph©n tÝch chÆt chÏ dùa trªn ph-¬ng ph¸p tÝnh to¸n cæ ®iÓn c¸c x¸c suÊt cña c¸c tr¹ng th¸i cña hÖ thèng sÏ dÉn ®Õn nh÷ng khã kh¨n lín. V× vËy c¸c ph-¬ng ph¸p tÝnh to¸n gÇn ®óng ®· nhËn ®-îc sù phæ biÕn réng r·i h¬n. ý t-ëng cña ph-¬ng ph¸p ®é truy cËp hiÖu dông lµ: Chïm truy cËp hoµn toµn, cã kho¸ lµ hÖ thèng phôc vô, trong ®ã ®èi víi mçi nguån t¶i, trong c¸c tr¹ng th¸i kh¸c nhau cña hÖ thèng nµy cã thÓ truy cËp ®Õn sè kªnh rçi kh¸c nhau. HÖ thèng nh- vËy cã thÓ ®-îc xem nh- chïm kªnh truy cËp kh«ng hoµn toµn, kh«ng kho¸ víi ®é truy cËp thay ®æi. Trong tr¹ng th¸i ban ®Çu, khi tÊt c¶ c¸c kªnh cña chïm ®Òu rçi th× ®é truy cËp b»ng sè kªnh cña chïm lµ vpb. Trong c¸c tr¹ng th¸i kh¸c nhau cña chïm kªnh th× ®é truy cËp tíi c¸c kªnh rçi cña nã ®èi víi c¸c nguån cã thÓ thay ®æi vµ nh×n chung lµ tõ vpb ®Õn 0. Mçi gi¸ trÞ cña ®é truy cËp xuÊt hiÖn víi x¸c suÊt nhÊt ®Þnh. Cã thÓ t×m thÊy ®é truy cËp hiÖu dông trung b×nh Denµo ®ã t¹i t¶i cho tr-íc. B©y giê th× tÝnh to¸n ®Æt ra cho chïm kªnh truy cËp hoµn toµn, cã kho¸ cã thÓ tiÕn hµnh theo ph-¬ng thøc nh- ®· tr×nh bµy ®èi víi cho chïm kªnh truy cËp kh«ng hoµn toµn, kh«ng kho¸ víi ®é truy cËp hiÖu dông D. Ph-¬ng ph¸p nµy ®-a ra kh¸i niÖm râ rµng vÒ c¸c qu¸ tr×nh ho¹t ®éng cña c¸c chïm cã kho¸ vµ lµm nhÑviÖc ph©n tÝch c¸c hÖ thèng chuyÓn m¹ch phøc t¹p. Tuy nhiªn, nh÷ng
  • 282.
    nh-îc ®iÓm cñanã lµ ®é chÝnh x¸c kh«ng cao, cÇn tÝnh to¸n nhiÒu h¬n so víi c¸c ph-¬ng ph¸p kh¸c v× kÕt qu¶ cuèi cïng dùa trªn c¸c ph-¬ng ph¸p gÇn ®óng cña c¸c chïm truy cËp kh«ng hoµn toµn. C¸c c¬ së cña lý thuyÕt Iakobeis lµ: Gi¶ sö r»ng cã cÊu tróc hai kh©u ®-îc sö dông trong cÊp chän nhãm nh- trªn h×nh 7.12.a. CÊp chän nµy cã ®é B H×nh 7.12 S¬ ®å thiÕt bÞ chuyÓn m¹ch hai kh©u a. b. 1 1 1 2 2 2 3 3 3
  • 283.
    chia h=3, vµtrong mçi mét trong h h-íng t¹o thµnh c¸c chïm ®-êng truy cËp hoµn toµn, cã kho¸; gåm mq ®-êng. Trong tr-êng hîp ®ang xem xÐt h=3; m=3 vµ q=1. Nh÷ng kÕt nèi tõ mét nhãm con nguån t¶i bÊt kú tíi c¸c ®-êng cña chïm kªnh thuéc h-íng nµo ®ã cã thÓ x¶y ra qua mét cét c¸c bé chän cña kh©u B vµ qua mét cét tiÕp ®iÓm mµ c¸c ®-êng cña chïm cho tr-íc ®-îc nèi víi chóng. Nh÷ng cét nµy ®èi víi nhãm con thø nhÊt c¸c nguån t¶i víi chïm thø nhÊt trªn h×nh 7.12.a ®-îc khoanh b»ng c¸c ®-êng ®øt nÐt vµ ®-îc t¸ch riªng b»ng h×nh 7.12.b. KÕt nèi tõ c¸c nguån t¶i cña nhãm con thø nhÊt ®Õn c¸c ®-êng cña chïm thø nhÊt sÏ chØ cã thÓ x¶y ra trong tr-êng hîp nÕu ®ång thêi cïng rçi c¶ bé chän cña kh©u B mµ bé chän ®ã cã thÓ truy cËp ®Õn c¸c nguån t¶i ®ang xÐt vµ c¶ ®-êng cña chïm yªu cÇu mµ bé chän ®ã cã thÓ truy cËp; ng-îc l¹i sÏ ph¸t sinh tæn thÊt cuéc gäi. C¸c bé chän kh©u B bÞ chiÕm bëi c¸c nguån t¶i ®Ó kÕt nèi kh«ng chØ tíi c¸c ®-êng cña chïm thø nhÊt mµ c¶ tíi c¸c ®-êng cña h-1 chïm kh¸c. C¸c ®-êng cña chïm thø nhÊt bÞ chiÕm bëi c¸c nguån t¶i kh«ng chØ cña nhãm con thø nhÊt mµ cßn cña c¸c nhãm con kh¸c. Tæn thÊt b¸o gäi sÏ ph¸t sinh, vÝ dô, nÕu bËn m-x bé chän kh©u B vµ x ®-êng cña chïm thø nhÊt mµ chóng kh«ng t-¬ng øng víi c¸c bé chän bÞ chiÕm ë kh©u B. Trªn h×nh 12.b chØ ra tr¹ng th¸i mµ khi ®ã bé chän thø nhÊt kh©u B bÞ bËn vµ c¸c ®-êng 2 vµ 3 cña chïm thø nhÊt. C¸c thiÕt bÞ ®ang bËn ®-îc ®¸nh dÊu b»ng h×nh trßn t« ®en. Trong tr-êng hîp ®ang xÐt, khi m=n, tæn thÊt khi nèi c¸c nguån t¶i víi c¸c bé chän cña kh©u B sÏ lµ kh«ng thÓ nÕu nh- c¸c kÕt nèi ®ã x¶y ra kh«ng tÝnh ®Õn sù bËn rçi cña ®-êng thuéc chïm yªu cÇu. NÕu xem xÐt kÕt nèi mét c¸ch tæng thÓ qua cÊp chän th× kÕt nèi nguån t¶i víi bé chän kh©u B sÏ cã ý nghÜa chØ trong tr-êng hîp nÕu kÕt nèi ®ã tiÕp tôc®-îc nèi ®Õn mét trong sè c¸c ®-êng cña chïm yªu cÇu. Ta ký hiÖu x¸c suÊt bËn x ®-êng cña chïm yªu cÇu (x=1, 2,…, m) b»ng Wx vµ x¸c suÊt bËn (m-x) bé chän cña kh©u B t-¬ng øng víi c¸c ®-êng ®ang rçi cña chïm t¹i thêi ®iÓm ®ang xÐt b»ng Gm-x, gi¶ sö r»ng tr¹ng th¸i cña c¸c bé chän kh¸c cña kh©u B lµ kh«ng cÇn quan t©m. Khi ®ã tæn thÊt b¸o gäi sÏ xuÊt hiÖn trong tÊt c¶ c¸c tr-êng hîp trïng hîp cña hai sù kiÖn, trong ®ã bao gåm thø nhÊt lµ sù bËn cña x ®-êng cña chïm, thø hai lµ sù bËn cña (m-x) c¸c bé chän x¸c ®Þnh cña kh©u B. X¸c suÊt trïng cña c¸c sù kiÖn nµy nÕu cho r»ng chóng ®éc lËp nhau (®©y lµ mét trong c¸c gi¶ ®Þnh cña Iakobeis) b»ng tÝch c¸c x¸c suÊt cña chóng, nghÜa lµ WxGm-x.
  • 284.
    X¸c suÊt tænthÊt p cã thÓ nhËn ®-îc b»ng c¸ch céng c¸c tÝch ®èi víi c¸c gi¸ trÞ x tõ 0 ®Õn m:     m x x m xG W p 0 (7.17) BiÓu thøc nµy tÝnh ®Õn c¶ c¸c tæn thÊt b¸o gäi do bËn ®-êng cña chïm cã kho¸ vµ c¶ tæn thÊt bªn trong (tæn thÊt néi) trªn cÊp chän. L-u ý ®Õn viÖc trªn cÊp chän nhãm sè nguån b¸o gäi trong nhãm con kh«ng lín Iakobeis ®· dïng qui luËt ph©n bè Becnully ®èi víi sè c¸c bé chän kh©u B bÞ bËn, nghÜa lµ:   i m a i a i m i y y C R    1 (7.18) trong ®ã Ri – x¸c suÊt trong kh©u B cã ®óng i bé chän bÞ bËn; ya – t¶i t¸c ®éng tõ mçi mét trong n=m nguån t¶i cña kh©u A khi ®ã t¹i i=x ta nhËn ®-îc biÓu thøc ®èi víi x¸c suÊt bËn ®ång thêi m-x bé chän kh©u B: x m a x m y G    thay vµo biÓu thøc (7.17), ta cã:     m x x m a x y W p 0 (7.19) C«ng thøc nµy ®-îc ¸p dông ®èi víi ph©n bè x¸c suÊt sè bé chän kh©u B bÞ bËn kh¸c nhau theo qui luËt Becnully vµ luËt ph©n bè bÊt kú c¸c x¸c suÊt c¸c ®-êng bÞ bËn cña chïm Wx m¾c t¹i ®Çu ra cña cÊp chän nhãm. Do sè nguån t¶i ®èi víi chïm xem xÐt th-êng lín vµ lín h¬n rÊt nhiÒu so víi sè ®-êng cña chïm nªn Iakobeis dïng quy luËt Erlang ®èi víi ph©n bè c¸c x¸c suÊt Wx    m i i x x i Y x Y W 0 ! ! trong ®ã Y- tæng t¶i t¸c ®éng lªn m ®-êng cña chïm. ThÕ gi¸ trÞ Wx vµo c«ng thøc (7.19), ta cã:
  • 285.
          m x x m a m i i x y i Y x Y p 0 0 ! ! Sau khibiÕn ®æi biÓu thøc nµy, ta cã:            a m m y Y E Y E p (7.20) §©y chÝnh lµ c«ng thøc Iakobeis c¬ b¶n, nã nhËn ®-îc trong ®iÒu kiÖn m=n, nghÜa lµ phô thuéc vµo chïm truy cËp hoµn toµn, cã kho¸, ®-îc m¾c trong cÊp chän hai kh©u cã c¸c tham sè m=n vµ q=1. Ph¸t triÓn nguyªn t¾c nµy cïng víi mét vµi gi¶ ®Þnh (ch©m tr-íc) vÒ cÊu tróc víi c¸c tham sè kh¸c, Iakobeis nhËn ®-îc c«ng thøc sau ®©y mang tinh chung h¬n ®èi víi cÊp chän nhãm hai kh©u më (mn) vµ víi c¸c gi¸ trÞ q kh¸c nhau:            a nq mq y Y E Y E p (7.21) Sù phô thuéc gi÷a Y, ya, vpb, p víi c¸c tham sè cña thiÕt bÞ chuyÓn m¹ch sÏ chÝnh x¸c h¬n nh-ng còng phøc t¹p h¬n ®èi víi c¸c chïm truy cËp hoµn toµn, kh«ng kho¸ ®-îc m¾c tíi ®Çu ra cña cÊp chän nhãm hai kh©u nhËn ®-îc trªn c¬ së c¸c kÕt qu¶ m« pháng cña K.P Melnhikov. C¸c c«ng thøc «ng ®-a ra th-êng sö dông ®Ó lËp c¸c b¶ng hoÆc c¸c ®å thÞ t¹i c¸c tham sè x¸c ®Þnh cña c¸c thiÕt bÞ chuyÓn m¹ch. §èi víi c¸c tÝnh to¸n trªn cÊp chän s¬ bé, níi mµ sö dông cÊp chän hai kh©u víi sù tËp trung t¶i (m<n) th× c¸c c«ng thøc Iakobeis ®-îc phøc t¹p h¬n nhiÒu vµ ®ßi hái c¸c c«ng viÖc tÝnh to¸n nÆng nÒ. Do ®ã ®èi víi nh÷ng tÝnh to¸n nµy nªn ¸p dông c«ng thøc gÇn ®óng sau ®©y, nã dùa trªn viÖc sö dông c¸c hÖ sè nhËn ®-îc b»ng c¸c nghiªn cøu thö nghiÖm: p = (p1+p2) trong ®ã   Y E p y E p mq n a m           2 1 1 vµ  nghÜa lµ                     Y E y E p mq n a m   1 (7.22)
  • 286.
    trong ®ã: - hÖ sè tÝnh ®Õn ¶nh h-ëng cña nghÏn bªn trong, gi¸ trÞ cña nã bao giê còng lín h¬n 1 vµ ®-îc x¸c ®Þnh theo c¸c biÓu ®å ®-îc lËp theo c¸c sè liÖu thùc nghiÖm  - HÖ sè tÝnh ®Õn ¶nh h-ëng cña viÖc chuyÓn ®-êng ®-îc m¾c trªn ®Çu vµo cña cÊp chän vµ ®-îc x¸c ®Þnh theo c¸c sè liÖu thùc nghiÖm ya- T¶i ph¸t sinh tõ mçi nguån sinh t¶i Y – Tæng t¶i trªn chïm truy cËp hoµn toµn, cã kho¸, ®-îc m¾c tíi c¸c ®Çu ra cña cÊp chän m, n, f, q- C¸c tham sè cña cÊp chän hai kh©u C¸c chïm truy cËp kh«ng hoµn toµn, cã kho¸: Sù phô thuéc t-¬ng ®èi gi÷a c¸c ®¹i l-îng t¶i Y, hÖ sè tæn thÊt p cña sè ®-êng thuéc chïm truy cËp kh«ng hoµn toµn, cã kho¸, vµ c¸c tham sè cña hÖ thèng chuyÓn m¹ch cã thÓ nhËn ®-îc trªn c¬ së c¸c suy luËn sau ®©y. Gi¶ sö r»ng t¹i c¸c tæn thÊt p ®ßi hái ph¶i cho qua l-îng t¶i Yi<YiD , trong ®ã YiD lµ t¶i mµ cã thÓ ®-îc chïm truy cËp hoµn toµn, kh«ng kho¸, chøa D ®-êng cho qua t¹i cïng c¸c gi¸ trÞ tæn thÊt. Theo lý thuyÕt O’Dell gi¶ sö r»ng chïm truy cËp kh«ng hoµn toµn, kh«ng kho¸, chøa vnn ®-êng, gåm tõ D ®-êng cho qua t¶i YiD vµ vnn-D ®-êng cho qua t¶i Yi -YiD . Mçi ®-êng cña phÇn thø nhÊt thuéc chïm nµy cho qua t¶i D YiD cßn mçi ®-êng cña phÇn thø hai cho qua t¶i lµ D v Y Y nn iD i   . NÕu chïm bÞ kho¸ th× trong nh÷ng ®iÒu kiÖn sè ®-êng trong chóng lµ vnb sÏ lín h¬n vnn vµ còng cã thÓ ph©n chia h×nh thøc thµnh phÇn thø nhÊt chøa D ®-êng, cßn phÇn thø hai chøa vnb–D ®-êng. T¹i c¸c tæn thÊt cho tr-íc phÇn thø nhÊt cã thÓ cho qua t¶i Yi0<YiD , cßn phÇn thø hai cho qua t¶i Yi- Yi0. Mçi ®-êng cña phÇn thø nhÊt thuéc chïm nµy cho qua t¶i D Yi0 cßn mçi ®-êng cña phÇn thø hai cho qua t¶i lµ D v Y Y nb i i   0 . BiÕt Yi0 vµ YiD , cã thÓ x¸c ®Þnh t¶i y0 vµ yD ®-îc cho qua bëi mçi ®-êng cña c¸c chïm truy cËp hoµn t«¸nc kho¸ vµ kh«ng kho¸ t-¬ng øng. HiÖu c¶u c¸c gi¸ trÞ t¶i nµy ®-a ra sù gi¶m kh¶ th«ng cña mçi ®-êng cña phÇn thø nhÊt do ¶nh h-ëng cña hiÖn t-îng nghÏn m¹ch bªn trong cña hÖ thèng chuyÓn m¹ch. Sù gi¶m ®ã b»ng yD - y0 = D Y Y i iD 0  .
  • 287.
    Cho r»ng ¶nhh-ëng cña c¸c nghÏn m¹ch bªn trong còng t¹o nªn sù gi¶m kh¶ th«ng cña mçi ®-êng thuéc phÇn thø hai cña chïm cã kho¸ ®ang xem xÐt, ta cã: D v Y Y nb i i   0 = D v Y Y nn iD i   - D Y Y i iD 0  tõ ®ã D D Y Y D v Y Y Y Y v i iD nn iD i i i nb        0 0 hoÆc sau c¸c biÕn ®æi ta cã D Y Y v Y Y Y Y v i iD nn i i iD i nb 0 0      (7.23) trong ®ã Y, YD vµ Y0 lµ c¸c t¶i t¸c ®éng. Nh÷ng phÇn tr×nh bµy trªn ®-îc minh ho¹ bëi ®-êng ®øt nÐt trªn h×nh 7.10 7.7 TÝnh sè thiÕt bÞ phôc vô ho¹t ®éng víi tæn thÊt hiÓn nhiªn vµ víi c¸c b¸o gäi lÆp l¹i C¸c ph-¬ng ph¸p tÝnh to¸n sè thiÕt bÞ phôc vô ®· ®-îc tr×nh bµy trong môc trªn dùa trªn gi¶ thiÕt r»ng c¸c b¸o gäi t¸c ®éng trong thêi gian bËn tÊt c¶ c¸c thiÕt bÞ phôc vô sÏ bÞ mÊt m¸t kh«ng quay l¹i. Thùc tÕ ®a sè c¸c cuéc gäi kh«ng thµnh c«ng lÇn ®Çu sÏ ®-îc c¸c thuª bao lÆp l¹i tíi khi hä tho¶ m·n. Khi ho¹t ®éng víi tæn thÊt lín ®Õn nçi trªn c¸c m¹ng ®-îc tù ®éng ho¸ ®-êng dµi vµ c¸c kiÓu gäi néi h¹t nÕu c¸c tÝnh to¸n sè kªnh mµ kh«ng tÝnh tíi ¶nh h-ëng cña c¸c cuéc b¸o gäi lÆp sÏ dÉn ®Õn sai sè lín, kÕt qu¶ lµ chÊt l-îng phôc vô c¸c thuª bao cã vÎ thÊp h¬n rÊt nhiÒu so víi ®· ®Ò ra. C¸c quan s¸t cho thÊy khi mµ chÊt l-îng phôc vô trªn c¸c m¹ng ®-êng dµi kh«ng qu¸ thÊp c¸c thuª bao (pg  0.2), c¸c thuª bao sÏ b¸o gäi lÆp l¹i ®Õn tho¶ m·n gÇn 90% sè c¸c b¸o gäi bÞ tæn thÊt ban ®Çu. KÕt qu¶ lµ lµm cho tæn thÊt t¶i lín h¬n rÊt nhiÒu, mÆc dï tæn thÊt b¸o gäi cã thÓ lín. Khi tÝnh to¸n c¸c thiÕt bÞ ®iÖn tho¹i nªn ®¶m b¶o sù phôc vô tonµ bé t¶i xuÊt hiÖn tõ c¸c thuª bao, cßn chÊt l-îng phôc vô c¸c thuª bao cÇn ®-îc x¸c ®Þnh kh«ng ph¶i bëi c¸c tæn thÊt t¶i mµ lµ sè b¸o gäi lÆp trung b×nh mµ thuª bao cÇn tiÕn hµnh ®Ó c¸c b¸o gäi ban ®Çu ®-îc cho qua, nghÜa lµ bëi hÖ sè tæn thÊt theo b¸o gäi. Khi cã b¸o gäi lÆp, ®¼ng thøc cña c¸c hÖ sè tæn thÊt theo b¸o gäi, theo t¶i, theo thêi gian bÞ ph¸ vì. §¼ng thøc ®ã ®· lµ tÝnh chÊt cña sù phôc vô dßng b¸o gäi vµo ®¬n gi¶n nhÊt. V× thÕ suy ra dßng chung t¹o bëi dßng ®¬n gi¶n nhÊt cña c¸c b¸o gäi ban ®Çu víi c¸c b¸o gäi lÆp l¹i kh«ng ph¶i lµ dßng ®¬n gi¶n nhÊt. Khi phôc
  • 288.
    vô dßng ®ãcÇn ph©n biÖt gi¸ trÞ vÒ l-îng cña c¸c hÖ sè tæn thÊt theo b¸o gäi, theo t¶i vµ theo thêi gian. Chóng ta ký hiÖu c¸c hÖ sè nµy trong ®iÒu kiÖn ho¹t ®éng cã b¸o gäi lÆp l¹i b»ng pgp, pmp, ptp t-¬ng øng vµ pgp = " ' " ' c c c c p p   (7.24) ptp = t tbc (7.25) pmp = ' ' c cpc (7.26) trong ®ã c’ – Sè b¸o gäi ban ®Çu c” – Sè b¸o gäi lÆp l¹i ' p c - Sè b¸o gäi ban ®Çu kh«ng thµnh c«ng " p c - Sè b¸o gäi lÆp l¹i kh«ng thµnh c«ng ' pc c - Sè b¸o gäi ban ®Çu thùc sù kh«ng thµnh c«ng bc t - Kho¶ng thêi gian mµ trong ®ã tÊt c¶ c¸c thiÕt bÞ phôc vô ®Òu bÞ chiÕm trong qu·ng thêi gian quan s¸t t ®Ó x¸c ®Þnh c¸c gi¸ trÞ c’ , c” , ' p c , " p c , ' pc c . Sù phô thuéc cña pgp, pmp, ptp vµo sè b¸o gäi lÆp l¹i vµ tõ c¸c kho¶ng th¬i gian lÆp l¹i trung b×nh ®-îc minh ho¹ trªn h×nh 13. ta ký hiÖu sè lÆp l¹i cña tõng b¸o gäi bÞ tæn thÊt ban ®Çu b»ng k. NÕu sè lÇn gäi lÆp cña c¸c b¸o gäi b»ng 0 th× cã dßng b¸o gäi ®¬n gi¶n nhÊt vµ pg = pm = pt. Khi xuÊt hiÖn lÆp l¹i c¸c b¸o gäi kh«ng thµnh c«ng (k > 0) gi¸ trÞ cña pmp gi¶m v× gi¶m ' pc c vµ t¨ng l-îng t¶i ®-îc cho qua; cßn pgp t¨ng v× ngo¹i c¸c b¸o gäi ban ®Çu th× c¸c b¸o gäi lÆp l¹i còng bÞ tæn thÊt, thªm vµo ®ã c¸c b¸o gäi lÆp kh«ng ®-îc ®¸p øng t¨ng nhanh h¬n so víi c¸c b¸o gäi lÆp ®-îc ®¸p øng. Bªn c¹nh ®ã ptp còng t¨ng do tæng t¶i p pgp pmp ptp s=0.125 s=0.25 s=  0.5 0.4 0.3 0.2 0.1 0 1 2 3 4 5 6 k Sè b¸o gäi lÆp l¹i H×nh 7.14. Sù phô thuéc cña c¸c hÖ sè tæn thÊt vµo sè b¸o gäi lÆp l¹i
  • 289.
    ®-îc chïm choqua t¨ng vµ t¨ng thêi gian bËn bc t (mµ trong kho¶ng thêi gian ®ã tÊt c¶ c¸c ®-êng cña chïm ®Òu bÞ chiÕm). Suy ra, lu«n cã pmp < pm, pgp > pg, ptp > pt. NÕu ®é dµi trung b×nh s cña c¸c kho¶ng thêi gian gi÷a c¸c b¸o gäi lµ nhá th× pgp t¨ng nhanh, cßn pmp gi¶m chËm; cßn khi s lín th× pgp t¨ng chËm, cßn pmp gi¶m nhanh. C¸c thay ®æi cña ptp x¶y ra trong ph¹m vÞ kh«ng lín vµ Ýt phô thuéc vµo s. Trªn h×nh 14 c¸c gi¸ trÞ ptp ®-îc chØ ra chØ khi s=0.25 , trong ®ã  lµ kho¶ng thêi gian chiÕm trung b×nh, v× t¹i c¸c gi¸ trÞ kh¸c cña s c¸c ®-êng cong cña sù phô thuéc ptp = f(k) n»m rÊt gÇn nhau. Thùc tÕ s cã gi¸ trÞ trong kho¶ng 0.2 ®Õn 0.5. Tr-êng hîp khi pmp=0 cã ý nghÜa thùc tÕ lín nhÊt, nghÜa lµ c¸c t¶i t¸c ®éng ban ®Çu ®Òu ®-îc cho qua. §èi víi tr-êng hîp nµy, trong c¸c tÝnh to¸n nªn xem xÐt c¶ c¸c gi¸ trÞ pmp víi vai trß nh- chØ sè chÊt l-îng phôc vô c¸c thuª bao QoS C¸c b¸o gäi lÆp l¹i cã thÓ coi nh- mèi liªn hÖ ph¶n håi, mµ møc ®é tho¶ hiÖp ®Æc tÝnh cña dßng c¸c b¸o gäi t¸c ®éng ban ®Çu vµ cña dßng c¸c b¸o gäi lÆp l¹i so víi dßng ®¬n gi¶n nhÊt phô thuéc vµo ®Æc tÝnh cña nã. C¸c ®Æc tÝnh quan träng cña dßng b¸o gäi lÆp l¹i (mµ dßng ®ã ®-îc coi lµ ph¶n håi) lµ c-êng ®é vµ ph-¬ng sai cña dßng ®ã. C¸c ®Æc tÝnh cña dßng b¸o gäi lÆp l¹i phô thuéc vµo gi¸ trÞ cña hÖ sè tæn thÊt theo b¸o gäi mµ t¹i ®ã chïm kªnh ®ang ®-îc xem xÐt lµm viÖc, vµ phô thuéc vµo ®é dµi c¸c kho¶ng thêi gian lÆp l¹i cña tõng b¸o gäi s. §é dµi c¸c kho¶ng thêi gian gäi lÆp ®-îc x¸c ®Þnh bëi tÝnh c¸ch cña thuª baovµ tÝnh chÊt cña c¸c thiÕt bÞ kü thuËt cña m¹ng. Thuª bao, theo nhËn ®Þnh cña m×nh, cã thÓ lÆp l¹i b¸o gäi sau c¸c kho¶ng thêi gian víi ®é dµi kh¸c nhau, nh-ng kh«ng nhá h¬n kho¶ng thêi gian ®-îc t¹o bëi c¸c qu¸ tr×nh xö lý mçi cuéc gäi. §óng ra, c¸c dßng b¸o gäi lÆp cã gi¸ trÞ ph-¬ng sai vÒ l-îng lín h¬n c-êng ®é vµ suy ra c¸c dßng nµy kh«ng ®ång ®Òu b»ng c¸c dßng ®¬n gi¶n nhÊt. Khi kÕt hîp dßng h-íng vµo ®¬n gi¶n nhÊt víi dßng b¸o gäi lÆp, c-êng ®é vµ c¶ ph-¬ng sai cña c¶ hai dßng ®-îc céng víi nhau, v× vËy dßng tæng hîp còng gièng dßng b¸o gäi lÆp sÏ cµng kh«ng ®ång ®Òu so víi dßng ®¬n gi¶n nhÊt. §èi víi dßng nh- vËy ®ßi hái sè l-îng thiÕt bÞ phôc vô lín h¬n so víi ®èi víi dßng ®¬n gi¶n nhÊt cã cïng c-êng ®é. NÕu theo c-êng ®é cña dßng tæng cña c¸c b¸o gäi ban ®Çu vµ c¸c b¸o gäi lÆp
  • 290.
    l¹i tiÕn hµnhtÝnh to¸n c¸c thiÕt bÞ phôc vô b»ng c¸c ph-¬ng ph¸p ®èi víi dßng ®¬n gi¶n nhÊt th× sè c¸c thiÕt bÞ phôc vô ®ã sÏ nhá h¬n yªu cÇu thùc tÕ. Trong tr-êng hîp nµy ®Ó ®¶m b¶o chØ tiªu chÊt l-îng dÞch vô cho tr-íc cÇn tiÕn hµnh tÝnh to¸n theo t¶i t-¬ng ®-¬ng cao h¬n t¶i cho tr-íc lµ l1 lÇn. HÖ sè l1, mµ nã tÝnh ®Õn sù thay ®æi ®Æc tÝnh cña dßng d-íi sù ¶nh h-ëng cña c¸c b¸o gäi lÆp, phô thuéc vµo gi¸ trÞ cña t¶i t¸c ®éng ban ®Çu, vµo hÖ sè tæn thÊt theo cuéc gäi cho tr-íc pgp vµ ®é dµi trung b×nh cña c¸c kho¶ng thêi gian gäi lÆp s ®-îc biÓu diÔn theo ®¬n vÞ b»ng ®é dµi chiÕm trung b×nh . Sù t¨ng c-êng ®é dßng b¸o gäi chung do Ènh h-ëng cña c¸c b¸o gäi lÆp cã thÓ ®-îc tÝnh ®Õn b»ng viÖc chia t¶i t¸c ®éng Y cho gi¸ trÞ 1-pgp. Suy ra, tÝnh sè ®-êng cña c¸c chïm cã tÝnh ®Õn ¶nh h-ëng cña c¸c b¸o gäi lÆp cã thÓ tiÕn hµnh theo gi¸ trÞ quy ®æi cña t¶i t¸c ®éng Z b»ng chÝnh c¸c ph-¬ng ph¸p ®· cho tr-íc ®©y tr«ng ®iÒu kiÖn kh«ng cã c¸c b¸o gäi lÆp. gp p Y l Z   1 1 C¸c gi¸ trÞ cña hÖ sè l1 ®-îc x¸c ®Þnh bëi c«ng thøc sau:   sY Y Y p l gp 022 . 0 013 . 0 00334 . 0 175 . 0 1 1      Trªn h×nh 7.15 lµ ®å thÞ hµm sè l1 = f(s,Y,pgp) t¹i c¸c gi¸ trÞ s=0.2 vµ s=0.35. H×nh16 cho thÊy viÖc tÝnh ®Õn ¶nh h-ëng cña c¸c b¸o gäi lÆp sÏ lµm t¨ng sè kªnh cña chïm lªn bao nhiªu khi chóng ho¹t ®éng víi c¸c tæn thÊt b¸o gäi lín a. b. l1 l1 1.4 1.3 1.2 1.1 1.3 1.2 1.1 2 4 6 8 10 12 14 16 18 20 Z, Erl 2 4 6 8 10 12 14 16 18 20 Z, Erl s=0.2 s=0.35 0.3 0.2 0.1 pgp 0.03 0.3 0.2 0.1 pgp 0.03 H×nh 7.15 §å thÞ hµm sè l1 = f(s,Y,pgp)
  • 291.
    H×nh 16 ¶nhh-ëng cña c¸c b¸o gäi lÆp trong tÝnh to¸n c¸c thiÕt bÞ 7.8 TÝnh to¸n sè thiÕt bÞ phôc vô lµm viÖc víi c¸c tæn thÊt h×nh thøc C¸c hÖ thèng lµm viÖc kiÓu hµng ®îi ®-îc gäi lµ c¸c hÖ thèng cã tæn thÊt h×nh thøc. VÝ dô ®iÓn h×nh cña c¸c hÖ thèng d¹ng nµy lµ hÖ thèng c¸c thiÕt bÞ ®iÒu khiÓn. Trong mét sè c¸c tæng ®µi ®iÖn tho¹i tù ®éng c¸c thiÕt bÞ tuyÕn tho¹i còng cã thÓ ho¹t ®éng theo kiÓu hÖ thèng hµng ®îi. Ngoµi ra c¸c hÖ thèng phôc vô c¸c dÞch vô phi tho¹i còng th-êng lµm viÖc theo ph-¬ng thøc nµy. HÖ thèng chuyÓn m¹ch lµm viÖc víi hµng ®îi th-êng cã cÊu tróc mét kh©u, c¸c nhãm kªnh truy cËp hoµn toµn th-êng ®-îc m¾c vµo c¸c ®Çu ra cña kh©u ®ã. Trong kü thuËt ®iÖn tho¹i, c¸c hÖ thèng mét ®-êng gåm chØ mét thiÕt bÞ phôc vô cho mét nhãm c¸c nguån sinh t¶i cã mét vÞ trÝ kh¸ quan träng. VÝ dô vÒ hÖ thèng mét ®-êng cã thÓ lµ c¸c bé ®iÒu khiÓn chuyÓn m¹ch trong c¸c tæng ®µi ®iÖn tho¹i tù ®éng (c¸c Marker) hoÆc hÖ thèng kªnh liªn l¹c ®-êng dµi. Thêi gian ®îi bëi thuª bao yªu cÇu nèi ®-îc tæng hîp tõ hai thµnh phÇn: thµnh phÇn kü thuËt vµ thµnh phÇn chÊt l-îng. Thµnh phÇn kü thuËt lµ kho¶ng thêi gian lµm viÖc cña c¸c thiÕt bÞ chuyÓn m¹ch phô thuéc vµo kiÓu cña chóng. C¸c thiÕt bÞ ®iÖn tho¹i ®-îc x©y dùng sao cho chóng ®¶m b¶o gi¸ trÞ cña thµnh phÇn kü thuËt lµ nhá nhÊt cã thÓ. Thµnh phÇn chÊt l-îng ®-îc x¸c ®Þnh bëi sè thiÕt bÞ phôc vô hiÖn cã vµ l-îng t¶i t¸c ®éng lªn chóng. ViÖc x¸c ®Þnh sè l-îng c¸c thiÕt bÞ phôc vô dùa trªn viÖc xem xÐt x¸c suÊt V 14 12 10 8 6 4 2 0.1 0.2 pgp s=0.35 pmp=0 Ghi chó: Cã tÝnh ®Õn c¸c b¸o gäi lÆp Kh«ng tÝnh ®Õn c¸c b¸o gäi lÆp
  • 292.
    ®îi phôc vôcao h¬n thêi gian  cho tr-íc khi ®ã chØ tÝnh ®Õn thµnh phÇn chÊt l-îng cña thêi gian ®îi. Khi phôc vô víi hµng ®îi N nguån t¶i bëi chïm cã v kªnh cã thÓ x¶y ra c¸c tr¹ng th¸i sau ®©y: 1. Sè b¸o gäi xuÊt hiÖn trong kho¶ng thêi gian trung b×nh cña mét cuéc chiÕm (cuéc gäi)  b»ng hoÆc nhá h¬n v. Trong tr-êng hîp nµy c¸c thuª bao ®-îc phôc vô ngay lËp tøc vµ kh«ng ph¶i ®îi. 2. Sè b¸o gäi xuÊt hiÖn trong kho¶ng thêi gian  lín h¬n v. Trong tr-êng hîp nµy mét phÇn c¸c thuª bao ®-îc phôc vô ngay lËp tøc, sè thuª bao gäi cßn l¹i ph¶i ®îi sù gi¶i phãng cña c¸c kªnh. C¸c nguån t¶i ®îi ®Ó ®-îc phôc vô t¹o thµnh hµng ®îi. C¸c hÖ thèng ®iÖn tho¹i víi hµng ®îi cã thÓ lµm viÖc víi sù phôc vô theo thø tù xuÊt hiÖn b¸o gäi hoÆc phôc vô víi thø tù ngÉu nhiªn. Thêi gian ®îi trung b×nh trong c¶ hai tr-êng hîp sÏ nh- nhau nh-ng ph©n bè cña nh÷ng thêi gian nµy sÏ kh¸c nhau. Thêi gian ®îi phôc vô phô thuéc vµo thêi gian chiÕm c¸c thiÕt bÞ phôc vô. Th«ng th-êng c¸c hÖ thèng ®iÖn tho¹i ®-îc xem nh- c¸c hÖ thèng víi thêi gian ®îi phôc vô kh«ng ®æi hoÆc víi thêi gian ®îi phôc vô ngÉu nhiªn cã qui luËt ph©n bè hµm mò cña c¸c kho¶ng thêi gian chiÕm. Khi nghiªn cøu c¸c hÖ thèng hµng ®îi th-êng gi¶ ®Þnh r»ng t¶i xuÊt hiÖn ®Õn c¸c thiÕt bÞ phôc vô d-íi d¹ng cña dßng b¸o gäi ®¬n gi¶n nhÊt vµ ph©n bè c¸c x¸c suÊt Px(t) cña sù xuÊt hiÖn x b¸o gäi trong kho¶ng thêi gian t tu©n theo quy luËt Puassona. Trong mét sè tr-êng hîp khi sè nguån sinh t¶i nhá th× chÊp nhËn ph©n bè theo qui luËt Becnully. §èi víi chïm truy cËp hoµn toµn, kh«ng kho¸, cã v ®-êng ho¹t ®éng trong chÕ ®é hµng ®îi, mµ t¸c ®éng lªn nã lµ t¶i Y d-íi d¹ng dßng b¸o gäi ®¬n gi¶n nhÊt, khi ph©n bè cña ®é dµi thêi gian chiÕm kªnh theo kiÓu hµm mò vµ phôc vô c¸c b¸o gäi trong hµng ®îi theo thø tù xuÊt hiÖn cña chóng, Erlang ®· ®-a ra c«ng thøc sau ®©y ®èi víi x¸c suÊt ®îi P(>0):             1 0 ! ! ! 0 v i v i v Y v v v Y i Y Y v v v Y P (7.27)
  • 293.
    C«ng thøc nµynhËn ®-îc tªn gäi lµ C«ng thøc Erlang thø hai. TÝnh c¸c gi¸ trÞ cña P(>0) cã thÓ ®-îc ®¬n gi¶n ho¸ nÕu sö dông c«ng thøc sau dùa trªn viÖc sö dông c¸c b¶ng Palma ®èi víi E1;v(Y) ®-îc lËp theo c«ng thøc Erlang thø nhÊt:     ) ( ; 1 ) ( ; ) 0 1 1 Y v E Y v v Y v E P     X¸c suÊt ®îi qu¸ thêi gian t cho tr-íc P(>t) ®-îc x¸c ®Þnh bëi biÓu thøc sau:       t Y v e P t P      0 (7.28) trong ®ã  thêi gian chiÕm trung b×nh. Do khã kh¨n trong viÖc tÝnh trùc tiÕp theo c«ng thøc (7.28) nªn thùc tÕ sö dông c¸c b¶ng vµ c¸c ®å thÞ ®· ®-îc x©y dùng theo c«ng thøc nµy. VÝ dô x©y dùng ®å thÞ nh- thÕ ®èi víi gi¸ trÞ P(>t) = 0.1 ®-îc cho trªn h×nh 7.17. Thêi gian ®îi trung b×nh cã thÓ coi lµ liªn quan tíi tÊt c¶ c¸c b¸o gäi ®Õn hoÆc chØ liªn quan tíi c¸c b¸o gäi chê phôc vô. Thêi gian ®îi trung b×nh hd ®èi víi c¸c b¸o gäi trong hµng ®îi khi v>Y b»ng: Y v hd     trong ®ã  lµ thêi gian chiÕm trung b×nh khi ph©n bè thêi gian chiÕm theo quy luËt hµm mò. Thêi gian ®îi trung b×nh tb liªn quan ®Õn tÊt c¶ c¸c b¸o gäi tíi sÏ lµ:     hd tb P Y v P    0 0      §èi víi cïng nh÷ng ®iÒu kiÖn nh-ng khi thêi gian chiÕm c¸c thiÕt bÞ phôc vô kh«ng ®æi c¸c c«ng thøc tÝnh ®· cho bëi c¸c nhµ nghiªn cøu kh¸c nhau. Tõ c¸c c«ng thøc nµy, trong kü thuËt thiÕt kÕ c¸c tæng ®µi ®iÖn tho¹i tù ®éng, c«ng thøc Crommelin nhËn ®-îc sù 0 4 8 54 52 48 44 40 36 32 28 24 20 16 12 0.5 1.0 1.5 2.0 2.5 3.0 Tû sè t/ y- Giê chiÕm Sè kªnh 55 50 45 40 35 30 25 20 15 10 5 H×nh 7.17
  • 294.
    øng dông réngr·i. C¸c tÝnh to¸n ®-îc tiÕn hµnh nhê c¸c ®å thÞ ®-îc x©y dùng theo c«ng thøc nµy. C¸c ®å thÞ riªng ®-îc x©y dùng ®èi víi c¸c sè thiÕt bÞ phôc vô v kh¸c nhau. Thêi gian ®îi phôc vô trung b×nh khi thêi gian chiÕm thiÕt bÞ phôc vô kh«ng ®æi vµ khi v>Y ®-îc x¸c ®Þnh theo c¸c biÓu thøc: − §èi víi c¸c b¸o gäi bÞ chê:   Y v hd   2   − §èi víi tÊt c¶ c¸c b¸o gäi :       hd tb P Y v P    0 2 0      Trong c¸c hÖ thèng ®Æt tr-íc cuéc gäi tÊt c¶ c¸c b¸o gäi ®Òu ph¶i xÕp hµnh chê phôc vô. HÖ thèng gäi ®Æt tr-íc th-êng ®-îc ¸p dông khi mµ t¶i yªu cÇu Y tÝnh theo Erlang b»ng hoÆc lín h¬n sè kªnh liªn l¹c hiÖn cã v. Sè l-îng kªnh ®ßi hái trong hÖ thèng gäi ®Æt tr-íc ®-îc x¸c ®Þnh trªn c¬ së ®å thÞ t¶i xuÊt hiÖn trªn tæng ®µi chuyÓn tiÕp vµ thêi gian ®îi cùc ®¹i thùc hiÖn yªu cÇu t mµ trong ®a sè tr-êng hîp ®Æt ra lµ kh«ng qu¸ 30 phót. §Ó x¸c ®Þnh sè l-îng kªnh , ®Çu tiªn chóng ta ®-îc cho tr-íc mét sè v kªnh nµo ®ã mµ trong kho¶ng thêi gian T chóng cã thÓ cho qua l-îng t¶i Y1 = vT Erlang. L-îng t¶i kh«ng ®-îc cho qua Y2 trong kho¶ng thêi gian T cÇn ph¶i ®-îc cho qua trong kho¶ng thêi gian tiÕp sau ®ã mµ nã ®-îc cho theo ®iÒu kiÖn vµ b»ng t. NÕu sè kªnh v ®-îc chän ®óng th× sÏ cã ®¼ng thøc vt = Y2+Yt , trong ®ã lµ t¶i ®Õn trong thêi gian t theo biÓu ®å xuÊt hiÖn c¸c yªu c©u ®Æt cuéc gäi. Tõ ®ã ta nhËn ®-îc: v Y Y t t   2 (7.29) NÕu theo tÝnh to¸n trªn c¬ së c«ng thøc (7.29) nhËn ®-îc thêi gian t lín h¬n hoÆc nhá h¬n gi¸ trÞ cho tr-íc th× tÝnh to¸n sÏ ph¶i lÆp l¹i ®èi víi c¸c gi¸ trÞ kh¸c cña sè l-îng kªnh v cho tíi khi nhËn ®-îc kÕt qu¶ yªu cÇu theo c«ng thøc (7.29). 7.9 §é sö dông trung b×nh c¸c kªnh (®-êng) cña c¸c chïm Gi¸ trÞ (møc ®é) sö dông c¸c kªnh cña c¸c chïm vµ c¸c thiÕt bÞ ®-îc m¾c
  • 295.
    víi chóng lµchØ sè kinh tÕ chÝnh cña c¸c thiÕt bÞ ®iÖn tho¹i. Gi¸ trÞ nµy ®-îc ®o b»ng phÇn cña giê ho¹c phót vµ chØ ra kho¶ng thêi gian ho¹t ®éng cña phÇn tö thiÕt bÞ ®ang xem xÐt trong giê cao ®iÓm. V× viÖc sö dông cña c¸c kªnh trong chïm vµ c¸c thiÕt bÞ kÌm theo cña mét nhãm nµo ®ã th-êng kh«ng gièng nhau nªn th-êng xem xÐt ®é sö dông trung b×nh cña ®-êng thuéc chïm cô thÓ hoÆc cña c¸c thiÕt bÞ thuéc nhãm cho tr-íc. Sau nµy chóng ta sÏ xem xÐt ®é sö dông cña ®-êng thuéc chïm vµ nhí lu«n r»ng nã bao hµm c¶ tíi c¸c thiÕt bÞ mµ c¸c kªnh nµy nèi víi chóng. §é sö dông ®-êng thuéc chïm phô thuéc vµo kiÓu vµ dung l-îng cña chïm, vµo kh¶ n¨ng truy cËp c¸c ®-êng cña chïm vµ c¶ vµo chÊt l-îng phôc vô c¸c thuª bao ®· ®-îc ®Æt ra. §é sö dông trung b×nh c¸c ®-êng thuéc c¸c chïm kh¸c nhau t¹i c¸c gi¸ trÞ kh¸c nhau cña chØ sè vÒ chÊt l-îng phôc vô cã thÓ ®-îc t×m thÊy nhê c¸c c«ng thøc vµ ®å thÞ ®· ®-îc tr×nh bµy tr-íc ®©y. §èi víi chïm truy cËp hoµn toµn, kh«ng kho¸, ho¹t ®éng trong chÕ ®é víi c¸c tæn thÊt hiÓn nhiªn th× sù phô thuéc cña ®é sö dông trung b×nh vµo dung l-îng cña chïm ®-îc ®-a ra trªn h×nh 18. C¸c ®-êng cong t-¬ng øng c¸c hÖ sè tæn thÊt p b»ng 0.001, 0.01, 0.1, vµ 0.5 . Còng trªn h×nh 7.18 c¸c ®-êng ®øt nÐt chØ ra sù phô thuéc tr-¬ng tù ®èi víi chïm truy cËp kh«ng hoµn toµn, kh«ng kho¸, ®-îc m¾c trong tr-êng chuyÓn m¹ch nhiÒu kh©u t¹i c¸c gi¸ trÞ D b»ng 10 vµ 20 khi p=0.001. Xem xÐt c¸c ®-êng cong ®· ®-a ra cã thÓ dÉn ra kÕt luËn r»ng ®é sö dông trung b×nh cña ®-êng t¨ng khi t¨ng sè ®-êng thuéc nhãm vµ còng t¨ng nhãm c¸c nguån sinh t¶i. KÕt luËn t-¬ng tù ®· ®-îc dÉn c¶ khi xem xÐt vÊn ®Ò vÒ hÖ sè tËp trung t¶i. §é sö dông ®-êng ®Æc biÖt t¨ng m¹nh khi më réng c¸c chïm nhá. VÝ dô, p 0.5 0.1 0.01 0.00 1 10 20 30 40 50 60 0 10 20 30 40 50 60 70 80 90 100 Sè kªnh trong chïm §é sö dông trung b×nh cña mçi kªnh trong chïm, phót D=20 H×nh 7.18. Sù phô thuéc cña ®é sö dông trung b×nh cña kªnh thuéc chïm vµo c¸c yÕu tè D=10 Chïm truy cËp hoµn toµn, kh«ng kho¸ Chïm truy cËp kh«ng hoµn toµn, kh«ng kho¸ p=0.001, tr-êng chuyÓn m¹ch nhiÒu kh©u
  • 296.
    khi t¨ng sè®-êng cña chïm truy cËp hoµn toµn lµm viÖc t¹i p=0.001 tõ 5 lªn 10 th× ®é sö dông ®-êng trung b×nh t¨ng tõ 50 ®Õn 100 t¹o lªn sù t¨ng ®é sö dông cña mçi ®-êng kho¶ng 1,15 lÇn. §é lín cña nhãm c¸c nguån sinh t¶i ®-îc phôc vô bëi chïm ®-êng t¨ng nhanh h¬n nhiÒu so víi sè ®-êng cña chïm. VÝ dô, nÕu chïm truy cËp hoµn toµn chøa 10 ®-êng, th× t¹i p=0.001 ®é sö dông trung b×nh cña ®-êng trong giê cao ®iÓm kho¶ng 19 phót vµ tæng t¶i mµ chïm cã thÓ cho qua lµ 190 phót-gäi. NÕu mçi thuª bao lµ nguån t¶i cña chïm nµy t¹o ra trong giê cao ®iÓm t¶i 3.8 phót-gäi th× chïm ®ang xÐt cã thÓ phôc vô 190 : 3.8 = 50 thuª bao. Trong chïm truy cËp hoµn toµn cã 100 ®-êng, còng t¹i hÖ sè tæn thÊt ®ã ®é sö dông trung b×nh cña mçi ®-êng sÏ lµ 45 phót. Tæng t¶i cã thÓ cho qua bëi c¶ chïm b»ng 4500 phut-gäi. Chïm nh- thÕ cã thÓ phôc vô 4500 : 3.8 = 1184 thuª bao. Khi so s¸nh hai chïm kªnh ®· xem xÐt trªn cã thÓ ®-a ra kÕt luËn r»ng t¨ng chïm truy cËp hoµn toµn lªn 10 lÇn cho kh¶ n¨ng t¨ng nhãm nguån t¶i lªn 23.6 lÇn. §iÒu nµy ®-îc minh ho¹ hiÖu qu¶ cña viÖc ghÐp hîp t¹o chïm cã kÝch th-íc lín vµ ghÐp hîp c¸c nhãm nguån t¶i ®Ó t¹o nhãm chung cã dung l-îng lín h¬n. Tuy nhiªn, viÖc t¹o c¸c chïm truy cËp hoµn toµn, kh«ng kho¸, kÝch th-íc lín (nhiÒu kªnh h¬n) ®ßi hái ph¶i sö dông c¸c bé chän víi tr-êng tiÕp ®iÓm lín h¬n. Gi¸ thµnh cao cña c¸c bé chän nh- vËy sÏ lµm gi¶m nhanh chãng hiÖu qu¶ cña c¸c thiÕt bÞ ®iÖn tho¹i ®· ®¹t ®-îc trong viÖc n©ng hiÖu qu¶ sö dông kªnh nhê viÖc ghÐp hîp c¸c chïm kªnh nhá. V× nguyªn nh©n nµy mµ thùc tÕ c¸c chïm truy cËp hoµn toµn th-êng ®-îc ¸p dông víi sè ®-êng®Õn 20 vµ hiÕm khi víi dung l-îng lín. Lîi thÕ c¬ b¶n cña c¸c chïm truy cËp kh«ng hoµn toµn so víi c¸c chïm truy cËp hoµn toµn lµ kh¶ n¨ng t¨ng sè ®-êng cña chïm nhê c¸c bé chän cã tr-êng tiÕp ®iÓm cã dung l-îng kh«ng lín l¾m. Tuy nhiªn, t¨ng ®é sö dông ®-êng cña chïm truy cËp kh«ng hoµn toµn khi t¨ng sè ®-êng cña chïm x¶y ra ë møc ®é nhá h¬n nhiÒu so víi chïm truy cËp hoµn toµn. VÝ dô, ®èi víi chïm truy cËp kh«ng hoµn toµn, kh«ng kho¸, víi ®é truy cËp D=10, lµm viÖc t¹i p=0.001, khi t¨ng sè ®-êng cña chïm tõ 10 lªn 100 th× ®é sö dông trung b×nh cña ®-êng t¨ng tõ 19 lªn 25 phót trong giê cao ®iÓm, nghÜa lµ 1.32 lÇn. §èi víi chïm truy cËp hoµn toµn t¹i nh÷ng ®iÒu kiÖn nh- vËy ®é sö dông trung b×nh t¨ng tõ 19 lªn 45 phót, nghÜa lµ 2.37 lÇn. Nh-ng khi ®ã viÖc ¸p dông chïm truy cËp hoµn toµn g©y ra sù t¨ng gi¸ thµnh cña c¸c bé chän lµm viÖc t¹i c¸c ®Çu vµo cña chïm lªn rÊt nhiÒu. ChÝnh yÕu tè nµy t¹o nªn sù phæ biÕn réng r·i c¸c chïm truy cËp kh«ng hoµn toµn trong c¸c thiÕt
  • 297.
    bÞ cña tæng®µi ®iÖn tho¹i tù ®éng. §é sö dông trung b×nh cña ®-êng thuéc c¸c chïm truy cËp kh«ng hoµn toµn sÏ t¨ng khi t¨ng ®é truy cËp D, tuy nhiªn t¨ng ®é truy cËp D cña chïm còng lµm t¨ng gi¸ thµnh cña c¸c bé chän lµm viÖc t¹i c¸c ®Çu vµo cña chïm, do ®ã cã mét gi¸ trÞ nµo ®ã cña ®é truy cËp lµ tèi -u mµ sau gi¸ trÞ ®ã viÖc tiÕp tôc t¨ng nã sÏ kÐo theo lµm gi¶m chØ sè vÒ kinh tÕ cña c¸c thiÕt bÞ ®iÖn tho¹i vÒ tæng thÓ. Xem xÐt c¸c ®-êng døt nÐt trªn h×nh 18 cã thÓ nhËn thÊy r»ng ®èi víi c¸c chïm truy cËp kh«ng hoµn toµn sù t¨ng râ rÖt ®é sö dông trung b×nh cña ®-êng x¶y ra khi t¨ng sè ®-êng ®Õn gi¸ trÞ gÇn b»ng (35)D. V× vËy víi ®é truy cËp D=10 kh«ng nªn cè lµm c¸c chïm dung l-îng lín h¬n 50 ®-êng, cßn c¸c chïm víi ®é truy cËp D=20 th× dung l-îng cña chïm kh«ng nªn lín h¬n 100 ®-êng. §é sö dông trung b×nh cña ®-êng thuéc chïm sÏ t¨ng ®¸ng kÓ khi t¨ng møc ®é tæn thÊt cho phÐp, ®iÒu nµy xuÊt hiÖn ®Æc biÖt m¹nh t¹i khu vùc cña c¸c chïm Ýt lín h¬n. VÝ dô, ®èi víi chïm truy cËp hoµn toµn, kh«ng kho¸ cã 10 ®-êng, khi t¨ng hÖ sè tæn thÊt tõ 0.001 lªn 0.5 sÏ lµm t¨ng ®é sö dông trung b×nh cña ®-êng tõ 19 lªn 55 phót, nghÜa lµ 2.9 lÇn. Nªn nhí r»ng cÇn dµnh sù quan t©m lín cho viÖc chän c¸c gi¸ trÞ cho phÐp cña c¸c hÖ sè tæn thÊt trªn c¸c ®o¹n kh¸c nhau cña m¹ng ®iÖn tho¹i. Nh÷ng quan ®iÓm chung khi nµy cÇn tham kh¶o lµ: gi¸ thµnh cña ®-êng cµng cao th× thuª bao cµng Ýt sö dông, gi¸ trÞ cña hÖ sè tæn thÊt cã thÓ cµng cao. Trªn c¸c ®o¹n mµ c¸c thuª bao sö dông th-êng xuyªn vµ n¬i c¸c ®-êng cã gi¸ thµnh kh«ng cao th× nªn vËn dông c¸c gi¸ trÞ hÖ sè tæn thÊt thÊp. VÝ dô, trªn m¹ng néi ®« th-êng vËn dông c¸c gi¸ trÞ cho phÐp cña hÖ sè tæn thÊt trªn mçi cÊp chän tõ 210‰, cßn trªn m¹ng th«ng tin ®-êng dµi c¸c gi¸ trÞ nµy cã thÓ cao h¬n rÊt nhiÒu. §é sö dông trung b×nh cña c¸c chïm cã kho¸ th-êng thÊp h¬n ®é sö dông trung b×nh cña c¸c chïm kh«ng kho¸ t-¬ng øng, ®iÒu ®ã ®-îc gi¶i thÝch bëi t¸c ®éng cña tæn thÊt néi do hiÖn t-îng kho¸ m¹ch bªn trong t¹o bëi tÝnh chÊt cña thiÕt bÞ chuyÓn m¹ch lµm viÖc trªn ®Çu vµo cña chïm kªnh ®ang xem xÐt. NÕu trªn ®å thÞ trªn h×nh 18 biÓu diÔn c¸c ®-êng cong ®èi víi c¸c chïm cã kho¸ th× chóng sÏ n»m d-íi c¸c ®-êng cong t-¬ng øng dµnh cho c¸c chïm kh«ng kho¸ vµ gÇn nh- song song víi chóng. Møc ®é xa gÇn cña c¸c ®-êng cong ®èi víi c¸c chïm cã kho¸ vµ kh«ng kho¸ trong cïng nh÷ng ®iÒu kiÖn lµm viÖc nh- nhau phô thuéc vµo c¸c tÝnh chÊt cÊp chän hai kh©u hay nhiÒu kh©u lµm viÖc trªn ®Çu vµo cña chïm. Thùc tÕ c¸c cÊp chän ®-îc ¸p
  • 298.
    dông lµ c¸cbé chän mµ chóng ®¶m b¶o sù gi¶m kh«ng lín cña ®é sö dông trung b×nh cña ®-êng thuéc chïm cã kho¸ so víi chïm kh«ng kho¸ t-¬ng øng. Cïng víi ®iÒu nµy, viÖc t¹o c¸c chïm truy cËp hoµn toµn, kh«ng kho¸ lín vµ ®é sö dông ®-êng cña chóng cao cã thÓ ®¹t ®-îc nhê c¸c bé chän víi dung l-îng tr-êng tiÕp ®iÓm nhá, chÝnh lµ -u thÕ cña c¸c chïm khèi (chïm nhiÒu khèi), t¹o ra sù phæ biÕn réng r·i cña chóng trong c¸c hÖ thèng tæng ®µi ®iÖn tho¹i tù ®éng hiÖn ®¹i. Còng cÇn nhí r»ng, viÖc øng dông c¸c chïm cã kho¸ cã lîi thÕ chØ trong c¸c tr-êng hîp khi c¸c bé chän lµm viÖc t¹i ®Çu vµo cña c¸c chïm nh- vËy cã gi¸ thµnh c¸c thiÕt bÞ cña chóng kh«ng cao. Khi tæ chøc th«ng tin liªn tØnh th× c¸c ®-êng cña chïm lµ c¸c kªnh ®-êng dµi ®¾t tiÒn. T¨ng ®é sö dông cña c¸c kªnh nµy lµ mét vÊn ®Ò quan träng, v× vËy, trªn c¸c m¹ng liªn l¹c liªn tØnh khi sè kªnh nhá ¸p dông réng r·i ph-¬ng thøc phôc vô thuª bao theo kiÓu hµng ®îi, ®-îc thùc hiÖn d-íi d¹ng cña hÖ thèng phôc vô lËp tøc hay hÖ thèng gäi ®Æt tr-íc (hÑn giê). 7.10 Phôc vô nhiÒu pha C¸c ph-¬ng ph¸p tÝnh to¸n ®· ®-îc tr×nh bµy trªn ®©y cho phÐp: − X¸c ®Þnh sè thiÕt bÞ phôc vô v nÕu cho biÕt t¶i Y vµ chØ tiªu chÊt l-îng dÞch vô mµ tuú thuéc vµo hÖ thèng phôc vô cã thÓ lµ hÖ sè tæn thÊt pgp hoÆc x¸c suÊt P(>t). Bµi to¸n nµy xuÊt hiÖn chñ yÕu trong thiÕt kÕ − T×m pgp hoÆc P(>t) nÕu cho biÕt v vµ Y. Bµi to¸n nµy xuÊt hiÖn khi khai th¸c. − TÝnh Y nÕu biÕt v, pgp hoÆc P(>t). Bµi to¸n nµy xuÊt hiÖn khi th¨m dß vµ thiÕt kÕ s¬ bé C¸c ph-¬ng ph¸p tÝnh to¸n ®· xem xÐt thuéc vµo lo¹i phôc vô mét pha, nghÜa lµ dïng ®èi víi mçi chïm, mçi bé ®iÒu khiÓn, mét nhãm thanh ghi… . Tuy nhiªn trong ®a sè tr-êng hîp thùc tÕ l¹i lµ phôc vô nhiÒu pha, khi mµ c¸c thiÕt bÞ phôc vô kh¸c nhau lµm viÖc mét c¸ch nèi tiÕp theo thêi gian hoÆc theo kh«ng gian, ngoµi ra trªn mçi pha phôc vô cã sù liªn kÕt hoÆc ph©n bè t¶i. VÝ dô, trong c¸c tæng ®µi ®iÖn tho¹i tù ®éng sù kÕt nèi x¶y ra qua mét sè cÊp chän, mçi cÊp chän t¹o nªn mét pha phôc vô. Trªn mçi cÊp chän cã thÓ x¶y ra mét sè c¸c dßng cã b¶n chÊt kh¸c nhau vµ trªn mçi cÊp chän còng x¶y ra c¸c qu¸ tr×nh liªn kÕt hoÆc ph©n chia c¸c dßng. Khi ®ã thËm chÝ trªn mçi cÊp chän th-êng chia thµnh hai pha phôc vô – c¸c chïm nèi víi ®Çu ra cña cÊp
  • 299.
    chän vµ marker®iÒu khiÓn cÊp chän. C¸c pha riªng rÏ t¹o ra c¸c thanh ghi, c¸c bé ®Õm… . Trªn c¸c m¹ng gåm nhiÒu h¬n mét tæng ®µi ®iÖn tho¹i tù ®éng c¸c pha phô xuÊt hiÖn trong c¸c kÕt nèi chuyÓn tiÕp. Phôc vô nhiÒu pha nh- vËy bÞ phøc t¹p lªn nhiÒu trªn c¸c m¹ng th«ng tin ®-êng dµi. Mçi pha ®-îc ®Æc tr-ng bëi chØ sè chÊt l-îng dÞch vô cña m×nh. ChØ sè chÊt l-îng dÞch vô chung ®èi víi mét dßng b¸o gäi cho tr-íc ®-îc tÝch luü tõ c¸c chØ sè chÊt l-îng dÞch vô cña tÊt c¶ c¸c pha tham gia vµo kÕt nèi ®ã, tuy nhiªn quy luËt céng c¸c chØ sè nµy phøc t¹p, v×, thø nhÊt lµ b¶n th©n c¸c chØ sè nµy kh«ng cïng b¶n chÊt ( vÝ dô pgp víi P(>t), thø hai lµ tõng chØ sè kh«ng ph¶i lµ ®¹i l-îng kh«ng ®æi mµ thay ®æi phô théc hµng lo¹t c¸c ®iÒu kiÖn. C¸c ®iÒu kiÖn nµy ®-îc x¸c ®Þnh: bëi nh÷ng phô thuéc t¹m thêi cña pha lµm viÖc, bëi c¸c dßng b¸o gäi ®ång thêi, bëi sù hiÖn diÖn cña c¸c b¸o gäi lÆp, bëi sù thay ®æi tÝnh chÊt cña dßng b¸o gäi d-íi ¶nh h-ëng cña c¸c thiÕt bÞ chuyÓn m¹ch… . Nh÷ng phô thuéc t¹m thêi cña pha lµm viÖc hµm ý trong ®é ®ång ®Òu cña sù xuÊt hiÖn trong giê cao ®iÓm ®èi víi c¸c pha kh¸c nhau. §iÒu ®ã cã thÓ ph¸t sinh ®Æc biÕt m¹nh trªn c¸c m¹ng th«ng tin ®-êng dµi mµ trong ®ã c¸c tr¹m thùc hiÖn c¸c pha phôc vô kh¸c nhau, cã thÓ n»m thËm chÝ trªn c¸c mói giê kh¸c nhau vÒ ®Þa lý. Trong tr-êng hîp nµy viÖc c«ng ®¬n gian c¸c chØ sè chÊt l-îng dÞch vô cña c¸c pha kh¸c nhau sÏ cho mét kÕt qu¶ xÊu so víi ho¹t ®éng thùc cña chóng. Sù ¶nh h-ëng cña c¸c dßng ®ång thêi cã thÓ rÊt ®a d¹ng. NÕu mét dßng b¸o gäi nµo ®ã cã kh¶ n¨ng ®éc lËp víi c¸c dßng kh¸c ®Ó qua mét cÊp chän vµ ®-îc ®-a hoµn toµn ®Õn cÊp chän tiÕp sau th× tæn thÊt trªn c¶ hai cÊp chän sÏ gÇn víi tæn thÊt trªn cÊp chän mµ t¹i ®ã c¸c tæn thÊt nµy cã gi¸ trÞ lín h¬n. NÕu còng dßng b¸o gäi ®ã ®i qua hai cÊp chän cïng c¸c dßng kh¸c hoÆc lµ bÞ t¸ch khái trªn c¸c cÊp chän th× tæn thÊt chung ®èi víi dßng ®ã sÏ gÇn víi tæng c¸c tæn thÊt x¶y ra trªn c¸c cÊp chän. Khi liªn kÕt c¸c dßng kh¸c nhau trªn c¸c cÊp chän th× tæn thÊt chung cña dßng tæng ®óng ra lµ nhá h¬n tæn thÊt ®-îc tÝnh riªng cho tõng dßng. §iÒu nµy ®-îc gi¶i thÝch r»ng c¸c thêi ®iÓm xuÊt hiÖn c¸c gi¸ trÞ ®Ønh cña c¸c dßng t¶i kh¸c nhau kh«ng trïng nhau. B¸o gäi lÆp kh«ng thay ®æi t¶i cña c¸c thiÕt bÞ phôc vô mµ chóng h-íng tíi, nh-ng chóng lµm t¨ng t¶i ®èi víi c¸c thiÕt bÞ phôc vô n»m trªn ®-êng tõ nguån cña c¸c b¸o gäi nµy ®Õn thiÕt bÞ phôc vô lµ nguyªn nh©n cña tæn thÊt nµy. VÝ dô, nÕu kÕt nèi ®i qua c¸c ®-êng cña hai chïm ®-îc m¾c nèi tiÕp, th×
  • 300.
    trong tr-êng hîpbËn tÊt c¶ c¸c ®-êng cña chïm thø hai theo h-íng kÕt nèi c¸c b¸o gäi lÆp h-íng tíi chïm ®ã sÏ chiÕm c¸c ®-êng cña chïm thø nhÊt mét thêi gian vµ lµm t¨ng t¶i cña nã. C¸c tæn thÊt trªn c¸c pha cµng xa nguån t¶i mµ cµng t¨ng th× cµng lµm t¨ng t¶i cho c¸c pha phôc vô phÝa tr-íc. §Æc biÖt c¸c b¸o gäi lÆp g©y ra ¶nh h-ëng rÊt lín ®Õn t¶i trªn c¸c thiÕt bÞ ®iÒu khiÓn (c¸c thanh ghi, c¸c marker…) v× mçi b¸o gäi lÆp t¹o ra t¶i phô cho chóng mµ t¶i phô ®ã cã cïng ®é lín gièng nh- cña c¸c b¸o gäi ban ®Çu, trong cïng thêi gian gièng nh- ®èi víi c¸c thiÕt bÞ bÞ chiÕm trong suèt cuéc gäi (®-êng, kªnh th«ng tin…), mçi b¸o gäi lÆp t¹o t¶i phô b»ng phÇn kh«ng lín cña t¶i t¹o bëi mçi cuéc gäi thµnh c«ng. Ngoµi sù bËn cña ®-êng, kªnh, cña c¸c thanh ghi, nguyªn nh©n ®¸ng kÓ cña viÖc ph¸t sinh c¸c b¸o gäi lÆp lµ sù bËn vµ kh«ng tr¶ lêi ngay cña c¸c thuª bao bÞ gäi. Tæn thÊt cuéc gäi do c¸c nguyªn nh©n nµy cã trÞ sè lín, vµ trªn mét sè m¹ng lªn tíi 30% c¸c b¸o gäi. Sù thay ®æi ®Æc tÝnh cña dßng ®i qua cÊp chän lµm cho nã trë nªn ®ång ®Òu h¬n vµ trªn cÊp chän tiÕp sau c¸c tæn thÊt ®èi víi dßng nh- vËy sÏ gi¶m. Ng-îc l¹i, dßng d- kh«ng qua ®-îc cÊp chän nµo ®ã vµ ®-îc ®-a ®Õn mét chïm kh¸c sÏ t¹o cho trªn cÊp chän sau c¸c tæn thÊt t¨ng thÕmo víi nhøng tæn thÊt mµ chóng cã thÓ cã trong tr-êng hîp t¸c ®éng chØ cña dßng ®¬n gi¶n nhÊt. ViÖc tÝnh ®Õn tÊt c¶ c¸c ®Æc ®iÓm ho¹t ®éng cña tõng phÇn tö m¹ng khi ®¸nh gi¸ chÊt l-îng phôc vô nhiÒu pha lµ mét c«ng viÖc rÊt phøc t¹p vµ kh«ng dÔ thùc hiÖn ®èi víi c¸c hÖ thèng phøc t¹p, v× thÕ viÖc ®¸nh gi¸ nµy th-êng ®-îc tiÕn hµnh mét c¸ch gÇn ®óng. Tuy nhiªn, nªn quan t©m ®Õn vÊn ®Ò lµm sao cho møc gi¸ trÞ ®-îc ®-a ra bëi viÖc ®¸nh gi¸ ®ã lµ ®óng. TÝnh c¸c chØ sè chÊt l-îng dÞch vô nhiÒu pha ®-îc tiÕn hµnh theo c¸c ph-¬ng ph¸p sau: 1. HÖ sè tæn thÊt chung ®-îc x¸c ®Þnh theo biÓu thøc: pgp = 1 – (1 - pgp1) (1 - pgp2) … (1 - pgpn) trong ®ã: n – Sè thiÕt bÞ phôc vô tham gia nèi tiÕp trong kÕt nèi ®ang xÐt pgp1, pgp2,…, pgpn - C¸c hÖ sè tæn thÊt t¸c ®éng trªn mçi pha phôc vô Khi pgp1= pgp2=…= pgpn = pgpi ta cã pgp = 1 - (1 - pgpi)n . NÕu pgpi lµ nhá ( nhá h¬n 0.1) th× pgp =   n i gpi p 1
  • 301.
    2. Trªn mçipha phôc vô, pgp ®-îc x¸c ®Þnh cã tÝnh ®Õn c¸c b¸o gäi lÆp, nÕu pgp > 0.01 Khi pgp  0.01 c¸c tÝnh to¸n ®-îc tiÕn hµnh kh«ng tÝnh ®Õn c¸c b¸o gäi lÆp nh-ng tÝnh ®Õn ¶nh h-ëng cña c¸c dao ®éng t¶i ngÉu nhiªn. §iÒu nµy ®-îc tiÕn hµnh b»ng viÖc t¨ng t¶i t¸c ®éng Y lªn gi¸ trÞ Yp = Y + k Y trong ®ã k lµ hÖ sè phô thuéc vµo gi¸ trÞ cho tr-íc cña hÖ sè tæn thÊt. Khi tÝnh to¸n thiÕt bÞ cña tæng ®µi ®iÖn tho¹i tù ®éng hÖ sè k nhËn gi¸ trÞ 0.674 3. T¨ng t¶i cña c¸c kªnh hoÆc ®-êng do ¶nh h-ëng cña c¸c b¸o gäi lÆp, còng nh- ¶nh h-ëng cña c¸c cÊp chän ®èi víi ®Æc tÝnh cña dßng t¶i ®-îc chuyÓn qua, kh«ng tÝnh ®Õn viÖc chóng bï trõ nhau ®Õn møc ®é nµo. 4. Sù t¨ng t¶i cña c¸c thiÕt bÞ ®iÒu khiÓn do ¶nh h-ëng cña c¸c b¸o gäi lÆp ®-îc tÝnh ®Õn nhê biÓu thøc:    A gp P p Y Z    1 1 trong ®ã : pgp - HÖ sè tæn thÊt mµ khi ®ã tuyÕn tho¹i ho¹t ®éng. Cßn b¶n th©n tuyÕn tho¹i ®ã lµ do thiÕt bÞ ®iÒu khiÓn ®· cho phôc vô. PA - HÖ sè tæn thÊt t¹o bëi sù bËn hoÆc kh«ng tr¶ lêi cña thuª bao bÞ gäi. 5. Khi ghÐp hîp c¸c dßng sù gi¶m tæn thÊt trªn cÊp chän tiÕp sau®-îc tÝnh b»ng c¸ch gi¶m t¶i tæng Y ®Õn gi¸ trÞ Yc mµ gi¸ trÞ nµy ®-îc x¸c ®Þnh nhê ®å thÞ trªn h×nh 7.19 Yc Erl 8 6 4 2 0 8 6 4 2 0 Y,Erl 10 H×nh 7.19. §å thÞ x¸c ®Þnh Yc
  • 302.
    tµi liÖu thamkh¶o 1 NguyÔn Hång S¬n – C¬ së Kü thuËt chuyÓn m¹ch & Tæng ®µi – 2 tËp – NXB Gi¸o dôc 2001 2. NguyÔn V¨n Th¾ng, NguyÔn TÊt §¾c, §Æng Anh S¬n – Kü thuËt chuyÓn m¹ch sè i – 2 tËp – NXB Gi¸o dôc 1997 1. NguyÔn TÊt §¾c - C¬ së Kü thuËt tæng ®µi ®iÖn tö SPC - 2 tËp – Trung t©m ®µo t¹o nghiÖp vô kü thuËt B-u chÝnh viÔn th«ng I – 1992 2. D-¬ng V¨n Thµnh - C¬ së Kü thuËt chuyÓn m¹ch – Häc viÖn c«ng nghÖ b-u chÝnh viÔn th«ng – 2000 3. D-¬ng V¨n Thµnh, Ng« Duy Thµnh, NguyÔn ThÞ Thanh Kú - Kü thuËt Tæng ®µi ®iÖn tö sè - Häc viÖn c«ng nghÖ b-u chÝnh viÔn th«ng – 1997 4. D-¬ng V¨n Thµnh, Hoang Träng Minh – Tæng ®µi ®iÖn tö sè - Häc viÖn c«ng nghÖ b-u chÝnh viÔn th«ng – 2001 5. Hiroshi Inose – An Introduction to Digital Integrated Communications Systems – Tokyo-1982 6. Switching Techniques for Telecommunication Network – London Conference Publication 1979 7. m.t. Hill and S. Kano Programming Electronic Switching Systems – Peter Peregrinus 1976 8. F.J. Redmill and A.R. Valdar – SPC Digital Telephone Exchanges - Peter Peregrinus 1990 9. Fundamentals of Electronic Exchanges – ALT Centre 1993