524
17. KL‹MA S‹STEMLER‹NDE
KULLANILAN C‹HAZLAR
17.1. SO⁄UTMA GRUPLARI
Binalarda klima santrali ve fan-coil cihazlar›nda kullan›lacak olan
so¤uk suyun üretildi¤i cihazlard›r. Afla¤›daki tipleri vard›r:
1-Kondenser Tipine Göre:
• Hava So¤utmal› Tip
• Su So¤utmal› Tip
• Kondensersiz Tip (Remote Condenser Chiller)
2-So¤utucu Ak›flkan Tipine Göre:
• R 22 so¤utucu ak›flkanl›
• R 134a so¤utucu ak›flkanl›
• R 407C so¤utucu ak›flkanl›
• R 404A/B/C, R 507 so¤utucu ak›flkanl›
• R 290/R1270/R124/R227/R23 so¤utucu ak›flkanl› (özel uygu-
lamalarda)
• NH3 so¤utucu ak›flkanl›
3-Kompresör Tipine Göre:
• Scroll Kompresörlü Tip
• Vidal› Kompresörlü Tip - Tek Vidal›
- Çift Vidal›
• Santrifüj Kompresörlü Tip
• Pistonlu Kompresörlü Tip
4-Eflanjör Tipine Göre
• Plakal› Tip Eflanjörlü
• Gövde-Boru Tipi Eflanjörlü
5-Montaj Yerine Göre
• Dahili Tip (Su So¤utmal› So¤utma Gruplar›),
• Harici Tip (Hava So¤utmal› & Kondensersiz Tip So¤utma
Gruplar›)
17.1.1 So¤utma Grubunun Yerleflimine ve Kondenser Tipine
Göre S›n›fland›r›lmas›
HVAC uygulamalar›nda kullan›lan klima sistemlerinin so¤utma
prosesindeki temel ögesi olan so¤utma gruplar›n›n projelendirme
aflamas›nda yerleflimi çok önemlidir. Bu aflamada so¤utma grubu-
nun seçiminde binan›n yap›s›na ve bulundu¤u bölgeye çok dikkat
edilmelidir.
Hava So¤utmal› So¤utma Gruplar›
Hava so¤utmal› so¤utma gruplar› paket tip cihazlar olup, harici kul-
lan›m içindir. Cihaz›n montaj›n›n yap›laca¤› yer, cihaz katalo¤unda
belirtilen boflluklara haiz olmal›d›r. Cihaz›n ses seviyesi proje de-
¤erlerini aflmayan ve çevredeki insanlar› rahats›z etmeyecek bir
düzeyde ise hava so¤utmal› gruplar kullan›labilir (fiekil 17.1).
Su So¤utmal› So¤utma Gruplar›
Su so¤utmal› so¤utma gruplar› yüksek kapasiteli so¤utma gruplar›-
d›r. Bu cihazlar binan›n makine dairesine veya baflka bir dahili me-
kana yerlefltirilebilir. Ses seviyesinin önemli bir kriter oldu¤u du-
rumlarda da su so¤utmal› so¤utma gruplar› hava so¤utmal› so¤utma
gruplar›na tercih edilebilir. Ayr›ca yüksek so¤utma kapasiteleri is-
tendi¤i durumlarda hava so¤utmal› so¤utma gruplar› çok büyük bir
alan gerektirdi¤inden dolay›, boyutlar› daha küçük olan su so¤utma-
l› so¤utma gruplar› kullan›labilir. Kondenserdeki ›s›, sistemdeki bir
so¤utma kulesi arac›l›¤›yla atmosfere at›l›r (fiekil 17.2).
Kondensersiz Tipler
Hem su so¤utmal› hem de hava so¤utmal› gruplar›n kullan›lmas›n›n
uygun olmad›¤› hallerde remote condenser ad› verilen kondenseri
so¤utma grubundan ba¤›ms›z chillerler kullan›labilir.
Agresif gazlar›n veya çok yüksek cevre s›cakl›¤›n›n bulundu¤u or-
tamlarda remote condenser so¤utma gruplar› kullan›labilir.Ayr›ca
ses seviyesinin önemli bir kriter oldu¤u ve cihaz yerleflim alanlar›-
n›n s›n›rl› oldu¤u hallerde de kullan›lmas› oldukça yayg›nd›r. Re-
mote Conderser tipi so¤utma gruplar›nda su so¤utmal›, hava so¤ut-
mal› veya evaporatif tip kondenserler kullan›labilir (fiekil 17.3).
17.1.2 So¤utma Grubu Seçiminde Dikkat Edilmesi Gereken
Kriterler
1. Sistemin toplam ve duyulur so¤utma yüklerinin belirlenmesi
2. Sisteme göre diversite faktörünün belirlenmesi
3. Kullan›lacak olan cihaz›n tipinin belirlenmesi (su so¤utmal› /
hava so¤utmal› / remote condenser)
4. ‹stenilen so¤utucu ak›flkan›n ve kompresör tipinin belirlenmesi
5. Evaporatör girifl/ç›k›fl suyu s›cakl›klar›n›n belirlenmesi
6. Çevre s›cakl›¤›n›n belirlenmesi (Hava so¤utmal› so¤utma grup-
fiekil 17.1. HAVA SO⁄UTMALI SU SO⁄UTMA GRUBU
fiekil 17.2. SU SO⁄UTMALI SU SO⁄UTMA GRUBU
525
lar› için)
7. Çevre s›cakl›¤›n›n ve ba¤›l nemin belirlenmesi (Su so¤utmal›
so¤utma gruplar› için)
8. Kondenser ç›k›fl suyu s›cakl›klar›n›n belirlenmesi (Su so¤utma-
l› so¤utma gruplar› için)
9. Kullan›lacak cihaz›n boyutlar›n›n montaj yerine uygun olup ol-
mad›¤›n›n belirlenmesi
10. Kontrol panelinin yerinin belirlenmesi. Kontrol paneli standart
olarak cihaz›n üzerine montajl›d›r. Ancak istenildi¤i takdirde
kazan dairesine veya otomasyon merkezine tafl›nabilir. Tafl›nma
mesafesi cihaz kapasitesine göre max. 300 m veya max. 1000
m‘dir.
11. Cihaz seçiminde cihaz ses seviyesi de gözönüne al›nmal›d›r.
12. Yedekleme imkan›
17.1.3 Start Up Öncesi Dikkat Edilmesi Gerekilen Noktalar.
• Cihaz yerleflimi yap›l›rken bak›m ve tamir için gerekli mesafenin
b›rak›lmas›na dikkat edilmelidir (fiekil 17.4).Titreflim önleyicile-
rin yerleflimi fiekil 17.5’deki gibi detayl› a¤›rl›k da¤›l›m› flemas›
gözönüne al›narak yap›lmal›d›r.
• Chillerin montaj›n›n yap›laca¤› kaidede imalatç› firman›n önere-
ce¤i detaylar gözönüne al›nmal›d›r.
So¤utma Gruplar› ‹çin Kaide Detay› (fiekil 17.6):
1. Cihaz ayaklar›
2. Beton kaide (Kaidenin a¤›rl›¤› titreflimin önlenmesi için cihaz
a¤›rl›¤›n›n 1-3 kat› aras›nda olmal›d›r.)
3. Köpük dolgu maddesi
4. Kauçuk kompansatör
5. ‹fllenmemifl tabaka
6. Esnek ba¤lant› eleman›
• So¤utma grubunun elektrik tesisat›n›n ba¤lant›lar›n›n do¤ru ya-
p›lm›fl olmas›na dikkat edilmelidir.
• So¤utma sistemi ile ilgili olarak sistemde montaj› yap›lm›fl olan
tüm chiller, fan-coil, klima santrali, pompa ve varsa so¤utma ku-
lesinin tüm boru ba¤lant›lar› eksiksiz olarak yap›lm›fl olmal›d›r.
• Sistemdeki pompalar her zaman eflanjörlere basmal› ve eflan-
jörlerin girifl ve ç›k›fllar›na manometre (0-10 kg/cm2) monte edil-
melidir (fiekil 17.7).
• Sistemde yeterli miktarda bulunmayan su kompresör ve evapo-
ratörde ar›zalar›n oluflmas›na neden olaca¤›ndan; tesisatta chiller
cihaz› için katalogda belirtilen miktarda suyun bulunmas›na dik-
kat edilmelidir.
• K›fl dönemi boyunca da çal›flacak olan so¤utma gruplar›n›n su
devrelerine, cihaz katalogunda belirtilen miktarda glikol eklen-
mesi sa¤lanmal›d›r. Bu de¤er ‹stanbul flartlar› için %10 olarak
belirlenmifltir. Buna ba¤l› olarak pompa kapasiteleri muhakkak
kontrol edilmelidir.
• Debi kontrolü yap›lacak olan chillerde cooler girifl ve ç›k›fllar›na
bas›nç fark›na uygun skalal› gösterge ve termometrelerin bulun-
mas› gerekmektedir.Yüksekli¤i 20m’ye kadar olan binalarda 0-
30 mss (0-3 bar)’l›k manometre kullan›lmas› uygundur.
• Evaporatör girifl ve ç›k›fl›na kapama vanalar› monte edilmeli ve
vanalardan önce by pass hatt› oluflturulmal›d›r.
• Evaporator ve tesisat üzerine 1/2”l›k boflaltma vanalar› monte
edilmelidir.
• Chiller hatt› üzerine evaporatorde güvenli bir su ak›fl›n› sa¤la-
fiekil 17.3. KONDENSERS‹Z T‹P SU SO⁄UTMA GRUBU
fiekil 17.5. HAVA SO⁄UTMALI B‹R SO⁄UTMA GRUBUNUN
A⁄IRLIK DA⁄ILIMI
fiekil 17.4. SU SO⁄UTMALI B‹R SO⁄UTMA GRUBU ‹Ç‹N
SERV‹S BOfiLUKLARI
526
yacak, yeterli debide ak›fl olmad›¤› anlarda so¤uma grubunu
devre d›fl› b›rakacak ve evaporatorün donmas›n› önleyecek flow-
switch cihaz› monte edilmelidir. Sistemde chiller hatt› üzerine
konacak flow-switchin cooler ç›k›fl›ndan ve dirseklerden yakla-
fl›k 6 boru çap› mesafede, laminar ak›fl›n oldu¤u bir kesitte, ya-
tay boru üzerine monte edilmifl olmas›na dikkat edilmelidir.
Flow-switch montaj› için ilgili boru üzerine 1 1/4” manflon ça-
p›nda delik delinmeli ve flow-switch 1 1/4”-1” redüksiyon ile
monte edilmelidir.
• Chiller tesisat› start up’dan önce en az iki kere evaporator girifl
ç›k›fl vanalar› kapat›l›p by-pass vanas› aç›larak y›kama (flushing)
ifllemine tabi tutulmal›, evaporator girifline ve pompa emifline
monte edilmifl olan pislik tutucular temizlenmelidir.
• Tesisat flushing iflleminden sonra minimum iki kez çal›flt›r›lmal›
ve havas›n›n tamam›yla al›nd›¤›ndan emin olunmal›d›r.
• So¤utma grubunun seçim de¤eri olan debi için cooler girifl ç›k›-
fl› aras› bas›nç fark›n›n katalogda belirtilen de¤erde olmas›na
dikkat edilmelidir.
• Evaporator su devresine otomatik su besleme tesisat› monte edil-
melidir.
• So¤utma gruplar›nda kondenserin zarar görmesini önlemek için
su yumuflatma cihaz› kullan›lmas›na dikkat edilmelidir.
17.1.4 So¤utma Gruplar›nda Bulunan Güvenlik Ekipmanlar›
So¤utma Gruplar›nda bulunan güvenlik ekipmanlar›n› üç bafll›k al-
t›nda inceleyebiliriz.
1. Genel Güvenlik Ekipmanlar›: Cihaz› tamamiyle kapat›r.
2. Devre Güvenlik Ekipmanlar›: Di¤er devreler çal›fl›yorken koru-
du¤u devreyi açarak devre d›fl› b›rak›r.
3. Özel Güvenlik Ekipmanlar›: Sadece koruma alt›na ald›¤› k›sm›
devre d›fl› b›rak›r.
Afla¤›da GEA So¤utma Gruplar›nda bulunan baz› güvenlik ekip-
manlar› bulunmaktad›r.
• Afl›r› ak›m rölesi
• Kompresör termik
• Fan motoru termik
• Donma korumas›
• Düflük bas›nç vanas›
• Yüksek bas›nç güvenlik valfi
• Faz korumas›
17.1.5 So¤utma Gruplar›nda Kullan›lan Kompresor Tipleri
A) Scroll Kompresör
Birbiri içine geçmifl iki adet sarmal elemandan oluflan scroll komp-
resörler kompakt ve basit konstruksiyonu, düflük kapasitelerde yük-
sek volumetrik verimi, sessiz, titreflimsiz yap›s› ve daha düflük ya¤
sirkülasyonu özellikleriyle yüksek bas›nç uygulamalar› için çok uy-
gundurlar. Scroll kompresör yaklafl›k 65 kW so¤utma kapasitesine
kadar olan so¤utma gruplar›nda kullan›lmaktad›r. Sarmal elemanlar
aras›nda kalan bofllu¤a emme vas›tas›yla giren so¤utucu ak›flkan,
kompresör dönüflüyle birlikte s›k›flt›r›l›r ve tahliye a¤z›ndan at›l›r.
Sarmallardan biri üzerindekindeki by pass kanal›n›n aç›l›p kapan-
mas› ile kapasite kontrolü sa¤lan›r.
B) Vidal› Kompresörler
Tek Vidal› Kompresör
R134a ve R407C so¤utucu ak›flkanlar› için optimize edilmifl bu
kompresörler kompakt ve robust dizaynlar›yla y›llar boyunca güve-
nilir ve verimli bir iflletim sa¤lamaktad›r.
Tek vidal› kompresörler düflük iflletim ve bak›m maliyetleriyle
dikkati çekmektedirler. Büyük kapasiteli GEA so¤utma gruplar›nda
da kullan›lan bu tip kompresörler; komposit rotor malzemesi, con-
talar› ya¤layan, ses oluflumunu önleyen ve ya¤ dolafl›m sistemini
basitlefltiren likid enjeksiyon sistemi, sadece üç adet dönel parças›,
simetrik s›k›flt›rma sistemi ve güvenilir yatak tasar›m›yla bak›m ma-
liyetini minimuma indirmektedir.
Bu kompresörlerde kullan›lan emifl gaz› so¤utmal› motor; homojen
gaz da¤›l›m›, daha iyi so¤utma, sabit s›cakl›k ve dolay›s›yla daha
fiekil 17.6. KA‹DE DETAYI
fiekil 17.7. S‹STEMDE EfiANJÖR YERLEfi‹M‹
527
uzun motor ömrü sa¤lar. Ya¤ pompas›n›n olmad›¤› bu kompresör-
de minimum düzeyde titreflim oluflmaktad›r. Yukar›da belirtilen bu
özelliklerin sonucu olarak bu tip kompresörler için gereken bak›m
periodu ortaklama 40.000 iflletme saati olarak belirlenmifltir.
Çift Vidal› Kompresör
Bu tip kompresörler iki adet helisel vidal› diflli mekanizmadan olufl-
maktad›r. Emme hatt›ndan al›nan gaz, vida difllileri aras›nda s›k›flt›-
r›larak bas›nc› art›r›l›r.
C) Santrifüj Kompresörlü So¤utma Gruplar›
En yüksek kapasiteye ç›kabilen bu tip kompresörler, pozitif güçle
s›k›flt›rma olmadan, dönme etkisiyle so¤utucu ak›flkan›n yüksek s›-
cakl›¤a ve bas›nca gelmesi presibi ile çal›fl›r. Tek veya çok kademe-
li olabilen bu tip kompresörlerin kapasite kontrolü yönlendirici ka-
natlarla yap›l›r.
D) Pistonlu Kompresörlü So¤utma Gruplar›
Pistonlu kompresörlerde pozitif etkili bir silindir piston mekaniz-
mas› sayesinde so¤utucu ak›flkan s›k›flt›r›l›r. S›k›flt›r›lan bu ak›flkan
kondenserde yo¤uflturularak so¤utma prosesinin gerçekleflmesi sa¤-
lan›r. Bu tip kompresörler HVAC uygulamalar›nda kullan›lan en es-
ki tiptir. Kapasite kontrolü ad›m kontollüdür.
17.1.6 So¤utma Gruplar›nda Verim
So¤utma gruplar›n›n seçimindeki en önemli faktörlerden biri de so-
¤utma grubunun so¤utma kapasitesinin, harcad›¤› enerji miktar›na
oran›d›r. So¤utma gruplar›nda iki tip verim tan›m› vard›r.
1. Anma yükündeki verim. Anma yükündeki verim COP veya
EER olarak tan›mlan›r. COP kompresör so¤utma kapasitesinin,
kompresöre verilen elektrik enerjisine oran›d›r. EER so¤utma
kapasitesinin sisteme verilen toplam enerjiye oran›d›r. ‹kisi
aras›nda gözönüne al›nan enerji tüketimi tan›m› nedeniyle kü-
çük bir fark vard›r. EER tan›m›nda birim fark› da söz konusu-
dur.
COP veya EER= Q/W
fiekil 17.8. SCROLL KOMPRESÖR ÇALIfiMA PRENS‹B‹, a) EMME, b) SIKIfiTIRMA, c) TAHL‹YE
a) b) c)
fiekil 17.9. SCROLL KOMPRESÖR B‹LEfiENLER‹
fiekil 17.10. TEK V‹DALI KOMPRESÖR
fiekil 17.11. Ç‹FT V‹DALI KOMPRESÖR
Erkek Rotor Difli Rotor
Burada;
COP = Performans katsay›s› (Coefficient Of Performance)
EER = Enerji verimlilik oran› (Energy Efficiency Ratio)
Q = Üretilen so¤utma (Watt veya Ton So¤utma)
W = Tüketilen enerji miktar› (W veya kW)
1. K›smi yükteki verim. Kompresörde k›smi yüklerde çal›flmada
verim düflümü meydana gelir. Sistem gerçek hayatta ço¤u zaman
k›smi yüklerde çal›fl›r. Dolay›s›yla kompresör gerçek verimi k›s-
mi yüklerdeki çal›flmay› dikkate alan bir verim olmal›d›r. Stan-
dart k›smi yük verim tan›m› IPLV de¤eridir. IPLV %25, %50,
%75, %100 kismi yük de¤erlerindeki verimlerin a¤›rl›kl›
ortalamas›d›r.
IPLV = 0.01 A + 0.42 B + 0.45 C + 0.12 D
Burada;
IPLV = Standart k›smi yükteki verim veya çal›flma verimi (Integ-
rated Part Load Value)
ARI Standatlar›nda;
A = % 100 Kapasitede kW enerji / Ton So¤utma
B = % 75 Kapasitede kW enerji / Ton So¤utma
C = % 50 Kapasitede kW enerji / Ton So¤utma
D = % 25 Kapasitede kW enerji / Ton So¤utma
2.Uygulanan farkl› koflullardaki k›smi yükte verim de¤eri
(APLV=Applied Part Load Value)
APLV de¤eri; IPLV de¤erinin ARI Standart de¤erleri d›fl›ndaki,
de¤iflik su ve hava kofluluna karfl› gelen özel tan›mlanan A, B, C,
D de¤erleri ile çözümüdür.
Tek kademeli tek kompresörlü küçük ünitelerde k›smi yük bulun-
mad›¤›ndan dolay› sadece COP veya EER de¤erleri kullan›l›rken,
daha büyük gruplarda cihaz›n gerçek performans›n› gösteren IPLV
de¤eri önem kazan›r.
Yüksek binalarda ve ifl merkezlerinde kullan›lan so¤utma gruplar›
için ASHRAE taraf›ndan tavsiye edilen minimum verim de¤erleri
afla¤›da belirtilmifltir:
Hava So¤utmal› So¤utma Gruplar› için:
Q < 150 Ton ise COP = 2,7; IPLV = 2,8
Q > 150 Ton ise COP = 2,5; IPLV = 2,5
Su So¤utmal› So¤utma Gruplar› için
Q < 150 Ton ise COP = 3,8; IPLV = 3,9
150 <Q < 380 Ton ise COP = 4,2; IPLV = 4,5
Q > 380 Ton ise COP = 5,2; IPLV = 5,3
IPLV de¤eri bir cihaz›n verimlili¤ini sadece dört noktay› referans
alarak hesaplamaktad›r. Oransal kontrol imkan› olan so¤utma grup-
lar›nda (vidal› veya santrifüj kompresörlü), daha detayl› k›smi yük
verim tan›m› ve buradan hareketle enerji harcamas› de¤erleri hesap-
lanabilir.
17.2. SO⁄UTMA KULELER‹
So¤utma kuleleri, iklimlendirme veya üretim ifllerinde, so¤utma su-
yu ›s›s›n›n atmosfere at›lmas›nda kullan›lan cihazlard›r. Örnek ola-
rak su so¤utmal› so¤utma gruplar›nda kondenser ›s›s›, so¤utma ku-
lelerinde so¤utulan su vas›tas›yla d›flar› at›l›r. So¤utma kulelerinde
›s›n›n çekilmesinde suyun buharlaflmas› esas oldu¤u için havan›n
yafl termometre s›cakl›¤› etkilidir.
So¤utma kuleleri aç›k ve kapal› olarak iki tiptedir. Aç›k so¤utma ku-
lelerinde, so¤utulacak su direkt olarak hava içine küçük memelerden
püskürtülür. Küçük damlac›klar halindeki su, etraf›ndan geçen hava
taraf›ndan ve kendi buharlaflmas›yla so¤utulur. Sudan havaya duyu-
lur ve gizli ›s› biçiminde ›s› transfer edilir. Kapal› so¤utma kulelerin-
de (evoparatif kondenserler) ise, so¤utulacak su serpantin fleklindeki
borular›n içindedir. Borunun d›fl›ndan ise so¤utma havas› geçer. Bu
s›rada boru d›fl›na baflka bir su püskürtülür. Bu suyun buharlaflmas›
için gerekli ›s› boru içindeki so¤utulacak sudan çekilir. Böylece ka-
pal› so¤utma kulelerinde so¤utulacak su d›fl ortamla temas etmeye-
rek, kapal› bir devrede yüzeyli bir so¤utucuda so¤utulmufl olur.
Kuledeki hava ak›fl› zorlanm›fl ya da do¤al olabilir. Is› geçifl yüzeyi-
ni artt›rmak için dolgu malzemesi kullan›labilir. Zorlanm›fl ak›fll›
olanlarda hava hareketi radyal veya aksiyal fanlarla sa¤lanabilir. Bu
alternatiflerin her biri ayr› bir kule tipi oluflturur.
Kuleler de¤iflik malzemelerden imal edilebilir. ‹nflai tip kuleler be-
tonarme, ahflap, güçlendirilmifl plastik levhalar; standart kuleler ise
genellikle çelik veya güçlendirilmifl plastik levhalardan imal edilir-
ler. Çelik kulelerde korozyona karfl› yaln›zca galvanizli saç kullan›l-
mas› veya saç malzemenin boyanmas› yeterli de¤ildir. Korozyona
dayan›m için özel ifllemden geçmifl, boyal› ve yüzeyi özel film ta-
bakas› ile kaplanm›fl saçlardan mamul kuleler kullan›lmal›d›r.
Örne¤in, GEA soramat çelik so¤utma kulelerinde kullan›lan özel
kaplama uzun ömür sa¤lamaktad›r. Korozif nitelikte su veya atmos-
ferik flartlar söz konusu oldu¤unda ise, plastik kulelerin kullan›m›
tavsiye edilir.
17.2.1. Kule Cinsleri
1. Atmosferik Kuleler (fiekil 17.12)
• Kuledeki hava hareketi rüzgâra ba¤l›d›r.
• Su memelerle yukar›dan püskürtülür.
• Mekanik parçalar› olmad›¤›ndan uzun ömürlüdürler ve çok az ba-
k›m gerektirirler.
• Havan›n resirkülasyonu görülmez.
• E¤er kule çok uzun ve darsa sirkülasyon pompas›n›n basma yük-
528
fiekil 17.12. ATMOSFER‹K SU SO⁄UTMA KULES‹
sekli¤i fazla olmal›d›r.
• Aç›k ve engeller olmayan sahalara yerlefltirilmelidirler.
• Hava girifl ve ç›k›fl yüzeyleri en s›k esen rüzgâr yönüne konulma-
l›d›r.
• Uzun konstrüksiyonlarda rüzgâr kuvvetine karfl› önlem al›nmal›d›r.
• Kule rüzgâr alt› taraflar›nda sis oluflma riski vard›r.
• Su s›cakl›¤› rüzgâr yönü ve fliddetine göre de¤iflir.
• Yafl termometre s›cakl›¤›na yaklafl›m derecesi iyi de¤ildir.
• Maliyeti zorlanm›fl ak›ml› kuleler kadar yüksektir.
1.1. Spreyli Kuleler (fiekil 17.13)
• ‹çinde dolgu bulunmaz.
• Sadece tepede sprey memeleri bulunur.
• Bak›m maliyeti azd›r.
• Suyu atomize etmek için pompan›n basma yüksekli¤i fazla olmal›d›r.
• Memelerin t›kanmas› dengesizlik yarat›r ve performans› düflürür.
• Rüzgâr nedeni ile kay›plar› fazlad›r.
• Nisbeten küçük so¤utma yükleri için uygundur.
1.2. Dolgulu Kuleler (fiekil 17.14)
• Hava/Su temas yüzeyini ve zaman›n› art›rmak amac›yla dolgu
kullan›l›r.
• Performans› spreyli kuleden daha iyidir.
2. Zorlanm›fl Ak›ml› Kuleler (fiekil 17.15)
• Hava ak›m› fanlarla sa¤land›¤›ndan tam kontrolü mümkün olur.
• Gerektirdi¤i kaide alan› daha azd›r.
• Su s›cakl›¤› kontrol edilebilir.
• Gerekli pompa basma yüksekli¤i azd›r.
• Kule yerleflim yönü rüzgâra ba¤l› de¤ildir.
• Verimli kulelerde yafl termometre s›cakl›¤›na yaklafl›m 1-1,5 °C
kadar olabilir. Ama pratikte 3-4 °C tercih edilir.
• Fan gücünden dolay› iflletme maliyeti yüksek olabilir.
• Mekanik ar›zalar performans› düflürebilir.
• Ç›k›fl havas›n›n girifle resirkülasyonu önlenmelidir. Aksi halde
kule performans› düfler.
• ‹flletme ve bak›m maliyeti do¤al ak›ml› kulelerden daha fazlad›r.
• Özellikle fanlardan kaynaklanan titreflim ve gürültünün problem
yaratmamas› için önlem al›nmal›d›r.
2.1. Üflemeli Kuleler (fiekil 17.16)
• Kule hava girifl k›s›mlar›ndaki fanlar dolgu üzerine havay› üfler.
• Mekanik aksam kule kaidesine yak›nd›r. Böylece titreflim proble-
mi azd›r ve bak›m s›ras›nda kolay ulafl›labilir.
• Mekanik aksam giriflteki kuru havayla temas eder.
• Fan boyutlar› s›n›rl› oldu¤undan; fazla say›da ve yüksek devirde-
ki daha küçük fanlar kullan›lmas›ndan dolay› emmeli kulelere gö-
re daha fazla gürültü üretirler ama kule kendisi sönümleme özel-
529
fiekil 17.13. SPREYL‹ KULELER fiekil 17.14. DOLGULU KULELER
fiekil 17.15. ZORLANMIfi AKIMLI KULELER
530
likleri gösterir.
• K›fl›n fan üzerinde ve hava giriflinde bloklar veya daralmalar flek-
linde buz oluflturma e¤ilimleri vard›r.
• Baz› tiplerinde e¤er hava ç›k›fl h›z› düflük ise resirkülasyon riski
vard›r. Bu durumda hava h›zl› bir flekilde kanallarla uzaklaflt›r›l-
mal›d›r.
2.2. Emmeli Kuleler (fiekil 17.17)
• Genellikle kule tepesinde yer alan fanla hava emilir.
• Daha büyük fanlar dolay›s›yla daha düflük devir kullan›labildi¤in-
den daha az gürültü ihtimali vard›r.
• Yüksek girifl h›zlar›nda tozlar emilebilir. Hava filtresi gerekebilir.
• Hava ç›k›fl h›zlar› yüksek oldu¤undan resirkülasyon ihtimali azd›r.
• Fanlar üst tarafta yer ald›¤›ndan titreflime daha e¤ilimlidir.
• Bak›m s›ras›nda mekanik aksama daha zor ulafl›labilir.
• Mekanik aksam nemli hava ak›m›na maruz kalmaktad›r.
• Fanlar tabanda yer almad›¤›ndan, taban alan› üflemeli kuleye gö-
re daha küçüktür.
• Havan›n yukar›dan akan suya göre ters yönde dik olarak emildi-
¤i ters ak›ml› kulelerde en so¤uk su en kuru hava ile karfl›lafl›r,
maksimum performans elde edilir.
2.3. Çarpraz Ak›ml› Kule (fiekil 17.18)
• Ters ak›ml› kuleye göre daha büyük taban alan›na sahiptir.
• Hava girifl yerleri tüm kule yüksekli¤inde yer alabilir. Kule boyu
k›sa oldu¤undan mimari k›s›tlamaya uyabilir.
• Kapal› bölgeye yerlefltirildi¤inde resirkülasyon riski vard›r.
• Gerekli pompa basma yüksekli¤i azd›r.
• Su da¤›t›m sistemine kolayca ulafl›labilir.
• E¤er kule içeride kullan›lmayacaksa toz ve pisli¤e karfl› önlem al-
mal›d›r.
• Çift giriflli kulelerde hava giriflinin engellenmemesine dikkat edil-
melidir.
17.2.2. So¤utma Kulesi Seçimi ‹çin Gerekli Bilgiler
• So¤utulacak su debisi veya kule kapasitesi
fiekil 17.16. ÜFLEMEL‹ SU SO⁄UTMA KULES‹
fiekil 17.17. EMMEL‹ SU SO⁄UTMA KULES‹
531
• So¤utulacak su girifl s›cakl›¤›
• So¤utulacak su ç›k›fl s›cakl›¤›
• Yafl termometre hesap s›cakl›¤›
• Yerlefltirilece¤i yerin plan› ve mekandaki kat plan›, yükseklik, ge-
nifllik, a¤›rl›k, görünüm gibi mimari s›n›rlamalar.
• ‹stenilen ses seviyesi, kule yak›nlar›nda gürültüye hassas mekan-
lar›n olup olmamas›.
• Kulenin y›l içinde kullan›lma zamanlar› ve kullan›lacak yerdeki
iklim flartlar› (donmaya karfl› önlem için)
• Kullan›lacak suyun analizi.
• Deniz seviyesinden yükseklik
Seçilen So¤utma Kuleleri Aras›nda Bir De¤erlendirme
Yapabilmek ‹çin Bilinmesi Gerekenler;
• So¤utma kulesinin sat›n alma maliyeti
• Gerekli kule kaide alan›
• Titreflim ve gürültü seviyesi (Gürültü problemi olan mekanlarda
daha sessiz olan ve susturucu kullanmas› daha kolay olan santri-
füj fanl› (üflemeli) kuleleri tercih ediniz. E¤er gürültü çok önem-
li bir faktörse kolayca kontrol edilebilen yüksek frekansta sesler
yayan fans›z enjektörlü kuleler kullan›lmal›d›r.)
• Gerekli fan gücü
• Pompa grubunun maliyeti veya karfl›lanmas› gereken kay›plar
• Pompa ve fanlara çekilecek enerji hatt› maliyeti
• Elektrik kontrolleri ve ba¤lant›lar›
• Kuleden makina dairesine kadar borulama maliyeti
• E¤er üretici taraf›ndan sa¤lanm›yorsa su toplanma havuzu, pislik
tutucu, taflma, blöf hatlar› maliyeti
• E¤er üretici taraf›ndan sa¤lanm›yorsa kesme ve kontrol vanalar›
maliyeti
• Kuleye ulafl›m› sa¤layacak geçifller ve merdivenlerin maliyeti
• Fan ve pompalar›n y›ll›k iflletme saatine göre gerekli enerji gider-
leri
• Beklenen ömür ve amortisman süresi
• Bak›m ve onar›m maliyeti
• De¤iflken yükleri karfl›layabilme imkân›
• Kule havuzunun, dolgunun, su girifl süzgecinin ve spreylerin ko-
lay ulafl›labilir ve temizlenebilir olmas›
• Yedek parça bulma kolayl›¤›
• Üretici güvenirli¤i ve tecrübesi
E¤er kule kondenser seviyesinden daha afla¤›ya konulacaksa, sifon-
lama veya kapanma s›ras›nda taflma problemleri olabilir. E¤er sifon-
lama ile kondenser susuz kal›rsa tekrar bafllang›çta su flokuna u¤ra-
yabilir. Böyle durumlarda sifonlama ve geriye ak›fl için gerekli ön-
lemler al›nmal›d›r.
E¤er kule makina dairesinden çok uzaksa veya alt seviyede ise sir-
külasyon pompas› kule yan›na yerlefltirilebilir.
E¤er sabit kondenser s›cakl›¤› isteniyorsa by-pass hatt› kullan›l›r
(fiekil 17.19).
E¤er kondenser kule ile ayn› seviyede ise (Yük olmad›¤›nda, ak›fl
by-pass hatt›ndan geçerken kule hatt›nda ak›fl olmamas›n› garanti
alt›na almak için üç yollu vana kullan›l›r.)
Pompa emifl hatt›na ek bas›nç kayb› getirmemek için ay›rma vana-
s› A noktas›na konulmamal›d›r (fiekil 17.20).
17.2.3. So¤utma Kulesi Tesisat›nda Dikkat Edilmesi Gereken
Hususlar
• Sirkülasyon pompas›n›n karfl›lamas› gereken kay›plar; kule tepe-
si ile havuzu aras›ndaki statik yükseklik, emme ve basma hatla-
r›ndaki sürtünme kay›plar›, kondenserdeki bas›nç kayb›, kontrol
vanas›, pislik tutucu ve sprey memelerindeki kay›plard›r.
• Normalde borulardaki su h›zlar› 1.5 - 3.6 m/s seçilir.
• Kule drenaj› önceden göz önüne al›nmal›d›r.
• Kule taflma hatt› drenaja ba¤lanmal› ve üzerine vana konulmamal›d›r.
• Temizlik için kule yak›n›na bir tesisat çekilmelidir.
• Make-up hatt›na ek olarak sistem doldurma hatt› da olmal›d›r.
• E¤er paralel konderserler kullan›l›yorsa en büyük kay›pl› olan
göz önüne al›n›r. Balans vanalar› kullan›labilir.
fiekil 17.18. ÇAPRAZ AKIMLI SU SO⁄UTMA KULES‹
532
• Emme hatt›nda kullan›lacak pislik tutucular›n girifl ve ç›k›fl›na,
temizlenme gereklili¤inin anlafl›labilmesi için, ölçüm noktalar›
konulmal›d›r.
• Borulardaki bas›nç düflümü azalt›lmaya çal›fl›lmal›d›r.
• Borularda hava ceplerinin oluflmas›n› önlemek için e¤imli yap›l-
mal›d›r.
• Havuz taban›ndan hava emilerek pompalarda kavitasyon oluflma-
s› engellenmelidir.
• Pompan›n performansl› çal›flmas› için emme hatt› düz boru uzun-
lu¤u en az befl çap uzunlu¤unda olmal›d›r.
• Sirkülasyon pompalar›n›n susuz çal›flmamas› için gerekli önlem-
ler al›nmal›d›r. Su toplanma havuzuna seviye ölçer konulmal›d›r.
Gerekli ilk pozitif bas›nç için havuz seviyesi pompa seviyesinden
yukar›da olmal›d›r.
• E¤er birden fazla kule ba¤lanacaksa kay›plar dengelenmelidir.
Ayr›ca her kulede eflit su seviyesi sa¤lamak için denge hatt› kul-
lan›lmal›d›r. fiekil 17.21
• E¤er konderser alt seviyede ise; fiekil 17.22
• A ve B aras› by-pass hatt› ile kule hatt› dengeli olmal›d›r. By-pass
hatt› bas›nç kayb› kule hatt› kay›plar›ndan daha az olmal›d›r ki;
vana tamamen aç›k oldu¤unda kule hatt›na su gitmesin (Kelebek
vana tercih edilmeli)
• Otomatik kontrol vanas›n›n tam aç›k oldu¤u durumda pompa afl›-
r› yüklemesini ve kule taflmas›n› önlemek için vana kuleye yak›n
konulmal›d›r.
• fiekil 17.23’deki tavsiyelere uyulmal›d›r;
• Ayr›ca ilk yol verme kolayl›¤› için vanalar daima minimum havuz
seviyesi alt›nda olmal›d›r.
• E¤er kulenin birden fazla girifli varsa, her hücreye dengeli ak›fl
için balans vanalar›; gerekli ise hücreleri izole etmek için kesme
vanalar› kullan›lmal›d›r.
• Kule havuzu iflletme ve taflma seviyeleri aras›nda kolonlar› ve di¤er
da¤›t›m kollektörlerini doldurabilecek ek hacme sahip olmal›d›r.
• Tüm donma ihtimali olan borular izole edilmeli ve ›s›t›lmal›d›r.
• E¤er fan motoru güç kesme anahtar› kuleden uzaksa, servis s›ra-
s›nda kazalar› önlemek için muhakkak kule üzerinde de güç kes-
me anahtar› bulunmal›d›r.
• fiekil 17.24’de bir kondenser-so¤utma kule devresi tip projesi ve-
rilmifltir.
17.2.4. So¤utma Kulesi Montaj›
Kuleyi yerlefltirirken dikkat edilecekler;
• Kuleyi mümkün oldu¤unca s›cak hava ve kirletici madde bulun-
duran (baca v.s.) kaynaklardan uza¤a koymak gerekir.
• En iyi yerlefltirme alan› yüksek bina çat›lar›d›r.
• Yüksek binalar aras›nda yer alan alçak bina çat›s›na yerlefltirme-
de gürültü ve performans problemleri olabilir.
• Su veya buz damlac›klar›n problem yarataca¤› ya da uza¤a tafl›-
nabilece¤i yerlere yerlefltirmemelidir.
• Mümkünse gürültüyü yans›tabilecek genifl duvarlardan 6 m uza-
¤a koymal›d›r.
• Kulenin gürültülü olmayan taraf›n› gürültüye hassas bölgeye çe-
virmelidir.
• Mümkünse do¤al ses kesicilerden (etraftaki a¤açlar, tepeler v.s.)
yararlanmal›d›r.
• E¤er kule titreflime karfl› izole edilecekse kuleye ba¤lant›s› olan
di¤er borular›, elektrik tavalar›n› da bir sistem olarak düflünmek
gerekir. Kule serbest titreflimi bunlar taraf›ndan önlenmemeli ve
yaflanan bölgelere iletilmemelidir.
• Kule yak›n›nda duvar var ise kule hava ç›k›fl seviyesi en az duvar
fiekil 17.19. BY-PASS HATLI KULE DEVRES‹
fiekil 17.20. KULE HATTI AYIRMA VANASI YERLEfi‹M‹
533
seviyesinde olmal›d›r. Aksi halde kule performans›n› % 15-50 et-
kileyen resirkülasyon meydana gelir (fiekil 17.25).
• Resirkülasyonu önlemek için ya kule yükseltilir veya bafll›k kul-
lan›l›r. Ama bafll›k kullan›m›nda kay›plardan dolay› fan motoru
büyür (fiekil 17.26).
• Kule duvara yak›n konulacaksa hava girifl taraf› aksi istikamete
konmal›d›r. E¤er bu yap›lam›yorsa kule yerden yüksekli¤ine ve
büyüklü¤üne göre belli bir mesafe uza¤a konulmal›d›r. E¤er ye-
terli mesafe yoksa duvara olan mesafe 1,2 ve 1,8 m’den az olma-
mak üzere bafll›k kullan›lmal›d›r (fiekil 17.27).
• Birden fazla kule yerlefltirilecekse fiekil 17.28’de görüldü¤ü gibi
yerlefltirilmelidirler.
• E¤er hava girifl yerleri karfl›l›kl› konulacaksa kule yüksekli¤i ve
büyüklü¤üne göre arada belli bir mesafe b›rak›lmal›d›r. E¤er yer
darsa aradaki mesafe 1,8-3,0 m’den az olmamak üzere bafll›k kul-
lan›lmal›d›r (fiekil 17.29).
fiekil 17.23. TAVS‹YELERfiekil 17.22. KONDENSER ALT SEV‹YEDE
fiekil 17.21. B‹RDEN FAZLA KULE BA⁄LANTISI
fiekil 17.24. KONDENSER - SO⁄UTMA KULES‹ DEVRES‹ T‹P PROJES‹
534
535
fiekil 17.25. KULE HAVA ÇIKIfi SEV‹YES‹ DUVARIN ALTINDA OLMAMALIDIR
fiekil 17.26. KULE YÜKSELT‹L‹R VEYA BAfiLIK KULLANILIR
fiekil 17.27. DUVARA YAKIN YERLEfi‹M
• Çok büyük kuleler birarada kullan›ld›¤›nda, çok miktarda hava
kullan›ld›¤›ndan ortam havas› yerel flartlardan farkl› olarak genel-
likle yafl termometre s›cakl›¤› yüksek olur. Ayr›ca bask›n rüzgâr
yönü gözönüne al›nmal›d›r. Rüzgâr yönü olarak en s›cak günler-
de esen rüzgâr›n yönü dikkate al›nmal›d›r (fiekil 17.30).
• Kule dört taraf› çevrili bir yerde kullan›lacaksa resirkülasyonu
önlemek için afla¤› do¤ru hava h›z› 1,5 m/s bafll›kla ise 2 m/s ol-
mal›d›r. Kule için belli bir kullan›labilir alan gerekmektedir (fie-
kil 17.31).
E¤er kule üst taraf› aç›k dört taraf› çevrili bir mekana yerlefltirilecekse
hava girifl duvar› en az % 50 net serbest alana sahip olmal›d›r. Resirkü-
lasyonu önlemek için hava afla¤›dan yukar› do¤ru, en az bas›nç kayb›
ile en fazla 3 m/s olacak flekilde yönlendirilmelidir (fiekil 17.32.A).
536
fiekil 17.28. ‹K‹ KULE YERLEfi‹M‹
fiekil 17.30. HAK‹M RÜZGAR YÖNÜ
fiekil 17.29. KARfiILIKLI HAVA EM‹fi‹
• ‹ç mekan plenum olarak kullan›l›yorsa hava girifl menfezlerinde
hava h›z› 4 m/s’yi geçmemelidir (fiekil 17.32.B).
• Kule bulunan yerin üstüne ›zgara yap›lacaksa kule ç›k›fl a¤z›n›
kapatmamal›d›r (fiekil 17.32.C).
• ‹ç mekanlarda kullan›lan kulelerde hava ç›k›fl kanal› statik bas›n-
c› 150 Pa’dan fazla ise kullan›lacak santrifüj kuleler dikkatli se-
çilmelidir.
• Odada bulunan di¤er ekipmanlar kule hava girifl yerlerine kule
büyüklü¤üne göre en az 0,9-1,5-1,8 m mesafede bulunmal›d›rlar.
• E¤er girifl ve ç›k›flta kanal kullan›lacaksa keskin dirseklerden ka-
ç›nmal›d›r. Hava girifl h›z› en fazla 4 m/s, ç›k›fl h›z› ise 5 m/s ol-
mal›d›r (fiekil 17.32.D).
537
fiekil 17.31. KULE ‹Ç‹N GEREKL‹ ALAN
fiekil 17.32.C. IZGARA YAPIMI
fiekil 17.32.A. DUVAR ÇEVR‹L‹ YERLEfi‹M fiekil 17.32.B. ‹Ç MEKANA YERLEfi‹M
17.2.5. So¤utma kulesi ile so¤utma grubu ba¤lant›s›
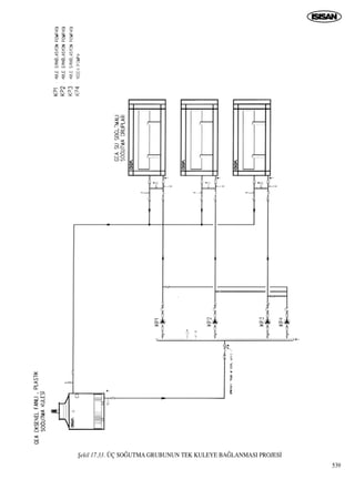
fiekil 17.33’de 3 adet so¤utma grubu bir tek kuleye ba¤lanm›flt›r.
So¤utma gruplar›n›n kapasiteleri ayn›d›r. Yani her bir grup pompa-
s› eflleniktir. Böylece tek bir yedek pompa kullan›lm›flt›r. So¤utma
kulesi olarak aksiyal fanl› plastik so¤utma kulesi kullan›lmaktad›r.
Fan iki devirli olarak seçilmifltir. Kule emme ve basma hatt› ortak
olarak çekilmifltir. Bir di¤er yol ise her bir gruptan ayr› hat çekilme-
si ve hatlar›n kule giriflinde birlefltirilmesidir. Bu yedekleme anla-
m›nda bir avantaj sa¤layabilir. ‹lk durumda gruplar ve kule aras›n-
daki gidifl hatt›nda, kaçak vs gibi problemler olufltu¤unda tüm siste-
min durmas› gerekirken, ikinci durumda iki adet so¤utma grubu ça-
l›flmaya devam edecektir. Yaln›z ayn› yedeklemenin kuleden gelifl
hatt›na da uygulanmas› gerekir. kule ile pompa emifl kolektörü ara-
s›nda bir de yedek ikinci hat çekilmelidir. Bilgi ifllem, haberleflme
tesisleri gibi kesinti olmamas› gerekli olan yerlerde bu yöntem em-
niyeti art›rmak bak›m›ndan uygulanabilir. Boru hatt›nda yap›lan ye-
deklemenin yan› s›ra kulede de yedekleme yapmak gerekir. Bu du-
rumda tek fanl› bir kule kullanmak yerine, çok hücreli ve çok fanl›
(radyal fanl›) so¤utma kulesi kullan›lmal›d›r.
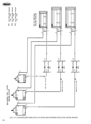
fiekil 17.34 kapasiteleri farkl› kule ve gruplar›n birbirlerinden tama-
men ba¤›ms›z olarak ba¤land›¤› bir sistemi göstermektedir. Her bir
kule-grup ikilisinin ba¤›ms›z olmas› balanslama ve kontrolü kolay-
laflt›r›c› bir faktördür.
fiekil 17.35’de ise kapasiteleri ayn› olan üçer adet grup ve kulenin
birbirlerine ba¤land›¤› iki farkl› sistem görülmektedir. Her bir kule-
grup ikilisinin di¤erlerinden tamamen ba¤›ms›z olmamas› yedekle-
me anlam›nda bir avantaj getirmektedir. Birinci sistemde her bir ku-
le ve grup aras›nda ayr› hatlar çekilmifltir. Kule ve pompa emifli ara-
s›ndaki hat ise ortakt›r. Balans›n sa¤lanmas› için kule emiflleri loop
fleklinde birbirlerine ba¤lanm›fl, su seviyesinin ortak olmas›n› sa¤-
lamak için de kuleler aras›na seviye dengeleme hatt› çekilmifltir.
Sistemin kontrolü kolayd›r. Grup çal›flmad›¤›nda ilgili pompa da
kapat›lmaktad›r. Bu durumda her bir grup ve kule aras› hatt› ayr› ol-
du¤undan sistem balans›nda herhangi bir de¤ifliklik olmamaktad›r.
fieklin ikinci yar›s›nda ise kuleler ve grup aras› hatt›n ortak oldu¤u
bir sistem görülmektedir. Bu flekilde ortak hat olan bir sistemde, bir
grup çal›flmad›¤› zaman ilgili kule ve pompan›n durdurulmas› siste-
min balans›n› bozabilir. Bunu önlemek için kule girifllerine iki yol-
lu on-off vana monte edilmifltir. Kule çal›flmad›¤› zaman vanay› ka-
patarak kuleye su girifli önlenmektedir.
17.2.6. So¤utma Kuleleri ‹flletmesi
Kuleyi ilk iflletmeye veya uzun süre bekleme periyodundan sonra
iflletmeye almadan önce yap›lmas› gerekenler;
• Hava girifl yerleri, fanlar, eliminatörler, ›s› transfer bölgesi ve ku-
le havuzu toz ve kal›nt›lardan temizlenmeli.
• Sisteme pislik kaçmas›n› önlemek için kule havuzu pislik tutucu-
sunu ç›karmadan havuzu temizleyin.
• Daha sonra pislik tutucuyu ç›kar›p temizleyin.
• Kolayca dönüp dönmedi¤ini anlamak için fanlar› elle döndürün.
• Fan kay›fllar›n› kontrol edin, gerekliyse ayarlay›n.
• Sezon bafllang›çlar›nda fan flaftlar›n› ve motor yataklar›n› ya¤la-
y›n. Rulmanlar fabrikada ya¤lanm›fl olmas›na ra¤men e¤er kule
iflletilmeden 1y›l beklemiflse tekrar ya¤lanmal›d›r.
• Make-up flatörü serbestçe çal›fl›p çal›flmad›¤›n› kontrol edin.
• Taflma seviyesine kadar havuzu doldurun.
• Make-up flatörü kapanma seviyesini ayarlay›n.
• Sprey memelerini ve ›s› transfer k›sm›n› kontrol edin.
• E¤er varsa fan s›kma sabitleme bileziklerini (locking collar) kont-
rol edin, gerekliyse s›k›n.
• Fanlara yol verin ve uygun yönde dönüp dönmedi¤ini kontrol
edin.
• Tüm fan, motor voltaj ve ak›mlar›n› kontrol edin. Etiket de¤erle-
rini afl›p aflmad›¤›n› kontrol edin.
• S›zma (blöf) hatt›n› çal›flt›r›n.
24 Saat Çal›flmadan Sonra;
• Kulede herhangi bir rahats›z edici titreflim ve gürültü olup olma-
d›¤›n› kontrol edin.
• Havuzdaki su iflletme seviyesini kontrol edin, gerekli ise ayarla-
y›n.
• Fan kay›fl gerginli¤ini kontrol edip yeniden ayarlay›n.
• Sprey memelerini ve ›s› transferi k›sm›n› kontrol edin.
538
fiekil 17.32.D. KANAL KULLANIMI
fiekil 17.33. ÜÇ SO⁄UTMA GRUBUNUN TEK KULEYE BA⁄LANMASI PROJES‹
539
fiekil 17.34. KAPAS‹TELER‹ FARKLI KULE VE GRUPLARIN BA⁄IMSIZ BA⁄LANTILI DEVRE PROJES‹
540
fiekil 17.35. KAPAS‹TELER‹ AYNI KULE VE GRUPLARIN ALTERNAT‹F BA⁄LANTI DEVRELER‹ PROJELER‹
541
‹flletme S›ras›nda Dikkat Edilecek Noktalar:
• Hava girifl menfezlerinde oluflan küçük çaplardaki buzlanmalar
fan dönüfl yönünün belli bir süre de¤ifltirilmesi ile önlenebilir.
• Performans testleri s›ras›nda kule, borular, pislik tutucular tama-
men temizlenmifl olmal›d›r.
• Fanlar›n yönü belirlenen yönde olmal›d›r. Hava girifllerinde en-
geller olmamal›d›r.
• Kule su debisi, ›s› yükü, giren hava s›cakl›¤› hesap de¤erlerini
belli toleranslar d›fl›nda aflmamal›d›r ve okumalar sistem stabil
halde iken yap›lmal›d›r.
• Kule havuzundaki su uygun seviyede olmal›d›r.
• Pompa tam ak›flta test edilmelidir.
• Balans vanas› d›fl›nda tüm vanalar aç›k olmal›d›r.
• S›cakl›k okumalar› kuleden 1-1,5 m. uzakta ve yatay olarak en
fazla 1,5 m. uzakl›kla, zaman geçirmeden okumal› ve ortalamala-
r› al›nmal›d›r.
• Üç yollu vana varsa ayarlanan flekilde çal›fl›p çal›flmad›¤›n› kont-
rol edin.
• E¤er varolan sistemlere ilave yap›lacaksa tüm kulelerin hava ç›-
k›fl a¤›zlar› ayn› seviyede olmal›d›r (fiekil 17.36).
• Kulenin periyodik bak›m›nda motorlar›n ya¤lanmas›, su da¤›t›m
sisteminin temizlenmesi, temizlik ve motor tamiri için su toplan-
ma havuzuna girifl için yeterli alan b›rak›lmal›d›r (fiekil 17.37).
• Kondenser borular›nda bas›nç, s›cakl›k ve debi ölçümü için ge-
rekli ba¤lant›lar olup olmad›¤›n› kontrol edin.
• Sprey memelerinin hepsinin çal›fl›p çal›flmad›¤›n› kontrol edin.
• Varsa kontrol damperlerin çal›fl›p çal›flmad›¤›n› kontrol edin.
Sezon Sonlar›nda Kulenin Kapat›lmas›;
• Havuz ve donmaya maruz olabilecek tüm borulardaki suyu boflalt›n.
• Gerekli zamanlarda havuz ve pislik tutucuyu temizleyin.
• Kar ve ya¤mur suyunun uzaklaflt›r›labilmesi için drenaj› aç›k b›-
rak›n.
• Fan flaft›, motor yataklar› ve di¤er gerekli yerleri ya¤lay›n.
• Make-up hatt› vanas›n› kapat›n ve hattaki tüm suyu boflalt›n.
• Korozyon olup olmad›¤›n› kontrol edin gerekli ise tamir edin.
Periyodik bak›m tablosu Tablo 17.38 verilmifltir.
17.3. KL‹MA SANTRALLER‹
Klima santrallerini hücre dizilifllerine göre dört bölümde toplamak
mümkündür. Bunlar,
• Yatay, boylamas›na klima santralleri
• Çift katl› klima santralleri
• Yan yana klima santralleri
• Dik tip klima santralleri
Verilmifl olan s›n›flaman›n haricinde L-tipi hücre yerleflimleri de
klima santrallerinde özel üretim olarak mümkündür.
Kullan›m yerine göre bir s›n›flama yapmak gerekirse bu s›n›flama
flu flekilde yap›labilir:
• Dahili tip (bina içine yerlefltirilen) klima santralleri
• Harici tip (bina d›fl›na yerlefltirilen) klima santralleri
• Hijyenik tip klima santralleri
Klima santralleri fonksiyonlar›na göre ise, flu flekilde s›n›flanabilir,
• Taze haval› klima santralleri
• Kar›fl›m haval› klima santralleri
• Resirküle tip klima santralleri
• Is› geri kazan›ml› klima santralleri
• Egzoz fanlar›
Klima santralleri bu s›n›flamalardan bir veya birkaç›na birden gire-
bilir. Örnek olarak, bir klima santrali kar›fl›m haval›, ›s› geri kaza-
n›ml›, harici tip ve ayn› zamanda da çift katl› olabilir. Bunlarla ilgi-
li örnekler konu ilerledikçe verilecektir. Is› geri kazan›m› ve hijyen
konusu detayl› olarak ayr› bafll›klar alt›nda incelenecektir.
17.3.1. Klima Santrali Uygulamalar›na Örnekler
Taze hava klima santrali uygulamas›:
Taze hava santrallerine iliflkin bir uygulama fiekil 17.42’de gösteril-
mifltir. Buna göre sistem %100 taze hava ile çal›flmaktad›r. D›flar›dan
al›nan taze hava öncelikle birinci kademe filtreden (No:1) geçirilip
kaba filtreleme yap›ld›ktan sonra ikinci kademe filtreleme (No:2) ile
daha hassas bir flekilde filtre edilmifl olur. Bulunulan mevsime ve
santralin hitap etti¤i kullan›m alan›na ba¤l› olarak ›s›tma (No:3) ve-
ya so¤utma serpantininde (No:4) flartland›r›lan hava fan (No:6) vas›-
tas› ile susturucu hücresine (No:8) bas›l›r. Burada ses sönümlemesi
gerçeklefltirildikten sonra hava, kanallar vas›tas› ile flartland›r›lmas›
istenen ortama gönderilir. Santralda ›s›tma yap›ld›ktan sonra ba¤›l
542
fiekil 17.36. ‹LAVE KULE HAVA G‹R‹fi‹
fiekil 17.37. KULE SERV‹S AÇIKLIKLARI
543
nem oran› düflmüfl olan hava, ihtiyaca göre nemlendirme hücresinde
(No:5) buharl› veya sulu nemlendirmeye tabi tutulur. Daha önce de
belirtildi¤i gibi sulu nemlendirme hijyen ihtiyaçlar› sebebiyle çok
s›k olarak kullan›lmaz. Fan ile susturucu hücresi aras›nda kullan›l-
m›fl olan hücre, difüzör hücresi (No:7) olup fan ç›k›fl›nda havan›n
susturucu üzerine homojen bir flekilde yay›lmas›n› sa¤lar. Mahale
at›lan taze havan›n egzozu, egzoz fan› yard›m›yla yap›lmaktad›r.
Resirküle tip klima santrali uygulamas›:
Resirküle tip klima santrallerine iliflkin bir uygulama fiekil
17.43’de gösterilmifltir. Buna göre dönüfl havas› fan› (No:1) vas›-
T›kanma
Normal olmayan titreflim ve gürültü
Anahtar ve ayar vidalar›
Ya¤lama
Ya¤ contalar›
Ya¤ seviyesi
Ya¤ su ve kirlili¤i
Ya¤ de¤iflimi
Gerginlik ayar›
Su seviyesi
Debi miktar›
S›z›nt›
Genel durum
Gevflek somunlar›n s›k›lmas›
Temizlik
Boyama
Tamamen açma ve kapama
Vanalar›n aç›kl›k kontrolü
PER‹YOD‹K BAKIM TABLOSU
G
6
R
R
Fan
G
6
3
6
6
R
A
Motor
G
6
6
H
A
6
6
R
R
Redüktör
6
3
A
A
Kay›flkasnak
6
6
Fanflaftyataklar›
H
Y
R
Eliminatör
H
Y
R
R
Dolgu
H
6
Y
6
R
Sutoplamahavuzu
H
H
6
R
Da¤›t›msistemi
Y
6
Y
R
Gövdedestekleri
Y
R
Gövde
6
Y
R
Flatör
A
R
R
S›zma(bleed)miktar›
G
6
6
6
R
6
Tahrikflaft›
6
6
H
Ak›flkontrolvanas›
H
Emmesüzgeci
G: Günlük, H: Haftal›k, A: Ayl›k, 3: Üç ayda bir, 6: Alt› ayda bir, R: Gerekti¤inde
fiekil 17.38. SO⁄UTMA KULES‹ PER‹YOD‹K BAKIM TABLOSU
fiekil 17.39. DAH‹L‹ T‹P KL‹MA SANTRALI
fiekil 17.40. KL‹MA SANTRALI FONKS‹YONLARI
tas› ile mahalden emilen havan›n bir k›sm› kar›fl›m kutusunda
(No:2) egzoz edilerek yerine taze hava al›n›r. Gerekli flartland›r-
ma ifllemlerinden geçirilen hava besleme havas› fan› (No:3) vas›-
tas› ile ortama verilir. Burada dikkat edilmesi gereken nokta, taze
haval› sistemden farkl› olarak ek bir egzoz fan›na gereksinim du-
yulmamas›d›r. Bunun yerine santralda dönüfl havas› fan› bulun-
maktad›r.
Kar›fl›m haval› klima santrali uygulamas›:
Kar›fl›m haval› klima santrallerine iliflkin bir uygulama fiekil
17.44’te gösterilmifltir. Bu sisteme göre taze hava ve dönüfl havas›
kar›fl›m kutusunda (No:1) kar›flt›r›ld›ktan sonra gereken flartland›r-
ma ifllemlerine tabi tutulurlar ve besleme havas› fan› (No:2) vas›ta-
s› ile ortama verilir. Ortam bu flekilde b›rak›ld›¤› zaman taze hava
miktar›na ba¤l› olarak belirli bir pozitif bas›nçta kalacakt›r. Afl›r› bir
544
fiekil 17.41. HAR‹C‹ T‹P KL‹MA SANTRAL‹
fiekil 17.43. RESÜRK‹LEL‹ T‹P KL‹MA SANTRAL‹ UYGULAMASI
fiekil 17.42. TAZE HAVALI KL‹MA SANTRAL‹
pozitif bas›nç olmas› durumunda egzoz fan› vas›tas› ile fazla hava
egzoz edilir.
Dik tip klima santrali uygulamas›
Dik tip klima santraline iliflkin gösterim fiekil 17.45‘de görülebilir.
Dik tip klima santrallerinde dikkat edilmesi gereken noktalar afla¤›-
da verilmifltir:
• Devrilme riskine karfl› maksimum yükseklik 4 m olmal›d›r.
• Devrilme riskine karfl› maksimum nakliye yüksekli¤i yaklafl›k
2 m olmal›d›r.
• Serpantin gibi a¤›r komponentler cihaz seçimi esnas›nda müm-
kün oldu¤unca ünitenin afla¤›s›na yerlefltirilmelidir.
• So¤utma için dizayn edilmifl santrallerde yo¤uflma sebebiyle sa-
dece afla¤›dan yukar›ya do¤ru olan ak›fl kullan›labilir. Is›tmada
yukar›dan afla¤›ya do¤ru olan hava ak›m› da kullan›labilir.
• Ünite duvara montaj için çok a¤›r olaca¤› için, yerde flase üzerin-
de durmal›d›r. Hava ak›m›n›n homojen olabilmesi aç›s›ndan hava
emifl a¤z› yeterli ölçülere sahip olmal›d›r.
• So¤utma hücresinde seçilecek olan damla tutucu (No:1) özel bir
damla tutucu olup fiekil 17.45 dan görülebilece¤i üzere hava ak›fl
yönüne göre so¤utma serpantininden öncedir.
Dik tip klima santrallerinde kullan›lan yatay tip so¤utucu serpantin-
le ilgili özellikler afla¤›da verilmifltir:
• Sadece afla¤›dan yukar› do¤ru olan hava ak›mlar› için kullan›labilir.
• Afl›r› yo¤uflman›n meydana getirebilece¤i problemlerin önüne
geçmek için maksimum % 45 ba¤›l neme kadar kullan›lmal›d›r.
• Yo¤uflan suyun sürüklenmesini engellemek için serpantin yüzey
h›z› maksimum 3 m / s olmal›d›r.
• So¤utucu ak›flkan olarak su veya gaz (DX-coil) kullan›labilir.
Alçak Tip Klima Santralleri Uygulamas›
Klima santrallerinin seçiminde hava debisi, kapasite, bas›nç kay›p-
lar›, hava kalitesi vs. kadar cihaz boyutlar› da çok önemlidir. Özel-
likle hava debilerinin çok yüksek olmad›¤› (yaklafl›k ≤ 5000 m3/h)
durumlarda proje itibar› ile yer s›k›nt›s› oldu¤unda, alçak tip klima
santralleri iyi bir çözüm olmaktad›r. Alçak tip klima santralleri kli-
ma santrallerinin gerçeklefltirdi¤i her türlü fonksiyonu yerine geti-
rebilir. Genellikle asma tavan aras› veya yükseltilmifl döfleme alt›na
konulur (fiekil 17.47). Alçak tip klima santralleri dik tip olarak da
545
fiekil 17.44. KARIfiIM HAVALI KL‹MA SANTRAL‹ UYGULAMASI
fiekil 17.45. D‹K T‹P KL‹MA SANTRALLER‹
uygulanabilir (fiekil 17.48). Yaklafl›k yükseklikleri 400 mm civar›n-
dad›r. Klima santrallerinden farkl› olarak müdahale kapaklar› alttan
veya üsttendir. Panel, filtre, fan ve serpantin özellikleri ve aksesuar-
lar› klima santralleri ile ayn›d›r.
17.3.2. Klima Santrallerinin Seçiminde Ve Uygulamas›nda
Dikkat Edilmesi Gereken Hususlar
Klima santralleri seçimlerinin ›s› kayb›, ›s› kazanc›, hava debisi, ba-
s›nç kay›plar›, hava kalitesi vs. kriterlere ba¤l› yap›lmas›n›n yan› s›-
ra, seçimler yap›l›rken uygulama alanlar›na uygunlu¤una da bak›l-
mas› gerekir. Klima santralleri temel özellikleri d›fl›nda, afla¤›da ve-
rilen hususlarda da seçiminde dikkat edilmesi gerekir. Uygulama
süresinin uzunlu¤u ve servis kolayl›¤› da seçimde önemlidir.
Genel:
1- Klima santrallerinde müdahale yönünün do¤ru seçilmesi çok
önemlidir. Müdahale yönü tespit edildikten sonra müdahale ka-
paklar›n›n aç›labilmesi için gerekli mesafenin b›rak›lmas›na dik-
kat edilmelidir.
2- Yukar›daki hususa ba¤l› olarak serpantinlerin rahatl›kla söküle-
bilmesi için boru ba¤lant›lar›n›n müdahale kap›lar› ile ayn› yön-
de olmas›na dikkat edilmelidir.
3- Korozif bölgelerde kullan›lacak klima santralleri mutlaka koroz-
yona karfl› korumal› seçilmelidir. Fan salyangozu ve iç yüzeyler
özel boya ile boyanmal› serpantinler dald›rma boyal› olmal›d›r.
Filtre çerçeveleri de paslanmaz çelik veya boyal› seçilmelidir.
Damper kanatlar› yine paslanmaz çelik olmal›d›r.
4- Klima santralleri transport kolayl›¤› ve flantiyede rahat olarak
monte edilebilmesi için mümkün oldu¤unca parçal› olarak imal
edilmelidir.
5- Klima santrallerinde kap› sabitleyici bulunmal›d›r.
6- Klima santrali ç›k›fl›ndaki ses seviyelerine dikkat edilmelidir.
Her ne kadar kanalda ses yutumu olacaksa da istenilen ses sevi-
yelerine ulaflmak için susturucu gerekebilir.
7- Susturucu ve fan hücresi aras›na mutlaka difüzör hücresi konul-
mas› gerekir. Fan ç›k›fl a¤z› susturucu yüzey alan›ndan küçük ol-
du¤undan hava difüzör ile da¤›t›l›r.
8- Özellikle temiz hava taraf›nda kanal izolasyonu en iyi flekilde
yap›lmal›d›r.
Harici Tip Santraller:
1. Harici tip santrallerde d›fl yüzey mutlaka korozyona karfl› boyal›
olmal›d›r. Santralin üzerinde de ya¤mur biriktirmeyen bir çat› ol-
mal›d›r.
2. Harici tip klima santrallerinde damper kanatlar›, s›zd›rmazl›k
için, hücre içinde kalacak flekilde imal edilmelidir.
3. Harici tip klima santrallerinde motor ba¤lant› delikleri santralin
546
fiekil 17.46. ALÇAK T‹P KL‹MA SANTRAL‹
fiekil 17.47. ALÇAK T‹P KL‹MA SANTLAR‹ UYGULAMASI (GEA-AT PICCO ALÇAK T‹P KL‹MA SANTRALLER‹)
547
alt›nda aç›lmal›d›r.
4. Harici tip klima santrallerinde sifon sistemi s›zd›rmaz ve donma-
ya karfl› korumal› olmal›d›r.
5. Harici tip klima santrallerinde flasi yüksekli¤i yaklafl›k 100 mm
yi geçmesi halinde fliddetli rüzgarda santrallerin devrilme riski
vard›r.
Fan:
1. Kay›fl kasnak tertibat› çift kay›fll› olmal›d›r. Kay›fl kasnak tertiba-
t› emniyet aç›s›ndan, üzerinde h›z ölçümü için gerekli aral›klar›n
bulundu¤u koruma kafesi ile birlikte seçilmelidir.
2. Ünite ile kasa aras›nda topraklama için flerit ba¤lant› bulunmal›d›r.
3. Fan devirleri ve fan verimlerine dikkat edilmelidir. Fan devirle-
rinin 2500 d/d aflmamas› fan verimlerinin de %70 de¤erlerinde
tutulmas› ses, elektrik sarfiyat› (motor büyüklü¤üne ba¤l› olarak)
ve yataklama aç›s›ndan önemlidir.
4. Fan seçilirken toplam bas›nç kay›plar›n›n do¤ru hesaplanmas›
çok önemlidir. Fanlar›n do¤ru hava debisini basabilmesi buna
ba¤l›d›r. Özellikle öne e¤ik kanatl› radyal fanlar bas›nç de¤iflim-
fiekil 17.48. ALÇAK T‹P KL‹MA SANTRAL‹ UYGULAMASI (GEA-AT PICCO ALÇAK T‹P KL‹MA SANTRAL‹)
fiekil 17.49. S‹FON HESABI
lerine karfl› geriye e¤ik kanatl› fanlara göre daha hassast›rlar. An-
cak fan devirleri düflük ve daha sessiz fanlard›r. Bu sebeple yük-
sek hava debilerinde (yaklafl›k > 10.000 m3/h) geriye e¤ik kanat-
l› fan tercih edilmesi gerekir. Düflük debilerde öne e¤ik kanatl›
fan daha uygundur.
Filtre:
1. Torba filtre kullan›lan filtre hücresinin taban›, çal›flma esnas›nda
filtrenin galvanizi süpürerek zamanla afl›nmaya sebebiyet ver-
memesi amac› ile galvaniz üzerine metal folyo ile kaplanmal›d›r.
2. Yüksek kaliteli filtre kullan›lmas› gereken durumlarda (F7 veya
F9 kalite) düflük kalitede ön filtre kullan›lmas› gerekmektedir
(G3 veya G4 filtre).
3. Filtre temizli¤i önemli oldu¤undan filtrelerin kolayca santral d›-
fl›na ç›kart›labilecek flekilde montaj› yap›lmal›d›r. Bu da filtre
klipsleri ile mümkündür.
Serpantinler:
1. Serpantinlerde boflaltma ve tahliye düzenlerinin bulunmas›na
dikkat edilmelidir. Serpantinlerin kolayca ç›kar›labilmesi için
k›zaklar üzerinde olmal›d›r.
2. Yo¤uflma suyunun hava ile sürüklenmemesi için so¤utma ser-
pantininden sonra mutlaka plastik veya paslanmaz çelik damla
tutucu kullan›lmal›d›r.
3. Yo¤uflma suyunun drenaj› için drenaj tavas›na sifon monte edil-
melidir. Sifon yüksekli¤inin hesab› filtrelerin en kirli oldu¤u du-
rum için yap›lmal›d›r.
4. Serpantinlerin seçiminde klima santrallerinin kullan›ld›klar› ye-
re ba¤l› olarak donmaya karfl› önlem al›nmas› gerekir. Çok düflük
s›cakl›klarda ön ›s›tma bataryas› kullan›l›r. Ancak ön ›s›tma ba-
taryas›ndaki su, e¤er s›cak su sirkülasyonu durursa donabilir.
Santralin durmas› esnas›nda damperlerin kapanmas› çok düflük
s›cakl›klarda bir koruma sa¤lamaz. Çözüm ya elektrikli ›s›t›c›
kullanmak veya glikollü su kullanmakt›r (fiekil 17.50).
5. Özellikle kapal› sistem ›s› geri kazan›m sistemlerinde (bataryal›
tip ›s› geri kazan›m›), sistemde dolaflan genellikle glikollu sudur.
6. Serpantinlerin seçiminde mutlaka su taraf› ve hava taraf› bas›nç ka-
y›plar›na dikkat edilmedir. Özellikle su taraf› bas›nç kay›plar› çok
yüksek olursa (20 kPa dan fazla) seçilecek pompa da buna ba¤l›
olarak büyüyecek ve yat›r›m ve iflletim maliyetini art›racakt›r.
17.3.3. Klima Santrallerinde Hijyen
Sistemde kullan›lan klima santrallerine gerekli müdahaleyi yapabil-
mek için klima santrallerine müdahale yönlerine ve çevredeki ekip-
manlar ile aras›ndaki mesafelere dikkat edilmelidir.
Dezenfeksiyon ve temizleme amac›yla klima santrali iç yüzeyleri
çok düzgün olmal›d›r. Paneller ve izolasyon malzemeleri gerekli
müdahaleler için uygun olmal›d›r. Hijyenik ihtiyaçlar› karfl›lamak
amac› ile 1,6 m den küçük aç›kl›klarda gerekli servis kapaklar›, 1,6
m den büyük aç›kl›klarda ise gerekli servis kap›lar› b›rak›lmal›d›r.
1,3 m den yüksek hücreli fan ve nem al›c›larda, 0,8 m den yüksek
hücreli nemlendiricilerde bu hücrelerin kontrolünün sa¤lanabilmesi
aç›s›ndan minimum 150 mm çapa haiz pencereler ve hücrenin içi-
nin ›fl›kland›r›lmas› sa¤lanmal›d›r.
Hücrelerde kullan›lan bütün malzemeler, korozyon, ses ve yang›na
karfl› DIN 1946-2’ ye uygun olarak imal edilmelidir.
Sandviç panelli konstrüksiyonlarda içteki sac, en az›ndan galvaniz
çelik olmal›d›r. Hücre içinin temizlenmesi aç›s›ndan hücre taban›
çok düzgün olmal›d›r. Daha hassas olmas› gereken uygulamalarda
hücre taban› paslanmaz çelik (en az 1.4301) veya deniz suyuna da-
yan›ml› alüminyumdan (en az AlMg) olabilir.
Hücre içi kullan›lan malzeme ve birleflim noktalar› bakteri oluflu-
muna sebebiyet vermemelidir.
Bunlara ilave olarak gövde yal›t›m›, ›s›l izolasyon ve ›s› köprüsü
faktörü ile ilgili VDI 3803 ve DIN EN 1886’ya baflvurulabilir. Ha-
rici tip klima santralleri için de yukar›da verilmifl olan hijyen flartla-
r› sa¤lanmal›d›r.
Fan
Kay›fl kasnak tahrikli bir taze hava emifl fan› birinci ve ikinci filtre
kademeleri aras›na koyulmal›d›r. Fan hücresinin hijyenik gereksi-
nimler sebebi ile y›kanabilir olmas› gerekmektedir.
400 mm den büyük nominal çapl› fan çarklar›nda kolayca ç›kar›la-
bilen bir gözetleme kapa¤› bulunmal›d›r. Fan korozyona karfl› mu-
kavim olmal›d›r bunun için galvaniz çelikten veya kaplamal› galva-
niz çelikten imal edilmifl olmal›d›r.
Hava Filtreleri
Hava filtreleri hava kaynakl› organik veya inorganik tozlar›n veya
mikro organizmalar›n sisteme girmesini engelleyecek biçimde ol-
mal›d›r. Buna ilave olarak filtrelerin kendisi kirlili¤e sebebiyet ver-
memelidir. Bu sebeple periyodik bak›mlar›n›n düzenli olarak yap›l-
mas› flartt›r.
‹ki kademeli filtrasyon önerilir. Birinci kademe F5 (DIN EN 779)
veya F7, ikinci kademe ise F7 veya F9 olmal›d›r. Tek kademeli filt-
rasyon yap›lacak ise sadece F7 kalitesinde filtre kullan›lmal›d›r.
Kullan›lacak filtreler DIN EN 779’a göre test edilmifl olmal›d›r. G3
ve G4 s›n›f› filtreler odadaki partikül konsantrasyonunu düflüremez-
ler, genelde kullan›m amaçlar› serpantinleri korumakt›r. Bu sebep-
ten odadaki partikül konsantrasyonu düflürülmek isteniyorsa F7 ka-
litesinde filtre kullan›lmal›d›r.
548
fiekil 17.50. SICAKLI⁄A GÖRE GL‹KOL ORANI
Havaland›rma sistemi çal›flm›yor iken filtre bölgesinde çi¤ noktas›-
n›n alt›na inen s›cakl›k düflmelerinden kaç›n›lmal›d›r.
Filtrelerle ilgili afla¤›da verilmifl olan flartlar sa¤lanmal›d›r :
- Montaj esnas›nda kirlenmifl veya t›kanm›fl olan filtreler iflletme-
den önce temizlenmelidir.
- Filtrelerin servis süreleri boyunca filtreler yal›t›mlar›n› ve muka-
vemetlerini korumal›d›rlar.
- Filtrelerin mekanik dayan›mlar› yüksek olmal›d›r.
- Servis süresi boyunca filtrelerin verimlili¤i, afl›r› düflme göster-
memelidir.
- ‹flletim süresince filtrelerin veriminde veya yal›t›m›nda neme
ba¤l› düflmeler olmamal›d›r.
- Filtre malzemelerinde kaçak olmamal›d›r.
- Filtre hücresinin üzerinde afla¤›da verilmifl olan de¤erler yaz›l-
m›fl olmal›d›r.
• Hava debisi
• Filtre adedi
• Filtre s›n›f›
• En son filtre de¤iflim tarihi
• Temiz haldeki bas›nç düflümü
• Kirli halde izin verilen maksimum bas›nç düflümü
Filtredeki bas›nç düflümü filtre üzerine monte edilen fark bas›nç
manometresi yard›m›yla kolayl›kla okunabilmelidir.
Serpantinler
Is› eflanjörleri gerekti¤inde kolayca temizlenip dezenfekte edilebile-
cek flekilde dizayn edilmelidirler. Burada önemli nokta kanat aral›k-
lar›n›n çok küçük olmamalar› ve eflanjör boyunun temizlemeyi en-
gellememesidir. Gerekiyorsa serpantin parçal› imal edilmeli, 2 mm
den az kanat aral›kl› serpantinler kullan›lmamal›d›r. Havadaki toz
kapasitesi ne kadar fazlaysa eflanjör kanat aral›¤› da o kadar fazla
tutulmal›d›r. Temizli¤i kolaylaflt›rmas› aç›s›ndan bütün ba¤lant›lar
ayn› tarafta olmal›d›r. Serpantindeki bas›nç düflümünü ölçmek ama-
c› ile serpantin öncesi ve sonras›nda gerekli delikler temin edilmifl
olmal›d›r.
So¤utma serpantinleri için yap›lmas› gerekenler:
Serpantin üzerinde film tabakalar› halinde oluflan yo¤uflman›n dre-
ne edilebilmesi için serpantin boyunca korozyona mukavim malze-
meden (paslanmaz çelik 1.4301) yo¤uflma tavas› kullan›lmal›d›r.
Yo¤uflma tavas›n›n e¤imi suyun rahatça drene edilebilmesi için ser-
pantin geniflli¤ince 1o olmal›d›r. Yo¤uflma tavas›n›n bitim noktas›n-
daki a¤z› yeterli derecede büyük seçilmifl olup, suyun rahatça dre-
naj›n› sa¤layabilmelidir. Drenaj a¤z› direkt olarak pis su sistemine
ba¤lanmamal›, yo¤uflma tavas› ile aras›na sifon konulmal› ve bu si-
fonun pis su hatt› ile ya¤uflma tavas›n› tamamen ay›rd›¤›ndan emin
olunmal›d›r. Yo¤uflma tavas›na müdahale edilebiliyor olmal›d›r,
e¤er bu mümkün de¤ilse yo¤uflma tavas› sökülebiliyor olmal›d›r.
So¤utma serpantininden sonra hava h›z› ile sürüklenen su damlac›k-
lar›n›n kanal sistemine tafl›nmas›n› önlemek bak›m›ndan damla tu-
tucu kullan›lmal›d›r. Damla tutucu ayr› bir servis kap›s›ndan kolay-
ca d›flar›ya al›nabilmelidir. Damla tutucunun plastik olmas› hijyen
aç›s›ndan önemlidir.
Hava kanallar› ve susturucular :
Hava kanallar› geçmeli veya kaynakl› konstrüksiyonda yap›lmal›-
d›r. Esnek kanallardan mümkün oldu¤unca kaç›n›lmal›d›r, çünkü te-
mizlemede problem yarat›rlar. Fittings parçalar› ba¤lant› noktala-
r›nda kirlilik b›rakmayacak flekilde monte edilmelidirler. Hava ka-
nallar›nda keskin köflelerden ve kanal cidarlar›nda daha sonra te-
mizleme ekipmanlar›na zarar verecek kolay vidalardan kaç›n›lmal›-
d›r. Çi¤ noktas›n›n alt›nda kal›nmas› probleminin oldu¤u noktalar-
da mutlaka izolasyon kullan›lmal›d›r.
Hava kanallar›ndaki kontrol kapaklar›n›n say›s› ve yerleri tamamen
havaland›rma sistemine ve temizleme türüne ba¤l› olup, e¤er temiz-
leme için kanal›n içine insan girecekse afla¤›daki hususlar göz
önünde bulundurulmal›d›r;
- Hava kanallar›n› tafl›y›c› parçalar, üzerlerine binecek ek yüklere
göre dizayn edilmelidirler.
- Gözetleme/müdahale aç›kl›¤›n›n önü kesinlikle engellenmemeli,
bir insan›n kanal içerisine girmesini sa¤layabilecek gerekli aç›k-
l›k b›rak›lm›fl olmal›d›r.
E¤er hava kanallar› su veya buhar ile temizlenecekse buna uygun
malzemeden imal edilmifl olmas› ve gerekli drenaj yerlerinin b›ra-
k›lm›fl olmas› gereklidir.
Susturucu hücreler absorpsiyon prensibi ile çal›flacak olup, nem tut-
mayan absorpsiyon malzemesinden üretilmelidir. Kullan›lan sustu-
rucu malzemesi, ay›r›c› levhalar aras› hava h›z› 20 m/s de¤erine ka-
dar afl›nma dayan›m›na haiz olmal›d›r. Susturucu kulisleri, fiber
glass dokuma tutucularla kapl› kaya yünü doldurulmufl galvaniz çe-
lik çerçevelerden meydana gelecektir. DIN 3102’e göre yanmaz ve
yang›n s›n›f› A2 olan malzemeden imal edilmelidir. Ay›r›c› çerçeve
ve rezonans levhas› boyal› olmal›d›r. Hijyenik susturucularda fiber
glass dokumalar ayr›ca delikli metal plakalarla kaplanacak ve çer-
çeveler Alman s›n›f› 1.4301 paslanmaz çelik çerçeve olacakt›r. Me-
tal kapl› olan kulisler kritik frekanslarda yüksek performansl› ses
yutum sa¤layacakt›r. Hijyenik tiplerde kulisler kolayl›kla ç›kart›l›p
temizlenebilecek özellikte olmal›d›r.
17.4. ISI GER‹ KAZANIMI
Ekonomikli¤in ve enerji tasarrufunun önem kazand›¤› günümüzde,
sistem tasar›mc›lar› ve projeciler ›s› geri kazan›m›n›n önemi üzerin-
de daha çok durmaktad›rlar. Is› geri kazan›m›n›n ekonomisini sade-
ce geri ödeme flartlar›na ba¤l› olarak ele almak do¤ru bir yaklafl›m
de¤ildir. Bir ›s› geri kazan›m ünitesinin geri ödeme süresinin kendi
servis süresinden k›sa olmas› gerekir. Bunun için ›s› geri kazan›m
ünitesinin optimum olarak seçilmesi ve bu amaçla belirli yöntem-
lerle olabilirlik hesab› yap›lmas› gerekmektedir.
Is› geri kazan›m›n›n bafll›ca faydalar› flu flekilde s›ralanabilir:
- Is›tma ve nemlendirme tesisatlar›n›n kapasitelerinin azalmas› ve
buna ba¤l› olarak da kullan›lan kazan tesisatlar› ve boru hatlar›-
n›n maliyetinin azalmas›.
- Is›nma için gereken enerji tüketiminin azalmas› ve böylece ifllet-
me masraflar›n›n düflmesi.
- Tesisat›n ilgili kapasitelerinin azalmas› ve böylece so¤utma ma-
kineleri, so¤utma kuleleri ve boru hatlar› için gerekli masraflar›n
azalmas›
- So¤utma enerjisinin tüketiminin azalmas› ve böylece iflletim gi-
derlerinin düflmesi
549
- Enerji üretimi s›ras›nda oluflan zararl› madde emisyonunun azalmas›
Is› Geri Kazan›m› nedir ?
Is› geri kazan›m› bir binay› ya da prosesi terk eden kütle ak›fl›n›n en-
talpisinin yeniden kullan›lmas›n›n ölçüsüdür. Bunun için ›s› de¤iflti-
riciler kullan›l›r. Is› pompas› e¤er sistemi terk eden ak›fl› ›s› geri ka-
zanmak için kullan›yorsa ›s› geri kazan›m›d›r. Bu tip sistemlerde
enerji baflka bir sistemden al›n›rsa ›s› geri kazan›m› olmaz. VDI
2071 e göre kütlenin transferi ›s› geri kazan›m› de¤ildir. Yani hava
kar›flt›r›larak ›s› geri kazan›m› yap›lamaz.
Is› Geri Kazan›m Ünitesi
Is› de¤ifltiricilerin kullan›lan ›s›n›n bir parças› olan geri kazan›lan
›s›n›n oluflmas›n› sa¤lamas› için ›s› geri kazan›m ünitesi olarak di-
zayn edilmesi ve d›fl hava ile at›lan hava aras›nda ›s› transferini sa¤-
lamas› için kullan›lmas›d›r (fiekil 17.51.A).
Is› Geri Kazan›m Sistemleri
Is› geri kazan›m sistemleri bir ya da birden çok ›s› geri kazan›m üni-
tesinin ba¤lant›s› ile oluflur. Is› geri kazan›m üniteleri farkl› tipte
olabilir.
Is› geri kazan›m ünitelerinde as›l olarak duyulur ›s› transferi gerçek-
leflir. Gizli ›s› geri kazan›m ünitesinin yap›s›na ba¤l› olarak transfer
edilebilir. Is› geri kazan›m ünitelerini 4 kategoriye ay›rabiliriz:
- Reküperatif sistemler
- Rejeneratif sistemler
- Rotasyonlu ve rotasyonsuz sistemler
- Is› pompalar› olarak belirlenmifltir.
Sistemlerin tan›m› ve kullan›m flekilleri
1. Reküperatif Sistemler
Is› ileten hava belirli bir bölgede iletimi gerçeklefltirir. D›fl hava ve
at›lan hava bu bölgede ›s› ileten bir tabaka ile ayr›l›r. Hava ak›fl› pa-
ralel veya karfl› ak›fll› olabilir. Nemli hava çi¤ noktas›n›n alt›nda ka-
l›rsa yo¤uflma meydana gelecek ve gizli ›s› transferi meydana gele-
cektir. Kaçak olmad›¤› sürece madde transferi meydana gelmeye-
cektir. Buzlanma riski vard›r.
Bu sistemde ›s› bir tafl›y›c› vas›tas› ile iletilmez. Bölgenin en az bir
noktas›nda hava ak›mlar› bir araya gelmelidir. Is› transferini kapat-
mak mümkün de¤ildir. D›fl hava by-pass’› veya at›lan hava by-
pass’› ›s› transferinin kontrolü için gereklidir. Plakal› ve borulu tip
›s› de¤ifltiriciler reküperatif sistemdir. Plakal› sistemlerde ›s› geri
kazan›m faktörü ∆ = 0,4 – 0,8 , çapraz ak›fll›larda 0,9; borulu tip-
lerde ise ∆ = 0,3 – 0,5 aras›ndad›r.
2. Rejeneratif Sistemler
2.1 Kapal› Çevrim Sistemleri (KVS Sistem)
Is› birbirine ba¤lant›l› iki serpantinin üzerinden geçen havalar saye-
sinde transfer olur. Serpantinlerden biri d›fl hava taraf›nda, di¤eri
at›lan hava taraf›nda olacakt›r ve bunlar birbirine bir borulama ile
ba¤lanacakt›r. Is› transferini sa¤layan ak›flkan (›s› tafl›y›c›) bu boru-
lar›n içinde dolaflacakt›r. Genellikle ›s› tafl›y›c› olarak kimyasal ola-
rak de¤ifltirilmifl su kullan›l›r. Gerekiyorsa antifriz de ilave edilmifl-
tir. Is› transferini sa¤layan tafl›y›c› ak›flkan, bir pompa sayesinde sis-
temde dolaflt›r›l›r. Bu sistemde gerekli kütle ak›fl› vanalar ile kont-
rol edilir. E¤er at›lan hava çi¤ noktas›n›n alt›nda kal›rsa nem oluflur.
Bu sebeple ek bir gizli ›s› transferi meydana gelir. Buzlanma riski
vard›r (fiekil 17.51.B).
Kapal› çevrim sistemi, d›fl hava ile at›lan havan›n birbirine uzak me-
safelerde olsa bile prosesin gerçekleflmesine olanak verir. Hava
ak›mlar›n›n bir araya gelmesine gerek yoktur. Ama buna karfl›l›k
çevrimi gerçeklefltirecek bir ek enerjiye ihtiyaç vard›r. Bu da çevri-
mi gerçeklefltirecek pompay› çal›flt›rmak için gereken elektrik ener-
jisidir. Madde, nem ve kirli hava transferi için uygun de¤ildir. Geri
kazan›lan ›s› miktar› su debisi kontrol edilerek kolayl›kla kontrol
edilebilir. Sistem kapat›labilir. Hava taraf› by-pass’› gerektirmez.
Bu sitemlerde kompakt veya blok ›s› de¤ifltircilerde ›s› transferi kat-
550
fiekil 17.51.A ISI GER‹ KAZANMA S‹STEM‹ fiEMASI
551
say›s› ∆ = 0,3 – 0,5 ; karfl› ak›fll› ›s› de¤ifltiriciler için bu oran
∆ = 0,3 – 0,5 aras›ndad›r.
3. Rotasyonlu ve Rotasyonsuz Sistemler
Bu tip sistemlerde ›s› (uygulanabildi¤i durumlarda nem) at›lan ha-
vadan al›n›r ve bu ›s›y› depolayan kütle ile emilerek edilerek yavafl-
ça d›fl havaya do¤ru aktar›l›r. Sistemde meydana gelebilecek kaçak-
lara dikkat edilmelidir. Koku transferi de meydana gelecektir.
Sorbsiyonlu sistemlerde ›s› geri kazan›m katsay›s› 0,7 – 0,8 aras›n-
da, nem geri kazan›m katsay›s› 0,6 – 0,7 aras›nda; sorbsiyonsuz sis-
temlerdeyse ›s› geri kazan›m katsay›s› 0,6 – 0,8, nem geri kazan›m
katsay›s› 0,1 – 0,2 aras›nda de¤iflmektedir (fiekil 17.51.C).
4. Is› Pompalar›
Is›y› düflük s›cakl›ktaki bir havadan alan ve yüksek s›cakl›klarda
hava ak›m›na geri besleyen bir makine ya da cihazd›r. Buzlanma
riski vard›r.
Is› pompalar› genellikle hava so¤utma proseslerinde kullan›l›r.
Gerekli oldu¤u durumlarda ›s› geri kazan›m›nda da kullan›labilir.
Herhangi bir nem ve madde transferi hava ak›mlar›n›n belirgin
olarak ayr›lmas›ndan dolay› meydana gelmez. Kompresörlü ›s›
pompalar› ve absorpsiyonlu ›s› pompalar› olmak üzere iki tiptir.
17.4.1. Klima Santrallerinde Is› Geri Kazan›m Sistemleri
1- Plakal› Is› De¤ifltirici
Reküperatif tarzda çal›fl›r, alüminyum veya çelik plakal› ›s› geri ka-
zan›m sistemidir. Sistem çapraz ak›fl için dizayn edilmifltir (fiekil
17.52). Taze hava ve egzoz havas› iki ayr› tabakadan geçer. Plaka-
lar maksimum ›s› transferini sa¤lamak üzere dizayn edilmifltir. Mi-
nimum % 60 oran›nda ›s› geri kazan›m› sa¤lamal›d›r. Hava at›fl ta-
raf›nda damla tutucu bulunur. Hava ak›fl›n› kontrol edebilmek ve
donmay› önlemek amac› ile ›s› geri kazan›m hücresinde by-pass
damperi mevcuttur. Egzoz taraf›nda paslanmaz çelikten imal edil-
mifl kondens suyu tavas› bulunur ve bu tavan›n drenaj borusu (pas-
lanmaz çelik) hava s›zd›rmaz bir biçimde gövde d›fl›na ç›kart›l›r.
fiekil 17.51.B. KAPALI ÇEVR‹M ISI GER‹ KAZANIMI (BATARYALI T‹P)
fiekil 17.51.C. ROTASYONLU ISI DE⁄‹fiT‹R‹C‹
552
Besleme taraf›ndaki filtre d›fl›nda egzoz taraf›nda ›s› geri kazan›m›
serpantini öncesinde de filtre konulmas› hijyen aç›s›ndan önemlidir.
2- Bataryal› Is› De¤ifltirici
Rejeneratif tarzda çal›fl›r ve ›s› de¤ifltiriciler vas›tas› ile geri kaza-
n›m sa¤lan›r. Sistemde transfer ak›flkan› olarak glikollu su kullan›-
l›r ve sistem egzoz havas› bölümünde bulunan serpantin ile besleme
havas› bölümünde bulunan serpantin aras›nda pompa vas›tas› ile bu
transfer ak›flkan› dolaflt›r›l›r (fiekil 17.53). Is› transferinin süreklili-
¤ini sa¤lamak amac› ile kar›flt›rma vanas› kullan›lmal›d›r. Sistemin
pompan›n on/off kullan›m› ile çal›flt›r›lmas› gerekmektedir. Siste-
min maksimum 20 m borulama için seçilmesi uygundur. Sistem en
az % 40 verimle çal›flmal›d›r. Genellikle serpantinler bak›r boru ve
alüminyum kanatl›, kolektör borular› bak›rdan olarak üretilir. Klima
santralleri ve egzoz fanlar› ayr› yerlere konacak flekilde üretici fir-
ma taraf›ndan imal edilebildi¤i gibi bunlar üst üste veya yan yana
da monte edilecek flekilde üretilebilmektedir. Egzoz taraf›nda ›s› ge-
ri kazan›m› serpantini öncesinde filtre konulmas› serpantinin temiz-
li¤i aç›s›ndan gereklidir. Serpantinlerde boflaltma ve tahliye düzen-
fiekil 17.52. PLAKALI ISI DE⁄‹fiT‹R‹C‹ KULLANAN ISI GER‹ KAZANIMLI SANTRAL
fiekil 17.53. BATARYALI ISI GER‹ KAZANIM S‹STEM‹
553
leri bulunmal›d›r. Serpantinler yan taraftan ç›kart›labilmeleri için
k›zaklar üzerine monte edilir. So¤utucu ve (yaz çal›flmas› varsa) ›s›-
t›c› serpantin sonras› damla tutucu mutlaka konulmal›d›r. So¤utma
serpantinlerinin alt›nda paslanmaz çelikten imal edilmifl kondens
suyu tavas› bulunur ve bu tavan›n drenaj borusu (paslanmaz çelik)
hava s›zd›rmaz bir biçimde gövde d›fl›na ç›kart›l›r.
1- Is› Borulu Is› De¤ifltirici
Rejeneratif tarzda çal›fl›r, ›s› borusu ile ›s› geri kazan›m sa¤lanacak-
t›r. Bu sistemde ›s›y› transfer etmek için so¤utucu ak›flkan kullan›l›r
ve sistem dönüfl havas› ile karfl›laflan ak›flkan›n buharlafl›p tüp için-
de yükselmesi ve so¤uk havaya ›s›s›n› transfer edip tekrar yo¤uflma-
s› mant›¤› ile çal›fl›r. Sistem –30 °C ile +55 °C aras›nda sorunsuz ça-
l›flabilmelidir. Minimum %65 oran›nda ›s› geri kazan›m› sa¤lamal›-
d›r. Hava ak›fl›n› kontrol edebilmek amac› ile ›s› geri kazan›m hüc-
resinde by-pass damperi mevcuttur. Is› borusu yan yana horizontal
tip veya üst üste tipinde kullan›labilir. Yan yana olan tipler gerekti-
¤inde yaz›n da enerji geri kazan›m› yap›labilecek flekilde dizayn
edilebilir. Egzoz taraf›na damla tutucu konulur. Paslanmaz çelikten
imal edilmifl kondens suyu tavas› bulunacak ve bu tavan›n drenaj
borusu (paslanmaz çelik) hava s›zd›rmaz bir biçimde gövde d›fl›na
ç›kart›lacakt›r. Egzoz taraf›nda ›s› geri kazan›m› serpantini öncesin-
de temizlik aç›s›ndan filtre konulmas› uygun olacakt›r.
2- Rotasyonlu Tip Is› De¤ifltiriciler
Rejeneratif tarzda çal›fl›r, ›s› tekerle¤i vas›tas› ile geri kazan›m sa¤-
fiekil 17.54. ISI BORULU ISI GER‹ KAZANIM S‹STEM‹
fiekil 17.55. ROTASYONLU ISI GER‹ KAZANIM S‹STEM‹
554
lanacakt›r. Is› de¤ifltirici tekerle¤in dönüfl hareketi ile egzoz havas›
›s›s› ve nemi rotorda tafl›n›r ve so¤uk hava taraf›ndan ›s› ve nem
emilir. Is› geri kazan›m oran› % 75 in alt›na düflmemelidir. K›fl›n ya-
p›lan ›s› transferi d›fl›nda, yaz›n da enerji transferi ve nem alma pro-
sesi gerçeklefltirilebilir. Is› tekerle¤i genellikle h›z kontrollü olarak
kumanda edilir.
Rotasyonlu tip ›s› geri kazam›n sistemlerinde rotasyon s›ras›nda
meydana gelebilecek hava kaçaklar› fan›n yerlefltirilme flekline ba¤-
l›d›r. Tablo 17.56’da bahsi geçen “afla¤› ak›ml›” ve “yukar› ak›ml›”
tabirleri fiekil 17.57’den anlafl›labilir.
Is› geri kazan›m sistemlerinin karfl›laflt›r›lmas›nda üretim maliyetle-
ri ve verim aras›nda önemli bir ba¤lant› vard›r. Tablo 17.58’de ör-
nek olarak verilen GEA klima santrallerinde ›s› geri kazan›m sis-
temlerine göz atacak olursak, sistemler asl›nda tabloda belirtilen de-
¤erlerle s›n›rl› de¤ildirler. Örne¤in “ecoflow” ›s› geri kazan›m siste-
mi serpantinli tip oldu¤undan burada glikol oran›, serpantin geçifl
say›s›, su debisi ve su taraf› bas›nç düflümleri gibi kriterlerde de¤i-
fliklikler yap›larak verim art›r›labilir veya düflürülebilir. Bu demek-
tir ki, “ecoflow” ›s› geri kazan›m sistemi %35 ila %65 aras›nda de-
¤iflen bir verimlilikle çal›flabilir. Ayn› flekilde di¤er sistemler de bel-
ÖZELL‹KLER
h %
t %
x %
Pa
‹stenen alan
Yat›r›m maliyeti / (m3/h)
Hava debisi
Fan biçimi
Dönüfl ve besleme birleflik
Kaçaklar
Rotary tip
hygroscopic
70......80
70......80
70......80
200
averaj
7......15
2.000-100.000
Fan afla¤›
ak›ml› olmal›
evet
Fan yukar› ak›ml›
olursa kaçak min. olur
Rotary tip
non-hygroscopic
70......80
10......20
200
averaj
6.....14
2.000-100.000
Fan afla¤›
ak›ml› olmal›
evet
Fan yukar› ak›ml›
olursa kaçak min. olur
RR Coil
35......45
yo¤uflma
200...300
küçük
6......13
2.000-100.000
herhangi
hay›r
yok
Plaka tip
40.......65
yo¤uflma
100...300
büyük
9.......12
2.000-25.000
herhangi
evet
iyi yerlefltirilirse
yok.
Is› tüpü
40.......65
yo¤uflma
200...300
küçük
6.......12
2000-25.000
Besleme havas›
üst k›s›mda
evet
yok
Tablo 17.56. ISI GER‹ KAZANIM S‹STEMLER‹N‹N ÖZELL‹KLER‹
fiekil 17.57. YUKARI AKIMLI FANIN AfiA⁄I AKIMLIYA ÇEVR‹LMES‹
Verim Is› geri kazan›m› Maliyet Kaplad›¤› alan
Sistemler % sonras› s›cakl›k % mm3
C°
ECOFLOW 51 11,3 66 3252x1320x1085
Bataryal› tip 2490x1320x1085
ECOSTAT 55 12,4 87 3405x1320x1015
Is› tüplü tip 3709x1320x1085
ECOPLAT 61 14 82 4319x1320x1015
Plakal› tip 4167x1320x1085
ECOROT 71 17 100 2540x1320x1015
Rotorlu tip 4064x1320x1085
Tablo 17.58. AYNI KR‹TERLERDE SEÇ‹LM‹fi 4 T‹P GEA ISI
GER‹ KAZANIM S‹STEM‹N‹N KARfiILAfiTIRILMASI
555
li aral›klarda de¤iflken verime sahiptirler. Buradan ç›kar›lacak sonuç
fludur ki, bir sistemin ucuz olmas› veriminin düflük olmas› veya pa-
hal› olmas› çok verimli olmas›n› her zaman gerektirmez. Üretim
aflamas›nda proje flartlar›na en uygun ›s› geri kazan›m› seçilmelidir.
17.5. MUTFAK ASP‹RATÖRLER‹:
Mutfak egzozlar› ile ilgili olarak burada iki tür uygulamadan bahse-
dilecektir. Birinci uygulama kokunun ihmal edildi¤i standart uygu-
lama türüdür. ‹kinci uygulama türü ise kokunun al›nmas›na yönelik
aktif karbon filtresinin kullan›ld›¤› uygulama türüdür. Uygulama-
lardan bahsedildikten sonra her iki türde de kullan›lan ‘Harici hava-
land›rmal› motor’ dan bahsedilecektir.
Birinci uygulaman›n gösterimi fiekil 17.60’da verilmifltir. fiekilden
de görülebilece¤i gibi burada tek kademeli filtrasyon uygulanmak-
tad›r, bu da sadece ya¤ filtrasyonudur. G3 kalitede metal ya¤ filtre-
si (No:1, ya¤ filtresi) kullan›larak mutfaktan egzoz edilen ya¤l› ha-
vadaki ya¤lar filtre edilmektedir. Ya¤ filtresinden sonra bile havan›n
içerisinde zamanla motora yap›flarak zarar verebilecek miktarda ya¤
bulunmaktad›r. Bunun önüne geçebilmek için motorun üzerinden
fiekil 17.59. ÇEfi‹TL‹ ISI GER‹ KAZANIM EfiANJÖRLER‹
fiekil 17.60. TEK F‹LTRASYON KADEMEL‹ MUTFAK
ASP‹RATÖRÜ
556
ya¤l› hava geçirilmez ve d›fl hava ba¤lant›s› (No:2,harici havalan-
d›rmal› motor) yard›m›yla d›flar›n›n ya¤s›z havas› vas›tas› ile moto-
run so¤umas› sa¤lan›r. Harici havaland›rmal› motor ile ilgili detay-
lar ileride ayr›nt›l› olarak verilecektir. Ya¤ filtrasyonu yap›lm›fl ha-
va fan (No:3) vas›tas› ile egzoz edilir.
‹kinci uygulaman›n gösterimi fiekil 17.61’de verilmifltir. Burada bi-
rinci uygulamadan farkl› olarak dört kademeli filtrasyon uygulan-
maktad›r. G3 kalitede metal ya¤ filtresi (No:1, ya¤ filtresi) kullan›la-
rak mutfaktan egzoz edilen ya¤l› havadaki ya¤lar filtre edildikten
sonra kokular›n filtre edilmesinde kullan›lacak olan çok hassas yap›-
daki aktif karbon filtresinin zarar görmemesi için öncesinde torba
filtreler yard›m› ile iki kademeli filtrasyon yap›lmaktad›r. G4 filtre
kaba filtrasyon (No: 2, G4 torba filtre), sonras›nda bulunan F7 (No:
3, F7 torba filtre) ise hassas filtrasyon yapmaktad›r. Ya¤dan ve kaba
pisliklerden ar›nd›r›lm›fl hava kokudan da ar›nd›r›lmak üzere aktif
karbon filtresinde (No:4, aktif karbon filtresi) filtre edilerek harici
havaland›rmal› motor (No: 5) ve fan (No: 6) vas›tas› ile egzoz edilir.
Her iki uygulamaya ba¤l› olarak da seçimlerde dikkat edilmesi ge-
reken baz› noktalar afla¤›da verilmifltir:
• Aktif karbon filtresinin kullan›lmad›¤› birinci uygulamada egzoz
fan› serbest kesitteki hava h›z› 3-3,5 m/s aras› seçilmelidir. Buna
karfl›l›k aktif karbon filtresinin kullan›ld›¤› ikinci uygulamada,
aktif karbon filtresinin yüksek hava h›zlar›na duyarl› olmas›ndan
dolay› serbest kesit hava h›z› en fazla 2 m/s olarak al›nmal›d›r.
• Her iki uygulamada da ya¤›n zararlar›ndan korunabilmek maksa-
d› ile fan-motor grubunun alt›nda kauçuk esasl› titreflim yutucu
elemanlar›n yerine mutlaka yayl› tip titreflim yutucu elemanlar
kullan›lmal›d›r.
• Fan hücresinde oluflabilecek ya¤ birikmelerini gözlemleyebilmek
için kontrol penceresi ile ›fl›kland›rma birlikte bulunmal›d›r.
• Fan hücresinin içinin gerekti¤inde y›kanabilmesi için fan hücre-
sinin taban›nda drenaj tavas› bulunmal›d›r.
• Fan salyangozunun iç k›sm›n›n y›kanabilmesi için salyangoz üze-
rinde y›kama kapa¤› bulundurulmal›d›r.
• Fan ç›k›fl› ve hücrenin emifl a¤z›nda, fleksibl ba¤lant›lar›n zaman-
la ya¤dan zarar görebilece¤i düflüncesi ile fleksibl ba¤lant› parça-
s› kullan›lmamal›d›r.
Harici havaland›rmal› motor
Harici havaland›rmal› motorlar, dahili veya harici uygulamalarda
kullan›labilirler. Hava ak›m› taze hava panjuru üzerinden olmakta-
d›r. Üzerinden akan hava ile so¤uyan motor, bu havan›n motora za-
rar verebilece¤i uygulamalarda ayr› bir havaland›rmaya ihtiyaç
duymaktad›r. Bunun için üzeri zararl› havaya karfl› koruma olarak
kapat›lm›fl motor, esnek ba¤lant› parças› vas›tas› ile motorun fan› ve
fan hücresinde fan vas›tas›yla oluflturulan negatif bas›nç ile d›flar›-
dan emdi¤i hava yard›m›yla so¤umakta, böylelikle fan üzerinden
akan havan›n zararl› etkilerinden korunmaktad›r.
Harici havaland›rmal› motor, motor üzerinden akan havan›n moto-
ru so¤utmas›n›n yeterli görülmeyip ek bir so¤utma istendi¤i uygu-
lamalarda kullan›labilir. Burada dikkat edilmesi gereken nokta,
yüksek yal›t›m istenilen sistemlerde veya explosion – proof gereken
uygulamalarda, harici havaland›rmal› motor sistemi, bu sistemlere
alternatif teflkil etmez. Harici havaland›rma motoru seçiminde hava-
n›n al›naca¤› ba¤lant› a¤z›n›n yeri önemli oldu¤undan “L” mesafe-
si imalatta belirtilmelidir.
Cebri havaland›rma sistemi, fan üzerinden akan havan›n, toz, ya¤,
gres ya¤› veya di¤er kirletici maddeler içerdi¤i uygulamalarda da
kullan›l›r. Bunlara en temel örnekler, endüstriyel egzoz ve mutfak
egzoz sistemleridir.
Aksesuarlar
GEA AT Plus serisi klima santrallerinde kullan›lan harici havalan-
d›rmal› motorda afla¤›da verilmifl aksesuarlar kullan›labilir :
• Manuel kumandal› klape: D›flar›dan al›nan taze hava miktar›n›
ayarlamak için kullan›l›r.
• ‹zolasyon malzemesi: Harici tip motor kullan›lan egzoz fan› uy-
gulamalar›nda tavsiye edilir. Harici havaland›rmal› motor kulla-
n›lan egzoz fanlar›n›n yaz iflletmesinde, santral içerisinden akan
so¤uk hava nedeniyle, d›flar›dan al›nan s›cak ve nemli hava ekip-
man›n içerisinde yo¤uflarak motora zarar verir. Bunun önüne geç-
mek maksad› ile ilgili ekipman›n iç yüzeyinin izopropilen esasl›
bir malzeme ile kaplanmas› gerekmektedir.
Harici havaland›rmal› motor uygulamalar›nda dikkat edilmesi gere-
ken bir baflka husus ise, harici havaland›rma ba¤lant›s›n›n her za-
man egzoz fan›n›n müdahale yönünün ters taraf›ndan yap›lmas› ge-
rekti¤idir. Bunun için yan yana olan uygulamalarda (side by side air
handling units) harici havaland›rma uygulamas› yap›lamaz.
fiekil 17.61. DÖRT F‹LTRASYON KADEMEL‹
MUTFAK ASP‹RATÖRÜ
fiekil 17.62. HAR‹C‹ HAVALANDIRMALI MOTOR
17.6 FAN COIL C‹HAZLARI
Fan coil tesisat› özellikle son 10 y›lda gerek sistem yap›s› olarak ge-
rekse sistemde kullan›lan cihazlar›n kalitesi olarak önemli bir gelifl-
me göstermifltir. Özellikle otomasyonda yap›lan ilerlemeler fan co-
il tesisat›n›n daha konforlu ve daha ekonomik çal›flmas›n› sa¤lam›fl
ve bilinen baz› sistem dezavantajlar›n›n yok olmas›n› sa¤lam›flt›r.
1. Fan coil motorlar›nda özel yataklar (bak›m istemeyen bilyal› ya-
taklar v.s.) kullan›larak ses seviyelerinde ciddi bir iyilefltirme
sa¤lanm›fl ayr›ca cihazlar›n performans de¤erleri ve ekonomik
ömürleri artm›flt›r. (Kaliteli f. coil)
2. Kar›fl›m haval› fan coil sistemi yerine iç haval› fan coil + taze
hava sistemi daha s›k uygulanmaya bafllanm›fl ve bununla daha
iyi filtrasyon ve taze hava miktar›n›n art›r›lmas› sa¤lanm›flt›r.
Zaruret halinde d›fl hava klapesi bir servomotordan kumanda
al›p kar›fl›m oran›n› ayarlayabilen, donma kontrolü yapabilen,
gerekti¤inde taze hava emiflinde susturucu hücresi bulunan fan
coil dizaynlar› gelifltirilmifltir.
3. Genellikle geçifl dönemlerinde zafiyet yaratan iki borulu fan co-
il tesisat› yerine 4-borulu fan coil sistemi daha s›kça kullan›lma-
ya bafllanm›flt›r.
4. 2 – ve/veya 3-yollu oransal vana kullan›m› yayg›nlaflm›flt›r. Bu-
nunla hem daha konforlu (özellikle s›cakl›k kontrolü aç›s›ndan)
hem de daha ekonomik iflletme flartlar› sa¤lanm›flt›r. Termostat
ve kontrol cihazlar›ndaki geliflmeler, fan coillerde gece – gün-
düz iflletmesi, donma kontrolü, üfleme havas› limitlemesi, oto-
matik fan devri ayar› gibi birçok fonksiyonun gerçekleflmesini
sa¤lam›flt›r.
5. Havaland›rman›n %100 taze haval› klima santralleriyle yap›l-
mas›; verimleri %90’a varabilen ›s› geri kazan›m› sistemleri
kullan›lmas› halinde özellikle k›fl iflletmesinde ciddi tasarruflar
sa¤lam›flt›r.
Fan coil cihazlar› prensip olarak filtreden geçirilen havan›n fan yar-
d›m›yla so¤uk veya s›cak bir yüzeyin (serpantin) üzerinden geçiri-
lerek flartland›r›lmas› esas›na dayan›r. Fan coil cihazlar› ile ortam-
daki havan›n s›cakl›¤› (yaz sezonu çal›flmas›nda ayn› zamanda ne-
mi) kontrol edilir. Bu cihazlarla yaz›n so¤utma, k›fl›n da ›s›tma ya-
p›l›r. Ortamda hava hareketi sa¤lan›r. Ortam havas› filtrelenerek ve
seçime göre d›fl hava ile kar›flt›r›larak hava kalitesi iyilefltirilir.
Cihaz›n ana yap›s› fan, serpantin, ana ve harici drenaj tavalar›, filt-
re ve gövdeden oluflur.Ana drenaj tavas› serpantinde yo¤uflan suyu
tahliye etmek için kullan›l›r. Döfleme tipi bir fan coilin iç yap›s› (fie-
kil 17.63) ve (fiekil 17.64) ‘de görülebilir.
17.6.1 Fan Coil Tipleri ve Uygulamalar›
Farkl› kullan›m amac›, mimari durum, projelendirme, maliyet ve
konfor ihtiyaçlar› için çeflitli tipte fan coil cihazlar› mevcuttur. Bu
tipler ve bu cihazlara ait uygulamalar fiekil 17.65 ve fiekil 17.78
aras›ndaki flekillerde görülebilir.
Mimari seçim ve uygulama çeflitlili¤ine cevap vermek üzere kaset-
li veya kasetsiz, döfleme veya tavan tipi, bas›nçl› tip, hidronik kaset-
li tipte seçilebilirler.
Ayr›ca seçilen sisteme göre tek serpantinli (iki borulu sistem için)
veya çift serpantinli (dört borulu sistem için), ilave veya tamamen
elektrik ›s›t›c›l›, d›fl haval› veya iç haval› tipte olabilirler. ‹ki borulu
fan-coil sisteminde ünitede tek serpantin vard›r. Borularda ya s›cak
ya da so¤uk su bulunur. Buna göre ya ›s›tma ya da so¤utma ifllemi
yap›labilir. Dört borulu sistemde ise fan-coil cihaz›nda iki ayr› ser-
pantin vard›r. Sistemde hem s›cak hem de so¤uk su bulunmaktad›r.
557
fiekil 17.63. DÖfiEME T‹P‹ FAN COIL ‹Ç YAPISI
fiekil 17.64. DÖfiEME T‹P‹ FAN COIL ‹Ç YAPISI
558
fiekil 17.69. KASETL‹ DÖfiEME T‹P‹ (%100 ‹Ç HAVA)
(ISITMA-SO⁄UTMA)
fiekil 17.70. KASETL‹ DÖfiEME T‹P‹ (%100 ‹Ç HAVA)
fiekil 17.71. G‹ZL‹ DÖfiEME T‹P‹ (%100 ‹Ç HAVA) fiekil 17.72. KASETL‹/G‹ZL‹ DÖfiEME T‹P‹ (TAZE HAVALI)
(ISITMA-SO⁄UTMA)
fiekil 17.65. KASETL‹ DÖfiEME T‹P FAN COIL C‹HAZLARI fiekil 17.66. G‹ZL‹ DÖfiEME T‹P FAN COIL C‹HAZLARI
fiekil 17.67. BASINÇLI T‹P FAN COIL C‹HAZI fiekil 17.68. H‹DRON‹K KASETL‹ T‹P FAN COIL C‹HAZLARI
Ünitenin o an ›s›tma veya so¤utma yapmas›na göre vanalarla s›cak
ya da so¤uk suyun ilgili serpantinden dolaflmas›na izin verilir.
Özellikle bas›nçl› tip fan coiller kanala ba¤lanabilecek ve yüksek
d›fl statik bas›nç kay›plar›n› karfl›layabilecek flekilde dizayn edil-
mifllerdir.
Hidronik kasetli tip fan coiller ise oldukça estetik görünüfllüdür ve
modüler tipte asma tavan uygulamalar›nda da kullan›labilir. Drenaj
pompas› sayesinde yo¤uflma suyu cebri olarak e¤im gerekmeden
uzaklaflt›r›labilir.
Mevcut fan coil tipleri afla¤›daki flekilde gruplanabilir:
1- Fan coil tipine göre
- Tavan/döfleme tipi
- Hidronik kaset tip
- Bas›nçl› tip
2- Kaset yap›s›na göre
(Döfleme ve tavan tiplerinde)
- Kasetli
- Kasetsiz (Gizli)
559
fiekil 17.77. KASETL‹ T‹P FAN COIL UYGULAMASI
fiekil 17.78. BASINÇLI T‹P FAN COIL UYGULAMASI
1- Üfleme havas›
2- Emifl havas›
3- Üfleme plenumu
4- Emifl taraf› susturucusu
1- Taze hava ba¤lant›s›
2- Üfleme havas›
3- Emifl havas›
4- Harici besleme havas›
5- Manuel ayarlanabilen
üfleme kanatlar›
fiekil 17.73. KASETL‹ TAVAN T‹P‹ (%100 ‹Ç HAVA)
fiekil 17.74. KASETL‹ TAVAN T‹P‹
fiekil 17.75. G‹ZL‹ TAVAN T‹P‹ (%100 ‹Ç HAVA)
(ISITMA-SO⁄UTMA)
fiekil 17.76. KASETL‹ TAVAN T‹P‹ (TAZE HAVALI)
(Is›tma-So¤utma) (Is›tma)
(Is›tma-So¤utma) (Is›tma)
Elektrikli
Is›tmada
kullan›lamaz
3- Batarya yap›s›na göre
- 2 Borulu
- 4 Borulu
4- Otomasyon flekline göre
- Fan kontrollü
- Otomasyon Vanal› (on-off)
- Otomasyon Vanal› (oransal)
5- Fan devir h›z›na göre
- Çok devirli, Fan coil motorlar› genellikle 5 veya 7 devirli
olup, seçim kriterlerine göre bu devirlerden uygun olan 3 ‘ü
kullan›l›r.
- De¤iflken devirli
6- Hava ak›m›na göre
- %100 iç haval›
- Kar›fl›m haval›
7- Ak›flkan tipine göre (Is›tma)
- S›cak Su
- K›zg›n Su
- Buhar
- Elektrikli Is›t›c›
8- Ak›flkan tipine göre (So¤utma)
- So¤utulmufl Su
- Direkt Genleflme (Dx)
9- Aksesuarlar
- Üfleme Menfezi
- Emifl Menfezi
- Esnek Emifl / Üfleme Ba¤lant› Parças›
- Taze Hava Ba¤lant›l› Emifl / Üfleme Kutusu
- Çok ç›k›fll› üfleme/emifl kutusu
- Susturucu, Kar›fl›m haval› döfleme/tavan tiplerinde d›flardaki
ortamdan gelecek sesin engellenmesi için tavsiye edilir
- Susturucu, Bas›nçl› tiplerde yüksek hava debileri ve d›fl statik
bas›nçlardan dolay› fan gürültüsünü engellemek için kullan›l›r.
- ‹zoleli ilave yo¤uflma tavas›
17.6.2. Fan Coil Seçimi için Gerekli Bilgiler
1- Duyulur so¤utma kapasitesi Watt - (kcal/h)
2- Toplam so¤utma kapasitesi Watt - (kcal/h)
3- Is›tma kapasitesi Watt - (kcal/h)
4- So¤utucu ak›flkan girifl/ç›k›fl
s›cakl›klar›
(Genellikle 6/10 °C – 7/12 °C) °C
5- Is›t›c› ak›flkan girifl/ç›k›fl
s›cakl›klar›
(Genellikle 80/60 °C – 90/70 °C) °C
6- Mahal s›cakl›¤› ve ba¤›l nemi
(Genellikle 27 °C, %46 BN
26 °C, %50 BN – 24 °C, %50 BN) °C, %
7- Ortamda talep edilen ses bas›nç de¤eri dB(A) / NC/ NR
(Tablo 17.81‘den yararlan›labilir)
8- Otomatik kontrol tipi (fiekil 17.79)
9- Kanala ba¤lanacak ise d›fl statik
bas›nç kayb› Pa veya mmSS
E¤er cihaz kar›fl›m haval› ise ayr›ca ;
1- Taze hava miktar› m3/h
2- D›fl hava s›cakl›¤› ve ba¤›l nemi °C, %
Bu de¤erler ›fl›¤›nda seçilen fan coil için üretici firma afla¤›da belir-
tilen de¤erleri vermelidir:
1- Is›t›c›/so¤utucu batarya su taraf› bas›nç kayb›
(Pompa basma yüksekli¤i hesab› için) kPa
2- Is›t›c›/so¤utucu batarya su hacmi
(Genleflme ve büzüflme kab› hesab› için) lt
3- Hava debisi m3/h
4- Fan motor gücü Watt
5- Batarya boru ba¤lant› çap› inch
6- Bataryalar max. iflletme bas›nc› bar
7- Filtre kalitesi EU...
17.6.3. Fan Coil Seçimi ile ilgili di¤er notlar
1- Pratik olarak fan coiller seçilirken öncelikle so¤utma kapasite-
sini karfl›layacak flekilde seçilmektedir. Bunun nedeni; sistem
dizayn edilirken so¤utma suyu s›cakl›k fark› ∆t=4-5 °C (7-12
°C veya 6-10 °C) al›narak hesap yap›ld›¤› halde ›s›tma suyunda
bu fark ∆t=20 °C (80-60 °C veya 90-70 °C) olarak al›nmakta-
d›r. Dolay›s›yla ayn› serpantinden s›cak su geçirildi¤inde so¤ut-
maya göre daha fazla ›s›l güç elde edilmektedir.
2- Fan coil so¤utma kapasitelerini belirlerken duyulur ›s› ve top-
lam ›s› kapasitelerinin sa¤lan›p sa¤lanmad›¤› ayr› ayr› kontrol
edilmelidir.
3- Özellikle iki ayr› marka fan coil karfl›laflt›r›lacaksa muhakkak
ayn› seçim kriterlerinde seçimin yap›ld›¤›ndan emin olunma-
l›d›r. Örne¤in 7-12 °C so¤utma suyu flartlar› için ayn› fan coilin
24 °C, %50 BN flartlar›nda toplam so¤utma kapasitesi : 2,5 kW
iken, 27 °C, %46 BN mahal flartlar› için so¤utma kapasitesi :3,3
kW olmaktad›r.
4- Bir fan coil seçiminde en önemli husus fan coilin istenen ›s›t-
ma/so¤utma kapasitelerini talep edilen ses kriterlerinde sa¤lan-
mas›d›r. Dolay›s›yla ayn› kapasiteyi karfl›layacak aç›k ofis için
seçilecek bir fan coille, otel odas› için seçilecek fan coilin sa¤la-
mas› gereken ses seviyesinden dolay› özellikleri farkl› olacakt›r.
Tablo 17.81’de baz› ortamlarda VDI2081‘e göre olmas› gereken
ses bas›nç seviyeleri verilmifltir.
5- Fan coil bataryas›ndaki su girifl s›cakl›¤› tesisattaki boru, vana
v.s. gibi elemanlardaki ›s› kazanc› ve/veya kay›plar›ndan dolay›
de¤iflebilir. Is›tmada kazana, so¤utmada ise su so¤utma grubuna
(chiller) en uzak mesafede bulunan fan coillere kadar olan boru-
lardaki ›s› kay›p/kazançlar›n› hesap etmek gerekir. Pratik bir çö-
züm olarak örne¤in so¤utmada su so¤utma grubu çal›flma s›cak-
l›klar› 6/10 °C ise fan coilleri 7/11 °C so¤utulmufl su s›cakl›kla-
r›na göre seçmek do¤ru olur.
6- Kasetli tip fan coillerde üfleme menfezinin hava at›fl yönünün
ayarlanabilir olmas› yaz/k›fl çal›flmas› ve istenmeyen hava ak›m-
lar›n›n izole edilmesinde büyük avantaj sa¤lamaktad›r.
7- Fan coillerin en önemli elemanlar›ndan biri de filtredir. Özellik-
le kasetli tip fan coillerde filtrenin, kaseti demonte etmeden ko-
layl›kla sökülebilmesi ve temizlenebilmesi gerekir.
560
8- Fan coilli sistemlerde s›k s›k karfl›lafl›lan problemlerden biri de
yo¤uflma tavalar› ile ilgilidir. Seçilen fan coilde yo¤uflma tava-
s›n›n fan coil ba¤lant› armatürlerini örn. kesme vanas›, 2-veya
3- yollu vana gibi-tamamen içine alacak büyüklükte ve izoleli
olmas› gerekir
9- ‹ki borulu fan coil sistemlerinde mevsim geçifl dönemlerindeki
›s›tma/so¤utma change-over problemlerini ortadan kald›rmak
için ilave elektrikli ›s›t›c›l› fan coil kullan›labilir. Örne¤in ‹stan-
bul Hilton Otelindeki her yatak kat›nda belli say›da yatak oda-
s›nda ilave elektrikli ›s›t›c›l› fan coil monte edilmifltir. Ayn› uy-
gulama baz› ofislerinde gece vardiyas› olan ifl merkezleri veya
genel müdürlük binalar› için de geçerlidir. (Örne¤in bekçi oda-
lar›, bilgi ifllem personel ofisleri v.s. için)
10- Fan coil bataryalar› bak›r borulu-alüminyum kanatl› olarak imal
edilirler. Fan coil kullan›lacak ortamda agresif/korozif flartlar›n
bulunmas› halinde (Örne¤in asitik ortamlar, kimyasal banyo-
lar/laboratuarlar v.s.) batarya malzemesini kontrol etmek gere-
kir.
11- Direkt genleflmeli fan coil kullan›lmas›nda bataryada bir donma
riski oluflumunu azaltmak için devir say›lar›n› yüksek seçmek
gerekecektir.
12- Kar›fl›m haval› döfleme/tavan tiplerinde d›flardaki ortamdan ge-
lecek sesin engellenmesi için susturucu kullan›lmas› tavsiye
edilir. (fiekil 17.80)
17.6.4. Fan Coil Ses Seviyesinin Hesaplanmas›
Mahalde gerçekleflen ses bas›nç seviyesi orada bulunan fan coille-
rin adetine, konumuna ve mahallin hacmine ve akustik karakterine
561
fiekil 17.79. FAN COIL OTOMAT‹K KONTROL fiEK‹LLER‹
‹K‹ BORULU FAN COIL C‹HAZI ODA TERMOSTATI ‹LE KONTROL SEÇENEKLER‹
DÖRT BORULU FAN COIL C‹HAZI ODA TERMOSTATI ‹LE KONTROL SEÇENEKLER‹
FAN KONTROLÜ
ba¤l› olarak de¤iflir. Tablo 17.81’de baz› ortamlarda VDI2081 ‘e gö-
re olmas› gereken ses bas›nç seviyeleri verilmifltir.
Örne¤in 20 x 10 x 4 = 800 m3 hacmindeki bir konferans odas›nda 6
adet fan coil bulundu¤unu varsayal›m. Öncelikle odadaki ses yutma
yüzeylerinin büyüklü¤ü belirlenmelidir. Bunun için fiekil 17.82’den
800 m3 hacminde bir konferans salonunda ses yutma yüzeyinin 100
m2 oldu¤u saptan›r.
Daha sonra fan coillerin yerleflim faktörü belirlenmelidir. Örnekte-
ki fan coillerin fiekil 17.83’deki 4 pozisyonunda monte edildi¤ini ve
3 metre mesafede oluflturduklar› ses bas›nç fliddetinin kriter olarak
de¤erlendirilece¤ini varsayarak, mahal içinde yutulan ses de¤erinin
∆L = 11 dß oldu¤u yine fiekil 17.82’den belirlenir.
Seçilen fan coillerin orta devirlerindeki ses güç de¤erinin 38 dß (A)
oldu¤u kabulüyle bir adet fan coil için beklenen ses bas›nç de¤eri;
Lp = Lw - ∆L = 38 dß (A) - 11 dß = 27 dß (A) olacakt›r.
6 adet fan coil için ses seviyesindeki art›fl, fiekil 17.84’den ~8 dß
olarak bulunur.
Buna göre oda içinde gerçekleflmesi beklenen ses bas›nç de¤eri; Lp
oda = Lp + 8 dß = 27 dß + 8 dß = 35 dß (A) olacakt›r.
562
fiekil 17.80. KARIfiIM HAVALI DÖfiEME/TAVAN
T‹PLER‹NDE SUSTURUCU KULLANILMASI
Tablo 17.81. BAZI MAHALLERDE VDI2081’E GÖRE
OLMASI GEREKEN SES BASINÇ DE⁄ERLER‹
Otel odalar› (gece)
Konutlar
Konser salonu
Tiyatrolar
Sinemalar
Kütüphane, Seminer odalar›
Ofis binalar›
Müzeler
Lokantalar
Ma¤azalar, dükkanlar
Bilgi ifllem odalar›
Laboratuvar
30
30/35
25/30
30/35
30/40
35/40
35/40
35/40
40/55
45/60
40/55
45/40
0,5
0,5
2,0
1,0
1,0
1,0
0,5
1,5
1,0
1,0
1,5
2
Ortam ad› Ses
bas›nç düzeyi
dß(A)*
Ortalama
yank›lanma
süresi (sn)
* Verilen de¤erlerden yüksek olan› minimum olmas› gerekeni,
düflük olan› tavsiye edilen konfor flart›n› belirtmektedir.
fiekil 17.82. SES GÜÇ SEV‹YES‹N‹N SES BASINÇ SEV‹YES‹NE DÖNÜfiÜMÜ
563
17.6.5. Fan Coil Montaj›nda ve ‹flletmeye Almada Dikkat
Edilecek Hususlar
1- Fan coillerin terazisinde monte edildi¤ini kontrol edin.
2- Gizli döfleme tipi ve gizli tavan tipi montajlar›nda fan coil üzeri-
ne yap›lacak kaj›n veya kaplaman›n elektirik kutusuna, su ba¤-
lant› taraf›na ve filtre servisine olanak verecek flekilde olmas›na
dikkat edin.
3- Gizli döfleme tipi fan coil montajlar›nda kaj yap›lmas› halinde
kaj›n alt›nda hava emifli için min. 100 mm.’lik aç›kl›k b›rak›ld›-
¤›ndan emin olun.
4- Gizli döfleme tipi fan coil montajlar›nda kaj yap›lmas› halinde
fan coil üfleme a¤z› ile kaj›n aras›nda kalan bofllu¤un hava s›z-
d›rmaz bir flekilde izole edildi¤inden (galvaniz kanal parçalar›
veya esnek ba¤lant› ile) emin olun.
5- Fan coil ba¤lant›lar›ndaki armatürlerin (kesme vanas›, pislik tu-
tucu, iki yollu veya 3 yollu vana v.s.) montaj›n›n yatay planda
mutlaka yo¤uflma tavas› içine s›¤acak flekilde olmas›n› sa¤lay›n.
6- Borulama kaynakl› olarak yap›lacaksa:
a. Yo¤uflma tavalar›n›n zarar görmemesine dikkat edin. Aksi
halde tavan›n galvanizi yanabilir ve korozyona meyilli hale
gelir.
b. Filtreleri koruyun, yanarak zarar görebilir.
c. Flexible ba¤lant› borular›n› koruyun.
7- Yo¤uflma tavas› ba¤lant›s›n› yapt›ktan sonra, tava içine su döke-
rek herhangi bir t›kan›kl›k olmad›¤›ndan emin olun.
8- Fan coilleri devreye al›rken önce kesme vanalar›n› kapat›n, son-
ra tek tek açarak ve fan coilin pürjöründen havay› tahliye ederek,
tüm fan coillerin kontrollü olarak su ile doldurulmas›n› sa¤lay›n.
17.7. SICAK VE SO⁄UK HAVAAPAREYLER‹
17.7.1. Aparey Tipleri
1. Fonksiyonuna göre
- Sadece ›s›tma (2-borulu sistem)
- Is›tma veya so¤utma (2-borulu sistem)
2. Enerji kayna¤›na göre
- Sulu sistem (s›cak su, k›zg›n su, buhar ya da so¤uk su)
- Gaz / likit yak›tl› sistem (LPG, do¤al gaz, mazot)
- Elektrikli sistem
3. Montaj flekline göre
- Duvar tipi (fiekil 17.85)
- Tavan tipi (fiekil 17.86)
4. Fan tipine göre
- Radyal fan
- Aksiyel fan
- Diyagonal fan
5. Taze hava oran›na göre
- %100 iç haval› (resirküle)
- Kar›fl›m haval› (fiekil 17.87)
6. Motor devrine göre
- 1 devirli (230 V veya 400 V)
- 2 devirli
- 3 devirli
- Sonsuz kademe
fiekil 17.83. YERLEfi‹M FAKTÖRÜ
fiekil 17.84.
fiekil 17.85. DUVAR T‹P‹ HAVAAPAREY‹
564
7. Kullan›m yerine göre
- Konfor tipi
- Endüstriyel tip
8. Çevre flartlar›na göre
- Normal (galvaniz çelik)
- Ex-proof
- Paslanmaz çelik
17.7.2. Hava Apareyi Seçmek ‹çin Gerekli Bilgiler
1- Is›tma kapasitesi ..... kW
2- Toplam / duyulur so¤utma kapasitesi..... / .....kW (so¤utma is-
teniyorsa)
3- Hava debisi.....m3/h
4- Is›tma için su girifl / ç›k›fl s›cakl›¤›..... / ..... °C (sulu sistem)
5- So¤utma için su girifl / ç›k›fl s›cakl›¤› ..... / ..... °C (so¤utma iste-
niyorsa)
6- Buhar bas›nc› (mutlak veya efektif) ..... bar (buharl› sistem)
7- Is›tma sezonunda mahal flartlar› ..... / ..... °C / b.n.
8- So¤utma sezonunda mahal flartlar› ..... / ..... °C / b.n.
(so¤utma isteniyorsa)
9- D›fl hava flartlar› (k›fl) ..... °C (kar›fl›m haval› ise)
10- D›fl hava flartlar› (yaz) ..... / ..... °C / b.n. (so¤utma isteniyorsa)
11- Taze hava oran› (yaz ve k›fl) ..... % (kar›fl›m haval› ise)
12- Kanal kayb› ..... Pa (kar›fl›m haval› ise)
17.7.3. Aparey Seçimi ‹le ‹lgili Önemli Notlar
1- ‹yi bir hava ve s›cakl›k da¤›l›m› için endüstriyel mahallerin Tab-
lo 17.88’deki hava de¤iflim katsay›lar› ile sirkülasyonu sa¤lan-
mal›d›r.
2- DIN 33403-1 ’de de¤iflik meslek gruplar› ve de¤iflik fiziksel ak-
tiviteler için konfor flartlar›n› sa¤layan mahal s›cakl›klar› bulu-
nabilir. (Tablo 17.89).
3- Mahalde homojen ›s› da¤›l›m›n› sa¤lamak için cihaz adedinin
do¤ru hesaplanmas› gerekmektedir. Afla¤›da tavan ve duvar tipi
apareylerin adetlerini hesaplamaya yönelik pratik bilgiler veril-
mifltir.
Tavan tipi cihazlarda, cihaz say›s›n› bulmak için toplam mahal
alan› bir cihaz›n ›s›tt›¤› alana (radyasyon alan›) bölünür. Bir ci-
haz›n ›s›tt›¤› alan Tablo 17.90’dan bulunabilir.
Örnek: 20 x 60 x 6 m boyutlar›ndaki bir mahalle tavan tipi kaç
adet aparey yerlefltirilmesi gerekti¤inin bulunmas›. Tavan yükse-
li¤i 6 m oldu¤una göre, montaj yüksekli¤inin 5,3 m oldu¤u, ci-
haz›n 2. fan devrine göre seçilece¤i kabul edilsin. Tablo
17.90’dan bir cihaz›n radyasyon alan› 100 m2 olarak al›nabilir.
fiekil 17.86. TAVAN T‹P‹ HAVAAPAREY‹
fiekil 17.87. KARIfiIM HAVALI HAVAAPAREY‹
Tavan Yüksekli¤i Hava De¤iflim Katsay›s›
%100 iç hava %100 taze hava
h < 4 m 3 - 5 1
4 m < h < 6 m 3 - 5 0,5 - 1
6 m < h < 8 m 2 - 4 0,5 - 1
h > 8 m 2 - 4 0,5
Tablo 17.88. TAVS‹YE ED‹LEN HAVA DE⁄‹fi‹M
KATSAYILARI
Aktiviteler Mahal s›cakl›¤›
Oturarak yap›lan aktiviteler 19 °C
Ayakta yap›lan aktiviteler 17 °C
A¤›r fiziksel ifller 12 °C
Ofis iflleri 20 °C
Al›fl-verifl yerleri 19 °C
Tablo 17.89. DE⁄‹fi‹K ‹fiLERE GÖRE MAHAL
SICAKLIKLARI
Buna göre,
Cihaz adedi= 20.60/100= 1200/100=12 olarak hesaplan›r
Duvar tipi apareylerde cihaz say›s›n› bulmada mahallin uzunlu-
¤u önemlidir. Cihazlar›n tek s›ra m› yoksa karfl›l›kl› olarak çift
s›ra m› yerlefltirilece¤i mahallin geniflli¤ine ba¤l›d›r. Bunun için
Tablo 17.92’den faydalan›labilir.
Örnek: 20 x 60 x 6 m boyutlar›ndaki bir mahale duvar tipi kaç
adet aparey yerlefltirilmesi gerekti¤inin bulunmas›. Tablo
17.92’den, 20 m mahal geniflli¤i için çift s›ral› yerleflimin ve iki
cihaz aras› mesafenin 8 – 11 m olmas›n›n uygun oldu¤u görül-
mektedir.
Maksimum cihaz adedi= 60 m/ 8 m= 8 adet, minimum cihaz ade-
di= 60 m/ 11 m= 6 adet olarak hesaplan›r. Buna göre, cihaz say›-
s› 7 olarak seçilir (çift s›ral› yerleflimlerde cihaz adeti tek say› ol-
mal›d›r).
4- Aparey seçerken dikkat edilmesi gereken baflka bir husus da ci-
haz›n do¤ru üfleme mesafesine sahip olmas›d›r. Mahallin homo-
jen olarak ›s›t›lmas› veya so¤utulmas› için apareye uygun men-
fez tak›l› olmal›d›r. Menfezlerin bile yeterli olmad›¤› durumlar-
da özel apareyler kullanmak gerekmektedir. Örne¤in, THY Han-
gar binas›n›n ›s›t›lmas›nda, yerden 26 m yüksekli¤e as›lan, çok
yüksek üfleme mesafesine sahip diyagonal fanl› GEA Multi-
MAXX ® M6 tipi özel hava apareyleri kullan›lm›flt›r.
5- Mahallin konfor bölgesindeki hava h›z› da aparey seçerken dik-
kat edilmesi gereken bir parametredir. Özellikle tavan tipi hava
apareylerinin üfleme h›z› DIN EN ISO 7730 ’a göre yerden 2 m
yükseklikte max. V= 0,2 m/s olmal›d›r (fiekil 17.94).
565
Fan Montaj ‹ki Cihaz Aras› Radyasyon
Kademesi Yüksekli¤i Mesafe Alan›
[ m ] [ m ] [ m2 ]
III 4 - 7 8 - 12 65 - 140
II 3,5 - 6 7 - 10 50 - 100
I 2,5 - 4 6 - 8 40 - 65
Mahalin geniflli¤i Yerlefltirme flekli ‹ki cihaz aras› mesafe
b < 10 m tek s›ra 10 - 15 m
10 m < b < 20 m çift s›ra 8 - 11 m
Tablo 17.90. TAVAN T‹P‹ HAVAAPAREYLER‹NDE B‹R
C‹HAZIN RADYASYON ALANI
Tablo 17.92. DUVAR T‹P‹ APAREYLER‹
YERLEfiT‹RME fiEKL‹
fiekil 17.91. TAVAN T‹P‹ APAREYLER‹N RADYASYON
ALANI
fiekil 17.93. DUVAR T‹P‹ APAREYLERDE Ç‹FT SIRALI
YERLEfi‹M
fiekil 17.94. HAVA HIZI 0,2 m/s’DEN KÜÇÜK OLMALIDIR
566
6- Ülkemizde maalesef pek fazla önemsenmeyen baflka bir konu da
verim ya da enerji tasarrufudur. S›kça yap›lan hata, do¤ru se-
çilmeyen apareylerin konfor mahallini ›s›tmak yerine tavan› ›s›t-
mas›d›r. Mahallin ›s›nmad›¤›n› gören iflletmeci üfleme havas› s›-
cakl›¤›n› daha da art›rarak havan›n tavana daha da çok ç›kmas›-
n› sa¤lar. Bilindi¤i gibi yukar› ç›kmaya e¤imli olan s›cak hava-
n›n s›cakl›¤› daha da art›r›l›rsa, hava yukar› daha çok ç›kmak is-
tiyecektir. Bunun sonucunda, mahallin ›s›nmas› sa¤lanamad›¤›
gibi, kazan daha çok zorlanarak enerji maliyetleri artacakt›r. Bu-
nu engellemenin yolu, apareyin serpantininden ›s›t›larak ç›kan
hava (birincil hava) ile mahal havas›n› (ikincil hava) kar›flt›ran,
dolay›s›yla üflenen havan›n s›cakl›¤›n› düflüren, fakat buna kar-
fl›n debisini art›ran özel menfezler (‹kincil Hava Jaluzisi) kullan-
makt›r.
17.7.4. Apareylerin Montaj› ‹le ‹lgili Önemli Notlar
1- Apareylerin emifl a¤z› ile duvar aras›nda yeteri kadar aç›kl›k b›-
rak›lmal›d›r (fiekil 17.97).
2- Apareyler, daha sonra boru ba¤lant›s›na izin verecek flekilde
monte edilmelidirler.
3- Apareylerin, elektrik kutular›n›n oldu¤u tarafta elektrik ba¤lant›-
lar› veya servis için yeterli boflluk b›rak›lmal›d›r.
17.8. POMPALAR
17.8.1. Pompalar›n Kullan›ld›¤› Devreler
Klima sistemlerinde sirkülasyon pompalar›n›n kullan›ld›¤› genelde
üç ana devre bulunmaktad›r (fiekil 17.98).
a. So¤utma kulesi sirkülasyon devresi. (Bu devrede yer alan pom-
palar so¤utma grubunun yani chillerin kondenser bölümü ile so-
¤utma kulesi aras›ndaki suyun sirkülasyonunu sa¤lamaktad›r.
Dolay›s›yla “kule pompas›” veya “kondenser pompas›” olarak
isimlendirilmektedir).
b. So¤utma grubu (chiller) primer sirkülasyon devresi. (Bu devrede
yer alan pompalar chillerin evaparatör bölümü ile so¤utma dev-
resinin by-pass borusu (veya so¤uk su kar›fl›m tank›) aras›ndaki
suyun sirkülasyonunu sa¤lamaktad›r. Dolay›s›yla “chiller primer
devre pompas›” veya “so¤utulmufl su sirkülasyon pompas›”
olarak isimlendirilmektedir).
c. So¤utma grubu (chiller) sekonder sirkülasyon devresi. (Bu devre-
de yer alan pompalar, by-pass borusu (veya so¤uk su kar›fl›m tan-
k›) ile fan coil cihazlar› ve/veya hava santrallar› aras›ndaki suyun
sirkülasyonunu sa¤lamaktad›r. Dolay›s›yla “chiller sekonder dev-
re pompas›”, “fan-coil / santral devresi pompas›” veya “so¤uk
su zon pompas›” gibi de¤iflik flekillerde isimlendirilmektedir).
Ayr›ca bünyesinde nemlendirme özelli¤i bulunan santral uygulama-
lar›nda, santral›n içindeki nemlendirme pompas›, pompa kullan›m›-
na bir baflka örnektir. Ancak nemlendirme pompas›, yapt›¤› ifl itiba-
riyle tam bir sirkülasyon pompas› gibi çal›flmamaktad›r. Bu pompa
daha ziyade aç›k veya yar› kapal› say›labilecek bir devrede, püs-
kürtme yapmak üzere bir nozul düzene¤ine gerekti¤i zaman su bas-
maktad›r.
Ancak bu tür püskürtme pompal› nemlendirme sistemleri, lejyonel-
la bakterisi üremesine ve yay›lmas›na uygun ortam haz›rlad›¤› için
yaflam hacimlerinin iklimlendirilmesinde pek kullan›lmamakta, da-
ha ziyade proses devrelerinde kullan›m yeri bulmaktad›r.
fiekil 17.95. DUVAR T‹P‹ ‹K‹NC‹L HAVA JALUZ‹S‹
fiekil 17.96. TAVAN T‹P‹ ‹K‹NC‹L HAVA JALUZ‹S‹
fiekil 17.97. ‹Ç HAVA ‹LE ÇALIfiAN APAREYLER ‹Ç‹N
MONTAJ ARALI⁄I
567
17.8.2. Kullan›lan Pompalar›n Tipleri
Klima devrelerinde pompalanan suyun s›cakl›¤› +5 °C’ye kadar dü-
flebilmektedir. Pompalar›n çal›flt›¤› mekanlarda çevre s›cakl›¤› ise +
40 °C’ye kadar ç›kabilmektedir. Dolay›s›yla pompalar›n gövdesin-
de yo¤uflma oluflur. Kullan›lan pompalar›n terlemeye dayan›kl›
özellikte olmas› gerekir.
Prensip olarak klima devrelerinde ›slak rotorlu veya kuru rotorlu
sirkülasyon pompalar› kullan›labilir.
Ancak ›slak rotorlu sirkülasyon pompalar›n›n debilerinin 50-60
m3/h ve basma yüksekliklerinin de 10-15 mSS de¤erleriyle s›n›rl›
olmas› nedeniyle ›slak rotorlu pompalar sadece küçük kapasiteli sis-
temlerde kullan›labilmektedir. (fiekil 17.99 ve 17.100)
Kuru rotorlu pompalarda, pompa ve elektrik motoru mekanik sal-
mastra kullan›larak birbirinden ayr›lm›flt›r. Bu tür pompalar yo¤ufl-
man›n yol açabilece¤i motor yanmas› ve ak›flkan kirlili¤inin sebep
olabilece¤i blokaj gibi problemlere karfl› daha güvenilirdir.
Kuru rotorlu pompalar›n debilerinin 1000 m3/h ve basma yükseklikle-
rinin de 80 mSS de¤erlerine kadar ç›kabilmesi, bu tür pompalar›n kli-
ma devrelerinde yayg›n olarak kullan›labilmesinin di¤er ana sebebidir.
Kullan›lan kuru rotorlu pompalar dört de¤iflik yap› tarz›nda seçile-
bilmektedir;
a. Direkt boruya ba¤lanabilen In-line pompalar (fiekil 17.101 ve
17.102)
b. Beton kaide üzerine ba¤lanabilen In-line pompalar (fiekil 17.103)
c. Beton kaide üzerine ba¤lanabilen blok tipi off-line pompalar
(fiekil 17.104)
fiekil 17.98. B‹R SO⁄UTMA DEVRES‹NDE KULLANILAN S‹RKÜLASYON POMPALARININ UYGULAMA ÖRNE⁄‹
fiekil 17.99. ISLAK ROTORLU TEK T‹P POMPA
fiekil 17.100. ISLAK ROTORLU ‹K‹Z T‹P POMPA
d. Beton kaide üzerine ba¤lanabilen flaseli tip norm pompalar (fiekil
17.105)
Bu seçeneklerden en yayg›n olarak kullan›lan›, emme ve basma
flanfl› ayn› çapta ve ayn› eksen üzerinde olan In-line tipi pompalar-
d›r. In-line pompalar 400-450 m3/h debi ve 60-65 mSS basma yük-
sekli¤i de¤erlerine kadar genifl bir yelpazede kullan›lmaktad›r.
In-line pompa kapasitelerinin yeterli olmad›¤› büyük sistemlerde
ise debileri 1000 m3/h, basma yükseklikleri 90 mSS de¤erlerine
kadar ç›kabilen flaseli tip norm pompalar kullan›lmaktad›r.
17.8.3. Pompalar›n Seçim Kriterleri
Tesisat mühendisi pompa seçerken afla¤›daki kriterleri dikkate al-
mal›d›r.
1- Gerekli olan debi ve basma yüksekli¤i
2- Tesisatta var olan azami iflletme bas›nc›
3- Ak›flkan›n alt ve üst s›cakl›k de¤erleri
4- Ak›flkan›n cinsi ve özellikleri
5- Mekanda var olan alt ve üst çevre s›cakl›klar›
6- NPSH
7- Elektrik flebekesi flartlar›
8- Kabul edilebilecek azami ses ve titreflim seviyesi
9. Öngörülen alan ve hacim
568
fiekil 17.101. TEK T‹P IN-LINE POMPA
fiekil 17.102. ‹K‹Z T‹P IN-LINE POMPA
fiekil 17.103. BETON KA‹DEYE BA⁄LANAB‹LEN IN-LINE
POMPA
fiekil 17.104. BETON KA‹DE ÜZER‹NE BA⁄LANAB‹LEN
OFF-LINE POMPA
fiekil 17.105. fiASEL‹ T‹P NORM POMPA
Pompa tipinin seçiminde çal›flma noktas›n›n (sistemin karakteristik
e¤risi ile pompan›n kendi karakteristik e¤risinin kesiflme noktas›)
pompan›n hidrolik veriminin mümkün oldu¤unca yüksek oldu¤u bir
bölgede oluflmas›na dikkat edilmelidir. (fiekil 17.106)
Özellikle ›s›tma ve so¤utma suyu tesisatlar›nda sirkülasyon pom-
pas› olarak kullan›lan santrifüj pompalar›n basma yüksekli¤inin
seçiminde abart›l› davran›lmamal›d›r.
Karakteristik e¤risinin alt bölgesinde çal›flt›r›lan pompalarda
(bas›nç kay›plar›n›n öngörülenden daha küçük oldu¤u durum-
lar) kavitasyon ve motor yanmas› gibi problemler oluflabilmek-
tedir. Böyle durumlarda reglaj vanalar› kullan›larak tesisatta
suni direnç yarat›lmal› ve sistemin karakteristik e¤risi de¤ifl-
tirilerek, pompan›n karakteristik e¤risiyle daha uygun bir nok-
tada kesiflmesi sa¤lanmal›d›r.
Pompa kataloglar›nda verilen de¤erler yo¤unlu¤u ρ = 1 Kg/dm3
olan, yani s›cakl›¤› yaklafl›k 20 ˚C’ deki normal su için geçerlidir.
Vizkozitesi ve yo¤unlu¤u sudan farkl› olan ak›flkanlar›n kullan›ld›¤›
tesisatlarda (örne¤in glikol veya ya¤ oran› % 10’u geçen su kar›fl›m-
lar›), pompa seçiminde bu durum dikkate al›nmal›d›r. Çünkü bu tip
tesisatlarda hem sistemin kendi karakteristi¤inde farkl›l›k, hem de
pompan›n performans de¤erlerinde sapmalar oluflur (fiekil 17.107).
Pompalanan ak›flkan›n viskozitesi artt›¤›nda pompan›n bu ak›flkan
için debi, basma yüksekli¤i ve verim de¤erleri düfler, gereksinim
duydu¤u tahrik gücü ise artar.
Pompa seçerken dikkate al›nan di¤er bir kriter de ilk yat›r›m
maliyeti ve iflletim giderleridir.
‹lk yat›r›m maliyetleriyle birlikte, iflletme süresince oluflan elektrik
giderlerini de asgari seviyeye indirebilmek için, klima devrelerinde
az say›da büyük kapasiteli pompa seçmek yerine, çok say›da küçük
pompa seçmek daha do¤ru olmaktad›r.
Örne¤in proje de¤erleri Q=300 m3/h ve H=20 mSS olarak belir-
lenen bir sirkülasyon devresi için birbirini % 100 yedekleyebilecek
DN 200 flanfl ölçülerinde ve beheri Q=300 m3/h ve H=20 mSS
kapasiteli, 30 kW motor gücüne sahip 2 adet pompa yerine DN 100
flanfl ölçülerinde ve beheri Q=100 m3/h ve H=20 mSS kapasiteli,
7,5 kW motor gücüne sahip 4 adet pompa kullanmak daha
ekonomik olabilmektedir.
Böylece sistemde 30 kW’l›k bir pompay› sürekli çal›flt›rmak yerine,
gerekti¤i kadar say›da 7,5 kW’ l›k pompalar çal›flt›r›larak çok
önemli boyutlarda elektrik tasarrufu sa¤lanabilmektedir.
30 kW’ l›k bir pompan›n yedek bekletilmesi yerine, sadece 7,5 kW’
l›k bir pompan›n yedek bekletilmesi yeterli olmaktad›r. 4 adet 7,5
kW ‘ l›k pompan›n ilk yat›r›m toplam maliyeti, 2 adet 30 kW’ l›k
pompan›n toplam maliyetinden daha düflük olmaktad›r.
Wilo’ nun sirkülasyon pompalar›n›n kontrolu için özel olarak gelifl-
tirdi¤i QS.. serisi elektrik kontrol panolar› kullan›larak pompalar
s›ra kontrollu, rotasyon iflletimli ve ar›zada otomatik yedeklemeli
olarak çal›flt›r›labilmektedir. (fiekil 17.108)
Pompa tipinin belirlenmesi s›ras›nda elektrik motorunun gücünün
do¤ru seçimi de önemlidir. Olmas› gerekenden daha küçük motor
seçilmesi iflletimde istenen hidrolik kapasiteye ulafl›lamamas›
ve/veya s›k s›k termik atmas› gibi problemler yarat›rken, gere¤in-
den daha büyük motor seçilmesi iflletmede faydas›z bir elektrik sar-
fiyat›na ve dolay›s›yla yüksek iflletme giderlerine neden olmaktad›r.
Pompa kataloglar›nda standart çark çaplar› için geçerli olan perfor-
mans e¤rileri gösterilmifltir. Ancak iste¤e ba¤l› olarak baz› pompa
serilerinde ara çark çaplar›yla da pompa siparifl edilebilmektedir.
Motor gücünün do¤ru olarak seçimi için
Q x H x ρ
P = —————— x emniyet faktörü
367 x η
formülünden de yararlanmak mümkündür.
Pompan›n iflletim noktas›ndaki debisi Q (m3/h), basma yüksekli¤i
H (m), ak›flkan›n yo¤unlu¤u ρ (kg/dm3) ve pompa verimi η ilgili
pompa aba¤›ndan al›narak formülde yerine konuldu¤unda, gerekli
569
fiekil 17.106. POMPA VE S‹STEM‹N KARAKTER‹ST‹K
E⁄R‹LER‹
fiekil 17.107. ÇALIfiMA NOKTASINININ V‹SKOZ‹TEYE
BA⁄LI OLARAK DE⁄‹fi‹M‹
olan asgari motor gücü P (kW) olarak bulunabilmektedir.
Kullan›lacak motorun nominal gücünün seçiminde ise bu gücün üs-
tüne genelde
P < 1,5 kW’ l›k mil güçleri için %15 (çarp›m faktörü 1,15)
P = 15 kW’ l›k mil güçlerine kadar %10 (çarp›m faktörü 1,10)
P > 15 kW’ l›k mil güçleri için %5 (çarp›m faktörü 1,05) emniyet
pay› eklenmektedir.
Kullan›lan ak›flkan genellikle su oldu¤u için yo¤unlu¤u ρ = 1
(kg/dm3) kabul edilerek güç hesab›nda dikkate al›nmaz. Ancak an-
tifiriz kar›fl›m oran› %10’dan daha yüksek olan sularda yükselen
yo¤unluk de¤eri dikkate al›nmal›d›r.
Elektrik motorlar›na ait kataloglarda verilen anma güç de¤erlerinin,
çevre s›cakl›¤› 40 °C’ yi geçmeyen, deniz seviyesinden 1000 m’ye
kadar yüksekliklerde, flebeke anma gerilimi 220/380-380/660 volt
olan ve gerilim dalgalanmalar› ± %5’den daha yüksek olmayan
flebekeler için geçerli oldu¤u unutulmamal›d›r. Bu flartlar›n sa¤-
lanamad›¤› durumlarda, pompa seçiminden önce pompa üreticisine
dan›fl›lmal›d›r.
Pompalar sabit debili veya de¤iflken debili olarak seçilebilir.
Frekans konvertör kontrollu de¤iflken debili pompalar›n klima dev-
relerinde kullan›m› yayg›nd›r. ‹flletimde konfor ve önemli ölçüde
enerji tasarrufu sa¤layan frekans konvertörlü pompa uy-
gulamalar›yla ilgili olarak afla¤›da daha detayl› bilgi verilmifltir.
17.8.4. Frekans Konvertör Kontrollu Pompalar
Klima devrelerinde yer alan pompalar›n debilerinin asl›nda mev-
simler, gündüz-gece çal›flma saatleri, zonlar aras›ndaki farkl›l›klar
vb. gibi bir dizi etkene göre de¤iflken olmas› gerekmektedir.
Ancak pompalar seçilirken en s›n›r de¤erler baz al›nd›¤›ndan, ifl-
letim süresinin büyük bir bölümünde, o an ve o yer için yeterli
olabilecek debi de¤erlerinden çok daha büyük kapasitelerde çal›fl›l-
maktad›r.
Dolay›s›yla pompalar sabit debili sistemlerde her zaman en yüksek
de¤erde elektrik tüketmekte ve sonucunda da iflletme giderleri
gereksiz yere yüksek olmaktad›r.
Bunun önüne geçmek için frekans konvertör kontrollu, debisi,
bas›nc› ve flebekeden çekti¤i elektrik gücü kademesiz olarak de¤ifl-
tirilebilen pompalar kullan›lmaktad›r.
Frekans konvertörlü kontrol sistemleriyle pompalar, o an ve o yer
için iflletme flartlar›na uygun olarak, sadece yetecek kadar gerekli
olan kapasitede ve süreklilik arz eden otokontrollü bir regülasyon
düzeni içinde çal›flt›r›labilmektedir.
Frekans konvertör kontrollu ve regülasyonlu pompa sistemlerinin
sa¤lad›¤› önemli avantajlar›n baz›lar› flunlard›r ;
1- ‹flletmede çok önemli boyutlarda enerji tasarrufu sa¤lanabilmek-
tedir.
2- Tesisatta kullan›lan pompa, vana, cihaz ve di¤er aksam›n kul-
lan›m ömrü uzamakta ve iflletme bak›m-servis giderleri azalmak-
tad›r.
3- Tesisat›n bütününde ve özellikle termostatik vana ve motorlu
vanalardaki rahats›z edici ses ve vibrasyon oluflumu önlenmek-
tedir.
4- Pompalar›n durma-kalkma veya ani vana kapanmalar› gibi
durumlarda ortaya ç›kabilen bas›nç floklar› oluflmamakta,
tesisat›n genel güvenilirli¤i yükselmektedir.
5- Projelendirme hatas› veya tesisat›n projeye tam uygun olarak
yap›lmamas›ndan kaynaklanan problemlerle, pompalar›n yanl›fl
seçilmifl olmas› ve iflletmeye alma s›ras›nda ortaya ç›kan debi ve
basma yüksekli¤i uyumsuzluklar› ve bunun neticesinde oluflan
termik atmas›, motor yanmas›, afl›r› ›s›nma, gürültülü çal›flma,
s›k s›k ar›za yapma gibi problemler önlenebilmektedir.
6- % 50’ ye varan elektrik tasarrufuyla, kömür ve petrol bazl› yak›t
kullanan elektrik üretim santrallar›n›n çevreyi ve atmosferi kir-
letmesi azalt›labilmektedir. Bu tür santrallar›n 1 kWh elektrik
üretebilmek için atmosfere 560 gram CO2 att›klar› düflünül-
dü¤ünde konunun önemi daha iyi anlafl›labilmektedir.
7- Frekans konvertörlü pompa sistemlerinin ilk yat›r›m maliyeti,
sabit debili pompa sistemlerine nazaran yaklafl›k iki kat› veya
biraz daha yüksektir. Ancak iflletmede gerçekleflen elektrik tasar-
rufuyla sistem kendisini 2 veya en geç 3 y›l içinde tamamen
570
fiekil 17.108. ROTASYON KONTROLLU S‹RKÜLASYON
POMPA VE PANO S‹STEM‹
amorti edebilmekte ve sonradan büyük tasarruf sa¤lamaktad›r.
Frekans konvertörlü pompa sistemleri, pompa üreticilerince genel-
de 2 de¤iflik seçenekte kullan›ma sunulmaktad›r:
1- Konvertör, sensör ve di¤er elektronik ekipman›; pompan›n üzerine
ve klemens kutusu içine entegre edilmifl olan sistemler. Bu sistem-
ler motor gücü genelde 7,5 veya 11 kW’a kadar olan pompalarda
mevcuttur. Bu tür pompalar tekli tip (fiekil 17.109) veya ikiz tip
(fiekil 17.110) seçeneklerinde kullan›ma sunulmaktad›r.
2- Frekans konvertörlü kontrol panosu ve sensörü pompadan ayr›
kullan›lan sistemler (fiekil 17.111). Bu sistemlerde 1, 2, 3, 4, 5
veya 6 pompadan oluflan pompa gruplar› tek bir kontrol
panosuyla ortak bir iflletim koordinasyonu içinde kontrol
edilebilmektedir. Bu sistemlerde asl›nda bir güç s›n›r› yoktur. 1
kW ile 200 kW aras›ndaki güçlerdeki klima devre pompalar›nda
kullan›m mümkündür.
Frekans konvertörlü pompa sistemlerinin problemsiz çal›flabil-
mesi için gerekli olan ön flartlardan biri elektrik flebeke bes-
lemesinin temiz ve kaliteli olmas›d›r. fiebeke voltaj› 350-440 volt
aras›nda sabit bir de¤erde olmal› ve fazlar aras›nda dalgalanmalar
olmamal›d›r.
Elektrik flebekesinin de¤iflkenlik gösterdi¤i, yetersiz havaland›r-
ma ve yüksek nem gibi çevre flartlar›n›n bozuk oldu¤u ve kullan›c›
uzmanl›¤›n›n yeterli seviyede mevcut olmad›¤› durumlarda, ikin-
ci seçenekte aç›klanan kontrol panosu ve pompas› ayr› ayr›
sunulan sistemlerin kullan›lmas› daha güvenilir olmaktad›r.
Bu tür sistemlerde yer alan kontrol panolar›, salt frekans konvertör
cihaz›n› içermezler. Bünyelerinde, frekans konvertör cihaz›n›n yan›
s›ra PLC, motorlarda ses oluflumunu ve sarg›larda zararl› gerilim
yükselmelerini engelleyici elektronik filtreler, kontaktörler, motor
termik ve kuru çal›flma korumalar›, parazit önleyici ve parazitten et-
kilenmeme filtreleri, dijital regülasyon elektroni¤i, menü kontrollu
ekran, ana güç ve yard›mc› devreler için gerekli olan sigorta ve trafo
gruplar› gibi birçok elektronik ve elektromekanik donan›m›n› bir-
likte içerirler.
Örne¤in Wilo’ nun CR tipi frekans konvertör entegrasyonlu kontrol
panosuyla aç›k ve kapal› devrelerde çal›flan, ›slak veya kuru rotor-
lu, tek veya çok kademeli, elektrik motor tahrikli her cins ve her
marka santrifüj pompay› kontrol etmek mümkündür (fiekil 17.112).
Ayn› sistemi besleyen, ayn› motor gücüne sahip pompa gruplar›
(max. 6 pompal›) tek bir CR cihaz›yla koordineli bir otomasyon
düzeni içinde kontrol edilebilmektedir.
571
fiekil 17.109. FREKANS KONVERTER ENTEGRASYONLU
KURU ROTORLU TEKL‹ T‹P IN-LINE POMPA
fiekil 17.110. FREKANS KONVERTER ENTEGRASYONLU
KURU ROTORLU ‹K‹Z T‹P IN-LINE POMPA
fiekil 17.111. FREKANS KONVERTÖRLÜ KONTROL PANOSU,
SENSÖRLER‹ VE POMPASI AYRI POMPA S‹STEM‹
572
Gruptaki bir pompaya frekans konvertörlü regülasyon uygulan›rken
di¤er pompalar s›ra kontrollu ve rotasyonlu bir iflletim düzeninde
nominal güçlerinde çal›flarak, programda öngörülen tesisat flart-
lar›n› sa¤layacak tarzda devreye girip ç›karak kontrol edilebilmek-
tedir.
Devreye al›nan ilk pompa frekans konvertör cihaz› üzerinden çal›fl-
t›r›larak de¤iflken debili olarak iflletilmektedir.
6 saatte bir pompalar aras›nda otomatik s›ra kayd›r›lmas› yap›larak,
her pompa s›rayla frekans konvertör cihaz› üzerinden kontrol
edilerek de¤iflken debili olarak iflletilmektedir (fiekil 17.113).
Örne¤in 6 pompal› bir sistemin kontrolünde pompalar›n iflletim
s›ras› ve uygulanan debi kontrolü afla¤›da aç›klanan flekilde
gerçekleflmektedir.
‹lk 6 saat : P1 P2 P3 P4 P5 P6 (P1 debi kontrollu)
ikinci 6 saat : P2 P3 P4 P5 P6 P1 (P2 debi kontrollu)
üçüncü 6 saat : P3 P4 P5 P6 P1 P2 (P3 debi kontrollu)
dördüncü 6 saat : P4 P5 P6 P1 P2 P3 (P4 debi kontrollu)
beflinci 6 saat : P5 P6 P1 P2 P3 P4 (P5 debi kontrollu)
alt›nc› 6 saat : P6 P1 P2 P3 P4 P5 (P6 debi kontrollu)
Pompalardan biri ar›zaland›¤›nda s›radaki ilk pompa otomatik
olarak devreye al›nmakta ve bozuk pompa sinyalize edilerek iflletim
otomasyonundan ç›kar›lmaktad›r.
Böylece bütün pompalara s›rayla frekans konvertörlü debi kontrolu
uygulanabilmekte, bütün pompalar s›rayla yedek pompa olarak
de¤erlendirilebilmekte ve toplam iflletim süresi pompalar aras›nda
eflit olarak paylaflt›r›larak sistemin genel güvenilirli¤i art›r›lmaktad›r.
Örnek :
Toplam debi gereksiniminin Qmax=400 m3/h oldu¤u bir so¤utma
suyu tesisat›nda her biri Q=100 m3/h kapasiteli 5 adet pompa kul-
lan›ld›¤›nda yedekleme güvencesi de olan bir sistem kurulabilir.
Böyle bir sistemin belli bir andaki debi gereksiniminin örne¤in
Q=278 m3/h oldu¤unu varsayal›m. Bu durumda ;
1. pompa Qp1= 78 m3/h (frekans konvertörlü debi kontrollu)
2. pompa Qp2= 100 m3/h (sabit debili)
3. pompa Qp3= 100 m3/h (sabit debili)
fleklinde çal›flarak istenen toplam kapasite sa¤lanmaktad›r.
Frekans konvertör kontrollu, de¤iflken debili pompa sistemlerinde
amaçlanan elektrik tasarrufu, kullan›m konforu ve uygulama
fiekil 17.112. FREKANS KONVERTÖR ENTEGRASYONLU
KONTROL PANOSU DIfi VE ‹Ç GÖRÜNÜMÜ
fiekil 17.113. ÖRNEKTEK‹ SIRA KONTROLÜNÜN
GÖSTER‹M‹
güvenilirli¤ini gerçeklefltirebilmek için tesisat devresinin hangi özel-
li¤i ve hangi verisi baz al›narak regülasyon yap›laca¤› iyi bilinmelidir.
Regülasyon seçeneklerinden klima devrelerinde en çok kullan›lan-
lar› flunlard›r:
1- ∆p-c (diferans bas›nc› sabit) regülasyonu (fiekil 17.114)
CR cihaz› üzerinde set edilen diferans bas›nç de¤eri (iki nokta ara-
s›ndaki bas›nç kay›plar›n›n toplam› ∆p=H), pompan›n devir h›z› ka-
demesiz olarak de¤ifltirilerek sabit tutulmaktad›r.
Örne¤in termostatik ventillerin k›smas›yla orant›l› olarak pompan›n
devir h›z› (ve debisi) düflürülmekte ve pompan›n performans›, tesi-
sat›n o anki karakteristi¤ine uydurulmakta ve set edilen basma yük-
sekli¤i de¤eri sabit tutulmaktad›r.
Devir h›z›n›n düflürülmesiyle birlikte, pompan›n flebekeden çekti¤i
elektrik gücünde de, anma gücünün % 50’sini aflan seviyelere varan
tasarruflar gerçekleflebilmektedir.
(∆p-c) regülasyon tipinin kullan›lmas› için ön flart, tesisatta dolaflan
ak›flkan debisinin, de¤iflkenlik gerektiren bir karakterde olmas›d›r.
Termostatik veya servomotor vanal› ›s›tma ve so¤utma devreleri bu
tür uygulamalar olabilir.
Özellikle ventil otorite katsay›s›n›n 0,5-0,7 aras›nda oldu¤u uygula-
malarda, ∆p-c baflar›l› sonuçlar vermektedir.
CR cihaz›yla, birden fazla pompan›n besledi¤i devrelerde de (∆p-c) re-
gülasyonu uygulamak mümkündür. Bir pompan›n, set edilen ∆p de¤e-
rini sabit tutabilmekte yetersiz kalmas› durumunda, cihaz sistemdeki
di¤er pompalar› gereksinime göre s›rayla iflletime almaktad›r. Sonra-
dan iflletime al›nan pompalar sabit devir h›z›yla nominal kapasite de-
¤erlerinde çal›flt›r›l›rken, ilk pompaya devir h›z› kontrolu uygulanarak
sistemin bütününde (∆p-c) regülasyonu gerçeklefltirilmektedir.
Bu regülasyon cinsi, chiller sekonder devresinde iki yollu motorlu
vanalarla kontrol edilen fan-coil ve/veya santrallar›n so¤uk su zon
pompalar›n›n kontrolunda kullan›lmaktad›r.
2- ∆T regülasyonu (fiekil 17.115).
(∆T) regülasyonu uygulamas›yla, tesisat›n ç›k›fl ve dönüfl suyu ara-
s›ndaki kullan›m veya d›fl hava flartlar›ndan kaynaklanan s›cakl›k
fark›n›n sabit tutulabilmesi mümkün olmaktad›r.
Sirküle eden su debisinin de¤ifltirilmesiyle, transfer edilen so¤utma
gücü, ç›k›fl ve dönüfl suyunun s›cakl›klar›ndan ba¤›ms›z olarak
kontrol edilebilmektedir.
(∆T) regülasyonu, izlenebilmesinin kolay olabilmesi için daha ziya-
de tek kullan›c›l› devrelerde veya regülasyon zaman faktörünün bi-
lindi¤i tesisatlarda tercih edilmelidir.
Bu regülasyon cinsi daha ziyade kule pompalar›n›n kontrolunda ve
baz› özel klima devrelerinde kullan›lmaktad›r.
3- ±T (ç›k›fl veya dönüfl suyu s›cakl›¤›na ba¤l›) debi ayar› (fiekil
17.116).
(±T) kontrolu kullan›ld›¤›nda, pompan›n devir h›z›n›n (dolay›s›yla
performans karakteristi¤inin), önceden belirlenen de¤erlere de¤iflti-
rilmesi söz konusudur, regülasyon yoktur.
Tesisattaki, belli ç›k›fl suyu (+T) ve dönüfl suyu (-T) s›cakl›klar›nda,
pompan›n vermesi arzulanan debi (dolay›s›yla devir h›z›) de¤erleri,
deneysel olarak tahmin edilerek CR cihaz› üzerinde belli bir karak-
teristik çizgiyle set edilmektedir.
Böylece, pompa devir h›z›n› (dolay›s›yla debisini), örne¤in ç›k›fl su-
yu s›cakl›¤›n›n düflmesiyle ve dönüfl suyu s›cakl›¤›n›n yükselmesiy-
le set edilen de¤erlere uygun olarak, kendili¤inden düflürmekte, fle-
bekeden çekilen elektrik gücünden önemli ölçüde tasarruf gerçek-
lefltirilmektedir. (±T) s›cakl›¤a ba¤l› devir h›z› kontrolu, sadece tek
573
fiekil 17.114. D‹FERANS BASINCI SAB‹T DÜZENLEME
fiekil 17.115. SAB‹T OLMAK ÜZERE DEB‹ ∆T REGÜLASYONU
pompal› sistemlerde uygulanabilmektedir.
Bu regülasyon cinsi kule pompalar›n›n ve chiller sekonder devre-
sinde yer alan fan-coil ve santrallar›n üç yolu motorlu vana kontrol-
lu sistemlerinde zon sirkülasyon pompalar›n›n kontrolunda kullan›l-
maktad›r. (fiekil 17.117).
17.8.5. Pompa Uygulamalar›yla ‹lgili Pratik Notlar
1- Az say›da büyük pompa kullanmak yerine kapasite bölünerek
çok say›da küçük pompa kullanmak gerek ilk yat›r›m maliyeti
gerekse iflletim maliyeti aç›s›ndan daha uygun olmaktad›r.
2- Kl›ma devreleri için en uygun pompa tipi mekanik salmastral›,
kuru rotorlu In-line pompalar olmaktad›r.
3- In-line tipi pompalar›, a¤›rl›klar›na göre 15,5-18 kW motor
güçlerine kadar direkt boruya monte etmek uygun olurken da-
ha büyük güçlü, a¤›r pompalar› kaide üzerine tesbit etmek da-
ha güvenilir olmaktad›r.
4. Frekanans konvertör kontrollü pompa kullanmak toplam mali-
yetler dikkate al›nd›¤›nda daha ekonomik olmaktad›r.
5. Pompa tipi belirlenirken, özellikle basma yüksekli¤i de¤eri
abart›larak tesisatta olandan daha yüksek seçilmemelidir.
6. Pompalar monte edilmeden önce tesisat bas›nçl› suyla y›kan-
m›fl olmal›d›r.
7. Ak›flkan temizli¤ine, su flartland›r›lmas›na ve filtrasyona özen
gösterilmelidir.
8. ‹lk çal›flt›rmadan önce pompalar suyla doldurulmal› ve havala-
r› al›nmal›d›r.
9. fiaseli norm pompalarda ilk çal›flt›rmadan önce kaplin ayar›
mutlaka yeniden yap›lmal›d›r.
10. ‹lk çal›flt›r›l›rken, pompan›n emifl a¤z›ndaki vana tamamen
aç›k, bas›nç a¤z›ndaki vana tam kapal› konumda olmal›d›r. Bu
durumda pompan›n havas› al›nmal› ve mekanik salmastra haz-
nesinin tamamen su ile dolmas› sa¤lanmal›d›r.
11. Bas›nç a¤z›ndaki vana yavafl yavafl aç›larak pompa devreye
al›nmal›d›r. Bu s›rada emifl ve bas›nç a¤›zlar›na ba¤lanan ma-
nometrelerle iflletme bas›nc› ve basma yüksekli¤i hassas bir fle-
kilde tespit edilmelidir. Dolay›s›yla pompalar›n emifl ve bas›nç
a¤›zlar›nda ölçme noktalar› öngörülmesi unutulmamal›d›r.
12. Pompan›n debi ve basma yüksekli¤i de¤erleriyle birlikte, mo-
torun elektrik flebekesinden çekti¤i ak›m kontrol edilerek pom-
pan›n karakteristik e¤risinin verimli noktas›nda çal›flt›¤› garan-
ti alt›na al›nmal›d›r. Gerekiyorsa reglaj vanalar› k›s›larak ge-
rekli ayar yap›lmal› ve motorun afl›r› ak›m çekmesi önlenmeli-
dir.
13. Pompa gruplar›na ait elektrik kontrol panolar›, pompalar› belli
sürelerde rotasyona tabi tutabilecek ve ar›zada otomatik pom-
pa de¤iflimi yapt›racak tarzda donat›lm›fl olmal›d›r.
14. Kule pompas› devreye suyu kondensere do¤ru, chiller primer
pompas› devreye suyu evaparatöre do¤ru, chiller sekonder
pompalar› da devreye suyu fan coillere do¤ru basabilecek
flekilde yerlefltirilmelidir.
fiekil 17.116. G‹D‹fi VEYA DÖNÜfi SUYU SICAKLIK KONTROLÜ
fiekil 17.117. G‹D‹fi VE DÖNÜfi SUYU SICAKLI⁄INA GÖRE AYARLANAN KULE POMPASI VE CHILLER SEKONDER DEVRE
POMPASININ ÖRNEK UYGULAMA fiEMASI
574

Havalandirma tesisat-bolum-17

  • 1.
    524 17. KL‹MA S‹STEMLER‹NDE KULLANILANC‹HAZLAR 17.1. SO⁄UTMA GRUPLARI Binalarda klima santrali ve fan-coil cihazlar›nda kullan›lacak olan so¤uk suyun üretildi¤i cihazlard›r. Afla¤›daki tipleri vard›r: 1-Kondenser Tipine Göre: • Hava So¤utmal› Tip • Su So¤utmal› Tip • Kondensersiz Tip (Remote Condenser Chiller) 2-So¤utucu Ak›flkan Tipine Göre: • R 22 so¤utucu ak›flkanl› • R 134a so¤utucu ak›flkanl› • R 407C so¤utucu ak›flkanl› • R 404A/B/C, R 507 so¤utucu ak›flkanl› • R 290/R1270/R124/R227/R23 so¤utucu ak›flkanl› (özel uygu- lamalarda) • NH3 so¤utucu ak›flkanl› 3-Kompresör Tipine Göre: • Scroll Kompresörlü Tip • Vidal› Kompresörlü Tip - Tek Vidal› - Çift Vidal› • Santrifüj Kompresörlü Tip • Pistonlu Kompresörlü Tip 4-Eflanjör Tipine Göre • Plakal› Tip Eflanjörlü • Gövde-Boru Tipi Eflanjörlü 5-Montaj Yerine Göre • Dahili Tip (Su So¤utmal› So¤utma Gruplar›), • Harici Tip (Hava So¤utmal› & Kondensersiz Tip So¤utma Gruplar›) 17.1.1 So¤utma Grubunun Yerleflimine ve Kondenser Tipine Göre S›n›fland›r›lmas› HVAC uygulamalar›nda kullan›lan klima sistemlerinin so¤utma prosesindeki temel ögesi olan so¤utma gruplar›n›n projelendirme aflamas›nda yerleflimi çok önemlidir. Bu aflamada so¤utma grubu- nun seçiminde binan›n yap›s›na ve bulundu¤u bölgeye çok dikkat edilmelidir. Hava So¤utmal› So¤utma Gruplar› Hava so¤utmal› so¤utma gruplar› paket tip cihazlar olup, harici kul- lan›m içindir. Cihaz›n montaj›n›n yap›laca¤› yer, cihaz katalo¤unda belirtilen boflluklara haiz olmal›d›r. Cihaz›n ses seviyesi proje de- ¤erlerini aflmayan ve çevredeki insanlar› rahats›z etmeyecek bir düzeyde ise hava so¤utmal› gruplar kullan›labilir (fiekil 17.1). Su So¤utmal› So¤utma Gruplar› Su so¤utmal› so¤utma gruplar› yüksek kapasiteli so¤utma gruplar›- d›r. Bu cihazlar binan›n makine dairesine veya baflka bir dahili me- kana yerlefltirilebilir. Ses seviyesinin önemli bir kriter oldu¤u du- rumlarda da su so¤utmal› so¤utma gruplar› hava so¤utmal› so¤utma gruplar›na tercih edilebilir. Ayr›ca yüksek so¤utma kapasiteleri is- tendi¤i durumlarda hava so¤utmal› so¤utma gruplar› çok büyük bir alan gerektirdi¤inden dolay›, boyutlar› daha küçük olan su so¤utma- l› so¤utma gruplar› kullan›labilir. Kondenserdeki ›s›, sistemdeki bir so¤utma kulesi arac›l›¤›yla atmosfere at›l›r (fiekil 17.2). Kondensersiz Tipler Hem su so¤utmal› hem de hava so¤utmal› gruplar›n kullan›lmas›n›n uygun olmad›¤› hallerde remote condenser ad› verilen kondenseri so¤utma grubundan ba¤›ms›z chillerler kullan›labilir. Agresif gazlar›n veya çok yüksek cevre s›cakl›¤›n›n bulundu¤u or- tamlarda remote condenser so¤utma gruplar› kullan›labilir.Ayr›ca ses seviyesinin önemli bir kriter oldu¤u ve cihaz yerleflim alanlar›- n›n s›n›rl› oldu¤u hallerde de kullan›lmas› oldukça yayg›nd›r. Re- mote Conderser tipi so¤utma gruplar›nda su so¤utmal›, hava so¤ut- mal› veya evaporatif tip kondenserler kullan›labilir (fiekil 17.3). 17.1.2 So¤utma Grubu Seçiminde Dikkat Edilmesi Gereken Kriterler 1. Sistemin toplam ve duyulur so¤utma yüklerinin belirlenmesi 2. Sisteme göre diversite faktörünün belirlenmesi 3. Kullan›lacak olan cihaz›n tipinin belirlenmesi (su so¤utmal› / hava so¤utmal› / remote condenser) 4. ‹stenilen so¤utucu ak›flkan›n ve kompresör tipinin belirlenmesi 5. Evaporatör girifl/ç›k›fl suyu s›cakl›klar›n›n belirlenmesi 6. Çevre s›cakl›¤›n›n belirlenmesi (Hava so¤utmal› so¤utma grup- fiekil 17.1. HAVA SO⁄UTMALI SU SO⁄UTMA GRUBU fiekil 17.2. SU SO⁄UTMALI SU SO⁄UTMA GRUBU
  • 2.
    525 lar› için) 7. Çevres›cakl›¤›n›n ve ba¤›l nemin belirlenmesi (Su so¤utmal› so¤utma gruplar› için) 8. Kondenser ç›k›fl suyu s›cakl›klar›n›n belirlenmesi (Su so¤utma- l› so¤utma gruplar› için) 9. Kullan›lacak cihaz›n boyutlar›n›n montaj yerine uygun olup ol- mad›¤›n›n belirlenmesi 10. Kontrol panelinin yerinin belirlenmesi. Kontrol paneli standart olarak cihaz›n üzerine montajl›d›r. Ancak istenildi¤i takdirde kazan dairesine veya otomasyon merkezine tafl›nabilir. Tafl›nma mesafesi cihaz kapasitesine göre max. 300 m veya max. 1000 m‘dir. 11. Cihaz seçiminde cihaz ses seviyesi de gözönüne al›nmal›d›r. 12. Yedekleme imkan› 17.1.3 Start Up Öncesi Dikkat Edilmesi Gerekilen Noktalar. • Cihaz yerleflimi yap›l›rken bak›m ve tamir için gerekli mesafenin b›rak›lmas›na dikkat edilmelidir (fiekil 17.4).Titreflim önleyicile- rin yerleflimi fiekil 17.5’deki gibi detayl› a¤›rl›k da¤›l›m› flemas› gözönüne al›narak yap›lmal›d›r. • Chillerin montaj›n›n yap›laca¤› kaidede imalatç› firman›n önere- ce¤i detaylar gözönüne al›nmal›d›r. So¤utma Gruplar› ‹çin Kaide Detay› (fiekil 17.6): 1. Cihaz ayaklar› 2. Beton kaide (Kaidenin a¤›rl›¤› titreflimin önlenmesi için cihaz a¤›rl›¤›n›n 1-3 kat› aras›nda olmal›d›r.) 3. Köpük dolgu maddesi 4. Kauçuk kompansatör 5. ‹fllenmemifl tabaka 6. Esnek ba¤lant› eleman› • So¤utma grubunun elektrik tesisat›n›n ba¤lant›lar›n›n do¤ru ya- p›lm›fl olmas›na dikkat edilmelidir. • So¤utma sistemi ile ilgili olarak sistemde montaj› yap›lm›fl olan tüm chiller, fan-coil, klima santrali, pompa ve varsa so¤utma ku- lesinin tüm boru ba¤lant›lar› eksiksiz olarak yap›lm›fl olmal›d›r. • Sistemdeki pompalar her zaman eflanjörlere basmal› ve eflan- jörlerin girifl ve ç›k›fllar›na manometre (0-10 kg/cm2) monte edil- melidir (fiekil 17.7). • Sistemde yeterli miktarda bulunmayan su kompresör ve evapo- ratörde ar›zalar›n oluflmas›na neden olaca¤›ndan; tesisatta chiller cihaz› için katalogda belirtilen miktarda suyun bulunmas›na dik- kat edilmelidir. • K›fl dönemi boyunca da çal›flacak olan so¤utma gruplar›n›n su devrelerine, cihaz katalogunda belirtilen miktarda glikol eklen- mesi sa¤lanmal›d›r. Bu de¤er ‹stanbul flartlar› için %10 olarak belirlenmifltir. Buna ba¤l› olarak pompa kapasiteleri muhakkak kontrol edilmelidir. • Debi kontrolü yap›lacak olan chillerde cooler girifl ve ç›k›fllar›na bas›nç fark›na uygun skalal› gösterge ve termometrelerin bulun- mas› gerekmektedir.Yüksekli¤i 20m’ye kadar olan binalarda 0- 30 mss (0-3 bar)’l›k manometre kullan›lmas› uygundur. • Evaporatör girifl ve ç›k›fl›na kapama vanalar› monte edilmeli ve vanalardan önce by pass hatt› oluflturulmal›d›r. • Evaporator ve tesisat üzerine 1/2”l›k boflaltma vanalar› monte edilmelidir. • Chiller hatt› üzerine evaporatorde güvenli bir su ak›fl›n› sa¤la- fiekil 17.3. KONDENSERS‹Z T‹P SU SO⁄UTMA GRUBU fiekil 17.5. HAVA SO⁄UTMALI B‹R SO⁄UTMA GRUBUNUN A⁄IRLIK DA⁄ILIMI fiekil 17.4. SU SO⁄UTMALI B‹R SO⁄UTMA GRUBU ‹Ç‹N SERV‹S BOfiLUKLARI
  • 3.
    526 yacak, yeterli debideak›fl olmad›¤› anlarda so¤uma grubunu devre d›fl› b›rakacak ve evaporatorün donmas›n› önleyecek flow- switch cihaz› monte edilmelidir. Sistemde chiller hatt› üzerine konacak flow-switchin cooler ç›k›fl›ndan ve dirseklerden yakla- fl›k 6 boru çap› mesafede, laminar ak›fl›n oldu¤u bir kesitte, ya- tay boru üzerine monte edilmifl olmas›na dikkat edilmelidir. Flow-switch montaj› için ilgili boru üzerine 1 1/4” manflon ça- p›nda delik delinmeli ve flow-switch 1 1/4”-1” redüksiyon ile monte edilmelidir. • Chiller tesisat› start up’dan önce en az iki kere evaporator girifl ç›k›fl vanalar› kapat›l›p by-pass vanas› aç›larak y›kama (flushing) ifllemine tabi tutulmal›, evaporator girifline ve pompa emifline monte edilmifl olan pislik tutucular temizlenmelidir. • Tesisat flushing iflleminden sonra minimum iki kez çal›flt›r›lmal› ve havas›n›n tamam›yla al›nd›¤›ndan emin olunmal›d›r. • So¤utma grubunun seçim de¤eri olan debi için cooler girifl ç›k›- fl› aras› bas›nç fark›n›n katalogda belirtilen de¤erde olmas›na dikkat edilmelidir. • Evaporator su devresine otomatik su besleme tesisat› monte edil- melidir. • So¤utma gruplar›nda kondenserin zarar görmesini önlemek için su yumuflatma cihaz› kullan›lmas›na dikkat edilmelidir. 17.1.4 So¤utma Gruplar›nda Bulunan Güvenlik Ekipmanlar› So¤utma Gruplar›nda bulunan güvenlik ekipmanlar›n› üç bafll›k al- t›nda inceleyebiliriz. 1. Genel Güvenlik Ekipmanlar›: Cihaz› tamamiyle kapat›r. 2. Devre Güvenlik Ekipmanlar›: Di¤er devreler çal›fl›yorken koru- du¤u devreyi açarak devre d›fl› b›rak›r. 3. Özel Güvenlik Ekipmanlar›: Sadece koruma alt›na ald›¤› k›sm› devre d›fl› b›rak›r. Afla¤›da GEA So¤utma Gruplar›nda bulunan baz› güvenlik ekip- manlar› bulunmaktad›r. • Afl›r› ak›m rölesi • Kompresör termik • Fan motoru termik • Donma korumas› • Düflük bas›nç vanas› • Yüksek bas›nç güvenlik valfi • Faz korumas› 17.1.5 So¤utma Gruplar›nda Kullan›lan Kompresor Tipleri A) Scroll Kompresör Birbiri içine geçmifl iki adet sarmal elemandan oluflan scroll komp- resörler kompakt ve basit konstruksiyonu, düflük kapasitelerde yük- sek volumetrik verimi, sessiz, titreflimsiz yap›s› ve daha düflük ya¤ sirkülasyonu özellikleriyle yüksek bas›nç uygulamalar› için çok uy- gundurlar. Scroll kompresör yaklafl›k 65 kW so¤utma kapasitesine kadar olan so¤utma gruplar›nda kullan›lmaktad›r. Sarmal elemanlar aras›nda kalan bofllu¤a emme vas›tas›yla giren so¤utucu ak›flkan, kompresör dönüflüyle birlikte s›k›flt›r›l›r ve tahliye a¤z›ndan at›l›r. Sarmallardan biri üzerindekindeki by pass kanal›n›n aç›l›p kapan- mas› ile kapasite kontrolü sa¤lan›r. B) Vidal› Kompresörler Tek Vidal› Kompresör R134a ve R407C so¤utucu ak›flkanlar› için optimize edilmifl bu kompresörler kompakt ve robust dizaynlar›yla y›llar boyunca güve- nilir ve verimli bir iflletim sa¤lamaktad›r. Tek vidal› kompresörler düflük iflletim ve bak›m maliyetleriyle dikkati çekmektedirler. Büyük kapasiteli GEA so¤utma gruplar›nda da kullan›lan bu tip kompresörler; komposit rotor malzemesi, con- talar› ya¤layan, ses oluflumunu önleyen ve ya¤ dolafl›m sistemini basitlefltiren likid enjeksiyon sistemi, sadece üç adet dönel parças›, simetrik s›k›flt›rma sistemi ve güvenilir yatak tasar›m›yla bak›m ma- liyetini minimuma indirmektedir. Bu kompresörlerde kullan›lan emifl gaz› so¤utmal› motor; homojen gaz da¤›l›m›, daha iyi so¤utma, sabit s›cakl›k ve dolay›s›yla daha fiekil 17.6. KA‹DE DETAYI fiekil 17.7. S‹STEMDE EfiANJÖR YERLEfi‹M‹
  • 4.
    527 uzun motor ömrüsa¤lar. Ya¤ pompas›n›n olmad›¤› bu kompresör- de minimum düzeyde titreflim oluflmaktad›r. Yukar›da belirtilen bu özelliklerin sonucu olarak bu tip kompresörler için gereken bak›m periodu ortaklama 40.000 iflletme saati olarak belirlenmifltir. Çift Vidal› Kompresör Bu tip kompresörler iki adet helisel vidal› diflli mekanizmadan olufl- maktad›r. Emme hatt›ndan al›nan gaz, vida difllileri aras›nda s›k›flt›- r›larak bas›nc› art›r›l›r. C) Santrifüj Kompresörlü So¤utma Gruplar› En yüksek kapasiteye ç›kabilen bu tip kompresörler, pozitif güçle s›k›flt›rma olmadan, dönme etkisiyle so¤utucu ak›flkan›n yüksek s›- cakl›¤a ve bas›nca gelmesi presibi ile çal›fl›r. Tek veya çok kademe- li olabilen bu tip kompresörlerin kapasite kontrolü yönlendirici ka- natlarla yap›l›r. D) Pistonlu Kompresörlü So¤utma Gruplar› Pistonlu kompresörlerde pozitif etkili bir silindir piston mekaniz- mas› sayesinde so¤utucu ak›flkan s›k›flt›r›l›r. S›k›flt›r›lan bu ak›flkan kondenserde yo¤uflturularak so¤utma prosesinin gerçekleflmesi sa¤- lan›r. Bu tip kompresörler HVAC uygulamalar›nda kullan›lan en es- ki tiptir. Kapasite kontrolü ad›m kontollüdür. 17.1.6 So¤utma Gruplar›nda Verim So¤utma gruplar›n›n seçimindeki en önemli faktörlerden biri de so- ¤utma grubunun so¤utma kapasitesinin, harcad›¤› enerji miktar›na oran›d›r. So¤utma gruplar›nda iki tip verim tan›m› vard›r. 1. Anma yükündeki verim. Anma yükündeki verim COP veya EER olarak tan›mlan›r. COP kompresör so¤utma kapasitesinin, kompresöre verilen elektrik enerjisine oran›d›r. EER so¤utma kapasitesinin sisteme verilen toplam enerjiye oran›d›r. ‹kisi aras›nda gözönüne al›nan enerji tüketimi tan›m› nedeniyle kü- çük bir fark vard›r. EER tan›m›nda birim fark› da söz konusu- dur. COP veya EER= Q/W fiekil 17.8. SCROLL KOMPRESÖR ÇALIfiMA PRENS‹B‹, a) EMME, b) SIKIfiTIRMA, c) TAHL‹YE a) b) c) fiekil 17.9. SCROLL KOMPRESÖR B‹LEfiENLER‹ fiekil 17.10. TEK V‹DALI KOMPRESÖR fiekil 17.11. Ç‹FT V‹DALI KOMPRESÖR Erkek Rotor Difli Rotor
  • 5.
    Burada; COP = Performanskatsay›s› (Coefficient Of Performance) EER = Enerji verimlilik oran› (Energy Efficiency Ratio) Q = Üretilen so¤utma (Watt veya Ton So¤utma) W = Tüketilen enerji miktar› (W veya kW) 1. K›smi yükteki verim. Kompresörde k›smi yüklerde çal›flmada verim düflümü meydana gelir. Sistem gerçek hayatta ço¤u zaman k›smi yüklerde çal›fl›r. Dolay›s›yla kompresör gerçek verimi k›s- mi yüklerdeki çal›flmay› dikkate alan bir verim olmal›d›r. Stan- dart k›smi yük verim tan›m› IPLV de¤eridir. IPLV %25, %50, %75, %100 kismi yük de¤erlerindeki verimlerin a¤›rl›kl› ortalamas›d›r. IPLV = 0.01 A + 0.42 B + 0.45 C + 0.12 D Burada; IPLV = Standart k›smi yükteki verim veya çal›flma verimi (Integ- rated Part Load Value) ARI Standatlar›nda; A = % 100 Kapasitede kW enerji / Ton So¤utma B = % 75 Kapasitede kW enerji / Ton So¤utma C = % 50 Kapasitede kW enerji / Ton So¤utma D = % 25 Kapasitede kW enerji / Ton So¤utma 2.Uygulanan farkl› koflullardaki k›smi yükte verim de¤eri (APLV=Applied Part Load Value) APLV de¤eri; IPLV de¤erinin ARI Standart de¤erleri d›fl›ndaki, de¤iflik su ve hava kofluluna karfl› gelen özel tan›mlanan A, B, C, D de¤erleri ile çözümüdür. Tek kademeli tek kompresörlü küçük ünitelerde k›smi yük bulun- mad›¤›ndan dolay› sadece COP veya EER de¤erleri kullan›l›rken, daha büyük gruplarda cihaz›n gerçek performans›n› gösteren IPLV de¤eri önem kazan›r. Yüksek binalarda ve ifl merkezlerinde kullan›lan so¤utma gruplar› için ASHRAE taraf›ndan tavsiye edilen minimum verim de¤erleri afla¤›da belirtilmifltir: Hava So¤utmal› So¤utma Gruplar› için: Q < 150 Ton ise COP = 2,7; IPLV = 2,8 Q > 150 Ton ise COP = 2,5; IPLV = 2,5 Su So¤utmal› So¤utma Gruplar› için Q < 150 Ton ise COP = 3,8; IPLV = 3,9 150 <Q < 380 Ton ise COP = 4,2; IPLV = 4,5 Q > 380 Ton ise COP = 5,2; IPLV = 5,3 IPLV de¤eri bir cihaz›n verimlili¤ini sadece dört noktay› referans alarak hesaplamaktad›r. Oransal kontrol imkan› olan so¤utma grup- lar›nda (vidal› veya santrifüj kompresörlü), daha detayl› k›smi yük verim tan›m› ve buradan hareketle enerji harcamas› de¤erleri hesap- lanabilir. 17.2. SO⁄UTMA KULELER‹ So¤utma kuleleri, iklimlendirme veya üretim ifllerinde, so¤utma su- yu ›s›s›n›n atmosfere at›lmas›nda kullan›lan cihazlard›r. Örnek ola- rak su so¤utmal› so¤utma gruplar›nda kondenser ›s›s›, so¤utma ku- lelerinde so¤utulan su vas›tas›yla d›flar› at›l›r. So¤utma kulelerinde ›s›n›n çekilmesinde suyun buharlaflmas› esas oldu¤u için havan›n yafl termometre s›cakl›¤› etkilidir. So¤utma kuleleri aç›k ve kapal› olarak iki tiptedir. Aç›k so¤utma ku- lelerinde, so¤utulacak su direkt olarak hava içine küçük memelerden püskürtülür. Küçük damlac›klar halindeki su, etraf›ndan geçen hava taraf›ndan ve kendi buharlaflmas›yla so¤utulur. Sudan havaya duyu- lur ve gizli ›s› biçiminde ›s› transfer edilir. Kapal› so¤utma kulelerin- de (evoparatif kondenserler) ise, so¤utulacak su serpantin fleklindeki borular›n içindedir. Borunun d›fl›ndan ise so¤utma havas› geçer. Bu s›rada boru d›fl›na baflka bir su püskürtülür. Bu suyun buharlaflmas› için gerekli ›s› boru içindeki so¤utulacak sudan çekilir. Böylece ka- pal› so¤utma kulelerinde so¤utulacak su d›fl ortamla temas etmeye- rek, kapal› bir devrede yüzeyli bir so¤utucuda so¤utulmufl olur. Kuledeki hava ak›fl› zorlanm›fl ya da do¤al olabilir. Is› geçifl yüzeyi- ni artt›rmak için dolgu malzemesi kullan›labilir. Zorlanm›fl ak›fll› olanlarda hava hareketi radyal veya aksiyal fanlarla sa¤lanabilir. Bu alternatiflerin her biri ayr› bir kule tipi oluflturur. Kuleler de¤iflik malzemelerden imal edilebilir. ‹nflai tip kuleler be- tonarme, ahflap, güçlendirilmifl plastik levhalar; standart kuleler ise genellikle çelik veya güçlendirilmifl plastik levhalardan imal edilir- ler. Çelik kulelerde korozyona karfl› yaln›zca galvanizli saç kullan›l- mas› veya saç malzemenin boyanmas› yeterli de¤ildir. Korozyona dayan›m için özel ifllemden geçmifl, boyal› ve yüzeyi özel film ta- bakas› ile kaplanm›fl saçlardan mamul kuleler kullan›lmal›d›r. Örne¤in, GEA soramat çelik so¤utma kulelerinde kullan›lan özel kaplama uzun ömür sa¤lamaktad›r. Korozif nitelikte su veya atmos- ferik flartlar söz konusu oldu¤unda ise, plastik kulelerin kullan›m› tavsiye edilir. 17.2.1. Kule Cinsleri 1. Atmosferik Kuleler (fiekil 17.12) • Kuledeki hava hareketi rüzgâra ba¤l›d›r. • Su memelerle yukar›dan püskürtülür. • Mekanik parçalar› olmad›¤›ndan uzun ömürlüdürler ve çok az ba- k›m gerektirirler. • Havan›n resirkülasyonu görülmez. • E¤er kule çok uzun ve darsa sirkülasyon pompas›n›n basma yük- 528 fiekil 17.12. ATMOSFER‹K SU SO⁄UTMA KULES‹
  • 6.
    sekli¤i fazla olmal›d›r. •Aç›k ve engeller olmayan sahalara yerlefltirilmelidirler. • Hava girifl ve ç›k›fl yüzeyleri en s›k esen rüzgâr yönüne konulma- l›d›r. • Uzun konstrüksiyonlarda rüzgâr kuvvetine karfl› önlem al›nmal›d›r. • Kule rüzgâr alt› taraflar›nda sis oluflma riski vard›r. • Su s›cakl›¤› rüzgâr yönü ve fliddetine göre de¤iflir. • Yafl termometre s›cakl›¤›na yaklafl›m derecesi iyi de¤ildir. • Maliyeti zorlanm›fl ak›ml› kuleler kadar yüksektir. 1.1. Spreyli Kuleler (fiekil 17.13) • ‹çinde dolgu bulunmaz. • Sadece tepede sprey memeleri bulunur. • Bak›m maliyeti azd›r. • Suyu atomize etmek için pompan›n basma yüksekli¤i fazla olmal›d›r. • Memelerin t›kanmas› dengesizlik yarat›r ve performans› düflürür. • Rüzgâr nedeni ile kay›plar› fazlad›r. • Nisbeten küçük so¤utma yükleri için uygundur. 1.2. Dolgulu Kuleler (fiekil 17.14) • Hava/Su temas yüzeyini ve zaman›n› art›rmak amac›yla dolgu kullan›l›r. • Performans› spreyli kuleden daha iyidir. 2. Zorlanm›fl Ak›ml› Kuleler (fiekil 17.15) • Hava ak›m› fanlarla sa¤land›¤›ndan tam kontrolü mümkün olur. • Gerektirdi¤i kaide alan› daha azd›r. • Su s›cakl›¤› kontrol edilebilir. • Gerekli pompa basma yüksekli¤i azd›r. • Kule yerleflim yönü rüzgâra ba¤l› de¤ildir. • Verimli kulelerde yafl termometre s›cakl›¤›na yaklafl›m 1-1,5 °C kadar olabilir. Ama pratikte 3-4 °C tercih edilir. • Fan gücünden dolay› iflletme maliyeti yüksek olabilir. • Mekanik ar›zalar performans› düflürebilir. • Ç›k›fl havas›n›n girifle resirkülasyonu önlenmelidir. Aksi halde kule performans› düfler. • ‹flletme ve bak›m maliyeti do¤al ak›ml› kulelerden daha fazlad›r. • Özellikle fanlardan kaynaklanan titreflim ve gürültünün problem yaratmamas› için önlem al›nmal›d›r. 2.1. Üflemeli Kuleler (fiekil 17.16) • Kule hava girifl k›s›mlar›ndaki fanlar dolgu üzerine havay› üfler. • Mekanik aksam kule kaidesine yak›nd›r. Böylece titreflim proble- mi azd›r ve bak›m s›ras›nda kolay ulafl›labilir. • Mekanik aksam giriflteki kuru havayla temas eder. • Fan boyutlar› s›n›rl› oldu¤undan; fazla say›da ve yüksek devirde- ki daha küçük fanlar kullan›lmas›ndan dolay› emmeli kulelere gö- re daha fazla gürültü üretirler ama kule kendisi sönümleme özel- 529 fiekil 17.13. SPREYL‹ KULELER fiekil 17.14. DOLGULU KULELER fiekil 17.15. ZORLANMIfi AKIMLI KULELER
  • 7.
    530 likleri gösterir. • K›fl›nfan üzerinde ve hava giriflinde bloklar veya daralmalar flek- linde buz oluflturma e¤ilimleri vard›r. • Baz› tiplerinde e¤er hava ç›k›fl h›z› düflük ise resirkülasyon riski vard›r. Bu durumda hava h›zl› bir flekilde kanallarla uzaklaflt›r›l- mal›d›r. 2.2. Emmeli Kuleler (fiekil 17.17) • Genellikle kule tepesinde yer alan fanla hava emilir. • Daha büyük fanlar dolay›s›yla daha düflük devir kullan›labildi¤in- den daha az gürültü ihtimali vard›r. • Yüksek girifl h›zlar›nda tozlar emilebilir. Hava filtresi gerekebilir. • Hava ç›k›fl h›zlar› yüksek oldu¤undan resirkülasyon ihtimali azd›r. • Fanlar üst tarafta yer ald›¤›ndan titreflime daha e¤ilimlidir. • Bak›m s›ras›nda mekanik aksama daha zor ulafl›labilir. • Mekanik aksam nemli hava ak›m›na maruz kalmaktad›r. • Fanlar tabanda yer almad›¤›ndan, taban alan› üflemeli kuleye gö- re daha küçüktür. • Havan›n yukar›dan akan suya göre ters yönde dik olarak emildi- ¤i ters ak›ml› kulelerde en so¤uk su en kuru hava ile karfl›lafl›r, maksimum performans elde edilir. 2.3. Çarpraz Ak›ml› Kule (fiekil 17.18) • Ters ak›ml› kuleye göre daha büyük taban alan›na sahiptir. • Hava girifl yerleri tüm kule yüksekli¤inde yer alabilir. Kule boyu k›sa oldu¤undan mimari k›s›tlamaya uyabilir. • Kapal› bölgeye yerlefltirildi¤inde resirkülasyon riski vard›r. • Gerekli pompa basma yüksekli¤i azd›r. • Su da¤›t›m sistemine kolayca ulafl›labilir. • E¤er kule içeride kullan›lmayacaksa toz ve pisli¤e karfl› önlem al- mal›d›r. • Çift giriflli kulelerde hava giriflinin engellenmemesine dikkat edil- melidir. 17.2.2. So¤utma Kulesi Seçimi ‹çin Gerekli Bilgiler • So¤utulacak su debisi veya kule kapasitesi fiekil 17.16. ÜFLEMEL‹ SU SO⁄UTMA KULES‹ fiekil 17.17. EMMEL‹ SU SO⁄UTMA KULES‹
  • 8.
    531 • So¤utulacak sugirifl s›cakl›¤› • So¤utulacak su ç›k›fl s›cakl›¤› • Yafl termometre hesap s›cakl›¤› • Yerlefltirilece¤i yerin plan› ve mekandaki kat plan›, yükseklik, ge- nifllik, a¤›rl›k, görünüm gibi mimari s›n›rlamalar. • ‹stenilen ses seviyesi, kule yak›nlar›nda gürültüye hassas mekan- lar›n olup olmamas›. • Kulenin y›l içinde kullan›lma zamanlar› ve kullan›lacak yerdeki iklim flartlar› (donmaya karfl› önlem için) • Kullan›lacak suyun analizi. • Deniz seviyesinden yükseklik Seçilen So¤utma Kuleleri Aras›nda Bir De¤erlendirme Yapabilmek ‹çin Bilinmesi Gerekenler; • So¤utma kulesinin sat›n alma maliyeti • Gerekli kule kaide alan› • Titreflim ve gürültü seviyesi (Gürültü problemi olan mekanlarda daha sessiz olan ve susturucu kullanmas› daha kolay olan santri- füj fanl› (üflemeli) kuleleri tercih ediniz. E¤er gürültü çok önem- li bir faktörse kolayca kontrol edilebilen yüksek frekansta sesler yayan fans›z enjektörlü kuleler kullan›lmal›d›r.) • Gerekli fan gücü • Pompa grubunun maliyeti veya karfl›lanmas› gereken kay›plar • Pompa ve fanlara çekilecek enerji hatt› maliyeti • Elektrik kontrolleri ve ba¤lant›lar› • Kuleden makina dairesine kadar borulama maliyeti • E¤er üretici taraf›ndan sa¤lanm›yorsa su toplanma havuzu, pislik tutucu, taflma, blöf hatlar› maliyeti • E¤er üretici taraf›ndan sa¤lanm›yorsa kesme ve kontrol vanalar› maliyeti • Kuleye ulafl›m› sa¤layacak geçifller ve merdivenlerin maliyeti • Fan ve pompalar›n y›ll›k iflletme saatine göre gerekli enerji gider- leri • Beklenen ömür ve amortisman süresi • Bak›m ve onar›m maliyeti • De¤iflken yükleri karfl›layabilme imkân› • Kule havuzunun, dolgunun, su girifl süzgecinin ve spreylerin ko- lay ulafl›labilir ve temizlenebilir olmas› • Yedek parça bulma kolayl›¤› • Üretici güvenirli¤i ve tecrübesi E¤er kule kondenser seviyesinden daha afla¤›ya konulacaksa, sifon- lama veya kapanma s›ras›nda taflma problemleri olabilir. E¤er sifon- lama ile kondenser susuz kal›rsa tekrar bafllang›çta su flokuna u¤ra- yabilir. Böyle durumlarda sifonlama ve geriye ak›fl için gerekli ön- lemler al›nmal›d›r. E¤er kule makina dairesinden çok uzaksa veya alt seviyede ise sir- külasyon pompas› kule yan›na yerlefltirilebilir. E¤er sabit kondenser s›cakl›¤› isteniyorsa by-pass hatt› kullan›l›r (fiekil 17.19). E¤er kondenser kule ile ayn› seviyede ise (Yük olmad›¤›nda, ak›fl by-pass hatt›ndan geçerken kule hatt›nda ak›fl olmamas›n› garanti alt›na almak için üç yollu vana kullan›l›r.) Pompa emifl hatt›na ek bas›nç kayb› getirmemek için ay›rma vana- s› A noktas›na konulmamal›d›r (fiekil 17.20). 17.2.3. So¤utma Kulesi Tesisat›nda Dikkat Edilmesi Gereken Hususlar • Sirkülasyon pompas›n›n karfl›lamas› gereken kay›plar; kule tepe- si ile havuzu aras›ndaki statik yükseklik, emme ve basma hatla- r›ndaki sürtünme kay›plar›, kondenserdeki bas›nç kayb›, kontrol vanas›, pislik tutucu ve sprey memelerindeki kay›plard›r. • Normalde borulardaki su h›zlar› 1.5 - 3.6 m/s seçilir. • Kule drenaj› önceden göz önüne al›nmal›d›r. • Kule taflma hatt› drenaja ba¤lanmal› ve üzerine vana konulmamal›d›r. • Temizlik için kule yak›n›na bir tesisat çekilmelidir. • Make-up hatt›na ek olarak sistem doldurma hatt› da olmal›d›r. • E¤er paralel konderserler kullan›l›yorsa en büyük kay›pl› olan göz önüne al›n›r. Balans vanalar› kullan›labilir. fiekil 17.18. ÇAPRAZ AKIMLI SU SO⁄UTMA KULES‹
  • 9.
    532 • Emme hatt›ndakullan›lacak pislik tutucular›n girifl ve ç›k›fl›na, temizlenme gereklili¤inin anlafl›labilmesi için, ölçüm noktalar› konulmal›d›r. • Borulardaki bas›nç düflümü azalt›lmaya çal›fl›lmal›d›r. • Borularda hava ceplerinin oluflmas›n› önlemek için e¤imli yap›l- mal›d›r. • Havuz taban›ndan hava emilerek pompalarda kavitasyon oluflma- s› engellenmelidir. • Pompan›n performansl› çal›flmas› için emme hatt› düz boru uzun- lu¤u en az befl çap uzunlu¤unda olmal›d›r. • Sirkülasyon pompalar›n›n susuz çal›flmamas› için gerekli önlem- ler al›nmal›d›r. Su toplanma havuzuna seviye ölçer konulmal›d›r. Gerekli ilk pozitif bas›nç için havuz seviyesi pompa seviyesinden yukar›da olmal›d›r. • E¤er birden fazla kule ba¤lanacaksa kay›plar dengelenmelidir. Ayr›ca her kulede eflit su seviyesi sa¤lamak için denge hatt› kul- lan›lmal›d›r. fiekil 17.21 • E¤er konderser alt seviyede ise; fiekil 17.22 • A ve B aras› by-pass hatt› ile kule hatt› dengeli olmal›d›r. By-pass hatt› bas›nç kayb› kule hatt› kay›plar›ndan daha az olmal›d›r ki; vana tamamen aç›k oldu¤unda kule hatt›na su gitmesin (Kelebek vana tercih edilmeli) • Otomatik kontrol vanas›n›n tam aç›k oldu¤u durumda pompa afl›- r› yüklemesini ve kule taflmas›n› önlemek için vana kuleye yak›n konulmal›d›r. • fiekil 17.23’deki tavsiyelere uyulmal›d›r; • Ayr›ca ilk yol verme kolayl›¤› için vanalar daima minimum havuz seviyesi alt›nda olmal›d›r. • E¤er kulenin birden fazla girifli varsa, her hücreye dengeli ak›fl için balans vanalar›; gerekli ise hücreleri izole etmek için kesme vanalar› kullan›lmal›d›r. • Kule havuzu iflletme ve taflma seviyeleri aras›nda kolonlar› ve di¤er da¤›t›m kollektörlerini doldurabilecek ek hacme sahip olmal›d›r. • Tüm donma ihtimali olan borular izole edilmeli ve ›s›t›lmal›d›r. • E¤er fan motoru güç kesme anahtar› kuleden uzaksa, servis s›ra- s›nda kazalar› önlemek için muhakkak kule üzerinde de güç kes- me anahtar› bulunmal›d›r. • fiekil 17.24’de bir kondenser-so¤utma kule devresi tip projesi ve- rilmifltir. 17.2.4. So¤utma Kulesi Montaj› Kuleyi yerlefltirirken dikkat edilecekler; • Kuleyi mümkün oldu¤unca s›cak hava ve kirletici madde bulun- duran (baca v.s.) kaynaklardan uza¤a koymak gerekir. • En iyi yerlefltirme alan› yüksek bina çat›lar›d›r. • Yüksek binalar aras›nda yer alan alçak bina çat›s›na yerlefltirme- de gürültü ve performans problemleri olabilir. • Su veya buz damlac›klar›n problem yarataca¤› ya da uza¤a tafl›- nabilece¤i yerlere yerlefltirmemelidir. • Mümkünse gürültüyü yans›tabilecek genifl duvarlardan 6 m uza- ¤a koymal›d›r. • Kulenin gürültülü olmayan taraf›n› gürültüye hassas bölgeye çe- virmelidir. • Mümkünse do¤al ses kesicilerden (etraftaki a¤açlar, tepeler v.s.) yararlanmal›d›r. • E¤er kule titreflime karfl› izole edilecekse kuleye ba¤lant›s› olan di¤er borular›, elektrik tavalar›n› da bir sistem olarak düflünmek gerekir. Kule serbest titreflimi bunlar taraf›ndan önlenmemeli ve yaflanan bölgelere iletilmemelidir. • Kule yak›n›nda duvar var ise kule hava ç›k›fl seviyesi en az duvar fiekil 17.19. BY-PASS HATLI KULE DEVRES‹ fiekil 17.20. KULE HATTI AYIRMA VANASI YERLEfi‹M‹
  • 10.
    533 seviyesinde olmal›d›r. Aksihalde kule performans›n› % 15-50 et- kileyen resirkülasyon meydana gelir (fiekil 17.25). • Resirkülasyonu önlemek için ya kule yükseltilir veya bafll›k kul- lan›l›r. Ama bafll›k kullan›m›nda kay›plardan dolay› fan motoru büyür (fiekil 17.26). • Kule duvara yak›n konulacaksa hava girifl taraf› aksi istikamete konmal›d›r. E¤er bu yap›lam›yorsa kule yerden yüksekli¤ine ve büyüklü¤üne göre belli bir mesafe uza¤a konulmal›d›r. E¤er ye- terli mesafe yoksa duvara olan mesafe 1,2 ve 1,8 m’den az olma- mak üzere bafll›k kullan›lmal›d›r (fiekil 17.27). • Birden fazla kule yerlefltirilecekse fiekil 17.28’de görüldü¤ü gibi yerlefltirilmelidirler. • E¤er hava girifl yerleri karfl›l›kl› konulacaksa kule yüksekli¤i ve büyüklü¤üne göre arada belli bir mesafe b›rak›lmal›d›r. E¤er yer darsa aradaki mesafe 1,8-3,0 m’den az olmamak üzere bafll›k kul- lan›lmal›d›r (fiekil 17.29). fiekil 17.23. TAVS‹YELERfiekil 17.22. KONDENSER ALT SEV‹YEDE fiekil 17.21. B‹RDEN FAZLA KULE BA⁄LANTISI
  • 11.
    fiekil 17.24. KONDENSER- SO⁄UTMA KULES‹ DEVRES‹ T‹P PROJES‹ 534
  • 12.
    535 fiekil 17.25. KULEHAVA ÇIKIfi SEV‹YES‹ DUVARIN ALTINDA OLMAMALIDIR fiekil 17.26. KULE YÜKSELT‹L‹R VEYA BAfiLIK KULLANILIR fiekil 17.27. DUVARA YAKIN YERLEfi‹M
  • 13.
    • Çok büyükkuleler birarada kullan›ld›¤›nda, çok miktarda hava kullan›ld›¤›ndan ortam havas› yerel flartlardan farkl› olarak genel- likle yafl termometre s›cakl›¤› yüksek olur. Ayr›ca bask›n rüzgâr yönü gözönüne al›nmal›d›r. Rüzgâr yönü olarak en s›cak günler- de esen rüzgâr›n yönü dikkate al›nmal›d›r (fiekil 17.30). • Kule dört taraf› çevrili bir yerde kullan›lacaksa resirkülasyonu önlemek için afla¤› do¤ru hava h›z› 1,5 m/s bafll›kla ise 2 m/s ol- mal›d›r. Kule için belli bir kullan›labilir alan gerekmektedir (fie- kil 17.31). E¤er kule üst taraf› aç›k dört taraf› çevrili bir mekana yerlefltirilecekse hava girifl duvar› en az % 50 net serbest alana sahip olmal›d›r. Resirkü- lasyonu önlemek için hava afla¤›dan yukar› do¤ru, en az bas›nç kayb› ile en fazla 3 m/s olacak flekilde yönlendirilmelidir (fiekil 17.32.A). 536 fiekil 17.28. ‹K‹ KULE YERLEfi‹M‹ fiekil 17.30. HAK‹M RÜZGAR YÖNÜ fiekil 17.29. KARfiILIKLI HAVA EM‹fi‹
  • 14.
    • ‹ç mekanplenum olarak kullan›l›yorsa hava girifl menfezlerinde hava h›z› 4 m/s’yi geçmemelidir (fiekil 17.32.B). • Kule bulunan yerin üstüne ›zgara yap›lacaksa kule ç›k›fl a¤z›n› kapatmamal›d›r (fiekil 17.32.C). • ‹ç mekanlarda kullan›lan kulelerde hava ç›k›fl kanal› statik bas›n- c› 150 Pa’dan fazla ise kullan›lacak santrifüj kuleler dikkatli se- çilmelidir. • Odada bulunan di¤er ekipmanlar kule hava girifl yerlerine kule büyüklü¤üne göre en az 0,9-1,5-1,8 m mesafede bulunmal›d›rlar. • E¤er girifl ve ç›k›flta kanal kullan›lacaksa keskin dirseklerden ka- ç›nmal›d›r. Hava girifl h›z› en fazla 4 m/s, ç›k›fl h›z› ise 5 m/s ol- mal›d›r (fiekil 17.32.D). 537 fiekil 17.31. KULE ‹Ç‹N GEREKL‹ ALAN fiekil 17.32.C. IZGARA YAPIMI fiekil 17.32.A. DUVAR ÇEVR‹L‹ YERLEfi‹M fiekil 17.32.B. ‹Ç MEKANA YERLEfi‹M
  • 15.
    17.2.5. So¤utma kulesiile so¤utma grubu ba¤lant›s› fiekil 17.33’de 3 adet so¤utma grubu bir tek kuleye ba¤lanm›flt›r. So¤utma gruplar›n›n kapasiteleri ayn›d›r. Yani her bir grup pompa- s› eflleniktir. Böylece tek bir yedek pompa kullan›lm›flt›r. So¤utma kulesi olarak aksiyal fanl› plastik so¤utma kulesi kullan›lmaktad›r. Fan iki devirli olarak seçilmifltir. Kule emme ve basma hatt› ortak olarak çekilmifltir. Bir di¤er yol ise her bir gruptan ayr› hat çekilme- si ve hatlar›n kule giriflinde birlefltirilmesidir. Bu yedekleme anla- m›nda bir avantaj sa¤layabilir. ‹lk durumda gruplar ve kule aras›n- daki gidifl hatt›nda, kaçak vs gibi problemler olufltu¤unda tüm siste- min durmas› gerekirken, ikinci durumda iki adet so¤utma grubu ça- l›flmaya devam edecektir. Yaln›z ayn› yedeklemenin kuleden gelifl hatt›na da uygulanmas› gerekir. kule ile pompa emifl kolektörü ara- s›nda bir de yedek ikinci hat çekilmelidir. Bilgi ifllem, haberleflme tesisleri gibi kesinti olmamas› gerekli olan yerlerde bu yöntem em- niyeti art›rmak bak›m›ndan uygulanabilir. Boru hatt›nda yap›lan ye- deklemenin yan› s›ra kulede de yedekleme yapmak gerekir. Bu du- rumda tek fanl› bir kule kullanmak yerine, çok hücreli ve çok fanl› (radyal fanl›) so¤utma kulesi kullan›lmal›d›r. fiekil 17.34 kapasiteleri farkl› kule ve gruplar›n birbirlerinden tama- men ba¤›ms›z olarak ba¤land›¤› bir sistemi göstermektedir. Her bir kule-grup ikilisinin ba¤›ms›z olmas› balanslama ve kontrolü kolay- laflt›r›c› bir faktördür. fiekil 17.35’de ise kapasiteleri ayn› olan üçer adet grup ve kulenin birbirlerine ba¤land›¤› iki farkl› sistem görülmektedir. Her bir kule- grup ikilisinin di¤erlerinden tamamen ba¤›ms›z olmamas› yedekle- me anlam›nda bir avantaj getirmektedir. Birinci sistemde her bir ku- le ve grup aras›nda ayr› hatlar çekilmifltir. Kule ve pompa emifli ara- s›ndaki hat ise ortakt›r. Balans›n sa¤lanmas› için kule emiflleri loop fleklinde birbirlerine ba¤lanm›fl, su seviyesinin ortak olmas›n› sa¤- lamak için de kuleler aras›na seviye dengeleme hatt› çekilmifltir. Sistemin kontrolü kolayd›r. Grup çal›flmad›¤›nda ilgili pompa da kapat›lmaktad›r. Bu durumda her bir grup ve kule aras› hatt› ayr› ol- du¤undan sistem balans›nda herhangi bir de¤ifliklik olmamaktad›r. fieklin ikinci yar›s›nda ise kuleler ve grup aras› hatt›n ortak oldu¤u bir sistem görülmektedir. Bu flekilde ortak hat olan bir sistemde, bir grup çal›flmad›¤› zaman ilgili kule ve pompan›n durdurulmas› siste- min balans›n› bozabilir. Bunu önlemek için kule girifllerine iki yol- lu on-off vana monte edilmifltir. Kule çal›flmad›¤› zaman vanay› ka- patarak kuleye su girifli önlenmektedir. 17.2.6. So¤utma Kuleleri ‹flletmesi Kuleyi ilk iflletmeye veya uzun süre bekleme periyodundan sonra iflletmeye almadan önce yap›lmas› gerekenler; • Hava girifl yerleri, fanlar, eliminatörler, ›s› transfer bölgesi ve ku- le havuzu toz ve kal›nt›lardan temizlenmeli. • Sisteme pislik kaçmas›n› önlemek için kule havuzu pislik tutucu- sunu ç›karmadan havuzu temizleyin. • Daha sonra pislik tutucuyu ç›kar›p temizleyin. • Kolayca dönüp dönmedi¤ini anlamak için fanlar› elle döndürün. • Fan kay›fllar›n› kontrol edin, gerekliyse ayarlay›n. • Sezon bafllang›çlar›nda fan flaftlar›n› ve motor yataklar›n› ya¤la- y›n. Rulmanlar fabrikada ya¤lanm›fl olmas›na ra¤men e¤er kule iflletilmeden 1y›l beklemiflse tekrar ya¤lanmal›d›r. • Make-up flatörü serbestçe çal›fl›p çal›flmad›¤›n› kontrol edin. • Taflma seviyesine kadar havuzu doldurun. • Make-up flatörü kapanma seviyesini ayarlay›n. • Sprey memelerini ve ›s› transfer k›sm›n› kontrol edin. • E¤er varsa fan s›kma sabitleme bileziklerini (locking collar) kont- rol edin, gerekliyse s›k›n. • Fanlara yol verin ve uygun yönde dönüp dönmedi¤ini kontrol edin. • Tüm fan, motor voltaj ve ak›mlar›n› kontrol edin. Etiket de¤erle- rini afl›p aflmad›¤›n› kontrol edin. • S›zma (blöf) hatt›n› çal›flt›r›n. 24 Saat Çal›flmadan Sonra; • Kulede herhangi bir rahats›z edici titreflim ve gürültü olup olma- d›¤›n› kontrol edin. • Havuzdaki su iflletme seviyesini kontrol edin, gerekli ise ayarla- y›n. • Fan kay›fl gerginli¤ini kontrol edip yeniden ayarlay›n. • Sprey memelerini ve ›s› transferi k›sm›n› kontrol edin. 538 fiekil 17.32.D. KANAL KULLANIMI
  • 16.
    fiekil 17.33. ÜÇSO⁄UTMA GRUBUNUN TEK KULEYE BA⁄LANMASI PROJES‹ 539
  • 17.
    fiekil 17.34. KAPAS‹TELER‹FARKLI KULE VE GRUPLARIN BA⁄IMSIZ BA⁄LANTILI DEVRE PROJES‹ 540
  • 18.
    fiekil 17.35. KAPAS‹TELER‹AYNI KULE VE GRUPLARIN ALTERNAT‹F BA⁄LANTI DEVRELER‹ PROJELER‹ 541
  • 19.
    ‹flletme S›ras›nda DikkatEdilecek Noktalar: • Hava girifl menfezlerinde oluflan küçük çaplardaki buzlanmalar fan dönüfl yönünün belli bir süre de¤ifltirilmesi ile önlenebilir. • Performans testleri s›ras›nda kule, borular, pislik tutucular tama- men temizlenmifl olmal›d›r. • Fanlar›n yönü belirlenen yönde olmal›d›r. Hava girifllerinde en- geller olmamal›d›r. • Kule su debisi, ›s› yükü, giren hava s›cakl›¤› hesap de¤erlerini belli toleranslar d›fl›nda aflmamal›d›r ve okumalar sistem stabil halde iken yap›lmal›d›r. • Kule havuzundaki su uygun seviyede olmal›d›r. • Pompa tam ak›flta test edilmelidir. • Balans vanas› d›fl›nda tüm vanalar aç›k olmal›d›r. • S›cakl›k okumalar› kuleden 1-1,5 m. uzakta ve yatay olarak en fazla 1,5 m. uzakl›kla, zaman geçirmeden okumal› ve ortalamala- r› al›nmal›d›r. • Üç yollu vana varsa ayarlanan flekilde çal›fl›p çal›flmad›¤›n› kont- rol edin. • E¤er varolan sistemlere ilave yap›lacaksa tüm kulelerin hava ç›- k›fl a¤›zlar› ayn› seviyede olmal›d›r (fiekil 17.36). • Kulenin periyodik bak›m›nda motorlar›n ya¤lanmas›, su da¤›t›m sisteminin temizlenmesi, temizlik ve motor tamiri için su toplan- ma havuzuna girifl için yeterli alan b›rak›lmal›d›r (fiekil 17.37). • Kondenser borular›nda bas›nç, s›cakl›k ve debi ölçümü için ge- rekli ba¤lant›lar olup olmad›¤›n› kontrol edin. • Sprey memelerinin hepsinin çal›fl›p çal›flmad›¤›n› kontrol edin. • Varsa kontrol damperlerin çal›fl›p çal›flmad›¤›n› kontrol edin. Sezon Sonlar›nda Kulenin Kapat›lmas›; • Havuz ve donmaya maruz olabilecek tüm borulardaki suyu boflalt›n. • Gerekli zamanlarda havuz ve pislik tutucuyu temizleyin. • Kar ve ya¤mur suyunun uzaklaflt›r›labilmesi için drenaj› aç›k b›- rak›n. • Fan flaft›, motor yataklar› ve di¤er gerekli yerleri ya¤lay›n. • Make-up hatt› vanas›n› kapat›n ve hattaki tüm suyu boflalt›n. • Korozyon olup olmad›¤›n› kontrol edin gerekli ise tamir edin. Periyodik bak›m tablosu Tablo 17.38 verilmifltir. 17.3. KL‹MA SANTRALLER‹ Klima santrallerini hücre dizilifllerine göre dört bölümde toplamak mümkündür. Bunlar, • Yatay, boylamas›na klima santralleri • Çift katl› klima santralleri • Yan yana klima santralleri • Dik tip klima santralleri Verilmifl olan s›n›flaman›n haricinde L-tipi hücre yerleflimleri de klima santrallerinde özel üretim olarak mümkündür. Kullan›m yerine göre bir s›n›flama yapmak gerekirse bu s›n›flama flu flekilde yap›labilir: • Dahili tip (bina içine yerlefltirilen) klima santralleri • Harici tip (bina d›fl›na yerlefltirilen) klima santralleri • Hijyenik tip klima santralleri Klima santralleri fonksiyonlar›na göre ise, flu flekilde s›n›flanabilir, • Taze haval› klima santralleri • Kar›fl›m haval› klima santralleri • Resirküle tip klima santralleri • Is› geri kazan›ml› klima santralleri • Egzoz fanlar› Klima santralleri bu s›n›flamalardan bir veya birkaç›na birden gire- bilir. Örnek olarak, bir klima santrali kar›fl›m haval›, ›s› geri kaza- n›ml›, harici tip ve ayn› zamanda da çift katl› olabilir. Bunlarla ilgi- li örnekler konu ilerledikçe verilecektir. Is› geri kazan›m› ve hijyen konusu detayl› olarak ayr› bafll›klar alt›nda incelenecektir. 17.3.1. Klima Santrali Uygulamalar›na Örnekler Taze hava klima santrali uygulamas›: Taze hava santrallerine iliflkin bir uygulama fiekil 17.42’de gösteril- mifltir. Buna göre sistem %100 taze hava ile çal›flmaktad›r. D›flar›dan al›nan taze hava öncelikle birinci kademe filtreden (No:1) geçirilip kaba filtreleme yap›ld›ktan sonra ikinci kademe filtreleme (No:2) ile daha hassas bir flekilde filtre edilmifl olur. Bulunulan mevsime ve santralin hitap etti¤i kullan›m alan›na ba¤l› olarak ›s›tma (No:3) ve- ya so¤utma serpantininde (No:4) flartland›r›lan hava fan (No:6) vas›- tas› ile susturucu hücresine (No:8) bas›l›r. Burada ses sönümlemesi gerçeklefltirildikten sonra hava, kanallar vas›tas› ile flartland›r›lmas› istenen ortama gönderilir. Santralda ›s›tma yap›ld›ktan sonra ba¤›l 542 fiekil 17.36. ‹LAVE KULE HAVA G‹R‹fi‹ fiekil 17.37. KULE SERV‹S AÇIKLIKLARI
  • 20.
    543 nem oran› düflmüflolan hava, ihtiyaca göre nemlendirme hücresinde (No:5) buharl› veya sulu nemlendirmeye tabi tutulur. Daha önce de belirtildi¤i gibi sulu nemlendirme hijyen ihtiyaçlar› sebebiyle çok s›k olarak kullan›lmaz. Fan ile susturucu hücresi aras›nda kullan›l- m›fl olan hücre, difüzör hücresi (No:7) olup fan ç›k›fl›nda havan›n susturucu üzerine homojen bir flekilde yay›lmas›n› sa¤lar. Mahale at›lan taze havan›n egzozu, egzoz fan› yard›m›yla yap›lmaktad›r. Resirküle tip klima santrali uygulamas›: Resirküle tip klima santrallerine iliflkin bir uygulama fiekil 17.43’de gösterilmifltir. Buna göre dönüfl havas› fan› (No:1) vas›- T›kanma Normal olmayan titreflim ve gürültü Anahtar ve ayar vidalar› Ya¤lama Ya¤ contalar› Ya¤ seviyesi Ya¤ su ve kirlili¤i Ya¤ de¤iflimi Gerginlik ayar› Su seviyesi Debi miktar› S›z›nt› Genel durum Gevflek somunlar›n s›k›lmas› Temizlik Boyama Tamamen açma ve kapama Vanalar›n aç›kl›k kontrolü PER‹YOD‹K BAKIM TABLOSU G 6 R R Fan G 6 3 6 6 R A Motor G 6 6 H A 6 6 R R Redüktör 6 3 A A Kay›flkasnak 6 6 Fanflaftyataklar› H Y R Eliminatör H Y R R Dolgu H 6 Y 6 R Sutoplamahavuzu H H 6 R Da¤›t›msistemi Y 6 Y R Gövdedestekleri Y R Gövde 6 Y R Flatör A R R S›zma(bleed)miktar› G 6 6 6 R 6 Tahrikflaft› 6 6 H Ak›flkontrolvanas› H Emmesüzgeci G: Günlük, H: Haftal›k, A: Ayl›k, 3: Üç ayda bir, 6: Alt› ayda bir, R: Gerekti¤inde fiekil 17.38. SO⁄UTMA KULES‹ PER‹YOD‹K BAKIM TABLOSU fiekil 17.39. DAH‹L‹ T‹P KL‹MA SANTRALI fiekil 17.40. KL‹MA SANTRALI FONKS‹YONLARI
  • 21.
    tas› ile mahaldenemilen havan›n bir k›sm› kar›fl›m kutusunda (No:2) egzoz edilerek yerine taze hava al›n›r. Gerekli flartland›r- ma ifllemlerinden geçirilen hava besleme havas› fan› (No:3) vas›- tas› ile ortama verilir. Burada dikkat edilmesi gereken nokta, taze haval› sistemden farkl› olarak ek bir egzoz fan›na gereksinim du- yulmamas›d›r. Bunun yerine santralda dönüfl havas› fan› bulun- maktad›r. Kar›fl›m haval› klima santrali uygulamas›: Kar›fl›m haval› klima santrallerine iliflkin bir uygulama fiekil 17.44’te gösterilmifltir. Bu sisteme göre taze hava ve dönüfl havas› kar›fl›m kutusunda (No:1) kar›flt›r›ld›ktan sonra gereken flartland›r- ma ifllemlerine tabi tutulurlar ve besleme havas› fan› (No:2) vas›ta- s› ile ortama verilir. Ortam bu flekilde b›rak›ld›¤› zaman taze hava miktar›na ba¤l› olarak belirli bir pozitif bas›nçta kalacakt›r. Afl›r› bir 544 fiekil 17.41. HAR‹C‹ T‹P KL‹MA SANTRAL‹ fiekil 17.43. RESÜRK‹LEL‹ T‹P KL‹MA SANTRAL‹ UYGULAMASI fiekil 17.42. TAZE HAVALI KL‹MA SANTRAL‹
  • 22.
    pozitif bas›nç olmas›durumunda egzoz fan› vas›tas› ile fazla hava egzoz edilir. Dik tip klima santrali uygulamas› Dik tip klima santraline iliflkin gösterim fiekil 17.45‘de görülebilir. Dik tip klima santrallerinde dikkat edilmesi gereken noktalar afla¤›- da verilmifltir: • Devrilme riskine karfl› maksimum yükseklik 4 m olmal›d›r. • Devrilme riskine karfl› maksimum nakliye yüksekli¤i yaklafl›k 2 m olmal›d›r. • Serpantin gibi a¤›r komponentler cihaz seçimi esnas›nda müm- kün oldu¤unca ünitenin afla¤›s›na yerlefltirilmelidir. • So¤utma için dizayn edilmifl santrallerde yo¤uflma sebebiyle sa- dece afla¤›dan yukar›ya do¤ru olan ak›fl kullan›labilir. Is›tmada yukar›dan afla¤›ya do¤ru olan hava ak›m› da kullan›labilir. • Ünite duvara montaj için çok a¤›r olaca¤› için, yerde flase üzerin- de durmal›d›r. Hava ak›m›n›n homojen olabilmesi aç›s›ndan hava emifl a¤z› yeterli ölçülere sahip olmal›d›r. • So¤utma hücresinde seçilecek olan damla tutucu (No:1) özel bir damla tutucu olup fiekil 17.45 dan görülebilece¤i üzere hava ak›fl yönüne göre so¤utma serpantininden öncedir. Dik tip klima santrallerinde kullan›lan yatay tip so¤utucu serpantin- le ilgili özellikler afla¤›da verilmifltir: • Sadece afla¤›dan yukar› do¤ru olan hava ak›mlar› için kullan›labilir. • Afl›r› yo¤uflman›n meydana getirebilece¤i problemlerin önüne geçmek için maksimum % 45 ba¤›l neme kadar kullan›lmal›d›r. • Yo¤uflan suyun sürüklenmesini engellemek için serpantin yüzey h›z› maksimum 3 m / s olmal›d›r. • So¤utucu ak›flkan olarak su veya gaz (DX-coil) kullan›labilir. Alçak Tip Klima Santralleri Uygulamas› Klima santrallerinin seçiminde hava debisi, kapasite, bas›nç kay›p- lar›, hava kalitesi vs. kadar cihaz boyutlar› da çok önemlidir. Özel- likle hava debilerinin çok yüksek olmad›¤› (yaklafl›k ≤ 5000 m3/h) durumlarda proje itibar› ile yer s›k›nt›s› oldu¤unda, alçak tip klima santralleri iyi bir çözüm olmaktad›r. Alçak tip klima santralleri kli- ma santrallerinin gerçeklefltirdi¤i her türlü fonksiyonu yerine geti- rebilir. Genellikle asma tavan aras› veya yükseltilmifl döfleme alt›na konulur (fiekil 17.47). Alçak tip klima santralleri dik tip olarak da 545 fiekil 17.44. KARIfiIM HAVALI KL‹MA SANTRAL‹ UYGULAMASI fiekil 17.45. D‹K T‹P KL‹MA SANTRALLER‹
  • 23.
    uygulanabilir (fiekil 17.48).Yaklafl›k yükseklikleri 400 mm civar›n- dad›r. Klima santrallerinden farkl› olarak müdahale kapaklar› alttan veya üsttendir. Panel, filtre, fan ve serpantin özellikleri ve aksesuar- lar› klima santralleri ile ayn›d›r. 17.3.2. Klima Santrallerinin Seçiminde Ve Uygulamas›nda Dikkat Edilmesi Gereken Hususlar Klima santralleri seçimlerinin ›s› kayb›, ›s› kazanc›, hava debisi, ba- s›nç kay›plar›, hava kalitesi vs. kriterlere ba¤l› yap›lmas›n›n yan› s›- ra, seçimler yap›l›rken uygulama alanlar›na uygunlu¤una da bak›l- mas› gerekir. Klima santralleri temel özellikleri d›fl›nda, afla¤›da ve- rilen hususlarda da seçiminde dikkat edilmesi gerekir. Uygulama süresinin uzunlu¤u ve servis kolayl›¤› da seçimde önemlidir. Genel: 1- Klima santrallerinde müdahale yönünün do¤ru seçilmesi çok önemlidir. Müdahale yönü tespit edildikten sonra müdahale ka- paklar›n›n aç›labilmesi için gerekli mesafenin b›rak›lmas›na dik- kat edilmelidir. 2- Yukar›daki hususa ba¤l› olarak serpantinlerin rahatl›kla söküle- bilmesi için boru ba¤lant›lar›n›n müdahale kap›lar› ile ayn› yön- de olmas›na dikkat edilmelidir. 3- Korozif bölgelerde kullan›lacak klima santralleri mutlaka koroz- yona karfl› korumal› seçilmelidir. Fan salyangozu ve iç yüzeyler özel boya ile boyanmal› serpantinler dald›rma boyal› olmal›d›r. Filtre çerçeveleri de paslanmaz çelik veya boyal› seçilmelidir. Damper kanatlar› yine paslanmaz çelik olmal›d›r. 4- Klima santralleri transport kolayl›¤› ve flantiyede rahat olarak monte edilebilmesi için mümkün oldu¤unca parçal› olarak imal edilmelidir. 5- Klima santrallerinde kap› sabitleyici bulunmal›d›r. 6- Klima santrali ç›k›fl›ndaki ses seviyelerine dikkat edilmelidir. Her ne kadar kanalda ses yutumu olacaksa da istenilen ses sevi- yelerine ulaflmak için susturucu gerekebilir. 7- Susturucu ve fan hücresi aras›na mutlaka difüzör hücresi konul- mas› gerekir. Fan ç›k›fl a¤z› susturucu yüzey alan›ndan küçük ol- du¤undan hava difüzör ile da¤›t›l›r. 8- Özellikle temiz hava taraf›nda kanal izolasyonu en iyi flekilde yap›lmal›d›r. Harici Tip Santraller: 1. Harici tip santrallerde d›fl yüzey mutlaka korozyona karfl› boyal› olmal›d›r. Santralin üzerinde de ya¤mur biriktirmeyen bir çat› ol- mal›d›r. 2. Harici tip klima santrallerinde damper kanatlar›, s›zd›rmazl›k için, hücre içinde kalacak flekilde imal edilmelidir. 3. Harici tip klima santrallerinde motor ba¤lant› delikleri santralin 546 fiekil 17.46. ALÇAK T‹P KL‹MA SANTRAL‹ fiekil 17.47. ALÇAK T‹P KL‹MA SANTLAR‹ UYGULAMASI (GEA-AT PICCO ALÇAK T‹P KL‹MA SANTRALLER‹)
  • 24.
    547 alt›nda aç›lmal›d›r. 4. Haricitip klima santrallerinde sifon sistemi s›zd›rmaz ve donma- ya karfl› korumal› olmal›d›r. 5. Harici tip klima santrallerinde flasi yüksekli¤i yaklafl›k 100 mm yi geçmesi halinde fliddetli rüzgarda santrallerin devrilme riski vard›r. Fan: 1. Kay›fl kasnak tertibat› çift kay›fll› olmal›d›r. Kay›fl kasnak tertiba- t› emniyet aç›s›ndan, üzerinde h›z ölçümü için gerekli aral›klar›n bulundu¤u koruma kafesi ile birlikte seçilmelidir. 2. Ünite ile kasa aras›nda topraklama için flerit ba¤lant› bulunmal›d›r. 3. Fan devirleri ve fan verimlerine dikkat edilmelidir. Fan devirle- rinin 2500 d/d aflmamas› fan verimlerinin de %70 de¤erlerinde tutulmas› ses, elektrik sarfiyat› (motor büyüklü¤üne ba¤l› olarak) ve yataklama aç›s›ndan önemlidir. 4. Fan seçilirken toplam bas›nç kay›plar›n›n do¤ru hesaplanmas› çok önemlidir. Fanlar›n do¤ru hava debisini basabilmesi buna ba¤l›d›r. Özellikle öne e¤ik kanatl› radyal fanlar bas›nç de¤iflim- fiekil 17.48. ALÇAK T‹P KL‹MA SANTRAL‹ UYGULAMASI (GEA-AT PICCO ALÇAK T‹P KL‹MA SANTRAL‹) fiekil 17.49. S‹FON HESABI
  • 25.
    lerine karfl› geriyee¤ik kanatl› fanlara göre daha hassast›rlar. An- cak fan devirleri düflük ve daha sessiz fanlard›r. Bu sebeple yük- sek hava debilerinde (yaklafl›k > 10.000 m3/h) geriye e¤ik kanat- l› fan tercih edilmesi gerekir. Düflük debilerde öne e¤ik kanatl› fan daha uygundur. Filtre: 1. Torba filtre kullan›lan filtre hücresinin taban›, çal›flma esnas›nda filtrenin galvanizi süpürerek zamanla afl›nmaya sebebiyet ver- memesi amac› ile galvaniz üzerine metal folyo ile kaplanmal›d›r. 2. Yüksek kaliteli filtre kullan›lmas› gereken durumlarda (F7 veya F9 kalite) düflük kalitede ön filtre kullan›lmas› gerekmektedir (G3 veya G4 filtre). 3. Filtre temizli¤i önemli oldu¤undan filtrelerin kolayca santral d›- fl›na ç›kart›labilecek flekilde montaj› yap›lmal›d›r. Bu da filtre klipsleri ile mümkündür. Serpantinler: 1. Serpantinlerde boflaltma ve tahliye düzenlerinin bulunmas›na dikkat edilmelidir. Serpantinlerin kolayca ç›kar›labilmesi için k›zaklar üzerinde olmal›d›r. 2. Yo¤uflma suyunun hava ile sürüklenmemesi için so¤utma ser- pantininden sonra mutlaka plastik veya paslanmaz çelik damla tutucu kullan›lmal›d›r. 3. Yo¤uflma suyunun drenaj› için drenaj tavas›na sifon monte edil- melidir. Sifon yüksekli¤inin hesab› filtrelerin en kirli oldu¤u du- rum için yap›lmal›d›r. 4. Serpantinlerin seçiminde klima santrallerinin kullan›ld›klar› ye- re ba¤l› olarak donmaya karfl› önlem al›nmas› gerekir. Çok düflük s›cakl›klarda ön ›s›tma bataryas› kullan›l›r. Ancak ön ›s›tma ba- taryas›ndaki su, e¤er s›cak su sirkülasyonu durursa donabilir. Santralin durmas› esnas›nda damperlerin kapanmas› çok düflük s›cakl›klarda bir koruma sa¤lamaz. Çözüm ya elektrikli ›s›t›c› kullanmak veya glikollü su kullanmakt›r (fiekil 17.50). 5. Özellikle kapal› sistem ›s› geri kazan›m sistemlerinde (bataryal› tip ›s› geri kazan›m›), sistemde dolaflan genellikle glikollu sudur. 6. Serpantinlerin seçiminde mutlaka su taraf› ve hava taraf› bas›nç ka- y›plar›na dikkat edilmedir. Özellikle su taraf› bas›nç kay›plar› çok yüksek olursa (20 kPa dan fazla) seçilecek pompa da buna ba¤l› olarak büyüyecek ve yat›r›m ve iflletim maliyetini art›racakt›r. 17.3.3. Klima Santrallerinde Hijyen Sistemde kullan›lan klima santrallerine gerekli müdahaleyi yapabil- mek için klima santrallerine müdahale yönlerine ve çevredeki ekip- manlar ile aras›ndaki mesafelere dikkat edilmelidir. Dezenfeksiyon ve temizleme amac›yla klima santrali iç yüzeyleri çok düzgün olmal›d›r. Paneller ve izolasyon malzemeleri gerekli müdahaleler için uygun olmal›d›r. Hijyenik ihtiyaçlar› karfl›lamak amac› ile 1,6 m den küçük aç›kl›klarda gerekli servis kapaklar›, 1,6 m den büyük aç›kl›klarda ise gerekli servis kap›lar› b›rak›lmal›d›r. 1,3 m den yüksek hücreli fan ve nem al›c›larda, 0,8 m den yüksek hücreli nemlendiricilerde bu hücrelerin kontrolünün sa¤lanabilmesi aç›s›ndan minimum 150 mm çapa haiz pencereler ve hücrenin içi- nin ›fl›kland›r›lmas› sa¤lanmal›d›r. Hücrelerde kullan›lan bütün malzemeler, korozyon, ses ve yang›na karfl› DIN 1946-2’ ye uygun olarak imal edilmelidir. Sandviç panelli konstrüksiyonlarda içteki sac, en az›ndan galvaniz çelik olmal›d›r. Hücre içinin temizlenmesi aç›s›ndan hücre taban› çok düzgün olmal›d›r. Daha hassas olmas› gereken uygulamalarda hücre taban› paslanmaz çelik (en az 1.4301) veya deniz suyuna da- yan›ml› alüminyumdan (en az AlMg) olabilir. Hücre içi kullan›lan malzeme ve birleflim noktalar› bakteri oluflu- muna sebebiyet vermemelidir. Bunlara ilave olarak gövde yal›t›m›, ›s›l izolasyon ve ›s› köprüsü faktörü ile ilgili VDI 3803 ve DIN EN 1886’ya baflvurulabilir. Ha- rici tip klima santralleri için de yukar›da verilmifl olan hijyen flartla- r› sa¤lanmal›d›r. Fan Kay›fl kasnak tahrikli bir taze hava emifl fan› birinci ve ikinci filtre kademeleri aras›na koyulmal›d›r. Fan hücresinin hijyenik gereksi- nimler sebebi ile y›kanabilir olmas› gerekmektedir. 400 mm den büyük nominal çapl› fan çarklar›nda kolayca ç›kar›la- bilen bir gözetleme kapa¤› bulunmal›d›r. Fan korozyona karfl› mu- kavim olmal›d›r bunun için galvaniz çelikten veya kaplamal› galva- niz çelikten imal edilmifl olmal›d›r. Hava Filtreleri Hava filtreleri hava kaynakl› organik veya inorganik tozlar›n veya mikro organizmalar›n sisteme girmesini engelleyecek biçimde ol- mal›d›r. Buna ilave olarak filtrelerin kendisi kirlili¤e sebebiyet ver- memelidir. Bu sebeple periyodik bak›mlar›n›n düzenli olarak yap›l- mas› flartt›r. ‹ki kademeli filtrasyon önerilir. Birinci kademe F5 (DIN EN 779) veya F7, ikinci kademe ise F7 veya F9 olmal›d›r. Tek kademeli filt- rasyon yap›lacak ise sadece F7 kalitesinde filtre kullan›lmal›d›r. Kullan›lacak filtreler DIN EN 779’a göre test edilmifl olmal›d›r. G3 ve G4 s›n›f› filtreler odadaki partikül konsantrasyonunu düflüremez- ler, genelde kullan›m amaçlar› serpantinleri korumakt›r. Bu sebep- ten odadaki partikül konsantrasyonu düflürülmek isteniyorsa F7 ka- litesinde filtre kullan›lmal›d›r. 548 fiekil 17.50. SICAKLI⁄A GÖRE GL‹KOL ORANI
  • 26.
    Havaland›rma sistemi çal›flm›yoriken filtre bölgesinde çi¤ noktas›- n›n alt›na inen s›cakl›k düflmelerinden kaç›n›lmal›d›r. Filtrelerle ilgili afla¤›da verilmifl olan flartlar sa¤lanmal›d›r : - Montaj esnas›nda kirlenmifl veya t›kanm›fl olan filtreler iflletme- den önce temizlenmelidir. - Filtrelerin servis süreleri boyunca filtreler yal›t›mlar›n› ve muka- vemetlerini korumal›d›rlar. - Filtrelerin mekanik dayan›mlar› yüksek olmal›d›r. - Servis süresi boyunca filtrelerin verimlili¤i, afl›r› düflme göster- memelidir. - ‹flletim süresince filtrelerin veriminde veya yal›t›m›nda neme ba¤l› düflmeler olmamal›d›r. - Filtre malzemelerinde kaçak olmamal›d›r. - Filtre hücresinin üzerinde afla¤›da verilmifl olan de¤erler yaz›l- m›fl olmal›d›r. • Hava debisi • Filtre adedi • Filtre s›n›f› • En son filtre de¤iflim tarihi • Temiz haldeki bas›nç düflümü • Kirli halde izin verilen maksimum bas›nç düflümü Filtredeki bas›nç düflümü filtre üzerine monte edilen fark bas›nç manometresi yard›m›yla kolayl›kla okunabilmelidir. Serpantinler Is› eflanjörleri gerekti¤inde kolayca temizlenip dezenfekte edilebile- cek flekilde dizayn edilmelidirler. Burada önemli nokta kanat aral›k- lar›n›n çok küçük olmamalar› ve eflanjör boyunun temizlemeyi en- gellememesidir. Gerekiyorsa serpantin parçal› imal edilmeli, 2 mm den az kanat aral›kl› serpantinler kullan›lmamal›d›r. Havadaki toz kapasitesi ne kadar fazlaysa eflanjör kanat aral›¤› da o kadar fazla tutulmal›d›r. Temizli¤i kolaylaflt›rmas› aç›s›ndan bütün ba¤lant›lar ayn› tarafta olmal›d›r. Serpantindeki bas›nç düflümünü ölçmek ama- c› ile serpantin öncesi ve sonras›nda gerekli delikler temin edilmifl olmal›d›r. So¤utma serpantinleri için yap›lmas› gerekenler: Serpantin üzerinde film tabakalar› halinde oluflan yo¤uflman›n dre- ne edilebilmesi için serpantin boyunca korozyona mukavim malze- meden (paslanmaz çelik 1.4301) yo¤uflma tavas› kullan›lmal›d›r. Yo¤uflma tavas›n›n e¤imi suyun rahatça drene edilebilmesi için ser- pantin geniflli¤ince 1o olmal›d›r. Yo¤uflma tavas›n›n bitim noktas›n- daki a¤z› yeterli derecede büyük seçilmifl olup, suyun rahatça dre- naj›n› sa¤layabilmelidir. Drenaj a¤z› direkt olarak pis su sistemine ba¤lanmamal›, yo¤uflma tavas› ile aras›na sifon konulmal› ve bu si- fonun pis su hatt› ile ya¤uflma tavas›n› tamamen ay›rd›¤›ndan emin olunmal›d›r. Yo¤uflma tavas›na müdahale edilebiliyor olmal›d›r, e¤er bu mümkün de¤ilse yo¤uflma tavas› sökülebiliyor olmal›d›r. So¤utma serpantininden sonra hava h›z› ile sürüklenen su damlac›k- lar›n›n kanal sistemine tafl›nmas›n› önlemek bak›m›ndan damla tu- tucu kullan›lmal›d›r. Damla tutucu ayr› bir servis kap›s›ndan kolay- ca d›flar›ya al›nabilmelidir. Damla tutucunun plastik olmas› hijyen aç›s›ndan önemlidir. Hava kanallar› ve susturucular : Hava kanallar› geçmeli veya kaynakl› konstrüksiyonda yap›lmal›- d›r. Esnek kanallardan mümkün oldu¤unca kaç›n›lmal›d›r, çünkü te- mizlemede problem yarat›rlar. Fittings parçalar› ba¤lant› noktala- r›nda kirlilik b›rakmayacak flekilde monte edilmelidirler. Hava ka- nallar›nda keskin köflelerden ve kanal cidarlar›nda daha sonra te- mizleme ekipmanlar›na zarar verecek kolay vidalardan kaç›n›lmal›- d›r. Çi¤ noktas›n›n alt›nda kal›nmas› probleminin oldu¤u noktalar- da mutlaka izolasyon kullan›lmal›d›r. Hava kanallar›ndaki kontrol kapaklar›n›n say›s› ve yerleri tamamen havaland›rma sistemine ve temizleme türüne ba¤l› olup, e¤er temiz- leme için kanal›n içine insan girecekse afla¤›daki hususlar göz önünde bulundurulmal›d›r; - Hava kanallar›n› tafl›y›c› parçalar, üzerlerine binecek ek yüklere göre dizayn edilmelidirler. - Gözetleme/müdahale aç›kl›¤›n›n önü kesinlikle engellenmemeli, bir insan›n kanal içerisine girmesini sa¤layabilecek gerekli aç›k- l›k b›rak›lm›fl olmal›d›r. E¤er hava kanallar› su veya buhar ile temizlenecekse buna uygun malzemeden imal edilmifl olmas› ve gerekli drenaj yerlerinin b›ra- k›lm›fl olmas› gereklidir. Susturucu hücreler absorpsiyon prensibi ile çal›flacak olup, nem tut- mayan absorpsiyon malzemesinden üretilmelidir. Kullan›lan sustu- rucu malzemesi, ay›r›c› levhalar aras› hava h›z› 20 m/s de¤erine ka- dar afl›nma dayan›m›na haiz olmal›d›r. Susturucu kulisleri, fiber glass dokuma tutucularla kapl› kaya yünü doldurulmufl galvaniz çe- lik çerçevelerden meydana gelecektir. DIN 3102’e göre yanmaz ve yang›n s›n›f› A2 olan malzemeden imal edilmelidir. Ay›r›c› çerçeve ve rezonans levhas› boyal› olmal›d›r. Hijyenik susturucularda fiber glass dokumalar ayr›ca delikli metal plakalarla kaplanacak ve çer- çeveler Alman s›n›f› 1.4301 paslanmaz çelik çerçeve olacakt›r. Me- tal kapl› olan kulisler kritik frekanslarda yüksek performansl› ses yutum sa¤layacakt›r. Hijyenik tiplerde kulisler kolayl›kla ç›kart›l›p temizlenebilecek özellikte olmal›d›r. 17.4. ISI GER‹ KAZANIMI Ekonomikli¤in ve enerji tasarrufunun önem kazand›¤› günümüzde, sistem tasar›mc›lar› ve projeciler ›s› geri kazan›m›n›n önemi üzerin- de daha çok durmaktad›rlar. Is› geri kazan›m›n›n ekonomisini sade- ce geri ödeme flartlar›na ba¤l› olarak ele almak do¤ru bir yaklafl›m de¤ildir. Bir ›s› geri kazan›m ünitesinin geri ödeme süresinin kendi servis süresinden k›sa olmas› gerekir. Bunun için ›s› geri kazan›m ünitesinin optimum olarak seçilmesi ve bu amaçla belirli yöntem- lerle olabilirlik hesab› yap›lmas› gerekmektedir. Is› geri kazan›m›n›n bafll›ca faydalar› flu flekilde s›ralanabilir: - Is›tma ve nemlendirme tesisatlar›n›n kapasitelerinin azalmas› ve buna ba¤l› olarak da kullan›lan kazan tesisatlar› ve boru hatlar›- n›n maliyetinin azalmas›. - Is›nma için gereken enerji tüketiminin azalmas› ve böylece ifllet- me masraflar›n›n düflmesi. - Tesisat›n ilgili kapasitelerinin azalmas› ve böylece so¤utma ma- kineleri, so¤utma kuleleri ve boru hatlar› için gerekli masraflar›n azalmas› - So¤utma enerjisinin tüketiminin azalmas› ve böylece iflletim gi- derlerinin düflmesi 549
  • 27.
    - Enerji üretimis›ras›nda oluflan zararl› madde emisyonunun azalmas› Is› Geri Kazan›m› nedir ? Is› geri kazan›m› bir binay› ya da prosesi terk eden kütle ak›fl›n›n en- talpisinin yeniden kullan›lmas›n›n ölçüsüdür. Bunun için ›s› de¤iflti- riciler kullan›l›r. Is› pompas› e¤er sistemi terk eden ak›fl› ›s› geri ka- zanmak için kullan›yorsa ›s› geri kazan›m›d›r. Bu tip sistemlerde enerji baflka bir sistemden al›n›rsa ›s› geri kazan›m› olmaz. VDI 2071 e göre kütlenin transferi ›s› geri kazan›m› de¤ildir. Yani hava kar›flt›r›larak ›s› geri kazan›m› yap›lamaz. Is› Geri Kazan›m Ünitesi Is› de¤ifltiricilerin kullan›lan ›s›n›n bir parças› olan geri kazan›lan ›s›n›n oluflmas›n› sa¤lamas› için ›s› geri kazan›m ünitesi olarak di- zayn edilmesi ve d›fl hava ile at›lan hava aras›nda ›s› transferini sa¤- lamas› için kullan›lmas›d›r (fiekil 17.51.A). Is› Geri Kazan›m Sistemleri Is› geri kazan›m sistemleri bir ya da birden çok ›s› geri kazan›m üni- tesinin ba¤lant›s› ile oluflur. Is› geri kazan›m üniteleri farkl› tipte olabilir. Is› geri kazan›m ünitelerinde as›l olarak duyulur ›s› transferi gerçek- leflir. Gizli ›s› geri kazan›m ünitesinin yap›s›na ba¤l› olarak transfer edilebilir. Is› geri kazan›m ünitelerini 4 kategoriye ay›rabiliriz: - Reküperatif sistemler - Rejeneratif sistemler - Rotasyonlu ve rotasyonsuz sistemler - Is› pompalar› olarak belirlenmifltir. Sistemlerin tan›m› ve kullan›m flekilleri 1. Reküperatif Sistemler Is› ileten hava belirli bir bölgede iletimi gerçeklefltirir. D›fl hava ve at›lan hava bu bölgede ›s› ileten bir tabaka ile ayr›l›r. Hava ak›fl› pa- ralel veya karfl› ak›fll› olabilir. Nemli hava çi¤ noktas›n›n alt›nda ka- l›rsa yo¤uflma meydana gelecek ve gizli ›s› transferi meydana gele- cektir. Kaçak olmad›¤› sürece madde transferi meydana gelmeye- cektir. Buzlanma riski vard›r. Bu sistemde ›s› bir tafl›y›c› vas›tas› ile iletilmez. Bölgenin en az bir noktas›nda hava ak›mlar› bir araya gelmelidir. Is› transferini kapat- mak mümkün de¤ildir. D›fl hava by-pass’› veya at›lan hava by- pass’› ›s› transferinin kontrolü için gereklidir. Plakal› ve borulu tip ›s› de¤ifltiriciler reküperatif sistemdir. Plakal› sistemlerde ›s› geri kazan›m faktörü ∆ = 0,4 – 0,8 , çapraz ak›fll›larda 0,9; borulu tip- lerde ise ∆ = 0,3 – 0,5 aras›ndad›r. 2. Rejeneratif Sistemler 2.1 Kapal› Çevrim Sistemleri (KVS Sistem) Is› birbirine ba¤lant›l› iki serpantinin üzerinden geçen havalar saye- sinde transfer olur. Serpantinlerden biri d›fl hava taraf›nda, di¤eri at›lan hava taraf›nda olacakt›r ve bunlar birbirine bir borulama ile ba¤lanacakt›r. Is› transferini sa¤layan ak›flkan (›s› tafl›y›c›) bu boru- lar›n içinde dolaflacakt›r. Genellikle ›s› tafl›y›c› olarak kimyasal ola- rak de¤ifltirilmifl su kullan›l›r. Gerekiyorsa antifriz de ilave edilmifl- tir. Is› transferini sa¤layan tafl›y›c› ak›flkan, bir pompa sayesinde sis- temde dolaflt›r›l›r. Bu sistemde gerekli kütle ak›fl› vanalar ile kont- rol edilir. E¤er at›lan hava çi¤ noktas›n›n alt›nda kal›rsa nem oluflur. Bu sebeple ek bir gizli ›s› transferi meydana gelir. Buzlanma riski vard›r (fiekil 17.51.B). Kapal› çevrim sistemi, d›fl hava ile at›lan havan›n birbirine uzak me- safelerde olsa bile prosesin gerçekleflmesine olanak verir. Hava ak›mlar›n›n bir araya gelmesine gerek yoktur. Ama buna karfl›l›k çevrimi gerçeklefltirecek bir ek enerjiye ihtiyaç vard›r. Bu da çevri- mi gerçeklefltirecek pompay› çal›flt›rmak için gereken elektrik ener- jisidir. Madde, nem ve kirli hava transferi için uygun de¤ildir. Geri kazan›lan ›s› miktar› su debisi kontrol edilerek kolayl›kla kontrol edilebilir. Sistem kapat›labilir. Hava taraf› by-pass’› gerektirmez. Bu sitemlerde kompakt veya blok ›s› de¤ifltircilerde ›s› transferi kat- 550 fiekil 17.51.A ISI GER‹ KAZANMA S‹STEM‹ fiEMASI
  • 28.
    551 say›s› ∆ =0,3 – 0,5 ; karfl› ak›fll› ›s› de¤ifltiriciler için bu oran ∆ = 0,3 – 0,5 aras›ndad›r. 3. Rotasyonlu ve Rotasyonsuz Sistemler Bu tip sistemlerde ›s› (uygulanabildi¤i durumlarda nem) at›lan ha- vadan al›n›r ve bu ›s›y› depolayan kütle ile emilerek edilerek yavafl- ça d›fl havaya do¤ru aktar›l›r. Sistemde meydana gelebilecek kaçak- lara dikkat edilmelidir. Koku transferi de meydana gelecektir. Sorbsiyonlu sistemlerde ›s› geri kazan›m katsay›s› 0,7 – 0,8 aras›n- da, nem geri kazan›m katsay›s› 0,6 – 0,7 aras›nda; sorbsiyonsuz sis- temlerdeyse ›s› geri kazan›m katsay›s› 0,6 – 0,8, nem geri kazan›m katsay›s› 0,1 – 0,2 aras›nda de¤iflmektedir (fiekil 17.51.C). 4. Is› Pompalar› Is›y› düflük s›cakl›ktaki bir havadan alan ve yüksek s›cakl›klarda hava ak›m›na geri besleyen bir makine ya da cihazd›r. Buzlanma riski vard›r. Is› pompalar› genellikle hava so¤utma proseslerinde kullan›l›r. Gerekli oldu¤u durumlarda ›s› geri kazan›m›nda da kullan›labilir. Herhangi bir nem ve madde transferi hava ak›mlar›n›n belirgin olarak ayr›lmas›ndan dolay› meydana gelmez. Kompresörlü ›s› pompalar› ve absorpsiyonlu ›s› pompalar› olmak üzere iki tiptir. 17.4.1. Klima Santrallerinde Is› Geri Kazan›m Sistemleri 1- Plakal› Is› De¤ifltirici Reküperatif tarzda çal›fl›r, alüminyum veya çelik plakal› ›s› geri ka- zan›m sistemidir. Sistem çapraz ak›fl için dizayn edilmifltir (fiekil 17.52). Taze hava ve egzoz havas› iki ayr› tabakadan geçer. Plaka- lar maksimum ›s› transferini sa¤lamak üzere dizayn edilmifltir. Mi- nimum % 60 oran›nda ›s› geri kazan›m› sa¤lamal›d›r. Hava at›fl ta- raf›nda damla tutucu bulunur. Hava ak›fl›n› kontrol edebilmek ve donmay› önlemek amac› ile ›s› geri kazan›m hücresinde by-pass damperi mevcuttur. Egzoz taraf›nda paslanmaz çelikten imal edil- mifl kondens suyu tavas› bulunur ve bu tavan›n drenaj borusu (pas- lanmaz çelik) hava s›zd›rmaz bir biçimde gövde d›fl›na ç›kart›l›r. fiekil 17.51.B. KAPALI ÇEVR‹M ISI GER‹ KAZANIMI (BATARYALI T‹P) fiekil 17.51.C. ROTASYONLU ISI DE⁄‹fiT‹R‹C‹
  • 29.
    552 Besleme taraf›ndaki filtred›fl›nda egzoz taraf›nda ›s› geri kazan›m› serpantini öncesinde de filtre konulmas› hijyen aç›s›ndan önemlidir. 2- Bataryal› Is› De¤ifltirici Rejeneratif tarzda çal›fl›r ve ›s› de¤ifltiriciler vas›tas› ile geri kaza- n›m sa¤lan›r. Sistemde transfer ak›flkan› olarak glikollu su kullan›- l›r ve sistem egzoz havas› bölümünde bulunan serpantin ile besleme havas› bölümünde bulunan serpantin aras›nda pompa vas›tas› ile bu transfer ak›flkan› dolaflt›r›l›r (fiekil 17.53). Is› transferinin süreklili- ¤ini sa¤lamak amac› ile kar›flt›rma vanas› kullan›lmal›d›r. Sistemin pompan›n on/off kullan›m› ile çal›flt›r›lmas› gerekmektedir. Siste- min maksimum 20 m borulama için seçilmesi uygundur. Sistem en az % 40 verimle çal›flmal›d›r. Genellikle serpantinler bak›r boru ve alüminyum kanatl›, kolektör borular› bak›rdan olarak üretilir. Klima santralleri ve egzoz fanlar› ayr› yerlere konacak flekilde üretici fir- ma taraf›ndan imal edilebildi¤i gibi bunlar üst üste veya yan yana da monte edilecek flekilde üretilebilmektedir. Egzoz taraf›nda ›s› ge- ri kazan›m› serpantini öncesinde filtre konulmas› serpantinin temiz- li¤i aç›s›ndan gereklidir. Serpantinlerde boflaltma ve tahliye düzen- fiekil 17.52. PLAKALI ISI DE⁄‹fiT‹R‹C‹ KULLANAN ISI GER‹ KAZANIMLI SANTRAL fiekil 17.53. BATARYALI ISI GER‹ KAZANIM S‹STEM‹
  • 30.
    553 leri bulunmal›d›r. Serpantinleryan taraftan ç›kart›labilmeleri için k›zaklar üzerine monte edilir. So¤utucu ve (yaz çal›flmas› varsa) ›s›- t›c› serpantin sonras› damla tutucu mutlaka konulmal›d›r. So¤utma serpantinlerinin alt›nda paslanmaz çelikten imal edilmifl kondens suyu tavas› bulunur ve bu tavan›n drenaj borusu (paslanmaz çelik) hava s›zd›rmaz bir biçimde gövde d›fl›na ç›kart›l›r. 1- Is› Borulu Is› De¤ifltirici Rejeneratif tarzda çal›fl›r, ›s› borusu ile ›s› geri kazan›m sa¤lanacak- t›r. Bu sistemde ›s›y› transfer etmek için so¤utucu ak›flkan kullan›l›r ve sistem dönüfl havas› ile karfl›laflan ak›flkan›n buharlafl›p tüp için- de yükselmesi ve so¤uk havaya ›s›s›n› transfer edip tekrar yo¤uflma- s› mant›¤› ile çal›fl›r. Sistem –30 °C ile +55 °C aras›nda sorunsuz ça- l›flabilmelidir. Minimum %65 oran›nda ›s› geri kazan›m› sa¤lamal›- d›r. Hava ak›fl›n› kontrol edebilmek amac› ile ›s› geri kazan›m hüc- resinde by-pass damperi mevcuttur. Is› borusu yan yana horizontal tip veya üst üste tipinde kullan›labilir. Yan yana olan tipler gerekti- ¤inde yaz›n da enerji geri kazan›m› yap›labilecek flekilde dizayn edilebilir. Egzoz taraf›na damla tutucu konulur. Paslanmaz çelikten imal edilmifl kondens suyu tavas› bulunacak ve bu tavan›n drenaj borusu (paslanmaz çelik) hava s›zd›rmaz bir biçimde gövde d›fl›na ç›kart›lacakt›r. Egzoz taraf›nda ›s› geri kazan›m› serpantini öncesin- de temizlik aç›s›ndan filtre konulmas› uygun olacakt›r. 2- Rotasyonlu Tip Is› De¤ifltiriciler Rejeneratif tarzda çal›fl›r, ›s› tekerle¤i vas›tas› ile geri kazan›m sa¤- fiekil 17.54. ISI BORULU ISI GER‹ KAZANIM S‹STEM‹ fiekil 17.55. ROTASYONLU ISI GER‹ KAZANIM S‹STEM‹
  • 31.
    554 lanacakt›r. Is› de¤ifltiricitekerle¤in dönüfl hareketi ile egzoz havas› ›s›s› ve nemi rotorda tafl›n›r ve so¤uk hava taraf›ndan ›s› ve nem emilir. Is› geri kazan›m oran› % 75 in alt›na düflmemelidir. K›fl›n ya- p›lan ›s› transferi d›fl›nda, yaz›n da enerji transferi ve nem alma pro- sesi gerçeklefltirilebilir. Is› tekerle¤i genellikle h›z kontrollü olarak kumanda edilir. Rotasyonlu tip ›s› geri kazam›n sistemlerinde rotasyon s›ras›nda meydana gelebilecek hava kaçaklar› fan›n yerlefltirilme flekline ba¤- l›d›r. Tablo 17.56’da bahsi geçen “afla¤› ak›ml›” ve “yukar› ak›ml›” tabirleri fiekil 17.57’den anlafl›labilir. Is› geri kazan›m sistemlerinin karfl›laflt›r›lmas›nda üretim maliyetle- ri ve verim aras›nda önemli bir ba¤lant› vard›r. Tablo 17.58’de ör- nek olarak verilen GEA klima santrallerinde ›s› geri kazan›m sis- temlerine göz atacak olursak, sistemler asl›nda tabloda belirtilen de- ¤erlerle s›n›rl› de¤ildirler. Örne¤in “ecoflow” ›s› geri kazan›m siste- mi serpantinli tip oldu¤undan burada glikol oran›, serpantin geçifl say›s›, su debisi ve su taraf› bas›nç düflümleri gibi kriterlerde de¤i- fliklikler yap›larak verim art›r›labilir veya düflürülebilir. Bu demek- tir ki, “ecoflow” ›s› geri kazan›m sistemi %35 ila %65 aras›nda de- ¤iflen bir verimlilikle çal›flabilir. Ayn› flekilde di¤er sistemler de bel- ÖZELL‹KLER h % t % x % Pa ‹stenen alan Yat›r›m maliyeti / (m3/h) Hava debisi Fan biçimi Dönüfl ve besleme birleflik Kaçaklar Rotary tip hygroscopic 70......80 70......80 70......80 200 averaj 7......15 2.000-100.000 Fan afla¤› ak›ml› olmal› evet Fan yukar› ak›ml› olursa kaçak min. olur Rotary tip non-hygroscopic 70......80 10......20 200 averaj 6.....14 2.000-100.000 Fan afla¤› ak›ml› olmal› evet Fan yukar› ak›ml› olursa kaçak min. olur RR Coil 35......45 yo¤uflma 200...300 küçük 6......13 2.000-100.000 herhangi hay›r yok Plaka tip 40.......65 yo¤uflma 100...300 büyük 9.......12 2.000-25.000 herhangi evet iyi yerlefltirilirse yok. Is› tüpü 40.......65 yo¤uflma 200...300 küçük 6.......12 2000-25.000 Besleme havas› üst k›s›mda evet yok Tablo 17.56. ISI GER‹ KAZANIM S‹STEMLER‹N‹N ÖZELL‹KLER‹ fiekil 17.57. YUKARI AKIMLI FANIN AfiA⁄I AKIMLIYA ÇEVR‹LMES‹ Verim Is› geri kazan›m› Maliyet Kaplad›¤› alan Sistemler % sonras› s›cakl›k % mm3 C° ECOFLOW 51 11,3 66 3252x1320x1085 Bataryal› tip 2490x1320x1085 ECOSTAT 55 12,4 87 3405x1320x1015 Is› tüplü tip 3709x1320x1085 ECOPLAT 61 14 82 4319x1320x1015 Plakal› tip 4167x1320x1085 ECOROT 71 17 100 2540x1320x1015 Rotorlu tip 4064x1320x1085 Tablo 17.58. AYNI KR‹TERLERDE SEÇ‹LM‹fi 4 T‹P GEA ISI GER‹ KAZANIM S‹STEM‹N‹N KARfiILAfiTIRILMASI
  • 32.
    555 li aral›klarda de¤iflkenverime sahiptirler. Buradan ç›kar›lacak sonuç fludur ki, bir sistemin ucuz olmas› veriminin düflük olmas› veya pa- hal› olmas› çok verimli olmas›n› her zaman gerektirmez. Üretim aflamas›nda proje flartlar›na en uygun ›s› geri kazan›m› seçilmelidir. 17.5. MUTFAK ASP‹RATÖRLER‹: Mutfak egzozlar› ile ilgili olarak burada iki tür uygulamadan bahse- dilecektir. Birinci uygulama kokunun ihmal edildi¤i standart uygu- lama türüdür. ‹kinci uygulama türü ise kokunun al›nmas›na yönelik aktif karbon filtresinin kullan›ld›¤› uygulama türüdür. Uygulama- lardan bahsedildikten sonra her iki türde de kullan›lan ‘Harici hava- land›rmal› motor’ dan bahsedilecektir. Birinci uygulaman›n gösterimi fiekil 17.60’da verilmifltir. fiekilden de görülebilece¤i gibi burada tek kademeli filtrasyon uygulanmak- tad›r, bu da sadece ya¤ filtrasyonudur. G3 kalitede metal ya¤ filtre- si (No:1, ya¤ filtresi) kullan›larak mutfaktan egzoz edilen ya¤l› ha- vadaki ya¤lar filtre edilmektedir. Ya¤ filtresinden sonra bile havan›n içerisinde zamanla motora yap›flarak zarar verebilecek miktarda ya¤ bulunmaktad›r. Bunun önüne geçebilmek için motorun üzerinden fiekil 17.59. ÇEfi‹TL‹ ISI GER‹ KAZANIM EfiANJÖRLER‹ fiekil 17.60. TEK F‹LTRASYON KADEMEL‹ MUTFAK ASP‹RATÖRÜ
  • 33.
    556 ya¤l› hava geçirilmezve d›fl hava ba¤lant›s› (No:2,harici havalan- d›rmal› motor) yard›m›yla d›flar›n›n ya¤s›z havas› vas›tas› ile moto- run so¤umas› sa¤lan›r. Harici havaland›rmal› motor ile ilgili detay- lar ileride ayr›nt›l› olarak verilecektir. Ya¤ filtrasyonu yap›lm›fl ha- va fan (No:3) vas›tas› ile egzoz edilir. ‹kinci uygulaman›n gösterimi fiekil 17.61’de verilmifltir. Burada bi- rinci uygulamadan farkl› olarak dört kademeli filtrasyon uygulan- maktad›r. G3 kalitede metal ya¤ filtresi (No:1, ya¤ filtresi) kullan›la- rak mutfaktan egzoz edilen ya¤l› havadaki ya¤lar filtre edildikten sonra kokular›n filtre edilmesinde kullan›lacak olan çok hassas yap›- daki aktif karbon filtresinin zarar görmemesi için öncesinde torba filtreler yard›m› ile iki kademeli filtrasyon yap›lmaktad›r. G4 filtre kaba filtrasyon (No: 2, G4 torba filtre), sonras›nda bulunan F7 (No: 3, F7 torba filtre) ise hassas filtrasyon yapmaktad›r. Ya¤dan ve kaba pisliklerden ar›nd›r›lm›fl hava kokudan da ar›nd›r›lmak üzere aktif karbon filtresinde (No:4, aktif karbon filtresi) filtre edilerek harici havaland›rmal› motor (No: 5) ve fan (No: 6) vas›tas› ile egzoz edilir. Her iki uygulamaya ba¤l› olarak da seçimlerde dikkat edilmesi ge- reken baz› noktalar afla¤›da verilmifltir: • Aktif karbon filtresinin kullan›lmad›¤› birinci uygulamada egzoz fan› serbest kesitteki hava h›z› 3-3,5 m/s aras› seçilmelidir. Buna karfl›l›k aktif karbon filtresinin kullan›ld›¤› ikinci uygulamada, aktif karbon filtresinin yüksek hava h›zlar›na duyarl› olmas›ndan dolay› serbest kesit hava h›z› en fazla 2 m/s olarak al›nmal›d›r. • Her iki uygulamada da ya¤›n zararlar›ndan korunabilmek maksa- d› ile fan-motor grubunun alt›nda kauçuk esasl› titreflim yutucu elemanlar›n yerine mutlaka yayl› tip titreflim yutucu elemanlar kullan›lmal›d›r. • Fan hücresinde oluflabilecek ya¤ birikmelerini gözlemleyebilmek için kontrol penceresi ile ›fl›kland›rma birlikte bulunmal›d›r. • Fan hücresinin içinin gerekti¤inde y›kanabilmesi için fan hücre- sinin taban›nda drenaj tavas› bulunmal›d›r. • Fan salyangozunun iç k›sm›n›n y›kanabilmesi için salyangoz üze- rinde y›kama kapa¤› bulundurulmal›d›r. • Fan ç›k›fl› ve hücrenin emifl a¤z›nda, fleksibl ba¤lant›lar›n zaman- la ya¤dan zarar görebilece¤i düflüncesi ile fleksibl ba¤lant› parça- s› kullan›lmamal›d›r. Harici havaland›rmal› motor Harici havaland›rmal› motorlar, dahili veya harici uygulamalarda kullan›labilirler. Hava ak›m› taze hava panjuru üzerinden olmakta- d›r. Üzerinden akan hava ile so¤uyan motor, bu havan›n motora za- rar verebilece¤i uygulamalarda ayr› bir havaland›rmaya ihtiyaç duymaktad›r. Bunun için üzeri zararl› havaya karfl› koruma olarak kapat›lm›fl motor, esnek ba¤lant› parças› vas›tas› ile motorun fan› ve fan hücresinde fan vas›tas›yla oluflturulan negatif bas›nç ile d›flar›- dan emdi¤i hava yard›m›yla so¤umakta, böylelikle fan üzerinden akan havan›n zararl› etkilerinden korunmaktad›r. Harici havaland›rmal› motor, motor üzerinden akan havan›n moto- ru so¤utmas›n›n yeterli görülmeyip ek bir so¤utma istendi¤i uygu- lamalarda kullan›labilir. Burada dikkat edilmesi gereken nokta, yüksek yal›t›m istenilen sistemlerde veya explosion – proof gereken uygulamalarda, harici havaland›rmal› motor sistemi, bu sistemlere alternatif teflkil etmez. Harici havaland›rma motoru seçiminde hava- n›n al›naca¤› ba¤lant› a¤z›n›n yeri önemli oldu¤undan “L” mesafe- si imalatta belirtilmelidir. Cebri havaland›rma sistemi, fan üzerinden akan havan›n, toz, ya¤, gres ya¤› veya di¤er kirletici maddeler içerdi¤i uygulamalarda da kullan›l›r. Bunlara en temel örnekler, endüstriyel egzoz ve mutfak egzoz sistemleridir. Aksesuarlar GEA AT Plus serisi klima santrallerinde kullan›lan harici havalan- d›rmal› motorda afla¤›da verilmifl aksesuarlar kullan›labilir : • Manuel kumandal› klape: D›flar›dan al›nan taze hava miktar›n› ayarlamak için kullan›l›r. • ‹zolasyon malzemesi: Harici tip motor kullan›lan egzoz fan› uy- gulamalar›nda tavsiye edilir. Harici havaland›rmal› motor kulla- n›lan egzoz fanlar›n›n yaz iflletmesinde, santral içerisinden akan so¤uk hava nedeniyle, d›flar›dan al›nan s›cak ve nemli hava ekip- man›n içerisinde yo¤uflarak motora zarar verir. Bunun önüne geç- mek maksad› ile ilgili ekipman›n iç yüzeyinin izopropilen esasl› bir malzeme ile kaplanmas› gerekmektedir. Harici havaland›rmal› motor uygulamalar›nda dikkat edilmesi gere- ken bir baflka husus ise, harici havaland›rma ba¤lant›s›n›n her za- man egzoz fan›n›n müdahale yönünün ters taraf›ndan yap›lmas› ge- rekti¤idir. Bunun için yan yana olan uygulamalarda (side by side air handling units) harici havaland›rma uygulamas› yap›lamaz. fiekil 17.61. DÖRT F‹LTRASYON KADEMEL‹ MUTFAK ASP‹RATÖRÜ fiekil 17.62. HAR‹C‹ HAVALANDIRMALI MOTOR
  • 34.
    17.6 FAN COILC‹HAZLARI Fan coil tesisat› özellikle son 10 y›lda gerek sistem yap›s› olarak ge- rekse sistemde kullan›lan cihazlar›n kalitesi olarak önemli bir gelifl- me göstermifltir. Özellikle otomasyonda yap›lan ilerlemeler fan co- il tesisat›n›n daha konforlu ve daha ekonomik çal›flmas›n› sa¤lam›fl ve bilinen baz› sistem dezavantajlar›n›n yok olmas›n› sa¤lam›flt›r. 1. Fan coil motorlar›nda özel yataklar (bak›m istemeyen bilyal› ya- taklar v.s.) kullan›larak ses seviyelerinde ciddi bir iyilefltirme sa¤lanm›fl ayr›ca cihazlar›n performans de¤erleri ve ekonomik ömürleri artm›flt›r. (Kaliteli f. coil) 2. Kar›fl›m haval› fan coil sistemi yerine iç haval› fan coil + taze hava sistemi daha s›k uygulanmaya bafllanm›fl ve bununla daha iyi filtrasyon ve taze hava miktar›n›n art›r›lmas› sa¤lanm›flt›r. Zaruret halinde d›fl hava klapesi bir servomotordan kumanda al›p kar›fl›m oran›n› ayarlayabilen, donma kontrolü yapabilen, gerekti¤inde taze hava emiflinde susturucu hücresi bulunan fan coil dizaynlar› gelifltirilmifltir. 3. Genellikle geçifl dönemlerinde zafiyet yaratan iki borulu fan co- il tesisat› yerine 4-borulu fan coil sistemi daha s›kça kullan›lma- ya bafllanm›flt›r. 4. 2 – ve/veya 3-yollu oransal vana kullan›m› yayg›nlaflm›flt›r. Bu- nunla hem daha konforlu (özellikle s›cakl›k kontrolü aç›s›ndan) hem de daha ekonomik iflletme flartlar› sa¤lanm›flt›r. Termostat ve kontrol cihazlar›ndaki geliflmeler, fan coillerde gece – gün- düz iflletmesi, donma kontrolü, üfleme havas› limitlemesi, oto- matik fan devri ayar› gibi birçok fonksiyonun gerçekleflmesini sa¤lam›flt›r. 5. Havaland›rman›n %100 taze haval› klima santralleriyle yap›l- mas›; verimleri %90’a varabilen ›s› geri kazan›m› sistemleri kullan›lmas› halinde özellikle k›fl iflletmesinde ciddi tasarruflar sa¤lam›flt›r. Fan coil cihazlar› prensip olarak filtreden geçirilen havan›n fan yar- d›m›yla so¤uk veya s›cak bir yüzeyin (serpantin) üzerinden geçiri- lerek flartland›r›lmas› esas›na dayan›r. Fan coil cihazlar› ile ortam- daki havan›n s›cakl›¤› (yaz sezonu çal›flmas›nda ayn› zamanda ne- mi) kontrol edilir. Bu cihazlarla yaz›n so¤utma, k›fl›n da ›s›tma ya- p›l›r. Ortamda hava hareketi sa¤lan›r. Ortam havas› filtrelenerek ve seçime göre d›fl hava ile kar›flt›r›larak hava kalitesi iyilefltirilir. Cihaz›n ana yap›s› fan, serpantin, ana ve harici drenaj tavalar›, filt- re ve gövdeden oluflur.Ana drenaj tavas› serpantinde yo¤uflan suyu tahliye etmek için kullan›l›r. Döfleme tipi bir fan coilin iç yap›s› (fie- kil 17.63) ve (fiekil 17.64) ‘de görülebilir. 17.6.1 Fan Coil Tipleri ve Uygulamalar› Farkl› kullan›m amac›, mimari durum, projelendirme, maliyet ve konfor ihtiyaçlar› için çeflitli tipte fan coil cihazlar› mevcuttur. Bu tipler ve bu cihazlara ait uygulamalar fiekil 17.65 ve fiekil 17.78 aras›ndaki flekillerde görülebilir. Mimari seçim ve uygulama çeflitlili¤ine cevap vermek üzere kaset- li veya kasetsiz, döfleme veya tavan tipi, bas›nçl› tip, hidronik kaset- li tipte seçilebilirler. Ayr›ca seçilen sisteme göre tek serpantinli (iki borulu sistem için) veya çift serpantinli (dört borulu sistem için), ilave veya tamamen elektrik ›s›t›c›l›, d›fl haval› veya iç haval› tipte olabilirler. ‹ki borulu fan-coil sisteminde ünitede tek serpantin vard›r. Borularda ya s›cak ya da so¤uk su bulunur. Buna göre ya ›s›tma ya da so¤utma ifllemi yap›labilir. Dört borulu sistemde ise fan-coil cihaz›nda iki ayr› ser- pantin vard›r. Sistemde hem s›cak hem de so¤uk su bulunmaktad›r. 557 fiekil 17.63. DÖfiEME T‹P‹ FAN COIL ‹Ç YAPISI fiekil 17.64. DÖfiEME T‹P‹ FAN COIL ‹Ç YAPISI
  • 35.
    558 fiekil 17.69. KASETL‹DÖfiEME T‹P‹ (%100 ‹Ç HAVA) (ISITMA-SO⁄UTMA) fiekil 17.70. KASETL‹ DÖfiEME T‹P‹ (%100 ‹Ç HAVA) fiekil 17.71. G‹ZL‹ DÖfiEME T‹P‹ (%100 ‹Ç HAVA) fiekil 17.72. KASETL‹/G‹ZL‹ DÖfiEME T‹P‹ (TAZE HAVALI) (ISITMA-SO⁄UTMA) fiekil 17.65. KASETL‹ DÖfiEME T‹P FAN COIL C‹HAZLARI fiekil 17.66. G‹ZL‹ DÖfiEME T‹P FAN COIL C‹HAZLARI fiekil 17.67. BASINÇLI T‹P FAN COIL C‹HAZI fiekil 17.68. H‹DRON‹K KASETL‹ T‹P FAN COIL C‹HAZLARI
  • 36.
    Ünitenin o an›s›tma veya so¤utma yapmas›na göre vanalarla s›cak ya da so¤uk suyun ilgili serpantinden dolaflmas›na izin verilir. Özellikle bas›nçl› tip fan coiller kanala ba¤lanabilecek ve yüksek d›fl statik bas›nç kay›plar›n› karfl›layabilecek flekilde dizayn edil- mifllerdir. Hidronik kasetli tip fan coiller ise oldukça estetik görünüfllüdür ve modüler tipte asma tavan uygulamalar›nda da kullan›labilir. Drenaj pompas› sayesinde yo¤uflma suyu cebri olarak e¤im gerekmeden uzaklaflt›r›labilir. Mevcut fan coil tipleri afla¤›daki flekilde gruplanabilir: 1- Fan coil tipine göre - Tavan/döfleme tipi - Hidronik kaset tip - Bas›nçl› tip 2- Kaset yap›s›na göre (Döfleme ve tavan tiplerinde) - Kasetli - Kasetsiz (Gizli) 559 fiekil 17.77. KASETL‹ T‹P FAN COIL UYGULAMASI fiekil 17.78. BASINÇLI T‹P FAN COIL UYGULAMASI 1- Üfleme havas› 2- Emifl havas› 3- Üfleme plenumu 4- Emifl taraf› susturucusu 1- Taze hava ba¤lant›s› 2- Üfleme havas› 3- Emifl havas› 4- Harici besleme havas› 5- Manuel ayarlanabilen üfleme kanatlar› fiekil 17.73. KASETL‹ TAVAN T‹P‹ (%100 ‹Ç HAVA) fiekil 17.74. KASETL‹ TAVAN T‹P‹ fiekil 17.75. G‹ZL‹ TAVAN T‹P‹ (%100 ‹Ç HAVA) (ISITMA-SO⁄UTMA) fiekil 17.76. KASETL‹ TAVAN T‹P‹ (TAZE HAVALI) (Is›tma-So¤utma) (Is›tma) (Is›tma-So¤utma) (Is›tma) Elektrikli Is›tmada kullan›lamaz
  • 37.
    3- Batarya yap›s›nagöre - 2 Borulu - 4 Borulu 4- Otomasyon flekline göre - Fan kontrollü - Otomasyon Vanal› (on-off) - Otomasyon Vanal› (oransal) 5- Fan devir h›z›na göre - Çok devirli, Fan coil motorlar› genellikle 5 veya 7 devirli olup, seçim kriterlerine göre bu devirlerden uygun olan 3 ‘ü kullan›l›r. - De¤iflken devirli 6- Hava ak›m›na göre - %100 iç haval› - Kar›fl›m haval› 7- Ak›flkan tipine göre (Is›tma) - S›cak Su - K›zg›n Su - Buhar - Elektrikli Is›t›c› 8- Ak›flkan tipine göre (So¤utma) - So¤utulmufl Su - Direkt Genleflme (Dx) 9- Aksesuarlar - Üfleme Menfezi - Emifl Menfezi - Esnek Emifl / Üfleme Ba¤lant› Parças› - Taze Hava Ba¤lant›l› Emifl / Üfleme Kutusu - Çok ç›k›fll› üfleme/emifl kutusu - Susturucu, Kar›fl›m haval› döfleme/tavan tiplerinde d›flardaki ortamdan gelecek sesin engellenmesi için tavsiye edilir - Susturucu, Bas›nçl› tiplerde yüksek hava debileri ve d›fl statik bas›nçlardan dolay› fan gürültüsünü engellemek için kullan›l›r. - ‹zoleli ilave yo¤uflma tavas› 17.6.2. Fan Coil Seçimi için Gerekli Bilgiler 1- Duyulur so¤utma kapasitesi Watt - (kcal/h) 2- Toplam so¤utma kapasitesi Watt - (kcal/h) 3- Is›tma kapasitesi Watt - (kcal/h) 4- So¤utucu ak›flkan girifl/ç›k›fl s›cakl›klar› (Genellikle 6/10 °C – 7/12 °C) °C 5- Is›t›c› ak›flkan girifl/ç›k›fl s›cakl›klar› (Genellikle 80/60 °C – 90/70 °C) °C 6- Mahal s›cakl›¤› ve ba¤›l nemi (Genellikle 27 °C, %46 BN 26 °C, %50 BN – 24 °C, %50 BN) °C, % 7- Ortamda talep edilen ses bas›nç de¤eri dB(A) / NC/ NR (Tablo 17.81‘den yararlan›labilir) 8- Otomatik kontrol tipi (fiekil 17.79) 9- Kanala ba¤lanacak ise d›fl statik bas›nç kayb› Pa veya mmSS E¤er cihaz kar›fl›m haval› ise ayr›ca ; 1- Taze hava miktar› m3/h 2- D›fl hava s›cakl›¤› ve ba¤›l nemi °C, % Bu de¤erler ›fl›¤›nda seçilen fan coil için üretici firma afla¤›da belir- tilen de¤erleri vermelidir: 1- Is›t›c›/so¤utucu batarya su taraf› bas›nç kayb› (Pompa basma yüksekli¤i hesab› için) kPa 2- Is›t›c›/so¤utucu batarya su hacmi (Genleflme ve büzüflme kab› hesab› için) lt 3- Hava debisi m3/h 4- Fan motor gücü Watt 5- Batarya boru ba¤lant› çap› inch 6- Bataryalar max. iflletme bas›nc› bar 7- Filtre kalitesi EU... 17.6.3. Fan Coil Seçimi ile ilgili di¤er notlar 1- Pratik olarak fan coiller seçilirken öncelikle so¤utma kapasite- sini karfl›layacak flekilde seçilmektedir. Bunun nedeni; sistem dizayn edilirken so¤utma suyu s›cakl›k fark› ∆t=4-5 °C (7-12 °C veya 6-10 °C) al›narak hesap yap›ld›¤› halde ›s›tma suyunda bu fark ∆t=20 °C (80-60 °C veya 90-70 °C) olarak al›nmakta- d›r. Dolay›s›yla ayn› serpantinden s›cak su geçirildi¤inde so¤ut- maya göre daha fazla ›s›l güç elde edilmektedir. 2- Fan coil so¤utma kapasitelerini belirlerken duyulur ›s› ve top- lam ›s› kapasitelerinin sa¤lan›p sa¤lanmad›¤› ayr› ayr› kontrol edilmelidir. 3- Özellikle iki ayr› marka fan coil karfl›laflt›r›lacaksa muhakkak ayn› seçim kriterlerinde seçimin yap›ld›¤›ndan emin olunma- l›d›r. Örne¤in 7-12 °C so¤utma suyu flartlar› için ayn› fan coilin 24 °C, %50 BN flartlar›nda toplam so¤utma kapasitesi : 2,5 kW iken, 27 °C, %46 BN mahal flartlar› için so¤utma kapasitesi :3,3 kW olmaktad›r. 4- Bir fan coil seçiminde en önemli husus fan coilin istenen ›s›t- ma/so¤utma kapasitelerini talep edilen ses kriterlerinde sa¤lan- mas›d›r. Dolay›s›yla ayn› kapasiteyi karfl›layacak aç›k ofis için seçilecek bir fan coille, otel odas› için seçilecek fan coilin sa¤la- mas› gereken ses seviyesinden dolay› özellikleri farkl› olacakt›r. Tablo 17.81’de baz› ortamlarda VDI2081‘e göre olmas› gereken ses bas›nç seviyeleri verilmifltir. 5- Fan coil bataryas›ndaki su girifl s›cakl›¤› tesisattaki boru, vana v.s. gibi elemanlardaki ›s› kazanc› ve/veya kay›plar›ndan dolay› de¤iflebilir. Is›tmada kazana, so¤utmada ise su so¤utma grubuna (chiller) en uzak mesafede bulunan fan coillere kadar olan boru- lardaki ›s› kay›p/kazançlar›n› hesap etmek gerekir. Pratik bir çö- züm olarak örne¤in so¤utmada su so¤utma grubu çal›flma s›cak- l›klar› 6/10 °C ise fan coilleri 7/11 °C so¤utulmufl su s›cakl›kla- r›na göre seçmek do¤ru olur. 6- Kasetli tip fan coillerde üfleme menfezinin hava at›fl yönünün ayarlanabilir olmas› yaz/k›fl çal›flmas› ve istenmeyen hava ak›m- lar›n›n izole edilmesinde büyük avantaj sa¤lamaktad›r. 7- Fan coillerin en önemli elemanlar›ndan biri de filtredir. Özellik- le kasetli tip fan coillerde filtrenin, kaseti demonte etmeden ko- layl›kla sökülebilmesi ve temizlenebilmesi gerekir. 560
  • 38.
    8- Fan coillisistemlerde s›k s›k karfl›lafl›lan problemlerden biri de yo¤uflma tavalar› ile ilgilidir. Seçilen fan coilde yo¤uflma tava- s›n›n fan coil ba¤lant› armatürlerini örn. kesme vanas›, 2-veya 3- yollu vana gibi-tamamen içine alacak büyüklükte ve izoleli olmas› gerekir 9- ‹ki borulu fan coil sistemlerinde mevsim geçifl dönemlerindeki ›s›tma/so¤utma change-over problemlerini ortadan kald›rmak için ilave elektrikli ›s›t›c›l› fan coil kullan›labilir. Örne¤in ‹stan- bul Hilton Otelindeki her yatak kat›nda belli say›da yatak oda- s›nda ilave elektrikli ›s›t›c›l› fan coil monte edilmifltir. Ayn› uy- gulama baz› ofislerinde gece vardiyas› olan ifl merkezleri veya genel müdürlük binalar› için de geçerlidir. (Örne¤in bekçi oda- lar›, bilgi ifllem personel ofisleri v.s. için) 10- Fan coil bataryalar› bak›r borulu-alüminyum kanatl› olarak imal edilirler. Fan coil kullan›lacak ortamda agresif/korozif flartlar›n bulunmas› halinde (Örne¤in asitik ortamlar, kimyasal banyo- lar/laboratuarlar v.s.) batarya malzemesini kontrol etmek gere- kir. 11- Direkt genleflmeli fan coil kullan›lmas›nda bataryada bir donma riski oluflumunu azaltmak için devir say›lar›n› yüksek seçmek gerekecektir. 12- Kar›fl›m haval› döfleme/tavan tiplerinde d›flardaki ortamdan ge- lecek sesin engellenmesi için susturucu kullan›lmas› tavsiye edilir. (fiekil 17.80) 17.6.4. Fan Coil Ses Seviyesinin Hesaplanmas› Mahalde gerçekleflen ses bas›nç seviyesi orada bulunan fan coille- rin adetine, konumuna ve mahallin hacmine ve akustik karakterine 561 fiekil 17.79. FAN COIL OTOMAT‹K KONTROL fiEK‹LLER‹ ‹K‹ BORULU FAN COIL C‹HAZI ODA TERMOSTATI ‹LE KONTROL SEÇENEKLER‹ DÖRT BORULU FAN COIL C‹HAZI ODA TERMOSTATI ‹LE KONTROL SEÇENEKLER‹ FAN KONTROLÜ
  • 39.
    ba¤l› olarak de¤iflir.Tablo 17.81’de baz› ortamlarda VDI2081 ‘e gö- re olmas› gereken ses bas›nç seviyeleri verilmifltir. Örne¤in 20 x 10 x 4 = 800 m3 hacmindeki bir konferans odas›nda 6 adet fan coil bulundu¤unu varsayal›m. Öncelikle odadaki ses yutma yüzeylerinin büyüklü¤ü belirlenmelidir. Bunun için fiekil 17.82’den 800 m3 hacminde bir konferans salonunda ses yutma yüzeyinin 100 m2 oldu¤u saptan›r. Daha sonra fan coillerin yerleflim faktörü belirlenmelidir. Örnekte- ki fan coillerin fiekil 17.83’deki 4 pozisyonunda monte edildi¤ini ve 3 metre mesafede oluflturduklar› ses bas›nç fliddetinin kriter olarak de¤erlendirilece¤ini varsayarak, mahal içinde yutulan ses de¤erinin ∆L = 11 dß oldu¤u yine fiekil 17.82’den belirlenir. Seçilen fan coillerin orta devirlerindeki ses güç de¤erinin 38 dß (A) oldu¤u kabulüyle bir adet fan coil için beklenen ses bas›nç de¤eri; Lp = Lw - ∆L = 38 dß (A) - 11 dß = 27 dß (A) olacakt›r. 6 adet fan coil için ses seviyesindeki art›fl, fiekil 17.84’den ~8 dß olarak bulunur. Buna göre oda içinde gerçekleflmesi beklenen ses bas›nç de¤eri; Lp oda = Lp + 8 dß = 27 dß + 8 dß = 35 dß (A) olacakt›r. 562 fiekil 17.80. KARIfiIM HAVALI DÖfiEME/TAVAN T‹PLER‹NDE SUSTURUCU KULLANILMASI Tablo 17.81. BAZI MAHALLERDE VDI2081’E GÖRE OLMASI GEREKEN SES BASINÇ DE⁄ERLER‹ Otel odalar› (gece) Konutlar Konser salonu Tiyatrolar Sinemalar Kütüphane, Seminer odalar› Ofis binalar› Müzeler Lokantalar Ma¤azalar, dükkanlar Bilgi ifllem odalar› Laboratuvar 30 30/35 25/30 30/35 30/40 35/40 35/40 35/40 40/55 45/60 40/55 45/40 0,5 0,5 2,0 1,0 1,0 1,0 0,5 1,5 1,0 1,0 1,5 2 Ortam ad› Ses bas›nç düzeyi dß(A)* Ortalama yank›lanma süresi (sn) * Verilen de¤erlerden yüksek olan› minimum olmas› gerekeni, düflük olan› tavsiye edilen konfor flart›n› belirtmektedir. fiekil 17.82. SES GÜÇ SEV‹YES‹N‹N SES BASINÇ SEV‹YES‹NE DÖNÜfiÜMÜ
  • 40.
    563 17.6.5. Fan CoilMontaj›nda ve ‹flletmeye Almada Dikkat Edilecek Hususlar 1- Fan coillerin terazisinde monte edildi¤ini kontrol edin. 2- Gizli döfleme tipi ve gizli tavan tipi montajlar›nda fan coil üzeri- ne yap›lacak kaj›n veya kaplaman›n elektirik kutusuna, su ba¤- lant› taraf›na ve filtre servisine olanak verecek flekilde olmas›na dikkat edin. 3- Gizli döfleme tipi fan coil montajlar›nda kaj yap›lmas› halinde kaj›n alt›nda hava emifli için min. 100 mm.’lik aç›kl›k b›rak›ld›- ¤›ndan emin olun. 4- Gizli döfleme tipi fan coil montajlar›nda kaj yap›lmas› halinde fan coil üfleme a¤z› ile kaj›n aras›nda kalan bofllu¤un hava s›z- d›rmaz bir flekilde izole edildi¤inden (galvaniz kanal parçalar› veya esnek ba¤lant› ile) emin olun. 5- Fan coil ba¤lant›lar›ndaki armatürlerin (kesme vanas›, pislik tu- tucu, iki yollu veya 3 yollu vana v.s.) montaj›n›n yatay planda mutlaka yo¤uflma tavas› içine s›¤acak flekilde olmas›n› sa¤lay›n. 6- Borulama kaynakl› olarak yap›lacaksa: a. Yo¤uflma tavalar›n›n zarar görmemesine dikkat edin. Aksi halde tavan›n galvanizi yanabilir ve korozyona meyilli hale gelir. b. Filtreleri koruyun, yanarak zarar görebilir. c. Flexible ba¤lant› borular›n› koruyun. 7- Yo¤uflma tavas› ba¤lant›s›n› yapt›ktan sonra, tava içine su döke- rek herhangi bir t›kan›kl›k olmad›¤›ndan emin olun. 8- Fan coilleri devreye al›rken önce kesme vanalar›n› kapat›n, son- ra tek tek açarak ve fan coilin pürjöründen havay› tahliye ederek, tüm fan coillerin kontrollü olarak su ile doldurulmas›n› sa¤lay›n. 17.7. SICAK VE SO⁄UK HAVAAPAREYLER‹ 17.7.1. Aparey Tipleri 1. Fonksiyonuna göre - Sadece ›s›tma (2-borulu sistem) - Is›tma veya so¤utma (2-borulu sistem) 2. Enerji kayna¤›na göre - Sulu sistem (s›cak su, k›zg›n su, buhar ya da so¤uk su) - Gaz / likit yak›tl› sistem (LPG, do¤al gaz, mazot) - Elektrikli sistem 3. Montaj flekline göre - Duvar tipi (fiekil 17.85) - Tavan tipi (fiekil 17.86) 4. Fan tipine göre - Radyal fan - Aksiyel fan - Diyagonal fan 5. Taze hava oran›na göre - %100 iç haval› (resirküle) - Kar›fl›m haval› (fiekil 17.87) 6. Motor devrine göre - 1 devirli (230 V veya 400 V) - 2 devirli - 3 devirli - Sonsuz kademe fiekil 17.83. YERLEfi‹M FAKTÖRÜ fiekil 17.84. fiekil 17.85. DUVAR T‹P‹ HAVAAPAREY‹
  • 41.
    564 7. Kullan›m yerinegöre - Konfor tipi - Endüstriyel tip 8. Çevre flartlar›na göre - Normal (galvaniz çelik) - Ex-proof - Paslanmaz çelik 17.7.2. Hava Apareyi Seçmek ‹çin Gerekli Bilgiler 1- Is›tma kapasitesi ..... kW 2- Toplam / duyulur so¤utma kapasitesi..... / .....kW (so¤utma is- teniyorsa) 3- Hava debisi.....m3/h 4- Is›tma için su girifl / ç›k›fl s›cakl›¤›..... / ..... °C (sulu sistem) 5- So¤utma için su girifl / ç›k›fl s›cakl›¤› ..... / ..... °C (so¤utma iste- niyorsa) 6- Buhar bas›nc› (mutlak veya efektif) ..... bar (buharl› sistem) 7- Is›tma sezonunda mahal flartlar› ..... / ..... °C / b.n. 8- So¤utma sezonunda mahal flartlar› ..... / ..... °C / b.n. (so¤utma isteniyorsa) 9- D›fl hava flartlar› (k›fl) ..... °C (kar›fl›m haval› ise) 10- D›fl hava flartlar› (yaz) ..... / ..... °C / b.n. (so¤utma isteniyorsa) 11- Taze hava oran› (yaz ve k›fl) ..... % (kar›fl›m haval› ise) 12- Kanal kayb› ..... Pa (kar›fl›m haval› ise) 17.7.3. Aparey Seçimi ‹le ‹lgili Önemli Notlar 1- ‹yi bir hava ve s›cakl›k da¤›l›m› için endüstriyel mahallerin Tab- lo 17.88’deki hava de¤iflim katsay›lar› ile sirkülasyonu sa¤lan- mal›d›r. 2- DIN 33403-1 ’de de¤iflik meslek gruplar› ve de¤iflik fiziksel ak- tiviteler için konfor flartlar›n› sa¤layan mahal s›cakl›klar› bulu- nabilir. (Tablo 17.89). 3- Mahalde homojen ›s› da¤›l›m›n› sa¤lamak için cihaz adedinin do¤ru hesaplanmas› gerekmektedir. Afla¤›da tavan ve duvar tipi apareylerin adetlerini hesaplamaya yönelik pratik bilgiler veril- mifltir. Tavan tipi cihazlarda, cihaz say›s›n› bulmak için toplam mahal alan› bir cihaz›n ›s›tt›¤› alana (radyasyon alan›) bölünür. Bir ci- haz›n ›s›tt›¤› alan Tablo 17.90’dan bulunabilir. Örnek: 20 x 60 x 6 m boyutlar›ndaki bir mahalle tavan tipi kaç adet aparey yerlefltirilmesi gerekti¤inin bulunmas›. Tavan yükse- li¤i 6 m oldu¤una göre, montaj yüksekli¤inin 5,3 m oldu¤u, ci- haz›n 2. fan devrine göre seçilece¤i kabul edilsin. Tablo 17.90’dan bir cihaz›n radyasyon alan› 100 m2 olarak al›nabilir. fiekil 17.86. TAVAN T‹P‹ HAVAAPAREY‹ fiekil 17.87. KARIfiIM HAVALI HAVAAPAREY‹ Tavan Yüksekli¤i Hava De¤iflim Katsay›s› %100 iç hava %100 taze hava h < 4 m 3 - 5 1 4 m < h < 6 m 3 - 5 0,5 - 1 6 m < h < 8 m 2 - 4 0,5 - 1 h > 8 m 2 - 4 0,5 Tablo 17.88. TAVS‹YE ED‹LEN HAVA DE⁄‹fi‹M KATSAYILARI Aktiviteler Mahal s›cakl›¤› Oturarak yap›lan aktiviteler 19 °C Ayakta yap›lan aktiviteler 17 °C A¤›r fiziksel ifller 12 °C Ofis iflleri 20 °C Al›fl-verifl yerleri 19 °C Tablo 17.89. DE⁄‹fi‹K ‹fiLERE GÖRE MAHAL SICAKLIKLARI
  • 42.
    Buna göre, Cihaz adedi=20.60/100= 1200/100=12 olarak hesaplan›r Duvar tipi apareylerde cihaz say›s›n› bulmada mahallin uzunlu- ¤u önemlidir. Cihazlar›n tek s›ra m› yoksa karfl›l›kl› olarak çift s›ra m› yerlefltirilece¤i mahallin geniflli¤ine ba¤l›d›r. Bunun için Tablo 17.92’den faydalan›labilir. Örnek: 20 x 60 x 6 m boyutlar›ndaki bir mahale duvar tipi kaç adet aparey yerlefltirilmesi gerekti¤inin bulunmas›. Tablo 17.92’den, 20 m mahal geniflli¤i için çift s›ral› yerleflimin ve iki cihaz aras› mesafenin 8 – 11 m olmas›n›n uygun oldu¤u görül- mektedir. Maksimum cihaz adedi= 60 m/ 8 m= 8 adet, minimum cihaz ade- di= 60 m/ 11 m= 6 adet olarak hesaplan›r. Buna göre, cihaz say›- s› 7 olarak seçilir (çift s›ral› yerleflimlerde cihaz adeti tek say› ol- mal›d›r). 4- Aparey seçerken dikkat edilmesi gereken baflka bir husus da ci- haz›n do¤ru üfleme mesafesine sahip olmas›d›r. Mahallin homo- jen olarak ›s›t›lmas› veya so¤utulmas› için apareye uygun men- fez tak›l› olmal›d›r. Menfezlerin bile yeterli olmad›¤› durumlar- da özel apareyler kullanmak gerekmektedir. Örne¤in, THY Han- gar binas›n›n ›s›t›lmas›nda, yerden 26 m yüksekli¤e as›lan, çok yüksek üfleme mesafesine sahip diyagonal fanl› GEA Multi- MAXX ® M6 tipi özel hava apareyleri kullan›lm›flt›r. 5- Mahallin konfor bölgesindeki hava h›z› da aparey seçerken dik- kat edilmesi gereken bir parametredir. Özellikle tavan tipi hava apareylerinin üfleme h›z› DIN EN ISO 7730 ’a göre yerden 2 m yükseklikte max. V= 0,2 m/s olmal›d›r (fiekil 17.94). 565 Fan Montaj ‹ki Cihaz Aras› Radyasyon Kademesi Yüksekli¤i Mesafe Alan› [ m ] [ m ] [ m2 ] III 4 - 7 8 - 12 65 - 140 II 3,5 - 6 7 - 10 50 - 100 I 2,5 - 4 6 - 8 40 - 65 Mahalin geniflli¤i Yerlefltirme flekli ‹ki cihaz aras› mesafe b < 10 m tek s›ra 10 - 15 m 10 m < b < 20 m çift s›ra 8 - 11 m Tablo 17.90. TAVAN T‹P‹ HAVAAPAREYLER‹NDE B‹R C‹HAZIN RADYASYON ALANI Tablo 17.92. DUVAR T‹P‹ APAREYLER‹ YERLEfiT‹RME fiEKL‹ fiekil 17.91. TAVAN T‹P‹ APAREYLER‹N RADYASYON ALANI fiekil 17.93. DUVAR T‹P‹ APAREYLERDE Ç‹FT SIRALI YERLEfi‹M fiekil 17.94. HAVA HIZI 0,2 m/s’DEN KÜÇÜK OLMALIDIR
  • 43.
    566 6- Ülkemizde maalesefpek fazla önemsenmeyen baflka bir konu da verim ya da enerji tasarrufudur. S›kça yap›lan hata, do¤ru se- çilmeyen apareylerin konfor mahallini ›s›tmak yerine tavan› ›s›t- mas›d›r. Mahallin ›s›nmad›¤›n› gören iflletmeci üfleme havas› s›- cakl›¤›n› daha da art›rarak havan›n tavana daha da çok ç›kmas›- n› sa¤lar. Bilindi¤i gibi yukar› ç›kmaya e¤imli olan s›cak hava- n›n s›cakl›¤› daha da art›r›l›rsa, hava yukar› daha çok ç›kmak is- tiyecektir. Bunun sonucunda, mahallin ›s›nmas› sa¤lanamad›¤› gibi, kazan daha çok zorlanarak enerji maliyetleri artacakt›r. Bu- nu engellemenin yolu, apareyin serpantininden ›s›t›larak ç›kan hava (birincil hava) ile mahal havas›n› (ikincil hava) kar›flt›ran, dolay›s›yla üflenen havan›n s›cakl›¤›n› düflüren, fakat buna kar- fl›n debisini art›ran özel menfezler (‹kincil Hava Jaluzisi) kullan- makt›r. 17.7.4. Apareylerin Montaj› ‹le ‹lgili Önemli Notlar 1- Apareylerin emifl a¤z› ile duvar aras›nda yeteri kadar aç›kl›k b›- rak›lmal›d›r (fiekil 17.97). 2- Apareyler, daha sonra boru ba¤lant›s›na izin verecek flekilde monte edilmelidirler. 3- Apareylerin, elektrik kutular›n›n oldu¤u tarafta elektrik ba¤lant›- lar› veya servis için yeterli boflluk b›rak›lmal›d›r. 17.8. POMPALAR 17.8.1. Pompalar›n Kullan›ld›¤› Devreler Klima sistemlerinde sirkülasyon pompalar›n›n kullan›ld›¤› genelde üç ana devre bulunmaktad›r (fiekil 17.98). a. So¤utma kulesi sirkülasyon devresi. (Bu devrede yer alan pom- palar so¤utma grubunun yani chillerin kondenser bölümü ile so- ¤utma kulesi aras›ndaki suyun sirkülasyonunu sa¤lamaktad›r. Dolay›s›yla “kule pompas›” veya “kondenser pompas›” olarak isimlendirilmektedir). b. So¤utma grubu (chiller) primer sirkülasyon devresi. (Bu devrede yer alan pompalar chillerin evaparatör bölümü ile so¤utma dev- resinin by-pass borusu (veya so¤uk su kar›fl›m tank›) aras›ndaki suyun sirkülasyonunu sa¤lamaktad›r. Dolay›s›yla “chiller primer devre pompas›” veya “so¤utulmufl su sirkülasyon pompas›” olarak isimlendirilmektedir). c. So¤utma grubu (chiller) sekonder sirkülasyon devresi. (Bu devre- de yer alan pompalar, by-pass borusu (veya so¤uk su kar›fl›m tan- k›) ile fan coil cihazlar› ve/veya hava santrallar› aras›ndaki suyun sirkülasyonunu sa¤lamaktad›r. Dolay›s›yla “chiller sekonder dev- re pompas›”, “fan-coil / santral devresi pompas›” veya “so¤uk su zon pompas›” gibi de¤iflik flekillerde isimlendirilmektedir). Ayr›ca bünyesinde nemlendirme özelli¤i bulunan santral uygulama- lar›nda, santral›n içindeki nemlendirme pompas›, pompa kullan›m›- na bir baflka örnektir. Ancak nemlendirme pompas›, yapt›¤› ifl itiba- riyle tam bir sirkülasyon pompas› gibi çal›flmamaktad›r. Bu pompa daha ziyade aç›k veya yar› kapal› say›labilecek bir devrede, püs- kürtme yapmak üzere bir nozul düzene¤ine gerekti¤i zaman su bas- maktad›r. Ancak bu tür püskürtme pompal› nemlendirme sistemleri, lejyonel- la bakterisi üremesine ve yay›lmas›na uygun ortam haz›rlad›¤› için yaflam hacimlerinin iklimlendirilmesinde pek kullan›lmamakta, da- ha ziyade proses devrelerinde kullan›m yeri bulmaktad›r. fiekil 17.95. DUVAR T‹P‹ ‹K‹NC‹L HAVA JALUZ‹S‹ fiekil 17.96. TAVAN T‹P‹ ‹K‹NC‹L HAVA JALUZ‹S‹ fiekil 17.97. ‹Ç HAVA ‹LE ÇALIfiAN APAREYLER ‹Ç‹N MONTAJ ARALI⁄I
  • 44.
    567 17.8.2. Kullan›lan Pompalar›nTipleri Klima devrelerinde pompalanan suyun s›cakl›¤› +5 °C’ye kadar dü- flebilmektedir. Pompalar›n çal›flt›¤› mekanlarda çevre s›cakl›¤› ise + 40 °C’ye kadar ç›kabilmektedir. Dolay›s›yla pompalar›n gövdesin- de yo¤uflma oluflur. Kullan›lan pompalar›n terlemeye dayan›kl› özellikte olmas› gerekir. Prensip olarak klima devrelerinde ›slak rotorlu veya kuru rotorlu sirkülasyon pompalar› kullan›labilir. Ancak ›slak rotorlu sirkülasyon pompalar›n›n debilerinin 50-60 m3/h ve basma yüksekliklerinin de 10-15 mSS de¤erleriyle s›n›rl› olmas› nedeniyle ›slak rotorlu pompalar sadece küçük kapasiteli sis- temlerde kullan›labilmektedir. (fiekil 17.99 ve 17.100) Kuru rotorlu pompalarda, pompa ve elektrik motoru mekanik sal- mastra kullan›larak birbirinden ayr›lm›flt›r. Bu tür pompalar yo¤ufl- man›n yol açabilece¤i motor yanmas› ve ak›flkan kirlili¤inin sebep olabilece¤i blokaj gibi problemlere karfl› daha güvenilirdir. Kuru rotorlu pompalar›n debilerinin 1000 m3/h ve basma yükseklikle- rinin de 80 mSS de¤erlerine kadar ç›kabilmesi, bu tür pompalar›n kli- ma devrelerinde yayg›n olarak kullan›labilmesinin di¤er ana sebebidir. Kullan›lan kuru rotorlu pompalar dört de¤iflik yap› tarz›nda seçile- bilmektedir; a. Direkt boruya ba¤lanabilen In-line pompalar (fiekil 17.101 ve 17.102) b. Beton kaide üzerine ba¤lanabilen In-line pompalar (fiekil 17.103) c. Beton kaide üzerine ba¤lanabilen blok tipi off-line pompalar (fiekil 17.104) fiekil 17.98. B‹R SO⁄UTMA DEVRES‹NDE KULLANILAN S‹RKÜLASYON POMPALARININ UYGULAMA ÖRNE⁄‹ fiekil 17.99. ISLAK ROTORLU TEK T‹P POMPA fiekil 17.100. ISLAK ROTORLU ‹K‹Z T‹P POMPA
  • 45.
    d. Beton kaideüzerine ba¤lanabilen flaseli tip norm pompalar (fiekil 17.105) Bu seçeneklerden en yayg›n olarak kullan›lan›, emme ve basma flanfl› ayn› çapta ve ayn› eksen üzerinde olan In-line tipi pompalar- d›r. In-line pompalar 400-450 m3/h debi ve 60-65 mSS basma yük- sekli¤i de¤erlerine kadar genifl bir yelpazede kullan›lmaktad›r. In-line pompa kapasitelerinin yeterli olmad›¤› büyük sistemlerde ise debileri 1000 m3/h, basma yükseklikleri 90 mSS de¤erlerine kadar ç›kabilen flaseli tip norm pompalar kullan›lmaktad›r. 17.8.3. Pompalar›n Seçim Kriterleri Tesisat mühendisi pompa seçerken afla¤›daki kriterleri dikkate al- mal›d›r. 1- Gerekli olan debi ve basma yüksekli¤i 2- Tesisatta var olan azami iflletme bas›nc› 3- Ak›flkan›n alt ve üst s›cakl›k de¤erleri 4- Ak›flkan›n cinsi ve özellikleri 5- Mekanda var olan alt ve üst çevre s›cakl›klar› 6- NPSH 7- Elektrik flebekesi flartlar› 8- Kabul edilebilecek azami ses ve titreflim seviyesi 9. Öngörülen alan ve hacim 568 fiekil 17.101. TEK T‹P IN-LINE POMPA fiekil 17.102. ‹K‹Z T‹P IN-LINE POMPA fiekil 17.103. BETON KA‹DEYE BA⁄LANAB‹LEN IN-LINE POMPA fiekil 17.104. BETON KA‹DE ÜZER‹NE BA⁄LANAB‹LEN OFF-LINE POMPA fiekil 17.105. fiASEL‹ T‹P NORM POMPA
  • 46.
    Pompa tipinin seçimindeçal›flma noktas›n›n (sistemin karakteristik e¤risi ile pompan›n kendi karakteristik e¤risinin kesiflme noktas›) pompan›n hidrolik veriminin mümkün oldu¤unca yüksek oldu¤u bir bölgede oluflmas›na dikkat edilmelidir. (fiekil 17.106) Özellikle ›s›tma ve so¤utma suyu tesisatlar›nda sirkülasyon pom- pas› olarak kullan›lan santrifüj pompalar›n basma yüksekli¤inin seçiminde abart›l› davran›lmamal›d›r. Karakteristik e¤risinin alt bölgesinde çal›flt›r›lan pompalarda (bas›nç kay›plar›n›n öngörülenden daha küçük oldu¤u durum- lar) kavitasyon ve motor yanmas› gibi problemler oluflabilmek- tedir. Böyle durumlarda reglaj vanalar› kullan›larak tesisatta suni direnç yarat›lmal› ve sistemin karakteristik e¤risi de¤ifl- tirilerek, pompan›n karakteristik e¤risiyle daha uygun bir nok- tada kesiflmesi sa¤lanmal›d›r. Pompa kataloglar›nda verilen de¤erler yo¤unlu¤u ρ = 1 Kg/dm3 olan, yani s›cakl›¤› yaklafl›k 20 ˚C’ deki normal su için geçerlidir. Vizkozitesi ve yo¤unlu¤u sudan farkl› olan ak›flkanlar›n kullan›ld›¤› tesisatlarda (örne¤in glikol veya ya¤ oran› % 10’u geçen su kar›fl›m- lar›), pompa seçiminde bu durum dikkate al›nmal›d›r. Çünkü bu tip tesisatlarda hem sistemin kendi karakteristi¤inde farkl›l›k, hem de pompan›n performans de¤erlerinde sapmalar oluflur (fiekil 17.107). Pompalanan ak›flkan›n viskozitesi artt›¤›nda pompan›n bu ak›flkan için debi, basma yüksekli¤i ve verim de¤erleri düfler, gereksinim duydu¤u tahrik gücü ise artar. Pompa seçerken dikkate al›nan di¤er bir kriter de ilk yat›r›m maliyeti ve iflletim giderleridir. ‹lk yat›r›m maliyetleriyle birlikte, iflletme süresince oluflan elektrik giderlerini de asgari seviyeye indirebilmek için, klima devrelerinde az say›da büyük kapasiteli pompa seçmek yerine, çok say›da küçük pompa seçmek daha do¤ru olmaktad›r. Örne¤in proje de¤erleri Q=300 m3/h ve H=20 mSS olarak belir- lenen bir sirkülasyon devresi için birbirini % 100 yedekleyebilecek DN 200 flanfl ölçülerinde ve beheri Q=300 m3/h ve H=20 mSS kapasiteli, 30 kW motor gücüne sahip 2 adet pompa yerine DN 100 flanfl ölçülerinde ve beheri Q=100 m3/h ve H=20 mSS kapasiteli, 7,5 kW motor gücüne sahip 4 adet pompa kullanmak daha ekonomik olabilmektedir. Böylece sistemde 30 kW’l›k bir pompay› sürekli çal›flt›rmak yerine, gerekti¤i kadar say›da 7,5 kW’ l›k pompalar çal›flt›r›larak çok önemli boyutlarda elektrik tasarrufu sa¤lanabilmektedir. 30 kW’ l›k bir pompan›n yedek bekletilmesi yerine, sadece 7,5 kW’ l›k bir pompan›n yedek bekletilmesi yeterli olmaktad›r. 4 adet 7,5 kW ‘ l›k pompan›n ilk yat›r›m toplam maliyeti, 2 adet 30 kW’ l›k pompan›n toplam maliyetinden daha düflük olmaktad›r. Wilo’ nun sirkülasyon pompalar›n›n kontrolu için özel olarak gelifl- tirdi¤i QS.. serisi elektrik kontrol panolar› kullan›larak pompalar s›ra kontrollu, rotasyon iflletimli ve ar›zada otomatik yedeklemeli olarak çal›flt›r›labilmektedir. (fiekil 17.108) Pompa tipinin belirlenmesi s›ras›nda elektrik motorunun gücünün do¤ru seçimi de önemlidir. Olmas› gerekenden daha küçük motor seçilmesi iflletimde istenen hidrolik kapasiteye ulafl›lamamas› ve/veya s›k s›k termik atmas› gibi problemler yarat›rken, gere¤in- den daha büyük motor seçilmesi iflletmede faydas›z bir elektrik sar- fiyat›na ve dolay›s›yla yüksek iflletme giderlerine neden olmaktad›r. Pompa kataloglar›nda standart çark çaplar› için geçerli olan perfor- mans e¤rileri gösterilmifltir. Ancak iste¤e ba¤l› olarak baz› pompa serilerinde ara çark çaplar›yla da pompa siparifl edilebilmektedir. Motor gücünün do¤ru olarak seçimi için Q x H x ρ P = —————— x emniyet faktörü 367 x η formülünden de yararlanmak mümkündür. Pompan›n iflletim noktas›ndaki debisi Q (m3/h), basma yüksekli¤i H (m), ak›flkan›n yo¤unlu¤u ρ (kg/dm3) ve pompa verimi η ilgili pompa aba¤›ndan al›narak formülde yerine konuldu¤unda, gerekli 569 fiekil 17.106. POMPA VE S‹STEM‹N KARAKTER‹ST‹K E⁄R‹LER‹ fiekil 17.107. ÇALIfiMA NOKTASINININ V‹SKOZ‹TEYE BA⁄LI OLARAK DE⁄‹fi‹M‹
  • 47.
    olan asgari motorgücü P (kW) olarak bulunabilmektedir. Kullan›lacak motorun nominal gücünün seçiminde ise bu gücün üs- tüne genelde P < 1,5 kW’ l›k mil güçleri için %15 (çarp›m faktörü 1,15) P = 15 kW’ l›k mil güçlerine kadar %10 (çarp›m faktörü 1,10) P > 15 kW’ l›k mil güçleri için %5 (çarp›m faktörü 1,05) emniyet pay› eklenmektedir. Kullan›lan ak›flkan genellikle su oldu¤u için yo¤unlu¤u ρ = 1 (kg/dm3) kabul edilerek güç hesab›nda dikkate al›nmaz. Ancak an- tifiriz kar›fl›m oran› %10’dan daha yüksek olan sularda yükselen yo¤unluk de¤eri dikkate al›nmal›d›r. Elektrik motorlar›na ait kataloglarda verilen anma güç de¤erlerinin, çevre s›cakl›¤› 40 °C’ yi geçmeyen, deniz seviyesinden 1000 m’ye kadar yüksekliklerde, flebeke anma gerilimi 220/380-380/660 volt olan ve gerilim dalgalanmalar› ± %5’den daha yüksek olmayan flebekeler için geçerli oldu¤u unutulmamal›d›r. Bu flartlar›n sa¤- lanamad›¤› durumlarda, pompa seçiminden önce pompa üreticisine dan›fl›lmal›d›r. Pompalar sabit debili veya de¤iflken debili olarak seçilebilir. Frekans konvertör kontrollu de¤iflken debili pompalar›n klima dev- relerinde kullan›m› yayg›nd›r. ‹flletimde konfor ve önemli ölçüde enerji tasarrufu sa¤layan frekans konvertörlü pompa uy- gulamalar›yla ilgili olarak afla¤›da daha detayl› bilgi verilmifltir. 17.8.4. Frekans Konvertör Kontrollu Pompalar Klima devrelerinde yer alan pompalar›n debilerinin asl›nda mev- simler, gündüz-gece çal›flma saatleri, zonlar aras›ndaki farkl›l›klar vb. gibi bir dizi etkene göre de¤iflken olmas› gerekmektedir. Ancak pompalar seçilirken en s›n›r de¤erler baz al›nd›¤›ndan, ifl- letim süresinin büyük bir bölümünde, o an ve o yer için yeterli olabilecek debi de¤erlerinden çok daha büyük kapasitelerde çal›fl›l- maktad›r. Dolay›s›yla pompalar sabit debili sistemlerde her zaman en yüksek de¤erde elektrik tüketmekte ve sonucunda da iflletme giderleri gereksiz yere yüksek olmaktad›r. Bunun önüne geçmek için frekans konvertör kontrollu, debisi, bas›nc› ve flebekeden çekti¤i elektrik gücü kademesiz olarak de¤ifl- tirilebilen pompalar kullan›lmaktad›r. Frekans konvertörlü kontrol sistemleriyle pompalar, o an ve o yer için iflletme flartlar›na uygun olarak, sadece yetecek kadar gerekli olan kapasitede ve süreklilik arz eden otokontrollü bir regülasyon düzeni içinde çal›flt›r›labilmektedir. Frekans konvertör kontrollu ve regülasyonlu pompa sistemlerinin sa¤lad›¤› önemli avantajlar›n baz›lar› flunlard›r ; 1- ‹flletmede çok önemli boyutlarda enerji tasarrufu sa¤lanabilmek- tedir. 2- Tesisatta kullan›lan pompa, vana, cihaz ve di¤er aksam›n kul- lan›m ömrü uzamakta ve iflletme bak›m-servis giderleri azalmak- tad›r. 3- Tesisat›n bütününde ve özellikle termostatik vana ve motorlu vanalardaki rahats›z edici ses ve vibrasyon oluflumu önlenmek- tedir. 4- Pompalar›n durma-kalkma veya ani vana kapanmalar› gibi durumlarda ortaya ç›kabilen bas›nç floklar› oluflmamakta, tesisat›n genel güvenilirli¤i yükselmektedir. 5- Projelendirme hatas› veya tesisat›n projeye tam uygun olarak yap›lmamas›ndan kaynaklanan problemlerle, pompalar›n yanl›fl seçilmifl olmas› ve iflletmeye alma s›ras›nda ortaya ç›kan debi ve basma yüksekli¤i uyumsuzluklar› ve bunun neticesinde oluflan termik atmas›, motor yanmas›, afl›r› ›s›nma, gürültülü çal›flma, s›k s›k ar›za yapma gibi problemler önlenebilmektedir. 6- % 50’ ye varan elektrik tasarrufuyla, kömür ve petrol bazl› yak›t kullanan elektrik üretim santrallar›n›n çevreyi ve atmosferi kir- letmesi azalt›labilmektedir. Bu tür santrallar›n 1 kWh elektrik üretebilmek için atmosfere 560 gram CO2 att›klar› düflünül- dü¤ünde konunun önemi daha iyi anlafl›labilmektedir. 7- Frekans konvertörlü pompa sistemlerinin ilk yat›r›m maliyeti, sabit debili pompa sistemlerine nazaran yaklafl›k iki kat› veya biraz daha yüksektir. Ancak iflletmede gerçekleflen elektrik tasar- rufuyla sistem kendisini 2 veya en geç 3 y›l içinde tamamen 570 fiekil 17.108. ROTASYON KONTROLLU S‹RKÜLASYON POMPA VE PANO S‹STEM‹
  • 48.
    amorti edebilmekte vesonradan büyük tasarruf sa¤lamaktad›r. Frekans konvertörlü pompa sistemleri, pompa üreticilerince genel- de 2 de¤iflik seçenekte kullan›ma sunulmaktad›r: 1- Konvertör, sensör ve di¤er elektronik ekipman›; pompan›n üzerine ve klemens kutusu içine entegre edilmifl olan sistemler. Bu sistem- ler motor gücü genelde 7,5 veya 11 kW’a kadar olan pompalarda mevcuttur. Bu tür pompalar tekli tip (fiekil 17.109) veya ikiz tip (fiekil 17.110) seçeneklerinde kullan›ma sunulmaktad›r. 2- Frekans konvertörlü kontrol panosu ve sensörü pompadan ayr› kullan›lan sistemler (fiekil 17.111). Bu sistemlerde 1, 2, 3, 4, 5 veya 6 pompadan oluflan pompa gruplar› tek bir kontrol panosuyla ortak bir iflletim koordinasyonu içinde kontrol edilebilmektedir. Bu sistemlerde asl›nda bir güç s›n›r› yoktur. 1 kW ile 200 kW aras›ndaki güçlerdeki klima devre pompalar›nda kullan›m mümkündür. Frekans konvertörlü pompa sistemlerinin problemsiz çal›flabil- mesi için gerekli olan ön flartlardan biri elektrik flebeke bes- lemesinin temiz ve kaliteli olmas›d›r. fiebeke voltaj› 350-440 volt aras›nda sabit bir de¤erde olmal› ve fazlar aras›nda dalgalanmalar olmamal›d›r. Elektrik flebekesinin de¤iflkenlik gösterdi¤i, yetersiz havaland›r- ma ve yüksek nem gibi çevre flartlar›n›n bozuk oldu¤u ve kullan›c› uzmanl›¤›n›n yeterli seviyede mevcut olmad›¤› durumlarda, ikin- ci seçenekte aç›klanan kontrol panosu ve pompas› ayr› ayr› sunulan sistemlerin kullan›lmas› daha güvenilir olmaktad›r. Bu tür sistemlerde yer alan kontrol panolar›, salt frekans konvertör cihaz›n› içermezler. Bünyelerinde, frekans konvertör cihaz›n›n yan› s›ra PLC, motorlarda ses oluflumunu ve sarg›larda zararl› gerilim yükselmelerini engelleyici elektronik filtreler, kontaktörler, motor termik ve kuru çal›flma korumalar›, parazit önleyici ve parazitten et- kilenmeme filtreleri, dijital regülasyon elektroni¤i, menü kontrollu ekran, ana güç ve yard›mc› devreler için gerekli olan sigorta ve trafo gruplar› gibi birçok elektronik ve elektromekanik donan›m›n› bir- likte içerirler. Örne¤in Wilo’ nun CR tipi frekans konvertör entegrasyonlu kontrol panosuyla aç›k ve kapal› devrelerde çal›flan, ›slak veya kuru rotor- lu, tek veya çok kademeli, elektrik motor tahrikli her cins ve her marka santrifüj pompay› kontrol etmek mümkündür (fiekil 17.112). Ayn› sistemi besleyen, ayn› motor gücüne sahip pompa gruplar› (max. 6 pompal›) tek bir CR cihaz›yla koordineli bir otomasyon düzeni içinde kontrol edilebilmektedir. 571 fiekil 17.109. FREKANS KONVERTER ENTEGRASYONLU KURU ROTORLU TEKL‹ T‹P IN-LINE POMPA fiekil 17.110. FREKANS KONVERTER ENTEGRASYONLU KURU ROTORLU ‹K‹Z T‹P IN-LINE POMPA fiekil 17.111. FREKANS KONVERTÖRLÜ KONTROL PANOSU, SENSÖRLER‹ VE POMPASI AYRI POMPA S‹STEM‹
  • 49.
    572 Gruptaki bir pompayafrekans konvertörlü regülasyon uygulan›rken di¤er pompalar s›ra kontrollu ve rotasyonlu bir iflletim düzeninde nominal güçlerinde çal›flarak, programda öngörülen tesisat flart- lar›n› sa¤layacak tarzda devreye girip ç›karak kontrol edilebilmek- tedir. Devreye al›nan ilk pompa frekans konvertör cihaz› üzerinden çal›fl- t›r›larak de¤iflken debili olarak iflletilmektedir. 6 saatte bir pompalar aras›nda otomatik s›ra kayd›r›lmas› yap›larak, her pompa s›rayla frekans konvertör cihaz› üzerinden kontrol edilerek de¤iflken debili olarak iflletilmektedir (fiekil 17.113). Örne¤in 6 pompal› bir sistemin kontrolünde pompalar›n iflletim s›ras› ve uygulanan debi kontrolü afla¤›da aç›klanan flekilde gerçekleflmektedir. ‹lk 6 saat : P1 P2 P3 P4 P5 P6 (P1 debi kontrollu) ikinci 6 saat : P2 P3 P4 P5 P6 P1 (P2 debi kontrollu) üçüncü 6 saat : P3 P4 P5 P6 P1 P2 (P3 debi kontrollu) dördüncü 6 saat : P4 P5 P6 P1 P2 P3 (P4 debi kontrollu) beflinci 6 saat : P5 P6 P1 P2 P3 P4 (P5 debi kontrollu) alt›nc› 6 saat : P6 P1 P2 P3 P4 P5 (P6 debi kontrollu) Pompalardan biri ar›zaland›¤›nda s›radaki ilk pompa otomatik olarak devreye al›nmakta ve bozuk pompa sinyalize edilerek iflletim otomasyonundan ç›kar›lmaktad›r. Böylece bütün pompalara s›rayla frekans konvertörlü debi kontrolu uygulanabilmekte, bütün pompalar s›rayla yedek pompa olarak de¤erlendirilebilmekte ve toplam iflletim süresi pompalar aras›nda eflit olarak paylaflt›r›larak sistemin genel güvenilirli¤i art›r›lmaktad›r. Örnek : Toplam debi gereksiniminin Qmax=400 m3/h oldu¤u bir so¤utma suyu tesisat›nda her biri Q=100 m3/h kapasiteli 5 adet pompa kul- lan›ld›¤›nda yedekleme güvencesi de olan bir sistem kurulabilir. Böyle bir sistemin belli bir andaki debi gereksiniminin örne¤in Q=278 m3/h oldu¤unu varsayal›m. Bu durumda ; 1. pompa Qp1= 78 m3/h (frekans konvertörlü debi kontrollu) 2. pompa Qp2= 100 m3/h (sabit debili) 3. pompa Qp3= 100 m3/h (sabit debili) fleklinde çal›flarak istenen toplam kapasite sa¤lanmaktad›r. Frekans konvertör kontrollu, de¤iflken debili pompa sistemlerinde amaçlanan elektrik tasarrufu, kullan›m konforu ve uygulama fiekil 17.112. FREKANS KONVERTÖR ENTEGRASYONLU KONTROL PANOSU DIfi VE ‹Ç GÖRÜNÜMÜ fiekil 17.113. ÖRNEKTEK‹ SIRA KONTROLÜNÜN GÖSTER‹M‹
  • 50.
    güvenilirli¤ini gerçeklefltirebilmek içintesisat devresinin hangi özel- li¤i ve hangi verisi baz al›narak regülasyon yap›laca¤› iyi bilinmelidir. Regülasyon seçeneklerinden klima devrelerinde en çok kullan›lan- lar› flunlard›r: 1- ∆p-c (diferans bas›nc› sabit) regülasyonu (fiekil 17.114) CR cihaz› üzerinde set edilen diferans bas›nç de¤eri (iki nokta ara- s›ndaki bas›nç kay›plar›n›n toplam› ∆p=H), pompan›n devir h›z› ka- demesiz olarak de¤ifltirilerek sabit tutulmaktad›r. Örne¤in termostatik ventillerin k›smas›yla orant›l› olarak pompan›n devir h›z› (ve debisi) düflürülmekte ve pompan›n performans›, tesi- sat›n o anki karakteristi¤ine uydurulmakta ve set edilen basma yük- sekli¤i de¤eri sabit tutulmaktad›r. Devir h›z›n›n düflürülmesiyle birlikte, pompan›n flebekeden çekti¤i elektrik gücünde de, anma gücünün % 50’sini aflan seviyelere varan tasarruflar gerçekleflebilmektedir. (∆p-c) regülasyon tipinin kullan›lmas› için ön flart, tesisatta dolaflan ak›flkan debisinin, de¤iflkenlik gerektiren bir karakterde olmas›d›r. Termostatik veya servomotor vanal› ›s›tma ve so¤utma devreleri bu tür uygulamalar olabilir. Özellikle ventil otorite katsay›s›n›n 0,5-0,7 aras›nda oldu¤u uygula- malarda, ∆p-c baflar›l› sonuçlar vermektedir. CR cihaz›yla, birden fazla pompan›n besledi¤i devrelerde de (∆p-c) re- gülasyonu uygulamak mümkündür. Bir pompan›n, set edilen ∆p de¤e- rini sabit tutabilmekte yetersiz kalmas› durumunda, cihaz sistemdeki di¤er pompalar› gereksinime göre s›rayla iflletime almaktad›r. Sonra- dan iflletime al›nan pompalar sabit devir h›z›yla nominal kapasite de- ¤erlerinde çal›flt›r›l›rken, ilk pompaya devir h›z› kontrolu uygulanarak sistemin bütününde (∆p-c) regülasyonu gerçeklefltirilmektedir. Bu regülasyon cinsi, chiller sekonder devresinde iki yollu motorlu vanalarla kontrol edilen fan-coil ve/veya santrallar›n so¤uk su zon pompalar›n›n kontrolunda kullan›lmaktad›r. 2- ∆T regülasyonu (fiekil 17.115). (∆T) regülasyonu uygulamas›yla, tesisat›n ç›k›fl ve dönüfl suyu ara- s›ndaki kullan›m veya d›fl hava flartlar›ndan kaynaklanan s›cakl›k fark›n›n sabit tutulabilmesi mümkün olmaktad›r. Sirküle eden su debisinin de¤ifltirilmesiyle, transfer edilen so¤utma gücü, ç›k›fl ve dönüfl suyunun s›cakl›klar›ndan ba¤›ms›z olarak kontrol edilebilmektedir. (∆T) regülasyonu, izlenebilmesinin kolay olabilmesi için daha ziya- de tek kullan›c›l› devrelerde veya regülasyon zaman faktörünün bi- lindi¤i tesisatlarda tercih edilmelidir. Bu regülasyon cinsi daha ziyade kule pompalar›n›n kontrolunda ve baz› özel klima devrelerinde kullan›lmaktad›r. 3- ±T (ç›k›fl veya dönüfl suyu s›cakl›¤›na ba¤l›) debi ayar› (fiekil 17.116). (±T) kontrolu kullan›ld›¤›nda, pompan›n devir h›z›n›n (dolay›s›yla performans karakteristi¤inin), önceden belirlenen de¤erlere de¤iflti- rilmesi söz konusudur, regülasyon yoktur. Tesisattaki, belli ç›k›fl suyu (+T) ve dönüfl suyu (-T) s›cakl›klar›nda, pompan›n vermesi arzulanan debi (dolay›s›yla devir h›z›) de¤erleri, deneysel olarak tahmin edilerek CR cihaz› üzerinde belli bir karak- teristik çizgiyle set edilmektedir. Böylece, pompa devir h›z›n› (dolay›s›yla debisini), örne¤in ç›k›fl su- yu s›cakl›¤›n›n düflmesiyle ve dönüfl suyu s›cakl›¤›n›n yükselmesiy- le set edilen de¤erlere uygun olarak, kendili¤inden düflürmekte, fle- bekeden çekilen elektrik gücünden önemli ölçüde tasarruf gerçek- lefltirilmektedir. (±T) s›cakl›¤a ba¤l› devir h›z› kontrolu, sadece tek 573 fiekil 17.114. D‹FERANS BASINCI SAB‹T DÜZENLEME fiekil 17.115. SAB‹T OLMAK ÜZERE DEB‹ ∆T REGÜLASYONU
  • 51.
    pompal› sistemlerde uygulanabilmektedir. Buregülasyon cinsi kule pompalar›n›n ve chiller sekonder devre- sinde yer alan fan-coil ve santrallar›n üç yolu motorlu vana kontrol- lu sistemlerinde zon sirkülasyon pompalar›n›n kontrolunda kullan›l- maktad›r. (fiekil 17.117). 17.8.5. Pompa Uygulamalar›yla ‹lgili Pratik Notlar 1- Az say›da büyük pompa kullanmak yerine kapasite bölünerek çok say›da küçük pompa kullanmak gerek ilk yat›r›m maliyeti gerekse iflletim maliyeti aç›s›ndan daha uygun olmaktad›r. 2- Kl›ma devreleri için en uygun pompa tipi mekanik salmastral›, kuru rotorlu In-line pompalar olmaktad›r. 3- In-line tipi pompalar›, a¤›rl›klar›na göre 15,5-18 kW motor güçlerine kadar direkt boruya monte etmek uygun olurken da- ha büyük güçlü, a¤›r pompalar› kaide üzerine tesbit etmek da- ha güvenilir olmaktad›r. 4. Frekanans konvertör kontrollü pompa kullanmak toplam mali- yetler dikkate al›nd›¤›nda daha ekonomik olmaktad›r. 5. Pompa tipi belirlenirken, özellikle basma yüksekli¤i de¤eri abart›larak tesisatta olandan daha yüksek seçilmemelidir. 6. Pompalar monte edilmeden önce tesisat bas›nçl› suyla y›kan- m›fl olmal›d›r. 7. Ak›flkan temizli¤ine, su flartland›r›lmas›na ve filtrasyona özen gösterilmelidir. 8. ‹lk çal›flt›rmadan önce pompalar suyla doldurulmal› ve havala- r› al›nmal›d›r. 9. fiaseli norm pompalarda ilk çal›flt›rmadan önce kaplin ayar› mutlaka yeniden yap›lmal›d›r. 10. ‹lk çal›flt›r›l›rken, pompan›n emifl a¤z›ndaki vana tamamen aç›k, bas›nç a¤z›ndaki vana tam kapal› konumda olmal›d›r. Bu durumda pompan›n havas› al›nmal› ve mekanik salmastra haz- nesinin tamamen su ile dolmas› sa¤lanmal›d›r. 11. Bas›nç a¤z›ndaki vana yavafl yavafl aç›larak pompa devreye al›nmal›d›r. Bu s›rada emifl ve bas›nç a¤›zlar›na ba¤lanan ma- nometrelerle iflletme bas›nc› ve basma yüksekli¤i hassas bir fle- kilde tespit edilmelidir. Dolay›s›yla pompalar›n emifl ve bas›nç a¤›zlar›nda ölçme noktalar› öngörülmesi unutulmamal›d›r. 12. Pompan›n debi ve basma yüksekli¤i de¤erleriyle birlikte, mo- torun elektrik flebekesinden çekti¤i ak›m kontrol edilerek pom- pan›n karakteristik e¤risinin verimli noktas›nda çal›flt›¤› garan- ti alt›na al›nmal›d›r. Gerekiyorsa reglaj vanalar› k›s›larak ge- rekli ayar yap›lmal› ve motorun afl›r› ak›m çekmesi önlenmeli- dir. 13. Pompa gruplar›na ait elektrik kontrol panolar›, pompalar› belli sürelerde rotasyona tabi tutabilecek ve ar›zada otomatik pom- pa de¤iflimi yapt›racak tarzda donat›lm›fl olmal›d›r. 14. Kule pompas› devreye suyu kondensere do¤ru, chiller primer pompas› devreye suyu evaparatöre do¤ru, chiller sekonder pompalar› da devreye suyu fan coillere do¤ru basabilecek flekilde yerlefltirilmelidir. fiekil 17.116. G‹D‹fi VEYA DÖNÜfi SUYU SICAKLIK KONTROLÜ fiekil 17.117. G‹D‹fi VE DÖNÜfi SUYU SICAKLI⁄INA GÖRE AYARLANAN KULE POMPASI VE CHILLER SEKONDER DEVRE POMPASININ ÖRNEK UYGULAMA fiEMASI 574