Nº de série / Nº de série / Seriel-No.
Data de edição / Fecha de edición / Date of issue
Publicação / Publicación Nº / Catalogue order No.:
CATÁLOGO DE PEÇAS
CATÁLOGO DE REPUESTO
SPARE PARTS CATALOGUE
3410/11
001- ...
03.2010
75595/0002
3410 • 3411 • 3410 P • 3411 P
Válido a partir do nº de série H26900001
Válido a partir del nº de série H26900001
Valid from serial-No. H26900001
Peças de
reposição
Piezas de repuestos
Spare parts
Ref. 203 02 11 / 05.06
LISTA DE PEÇAS
DE REPOSIÇÃO
LISTA DE PIEZAS DE REPUESTOS
SPARE PARTS BOOK
HAMM AG
D-95633 Tirschenreuth/Germany
Caixa Postal 1160 • Fone +49 96 31/80-0 • Fax +49 96 31/80 120
Todos os direitos reservados, para modificações
motivadas para o progresso e desenvolvimento.
Se reserva el derecho de modifaciones motivadas
por el progreso.
All rights reserved for modifications which serve pro-
gress and development.
CIBER EQUIPAMENTOS RODOVIÁRIOS LTDA.
Rua Senhor do Bom Fim, 177 Bairro Sarandi
Porto Alegre / RS / Brasil
CEP: 91.140-380
Fone 55 (51) 3364 9200 • Fax 55 (51) 3364 9222
00.00.00 / 00 EXPLICAÇÃO SOBRE A DESIGNAÇÃO DO TIPO
00.00.00 / 00 EXPLICATIVA DE DESIGNACIÓN DE TIPO
00.00.00 / 00 EXPLANATION OF THE TYPE DESIGNATION
3410
Compactador vibratório, Peso operacional 10530 kg, Rolo liso.
Compactador vibratório, Peso en operación 10530 kg, Bandaje liso.
Vibratory compactor, Operating weight 10530 kg, Smooth roller drum.
3411
Compactador vibratório, Peso operacional 11305 kg, Rolo liso.
Compactador vibratório, Peso en operación 11305 kg, Bandaje liso.
Vibratory compactor, Operating weight 11305 kg, Smooth roller drum.
3410 P
Compactador vibratório, Peso operacional 11015 kg, Rolo pé-de-carneiro.
Compactador vibratório, Peso en operación 11015 kg, Bandaje pie de apisonado.
Vibratory compactor, Operating weight 11015 kg, Padfoot drum.
3411 P
Compactador vibratório, Peso operacional 11795 kg, Rolo pé-de-carneiro.
Compactador vibratório, Peso en operación 11795 kg, Bandaje pie de apisonado.
Vibratory compactor, Operating weight 11795 kg, Padfoot drum.
00.01.00 / 00 ÍNDICE
00.01.00 / 00 TABLA DE MATERIAS
00.01.00 / 00 TABLE OF CONTENTS
00 GERAL
GENERAL
GENERAL
01.15.0 DISPOSIÇÃO DOS ADESIVOS
DISPOSICIÓN DE ADHESIVOS
STICKER ARRANGEMENT
00.01.0 ÍNDICE
TABLA DE MATERIAS
TABLE OF CONTENTS
01.20.0 ISOLAMENTO ACÚSTICO
AISLAMIENTO ACÚSTICO
SOUND-INSULATION
00.02.0 INSTRUÇÕES PARA O PEDIDO
INSTRUCCIONES PARA EL PEDIDO
INSTRUCTIONS FOR ORDERS
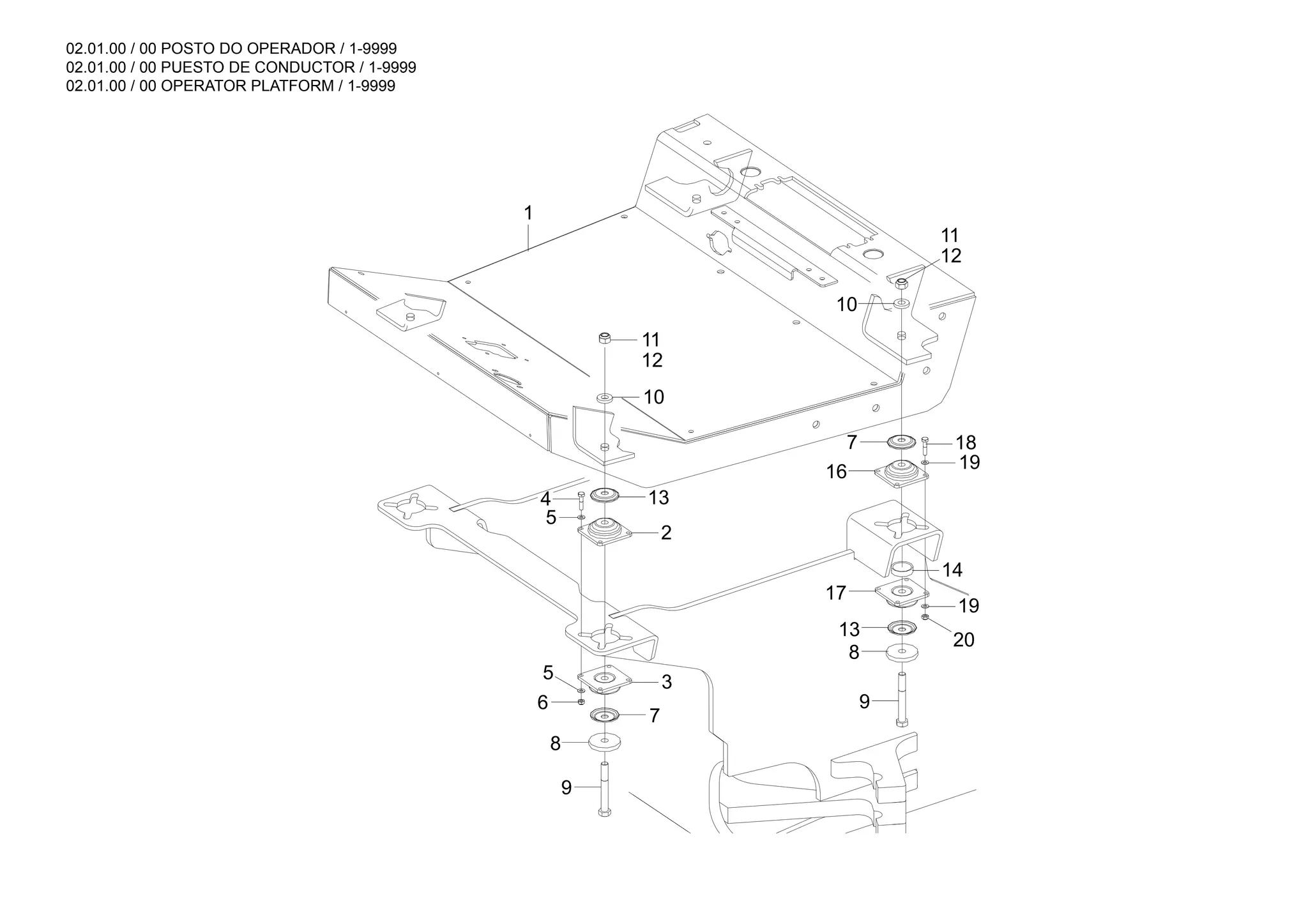
02 POSTO DO OPERADOR
PUESTO DE CONDUCTOR
OPERATOR PLATFORM
00.03.0 DIRETRIZES PARA PROCESSAR MATERIAIS PLÁSTICOS LÍQUIDOS
DIRECTIVA PARA TRABAJO CON EL MATERIAL SINTÉTICO A LIQUIDO
INSTRUCTIONS FOR PROCESSING LIQUID PLASTIC
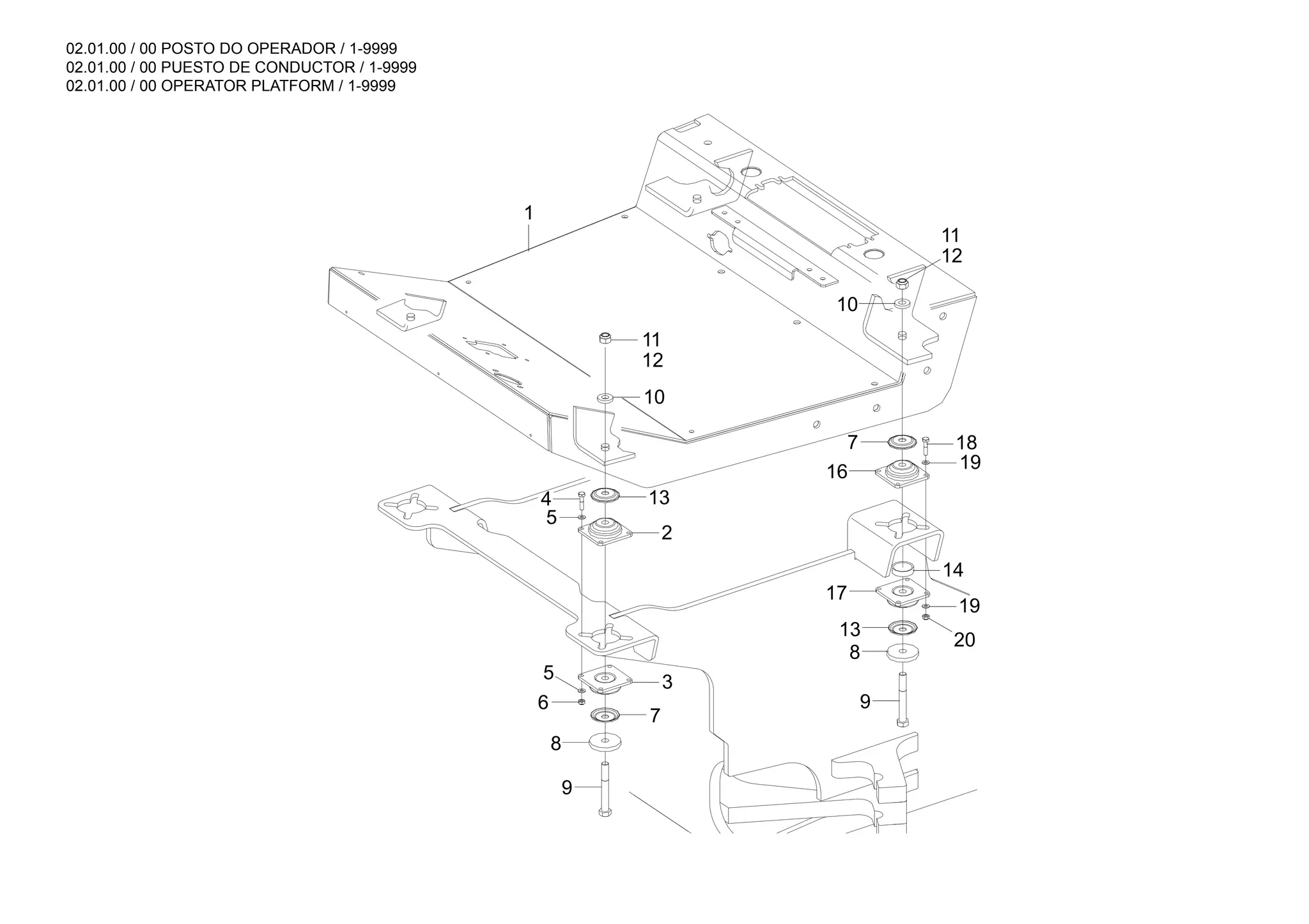
02.01.0 POSTO DO OPERADOR
PUESTO DE CONDUCTOR
OPERATOR PLATFORM
00.04.0 TORQUES DE APERTO PARA PARAFUSOS
PARES DE APRIETE PARA TORNILLOS
STARTING TORQUE FOR SCREWS
02.06.0 ASSENTO REGULÁVEL DO OPERADOR
ASIENTO DEL CONDUCTOR AJUSTABLE
OPERATOR'S SEAT WITH ADJUSTMENT
00.05.0 ÍNDICE SEGUNDO O NÚMERO DA PEÇA
ÍNDICE DE CONTENIDO SEGÚN NÚMERO DE LA PIEZA
TABLE OF CONTENTS ACCORDING TO SPARE PART NO.
02.10.0 ARCO DE PROTEÇÃO
ARCO DE PROTECCIÓN
ROLL OVER PROTECTION
01 CARROCERIA E PEÇAS DE REVESTIMENTO
BASTIDOR Y PIEZAS DE REVESTIMIENTO
MAIN FRAME AND ASSEMBLIES
02.11.0 FOPS
FOPS
FOPS
01.01.0 CARROCERIA COM PEÇAS COMPLEMENTARES
BASTIDOR CON PIEZAS DE MONTAJE
MAIN FRAME AND ASSEMBLIES
02.12.0 CORRIMÕES
ASIDEROS
HANDLES
01.05.0 PEÇAS DE REVESTIMENTO E TAMPAS
PIEZAS DE REVESTIMIENTO Y TAPAS
CANOPIES AND COVERS
02.15.0 REVESTIMENTO DO CHASSI
REVESTIMIENTO DEL CHASIS
INSTRUMENT PANEL CASE
01.06.0 CAIXA DA BATERIA
CAJA DE BATERÍA
BATTERY BOX
02.20.0 REVESTIMENTO DO PAINEL DE CONTROLE
REVESTIMIENTO DEL PANEL DE CONTROL
INSTRUMENT PANEL COVERING
01.07.0 CAIXA DE FERRAMENTAS
CAJA DE HERRAMIENTAS
TOOL BOX
02.25.0 CABINA DO OPERADOR
CABINA DEL CONDUCTOR
OPERATOR'S CABIN
00.01.00 / 00 ÍNDICE
00.01.00 / 00 TABLA DE MATERIAS
00.01.00 / 00 TABLE OF CONTENTS
02.30.0 CALEFAÇÃO DA CABINA
CALEFACCIÓN DE CABINA
CABIN-HEATING
04.30.0 SISTEMA HIDRÁULICO BASCULANTE (CAPÔ DO MOTOR)
SISTEMA HIDRÁULICO BASCULANTE (CUBIERTA DEL MOTOR)
TILTING HYDRAULIC (ENGINE COWLING)
02.99.1 CABINE CIBER PARA CLIMA QUENTE
CABINA CIBER PARA CLIMA CALIENTE
CIBER CABIN FOR HOT CLIMATES
05 COMPONENTES HIDRÁULICOS, TRANSMISSÃO
COMPONENTES HIDRÁULICOS, ENGRANAJE
HYDRAULIC COMPONENTS, GEAR
02.99.2 TOLDO HAMM 3410/11
TOLDO HAMM 3410/11
3410/11 HAMM CANOPY
05.01.0 BOMBA VARIÁVEL (TRAÇÃO)
BOMBA REGULABLE (ACCIONAMIENTO DE MARCHA)
VARIABLE DISPLACEMENT PUMP (DRIVE)T
04 MOTOR COM ACESSÓRIOS
MOTOR CON ACCESORIOS
ENGINE AND ACCESSORIES
05.02.0 BOMBA VARIÁVEL (VIBRAÇÃO)
BOMBA REGULABLE (VIBRACIÓN)
VARIABLE DISPLACEMENT PUMP (VIBRATION)
04.01.0 MONTAGEM DO MOTOR E BOMBA
MONTAJE DE MOTOR Y BOMBA
PUMP DRIVE AND ENGINE ASSEMBLY
05.05.0 MOTOR VARIÁVEL (ACIONAMENTO DO EIXO)
MOTOR REGULABLE (ACCIONAMIENTO DE EJE)
VARIABLE DISPLACEMENT MOTOR (AXLE DRIVE)
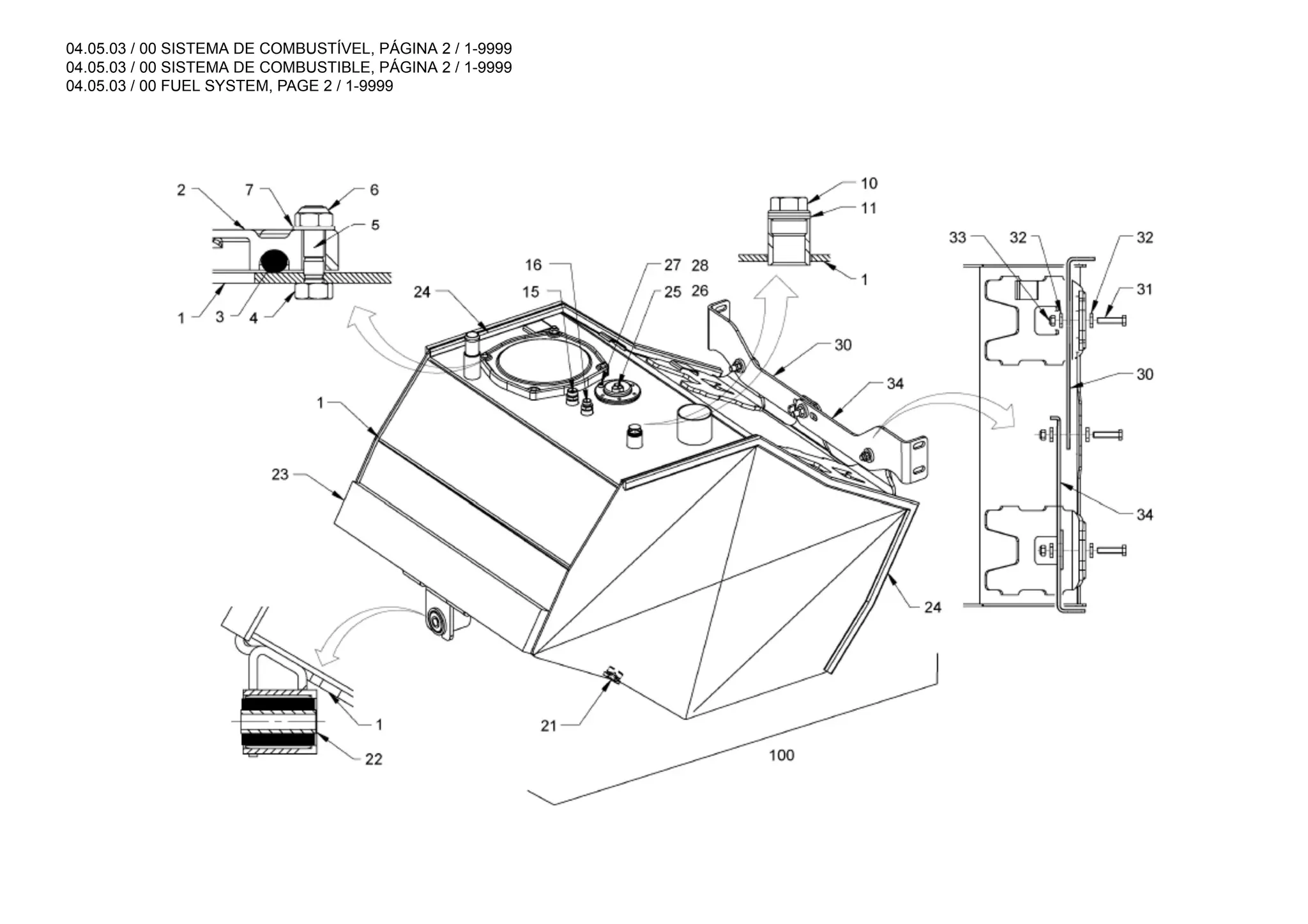
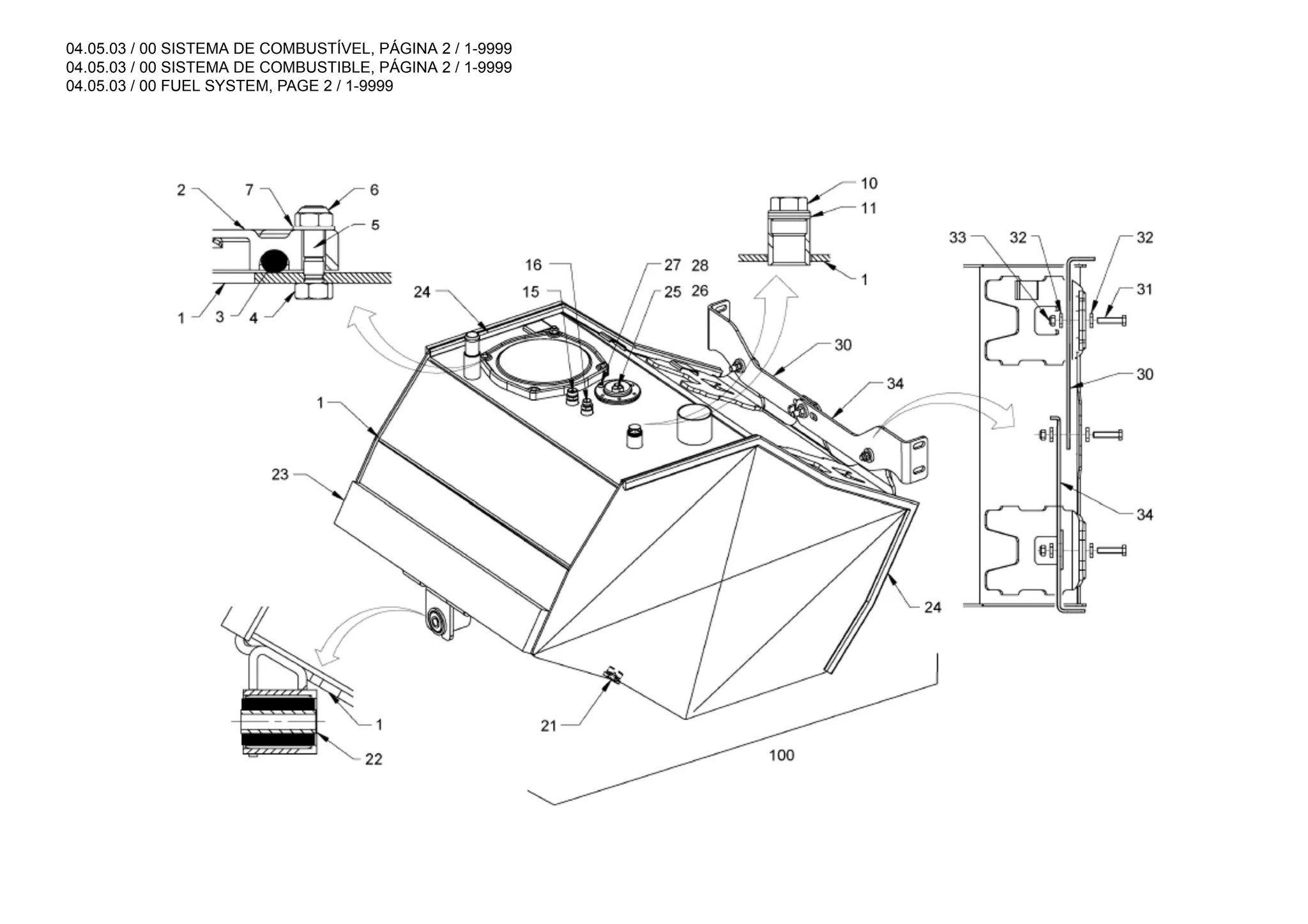
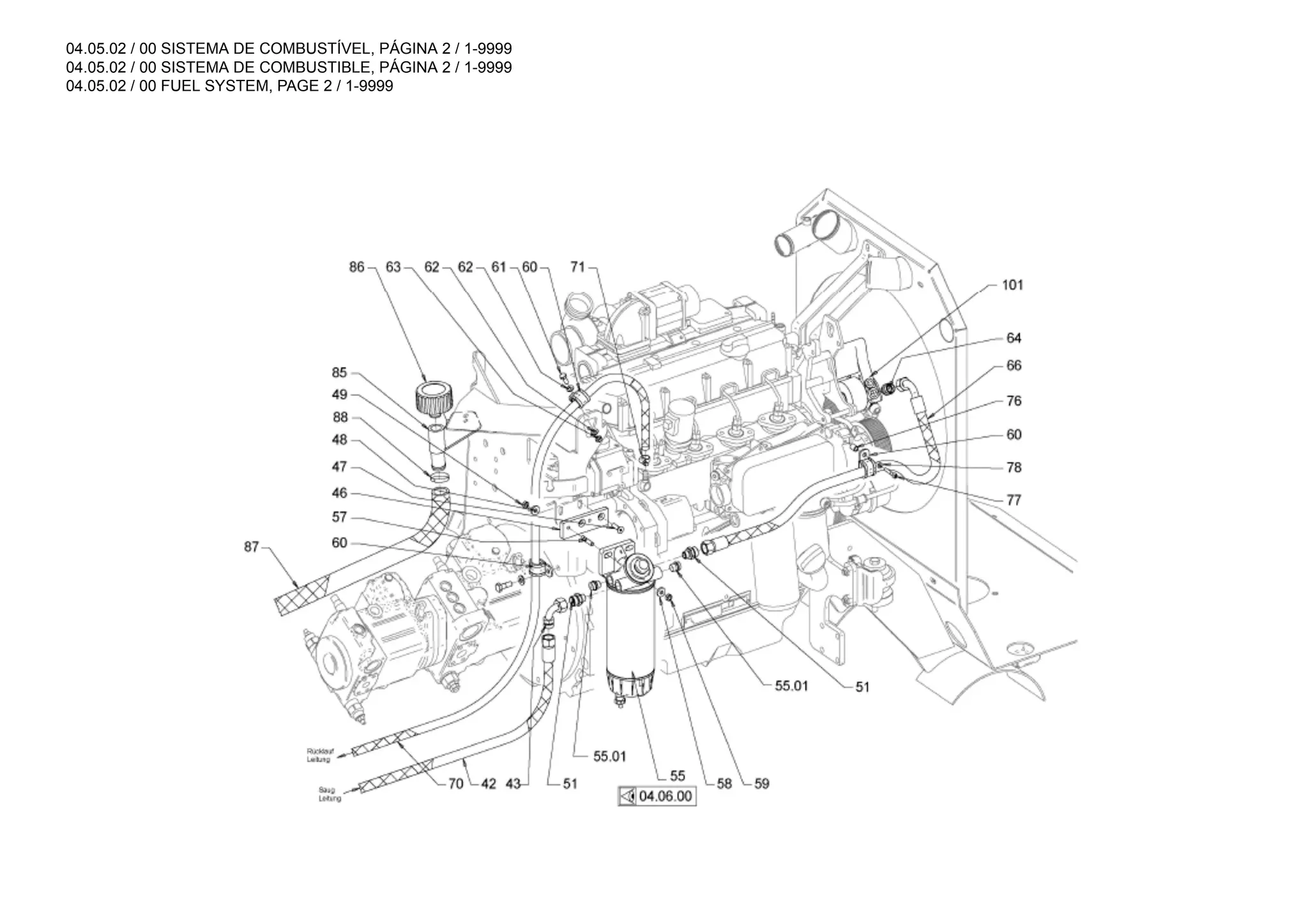
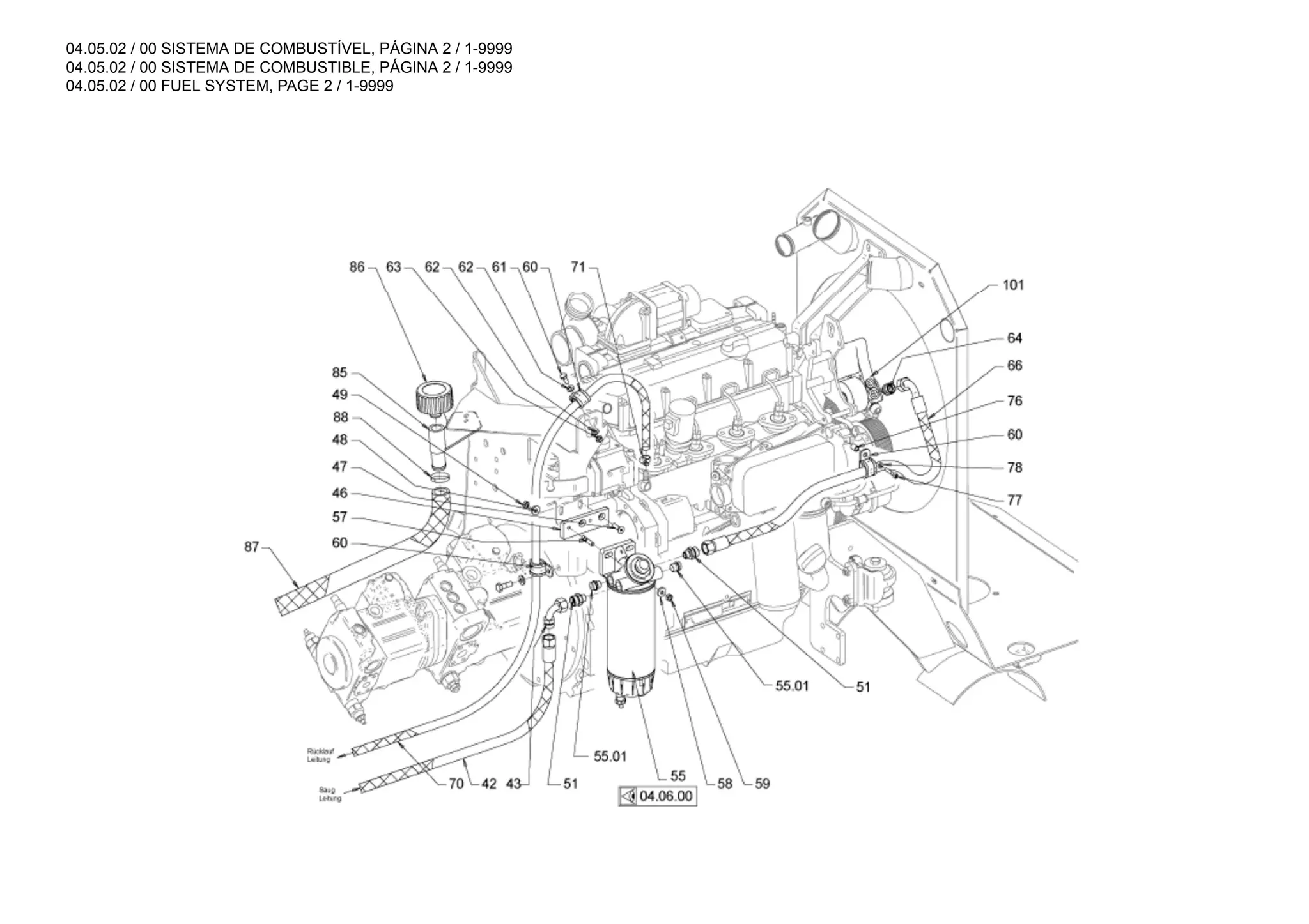
04.05.0 SISTEMA DE COMBUSTÍVEL
SISTEMA DE COMBUSTIBLE
FUEL SYSTEM
05.06.0 MOTOR FIXO (ACIONAMENTO DA VIBRAÇÃO)
MOTOR CONSTANTE (ACCIONAMIENTO DE VIBRACIÓN)
FIXED DISPLACEMENT MOTOR (VIBRATION DRIVE)
04.06.0 FILTRO DE COMBUSTÍVEL
FILTRO DE COMBUSTIBLE
FUEL FILTER
05.10.0 REDUTOR DE RODAS (ACIONAMENTO DO ROLO)
ENGRANAJE DE RUEDAS (ACCIONAMIENTO DE BANDAJE)
WHEEL GEAR (DRUM DRIVE)
04.10.0 CONTROLE DO MOTOR
ACCIONAMIENTO DEL MOTOR
ENGINE CONTROL.
05.11.0 MOTOR VARIÁVEL (ACIONAMENTO DO ROLO)
MOTOR REGULABLE (ACCIONAMIENTO DE BANDAJE)
VARIABLE DISPLACEMENT MOTOR (DRUM DRIVE)
04.15.0 SISTEMA DO FILTRO DE AR
DISPOSITIVO DEL FILTRO DE AIRE
AIR FILTER SYSTEM
05.20.0 BLOCO DE VÁLVULAS (FREIO DE ESTACIONAMENTO)
BLOQUE DE VÁLVULAS (FRENO DE ESTACIONAMIENTO)
VALVE BLOCK (PARKING BRAKE)
04.20.0 SISTEMA DO ESCAPAMENTO
SISTEMA DE ESCAPE
EXHAUST SYSTEM
05.21.0 FILTRO (ÓLEO HIDRÁULICO)
FILTRO (ACEITE HIDRÁULICO)
FILTER (HYDRAULIC OIL)
04.25.0 REFRIGERAÇÃO (MOTOR/ÓLEO HIDRÁULICO)
REFRIGERACIÓN (MOTOR/ACEITE HIDRÁULICO)
COOLING (ENGINE/HYDRAULIC OIL)
05.22.0 FILTRO (SISTEMA HIDRÁULICO DA DIREÇÃO)
FILTRO (HIDRÁULICA DE DIRECCIÓN)
FILTER (HYDRAULIC STEERING SYSTEM)
00.01.00 / 00 ÍNDICE
00.01.00 / 00 TABLA DE MATERIAS
00.01.00 / 00 TABLE OF CONTENTS
05.23.0 BOMBA (SISTEMA HIDRÁULICO DA DIREÇÃO)
BOMBA (HIDRÁULICA DE DIRECCIÓN)
PUMP (HYDRAULIC STEERING SYSTEM)
08.20.0 DIFERENCIAL COM BLOQUEIO DO DIFERENCIAL
DIFERENCIAL CON BLOQUEO DEL DIFERENCIAL
DIFFERENTIAL WITH DIFFERENTIAL LOCK
05.24.0 BLOCO COLETOR (ÓLEO HIDRÁULICO)
BLOQUE COLECTOR (ACEITE HIDRÁULICO)
COLLECTING BLOCK (HYDRAULIC OIL)
08.25.0 FREIO DE ESTACIONAMENTO
FRENO DE ESTACIONAMIENTO
PARKING BRAKE
05.95.0 TANQUE DE ÓLEO HIDRÁULICO
DEPÓSITO DE ACEITE
OIL TANK
08.30.0 REDUÇÃO PLANETÁRIA
ENGRANAJE PLANETARIO
PLANETARY GEAR
05.96.0 SISTEMA DO FILTRO DE ÓLEO
DISPOSITIVO DEL FILTRO DE ACEITE
OIL FILTER SYSTEM
08.40.0 PNEUS
NEUMÁTICOS
TIRE EQUIPMENT
06 SISTEMA ELÉTRICO
SISTEMA ELÉCTRICO
ELECTRICITY
08.50.0 SISTEMA DE TRAÇÃO
ACCIONAMIENTO DE TRASLACIÓN
DRIVE
06.05.0 SISTEMA ELÉTRICO
SISTEMA ELÉCTRICO
ELECTRICAL SYSTEM
08.51.0 CONTROLE DE TRAÇÃO
MANDO DE CONDUCCIÓN
DRIVE SHIFTING
06.07.0 SISTEMA ELÉTRICO (LUZES)
SISTEMA ELÉCTRICO (LUCES)
ELECTRICAL SYSTEM (LIGHTING)
08.53.0 FREIO DE ESTACIONAMENTO
FRENO DE ESTACIONAMIENTO
PARKING BRAKE
06.15.0 SISTEMA ELÉTRICO (RÁDIO)
SISTEMA ELÉCTRICO (RADIO)
ELECTRICAL SYSTEM (RADIO)
09 SISTEMA DE DIREÇÃO
SISTEMA DE DIRECCIÓN
STEERING SYSTEM
08 TRANSMISSÃO
ACCIONAMIENTO DE TRASLACIÓN
DRIVE
09.01.0 ARTICULAÇÃO CENTRAL
ARTICULACIÓN PENDULAR DEL CODO
CENTRE PIVOT ASSEMBLY
08.10.0 EIXO PLANETÁRIO E SUSPENSÃO
EJE PLANETARIO Y SUSPENSIÓN
PLANETARY AXLE AND SUSPENSION
09.05.0 DIREÇÃO
DIRECCIÓN
STEERING
08.15.0 CARCAÇA DO DIFERENCIAL E CORPO DO EIXO
CARCASA DEL DIFERENCIAL Y CUERPO DEL EJE
DIFFERENTIAL CASE AND AXLE BODY
00.01.00 / 00 ÍNDICE
00.01.00 / 00 TABLA DE MATERIAS
00.01.00 / 00 TABLE OF CONTENTS
15 COMPONENTES ADICIONAIS E ACESSÓRIOS
APARATOS ADICIONALES Y ACCESORIOS
ACCESSORY UNITS AND ACCESSORIES
15.51.0 MEDIDOR DE FREQÜÊNCIAS (VIBRAÇÃO)
MEDIDOR DE FRECUENCIAS (VIBRACIÓN)
FREQUENCY METER (VIBRATION)
15.08.0 LÂMINA
PALA DE EMPUJE
BLADE
15.52.0 ALARME DE MARCHA-A-RÉ (ALARME BACK-UP)
DISPOSITIVO DE ADVERTENCIA DE MARCHA ATRÁS (ALARMA BACK-UP)
ALARM (BACK-UP)
15.09.0 SISTEMA HIDRÁULICO (LÂMINA)
SISTEMA HIDRÁULICO (PALA DE EMPUJE)
HYDRAULIC SYSTEM (BLADE)
15.54.0 MEDIDOR DE ROTAÇÕES (MOTOR DIESEL)
MEDIDOR DE REVOLUCIONES (MOTOR DIESEL)
REVOLUTION COUNTER (DIESEL ENGINE)
15.10.0 SISTEMA ELÉTRICO (LÂMINA)
SISTEMA ELÉCTRICO (PALA DE EMPUJE)
ELECTRICAL SYSTEM (BLADE)
15.56.0 VELOCÍMETRO
VELOCÍMETRO
SPEEDOMETER
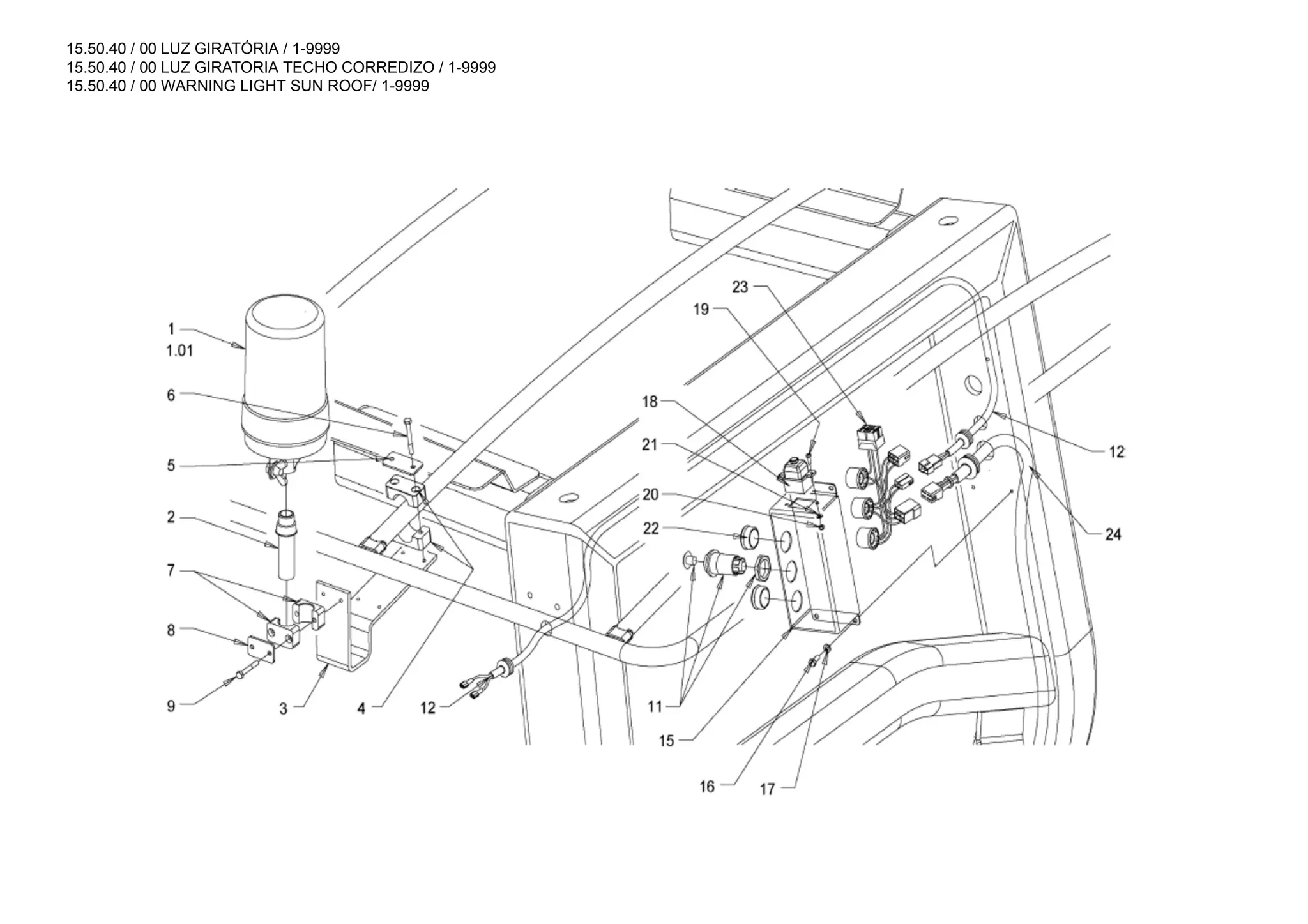
15.17.1 TETO SOLAR
TECHO CORREDIZO
SUN ROOF
15.59.0 COMPACTÔMETRO, HCM-3
COMPACTÓMETRO, HCM-3
COMPACTOMETER, HCM-3
15.17.2 TETO SOLAR
TECHO CORREDIZO
SUN ROOF
15.63.0 TACÓGRAFO
TACÓGRAFO
TACHOGRAPH
15.24.0 SEGMENTOS DO PÉ-DE-CARNEIRO
LÁMINAS DE PIE DE APISONADO
PADFOOT SEGMENTS
15.81.0 PROTEÇÃO DAS MANGUEIRAS (CHASSI DIANTEIRO)
PROTECCIÓN DE TUBE FLEXIBLE (BASTIDOR DELANTERO)
HOSE PROTECTION (FRONT FRAME)
15.33.0 LUZES ADICIONAIS, ROPS
LUCES ADICIONALES, PROTECCIÓN ANTIVUELCO
ADDITIONAL LIGHTING, ROPS
15.99.1 ILUMINAÇÃO DE TRABALHO
ILUMINACIÓN DE TRABAJO
WORK LIGHTING
15.34.0 SISTEMA VIBRADOR AUTOMÁTICO
SISTEMA VIBRADOR AUTOMÁTICO
VIBRO AUTOMATIC
26 ROLO, SUSPENSÃO, VIBRAÇÃO
BANDAJE, SUSPENSIÓN, VIBRACIÓN
ROLLER DRUM, SUSPENSION, VIBRATION
15.40.0 CALEFAÇÃO E AR CONDICIONADO
CALEFACCIÓN Y AIRE ACONDICIONADO
HEATING AND AIR CONDITIONING
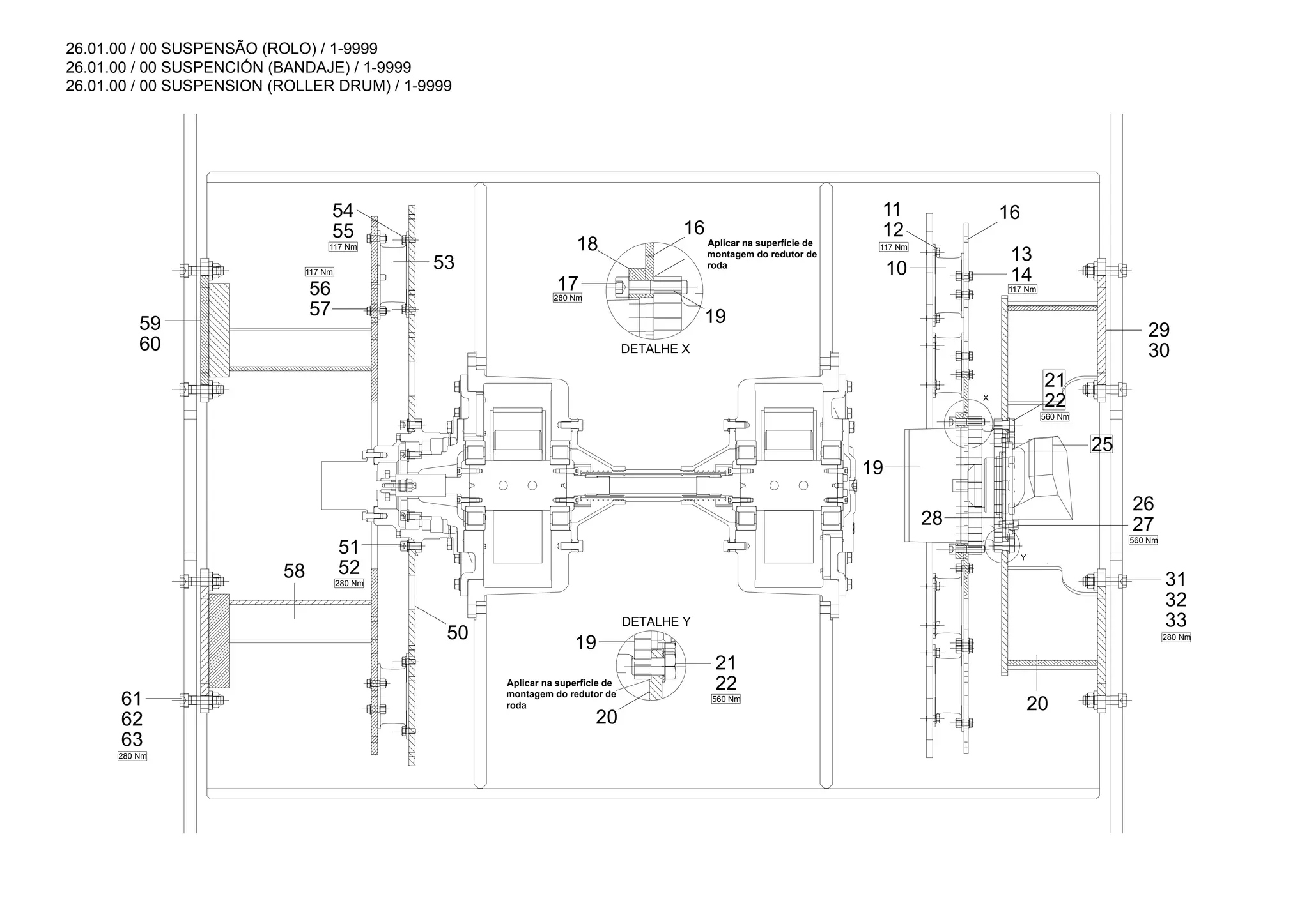
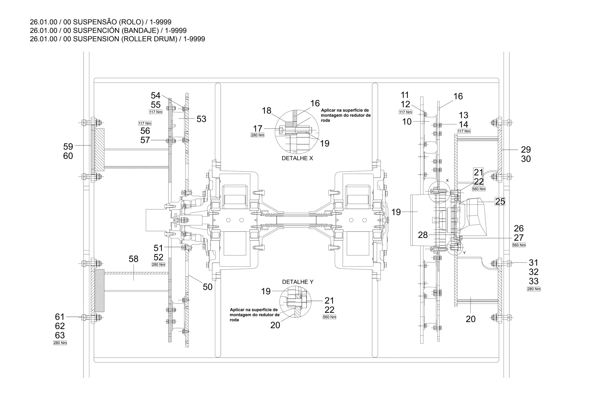
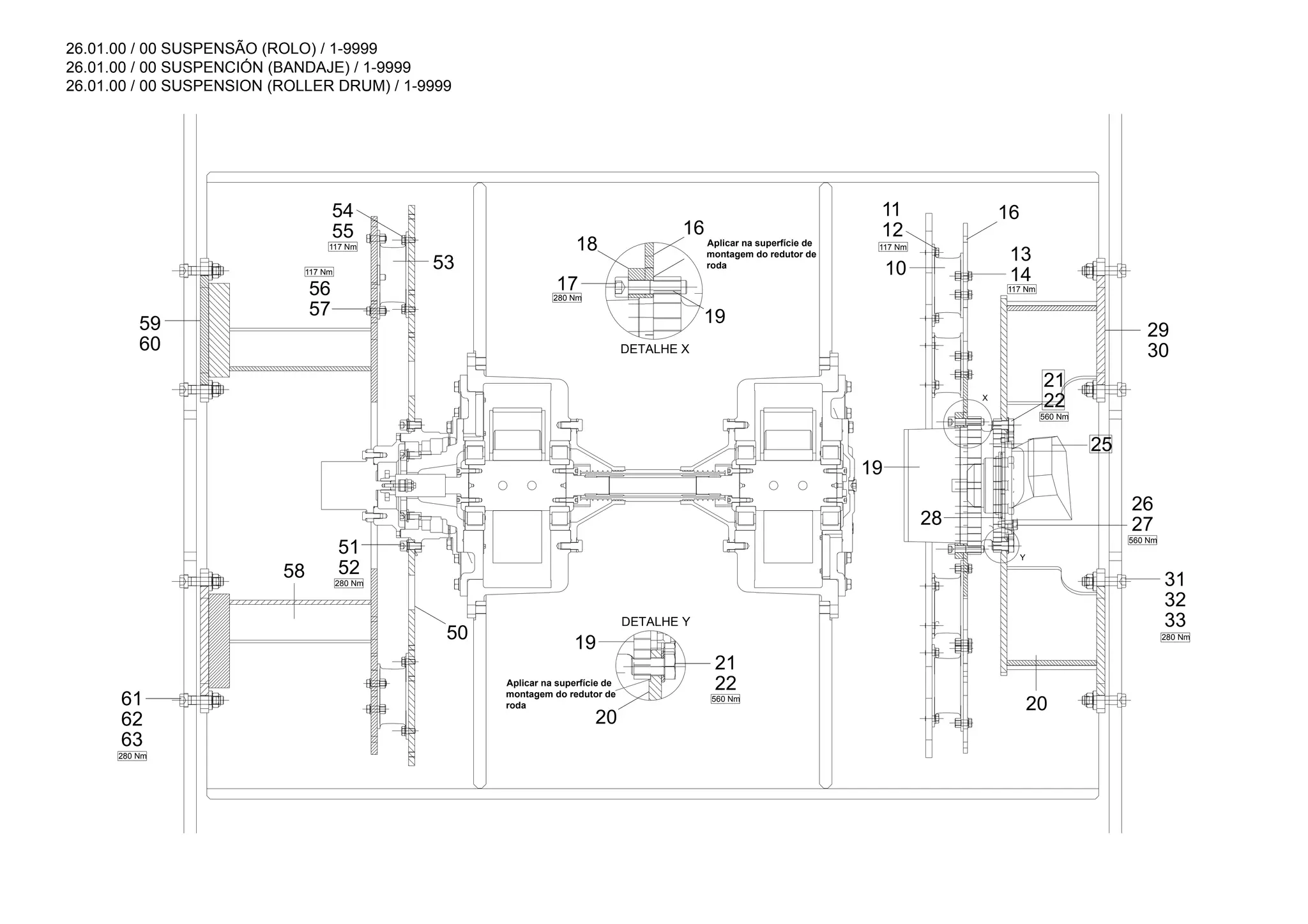
26.01.0 SUSPENSÃO (ROLO)
SUSPENSIÓN (BANDAJE)
SUSPENSION (ROLLER DRUM)
15.50.1 SINALIZADOR ROTATIVO (CABINA DO OPERADOR)
LUZ OMNIDIRECCIONAL (CABINA DEL CONDUCTOR)
ROTARY BEACON (DRIVER'S CABIN)
26.03.1 RASCADOR (ROLO LISO)
RASCADOR (BANDAJE LISO)
SCRAPER (SMOOTH ROLLER DRUM)
00.01.00 / 00 ÍNDICE
00.01.00 / 00 TABLA DE MATERIAS
00.01.00 / 00 TABLE OF CONTENTS
26.03.2 RASCADOR (ROLO PÉ-DE-CARNEIRO)
RASCADOR (BANDAJE DE PIE DE APISONADO)
SCRAPER (PADFOOT DRUM)
26.03.3 RASCADOR (AÇO MOLA)
RASCADOR (ACERO PARA MUELLES)
SCRAPER (SPRING STEEL)
26.05.0 ROLO COM VIBRADOR (COM ACIONAMENTO DO ROLO)
BANDAJE CON VIBRADOR (CON ACCIONAMIENTO DE BANDAJE)
DRUM WITH VIBRATOR (WITH DRUM DRIVE)
26.10.0 ACIONAMENTO DA VIBRAÇÃO
ACCIONAMIENTO DE VIBRACIÓN
VIBRATION DRIVE
00.02.00 / 00 INSTRUÇÕES PARA O PEDIDO
00.02.00 / 00 INSTRUCCIONES PARA EL PEDIDO
00.02.00 / 00 INSTRUCTIONS FOR ORDERS
Peças de reposição
Importante!
Ao colocar um pedido de peças de reposição, o senhor espera receber de nós
os itens corretos; para isto necessitamos os seguintes dados:
• Número de identificação da máquina:...............................................................
(preencher aqui o número de identificação; o mesmo será encontrado na
placa de modelo da máquina).
• Número da placa, número do item, número da peça e quantidade desejada.
• Modo de envio (pelo correio, urgente ou aéreo, carga (pequena velocidade)
ou expresso).
• Endereço completo e lugar de destino.
• Somente peças de reposição originais garantem uma qualidade incontestável
verificada por nós. Lhe recomendamos utilizar somente peças originais, já
que, em caso contrário, não concedemos garantia.
• As figuras não estão disponíveis para execução devido ao desenvolvimento
técnico posterior.
• Por gentileza, encaminhe seu pedido de peças de reposição ao distribuidor de
vendas mais próximo.
• Em casos de garantia deverá ser devolvida a peça defeituosa!
• Para todos os pedidos - desde que não tenha sido acordado de outra forma
por escrito - os termos de venda gerais e de entrega (AGB) HAMM AG são
válidos.
Os AGB's podem ser vistos em nosso homepage www.hammag.com ou ser-
lhe enviados através de solicitação.
Repuestos
Importante!
Al colocar un pedido de repuestos quisiéra recibir Vd. de nosotros las piezas jus-
tas; para ello necesitamos de Vd. los datos siguientes:
• Número de la máquina:......................................................................................
(rellenar también para su propio uso, el número de la máquina lo encontrará
en la placa de modelo de la máquina).
• Número de tabla, número de posición, número de la pieza y cantidad deseada.
• Modo de envio (por correo postal, urgente o aéreo, en penqueña velocidad,
en gran velocidad o por expreso).
• Dirección exacta y lugar de destinación.
• Solamente repuestos originales garantizan un estado inmejorable y contro-
lado por nosotros. Le recomendamos utilizar solamente tales repuestos
puesto que en caso contrario no concedemos garantia.
• Los grabados se entienden sin compromiso para la ejecución a causa de un
desarrollo técnico ulterior.
• Rogamos dirija su pedido de repuestos a la oficina de venta más próxima.
• Tratándose de un caso de garantia hay que devolver la pieza defectuosa.
• Para todas las órdenes - a condición de que sea no fue diferentemente con-
cordado por escrito - los términos generales de venta y términos de la entrega
(AGB) del HAMM AG son válidos.
El AGB's puede ser visto en nuestra página de inicio www.hammag.com o ser
enviarle en la pregunta.
HAMM AG
Caixa Postal 1160 Fone +49 96 31/80-0 Fax +49 96 31/80 120
D-95633 Tirschenreuth/Germany
CIBER EQUIPAMENTOS RODOVIÁRIOS LTDA.
Rua Senhor do Bom Fim, 177 Bairro Sarandi
Porto Alegre / RS / Brasil CEP: 91.140-380
Fone 55 (51) 3364 9200 Fax 55 (51) 3364 9222
HAMM AG
Apartado 1160 Teléfono +49 96 31/80-0 Telefax +49 96 31/80 120
D-95633 Tirschenreuth/Alemania
CIBER EQUIPAMENTOS RODOVIÁRIOS LTDA.
Rua Senhor do Bom Fim, 177 Bairro Sarandi
Porto Alegre / RS / Brasil CEP: 91.140-380
Teléfono 55 (51) 3364 9200 Telefax 55 (51) 3364 9222
00.02.00 / 00 INSTRUÇÕES PARA O PEDIDO
00.02.00 / 00 INSTRUCCIONES PARA EL PEDIDO
00.02.00 / 00 INSTRUCTIONS FOR ORDERS
Spare Parts
Important!
You are right to expect your spare-part orders to be expertly executed.
You can help us by letting us have following data:
• Vehicle Identity No.:............................................................................................
(please note here your Vehicle Identity No., it can be found on the type plate).
• Table-no., item-no., part-no. and number of pieces required.
• Way of supply wanted (parcel post, special delivery, air-freight, special rail dis-
patch or express-goods).
• Full address and station of destination.
• Only genuine spare parts which have been quality-checked by us before deliv-
ery guarantee correct design and material condition. It is recommended, there-
fore, to use those parts only, since otherwise warranty will become invalid.
• Because of the steady development of our products, the shown illustrations
are non-committal.
• Please direct your spare-part order to your nearest dealer.
• In case of warranty claims be sure to send in the defective part.
• For all orders - provided that is was not differently agreed in writing - the ge-
neral terms of sale and delivery (AGB) of the HAMM AG are valid.
The AGB's can be seen on our homepage www.hammag.com or be sent to
you on inquiry.
HAMM AG
P.O.B. 1160 Phone +49 96 31/80-0 Fax +49 96 31/80 120
D-95633 Tirschenreuth/Germany
CIBER EQUIPAMENTOS RODOVIÁRIOS LTDA.
Rua Senhor do Bom Fim, 177 Bairro Sarandi
Porto Alegre / RS / Brazil CEP: 91.140-380
Phone 55 (51) 3364 9200 Fax 55 (51) 3364 9222
00.03.00 / 00 DIRETRIZES PARA PROCESSAR MATERIAIS PLÁSTICOS LÍQUIDOS
00.03.00 / 00 DIRECTIVA PARA TRABAJO CON EL MATERIAL SINTÉTICO A LÍQUIDO
00.03.00 / 00 INSTRUCTIONS FOR PROCESSING LIQUID PLASTICS
Português
Para a proteção respectivamente vedação dos elementos mecânicos, devem
ser observados os passos indicados a seguir no emprego de materiais sintéti-
cos líquidos:
• Observar as indicações de segurança do fabricante de material sintético líquido.
• Não trabalhar com o material sintético líquido em temperaturas inferiores a
15°C.
• Todos os lugares que receberão aplicação do material sintético líquido, deverão
ser limpos previamente com o produto de limpeza 30 63 71, para eliminar
sujeira, gordura, etc.
• Deixar escorrer o produto excedente de limpeza respectivamente limpar com
um pano limpo.
• Deixar que o lugar limpo ventile por aproximadamente 3 minutos.
• Aplicar o material sintético líquido na peça a ser montada. Em dispositivos de
fixação de parafusos com roscas de furo cego, o material sintético líquido será
aplicado tanto na rosca do parafuso como também no furo cego.
O endurecimento alcançará a dureza necessária para resistir ao desprendimento da
mão depois de aproximadamente 30 minutos, e a dureza final será alcançada
depois de aproximadamente 12 horas. Para garantir peças em forma de roscas
deverá ser observada uma possível galvanização da superfície. A seleção do mate-
rial sintético líquido será efetuada imprescindivelmente de acordo com a tabela.
Emprego de materiais sintéticos líquidos, materiais de vedação, graxas espe-
ciais.
Identificação Nº da peça Observação
38 26 20 (50 ml) Material sintético líquido para peças com rosca sem tratamento
de superfície (desmontáveis)
26 33 97 (250 ml)
39 30 37 (50 ml) Material sintético líquido para peças com rosca com galvaniza-
ção da superfície (desmontáveis)
9 30 29 (250 ml)
38 26 39 (50 ml)
Material sintético líquido para conexões de juntas (dificilmente
desmontáveis)
26 34 19 (250 ml)
123 41 88 (50 ml)
Material sintético líquido para conexões de juntas (des-
montáveis)
123 41 96 (250 ml)
8 26 04 (50 ml)
Material sintético líquido para vedação de superfícies (medida
de corte max. de 0,5mm, facilmente desmontáveis)
32 37 05 (250 ml)
23 13 47 (500 ml) Massa seladora (de vedação)
120 57 57 (1 kg)
Graxa de alto rendimento (resistente à pressão e constância
térmica)
120 40 25 (200 kg)
122 71 14 (1 kg)
Graxa de alto rendimento (resistente à pressão e à água)
34 76 20 (50 kg)
39 26 93 (250 ml)
Material sintético líquido para vedação de roscas de tubos (até
R 3’’, facilmente desmontáveis)
121 58 09 (300 ml) Massa seladora para vedação de superfícies
38 26 12 (50 ml)
Material sintético líquido para conexões de superfícies (des-
montáveis)
28 49 20 (250 ml)
00.03.00 / 00 DIRETRIZES PARA PROCESSAR MATERIAIS PLÁSTICOS LÍQUIDOS
00.03.00 / 00 DIRECTIVA PARA TRABAJO CON EL MATERIAL SINTÉTICO A LÍQUIDO
00.03.00 / 00 INSTRUCTIONS FOR PROCESSING LIQUID PLASTICS
Español
Para afianzar o sellar elementos mecánicos es necesario que se respeten los
pasos indicados a continuación al emplearse para ello materiales sintéticos
líquidos:
• Respetar las indicaciones de seguridad del fabricante del material sintético
líquido.
• No trabajar con el material sintético a líquido a temperaturas inferiores a 15°
centígrados.
• Todos los lugares en los que se tendrá que aplicar el material sintético líquido
tendrán que ser limpiados previamente con el producto de limpieza 30 63 71,
para eliminar la suciedad, grasa y otras sustanciassimilares.
• Dejar que el producto excedente de limpieza se escurra, o eliminarlo con un
paño limpio.
• Dejar que el lugar limpiado ventile durante aprox. 3 minutos.
• Aplicar el material sintético líquido en la pieza que debe ser montada. Si se afi-
anzan tornillos que se enroscan en agujeros ciegos, el material sintético líquido
se aplicará tanto en la rosca del tornillo comotambién en el agujero roscado.
El fraguado habrá alcanzado la dureza necesaria para resistir el desprendimiento a
mano después de aprox. 30 minutos, mientras que la dureza final se habrá alca-
nzado después de 12 horas. Al afianzarse piezas con roscas se prestará atención a
una posible galvanización de la superficie. La selección del material sintético líquido
se efectuará imprescindiblemente de acuerdo con la tabla.
Empleo de materiales sintéticos líquidos, materiales sellantes, grasas espe-
ciales
Identificación Nº de referencia Observación
38 26 20 (50 ml) Material sintético líquido para piezas con roscas sin
bonificación de la superficie (desmontables)
26 33 97 (250 ml)
39 30 37 (50 ml) Material sintético líquido para piezas con rosca con
galvanización de la superficie (desmontables)
39 30 29 (250 ml)
38 26 39 (50 ml)
Material sintético líquido para conexiones de ensambladas
(desprendimiento difícil)
26 34 19 (250 ml)
123 41 88 (50 ml)
Material sintético líquido para conexiones de ensambladas
(desmontables)
123 41 96 (250 ml)
38 26 04 (50 ml)
Material sintético líquido para empaquetadura de superficies
(medida de corte 0,5 mm al máx., fácilmente desmontables)
32 37 05 (250 ml)
23 13 47 (500 ml) Masa selladora
120 57 57 (1 kg)
Grasa de alto rendimiento (resist. a la presión y
termoestable)
120 40 25 (200 kg)
122 71 14 (1 kg)
Grasa de alto rendimiento (resist. a la presión repelente del
agua)
34 76 20 (50 kg)
39 26 93 (250 ml)
Material sintético líquido para empaquetadura de rosca
para tubos (hasta R 3", fácilmente desmontables)
121 58 09 (300 ml) Masa selladora para empaquetadura de superficies
38 26 12 (50 ml)
Material sintético líquido para conexiones de superficies
(desmontables)
28 49 20 (250 ml)
00.03.00 / 00 DIRETRIZES PARA PROCESSAR MATERIAIS PLÁSTICOS LÍQUIDOS
00.03.00 / 00 DIRECTIVA PARA TRABAJO CON EL MATERIAL SINTÉTICO A LÍQUIDO
00.03.00 / 00 INSTRUCTIONS FOR PROCESSING LIQUID PLASTICS
English
To protect resp. seal mechanical elements, the following steps must be
observed when using liquid plastic:
• Take into account the safety instructions provided by the manufacturer of the liq-
uid plastic.
• Do not process liquid plastic at temperatures below 15 °C in the tank.
• All locations to be coverd with liquid plastic, must be previously cleaned with
cleaner 00 30 63 71 so as to remove dirt, grease, etc.
• Allow excess cleaner to drip off, or wipe away with a clean cloth.
• The cleaned location should be allowed to dry for about 3 minutes.
• Apply liquid plastic to the component to be inserted. When securing bolts in
tapped blind holes, the liquid plastic should be applied to the bolt thread as well
as inside the tapped bore.
When hardening, touch stability is reached after about 30 minutes, and final stability
after about 12 hours. When securing shaped, threaded components, take into
account possible galvanized surface. The liquid plastic must be selected according to
the table.
Liquid plastics, sealants, special greases used
Code Part No. Remark
38 26 20 (50 ml) Liquid plastic for shaped, threaded components without
surface finish (can be disassembled)
26 33 97 (250 ml)
39 30 37 (50 ml) Liquid plastic for galvanized, shaped, threaded components
(can be disassembled)
39 30 29 (250 ml)
38 26 39 (50 ml)
Liquid plastic for joined connections (difficult to release)
26 34 19 (250 ml)
123 41 88 (50 ml)
Liquid plastic for joined connections (can be disassembled)
123 41 96 (250 ml)
38 26 04 (50 ml)
Liquid plastic for sealing surfaces (width of slit max. 0,5 mm,
easy to disassemble)
32 37 05 (250 ml)
23 13 47 (500 ml) Sealant
120 57 57 (1 kg)
Heavy duty grease (pressure and temperature stabile)
120 40 25 (200 kg)
122 71 14 (1 kg)
Heavy duty grease (pressure stabile, water repellent)
34 76 20 (50 kg)
39 26 93 (250 ml)
Liquid plastic for sealing pipe threads (up to R 3", easy to
disassemble)
121 58 09 (300 ml) Sealant for sealing surfaces
38 26 12 (50 ml)
Liquid plastic for surface connections (can be
disassembled)
28 49 20 (250 ml)
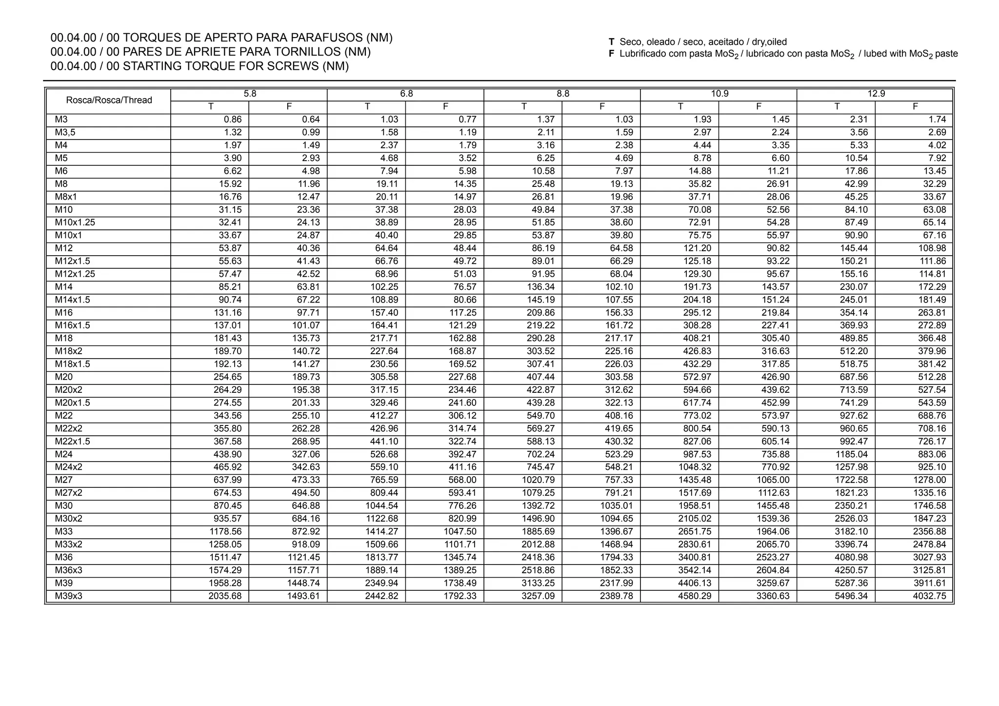
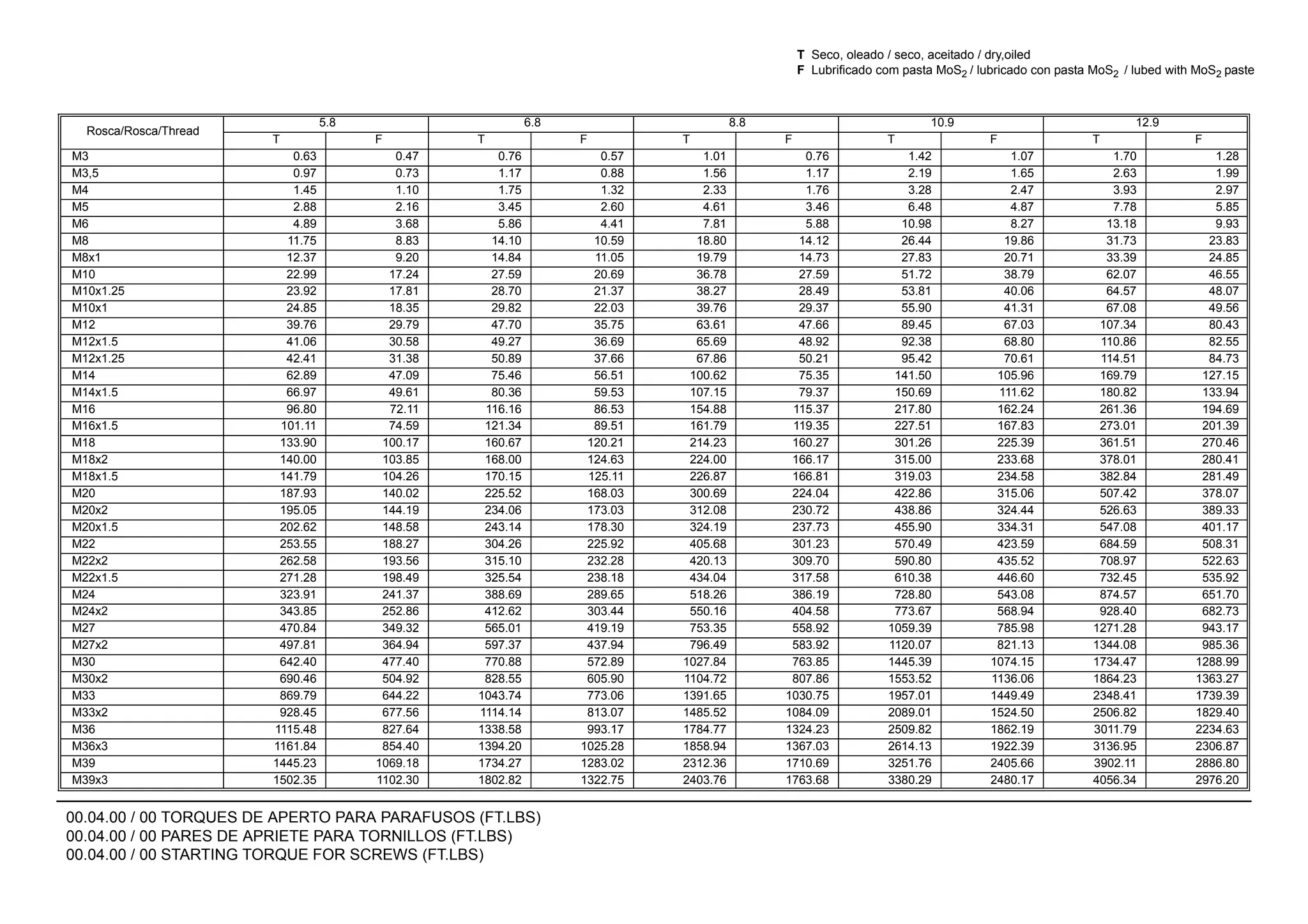
00.04.00 / 00 TORQUES DE APERTO PARA PARAFUSOS (NM)
00.04.00 / 00 PARES DE APRIETE PARA TORNILLOS (NM)
00.04.00 / 00 STARTING TORQUE FOR SCREWS (NM)
T Seco, oleado / seco, aceitado / dry,oiled
F Lubrificado com pasta MoS2 / lubricado con pasta MoS2 / lubed with MoS2 paste
Rosca/Rosca/Thread
5.8 6.8 8.8 10.9 12.9
T F T F T F T F T F
M3 0.86 0.64 1.03 0.77 1.37 1.03 1.93 1.45 2.31 1.74
M3,5 1.32 0.99 1.58 1.19 2.11 1.59 2.97 2.24 3.56 2.69
M4 1.97 1.49 2.37 1.79 3.16 2.38 4.44 3.35 5.33 4.02
M5 3.90 2.93 4.68 3.52 6.25 4.69 8.78 6.60 10.54 7.92
M6 6.62 4.98 7.94 5.98 10.58 7.97 14.88 11.21 17.86 13.45
M8 15.92 11.96 19.11 14.35 25.48 19.13 35.82 26.91 42.99 32.29
M8x1 16.76 12.47 20.11 14.97 26.81 19.96 37.71 28.06 45.25 33.67
M10 31.15 23.36 37.38 28.03 49.84 37.38 70.08 52.56 84.10 63.08
M10x1.25 32.41 24.13 38.89 28.95 51.85 38.60 72.91 54.28 87.49 65.14
M10x1 33.67 24.87 40.40 29.85 53.87 39.80 75.75 55.97 90.90 67.16
M12 53.87 40.36 64.64 48.44 86.19 64.58 121.20 90.82 145.44 108.98
M12x1.5 55.63 41.43 66.76 49.72 89.01 66.29 125.18 93.22 150.21 111.86
M12x1.25 57.47 42.52 68.96 51.03 91.95 68.04 129.30 95.67 155.16 114.81
M14 85.21 63.81 102.25 76.57 136.34 102.10 191.73 143.57 230.07 172.29
M14x1.5 90.74 67.22 108.89 80.66 145.19 107.55 204.18 151.24 245.01 181.49
M16 131.16 97.71 157.40 117.25 209.86 156.33 295.12 219.84 354.14 263.81
M16x1.5 137.01 101.07 164.41 121.29 219.22 161.72 308.28 227.41 369.93 272.89
M18 181.43 135.73 217.71 162.88 290.28 217.17 408.21 305.40 489.85 366.48
M18x2 189.70 140.72 227.64 168.87 303.52 225.16 426.83 316.63 512.20 379.96
M18x1.5 192.13 141.27 230.56 169.52 307.41 226.03 432.29 317.85 518.75 381.42
M20 254.65 189.73 305.58 227.68 407.44 303.58 572.97 426.90 687.56 512.28
M20x2 264.29 195.38 317.15 234.46 422.87 312.62 594.66 439.62 713.59 527.54
M20x1.5 274.55 201.33 329.46 241.60 439.28 322.13 617.74 452.99 741.29 543.59
M22 343.56 255.10 412.27 306.12 549.70 408.16 773.02 573.97 927.62 688.76
M22x2 355.80 262.28 426.96 314.74 569.27 419.65 800.54 590.13 960.65 708.16
M22x1.5 367.58 268.95 441.10 322.74 588.13 430.32 827.06 605.14 992.47 726.17
M24 438.90 327.06 526.68 392.47 702.24 523.29 987.53 735.88 1185.04 883.06
M24x2 465.92 342.63 559.10 411.16 745.47 548.21 1048.32 770.92 1257.98 925.10
M27 637.99 473.33 765.59 568.00 1020.79 757.33 1435.48 1065.00 1722.58 1278.00
M27x2 674.53 494.50 809.44 593.41 1079.25 791.21 1517.69 1112.63 1821.23 1335.16
M30 870.45 646.88 1044.54 776.26 1392.72 1035.01 1958.51 1455.48 2350.21 1746.58
M30x2 935.57 684.16 1122.68 820.99 1496.90 1094.65 2105.02 1539.36 2526.03 1847.23
M33 1178.56 872.92 1414.27 1047.50 1885.69 1396.67 2651.75 1964.06 3182.10 2356.88
M33x2 1258.05 918.09 1509.66 1101.71 2012.88 1468.94 2830.61 2065.70 3396.74 2478.84
M36 1511.47 1121.45 1813.77 1345.74 2418.36 1794.33 3400.81 2523.27 4080.98 3027.93
M36x3 1574.29 1157.71 1889.14 1389.25 2518.86 1852.33 3542.14 2604.84 4250.57 3125.81
M39 1958.28 1448.74 2349.94 1738.49 3133.25 2317.99 4406.13 3259.67 5287.36 3911.61
M39x3 2035.68 1493.61 2442.82 1792.33 3257.09 2389.78 4580.29 3360.63 5496.34 4032.75
00.04.00 / 00 TORQUES DE APERTO PARA PARAFUSOS (FT.LBS)
00.04.00 / 00 PARES DE APRIETE PARA TORNILLOS (FT.LBS)
00.04.00 / 00 STARTING TORQUE FOR SCREWS (FT.LBS)
T Seco, oleado / seco, aceitado / dry,oiled
F Lubrificado com pasta MoS2 / lubricado con pasta MoS2 / lubed with MoS2 paste
Rosca/Rosca/Thread
5.8 6.8 8.8 10.9 12.9
T F T F T F T F T F
M3 0.63 0.47 0.76 0.57 1.01 0.76 1.42 1.07 1.70 1.28
M3,5 0.97 0.73 1.17 0.88 1.56 1.17 2.19 1.65 2.63 1.99
M4 1.45 1.10 1.75 1.32 2.33 1.76 3.28 2.47 3.93 2.97
M5 2.88 2.16 3.45 2.60 4.61 3.46 6.48 4.87 7.78 5.85
M6 4.89 3.68 5.86 4.41 7.81 5.88 10.98 8.27 13.18 9.93
M8 11.75 8.83 14.10 10.59 18.80 14.12 26.44 19.86 31.73 23.83
M8x1 12.37 9.20 14.84 11.05 19.79 14.73 27.83 20.71 33.39 24.85
M10 22.99 17.24 27.59 20.69 36.78 27.59 51.72 38.79 62.07 46.55
M10x1.25 23.92 17.81 28.70 21.37 38.27 28.49 53.81 40.06 64.57 48.07
M10x1 24.85 18.35 29.82 22.03 39.76 29.37 55.90 41.31 67.08 49.56
M12 39.76 29.79 47.70 35.75 63.61 47.66 89.45 67.03 107.34 80.43
M12x1.5 41.06 30.58 49.27 36.69 65.69 48.92 92.38 68.80 110.86 82.55
M12x1.25 42.41 31.38 50.89 37.66 67.86 50.21 95.42 70.61 114.51 84.73
M14 62.89 47.09 75.46 56.51 100.62 75.35 141.50 105.96 169.79 127.15
M14x1.5 66.97 49.61 80.36 59.53 107.15 79.37 150.69 111.62 180.82 133.94
M16 96.80 72.11 116.16 86.53 154.88 115.37 217.80 162.24 261.36 194.69
M16x1.5 101.11 74.59 121.34 89.51 161.79 119.35 227.51 167.83 273.01 201.39
M18 133.90 100.17 160.67 120.21 214.23 160.27 301.26 225.39 361.51 270.46
M18x2 140.00 103.85 168.00 124.63 224.00 166.17 315.00 233.68 378.01 280.41
M18x1.5 141.79 104.26 170.15 125.11 226.87 166.81 319.03 234.58 382.84 281.49
M20 187.93 140.02 225.52 168.03 300.69 224.04 422.86 315.06 507.42 378.07
M20x2 195.05 144.19 234.06 173.03 312.08 230.72 438.86 324.44 526.63 389.33
M20x1.5 202.62 148.58 243.14 178.30 324.19 237.73 455.90 334.31 547.08 401.17
M22 253.55 188.27 304.26 225.92 405.68 301.23 570.49 423.59 684.59 508.31
M22x2 262.58 193.56 315.10 232.28 420.13 309.70 590.80 435.52 708.97 522.63
M22x1.5 271.28 198.49 325.54 238.18 434.04 317.58 610.38 446.60 732.45 535.92
M24 323.91 241.37 388.69 289.65 518.26 386.19 728.80 543.08 874.57 651.70
M24x2 343.85 252.86 412.62 303.44 550.16 404.58 773.67 568.94 928.40 682.73
M27 470.84 349.32 565.01 419.19 753.35 558.92 1059.39 785.98 1271.28 943.17
M27x2 497.81 364.94 597.37 437.94 796.49 583.92 1120.07 821.13 1344.08 985.36
M30 642.40 477.40 770.88 572.89 1027.84 763.85 1445.39 1074.15 1734.47 1288.99
M30x2 690.46 504.92 828.55 605.90 1104.72 807.86 1553.52 1136.06 1864.23 1363.27
M33 869.79 644.22 1043.74 773.06 1391.65 1030.75 1957.01 1449.49 2348.41 1739.39
M33x2 928.45 677.56 1114.14 813.07 1485.52 1084.09 2089.01 1524.50 2506.82 1829.40
M36 1115.48 827.64 1338.58 993.17 1784.77 1324.23 2509.82 1862.19 3011.79 2234.63
M36x3 1161.84 854.40 1394.20 1025.28 1858.94 1367.03 2614.13 1922.39 3136.95 2306.87
M39 1445.23 1069.18 1734.27 1283.02 2312.36 1710.69 3251.76 2405.66 3902.11 2886.80
M39x3 1502.35 1102.30 1802.82 1322.75 2403.76 1763.68 3380.29 2480.17 4056.34 2976.20
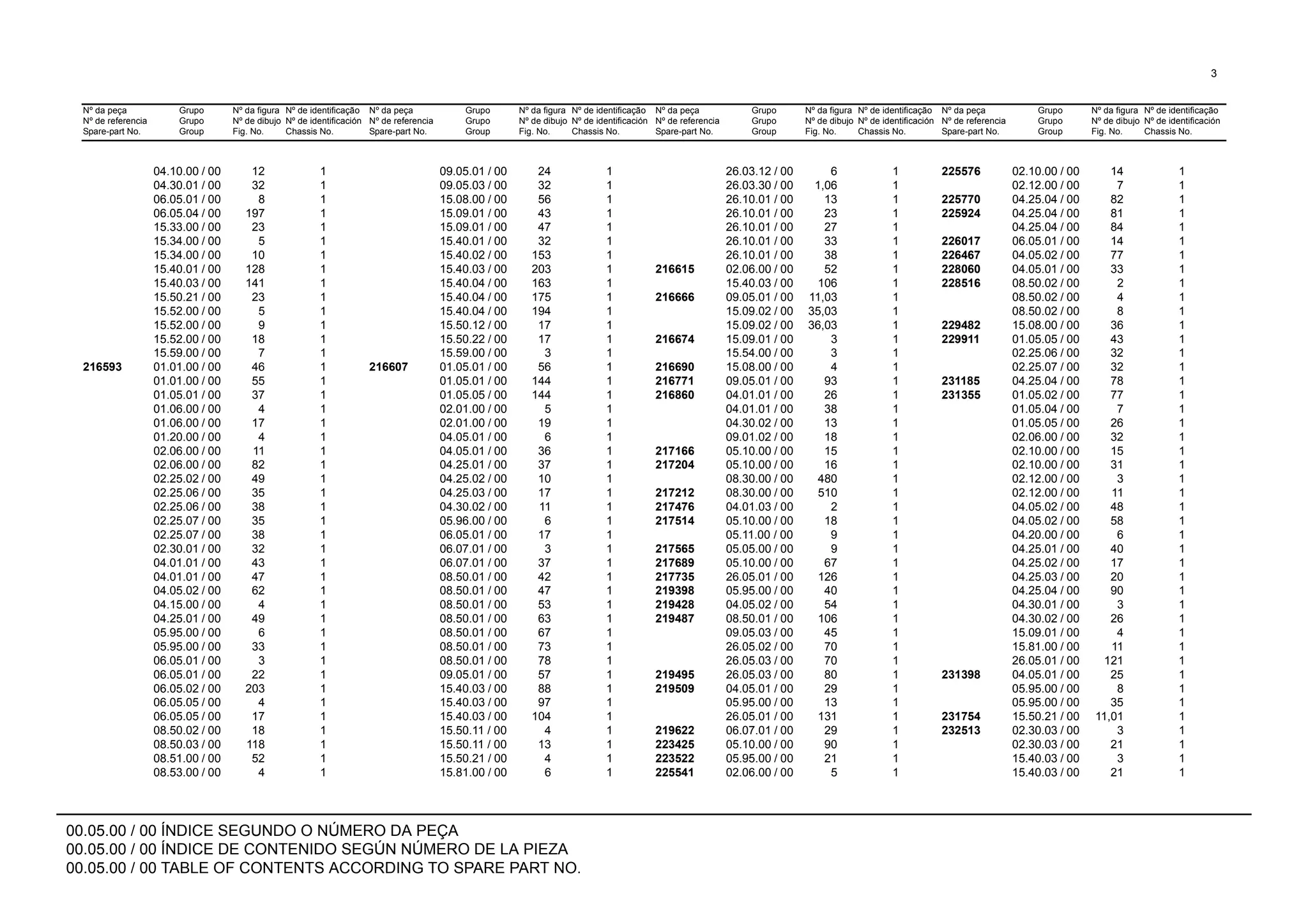
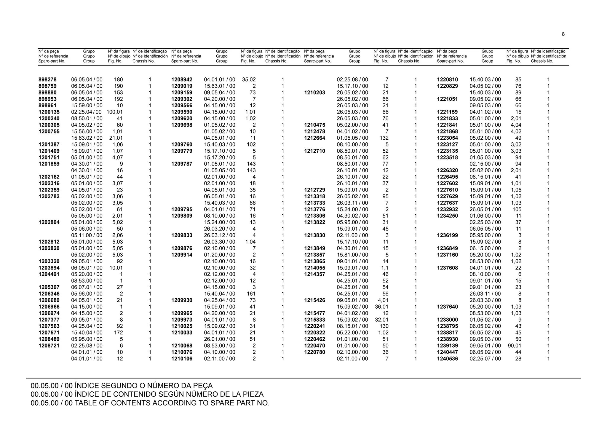
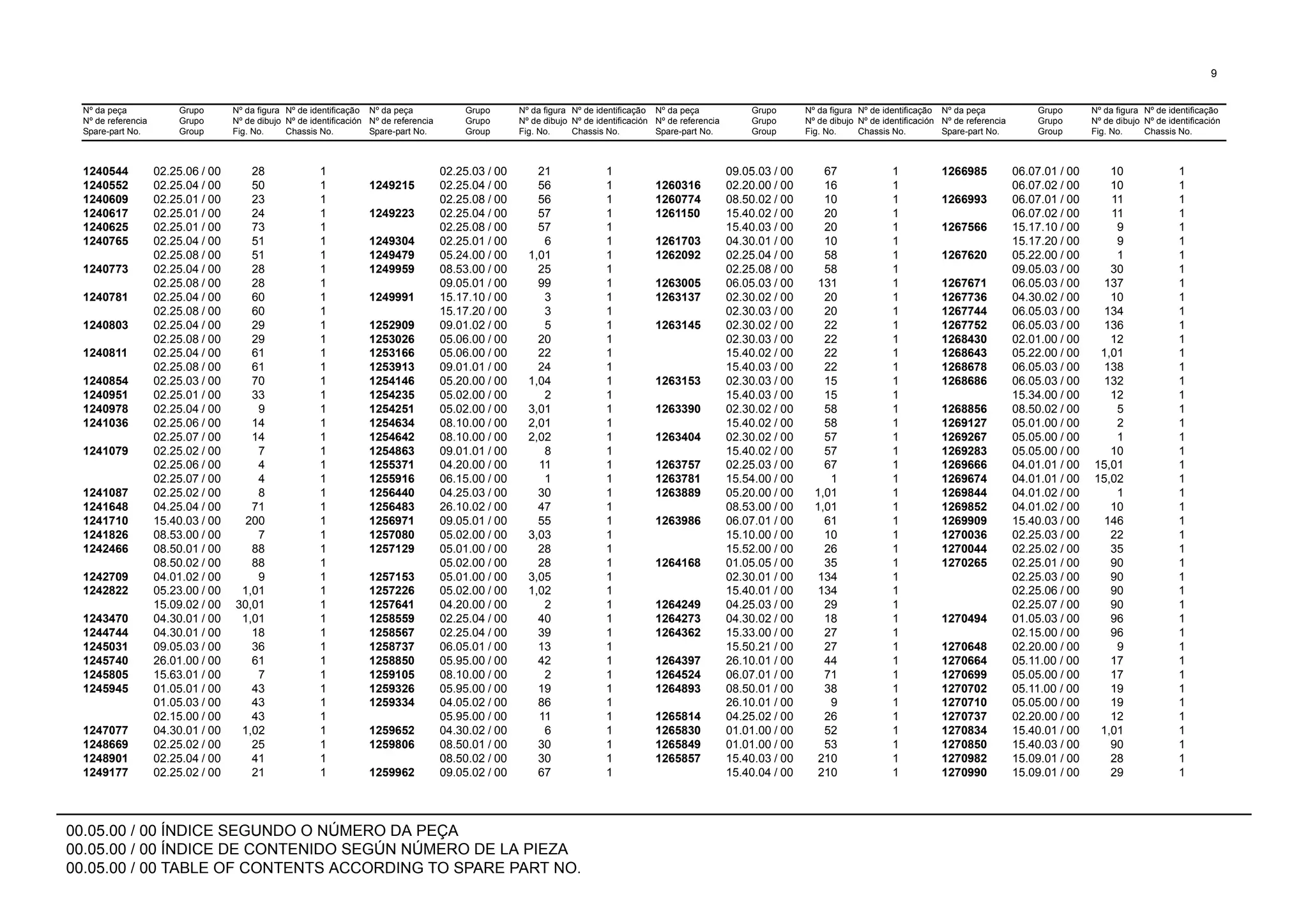
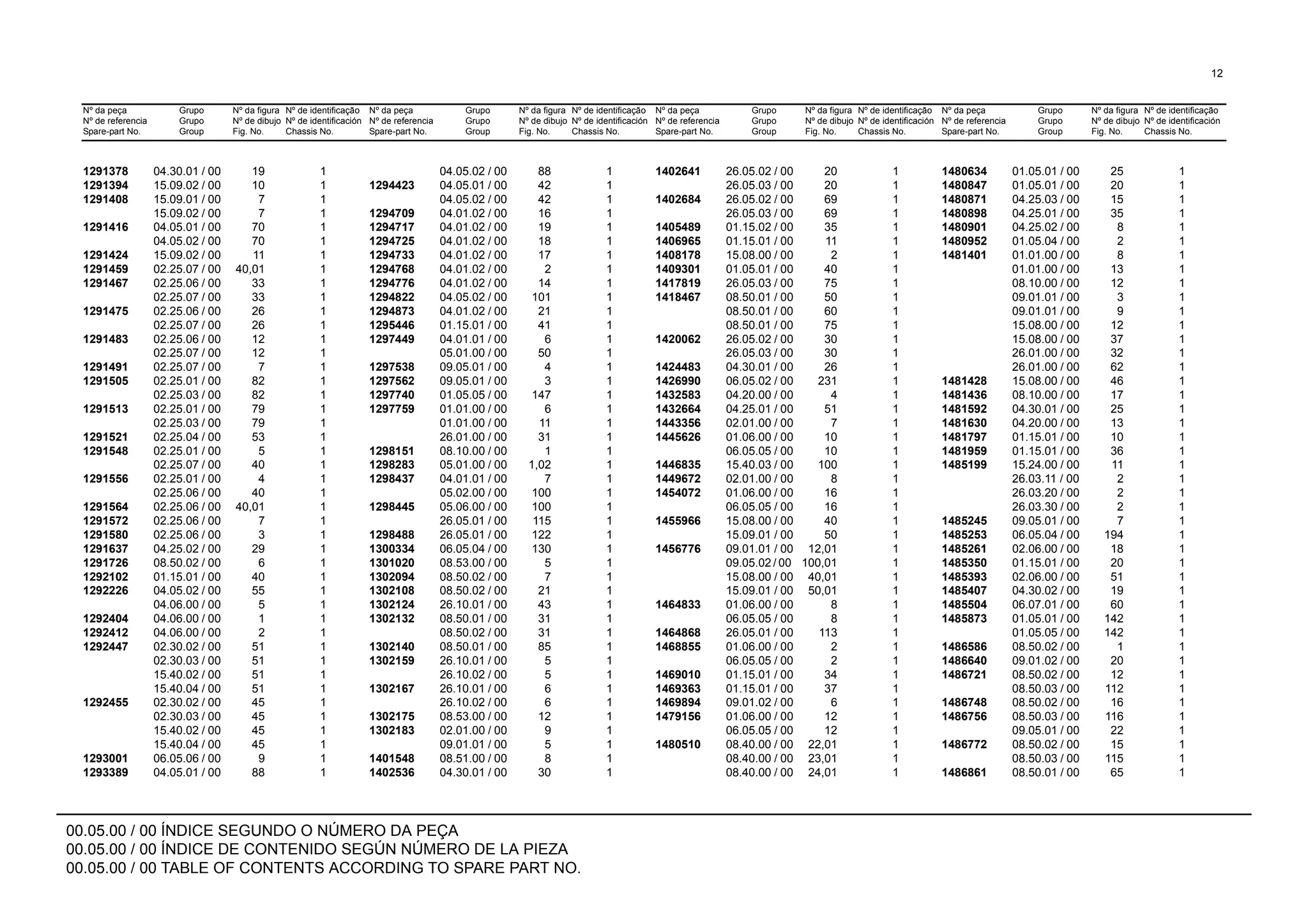
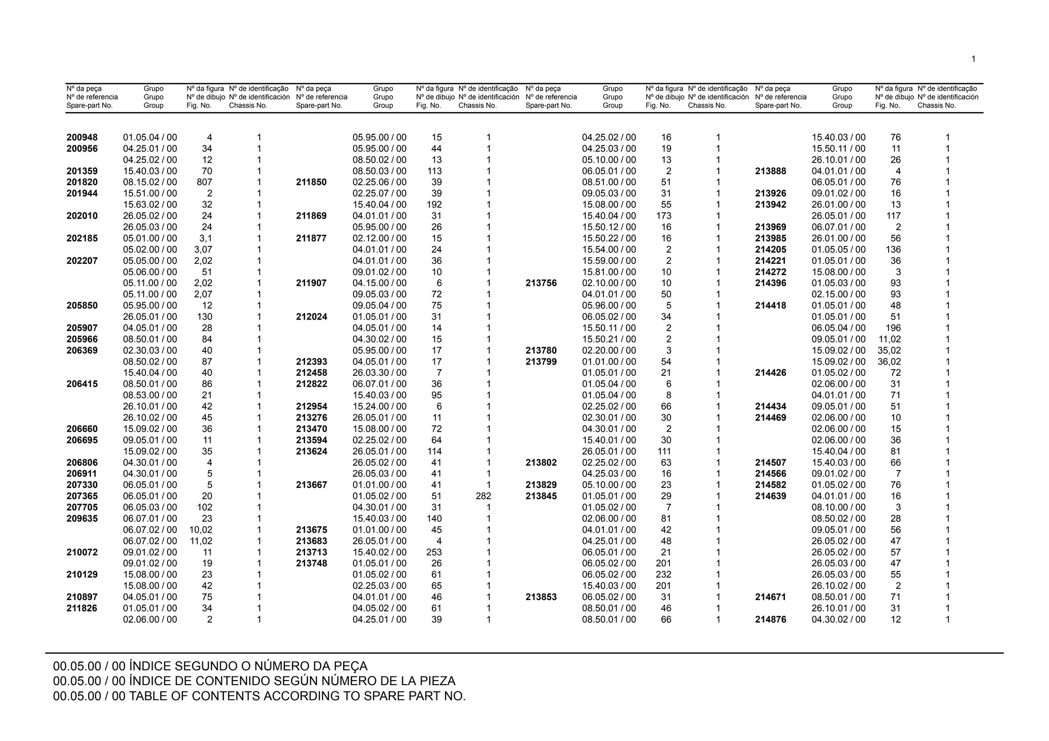
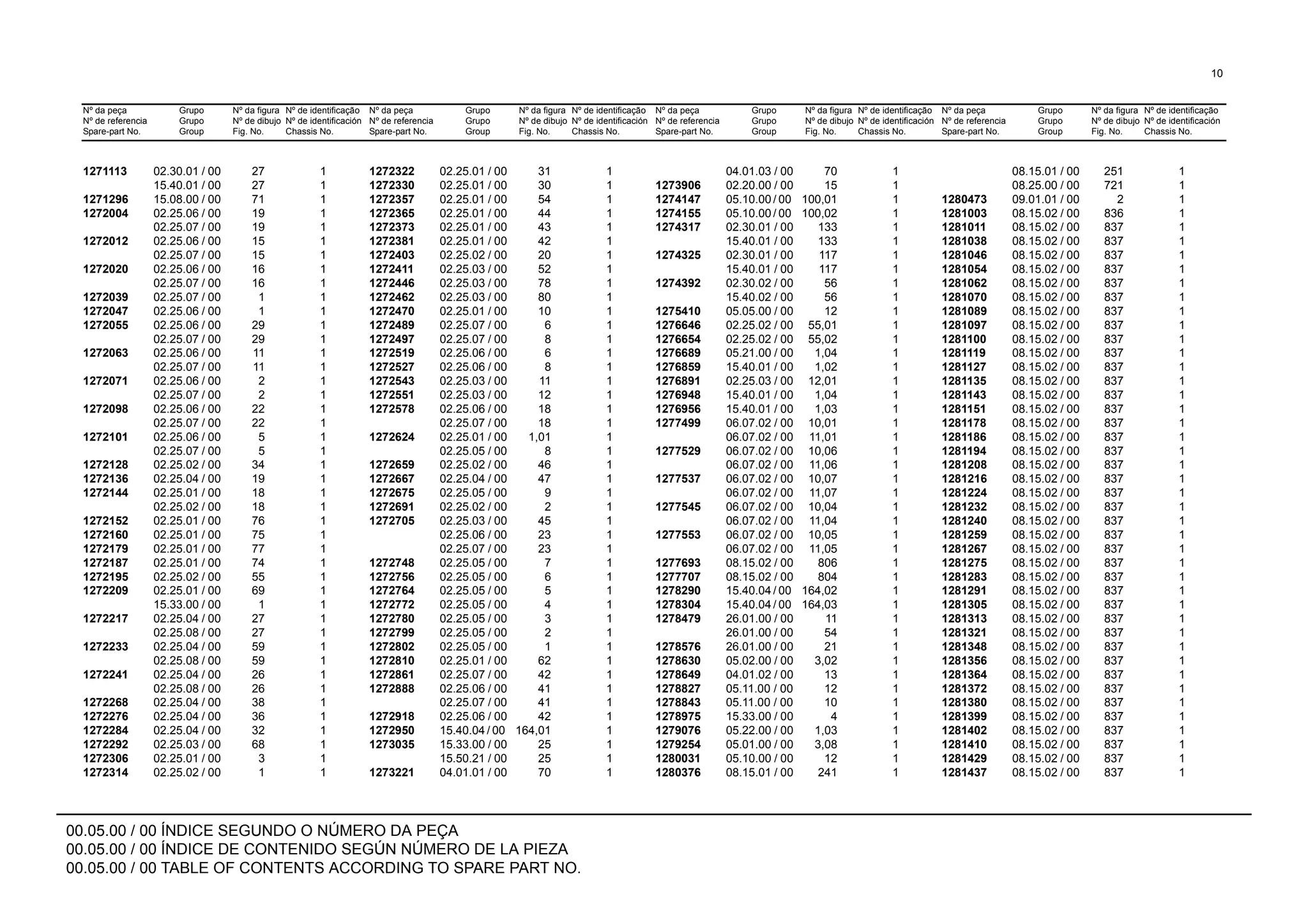
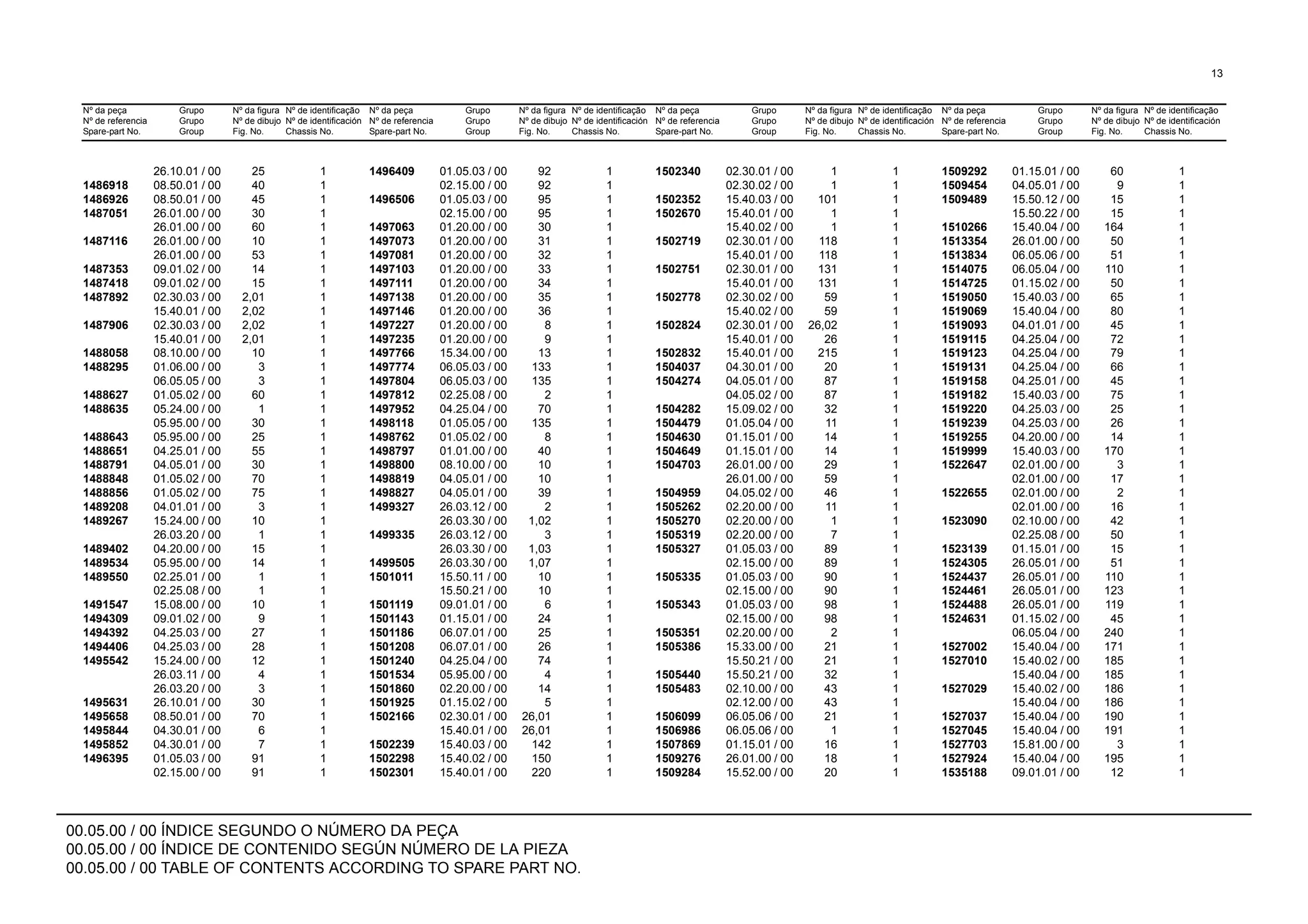
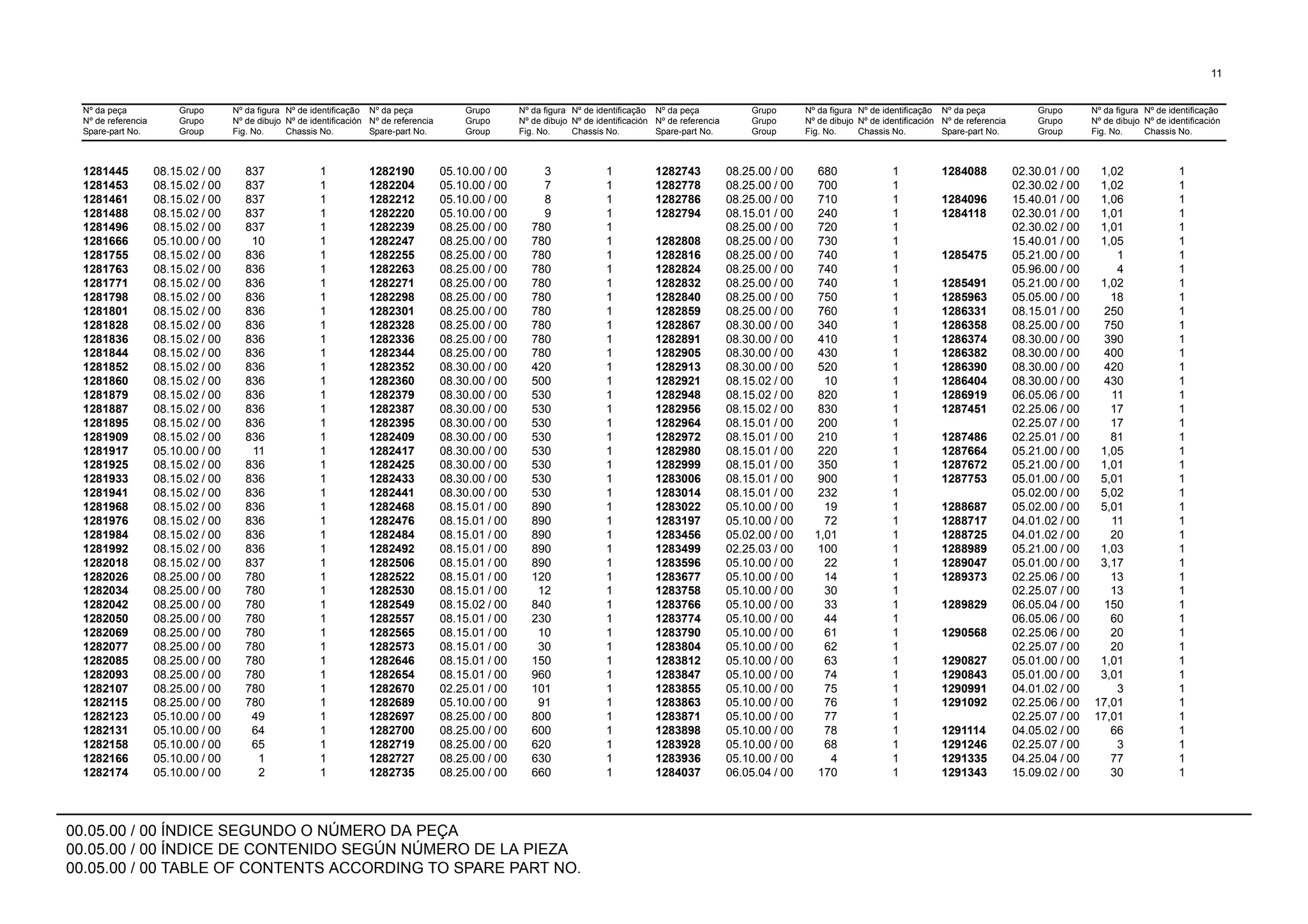
00.05.00 / 00 ÍNDICE SEGUNDO O NÚMERO DA PEÇA
00.05.00 / 00 ÍNDICE DE CONTENIDO SEGÚN NÚMERO DE LA PIEZA
00.05.00 / 00 TABLE OF CONTENTS ACCORDING TO SPARE PART NO.
Nº da peça
Nº de referencia
Spare-part No.
Grupo
Grupo
Group
Nº da figura
Nº de dibujo
Fig. No.
Nº de identificação
Nº de identificación
Chassis No.
Nº da peça
Nº de referencia
Spare-part No.
Grupo
Grupo
Group
Nº da figura
Nº de dibujo
Fig. No.
Nº de identificação
Nº de identificación
Chassis No.
Nº da peça
Nº de referencia
Spare-part No.
Grupo
Grupo
Group
Nº da figura
Nº de dibujo
Fig. No.
Nº de identificação
Nº de identificación
Chassis No.
Nº da peça
Nº de referencia
Spare-part No.
Grupo
Grupo
Group
Nº da figura
Nº de dibujo
Fig. No.
Nº de identificação
Nº de identificación
Chassis No.
1
200948 01.05.04 / 00 4 1 05.95.00 / 00 15 1 04.25.02 / 00 16 1 15.40.03 / 00 76 1
200956 04.25.01 / 00 34 1 05.95.00 / 00 44 1 04.25.03 / 00 19 1 15.50.11 / 00 11 1
04.25.02 / 00 12 1 08.50.02 / 00 13 1 05.10.00 / 00 13 1 26.10.01 / 00 26 1
201359 15.40.03 / 00 70 1 08.50.03 / 00 113 1 06.05.01 / 00 2 1 213888 04.01.01 / 00 4 1
201820 08.15.02 / 00 807 1 211850 02.25.06 / 00 39 1 08.51.00 / 00 51 1 06.05.01 / 00 76 1
201944 15.51.00 / 00 2 1 02.25.07 / 00 39 1 09.05.03 / 00 31 1 213926 09.01.02 / 00 16 1
15.63.02 / 00 32 1 15.40.04 / 00 192 1 15.08.00 / 00 55 1 213942 26.01.00 / 00 13 1
202010 26.05.02 / 00 24 1 211869 04.01.01 / 00 31 1 15.40.04 / 00 173 1 26.05.01 / 00 117 1
26.05.03 / 00 24 1 05.95.00 / 00 26 1 15.50.12 / 00 16 1 213969 06.07.01 / 00 2 1
202185 05.01.00 / 00 3,1 1 211877 02.12.00 / 00 15 1 15.50.22 / 00 16 1 213985 26.01.00 / 00 56 1
05.02.00 / 00 3,07 1 04.01.01 / 00 24 1 15.54.00 / 00 2 1 214205 01.05.05 / 00 136 1
202207 05.05.00 / 00 2,02 1 04.01.01 / 00 36 1 15.59.00 / 00 2 1 214221 01.05.01 / 00 36 1
05.06.00 / 00 51 1 09.01.02 / 00 10 1 15.81.00 / 00 10 1 214272 15.08.00 / 00 3 1
05.11.00 / 00 2,02 1 211907 04.15.00 / 00 6 1 213756 02.10.00 / 00 10 1 214396 01.05.03 / 00 93 1
05.11.00 / 00 2,07 1 09.05.03 / 00 72 1 04.01.01 / 00 50 1 02.15.00 / 00 93 1
205850 05.95.00 / 00 12 1 09.05.04 / 00 75 1 05.96.00 / 00 5 1 214418 01.05.01 / 00 48 1
26.05.01 / 00 130 1 212024 01.05.01 / 00 31 1 06.05.02 / 00 34 1 01.05.01 / 00 51 1
205907 04.05.01 / 00 28 1 04.05.01 / 00 14 1 15.50.11 / 00 2 1 06.05.04 / 00 196 1
205966 08.50.01 / 00 84 1 04.30.02 / 00 15 1 15.50.21 / 00 2 1 09.05.01 / 00 11,02 1
206369 02.30.03 / 00 40 1 05.95.00 / 00 17 1 213780 02.20.00 / 00 3 1 15.09.02 / 00 35,02 1
08.50.02 / 00 87 1 212393 04.05.01 / 00 17 1 213799 01.01.00 / 00 54 1 15.09.02 / 00 36,02 1
15.40.04 / 00 40 1 212458 26.03.30 / 00 7 1 01.05.01 / 00 21 1 214426 01.05.02 / 00 72 1
206415 08.50.01 / 00 86 1 212822 06.07.01 / 00 36 1 01.05.04 / 00 6 1 02.06.00 / 00 31 1
08.53.00 / 00 21 1 15.40.03 / 00 95 1 01.05.04 / 00 8 1 04.01.01 / 00 71 1
26.10.01 / 00 42 1 212954 15.24.00 / 00 6 1 02.25.02 / 00 66 1 214434 09.05.01 / 00 51 1
26.10.02 / 00 45 1 213276 26.05.01 / 00 11 1 02.30.01 / 00 30 1 214469 02.06.00 / 00 10 1
206660 15.09.02 / 00 36 1 213470 15.08.00 / 00 72 1 04.30.01 / 00 2 1 02.06.00 / 00 15 1
206695 09.05.01 / 00 11 1 213594 02.25.02 / 00 64 1 15.40.01 / 00 30 1 02.06.00 / 00 36 1
15.09.02 / 00 35 1 213624 26.05.01 / 00 114 1 26.05.01 / 00 111 1 15.40.04 / 00 81 1
206806 04.30.01 / 00 4 1 26.05.02 / 00 41 1 213802 02.25.02 / 00 63 1 214507 15.40.03 / 00 66 1
206911 04.30.01 / 00 5 1 26.05.03 / 00 41 1 04.25.03 / 00 16 1 214566 09.01.02 / 00 7 1
207330 06.05.01 / 00 5 1 213667 01.01.00 / 00 41 1 213829 05.10.00 / 00 23 1 214582 01.05.02 / 00 76 1
207365 06.05.01 / 00 20 1 01.05.02 / 00 51 282 213845 01.05.01 / 00 29 1 214639 04.01.01 / 00 16 1
207705 06.05.03 / 00 102 1 04.30.01 / 00 31 1 01.05.02 / 00 7 1 08.10.00 / 00 3 1
209635 06.07.01 / 00 23 1 15.40.03 / 00 140 1 02.06.00 / 00 81 1 08.50.02 / 00 28 1
06.07.02 / 00 10,02 1 213675 01.01.00 / 00 45 1 04.01.01 / 00 42 1 09.05.01 / 00 56 1
06.07.02 / 00 11,02 1 213683 26.05.01 / 00 4 1 04.25.01 / 00 48 1 26.05.02 / 00 47 1
210072 09.01.02 / 00 11 1 213713 15.40.02 / 00 253 1 06.05.01 / 00 21 1 26.05.02 / 00 57 1
09.01.02 / 00 19 1 213748 01.05.01 / 00 26 1 06.05.02 / 00 201 1 26.05.03 / 00 47 1
210129 15.08.00 / 00 23 1 01.05.02 / 00 61 1 06.05.02 / 00 232 1 26.05.03 / 00 55 1
15.08.00 / 00 42 1 02.25.03 / 00 65 1 15.40.03 / 00 201 1 26.10.02 / 00 2 1
210897 04.05.01 / 00 75 1 04.01.01 / 00 46 1 213853 06.05.02 / 00 31 1 214671 08.50.01 / 00 71 1
211826 01.05.01 / 00 34 1 04.05.02 / 00 61 1 08.50.01 / 00 46 1 26.10.01 / 00 31 1
02.06.00 / 00 2 1 04.25.01 / 00 39 1 08.50.01 / 00 66 1 214876 04.30.02 / 00 12 1
00.05.00 / 00 ÍNDICE SEGUNDO O NÚMERO DA PEÇA
00.05.00 / 00 ÍNDICE DE CONTENIDO SEGÚN NÚMERO DE LA PIEZA
00.05.00 / 00 TABLE OF CONTENTS ACCORDING TO SPARE PART NO.
Nº da peça
Nº de referencia
Spare-part No.
Grupo
Grupo
Group
Nº da figura
Nº de dibujo
Fig. No.
Nº de identificação
Nº de identificación
Chassis No.
Nº da peça
Nº de referencia
Spare-part No.
Grupo
Grupo
Group
Nº da figura
Nº de dibujo
Fig. No.
Nº de identificação
Nº de identificación
Chassis No.
Nº da peça
Nº de referencia
Spare-part No.
Grupo
Grupo
Group
Nº da figura
Nº de dibujo
Fig. No.
Nº de identificação
Nº de identificación
Chassis No.
Nº da peça
Nº de referencia
Spare-part No.
Grupo
Grupo
Group
Nº da figura
Nº de dibujo
Fig. No.
Nº de identificação
Nº de identificación
Chassis No.
2
214949 01.01.00 / 00 81 1 06.05.04 / 00 198 1 06.05.06 / 00 25 1 15.81.00 / 00 7 1
215406 02.25.06 / 00 36 1 15.34.00 / 00 7 1 08.50.02 / 00 19 1 26.03.12 / 00 5 1
02.25.07 / 00 36 1 15.34.00 / 00 9 1 08.50.03 / 00 119 1 26.03.30 / 00 1,05 1
04.05.02 / 00 47 1 15.52.00 / 00 8 1 08.53.00 / 00 3 1 26.10.01 / 00 14 1
215422 01.05.01 / 00 41 1 15.52.00 / 00 17 1 09.05.01 / 00 25 1 26.10.01 / 00 24 1
02.25.06 / 00 30 1 15.59.00 / 00 8 1 15.09.01 / 00 42 1 26.10.01 / 00 28 1
02.25.07 / 00 30 1 216445 01.01.00 / 00 47 1 15.09.01 / 00 46 1 26.10.01 / 00 32 1
215449 06.07.01 / 00 41 1 01.01.00 / 00 56 1 15.40.01 / 00 31 1 26.10.01 / 00 39 1
06.07.01 / 00 46 1 01.05.01 / 00 23 1 15.40.02 / 00 152 1 216461 01.05.01 / 00 33 1
215996 04.30.02 / 00 14 1 01.05.01 / 00 5 1 15.40.03 / 00 202 1 01.05.02 / 00 4 1
05.95.00 / 00 45 1 01.05.01 / 00 38 1 15.40.04 / 00 162 1 01.05.02 / 00 12 1
216046 15.51.00 / 00 7 1 01.05.01 / 00 42 1 15.40.04 / 00 174 1 02.06.00 / 00 4 1
15.63.01 / 00 6 1 01.05.02 / 00 78 1 15.40.04 / 00 193 1 02.25.02 / 00 13 1
15.63.01 / 00 10 1 01.06.00 / 00 6 1 216453 01.05.01 / 00 57 1 04.01.01 / 00 75 1
15.63.02 / 00 37 1 01.06.00 / 00 18 1 01.05.01 / 00 146 1 04.05.01 / 00 13 1
216054 06.05.04 / 00 134 1 01.20.00 / 00 5 1 01.05.05 / 00 146 1 04.05.01 / 00 16 1
06.05.04 / 00 152 1 02.06.00 / 00 12 1 02.01.00 / 00 6 1 05.95.00 / 00 18 1
15.40.02 / 00 255 1 02.06.00 / 00 17 1 02.01.00 / 00 20 1 15.08.00 / 00 74 1
216062 01.05.01 / 00 53 1 02.06.00 / 00 38 1 02.10.00 / 00 8 1 216488 04.05.01 / 00 19 237
01.06.00 / 00 7 1 02.06.00 / 00 83 1 02.10.00 / 00 20 1 216496 02.11.00 / 00 4 1
02.25.06 / 00 9 1 02.10.00 / 00 17 1 02.25.02 / 00 14 1 04.30.02 / 00 53 1
02.25.07 / 00 9 1 02.10.00 / 00 33 1 04.05.01 / 00 7 1 08.10.00 / 00 18 1
04.10.00 / 00 11 1 02.12.00 / 00 5 1 04.05.01 / 00 38 1 15.17.10 / 00 13 1
06.05.05 / 00 7 1 02.12.00 / 00 13 1 04.25.01 / 00 38 1 15.24.00 / 00 3 1
06.05.06 / 00 73 1 02.25.02 / 00 17 1 04.25.02 / 00 11 1 216569 02.20.00 / 00 10 1
216070 01.05.04 / 00 5 1 02.25.06 / 00 21 1 04.25.03 / 00 18 1 06.05.04 / 00 132 1
02.25.06 / 00 10 1 02.25.07 / 00 21 1 04.30.02 / 00 20 1 06.05.06 / 00 54 1
02.25.06 / 00 37 1 02.30.01 / 00 31 1 06.05.01 / 00 18 1 15.40.02 / 00 254 1
02.25.07 / 00 10 1 04.01.01 / 00 44 1 06.05.02 / 00 33 1 216577 01.01.00 / 00 42 1
02.25.07 / 00 37 1 04.01.01 / 00 48 1 06.07.01 / 00 4 1 01.05.01 / 00 49 1
216097 04.05.01 / 00 4 1 04.05.02 / 00 49 1 08.50.01 / 00 43 1 01.05.01 / 00 52 1
06.05.01 / 00 77 1 04.05.02 / 00 59 1 08.50.01 / 00 48 1 01.05.02 / 00 52 282
15.50.11 / 00 3 1 04.05.02 / 00 63 1 08.50.01 / 00 54 1 01.05.02 / 00 102 1
15.50.21 / 00 3 1 04.15.00 / 00 5 1 08.50.01 / 00 64 1 01.05.05 / 00 44 1
216119 04.01.01 / 00 25 1 04.25.01 / 00 50 1 08.50.01 / 00 68 1 01.07.00 / 00 4 1
15.08.00 / 00 5 1 04.25.04 / 00 76 1 08.50.01 / 00 72 1 02.10.00 / 00 44 1
15.40.03 / 00 105 1 04.25.04 / 00 91 1 08.50.01 / 00 79 1 02.12.00 / 00 44 1
216143 08.15.01 / 00 170 1 05.95.00 / 00 7 1 09.05.01 / 00 58 1 02.20.00 / 00 4 1
216437 01.01.00 / 00 43 1 05.95.00 / 00 32 1 15.17.10 / 00 6 1 02.25.02 / 00 48 1
01.07.00 / 00 5 1 06.05.02 / 00 202 1 15.17.20 / 00 6 1 02.25.06 / 00 25 1
02.25.02 / 00 16 1 06.05.04 / 00 119 1 15.40.03 / 00 87 1 02.25.07 / 00 25 1
04.10.00 / 00 4 1 06.05.04 / 00 182 1 15.40.03 / 00 96 1 02.30.01 / 00 128 1
06.05.01 / 00 9 1 06.05.05 / 00 6 1 15.40.03 / 00 103 1 04.05.02 / 00 78 1
06.05.04 / 00 115 1 06.05.05 / 00 18 1 15.50.11 / 00 12 1 04.10.00 / 00 3 1
00.05.00 / 00 ÍNDICE SEGUNDO O NÚMERO DA PEÇA
00.05.00 / 00 ÍNDICE DE CONTENIDO SEGÚN NÚMERO DE LA PIEZA
00.05.00 / 00 TABLE OF CONTENTS ACCORDING TO SPARE PART NO.
Nº da peça
Nº de referencia
Spare-part No.
Grupo
Grupo
Group
Nº da figura
Nº de dibujo
Fig. No.
Nº de identificação
Nº de identificación
Chassis No.
Nº da peça
Nº de referencia
Spare-part No.
Grupo
Grupo
Group
Nº da figura
Nº de dibujo
Fig. No.
Nº de identificação
Nº de identificación
Chassis No.
Nº da peça
Nº de referencia
Spare-part No.
Grupo
Grupo
Group
Nº da figura
Nº de dibujo
Fig. No.
Nº de identificação
Nº de identificación
Chassis No.
Nº da peça
Nº de referencia
Spare-part No.
Grupo
Grupo
Group
Nº da figura
Nº de dibujo
Fig. No.
Nº de identificação
Nº de identificación
Chassis No.
3
04.10.00 / 00 12 1 09.05.01 / 00 24 1 26.03.12 / 00 6 1 225576 02.10.00 / 00 14 1
04.30.01 / 00 32 1 09.05.03 / 00 32 1 26.03.30 / 00 1,06 1 02.12.00 / 00 7 1
06.05.01 / 00 8 1 15.08.00 / 00 56 1 26.10.01 / 00 13 1 225770 04.25.04 / 00 82 1
06.05.04 / 00 197 1 15.09.01 / 00 43 1 26.10.01 / 00 23 1 225924 04.25.04 / 00 81 1
15.33.00 / 00 23 1 15.09.01 / 00 47 1 26.10.01 / 00 27 1 04.25.04 / 00 84 1
15.34.00 / 00 5 1 15.40.01 / 00 32 1 26.10.01 / 00 33 1 226017 06.05.01 / 00 14 1
15.34.00 / 00 10 1 15.40.02 / 00 153 1 26.10.01 / 00 38 1 226467 04.05.02 / 00 77 1
15.40.01 / 00 128 1 15.40.03 / 00 203 1 216615 02.06.00 / 00 52 1 228060 04.05.01 / 00 33 1
15.40.03 / 00 141 1 15.40.04 / 00 163 1 15.40.03 / 00 106 1 228516 08.50.02 / 00 2 1
15.50.21 / 00 23 1 15.40.04 / 00 175 1 216666 09.05.01 / 00 11,03 1 08.50.02 / 00 4 1
15.52.00 / 00 5 1 15.40.04 / 00 194 1 15.09.02 / 00 35,03 1 08.50.02 / 00 8 1
15.52.00 / 00 9 1 15.50.12 / 00 17 1 15.09.02 / 00 36,03 1 229482 15.08.00 / 00 36 1
15.52.00 / 00 18 1 15.50.22 / 00 17 1 216674 15.09.01 / 00 3 1 229911 01.05.05 / 00 43 1
15.59.00 / 00 7 1 15.59.00 / 00 3 1 15.54.00 / 00 3 1 02.25.06 / 00 32 1
216593 01.01.00 / 00 46 1 216607 01.05.01 / 00 56 1 216690 15.08.00 / 00 4 1 02.25.07 / 00 32 1
01.01.00 / 00 55 1 01.05.01 / 00 144 1 216771 09.05.01 / 00 93 1 231185 04.25.04 / 00 78 1
01.05.01 / 00 37 1 01.05.05 / 00 144 1 216860 04.01.01 / 00 26 1 231355 01.05.02 / 00 77 1
01.06.00 / 00 4 1 02.01.00 / 00 5 1 04.01.01 / 00 38 1 01.05.04 / 00 7 1
01.06.00 / 00 17 1 02.01.00 / 00 19 1 04.30.02 / 00 13 1 01.05.05 / 00 26 1
01.20.00 / 00 4 1 04.05.01 / 00 6 1 09.01.02 / 00 18 1 02.06.00 / 00 32 1
02.06.00 / 00 11 1 04.05.01 / 00 36 1 217166 05.10.00 / 00 15 1 02.10.00 / 00 15 1
02.06.00 / 00 82 1 04.25.01 / 00 37 1 217204 05.10.00 / 00 16 1 02.10.00 / 00 31 1
02.25.02 / 00 49 1 04.25.02 / 00 10 1 08.30.00 / 00 480 1 02.12.00 / 00 3 1
02.25.06 / 00 35 1 04.25.03 / 00 17 1 217212 08.30.00 / 00 510 1 02.12.00 / 00 11 1
02.25.06 / 00 38 1 04.30.02 / 00 11 1 217476 04.01.03 / 00 2 1 04.05.02 / 00 48 1
02.25.07 / 00 35 1 05.96.00 / 00 6 1 217514 05.10.00 / 00 18 1 04.05.02 / 00 58 1
02.25.07 / 00 38 1 06.05.01 / 00 17 1 05.11.00 / 00 9 1 04.20.00 / 00 6 1
02.30.01 / 00 32 1 06.07.01 / 00 3 1 217565 05.05.00 / 00 9 1 04.25.01 / 00 40 1
04.01.01 / 00 43 1 06.07.01 / 00 37 1 217689 05.10.00 / 00 67 1 04.25.02 / 00 17 1
04.01.01 / 00 47 1 08.50.01 / 00 42 1 217735 26.05.01 / 00 126 1 04.25.03 / 00 20 1
04.05.02 / 00 62 1 08.50.01 / 00 47 1 219398 05.95.00 / 00 40 1 04.25.04 / 00 90 1
04.15.00 / 00 4 1 08.50.01 / 00 53 1 219428 04.05.02 / 00 54 1 04.30.01 / 00 3 1
04.25.01 / 00 49 1 08.50.01 / 00 63 1 219487 08.50.01 / 00 106 1 04.30.02 / 00 26 1
05.95.00 / 00 6 1 08.50.01 / 00 67 1 09.05.03 / 00 45 1 15.09.01 / 00 4 1
05.95.00 / 00 33 1 08.50.01 / 00 73 1 26.05.02 / 00 70 1 15.81.00 / 00 11 1
06.05.01 / 00 3 1 08.50.01 / 00 78 1 26.05.03 / 00 70 1 26.05.01 / 00 121 1
06.05.01 / 00 22 1 09.05.01 / 00 57 1 219495 26.05.03 / 00 80 1 231398 04.05.01 / 00 25 1
06.05.02 / 00 203 1 15.40.03 / 00 88 1 219509 04.05.01 / 00 29 1 05.95.00 / 00 8 1
06.05.05 / 00 4 1 15.40.03 / 00 97 1 05.95.00 / 00 13 1 05.95.00 / 00 35 1
06.05.05 / 00 17 1 15.40.03 / 00 104 1 26.05.01 / 00 131 1 231754 15.50.21 / 00 11,01 1
08.50.02 / 00 18 1 15.50.11 / 00 4 1 219622 06.07.01 / 00 29 1 232513 02.30.03 / 00 3 1
08.50.03 / 00 118 1 15.50.11 / 00 13 1 223425 05.10.00 / 00 90 1 02.30.03 / 00 21 1
08.51.00 / 00 52 1 15.50.21 / 00 4 1 223522 05.95.00 / 00 21 1 15.40.03 / 00 3 1
08.53.00 / 00 4 1 15.81.00 / 00 6 1 225541 02.06.00 / 00 5 1 15.40.03 / 00 21 1
00.05.00 / 00 ÍNDICE SEGUNDO O NÚMERO DA PEÇA
00.05.00 / 00 ÍNDICE DE CONTENIDO SEGÚN NÚMERO DE LA PIEZA
00.05.00 / 00 TABLE OF CONTENTS ACCORDING TO SPARE PART NO.
Nº da peça
Nº de referencia
Spare-part No.
Grupo
Grupo
Group
Nº da figura
Nº de dibujo
Fig. No.
Nº de identificação
Nº de identificación
Chassis No.
Nº da peça
Nº de referencia
Spare-part No.
Grupo
Grupo
Group
Nº da figura
Nº de dibujo
Fig. No.
Nº de identificação
Nº de identificación
Chassis No.
Nº da peça
Nº de referencia
Spare-part No.
Grupo
Grupo
Group
Nº da figura
Nº de dibujo
Fig. No.
Nº de identificação
Nº de identificación
Chassis No.
Nº da peça
Nº de referencia
Spare-part No.
Grupo
Grupo
Group
Nº da figura
Nº de dibujo
Fig. No.
Nº de identificação
Nº de identificación
Chassis No.
4
232599 04.05.02 / 00 53 1 06.05.05 / 00 14 1 15.40.01 / 00 300 1 01.05.04 / 00 19 1
233102 04.05.02 / 00 71 1 250473 01.01.00 / 00 82 1 15.40.02 / 00 300 1 02.11.00 / 00 5 1
233315 04.05.01 / 00 31 1 01.05.05 / 00 133 1 15.40.04 / 00 300 1 04.05.01 / 00 8 1
233366 04.15.00 / 00 10 1 04.01.01 / 00 11 1 267457 08.50.01 / 00 37 1 276898 08.30.00 / 00 530 1
233730 09.05.02 / 00 81 1 04.01.01 / 00 13 1 08.50.02 / 00 27 1 277916 01.15.01 / 00 29 1
233897 08.10.00 / 00 4 1 04.30.02 / 00 52 1 26.10.01 / 00 8 1 278025 01.05.05 / 00 41 1
233919 02.10.00 / 00 18 1 15.24.00 / 00 4 1 26.10.02 / 00 1 1 278769 08.53.00 / 00 13 1
233986 04.05.01 / 00 24 1 26.01.00 / 00 27 1 267465 08.50.01 / 00 36 1 278777 08.53.00 / 00 6 1
05.95.00 / 00 9 1 26.01.00 / 00 52 1 08.50.02 / 00 26 1 279242 08.15.01 / 00 430 1
05.95.00 / 00 36 1 26.05.02 / 00 22 1 26.10.01 / 00 7 1 279412 08.10.00 / 00 20 1
234486 04.01.02 / 00 5 1 26.05.02 / 00 67 1 26.10.02 / 00 4 1 282308 05.95.00 / 00 39 1
234605 02.10.00 / 00 45 1 26.05.02 / 00 96 1 272116 15.10.00 / 00 15 1 283142 06.07.01 / 00 48 1
02.12.00 / 00 45 1 26.05.03 / 00 22 1 272809 02.20.00 / 00 13 1 283150 02.25.04 / 00 36,01 1
02.30.01 / 00 127 1 26.05.03 / 00 67 1 15.51.00 / 00 5 1 06.07.01 / 00 43 1
15.40.01 / 00 127 1 26.05.03 / 00 77 1 15.63.02 / 00 35 1 06.07.02 / 00 10,03 1
237256 26.05.02 / 00 71 1 255513 08.50.01 / 00 105 1 274178 05.95.00 / 00 10 1 06.07.02 / 00 11,03 1
26.05.03 / 00 71 1 09.05.03 / 00 44 1 274356 02.30.03 / 00 4 1 283568 01.05.02 / 00 101 1
239984 09.01.01 / 00 25 1 255769 02.30.01 / 00 28 1 15.40.03 / 00 4 1 01.07.00 / 00 3 1
26.01.00 / 00 17 1 02.30.01 / 00 132 1 15.51.00 / 00 6 1 15.33.00 / 00 22 1
240451 15.34.00 / 00 8 1 15.40.01 / 00 28 1 15.63.01 / 00 5 1 15.50.21 / 00 22 1
15.52.00 / 00 7 1 15.40.01 / 00 132 1 15.63.01 / 00 9 1 284351 15.10.00 / 00 25 1
240915 08.15.02 / 00 860 1 260827 02.30.01 / 00 114 1 15.63.02 / 00 36 1 284459 04.25.04 / 00 67 1
240974 05.23.00 / 00 1 1 15.40.01 / 00 114 1 274860 05.01.00 / 00 3,11 1 287164 01.15.02 / 00 21 1
09.05.01 / 00 5 1 260983 01.05.01 / 00 22 1 05.02.00 / 00 2,02 1 287199 08.50.02 / 00 3 1
242535 15.40.04 / 00 196 1 01.05.01 / 00 27 1 276243 04.01.01 / 00 5 1 08.50.02 / 00 9 1
242675 04.05.01 / 00 5 1 01.05.02 / 00 62 1 04.01.01 / 00 32 1 287490 04.15.00 / 00 1,03 1
242802 05.01.00 / 00 2,02 1 01.05.02 / 00 73 1 04.20.00 / 00 23 1 287865 01.15.01 / 00 19 1
05.01.00 / 00 3,06 1 01.20.00 / 00 3 1 05.95.00 / 00 27 1 288268 26.05.01 / 00 100 1
05.01.00 / 00 5,04 1 02.06.00 / 00 37 1 05.96.00 / 00 7 1 293873 01.05.01 / 00 32 1
05.02.00 / 00 3,04 1 02.25.06 / 00 24 1 06.05.01 / 00 19 1 01.05.02 / 00 3 1
05.11.00 / 00 2,03 1 02.25.07 / 00 24 1 06.05.01 / 00 78 1 01.05.02 / 00 11 1
243825 05.01.00 / 00 3,04 1 04.25.04 / 00 75 1 06.05.02 / 00 32 1 02.10.00 / 00 13 1
245224 05.11.00 / 00 2,01 1 06.05.02 / 00 233 1 09.01.02 / 00 17 1 02.12.00 / 00 6 1
245569 04.25.01 / 00 36 1 261386 15.08.00 / 00 26 1 09.05.01 / 00 52 1 02.12.00 / 00 14 1
04.25.02 / 00 9 1 262323 09.05.01 / 00 10 1 09.05.01 / 00 54 1 04.05.01 / 00 12 1
09.05.01 / 00 53 1 265438 02.25.06 / 00 34 1 26.05.01 / 00 5 1 04.05.01 / 00 15 1
245690 02.06.00 / 00 47 1 02.25.07 / 00 34 1 276332 04.01.01 / 00 72 1 05.95.00 / 00 16 1
247588 15.63.01 / 00 8 1 265489 08.10.00 / 00 19 1 06.05.04 / 00 118 1 08.50.02 / 00 14 1
249505 04.15.00 / 00 13 1 266000 04.05.01 / 00 33,01 1 06.05.04 / 00 181 1 08.50.03 / 00 114 1
249610 02.06.00 / 00 53 1 267341 02.06.00 / 00 86 1 06.05.06 / 00 23 1 293911 05.10.00 / 00 21 1
02.25.04 / 00 15 1 02.30.01 / 00 300 1 26.05.01 / 00 112 1 08.15.01 / 00 40 1
249920 15.08.00 / 00 11 1 02.30.03 / 00 300 1 276758 06.05.03 / 00 242 1 294942 01.06.00 / 00 5 1
250228 01.06.00 / 00 14 1 08.50.02 / 00 94 1 276766 01.05.01 / 00 39 1 06.05.05 / 00 5 1
01.07.00 / 00 8 1 09.05.02 / 00 82 1 01.05.02 / 00 5 1 304182 09.05.01 / 00 20 1
00.05.00 / 00 ÍNDICE SEGUNDO O NÚMERO DA PEÇA
00.05.00 / 00 ÍNDICE DE CONTENIDO SEGÚN NÚMERO DE LA PIEZA
00.05.00 / 00 TABLE OF CONTENTS ACCORDING TO SPARE PART NO.
Nº da peça
Nº de referencia
Spare-part No.
Grupo
Grupo
Group
Nº da figura
Nº de dibujo
Fig. No.
Nº de identificação
Nº de identificación
Chassis No.
Nº da peça
Nº de referencia
Spare-part No.
Grupo
Grupo
Group
Nº da figura
Nº de dibujo
Fig. No.
Nº de identificação
Nº de identificación
Chassis No.
Nº da peça
Nº de referencia
Spare-part No.
Grupo
Grupo
Group
Nº da figura
Nº de dibujo
Fig. No.
Nº de identificação
Nº de identificación
Chassis No.
Nº da peça
Nº de referencia
Spare-part No.
Grupo
Grupo
Group
Nº da figura
Nº de dibujo
Fig. No.
Nº de identificação
Nº de identificación
Chassis No.
5
09.05.03 / 00 20 1 317195 05.96.00 / 00 3 1 08.40.00 / 00 24,04 1 06.07.01 / 00 21 1
311014 04.05.02 / 00 57 1 317624 08.50.02 / 00 110 1 337889 15.33.00 / 00 6 1 354457 05.23.00 / 00 1,02 1
04.20.00 / 00 5 1 317632 02.30.03 / 00 41 1 339180 04.01.03 / 00 11 1 354589 06.05.04 / 00 133 1
311103 09.01.01 / 00 12,02 1 15.40.04 / 00 41 1 339202 06.07.01 / 00 28 1 06.05.04 / 00 151 1
09.05.02 / 00 100,02 1 317810 08.50.02 / 00 109 1 15.33.00 / 00 26 1 06.05.04 / 00 230 1
311685 06.07.01 / 00 40 1 317829 15.09.01 / 00 22 1 15.50.21 / 00 26 1 06.07.01 / 00 42 1
312886 26.05.01 / 00 104 1 317837 02.30.02 / 00 55 1 340472 01.05.05 / 00 25 1 06.07.01 / 00 47 1
313998 04.30.01 / 00 29 1 04.05.02 / 00 43 1 04.30.02 / 00 25 1 354651 26.10.02 / 00 3 1
314005 15.34.00 / 00 3 1 08.53.00 / 00 20 1 341991 09.05.01 / 00 6 1 355283 15.50.11 / 00 5,01 1
314048 06.05.03 / 00 241 1 15.40.02 / 00 55 1 342009 08.40.00 / 00 23,02 1 15.50.21 / 00 5,01 1
314064 15.52.00 / 00 4 1 26.10.02 / 00 46 1 08.40.00 / 00 24,02 1 358363 09.05.01 / 00 60 1
314080 01.05.04 / 00 10 1 317853 04.25.02 / 00 30 1 342505 15.50.11 / 00 5 1 358371 09.05.01 / 00 62 1
06.05.01 / 00 6 1 05.96.00 / 00 10 1 15.50.21 / 00 5 1 358398 09.05.01 / 00 61 1
314099 04.30.01 / 00 28 1 08.50.03 / 00 92 1 345490 01.05.01 / 00 145 1 358436 02.25.08 / 00 4 1
15.34.00 / 00 4 1 318043 04.25.02 / 00 28 1 01.05.05 / 00 145 1 358452 05.95.00 / 00 43 1
314102 15.59.00 / 00 6 1 319678 04.25.04 / 00 80 1 02.10.00 / 00 6 1 359270 08.50.02 / 00 17 1
314137 04.30.01 / 00 27 1 04.25.04 / 00 83 1 02.10.00 / 00 9 1 08.50.03 / 00 117 1
314161 15.34.00 / 00 2 1 320862 02.25.06 / 00 27 1 02.10.00 / 00 19 1 09.05.01 / 00 23 1
15.52.00 / 00 3 1 02.25.07 / 00 27 1 04.01.01 / 00 51 1 360066 05.01.00 / 00 22 1
315699 08.50.01 / 00 89 1 06.05.04 / 00 114 1 04.05.01 / 00 37 1 05.02.00 / 00 22 1
09.05.03 / 00 40 1 06.05.06 / 00 74 1 15.17.10 / 00 4 1 360678 05.01.00 / 00 3,09 1
315702 04.25.02 / 00 20 1 15.33.00 / 00 28 1 15.17.10 / 00 8 1 361763 01.01.00 / 00 7 1
04.25.02 / 00 22 1 15.50.21 / 00 28 1 15.17.20 / 00 4 1 01.01.00 / 00 12 1
04.25.02 / 00 25 1 320870 15.33.00 / 00 3 1 15.17.20 / 00 8 1 02.01.00 / 00 11 1
04.25.02 / 00 31 1 321818 04.25.02 / 00 21 1 15.40.03 / 00 77 1 02.10.00 / 00 4 1
05.96.00 / 00 1 1 322261 08.53.00 / 00 8 1 347701 15.50.21 / 00 11 1 02.25.08 / 00 5 1
05.96.00 / 00 9 1 322857 04.30.01 / 00 8 1 348430 08.50.01 / 00 35 1 08.10.00 / 00 13 1
08.50.02 / 00 90 1 327832 08.50.02 / 00 93 1 349038 02.10.00 / 00 3 1 09.01.01 / 00 4 1
08.50.03 / 00 90 1 08.50.03 / 00 93 1 349364 26.01.00 / 00 28 1 09.01.01 / 00 10 1
15.09.02 / 00 9 1 26.10.01 / 00 62 1 350389 06.05.01 / 00 7 1 15.08.00 / 00 13 1
315710 04.05.01 / 00 72 1 26.10.02 / 00 60 1 351393 09.05.01 / 00 92 214 15.08.00 / 00 38 1
317098 02.30.03 / 00 50 1 329517 15.09.01 / 00 14 1 351652 02.25.08 / 00 3 1 26.01.00 / 00 33 1
08.53.00 / 00 18 1 329878 09.05.03 / 00 39 1 351830 02.10.00 / 00 34 1 26.01.00 / 00 63 1
09.05.02 / 00 68 1 330639 06.07.01 / 00 45 1 02.12.00 / 00 16 1 362158 09.01.02 / 00 13 1
09.05.02 / 00 80 1 332437 04.05.01 / 00 22 1 353434 01.05.01 / 00 155 1 362166 05.01.00 / 00 4,05 1
09.05.03 / 00 68 1 335983 06.05.03 / 00 101 1 02.10.00 / 00 35 1 366528 02.25.01 / 00 69,01 1
15.09.01 / 00 13 1 336009 26.05.02 / 00 31 1 02.11.00 / 00 6 1 15.33.00 / 00 1,01 1
15.40.04 / 00 50 1 26.05.03 / 00 31 1 15.17.10 / 00 14 1 367125 01.05.01 / 00 45,01 1
26.10.02 / 00 48 1 337609 26.05.01 / 00 116 1 15.17.20 / 00 11 1 01.06.00 / 00 13,01 1
317101 05.95.00 / 00 41 1 337757 08.40.00 / 00 22,03 1 15.33.00 / 00 29 1 01.07.00 / 00 6 1
317128 05.95.00 / 00 20 1 08.40.00 / 00 23,03 1 15.50.21 / 00 29 1 02.20.00 / 00 6,01 1
317179 09.05.03 / 00 37 1 08.40.00 / 00 24,03 1 353620 15.09.01 / 00 21 1 06.05.03 / 00 100,01 1
09.05.03 / 00 65 1 337838 08.40.00 / 00 22,04 1 354244 15.40.02 / 00 151 1 06.05.05 / 00 13,01 1
317187 09.05.03 / 00 38 1 08.40.00 / 00 23,04 1 354252 06.07.01 / 00 20 1 367567 02.20.00 / 00 8 1
00.05.00 / 00 ÍNDICE SEGUNDO O NÚMERO DA PEÇA
00.05.00 / 00 ÍNDICE DE CONTENIDO SEGÚN NÚMERO DE LA PIEZA
00.05.00 / 00 TABLE OF CONTENTS ACCORDING TO SPARE PART NO.
Nº da peça
Nº de referencia
Spare-part No.
Grupo
Grupo
Group
Nº da figura
Nº de dibujo
Fig. No.
Nº de identificação
Nº de identificación
Chassis No.
Nº da peça
Nº de referencia
Spare-part No.
Grupo
Grupo
Group
Nº da figura
Nº de dibujo
Fig. No.
Nº de identificação
Nº de identificación
Chassis No.
Nº da peça
Nº de referencia
Spare-part No.
Grupo
Grupo
Group
Nº da figura
Nº de dibujo
Fig. No.
Nº de identificação
Nº de identificación
Chassis No.
Nº da peça
Nº de referencia
Spare-part No.
Grupo
Grupo
Group
Nº da figura
Nº de dibujo
Fig. No.
Nº de identificação
Nº de identificación
Chassis No.
6
367575 15.51.00 / 00 3 1 384062 02.30.01 / 00 252 1 388823 15.17.10 / 00 10 1 477206 15.08.00 / 00 41 1
15.63.02 / 00 33 1 15.33.00 / 00 34 1 15.17.20 / 00 10 1 477486 26.05.01 / 00 103 1
368733 08.10.00 / 00 11 1 15.40.01 / 00 252 1 389269 08.50.02 / 00 25 1 477494 26.05.01 / 00 102 1
370665 26.05.01 / 00 101 1 15.50.21 / 00 34 1 389765 08.51.00 / 00 7 1 477877 01.15.02 / 00 27 1
371432 15.08.00 / 00 27 1 384771 02.30.03 / 00 11 1 390020 05.01.00 / 00 4,06 1 482625 15.08.00 / 00 28 1
378151 08.25.00 / 00 650 1 02.30.03 / 00 16 1 390496 05.01.00 / 00 3,16 1 482633 15.08.00 / 00 29 1
380296 06.05.03 / 00 100 1 15.40.03 / 00 11 1 391484 02.30.01 / 00 119 1 482641 15.08.00 / 00 22 1
381063 04.05.01 / 00 40 1 15.40.03 / 00 16 1 15.40.01 / 00 119 1 482668 15.08.00 / 00 25 1
04.05.02 / 00 51 1 384836 06.15.00 / 00 3 1 392472 15.63.01 / 00 4 1 486868 26.05.02 / 00 56 1
04.05.02 / 00 64 1 385387 15.33.00 / 00 7 1 392480 06.05.06 / 00 53 1 486892 26.05.02 / 00 90 1
381543 02.06.00 / 00 3 1 385395 15.33.00 / 00 8 1 392839 15.10.00 / 00 20 1 486906 26.05.03 / 00 54 1
04.01.01 / 00 27 1 385719 02.30.03 / 00 10 1 392863 01.06.00 / 00 15 1 486922 26.05.01 / 00 106 1
04.01.01 / 00 37 1 15.40.03 / 00 10 1 06.05.05 / 00 15 1 486930 26.05.02 / 00 94 1
04.01.01 / 00 72 1 385794 01.05.05 / 00 137 1 393053 08.51.00 / 00 5 1 486973 26.05.02 / 00 10 1
04.30.02 / 00 16 1 385859 26.05.01 / 00 52 1 394319 06.05.01 / 00 10 1 26.05.03 / 00 10 1
15.08.00 / 00 73 1 386243 01.05.01 / 00 45 1 395340 15.24.00 / 00 5 1 487007 26.05.02 / 00 65 1
26.01.00 / 00 12 1 386251 01.05.01 / 00 47 1 395846 15.50.11 / 00 1 1 26.05.03 / 00 65 1
26.01.00 / 00 14 1 386260 01.05.01 / 00 46 1 15.50.21 / 00 1 1 488216 08.50.01 / 00 51 1
26.01.00 / 00 55 1 386570 01.06.00 / 00 13 1 396052 06.05.03 / 00 98 1 08.50.01 / 00 61 1
26.01.00 / 00 57 1 01.07.00 / 00 6 1 396095 08.51.00 / 00 6 1 08.50.01 / 00 76 1
26.05.01 / 00 118 1 06.05.05 / 00 13 1 396354 26.05.03 / 00 79 1 26.10.01 / 00 11 1
381586 15.08.00 / 00 30 1 386871 26.05.02 / 00 33 1 396532 09.05.01 / 00 11,01 1 26.10.01 / 00 21 1
381594 15.08.00 / 00 24 1 26.05.03 / 00 33 1 09.05.01 / 00 91 1 26.10.01 / 00 36 1
381608 15.08.00 / 00 43 1 387223 06.05.04 / 00 131 1 15.09.02 / 00 35,01 1 488232 26.10.01 / 00 10 1
382523 15.09.01 / 00 20 1 06.05.04 / 00 161 1 396575 08.53.00 / 00 11 1 26.10.01 / 00 20 1
15.09.01 / 00 25 1 06.05.04 / 00 171 1 396710 09.05.03 / 00 35 1 26.10.01 / 00 35 1
383120 02.01.00 / 00 10 1 387282 15.09.01 / 00 40 1 397610 08.53.00 / 00 10 1 488526 26.05.02 / 00 40 1
02.10.00 / 00 2 1 387312 04.30.01 / 00 17 1 08.53.00 / 00 16 1 26.05.03 / 00 40 1
26.01.00 / 00 22 1 387380 09.05.03 / 00 71 1 09.05.01 / 00 98 1 529834 15.08.00 / 00 44 1
26.05.01 / 00 12 1 09.05.04 / 00 74 1 397660 08.53.00 / 00 17 1 557234 04.01.01 / 00 9 1
383260 26.05.01 / 00 97 1 387401 09.05.03 / 00 70 1 397857 15.09.01 / 00 39 1 04.05.01 / 00 18 1
383295 04.30.01 / 00 1 1 387738 05.96.00 / 00 8 1 398004 08.53.00 / 00 15 1 571148 04.05.01 / 00 2 1
383341 26.05.02 / 00 23 1 08.50.02 / 00 91 1 398225 06.07.01 / 00 55 1 576476 04.05.01 / 00 3 1
26.05.02 / 00 91 1 08.50.03 / 00 91 1 398403 04.01.02 / 00 8 1 599573 04.01.02 / 00 22 1
26.05.03 / 00 23 1 26.10.01 / 00 61 1 398721 02.25.06 / 00 31 1 15.09.02 / 00 33 1
26.05.03 / 00 78 1 26.10.02 / 00 61 1 02.25.07 / 00 31 1 608537 01.07.00 / 00 7 1
383465 26.05.02 / 00 68 1 387835 08.53.00 / 00 19 1 398837 15.09.01 / 00 1 1 613697 08.51.00 / 00 9 1
26.05.03 / 00 68 1 387843 04.25.02 / 00 27 1 399825 15.52.00 / 00 16 1 614014 01.05.02 / 00 53 282
383619 26.01.00 / 00 26 1 387851 08.40.00 / 00 22,02 1 420573 01.15.01 / 00 23 1 614022 01.05.02 / 00 81 1
384020 02.25.04 / 00 100 1 388106 02.20.00 / 00 6 1 422258 26.05.01 / 00 125 1 02.25.08 / 00 8 1
384054 15.33.00 / 00 33 1 388220 04.20.00 / 00 16 1 422584 02.06.00 / 00 16 1 04.25.01 / 00 18 1
15.50.21 / 00 33 1 388327 04.01.01 / 00 35,01 1 430374 01.05.01 / 00 55 1 04.25.01 / 00 33 1
15.52.00 / 00 27 1 388335 04.01.01 / 00 35 1 446033 26.05.01 / 00 3 1 04.25.02 / 00 13 1
15.59.00 / 00 9 1 388343 09.05.01 / 00 9 1 466387 04.20.00 / 00 22 1 04.25.02 / 00 18 1
00.05.00 / 00 ÍNDICE SEGUNDO O NÚMERO DA PEÇA
00.05.00 / 00 ÍNDICE DE CONTENIDO SEGÚN NÚMERO DE LA PIEZA
00.05.00 / 00 TABLE OF CONTENTS ACCORDING TO SPARE PART NO.
Nº da peça
Nº de referencia
Spare-part No.
Grupo
Grupo
Group
Nº da figura
Nº de dibujo
Fig. No.
Nº de identificação
Nº de identificación
Chassis No.
Nº da peça
Nº de referencia
Spare-part No.
Grupo
Grupo
Group
Nº da figura
Nº de dibujo
Fig. No.
Nº de identificação
Nº de identificación
Chassis No.
Nº da peça
Nº de referencia
Spare-part No.
Grupo
Grupo
Group
Nº da figura
Nº de dibujo
Fig. No.
Nº de identificação
Nº de identificación
Chassis No.
Nº da peça
Nº de referencia
Spare-part No.
Grupo
Grupo
Group
Nº da figura
Nº de dibujo
Fig. No.
Nº de identificação
Nº de identificación
Chassis No.
7
614154 01.05.02 / 00 71 1 853607 08.40.00 / 00 22 1 15.40.02 / 00 250 1 15.50.21 / 00 31 1
615290 01.05.02 / 00 6 1 853682 01.06.00 / 00 1 1 869392 06.07.01 / 00 70 1 877379 15.33.00 / 00 2 1
01.05.04 / 00 3 1 06.05.05 / 00 1 1 869430 26.03.11 / 00 1 1 877387 15.33.00 / 00 30 1
04.01.01 / 00 49 1 860058 01.06.00 / 00 9 1 26.03.12 / 00 10 1 15.50.21 / 00 30 1
04.01.01 / 00 80 1 06.05.05 / 00 9 1 26.03.30 / 00 1 1 877972 04.01.01 / 00 20 1
04.01.01 / 00 81 1 860069 02.01.00 / 00 1 1 870153 09.05.01 / 00 59 1 879347 02.30.03 / 00 2 1
04.01.01 / 00 82 1 860239 01.05.01 / 00 35 1 870382 04.20.00 / 00 20 1 15.40.01 / 00 2 1
615312 02.30.01 / 00 110 1 860247 04.25.01 / 00 15 1 870412 01.05.04 / 00 1 1 15.40.03 / 00 2 1
02.30.01 / 00 111 1 04.25.02 / 00 15 1 870501 06.07.01 / 00 35 1 880604 06.05.06 / 00 66 1
02.30.01 / 00 112 1 860263 04.30.02 / 00 50 1 870536 01.05.05 / 00 40 1 881899 15.56.00 / 00 1 1
02.30.01 / 00 113 1 860352 04.05.01 / 00 32 1 870781 15.17.10 / 00 7 1 15.63.02 / 00 21 1
15.40.01 / 00 110 1 860433 02.10.00 / 00 5 1 15.17.20 / 00 7 1 884960 04.25.01 / 00 47 1
15.40.01 / 00 111 1 860468 02.10.00 / 00 11 1 870838 15.17.10 / 00 2 1 886092 04.05.01 / 00 20 1
15.40.01 / 00 112 1 02.12.00 / 00 2 1 15.17.20 / 00 2 1 886408 04.01.01 / 00 2 1
15.40.01 / 00 113 1 860476 02.10.00 / 00 12 1 870846 15.17.10 / 00 1 1 04.01.02 / 00 100 1
615444 02.30.01 / 00 25 1 02.12.00 / 00 1 1 15.17.20 / 00 1 1 891061 15.63.01 / 00 1 1
02.30.01 / 00 115 1 860670 02.11.00 / 00 1 1 870854 02.12.00 / 00 10 1 891096 04.15.00 / 00 11 1
02.30.01 / 00 116 1 860786 01.07.00 / 00 1 1 870862 02.12.00 / 00 9 1 891118 04.01.01 / 00 30 1
15.40.01 / 00 25 1 860794 01.07.00 / 00 2 1 870927 02.20.00 / 00 5 1 891134 04.20.00 / 00 3 1
15.40.01 / 00 115 1 860808 02.10.00 / 00 30 1 873071 26.03.12 / 00 1 1 891142 04.20.00 / 00 12 1
15.40.01 / 00 116 1 02.12.00 / 00 8 1 26.03.30 / 00 1,01 1 891150 01.05.02 / 00 1 1
15.40.03 / 00 145 1 861006 04.20.00 / 00 1 1 873357 15.08.00 / 00 70 1 891169 04.05.02 / 00 85 1
710547 15.17.10 / 00 15 1 864455 08.40.00 / 00 24 1 873861 26.05.01 / 00 2 1 891487 04.01.01 / 00 41 1
15.17.20 / 00 12 1 864463 08.40.00 / 00 23 1 873888 26.05.01 / 00 2 1 891657 02.30.03 / 00 2 248
739529 06.05.01 / 00 75 1 864528 04.30.02 / 00 5 1 873896 26.05.01 / 00 50 1 15.40.01 / 00 2 248
800015 15.08.00 / 00 45 1 864544 04.30.02 / 00 9 1 873985 26.05.01 / 00 120 1 891746 15.24.00 / 00 1 1
806420 08.51.00 / 00 3 1 864579 15.08.00 / 00 1 1 874221 06.07.01 / 00 100 1 891800 01.01.00 / 00 2 1
806447 08.51.00 / 00 4 1 864625 15.08.00 / 00 34 1 874248 06.07.01 / 00 101 1 891827 09.01.02 / 00 2 1
806463 15.10.00 / 00 1 1 864633 15.08.00 / 00 35 1 874345 06.07.01 / 00 50 1 891835 09.01.02 / 00 1 1
808679 26.05.02 / 00 45 1 865168 15.51.00 / 00 4 1 874353 06.07.01 / 00 51 1 891851 01.01.00 / 00 3 1
26.05.03 / 00 45 1 15.63.02 / 00 34 1 874442 02.30.02 / 00 251 1 891878 01.01.00 / 00 10 1
817252 26.05.02 / 00 32 1 865222 15.51.00 / 00 1 1 875120 15.40.02 / 00 251 1 891908 26.01.00 / 00 20 1
26.05.03 / 00 32 1 15.63.02 / 00 31 1 875392 02.30.01 / 00 130 1 891916 26.01.00 / 00 58 1
817570 15.34.00 / 00 11 1 866180 04.01.01 / 00 15 1 15.40.01 / 00 130 1 891940 05.95.00 / 00 1 1
15.52.00 / 00 25 1 866318 26.03.30 / 00 4 1 875422 02.30.01 / 00 126 1 891959 04.05.01 / 00 1 1
820423 26.05.01 / 00 8 1 866377 02.06.00 / 00 80 1 15.40.01 / 00 126 1 891991 04.30.01 / 00 11 1
26.05.02 / 00 100 1 866474 26.03.30 / 00 3 1 875546 01.05.02 / 00 100 1 892041 06.05.06 / 00 3 1
820431 26.05.01 / 00 9 1 866636 06.05.01 / 00 12 1 875562 02.30.01 / 00 26 1 892246 06.05.01 / 00 11 1
26.05.03 / 00 100 1 866644 06.05.02 / 00 30 1 875627 15.40.04 / 00 160 1 892343 06.05.06 / 00 19 1
821136 06.05.01 / 00 23 1 866660 15.63.01 / 00 3 1 875635 02.30.01 / 00 125 1 892653 06.05.03 / 00 243 1
824674 06.05.01 / 00 15 1 866717 01.05.04 / 00 9 1 15.40.01 / 00 125 1 892947 06.05.03 / 00 240 1
833525 06.05.03 / 00 97 1 01.20.00 / 00 50 1 877328 01.05.04 / 00 1 1 898066 06.05.04 / 00 193 1
840696 15.52.00 / 00 19 1 866741 01.01.00 / 00 50 1 877352 15.50.21 / 00 12 1 898163 06.05.04 / 00 189 1
850063 15.63.01 / 00 11 1 866784 02.30.02 / 00 250 1 877360 15.33.00 / 00 31 1 898260 06.05.04 / 00 172 1
00.05.00 / 00 ÍNDICE SEGUNDO O NÚMERO DA PEÇA
00.05.00 / 00 ÍNDICE DE CONTENIDO SEGÚN NÚMERO DE LA PIEZA
00.05.00 / 00 TABLE OF CONTENTS ACCORDING TO SPARE PART NO.
Nº da peça
Nº de referencia
Spare-part No.
Grupo
Grupo
Group
Nº da figura
Nº de dibujo
Fig. No.
Nº de identificação
Nº de identificación
Chassis No.
Nº da peça
Nº de referencia
Spare-part No.
Grupo
Grupo
Group
Nº da figura
Nº de dibujo
Fig. No.
Nº de identificação
Nº de identificación
Chassis No.
Nº da peça
Nº de referencia
Spare-part No.
Grupo
Grupo
Group
Nº da figura
Nº de dibujo
Fig. No.
Nº de identificação
Nº de identificación
Chassis No.
Nº da peça
Nº de referencia
Spare-part No.
Grupo
Grupo
Group
Nº da figura
Nº de dibujo
Fig. No.
Nº de identificação
Nº de identificación
Chassis No.
8
898278 06.05.04 / 00 180 1 1208942 04.01.01 / 00 35,02 1 02.25.08 / 00 7 1 1220810 15.40.03 / 00 85 1
898759 06.05.04 / 00 190 1 1209019 15.63.01 / 00 2 1 15.17.10 / 00 12 1 1220829 04.05.02 / 00 76 1
898880 06.05.04 / 00 153 1 1209159 09.05.04 / 00 73 1 1210203 26.05.02 / 00 21 1 15.40.03 / 00 89 1
898953 06.05.04 / 00 192 1 1209302 04.20.00 / 00 7 1 26.05.02 / 00 66 1 1221051 09.05.02 / 00 66 1
898961 15.59.00 / 00 10 1 1209566 04.15.00 / 00 12 1 26.05.03 / 00 21 1 09.05.03 / 00 66 1
1200135 02.25.04 / 00 100,01 1 1209590 04.15.00 / 00 1,01 1 26.05.03 / 00 66 1 1221159 04.01.02 / 00 15 1
1200240 08.50.01 / 00 41 1 1209620 04.15.00 / 00 1,02 1 26.05.03 / 00 76 1 1221833 05.01.00 / 00 2,01 1
1200305 04.05.02 / 00 60 1 1209698 01.05.02 / 00 2 1 1210475 05.02.00 / 00 41 1 1221841 05.01.00 / 00 4,04 1
1200755 15.56.00 / 00 1,01 1 01.05.02 / 00 10 1 1212478 04.01.02 / 00 7 1 1221868 05.01.00 / 00 4,02 1
15.63.02 / 00 21,01 1 04.05.01 / 00 11 1 1212664 01.05.05 / 00 132 1 1223054 05.02.00 / 00 49 1
1201387 15.09.01 / 00 1,06 1 1209760 15.40.03 / 00 102 1 08.10.00 / 00 5 1 1223127 05.01.00 / 00 3,02 1
1201409 15.09.01 / 00 1,07 1 1209779 15.17.10 / 00 5 1 1212710 08.50.01 / 00 52 1 1223135 05.01.00 / 00 3,03 1
1201751 05.01.00 / 00 4,07 1 15.17.20 / 00 5 1 08.50.01 / 00 62 1 1223518 01.05.03 / 00 94 1
1201859 04.30.01 / 00 9 1 1209787 01.05.01 / 00 143 1 08.50.01 / 00 77 1 02.15.00 / 00 94 1
04.30.01 / 00 16 1 01.05.05 / 00 143 1 26.10.01 / 00 12 1 1226320 05.02.00 / 00 2,01 1
1202162 01.05.01 / 00 44 1 02.01.00 / 00 4 1 26.10.01 / 00 22 1 1226495 08.15.01 / 00 41 1
1202316 05.01.00 / 00 3,07 1 02.01.00 / 00 18 1 26.10.01 / 00 37 1 1227602 15.09.01 / 00 1,01 1
1202359 04.05.01 / 00 23 1 04.05.01 / 00 35 1 1212729 15.09.01 / 00 2 1 1227610 15.09.01 / 00 1,05 1
1202782 05.02.00 / 00 3,06 1 06.05.01 / 00 16 1 1213318 26.05.02 / 00 95 1 1227629 15.09.01 / 00 1,02 1
05.02.00 / 00 3,05 1 15.40.03 / 00 86 1 1213733 26.03.11 / 00 7 1 1227637 15.09.01 / 00 1,03 1
05.02.00 / 00 61 1 1209795 04.01.01 / 00 71 1 1213776 15.24.00 / 00 2 1 1232932 26.05.01 / 00 105 1
05.05.00 / 00 2,01 1 1209809 08.10.00 / 00 16 1 1213806 04.30.02 / 00 51 1 1234250 01.06.00 / 00 11 1
1202804 05.01.00 / 00 5,02 1 15.24.00 / 00 13 1 1213822 05.95.00 / 00 31 1 02.25.03 / 00 37 1
05.06.00 / 00 50 1 26.03.20 / 00 4 1 15.09.01 / 00 45 1 06.05.05 / 00 11 1
05.11.00 / 00 2,06 1 1209833 26.03.12 / 00 4 1 1213830 02.11.00 / 00 3 1 1236199 05.95.00 / 00 3 1
1202812 05.01.00 / 00 5,03 1 26.03.30 / 00 1,04 1 15.17.10 / 00 11 1 15.09.02 / 00 8 1
1202820 05.01.00 / 00 5,05 1 1209876 02.10.00 / 00 7 1 1213849 04.30.01 / 00 15 1 1236849 06.15.00 / 00 2 1
05.02.00 / 00 5,03 1 1209914 01.20.00 / 00 2 1 1213857 15.81.00 / 00 5 1 1237160 05.20.00 / 00 1,02 1
1203320 09.05.01 / 00 92 1 02.10.00 / 00 16 1 1213865 09.01.01 / 00 14 1 08.53.00 / 00 1,02 1
1203894 06.05.01 / 00 10,01 1 02.10.00 / 00 32 1 1214055 15.09.01 / 00 1,1 1 1237608 04.01.01 / 00 22 1
1204491 05.20.00 / 00 1 1 02.12.00 / 00 4 1 1214357 04.25.01 / 00 46 1 08.10.00 / 00 6 1
08.53.00 / 00 1 1 02.12.00 / 00 12 1 04.25.01 / 00 52 1 09.01.01 / 00 15 1
1205307 06.07.01 / 00 27 1 04.15.00 / 00 3 1 04.25.01 / 00 54 1 09.01.01 / 00 23 1
1206346 05.96.00 / 00 2 1 15.40.04 / 00 161 1 04.25.01 / 00 56 1 26.03.11 / 00 8 1
1206680 04.05.01 / 00 21 1 1209930 04.25.04 / 00 73 1 1215426 09.05.01 / 00 4,01 1 26.03.30 / 00 8 1
1206966 04.15.00 / 00 1 1 15.09.01 / 00 41 1 15.09.02 / 00 36,01 1 1237640 05.20.00 / 00 1,03 1
1206974 04.15.00 / 00 2 1 1209965 04.20.00 / 00 21 1 1215477 04.01.02 / 00 12 1 08.53.00 / 00 1,03 1
1207377 09.05.01 / 00 8 1 1209973 04.01.01 / 00 8 1 1215833 15.09.02 / 00 32,01 1 1238000 01.05.02 / 00 9 1
1207563 04.25.04 / 00 92 1 1210025 15.09.02 / 00 31 1 1220241 08.15.01 / 00 130 1 1238795 06.05.02 / 00 43 1
1207571 15.40.04 / 00 172 1 1210033 04.01.01 / 00 21 1 1220322 05.22.00 / 00 1,02 1 1238817 06.05.02 / 00 45 1
1208489 05.95.00 / 00 5 1 26.01.00 / 00 51 1 1220462 01.01.00 / 00 51 1 1238930 09.05.03 / 00 50 1
1208721 02.25.08 / 00 6 1 1210068 08.53.00 / 00 2 1 1220470 01.01.00 / 00 50 1 1239139 09.05.01 / 00 90,01 1
04.01.01 / 00 10 1 1210076 04.10.00 / 00 2 1 1220780 02.10.00 / 00 36 1 1240447 06.05.02 / 00 44 1
04.01.01 / 00 12 1 1210106 02.11.00 / 00 2 1 02.11.00 / 00 7 1 1240536 02.25.07 / 00 28 1
00.05.00 / 00 ÍNDICE SEGUNDO O NÚMERO DA PEÇA
00.05.00 / 00 ÍNDICE DE CONTENIDO SEGÚN NÚMERO DE LA PIEZA
00.05.00 / 00 TABLE OF CONTENTS ACCORDING TO SPARE PART NO.
Nº da peça
Nº de referencia
Spare-part No.
Grupo
Grupo
Group
Nº da figura
Nº de dibujo
Fig. No.
Nº de identificação
Nº de identificación
Chassis No.
Nº da peça
Nº de referencia
Spare-part No.
Grupo
Grupo
Group
Nº da figura
Nº de dibujo
Fig. No.
Nº de identificação
Nº de identificación
Chassis No.
Nº da peça
Nº de referencia
Spare-part No.
Grupo
Grupo
Group
Nº da figura
Nº de dibujo
Fig. No.
Nº de identificação
Nº de identificación
Chassis No.
Nº da peça
Nº de referencia
Spare-part No.
Grupo
Grupo
Group
Nº da figura
Nº de dibujo
Fig. No.
Nº de identificação
Nº de identificación
Chassis No.
9
1240544 02.25.06 / 00 28 1 02.25.03 / 00 21 1 09.05.03 / 00 67 1 1266985 06.07.01 / 00 10 1
1240552 02.25.04 / 00 50 1 1249215 02.25.04 / 00 56 1 1260316 02.20.00 / 00 16 1 06.07.02 / 00 10 1
1240609 02.25.01 / 00 23 1 02.25.08 / 00 56 1 1260774 08.50.02 / 00 10 1 1266993 06.07.01 / 00 11 1
1240617 02.25.01 / 00 24 1 1249223 02.25.04 / 00 57 1 1261150 15.40.02 / 00 20 1 06.07.02 / 00 11 1
1240625 02.25.01 / 00 73 1 02.25.08 / 00 57 1 15.40.03 / 00 20 1 1267566 15.17.10 / 00 9 1
1240765 02.25.04 / 00 51 1 1249304 02.25.01 / 00 6 1 1261703 04.30.01 / 00 10 1 15.17.20 / 00 9 1
02.25.08 / 00 51 1 1249479 05.24.00 / 00 1,01 1 1262092 02.25.04 / 00 58 1 1267620 05.22.00 / 00 1 1
1240773 02.25.04 / 00 28 1 1249959 08.53.00 / 00 25 1 02.25.08 / 00 58 1 09.05.03 / 00 30 1
02.25.08 / 00 28 1 09.05.01 / 00 99 1 1263005 06.05.03 / 00 131 1 1267671 06.05.03 / 00 137 1
1240781 02.25.04 / 00 60 1 1249991 15.17.10 / 00 3 1 1263137 02.30.02 / 00 20 1 1267736 04.30.02 / 00 10 1
02.25.08 / 00 60 1 15.17.20 / 00 3 1 02.30.03 / 00 20 1 1267744 06.05.03 / 00 134 1
1240803 02.25.04 / 00 29 1 1252909 09.01.02 / 00 5 1 1263145 02.30.02 / 00 22 1 1267752 06.05.03 / 00 136 1
02.25.08 / 00 29 1 1253026 05.06.00 / 00 20 1 02.30.03 / 00 22 1 1268430 02.01.00 / 00 12 1
1240811 02.25.04 / 00 61 1 1253166 05.06.00 / 00 22 1 15.40.02 / 00 22 1 1268643 05.22.00 / 00 1,01 1
02.25.08 / 00 61 1 1253913 09.01.01 / 00 24 1 15.40.03 / 00 22 1 1268678 06.05.03 / 00 138 1
1240854 02.25.03 / 00 70 1 1254146 05.20.00 / 00 1,04 1 1263153 02.30.03 / 00 15 1 1268686 06.05.03 / 00 132 1
1240951 02.25.01 / 00 33 1 1254235 05.02.00 / 00 2 1 15.40.03 / 00 15 1 15.34.00 / 00 12 1
1240978 02.25.04 / 00 9 1 1254251 05.02.00 / 00 3,01 1 1263390 02.30.02 / 00 58 1 1268856 08.50.02 / 00 5 1
1241036 02.25.06 / 00 14 1 1254634 08.10.00 / 00 2,01 1 15.40.02 / 00 58 1 1269127 05.01.00 / 00 2 1
02.25.07 / 00 14 1 1254642 08.10.00 / 00 2,02 1 1263404 02.30.02 / 00 57 1 1269267 05.05.00 / 00 1 1
1241079 02.25.02 / 00 7 1 1254863 09.01.01 / 00 8 1 15.40.02 / 00 57 1 1269283 05.05.00 / 00 10 1
02.25.06 / 00 4 1 1255371 04.20.00 / 00 11 1 1263757 02.25.03 / 00 67 1 1269666 04.01.01 / 00 15,01 1
02.25.07 / 00 4 1 1255916 06.15.00 / 00 1 1 1263781 15.54.00 / 00 1 1 1269674 04.01.01 / 00 15,02 1
1241087 02.25.02 / 00 8 1 1256440 04.25.03 / 00 30 1 1263889 05.20.00 / 00 1,01 1 1269844 04.01.02 / 00 1 1
1241648 04.25.04 / 00 71 1 1256483 26.10.02 / 00 47 1 08.53.00 / 00 1,01 1 1269852 04.01.02 / 00 10 1
1241710 15.40.03 / 00 200 1 1256971 09.05.01 / 00 55 1 1263986 06.07.01 / 00 61 1 1269909 15.40.03 / 00 146 1
1241826 08.53.00 / 00 7 1 1257080 05.02.00 / 00 3,03 1 15.10.00 / 00 10 1 1270036 02.25.03 / 00 22 1
1242466 08.50.01 / 00 88 1 1257129 05.01.00 / 00 28 1 15.52.00 / 00 26 1 1270044 02.25.02 / 00 35 1
08.50.02 / 00 88 1 05.02.00 / 00 28 1 1264168 01.05.05 / 00 35 1 1270265 02.25.01 / 00 90 1
1242709 04.01.02 / 00 9 1 1257153 05.01.00 / 00 3,05 1 02.30.01 / 00 134 1 02.25.03 / 00 90 1
1242822 05.23.00 / 00 1,01 1 1257226 05.02.00 / 00 1,02 1 15.40.01 / 00 134 1 02.25.06 / 00 90 1
15.09.02 / 00 30,01 1 1257641 04.20.00 / 00 2 1 1264249 04.25.03 / 00 29 1 02.25.07 / 00 90 1
1243470 04.30.01 / 00 1,01 1 1258559 02.25.04 / 00 40 1 1264273 04.30.02 / 00 18 1 1270494 01.05.03 / 00 96 1
1244744 04.30.01 / 00 18 1 1258567 02.25.04 / 00 39 1 1264362 15.33.00 / 00 27 1 02.15.00 / 00 96 1
1245031 09.05.03 / 00 36 1 1258737 06.05.01 / 00 13 1 15.50.21 / 00 27 1 1270648 02.20.00 / 00 9 1
1245740 26.01.00 / 00 61 1 1258850 05.95.00 / 00 42 1 1264397 26.10.01 / 00 44 1 1270664 05.11.00 / 00 17 1
1245805 15.63.01 / 00 7 1 1259105 08.10.00 / 00 2 1 1264524 06.07.01 / 00 71 1 1270699 05.05.00 / 00 17 1
1245945 01.05.01 / 00 43 1 1259326 05.95.00 / 00 19 1 1264893 08.50.01 / 00 38 1 1270702 05.11.00 / 00 19 1
01.05.03 / 00 43 1 1259334 04.05.02 / 00 86 1 26.10.01 / 00 9 1 1270710 05.05.00 / 00 19 1
02.15.00 / 00 43 1 05.95.00 / 00 11 1 1265814 04.25.02 / 00 26 1 1270737 02.20.00 / 00 12 1
1247077 04.30.01 / 00 1,02 1 1259652 04.30.02 / 00 6 1 1265830 01.01.00 / 00 52 1 1270834 15.40.01 / 00 1,01 1
1248669 02.25.02 / 00 25 1 1259806 08.50.01 / 00 30 1 1265849 01.01.00 / 00 53 1 1270850 15.40.03 / 00 90 1
1248901 02.25.04 / 00 41 1 08.50.02 / 00 30 1 1265857 15.40.03 / 00 210 1 1270982 15.09.01 / 00 28 1
1249177 02.25.02 / 00 21 1 1259962 09.05.02 / 00 67 1 15.40.04 / 00 210 1 1270990 15.09.01 / 00 29 1
00.05.00 / 00 ÍNDICE SEGUNDO O NÚMERO DA PEÇA
00.05.00 / 00 ÍNDICE DE CONTENIDO SEGÚN NÚMERO DE LA PIEZA
00.05.00 / 00 TABLE OF CONTENTS ACCORDING TO SPARE PART NO.
Nº da peça
Nº de referencia
Spare-part No.
Grupo
Grupo
Group
Nº da figura
Nº de dibujo
Fig. No.
Nº de identificação
Nº de identificación
Chassis No.
Nº da peça
Nº de referencia
Spare-part No.
Grupo
Grupo
Group
Nº da figura
Nº de dibujo
Fig. No.
Nº de identificação
Nº de identificación
Chassis No.
Nº da peça
Nº de referencia
Spare-part No.
Grupo
Grupo
Group
Nº da figura
Nº de dibujo
Fig. No.
Nº de identificação
Nº de identificación
Chassis No.
Nº da peça
Nº de referencia
Spare-part No.
Grupo
Grupo
Group
Nº da figura
Nº de dibujo
Fig. No.
Nº de identificação
Nº de identificación
Chassis No.
10
1271113 02.30.01 / 00 27 1 1272322 02.25.01 / 00 31 1 04.01.03 / 00 70 1 08.15.01 / 00 251 1
15.40.01 / 00 27 1 1272330 02.25.01 / 00 30 1 1273906 02.20.00 / 00 15 1 08.25.00 / 00 721 1
1271296 15.08.00 / 00 71 1 1272357 02.25.01 / 00 54 1 1274147 05.10.00 / 00 100,01 1 1280473 09.01.01 / 00 2 1
1272004 02.25.06 / 00 19 1 1272365 02.25.01 / 00 44 1 1274155 05.10.00 / 00 100,02 1 1281003 08.15.02 / 00 836 1
02.25.07 / 00 19 1 1272373 02.25.01 / 00 43 1 1274317 02.30.01 / 00 133 1 1281011 08.15.02 / 00 837 1
1272012 02.25.06 / 00 15 1 1272381 02.25.01 / 00 42 1 15.40.01 / 00 133 1 1281038 08.15.02 / 00 837 1
02.25.07 / 00 15 1 1272403 02.25.02 / 00 20 1 1274325 02.30.01 / 00 117 1 1281046 08.15.02 / 00 837 1
1272020 02.25.06 / 00 16 1 1272411 02.25.03 / 00 52 1 15.40.01 / 00 117 1 1281054 08.15.02 / 00 837 1
02.25.07 / 00 16 1 1272446 02.25.03 / 00 78 1 1274392 02.30.02 / 00 56 1 1281062 08.15.02 / 00 837 1
1272039 02.25.07 / 00 1 1 1272462 02.25.03 / 00 80 1 15.40.02 / 00 56 1 1281070 08.15.02 / 00 837 1
1272047 02.25.06 / 00 1 1 1272470 02.25.01 / 00 10 1 1275410 05.05.00 / 00 12 1 1281089 08.15.02 / 00 837 1
1272055 02.25.06 / 00 29 1 1272489 02.25.07 / 00 6 1 1276646 02.25.02 / 00 55,01 1 1281097 08.15.02 / 00 837 1
02.25.07 / 00 29 1 1272497 02.25.07 / 00 8 1 1276654 02.25.02 / 00 55,02 1 1281100 08.15.02 / 00 837 1
1272063 02.25.06 / 00 11 1 1272519 02.25.06 / 00 6 1 1276689 05.21.00 / 00 1,04 1 1281119 08.15.02 / 00 837 1
02.25.07 / 00 11 1 1272527 02.25.06 / 00 8 1 1276859 15.40.01 / 00 1,02 1 1281127 08.15.02 / 00 837 1
1272071 02.25.06 / 00 2 1 1272543 02.25.03 / 00 11 1 1276891 02.25.03 / 00 12,01 1 1281135 08.15.02 / 00 837 1
02.25.07 / 00 2 1 1272551 02.25.03 / 00 12 1 1276948 15.40.01 / 00 1,04 1 1281143 08.15.02 / 00 837 1
1272098 02.25.06 / 00 22 1 1272578 02.25.06 / 00 18 1 1276956 15.40.01 / 00 1,03 1 1281151 08.15.02 / 00 837 1
02.25.07 / 00 22 1 02.25.07 / 00 18 1 1277499 06.07.02 / 00 10,01 1 1281178 08.15.02 / 00 837 1
1272101 02.25.06 / 00 5 1 1272624 02.25.01 / 00 1,01 1 06.07.02 / 00 11,01 1 1281186 08.15.02 / 00 837 1
02.25.07 / 00 5 1 02.25.05 / 00 8 1 1277529 06.07.02 / 00 10,06 1 1281194 08.15.02 / 00 837 1
1272128 02.25.02 / 00 34 1 1272659 02.25.02 / 00 46 1 06.07.02 / 00 11,06 1 1281208 08.15.02 / 00 837 1
1272136 02.25.04 / 00 19 1 1272667 02.25.04 / 00 47 1 1277537 06.07.02 / 00 10,07 1 1281216 08.15.02 / 00 837 1
1272144 02.25.01 / 00 18 1 1272675 02.25.05 / 00 9 1 06.07.02 / 00 11,07 1 1281224 08.15.02 / 00 837 1
02.25.02 / 00 18 1 1272691 02.25.02 / 00 2 1 1277545 06.07.02 / 00 10,04 1 1281232 08.15.02 / 00 837 1
1272152 02.25.01 / 00 76 1 1272705 02.25.03 / 00 45 1 06.07.02 / 00 11,04 1 1281240 08.15.02 / 00 837 1
1272160 02.25.01 / 00 75 1 02.25.06 / 00 23 1 1277553 06.07.02 / 00 10,05 1 1281259 08.15.02 / 00 837 1
1272179 02.25.01 / 00 77 1 02.25.07 / 00 23 1 06.07.02 / 00 11,05 1 1281267 08.15.02 / 00 837 1
1272187 02.25.01 / 00 74 1 1272748 02.25.05 / 00 7 1 1277693 08.15.02 / 00 806 1 1281275 08.15.02 / 00 837 1
1272195 02.25.02 / 00 55 1 1272756 02.25.05 / 00 6 1 1277707 08.15.02 / 00 804 1 1281283 08.15.02 / 00 837 1
1272209 02.25.01 / 00 69 1 1272764 02.25.05 / 00 5 1 1278290 15.40.04 / 00 164,02 1 1281291 08.15.02 / 00 837 1
15.33.00 / 00 1 1 1272772 02.25.05 / 00 4 1 1278304 15.40.04 / 00 164,03 1 1281305 08.15.02 / 00 837 1
1272217 02.25.04 / 00 27 1 1272780 02.25.05 / 00 3 1 1278479 26.01.00 / 00 11 1 1281313 08.15.02 / 00 837 1
02.25.08 / 00 27 1 1272799 02.25.05 / 00 2 1 26.01.00 / 00 54 1 1281321 08.15.02 / 00 837 1
1272233 02.25.04 / 00 59 1 1272802 02.25.05 / 00 1 1 1278576 26.01.00 / 00 21 1 1281348 08.15.02 / 00 837 1
02.25.08 / 00 59 1 1272810 02.25.01 / 00 62 1 1278630 05.02.00 / 00 3,02 1 1281356 08.15.02 / 00 837 1
1272241 02.25.04 / 00 26 1 1272861 02.25.07 / 00 42 1 1278649 04.01.02 / 00 13 1 1281364 08.15.02 / 00 837 1
02.25.08 / 00 26 1 1272888 02.25.06 / 00 41 1 1278827 05.11.00 / 00 12 1 1281372 08.15.02 / 00 837 1
1272268 02.25.04 / 00 38 1 02.25.07 / 00 41 1 1278843 05.11.00 / 00 10 1 1281380 08.15.02 / 00 837 1
1272276 02.25.04 / 00 36 1 1272918 02.25.06 / 00 42 1 1278975 15.33.00 / 00 4 1 1281399 08.15.02 / 00 837 1
1272284 02.25.04 / 00 32 1 1272950 15.40.04 / 00 164,01 1 1279076 05.22.00 / 00 1,03 1 1281402 08.15.02 / 00 837 1
1272292 02.25.03 / 00 68 1 1273035 15.33.00 / 00 25 1 1279254 05.01.00 / 00 3,08 1 1281410 08.15.02 / 00 837 1
1272306 02.25.01 / 00 3 1 15.50.21 / 00 25 1 1280031 05.10.00 / 00 12 1 1281429 08.15.02 / 00 837 1
1272314 02.25.02 / 00 1 1 1273221 04.01.01 / 00 70 1 1280376 08.15.01 / 00 241 1 1281437 08.15.02 / 00 837 1
00.05.00 / 00 ÍNDICE SEGUNDO O NÚMERO DA PEÇA
00.05.00 / 00 ÍNDICE DE CONTENIDO SEGÚN NÚMERO DE LA PIEZA
00.05.00 / 00 TABLE OF CONTENTS ACCORDING TO SPARE PART NO.
Nº da peça
Nº de referencia
Spare-part No.
Grupo
Grupo
Group
Nº da figura
Nº de dibujo
Fig. No.
Nº de identificação
Nº de identificación
Chassis No.
Nº da peça
Nº de referencia
Spare-part No.
Grupo
Grupo
Group
Nº da figura
Nº de dibujo
Fig. No.
Nº de identificação
Nº de identificación
Chassis No.
Nº da peça
Nº de referencia
Spare-part No.
Grupo
Grupo
Group
Nº da figura
Nº de dibujo
Fig. No.
Nº de identificação
Nº de identificación
Chassis No.
Nº da peça
Nº de referencia
Spare-part No.
Grupo
Grupo
Group
Nº da figura
Nº de dibujo
Fig. No.
Nº de identificação
Nº de identificación
Chassis No.
11
1281445 08.15.02 / 00 837 1 1282190 05.10.00 / 00 3 1 1282743 08.25.00 / 00 680 1 1284088 02.30.01 / 00 1,02 1
1281453 08.15.02 / 00 837 1 1282204 05.10.00 / 00 7 1 1282778 08.25.00 / 00 700 1 02.30.02 / 00 1,02 1
1281461 08.15.02 / 00 837 1 1282212 05.10.00 / 00 8 1 1282786 08.25.00 / 00 710 1 1284096 15.40.01 / 00 1,06 1
1281488 08.15.02 / 00 837 1 1282220 05.10.00 / 00 9 1 1282794 08.15.01 / 00 240 1 1284118 02.30.01 / 00 1,01 1
1281496 08.15.02 / 00 837 1 1282239 08.25.00 / 00 780 1 08.25.00 / 00 720 1 02.30.02 / 00 1,01 1
1281666 05.10.00 / 00 10 1 1282247 08.25.00 / 00 780 1 1282808 08.25.00 / 00 730 1 15.40.01 / 00 1,05 1
1281755 08.15.02 / 00 836 1 1282255 08.25.00 / 00 780 1 1282816 08.25.00 / 00 740 1 1285475 05.21.00 / 00 1 1
1281763 08.15.02 / 00 836 1 1282263 08.25.00 / 00 780 1 1282824 08.25.00 / 00 740 1 05.96.00 / 00 4 1
1281771 08.15.02 / 00 836 1 1282271 08.25.00 / 00 780 1 1282832 08.25.00 / 00 740 1 1285491 05.21.00 / 00 1,02 1
1281798 08.15.02 / 00 836 1 1282298 08.25.00 / 00 780 1 1282840 08.25.00 / 00 750 1 1285963 05.05.00 / 00 18 1
1281801 08.15.02 / 00 836 1 1282301 08.25.00 / 00 780 1 1282859 08.25.00 / 00 760 1 1286331 08.15.01 / 00 250 1
1281828 08.15.02 / 00 836 1 1282328 08.25.00 / 00 780 1 1282867 08.30.00 / 00 340 1 1286358 08.25.00 / 00 750 1
1281836 08.15.02 / 00 836 1 1282336 08.25.00 / 00 780 1 1282891 08.30.00 / 00 410 1 1286374 08.30.00 / 00 390 1
1281844 08.15.02 / 00 836 1 1282344 08.25.00 / 00 780 1 1282905 08.30.00 / 00 430 1 1286382 08.30.00 / 00 400 1
1281852 08.15.02 / 00 836 1 1282352 08.30.00 / 00 420 1 1282913 08.30.00 / 00 520 1 1286390 08.30.00 / 00 420 1
1281860 08.15.02 / 00 836 1 1282360 08.30.00 / 00 500 1 1282921 08.15.02 / 00 10 1 1286404 08.30.00 / 00 430 1
1281879 08.15.02 / 00 836 1 1282379 08.30.00 / 00 530 1 1282948 08.15.02 / 00 820 1 1286919 06.05.06 / 00 11 1
1281887 08.15.02 / 00 836 1 1282387 08.30.00 / 00 530 1 1282956 08.15.02 / 00 830 1 1287451 02.25.06 / 00 17 1
1281895 08.15.02 / 00 836 1 1282395 08.30.00 / 00 530 1 1282964 08.15.01 / 00 200 1 02.25.07 / 00 17 1
1281909 08.15.02 / 00 836 1 1282409 08.30.00 / 00 530 1 1282972 08.15.01 / 00 210 1 1287486 02.25.01 / 00 81 1
1281917 05.10.00 / 00 11 1 1282417 08.30.00 / 00 530 1 1282980 08.15.01 / 00 220 1 1287664 05.21.00 / 00 1,05 1
1281925 08.15.02 / 00 836 1 1282425 08.30.00 / 00 530 1 1282999 08.15.01 / 00 350 1 1287672 05.21.00 / 00 1,01 1
1281933 08.15.02 / 00 836 1 1282433 08.30.00 / 00 530 1 1283006 08.15.01 / 00 900 1 1287753 05.01.00 / 00 5,01 1
1281941 08.15.02 / 00 836 1 1282441 08.30.00 / 00 530 1 1283014 08.15.01 / 00 232 1 05.02.00 / 00 5,02 1
1281968 08.15.02 / 00 836 1 1282468 08.15.01 / 00 890 1 1283022 05.10.00 / 00 19 1 1288687 05.02.00 / 00 5,01 1
1281976 08.15.02 / 00 836 1 1282476 08.15.01 / 00 890 1 1283197 05.10.00 / 00 72 1 1288717 04.01.02 / 00 11 1
1281984 08.15.02 / 00 836 1 1282484 08.15.01 / 00 890 1 1283456 05.02.00 / 00 1,01 1 1288725 04.01.02 / 00 20 1
1281992 08.15.02 / 00 836 1 1282492 08.15.01 / 00 890 1 1283499 02.25.03 / 00 100 1 1288989 05.21.00 / 00 1,03 1
1282018 08.15.02 / 00 837 1 1282506 08.15.01 / 00 890 1 1283596 05.10.00 / 00 22 1 1289047 05.01.00 / 00 3,17 1
1282026 08.25.00 / 00 780 1 1282522 08.15.01 / 00 120 1 1283677 05.10.00 / 00 14 1 1289373 02.25.06 / 00 13 1
1282034 08.25.00 / 00 780 1 1282530 08.15.01 / 00 12 1 1283758 05.10.00 / 00 30 1 02.25.07 / 00 13 1
1282042 08.25.00 / 00 780 1 1282549 08.15.02 / 00 840 1 1283766 05.10.00 / 00 33 1 1289829 06.05.04 / 00 150 1
1282050 08.25.00 / 00 780 1 1282557 08.15.01 / 00 230 1 1283774 05.10.00 / 00 44 1 06.05.06 / 00 60 1
1282069 08.25.00 / 00 780 1 1282565 08.15.01 / 00 10 1 1283790 05.10.00 / 00 61 1 1290568 02.25.06 / 00 20 1
1282077 08.25.00 / 00 780 1 1282573 08.15.01 / 00 30 1 1283804 05.10.00 / 00 62 1 02.25.07 / 00 20 1
1282085 08.25.00 / 00 780 1 1282646 08.15.01 / 00 150 1 1283812 05.10.00 / 00 63 1 1290827 05.01.00 / 00 1,01 1
1282093 08.25.00 / 00 780 1 1282654 08.15.01 / 00 960 1 1283847 05.10.00 / 00 74 1 1290843 05.01.00 / 00 3,01 1
1282107 08.25.00 / 00 780 1 1282670 02.25.01 / 00 101 1 1283855 05.10.00 / 00 75 1 1290991 04.01.02 / 00 3 1
1282115 08.25.00 / 00 780 1 1282689 05.10.00 / 00 91 1 1283863 05.10.00 / 00 76 1 1291092 02.25.06 / 00 17,01 1
1282123 05.10.00 / 00 49 1 1282697 08.25.00 / 00 800 1 1283871 05.10.00 / 00 77 1 02.25.07 / 00 17,01 1
1282131 05.10.00 / 00 64 1 1282700 08.25.00 / 00 600 1 1283898 05.10.00 / 00 78 1 1291114 04.05.02 / 00 66 1
1282158 05.10.00 / 00 65 1 1282719 08.25.00 / 00 620 1 1283928 05.10.00 / 00 68 1 1291246 02.25.07 / 00 3 1
1282166 05.10.00 / 00 1 1 1282727 08.25.00 / 00 630 1 1283936 05.10.00 / 00 4 1 1291335 04.25.04 / 00 77 1
1282174 05.10.00 / 00 2 1 1282735 08.25.00 / 00 660 1 1284037 06.05.04 / 00 170 1 1291343 15.09.02 / 00 30 1
00.05.00 / 00 ÍNDICE SEGUNDO O NÚMERO DA PEÇA
00.05.00 / 00 ÍNDICE DE CONTENIDO SEGÚN NÚMERO DE LA PIEZA
00.05.00 / 00 TABLE OF CONTENTS ACCORDING TO SPARE PART NO.
Nº da peça
Nº de referencia
Spare-part No.
Grupo
Grupo
Group
Nº da figura
Nº de dibujo
Fig. No.
Nº de identificação
Nº de identificación
Chassis No.
Nº da peça
Nº de referencia
Spare-part No.
Grupo
Grupo
Group
Nº da figura
Nº de dibujo
Fig. No.
Nº de identificação
Nº de identificación
Chassis No.
Nº da peça
Nº de referencia
Spare-part No.
Grupo
Grupo
Group
Nº da figura
Nº de dibujo
Fig. No.
Nº de identificação
Nº de identificación
Chassis No.
Nº da peça
Nº de referencia
Spare-part No.
Grupo
Grupo
Group
Nº da figura
Nº de dibujo
Fig. No.
Nº de identificação
Nº de identificación
Chassis No.
12
1291378 04.30.01 / 00 19 1 04.05.02 / 00 88 1 1402641 26.05.02 / 00 20 1 1480634 01.05.01 / 00 25 1
1291394 15.09.02 / 00 10 1 1294423 04.05.01 / 00 42 1 26.05.03 / 00 20 1 1480847 01.05.01 / 00 20 1
1291408 15.09.01 / 00 7 1 04.05.02 / 00 42 1 1402684 26.05.02 / 00 69 1 1480871 04.25.03 / 00 15 1
15.09.02 / 00 7 1 1294709 04.01.02 / 00 16 1 26.05.03 / 00 69 1 1480898 04.25.01 / 00 35 1
1291416 04.05.01 / 00 70 1 1294717 04.01.02 / 00 19 1 1405489 01.15.02 / 00 35 1 1480901 04.25.02 / 00 8 1
04.05.02 / 00 70 1 1294725 04.01.02 / 00 18 1 1406965 01.15.01 / 00 11 1 1480952 01.05.04 / 00 2 1
1291424 15.09.02 / 00 11 1 1294733 04.01.02 / 00 17 1 1408178 15.08.00 / 00 2 1 1481401 01.01.00 / 00 8 1
1291459 02.25.07 / 00 40,01 1 1294768 04.01.02 / 00 2 1 1409301 01.05.01 / 00 40 1 01.01.00 / 00 13 1
1291467 02.25.06 / 00 33 1 1294776 04.01.02 / 00 14 1 1417819 26.05.03 / 00 75 1 08.10.00 / 00 12 1
02.25.07 / 00 33 1 1294822 04.05.02 / 00 101 1 1418467 08.50.01 / 00 50 1 09.01.01 / 00 3 1
1291475 02.25.06 / 00 26 1 1294873 04.01.02 / 00 21 1 08.50.01 / 00 60 1 09.01.01 / 00 9 1
02.25.07 / 00 26 1 1295446 01.15.01 / 00 41 1 08.50.01 / 00 75 1 15.08.00 / 00 12 1
1291483 02.25.06 / 00 12 1 1297449 04.01.01 / 00 6 1 1420062 26.05.02 / 00 30 1 15.08.00 / 00 37 1
02.25.07 / 00 12 1 05.01.00 / 00 50 1 26.05.03 / 00 30 1 26.01.00 / 00 32 1
1291491 02.25.07 / 00 7 1 1297538 09.05.01 / 00 4 1 1424483 04.30.01 / 00 26 1 26.01.00 / 00 62 1
1291505 02.25.01 / 00 82 1 1297562 09.05.01 / 00 3 1 1426990 06.05.02 / 00 231 1 1481428 15.08.00 / 00 46 1
02.25.03 / 00 82 1 1297740 01.05.05 / 00 147 1 1432583 04.20.00 / 00 4 1 1481436 08.10.00 / 00 17 1
1291513 02.25.01 / 00 79 1 1297759 01.01.00 / 00 6 1 1432664 04.25.01 / 00 51 1 1481592 04.30.01 / 00 25 1
02.25.03 / 00 79 1 01.01.00 / 00 11 1 1443356 02.01.00 / 00 7 1 1481630 04.20.00 / 00 13 1
1291521 02.25.04 / 00 53 1 26.01.00 / 00 31 1 1445626 01.06.00 / 00 10 1 1481797 01.15.01 / 00 10 1
1291548 02.25.01 / 00 5 1 1298151 08.10.00 / 00 1 1 06.05.05 / 00 10 1 1481959 01.15.01 / 00 36 1
02.25.07 / 00 40 1 1298283 05.01.00 / 00 1,02 1 1446835 15.40.03 / 00 100 1 1485199 15.24.00 / 00 11 1
1291556 02.25.01 / 00 4 1 1298437 04.01.01 / 00 7 1 1449672 02.01.00 / 00 8 1 26.03.11 / 00 2 1
02.25.06 / 00 40 1 05.02.00 / 00 100 1 1454072 01.06.00 / 00 16 1 26.03.20 / 00 2 1
1291564 02.25.06 / 00 40,01 1 1298445 05.06.00 / 00 100 1 06.05.05 / 00 16 1 26.03.30 / 00 2 1
1291572 02.25.06 / 00 7 1 26.05.01 / 00 115 1 1455966 15.08.00 / 00 40 1 1485245 09.05.01 / 00 7 1
1291580 02.25.06 / 00 3 1 1298488 26.05.01 / 00 122 1 15.09.01 / 00 50 1 1485253 06.05.04 / 00 194 1
1291637 04.25.02 / 00 29 1 1300334 06.05.04 / 00 130 1 1456776 09.01.01 / 00 12,01 1 1485261 02.06.00 / 00 18 1
1291726 08.50.02 / 00 6 1 1301020 08.53.00 / 00 5 1 09.05.02 / 00 100,01 1 1485350 01.15.01 / 00 20 1
1292102 01.15.01 / 00 40 1 1302094 08.50.02 / 00 7 1 15.08.00 / 00 40,01 1 1485393 02.06.00 / 00 51 1
1292226 04.05.02 / 00 55 1 1302108 08.50.02 / 00 21 1 15.09.01 / 00 50,01 1 1485407 04.30.02 / 00 19 1
04.06.00 / 00 5 1 1302124 26.10.01 / 00 43 1 1464833 01.06.00 / 00 8 1 1485504 06.07.01 / 00 60 1
1292404 04.06.00 / 00 1 1 1302132 08.50.01 / 00 31 1 06.05.05 / 00 8 1 1485873 01.05.01 / 00 142 1
1292412 04.06.00 / 00 2 1 08.50.02 / 00 31 1 1464868 26.05.01 / 00 113 1 01.05.05 / 00 142 1
1292447 02.30.02 / 00 51 1 1302140 08.50.01 / 00 85 1 1468855 01.06.00 / 00 2 1 1486586 08.50.02 / 00 1 1
02.30.03 / 00 51 1 1302159 26.10.01 / 00 5 1 06.05.05 / 00 2 1 1486640 09.01.02 / 00 20 1
15.40.02 / 00 51 1 26.10.02 / 00 5 1 1469010 01.15.01 / 00 34 1 1486721 08.50.02 / 00 12 1
15.40.04 / 00 51 1 1302167 26.10.01 / 00 6 1 1469363 01.15.01 / 00 37 1 08.50.03 / 00 112 1
1292455 02.30.02 / 00 45 1 26.10.02 / 00 6 1 1469894 09.01.02 / 00 6 1 1486748 08.50.02 / 00 16 1
02.30.03 / 00 45 1 1302175 08.53.00 / 00 12 1 1479156 01.06.00 / 00 12 1 1486756 08.50.03 / 00 116 1
15.40.02 / 00 45 1 1302183 02.01.00 / 00 9 1 06.05.05 / 00 12 1 09.05.01 / 00 22 1
15.40.04 / 00 45 1 09.01.01 / 00 5 1 1480510 08.40.00 / 00 22,01 1 1486772 08.50.02 / 00 15 1
1293001 06.05.06 / 00 9 1 1401548 08.51.00 / 00 8 1 08.40.00 / 00 23,01 1 08.50.03 / 00 115 1
1293389 04.05.01 / 00 88 1 1402536 04.30.01 / 00 30 1 08.40.00 / 00 24,01 1 1486861 08.50.01 / 00 65 1
00.05.00 / 00 ÍNDICE SEGUNDO O NÚMERO DA PEÇA
00.05.00 / 00 ÍNDICE DE CONTENIDO SEGÚN NÚMERO DE LA PIEZA
00.05.00 / 00 TABLE OF CONTENTS ACCORDING TO SPARE PART NO.
Nº da peça
Nº de referencia
Spare-part No.
Grupo
Grupo
Group
Nº da figura
Nº de dibujo
Fig. No.
Nº de identificação
Nº de identificación
Chassis No.
Nº da peça
Nº de referencia
Spare-part No.
Grupo
Grupo
Group
Nº da figura
Nº de dibujo
Fig. No.
Nº de identificação
Nº de identificación
Chassis No.
Nº da peça
Nº de referencia
Spare-part No.
Grupo
Grupo
Group
Nº da figura
Nº de dibujo
Fig. No.
Nº de identificação
Nº de identificación
Chassis No.
Nº da peça
Nº de referencia
Spare-part No.
Grupo
Grupo
Group
Nº da figura
Nº de dibujo
Fig. No.
Nº de identificação
Nº de identificación
Chassis No.
13
26.10.01 / 00 25 1 1496409 01.05.03 / 00 92 1 1502340 02.30.01 / 00 1 1 1509292 01.15.01 / 00 60 1
1486918 08.50.01 / 00 40 1 02.15.00 / 00 92 1 02.30.02 / 00 1 1 1509454 04.05.01 / 00 9 1
1486926 08.50.01 / 00 45 1 1496506 01.05.03 / 00 95 1 1502352 15.40.03 / 00 101 1 1509489 15.50.12 / 00 15 1
1487051 26.01.00 / 00 30 1 02.15.00 / 00 95 1 1502670 15.40.01 / 00 1 1 15.50.22 / 00 15 1
26.01.00 / 00 60 1 1497063 01.20.00 / 00 30 1 15.40.02 / 00 1 1 1510266 15.40.04 / 00 164 1
1487116 26.01.00 / 00 10 1 1497073 01.20.00 / 00 31 1 1502719 02.30.01 / 00 118 1 1513354 26.01.00 / 00 50 1
26.01.00 / 00 53 1 1497081 01.20.00 / 00 32 1 15.40.01 / 00 118 1 1513834 06.05.06 / 00 51 1
1487353 09.01.02 / 00 14 1 1497103 01.20.00 / 00 33 1 1502751 02.30.01 / 00 131 1 1514075 06.05.04 / 00 110 1
1487418 09.01.02 / 00 15 1 1497111 01.20.00 / 00 34 1 15.40.01 / 00 131 1 1514725 01.15.02 / 00 50 1
1487892 02.30.03 / 00 2,01 1 1497138 01.20.00 / 00 35 1 1502778 02.30.02 / 00 59 1 1519050 15.40.03 / 00 65 1
15.40.01 / 00 2,02 1 1497146 01.20.00 / 00 36 1 15.40.02 / 00 59 1 1519069 15.40.04 / 00 80 1
1487906 02.30.03 / 00 2,02 1 1497227 01.20.00 / 00 8 1 1502824 02.30.01 / 00 26,02 1 1519093 04.01.01 / 00 45 1
15.40.01 / 00 2,01 1 1497235 01.20.00 / 00 9 1 15.40.01 / 00 26 1 1519115 04.25.04 / 00 72 1
1488058 08.10.00 / 00 10 1 1497766 15.34.00 / 00 13 1 1502832 15.40.01 / 00 215 1 1519123 04.25.04 / 00 79 1
1488295 01.06.00 / 00 3 1 1497774 06.05.03 / 00 133 1 1504037 04.30.01 / 00 20 1 1519131 04.25.04 / 00 66 1
06.05.05 / 00 3 1 1497804 06.05.03 / 00 135 1 1504274 04.05.01 / 00 87 1 1519158 04.25.01 / 00 45 1
1488627 01.05.02 / 00 60 1 1497812 02.25.08 / 00 2 1 04.05.02 / 00 87 1 1519182 15.40.03 / 00 75 1
1488635 05.24.00 / 00 1 1 1497952 04.25.04 / 00 70 1 1504282 15.09.02 / 00 32 1 1519220 04.25.03 / 00 25 1
05.95.00 / 00 30 1 1498118 01.05.05 / 00 135 1 1504479 01.05.04 / 00 11 1 1519239 04.25.03 / 00 26 1
1488643 05.95.00 / 00 25 1 1498762 01.05.02 / 00 8 1 1504630 01.15.01 / 00 14 1 1519255 04.20.00 / 00 14 1
1488651 04.25.01 / 00 55 1 1498797 01.01.00 / 00 40 1 1504649 01.15.01 / 00 14 1 1519999 15.40.03 / 00 170 1
1488791 04.05.01 / 00 30 1 1498800 08.10.00 / 00 10 1 1504703 26.01.00 / 00 29 1 1522647 02.01.00 / 00 3 1
1488848 01.05.02 / 00 70 1 1498819 04.05.01 / 00 10 1 26.01.00 / 00 59 1 02.01.00 / 00 17 1
1488856 01.05.02 / 00 75 1 1498827 04.05.01 / 00 39 1 1504959 04.05.02 / 00 46 1 1522655 02.01.00 / 00 2 1
1489208 04.01.01 / 00 3 1 1499327 26.03.12 / 00 2 1 1505262 02.20.00 / 00 11 1 02.01.00 / 00 16 1
1489267 15.24.00 / 00 10 1 26.03.30 / 00 1,02 1 1505270 02.20.00 / 00 1 1 1523090 02.10.00 / 00 42 1
26.03.20 / 00 1 1 1499335 26.03.12 / 00 3 1 1505319 02.20.00 / 00 7 1 02.25.08 / 00 50 1
1489402 04.20.00 / 00 15 1 26.03.30 / 00 1,03 1 1505327 01.05.03 / 00 89 1 1523139 01.15.01 / 00 15 1
1489534 05.95.00 / 00 14 1 1499505 26.03.30 / 00 1,07 1 02.15.00 / 00 89 1 1524305 26.05.01 / 00 51 1
1489550 02.25.01 / 00 1 1 1501011 15.50.11 / 00 10 1 1505335 01.05.03 / 00 90 1 1524437 26.05.01 / 00 110 1
02.25.08 / 00 1 1 15.50.21 / 00 10 1 02.15.00 / 00 90 1 1524461 26.05.01 / 00 123 1
1491547 15.08.00 / 00 10 1 1501119 09.01.01 / 00 6 1 1505343 01.05.03 / 00 98 1 1524488 26.05.01 / 00 119 1
1494309 09.01.02 / 00 9 1 1501143 01.15.01 / 00 24 1 02.15.00 / 00 98 1 1524631 01.15.02 / 00 45 1
1494392 04.25.03 / 00 27 1 1501186 06.07.01 / 00 25 1 1505351 02.20.00 / 00 2 1 06.05.04 / 00 240 1
1494406 04.25.03 / 00 28 1 1501208 06.07.01 / 00 26 1 1505386 15.33.00 / 00 21 1 1527002 15.40.04 / 00 171 1
1495542 15.24.00 / 00 12 1 1501240 04.25.04 / 00 74 1 15.50.21 / 00 21 1 1527010 15.40.02 / 00 185 1
26.03.11 / 00 4 1 1501534 05.95.00 / 00 4 1 1505440 15.50.21 / 00 32 1 15.40.04 / 00 185 1
26.03.20 / 00 3 1 1501860 02.20.00 / 00 14 1 1505483 02.10.00 / 00 43 1 1527029 15.40.02 / 00 186 1
1495631 26.10.01 / 00 30 1 1501925 01.15.02 / 00 5 1 02.12.00 / 00 43 1 15.40.04 / 00 186 1
1495658 08.50.01 / 00 70 1 1502166 02.30.01 / 00 26,01 1 1506099 06.05.06 / 00 21 1 1527037 15.40.04 / 00 190 1
1495844 04.30.01 / 00 6 1 15.40.01 / 00 26,01 1 1506986 06.05.06 / 00 1 1 1527045 15.40.04 / 00 191 1
1495852 04.30.01 / 00 7 1 1502239 15.40.03 / 00 142 1 1507869 01.15.01 / 00 16 1 1527703 15.81.00 / 00 3 1
1496395 01.05.03 / 00 91 1 1502298 15.40.02 / 00 150 1 1509276 26.01.00 / 00 18 1 1527924 15.40.04 / 00 195 1
02.15.00 / 00 91 1 1502301 15.40.01 / 00 220 1 1509284 15.52.00 / 00 20 1 1535188 09.01.01 / 00 12 1
00.05.00 / 00 ÍNDICE SEGUNDO O NÚMERO DA PEÇA
00.05.00 / 00 ÍNDICE DE CONTENIDO SEGÚN NÚMERO DE LA PIEZA
00.05.00 / 00 TABLE OF CONTENTS ACCORDING TO SPARE PART NO.
Nº da peça
Nº de referencia
Spare-part No.
Grupo
Grupo
Group
Nº da figura
Nº de dibujo
Fig. No.
Nº de identificação
Nº de identificación
Chassis No.
Nº da peça
Nº de referencia
Spare-part No.
Grupo
Grupo
Group
Nº da figura
Nº de dibujo
Fig. No.
Nº de identificação
Nº de identificación
Chassis No.
Nº da peça
Nº de referencia
Spare-part No.
Grupo
Grupo
Group
Nº da figura
Nº de dibujo
Fig. No.
Nº de identificação
Nº de identificación
Chassis No.
Nº da peça
Nº de referencia
Spare-part No.
Grupo
Grupo
Group
Nº da figura
Nº de dibujo
Fig. No.
Nº de identificação
Nº de identificación
Chassis No.
14
09.05.02 / 00 100 1 2023936 02.06.00 / 00 30 1 2026872 04.01.03 / 00 6 1 2032906 04.05.01 / 00 17 237
1535234 09.01.02 / 00 12 1 2024002 06.05.04 / 00 220 1 2026873 04.01.03 / 00 7 1 2034023 01.15.01 / 00 100 1
1535315 09.01.02 / 00 8 1 2024031 01.01.00 / 00 10 1 2026874 04.01.03 / 00 8 1 01.15.02 / 00 100 1
1535358 01.01.00 / 00 5 1 2024034 05.10.00 / 00 100 1 2026986 04.01.03 / 00 10 1 2034026 05.02.00 / 00 1 1
1535366 01.01.00 / 00 4 1 26.01.00 / 00 19 1 2027077 02.06.00 / 00 30,03 1 2034027 05.02.00 / 00 3 1
1535404 02.06.00 / 00 1 1 2024035 01.01.00 / 00 80 1 2028559 15.59.00 / 00 1 1 2034032 05.02.00 / 00 5 1
1535420 09.05.01 / 00 21 1 2024111 08.51.00 / 00 2 1 2029166 06.07.01 / 00 20 167 2034060 05.10.00 / 00 100,03 1
1535501 26.01.00 / 00 16 1 2024135 02.10.00 / 00 1 1 2029266 06.07.01 / 00 21 167 2034078 05.10.00 / 00 60 1
1535579 09.01.01 / 00 16 1 2024136 06.05.04 / 00 210 1 2029601 05.10.00 / 00 20 1 2034079 05.10.00 / 00 73 1
09.01.01 / 00 20 1 2024150 06.05.04 / 00 140 1 2029870 08.30.00 / 00 400 1 2034080 05.10.00 / 00 95 1
1535587 09.01.01 / 00 17 1 2024158 04.01.03 / 00 9 1 2030191 08.20.00 / 00 10 1 2034091 05.11.00 / 00 1 1
09.01.01 / 00 21 1 2024161 06.05.04 / 00 202 1 2030359 08.20.00 / 00 14 1 2034092 05.11.00 / 00 2 1
1535595 09.01.01 / 00 13 1 2024249 04.01.02 / 00 4 1 2030361 08.20.00 / 00 20 1 2034095 05.05.00 / 00 2 1
1535609 09.01.01 / 00 18 1 2024308 26.10.01 / 00 30 167 2030383 09.05.01 / 00 90 214 2034096 05.06.00 / 00 6 1
09.01.01 / 00 22 1 2024309 08.50.01 / 00 70 167 2030386 08.20.00 / 00 30 1 2034118 05.11.00 / 00 18 1
1535714 04.30.01 / 00 70 1 2024311 15.81.00 / 00 1 1 2030394 08.20.00 / 00 36 1 2034120 05.06.00 / 00 25 1
04.30.02 / 00 7 1 2024312 15.81.00 / 00 2 1 2030395 08.20.00 / 00 40 1 2034121 05.11.00 / 00 2,05 1
1537121 06.05.04 / 00 195 1 2024313 08.51.00 / 00 50 1 2030396 08.20.00 / 00 40 1 2034165 02.06.00 / 00 30,06 1
1537210 02.01.00 / 00 14 1 2024345 01.20.00 / 00 1 1 2030419 08.20.00 / 00 40 1 2034186 05.01.00 / 00 3 1
1537229 02.01.00 / 00 13 1 2024388 15.34.00 / 00 1 1 2030434 08.20.00 / 00 40 1 2034187 05.01.00 / 00 4 1
1537555 09.01.01 / 00 19 1 15.52.00 / 00 1 1 2030435 08.20.00 / 00 40 1 2034188 05.01.00 / 00 5 1
1537563 15.08.00 / 00 50 1 2024389 15.34.00 / 00 6 1 2030450 08.20.00 / 00 50 1 2034192 05.01.00 / 00 50,01 1
1537571 08.51.00 / 00 1 1 15.52.00 / 00 6 1 2030475 08.20.00 / 00 60 1 2034196 05.01.00 / 00 4,01 1
1537598 04.10.00 / 00 1 1 2024390 15.52.00 / 00 10 1 2030477 08.20.00 / 00 70 1 2034285 05.01.00 / 00 4,03 1
1706217 06.05.04 / 00 160 1 2024461 06.05.04 / 00 191 1 2030485 08.20.00 / 00 80 1 2034414 09.05.01 / 00 90,01 214
1707647 01.05.01 / 00 30 1 2024504 02.06.00 / 00 45 1 2030486 08.20.00 / 00 90 1 2034586 02.06.00 / 00 30,05 1
1707825 05.05.00 / 00 50 1 2024521 02.06.00 / 00 46 1 2030487 08.20.00 / 00 100 1 2034589 02.06.00 / 00 30,01 1
08.10.00 / 00 8 1 2024542 09.05.01 / 00 90 1 2030511 08.20.00 / 00 110 1 2034592 02.06.00 / 00 30,02 1
1707833 05.11.00 / 00 50 1 2024555 05.95.00 / 00 2 1 2030517 08.20.00 / 00 130 1 2035109 08.51.00 / 00 1,02 1
26.01.00 / 00 25 1 2024597 02.06.00 / 00 85 1 2030641 08.30.00 / 00 340 1 2035110 08.51.00 / 00 1,01 1
2014222 09.05.01 / 00 2 1 2024649 02.06.00 / 00 40 1 2031075 01.05.04 / 00 1 300 2035419 02.25.01 / 00 82 245
09.05.03 / 00 2 1 2024823 05.11.00 / 00 50,01 1 2031076 06.15.00 / 00 1 282 02.25.03 / 00 78 245
2020538 04.01.01 / 00 6,01 1 2025018 15.59.00 / 00 5 1 2031439 05.05.00 / 00 2,03 1 02.25.03 / 00 82 245
2020546 04.01.01 / 00 7,01 1 2026077 02.06.00 / 00 30,04 1 05.11.00 / 00 2,04 1 2035849 01.05.02 / 00 50 282
05.02.00 / 00 100,01 1 2026347 02.06.00 / 00 30,05 1 2031491 05.22.00 / 00 1 215 2036282 04.01.02 / 00 6 1
2020559 05.05.00 / 00 50,01 1 2026351 02.06.00 / 00 30,01 1 09.05.03 / 00 30 215 04.05.02 / 00 100 1
05.06.00 / 00 100,01 1 2026352 02.06.00 / 00 30,02 1 2031492 05.22.00 / 00 1,01 215 04.06.00 / 00 10 1
2022480 15.40.04 / 00 215,01 1 2026478 04.10.00 / 00 1,01 1 2032000 05.11.00 / 00 50 1
2022493 15.40.01 / 00 215,01 1 2026479 04.10.00 / 00 1,02 1 26.01.00 / 00 25 1
15.40.03 / 00 215,02 1 2026564 04.25.01 / 00 53 1 2032001 05.05.00 / 00 50 1
2023822 15.40.03 / 00 215,03 1 2026866 04.01.03 / 00 1 1 08.10.00 / 00 8 1
2023864 15.40.01 / 00 215,04 1 2026867 04.01.03 / 00 3 1 2032170 05.01.00 / 00 1 1
2023884 02.06.00 / 00 35 1 2026869 04.01.03 / 00 4 1 2032266 04.05.01 / 00 26 237
2023904 02.06.00 / 00 30 1 2026871 04.01.03 / 00 5 1 2032901 04.05.01 / 00 18 237
01.01.00 / 00 CARROCERIA COM PEÇAS COMPLEMENTARES / 1-9999
01.01.00 / 00 BASTIDOR CON PIEZAS DE MONTAJE / 1-9999
01.01.00 / 00 MAIN FRAME AND ASSEMBLIES / 1-9999
POS Nº DE IDENT. DESIGNAÇÃO
DESIGNATION
DESIGNACIÓN QUANT. VALIDADE
01.01.00 / 00 CARROCERIA COM PEÇAS COMPLEMENTARES / 1-9999
01.01.00 / 00 BASTIDOR CON PIEZAS DE MONTAJE / 1-9999
01.01.00 / 00 MAIN FRAME AND ASSEMBLIES / 1-9999
2024533
2 891800 CHASSI TRASEIRO CHASIS TRASERO 1,000 1-9999
REAR FRAME PART
3 891851 TRAVESSA TRAVIESA 1,000 1-9999
TRAVERSE
4 1535366 PEÇA LATERAL PIEZA LATERAL 1,000 1-9999
SIDE PART
5 1535358 PEÇA LATERAL PIEZA LATERAL 1,000 1-9999
SIDE PART
6 1297759 PARAFUSO DE CABEÇA CILÍNDRICA TORNILLO CILÍNDRICO 16,000 1-9999
CHEESE-HEAD SCREW
7 361763 PORCA SEXTAVADA TUERCA HEXAGONAL 16,000 1-9999
HEXAGON NUT
8 1481401 ARRUELA LISA DISCO EN U 16,000 1-9999
U-WASHER
10 891878 TRAVESSA VERSÃO 3410 TRAVIESA VERSIÓN 3410 1,000 1-9999
TRAVERSE VERSION 3410
10 2024031 TRAVESSA VERSÃO 3411 TRAVIESA VERSIÓN 3411 1,000 1-9999
TRAVERSE VERSION 3411
11 1297759 PARAFUSO DE CABEÇA CILÍNDRICA TORNILLO CILÍNDRICO 8,000 1-9999
CHEESE-HEAD SCREW
12 361763 PORCA SEXTAVADA TUERCA HEXAGONAL 8,000 1-9999
HEXAGON NUT
13 1481401 ARRUELA LISA DISCO EN U 8,000 1-9999
U-WASHER
40 1498797 SUPORTE SOPORTE 1,000 1-9999
SUPPORT
41 213667 PARAFUSO SEXTAVADO TORNILLO HEXAGONAL 4,000 1-9999
HEXAGON SCREW
01.01.00 / 00 CARROCERIA COM PEÇAS COMPLEMENTARES / 1-9999
01.01.00 / 00 BASTIDOR CON PIEZAS DE MONTAJE / 1-9999
01.01.00 / 00 MAIN FRAME AND ASSEMBLIES / 1-9999
POS Nº DE IDENT. DESIGNAÇÃO
DESIGNATION
DESIGNACIÓN QUANT. VALIDADE
01.01.00 / 00 CARROCERIA COM PEÇAS COMPLEMENTARES / 1-9999
01.01.00 / 00 BASTIDOR CON PIEZAS DE MONTAJE / 1-9999
01.01.00 / 00 MAIN FRAME AND ASSEMBLIES / 1-9999
2024533
42 216577 ARRUELA ARANDELA 8,000 1-9999
WASHER
43 216437 PORCA SEXTAVADA TUERCA HEXAGONAL 4,000 1-9999
HEXAGON NUT
45 213675 PARAFUSO SEXTAVADO TORNILLO HEXAGONAL 4,000 1-9999
HEXAGON SCREW
46 216593 ARRUELA ARANDELA 8,000 1-9999
WASHER
47 216445 PORCA SEXTAVADA TUERCA HEXAGONAL 4,000 1-9999
HEXAGON NUT
48 1220470 SUPORTE PARA CALÇO SOPORTE PARA CUÑAS 1,000 1-9999
SUPPORT FOR BLOCK
49 1220462 CALÇO CALCE 1,000 1-9999
CHOCK
50 866741 PINO BULÓN 1,000 1-9999
BOLT
52 1265830 PINO ELÁSTICO PASADOR DE HORQUILLA 1,000 1-9999
W-CLIP
53 1265849 CORDÃO DE SEGURANÇA CORDÓN DE SEGURIDAD 1,000 1-9999
SAFETY CORD
54 213799 PARAFUSO SEXTAVADO TORNILLO HEXAGONAL 1,000 1-9999
HEXAGON SCREW
55 216593 ARRUELA ARANDELA 2,000 1-9999
WASHER
56 216445 PORCA SEXTAVADA TUERCA HEXAGONAL 1,000 1-9999
HEXAGON NUT
80 2024035 LASTRO VERSÃO 3411 LASTRE VERSION 3411 2,000 1-9999
BALLAST VERSION 3411
01.01.00 / 00 CARROCERIA COM PEÇAS COMPLEMENTARES / 1-9999
01.01.00 / 00 BASTIDOR CON PIEZAS DE MONTAJE / 1-9999
01.01.00 / 00 MAIN FRAME AND ASSEMBLIES / 1-9999
POS Nº DE IDENT. DESIGNAÇÃO
DESIGNATION
DESIGNACIÓN QUANT. VALIDADE
01.01.00 / 00 CARROCERIA COM PEÇAS COMPLEMENTARES / 1-9999
01.01.00 / 00 BASTIDOR CON PIEZAS DE MONTAJE / 1-9999
01.01.00 / 00 MAIN FRAME AND ASSEMBLIES / 1-9999
2024533
81 214949 PARAFUSO DE CABEÇA CILÍNDRICA VERSÃO 3411 TORNILLO CILÍNDRICO VERSION 3411 6,000 1-9999
CHEESE-HEAD SCREW VERSION 3411
82 250473 ARRUELA VERSÃO 3411 ARANDELA VERSION 3411 6,000 1-9999
WASHER VERSION 3411
01.05.01 / 00 PEÇAS DE REVESTIMENTO E TAMPAS, PÁGINA 1 / 1-9999
01.05.01 / 00 PIEZAS DE REVESTIMIENTO Y TAPAS, PÁGINA 1 / 1-9999
01.05.01 / 00 CANOPIES AND COVERS, PAGE 1 / 1-9999
22
49
144
33 32
155
38
37
23
22
36
35
46
45
48
39
155
43
57
56
56
55 42
40
41
51
53
52
45
45.01
27
28
22 21
27
26
27
21 20
27
28
26
27
25
25
22
27
47
29
25
28
32
27
30
142
34
146
20
25
27
23
28
44
145
26
27
32
27
143
31
26
29
POS Nº DE IDENT. DESIGNAÇÃO
DESIGNATION
DESIGNACIÓN QUANT. VALIDADE
01.05.01 / 00 PEÇAS DE REVESTIMENTO E TAMPAS, PÁGINA 1 / 1-9999
01.05.01 / 00 PIEZAS DE REVESTIMIENTO Y TAPAS, PÁGINA 1 / 1-9999
01.05.01 / 00 CANOPIES AND COVERS, PAGE 1 / 1-9999
2024534
20 1480847 CHAPA CHAPA 1,000 1-9999
METAL PLATE
21 213829 PARAFUSO SEXTAVADO TORNILLO HEXAGONAL 2,000 1-9999
HEXAGON SCREW
22 216593 ARRUELA ARANDELA 4,000 1-9999
WASHER
23 2107680 PORCA SEXTAVADA TUERCA HEXAGONAL 2,000 1-9999
HEXAGON NUT
25 1480634 CHAPA CHAPA 2,000 1-9999
METAL PLATE
26 213829 PARAFUSO SEXTAVADO TORNILLO HEXAGONAL 6,000 1-9999
HEXAGON SCREW
27 216593 ARRUELA ARANDELA 16,000 1-9999
WASHER
28 2107680 PORCA SEXTAVADA TUERCA HEXAGONAL 8,000 1-9999
HEXAGON NUT
29 339180 PARAFUSO SEXTAVADO TORNILLO HEXAGONAL 2,000 1-9999
HEXAGON SCREW
30 1707647 CAIXA DE FUSÍVEIS CAJA PARA FUSIBLES 1,000 1-9999
FUSE BOX
31 212024 PARAFUSO SEXTAVADO TORNILLO HEXAGONAL 2,000 1-9999
HEXAGON SCREW
32 293873 ARRUELA ARANDELA 5,000 1-9999
WASHER
33 216461 PORCA SEXTAVADA TUERCA HEXAGONAL 2,000 1-9999
HEXAGON NUT
34 211826 PARAFUSO SEXTAVADO TORNILLO HEXAGONAL 1,000 1-9999
HEXAGON SCREW
01.05.01 / 00 PEÇAS DE REVESTIMENTO E TAMPAS, PÁGINA 1 / 1-9999
01.05.01 / 00 PIEZAS DE REVESTIMIENTO Y TAPAS, PÁGINA 1 / 1-9999
01.05.01 / 00 CANOPIES AND COVERS, PAGE 1 / 1-9999
22
49
144
33 32
155
38
37
23
22
36
35
46
45
48
39
155
43
57
56
56
55 42
40
41
51
53
52
45
45.01
27
28
22 21
27
26
27
21 20
27
28
26
27
25
25
22
27
47
29
25
28
32
27
30
142
34
146
20
25
27
23
28
44
145
26
27
32
27
143
31
26
29
POS Nº DE IDENT. DESIGNAÇÃO
DESIGNATION
DESIGNACIÓN QUANT. VALIDADE
01.05.01 / 00 PEÇAS DE REVESTIMENTO E TAMPAS, PÁGINA 1 / 1-9999
01.05.01 / 00 PIEZAS DE REVESTIMIENTO Y TAPAS, PÁGINA 1 / 1-9999
01.05.01 / 00 CANOPIES AND COVERS, PAGE 1 / 1-9999
2024534
35 860239 TAMPA TAPA 1,000 1-9999
COVER
36 214221 PARAFUSO DE CABEÇA ESCAREADA TORNILLO AVELLANADO 4,000 1-9999
COUNTERSUNK SCREW
37 216593 ARRUELA ARANDELA 4,000 1-9999
WASHER
38 216445 PORCA SEXTAVADA TUERCA HEXAGONAL 4,000 1-9999
HEXAGON NUT
39 276766 PERFIL DE VEDAÇÃO (M) PERFIL DE IMPERMEABILIZACIÓN (M) 2,000 1-9999
SEALING PROFILE (M)
40 1409301 FECHADURA CERRADURA 1,000 1-9999
LOCK
41 215422 PARAFUSO DE CABEÇA ESCAREADA TORNILLO AVELLANADO 2,000 1-9999
COUNTERSUNK SCREW
42 216445 PORCA SEXTAVADA TUERCA HEXAGONAL 2,000 1-9999
HEXAGON NUT
43 1245945 BUJÃO BULÓN 2,000 1-9999
PLUG
44 1202162 BUJÃO TAPÓN DE CIERRE 2,000 1-9999
FILLER CAP
45 386243 PUXADOR EXTERNO DA FECHADURA TIRADOR EXTERIOR 1,000 1-9999
LOCK OUTSIDE HANDLE
45.01 367125 CHAVE LLAVE 1,000 1-9999
KEY
46 386260 CHAPA SUPORTE CHAPA DE ASIENTO 1,000 1-9999
SUPPORTING PLATE
47 386251 CHAPA SUPORTE CHAPA DE ASIENTO 1,000 1-9999
SUPPORTING PLATE
01.05.01 / 00 PEÇAS DE REVESTIMENTO E TAMPAS, PÁGINA 1 / 1-9999
01.05.01 / 00 PIEZAS DE REVESTIMIENTO Y TAPAS, PÁGINA 1 / 1-9999
01.05.01 / 00 CANOPIES AND COVERS, PAGE 1 / 1-9999
22
49
144
33 32
155
38
37
23
22
36
35
46
45
48
39
155
43
57
56
56
55 42
40
41
51
53
52
45
45.01
27
28
22 21
27
26
27
21 20
27
28
26
27
25
25
22
27
47
29
25
28
32
27
30
142
34
146
20
25
27
23
28
44
145
26
27
32
27
143
31
26
29
POS Nº DE IDENT. DESIGNAÇÃO
DESIGNATION
DESIGNACIÓN QUANT. VALIDADE
01.05.01 / 00 PEÇAS DE REVESTIMENTO E TAMPAS, PÁGINA 1 / 1-9999
01.05.01 / 00 PIEZAS DE REVESTIMIENTO Y TAPAS, PÁGINA 1 / 1-9999
01.05.01 / 00 CANOPIES AND COVERS, PAGE 1 / 1-9999
2024534
48 213721 PARAFUSO DE CABEÇA CILÍNDRICA TORNILLO CILÍNDRICO 2,000 1-9999
CHEESE-HEAD SCREW
49 216577 ARRUELA ARANDELA 2,000 1-9999
WASHER
51 213721 PARAFUSO DE CABEÇA CILÍNDRICA TORNILLO CILÍNDRICO 1,000 1-9999
CHEESE-HEAD SCREW
52 216577 ARRUELA ARANDELA 1,000 1-9999
WASHER
53 216062 PORCA SEXTAVADA TUERCA HEXAGONAL 1,000 1-9999
HEXAGON NUT
55 430374 PINO DE FECHAMENTO PERNO DE CIERRE 1,000 1-9999
CLOSING BOLT
56 216607 ARRUELA ARANDELA 2,000 1-9999
WASHER
57 216453 PORCA SEXTAVADA TUERCA HEXAGONAL 1,000 1-9999
HEXAGON NUT
142 1485873 CHAPA CHAPA 1,000 1-9999
METAL PLATE
143 1209787 PARAFUSO SEXTAVADO TORNILLO HEXAGONAL 2,000 1-9999
HEXAGON SCREW
144 216607 ARRUELA ARANDELA 2,000 1-9999
WASHER
145 345490 ARRUELA ARANDELA 2,000 1-9999
WASHER
146 216453 PORCA SEXTAVADA TUERCA HEXAGONAL 2,000 1-9999
HEXAGON NUT
155 353434 BUJÃO TAPÓN DE CIERRE 6,000 1-9999
FILLER CAP
01.05.02 / 00 PEÇAS DE REVESTIMENTO E TAMPAS, PÁGINA 2 / 1-9999
01.05.02 / 00 PIEZAS DE REVESTIMIENTO Y TAPAS, PÁGINA 2 / 1-9999
01.05.02 / 00 CANOPIES AND COVERS, PAGE 2 / 1-9999
53
50
52
51
77
78
77
77
75
81
101
100
102
1
3
71
10
73
72
60
70
9 8
11
4 6
7
76
62
2
11 12
5
61
11
71
81
3
POS Nº DE IDENT. DESIGNAÇÃO
DESIGNATION
DESIGNACIÓN QUANT. VALIDADE
01.05.02 / 00 PEÇAS DE REVESTIMENTO E TAMPAS, PÁGINA 2 / 1-9999
01.05.02 / 00 PIEZAS DE REVESTIMIENTO Y TAPAS, PÁGINA 2 / 1-9999
01.05.02 / 00 CANOPIES AND COVERS, PAGE 2 / 1-9999
2014268
1 891150 CHAPA DE FUNDO CHAPA DE FONDO 1,000 1-9999
BOTTOM PLATE
2 1209698 PARAFUSO SEXTAVADO TORNILLO HEXAGONAL 6,000 1-9999
HEXAGON SCREW
3 293873 ARRUELA ARANDELA 12,000 1-9999
WASHER
4 216461 PORCA SEXTAVADA TUERCA HEXAGONAL 6,000 1-9999
HEXAGON NUT
5 276766 PERFIL DE VEDAÇÃO (M) PERFIL DE IMPERMEABILIZACIÓN (M) 0,760 1-9999
SEALING PROFILE (M)
6 615290 PERFIL DE VEDAÇÃO (M) PERFIL DE IMPERMEABILIZACIÓN (M) 0,760 1-9999
SEALING PROFILE (M)
7 213845 PARAFUSO SEXTAVADO TORNILLO HEXAGONAL 3,000 1-9999
HEXAGON SCREW
8 1498762 CHAPA CHAPA 1,000 1-9999
METAL PLATE
9 1238000 PORCA REBITE CEGA TUERCA REMACHE CIEGA 3,000 1-9999
BLIND RIVET NUT
10 1209698 PARAFUSO SEXTAVADO TORNILLO HEXAGONAL 6,000 1-9999
HEXAGON SCREW
11 293873 ARRUELA ARANDELA 18,000 1-9999
WASHER
12 216461 PORCA SEXTAVADA TUERCA HEXAGONAL 6,000 1-9999
HEXAGON NUT
50 2035849 CHAPA CHAPA 1,000 282-9999
METAL PLATE
51 213667 PARAFUSO SEXTAVADO TORNILLO HEXAGONAL 2,000 282-9999
HEXAGON SCREW
01.05.02 / 00 PEÇAS DE REVESTIMENTO E TAMPAS, PÁGINA 2 / 1-9999
01.05.02 / 00 PIEZAS DE REVESTIMIENTO Y TAPAS, PÁGINA 2 / 1-9999
01.05.02 / 00 CANOPIES AND COVERS, PAGE 2 / 1-9999
53
50
52
51
77
78
77
77
75
81
101
100
102
1
3
71
10
73
72
60
70
9 8
11
4 6
7
76
62
2
11 12
5
61
11
71
81
3
POS Nº DE IDENT. DESIGNAÇÃO
DESIGNATION
DESIGNACIÓN QUANT. VALIDADE
01.05.02 / 00 PEÇAS DE REVESTIMENTO E TAMPAS, PÁGINA 2 / 1-9999
01.05.02 / 00 PIEZAS DE REVESTIMIENTO Y TAPAS, PÁGINA 2 / 1-9999
01.05.02 / 00 CANOPIES AND COVERS, PAGE 2 / 1-9999
2014268
52 216577 ARRUELA ARANDELA 2,000 282-9999
WASHER
53 614014 PERFIL DE BORRACHA (M) PERFIL DE GOMA ESPUMOSA (M) 1,000 282-9999
RUBBER PROFILE (M)
60 1488627 TAMPA TAPA 1,000 1-9999
COVER
61 213748 PARAFUSO SEXTAVADO TORNILLO HEXAGONAL 4,000 1-9999
HEXAGON SCREW
62 260983 ARRUELA ARANDELA 4,000 1-9999
WASHER
70 1488848 CHAPA CHAPA 1,000 1-9999
METAL PLATE
71 614154 PERFIL DE BORRACHA (M) PERFIL DE GOMA ESPUMOSA (M) 0,200 1-9999
RUBBER PROFILE (M)
72 214426 PARAFUSO DE CABEÇA CILÍNDRICA TORNILLO CILÍNDRICO 2,000 1-9999
CHEESE-HEAD SCREW
73 260983 ARRUELA ARANDELA 2,000 1-9999
WASHER
75 1488856 CHAPA CHAPA 1,000 1-9999
METAL PLATE
76 214582 PARAFUSO DE CABEÇA CILÍNDRICA TORNILLO CILÍNDRICO 6,000 1-9999
CHEESE-HEAD SCREW
77 231355 ARRUELA ARANDELA 16,000 1-9999
WASHER
78 216445 PORCA SEXTAVADA TUERCA HEXAGONAL 6,000 1-9999
HEXAGON NUT
81 614022 PERFIL DE BORRACHA (M) PERFIL DE GOMA ESPUMOSA (M) 1,270 1-9999
RUBBER PROFILE (M)
01.05.02 / 00 PEÇAS DE REVESTIMENTO E TAMPAS, PÁGINA 2 / 1-9999
01.05.02 / 00 PIEZAS DE REVESTIMIENTO Y TAPAS, PÁGINA 2 / 1-9999
01.05.02 / 00 CANOPIES AND COVERS, PAGE 2 / 1-9999
53
50
52
51
77
78
77
77
75
81
101
100
102
1
3
71
10
73
72
60
70
9 8
11
4 6
7
76
62
2
11 12
5
61
11
71
81
3
POS Nº DE IDENT. DESIGNAÇÃO
DESIGNATION
DESIGNACIÓN QUANT. VALIDADE
01.05.02 / 00 PEÇAS DE REVESTIMENTO E TAMPAS, PÁGINA 2 / 1-9999
01.05.02 / 00 PIEZAS DE REVESTIMIENTO Y TAPAS, PÁGINA 2 / 1-9999
01.05.02 / 00 CANOPIES AND COVERS, PAGE 2 / 1-9999
2014268
100 875546 CHAPA DE COBERTURA CHAPA DE RECUBRIMIENTO 1,000 1-9999
COVER PLATE
101 283568 PARAFUSO SEXTAVADO TORNILLO HEXAGONAL 6,000 1-9999
HEXAGON SCREW
102 216577 ARRUELA ARANDELA 6,000 1-9999
WASHER
01.05.03 / 00 PEÇAS DE REVESTIMENTO E TAMPAS, PÁGINA 3 / 1-9999
01.05.03 / 00 PIEZAS DE REVESTIMIENTO Y TAPAS, PÁGINA 3 / 1-9999
01.05.03 / 00 CANOPIES AND COVERS, PAGE 3 / 1-9999
POS Nº DE IDENT. DESIGNAÇÃO
DESIGNATION
DESIGNACIÓN QUANT. VALIDADE
01.05.03 / 00 PEÇAS DE REVESTIMENTO E TAMPAS, PÁGINA 3 / 1-9999
01.05.03 / 00 PIEZAS DE REVESTIMIENTO Y TAPAS, PÁGINA 3 / 1-9999
01.05.03 / 00 CANOPIES AND COVERS, PAGE 3 / 1-9999
2053573
43 1245945 BUJÃO BULÓN 2,000 1-9999
PLUG
89 1505327 PEÇA DE REVESTIMENTO PIEZA DE RECUBRIMIENTO 1,000 1-9999
MOULDING PART
90 1505335 PEÇA DE REVESTIMENTO PIEZA DE RECUBRIMIENTO 1,000 1-9999
MOULDING PART
91 1496395 SUPORTE SOPORTE 1,000 1-9999
SUPPORT
92 1496409 SUPORTE SOPORTE 1,000 1-9999
SUPPORT
93 214396 PARAFUSO DE CABEÇA CILÍNDRICA TORNILLO CILÍNDRICO 2,000 1-9999
CHEESE-HEAD SCREW
94 1223518 ABRAÇADEIRA PARA CABO CINTA DE CABLE 2,000 1-9999
CABLE TAPE
95 1496506 FOLE DE PASSAGEM FUELLE 1,000 1-9999
BELLOWS
96 1270494 PARAFUSO DE CABEÇA OVAL TORNILLO ALOMADO PULIDO 21,000 1-9999
FILLISTER HEAD SCREW
98 1505343 PEÇA DE REVESTIMENTO PIEZA DE RECUBRIMIENTO 1,000 1-9999
MOULDING PART
99 2029046 PORCA CLIP TUERCA CLIP 10,000 1-9999
CLIP NUT
01.05.04 / 00 PEÇAS DE REVESTIMENTO E TAMPAS, PÁGINA 4 / 1-9999
01.05.04 / 00 PIEZAS DE REVESTIMIENTO Y TAPAS, PÁGINA 4 / 1-9999
01.05.04 / 00 CANOPIES AND COVERS, PAGE 4 / 1-9999
19
19
9
4
7
6 5
6
7
2
6
7
8
4
7
6
3
10
11
5
1
10
1
7
1
Luftsattel
Haube
Haube
Luftsattel
in Haube einlaminiert
in Haube einlaminiert
POS Nº DE IDENT. DESIGNAÇÃO
DESIGNATION
DESIGNACIÓN QUANT. VALIDADE
01.05.04 / 00 PEÇAS DE REVESTIMENTO E TAMPAS, PÁGINA 4 / 1-9999
01.05.04 / 00 PIEZAS DE REVESTIMIENTO Y TAPAS, PÁGINA 4 / 1-9999
01.05.04 / 00 CANOPIES AND COVERS, PAGE 4 / 1-9999
2014283
1 2031075 CAPÔ DO MOTOR COM ISOLAM. ACÚSTICO CAPOTA MOTOR VERSIÓN CON INSONORIZACIÓN 1,000 300-9999
ENGINE HOOD VERSION WITH SOUND INSULATION
1 2031077 CAPÔ DO MOTOR SEM ISOLAM. ACÚSTICO CAPOTA MOTOR VERSIÓN SIN INSONORIZACIÓN 1,000 1-9999
ENGINE HOOD VERSION WITHOUT SOUND INSULATION
2 1480952 TAMPA DO DUTO DE AR CUBIERTA DE LA GUÍA DE AIRE 1,000 1-9999
AIR DUCT COVER
3 615290 PERFIL DE VEDAÇÃO (M) PERFIL DE IMPERMEABILIZACIÓN (M) 1,700 1-9999
SEALING PROFILE (M)
4 200948 COXIM DE BORRACHA TOPE DE CAUCHO-METAL 6,000 1-9999
SILENTBLOC
5 216070 PORCA SEXTAVADA TUERCA HEXAGONAL 6,000 1-9999
HEXAGON NUT
6 213799 PARAFUSO SEXTAVADO TORNILLO HEXAGONAL 6,000 1-9999
HEXAGON SCREW
7 231355 ARRUELA ARANDELA 6,000 1-9999
WASHER
8 213799 PARAFUSO SEXTAVADO TORNILLO HEXAGONAL 2,000 1-9999
HEXAGON SCREW
9 866717 JOGO DE PLACAS ISOLANTES JUEGO DE PLACAS AISLANTES 1,000 1-9999
INSULATION PLATE SET
10 314080 PARAFUSO SEXTAVADO TORNILLO HEXAGONAL 2,000 1-9999
HEXAGON SCREW
11 1504479 ESPAÇADOR ESPACIADOR 5,000 1-9999
SPACER PIECE
19 276766 PERFIL DE VEDAÇÃO (M) PERFIL DE IMPERMEABILIZACIÓN (M) 10,000 1-9999
SEALING PROFILE (M)
01.05.05 / 00 PEÇAS DE REVESTIMENTO E TAMPAS, PÁGINA 5 / 1-9999
01.05.05 / 00 PIEZAS DE REVESTIMIENTO Y TAPAS, PÁGINA 5 / 1-9999
01.05.05 / 00 CANOPIES AND COVERS, PAGE 5 / 1-9999
41
41
40
40
43
44
35
25 26
132 133
133
132
137
136
135
146
145
142
143
144
147
POS Nº DE IDENT. DESIGNAÇÃO
DESIGNATION
DESIGNACIÓN QUANT. VALIDADE
01.05.05 / 00 PEÇAS DE REVESTIMENTO E TAMPAS, PÁGINA 5 / 1-9999
01.05.05 / 00 PIEZAS DE REVESTIMIENTO Y TAPAS, PÁGINA 5 / 1-9999
01.05.05 / 00 CANOPIES AND COVERS, PAGE 5 / 1-9999
2033921
25 340472 PARAFUSO DE CABEÇA CILÍNDRICA TORNILLO CILÍNDRICO 8,000 1-9999
CHEESE-HEAD SCREW
26 231355 ARRUELA ARANDELA 8,000 1-9999
WASHER
35 1264168 BUJÃO TAPÓN DE CIERRE 4,000 1-9999
FILLER CAP
40 870536 TELA PARA AR REJA PARA EL AIRE 1,000 1-9999
FAN GRILLE
41 278025 ARRUELA DE BORRACHA BOQUILLA DE CABLE 2,000 1-9999
CABLE BUSHING
43 229911 PARAFUSO DE CABEÇA OVAL TORNILLO ALOMADO PULIDO 4,000 1-9999
FILLISTER HEAD SCREW
44 216577 ARRUELA ARANDELA 4,000 1-9999
WASHER
132 1212664 PARAFUSO DE CABEÇA CILÍNDRICA TORNILLO CILÍNDRICO 6,000 1-9999
CHEESE-HEAD SCREW
133 250473 ARRUELA ARANDELA 6,000 1-9999
WASHER
135 1498118 CHAPA DE COBERTURA CHAPA DE RECUBRIMIENTO 1,000 1-9999
COVER PLATE
136 214205 PARAFUSO DE CABEÇA ESCAREADA TORNILLO AVELLANADO 5,000 1-9999
COUNTERSUNK SCREW
137 385794 CLIPSMUTTER TUERCA CLIP 5,000 1-9999
CLIP NUT
142 1485873 CHAPA CHAPA 1,000 1-9999
METAL PLATE
143 1209787 PARAFUSO SEXTAVADO TORNILLO HEXAGONAL 2,000 1-9999
HEXAGON SCREW
01.05.05 / 00 PEÇAS DE REVESTIMENTO E TAMPAS, PÁGINA 5 / 1-9999
01.05.05 / 00 PIEZAS DE REVESTIMIENTO Y TAPAS, PÁGINA 5 / 1-9999
01.05.05 / 00 CANOPIES AND COVERS, PAGE 5 / 1-9999
41
41
40
40
43
44
35
25 26
132 133
133
132
137
136
135
146
145
142
143
144
147
POS Nº DE IDENT. DESIGNAÇÃO
DESIGNATION
DESIGNACIÓN QUANT. VALIDADE
01.05.05 / 00 PEÇAS DE REVESTIMENTO E TAMPAS, PÁGINA 5 / 1-9999
01.05.05 / 00 PIEZAS DE REVESTIMIENTO Y TAPAS, PÁGINA 5 / 1-9999
01.05.05 / 00 CANOPIES AND COVERS, PAGE 5 / 1-9999
2033921
144 216607 ARRUELA ARANDELA 2,000 1-9999
WASHER
145 345490 ARRUELA ARANDELA 2,000 1-9999
WASHER
146 216453 PORCA SEXTAVADA TUERCA HEXAGONAL 2,000 1-9999
HEXAGON NUT
147 1297740 BUJÃO BULÓN 2,000 1-9999
PLUG
01.06.00 / 00 CAIXA DA BATERIA / 1-9999
01.06.00 / 00 CAJA DE BATERÍA / 1-9999
01.06.00 / 00 BATTERY BOX / 1-9999
POS Nº DE IDENT. DESIGNAÇÃO
DESIGNATION
DESIGNACIÓN QUANT. VALIDADE
01.06.00 / 00 CAIXA DA BATERIA / 1-9999
01.06.00 / 00 CAJA DE BATERÍA / 1-9999
01.06.00 / 00 BATTERY BOX / 1-9999
2053576
1 853682 CAIXA DA BATERIA CAJA DE BATERÍA 1,000 1-9999
BATTERY BOX
2 1468855 CHAPA CHAPA 1,000 1-9999
METAL PLATE
3 1488295 COXIM METAL-BORRACHA TOPE DE CAUCHO-METAL 3,000 1-9999
SILENTBLOC
4 216593 ARRUELA ARANDELA 6,000 1-9999
WASHER
5 294942 PARAFUSO SEXTAVADO TORNILLO HEXAGONAL 3,000 1-9999
HEXAGON SCREW
6 216445 PORCA SEXTAVADA TUERCA HEXAGONAL 3,000 1-9999
HEXAGON NUT
7 216062 PORCA SEXTAVADA TUERCA HEXAGONAL 2,000 1-9999
HEXAGON NUT
8 1464833 BARRA ROSCADA VARILLA ROSCADA 1,000 1-9999
THREADED ROD
9 860058 ESTRIBO DE FIJAÇÃO ESTRIBO DE SUJECIÓN 1,000 1-9999
CLIP
10 1445626 BARRA CHATA ACERO PLANO 1,000 1-9999
FLAT STEEL
11 1234250 PORCA SERRILHADA TUERCA MOLETEADA 2,000 1-9999
KNURLED NUT
12 1479156 GANCHO GANCHO 1,000 1-9999
HOOD
13 386570 FECHO CERRADURA INCORPORADA 1,000 1-9999
BUILT-IN LOCK
13.01 367125 CHAVE LLAVE 1,000 1-9999
KEY
01.06.00 / 00 CAIXA DA BATERIA / 1-9999
01.06.00 / 00 CAJA DE BATERÍA / 1-9999
01.06.00 / 00 BATTERY BOX / 1-9999
POS Nº DE IDENT. DESIGNAÇÃO
DESIGNATION
DESIGNACIÓN QUANT. VALIDADE
01.06.00 / 00 CAIXA DA BATERIA / 1-9999
01.06.00 / 00 CAJA DE BATERÍA / 1-9999
01.06.00 / 00 BATTERY BOX / 1-9999
2053576
14 250228 PERFIL DE PROTEÇÃO (M) PROTECCIÓN DE CANTOS (M) 1,500 1-9999
EDGE PROTECTION (M)
15 392863 PARAFUSO TORNILLO 1,000 1-9999
SCREW
16 1454072 ESPAÇADOR PIEZA DISTANCIADORA 1,000 1-9999
SPACER BLOCK
17 216593 ARRUELA ARANDELA 1,000 1-9999
WASHER
18 216445 PORCA SEXTAVADA TUERCA HEXAGONAL 1,000 1-9999
HEXAGON NUT
20 2063862 BUCHA PROTETORA MANGUERA DE PROTECIÓN 1,000 1-9999
WIRE PROTECTING SLEEVE
01.07.00 / 00 CAIXA DE FERRAMENTAS / 1-9999
01.07.00 / 00 CAJA DE HERRAMIENTAS / 1-9999
01.07.00 / 00 TOOL BOX / 1-9999
4
8
5
6
1
6
2
3
7
6.01
POS Nº DE IDENT. DESIGNAÇÃO
DESIGNATION
DESIGNACIÓN QUANT. VALIDADE
01.07.00 / 00 CAIXA DE FERRAMENTAS / 1-9999
01.07.00 / 00 CAJA DE HERRAMIENTAS / 1-9999
01.07.00 / 00 TOOL BOX / 1-9999
2053577
1 860786 CAIXA DE FERRAMENTAS CAJA DE HERRAMIENTAS 1,000 1-9999
TOOL BOX
2 860794 TAMPA TAPA 1,000 1-9999
COVER
3 283568 PARAFUSO SEXTAVADO TORNILLO HEXAGONAL 3,000 1-9999
HEXAGON SCREW
4 216577 ARRUELA ARANDELA 3,000 1-9999
WASHER
5 216437 PORCA SEXTAVADA TUERCA HEXAGONAL 3,000 1-9999
HEXAGON NUT
6 386570 FECHO CERRADURA INCORPORADA 1,000 1-9999
BUILT-IN LOCK
6.01 367125 CHAVE LLAVE 1,000 1-9999
KEY
7 608537 PERFIL DE VEDAÇÃO (M) PERFIL DE IMPERMEABILIZACIÓN (M) 1,020 1-9999
SEALING PROFILE (M)
8 250228 PERFIL DE PROTEÇÃO (M) PROTECCIÓN DE CANTOS (M) 0,235 1-9999
EDGE PROTECTION (M)
01.15.01 / 00 DISPOSIÇÃO DOS ADESIVOS, PÁGINA 1 / 1-9999
01.15.01 / 00 DISPOSICIÓN DE ADHESIVOS, PÁGINA 1 / 1-9999
01.15.01 / 00 STICKER ARRANGEMENT, PAGE 1 / 1-9999
POS Nº DE IDENT. DESIGNAÇÃO
DESIGNATION
DESIGNACIÓN QUANT. VALIDADE
01.15.01 / 00 DISPOSIÇÃO DOS ADESIVOS, PÁGINA 1 / 1-9999
01.15.01 / 00 DISPOSICIÓN DE ADHESIVOS, PÁGINA 1 / 1-9999
01.15.01 / 00 STICKER ARRANGEMENT, PAGE 1 / 1-9999
2053578
10 1481797 ETIQUETA ETIQUETA 1,000 1-9999
STICKER
11 1406965 ETIQUETA ETIQUETA 1,000 1-9999
STICKER
12 1527312 ETIQUETA ETIQUETA 1,000 1-9999
STICKER
14 1504630 ETIQUETA 3411 ETIQUETA 3411 1,000 1-9999
STICKER 3411
14 1504649 ETIQUETA 3410 ETIQUETA 3410 1,000 1-9999
STICKER 3410
15 1523139 ETIQUETA ETIQUETA 2,000 1-9999
STICKER
16 1507869 ETIQUETA ETIQUETA 1,000 1-9999
STICKER
19 2086152 ETIQUETA ETIQUETA 6,000 1-9999
STICKER
20 2086151 ETIQUETA ETIQUETA 10,000 1-9999
STICKER
23 420573 ETIQUETA ETIQUETA 1,000 1-9999
STICKER
24 1501143 ETIQUETA ETIQUETA 1,000 1-9999
STICKER
29 277916 ETIQUETA ETIQUETA 2,000 1-9999
STICKER
34 1469010 ETIQUETA ETIQUETA 1,000 1-9999
STICKER
36 1481959 ETIQUETA ETIQUETA 1,000 1-9999
STICKER
01.15.01 / 00 DISPOSIÇÃO DOS ADESIVOS, PÁGINA 1 / 1-9999
01.15.01 / 00 DISPOSICIÓN DE ADHESIVOS, PÁGINA 1 / 1-9999
01.15.01 / 00 STICKER ARRANGEMENT, PAGE 1 / 1-9999
POS Nº DE IDENT. DESIGNAÇÃO
DESIGNATION
DESIGNACIÓN QUANT. VALIDADE
01.15.01 / 00 DISPOSIÇÃO DOS ADESIVOS, PÁGINA 1 / 1-9999
01.15.01 / 00 DISPOSICIÓN DE ADHESIVOS, PÁGINA 1 / 1-9999
01.15.01 / 00 STICKER ARRANGEMENT, PAGE 1 / 1-9999
2053578
37 1469363 ETIQUETA ETIQUETA 1,000 1-9999
STICKER
40 1292102 ETIQUETA ETIQUETA 1,000 1-9999
STICKER
41 1295446 ETIQUETA ETIQUETA 1,000 1-9999
STICKER
60 1509292 ETIQUETA ETIQUETA 1,000 1-9999
STICKER
65 1523090 ETIQUETA ETIQUETA 1,000 1-9999
STICKER
100 2034023 JOGO DE ETIQUETAS JUEGO DE ADHESIVOS 1,000 1-9999
STICKER SET
01.15.02 / 00 DISPOSIÇÃO DOS ADESIVOS, PÁGINA 2 / 1-9999
01.15.02 / 00 DISPOSICIÓN DE ADHESIVOS, PÁGINA 2 / 1-9999
01.15.02 / 00 STICKER ARRANGEMENT, PAGE 2 / 1-9999
POS Nº DE IDENT. DESIGNAÇÃO
DESIGNATION
DESIGNACIÓN QUANT. VALIDADE
01.15.02 / 00 DISPOSIÇÃO DOS ADESIVOS, PÁGINA 2 / 1-9999
01.15.02 / 00 DISPOSICIÓN DE ADHESIVOS, PÁGINA 2 / 1-9999
01.15.02 / 00 STICKER ARRANGEMENT, PAGE 2 / 1-9999
2053579
5 1501925 ETIQUETA ETIQUETA 2,000 1-9999
STICKER
21 287164 ETIQUETA ETIQUETA 1,000 1-9999
STICKER
27 2116416 ETIQUETA ETIQUETA 2,000 1-9999
STICKER
35 1405489 ETIQUETA ETIQUETA 1,000 1-9999
STICKER
45 1524631 ETIQUETA ETIQUETA 1,000 1-9999
STICKER
50 1514725 ETIQUETA ETIQUETA 1,000 1-40
STICKER
50 2045629 ETIQUETA ETIQUETA 1,000 41-9999
STICKER
100 2034023 JOGO DE ETIQUETAS JUEGO DE ADHESIVOS 1,000 1-9999
STICKER SET
01.20.00 / 00 ISOLAMENTO ACÚSTICO / 1-9999
01.20.00 / 00 AISLAMIENTO ACÚSTICO / 1-9999
01.20.00 / 00 SOUND-INSULATION / 1-9999
POS Nº DE IDENT. DESIGNAÇÃO
DESIGNATION
DESIGNACIÓN QUANT. VALIDADE
01.20.00 / 00 ISOLAMENTO ACÚSTICO / 1-9999
01.20.00 / 00 AISLAMIENTO ACÚSTICO / 1-9999
01.20.00 / 00 SOUND-INSULATION / 1-9999
2053580
1 2024345 CHAPA ISOLANTE PLACA AISLANTE 1,000 1-9999
INSULATION PLATE
2 1209914 PARAFUSO SEXTAVADO TORNILLO HEXAGONAL 7,000 1-9999
HEXAGONAL SCREW
3 260983 ARRUELA ARANDELA 7,000 1-9999
WASHER
4 216593 ARRUELA ARANDELA 7,000 1-9999
WASHER
5 216445 PORCA SEXTAVADA TUERCA HEXAGONAL 7,000 1-9999
HEXAGONAL NUT
8 1497227 CHAPA ISOLANTE PLACA AISLANTE 1,000 1-9999
INSULATION PLATE
9 1497235 CHAPA ISOLANTE PLACA AISLANTE 1,000 1-9999
INSULATION PLATE
30 1497063 CHAPA ISOLANTE PLACA AISLANTE 1,000 1-9999
INSULATION PLATE
31 1497073 CHAPA ISOLANTE PLACA AISLANTE 1,000 1-9999
INSULATION PLATE
32 1497081 CHAPA ISOLANTE PLACA AISLANTE 1,000 1-9999
INSULATION PLATE
33 1497103 CHAPA ISOLANTE PLACA AISLANTE 1,000 1-9999
INSULATION PLATE
34 1497111 CHAPA ISOLANTE PLACA AISLANTE 1,000 1-9999
INSULATION PLATE
35 1497138 CHAPA ISOLANTE PLACA AISLANTE 1,000 1-9999
INSULATION PLATE
36 1497146 CHAPA ISOLANTE PLACA AISLANTE 1,000 1-9999
INSULATION PLATE
01.20.00 / 00 ISOLAMENTO ACÚSTICO / 1-9999
01.20.00 / 00 AISLAMIENTO ACÚSTICO / 1-9999
01.20.00 / 00 SOUND-INSULATION / 1-9999
POS Nº DE IDENT. DESIGNAÇÃO
DESIGNATION
DESIGNACIÓN QUANT. VALIDADE
01.20.00 / 00 ISOLAMENTO ACÚSTICO / 1-9999
01.20.00 / 00 AISLAMIENTO ACÚSTICO / 1-9999
01.20.00 / 00 SOUND-INSULATION / 1-9999
2053580
50 866717 JOGO DE CHAPAS ISOLANTES, POSIÇÕES 30 - 36 JUEGO DE PLACAS AISLANTES, POSICIONES 30 - 36 1,000 1-9999
INSULATION PLATE SET, POSITIONS 30 - 36
02.01.00 / 00 POSTO DO OPERADOR / 1-9999
02.01.00 / 00 PUESTO DE CONDUCTOR / 1-9999
02.01.00 / 00 OPERATOR PLATFORM / 1-9999
14
13
7 18
19
16
12
11
10
17
19
20
8
9
1
12
11
10
13
4
2
3
5
6
7
9
8
5
POS Nº DE IDENT. DESIGNAÇÃO
DESIGNATION
DESIGNACIÓN QUANT. VALIDADE
02.01.00 / 00 POSTO DO OPERADOR / 1-9999
02.01.00 / 00 PUESTO DE CONDUCTOR / 1-9999
02.01.00 / 00 OPERATOR PLATFORM / 1-9999
2053582
1 860069 POSTO DO OPERADOR PUESTO DEL CONDUCTOR 1,000 1-9999
OPERATOR'S PLATFORM
2 1255339 COXIM METAL-BORRACHA TOPE DE CAUCHO-METAL 2,000 1-9999
SILENTBLOC
3 1255320 COXIM METAL-BORRACHA TOPE DE CAUCHO-METAL 2,000 1-9999
SILENTBLOC
4 1209787 PARAFUSO SEXTAVADO TORNILLO HEXAGONAL 8,000 1-9999
HEXAGON SCREW
5 216607 ARRUELA ARANDELA 16,000 1-9999
WASHER
6 216453 PORCA SEXTAVADA TUERCA HEXAGONAL 8,000 1-9999
HEXAGON NUT
7 1443356 ARRUELA ARANDELA 4,000 1-9999
WASHER
8 1449672 ARRUELA ARANDELA 4,000 1-9999
WASHER
9 1302183 PARAFUSO SEXTAVADO TORNILLO HEXAGONAL 4,000 1-9999
HEXAGON SCREW
10 383120 ARRUELA ARANDELA 4,000 1-9999
WASHER
11 361763 PORCA SEXTAVADA TUERCA HEXAGONAL 4,000 1-9999
HEXAGON NUT
12 1268430 CAPUZ PROTETOR CAPERUZA DE PROTECCIÓN 6,000 1-9999
PROTECTING CAP
13 1537229 ARRUELA ARANDELA 4,000 1-9999
WASHER
14 1537210 ANEL ANILLO 4,000 1-9999
RING
02.01.00 / 00 POSTO DO OPERADOR / 1-9999
02.01.00 / 00 PUESTO DE CONDUCTOR / 1-9999
02.01.00 / 00 OPERATOR PLATFORM / 1-9999
14
13
7 18
19
16
12
11
10
17
19
20
8
9
1
12
11
10
13
4
2
3
5
6
7
9
8
5
POS Nº DE IDENT. DESIGNAÇÃO
DESIGNATION
DESIGNACIÓN QUANT. VALIDADE
02.01.00 / 00 POSTO DO OPERADOR / 1-9999
02.01.00 / 00 PUESTO DE CONDUCTOR / 1-9999
02.01.00 / 00 OPERATOR PLATFORM / 1-9999
2053582
16 1255339 COXIM METAL-BORRACHA TOPE DE CAUCHO-METAL 2,000 1-9999
SILENTBLOC
17 1255320 COXIM METAL-BORRACHA TOPE DE CAUCHO-METAL 2,000 1-9999
SILENTBLOC
18 1209787 PARAFUSO SEXTAVADO TORNILLO HEXAGONAL 8,000 1-9999
HEXAGON SCREW
19 216607 ARRUELA ARANDELA 16,000 1-9999
WASHER
20 216453 PORCA SEXTAVADA TUERCA HEXAGONAL 8,000 1-9999
HEXAGON NUT
02.06.00 / 00 ASSENTO REGULÁVEL DO OPERADOR / 1-9999
02.06.00 / 00 ASIENTO DEL CONDUCTOR AJUSTABLE / 1-9999
02.06.00 / 00 OPERATOR SEAT WITH ADJUSTMENT / 1-9999
86
30
30.06
30.04
30.05
30.01
30.02
30.06
30.03
45
18
15
10
40
11
12
32
31
1
3 5 38
37
17
16
17
35
16
85
80
82
83
82 81
4
3
3
2
36
18
15
46
51
52
47
52
53
POS Nº DE IDENT. DESIGNAÇÃO
DESIGNATION
DESIGNACIÓN QUANT. VALIDADE
02.06.00 / 00 ASSENTO REGULÁVEL DO OPERADOR / 1-9999
02.06.00 / 00 ASIENTO DEL CONDUCTOR AJUSTABLE / 1-9999
02.06.00 / 00 OPERATOR SEAT WITH ADJUSTMENT / 1-9999
2053582
1 1535404 CONSOLE CONSOLA 1,000 1-9999
CONSOLE
2 211826 PARAFUSO SEXTAVADO TORNILLO HEXAGONAL 2,000 1-9999
HEXAGON SCREW
3 293873 ARRUELA ARANDELA 6,000 1-9999
WASHER
4 216461 PORCA SEXTAVADA TUERCA HEXAGONAL 2,000 1-9999
HEXAGON NUT
5 225541 PARAFUSO SEXTAVADO TORNILLO HEXAGONAL 2,000 1-9999
HEXAGON SCREW
10 214469 PARAFUSO DE CABEÇA CILÍNDRICA TORNILLO CILÍNDRICO 4,000 1-9999
CHEESE-HEAD SCREW
11 216593 ARRUELA ARANDELA 4,000 1-9999
WASHER
12 216445 PORCA SEXTAVADA TUERCA HEXAGONAL 4,000 1-9999
HEXAGON NUT
15 214582 PARAFUSO DE CABEÇA CILÍNDRICA TORNILLO CILÍNDRICO 4,000 1-9999
CHEESE-HEAD SCREW
16 422584 ARRUELA ARANDELA 4,000 1-9999
WASHER
17 216445 PORCA SEXTAVADA TUERCA HEXAGONAL 4,000 1-9999
HEXAGON NUT
18 1485261 SUPORTE SOPORTE 2,000 1-9999
SUPPORT
30 2023936 PARTE SUP. DO ASSENTO, TECIDO COMPLETO PARTE SUPERIOR ASIENTO, TELA COMPLETO 1,000 1-9999
SEAT UPPER PART, CLOTH COMPLETE
30 2023904 PARTE SUP. DO ASSENTO, IMIT. COURO COMPLETO PARTE SUP. ASIENTO, IMI. CUERO COMPLETO 1,000 1-9999
SEAT UPPER PART, IMIT. LEATHER COMPLETE
02.06.00 / 00 ASSENTO REGULÁVEL DO OPERADOR / 1-9999
02.06.00 / 00 ASIENTO DEL CONDUCTOR AJUSTABLE / 1-9999
02.06.00 / 00 OPERATOR SEAT WITH ADJUSTMENT / 1-9999
86
30
30.06
30.04
30.05
30.01
30.02
30.06
30.03
45
18
15
10
40
11
12
32
31
1
3 5 38
37
17
16
17
35
16
85
80
82
83
82 81
4
3
3
2
36
18
15
46
51
52
47
52
53
POS Nº DE IDENT. DESIGNAÇÃO
DESIGNATION
DESIGNACIÓN QUANT. VALIDADE
02.06.00 / 00 ASSENTO REGULÁVEL DO OPERADOR / 1-9999
02.06.00 / 00 ASIENTO DEL CONDUCTOR AJUSTABLE / 1-9999
02.06.00 / 00 OPERATOR SEAT WITH ADJUSTMENT / 1-9999
2053582
30.01 2034589 REVESTIMENTO DO ENCOSTO, TECIDO ACOLCHADO DE ESPALDA, TELA 1,000 1-9999
BACKREST CUSHION, CLOTH
30.01 2026351 REVESTIMENTO DO ENCOSTO, IMIT. COURO ACOLCHADO ESPALDA, IMIT. CUERO 1,000 1-9999
BACKREST CUSHION, IMI. LEATHER
30.02 2034592 REVESTIMENTO DO ASSENTO, TECIDO COJIN DE ASIENTO, TELA 1,000 1-9999
SEAT CUSHION, CLOTH
30.02 2026352 REVESTIMENTO DO ASSENTO, IMIT. COURO COJIN DE ASIENTO, IMITA. CUERO 1,000 1-9999
SEAT CUSHION, IMITAT. LEATHER
30.03 2027077 APOIO DO BRAÇO ESQUERDO REPOSABRAZOS IZQUIERDA 1,000 1-9999
ELBOW-REST LEFT
30.04 2026077 APOIO DO BRAÇO DIREITO REPOSABRAZOS DERECHA 1,000 1-9999
ELBOW-REST RIGHT
30.05 2026347 ENCOSTO DA CABEÇA, IMIT. COURO REPOSACABEZAS, IMITACIÓN CUERO 1,000 1-9999
HEADREST, IMITATION LEATHER
30.05 2034586 ENCOSTO DA CABEÇA, TECIDO REPOSACABEZAS, TELA 1,000 1-9999
HEADREST, CLOTH
30.06 2034165 CINTO DE SEGURANÇA CINTURÓN DE SEGURIDAD 1,000 1-9999
SAFETY BELT
31 214426 PARAFUSO DE CABEÇA CILÍNDRICA TORNILLO CILÍNDRICO 4,000 1-9999
CHEESE-HEAD SCREW
32 231355 ARRUELA ARANDELA 4,000 1-9999
WASHER
35 2023884 SUSPENSÃO HORIZONTAL SUSPENSIÓN HORIZONTAL 1,000 1-9999
HORIZONTAL SPRING SUSPENSION
36 214469 PARAFUSO DE CABEÇA CILÍNDRICA TORNILLO CILÍNDRICO 4,000 1-9999
CHEESE-HEAD SCREW
37 260983 ARRUELA ARANDELA 4,000 1-9999
WASHER
02.06.00 / 00 ASSENTO REGULÁVEL DO OPERADOR / 1-9999
02.06.00 / 00 ASIENTO DEL CONDUCTOR AJUSTABLE / 1-9999
02.06.00 / 00 OPERATOR SEAT WITH ADJUSTMENT / 1-9999
86
30
30.06
30.04
30.05
30.01
30.02
30.06
30.03
45
18
15
10
40
11
12
32
31
1
3 5 38
37
17
16
17
35
16
85
80
82
83
82 81
4
3
3
2
36
18
15
46
51
52
47
52
53
POS Nº DE IDENT. DESIGNAÇÃO
DESIGNATION
DESIGNACIÓN QUANT. VALIDADE
02.06.00 / 00 ASSENTO REGULÁVEL DO OPERADOR / 1-9999
02.06.00 / 00 ASIENTO DEL CONDUCTOR AJUSTABLE / 1-9999
02.06.00 / 00 OPERATOR SEAT WITH ADJUSTMENT / 1-9999
2053582
38 216445 PORCA SEXTAVADA TUERCA HEXAGONAL 4,000 1-9999
HEXAGON NUT
40 2024649 ADAPTADOR ADAPTADOR GIRATORIO 1,000 1-9999
DISC ADAPTER
45 2024504 CONSOLE DO ASSENTO CONSOLA DE ASIENTO 1,000 1-9999
SEAT PEDESTAL
46 2024521 TAMPA CUBIERTA 1,000 1-9999
COVER
47 245690 PARAFUSO DE CABEÇA ESCAREADA TORNILLO AVELLANADO 4,000 1-9999
COUNTERSUNK SCREW
51 1485393 PINO ROSCADO BULÓN ROSCADO 1,000 1-9999
THREADED BOLT
52 216615 ARRUELA ARANDELA 2,000 1-9999
WASHER
53 249610 PORCA SEXTAVADA TUERCA HEXAGONAL 1,000 1-9999
HEXAGON NUT
80 866377 SUPORTE SOPORTE 1,000 1-9999
SUPPORT
81 213845 PARAFUSO SEXTAVADO TORNILLO HEXAGONAL 2,000 1-9999
HEXAGON SCREW
82 216593 ARRUELA ARANDELA 4,000 1-9999
WASHER
83 216445 PORCA SEXTAVADA TUERCA HEXAGONAL 2,000 1-9999
HEXAGON NUT
85 2024597 FOLE FUELLE 1,000 1-9999
BELLOWS
86 267341 FIXADOR DE CABOS SUJETACABLES 1,000 1-9999
WIRE FASTENER
02.10.00 / 00 ARCO DE PROTEÇÃO / 1-9999
02.10.00 / 00 ARCO DE PROTECCIÓN / 1-9999
02.10.00 / 00 ROLL OVER PROTECTION / 1-9999
POS Nº DE IDENT. DESIGNAÇÃO
DESIGNATION
DESIGNACIÓN QUANT. VALIDADE
02.10.00 / 00 ARCO DE PROTEÇÃO / 1-9999
02.10.00 / 00 ARCO DE PROTECCIÓN / 1-9999
02.10.00 / 00 ROLL OVER PROTECTION / 1-9999
2053582
1 2024135 ARCO DE PROTEÇÃO ARCO DE PROTECCIÓN 1,000 1-9999
ROLL OVER PROTECTION
2 383120 ARRUELA ARANDELA 20,000 1-9999
WASHER
3 349038 PARAFUSO SEXTAVADO TORNILLO HEXAGONAL 10,000 1-9999
HEXAGON SCREW
4 361763 PORCA SEXTAVADA TUERCA HEXAGONAL 10,000 1-9999
HEXAGON NUT
5 860433 BARRA DE RETENÇÃO BARRA DE SUJECIÓN 2,000 1-9999
STAY BAR
6 345490 ARRUELA ARANDELA 4,000 1-9999
WASHER
7 1209876 PARAFUSO SEXTAVADO TORNILLO HEXAGONAL 2,000 1-9999
HEXAGON SCREW
8 216453 PORCA SEXTAVADA TUERCA HEXAGONAL 2,000 1-9999
HEXAGON NUT
9 345490 ARRUELA ARANDELA 2,000 1-9999
WASHER
10 213756 PARAFUSO SEXTAVADO TORNILLO HEXAGONAL 2,000 1-9999
HEXAGON SCREW
11 860468 BARRA DE RETENÇÃO BARRA DE SUJECIÓN 1,000 1-9999
STAY BAR
12 860476 BARRA DE RETENÇÃO BARRA DE SUJECIÓN 1,000 1-9999
STAY BAR
13 293873 ARRUELA ARANDELA 2,000 1-9999
WASHER
14 225576 PARAFUSO SEXTAVADO TORNILLO HEXAGONAL 2,000 1-9999
HEXAGON SCREW
02.10.00 / 00 ARCO DE PROTEÇÃO / 1-9999
02.10.00 / 00 ARCO DE PROTECCIÓN / 1-9999
02.10.00 / 00 ROLL OVER PROTECTION / 1-9999
POS Nº DE IDENT. DESIGNAÇÃO
DESIGNATION
DESIGNACIÓN QUANT. VALIDADE
02.10.00 / 00 ARCO DE PROTEÇÃO / 1-9999
02.10.00 / 00 ARCO DE PROTECCIÓN / 1-9999
02.10.00 / 00 ROLL OVER PROTECTION / 1-9999
2053582
15 231355 ARRUELA ARANDELA 8,000 1-9999
WASHER
16 1209914 PARAFUSO SEXTAVADO TORNILLO HEXAGONAL 4,000 1-9999
HEXAGON SCREW
17 216445 PORCA SEXTAVADA TUERCA HEXAGONAL 4,000 1-9999
HEXAGON NUT
18 233919 BATENTE DE BORRACHA TAMPÓN DE TOPE 4,000 1-9999
RUBBER BUFFER
19 345490 ARRUELA ARANDELA 4,000 1-9999
WASHER
20 216453 PORCA SEXTAVADA TUERCA HEXAGONAL 4,000 1-9999
HEXAGON NUT
30 860808 CAIXA DE FERRAMENTAS COMPLETA CAJA DE HERRAMIENTAS COMPL. 1,000 1-9999
TOOL BOX COMPL.
31 231355 ARRUELA ARANDELA 4,000 1-9999
WASHER
32 1209914 PARAFUSO SEXTAVADO TORNILLO HEXAGONAL 4,000 1-9999
HEXAGON SCREW
33 216445 PORCA SEXTAVADA TUERCA HEXAGONAL 4,000 1-9999
HEXAGON NUT
34 351830 TAMPA TAPÓN DE CIERRE 8,000 1-9999
FILLER CAP
35 353434 TAMPA TAPÓN DE CIERRE 18,000 1-9999
FILLER CAP
36 1220780 TAMPA TAPÓN DE CIERRE 4,000 1-9999
FILLER CAP
42 1523090 ETIQUETA ETIQUETA 1,000 1-9999
STICKER
02.10.00 / 00 ARCO DE PROTEÇÃO / 1-9999
02.10.00 / 00 ARCO DE PROTECCIÓN / 1-9999
02.10.00 / 00 ROLL OVER PROTECTION / 1-9999
POS Nº DE IDENT. DESIGNAÇÃO
DESIGNATION
DESIGNACIÓN QUANT. VALIDADE
02.10.00 / 00 ARCO DE PROTEÇÃO / 1-9999
02.10.00 / 00 ARCO DE PROTECCIÓN / 1-9999
02.10.00 / 00 ROLL OVER PROTECTION / 1-9999
2053582
43 1505483 CHAPA DE COBERTURA CHAPA DE RECUBRIMIENTO 2,000 1-9999
COVER PLATE
44 216577 ARRUELA ARANDELA 4,000 1-9999
WASHER
45 234605 PARAFUSO DE CABEÇA CILÍNDRICA TORNILLO CILÍNDRICO 4,000 1-9999
CHEESE-HEAD SCREW
50 2035849 CHAPA CHAPA 1,000 13-9999
METAL PLATE
51 213667 PARAFUSO SEXTAVADO TORNILLO HEXAGONAL 2,000 13-9999
HEXAGONAL SCREW
52 216577 ARRUELA ARANDELA 2,000 13-9999
WASHER
53 614014 BORRACHA DE VEDAÇÃO (M) PERFIL DE GOMA ESPUMOSA (M) 1,000 13-9999
RUBBER PROFILLE (M)
02.11.00 / 00 FOPS / 1-9999
02.11.00 / 00 FOPS / 1-9999
02.11.00 / 00 FOPS / 1-9999
POS Nº DE IDENT. DESIGNAÇÃO
DESIGNATION
DESIGNACIÓN QUANT. VALIDADE
02.11.00 / 00 FOPS / 1-9999
02.11.00 / 00 FOPS / 1-9999
02.11.00 / 00 FOPS / 1-9999
2253584
1 860670 COBERTURA TECHO 1,000 1-9999
ROOF
2 1210106 ARRUELA ARANDELA 4,000 1-9999
WASHER
3 1213830 PARAFUSO CILINDRICO TORNILLO CILÍNDRICO 4,000 1-9999
CHEESE-HEAD SCREW
4 216496 PORCA SEXTAVADA TUERCA HEXAGONAL 4,000 1-9999
HEXAGONAL NUT
5 276766 PERFIL VEDAÇÃO PERFIL DE IMPERMEABILIZACIÓN 0,840 1-9999
SEALING PROFILLE
6 353434 TAMPÃO TAPÓN DE CIERRE 4,000 1-9999
FILLER CAP
7 1220780 TAMPÃO TAPÓN DE CIERRE 2,000 1-9999
FILLER CAP
02.12.00 / 00 CORRIMÕES / 1-9999
02.12.00 / 00 ASIDEROS / 1-9999
02.12.00 / 00 HANDLES / 1-9999
POS Nº DE IDENT. DESIGNAÇÃO
DESIGNATION
DESIGNACIÓN QUANT. VALIDADE
02.12.00 / 00 CORRIMÕES / 1-9999
02.12.00 / 00 ASIDEROS / 1-9999
02.12.00 / 00 HANDLES / 1-9999
2053586
1 860476 BARRA DE RETENÇÃO BARRA DE SUJECIÓN 1,000 1-9999
STAY BAR
2 860468 BARRA DE RETENÇÃO BARRA DE SUJECIÓN 1,000 1-9999
STAY BAR
3 231355 ARRUELA ARANDELA 8,000 1-9999
WASHER
4 1209914 PARAFUSO SEXTAVADO TORNILLO HEXAGONAL 4,000 1-9999
HEXAGON SCREW
5 216445 PORCA SEXTAVADA TUERCA HEXAGONAL 4,000 1-9999
HEXAGON NUT
6 293873 ARRUELA ARANDELA 2,000 1-9999
WASHER
7 225576 PARAFUSO SEXTAVADO TORNILLO HEXAGONAL 2,000 1-9999
HEXAGON SCREW
8 860808 CAIXA DE FERRAMENTAS COMPLETA CAJA DE HERRAMIENTAS COMPLETA 1,000 1-9999
TOOL BOX COMPLETE
9 870862 BARRA DE RETENÇÃO BARRA DE SUJECIÓN 1,000 1-9999
STAY BAR
10 870854 BARRA DE RETENÇÃO BARRA DE SUJECIÓN 1,000 1-9999
STAY BAR
11 231355 ARRUELA ARANDELA 8,000 1-9999
WASHER
12 1209914 PARAFUSO SEXTAVADO TORNILLO HEXAGONAL 4,000 1-9999
HEXAGON SCREW
13 216445 PORCA SEXTAVADA TUERCA HEXAGONAL 4,000 1-9999
HEXAGON NUT
14 293873 ARRUELA ARANDELA 2,000 1-9999
WASHER
02.12.00 / 00 CORRIMÕES / 1-9999
02.12.00 / 00 ASIDEROS / 1-9999
02.12.00 / 00 HANDLES / 1-9999
POS Nº DE IDENT. DESIGNAÇÃO
DESIGNATION
DESIGNACIÓN QUANT. VALIDADE
02.12.00 / 00 CORRIMÕES / 1-9999
02.12.00 / 00 ASIDEROS / 1-9999
02.12.00 / 00 HANDLES / 1-9999
2053586
15 211877 PARAFUSO SEXTAVADO TORNILLO HEXAGONAL 2,000 1-9999
HEXAGON SCREW
16 351830 BUJÃO TAPÓN DE CIERRE 2,000 1-9999
FILLER CAP
43 1505483 CHAPA DE COBERTURA CHAPA DE RECUBRIMIENTO 2,000 1-9999
COVER PLATE
44 216577 ARRUELA ARANDELA 4,000 1-9999
WASHER
45 234605 PARAFUSO DE CABEÇA CILÍNDRICA TORNILLO CILÍNDRICO 4,000 1-9999
CHEESE-HEAD SCREW
50 2035849 CHAPA CHAPA 1,000 13-9999
METAL PLATE
51 213667 PARAFUSO SEXTAVADO TORNILLO HEXAGONAL 2,000 13-9999
HEXAGONAL SCREW
52 216577 ARRUELA ARANDELA 2,000 13-9999
WASHER
53 614014 BORRACHA DE VEDAÇÃO (M) PERFIL DE GOMA ESPUMOSA (M) 1,000 13-9999
RUBBER PROFILLE (M)
02.15.00 / 00 REVESTIMENTO DO CHASSI / 1-9999
02.15.00 / 00 REVESTIMIENTO DEL CHASIS / 1-9999
02.15.00 / 00 INSTRUMENT PANEL CASE / 1-9999
96
93
91
96
96
43
89
93
92
94
95
94
98
96
90
96
43
POS Nº DE IDENT. DESIGNAÇÃO
DESIGNATION
DESIGNACIÓN QUANT. VALIDADE
02.15.00 / 00 REVESTIMENTO DO CHASSI / 1-9999
02.15.00 / 00 REVESTIMIENTO DEL CHASIS / 1-9999
02.15.00 / 00 INSTRUMENT PANEL CASE / 1-9999
2233791
43 1245945 BUJÃO BULÓN 4,000 1-9999
PLUG
89 1505327 PEÇA DE REVESTIMENTO ESQUERDO PIEZA DE RECUBRIMIENTO IZQUIERDA 1,000 1-9999
MOULDING PART LEFT
90 1505335 PEÇA DE REVESTIMENTO DIREITO PIEZA DE RECUBRIMIENTO DERECHA 1,000 1-9999
MOULDING PART RIGHT
91 1496395 SUPORTE SOPORTE 1,000 1-9999
SUPPORT
92 1496409 SUPORTE SOPORTE 1,000 1-9999
SUPPORT
93 214396 PARAFUSO DE CABEÇA CILÍNDRICA TORNILLO CILÍNDRICO 2,000 1-9999
CHEESE-HEAD SCREW
94 1223518 ABRAÇADEIRA PARA CABO CINTA DE CABLE 2,000 1-9999
CABLE TAPE
95 1496506 FOLE FUELLE 1,000 1-9999
BELLOWS
96 1270494 PARAFUSO DE CABEÇA OVAL TORNILLO ALOMADO PULIDO 21,000 1-9999
FILLISTER HEAD SCREW
98 1505343 PEÇA DE REVESTIMENTO SUPERIOR PIEZA DE RECUBRIMIENTO ARRIBA 1,000 1-9999
MOULDING PART ABOVE
02.20.00 / 00 REVESTIMENTO DO PAINEL DE CONTROLE / 1-9999
02.20.00 / 00 REVESTIMIENTO DEL PANEL DE CONTROL / 1-9999
02.20.00 / 00 INSTRUMENT PANEL COVERING / 1-9999
13
11
8
5
10
14 6.01
6
16
4
3
1
10
7
12
9
15
2
POS Nº DE IDENT. DESIGNAÇÃO
DESIGNATION
DESIGNACIÓN QUANT. VALIDADE
02.20.00 / 00 REVESTIMENTO DO PAINEL DE CONTROLE / 1-9999
02.20.00 / 00 REVESTIMIENTO DEL PANEL DE CONTROL / 1-9999
02.20.00 / 00 INSTRUMENT PANEL COVERING / 1-9999
2053591
1 1505270 REVESTIMENTO PAINEL DE CONTROLE REVESTIMIENTO PANEL CONTROL 1,000 1-9999
INSTRUMENT PANEL COVERING
2 1505351 BUCHA DISTANCIADORA CASQUILLO DISTANCIADOR 2,000 1-9999
DISTANCE BUSH
3 213780 PARAFUSO SEXTAVADO TORNILLO HEXAGONAL 2,000 1-9999
HEXAGON SCREW
4 216577 ARRUELA ARANDELA 2,000 1-9999
WASHER
5 870927 SUPORTE SOPORTE 1,000 1-9999
SUPPORT
6 388106 FECHO CERRADURA INCORPORADA 1,000 1-9999
BUILT-IN LOCK
6.01 367125 CHAVE LLAVE 1,000 1-9999
KEY
7 1505319 ABRAÇADEIRA DE FIXAÇÃO ARANDELA DE FIJACIÓN 1,000 1-9999
MOUNTING CLIP
8 367567 PARAFUSO DE CABEÇA CILÍNDRICA TORNILLO CILÍNDRICO 2,000 1-9999
CHEESE-HEAD SCREW
9 1270648 PORCA SEXTAVADA TUERCA HEXAGONAL 2,000 1-9999
HEXAGON NUT
10 216569 ARRUELA ARANDELA 4,000 1-9999
WASHER
11 1505262 PEÇA DE REVESTIMENTO PIEZA DE RECUBRIMIENTO 1,000 1-9999
MOULDING PART
12 1270737 ABRAÇADEIRA ABRAZADERA 1,000 1-9999
CLAMP
13 272809 PARAFUSO DE CABEÇA OVAL TORNILLO ALOMADO PULIDO 2,000 1-9999
FILLISTER HEAD SCREW
02.20.00 / 00 REVESTIMENTO DO PAINEL DE CONTROLE / 1-9999
02.20.00 / 00 REVESTIMIENTO DEL PANEL DE CONTROL / 1-9999
02.20.00 / 00 INSTRUMENT PANEL COVERING / 1-9999
13
11
8
5
10
14 6.01
6
16
4
3
1
10
7
12
9
15
2
POS Nº DE IDENT. DESIGNAÇÃO
DESIGNATION
DESIGNACIÓN QUANT. VALIDADE
02.20.00 / 00 REVESTIMENTO DO PAINEL DE CONTROLE / 1-9999
02.20.00 / 00 REVESTIMIENTO DEL PANEL DE CONTROL / 1-9999
02.20.00 / 00 INSTRUMENT PANEL COVERING / 1-9999
2053591
14 1501860 ANEL ESPAÇADOR ANILLO DE DISTANCIA 1,000 1-9999
RING
15 1273906 PARAFUSO AUTO ATARRAXANTE TORNILLO DE CHAPA 2,000 1-9999
SHEET METAL SCREW
16 1260316 CAPUZ PROTETOR CAPERUZA DE PROTECCIÓN 2,000 1-9999
PROTECTING CAP
02.25.01 / 00 CABINA DO OPERADOR, PÁGINA 1 / 1-9999
02.25.01 / 00 CABINA DEL CONDUCTOR, PÁGINA 1 / 1-9999
02.25.01 / 00 OPERATORS CABIN, PAGE 1 / 1-9999
90
81
101
1.01
1
62
33
73
75
77
76
69.01
69
82
79
74
54
44
31
5
3
42
30
18
24
6
10
4
43
23
POS Nº DE IDENT. DESIGNAÇÃO
DESIGNATION
DESIGNACIÓN QUANT. VALIDADE
02.25.01 / 00 CABINA DO OPERADOR, PÁGINA 1 / 1-9999
02.25.01 / 00 CABINA DEL CONDUCTOR, PÁGINA 1 / 1-9999
02.25.01 / 00 OPERATORS CABIN, PAGE 1 / 1-9999
2053590
1 1489550 CABINA DO CONDUTOR COMPLETA CABINA DEL CONDUCTOR COMPLETA 1,000 1-9999
DRIVER'S CABIN COMPLETE
1.01 1272624 BASTIDOR BASTIDOR 1,000 1-9999
FRAME
3 1272306 AMARRAÇÃO RIOSTRA 1,000 1-9999
BRACING
4 1291556 PORTA DA CABINA, DIREITA PUERTA DE CABINA DERECHA 1,000 1-9999
CABIN DOOR, RIGHT
5 1291548 PORTA DA CABINA, ESQUERDA PUERTA DE CABINA IZQUIERDA 1,000 1-9999
CABIN DOOR, LEFT
6 1249304 SAÍDA DE AR SALIDA DE AIRE 2,000 1-9999
AIR OUTLET
10 1272470 PÁRA-BRISA VIDRIO FRONTAL 1,000 1-9999
FRONT WINDOW
18 1272144 BUCHA CASQUILLO 2,000 1-9999
BUSHING
23 1240609 BARRA DE RETENÇÃO BARRA DE SUJECIÓN 1,000 1-9999
STAY BAR
24 1240617 BARRA DE RETENÇÃO BARRA DE SUJECIÓN 1,000 1-9999
STAY BAR
30 1272330 PEÇA DE REVESTIMENTO PIEZA DE RECUBRIMIENTO 1,000 1-9999
MOULDING PART
31 1272322 PEÇA DE REVESTIMENTO PIEZA DE RECUBRIMIENTO 1,000 1-9999
MOULDING PART
33 1240951 TAMPA TAPA 2,000 1-9999
COVER
42 1272381 PEÇA DE REVESTIMENTO PIEZA DE RECUBRIMIENTO 1,000 1-9999
MOULDING PART
02.25.01 / 00 CABINA DO OPERADOR, PÁGINA 1 / 1-9999
02.25.01 / 00 CABINA DEL CONDUCTOR, PÁGINA 1 / 1-9999
02.25.01 / 00 OPERATORS CABIN, PAGE 1 / 1-9999
90
81
101
1.01
1
62
33
73
75
77
76
69.01
69
82
79
74
54
44
31
5
3
42
30
18
24
6
10
4
43
23
POS Nº DE IDENT. DESIGNAÇÃO
DESIGNATION
DESIGNACIÓN QUANT. VALIDADE
02.25.01 / 00 CABINA DO OPERADOR, PÁGINA 1 / 1-9999
02.25.01 / 00 CABINA DEL CONDUCTOR, PÁGINA 1 / 1-9999
02.25.01 / 00 OPERATORS CABIN, PAGE 1 / 1-9999
2053590
43 1272373 PEÇA DE REVESTIMENTO PIEZA DE RECUBRIMIENTO 1,000 1-9999
MOULDING PART
44 1272365 PEÇA DE REVESTIMENTO PIEZA DE RECUBRIMIENTO 1,000 1-9999
MOULDING PART
54 1272357 PEÇA DE REVESTIMENTO PIEZA DE RECUBRIMIENTO 1,000 1-9999
MOULDING PART
62 1272810 PARAFUSO AUTO ATARRAXANTE TORNILLO DE CHAPA 4,000 1-9999
SHEET METAL SCREW
69 1272209 HOLOFOTE DE TRABALHO FARO DE TRABAJO 4,000 1-9999
WORKING LIGHT
69.01 366528 LANTERNA LÁMPARA 1,000 1-9999
LAMP
73 1240625 ESPELHO ESPEJO 2,000 1-9999
MIRROR
74 1272187 LIMPADOR DO PÁRA-BRISA BARREDERA DE CAUCHO-LIMPIAPARABRISAS 1,000 1-9999
WINDSHIELD RUBBER
75 1272160 LIMPADOR DO PÁRA-BRISA BARREDERA DE CAUCHO-LIMPIAPARABRISAS 1,000 1-9999
WINDSHIELD RUBBER
76 1272152 BRAÇO DO LIMPADOR DO PÁRA-BRISA LIMPIAPARABRISAS 1,000 1-9999
WIPER ARM
77 1272179 BRAÇO DO LIMPADOR DO PÁRA-BRISA LIMPIAPARABRISAS 1,000 1-9999
WIPER ARM
79 1291513 FIXAÇÃO FIJACIÓN 4,000 1-9999
MOUNTING
81 1287486 PERFIL DE VEDAÇÃO PERFIL DE IMPERMEABILIZACIÓN 2,000 1-9999
SEALING PROFILE
82 2035419 CORTINA PROTETORA SOLAR FILTRO SOLAR 1,000 1-244
SUN SCREEN
02.25.01 / 00 CABINA DO OPERADOR, PÁGINA 1 / 1-9999
02.25.01 / 00 CABINA DEL CONDUCTOR, PÁGINA 1 / 1-9999
02.25.01 / 00 OPERATORS CABIN, PAGE 1 / 1-9999
90
81
101
1.01
1
62
33
73
75
77
76
69.01
69
82
79
74
54
44
31
5
3
42
30
18
24
6
10
4
43
23
POS Nº DE IDENT. DESIGNAÇÃO
DESIGNATION
DESIGNACIÓN QUANT. VALIDADE
02.25.01 / 00 CABINA DO OPERADOR, PÁGINA 1 / 1-9999
02.25.01 / 00 CABINA DEL CONDUCTOR, PÁGINA 1 / 1-9999
02.25.01 / 00 OPERATORS CABIN, PAGE 1 / 1-9999
2053590
90 1270265 JOGO DE ADESIVOS JUEGO DE ADHESIVO 2,000 1-9999
ADHESIVE SET
101 1282670 BICO LAVADOR DO PÁRA-BRISA TOBERA DE ASPERSIÓN 1,000 1-9999
SPRINKLER NOZZLE
02.25.02 / 00 CABINA DO OPERADOR, PÁGINA 2 / 1-9999
02.25.02 / 00 CABINA DEL CONDUCTOR, PÁGINA 2 / 1-9999
02.25.02 / 00 OPERATORS CABIN, PAGE 2 / 1-9999
55.02
55.01
55
21
18
20
48
2
16
35
66
7
49
1
34
25
8
64
63
46
13
17
14
POS Nº DE IDENT. DESIGNAÇÃO
DESIGNATION
DESIGNACIÓN QUANT. VALIDADE
02.25.02 / 00 CABINA DO OPERADOR, PÁGINA 2 / 1-9999
02.25.02 / 00 CABINA DEL CONDUCTOR, PÁGINA 2 / 1-9999
02.25.02 / 00 OPERATORS CABIN, PAGE 2 / 1-9999
2014371
1 1272314 CARCAÇA CARCASA 1,000 1-9999
HOUSING
2 1272691 ANEL ANILLO 4,000 1-9999
RING
7 1241079 CAPUZ CAPERUZA 2,000 1-9999
CAP
8 1241087 CAPUZ CAPERUZA 2,000 1-9999
CAP
13 216461 PORCA SEXTAVADA TUERCA HEXAGONAL 4,000 1-9999
HEXAGON NUT
14 216453 PORCA SEXTAVADA TUERCA HEXAGONAL 2,000 1-9999
HEXAGON NUT
16 216437 PORCA SEXTAVADA TUERCA HEXAGONAL 2,000 1-9999
HEXAGON NUT
17 216445 PORCA SEXTAVADA TUERCA HEXAGONAL 2,000 1-9999
HEXAGON NUT
18 1272144 BUCHA CASQUILLO 2,000 1-9999
BUSHING
20 1272403 LUVA DE BORRACHA BOQUILLA DE GOMA 1,000 1-9999
RUBBER SLEEVE
21 1249177 ARRUELA DE BORRACHA BOQUILLA DE CABLE 4,000 1-9999
CABLE BUSHING
25 1248669 GRAXEIRA ENGRASADOR 4,000 1-9999
GREASING NIPPLE
34 1272128 MOLA A GÁS AMORTIGUADOR NEUMÁTICO 2,000 1-9999
GAS SPRING
35 1270044 MOTOR DO LIMPADOR DE PÁRA-BRISA MOTOR DEL LIMPIAPARABRISAS 1,000 1-9999
WIPER MOTOR
02.25.02 / 00 CABINA DO OPERADOR, PÁGINA 2 / 1-9999
02.25.02 / 00 CABINA DEL CONDUCTOR, PÁGINA 2 / 1-9999
02.25.02 / 00 OPERATORS CABIN, PAGE 2 / 1-9999
55.02
55.01
55
21
18
20
48
2
16
35
66
7
49
1
34
25
8
64
63
46
13
17
14
POS Nº DE IDENT. DESIGNAÇÃO
DESIGNATION
DESIGNACIÓN QUANT. VALIDADE
02.25.02 / 00 CABINA DO OPERADOR, PÁGINA 2 / 1-9999
02.25.02 / 00 CABINA DEL CONDUCTOR, PÁGINA 2 / 1-9999
02.25.02 / 00 OPERATORS CABIN, PAGE 2 / 1-9999
2014371
46 1272659 ARRUELA ARANDELA 8,000 1-9999
WASHER
48 216577 ARRUELA ARANDELA 2,000 1-9999
WASHER
49 216593 ARRUELA ARANDELA 14,000 1-9999
WASHER
55 1272195 TANQUE COM BOMBA CONTENEDOR CON BOMBA 1,000 1-9999
TANK WITH PUMP
55.01 1276646 TAMPA TAPA 1,000 1-9999
COVER
55.02 1276654 BOMBA BOMBA 1,000 1-9999
PUMP
63 213802 PARAFUSO SEXTAVADO TORNILLO HEXAGONAL 6,000 1-9999
HEXAGON SCREW
64 213594 PARAFUSO SEXTAVADO TORNILLO HEXAGONAL 4,000 1-9999
HEXAGON SCREW
66 213799 PARAFUSO SEXTAVADO TORNILLO HEXAGONAL 2,000 1-9999
HEXAGON SCREW
02.25.03 / 00 CABINA DO OPERADOR, PÁGINA 3 / 1-9999
02.25.03 / 00 CABINA DEL CONDUCTOR, PÁGINA 3 / 1-9999
02.25.03 / 00 OPERATORS CABIN, PAGE 3 / 1-9999
90
100
12.01
79
82
78
80
67
68
70
11
65
45
37
22
21
52
12
POS Nº DE IDENT. DESIGNAÇÃO
DESIGNATION
DESIGNACIÓN QUANT. VALIDADE
02.25.03 / 00 CABINA DO OPERADOR, PÁGINA 3 / 1-9999
02.25.03 / 00 CABINA DEL CONDUCTOR, PÁGINA 3 / 1-9999
02.25.03 / 00 OPERATORS CABIN, PAGE 3 / 1-9999
2053593
11 1272543 VIDRO TRASEIRO LUNA TRASERA 1,000 1-9999
REAR PANE
12 1272551 VIDRO LUNA 1,000 1-9999
PANE
12.01 1276891 VIDRO LUNA 1,000 1-9999
PANE
21 1249177 ARRUELA DE BORRACHA BOQUILLA DE CABLE 4,000 1-9999
CABLE BUSHING
22 1270036 MOTOR DO LIMPADOR DE PÁRA-BRISA MOTOR DEL LIMPIAPARABRISAS 1,000 1-9999
WIPER MOTOR
37 1234250 PORCA SERRILHADA TUERCA MOLETEADA 2,000 1-9999
KNURLED NUT
45 1272705 REBITE REMACHE 6,000 1-9999
RIVET
52 1272411 BUJÃO BULÓN 1,000 1-9999
PLUG
65 213748 PARAFUSO SEXTAVADO TORNILLO HEXAGONAL 10,000 1-9999
HEXAGON SCREW
67 1263757 CABLAGEM MAZO DE CABLES 1,000 1-9999
WIRE HARNESS
68 1272292 TUBO GUIA TUBO GUÍA 1,000 1-9999
GUIDE TUBE
70 1240854 CHAVE DE CONTATO DA PORTA INTERRUPTOR DE CONTACTO PUERTA 2,000 1-9999
DOOR CONTACT SWITCH
78 1272446 CORTINA PROTETORA SOLAR FILTRO SOLAR 1,000 1-244
SUN SCREEN
78 2035419 CORTINA PROTETORA SOLAR FILTRO SOLAR 1,000 245-9999
SUN SCREEN
02.25.03 / 00 CABINA DO OPERADOR, PÁGINA 3 / 1-9999
02.25.03 / 00 CABINA DEL CONDUCTOR, PÁGINA 3 / 1-9999
02.25.03 / 00 OPERATORS CABIN, PAGE 3 / 1-9999
90
100
12.01
79
82
78
80
67
68
70
11
65
45
37
22
21
52
12
POS Nº DE IDENT. DESIGNAÇÃO
DESIGNATION
DESIGNACIÓN QUANT. VALIDADE
02.25.03 / 00 CABINA DO OPERADOR, PÁGINA 3 / 1-9999
02.25.03 / 00 CABINA DEL CONDUCTOR, PÁGINA 3 / 1-9999
02.25.03 / 00 OPERATORS CABIN, PAGE 3 / 1-9999
2053593
79 1291513 FIXAÇÃO FIJACIÓN 4,000 1-9999
MOUNTING
80 1272462 ARTICULAÇÃO DE HASTES VARILLAJE 2,000 1-9999
LINKAGE
82 2035419 CORTINA PROTETORA SOLAR FILTRO SOLAR 1,000 1-9999
SUN SCREEN
90 1270265 JOGO DE ADESIVOS JUEGO DE ADHESIVO 2,000 1-9999
ADHESIVE SET
100 1283499 BICO LAVADOR DO PÁRA-BRISA TOBERA DE ASPERSIÓN 1,000 1-9999
SPRINKLER NOZZLE
02.25.04 / 00 CABINA DO OPERADOR, PÁGINA 4 / 1-9999
02.25.04 / 00 CABINA DEL CONDUCTOR, PÁGINA 4 / 1-9999
02.25.04 / 00 OPERATORS CABIN, PAGE 4 / 1-9999
02.25.08
100.01
100
36.01
53
36
40
51
38
19
26
57
59
9
32
29
60
28
61
56
27
58
39
50
47
15
41
POS Nº DE IDENT. DESIGNAÇÃO
DESIGNATION
DESIGNACIÓN QUANT. VALIDADE
02.25.04 / 00 CABINA DO OPERADOR, PÁGINA 4 / 1-9999
02.25.04 / 00 CABINA DEL CONDUCTOR, PÁGINA 4 / 1-9999
02.25.04 / 00 OPERATORS CABIN, PAGE 4 / 1-9999
2053594
9 1240978 TAMPA TAPA 1,000 1-9999
COVER
15 249610 PORCA SEXTAVADA TUERCA HEXAGONAL 2,000 1-9999
HEXAGON NUT
19 1272136 ESPELHO RETROVISOR INTERNO RETROVISOR INTERIOR 1,000 1-9999
INSIDE MIRROR
26 1272241 INTERRUPTOR INTERRUPTOR 3,000 1-9999
SWITCH
27 1272217 INTERRUPTOR INTERRUPTOR 1,000 1-9999
SWITCH
28 1240773 INTERRUPTOR INTERRUPTOR 1,000 1-9999
SWITCH
29 1240803 INTERRUPTOR INTERRUPTOR 1,000 1-9999
SWITCH
32 1272284 LÂMPADA LÁMPARA 6,000 1-9999
LAMP
36 1272276 ILUMINAÇÃO INTERNA LUZ INTERIOR 1,000 1-9999
INSIDE LAMP
36.01 283150 LÂMPADA LÁMPARA 1,000 1-9999
LAMP
38 1272268 CONTATO DE ENCAIXAR BASE DE ENCHUFE 6,000 1-9999
HEADER
39 1258567 BASTIDOR BASTIDOR 4,000 1-9999
FRAME
40 1258559 BASTIDOR BASTIDOR 4,000 1-9999
FRAME
41 1248901 ARCO ESTRIBO 2,000 1-9999
BOW
02.25.04 / 00 CABINA DO OPERADOR, PÁGINA 4 / 1-9999
02.25.04 / 00 CABINA DEL CONDUCTOR, PÁGINA 4 / 1-9999
02.25.04 / 00 OPERATORS CABIN, PAGE 4 / 1-9999
02.25.08
100.01
100
36.01
53
36
40
51
38
19
26
57
59
9
32
29
60
28
61
56
27
58
39
50
47
15
41
POS Nº DE IDENT. DESIGNAÇÃO
DESIGNATION
DESIGNACIÓN QUANT. VALIDADE
02.25.04 / 00 CABINA DO OPERADOR, PÁGINA 4 / 1-9999
02.25.04 / 00 CABINA DEL CONDUCTOR, PÁGINA 4 / 1-9999
02.25.04 / 00 OPERATORS CABIN, PAGE 4 / 1-9999
2053594
47 1272667 ARRUELA ARANDELA 4,000 1-9999
WASHER
50 1240552 PARAFUSO DE FECHAMENTO PERNO DE CIERRE 2,000 1-9999
CLOSING BOLT
51 1240765 TAMPA TAPA 2,000 1-9999
COVER
53 1291521 PEÇA DE REVESTIMENTO PIEZA DE RECUBRIMIENTO 1,000 1-9999
MOULDING PART
56 1249215 SIMBOLO, FARÓIS DE TRABALHO DIANTEIROS SÍMBOLO, FAROS DE TRABAJO DELANTE 1,000 1-9999
SYMBOL, WORKING SPOTLIGHTS FRONT
57 1249223 SIMBOLO, FARÓIS DE TRABALHO TRASEIROS SÍMBOLO, FAROS DE TRABAJO DETRÁS 1,000 1-9999
SYMBOL, WORKING SPOTLIGHTS REAR
58 1262092 SÍMBOLO, LIMPADOR PÁRA-BRISA SÍMBOLO SISTEMA LIMPIAPARABRISAS 1,000 1-9999
SYMBOL WINDSHIELD WASHER
59 1272233 SÍMBOLO, LUZ ROTATIVA DIRECIONAL SÍMBOLO, LUZ GIRATORIA 1,000 1-9999
SYMBOL, ROTATING BEAM LIGHT
60 1240781 SÍMBOLO, LIMPADOR PÁRA-BRISA DIANTEIRO SÍMBOLO, LIMPIAPARABRISAS DELANTE 1,000 1-9999
SYMBOL, WIPER FRONT
61 1240811 SÍMBOLO, LIMPADOR PÁRA-BRISA TRASEIRO SÍMBOLO, LIMPIAPARABRISAS DETRÁS 1,000 1-9999
SYMBOL, WIPER REAR
100 384020 CAIXA DE FUSÍVEIS CAJA DE FUSIBLES PLANOS 1,000 1-9999
BLADE FUSE HOLDER
100.01 1200135 TAMPA TAPA 1,000 1-9999
COVER
02.25.05 / 00 CABINA DO OPERADOR, PÁGINA 5 / 1-9999
02.25.05 / 00 CABINA DEL CONDUCTOR, PÁGINA 5 / 1-9999
02.25.05 / 00 OPERATOR’S CABIN, PAGE 5 / 1-9999
1
6
4
8
5
2
3
9
7
POS Nº DE IDENT. DESIGNAÇÃO
DESIGNATION
DESIGNACIÓN QUANT. VALIDADE
02.25.05 / 00 CABINA DO OPERADOR, PÁGINA 5 / 1-9999
02.25.05 / 00 CABINA DEL CONDUCTOR, PÁGINA 5 / 1-9999
02.25.05 / 00 OPERATOR’S CABIN, PAGE 5 / 1-9999
2053596
1 1272802 DOBRADIÇA CHARNELA 2,000 1-9999
HINGE
2 1272799 TAMPA TAPA 1,000 1-9999
COVER
3 1272780 SUPORTE SOPORTE 3,000 1-9999
SUPPORT
4 1272772 DEPÓSITO DEPÓSITO 1,000 1-9999
PLACE OF DEPOSIT
5 1272764 SUPORTE SOPORTE 1,000 1-9999
SUPPORT
6 1272756 MAÇANETA ASIDERO 2,000 1-9999
HANDLE
7 1272748 SUPORTE SOPORTE 1,000 1-9999
SUPPORT
8 1272624 BASTIDOR BASTIDOR 1,000 1-9999
FRAME
9 1272675 PEÇA DE REVESTIMENTO PIEZA DE RECUBRIMIENTO 1,000 1-9999
MOULDING PART
02.25.06 / 00 CABINA DO OPERADOR, PÁGINA 6 / 1-9999
02.25.06 / 00 CABINA DEL CONDUCTOR, PÁGINA 6 / 1-9999
02.25.06 / 00 OPERATOR’S CABIN, PAGE 6 / 1-9999
13
90 17.01
40.01
40
42
41
14
20
36
21
37
35
34
38
3
12
39
27
28
9
25
33
17
11
23
31
1
32
29
5
30
18
2
4
10
24
7
26
14
22
13
8
15
16
19
6
POS Nº DE IDENT. DESIGNAÇÃO
DESIGNATION
DESIGNACIÓN QUANT. VALIDADE
02.25.06 / 00 CABINA DO OPERADOR, PÁGINA 6 / 1-9999
02.25.06 / 00 CABINA DEL CONDUCTOR, PÁGINA 6 / 1-9999
02.25.06 / 00 OPERATOR’S CABIN, PAGE 6 / 1-9999
2014419
1 1272047 DESVIO CAMBIO DE DIRECCIÓN 1,000 1-9999
DEVIATION
2 1272071 FIXAÇÃO FIJACIÓN 1,000 1-9999
MOUNTING
3 1291580 MAÇANETA MANECILLA 1,000 1-9999
HANDLE
4 1241079 CAPUZ CAPERUZA 3,000 1-9999
CAP
5 1272101 DOBRADIÇA CHARNELA 2,000 1-9999
HINGE
6 1272519 VIDRO LUNA 1,000 1-9999
PANE
7 1291572 VIDRO LUNA 1,000 1-9999
PANE
8 1272527 VIDRO LUNA 1,000 1-9999
PANE
9 216062 PORCA SEXTAVADA TUERCA HEXAGONAL 2,000 1-9999
HEXAGON NUT
10 216070 PORCA SEXTAVADA TUERCA HEXAGONAL 2,000 1-9999
HEXAGON NUT
11 1272063 PORCA SEXTAVADA TUERCA HEXAGONAL 2,000 1-9999
HEXAGON NUT
12 1291483 FIXAÇÃO FIJACIÓN 1,000 1-9999
MOUNTING
13 1289373 ESPAÇADOR PIEZA DISTANCIADORA 6,000 1-9999
SPACER BLOCK
14 1241036 ARRUELA DE BORRACHA BOQUILLA DE CABLE 3,000 1-9999
CABLE BUSHING
02.25.06 / 00 CABINA DO OPERADOR, PÁGINA 6 / 1-9999
02.25.06 / 00 CABINA DEL CONDUCTOR, PÁGINA 6 / 1-9999
02.25.06 / 00 OPERATOR’S CABIN, PAGE 6 / 1-9999
13
90 17.01
40.01
40
42
41
14
20
36
21
37
35
34
38
3
12
39
27
28
9
25
33
17
11
23
31
1
32
29
5
30
18
2
4
10
24
7
26
14
22
13
8
15
16
19
6
POS Nº DE IDENT. DESIGNAÇÃO
DESIGNATION
DESIGNACIÓN QUANT. VALIDADE
02.25.06 / 00 CABINA DO OPERADOR, PÁGINA 6 / 1-9999
02.25.06 / 00 CABINA DEL CONDUCTOR, PÁGINA 6 / 1-9999
02.25.06 / 00 OPERATOR’S CABIN, PAGE 6 / 1-9999
2014419
15 1272012 CHAPA SUPORTE CHAPA DE ASIENTO 1,000 1-9999
SUPPORTING PLATE
16 1272020 CHAPA SUPORTE CHAPA DE ASIENTO 1,000 1-9999
SUPPORTING PLATE
17 1287451 PERFIL DE VEDAÇÃO PERFIL DE IMPERMEABILIZACIÓN 3,700 1-9999
SEALING PROFILE
17.01 1291092 PERFIL DE VEDAÇÃO PERFIL DE IMPERMEABILIZACIÓN 1,150 1-9999
SEALING PROFILE
18 1272578 PERFIL DE VEDAÇÃO PERFIL DE IMPERMEABILIZACIÓN 1,000 1-9999
SEALING PROFILE
19 1272004 MAÇANETA EXTERNA TIRADOR EXTERIOR 1,000 1-9999
LOCK OUTSIDE HANDLE
20 1290568 CHAPA SUPORTE CHAPA DE ASIENTO 1,000 1-9999
SUPPORTING PLATE
21 216445 PORCA SEXTAVADA TUERCA HEXAGONAL 3,000 1-9999
HEXAGON NUT
22 1272098 FIXAÇÃO FIJACIÓN 1,000 1-9999
MOUNTING
23 1272705 REBITE REMACHE 4,000 1-9999
RIVET
24 260983 ARRUELA ARANDELA 2,000 1-9999
WASHER
25 216577 ARRUELA ARANDELA 3,000 1-9999
WASHER
26 1291475 ARRUELA ARANDELA 2,000 1-9999
WASHER
27 320862 ARRUELA DE TRAVAMENTO DENTADA ARANDELA ELÁSTICA DENTADA 3,000 1-9999
SERRATED LOCK WASHER
02.25.06 / 00 CABINA DO OPERADOR, PÁGINA 6 / 1-9999
02.25.06 / 00 CABINA DEL CONDUCTOR, PÁGINA 6 / 1-9999
02.25.06 / 00 OPERATOR’S CABIN, PAGE 6 / 1-9999
13
90 17.01
40.01
40
42
41
14
20
36
21
37
35
34
38
3
12
39
27
28
9
25
33
17
11
23
31
1
32
29
5
30
18
2
4
10
24
7
26
14
22
13
8
15
16
19
6
POS Nº DE IDENT. DESIGNAÇÃO
DESIGNATION
DESIGNACIÓN QUANT. VALIDADE
02.25.06 / 00 CABINA DO OPERADOR, PÁGINA 6 / 1-9999
02.25.06 / 00 CABINA DEL CONDUCTOR, PÁGINA 6 / 1-9999
02.25.06 / 00 OPERATOR’S CABIN, PAGE 6 / 1-9999
2014419
28 1240544 FECHADURA CERRADURA 1,000 1-9999
LOCK
29 1272055 SENSOR PALPADOR 1,000 1-9999
SENSOR
30 215422 PARAFUSO DE CABEÇA ESCAREADA TORNILLO AVELLANADO 6,000 1-9999
COUNTERSUNK SCREW
31 398721 PARAFUSO AUTO ATARRAXANTE TORNILLO DE CHAPA 2,000 1-9999
SHEET METAL SCREW
32 229911 PARAFUSO DE CABEÇA OVAL TORNILLO ALOMADO PULIDO 3,000 1-9999
FILLISTER HEAD SCREW
33 1291467 PARAFUSO DE CABEÇA ESCAREADA TORNILLO AVELLANADO 2,000 1-9999
COUNTERSUNK SCREW
34 265438 PARAFUSO PRISIONEIRO ESPÁRRAGO 2,000 1-9999
STUD BOLT
35 216593 ARRUELA ARANDELA 2,000 1-9999
WASHER
36 215406 PARAFUSO DE CABEÇA ESCAREADA TORNILLO AVELLANADO 1,000 1-9999
COUNTERSUNK SCREW
37 216070 PORCA SEXTAVADA TUERCA HEXAGONAL 2,000 1-9999
HEXAGON NUT
38 216593 ARRUELA ARANDELA 1,000 1-9999
WASHER
39 211850 PARAFUSO SEXTAVADO TORNILLO HEXAGONAL 1,000 1-9999
HEXAGON SCREW
40 1291556 PORTA DA CABINA, DIREITA PUERTA DE CABINA DERECHA 1,000 1-9999
CABIN DOOR, RIGHT
40.01 1291564 MOLDURA DA PORTA CHASIS DE LA PUERTA 1,000 1-9999
DOOR FRAME
02.25.06 / 00 CABINA DO OPERADOR, PÁGINA 6 / 1-9999
02.25.06 / 00 CABINA DEL CONDUCTOR, PÁGINA 6 / 1-9999
02.25.06 / 00 OPERATOR’S CABIN, PAGE 6 / 1-9999
13
90 17.01
40.01
40
42
41
14
20
36
21
37
35
34
38
3
12
39
27
28
9
25
33
17
11
23
31
1
32
29
5
30
18
2
4
10
24
7
26
14
22
13
8
15
16
19
6
POS Nº DE IDENT. DESIGNAÇÃO
DESIGNATION
DESIGNACIÓN QUANT. VALIDADE
02.25.06 / 00 CABINA DO OPERADOR, PÁGINA 6 / 1-9999
02.25.06 / 00 CABINA DEL CONDUCTOR, PÁGINA 6 / 1-9999
02.25.06 / 00 OPERATOR’S CABIN, PAGE 6 / 1-9999
2014419
41 1272888 ARTICULAÇÃO DE HASTES VARILLAJE 1,000 1-9999
LINKAGE
42 1272918 PEÇA DE REVESTIMENTO PIEZA DE RECUBRIMIENTO 1,000 1-9999
MOULDING PART
90 1270265 JOGO DE ADESIVOS JUEGO DE ADHESIVO 1,000 1-9999
ADHESIVE SET
02.25.07 / 00 CABINA DO OPERADOR, PÁGINA 7 / 1-9999
02.25.07 / 00 CABINA DEL CONDUCTOR, PÁGINA 7 / 1-9999
02.25.07 / 00 OPERATOR’S CABIN, PAGE 7 / 1-9999
90
17.01
42
41
40.01
40
38
39
37
36
14
35
34
20
21
12
3
13
13
26
24
14
10
4
9
27
30
5
22
7
6
8
29
18
17
2
23
15
19
16
32
28
1
31
11
25
33
POS Nº DE IDENT. DESIGNAÇÃO
DESIGNATION
DESIGNACIÓN QUANT. VALIDADE
02.25.07 / 00 CABINA DO OPERADOR, PÁGINA 7 / 1-9999
02.25.07 / 00 CABINA DEL CONDUCTOR, PÁGINA 7 / 1-9999
02.25.07 / 00 OPERATOR’S CABIN, PAGE 7 / 1-9999
2014488
1 1272039 DESVIO CAMBIO DE DIRECCIÓN 1,000 1-9999
DEVIATION
2 1272071 FIXAÇÃO FIJACIÓN 1,000 1-9999
MOUNTING
3 1291246 MAÇANETA MANECILLA 1,000 1-9999
HANDLE
4 1241079 CAPUZ CAPERUZA 3,000 1-9999
CAP
5 1272101 DOBRADIÇA CHARNELA 2,000 1-9999
HINGE
6 1272489 VIDRO LUNA 1,000 1-9999
PANE
7 1291491 VIDRO LUNA 1,000 1-9999
PANE
8 1272497 VIDRO LUNA 1,000 1-9999
PANE
9 216062 PORCA SEXTAVADA TUERCA HEXAGONAL 2,000 1-9999
HEXAGON NUT
10 216070 PORCA SEXTAVADA TUERCA HEXAGONAL 2,000 1-9999
HEXAGON NUT
11 1272063 PORCA SEXTAVADA TUERCA HEXAGONAL 2,000 1-9999
HEXAGON NUT
12 1291483 FIXAÇÃO FIJACIÓN 1,000 1-9999
MOUNTING
13 1289373 ESPAÇADOR PIEZA DISTANCIADORA 6,000 1-9999
SPACER BLOCK
14 1241036 ARRUELA DE BORRACHA BOQUILLA DE CABLE 3,000 1-9999
CABLE BUSHING
02.25.07 / 00 CABINA DO OPERADOR, PÁGINA 7 / 1-9999
02.25.07 / 00 CABINA DEL CONDUCTOR, PÁGINA 7 / 1-9999
02.25.07 / 00 OPERATOR’S CABIN, PAGE 7 / 1-9999
90
17.01
42
41
40.01
40
38
39
37
36
14
35
34
20
21
12
3
13
13
26
24
14
10
4
9
27
30
5
22
7
6
8
29
18
17
2
23
15
19
16
32
28
1
31
11
25
33
POS Nº DE IDENT. DESIGNAÇÃO
DESIGNATION
DESIGNACIÓN QUANT. VALIDADE
02.25.07 / 00 CABINA DO OPERADOR, PÁGINA 7 / 1-9999
02.25.07 / 00 CABINA DEL CONDUCTOR, PÁGINA 7 / 1-9999
02.25.07 / 00 OPERATOR’S CABIN, PAGE 7 / 1-9999
2014488
15 1272012 CHAPA SUPORTE CHAPA DE ASIENTO 1,000 1-9999
SUPPORTING PLATE
16 1272020 CHAPA SUPORTE CHAPA DE ASIENTO 1,000 1-9999
SUPPORTING PLATE
17 1287451 PERFIL DE VEDAÇÃO PERFIL DE IMPERMEABILIZACIÓN 3,700 1-9999
SEALING PROFILE
17.01 1291092 PERFIL DE VEDAÇÃO PERFIL DE IMPERMEABILIZACIÓN 1,150 1-9999
SEALING PROFILE
18 1272578 PERFIL DE VEDAÇÃO PERFIL DE IMPERMEABILIZACIÓN 1,000 1-9999
SEALING PROFILE
19 1272004 MAÇANETA EXTERNA TIRADOR EXTERIOR 1,000 1-9999
LOCK OUTSIDE HANDLE
20 1290568 CHAPA SUPORTE CHAPA DE ASIENTO 1,000 1-9999
SUPPORTING PLATE
21 216445 PORCA SEXTAVADA TUERCA HEXAGONAL 3,000 1-9999
HEXAGON NUT
22 1272098 FIXAÇÃO FIJACIÓN 1,000 1-9999
MOUNTING
23 1272705 REBITE REMACHE 4,000 1-9999
RIVET
24 260983 ARRUELA ARANDELA 2,000 1-9999
WASHER
25 216577 ARRUELA ARANDELA 3,000 1-9999
WASHER
26 1291475 ARRUELA ARANDELA 2,000 1-9999
WASHER
27 320862 ARRUELA DE TRAVAMENTO DENTADA ARANDELA ELÁSTICA DENTADA 3,000 1-9999
SERRATED LOCK WASHER
02.25.07 / 00 CABINA DO OPERADOR, PÁGINA 7 / 1-9999
02.25.07 / 00 CABINA DEL CONDUCTOR, PÁGINA 7 / 1-9999
02.25.07 / 00 OPERATOR’S CABIN, PAGE 7 / 1-9999
90
17.01
42
41
40.01
40
38
39
37
36
14
35
34
20
21
12
3
13
13
26
24
14
10
4
9
27
30
5
22
7
6
8
29
18
17
2
23
15
19
16
32
28
1
31
11
25
33
POS Nº DE IDENT. DESIGNAÇÃO
DESIGNATION
DESIGNACIÓN QUANT. VALIDADE
02.25.07 / 00 CABINA DO OPERADOR, PÁGINA 7 / 1-9999
02.25.07 / 00 CABINA DEL CONDUCTOR, PÁGINA 7 / 1-9999
02.25.07 / 00 OPERATOR’S CABIN, PAGE 7 / 1-9999
2014488
28 1240536 FECHADURA CERRADURA 1,000 1-9999
LOCK
29 1272055 SENSOR PALPADOR 1,000 1-9999
SENSOR
30 215422 PARAFUSO DE CABEÇA ESCAREADA TORNILLO AVELLANADO 6,000 1-9999
COUNTERSUNK SCREW
31 398721 PARAFUSO AUTO ATARRAXANTE TORNILLO DE CHAPA 2,000 1-9999
SHEET METAL SCREW
32 229911 PARAFUSO DE CABEÇA OVAL TORNILLO ALOMADO PULIDO 3,000 1-9999
FILLISTER HEAD SCREW
33 1291467 PARAFUSO DE CABEÇA ESCAREADA TORNILLO AVELLANADO 2,000 1-9999
COUNTERSUNK SCREW
34 265438 PARAFUSO PRISIONEIRO ESPÁRRAGO 2,000 1-9999
STUD BOLT
35 216593 ARRUELA ARANDELA 2,000 1-9999
WASHER
36 215406 PARAFUSO DE CABEÇA ESCAREADA TORNILLO AVELLANADO 1,000 1-9999
COUNTERSUNK SCREW
37 216070 PORCA SEXTAVADA TUERCA HEXAGONAL 2,000 1-9999
HEXAGON NUT
38 216593 ARRUELA ARANDELA 1,000 1-9999
WASHER
39 211850 PARAFUSO SEXTAVADO TORNILLO HEXAGONAL 1,000 1-9999
HEXAGON SCREW
40 1291548 PORTA DA CABINA, ESQUERDA PUERTA DE CABINA IZQUIERDA 1,000 1-9999
CABIN DOOR, LEFT
40.01 1291459 MOLDURA DA PORTA CHASIS DE LA PUERTA 1,000 1-9999
DOOR FRAME
02.25.07 / 00 CABINA DO OPERADOR, PÁGINA 7 / 1-9999
02.25.07 / 00 CABINA DEL CONDUCTOR, PÁGINA 7 / 1-9999
02.25.07 / 00 OPERATOR’S CABIN, PAGE 7 / 1-9999
90
17.01
42
41
40.01
40
38
39
37
36
14
35
34
20
21
12
3
13
13
26
24
14
10
4
9
27
30
5
22
7
6
8
29
18
17
2
23
15
19
16
32
28
1
31
11
25
33
POS Nº DE IDENT. DESIGNAÇÃO
DESIGNATION
DESIGNACIÓN QUANT. VALIDADE
02.25.07 / 00 CABINA DO OPERADOR, PÁGINA 7 / 1-9999
02.25.07 / 00 CABINA DEL CONDUCTOR, PÁGINA 7 / 1-9999
02.25.07 / 00 OPERATOR’S CABIN, PAGE 7 / 1-9999
2014488
41 1272888 ARTICULAÇÃO DE HASTES VARILLAJE 1,000 1-9999
LINKAGE
42 1272861 PEÇA DE REVESTIMENTO PIEZA DE RECUBRIMIENTO 1,000 1-9999
MOULDING PART
90 1270265 JOGO DE ADESIVOS JUEGO DE ADHESIVO 1,000 1-9999
ADHESIVE SET
02.25.08 / 00 CABINA DO OPERADOR, PÁGINA 8 / 1-9999
02.25.08 / 00 CABINA DEL CONDUCTOR, PÁGINA 8 / 1-9999
02.25.08 / 00 OPERATOR’S CABIN, PAGE 8 / 1-9999
POS Nº DE IDENT. DESIGNAÇÃO
DESIGNATION
DESIGNACIÓN QUANT. VALIDADE
02.25.08 / 00 CABINA DO OPERADOR, PÁGINA 8 / 1-9999
02.25.08 / 00 CABINA DEL CONDUCTOR, PÁGINA 8 / 1-9999
02.25.08 / 00 OPERATOR’S CABIN, PAGE 8 / 1-9999
2053600
1 1489550 CABINA DO CONDUTOR COMPLETA CABINA DEL CONDUCTOR COMPLETA 1,000 1-9999
DRIVER'S CABIN COMPLETE
2 1497812 CAPACHO ALFOMBRILLA PARA LOS PIES 1,000 1-9999
FLOOR MAT
3 351652 PARAFUSO SEXTAVADO TORNILLO HEXAGONAL 2,000 1-9999
HEXAGON SCREW
4 358436 ARRUELA ARANDELA 4,000 1-9999
WASHER
5 361763 PORCA SEXTAVADA TUERCA HEXAGONAL 2,000 1-9999
HEXAGON NUT
6 1208721 PARAFUSO SEXTAVADO TORNILLO HEXAGONAL 4,000 1-9999
HEXAGON SCREW
7 1210106 ARRUELA ARANDELA 4,000 1-9999
WASHER
8 614022 PERFIL DE BORRACHA (M) PERFIL DE GOMA ESPUMOSA (M) 3,000 1-9999
RUBBER PROFILE (M)
26 1272241 INTERRUPTOR INTERRUPTOR 3,000 1-9999
SWITCH
27 1272217 INTERRUPTOR INTERRUPTOR 1,000 1-9999
SWITCH
28 1240773 INTERRUPTOR INTERRUPTOR 1,000 1-9999
SWITCH
29 1240803 INTERRUPTOR INTERRUPTOR 1,000 1-9999
SWITCH
50 1523090 ETIQUETA HAMM ETIQUETA HAMM 1,000 1-9999
STICKER HAMM
51 1240765 TAMPA TAPA 2,000 1-9999
COVER
02.25.08 / 00 CABINA DO OPERADOR, PÁGINA 8 / 1-9999
02.25.08 / 00 CABINA DEL CONDUCTOR, PÁGINA 8 / 1-9999
02.25.08 / 00 OPERATOR’S CABIN, PAGE 8 / 1-9999
POS Nº DE IDENT. DESIGNAÇÃO
DESIGNATION
DESIGNACIÓN QUANT. VALIDADE
02.25.08 / 00 CABINA DO OPERADOR, PÁGINA 8 / 1-9999
02.25.08 / 00 CABINA DEL CONDUCTOR, PÁGINA 8 / 1-9999
02.25.08 / 00 OPERATOR’S CABIN, PAGE 8 / 1-9999
2053600
56 1249215 SIMBOLO, FARÓIS DE TRABALHO DIANTEIROS SÍMBOLO, FAROS DE TRABAJO DELANTE 1,000 1-9999
SYMBOL, WORKING SPOTLIGHTS FRONT
57 1249223 SIMBOLO, FARÓIS DE TRABALHO TRASEIROS SÍMBOLO, FAROS DE TRABAJO DETRÁS 1,000 1-9999
SYMBOL, WORKING SPOTLIGHTS REAR
58 1262092 SÍMBOLO, LIMPADOR PÁRA-BRISA SÍMBOLO SISTEMA LIMPIAPARABRISAS 1,000 1-9999
SYMBOL WINDSHIELD WASHER
59 1272233 SÍMBOLO, LUZ ROTATIVA DIRECIONAL SÍMBOLO, LUZ GIRATORIA 1,000 1-9999
SYMBOL, ROTATING BEAM LIGHT
60 1240781 SÍMBOLO, LIMPADOR PÁRA-BRISA DIANTEIRO SÍMBOLO, LIMPIAPARABRISAS DELANTE 1,000 1-9999
SYMBOL, WIPER FRONT
61 1240811 SÍMBOLO, LIMPADOR PÁRA-BRISA TRASEIRO SÍMBOLO, LIMPIAPARABRISAS DETRÁS 1,000 1-9999
SYMBOL, WIPER REAR
02.30.01 / 00 CALEFAÇÃO DA CABINA, PÁGINA 1 / 1-9999
02.30.01 / 00 CALEFACCIÓN DE CABINA, PÁGINA 1 / 1-9999
02.30.01 / 00 CABIN-HEATING, PAGE 1 / 1-9999
32
125 132
128
127
133
131
130
126
30
110
112
28
117
119
118
114 113
300
116
115
111
114
27
25
26.02
26
26.01
26
25
32
31
1.02
1.01
1
114
134
252
119
POS Nº DE IDENT. DESIGNAÇÃO
DESIGNATION
DESIGNACIÓN QUANT. VALIDADE
02.30.01 / 00 CALEFAÇÃO DA CABINA, PÁGINA 1 / 1-9999
02.30.01 / 00 CALEFACCIÓN DE CABINA, PÁGINA 1 / 1-9999
02.30.01 / 00 CABIN-HEATING, PAGE 1 / 1-9999
2053602
1 1502340 CALEFAÇÃO DA CABINA CALEFACCIÓN DE CABINA 1,000 1-9999
CABIN-HEATING
1.01 1284118 VENTILADOR RADIAL DUPLO VENTILADOR RADIAL DOBLE 1,000 1-9999
DOUBLE RADIAL BLOWER
1.02 1284088 TROCADOR DE CALOR INTERCAMBIADOR DE CALOR 1,000 1-9999
HEAT EXCHANGER
25 615444 FITA VEDANTE CINTA IMPERMEABILIZANTE 1,500 1-9999
SEALING TAPE
26 875562 JOGO DE PLACAS ISOLANTES JUEGO DE PLACAS AISLANTES 1,000 1-9999
INSULATION PLATE SET
26.01 1502166 PLACA ISOLANTE PLACA AISLANTE 1,000 1-9999
INSULATION PLATE
26.02 1502824 PLACA ISOLANTE PLACA AISLANTE 1,000 1-9999
INSULATION PLATE
27 1271113 FITA VEDANTE CINTA IMPERMEABILIZANTE 2,000 1-9999
SEALING TAPE
28 255769 FITA VEDANTE CINTA IMPERMEABILIZANTE 0,010 1-9999
SEALING TAPE
30 213799 PARAFUSO SEXTAVADO TORNILLO HEXAGONAL 4,000 1-9999
HEXAGON SCREW
31 216445 PORCA SEXTAVADA TUERCA HEXAGONAL 4,000 1-9999
HEXAGON NUT
32 216593 ARRUELA ARANDELA 8,000 1-9999
WASHER
110 615312 MANGUEIRA DE AR QUENTE (M) MANGUERA DE AIRE CALIENTE (M) 0,400 1-9999
HOT AIR HOSE (M)
111 615312 MANGUEIRA DE AR QUENTE (M) MANGUERA DE AIRE CALIENTE (M) 0,400 1-9999
HOT AIR HOSE (M)
02.30.01 / 00 CALEFAÇÃO DA CABINA, PÁGINA 1 / 1-9999
02.30.01 / 00 CALEFACCIÓN DE CABINA, PÁGINA 1 / 1-9999
02.30.01 / 00 CABIN-HEATING, PAGE 1 / 1-9999
32
125 132
128
127
133
131
130
126
30
110
112
28
117
119
118
114 113
300
116
115
111
114
27
25
26.02
26
26.01
26
25
32
31
1.02
1.01
1
114
134
252
119
POS Nº DE IDENT. DESIGNAÇÃO
DESIGNATION
DESIGNACIÓN QUANT. VALIDADE
02.30.01 / 00 CALEFAÇÃO DA CABINA, PÁGINA 1 / 1-9999
02.30.01 / 00 CALEFACCIÓN DE CABINA, PÁGINA 1 / 1-9999
02.30.01 / 00 CABIN-HEATING, PAGE 1 / 1-9999
2053602
112 615312 MANGUEIRA DE AR QUENTE (M) MANGUERA DE AIRE CALIENTE (M) 2,200 1-9999
HOT AIR HOSE (M)
113 615312 MANGUEIRA DE AR QUENTE (M) MANGUERA DE AIRE CALIENTE (M) 2,200 1-9999
HOT AIR HOSE (M)
114 260827 ABRAÇADEIRA ABRAZADERA 8,000 1-9999
HOSE CLIP
115 615444 FITA VEDANTE CINTA IMPERMEABILIZANTE 0,200 1-9999
SEALING TAPE
116 615444 FITA VEDANTE CINTA IMPERMEABILIZANTE 0,200 1-9999
SEALING TAPE
117 1274325 PRÉ-FILTRO FILTRO PREVIO 1,000 1-9999
PREFILTER
118 1502719 CHAPA CHAPA 1,000 1-9999
METAL PLATE
119 391484 PARAFUSO TORNILLO 2,000 1-9999
SCREW
125 875635 CARCAÇA DO FILTRO CARCASA DEL FILTRO 1,000 1-9999
FILTER BODY
126 875422 CARCAÇA DO FILTRO CARCASA DEL FILTRO 1,000 1-9999
FILTER BODY
127 234605 PARAFUSO DE CABEÇA CILÍNDRICA TORNILLO CILÍNDRICO 4,000 1-9999
CHEESE-HEAD SCREW
128 216577 ARRUELA ARANDELA 4,000 1-9999
WASHER
130 875392 TELA PARA AR REJA PARA EL AIRE 2,000 1-9999
FAN GRILLE
131 1502751 FILTRO FILTRO 2,000 1-9999
FILTER
02.30.01 / 00 CALEFAÇÃO DA CABINA, PÁGINA 1 / 1-9999
02.30.01 / 00 CALEFACCIÓN DE CABINA, PÁGINA 1 / 1-9999
02.30.01 / 00 CABIN-HEATING, PAGE 1 / 1-9999
32
125 132
128
127
133
131
130
126
30
110
112
28
117
119
118
114 113
300
116
115
111
114
27
25
26.02
26
26.01
26
25
32
31
1.02
1.01
1
114
134
252
119
POS Nº DE IDENT. DESIGNAÇÃO
DESIGNATION
DESIGNACIÓN QUANT. VALIDADE
02.30.01 / 00 CALEFAÇÃO DA CABINA, PÁGINA 1 / 1-9999
02.30.01 / 00 CALEFACCIÓN DE CABINA, PÁGINA 1 / 1-9999
02.30.01 / 00 CABIN-HEATING, PAGE 1 / 1-9999
2053602
132 255769 FITA VEDANTE CINTA IMPERMEABILIZANTE 0,010 1-9999
SEALING TAPE
133 1274317 PORCA SERRILHADA TUERCA MOLETEADA 4,000 1-9999
KNURLED NUT
134 1264168 BUJÃO TAPÓN DE CIERRE 1,000 1-9999
FILLER CAP
252 384062 FUSÍVEL TIPO LÂMINA FUSIBLE PLANO 1,000 1-9999
BLADE FUSE
300 267341 FIXADOR DE CABOS SUJETACABLES 20,000 1-9999
WIRE FASTENER
02.30.02 / 00 CALEFAÇÃO DA CABINA, PÁGINA 2 / 1-9999
02.30.02 / 00 CALEFACCIÓN DE CABINA, PÁGINA 2 / 1-9999
02.30.02 / 00 CABIN-HEATING, PAGE 2 / 1-9999
45
51
57
58 59
56
22 55
22
20
250
1.02
1.01
1
251
POS Nº DE IDENT. DESIGNAÇÃO
DESIGNATION
DESIGNACIÓN QUANT. VALIDADE
02.30.02 / 00 CALEFAÇÃO DA CABINA, PÁGINA 2 / 1-9999
02.30.02 / 00 CALEFACCIÓN DE CABINA, PÁGINA 2 / 1-9999
02.30.02 / 00 CABIN-HEATING, PAGE 2 / 1-9999
2053603
1 1502340 CALEFAÇÃO DA CABINA CALEFACCIÓN DE CABINA 1,000 1-9999
CABIN-HEATING
1.01 1284118 VENTILADOR RADIAL DUPLO VENTILADOR RADIAL DOBLE 1,000 1-9999
DOUBLE RADIAL BLOWER
1.02 1284088 TROCADOR DE CALOR INTERCAMBIADOR DE CALOR 1,000 1-9999
HEAT EXCHANGER
20 1263137 INTERRUPTOR DA CALEFAÇÃO INTERRUPTOR VENTILAC. CALIENTE 1,000 1-9999
SWITCH HEATING-VENTILATING
22 1263145 CABO DE ACIONAMENTO CABLE BOWDEN 1,000 1-9999
BOWDEN CABLE
45 1292455 MANGUEIRA MANGUERA 1,000 1-9999
FLEXIBLE TUBING
51 1292447 MANGUEIRA MANGUERA 1,000 1-9999
FLEXIBLE TUBING
55 317837 JOELHO ORIENTÁVEL RACOR ANGULAR AJUSTABLE 1,000 1-9999
ELBOW ADJUSTABLE
56 1274392 CONEXÃO MACHO RETA RACOR PARA ENROSCAR RECTO 1,000 1-9999
STRAIGHT SCREWED SOCKET
57 1263404 VÁLVULA DE ESFERA ROBINETE DE BOLA 1,000 1-9999
BALL-CLOSURE COCK
58 1263390 ALAVANCA PALANCA 1,000 1-9999
LEVER
59 1502778 UNIÃO MACHO RACOR PARA ENROSCAR RECTO 1,000 1-9999
MALE STUD COUPLING
250 866784 CABLAGEM (CALEFAÇÃO) MAZO DE CABLES (CALEFACCIÓN) 1,000 1-9999
WIRE HARNESS (HEATING)
251 874442 CABLAGEM (CALEFAÇÃO) MAZO DE CABLES (CALEFACCIÓN) 1,000 1-9999
WIRE HARNESS (HEATING)
02.30.03 / 00 CALEFAÇÃO DA CABINA, PÁGINA 3 / 1-9999
02.30.03 / 00 CALEFACCIÓN DE CABINA, PÁGINA 3 / 1-9999
02.30.03 / 00 CABIN-HEATING, PAGE 3 / 1-9999
POS Nº DE IDENT. DESIGNAÇÃO
DESIGNATION
DESIGNACIÓN QUANT. VALIDADE
02.30.03 / 00 CALEFAÇÃO DA CABINA, PÁGINA 3 / 1-9999
02.30.03 / 00 CALEFACCIÓN DE CABINA, PÁGINA 3 / 1-9999
02.30.03 / 00 CABIN-HEATING, PAGE 3 / 1-9999
2053605
2 879347 PEÇA DE REVESTIMENTO COMPLETA PIEZA DE RECUBRIMIENTO COMPLETA 1,000 1-9999
MOULDING PART COMPLETE
2.01 1487892 PEÇA DE REVESTIMENTO ESQUERDO PIEZA DE RECUBRIMIENTO IZQUIERDA 1,000 1-9999
MOULDING PART LEFT
2.02 1487906 PEÇA DE REVESTIMENTO DIREITO PIEZA DE RECUBRIMIENTO DERECHA 1,000 1-9999
MOULDING PART RIGHT
3 232513 PARAFUSO DE CABEÇA OVAL TORNILLO ALOMADO PULIDO 10,000 1-9999
FILLISTER HEAD SCREW
4 274356 ARRUELA ARANDELA 10,000 1-9999
WASHER
10 385719 BICO REDONDO TOBERA REDONDA 4,000 1-9999
ROUND NOZZLE
11 384771 PARAFUSO AUTO ATARRAXANTE TORNILLO DE CHAPA 16,000 1-9999
SHEET METAL SCREW
15 1263153 SAÍDA DE AR SALIDA DE AIRE 4,000 1-9999
AIR OUTLET
16 384771 PARAFUSO AUTO ATARRAXANTE TORNILLO DE CHAPA 8,000 1-9999
SHEET METAL SCREW
20 1263137 INTERRUPTOR DA CALEFAÇÃO INTERRUPTOR VENTILAC. CALIENTE 1,000 1-9999
SWITCH HEATING-VENTILATING
21 232513 PARAFUSO DE CABEÇA OVAL TORNILLO ALOMADO PULIDO 4,000 1-9999
FILLISTER HEAD SCREW
22 1263145 CABO DE ACIONAMENTO CABLE BOWDEN 1,000 1-9999
BOWDEN CABLE
40 206369 CONEXÃO MACHO RETA RACOR PARA ENROSCAR RECTO 1,000 1-9999
STRAIGHT SCREWED SOCKET
41 317632 ADAPTADOR DE REDUÇÃO REDUCTOR 1,000 1-9999
REDUCING INSERT
02.30.03 / 00 CALEFAÇÃO DA CABINA, PÁGINA 3 / 1-9999
02.30.03 / 00 CALEFACCIÓN DE CABINA, PÁGINA 3 / 1-9999
02.30.03 / 00 CABIN-HEATING, PAGE 3 / 1-9999
POS Nº DE IDENT. DESIGNAÇÃO
DESIGNATION
DESIGNACIÓN QUANT. VALIDADE
02.30.03 / 00 CALEFAÇÃO DA CABINA, PÁGINA 3 / 1-9999
02.30.03 / 00 CALEFACCIÓN DE CABINA, PÁGINA 3 / 1-9999
02.30.03 / 00 CABIN-HEATING, PAGE 3 / 1-9999
2053605
45 1292455 MANGUEIRA MANGUERA 1,000 1-9999
FLEXIBLE TUBING
50 317098 CONEXÃO MACHO RETA RACOR PARA ENROSCAR RECTO 1,000 1-9999
STRAIGHT SCREWED SOCKET
51 1292447 MANGUEIRA MANGUERA 1,000 1-9999
FLEXIBLE TUBING
300 267341 FIXADOR DE CABOS SUJETACABLES 20,000 1-9999
WIRE FASTENER
02.30.03 / 01 CALEFAÇÃO DA CABINA, PÁGINA 3 / 1-9999
02.30.03 / 01 CALEFACCIÓN DE CABINA, PÁGINA 3 / 1-9999
02.30.03 / 01 CABIN-HEATING, PAGE 3 / 1-9999
POS Nº DE IDENT. DESIGNAÇÃO
DESIGNATION
DESIGNACIÓN QUANT. VALIDADE
02.30.03 / 01 CALEFAÇÃO DA CABINA, PÁGINA 3 / 1-9999
02.30.03 / 01 CALEFACCIÓN DE CABINA, PÁGINA 3 / 1-9999
02.30.03 / 01 CABIN-HEATING, PAGE 3 / 1-9999
2053607
2 891657 PEÇA DE REVESTIMENTO COMPLETA PIEZA DE RECUBRIMIENTO COMPLETA 1,000 1-9999
MOULDING PART COMPLETE
2.01 1527851 PEÇA DE REVESTIMENTO DIREITO PIEZA DE RECUBRIMIENTO DERECHA 1,000 1-9999
MOULDING PART RIGHT
2.02 1527878 PEÇA DE REVESTIMENTO ESQUERDO PIEZA DE RECUBRIMIENTO IZQUIERDA 1,000 1-9999
MOULDING PART LEFT
3 232513 PARAFUSO DE CABEÇA OVAL TORNILLO ALOMADO PULIDO 14,000 1-9999
FILLISTER HEAD SCREW
4 274356 ARRUELA ARANDELA 10,000 1-9999
WASHER
6 2027829 CHAPA CHAPA 1,000 1-9999
METAL PLATE
10 385719 BICO REDONDO TOBERA REDONDA 4,000 1-9999
ROUND NOZZLE
11 384771 PARAFUSO AUTO ATARRAXANTE TORNILLO DE CHAPA 16,000 1-9999
SHEET METAL SCREW
15 1263153 SAÍDA DE AR SALIDA DE AIRE 4,000 1-9999
AIR OUTLET
16 384771 PARAFUSO AUTO ATARRAXANTE TORNILLO DE CHAPA 8,000 1-9999
SHEET METAL SCREW
20 1263137 INTERRUPTOR DA CALEFAÇÃO INTERRUPTOR VENTILAC. CALIENTE 1,000 1-9999
SWITCH HEATING-VENTILATING
22 1263145 CABO DE ACIONAMENTO CABLE BOWDEN 1,000 1-9999
BOWDEN CABLE
40 206369 CONEXÃO MACHO RETA RACOR PARA ENROSCAR RECTO 1,000 1-9999
STRAIGHT SCREWED SOCKET
41 317632 ADAPTADOR DE REDUÇÃO REDUCTOR 1,000 1-9999
REDUCING INSERT
02.30.03 / 01 CALEFAÇÃO DA CABINA, PÁGINA 3 / 1-9999
02.30.03 / 01 CALEFACCIÓN DE CABINA, PÁGINA 3 / 1-9999
02.30.03 / 01 CABIN-HEATING, PAGE 3 / 1-9999
POS Nº DE IDENT. DESIGNAÇÃO
DESIGNATION
DESIGNACIÓN QUANT. VALIDADE
02.30.03 / 01 CALEFAÇÃO DA CABINA, PÁGINA 3 / 1-9999
02.30.03 / 01 CALEFACCIÓN DE CABINA, PÁGINA 3 / 1-9999
02.30.03 / 01 CABIN-HEATING, PAGE 3 / 1-9999
2053607
45 1292455 MANGUEIRA MANGUERA 1,000 1-9999
FLEXIBLE TUBING
50 317098 CONEXÃO MACHO RETA RACOR PARA ENROSCAR RECTO 1,000 1-9999
STRAIGHT SCREWED SOCKET
51 1292447 MANGUEIRA MANGUERA 1,000 1-9999
FLEXIBLE TUBING
300 267341 FIXADOR DE CABOS SUJETACABLES 20,000 1-9999
WIRE FASTENER
02.99.01 / 00 CABINE CIBER PARA CLIMA QUENTE / 1-9999
02.99.01 / 00 CABINA CIBER PARA CLIMA CALIENTE/ 1-9999
02.99.01 / 00 CIBER CABIN FOR HOT CLIMATES / 1-9999
40
39
38
28
32
15
31
3
5
37
71
59
2
56
72
49
19
9
36
12
8
35
7 34
33
14
10
44
1
67
22
27
70 43
18
11
63
62
16
60
46
45
47
61
51
54
50
13
69
68
17 65
58
55
66
57
64
6
26
30
29
20
53 52
21
4 48
42
41
24
POS Nº DE IDENT. DESIGNAÇÃO
DESIGNATION
DESIGNACIÓN QUANT. VALIDADE
02.99.01 / 00 CABINE CIBER PARA CLIMA QUENTE / 1-9999
02.99.01 / 00 CABINA CIBER PARA CLIMA CALIENTE / 1-9999
02.99.01 / 00 CIBER CABIN FOR HOT CLIMATES / 1-9999
768410
1 350618 CABINE CABINA 1,000 1-9999
CABIN
2 350619 SUPORTE DO ESPELHO SOPORTE DEL ESPEJO 2,000 1-9999
MIRROR SUPPORT
3 350638 SUPORTE DA PORTA SOPORTE DE LA PUERTA 1,000 1-9999
DOOR SUPPORT
4 350639 PORTA DA CABINE PUERTA DE LA CABINA 1,000 1-9999
HOLDER ON CABIN
5 350640 PINO DOBRADIÇA CLAVIJA BISAGRA 2,000 1-9999
HINGE PIN
6 350611 CALHA CANAL 1,000 1-9999
DUCT
7 350643 SUPORTE LIMPADOR PARABRISA SOPORTE LIMPIADOR PARABRISAS 1,000 1-9999
WINDSHIELD WIPER SUPPORT
8 350644 CARENAGEM FRONTAL EXTERNA CARENADO FRONTAL EXTERNO 1,000 1-9999
EXTERNAL FRONT FAIRING
9 350645 MOTOR DO LIMPADOR PARABRISA MOTOR DEL LIMPIADOR PARABRISAS 1,000 1-9999
WINDSHIELD WIPER MOTOR
10 350646 SUPORTE DE ENTRADA DE AR SOPORTE DE LA ENTRADA AIRE 1,000 1-9999
AIR INLET SUPPORT
11 350647 DOBRADIÇA BISAGRA 2,000 1-9999
HINGE
12 350648 FAROL PARA CABINE FAROL PARA CABINA 4,000 1-9999
LIGHT FOR CABIN
13 350649 PASSAMURO PASAMUROS 4,000 1-9999
PASSING BUSHING
14 350900 TAMPA ENTRADA DE AR TAPA ENTRADA DE AIRE 1,000 1-9999
AIR INLET LID
02.99.01 / 00 CABINE CIBER PARA CLIMA QUENTE / 1-9999
02.99.01 / 00 CABINA CIBER PARA CLIMA CALIENTE/ 1-9999
02.99.01 / 00 CIBER CABIN FOR HOT CLIMATES / 1-9999
40
39
38
28
32
15
31
3
5
37
71
59
2
56
72
49
19
9
36
12
8
35
7 34
33
14
10
44
1
67
22
27
70 43
18
11
63
62
16
60
46
45
47
61
51
54
50
13
69
68
17 65
58
55
66
57
64
6
26
30
29
20
53 52
21
4 48
42
41
24
POS Nº DE IDENT. DESIGNAÇÃO
DESIGNATION
DESIGNACIÓN QUANT. VALIDADE
02.99.01 / 00 CABINE CIBER PARA CLIMA QUENTE / 1-9999
02.99.01 / 00 CABINA CIBER PARA CLIMA CALIENTE / 1-9999
02.99.01 / 00 CIBER CABIN FOR HOT CLIMATES / 1-9999
768410
15 350901 TAMPA DA FECHADURA ESQUERDA TAPA DE LA CERRADURA IZQUIERDA 1,000 1-9999
LEFT LOCK COVER
16 350902 AR DA CABINE AIRE DE LA CABINA 1,000 1-9999
CABIN AIR
17 350903 CARENAGEM TRASEIRA CARENADO TRASERO 1,000 1-9999
REAR FAIRING
18 350904 FORRAÇÃO LATERAL DIREITA FORRADO LATERAL DERECHO 1,000 1-9999
RIGHT SIDE LINING
19 350905 VIDRO PARABRISA VIDRIO PARABRISAS 1,000 1-9999
WINDSHIELD GLASS
20 350906 FORRAÇÃO ESQUERDA FORRADO IZQUIERDO 1,000 1-9999
LEFT LINING
21 350907 BORRACHA DA PORTA GOMA DE LA PUERTA 1,000 1-9999
DOOR RUBBER
22 350908 BORRACHA DO VIDRO FIXO DA PORTA GOMA DEL VIDRIO FIJO DE LA PUERTA 1,000 1-9999
DOOR'S FIXED GLASS RUBBER
24 350909 BORRACHA DO VIDRO VIGIA MENOR GOMA DEL VIDRIO VIGÍA MENOR 2,000 1-9999
RUBBER FOR SMALLER SIDE GLASS
26 350910 BORRACHA DO VIDRO VIGIA MAIOR GOMA DEL VIDRIO VIGÍA MAYOR 1,000 1-9999
RUBBER FOR LARGER SIDE GLASS
27 350911 VIDRO FIXO DA PORTA VIDRIO FIJO DE LA PUERTA 2,000 1-9999
DOOR'S FIXED GLASS
28 350912 VIDRO BASCULANTE DA PORTA VIDRIO BASCULANTE DE LA PUERTA 1,000 1-9999
DOOR'S OPENING GLASS
29 350913 VIDRO VIGIA MENOR VIDRIO VIGÍA MENOR 2,000 1-9999
SMALLER SIDE GLASS
30 350914 VIDRO VIGIA MAIOR VIDRIO VIGÍA MAYOR 1,000 1-9999
LARGER SIDE GLASS
02.99.01 / 00 CABINE CIBER PARA CLIMA QUENTE / 1-9999
02.99.01 / 00 CABINA CIBER PARA CLIMA CALIENTE/ 1-9999
02.99.01 / 00 CIBER CABIN FOR HOT CLIMATES / 1-9999
40
39
38
28
32
15
31
3
5
37
71
59
2
56
72
49
19
9
36
12
8
35
7 34
33
14
10
44
1
67
22
27
70 43
18
11
63
62
16
60
46
45
47
61
51
54
50
13
69
68
17 65
58
55
66
57
64
6
26
30
29
20
53 52
21
4 48
42
41
24
POS Nº DE IDENT. DESIGNAÇÃO
DESIGNATION
DESIGNACIÓN QUANT. VALIDADE
02.99.01 / 00 CABINE CIBER PARA CLIMA QUENTE / 1-9999
02.99.01 / 00 CABINA CIBER PARA CLIMA CALIENTE / 1-9999
02.99.01 / 00 CIBER CABIN FOR HOT CLIMATES / 1-9999
768410
31 350915 SOLEIRA CABINE SOLERA CABINA 1,000 1-9999
CABIN THRESHOLD
32 350916 FECHADURA ESQUERDA CERRADURA IZQUIERDA 1,000 1-9999
LEFT LOCK
33 350917 LIMPADOR DO PARABRISA LIMPIADOR DEL PARABRISAS 1,000 1-9999
WINDSHIELD WIPER
34 350918 MANCAL AUXILIAR COJINETE AUXILIAR 1,000 1-9999
AUXILIARY SLEEVE BEARING
35 350919 HASTE LIMPADOR PARABRISA VARILLA LIMPIADOR PARABRISAS 1,000 1-9999
WINDSHIELD WIPER ROD
36 350920 PALHETAS PALETAS 1,000 1-9999
BLADES
37 350921 INTERRUPTOR INTERRUPTOR 1,000 1-9999
SWITCH
38 350922 JUNTA MAÇANETA PEQUENA JUNTA MANIJA PEQUEÑA 1,000 1-9999
SMALL DOOR KNOB FITTING
39 350923 JUNTA MAÇANETA GRANDE JUNTA MANIJA GRANDE 1,000 1-9999
LARGE DOOR KNOB FITTING
40 350924 MAÇANETA EXTERNA MANIJA EXTERNA 1,000 1-9999
OUTSIDE DOOR KNOB
41 350925 SUPORTE BATENTE DA PORTA SOPORTE BATIENTE DE LA PUERTA 1,000 1-9999
DOOR FRAME SUPPORT
42 350926 PINO BATENTE CLAVIJA BATIENTE 1,000 1-9999
FRAME PIN
43 350927 RESERVATÓRIO DE ÁGUA DEPÓSITO DE AGUA 1,000 1-9999
WATER TANK
44 350928 MOTOR ESQUICHO MOTOR ASPERSIÓN 1,000 1-9999
SPRAY MOTOR
02.99.01 / 00 CABINE CIBER PARA CLIMA QUENTE / 1-9999
02.99.01 / 00 CABINA CIBER PARA CLIMA CALIENTE/ 1-9999
02.99.01 / 00 CIBER CABIN FOR HOT CLIMATES / 1-9999
40
39
38
28
32
15
31
3
5
37
71
59
2
56
72
49
19
9
36
12
8
35
7 34
33
14
10
44
1
67
22
27
70 43
18
11
63
62
16
60
46
45
47
61
51
54
50
13
69
68
17 65
58
55
66
57
64
6
26
30
29
20
53 52
21
4 48
42
41
24
POS Nº DE IDENT. DESIGNAÇÃO
DESIGNATION
DESIGNACIÓN QUANT. VALIDADE
02.99.01 / 00 CABINE CIBER PARA CLIMA QUENTE / 1-9999
02.99.01 / 00 CABINA CIBER PARA CLIMA CALIENTE / 1-9999
02.99.01 / 00 CIBER CABIN FOR HOT CLIMATES / 1-9999
768410
45 350929 PORTA LUVA GUANTERA 1,000 1-9999
GLOVE COMPARTMENT
46 350930 TAMPA PORTA LUVA TAPA GUANTERA 1,000 1-9999
GLOVE COMPARTMENT COVER
47 350931 TAPA BURACO TAPA AGUJERO 1,000 1-9999
TAPA BURACO
48 350932 CHAPA FECHADURA CHAPA CERRADURA 1,000 1-9999
LOCK PLATE
49 350933 DIFUSOR REDONDO DIFUSOR REDONDO 2,000 1-9999
ROUND DIFFUSER
50 350934 TELA AUTOFALANTE TELA ALTOPARLANTE 2,000 1-9999
LOUD SPEAKER SCREEN
51 17020 PORTA FUSÍVEL PORTAFUSIBLE 1,000 1-9999
FUSE HOLDER
52 350936 PEGA MÃO AGARRADOR 1,000 1-9999
HAND GRIP
53 350937 AMORTECEDOR AMORTIGUADOR 1,000 1-9999
SHOCK ABSORBER
54 350938 LUZ INTERNA LUZ INTERNA 1,000 1-9999
INTERNAL LIGHT
55 350602 ELETROVENTILADOR ELECTROVENTILADOR 2,000 1-9999
ELECTRIC FAN
56 24370 PLACA IDENTIFICAÇÃO COMPONENTE PLACA IDENTIFICACIÓN COMPONENTE 1,000 1-9999
COMPONENT IDENTIFICATION PLATE
57 350610 CONDENSADOR CONDENSADOR 1,000 1-9999
CONDENSER
58 350942 FILTRO SECADOR FILTRO SECADOR 1,000 1-9999
DRYER FILTER
02.99.01 / 00 CABINE CIBER PARA CLIMA QUENTE / 1-9999
02.99.01 / 00 CABINA CIBER PARA CLIMA CALIENTE/ 1-9999
02.99.01 / 00 CIBER CABIN FOR HOT CLIMATES / 1-9999
40
39
38
28
32
15
31
3
5
37
71
59
2
56
72
49
19
9
36
12
8
35
7 34
33
14
10
44
1
67
22
27
70 43
18
11
63
62
16
60
46
45
47
61
51
54
50
13
69
68
17 65
58
55
66
57
64
6
26
30
29
20
53 52
21
4 48
42
41
24
POS Nº DE IDENT. DESIGNAÇÃO
DESIGNATION
DESIGNACIÓN QUANT. VALIDADE
02.99.01 / 00 CABINE CIBER PARA CLIMA QUENTE / 1-9999
02.99.01 / 00 CABINA CIBER PARA CLIMA CALIENTE / 1-9999
02.99.01 / 00 CIBER CABIN FOR HOT CLIMATES / 1-9999
768410
59 350943 ESPELHO ESPEJO 2,000 1-9999
MIRROR
60 350944 TECIDO NAVALHADO CINZA TEJIDO NAVAJADO GRIS 1,000 1-9999
GRAY AUTOMOTIVE FABRIC
61 350945 RELÉ RELÉ 7,000 1-9999
RELAY
62 350946 TAMPA SAÍDA DE MANGUEIRAS TAPA SALIDA DE MANGUERAS 1,000 1-9999
HOSE OUTPUT PLUGS
63 350947 TAMPA SAÍDA DE MANGUEIRAS TAPA SALIDA DE MANGUERAS 1,000 1-9999
HOSE OUTPUT PLUGS
64 350948 SUPORTE CONDENSADOR SOPORTE CONDENSADOR 1,000 1-9999
CONDENSER SUPPORT
65 350605 TAMPA DO SUPORTE CONDENSADOR TAPA DEL SOPORTE CONDENSADOR 1,000 1-9999
CONDENSER SUPPORT LID
66 350604 TAMPA SUPORTE ELETROVENTILADOR TAPA DEL SOPORTE ELECTROVENTILADOR 1,000 1-9999
FAN SUPPORT LID
67 350951 CHICOTE ELÉTRICO DA CABINE CHICOTE ELÉCTRICO DE LA CABINA 1,000 1-9999
CABIN'S ELECTRICAL HARNESS
68 350952 PRESSOSTATO PRESOSTATO 1,000 1-9999
PRESSURE GAUGE
69 350953 ABRAÇADEIRA ABRAZADERA 1,000 1-9999
CLAMP
70 350954 VIDRO BASCULANTE LATERAL DIREITA VIDRIO BASCULANTE LATERAL DERECHA 1,000 1-9999
RIGHT SIDE OPENING GLASS
71 350955 BORRACHA DE VEDAÇÃO PISO GOMA VEDADO PISO 1,000 1-9999
FLOOR SEALING RUBBER
72 84944 PLACA PLACA 1,000 1-9999
PLATE
02.99.02 / 00 TOLDO HAMM 3410/11 / 1-9999
02.99.02 / 00 TOLDO HAMM 3410/11 / 1-9999
02.99.02 / 00 3410/11 HAMM CANOPY / 1-9999
1:15
57
45-60-58
33
62-63-64-65
67
5-13-58
6-7-8
14-15-16
61
26-27-21
66-49-13
2
54 4
1
3
17 19
31-32
22-23-24
18
20
12
56
59
POS Nº DE IDENT. DESIGNAÇÃO
DESIGNATION
DESIGNACIÓN QUANT. VALIDADE
02.99.02 / 00 TOLDO HAMM 3410/11 / 1-9999
02.99.02 / 00 TOLDO HAMM 3410/11 / 1-9999
02.99.02 / 00 3410/11HAMM CANOPY / 1-9999
768411
1 350150 TOLDO FIBRA TOLDO FIBRA 1,000 1-9999
AWNING FABRIC
2 350205 SUPORTE DO TOLDO SOPORTE DEL TOLDO 1,000 1-9999
AWNING SUPPORT
3 350201 BASE DO TOLDO BASE DEL TOLDO 1,000 1-9999
AWNING BASE
4 350203 CORRIMÃO TRASEIRO ESQUERDO PASAMANOS TRASERO IZQUIERDO 1,000 1-9999
LEFT REAR HANDRAIL
5 350195 PINO PERNO 4,000 1-9999
PIN
6 20995 PARAFUSO SEXTAVADO TORNILLO SEXTAVADO 8,000 1-9999
HEXAGON SCREW
7 26907 ARRUELA LISA ARANDELA LISA 16,000 1-9999
FLAT WASHER
8 20982 PORCA SEXTAVADA TUERCA HEXAGONAL 8,000 1-9999
HEXAGON NUT
12 4347 PARAFUSO SEXTAVADO TORNILLO HEXAGONAL 2,000 1-9999
HEXAGON SCREW
13 10653 ARRUELA ARANDELA 18,000 1-9999
WASHER
14 10271 PARAFUSO SEXTAVADO TORNILLO HEXAGONAL 2,000 1-9999
HEXAGON SCREW
15 64162 ARRUELA LISA ARANDELA LISA 8,000 1-9999
FLAT WASHER
16 20978 PORCA SEXTAVADA TUERCA HEXAGONAL 4,000 1-9999
HEXAGON NUT
17 84754 CORRIMÃO DIANTEIRO ESQUERDO PASAMANOS DELANTERO IZQUIERDO 1,000 1-9999
LEFT FRONT HANDRAIL
02.99.02 / 00 TOLDO HAMM 3410/11 / 1-9999
02.99.02 / 00 TOLDO HAMM 3410/11 / 1-9999
02.99.02 / 00 3410/11 HAMM CANOPY / 1-9999
1:15
57
45-60-58
33
62-63-64-65
67
5-13-58
6-7-8
14-15-16
61
26-27-21
66-49-13
2
54 4
1
3
17 19
31-32
22-23-24
18
20
12
56
59
POS Nº DE IDENT. DESIGNAÇÃO
DESIGNATION
DESIGNACIÓN QUANT. VALIDADE
02.99.02 / 00 TOLDO HAMM 3410/11 / 1-9999
02.99.02 / 00 TOLDO HAMM 3410/11 / 1-9999
02.99.02 / 00 3410/11HAMM CANOPY / 1-9999
768411
18 84759 CAIXA DISTRIBUIDORA CAJA DISTRIBUIDORA 1,000 1-9999
DISTRIBUTOR BOX
19 84755 CORRIMÃO DIANTEIRO DIREITO PASAMANOS DELANTERO DERECHO 1,000 1-9999
RIGHT FRONT HAND RAIL
20 89648 CHAPA DE FECHAMENTO PLANCHA DE CIERRE 2,000 1-9999
METAL PLATE ENCASEMENT
21 24914 TAMPÃO DE FECHAMENTO TAPÓN DE CIERRE 2,000 1-9999
CLOSING LID
22 9595 PARAFUSO SEXTAVADO TORNILLO HEXAGONAL 8,000 1-9999
HEXAGON SCREW
23 64172 ARRUELA LISA ARANDELA LISA 16,000 1-9999
FLAT WASHER
24 11053 PORCA SEXTAVADA TUERCA HEXAGONAL 8,000 1-9999
HEXAGON NUT
26 9081 PARAFUSO SEXTAVADO TORNILLO HEXAGONAL 2,000 1-9999
HEXAGON SCREW
27 64167 ARRUELA LISA ARANDELA LISA 2,000 1-9999
FLAT WASHER
31 10741 ARRUELA ARANDELA 4,000 1-9999
WASHER
32 27569 PARAFUSO CILINDRICO TORNILLO CILÍNDRICO 4,000 1-9999
ALLEN SCREW
33 350208 TUBO SUPORTE DIANTEIRO DO TOLDO TUBO SOPORTE DELANTERO DEL TOLDO 2,000 1-9999
AWNING'S FRONT SUPPORT TUBE
45 10658 ARRUELA ARANDELA 4,000 1-9999
WASHER
49 10521 PORCA SEXTAVADA TUERCA HEXAGONAL 4,000 1-9999
HEXAGON NUT
02.99.02 / 00 TOLDO HAMM 3410/11 / 1-9999
02.99.02 / 00 TOLDO HAMM 3410/11 / 1-9999
02.99.02 / 00 3410/11 HAMM CANOPY / 1-9999
1:15
57
45-60-58
33
62-63-64-65
67
5-13-58
6-7-8
14-15-16
61
26-27-21
66-49-13
2
54 4
1
3
17 19
31-32
22-23-24
18
20
12
56
59
POS Nº DE IDENT. DESIGNAÇÃO
DESIGNATION
DESIGNACIÓN QUANT. VALIDADE
02.99.02 / 00 TOLDO HAMM 3410/11 / 1-9999
02.99.02 / 00 TOLDO HAMM 3410/11 / 1-9999
02.99.02 / 00 3410/11HAMM CANOPY / 1-9999
768411
54 350206 CORRIMÃO TRASEIRO DIREITO PASAMANOS TRASERO DERECHO 1,000 1-9999
RIGHT REAR HANDRAIL
56 20987 PARAFUSO SEXTAVADO TORNILLO HEXAGONAL 2,000 1-9999
HEXAGON SCREW
57 350240 BARRA DIANTEIRA SUPORTE DO TOLDO BARRA DELANTERA SOPORTE DEL TOLDO 2,000 1-9999
AWNING'S FRONT BAR SUPPORT
58 29926 GRAMPO ELÁSTICO GRAPA ELÁSTICA 6,000 1-9999
ELASTIC CLAMP
59 67851 ABRAÇADEIRA ABRAZADERA 2,000 1-9999
CLAMP
60 350239 PINO PERNO 2,000 1-9999
PIN
61 68209 PONTEIRA REDONDA PUNTERA REDONDA 2,000 1-9999
ROUND FERRULE
62 350253 TUBO TUBO 2,000 1-9999
TUBE
63 11041 ARRUELA ARANDELA 4,000 1-9999
WASHER
64 2749 PORCA SEXTAVADA TUERCA HEXAGONAL 2,000 1-9999
, HEXAGON NUT
65 27632 PARAFUSO SEXTAVADO TORNILLO HEXAGONAL 2,000 1-9999
HEXAGON SCREW
66 21006 PARAFUSO SEXTAVADO TORNILLO HEXAGONAL 4,000 1-9999
HEXAGON SCREW
67 350254 CHAPA FIXAÇÃO DO TOLDO CHAPA FIJADO DEL TOLDO 2,000 1-9999
AWNING'S FASTENING PLATE
04.01.01 / 00 MONTAGEM DO MOTOR E BOMBA, PÁGINA 1 / 1-9999
04.01.01 / 00 MONTAJE DE MOTOR Y BOMBA, PÁGINA 1 / 1-9999
04.01.01 / 00 PUMP DRIVE AND ENGINE ASSEMBLY, PAGE 1 / 1-9999
POS Nº DE IDENT. DESIGNAÇÃO
DESIGNATION
DESIGNACIÓN QUANT. VALIDADE
04.01.01 / 00 MONTAGEM DO MOTOR E BOMBA, PÁGINA 1 / 1-9999
04.01.01 / 00 MONTAJE DE MOTOR Y BOMBA, PÁGINA 1 / 1-9999
04.01.01 / 00 PUMP DRIVE AND ENGINE ASSEMBLY, PAGE 1 / 1-9999
2053608
2 886408 MOTOR DIESEL MOTOR DIESEL 1,000 1-9999
ENGINE
3 1489208 FLANGE BRIDA 1,000 1-9999
FLANGE
4 213888 PARAFUSO SEXTAVADO TORNILLO HEXAGONAL 4,000 1-9999
HEXAGON SCREW
5 276243 ARRUELA DE TRAVAMENTO DISCO DE SEGURIDAD 4,000 1-9999
LOCKING WASHER
6 1297449 BOMBA VARIÁVEL (TRAÇÃO) BOMBA REGULABLE (ACCIONAMIENTO TRASLACIÓN) 1,000 1-9999
VARIABLE DISPLACMENT PUMP (DRIVE)
6.01 2034192 KIT DE VEDAÇÃO KIT DE JUNTAS 1,000 1-9999
SET OF SEALS
7 1298437 BOMBA VARIÁVEL (VIBRAÇÃO) BOMBA REGULABLE (VIBRACIÓN) 1,000 1-9999
VARIABLE DISPLAC. PUMP (VIBRATION)
7.01 2020546 KIT DE VEDAÇÃO KIT DE JUNTAS 1,000 1-9999
SET OF SEALS
8 1209973 PARAFUSO SEXTAVADO TORNILLO HEXAGONAL 4,000 1-9999
HEXAGON SCREW
9 557234 ARRUELA ARANDELA 4,000 1-9999
WASHER
10 1208721 PARAFUSO SEXTAVADO TORNILLO HEXAGONAL 2,000 1-9999
HEXAGON SCREW
11 250473 ARRUELA ARANDELA 2,000 1-9999
WASHER
12 1208721 PARAFUSO SEXTAVADO TORNILLO HEXAGONAL 2,000 1-9999
HEXAGON SCREW
13 250473 ARRUELA ARANDELA 2,000 1-9999
WASHER
04.01.01 / 00 MONTAGEM DO MOTOR E BOMBA, PÁGINA 1 / 1-9999
04.01.01 / 00 MONTAJE DE MOTOR Y BOMBA, PÁGINA 1 / 1-9999
04.01.01 / 00 PUMP DRIVE AND ENGINE ASSEMBLY, PAGE 1 / 1-9999
POS Nº DE IDENT. DESIGNAÇÃO
DESIGNATION
DESIGNACIÓN QUANT. VALIDADE
04.01.01 / 00 MONTAGEM DO MOTOR E BOMBA, PÁGINA 1 / 1-9999
04.01.01 / 00 MONTAJE DE MOTOR Y BOMBA, PÁGINA 1 / 1-9999
04.01.01 / 00 PUMP DRIVE AND ENGINE ASSEMBLY, PAGE 1 / 1-9999
2053608
15 866180 ACOPLAMENTO ACOPLAMIENTO 1,000 1-9999
COUPLING
15.01 1269666 ELEMENTO ELÁSTICO PIEZA ELÁSTICA 1,000 1-9999
ELASTIC PART
15.02 1269674 CUBO CUBO 1,000 1-9999
HUB
16 214639 PARAFUSO DE CABEÇA CILÍNDRICA TORNILLO CILÍNDRICO 8,000 1-9999
CHEESE-HEAD SCREW
20 2106866 SUPORTE SOPORTE 1,000 1-9999
SUPPORT
21 1210033 PARAFUSO DE CABEÇA CILÍNDRICA TORNILLO CILÍNDRICO 4,000 1-9999
CHEESE-HEAD SCREW
22 1237608 ARRUELA DE TRAVAMENTO DISCO DE SEGURIDAD 4,000 1-9999
LOCKING WASHER
24 211877 PARAFUSO SEXTAVADO TORNILLO HEXAGONAL 4,000 1-9999
HEXAGON SCREW
25 216461 PORCA SEXTAVADA TUERCA HEXAGONAL 4,000 1-9999
HEXAGON NUT
26 216860 ARRUELA DE TRAVAMENTO DISCO DE SEGURIDAD 8,000 1-9999
LOCKING WASHER
27 381543 ARRUELA ARANDELA 4,000 1-9999
WASHER
30 891118 CONSOLE CONSOLA 1,000 1-9999
CONSOLE
31 211869 PARAFUSO SEXTAVADO TORNILLO HEXAGONAL 5,000 1-9999
HEXAGON SCREW
32 276243 ARRUELA DE TRAVAMENTO DISCO DE SEGURIDAD 5,000 1-9999
LOCKING WASHER
04.01.01 / 00 MONTAGEM DO MOTOR E BOMBA, PÁGINA 1 / 1-9999
04.01.01 / 00 MONTAJE DE MOTOR Y BOMBA, PÁGINA 1 / 1-9999
04.01.01 / 00 PUMP DRIVE AND ENGINE ASSEMBLY, PAGE 1 / 1-9999
POS Nº DE IDENT. DESIGNAÇÃO
DESIGNATION
DESIGNACIÓN QUANT. VALIDADE
04.01.01 / 00 MONTAGEM DO MOTOR E BOMBA, PÁGINA 1 / 1-9999
04.01.01 / 00 MONTAJE DE MOTOR Y BOMBA, PÁGINA 1 / 1-9999
04.01.01 / 00 PUMP DRIVE AND ENGINE ASSEMBLY, PAGE 1 / 1-9999
2053608
35 388335 PÉ DO MOTOR PEDAL DE COLOCACIÓN DEL MOTOR 4,000 1-9999
ENGINE MOUNTING FOOT
35.01 388327 TAMPA PROTETORA TAPA PROTECTORA 1,000 1-9999
PROTECTING COVER
35.02 1208942 ANEL DE BORRACHA ANILLO DE GOMA 2,000 1-9999
RUBBER RING
36 225576 PARAFUSO SEXTAVADO TORNILLO HEXAGONAL 4,000 1-9999
HEXAGON SCREW
37 381543 ARRUELA ARANDELA 4,000 1-9999
WASHER
38 216860 ARRUELA DE TRAVAMENTO DISCO DE SEGURIDAD 4,000 1-9999
LOCKING WASHER
41 891487 CARENAGEM PLACA CONDUCTORA AÉREA 1,000 1-9999
AIR PLATE
42 213799 PARAFUSO SEXTAVADO TORNILLO HEXAGONAL 3,000 1-9999
HEXAGON SCREW
43 216593 ARRUELA ARANDELA 6,000 1-9999
WASHER
44 216445 PORCA SEXTAVADA TUERCA HEXAGONAL 3,000 1-9999
HEXAGON NUT
45 1519093 CHAPA SUPORTE CHAPA SOPORTE 1,000 1-9999
PLATE
46 213845 PARAFUSO SEXTAVADO TORNILLO HEXAGONAL 2,000 1-9999
HEXAGON SCREW
47 216593 ARRUELA ARANDELA 4,000 1-9999
WASHER
48 216445 PORCA SEXTAVADA TUERCA HEXAGONAL 2,000 1-9999
HEXAGON NUT
04.01.01 / 00 MONTAGEM DO MOTOR E BOMBA, PÁGINA 1 / 1-9999
04.01.01 / 00 MONTAJE DE MOTOR Y BOMBA, PÁGINA 1 / 1-9999
04.01.01 / 00 PUMP DRIVE AND ENGINE ASSEMBLY, PAGE 1 / 1-9999
POS Nº DE IDENT. DESIGNAÇÃO
DESIGNATION
DESIGNACIÓN QUANT. VALIDADE
04.01.01 / 00 MONTAGEM DO MOTOR E BOMBA, PÁGINA 1 / 1-9999
04.01.01 / 00 MONTAJE DE MOTOR Y BOMBA, PÁGINA 1 / 1-9999
04.01.01 / 00 PUMP DRIVE AND ENGINE ASSEMBLY, PAGE 1 / 1-9999
2053608
49 615290 PERFIL DE VEDAÇÃO (M) PERFIL DE IMPERMEABILIZACIÓN (M) 2,150 1-9999
SEALING PROFILE (M)
50 213756 PARAFUSO SEXTAVADO TORNILLO HEXAGONAL 2,000 1-9999
HEXAGON SCREW
51 345490 ARRUELA ARANDELA 2,000 1-9999
WASHER
52 2038795 CHAPA ESPAÇADORA T=2 CHAPA DE DISTÂNCIA T=2 1,000 21-9999
SPACER PLATE T=2
53 2038796 CHAPA ESPAÇADORA T=4 CHAPA DE DISTÂNCIA T=4 1,000 21-9999
SPACER PLATE T=4
70 1273221 HÉLICE DO VENTILADOR VENTILADOR 1,000 1-9999
BLOWER
71 214426 PARAFUSO DE CABEÇA CILÍNDRICA TORNILLO CILÍNDRICO 6,000 1-9999
CHEESE-HEAD SCREW
72 276332 ARRUELA DE TRAVAMENTO DISCO DE SEGURIDAD 6,000 1-9999
LOCKING WASHER
80 615290 PERFIL DE VEDAÇÃO (M) PERFIL DE IMPERMEABILIZACIÓN (M) 0,750 1-9999
SEALING PROFILE (M)
81 615290 PERFIL DE VEDAÇÃO (M) PERFIL DE IMPERMEABILIZACIÓN (M) 0,760 1-9999
SEALING PROFILE (M)
82 615290 PERFIL DE VEDAÇÃO (M) PERFIL DE IMPERMEABILIZACIÓN (M) 0,750 1-9999
SEALING PROFILE (M)
171 1209795 PARAFUSO SEXTAVADO TORNILLO HEXAGONAL 4,000 1-9999
HEXAGON SCREW
172 381543 ARRUELA ARANDELA 8,000 1-9999
WASHER
173 216461 PORCA SEXTAVADA TUERCA HEXAGONAL 4,000 1-9999
HEXAGON NUT
04.01.02 / 00 MONTAGEM DO MOTOR E BOMBA, PÁGINA 2 / 1-9999
04.01.02 / 00 MONTAJE DE MOTOR Y BOMBA, PÁGINA 2 / 1-9999
04.01.02 / 00 PUMP DRIVE AND ENGINE ASSEMBLY, PAGE 2 / 1-9999
POS Nº DE IDENT. DESIGNAÇÃO
DESIGNATION
DESIGNACIÓN QUANT. VALIDADE
04.01.02 / 00 MONTAGEM DO MOTOR E BOMBA, PÁGINA 2 / 1-9999
04.01.02 / 00 MONTAJE DE MOTOR Y BOMBA, PÁGINA 2 / 1-9999
04.01.02 / 00 PUMP DRIVE AND ENGINE ASSEMBLY, PAGE 2 / 1-9999
2053609
1 1269844 MOTOR DE PARTIDA ARRANCADOR 1,000 1-9999
STARTER
2 1294768 ALTERNADOR DINAMO DE CORRIENTE TRIFÁSICA 1,000 1-9999
ALTERNATOR
3 1290991 CORREIA POLY-V CORREA POLY V 1,000 1-9999
POLY-V-BELT
4 2024249 VARETA NÍVEL DE ÓLEO VARILLA PARA NIVEL DE ACEITE 1,000 1-9999
OIL DIP STICK
5 234486 CARTUCHO DE FILTRO, ÓLEO LUBRIFICANTE CARTUCHO FILTRO, ACEITE LUBR. 1,000 1-9999
FILTER CARTRIDGE, LUBRIC. OIL
6 2036282 FILTRO DE COMBUSTÍVEL FILTRO DE COMBUSTIBLE 1,000 1-9999
FUEL FILTER
7 1212478 JUNTA, TAMPA DO CABEÇOTE JUNTA, TAPA DE LA VÁLVULA 1,000 1-9999
SEAL, VALVE COVER
8 398403 TAMPA, ABASTEC. ÓLEO LUBRIF., SUPERIOR TAPA, LLENADO ACEITE SUPERIOR 1,000 1-9999
COVER, OIL FILLER, ABOVE
9 1242709 TAMPA, ABASTEC. ÓLEO LUBRIF., LATERAL TAPA, LLENADO ACEITE LATERAL 1,000 1-9999
COVER, OIL FILLER, LATERAL
10 1269852 SENSOR PRESSÃO ÓLEO, ÓLEO DO MOTOR INTERRUPTOR PRESIÓN ACEITE, AC. MOTOR 1,000 1-9999
ENGINE OIL PRESSURE SWITCH
11 1288717 SENSOR DE TEMPERATURA SONDA DE TEMPERATURA 1,000 1-9999
TEMPERATURE SENSOR
12 1215477 INTERRUPTOR DE TEMPERATURA INTERRUPTOR DE TEMPERATURA 1,000 1-9999
TEMPERATURE SWITCH
13 1278649 BOBINA, EXCESSO COMB. ARRANQUE IMÁN, EXCESO COMBUSTIBLE ARRANQUE 1,000 1-9999
MAGNET, STARTING EXCESS FUEL
14 1294776 BOBINA, PARADA DO MOTOR IMÁN, APAGADO DEL MOTOR 1,000 1-9999
MAGNET, REMOTE SHUT-DOWN ENG.
04.01.02 / 00 MONTAGEM DO MOTOR E BOMBA, PÁGINA 2 / 1-9999
04.01.02 / 00 MONTAJE DE MOTOR Y BOMBA, PÁGINA 2 / 1-9999
04.01.02 / 00 PUMP DRIVE AND ENGINE ASSEMBLY, PAGE 2 / 1-9999
POS Nº DE IDENT. DESIGNAÇÃO
DESIGNATION
DESIGNACIÓN QUANT. VALIDADE
04.01.02 / 00 MONTAGEM DO MOTOR E BOMBA, PÁGINA 2 / 1-9999
04.01.02 / 00 MONTAJE DE MOTOR Y BOMBA, PÁGINA 2 / 1-9999
04.01.02 / 00 PUMP DRIVE AND ENGINE ASSEMBLY, PAGE 2 / 1-9999
2053609
15 1221159 ANEL O ANILLO TOROIDAL 1,000 1-9999
O-RING SEAL
16 1294709 BOMBA DE COMBUSTÍVEL BOMBA DE FUEL OIL 1,000 1-9999
FUEL PUMP
17 1294733 BOMBA DE REFRIGERAÇÃO BOMBA DE LÍQUIDO REFRIGERANTE 1,000 1-9999
COOLING PUMP
18 1294725 TERMOSTATO TERMOSTATO 1,000 1-9999
THERMOSTAT
19 1294717 ANEL DE VEDAÇÃO ANILLO DE JUNTA 1,000 1-9999
SEALING RING
20 1288725 DISPOSITIVO DE AQUECIMENTO BRIDA CALEFACTORA 1,000 1-9999
HEATING DEVICE
21 1294873 JUNTA JUNTA 3,000 1-9999
SEAL
22 599573 JUNTA JUNTA 1,000 1-9999
SEAL
100 886408 MOTOR DIESEL MOTOR DIESEL 1,000 1-9999
ENGINE
101 206350 CONEXÃO RETA ROSCADA RACOR PARA ENROSCAR RECTO 1,000 1-9999
STRAIGHT SCREWED SOCKET
102 1291149 TUBO FLEXIVEL MANGUERA 1,000 1-9999
FLEXIBLE TUBING
103 317934 CONEXÃO CODO MAMPARA 1,000 1-9999
BULKHEAD ELBOW
104 318000 PORCA SEXTAVADA TUERCA HEXAGONAL 1,000 1-9999
HEXAGONAL NUT
105 206857 PORCA ROSCADA TUERCA ROSCADA 1,000 1-9999
CAP NUT
04.01.02 / 00 MONTAGEM DO MOTOR E BOMBA, PÁGINA 2 / 1-9999
04.01.02 / 00 MONTAJE DE MOTOR Y BOMBA, PÁGINA 2 / 1-9999
04.01.02 / 00 PUMP DRIVE AND ENGINE ASSEMBLY, PAGE 2 / 1-9999
POS Nº DE IDENT. DESIGNAÇÃO
DESIGNATION
DESIGNACIÓN QUANT. VALIDADE
04.01.02 / 00 MONTAGEM DO MOTOR E BOMBA, PÁGINA 2 / 1-9999
04.01.02 / 00 MONTAJE DE MOTOR Y BOMBA, PÁGINA 2 / 1-9999
04.01.02 / 00 PUMP DRIVE AND ENGINE ASSEMBLY, PAGE 2 / 1-9999
2053609
106 284505 CONEXÃO TAPÓN DE CIERRE 1,000 1-9999
FILLER CAP
04.01.03 / 00 MONTAGEM DO MOTOR E BOMBA, PÁGINA 3 / 1-9999
04.01.03 / 00 MONTAJE DE MOTOR Y BOMBA, PÁGINA 3 / 1-9999
04.01.03 / 00 PUMP DRIVE AND ENGINE ASSEMBLY, PAGE 3 / 1-9999
POS Nº DE IDENT. DESIGNAÇÃO
DESIGNATION
DESIGNACIÓN QUANT. VALIDADE
04.01.03 / 00 MONTAGEM DO MOTOR E BOMBA, PÁGINA 3 / 1-9999
04.01.03 / 00 MONTAJE DE MOTOR Y BOMBA, PÁGINA 3 / 1-9999
04.01.03 / 00 PUMP DRIVE AND ENGINE ASSEMBLY, PAGE 3 / 1-9999
2053610
1 2026866 ALOJAMENTO DO ROLAMENTO SOPORTE 1,000 1-9999
BEARING BLOCK
2 217476 ANEL DE RETENÇÃO ANILLO FIJADOR 1,000 1-9999
LOCKING RING
3 2026867 ROLAMENTO DE ESFERAS RODAMIENTO RADIAL RÍGIDO 1,000 1-9999
GROOVED BALL BEARING
4 2026869 EIXO VAZADO ÁRBOL HUECO 1,000 1-9999
HOLLOW SHAFT
5 2026871 ROLAMENTO DE ESFERAS RODAMIENTO RADIAL RÍGIDO 1,000 1-9999
GROOVED BALL BEARING
6 2026872 ARRUELA ARANDELA 1,000 1-9999
WASHER
7 2026873 PARAFUSO SEXTAVADO TORNILLO HEXAGONAL 1,000 1-9999
HEXAGON SCREW
8 2026874 POLIA V POLEA POLY V 1,000 1-9999
BELT PULLEY
9 2024158 ADAPTADOR ADAPTADOR 1,000 1-9999
ADAPTER
10 2026986 PARAFUSO SEXTAVADO TORNILLO HEXAGONAL 4,000 1-9999
HEXAGON SCREW
11 339180 PARAFUSO SEXTAVADO TORNILLO HEXAGONAL 4,000 1-9999
HEXAGON SCREW
70 1273221 VENTILADOR VENTILADOR 1,000 1-9999
BLOWER
04.05.01 / 00 SISTEMA DE COMBUSTÍVEL, PÁGINA 1 / 1-9999
04.05.01 / 00 SISTEMA DE COMBUSTIBLE, PÁGINA 1 / 1-9999
04.05.01 / 00 FUEL SYSTEM, PAGE 1 / 1-9999
POS Nº DE IDENT. DESIGNAÇÃO
DESIGNATION
DESIGNACIÓN QUANT. VALIDADE
04.05.01 / 00 SISTEMA DE COMBUSTÍVEL, PÁGINA 1 / 1-9999
04.05.01 / 00 SISTEMA DE COMBUSTIBLE, PÁGINA 1 / 1-9999
04.05.01 / 00 FUEL SYSTEM, PAGE 1 / 1-9999
2130018
1 2058592 TANQUE DE COMBUSTÍVEL DEPÓSITO DE CARBURANTE 1,000 1-9999
FUEL TANK
14 212024 PARAFUSO SEXTAVADO TORNILLO HEXAGONAL 4,000 1-9999
HEXAGON SCREW
15 293873 ARRUELA ARANDELA 8,000 1-9999
WASHER
16 216461 PORCA SEXTAVADA TUERCA HEXAGONAL 4,000 1-9999
HEXAGON NUT
17 1210653 PARAFUSO SEXTAVADO TORNILLO HEXAGONAL 1,000 1-236
HEXAGON SCREW
18 1481436 ARRUELA ARANDELA 2,000 1-236
WASHER
19 1278525 PORCA SEXTAVADA TUERCA HEXAGONAL 1,000 237-9999
HEXAGON NUT
20 2079725 SENSOR DE NÍVEL DE COMBUSTÍVEL SENSOR DE NIVEL DE COMBUSTIBLE 1,000 1-9999
FUEL LEVEL SENSOR
30 1488791 MANGUEIRA MANGUERA 1,000 1-9999
FLEXIBLE TUBING
31 233315 ABRAÇADEIRA ABRAZADERA 2,000 1-9999
HOSE CLIP
32 860352 BOCAL DE ENCHIMENTO RACOR DE LLENADO 1,000 1-9999
FILLER NECK
33 228060 TAMPA DO BOCAL TAPA DEL DEPÓSITO 1,000 1-9999
TANK CAP
33.01 266000 CHAVE LLAVE 1,000 1-9999
KEY
35 1209787 PARAFUSO SEXTAVADO TORNILLO HEXAGONAL 2,000 1-9999
HEXAGON SCREW
04.05.01 / 00 SISTEMA DE COMBUSTÍVEL, PÁGINA 1 / 1-9999
04.05.01 / 00 SISTEMA DE COMBUSTIBLE, PÁGINA 1 / 1-9999
04.05.01 / 00 FUEL SYSTEM, PAGE 1 / 1-9999
POS Nº DE IDENT. DESIGNAÇÃO
DESIGNATION
DESIGNACIÓN QUANT. VALIDADE
04.05.01 / 00 SISTEMA DE COMBUSTÍVEL, PÁGINA 1 / 1-9999
04.05.01 / 00 SISTEMA DE COMBUSTIBLE, PÁGINA 1 / 1-9999
04.05.01 / 00 FUEL SYSTEM, PAGE 1 / 1-9999
2130018
37 345490 ARRUELA ARANDELA 2,000 1-9999
WASHER
38 216453 PORCA SEXTAVADA TUERCA HEXAGONAL 2,000 1-9999
HEXAGON NUT
42 1294423 MANGUEIRA MANGUERA 1,000 1-9999
FLEXIBLE TUBING
70 1291416 MANGUEIRA MANGUERA 1,000 1-9999
FLEXIBLE TUBING
87 1504274 MANGUEIRA DE LIGAÇÃO MANGUERA DE UNIÓN 1,000 1-9999
CONNECTION HOSE
88 2038780 ABRAÇADEIRA ABRAZADERA 2,000 1-9999
HOSE CLIP
04.05.02 / 00 SISTEMA DE COMBUSTÍVEL, PÁGINA 2 / 1-9999
04.05.02 / 00 SISTEMA DE COMBUSTIBLE, PÁGINA 2 / 1-9999
04.05.02 / 00 FUEL SYSTEM, PAGE 2 / 1-9999
POS Nº DE IDENT. DESIGNAÇÃO
DESIGNATION
DESIGNACIÓN QUANT. VALIDADE
04.05.02 / 00 SISTEMA DE COMBUSTÍVEL, PÁGINA 2 / 1-9999
04.05.02 / 00 SISTEMA DE COMBUSTIBLE, PÁGINA 2 / 1-9999
04.05.02 / 00 FUEL SYSTEM, PAGE 2 / 1-9999
2130020
42 1294423 MANGUEIRA MANGUERA 1,000 1-9999
FLEXIBLE TUBING
43 231584 JOELHO MACHO ORIENTÁVEL RACOR ANGULAR AJUSTABLE 1,000 1-9999
ELBOW ADJUSTABLE
46 1504959 CHAPA SUPORTE CHAPA DE ASIENTO 1,000 1-9999
SUPPORTING PLATE
47 215406 PARAFUSO DE CABEÇA ESCAREADA TORNILLO AVELLANADO 2,000 1-9999
COUNTERSUNK SCREW
48 231355 ARRUELA ARANDELA 2,000 1-9999
WASHER
49 216445 PORCA SEXTAVADA TUERCA HEXAGONAL 2,000 1-9999
HEXAGON NUT
51 381063 CONEXÃO MACHO RETA RACOR PARA ENROSCAR RECTO 2,000 1-9999
STRAIGHT SCREWED SOCKET
55 1292226 FILTRO DE COMBUSTÍVEL FILTRO DE COMBUSTIBLE 1,000 1-9999
FUEL FILTER
55.01 2029764 PARAFUSO TORNILLO DE CIERRE 2,000 1-9999
SCREW PLUG
57 311014 PARAFUSO PRISIONEIRO ESPÁRRAGO 2,000 1-9999
STUD BOLT
58 231355 ARRUELA ARANDELA 2,000 1-9999
WASHER
59 216445 PORCA SEXTAVADA TUERCA HEXAGONAL 2,000 1-9999
HEXAGON NUT
60 1200305 ABRAÇADEIRA ABRAZADERA 3,000 1-9999
PIPE CLIP
61 213748 PARAFUSO SEXTAVADO TORNILLO HEXAGONAL 1,000 1-9999
HEXAGON SCREW
04.05.02 / 00 SISTEMA DE COMBUSTÍVEL, PÁGINA 2 / 1-9999
04.05.02 / 00 SISTEMA DE COMBUSTIBLE, PÁGINA 2 / 1-9999
04.05.02 / 00 FUEL SYSTEM, PAGE 2 / 1-9999
POS Nº DE IDENT. DESIGNAÇÃO
DESIGNATION
DESIGNACIÓN QUANT. VALIDADE
04.05.02 / 00 SISTEMA DE COMBUSTÍVEL, PÁGINA 2 / 1-9999
04.05.02 / 00 SISTEMA DE COMBUSTIBLE, PÁGINA 2 / 1-9999
04.05.02 / 00 FUEL SYSTEM, PAGE 2 / 1-9999
2130020
62 216593 ARRUELA ARANDELA 2,000 1-9999
WASHER
63 216445 PORCA SEXTAVADA TUERCA HEXAGONAL 1,000 1-9999
HEXAGON NUT
64 381063 CONEXÃO MACHO RETA RACOR PARA ENROSCAR RECTO 1,000 1-9999
STRAIGHT SCREWED SOCKET
66 1291114 MANGUEIRA MANGUERA 1,000 1-9999
FLEXIBLE TUBING
70 1291416 MANGUEIRA MANGUERA 1,000 1-9999
FLEXIBLE TUBING
71 233102 ABRAÇADEIRA ABRAZADERA 1,000 1-9999
HOSE CLIP
76 1220829 BUCHA CASQUILLO 1,000 1-9999
BUSHING
77 226467 PARAFUSO DE CABEÇA CILÍNDRICA TORNILLO CILÍNDRICO 1,000 1-9999
CHEESE-HEAD SCREW
78 216577 ARRUELA ARANDELA 1,000 1-9999
WASHER
85 891169 SUPORTE SOPORTE 1,000 1-9999
SUPPORT
86 1259334 FILTRO DE AR FILTRO DE VENTILACIÓN 1,000 1-9999
VENT FILTER
87 1504274 MANGUEIRA DE UNIÃO MANGUERA DE UNIÓN 1,000 1-9999
CONNECTION HOSE
88 1293389 ABRAÇADEIRA ABRAZADERA 2,000 1-9999
HOSE CLIP
101 1294822 BOMBA DE COMBUSTÍVEL BOMBA DECOMBUSTIBLE 1,000 1-9999
FUEL PUMP
04.05.03 / 00 SISTEMA DE COMBUSTÍVEL, PÁGINA 2 / 1-9999
04.05.03 / 00 SISTEMA DE COMBUSTIBLE, PÁGINA 2 / 1-9999
04.05.03 / 00 FUEL SYSTEM, PAGE 2 / 1-9999
POS Nº DE IDENT. DESIGNAÇÃO
DESIGNATION
DESIGNACIÓN QUANT. VALIDADE
04.05.03 / 00 SISTEMA DE COMBUSTÍVEL, PÁGINA 2 / 1-9999
04.05.03 / 00 SISTEMA DE COMBUSTIBLE, PÁGINA 2 / 1-9999
04.05.03 / 00 FUEL SYSTEM, PAGE 2 / 1-9999
2130021
1 2105136 TANQUE DE COMBUSTÍVEL DEPÓSITO DE CARBURANTE 1,000 1-9999
FUEL TANK
2 571148 TAMPA TAPA 1,000 1-9999
COVER
3 576476 ANEL O’RING ANILLO TOROIDAL 1,000 1-9999
O’RING SEAL
4 216097 PORCA SEXTAVADA TUERCA HEXAGONAL 4,000 1-9999
HEXAGONAL NUT
5 242675 PRISIONEIRO ESPÁRRAGO 4,000 1-9999
STUD BOLT
6 216453 PORCA SEXTAVADA TUERCA HEXAGONAL 4,000 1-9999
HEXAGONAL NUT
7 216607 ARRUELA ARANDELA 4,000 1-9999
WASHER
10 205907 TAMPÃO TORNILLO DE CIERRE 1,000 1-9999
SCREW PLUG
11 219509 ANEL DE VEDAÇÃO ANILLO DE JUNTA 1,000 1-9999
SEALING RING
15 381063 CONEXÃO RACOR PARA ENROSCAR RECTO 1,000 1-9999
STRAIGHT SCREWED SOCKET
16 315710 CONEXÃO RACOR PARA ENROSCAR RECTO 1,000 1-9999
STRAIGHT SCREWED SOCKET
21 2116085 TAMPÃO TORNILLO DE CIERRE 1,000 1-9999
SCREW PLUG
22 2106765 BUCHA SILENTBLOC 1,000 1-9999
SILENTBLOC
23 1509454 CHAPA ISOLANTE PLACA AISLANTE 1,000 1-9999
INSULATION PLATE
04.05.03 / 00 SISTEMA DE COMBUSTÍVEL, PÁGINA 2 / 1-9999
04.05.03 / 00 SISTEMA DE COMBUSTIBLE, PÁGINA 2 / 1-9999
04.05.03 / 00 FUEL SYSTEM, PAGE 2 / 1-9999
POS Nº DE IDENT. DESIGNAÇÃO
DESIGNATION
DESIGNACIÓN QUANT. VALIDADE
04.05.03 / 00 SISTEMA DE COMBUSTÍVEL, PÁGINA 2 / 1-9999
04.05.03 / 00 SISTEMA DE COMBUSTIBLE, PÁGINA 2 / 1-9999
04.05.03 / 00 FUEL SYSTEM, PAGE 2 / 1-9999
2130021
24 276766 PERFIL DE VEDAÇÃO (M) PERFIL DE IMPERMEABILIZACIÓN (M) 2,500 1-9999
SEALING PROFILLE (M)
25 886092 SEMSOR DE NÍVEL DO COMBUSTÍVEL SENSOR DE NIVEL DE COMBUSTIBLE 1,000 1-9999
FUEL LEVEL SENSOR
26 1206680 JUNTA JUNTA 1,000 1-9999
SEAL
27 332437 ANEL DE VEDAÇÃO ANILLO DE JUNTA 6,000 1-9999
SEALING RING
28 1202359 PARAFUSO CILINDRICO TORNILLO CILINDRICO 6,000 1-9999
CHEESE HEAD SCREW
30 1498819 CHAPA CHAPA 1,000 1-9999
METAL PLATE
31 212024 PARAFUSO SEXTAVADO TORNILLO HEXAGONAL 3,000 1-9999
HEXAGONAL SCREW
32 293873 ARRUELA ARANDELA 6,000 1-9999
WASHER
33 216461 PORCA SEXTAVADA TUERCA HEXAGONAL 3,000 1-9999
HEXAGONAL NUT
34 2105174 SUPORTE SOPORTE 1,000 1-9999
SUPPORT
100 2058592 TANQUE DE COMBUSTÍVEL COMPLETO DEPÓSITO DE CARBURANTE COMPLETO 1,000 1-9999
FUEL TANK COMPLETE
04.06.00 / 00 FILTRO DE COMBUSTÍVEL / 1-9999
04.06.00 / 00 FILTRO DE COMBUSTIBLE / 1-9999
04.06.00 / 00 FUEL FILTER / 1-9999
POS Nº DE IDENT. DESIGNAÇÃO
DESIGNATION
DESIGNACIÓN QUANT. VALIDADE
04.06.00 / 00 FILTRO DE COMBUSTÍVEL / 1-9999
04.06.00 / 00 FILTRO DE COMBUSTIBLE / 1-9999
04.06.00 / 00 FUEL FILTER / 1-9999
2053614
1 1292226 CARTUCHO DE FILTRO CARTUCHO DEL FILTRO 1,000 1-9999
FILTER CARTRIDGE
1.01 1292404 ELEMENTO FILTRANTE CARTUCHO DEL FILTRO 1,000 1-9999
FILTER CARTRIDGE
1.02 1292412 COPO DO FILTRO CUERPO DEL FILTRO 1,000 1-9999
FILTER HOUSING
1.03 2035402 CABEÇA DO FILTRO CABEZAL DEL FILTRO 1,000 1-9999
FILTER HEAD
2 892653 CABEÇOTE DO FILTRO CUERPO DE FILTRO 1,000 1-9999
FILTER HOUSING
10 2036282 FILTRO DE COMBUSTÍVEL FILTRO DE COMBUSTIBLE 1,000 1-9999
FUEL FILTER
04.10.00 / 00 CONTROLE DO MOTOR / 1-9999
04.10.00 / 00 ACCIONAMIENTO DEL MOTOR / 1-9999
04.10.00 / 00 ENGINE CONTROL / 1-9999
POS Nº DE IDENT. DESIGNAÇÃO
DESIGNATION
DESIGNACIÓN QUANT. VALIDADE
04.10.00 / 00 CONTROLE DO MOTOR / 1-9999
04.10.00 / 00 ACCIONAMIENTO DEL MOTOR / 1-9999
04.10.00 / 00 ENGINE CONTROL / 1-9999
2053615
1 1537598 ALAVANCA MANUAL COM CABO PALANCA MANUAL CON CABLE ACCION. 1,000 1-9999
HAND LEVER WITH ACTUATING CABLE
1.01 2026478 ALAVANCA MANUAL PALANCA MANUAL 1,000 1-9999
HAND LEVER
1.02 2026479 CABO DE ACIONAMENTO CABLE DE ACCIONAMIENTO 1,000 1-9999
ACTUATING CABLE
2 1210076 PARAFUSO DE CABEÇA CILÍNDRICA TORNILLO CILÍNDRICO 2,000 1-9999
CHEESE-HEAD SCREW
3 216577 ARRUELA ARANDELA 4,000 1-9999
WASHER
4 216437 PORCA SEXTAVADA TUERCA HEXAGONAL 2,000 1-9999
HEXAGON NUT
11 216062 PORCA SEXTAVADA TUERCA HEXAGONAL 1,000 1-9999
HEXAGON NUT
12 216577 ARRUELA ARANDELA 1,000 1-9999
WASHER
04.15.00 / 00 SISTEMA DO FILTRO DE AR / 1-9999
04.15.00 / 00 DISPOSITIVO DEL FILTRO DE AIRE / 1-9999
04.15.00 / 00 AIR FILTER SYSTEM / 1-9999
4
1.03
1.01
1.02
1
2
6
3
4
5
10
12
13
13
11
13
POS Nº DE IDENT. DESIGNAÇÃO
DESIGNATION
DESIGNACIÓN QUANT. VALIDADE
04.15.00 / 00 SISTEMA DO FILTRO DE AR / 1-9999
04.15.00 / 00 DISPOSITIVO DEL FILTRO DE AIRE / 1-9999
04.15.00 / 00 AIR FILTER SYSTEM / 1-9999
2053616
1 1206966 FILTRO DE AR FILTRO DE AIRE 1,000 1-9999
AIR FILTER
1.01 1209590 CARTUCHO DE FILTRO CARTUCHO DEL FILTRO 1,000 1-9999
FILTER CARTRIDGE
1.02 1209620 CARTUCHO FILTRO DE SEGURANÇA CARTUCHO FILTRO DE SEGURIDAD 1,000 1-9999
SAFETY FILTER CARTRIDGE
1.03 287490 VÁLVULA DESCARGA DE PÓ VÁLVULA DE DESCARGA DE POLVO 1,000 1-9999
DUST DISCHARGE VALVE
2 1206974 SUPORTE SOPORTE 1,000 1-9999
SUPPORT
3 1209914 PARAFUSO SEXTAVADO TORNILLO HEXAGONAL 1,000 1-9999
HEXAGON SCREW
4 216593 ARRUELA ARANDELA 4,000 1-9999
WASHER
5 216445 PORCA SEXTAVADA TUERCA HEXAGONAL 2,000 1-9999
HEXAGON NUT
6 211907 PARAFUSO SEXTAVADO TORNILLO HEXAGONAL 1,000 1-9999
HEXAGON SCREW
10 233366 INDICADOR DE CONTAMINAÇÃO, FILTRO DE AR INTERR. DEPRESIÓN, FILTRO AIRE 1,000 1-9999
PRESSURE SWITCH, AIR FILTER
11 891096 TUBO DE ASPIRAÇÃO TUBO DE ASPIRACIÓN 1,000 1-9999
INTAKE PIPE
12 1209566 CURVA CODO 1,000 1-9999
MANIFOLD
13 1293281 ABRAÇADEIRA ABRAZADERA 3,000 1-9999
HOSE CLIP
04.20.00 / 00 SISTEMA DO ESCAPAMENTO / 1-9999
04.20.00 / 00 SISTEMA DE ESCAPE / 1-9999
04.20.00 / 00 EXHAUST SYSTEM / 1-9999
12
2
11
21
22
20
7
6
4
5
1
14
3
12
3
13
15
16
16
23
POS Nº DE IDENT. DESIGNAÇÃO
DESIGNATION
DESIGNACIÓN QUANT. VALIDADE
04.20.00 / 00 SISTEMA DO ESCAPAMENTO / 1-9999
04.20.00 / 00 SISTEMA DE ESCAPE / 1-9999
04.20.00 / 00 EXHAUST SYSTEM / 1-9999
2053617
1 861006 SILENCIADOR SILENCIADOR 1,000 1-9999
SILENCER
2 1257641 ABRAÇADEIRA ABRAZADERA 2,000 1-9999
HOSE CLIP
3 891134 TUBO DE ESCAPAMENTO TUBO DE ESCAPE 1,000 1-9999
EXHAUST PIPE
4 1432583 JUNTA JUNTA 1,000 1-9999
SEAL
5 311014 PARAFUSO PRISIONEIRO ESPÁRRAGO 4,000 1-9999
STUD BOLT
6 231355 ARRUELA ARANDELA 4,000 1-9999
WASHER
7 1209302 PORCA DE SEGURANÇA TUERCA DE SEGURIDAD 4,000 1-9999
SAFETY NUT
11 1255371 ABRAÇADEIRA ABRAZADERA SEMIRREDONDA 1,000 1-9999
CLIP
12 891142 REVESTIMENTO ISOLANTE CASQUILLO AISLANTE 1,000 1-9999
INSULATION SLEEVE
13 1481630 REVESTIMENTO ISOLANTE CASQUILLO AISLANTE 1,000 1-9999
INSULATION SLEEVE
14 1519255 REVESTIMENTO ISOLANTE CASQUILLO AISLANTE 1,000 1-9999
INSULATION SLEEVE
15 1489402 ARAME ALAMBRE 1,000 1-9999
WIRE
16 388220 PORCA DE SEGURANÇA TUERCA DE SEGURIDAD 4,000 1-9999
SAFETY NUT
20 870382 TUBO DE ESCAPAMENTO FINAL TUBO DE ESCAPE FINAL 1,000 1-9999
EXHAUST PIPE
04.20.00 / 00 SISTEMA DO ESCAPAMENTO / 1-9999
04.20.00 / 00 SISTEMA DE ESCAPE / 1-9999
04.20.00 / 00 EXHAUST SYSTEM / 1-9999
12
2
11
21
22
20
7
6
4
5
1
14
3
12
3
13
15
16
16
23
POS Nº DE IDENT. DESIGNAÇÃO
DESIGNATION
DESIGNACIÓN QUANT. VALIDADE
04.20.00 / 00 SISTEMA DO ESCAPAMENTO / 1-9999
04.20.00 / 00 SISTEMA DE ESCAPE / 1-9999
04.20.00 / 00 EXHAUST SYSTEM / 1-9999
2053617
21 1209965 PARAFUSO SEXTAVADO TORNILLO HEXAGONAL 4,000 1-9999
HEXAGON SCREW
22 466387 ARRUELA ARANDELA 4,000 1-9999
WASHER
23 276243 ARRUELA DE TRAVAMENTO DISCO DE SEGURIDAD 4,000 1-9999
LOCKING WASHER
04.25.01 / 00 REFRIGERAÇÃO (MOTOR/ÓLEO HIDRÁULICO), PÁGINA 1 / 1-9999
04.25.01 / 00 REFRIGERACIÓN (MOTOR/ACEITE HIDRÁULICO), PÁGINA 1 / 1-9999
04.25.01 / 00 COOLING (ENGINE/HYDRAULIC OIL), PAGE 1 / 1-9999
56
49
49
54
52
51
52
56
55
3940
15
36
37
33
35
34
37
38
15
18
46
54
53
50
47
48
46
45
POS Nº DE IDENT. DESIGNAÇÃO
DESIGNATION
DESIGNACIÓN QUANT. VALIDADE
04.25.01 / 00 REFRIGERAÇÃO (MOTOR/ÓLEO HIDRÁULICO), PÁGINA 1 / 1-9999
04.25.01 / 00 REFRIGERACIÓN (MOTOR/ACEITE HIDRÁULICO), PÁGINA 1 / 1-9999
04.25.01 / 00 COOLING (ENGINE/HYDRAULIC OIL), PAGE 1 / 1-9999
2053626
15 860247 CHAPA CHAPA 1,000 1-9999
METAL PLATE
18 614022 PERFIL DE BORRACHA (M) PERFIL DE GOMA ESPUMOSA (M) 1,000 1-9999
RUBBER PROFILE (M)
33 614022 PERFIL DE BORRACHA (M) PERFIL DE GOMA ESPUMOSA (M) 3,000 1-9999
RUBBER PROFILE (M)
34 200956 COXIM METAL-BORRACHA TOPE DE CAUCHO-METAL 2,000 1-9999
SILENTBLOC
35 1480898 RADIADOR DE ÁGUA REFRIGERADOR DE AGUA 1,000 1-9999
WATER COOLER
36 245569 PARAFUSO DE CABEÇA CILÍNDRICA TORNILLO CILÍNDRICO 2,000 1-9999
CHEESE-HEAD SCREW
37 216607 ARRUELA ARANDELA 4,000 1-9999
WASHER
38 216453 PORCA SEXTAVADA TUERCA HEXAGONAL 2,000 1-9999
HEXAGON NUT
39 213748 PARAFUSO SEXTAVADO TORNILLO HEXAGONAL 2,000 1-9999
HEXAGON SCREW
40 231355 ARRUELA ARANDELA 2,000 1-9999
WASHER
45 1519158 MANGUEIRA MANGUERA 1,000 1-9999
FLEXIBLE TUBING
46 1214357 ABRAÇADEIRA ABRAZADERA 2,000 1-9999
HOSE CLIP
47 884960 TUBO TUBO 1,000 1-9999
PIPE
48 213845 PARAFUSO SEXTAVADO TORNILLO HEXAGONAL 2,000 1-9999
HEXAGON SCREW
04.25.01 / 00 REFRIGERAÇÃO (MOTOR/ÓLEO HIDRÁULICO), PÁGINA 1 / 1-9999
04.25.01 / 00 REFRIGERACIÓN (MOTOR/ACEITE HIDRÁULICO), PÁGINA 1 / 1-9999
04.25.01 / 00 COOLING (ENGINE/HYDRAULIC OIL), PAGE 1 / 1-9999
56
49
49
54
52
51
52
56
55
3940
15
36
37
33
35
34
37
38
15
18
46
54
53
50
47
48
46
45
POS Nº DE IDENT. DESIGNAÇÃO
DESIGNATION
DESIGNACIÓN QUANT. VALIDADE
04.25.01 / 00 REFRIGERAÇÃO (MOTOR/ÓLEO HIDRÁULICO), PÁGINA 1 / 1-9999
04.25.01 / 00 REFRIGERACIÓN (MOTOR/ACEITE HIDRÁULICO), PÁGINA 1 / 1-9999
04.25.01 / 00 COOLING (ENGINE/HYDRAULIC OIL), PAGE 1 / 1-9999
2053626
49 216593 ARRUELA ARANDELA 4,000 1-9999
WASHER
50 216445 PORCA SEXTAVADA TUERCA HEXAGONAL 2,000 1-9999
HEXAGON NUT
51 1432664 MANGUEIRA MANGUERA 1,000 1-9999
FLEXIBLE TUBING
52 1214357 ABRAÇADEIRA ABRAZADERA 2,000 1-9999
HOSE CLIP
53 2026564 MANGUEIRA MANGUERA 1,000 1-9999
FLEXIBLE TUBING
54 1214357 ABRAÇADEIRA ABRAZADERA 2,000 1-9999
HOSE CLIP
55 1488651 MANGUEIRA MANGUERA 1,000 1-9999
FLEXIBLE TUBING
56 1214357 ABRAÇADEIRA ABRAZADERA 2,000 1-9999
HOSE CLIP
04.25.02 / 00 REFRIGERAÇÃO (MOTOR/ÓLEO HIDRÁULICO), PÁGINA 2 / 1-9999
04.25.02 / 00 REFRIGERACIÓN (MOTOR/ACEITE HIDRÁULICO), PÁGINA 2 / 1-9999
04.25.02 / 00 COOLING (ENGINE/HYDRAULIC OIL), PAGE 2 / 1-9999
15
16
17
26
8
25
9
10
13
12
10
11
18
20
26
27
28
29
21
22
29
30
31
POS Nº DE IDENT. DESIGNAÇÃO
DESIGNATION
DESIGNACIÓN QUANT. VALIDADE
04.25.02 / 00 REFRIGERAÇÃO (MOTOR/ÓLEO HIDRÁULICO), PÁGINA 2 / 1-9999
04.25.02 / 00 REFRIGERACIÓN (MOTOR/ACEITE HIDRÁULICO), PÁGINA 2 / 1-9999
04.25.02 / 00 COOLING (ENGINE/HYDRAULIC OIL), PAGE 2 / 1-9999
2053627
8 1480901 RADIADOR DE ÓLEO HIDRÁULICO REFRIGERADOR, ACEITE HIDRÁUL. 1,000 1-9999
HYDRAULIC OIL COOLER
9 245569 PARAFUSO DE CABEÇA CILÍNDRICA TORNILLO CILÍNDRICO 2,000 1-9999
CHEESE-HEAD SCREW
10 216607 ARRUELA ARANDELA 4,000 1-9999
WASHER
11 216453 PORCA SEXTAVADA TUERCA HEXAGONAL 2,000 1-9999
HEXAGON NUT
12 200956 COXIM METAL-BORRACHA TOPE DE CAUCHO-METAL 2,000 1-9999
SILENTBLOC
13 614022 PERFIL DE BORRACHA (M) PERFIL DE GOMA ESPUMOSA (M) 3,000 1-9999
RUBBER PROFILE (M)
15 860247 CHAPA CHAPA 1,000 1-9999
METAL PLATE
16 213748 PARAFUSO SEXTAVADO TORNILLO HEXAGONAL 2,000 1-9999
HEXAGON SCREW
17 231355 ARRUELA ARANDELA 2,000 1-9999
WASHER
18 614022 PERFIL DE BORRACHA (M) PERFIL DE GOMA ESPUMOSA (M) 1,000 1-9999
RUBBER PROFILE (M)
20 315702 CONEXÃO MACHO RETA RACOR PARA ENROSCAR RECTO 1,000 1-9999
STRAIGHT SCREWED SOCKET
21 321818 MANGUEIRA MANGUERA 1,000 1-9999
FLEXIBLE TUBING
22 315702 CONEXÃO MACHO RETA RACOR PARA ENROSCAR RECTO 1,000 1-9999
STRAIGHT SCREWED SOCKET
25 315702 CONEXÃO MACHO RETA RACOR PARA ENROSCAR RECTO 1,000 1-9999
STRAIGHT SCREWED SOCKET
04.25.02 / 00 REFRIGERAÇÃO (MOTOR/ÓLEO HIDRÁULICO), PÁGINA 2 / 1-9999
04.25.02 / 00 REFRIGERACIÓN (MOTOR/ACEITE HIDRÁULICO), PÁGINA 2 / 1-9999
04.25.02 / 00 COOLING (ENGINE/HYDRAULIC OIL), PAGE 2 / 1-9999
15
16
17
26
8
25
9
10
13
12
10
11
18
20
26
27
28
29
21
22
29
30
31
POS Nº DE IDENT. DESIGNAÇÃO
DESIGNATION
DESIGNACIÓN QUANT. VALIDADE
04.25.02 / 00 REFRIGERAÇÃO (MOTOR/ÓLEO HIDRÁULICO), PÁGINA 2 / 1-9999
04.25.02 / 00 REFRIGERACIÓN (MOTOR/ACEITE HIDRÁULICO), PÁGINA 2 / 1-9999
04.25.02 / 00 COOLING (ENGINE/HYDRAULIC OIL), PAGE 2 / 1-9999
2053627
26 1265814 MANGUEIRA MANGUERA 1,000 1-9999
FLEXIBLE TUBING
27 387843 UNIÃO DUPLA PARA PAINEL RACOR RECTO DE MAMPARA 1,000 1-9999
BULKHEAD SOCKET STRAIGHT
28 318043 PORCA SEXTAVADA TUERCA HEXAGONAL 1,000 1-9999
HEXAGON NUT
29 1291637 MANGUEIRA MANGUERA 1,000 1-9999
FLEXIBLE TUBING
30 317853 JOELHO ORIENTÁVEL RACOR ANGULAR AJUSTABLE 1,000 1-9999
ELBOW ADJUSTABLE
31 315702 CONEXÃO MACHO RETA RACOR PARA ENROSCAR RECTO 1,000 1-9999
STRAIGHT SCREWED SOCKET
04.25.03 / 00 REFRIGERAÇÃO (MOTOR/ÓLEO HIDRÁULICO), PÁGINA 3 / 1-9999
04.25.03 / 00 REFRIGERACIÓN (MOTOR/ACEITE HIDRÁULICO), PÁGINA 3 / 1-9999
04.25.03 / 00 COOLING (ENGINE/HYDRAULIC OIL), PAGE 3 / 1-9999
15
16
17
18
17
19
20
26
25
27
28
29
29
29
29
29
29
29
30
POS Nº DE IDENT. DESIGNAÇÃO
DESIGNATION
DESIGNACIÓN QUANT. VALIDADE
04.25.03 / 00 REFRIGERAÇÃO (MOTOR/ÓLEO HIDRÁULICO), PÁGINA 3 / 1-9999
04.25.03 / 00 REFRIGERACIÓN (MOTOR/ACEITE HIDRÁULICO), PÁGINA 3 / 1-9999
04.25.03 / 00 COOLING (ENGINE/HYDRAULIC OIL), PAGE 3 / 1-9999
2053634
15 1480871 RADIADOR RADIADOR 1,000 1-9999
RADIATOR
16 283681 PARAFUSO SEXTAVADO TORNILLO HEXAGONAL 4,000 1-9999
HEXAGON SCREW
17 216607 ARRUELA ARANDELA 8,000 1-9999
WASHER
18 216453 PORCA SEXTAVADA TUERCA HEXAGONAL 4,000 1-9999
HEXAGON NUT
19 213748 PARAFUSO SEXTAVADO TORNILLO HEXAGONAL 2,000 1-9999
HEXAGON SCREW
20 231355 ARRUELA ARANDELA 2,000 1-9999
WASHER
25 1519220 MANGUEIRA DE AR QUENTE MANGUERA DE AIRE CALIENTE 1,000 1-9999
HOT AIR HOSE
26 1519239 MANGUEIRA DE AR QUENTE MANGUERA DE AIRE CALIENTE 1,000 1-9999
HOT AIR HOSE
27 1494392 MANGUEIRA DE AR MANGUERA DE AIRE 1,000 1-9999
AIR HOSE
28 1494406 MANGUEIRA DE AR MANGUERA DE AIRE 1,000 1-9999
AIR HOSE
29 1264249 ABRAÇADEIRA ABRAZADERA 7,000 1-9999
HOSE CLIP
30 1256440 ABRAÇADEIRA ABRAZADERA 1,000 1-9999
HOSE CLIP
04.25.04 / 00 REFRIGERAÇÃO (MOTOR/ÓLEO HIDRÁULICO), PÁGINA 4 / 1-20
04.25.04 / 00 REFRIGERACIÓN (MOTOR/ACEITE HIDRÁULICO), PÁGINA 4 / 1-20
04.25.04 / 00 COOLING (ENGINE/HYDRAULIC OIL), PAGE 4 / 1-20
71
73
75
74
70
72
78
75
76
77
79
80
67
82
83
82
81
66
84
91
90
92
82
83
67
82
POS Nº DE IDENT. DESIGNAÇÃO
DESIGNATION
DESIGNACIÓN QUANT. VALIDADE
04.25.04 / 00 REFRIGERAÇÃO (MOTOR/ÓLEO HIDRÁULICO), PÁGINA 4 / 1-20
04.25.04 / 00 REFRIGERACIÓN (MOTOR/ACEITE HIDRÁULICO), PÁGINA 4 / 1-20
04.25.04 / 00 COOLING (ENGINE/HYDRAULIC OIL), PAGE 4 / 1-20
2053635
66 1519131 MANGUEIRA MANGUERA 1,000 1-20
FLEXIBLE TUBING
67 284459 ABRAÇADEIRA DE MANGUEIRA ABRAZADERA DE MANGUERA 2,000 1-20
HOSE CLAMP
70 2039864 TANQUE DE EXPANSÃO DEPÓSITO DE COMPENSACIÓN 1,000 1-20
COMPENSATOR TANK
71 1241648 TAMPA DO TANQUE TAPA DEL DEPÓSITO 1,000 1-20
TANK CAP
72 1519115 SUPORTE SOPORTE 1,000 1-20
SUPPORT
73 1209930 PARAFUSO SEXTAVADO TORNILLO HEXAGONAL 3,000 1-20
HEXAGON SCREW
74 1501240 TUBO TUBO 3,000 1-20
PIPE
75 260983 ARRUELA ARANDELA 6,000 1-20
WASHER
76 216445 PORCA SEXTAVADA TUERCA HEXAGONAL 3,000 1-20
HEXAGON NUT
77 1291335 ARRUELA ARANDELA 4,000 1-20
WASHER
78 231185 PARAFUSO DE CABEÇA CILÍNDRICA TORNILLO CILÍNDRICO 4,000 1-20
CHEESE-HEAD SCREW
79 1519123 BUCHA DISTANCIADORA CASQUILLO DISTANCIADOR 4,000 1-20
DISTANCE BUSH
80 319678 BICO DA MANGUEIRA BOQUILLA DE LA MANGUERA 1,000 1-20
HOSE NOZZLE
81 225924 MANGUEIRA (M) MANGUERA (M) 0,480 1-20
FLEXIBLE TUBING (M)
04.25.04 / 00 REFRIGERAÇÃO (MOTOR/ÓLEO HIDRÁULICO), PÁGINA 4 / 1-20
04.25.04 / 00 REFRIGERACIÓN (MOTOR/ACEITE HIDRÁULICO), PÁGINA 4 / 1-20
04.25.04 / 00 COOLING (ENGINE/HYDRAULIC OIL), PAGE 4 / 1-20
71
73
75
74
70
72
78
75
76
77
79
80
67
82
83
82
81
66
84
91
90
92
82
83
67
82
POS Nº DE IDENT. DESIGNAÇÃO
DESIGNATION
DESIGNACIÓN QUANT. VALIDADE
04.25.04 / 00 REFRIGERAÇÃO (MOTOR/ÓLEO HIDRÁULICO), PÁGINA 4 / 1-20
04.25.04 / 00 REFRIGERACIÓN (MOTOR/ACEITE HIDRÁULICO), PÁGINA 4 / 1-20
04.25.04 / 00 COOLING (ENGINE/HYDRAULIC OIL), PAGE 4 / 1-20
2053635
82 225770 ABRAÇADEIRA DE MANGUEIRA ABRAZADERA DE MANGUERA 4,000 1-20
HOSE CLAMP
83 319678 BICO DA MANGUEIRA BOQUILLA DE LA MANGUERA 2,000 1-20
HOSE NOZZLE
84 225924 MANGUEIRA (M) MANGUERA (M) 0,860 1-20
FLEXIBLE TUBING (M)
90 231355 ARRUELA ARANDELA 1,000 1-20
WASHER
91 216445 PORCA SEXTAVADA TUERCA HEXAGONAL 1,000 1-20
HEXAGON NUT
92 1207563 ABRAÇADEIRA PARA TUBO ABRAZADERA 1,000 1-20
PIPE CLIP
04.25.04 / 01 REFRIGERAÇÃO (MOTOR/ÓLEO HIDRÁULICO), PÁGINA 4 / 21-9999
04.25.04 / 01 REFRIGERACIÓN (MOTOR/ACEITE HIDRÁULICO), PÁGINA 4 / 21-9999
04.25.04 / 01 COOLING (ENGINE/HYDRAULIC OIL), PAGE 4 / 21-9999
POS Nº DE IDENT. DESIGNAÇÃO
DESIGNATION
DESIGNACIÓN QUANT. VALIDADE
04.25.04 / 01 REFRIGERAÇÃO (MOTOR/ÓLEO HIDRÁULICO), PÁGINA 4 / 21-9999
04.25.04 / 01 REFRIGERACIÓN (MOTOR/ACEITE HIDRÁULICO), PÁGINA 4 / 21-9999
04.25.04 / 01 COOLING (ENGINE/HYDRAULIC OIL), PAGE 4 / 21-9999
2053637
66 1519131 MANGUEIRA MANGUERA 1,000 21-9999
FLEXIBLE TUBING
67 284459 ABRAÇADEIRA DE MANGUEIRA ABRAZADERA DE MANGUERA 2,000 21-9999
HOSE CLAMP
70 2039948 TANQUE DE EXPANSÃO DEPÓSITO DE COMPENSACIÓN 1,000 21-9999
COMPENSATOR TANK
71 1241648 TAMPA DO TANQUE TAPA DEL DEPÓSITO 1,000 21-9999
TANK CAP
72 1519115 SUPORTE SOPORTE 1,000 21-9999
SUPPORT
73 212008 PARAFUSO SEXTAVADO TORNILLO HEXAGONAL 3,000 21-9999
HEXAGON SCREW
74 1501240 TUBO TUBO 3,000 21-9999
PIPE
75 260983 ARRUELA ARANDELA 6,000 21-9999
WASHER
76 216445 PORCA SEXTAVADA TUERCA HEXAGONAL 3,000 21-9999
HEXAGON NUT
77 1291335 ARRUELA ARANDELA 3,000 21-9999
WASHER
78 231185 PARAFUSO DE CABEÇA CILÍNDRICA TORNILLO CILÍNDRICO 3,000 21-9999
CHEESE-HEAD SCREW
79 2101536 CHAPA DISTANCIADORA CASQUILLO DISTANCIADOR 3,000 21-9999
DISTANCE PLATE
80 1226282 ANEL DE VEDAÇÃO ANILLO TOROIDAL 2,000 21-9999
O’RING SEAL
81 2039112 MANGUEIRA MANGUERA 1,000 21-9999
FLEXIBLE TUBING
04.25.04 / 01 REFRIGERAÇÃO (MOTOR/ÓLEO HIDRÁULICO), PÁGINA 4 / 21-9999
04.25.04 / 01 REFRIGERACIÓN (MOTOR/ACEITE HIDRÁULICO), PÁGINA 4 / 21-9999
04.25.04 / 01 COOLING (ENGINE/HYDRAULIC OIL), PAGE 4 / 21-9999
POS Nº DE IDENT. DESIGNAÇÃO
DESIGNATION
DESIGNACIÓN QUANT. VALIDADE
04.25.04 / 01 REFRIGERAÇÃO (MOTOR/ÓLEO HIDRÁULICO), PÁGINA 4 / 21-9999
04.25.04 / 01 REFRIGERACIÓN (MOTOR/ACEITE HIDRÁULICO), PÁGINA 4 / 21-9999
04.25.04 / 01 COOLING (ENGINE/HYDRAULIC OIL), PAGE 4 / 21-9999
2053637
82 1214497 ABRAÇADEIRA DE MANGUEIRA ABRAZADERA DE MANGUERA 1,000 21-9999
HOSE CLAMP
83 319678 BICO DA MANGUEIRA BOQUILLA DE LA MANGUERA 1,000 21-9999
HOSE NOZZLE
84 2039111 MANGUEIRA MANGUERA 1,000 21-9999
FLEXIBLE TUBING
85 1299638 ABRAÇADEIRA ABRAZADERA 1,000 21-9999
HOSE CLIP
90 231355 ARRUELA ARANDELA 1,000 21-9999
WASHER
91 216445 PORCA SEXTAVADA TUERCA HEXAGONAL 1,000 21-9999
HEXAGON NUT
92 1207563 ABRAÇADEIRA PARA TUBO ABRAZADERA 1,000 21-9999
PIPE CLIP
04.30.01 / 00 SISTEMA HIDRÁULICO BASCULANTE (CAPÔ DO MOTOR), PÁGINA 1 / 1-9999
04.30.01 / 00 SISTEMA HIDRÁULICO BASCULANTE (CUBIERTA DEL MOTOR), PÁGINA 1 / 1-9999
04.30.01 / 00 TILTING HYDRAULIC (ENGINE COWLING), PAGE 1 / 1-9999
70
1.02
1010
9
4
3
2
1.01
1
6
7
26
27
29
28
5
8
5
4
20 18
20 19
17
15
16
11
10
31
32
30 25
10
POS Nº DE IDENT. DESIGNAÇÃO
DESIGNATION
DESIGNACIÓN QUANT. VALIDADE
04.30.01 / 00 SISTEMA HIDRÁULICO BASCULANTE (CAPÔ DO MOTOR), PÁGINA 1 / 1-9999
04.30.01 / 00 SISTEMA HIDRÁULICO BASCULANTE (CUBIERTA DEL MOTOR), PÁGINA 1 / 1-9999
04.30.01 / 00 TILTING HYDRAULIC (ENGINE COWLING), PAGE 1 / 1-9999
2053638
1 383295 BOMBA MANUAL BOMBA MANUAL 1,000 1-9999
MANUAL PUMP
1.01 1243470 KIT DE VEDAÇÃO KIT DE JUNTAS 1,000 1-9999
SET OF SEALS
1.02 1247077 BUJÃO TAPÓN DE CIERRE 1,000 1-9999
FILLER CAP
2 213799 PARAFUSO SEXTAVADO TORNILLO HEXAGONAL 4,000 1-9999
HEXAGON SCREW
3 231355 ARRUELA ARANDELA 4,000 1-9999
WASHER
4 206806 PORCA TUERCA ROSCADA 4,000 1-9999
CAP NUT
5 206911 ANEL DE CRAVAMENTO ANILLO CORTANTE 4,000 1-9999
CUTTING RING
6 1495844 TUBO TUBO 1,000 1-9999
PIPE
7 1495852 TUBO TUBO 1,000 1-9999
PIPE
8 322857 JOELHO IGUAL CODO 2,000 1-9999
ELBOW
9 1201859 PORCA SEXTAVADA TUERCA HEXAGONAL 2,000 1-9999
HEXAGON NUT
10 1261703 MANGUEIRA MANGUERA 2,000 1-9999
FLEXIBLE TUBING
11 891991 FREIO FRENO 2,000 1-9999
BRAKE
15 1213849 UNIÃO DUPLA PARA PAINEL RACOR RECTO DE MAMPARA 2,000 1-9999
BULKHEAD SOCKET STRAIGHT
04.30.01 / 00 SISTEMA HIDRÁULICO BASCULANTE (CAPÔ DO MOTOR), PÁGINA 1 / 1-9999
04.30.01 / 00 SISTEMA HIDRÁULICO BASCULANTE (CUBIERTA DEL MOTOR), PÁGINA 1 / 1-9999
04.30.01 / 00 TILTING HYDRAULIC (ENGINE COWLING), PAGE 1 / 1-9999
70
1.02
1010
9
4
3
2
1.01
1
6
7
26
27
29
28
5
8
5
4
20 18
20 19
17
15
16
11
10
31
32
30 25
10
POS Nº DE IDENT. DESIGNAÇÃO
DESIGNATION
DESIGNACIÓN QUANT. VALIDADE
04.30.01 / 00 SISTEMA HIDRÁULICO BASCULANTE (CAPÔ DO MOTOR), PÁGINA 1 / 1-9999
04.30.01 / 00 SISTEMA HIDRÁULICO BASCULANTE (CUBIERTA DEL MOTOR), PÁGINA 1 / 1-9999
04.30.01 / 00 TILTING HYDRAULIC (ENGINE COWLING), PAGE 1 / 1-9999
2053638
16 1201859 PORCA SEXTAVADA TUERCA HEXAGONAL 2,000 1-9999
HEXAGON NUT
17 387312 UNIÃO DUPLA RACOR 2,000 1-9999
SCREWED SOCKET
18 1244744 MANGUEIRA MANGUERA 2,000 1-9999
FLEXIBLE TUBING
19 1291378 MANGUEIRA MANGUERA 2,000 1-9999
FLEXIBLE TUBING
20 1504037 CONEXÃO MACHO RETA RACOR PARA ENROSCAR RECTO 4,000 1-9999
STRAIGHT SCREWED SOCKET
25 1481592 TUBO TUBO 1,000 1-9999
PIPE
26 1424483 ESPIGÃO ESPIGA 1,000 1-9999
TENON
27 314137 MEIA ABRAÇADEIRA MEDIA ABRAZADERA 3,000 1-9999
HALF-CLIP
28 314099 PARAFUSO SEXTAVADO TORNILLO HEXAGONAL 1,000 1-9999
HEXAGON SCREW
29 313998 PLACA DE COBERTURA PLACA DE RECUBRIMIENTO 1,000 1-9999
COVER PLATE
30 1402536 CLIP FIXADOR MORDAZA 1,000 1-9999
CLAMPING PIECE
31 213667 PARAFUSO SEXTAVADO TORNILLO HEXAGONAL 2,000 1-9999
HEXAGON SCREW
32 216577 ARRUELA ARANDELA 2,000 1-9999
WASHER
70 1535714 CILINDRO HIDRÁULICO CILINDRO HIDRÁULICO 2,000 1-9999
HYDRAULIC CYLINDER
04.30.02 / 00 SISTEMA HIDRÁULICO BASCULANTE (CAPÔ DO MOTOR), PÁGINA 2 / 1-9999
04.30.02 / 00 SISTEMA HIDRÁULICO BASCULANTE (CUBIERTA DEL MOTOR), PÁGINA 2 / 1-9999
04.30.02 / 00 TILTING HYDRAULIC (ENGINE COWLING), PAGE 2 / 1-9999
01.05.04
16
7
16
5
6
9
14
13
7
16
15
16 13
12
11
10
51
52
50
20
5
18
19
9
11
10
26
25
5253
POS Nº DE IDENT. DESIGNAÇÃO
DESIGNATION
DESIGNACIÓN QUANT. VALIDADE
04.30.02 / 00 SISTEMA HIDRÁULICO BASCULANTE (CAPÔ DO MOTOR), PÁGINA 2 / 1-9999
04.30.02 / 00 SISTEMA HIDRÁULICO BASCULANTE (CUBIERTA DEL MOTOR), PÁGINA 2 / 1-9999
04.30.02 / 00 TILTING HYDRAULIC (ENGINE COWLING), PAGE 2 / 1-9999
2033802
5 864528 FIXAÇÃO FIJACIÓN 1,000 1-9999
MOUNTING DEVICE
6 1259652 TERMINAL TIPO RÓTULA ARTICULACIÓN 2,000 1-9999
JOINT
7 1535714 CILINDRO HIDRÁULICO COM POS. 6 CILINDRO HIDRÁULICO CON POS. 6 2,000 1-9999
HYDRAULIC CYLINDER WITH POS. 6
9 864544 FIXAÇÃO FIJACIÓN 2,000 1-9999
MOUNTING DEVICE
10 1267736 PARAFUSO DE SEGURANÇA TORNILLO DE SEGURIDAD 8,000 1-9999
SAFETY SCREW
11 216607 ARRUELA ARANDELA 8,000 1-9999
WASHER
12 214876 PARAFUSO DE CABEÇA CILÍNDRICA TORNILLO CILÍNDRICO 2,000 1-9999
CHEESE-HEAD SCREW
13 216860 ARRUELA DE TRAVAMENTO DISCO DE SEGURIDAD 4,000 1-9999
LOCKING WASHER
14 215996 PORCA SEXTAVADA TUERCA HEXAGONAL 2,000 1-9999
HEXAGON NUT
15 212024 PARAFUSO SEXTAVADO TORNILLO HEXAGONAL 2,000 1-9999
HEXAGON SCREW
16 381543 ARRUELA ARANDELA 10,000 1-9999
WASHER
18 1264273 PARAFUSO CABEÇA LENTILHA TORNILLO CIL. CABEZA REBAJADA 6,000 1-9999
MUSHROOM HEAD SCREW
19 1485407 CHAPA SUPORTE CHAPA DE ASIENTO 2,000 1-9999
SUPPORTING PLATE
20 216453 PORCA SEXTAVADA TUERCA HEXAGONAL 6,000 1-9999
HEXAGON NUT
04.30.02 / 00 SISTEMA HIDRÁULICO BASCULANTE (CAPÔ DO MOTOR), PÁGINA 2 / 1-9999
04.30.02 / 00 SISTEMA HIDRÁULICO BASCULANTE (CUBIERTA DEL MOTOR), PÁGINA 2 / 1-9999
04.30.02 / 00 TILTING HYDRAULIC (ENGINE COWLING), PAGE 2 / 1-9999
01.05.04
16
7
16
5
6
9
14
13
7
16
15
16 13
12
11
10
51
52
50
20
5
18
19
9
11
10
26
25
5253
POS Nº DE IDENT. DESIGNAÇÃO
DESIGNATION
DESIGNACIÓN QUANT. VALIDADE
04.30.02 / 00 SISTEMA HIDRÁULICO BASCULANTE (CAPÔ DO MOTOR), PÁGINA 2 / 1-9999
04.30.02 / 00 SISTEMA HIDRÁULICO BASCULANTE (CUBIERTA DEL MOTOR), PÁGINA 2 / 1-9999
04.30.02 / 00 TILTING HYDRAULIC (ENGINE COWLING), PAGE 2 / 1-9999
2033802
25 340472 PARAFUSO DE CABEÇA CILÍNDRICA TORNILLO CILÍNDRICO 8,000 1-9999
CHEESE-HEAD SCREW
26 231355 ARRUELA ARANDELA 8,000 1-9999
WASHER
50 860263 FIXAÇÃO FIJACIÓN 1,000 1-9999
MOUNTING DEVICE
51 1213806 PARAFUSO SEXTAVADO TORNILLO HEXAGONAL 4,000 1-9999
HEXAGON SCREW
52 250473 ARRUELA ARANDELA 8,000 1-9999
WASHER
53 216496 PORCA SEXTAVADA TUERCA HEXAGONAL 4,000 1-9999
HEXAGON NUT
05.01.00 / 00 BOMBA VARIÁVEL (TRAÇÃO) / 1-9999
05.01.00 / 00 BOMBA REGULABLE (ACCIONAMIENTO DE MARCHA) / 1-9999
05.01.00 / 00 VARIABLE DISPLACEMENT PUMP (DRIVE) / 1-9999
5
4
3
3.05
3.07
3.17
22
2
4.04
4.06
1.01
22
1.02
22
1
3.09
3.08
3.01
3.08
3.01
5.01
5.05
3.02
4.05
5.04
3.11
3.10
3.03
50.01
50
2.01
4.01
5.02
5.03
3.06
4.04
28
3.16
4.03
5.04
4.02
3.04
2.02
4.07
POS Nº DE IDENT. DESIGNAÇÃO
DESIGNATION
DESIGNACIÓN QUANT. VALIDADE
05.01.00 / 00 BOMBA VARIÁVEL (TRAÇÃO) / 1-9999
05.01.00 / 00 BOMBA REGULABLE (ACCIONAMIENTO DE MARCHA) / 1-9999
05.01.00 / 00 VARIABLE DISPLACEMENT PUMP (DRIVE) / 1-9999
2053642
1 2032170 MECANISMO PROPULSOR MECANISMO PROPULSOR 1,000 1-9999
DRIVING GEAR
1.01 1290827 ANEL DE RETENÇÃO ANILLO FIJADOR 2,000 1-9999
LOCKING RING
1.02 1298283 RETENTOR DO EIXO JUNTA DE EJE 1,000 1-9999
SHAFT SEAL
2 1269127 POSICIONADOR AJUSTE 1,000 1-9999
ADJUSTMENT
2.01 1221833 ANEL O ANILLO TOROIDAL 2,000 1-9999
O-RING SEAL
2.02 242802 ANEL O ANILLO TOROIDAL 1,000 1-9999
O-RING SEAL
3 2034186 TAMPA TRASEIRA DA BOMBA PLACA DE CONEXIÓN 1,000 1-9999
CONNECTION PLATE
3.01 1290843 VÁLVULA LIMITADORA DE PRESSÃO VÁLVULA LIMITADORA DE PRESIÓN 2,000 1-9999
PRESSURE-RELIEF VALVE
3.02 1223127 VÁLVULA DE PRESSÃO DE CARGA VÁLVULA PRESIÓN ALIMENTACIÓN 1,000 1-9999
FEEDING PRESSURE VALVE
3.03 1223135 VÁLVULA DE CORTE DE PRESSÃO VÁLVULA DE DESCONEXIÓN 1,000 1-9999
CUT-OFF VALVE
3.04 243825 ANEL O ANILLO TOROIDAL 1,000 1-9999
O-RING SEAL
3.05 1257153 ANEL O ANILLO TOROIDAL 1,000 1-9999
O-RING SEAL
3.06 242802 ANEL O ANILLO TOROIDAL 2,000 1-9999
O-RING SEAL
3.07 1202316 ANEL O ANILLO TOROIDAL 2,000 1-9999
O-RING SEAL
05.01.00 / 00 BOMBA VARIÁVEL (TRAÇÃO) / 1-9999
05.01.00 / 00 BOMBA REGULABLE (ACCIONAMIENTO DE MARCHA) / 1-9999
05.01.00 / 00 VARIABLE DISPLACEMENT PUMP (DRIVE) / 1-9999
5
4
3
3.05
3.07
3.17
22
2
4.04
4.06
1.01
22
1.02
22
1
3.09
3.08
3.01
3.08
3.01
5.01
5.05
3.02
4.05
5.04
3.11
3.10
3.03
50.01
50
2.01
4.01
5.02
5.03
3.06
4.04
28
3.16
4.03
5.04
4.02
3.04
2.02
4.07
POS Nº DE IDENT. DESIGNAÇÃO
DESIGNATION
DESIGNACIÓN QUANT. VALIDADE
05.01.00 / 00 BOMBA VARIÁVEL (TRAÇÃO) / 1-9999
05.01.00 / 00 BOMBA REGULABLE (ACCIONAMIENTO DE MARCHA) / 1-9999
05.01.00 / 00 VARIABLE DISPLACEMENT PUMP (DRIVE) / 1-9999
2053642
3.08 1279254 KIT DE VEDAÇÃO KIT DE JUNTAS 1,000 1-9999
SET OF SEALS
3.09 360678 ANEL O ANILLO TOROIDAL 1,000 1-9999
O-RING SEAL
3.10 202185 ANEL O 12,37X2,62 ANILLO TOROIDAL 12,37X2,62 1,000 1-9999
O-RING SEAL 12,37X2,62
3.11 274860 ANEL O 6,07X1,78 ANILLO TOROIDAL 6,07X1,78 1,000 1-9999
O-RING SEAL 6,07X1,78
3.16 390496 ANEL O ANILLO TOROIDAL 1,000 1-9999
O-RING SEAL
3.17 1289047 VÁLVULA DIRECIONAL VÁLVULA DE DISTRIBUCIÓN 1,000 1-9999
DIRECTIONAL VALVE
4 2034187 FLANGE DE CONEXÃO BRIDA DE CONEXIÓN 1,000 1-9999
CONNECTION FLANGE
4.01 2034196 ANEL DE VEDAÇÃO ANILLO DE JUNTA 1,000 1-9999
SEALING RING
4.02 1221868 ANEL O ANILLO TOROIDAL 1,000 1-9999
O-RING SEAL
4.03 2034285 ANEL DE VEDAÇÃO ANILLO DE JUNTA 6,000 1-9999
SEALING RING
4.04 1221841 ANEL O ANILLO TOROIDAL 2,000 1-9999
O-RING SEAL
4.05 362166 ANEL O ANILLO TOROIDAL 1,000 1-9999
O-RING SEAL
4.06 390020 ANEL O ANILLO TOROIDAL 1,000 1-9999
O-RING SEAL
4.07 1201751 ANEL O ANILLO TOROIDAL 1,000 1-9999
O-RING SEAL
05.01.00 / 00 BOMBA VARIÁVEL (TRAÇÃO) / 1-9999
05.01.00 / 00 BOMBA REGULABLE (ACCIONAMIENTO DE MARCHA) / 1-9999
05.01.00 / 00 VARIABLE DISPLACEMENT PUMP (DRIVE) / 1-9999
5
4
3
3.05
3.07
3.17
22
2
4.04
4.06
1.01
22
1.02
22
1
3.09
3.08
3.01
3.08
3.01
5.01
5.05
3.02
4.05
5.04
3.11
3.10
3.03
50.01
50
2.01
4.01
5.02
5.03
3.06
4.04
28
3.16
4.03
5.04
4.02
3.04
2.02
4.07
POS Nº DE IDENT. DESIGNAÇÃO
DESIGNATION
DESIGNACIÓN QUANT. VALIDADE
05.01.00 / 00 BOMBA VARIÁVEL (TRAÇÃO) / 1-9999
05.01.00 / 00 BOMBA REGULABLE (ACCIONAMIENTO DE MARCHA) / 1-9999
05.01.00 / 00 VARIABLE DISPLACEMENT PUMP (DRIVE) / 1-9999
2053642
5 2034188 DISPOSITIVO DE CONTROLE APARATO DE CONTROL 1,000 1-9999
CONTROL DEVICE
5.01 1287753 JUNTA JUNTA 1,000 1-9999
SEAL
5.02 1202804 ANEL O ANILLO TOROIDAL 1,000 1-9999
O-RING SEAL
5.03 1202812 ANEL O ANILLO TOROIDAL 1,000 1-9999
O-RING SEAL
5.04 242802 ANEL O ANILLO TOROIDAL 2,000 1-9999
O-RING SEAL
5.05 1202820 ANEL O ANILLO TOROIDAL 1,000 1-9999
O-RING SEAL
22 360066 BUJÃO TORNILLO DE CIERRE 6,000 1-9999
SCREW PLUG
28 1257129 BICO TOBERA 2,000 1-9999
NOZZLE
50 1297449 BOMBA VARIÁVEL (TRAÇÃO) BOMBA REGULABLE (ACCIONAMIENTO TRASLACIÓN) 1,000 1-9999
VARIABLE DISPLACEMENT PUMP (DRIVE)
50.01 2034192 KIT DE VEDAÇÃO KIT DE JUNTAS 1,000 1-9999
SET OF SEALS
05.02.00 / 00 BOMBA VARIÁVEL (VIBRAÇÃO) / 1-9999
05.02.00 / 00 BOMBA REGULABLE (VIBRACIÓN) / 1-9999
05.02.00 / 00 VARIABLE DISPLACEMENT PUMP (VIBRATION) / 1-9999
5
3
3.06
3.02
49
2
1.01
22
1.02
22
1
3.05
3.01
3.05
3.01
61
5.01
3.07
3.03
100.01
100
2.01
5.02
5.03
3.04
28
5.01
22
41
2.02
POS Nº DE IDENT. DESIGNAÇÃO
DESIGNATION
DESIGNACIÓN QUANT. VALIDADE
05.02.00 / 00 BOMBA VARIÁVEL (VIBRAÇÃO) / 1-9999
05.02.00 / 00 BOMBA REGULABLE (VIBRACIÓN) / 1-9999
05.02.00 / 00 VARIABLE DISPLACEMENT PUMP (VIBRATION) / 1-9999
2053643
1 2034026 MECANISMO PROPULSOR MECANISMO PROPULSOR 1,000 1-9999
DRIVING GEAR
1.01 1283456 ANEL DE RETENÇÃO ANILLO FIJADOR 1,000 1-9999
LOCKING RING
1.02 1257226 RETENTOR DO EIXO JUNTA DE EJE 1,000 1-9999
SHAFT SEAL
2 1254235 REGULAGEM HIDRÁULICA REGULACIÓN HIDRÁULICA 1,000 1-9999
HYDRAULIC REGULATION
2.01 1226320 ANEL O ANILLO TOROIDAL 1,000 1-9999
O-RING SEAL
2.02 274860 ANEL O ANILLO TOROIDAL 1,000 1-9999
O-RING SEAL
3 2034027 TAMPA TRASEIRA DA BOMBA PLACA DE CONEXIÓN 1,000 1-9999
CONNECTION PLATE
3.01 1254251 VÁLVULA LIMITADORA DE PRESSÃO VÁLVULA LIMITADORA DE PRESIÓN 2,000 1-9999
PRESSURE-RELIEF VALVE
3.02 1278630 VÁLVULA DE PRESSÃO DE CARGA VÁLVULA PRESIÓN ALIMENTACIÓN 1,000 1-9999
FEEDING PRESSURE VALVE
3.03 1257080 VENTIL VÁLVULA 1,000 1-9999
VALVE
3.04 242802 ANEL O ANILLO TOROIDAL 1,000 1-9999
O-RING SEAL
3.05 1202782 ANEL O ANILLO TOROIDAL 1,000 1-9999
O-RING SEAL
3.06 1202782 ANEL O ANILLO TOROIDAL 2,000 1-9999
O-RING SEAL
3.07 202185 ANEL O ANILLO TOROIDAL 1,000 1-9999
O-RING SEAL
05.02.00 / 00 BOMBA VARIÁVEL (VIBRAÇÃO) / 1-9999
05.02.00 / 00 BOMBA REGULABLE (VIBRACIÓN) / 1-9999
05.02.00 / 00 VARIABLE DISPLACEMENT PUMP (VIBRATION) / 1-9999
5
3
3.06
3.02
49
2
1.01
22
1.02
22
1
3.05
3.01
3.05
3.01
61
5.01
3.07
3.03
100.01
100
2.01
5.02
5.03
3.04
28
5.01
22
41
2.02
POS Nº DE IDENT. DESIGNAÇÃO
DESIGNATION
DESIGNACIÓN QUANT. VALIDADE
05.02.00 / 00 BOMBA VARIÁVEL (VIBRAÇÃO) / 1-9999
05.02.00 / 00 BOMBA REGULABLE (VIBRACIÓN) / 1-9999
05.02.00 / 00 VARIABLE DISPLACEMENT PUMP (VIBRATION) / 1-9999
2053643
5 2034032 VÁLVULA DIRECIONAL VÁLVULA DE DISTRIBUCIÓN 1,000 1-9999
DIRECTIONAL VALVE
5.01 1288687 BOBINA IMÁN DE CONMUTACIÓN 2,000 1-9999
CONTROL MAGNET
5.02 1287753 JUNTA JUNTA 1,000 1-9999
SEAL
5.03 1202820 ANEL O ANILLO TOROIDAL 1,000 1-9999
O-RING SEAL
22 360066 BUJÃO TORNILLO DE CIERRE 3,000 1-9999
SCREW PLUG
28 1257129 BICO TOBERA 1,000 1-9999
NOZZLE
41 1210475 ANEL O ANILLO TOROIDAL 1,000 1-9999
O-RING SEAL
49 1223054 BICO TOBERA 1,000 1-9999
NOZZLE
61 1202782 ANEL O ANILLO TOROIDAL 1,000 1-9999
O-RING SEAL
100 1298437 BOMBA VARIÁVEL (VIBRAÇÃO) BOMBA REGULABLE (VIBRACIÓN) 1,000 1-9999
VARIABLE DISPLACEMENT PUMP (VIBRATION)
100.01 2020546 KIT DE VEDAÇÃO KIT DE JUNTAS 1,000 1-9999
SET OF SEALS
05.05.00 / 00 MOTOR VARIÁVEL (ACIONAMENTO DO EIXO) / 1-9999
05.05.00 / 00 MOTOR REGULABLE (ACCIONAMIENTO DEL EJE) / 1-9999
05.05.00 / 00 VARIABLE DISPLACEMENT MOTOR (AXLE DRIVE) / 1-9999
POS Nº DE IDENT. DESIGNAÇÃO
DESIGNATION
DESIGNACIÓN QUANT. VALIDADE
05.05.00 / 00 MOTOR VARIÁVEL (ACIONAMENTO DO EIXO) / 1-9999
05.05.00 / 00 MOTOR REGULABLE (ACCIONAMIENTO DEL EJE) / 1-9999
05.05.00 / 00 VARIABLE DISPLACEMENT MOTOR (AXLE DRIVE) / 1-9999
2053647
1 1269267 MECANISMO PROPULSOR MECANISMO PROPULSOR 1,000 1-9999
DRIVING GEAR
2 2034095 DISPOSITIVO DE AJUSTE AJUSTE 1,000 1-9999
ADJUSTMENT
2.01 1202782 ANEL O ANILLO TOROIDAL 1,000 1-9999
O-RING SEAL
2.02 202207 ANEL O ANILLO TOROIDAL 1,000 1-9999
O-RING SEAL
2.03 2031439 BOBINA IMÁN 1,000 1-9999
MAGNET
2.04 2046621 PORCA DE FIXAÇÃO TUERCA DE FIJACIÓN 1,000 1-9999
MOUNTING NUT
9 217565 ANEL DE RETENÇÃO ANILLO FIJADOR 1,000 1-9999
LOCKING RING
10 1269283 RETENTOR DO EIXO JUNTA DE EJE 1,000 1-9999
SHAFT SEAL
12 1275410 ANEL O ANILLO TOROIDAL 1,000 1-9999
O-RING SEAL
17 1270699 PINO ROSCADO ESPIGA ROSCADA 1,000 1-9999
THREADED PIN
18 1285963 PORCA VEDANTE TUERCA C/ COLLAR ESTANQUEIDAD 1,000 1-9999
SEAL NUT
19 1270710 CAPUZ CAPERUZA 1,000 1-9999
CAP
50 2032001 MOTOR HIDRÁULICO VERSÃO 3410 P, 3411 P MOTOR HIDRÁULICO VERSIÓN 3410 P, 3411 P 1,000 1-9999
HYDRAULIC MOTOR VERSION 3410 P, 3411 P
50 1707825 MOTOR HIDRÁULICO VERSÃO 3410, 3411 MOTOR HIDRÁULICO VERSIÓN 3410, 3411 1,000 1-9999
HYDRAULIC MOTOR VERSION 3410, 3411
05.05.00 / 00 MOTOR VARIÁVEL (ACIONAMENTO DO EIXO) / 1-9999
05.05.00 / 00 MOTOR REGULABLE (ACCIONAMIENTO DEL EJE) / 1-9999
05.05.00 / 00 VARIABLE DISPLACEMENT MOTOR (AXLE DRIVE) / 1-9999
POS Nº DE IDENT. DESIGNAÇÃO
DESIGNATION
DESIGNACIÓN QUANT. VALIDADE
05.05.00 / 00 MOTOR VARIÁVEL (ACIONAMENTO DO EIXO) / 1-9999
05.05.00 / 00 MOTOR REGULABLE (ACCIONAMIENTO DEL EJE) / 1-9999
05.05.00 / 00 VARIABLE DISPLACEMENT MOTOR (AXLE DRIVE) / 1-9999
2053647
50.01 2020554 KIT DE VEDAÇÃO KIT DE JUNTAS 1,000 1-9999
SET OF SEALS
05.06.00 / 00 MOTOR FIXO (ACIONAMENTO DA VIBRAÇÃO) / 1-9999
05.06.00 / 00 MOTOR CONSTANTE (ACCIONAMIENTO DE VIBRACIÓN) / 1-9999
05.06.00 / 00 FIXED DISPLACEMENT MOTOR (VIBRATION DRIVE) / 1-9999
POS Nº DE IDENT. DESIGNAÇÃO
DESIGNATION
DESIGNACIÓN QUANT. VALIDADE
05.06.00 / 00 MOTOR FIXO (ACIONAMENTO DA VIBRAÇÃO) / 1-9999
05.06.00 / 00 MOTOR CONSTANTE (ACCIONAMIENTO DE VIBRACIÓN) / 1-9999
05.06.00 / 00 FIXED DISPLACEMENT MOTOR (VIBRATION DRIVE) / 1-9999
2053651
6 2034096 TAMPA TRASEIRA PLACA DE CONEXIÓN 1,000 1-9999
CONNECTION PLATE
20 1253026 RETENTOR DO EIXO JUNTA DE EJE 1,000 1-9999
SHAFT SEAL
22 1253166 ANEL O ANILLO TOROIDAL 1,000 1-9999
O-RING SEAL
25 2034120 ANEL DE RETENÇÃO ANILLO FIJADOR 1,000 1-9999
LOCKING RING
50 1202804 ANEL O ANILLO TOROIDAL 1,000 1-9999
O-RING SEAL
51 202207 ANEL O ANILLO TOROIDAL 2,000 1-9999
O-RING SEAL
100 1298445 MOTOR HIDRÁULICO MOTOR HIDRÁULICO 1,000 1-9999
HYDRAULIC MOTOR
100.01 2020559 KIT DE VEDAÇÃO KIT DE JUNTAS 1,000 1-9999
SET OF SEALS
05.10.00 / 00 REDUTOR DE RODAS (ACIONAMENTO DO ROLO) / 1-9999
05.10.00 / 00 ENGRANAJE DE RUEDAS (ACCIONAMIENTO DE BANDAJE) / 1-9999
05.10.00 / 00 WHEEL GEAR (DRUM DRIVE) / 1-9999
POS Nº DE IDENT. DESIGNAÇÃO
DESIGNATION
DESIGNACIÓN QUANT. VALIDADE
05.10.00 / 00 REDUTOR DE RODAS (ACIONAMENTO DO ROLO) / 1-9999
05.10.00 / 00 ENGRANAJE DE RUEDAS (ACCIONAMIENTO DE BANDAJE) / 1-9999
05.10.00 / 00 WHEEL GEAR (DRUM DRIVE) / 1-9999
2053656
1 1282166 ENGRENAGEM PLANETÁRIA RUEDA PLANETARIA 4,000 1-9999
PLANET WHEEL
2 1282174 ENGRENAGEM PLANETÁRIA RUEDA PLANETARIA 3,000 1-9999
PLANET WHEEL
3 1282190 ENGRENAGEM SOL RUEDA SOLAR 1,000 1-9999
SUN WHEEL
4 1283936 PORCA DO EIXO TUERCA ONDULADA 1,000 1-9999
SHAFT NUT
7 1282204 PORTA-SATÉLITE SOPORTE PLANETARIO 1,000 1-9999
PLANET CARRIER
8 1282212 TAMPA TAPA 1,000 1-9999
COVER
9 1282220 ROLO CILÍNDRICO RODILLO CILÍNDRICO 1,000 1-9999
CYLINDRICAL ROLLER
10 1281666 ROLAMENTO ROLOS CILÍNDRICOS COJINETE RODILLOS CILÍNDRICOS 3,000 1-9999
CYLINDRICAL ROLLER BEARING
11 1281917 ROLAMENTO ROLOS CILÍNDRICOS COJINETE RODILLOS CILÍNDRICOS 4,000 1-9999
CYLINDRICAL ROLLER BEARING
12 1280031 ROLAMENTO ESFERAS CONTATO ANGULAR RODAMIENTO RADIAL RÍGIDO 1,000 1-9999
GROOVED BALL BEARING
13 213748 PARAFUSO SEXTAVADO TORNILLO HEXAGONAL 12,000 1-9999
HEXAGON SCREW
14 1283677 ANEL DE RETENÇÃO ANILLO FIJADOR 3,000 1-9999
LOCKING RING
15 217166 ANEL DE RETENÇÃO ANILLO FIJADOR 4,000 1-9999
LOCKING RING
16 217204 ANEL DE RETENÇÃO ANILLO FIJADOR 1,000 1-9999
LOCKING RING
05.10.00 / 00 REDUTOR DE RODAS (ACIONAMENTO DO ROLO) / 1-9999
05.10.00 / 00 ENGRANAJE DE RUEDAS (ACCIONAMIENTO DE BANDAJE) / 1-9999
05.10.00 / 00 WHEEL GEAR (DRUM DRIVE) / 1-9999
POS Nº DE IDENT. DESIGNAÇÃO
DESIGNATION
DESIGNACIÓN QUANT. VALIDADE
05.10.00 / 00 REDUTOR DE RODAS (ACIONAMENTO DO ROLO) / 1-9999
05.10.00 / 00 ENGRANAJE DE RUEDAS (ACCIONAMIENTO DE BANDAJE) / 1-9999
05.10.00 / 00 WHEEL GEAR (DRUM DRIVE) / 1-9999
2053656
18 217514 ANEL DE RETENÇÃO ANILLO FIJADOR 6,000 1-9999
LOCKING RING
19 1283022 ANEL O ANILLO TOROIDAL 1,000 1-9999
O-RING SEAL
20 2029601 VEDAÇÃO FACE SEAL JUNTA DESLIZANTE 1,000 1-9999
AXIAL FACE SEAL
21 293911 BUJÃO TORNILLO DE CIERRE 2,000 1-9999
SCREW PLUG
22 1283596 ANEL DE VEDAÇÃO ANILLO DE JUNTA 2,000 1-9999
SEALING RING
23 213829 PARAFUSO SEXTAVADO TORNILLO HEXAGONAL 2,000 1-9999
HEXAGON SCREW
30 1283758 ENGRENAGEM ANELAR RUEDA DENTADA INTERIOR 1,000 1-9999
RING GEAR
33 1283766 ANEL O ANILLO TOROIDAL 1,000 1-9999
O-RING SEAL
44 1283774 PINHÃO ÁRBOL DEL ENGRANAJE 1,000 1-9999
GEAR SHAFT
49 1282123 ARRUELA ESPAÇADORA DISCO DE DISTANCIA 1,000 1-9999
SPACER
60 2034078 MANCAL FLANGEADO COJINETE DE LA BRIDA 1,000 1-9999
FLANGED BEARING
61 1283790 ÊMBOLO EMBOLO 1,000 1-9999
PISTON
62 1283804 CUBO ESTRIADO ARBOL CANELADO 1,000 1-9999
DRIVER
63 1283812 ANEL INTERMEDIÁRIO ANILLO INTERMEDIO 1,000 1-9999
INTERMEDIATE RING
05.10.00 / 00 REDUTOR DE RODAS (ACIONAMENTO DO ROLO) / 1-9999
05.10.00 / 00 ENGRANAJE DE RUEDAS (ACCIONAMIENTO DE BANDAJE) / 1-9999
05.10.00 / 00 WHEEL GEAR (DRUM DRIVE) / 1-9999
POS Nº DE IDENT. DESIGNAÇÃO
DESIGNATION
DESIGNACIÓN QUANT. VALIDADE
05.10.00 / 00 REDUTOR DE RODAS (ACIONAMENTO DO ROLO) / 1-9999
05.10.00 / 00 ENGRANAJE DE RUEDAS (ACCIONAMIENTO DE BANDAJE) / 1-9999
05.10.00 / 00 WHEEL GEAR (DRUM DRIVE) / 1-9999
2053656
64 1282131 ARRUELA ESPAÇADORA DISCO DE DISTANCIA 1,000 1-9999
SPACER
65 1282158 ARRUELA ESPAÇADORA DISCO DE DISTANCIA 1,000 1-9999
SPACER
67 217689 ANEL DE RETENÇÃO ANILLO FIJADOR 1,000 1-9999
LOCKING RING
68 1283928 ANEL DE RETENÇÃO ANILLO FIJADOR 1,000 1-9999
LOCKING RING
72 1283197 DISCO INTERNO DO FREIO DISCO INTERIOR DEL FRENO 4,000 1-9999
BRAKE DISC INTERNAL
73 2034079 DISCO EXTERNO DO FREIO DISCO EXTERIOR DEL FRENO 5,000 1-9999
BRAKE DISC EXTERNAL
74 1283847 MOLA DE COMPRESSÃO MUELLE DE PRESIÓN 28,000 1-9999
COMPRESSION SPRING
75 1283855 ANEL DE APOIO ANILLO DE APOYO 2,000 1-9999
SUPPORTING RING
76 1283863 ANEL TIPO QUAD-RING UNIÓN 1,000 1-9999
QUAD-RING
77 1283871 ANEL DE APOIO ANILLO DE APOYO 2,000 1-9999
SUPPORTING RING
78 1283898 ANEL TIPO QUAD-RING UNIÓN 1,000 1-9999
QUAD-RING
90 223425 BUJÃO TORNILLO DE CIERRE 3,000 1-9999
SCREW PLUG
91 1282689 ANEL DE VEDAÇÃO ANILLO DE JUNTA 3,000 1-9999
SEALING RING
95 2034080 PINO ESPIGA 1,000 1-9999
PIN
05.10.00 / 00 REDUTOR DE RODAS (ACIONAMENTO DO ROLO) / 1-9999
05.10.00 / 00 ENGRANAJE DE RUEDAS (ACCIONAMIENTO DE BANDAJE) / 1-9999
05.10.00 / 00 WHEEL GEAR (DRUM DRIVE) / 1-9999
POS Nº DE IDENT. DESIGNAÇÃO
DESIGNATION
DESIGNACIÓN QUANT. VALIDADE
05.10.00 / 00 REDUTOR DE RODAS (ACIONAMENTO DO ROLO) / 1-9999
05.10.00 / 00 ENGRANAJE DE RUEDAS (ACCIONAMIENTO DE BANDAJE) / 1-9999
05.10.00 / 00 WHEEL GEAR (DRUM DRIVE) / 1-9999
2053656
100 2024034 REDUTOR DE RODA COMPLETO. ENGRANAJE DE RUEDAS COMPLETO 1,000 1-9999
WHEEL GEAR COMPLETE
100.01 1274147 KIT DE VEDAÇÃO (REDUTOR DE RODA ) POS.19,20,33 JUEGO IMPERMEAB (ENGR. RUEDAS) POS.19,20,33 1,000 1-9999
SEALING SET (WHEEL GEAR) POS.19,20,33
100.02 1274155 KIT DE VEDAÇÃO (FREIO) POS.75,76,77,78 JUEGO DE IMPERMEAB. (FRENOS) POS.75,76,77,78 1,000 1-9999
SEALING SET (BRAKE) POS.75,76,77,78
100.03 2034060 JOGO DE LAMELAS DE FREIO POS.63,72,73,74 JUEGO DE DISCOS DE FRENO POS.63,72,73,74 1,000 1-9999
BRAKE DISC SET POS.63,72,73,74
05.11.00 / 00 MOTOR VARIÁVEL (ACIONAMENTO DO ROLO) / 1-9999
05.11.00 / 00 MOTOR REGULABLE (ACCIONAMIENTO DE BANDAJE) / 1-9999
05.11.00 / 00 VARIABLE DISPLACEMENT MOTOR (DRUM DRIVE) / 1-9999
2.03
2.06
2.07
2.05
2.07
50.01
50
2
2.01
2.02
2.04
12
1
17
18
19
19
17
18
9
10
POS Nº DE IDENT. DESIGNAÇÃO
DESIGNATION
DESIGNACIÓN QUANT. VALIDADE
05.11.00 / 00 MOTOR VARIÁVEL (ACIONAMENTO DO ROLO) / 1-9999
05.11.00 / 00 MOTOR REGULABLE (ACCIONAMIENTO DE BANDAJE) / 1-9999
05.11.00 / 00 VARIABLE DISPLACEMENT MOTOR (DRUM DRIVE) / 1-9999
2053662
1 2034091 MECANISMO PROPULSOR MECANISMO PROPULSOR 1,000 1-9999
DRIVING GEAR
2 2034092 DISPOSITIVO DE AJUSTE AJUSTE 1,000 1-9999
ADJUSTMENT
2.01 245224 ANEL O ANILLO TOROIDAL 1,000 1-9999
O-RING SEAL
2.02 202207 ANEL O ANILLO TOROIDAL 1,000 1-9999
O-RING SEAL
2.03 242802 ANEL O ANILLO TOROIDAL 3,000 1-9999
O-RING SEAL
2.04 2031439 BOBINA IMÁN 1,000 1-9999
MAGNET
2.05 2034121 VÁLVULA DE FLUSHING VÁLVULA DE ENJUAGUE 1,000 1-9999
FLUSH VALVE
2.06 1202804 ANEL O ANILLO TOROIDAL 1,000 1-9999
O-RING SEAL
2.07 202207 ANEL O ANILLO TOROIDAL 2,000 1-9999
O-RING SEAL
9 217514 ANEL DE RETENÇÃO ANILLO FIJADOR 1,000 1-9999
LOCKING RING
10 1278843 RETENTOR DO EIXO JUNTA DE EJE 1,000 1-9999
SHAFT SEAL
12 1278827 ANEL O ANILLO TOROIDAL 1,000 1-9999
O-RING SEAL
17 1270664 PINO ROSCADO ESPIGA ROSCADA 2,000 1-9999
THREADED PIN
18 2034118 PORCA VEDANTE TUERCA C/ COLLAR ESTANQUEIDAD 2,000 1-9999
SEAL NUT
05.11.00 / 00 MOTOR VARIÁVEL (ACIONAMENTO DO ROLO) / 1-9999
05.11.00 / 00 MOTOR REGULABLE (ACCIONAMIENTO DE BANDAJE) / 1-9999
05.11.00 / 00 VARIABLE DISPLACEMENT MOTOR (DRUM DRIVE) / 1-9999
2.03
2.06
2.07
2.05
2.07
50.01
50
2
2.01
2.02
2.04
12
1
17
18
19
19
17
18
9
10
POS Nº DE IDENT. DESIGNAÇÃO
DESIGNATION
DESIGNACIÓN QUANT. VALIDADE
05.11.00 / 00 MOTOR VARIÁVEL (ACIONAMENTO DO ROLO) / 1-9999
05.11.00 / 00 MOTOR REGULABLE (ACCIONAMIENTO DE BANDAJE) / 1-9999
05.11.00 / 00 VARIABLE DISPLACEMENT MOTOR (DRUM DRIVE) / 1-9999
2053662
19 1270702 CAPUZ CAPERUZA 2,000 1-9999
CAP
50 1707833 MOTOR HIDRÁULICO VERSÃO 3410, 3411 MOTOR HIDRÁULICO VERSIÓN 3410, 3411 1,000 1-9999
HYDRAULIC MOTOR VERSION 3410, 3411
50 2032000 MOTOR HIDRÁULICO VERSÃO 3410 P, 3411 P MOTOR HIDRÁULICO VERSIÓN 3410 P, 3411 P 1,000 1-9999
HYDRAULIC MOTOR VERSION 3410 P, 3411 P
50.01 2024823 KIT DE VEDAÇÃO KIT DE JUNTAS 1,000 1-9999
SET OF SEALS
05.20.00 / 00 BLOCO DE VÁLVULAS (FREIO DE ESTACIONAMENTO) / 1-9999
05.20.00 / 00 BLOQUE DE VÁLVULAS (FRENO DE ESTACIONAMIENTO) / 1-9999
05.20.00 / 00 VALVE BLOCK (PARKING BRAKE) / 1-9999
POS Nº DE IDENT. DESIGNAÇÃO
DESIGNATION
DESIGNACIÓN QUANT. VALIDADE
05.20.00 / 00 BLOCO DE VÁLVULAS (FREIO DE ESTACIONAMENTO) / 1-9999
05.20.00 / 00 BLOQUE DE VÁLVULAS (FRENO DE ESTACIONAMIENTO) / 1-9999
05.20.00 / 00 VALVE BLOCK (PARKING BRAKE) / 1-9999
2053663
1 1204491 BLOCO DE VÁLVULAS COMPLETO. BLOQUE DE VÁLVULA COMPLETO 1,000 1-9999
VALVE BLOCK COMPLETE
1.01 1263889 KIT DE VEDAÇÃO KIT DE JUNTAS 1,000 1-9999
SET OF SEALS
1.02 1237160 VÁLVULA DIRECIONAL VÁLVULA DE DISTRIBUCIÓN 1,000 1-9999
DIRECTIONAL VALVE
1.03 1237640 BOBINA IMÁN 1,000 1-9999
MAGNET
1.04 1254146 PARAFUSO DE REGULAGEM TORNILLO DE REGLAJE 1,000 1-9999
ADJUSTING SCREW
05.21.00 / 00 FILTRO (ÓLEO HIDRÁULICO) / 1-9999
05.21.00 / 00 FILTRO (ACEITE HIDRÁULICO) / 1-9999
05.21.00 / 00 FILTER (HYDRAULIC OIL) / 1-9999
POS Nº DE IDENT. DESIGNAÇÃO
DESIGNATION
DESIGNACIÓN QUANT. VALIDADE
05.21.00 / 00 FILTRO (ÓLEO HIDRÁULICO) / 1-9999
05.21.00 / 00 FILTRO (ACEITE HIDRÁULICO) / 1-9999
05.21.00 / 00 FILTER (HYDRAULIC OIL) / 1-9999
2053666
1 1285475 FILTRO COMPLETO FILTRO COMPLETO 1,000 1-9999
FILTER COMPLETE
1.01 1287672 KIT DE VEDAÇÃO KIT DE JUNTAS 1,000 1-9999
SET OF SEALS
1.02 1285491 ELEMENTO FILTRANTE CARTUCHO DE FILTRO 1,000 1-9999
FILTER CARTRIDGE
1.03 1288989 CABEÇOTE DO FILTRO CABEZAL DEL FILTRO 1,000 1-9999
FILTER HEAD
1.04 1276689 INDICADOR ELÉTRICO DE CONTAMINAÇÃO INDICADOR SUCIEDAD ELÉCTRICO 1,000 1-9999
ELECTRICAL FILTER INDICATOR
1.05 1287664 CABEÇOTE DO FILTRO CUERPO DE FILTRO 1,000 1-9999
FILTER HOUSING
05.22.00 / 00 FILTRO (SISTEMA HIDRÁULICO DA DIREÇÃO) / 1-9999
05.22.00 / 00 FILTRO ( HIDRÁULICA DE DIRECCIÓN) / 1-9999
05.22.00 / 00 FILTER ( HYDRAULIC STEERING SYSTEM) / 1-9999
POS Nº DE IDENT. DESIGNAÇÃO
DESIGNATION
DESIGNACIÓN QUANT. VALIDADE
05.22.00 / 00 FILTRO (SISTEMA HIDRÁULICO DA DIREÇÃO) / 1-9999
05.22.00 / 00 FILTRO ( HIDRÁULICA DE DIRECCIÓN) / 1-9999
05.22.00 / 00 FILTER ( HYDRAULIC STEERING SYSTEM) / 1-9999
2053667
1 1267620 FILTRO FILTRO 1,000 1-8
FILTER
1 2031491 FILTRO FILTRO 1,000 9-9999
FILTER
1.01 1268643 ELEMENTO FILTRANTE CARTUCHO DE FILTRO 1,000 1-8
FILTER CARTRIDGE
1.01 2031492 ELEMENTO FILTRANTE CARTUCHO DE FILTRO 1,000 9-9999
FILTER CARTRIDGE
1.02 1220322 ANEL O ANILLO TOROIDAL 1,000 1-9999
O-RING SEAL
1.03 1279076 ANEL DE APOIO ANILLO DE APOYO 1,000 1-9999
SUPPORTING RING
05.23.00 / 00 BOMBA (SISTEMA HIDRÁULICO DA DIREÇÃO) / 1-9999
05.23.00 / 00 BOMBA (HIDRÁULICA DE DIRECCIÓN) / 1-9999
05.23.00 / 00 PUMP (HYDRAULIC STEERING SYSTEM) / 1-9999
POS Nº DE IDENT. DESIGNAÇÃO
DESIGNATION
DESIGNACIÓN QUANT. VALIDADE
05.23.00 / 00 BOMBA (SISTEMA HIDRÁULICO DA DIREÇÃO) / 1-9999
05.23.00 / 00 BOMBA (HIDRÁULICA DE DIRECCIÓN) / 1-9999
05.23.00 / 00 PUMP (HYDRAULIC STEERING SYSTEM) / 1-9999
2053668
1 240974 BOMBA DE ENGRENAGENS BOMBA DEL ENGRANAJE 1,000 1-9999
GEAR PUMP
1.01 1242822 KIT DE VEDAÇÃO KIT DE JUNTAS 1,000 1-9999
SET OF SEALS
1.02 354457 CHAVETA WOODRUFF CHAVETA DE DISCO 1,000 1-9999
DISK SPRING
05.24.00 / 00 BLOCO COLETOR (ÓLEO HIDRÁULICO) / 1-9999
05.24.00 / 00 BLOQUE COLECTOR (ACEITE HIDRÁULICO) / 1-9999
05.24.00 / 00 COLLECTING BLOCK (HYDRAULIC OIL) / 1-9999
POS Nº DE IDENT. DESIGNAÇÃO
DESIGNATION
DESIGNACIÓN QUANT. VALIDADE
05.24.00 / 00 BLOCO COLETOR (ÓLEO HIDRÁULICO) / 1-9999
05.24.00 / 00 BLOQUE COLECTOR (ACEITE HIDRÁULICO) / 1-9999
05.24.00 / 00 COLLECTING BLOCK (HYDRAULIC OIL) / 1-9999
2053669
1 1488635 COLETOR COMPLETO BLOQUE DE CONEXIÓN COMPLETO 1,000 1-9999
CONNECTION BLOCK COMPLETE
1.01 1249479 VÁLVULA LIMITADORA DE PRESSÃO VÁLVULA LIMITADORA DE PRESIÓN 1,000 1-9999
PRESSURE-RELIEF VALVE
05.95.00 / 00 TANQUE DE ÓLEO HIDRÁULICO / 1-9999
05.95.00 / 00 DEPÓSITO DE ACEITE / 1-9999
05.95.00 / 00 OIL TANK / 1-9999
POS Nº DE IDENT. DESIGNAÇÃO
DESIGNATION
DESIGNACIÓN QUANT. VALIDADE
05.95.00 / 00 TANQUE DE ÓLEO HIDRÁULICO / 1-9999
05.95.00 / 00 DEPÓSITO DE ACEITE / 1-9999
05.95.00 / 00 OIL TANK / 1-9999
2053670
1 891940 TANQUE DE ÓLEO HIDRÁULICO DEPÓSITO DE ACEITE HIDRÁULICO 1,000 1-9999
HYDRAULIC OIL RESERVOIR
2 2024555 TAMPA TAPA 1,000 1-9999
COVER
3 1236199 FILTRO DE SUCÇÃO FILTRO DE ASPIRACIÓN 1,000 1-9999
SUCTION FILTER
4 1501534 JUNTA JUNTA 1,000 1-9999
SEAL
5 1208489 PARAFUSO PRISIONEIRO ESPÁRRAGO 12,000 1-9999
STUD BOLT
6 216593 ARRUELA ARANDELA 12,000 1-9999
WASHER
7 216445 PORCA SEXTAVADA TUERCA HEXAGONAL 12,000 1-9999
HEXAGON NUT
8 2116085 BUJÃO TORNILLO DE CIERRE 1,000 1-9999
SCREW PLUG
10 274178 VISOR DE NÍVEL MIRILLA 1,000 1-9999
INSPECTION GLASS
11 1259334 FILTRO DE AR FILTRO DE VENTILACIÓN 1,000 1-9999
VENT FILTER
12 2116087 BUJÃO TORNILLO DE CIERRE 1,000 1-9999
SCREW PLUG
14 1489534 ARRUELA ARANDELA 1,000 1-9999
WASHER
15 211826 PARAFUSO SEXTAVADO TORNILLO HEXAGONAL 1,000 1-9999
HEXAGON SCREW
16 293873 ARRUELA ARANDELA 8,000 1-9999
WASHER
05.95.00 / 00 TANQUE DE ÓLEO HIDRÁULICO / 1-9999
05.95.00 / 00 DEPÓSITO DE ACEITE / 1-9999
05.95.00 / 00 OIL TANK / 1-9999
POS Nº DE IDENT. DESIGNAÇÃO
DESIGNATION
DESIGNACIÓN QUANT. VALIDADE
05.95.00 / 00 TANQUE DE ÓLEO HIDRÁULICO / 1-9999
05.95.00 / 00 DEPÓSITO DE ACEITE / 1-9999
05.95.00 / 00 OIL TANK / 1-9999
2053670
17 212024 PARAFUSO SEXTAVADO TORNILLO HEXAGONAL 2,000 1-9999
HEXAGON SCREW
18 216461 PORCA SEXTAVADA TUERCA HEXAGONAL 2,000 1-9999
HEXAGON NUT
19 2116085 BUJÃO TORNILLO DE CIERRE 1,000 1-9999
SCREW PLUG
20 317128 CONEXÃO MACHO RETA RACOR PARA ENROSCAR RECTO 1,000 1-9999
STRAIGHT SCREWED SOCKET
21 223522 NIPEL BOQUILLA ROSCADA DOBLE 1,000 1-9999
TWIN NIPPLE
25 1488643 SUPORTE SOPORTE 1,000 1-9999
SUPPORT
26 211869 PARAFUSO SEXTAVADO TORNILLO HEXAGONAL 2,000 1-9999
HEXAGON SCREW
27 276243 ARRUELA DE TRAVAMENTO DISCO DE SEGURIDAD 2,000 1-9999
LOCKING WASHER
30 1488635 COLETOR BLOQUE DE CONEXIÓN 1,000 1-9999
CONNECTION BLOCK
31 1213822 PARAFUSO SEXTAVADO TORNILLO HEXAGONAL 2,000 1-9999
HEXAGON SCREW
32 216445 PORCA SEXTAVADA TUERCA HEXAGONAL 2,000 1-9999
HEXAGON NUT
33 216593 ARRUELA ARANDELA 4,000 1-9999
WASHER
35 2116085 BUJÃO TORNILLO DE CIERRE 1,000 1-9999
SCREW PLUG
39 282308 INTERRUPTOR DE TEMPERATURA INTERRUPTOR DE TEMPERATURA 1,000 1-9999
TEMPERATURE SWITCH
05.95.00 / 00 TANQUE DE ÓLEO HIDRÁULICO / 1-9999
05.95.00 / 00 DEPÓSITO DE ACEITE / 1-9999
05.95.00 / 00 OIL TANK / 1-9999
POS Nº DE IDENT. DESIGNAÇÃO
DESIGNATION
DESIGNACIÓN QUANT. VALIDADE
05.95.00 / 00 TANQUE DE ÓLEO HIDRÁULICO / 1-9999
05.95.00 / 00 DEPÓSITO DE ACEITE / 1-9999
05.95.00 / 00 OIL TANK / 1-9999
2053670
40 219398 ANEL DE VEDAÇÃO ANILLO DE JUNTA 1,000 1-9999
SEALING RING
41 317101 CONEXÃO MACHO RETA RACOR PARA ENROSCAR RECTO 1,000 1-9999
STRAIGHT SCREWED SOCKET
42 1258850 MANGUEIRA MANGUERA 1,000 1-9999
FLEXIBLE TUBING
43 358452 CONEXÃO MACHO RETA RACOR PARA ENROSCAR RECTO 1,000 1-9999
STRAIGHT SCREWED SOCKET
44 211826 PARAFUSO SEXTAVADO TORNILLO HEXAGONAL 1,000 1-9999
HEXAGON SCREW
45 215996 PORCA SEXTAVADA TUERCA HEXAGONAL 1,000 1-9999
HEXAGON NUT
05.96.00 / 00 SISTEMA DO FILTRO DE ÓLEO / 1-9999
05.96.00 / 00 DISPOSITIVO DEL FILTRO DE ACEITE / 1-9999
05.96.00 / 00 OIL FILTER SYSTEM / 1-9999
POS Nº DE IDENT. DESIGNAÇÃO
DESIGNATION
DESIGNACIÓN QUANT. VALIDADE
05.96.00 / 00 SISTEMA DO FILTRO DE ÓLEO / 1-9999
05.96.00 / 00 DISPOSITIVO DEL FILTRO DE ACEITE / 1-9999
05.96.00 / 00 OIL FILTER SYSTEM / 1-9999
2053671
1 315702 CONEXÃO MACHO RETA RACOR PARA ENROSCAR RECTO 1,000 1-9999
STRAIGHT SCREWED SOCKET
2 1206346 MANGUEIRA MANGUERA 1,000 1-9999
FLEXIBLE TUBING
3 317195 CONEXÃO MACHO RETA RACOR PARA ENROSCAR RECTO 2,000 1-9999
STRAIGHT SCREWED SOCKET
4 1285475 FILTRO COMPLETO FILTRO COMPLETO 1,000 1-9999
FILTER COMPLETE
5 213756 PARAFUSO SEXTAVADO TORNILLO HEXAGONAL 2,000 1-9999
HEXAGON SCREW
6 216607 ARRUELA ARANDELA 2,000 1-9999
WASHER
8 387738 MANGUEIRA MANGUERA 1,000 1-9999
FLEXIBLE TUBING
9 315702 CONEXÃO MACHO RETA RACOR PARA ENROSCAR RECTO 1,000 1-9999
STRAIGHT SCREWED SOCKET
10 317853 JOELHO ORIENTÁVEL RACOR ANGULAR AJUSTABLE 1,000 1-9999
ELBOW ADJUSTABLE
06.05.01 / 00 SISTEMA ELÉTRICO, PÁGINA 1 / 1-9999
06.05.01 / 00 SISTEMA ELÉCTRICO, PÁGINA 1 / 1-9999
06.05.01 / 00 ELECTRICAL SYSTEM, PAGE 1 / 1-9999
POS Nº DE IDENT. DESIGNAÇÃO
DESIGNATION
DESIGNACIÓN QUANT. VALIDADE
06.05.01 / 00 SISTEMA ELÉTRICO, PÁGINA 1 / 1-9999
06.05.01 / 00 SISTEMA ELÉCTRICO, PÁGINA 1 / 1-9999
06.05.01 / 00 ELECTRICAL SYSTEM, PAGE 1 / 1-9999
2053672
2 213748 PARAFUSO SEXTAVADO TORNILLO HEXAGONAL 4,000 1-9999
HEXAGON SCREW
3 216593 ARRUELA ARANDELA 4,000 1-9999
WASHER
5 207330 BATERIA BATERÍA 1,000 1-9999
BATTERY
6 314080 PARAFUSO SEXTAVADO TORNILLO HEXAGONAL 2,000 1-9999
HEXAGON SCREW
7 350389 ARRUELA ARANDELA 2,000 1-9999
WASHER
8 216577 ARRUELA ARANDELA 2,000 1-9999
WASHER
9 216437 PORCA SEXTAVADA TUERCA HEXAGONAL 2,000 1-9999
HEXAGON NUT
10 394319 CHAVE DA BATERIA INTERRUPTOR DE BATERÍA 1,000 1-9999
BATTERY SWITCH
10.01 1203894 CHAVE LLAVE 1,000 1-9999
KEY
11 892246 CABO DA BATERIA CABLE DE BATERÍA 1,000 1-9999
BATTERY CABLE
12 866636 CABO DA BATERIA CABLE DE BATERÍA 1,000 1-9999
BATTERY CABLE
13 1258737 CAPUZ PROTETOR CAPACETE DE PROTECCIÓN 1,000 1-9999
PROTECTING CAP
14 226017 CAPUZ PROTETOR CAPERUZA DE PROTECCIÓN 3,000 1-9999
PROTECTING CAP
15 824674 CABO DA BATERIA CABLE DE BATERÍA 1,000 1-9999
BATTERY CABLE
06.05.01 / 00 SISTEMA ELÉTRICO, PÁGINA 1 / 1-9999
06.05.01 / 00 SISTEMA ELÉCTRICO, PÁGINA 1 / 1-9999
06.05.01 / 00 ELECTRICAL SYSTEM, PAGE 1 / 1-9999
POS Nº DE IDENT. DESIGNAÇÃO
DESIGNATION
DESIGNACIÓN QUANT. VALIDADE
06.05.01 / 00 SISTEMA ELÉTRICO, PÁGINA 1 / 1-9999
06.05.01 / 00 SISTEMA ELÉCTRICO, PÁGINA 1 / 1-9999
06.05.01 / 00 ELECTRICAL SYSTEM, PAGE 1 / 1-9999
2053672
16 1209787 PARAFUSO SEXTAVADO TORNILLO HEXAGONAL 1,000 1-9999
HEXAGON SCREW
17 216607 ARRUELA ARANDELA 2,000 1-9999
WASHER
18 216453 PORCA SEXTAVADA TUERCA HEXAGONAL 1,000 1-9999
HEXAGON NUT
19 276243 ARRUELA DE TRAVAMENTO DISCO DE SEGURIDAD 1,000 1-9999
LOCKING WASHER
20 207365 BUZINA BOCINA 1,000 1-9999
SIGNAL HORN
21 213845 PARAFUSO SEXTAVADO TORNILLO HEXAGONAL 1,000 1-9999
HEXAGON SCREW
22 216593 ARRUELA ARANDELA 1,000 1-9999
WASHER
23 821136 DIODO DIODO 1,000 1-9999
DIODE
75 739529 CORDOALHA DE ATERRAMENTO CABLE DE TOMA DE TIERRA 1,000 1-9999
GROUND CABLE
76 213888 PARAFUSO SEXTAVADO TORNILLO HEXAGONAL 1,000 1-9999
HEXAGON SCREW
77 216097 PORCA SEXTAVADA TUERCA HEXAGONAL 2,000 1-9999
HEXAGON NUT
78 276243 ARRUELA DE TRAVAMENTO DISCO DE SEGURIDAD 2,000 1-9999
LOCKING WASHER
06.05.02 / 00 SISTEMA ELÉTRICO, PÁGINA 2 / 1-9999
06.05.02 / 00 SISTEMA ELÉCTRICO, PÁGINA 2 / 1-9999
06.05.02 / 00 ELECTRICAL SYSTEM, PAGE 2 / 1-9999
POS Nº DE IDENT. DESIGNAÇÃO
DESIGNATION
DESIGNACIÓN QUANT. VALIDADE
06.05.02 / 00 SISTEMA ELÉTRICO, PÁGINA 2 / 1-9999
06.05.02 / 00 SISTEMA ELÉCTRICO, PÁGINA 2 / 1-9999
06.05.02 / 00 ELECTRICAL SYSTEM, PAGE 2 / 1-9999
2053673
30 866644 CABO DA BATERIA CABLE DE BATERÍA 1,000 1-9999
BATTERY CABLE
31 213853 PARAFUSO SEXTAVADO TORNILLO HEXAGONAL 1,000 1-9999
HEXAGON SCREW
32 276243 ARRUELA DE TRAVAMENTO DISCO DE SEGURIDAD 3,000 1-9999
LOCKING WASHER
33 216453 PORCA SEXTAVADA TUERCA HEXAGONAL 1,000 1-9999
HEXAGON NUT
34 213756 PARAFUSO SEXTAVADO TORNILLO HEXAGONAL 1,000 1-9999
HEXAGON SCREW
43 2108425 BOTÃO PARADA DE EMERGÊNCIA PULSADOR 1,000 1-9999
PUSH BUTTON SWITCH
201 213845 PARAFUSO SEXTAVADO TORNILLO HEXAGONAL 2,000 1-9999
HEXAGON SCREW
202 216445 PORCA SEXTAVADA TUERCA HEXAGONAL 2,000 1-9999
HEXAGON NUT
203 216593 ARRUELA ARANDELA 4,000 1-9999
WASHER
231 1426990 ANEL ESPAÇADOR ANILLO DE DISTANCIA 2,000 1-9999
RING
232 213845 PARAFUSO SEXTAVADO TORNILLO HEXAGONAL 2,000 1-9999
HEXAGON SCREW
233 260983 ARRUELA ARANDELA 2,000 1-9999
WASHER
06.05.03 / 00 SISTEMA ELÉTRICO, PÁGINA 3 / 1-9999
06.05.03 / 00 SISTEMA ELÉCTRICO, PÁGINA 3 / 1-9999
06.05.03 / 00 ELECTRICAL SYSTEM, PAGE 3 / 1-9999
POS Nº DE IDENT. DESIGNAÇÃO
DESIGNATION
DESIGNACIÓN QUANT. VALIDADE
06.05.03 / 00 SISTEMA ELÉTRICO, PÁGINA 3 / 1-9999
06.05.03 / 00 SISTEMA ELÉCTRICO, PÁGINA 3 / 1-9999
06.05.03 / 00 ELECTRICAL SYSTEM, PAGE 3 / 1-9999
2033819
97 833525 TRANSMISSOR DE SINAL TRANSMISOR DE SEÑAL 1,000 1-9999
SIGNAL TRANSMITTER
98 396052 BUJÃO TAPÓN DE CIERRE 1,000 1-9999
FILLER CAP
100 380296 CHAVE DE PARTIDA INTERRUPTOR DE LLAVE 1,000 1-9999
IGNITION SWITCH
100.01 367125 CHAVE LLAVE 1,000 1-9999
KEY
101 335983 TAMPA TAPA ABATIBLE 1,000 1-9999
LID
102 207705 TOMADA ENCHUFE EMPOTRADO 1,000 1-9999
BUILT-IN SOCKET
131 1263005 TAMPA TAPA 4,000 1-9999
COVER
132 1268686 INTERRUPTOR INTERRUPTOR 1,000 1-9999
SWITCH
133 1497774 INTERRUPTOR, CONTROLE DE TRAÇÃO SOP. BASC, CONTROL DE TRACCIÓN 1,000 1-9999
ROCKER, TRACTION CONTROL
134 1267744 INTERRUPTOR, TROCA DE MARCHAS SOPORTE BASC., CAMBIO MARCHAS 1,000 1-9999
ROCKER, GEAR SHIFTING
135 1497804 INTERRUPTOR, VIBRAÇÃO SOPORTE BASCULANTE, VIBRACIÓN 1,000 1-9999
ROCKER, VIBRATION
136 1267752 INTERRUPTOR, BUZINA SOP. BASC., BOCINA ADVERTENCIA 1,000 1-9999
ROCKER, SIGNAL HORN
137 1267671 SENSOR PALPADOR 1,000 1-9999
SENSOR
138 1268678 INTERRUPTOR INTERRUPTOR 2,000 1-9999
SWITCH
06.05.03 / 00 SISTEMA ELÉTRICO, PÁGINA 3 / 1-9999
06.05.03 / 00 SISTEMA ELÉCTRICO, PÁGINA 3 / 1-9999
06.05.03 / 00 ELECTRICAL SYSTEM, PAGE 3 / 1-9999
POS Nº DE IDENT. DESIGNAÇÃO
DESIGNATION
DESIGNACIÓN QUANT. VALIDADE
06.05.03 / 00 SISTEMA ELÉTRICO, PÁGINA 3 / 1-9999
06.05.03 / 00 SISTEMA ELÉCTRICO, PÁGINA 3 / 1-9999
06.05.03 / 00 ELECTRICAL SYSTEM, PAGE 3 / 1-9999
2033819
145 1264524 INTERRUPTOR DO PISCA-ALERTA INTERRUPTOR LUCES ADVERTENCIA 1,000 1-9999
ALARM SYSTEM SWITCH
240 892947 SENSOR DE NÍVEL SENSOR DE NIVEL DE LLENADO 1,000 1-9999
LEVEL SENSOR
241 314048 PLACA DE COBERTURA PLACA DE RECUBRIMIENTO 1,000 1-9999
COVER PLATE
242 276758 PARAFUSO AUTO ATARRAXANTE TORNILLO DE CHAPA 2,000 1-9999
SHEET METAL SCREW
243 892653 SENSOR SENSOR 1,000 1-9999
SENSOR
250 2068669 PAINEL DE INSTRUMENTOS CUADRO DE INSTRUMENTOS 1,000 1-9999
INSTRUMENT BOARD
260 1269437 BASTIDOR BASTIDOR 4,000 1-9999
FRAME
261 1269445 BASTIDOR BASTIDOR 4,000 1-9999
FRAME
06.05.04 / 00 SISTEMA ELÉTRICO, PÁGINA 4 / 1-40
06.05.04 / 00 SISTEMA ELÉCTRICO, PÁGINA 4 / 1-40
06.05.04 / 00 ELECTRICAL SYSTEM, PAGE 4 / 1-40
POS Nº DE IDENT. DESIGNAÇÃO
DESIGNATION
DESIGNACIÓN QUANT. VALIDADE
06.05.04 / 00 SISTEMA ELÉTRICO, PÁGINA 4 / 1-40
06.05.04 / 00 SISTEMA ELÉCTRICO, PÁGINA 4 / 1-40
06.05.04 / 00 ELECTRICAL SYSTEM, PAGE 4 / 1-40
2053675
110 1514075 PLACA PLETINA 1,000 1-40
FLAT BAR
114 320862 ARRUELA DA TRAVAMENTO DENTADA ARANDELA ELÁSTICA DENTADA 8,000 1-40
SERRATED LOCK WASHER
115 216437 PORCA SEXTAVADA TUERCA HEXAGONAL 8,000 1-40
HEXAGON NUT
118 276332 ARRUELA DE TRAVAMENTO DISCO DE SEGURIDAD 1,000 1-40
LOCKING WASHER
119 216445 PORCA SEXTAVADA TUERCA HEXAGONAL 1,000 1-40
HEXAGON NUT
130 1300334 COXIM METAL-BORRACHA TOPE DE CAUCHO-METAL 7,000 1-40
SILENTBLOC
131 387223 PARAFUSO DE SEGURANÇA TORNILLO DE SEGURIDAD 7,000 1-40
SAFETY SCREW
132 216569 ARRUELA ARANDELA 14,000 1-40
WASHER
133 354589 ARRUELA DA TRAVAMENTO DENTADA ARANDELA ELÁSTICA DENTADA 14,000 1-40
SERRATED LOCK WASHER
134 216054 PORCA SEXTAVADA TUERCA HEXAGONAL 2,000 1-40
HEXAGON NUT
140 2024150 PINO BULÓN 5,000 1-40
BOLT
150 1289829 RELÉ RELE 1,000 1-40
RELAY
151 354589 ARRUELA DA TRAVAMENTO DENTADA ARANDELA ELÁSTICA DENTADA 2,000 1-40
SERRATED LOCK WASHER
152 216054 PORCA SEXTAVADA TUERCA HEXAGONAL 2,000 1-40
HEXAGON NUT
06.05.04 / 00 SISTEMA ELÉTRICO, PÁGINA 4 / 1-40
06.05.04 / 00 SISTEMA ELÉCTRICO, PÁGINA 4 / 1-40
06.05.04 / 00 ELECTRICAL SYSTEM, PAGE 4 / 1-40
POS Nº DE IDENT. DESIGNAÇÃO
DESIGNATION
DESIGNACIÓN QUANT. VALIDADE
06.05.04 / 00 SISTEMA ELÉTRICO, PÁGINA 4 / 1-40
06.05.04 / 00 SISTEMA ELÉCTRICO, PÁGINA 4 / 1-40
06.05.04 / 00 ELECTRICAL SYSTEM, PAGE 4 / 1-40
2053675
153 898880 CABLAGEM MAZO DE CABLES 1,000 1-40
WIRE HARNESS
160 1706217 RELÉ RELE 1,000 1-40
RELAY
161 387223 PARAFUSO DE SEGURANÇA TORNILLO DE SEGURIDAD 1,000 1-40
SAFETY SCREW
170 1284037 DISPOSITIVO DE CONTROLE UNIDAD DE CONTROL 1,000 1-40
CONTROL DEVICE
171 387223 PARAFUSO DE SEGURANÇA TORNILLO DE SEGURIDAD 2,000 1-40
SAFETY SCREW
172 898260 CABLAGEM MAZO DE CABLES 1,000 1-40
WIRE HARNESS
180 898278 CORDOALHA DE ATERRAMENTO CABLE DE TOMA DE TIERRA 1,000 1-40
GROUND CABLE
181 276332 ARRUELA DE TRAVAMENTO DISCO DE SEGURIDAD 1,000 1-40
LOCKING WASHER
182 216445 PORCA SEXTAVADA TUERCA HEXAGONAL 1,000 1-40
HEXAGON NUT
189 898163 CABLAGEM (MOTOR) OPÇÃO MAZO DE CABLES (MOTOR) OPTION 1,000 1-40
WIRE HARNESS (ENGINE) OPTION
190 898759 CABLAGEM (MOTOR) MAZO DE CABLES (MOTOR) 1,000 1-40
WIRE HARNESS (ENGINE)
191 2024461 CABLAGEM (CABINE DO OPERADOR) MAZO CABLES (CABINA CONDUCTOR) 1,000 1-40
WIRE HARNESS (OPERAT. CABIN)
192 898953 CABLAGEM (PAINEL DE INSTRUMENTOS) MAZO CABLES (PANEL INSTRUMENT) 1,000 1-40
WIRE HARNESS (INSTRUMENT PANEL
193 898066 CABLAGEM (CONTROLE DE TRAÇÃO) MAZO CABLES (CONTROL MARCHA) 1,000 1-40
WIRE HARNESS (DRIVE CONTROL)
06.05.04 / 00 SISTEMA ELÉTRICO, PÁGINA 4 / 1-40
06.05.04 / 00 SISTEMA ELÉCTRICO, PÁGINA 4 / 1-40
06.05.04 / 00 ELECTRICAL SYSTEM, PAGE 4 / 1-40
POS Nº DE IDENT. DESIGNAÇÃO
DESIGNATION
DESIGNACIÓN QUANT. VALIDADE
06.05.04 / 00 SISTEMA ELÉTRICO, PÁGINA 4 / 1-40
06.05.04 / 00 SISTEMA ELÉCTRICO, PÁGINA 4 / 1-40
06.05.04 / 00 ELECTRICAL SYSTEM, PAGE 4 / 1-40
2053675
194 1485253 TAMPA TAPA 1,000 1-40
COVER
195 1537121 CHAPA CHAPA 1,000 1-40
METAL PLATE
196 214418 PARAFUSO DE CABEÇA CILÍNDRICA TORNILLO CILÍNDRICO 20,000 1-40
CHEESE-HEAD SCREW
197 216577 ARRUELA ARANDELA 40,000 1-40
WASHER
198 216437 PORCA SEXTAVADA TUERCA HEXAGONAL 20,000 1-40
HEXAGON NUT
202 2024161 TAMPA TRANSPARENTE LUNA 1,000 1-40
PANE
210 2024136 PARAFUSO TORNILLO 5,000 1-40
SCREW
220 2024002 ARRUELA DE TRAVAMENTO DISCO DE SEGURIDAD 5,000 1-40
LOCKING WASHER
230 354589 ARRUELA DA TRAVAMENTO DENTADA ARANDELA ELÁSTICA DENTADA 5,000 1-40
SERRATED LOCK WASHER
240 1524631 ETIQUETA ETIQUETA 1,000 1-40
STICKER
300 898163 CHICOTE DO MOTOR (OPCIONAL) MAZO DE CABLES (OPCIÓNES) 1,000 1-40
WIRE HARNESS (OPTION)
06.05.04 / 01 SISTEMA ELÉTRICO, PÁGINA 4 / 41-9999
06.05.04 / 01 SISTEMA ELÉCTRICO, PÁGINA 4 / 41-9999
06.05.04 / 01 ELECTRICAL SYSTEM, PAGE 4 / 41-9999
POS Nº DE IDENT. DESIGNAÇÃO
DESIGNATION
DESIGNACIÓN QUANT. VALIDADE
06.05.04 / 01 SISTEMA ELÉTRICO, PÁGINA 4 / 41-9999
06.05.04 / 01 SISTEMA ELÉCTRICO, PÁGINA 4 / 41-9999
06.05.04 / 01 ELECTRICAL SYSTEM, PAGE 4 / 41-9999
2130848
10 2042055 CENTRAL ELÉTRICA ELETRICIDAD CENTRAL 1,000 41-9999
CENTRAL ELECTRIC
13 380687 ABRAÇADEIRA SUJETACABLES 2,000 41-9999
WIRE FASTENER
14 2041840 ARRUELA ELÁSTICA ARANDELA ELÁSTICA 8,000 41-9999
SERRATED LOCK WASHER
15 2041835 PORCA SEXTAVADA TUERCA HEXAGONAL 8,000 41-9999
HEXAGONAL NUT
16 2041838 ARRUELA ELÁSTICA ARANDELA ELÁSTICA 1,000 41-9999
SERRATED LOCK WASHER
17 2041834 PORCA SEXTAVADA TUERCA HEXAGONAL 1,000 41-9999
HEXAGONAL NUT
18 2041841 ARRUELA ELÁSTICA ARANDELA ELÁSTICA 1,000 41-9999
SERRATED LOCK WASHER
19 2041836 PORCA SEXTAVADA TUERCA HEXAGONAL 1,000 41-9999
HEXAGONAL NUT
20 2041843 ARRUELA ELÁSTICA ARANDELA ELÁSTICA 1,000 41-9999
SERRATED LOCK WASHER
21 2041837 PORCA SEXTAVADA TUERCA HEXAGONAL 1,000 41-9999
HEXAGONAL NUT
22 2041830 PLUG ELÉTRICO ENCHUFRE DE CONEXIÓN 1,000 41-9999
ELECTRIC PLUG
30 1300334 AMORTECEDOR BORRACHA TOPE DE CAUCHO-METAL 7,000 41-9999
SILENTBLOC
31 387223 PARAFUSO DE SEGURANÇA TORNILLO DE SEGURIDAD 7,000 41-9999
SAFETY SCREW
33 354589 ARRUELA ELÁSTICA ARANDELA ELÁSTICA 7,000 41-9999
SERRATED LOCK WASHER
06.05.04 / 01 SISTEMA ELÉTRICO, PÁGINA 4 / 41-9999
06.05.04 / 01 SISTEMA ELÉCTRICO, PÁGINA 4 / 41-9999
06.05.04 / 01 ELECTRICAL SYSTEM, PAGE 4 / 41-9999
POS Nº DE IDENT. DESIGNAÇÃO
DESIGNATION
DESIGNACIÓN QUANT. VALIDADE
06.05.04 / 01 SISTEMA ELÉTRICO, PÁGINA 4 / 41-9999
06.05.04 / 01 SISTEMA ELÉCTRICO, PÁGINA 4 / 41-9999
06.05.04 / 01 ELECTRICAL SYSTEM, PAGE 4 / 41-9999
2130848
34 216054 PORCA SEXTAVADA TUERCA HEXAGONAL 3,000 41-9999
HEXAGONAL NUT
40 2042057 PINO BULÓN 4,000 41-9999
BOLT
50 1289829 RELÉ RELE 1,000 41-9999
RELAY
51 2041838 ARRUELA ELÁSTICA ARANDELA ELÁSTICA 2,000 41-9999
SERRATED LOCK
52 2041834 PORCA SEXTAVADA TUERCA HEXAGONAL 2,000 41-9999
HEXAGONAL NUT
53 898880 CHICOTE MAZO DE CABLES 1,000 41-9999
WIRE HARNESS
60 1706217 RELÉ RELE 1,000 41-9999
RELAY
61 387223 PARAFUSO DE SEGURANÇA TORNILLO DE SEGURIDAD 1,000 41-9999
SAFETY SCREW
80 898278 CABO CABLE 1,000 41-9999
GROUND CABLE
89 898163 CHICOTE MAZO DE CABLE 1,000 41-9999
WIRE HARNESS
90 898759 CHICOTE MAZO DE CABLES 1,000 41-9999
WIRE HARNESS
91 2024461 CHICOTE MAZO DE CABLES 1,000 41-9999
WIRE HARNESS
92 898953 CHICOTE MAZO DE CABLES 1,000 41-999
WIRE HARNESS
93 898066 CHICOTE MAZO DE CABLES 1,000 41-9999
WIRE HARNESS
06.05.04 / 01 SISTEMA ELÉTRICO, PÁGINA 4 / 41-9999
06.05.04 / 01 SISTEMA ELÉCTRICO, PÁGINA 4 / 41-9999
06.05.04 / 01 ELECTRICAL SYSTEM, PAGE 4 / 41-9999
POS Nº DE IDENT. DESIGNAÇÃO
DESIGNATION
DESIGNACIÓN QUANT. VALIDADE
06.05.04 / 01 SISTEMA ELÉTRICO, PÁGINA 4 / 41-9999
06.05.04 / 01 SISTEMA ELÉCTRICO, PÁGINA 4 / 41-9999
06.05.04 / 01 ELECTRICAL SYSTEM, PAGE 4 / 41-9999
2130848
94 1485253 TAMPA TAPA 1,000 41-9999
COVER
95 1537121 CHAPA CHAPA 1,000 41-9999
METAL PLATE
96 214418 PARAFUSO CILINDRICO TORNILLO CILINDRICO 20,000 41-9999
CHEESE-HEAD SCREW
97 216577 ARRUELA ARANDELA 40,000 41-9999
WASHER
98 216437 PORCA SEXTAVADA TUERCA HEXAGONAL 20,000 41-9999
HEXAGONAL NUT
110 396052 TAMPÃO DE FECHAMENTO TAPÓN DE CIERRE 1,000 41-9999
FILLER CAP
111 2029079 COBERTURA CUBIERTA 1,000 41-9999
COVER
112 2042056 PORCA RECARTILHADA TUERCA MOLETEADA 4,000 41-9999
KNURLED NUT
200 1263986 RELÉ RELE 1,000 41-9999
RELAY
201 1243705 FUSÍVEL LÂMINA 30A FISIBLE PLANO 30A 1,000 41-9999
BLADE FUSE 30A
202 1283391 RELÉ RELE 1,000 41-9999
RELAY
203 1263986 RELÉ RELE 3,000 41-9999
RELAY
205 384070 FUSÍVEL LÂMINA 25A FUSIBLE PLANO 25A 2,000 41-9999
BLADE FUSE 25A
206 386197 FUSÍVEL LÂMINA 5A FUSIBLE PLANO 5A 5,000 41-9999
BLADE FUSE 5A
06.05.04 / 01 SISTEMA ELÉTRICO, PÁGINA 4 / 41-9999
06.05.04 / 01 SISTEMA ELÉCTRICO, PÁGINA 4 / 41-9999
06.05.04 / 01 ELECTRICAL SYSTEM, PAGE 4 / 41-9999
POS Nº DE IDENT. DESIGNAÇÃO
DESIGNATION
DESIGNACIÓN QUANT. VALIDADE
06.05.04 / 01 SISTEMA ELÉTRICO, PÁGINA 4 / 41-9999
06.05.04 / 01 SISTEMA ELÉCTRICO, PÁGINA 4 / 41-9999
06.05.04 / 01 ELECTRICAL SYSTEM, PAGE 4 / 41-9999
2130848
207 384046 FUSÍVEL LÂMINA 7,5A FUSIBLE PLANO 7,5A 5,000 41-9999
BLADE FUSE 7,5A
208 384054 FUSÍVEL LÂMINA 10A FUSIBLE PLANO 7,5A 5,000 41-9999
BLADE FUSE 7,5A
240 1524631 ETIQUETA ETIQUETA 1,000 41-9999
STICKER
06.05.05 / 00 SISTEMA ELÉTRICO, PÁGINA 5 / 1-9999
06.05.05 / 00 SISTEMA ELÉCTRICO, PÁGINA 5 / 1-9999
06.05.05 / 00 ELECTRICAL SYSTEM, PAGE 5 / 1-9999
POS Nº DE IDENT. DESIGNAÇÃO
DESIGNATION
DESIGNACIÓN QUANT. VALIDADE
06.05.05 / 00 SISTEMA ELÉTRICO, PÁGINA 5 / 1-9999
06.05.05 / 00 SISTEMA ELÉCTRICO, PÁGINA 5 / 1-9999
06.05.05 / 00 ELECTRICAL SYSTEM, PAGE 5 / 1-9999
2053677
1 853682 CAIXA DA BATERIA CAJA DE BATERÍA 1,000 1-9999
BATTERY BOX
2 1468855 CHAPA CHAPA 1,000 1-9999
METAL PLATE
3 1488295 COXIM METAL-BORRACHA TOPE DE CAUCHO-METAL 3,000 1-9999
SILENTBLOC
4 216593 ARRUELA ARANDELA 6,000 1-9999
WASHER
5 294942 PARAFUSO SEXTAVADO TORNILLO HEXAGONAL 3,000 1-9999
HEXAGON SCREW
6 216445 PORCA SEXTAVADA TUERCA HEXAGONAL 3,000 1-9999
HEXAGON NUT
7 216062 PORCA SEXTAVADA TUERCA HEXAGONAL 2,000 1-9999
HEXAGON NUT
8 1464833 BARRA ROSCADA VARILLA ROSCADA 1,000 1-9999
THREADED ROD
9 860058 ESTRIBO DE FIJAÇÃO ESTRIBO DE SUJECIÓN 1,000 1-9999
CLIP
10 1445626 BARRA CHATA ACERO PLANO 1,000 1-9999
FLAT STEEL
11 1234250 PORCA SERRILHADA TUERCA MOLETEADA 2,000 1-9999
KNURLED NUT
12 1479156 GANCHO GANCHO 1,000 1-9999
HOOD
13 386570 FECHO CERRADURA INCORPORADA 1,000 1-9999
BUILT-IN LOCK
13.01 367125 CHAVE LLAVE 1,000 1-9999
KEY
06.05.05 / 00 SISTEMA ELÉTRICO, PÁGINA 5 / 1-9999
06.05.05 / 00 SISTEMA ELÉCTRICO, PÁGINA 5 / 1-9999
06.05.05 / 00 ELECTRICAL SYSTEM, PAGE 5 / 1-9999
POS Nº DE IDENT. DESIGNAÇÃO
DESIGNATION
DESIGNACIÓN QUANT. VALIDADE
06.05.05 / 00 SISTEMA ELÉTRICO, PÁGINA 5 / 1-9999
06.05.05 / 00 SISTEMA ELÉCTRICO, PÁGINA 5 / 1-9999
06.05.05 / 00 ELECTRICAL SYSTEM, PAGE 5 / 1-9999
2053677
14 250228 PERFIL DE PROTEÇÃO (M) PROTECCIÓN DE CANTOS (M) 1,500 1-9999
EDGE PROTECTION (M)
15 392863 PARAFUSO TORNILLO 1,000 1-9999
SCREW
16 1454072 ESPAÇADOR PIEZA DISTANCIADORA 1,000 1-9999
SPACER BLOCK
17 216593 ARRUELA ARANDELA 1,000 1-9999
WASHER
18 216445 PORCA SEXTAVADA TUERCA HEXAGONAL 1,000 1-9999
HEXAGON NUT
20 2063862 BUCHA PROTETORA MANGUERA DE PROTECIÓN 1,000 1-9999
WIRE PROTECTING SLEEVE
06.05.06 / 00 SISTEMA ELÉTRICO, PÁGINA 6 / 1-9999
06.05.06 / 00 SISTEMA ELÉCTRICO, PÁGINA 6 / 1-9999
06.05.06 / 00 ELECTRICAL SYSTEM, PAGE 6 / 1-9999
74
73
60
53
54
51
66
21
23
25
1
19
11
9
3
POS Nº DE IDENT. DESIGNAÇÃO
DESIGNATION
DESIGNACIÓN QUANT. VALIDADE
06.05.06 / 00 SISTEMA ELÉTRICO, PÁGINA 6 / 1-9999
06.05.06 / 00 SISTEMA ELÉCTRICO, PÁGINA 6 / 1-9999
06.05.06 / 00 ELECTRICAL SYSTEM, PAGE 6 / 1-9999
2053678
1 1506986 CAIXA DE FUSÍVEIS CAJA DE FUSIBLES 1,000 1-9999
FUSE BOX
3 892041 CABLAGEM MAZO DE CABLES 1,000 1-9999
WIRE HARNESS
9 1293001 FUSÍVEL FUSIBLE 1,000 1-9999
FUSE
11 1286919 FUSÍVEL FUSIBLE 1,000 1-9999
FUSE
19 892343 CABLAGEM MAZO DE CABLES 1,000 1-9999
WIRE HARNESS
21 1506099 CHAPA CHAPA 1,000 1-9999
METAL PLATE
23 276332 ARRUELA DE TRAVAMENTO DISCO DE SEGURIDAD 4,000 1-9999
LOCKING WASHER
25 216445 PORCA SEXTAVADA TUERCA HEXAGONAL 4,000 1-9999
HEXAGON NUT
51 1513834 SUPORTE SOPORTE 1,000 1-9999
SUPPORT
53 392480 PARAFUSO DE CABEÇA CILÍNDRICA TORNILLO CILÍNDRICO 2,000 1-9999
CHEESE-HEAD SCREW
54 216569 ARRUELA ARANDELA 2,000 1-9999
WASHER
60 1289829 RELÉ RELE 1,000 1-9999
RELAY
66 880604 CABLAGEM MAZO DE CABLES 1,000 1-9999
WIRE HARNESS
73 216062 PORCA SEXTAVADA TUERCA HEXAGONAL 2,000 1-9999
HEXAGON NUT
06.05.06 / 00 SISTEMA ELÉTRICO, PÁGINA 6 / 1-9999
06.05.06 / 00 SISTEMA ELÉCTRICO, PÁGINA 6 / 1-9999
06.05.06 / 00 ELECTRICAL SYSTEM, PAGE 6 / 1-9999
74
73
60
53
54
51
66
21
23
25
1
19
11
9
3
POS Nº DE IDENT. DESIGNAÇÃO
DESIGNATION
DESIGNACIÓN QUANT. VALIDADE
06.05.06 / 00 SISTEMA ELÉTRICO, PÁGINA 6 / 1-9999
06.05.06 / 00 SISTEMA ELÉCTRICO, PÁGINA 6 / 1-9999
06.05.06 / 00 ELECTRICAL SYSTEM, PAGE 6 / 1-9999
2053678
74 320862 ARRUELA DA TRAVAMENTO DENTADA ARANDELA ELÁSTICA DENTADA 2,000 1-9999
SERRATED LOCK WASHER
06.07.01 / 00 SISTEMA ELÉTRICO (LUZES), PÁGINA 1 / 1-9999
06.07.01 / 00 SISTEMA ELÉCTRICO (LUCES), PÁGINA 1 / 1-9999
06.07.01 / 00 ELECTRICAL SYSTEM (LIGHTING), PAGE 1 / 1-9999
POS Nº DE IDENT. DESIGNAÇÃO
DESIGNATION
DESIGNACIÓN QUANT. VALIDADE
06.07.01 / 00 SISTEMA ELÉTRICO (LUZES), PÁGINA 1 / 1-9999
06.07.01 / 00 SISTEMA ELÉCTRICO (LUCES), PÁGINA 1 / 1-9999
06.07.01 / 00 ELECTRICAL SYSTEM (LIGHTING), PAGE 1 / 1-9999
2053679
2 213969 PARAFUSO SEXTAVADO TORNILLO HEXAGONAL 4,000 1-9999
HEXAGON SCREW
3 216607 ARRUELA ARANDELA 8,000 1-9999
WASHER
4 216453 PORCA SEXTAVADA TUERCA HEXAGONAL 4,000 1-9999
HEXAGON NUT
10 1266985 FAROL EXTERNO FARO EXTERIOR 1,000 1-9999
HEADLAMP EXTERNAL
11 1266993 FAROL EXTERNO FARO EXTERIOR 1,000 1-9999
HEADLAMP EXTERNAL
20 2029166 SINALEIRA ESQUERDA LUZ DE POSICIÓN IZQUIERDA 1,000 1-9999
SIDE LAMP LEFT
21 339202 PARAFUSO CABEÇA LENTILHA TORNILLO ALOMADO PULIDO 4,000 1-9999
FILLISTER HEAD SCREW
22 219622 ARRUELA ELÁSTICA ARANDELA ELÁSTICA 4,000 1-9999
SPRING RING
23 2029266 SINALEIRA DIREITA LUZ DE POSICIÓN DERECHA 1,000 1-9999
SIDE LAMP RIGHT
24 2105541 CHICOTE SINALEIRA ESQUERDA MAZO DE CABLES LUZ DE POSICIÓN IZQUIERDA 1,000 1-9999
WIRE HARNESS SIDE LAMP LEFT
25 2105540 CHICOTE SINALEIRA DIREITA MAZO DE CABLES LUZ DE POSICIÓN DERECHA 1,000 1-9999
WIRE HARNESS SIDE LAMP RIGHT
27 1205307 JOELHO RACOR ANGULAR 2,000 1-9999
EQUAL ELBOW
35 870501 ARMAÇÃO DAS LANTERNAS CAJA DE LUCES 2,000 1-9999
LAMP BOX
36 212822 PARAFUSO SEXTAVADO TORNILLO HEXAGONAL 4,000 1-9999
HEXAGON SCREW
06.07.01 / 00 SISTEMA ELÉTRICO (LUZES), PÁGINA 1 / 1-9999
06.07.01 / 00 SISTEMA ELÉCTRICO (LUCES), PÁGINA 1 / 1-9999
06.07.01 / 00 ELECTRICAL SYSTEM (LIGHTING), PAGE 1 / 1-9999
POS Nº DE IDENT. DESIGNAÇÃO
DESIGNATION
DESIGNACIÓN QUANT. VALIDADE
06.07.01 / 00 SISTEMA ELÉTRICO (LUZES), PÁGINA 1 / 1-9999
06.07.01 / 00 SISTEMA ELÉCTRICO (LUCES), PÁGINA 1 / 1-9999
06.07.01 / 00 ELECTRICAL SYSTEM (LIGHTING), PAGE 1 / 1-9999
2053679
37 216607 ARRUELA ARANDELA 4,000 1-9999
WASHER
40 311685 LANTERNA DIRECIONAL (SETA) INTERMITENTE 2,000 1-9999
DIRECTION INDICATOR
41 215449 PARAFUSO DE CABEÇA OVAL TORNILLO ALOMADO PULIDO 4,000 1-9999
FILLISTER HEAD SCREW
42 354589 ARRUELA DA TRAVAMENTO DENTADA ARANDELA ELÁSTICA DENTADA 4,000 1-9999
SERRATED LOCK WASHER
43 283150 LANTERNA LÁMPARA 2,000 1-9999
LAMP
45 330639 LUZ DE RÉ LUZ TRASERA 2,000 1-9999
TAIL LIGHT
46 215449 PARAFUSO DE CABEÇA OVAL TORNILLO ALOMADO PULIDO 4,000 1-9999
FILLISTER HEAD SCREW
47 354589 ARRUELA DA TRAVAMENTO DENTADA ARANDELA ELÁSTICA DENTADA 4,000 1-9999
SERRATED LOCK WASHER
48 283142 LANTERNA LÁMPARA 2,000 1-9999
LAMP
50 874345 CABLAGEM (ILUMINAÇÃO) MAZO DE CABLES (LUCES) 1,000 1-9999
WIRE HARNESS (LIGHTING)
51 874353 CABLAGEM (ILUMINAÇÃO) MAZO DE CABLES (LUCES) 1,000 1-9999
WIRE HARNESS (LIGHTING)
52 1501577 CHAPA ISOLANTE PLACA AISLANTE 2,000 1-9999
INSULATION PLATE
55 398225 REFLETOR TRASEIRO REFLECTOR TRASERO 2,000 1-9999
REAR REFLECTOR
56 1221108 REFLETOR TRASEIRO REFLECTOR TRASERO 6,000 1-9999
REAR REFLECTOR
06.07.01 / 00 SISTEMA ELÉTRICO (LUZES), PÁGINA 1 / 1-9999
06.07.01 / 00 SISTEMA ELÉCTRICO (LUCES), PÁGINA 1 / 1-9999
06.07.01 / 00 ELECTRICAL SYSTEM (LIGHTING), PAGE 1 / 1-9999
POS Nº DE IDENT. DESIGNAÇÃO
DESIGNATION
DESIGNACIÓN QUANT. VALIDADE
06.07.01 / 00 SISTEMA ELÉTRICO (LUZES), PÁGINA 1 / 1-9999
06.07.01 / 00 SISTEMA ELÉCTRICO (LUCES), PÁGINA 1 / 1-9999
06.07.01 / 00 ELECTRICAL SYSTEM (LIGHTING), PAGE 1 / 1-9999
2053679
60 1485504 RELÉ DO PISCA RELÉ TRANSMISOR INTERMITENTE 1,000 1-9999
FLASHER RELAY
61 1263986 RELÉ RELE 1,000 1-9999
RELAY
70 869392 INTERRUPTOR DA COLUNA DE DIREÇÃO INTERRUPTOR COLUMNA DIRECCIÓN 1,000 1-9999
STEERING COLUMN SWITCH
71 1264524 INTERRUPTOR LUZES DE ADVERTÊNCIA INTERRUPTOR LUCES ADVERTENCIA 1,000 1-9999
ALARM SYSTEM SWITCH
80 2024064 SUPORTE SOPORTE 1,000 1-9999
SUPPORT
81 2024065 SUPORTE SOPORTE 1,000 1-9999
SUPPORT
82 1213792 PARAFUSO SEXTAVADO TORNILLO HEXAGONAL 4,000 1-9999
HEXAGONAL SCREW
83 1212346 PARAFUSO SEXTAVADO TORNILLO HEXAGONAL 4,000 1-9999
HEXAGONAL SCREW
84 250473 ARRUELA ARANDELA 4,000 1-999
WASHER
100 874221 SUPORTE SOPORTE 1,000 1-9999
SUPPORT
101 874248 SUPORTE SOPORTE 1,000 1-9999
SUPPORT
102 2105515 CHICOTE MAZO DE CABLES 2,000 1-9999
WIRE HARNESS
06.07.02 / 00 SISTEMA ELÉTRICO (LUZES), PÁGINA 2 / 1-9999
06.07.02 / 00 SISTEMA ELÉCTRICO (LUCES), PÁGINA 2 / 1-9999
06.07.02 / 00 ELECTRICAL SYSTEM (LIGHTING), PAGE 2 / 1-9999
POS Nº DE IDENT. DESIGNAÇÃO
DESIGNATION
DESIGNACIÓN QUANT. VALIDADE
06.07.02 / 00 SISTEMA ELÉTRICO (LUZES), PÁGINA 2 / 1-9999
06.07.02 / 00 SISTEMA ELÉCTRICO (LUCES), PÁGINA 2 / 1-9999
06.07.02 / 00 ELECTRICAL SYSTEM (LIGHTING), PAGE 2 / 1-9999
2053680
10 1266985 FAROL EXTERNO FARO EXTERIOR 1,000 1-9999
HEADLAMP EXTERNAL
10.01 1277499 LÂMPADA 12V H7 LÁMPARA 12V H7 1,000 1-9999
LAMP 12V H7
10.02 209635 LÂMPADA 12V 4W LÁMPARA 12V 4W 1,000 1-9999
LAMP 12V 4W
10.03 283150 LÂMPADA 12V 21W LÁMPARA 12V 21W 1,000 1-9999
LAMP 12V 21W
10.04 1277545 LENTE DA LANTERNA (PISCA) CRISTAL DE LUZ INTERMITENTE 1,000 1-9999
FLASHER GLASS
10.05 1277553 LENTE DA LANTERNA (PISCA) CRISTAL DE LUZ INTERMITENTE 1,000 1-9999
FLASHER GLASS
10.06 1277529 KIT REPARO DO FAROL AÑADIDO DE FAROS 1,000 1-9999
HEADLAMP INSERT
10.07 1277537 CORPO DO FAROL BASTIDOR DE LOS FAROS 1,000 1-9999
HEADLAMP FRAME
11 1266993 FAROL EXTERNO FARO EXTERIOR 1,000 1-9999
HEADLAMP EXTERNAL
11.01 1277499 LÂMPADA 12V H7 LÁMPARA 12V H7 1,000 1-9999
LAMP 12V H7
11.02 209635 LÂMPADA 12V 4W LÁMPARA 12V 4W 1,000 1-9999
LAMP 12V 4W
11.03 283150 LÂMPADA 12V 21W LÁMPARA 12V 21W 1,000 1-9999
LAMP 12V 21W
11.04 1277545 LENTE DA LANTERNA (PISCA) CRISTAL DE LUZ INTERMITENTE 1,000 1-9999
FLASHER GLASS
11.05 1277553 LENTE DA LANTERNA (PISCA) CRISTAL DE LUZ INTERMITENTE 1,000 1-9999
FLASHER GLASS
06.07.02 / 00 SISTEMA ELÉTRICO (LUZES), PÁGINA 2 / 1-9999
06.07.02 / 00 SISTEMA ELÉCTRICO (LUCES), PÁGINA 2 / 1-9999
06.07.02 / 00 ELECTRICAL SYSTEM (LIGHTING), PAGE 2 / 1-9999
POS Nº DE IDENT. DESIGNAÇÃO
DESIGNATION
DESIGNACIÓN QUANT. VALIDADE
06.07.02 / 00 SISTEMA ELÉTRICO (LUZES), PÁGINA 2 / 1-9999
06.07.02 / 00 SISTEMA ELÉCTRICO (LUCES), PÁGINA 2 / 1-9999
06.07.02 / 00 ELECTRICAL SYSTEM (LIGHTING), PAGE 2 / 1-9999
2053680
11.06 1277529 KIT REPARO DO FAROL AÑADIDO DE FAROS 1,000 1-9999
HEADLAMP INSERT
11.07 1277537 CORPO DO FAROL BASTIDOR DE LOS FAROS 1,000 1-9999
HEADLAMP FRAME
06.15.00 / 00 SISTEMA ELÉTRICO (RÁDIO) / 1-9999
06.15.00 / 00 SISTEMA ELÉCTRICO (RADIO) / 1-9999
06.15.00 / 00 ELECTRICAL SYSTEM (RADIO) / 1-9999
POS Nº DE IDENT. DESIGNAÇÃO
DESIGNATION
DESIGNACIÓN QUANT. VALIDADE
06.15.00 / 00 SISTEMA ELÉTRICO (RÁDIO) / 1-9999
06.15.00 / 00 SISTEMA ELÉCTRICO (RADIO) / 1-9999
06.15.00 / 00 ELECTRICAL SYSTEM (RADIO) / 1-9999
2053684
1 2031076 RADIO COM CD RADIO CON CD 1,000 282-9999
RADIO WITH CD
2 1236849 JOGO DE ALTO-FALANTES JUEGO DE ALTAVOCES 2,000 1-9999
SET OF LOUDSPEAKERS
3 384836 ANTENA DE PÁRA-BRISA ANTENA DE LUNA FRONTAL 1,000 1-9999
ANTENNA
08.10.00 / 00 EIXO PLANETÁRIO E SUSPENSÃO / 1-214
08.10.00 / 00 EJE PLANETÁRIO Y SUSPENSIÓN / 1-214
08.10.00 / 00 PLANETARY AXLE AND SUSPENSION / 1-214
05.05.00
8
2.02 2.01
3
5
6
4
20
19
12
11
18
16
17
17
15
1
10
13
12
2
POS Nº DE IDENT. DESIGNAÇÃO
DESIGNATION
DESIGNACIÓN QUANT. VALIDADE
08.10.00 / 00 EIXO PLANETÁRIO E SUSPENSÃO / 1-214
08.10.00 / 00 EJE PLANETÁRIO Y SUSPENSIÓN / 1-214
08.10.00 / 00 PLANETARY AXLE AND SUSPENSION / 1-214
2053686
1 1298151 EIXO EJE 1,000 1-214
AXLE
2 1259105 PEÇA DE CONEXÃO PIEZA DE CONEXIÓN 1,000 1-214
CONNECTION PIECE
2.01 1254634 FLANGE BRIDA 1,000 1-214
FLANGE
2.02 1254642 LUVA DE ACOPLAMENTO MANGUITO DE ACOPLAMIENTO 1,000 1-214
COUPLING SLEEVE
3 214639 PARAFUSO DE CABEÇA CILÍNDRICA TORNILLO CILÍNDRICO 6,000 1-214
CHEESE-HEAD SCREW
4 233897 ANEL O ANILLO TOROIDAL 1,000 1-214
O-RING SEAL
5 1212664 PARAFUSO DE CABEÇA CILÍNDRICA TORNILLO CILÍNDRICO 4,000 1-214
CHEESE-HEAD SCREW
6 1237608 ARRUELA DE TRAVAMENTO DISCO DE SEGURIDAD 4,000 1-214
LOCKING WASHER
8 2032001 MOTOR HIDRÁULICO VERSÃO 3410 P, 3411 P MOTOR HIDRÁULICO VERSIÓN 3410 P, 3411 P 1,000 1-214
HYDRAULIC MOTOR VERSION 3410 P, 3411 P
8 1707825 MOTOR HIDRÁULICO VERSÃO 3410,3411 MOTOR HIDRÁULICO VERSIÓN 3410,3411 1,000 1-214
HYDRAULIC MOTOR VERSION 3410,3411
10 1488058 CHAPA CHAPA 2,000 1-214
METAL PLATE
11 368733 PARAFUSO SEXTAVADO TORNILLO HEXAGONAL 8,000 1-214
HEXAGON SCREW
12 1481401 ARRUELA LISA DISCO EN U 16,000 1-214
U-WASHER
13 361763 PORCA SEXTAVADA TUERCA HEXAGONAL 8,000 1-214
HEXAGON NUT
08.10.00 / 00 EIXO PLANETÁRIO E SUSPENSÃO / 1-214
08.10.00 / 00 EJE PLANETÁRIO Y SUSPENSIÓN / 1-214
08.10.00 / 00 PLANETARY AXLE AND SUSPENSION / 1-214
05.05.00
8
2.02 2.01
3
5
6
4
20
19
12
11
18
16
17
17
15
1
10
13
12
2
POS Nº DE IDENT. DESIGNAÇÃO
DESIGNATION
DESIGNACIÓN QUANT. VALIDADE
08.10.00 / 00 EIXO PLANETÁRIO E SUSPENSÃO / 1-214
08.10.00 / 00 EJE PLANETÁRIO Y SUSPENSIÓN / 1-214
08.10.00 / 00 PLANETARY AXLE AND SUSPENSION / 1-214
2053686
15 1498800 CHAPA CHAPA 2,000 1-214
METAL PLATE
16 1209809 PARAFUSO SEXTAVADO TORNILLO HEXAGONAL 8,000 1-214
HEXAGON SCREW
17 1481436 ARRUELA LISA DISCO EN U 16,000 1-214
U-WASHER
18 216496 PORCA SEXTAVADA TUERCA HEXAGONAL 8,000 1-214
HEXAGON NUT
19 265489 ARRUELA DE PRESSÃO ARANDELA ELÁSTICA 16,000 1-214
SPRING RING
20 279412 PORCA DE COLAR CHATO TUERCA DE CABEZA REBAJADA 16,000 1-214
FLAT COLLAR NUT
08.10.00 / 01 EIXO PLANETÁRIO E SUSPENSÃO / 215-9999
08.10.00 / 01 EJE PLANETÁRIO Y SUSPENSIÓN / 215-9999
08.10.00 / 01 PLANETARY AXLE AND SUSPENSION / 215-9999
POS Nº DE IDENT. DESIGNAÇÃO
DESIGNATION
DESIGNACIÓN QUANT. VALIDADE
08.10.00 / 01 EIXO PLANETÁRIO E SUSPENSÃO / 215-9999
08.10.00 / 01 EJE PLANETÁRIO Y SUSPENSIÓN / 215-9999
08.10.00 / 01 PLANETARY AXLE AND SUSPENSION / 215-9999
2130590
1 2054909 EIXO PLANETÁRIO A PARTIR DA SÉRIE 1763825 KOMPL. EJE PLANETARIO A PARTIR DE LA SÉRIE 1763825 KOMPL; 1,000 215-9999
PLANETARY AXLE FROM SERIAL NO. 1763825 KOMPL.
2 1259113 CONJUNTO FLANGE/BUCHA KIT BRIDA/MANGUITO 1,000 215-9999
COUPLING SLEEVE/FLANGE KIT
2.01 1273027 FLANGE BRIDA 1,000 215-9999
FLANGE
2.02 1254642 BUCHA MANGUITO DE ACOPLAMIENTO 1,000 215-9999
COUPLING SLEEVE
3 214639 PARAFUSO CILINDRICO TORNILLO CILÍNDRICO 6,000 215-9999
CHEESE-HEAD SCREW
4 276146 ANEL O’RING ANILLO TOROIDAL 1,000 215-9999
O-RING SEAL
5 1212664 PARAFUSO CILINDRICO TORNILLO CILÍNDRICO 4,000 215-9999
CHEESE-HEAD SCREW
6 1237608 ARRUELA DE SEGURANÇA DISCO DE SEGURIDAD 4,000 215-9999
LOCKING WASHER
8 1271482 MOTOR DO EIXO MOTOR DEL EJE 1,000 215-9999
AXLE MOTOR
10 1488058 CHAPA CHAPA 2,000 215-9999
METAL PLATE
11 368733 PARAFUSO SEXTAVADO TORNILLO HEXAGONAL 8,000 215-9999
HEXAGONAL SCREW
12 1481401 ARRUELA DISCO EN U 16,000 215-9999
U-WASHER
13 361763 PORCA SEXTAVADA TUERCA HEXAGONAL 8,000 215-9999
HEXAGONAL NUT
15 1498800 CHAPA CHAPA 2,000 215-9999
METAL PLATE
08.10.00 / 01 EIXO PLANETÁRIO E SUSPENSÃO / 215-9999
08.10.00 / 01 EJE PLANETÁRIO Y SUSPENSIÓN / 215-9999
08.10.00 / 01 PLANETARY AXLE AND SUSPENSION / 215-9999
POS Nº DE IDENT. DESIGNAÇÃO
DESIGNATION
DESIGNACIÓN QUANT. VALIDADE
08.10.00 / 01 EIXO PLANETÁRIO E SUSPENSÃO / 215-9999
08.10.00 / 01 EJE PLANETÁRIO Y SUSPENSIÓN / 215-9999
08.10.00 / 01 PLANETARY AXLE AND SUSPENSION / 215-9999
2130590
16 1209809 PARAFUSO SEXTAVADO TORNILLO HEXAGONAL 8,000 215-9999
HEXAGONAL SCREW
17 1481436 ARRUELA DISCO EN U 16,000 215-9999
WASHER
18 216496 PORCA SEXTAVADA TUERCA HEXAGONAL 8,000 215-9999
HEXAGONAL NUT
19 265489 ARRUELA ELÁSTICA ARANDELA ELÁSTICA 16,000 215-9999
SPRING RING
20 279412 PORCA TUERCA 16,000 215-9999
NUT
08.15.01 / 00 CARCAÇA DO DIFERENCIAL E CORPO DO EIXO, PÁGINA 1 / 1-214
08.15.01 / 00 CARCASA DEL DIFERENCIAL Y CUERPO DEL EJE, PÁGINA 1 / 1-214
08.15.01 / 00 DIFFERENTIAL CASE AND AXLE BODY, PAGE 1 / 1-214
POS Nº DE IDENT. DESIGNAÇÃO
DESIGNATION
DESIGNACIÓN QUANT. VALIDADE
08.15.01 / 00 CARCAÇA DO DIFERENCIAL E CORPO DO EIXO, PÁGINA 1 / 1-214
08.15.01 / 00 CARCASA DEL DIFERENCIAL Y CUERPO DEL EJE, PÁGINA 1 / 1-214
08.15.01 / 00 DIFFERENTIAL CASE AND AXLE BODY, PAGE 1 / 1-214
2053687
240 1282794 BUJÃO TORNILLO DE CIERRE 1,000 1-214
SCREW PLUG
241 1280376 ANEL O ANILLO TOROIDAL 1,000 1-214
O-RING SEAL
250 1286331 BUJÃO TORNILLO DE CIERRE 1,000 1-214
SCREW PLUG
251 1280376 ANEL O ANILLO TOROIDAL 1,000 1-214
O-RING SEAL
350 1282999 RETENTOR DO EIXO JUNTA DE EJE 2,000 1-214
SHAFT SEAL
430 279242 RESPIRO VÁLVULA DE VENTILACIÓN 1,000 1-214
BREATHER VALVE
890 1282506 ARRUELA ESPAÇADORA T=2,0 DISCO DE DISTANCIA T=2,0 1,000 1-214
SPACER T=2,0
890 1282492 ARRUELA ESPAÇADORA T=3,0 DISCO DE DISTANCIA T=3,0 1,000 1-214
SPACER T=3,0
890 1282484 ARRUELA ESPAÇADORA T=0,3 DISCO DE DISTANCIA T=0,3 1,000 1-214
SPACER T=0,3
890 1282476 ARRUELA ESPAÇADORA T=0,5 DISCO DE DISTANCIA T=0,5 1,000 1-214
SPACER T=0,5
890 1282468 ARRUELA ESPAÇADORA T=1,0 DISCO DE DISTANCIA T=1,0 1,000 1-214
SPACER T=1,0
900 1283006 PINO BULÓN 2,000 1-214
BOLT
960 1282654 PARAFUSO PRISIONEIRO ESPÁRRAGO 16,000 1-214
STUD BOLT
08.15.01 / 01 CARCAÇA DO DIFERENCIAL E CORPO DO EIXO, PÁGINA 1 / 215-9999
08.15.01 / 01 CARCASA DEL DIFERENCIAL Y CUERPO DEL EJE, PÁGINA 1 / 215-9999
08.15.01 / 01 DIFFERENTIAL CASE AND AXLE BODY, PAGE 1 / 215-9999
POS Nº DE IDENT. DESIGNAÇÃO
DESIGNATION
DESIGNACIÓN QUANT. VALIDADE
08.15.01 / 01 CARCAÇA DO DIFERENCIAL E CORPO DO EIXO, PÁGINA 1 / 215-9999
08.15.01 / 01 CARCASA DEL DIFERENCIAL Y CUERPO DEL EJE, PÁGINA 1 / 215-9999
08.15.01 / 01 DIFFERENTIAL CASE AND AXLE BODY, PAGE 1 / 215-9999
2130593
10 1282565 SUPORTE DO EIXO PORTAEJE 2,000 215-9999
AXLE SUPPORT
12 1282530 ANEL O-RING ANILLO TOROIDAL 4,000 215-9999
O-RING SEAL
120 1282522 ANEL O-RING ANILLO TOROIDAL 2,000 215-9999
O-RING SEAL
130 1220241 PARAFUSO SEXTAVADO TORNILLO HEXAGONAL 20,000 215-9999
HEXAGONAL SCREW
251 2122254 PARAFUSO TORNILLO DE CIERRE 1,000 215-9999
SCREW PLUG
252 1280376 ANEL O-RING ANILLO O-RING 1,000 215-9999
O-RING SEAL
960 2122256 PINO ESPÁRRAGO 16,000 215-9999
STUD BOLT
08.15.02 / 00 CARCAÇA DO DIFERENCIAL E CORPO DO EIXO, PÁGINA 2 / 1-214
08.15.02 / 00 CARCASA DEL DIFERENCIAL Y CUERPO DEL EJE, PÁGINA 2 / 1-214
08.15.02 / 00 DIFFERENTIAL CASE AND AXLE BODY, PAGE 2 / 1-214
POS Nº DE IDENT. DESIGNAÇÃO
DESIGNATION
DESIGNACIÓN QUANT. VALIDADE
08.15.02 / 00 CARCAÇA DO DIFERENCIAL E CORPO DO EIXO, PÁGINA 2 / 1-214
08.15.02 / 00 CARCASA DEL DIFERENCIAL Y CUERPO DEL EJE, PÁGINA 2 / 1-214
08.15.02 / 00 DIFFERENTIAL CASE AND AXLE BODY, PAGE 2 / 1-214
2053689
10 1282921 CONJUNTO COROA-PINHÃO JUEGO RUEDA CÓNICA Y CORONA DIFERENCIAL 1,000 1-214
BEVEL WHEEL AND RING GEAR SET
804 1277707 ARRUELA DE AJUSTE ARANDELA DE AJUSTE 1,000 1-214
SPACER SHIM
806 1277693 ANEL O ANILLO TOROIDAL 1,000 1-214
O-RING SEAL
807 201820 ANEL O ANILLO TOROIDAL 1,000 1-214
O-RING SEAL
820 1282948 ROLAMENTO DE ROLOS CÔNICOS RODAMIENTO DE RODILLOS CÓNICOS 2,000 1-214
CONICAL ROLLER BEARING
830 1282956 BUCHA CASQUILLO 1,000 1-214
BUSHING
836 1281925 ARRUELA ESPAÇADORA T=1,55 DISCO DE DISTANCIA T=1,55 1,000 1-214
SPACER T=1,55
836 1281909 ARRUELA ESPAÇADORA T=0,10 DISCO DE DISTANCIA T=0,10 1,000 1-214
SPACER T=0,10
836 1281895 ARRUELA ESPAÇADORA T=0,20 DISCO DE DISTANCIA T=0,20 1,000 1-214
SPACER T=0,20
836 1281887 ARRUELA ESPAÇADORA T=0,30 DISCO DE DISTANCIA T=0,30 1,000 1-214
SPACER T=0,30
836 1281879 ARRUELA ESPAÇADORA T=0,85 DISCO DE DISTANCIA T=0,85 1,000 1-214
SPACER T=0,85
836 1281933 ARRUELA ESPAÇADORA T=1,60 DISCO DE DISTANCIA T=1,60 1,000 1-214
SPACER T=1,60
836 1281992 ARRUELA ESPAÇADORA T=1,90 DISCO DE DISTANCIA T=1,90 1,000 1-214
SPACER T=1,90
836 1281984 ARRUELA ESPAÇADORA T=1,85 DISCO DE DISTANCIA T=1,85 1,000 1-214
SPACER T=1,85
08.15.02 / 00 CARCAÇA DO DIFERENCIAL E CORPO DO EIXO, PÁGINA 2 / 1-214
08.15.02 / 00 CARCASA DEL DIFERENCIAL Y CUERPO DEL EJE, PÁGINA 2 / 1-214
08.15.02 / 00 DIFFERENTIAL CASE AND AXLE BODY, PAGE 2 / 1-214
POS Nº DE IDENT. DESIGNAÇÃO
DESIGNATION
DESIGNACIÓN QUANT. VALIDADE
08.15.02 / 00 CARCAÇA DO DIFERENCIAL E CORPO DO EIXO, PÁGINA 2 / 1-214
08.15.02 / 00 CARCASA DEL DIFERENCIAL Y CUERPO DEL EJE, PÁGINA 2 / 1-214
08.15.02 / 00 DIFFERENTIAL CASE AND AXLE BODY, PAGE 2 / 1-214
2053689
836 1281976 ARRUELA ESPAÇADORA T=1,75 DISCO DE DISTANCIA T=1,75 1,000 1-214
SPACER T=1,75
836 1281968 ARRUELA ESPAÇADORA T=1,70 DISCO DE DISTANCIA T=1,70 1,000 1-214
SPACER T=1,70
836 1281941 ARRUELA ESPAÇADORA T=1,65 DISCO DE DISTANCIA T=1,65 1,000 1-214
SPACER T=1,65
836 1281798 ARRUELA ESPAÇADORA T=1,20 DISCO DE DISTANCIA T=1,20 1,000 1-214
SPACER T=1,20
836 1281771 ARRUELA ESPAÇADORA T=1,80 DISCO DE DISTANCIA T=1,80 1,000 1-214
SPACER T=1,80
836 1281763 ARRUELA ESPAÇADORA T=1,50 DISCO DE DISTANCIA T=1,50 1,000 1-214
SPACER T=1,50
836 1281755 ARRUELA ESPAÇADORA T=2,00 DISCO DE DISTANCIA T=2,00 1,000 1-214
SPACER T=2,00
836 1281003 ARRUELA ESPAÇADORA T=1,95 DISCO DE DISTANCIA T=1,95 1,000 1-214
SPACER T=1,95
836 1281801 ARRUELA ESPAÇADORA T=1,15 DISCO DE DISTANCIA T=1,15 1,000 1-214
SPACER T=1,15
836 1281860 ARRUELA ESPAÇADORA T=0,90 DISCO DE DISTANCIA T=0,90 1,000 1-214
SPACER T=0,90
836 1281852 ARRUELA ESPAÇADORA T=0,95 DISCO DE DISTANCIA T=0,95 1,000 1-214
SPACER T=0,95
836 1281844 ARRUELA ESPAÇADORA T=1,00 DISCO DE DISTANCIA T=1,00 1,000 1-214
SPACER T=1,00
836 1281836 ARRUELA ESPAÇADORA T=1,05 DISCO DE DISTANCIA T=1,05 1,000 1-214
SPACER T=1,05
836 1281828 ARRUELA ESPAÇADORA T=1,10 DISCO DE DISTANCIA T=1,10 1,000 1-214
SPACER T=1,10
08.15.02 / 00 CARCAÇA DO DIFERENCIAL E CORPO DO EIXO, PÁGINA 2 / 1-214
08.15.02 / 00 CARCASA DEL DIFERENCIAL Y CUERPO DEL EJE, PÁGINA 2 / 1-214
08.15.02 / 00 DIFFERENTIAL CASE AND AXLE BODY, PAGE 2 / 1-214
POS Nº DE IDENT. DESIGNAÇÃO
DESIGNATION
DESIGNACIÓN QUANT. VALIDADE
08.15.02 / 00 CARCAÇA DO DIFERENCIAL E CORPO DO EIXO, PÁGINA 2 / 1-214
08.15.02 / 00 CARCASA DEL DIFERENCIAL Y CUERPO DEL EJE, PÁGINA 2 / 1-214
08.15.02 / 00 DIFFERENTIAL CASE AND AXLE BODY, PAGE 2 / 1-214
2053689
837 1281321 ARRUELA ESPAÇADORA T=1,76 DISCO DE DISTANCIA T=1,76 1,000 1-214
SPACER T=1,76
837 1281348 ARRUELA ESPAÇADORA T=1,78 DISCO DE DISTANCIA T=1,78 1,000 1-214
SPACER T=1,78
837 1281356 ARRUELA ESPAÇADORA T=1,82 DISCO DE DISTANCIA T=1,82 1,000 1-214
SPACER T=1,82
837 1281364 ARRUELA ESPAÇADORA T=1,84 DISCO DE DISTANCIA T=1,84 1,000 1-214
SPACER T=1,84
837 1281372 ARRUELA ESPAÇADORA T=1,86 DISCO DE DISTANCIA T=1,86 1,000 1-214
SPACER T=1,86
837 1281313 ARRUELA ESPAÇADORA T=1,74 DISCO DE DISTANCIA T=1,74 1,000 1-214
SPACER T=1,74
837 1281267 ARRUELA ESPAÇADORA T=2,35 DISCO DE DISTANCIA T=2,35 1,000 1-214
SPACER T=2,35
837 1281275 ARRUELA ESPAÇADORA T=2,40 DISCO DE DISTANCIA T=2,40 1,000 1-214
SPACER T=2,40
837 1281283 ARRUELA ESPAÇADORA T=2,45 DISCO DE DISTANCIA T=2,45 1,000 1-214
SPACER T=2,45
837 1281291 ARRUELA ESPAÇADORA T=2,50 DISCO DE DISTANCIA T=2,50 1,000 1-214
SPACER T=2,50
837 1281305 ARRUELA ESPAÇADORA T=1,72 DISCO DE DISTANCIA T=1,72 1,000 1-214
SPACER T=1,72
837 1281380 ARRUELA ESPAÇADORA T=1,88 DISCO DE DISTANCIA T=1,88 1,000 1-214
SPACER T=1,88
837 1281453 ARRUELA ESPAÇADORA T=2,06 DISCO DE DISTANCIA T=2,06 1,000 1-214
SPACER T=2,06
837 1281461 ARRUELA ESPAÇADORA T=2,08 DISCO DE DISTANCIA T=2,08 1,000 1-214
SPACER T=2,08
08.15.02 / 00 CARCAÇA DO DIFERENCIAL E CORPO DO EIXO, PÁGINA 2 / 1-214
08.15.02 / 00 CARCASA DEL DIFERENCIAL Y CUERPO DEL EJE, PÁGINA 2 / 1-214
08.15.02 / 00 DIFFERENTIAL CASE AND AXLE BODY, PAGE 2 / 1-214
POS Nº DE IDENT. DESIGNAÇÃO
DESIGNATION
DESIGNACIÓN QUANT. VALIDADE
08.15.02 / 00 CARCAÇA DO DIFERENCIAL E CORPO DO EIXO, PÁGINA 2 / 1-214
08.15.02 / 00 CARCASA DEL DIFERENCIAL Y CUERPO DEL EJE, PÁGINA 2 / 1-214
08.15.02 / 00 DIFFERENTIAL CASE AND AXLE BODY, PAGE 2 / 1-214
2053689
837 1281488 ARRUELA ESPAÇADORA T=1,05 DISCO DE DISTANCIA T=1,05 1,000 1-214
SPACER T=1,05
837 1281496 ARRUELA ESPAÇADORA T=1,10 DISCO DE DISTANCIA T=1,10 1,000 1-214
SPACER T=1,10
837 1282018 ARRUELA ESPAÇADORA T=1,15 DISCO DE DISTANCIA T=1,15 1,000 1-214
SPACER T=1,15
837 1281445 ARRUELA ESPAÇADORA T=2,04 DISCO DE DISTANCIA T=2,04 1,000 1-214
SPACER T=2,04
837 1281399 ARRUELA ESPAÇADORA T=1,92 DISCO DE DISTANCIA T=1,92 1,000 1-214
SPACER T=1,92
837 1281402 ARRUELA ESPAÇADORA T=1,94 DISCO DE DISTANCIA T=1,94 1,000 1-214
SPACER T=1,94
837 1281410 ARRUELA ESPAÇADORA T=1,96 DISCO DE DISTANCIA T=1,96 1,000 1-214
SPACER T=1,96
837 1281429 ARRUELA ESPAÇADORA T=1,98 DISCO DE DISTANCIA T=1,98 1,000 1-214
SPACER T=1,98
837 1281437 ARRUELA ESPAÇADORA T=2,02 DISCO DE DISTANCIA T=2,02 1,000 1-214
SPACER T=2,02
837 1281089 ARRUELA ESPAÇADORA T=1,20 DISCO DE DISTANCIA T=1,20 1,000 1-214
SPACER T=1,20
837 1281097 ARRUELA ESPAÇADORA T=1,25 DISCO DE DISTANCIA T=1,25 1,000 1-214
SPACER T=1,25
837 1281100 ARRUELA ESPAÇADORA T=1,35 DISCO DE DISTANCIA T=1,35 1,000 1-214
SPACER T=1,35
837 1281119 ARRUELA ESPAÇADORA T=1,40 DISCO DE DISTANCIA T=1,40 1,000 1-214
SPACER T=1,40
837 1281127 ARRUELA ESPAÇADORA T=1,45 DISCO DE DISTANCIA T=1,45 1,000 1-214
SPACER T=1,45
08.15.02 / 00 CARCAÇA DO DIFERENCIAL E CORPO DO EIXO, PÁGINA 2 / 1-214
08.15.02 / 00 CARCASA DEL DIFERENCIAL Y CUERPO DEL EJE, PÁGINA 2 / 1-214
08.15.02 / 00 DIFFERENTIAL CASE AND AXLE BODY, PAGE 2 / 1-214
POS Nº DE IDENT. DESIGNAÇÃO
DESIGNATION
DESIGNACIÓN QUANT. VALIDADE
08.15.02 / 00 CARCAÇA DO DIFERENCIAL E CORPO DO EIXO, PÁGINA 2 / 1-214
08.15.02 / 00 CARCASA DEL DIFERENCIAL Y CUERPO DEL EJE, PÁGINA 2 / 1-214
08.15.02 / 00 DIFFERENTIAL CASE AND AXLE BODY, PAGE 2 / 1-214
2053689
837 1281070 ARRUELA ESPAÇADORA T=2,30 DISCO DE DISTANCIA T=2,30 1,000 1-214
SPACER T=2,30
837 1281011 ARRUELA ESPAÇADORA T=1,30 DISCO DE DISTANCIA T=1,30 1,000 1-214
SPACER T=1,30
837 1281038 ARRUELA ESPAÇADORA T=1,50 DISCO DE DISTANCIA T=1,50 1,000 1-214
SPACER T=1,50
837 1281046 ARRUELA ESPAÇADORA T=1,70 DISCO DE DISTANCIA T=1,70 1,000 1-214
SPACER T=1,70
837 1281054 ARRUELA ESPAÇADORA T=1,90 DISCO DE DISTANCIA T=1,90 1,000 1-214
SPACER T=1,90
837 1281062 ARRUELA ESPAÇADORA T=2,10 DISCO DE DISTANCIA T=2,10 1,000 1-214
SPACER T=2,10
837 1281135 ARRUELA ESPAÇADORA T=1,55 DISCO DE DISTANCIA T=1,55 1,000 1-214
SPACER T=1,55
837 1281216 ARRUELA ESPAÇADORA T=2,00 DISCO DE DISTANCIA T=2,00 1,000 1-214
SPACER T=2,00
837 1281224 ARRUELA ESPAÇADORA T=2,05 DISCO DE DISTANCIA T=2,05 1,000 1-214
SPACER T=2,05
837 1281232 ARRUELA ESPAÇADORA T=2,15 DISCO DE DISTANCIA T=2,15 1,000 1-214
SPACER T=2,15
837 1281240 ARRUELA ESPAÇADORA T=2,20 DISCO DE DISTANCIA T=2,20 1,000 1-214
SPACER T=2,20
837 1281259 ARRUELA ESPAÇADORA T=2,25 DISCO DE DISTANCIA T=2,25 1,000 1-214
SPACER T=2,25
837 1281208 ARRUELA ESPAÇADORA T=1,95 DISCO DE DISTANCIA T=1,95 1,000 1-214
SPACER T=1,95
837 1281143 ARRUELA ESPAÇADORA T=1,60 DISCO DE DISTANCIA T=1,60 1,000 1-214
SPACER T=1,60
08.15.02 / 00 CARCAÇA DO DIFERENCIAL E CORPO DO EIXO, PÁGINA 2 / 1-214
08.15.02 / 00 CARCASA DEL DIFERENCIAL Y CUERPO DEL EJE, PÁGINA 2 / 1-214
08.15.02 / 00 DIFFERENTIAL CASE AND AXLE BODY, PAGE 2 / 1-214
POS Nº DE IDENT. DESIGNAÇÃO
DESIGNATION
DESIGNACIÓN QUANT. VALIDADE
08.15.02 / 00 CARCAÇA DO DIFERENCIAL E CORPO DO EIXO, PÁGINA 2 / 1-214
08.15.02 / 00 CARCASA DEL DIFERENCIAL Y CUERPO DEL EJE, PÁGINA 2 / 1-214
08.15.02 / 00 DIFFERENTIAL CASE AND AXLE BODY, PAGE 2 / 1-214
2053689
837 1281151 ARRUELA ESPAÇADORA T=1,65 DISCO DE DISTANCIA T=1,65 1,000 1-214
SPACER T=1,65
837 1281178 ARRUELA ESPAÇADORA T=1,75 DISCO DE DISTANCIA T=1,75 1,000 1-214
SPACER T=1,75
837 1281186 ARRUELA ESPAÇADORA T=1,80 DISCO DE DISTANCIA T=1,80 1,000 1-214
SPACER T=1,80
837 1281194 ARRUELA ESPAÇADORA T=1,85 DISCO DE DISTANCIA T=1,85 1,000 1-214
SPACER T=1,85
840 1282549 PORCA RANHURADA TUERCA RANURADA 1,000 1-214
GROOVE NUT
860 240915 ANEL DE RETENÇÃO ANILLO FIJADOR 1,000 1-214
LOCKING RING
08.15.02 / 01 CARCAÇA DO DIFERENCIAL E CORPO DO EIXO, PÁGINA 2 / 215-9999
08.15.02 / 01 CARCASA DEL DIFERENCIAL Y CUERPO DEL EJE, PÁGINA 2 / 215-9999
08.15.02 / 01 DIFFERENTIAL CASE AND AXLE BODY, PAGE 2 / 215-9999
POS Nº DE IDENT. DESIGNAÇÃO
DESIGNATION
DESIGNACIÓN QUANT. VALIDADE
08.15.02 / 01 CARCAÇA DO DIFERENCIAL E CORPO DO EIXO, PÁGINA 2 / 215-9999
08.15.02 / 01 CARCASA DEL DIFERENCIAL Y CUERPO DEL EJE, PÁGINA 2 / 215-9999
08.15.02 / 01 DIFFERENTIAL CASE AND AXLE BODY, PAGE 2 / 215-9999
2130597
10 2122108 CARCAÇA DO DIFERENCIAL CARCASA DEL DIFERENCIAL 1,000 215-9999
DIFFERENTIAL CASE
20 2122115 JOGO DE ENGRENAGENS CÔNICAS KIT DE RUEDAS CÔNICAS 1,000 215-9999
SET OF BEVEL WHEELS
41 2122118 PARAFUSO TORNILLO DE CIERRE 1,000 215-9999
SCREW PLUG
42 1226495 ANEL O-RING ANILLO TOROIDAL 1,000 215-9999
O-RING SEAL
780 2122136 ARRUELA ESPAÇADORA T=1,40 DISCO DE DISTÂNCIA T=1,40 1,000 215-9999
SPACER T=1,40
780 2122137 ARRUELA ESPAÇADORA T=1,35 DISCO DE DISTÂNCIA T=1,35 1,000 215-9999
SPACER T=1,35
780 2122140 ARRUELA ESPAÇADORA T=1,30 DISCO DE DISTÂNCIA T=1,30 1,000 215-9999
SPACER T=1,30
780 2122142 ARRUELA ESPAÇADORA T=1,25 DISCO DE DISTÂNCIA T=1,25 1,000 215-9999
SPACER T=1,25
780 2122143 ARRUELA ESPAÇADORA T=1,20 DISCO DE DISTÂNCIA T=1,20 1,000 215-9999
SPACER T=1,20
780 2122146 ARRUELA ESPAÇADORA T=1,15 DISCO DE DISTÂNCIA T=1,15 1,000 215-9999
SPACER T=1,15
780 2122155 ARRUELA ESPAÇADORA T=1,10 DISCO DE DISTÂNCIA T=1,10 1,000 215-9999
SPACER T=1,10
780 2122157 ARRUELA ESPAÇADORA T=1,05 DISCO DE DISTÂNCIA T=1,40 1,000 215-9999
SPACER T=1,05
780 2122158 ARRUELA ESPAÇADORA T=1,00 DISCO DE DISTÂNCIA T=1,00 1,000 215-9999
SPACER T=1,00
780 2122159 ARRUELA ESPAÇADORA T=0,95 DISCO DE DISTÂNCIA T=0,95 1,000 215-9999
SPACER T=0,95
08.15.02 / 01 CARCAÇA DO DIFERENCIAL E CORPO DO EIXO, PÁGINA 2 / 215-9999
08.15.02 / 01 CARCASA DEL DIFERENCIAL Y CUERPO DEL EJE, PÁGINA 2 / 215-9999
08.15.02 / 01 DIFFERENTIAL CASE AND AXLE BODY, PAGE 2 / 215-9999
POS Nº DE IDENT. DESIGNAÇÃO
DESIGNATION
DESIGNACIÓN QUANT. VALIDADE
08.15.02 / 01 CARCAÇA DO DIFERENCIAL E CORPO DO EIXO, PÁGINA 2 / 215-9999
08.15.02 / 01 CARCASA DEL DIFERENCIAL Y CUERPO DEL EJE, PÁGINA 2 / 215-9999
08.15.02 / 01 DIFFERENTIAL CASE AND AXLE BODY, PAGE 2 / 215-9999
2130597
780 2122160 ARRUELA ESPAÇADORA T=0,90 DISCO DE DISTÂNCIA T=0,90 1,000 215-9999
SPACER T=0,90
780 2122121 ARRUELA ESPAÇADORA T=1,95 DISCO DE DISTÂNCIA T=1,95 1,000 215-9999
SPACER T=1,95
780 2122122 ARRUELA ESPAÇADORA T=1,90 DISCO DE DISTÂNCIA T=1,90 1,000 215-9999
SPACER T=1,90
780 2122123 ARRUELA ESPAÇADORA T=1,85 DISCO DE DISTÂNCIA T=1,85 1,000 215-9999
SPACER T=1,85
780 2122124 ARRUELA ESPAÇADORA T=1,80 DISCO DE DISTÂNCIA T=1,80 1,000 215-9999
SPACER T=1,80
780 2122125 ARRUELA ESPAÇADORA T=1,75 DISCO DE DISTÂNCIA T=1,75 1,000 215-9999
SPACER T=1,75
780 2122127 ARRUELA ESPAÇADORA T=1,70 DISCO DE DISTÂNCIA T=1,70 1,000 215-9999
SPACER T=1,70
780 2122128 ARRUELA ESPAÇADORA T=1,65 DISCO DE DISTÂNCIA T=1,65 1,000 215-9999
SPACER T=1,65
780 2122129 ARRUELA ESPAÇADORA T=1,60 DISCO DE DISTÂNCIA T=1,60 1,000 215-9999
SPACER T=1,60
780 2122131 ARRUELA ESPAÇADORA T=1,55 DISCO DE DISTÂNCIA T=1,55 1,000 215-9999
SPACER T=1,55
780 2122133 ARRUELA ESPAÇADORA T=1,50 DISCO DE DISTÂNCIA T=1,50 1,000 215-9999
SPACER T=1,50
780 2122134 ARRUELA ESPAÇADORA T=1,45 DISCO DE DISTÂNCIA T=1,45 1,000 215-9999
SPACER T=1,45
780 2122184 ARRUELA ESPAÇADORA T=1,20 DISCO DE DISTÂNCIA T=1,20 1,000 215-9999
SPACER T=1,20
790 2122183 ARRUELA ESPAÇADORA T=1,10 DISCO DE DISTÂNCIA T=1,10 1,000 215-9999
SPACER T=1,10
08.15.02 / 01 CARCAÇA DO DIFERENCIAL E CORPO DO EIXO, PÁGINA 2 / 215-9999
08.15.02 / 01 CARCASA DEL DIFERENCIAL Y CUERPO DEL EJE, PÁGINA 2 / 215-9999
08.15.02 / 01 DIFFERENTIAL CASE AND AXLE BODY, PAGE 2 / 215-9999
POS Nº DE IDENT. DESIGNAÇÃO
DESIGNATION
DESIGNACIÓN QUANT. VALIDADE
08.15.02 / 01 CARCAÇA DO DIFERENCIAL E CORPO DO EIXO, PÁGINA 2 / 215-9999
08.15.02 / 01 CARCASA DEL DIFERENCIAL Y CUERPO DEL EJE, PÁGINA 2 / 215-9999
08.15.02 / 01 DIFFERENTIAL CASE AND AXLE BODY, PAGE 2 / 215-9999
2130597
790 2122165 ARRUELA ESPAÇADORA T=1,00 DISCO DE DISTÂNCIA T=1,00 1,000 215-9999
SPACER T=1,00
790 2122164 ARRUELA ESPAÇADORA T=0,90 DISCO DE DISTÂNCIA T=0,90 1,000 215-9999
SPACER T=0,90
790 2122163 ARRUELA ESPAÇADORA T=0,80 DISCO DE DISTÂNCIA T=0,80 1,000 215-9999
SPACER T=0,80
804 1277707 ARRUELA DE AJUSTE ARANDELA DE AJUSTE 1,000 215-9999
SPACER SHIM
806 2122210 ANEL O-RING ANILLO TOROIDAL 1,000 215-9999
O-RING SEAL
807 201820 ANEL O-RING ANILLO TOROIDAL 1,000 215-9999
O-RING SEAL
820 1282948 ROLAMENTO DE ROLOS CÔNICOS RODAMIENTO DE RODILLOS CÓNICOS 2,000 215-9999
TAPER ROLLER BEARING
830 1282956 BUCHA CASQUILLO 1,000 215-9999
BUSHING
836 1281879 ARRUELA ESPAÇADORA T=0,85 DISCO DE DISTÂNCIA T=0,85 1,000 215-9999
SPACER T=0,85
836 1281887 ARRUELA ESPAÇADORA T=0,30 DISCO DE DISTÂNCIA T=0,30 1,000 215-9999
SPACER T=0,30
836 1281895 ARRUELA ESPAÇADORA T=0,20 DISCO DE DISTÂNCIA T=0,20 1,000 215-9999
SPACER T=0,20
836 1281909 ARRUELA ESPAÇADORA T=0,10 DISCO DE DISTÂNCIA T=0,10 1,000 215-9999
SPACER T=0,10
836 1281925 ARRUELA ESPAÇADORA T=1,55 DISCO DE DISTÂNCIA T=1,55 1,000 215-9999
SPACER T=1,55
836 1281933 ARRUELA ESPAÇADORA T=1,60 DISCO DE DISTÂNCIA T=1,60 1,000 215-9999
SPACER T=1,60
08.15.02 / 01 CARCAÇA DO DIFERENCIAL E CORPO DO EIXO, PÁGINA 2 / 215-9999
08.15.02 / 01 CARCASA DEL DIFERENCIAL Y CUERPO DEL EJE, PÁGINA 2 / 215-9999
08.15.02 / 01 DIFFERENTIAL CASE AND AXLE BODY, PAGE 2 / 215-9999
POS Nº DE IDENT. DESIGNAÇÃO
DESIGNATION
DESIGNACIÓN QUANT. VALIDADE
08.15.02 / 01 CARCAÇA DO DIFERENCIAL E CORPO DO EIXO, PÁGINA 2 / 215-9999
08.15.02 / 01 CARCASA DEL DIFERENCIAL Y CUERPO DEL EJE, PÁGINA 2 / 215-9999
08.15.02 / 01 DIFFERENTIAL CASE AND AXLE BODY, PAGE 2 / 215-9999
2130597
836 1281941 ARRUELA ESPAÇADORA T=1,65 DISCO DE DISTÂNCIA T=1,65 1,000 215-9999
SPACER T=1,65
836 1281968 ARRUELA ESPAÇADORA T=1,70 DISCO DE DISTÂNCIA T=1,70 1,000 215-9999
SPACER T=1,70
836 1281976 ARRUELA ESPAÇADORA T=1,75 DISCO DE DISTÂNCIA T=1,75 1,000 215-9999
SPACER T=1,75
836 1281984 ARRUELA ESPAÇADORA T=1,85 DISCO DE DISTÂNCIA T=1,85 1,000 215-9999
SPACER T=1,85
836 1281992 ARRUELA ESPAÇADORA T=1,90 DISCO DE DISTÂNCIA T=1,90 1,000 215-9999
SPACER T=1,90
836 1281003 ARRUELA ESPAÇADORA T=1,95 DISCO DE DISTÂNCIA T=1,95 1,000 215-9999
SPACER T=1,95
836 1281755 ARRUELA ESPAÇADORA T=2,00 DISCO DE DISTÂNCIA T=2,00 1,000 215-9999
SPACER T=2,00
836 1281763 ARRUELA ESPAÇADORA T=1,50 DISCO DE DISTÂNCIA T=1,50 1,000 215-9999
SPACER T=1,50
836 1281771 ARRUELA ESPAÇADORA T=1,80 DISCO DE DISTÂNCIA T=1,80 1,000 215-9999
SPACER T=1,80
836 1281798 ARRUELA ESPAÇADORA T=1,20 DISCO DE DISTÂNCIA T=1,20 1,000 215-9999
SPACER T=1,20
836 1281801 ARRUELA ESPAÇADORA T=1,15 DISCO DE DISTÂNCIA T=1,15 1,000 215-9999
SPACER T=1,15
836 1281828 ARRUELA ESPAÇADORA T=1,10 DISCO DE DISTÂNCIA T=1,10 1,000 215-9999
SPACER T=1,10
836 1281836 ARRUELA ESPAÇADORA T=1,05 DISCO DE DISTÂNCIA T=1,05 1,000 215-9999
SPACER T=1,05
836 1281844 ARRUELA ESPAÇADORA T=1,00 DISCO DE DISTÂNCIA T=1,00 1,000 215-9999
SPACER T=1,00
08.15.02 / 01 CARCAÇA DO DIFERENCIAL E CORPO DO EIXO, PÁGINA 2 / 215-9999
08.15.02 / 01 CARCASA DEL DIFERENCIAL Y CUERPO DEL EJE, PÁGINA 2 / 215-9999
08.15.02 / 01 DIFFERENTIAL CASE AND AXLE BODY, PAGE 2 / 215-9999
POS Nº DE IDENT. DESIGNAÇÃO
DESIGNATION
DESIGNACIÓN QUANT. VALIDADE
08.15.02 / 01 CARCAÇA DO DIFERENCIAL E CORPO DO EIXO, PÁGINA 2 / 215-9999
08.15.02 / 01 CARCASA DEL DIFERENCIAL Y CUERPO DEL EJE, PÁGINA 2 / 215-9999
08.15.02 / 01 DIFFERENTIAL CASE AND AXLE BODY, PAGE 2 / 215-9999
2130597
836 1281852 ARRUELA ESPAÇADORA T=0,95 DISCO DE DISTÂNCIA T=0,95 1,000 215-9999
SPACER T=0,95
836 1281860 ARRUELA ESPAÇADORA T=0,90 DISCO DE DISTÂNCIA T=0,90 1,000 215-9999
SPACER T=0,90
837 1281372 ARRUELA ESPAÇADORA T=1,86 DISCO DE DISTÂNCIA T=1,86 1,000 215-9999
SPACER T=1,86
837 1281364 ARRUELA ESPAÇADORA T=1,84 DISCO DE DISTÂNCIA T=1,84 1,000 215-9999
SPACER T=1,84
837 1281356 ARRUELA ESPAÇADORA T=1,82 DISCO DE DISTÂNCIA T=1,82 1,000 215-9999
SPACER T=1,82
837 1281348 ARRUELA ESPAÇADORA T=1,78 DISCO DE DISTÂNCIA T=1,78 1,000 215-9999
SPACER T=1,78
837 1281321 ARRUELA ESPAÇADORA T=1,76 DISCO DE DISTÂNCIA T=1,76 1,000 215-9999
SPACER T=1,76
837 1281313 ARRUELA ESPAÇADORA T=1,74 DISCO DE DISTÂNCIA T=1,74 1,000 215-9999
SPACER T=1,74
837 1281305 ARRUELA ESPAÇADORA T=1,72 DISCO DE DISTÂNCIA T=1,72 1,000 215-9999
SPACER T=1,72
837 1281291 ARRUELA ESPAÇADORA T=2,50 DISCO DE DISTÂNCIA T=2,50 1,000 215-9999
SPACER T=2,50
837 1281283 ARRUELA ESPAÇADORA T=2,45 DISCO DE DISTÂNCIA T=2,45 1,000 215-9999
SPACER T=2,45
837 1281275 ARRUELA ESPAÇADORA T=2,40 DISCO DE DISTÂNCIA T=2,40 1,000 215-9999
SPACER T=2,40
837 1281267 ARRUELA ESPAÇADORA T=2,35 DISCO DE DISTÂNCIA T=2,35 1,000 215-9999
SPACER T=2,35
837 1281380 ARRUELA ESPAÇADORA T=1,88 DISCO DE DISTÂNCIA T=1,88 1,000 215-9999
SPACER T=1,88
08.15.02 / 01 CARCAÇA DO DIFERENCIAL E CORPO DO EIXO, PÁGINA 2 / 215-9999
08.15.02 / 01 CARCASA DEL DIFERENCIAL Y CUERPO DEL EJE, PÁGINA 2 / 215-9999
08.15.02 / 01 DIFFERENTIAL CASE AND AXLE BODY, PAGE 2 / 215-9999
POS Nº DE IDENT. DESIGNAÇÃO
DESIGNATION
DESIGNACIÓN QUANT. VALIDADE
08.15.02 / 01 CARCAÇA DO DIFERENCIAL E CORPO DO EIXO, PÁGINA 2 / 215-9999
08.15.02 / 01 CARCASA DEL DIFERENCIAL Y CUERPO DEL EJE, PÁGINA 2 / 215-9999
08.15.02 / 01 DIFFERENTIAL CASE AND AXLE BODY, PAGE 2 / 215-9999
2130597
837 1281399 ARRUELA ESPAÇADORA T=1,92 DISCO DE DISTÂNCIA T=1,92 1,000 215-9999
SPACER T=1,92
837 1281402 ARRUELA ESPAÇADORA T=1,94 DISCO DE DISTÂNCIA T=1,94 1,000 215-9999
SPACER T=1,94
837 1281410 ARRUELA ESPAÇADORA T=1,96 DISCO DE DISTÂNCIA T=1,96 1,000 215-9999
SPACER T=1,96
837 1281429 ARRUELA ESPAÇADORA T=1,98 DISCO DE DISTÂNCIA T=1,98 1,000 215-9999
SPACER T=1,98
837 1281437 ARRUELA ESPAÇADORA T=2,02 DISCO DE DISTÂNCIA T=2,02 1,000 215-9999
SPACER T=2,02
837 1281445 ARRUELA ESPAÇADORA T=2,04 DISCO DE DISTÂNCIA T=2,04 1,000 215-9999
SPACER T=2,04
837 1281453 ARRUELA ESPAÇADORA T=2,06 DISCO DE DISTÂNCIA T=2,06 1,000 215-9999
SPACER T=2,06
837 1281461 ARRUELA ESPAÇADORA T=2,08 DISCO DE DISTÂNCIA T=2,08 1,000 215-9999
SPACER T=2,08
837 1281488 ARRUELA ESPAÇADORA T=1,05 DISCO DE DISTÂNCIA T=1,05 1,000 215-9999
SPACER T=1,05
837 1281496 ARRUELA ESPAÇADORA T=1,10 DISCO DE DISTÂNCIA T=1,10 1,000 215-9999
SPACER T=1,10
837 1282018 ARRUELA ESPAÇADORA T=1,15 DISCO DE DISTÂNCIA T=1,15 1,000 215-9999
SPACER T=1,15
837 1281011 ARRUELA ESPAÇADORA T=1,30 DISCO DE DISTÂNCIA T=1,30 1,000 215-9999
SPACER T=1,30
837 1281038 ARRUELA ESPAÇADORA T=1,50 DISCO DE DISTÂNCIA T=1,50 1,000 215-9999
SPACER T=1,50
837 1281046 ARRUELA ESPAÇADORA T=1,70 DISCO DE DISTÂNCIA T=1,70 1,000 215-9999
SPACER T=1,70
08.15.02 / 01 CARCAÇA DO DIFERENCIAL E CORPO DO EIXO, PÁGINA 2 / 215-9999
08.15.02 / 01 CARCASA DEL DIFERENCIAL Y CUERPO DEL EJE, PÁGINA 2 / 215-9999
08.15.02 / 01 DIFFERENTIAL CASE AND AXLE BODY, PAGE 2 / 215-9999
POS Nº DE IDENT. DESIGNAÇÃO
DESIGNATION
DESIGNACIÓN QUANT. VALIDADE
08.15.02 / 01 CARCAÇA DO DIFERENCIAL E CORPO DO EIXO, PÁGINA 2 / 215-9999
08.15.02 / 01 CARCASA DEL DIFERENCIAL Y CUERPO DEL EJE, PÁGINA 2 / 215-9999
08.15.02 / 01 DIFFERENTIAL CASE AND AXLE BODY, PAGE 2 / 215-9999
2130597
837 1281054 ARRUELA ESPAÇADORA T=1,90 DISCO DE DISTÂNCIA T=1,90 1,000 215-9999
SPACER T=1,90
837 1281062 ARRUELA ESPAÇADORA T=2,10 DISCO DE DISTÂNCIA T=2,10 1,000 215-9999
SPACER T=2,10
837 1281070 ARRUELA ESPAÇADORA T=2,30 DISCO DE DISTÂNCIA T=2,30 1,000 215-9999
SPACER T=2,30
837 1281089 ARRUELA ESPAÇADORA T=1,20 DISCO DE DISTÂNCIA T=1,20 1,000 215-9999
SPACER T=1,20
837 1281097 ARRUELA ESPAÇADORA T=1,25 DISCO DE DISTÂNCIA T=1,25 1,000 215-9999
SPACER T=1,25
837 1281100 ARRUELA ESPAÇADORA T=1,35 DISCO DE DISTÂNCIA T=1,35 1,000 215-9999
SPACER T=1,35
837 1281119 ARRUELA ESPAÇADORA T=1,40 DISCO DE DISTÂNCIA T=1,40 1,000 215-9999
SPACER T=1,40
837 1281127 ARRUELA ESPAÇADORA T=1,45 DISCO DE DISTÂNCIA T=1,45 1,000 215-9999
SPACER T=1,45
837 1281135 ARRUELA ESPAÇADORA T=1,55 DISCO DE DISTÂNCIA T=1,55 1,000 215-9999
SPACER T=1,55
837 1281259 ARRUELA ESPAÇADORA T=2,25 DISCO DE DISTÂNCIA T=2,25 1,000 215-9999
SPACER T=2,25
837 1281240 ARRUELA ESPAÇADORA T=2,20 DISCO DE DISTÂNCIA T=2,20 1,000 215-9999
SPACER T=2,20
837 1281232 ARRUELA ESPAÇADORA T=2,15 DISCO DE DISTÂNCIA T=2,15 1,000 215-9999
SPACER T=2,15
837 1281224 ARRUELA ESPAÇADORA T=2,05 DISCO DE DISTÂNCIA T=2,05 1,000 215-9999
SPACER T=2,05
837 1281216 ARRUELA ESPAÇADORA T=2,00 DISCO DE DISTÂNCIA T=2,00 1,000 215-9999
SPACER T=2,00
08.15.02 / 01 CARCAÇA DO DIFERENCIAL E CORPO DO EIXO, PÁGINA 2 / 215-9999
08.15.02 / 01 CARCASA DEL DIFERENCIAL Y CUERPO DEL EJE, PÁGINA 2 / 215-9999
08.15.02 / 01 DIFFERENTIAL CASE AND AXLE BODY, PAGE 2 / 215-9999
POS Nº DE IDENT. DESIGNAÇÃO
DESIGNATION
DESIGNACIÓN QUANT. VALIDADE
08.15.02 / 01 CARCAÇA DO DIFERENCIAL E CORPO DO EIXO, PÁGINA 2 / 215-9999
08.15.02 / 01 CARCASA DEL DIFERENCIAL Y CUERPO DEL EJE, PÁGINA 2 / 215-9999
08.15.02 / 01 DIFFERENTIAL CASE AND AXLE BODY, PAGE 2 / 215-9999
2130597
837 1281208 ARRUELA ESPAÇADORA T=1,95 DISCO DE DISTÂNCIA T=1,95 1,000 215-9999
SPACER T=1,95
837 1281194 ARRUELA ESPAÇADORA T=1,85 DISCO DE DISTÂNCIA T=1,85 1,000 215-9999
SPACER T=1,85
837 1281186 ARRUELA ESPAÇADORA T=1,80 DISCO DE DISTÂNCIA T=1,80 1,000 215-9999
SPACER T=1,80
837 1281178 ARRUELA ESPAÇADORA T=1,75 DISCO DE DISTÂNCIA T=1,75 1,000 215-9999
SPACER T=1,75
837 1281151 ARRUELA ESPAÇADORA T=1,65 DISCO DE DISTÂNCIA T=1,65 1,000 215-9999
SPACER T=1,65
837 1281143 ARRUELA ESPAÇADORA T=1,60 DISCO DE DISTÂNCIA T=1,60 1,000 215-9999
SPACER T=1,60
840 1282549 PORCA RANHURADA TUERCA RANURADA 1,000 215-9999
GROOVE NUT
860 217174 ANEL FIXADOR ANILLO FIJADOR 1,000 215-9999
LOCKING RING
08.20.00 / 00 DIFERENCIAL COM BLOQUEIO DO DIFERENCIAL / 1-214
08.20.00 / 00 DIFERENCIAL CON BLOQUEO DEL DIFERENCIAL / 1-214
08.20.00 / 00 DIFFERENTIAL WITH DIFFERENTIAL LOCK / 1-214
110
10
130
60 70 20
14
36
30
40
50
80
90
100
POS Nº DE IDENT. DESIGNAÇÃO
DESIGNATION
DESIGNACIÓN QUANT. VALIDADE
08.20.00 / 00 DIFERENCIAL COM BLOQUEIO DO DIFERENCIAL / 1-214
08.20.00 / 00 DIFERENCIAL CON BLOQUEO DEL DIFERENCIAL / 1-214
08.20.00 / 00 DIFFERENTIAL WITH DIFFERENTIAL LOCK / 1-214
2053690
10 2030191 CARCAÇA DO DIFERENCIAL CARCASA DEL DIFERENCIAL 1,000 1-214
DIFFERENTIAL CASE
14 2030359 TAMPA TAPA 6,000 1-214
COVER
20 2030361 ANEL DE RETENÇÃO ARO DE FIJACIÓN 1,000 1-214
RETAINING RING
30 2030386 ARRUELA BATENTE DISCO DE ARRANQUE 2,000 1-214
STOP WASHER
36 2030394 ARRUELA BATENTE DISCO DE ARRANQUE 1,000 1-214
STOP WASHER
40 2030435 DISCO EXTERNO DO FREIO DISCO EXTERIOR DEL FRENO T=2,1 4,000 1-214
BRAKE DISC EXTERNAL T=2,1
40 2030434 DISCO EXTERNO DO FREIO T=2,5 DISCO EXTERIOR DEL FRENO T=2,5 4,000 1-214
BRAKE DISC EXTERNAL T=2,5
40 2030419 DISCO EXTERNO DO FREIO T=2,4 DISCO EXTERIOR DEL FRENO T=2,4 4,000 1-214
BRAKE DISC EXTERNAL T=2,4
40 2030396 DISCO EXTERNO DO FREIO T=2,3 DISCO EXTERIOR DEL FRENO T=2,3 4,000 1-214
BRAKE DISC EXTERNAL T=2,3
40 2030395 DISCO EXTERNO DO FREIO T=2,2 DISCO EXTERIOR DEL FRENO T=2,2 4,000 1-214
BRAKE DISC EXTERNAL T=2,2
50 2030450 DISCO INTERNO DO FREIO DISCO INTERIOR DEL FRENO 4,000 1-214
BRAKE DISC INTERNAL
60 2030475 ANEL ANILLO 2,000 1-214
RING
70 2030477 EIXO EJE 2,000 1-214
AXLE
80 2030485 ENGRENAGENS CÔNICAS RUEDAS CÓNICA 2,000 1-214
BEVEL WHEEL
08.20.00 / 00 DIFERENCIAL COM BLOQUEIO DO DIFERENCIAL / 1-214
08.20.00 / 00 DIFERENCIAL CON BLOQUEO DEL DIFERENCIAL / 1-214
08.20.00 / 00 DIFFERENTIAL WITH DIFFERENTIAL LOCK / 1-214
110
10
130
60 70 20
14
36
30
40
50
80
90
100
POS Nº DE IDENT. DESIGNAÇÃO
DESIGNATION
DESIGNACIÓN QUANT. VALIDADE
08.20.00 / 00 DIFERENCIAL COM BLOQUEIO DO DIFERENCIAL / 1-214
08.20.00 / 00 DIFERENCIAL CON BLOQUEO DEL DIFERENCIAL / 1-214
08.20.00 / 00 DIFFERENTIAL WITH DIFFERENTIAL LOCK / 1-214
2053690
90 2030486 ENGRENAGEM CÔNICA COMPENSADORA RUEDA CÓNICA DE COMPENSACIÓN 4,000 1-214
AXLE DRIVE BEVEL GEAR
100 2030487 PINO BULÓN 12,000 1-214
BOLT
110 2030511 TAMPA TAPA 1,000 1-214
COVER
130 2030517 PARAFUSO DE SEGURANÇA TORNILLO DE SEGURIDAD 12,000 1-214
SAFETY SCREW
08.20.00 / 01 DIFERENCIAL COM BLOQUEIO DO DIFERENCIAL / 215-9999
08.20.00 / 01 DIFERENCIAL CON BLOQUEO DEL DIFERENCIAL / 215-9999
08.20.00 / 01 DIFFERENTIAL WITH DIFFERENTIAL LOCK / 215-9999
POS Nº DE IDENT. DESIGNAÇÃO
DESIGNATION
DESIGNACIÓN QUANT. VALIDADE
08.20.00 / 01 DIFERENCIAL COM BLOQUEIO DO DIFERENCIAL / 215-9999
08.20.00 / 01 DIFERENCIAL CON BLOQUEO DEL DIFERENCIAL / 215-9999
08.20.00 / 01 DIFFERENTIAL WITH DIFFERENTIAL LOCK / 215-9999
2130598
10 2122222 DISCO EXTERIOR DO FREIO T=3,5 DISCO EXTERIOR DEL FRENO T=3,5 10,000 215-9999
BRAKE DISC EXTERNAL T=3,5
10 2122221 DISCO EXTERIOR DO FREIO T=1,5 DISCO EXTERIOR DEL FRENO T=1,5 10,000 215-9999
BRAKE DISC EXTERNAL T=1,5
10 2122219 DISCO EXTERIOR DO FREIO T=1,4 DISCO EXTERIOR DEL FRENO T=1,4 10,000 215-9999
BRAKE DISC EXTERNAL T=1,4
10 2122217 DISCO EXTERIOR DO FREIO T=2,0 DISCO EXTERIOR DEL FRENO T=2,0 10,000 215-9999
BRAKE DISC EXTERNAL T=2,0
10 2122216 DISCO EXTERIOR DO FREIO T=1,9 DISCO EXTERIOR DEL FRENO T=1,9 10,000 215-9999
BRAKE DISC EXTERNAL T=1,9
10 2122214 DISCO EXTERIOR DO FREIO T=1,8 DISCO EXTERIOR DEL FRENO T=1,8 10,000 215-9999
BRAKE DISC EXTERNAL T=1,8
20 2122225 DISCO INTERIOR DO FREIO DISCO INTERIOR DEL FRENO 8,000 215-9999
BRAKE DISC INTERNAL
30 2122226 DISCO DE PRESSÃO DISCO DE PRESIÓN 2,000 215-9999
THRUST WASHER
40 2122227 ENGRENAGEM CÔNICA RUEDAS CÓNICAS 2,000 215-9999
BEVEL WHEEL
50 2122233 ENGRENAGEM CÔNICA DE COMPENSAÇÃO RUEDA CÓNICA DE COMPENSACIÓN 4,000 215-9999
AXLE DRIVE BEVEL GEAR
60 2122235 DISCO DE ARRANQUE DISCO DE ARRANQUE 4,000 215-9999
STOP WASHER
70 2122238 CAIXA DO DIFERENCIAL JAULA DEL DIFERENCIAL 1,000 215-9999
DIFERENCIAL CAGE
100 2122241 EIXO EJE 1,000 215-9999
AXLE
110 2122243 PARAFUSO CILINDRICO TORNILLO CILINDRICO 16,000 215-9999
CHEESE-HEAD SCREW
08.20.00 / 01 DIFERENCIAL COM BLOQUEIO DO DIFERENCIAL / 215-9999
08.20.00 / 01 DIFERENCIAL CON BLOQUEO DEL DIFERENCIAL / 215-9999
08.20.00 / 01 DIFFERENTIAL WITH DIFFERENTIAL LOCK / 215-9999
POS Nº DE IDENT. DESIGNAÇÃO
DESIGNATION
DESIGNACIÓN QUANT. VALIDADE
08.20.00 / 01 DIFERENCIAL COM BLOQUEIO DO DIFERENCIAL / 215-9999
08.20.00 / 01 DIFERENCIAL CON BLOQUEO DEL DIFERENCIAL / 215-9999
08.20.00 / 01 DIFFERENTIAL WITH DIFFERENTIAL LOCK / 215-9999
2130598
120 214647 PARAFUSO CILINDRICO TORNILLO CILÍNDRICO 4,000 215-9999
CHEESE-HEAD SCREW
760 2122245 ROLAMENTO DE ROLOS CÔNICOS RODAMIENTO DE RODILLOS CÓNICOS 1,000 215-9999
TAPER ROLLER BEARING
770 2122250 ROLAMENTO DE ROLOS CÔNICOS RODAMIENTO DE RODILLOS CÓNICOS 1,000 215-9999
TAPER ROLLER BEARING
08.25.00 / 00 FREIO DE ESTACIONAMENTO / 1-214
08.25.00 / 00 FRENO DE ESTACIONAMIENTO / 1-214
08.25.00 / 00 PARKING BRAKE / 1-214
POS Nº DE IDENT. DESIGNAÇÃO
DESIGNATION
DESIGNACIÓN QUANT. VALIDADE
08.25.00 / 00 FREIO DE ESTACIONAMENTO / 1-214
08.25.00 / 00 FRENO DE ESTACIONAMIENTO / 1-214
08.25.00 / 00 PARKING BRAKE / 1-214
2053692
600 1282700 TAMPA DO ROLAMENTO TAPA DEL COJINETE 2,000 1-214
BEARING CAP
620 1282719 ANEL ANILLO 4,000 1-214
RING
630 1282727 PARAFUSO DE CABEÇA CILÍNDRICA TORNILLO CILÍNDRICO 32,000 1-214
CHEESE-HEAD SCREW
650 378151 ANEL O ANILLO TOROIDAL 2,000 1-214
O-RING SEAL
660 1282735 ANEL RANHURADO ANILLO ACANALADO 2,000 1-214
GROOVE RING
680 1282743 ANEL RANHURADO ANILLO ACANALADO 2,000 1-214
GROOVE RING
700 1282778 ÊMBOLO EMBOLO 2,000 1-214
PISTON
710 1282786 CARCAÇA DO FREIO CARCASA DEL FRENO 2,000 1-214
BRAKE HOUSING
720 1282794 BUJÃO TORNILLO DE CIERRE 4,000 1-214
SCREW PLUG
721 1280376 ANEL O ANILLO TOROIDAL 4,000 1-214
O-RING SEAL
730 1282808 MOLA PRATO MUELLE DE DISCO 4,000 1-214
CUP SPRING
740 1282832 DISCO EXTERNO DO FREIO T=2,0 DISCO EXTERIOR DEL FRENO T=2,0 1,000 1-214
BRAKE DISC EXTERNAL T=2,0
740 1282824 DISCO EXTERNO DO FREIO T=3,0 DISCO EXTERIOR DEL FRENO T=3,0 1,000 1-214
BRAKE DISC EXTERNAL T=3,0
740 1282816 DISCO EXTERNO DO FREIO T=2,5 DISCO EXTERIOR DEL FRENO T=2,5 1,000 1-214
BRAKE DISC EXTERNAL T=2,5
08.25.00 / 00 FREIO DE ESTACIONAMENTO / 1-214
08.25.00 / 00 FRENO DE ESTACIONAMIENTO / 1-214
08.25.00 / 00 PARKING BRAKE / 1-214
POS Nº DE IDENT. DESIGNAÇÃO
DESIGNATION
DESIGNACIÓN QUANT. VALIDADE
08.25.00 / 00 FREIO DE ESTACIONAMENTO / 1-214
08.25.00 / 00 FRENO DE ESTACIONAMIENTO / 1-214
08.25.00 / 00 PARKING BRAKE / 1-214
2053692
750 1286358 DISCO INTERNO DO FREIO DISCO INTERIOR DEL FRENO 6,000 1-214
BRAKE DISC INTERNAL
750 1282840 DISCO INTERNO DO FREIO DISCO INTERIOR DEL FRENO 6,000 1-214
BRAKE DISC INTERNAL
760 1282859 ROLAMENTO DE ROLOS CÔNICOS RODAMIENTO DE RODILLOS CÓNICOS 2,000 1-214
CONICAL ROLLER BEARING
780 1282271 ARRUELA ESPAÇADORA T=0,75 DISCO DE DISTANCIA T=0,75 1,000 1-214
SPACER T=0,75
780 1282263 ARRUELA ESPAÇADORA T=0,80 DISCO DE DISTANCIA T=0,80 1,000 1-214
SPACER T=0,80
780 1282255 ARRUELA ESPAÇADORA T=0,85 DISCO DE DISTANCIA T=0,85 1,000 1-214
SPACER T=0,85
780 1282247 ARRUELA ESPAÇADORA T=0,90 DISCO DE DISTANCIA T=0,90 1,000 1-214
SPACER T=0,90
780 1282239 ARRUELA ESPAÇADORA T=0,95 DISCO DE DISTANCIA T=0,95 1,000 1-214
SPACER T=0,95
780 1282344 ARRUELA ESPAÇADORA T=0,50 DISCO DE DISTANCIA T=0,50 1,000 1-214
SPACER T=0,50
780 1282336 ARRUELA ESPAÇADORA T=0,55 DISCO DE DISTANCIA T=0,55 1,000 1-214
SPACER T=0,55
780 1282328 ARRUELA ESPAÇADORA T=0,60 DISCO DE DISTANCIA T=0,60 1,000 1-214
SPACER T=0,60
780 1282301 ARRUELA ESPAÇADORA T=0,65 DISCO DE DISTANCIA T=0,65 1,000 1-214
SPACER T=0,65
780 1282298 ARRUELA ESPAÇADORA T=0,70 DISCO DE DISTANCIA T=0,70 1,000 1-214
SPACER T=0,70
780 1282069 ARRUELA ESPAÇADORA T=1,75 DISCO DE DISTANCIA T=1,75 1,000 1-214
SPACER T=1,75
08.25.00 / 00 FREIO DE ESTACIONAMENTO / 1-214
08.25.00 / 00 FRENO DE ESTACIONAMIENTO / 1-214
08.25.00 / 00 PARKING BRAKE / 1-214
POS Nº DE IDENT. DESIGNAÇÃO
DESIGNATION
DESIGNACIÓN QUANT. VALIDADE
08.25.00 / 00 FREIO DE ESTACIONAMENTO / 1-214
08.25.00 / 00 FRENO DE ESTACIONAMIENTO / 1-214
08.25.00 / 00 PARKING BRAKE / 1-214
2053692
780 1282050 ARRUELA ESPAÇADORA T=1,80 DISCO DE DISTANCIA T=1,80 1,000 1-214
SPACER T=1,80
780 1282042 ARRUELA ESPAÇADORA T=1,85 DISCO DE DISTANCIA T=1,85 1,000 1-214
SPACER T=1,85
780 1282034 ARRUELA ESPAÇADORA T=1,90 DISCO DE DISTANCIA T=1,90 1,000 1-214
SPACER T=1,90
780 1282026 ARRUELA ESPAÇADORA T=2,00 DISCO DE DISTANCIA T=2,00 1,000 1-214
SPACER T=2,00
780 1282115 ARRUELA ESPAÇADORA T=1,50 DISCO DE DISTANCIA T=1,50 1,000 1-214
SPACER T=1,50
780 1282107 ARRUELA ESPAÇADORA T=1,55 DISCO DE DISTANCIA T=1,55 1,000 1-214
SPACER T=1,55
780 1282093 ARRUELA ESPAÇADORA T=1,60 DISCO DE DISTANCIA T=1,60 1,000 1-214
SPACER T=1,60
780 1282085 ARRUELA ESPAÇADORA T=1,65 DISCO DE DISTANCIA T=1,65 1,000 1-214
SPACER T=1,65
780 1282077 ARRUELA ESPAÇADORA T=1,70 DISCO DE DISTANCIA T=1,70 1,000 1-214
SPACER T=1,70
800 1282697 RESPIRO VÁLVULA DE VENTILACIÓN 2,000 1-214
BREATHER VALVE
08.25.00 / 01 FREIO DE ESTACIONAMENTO / 215-9999
08.25.00 / 01 FRENO DE ESTACIONAMIENTO / 215-9999
08.25.00 / 01 PARKING BRAKE / 215-9999
POS Nº DE IDENT. DESIGNAÇÃO
DESIGNATION
DESIGNACIÓN QUANT. VALIDADE
08.25.00 / 01 FREIO DE ESTACIONAMENTO / 215-9999
08.25.00 / 01 FRENO DE ESTACIONAMIENTO / 215-9999
08.25.00 / 01 PARKING BRAKE / 215-9999
2130601
520 2122257 ARRUELA ARANDELA 2,000 215-9999
WASHER
600 2122262 CARCAÇA DO MANCAL CARCASA DEL COJINETE 1,000 215-9999
BEARING HOUSING
610 214426 PARAFUSO CILINDRICO TORNILLO CILÍNDRICO 2,000 215-9999
CHEESE-HEAD SCREW
620 1207474 DISCO DE APOIO DISCO DE APOYO 2,000 215-9999
SUPPORTING RING
625 2122271 ARRUELA DE AJUSTE ARANDELA DE AJUSTE 2,000 215-9999
SPACER SHIM
630 356158 PARAFUSO CILINDRICO TORNILLO CILÍNDRICO 32,000 215-9999
CHEESE-HEAD SCREW
650 378151 ANEL O-RING ANILLO TOROIDAL 2,000 215-9999
O-RING SEAL
660 2122278 ANEL ANILLO ACANALADO 2,000 215-9999
GROOVE RING
680 1282743 ANEL ANILLO ACANALADO 2,000 215-9999
GROOVE RING
700 2122285 EMBOLO EMBOLO 2,000 215-9999
PISTON
710 2122287 CARCAÇA DO FREIO CARCASA DEL FRENO 2,000 215-9999
BRAKE HOUSING
721 2122253 PARAFUSO TORNILLO DE CIERRE 1,000 215-9999
SCREW PLUG
722 1282514 ANEL O-RING ANILLO TOROIDAL 1,000 215-9999
O-RING SEAL
730 2122292 ARRUELA MUELLE DE DISCO 2,000 215-9999
CUP SPRING
08.25.00 / 01 FREIO DE ESTACIONAMENTO / 215-9999
08.25.00 / 01 FRENO DE ESTACIONAMIENTO / 215-9999
08.25.00 / 01 PARKING BRAKE / 215-9999
POS Nº DE IDENT. DESIGNAÇÃO
DESIGNATION
DESIGNACIÓN QUANT. VALIDADE
08.25.00 / 01 FREIO DE ESTACIONAMENTO / 215-9999
08.25.00 / 01 FRENO DE ESTACIONAMIENTO / 215-9999
08.25.00 / 01 PARKING BRAKE / 215-9999
2130601
740 2129029 DISCO EXTERIOR DO FREIO T=4,0 DISCO EXTERIOR DEL FRENO T=4,0 8,000 215-9999
BRAKE DISC EXTERNAL T=4,0
740 2129030 DISCO EXTERIOR DO FREIO T=3,5 DISCO EXTERIOR DEL FRENO T=3,5 8,000 215-9999
BRAKE DISC EXTERNAL T=3,5
740 2129031 DISCO EXTERIOR DO FREIO T=3,0 DISCO EXTERIOR DEL FRENO T=3,0 8,000 215-9999
BRAKE DISC EXTERNAL T=3,0
750 1282840 DISCO INTERIOR DO FREIO DISCO INTERIOR DEL FRENO 6,000 215-9999
BRAKE DISC INTERNAL
800 1282697 VÁLVULA DE VENTILAÇÃO VÁLVULA DE VENTILACIÓN 2,000 215-9999
BREATHER VALVE
08.30.00 / 00 REDUÇÃO PLANETÁRIA / 1-214
08.30.00 / 00 ENGRANAJE PLANETÁRIO / 1-214
08.30.00 / 00 PLANETARY GEAR / 1-214
POS Nº DE IDENT. DESIGNAÇÃO
DESIGNATION
DESIGNACIÓN QUANT. VALIDADE
08.30.00 / 00 REDUÇÃO PLANETÁRIA / 1-214
08.30.00 / 00 ENGRANAJE PLANETÁRIO / 1-214
08.30.00 / 00 PLANETARY GEAR / 1-214
2053693
340 2030641 EIXO ARBOL 2,000 1-214
SHAFT
340 1282867 EIXO ARBOL 2,000 1-214
SHAFT
390 1286374 PORTA-SATÉLITE SOPORTE PLANETARIO 2,000 1-214
PLANET CARRIER
400 2029870 ENGRENAGEM PLANETÁRIA RUEDA PLANETARIA 7,000 1-214
PLANET WHEEL
410 1282891 ROLAMENTO DE ROLOS CÔNICOS RODAMIENTO DE RODILLOS CÓNICOS 8,000 1-214
CONICAL ROLLER BEARING
420 1286390 ARRUELA ARANDELA 16,000 1-214
WASHER
420 1282352 ARRUELA ARANDELA 12,000 1-214
WASHER
430 1286404 ANEL DE RETENÇÃO ARO DE FIJACIÓN 16,000 1-214
RETAINING RING
430 1282905 ANEL DE RETENÇÃO ARO DE FIJACIÓN 12,000 1-214
RETAINING RING
480 217204 ANEL DE RETENÇÃO ANILLO FIJADOR 8,000 1-214
LOCKING RING
500 1282360 ARRUELA BATENTE DISCO DE ARRANQUE 2,000 1-214
STOP WASHER
510 217212 ANEL DE RETENÇÃO ANILLO FIJADOR 2,000 1-214
LOCKING RING
520 1282913 ARRUELA ARANDELA 2,000 1-214
WASHER
530 1282417 ARRUELA ESPAÇADORA T=0,7 DISCO DE DISTANCIA T=0,7 1,000 1-214
SPACER T=0,7
08.30.00 / 00 REDUÇÃO PLANETÁRIA / 1-214
08.30.00 / 00 ENGRANAJE PLANETÁRIO / 1-214
08.30.00 / 00 PLANETARY GEAR / 1-214
POS Nº DE IDENT. DESIGNAÇÃO
DESIGNATION
DESIGNACIÓN QUANT. VALIDADE
08.30.00 / 00 REDUÇÃO PLANETÁRIA / 1-214
08.30.00 / 00 ENGRANAJE PLANETÁRIO / 1-214
08.30.00 / 00 PLANETARY GEAR / 1-214
2053693
530 1282425 ARRUELA ESPAÇADORA T=0,8 DISCO DE DISTANCIA T=0,8 1,000 1-214
SPACER T=0,8
530 1282433 ARRUELA ESPAÇADORA T=0,9 DISCO DE DISTANCIA T=0,9 1,000 1-214
SPACER T=0,9
530 1282441 ARRUELA ESPAÇADORA T=1,0 DISCO DE DISTANCIA T=1,0 1,000 1-214
SPACER T=1,0
530 1282409 ARRUELA ESPAÇADORA T=1,5 DISCO DE DISTANCIA T=1,5 1,000 1-214
SPACER T=1,5
530 276898 ARRUELA ESPAÇADORA T=0,5 DISCO DE DISTANCIA T=0,5 1,000 1-214
SPACER T=0,5
530 1282379 ARRUELA ESPAÇADORA T=0,3 DISCO DE DISTANCIA T=0,3 1,000 1-214
SPACER T=0,3
530 1282387 ARRUELA ESPAÇADORA T=0,2 DISCO DE DISTANCIA T=0,2 1,000 1-214
SPACER T=0,2
530 1282395 ARRUELA ESPAÇADORA T=2,0 DISCO DE DISTANCIA T=2,0 1,000 1-214
SPACER T=2,0
08.30.00 / 01 REDUÇÃO PLANETÁRIA / 215-9999
08.30.00 / 01 ENGRANAJE PLANETÁRIO / 215-9999
08.30.00 / 01 PLANETARY GEAR / 215-9999
POS Nº DE IDENT. DESIGNAÇÃO
DESIGNATION
DESIGNACIÓN QUANT. VALIDADE
08.30.00 / 01 REDUÇÃO PLANETÁRIA / 215-9999
08.30.00 / 01 ENGRANAJE PLANETÁRIO / 215-9999
08.30.00 / 01 PLANETARY GEAR / 215-9999
2130602
200 1282964 ROLAMENTO DE ROLOS CÔNICOS RODAMIENTO DE RODILLOS CÓNICOS 2,000 215-9999
TAPER ROLLER BEARING
210 1282972 ROLAMENTO DE ROLOS CÔNICOS RODAMIENTO DE RODILLOS CÓNICOS 2,000 215-9999
TAPER ROLLER BEARING
220 1282980 EIXO DE ACIONAMENTO ARBOL DE ACCIONAMIENTO 2,000 215-9999
DRIVING SHAFT
230 1282557 PORCA RANHURADA TUERCA RANURADA 2,000 215-9999
GROOVE NUT
232 1283014 PINO PASADOR HENDIDO 2,000 215-9999
GROOVED PIN
340 2122297 EIXO ARBOL 2,000 215-9999
SHAFT
350 2122299 ANEL ANILLO 2,000 215-9999
RING
390 1286374 SUPORTE PLANETÁRIO SOPORTE PLANETARIO 2,000 215-9999
PLANET CARRIER
400 2122300 RODA PLANETÁRIA RUEDA PLANETARIA 6,000 215-9999
PLANET WHEEL
410 2122301 ROLAMENTO DE ROLOS CILINDRICOS COJINETE DE RODILLOS CILÍNDRICOS 6,000 215-9999
CYLINDRICAL ROLLER BEARING
480 217204 ANEL FIXADOR ANILLO FIJADOR 6,000 215-9999
LOCKING RING
500 1282360 DISCO DE ARRANQUE DISCO DE ARRANQUE 2,000 215-9999
STOP WASHER
510 2122333 ANEL FIXADOR ANILLO FIJADOR 2,000 215-9999
LOCKING RING
530 1282441 ARRUELA ESPAÇADORA T=1,0 DISCO DE DISTANCIA T=1,0 2,000 215-9999
SPACER T=1,0
08.30.00 / 01 REDUÇÃO PLANETÁRIA / 215-9999
08.30.00 / 01 ENGRANAJE PLANETÁRIO / 215-9999
08.30.00 / 01 PLANETARY GEAR / 215-9999
POS Nº DE IDENT. DESIGNAÇÃO
DESIGNATION
DESIGNACIÓN QUANT. VALIDADE
08.30.00 / 01 REDUÇÃO PLANETÁRIA / 215-9999
08.30.00 / 01 ENGRANAJE PLANETÁRIO / 215-9999
08.30.00 / 01 PLANETARY GEAR / 215-9999
2130602
530 1282433 ARRUELA ESPAÇADORA T=0,9 DISCO DE DISTANCIA T=0,9 2,000 215-9999
SPACER T=0,9
530 1282425 ARRUELA ESPAÇADORA T=0,8 DISCO DE DISTANCIA T=0,8 2,000 215-9999
SPACER T=0,8
530 1282417 ARRUELA ESPAÇADORA T=0,7 DISCO DE DISTANCIA T=0,7 2,000 215-9999
SPACER T=0,7
530 1282409 ARRUELA ESPAÇADORA T=1,5 DISCO DE DISTANCIA T=1,5 2,000 215-9999
SPACER T=1,5
530 1282395 ARRUELA ESPAÇADORA T=2,0 DISCO DE DISTANCIA T=2,0 2,000 215-9999
SPACER T=2,0
530 1282387 ARRUELA ESPAÇADORA T=0,2 DISCO DE DISTANCIA T=0,2 2,000 215-9999
SPACER T=0,2
530 1282379 ARRUELA ESPAÇADORA T=0,3 DISCO DE DISTANCIA T=0,3 2,000 215-9999
SPACER T=0,3
530 276898 ARRUELA ESPAÇADORA T=0,5 DISCO DE DISTANCIA T=0,5 2,000 215-9999
SPACER T=0,5
890 1282506 ARRUELA ESPAÇADORA T=2,0 DISCO DE DISTANCIA T=2,0 2,000 215-9999
SPACER T=2,0
890 1282492 ARRUELA ESPAÇADORA T=3,0 DISCO DE DISTANCIA T=3,0 2,000 215-9999
SPACER T=3,0
890 1282484 ARRUELA ESPAÇADORA T=0,3 DISCO DE DISTANCIA T=0,3 2,000 215-9999
SPACER T=0,3
890 1282476 ARRUELA ESPAÇADORA T=0,5 DISCO DE DISTANCIA T=0,5 2,000 215-9999
SPACER T=0,5
890 1282468 ARRUELA ESPAÇADORA T=1,0 DISCO DE DISTANCIA T=1,0 2,000 215-9999
SPACER T=1,0
900 1283006 PINO BULÓN 2,000 215-9999
BOLT
08.40.00 / 00 PNEUS / 1-9999
08.40.00 / 00 NEUMÁTICOS / 1-9999
08.40.00 / 00 TIRE EQUIPMENT / 1-9999
POS Nº DE IDENT. DESIGNAÇÃO
DESIGNATION
DESIGNACIÓN QUANT. VALIDADE
08.40.00 / 00 PNEUS / 1-9999
08.40.00 / 00 NEUMÁTICOS / 1-9999
08.40.00 / 00 TIRE EQUIPMENT / 1-9999
2053694
22 853607 RODA RUEDA 2,000 1-9999
WHEEL
22.01 1480510 ARO DA RODA LLANTA 1,000 1-9999
RIM
22.02 387851 PNEU PERFILADO NEUMÁTICOS PERFILADOS 1,000 1-9999
PROFILE TIRES
22.03 337757 VÁLVULA DO PNEU VÁLVULA DE NEUMÁTICO 1,000 1-9999
TIRE VALVE
22.04 337838 CLORETO DE MAGNÉSIO (KG) CLORURO MAGNÉSICO (KG) 75,000 1-9999
MAGNESIUM CHLORIDE (KG)
23 864463 RODA ESQUERDA RUEDA IZQUIERDA 1,000 1-9999
WHEEL LEFT
23.01 1480510 ARO DA RODA LLANTA 1,000 1-9999
RIM
23.02 342009 PNEU PERFILADO NEUMÁTICOS PERFILADOS 1,000 1-9999
PROFILE TIRES
23.03 337757 VÁLVULA DO PNEU VÁLVULA DE NEUMÁTICO 1,000 1-9999
TIRE VALVE
23.04 337838 CLORETO DE MAGNÉSIO (KG) CLORURO MAGNÉSICO (KG) 75,000 1-9999
MAGNESIUM CHLORIDE (KG)
24 864455 RODA DIREITA RUEDA DERECHA 1,000 1-9999
WHEEL RIGHT
24.01 1480510 ARO DA RODA LLANTA 1,000 1-9999
RIM
24.02 342009 PNEU PERFILADO NEUMÁTICOS PERFILADOS 1,000 1-9999
PROFILE TIRES
24.03 337757 VÁLVULA DO PNEU VÁLVULA DE NEUMÁTICO 1,000 1-9999
TIRE VALVE
08.40.00 / 00 PNEUS / 1-9999
08.40.00 / 00 NEUMÁTICOS / 1-9999
08.40.00 / 00 TIRE EQUIPMENT / 1-9999
POS Nº DE IDENT. DESIGNAÇÃO
DESIGNATION
DESIGNACIÓN QUANT. VALIDADE
08.40.00 / 00 PNEUS / 1-9999
08.40.00 / 00 NEUMÁTICOS / 1-9999
08.40.00 / 00 TIRE EQUIPMENT / 1-9999
2053694
24.04 337838 CLORETO DE MAGNÉSIO (KG) CLORURO MAGNÉSICO (KG) 75,000 1-9999
MAGNESIUM CHLORIDE (KG)
08.50.01 / 00 SISTEMA DE TRAÇÃO, PÁGINA 1 / 1-9999
08.50.01 / 00 ACCIONAMIENTOS DE TRANSLACIÓN, PÁGINA 1 / 1-9999
08.50.01 / 00 DRIVE, PAGE 1 / 1-9999
POS Nº DE IDENT. DESIGNAÇÃO
DESIGNATION
DESIGNACIÓN QUANT. VALIDADE
08.50.01 / 00 SISTEMA DE TRAÇÃO, PÁGINA 1 / 1-9999
08.50.01 / 00 ACCIONAMIENTOS DE TRANSLACIÓN, PÁGINA 1 / 1-9999
08.50.01 / 00 DRIVE, PAGE 1 / 1-9999
2053695
30 1259806 MANGUEIRA MANGUERA 1,000 1-9999
FLEXIBLE TUBING
31 1302132 MANGUEIRA MANGUERA 1,000 1-9999
FLEXIBLE TUBING
35 348430 JOELHO FLANGE PIEZA INTERMEDIA 2,000 1-9999
INTERMEDIATE PIECE
36 267465 ANEL O ANILLO TOROÏDAL 2,000 1-9999
O-RING SEAL
37 267457 CONCHA FLANGE SAE MITAD DE LA BRIDA SAE 4,000 1-9999
SAE-FLANGE HALF
38 1264893 PARAFUSO DE SEGURANÇA TORNILLO DE SEGURIDAD 8,000 1-9999
SAFETY SCREW
40 1486918 CHAPA CHAPA 1,000 1-9999
METAL PLATE
41 1200240 PARAFUSO CABEÇA LENTILHA TORNILLO CIL. CABEZA REBAJADA 2,000 1-9999
MUSHROOM HEAD SCREW
42 216607 ARRUELA ARANDELA 4,000 1-9999
WASHER
43 216453 PORCA SEXTAVADA TUERCA HEXAGONAL 2,000 1-9999
HEXAGON NUT
45 1486926 CHAPA CHAPA 1,000 1-9999
METAL PLATE
46 213853 PARAFUSO SEXTAVADO TORNILLO HEXAGONAL 2,000 1-9999
HEXAGON SCREW
47 216607 ARRUELA ARANDELA 4,000 1-9999
WASHER
48 216453 PORCA SEXTAVADA TUERCA HEXAGONAL 2,000 1-9999
HEXAGON NUT
08.50.01 / 00 SISTEMA DE TRAÇÃO, PÁGINA 1 / 1-9999
08.50.01 / 00 ACCIONAMIENTOS DE TRANSLACIÓN, PÁGINA 1 / 1-9999
08.50.01 / 00 DRIVE, PAGE 1 / 1-9999
POS Nº DE IDENT. DESIGNAÇÃO
DESIGNATION
DESIGNACIÓN QUANT. VALIDADE
08.50.01 / 00 SISTEMA DE TRAÇÃO, PÁGINA 1 / 1-9999
08.50.01 / 00 ACCIONAMIENTOS DE TRANSLACIÓN, PÁGINA 1 / 1-9999
08.50.01 / 00 DRIVE, PAGE 1 / 1-9999
2053695
50 1418467 MEIA ABRAÇADEIRA MEDIA ABRAZADERA 2,000 1-9999
HALF-CLIP
51 488216 BARRA CHATA ACERO PLANO 1,000 1-9999
FLAT STEEL
52 1212710 PARAFUSO SEXTAVADO TORNILLO HEXAGONAL 2,000 1-9999
HEXAGON SCREW
53 216607 ARRUELA ARANDELA 4,000 1-9999
WASHER
54 216453 PORCA SEXTAVADA TUERCA HEXAGONAL 2,000 1-9999
HEXAGON NUT
60 1418467 MEIA ABRAÇADEIRA MEDIA ABRAZADERA 2,000 1-9999
HALF-CLIP
61 488216 BARRA CHATA ACERO PLANO 1,000 1-9999
FLAT STEEL
62 1212710 PARAFUSO SEXTAVADO TORNILLO HEXAGONAL 2,000 1-9999
HEXAGON SCREW
63 216607 ARRUELA ARANDELA 4,000 1-9999
WASHER
64 216453 PORCA SEXTAVADA TUERCA HEXAGONAL 2,000 1-9999
HEXAGON NUT
65 1486861 CHAPA CHAPA 1,000 1-9999
METAL PLATE
66 213853 PARAFUSO SEXTAVADO TORNILLO HEXAGONAL 2,000 1-9999
HEXAGON SCREW
67 216607 ARRUELA ARANDELA 4,000 1-9999
WASHER
68 216453 PORCA SEXTAVADA TUERCA HEXAGONAL 2,000 1-9999
HEXAGON NUT
08.50.01 / 00 SISTEMA DE TRAÇÃO, PÁGINA 1 / 1-9999
08.50.01 / 00 ACCIONAMIENTOS DE TRANSLACIÓN, PÁGINA 1 / 1-9999
08.50.01 / 00 DRIVE, PAGE 1 / 1-9999
POS Nº DE IDENT. DESIGNAÇÃO
DESIGNATION
DESIGNACIÓN QUANT. VALIDADE
08.50.01 / 00 SISTEMA DE TRAÇÃO, PÁGINA 1 / 1-9999
08.50.01 / 00 ACCIONAMIENTOS DE TRANSLACIÓN, PÁGINA 1 / 1-9999
08.50.01 / 00 DRIVE, PAGE 1 / 1-9999
2053695
70 2024309 CHAPA CHAPA 1,000 167-9999
METAL PLATE
71 214671 PARAFUSO DE CABEÇA CILÍNDRICA TORNILLO CILÍNDRICO 4,000 1-9999
CHEESE-HEAD SCREW
72 216453 PORCA SEXTAVADA TUERCA HEXAGONAL 4,000 1-9999
HEXAGON NUT
73 216607 ARRUELA ARANDELA 4,000 1-9999
WASHER
75 1418467 MEIA ABRAÇADEIRA MEDIA ABRAZADERA 4,000 1-9999
HALF-CLIP
76 488216 BARRA CHATA ACERO PLANO 2,000 1-9999
FLAT STEEL
77 1212710 PARAFUSO SEXTAVADO TORNILLO HEXAGONAL 4,000 1-9999
HEXAGON SCREW
78 216607 ARRUELA ARANDELA 4,000 1-9999
WASHER
79 216453 PORCA SEXTAVADA TUERCA HEXAGONAL 4,000 1-9999
HEXAGON NUT
84 205966 UNIÃO ORIENTÁVEL SIMPLES RACOR GIRATORIO 1,000 1-9999
BANJO
85 1302140 MANGUEIRA MANGUERA 1,000 1-9999
FLEXIBLE TUBING
86 206415 CONEXÃO MACHO RETA RACOR PARA ENROSCAR RECTO 1,000 1-9999
STRAIGHT SCREWED SOCKET
88 1242466 MANGUEIRA MANGUERA 1,000 1-9999
FLEXIBLE TUBING
89 315699 CONEXÃO MACHO RETA RACOR PARA ENROSCAR RECTO 1,000 1-9999
STRAIGHT SCREWED SOCKET
08.50.01 / 00 SISTEMA DE TRAÇÃO, PÁGINA 1 / 1-9999
08.50.01 / 00 ACCIONAMIENTOS DE TRANSLACIÓN, PÁGINA 1 / 1-9999
08.50.01 / 00 DRIVE, PAGE 1 / 1-9999
POS Nº DE IDENT. DESIGNAÇÃO
DESIGNATION
DESIGNACIÓN QUANT. VALIDADE
08.50.01 / 00 SISTEMA DE TRAÇÃO, PÁGINA 1 / 1-9999
08.50.01 / 00 ACCIONAMIENTOS DE TRANSLACIÓN, PÁGINA 1 / 1-9999
08.50.01 / 00 DRIVE, PAGE 1 / 1-9999
2053695
105 1200593 BUJÃO TORNILLO DE CIERRE 1,000 1-9999
SCREW PLUG
08.50.02 / 00 SISTEMA DE TRAÇÃO, PÁGINA 2 / 1-9999
08.50.02 / 00 ACCIONAMIENTOS DE TRANSLACIÓN, PÁGINA 2 / 1-9999
08.50.02 / 00 DRIVE, PAGE 2 / 1-9999
POS Nº DE IDENT. DESIGNAÇÃO
DESIGNATION
DESIGNACIÓN QUANT. VALIDADE
08.50.02 / 00 SISTEMA DE TRAÇÃO, PÁGINA 2 / 1-9999
08.50.02 / 00 ACCIONAMIENTOS DE TRANSLACIÓN, PÁGINA 2 / 1-9999
08.50.02 / 00 DRIVE, PAGE 2 / 1-9999
2053696
1 1486586 BLOCO DE CONEXÃO BLOQUE DE CONEXIÓN 2,000 1-9999
CONNECTION BLOCK
2 228516 ANEL O ANILLO TOROÏDAL 2,000 1-9999
O-RING SEAL
3 287199 CONCHA FLANGE SAE MITAD DE LA BRIDA SAE 4,000 1-9999
SAE-FLANGE HALF
4 228516 ANEL O ANILLO TOROÏDAL 2,000 1-9999
O-RING SEAL
5 1268856 PARAFUSO DE CABEÇA CILÍNDRICA TORNILLO CILÍNDRICO 8,000 1-9999
CHEESE-HEAD SCREW
6 1291726 CURVA FLANGE SAE CODO DEL TUBO 2,000 1-9999
PIPE BEND
7 1302094 MANGUEIRA MANGUERA 1,000 1-9999
FLEXIBLE TUBING
8 228516 ANEL O ANILLO TOROÏDAL 2,000 1-9999
O-RING SEAL
9 287199 CONCHA FLANGE SAE MITAD DE LA BRIDA SAE 4,000 1-9999
SAE-FLANGE HALF
10 1260774 PARAFUSO DE SEGURANÇA TORNILLO DE SEGURIDAD 8,000 1-9999
SAFETY SCREW
12 1486721 BARRA CHATA ACERO PLANO 1,000 1-9999
FLAT STEEL
13 211826 PARAFUSO SEXTAVADO TORNILLO HEXAGONAL 1,000 1-9999
HEXAGON SCREW
14 293873 ARRUELA ARANDELA 1,000 1-9999
WASHER
15 1486772 MEIA ABRAÇADEIRA MEDIA ABRAZADERA 2,000 1-9999
HALF-CLIP
08.50.02 / 00 SISTEMA DE TRAÇÃO, PÁGINA 2 / 1-9999
08.50.02 / 00 ACCIONAMIENTOS DE TRANSLACIÓN, PÁGINA 2 / 1-9999
08.50.02 / 00 DRIVE, PAGE 2 / 1-9999
POS Nº DE IDENT. DESIGNAÇÃO
DESIGNATION
DESIGNACIÓN QUANT. VALIDADE
08.50.02 / 00 SISTEMA DE TRAÇÃO, PÁGINA 2 / 1-9999
08.50.02 / 00 ACCIONAMIENTOS DE TRANSLACIÓN, PÁGINA 2 / 1-9999
08.50.02 / 00 DRIVE, PAGE 2 / 1-9999
2053696
16 1486748 BARRA CHATA ACERO PLANO 1,000 1-9999
FLAT STEEL
17 359270 PARAFUSO PRISIONEIRO ESPÁRRAGO 2,000 1-9999
STUD BOLT
18 216593 ARRUELA ARANDELA 2,000 1-9999
WASHER
19 216445 PORCA SEXTAVADA TUERCA HEXAGONAL 2,000 1-9999
HEXAGON NUT
21 1302108 MANGUEIRA MANGUERA 1,000 1-9999
FLEXIBLE TUBING
25 389269 ADAPTADOR PIEZA INTERMEDIA 2,000 1-9999
INTERMEDIATE PIECE
26 267465 ANEL O ANILLO TOROÏDAL 2,000 1-9999
O-RING SEAL
27 267457 CONCHA FLANGE SAE MITAD DE LA BRIDA SAE 4,000 1-9999
SAE-FLANGE HALF
28 214639 PARAFUSO DE CABEÇA CILÍNDRICA TORNILLO CILÍNDRICO 8,000 1-9999
CHEESE-HEAD SCREW
30 1259806 MANGUEIRA MANGUERA 1,000 1-9999
FLEXIBLE TUBING
31 1302132 MANGUEIRA MANGUERA 1,000 1-9999
FLEXIBLE TUBING
87 206369 CONEXÃO MACHO RETA RACOR PARA ENROSCAR RECTO 1,000 1-9999
STRAIGHT SCREWED SOCKET
88 1242466 MANGUEIRA MANGUERA 1,000 1-9999
FLEXIBLE TUBING
90 315702 CONEXÃO MACHO RETA RACOR PARA ENROSCAR RECTO 1,000 1-9999
STRAIGHT SCREWED SOCKET
08.50.02 / 00 SISTEMA DE TRAÇÃO, PÁGINA 2 / 1-9999
08.50.02 / 00 ACCIONAMIENTOS DE TRANSLACIÓN, PÁGINA 2 / 1-9999
08.50.02 / 00 DRIVE, PAGE 2 / 1-9999
POS Nº DE IDENT. DESIGNAÇÃO
DESIGNATION
DESIGNACIÓN QUANT. VALIDADE
08.50.02 / 00 SISTEMA DE TRAÇÃO, PÁGINA 2 / 1-9999
08.50.02 / 00 ACCIONAMIENTOS DE TRANSLACIÓN, PÁGINA 2 / 1-9999
08.50.02 / 00 DRIVE, PAGE 2 / 1-9999
2053696
91 387738 MANGUEIRA MANGUERA 1,000 1-9999
FLEXIBLE TUBING
93 327832 CONEXÃO MACHO RETA RACOR PARA ENROSCAR RECTO 1,000 1-9999
STRAIGHT SCREWED SOCKET
94 267341 FIXADOR DE CABOS SUJETACABLES 30,000 1-9999
WIRE FASTENER
109 317810 CONEXÃO T VERTICAL PIEZA EN T AJUSTABLE 1,000 1-9999
T-PIECE ADJUSTABLE
110 317624 ADAPTADOR DE REDUÇÃO RACOR REDUCTOR 1,000 1-9999
REDUCING PIECE
08.50.03 / 00 SISTEMA DE TRAÇÃO, PÁGINA 3 / 1-9999
08.50.03 / 00 ACCIONAMIENTOS DE TRANSLACIÓN, PÁGINA 3 / 1-9999
08.50.03 / 00 DRIVE, PAGE 3 / 1-9999
POS Nº DE IDENT. DESIGNAÇÃO
DESIGNATION
DESIGNACIÓN QUANT. VALIDADE
08.50.03 / 00 SISTEMA DE TRAÇÃO, PÁGINA 3 / 1-9999
08.50.03 / 00 ACCIONAMIENTOS DE TRANSLACIÓN, PÁGINA 3 / 1-9999
08.50.03 / 00 DRIVE, PAGE 3 / 1-9999
2053697
90 315702 CONEXÃO MACHO RETA RACOR PARA ENROSCAR RECTO 1,000 1-9999
STRAIGHT SCREWED SOCKET
91 387738 MANGUEIRA MANGUERA 1,000 1-9999
FLEXIBLE TUBING
92 317853 JOELHO ORIENTÁVEL RACOR ANGULAR AJUSTABLE 2,000 1-9999
ELBOW ADJUSTABLE
93 327832 CONEXÃO MACHO RETA RACOR PARA ENROSCAR RECTO 1,000 1-9999
STRAIGHT SCREWED SOCKET
112 1486721 BARRA CHATA ACERO PLANO 1,000 1-9999
FLAT STEEL
113 211826 PARAFUSO SEXTAVADO TORNILLO HEXAGONAL 1,000 1-9999
HEXAGON SCREW
114 293873 ARRUELA ARANDELA 1,000 1-9999
WASHER
115 1486772 MEIA ABRAÇADEIRA MEDIA ABRAZADERA 2,000 1-9999
HALF-CLIP
116 1486756 BARRA CHATA ACERO PLANO 1,000 1-9999
FLAT STEEL
117 359270 PARAFUSO PRISIONEIRO ESPÁRRAGO 2,000 1-9999
STUD BOLT
118 216593 ARRUELA ARANDELA 2,000 1-9999
WASHER
119 216445 PORCA SEXTAVADA TUERCA HEXAGONAL 2,000 1-9999
HEXAGON NUT
08.51.00 / 00 CONTROLE DE TRAÇÃO / 1-9999
08.51.00 / 00 MANDO DE CONDUCCIÓN / 1-9999
08.51.00 / 00 DRIVE SHIFTING / 1-9999
POS Nº DE IDENT. DESIGNAÇÃO
DESIGNATION
DESIGNACIÓN QUANT. VALIDADE
08.51.00 / 00 CONTROLE DE TRAÇÃO / 1-9999
08.51.00 / 00 MANDO DE CONDUCCIÓN / 1-9999
08.51.00 / 00 DRIVE SHIFTING / 1-9999
2053698
1 1537571 MANÍPULO COM CABO DE ACIONAMENTO PALANCA MANUAL CON CABLE ACCIONAMIENTO 1,000 1-9999
HAND LEVER WITH ACTUATING CABLE
1.01 2035110 MANÍPULO COM CABO DE ACIONAMENTO PALANCA MANUAL 1,000 1-9999
HAND LEVER
1.02 2035109 CABO DE ACIONAMENTO CABLE DE ACCIONAMIENTO 1,000 1-9999
ACTUATING CABLE
2 2024111 CABLAGEM MAZO DE CABLES 1,000 1-9999
WIRE HARNESS
3 806420 MANÍPULO MULTI-FUNÇÃO MANDO MULTIFUNCIONAL 1,000 1-9999
MULTIFUNCTION HANDLE
4 806447 SISTEMA ELETRÔNICO MFG SISTEMA ELECTRÓNICO MFG 1,000 1-9999
MFG ELECTRONIC SYSTEM
5 393053 PARAFUSO DE CABEÇA ESCAREADA TORNILLO AVELLANADO DE LENTE 4,000 1-9999
RAISED COUNTERSUNK HEAD SCREW
6 396095 PARAFUSO DE CABEÇA ESCAREADA TORNILLO AVELLANADO DE LENTE 2,000 1-9999
RAISED COUNTERSUNK HEAD SCREW
7 389765 ANEL O ANILLO TOROIDAL 1,000 1-9999
O-RING SEAL
8 1401548 TAMPA CUBIERTA 1,000 1-9999
COVER
9 613697 CABO REDONDO (M) CABLE REDONDO (M) 1,000 1-9999
ROUND CABLE (M)
50 2024313 SUPORTE SOPORTE 1,000 1-9999
SUPPORT
51 213748 PARAFUSO SEXTAVADO TORNILLO HEXAGONAL 2,000 1-9999
HEXAGON SCREW
52 216593 ARRUELA ARANDELA 2,000 1-9999
WASHER
08.53.00 / 00 FREIO DE ESTACIONAMENTO / 1-9999
08.53.00 / 00 FRENO DE ESTACIONAMIENTO / 1-9999
08.53.00 / 00 PARKING BRAKE / 1-9999
POS Nº DE IDENT. DESIGNAÇÃO
DESIGNATION
DESIGNACIÓN QUANT. VALIDADE
08.53.00 / 00 FREIO DE ESTACIONAMENTO / 1-9999
08.53.00 / 00 FRENO DE ESTACIONAMIENTO / 1-9999
08.53.00 / 00 PARKING BRAKE / 1-9999
2053699
1 1204491 BLOCO DE VÁLVULAS BLOQUE DE VÁLVULA 1,000 1-9999
VALVE BLOCK
1.01 1263889 KIT DE VEDAÇÃO KIT DE JUNTAS 1,000 1-9999
SET OF SEALS
1.02 1237160 VÁLVULA DIRECIONAL VÁLVULA DE DISTRIBUCIÓN 1,000 1-9999
DIRECTIONAL VALVE
1.03 1237640 BOBINA IMÁN 1,000 1-9999
MAGNET
2 1210068 PARAFUSO DE CABEÇA CILÍNDRICA TORNILLO CILÍNDRICO 2,000 1-9999
CHEESE-HEAD SCREW
3 216445 PORCA SEXTAVADA TUERCA HEXAGONAL 2,000 1-9999
HEXAGON NUT
4 216593 ARRUELA ARANDELA 2,000 1-9999
WASHER
5 1301020 PRESSOSTATO, FREIO DE ESTACIONAMENTO INTERRUPTOR PRESIÓN, FRENO EST 1,000 1-9999
PRESSURE SWITCH, PARKING BRAKE
6 278777 CONEXÃO MACHO RETA RACOR PARA ENROSCAR RECTO 1,000 1-9999
STRAIGHT SCREWED SOCKET
7 1241826 MANGUEIRA MANGUERA 1,000 1-9999
FLEXIBLE TUBING
8 322261 CONEXÃO MACHO RETA RACOR PARA ENROSCAR RECTO 1,000 1-9999
STRAIGHT SCREWED SOCKET
10 397610 CONEXÃO MACHO RETA RACOR PARA ENROSCAR RECTO 1,000 1-9999
STRAIGHT SCREWED SOCKET
11 396575 JOELHO ORIENTÁVEL RACOR ANGULAR AJUSTABLE 1,000 1-9999
ELBOW ADJUSTABLE
12 1302175 MANGUEIRA MANGUERA 1,000 1-9999
FLEXIBLE TUBING
08.53.00 / 00 FREIO DE ESTACIONAMENTO / 1-9999
08.53.00 / 00 FRENO DE ESTACIONAMIENTO / 1-9999
08.53.00 / 00 PARKING BRAKE / 1-9999
POS Nº DE IDENT. DESIGNAÇÃO
DESIGNATION
DESIGNACIÓN QUANT. VALIDADE
08.53.00 / 00 FREIO DE ESTACIONAMENTO / 1-9999
08.53.00 / 00 FRENO DE ESTACIONAMIENTO / 1-9999
08.53.00 / 00 PARKING BRAKE / 1-9999
2053699
13 278769 CONEXÃO MACHO RETA RACOR PARA ENROSCAR RECTO 1,000 1-9999
STRAIGHT SCREWED SOCKET
15 398004 CONEXÃO T VERTICAL PIEZA EN T AJUSTABLE 1,000 1-9999
T-PIECE ADJUSTABLE
16 397610 CONEXÃO MACHO RETA RACOR PARA ENROSCAR RECTO 2,000 1-9999
STRAIGHT SCREWED SOCKET
17 397660 MANGUEIRA MANGUERA 1,000 1-9999
FLEXIBLE TUBING
18 317098 CONEXÃO MACHO RETA RACOR PARA ENROSCAR RECTO 1,000 1-9999
STRAIGHT SCREWED SOCKET
19 387835 MANGUEIRA MANGUERA 1,000 1-9999
FLEXIBLE TUBING
20 317837 JOELHO ORIENTÁVEL RACOR ANGULAR AJUSTABLE 1,000 1-9999
ELBOW ADJUSTABLE
21 206415 CONEXÃO MACHO RETA RACOR PARA ENROSCAR RECTO 1,000 1-9999
STRAIGHT SCREWED SOCKET
25 1249959 MANGUEIRA MANGUERA 1,000 1-9999
FLEXIBLE TUBING
09.01.01 / 00 ARTICULAÇÃO CENTRAL, PÁGINA 1 / 1-9999
09.01.01 / 00 ARTICULACIÓN PENDULAR DEL CODO, PÁGINA 1 / 1-9999
09.01.01 / 00 CENTRE PIVOT ASSEMBLY, PAGE 1 / 1-9999
POS Nº DE IDENT. DESIGNAÇÃO
DESIGNATION
DESIGNACIÓN QUANT. VALIDADE
09.01.01 / 00 ARTICULAÇÃO CENTRAL, PÁGINA 1 / 1-9999
09.01.01 / 00 ARTICULACIÓN PENDULAR DEL CODO, PÁGINA 1 / 1-9999
09.01.01 / 00 CENTRE PIVOT ASSEMBLY, PAGE 1 / 1-9999
2053700
2 1254863 PARAFUSO SEXTAVADO TORNILLO HEXAGONAL 8,000 1-9999
HEXAGON SCREW
3 1481401 ARRUELA LISA DISCO EN U 16,000 1-9999
U-WASHER
4 361763 PORCA SEXTAVADA TUERCA HEXAGONAL 8,000 1-9999
HEXAGON NUT
5 1302183 PARAFUSO SEXTAVADO TORNILLO HEXAGONAL 6,000 1-9999
HEXAGON SCREW
6 1501119 ESPAÇADOR PIEZA DISTANCIADORA 6,000 1-9999
SPACER BLOCK
8 1254863 PARAFUSO SEXTAVADO TORNILLO HEXAGONAL 4,000 1-9999
HEXAGON SCREW
9 1481401 ARRUELA LISA DISCO EN U 14,000 1-9999
U-WASHER
10 361763 PORCA SEXTAVADA TUERCA HEXAGONAL 10,000 1-9999
HEXAGON NUT
12 1535188 CILINDRO DE DIREÇÃO CILINDRO DE DIRECCIÓN 2,000 1-9999
STEERING CYLINDER
12.01 1456776 KIT DE VEDAÇÃO KIT DE JUNTAS 1,000 1-9999
SET OF SEALS
12.02 311103 RÓTULA COJINETE ARTICULADO 4,000 1-9999
PIVOTING BEARING
13 1535595 MORDENTE MORDAZA 4,000 1-9999
CLAMPING PIECE
14 1213865 PARAFUSO SEXTAVADO TORNILLO HEXAGONAL 8,000 1-9999
HEXAGON SCREW
15 1237608 ARRUELA DE TRAVAMENTO DISCO DE SEGURIDAD 8,000 1-9999
LOCKING WASHER
09.01.01 / 00 ARTICULAÇÃO CENTRAL, PÁGINA 1 / 1-9999
09.01.01 / 00 ARTICULACIÓN PENDULAR DEL CODO, PÁGINA 1 / 1-9999
09.01.01 / 00 CENTRE PIVOT ASSEMBLY, PAGE 1 / 1-9999
POS Nº DE IDENT. DESIGNAÇÃO
DESIGNATION
DESIGNACIÓN QUANT. VALIDADE
09.01.01 / 00 ARTICULAÇÃO CENTRAL, PÁGINA 1 / 1-9999
09.01.01 / 00 ARTICULACIÓN PENDULAR DEL CODO, PÁGINA 1 / 1-9999
09.01.01 / 00 CENTRE PIVOT ASSEMBLY, PAGE 1 / 1-9999
2053700
16 1535579 PINO BULÓN 2,000 1-9999
BOLT
17 1535587 ANEL ESPAÇADOR ANILLO DE DISTANCIA 2,000 1-9999
RING
18 1535609 JUNTA JUNTA 4,000 1-9999
SEAL
19 1537555 ARRUELA ESPAÇADORA DISCO DE DISTANCIA 2,000 1-9999
SPACER
20 1535579 PINO BULÓN 2,000 1-9999
BOLT
21 1535587 ANEL ESPAÇADOR ANILLO DE DISTANCIA 4,000 1-9999
RING
22 1535609 JUNTA JUNTA 4,000 1-9999
SEAL
23 1237608 ARRUELA DE TRAVAMENTO DISCO DE SEGURIDAD 8,000 1-9999
LOCKING WASHER
24 1253913 ANEL O ANILLO TOROIDAL 16,000 1-9999
O-RING SEAL
25 395560 TAMPÃO TAPÓN DE CIERRE 8,000 1-9999
FILLER CAP
30 239984 PARAFUSO DE CABEÇA CILÍNDRICA TORNILLO CILÍNDRICO 8,000 1-9999
CHEESE-HEAD SCREW
09.01.02 / 00 ARTICULAÇÃO CENTRAL, PÁGINA 2 / 1-9999
09.01.02 / 00 ARTICULACIÓN PENDULAR DEL CODO, PÁGINA 2 / 1-9999
09.01.02 / 00 CENTRE PIVOT ASSEMBLY, PAGE 2 / 1-9999
7
20
19
12
13
6
1
20
16
17
15
11
9
14
19
2
7 8
6
20
18
10
5
POS Nº DE IDENT. DESIGNAÇÃO
DESIGNATION
DESIGNACIÓN QUANT. VALIDADE
09.01.02 / 00 ARTICULAÇÃO CENTRAL, PÁGINA 2 / 1-9999
09.01.02 / 00 ARTICULACIÓN PENDULAR DEL CODO, PÁGINA 2 / 1-9999
09.01.02 / 00 CENTRE PIVOT ASSEMBLY, PAGE 2 / 1-9999
2053701
1 891835 ARTICULAÇÃO PENDULAR ARTICULACIÓN PENDULAR 1,000 1-9999
PENDULUM JOINT
2 891827 ARTICULAÇÃO PENDULAR ARTICULACIÓN PENDULAR 1,000 1-9999
PENDULUM JOINT
5 1252909 ROLAMENTO DA RÓTULA RADIAL COJINETE ARTICULACIÓN RADIAL 1,000 1-9999
RADIAL ROD END BEARING
6 1469894 CHAPA CHAPA 3,000 1-9999
METAL PLATE
7 214566 PARAFUSO DE CABEÇA CILÍNDRICA TORNILLO CILÍNDRICO 8,000 1-9999
CHEESE-HEAD SCREW
8 1535315 TAMPA DO ROLAMENTO TAPA DEL COJINETE 1,000 1-9999
BEARING CAP
9 1494309 TAMPA TAPA 1,000 1-9999
COVER
10 211877 PARAFUSO SEXTAVADO TORNILLO HEXAGONAL 6,000 1-9999
HEXAGON SCREW
11 210072 GRAXEIRA ENGRASADOR 3,000 1-9999
GREASING NIPPLE
12 1535234 BIELA BIELA DE SUSPENSIÓN 1,000 1-9999
PENDULUM SUSPENSION
13 362158 ROLAMENTO DA RÓTULA RADIAL COJINETE ARTICULACIÓN RADIAL 2,000 1-9999
RADIAL ROD END BEARING
14 1487353 FLANGE BRIDA 2,000 1-9999
FLANGE
15 1487418 TAMPA TAPA 2,000 1-9999
COVER
16 213926 PARAFUSO SEXTAVADO TORNILLO HEXAGONAL 12,000 1-9999
HEXAGON SCREW
09.01.02 / 00 ARTICULAÇÃO CENTRAL, PÁGINA 2 / 1-9999
09.01.02 / 00 ARTICULACIÓN PENDULAR DEL CODO, PÁGINA 2 / 1-9999
09.01.02 / 00 CENTRE PIVOT ASSEMBLY, PAGE 2 / 1-9999
7
20
19
12
13
6
1
20
16
17
15
11
9
14
19
2
7 8
6
20
18
10
5
POS Nº DE IDENT. DESIGNAÇÃO
DESIGNATION
DESIGNACIÓN QUANT. VALIDADE
09.01.02 / 00 ARTICULAÇÃO CENTRAL, PÁGINA 2 / 1-9999
09.01.02 / 00 ARTICULACIÓN PENDULAR DEL CODO, PÁGINA 2 / 1-9999
09.01.02 / 00 CENTRE PIVOT ASSEMBLY, PAGE 2 / 1-9999
2053701
17 276243 ARRUELA DE TRAVAMENTO DISCO DE SEGURIDAD 12,000 1-9999
LOCKING WASHER
18 216860 ARRUELA DE TRAVAMENTO DISCO DE SEGURIDAD 6,000 1-9999
LOCKING WASHER
19 210072 GRAXEIRA ENGRASADOR 2,000 1-9999
GREASING NIPPLE
20 1486640 ANEL DE VEDAÇÃO ANILLO DE JUNTA 3,000 1-9999
SEALING RING
09.05.01 / 00 DIREÇÃO, PÁGINA 1 / 1-8
09.05.01 / 00 DIRECCIÓN, PÁGINA 1 / 1-8
09.05.01 / 00 STEERING, PAGE 1 / 1-8
POS Nº DE IDENT. DESIGNAÇÃO
DESIGNATION
DESIGNACIÓN QUANT. VALIDADE
09.05.01 / 00 DIREÇÃO, PÁGINA 1 / 1-8
09.05.01 / 00 DIRECCIÓN, PÁGINA 1 / 1-8
09.05.01 / 00 STEERING, PAGE 1 / 1-8
2053705
2 2014222 MANGUEIRA MANGUERA 1,000 1-8
FLEXIBLE TUBING
3 1297562 ADAPTADOR INTERMEDIÁRIO PIEZA INTERMEDIA 1,000 1-8
INTERMEDIATE PIECE
4 1297538 CONEXÃO FLANGE CACHIMBO RACOR DE LA BRIDA ANGULAR 1,000 1-8
ANGLE FLANGE SCREWING
4.01 1215426 ANEL O ANILLO TOROIDAL 1,000 1-8
O-RING SEAL
5 240974 BOMBA DE ENGRENAGENS BOMBA DEL ENGRANAJE 1,000 1-8
GEAR PUMP
6 341991 PARAFUSO DE CABEÇA CILÍNDRICA TORNILLO CILÍNDRICO 2,000 1-8
CHEESE-HEAD SCREW
7 1485245 ARRUELA LISA DISCO EN U 2,000 1-8
U-WASHER
8 1207377 ENGRENAGEM PIÑON 1,000 1-8
GEARWHEEL
9 388343 PORCA DE SEGURANÇA TUERCA DE SEGURIDAD 1,000 1-8
SAFETY NUT
10 262323 JUNTA JUNTA 1,000 1-8
SEAL
11 206695 CONEXÃO FLANGE RETA RACOR DE BRIDA RECTO 1,000 1-8
STRAIGHT FLANGE JOINT
11.01 396532 ANEL O ANILLO TOROIDAL 1,000 1-8
O-RING SEAL
11.02 214418 PARAFUSO DE CABEÇA CILÍNDRICA TORNILLO CILÍNDRICO 4,000 1-8
CHEESE-HEAD SCREW
11.03 216666 ARRUELA DE PRESSÃO ARANDELA ELÁSTICA 4,000 1-8
SPRING RING
09.05.01 / 00 DIREÇÃO, PÁGINA 1 / 1-8
09.05.01 / 00 DIRECCIÓN, PÁGINA 1 / 1-8
09.05.01 / 00 STEERING, PAGE 1 / 1-8
POS Nº DE IDENT. DESIGNAÇÃO
DESIGNATION
DESIGNACIÓN QUANT. VALIDADE
09.05.01 / 00 DIREÇÃO, PÁGINA 1 / 1-8
09.05.01 / 00 DIRECCIÓN, PÁGINA 1 / 1-8
09.05.01 / 00 STEERING, PAGE 1 / 1-8
2053705
20 304182 MANGUEIRA MANGUERA 1,000 1-8
FLEXIBLE TUBING
21 1535420 MEIA ABRAÇADEIRA MEDIA ABRAZADERA 2,000 1-8
HALF-CLIP
22 1486756 BARRA CHATA ACERO PLANO 1,000 1-8
FLAT STEEL
23 359270 PARAFUSO PRISIONEIRO ESPÁRRAGO 2,000 1-8
STUD BOLT
24 216593 ARRUELA ARANDELA 2,000 1-8
WASHER
25 216445 PORCA SEXTAVADA TUERCA HEXAGONAL 2,000 1-8
HEXAGON NUT
51 214434 PARAFUSO DE CABEÇA CILÍNDRICA TORNILLO CILÍNDRICO 4,000 1-8
CHEESE-HEAD SCREW
52 276243 ARRUELA DE TRAVAMENTO DISCO DE SEGURIDAD 4,000 1-8
LOCKING WASHER
53 245569 PARAFUSO DE CABEÇA CILÍNDRICA TORNILLO CILÍNDRICO 4,000 1-8
CHEESE-HEAD SCREW
54 276243 ARRUELA DE TRAVAMENTO DISCO DE SEGURIDAD 4,000 1-8
LOCKING WASHER
55 1256971 COLUNA DE DIREÇÃO COLUMNA DE DIRECCIÓN 1,000 1-8
STEERING COLUMN
56 214639 PARAFUSO DE CABEÇA CILÍNDRICA TORNILLO CILÍNDRICO 4,000 1-8
CHEESE-HEAD SCREW
57 216607 ARRUELA ARANDELA 8,000 1-8
WASHER
58 216453 PORCA SEXTAVADA TUERCA HEXAGONAL 4,000 1-8
HEXAGON NUT
09.05.01 / 00 DIREÇÃO, PÁGINA 1 / 1-8
09.05.01 / 00 DIRECCIÓN, PÁGINA 1 / 1-8
09.05.01 / 00 STEERING, PAGE 1 / 1-8
POS Nº DE IDENT. DESIGNAÇÃO
DESIGNATION
DESIGNACIÓN QUANT. VALIDADE
09.05.01 / 00 DIREÇÃO, PÁGINA 1 / 1-8
09.05.01 / 00 DIRECCIÓN, PÁGINA 1 / 1-8
09.05.01 / 00 STEERING, PAGE 1 / 1-8
2053705
59 870153 CONSOLE DE DIREÇÃO CONSOLA DE DIRECCIÓN 1,000 1-8
STEERING CONSOLE
60 358363 VOLANTE DE DIRÇÃO VOLANTE 1,000 1-8
STEERING WHEEL
61 358398 MANÍPULO GIRATÓRIO MANECILLA GIRATORIA 1,000 1-8
TURNING HANDLE
62 358371 TAMPA TAPA 1,000 1-8
COVER
90 2024542 BLOCO DE VÁLVULAS BLOQUE DE VÁLVULA 1,000 1-8
VALVE BLOCK
90.01 1239139 VÁLVULA LIMITADORA DE PRESSÃO VÁLVULA LIMITADORA DE PRESIÓN 1,000 1-8
PRESSURE-RELIEF VALVE
91 396532 ANEL O ANILLO TOROIDAL 1,000 1-8
O-RING SEAL
92 1203320 PARAFUSO DE CABEÇA CILÍNDRICA M6X70 TORNILLO CILÍNDRICO M6X70 4,000 1-8
CHEESE-HEAD SCREW M6X70
93 216771 ARRUELA DE PRESSÃO ARANDELA ELÁSTICA 4,000 1-8
SPRING RING
98 397610 CONEXÃO MACHO RETA RACOR PARA ENROSCAR RECTO 1,000 1-8
STRAIGHT SCREWED SOCKET
99 1249959 MANGUEIRA MANGUERA 1,000 1-8
FLEXIBLE TUBING
09.05.01 / 01 DIREÇÃO, PÁGINA 1 / 9-9999
09.05.01 / 01 DIRECCIÓN, PÁGINA 1 / 9-9999
09.05.01 / 01 STEERING, PAGE 1 / 9-9999
POS Nº DE IDENT. DESIGNAÇÃO
DESIGNATION
DESIGNACIÓN QUANT. VALIDADE
09.05.01 / 01 DIREÇÃO, PÁGINA 1 / 9-9999
09.05.01 / 01 DIRECCIÓN, PÁGINA 1 / 9-9999
09.05.01 / 01 STEERING, PAGE 1 / 9-9999
2053706
2 2014222 MANGUEIRA MANGUERA 1,000 9-9999
FLEXIBLE TUBING
3 1297562 PEÇA INTERMEDIÁRIA PIEZA INTERMEDIA 1,000 9-9999
INTERMEDIATE PIECE
4 1297538 CONEXÃO RACOR DE LA BRIDA ANGULAR 1,000 9-9999
ANGLE FLANGE SCREWING
4.01 1215426 ANEL O-RING ANILLO TOROIDAL 1,000 9-9999
O-RING SEAL
4.02 214418 PARAFUSO CILINDRICO TORNILLO CILÍNDRICO 2,000 9-9999
CHEESE-HEAD SCREW
4.03 325449 PARAFUSO CILINDRICO TORNILLO CILÍNDRICO 2,000 9-9999
CHEESE-HEAD SCREW
4.04 216666 ARRUELA ELÁSTICA ARANDELA ELÁSTICA 4,000 9-9999
SPRING RING
5 240974 BOMBA DE ENGRENAGEM BOMBA DEL ENGRENAJE 1,000 9-9999
GEAR PUMP
5.01 1234286 KIT DE JUNTAS KIT DE JUNTAS 1,000 9-9999
SET OF SEALS
5.02 354457 CHAVETA MEIA LUA CHAVETA DE DISCO 1,000 9-9999
SIK SPRING
6 341991 PARAFUSO CILINDRICO TORNILLO CILÍNDRICO 1,000 9-9999
CHEESE-HEAD SCREW
7 1485245 ARRUELA EM U DISCO EN U 2,000 9-9999
U-WASHER
8 1207377 PINHÃO PIÑON 1,000 9-9999
GEARWHEEL
9 388343 PORCA DE SEGURANÇA TUERCA DE SEGURIDAD 1,000 9-9999
SAFETY NUT
09.05.01 / 01 DIREÇÃO, PÁGINA 1 / 9-9999
09.05.01 / 01 DIRECCIÓN, PÁGINA 1 / 9-9999
09.05.01 / 01 STEERING, PAGE 1 / 9-9999
POS Nº DE IDENT. DESIGNAÇÃO
DESIGNATION
DESIGNACIÓN QUANT. VALIDADE
09.05.01 / 01 DIREÇÃO, PÁGINA 1 / 9-9999
09.05.01 / 01 DIRECCIÓN, PÁGINA 1 / 9-9999
09.05.01 / 01 STEERING, PAGE 1 / 9-9999
2053706
10 599573 JUNTA JUNTA 1,000 9-9999
SEAL
11 206695 CONEXÃO RACOR DE BRIDA RECTO 1,000 9-9999
STRAIGHT FLANGE JOINT
11.01 396532 ANEL O-RING ANILLO TOROIDAL 1,000 9-9999
O-RING SEAL
20 304182 MANGUEIRA MANGUERA 1,000 9-9999
FLEXIBLE TUBING
21 1535420 ABRAÇADEIRA MEDIA ABRAZADERA 2,000 9-9999
HALF-CLIP
22 1486756 CHAPA ACERO PLANO 1,000 9-9999
FLAT STEEL
23 359270 PARAFUSO PRISIONEIRO ESPÁRRAGO 2,000 9-9999
STUP BOLT
24 216593 ARRUELA ARANDELA 2,000 9-9999
WASHER
25 216445 PORCA SEXTAVADA TUERCA HEXAGONAL 2,000 9-9999
HEXAGONAL NUT
51 214434 PARAFUSO CILINDRICO TORNILLO CILÍNDRICO 4,000 9-9999
CHEESE-HEAD SCREW
52 276243 ARRUELA DE SEGURANÇA DISCO DE SEGURIDAD 4,000 9-9999
LOCKING WASHER
53 245569 PARAFUSO CILINDRICO TORNILLO CILINDRICO 4,000 9-9999
CHEESE-HEAD SCREW
54 276243 ARRUELA DE SEGURANÇA DISCO DE SEGURIDAD 4,000 9-9999
LOCKING WASHER
55 1256971 COLUNA DE DIREÇÃO COLUMNA DE DIRECCIÓN 1,000 9-9999
STEERING COLUMN
09.05.01 / 01 DIREÇÃO, PÁGINA 1 / 9-9999
09.05.01 / 01 DIRECCIÓN, PÁGINA 1 / 9-9999
09.05.01 / 01 STEERING, PAGE 1 / 9-9999
POS Nº DE IDENT. DESIGNAÇÃO
DESIGNATION
DESIGNACIÓN QUANT. VALIDADE
09.05.01 / 01 DIREÇÃO, PÁGINA 1 / 9-9999
09.05.01 / 01 DIRECCIÓN, PÁGINA 1 / 9-9999
09.05.01 / 01 STEERING, PAGE 1 / 9-9999
2053706
56 214639 PARAFUSO CILINDRICO TORNILLO CILÍNDRICO 4,000 9-9999
CHEESE-HEAD SCREW
57 216607 ARRUELA ARANDELA 8,000 9-9999
WASHER
58 216453 PORCA SEXTAVADA TUERCA HEXAGONAL 4,000 9-9999
HEXAGONAL NUT
59 870153 CONSOLE DA COLUNA DE DIREÇÃO CONSOLA DE DIRECCIÓN 1,000 9-9999
STEERING CONSOLE
60 358363 VOLANTE VOLANTE 1,000 9-9999
STEERING WHEEL
61 358398 MANÍPULO DA DIREÇÃO MANECILLA GIRATÓRIA 1,000 9-9999
TURNING HANDLE
62 358371 TAMPA TAPA 1,000 9-9999
COVER
90 2030383 BLOCO DE VÁLVULAS BLOQUE DE VÁLVULA 1,000 9-9999
VALVE BLOCK
90.01 2034414 VÁLVULA LIMITADORA DE PRESSÃO VÁLVULA LIMITADORA DE PRESIÓN 1,000 9-9999
PRESSURE-RELIEF VALVE
91 396532 ANEL O-RING ANILLO TOROIDAL 1,000 9-9999
O-RING SEAL
92 351393 PARAFUSO CILINDRICO TORNILLO CILINDRICO 4,000 9-9999
CHEESE-HEAD SCREW
93 216771 ARRUELA ELÁSTICA ARANDELA ELÁSTICA 4,000 9-9999
SPRING RING
95 225355 CONEXÃO RACOR GIRATORIO 1,000 9-9999
BANJO
96 366633 FECHAMENTO TAPÓN DE CIERRE 1,000 9-9999
FILLER CAP
09.05.01 / 01 DIREÇÃO, PÁGINA 1 / 9-9999
09.05.01 / 01 DIRECCIÓN, PÁGINA 1 / 9-9999
09.05.01 / 01 STEERING, PAGE 1 / 9-9999
POS Nº DE IDENT. DESIGNAÇÃO
DESIGNATION
DESIGNACIÓN QUANT. VALIDADE
09.05.01 / 01 DIREÇÃO, PÁGINA 1 / 9-9999
09.05.01 / 01 DIRECCIÓN, PÁGINA 1 / 9-9999
09.05.01 / 01 STEERING, PAGE 1 / 9-9999
2053706
97 206822 PORCA ROSCADA TUERCA ROSCADA 1,000 9-9999
CAP NUT
98 397610 CONEXÃO RACOR PARA ENROSCAR RECTO 1,000 9-9999
STRAIGHT SCREWED SOCKET
99 1249959 MANGUEIRA MANGUERA 1,000 9-9999
FLEXIBLE TUBING
109 317810 CONEXÃO EM T PIEZA EN T AJUSTABLE 1,000 9-9999
T-PIECE ADJUSTABLE
110 317624 CONEXÃO REDUTORA RACOR REDUCTOR 1,000 9-9999
REDUCING PIECE
09.05.02 / 00 DIREÇÃO, PÁGINA 2 / 1-9999
09.05.02 / 00 DIRECCIÓN, PÁGINA 2 / 1-9999
09.05.02 / 00 STEERING, PAGE 2 / 1-9999
POS Nº DE IDENT. DESIGNAÇÃO
DESIGNATION
DESIGNACIÓN QUANT. VALIDADE
09.05.02 / 00 DIREÇÃO, PÁGINA 2 / 1-9999
09.05.02 / 00 DIRECCIÓN, PÁGINA 2 / 1-9999
09.05.02 / 00 STEERING, PAGE 2 / 1-9999
2053707
66 1221051 MANGUEIRA MANGUERA 1,000 1-9999
FLEXIBLE TUBING
67 1259962 MANGUEIRA MANGUERA 1,000 1-9999
FLEXIBLE TUBING
68 317098 CONEXÃO MACHO RETA RACOR PARA ENROSCAR RECTO 2,000 1-9999
STRAIGHT SCREWED SOCKET
80 317098 CONEXÃO MACHO RETA RACOR PARA ENROSCAR RECTO 4,000 1-9999
STRAIGHT SCREWED SOCKET
81 233730 MANGUEIRA MANGUERA 2,000 1-9999
FLEXIBLE TUBING
82 267341 FIXADOR DE CABOS SUJETACABLES 30,000 1-9999
WIRE FASTENER
100 1535188 CILINDRO DE DIREÇÃO CILINDRO DE DIRECCIÓN 2,000 1-9999
STEERING CYLINDER
100.01 1456776 KIT DE VEDAÇÃO KIT DE JUNTAS 2,000 1-9999
SET OF SEALS
100.02 311103 RÓTULA COJINETE ARTICULADO 4,000 1-9999
PIVOTING BEARING
09.05.03 / 00 DIREÇÃO, PÁGINA 3 / 1-9999
09.05.03 / 00 DIRECCIÓN, PÁGINA 3 / 1-9999
09.05.03 / 00 STEERING, PAGE 3 / 1-9999
POS Nº DE IDENT. DESIGNAÇÃO
DESIGNATION
DESIGNACIÓN QUANT. VALIDADE
09.05.03 / 00 DIREÇÃO, PÁGINA 3 / 1-9999
09.05.03 / 00 DIRECCIÓN, PÁGINA 3 / 1-9999
09.05.03 / 00 STEERING, PAGE 3 / 1-9999
2053708
2 2014222 MANGUEIRA MANGUERA 1,000 1-9999
FLEXIBLE TUBING
20 304182 MANGUEIRA MANGUERA 1,000 1-9999
FLEXIBLE TUBING
30 2031491 FILTRO FILTRO 1,000 1-9999
FILTER
31 213748 PARAFUSO SEXTAVADO TORNILLO HEXAGONAL 2,000 1-9999
HEXAGON SCREW
32 216593 ARRUELA ARANDELA 2,000 1-9999
WASHER
35 396710 CONEXÃO MACHO RETA RACOR PARA ENROSCAR RECTO 2,000 1-9999
STRAIGHT SCREWED SOCKET
36 1245031 MANGUEIRA MANGUERA 1,000 1-9999
FLEXIBLE TUBING
37 317179 CONEXÃO MACHO RETA RACOR PARA ENROSCAR RECTO 1,000 1-9999
STRAIGHT SCREWED SOCKET
38 317187 CONEXÃO MACHO RETA RACOR PARA ENROSCAR RECTO 1,000 1-9999
STRAIGHT SCREWED SOCKET
39 329878 MANGUEIRA MANGUERA 1,000 1-9999
FLEXIBLE TUBING
40 315699 CONEXÃO MACHO RETA RACOR PARA ENROSCAR RECTO 1,000 1-9999
STRAIGHT SCREWED SOCKET
44 1200593 BUJÃO TORNILLO DE CIERRE 1,000 1-9999
SCREW PLUG
45 219487 ANEL DE VEDAÇÃO ANILLO DE JUNTA 1,000 1-9999
SEALING RING
50 1238930 UNIDADE DE DIREÇÃO HIDRÁULICA UNIDAD DE DIRECCIÓN 1,000 1-9999
STEERING UNIT
09.05.03 / 00 DIREÇÃO, PÁGINA 3 / 1-9999
09.05.03 / 00 DIRECCIÓN, PÁGINA 3 / 1-9999
09.05.03 / 00 STEERING, PAGE 3 / 1-9999
POS Nº DE IDENT. DESIGNAÇÃO
DESIGNATION
DESIGNACIÓN QUANT. VALIDADE
09.05.03 / 00 DIREÇÃO, PÁGINA 3 / 1-9999
09.05.03 / 00 DIRECCIÓN, PÁGINA 3 / 1-9999
09.05.03 / 00 STEERING, PAGE 3 / 1-9999
2053708
63 2101398 PARAFUSO TORNILLO DE AJUSTE 1,000 1-9999
PLATE
65 317179 CONEXÃO MACHO RETA RACOR PARA ENROSCAR RECTO 2,000 1-9999
STRAIGHT SCREWED SOCKET
66 1221051 MANGUEIRA MANGUERA 1,000 1-9999
FLEXIBLE TUBING
67 1259962 MANGUEIRA MANGUERA 1,000 1-9999
FLEXIBLE TUBING
68 317098 CONEXÃO MACHO RETA RACOR PARA ENROSCAR RECTO 2,000 1-9999
STRAIGHT SCREWED SOCKET
70 387401 MEIA ABRAÇADEIRA MEDIA ABRAZADERA 2,000 1-9999
HALF-CLIP
71 387380 PLACA DE COBERTURA PLACA DE RECUBRIMIENTO 1,000 1-9999
COVER PLATE
72 211907 PARAFUSO SEXTAVADO TORNILLO HEXAGONAL 1,000 1-9999
HEXAGON SCREW
09.05.04 / 00 DIREÇÃO, PÁGINA 4 / 1-9999
09.05.04 / 00 DIRECCIÓN, PÁGINA 4 / 1-9999
09.05.04 / 00 STEERING, PAGE 4 / 1-9999
POS Nº DE IDENT. DESIGNAÇÃO
DESIGNATION
DESIGNACIÓN QUANT. VALIDADE
09.05.04 / 00 DIREÇÃO, PÁGINA 4 / 1-9999
09.05.04 / 00 DIRECCIÓN, PÁGINA 4 / 1-9999
09.05.04 / 00 DIRECTION, PAGE 4 / 1-9999
2053709
73 1209159 MEIA ABRAÇADEIRA MEDIA ABRAZADERA 4,000 1-9999
HALF-CLIP
74 387380 CHAPA PLACA DE RECUBRIMIENTO 2,000 1-9999
COVER PLATE
75 211907 PARAFUSO HEXAGONAL TORNILLO HEXAGONAL 2,000 1-9999
HEXAGON SCREW
15.08.00 / 00 LÂMINA / 1-9999
15.08.00 / 00 PALA DE EMPUJE / 1-9999
15.08.00 / 00 BLADE / 1-9999
30
27
28
25
26
27
25
23
29
41
42
74
43
45
46
72
45
44 73
4
36
38
3
2
1
5
11
70
55 12
35 10
37
40.01
40
50
56
22
24
71
34
13
10
40.01
40
POS Nº DE IDENT. DESIGNAÇÃO
DESIGNATION
DESIGNACIÓN QUANT. VALIDADE
15.08.00 / 00 LÂMINA / 1-9999
15.08.00 / 00 PALA DE EMPUJE / 1-9999
15.08.00 / 00 BLADE / 1-9999
2053711
1 864579 LÂMINA PALA DE EMPUJE 1,000 1-9999
BLADE
2 1408178 FACA ACERO DE CUCHILLO 1,000 1-9999
KNIFE STEEL
3 214272 PARAFUSO DE CABEÇA ESCAREADA TORNILLO AVELLANADO 15,000 1-9999
COUNTERSUNK SCREW
4 216690 ARRUELA DE PRESSÃO ARANDELA ELÁSTICA 15,000 1-9999
SPRING RING
5 216119 PORCA SEXTAVADA TUERCA HEXAGONAL 15,000 1-9999
HEXAGON NUT
10 1491547 CHAPA SUPORTE PLACA SOPORTE 2,000 1-9999
RETAINING PLATE
11 249920 PARAFUSO SEXTAVADO TORNILLO HEXAGONAL 10,000 1-9999
HEXAGON SCREW
12 1481401 ARRUELA LISA DISCO EN U 20,000 1-9999
U-WASHER
13 361763 PORCA SEXTAVADA TUERCA HEXAGONAL 10,000 1-9999
HEXAGON NUT
22 482641 PINO BULÓN 2,000 1-9999
BOLT
23 210129 GRAXEIRA ENGRASADOR 2,000 1-9999
GREASING NIPPLE
24 381594 PORCA DO PINO TUERCA ONDULADA 2,000 1-9999
SHAFT NUT
25 482668 ANEL ANILLO 4,000 1-9999
RING
26 261386 RÓTULA RADIAL COJINETE ARTICULACIÓN RADIAL 2,000 1-9999
RADIAL ROD END BEARING
15.08.00 / 00 LÂMINA / 1-9999
15.08.00 / 00 PALA DE EMPUJE / 1-9999
15.08.00 / 00 BLADE / 1-9999
30
27
28
25
26
27
25
23
29
41
42
74
43
45
46
72
45
44 73
4
36
38
3
2
1
5
11
70
55 12
35 10
37
40.01
40
50
56
22
24
71
34
13
10
40.01
40
POS Nº DE IDENT. DESIGNAÇÃO
DESIGNATION
DESIGNACIÓN QUANT. VALIDADE
15.08.00 / 00 LÂMINA / 1-9999
15.08.00 / 00 PALA DE EMPUJE / 1-9999
15.08.00 / 00 BLADE / 1-9999
2053711
27 371432 JUNTA JUNTA 4,000 1-9999
SEAL
28 482625 TAMPA TAPA 2,000 1-9999
COVER
29 482633 TAMPA TAPA 2,000 1-9999
COVER
30 381586 PARAFUSO DE CABEÇA ESCAREADA TORNILLO AVELLANADO 16,000 1-9999
COUNTERSUNK SCREW
34 864625 CHAPA SUPORTE PLACA SOPORTE 1,000 1-9999
RETAINING PLATE
35 864633 CHAPA SUPORTE PLACA SOPORTE 1,000 1-9999
RETAINING PLATE
36 229482 PARAFUSO SEXTAVADO TORNILLO HEXAGONAL 6,000 1-9999
HEXAGON SCREW
37 1481401 ARRUELA LISA DISCO ENU 16,000 1-9999
U-WASHER
38 361763 PORCA SEXTAVADA TUERCA HEXAGONAL 8,000 1-9999
HEXAGON NUT
40 1455966 CILINDRO HIDRÁULICO CILINDRO HIDRÁULICO 2,000 1-9999
HYDRAULIC CYLINDER
40.01 1456776 KIT DE VEDAÇÃO KIT DE JUNTAS 1,000 1-9999
SET OF SEALS
41 477206 PINO BULÓN 4,000 1-9999
BOLT
42 210129 GRAXEIRA ENGRASADOR 4,000 1-9999
GREASING NIPPLE
43 381608 PORCA RANHURADA TUERCA RANURADA 4,000 1-9999
GROOVE NUT
15.08.00 / 00 LÂMINA / 1-9999
15.08.00 / 00 PALA DE EMPUJE / 1-9999
15.08.00 / 00 BLADE / 1-9999
30
27
28
25
26
27
25
23
29
41
42
74
43
45
46
72
45
44 73
4
36
38
3
2
1
5
11
70
55 12
35 10
37
40.01
40
50
56
22
24
71
34
13
10
40.01
40
POS Nº DE IDENT. DESIGNAÇÃO
DESIGNATION
DESIGNACIÓN QUANT. VALIDADE
15.08.00 / 00 LÂMINA / 1-9999
15.08.00 / 00 PALA DE EMPUJE / 1-9999
15.08.00 / 00 BLADE / 1-9999
2053711
44 529834 RÓTULA COJINETE ARTICULADO 4,000 1-9999
PIVOTING BEARING
45 800015 ARRUELA VEDANTE DISCO DE ESTANQUEIDAD 8,000 1-9999
SEALING WASHER
46 1481428 ARRUELA LISA DISCO EN U 4,000 1-9999
U-WASHER
50 1537563 CHAPA CHAPA 2,000 1-9999
METAL PLATE
55 213748 PARAFUSO SEXTAVADO TORNILLO HEXAGONAL 12,000 1-9999
HEXAGON SCREW
56 216593 ARRUELA ARANDELA 24,000 1-9999
WASHER
70 873357 INDICADOR INDICADOR 1,000 1-9999
INDICATOR
71 1271296 CAPUZ PROTETOR CAPERUZA DE PROTECCIÓN 1,000 1-9999
PROTECTING CAP
72 213470 PARAFUSO SEXTAVADO TORNILLO HEXAGONAL 1,000 1-9999
HEXAGON SCREW
73 381543 ARRUELA ARANDELA 2,000 1-9999
WASHER
74 216461 PORCA SEXTAVADA TUERCA HEXAGONAL 1,000 1-9999
HEXAGON NUT
15.09.01 / 00 SISTEMA HIDRÁULICO (LÂMINA), PÁGINA 1 / 1-9999
15.09.01 / 00 SISTEMA HIDRÁULICO (PALA DE EMPUJE), PÁGINA 1 / 1-9999
15.09.01 / 00 HYDRAULIC SYSTEM (BLADE), PAGE 1 / 1-9999
POS Nº DE IDENT. DESIGNAÇÃO
DESIGNATION
DESIGNACIÓN QUANT. VALIDADE
15.09.01 / 00 SISTEMA HIDRÁULICO (LÂMINA), PÁGINA 1 / 1-9999
15.09.01 / 00 SISTEMA HIDRÁULICO (PALA DE EMPUJE), PÁGINA 1 / 1-9999
15.09.01 / 00 HYDRAULIC SYSTEM (BLADE), PAGE 1 / 1-9999
2053712
1 398837 BLOCO DE CONTROLE BLOQUE DE MANDO 1,000 1-9999
CONTROL BLOCK
1.01 1227602 VÁLVULA DIRECIONAL VÁLVULA DE DISTRIBUCIÓN 1,000 1-9999
DIRECTIONAL VALVE
1.02 1227629 KIT DE VEDAÇÃO KIT DE JUNTAS 1,000 1-9999
SET OF SEALS
1.03 1227637 BOBINA BOBINA MAGNÉTICA 2,000 1-9999
SOLENOID
1.05 1227610 VÁLVULA VÁLVULA 1,000 1-9999
VALVE
1.06 1201387 KIT DE VEDAÇÃO KIT DE JUNTAS 1,000 1-9999
SET OF SEALS
1.07 1201409 BOBINA BOBINA MAGNÉTICA 2,000 1-9999
SOLENOID
1.10 1214055 VÁLVULA LIMITADORA DE PRESSÃO VÁLVULA LIMITADORA DE PRESIÓN 1,000 1-9999
PRESSURE-RELIEF VALVE
2 1212729 PARAFUSO SEXTAVADO TORNILLO HEXAGONAL 2,000 1-9999
HEXAGON SCREW
3 216674 ARRUELA DE PRESSÃO ARANDELA ELÁSTICA 2,000 1-9999
SPRING RING
4 231355 ARRUELA ARANDELA 2,000 1-9999
WASHER
7 1291408 MANGUEIRA MANGUERA 1,000 1-9999
FLEXIBLE TUBING
13 317098 CONEXÃO MACHO RETA RACOR PARA ENROSCAR RECTO 2,000 1-9999
STRAIGHT SCREWED SOCKET
14 329517 MANGUEIRA MANGUERA 1,000 1-9999
FLEXIBLE TUBING
15.09.01 / 00 SISTEMA HIDRÁULICO (LÂMINA), PÁGINA 1 / 1-9999
15.09.01 / 00 SISTEMA HIDRÁULICO (PALA DE EMPUJE), PÁGINA 1 / 1-9999
15.09.01 / 00 HYDRAULIC SYSTEM (BLADE), PAGE 1 / 1-9999
POS Nº DE IDENT. DESIGNAÇÃO
DESIGNATION
DESIGNACIÓN QUANT. VALIDADE
15.09.01 / 00 SISTEMA HIDRÁULICO (LÂMINA), PÁGINA 1 / 1-9999
15.09.01 / 00 SISTEMA HIDRÁULICO (PALA DE EMPUJE), PÁGINA 1 / 1-9999
15.09.01 / 00 HYDRAULIC SYSTEM (BLADE), PAGE 1 / 1-9999
2053712
15 206415 CONEXÃO MACHO RETA RACOR PARA ENROSCAR RECTO 1,000 1-9999
STRAIGHT SCREWED SOCKET
20 382523 CONEXÃO MACHO RETA RACOR PARA ENROSCAR RECTO 2,000 1-9999
STRAIGHT SCREWED SOCKET
21 353620 JOELHO ORIENTÁVEL RACOR ANGULAR AJUSTABLE 2,000 1-9999
ELBOW ADJUSTABLE
22 317829 JOELHO ORIENTÁVEL RACOR ANGULAR AJUSTABLE 2,000 1-9999
ELBOW ADJUSTABLE
25 382523 CONEXÃO MACHO RETA RACOR PARA ENROSCAR RECTO 4,000 1-9999
STRAIGHT SCREWED SOCKET
28 1270982 MANGUEIRA MANGUERA 2,000 1-9999
FLEXIBLE TUBING
29 1270990 MANGUEIRA MANGUERA 2,000 1-9999
FLEXIBLE TUBING
39 397857 MEIA ABRAÇADEIRA MEDIA ABRAZADERA 20,000 1-9999
HALF-CLIP
40 387282 PLACA DE COBERTURA PLACA DE RECUBRIMIENTO 10,000 1-9999
COVER PLATE
41 1209930 PARAFUSO SEXTAVADO TORNILLO HEXAGONAL 8,000 1-9999
HEXAGON SCREW
42 216445 PORCA SEXTAVADA TUERCA HEXAGONAL 8,000 1-9999
HEXAGON NUT
43 216593 ARRUELA ARANDELA 16,000 1-9999
WASHER
45 1213822 PARAFUSO SEXTAVADO TORNILLO HEXAGONAL 2,000 1-9999
HEXAGON SCREW
46 216445 PORCA SEXTAVADA TUERCA HEXAGONAL 2,000 1-9999
HEXAGON NUT
15.09.01 / 00 SISTEMA HIDRÁULICO (LÂMINA), PÁGINA 1 / 1-9999
15.09.01 / 00 SISTEMA HIDRÁULICO (PALA DE EMPUJE), PÁGINA 1 / 1-9999
15.09.01 / 00 HYDRAULIC SYSTEM (BLADE), PAGE 1 / 1-9999
POS Nº DE IDENT. DESIGNAÇÃO
DESIGNATION
DESIGNACIÓN QUANT. VALIDADE
15.09.01 / 00 SISTEMA HIDRÁULICO (LÂMINA), PÁGINA 1 / 1-9999
15.09.01 / 00 SISTEMA HIDRÁULICO (PALA DE EMPUJE), PÁGINA 1 / 1-9999
15.09.01 / 00 HYDRAULIC SYSTEM (BLADE), PAGE 1 / 1-9999
2053712
47 216593 ARRUELA ARANDELA 4,000 1-9999
WASHER
50 1455966 CILINDRO HIDRÁULICO CILINDRO HIDRÁULICO 2,000 1-9999
HYDRAULIC CYLINDER
50.01 1456776 KIT DE VEDAÇÃO KIT DE JUNTAS 1,000 1-9999
SET OF SEALS
15.09.02 / 00 SISTEMA HIDRÁULICO (LÂMINA), PÁGINA 2 / 1-9999
15.09.02 / 00 SISTEMA HIDRÁULICO (PALA DE EMPUJE), PÁGINA 2 / 1-9999
15.09.02 / 00 HYDRAULIC SYSTEM (BLADE), PAGE 2 / 1-9999
POS Nº DE IDENT. DESIGNAÇÃO
DESIGNATION
DESIGNACIÓN QUANT. VALIDADE
15.09.02 / 00 SISTEMA HIDRÁULICO (LÂMINA), PÁGINA 2 / 1-9999
15.09.02 / 00 SISTEMA HIDRÁULICO (PALA DE EMPUJE), PÁGINA 2 / 1-9999
15.09.02 / 00 HYDRAULIC SYSTEM (BLADE), PAGE 2 / 1-9999
2053713
7 1291408 MANGUEIRA MANGUERA 1,000 1-9999
FLEXIBLE TUBING
8 1236199 FILTRO DE SUCÇÃO FILTRO DE ASPIRACIÓN 1,000 1-9999
SUCTION FILTER
9 315702 CONEXÃO MACHO RETA RACOR PARA ENROSCAR RECTO 1,000 1-9999
STRAIGHT SCREWED SOCKET
10 1291394 MANGUEIRA MANGUERA 1,000 1-9999
FLEXIBLE TUBING
11 1291424 ADAPTADOR INTERMEDIÁRIO PIEZA INTERMEDIA 1,000 1-9999
INTERMEDIATE PIECE
30 1291343 BOMBA DE ENGRENAGENS BOMBA DEL ENGRANAJE 1,000 1-9999
GEAR PUMP
30.01 1242822 KIT DE VEDAÇÃO KIT DE JUNTAS 1,000 1-9999
SET OF SEALS
31 1210025 PARAFUSO DE CABEÇA CILÍNDRICA TORNILLO CILÍNDRICO 2,000 1-9999
CHEESE-HEAD SCREW
32 1504282 KIT DE MONTAGEM PIEZA DE MONTAJE 1,000 1-9999
ADD-ON PIECE
32.01 1215833 ANEL DE VEDAÇÃO ANILLO DE JUNTA 1,000 1-9999
SEALING RING
33 599573 JUNTA JUNTA 1,000 1-9999
SEAL
35 206644 CONEXÃO FLANGE RETA RACOR DE BRIDA ANGULAR 1,000 1-9999
ANGLE FLANGE SCREWING
35.01 396532 ANEL O ANILLO TOROIDAL 1,000 1-9999
O-RING SEAL
35.02 214418 PARAFUSO DE CABEÇA CILÍNDRICA TORNILLO CILÍNDRICO 2,000 1-9999
CHEESE-HEAD SCREW
15.09.02 / 00 SISTEMA HIDRÁULICO (LÂMINA), PÁGINA 2 / 1-9999
15.09.02 / 00 SISTEMA HIDRÁULICO (PALA DE EMPUJE), PÁGINA 2 / 1-9999
15.09.02 / 00 HYDRAULIC SYSTEM (BLADE), PAGE 2 / 1-9999
POS Nº DE IDENT. DESIGNAÇÃO
DESIGNATION
DESIGNACIÓN QUANT. VALIDADE
15.09.02 / 00 SISTEMA HIDRÁULICO (LÂMINA), PÁGINA 2 / 1-9999
15.09.02 / 00 SISTEMA HIDRÁULICO (PALA DE EMPUJE), PÁGINA 2 / 1-9999
15.09.02 / 00 HYDRAULIC SYSTEM (BLADE), PAGE 2 / 1-9999
2053713
35.03 226467 PARAFUSO DE CABEÇA CILÍNDRICA TORNILLO CILÍNDRICO 2,000 1-9999
CHEESE-HEAD SCREW
35.04 216666 ARRUELA PRESSÃO ARANDELA ELÁSTICA 4,000 1-9999
SPRING RING
36 206660 CONEXÃO FLANGE CACHIMBO RACOR DE LA BRIDA ANGULAR 1,000 1-9999
ANGLE FLANGE SCREWING
36.01 1215426 ANEL O ANILLO TOROIDAL 1,000 1-9999
O-RING SEAL
36.02 214418 PARAFUSO DE CABEÇA CILÍNDRICA TORNILLO CILÍNDRICO 4,000 1-9999
CHEESE-HEAD SCREW
36.03 216666 ARRUELA DE PRESSÃO ARANDELA ELÁSTICA 4,000 1-9999
SPRING RING
15.10.00 / 00 SISTEMA ELÉTRICO (LÂMINA) / 1-9999
15.10.00 / 00 SISTEMA ELÉCTRICO (PALA DE EMPUJE) / 1-9999
15.10.00 / 00 ELECTRICAL SYSTEM (BLADE) / 1-9999
POS Nº DE IDENT. DESIGNAÇÃO
DESIGNATION
DESIGNACIÓN QUANT. VALIDADE
15.10.00 / 00 SISTEMA ELÉTRICO (LÂMINA) / 1-9999
15.10.00 / 00 SISTEMA ELÉCTRICO (PALA DE EMPUJE) / 1-9999
15.10.00 / 00 ELECTRICAL SYSTEM (BLADE) / 1-9999
2053714
1 806463 SISTEMA ELETRÔNICO MFG SISTEMA ELECTRÓNICO MFG 1,000 1-9999
MFG ELECTRONIC SYSTEM
10 1263986 RELÉ RELE 2,000 1-9999
RELAY
15 272116 CONECTOR DA BOBINA, PRETO ENCHUFE DEL APARATO, NEGRO 2,000 1-9999
COUPLER SOCKET, BLACK
20 392839 CONECTOR DA BOBINA, CINZA ENCHUFE DEL APARATO, GRIS 2,000 1-9999
COUPLER SOCKET, GREY
25 284351 DIODO DIODO 4,000 1-9999
DIODE
15.17.10 / 00 TETO SOLAR / 1-9999
15.17.10 / 00 TECHO CORREDIZO / 1-9999
15.17.10 / 00 SUN ROOF / 1-9999
14
2
1
15
13
7 12
10
8
9
11
14
5 4 4
6
3
3
POS Nº DE IDENT. DESIGNAÇÃO
DESIGNATION
DESIGNACIÓN QUANT. VALIDADE
15.17.10 / 00 TETO SOLAR / 1-9999
15.17.10 / 00 TECHO CORREDIZO / 1-9999
15.17.10 / 00 SUN ROOF / 1-9999
2053715
1 870846 SUPORTE DO TETO SOPORTE DE TECHO 1,000 1-9999
ROOF SUPPORT
2 870838 SUPORTE DO TETO SOPORTE DE TECHO 1,000 1-9999
ROOF SUPPORT
3 1249991 ABRAÇADEIRA T ABRAZADERA EN T 4,000 1-9999
T-CLIP
4 345490 ARRUELA ARANDELA 4,000 1-9999
WASHER
5 1209779 PARAFUSO SEXTAVADO TORNILLO HEXAGONAL 2,000 1-9999
HEXAGON SCREW
6 216453 PORCA SEXTAVADA TUERCA HEXAGONAL 2,000 1-9999
HEXAGON NUT
7 870781 TETO SOLAR TECHO CORREDIZO 1,000 1-9999
SUN ROOF
8 345490 ARRUELA ARANDELA 8,000 1-9999
WASHER
9 1267566 PARAFUSO CABEÇA LENTILHA TORNILLO CIL. CABEZA REBAJADA 4,000 1-9999
MUSHROOM HEAD SCREW
10 388823 PORCA CEGA TUERCA DE CAPERUZA 4,000 1-9999
CAP NUT
11 1213830 PARAFUSO DE CABEÇA CILÍNDRICA TORNILLO CILÍNDRICO 4,000 1-9999
CHEESE-HEAD SCREW
12 1210106 ARRUELA ARANDELA 4,000 1-9999
WASHER
13 216496 PORCA SEXTAVADA TUERCA HEXAGONAL 4,000 1-9999
HEXAGON NUT
14 353434 BUJÃO TAPÓN DE CIERRE 6,000 1-9999
FILLER CAP
15.17.10 / 00 TETO SOLAR / 1-9999
15.17.10 / 00 TECHO CORREDIZO / 1-9999
15.17.10 / 00 SUN ROOF / 1-9999
14
2
1
15
13
7 12
10
8
9
11
14
5 4 4
6
3
3
POS Nº DE IDENT. DESIGNAÇÃO
DESIGNATION
DESIGNACIÓN QUANT. VALIDADE
15.17.10 / 00 TETO SOLAR / 1-9999
15.17.10 / 00 TECHO CORREDIZO / 1-9999
15.17.10 / 00 SUN ROOF / 1-9999
2053715
15 710547 TETO DA CABINA TECHADO 1,000 1-9999
CANOPY
15.17.20 / 00 TETO SOLAR / 1-9999
15.17.20 / 00 TECHO CORREDIZO / 1-9999
15.17.20 / 00 SUN ROOF / 1-9999
1
2
2
1
12
5
4
3
3
4
6
10
8
7
10
8
9
9
11
5 4
6
4
3
3
POS Nº DE IDENT. DESIGNAÇÃO
DESIGNATION
DESIGNACIÓN QUANT. VALIDADE
15.17.20 / 00 TETO SOLAR / 1-9999
15.17.20 / 00 TECHO CORREDIZO / 1-9999
15.17.20 / 00 SUN ROOF / 1-9999
2033842
1 870846 SUPORTE DO TETO SOPORTE DE TECHO 1,000 1-9999
ROOF SUPPORT
2 870838 SUPORTE DO TETO SOPORTE DE TECHO 1,000 1-9999
ROOF SUPPORT
3 1249991 ABRAÇADEIRA T ABRAZADERA EN T 4,000 1-9999
T-CLIP
4 345490 ARRUELA ARANDELA 4,000 1-9999
WASHER
5 1209779 PARAFUSO SEXTAVADO TORNILLO HEXAGONAL 2,000 1-9999
HEXAGON SCREW
6 216453 PORCA SEXTAVADA TUERCA HEXAGONAL 2,000 1-9999
HEXAGON NUT
7 870781 TETO SOLAR TECHO CORREDIZO 1,000 1-9999
SUN ROOF
8 345490 ARRUELA ARANDELA 8,000 1-9999
WASHER
9 1267566 PARAFUSO CABEÇA LENTILHA TORNILLO CIL.. CABEZA REBAJADA 4,000 1-9999
MUSHROOM HEAD SCREW
10 388823 PORCA CEGA TUERCA DE CAPERUZA 4,000 1-9999
CAP NUT
11 353434 BUJÃO TAPÓN DE CIERRE 6,000 1-9999
FILLER CAP
12 710547 TETO DA CABINA TECHADO 1,000 1-9999
CANOPY
15.20.00 / 00 PROTEÇÃO DE LUMINÁRIA / 1-9999
15.20.00 / 00 PROTECTION DE LAMPE / 1-9999
15.20.00 / 00 LAMP PROTECTION / 1-9999
POS Nº DE IDENT. DESIGNAÇÃO
DESIGNATION
DESIGNACIÓN QUANT. VALIDADE
15.20.00 / 00 PROTEÇÃO DE LUMINÁRIA / 1-9999
15.20.00 / 00 PROTECCIÓN DE BOMBILLA / 1-9999
15.20.00 / 00 PROTECTION DE LAMPE / 1-9999
2053717
1 1505696 PROTEÇÃO DA LUMINÁRIA DE TRÁS PROTECCIÓN DE BOMBILLA DETRÁS 2,000 1-9999
LAMP PROTECTION REAR
2 1537482 PROTEÇÃO DA LUMINÁRIA DA FRENTE ESQUERDA PROTECCIÓN DE BOMBILLA DELANTE, IZQUIERDA 1,000 1-9999
LAMP PROTECTION FRONT, LEFT
3 1537490 PROTEÇÃO DA LUMINÁRIA DA FRENTE DIREITA PROTECCIÓN DE BOMBILLA DELANTE, DERECHA 1,000 1-9999
LAMP PROTECTION FRONT, RIGHT
15.24.00 / 00 SEGMENTOS DO PÉ-DE-CARNEIRO / 1-9999
15.24.00 / 00 LÁMINAS DE PIE DE APISONADO / 1-9999
15.24.00 / 00 PADFOOT SEGMENTS / 1-9999
12
10
11
13
1
13
1
5
2
4
6
4
3
12
10
11
POS Nº DE IDENT. DESIGNAÇÃO
DESIGNATION
DESIGNACIÓN QUANT. VALIDADE
15.24.00 / 00 SEGMENTOS DO PÉ-DE-CARNEIRO / 1-9999
15.24.00 / 00 LÁMINAS DE PIE DE APISONADO / 1-9999
15.24.00 / 00 PADFOOT SEGMENTS / 1-9999
2053718
1 891746 SEGMENTOS PÉ-DE-CARNEIRO LÁMINAS DE PIE DE APISONADO 3,000 1-9999
PADFOOT SEGMENTS
2 1213776 PARAFUSO SEXTAVADO TORNILLO HEXAGONAL 18,000 1-9999
HEXAGON SCREW
3 216496 PORCA SEXTAVADA TUERCA HEXAGONAL 18,000 1-9999
HEXAGON NUT
4 250473 ARRUELA ARANDELA 36,000 1-9999
WASHER
5 395340 PARAFUSO SEXTAVADO TORNILLO HEXAGONAL 6,000 1-9999
HEXAGON SCREW
6 212954 PARAFUSO SEXTAVADO TORNILLO HEXAGONAL 6,000 1-9999
HEXAGON SCREW
10 1489267 DENTE DO RASCADOR DIENTE DEL DESVIADOR 18,000 1-9999
SCRAPER
11 1485199 BARRA CHATA ACERO PLANO 18,000 1-9999
FLAT STEEL
12 1495542 BARRA CHATA ACERO PLANO 18,000 1-9999
FLAT STEEL
13 1209809 PARAFUSO SEXTAVADO TORNILLO HEXAGONAL 36,000 1-9999
HEXAGON SCREW
15.33.00 / 00 LUZES ADICIONAIS, ROPS / 1-9999
15.33.00 / 00 LUCES ADICIONALES, PROTECCIÓN ANTIVUELCO / 1-9999
15.33.00 / 00 ADDITIONAL LIGHTING, ROPS / 1-9999
31
26
30
27
21
22
23
28
34
33
29
25
2
2
1.01
1
2
2
1.01
1
4
3
4
6
8
6
7
POS Nº DE IDENT. DESIGNAÇÃO
DESIGNATION
DESIGNACIÓN QUANT. VALIDADE
15.33.00 / 00 LUZES ADICIONAIS, ROPS / 1-9999
15.33.00 / 00 LUCES ADICIONALES, PROTECCIÓN ANTIVUELCO / 1-9999
15.33.00 / 00 ADDITIONAL LIGHTING, ROPS / 1-9999
2053719
1 1272209 FAROL DE TRABALHO FARO DE TRABAJO 4,000 1-9999
WORKING LIGHT
1.01 366528 LANTERNA LÁMPARA 1,000 1-9999
LAMP
2 877379 CABLAGEM MAZO DE CABLES 1,000 1-9999
WIRE HARNESS
3 320870 PARAFUSO DE CABEÇA OVAL TORNILLO ALOMADO PULIDO 6,000 1-9999
FILLISTER HEAD SCREW
4 1278975 ABRAÇADEIRA ABRAZADERA 6,000 1-9999
CLAMP
6 337889 BOTÃO PULSADOR INTERRUPTOR PULSADOR 2,000 1-9999
PUSH BUTTON SWITCH
7 385387 BOTÃO COMUTADOR BOTÓN DE CONMUTACIÓN 1,000 1-9999
PUSHBUTTON
8 385395 BOTÃO COMUTADOR BOTÓN DE CONMUTACIÓN 1,000 1-9999
PUSHBUTTON
21 1505386 FIXAÇÃO FIJACIÓN 1,000 1-9999
MOUNTING DEVICE
22 283568 PARAFUSO SEXTAVADO TORNILLO HEXAGONAL 4,000 1-9999
HEXAGON SCREW
23 216577 ARRUELA ARANDELA 4,000 1-9999
WASHER
25 1273035 CAIXA DE FUSÍVEIS CAJA DE FUSIBLES 1,000 1-9999
FUSE BOX
26 339202 PARAFUSO DE CABEÇA OVAL TORNILLO ALOMADO PULIDO 2,000 1-9999
FILLISTER HEAD SCREW
27 1264362 PORCA SEXTAVADA TUERCA HEXAGONAL 2,000 1-9999
HEXAGON NUT
15.33.00 / 00 LUZES ADICIONAIS, ROPS / 1-9999
15.33.00 / 00 LUCES ADICIONALES, PROTECCIÓN ANTIVUELCO / 1-9999
15.33.00 / 00 ADDITIONAL LIGHTING, ROPS / 1-9999
31
26
30
27
21
22
23
28
34
33
29
25
2
2
1.01
1
2
2
1.01
1
4
3
4
6
8
6
7
POS Nº DE IDENT. DESIGNAÇÃO
DESIGNATION
DESIGNACIÓN QUANT. VALIDADE
15.33.00 / 00 LUZES ADICIONAIS, ROPS / 1-9999
15.33.00 / 00 LUCES ADICIONALES, PROTECCIÓN ANTIVUELCO / 1-9999
15.33.00 / 00 ADDITIONAL LIGHTING, ROPS / 1-9999
2053719
28 320862 ARRUELA DA TRAVAMENTO DENTADA ARANDELA ELÁSTICA DENTADA 2,000 1-9999
SERRATED LOCK WASHER
29 353434 BUJÃO TAPÓN DE CIERRE 3,000 1-9999
FILLER CAP
30 877387 CABLAGEM MAZO DE CABLES 1,000 1-9999
WIRE HARNESS
31 877360 CABLAGEM MAZO DE CABLES 1,000 1-9999
WIRE HARNESS
33 384054 FUSÍVEL TIPO LÂMINA 10A FUSIBLE PLANO 10A 1,000 1-9999
BLADE FUSE 10A
34 384062 FUSÍVEL TIPO LÂMINA 15A FUSIBLE PLANO 15A 1,000 1-9999
BLADE FUSE 15A
15.34.00 / 00 SISTEMA VIBRADOR AUTOMÁTICO / 1-9999
15.34.00 / 00 SISTEMA VIBRADOR AUTOMÁTICO / 1-9999
15.34.00 / 00 VIBRO AUTOMATIC / 1-9999
POS Nº DE IDENT. DESIGNAÇÃO
DESIGNATION
DESIGNACIÓN QUANT. VALIDADE
15.34.00 / 00 SISTEMA VIBRADOR AUTOMÁTICO / 1-9999
15.34.00 / 00 SISTEMA VIBRADOR AUTOMÁTICO / 1-9999
15.34.00 / 00 VIBRO AUTOMATIC / 1-9999
2053733
1 2024388 CHAPA CHAPA 1,000 1-9999
METAL PLATE
2 314161 MEIA ABRAÇADEIRA MEDIA ABRAZADERA 2,000 1-9999
HALF-CLIP
3 314005 PLACA DE COBERTURA PLACA DE RECUBRIMIENTO 1,000 1-9999
COVER PLATE
4 314099 PARAFUSO SEXTAVADO TORNILLO HEXAGONAL 2,000 1-9999
HEXAGON SCREW
5 216577 ARRUELA ARANDELA 4,000 1-9999
WASHER
6 2024389 CHAPA CHAPA 1,000 1-9999
METAL PLATE
7 216437 PORCA SEXTAVADA TUERCA HEXAGONAL 2,000 1-9999
HEXAGON NUT
8 240451 PARAFUSO TORNILLO 1,000 1-9999
SCREW
9 216437 PORCA SEXTAVADA TUERCA HEXAGONAL 1,000 1-9999
HEXAGON NUT
10 216577 ARRUELA ARANDELA 1,000 1-9999
WASHER
11 817570 SENSOR SENSOR 1,000 1-9999
SENSOR
12 1268686 INTERRUPTOR INTERRUPTOR 1,000 1-9999
SWITCH
13 1497766 INTERRUPTOR, VIBRAÇÃO MANUAL-AUTOMÁTICO SOP BASC, VIBRACIÓN MODO MANUAL-AUTOMÁTICO 1,000 1-9999
ROCKER, VIBRATION MODE MANUAL-AUTOMATIC
15.40.01 / 00 CALEFAÇÃO E AR CONDICIONADO, PÁGINA 1 / 1-9999
15.40.01 / 00 CALEFACCIÓN Y AIRE ACONDICIONADO, PÁGINA 1 / 1-9999
15.40.01 / 00 HEATING AND AIR CONDITIONING, PAGE 1 / 1-9999
2
1.03
215.04
215.01
215
252
2.01
2.02
1.02
1.04
1.05
1.06
1
1.01
125 132
128
127
133
131
130
126
30
110
112
28
117
119
118
114 113
300
116
115
111
114
27
25
26
26.01
25
32
31
1
114
220 134
119
POS Nº DE IDENT. DESIGNAÇÃO
DESIGNATION
DESIGNACIÓN QUANT. VALIDADE
15.40.01 / 00 CALEFAÇÃO E AR CONDICIONADO, PÁGINA 1 / 1-9999
15.40.01 / 00 CALEFACCIÓN Y AIRE ACONDICIONADO, PÁGINA 1 / 1-9999
15.40.01 / 00 HEATING AND AIR CONDITIONING, PAGE 1 / 1-9999
2053735
1 1502670 AR CONDICIONADO COMPLETA POS. 1.01-1.06 AIRE ACONDICIONADO COMPLETA POS. 1.01-1.06 1,000 1-9999
AIR CONDITIONING COMPLETE POS. 1.01-1.06
1.01 1270834 TERMOSTATO TERMOSTATO 1,000 1-9999
THERMOSTAT
1.02 1276859 VENTIL VÁLVULA 1,000 1-9999
VALVE
1.03 1276956 CLIP FIXADOR MORDAZA 1,000 1-9999
CLAMPING PIECE
1.04 1276948 CLIP FIXADOR MORDAZA 1,000 1-9999
CLAMPING PIECE
1.05 1284118 VENTILADOR RADIAL DUPLO VENTILADOR RADIAL DOBLE 1,000 1-9999
DOUBLE RADIAL BLOWER
1.06 1284096 TROCADOR DE CALORWÄRMETAUSCHER INTERCAMBIADOR DE CALOR 1,000 1-9999
HEAT EXCHANGER
2 891657 PEÇA DE REVESTIMENTO COMPLETA PIEZA DE RECUBRIMIENTO COMPLETA 1,000 248-9999
COVERING PART COMPLETE
2.01 1527851 PEÇA DE REVESTIMENTO DIREITA PIEZA DE RECUBRIMIENTO DERECHA 1,000 1-9999
COVERING PART RIGHT
2.02 1527878 PEÇA DE REVESTIMENTO ESQUERDA PIEZA DE RECUBRIMIENTO IZQUIERDA 1,000 1-9999
COVERING PART LEFT
25 615444 FITA VEDANTE CINTA IMPERMEABILIZANTE 1,500 1-9999
SEALING TAPE
26 1502824 PLACA ISOLANTE PLACA AISLANTE 1,000 1-9999
INSULATION PLATE
26.01 1502166 PLACA ISOLANTE PLACA AISLANTE 1,000 1-9999
INSULATION PLATE
27 1271113 FITA VEDANTE CINTA IMPERMEABILIZANTE 2,000 1-9999
SEALING TAPE
15.40.01 / 00 CALEFAÇÃO E AR CONDICIONADO, PÁGINA 1 / 1-9999
15.40.01 / 00 CALEFACCIÓN Y AIRE ACONDICIONADO, PÁGINA 1 / 1-9999
15.40.01 / 00 HEATING AND AIR CONDITIONING, PAGE 1 / 1-9999
2
1.03
215.04
215.01
215
252
2.01
2.02
1.02
1.04
1.05
1.06
1
1.01
125 132
128
127
133
131
130
126
30
110
112
28
117
119
118
114 113
300
116
115
111
114
27
25
26
26.01
25
32
31
1
114
220 134
119
POS Nº DE IDENT. DESIGNAÇÃO
DESIGNATION
DESIGNACIÓN QUANT. VALIDADE
15.40.01 / 00 CALEFAÇÃO E AR CONDICIONADO, PÁGINA 1 / 1-9999
15.40.01 / 00 CALEFACCIÓN Y AIRE ACONDICIONADO, PÁGINA 1 / 1-9999
15.40.01 / 00 HEATING AND AIR CONDITIONING, PAGE 1 / 1-9999
2053735
28 255769 FITA VEDANTE CINTA IMPERMEABILIZANTE 0,010 1-9999
SEALING TAPE
30 213799 PARAFUSO SEXTAVADO TORNILLO HEXAGONAL 4,000 1-9999
HEXAGON SCREW
31 216445 PORCA SEXTAVADA TUERCA HEXAGONAL 4,000 1-9999
HEXAGON NUT
32 216593 ARRUELA ARANDELA 8,000 1-9999
WASHER
110 615312 MANGUEIRA DE AR QUENTE (M) MANGUERA DE AIRE CALIENTE (M) 0,400 1-9999
HOT AIR HOSE (M)
111 615312 MANGUEIRA DE AR QUENTE (M) MANGUERA DE AIRE CALIENTE (M) 0,400 1-9999
HOT AIR HOSE (M)
112 615312 MANGUEIRA DE AR QUENTE (M) MANGUERA DE AIRE CALIENTE (M) 2,200 1-9999
HOT AIR HOSE (M)
113 615312 MANGUEIRA DE AR QUENTE (M) MANGUERA DE AIRE CALIENTE (M) 2,200 1-9999
HOT AIR HOSE (M)
114 260827 ABRAÇADEIRA ABRAZADERA 8,000 1-9999
HOSE CLIP
115 615444 FITA VEDANTE CINTA IMPERMEABILIZANTE 0,200 1-9999
SEALING TAPE
116 615444 FITA VEDANTE CINTA IMPERMEABILIZANTE 0,200 1-9999
SEALING TAPE
117 1274325 PRÉ-FILTRO FILTRO PREVIO 1,000 1-9999
PREFILTER
118 1502719 CHAPA CHAPA 1,000 1-9999
METAL PLATE
119 391484 PARAFUSO TORNILLO 2,000 1-9999
SCREW
15.40.01 / 00 CALEFAÇÃO E AR CONDICIONADO, PÁGINA 1 / 1-9999
15.40.01 / 00 CALEFACCIÓN Y AIRE ACONDICIONADO, PÁGINA 1 / 1-9999
15.40.01 / 00 HEATING AND AIR CONDITIONING, PAGE 1 / 1-9999
2
1.03
215.04
215.01
215
252
2.01
2.02
1.02
1.04
1.05
1.06
1
1.01
125 132
128
127
133
131
130
126
30
110
112
28
117
119
118
114 113
300
116
115
111
114
27
25
26
26.01
25
32
31
1
114
220 134
119
POS Nº DE IDENT. DESIGNAÇÃO
DESIGNATION
DESIGNACIÓN QUANT. VALIDADE
15.40.01 / 00 CALEFAÇÃO E AR CONDICIONADO, PÁGINA 1 / 1-9999
15.40.01 / 00 CALEFACCIÓN Y AIRE ACONDICIONADO, PÁGINA 1 / 1-9999
15.40.01 / 00 HEATING AND AIR CONDITIONING, PAGE 1 / 1-9999
2053735
125 875635 CARCAÇA DO FILTRO CARCASA DEL FILTRO 1,000 1-9999
FILTER HOUSING
126 875422 CARCAÇA DO FILTRO CARCASA DEL FILTRO 1,000 1-9999
FILTER HOUSING
127 234605 PARAFUSO DE CABEÇA CILÍNDRICA TORNILLO CILÍNDRICO 4,000 1-9999
CHEESE-HEAD SCREW
128 216577 ARRUELA ARANDELA 4,000 1-9999
WASHER
130 875392 TELA PARA AR REJA PARA EL AIRE 2,000 1-9999
FAN GRILLE
131 1502751 FILTRO FILTRO 2,000 1-9999
FILTER
132 255769 FITA VEDANTE CINTA IMPERMEABILIZANTE 0,010 1-9999
SEALING TAPE
133 1274317 PORCA SERRILHADA TUERCA MOLETEADA 4,000 1-9999
KNURLED NUT
134 1264168 BUJÃO TAPÓN DE CIERRE 1,000 1-9999
FILLER CAP
215 1502832 KIT DE VEDAÇÃO COMPLETO KIT DE JUNTAS COMPLETO 1,000 1-9999
SET OF SEALS COMPLETE
215.01 2022493 ANEL O NW8 ANILLO TOROIDAL NW8 4,000 1-9999
O-RING SEAL NW8
215.04 2023864 ANEL O NW12 ANILLO TOROIDAL NW12 1,000 1-9999
O-RING SEAL NW12
220 1502301 ETIQUETA ETIQUETA 1,000 1-9999
STICKER
252 384062 FUSÍVEL TIPO LÂMINA FUSIBLE PLANO 1,000 1-9999
BLADE FUSE
15.40.01 / 00 CALEFAÇÃO E AR CONDICIONADO, PÁGINA 1 / 1-9999
15.40.01 / 00 CALEFACCIÓN Y AIRE ACONDICIONADO, PÁGINA 1 / 1-9999
15.40.01 / 00 HEATING AND AIR CONDITIONING, PAGE 1 / 1-9999
2
1.03
215.04
215.01
215
252
2.01
2.02
1.02
1.04
1.05
1.06
1
1.01
125 132
128
127
133
131
130
126
30
110
112
28
117
119
118
114 113
300
116
115
111
114
27
25
26
26.01
25
32
31
1
114
220 134
119
POS Nº DE IDENT. DESIGNAÇÃO
DESIGNATION
DESIGNACIÓN QUANT. VALIDADE
15.40.01 / 00 CALEFAÇÃO E AR CONDICIONADO, PÁGINA 1 / 1-9999
15.40.01 / 00 CALEFACCIÓN Y AIRE ACONDICIONADO, PÁGINA 1 / 1-9999
15.40.01 / 00 HEATING AND AIR CONDITIONING, PAGE 1 / 1-9999
2053735
300 267341 FIXADOR DE CABOS SUJETACABLES 40,000 1-9999
WIRE FASTENER
15.40.02 / 00 CALEFAÇÃO E AR CONDICIONADO, PÁGINA 2 / 1-9999
15.40.02 / 00 CALEFACCIÓN Y AIRE ACONDICIONADO, PÁGINA 2 / 1-9999
15.40.02 / 00 HEATING AND AIR CONDITIONING, PAGE 2 / 1-9999
300
150
45
51
57
58
59
56
22
55
22
20
250
1
151
152
153
186
185
254
253
254
255
251
POS Nº DE IDENT. DESIGNAÇÃO
DESIGNATION
DESIGNACIÓN QUANT. VALIDADE
15.40.02 / 00 CALEFAÇÃO E AR CONDICIONADO, PÁGINA 2 / 1-9999
15.40.02 / 00 CALEFACCIÓN Y AIRE ACONDICIONADO, PÁGINA 2 / 1-9999
15.40.02 / 00 HEATING AND AIR CONDITIONING, PAGE 2 / 1-9999
2053737
1 1502670 AR CONDICIONADO COMPLETA POS. 1.01-1.06 AIRE ACONDICIONADO COMPLETO POS. 1.01-1.06 1,000 1-9999
AIR CONDITIONING COMPLETE POS. 1.01-1.06
20 1261150 UNIDADE DE CONTROLE UNIDAD DE MANDO 1,000 1-9999
CONTROL UNIT
22 1263145 CABO DE ACIONAMENTO CABLE BOWDEN 1,000 1-9999
BOWDEN CABLE
45 1292455 MANGUEIRA MANGUERA 1,000 1-9999
FLEXIBLE TUBING
51 1292447 MANGUEIRA MANGUERA 1,000 1-9999
FLEXIBLE TUBING
55 317837 JOELHO ORIENTÁVEL RACOR ANGULAR AJUSTABLE 1,000 1-9999
ELBOW ADJUSTABLE
56 1274392 CONEXÃO MACHO RETA RACOR PARA ENROSCAR RECTO 1,000 1-9999
STRAIGHT SCREWED SOCKET
57 1263404 VÁLVULA DE ESFERA ROBINETE DE BOLA 1,000 1-9999
BALL-CLOSURE COCK
58 1263390 ALAVANCA PALANCA 1,000 1-9999
LEVER
59 1502778 UNIÃO MACHO RACOR PARA ENROSCAR RECTO 1,000 1-9999
MALE STUD COUPLING
150 1502298 CHAPA CHAPA 1,000 1-9999
METAL PLATE
151 354244 PARAFUSO CABEÇA LENTILHA TORNILLO CIL.. CABEZA REBAJADA 2,000 1-9999
MUSHROOM HEAD SCREW
152 216445 PORCA SEXTAVADA TUERCA HEXAGONAL 2,000 1-9999
HEXAGON NUT
153 216593 ARRUELA ARANDELA 2,000 1-9999
WASHER
15.40.02 / 00 CALEFAÇÃO E AR CONDICIONADO, PÁGINA 2 / 1-9999
15.40.02 / 00 CALEFACCIÓN Y AIRE ACONDICIONADO, PÁGINA 2 / 1-9999
15.40.02 / 00 HEATING AND AIR CONDITIONING, PAGE 2 / 1-9999
300
150
45
51
57
58
59
56
22
55
22
20
250
1
151
152
153
186
185
254
253
254
255
251
POS Nº DE IDENT. DESIGNAÇÃO
DESIGNATION
DESIGNACIÓN QUANT. VALIDADE
15.40.02 / 00 CALEFAÇÃO E AR CONDICIONADO, PÁGINA 2 / 1-9999
15.40.02 / 00 CALEFACCIÓN Y AIRE ACONDICIONADO, PÁGINA 2 / 1-9999
15.40.02 / 00 HEATING AND AIR CONDITIONING, PAGE 2 / 1-9999
2053737
185 1527010 MANGUEIRA MANGUERA 1,000 1-9999
FLEXIBLE TUBING
186 1527029 MANGUEIRA MANGUERA 1,000 1-9999
FLEXIBLE TUBING
250 866784 CABLAGEM (CALEFAÇÃO) MAZO DE CABLES (CALEFACCIÓN) 1,000 1-9999
WIRE HARNESS (HEATING)
251 875120 CABLAGEM MAZO DE CABLES 1,000 1-9999
WIRE HARNESS
253 213713 PARAFUSO SEXTAVADO TORNILLO HEXAGONAL 2,000 1-9999
HEXAGON SCREW
254 216569 ARRUELA ARANDELA 4,000 1-9999
WASHER
255 216054 PORCA SEXTAVADA TUERCA HEXAGONAL 2,000 1-9999
HEXAGON NUT
300 267341 FIXADOR DE CABOS SUJETACABLES 40,000 1-9999
WIRE FASTENER
15.40.03 / 00 CALEFAÇÃO E AR CONDICIONADO, PÁGINA 3 / 1-9999
15.40.03 / 00 CALEFACCIÓN Y AIRE ACONDICIONADO, PÁGINA 3 / 1-9999
15.40.03 / 00 HEATING AND AIR CONDITIONING, PAGE 3 / 1-9999
POS Nº DE IDENT. DESIGNAÇÃO
DESIGNATION
DESIGNACIÓN QUANT. VALIDADE
15.40.03 / 00 CALEFAÇÃO E AR CONDICIONADO, PÁGINA 3 / 1-9999
15.40.03 / 00 CALEFACCIÓN Y AIRE ACONDICIONADO, PÁGINA 3 / 1-9999
15.40.03 / 00 HEATING AND AIR CONDITIONING, PAGE 3 / 1-9999
2053738
2 891657 PEÇA DE REVESTIMENTO COMPLETA PIEZA DE RECUBRIMIENTO COMPLETO 1,000 1-9999
COVERING PART COMPLETE
3 232513 PARAFUSO DE CABEÇA OVAL TORNILLO ALOMADO PULIDO 10,000 1-9999
FILLISTER HEAD SCREW
4 274356 ARRUELA ARANDELA 10,000 1-9999
WASHER
10 385719 BICO REDONDO TOBERA REDONDA 4,000 1-9999
ROUND NOZZLE
11 384771 PARAFUSO AUTO ATARRAXANTE TORNILLO DE CHAPA 16,000 1-9999
SHEET METAL SCREW
15 1263153 SAÍDA DE AR SALIDA DE AIRE 4,000 1-9999
AIR OUTLET
16 384771 PARAFUSO AUTO ATARRAXANTE TORNILLO DE CHAPA 8,000 1-9999
SHEET METAL SCREW
20 1261150 UNIDADE DE CONTROLE UNIDAD DE MANDO 1,000 1-9999
CONTROL UNIT
21 232513 PARAFUSO DE CABEÇA OVAL TORNILLO ALOMADO PULIDO 4,000 1-9999
FILLISTER HEAD SCREW
22 1263145 CABO DE ACIONAMENTO CABLE BOWDEN 1,000 1-9999
BOWDEN CABLE
65 1519050 POLIA V POLEA DE CORREA TRAPEZOÏDAL 1,000 1-9999
V-BELT PULLEY
66 214507 PARAFUSO DE CABEÇA CILÍNDRICA TORNILLO CILÍNDRICO 4,000 1-9999
CHEESE-HEAD SCREW
70 201359 CORREIA V CORREA TRAPEZOÏDAL 1,000 1-9999
V-BELT
75 1519182 CHAPA CHAPA 1,000 1-9999
METAL PLATE
15.40.03 / 00 CALEFAÇÃO E AR CONDICIONADO, PÁGINA 3 / 1-9999
15.40.03 / 00 CALEFACCIÓN Y AIRE ACONDICIONADO, PÁGINA 3 / 1-9999
15.40.03 / 00 HEATING AND AIR CONDITIONING, PAGE 3 / 1-9999
POS Nº DE IDENT. DESIGNAÇÃO
DESIGNATION
DESIGNACIÓN QUANT. VALIDADE
15.40.03 / 00 CALEFAÇÃO E AR CONDICIONADO, PÁGINA 3 / 1-9999
15.40.03 / 00 CALEFACCIÓN Y AIRE ACONDICIONADO, PÁGINA 3 / 1-9999
15.40.03 / 00 HEATING AND AIR CONDITIONING, PAGE 3 / 1-9999
2053738
76 213853 PARAFUSO SEXTAVADO TORNILLO HEXAGONAL 2,000 1-9999
HEXAGON SCREW
77 345490 ARRUELA ARANDELA 2,000 1-9999
WASHER
85 1220810 PARAFUSO TORNILLO 1,000 1-9999
SCREW
86 1209787 PARAFUSO SEXTAVADO TORNILLO HEXAGONAL 1,000 1-9999
HEXAGON SCREW
87 216453 PORCA SEXTAVADA TUERCA HEXAGONAL 1,000 1-9999
HEXAGON NUT
88 216607 ARRUELA ARANDELA 2,000 1-9999
WASHER
89 1220829 BUCHA CASQUILLO 1,000 1-9999
BUSHING
90 1270850 COMPRESSOR COMPRESOR 1,000 1-9999
COMPRESSOR
95 212822 PARAFUSO SEXTAVADO TORNILLO HEXAGONAL 1,000 1-9999
HEXAGON SCREW
96 216453 PORCA SEXTAVADA TUERCA HEXAGONAL 1,000 1-9999
HEXAGON NUT
97 216607 ARRUELA ARANDELA 2,000 1-9999
WASHER
100 1446835 GUIA GUÍA 1,000 1-9999
GUIDE
101 1502352 BUCHA DISTANCIADORA CASQUILLO DISTANCIADOR 1,000 1-9999
DISTANCE BUSH
102 1209760 PARAFUSO SEXTAVADO TORNILLO HEXAGONAL 1,000 1-9999
HEXAGON SCREW
15.40.03 / 00 CALEFAÇÃO E AR CONDICIONADO, PÁGINA 3 / 1-9999
15.40.03 / 00 CALEFACCIÓN Y AIRE ACONDICIONADO, PÁGINA 3 / 1-9999
15.40.03 / 00 HEATING AND AIR CONDITIONING, PAGE 3 / 1-9999
POS Nº DE IDENT. DESIGNAÇÃO
DESIGNATION
DESIGNACIÓN QUANT. VALIDADE
15.40.03 / 00 CALEFAÇÃO E AR CONDICIONADO, PÁGINA 3 / 1-9999
15.40.03 / 00 CALEFACCIÓN Y AIRE ACONDICIONADO, PÁGINA 3 / 1-9999
15.40.03 / 00 HEATING AND AIR CONDITIONING, PAGE 3 / 1-9999
2053738
103 216453 PORCA SEXTAVADA TUERCA HEXAGONAL 1,000 1-9999
HEXAGON NUT
104 216607 ARRUELA ARANDELA 2,000 1-9999
WASHER
105 216119 PORCA SEXTAVADA TUERCA HEXAGONAL 2,000 1-9999
HEXAGON NUT
106 216615 ARRUELA ARANDELA 2,000 1-9999
WASHER
140 213667 PARAFUSO SEXTAVADO TORNILLO HEXAGONAL 4,000 1-9999
HEXAGON SCREW
141 216577 ARRUELA ARANDELA 4,000 1-9999
WASHER
142 1502239 CONDENSADOR CONDENSADOR 1,000 1-9999
CONDENSER
145 615444 FITA VEDANTE CINTA IMPERMEABILIZANTE 0,500 1-9999
SEALING TAPE
146 1269909 ADAPTADOR ROSCADO ACCESSORIO DE MANGUEIRA 1,000 1-9999
HOSE FITTING
170 1519999 MANGUEIRA MANGUERA 1,000 1-9999
FLEXIBLE TUBING
200 1241710 ABRAÇADEIRA PARA TUBO ABRAZADERA 1,000 1-9999
PIPE CLIP
201 213845 PARAFUSO SEXTAVADO TORNILLO HEXAGONAL 1,000 1-9999
HEXAGON SCREW
202 216445 PORCA SEXTAVADA TUERCA HEXAGONAL 1,000 1-9999
HEXAGON NUT
203 216593 ARRUELA ARANDELA 2,000 1-9999
WASHER
15.40.03 / 00 CALEFAÇÃO E AR CONDICIONADO, PÁGINA 3 / 1-9999
15.40.03 / 00 CALEFACCIÓN Y AIRE ACONDICIONADO, PÁGINA 3 / 1-9999
15.40.03 / 00 HEATING AND AIR CONDITIONING, PAGE 3 / 1-9999
POS Nº DE IDENT. DESIGNAÇÃO
DESIGNATION
DESIGNACIÓN QUANT. VALIDADE
15.40.03 / 00 CALEFAÇÃO E AR CONDICIONADO, PÁGINA 3 / 1-9999
15.40.03 / 00 CALEFACCIÓN Y AIRE ACONDICIONADO, PÁGINA 3 / 1-9999
15.40.03 / 00 HEATING AND AIR CONDITIONING, PAGE 3 / 1-9999
2053738
210 1265857 ARRUELA DE BORRACHA BOQUILLA DE CABLE 2,000 1-9999
CABLE BUSHING
215.02 2022493 ANEL O NW8 ANILLO TOROIDAL NW8 4,000 1-9999
O-RING SEAL NW8
215.03 2023822 ANEL O NW10 ANILLO TOROIDAL NW10 1,000 1-9999
O-RING SEAL NW10
15.40.04 / 00 CALEFAÇÃO E AR CONDICIONADO, PÁGINA 4 / 1-9999
15.40.04 / 00 CALEFACCIÓN Y AIRE ACONDICIONADO, PÁGINA 4 / 1-9999
15.40.04 / 00 HEATING AND AIR CONDITIONING, PAGE 4 / 1-9999
POS Nº DE IDENT. DESIGNAÇÃO
DESIGNATION
DESIGNACIÓN QUANT. VALIDADE
15.40.04 / 00 CALEFAÇÃO E AR CONDICIONADO, PÁGINA 4 / 1-9999
15.40.04 / 00 CALEFACCIÓN Y AIRE ACONDICIONADO, PÁGINA 4 / 1-9999
15.40.04 / 00 HEATING AND AIR CONDITIONING, PAGE 4 / 1-9999
2053739
40 206369 CONEXÃO MACHO RETA RACOR PARA ENROSCAR RECTO 1,000 1-9999
STRAIGHT SCREWED SOCKET
41 317632 ADAPTADOR DE REDUÇÃO REDUCTOR 1,000 1-9999
REDUCING INSERT
45 1292455 MANGUEIRA MANGUERA 1,000 1-9999
FLEXIBLE TUBING
50 317098 CONEXÃO MACHO RETA RACOR PARA ENROSCAR RECTO 1,000 1-9999
STRAIGHT SCREWED SOCKET
51 1292447 MANGUEIRA MANGUERA 1,000 1-9999
FLEXIBLE TUBING
80 1519069 SUPORTE SOPORTE 1,000 1-9999
SUPPORT
81 214469 PARAFUSO DE CABEÇA CILÍNDRICA TORNILLO CILÍNDRICO 3,000 1-9999
CHEESE-HEAD SCREW
160 875627 ESPAÇADOR PIEZA DISTANCIADORA 1,000 1-9999
SPACER BLOCK
161 1209914 PARAFUSO SEXTAVADO TORNILLO HEXAGONAL 1,000 1-9999
HEXAGON SCREW
162 216445 PORCA SEXTAVADA TUERCA HEXAGONAL 1,000 1-9999
HEXAGON NUT
163 216593 ARRUELA ARANDELA 2,000 1-9999
WASHER
164 1510266 SECADOR COMPLETO SECADOR COMPLETO 1,000 1-9999
DRIER COMPLETE
164.01 1272950 SECADOR SECADOR 1,000 1-9999
DRIER
164.02 1278290 SUPORTE SOPORTE 1,000 1-9999
SUPPORT
15.40.04 / 00 CALEFAÇÃO E AR CONDICIONADO, PÁGINA 4 / 1-9999
15.40.04 / 00 CALEFACCIÓN Y AIRE ACONDICIONADO, PÁGINA 4 / 1-9999
15.40.04 / 00 HEATING AND AIR CONDITIONING, PAGE 4 / 1-9999
POS Nº DE IDENT. DESIGNAÇÃO
DESIGNATION
DESIGNACIÓN QUANT. VALIDADE
15.40.04 / 00 CALEFAÇÃO E AR CONDICIONADO, PÁGINA 4 / 1-9999
15.40.04 / 00 CALEFACCIÓN Y AIRE ACONDICIONADO, PÁGINA 4 / 1-9999
15.40.04 / 00 HEATING AND AIR CONDITIONING, PAGE 4 / 1-9999
2053739
164.03 1278304 INTERRUPTOR DE PRESSÃO INTERRUPTOR DE PRESIÓN 1,000 1-9999
PRESSURE SWITCH
171 1527002 MANGUEIRA MANGUERA 1,000 1-9999
FLEXIBLE TUBING
172 1207571 ABRAÇADEIRA PARA TUBO ABRAZADERA 3,000 1-9999
PIPE CLIP
173 213748 PARAFUSO SEXTAVADO TORNILLO HEXAGONAL 2,000 1-9999
HEXAGON SCREW
174 216445 PORCA SEXTAVADA TUERCA HEXAGONAL 2,000 1-9999
HEXAGON NUT
175 216593 ARRUELA ARANDELA 4,000 1-9999
WASHER
185 1527010 MANGUEIRA MANGUERA 1,000 1-9999
FLEXIBLE TUBING
186 1527029 MANGUEIRA MANGUERA 1,000 1-9999
FLEXIBLE TUBING
190 1527037 CHAPA CHAPA 3,000 1-9999
METAL PLATE
191 1527045 CHAPA CHAPA 1,000 1-9999
METAL PLATE
192 211850 PARAFUSO SEXTAVADO TORNILLO HEXAGONAL 4,000 1-9999
HEXAGON SCREW
193 216445 PORCA SEXTAVADA TUERCA HEXAGONAL 4,000 1-9999
HEXAGON NUT
194 216593 ARRUELA ARANDELA 8,000 1-9999
WASHER
195 1527924 MEIA ABRAÇADEIRA MEDIA ABRAZADERA 8,000 1-9999
HALF-CLIP
15.40.04 / 00 CALEFAÇÃO E AR CONDICIONADO, PÁGINA 4 / 1-9999
15.40.04 / 00 CALEFACCIÓN Y AIRE ACONDICIONADO, PÁGINA 4 / 1-9999
15.40.04 / 00 HEATING AND AIR CONDITIONING, PAGE 4 / 1-9999
POS Nº DE IDENT. DESIGNAÇÃO
DESIGNATION
DESIGNACIÓN QUANT. VALIDADE
15.40.04 / 00 CALEFAÇÃO E AR CONDICIONADO, PÁGINA 4 / 1-9999
15.40.04 / 00 CALEFACCIÓN Y AIRE ACONDICIONADO, PÁGINA 4 / 1-9999
15.40.04 / 00 HEATING AND AIR CONDITIONING, PAGE 4 / 1-9999
2053739
196 242535 PARAFUSO DE CABEÇA CILÍNDRICA TORNILLO CILÍNDRICO 4,000 1-9999
CHEESE-HEAD SCREW
210 1265857 ARRUELA DE BORRACHA BOQUILLA DE CABLE 2,000 1-9999
CABLE BUSHING
215.01 2022480 ANEL O NW6 ANILLO TOROIDAL NW6 6,000 1-9999
O-RING SEAL NW6
300 267341 FIXADOR DE CABOS SUJETACABLES 40,000 1-9999
WIRE FASTENER
15.50.11 / 00 SINALIZADOR ROTATIVO (CABINA DO OPERADOR), PÁGINA 1 / 1-9999
15.50.11 / 00 LUZ OMNIDIRECCIONAL (CABINA DEL CONDUCTOR), PÁGINA 1 / 1-9999
15.50.11 / 00 ROTARY BEACON (DRIVER’S CABIN), PAGE 1 / 1-9999
10
4
3
2
1
5.01
5
13
12
11
POS Nº DE IDENT. DESIGNAÇÃO
DESIGNATION
DESIGNACIÓN QUANT. VALIDADE
15.50.11 / 00 SINALIZADOR ROTATIVO (CABINA DO OPERADOR), PÁGINA 1 / 1-9999
15.50.11 / 00 LUZ OMNIDIRECCIONAL (CABINA DEL CONDUCTOR), PÁGINA 1 / 1-9999
15.50.11 / 00 ROTARY BEACON (DRIVER’S CABIN), PAGE 1 / 1-9999
2053740
1 395846 TUBO TUBO 1,000 1-9999
PIPE
2 213756 PARAFUSO SEXTAVADO TORNILLO HEXAGONAL 2,000 1-9999
HEXAGON SCREW
3 216097 PORCA SEXTAVADA TUERCA HEXAGONAL 2,000 1-9999
HEXAGON NUT
4 216607 ARRUELA ARANDELA 2,000 1-9999
WASHER
5 342505 SINALIZADOR ROTATIVO LUZ OMNIDIRECCIONAL 1,000 1-9999
ROTARY BEACON
5.01 355283 LANTERNA LÁMPARA 1,000 1-9999
LAMP
10 1501011 SUPORTE SOPORTE 1,000 1-9999
SUPPORT
11 213853 PARAFUSO SEXTAVADO TORNILLO HEXAGONAL 2,000 1-9999
HEXAGON SCREW
1 2 216453 PORCA SEXTAVADA TUERCA HEXAGONAL 2,000 1-9999
HEXAGON NUT
13 216607 ARRUELA ARANDELA 2,000 1-9999
WASHER
15.50.12 / 00 SINALIZADOR ROTATIVO (CABINE DO CONDUTOR), PÁGINA 2 / 1-9999
15.50.12 / 00 LUZ OMNIDIRECCIONAL (CABINA DEL CONDUCTOR), PÁGINA 2 / 1-9999
15.50.12 / 00 ROTARY BEACON (DRIVER’S CABIN), PAGE 2 / 1-9999
POS Nº DE IDENT. DESIGNAÇÃO
DESIGNATION
DESIGNACIÓN QUANT. VALIDADE
15.50.12 / 00 SINALIZADOR ROTATIVO (CABINE DO CONDUTOR), PÁGINA 2 / 1-9999
15.50.12 / 00 LUZ OMNIDIRECCIONAL (CABINA DEL CONDUCTOR), PÁGINA 2 / 1-9999
15.50.12 / 00 ROTARY BEACON (DRIVER’S CABIN), PAGE 2 / 1-9999
2053741
15 1509489 SUPORTE SOPORTE 1,000 1-9999
SUPPORT
16 213748 PARAFUSO SEXTAVADO TORNILLO HEXAGONAL 2,000 1-9999
HEXAGON SCREW
17 216593 ARRUELA ARANDELA 2,000 1-9999
WASHER
15.50.21 / 00 SINALIZADOR ROTATIVO (ROPS), PÁGINA 1 / 1-9999
15.50.21 / 00 LUZ OMNIDIRECCIONAL (ROPS), PÁGINA 1 / 1-9999
15.50.21 / 00 ROTARY BEACON (ROPS), PAGE 1 / 1-9999
28
27
25
23
22
21
29
29
34
33
26
30
31
32
12
5.01
5
1
11.01
11
10
2
4
3
4 12
2
POS Nº DE IDENT. DESIGNAÇÃO
DESIGNATION
DESIGNACIÓN QUANT. VALIDADE
15.50.21 / 00 SINALIZADOR ROTATIVO (ROPS), PÁGINA 1 / 1-9999
15.50.21 / 00 LUZ OMNIDIRECCIONAL (ROPS), PÁGINA 1 / 1-9999
15.50.21 / 00 ROTARY BEACON (ROPS), PAGE 1 / 1-9999
2053742
1 395846 TUBO TUBO 1,000 1-9999
PIPE
2 213756 PARAFUSO SEXTAVADO TORNILLO HEXAGONAL 4,000 1-9999
HEXAGON SCREW
3 216097 PORCA SEXTAVADA TUERCA HEXAGONAL 2,000 1-9999
HEXAGON NUT
4 216607 ARRUELA ARANDELA 4,000 1-9999
WASHER
5 342505 SINALIZADOR ROTATIVO LUZ OMNIDIRECCIONAL 1,000 1-9999
ROTARY BEACON
5.01 355283 LANTERNA LÁMPARA 1,000 1-9999
LAMP
10 1501011 SUPORTE SOPORTE 1,000 1-9999
SUPPORT
11 347701 BOTÃO PULSADOR INTERRUPTOR PULSADOR 1,000 1-9999
PUSH BUTTON SWITCH
11.01 231754 LANTERNA LÁMPARA 1,000 1-9999
LAMP
12 877352 CABLAGEM MAZO DE CABLES 1,000 1-9999
WIRE HARNESS
21 1505386 FIXAÇÃO FIJACIÓN 1,000 1-9999
MOUNTING DEVICE
22 283568 PARAFUSO SEXTAVADO TORNILLO HEXAGONAL 4,000 1-9999
HEXAGON SCREW
23 216577 ARRUELA ARANDELA 4,000 1-9999
WASHER
25 1273035 CAIXA DE FUSÍVEIS CAJA DE FUSIBLES 1,000 1-9999
FUSE BOX
15.50.21 / 00 SINALIZADOR ROTATIVO (ROPS), PÁGINA 1 / 1-9999
15.50.21 / 00 LUZ OMNIDIRECCIONAL (ROPS), PÁGINA 1 / 1-9999
15.50.21 / 00 ROTARY BEACON (ROPS), PAGE 1 / 1-9999
28
27
25
23
22
21
29
29
34
33
26
30
31
32
12
5.01
5
1
11.01
11
10
2
4
3
4 12
2
POS Nº DE IDENT. DESIGNAÇÃO
DESIGNATION
DESIGNACIÓN QUANT. VALIDADE
15.50.21 / 00 SINALIZADOR ROTATIVO (ROPS), PÁGINA 1 / 1-9999
15.50.21 / 00 LUZ OMNIDIRECCIONAL (ROPS), PÁGINA 1 / 1-9999
15.50.21 / 00 ROTARY BEACON (ROPS), PAGE 1 / 1-9999
2053742
26 339202 PARAFUSO DE CABEÇA OVAL TORNILLO ALOMADO PULIDO 2,000 1-9999
FILLISTER HEAD SCREW
27 1264362 PORCA SEXTAVADA TUERCA HEXAGONAL 2,000 1-9999
HEXAGON NUT
28 320862 ARRUELA DA TRAVAMENTO DENTADA ARANDELA ELÁSTICA DENTADA 2,000 1-9999
SERRATED LOCK WASHER
29 353434 BUJÃO TAPÓN DE CIERRE 2,000 1-9999
FILLER CAP
30 877387 CABLAGEM MAZO DE CABLES 1,000 1-9999
WIRE HARNESS
31 877360 CABLAGEM MAZO DE CABLES 1,000 1-9999
WIRE HARNESS
32 1505440 ETIQUETA ETIQUETA 1,000 1-9999
STICKER
33 384054 FUSÍVEL TIPO LÂMINA 10A FUSIBLE PLANO 10A 1,000 1-9999
BLADE FUSE 10A
34 384062 FUSÍVEL TIPO LÂMINA 15A FUSIBLE PLANO 15A 1,000 1-9999
BLADE FUSE 15A
15.50.22 / 00 SINALIZADOR ROTATIVO (ROPS), PÁGINA 2 / 1-9999
15.50.22 / 00 LUZ OMNIDIRECCIONAL (ROPS), PÁGINA 2 / 1-9999
15.50.22 / 00 ROTARY BEACON (ROPS), PAGE 2 / 1-9999
POS Nº DE IDENT. DESIGNAÇÃO
DESIGNATION
DESIGNACIÓN QUANT. VALIDADE
15.50.22 / 00 SINALIZADOR ROTATIVO (ROPS), PÁGINA 2 / 1-9999
15.50.22 / 00 LUZ OMNIDIRECCIONAL (ROPS), PÁGINA 2 / 1-9999
15.50.22 / 00 ROTARY BEACON (ROPS), PAGE 2 / 1-9999
2053743
15 1509489 SUPORTE SOPORTE 1,000 1-9999
SUPPORT
16 213748 PARAFUSO SEXTAVADO TORNILLO HEXAGONAL 2,000 1-9999
HEXAGON SCREW
17 216593 ARRUELA ARANDELA 2,000 1-9999
WASHER
15.50.30 / 00 LUZ GIRATÓRIA / 1-9999
15.50.30 / 00 LUZ GIRATORIA TECHO CORREDIZO / 1-9999
15.50.30 / 00 WARNING LIGHT SUN ROOF/ 1-9999
POS Nº DE IDENT. DESIGNAÇÃO
DESIGNATION
DESIGNACIÓN QUANT. VALIDADE
15.50.30 / 00 LUZ GIRATÓRIA / 1-9999
15.50.30 / 00 LUZ GIRATORIA TECHO CORREDIZO / 1-9999
15.50.30 / 00 WARNING LIGHT SUN ROOF / 1-9999
2053744
1 342505 GIROFLEX AMARELO LUZ OMNIDIRECCIONAL 1,000 1-9999
ROTARY BEACON
1.01 355283 LÂMPADA LÁMPARA 1,000 1-9999
LAMP
2 342513 TUBO TUBO 1,000 1-9999
PIPE
3 2028233 CHAPA CHAPA 1,000 1-9999
METAL PLATE
4 313963 ABRAÇADEIRA MEDIA ABRAZADERA 4,000 1-9999
HALF-CLIP
5 314048 CHAPA PLACA DE RECUBRIMIENTO 1,000 1-9999
COVER PLATE
6 1212737 PARAFUSO SEXTAVADO TORNILLO HEXAGONAL 2,000 1-9999
HEXAGON SCREW
7 314242 ABRAÇADEIRA MEDIA ABRAZADERA 2,000 1-9999
HALF-CLIP
8 314021 CHAPA PLACA DE RECUBRIMIENTO 1,000 1-9999
COVER PLATE
9 314099 PARAFUSO SEXTAVADO TORNILLO HEXAGONAL 2,000 1-9999
HEXAGON SCREW
11 347701 CHAVE DE ACIONAMENTO INTERRUPTOR PULSADOR 1,000 1-9999
PUSH BUTTON SWITCH
12 877352 CHICOTE MAZO DE CABLES 1,000 1-9999
WIRE HARNESS
15 1505386 SUPORTE DE ILUMINAÇÃO FIJACIÓN 1,000 1-9999
MOUNTING DEVICE
16 240885 PARAFUSO TORNILLO AVELLANADO 4,000 1-9999
COUNTERSUNK SCREW
15.50.30 / 00 LUZ GIRATÓRIA / 1-9999
15.50.30 / 00 LUZ GIRATORIA TECHO CORREDIZO / 1-9999
15.50.30 / 00 WARNING LIGHT SUN ROOF/ 1-9999
POS Nº DE IDENT. DESIGNAÇÃO
DESIGNATION
DESIGNACIÓN QUANT. VALIDADE
15.50.30 / 00 LUZ GIRATÓRIA / 1-9999
15.50.30 / 00 LUZ GIRATORIA TECHO CORREDIZO / 1-9999
15.50.30 / 00 WARNING LIGHT SUN ROOF / 1-9999
2053744
17 216666 ARRUELA ELÁSTICA ARANDELA ELÁSTICA 4,000 1-9999
SPRING RING
18 216062 PORCA SEXTAVADA TUERCA HEXAGONAL 4,000 1-9999
HEXAGON NUT
19 2028182 CHAPA CHAPA 1,000 1-9999
METAL PLATE
20 213748 PARAFUSO SEXTAVADO TORNILLO HEXAGONAL 2,000 1-9999
HEXAGON SCREW
21 216593 ARRUELA ARANDELA 2,000 1-9999
WASHER
22 260983 ARRUELA ARANDELA 2,000 1-9999
WASHER
23 216445 PORCA SEXTAVADA TUERCA HEXAGONAL 2,000 1-9999
HEXAGON NUT
24 1273035 CAIXA DE FUSÍVEIS CAJA DE FUSIBLES 1,000 1-9999
FUSE BOX
25 339202 PARAFUSO CABEÇA LENTILHA TORNILLO ALOMADO PULIDO 2,000 1-9999
FILLISTER HEAD SCREW
26 1264362 PORCA SEXTAVADA TUERCA HEXAGONAL 2,000 1-9999
HEXAGON NUT
27 320862 ARRUELA DENTADA ARANDELA ELÁSTICA DENTADA 2,000 1-9999
SERRATED LOCK WASHER
28 353434 TAMPÃO DE FECHAMENTO TAPÓN DE CIERRE 3,000 1-9999
FILLER CAP
29 877387 CHICOTE MAZO DE CABLES 1,000 1-9999
WIRE HARNESS
30 2028189 CHICOTES MAZO DE CABLES 1,000 1-9999
WIRE HARNESS
15.50.40 / 00 LUZ GIRATÓRIA / 1-9999
15.50.40 / 00 LUZ GIRATORIA TECHO CORREDIZO / 1-9999
15.50.40 / 00 WARNING LIGHT SUN ROOF/ 1-9999
POS Nº DE IDENT. DESIGNAÇÃO
DESIGNATION
DESIGNACIÓN QUANT. VALIDADE
15.50.40 / 00 LUZ GIRATÓRIA / 1-9999
15.50.40 / 00 LUZ GIRATORIA TECHO CORREDIZO / 1-9999
15.50.40 / 00 WARNING LIGHT SUN ROOF / 1-9999
2053745
1 342505 GIROFLEX AMARELO LUZ OMNIDIRECCIONAL 1,000 1-9999
ROTARY BEACON
1.01 355283 LÂMPADA LÁMPARA 1,000 1-9999
LAMP
2 342513 TUBO TUBO 1,000 1-9999
PIPE
3 2028233 CHAPA CHAPA 1,000 1-9999
METAL PLATE
4 313963 ABRAÇADEIRA MEDIA ABRAZADERA 4,000 1-9999
HALF-CLIP
5 314048 CHAPA PLACA DE RECUBRIMIENTO 1,000 1-9999
COVER PLATE
6 1212737 PARAFUSO SEXTAVADO TORNILLO HEXAGONAL 2,000 1-9999
HEXAGON SCREW
7 314242 ABRAÇADEIRA MEDIA ABRAZADERA 2,000 1-9999
HALF-CLIP
8 314021 CHAPA PLACA DE RECUBRIMIENTO 1,000 1-9999
COVER PLATE
9 314099 PARAFUSO SEXTAVADO TORNILLO HEXAGONAL 2,000 1-9999
HEXAGON SCREW
11 347701 CHAVE DE ACIONAMENTO INTERRUPTOR PULSADOR 1,000 1-9999
PUSH BUTTON SWITCH
12 877352 CHICOTE MAZO DE CABLES 1,000 1-9999
WIRE HARNESS
15 1505386 SUPORTE DE ILUMINAÇÃO FIJACIÓN 1,000 1-9999
MOUNTING DEVICE
16 283568 PARAFUSO SEXTAVADO TORNILLO HEXAGONAL 4,000 1-9999
HEXAGON SCREW
15.50.40 / 00 LUZ GIRATÓRIA / 1-9999
15.50.40 / 00 LUZ GIRATORIA TECHO CORREDIZO / 1-9999
15.50.40 / 00 WARNING LIGHT SUN ROOF/ 1-9999
POS Nº DE IDENT. DESIGNAÇÃO
DESIGNATION
DESIGNACIÓN QUANT. VALIDADE
15.50.40 / 00 LUZ GIRATÓRIA / 1-9999
15.50.40 / 00 LUZ GIRATORIA TECHO CORREDIZO / 1-9999
15.50.40 / 00 WARNING LIGHT SUN ROOF / 1-9999
2053745
17 216577 ARRUELA ARANDELA 4,000 1-9999
WASHER
18 1273035 CAIXA DE FUSÍVEIS CAJA DE FUSIBLES 1,000 1-9999
FUSE BOX
19 339202 PARAFUSO CABEÇA LENTILHA CAJA DE FUSIBLES 2,000 1-9999
FILLISTER HEAD SCREW
20 1264362 PORCA SEXTAVADA TUERCA HEXAGONAL 2,000 1-9999
HEXAGON NUT
21 320862 ARRUELA DENTADA ARANDELA ELÁSTICA DENTADA 2,000 1-9999
SERRATED LOCK WASHER
22 353434 TAMPÃO DE FECHAMENTO TAPÓN DE CIERRE 3,000 1-9999
FILLER CAP
23 877387 CHICOTE MAZO DE CABLES 1,000 1-9999
WIRE HARNESS
24 877360 CHICOTE MAZO DE CABLES 1,000 1-9999
WIRE HARNESS
15.51.00 / 00 MEDIDOR DE FREQÜÊNCIAS (VIBRAÇÃO) / 1-9999
15.51.00 / 00 MEDIDOR DE FRECUENCIAS (VIBRACIÓN) / 1-9999
15.51.00 / 00 FREQUENCY METER (VIBRATION) / 1-9999
POS Nº DE IDENT. DESIGNAÇÃO
DESIGNATION
DESIGNACIÓN QUANT. VALIDADE
15.51.00 / 00 MEDIDOR DE FREQÜÊNCIAS (VIBRAÇÃO) / 1-9999
15.51.00 / 00 MEDIDOR DE FRECUENCIAS (VIBRACIÓN) / 1-9999
15.51.00 / 00 FREQUENCY METER (VIBRATION) / 1-9999
2053746
1 865222 SENSOR DE VELOCIDADE COMPLETO SENSOR DE REVOLUCIONES COMPLETO 1,000 1-9999
SPEED SENSOR COMPLETE
2 201944 ANEL O ANILLO TOROÏDAL 2,000 1-9999
O-RING SEAL
3 367575 PARAFUSO DE CABEÇA CILÍNDRICA TORNILLO CILÍNDRICO 1,000 1-9999
CHEESE-HEAD SCREW
4 865168 UNIDADE ELETRÔNICA COM CARCAÇA UNIDAD ELECTRÓNICA CON CARCASA 1,000 1-9999
ELECTRONIC UNIT WITH HOUSING
5 272809 PARAFUSO DE CABEÇA OVAL TORNILLO ALOMADO PULIDO 2,000 1-9999
FILLISTER HEAD SCREW
6 274356 ARRUELA ARANDELA 2,000 1-9999
WASHER
7 216046 PORCA SEXTAVADA TUERCA HEXAGONAL 4,000 1-9999
HEXAGON NUT
15.52.00 / 00 ALARME DE MARCHA-A-RÉ (ALARME BACK-UP) / 1-9999
15.52.00 / 00 DISPOSITIVO DE ADVERTENCIA DE MARCHA ATRÁS (ALARMA BACK-UP) / 1-9999
15.52.00 / 00 BACK-UP ALARM (BACK-UP) / 1-9999
POS Nº DE IDENT. DESIGNAÇÃO
DESIGNATION
DESIGNACIÓN QUANT. VALIDADE
15.52.00 / 00 ALARME DE MARCHA-A-RÉ (ALARME BACK-UP) / 1-9999
15.52.00 / 00 DISPOSITIVO DE ADVERTENCIA DE MARCHA ATRÁS (ALARMA BACK-UP) / 1-9999
15.52.00 / 00 BACK-UP ALARM (BACK-UP) / 1-9999
2053747
1 2024388 CHAPA CHAPA 1,000 1-9999
METAL PLATE
3 314161 MEIA ABRAÇADEIRA MEDIA ABRAZADERA 2,000 1-9999
HALF-CLIP
4 314064 PARAFUSO SEXTAVADO TORNILLO HEXAGONAL 2,000 1-9999
HEXAGON SCREW
5 216577 ARRUELA ARANDELA 2,000 1-9999
WASHER
6 2024389 CHAPA CHAPA 1,000 1-9999
METAL PLATE
7 240451 PARAFUSO TORNILLO 1,000 1-9999
SCREW
8 216437 PORCA SEXTAVADA TUERCA HEXAGONAL 1,000 1-9999
HEXAGON NUT
9 216577 ARRUELA ARANDELA 1,000 1-9999
WASHER
10 2024390 CHAPA CHAPA 1,000 1-9999
METAL PLATE
16 399825 PARAFUSO CABEÇA LENTILHA TORNILLO CIL. CABEZA REBAJADA 1,000 1-9999
MUSHROOM HEAD SCREW
17 216437 PORCA SEXTAVADA TUERCA HEXAGONAL 1,000 1-9999
HEXAGON NUT
18 216577 ARRUELA ARANDELA 1,000 1-9999
WASHER
19 840696 ALARME SONORO DE RÉ DISPOSITIVO ADV. MARCHA ATRÁS 1,000 1-9999
BACK-UP ALARM
20 1509284 CHAPA CHAPA 1,000 1-9999
METAL PLATE
15.52.00 / 00 ALARME DE MARCHA-A-RÉ (ALARME BACK-UP) / 1-9999
15.52.00 / 00 DISPOSITIVO DE ADVERTENCIA DE MARCHA ATRÁS (ALARMA BACK-UP) / 1-9999
15.52.00 / 00 BACK-UP ALARM (BACK-UP) / 1-9999
POS Nº DE IDENT. DESIGNAÇÃO
DESIGNATION
DESIGNACIÓN QUANT. VALIDADE
15.52.00 / 00 ALARME DE MARCHA-A-RÉ (ALARME BACK-UP) / 1-9999
15.52.00 / 00 DISPOSITIVO DE ADVERTENCIA DE MARCHA ATRÁS (ALARMA BACK-UP) / 1-9999
15.52.00 / 00 BACK-UP ALARM (BACK-UP) / 1-9999
2053747
25 817570 CHICOTE (SENSOR) MAZO DE CABLES (SENSOR) 1,000 1-9999
WIRE HARNESS (SENSOR)
26 1263986 RELÉ RELE 1,000 1-9999
RELAY
27 384054 FUSÍVEL TIPO LÂMINA FUSIBLE PLANO 1,000 1-9999
BLADE FUSE
15.54.00 / 00 MEDIDOR DE ROTAÇÕES (MOTOR DIESEL) / 1-9999
15.54.00 / 00 MEDIDOR DE REVOLUCIONES (MOTOR DIESEL) / 1-9999
15.54.00 / 00 REVOLUTION COUNTER (DIESEL ENGINE) / 1-9999
POS Nº DE IDENT. DESIGNAÇÃO
DESIGNATION
DESIGNACIÓN QUANT. VALIDADE
15.54.00 / 00 MEDIDOR DE ROTAÇÕES (MOTOR DIESEL) / 1-9999
15.54.00 / 00 MEDIDOR DE REVOLUCIONES (MOTOR DIESEL) / 1-9999
15.54.00 / 00 REVOLUTION COUNTER (DIESEL ENGINE) / 1-9999
2053748
1 1263781 SENSOR DE ROTAÇÕES SENSOR DE REVOLUCIONES 1,000 1-9999
SPEED SENSOR
2 216577 ARRUELA ARANDELA 1,000 1-9999
WASHER
3 213780 PARAFUSO SEXTAVADO TORNILLO HEXAGONAL 1,000 1-9999
HEXAGONAL SCREW
3 213721 PARAFUSO SEXTAVADO TORNILLO HEXAGONAL 1,000 1-9999
HEXAGONAL SCREW
4 1288008 LUVA CÁPSULA/MANGUITO/CASQUILLO 1,000 1-9999
SLEEVE
15.56.00 / 00 VELOCÍMETRO / 1-9999
15.56.00 / 00 VELOCÍMETRO / 1-9999
15.56.00 / 00 SPEEDOMETER / 1-9999
POS Nº DE IDENT. DESIGNAÇÃO
DESIGNATION
DESIGNACIÓN QUANT. VALIDADE
15.56.00 / 00 VELOCÍMETRO / 1-9999
15.56.00 / 00 VELOCÍMETRO / 1-9999
15.56.00 / 00 SPEEDOMETER / 1-9999
2053749
1 881899 SENSOR DE ROTAÇÃO SENSOR DE REVOLUCIONES 1,000 1-9999
SPEED SENSOR
1.01 1200755 ANEL O ANILLO TOROIDAL 1,000 1-9999
O-RING SEAL
15.59.00 / 00 COMPACTÔMETRO, HCM-3 / 1-9999
15.59.00 / 00 COMPACTÓMETRO, HCM-3 / 1-9999
15.59.00 / 00 COMPACTOMETER, HCM-3 / 1-9999
A ILUSTRAÇÃO NÃO ESTAVA DISPONÍVEL NO MOMENTO DA IMPRESSÃO
LA ILUSTRACIÓN NO ESTABA DISPONIBLE EN EL MOMENTO DE LA IMPRESIÓN
ILLUSTRATION WAS NOT AVAILABLE AT THE POINT OF PRINTING
POS Nº DE IDENT. DESIGNAÇÃO
DESIGNATION
DESIGNACIÓN QUANT. VALIDADE
15.59.00 / 00 COMPACTÔMETRO, HCM-3 / 1-9999
15.59.00 / 00 COMPACTÓMETRO, HCM-3 / 1-9999
15.59.00 / 00 COMPACTOMETER, HCM-3 / 1-9999
2053750
1 2028559 MICROPROCESSADOR HCM-3 ORDENADOR HCM-3 1,000 1-9999
CALCULATOR HCM-3
2 213748 PARAFUSO SEXTAVADO TORNILLO HEXAGONAL 4,000 1-9999
HEXAGON SCREW
3 216593 ARRUELA ARANDELA 4,000 1-9999
WASHER
5 2025018 SENSOR DE ACELERAÇÃO SENSOR DE ACELERACIÓN 1,000 1-9999
ACCELERATION SENSOR
6 314102 PARAFUSO SEXTAVADO TORNILLO HEXAGONAL 2,000 1-9999
HEXAGON SCREW
7 216577 ARRUELA ARANDELA 4,000 1-9999
WASHER
8 216437 PORCA SEXTAVADA TUERCA HEXAGONAL 2,000 1-9999
HEXAGON NUT
9 384054 FUSÍVEL TIPO LÂMINA FUSIBLE PLANO 1,000 1-9999
BLADE FUSE
10 898961 CABLAGEM MAZO DE CABLES 1,000 1-9999
WIRE HARNESS
15.63.01 / 00 TACÓGRAFO / 1-9999
15.63.01 / 00 TACÓGRAFO / 1-9999
15.63.01 / 00 TACHOGRAPH / 1-9999
11
5
7
9
10
4
6
3
7
9
8
2
1
5
8
9
POS Nº DE IDENT. DESIGNAÇÃO
DESIGNATION
DESIGNACIÓN QUANT. VALIDADE
15.63.01 / 00 TACÓGRAFO / 1-9999
15.63.01 / 00 TACÓGRAFO / 1-9999
15.63.01 / 00 TACHOGRAPH / 1-9999
2053751
1 891061 TACÓGRAFO TACÓGRAFO 1,000 1-9999
TACHOGRAPH
2 1209019 SICO DO TACÓGRAFO DISCO DEL TACÓGRAFO 10,000 1-9999
TACHOGRAPH CHART
3 866660 SUPORTE SOPORTE 1,000 1-9999
SUPPORT
4 392472 PARAFUSO DE CABEÇA CILÍNDRICA TORNILLO CILÍNDRICO 1,000 1-9999
CHEESE-HEAD SCREW
5 274356 ARRUELA ARANDELA 2,000 1-9999
WASHER
6 216046 PORCA SEXTAVADA TUERCA HEXAGONAL 1,000 1-9999
HEXAGON NUT
7 1245805 COXIM METAL-BORRACHA TOPE DE CAUCHO-METAL 2,000 1-9999
SILENTBLOC
8 247588 PARAFUSO DE CABEÇA CILÍNDRICA TORNILLO CILÍNDRICO 2,000 1-9999
CHEESE-HEAD SCREW
9 274356 ARRUELA ARANDELA 4,000 1-9999
WASHER
10 216046 PORCA SEXTAVADA TUERCA HEXAGONAL 2,000 1-9999
HEXAGON NUT
11 850063 CABLAGEM MAZO DE CABLES 1,000 1-9999
WIRE HARNESS
15.63.02 / 00 TACÓGRAFO / 1-9999
15.63.02 / 00 TACÓGRAFO / 1-9999
15.63.02 / 00 TACHOGRAPH / 1-9999
POS Nº DE IDENT. DESIGNAÇÃO
DESIGNATION
DESIGNACIÓN QUANT. VALIDADE
15.63.02 / 00 TACÓGRAFO / 1-9999
15.63.02 / 00 TACÓGRAFO / 1-9999
15.63.02 / 00 TACHOGRAPH / 1-9999
2053752
21 881899 SENSOR DE ROTAÇÕES SENSOR DE REVOLUCIONES 1,000 1-9999
SPEED SENSOR
21.01 1200755 ANEL O ANILLO TOROIDAL 1,000 1-9999
O-RING SEAL
31 865222 SENSOR DE ROTAÇÕES SENSOR DE REVOLUCIONES 1,000 1-9999
SPEED SENSOR
32 201944 ANEL O ANILLO TOROIDAL 2,000 1-9999
O-RING SEAL
33 367575 PARAFUSO DE CABEÇA CILÍNDRICA TORNILLO CILÍNDRICO 1,000 1-9999
CHEESE-HEAD SCREW
34 865168 UNIDADE ELETRÔNICA COM CARCAÇA UNIDAD ELECTRÓNICA CON CARCASA 1,000 1-9999
ELECTRONIC UNIT WITH HOUSING
35 272809 PARAFUSO DE CABEÇA OVAL TORNILLO ALOMADO PULIDO 2,000 1-9999
FILLISTER HEAD SCREW
36 274356 ARRUELA ARANDELA 2,000 1-9999
WASHER
37 216046 PORCA SEXTAVADA TUERCA HEXAGONAL 4,000 1-9999
HEXAGON NUT
15.81.00 / 00 PROTEÇÃO DAS MANGUEIRAS (CHASSI DIANTEIRO) / 1-9999
15.81.00 / 00 PROTECCIÓN DE TUBE FLEXIBLE (BASTIDOR DELANTERO) / 1-9999
15.81.00 / 00 HOSE PROTECTION (FRONT FRAME) / 1-9999
2
1
3
5
3
6
6
6
7
10
11
11
5
6
7
10
POS Nº DE IDENT. DESIGNAÇÃO
DESIGNATION
DESIGNACIÓN QUANT. VALIDADE
15.81.00 / 00 PROTEÇÃO DAS MANGUEIRAS (CHASSI DIANTEIRO) / 1-9999
15.81.00 / 00 PROTECCIÓN DE TUBE FLEXIBLE (BASTIDOR DELANTERO) / 1-9999
15.81.00 / 00 HOSE PROTECTION (FRONT FRAME) / 1-9999
2053753
1 2024311 CHAPA PROTETORA ESQUERDA CHAPA DE PROTECCIÓN IZQUIERDA 1,000 1-9999
PROTECTING PLATE LEFT
2 2024312 CHAPA PROTETORA DIREITA CHAPA DE PROTECCIÓN DERECHA 1,000 1-9999
PROTECTING PLATE RIGHT
3 1527703 CHAPA CHAPA 4,000 1-9999
METAL PLATE
5 1213857 PARAFUSO SEXTAVADO TORNILLO HEXAGONAL 8,000 1-9999
HEXAGON SCREW
6 216607 ARRUELA ARANDELA 16,000 1-9999
WASHER
7 216453 PORCA SEXTAVADA TUERCA HEXAGONAL 8,000 1-9999
HEXAGON NUT
10 213748 PARAFUSO SEXTAVADO TORNILLO HEXAGONAL 8,000 1-9999
HEXAGON SCREW
11 231355 ARRUELA ARANDELA 8,000 1-9999
WASHER
15.99.01 / 00 ILUMINAÇÃO DE TRABALHO / 1-9999
15.99.01 / 00 ILUMINACIÓN DE TRABAJO / 1-9999
15.99.01 / 00 WORK LIGHTING / 1-9999
19
29-30
17
16
7-8-18
1-31-32 2
5
27
26
15
4
3
6
13-28
POS Nº DE IDENT. DESIGNAÇÃO
DESIGNATION
DESIGNACIÓN QUANT. VALIDADE
15.99.01 / 00 ILUMINAÇÃO DE TRABALHO/ 1-9999
15.99.01 / 00 ILUMINACIÓN DE TRABAJO / 1-9999
15.99.01 / 00 WORK LIGHTING / 1-9999
768412
1 86232 FAROL DE TRABALHO FAROL DE TRABAJO 4,000 1-9999
WORK LIGHT
2 10658 ARRUELA ARANDELA 32,000 1-9999
WASHER
3 10569 PARAFUSO SEXTAVADO TORNILLO HEXAGONAL 4,000 1-9999
HEXAGON SCREW
4 84838 SUPORTE SINALEIRA ESQUERDA SOPORTE LUZ IZQUIERDA 1,000 1-9999
LEFT TURN SIGNAL SUPPORT
5 20978 PORCA SEXTAVADA TUERCA HEXAGONAL 16,000 1-9999
HEXAGON NUT
6 84837 SUPORTE SINALEIRA DIREITA SOPORTE LUZ DERECHA 1,000 1-9999
RIGHT TURN SIGNAL SUPPORT
7 10815 PARAFUSO SEXTAVADO TORNILLO HEXAGONAL 0,000 1-9999
HEXAGON SCREW
8 10645 ARRUELA ARANDELA 0,000 1-9999
WASHER
13 350224 BOTOEIRA ILUMINAÇÃO TRABALHO BOTONERA ILUMINACIÓN DE TRABAJO 1,000 1-9999
WORK LIGHTING CONTROL PANEL
15 350007 CHAPA SUPORTE FAROL TRASEIRO DIREITO PLANCHA SOPORTE FAROL TRASERO DERECHO 1,000 1-9999
RIGHT REAR LIGHT SUPPORT PLATE
16 350006 CHAPA SUPORTE FAROL TRASEIRO ESQUERDO PLANCHA SOPORTE FAROL TRASERO IZQUIERDO 1,000 1-9999
LEFT REAR LIGHT SUPPORT PLATE
17 350001 CHAPA FIXAÇÃO FAROL TRASEIRO PLANCHA FIJACIÓN FAROL TRASERO 2,000 1-9999
REAR LIGHT FASTENING PLATE
18 9675 PARAFUSO SEXTAVADO TORNILLO HEXAGONAL 12,000 1-9999
HEXAGON SCREW
19 350000 PROTEÇÃO DO FAROL TRASEIRO PROTECCIÓN DEL FAROL TRASERO 2,000 1-9999
REAR LIGHT PROTECTION
15.99.01 / 00 ILUMINAÇÃO DE TRABALHO / 1-9999
15.99.01 / 00 ILUMINACIÓN DE TRABAJO / 1-9999
15.99.01 / 00 WORK LIGHTING / 1-9999
19
29-30
17
16
7-8-18
1-31-32 2
5
27
26
15
4
3
6
13-28
POS Nº DE IDENT. DESIGNAÇÃO
DESIGNATION
DESIGNACIÓN QUANT. VALIDADE
15.99.01 / 00 ILUMINAÇÃO DE TRABALHO/ 1-9999
15.99.01 / 00 ILUMINACIÓN DE TRABAJO / 1-9999
15.99.01 / 00 WORK LIGHTING / 1-9999
768412
26 9140 PARAFUSO SEXTAVADO TORNILLO HEXAGONAL 4,000 1-9999
HEXAGON SCREW
27 10659 ARRUELA ARANDELA 4,000 1-9999
WASHER
28 350056 CHICOTE ILUMINAÇÃO CHICOTE ILUMINACIÓN 1,000 1-9999
LIGHTING HARNESS
29 15487 COMUTADOR CONMUTADOR 0,000 1-9999
SWITCH
30 26808 CHAVE AUXILIAR LLAVE AUXILIAR 0,000 1-9999
AUXILIAR SWITCH
31 22437 LÂMPADA PARA FAROL LÁMPARA PARA FAROL 4,000 1-9999
LIGHT BULB FOR LIGHT
32 15900 TOMADA ENCHUFE 0,000 1-9999
PLUG-IN
26.01.00 / 00 SUSPENSÃO (ROLO) / 1-9999
26.01.00 / 00 SUSPENCIÓN (BANDAJE) / 1-9999
26.01.00 / 00 SUSPENSION (ROLLER DRUM) / 1-9999
12
11
55
54 16
10 14
13
30
29
22
21
19
25
28
20
33
32
31
17
18
60
59
53
57
56
19
20
63
62
61
50
52
51
58
16
22
21
19
27
26
280 Nm
560 Nm
280 Nm
280 Nm
117 Nm
117 Nm
Y
X
280 Nm
560 Nm
117 Nm
117 Nm
560 Nm
DETALHE Y
DETALHE X
Aplicar na superfície de
montagem do redutor de
roda
Aplicar na superfície de
montagem do redutor de
roda
POS Nº DE IDENT. DESIGNAÇÃO
DESIGNATION
DESIGNACIÓN QUANT. VALIDADE
26.01.00 / 00 SUSPENSÃO (ROLO) / 1-9999
26.01.00 / 00 SUSPENCIÓN (BANDAJE) / 1-9999
26.01.00 / 00 SUSPENSION (ROLLER DRUM) / 1-9999
2053754
10 1487116 COXIM AMORTECEDOR TAMPÓN DE CUELLO REDUCIDO 8,000 1-9999
SILENTBLOC
11 1278479 PARAFUSO SEXTAVADO TORNILLO HEXAGONAL 16,000 1-9999
HEXAGON SCREW
12 381543 ARRUELA ARANDELA 16,000 1-9999
WASHER
13 213942 PARAFUSO SEXTAVADO TORNILLO HEXAGONAL 16,000 1-9999
HEXAGON SCREW
14 381543 ARRUELA ARANDELA 16,000 1-9999
WASHER
16 1535501 ESTRELA DE ARRASTAMENTO ESTRELLA DE ARRASTRE 1,000 1-9999
CARRIER STAR
17 239984 PARAFUSO DE CABEÇA CILÍNDRICA TORNILLO CILÍNDRICO 16,000 1-9999
CHEESE-HEAD SCREW
18 1509276 SEGMENTO SEGMENTO 4,000 1-9999
SEGMENT
19 2024034 REDUTOR DA RODA ENGRANAJE DE RUEDAS 1,000 1-9999
WHEEL GEAR
20 891908 SUSPENSÃO SUSPENSIÓN 1,000 1-9999
SUSPENSION
21 1278576 PARAFUSO SEXTAVADO TORNILLO HEXAGONAL 16,000 1-9999
HEXAGON SCREW
22 383120 ARRUELA ARANDELA 16,000 1-9999
WASHER
25 1707833 MOTOR HIDRÁULICO VERSÃO 3410, 3411 MOTOR HIDRÁULICO VERSIÓN 3410, 3411 1,000 1-9999
HYDRAULIC MOTOR VERSION 3410, 3411
25 2032000 MOTOR HIDRÁULICO VERSÃO 3410 P, 3411 P MOTOR HIDRÁULICO VERSIÓN 3410 P, 3411 P 1,000 1-9999
HYDRAULIC MOTOR VERSION 3410 P, 3411 P
26.01.00 / 00 SUSPENSÃO (ROLO) / 1-9999
26.01.00 / 00 SUSPENCIÓN (BANDAJE) / 1-9999
26.01.00 / 00 SUSPENSION (ROLLER DRUM) / 1-9999
12
11
55
54 16
10 14
13
30
29
22
21
19
25
28
20
33
32
31
17
18
60
59
53
57
56
19
20
63
62
61
50
52
51
58
16
22
21
19
27
26
280 Nm
560 Nm
280 Nm
280 Nm
117 Nm
117 Nm
Y
X
280 Nm
560 Nm
117 Nm
117 Nm
560 Nm
DETALHE Y
DETALHE X
Aplicar na superfície de
montagem do redutor de
roda
Aplicar na superfície de
montagem do redutor de
roda
POS Nº DE IDENT. DESIGNAÇÃO
DESIGNATION
DESIGNACIÓN QUANT. VALIDADE
26.01.00 / 00 SUSPENSÃO (ROLO) / 1-9999
26.01.00 / 00 SUSPENCIÓN (BANDAJE) / 1-9999
26.01.00 / 00 SUSPENSION (ROLLER DRUM) / 1-9999
2053754
26 383619 PARAFUSO SEXTAVADO TORNILLO HEXAGONAL 2,000 1-9999
HEXAGON SCREW
27 250473 ARRUELA ARANDELA 2,000 1-9999
WASHER
28 349364 ANEL O ANILLO TOROÏDAL 1,000 1-9999
O-RING SEAL
29 1504703 CHAPA ESPAÇADORA T=6 CHAPA DE DISTANCIA T=6 2,000 1-9999
SPACER PLATE T=6
30 1487051 CHAPA ESPAÇADORA T=2 CHAPA DE DISTANCIA T=2 4,000 1-9999
SPACER PLATE T=2
31 1297759 PARAFUSO DE CABEÇA CILÍNDRICA TORNILLO CILÍNDRICO 8,000 1-9999
CHEESE-HEAD SCREW
32 1481401 ARRUELA LISA DISCO EN U 8,000 1-9999
U-WASHER
33 361763 PORCA SEXTAVADA TUERCA HEXAGONAL 8,000 1-9999
HEXAGON NUT
50 1513354 DISCO DE ARRASTAMENTO ARBOL CANELADO 1,000 1-9999
DRIVER
51 1210033 PARAFUSO DE CABEÇA CILÍNDRICA TORNILLO CILÍNDRICO 6,000 1-9999
CHEESE-HEAD SCREW
52 250473 ARRUELA ARANDELA 6,000 1-9999
WASHER
53 1487116 COXIM AMORTECEDOR TAMPÓN DE CUELLO REDUCIDO 6,000 1-9999
SILENTBLOC
54 1278479 PARAFUSO SEXTAVADO TORNILLO HEXAGONAL 12,000 1-9999
HEXAGON SCREW
55 381543 ARRUELA ARANDELA 12,000 1-9999
WASHER
26.01.00 / 00 SUSPENSÃO (ROLO) / 1-9999
26.01.00 / 00 SUSPENCIÓN (BANDAJE) / 1-9999
26.01.00 / 00 SUSPENSION (ROLLER DRUM) / 1-9999
12
11
55
54 16
10 14
13
30
29
22
21
19
25
28
20
33
32
31
17
18
60
59
53
57
56
19
20
63
62
61
50
52
51
58
16
22
21
19
27
26
280 Nm
560 Nm
280 Nm
280 Nm
117 Nm
117 Nm
Y
X
280 Nm
560 Nm
117 Nm
117 Nm
560 Nm
DETALHE Y
DETALHE X
Aplicar na superfície de
montagem do redutor de
roda
Aplicar na superfície de
montagem do redutor de
roda
POS Nº DE IDENT. DESIGNAÇÃO
DESIGNATION
DESIGNACIÓN QUANT. VALIDADE
26.01.00 / 00 SUSPENSÃO (ROLO) / 1-9999
26.01.00 / 00 SUSPENCIÓN (BANDAJE) / 1-9999
26.01.00 / 00 SUSPENSION (ROLLER DRUM) / 1-9999
2053754
56 213985 PARAFUSO SEXTAVADO TORNILLO HEXAGONAL 12,000 1-9999
HEXAGON SCREW
57 381543 ARRUELA ARANDELA 12,000 1-9999
WASHER
58 891916 SUSPENSÃO SUSPENSIÓN 1,000 1-9999
SUSPENSION
59 1504703 CHAPA ESPAÇADORA T=6 CHAPA DE DISTANCIA T=6 2,000 1-9999
SPACER PLATE T=6
60 1487051 CHAPA ESPAÇADORA T=2 CHAPA DE DISTANCIA T=2 4,000 1-9999
SPACER PLATE T=2
61 1245740 PARAFUSO DE CABEÇA CILÍNDRICA TORNILLO CILÍNDRICO 8,000 1-9999
CHEESE-HEAD SCREW
62 1481401 ARRUELA LISA DISCO EN U 8,000 1-9999
U-WASHER
63 361763 PORCA SEXTAVADA TUERCA HEXAGONAL 8,000 1-9999
HEXAGON NUT
26.03.11 / 00 RASCADOR (ROLO LISO), PÁGINA 1 / 1-9999
26.03.11 / 00 RASCADOR (BANDAJE LISO), PÁGINA 1 / 1-9999
26.03.11 / 00 SCRAPER (SMOOTH ROLLER DRUM), PAGE 1 / 1-9999
26.03.12
26.03.12
4
2
8
7
1
7
8
2
1
4
POS Nº DE IDENT. DESIGNAÇÃO
DESIGNATION
DESIGNACIÓN QUANT. VALIDADE
26.03.11 / 00 RASCADOR (ROLO LISO), PÁGINA 1 / 1-9999
26.03.11 / 00 RASCADOR (BANDAJE LISO), PÁGINA 1 / 1-9999
26.03.11 / 00 SCRAPER (SMOOTH ROLLER DRUM), PAGE 1 / 1-9999
2053755
1 869430 RASCADOR COMPLETO RASCADOR COMPLETO 2,000 1-9999
SCRAPER COMPLETE
2 1485199 BARRA CHATA ACERO PLANO 8,000 1-9999
FLAT STEEL
4 1495542 BARRA CHATA ACERO PLANO 8,000 1-9999
FLAT STEEL
7 1213733 PARAFUSO SEXTAVADO TORNILLO HEXAGONAL 16,000 1-9999
HEXAGON SCREW
8 1237608 ARRUELA DE TRAVAMENTO DISCO DE SEGURIDAD 16,000 1-9999
LOCKING WASHER
26.03.12 / 00 RASCADOR (ROLO LISO), PÁGINA 2 / 1-9999
26.03.12 / 00 RASCADOR (BANDAJE LISO), PÁGINA 2 / 1-9999
26.03.12 / 00 SCRAPER (SMOOTH ROLLER DRUM), PAGE 2 / 1-9999
10
5
6
1
2
3
6
4
POS Nº DE IDENT. DESIGNAÇÃO
DESIGNATION
DESIGNACIÓN QUANT. VALIDADE
26.03.12 / 00 RASCADOR (ROLO LISO), PÁGINA 2 / 1-9999
26.03.12 / 00 RASCADOR (BANDAJE LISO), PÁGINA 2 / 1-9999
26.03.12 / 00 SCRAPER (SMOOTH ROLLER DRUM), PAGE 2 / 1-9999
2053756
1 873071 SUPORTE PARA RASCADOR SOPORTE PARA SEPARADOR 1,000 1-9999
MOUNT FOR SCRAPER
2 1499327 RASCADOR RASCADOR 1,000 1-9999
SCRAPER
3 1499335 BARRA CHATA ACERO PLANO 1,000 1-9999
FLAT STEEL
4 1209833 PARAFUSO SEXTAVADO TORNILLO HEXAGONAL 12,000 1-9999
HEXAGON SCREW
5 216453 PORCA SEXTAVADA TUERCA HEXAGONAL 12,000 1-9999
HEXAGON NUT
6 216607 ARRUELA ARANDELA 24,000 1-9999
WASHER
10 869430 RASCADOR RASCADOR 2,000 1-9999
SCRAPER
26.03.20 / 00 RASCADOR (ROLO PÉ-DE-CARNEIRO) / 1-9999
26.03.20 / 00 RASCADOR (BANDAJE DE PIE DE APISONADO) / 1-9999
26.03.20 / 00 SCRAPER (PADFOOT DRUM) / 1-9999
3
1
2
4
1
3
2
4
1
2
2
1
POS Nº DE IDENT. DESIGNAÇÃO
DESIGNATION
DESIGNACIÓN QUANT. VALIDADE
26.03.20 / 00 RASCADOR (ROLO PÉ-DE-CARNEIRO) / 1-9999
26.03.20 / 00 RASCADOR (BANDAJE DE PIE DE APISONADO) / 1-9999
26.03.20 / 00 SCRAPER (PADFOOT DRUM) / 1-9999
2053757
1 1489267 DENTE DO RASCADOR DIENTE DEL DESVIADOR 18,000 1-9999
SCRAPER
2 1485199 BARRA CHATA ACERO PLANO 18,000 1-9999
FLAT STEEL
3 1495542 BARRA CHATA ACERO PLANO 18,000 1-9999
FLAT STEEL
4 1209809 PARAFUSO SEXTAVADO TORNILLO HEXAGONAL 36,000 1-9999
HEXAGON SCREW
26.03.30 / 00 RASCADOR (AÇO MOLA) / 1-9999
26.03.30 / 00 RASCADOR (ACERO PARA MUELLES) / 1-9999
26.03.30 / 00 SCRAPER (SPRING STEEL) / 1-9999
1
1.07
1.05
1.06
1.01
1.02
1.03
1.06
1.04
4
3
2
8
7
1
7
8
2
3
1
4
POS Nº DE IDENT. DESIGNAÇÃO
DESIGNATION
DESIGNACIÓN QUANT. VALIDADE
26.03.30 / 00 RASCADOR (AÇO MOLA) / 1-9999
26.03.30 / 00 RASCADOR (ACERO PARA MUELLES) / 1-9999
26.03.30 / 00 SCRAPER (SPRING STEEL) / 1-9999
2053758
1 869430 RASCADOR COMPLETO POS. 1.01-1.06 RASCADOR COMPLETO POS. 1.01-1.06 2,000 1-9999
SCRAPER COMPLETE POS. 1.01-1.06
1.01 873071 SUPORTE DO RASCADOR SOPORTE PARA SEPARADOR 1,000 1-9999
MOUNT FOR SCRAPER
1.02 1499327 RASCADOR RASCADOR 1,000 1-9999
SCRAPER
1.03 1499335 BARRA CHATA ACERO PLANO 1,000 1-9999
FLAT STEEL
1.04 1209833 PARAFUSO SEXTAVADO TORNILLO HEXAGONAL 12,000 1-9999
HEXAGON SCREW
1.05 216453 PORCA SEXTAVADA TUERCA HEXAGONAL 12,000 1-9999
HEXAGON NUT
1.06 216607 ARRUELA ARANDELA 24,000 1-9999
WASHER
1.07 1499505 CHAPA DE AÇO DO RASCADOR RASCADOR CHAPA DE ACERO 1,000 1-9999
SCRAPER SHEET STEEL
2 1485199 BARRA CHATA ACERO PLANO 8,000 1-9999
FLAT STEEL
3 866474 FIXAÇÃO FIJACIÓN 8,000 1-9999
MOUNTING
4 866318 CHAPA SUPORTE CHAPA DE ASIENTO 8,000 1-9999
SUPPORTING PLATE
7 212458 PARAFUSO SEXTAVADO TORNILLO HEXAGONAL 16,000 1-9999
HEXAGON SCREW
8 1237608 ARRUELA DE TRAVAMENTO DISCO DE SEGURIDAD 16,000 1-9999
LOCKING WASHER
26.05.01 / 00 ROLO COM VIBRADOR (COM ACIONAMENTO DO ROLO), PÁGINA 1 / 1-9999
26.05.01 / 00 BANDAJE CON VIBRADOR (CON ACCIONAMIENTO DE BANDAJE), PÁGINA 1 / 1-9999
26.05.01 / 00 DRUM WITH VIBRATOR (WITH DRUM DRIVE), PAGE 1 / 1-9999
26.05.03
26.05.02
05.06.00
105 52
52
122
12
11
51
8
120
121
123
50
112
126
131
130
114
111
101
102
100
106 103
118
119
104
97
125
110
115
2
11
9
116
113
3
4
5
12
117
126
Superfície
vedada
POS Nº DE IDENT. DESIGNAÇÃO
DESIGNATION
DESIGNACIÓN QUANT. VALIDADE
26.05.01 / 00 ROLO COM VIBRADOR (COM ACIONAMENTO DO ROLO), PÁGINA 1 / 1-9999
26.05.01 / 00 BANDAJE CON VIBRADOR (CON ACCIONAMIENTO DE BANDAJE), PÁGINA 1 / 1-9999
26.05.01 / 00 DRUM WITH VIBRATOR (WITH DRUM DRIVE), PAGE 1 / 1-9999
2053759
2 873861 ROLO LISO BANDAJE LISO 1,000 1-9999
SMOOTH ROLLER DRUM
2 873888 ROLO PÉ-DE-CARNEIRO BANDAJE DE PIE DE APISONADO 1,000 1-9999
PADFOOT DRUM
3 446033 TAMPA TAPA 1,000 1-9999
COVER
4 213683 PARAFUSO SEXTAVADO TORNILLO HEXAGONAL 4,000 1-9999
HEXAGON SCREW
5 276243 ARRUELA DE TRAVAMENTO DISCO DE SEGURIDAD 4,000 1-9999
LOCKING WASHER
8 2035656 VIBRADOR VIBRADOR 1,000 1-9999
VIBRATOR
9 2035657 VIBRADOR VIBRADOR 1,000 1-9999
VIBRATOR
11 213276 PARAFUSO SEXTAVADO TORNILLO HEXAGONAL 24,000 1-9999
HEXAGON SCREW
12 383120 ARRUELA ARANDELA 24,000 1-9999
WASHER
50 873896 EIXO DE ACOPLAMENTO ARBOL DE EMBRAGUE 1,000 1-9999
SHAFT
51 1524305 TUBO TUBO 1,000 1-9999
PIPE
52 385859 ANEL O ANILLO TOROIDAL 8,000 1-9999
O-RING SEAL
97 383260 RETENTOR JUNTA DESLIZANTE 1,000 1-9999
AXIAL FACE SEAL
100 288268 ROLAMENTO RADIAL RODAMIENTO RADIAL RÍGIDO 1,000 1-9999
GROOVED BALL BEARING
26.05.01 / 00 ROLO COM VIBRADOR (COM ACIONAMENTO DO ROLO), PÁGINA 1 / 1-9999
26.05.01 / 00 BANDAJE CON VIBRADOR (CON ACCIONAMIENTO DE BANDAJE), PÁGINA 1 / 1-9999
26.05.01 / 00 DRUM WITH VIBRATOR (WITH DRUM DRIVE), PAGE 1 / 1-9999
26.05.03
26.05.02
05.06.00
105 52
52
122
12
11
51
8
120
121
123
50
112
126
131
130
114
111
101
102
100
106 103
118
119
104
97
125
110
115
2
11
9
116
113
3
4
5
12
117
126
Superfície
vedada
POS Nº DE IDENT. DESIGNAÇÃO
DESIGNATION
DESIGNACIÓN QUANT. VALIDADE
26.05.01 / 00 ROLO COM VIBRADOR (COM ACIONAMENTO DO ROLO), PÁGINA 1 / 1-9999
26.05.01 / 00 BANDAJE CON VIBRADOR (CON ACCIONAMIENTO DE BANDAJE), PÁGINA 1 / 1-9999
26.05.01 / 00 DRUM WITH VIBRATOR (WITH DRUM DRIVE), PAGE 1 / 1-9999
2053759
101 370665 ROLAMENTO RADIAL RODAMIENTO RADIAL RÍGIDO 1,000 1-9999
GROOVED BALL BEARING
102 477494 ANEL ANILLO 1,000 1-9999
RING
103 477486 TAMPA TAPA 1,000 1-9999
COVER
104 312886 PARAFUSO DE CABEÇA CILÍNDRICA TORNILLO CILÍNDRICO 8,000 1-9999
CHEESE-HEAD SCREW
105 1232932 ARRUELA DE AJUSTE ARANDELA DE AJUSTE 1,000 1-9999
SPACER SHIM
106 486922 FALNGE BRIDA 1,000 1-9999
FLANGE
110 1524437 FLANGE BRIDA 1,000 1-9999
FLANGE
111 213799 PARAFUSO SEXTAVADO TORNILLO HEXAGONAL 8,000 1-9999
HEXAGON SCREW
112 276332 ARRUELA DE TRAVAMENTO DISCO DE SEGURIDAD 8,000 1-9999
LOCKING WASHER
113 1464868 CHAPA DE COBERTURA CHAPA DE RECUBRIMIENTO 1,000 1-9999
COVER PLATE
114 213624 PARAFUSO SEXTAVADO TORNILLO HEXAGONAL 2,000 1-9999
HEXAGON SCREW
115 1298445 MOTOR HIDRÁULICO MOTOR HIDRÁULICO 1,000 1-9999
HYDRAULIC MOTOR
116 337609 ANEL O ANILLO TOROIDAL 1,000 1-9999
O-RING SEAL
117 213942 PARAFUSO SEXTAVADO TORNILLO HEXAGONAL 2,000 1-9999
HEXAGON SCREW
26.05.01 / 00 ROLO COM VIBRADOR (COM ACIONAMENTO DO ROLO), PÁGINA 1 / 1-9999
26.05.01 / 00 BANDAJE CON VIBRADOR (CON ACCIONAMIENTO DE BANDAJE), PÁGINA 1 / 1-9999
26.05.01 / 00 DRUM WITH VIBRATOR (WITH DRUM DRIVE), PAGE 1 / 1-9999
26.05.03
26.05.02
05.06.00
105 52
52
122
12
11
51
8
120
121
123
50
112
126
131
130
114
111
101
102
100
106 103
118
119
104
97
125
110
115
2
11
9
116
113
3
4
5
12
117
126
Superfície
vedada
POS Nº DE IDENT. DESIGNAÇÃO
DESIGNATION
DESIGNACIÓN QUANT. VALIDADE
26.05.01 / 00 ROLO COM VIBRADOR (COM ACIONAMENTO DO ROLO), PÁGINA 1 / 1-9999
26.05.01 / 00 BANDAJE CON VIBRADOR (CON ACCIONAMIENTO DE BANDAJE), PÁGINA 1 / 1-9999
26.05.01 / 00 DRUM WITH VIBRATOR (WITH DRUM DRIVE), PAGE 1 / 1-9999
2053759
118 381543 ARRUELA ARANDELA 2,000 1-9999
WASHER
119 1524488 BUJÃO TORNILLO DE CIERRE 1,000 1-9999
SCREW PLUG
120 873985 EIXO ESTRIADO ARBOL CANELADO 1,000 1-9999
DRIVER
121 231355 ARRUELA ARANDELA 1,000 1-9999
WASHER
122 1298488 PARAFUSO SEXTAVADO TORNILLO HEXAGONAL 1,000 1-9999
HEXAGON SCREW
123 1524461 ESPAÇADOR PIEZA DISTANCIADORA 1,000 1-9999
SPACER BLOCK
125 422258 CUBO DE ACOPLAMENTO CASQUILLO DENTADO 1,000 1-9999
COUPLING
126 217735 ANEL DE TRAVAMENTO ANILLO FIJADOR 2,000 1-9999
LOCKING RING
130 205850 BUJÃO TORNILLO DE CIERRE 1,000 1-9999
SCREW PLUG
131 219509 ANEL DE VEDAÇÃO ANILLO DE JUNTA 1,000 1-9999
SEALING RING
26.05.02 / 00 ROLO COM VIBRADOR (COM ACIONAMENTO DO ROLO), PÁGINA 2 / 1-9999
26.05.02 / 00 BANDAJE CON VIBRADOR (CON ACCIONAMIENTO DE BANDAJE), PÁGINA 2 / 1-9999
26.05.02 / 00 DRUM WITH VIBRATOR (WITH DRUM DRIVE), PAGE 2 / 1-9999
95
69
70
94
31
56
65
69
100
33
30
71
68
23
20
22
10
40
66
90
41
21
24
70
96
47
45
67
31
32
91
57
41
40
POS Nº DE IDENT. DESIGNAÇÃO
DESIGNATION
DESIGNACIÓN QUANT. VALIDADE
26.05.02 / 00 ROLO COM VIBRADOR (COM ACIONAMENTO DO ROLO), PÁGINA 2 / 1-9999
26.05.02 / 00 BANDAJE CON VIBRADOR (CON ACCIONAMIENTO DE BANDAJE), PÁGINA 2 / 1-9999
26.05.02 / 00 DRUM WITH VIBRATOR (WITH DRUM DRIVE), PAGE 2 / 1-9999
2053760
10 486973 CARCAÇA CARCASA 1,000 1-9999
HOUSING
20 1402641 FLANGE BRIDA 1,000 1-9999
FLANGE
21 1210203 PARAFUSO SEXTAVADO TORNILLO HEXAGONAL 6,000 1-9999
HEXAGON SCREW
22 250473 ARRUELA ARANDELA 6,000 1-9999
WASHER
23 383341 ANEL O ANILLO TOROIDAL 1,000 1-9999
O-RING SEAL
24 202010 ANEL O ANILLO TOROIDAL 5,000 1-9999
O-RING SEAL
30 1420062 EIXO ARBOL 1,000 1-9999
SHAFT
31 336009 ROLAMENTO DE ROLOS CILÍNDRICOS COJINETE RODILLOS CILÍNDRICOS 2,000 1-9999
CYLINDRICAL ROLLER BEARING
32 817252 CONTRA-PESO DESEQUILIBRIO 1,000 1-9999
UNBALANCE
33 386871 PARAFUSO DE CABEÇA CILÍNDRICA TORNILLO CILÍNDRICO 2,000 1-9999
CHEESE-HEAD SCREW
40 488526 CHAPA CHAPA 6,000 1-9999
METAL PLATE
41 213624 PARAFUSO SEXTAVADO TORNILLO HEXAGONAL 24,000 1-9999
HEXAGON SCREW
45 808679 CUBO DE ACOPLAMENTO ARBOL CANELADO 1,000 1-9999
DRIVER
47 214639 PARAFUSO DE CABEÇA CILÍNDRICA TORNILLO CILÍNDRICO 6,000 1-9999
CHEESE-HEAD SCREW
26.05.02 / 00 ROLO COM VIBRADOR (COM ACIONAMENTO DO ROLO), PÁGINA 2 / 1-9999
26.05.02 / 00 BANDAJE CON VIBRADOR (CON ACCIONAMIENTO DE BANDAJE), PÁGINA 2 / 1-9999
26.05.02 / 00 DRUM WITH VIBRATOR (WITH DRUM DRIVE), PAGE 2 / 1-9999
95
69
70
94
31
56
65
69
100
33
30
71
68
23
20
22
10
40
66
90
41
21
24
70
96
47
45
67
31
32
91
57
41
40
POS Nº DE IDENT. DESIGNAÇÃO
DESIGNATION
DESIGNACIÓN QUANT. VALIDADE
26.05.02 / 00 ROLO COM VIBRADOR (COM ACIONAMENTO DO ROLO), PÁGINA 2 / 1-9999
26.05.02 / 00 BANDAJE CON VIBRADOR (CON ACCIONAMIENTO DE BANDAJE), PÁGINA 2 / 1-9999
26.05.02 / 00 DRUM WITH VIBRATOR (WITH DRUM DRIVE), PAGE 2 / 1-9999
2053760
56 486868 EIXO ESTRIADO ÁRBOL DENTADO 1,000 1-9999
INVOLUTE SPLINE SHAFT
57 214639 PARAFUSO DE CABEÇA CILÍNDRICA TORNILLO CILÍNDRICO 6,000 1-9999
CHEESE-HEAD SCREW
65 487007 FLANGE BRIDA 1,000 1-9999
FLANGE
66 1210203 PARAFUSO SEXTAVADO TORNILLO HEXAGONAL 12,000 1-9999
HEXAGON SCREW
67 250473 ARRUELA ARANDELA 12,000 1-9999
WASHER
68 383465 ANEL O ANILLO TOROIDAL 1,000 1-9999
O-RING SEAL
69 1402684 BUJÃO TORNILLO DE CIERRE 2,000 1-9999
SCREW PLUG
70 219487 ANEL DE VEDAÇÃO ANILLO DE JUNTA 2,000 1-9999
SEALING RING
71 237256 VISOR DE NÍVEL MIRILLA 1,000 1-9999
INSPECTION GLASS
90 486892 FLANGE CÔNICA BRIDA CÓNICA 1,000 1-9999
CONE FLANGE
91 383341 ANEL O ANILLO TOROIDAL 1,000 1-9999
O-RING SEAL
94 486930 ANEL ANILLO 1,000 1-9999
RING
95 1213318 PARAFUSO SEXTAVADO TORNILLO HEXAGONAL 12,000 1-9999
HEXAGON SCREW
96 250473 ARRUELA ARANDELA 12,000 1-9999
WASHER
26.05.02 / 00 ROLO COM VIBRADOR (COM ACIONAMENTO DO ROLO), PÁGINA 2 / 1-9999
26.05.02 / 00 BANDAJE CON VIBRADOR (CON ACCIONAMIENTO DE BANDAJE), PÁGINA 2 / 1-9999
26.05.02 / 00 DRUM WITH VIBRATOR (WITH DRUM DRIVE), PAGE 2 / 1-9999
95
69
70
94
31
56
65
69
100
33
30
71
68
23
20
22
10
40
66
90
41
21
24
70
96
47
45
67
31
32
91
57
41
40
POS Nº DE IDENT. DESIGNAÇÃO
DESIGNATION
DESIGNACIÓN QUANT. VALIDADE
26.05.02 / 00 ROLO COM VIBRADOR (COM ACIONAMENTO DO ROLO), PÁGINA 2 / 1-9999
26.05.02 / 00 BANDAJE CON VIBRADOR (CON ACCIONAMIENTO DE BANDAJE), PÁGINA 2 / 1-9999
26.05.02 / 00 DRUM WITH VIBRATOR (WITH DRUM DRIVE), PAGE 2 / 1-9999
2053760
100 820423 VIBRADOR COMPLETO VIBRADOR COMPLETO 1,000 1-9999
VIBRATOR COMPLETE
26.05.03 / 00 ROLO LISO COM VIBRADOR (SEM ACIONAMENTO DO ROLO), PÁGINA 3 / 1-9999
26.05.03 / 00 BANDAJE LISO CON VIBRADOR (SIN ACCIONAMIENTO DE BANDAJE), PÁGINA 3 / 1-9999
26.05.03 / 00 SMOOTH ROLLER DRUM WITH VIBRATOR (WITHOUT DRUM DRIVE), PAGE 3 / 1-9999
71
66
21
41
40
20
79
70
32
65
100
40
69
33
75
77
76
55
78
31
23
47
80
24
67
22
54
31
69
68
30
10
70
41
45
POS Nº DE IDENT. DESIGNAÇÃO
DESIGNATION
DESIGNACIÓN QUANT. VALIDADE
26.05.03 / 00 ROLO LISO COM VIBRADOR (SEM ACIONAMENTO DO ROLO), PÁGINA 3 / 1-9999
26.05.03 / 00 BANDAJE LISO CON VIBRADOR (SIN ACCIONAMIENTO DE BANDAJE), PÁGINA 3 / 1-9999
26.05.03 / 00 SMOOTH ROLLER DRUM WITH VIBRATOR (WITHOUT DRUM DRIVE), PAGE 3 / 1-9999
2053761
10 486973 CARCAÇA CARCASA 1,000 1-9999
HOUSING
20 1402641 FLANGE BRIDA 1,000 1-9999
FLANGE
21 1210203 PARAFUSO SEXTAVADO TORNILLO HEXAGONAL 6,000 1-9999
HEXAGON SCREW
22 250473 ARRUELA ARANDELA 6,000 1-9999
WASHER
23 383341 ANEL O ANILLO TOROIDAL 1,000 1-9999
O-RING SEAL
24 202010 ANEL O ANILLO TOROIDAL 5,000 1-9999
O-RING SEAL
30 1420062 EIXO ARBOL 1,000 1-9999
SHAFT
31 336009 ROLAMENTO DE ROLOS CILÍNDRICOS COJINETE RODILLOS CILÍNDRICOS 2,000 1-9999
CYLINDRICAL ROLLER BEARING
32 817252 CONTRA-PESO DESEQUILIBRIO 1,000 1-9999
UNBALANCE
33 386871 PARAFUSO DE CABEÇA CILÍNDRICA TORNILLO CILÍNDRICO 2,000 1-9999
CHEESE-HEAD SCREW
40 488526 CHAPA CHAPA 6,000 1-9999
METAL PLATE
41 213624 PARAFUSO SEXTAVADO TORNILLO HEXAGONAL 24,000 1-9999
HEXAGON SCREW
45 808679 CUBO DE ACOPLAMENTO ARBOL CANELADO 1,000 1-9999
DRIVER
47 214639 PARAFUSO DE CABEÇA CILÍNDRICA TORNILLO CILÍNDRICO 6,000 1-9999
CHEESE-HEAD SCREW
26.05.03 / 00 ROLO LISO COM VIBRADOR (SEM ACIONAMENTO DO ROLO), PÁGINA 3 / 1-9999
26.05.03 / 00 BANDAJE LISO CON VIBRADOR (SIN ACCIONAMIENTO DE BANDAJE), PÁGINA 3 / 1-9999
26.05.03 / 00 SMOOTH ROLLER DRUM WITH VIBRATOR (WITHOUT DRUM DRIVE), PAGE 3 / 1-9999
71
66
21
41
40
20
79
70
32
65
100
40
69
33
75
77
76
55
78
31
23
47
80
24
67
22
54
31
69
68
30
10
70
41
45
POS Nº DE IDENT. DESIGNAÇÃO
DESIGNATION
DESIGNACIÓN QUANT. VALIDADE
26.05.03 / 00 ROLO LISO COM VIBRADOR (SEM ACIONAMENTO DO ROLO), PÁGINA 3 / 1-9999
26.05.03 / 00 BANDAJE LISO CON VIBRADOR (SIN ACCIONAMIENTO DE BANDAJE), PÁGINA 3 / 1-9999
26.05.03 / 00 SMOOTH ROLLER DRUM WITH VIBRATOR (WITHOUT DRUM DRIVE), PAGE 3 / 1-9999
2053761
54 486906 TAMPA TAPA 1,000 1-9999
COVER
55 214639 PARAFUSO DE CABEÇA CILÍNDRICA TORNILLO CILÍNDRICO 6,000 1-9999
CHEESE-HEAD SCREW
65 487007 FLANGE COJINETE DE LA BRIDA 1,000 1-9999
FLANGED BEARING
66 1210203 PARAFUSO SEXTAVADO TORNILLO HEXAGONAL 12,000 1-9999
HEXAGON SCREW
67 250473 ARRUELA ARANDELA 12,000 1-9999
WASHER
68 383465 ANEL O ANILLO TOROIDAL 1,000 1-9999
O-RING SEAL
69 1402684 BUJÃO TORNILLO DE CIERRE 2,000 1-9999
SCREW PLUG
70 219487 ANEL DE VEDAÇÃO ANILLO DE JUNTA 2,000 1-9999
SEALING RING
71 237256 VISOR DE NÍVEL MIRILLA 1,000 1-9999
INSPECTION GLASS
75 1417819 TAMPA TAPA 1,000 1-9999
COVER
76 1210203 PARAFUSO SEXTAVADO TORNILLO HEXAGONAL 6,000 1-9999
HEXAGON SCREW
77 250473 ARRUELA ARANDELA 6,000 1-9999
WASHER
78 383341 ANEL O ANILLO TOROIDAL 1,000 1-9999
O-RING SEAL
79 396354 BUJÃO TORNILLO DE CIERRE 1,000 1-9999
SCREW PLUG
26.05.03 / 00 ROLO LISO COM VIBRADOR (SEM ACIONAMENTO DO ROLO), PÁGINA 3 / 1-9999
26.05.03 / 00 BANDAJE LISO CON VIBRADOR (SIN ACCIONAMIENTO DE BANDAJE), PÁGINA 3 / 1-9999
26.05.03 / 00 SMOOTH ROLLER DRUM WITH VIBRATOR (WITHOUT DRUM DRIVE), PAGE 3 / 1-9999
71
66
21
41
40
20
79
70
32
65
100
40
69
33
75
77
76
55
78
31
23
47
80
24
67
22
54
31
69
68
30
10
70
41
45
POS Nº DE IDENT. DESIGNAÇÃO
DESIGNATION
DESIGNACIÓN QUANT. VALIDADE
26.05.03 / 00 ROLO LISO COM VIBRADOR (SEM ACIONAMENTO DO ROLO), PÁGINA 3 / 1-9999
26.05.03 / 00 BANDAJE LISO CON VIBRADOR (SIN ACCIONAMIENTO DE BANDAJE), PÁGINA 3 / 1-9999
26.05.03 / 00 SMOOTH ROLLER DRUM WITH VIBRATOR (WITHOUT DRUM DRIVE), PAGE 3 / 1-9999
2053761
80 219495 ANEL DE VEDAÇÃO ANILLO DE JUNTA 1,000 1-9999
SEALING RING
100 820431 VIBRADOR COMPLETO VIBRADOR COMPLETO 1,000 1-9999
VIBRATOR COMPLETE
26.10.01 / 00 ACIONAMENTO DA VIBRAÇÃO, PÁGINA 1 / 1-9999
26.10.01 / 00 ACCIONAMIENTO DE VIBRACIÓN, PÁGINA 1 / 1-9999
26.10.01 / 00 VIBRATION DRIVE, PAGE 1 / 1-9999
POS Nº DE IDENT. DESIGNAÇÃO
DESIGNATION
DESIGNACIÓN QUANT. VALIDADE
26.10.01 / 00 ACIONAMENTO DA VIBRAÇÃO, PÁGINA 1 / 1-9999
26.10.01 / 00 ACCIONAMIENTO DE VIBRACIÓN, PÁGINA 1 / 1-9999
26.10.01 / 00 VIBRATION DRIVE, PAGE 1 / 1-9999
2053762
5 1302159 MANGUEIRA MANGUERA 1,000 1-9999
FLEXIBLE TUBING
6 1302167 MANGUEIRA MANGUERA 1,000 1-9999
FLEXIBLE TUBING
7 267465 ANEL O ANILLO TOROIDAL 2,000 1-9999
O-RING SEAL
8 267457 CONCHA FLANGE SAE MITAD DE LA BRIDA SAE 4,000 1-9999
SAE-FLANGE HALF
9 1264893 PARAFUSO DE SEGURANÇA TORNILLO DE SEGURIDAD 8,000 1-9999
SAFETY SCREW
10 488232 MEIA ABRAÇADEIRA MEDIA ABRAZADERA 2,000 1-9999
HALF-CLIP
11 488216 BARRA CHATA ACERO PLANO 1,000 1-9999
FLAT STEEL
12 1212710 PARAFUSO SEXTAVADO TORNILLO HEXAGONAL 2,000 1-9999
HEXAGON SCREW
13 216607 ARRUELA ARANDELA 4,000 1-9999
WASHER
14 216453 PORCA SEXTAVADA TUERCA HEXAGONAL 2,000 1-9999
HEXAGON NUT
20 488232 MEIA ABRAÇADEIRA MEDIA ABRAZADERA 2,000 1-9999
HALF-CLIP
21 488216 BARRA CHATA ACERO PLANO 1,000 1-9999
FLAT STEEL
22 1212710 PARAFUSO SEXTAVADO TORNILLO HEXAGONAL 2,000 1-9999
HEXAGON SCREW
23 216607 ARRUELA ARANDELA 4,000 1-9999
WASHER
26.10.01 / 00 ACIONAMENTO DA VIBRAÇÃO, PÁGINA 1 / 1-9999
26.10.01 / 00 ACCIONAMIENTO DE VIBRACIÓN, PÁGINA 1 / 1-9999
26.10.01 / 00 VIBRATION DRIVE, PAGE 1 / 1-9999
POS Nº DE IDENT. DESIGNAÇÃO
DESIGNATION
DESIGNACIÓN QUANT. VALIDADE
26.10.01 / 00 ACIONAMENTO DA VIBRAÇÃO, PÁGINA 1 / 1-9999
26.10.01 / 00 ACCIONAMIENTO DE VIBRACIÓN, PÁGINA 1 / 1-9999
26.10.01 / 00 VIBRATION DRIVE, PAGE 1 / 1-9999
2053762
24 216453 PORCA SEXTAVADA TUERCA HEXAGONAL 2,000 1-9999
HEXAGON NUT
25 1486861 CHAPA CHAPA 1,000 1-9999
METAL PLATE
26 213853 PARAFUSO SEXTAVADO TORNILLO HEXAGONAL 2,000 1-9999
HEXAGON SCREW
27 216607 ARRUELA ARANDELA 4,000 1-9999
WASHER
28 216453 PORCA SEXTAVADA TUERCA HEXAGONAL 2,000 1-9999
HEXAGON NUT
30 2024308 CHAPA CHAPA 1,000 167-9999
METAL PLATE
31 214671 PARAFUSO DE CABEÇA CILÍNDRICA TORNILLO CILÍNDRICO 4,000 1-9999
CHEESE-HEAD SCREW
32 216453 PORCA SEXTAVADA TUERCA HEXAGONAL 4,000 1-9999
HEXAGON NUT
33 216607 ARRUELA ARANDELA 4,000 1-9999
WASHER
35 488232 MEIA ABRAÇADEIRA MEDIA ABRAZADERA 4,000 1-9999
HALF-CLIP
36 488216 BARRA CHATA ACERO PLANO 2,000 1-9999
FLAT STEEL
37 1212710 PARAFUSO SEXTAVADO TORNILLO HEXAGONAL 4,000 1-9999
HEXAGON SCREW
38 216607 ARRUELA ARANDELA 4,000 1-9999
WASHER
39 216453 PORCA SEXTAVADA TUERCA HEXAGONAL 4,000 1-9999
HEXAGON NUT
26.10.01 / 00 ACIONAMENTO DA VIBRAÇÃO, PÁGINA 1 / 1-9999
26.10.01 / 00 ACCIONAMIENTO DE VIBRACIÓN, PÁGINA 1 / 1-9999
26.10.01 / 00 VIBRATION DRIVE, PAGE 1 / 1-9999
POS Nº DE IDENT. DESIGNAÇÃO
DESIGNATION
DESIGNACIÓN QUANT. VALIDADE
26.10.01 / 00 ACIONAMENTO DA VIBRAÇÃO, PÁGINA 1 / 1-9999
26.10.01 / 00 ACCIONAMIENTO DE VIBRACIÓN, PÁGINA 1 / 1-9999
26.10.01 / 00 VIBRATION DRIVE, PAGE 1 / 1-9999
2053762
42 206415 CONEXÃO MACHO RETA RACOR PARA ENROSCAR RECTO 1,000 1-9999
STRAIGHT SCREWED SOCKET
43 1302124 CONEXÃO MACHO RETA RACOR PARA ENROSCAR RECTO 1,000 1-9999
STRAIGHT SCREWED SOCKET
44 1264397 MANGUEIRA MANGUERA 1,000 1-9999
FLEXIBLE TUBING
61 387738 MANGUEIRA MANGUERA 1,000 1-9999
FLEXIBLE TUBING
62 327832 CONEXÃO MACHO RETA RACOR PARA ENROSCAR RECTO 1,000 1-9999
STRAIGHT SCREWED SOCKET
26.10.02 / 00 ACIONAMENTO DA VIBRAÇÃO, PÁGINA 2 / 1-9999
26.10.02 / 00 ACCIONAMIENTO DE VIBRACIÓN, PÁGINA 2 / 1-9999
26.10.02 / 00 VIBRATION DRIVE, PAGE 2 / 1-9999
POS Nº DE IDENT. DESIGNAÇÃO
DESIGNATION
DESIGNACIÓN QUANT. VALIDADE
26.10.02 / 00 ACIONAMENTO DA VIBRAÇÃO, PÁGINA 2 / 1-9999
26.10.02 / 00 ACCIONAMIENTO DE VIBRACIÓN, PÁGINA 2 / 1-9999
26.10.02 / 00 VIBRATION DRIVE, PAGE 2 / 1-9999
2053763
1 267457 CONCHA FLANGE SAE MITAD DE LA BRIDA SAE 4,000 1-9999
SAE-FLANGE HALF
2 214639 PARAFUSO DE CABEÇA CILÍNDRICA TORNILLO CILÍNDRICO 8,000 1-9999
CHEESE-HEAD SCREW
3 354651 CONEXÃO JOELHO FLANGE BRIDA ANGULAR 2,000 1-9999
ANGLE FLANGE
4 267465 ANEL O ANILLO TOROIDAL 2,000 1-9999
O-RING SEAL
5 1302159 MANGUEIRA MANGUERA 1,000 1-9999
FLEXIBLE TUBING
6 1302167 MANGUEIRA MANGUERA 1,000 1-9999
FLEXIBLE TUBING
45 206415 CONEXÃO MACHO RETA RACOR PARA ENROSCAR RECTO 1,000 1-9999
STRAIGHT SCREWED SOCKET
46 317837 JOELHO ORIENTÁVEL RACOR ANGULAR AJUSTABLE 1,000 1-9999
ELBOW ADJUSTABLE
47 1256483 MANGUEIRA MANGUERA 1,000 1-9999
FLEXIBLE TUBING
48 317098 CONEXÃO MACHO RETA RACOR PARA ENROSCAR RECTO 1,000 1-9999
STRAIGHT SCREWED SOCKET
60 327832 CONEXÃO MACHO RETA RACOR PARA ENROSCAR RECTO 1,000 1-9999
STRAIGHT SCREWED SOCKET
61 387738 MANGUEIRA MANGUERA 1,000 1-9999
FLEXIBLE TUBING

HAMM - 3411.pdf

  • 1.
    Nº de série/ Nº de série / Seriel-No. Data de edição / Fecha de edición / Date of issue Publicação / Publicación Nº / Catalogue order No.: CATÁLOGO DE PEÇAS CATÁLOGO DE REPUESTO SPARE PARTS CATALOGUE 3410/11 001- ... 03.2010 75595/0002
  • 3.
    3410 • 3411• 3410 P • 3411 P Válido a partir do nº de série H26900001 Válido a partir del nº de série H26900001 Valid from serial-No. H26900001 Peças de reposição Piezas de repuestos Spare parts Ref. 203 02 11 / 05.06
  • 5.
    LISTA DE PEÇAS DEREPOSIÇÃO LISTA DE PIEZAS DE REPUESTOS SPARE PARTS BOOK HAMM AG D-95633 Tirschenreuth/Germany Caixa Postal 1160 • Fone +49 96 31/80-0 • Fax +49 96 31/80 120 Todos os direitos reservados, para modificações motivadas para o progresso e desenvolvimento. Se reserva el derecho de modifaciones motivadas por el progreso. All rights reserved for modifications which serve pro- gress and development. CIBER EQUIPAMENTOS RODOVIÁRIOS LTDA. Rua Senhor do Bom Fim, 177 Bairro Sarandi Porto Alegre / RS / Brasil CEP: 91.140-380 Fone 55 (51) 3364 9200 • Fax 55 (51) 3364 9222
  • 7.
    00.00.00 / 00EXPLICAÇÃO SOBRE A DESIGNAÇÃO DO TIPO 00.00.00 / 00 EXPLICATIVA DE DESIGNACIÓN DE TIPO 00.00.00 / 00 EXPLANATION OF THE TYPE DESIGNATION 3410 Compactador vibratório, Peso operacional 10530 kg, Rolo liso. Compactador vibratório, Peso en operación 10530 kg, Bandaje liso. Vibratory compactor, Operating weight 10530 kg, Smooth roller drum. 3411 Compactador vibratório, Peso operacional 11305 kg, Rolo liso. Compactador vibratório, Peso en operación 11305 kg, Bandaje liso. Vibratory compactor, Operating weight 11305 kg, Smooth roller drum. 3410 P Compactador vibratório, Peso operacional 11015 kg, Rolo pé-de-carneiro. Compactador vibratório, Peso en operación 11015 kg, Bandaje pie de apisonado. Vibratory compactor, Operating weight 11015 kg, Padfoot drum. 3411 P Compactador vibratório, Peso operacional 11795 kg, Rolo pé-de-carneiro. Compactador vibratório, Peso en operación 11795 kg, Bandaje pie de apisonado. Vibratory compactor, Operating weight 11795 kg, Padfoot drum.
  • 8.
    00.01.00 / 00ÍNDICE 00.01.00 / 00 TABLA DE MATERIAS 00.01.00 / 00 TABLE OF CONTENTS 00 GERAL GENERAL GENERAL 01.15.0 DISPOSIÇÃO DOS ADESIVOS DISPOSICIÓN DE ADHESIVOS STICKER ARRANGEMENT 00.01.0 ÍNDICE TABLA DE MATERIAS TABLE OF CONTENTS 01.20.0 ISOLAMENTO ACÚSTICO AISLAMIENTO ACÚSTICO SOUND-INSULATION 00.02.0 INSTRUÇÕES PARA O PEDIDO INSTRUCCIONES PARA EL PEDIDO INSTRUCTIONS FOR ORDERS 02 POSTO DO OPERADOR PUESTO DE CONDUCTOR OPERATOR PLATFORM 00.03.0 DIRETRIZES PARA PROCESSAR MATERIAIS PLÁSTICOS LÍQUIDOS DIRECTIVA PARA TRABAJO CON EL MATERIAL SINTÉTICO A LIQUIDO INSTRUCTIONS FOR PROCESSING LIQUID PLASTIC 02.01.0 POSTO DO OPERADOR PUESTO DE CONDUCTOR OPERATOR PLATFORM 00.04.0 TORQUES DE APERTO PARA PARAFUSOS PARES DE APRIETE PARA TORNILLOS STARTING TORQUE FOR SCREWS 02.06.0 ASSENTO REGULÁVEL DO OPERADOR ASIENTO DEL CONDUCTOR AJUSTABLE OPERATOR'S SEAT WITH ADJUSTMENT 00.05.0 ÍNDICE SEGUNDO O NÚMERO DA PEÇA ÍNDICE DE CONTENIDO SEGÚN NÚMERO DE LA PIEZA TABLE OF CONTENTS ACCORDING TO SPARE PART NO. 02.10.0 ARCO DE PROTEÇÃO ARCO DE PROTECCIÓN ROLL OVER PROTECTION 01 CARROCERIA E PEÇAS DE REVESTIMENTO BASTIDOR Y PIEZAS DE REVESTIMIENTO MAIN FRAME AND ASSEMBLIES 02.11.0 FOPS FOPS FOPS 01.01.0 CARROCERIA COM PEÇAS COMPLEMENTARES BASTIDOR CON PIEZAS DE MONTAJE MAIN FRAME AND ASSEMBLIES 02.12.0 CORRIMÕES ASIDEROS HANDLES 01.05.0 PEÇAS DE REVESTIMENTO E TAMPAS PIEZAS DE REVESTIMIENTO Y TAPAS CANOPIES AND COVERS 02.15.0 REVESTIMENTO DO CHASSI REVESTIMIENTO DEL CHASIS INSTRUMENT PANEL CASE 01.06.0 CAIXA DA BATERIA CAJA DE BATERÍA BATTERY BOX 02.20.0 REVESTIMENTO DO PAINEL DE CONTROLE REVESTIMIENTO DEL PANEL DE CONTROL INSTRUMENT PANEL COVERING 01.07.0 CAIXA DE FERRAMENTAS CAJA DE HERRAMIENTAS TOOL BOX 02.25.0 CABINA DO OPERADOR CABINA DEL CONDUCTOR OPERATOR'S CABIN
  • 9.
    00.01.00 / 00ÍNDICE 00.01.00 / 00 TABLA DE MATERIAS 00.01.00 / 00 TABLE OF CONTENTS 02.30.0 CALEFAÇÃO DA CABINA CALEFACCIÓN DE CABINA CABIN-HEATING 04.30.0 SISTEMA HIDRÁULICO BASCULANTE (CAPÔ DO MOTOR) SISTEMA HIDRÁULICO BASCULANTE (CUBIERTA DEL MOTOR) TILTING HYDRAULIC (ENGINE COWLING) 02.99.1 CABINE CIBER PARA CLIMA QUENTE CABINA CIBER PARA CLIMA CALIENTE CIBER CABIN FOR HOT CLIMATES 05 COMPONENTES HIDRÁULICOS, TRANSMISSÃO COMPONENTES HIDRÁULICOS, ENGRANAJE HYDRAULIC COMPONENTS, GEAR 02.99.2 TOLDO HAMM 3410/11 TOLDO HAMM 3410/11 3410/11 HAMM CANOPY 05.01.0 BOMBA VARIÁVEL (TRAÇÃO) BOMBA REGULABLE (ACCIONAMIENTO DE MARCHA) VARIABLE DISPLACEMENT PUMP (DRIVE)T 04 MOTOR COM ACESSÓRIOS MOTOR CON ACCESORIOS ENGINE AND ACCESSORIES 05.02.0 BOMBA VARIÁVEL (VIBRAÇÃO) BOMBA REGULABLE (VIBRACIÓN) VARIABLE DISPLACEMENT PUMP (VIBRATION) 04.01.0 MONTAGEM DO MOTOR E BOMBA MONTAJE DE MOTOR Y BOMBA PUMP DRIVE AND ENGINE ASSEMBLY 05.05.0 MOTOR VARIÁVEL (ACIONAMENTO DO EIXO) MOTOR REGULABLE (ACCIONAMIENTO DE EJE) VARIABLE DISPLACEMENT MOTOR (AXLE DRIVE) 04.05.0 SISTEMA DE COMBUSTÍVEL SISTEMA DE COMBUSTIBLE FUEL SYSTEM 05.06.0 MOTOR FIXO (ACIONAMENTO DA VIBRAÇÃO) MOTOR CONSTANTE (ACCIONAMIENTO DE VIBRACIÓN) FIXED DISPLACEMENT MOTOR (VIBRATION DRIVE) 04.06.0 FILTRO DE COMBUSTÍVEL FILTRO DE COMBUSTIBLE FUEL FILTER 05.10.0 REDUTOR DE RODAS (ACIONAMENTO DO ROLO) ENGRANAJE DE RUEDAS (ACCIONAMIENTO DE BANDAJE) WHEEL GEAR (DRUM DRIVE) 04.10.0 CONTROLE DO MOTOR ACCIONAMIENTO DEL MOTOR ENGINE CONTROL. 05.11.0 MOTOR VARIÁVEL (ACIONAMENTO DO ROLO) MOTOR REGULABLE (ACCIONAMIENTO DE BANDAJE) VARIABLE DISPLACEMENT MOTOR (DRUM DRIVE) 04.15.0 SISTEMA DO FILTRO DE AR DISPOSITIVO DEL FILTRO DE AIRE AIR FILTER SYSTEM 05.20.0 BLOCO DE VÁLVULAS (FREIO DE ESTACIONAMENTO) BLOQUE DE VÁLVULAS (FRENO DE ESTACIONAMIENTO) VALVE BLOCK (PARKING BRAKE) 04.20.0 SISTEMA DO ESCAPAMENTO SISTEMA DE ESCAPE EXHAUST SYSTEM 05.21.0 FILTRO (ÓLEO HIDRÁULICO) FILTRO (ACEITE HIDRÁULICO) FILTER (HYDRAULIC OIL) 04.25.0 REFRIGERAÇÃO (MOTOR/ÓLEO HIDRÁULICO) REFRIGERACIÓN (MOTOR/ACEITE HIDRÁULICO) COOLING (ENGINE/HYDRAULIC OIL) 05.22.0 FILTRO (SISTEMA HIDRÁULICO DA DIREÇÃO) FILTRO (HIDRÁULICA DE DIRECCIÓN) FILTER (HYDRAULIC STEERING SYSTEM)
  • 10.
    00.01.00 / 00ÍNDICE 00.01.00 / 00 TABLA DE MATERIAS 00.01.00 / 00 TABLE OF CONTENTS 05.23.0 BOMBA (SISTEMA HIDRÁULICO DA DIREÇÃO) BOMBA (HIDRÁULICA DE DIRECCIÓN) PUMP (HYDRAULIC STEERING SYSTEM) 08.20.0 DIFERENCIAL COM BLOQUEIO DO DIFERENCIAL DIFERENCIAL CON BLOQUEO DEL DIFERENCIAL DIFFERENTIAL WITH DIFFERENTIAL LOCK 05.24.0 BLOCO COLETOR (ÓLEO HIDRÁULICO) BLOQUE COLECTOR (ACEITE HIDRÁULICO) COLLECTING BLOCK (HYDRAULIC OIL) 08.25.0 FREIO DE ESTACIONAMENTO FRENO DE ESTACIONAMIENTO PARKING BRAKE 05.95.0 TANQUE DE ÓLEO HIDRÁULICO DEPÓSITO DE ACEITE OIL TANK 08.30.0 REDUÇÃO PLANETÁRIA ENGRANAJE PLANETARIO PLANETARY GEAR 05.96.0 SISTEMA DO FILTRO DE ÓLEO DISPOSITIVO DEL FILTRO DE ACEITE OIL FILTER SYSTEM 08.40.0 PNEUS NEUMÁTICOS TIRE EQUIPMENT 06 SISTEMA ELÉTRICO SISTEMA ELÉCTRICO ELECTRICITY 08.50.0 SISTEMA DE TRAÇÃO ACCIONAMIENTO DE TRASLACIÓN DRIVE 06.05.0 SISTEMA ELÉTRICO SISTEMA ELÉCTRICO ELECTRICAL SYSTEM 08.51.0 CONTROLE DE TRAÇÃO MANDO DE CONDUCCIÓN DRIVE SHIFTING 06.07.0 SISTEMA ELÉTRICO (LUZES) SISTEMA ELÉCTRICO (LUCES) ELECTRICAL SYSTEM (LIGHTING) 08.53.0 FREIO DE ESTACIONAMENTO FRENO DE ESTACIONAMIENTO PARKING BRAKE 06.15.0 SISTEMA ELÉTRICO (RÁDIO) SISTEMA ELÉCTRICO (RADIO) ELECTRICAL SYSTEM (RADIO) 09 SISTEMA DE DIREÇÃO SISTEMA DE DIRECCIÓN STEERING SYSTEM 08 TRANSMISSÃO ACCIONAMIENTO DE TRASLACIÓN DRIVE 09.01.0 ARTICULAÇÃO CENTRAL ARTICULACIÓN PENDULAR DEL CODO CENTRE PIVOT ASSEMBLY 08.10.0 EIXO PLANETÁRIO E SUSPENSÃO EJE PLANETARIO Y SUSPENSIÓN PLANETARY AXLE AND SUSPENSION 09.05.0 DIREÇÃO DIRECCIÓN STEERING 08.15.0 CARCAÇA DO DIFERENCIAL E CORPO DO EIXO CARCASA DEL DIFERENCIAL Y CUERPO DEL EJE DIFFERENTIAL CASE AND AXLE BODY
  • 11.
    00.01.00 / 00ÍNDICE 00.01.00 / 00 TABLA DE MATERIAS 00.01.00 / 00 TABLE OF CONTENTS 15 COMPONENTES ADICIONAIS E ACESSÓRIOS APARATOS ADICIONALES Y ACCESORIOS ACCESSORY UNITS AND ACCESSORIES 15.51.0 MEDIDOR DE FREQÜÊNCIAS (VIBRAÇÃO) MEDIDOR DE FRECUENCIAS (VIBRACIÓN) FREQUENCY METER (VIBRATION) 15.08.0 LÂMINA PALA DE EMPUJE BLADE 15.52.0 ALARME DE MARCHA-A-RÉ (ALARME BACK-UP) DISPOSITIVO DE ADVERTENCIA DE MARCHA ATRÁS (ALARMA BACK-UP) ALARM (BACK-UP) 15.09.0 SISTEMA HIDRÁULICO (LÂMINA) SISTEMA HIDRÁULICO (PALA DE EMPUJE) HYDRAULIC SYSTEM (BLADE) 15.54.0 MEDIDOR DE ROTAÇÕES (MOTOR DIESEL) MEDIDOR DE REVOLUCIONES (MOTOR DIESEL) REVOLUTION COUNTER (DIESEL ENGINE) 15.10.0 SISTEMA ELÉTRICO (LÂMINA) SISTEMA ELÉCTRICO (PALA DE EMPUJE) ELECTRICAL SYSTEM (BLADE) 15.56.0 VELOCÍMETRO VELOCÍMETRO SPEEDOMETER 15.17.1 TETO SOLAR TECHO CORREDIZO SUN ROOF 15.59.0 COMPACTÔMETRO, HCM-3 COMPACTÓMETRO, HCM-3 COMPACTOMETER, HCM-3 15.17.2 TETO SOLAR TECHO CORREDIZO SUN ROOF 15.63.0 TACÓGRAFO TACÓGRAFO TACHOGRAPH 15.24.0 SEGMENTOS DO PÉ-DE-CARNEIRO LÁMINAS DE PIE DE APISONADO PADFOOT SEGMENTS 15.81.0 PROTEÇÃO DAS MANGUEIRAS (CHASSI DIANTEIRO) PROTECCIÓN DE TUBE FLEXIBLE (BASTIDOR DELANTERO) HOSE PROTECTION (FRONT FRAME) 15.33.0 LUZES ADICIONAIS, ROPS LUCES ADICIONALES, PROTECCIÓN ANTIVUELCO ADDITIONAL LIGHTING, ROPS 15.99.1 ILUMINAÇÃO DE TRABALHO ILUMINACIÓN DE TRABAJO WORK LIGHTING 15.34.0 SISTEMA VIBRADOR AUTOMÁTICO SISTEMA VIBRADOR AUTOMÁTICO VIBRO AUTOMATIC 26 ROLO, SUSPENSÃO, VIBRAÇÃO BANDAJE, SUSPENSIÓN, VIBRACIÓN ROLLER DRUM, SUSPENSION, VIBRATION 15.40.0 CALEFAÇÃO E AR CONDICIONADO CALEFACCIÓN Y AIRE ACONDICIONADO HEATING AND AIR CONDITIONING 26.01.0 SUSPENSÃO (ROLO) SUSPENSIÓN (BANDAJE) SUSPENSION (ROLLER DRUM) 15.50.1 SINALIZADOR ROTATIVO (CABINA DO OPERADOR) LUZ OMNIDIRECCIONAL (CABINA DEL CONDUCTOR) ROTARY BEACON (DRIVER'S CABIN) 26.03.1 RASCADOR (ROLO LISO) RASCADOR (BANDAJE LISO) SCRAPER (SMOOTH ROLLER DRUM)
  • 12.
    00.01.00 / 00ÍNDICE 00.01.00 / 00 TABLA DE MATERIAS 00.01.00 / 00 TABLE OF CONTENTS 26.03.2 RASCADOR (ROLO PÉ-DE-CARNEIRO) RASCADOR (BANDAJE DE PIE DE APISONADO) SCRAPER (PADFOOT DRUM) 26.03.3 RASCADOR (AÇO MOLA) RASCADOR (ACERO PARA MUELLES) SCRAPER (SPRING STEEL) 26.05.0 ROLO COM VIBRADOR (COM ACIONAMENTO DO ROLO) BANDAJE CON VIBRADOR (CON ACCIONAMIENTO DE BANDAJE) DRUM WITH VIBRATOR (WITH DRUM DRIVE) 26.10.0 ACIONAMENTO DA VIBRAÇÃO ACCIONAMIENTO DE VIBRACIÓN VIBRATION DRIVE
  • 13.
    00.02.00 / 00INSTRUÇÕES PARA O PEDIDO 00.02.00 / 00 INSTRUCCIONES PARA EL PEDIDO 00.02.00 / 00 INSTRUCTIONS FOR ORDERS Peças de reposição Importante! Ao colocar um pedido de peças de reposição, o senhor espera receber de nós os itens corretos; para isto necessitamos os seguintes dados: • Número de identificação da máquina:............................................................... (preencher aqui o número de identificação; o mesmo será encontrado na placa de modelo da máquina). • Número da placa, número do item, número da peça e quantidade desejada. • Modo de envio (pelo correio, urgente ou aéreo, carga (pequena velocidade) ou expresso). • Endereço completo e lugar de destino. • Somente peças de reposição originais garantem uma qualidade incontestável verificada por nós. Lhe recomendamos utilizar somente peças originais, já que, em caso contrário, não concedemos garantia. • As figuras não estão disponíveis para execução devido ao desenvolvimento técnico posterior. • Por gentileza, encaminhe seu pedido de peças de reposição ao distribuidor de vendas mais próximo. • Em casos de garantia deverá ser devolvida a peça defeituosa! • Para todos os pedidos - desde que não tenha sido acordado de outra forma por escrito - os termos de venda gerais e de entrega (AGB) HAMM AG são válidos. Os AGB's podem ser vistos em nosso homepage www.hammag.com ou ser- lhe enviados através de solicitação. Repuestos Importante! Al colocar un pedido de repuestos quisiéra recibir Vd. de nosotros las piezas jus- tas; para ello necesitamos de Vd. los datos siguientes: • Número de la máquina:...................................................................................... (rellenar también para su propio uso, el número de la máquina lo encontrará en la placa de modelo de la máquina). • Número de tabla, número de posición, número de la pieza y cantidad deseada. • Modo de envio (por correo postal, urgente o aéreo, en penqueña velocidad, en gran velocidad o por expreso). • Dirección exacta y lugar de destinación. • Solamente repuestos originales garantizan un estado inmejorable y contro- lado por nosotros. Le recomendamos utilizar solamente tales repuestos puesto que en caso contrario no concedemos garantia. • Los grabados se entienden sin compromiso para la ejecución a causa de un desarrollo técnico ulterior. • Rogamos dirija su pedido de repuestos a la oficina de venta más próxima. • Tratándose de un caso de garantia hay que devolver la pieza defectuosa. • Para todas las órdenes - a condición de que sea no fue diferentemente con- cordado por escrito - los términos generales de venta y términos de la entrega (AGB) del HAMM AG son válidos. El AGB's puede ser visto en nuestra página de inicio www.hammag.com o ser enviarle en la pregunta. HAMM AG Caixa Postal 1160 Fone +49 96 31/80-0 Fax +49 96 31/80 120 D-95633 Tirschenreuth/Germany CIBER EQUIPAMENTOS RODOVIÁRIOS LTDA. Rua Senhor do Bom Fim, 177 Bairro Sarandi Porto Alegre / RS / Brasil CEP: 91.140-380 Fone 55 (51) 3364 9200 Fax 55 (51) 3364 9222 HAMM AG Apartado 1160 Teléfono +49 96 31/80-0 Telefax +49 96 31/80 120 D-95633 Tirschenreuth/Alemania CIBER EQUIPAMENTOS RODOVIÁRIOS LTDA. Rua Senhor do Bom Fim, 177 Bairro Sarandi Porto Alegre / RS / Brasil CEP: 91.140-380 Teléfono 55 (51) 3364 9200 Telefax 55 (51) 3364 9222
  • 14.
    00.02.00 / 00INSTRUÇÕES PARA O PEDIDO 00.02.00 / 00 INSTRUCCIONES PARA EL PEDIDO 00.02.00 / 00 INSTRUCTIONS FOR ORDERS Spare Parts Important! You are right to expect your spare-part orders to be expertly executed. You can help us by letting us have following data: • Vehicle Identity No.:............................................................................................ (please note here your Vehicle Identity No., it can be found on the type plate). • Table-no., item-no., part-no. and number of pieces required. • Way of supply wanted (parcel post, special delivery, air-freight, special rail dis- patch or express-goods). • Full address and station of destination. • Only genuine spare parts which have been quality-checked by us before deliv- ery guarantee correct design and material condition. It is recommended, there- fore, to use those parts only, since otherwise warranty will become invalid. • Because of the steady development of our products, the shown illustrations are non-committal. • Please direct your spare-part order to your nearest dealer. • In case of warranty claims be sure to send in the defective part. • For all orders - provided that is was not differently agreed in writing - the ge- neral terms of sale and delivery (AGB) of the HAMM AG are valid. The AGB's can be seen on our homepage www.hammag.com or be sent to you on inquiry. HAMM AG P.O.B. 1160 Phone +49 96 31/80-0 Fax +49 96 31/80 120 D-95633 Tirschenreuth/Germany CIBER EQUIPAMENTOS RODOVIÁRIOS LTDA. Rua Senhor do Bom Fim, 177 Bairro Sarandi Porto Alegre / RS / Brazil CEP: 91.140-380 Phone 55 (51) 3364 9200 Fax 55 (51) 3364 9222
  • 15.
    00.03.00 / 00DIRETRIZES PARA PROCESSAR MATERIAIS PLÁSTICOS LÍQUIDOS 00.03.00 / 00 DIRECTIVA PARA TRABAJO CON EL MATERIAL SINTÉTICO A LÍQUIDO 00.03.00 / 00 INSTRUCTIONS FOR PROCESSING LIQUID PLASTICS Português Para a proteção respectivamente vedação dos elementos mecânicos, devem ser observados os passos indicados a seguir no emprego de materiais sintéti- cos líquidos: • Observar as indicações de segurança do fabricante de material sintético líquido. • Não trabalhar com o material sintético líquido em temperaturas inferiores a 15°C. • Todos os lugares que receberão aplicação do material sintético líquido, deverão ser limpos previamente com o produto de limpeza 30 63 71, para eliminar sujeira, gordura, etc. • Deixar escorrer o produto excedente de limpeza respectivamente limpar com um pano limpo. • Deixar que o lugar limpo ventile por aproximadamente 3 minutos. • Aplicar o material sintético líquido na peça a ser montada. Em dispositivos de fixação de parafusos com roscas de furo cego, o material sintético líquido será aplicado tanto na rosca do parafuso como também no furo cego. O endurecimento alcançará a dureza necessária para resistir ao desprendimento da mão depois de aproximadamente 30 minutos, e a dureza final será alcançada depois de aproximadamente 12 horas. Para garantir peças em forma de roscas deverá ser observada uma possível galvanização da superfície. A seleção do mate- rial sintético líquido será efetuada imprescindivelmente de acordo com a tabela. Emprego de materiais sintéticos líquidos, materiais de vedação, graxas espe- ciais. Identificação Nº da peça Observação 38 26 20 (50 ml) Material sintético líquido para peças com rosca sem tratamento de superfície (desmontáveis) 26 33 97 (250 ml) 39 30 37 (50 ml) Material sintético líquido para peças com rosca com galvaniza- ção da superfície (desmontáveis) 9 30 29 (250 ml) 38 26 39 (50 ml) Material sintético líquido para conexões de juntas (dificilmente desmontáveis) 26 34 19 (250 ml) 123 41 88 (50 ml) Material sintético líquido para conexões de juntas (des- montáveis) 123 41 96 (250 ml) 8 26 04 (50 ml) Material sintético líquido para vedação de superfícies (medida de corte max. de 0,5mm, facilmente desmontáveis) 32 37 05 (250 ml) 23 13 47 (500 ml) Massa seladora (de vedação) 120 57 57 (1 kg) Graxa de alto rendimento (resistente à pressão e constância térmica) 120 40 25 (200 kg) 122 71 14 (1 kg) Graxa de alto rendimento (resistente à pressão e à água) 34 76 20 (50 kg) 39 26 93 (250 ml) Material sintético líquido para vedação de roscas de tubos (até R 3’’, facilmente desmontáveis) 121 58 09 (300 ml) Massa seladora para vedação de superfícies 38 26 12 (50 ml) Material sintético líquido para conexões de superfícies (des- montáveis) 28 49 20 (250 ml)
  • 16.
    00.03.00 / 00DIRETRIZES PARA PROCESSAR MATERIAIS PLÁSTICOS LÍQUIDOS 00.03.00 / 00 DIRECTIVA PARA TRABAJO CON EL MATERIAL SINTÉTICO A LÍQUIDO 00.03.00 / 00 INSTRUCTIONS FOR PROCESSING LIQUID PLASTICS Español Para afianzar o sellar elementos mecánicos es necesario que se respeten los pasos indicados a continuación al emplearse para ello materiales sintéticos líquidos: • Respetar las indicaciones de seguridad del fabricante del material sintético líquido. • No trabajar con el material sintético a líquido a temperaturas inferiores a 15° centígrados. • Todos los lugares en los que se tendrá que aplicar el material sintético líquido tendrán que ser limpiados previamente con el producto de limpieza 30 63 71, para eliminar la suciedad, grasa y otras sustanciassimilares. • Dejar que el producto excedente de limpieza se escurra, o eliminarlo con un paño limpio. • Dejar que el lugar limpiado ventile durante aprox. 3 minutos. • Aplicar el material sintético líquido en la pieza que debe ser montada. Si se afi- anzan tornillos que se enroscan en agujeros ciegos, el material sintético líquido se aplicará tanto en la rosca del tornillo comotambién en el agujero roscado. El fraguado habrá alcanzado la dureza necesaria para resistir el desprendimiento a mano después de aprox. 30 minutos, mientras que la dureza final se habrá alca- nzado después de 12 horas. Al afianzarse piezas con roscas se prestará atención a una posible galvanización de la superficie. La selección del material sintético líquido se efectuará imprescindiblemente de acuerdo con la tabla. Empleo de materiales sintéticos líquidos, materiales sellantes, grasas espe- ciales Identificación Nº de referencia Observación 38 26 20 (50 ml) Material sintético líquido para piezas con roscas sin bonificación de la superficie (desmontables) 26 33 97 (250 ml) 39 30 37 (50 ml) Material sintético líquido para piezas con rosca con galvanización de la superficie (desmontables) 39 30 29 (250 ml) 38 26 39 (50 ml) Material sintético líquido para conexiones de ensambladas (desprendimiento difícil) 26 34 19 (250 ml) 123 41 88 (50 ml) Material sintético líquido para conexiones de ensambladas (desmontables) 123 41 96 (250 ml) 38 26 04 (50 ml) Material sintético líquido para empaquetadura de superficies (medida de corte 0,5 mm al máx., fácilmente desmontables) 32 37 05 (250 ml) 23 13 47 (500 ml) Masa selladora 120 57 57 (1 kg) Grasa de alto rendimiento (resist. a la presión y termoestable) 120 40 25 (200 kg) 122 71 14 (1 kg) Grasa de alto rendimiento (resist. a la presión repelente del agua) 34 76 20 (50 kg) 39 26 93 (250 ml) Material sintético líquido para empaquetadura de rosca para tubos (hasta R 3", fácilmente desmontables) 121 58 09 (300 ml) Masa selladora para empaquetadura de superficies 38 26 12 (50 ml) Material sintético líquido para conexiones de superficies (desmontables) 28 49 20 (250 ml)
  • 17.
    00.03.00 / 00DIRETRIZES PARA PROCESSAR MATERIAIS PLÁSTICOS LÍQUIDOS 00.03.00 / 00 DIRECTIVA PARA TRABAJO CON EL MATERIAL SINTÉTICO A LÍQUIDO 00.03.00 / 00 INSTRUCTIONS FOR PROCESSING LIQUID PLASTICS English To protect resp. seal mechanical elements, the following steps must be observed when using liquid plastic: • Take into account the safety instructions provided by the manufacturer of the liq- uid plastic. • Do not process liquid plastic at temperatures below 15 °C in the tank. • All locations to be coverd with liquid plastic, must be previously cleaned with cleaner 00 30 63 71 so as to remove dirt, grease, etc. • Allow excess cleaner to drip off, or wipe away with a clean cloth. • The cleaned location should be allowed to dry for about 3 minutes. • Apply liquid plastic to the component to be inserted. When securing bolts in tapped blind holes, the liquid plastic should be applied to the bolt thread as well as inside the tapped bore. When hardening, touch stability is reached after about 30 minutes, and final stability after about 12 hours. When securing shaped, threaded components, take into account possible galvanized surface. The liquid plastic must be selected according to the table. Liquid plastics, sealants, special greases used Code Part No. Remark 38 26 20 (50 ml) Liquid plastic for shaped, threaded components without surface finish (can be disassembled) 26 33 97 (250 ml) 39 30 37 (50 ml) Liquid plastic for galvanized, shaped, threaded components (can be disassembled) 39 30 29 (250 ml) 38 26 39 (50 ml) Liquid plastic for joined connections (difficult to release) 26 34 19 (250 ml) 123 41 88 (50 ml) Liquid plastic for joined connections (can be disassembled) 123 41 96 (250 ml) 38 26 04 (50 ml) Liquid plastic for sealing surfaces (width of slit max. 0,5 mm, easy to disassemble) 32 37 05 (250 ml) 23 13 47 (500 ml) Sealant 120 57 57 (1 kg) Heavy duty grease (pressure and temperature stabile) 120 40 25 (200 kg) 122 71 14 (1 kg) Heavy duty grease (pressure stabile, water repellent) 34 76 20 (50 kg) 39 26 93 (250 ml) Liquid plastic for sealing pipe threads (up to R 3", easy to disassemble) 121 58 09 (300 ml) Sealant for sealing surfaces 38 26 12 (50 ml) Liquid plastic for surface connections (can be disassembled) 28 49 20 (250 ml)
  • 18.
    00.04.00 / 00TORQUES DE APERTO PARA PARAFUSOS (NM) 00.04.00 / 00 PARES DE APRIETE PARA TORNILLOS (NM) 00.04.00 / 00 STARTING TORQUE FOR SCREWS (NM) T Seco, oleado / seco, aceitado / dry,oiled F Lubrificado com pasta MoS2 / lubricado con pasta MoS2 / lubed with MoS2 paste Rosca/Rosca/Thread 5.8 6.8 8.8 10.9 12.9 T F T F T F T F T F M3 0.86 0.64 1.03 0.77 1.37 1.03 1.93 1.45 2.31 1.74 M3,5 1.32 0.99 1.58 1.19 2.11 1.59 2.97 2.24 3.56 2.69 M4 1.97 1.49 2.37 1.79 3.16 2.38 4.44 3.35 5.33 4.02 M5 3.90 2.93 4.68 3.52 6.25 4.69 8.78 6.60 10.54 7.92 M6 6.62 4.98 7.94 5.98 10.58 7.97 14.88 11.21 17.86 13.45 M8 15.92 11.96 19.11 14.35 25.48 19.13 35.82 26.91 42.99 32.29 M8x1 16.76 12.47 20.11 14.97 26.81 19.96 37.71 28.06 45.25 33.67 M10 31.15 23.36 37.38 28.03 49.84 37.38 70.08 52.56 84.10 63.08 M10x1.25 32.41 24.13 38.89 28.95 51.85 38.60 72.91 54.28 87.49 65.14 M10x1 33.67 24.87 40.40 29.85 53.87 39.80 75.75 55.97 90.90 67.16 M12 53.87 40.36 64.64 48.44 86.19 64.58 121.20 90.82 145.44 108.98 M12x1.5 55.63 41.43 66.76 49.72 89.01 66.29 125.18 93.22 150.21 111.86 M12x1.25 57.47 42.52 68.96 51.03 91.95 68.04 129.30 95.67 155.16 114.81 M14 85.21 63.81 102.25 76.57 136.34 102.10 191.73 143.57 230.07 172.29 M14x1.5 90.74 67.22 108.89 80.66 145.19 107.55 204.18 151.24 245.01 181.49 M16 131.16 97.71 157.40 117.25 209.86 156.33 295.12 219.84 354.14 263.81 M16x1.5 137.01 101.07 164.41 121.29 219.22 161.72 308.28 227.41 369.93 272.89 M18 181.43 135.73 217.71 162.88 290.28 217.17 408.21 305.40 489.85 366.48 M18x2 189.70 140.72 227.64 168.87 303.52 225.16 426.83 316.63 512.20 379.96 M18x1.5 192.13 141.27 230.56 169.52 307.41 226.03 432.29 317.85 518.75 381.42 M20 254.65 189.73 305.58 227.68 407.44 303.58 572.97 426.90 687.56 512.28 M20x2 264.29 195.38 317.15 234.46 422.87 312.62 594.66 439.62 713.59 527.54 M20x1.5 274.55 201.33 329.46 241.60 439.28 322.13 617.74 452.99 741.29 543.59 M22 343.56 255.10 412.27 306.12 549.70 408.16 773.02 573.97 927.62 688.76 M22x2 355.80 262.28 426.96 314.74 569.27 419.65 800.54 590.13 960.65 708.16 M22x1.5 367.58 268.95 441.10 322.74 588.13 430.32 827.06 605.14 992.47 726.17 M24 438.90 327.06 526.68 392.47 702.24 523.29 987.53 735.88 1185.04 883.06 M24x2 465.92 342.63 559.10 411.16 745.47 548.21 1048.32 770.92 1257.98 925.10 M27 637.99 473.33 765.59 568.00 1020.79 757.33 1435.48 1065.00 1722.58 1278.00 M27x2 674.53 494.50 809.44 593.41 1079.25 791.21 1517.69 1112.63 1821.23 1335.16 M30 870.45 646.88 1044.54 776.26 1392.72 1035.01 1958.51 1455.48 2350.21 1746.58 M30x2 935.57 684.16 1122.68 820.99 1496.90 1094.65 2105.02 1539.36 2526.03 1847.23 M33 1178.56 872.92 1414.27 1047.50 1885.69 1396.67 2651.75 1964.06 3182.10 2356.88 M33x2 1258.05 918.09 1509.66 1101.71 2012.88 1468.94 2830.61 2065.70 3396.74 2478.84 M36 1511.47 1121.45 1813.77 1345.74 2418.36 1794.33 3400.81 2523.27 4080.98 3027.93 M36x3 1574.29 1157.71 1889.14 1389.25 2518.86 1852.33 3542.14 2604.84 4250.57 3125.81 M39 1958.28 1448.74 2349.94 1738.49 3133.25 2317.99 4406.13 3259.67 5287.36 3911.61 M39x3 2035.68 1493.61 2442.82 1792.33 3257.09 2389.78 4580.29 3360.63 5496.34 4032.75
  • 19.
    00.04.00 / 00TORQUES DE APERTO PARA PARAFUSOS (FT.LBS) 00.04.00 / 00 PARES DE APRIETE PARA TORNILLOS (FT.LBS) 00.04.00 / 00 STARTING TORQUE FOR SCREWS (FT.LBS) T Seco, oleado / seco, aceitado / dry,oiled F Lubrificado com pasta MoS2 / lubricado con pasta MoS2 / lubed with MoS2 paste Rosca/Rosca/Thread 5.8 6.8 8.8 10.9 12.9 T F T F T F T F T F M3 0.63 0.47 0.76 0.57 1.01 0.76 1.42 1.07 1.70 1.28 M3,5 0.97 0.73 1.17 0.88 1.56 1.17 2.19 1.65 2.63 1.99 M4 1.45 1.10 1.75 1.32 2.33 1.76 3.28 2.47 3.93 2.97 M5 2.88 2.16 3.45 2.60 4.61 3.46 6.48 4.87 7.78 5.85 M6 4.89 3.68 5.86 4.41 7.81 5.88 10.98 8.27 13.18 9.93 M8 11.75 8.83 14.10 10.59 18.80 14.12 26.44 19.86 31.73 23.83 M8x1 12.37 9.20 14.84 11.05 19.79 14.73 27.83 20.71 33.39 24.85 M10 22.99 17.24 27.59 20.69 36.78 27.59 51.72 38.79 62.07 46.55 M10x1.25 23.92 17.81 28.70 21.37 38.27 28.49 53.81 40.06 64.57 48.07 M10x1 24.85 18.35 29.82 22.03 39.76 29.37 55.90 41.31 67.08 49.56 M12 39.76 29.79 47.70 35.75 63.61 47.66 89.45 67.03 107.34 80.43 M12x1.5 41.06 30.58 49.27 36.69 65.69 48.92 92.38 68.80 110.86 82.55 M12x1.25 42.41 31.38 50.89 37.66 67.86 50.21 95.42 70.61 114.51 84.73 M14 62.89 47.09 75.46 56.51 100.62 75.35 141.50 105.96 169.79 127.15 M14x1.5 66.97 49.61 80.36 59.53 107.15 79.37 150.69 111.62 180.82 133.94 M16 96.80 72.11 116.16 86.53 154.88 115.37 217.80 162.24 261.36 194.69 M16x1.5 101.11 74.59 121.34 89.51 161.79 119.35 227.51 167.83 273.01 201.39 M18 133.90 100.17 160.67 120.21 214.23 160.27 301.26 225.39 361.51 270.46 M18x2 140.00 103.85 168.00 124.63 224.00 166.17 315.00 233.68 378.01 280.41 M18x1.5 141.79 104.26 170.15 125.11 226.87 166.81 319.03 234.58 382.84 281.49 M20 187.93 140.02 225.52 168.03 300.69 224.04 422.86 315.06 507.42 378.07 M20x2 195.05 144.19 234.06 173.03 312.08 230.72 438.86 324.44 526.63 389.33 M20x1.5 202.62 148.58 243.14 178.30 324.19 237.73 455.90 334.31 547.08 401.17 M22 253.55 188.27 304.26 225.92 405.68 301.23 570.49 423.59 684.59 508.31 M22x2 262.58 193.56 315.10 232.28 420.13 309.70 590.80 435.52 708.97 522.63 M22x1.5 271.28 198.49 325.54 238.18 434.04 317.58 610.38 446.60 732.45 535.92 M24 323.91 241.37 388.69 289.65 518.26 386.19 728.80 543.08 874.57 651.70 M24x2 343.85 252.86 412.62 303.44 550.16 404.58 773.67 568.94 928.40 682.73 M27 470.84 349.32 565.01 419.19 753.35 558.92 1059.39 785.98 1271.28 943.17 M27x2 497.81 364.94 597.37 437.94 796.49 583.92 1120.07 821.13 1344.08 985.36 M30 642.40 477.40 770.88 572.89 1027.84 763.85 1445.39 1074.15 1734.47 1288.99 M30x2 690.46 504.92 828.55 605.90 1104.72 807.86 1553.52 1136.06 1864.23 1363.27 M33 869.79 644.22 1043.74 773.06 1391.65 1030.75 1957.01 1449.49 2348.41 1739.39 M33x2 928.45 677.56 1114.14 813.07 1485.52 1084.09 2089.01 1524.50 2506.82 1829.40 M36 1115.48 827.64 1338.58 993.17 1784.77 1324.23 2509.82 1862.19 3011.79 2234.63 M36x3 1161.84 854.40 1394.20 1025.28 1858.94 1367.03 2614.13 1922.39 3136.95 2306.87 M39 1445.23 1069.18 1734.27 1283.02 2312.36 1710.69 3251.76 2405.66 3902.11 2886.80 M39x3 1502.35 1102.30 1802.82 1322.75 2403.76 1763.68 3380.29 2480.17 4056.34 2976.20
  • 20.
    00.05.00 / 00ÍNDICE SEGUNDO O NÚMERO DA PEÇA 00.05.00 / 00 ÍNDICE DE CONTENIDO SEGÚN NÚMERO DE LA PIEZA 00.05.00 / 00 TABLE OF CONTENTS ACCORDING TO SPARE PART NO. Nº da peça Nº de referencia Spare-part No. Grupo Grupo Group Nº da figura Nº de dibujo Fig. No. Nº de identificação Nº de identificación Chassis No. Nº da peça Nº de referencia Spare-part No. Grupo Grupo Group Nº da figura Nº de dibujo Fig. No. Nº de identificação Nº de identificación Chassis No. Nº da peça Nº de referencia Spare-part No. Grupo Grupo Group Nº da figura Nº de dibujo Fig. No. Nº de identificação Nº de identificación Chassis No. Nº da peça Nº de referencia Spare-part No. Grupo Grupo Group Nº da figura Nº de dibujo Fig. No. Nº de identificação Nº de identificación Chassis No. 1 200948 01.05.04 / 00 4 1 05.95.00 / 00 15 1 04.25.02 / 00 16 1 15.40.03 / 00 76 1 200956 04.25.01 / 00 34 1 05.95.00 / 00 44 1 04.25.03 / 00 19 1 15.50.11 / 00 11 1 04.25.02 / 00 12 1 08.50.02 / 00 13 1 05.10.00 / 00 13 1 26.10.01 / 00 26 1 201359 15.40.03 / 00 70 1 08.50.03 / 00 113 1 06.05.01 / 00 2 1 213888 04.01.01 / 00 4 1 201820 08.15.02 / 00 807 1 211850 02.25.06 / 00 39 1 08.51.00 / 00 51 1 06.05.01 / 00 76 1 201944 15.51.00 / 00 2 1 02.25.07 / 00 39 1 09.05.03 / 00 31 1 213926 09.01.02 / 00 16 1 15.63.02 / 00 32 1 15.40.04 / 00 192 1 15.08.00 / 00 55 1 213942 26.01.00 / 00 13 1 202010 26.05.02 / 00 24 1 211869 04.01.01 / 00 31 1 15.40.04 / 00 173 1 26.05.01 / 00 117 1 26.05.03 / 00 24 1 05.95.00 / 00 26 1 15.50.12 / 00 16 1 213969 06.07.01 / 00 2 1 202185 05.01.00 / 00 3,1 1 211877 02.12.00 / 00 15 1 15.50.22 / 00 16 1 213985 26.01.00 / 00 56 1 05.02.00 / 00 3,07 1 04.01.01 / 00 24 1 15.54.00 / 00 2 1 214205 01.05.05 / 00 136 1 202207 05.05.00 / 00 2,02 1 04.01.01 / 00 36 1 15.59.00 / 00 2 1 214221 01.05.01 / 00 36 1 05.06.00 / 00 51 1 09.01.02 / 00 10 1 15.81.00 / 00 10 1 214272 15.08.00 / 00 3 1 05.11.00 / 00 2,02 1 211907 04.15.00 / 00 6 1 213756 02.10.00 / 00 10 1 214396 01.05.03 / 00 93 1 05.11.00 / 00 2,07 1 09.05.03 / 00 72 1 04.01.01 / 00 50 1 02.15.00 / 00 93 1 205850 05.95.00 / 00 12 1 09.05.04 / 00 75 1 05.96.00 / 00 5 1 214418 01.05.01 / 00 48 1 26.05.01 / 00 130 1 212024 01.05.01 / 00 31 1 06.05.02 / 00 34 1 01.05.01 / 00 51 1 205907 04.05.01 / 00 28 1 04.05.01 / 00 14 1 15.50.11 / 00 2 1 06.05.04 / 00 196 1 205966 08.50.01 / 00 84 1 04.30.02 / 00 15 1 15.50.21 / 00 2 1 09.05.01 / 00 11,02 1 206369 02.30.03 / 00 40 1 05.95.00 / 00 17 1 213780 02.20.00 / 00 3 1 15.09.02 / 00 35,02 1 08.50.02 / 00 87 1 212393 04.05.01 / 00 17 1 213799 01.01.00 / 00 54 1 15.09.02 / 00 36,02 1 15.40.04 / 00 40 1 212458 26.03.30 / 00 7 1 01.05.01 / 00 21 1 214426 01.05.02 / 00 72 1 206415 08.50.01 / 00 86 1 212822 06.07.01 / 00 36 1 01.05.04 / 00 6 1 02.06.00 / 00 31 1 08.53.00 / 00 21 1 15.40.03 / 00 95 1 01.05.04 / 00 8 1 04.01.01 / 00 71 1 26.10.01 / 00 42 1 212954 15.24.00 / 00 6 1 02.25.02 / 00 66 1 214434 09.05.01 / 00 51 1 26.10.02 / 00 45 1 213276 26.05.01 / 00 11 1 02.30.01 / 00 30 1 214469 02.06.00 / 00 10 1 206660 15.09.02 / 00 36 1 213470 15.08.00 / 00 72 1 04.30.01 / 00 2 1 02.06.00 / 00 15 1 206695 09.05.01 / 00 11 1 213594 02.25.02 / 00 64 1 15.40.01 / 00 30 1 02.06.00 / 00 36 1 15.09.02 / 00 35 1 213624 26.05.01 / 00 114 1 26.05.01 / 00 111 1 15.40.04 / 00 81 1 206806 04.30.01 / 00 4 1 26.05.02 / 00 41 1 213802 02.25.02 / 00 63 1 214507 15.40.03 / 00 66 1 206911 04.30.01 / 00 5 1 26.05.03 / 00 41 1 04.25.03 / 00 16 1 214566 09.01.02 / 00 7 1 207330 06.05.01 / 00 5 1 213667 01.01.00 / 00 41 1 213829 05.10.00 / 00 23 1 214582 01.05.02 / 00 76 1 207365 06.05.01 / 00 20 1 01.05.02 / 00 51 282 213845 01.05.01 / 00 29 1 214639 04.01.01 / 00 16 1 207705 06.05.03 / 00 102 1 04.30.01 / 00 31 1 01.05.02 / 00 7 1 08.10.00 / 00 3 1 209635 06.07.01 / 00 23 1 15.40.03 / 00 140 1 02.06.00 / 00 81 1 08.50.02 / 00 28 1 06.07.02 / 00 10,02 1 213675 01.01.00 / 00 45 1 04.01.01 / 00 42 1 09.05.01 / 00 56 1 06.07.02 / 00 11,02 1 213683 26.05.01 / 00 4 1 04.25.01 / 00 48 1 26.05.02 / 00 47 1 210072 09.01.02 / 00 11 1 213713 15.40.02 / 00 253 1 06.05.01 / 00 21 1 26.05.02 / 00 57 1 09.01.02 / 00 19 1 213748 01.05.01 / 00 26 1 06.05.02 / 00 201 1 26.05.03 / 00 47 1 210129 15.08.00 / 00 23 1 01.05.02 / 00 61 1 06.05.02 / 00 232 1 26.05.03 / 00 55 1 15.08.00 / 00 42 1 02.25.03 / 00 65 1 15.40.03 / 00 201 1 26.10.02 / 00 2 1 210897 04.05.01 / 00 75 1 04.01.01 / 00 46 1 213853 06.05.02 / 00 31 1 214671 08.50.01 / 00 71 1 211826 01.05.01 / 00 34 1 04.05.02 / 00 61 1 08.50.01 / 00 46 1 26.10.01 / 00 31 1 02.06.00 / 00 2 1 04.25.01 / 00 39 1 08.50.01 / 00 66 1 214876 04.30.02 / 00 12 1
  • 21.
    00.05.00 / 00ÍNDICE SEGUNDO O NÚMERO DA PEÇA 00.05.00 / 00 ÍNDICE DE CONTENIDO SEGÚN NÚMERO DE LA PIEZA 00.05.00 / 00 TABLE OF CONTENTS ACCORDING TO SPARE PART NO. Nº da peça Nº de referencia Spare-part No. Grupo Grupo Group Nº da figura Nº de dibujo Fig. No. Nº de identificação Nº de identificación Chassis No. Nº da peça Nº de referencia Spare-part No. Grupo Grupo Group Nº da figura Nº de dibujo Fig. No. Nº de identificação Nº de identificación Chassis No. Nº da peça Nº de referencia Spare-part No. Grupo Grupo Group Nº da figura Nº de dibujo Fig. No. Nº de identificação Nº de identificación Chassis No. Nº da peça Nº de referencia Spare-part No. Grupo Grupo Group Nº da figura Nº de dibujo Fig. No. Nº de identificação Nº de identificación Chassis No. 2 214949 01.01.00 / 00 81 1 06.05.04 / 00 198 1 06.05.06 / 00 25 1 15.81.00 / 00 7 1 215406 02.25.06 / 00 36 1 15.34.00 / 00 7 1 08.50.02 / 00 19 1 26.03.12 / 00 5 1 02.25.07 / 00 36 1 15.34.00 / 00 9 1 08.50.03 / 00 119 1 26.03.30 / 00 1,05 1 04.05.02 / 00 47 1 15.52.00 / 00 8 1 08.53.00 / 00 3 1 26.10.01 / 00 14 1 215422 01.05.01 / 00 41 1 15.52.00 / 00 17 1 09.05.01 / 00 25 1 26.10.01 / 00 24 1 02.25.06 / 00 30 1 15.59.00 / 00 8 1 15.09.01 / 00 42 1 26.10.01 / 00 28 1 02.25.07 / 00 30 1 216445 01.01.00 / 00 47 1 15.09.01 / 00 46 1 26.10.01 / 00 32 1 215449 06.07.01 / 00 41 1 01.01.00 / 00 56 1 15.40.01 / 00 31 1 26.10.01 / 00 39 1 06.07.01 / 00 46 1 01.05.01 / 00 23 1 15.40.02 / 00 152 1 216461 01.05.01 / 00 33 1 215996 04.30.02 / 00 14 1 01.05.01 / 00 5 1 15.40.03 / 00 202 1 01.05.02 / 00 4 1 05.95.00 / 00 45 1 01.05.01 / 00 38 1 15.40.04 / 00 162 1 01.05.02 / 00 12 1 216046 15.51.00 / 00 7 1 01.05.01 / 00 42 1 15.40.04 / 00 174 1 02.06.00 / 00 4 1 15.63.01 / 00 6 1 01.05.02 / 00 78 1 15.40.04 / 00 193 1 02.25.02 / 00 13 1 15.63.01 / 00 10 1 01.06.00 / 00 6 1 216453 01.05.01 / 00 57 1 04.01.01 / 00 75 1 15.63.02 / 00 37 1 01.06.00 / 00 18 1 01.05.01 / 00 146 1 04.05.01 / 00 13 1 216054 06.05.04 / 00 134 1 01.20.00 / 00 5 1 01.05.05 / 00 146 1 04.05.01 / 00 16 1 06.05.04 / 00 152 1 02.06.00 / 00 12 1 02.01.00 / 00 6 1 05.95.00 / 00 18 1 15.40.02 / 00 255 1 02.06.00 / 00 17 1 02.01.00 / 00 20 1 15.08.00 / 00 74 1 216062 01.05.01 / 00 53 1 02.06.00 / 00 38 1 02.10.00 / 00 8 1 216488 04.05.01 / 00 19 237 01.06.00 / 00 7 1 02.06.00 / 00 83 1 02.10.00 / 00 20 1 216496 02.11.00 / 00 4 1 02.25.06 / 00 9 1 02.10.00 / 00 17 1 02.25.02 / 00 14 1 04.30.02 / 00 53 1 02.25.07 / 00 9 1 02.10.00 / 00 33 1 04.05.01 / 00 7 1 08.10.00 / 00 18 1 04.10.00 / 00 11 1 02.12.00 / 00 5 1 04.05.01 / 00 38 1 15.17.10 / 00 13 1 06.05.05 / 00 7 1 02.12.00 / 00 13 1 04.25.01 / 00 38 1 15.24.00 / 00 3 1 06.05.06 / 00 73 1 02.25.02 / 00 17 1 04.25.02 / 00 11 1 216569 02.20.00 / 00 10 1 216070 01.05.04 / 00 5 1 02.25.06 / 00 21 1 04.25.03 / 00 18 1 06.05.04 / 00 132 1 02.25.06 / 00 10 1 02.25.07 / 00 21 1 04.30.02 / 00 20 1 06.05.06 / 00 54 1 02.25.06 / 00 37 1 02.30.01 / 00 31 1 06.05.01 / 00 18 1 15.40.02 / 00 254 1 02.25.07 / 00 10 1 04.01.01 / 00 44 1 06.05.02 / 00 33 1 216577 01.01.00 / 00 42 1 02.25.07 / 00 37 1 04.01.01 / 00 48 1 06.07.01 / 00 4 1 01.05.01 / 00 49 1 216097 04.05.01 / 00 4 1 04.05.02 / 00 49 1 08.50.01 / 00 43 1 01.05.01 / 00 52 1 06.05.01 / 00 77 1 04.05.02 / 00 59 1 08.50.01 / 00 48 1 01.05.02 / 00 52 282 15.50.11 / 00 3 1 04.05.02 / 00 63 1 08.50.01 / 00 54 1 01.05.02 / 00 102 1 15.50.21 / 00 3 1 04.15.00 / 00 5 1 08.50.01 / 00 64 1 01.05.05 / 00 44 1 216119 04.01.01 / 00 25 1 04.25.01 / 00 50 1 08.50.01 / 00 68 1 01.07.00 / 00 4 1 15.08.00 / 00 5 1 04.25.04 / 00 76 1 08.50.01 / 00 72 1 02.10.00 / 00 44 1 15.40.03 / 00 105 1 04.25.04 / 00 91 1 08.50.01 / 00 79 1 02.12.00 / 00 44 1 216143 08.15.01 / 00 170 1 05.95.00 / 00 7 1 09.05.01 / 00 58 1 02.20.00 / 00 4 1 216437 01.01.00 / 00 43 1 05.95.00 / 00 32 1 15.17.10 / 00 6 1 02.25.02 / 00 48 1 01.07.00 / 00 5 1 06.05.02 / 00 202 1 15.17.20 / 00 6 1 02.25.06 / 00 25 1 02.25.02 / 00 16 1 06.05.04 / 00 119 1 15.40.03 / 00 87 1 02.25.07 / 00 25 1 04.10.00 / 00 4 1 06.05.04 / 00 182 1 15.40.03 / 00 96 1 02.30.01 / 00 128 1 06.05.01 / 00 9 1 06.05.05 / 00 6 1 15.40.03 / 00 103 1 04.05.02 / 00 78 1 06.05.04 / 00 115 1 06.05.05 / 00 18 1 15.50.11 / 00 12 1 04.10.00 / 00 3 1
  • 22.
    00.05.00 / 00ÍNDICE SEGUNDO O NÚMERO DA PEÇA 00.05.00 / 00 ÍNDICE DE CONTENIDO SEGÚN NÚMERO DE LA PIEZA 00.05.00 / 00 TABLE OF CONTENTS ACCORDING TO SPARE PART NO. Nº da peça Nº de referencia Spare-part No. Grupo Grupo Group Nº da figura Nº de dibujo Fig. No. Nº de identificação Nº de identificación Chassis No. Nº da peça Nº de referencia Spare-part No. Grupo Grupo Group Nº da figura Nº de dibujo Fig. No. Nº de identificação Nº de identificación Chassis No. Nº da peça Nº de referencia Spare-part No. Grupo Grupo Group Nº da figura Nº de dibujo Fig. No. Nº de identificação Nº de identificación Chassis No. Nº da peça Nº de referencia Spare-part No. Grupo Grupo Group Nº da figura Nº de dibujo Fig. No. Nº de identificação Nº de identificación Chassis No. 3 04.10.00 / 00 12 1 09.05.01 / 00 24 1 26.03.12 / 00 6 1 225576 02.10.00 / 00 14 1 04.30.01 / 00 32 1 09.05.03 / 00 32 1 26.03.30 / 00 1,06 1 02.12.00 / 00 7 1 06.05.01 / 00 8 1 15.08.00 / 00 56 1 26.10.01 / 00 13 1 225770 04.25.04 / 00 82 1 06.05.04 / 00 197 1 15.09.01 / 00 43 1 26.10.01 / 00 23 1 225924 04.25.04 / 00 81 1 15.33.00 / 00 23 1 15.09.01 / 00 47 1 26.10.01 / 00 27 1 04.25.04 / 00 84 1 15.34.00 / 00 5 1 15.40.01 / 00 32 1 26.10.01 / 00 33 1 226017 06.05.01 / 00 14 1 15.34.00 / 00 10 1 15.40.02 / 00 153 1 26.10.01 / 00 38 1 226467 04.05.02 / 00 77 1 15.40.01 / 00 128 1 15.40.03 / 00 203 1 216615 02.06.00 / 00 52 1 228060 04.05.01 / 00 33 1 15.40.03 / 00 141 1 15.40.04 / 00 163 1 15.40.03 / 00 106 1 228516 08.50.02 / 00 2 1 15.50.21 / 00 23 1 15.40.04 / 00 175 1 216666 09.05.01 / 00 11,03 1 08.50.02 / 00 4 1 15.52.00 / 00 5 1 15.40.04 / 00 194 1 15.09.02 / 00 35,03 1 08.50.02 / 00 8 1 15.52.00 / 00 9 1 15.50.12 / 00 17 1 15.09.02 / 00 36,03 1 229482 15.08.00 / 00 36 1 15.52.00 / 00 18 1 15.50.22 / 00 17 1 216674 15.09.01 / 00 3 1 229911 01.05.05 / 00 43 1 15.59.00 / 00 7 1 15.59.00 / 00 3 1 15.54.00 / 00 3 1 02.25.06 / 00 32 1 216593 01.01.00 / 00 46 1 216607 01.05.01 / 00 56 1 216690 15.08.00 / 00 4 1 02.25.07 / 00 32 1 01.01.00 / 00 55 1 01.05.01 / 00 144 1 216771 09.05.01 / 00 93 1 231185 04.25.04 / 00 78 1 01.05.01 / 00 37 1 01.05.05 / 00 144 1 216860 04.01.01 / 00 26 1 231355 01.05.02 / 00 77 1 01.06.00 / 00 4 1 02.01.00 / 00 5 1 04.01.01 / 00 38 1 01.05.04 / 00 7 1 01.06.00 / 00 17 1 02.01.00 / 00 19 1 04.30.02 / 00 13 1 01.05.05 / 00 26 1 01.20.00 / 00 4 1 04.05.01 / 00 6 1 09.01.02 / 00 18 1 02.06.00 / 00 32 1 02.06.00 / 00 11 1 04.05.01 / 00 36 1 217166 05.10.00 / 00 15 1 02.10.00 / 00 15 1 02.06.00 / 00 82 1 04.25.01 / 00 37 1 217204 05.10.00 / 00 16 1 02.10.00 / 00 31 1 02.25.02 / 00 49 1 04.25.02 / 00 10 1 08.30.00 / 00 480 1 02.12.00 / 00 3 1 02.25.06 / 00 35 1 04.25.03 / 00 17 1 217212 08.30.00 / 00 510 1 02.12.00 / 00 11 1 02.25.06 / 00 38 1 04.30.02 / 00 11 1 217476 04.01.03 / 00 2 1 04.05.02 / 00 48 1 02.25.07 / 00 35 1 05.96.00 / 00 6 1 217514 05.10.00 / 00 18 1 04.05.02 / 00 58 1 02.25.07 / 00 38 1 06.05.01 / 00 17 1 05.11.00 / 00 9 1 04.20.00 / 00 6 1 02.30.01 / 00 32 1 06.07.01 / 00 3 1 217565 05.05.00 / 00 9 1 04.25.01 / 00 40 1 04.01.01 / 00 43 1 06.07.01 / 00 37 1 217689 05.10.00 / 00 67 1 04.25.02 / 00 17 1 04.01.01 / 00 47 1 08.50.01 / 00 42 1 217735 26.05.01 / 00 126 1 04.25.03 / 00 20 1 04.05.02 / 00 62 1 08.50.01 / 00 47 1 219398 05.95.00 / 00 40 1 04.25.04 / 00 90 1 04.15.00 / 00 4 1 08.50.01 / 00 53 1 219428 04.05.02 / 00 54 1 04.30.01 / 00 3 1 04.25.01 / 00 49 1 08.50.01 / 00 63 1 219487 08.50.01 / 00 106 1 04.30.02 / 00 26 1 05.95.00 / 00 6 1 08.50.01 / 00 67 1 09.05.03 / 00 45 1 15.09.01 / 00 4 1 05.95.00 / 00 33 1 08.50.01 / 00 73 1 26.05.02 / 00 70 1 15.81.00 / 00 11 1 06.05.01 / 00 3 1 08.50.01 / 00 78 1 26.05.03 / 00 70 1 26.05.01 / 00 121 1 06.05.01 / 00 22 1 09.05.01 / 00 57 1 219495 26.05.03 / 00 80 1 231398 04.05.01 / 00 25 1 06.05.02 / 00 203 1 15.40.03 / 00 88 1 219509 04.05.01 / 00 29 1 05.95.00 / 00 8 1 06.05.05 / 00 4 1 15.40.03 / 00 97 1 05.95.00 / 00 13 1 05.95.00 / 00 35 1 06.05.05 / 00 17 1 15.40.03 / 00 104 1 26.05.01 / 00 131 1 231754 15.50.21 / 00 11,01 1 08.50.02 / 00 18 1 15.50.11 / 00 4 1 219622 06.07.01 / 00 29 1 232513 02.30.03 / 00 3 1 08.50.03 / 00 118 1 15.50.11 / 00 13 1 223425 05.10.00 / 00 90 1 02.30.03 / 00 21 1 08.51.00 / 00 52 1 15.50.21 / 00 4 1 223522 05.95.00 / 00 21 1 15.40.03 / 00 3 1 08.53.00 / 00 4 1 15.81.00 / 00 6 1 225541 02.06.00 / 00 5 1 15.40.03 / 00 21 1
  • 23.
    00.05.00 / 00ÍNDICE SEGUNDO O NÚMERO DA PEÇA 00.05.00 / 00 ÍNDICE DE CONTENIDO SEGÚN NÚMERO DE LA PIEZA 00.05.00 / 00 TABLE OF CONTENTS ACCORDING TO SPARE PART NO. Nº da peça Nº de referencia Spare-part No. Grupo Grupo Group Nº da figura Nº de dibujo Fig. No. Nº de identificação Nº de identificación Chassis No. Nº da peça Nº de referencia Spare-part No. Grupo Grupo Group Nº da figura Nº de dibujo Fig. No. Nº de identificação Nº de identificación Chassis No. Nº da peça Nº de referencia Spare-part No. Grupo Grupo Group Nº da figura Nº de dibujo Fig. No. Nº de identificação Nº de identificación Chassis No. Nº da peça Nº de referencia Spare-part No. Grupo Grupo Group Nº da figura Nº de dibujo Fig. No. Nº de identificação Nº de identificación Chassis No. 4 232599 04.05.02 / 00 53 1 06.05.05 / 00 14 1 15.40.01 / 00 300 1 01.05.04 / 00 19 1 233102 04.05.02 / 00 71 1 250473 01.01.00 / 00 82 1 15.40.02 / 00 300 1 02.11.00 / 00 5 1 233315 04.05.01 / 00 31 1 01.05.05 / 00 133 1 15.40.04 / 00 300 1 04.05.01 / 00 8 1 233366 04.15.00 / 00 10 1 04.01.01 / 00 11 1 267457 08.50.01 / 00 37 1 276898 08.30.00 / 00 530 1 233730 09.05.02 / 00 81 1 04.01.01 / 00 13 1 08.50.02 / 00 27 1 277916 01.15.01 / 00 29 1 233897 08.10.00 / 00 4 1 04.30.02 / 00 52 1 26.10.01 / 00 8 1 278025 01.05.05 / 00 41 1 233919 02.10.00 / 00 18 1 15.24.00 / 00 4 1 26.10.02 / 00 1 1 278769 08.53.00 / 00 13 1 233986 04.05.01 / 00 24 1 26.01.00 / 00 27 1 267465 08.50.01 / 00 36 1 278777 08.53.00 / 00 6 1 05.95.00 / 00 9 1 26.01.00 / 00 52 1 08.50.02 / 00 26 1 279242 08.15.01 / 00 430 1 05.95.00 / 00 36 1 26.05.02 / 00 22 1 26.10.01 / 00 7 1 279412 08.10.00 / 00 20 1 234486 04.01.02 / 00 5 1 26.05.02 / 00 67 1 26.10.02 / 00 4 1 282308 05.95.00 / 00 39 1 234605 02.10.00 / 00 45 1 26.05.02 / 00 96 1 272116 15.10.00 / 00 15 1 283142 06.07.01 / 00 48 1 02.12.00 / 00 45 1 26.05.03 / 00 22 1 272809 02.20.00 / 00 13 1 283150 02.25.04 / 00 36,01 1 02.30.01 / 00 127 1 26.05.03 / 00 67 1 15.51.00 / 00 5 1 06.07.01 / 00 43 1 15.40.01 / 00 127 1 26.05.03 / 00 77 1 15.63.02 / 00 35 1 06.07.02 / 00 10,03 1 237256 26.05.02 / 00 71 1 255513 08.50.01 / 00 105 1 274178 05.95.00 / 00 10 1 06.07.02 / 00 11,03 1 26.05.03 / 00 71 1 09.05.03 / 00 44 1 274356 02.30.03 / 00 4 1 283568 01.05.02 / 00 101 1 239984 09.01.01 / 00 25 1 255769 02.30.01 / 00 28 1 15.40.03 / 00 4 1 01.07.00 / 00 3 1 26.01.00 / 00 17 1 02.30.01 / 00 132 1 15.51.00 / 00 6 1 15.33.00 / 00 22 1 240451 15.34.00 / 00 8 1 15.40.01 / 00 28 1 15.63.01 / 00 5 1 15.50.21 / 00 22 1 15.52.00 / 00 7 1 15.40.01 / 00 132 1 15.63.01 / 00 9 1 284351 15.10.00 / 00 25 1 240915 08.15.02 / 00 860 1 260827 02.30.01 / 00 114 1 15.63.02 / 00 36 1 284459 04.25.04 / 00 67 1 240974 05.23.00 / 00 1 1 15.40.01 / 00 114 1 274860 05.01.00 / 00 3,11 1 287164 01.15.02 / 00 21 1 09.05.01 / 00 5 1 260983 01.05.01 / 00 22 1 05.02.00 / 00 2,02 1 287199 08.50.02 / 00 3 1 242535 15.40.04 / 00 196 1 01.05.01 / 00 27 1 276243 04.01.01 / 00 5 1 08.50.02 / 00 9 1 242675 04.05.01 / 00 5 1 01.05.02 / 00 62 1 04.01.01 / 00 32 1 287490 04.15.00 / 00 1,03 1 242802 05.01.00 / 00 2,02 1 01.05.02 / 00 73 1 04.20.00 / 00 23 1 287865 01.15.01 / 00 19 1 05.01.00 / 00 3,06 1 01.20.00 / 00 3 1 05.95.00 / 00 27 1 288268 26.05.01 / 00 100 1 05.01.00 / 00 5,04 1 02.06.00 / 00 37 1 05.96.00 / 00 7 1 293873 01.05.01 / 00 32 1 05.02.00 / 00 3,04 1 02.25.06 / 00 24 1 06.05.01 / 00 19 1 01.05.02 / 00 3 1 05.11.00 / 00 2,03 1 02.25.07 / 00 24 1 06.05.01 / 00 78 1 01.05.02 / 00 11 1 243825 05.01.00 / 00 3,04 1 04.25.04 / 00 75 1 06.05.02 / 00 32 1 02.10.00 / 00 13 1 245224 05.11.00 / 00 2,01 1 06.05.02 / 00 233 1 09.01.02 / 00 17 1 02.12.00 / 00 6 1 245569 04.25.01 / 00 36 1 261386 15.08.00 / 00 26 1 09.05.01 / 00 52 1 02.12.00 / 00 14 1 04.25.02 / 00 9 1 262323 09.05.01 / 00 10 1 09.05.01 / 00 54 1 04.05.01 / 00 12 1 09.05.01 / 00 53 1 265438 02.25.06 / 00 34 1 26.05.01 / 00 5 1 04.05.01 / 00 15 1 245690 02.06.00 / 00 47 1 02.25.07 / 00 34 1 276332 04.01.01 / 00 72 1 05.95.00 / 00 16 1 247588 15.63.01 / 00 8 1 265489 08.10.00 / 00 19 1 06.05.04 / 00 118 1 08.50.02 / 00 14 1 249505 04.15.00 / 00 13 1 266000 04.05.01 / 00 33,01 1 06.05.04 / 00 181 1 08.50.03 / 00 114 1 249610 02.06.00 / 00 53 1 267341 02.06.00 / 00 86 1 06.05.06 / 00 23 1 293911 05.10.00 / 00 21 1 02.25.04 / 00 15 1 02.30.01 / 00 300 1 26.05.01 / 00 112 1 08.15.01 / 00 40 1 249920 15.08.00 / 00 11 1 02.30.03 / 00 300 1 276758 06.05.03 / 00 242 1 294942 01.06.00 / 00 5 1 250228 01.06.00 / 00 14 1 08.50.02 / 00 94 1 276766 01.05.01 / 00 39 1 06.05.05 / 00 5 1 01.07.00 / 00 8 1 09.05.02 / 00 82 1 01.05.02 / 00 5 1 304182 09.05.01 / 00 20 1
  • 24.
    00.05.00 / 00ÍNDICE SEGUNDO O NÚMERO DA PEÇA 00.05.00 / 00 ÍNDICE DE CONTENIDO SEGÚN NÚMERO DE LA PIEZA 00.05.00 / 00 TABLE OF CONTENTS ACCORDING TO SPARE PART NO. Nº da peça Nº de referencia Spare-part No. Grupo Grupo Group Nº da figura Nº de dibujo Fig. No. Nº de identificação Nº de identificación Chassis No. Nº da peça Nº de referencia Spare-part No. Grupo Grupo Group Nº da figura Nº de dibujo Fig. No. Nº de identificação Nº de identificación Chassis No. Nº da peça Nº de referencia Spare-part No. Grupo Grupo Group Nº da figura Nº de dibujo Fig. No. Nº de identificação Nº de identificación Chassis No. Nº da peça Nº de referencia Spare-part No. Grupo Grupo Group Nº da figura Nº de dibujo Fig. No. Nº de identificação Nº de identificación Chassis No. 5 09.05.03 / 00 20 1 317195 05.96.00 / 00 3 1 08.40.00 / 00 24,04 1 06.07.01 / 00 21 1 311014 04.05.02 / 00 57 1 317624 08.50.02 / 00 110 1 337889 15.33.00 / 00 6 1 354457 05.23.00 / 00 1,02 1 04.20.00 / 00 5 1 317632 02.30.03 / 00 41 1 339180 04.01.03 / 00 11 1 354589 06.05.04 / 00 133 1 311103 09.01.01 / 00 12,02 1 15.40.04 / 00 41 1 339202 06.07.01 / 00 28 1 06.05.04 / 00 151 1 09.05.02 / 00 100,02 1 317810 08.50.02 / 00 109 1 15.33.00 / 00 26 1 06.05.04 / 00 230 1 311685 06.07.01 / 00 40 1 317829 15.09.01 / 00 22 1 15.50.21 / 00 26 1 06.07.01 / 00 42 1 312886 26.05.01 / 00 104 1 317837 02.30.02 / 00 55 1 340472 01.05.05 / 00 25 1 06.07.01 / 00 47 1 313998 04.30.01 / 00 29 1 04.05.02 / 00 43 1 04.30.02 / 00 25 1 354651 26.10.02 / 00 3 1 314005 15.34.00 / 00 3 1 08.53.00 / 00 20 1 341991 09.05.01 / 00 6 1 355283 15.50.11 / 00 5,01 1 314048 06.05.03 / 00 241 1 15.40.02 / 00 55 1 342009 08.40.00 / 00 23,02 1 15.50.21 / 00 5,01 1 314064 15.52.00 / 00 4 1 26.10.02 / 00 46 1 08.40.00 / 00 24,02 1 358363 09.05.01 / 00 60 1 314080 01.05.04 / 00 10 1 317853 04.25.02 / 00 30 1 342505 15.50.11 / 00 5 1 358371 09.05.01 / 00 62 1 06.05.01 / 00 6 1 05.96.00 / 00 10 1 15.50.21 / 00 5 1 358398 09.05.01 / 00 61 1 314099 04.30.01 / 00 28 1 08.50.03 / 00 92 1 345490 01.05.01 / 00 145 1 358436 02.25.08 / 00 4 1 15.34.00 / 00 4 1 318043 04.25.02 / 00 28 1 01.05.05 / 00 145 1 358452 05.95.00 / 00 43 1 314102 15.59.00 / 00 6 1 319678 04.25.04 / 00 80 1 02.10.00 / 00 6 1 359270 08.50.02 / 00 17 1 314137 04.30.01 / 00 27 1 04.25.04 / 00 83 1 02.10.00 / 00 9 1 08.50.03 / 00 117 1 314161 15.34.00 / 00 2 1 320862 02.25.06 / 00 27 1 02.10.00 / 00 19 1 09.05.01 / 00 23 1 15.52.00 / 00 3 1 02.25.07 / 00 27 1 04.01.01 / 00 51 1 360066 05.01.00 / 00 22 1 315699 08.50.01 / 00 89 1 06.05.04 / 00 114 1 04.05.01 / 00 37 1 05.02.00 / 00 22 1 09.05.03 / 00 40 1 06.05.06 / 00 74 1 15.17.10 / 00 4 1 360678 05.01.00 / 00 3,09 1 315702 04.25.02 / 00 20 1 15.33.00 / 00 28 1 15.17.10 / 00 8 1 361763 01.01.00 / 00 7 1 04.25.02 / 00 22 1 15.50.21 / 00 28 1 15.17.20 / 00 4 1 01.01.00 / 00 12 1 04.25.02 / 00 25 1 320870 15.33.00 / 00 3 1 15.17.20 / 00 8 1 02.01.00 / 00 11 1 04.25.02 / 00 31 1 321818 04.25.02 / 00 21 1 15.40.03 / 00 77 1 02.10.00 / 00 4 1 05.96.00 / 00 1 1 322261 08.53.00 / 00 8 1 347701 15.50.21 / 00 11 1 02.25.08 / 00 5 1 05.96.00 / 00 9 1 322857 04.30.01 / 00 8 1 348430 08.50.01 / 00 35 1 08.10.00 / 00 13 1 08.50.02 / 00 90 1 327832 08.50.02 / 00 93 1 349038 02.10.00 / 00 3 1 09.01.01 / 00 4 1 08.50.03 / 00 90 1 08.50.03 / 00 93 1 349364 26.01.00 / 00 28 1 09.01.01 / 00 10 1 15.09.02 / 00 9 1 26.10.01 / 00 62 1 350389 06.05.01 / 00 7 1 15.08.00 / 00 13 1 315710 04.05.01 / 00 72 1 26.10.02 / 00 60 1 351393 09.05.01 / 00 92 214 15.08.00 / 00 38 1 317098 02.30.03 / 00 50 1 329517 15.09.01 / 00 14 1 351652 02.25.08 / 00 3 1 26.01.00 / 00 33 1 08.53.00 / 00 18 1 329878 09.05.03 / 00 39 1 351830 02.10.00 / 00 34 1 26.01.00 / 00 63 1 09.05.02 / 00 68 1 330639 06.07.01 / 00 45 1 02.12.00 / 00 16 1 362158 09.01.02 / 00 13 1 09.05.02 / 00 80 1 332437 04.05.01 / 00 22 1 353434 01.05.01 / 00 155 1 362166 05.01.00 / 00 4,05 1 09.05.03 / 00 68 1 335983 06.05.03 / 00 101 1 02.10.00 / 00 35 1 366528 02.25.01 / 00 69,01 1 15.09.01 / 00 13 1 336009 26.05.02 / 00 31 1 02.11.00 / 00 6 1 15.33.00 / 00 1,01 1 15.40.04 / 00 50 1 26.05.03 / 00 31 1 15.17.10 / 00 14 1 367125 01.05.01 / 00 45,01 1 26.10.02 / 00 48 1 337609 26.05.01 / 00 116 1 15.17.20 / 00 11 1 01.06.00 / 00 13,01 1 317101 05.95.00 / 00 41 1 337757 08.40.00 / 00 22,03 1 15.33.00 / 00 29 1 01.07.00 / 00 6 1 317128 05.95.00 / 00 20 1 08.40.00 / 00 23,03 1 15.50.21 / 00 29 1 02.20.00 / 00 6,01 1 317179 09.05.03 / 00 37 1 08.40.00 / 00 24,03 1 353620 15.09.01 / 00 21 1 06.05.03 / 00 100,01 1 09.05.03 / 00 65 1 337838 08.40.00 / 00 22,04 1 354244 15.40.02 / 00 151 1 06.05.05 / 00 13,01 1 317187 09.05.03 / 00 38 1 08.40.00 / 00 23,04 1 354252 06.07.01 / 00 20 1 367567 02.20.00 / 00 8 1
  • 25.
    00.05.00 / 00ÍNDICE SEGUNDO O NÚMERO DA PEÇA 00.05.00 / 00 ÍNDICE DE CONTENIDO SEGÚN NÚMERO DE LA PIEZA 00.05.00 / 00 TABLE OF CONTENTS ACCORDING TO SPARE PART NO. Nº da peça Nº de referencia Spare-part No. Grupo Grupo Group Nº da figura Nº de dibujo Fig. No. Nº de identificação Nº de identificación Chassis No. Nº da peça Nº de referencia Spare-part No. Grupo Grupo Group Nº da figura Nº de dibujo Fig. No. Nº de identificação Nº de identificación Chassis No. Nº da peça Nº de referencia Spare-part No. Grupo Grupo Group Nº da figura Nº de dibujo Fig. No. Nº de identificação Nº de identificación Chassis No. Nº da peça Nº de referencia Spare-part No. Grupo Grupo Group Nº da figura Nº de dibujo Fig. No. Nº de identificação Nº de identificación Chassis No. 6 367575 15.51.00 / 00 3 1 384062 02.30.01 / 00 252 1 388823 15.17.10 / 00 10 1 477206 15.08.00 / 00 41 1 15.63.02 / 00 33 1 15.33.00 / 00 34 1 15.17.20 / 00 10 1 477486 26.05.01 / 00 103 1 368733 08.10.00 / 00 11 1 15.40.01 / 00 252 1 389269 08.50.02 / 00 25 1 477494 26.05.01 / 00 102 1 370665 26.05.01 / 00 101 1 15.50.21 / 00 34 1 389765 08.51.00 / 00 7 1 477877 01.15.02 / 00 27 1 371432 15.08.00 / 00 27 1 384771 02.30.03 / 00 11 1 390020 05.01.00 / 00 4,06 1 482625 15.08.00 / 00 28 1 378151 08.25.00 / 00 650 1 02.30.03 / 00 16 1 390496 05.01.00 / 00 3,16 1 482633 15.08.00 / 00 29 1 380296 06.05.03 / 00 100 1 15.40.03 / 00 11 1 391484 02.30.01 / 00 119 1 482641 15.08.00 / 00 22 1 381063 04.05.01 / 00 40 1 15.40.03 / 00 16 1 15.40.01 / 00 119 1 482668 15.08.00 / 00 25 1 04.05.02 / 00 51 1 384836 06.15.00 / 00 3 1 392472 15.63.01 / 00 4 1 486868 26.05.02 / 00 56 1 04.05.02 / 00 64 1 385387 15.33.00 / 00 7 1 392480 06.05.06 / 00 53 1 486892 26.05.02 / 00 90 1 381543 02.06.00 / 00 3 1 385395 15.33.00 / 00 8 1 392839 15.10.00 / 00 20 1 486906 26.05.03 / 00 54 1 04.01.01 / 00 27 1 385719 02.30.03 / 00 10 1 392863 01.06.00 / 00 15 1 486922 26.05.01 / 00 106 1 04.01.01 / 00 37 1 15.40.03 / 00 10 1 06.05.05 / 00 15 1 486930 26.05.02 / 00 94 1 04.01.01 / 00 72 1 385794 01.05.05 / 00 137 1 393053 08.51.00 / 00 5 1 486973 26.05.02 / 00 10 1 04.30.02 / 00 16 1 385859 26.05.01 / 00 52 1 394319 06.05.01 / 00 10 1 26.05.03 / 00 10 1 15.08.00 / 00 73 1 386243 01.05.01 / 00 45 1 395340 15.24.00 / 00 5 1 487007 26.05.02 / 00 65 1 26.01.00 / 00 12 1 386251 01.05.01 / 00 47 1 395846 15.50.11 / 00 1 1 26.05.03 / 00 65 1 26.01.00 / 00 14 1 386260 01.05.01 / 00 46 1 15.50.21 / 00 1 1 488216 08.50.01 / 00 51 1 26.01.00 / 00 55 1 386570 01.06.00 / 00 13 1 396052 06.05.03 / 00 98 1 08.50.01 / 00 61 1 26.01.00 / 00 57 1 01.07.00 / 00 6 1 396095 08.51.00 / 00 6 1 08.50.01 / 00 76 1 26.05.01 / 00 118 1 06.05.05 / 00 13 1 396354 26.05.03 / 00 79 1 26.10.01 / 00 11 1 381586 15.08.00 / 00 30 1 386871 26.05.02 / 00 33 1 396532 09.05.01 / 00 11,01 1 26.10.01 / 00 21 1 381594 15.08.00 / 00 24 1 26.05.03 / 00 33 1 09.05.01 / 00 91 1 26.10.01 / 00 36 1 381608 15.08.00 / 00 43 1 387223 06.05.04 / 00 131 1 15.09.02 / 00 35,01 1 488232 26.10.01 / 00 10 1 382523 15.09.01 / 00 20 1 06.05.04 / 00 161 1 396575 08.53.00 / 00 11 1 26.10.01 / 00 20 1 15.09.01 / 00 25 1 06.05.04 / 00 171 1 396710 09.05.03 / 00 35 1 26.10.01 / 00 35 1 383120 02.01.00 / 00 10 1 387282 15.09.01 / 00 40 1 397610 08.53.00 / 00 10 1 488526 26.05.02 / 00 40 1 02.10.00 / 00 2 1 387312 04.30.01 / 00 17 1 08.53.00 / 00 16 1 26.05.03 / 00 40 1 26.01.00 / 00 22 1 387380 09.05.03 / 00 71 1 09.05.01 / 00 98 1 529834 15.08.00 / 00 44 1 26.05.01 / 00 12 1 09.05.04 / 00 74 1 397660 08.53.00 / 00 17 1 557234 04.01.01 / 00 9 1 383260 26.05.01 / 00 97 1 387401 09.05.03 / 00 70 1 397857 15.09.01 / 00 39 1 04.05.01 / 00 18 1 383295 04.30.01 / 00 1 1 387738 05.96.00 / 00 8 1 398004 08.53.00 / 00 15 1 571148 04.05.01 / 00 2 1 383341 26.05.02 / 00 23 1 08.50.02 / 00 91 1 398225 06.07.01 / 00 55 1 576476 04.05.01 / 00 3 1 26.05.02 / 00 91 1 08.50.03 / 00 91 1 398403 04.01.02 / 00 8 1 599573 04.01.02 / 00 22 1 26.05.03 / 00 23 1 26.10.01 / 00 61 1 398721 02.25.06 / 00 31 1 15.09.02 / 00 33 1 26.05.03 / 00 78 1 26.10.02 / 00 61 1 02.25.07 / 00 31 1 608537 01.07.00 / 00 7 1 383465 26.05.02 / 00 68 1 387835 08.53.00 / 00 19 1 398837 15.09.01 / 00 1 1 613697 08.51.00 / 00 9 1 26.05.03 / 00 68 1 387843 04.25.02 / 00 27 1 399825 15.52.00 / 00 16 1 614014 01.05.02 / 00 53 282 383619 26.01.00 / 00 26 1 387851 08.40.00 / 00 22,02 1 420573 01.15.01 / 00 23 1 614022 01.05.02 / 00 81 1 384020 02.25.04 / 00 100 1 388106 02.20.00 / 00 6 1 422258 26.05.01 / 00 125 1 02.25.08 / 00 8 1 384054 15.33.00 / 00 33 1 388220 04.20.00 / 00 16 1 422584 02.06.00 / 00 16 1 04.25.01 / 00 18 1 15.50.21 / 00 33 1 388327 04.01.01 / 00 35,01 1 430374 01.05.01 / 00 55 1 04.25.01 / 00 33 1 15.52.00 / 00 27 1 388335 04.01.01 / 00 35 1 446033 26.05.01 / 00 3 1 04.25.02 / 00 13 1 15.59.00 / 00 9 1 388343 09.05.01 / 00 9 1 466387 04.20.00 / 00 22 1 04.25.02 / 00 18 1
  • 26.
    00.05.00 / 00ÍNDICE SEGUNDO O NÚMERO DA PEÇA 00.05.00 / 00 ÍNDICE DE CONTENIDO SEGÚN NÚMERO DE LA PIEZA 00.05.00 / 00 TABLE OF CONTENTS ACCORDING TO SPARE PART NO. Nº da peça Nº de referencia Spare-part No. Grupo Grupo Group Nº da figura Nº de dibujo Fig. No. Nº de identificação Nº de identificación Chassis No. Nº da peça Nº de referencia Spare-part No. Grupo Grupo Group Nº da figura Nº de dibujo Fig. No. Nº de identificação Nº de identificación Chassis No. Nº da peça Nº de referencia Spare-part No. Grupo Grupo Group Nº da figura Nº de dibujo Fig. No. Nº de identificação Nº de identificación Chassis No. Nº da peça Nº de referencia Spare-part No. Grupo Grupo Group Nº da figura Nº de dibujo Fig. No. Nº de identificação Nº de identificación Chassis No. 7 614154 01.05.02 / 00 71 1 853607 08.40.00 / 00 22 1 15.40.02 / 00 250 1 15.50.21 / 00 31 1 615290 01.05.02 / 00 6 1 853682 01.06.00 / 00 1 1 869392 06.07.01 / 00 70 1 877379 15.33.00 / 00 2 1 01.05.04 / 00 3 1 06.05.05 / 00 1 1 869430 26.03.11 / 00 1 1 877387 15.33.00 / 00 30 1 04.01.01 / 00 49 1 860058 01.06.00 / 00 9 1 26.03.12 / 00 10 1 15.50.21 / 00 30 1 04.01.01 / 00 80 1 06.05.05 / 00 9 1 26.03.30 / 00 1 1 877972 04.01.01 / 00 20 1 04.01.01 / 00 81 1 860069 02.01.00 / 00 1 1 870153 09.05.01 / 00 59 1 879347 02.30.03 / 00 2 1 04.01.01 / 00 82 1 860239 01.05.01 / 00 35 1 870382 04.20.00 / 00 20 1 15.40.01 / 00 2 1 615312 02.30.01 / 00 110 1 860247 04.25.01 / 00 15 1 870412 01.05.04 / 00 1 1 15.40.03 / 00 2 1 02.30.01 / 00 111 1 04.25.02 / 00 15 1 870501 06.07.01 / 00 35 1 880604 06.05.06 / 00 66 1 02.30.01 / 00 112 1 860263 04.30.02 / 00 50 1 870536 01.05.05 / 00 40 1 881899 15.56.00 / 00 1 1 02.30.01 / 00 113 1 860352 04.05.01 / 00 32 1 870781 15.17.10 / 00 7 1 15.63.02 / 00 21 1 15.40.01 / 00 110 1 860433 02.10.00 / 00 5 1 15.17.20 / 00 7 1 884960 04.25.01 / 00 47 1 15.40.01 / 00 111 1 860468 02.10.00 / 00 11 1 870838 15.17.10 / 00 2 1 886092 04.05.01 / 00 20 1 15.40.01 / 00 112 1 02.12.00 / 00 2 1 15.17.20 / 00 2 1 886408 04.01.01 / 00 2 1 15.40.01 / 00 113 1 860476 02.10.00 / 00 12 1 870846 15.17.10 / 00 1 1 04.01.02 / 00 100 1 615444 02.30.01 / 00 25 1 02.12.00 / 00 1 1 15.17.20 / 00 1 1 891061 15.63.01 / 00 1 1 02.30.01 / 00 115 1 860670 02.11.00 / 00 1 1 870854 02.12.00 / 00 10 1 891096 04.15.00 / 00 11 1 02.30.01 / 00 116 1 860786 01.07.00 / 00 1 1 870862 02.12.00 / 00 9 1 891118 04.01.01 / 00 30 1 15.40.01 / 00 25 1 860794 01.07.00 / 00 2 1 870927 02.20.00 / 00 5 1 891134 04.20.00 / 00 3 1 15.40.01 / 00 115 1 860808 02.10.00 / 00 30 1 873071 26.03.12 / 00 1 1 891142 04.20.00 / 00 12 1 15.40.01 / 00 116 1 02.12.00 / 00 8 1 26.03.30 / 00 1,01 1 891150 01.05.02 / 00 1 1 15.40.03 / 00 145 1 861006 04.20.00 / 00 1 1 873357 15.08.00 / 00 70 1 891169 04.05.02 / 00 85 1 710547 15.17.10 / 00 15 1 864455 08.40.00 / 00 24 1 873861 26.05.01 / 00 2 1 891487 04.01.01 / 00 41 1 15.17.20 / 00 12 1 864463 08.40.00 / 00 23 1 873888 26.05.01 / 00 2 1 891657 02.30.03 / 00 2 248 739529 06.05.01 / 00 75 1 864528 04.30.02 / 00 5 1 873896 26.05.01 / 00 50 1 15.40.01 / 00 2 248 800015 15.08.00 / 00 45 1 864544 04.30.02 / 00 9 1 873985 26.05.01 / 00 120 1 891746 15.24.00 / 00 1 1 806420 08.51.00 / 00 3 1 864579 15.08.00 / 00 1 1 874221 06.07.01 / 00 100 1 891800 01.01.00 / 00 2 1 806447 08.51.00 / 00 4 1 864625 15.08.00 / 00 34 1 874248 06.07.01 / 00 101 1 891827 09.01.02 / 00 2 1 806463 15.10.00 / 00 1 1 864633 15.08.00 / 00 35 1 874345 06.07.01 / 00 50 1 891835 09.01.02 / 00 1 1 808679 26.05.02 / 00 45 1 865168 15.51.00 / 00 4 1 874353 06.07.01 / 00 51 1 891851 01.01.00 / 00 3 1 26.05.03 / 00 45 1 15.63.02 / 00 34 1 874442 02.30.02 / 00 251 1 891878 01.01.00 / 00 10 1 817252 26.05.02 / 00 32 1 865222 15.51.00 / 00 1 1 875120 15.40.02 / 00 251 1 891908 26.01.00 / 00 20 1 26.05.03 / 00 32 1 15.63.02 / 00 31 1 875392 02.30.01 / 00 130 1 891916 26.01.00 / 00 58 1 817570 15.34.00 / 00 11 1 866180 04.01.01 / 00 15 1 15.40.01 / 00 130 1 891940 05.95.00 / 00 1 1 15.52.00 / 00 25 1 866318 26.03.30 / 00 4 1 875422 02.30.01 / 00 126 1 891959 04.05.01 / 00 1 1 820423 26.05.01 / 00 8 1 866377 02.06.00 / 00 80 1 15.40.01 / 00 126 1 891991 04.30.01 / 00 11 1 26.05.02 / 00 100 1 866474 26.03.30 / 00 3 1 875546 01.05.02 / 00 100 1 892041 06.05.06 / 00 3 1 820431 26.05.01 / 00 9 1 866636 06.05.01 / 00 12 1 875562 02.30.01 / 00 26 1 892246 06.05.01 / 00 11 1 26.05.03 / 00 100 1 866644 06.05.02 / 00 30 1 875627 15.40.04 / 00 160 1 892343 06.05.06 / 00 19 1 821136 06.05.01 / 00 23 1 866660 15.63.01 / 00 3 1 875635 02.30.01 / 00 125 1 892653 06.05.03 / 00 243 1 824674 06.05.01 / 00 15 1 866717 01.05.04 / 00 9 1 15.40.01 / 00 125 1 892947 06.05.03 / 00 240 1 833525 06.05.03 / 00 97 1 01.20.00 / 00 50 1 877328 01.05.04 / 00 1 1 898066 06.05.04 / 00 193 1 840696 15.52.00 / 00 19 1 866741 01.01.00 / 00 50 1 877352 15.50.21 / 00 12 1 898163 06.05.04 / 00 189 1 850063 15.63.01 / 00 11 1 866784 02.30.02 / 00 250 1 877360 15.33.00 / 00 31 1 898260 06.05.04 / 00 172 1
  • 27.
    00.05.00 / 00ÍNDICE SEGUNDO O NÚMERO DA PEÇA 00.05.00 / 00 ÍNDICE DE CONTENIDO SEGÚN NÚMERO DE LA PIEZA 00.05.00 / 00 TABLE OF CONTENTS ACCORDING TO SPARE PART NO. Nº da peça Nº de referencia Spare-part No. Grupo Grupo Group Nº da figura Nº de dibujo Fig. No. Nº de identificação Nº de identificación Chassis No. Nº da peça Nº de referencia Spare-part No. Grupo Grupo Group Nº da figura Nº de dibujo Fig. No. Nº de identificação Nº de identificación Chassis No. Nº da peça Nº de referencia Spare-part No. Grupo Grupo Group Nº da figura Nº de dibujo Fig. No. Nº de identificação Nº de identificación Chassis No. Nº da peça Nº de referencia Spare-part No. Grupo Grupo Group Nº da figura Nº de dibujo Fig. No. Nº de identificação Nº de identificación Chassis No. 8 898278 06.05.04 / 00 180 1 1208942 04.01.01 / 00 35,02 1 02.25.08 / 00 7 1 1220810 15.40.03 / 00 85 1 898759 06.05.04 / 00 190 1 1209019 15.63.01 / 00 2 1 15.17.10 / 00 12 1 1220829 04.05.02 / 00 76 1 898880 06.05.04 / 00 153 1 1209159 09.05.04 / 00 73 1 1210203 26.05.02 / 00 21 1 15.40.03 / 00 89 1 898953 06.05.04 / 00 192 1 1209302 04.20.00 / 00 7 1 26.05.02 / 00 66 1 1221051 09.05.02 / 00 66 1 898961 15.59.00 / 00 10 1 1209566 04.15.00 / 00 12 1 26.05.03 / 00 21 1 09.05.03 / 00 66 1 1200135 02.25.04 / 00 100,01 1 1209590 04.15.00 / 00 1,01 1 26.05.03 / 00 66 1 1221159 04.01.02 / 00 15 1 1200240 08.50.01 / 00 41 1 1209620 04.15.00 / 00 1,02 1 26.05.03 / 00 76 1 1221833 05.01.00 / 00 2,01 1 1200305 04.05.02 / 00 60 1 1209698 01.05.02 / 00 2 1 1210475 05.02.00 / 00 41 1 1221841 05.01.00 / 00 4,04 1 1200755 15.56.00 / 00 1,01 1 01.05.02 / 00 10 1 1212478 04.01.02 / 00 7 1 1221868 05.01.00 / 00 4,02 1 15.63.02 / 00 21,01 1 04.05.01 / 00 11 1 1212664 01.05.05 / 00 132 1 1223054 05.02.00 / 00 49 1 1201387 15.09.01 / 00 1,06 1 1209760 15.40.03 / 00 102 1 08.10.00 / 00 5 1 1223127 05.01.00 / 00 3,02 1 1201409 15.09.01 / 00 1,07 1 1209779 15.17.10 / 00 5 1 1212710 08.50.01 / 00 52 1 1223135 05.01.00 / 00 3,03 1 1201751 05.01.00 / 00 4,07 1 15.17.20 / 00 5 1 08.50.01 / 00 62 1 1223518 01.05.03 / 00 94 1 1201859 04.30.01 / 00 9 1 1209787 01.05.01 / 00 143 1 08.50.01 / 00 77 1 02.15.00 / 00 94 1 04.30.01 / 00 16 1 01.05.05 / 00 143 1 26.10.01 / 00 12 1 1226320 05.02.00 / 00 2,01 1 1202162 01.05.01 / 00 44 1 02.01.00 / 00 4 1 26.10.01 / 00 22 1 1226495 08.15.01 / 00 41 1 1202316 05.01.00 / 00 3,07 1 02.01.00 / 00 18 1 26.10.01 / 00 37 1 1227602 15.09.01 / 00 1,01 1 1202359 04.05.01 / 00 23 1 04.05.01 / 00 35 1 1212729 15.09.01 / 00 2 1 1227610 15.09.01 / 00 1,05 1 1202782 05.02.00 / 00 3,06 1 06.05.01 / 00 16 1 1213318 26.05.02 / 00 95 1 1227629 15.09.01 / 00 1,02 1 05.02.00 / 00 3,05 1 15.40.03 / 00 86 1 1213733 26.03.11 / 00 7 1 1227637 15.09.01 / 00 1,03 1 05.02.00 / 00 61 1 1209795 04.01.01 / 00 71 1 1213776 15.24.00 / 00 2 1 1232932 26.05.01 / 00 105 1 05.05.00 / 00 2,01 1 1209809 08.10.00 / 00 16 1 1213806 04.30.02 / 00 51 1 1234250 01.06.00 / 00 11 1 1202804 05.01.00 / 00 5,02 1 15.24.00 / 00 13 1 1213822 05.95.00 / 00 31 1 02.25.03 / 00 37 1 05.06.00 / 00 50 1 26.03.20 / 00 4 1 15.09.01 / 00 45 1 06.05.05 / 00 11 1 05.11.00 / 00 2,06 1 1209833 26.03.12 / 00 4 1 1213830 02.11.00 / 00 3 1 1236199 05.95.00 / 00 3 1 1202812 05.01.00 / 00 5,03 1 26.03.30 / 00 1,04 1 15.17.10 / 00 11 1 15.09.02 / 00 8 1 1202820 05.01.00 / 00 5,05 1 1209876 02.10.00 / 00 7 1 1213849 04.30.01 / 00 15 1 1236849 06.15.00 / 00 2 1 05.02.00 / 00 5,03 1 1209914 01.20.00 / 00 2 1 1213857 15.81.00 / 00 5 1 1237160 05.20.00 / 00 1,02 1 1203320 09.05.01 / 00 92 1 02.10.00 / 00 16 1 1213865 09.01.01 / 00 14 1 08.53.00 / 00 1,02 1 1203894 06.05.01 / 00 10,01 1 02.10.00 / 00 32 1 1214055 15.09.01 / 00 1,1 1 1237608 04.01.01 / 00 22 1 1204491 05.20.00 / 00 1 1 02.12.00 / 00 4 1 1214357 04.25.01 / 00 46 1 08.10.00 / 00 6 1 08.53.00 / 00 1 1 02.12.00 / 00 12 1 04.25.01 / 00 52 1 09.01.01 / 00 15 1 1205307 06.07.01 / 00 27 1 04.15.00 / 00 3 1 04.25.01 / 00 54 1 09.01.01 / 00 23 1 1206346 05.96.00 / 00 2 1 15.40.04 / 00 161 1 04.25.01 / 00 56 1 26.03.11 / 00 8 1 1206680 04.05.01 / 00 21 1 1209930 04.25.04 / 00 73 1 1215426 09.05.01 / 00 4,01 1 26.03.30 / 00 8 1 1206966 04.15.00 / 00 1 1 15.09.01 / 00 41 1 15.09.02 / 00 36,01 1 1237640 05.20.00 / 00 1,03 1 1206974 04.15.00 / 00 2 1 1209965 04.20.00 / 00 21 1 1215477 04.01.02 / 00 12 1 08.53.00 / 00 1,03 1 1207377 09.05.01 / 00 8 1 1209973 04.01.01 / 00 8 1 1215833 15.09.02 / 00 32,01 1 1238000 01.05.02 / 00 9 1 1207563 04.25.04 / 00 92 1 1210025 15.09.02 / 00 31 1 1220241 08.15.01 / 00 130 1 1238795 06.05.02 / 00 43 1 1207571 15.40.04 / 00 172 1 1210033 04.01.01 / 00 21 1 1220322 05.22.00 / 00 1,02 1 1238817 06.05.02 / 00 45 1 1208489 05.95.00 / 00 5 1 26.01.00 / 00 51 1 1220462 01.01.00 / 00 51 1 1238930 09.05.03 / 00 50 1 1208721 02.25.08 / 00 6 1 1210068 08.53.00 / 00 2 1 1220470 01.01.00 / 00 50 1 1239139 09.05.01 / 00 90,01 1 04.01.01 / 00 10 1 1210076 04.10.00 / 00 2 1 1220780 02.10.00 / 00 36 1 1240447 06.05.02 / 00 44 1 04.01.01 / 00 12 1 1210106 02.11.00 / 00 2 1 02.11.00 / 00 7 1 1240536 02.25.07 / 00 28 1
  • 28.
    00.05.00 / 00ÍNDICE SEGUNDO O NÚMERO DA PEÇA 00.05.00 / 00 ÍNDICE DE CONTENIDO SEGÚN NÚMERO DE LA PIEZA 00.05.00 / 00 TABLE OF CONTENTS ACCORDING TO SPARE PART NO. Nº da peça Nº de referencia Spare-part No. Grupo Grupo Group Nº da figura Nº de dibujo Fig. No. Nº de identificação Nº de identificación Chassis No. Nº da peça Nº de referencia Spare-part No. Grupo Grupo Group Nº da figura Nº de dibujo Fig. No. Nº de identificação Nº de identificación Chassis No. Nº da peça Nº de referencia Spare-part No. Grupo Grupo Group Nº da figura Nº de dibujo Fig. No. Nº de identificação Nº de identificación Chassis No. Nº da peça Nº de referencia Spare-part No. Grupo Grupo Group Nº da figura Nº de dibujo Fig. No. Nº de identificação Nº de identificación Chassis No. 9 1240544 02.25.06 / 00 28 1 02.25.03 / 00 21 1 09.05.03 / 00 67 1 1266985 06.07.01 / 00 10 1 1240552 02.25.04 / 00 50 1 1249215 02.25.04 / 00 56 1 1260316 02.20.00 / 00 16 1 06.07.02 / 00 10 1 1240609 02.25.01 / 00 23 1 02.25.08 / 00 56 1 1260774 08.50.02 / 00 10 1 1266993 06.07.01 / 00 11 1 1240617 02.25.01 / 00 24 1 1249223 02.25.04 / 00 57 1 1261150 15.40.02 / 00 20 1 06.07.02 / 00 11 1 1240625 02.25.01 / 00 73 1 02.25.08 / 00 57 1 15.40.03 / 00 20 1 1267566 15.17.10 / 00 9 1 1240765 02.25.04 / 00 51 1 1249304 02.25.01 / 00 6 1 1261703 04.30.01 / 00 10 1 15.17.20 / 00 9 1 02.25.08 / 00 51 1 1249479 05.24.00 / 00 1,01 1 1262092 02.25.04 / 00 58 1 1267620 05.22.00 / 00 1 1 1240773 02.25.04 / 00 28 1 1249959 08.53.00 / 00 25 1 02.25.08 / 00 58 1 09.05.03 / 00 30 1 02.25.08 / 00 28 1 09.05.01 / 00 99 1 1263005 06.05.03 / 00 131 1 1267671 06.05.03 / 00 137 1 1240781 02.25.04 / 00 60 1 1249991 15.17.10 / 00 3 1 1263137 02.30.02 / 00 20 1 1267736 04.30.02 / 00 10 1 02.25.08 / 00 60 1 15.17.20 / 00 3 1 02.30.03 / 00 20 1 1267744 06.05.03 / 00 134 1 1240803 02.25.04 / 00 29 1 1252909 09.01.02 / 00 5 1 1263145 02.30.02 / 00 22 1 1267752 06.05.03 / 00 136 1 02.25.08 / 00 29 1 1253026 05.06.00 / 00 20 1 02.30.03 / 00 22 1 1268430 02.01.00 / 00 12 1 1240811 02.25.04 / 00 61 1 1253166 05.06.00 / 00 22 1 15.40.02 / 00 22 1 1268643 05.22.00 / 00 1,01 1 02.25.08 / 00 61 1 1253913 09.01.01 / 00 24 1 15.40.03 / 00 22 1 1268678 06.05.03 / 00 138 1 1240854 02.25.03 / 00 70 1 1254146 05.20.00 / 00 1,04 1 1263153 02.30.03 / 00 15 1 1268686 06.05.03 / 00 132 1 1240951 02.25.01 / 00 33 1 1254235 05.02.00 / 00 2 1 15.40.03 / 00 15 1 15.34.00 / 00 12 1 1240978 02.25.04 / 00 9 1 1254251 05.02.00 / 00 3,01 1 1263390 02.30.02 / 00 58 1 1268856 08.50.02 / 00 5 1 1241036 02.25.06 / 00 14 1 1254634 08.10.00 / 00 2,01 1 15.40.02 / 00 58 1 1269127 05.01.00 / 00 2 1 02.25.07 / 00 14 1 1254642 08.10.00 / 00 2,02 1 1263404 02.30.02 / 00 57 1 1269267 05.05.00 / 00 1 1 1241079 02.25.02 / 00 7 1 1254863 09.01.01 / 00 8 1 15.40.02 / 00 57 1 1269283 05.05.00 / 00 10 1 02.25.06 / 00 4 1 1255371 04.20.00 / 00 11 1 1263757 02.25.03 / 00 67 1 1269666 04.01.01 / 00 15,01 1 02.25.07 / 00 4 1 1255916 06.15.00 / 00 1 1 1263781 15.54.00 / 00 1 1 1269674 04.01.01 / 00 15,02 1 1241087 02.25.02 / 00 8 1 1256440 04.25.03 / 00 30 1 1263889 05.20.00 / 00 1,01 1 1269844 04.01.02 / 00 1 1 1241648 04.25.04 / 00 71 1 1256483 26.10.02 / 00 47 1 08.53.00 / 00 1,01 1 1269852 04.01.02 / 00 10 1 1241710 15.40.03 / 00 200 1 1256971 09.05.01 / 00 55 1 1263986 06.07.01 / 00 61 1 1269909 15.40.03 / 00 146 1 1241826 08.53.00 / 00 7 1 1257080 05.02.00 / 00 3,03 1 15.10.00 / 00 10 1 1270036 02.25.03 / 00 22 1 1242466 08.50.01 / 00 88 1 1257129 05.01.00 / 00 28 1 15.52.00 / 00 26 1 1270044 02.25.02 / 00 35 1 08.50.02 / 00 88 1 05.02.00 / 00 28 1 1264168 01.05.05 / 00 35 1 1270265 02.25.01 / 00 90 1 1242709 04.01.02 / 00 9 1 1257153 05.01.00 / 00 3,05 1 02.30.01 / 00 134 1 02.25.03 / 00 90 1 1242822 05.23.00 / 00 1,01 1 1257226 05.02.00 / 00 1,02 1 15.40.01 / 00 134 1 02.25.06 / 00 90 1 15.09.02 / 00 30,01 1 1257641 04.20.00 / 00 2 1 1264249 04.25.03 / 00 29 1 02.25.07 / 00 90 1 1243470 04.30.01 / 00 1,01 1 1258559 02.25.04 / 00 40 1 1264273 04.30.02 / 00 18 1 1270494 01.05.03 / 00 96 1 1244744 04.30.01 / 00 18 1 1258567 02.25.04 / 00 39 1 1264362 15.33.00 / 00 27 1 02.15.00 / 00 96 1 1245031 09.05.03 / 00 36 1 1258737 06.05.01 / 00 13 1 15.50.21 / 00 27 1 1270648 02.20.00 / 00 9 1 1245740 26.01.00 / 00 61 1 1258850 05.95.00 / 00 42 1 1264397 26.10.01 / 00 44 1 1270664 05.11.00 / 00 17 1 1245805 15.63.01 / 00 7 1 1259105 08.10.00 / 00 2 1 1264524 06.07.01 / 00 71 1 1270699 05.05.00 / 00 17 1 1245945 01.05.01 / 00 43 1 1259326 05.95.00 / 00 19 1 1264893 08.50.01 / 00 38 1 1270702 05.11.00 / 00 19 1 01.05.03 / 00 43 1 1259334 04.05.02 / 00 86 1 26.10.01 / 00 9 1 1270710 05.05.00 / 00 19 1 02.15.00 / 00 43 1 05.95.00 / 00 11 1 1265814 04.25.02 / 00 26 1 1270737 02.20.00 / 00 12 1 1247077 04.30.01 / 00 1,02 1 1259652 04.30.02 / 00 6 1 1265830 01.01.00 / 00 52 1 1270834 15.40.01 / 00 1,01 1 1248669 02.25.02 / 00 25 1 1259806 08.50.01 / 00 30 1 1265849 01.01.00 / 00 53 1 1270850 15.40.03 / 00 90 1 1248901 02.25.04 / 00 41 1 08.50.02 / 00 30 1 1265857 15.40.03 / 00 210 1 1270982 15.09.01 / 00 28 1 1249177 02.25.02 / 00 21 1 1259962 09.05.02 / 00 67 1 15.40.04 / 00 210 1 1270990 15.09.01 / 00 29 1
  • 29.
    00.05.00 / 00ÍNDICE SEGUNDO O NÚMERO DA PEÇA 00.05.00 / 00 ÍNDICE DE CONTENIDO SEGÚN NÚMERO DE LA PIEZA 00.05.00 / 00 TABLE OF CONTENTS ACCORDING TO SPARE PART NO. Nº da peça Nº de referencia Spare-part No. Grupo Grupo Group Nº da figura Nº de dibujo Fig. No. Nº de identificação Nº de identificación Chassis No. Nº da peça Nº de referencia Spare-part No. Grupo Grupo Group Nº da figura Nº de dibujo Fig. No. Nº de identificação Nº de identificación Chassis No. Nº da peça Nº de referencia Spare-part No. Grupo Grupo Group Nº da figura Nº de dibujo Fig. No. Nº de identificação Nº de identificación Chassis No. Nº da peça Nº de referencia Spare-part No. Grupo Grupo Group Nº da figura Nº de dibujo Fig. No. Nº de identificação Nº de identificación Chassis No. 10 1271113 02.30.01 / 00 27 1 1272322 02.25.01 / 00 31 1 04.01.03 / 00 70 1 08.15.01 / 00 251 1 15.40.01 / 00 27 1 1272330 02.25.01 / 00 30 1 1273906 02.20.00 / 00 15 1 08.25.00 / 00 721 1 1271296 15.08.00 / 00 71 1 1272357 02.25.01 / 00 54 1 1274147 05.10.00 / 00 100,01 1 1280473 09.01.01 / 00 2 1 1272004 02.25.06 / 00 19 1 1272365 02.25.01 / 00 44 1 1274155 05.10.00 / 00 100,02 1 1281003 08.15.02 / 00 836 1 02.25.07 / 00 19 1 1272373 02.25.01 / 00 43 1 1274317 02.30.01 / 00 133 1 1281011 08.15.02 / 00 837 1 1272012 02.25.06 / 00 15 1 1272381 02.25.01 / 00 42 1 15.40.01 / 00 133 1 1281038 08.15.02 / 00 837 1 02.25.07 / 00 15 1 1272403 02.25.02 / 00 20 1 1274325 02.30.01 / 00 117 1 1281046 08.15.02 / 00 837 1 1272020 02.25.06 / 00 16 1 1272411 02.25.03 / 00 52 1 15.40.01 / 00 117 1 1281054 08.15.02 / 00 837 1 02.25.07 / 00 16 1 1272446 02.25.03 / 00 78 1 1274392 02.30.02 / 00 56 1 1281062 08.15.02 / 00 837 1 1272039 02.25.07 / 00 1 1 1272462 02.25.03 / 00 80 1 15.40.02 / 00 56 1 1281070 08.15.02 / 00 837 1 1272047 02.25.06 / 00 1 1 1272470 02.25.01 / 00 10 1 1275410 05.05.00 / 00 12 1 1281089 08.15.02 / 00 837 1 1272055 02.25.06 / 00 29 1 1272489 02.25.07 / 00 6 1 1276646 02.25.02 / 00 55,01 1 1281097 08.15.02 / 00 837 1 02.25.07 / 00 29 1 1272497 02.25.07 / 00 8 1 1276654 02.25.02 / 00 55,02 1 1281100 08.15.02 / 00 837 1 1272063 02.25.06 / 00 11 1 1272519 02.25.06 / 00 6 1 1276689 05.21.00 / 00 1,04 1 1281119 08.15.02 / 00 837 1 02.25.07 / 00 11 1 1272527 02.25.06 / 00 8 1 1276859 15.40.01 / 00 1,02 1 1281127 08.15.02 / 00 837 1 1272071 02.25.06 / 00 2 1 1272543 02.25.03 / 00 11 1 1276891 02.25.03 / 00 12,01 1 1281135 08.15.02 / 00 837 1 02.25.07 / 00 2 1 1272551 02.25.03 / 00 12 1 1276948 15.40.01 / 00 1,04 1 1281143 08.15.02 / 00 837 1 1272098 02.25.06 / 00 22 1 1272578 02.25.06 / 00 18 1 1276956 15.40.01 / 00 1,03 1 1281151 08.15.02 / 00 837 1 02.25.07 / 00 22 1 02.25.07 / 00 18 1 1277499 06.07.02 / 00 10,01 1 1281178 08.15.02 / 00 837 1 1272101 02.25.06 / 00 5 1 1272624 02.25.01 / 00 1,01 1 06.07.02 / 00 11,01 1 1281186 08.15.02 / 00 837 1 02.25.07 / 00 5 1 02.25.05 / 00 8 1 1277529 06.07.02 / 00 10,06 1 1281194 08.15.02 / 00 837 1 1272128 02.25.02 / 00 34 1 1272659 02.25.02 / 00 46 1 06.07.02 / 00 11,06 1 1281208 08.15.02 / 00 837 1 1272136 02.25.04 / 00 19 1 1272667 02.25.04 / 00 47 1 1277537 06.07.02 / 00 10,07 1 1281216 08.15.02 / 00 837 1 1272144 02.25.01 / 00 18 1 1272675 02.25.05 / 00 9 1 06.07.02 / 00 11,07 1 1281224 08.15.02 / 00 837 1 02.25.02 / 00 18 1 1272691 02.25.02 / 00 2 1 1277545 06.07.02 / 00 10,04 1 1281232 08.15.02 / 00 837 1 1272152 02.25.01 / 00 76 1 1272705 02.25.03 / 00 45 1 06.07.02 / 00 11,04 1 1281240 08.15.02 / 00 837 1 1272160 02.25.01 / 00 75 1 02.25.06 / 00 23 1 1277553 06.07.02 / 00 10,05 1 1281259 08.15.02 / 00 837 1 1272179 02.25.01 / 00 77 1 02.25.07 / 00 23 1 06.07.02 / 00 11,05 1 1281267 08.15.02 / 00 837 1 1272187 02.25.01 / 00 74 1 1272748 02.25.05 / 00 7 1 1277693 08.15.02 / 00 806 1 1281275 08.15.02 / 00 837 1 1272195 02.25.02 / 00 55 1 1272756 02.25.05 / 00 6 1 1277707 08.15.02 / 00 804 1 1281283 08.15.02 / 00 837 1 1272209 02.25.01 / 00 69 1 1272764 02.25.05 / 00 5 1 1278290 15.40.04 / 00 164,02 1 1281291 08.15.02 / 00 837 1 15.33.00 / 00 1 1 1272772 02.25.05 / 00 4 1 1278304 15.40.04 / 00 164,03 1 1281305 08.15.02 / 00 837 1 1272217 02.25.04 / 00 27 1 1272780 02.25.05 / 00 3 1 1278479 26.01.00 / 00 11 1 1281313 08.15.02 / 00 837 1 02.25.08 / 00 27 1 1272799 02.25.05 / 00 2 1 26.01.00 / 00 54 1 1281321 08.15.02 / 00 837 1 1272233 02.25.04 / 00 59 1 1272802 02.25.05 / 00 1 1 1278576 26.01.00 / 00 21 1 1281348 08.15.02 / 00 837 1 02.25.08 / 00 59 1 1272810 02.25.01 / 00 62 1 1278630 05.02.00 / 00 3,02 1 1281356 08.15.02 / 00 837 1 1272241 02.25.04 / 00 26 1 1272861 02.25.07 / 00 42 1 1278649 04.01.02 / 00 13 1 1281364 08.15.02 / 00 837 1 02.25.08 / 00 26 1 1272888 02.25.06 / 00 41 1 1278827 05.11.00 / 00 12 1 1281372 08.15.02 / 00 837 1 1272268 02.25.04 / 00 38 1 02.25.07 / 00 41 1 1278843 05.11.00 / 00 10 1 1281380 08.15.02 / 00 837 1 1272276 02.25.04 / 00 36 1 1272918 02.25.06 / 00 42 1 1278975 15.33.00 / 00 4 1 1281399 08.15.02 / 00 837 1 1272284 02.25.04 / 00 32 1 1272950 15.40.04 / 00 164,01 1 1279076 05.22.00 / 00 1,03 1 1281402 08.15.02 / 00 837 1 1272292 02.25.03 / 00 68 1 1273035 15.33.00 / 00 25 1 1279254 05.01.00 / 00 3,08 1 1281410 08.15.02 / 00 837 1 1272306 02.25.01 / 00 3 1 15.50.21 / 00 25 1 1280031 05.10.00 / 00 12 1 1281429 08.15.02 / 00 837 1 1272314 02.25.02 / 00 1 1 1273221 04.01.01 / 00 70 1 1280376 08.15.01 / 00 241 1 1281437 08.15.02 / 00 837 1
  • 30.
    00.05.00 / 00ÍNDICE SEGUNDO O NÚMERO DA PEÇA 00.05.00 / 00 ÍNDICE DE CONTENIDO SEGÚN NÚMERO DE LA PIEZA 00.05.00 / 00 TABLE OF CONTENTS ACCORDING TO SPARE PART NO. Nº da peça Nº de referencia Spare-part No. Grupo Grupo Group Nº da figura Nº de dibujo Fig. No. Nº de identificação Nº de identificación Chassis No. Nº da peça Nº de referencia Spare-part No. Grupo Grupo Group Nº da figura Nº de dibujo Fig. No. Nº de identificação Nº de identificación Chassis No. Nº da peça Nº de referencia Spare-part No. Grupo Grupo Group Nº da figura Nº de dibujo Fig. No. Nº de identificação Nº de identificación Chassis No. Nº da peça Nº de referencia Spare-part No. Grupo Grupo Group Nº da figura Nº de dibujo Fig. No. Nº de identificação Nº de identificación Chassis No. 11 1281445 08.15.02 / 00 837 1 1282190 05.10.00 / 00 3 1 1282743 08.25.00 / 00 680 1 1284088 02.30.01 / 00 1,02 1 1281453 08.15.02 / 00 837 1 1282204 05.10.00 / 00 7 1 1282778 08.25.00 / 00 700 1 02.30.02 / 00 1,02 1 1281461 08.15.02 / 00 837 1 1282212 05.10.00 / 00 8 1 1282786 08.25.00 / 00 710 1 1284096 15.40.01 / 00 1,06 1 1281488 08.15.02 / 00 837 1 1282220 05.10.00 / 00 9 1 1282794 08.15.01 / 00 240 1 1284118 02.30.01 / 00 1,01 1 1281496 08.15.02 / 00 837 1 1282239 08.25.00 / 00 780 1 08.25.00 / 00 720 1 02.30.02 / 00 1,01 1 1281666 05.10.00 / 00 10 1 1282247 08.25.00 / 00 780 1 1282808 08.25.00 / 00 730 1 15.40.01 / 00 1,05 1 1281755 08.15.02 / 00 836 1 1282255 08.25.00 / 00 780 1 1282816 08.25.00 / 00 740 1 1285475 05.21.00 / 00 1 1 1281763 08.15.02 / 00 836 1 1282263 08.25.00 / 00 780 1 1282824 08.25.00 / 00 740 1 05.96.00 / 00 4 1 1281771 08.15.02 / 00 836 1 1282271 08.25.00 / 00 780 1 1282832 08.25.00 / 00 740 1 1285491 05.21.00 / 00 1,02 1 1281798 08.15.02 / 00 836 1 1282298 08.25.00 / 00 780 1 1282840 08.25.00 / 00 750 1 1285963 05.05.00 / 00 18 1 1281801 08.15.02 / 00 836 1 1282301 08.25.00 / 00 780 1 1282859 08.25.00 / 00 760 1 1286331 08.15.01 / 00 250 1 1281828 08.15.02 / 00 836 1 1282328 08.25.00 / 00 780 1 1282867 08.30.00 / 00 340 1 1286358 08.25.00 / 00 750 1 1281836 08.15.02 / 00 836 1 1282336 08.25.00 / 00 780 1 1282891 08.30.00 / 00 410 1 1286374 08.30.00 / 00 390 1 1281844 08.15.02 / 00 836 1 1282344 08.25.00 / 00 780 1 1282905 08.30.00 / 00 430 1 1286382 08.30.00 / 00 400 1 1281852 08.15.02 / 00 836 1 1282352 08.30.00 / 00 420 1 1282913 08.30.00 / 00 520 1 1286390 08.30.00 / 00 420 1 1281860 08.15.02 / 00 836 1 1282360 08.30.00 / 00 500 1 1282921 08.15.02 / 00 10 1 1286404 08.30.00 / 00 430 1 1281879 08.15.02 / 00 836 1 1282379 08.30.00 / 00 530 1 1282948 08.15.02 / 00 820 1 1286919 06.05.06 / 00 11 1 1281887 08.15.02 / 00 836 1 1282387 08.30.00 / 00 530 1 1282956 08.15.02 / 00 830 1 1287451 02.25.06 / 00 17 1 1281895 08.15.02 / 00 836 1 1282395 08.30.00 / 00 530 1 1282964 08.15.01 / 00 200 1 02.25.07 / 00 17 1 1281909 08.15.02 / 00 836 1 1282409 08.30.00 / 00 530 1 1282972 08.15.01 / 00 210 1 1287486 02.25.01 / 00 81 1 1281917 05.10.00 / 00 11 1 1282417 08.30.00 / 00 530 1 1282980 08.15.01 / 00 220 1 1287664 05.21.00 / 00 1,05 1 1281925 08.15.02 / 00 836 1 1282425 08.30.00 / 00 530 1 1282999 08.15.01 / 00 350 1 1287672 05.21.00 / 00 1,01 1 1281933 08.15.02 / 00 836 1 1282433 08.30.00 / 00 530 1 1283006 08.15.01 / 00 900 1 1287753 05.01.00 / 00 5,01 1 1281941 08.15.02 / 00 836 1 1282441 08.30.00 / 00 530 1 1283014 08.15.01 / 00 232 1 05.02.00 / 00 5,02 1 1281968 08.15.02 / 00 836 1 1282468 08.15.01 / 00 890 1 1283022 05.10.00 / 00 19 1 1288687 05.02.00 / 00 5,01 1 1281976 08.15.02 / 00 836 1 1282476 08.15.01 / 00 890 1 1283197 05.10.00 / 00 72 1 1288717 04.01.02 / 00 11 1 1281984 08.15.02 / 00 836 1 1282484 08.15.01 / 00 890 1 1283456 05.02.00 / 00 1,01 1 1288725 04.01.02 / 00 20 1 1281992 08.15.02 / 00 836 1 1282492 08.15.01 / 00 890 1 1283499 02.25.03 / 00 100 1 1288989 05.21.00 / 00 1,03 1 1282018 08.15.02 / 00 837 1 1282506 08.15.01 / 00 890 1 1283596 05.10.00 / 00 22 1 1289047 05.01.00 / 00 3,17 1 1282026 08.25.00 / 00 780 1 1282522 08.15.01 / 00 120 1 1283677 05.10.00 / 00 14 1 1289373 02.25.06 / 00 13 1 1282034 08.25.00 / 00 780 1 1282530 08.15.01 / 00 12 1 1283758 05.10.00 / 00 30 1 02.25.07 / 00 13 1 1282042 08.25.00 / 00 780 1 1282549 08.15.02 / 00 840 1 1283766 05.10.00 / 00 33 1 1289829 06.05.04 / 00 150 1 1282050 08.25.00 / 00 780 1 1282557 08.15.01 / 00 230 1 1283774 05.10.00 / 00 44 1 06.05.06 / 00 60 1 1282069 08.25.00 / 00 780 1 1282565 08.15.01 / 00 10 1 1283790 05.10.00 / 00 61 1 1290568 02.25.06 / 00 20 1 1282077 08.25.00 / 00 780 1 1282573 08.15.01 / 00 30 1 1283804 05.10.00 / 00 62 1 02.25.07 / 00 20 1 1282085 08.25.00 / 00 780 1 1282646 08.15.01 / 00 150 1 1283812 05.10.00 / 00 63 1 1290827 05.01.00 / 00 1,01 1 1282093 08.25.00 / 00 780 1 1282654 08.15.01 / 00 960 1 1283847 05.10.00 / 00 74 1 1290843 05.01.00 / 00 3,01 1 1282107 08.25.00 / 00 780 1 1282670 02.25.01 / 00 101 1 1283855 05.10.00 / 00 75 1 1290991 04.01.02 / 00 3 1 1282115 08.25.00 / 00 780 1 1282689 05.10.00 / 00 91 1 1283863 05.10.00 / 00 76 1 1291092 02.25.06 / 00 17,01 1 1282123 05.10.00 / 00 49 1 1282697 08.25.00 / 00 800 1 1283871 05.10.00 / 00 77 1 02.25.07 / 00 17,01 1 1282131 05.10.00 / 00 64 1 1282700 08.25.00 / 00 600 1 1283898 05.10.00 / 00 78 1 1291114 04.05.02 / 00 66 1 1282158 05.10.00 / 00 65 1 1282719 08.25.00 / 00 620 1 1283928 05.10.00 / 00 68 1 1291246 02.25.07 / 00 3 1 1282166 05.10.00 / 00 1 1 1282727 08.25.00 / 00 630 1 1283936 05.10.00 / 00 4 1 1291335 04.25.04 / 00 77 1 1282174 05.10.00 / 00 2 1 1282735 08.25.00 / 00 660 1 1284037 06.05.04 / 00 170 1 1291343 15.09.02 / 00 30 1
  • 31.
    00.05.00 / 00ÍNDICE SEGUNDO O NÚMERO DA PEÇA 00.05.00 / 00 ÍNDICE DE CONTENIDO SEGÚN NÚMERO DE LA PIEZA 00.05.00 / 00 TABLE OF CONTENTS ACCORDING TO SPARE PART NO. Nº da peça Nº de referencia Spare-part No. Grupo Grupo Group Nº da figura Nº de dibujo Fig. No. Nº de identificação Nº de identificación Chassis No. Nº da peça Nº de referencia Spare-part No. Grupo Grupo Group Nº da figura Nº de dibujo Fig. No. Nº de identificação Nº de identificación Chassis No. Nº da peça Nº de referencia Spare-part No. Grupo Grupo Group Nº da figura Nº de dibujo Fig. No. Nº de identificação Nº de identificación Chassis No. Nº da peça Nº de referencia Spare-part No. Grupo Grupo Group Nº da figura Nº de dibujo Fig. No. Nº de identificação Nº de identificación Chassis No. 12 1291378 04.30.01 / 00 19 1 04.05.02 / 00 88 1 1402641 26.05.02 / 00 20 1 1480634 01.05.01 / 00 25 1 1291394 15.09.02 / 00 10 1 1294423 04.05.01 / 00 42 1 26.05.03 / 00 20 1 1480847 01.05.01 / 00 20 1 1291408 15.09.01 / 00 7 1 04.05.02 / 00 42 1 1402684 26.05.02 / 00 69 1 1480871 04.25.03 / 00 15 1 15.09.02 / 00 7 1 1294709 04.01.02 / 00 16 1 26.05.03 / 00 69 1 1480898 04.25.01 / 00 35 1 1291416 04.05.01 / 00 70 1 1294717 04.01.02 / 00 19 1 1405489 01.15.02 / 00 35 1 1480901 04.25.02 / 00 8 1 04.05.02 / 00 70 1 1294725 04.01.02 / 00 18 1 1406965 01.15.01 / 00 11 1 1480952 01.05.04 / 00 2 1 1291424 15.09.02 / 00 11 1 1294733 04.01.02 / 00 17 1 1408178 15.08.00 / 00 2 1 1481401 01.01.00 / 00 8 1 1291459 02.25.07 / 00 40,01 1 1294768 04.01.02 / 00 2 1 1409301 01.05.01 / 00 40 1 01.01.00 / 00 13 1 1291467 02.25.06 / 00 33 1 1294776 04.01.02 / 00 14 1 1417819 26.05.03 / 00 75 1 08.10.00 / 00 12 1 02.25.07 / 00 33 1 1294822 04.05.02 / 00 101 1 1418467 08.50.01 / 00 50 1 09.01.01 / 00 3 1 1291475 02.25.06 / 00 26 1 1294873 04.01.02 / 00 21 1 08.50.01 / 00 60 1 09.01.01 / 00 9 1 02.25.07 / 00 26 1 1295446 01.15.01 / 00 41 1 08.50.01 / 00 75 1 15.08.00 / 00 12 1 1291483 02.25.06 / 00 12 1 1297449 04.01.01 / 00 6 1 1420062 26.05.02 / 00 30 1 15.08.00 / 00 37 1 02.25.07 / 00 12 1 05.01.00 / 00 50 1 26.05.03 / 00 30 1 26.01.00 / 00 32 1 1291491 02.25.07 / 00 7 1 1297538 09.05.01 / 00 4 1 1424483 04.30.01 / 00 26 1 26.01.00 / 00 62 1 1291505 02.25.01 / 00 82 1 1297562 09.05.01 / 00 3 1 1426990 06.05.02 / 00 231 1 1481428 15.08.00 / 00 46 1 02.25.03 / 00 82 1 1297740 01.05.05 / 00 147 1 1432583 04.20.00 / 00 4 1 1481436 08.10.00 / 00 17 1 1291513 02.25.01 / 00 79 1 1297759 01.01.00 / 00 6 1 1432664 04.25.01 / 00 51 1 1481592 04.30.01 / 00 25 1 02.25.03 / 00 79 1 01.01.00 / 00 11 1 1443356 02.01.00 / 00 7 1 1481630 04.20.00 / 00 13 1 1291521 02.25.04 / 00 53 1 26.01.00 / 00 31 1 1445626 01.06.00 / 00 10 1 1481797 01.15.01 / 00 10 1 1291548 02.25.01 / 00 5 1 1298151 08.10.00 / 00 1 1 06.05.05 / 00 10 1 1481959 01.15.01 / 00 36 1 02.25.07 / 00 40 1 1298283 05.01.00 / 00 1,02 1 1446835 15.40.03 / 00 100 1 1485199 15.24.00 / 00 11 1 1291556 02.25.01 / 00 4 1 1298437 04.01.01 / 00 7 1 1449672 02.01.00 / 00 8 1 26.03.11 / 00 2 1 02.25.06 / 00 40 1 05.02.00 / 00 100 1 1454072 01.06.00 / 00 16 1 26.03.20 / 00 2 1 1291564 02.25.06 / 00 40,01 1 1298445 05.06.00 / 00 100 1 06.05.05 / 00 16 1 26.03.30 / 00 2 1 1291572 02.25.06 / 00 7 1 26.05.01 / 00 115 1 1455966 15.08.00 / 00 40 1 1485245 09.05.01 / 00 7 1 1291580 02.25.06 / 00 3 1 1298488 26.05.01 / 00 122 1 15.09.01 / 00 50 1 1485253 06.05.04 / 00 194 1 1291637 04.25.02 / 00 29 1 1300334 06.05.04 / 00 130 1 1456776 09.01.01 / 00 12,01 1 1485261 02.06.00 / 00 18 1 1291726 08.50.02 / 00 6 1 1301020 08.53.00 / 00 5 1 09.05.02 / 00 100,01 1 1485350 01.15.01 / 00 20 1 1292102 01.15.01 / 00 40 1 1302094 08.50.02 / 00 7 1 15.08.00 / 00 40,01 1 1485393 02.06.00 / 00 51 1 1292226 04.05.02 / 00 55 1 1302108 08.50.02 / 00 21 1 15.09.01 / 00 50,01 1 1485407 04.30.02 / 00 19 1 04.06.00 / 00 5 1 1302124 26.10.01 / 00 43 1 1464833 01.06.00 / 00 8 1 1485504 06.07.01 / 00 60 1 1292404 04.06.00 / 00 1 1 1302132 08.50.01 / 00 31 1 06.05.05 / 00 8 1 1485873 01.05.01 / 00 142 1 1292412 04.06.00 / 00 2 1 08.50.02 / 00 31 1 1464868 26.05.01 / 00 113 1 01.05.05 / 00 142 1 1292447 02.30.02 / 00 51 1 1302140 08.50.01 / 00 85 1 1468855 01.06.00 / 00 2 1 1486586 08.50.02 / 00 1 1 02.30.03 / 00 51 1 1302159 26.10.01 / 00 5 1 06.05.05 / 00 2 1 1486640 09.01.02 / 00 20 1 15.40.02 / 00 51 1 26.10.02 / 00 5 1 1469010 01.15.01 / 00 34 1 1486721 08.50.02 / 00 12 1 15.40.04 / 00 51 1 1302167 26.10.01 / 00 6 1 1469363 01.15.01 / 00 37 1 08.50.03 / 00 112 1 1292455 02.30.02 / 00 45 1 26.10.02 / 00 6 1 1469894 09.01.02 / 00 6 1 1486748 08.50.02 / 00 16 1 02.30.03 / 00 45 1 1302175 08.53.00 / 00 12 1 1479156 01.06.00 / 00 12 1 1486756 08.50.03 / 00 116 1 15.40.02 / 00 45 1 1302183 02.01.00 / 00 9 1 06.05.05 / 00 12 1 09.05.01 / 00 22 1 15.40.04 / 00 45 1 09.01.01 / 00 5 1 1480510 08.40.00 / 00 22,01 1 1486772 08.50.02 / 00 15 1 1293001 06.05.06 / 00 9 1 1401548 08.51.00 / 00 8 1 08.40.00 / 00 23,01 1 08.50.03 / 00 115 1 1293389 04.05.01 / 00 88 1 1402536 04.30.01 / 00 30 1 08.40.00 / 00 24,01 1 1486861 08.50.01 / 00 65 1
  • 32.
    00.05.00 / 00ÍNDICE SEGUNDO O NÚMERO DA PEÇA 00.05.00 / 00 ÍNDICE DE CONTENIDO SEGÚN NÚMERO DE LA PIEZA 00.05.00 / 00 TABLE OF CONTENTS ACCORDING TO SPARE PART NO. Nº da peça Nº de referencia Spare-part No. Grupo Grupo Group Nº da figura Nº de dibujo Fig. No. Nº de identificação Nº de identificación Chassis No. Nº da peça Nº de referencia Spare-part No. Grupo Grupo Group Nº da figura Nº de dibujo Fig. No. Nº de identificação Nº de identificación Chassis No. Nº da peça Nº de referencia Spare-part No. Grupo Grupo Group Nº da figura Nº de dibujo Fig. No. Nº de identificação Nº de identificación Chassis No. Nº da peça Nº de referencia Spare-part No. Grupo Grupo Group Nº da figura Nº de dibujo Fig. No. Nº de identificação Nº de identificación Chassis No. 13 26.10.01 / 00 25 1 1496409 01.05.03 / 00 92 1 1502340 02.30.01 / 00 1 1 1509292 01.15.01 / 00 60 1 1486918 08.50.01 / 00 40 1 02.15.00 / 00 92 1 02.30.02 / 00 1 1 1509454 04.05.01 / 00 9 1 1486926 08.50.01 / 00 45 1 1496506 01.05.03 / 00 95 1 1502352 15.40.03 / 00 101 1 1509489 15.50.12 / 00 15 1 1487051 26.01.00 / 00 30 1 02.15.00 / 00 95 1 1502670 15.40.01 / 00 1 1 15.50.22 / 00 15 1 26.01.00 / 00 60 1 1497063 01.20.00 / 00 30 1 15.40.02 / 00 1 1 1510266 15.40.04 / 00 164 1 1487116 26.01.00 / 00 10 1 1497073 01.20.00 / 00 31 1 1502719 02.30.01 / 00 118 1 1513354 26.01.00 / 00 50 1 26.01.00 / 00 53 1 1497081 01.20.00 / 00 32 1 15.40.01 / 00 118 1 1513834 06.05.06 / 00 51 1 1487353 09.01.02 / 00 14 1 1497103 01.20.00 / 00 33 1 1502751 02.30.01 / 00 131 1 1514075 06.05.04 / 00 110 1 1487418 09.01.02 / 00 15 1 1497111 01.20.00 / 00 34 1 15.40.01 / 00 131 1 1514725 01.15.02 / 00 50 1 1487892 02.30.03 / 00 2,01 1 1497138 01.20.00 / 00 35 1 1502778 02.30.02 / 00 59 1 1519050 15.40.03 / 00 65 1 15.40.01 / 00 2,02 1 1497146 01.20.00 / 00 36 1 15.40.02 / 00 59 1 1519069 15.40.04 / 00 80 1 1487906 02.30.03 / 00 2,02 1 1497227 01.20.00 / 00 8 1 1502824 02.30.01 / 00 26,02 1 1519093 04.01.01 / 00 45 1 15.40.01 / 00 2,01 1 1497235 01.20.00 / 00 9 1 15.40.01 / 00 26 1 1519115 04.25.04 / 00 72 1 1488058 08.10.00 / 00 10 1 1497766 15.34.00 / 00 13 1 1502832 15.40.01 / 00 215 1 1519123 04.25.04 / 00 79 1 1488295 01.06.00 / 00 3 1 1497774 06.05.03 / 00 133 1 1504037 04.30.01 / 00 20 1 1519131 04.25.04 / 00 66 1 06.05.05 / 00 3 1 1497804 06.05.03 / 00 135 1 1504274 04.05.01 / 00 87 1 1519158 04.25.01 / 00 45 1 1488627 01.05.02 / 00 60 1 1497812 02.25.08 / 00 2 1 04.05.02 / 00 87 1 1519182 15.40.03 / 00 75 1 1488635 05.24.00 / 00 1 1 1497952 04.25.04 / 00 70 1 1504282 15.09.02 / 00 32 1 1519220 04.25.03 / 00 25 1 05.95.00 / 00 30 1 1498118 01.05.05 / 00 135 1 1504479 01.05.04 / 00 11 1 1519239 04.25.03 / 00 26 1 1488643 05.95.00 / 00 25 1 1498762 01.05.02 / 00 8 1 1504630 01.15.01 / 00 14 1 1519255 04.20.00 / 00 14 1 1488651 04.25.01 / 00 55 1 1498797 01.01.00 / 00 40 1 1504649 01.15.01 / 00 14 1 1519999 15.40.03 / 00 170 1 1488791 04.05.01 / 00 30 1 1498800 08.10.00 / 00 10 1 1504703 26.01.00 / 00 29 1 1522647 02.01.00 / 00 3 1 1488848 01.05.02 / 00 70 1 1498819 04.05.01 / 00 10 1 26.01.00 / 00 59 1 02.01.00 / 00 17 1 1488856 01.05.02 / 00 75 1 1498827 04.05.01 / 00 39 1 1504959 04.05.02 / 00 46 1 1522655 02.01.00 / 00 2 1 1489208 04.01.01 / 00 3 1 1499327 26.03.12 / 00 2 1 1505262 02.20.00 / 00 11 1 02.01.00 / 00 16 1 1489267 15.24.00 / 00 10 1 26.03.30 / 00 1,02 1 1505270 02.20.00 / 00 1 1 1523090 02.10.00 / 00 42 1 26.03.20 / 00 1 1 1499335 26.03.12 / 00 3 1 1505319 02.20.00 / 00 7 1 02.25.08 / 00 50 1 1489402 04.20.00 / 00 15 1 26.03.30 / 00 1,03 1 1505327 01.05.03 / 00 89 1 1523139 01.15.01 / 00 15 1 1489534 05.95.00 / 00 14 1 1499505 26.03.30 / 00 1,07 1 02.15.00 / 00 89 1 1524305 26.05.01 / 00 51 1 1489550 02.25.01 / 00 1 1 1501011 15.50.11 / 00 10 1 1505335 01.05.03 / 00 90 1 1524437 26.05.01 / 00 110 1 02.25.08 / 00 1 1 15.50.21 / 00 10 1 02.15.00 / 00 90 1 1524461 26.05.01 / 00 123 1 1491547 15.08.00 / 00 10 1 1501119 09.01.01 / 00 6 1 1505343 01.05.03 / 00 98 1 1524488 26.05.01 / 00 119 1 1494309 09.01.02 / 00 9 1 1501143 01.15.01 / 00 24 1 02.15.00 / 00 98 1 1524631 01.15.02 / 00 45 1 1494392 04.25.03 / 00 27 1 1501186 06.07.01 / 00 25 1 1505351 02.20.00 / 00 2 1 06.05.04 / 00 240 1 1494406 04.25.03 / 00 28 1 1501208 06.07.01 / 00 26 1 1505386 15.33.00 / 00 21 1 1527002 15.40.04 / 00 171 1 1495542 15.24.00 / 00 12 1 1501240 04.25.04 / 00 74 1 15.50.21 / 00 21 1 1527010 15.40.02 / 00 185 1 26.03.11 / 00 4 1 1501534 05.95.00 / 00 4 1 1505440 15.50.21 / 00 32 1 15.40.04 / 00 185 1 26.03.20 / 00 3 1 1501860 02.20.00 / 00 14 1 1505483 02.10.00 / 00 43 1 1527029 15.40.02 / 00 186 1 1495631 26.10.01 / 00 30 1 1501925 01.15.02 / 00 5 1 02.12.00 / 00 43 1 15.40.04 / 00 186 1 1495658 08.50.01 / 00 70 1 1502166 02.30.01 / 00 26,01 1 1506099 06.05.06 / 00 21 1 1527037 15.40.04 / 00 190 1 1495844 04.30.01 / 00 6 1 15.40.01 / 00 26,01 1 1506986 06.05.06 / 00 1 1 1527045 15.40.04 / 00 191 1 1495852 04.30.01 / 00 7 1 1502239 15.40.03 / 00 142 1 1507869 01.15.01 / 00 16 1 1527703 15.81.00 / 00 3 1 1496395 01.05.03 / 00 91 1 1502298 15.40.02 / 00 150 1 1509276 26.01.00 / 00 18 1 1527924 15.40.04 / 00 195 1 02.15.00 / 00 91 1 1502301 15.40.01 / 00 220 1 1509284 15.52.00 / 00 20 1 1535188 09.01.01 / 00 12 1
  • 33.
    00.05.00 / 00ÍNDICE SEGUNDO O NÚMERO DA PEÇA 00.05.00 / 00 ÍNDICE DE CONTENIDO SEGÚN NÚMERO DE LA PIEZA 00.05.00 / 00 TABLE OF CONTENTS ACCORDING TO SPARE PART NO. Nº da peça Nº de referencia Spare-part No. Grupo Grupo Group Nº da figura Nº de dibujo Fig. No. Nº de identificação Nº de identificación Chassis No. Nº da peça Nº de referencia Spare-part No. Grupo Grupo Group Nº da figura Nº de dibujo Fig. No. Nº de identificação Nº de identificación Chassis No. Nº da peça Nº de referencia Spare-part No. Grupo Grupo Group Nº da figura Nº de dibujo Fig. No. Nº de identificação Nº de identificación Chassis No. Nº da peça Nº de referencia Spare-part No. Grupo Grupo Group Nº da figura Nº de dibujo Fig. No. Nº de identificação Nº de identificación Chassis No. 14 09.05.02 / 00 100 1 2023936 02.06.00 / 00 30 1 2026872 04.01.03 / 00 6 1 2032906 04.05.01 / 00 17 237 1535234 09.01.02 / 00 12 1 2024002 06.05.04 / 00 220 1 2026873 04.01.03 / 00 7 1 2034023 01.15.01 / 00 100 1 1535315 09.01.02 / 00 8 1 2024031 01.01.00 / 00 10 1 2026874 04.01.03 / 00 8 1 01.15.02 / 00 100 1 1535358 01.01.00 / 00 5 1 2024034 05.10.00 / 00 100 1 2026986 04.01.03 / 00 10 1 2034026 05.02.00 / 00 1 1 1535366 01.01.00 / 00 4 1 26.01.00 / 00 19 1 2027077 02.06.00 / 00 30,03 1 2034027 05.02.00 / 00 3 1 1535404 02.06.00 / 00 1 1 2024035 01.01.00 / 00 80 1 2028559 15.59.00 / 00 1 1 2034032 05.02.00 / 00 5 1 1535420 09.05.01 / 00 21 1 2024111 08.51.00 / 00 2 1 2029166 06.07.01 / 00 20 167 2034060 05.10.00 / 00 100,03 1 1535501 26.01.00 / 00 16 1 2024135 02.10.00 / 00 1 1 2029266 06.07.01 / 00 21 167 2034078 05.10.00 / 00 60 1 1535579 09.01.01 / 00 16 1 2024136 06.05.04 / 00 210 1 2029601 05.10.00 / 00 20 1 2034079 05.10.00 / 00 73 1 09.01.01 / 00 20 1 2024150 06.05.04 / 00 140 1 2029870 08.30.00 / 00 400 1 2034080 05.10.00 / 00 95 1 1535587 09.01.01 / 00 17 1 2024158 04.01.03 / 00 9 1 2030191 08.20.00 / 00 10 1 2034091 05.11.00 / 00 1 1 09.01.01 / 00 21 1 2024161 06.05.04 / 00 202 1 2030359 08.20.00 / 00 14 1 2034092 05.11.00 / 00 2 1 1535595 09.01.01 / 00 13 1 2024249 04.01.02 / 00 4 1 2030361 08.20.00 / 00 20 1 2034095 05.05.00 / 00 2 1 1535609 09.01.01 / 00 18 1 2024308 26.10.01 / 00 30 167 2030383 09.05.01 / 00 90 214 2034096 05.06.00 / 00 6 1 09.01.01 / 00 22 1 2024309 08.50.01 / 00 70 167 2030386 08.20.00 / 00 30 1 2034118 05.11.00 / 00 18 1 1535714 04.30.01 / 00 70 1 2024311 15.81.00 / 00 1 1 2030394 08.20.00 / 00 36 1 2034120 05.06.00 / 00 25 1 04.30.02 / 00 7 1 2024312 15.81.00 / 00 2 1 2030395 08.20.00 / 00 40 1 2034121 05.11.00 / 00 2,05 1 1537121 06.05.04 / 00 195 1 2024313 08.51.00 / 00 50 1 2030396 08.20.00 / 00 40 1 2034165 02.06.00 / 00 30,06 1 1537210 02.01.00 / 00 14 1 2024345 01.20.00 / 00 1 1 2030419 08.20.00 / 00 40 1 2034186 05.01.00 / 00 3 1 1537229 02.01.00 / 00 13 1 2024388 15.34.00 / 00 1 1 2030434 08.20.00 / 00 40 1 2034187 05.01.00 / 00 4 1 1537555 09.01.01 / 00 19 1 15.52.00 / 00 1 1 2030435 08.20.00 / 00 40 1 2034188 05.01.00 / 00 5 1 1537563 15.08.00 / 00 50 1 2024389 15.34.00 / 00 6 1 2030450 08.20.00 / 00 50 1 2034192 05.01.00 / 00 50,01 1 1537571 08.51.00 / 00 1 1 15.52.00 / 00 6 1 2030475 08.20.00 / 00 60 1 2034196 05.01.00 / 00 4,01 1 1537598 04.10.00 / 00 1 1 2024390 15.52.00 / 00 10 1 2030477 08.20.00 / 00 70 1 2034285 05.01.00 / 00 4,03 1 1706217 06.05.04 / 00 160 1 2024461 06.05.04 / 00 191 1 2030485 08.20.00 / 00 80 1 2034414 09.05.01 / 00 90,01 214 1707647 01.05.01 / 00 30 1 2024504 02.06.00 / 00 45 1 2030486 08.20.00 / 00 90 1 2034586 02.06.00 / 00 30,05 1 1707825 05.05.00 / 00 50 1 2024521 02.06.00 / 00 46 1 2030487 08.20.00 / 00 100 1 2034589 02.06.00 / 00 30,01 1 08.10.00 / 00 8 1 2024542 09.05.01 / 00 90 1 2030511 08.20.00 / 00 110 1 2034592 02.06.00 / 00 30,02 1 1707833 05.11.00 / 00 50 1 2024555 05.95.00 / 00 2 1 2030517 08.20.00 / 00 130 1 2035109 08.51.00 / 00 1,02 1 26.01.00 / 00 25 1 2024597 02.06.00 / 00 85 1 2030641 08.30.00 / 00 340 1 2035110 08.51.00 / 00 1,01 1 2014222 09.05.01 / 00 2 1 2024649 02.06.00 / 00 40 1 2031075 01.05.04 / 00 1 300 2035419 02.25.01 / 00 82 245 09.05.03 / 00 2 1 2024823 05.11.00 / 00 50,01 1 2031076 06.15.00 / 00 1 282 02.25.03 / 00 78 245 2020538 04.01.01 / 00 6,01 1 2025018 15.59.00 / 00 5 1 2031439 05.05.00 / 00 2,03 1 02.25.03 / 00 82 245 2020546 04.01.01 / 00 7,01 1 2026077 02.06.00 / 00 30,04 1 05.11.00 / 00 2,04 1 2035849 01.05.02 / 00 50 282 05.02.00 / 00 100,01 1 2026347 02.06.00 / 00 30,05 1 2031491 05.22.00 / 00 1 215 2036282 04.01.02 / 00 6 1 2020559 05.05.00 / 00 50,01 1 2026351 02.06.00 / 00 30,01 1 09.05.03 / 00 30 215 04.05.02 / 00 100 1 05.06.00 / 00 100,01 1 2026352 02.06.00 / 00 30,02 1 2031492 05.22.00 / 00 1,01 215 04.06.00 / 00 10 1 2022480 15.40.04 / 00 215,01 1 2026478 04.10.00 / 00 1,01 1 2032000 05.11.00 / 00 50 1 2022493 15.40.01 / 00 215,01 1 2026479 04.10.00 / 00 1,02 1 26.01.00 / 00 25 1 15.40.03 / 00 215,02 1 2026564 04.25.01 / 00 53 1 2032001 05.05.00 / 00 50 1 2023822 15.40.03 / 00 215,03 1 2026866 04.01.03 / 00 1 1 08.10.00 / 00 8 1 2023864 15.40.01 / 00 215,04 1 2026867 04.01.03 / 00 3 1 2032170 05.01.00 / 00 1 1 2023884 02.06.00 / 00 35 1 2026869 04.01.03 / 00 4 1 2032266 04.05.01 / 00 26 237 2023904 02.06.00 / 00 30 1 2026871 04.01.03 / 00 5 1 2032901 04.05.01 / 00 18 237
  • 34.
    01.01.00 / 00CARROCERIA COM PEÇAS COMPLEMENTARES / 1-9999 01.01.00 / 00 BASTIDOR CON PIEZAS DE MONTAJE / 1-9999 01.01.00 / 00 MAIN FRAME AND ASSEMBLIES / 1-9999
  • 35.
    POS Nº DEIDENT. DESIGNAÇÃO DESIGNATION DESIGNACIÓN QUANT. VALIDADE 01.01.00 / 00 CARROCERIA COM PEÇAS COMPLEMENTARES / 1-9999 01.01.00 / 00 BASTIDOR CON PIEZAS DE MONTAJE / 1-9999 01.01.00 / 00 MAIN FRAME AND ASSEMBLIES / 1-9999 2024533 2 891800 CHASSI TRASEIRO CHASIS TRASERO 1,000 1-9999 REAR FRAME PART 3 891851 TRAVESSA TRAVIESA 1,000 1-9999 TRAVERSE 4 1535366 PEÇA LATERAL PIEZA LATERAL 1,000 1-9999 SIDE PART 5 1535358 PEÇA LATERAL PIEZA LATERAL 1,000 1-9999 SIDE PART 6 1297759 PARAFUSO DE CABEÇA CILÍNDRICA TORNILLO CILÍNDRICO 16,000 1-9999 CHEESE-HEAD SCREW 7 361763 PORCA SEXTAVADA TUERCA HEXAGONAL 16,000 1-9999 HEXAGON NUT 8 1481401 ARRUELA LISA DISCO EN U 16,000 1-9999 U-WASHER 10 891878 TRAVESSA VERSÃO 3410 TRAVIESA VERSIÓN 3410 1,000 1-9999 TRAVERSE VERSION 3410 10 2024031 TRAVESSA VERSÃO 3411 TRAVIESA VERSIÓN 3411 1,000 1-9999 TRAVERSE VERSION 3411 11 1297759 PARAFUSO DE CABEÇA CILÍNDRICA TORNILLO CILÍNDRICO 8,000 1-9999 CHEESE-HEAD SCREW 12 361763 PORCA SEXTAVADA TUERCA HEXAGONAL 8,000 1-9999 HEXAGON NUT 13 1481401 ARRUELA LISA DISCO EN U 8,000 1-9999 U-WASHER 40 1498797 SUPORTE SOPORTE 1,000 1-9999 SUPPORT 41 213667 PARAFUSO SEXTAVADO TORNILLO HEXAGONAL 4,000 1-9999 HEXAGON SCREW
  • 36.
    01.01.00 / 00CARROCERIA COM PEÇAS COMPLEMENTARES / 1-9999 01.01.00 / 00 BASTIDOR CON PIEZAS DE MONTAJE / 1-9999 01.01.00 / 00 MAIN FRAME AND ASSEMBLIES / 1-9999
  • 37.
    POS Nº DEIDENT. DESIGNAÇÃO DESIGNATION DESIGNACIÓN QUANT. VALIDADE 01.01.00 / 00 CARROCERIA COM PEÇAS COMPLEMENTARES / 1-9999 01.01.00 / 00 BASTIDOR CON PIEZAS DE MONTAJE / 1-9999 01.01.00 / 00 MAIN FRAME AND ASSEMBLIES / 1-9999 2024533 42 216577 ARRUELA ARANDELA 8,000 1-9999 WASHER 43 216437 PORCA SEXTAVADA TUERCA HEXAGONAL 4,000 1-9999 HEXAGON NUT 45 213675 PARAFUSO SEXTAVADO TORNILLO HEXAGONAL 4,000 1-9999 HEXAGON SCREW 46 216593 ARRUELA ARANDELA 8,000 1-9999 WASHER 47 216445 PORCA SEXTAVADA TUERCA HEXAGONAL 4,000 1-9999 HEXAGON NUT 48 1220470 SUPORTE PARA CALÇO SOPORTE PARA CUÑAS 1,000 1-9999 SUPPORT FOR BLOCK 49 1220462 CALÇO CALCE 1,000 1-9999 CHOCK 50 866741 PINO BULÓN 1,000 1-9999 BOLT 52 1265830 PINO ELÁSTICO PASADOR DE HORQUILLA 1,000 1-9999 W-CLIP 53 1265849 CORDÃO DE SEGURANÇA CORDÓN DE SEGURIDAD 1,000 1-9999 SAFETY CORD 54 213799 PARAFUSO SEXTAVADO TORNILLO HEXAGONAL 1,000 1-9999 HEXAGON SCREW 55 216593 ARRUELA ARANDELA 2,000 1-9999 WASHER 56 216445 PORCA SEXTAVADA TUERCA HEXAGONAL 1,000 1-9999 HEXAGON NUT 80 2024035 LASTRO VERSÃO 3411 LASTRE VERSION 3411 2,000 1-9999 BALLAST VERSION 3411
  • 38.
    01.01.00 / 00CARROCERIA COM PEÇAS COMPLEMENTARES / 1-9999 01.01.00 / 00 BASTIDOR CON PIEZAS DE MONTAJE / 1-9999 01.01.00 / 00 MAIN FRAME AND ASSEMBLIES / 1-9999
  • 39.
    POS Nº DEIDENT. DESIGNAÇÃO DESIGNATION DESIGNACIÓN QUANT. VALIDADE 01.01.00 / 00 CARROCERIA COM PEÇAS COMPLEMENTARES / 1-9999 01.01.00 / 00 BASTIDOR CON PIEZAS DE MONTAJE / 1-9999 01.01.00 / 00 MAIN FRAME AND ASSEMBLIES / 1-9999 2024533 81 214949 PARAFUSO DE CABEÇA CILÍNDRICA VERSÃO 3411 TORNILLO CILÍNDRICO VERSION 3411 6,000 1-9999 CHEESE-HEAD SCREW VERSION 3411 82 250473 ARRUELA VERSÃO 3411 ARANDELA VERSION 3411 6,000 1-9999 WASHER VERSION 3411
  • 40.
    01.05.01 / 00PEÇAS DE REVESTIMENTO E TAMPAS, PÁGINA 1 / 1-9999 01.05.01 / 00 PIEZAS DE REVESTIMIENTO Y TAPAS, PÁGINA 1 / 1-9999 01.05.01 / 00 CANOPIES AND COVERS, PAGE 1 / 1-9999 22 49 144 33 32 155 38 37 23 22 36 35 46 45 48 39 155 43 57 56 56 55 42 40 41 51 53 52 45 45.01 27 28 22 21 27 26 27 21 20 27 28 26 27 25 25 22 27 47 29 25 28 32 27 30 142 34 146 20 25 27 23 28 44 145 26 27 32 27 143 31 26 29
  • 41.
    POS Nº DEIDENT. DESIGNAÇÃO DESIGNATION DESIGNACIÓN QUANT. VALIDADE 01.05.01 / 00 PEÇAS DE REVESTIMENTO E TAMPAS, PÁGINA 1 / 1-9999 01.05.01 / 00 PIEZAS DE REVESTIMIENTO Y TAPAS, PÁGINA 1 / 1-9999 01.05.01 / 00 CANOPIES AND COVERS, PAGE 1 / 1-9999 2024534 20 1480847 CHAPA CHAPA 1,000 1-9999 METAL PLATE 21 213829 PARAFUSO SEXTAVADO TORNILLO HEXAGONAL 2,000 1-9999 HEXAGON SCREW 22 216593 ARRUELA ARANDELA 4,000 1-9999 WASHER 23 2107680 PORCA SEXTAVADA TUERCA HEXAGONAL 2,000 1-9999 HEXAGON NUT 25 1480634 CHAPA CHAPA 2,000 1-9999 METAL PLATE 26 213829 PARAFUSO SEXTAVADO TORNILLO HEXAGONAL 6,000 1-9999 HEXAGON SCREW 27 216593 ARRUELA ARANDELA 16,000 1-9999 WASHER 28 2107680 PORCA SEXTAVADA TUERCA HEXAGONAL 8,000 1-9999 HEXAGON NUT 29 339180 PARAFUSO SEXTAVADO TORNILLO HEXAGONAL 2,000 1-9999 HEXAGON SCREW 30 1707647 CAIXA DE FUSÍVEIS CAJA PARA FUSIBLES 1,000 1-9999 FUSE BOX 31 212024 PARAFUSO SEXTAVADO TORNILLO HEXAGONAL 2,000 1-9999 HEXAGON SCREW 32 293873 ARRUELA ARANDELA 5,000 1-9999 WASHER 33 216461 PORCA SEXTAVADA TUERCA HEXAGONAL 2,000 1-9999 HEXAGON NUT 34 211826 PARAFUSO SEXTAVADO TORNILLO HEXAGONAL 1,000 1-9999 HEXAGON SCREW
  • 42.
    01.05.01 / 00PEÇAS DE REVESTIMENTO E TAMPAS, PÁGINA 1 / 1-9999 01.05.01 / 00 PIEZAS DE REVESTIMIENTO Y TAPAS, PÁGINA 1 / 1-9999 01.05.01 / 00 CANOPIES AND COVERS, PAGE 1 / 1-9999 22 49 144 33 32 155 38 37 23 22 36 35 46 45 48 39 155 43 57 56 56 55 42 40 41 51 53 52 45 45.01 27 28 22 21 27 26 27 21 20 27 28 26 27 25 25 22 27 47 29 25 28 32 27 30 142 34 146 20 25 27 23 28 44 145 26 27 32 27 143 31 26 29
  • 43.
    POS Nº DEIDENT. DESIGNAÇÃO DESIGNATION DESIGNACIÓN QUANT. VALIDADE 01.05.01 / 00 PEÇAS DE REVESTIMENTO E TAMPAS, PÁGINA 1 / 1-9999 01.05.01 / 00 PIEZAS DE REVESTIMIENTO Y TAPAS, PÁGINA 1 / 1-9999 01.05.01 / 00 CANOPIES AND COVERS, PAGE 1 / 1-9999 2024534 35 860239 TAMPA TAPA 1,000 1-9999 COVER 36 214221 PARAFUSO DE CABEÇA ESCAREADA TORNILLO AVELLANADO 4,000 1-9999 COUNTERSUNK SCREW 37 216593 ARRUELA ARANDELA 4,000 1-9999 WASHER 38 216445 PORCA SEXTAVADA TUERCA HEXAGONAL 4,000 1-9999 HEXAGON NUT 39 276766 PERFIL DE VEDAÇÃO (M) PERFIL DE IMPERMEABILIZACIÓN (M) 2,000 1-9999 SEALING PROFILE (M) 40 1409301 FECHADURA CERRADURA 1,000 1-9999 LOCK 41 215422 PARAFUSO DE CABEÇA ESCAREADA TORNILLO AVELLANADO 2,000 1-9999 COUNTERSUNK SCREW 42 216445 PORCA SEXTAVADA TUERCA HEXAGONAL 2,000 1-9999 HEXAGON NUT 43 1245945 BUJÃO BULÓN 2,000 1-9999 PLUG 44 1202162 BUJÃO TAPÓN DE CIERRE 2,000 1-9999 FILLER CAP 45 386243 PUXADOR EXTERNO DA FECHADURA TIRADOR EXTERIOR 1,000 1-9999 LOCK OUTSIDE HANDLE 45.01 367125 CHAVE LLAVE 1,000 1-9999 KEY 46 386260 CHAPA SUPORTE CHAPA DE ASIENTO 1,000 1-9999 SUPPORTING PLATE 47 386251 CHAPA SUPORTE CHAPA DE ASIENTO 1,000 1-9999 SUPPORTING PLATE
  • 44.
    01.05.01 / 00PEÇAS DE REVESTIMENTO E TAMPAS, PÁGINA 1 / 1-9999 01.05.01 / 00 PIEZAS DE REVESTIMIENTO Y TAPAS, PÁGINA 1 / 1-9999 01.05.01 / 00 CANOPIES AND COVERS, PAGE 1 / 1-9999 22 49 144 33 32 155 38 37 23 22 36 35 46 45 48 39 155 43 57 56 56 55 42 40 41 51 53 52 45 45.01 27 28 22 21 27 26 27 21 20 27 28 26 27 25 25 22 27 47 29 25 28 32 27 30 142 34 146 20 25 27 23 28 44 145 26 27 32 27 143 31 26 29
  • 45.
    POS Nº DEIDENT. DESIGNAÇÃO DESIGNATION DESIGNACIÓN QUANT. VALIDADE 01.05.01 / 00 PEÇAS DE REVESTIMENTO E TAMPAS, PÁGINA 1 / 1-9999 01.05.01 / 00 PIEZAS DE REVESTIMIENTO Y TAPAS, PÁGINA 1 / 1-9999 01.05.01 / 00 CANOPIES AND COVERS, PAGE 1 / 1-9999 2024534 48 213721 PARAFUSO DE CABEÇA CILÍNDRICA TORNILLO CILÍNDRICO 2,000 1-9999 CHEESE-HEAD SCREW 49 216577 ARRUELA ARANDELA 2,000 1-9999 WASHER 51 213721 PARAFUSO DE CABEÇA CILÍNDRICA TORNILLO CILÍNDRICO 1,000 1-9999 CHEESE-HEAD SCREW 52 216577 ARRUELA ARANDELA 1,000 1-9999 WASHER 53 216062 PORCA SEXTAVADA TUERCA HEXAGONAL 1,000 1-9999 HEXAGON NUT 55 430374 PINO DE FECHAMENTO PERNO DE CIERRE 1,000 1-9999 CLOSING BOLT 56 216607 ARRUELA ARANDELA 2,000 1-9999 WASHER 57 216453 PORCA SEXTAVADA TUERCA HEXAGONAL 1,000 1-9999 HEXAGON NUT 142 1485873 CHAPA CHAPA 1,000 1-9999 METAL PLATE 143 1209787 PARAFUSO SEXTAVADO TORNILLO HEXAGONAL 2,000 1-9999 HEXAGON SCREW 144 216607 ARRUELA ARANDELA 2,000 1-9999 WASHER 145 345490 ARRUELA ARANDELA 2,000 1-9999 WASHER 146 216453 PORCA SEXTAVADA TUERCA HEXAGONAL 2,000 1-9999 HEXAGON NUT 155 353434 BUJÃO TAPÓN DE CIERRE 6,000 1-9999 FILLER CAP
  • 46.
    01.05.02 / 00PEÇAS DE REVESTIMENTO E TAMPAS, PÁGINA 2 / 1-9999 01.05.02 / 00 PIEZAS DE REVESTIMIENTO Y TAPAS, PÁGINA 2 / 1-9999 01.05.02 / 00 CANOPIES AND COVERS, PAGE 2 / 1-9999 53 50 52 51 77 78 77 77 75 81 101 100 102 1 3 71 10 73 72 60 70 9 8 11 4 6 7 76 62 2 11 12 5 61 11 71 81 3
  • 47.
    POS Nº DEIDENT. DESIGNAÇÃO DESIGNATION DESIGNACIÓN QUANT. VALIDADE 01.05.02 / 00 PEÇAS DE REVESTIMENTO E TAMPAS, PÁGINA 2 / 1-9999 01.05.02 / 00 PIEZAS DE REVESTIMIENTO Y TAPAS, PÁGINA 2 / 1-9999 01.05.02 / 00 CANOPIES AND COVERS, PAGE 2 / 1-9999 2014268 1 891150 CHAPA DE FUNDO CHAPA DE FONDO 1,000 1-9999 BOTTOM PLATE 2 1209698 PARAFUSO SEXTAVADO TORNILLO HEXAGONAL 6,000 1-9999 HEXAGON SCREW 3 293873 ARRUELA ARANDELA 12,000 1-9999 WASHER 4 216461 PORCA SEXTAVADA TUERCA HEXAGONAL 6,000 1-9999 HEXAGON NUT 5 276766 PERFIL DE VEDAÇÃO (M) PERFIL DE IMPERMEABILIZACIÓN (M) 0,760 1-9999 SEALING PROFILE (M) 6 615290 PERFIL DE VEDAÇÃO (M) PERFIL DE IMPERMEABILIZACIÓN (M) 0,760 1-9999 SEALING PROFILE (M) 7 213845 PARAFUSO SEXTAVADO TORNILLO HEXAGONAL 3,000 1-9999 HEXAGON SCREW 8 1498762 CHAPA CHAPA 1,000 1-9999 METAL PLATE 9 1238000 PORCA REBITE CEGA TUERCA REMACHE CIEGA 3,000 1-9999 BLIND RIVET NUT 10 1209698 PARAFUSO SEXTAVADO TORNILLO HEXAGONAL 6,000 1-9999 HEXAGON SCREW 11 293873 ARRUELA ARANDELA 18,000 1-9999 WASHER 12 216461 PORCA SEXTAVADA TUERCA HEXAGONAL 6,000 1-9999 HEXAGON NUT 50 2035849 CHAPA CHAPA 1,000 282-9999 METAL PLATE 51 213667 PARAFUSO SEXTAVADO TORNILLO HEXAGONAL 2,000 282-9999 HEXAGON SCREW
  • 48.
    01.05.02 / 00PEÇAS DE REVESTIMENTO E TAMPAS, PÁGINA 2 / 1-9999 01.05.02 / 00 PIEZAS DE REVESTIMIENTO Y TAPAS, PÁGINA 2 / 1-9999 01.05.02 / 00 CANOPIES AND COVERS, PAGE 2 / 1-9999 53 50 52 51 77 78 77 77 75 81 101 100 102 1 3 71 10 73 72 60 70 9 8 11 4 6 7 76 62 2 11 12 5 61 11 71 81 3
  • 49.
    POS Nº DEIDENT. DESIGNAÇÃO DESIGNATION DESIGNACIÓN QUANT. VALIDADE 01.05.02 / 00 PEÇAS DE REVESTIMENTO E TAMPAS, PÁGINA 2 / 1-9999 01.05.02 / 00 PIEZAS DE REVESTIMIENTO Y TAPAS, PÁGINA 2 / 1-9999 01.05.02 / 00 CANOPIES AND COVERS, PAGE 2 / 1-9999 2014268 52 216577 ARRUELA ARANDELA 2,000 282-9999 WASHER 53 614014 PERFIL DE BORRACHA (M) PERFIL DE GOMA ESPUMOSA (M) 1,000 282-9999 RUBBER PROFILE (M) 60 1488627 TAMPA TAPA 1,000 1-9999 COVER 61 213748 PARAFUSO SEXTAVADO TORNILLO HEXAGONAL 4,000 1-9999 HEXAGON SCREW 62 260983 ARRUELA ARANDELA 4,000 1-9999 WASHER 70 1488848 CHAPA CHAPA 1,000 1-9999 METAL PLATE 71 614154 PERFIL DE BORRACHA (M) PERFIL DE GOMA ESPUMOSA (M) 0,200 1-9999 RUBBER PROFILE (M) 72 214426 PARAFUSO DE CABEÇA CILÍNDRICA TORNILLO CILÍNDRICO 2,000 1-9999 CHEESE-HEAD SCREW 73 260983 ARRUELA ARANDELA 2,000 1-9999 WASHER 75 1488856 CHAPA CHAPA 1,000 1-9999 METAL PLATE 76 214582 PARAFUSO DE CABEÇA CILÍNDRICA TORNILLO CILÍNDRICO 6,000 1-9999 CHEESE-HEAD SCREW 77 231355 ARRUELA ARANDELA 16,000 1-9999 WASHER 78 216445 PORCA SEXTAVADA TUERCA HEXAGONAL 6,000 1-9999 HEXAGON NUT 81 614022 PERFIL DE BORRACHA (M) PERFIL DE GOMA ESPUMOSA (M) 1,270 1-9999 RUBBER PROFILE (M)
  • 50.
    01.05.02 / 00PEÇAS DE REVESTIMENTO E TAMPAS, PÁGINA 2 / 1-9999 01.05.02 / 00 PIEZAS DE REVESTIMIENTO Y TAPAS, PÁGINA 2 / 1-9999 01.05.02 / 00 CANOPIES AND COVERS, PAGE 2 / 1-9999 53 50 52 51 77 78 77 77 75 81 101 100 102 1 3 71 10 73 72 60 70 9 8 11 4 6 7 76 62 2 11 12 5 61 11 71 81 3
  • 51.
    POS Nº DEIDENT. DESIGNAÇÃO DESIGNATION DESIGNACIÓN QUANT. VALIDADE 01.05.02 / 00 PEÇAS DE REVESTIMENTO E TAMPAS, PÁGINA 2 / 1-9999 01.05.02 / 00 PIEZAS DE REVESTIMIENTO Y TAPAS, PÁGINA 2 / 1-9999 01.05.02 / 00 CANOPIES AND COVERS, PAGE 2 / 1-9999 2014268 100 875546 CHAPA DE COBERTURA CHAPA DE RECUBRIMIENTO 1,000 1-9999 COVER PLATE 101 283568 PARAFUSO SEXTAVADO TORNILLO HEXAGONAL 6,000 1-9999 HEXAGON SCREW 102 216577 ARRUELA ARANDELA 6,000 1-9999 WASHER
  • 52.
    01.05.03 / 00PEÇAS DE REVESTIMENTO E TAMPAS, PÁGINA 3 / 1-9999 01.05.03 / 00 PIEZAS DE REVESTIMIENTO Y TAPAS, PÁGINA 3 / 1-9999 01.05.03 / 00 CANOPIES AND COVERS, PAGE 3 / 1-9999
  • 53.
    POS Nº DEIDENT. DESIGNAÇÃO DESIGNATION DESIGNACIÓN QUANT. VALIDADE 01.05.03 / 00 PEÇAS DE REVESTIMENTO E TAMPAS, PÁGINA 3 / 1-9999 01.05.03 / 00 PIEZAS DE REVESTIMIENTO Y TAPAS, PÁGINA 3 / 1-9999 01.05.03 / 00 CANOPIES AND COVERS, PAGE 3 / 1-9999 2053573 43 1245945 BUJÃO BULÓN 2,000 1-9999 PLUG 89 1505327 PEÇA DE REVESTIMENTO PIEZA DE RECUBRIMIENTO 1,000 1-9999 MOULDING PART 90 1505335 PEÇA DE REVESTIMENTO PIEZA DE RECUBRIMIENTO 1,000 1-9999 MOULDING PART 91 1496395 SUPORTE SOPORTE 1,000 1-9999 SUPPORT 92 1496409 SUPORTE SOPORTE 1,000 1-9999 SUPPORT 93 214396 PARAFUSO DE CABEÇA CILÍNDRICA TORNILLO CILÍNDRICO 2,000 1-9999 CHEESE-HEAD SCREW 94 1223518 ABRAÇADEIRA PARA CABO CINTA DE CABLE 2,000 1-9999 CABLE TAPE 95 1496506 FOLE DE PASSAGEM FUELLE 1,000 1-9999 BELLOWS 96 1270494 PARAFUSO DE CABEÇA OVAL TORNILLO ALOMADO PULIDO 21,000 1-9999 FILLISTER HEAD SCREW 98 1505343 PEÇA DE REVESTIMENTO PIEZA DE RECUBRIMIENTO 1,000 1-9999 MOULDING PART 99 2029046 PORCA CLIP TUERCA CLIP 10,000 1-9999 CLIP NUT
  • 54.
    01.05.04 / 00PEÇAS DE REVESTIMENTO E TAMPAS, PÁGINA 4 / 1-9999 01.05.04 / 00 PIEZAS DE REVESTIMIENTO Y TAPAS, PÁGINA 4 / 1-9999 01.05.04 / 00 CANOPIES AND COVERS, PAGE 4 / 1-9999 19 19 9 4 7 6 5 6 7 2 6 7 8 4 7 6 3 10 11 5 1 10 1 7 1 Luftsattel Haube Haube Luftsattel in Haube einlaminiert in Haube einlaminiert
  • 55.
    POS Nº DEIDENT. DESIGNAÇÃO DESIGNATION DESIGNACIÓN QUANT. VALIDADE 01.05.04 / 00 PEÇAS DE REVESTIMENTO E TAMPAS, PÁGINA 4 / 1-9999 01.05.04 / 00 PIEZAS DE REVESTIMIENTO Y TAPAS, PÁGINA 4 / 1-9999 01.05.04 / 00 CANOPIES AND COVERS, PAGE 4 / 1-9999 2014283 1 2031075 CAPÔ DO MOTOR COM ISOLAM. ACÚSTICO CAPOTA MOTOR VERSIÓN CON INSONORIZACIÓN 1,000 300-9999 ENGINE HOOD VERSION WITH SOUND INSULATION 1 2031077 CAPÔ DO MOTOR SEM ISOLAM. ACÚSTICO CAPOTA MOTOR VERSIÓN SIN INSONORIZACIÓN 1,000 1-9999 ENGINE HOOD VERSION WITHOUT SOUND INSULATION 2 1480952 TAMPA DO DUTO DE AR CUBIERTA DE LA GUÍA DE AIRE 1,000 1-9999 AIR DUCT COVER 3 615290 PERFIL DE VEDAÇÃO (M) PERFIL DE IMPERMEABILIZACIÓN (M) 1,700 1-9999 SEALING PROFILE (M) 4 200948 COXIM DE BORRACHA TOPE DE CAUCHO-METAL 6,000 1-9999 SILENTBLOC 5 216070 PORCA SEXTAVADA TUERCA HEXAGONAL 6,000 1-9999 HEXAGON NUT 6 213799 PARAFUSO SEXTAVADO TORNILLO HEXAGONAL 6,000 1-9999 HEXAGON SCREW 7 231355 ARRUELA ARANDELA 6,000 1-9999 WASHER 8 213799 PARAFUSO SEXTAVADO TORNILLO HEXAGONAL 2,000 1-9999 HEXAGON SCREW 9 866717 JOGO DE PLACAS ISOLANTES JUEGO DE PLACAS AISLANTES 1,000 1-9999 INSULATION PLATE SET 10 314080 PARAFUSO SEXTAVADO TORNILLO HEXAGONAL 2,000 1-9999 HEXAGON SCREW 11 1504479 ESPAÇADOR ESPACIADOR 5,000 1-9999 SPACER PIECE 19 276766 PERFIL DE VEDAÇÃO (M) PERFIL DE IMPERMEABILIZACIÓN (M) 10,000 1-9999 SEALING PROFILE (M)
  • 56.
    01.05.05 / 00PEÇAS DE REVESTIMENTO E TAMPAS, PÁGINA 5 / 1-9999 01.05.05 / 00 PIEZAS DE REVESTIMIENTO Y TAPAS, PÁGINA 5 / 1-9999 01.05.05 / 00 CANOPIES AND COVERS, PAGE 5 / 1-9999 41 41 40 40 43 44 35 25 26 132 133 133 132 137 136 135 146 145 142 143 144 147
  • 57.
    POS Nº DEIDENT. DESIGNAÇÃO DESIGNATION DESIGNACIÓN QUANT. VALIDADE 01.05.05 / 00 PEÇAS DE REVESTIMENTO E TAMPAS, PÁGINA 5 / 1-9999 01.05.05 / 00 PIEZAS DE REVESTIMIENTO Y TAPAS, PÁGINA 5 / 1-9999 01.05.05 / 00 CANOPIES AND COVERS, PAGE 5 / 1-9999 2033921 25 340472 PARAFUSO DE CABEÇA CILÍNDRICA TORNILLO CILÍNDRICO 8,000 1-9999 CHEESE-HEAD SCREW 26 231355 ARRUELA ARANDELA 8,000 1-9999 WASHER 35 1264168 BUJÃO TAPÓN DE CIERRE 4,000 1-9999 FILLER CAP 40 870536 TELA PARA AR REJA PARA EL AIRE 1,000 1-9999 FAN GRILLE 41 278025 ARRUELA DE BORRACHA BOQUILLA DE CABLE 2,000 1-9999 CABLE BUSHING 43 229911 PARAFUSO DE CABEÇA OVAL TORNILLO ALOMADO PULIDO 4,000 1-9999 FILLISTER HEAD SCREW 44 216577 ARRUELA ARANDELA 4,000 1-9999 WASHER 132 1212664 PARAFUSO DE CABEÇA CILÍNDRICA TORNILLO CILÍNDRICO 6,000 1-9999 CHEESE-HEAD SCREW 133 250473 ARRUELA ARANDELA 6,000 1-9999 WASHER 135 1498118 CHAPA DE COBERTURA CHAPA DE RECUBRIMIENTO 1,000 1-9999 COVER PLATE 136 214205 PARAFUSO DE CABEÇA ESCAREADA TORNILLO AVELLANADO 5,000 1-9999 COUNTERSUNK SCREW 137 385794 CLIPSMUTTER TUERCA CLIP 5,000 1-9999 CLIP NUT 142 1485873 CHAPA CHAPA 1,000 1-9999 METAL PLATE 143 1209787 PARAFUSO SEXTAVADO TORNILLO HEXAGONAL 2,000 1-9999 HEXAGON SCREW
  • 58.
    01.05.05 / 00PEÇAS DE REVESTIMENTO E TAMPAS, PÁGINA 5 / 1-9999 01.05.05 / 00 PIEZAS DE REVESTIMIENTO Y TAPAS, PÁGINA 5 / 1-9999 01.05.05 / 00 CANOPIES AND COVERS, PAGE 5 / 1-9999 41 41 40 40 43 44 35 25 26 132 133 133 132 137 136 135 146 145 142 143 144 147
  • 59.
    POS Nº DEIDENT. DESIGNAÇÃO DESIGNATION DESIGNACIÓN QUANT. VALIDADE 01.05.05 / 00 PEÇAS DE REVESTIMENTO E TAMPAS, PÁGINA 5 / 1-9999 01.05.05 / 00 PIEZAS DE REVESTIMIENTO Y TAPAS, PÁGINA 5 / 1-9999 01.05.05 / 00 CANOPIES AND COVERS, PAGE 5 / 1-9999 2033921 144 216607 ARRUELA ARANDELA 2,000 1-9999 WASHER 145 345490 ARRUELA ARANDELA 2,000 1-9999 WASHER 146 216453 PORCA SEXTAVADA TUERCA HEXAGONAL 2,000 1-9999 HEXAGON NUT 147 1297740 BUJÃO BULÓN 2,000 1-9999 PLUG
  • 60.
    01.06.00 / 00CAIXA DA BATERIA / 1-9999 01.06.00 / 00 CAJA DE BATERÍA / 1-9999 01.06.00 / 00 BATTERY BOX / 1-9999
  • 61.
    POS Nº DEIDENT. DESIGNAÇÃO DESIGNATION DESIGNACIÓN QUANT. VALIDADE 01.06.00 / 00 CAIXA DA BATERIA / 1-9999 01.06.00 / 00 CAJA DE BATERÍA / 1-9999 01.06.00 / 00 BATTERY BOX / 1-9999 2053576 1 853682 CAIXA DA BATERIA CAJA DE BATERÍA 1,000 1-9999 BATTERY BOX 2 1468855 CHAPA CHAPA 1,000 1-9999 METAL PLATE 3 1488295 COXIM METAL-BORRACHA TOPE DE CAUCHO-METAL 3,000 1-9999 SILENTBLOC 4 216593 ARRUELA ARANDELA 6,000 1-9999 WASHER 5 294942 PARAFUSO SEXTAVADO TORNILLO HEXAGONAL 3,000 1-9999 HEXAGON SCREW 6 216445 PORCA SEXTAVADA TUERCA HEXAGONAL 3,000 1-9999 HEXAGON NUT 7 216062 PORCA SEXTAVADA TUERCA HEXAGONAL 2,000 1-9999 HEXAGON NUT 8 1464833 BARRA ROSCADA VARILLA ROSCADA 1,000 1-9999 THREADED ROD 9 860058 ESTRIBO DE FIJAÇÃO ESTRIBO DE SUJECIÓN 1,000 1-9999 CLIP 10 1445626 BARRA CHATA ACERO PLANO 1,000 1-9999 FLAT STEEL 11 1234250 PORCA SERRILHADA TUERCA MOLETEADA 2,000 1-9999 KNURLED NUT 12 1479156 GANCHO GANCHO 1,000 1-9999 HOOD 13 386570 FECHO CERRADURA INCORPORADA 1,000 1-9999 BUILT-IN LOCK 13.01 367125 CHAVE LLAVE 1,000 1-9999 KEY
  • 62.
    01.06.00 / 00CAIXA DA BATERIA / 1-9999 01.06.00 / 00 CAJA DE BATERÍA / 1-9999 01.06.00 / 00 BATTERY BOX / 1-9999
  • 63.
    POS Nº DEIDENT. DESIGNAÇÃO DESIGNATION DESIGNACIÓN QUANT. VALIDADE 01.06.00 / 00 CAIXA DA BATERIA / 1-9999 01.06.00 / 00 CAJA DE BATERÍA / 1-9999 01.06.00 / 00 BATTERY BOX / 1-9999 2053576 14 250228 PERFIL DE PROTEÇÃO (M) PROTECCIÓN DE CANTOS (M) 1,500 1-9999 EDGE PROTECTION (M) 15 392863 PARAFUSO TORNILLO 1,000 1-9999 SCREW 16 1454072 ESPAÇADOR PIEZA DISTANCIADORA 1,000 1-9999 SPACER BLOCK 17 216593 ARRUELA ARANDELA 1,000 1-9999 WASHER 18 216445 PORCA SEXTAVADA TUERCA HEXAGONAL 1,000 1-9999 HEXAGON NUT 20 2063862 BUCHA PROTETORA MANGUERA DE PROTECIÓN 1,000 1-9999 WIRE PROTECTING SLEEVE
  • 64.
    01.07.00 / 00CAIXA DE FERRAMENTAS / 1-9999 01.07.00 / 00 CAJA DE HERRAMIENTAS / 1-9999 01.07.00 / 00 TOOL BOX / 1-9999 4 8 5 6 1 6 2 3 7 6.01
  • 65.
    POS Nº DEIDENT. DESIGNAÇÃO DESIGNATION DESIGNACIÓN QUANT. VALIDADE 01.07.00 / 00 CAIXA DE FERRAMENTAS / 1-9999 01.07.00 / 00 CAJA DE HERRAMIENTAS / 1-9999 01.07.00 / 00 TOOL BOX / 1-9999 2053577 1 860786 CAIXA DE FERRAMENTAS CAJA DE HERRAMIENTAS 1,000 1-9999 TOOL BOX 2 860794 TAMPA TAPA 1,000 1-9999 COVER 3 283568 PARAFUSO SEXTAVADO TORNILLO HEXAGONAL 3,000 1-9999 HEXAGON SCREW 4 216577 ARRUELA ARANDELA 3,000 1-9999 WASHER 5 216437 PORCA SEXTAVADA TUERCA HEXAGONAL 3,000 1-9999 HEXAGON NUT 6 386570 FECHO CERRADURA INCORPORADA 1,000 1-9999 BUILT-IN LOCK 6.01 367125 CHAVE LLAVE 1,000 1-9999 KEY 7 608537 PERFIL DE VEDAÇÃO (M) PERFIL DE IMPERMEABILIZACIÓN (M) 1,020 1-9999 SEALING PROFILE (M) 8 250228 PERFIL DE PROTEÇÃO (M) PROTECCIÓN DE CANTOS (M) 0,235 1-9999 EDGE PROTECTION (M)
  • 66.
    01.15.01 / 00DISPOSIÇÃO DOS ADESIVOS, PÁGINA 1 / 1-9999 01.15.01 / 00 DISPOSICIÓN DE ADHESIVOS, PÁGINA 1 / 1-9999 01.15.01 / 00 STICKER ARRANGEMENT, PAGE 1 / 1-9999
  • 67.
    POS Nº DEIDENT. DESIGNAÇÃO DESIGNATION DESIGNACIÓN QUANT. VALIDADE 01.15.01 / 00 DISPOSIÇÃO DOS ADESIVOS, PÁGINA 1 / 1-9999 01.15.01 / 00 DISPOSICIÓN DE ADHESIVOS, PÁGINA 1 / 1-9999 01.15.01 / 00 STICKER ARRANGEMENT, PAGE 1 / 1-9999 2053578 10 1481797 ETIQUETA ETIQUETA 1,000 1-9999 STICKER 11 1406965 ETIQUETA ETIQUETA 1,000 1-9999 STICKER 12 1527312 ETIQUETA ETIQUETA 1,000 1-9999 STICKER 14 1504630 ETIQUETA 3411 ETIQUETA 3411 1,000 1-9999 STICKER 3411 14 1504649 ETIQUETA 3410 ETIQUETA 3410 1,000 1-9999 STICKER 3410 15 1523139 ETIQUETA ETIQUETA 2,000 1-9999 STICKER 16 1507869 ETIQUETA ETIQUETA 1,000 1-9999 STICKER 19 2086152 ETIQUETA ETIQUETA 6,000 1-9999 STICKER 20 2086151 ETIQUETA ETIQUETA 10,000 1-9999 STICKER 23 420573 ETIQUETA ETIQUETA 1,000 1-9999 STICKER 24 1501143 ETIQUETA ETIQUETA 1,000 1-9999 STICKER 29 277916 ETIQUETA ETIQUETA 2,000 1-9999 STICKER 34 1469010 ETIQUETA ETIQUETA 1,000 1-9999 STICKER 36 1481959 ETIQUETA ETIQUETA 1,000 1-9999 STICKER
  • 68.
    01.15.01 / 00DISPOSIÇÃO DOS ADESIVOS, PÁGINA 1 / 1-9999 01.15.01 / 00 DISPOSICIÓN DE ADHESIVOS, PÁGINA 1 / 1-9999 01.15.01 / 00 STICKER ARRANGEMENT, PAGE 1 / 1-9999
  • 69.
    POS Nº DEIDENT. DESIGNAÇÃO DESIGNATION DESIGNACIÓN QUANT. VALIDADE 01.15.01 / 00 DISPOSIÇÃO DOS ADESIVOS, PÁGINA 1 / 1-9999 01.15.01 / 00 DISPOSICIÓN DE ADHESIVOS, PÁGINA 1 / 1-9999 01.15.01 / 00 STICKER ARRANGEMENT, PAGE 1 / 1-9999 2053578 37 1469363 ETIQUETA ETIQUETA 1,000 1-9999 STICKER 40 1292102 ETIQUETA ETIQUETA 1,000 1-9999 STICKER 41 1295446 ETIQUETA ETIQUETA 1,000 1-9999 STICKER 60 1509292 ETIQUETA ETIQUETA 1,000 1-9999 STICKER 65 1523090 ETIQUETA ETIQUETA 1,000 1-9999 STICKER 100 2034023 JOGO DE ETIQUETAS JUEGO DE ADHESIVOS 1,000 1-9999 STICKER SET
  • 70.
    01.15.02 / 00DISPOSIÇÃO DOS ADESIVOS, PÁGINA 2 / 1-9999 01.15.02 / 00 DISPOSICIÓN DE ADHESIVOS, PÁGINA 2 / 1-9999 01.15.02 / 00 STICKER ARRANGEMENT, PAGE 2 / 1-9999
  • 71.
    POS Nº DEIDENT. DESIGNAÇÃO DESIGNATION DESIGNACIÓN QUANT. VALIDADE 01.15.02 / 00 DISPOSIÇÃO DOS ADESIVOS, PÁGINA 2 / 1-9999 01.15.02 / 00 DISPOSICIÓN DE ADHESIVOS, PÁGINA 2 / 1-9999 01.15.02 / 00 STICKER ARRANGEMENT, PAGE 2 / 1-9999 2053579 5 1501925 ETIQUETA ETIQUETA 2,000 1-9999 STICKER 21 287164 ETIQUETA ETIQUETA 1,000 1-9999 STICKER 27 2116416 ETIQUETA ETIQUETA 2,000 1-9999 STICKER 35 1405489 ETIQUETA ETIQUETA 1,000 1-9999 STICKER 45 1524631 ETIQUETA ETIQUETA 1,000 1-9999 STICKER 50 1514725 ETIQUETA ETIQUETA 1,000 1-40 STICKER 50 2045629 ETIQUETA ETIQUETA 1,000 41-9999 STICKER 100 2034023 JOGO DE ETIQUETAS JUEGO DE ADHESIVOS 1,000 1-9999 STICKER SET
  • 72.
    01.20.00 / 00ISOLAMENTO ACÚSTICO / 1-9999 01.20.00 / 00 AISLAMIENTO ACÚSTICO / 1-9999 01.20.00 / 00 SOUND-INSULATION / 1-9999
  • 73.
    POS Nº DEIDENT. DESIGNAÇÃO DESIGNATION DESIGNACIÓN QUANT. VALIDADE 01.20.00 / 00 ISOLAMENTO ACÚSTICO / 1-9999 01.20.00 / 00 AISLAMIENTO ACÚSTICO / 1-9999 01.20.00 / 00 SOUND-INSULATION / 1-9999 2053580 1 2024345 CHAPA ISOLANTE PLACA AISLANTE 1,000 1-9999 INSULATION PLATE 2 1209914 PARAFUSO SEXTAVADO TORNILLO HEXAGONAL 7,000 1-9999 HEXAGONAL SCREW 3 260983 ARRUELA ARANDELA 7,000 1-9999 WASHER 4 216593 ARRUELA ARANDELA 7,000 1-9999 WASHER 5 216445 PORCA SEXTAVADA TUERCA HEXAGONAL 7,000 1-9999 HEXAGONAL NUT 8 1497227 CHAPA ISOLANTE PLACA AISLANTE 1,000 1-9999 INSULATION PLATE 9 1497235 CHAPA ISOLANTE PLACA AISLANTE 1,000 1-9999 INSULATION PLATE 30 1497063 CHAPA ISOLANTE PLACA AISLANTE 1,000 1-9999 INSULATION PLATE 31 1497073 CHAPA ISOLANTE PLACA AISLANTE 1,000 1-9999 INSULATION PLATE 32 1497081 CHAPA ISOLANTE PLACA AISLANTE 1,000 1-9999 INSULATION PLATE 33 1497103 CHAPA ISOLANTE PLACA AISLANTE 1,000 1-9999 INSULATION PLATE 34 1497111 CHAPA ISOLANTE PLACA AISLANTE 1,000 1-9999 INSULATION PLATE 35 1497138 CHAPA ISOLANTE PLACA AISLANTE 1,000 1-9999 INSULATION PLATE 36 1497146 CHAPA ISOLANTE PLACA AISLANTE 1,000 1-9999 INSULATION PLATE
  • 74.
    01.20.00 / 00ISOLAMENTO ACÚSTICO / 1-9999 01.20.00 / 00 AISLAMIENTO ACÚSTICO / 1-9999 01.20.00 / 00 SOUND-INSULATION / 1-9999
  • 75.
    POS Nº DEIDENT. DESIGNAÇÃO DESIGNATION DESIGNACIÓN QUANT. VALIDADE 01.20.00 / 00 ISOLAMENTO ACÚSTICO / 1-9999 01.20.00 / 00 AISLAMIENTO ACÚSTICO / 1-9999 01.20.00 / 00 SOUND-INSULATION / 1-9999 2053580 50 866717 JOGO DE CHAPAS ISOLANTES, POSIÇÕES 30 - 36 JUEGO DE PLACAS AISLANTES, POSICIONES 30 - 36 1,000 1-9999 INSULATION PLATE SET, POSITIONS 30 - 36
  • 76.
    02.01.00 / 00POSTO DO OPERADOR / 1-9999 02.01.00 / 00 PUESTO DE CONDUCTOR / 1-9999 02.01.00 / 00 OPERATOR PLATFORM / 1-9999 14 13 7 18 19 16 12 11 10 17 19 20 8 9 1 12 11 10 13 4 2 3 5 6 7 9 8 5
  • 77.
    POS Nº DEIDENT. DESIGNAÇÃO DESIGNATION DESIGNACIÓN QUANT. VALIDADE 02.01.00 / 00 POSTO DO OPERADOR / 1-9999 02.01.00 / 00 PUESTO DE CONDUCTOR / 1-9999 02.01.00 / 00 OPERATOR PLATFORM / 1-9999 2053582 1 860069 POSTO DO OPERADOR PUESTO DEL CONDUCTOR 1,000 1-9999 OPERATOR'S PLATFORM 2 1255339 COXIM METAL-BORRACHA TOPE DE CAUCHO-METAL 2,000 1-9999 SILENTBLOC 3 1255320 COXIM METAL-BORRACHA TOPE DE CAUCHO-METAL 2,000 1-9999 SILENTBLOC 4 1209787 PARAFUSO SEXTAVADO TORNILLO HEXAGONAL 8,000 1-9999 HEXAGON SCREW 5 216607 ARRUELA ARANDELA 16,000 1-9999 WASHER 6 216453 PORCA SEXTAVADA TUERCA HEXAGONAL 8,000 1-9999 HEXAGON NUT 7 1443356 ARRUELA ARANDELA 4,000 1-9999 WASHER 8 1449672 ARRUELA ARANDELA 4,000 1-9999 WASHER 9 1302183 PARAFUSO SEXTAVADO TORNILLO HEXAGONAL 4,000 1-9999 HEXAGON SCREW 10 383120 ARRUELA ARANDELA 4,000 1-9999 WASHER 11 361763 PORCA SEXTAVADA TUERCA HEXAGONAL 4,000 1-9999 HEXAGON NUT 12 1268430 CAPUZ PROTETOR CAPERUZA DE PROTECCIÓN 6,000 1-9999 PROTECTING CAP 13 1537229 ARRUELA ARANDELA 4,000 1-9999 WASHER 14 1537210 ANEL ANILLO 4,000 1-9999 RING
  • 78.
    02.01.00 / 00POSTO DO OPERADOR / 1-9999 02.01.00 / 00 PUESTO DE CONDUCTOR / 1-9999 02.01.00 / 00 OPERATOR PLATFORM / 1-9999 14 13 7 18 19 16 12 11 10 17 19 20 8 9 1 12 11 10 13 4 2 3 5 6 7 9 8 5
  • 79.
    POS Nº DEIDENT. DESIGNAÇÃO DESIGNATION DESIGNACIÓN QUANT. VALIDADE 02.01.00 / 00 POSTO DO OPERADOR / 1-9999 02.01.00 / 00 PUESTO DE CONDUCTOR / 1-9999 02.01.00 / 00 OPERATOR PLATFORM / 1-9999 2053582 16 1255339 COXIM METAL-BORRACHA TOPE DE CAUCHO-METAL 2,000 1-9999 SILENTBLOC 17 1255320 COXIM METAL-BORRACHA TOPE DE CAUCHO-METAL 2,000 1-9999 SILENTBLOC 18 1209787 PARAFUSO SEXTAVADO TORNILLO HEXAGONAL 8,000 1-9999 HEXAGON SCREW 19 216607 ARRUELA ARANDELA 16,000 1-9999 WASHER 20 216453 PORCA SEXTAVADA TUERCA HEXAGONAL 8,000 1-9999 HEXAGON NUT
  • 80.
    02.06.00 / 00ASSENTO REGULÁVEL DO OPERADOR / 1-9999 02.06.00 / 00 ASIENTO DEL CONDUCTOR AJUSTABLE / 1-9999 02.06.00 / 00 OPERATOR SEAT WITH ADJUSTMENT / 1-9999 86 30 30.06 30.04 30.05 30.01 30.02 30.06 30.03 45 18 15 10 40 11 12 32 31 1 3 5 38 37 17 16 17 35 16 85 80 82 83 82 81 4 3 3 2 36 18 15 46 51 52 47 52 53
  • 81.
    POS Nº DEIDENT. DESIGNAÇÃO DESIGNATION DESIGNACIÓN QUANT. VALIDADE 02.06.00 / 00 ASSENTO REGULÁVEL DO OPERADOR / 1-9999 02.06.00 / 00 ASIENTO DEL CONDUCTOR AJUSTABLE / 1-9999 02.06.00 / 00 OPERATOR SEAT WITH ADJUSTMENT / 1-9999 2053582 1 1535404 CONSOLE CONSOLA 1,000 1-9999 CONSOLE 2 211826 PARAFUSO SEXTAVADO TORNILLO HEXAGONAL 2,000 1-9999 HEXAGON SCREW 3 293873 ARRUELA ARANDELA 6,000 1-9999 WASHER 4 216461 PORCA SEXTAVADA TUERCA HEXAGONAL 2,000 1-9999 HEXAGON NUT 5 225541 PARAFUSO SEXTAVADO TORNILLO HEXAGONAL 2,000 1-9999 HEXAGON SCREW 10 214469 PARAFUSO DE CABEÇA CILÍNDRICA TORNILLO CILÍNDRICO 4,000 1-9999 CHEESE-HEAD SCREW 11 216593 ARRUELA ARANDELA 4,000 1-9999 WASHER 12 216445 PORCA SEXTAVADA TUERCA HEXAGONAL 4,000 1-9999 HEXAGON NUT 15 214582 PARAFUSO DE CABEÇA CILÍNDRICA TORNILLO CILÍNDRICO 4,000 1-9999 CHEESE-HEAD SCREW 16 422584 ARRUELA ARANDELA 4,000 1-9999 WASHER 17 216445 PORCA SEXTAVADA TUERCA HEXAGONAL 4,000 1-9999 HEXAGON NUT 18 1485261 SUPORTE SOPORTE 2,000 1-9999 SUPPORT 30 2023936 PARTE SUP. DO ASSENTO, TECIDO COMPLETO PARTE SUPERIOR ASIENTO, TELA COMPLETO 1,000 1-9999 SEAT UPPER PART, CLOTH COMPLETE 30 2023904 PARTE SUP. DO ASSENTO, IMIT. COURO COMPLETO PARTE SUP. ASIENTO, IMI. CUERO COMPLETO 1,000 1-9999 SEAT UPPER PART, IMIT. LEATHER COMPLETE
  • 82.
    02.06.00 / 00ASSENTO REGULÁVEL DO OPERADOR / 1-9999 02.06.00 / 00 ASIENTO DEL CONDUCTOR AJUSTABLE / 1-9999 02.06.00 / 00 OPERATOR SEAT WITH ADJUSTMENT / 1-9999 86 30 30.06 30.04 30.05 30.01 30.02 30.06 30.03 45 18 15 10 40 11 12 32 31 1 3 5 38 37 17 16 17 35 16 85 80 82 83 82 81 4 3 3 2 36 18 15 46 51 52 47 52 53
  • 83.
    POS Nº DEIDENT. DESIGNAÇÃO DESIGNATION DESIGNACIÓN QUANT. VALIDADE 02.06.00 / 00 ASSENTO REGULÁVEL DO OPERADOR / 1-9999 02.06.00 / 00 ASIENTO DEL CONDUCTOR AJUSTABLE / 1-9999 02.06.00 / 00 OPERATOR SEAT WITH ADJUSTMENT / 1-9999 2053582 30.01 2034589 REVESTIMENTO DO ENCOSTO, TECIDO ACOLCHADO DE ESPALDA, TELA 1,000 1-9999 BACKREST CUSHION, CLOTH 30.01 2026351 REVESTIMENTO DO ENCOSTO, IMIT. COURO ACOLCHADO ESPALDA, IMIT. CUERO 1,000 1-9999 BACKREST CUSHION, IMI. LEATHER 30.02 2034592 REVESTIMENTO DO ASSENTO, TECIDO COJIN DE ASIENTO, TELA 1,000 1-9999 SEAT CUSHION, CLOTH 30.02 2026352 REVESTIMENTO DO ASSENTO, IMIT. COURO COJIN DE ASIENTO, IMITA. CUERO 1,000 1-9999 SEAT CUSHION, IMITAT. LEATHER 30.03 2027077 APOIO DO BRAÇO ESQUERDO REPOSABRAZOS IZQUIERDA 1,000 1-9999 ELBOW-REST LEFT 30.04 2026077 APOIO DO BRAÇO DIREITO REPOSABRAZOS DERECHA 1,000 1-9999 ELBOW-REST RIGHT 30.05 2026347 ENCOSTO DA CABEÇA, IMIT. COURO REPOSACABEZAS, IMITACIÓN CUERO 1,000 1-9999 HEADREST, IMITATION LEATHER 30.05 2034586 ENCOSTO DA CABEÇA, TECIDO REPOSACABEZAS, TELA 1,000 1-9999 HEADREST, CLOTH 30.06 2034165 CINTO DE SEGURANÇA CINTURÓN DE SEGURIDAD 1,000 1-9999 SAFETY BELT 31 214426 PARAFUSO DE CABEÇA CILÍNDRICA TORNILLO CILÍNDRICO 4,000 1-9999 CHEESE-HEAD SCREW 32 231355 ARRUELA ARANDELA 4,000 1-9999 WASHER 35 2023884 SUSPENSÃO HORIZONTAL SUSPENSIÓN HORIZONTAL 1,000 1-9999 HORIZONTAL SPRING SUSPENSION 36 214469 PARAFUSO DE CABEÇA CILÍNDRICA TORNILLO CILÍNDRICO 4,000 1-9999 CHEESE-HEAD SCREW 37 260983 ARRUELA ARANDELA 4,000 1-9999 WASHER
  • 84.
    02.06.00 / 00ASSENTO REGULÁVEL DO OPERADOR / 1-9999 02.06.00 / 00 ASIENTO DEL CONDUCTOR AJUSTABLE / 1-9999 02.06.00 / 00 OPERATOR SEAT WITH ADJUSTMENT / 1-9999 86 30 30.06 30.04 30.05 30.01 30.02 30.06 30.03 45 18 15 10 40 11 12 32 31 1 3 5 38 37 17 16 17 35 16 85 80 82 83 82 81 4 3 3 2 36 18 15 46 51 52 47 52 53
  • 85.
    POS Nº DEIDENT. DESIGNAÇÃO DESIGNATION DESIGNACIÓN QUANT. VALIDADE 02.06.00 / 00 ASSENTO REGULÁVEL DO OPERADOR / 1-9999 02.06.00 / 00 ASIENTO DEL CONDUCTOR AJUSTABLE / 1-9999 02.06.00 / 00 OPERATOR SEAT WITH ADJUSTMENT / 1-9999 2053582 38 216445 PORCA SEXTAVADA TUERCA HEXAGONAL 4,000 1-9999 HEXAGON NUT 40 2024649 ADAPTADOR ADAPTADOR GIRATORIO 1,000 1-9999 DISC ADAPTER 45 2024504 CONSOLE DO ASSENTO CONSOLA DE ASIENTO 1,000 1-9999 SEAT PEDESTAL 46 2024521 TAMPA CUBIERTA 1,000 1-9999 COVER 47 245690 PARAFUSO DE CABEÇA ESCAREADA TORNILLO AVELLANADO 4,000 1-9999 COUNTERSUNK SCREW 51 1485393 PINO ROSCADO BULÓN ROSCADO 1,000 1-9999 THREADED BOLT 52 216615 ARRUELA ARANDELA 2,000 1-9999 WASHER 53 249610 PORCA SEXTAVADA TUERCA HEXAGONAL 1,000 1-9999 HEXAGON NUT 80 866377 SUPORTE SOPORTE 1,000 1-9999 SUPPORT 81 213845 PARAFUSO SEXTAVADO TORNILLO HEXAGONAL 2,000 1-9999 HEXAGON SCREW 82 216593 ARRUELA ARANDELA 4,000 1-9999 WASHER 83 216445 PORCA SEXTAVADA TUERCA HEXAGONAL 2,000 1-9999 HEXAGON NUT 85 2024597 FOLE FUELLE 1,000 1-9999 BELLOWS 86 267341 FIXADOR DE CABOS SUJETACABLES 1,000 1-9999 WIRE FASTENER
  • 86.
    02.10.00 / 00ARCO DE PROTEÇÃO / 1-9999 02.10.00 / 00 ARCO DE PROTECCIÓN / 1-9999 02.10.00 / 00 ROLL OVER PROTECTION / 1-9999
  • 87.
    POS Nº DEIDENT. DESIGNAÇÃO DESIGNATION DESIGNACIÓN QUANT. VALIDADE 02.10.00 / 00 ARCO DE PROTEÇÃO / 1-9999 02.10.00 / 00 ARCO DE PROTECCIÓN / 1-9999 02.10.00 / 00 ROLL OVER PROTECTION / 1-9999 2053582 1 2024135 ARCO DE PROTEÇÃO ARCO DE PROTECCIÓN 1,000 1-9999 ROLL OVER PROTECTION 2 383120 ARRUELA ARANDELA 20,000 1-9999 WASHER 3 349038 PARAFUSO SEXTAVADO TORNILLO HEXAGONAL 10,000 1-9999 HEXAGON SCREW 4 361763 PORCA SEXTAVADA TUERCA HEXAGONAL 10,000 1-9999 HEXAGON NUT 5 860433 BARRA DE RETENÇÃO BARRA DE SUJECIÓN 2,000 1-9999 STAY BAR 6 345490 ARRUELA ARANDELA 4,000 1-9999 WASHER 7 1209876 PARAFUSO SEXTAVADO TORNILLO HEXAGONAL 2,000 1-9999 HEXAGON SCREW 8 216453 PORCA SEXTAVADA TUERCA HEXAGONAL 2,000 1-9999 HEXAGON NUT 9 345490 ARRUELA ARANDELA 2,000 1-9999 WASHER 10 213756 PARAFUSO SEXTAVADO TORNILLO HEXAGONAL 2,000 1-9999 HEXAGON SCREW 11 860468 BARRA DE RETENÇÃO BARRA DE SUJECIÓN 1,000 1-9999 STAY BAR 12 860476 BARRA DE RETENÇÃO BARRA DE SUJECIÓN 1,000 1-9999 STAY BAR 13 293873 ARRUELA ARANDELA 2,000 1-9999 WASHER 14 225576 PARAFUSO SEXTAVADO TORNILLO HEXAGONAL 2,000 1-9999 HEXAGON SCREW
  • 88.
    02.10.00 / 00ARCO DE PROTEÇÃO / 1-9999 02.10.00 / 00 ARCO DE PROTECCIÓN / 1-9999 02.10.00 / 00 ROLL OVER PROTECTION / 1-9999
  • 89.
    POS Nº DEIDENT. DESIGNAÇÃO DESIGNATION DESIGNACIÓN QUANT. VALIDADE 02.10.00 / 00 ARCO DE PROTEÇÃO / 1-9999 02.10.00 / 00 ARCO DE PROTECCIÓN / 1-9999 02.10.00 / 00 ROLL OVER PROTECTION / 1-9999 2053582 15 231355 ARRUELA ARANDELA 8,000 1-9999 WASHER 16 1209914 PARAFUSO SEXTAVADO TORNILLO HEXAGONAL 4,000 1-9999 HEXAGON SCREW 17 216445 PORCA SEXTAVADA TUERCA HEXAGONAL 4,000 1-9999 HEXAGON NUT 18 233919 BATENTE DE BORRACHA TAMPÓN DE TOPE 4,000 1-9999 RUBBER BUFFER 19 345490 ARRUELA ARANDELA 4,000 1-9999 WASHER 20 216453 PORCA SEXTAVADA TUERCA HEXAGONAL 4,000 1-9999 HEXAGON NUT 30 860808 CAIXA DE FERRAMENTAS COMPLETA CAJA DE HERRAMIENTAS COMPL. 1,000 1-9999 TOOL BOX COMPL. 31 231355 ARRUELA ARANDELA 4,000 1-9999 WASHER 32 1209914 PARAFUSO SEXTAVADO TORNILLO HEXAGONAL 4,000 1-9999 HEXAGON SCREW 33 216445 PORCA SEXTAVADA TUERCA HEXAGONAL 4,000 1-9999 HEXAGON NUT 34 351830 TAMPA TAPÓN DE CIERRE 8,000 1-9999 FILLER CAP 35 353434 TAMPA TAPÓN DE CIERRE 18,000 1-9999 FILLER CAP 36 1220780 TAMPA TAPÓN DE CIERRE 4,000 1-9999 FILLER CAP 42 1523090 ETIQUETA ETIQUETA 1,000 1-9999 STICKER
  • 90.
    02.10.00 / 00ARCO DE PROTEÇÃO / 1-9999 02.10.00 / 00 ARCO DE PROTECCIÓN / 1-9999 02.10.00 / 00 ROLL OVER PROTECTION / 1-9999
  • 91.
    POS Nº DEIDENT. DESIGNAÇÃO DESIGNATION DESIGNACIÓN QUANT. VALIDADE 02.10.00 / 00 ARCO DE PROTEÇÃO / 1-9999 02.10.00 / 00 ARCO DE PROTECCIÓN / 1-9999 02.10.00 / 00 ROLL OVER PROTECTION / 1-9999 2053582 43 1505483 CHAPA DE COBERTURA CHAPA DE RECUBRIMIENTO 2,000 1-9999 COVER PLATE 44 216577 ARRUELA ARANDELA 4,000 1-9999 WASHER 45 234605 PARAFUSO DE CABEÇA CILÍNDRICA TORNILLO CILÍNDRICO 4,000 1-9999 CHEESE-HEAD SCREW 50 2035849 CHAPA CHAPA 1,000 13-9999 METAL PLATE 51 213667 PARAFUSO SEXTAVADO TORNILLO HEXAGONAL 2,000 13-9999 HEXAGONAL SCREW 52 216577 ARRUELA ARANDELA 2,000 13-9999 WASHER 53 614014 BORRACHA DE VEDAÇÃO (M) PERFIL DE GOMA ESPUMOSA (M) 1,000 13-9999 RUBBER PROFILLE (M)
  • 92.
    02.11.00 / 00FOPS / 1-9999 02.11.00 / 00 FOPS / 1-9999 02.11.00 / 00 FOPS / 1-9999
  • 93.
    POS Nº DEIDENT. DESIGNAÇÃO DESIGNATION DESIGNACIÓN QUANT. VALIDADE 02.11.00 / 00 FOPS / 1-9999 02.11.00 / 00 FOPS / 1-9999 02.11.00 / 00 FOPS / 1-9999 2253584 1 860670 COBERTURA TECHO 1,000 1-9999 ROOF 2 1210106 ARRUELA ARANDELA 4,000 1-9999 WASHER 3 1213830 PARAFUSO CILINDRICO TORNILLO CILÍNDRICO 4,000 1-9999 CHEESE-HEAD SCREW 4 216496 PORCA SEXTAVADA TUERCA HEXAGONAL 4,000 1-9999 HEXAGONAL NUT 5 276766 PERFIL VEDAÇÃO PERFIL DE IMPERMEABILIZACIÓN 0,840 1-9999 SEALING PROFILLE 6 353434 TAMPÃO TAPÓN DE CIERRE 4,000 1-9999 FILLER CAP 7 1220780 TAMPÃO TAPÓN DE CIERRE 2,000 1-9999 FILLER CAP
  • 94.
    02.12.00 / 00CORRIMÕES / 1-9999 02.12.00 / 00 ASIDEROS / 1-9999 02.12.00 / 00 HANDLES / 1-9999
  • 95.
    POS Nº DEIDENT. DESIGNAÇÃO DESIGNATION DESIGNACIÓN QUANT. VALIDADE 02.12.00 / 00 CORRIMÕES / 1-9999 02.12.00 / 00 ASIDEROS / 1-9999 02.12.00 / 00 HANDLES / 1-9999 2053586 1 860476 BARRA DE RETENÇÃO BARRA DE SUJECIÓN 1,000 1-9999 STAY BAR 2 860468 BARRA DE RETENÇÃO BARRA DE SUJECIÓN 1,000 1-9999 STAY BAR 3 231355 ARRUELA ARANDELA 8,000 1-9999 WASHER 4 1209914 PARAFUSO SEXTAVADO TORNILLO HEXAGONAL 4,000 1-9999 HEXAGON SCREW 5 216445 PORCA SEXTAVADA TUERCA HEXAGONAL 4,000 1-9999 HEXAGON NUT 6 293873 ARRUELA ARANDELA 2,000 1-9999 WASHER 7 225576 PARAFUSO SEXTAVADO TORNILLO HEXAGONAL 2,000 1-9999 HEXAGON SCREW 8 860808 CAIXA DE FERRAMENTAS COMPLETA CAJA DE HERRAMIENTAS COMPLETA 1,000 1-9999 TOOL BOX COMPLETE 9 870862 BARRA DE RETENÇÃO BARRA DE SUJECIÓN 1,000 1-9999 STAY BAR 10 870854 BARRA DE RETENÇÃO BARRA DE SUJECIÓN 1,000 1-9999 STAY BAR 11 231355 ARRUELA ARANDELA 8,000 1-9999 WASHER 12 1209914 PARAFUSO SEXTAVADO TORNILLO HEXAGONAL 4,000 1-9999 HEXAGON SCREW 13 216445 PORCA SEXTAVADA TUERCA HEXAGONAL 4,000 1-9999 HEXAGON NUT 14 293873 ARRUELA ARANDELA 2,000 1-9999 WASHER
  • 96.
    02.12.00 / 00CORRIMÕES / 1-9999 02.12.00 / 00 ASIDEROS / 1-9999 02.12.00 / 00 HANDLES / 1-9999
  • 97.
    POS Nº DEIDENT. DESIGNAÇÃO DESIGNATION DESIGNACIÓN QUANT. VALIDADE 02.12.00 / 00 CORRIMÕES / 1-9999 02.12.00 / 00 ASIDEROS / 1-9999 02.12.00 / 00 HANDLES / 1-9999 2053586 15 211877 PARAFUSO SEXTAVADO TORNILLO HEXAGONAL 2,000 1-9999 HEXAGON SCREW 16 351830 BUJÃO TAPÓN DE CIERRE 2,000 1-9999 FILLER CAP 43 1505483 CHAPA DE COBERTURA CHAPA DE RECUBRIMIENTO 2,000 1-9999 COVER PLATE 44 216577 ARRUELA ARANDELA 4,000 1-9999 WASHER 45 234605 PARAFUSO DE CABEÇA CILÍNDRICA TORNILLO CILÍNDRICO 4,000 1-9999 CHEESE-HEAD SCREW 50 2035849 CHAPA CHAPA 1,000 13-9999 METAL PLATE 51 213667 PARAFUSO SEXTAVADO TORNILLO HEXAGONAL 2,000 13-9999 HEXAGONAL SCREW 52 216577 ARRUELA ARANDELA 2,000 13-9999 WASHER 53 614014 BORRACHA DE VEDAÇÃO (M) PERFIL DE GOMA ESPUMOSA (M) 1,000 13-9999 RUBBER PROFILLE (M)
  • 98.
    02.15.00 / 00REVESTIMENTO DO CHASSI / 1-9999 02.15.00 / 00 REVESTIMIENTO DEL CHASIS / 1-9999 02.15.00 / 00 INSTRUMENT PANEL CASE / 1-9999 96 93 91 96 96 43 89 93 92 94 95 94 98 96 90 96 43
  • 99.
    POS Nº DEIDENT. DESIGNAÇÃO DESIGNATION DESIGNACIÓN QUANT. VALIDADE 02.15.00 / 00 REVESTIMENTO DO CHASSI / 1-9999 02.15.00 / 00 REVESTIMIENTO DEL CHASIS / 1-9999 02.15.00 / 00 INSTRUMENT PANEL CASE / 1-9999 2233791 43 1245945 BUJÃO BULÓN 4,000 1-9999 PLUG 89 1505327 PEÇA DE REVESTIMENTO ESQUERDO PIEZA DE RECUBRIMIENTO IZQUIERDA 1,000 1-9999 MOULDING PART LEFT 90 1505335 PEÇA DE REVESTIMENTO DIREITO PIEZA DE RECUBRIMIENTO DERECHA 1,000 1-9999 MOULDING PART RIGHT 91 1496395 SUPORTE SOPORTE 1,000 1-9999 SUPPORT 92 1496409 SUPORTE SOPORTE 1,000 1-9999 SUPPORT 93 214396 PARAFUSO DE CABEÇA CILÍNDRICA TORNILLO CILÍNDRICO 2,000 1-9999 CHEESE-HEAD SCREW 94 1223518 ABRAÇADEIRA PARA CABO CINTA DE CABLE 2,000 1-9999 CABLE TAPE 95 1496506 FOLE FUELLE 1,000 1-9999 BELLOWS 96 1270494 PARAFUSO DE CABEÇA OVAL TORNILLO ALOMADO PULIDO 21,000 1-9999 FILLISTER HEAD SCREW 98 1505343 PEÇA DE REVESTIMENTO SUPERIOR PIEZA DE RECUBRIMIENTO ARRIBA 1,000 1-9999 MOULDING PART ABOVE
  • 100.
    02.20.00 / 00REVESTIMENTO DO PAINEL DE CONTROLE / 1-9999 02.20.00 / 00 REVESTIMIENTO DEL PANEL DE CONTROL / 1-9999 02.20.00 / 00 INSTRUMENT PANEL COVERING / 1-9999 13 11 8 5 10 14 6.01 6 16 4 3 1 10 7 12 9 15 2
  • 101.
    POS Nº DEIDENT. DESIGNAÇÃO DESIGNATION DESIGNACIÓN QUANT. VALIDADE 02.20.00 / 00 REVESTIMENTO DO PAINEL DE CONTROLE / 1-9999 02.20.00 / 00 REVESTIMIENTO DEL PANEL DE CONTROL / 1-9999 02.20.00 / 00 INSTRUMENT PANEL COVERING / 1-9999 2053591 1 1505270 REVESTIMENTO PAINEL DE CONTROLE REVESTIMIENTO PANEL CONTROL 1,000 1-9999 INSTRUMENT PANEL COVERING 2 1505351 BUCHA DISTANCIADORA CASQUILLO DISTANCIADOR 2,000 1-9999 DISTANCE BUSH 3 213780 PARAFUSO SEXTAVADO TORNILLO HEXAGONAL 2,000 1-9999 HEXAGON SCREW 4 216577 ARRUELA ARANDELA 2,000 1-9999 WASHER 5 870927 SUPORTE SOPORTE 1,000 1-9999 SUPPORT 6 388106 FECHO CERRADURA INCORPORADA 1,000 1-9999 BUILT-IN LOCK 6.01 367125 CHAVE LLAVE 1,000 1-9999 KEY 7 1505319 ABRAÇADEIRA DE FIXAÇÃO ARANDELA DE FIJACIÓN 1,000 1-9999 MOUNTING CLIP 8 367567 PARAFUSO DE CABEÇA CILÍNDRICA TORNILLO CILÍNDRICO 2,000 1-9999 CHEESE-HEAD SCREW 9 1270648 PORCA SEXTAVADA TUERCA HEXAGONAL 2,000 1-9999 HEXAGON NUT 10 216569 ARRUELA ARANDELA 4,000 1-9999 WASHER 11 1505262 PEÇA DE REVESTIMENTO PIEZA DE RECUBRIMIENTO 1,000 1-9999 MOULDING PART 12 1270737 ABRAÇADEIRA ABRAZADERA 1,000 1-9999 CLAMP 13 272809 PARAFUSO DE CABEÇA OVAL TORNILLO ALOMADO PULIDO 2,000 1-9999 FILLISTER HEAD SCREW
  • 102.
    02.20.00 / 00REVESTIMENTO DO PAINEL DE CONTROLE / 1-9999 02.20.00 / 00 REVESTIMIENTO DEL PANEL DE CONTROL / 1-9999 02.20.00 / 00 INSTRUMENT PANEL COVERING / 1-9999 13 11 8 5 10 14 6.01 6 16 4 3 1 10 7 12 9 15 2
  • 103.
    POS Nº DEIDENT. DESIGNAÇÃO DESIGNATION DESIGNACIÓN QUANT. VALIDADE 02.20.00 / 00 REVESTIMENTO DO PAINEL DE CONTROLE / 1-9999 02.20.00 / 00 REVESTIMIENTO DEL PANEL DE CONTROL / 1-9999 02.20.00 / 00 INSTRUMENT PANEL COVERING / 1-9999 2053591 14 1501860 ANEL ESPAÇADOR ANILLO DE DISTANCIA 1,000 1-9999 RING 15 1273906 PARAFUSO AUTO ATARRAXANTE TORNILLO DE CHAPA 2,000 1-9999 SHEET METAL SCREW 16 1260316 CAPUZ PROTETOR CAPERUZA DE PROTECCIÓN 2,000 1-9999 PROTECTING CAP
  • 104.
    02.25.01 / 00CABINA DO OPERADOR, PÁGINA 1 / 1-9999 02.25.01 / 00 CABINA DEL CONDUCTOR, PÁGINA 1 / 1-9999 02.25.01 / 00 OPERATORS CABIN, PAGE 1 / 1-9999 90 81 101 1.01 1 62 33 73 75 77 76 69.01 69 82 79 74 54 44 31 5 3 42 30 18 24 6 10 4 43 23
  • 105.
    POS Nº DEIDENT. DESIGNAÇÃO DESIGNATION DESIGNACIÓN QUANT. VALIDADE 02.25.01 / 00 CABINA DO OPERADOR, PÁGINA 1 / 1-9999 02.25.01 / 00 CABINA DEL CONDUCTOR, PÁGINA 1 / 1-9999 02.25.01 / 00 OPERATORS CABIN, PAGE 1 / 1-9999 2053590 1 1489550 CABINA DO CONDUTOR COMPLETA CABINA DEL CONDUCTOR COMPLETA 1,000 1-9999 DRIVER'S CABIN COMPLETE 1.01 1272624 BASTIDOR BASTIDOR 1,000 1-9999 FRAME 3 1272306 AMARRAÇÃO RIOSTRA 1,000 1-9999 BRACING 4 1291556 PORTA DA CABINA, DIREITA PUERTA DE CABINA DERECHA 1,000 1-9999 CABIN DOOR, RIGHT 5 1291548 PORTA DA CABINA, ESQUERDA PUERTA DE CABINA IZQUIERDA 1,000 1-9999 CABIN DOOR, LEFT 6 1249304 SAÍDA DE AR SALIDA DE AIRE 2,000 1-9999 AIR OUTLET 10 1272470 PÁRA-BRISA VIDRIO FRONTAL 1,000 1-9999 FRONT WINDOW 18 1272144 BUCHA CASQUILLO 2,000 1-9999 BUSHING 23 1240609 BARRA DE RETENÇÃO BARRA DE SUJECIÓN 1,000 1-9999 STAY BAR 24 1240617 BARRA DE RETENÇÃO BARRA DE SUJECIÓN 1,000 1-9999 STAY BAR 30 1272330 PEÇA DE REVESTIMENTO PIEZA DE RECUBRIMIENTO 1,000 1-9999 MOULDING PART 31 1272322 PEÇA DE REVESTIMENTO PIEZA DE RECUBRIMIENTO 1,000 1-9999 MOULDING PART 33 1240951 TAMPA TAPA 2,000 1-9999 COVER 42 1272381 PEÇA DE REVESTIMENTO PIEZA DE RECUBRIMIENTO 1,000 1-9999 MOULDING PART
  • 106.
    02.25.01 / 00CABINA DO OPERADOR, PÁGINA 1 / 1-9999 02.25.01 / 00 CABINA DEL CONDUCTOR, PÁGINA 1 / 1-9999 02.25.01 / 00 OPERATORS CABIN, PAGE 1 / 1-9999 90 81 101 1.01 1 62 33 73 75 77 76 69.01 69 82 79 74 54 44 31 5 3 42 30 18 24 6 10 4 43 23
  • 107.
    POS Nº DEIDENT. DESIGNAÇÃO DESIGNATION DESIGNACIÓN QUANT. VALIDADE 02.25.01 / 00 CABINA DO OPERADOR, PÁGINA 1 / 1-9999 02.25.01 / 00 CABINA DEL CONDUCTOR, PÁGINA 1 / 1-9999 02.25.01 / 00 OPERATORS CABIN, PAGE 1 / 1-9999 2053590 43 1272373 PEÇA DE REVESTIMENTO PIEZA DE RECUBRIMIENTO 1,000 1-9999 MOULDING PART 44 1272365 PEÇA DE REVESTIMENTO PIEZA DE RECUBRIMIENTO 1,000 1-9999 MOULDING PART 54 1272357 PEÇA DE REVESTIMENTO PIEZA DE RECUBRIMIENTO 1,000 1-9999 MOULDING PART 62 1272810 PARAFUSO AUTO ATARRAXANTE TORNILLO DE CHAPA 4,000 1-9999 SHEET METAL SCREW 69 1272209 HOLOFOTE DE TRABALHO FARO DE TRABAJO 4,000 1-9999 WORKING LIGHT 69.01 366528 LANTERNA LÁMPARA 1,000 1-9999 LAMP 73 1240625 ESPELHO ESPEJO 2,000 1-9999 MIRROR 74 1272187 LIMPADOR DO PÁRA-BRISA BARREDERA DE CAUCHO-LIMPIAPARABRISAS 1,000 1-9999 WINDSHIELD RUBBER 75 1272160 LIMPADOR DO PÁRA-BRISA BARREDERA DE CAUCHO-LIMPIAPARABRISAS 1,000 1-9999 WINDSHIELD RUBBER 76 1272152 BRAÇO DO LIMPADOR DO PÁRA-BRISA LIMPIAPARABRISAS 1,000 1-9999 WIPER ARM 77 1272179 BRAÇO DO LIMPADOR DO PÁRA-BRISA LIMPIAPARABRISAS 1,000 1-9999 WIPER ARM 79 1291513 FIXAÇÃO FIJACIÓN 4,000 1-9999 MOUNTING 81 1287486 PERFIL DE VEDAÇÃO PERFIL DE IMPERMEABILIZACIÓN 2,000 1-9999 SEALING PROFILE 82 2035419 CORTINA PROTETORA SOLAR FILTRO SOLAR 1,000 1-244 SUN SCREEN
  • 108.
    02.25.01 / 00CABINA DO OPERADOR, PÁGINA 1 / 1-9999 02.25.01 / 00 CABINA DEL CONDUCTOR, PÁGINA 1 / 1-9999 02.25.01 / 00 OPERATORS CABIN, PAGE 1 / 1-9999 90 81 101 1.01 1 62 33 73 75 77 76 69.01 69 82 79 74 54 44 31 5 3 42 30 18 24 6 10 4 43 23
  • 109.
    POS Nº DEIDENT. DESIGNAÇÃO DESIGNATION DESIGNACIÓN QUANT. VALIDADE 02.25.01 / 00 CABINA DO OPERADOR, PÁGINA 1 / 1-9999 02.25.01 / 00 CABINA DEL CONDUCTOR, PÁGINA 1 / 1-9999 02.25.01 / 00 OPERATORS CABIN, PAGE 1 / 1-9999 2053590 90 1270265 JOGO DE ADESIVOS JUEGO DE ADHESIVO 2,000 1-9999 ADHESIVE SET 101 1282670 BICO LAVADOR DO PÁRA-BRISA TOBERA DE ASPERSIÓN 1,000 1-9999 SPRINKLER NOZZLE
  • 110.
    02.25.02 / 00CABINA DO OPERADOR, PÁGINA 2 / 1-9999 02.25.02 / 00 CABINA DEL CONDUCTOR, PÁGINA 2 / 1-9999 02.25.02 / 00 OPERATORS CABIN, PAGE 2 / 1-9999 55.02 55.01 55 21 18 20 48 2 16 35 66 7 49 1 34 25 8 64 63 46 13 17 14
  • 111.
    POS Nº DEIDENT. DESIGNAÇÃO DESIGNATION DESIGNACIÓN QUANT. VALIDADE 02.25.02 / 00 CABINA DO OPERADOR, PÁGINA 2 / 1-9999 02.25.02 / 00 CABINA DEL CONDUCTOR, PÁGINA 2 / 1-9999 02.25.02 / 00 OPERATORS CABIN, PAGE 2 / 1-9999 2014371 1 1272314 CARCAÇA CARCASA 1,000 1-9999 HOUSING 2 1272691 ANEL ANILLO 4,000 1-9999 RING 7 1241079 CAPUZ CAPERUZA 2,000 1-9999 CAP 8 1241087 CAPUZ CAPERUZA 2,000 1-9999 CAP 13 216461 PORCA SEXTAVADA TUERCA HEXAGONAL 4,000 1-9999 HEXAGON NUT 14 216453 PORCA SEXTAVADA TUERCA HEXAGONAL 2,000 1-9999 HEXAGON NUT 16 216437 PORCA SEXTAVADA TUERCA HEXAGONAL 2,000 1-9999 HEXAGON NUT 17 216445 PORCA SEXTAVADA TUERCA HEXAGONAL 2,000 1-9999 HEXAGON NUT 18 1272144 BUCHA CASQUILLO 2,000 1-9999 BUSHING 20 1272403 LUVA DE BORRACHA BOQUILLA DE GOMA 1,000 1-9999 RUBBER SLEEVE 21 1249177 ARRUELA DE BORRACHA BOQUILLA DE CABLE 4,000 1-9999 CABLE BUSHING 25 1248669 GRAXEIRA ENGRASADOR 4,000 1-9999 GREASING NIPPLE 34 1272128 MOLA A GÁS AMORTIGUADOR NEUMÁTICO 2,000 1-9999 GAS SPRING 35 1270044 MOTOR DO LIMPADOR DE PÁRA-BRISA MOTOR DEL LIMPIAPARABRISAS 1,000 1-9999 WIPER MOTOR
  • 112.
    02.25.02 / 00CABINA DO OPERADOR, PÁGINA 2 / 1-9999 02.25.02 / 00 CABINA DEL CONDUCTOR, PÁGINA 2 / 1-9999 02.25.02 / 00 OPERATORS CABIN, PAGE 2 / 1-9999 55.02 55.01 55 21 18 20 48 2 16 35 66 7 49 1 34 25 8 64 63 46 13 17 14
  • 113.
    POS Nº DEIDENT. DESIGNAÇÃO DESIGNATION DESIGNACIÓN QUANT. VALIDADE 02.25.02 / 00 CABINA DO OPERADOR, PÁGINA 2 / 1-9999 02.25.02 / 00 CABINA DEL CONDUCTOR, PÁGINA 2 / 1-9999 02.25.02 / 00 OPERATORS CABIN, PAGE 2 / 1-9999 2014371 46 1272659 ARRUELA ARANDELA 8,000 1-9999 WASHER 48 216577 ARRUELA ARANDELA 2,000 1-9999 WASHER 49 216593 ARRUELA ARANDELA 14,000 1-9999 WASHER 55 1272195 TANQUE COM BOMBA CONTENEDOR CON BOMBA 1,000 1-9999 TANK WITH PUMP 55.01 1276646 TAMPA TAPA 1,000 1-9999 COVER 55.02 1276654 BOMBA BOMBA 1,000 1-9999 PUMP 63 213802 PARAFUSO SEXTAVADO TORNILLO HEXAGONAL 6,000 1-9999 HEXAGON SCREW 64 213594 PARAFUSO SEXTAVADO TORNILLO HEXAGONAL 4,000 1-9999 HEXAGON SCREW 66 213799 PARAFUSO SEXTAVADO TORNILLO HEXAGONAL 2,000 1-9999 HEXAGON SCREW
  • 114.
    02.25.03 / 00CABINA DO OPERADOR, PÁGINA 3 / 1-9999 02.25.03 / 00 CABINA DEL CONDUCTOR, PÁGINA 3 / 1-9999 02.25.03 / 00 OPERATORS CABIN, PAGE 3 / 1-9999 90 100 12.01 79 82 78 80 67 68 70 11 65 45 37 22 21 52 12
  • 115.
    POS Nº DEIDENT. DESIGNAÇÃO DESIGNATION DESIGNACIÓN QUANT. VALIDADE 02.25.03 / 00 CABINA DO OPERADOR, PÁGINA 3 / 1-9999 02.25.03 / 00 CABINA DEL CONDUCTOR, PÁGINA 3 / 1-9999 02.25.03 / 00 OPERATORS CABIN, PAGE 3 / 1-9999 2053593 11 1272543 VIDRO TRASEIRO LUNA TRASERA 1,000 1-9999 REAR PANE 12 1272551 VIDRO LUNA 1,000 1-9999 PANE 12.01 1276891 VIDRO LUNA 1,000 1-9999 PANE 21 1249177 ARRUELA DE BORRACHA BOQUILLA DE CABLE 4,000 1-9999 CABLE BUSHING 22 1270036 MOTOR DO LIMPADOR DE PÁRA-BRISA MOTOR DEL LIMPIAPARABRISAS 1,000 1-9999 WIPER MOTOR 37 1234250 PORCA SERRILHADA TUERCA MOLETEADA 2,000 1-9999 KNURLED NUT 45 1272705 REBITE REMACHE 6,000 1-9999 RIVET 52 1272411 BUJÃO BULÓN 1,000 1-9999 PLUG 65 213748 PARAFUSO SEXTAVADO TORNILLO HEXAGONAL 10,000 1-9999 HEXAGON SCREW 67 1263757 CABLAGEM MAZO DE CABLES 1,000 1-9999 WIRE HARNESS 68 1272292 TUBO GUIA TUBO GUÍA 1,000 1-9999 GUIDE TUBE 70 1240854 CHAVE DE CONTATO DA PORTA INTERRUPTOR DE CONTACTO PUERTA 2,000 1-9999 DOOR CONTACT SWITCH 78 1272446 CORTINA PROTETORA SOLAR FILTRO SOLAR 1,000 1-244 SUN SCREEN 78 2035419 CORTINA PROTETORA SOLAR FILTRO SOLAR 1,000 245-9999 SUN SCREEN
  • 116.
    02.25.03 / 00CABINA DO OPERADOR, PÁGINA 3 / 1-9999 02.25.03 / 00 CABINA DEL CONDUCTOR, PÁGINA 3 / 1-9999 02.25.03 / 00 OPERATORS CABIN, PAGE 3 / 1-9999 90 100 12.01 79 82 78 80 67 68 70 11 65 45 37 22 21 52 12
  • 117.
    POS Nº DEIDENT. DESIGNAÇÃO DESIGNATION DESIGNACIÓN QUANT. VALIDADE 02.25.03 / 00 CABINA DO OPERADOR, PÁGINA 3 / 1-9999 02.25.03 / 00 CABINA DEL CONDUCTOR, PÁGINA 3 / 1-9999 02.25.03 / 00 OPERATORS CABIN, PAGE 3 / 1-9999 2053593 79 1291513 FIXAÇÃO FIJACIÓN 4,000 1-9999 MOUNTING 80 1272462 ARTICULAÇÃO DE HASTES VARILLAJE 2,000 1-9999 LINKAGE 82 2035419 CORTINA PROTETORA SOLAR FILTRO SOLAR 1,000 1-9999 SUN SCREEN 90 1270265 JOGO DE ADESIVOS JUEGO DE ADHESIVO 2,000 1-9999 ADHESIVE SET 100 1283499 BICO LAVADOR DO PÁRA-BRISA TOBERA DE ASPERSIÓN 1,000 1-9999 SPRINKLER NOZZLE
  • 118.
    02.25.04 / 00CABINA DO OPERADOR, PÁGINA 4 / 1-9999 02.25.04 / 00 CABINA DEL CONDUCTOR, PÁGINA 4 / 1-9999 02.25.04 / 00 OPERATORS CABIN, PAGE 4 / 1-9999 02.25.08 100.01 100 36.01 53 36 40 51 38 19 26 57 59 9 32 29 60 28 61 56 27 58 39 50 47 15 41
  • 119.
    POS Nº DEIDENT. DESIGNAÇÃO DESIGNATION DESIGNACIÓN QUANT. VALIDADE 02.25.04 / 00 CABINA DO OPERADOR, PÁGINA 4 / 1-9999 02.25.04 / 00 CABINA DEL CONDUCTOR, PÁGINA 4 / 1-9999 02.25.04 / 00 OPERATORS CABIN, PAGE 4 / 1-9999 2053594 9 1240978 TAMPA TAPA 1,000 1-9999 COVER 15 249610 PORCA SEXTAVADA TUERCA HEXAGONAL 2,000 1-9999 HEXAGON NUT 19 1272136 ESPELHO RETROVISOR INTERNO RETROVISOR INTERIOR 1,000 1-9999 INSIDE MIRROR 26 1272241 INTERRUPTOR INTERRUPTOR 3,000 1-9999 SWITCH 27 1272217 INTERRUPTOR INTERRUPTOR 1,000 1-9999 SWITCH 28 1240773 INTERRUPTOR INTERRUPTOR 1,000 1-9999 SWITCH 29 1240803 INTERRUPTOR INTERRUPTOR 1,000 1-9999 SWITCH 32 1272284 LÂMPADA LÁMPARA 6,000 1-9999 LAMP 36 1272276 ILUMINAÇÃO INTERNA LUZ INTERIOR 1,000 1-9999 INSIDE LAMP 36.01 283150 LÂMPADA LÁMPARA 1,000 1-9999 LAMP 38 1272268 CONTATO DE ENCAIXAR BASE DE ENCHUFE 6,000 1-9999 HEADER 39 1258567 BASTIDOR BASTIDOR 4,000 1-9999 FRAME 40 1258559 BASTIDOR BASTIDOR 4,000 1-9999 FRAME 41 1248901 ARCO ESTRIBO 2,000 1-9999 BOW
  • 120.
    02.25.04 / 00CABINA DO OPERADOR, PÁGINA 4 / 1-9999 02.25.04 / 00 CABINA DEL CONDUCTOR, PÁGINA 4 / 1-9999 02.25.04 / 00 OPERATORS CABIN, PAGE 4 / 1-9999 02.25.08 100.01 100 36.01 53 36 40 51 38 19 26 57 59 9 32 29 60 28 61 56 27 58 39 50 47 15 41
  • 121.
    POS Nº DEIDENT. DESIGNAÇÃO DESIGNATION DESIGNACIÓN QUANT. VALIDADE 02.25.04 / 00 CABINA DO OPERADOR, PÁGINA 4 / 1-9999 02.25.04 / 00 CABINA DEL CONDUCTOR, PÁGINA 4 / 1-9999 02.25.04 / 00 OPERATORS CABIN, PAGE 4 / 1-9999 2053594 47 1272667 ARRUELA ARANDELA 4,000 1-9999 WASHER 50 1240552 PARAFUSO DE FECHAMENTO PERNO DE CIERRE 2,000 1-9999 CLOSING BOLT 51 1240765 TAMPA TAPA 2,000 1-9999 COVER 53 1291521 PEÇA DE REVESTIMENTO PIEZA DE RECUBRIMIENTO 1,000 1-9999 MOULDING PART 56 1249215 SIMBOLO, FARÓIS DE TRABALHO DIANTEIROS SÍMBOLO, FAROS DE TRABAJO DELANTE 1,000 1-9999 SYMBOL, WORKING SPOTLIGHTS FRONT 57 1249223 SIMBOLO, FARÓIS DE TRABALHO TRASEIROS SÍMBOLO, FAROS DE TRABAJO DETRÁS 1,000 1-9999 SYMBOL, WORKING SPOTLIGHTS REAR 58 1262092 SÍMBOLO, LIMPADOR PÁRA-BRISA SÍMBOLO SISTEMA LIMPIAPARABRISAS 1,000 1-9999 SYMBOL WINDSHIELD WASHER 59 1272233 SÍMBOLO, LUZ ROTATIVA DIRECIONAL SÍMBOLO, LUZ GIRATORIA 1,000 1-9999 SYMBOL, ROTATING BEAM LIGHT 60 1240781 SÍMBOLO, LIMPADOR PÁRA-BRISA DIANTEIRO SÍMBOLO, LIMPIAPARABRISAS DELANTE 1,000 1-9999 SYMBOL, WIPER FRONT 61 1240811 SÍMBOLO, LIMPADOR PÁRA-BRISA TRASEIRO SÍMBOLO, LIMPIAPARABRISAS DETRÁS 1,000 1-9999 SYMBOL, WIPER REAR 100 384020 CAIXA DE FUSÍVEIS CAJA DE FUSIBLES PLANOS 1,000 1-9999 BLADE FUSE HOLDER 100.01 1200135 TAMPA TAPA 1,000 1-9999 COVER
  • 122.
    02.25.05 / 00CABINA DO OPERADOR, PÁGINA 5 / 1-9999 02.25.05 / 00 CABINA DEL CONDUCTOR, PÁGINA 5 / 1-9999 02.25.05 / 00 OPERATOR’S CABIN, PAGE 5 / 1-9999 1 6 4 8 5 2 3 9 7
  • 123.
    POS Nº DEIDENT. DESIGNAÇÃO DESIGNATION DESIGNACIÓN QUANT. VALIDADE 02.25.05 / 00 CABINA DO OPERADOR, PÁGINA 5 / 1-9999 02.25.05 / 00 CABINA DEL CONDUCTOR, PÁGINA 5 / 1-9999 02.25.05 / 00 OPERATOR’S CABIN, PAGE 5 / 1-9999 2053596 1 1272802 DOBRADIÇA CHARNELA 2,000 1-9999 HINGE 2 1272799 TAMPA TAPA 1,000 1-9999 COVER 3 1272780 SUPORTE SOPORTE 3,000 1-9999 SUPPORT 4 1272772 DEPÓSITO DEPÓSITO 1,000 1-9999 PLACE OF DEPOSIT 5 1272764 SUPORTE SOPORTE 1,000 1-9999 SUPPORT 6 1272756 MAÇANETA ASIDERO 2,000 1-9999 HANDLE 7 1272748 SUPORTE SOPORTE 1,000 1-9999 SUPPORT 8 1272624 BASTIDOR BASTIDOR 1,000 1-9999 FRAME 9 1272675 PEÇA DE REVESTIMENTO PIEZA DE RECUBRIMIENTO 1,000 1-9999 MOULDING PART
  • 124.
    02.25.06 / 00CABINA DO OPERADOR, PÁGINA 6 / 1-9999 02.25.06 / 00 CABINA DEL CONDUCTOR, PÁGINA 6 / 1-9999 02.25.06 / 00 OPERATOR’S CABIN, PAGE 6 / 1-9999 13 90 17.01 40.01 40 42 41 14 20 36 21 37 35 34 38 3 12 39 27 28 9 25 33 17 11 23 31 1 32 29 5 30 18 2 4 10 24 7 26 14 22 13 8 15 16 19 6
  • 125.
    POS Nº DEIDENT. DESIGNAÇÃO DESIGNATION DESIGNACIÓN QUANT. VALIDADE 02.25.06 / 00 CABINA DO OPERADOR, PÁGINA 6 / 1-9999 02.25.06 / 00 CABINA DEL CONDUCTOR, PÁGINA 6 / 1-9999 02.25.06 / 00 OPERATOR’S CABIN, PAGE 6 / 1-9999 2014419 1 1272047 DESVIO CAMBIO DE DIRECCIÓN 1,000 1-9999 DEVIATION 2 1272071 FIXAÇÃO FIJACIÓN 1,000 1-9999 MOUNTING 3 1291580 MAÇANETA MANECILLA 1,000 1-9999 HANDLE 4 1241079 CAPUZ CAPERUZA 3,000 1-9999 CAP 5 1272101 DOBRADIÇA CHARNELA 2,000 1-9999 HINGE 6 1272519 VIDRO LUNA 1,000 1-9999 PANE 7 1291572 VIDRO LUNA 1,000 1-9999 PANE 8 1272527 VIDRO LUNA 1,000 1-9999 PANE 9 216062 PORCA SEXTAVADA TUERCA HEXAGONAL 2,000 1-9999 HEXAGON NUT 10 216070 PORCA SEXTAVADA TUERCA HEXAGONAL 2,000 1-9999 HEXAGON NUT 11 1272063 PORCA SEXTAVADA TUERCA HEXAGONAL 2,000 1-9999 HEXAGON NUT 12 1291483 FIXAÇÃO FIJACIÓN 1,000 1-9999 MOUNTING 13 1289373 ESPAÇADOR PIEZA DISTANCIADORA 6,000 1-9999 SPACER BLOCK 14 1241036 ARRUELA DE BORRACHA BOQUILLA DE CABLE 3,000 1-9999 CABLE BUSHING
  • 126.
    02.25.06 / 00CABINA DO OPERADOR, PÁGINA 6 / 1-9999 02.25.06 / 00 CABINA DEL CONDUCTOR, PÁGINA 6 / 1-9999 02.25.06 / 00 OPERATOR’S CABIN, PAGE 6 / 1-9999 13 90 17.01 40.01 40 42 41 14 20 36 21 37 35 34 38 3 12 39 27 28 9 25 33 17 11 23 31 1 32 29 5 30 18 2 4 10 24 7 26 14 22 13 8 15 16 19 6
  • 127.
    POS Nº DEIDENT. DESIGNAÇÃO DESIGNATION DESIGNACIÓN QUANT. VALIDADE 02.25.06 / 00 CABINA DO OPERADOR, PÁGINA 6 / 1-9999 02.25.06 / 00 CABINA DEL CONDUCTOR, PÁGINA 6 / 1-9999 02.25.06 / 00 OPERATOR’S CABIN, PAGE 6 / 1-9999 2014419 15 1272012 CHAPA SUPORTE CHAPA DE ASIENTO 1,000 1-9999 SUPPORTING PLATE 16 1272020 CHAPA SUPORTE CHAPA DE ASIENTO 1,000 1-9999 SUPPORTING PLATE 17 1287451 PERFIL DE VEDAÇÃO PERFIL DE IMPERMEABILIZACIÓN 3,700 1-9999 SEALING PROFILE 17.01 1291092 PERFIL DE VEDAÇÃO PERFIL DE IMPERMEABILIZACIÓN 1,150 1-9999 SEALING PROFILE 18 1272578 PERFIL DE VEDAÇÃO PERFIL DE IMPERMEABILIZACIÓN 1,000 1-9999 SEALING PROFILE 19 1272004 MAÇANETA EXTERNA TIRADOR EXTERIOR 1,000 1-9999 LOCK OUTSIDE HANDLE 20 1290568 CHAPA SUPORTE CHAPA DE ASIENTO 1,000 1-9999 SUPPORTING PLATE 21 216445 PORCA SEXTAVADA TUERCA HEXAGONAL 3,000 1-9999 HEXAGON NUT 22 1272098 FIXAÇÃO FIJACIÓN 1,000 1-9999 MOUNTING 23 1272705 REBITE REMACHE 4,000 1-9999 RIVET 24 260983 ARRUELA ARANDELA 2,000 1-9999 WASHER 25 216577 ARRUELA ARANDELA 3,000 1-9999 WASHER 26 1291475 ARRUELA ARANDELA 2,000 1-9999 WASHER 27 320862 ARRUELA DE TRAVAMENTO DENTADA ARANDELA ELÁSTICA DENTADA 3,000 1-9999 SERRATED LOCK WASHER
  • 128.
    02.25.06 / 00CABINA DO OPERADOR, PÁGINA 6 / 1-9999 02.25.06 / 00 CABINA DEL CONDUCTOR, PÁGINA 6 / 1-9999 02.25.06 / 00 OPERATOR’S CABIN, PAGE 6 / 1-9999 13 90 17.01 40.01 40 42 41 14 20 36 21 37 35 34 38 3 12 39 27 28 9 25 33 17 11 23 31 1 32 29 5 30 18 2 4 10 24 7 26 14 22 13 8 15 16 19 6
  • 129.
    POS Nº DEIDENT. DESIGNAÇÃO DESIGNATION DESIGNACIÓN QUANT. VALIDADE 02.25.06 / 00 CABINA DO OPERADOR, PÁGINA 6 / 1-9999 02.25.06 / 00 CABINA DEL CONDUCTOR, PÁGINA 6 / 1-9999 02.25.06 / 00 OPERATOR’S CABIN, PAGE 6 / 1-9999 2014419 28 1240544 FECHADURA CERRADURA 1,000 1-9999 LOCK 29 1272055 SENSOR PALPADOR 1,000 1-9999 SENSOR 30 215422 PARAFUSO DE CABEÇA ESCAREADA TORNILLO AVELLANADO 6,000 1-9999 COUNTERSUNK SCREW 31 398721 PARAFUSO AUTO ATARRAXANTE TORNILLO DE CHAPA 2,000 1-9999 SHEET METAL SCREW 32 229911 PARAFUSO DE CABEÇA OVAL TORNILLO ALOMADO PULIDO 3,000 1-9999 FILLISTER HEAD SCREW 33 1291467 PARAFUSO DE CABEÇA ESCAREADA TORNILLO AVELLANADO 2,000 1-9999 COUNTERSUNK SCREW 34 265438 PARAFUSO PRISIONEIRO ESPÁRRAGO 2,000 1-9999 STUD BOLT 35 216593 ARRUELA ARANDELA 2,000 1-9999 WASHER 36 215406 PARAFUSO DE CABEÇA ESCAREADA TORNILLO AVELLANADO 1,000 1-9999 COUNTERSUNK SCREW 37 216070 PORCA SEXTAVADA TUERCA HEXAGONAL 2,000 1-9999 HEXAGON NUT 38 216593 ARRUELA ARANDELA 1,000 1-9999 WASHER 39 211850 PARAFUSO SEXTAVADO TORNILLO HEXAGONAL 1,000 1-9999 HEXAGON SCREW 40 1291556 PORTA DA CABINA, DIREITA PUERTA DE CABINA DERECHA 1,000 1-9999 CABIN DOOR, RIGHT 40.01 1291564 MOLDURA DA PORTA CHASIS DE LA PUERTA 1,000 1-9999 DOOR FRAME
  • 130.
    02.25.06 / 00CABINA DO OPERADOR, PÁGINA 6 / 1-9999 02.25.06 / 00 CABINA DEL CONDUCTOR, PÁGINA 6 / 1-9999 02.25.06 / 00 OPERATOR’S CABIN, PAGE 6 / 1-9999 13 90 17.01 40.01 40 42 41 14 20 36 21 37 35 34 38 3 12 39 27 28 9 25 33 17 11 23 31 1 32 29 5 30 18 2 4 10 24 7 26 14 22 13 8 15 16 19 6
  • 131.
    POS Nº DEIDENT. DESIGNAÇÃO DESIGNATION DESIGNACIÓN QUANT. VALIDADE 02.25.06 / 00 CABINA DO OPERADOR, PÁGINA 6 / 1-9999 02.25.06 / 00 CABINA DEL CONDUCTOR, PÁGINA 6 / 1-9999 02.25.06 / 00 OPERATOR’S CABIN, PAGE 6 / 1-9999 2014419 41 1272888 ARTICULAÇÃO DE HASTES VARILLAJE 1,000 1-9999 LINKAGE 42 1272918 PEÇA DE REVESTIMENTO PIEZA DE RECUBRIMIENTO 1,000 1-9999 MOULDING PART 90 1270265 JOGO DE ADESIVOS JUEGO DE ADHESIVO 1,000 1-9999 ADHESIVE SET
  • 132.
    02.25.07 / 00CABINA DO OPERADOR, PÁGINA 7 / 1-9999 02.25.07 / 00 CABINA DEL CONDUCTOR, PÁGINA 7 / 1-9999 02.25.07 / 00 OPERATOR’S CABIN, PAGE 7 / 1-9999 90 17.01 42 41 40.01 40 38 39 37 36 14 35 34 20 21 12 3 13 13 26 24 14 10 4 9 27 30 5 22 7 6 8 29 18 17 2 23 15 19 16 32 28 1 31 11 25 33
  • 133.
    POS Nº DEIDENT. DESIGNAÇÃO DESIGNATION DESIGNACIÓN QUANT. VALIDADE 02.25.07 / 00 CABINA DO OPERADOR, PÁGINA 7 / 1-9999 02.25.07 / 00 CABINA DEL CONDUCTOR, PÁGINA 7 / 1-9999 02.25.07 / 00 OPERATOR’S CABIN, PAGE 7 / 1-9999 2014488 1 1272039 DESVIO CAMBIO DE DIRECCIÓN 1,000 1-9999 DEVIATION 2 1272071 FIXAÇÃO FIJACIÓN 1,000 1-9999 MOUNTING 3 1291246 MAÇANETA MANECILLA 1,000 1-9999 HANDLE 4 1241079 CAPUZ CAPERUZA 3,000 1-9999 CAP 5 1272101 DOBRADIÇA CHARNELA 2,000 1-9999 HINGE 6 1272489 VIDRO LUNA 1,000 1-9999 PANE 7 1291491 VIDRO LUNA 1,000 1-9999 PANE 8 1272497 VIDRO LUNA 1,000 1-9999 PANE 9 216062 PORCA SEXTAVADA TUERCA HEXAGONAL 2,000 1-9999 HEXAGON NUT 10 216070 PORCA SEXTAVADA TUERCA HEXAGONAL 2,000 1-9999 HEXAGON NUT 11 1272063 PORCA SEXTAVADA TUERCA HEXAGONAL 2,000 1-9999 HEXAGON NUT 12 1291483 FIXAÇÃO FIJACIÓN 1,000 1-9999 MOUNTING 13 1289373 ESPAÇADOR PIEZA DISTANCIADORA 6,000 1-9999 SPACER BLOCK 14 1241036 ARRUELA DE BORRACHA BOQUILLA DE CABLE 3,000 1-9999 CABLE BUSHING
  • 134.
    02.25.07 / 00CABINA DO OPERADOR, PÁGINA 7 / 1-9999 02.25.07 / 00 CABINA DEL CONDUCTOR, PÁGINA 7 / 1-9999 02.25.07 / 00 OPERATOR’S CABIN, PAGE 7 / 1-9999 90 17.01 42 41 40.01 40 38 39 37 36 14 35 34 20 21 12 3 13 13 26 24 14 10 4 9 27 30 5 22 7 6 8 29 18 17 2 23 15 19 16 32 28 1 31 11 25 33
  • 135.
    POS Nº DEIDENT. DESIGNAÇÃO DESIGNATION DESIGNACIÓN QUANT. VALIDADE 02.25.07 / 00 CABINA DO OPERADOR, PÁGINA 7 / 1-9999 02.25.07 / 00 CABINA DEL CONDUCTOR, PÁGINA 7 / 1-9999 02.25.07 / 00 OPERATOR’S CABIN, PAGE 7 / 1-9999 2014488 15 1272012 CHAPA SUPORTE CHAPA DE ASIENTO 1,000 1-9999 SUPPORTING PLATE 16 1272020 CHAPA SUPORTE CHAPA DE ASIENTO 1,000 1-9999 SUPPORTING PLATE 17 1287451 PERFIL DE VEDAÇÃO PERFIL DE IMPERMEABILIZACIÓN 3,700 1-9999 SEALING PROFILE 17.01 1291092 PERFIL DE VEDAÇÃO PERFIL DE IMPERMEABILIZACIÓN 1,150 1-9999 SEALING PROFILE 18 1272578 PERFIL DE VEDAÇÃO PERFIL DE IMPERMEABILIZACIÓN 1,000 1-9999 SEALING PROFILE 19 1272004 MAÇANETA EXTERNA TIRADOR EXTERIOR 1,000 1-9999 LOCK OUTSIDE HANDLE 20 1290568 CHAPA SUPORTE CHAPA DE ASIENTO 1,000 1-9999 SUPPORTING PLATE 21 216445 PORCA SEXTAVADA TUERCA HEXAGONAL 3,000 1-9999 HEXAGON NUT 22 1272098 FIXAÇÃO FIJACIÓN 1,000 1-9999 MOUNTING 23 1272705 REBITE REMACHE 4,000 1-9999 RIVET 24 260983 ARRUELA ARANDELA 2,000 1-9999 WASHER 25 216577 ARRUELA ARANDELA 3,000 1-9999 WASHER 26 1291475 ARRUELA ARANDELA 2,000 1-9999 WASHER 27 320862 ARRUELA DE TRAVAMENTO DENTADA ARANDELA ELÁSTICA DENTADA 3,000 1-9999 SERRATED LOCK WASHER
  • 136.
    02.25.07 / 00CABINA DO OPERADOR, PÁGINA 7 / 1-9999 02.25.07 / 00 CABINA DEL CONDUCTOR, PÁGINA 7 / 1-9999 02.25.07 / 00 OPERATOR’S CABIN, PAGE 7 / 1-9999 90 17.01 42 41 40.01 40 38 39 37 36 14 35 34 20 21 12 3 13 13 26 24 14 10 4 9 27 30 5 22 7 6 8 29 18 17 2 23 15 19 16 32 28 1 31 11 25 33
  • 137.
    POS Nº DEIDENT. DESIGNAÇÃO DESIGNATION DESIGNACIÓN QUANT. VALIDADE 02.25.07 / 00 CABINA DO OPERADOR, PÁGINA 7 / 1-9999 02.25.07 / 00 CABINA DEL CONDUCTOR, PÁGINA 7 / 1-9999 02.25.07 / 00 OPERATOR’S CABIN, PAGE 7 / 1-9999 2014488 28 1240536 FECHADURA CERRADURA 1,000 1-9999 LOCK 29 1272055 SENSOR PALPADOR 1,000 1-9999 SENSOR 30 215422 PARAFUSO DE CABEÇA ESCAREADA TORNILLO AVELLANADO 6,000 1-9999 COUNTERSUNK SCREW 31 398721 PARAFUSO AUTO ATARRAXANTE TORNILLO DE CHAPA 2,000 1-9999 SHEET METAL SCREW 32 229911 PARAFUSO DE CABEÇA OVAL TORNILLO ALOMADO PULIDO 3,000 1-9999 FILLISTER HEAD SCREW 33 1291467 PARAFUSO DE CABEÇA ESCAREADA TORNILLO AVELLANADO 2,000 1-9999 COUNTERSUNK SCREW 34 265438 PARAFUSO PRISIONEIRO ESPÁRRAGO 2,000 1-9999 STUD BOLT 35 216593 ARRUELA ARANDELA 2,000 1-9999 WASHER 36 215406 PARAFUSO DE CABEÇA ESCAREADA TORNILLO AVELLANADO 1,000 1-9999 COUNTERSUNK SCREW 37 216070 PORCA SEXTAVADA TUERCA HEXAGONAL 2,000 1-9999 HEXAGON NUT 38 216593 ARRUELA ARANDELA 1,000 1-9999 WASHER 39 211850 PARAFUSO SEXTAVADO TORNILLO HEXAGONAL 1,000 1-9999 HEXAGON SCREW 40 1291548 PORTA DA CABINA, ESQUERDA PUERTA DE CABINA IZQUIERDA 1,000 1-9999 CABIN DOOR, LEFT 40.01 1291459 MOLDURA DA PORTA CHASIS DE LA PUERTA 1,000 1-9999 DOOR FRAME
  • 138.
    02.25.07 / 00CABINA DO OPERADOR, PÁGINA 7 / 1-9999 02.25.07 / 00 CABINA DEL CONDUCTOR, PÁGINA 7 / 1-9999 02.25.07 / 00 OPERATOR’S CABIN, PAGE 7 / 1-9999 90 17.01 42 41 40.01 40 38 39 37 36 14 35 34 20 21 12 3 13 13 26 24 14 10 4 9 27 30 5 22 7 6 8 29 18 17 2 23 15 19 16 32 28 1 31 11 25 33
  • 139.
    POS Nº DEIDENT. DESIGNAÇÃO DESIGNATION DESIGNACIÓN QUANT. VALIDADE 02.25.07 / 00 CABINA DO OPERADOR, PÁGINA 7 / 1-9999 02.25.07 / 00 CABINA DEL CONDUCTOR, PÁGINA 7 / 1-9999 02.25.07 / 00 OPERATOR’S CABIN, PAGE 7 / 1-9999 2014488 41 1272888 ARTICULAÇÃO DE HASTES VARILLAJE 1,000 1-9999 LINKAGE 42 1272861 PEÇA DE REVESTIMENTO PIEZA DE RECUBRIMIENTO 1,000 1-9999 MOULDING PART 90 1270265 JOGO DE ADESIVOS JUEGO DE ADHESIVO 1,000 1-9999 ADHESIVE SET
  • 140.
    02.25.08 / 00CABINA DO OPERADOR, PÁGINA 8 / 1-9999 02.25.08 / 00 CABINA DEL CONDUCTOR, PÁGINA 8 / 1-9999 02.25.08 / 00 OPERATOR’S CABIN, PAGE 8 / 1-9999
  • 141.
    POS Nº DEIDENT. DESIGNAÇÃO DESIGNATION DESIGNACIÓN QUANT. VALIDADE 02.25.08 / 00 CABINA DO OPERADOR, PÁGINA 8 / 1-9999 02.25.08 / 00 CABINA DEL CONDUCTOR, PÁGINA 8 / 1-9999 02.25.08 / 00 OPERATOR’S CABIN, PAGE 8 / 1-9999 2053600 1 1489550 CABINA DO CONDUTOR COMPLETA CABINA DEL CONDUCTOR COMPLETA 1,000 1-9999 DRIVER'S CABIN COMPLETE 2 1497812 CAPACHO ALFOMBRILLA PARA LOS PIES 1,000 1-9999 FLOOR MAT 3 351652 PARAFUSO SEXTAVADO TORNILLO HEXAGONAL 2,000 1-9999 HEXAGON SCREW 4 358436 ARRUELA ARANDELA 4,000 1-9999 WASHER 5 361763 PORCA SEXTAVADA TUERCA HEXAGONAL 2,000 1-9999 HEXAGON NUT 6 1208721 PARAFUSO SEXTAVADO TORNILLO HEXAGONAL 4,000 1-9999 HEXAGON SCREW 7 1210106 ARRUELA ARANDELA 4,000 1-9999 WASHER 8 614022 PERFIL DE BORRACHA (M) PERFIL DE GOMA ESPUMOSA (M) 3,000 1-9999 RUBBER PROFILE (M) 26 1272241 INTERRUPTOR INTERRUPTOR 3,000 1-9999 SWITCH 27 1272217 INTERRUPTOR INTERRUPTOR 1,000 1-9999 SWITCH 28 1240773 INTERRUPTOR INTERRUPTOR 1,000 1-9999 SWITCH 29 1240803 INTERRUPTOR INTERRUPTOR 1,000 1-9999 SWITCH 50 1523090 ETIQUETA HAMM ETIQUETA HAMM 1,000 1-9999 STICKER HAMM 51 1240765 TAMPA TAPA 2,000 1-9999 COVER
  • 142.
    02.25.08 / 00CABINA DO OPERADOR, PÁGINA 8 / 1-9999 02.25.08 / 00 CABINA DEL CONDUCTOR, PÁGINA 8 / 1-9999 02.25.08 / 00 OPERATOR’S CABIN, PAGE 8 / 1-9999
  • 143.
    POS Nº DEIDENT. DESIGNAÇÃO DESIGNATION DESIGNACIÓN QUANT. VALIDADE 02.25.08 / 00 CABINA DO OPERADOR, PÁGINA 8 / 1-9999 02.25.08 / 00 CABINA DEL CONDUCTOR, PÁGINA 8 / 1-9999 02.25.08 / 00 OPERATOR’S CABIN, PAGE 8 / 1-9999 2053600 56 1249215 SIMBOLO, FARÓIS DE TRABALHO DIANTEIROS SÍMBOLO, FAROS DE TRABAJO DELANTE 1,000 1-9999 SYMBOL, WORKING SPOTLIGHTS FRONT 57 1249223 SIMBOLO, FARÓIS DE TRABALHO TRASEIROS SÍMBOLO, FAROS DE TRABAJO DETRÁS 1,000 1-9999 SYMBOL, WORKING SPOTLIGHTS REAR 58 1262092 SÍMBOLO, LIMPADOR PÁRA-BRISA SÍMBOLO SISTEMA LIMPIAPARABRISAS 1,000 1-9999 SYMBOL WINDSHIELD WASHER 59 1272233 SÍMBOLO, LUZ ROTATIVA DIRECIONAL SÍMBOLO, LUZ GIRATORIA 1,000 1-9999 SYMBOL, ROTATING BEAM LIGHT 60 1240781 SÍMBOLO, LIMPADOR PÁRA-BRISA DIANTEIRO SÍMBOLO, LIMPIAPARABRISAS DELANTE 1,000 1-9999 SYMBOL, WIPER FRONT 61 1240811 SÍMBOLO, LIMPADOR PÁRA-BRISA TRASEIRO SÍMBOLO, LIMPIAPARABRISAS DETRÁS 1,000 1-9999 SYMBOL, WIPER REAR
  • 144.
    02.30.01 / 00CALEFAÇÃO DA CABINA, PÁGINA 1 / 1-9999 02.30.01 / 00 CALEFACCIÓN DE CABINA, PÁGINA 1 / 1-9999 02.30.01 / 00 CABIN-HEATING, PAGE 1 / 1-9999 32 125 132 128 127 133 131 130 126 30 110 112 28 117 119 118 114 113 300 116 115 111 114 27 25 26.02 26 26.01 26 25 32 31 1.02 1.01 1 114 134 252 119
  • 145.
    POS Nº DEIDENT. DESIGNAÇÃO DESIGNATION DESIGNACIÓN QUANT. VALIDADE 02.30.01 / 00 CALEFAÇÃO DA CABINA, PÁGINA 1 / 1-9999 02.30.01 / 00 CALEFACCIÓN DE CABINA, PÁGINA 1 / 1-9999 02.30.01 / 00 CABIN-HEATING, PAGE 1 / 1-9999 2053602 1 1502340 CALEFAÇÃO DA CABINA CALEFACCIÓN DE CABINA 1,000 1-9999 CABIN-HEATING 1.01 1284118 VENTILADOR RADIAL DUPLO VENTILADOR RADIAL DOBLE 1,000 1-9999 DOUBLE RADIAL BLOWER 1.02 1284088 TROCADOR DE CALOR INTERCAMBIADOR DE CALOR 1,000 1-9999 HEAT EXCHANGER 25 615444 FITA VEDANTE CINTA IMPERMEABILIZANTE 1,500 1-9999 SEALING TAPE 26 875562 JOGO DE PLACAS ISOLANTES JUEGO DE PLACAS AISLANTES 1,000 1-9999 INSULATION PLATE SET 26.01 1502166 PLACA ISOLANTE PLACA AISLANTE 1,000 1-9999 INSULATION PLATE 26.02 1502824 PLACA ISOLANTE PLACA AISLANTE 1,000 1-9999 INSULATION PLATE 27 1271113 FITA VEDANTE CINTA IMPERMEABILIZANTE 2,000 1-9999 SEALING TAPE 28 255769 FITA VEDANTE CINTA IMPERMEABILIZANTE 0,010 1-9999 SEALING TAPE 30 213799 PARAFUSO SEXTAVADO TORNILLO HEXAGONAL 4,000 1-9999 HEXAGON SCREW 31 216445 PORCA SEXTAVADA TUERCA HEXAGONAL 4,000 1-9999 HEXAGON NUT 32 216593 ARRUELA ARANDELA 8,000 1-9999 WASHER 110 615312 MANGUEIRA DE AR QUENTE (M) MANGUERA DE AIRE CALIENTE (M) 0,400 1-9999 HOT AIR HOSE (M) 111 615312 MANGUEIRA DE AR QUENTE (M) MANGUERA DE AIRE CALIENTE (M) 0,400 1-9999 HOT AIR HOSE (M)
  • 146.
    02.30.01 / 00CALEFAÇÃO DA CABINA, PÁGINA 1 / 1-9999 02.30.01 / 00 CALEFACCIÓN DE CABINA, PÁGINA 1 / 1-9999 02.30.01 / 00 CABIN-HEATING, PAGE 1 / 1-9999 32 125 132 128 127 133 131 130 126 30 110 112 28 117 119 118 114 113 300 116 115 111 114 27 25 26.02 26 26.01 26 25 32 31 1.02 1.01 1 114 134 252 119
  • 147.
    POS Nº DEIDENT. DESIGNAÇÃO DESIGNATION DESIGNACIÓN QUANT. VALIDADE 02.30.01 / 00 CALEFAÇÃO DA CABINA, PÁGINA 1 / 1-9999 02.30.01 / 00 CALEFACCIÓN DE CABINA, PÁGINA 1 / 1-9999 02.30.01 / 00 CABIN-HEATING, PAGE 1 / 1-9999 2053602 112 615312 MANGUEIRA DE AR QUENTE (M) MANGUERA DE AIRE CALIENTE (M) 2,200 1-9999 HOT AIR HOSE (M) 113 615312 MANGUEIRA DE AR QUENTE (M) MANGUERA DE AIRE CALIENTE (M) 2,200 1-9999 HOT AIR HOSE (M) 114 260827 ABRAÇADEIRA ABRAZADERA 8,000 1-9999 HOSE CLIP 115 615444 FITA VEDANTE CINTA IMPERMEABILIZANTE 0,200 1-9999 SEALING TAPE 116 615444 FITA VEDANTE CINTA IMPERMEABILIZANTE 0,200 1-9999 SEALING TAPE 117 1274325 PRÉ-FILTRO FILTRO PREVIO 1,000 1-9999 PREFILTER 118 1502719 CHAPA CHAPA 1,000 1-9999 METAL PLATE 119 391484 PARAFUSO TORNILLO 2,000 1-9999 SCREW 125 875635 CARCAÇA DO FILTRO CARCASA DEL FILTRO 1,000 1-9999 FILTER BODY 126 875422 CARCAÇA DO FILTRO CARCASA DEL FILTRO 1,000 1-9999 FILTER BODY 127 234605 PARAFUSO DE CABEÇA CILÍNDRICA TORNILLO CILÍNDRICO 4,000 1-9999 CHEESE-HEAD SCREW 128 216577 ARRUELA ARANDELA 4,000 1-9999 WASHER 130 875392 TELA PARA AR REJA PARA EL AIRE 2,000 1-9999 FAN GRILLE 131 1502751 FILTRO FILTRO 2,000 1-9999 FILTER
  • 148.
    02.30.01 / 00CALEFAÇÃO DA CABINA, PÁGINA 1 / 1-9999 02.30.01 / 00 CALEFACCIÓN DE CABINA, PÁGINA 1 / 1-9999 02.30.01 / 00 CABIN-HEATING, PAGE 1 / 1-9999 32 125 132 128 127 133 131 130 126 30 110 112 28 117 119 118 114 113 300 116 115 111 114 27 25 26.02 26 26.01 26 25 32 31 1.02 1.01 1 114 134 252 119
  • 149.
    POS Nº DEIDENT. DESIGNAÇÃO DESIGNATION DESIGNACIÓN QUANT. VALIDADE 02.30.01 / 00 CALEFAÇÃO DA CABINA, PÁGINA 1 / 1-9999 02.30.01 / 00 CALEFACCIÓN DE CABINA, PÁGINA 1 / 1-9999 02.30.01 / 00 CABIN-HEATING, PAGE 1 / 1-9999 2053602 132 255769 FITA VEDANTE CINTA IMPERMEABILIZANTE 0,010 1-9999 SEALING TAPE 133 1274317 PORCA SERRILHADA TUERCA MOLETEADA 4,000 1-9999 KNURLED NUT 134 1264168 BUJÃO TAPÓN DE CIERRE 1,000 1-9999 FILLER CAP 252 384062 FUSÍVEL TIPO LÂMINA FUSIBLE PLANO 1,000 1-9999 BLADE FUSE 300 267341 FIXADOR DE CABOS SUJETACABLES 20,000 1-9999 WIRE FASTENER
  • 150.
    02.30.02 / 00CALEFAÇÃO DA CABINA, PÁGINA 2 / 1-9999 02.30.02 / 00 CALEFACCIÓN DE CABINA, PÁGINA 2 / 1-9999 02.30.02 / 00 CABIN-HEATING, PAGE 2 / 1-9999 45 51 57 58 59 56 22 55 22 20 250 1.02 1.01 1 251
  • 151.
    POS Nº DEIDENT. DESIGNAÇÃO DESIGNATION DESIGNACIÓN QUANT. VALIDADE 02.30.02 / 00 CALEFAÇÃO DA CABINA, PÁGINA 2 / 1-9999 02.30.02 / 00 CALEFACCIÓN DE CABINA, PÁGINA 2 / 1-9999 02.30.02 / 00 CABIN-HEATING, PAGE 2 / 1-9999 2053603 1 1502340 CALEFAÇÃO DA CABINA CALEFACCIÓN DE CABINA 1,000 1-9999 CABIN-HEATING 1.01 1284118 VENTILADOR RADIAL DUPLO VENTILADOR RADIAL DOBLE 1,000 1-9999 DOUBLE RADIAL BLOWER 1.02 1284088 TROCADOR DE CALOR INTERCAMBIADOR DE CALOR 1,000 1-9999 HEAT EXCHANGER 20 1263137 INTERRUPTOR DA CALEFAÇÃO INTERRUPTOR VENTILAC. CALIENTE 1,000 1-9999 SWITCH HEATING-VENTILATING 22 1263145 CABO DE ACIONAMENTO CABLE BOWDEN 1,000 1-9999 BOWDEN CABLE 45 1292455 MANGUEIRA MANGUERA 1,000 1-9999 FLEXIBLE TUBING 51 1292447 MANGUEIRA MANGUERA 1,000 1-9999 FLEXIBLE TUBING 55 317837 JOELHO ORIENTÁVEL RACOR ANGULAR AJUSTABLE 1,000 1-9999 ELBOW ADJUSTABLE 56 1274392 CONEXÃO MACHO RETA RACOR PARA ENROSCAR RECTO 1,000 1-9999 STRAIGHT SCREWED SOCKET 57 1263404 VÁLVULA DE ESFERA ROBINETE DE BOLA 1,000 1-9999 BALL-CLOSURE COCK 58 1263390 ALAVANCA PALANCA 1,000 1-9999 LEVER 59 1502778 UNIÃO MACHO RACOR PARA ENROSCAR RECTO 1,000 1-9999 MALE STUD COUPLING 250 866784 CABLAGEM (CALEFAÇÃO) MAZO DE CABLES (CALEFACCIÓN) 1,000 1-9999 WIRE HARNESS (HEATING) 251 874442 CABLAGEM (CALEFAÇÃO) MAZO DE CABLES (CALEFACCIÓN) 1,000 1-9999 WIRE HARNESS (HEATING)
  • 152.
    02.30.03 / 00CALEFAÇÃO DA CABINA, PÁGINA 3 / 1-9999 02.30.03 / 00 CALEFACCIÓN DE CABINA, PÁGINA 3 / 1-9999 02.30.03 / 00 CABIN-HEATING, PAGE 3 / 1-9999
  • 153.
    POS Nº DEIDENT. DESIGNAÇÃO DESIGNATION DESIGNACIÓN QUANT. VALIDADE 02.30.03 / 00 CALEFAÇÃO DA CABINA, PÁGINA 3 / 1-9999 02.30.03 / 00 CALEFACCIÓN DE CABINA, PÁGINA 3 / 1-9999 02.30.03 / 00 CABIN-HEATING, PAGE 3 / 1-9999 2053605 2 879347 PEÇA DE REVESTIMENTO COMPLETA PIEZA DE RECUBRIMIENTO COMPLETA 1,000 1-9999 MOULDING PART COMPLETE 2.01 1487892 PEÇA DE REVESTIMENTO ESQUERDO PIEZA DE RECUBRIMIENTO IZQUIERDA 1,000 1-9999 MOULDING PART LEFT 2.02 1487906 PEÇA DE REVESTIMENTO DIREITO PIEZA DE RECUBRIMIENTO DERECHA 1,000 1-9999 MOULDING PART RIGHT 3 232513 PARAFUSO DE CABEÇA OVAL TORNILLO ALOMADO PULIDO 10,000 1-9999 FILLISTER HEAD SCREW 4 274356 ARRUELA ARANDELA 10,000 1-9999 WASHER 10 385719 BICO REDONDO TOBERA REDONDA 4,000 1-9999 ROUND NOZZLE 11 384771 PARAFUSO AUTO ATARRAXANTE TORNILLO DE CHAPA 16,000 1-9999 SHEET METAL SCREW 15 1263153 SAÍDA DE AR SALIDA DE AIRE 4,000 1-9999 AIR OUTLET 16 384771 PARAFUSO AUTO ATARRAXANTE TORNILLO DE CHAPA 8,000 1-9999 SHEET METAL SCREW 20 1263137 INTERRUPTOR DA CALEFAÇÃO INTERRUPTOR VENTILAC. CALIENTE 1,000 1-9999 SWITCH HEATING-VENTILATING 21 232513 PARAFUSO DE CABEÇA OVAL TORNILLO ALOMADO PULIDO 4,000 1-9999 FILLISTER HEAD SCREW 22 1263145 CABO DE ACIONAMENTO CABLE BOWDEN 1,000 1-9999 BOWDEN CABLE 40 206369 CONEXÃO MACHO RETA RACOR PARA ENROSCAR RECTO 1,000 1-9999 STRAIGHT SCREWED SOCKET 41 317632 ADAPTADOR DE REDUÇÃO REDUCTOR 1,000 1-9999 REDUCING INSERT
  • 154.
    02.30.03 / 00CALEFAÇÃO DA CABINA, PÁGINA 3 / 1-9999 02.30.03 / 00 CALEFACCIÓN DE CABINA, PÁGINA 3 / 1-9999 02.30.03 / 00 CABIN-HEATING, PAGE 3 / 1-9999
  • 155.
    POS Nº DEIDENT. DESIGNAÇÃO DESIGNATION DESIGNACIÓN QUANT. VALIDADE 02.30.03 / 00 CALEFAÇÃO DA CABINA, PÁGINA 3 / 1-9999 02.30.03 / 00 CALEFACCIÓN DE CABINA, PÁGINA 3 / 1-9999 02.30.03 / 00 CABIN-HEATING, PAGE 3 / 1-9999 2053605 45 1292455 MANGUEIRA MANGUERA 1,000 1-9999 FLEXIBLE TUBING 50 317098 CONEXÃO MACHO RETA RACOR PARA ENROSCAR RECTO 1,000 1-9999 STRAIGHT SCREWED SOCKET 51 1292447 MANGUEIRA MANGUERA 1,000 1-9999 FLEXIBLE TUBING 300 267341 FIXADOR DE CABOS SUJETACABLES 20,000 1-9999 WIRE FASTENER
  • 156.
    02.30.03 / 01CALEFAÇÃO DA CABINA, PÁGINA 3 / 1-9999 02.30.03 / 01 CALEFACCIÓN DE CABINA, PÁGINA 3 / 1-9999 02.30.03 / 01 CABIN-HEATING, PAGE 3 / 1-9999
  • 157.
    POS Nº DEIDENT. DESIGNAÇÃO DESIGNATION DESIGNACIÓN QUANT. VALIDADE 02.30.03 / 01 CALEFAÇÃO DA CABINA, PÁGINA 3 / 1-9999 02.30.03 / 01 CALEFACCIÓN DE CABINA, PÁGINA 3 / 1-9999 02.30.03 / 01 CABIN-HEATING, PAGE 3 / 1-9999 2053607 2 891657 PEÇA DE REVESTIMENTO COMPLETA PIEZA DE RECUBRIMIENTO COMPLETA 1,000 1-9999 MOULDING PART COMPLETE 2.01 1527851 PEÇA DE REVESTIMENTO DIREITO PIEZA DE RECUBRIMIENTO DERECHA 1,000 1-9999 MOULDING PART RIGHT 2.02 1527878 PEÇA DE REVESTIMENTO ESQUERDO PIEZA DE RECUBRIMIENTO IZQUIERDA 1,000 1-9999 MOULDING PART LEFT 3 232513 PARAFUSO DE CABEÇA OVAL TORNILLO ALOMADO PULIDO 14,000 1-9999 FILLISTER HEAD SCREW 4 274356 ARRUELA ARANDELA 10,000 1-9999 WASHER 6 2027829 CHAPA CHAPA 1,000 1-9999 METAL PLATE 10 385719 BICO REDONDO TOBERA REDONDA 4,000 1-9999 ROUND NOZZLE 11 384771 PARAFUSO AUTO ATARRAXANTE TORNILLO DE CHAPA 16,000 1-9999 SHEET METAL SCREW 15 1263153 SAÍDA DE AR SALIDA DE AIRE 4,000 1-9999 AIR OUTLET 16 384771 PARAFUSO AUTO ATARRAXANTE TORNILLO DE CHAPA 8,000 1-9999 SHEET METAL SCREW 20 1263137 INTERRUPTOR DA CALEFAÇÃO INTERRUPTOR VENTILAC. CALIENTE 1,000 1-9999 SWITCH HEATING-VENTILATING 22 1263145 CABO DE ACIONAMENTO CABLE BOWDEN 1,000 1-9999 BOWDEN CABLE 40 206369 CONEXÃO MACHO RETA RACOR PARA ENROSCAR RECTO 1,000 1-9999 STRAIGHT SCREWED SOCKET 41 317632 ADAPTADOR DE REDUÇÃO REDUCTOR 1,000 1-9999 REDUCING INSERT
  • 158.
    02.30.03 / 01CALEFAÇÃO DA CABINA, PÁGINA 3 / 1-9999 02.30.03 / 01 CALEFACCIÓN DE CABINA, PÁGINA 3 / 1-9999 02.30.03 / 01 CABIN-HEATING, PAGE 3 / 1-9999
  • 159.
    POS Nº DEIDENT. DESIGNAÇÃO DESIGNATION DESIGNACIÓN QUANT. VALIDADE 02.30.03 / 01 CALEFAÇÃO DA CABINA, PÁGINA 3 / 1-9999 02.30.03 / 01 CALEFACCIÓN DE CABINA, PÁGINA 3 / 1-9999 02.30.03 / 01 CABIN-HEATING, PAGE 3 / 1-9999 2053607 45 1292455 MANGUEIRA MANGUERA 1,000 1-9999 FLEXIBLE TUBING 50 317098 CONEXÃO MACHO RETA RACOR PARA ENROSCAR RECTO 1,000 1-9999 STRAIGHT SCREWED SOCKET 51 1292447 MANGUEIRA MANGUERA 1,000 1-9999 FLEXIBLE TUBING 300 267341 FIXADOR DE CABOS SUJETACABLES 20,000 1-9999 WIRE FASTENER
  • 160.
    02.99.01 / 00CABINE CIBER PARA CLIMA QUENTE / 1-9999 02.99.01 / 00 CABINA CIBER PARA CLIMA CALIENTE/ 1-9999 02.99.01 / 00 CIBER CABIN FOR HOT CLIMATES / 1-9999 40 39 38 28 32 15 31 3 5 37 71 59 2 56 72 49 19 9 36 12 8 35 7 34 33 14 10 44 1 67 22 27 70 43 18 11 63 62 16 60 46 45 47 61 51 54 50 13 69 68 17 65 58 55 66 57 64 6 26 30 29 20 53 52 21 4 48 42 41 24
  • 161.
    POS Nº DEIDENT. DESIGNAÇÃO DESIGNATION DESIGNACIÓN QUANT. VALIDADE 02.99.01 / 00 CABINE CIBER PARA CLIMA QUENTE / 1-9999 02.99.01 / 00 CABINA CIBER PARA CLIMA CALIENTE / 1-9999 02.99.01 / 00 CIBER CABIN FOR HOT CLIMATES / 1-9999 768410 1 350618 CABINE CABINA 1,000 1-9999 CABIN 2 350619 SUPORTE DO ESPELHO SOPORTE DEL ESPEJO 2,000 1-9999 MIRROR SUPPORT 3 350638 SUPORTE DA PORTA SOPORTE DE LA PUERTA 1,000 1-9999 DOOR SUPPORT 4 350639 PORTA DA CABINE PUERTA DE LA CABINA 1,000 1-9999 HOLDER ON CABIN 5 350640 PINO DOBRADIÇA CLAVIJA BISAGRA 2,000 1-9999 HINGE PIN 6 350611 CALHA CANAL 1,000 1-9999 DUCT 7 350643 SUPORTE LIMPADOR PARABRISA SOPORTE LIMPIADOR PARABRISAS 1,000 1-9999 WINDSHIELD WIPER SUPPORT 8 350644 CARENAGEM FRONTAL EXTERNA CARENADO FRONTAL EXTERNO 1,000 1-9999 EXTERNAL FRONT FAIRING 9 350645 MOTOR DO LIMPADOR PARABRISA MOTOR DEL LIMPIADOR PARABRISAS 1,000 1-9999 WINDSHIELD WIPER MOTOR 10 350646 SUPORTE DE ENTRADA DE AR SOPORTE DE LA ENTRADA AIRE 1,000 1-9999 AIR INLET SUPPORT 11 350647 DOBRADIÇA BISAGRA 2,000 1-9999 HINGE 12 350648 FAROL PARA CABINE FAROL PARA CABINA 4,000 1-9999 LIGHT FOR CABIN 13 350649 PASSAMURO PASAMUROS 4,000 1-9999 PASSING BUSHING 14 350900 TAMPA ENTRADA DE AR TAPA ENTRADA DE AIRE 1,000 1-9999 AIR INLET LID
  • 162.
    02.99.01 / 00CABINE CIBER PARA CLIMA QUENTE / 1-9999 02.99.01 / 00 CABINA CIBER PARA CLIMA CALIENTE/ 1-9999 02.99.01 / 00 CIBER CABIN FOR HOT CLIMATES / 1-9999 40 39 38 28 32 15 31 3 5 37 71 59 2 56 72 49 19 9 36 12 8 35 7 34 33 14 10 44 1 67 22 27 70 43 18 11 63 62 16 60 46 45 47 61 51 54 50 13 69 68 17 65 58 55 66 57 64 6 26 30 29 20 53 52 21 4 48 42 41 24
  • 163.
    POS Nº DEIDENT. DESIGNAÇÃO DESIGNATION DESIGNACIÓN QUANT. VALIDADE 02.99.01 / 00 CABINE CIBER PARA CLIMA QUENTE / 1-9999 02.99.01 / 00 CABINA CIBER PARA CLIMA CALIENTE / 1-9999 02.99.01 / 00 CIBER CABIN FOR HOT CLIMATES / 1-9999 768410 15 350901 TAMPA DA FECHADURA ESQUERDA TAPA DE LA CERRADURA IZQUIERDA 1,000 1-9999 LEFT LOCK COVER 16 350902 AR DA CABINE AIRE DE LA CABINA 1,000 1-9999 CABIN AIR 17 350903 CARENAGEM TRASEIRA CARENADO TRASERO 1,000 1-9999 REAR FAIRING 18 350904 FORRAÇÃO LATERAL DIREITA FORRADO LATERAL DERECHO 1,000 1-9999 RIGHT SIDE LINING 19 350905 VIDRO PARABRISA VIDRIO PARABRISAS 1,000 1-9999 WINDSHIELD GLASS 20 350906 FORRAÇÃO ESQUERDA FORRADO IZQUIERDO 1,000 1-9999 LEFT LINING 21 350907 BORRACHA DA PORTA GOMA DE LA PUERTA 1,000 1-9999 DOOR RUBBER 22 350908 BORRACHA DO VIDRO FIXO DA PORTA GOMA DEL VIDRIO FIJO DE LA PUERTA 1,000 1-9999 DOOR'S FIXED GLASS RUBBER 24 350909 BORRACHA DO VIDRO VIGIA MENOR GOMA DEL VIDRIO VIGÍA MENOR 2,000 1-9999 RUBBER FOR SMALLER SIDE GLASS 26 350910 BORRACHA DO VIDRO VIGIA MAIOR GOMA DEL VIDRIO VIGÍA MAYOR 1,000 1-9999 RUBBER FOR LARGER SIDE GLASS 27 350911 VIDRO FIXO DA PORTA VIDRIO FIJO DE LA PUERTA 2,000 1-9999 DOOR'S FIXED GLASS 28 350912 VIDRO BASCULANTE DA PORTA VIDRIO BASCULANTE DE LA PUERTA 1,000 1-9999 DOOR'S OPENING GLASS 29 350913 VIDRO VIGIA MENOR VIDRIO VIGÍA MENOR 2,000 1-9999 SMALLER SIDE GLASS 30 350914 VIDRO VIGIA MAIOR VIDRIO VIGÍA MAYOR 1,000 1-9999 LARGER SIDE GLASS
  • 164.
    02.99.01 / 00CABINE CIBER PARA CLIMA QUENTE / 1-9999 02.99.01 / 00 CABINA CIBER PARA CLIMA CALIENTE/ 1-9999 02.99.01 / 00 CIBER CABIN FOR HOT CLIMATES / 1-9999 40 39 38 28 32 15 31 3 5 37 71 59 2 56 72 49 19 9 36 12 8 35 7 34 33 14 10 44 1 67 22 27 70 43 18 11 63 62 16 60 46 45 47 61 51 54 50 13 69 68 17 65 58 55 66 57 64 6 26 30 29 20 53 52 21 4 48 42 41 24
  • 165.
    POS Nº DEIDENT. DESIGNAÇÃO DESIGNATION DESIGNACIÓN QUANT. VALIDADE 02.99.01 / 00 CABINE CIBER PARA CLIMA QUENTE / 1-9999 02.99.01 / 00 CABINA CIBER PARA CLIMA CALIENTE / 1-9999 02.99.01 / 00 CIBER CABIN FOR HOT CLIMATES / 1-9999 768410 31 350915 SOLEIRA CABINE SOLERA CABINA 1,000 1-9999 CABIN THRESHOLD 32 350916 FECHADURA ESQUERDA CERRADURA IZQUIERDA 1,000 1-9999 LEFT LOCK 33 350917 LIMPADOR DO PARABRISA LIMPIADOR DEL PARABRISAS 1,000 1-9999 WINDSHIELD WIPER 34 350918 MANCAL AUXILIAR COJINETE AUXILIAR 1,000 1-9999 AUXILIARY SLEEVE BEARING 35 350919 HASTE LIMPADOR PARABRISA VARILLA LIMPIADOR PARABRISAS 1,000 1-9999 WINDSHIELD WIPER ROD 36 350920 PALHETAS PALETAS 1,000 1-9999 BLADES 37 350921 INTERRUPTOR INTERRUPTOR 1,000 1-9999 SWITCH 38 350922 JUNTA MAÇANETA PEQUENA JUNTA MANIJA PEQUEÑA 1,000 1-9999 SMALL DOOR KNOB FITTING 39 350923 JUNTA MAÇANETA GRANDE JUNTA MANIJA GRANDE 1,000 1-9999 LARGE DOOR KNOB FITTING 40 350924 MAÇANETA EXTERNA MANIJA EXTERNA 1,000 1-9999 OUTSIDE DOOR KNOB 41 350925 SUPORTE BATENTE DA PORTA SOPORTE BATIENTE DE LA PUERTA 1,000 1-9999 DOOR FRAME SUPPORT 42 350926 PINO BATENTE CLAVIJA BATIENTE 1,000 1-9999 FRAME PIN 43 350927 RESERVATÓRIO DE ÁGUA DEPÓSITO DE AGUA 1,000 1-9999 WATER TANK 44 350928 MOTOR ESQUICHO MOTOR ASPERSIÓN 1,000 1-9999 SPRAY MOTOR
  • 166.
    02.99.01 / 00CABINE CIBER PARA CLIMA QUENTE / 1-9999 02.99.01 / 00 CABINA CIBER PARA CLIMA CALIENTE/ 1-9999 02.99.01 / 00 CIBER CABIN FOR HOT CLIMATES / 1-9999 40 39 38 28 32 15 31 3 5 37 71 59 2 56 72 49 19 9 36 12 8 35 7 34 33 14 10 44 1 67 22 27 70 43 18 11 63 62 16 60 46 45 47 61 51 54 50 13 69 68 17 65 58 55 66 57 64 6 26 30 29 20 53 52 21 4 48 42 41 24
  • 167.
    POS Nº DEIDENT. DESIGNAÇÃO DESIGNATION DESIGNACIÓN QUANT. VALIDADE 02.99.01 / 00 CABINE CIBER PARA CLIMA QUENTE / 1-9999 02.99.01 / 00 CABINA CIBER PARA CLIMA CALIENTE / 1-9999 02.99.01 / 00 CIBER CABIN FOR HOT CLIMATES / 1-9999 768410 45 350929 PORTA LUVA GUANTERA 1,000 1-9999 GLOVE COMPARTMENT 46 350930 TAMPA PORTA LUVA TAPA GUANTERA 1,000 1-9999 GLOVE COMPARTMENT COVER 47 350931 TAPA BURACO TAPA AGUJERO 1,000 1-9999 TAPA BURACO 48 350932 CHAPA FECHADURA CHAPA CERRADURA 1,000 1-9999 LOCK PLATE 49 350933 DIFUSOR REDONDO DIFUSOR REDONDO 2,000 1-9999 ROUND DIFFUSER 50 350934 TELA AUTOFALANTE TELA ALTOPARLANTE 2,000 1-9999 LOUD SPEAKER SCREEN 51 17020 PORTA FUSÍVEL PORTAFUSIBLE 1,000 1-9999 FUSE HOLDER 52 350936 PEGA MÃO AGARRADOR 1,000 1-9999 HAND GRIP 53 350937 AMORTECEDOR AMORTIGUADOR 1,000 1-9999 SHOCK ABSORBER 54 350938 LUZ INTERNA LUZ INTERNA 1,000 1-9999 INTERNAL LIGHT 55 350602 ELETROVENTILADOR ELECTROVENTILADOR 2,000 1-9999 ELECTRIC FAN 56 24370 PLACA IDENTIFICAÇÃO COMPONENTE PLACA IDENTIFICACIÓN COMPONENTE 1,000 1-9999 COMPONENT IDENTIFICATION PLATE 57 350610 CONDENSADOR CONDENSADOR 1,000 1-9999 CONDENSER 58 350942 FILTRO SECADOR FILTRO SECADOR 1,000 1-9999 DRYER FILTER
  • 168.
    02.99.01 / 00CABINE CIBER PARA CLIMA QUENTE / 1-9999 02.99.01 / 00 CABINA CIBER PARA CLIMA CALIENTE/ 1-9999 02.99.01 / 00 CIBER CABIN FOR HOT CLIMATES / 1-9999 40 39 38 28 32 15 31 3 5 37 71 59 2 56 72 49 19 9 36 12 8 35 7 34 33 14 10 44 1 67 22 27 70 43 18 11 63 62 16 60 46 45 47 61 51 54 50 13 69 68 17 65 58 55 66 57 64 6 26 30 29 20 53 52 21 4 48 42 41 24
  • 169.
    POS Nº DEIDENT. DESIGNAÇÃO DESIGNATION DESIGNACIÓN QUANT. VALIDADE 02.99.01 / 00 CABINE CIBER PARA CLIMA QUENTE / 1-9999 02.99.01 / 00 CABINA CIBER PARA CLIMA CALIENTE / 1-9999 02.99.01 / 00 CIBER CABIN FOR HOT CLIMATES / 1-9999 768410 59 350943 ESPELHO ESPEJO 2,000 1-9999 MIRROR 60 350944 TECIDO NAVALHADO CINZA TEJIDO NAVAJADO GRIS 1,000 1-9999 GRAY AUTOMOTIVE FABRIC 61 350945 RELÉ RELÉ 7,000 1-9999 RELAY 62 350946 TAMPA SAÍDA DE MANGUEIRAS TAPA SALIDA DE MANGUERAS 1,000 1-9999 HOSE OUTPUT PLUGS 63 350947 TAMPA SAÍDA DE MANGUEIRAS TAPA SALIDA DE MANGUERAS 1,000 1-9999 HOSE OUTPUT PLUGS 64 350948 SUPORTE CONDENSADOR SOPORTE CONDENSADOR 1,000 1-9999 CONDENSER SUPPORT 65 350605 TAMPA DO SUPORTE CONDENSADOR TAPA DEL SOPORTE CONDENSADOR 1,000 1-9999 CONDENSER SUPPORT LID 66 350604 TAMPA SUPORTE ELETROVENTILADOR TAPA DEL SOPORTE ELECTROVENTILADOR 1,000 1-9999 FAN SUPPORT LID 67 350951 CHICOTE ELÉTRICO DA CABINE CHICOTE ELÉCTRICO DE LA CABINA 1,000 1-9999 CABIN'S ELECTRICAL HARNESS 68 350952 PRESSOSTATO PRESOSTATO 1,000 1-9999 PRESSURE GAUGE 69 350953 ABRAÇADEIRA ABRAZADERA 1,000 1-9999 CLAMP 70 350954 VIDRO BASCULANTE LATERAL DIREITA VIDRIO BASCULANTE LATERAL DERECHA 1,000 1-9999 RIGHT SIDE OPENING GLASS 71 350955 BORRACHA DE VEDAÇÃO PISO GOMA VEDADO PISO 1,000 1-9999 FLOOR SEALING RUBBER 72 84944 PLACA PLACA 1,000 1-9999 PLATE
  • 170.
    02.99.02 / 00TOLDO HAMM 3410/11 / 1-9999 02.99.02 / 00 TOLDO HAMM 3410/11 / 1-9999 02.99.02 / 00 3410/11 HAMM CANOPY / 1-9999 1:15 57 45-60-58 33 62-63-64-65 67 5-13-58 6-7-8 14-15-16 61 26-27-21 66-49-13 2 54 4 1 3 17 19 31-32 22-23-24 18 20 12 56 59
  • 171.
    POS Nº DEIDENT. DESIGNAÇÃO DESIGNATION DESIGNACIÓN QUANT. VALIDADE 02.99.02 / 00 TOLDO HAMM 3410/11 / 1-9999 02.99.02 / 00 TOLDO HAMM 3410/11 / 1-9999 02.99.02 / 00 3410/11HAMM CANOPY / 1-9999 768411 1 350150 TOLDO FIBRA TOLDO FIBRA 1,000 1-9999 AWNING FABRIC 2 350205 SUPORTE DO TOLDO SOPORTE DEL TOLDO 1,000 1-9999 AWNING SUPPORT 3 350201 BASE DO TOLDO BASE DEL TOLDO 1,000 1-9999 AWNING BASE 4 350203 CORRIMÃO TRASEIRO ESQUERDO PASAMANOS TRASERO IZQUIERDO 1,000 1-9999 LEFT REAR HANDRAIL 5 350195 PINO PERNO 4,000 1-9999 PIN 6 20995 PARAFUSO SEXTAVADO TORNILLO SEXTAVADO 8,000 1-9999 HEXAGON SCREW 7 26907 ARRUELA LISA ARANDELA LISA 16,000 1-9999 FLAT WASHER 8 20982 PORCA SEXTAVADA TUERCA HEXAGONAL 8,000 1-9999 HEXAGON NUT 12 4347 PARAFUSO SEXTAVADO TORNILLO HEXAGONAL 2,000 1-9999 HEXAGON SCREW 13 10653 ARRUELA ARANDELA 18,000 1-9999 WASHER 14 10271 PARAFUSO SEXTAVADO TORNILLO HEXAGONAL 2,000 1-9999 HEXAGON SCREW 15 64162 ARRUELA LISA ARANDELA LISA 8,000 1-9999 FLAT WASHER 16 20978 PORCA SEXTAVADA TUERCA HEXAGONAL 4,000 1-9999 HEXAGON NUT 17 84754 CORRIMÃO DIANTEIRO ESQUERDO PASAMANOS DELANTERO IZQUIERDO 1,000 1-9999 LEFT FRONT HANDRAIL
  • 172.
    02.99.02 / 00TOLDO HAMM 3410/11 / 1-9999 02.99.02 / 00 TOLDO HAMM 3410/11 / 1-9999 02.99.02 / 00 3410/11 HAMM CANOPY / 1-9999 1:15 57 45-60-58 33 62-63-64-65 67 5-13-58 6-7-8 14-15-16 61 26-27-21 66-49-13 2 54 4 1 3 17 19 31-32 22-23-24 18 20 12 56 59
  • 173.
    POS Nº DEIDENT. DESIGNAÇÃO DESIGNATION DESIGNACIÓN QUANT. VALIDADE 02.99.02 / 00 TOLDO HAMM 3410/11 / 1-9999 02.99.02 / 00 TOLDO HAMM 3410/11 / 1-9999 02.99.02 / 00 3410/11HAMM CANOPY / 1-9999 768411 18 84759 CAIXA DISTRIBUIDORA CAJA DISTRIBUIDORA 1,000 1-9999 DISTRIBUTOR BOX 19 84755 CORRIMÃO DIANTEIRO DIREITO PASAMANOS DELANTERO DERECHO 1,000 1-9999 RIGHT FRONT HAND RAIL 20 89648 CHAPA DE FECHAMENTO PLANCHA DE CIERRE 2,000 1-9999 METAL PLATE ENCASEMENT 21 24914 TAMPÃO DE FECHAMENTO TAPÓN DE CIERRE 2,000 1-9999 CLOSING LID 22 9595 PARAFUSO SEXTAVADO TORNILLO HEXAGONAL 8,000 1-9999 HEXAGON SCREW 23 64172 ARRUELA LISA ARANDELA LISA 16,000 1-9999 FLAT WASHER 24 11053 PORCA SEXTAVADA TUERCA HEXAGONAL 8,000 1-9999 HEXAGON NUT 26 9081 PARAFUSO SEXTAVADO TORNILLO HEXAGONAL 2,000 1-9999 HEXAGON SCREW 27 64167 ARRUELA LISA ARANDELA LISA 2,000 1-9999 FLAT WASHER 31 10741 ARRUELA ARANDELA 4,000 1-9999 WASHER 32 27569 PARAFUSO CILINDRICO TORNILLO CILÍNDRICO 4,000 1-9999 ALLEN SCREW 33 350208 TUBO SUPORTE DIANTEIRO DO TOLDO TUBO SOPORTE DELANTERO DEL TOLDO 2,000 1-9999 AWNING'S FRONT SUPPORT TUBE 45 10658 ARRUELA ARANDELA 4,000 1-9999 WASHER 49 10521 PORCA SEXTAVADA TUERCA HEXAGONAL 4,000 1-9999 HEXAGON NUT
  • 174.
    02.99.02 / 00TOLDO HAMM 3410/11 / 1-9999 02.99.02 / 00 TOLDO HAMM 3410/11 / 1-9999 02.99.02 / 00 3410/11 HAMM CANOPY / 1-9999 1:15 57 45-60-58 33 62-63-64-65 67 5-13-58 6-7-8 14-15-16 61 26-27-21 66-49-13 2 54 4 1 3 17 19 31-32 22-23-24 18 20 12 56 59
  • 175.
    POS Nº DEIDENT. DESIGNAÇÃO DESIGNATION DESIGNACIÓN QUANT. VALIDADE 02.99.02 / 00 TOLDO HAMM 3410/11 / 1-9999 02.99.02 / 00 TOLDO HAMM 3410/11 / 1-9999 02.99.02 / 00 3410/11HAMM CANOPY / 1-9999 768411 54 350206 CORRIMÃO TRASEIRO DIREITO PASAMANOS TRASERO DERECHO 1,000 1-9999 RIGHT REAR HANDRAIL 56 20987 PARAFUSO SEXTAVADO TORNILLO HEXAGONAL 2,000 1-9999 HEXAGON SCREW 57 350240 BARRA DIANTEIRA SUPORTE DO TOLDO BARRA DELANTERA SOPORTE DEL TOLDO 2,000 1-9999 AWNING'S FRONT BAR SUPPORT 58 29926 GRAMPO ELÁSTICO GRAPA ELÁSTICA 6,000 1-9999 ELASTIC CLAMP 59 67851 ABRAÇADEIRA ABRAZADERA 2,000 1-9999 CLAMP 60 350239 PINO PERNO 2,000 1-9999 PIN 61 68209 PONTEIRA REDONDA PUNTERA REDONDA 2,000 1-9999 ROUND FERRULE 62 350253 TUBO TUBO 2,000 1-9999 TUBE 63 11041 ARRUELA ARANDELA 4,000 1-9999 WASHER 64 2749 PORCA SEXTAVADA TUERCA HEXAGONAL 2,000 1-9999 , HEXAGON NUT 65 27632 PARAFUSO SEXTAVADO TORNILLO HEXAGONAL 2,000 1-9999 HEXAGON SCREW 66 21006 PARAFUSO SEXTAVADO TORNILLO HEXAGONAL 4,000 1-9999 HEXAGON SCREW 67 350254 CHAPA FIXAÇÃO DO TOLDO CHAPA FIJADO DEL TOLDO 2,000 1-9999 AWNING'S FASTENING PLATE
  • 176.
    04.01.01 / 00MONTAGEM DO MOTOR E BOMBA, PÁGINA 1 / 1-9999 04.01.01 / 00 MONTAJE DE MOTOR Y BOMBA, PÁGINA 1 / 1-9999 04.01.01 / 00 PUMP DRIVE AND ENGINE ASSEMBLY, PAGE 1 / 1-9999
  • 177.
    POS Nº DEIDENT. DESIGNAÇÃO DESIGNATION DESIGNACIÓN QUANT. VALIDADE 04.01.01 / 00 MONTAGEM DO MOTOR E BOMBA, PÁGINA 1 / 1-9999 04.01.01 / 00 MONTAJE DE MOTOR Y BOMBA, PÁGINA 1 / 1-9999 04.01.01 / 00 PUMP DRIVE AND ENGINE ASSEMBLY, PAGE 1 / 1-9999 2053608 2 886408 MOTOR DIESEL MOTOR DIESEL 1,000 1-9999 ENGINE 3 1489208 FLANGE BRIDA 1,000 1-9999 FLANGE 4 213888 PARAFUSO SEXTAVADO TORNILLO HEXAGONAL 4,000 1-9999 HEXAGON SCREW 5 276243 ARRUELA DE TRAVAMENTO DISCO DE SEGURIDAD 4,000 1-9999 LOCKING WASHER 6 1297449 BOMBA VARIÁVEL (TRAÇÃO) BOMBA REGULABLE (ACCIONAMIENTO TRASLACIÓN) 1,000 1-9999 VARIABLE DISPLACMENT PUMP (DRIVE) 6.01 2034192 KIT DE VEDAÇÃO KIT DE JUNTAS 1,000 1-9999 SET OF SEALS 7 1298437 BOMBA VARIÁVEL (VIBRAÇÃO) BOMBA REGULABLE (VIBRACIÓN) 1,000 1-9999 VARIABLE DISPLAC. PUMP (VIBRATION) 7.01 2020546 KIT DE VEDAÇÃO KIT DE JUNTAS 1,000 1-9999 SET OF SEALS 8 1209973 PARAFUSO SEXTAVADO TORNILLO HEXAGONAL 4,000 1-9999 HEXAGON SCREW 9 557234 ARRUELA ARANDELA 4,000 1-9999 WASHER 10 1208721 PARAFUSO SEXTAVADO TORNILLO HEXAGONAL 2,000 1-9999 HEXAGON SCREW 11 250473 ARRUELA ARANDELA 2,000 1-9999 WASHER 12 1208721 PARAFUSO SEXTAVADO TORNILLO HEXAGONAL 2,000 1-9999 HEXAGON SCREW 13 250473 ARRUELA ARANDELA 2,000 1-9999 WASHER
  • 178.
    04.01.01 / 00MONTAGEM DO MOTOR E BOMBA, PÁGINA 1 / 1-9999 04.01.01 / 00 MONTAJE DE MOTOR Y BOMBA, PÁGINA 1 / 1-9999 04.01.01 / 00 PUMP DRIVE AND ENGINE ASSEMBLY, PAGE 1 / 1-9999
  • 179.
    POS Nº DEIDENT. DESIGNAÇÃO DESIGNATION DESIGNACIÓN QUANT. VALIDADE 04.01.01 / 00 MONTAGEM DO MOTOR E BOMBA, PÁGINA 1 / 1-9999 04.01.01 / 00 MONTAJE DE MOTOR Y BOMBA, PÁGINA 1 / 1-9999 04.01.01 / 00 PUMP DRIVE AND ENGINE ASSEMBLY, PAGE 1 / 1-9999 2053608 15 866180 ACOPLAMENTO ACOPLAMIENTO 1,000 1-9999 COUPLING 15.01 1269666 ELEMENTO ELÁSTICO PIEZA ELÁSTICA 1,000 1-9999 ELASTIC PART 15.02 1269674 CUBO CUBO 1,000 1-9999 HUB 16 214639 PARAFUSO DE CABEÇA CILÍNDRICA TORNILLO CILÍNDRICO 8,000 1-9999 CHEESE-HEAD SCREW 20 2106866 SUPORTE SOPORTE 1,000 1-9999 SUPPORT 21 1210033 PARAFUSO DE CABEÇA CILÍNDRICA TORNILLO CILÍNDRICO 4,000 1-9999 CHEESE-HEAD SCREW 22 1237608 ARRUELA DE TRAVAMENTO DISCO DE SEGURIDAD 4,000 1-9999 LOCKING WASHER 24 211877 PARAFUSO SEXTAVADO TORNILLO HEXAGONAL 4,000 1-9999 HEXAGON SCREW 25 216461 PORCA SEXTAVADA TUERCA HEXAGONAL 4,000 1-9999 HEXAGON NUT 26 216860 ARRUELA DE TRAVAMENTO DISCO DE SEGURIDAD 8,000 1-9999 LOCKING WASHER 27 381543 ARRUELA ARANDELA 4,000 1-9999 WASHER 30 891118 CONSOLE CONSOLA 1,000 1-9999 CONSOLE 31 211869 PARAFUSO SEXTAVADO TORNILLO HEXAGONAL 5,000 1-9999 HEXAGON SCREW 32 276243 ARRUELA DE TRAVAMENTO DISCO DE SEGURIDAD 5,000 1-9999 LOCKING WASHER
  • 180.
    04.01.01 / 00MONTAGEM DO MOTOR E BOMBA, PÁGINA 1 / 1-9999 04.01.01 / 00 MONTAJE DE MOTOR Y BOMBA, PÁGINA 1 / 1-9999 04.01.01 / 00 PUMP DRIVE AND ENGINE ASSEMBLY, PAGE 1 / 1-9999
  • 181.
    POS Nº DEIDENT. DESIGNAÇÃO DESIGNATION DESIGNACIÓN QUANT. VALIDADE 04.01.01 / 00 MONTAGEM DO MOTOR E BOMBA, PÁGINA 1 / 1-9999 04.01.01 / 00 MONTAJE DE MOTOR Y BOMBA, PÁGINA 1 / 1-9999 04.01.01 / 00 PUMP DRIVE AND ENGINE ASSEMBLY, PAGE 1 / 1-9999 2053608 35 388335 PÉ DO MOTOR PEDAL DE COLOCACIÓN DEL MOTOR 4,000 1-9999 ENGINE MOUNTING FOOT 35.01 388327 TAMPA PROTETORA TAPA PROTECTORA 1,000 1-9999 PROTECTING COVER 35.02 1208942 ANEL DE BORRACHA ANILLO DE GOMA 2,000 1-9999 RUBBER RING 36 225576 PARAFUSO SEXTAVADO TORNILLO HEXAGONAL 4,000 1-9999 HEXAGON SCREW 37 381543 ARRUELA ARANDELA 4,000 1-9999 WASHER 38 216860 ARRUELA DE TRAVAMENTO DISCO DE SEGURIDAD 4,000 1-9999 LOCKING WASHER 41 891487 CARENAGEM PLACA CONDUCTORA AÉREA 1,000 1-9999 AIR PLATE 42 213799 PARAFUSO SEXTAVADO TORNILLO HEXAGONAL 3,000 1-9999 HEXAGON SCREW 43 216593 ARRUELA ARANDELA 6,000 1-9999 WASHER 44 216445 PORCA SEXTAVADA TUERCA HEXAGONAL 3,000 1-9999 HEXAGON NUT 45 1519093 CHAPA SUPORTE CHAPA SOPORTE 1,000 1-9999 PLATE 46 213845 PARAFUSO SEXTAVADO TORNILLO HEXAGONAL 2,000 1-9999 HEXAGON SCREW 47 216593 ARRUELA ARANDELA 4,000 1-9999 WASHER 48 216445 PORCA SEXTAVADA TUERCA HEXAGONAL 2,000 1-9999 HEXAGON NUT
  • 182.
    04.01.01 / 00MONTAGEM DO MOTOR E BOMBA, PÁGINA 1 / 1-9999 04.01.01 / 00 MONTAJE DE MOTOR Y BOMBA, PÁGINA 1 / 1-9999 04.01.01 / 00 PUMP DRIVE AND ENGINE ASSEMBLY, PAGE 1 / 1-9999
  • 183.
    POS Nº DEIDENT. DESIGNAÇÃO DESIGNATION DESIGNACIÓN QUANT. VALIDADE 04.01.01 / 00 MONTAGEM DO MOTOR E BOMBA, PÁGINA 1 / 1-9999 04.01.01 / 00 MONTAJE DE MOTOR Y BOMBA, PÁGINA 1 / 1-9999 04.01.01 / 00 PUMP DRIVE AND ENGINE ASSEMBLY, PAGE 1 / 1-9999 2053608 49 615290 PERFIL DE VEDAÇÃO (M) PERFIL DE IMPERMEABILIZACIÓN (M) 2,150 1-9999 SEALING PROFILE (M) 50 213756 PARAFUSO SEXTAVADO TORNILLO HEXAGONAL 2,000 1-9999 HEXAGON SCREW 51 345490 ARRUELA ARANDELA 2,000 1-9999 WASHER 52 2038795 CHAPA ESPAÇADORA T=2 CHAPA DE DISTÂNCIA T=2 1,000 21-9999 SPACER PLATE T=2 53 2038796 CHAPA ESPAÇADORA T=4 CHAPA DE DISTÂNCIA T=4 1,000 21-9999 SPACER PLATE T=4 70 1273221 HÉLICE DO VENTILADOR VENTILADOR 1,000 1-9999 BLOWER 71 214426 PARAFUSO DE CABEÇA CILÍNDRICA TORNILLO CILÍNDRICO 6,000 1-9999 CHEESE-HEAD SCREW 72 276332 ARRUELA DE TRAVAMENTO DISCO DE SEGURIDAD 6,000 1-9999 LOCKING WASHER 80 615290 PERFIL DE VEDAÇÃO (M) PERFIL DE IMPERMEABILIZACIÓN (M) 0,750 1-9999 SEALING PROFILE (M) 81 615290 PERFIL DE VEDAÇÃO (M) PERFIL DE IMPERMEABILIZACIÓN (M) 0,760 1-9999 SEALING PROFILE (M) 82 615290 PERFIL DE VEDAÇÃO (M) PERFIL DE IMPERMEABILIZACIÓN (M) 0,750 1-9999 SEALING PROFILE (M) 171 1209795 PARAFUSO SEXTAVADO TORNILLO HEXAGONAL 4,000 1-9999 HEXAGON SCREW 172 381543 ARRUELA ARANDELA 8,000 1-9999 WASHER 173 216461 PORCA SEXTAVADA TUERCA HEXAGONAL 4,000 1-9999 HEXAGON NUT
  • 184.
    04.01.02 / 00MONTAGEM DO MOTOR E BOMBA, PÁGINA 2 / 1-9999 04.01.02 / 00 MONTAJE DE MOTOR Y BOMBA, PÁGINA 2 / 1-9999 04.01.02 / 00 PUMP DRIVE AND ENGINE ASSEMBLY, PAGE 2 / 1-9999
  • 185.
    POS Nº DEIDENT. DESIGNAÇÃO DESIGNATION DESIGNACIÓN QUANT. VALIDADE 04.01.02 / 00 MONTAGEM DO MOTOR E BOMBA, PÁGINA 2 / 1-9999 04.01.02 / 00 MONTAJE DE MOTOR Y BOMBA, PÁGINA 2 / 1-9999 04.01.02 / 00 PUMP DRIVE AND ENGINE ASSEMBLY, PAGE 2 / 1-9999 2053609 1 1269844 MOTOR DE PARTIDA ARRANCADOR 1,000 1-9999 STARTER 2 1294768 ALTERNADOR DINAMO DE CORRIENTE TRIFÁSICA 1,000 1-9999 ALTERNATOR 3 1290991 CORREIA POLY-V CORREA POLY V 1,000 1-9999 POLY-V-BELT 4 2024249 VARETA NÍVEL DE ÓLEO VARILLA PARA NIVEL DE ACEITE 1,000 1-9999 OIL DIP STICK 5 234486 CARTUCHO DE FILTRO, ÓLEO LUBRIFICANTE CARTUCHO FILTRO, ACEITE LUBR. 1,000 1-9999 FILTER CARTRIDGE, LUBRIC. OIL 6 2036282 FILTRO DE COMBUSTÍVEL FILTRO DE COMBUSTIBLE 1,000 1-9999 FUEL FILTER 7 1212478 JUNTA, TAMPA DO CABEÇOTE JUNTA, TAPA DE LA VÁLVULA 1,000 1-9999 SEAL, VALVE COVER 8 398403 TAMPA, ABASTEC. ÓLEO LUBRIF., SUPERIOR TAPA, LLENADO ACEITE SUPERIOR 1,000 1-9999 COVER, OIL FILLER, ABOVE 9 1242709 TAMPA, ABASTEC. ÓLEO LUBRIF., LATERAL TAPA, LLENADO ACEITE LATERAL 1,000 1-9999 COVER, OIL FILLER, LATERAL 10 1269852 SENSOR PRESSÃO ÓLEO, ÓLEO DO MOTOR INTERRUPTOR PRESIÓN ACEITE, AC. MOTOR 1,000 1-9999 ENGINE OIL PRESSURE SWITCH 11 1288717 SENSOR DE TEMPERATURA SONDA DE TEMPERATURA 1,000 1-9999 TEMPERATURE SENSOR 12 1215477 INTERRUPTOR DE TEMPERATURA INTERRUPTOR DE TEMPERATURA 1,000 1-9999 TEMPERATURE SWITCH 13 1278649 BOBINA, EXCESSO COMB. ARRANQUE IMÁN, EXCESO COMBUSTIBLE ARRANQUE 1,000 1-9999 MAGNET, STARTING EXCESS FUEL 14 1294776 BOBINA, PARADA DO MOTOR IMÁN, APAGADO DEL MOTOR 1,000 1-9999 MAGNET, REMOTE SHUT-DOWN ENG.
  • 186.
    04.01.02 / 00MONTAGEM DO MOTOR E BOMBA, PÁGINA 2 / 1-9999 04.01.02 / 00 MONTAJE DE MOTOR Y BOMBA, PÁGINA 2 / 1-9999 04.01.02 / 00 PUMP DRIVE AND ENGINE ASSEMBLY, PAGE 2 / 1-9999
  • 187.
    POS Nº DEIDENT. DESIGNAÇÃO DESIGNATION DESIGNACIÓN QUANT. VALIDADE 04.01.02 / 00 MONTAGEM DO MOTOR E BOMBA, PÁGINA 2 / 1-9999 04.01.02 / 00 MONTAJE DE MOTOR Y BOMBA, PÁGINA 2 / 1-9999 04.01.02 / 00 PUMP DRIVE AND ENGINE ASSEMBLY, PAGE 2 / 1-9999 2053609 15 1221159 ANEL O ANILLO TOROIDAL 1,000 1-9999 O-RING SEAL 16 1294709 BOMBA DE COMBUSTÍVEL BOMBA DE FUEL OIL 1,000 1-9999 FUEL PUMP 17 1294733 BOMBA DE REFRIGERAÇÃO BOMBA DE LÍQUIDO REFRIGERANTE 1,000 1-9999 COOLING PUMP 18 1294725 TERMOSTATO TERMOSTATO 1,000 1-9999 THERMOSTAT 19 1294717 ANEL DE VEDAÇÃO ANILLO DE JUNTA 1,000 1-9999 SEALING RING 20 1288725 DISPOSITIVO DE AQUECIMENTO BRIDA CALEFACTORA 1,000 1-9999 HEATING DEVICE 21 1294873 JUNTA JUNTA 3,000 1-9999 SEAL 22 599573 JUNTA JUNTA 1,000 1-9999 SEAL 100 886408 MOTOR DIESEL MOTOR DIESEL 1,000 1-9999 ENGINE 101 206350 CONEXÃO RETA ROSCADA RACOR PARA ENROSCAR RECTO 1,000 1-9999 STRAIGHT SCREWED SOCKET 102 1291149 TUBO FLEXIVEL MANGUERA 1,000 1-9999 FLEXIBLE TUBING 103 317934 CONEXÃO CODO MAMPARA 1,000 1-9999 BULKHEAD ELBOW 104 318000 PORCA SEXTAVADA TUERCA HEXAGONAL 1,000 1-9999 HEXAGONAL NUT 105 206857 PORCA ROSCADA TUERCA ROSCADA 1,000 1-9999 CAP NUT
  • 188.
    04.01.02 / 00MONTAGEM DO MOTOR E BOMBA, PÁGINA 2 / 1-9999 04.01.02 / 00 MONTAJE DE MOTOR Y BOMBA, PÁGINA 2 / 1-9999 04.01.02 / 00 PUMP DRIVE AND ENGINE ASSEMBLY, PAGE 2 / 1-9999
  • 189.
    POS Nº DEIDENT. DESIGNAÇÃO DESIGNATION DESIGNACIÓN QUANT. VALIDADE 04.01.02 / 00 MONTAGEM DO MOTOR E BOMBA, PÁGINA 2 / 1-9999 04.01.02 / 00 MONTAJE DE MOTOR Y BOMBA, PÁGINA 2 / 1-9999 04.01.02 / 00 PUMP DRIVE AND ENGINE ASSEMBLY, PAGE 2 / 1-9999 2053609 106 284505 CONEXÃO TAPÓN DE CIERRE 1,000 1-9999 FILLER CAP
  • 190.
    04.01.03 / 00MONTAGEM DO MOTOR E BOMBA, PÁGINA 3 / 1-9999 04.01.03 / 00 MONTAJE DE MOTOR Y BOMBA, PÁGINA 3 / 1-9999 04.01.03 / 00 PUMP DRIVE AND ENGINE ASSEMBLY, PAGE 3 / 1-9999
  • 191.
    POS Nº DEIDENT. DESIGNAÇÃO DESIGNATION DESIGNACIÓN QUANT. VALIDADE 04.01.03 / 00 MONTAGEM DO MOTOR E BOMBA, PÁGINA 3 / 1-9999 04.01.03 / 00 MONTAJE DE MOTOR Y BOMBA, PÁGINA 3 / 1-9999 04.01.03 / 00 PUMP DRIVE AND ENGINE ASSEMBLY, PAGE 3 / 1-9999 2053610 1 2026866 ALOJAMENTO DO ROLAMENTO SOPORTE 1,000 1-9999 BEARING BLOCK 2 217476 ANEL DE RETENÇÃO ANILLO FIJADOR 1,000 1-9999 LOCKING RING 3 2026867 ROLAMENTO DE ESFERAS RODAMIENTO RADIAL RÍGIDO 1,000 1-9999 GROOVED BALL BEARING 4 2026869 EIXO VAZADO ÁRBOL HUECO 1,000 1-9999 HOLLOW SHAFT 5 2026871 ROLAMENTO DE ESFERAS RODAMIENTO RADIAL RÍGIDO 1,000 1-9999 GROOVED BALL BEARING 6 2026872 ARRUELA ARANDELA 1,000 1-9999 WASHER 7 2026873 PARAFUSO SEXTAVADO TORNILLO HEXAGONAL 1,000 1-9999 HEXAGON SCREW 8 2026874 POLIA V POLEA POLY V 1,000 1-9999 BELT PULLEY 9 2024158 ADAPTADOR ADAPTADOR 1,000 1-9999 ADAPTER 10 2026986 PARAFUSO SEXTAVADO TORNILLO HEXAGONAL 4,000 1-9999 HEXAGON SCREW 11 339180 PARAFUSO SEXTAVADO TORNILLO HEXAGONAL 4,000 1-9999 HEXAGON SCREW 70 1273221 VENTILADOR VENTILADOR 1,000 1-9999 BLOWER
  • 192.
    04.05.01 / 00SISTEMA DE COMBUSTÍVEL, PÁGINA 1 / 1-9999 04.05.01 / 00 SISTEMA DE COMBUSTIBLE, PÁGINA 1 / 1-9999 04.05.01 / 00 FUEL SYSTEM, PAGE 1 / 1-9999
  • 193.
    POS Nº DEIDENT. DESIGNAÇÃO DESIGNATION DESIGNACIÓN QUANT. VALIDADE 04.05.01 / 00 SISTEMA DE COMBUSTÍVEL, PÁGINA 1 / 1-9999 04.05.01 / 00 SISTEMA DE COMBUSTIBLE, PÁGINA 1 / 1-9999 04.05.01 / 00 FUEL SYSTEM, PAGE 1 / 1-9999 2130018 1 2058592 TANQUE DE COMBUSTÍVEL DEPÓSITO DE CARBURANTE 1,000 1-9999 FUEL TANK 14 212024 PARAFUSO SEXTAVADO TORNILLO HEXAGONAL 4,000 1-9999 HEXAGON SCREW 15 293873 ARRUELA ARANDELA 8,000 1-9999 WASHER 16 216461 PORCA SEXTAVADA TUERCA HEXAGONAL 4,000 1-9999 HEXAGON NUT 17 1210653 PARAFUSO SEXTAVADO TORNILLO HEXAGONAL 1,000 1-236 HEXAGON SCREW 18 1481436 ARRUELA ARANDELA 2,000 1-236 WASHER 19 1278525 PORCA SEXTAVADA TUERCA HEXAGONAL 1,000 237-9999 HEXAGON NUT 20 2079725 SENSOR DE NÍVEL DE COMBUSTÍVEL SENSOR DE NIVEL DE COMBUSTIBLE 1,000 1-9999 FUEL LEVEL SENSOR 30 1488791 MANGUEIRA MANGUERA 1,000 1-9999 FLEXIBLE TUBING 31 233315 ABRAÇADEIRA ABRAZADERA 2,000 1-9999 HOSE CLIP 32 860352 BOCAL DE ENCHIMENTO RACOR DE LLENADO 1,000 1-9999 FILLER NECK 33 228060 TAMPA DO BOCAL TAPA DEL DEPÓSITO 1,000 1-9999 TANK CAP 33.01 266000 CHAVE LLAVE 1,000 1-9999 KEY 35 1209787 PARAFUSO SEXTAVADO TORNILLO HEXAGONAL 2,000 1-9999 HEXAGON SCREW
  • 194.
    04.05.01 / 00SISTEMA DE COMBUSTÍVEL, PÁGINA 1 / 1-9999 04.05.01 / 00 SISTEMA DE COMBUSTIBLE, PÁGINA 1 / 1-9999 04.05.01 / 00 FUEL SYSTEM, PAGE 1 / 1-9999
  • 195.
    POS Nº DEIDENT. DESIGNAÇÃO DESIGNATION DESIGNACIÓN QUANT. VALIDADE 04.05.01 / 00 SISTEMA DE COMBUSTÍVEL, PÁGINA 1 / 1-9999 04.05.01 / 00 SISTEMA DE COMBUSTIBLE, PÁGINA 1 / 1-9999 04.05.01 / 00 FUEL SYSTEM, PAGE 1 / 1-9999 2130018 37 345490 ARRUELA ARANDELA 2,000 1-9999 WASHER 38 216453 PORCA SEXTAVADA TUERCA HEXAGONAL 2,000 1-9999 HEXAGON NUT 42 1294423 MANGUEIRA MANGUERA 1,000 1-9999 FLEXIBLE TUBING 70 1291416 MANGUEIRA MANGUERA 1,000 1-9999 FLEXIBLE TUBING 87 1504274 MANGUEIRA DE LIGAÇÃO MANGUERA DE UNIÓN 1,000 1-9999 CONNECTION HOSE 88 2038780 ABRAÇADEIRA ABRAZADERA 2,000 1-9999 HOSE CLIP
  • 196.
    04.05.02 / 00SISTEMA DE COMBUSTÍVEL, PÁGINA 2 / 1-9999 04.05.02 / 00 SISTEMA DE COMBUSTIBLE, PÁGINA 2 / 1-9999 04.05.02 / 00 FUEL SYSTEM, PAGE 2 / 1-9999
  • 197.
    POS Nº DEIDENT. DESIGNAÇÃO DESIGNATION DESIGNACIÓN QUANT. VALIDADE 04.05.02 / 00 SISTEMA DE COMBUSTÍVEL, PÁGINA 2 / 1-9999 04.05.02 / 00 SISTEMA DE COMBUSTIBLE, PÁGINA 2 / 1-9999 04.05.02 / 00 FUEL SYSTEM, PAGE 2 / 1-9999 2130020 42 1294423 MANGUEIRA MANGUERA 1,000 1-9999 FLEXIBLE TUBING 43 231584 JOELHO MACHO ORIENTÁVEL RACOR ANGULAR AJUSTABLE 1,000 1-9999 ELBOW ADJUSTABLE 46 1504959 CHAPA SUPORTE CHAPA DE ASIENTO 1,000 1-9999 SUPPORTING PLATE 47 215406 PARAFUSO DE CABEÇA ESCAREADA TORNILLO AVELLANADO 2,000 1-9999 COUNTERSUNK SCREW 48 231355 ARRUELA ARANDELA 2,000 1-9999 WASHER 49 216445 PORCA SEXTAVADA TUERCA HEXAGONAL 2,000 1-9999 HEXAGON NUT 51 381063 CONEXÃO MACHO RETA RACOR PARA ENROSCAR RECTO 2,000 1-9999 STRAIGHT SCREWED SOCKET 55 1292226 FILTRO DE COMBUSTÍVEL FILTRO DE COMBUSTIBLE 1,000 1-9999 FUEL FILTER 55.01 2029764 PARAFUSO TORNILLO DE CIERRE 2,000 1-9999 SCREW PLUG 57 311014 PARAFUSO PRISIONEIRO ESPÁRRAGO 2,000 1-9999 STUD BOLT 58 231355 ARRUELA ARANDELA 2,000 1-9999 WASHER 59 216445 PORCA SEXTAVADA TUERCA HEXAGONAL 2,000 1-9999 HEXAGON NUT 60 1200305 ABRAÇADEIRA ABRAZADERA 3,000 1-9999 PIPE CLIP 61 213748 PARAFUSO SEXTAVADO TORNILLO HEXAGONAL 1,000 1-9999 HEXAGON SCREW
  • 198.
    04.05.02 / 00SISTEMA DE COMBUSTÍVEL, PÁGINA 2 / 1-9999 04.05.02 / 00 SISTEMA DE COMBUSTIBLE, PÁGINA 2 / 1-9999 04.05.02 / 00 FUEL SYSTEM, PAGE 2 / 1-9999
  • 199.
    POS Nº DEIDENT. DESIGNAÇÃO DESIGNATION DESIGNACIÓN QUANT. VALIDADE 04.05.02 / 00 SISTEMA DE COMBUSTÍVEL, PÁGINA 2 / 1-9999 04.05.02 / 00 SISTEMA DE COMBUSTIBLE, PÁGINA 2 / 1-9999 04.05.02 / 00 FUEL SYSTEM, PAGE 2 / 1-9999 2130020 62 216593 ARRUELA ARANDELA 2,000 1-9999 WASHER 63 216445 PORCA SEXTAVADA TUERCA HEXAGONAL 1,000 1-9999 HEXAGON NUT 64 381063 CONEXÃO MACHO RETA RACOR PARA ENROSCAR RECTO 1,000 1-9999 STRAIGHT SCREWED SOCKET 66 1291114 MANGUEIRA MANGUERA 1,000 1-9999 FLEXIBLE TUBING 70 1291416 MANGUEIRA MANGUERA 1,000 1-9999 FLEXIBLE TUBING 71 233102 ABRAÇADEIRA ABRAZADERA 1,000 1-9999 HOSE CLIP 76 1220829 BUCHA CASQUILLO 1,000 1-9999 BUSHING 77 226467 PARAFUSO DE CABEÇA CILÍNDRICA TORNILLO CILÍNDRICO 1,000 1-9999 CHEESE-HEAD SCREW 78 216577 ARRUELA ARANDELA 1,000 1-9999 WASHER 85 891169 SUPORTE SOPORTE 1,000 1-9999 SUPPORT 86 1259334 FILTRO DE AR FILTRO DE VENTILACIÓN 1,000 1-9999 VENT FILTER 87 1504274 MANGUEIRA DE UNIÃO MANGUERA DE UNIÓN 1,000 1-9999 CONNECTION HOSE 88 1293389 ABRAÇADEIRA ABRAZADERA 2,000 1-9999 HOSE CLIP 101 1294822 BOMBA DE COMBUSTÍVEL BOMBA DECOMBUSTIBLE 1,000 1-9999 FUEL PUMP
  • 200.
    04.05.03 / 00SISTEMA DE COMBUSTÍVEL, PÁGINA 2 / 1-9999 04.05.03 / 00 SISTEMA DE COMBUSTIBLE, PÁGINA 2 / 1-9999 04.05.03 / 00 FUEL SYSTEM, PAGE 2 / 1-9999
  • 201.
    POS Nº DEIDENT. DESIGNAÇÃO DESIGNATION DESIGNACIÓN QUANT. VALIDADE 04.05.03 / 00 SISTEMA DE COMBUSTÍVEL, PÁGINA 2 / 1-9999 04.05.03 / 00 SISTEMA DE COMBUSTIBLE, PÁGINA 2 / 1-9999 04.05.03 / 00 FUEL SYSTEM, PAGE 2 / 1-9999 2130021 1 2105136 TANQUE DE COMBUSTÍVEL DEPÓSITO DE CARBURANTE 1,000 1-9999 FUEL TANK 2 571148 TAMPA TAPA 1,000 1-9999 COVER 3 576476 ANEL O’RING ANILLO TOROIDAL 1,000 1-9999 O’RING SEAL 4 216097 PORCA SEXTAVADA TUERCA HEXAGONAL 4,000 1-9999 HEXAGONAL NUT 5 242675 PRISIONEIRO ESPÁRRAGO 4,000 1-9999 STUD BOLT 6 216453 PORCA SEXTAVADA TUERCA HEXAGONAL 4,000 1-9999 HEXAGONAL NUT 7 216607 ARRUELA ARANDELA 4,000 1-9999 WASHER 10 205907 TAMPÃO TORNILLO DE CIERRE 1,000 1-9999 SCREW PLUG 11 219509 ANEL DE VEDAÇÃO ANILLO DE JUNTA 1,000 1-9999 SEALING RING 15 381063 CONEXÃO RACOR PARA ENROSCAR RECTO 1,000 1-9999 STRAIGHT SCREWED SOCKET 16 315710 CONEXÃO RACOR PARA ENROSCAR RECTO 1,000 1-9999 STRAIGHT SCREWED SOCKET 21 2116085 TAMPÃO TORNILLO DE CIERRE 1,000 1-9999 SCREW PLUG 22 2106765 BUCHA SILENTBLOC 1,000 1-9999 SILENTBLOC 23 1509454 CHAPA ISOLANTE PLACA AISLANTE 1,000 1-9999 INSULATION PLATE
  • 202.
    04.05.03 / 00SISTEMA DE COMBUSTÍVEL, PÁGINA 2 / 1-9999 04.05.03 / 00 SISTEMA DE COMBUSTIBLE, PÁGINA 2 / 1-9999 04.05.03 / 00 FUEL SYSTEM, PAGE 2 / 1-9999
  • 203.
    POS Nº DEIDENT. DESIGNAÇÃO DESIGNATION DESIGNACIÓN QUANT. VALIDADE 04.05.03 / 00 SISTEMA DE COMBUSTÍVEL, PÁGINA 2 / 1-9999 04.05.03 / 00 SISTEMA DE COMBUSTIBLE, PÁGINA 2 / 1-9999 04.05.03 / 00 FUEL SYSTEM, PAGE 2 / 1-9999 2130021 24 276766 PERFIL DE VEDAÇÃO (M) PERFIL DE IMPERMEABILIZACIÓN (M) 2,500 1-9999 SEALING PROFILLE (M) 25 886092 SEMSOR DE NÍVEL DO COMBUSTÍVEL SENSOR DE NIVEL DE COMBUSTIBLE 1,000 1-9999 FUEL LEVEL SENSOR 26 1206680 JUNTA JUNTA 1,000 1-9999 SEAL 27 332437 ANEL DE VEDAÇÃO ANILLO DE JUNTA 6,000 1-9999 SEALING RING 28 1202359 PARAFUSO CILINDRICO TORNILLO CILINDRICO 6,000 1-9999 CHEESE HEAD SCREW 30 1498819 CHAPA CHAPA 1,000 1-9999 METAL PLATE 31 212024 PARAFUSO SEXTAVADO TORNILLO HEXAGONAL 3,000 1-9999 HEXAGONAL SCREW 32 293873 ARRUELA ARANDELA 6,000 1-9999 WASHER 33 216461 PORCA SEXTAVADA TUERCA HEXAGONAL 3,000 1-9999 HEXAGONAL NUT 34 2105174 SUPORTE SOPORTE 1,000 1-9999 SUPPORT 100 2058592 TANQUE DE COMBUSTÍVEL COMPLETO DEPÓSITO DE CARBURANTE COMPLETO 1,000 1-9999 FUEL TANK COMPLETE
  • 204.
    04.06.00 / 00FILTRO DE COMBUSTÍVEL / 1-9999 04.06.00 / 00 FILTRO DE COMBUSTIBLE / 1-9999 04.06.00 / 00 FUEL FILTER / 1-9999
  • 205.
    POS Nº DEIDENT. DESIGNAÇÃO DESIGNATION DESIGNACIÓN QUANT. VALIDADE 04.06.00 / 00 FILTRO DE COMBUSTÍVEL / 1-9999 04.06.00 / 00 FILTRO DE COMBUSTIBLE / 1-9999 04.06.00 / 00 FUEL FILTER / 1-9999 2053614 1 1292226 CARTUCHO DE FILTRO CARTUCHO DEL FILTRO 1,000 1-9999 FILTER CARTRIDGE 1.01 1292404 ELEMENTO FILTRANTE CARTUCHO DEL FILTRO 1,000 1-9999 FILTER CARTRIDGE 1.02 1292412 COPO DO FILTRO CUERPO DEL FILTRO 1,000 1-9999 FILTER HOUSING 1.03 2035402 CABEÇA DO FILTRO CABEZAL DEL FILTRO 1,000 1-9999 FILTER HEAD 2 892653 CABEÇOTE DO FILTRO CUERPO DE FILTRO 1,000 1-9999 FILTER HOUSING 10 2036282 FILTRO DE COMBUSTÍVEL FILTRO DE COMBUSTIBLE 1,000 1-9999 FUEL FILTER
  • 206.
    04.10.00 / 00CONTROLE DO MOTOR / 1-9999 04.10.00 / 00 ACCIONAMIENTO DEL MOTOR / 1-9999 04.10.00 / 00 ENGINE CONTROL / 1-9999
  • 207.
    POS Nº DEIDENT. DESIGNAÇÃO DESIGNATION DESIGNACIÓN QUANT. VALIDADE 04.10.00 / 00 CONTROLE DO MOTOR / 1-9999 04.10.00 / 00 ACCIONAMIENTO DEL MOTOR / 1-9999 04.10.00 / 00 ENGINE CONTROL / 1-9999 2053615 1 1537598 ALAVANCA MANUAL COM CABO PALANCA MANUAL CON CABLE ACCION. 1,000 1-9999 HAND LEVER WITH ACTUATING CABLE 1.01 2026478 ALAVANCA MANUAL PALANCA MANUAL 1,000 1-9999 HAND LEVER 1.02 2026479 CABO DE ACIONAMENTO CABLE DE ACCIONAMIENTO 1,000 1-9999 ACTUATING CABLE 2 1210076 PARAFUSO DE CABEÇA CILÍNDRICA TORNILLO CILÍNDRICO 2,000 1-9999 CHEESE-HEAD SCREW 3 216577 ARRUELA ARANDELA 4,000 1-9999 WASHER 4 216437 PORCA SEXTAVADA TUERCA HEXAGONAL 2,000 1-9999 HEXAGON NUT 11 216062 PORCA SEXTAVADA TUERCA HEXAGONAL 1,000 1-9999 HEXAGON NUT 12 216577 ARRUELA ARANDELA 1,000 1-9999 WASHER
  • 208.
    04.15.00 / 00SISTEMA DO FILTRO DE AR / 1-9999 04.15.00 / 00 DISPOSITIVO DEL FILTRO DE AIRE / 1-9999 04.15.00 / 00 AIR FILTER SYSTEM / 1-9999 4 1.03 1.01 1.02 1 2 6 3 4 5 10 12 13 13 11 13
  • 209.
    POS Nº DEIDENT. DESIGNAÇÃO DESIGNATION DESIGNACIÓN QUANT. VALIDADE 04.15.00 / 00 SISTEMA DO FILTRO DE AR / 1-9999 04.15.00 / 00 DISPOSITIVO DEL FILTRO DE AIRE / 1-9999 04.15.00 / 00 AIR FILTER SYSTEM / 1-9999 2053616 1 1206966 FILTRO DE AR FILTRO DE AIRE 1,000 1-9999 AIR FILTER 1.01 1209590 CARTUCHO DE FILTRO CARTUCHO DEL FILTRO 1,000 1-9999 FILTER CARTRIDGE 1.02 1209620 CARTUCHO FILTRO DE SEGURANÇA CARTUCHO FILTRO DE SEGURIDAD 1,000 1-9999 SAFETY FILTER CARTRIDGE 1.03 287490 VÁLVULA DESCARGA DE PÓ VÁLVULA DE DESCARGA DE POLVO 1,000 1-9999 DUST DISCHARGE VALVE 2 1206974 SUPORTE SOPORTE 1,000 1-9999 SUPPORT 3 1209914 PARAFUSO SEXTAVADO TORNILLO HEXAGONAL 1,000 1-9999 HEXAGON SCREW 4 216593 ARRUELA ARANDELA 4,000 1-9999 WASHER 5 216445 PORCA SEXTAVADA TUERCA HEXAGONAL 2,000 1-9999 HEXAGON NUT 6 211907 PARAFUSO SEXTAVADO TORNILLO HEXAGONAL 1,000 1-9999 HEXAGON SCREW 10 233366 INDICADOR DE CONTAMINAÇÃO, FILTRO DE AR INTERR. DEPRESIÓN, FILTRO AIRE 1,000 1-9999 PRESSURE SWITCH, AIR FILTER 11 891096 TUBO DE ASPIRAÇÃO TUBO DE ASPIRACIÓN 1,000 1-9999 INTAKE PIPE 12 1209566 CURVA CODO 1,000 1-9999 MANIFOLD 13 1293281 ABRAÇADEIRA ABRAZADERA 3,000 1-9999 HOSE CLIP
  • 210.
    04.20.00 / 00SISTEMA DO ESCAPAMENTO / 1-9999 04.20.00 / 00 SISTEMA DE ESCAPE / 1-9999 04.20.00 / 00 EXHAUST SYSTEM / 1-9999 12 2 11 21 22 20 7 6 4 5 1 14 3 12 3 13 15 16 16 23
  • 211.
    POS Nº DEIDENT. DESIGNAÇÃO DESIGNATION DESIGNACIÓN QUANT. VALIDADE 04.20.00 / 00 SISTEMA DO ESCAPAMENTO / 1-9999 04.20.00 / 00 SISTEMA DE ESCAPE / 1-9999 04.20.00 / 00 EXHAUST SYSTEM / 1-9999 2053617 1 861006 SILENCIADOR SILENCIADOR 1,000 1-9999 SILENCER 2 1257641 ABRAÇADEIRA ABRAZADERA 2,000 1-9999 HOSE CLIP 3 891134 TUBO DE ESCAPAMENTO TUBO DE ESCAPE 1,000 1-9999 EXHAUST PIPE 4 1432583 JUNTA JUNTA 1,000 1-9999 SEAL 5 311014 PARAFUSO PRISIONEIRO ESPÁRRAGO 4,000 1-9999 STUD BOLT 6 231355 ARRUELA ARANDELA 4,000 1-9999 WASHER 7 1209302 PORCA DE SEGURANÇA TUERCA DE SEGURIDAD 4,000 1-9999 SAFETY NUT 11 1255371 ABRAÇADEIRA ABRAZADERA SEMIRREDONDA 1,000 1-9999 CLIP 12 891142 REVESTIMENTO ISOLANTE CASQUILLO AISLANTE 1,000 1-9999 INSULATION SLEEVE 13 1481630 REVESTIMENTO ISOLANTE CASQUILLO AISLANTE 1,000 1-9999 INSULATION SLEEVE 14 1519255 REVESTIMENTO ISOLANTE CASQUILLO AISLANTE 1,000 1-9999 INSULATION SLEEVE 15 1489402 ARAME ALAMBRE 1,000 1-9999 WIRE 16 388220 PORCA DE SEGURANÇA TUERCA DE SEGURIDAD 4,000 1-9999 SAFETY NUT 20 870382 TUBO DE ESCAPAMENTO FINAL TUBO DE ESCAPE FINAL 1,000 1-9999 EXHAUST PIPE
  • 212.
    04.20.00 / 00SISTEMA DO ESCAPAMENTO / 1-9999 04.20.00 / 00 SISTEMA DE ESCAPE / 1-9999 04.20.00 / 00 EXHAUST SYSTEM / 1-9999 12 2 11 21 22 20 7 6 4 5 1 14 3 12 3 13 15 16 16 23
  • 213.
    POS Nº DEIDENT. DESIGNAÇÃO DESIGNATION DESIGNACIÓN QUANT. VALIDADE 04.20.00 / 00 SISTEMA DO ESCAPAMENTO / 1-9999 04.20.00 / 00 SISTEMA DE ESCAPE / 1-9999 04.20.00 / 00 EXHAUST SYSTEM / 1-9999 2053617 21 1209965 PARAFUSO SEXTAVADO TORNILLO HEXAGONAL 4,000 1-9999 HEXAGON SCREW 22 466387 ARRUELA ARANDELA 4,000 1-9999 WASHER 23 276243 ARRUELA DE TRAVAMENTO DISCO DE SEGURIDAD 4,000 1-9999 LOCKING WASHER
  • 214.
    04.25.01 / 00REFRIGERAÇÃO (MOTOR/ÓLEO HIDRÁULICO), PÁGINA 1 / 1-9999 04.25.01 / 00 REFRIGERACIÓN (MOTOR/ACEITE HIDRÁULICO), PÁGINA 1 / 1-9999 04.25.01 / 00 COOLING (ENGINE/HYDRAULIC OIL), PAGE 1 / 1-9999 56 49 49 54 52 51 52 56 55 3940 15 36 37 33 35 34 37 38 15 18 46 54 53 50 47 48 46 45
  • 215.
    POS Nº DEIDENT. DESIGNAÇÃO DESIGNATION DESIGNACIÓN QUANT. VALIDADE 04.25.01 / 00 REFRIGERAÇÃO (MOTOR/ÓLEO HIDRÁULICO), PÁGINA 1 / 1-9999 04.25.01 / 00 REFRIGERACIÓN (MOTOR/ACEITE HIDRÁULICO), PÁGINA 1 / 1-9999 04.25.01 / 00 COOLING (ENGINE/HYDRAULIC OIL), PAGE 1 / 1-9999 2053626 15 860247 CHAPA CHAPA 1,000 1-9999 METAL PLATE 18 614022 PERFIL DE BORRACHA (M) PERFIL DE GOMA ESPUMOSA (M) 1,000 1-9999 RUBBER PROFILE (M) 33 614022 PERFIL DE BORRACHA (M) PERFIL DE GOMA ESPUMOSA (M) 3,000 1-9999 RUBBER PROFILE (M) 34 200956 COXIM METAL-BORRACHA TOPE DE CAUCHO-METAL 2,000 1-9999 SILENTBLOC 35 1480898 RADIADOR DE ÁGUA REFRIGERADOR DE AGUA 1,000 1-9999 WATER COOLER 36 245569 PARAFUSO DE CABEÇA CILÍNDRICA TORNILLO CILÍNDRICO 2,000 1-9999 CHEESE-HEAD SCREW 37 216607 ARRUELA ARANDELA 4,000 1-9999 WASHER 38 216453 PORCA SEXTAVADA TUERCA HEXAGONAL 2,000 1-9999 HEXAGON NUT 39 213748 PARAFUSO SEXTAVADO TORNILLO HEXAGONAL 2,000 1-9999 HEXAGON SCREW 40 231355 ARRUELA ARANDELA 2,000 1-9999 WASHER 45 1519158 MANGUEIRA MANGUERA 1,000 1-9999 FLEXIBLE TUBING 46 1214357 ABRAÇADEIRA ABRAZADERA 2,000 1-9999 HOSE CLIP 47 884960 TUBO TUBO 1,000 1-9999 PIPE 48 213845 PARAFUSO SEXTAVADO TORNILLO HEXAGONAL 2,000 1-9999 HEXAGON SCREW
  • 216.
    04.25.01 / 00REFRIGERAÇÃO (MOTOR/ÓLEO HIDRÁULICO), PÁGINA 1 / 1-9999 04.25.01 / 00 REFRIGERACIÓN (MOTOR/ACEITE HIDRÁULICO), PÁGINA 1 / 1-9999 04.25.01 / 00 COOLING (ENGINE/HYDRAULIC OIL), PAGE 1 / 1-9999 56 49 49 54 52 51 52 56 55 3940 15 36 37 33 35 34 37 38 15 18 46 54 53 50 47 48 46 45
  • 217.
    POS Nº DEIDENT. DESIGNAÇÃO DESIGNATION DESIGNACIÓN QUANT. VALIDADE 04.25.01 / 00 REFRIGERAÇÃO (MOTOR/ÓLEO HIDRÁULICO), PÁGINA 1 / 1-9999 04.25.01 / 00 REFRIGERACIÓN (MOTOR/ACEITE HIDRÁULICO), PÁGINA 1 / 1-9999 04.25.01 / 00 COOLING (ENGINE/HYDRAULIC OIL), PAGE 1 / 1-9999 2053626 49 216593 ARRUELA ARANDELA 4,000 1-9999 WASHER 50 216445 PORCA SEXTAVADA TUERCA HEXAGONAL 2,000 1-9999 HEXAGON NUT 51 1432664 MANGUEIRA MANGUERA 1,000 1-9999 FLEXIBLE TUBING 52 1214357 ABRAÇADEIRA ABRAZADERA 2,000 1-9999 HOSE CLIP 53 2026564 MANGUEIRA MANGUERA 1,000 1-9999 FLEXIBLE TUBING 54 1214357 ABRAÇADEIRA ABRAZADERA 2,000 1-9999 HOSE CLIP 55 1488651 MANGUEIRA MANGUERA 1,000 1-9999 FLEXIBLE TUBING 56 1214357 ABRAÇADEIRA ABRAZADERA 2,000 1-9999 HOSE CLIP
  • 218.
    04.25.02 / 00REFRIGERAÇÃO (MOTOR/ÓLEO HIDRÁULICO), PÁGINA 2 / 1-9999 04.25.02 / 00 REFRIGERACIÓN (MOTOR/ACEITE HIDRÁULICO), PÁGINA 2 / 1-9999 04.25.02 / 00 COOLING (ENGINE/HYDRAULIC OIL), PAGE 2 / 1-9999 15 16 17 26 8 25 9 10 13 12 10 11 18 20 26 27 28 29 21 22 29 30 31
  • 219.
    POS Nº DEIDENT. DESIGNAÇÃO DESIGNATION DESIGNACIÓN QUANT. VALIDADE 04.25.02 / 00 REFRIGERAÇÃO (MOTOR/ÓLEO HIDRÁULICO), PÁGINA 2 / 1-9999 04.25.02 / 00 REFRIGERACIÓN (MOTOR/ACEITE HIDRÁULICO), PÁGINA 2 / 1-9999 04.25.02 / 00 COOLING (ENGINE/HYDRAULIC OIL), PAGE 2 / 1-9999 2053627 8 1480901 RADIADOR DE ÓLEO HIDRÁULICO REFRIGERADOR, ACEITE HIDRÁUL. 1,000 1-9999 HYDRAULIC OIL COOLER 9 245569 PARAFUSO DE CABEÇA CILÍNDRICA TORNILLO CILÍNDRICO 2,000 1-9999 CHEESE-HEAD SCREW 10 216607 ARRUELA ARANDELA 4,000 1-9999 WASHER 11 216453 PORCA SEXTAVADA TUERCA HEXAGONAL 2,000 1-9999 HEXAGON NUT 12 200956 COXIM METAL-BORRACHA TOPE DE CAUCHO-METAL 2,000 1-9999 SILENTBLOC 13 614022 PERFIL DE BORRACHA (M) PERFIL DE GOMA ESPUMOSA (M) 3,000 1-9999 RUBBER PROFILE (M) 15 860247 CHAPA CHAPA 1,000 1-9999 METAL PLATE 16 213748 PARAFUSO SEXTAVADO TORNILLO HEXAGONAL 2,000 1-9999 HEXAGON SCREW 17 231355 ARRUELA ARANDELA 2,000 1-9999 WASHER 18 614022 PERFIL DE BORRACHA (M) PERFIL DE GOMA ESPUMOSA (M) 1,000 1-9999 RUBBER PROFILE (M) 20 315702 CONEXÃO MACHO RETA RACOR PARA ENROSCAR RECTO 1,000 1-9999 STRAIGHT SCREWED SOCKET 21 321818 MANGUEIRA MANGUERA 1,000 1-9999 FLEXIBLE TUBING 22 315702 CONEXÃO MACHO RETA RACOR PARA ENROSCAR RECTO 1,000 1-9999 STRAIGHT SCREWED SOCKET 25 315702 CONEXÃO MACHO RETA RACOR PARA ENROSCAR RECTO 1,000 1-9999 STRAIGHT SCREWED SOCKET
  • 220.
    04.25.02 / 00REFRIGERAÇÃO (MOTOR/ÓLEO HIDRÁULICO), PÁGINA 2 / 1-9999 04.25.02 / 00 REFRIGERACIÓN (MOTOR/ACEITE HIDRÁULICO), PÁGINA 2 / 1-9999 04.25.02 / 00 COOLING (ENGINE/HYDRAULIC OIL), PAGE 2 / 1-9999 15 16 17 26 8 25 9 10 13 12 10 11 18 20 26 27 28 29 21 22 29 30 31
  • 221.
    POS Nº DEIDENT. DESIGNAÇÃO DESIGNATION DESIGNACIÓN QUANT. VALIDADE 04.25.02 / 00 REFRIGERAÇÃO (MOTOR/ÓLEO HIDRÁULICO), PÁGINA 2 / 1-9999 04.25.02 / 00 REFRIGERACIÓN (MOTOR/ACEITE HIDRÁULICO), PÁGINA 2 / 1-9999 04.25.02 / 00 COOLING (ENGINE/HYDRAULIC OIL), PAGE 2 / 1-9999 2053627 26 1265814 MANGUEIRA MANGUERA 1,000 1-9999 FLEXIBLE TUBING 27 387843 UNIÃO DUPLA PARA PAINEL RACOR RECTO DE MAMPARA 1,000 1-9999 BULKHEAD SOCKET STRAIGHT 28 318043 PORCA SEXTAVADA TUERCA HEXAGONAL 1,000 1-9999 HEXAGON NUT 29 1291637 MANGUEIRA MANGUERA 1,000 1-9999 FLEXIBLE TUBING 30 317853 JOELHO ORIENTÁVEL RACOR ANGULAR AJUSTABLE 1,000 1-9999 ELBOW ADJUSTABLE 31 315702 CONEXÃO MACHO RETA RACOR PARA ENROSCAR RECTO 1,000 1-9999 STRAIGHT SCREWED SOCKET
  • 222.
    04.25.03 / 00REFRIGERAÇÃO (MOTOR/ÓLEO HIDRÁULICO), PÁGINA 3 / 1-9999 04.25.03 / 00 REFRIGERACIÓN (MOTOR/ACEITE HIDRÁULICO), PÁGINA 3 / 1-9999 04.25.03 / 00 COOLING (ENGINE/HYDRAULIC OIL), PAGE 3 / 1-9999 15 16 17 18 17 19 20 26 25 27 28 29 29 29 29 29 29 29 30
  • 223.
    POS Nº DEIDENT. DESIGNAÇÃO DESIGNATION DESIGNACIÓN QUANT. VALIDADE 04.25.03 / 00 REFRIGERAÇÃO (MOTOR/ÓLEO HIDRÁULICO), PÁGINA 3 / 1-9999 04.25.03 / 00 REFRIGERACIÓN (MOTOR/ACEITE HIDRÁULICO), PÁGINA 3 / 1-9999 04.25.03 / 00 COOLING (ENGINE/HYDRAULIC OIL), PAGE 3 / 1-9999 2053634 15 1480871 RADIADOR RADIADOR 1,000 1-9999 RADIATOR 16 283681 PARAFUSO SEXTAVADO TORNILLO HEXAGONAL 4,000 1-9999 HEXAGON SCREW 17 216607 ARRUELA ARANDELA 8,000 1-9999 WASHER 18 216453 PORCA SEXTAVADA TUERCA HEXAGONAL 4,000 1-9999 HEXAGON NUT 19 213748 PARAFUSO SEXTAVADO TORNILLO HEXAGONAL 2,000 1-9999 HEXAGON SCREW 20 231355 ARRUELA ARANDELA 2,000 1-9999 WASHER 25 1519220 MANGUEIRA DE AR QUENTE MANGUERA DE AIRE CALIENTE 1,000 1-9999 HOT AIR HOSE 26 1519239 MANGUEIRA DE AR QUENTE MANGUERA DE AIRE CALIENTE 1,000 1-9999 HOT AIR HOSE 27 1494392 MANGUEIRA DE AR MANGUERA DE AIRE 1,000 1-9999 AIR HOSE 28 1494406 MANGUEIRA DE AR MANGUERA DE AIRE 1,000 1-9999 AIR HOSE 29 1264249 ABRAÇADEIRA ABRAZADERA 7,000 1-9999 HOSE CLIP 30 1256440 ABRAÇADEIRA ABRAZADERA 1,000 1-9999 HOSE CLIP
  • 224.
    04.25.04 / 00REFRIGERAÇÃO (MOTOR/ÓLEO HIDRÁULICO), PÁGINA 4 / 1-20 04.25.04 / 00 REFRIGERACIÓN (MOTOR/ACEITE HIDRÁULICO), PÁGINA 4 / 1-20 04.25.04 / 00 COOLING (ENGINE/HYDRAULIC OIL), PAGE 4 / 1-20 71 73 75 74 70 72 78 75 76 77 79 80 67 82 83 82 81 66 84 91 90 92 82 83 67 82
  • 225.
    POS Nº DEIDENT. DESIGNAÇÃO DESIGNATION DESIGNACIÓN QUANT. VALIDADE 04.25.04 / 00 REFRIGERAÇÃO (MOTOR/ÓLEO HIDRÁULICO), PÁGINA 4 / 1-20 04.25.04 / 00 REFRIGERACIÓN (MOTOR/ACEITE HIDRÁULICO), PÁGINA 4 / 1-20 04.25.04 / 00 COOLING (ENGINE/HYDRAULIC OIL), PAGE 4 / 1-20 2053635 66 1519131 MANGUEIRA MANGUERA 1,000 1-20 FLEXIBLE TUBING 67 284459 ABRAÇADEIRA DE MANGUEIRA ABRAZADERA DE MANGUERA 2,000 1-20 HOSE CLAMP 70 2039864 TANQUE DE EXPANSÃO DEPÓSITO DE COMPENSACIÓN 1,000 1-20 COMPENSATOR TANK 71 1241648 TAMPA DO TANQUE TAPA DEL DEPÓSITO 1,000 1-20 TANK CAP 72 1519115 SUPORTE SOPORTE 1,000 1-20 SUPPORT 73 1209930 PARAFUSO SEXTAVADO TORNILLO HEXAGONAL 3,000 1-20 HEXAGON SCREW 74 1501240 TUBO TUBO 3,000 1-20 PIPE 75 260983 ARRUELA ARANDELA 6,000 1-20 WASHER 76 216445 PORCA SEXTAVADA TUERCA HEXAGONAL 3,000 1-20 HEXAGON NUT 77 1291335 ARRUELA ARANDELA 4,000 1-20 WASHER 78 231185 PARAFUSO DE CABEÇA CILÍNDRICA TORNILLO CILÍNDRICO 4,000 1-20 CHEESE-HEAD SCREW 79 1519123 BUCHA DISTANCIADORA CASQUILLO DISTANCIADOR 4,000 1-20 DISTANCE BUSH 80 319678 BICO DA MANGUEIRA BOQUILLA DE LA MANGUERA 1,000 1-20 HOSE NOZZLE 81 225924 MANGUEIRA (M) MANGUERA (M) 0,480 1-20 FLEXIBLE TUBING (M)
  • 226.
    04.25.04 / 00REFRIGERAÇÃO (MOTOR/ÓLEO HIDRÁULICO), PÁGINA 4 / 1-20 04.25.04 / 00 REFRIGERACIÓN (MOTOR/ACEITE HIDRÁULICO), PÁGINA 4 / 1-20 04.25.04 / 00 COOLING (ENGINE/HYDRAULIC OIL), PAGE 4 / 1-20 71 73 75 74 70 72 78 75 76 77 79 80 67 82 83 82 81 66 84 91 90 92 82 83 67 82
  • 227.
    POS Nº DEIDENT. DESIGNAÇÃO DESIGNATION DESIGNACIÓN QUANT. VALIDADE 04.25.04 / 00 REFRIGERAÇÃO (MOTOR/ÓLEO HIDRÁULICO), PÁGINA 4 / 1-20 04.25.04 / 00 REFRIGERACIÓN (MOTOR/ACEITE HIDRÁULICO), PÁGINA 4 / 1-20 04.25.04 / 00 COOLING (ENGINE/HYDRAULIC OIL), PAGE 4 / 1-20 2053635 82 225770 ABRAÇADEIRA DE MANGUEIRA ABRAZADERA DE MANGUERA 4,000 1-20 HOSE CLAMP 83 319678 BICO DA MANGUEIRA BOQUILLA DE LA MANGUERA 2,000 1-20 HOSE NOZZLE 84 225924 MANGUEIRA (M) MANGUERA (M) 0,860 1-20 FLEXIBLE TUBING (M) 90 231355 ARRUELA ARANDELA 1,000 1-20 WASHER 91 216445 PORCA SEXTAVADA TUERCA HEXAGONAL 1,000 1-20 HEXAGON NUT 92 1207563 ABRAÇADEIRA PARA TUBO ABRAZADERA 1,000 1-20 PIPE CLIP
  • 228.
    04.25.04 / 01REFRIGERAÇÃO (MOTOR/ÓLEO HIDRÁULICO), PÁGINA 4 / 21-9999 04.25.04 / 01 REFRIGERACIÓN (MOTOR/ACEITE HIDRÁULICO), PÁGINA 4 / 21-9999 04.25.04 / 01 COOLING (ENGINE/HYDRAULIC OIL), PAGE 4 / 21-9999
  • 229.
    POS Nº DEIDENT. DESIGNAÇÃO DESIGNATION DESIGNACIÓN QUANT. VALIDADE 04.25.04 / 01 REFRIGERAÇÃO (MOTOR/ÓLEO HIDRÁULICO), PÁGINA 4 / 21-9999 04.25.04 / 01 REFRIGERACIÓN (MOTOR/ACEITE HIDRÁULICO), PÁGINA 4 / 21-9999 04.25.04 / 01 COOLING (ENGINE/HYDRAULIC OIL), PAGE 4 / 21-9999 2053637 66 1519131 MANGUEIRA MANGUERA 1,000 21-9999 FLEXIBLE TUBING 67 284459 ABRAÇADEIRA DE MANGUEIRA ABRAZADERA DE MANGUERA 2,000 21-9999 HOSE CLAMP 70 2039948 TANQUE DE EXPANSÃO DEPÓSITO DE COMPENSACIÓN 1,000 21-9999 COMPENSATOR TANK 71 1241648 TAMPA DO TANQUE TAPA DEL DEPÓSITO 1,000 21-9999 TANK CAP 72 1519115 SUPORTE SOPORTE 1,000 21-9999 SUPPORT 73 212008 PARAFUSO SEXTAVADO TORNILLO HEXAGONAL 3,000 21-9999 HEXAGON SCREW 74 1501240 TUBO TUBO 3,000 21-9999 PIPE 75 260983 ARRUELA ARANDELA 6,000 21-9999 WASHER 76 216445 PORCA SEXTAVADA TUERCA HEXAGONAL 3,000 21-9999 HEXAGON NUT 77 1291335 ARRUELA ARANDELA 3,000 21-9999 WASHER 78 231185 PARAFUSO DE CABEÇA CILÍNDRICA TORNILLO CILÍNDRICO 3,000 21-9999 CHEESE-HEAD SCREW 79 2101536 CHAPA DISTANCIADORA CASQUILLO DISTANCIADOR 3,000 21-9999 DISTANCE PLATE 80 1226282 ANEL DE VEDAÇÃO ANILLO TOROIDAL 2,000 21-9999 O’RING SEAL 81 2039112 MANGUEIRA MANGUERA 1,000 21-9999 FLEXIBLE TUBING
  • 230.
    04.25.04 / 01REFRIGERAÇÃO (MOTOR/ÓLEO HIDRÁULICO), PÁGINA 4 / 21-9999 04.25.04 / 01 REFRIGERACIÓN (MOTOR/ACEITE HIDRÁULICO), PÁGINA 4 / 21-9999 04.25.04 / 01 COOLING (ENGINE/HYDRAULIC OIL), PAGE 4 / 21-9999
  • 231.
    POS Nº DEIDENT. DESIGNAÇÃO DESIGNATION DESIGNACIÓN QUANT. VALIDADE 04.25.04 / 01 REFRIGERAÇÃO (MOTOR/ÓLEO HIDRÁULICO), PÁGINA 4 / 21-9999 04.25.04 / 01 REFRIGERACIÓN (MOTOR/ACEITE HIDRÁULICO), PÁGINA 4 / 21-9999 04.25.04 / 01 COOLING (ENGINE/HYDRAULIC OIL), PAGE 4 / 21-9999 2053637 82 1214497 ABRAÇADEIRA DE MANGUEIRA ABRAZADERA DE MANGUERA 1,000 21-9999 HOSE CLAMP 83 319678 BICO DA MANGUEIRA BOQUILLA DE LA MANGUERA 1,000 21-9999 HOSE NOZZLE 84 2039111 MANGUEIRA MANGUERA 1,000 21-9999 FLEXIBLE TUBING 85 1299638 ABRAÇADEIRA ABRAZADERA 1,000 21-9999 HOSE CLIP 90 231355 ARRUELA ARANDELA 1,000 21-9999 WASHER 91 216445 PORCA SEXTAVADA TUERCA HEXAGONAL 1,000 21-9999 HEXAGON NUT 92 1207563 ABRAÇADEIRA PARA TUBO ABRAZADERA 1,000 21-9999 PIPE CLIP
  • 232.
    04.30.01 / 00SISTEMA HIDRÁULICO BASCULANTE (CAPÔ DO MOTOR), PÁGINA 1 / 1-9999 04.30.01 / 00 SISTEMA HIDRÁULICO BASCULANTE (CUBIERTA DEL MOTOR), PÁGINA 1 / 1-9999 04.30.01 / 00 TILTING HYDRAULIC (ENGINE COWLING), PAGE 1 / 1-9999 70 1.02 1010 9 4 3 2 1.01 1 6 7 26 27 29 28 5 8 5 4 20 18 20 19 17 15 16 11 10 31 32 30 25 10
  • 233.
    POS Nº DEIDENT. DESIGNAÇÃO DESIGNATION DESIGNACIÓN QUANT. VALIDADE 04.30.01 / 00 SISTEMA HIDRÁULICO BASCULANTE (CAPÔ DO MOTOR), PÁGINA 1 / 1-9999 04.30.01 / 00 SISTEMA HIDRÁULICO BASCULANTE (CUBIERTA DEL MOTOR), PÁGINA 1 / 1-9999 04.30.01 / 00 TILTING HYDRAULIC (ENGINE COWLING), PAGE 1 / 1-9999 2053638 1 383295 BOMBA MANUAL BOMBA MANUAL 1,000 1-9999 MANUAL PUMP 1.01 1243470 KIT DE VEDAÇÃO KIT DE JUNTAS 1,000 1-9999 SET OF SEALS 1.02 1247077 BUJÃO TAPÓN DE CIERRE 1,000 1-9999 FILLER CAP 2 213799 PARAFUSO SEXTAVADO TORNILLO HEXAGONAL 4,000 1-9999 HEXAGON SCREW 3 231355 ARRUELA ARANDELA 4,000 1-9999 WASHER 4 206806 PORCA TUERCA ROSCADA 4,000 1-9999 CAP NUT 5 206911 ANEL DE CRAVAMENTO ANILLO CORTANTE 4,000 1-9999 CUTTING RING 6 1495844 TUBO TUBO 1,000 1-9999 PIPE 7 1495852 TUBO TUBO 1,000 1-9999 PIPE 8 322857 JOELHO IGUAL CODO 2,000 1-9999 ELBOW 9 1201859 PORCA SEXTAVADA TUERCA HEXAGONAL 2,000 1-9999 HEXAGON NUT 10 1261703 MANGUEIRA MANGUERA 2,000 1-9999 FLEXIBLE TUBING 11 891991 FREIO FRENO 2,000 1-9999 BRAKE 15 1213849 UNIÃO DUPLA PARA PAINEL RACOR RECTO DE MAMPARA 2,000 1-9999 BULKHEAD SOCKET STRAIGHT
  • 234.
    04.30.01 / 00SISTEMA HIDRÁULICO BASCULANTE (CAPÔ DO MOTOR), PÁGINA 1 / 1-9999 04.30.01 / 00 SISTEMA HIDRÁULICO BASCULANTE (CUBIERTA DEL MOTOR), PÁGINA 1 / 1-9999 04.30.01 / 00 TILTING HYDRAULIC (ENGINE COWLING), PAGE 1 / 1-9999 70 1.02 1010 9 4 3 2 1.01 1 6 7 26 27 29 28 5 8 5 4 20 18 20 19 17 15 16 11 10 31 32 30 25 10
  • 235.
    POS Nº DEIDENT. DESIGNAÇÃO DESIGNATION DESIGNACIÓN QUANT. VALIDADE 04.30.01 / 00 SISTEMA HIDRÁULICO BASCULANTE (CAPÔ DO MOTOR), PÁGINA 1 / 1-9999 04.30.01 / 00 SISTEMA HIDRÁULICO BASCULANTE (CUBIERTA DEL MOTOR), PÁGINA 1 / 1-9999 04.30.01 / 00 TILTING HYDRAULIC (ENGINE COWLING), PAGE 1 / 1-9999 2053638 16 1201859 PORCA SEXTAVADA TUERCA HEXAGONAL 2,000 1-9999 HEXAGON NUT 17 387312 UNIÃO DUPLA RACOR 2,000 1-9999 SCREWED SOCKET 18 1244744 MANGUEIRA MANGUERA 2,000 1-9999 FLEXIBLE TUBING 19 1291378 MANGUEIRA MANGUERA 2,000 1-9999 FLEXIBLE TUBING 20 1504037 CONEXÃO MACHO RETA RACOR PARA ENROSCAR RECTO 4,000 1-9999 STRAIGHT SCREWED SOCKET 25 1481592 TUBO TUBO 1,000 1-9999 PIPE 26 1424483 ESPIGÃO ESPIGA 1,000 1-9999 TENON 27 314137 MEIA ABRAÇADEIRA MEDIA ABRAZADERA 3,000 1-9999 HALF-CLIP 28 314099 PARAFUSO SEXTAVADO TORNILLO HEXAGONAL 1,000 1-9999 HEXAGON SCREW 29 313998 PLACA DE COBERTURA PLACA DE RECUBRIMIENTO 1,000 1-9999 COVER PLATE 30 1402536 CLIP FIXADOR MORDAZA 1,000 1-9999 CLAMPING PIECE 31 213667 PARAFUSO SEXTAVADO TORNILLO HEXAGONAL 2,000 1-9999 HEXAGON SCREW 32 216577 ARRUELA ARANDELA 2,000 1-9999 WASHER 70 1535714 CILINDRO HIDRÁULICO CILINDRO HIDRÁULICO 2,000 1-9999 HYDRAULIC CYLINDER
  • 236.
    04.30.02 / 00SISTEMA HIDRÁULICO BASCULANTE (CAPÔ DO MOTOR), PÁGINA 2 / 1-9999 04.30.02 / 00 SISTEMA HIDRÁULICO BASCULANTE (CUBIERTA DEL MOTOR), PÁGINA 2 / 1-9999 04.30.02 / 00 TILTING HYDRAULIC (ENGINE COWLING), PAGE 2 / 1-9999 01.05.04 16 7 16 5 6 9 14 13 7 16 15 16 13 12 11 10 51 52 50 20 5 18 19 9 11 10 26 25 5253
  • 237.
    POS Nº DEIDENT. DESIGNAÇÃO DESIGNATION DESIGNACIÓN QUANT. VALIDADE 04.30.02 / 00 SISTEMA HIDRÁULICO BASCULANTE (CAPÔ DO MOTOR), PÁGINA 2 / 1-9999 04.30.02 / 00 SISTEMA HIDRÁULICO BASCULANTE (CUBIERTA DEL MOTOR), PÁGINA 2 / 1-9999 04.30.02 / 00 TILTING HYDRAULIC (ENGINE COWLING), PAGE 2 / 1-9999 2033802 5 864528 FIXAÇÃO FIJACIÓN 1,000 1-9999 MOUNTING DEVICE 6 1259652 TERMINAL TIPO RÓTULA ARTICULACIÓN 2,000 1-9999 JOINT 7 1535714 CILINDRO HIDRÁULICO COM POS. 6 CILINDRO HIDRÁULICO CON POS. 6 2,000 1-9999 HYDRAULIC CYLINDER WITH POS. 6 9 864544 FIXAÇÃO FIJACIÓN 2,000 1-9999 MOUNTING DEVICE 10 1267736 PARAFUSO DE SEGURANÇA TORNILLO DE SEGURIDAD 8,000 1-9999 SAFETY SCREW 11 216607 ARRUELA ARANDELA 8,000 1-9999 WASHER 12 214876 PARAFUSO DE CABEÇA CILÍNDRICA TORNILLO CILÍNDRICO 2,000 1-9999 CHEESE-HEAD SCREW 13 216860 ARRUELA DE TRAVAMENTO DISCO DE SEGURIDAD 4,000 1-9999 LOCKING WASHER 14 215996 PORCA SEXTAVADA TUERCA HEXAGONAL 2,000 1-9999 HEXAGON NUT 15 212024 PARAFUSO SEXTAVADO TORNILLO HEXAGONAL 2,000 1-9999 HEXAGON SCREW 16 381543 ARRUELA ARANDELA 10,000 1-9999 WASHER 18 1264273 PARAFUSO CABEÇA LENTILHA TORNILLO CIL. CABEZA REBAJADA 6,000 1-9999 MUSHROOM HEAD SCREW 19 1485407 CHAPA SUPORTE CHAPA DE ASIENTO 2,000 1-9999 SUPPORTING PLATE 20 216453 PORCA SEXTAVADA TUERCA HEXAGONAL 6,000 1-9999 HEXAGON NUT
  • 238.
    04.30.02 / 00SISTEMA HIDRÁULICO BASCULANTE (CAPÔ DO MOTOR), PÁGINA 2 / 1-9999 04.30.02 / 00 SISTEMA HIDRÁULICO BASCULANTE (CUBIERTA DEL MOTOR), PÁGINA 2 / 1-9999 04.30.02 / 00 TILTING HYDRAULIC (ENGINE COWLING), PAGE 2 / 1-9999 01.05.04 16 7 16 5 6 9 14 13 7 16 15 16 13 12 11 10 51 52 50 20 5 18 19 9 11 10 26 25 5253
  • 239.
    POS Nº DEIDENT. DESIGNAÇÃO DESIGNATION DESIGNACIÓN QUANT. VALIDADE 04.30.02 / 00 SISTEMA HIDRÁULICO BASCULANTE (CAPÔ DO MOTOR), PÁGINA 2 / 1-9999 04.30.02 / 00 SISTEMA HIDRÁULICO BASCULANTE (CUBIERTA DEL MOTOR), PÁGINA 2 / 1-9999 04.30.02 / 00 TILTING HYDRAULIC (ENGINE COWLING), PAGE 2 / 1-9999 2033802 25 340472 PARAFUSO DE CABEÇA CILÍNDRICA TORNILLO CILÍNDRICO 8,000 1-9999 CHEESE-HEAD SCREW 26 231355 ARRUELA ARANDELA 8,000 1-9999 WASHER 50 860263 FIXAÇÃO FIJACIÓN 1,000 1-9999 MOUNTING DEVICE 51 1213806 PARAFUSO SEXTAVADO TORNILLO HEXAGONAL 4,000 1-9999 HEXAGON SCREW 52 250473 ARRUELA ARANDELA 8,000 1-9999 WASHER 53 216496 PORCA SEXTAVADA TUERCA HEXAGONAL 4,000 1-9999 HEXAGON NUT
  • 240.
    05.01.00 / 00BOMBA VARIÁVEL (TRAÇÃO) / 1-9999 05.01.00 / 00 BOMBA REGULABLE (ACCIONAMIENTO DE MARCHA) / 1-9999 05.01.00 / 00 VARIABLE DISPLACEMENT PUMP (DRIVE) / 1-9999 5 4 3 3.05 3.07 3.17 22 2 4.04 4.06 1.01 22 1.02 22 1 3.09 3.08 3.01 3.08 3.01 5.01 5.05 3.02 4.05 5.04 3.11 3.10 3.03 50.01 50 2.01 4.01 5.02 5.03 3.06 4.04 28 3.16 4.03 5.04 4.02 3.04 2.02 4.07
  • 241.
    POS Nº DEIDENT. DESIGNAÇÃO DESIGNATION DESIGNACIÓN QUANT. VALIDADE 05.01.00 / 00 BOMBA VARIÁVEL (TRAÇÃO) / 1-9999 05.01.00 / 00 BOMBA REGULABLE (ACCIONAMIENTO DE MARCHA) / 1-9999 05.01.00 / 00 VARIABLE DISPLACEMENT PUMP (DRIVE) / 1-9999 2053642 1 2032170 MECANISMO PROPULSOR MECANISMO PROPULSOR 1,000 1-9999 DRIVING GEAR 1.01 1290827 ANEL DE RETENÇÃO ANILLO FIJADOR 2,000 1-9999 LOCKING RING 1.02 1298283 RETENTOR DO EIXO JUNTA DE EJE 1,000 1-9999 SHAFT SEAL 2 1269127 POSICIONADOR AJUSTE 1,000 1-9999 ADJUSTMENT 2.01 1221833 ANEL O ANILLO TOROIDAL 2,000 1-9999 O-RING SEAL 2.02 242802 ANEL O ANILLO TOROIDAL 1,000 1-9999 O-RING SEAL 3 2034186 TAMPA TRASEIRA DA BOMBA PLACA DE CONEXIÓN 1,000 1-9999 CONNECTION PLATE 3.01 1290843 VÁLVULA LIMITADORA DE PRESSÃO VÁLVULA LIMITADORA DE PRESIÓN 2,000 1-9999 PRESSURE-RELIEF VALVE 3.02 1223127 VÁLVULA DE PRESSÃO DE CARGA VÁLVULA PRESIÓN ALIMENTACIÓN 1,000 1-9999 FEEDING PRESSURE VALVE 3.03 1223135 VÁLVULA DE CORTE DE PRESSÃO VÁLVULA DE DESCONEXIÓN 1,000 1-9999 CUT-OFF VALVE 3.04 243825 ANEL O ANILLO TOROIDAL 1,000 1-9999 O-RING SEAL 3.05 1257153 ANEL O ANILLO TOROIDAL 1,000 1-9999 O-RING SEAL 3.06 242802 ANEL O ANILLO TOROIDAL 2,000 1-9999 O-RING SEAL 3.07 1202316 ANEL O ANILLO TOROIDAL 2,000 1-9999 O-RING SEAL
  • 242.
    05.01.00 / 00BOMBA VARIÁVEL (TRAÇÃO) / 1-9999 05.01.00 / 00 BOMBA REGULABLE (ACCIONAMIENTO DE MARCHA) / 1-9999 05.01.00 / 00 VARIABLE DISPLACEMENT PUMP (DRIVE) / 1-9999 5 4 3 3.05 3.07 3.17 22 2 4.04 4.06 1.01 22 1.02 22 1 3.09 3.08 3.01 3.08 3.01 5.01 5.05 3.02 4.05 5.04 3.11 3.10 3.03 50.01 50 2.01 4.01 5.02 5.03 3.06 4.04 28 3.16 4.03 5.04 4.02 3.04 2.02 4.07
  • 243.
    POS Nº DEIDENT. DESIGNAÇÃO DESIGNATION DESIGNACIÓN QUANT. VALIDADE 05.01.00 / 00 BOMBA VARIÁVEL (TRAÇÃO) / 1-9999 05.01.00 / 00 BOMBA REGULABLE (ACCIONAMIENTO DE MARCHA) / 1-9999 05.01.00 / 00 VARIABLE DISPLACEMENT PUMP (DRIVE) / 1-9999 2053642 3.08 1279254 KIT DE VEDAÇÃO KIT DE JUNTAS 1,000 1-9999 SET OF SEALS 3.09 360678 ANEL O ANILLO TOROIDAL 1,000 1-9999 O-RING SEAL 3.10 202185 ANEL O 12,37X2,62 ANILLO TOROIDAL 12,37X2,62 1,000 1-9999 O-RING SEAL 12,37X2,62 3.11 274860 ANEL O 6,07X1,78 ANILLO TOROIDAL 6,07X1,78 1,000 1-9999 O-RING SEAL 6,07X1,78 3.16 390496 ANEL O ANILLO TOROIDAL 1,000 1-9999 O-RING SEAL 3.17 1289047 VÁLVULA DIRECIONAL VÁLVULA DE DISTRIBUCIÓN 1,000 1-9999 DIRECTIONAL VALVE 4 2034187 FLANGE DE CONEXÃO BRIDA DE CONEXIÓN 1,000 1-9999 CONNECTION FLANGE 4.01 2034196 ANEL DE VEDAÇÃO ANILLO DE JUNTA 1,000 1-9999 SEALING RING 4.02 1221868 ANEL O ANILLO TOROIDAL 1,000 1-9999 O-RING SEAL 4.03 2034285 ANEL DE VEDAÇÃO ANILLO DE JUNTA 6,000 1-9999 SEALING RING 4.04 1221841 ANEL O ANILLO TOROIDAL 2,000 1-9999 O-RING SEAL 4.05 362166 ANEL O ANILLO TOROIDAL 1,000 1-9999 O-RING SEAL 4.06 390020 ANEL O ANILLO TOROIDAL 1,000 1-9999 O-RING SEAL 4.07 1201751 ANEL O ANILLO TOROIDAL 1,000 1-9999 O-RING SEAL
  • 244.
    05.01.00 / 00BOMBA VARIÁVEL (TRAÇÃO) / 1-9999 05.01.00 / 00 BOMBA REGULABLE (ACCIONAMIENTO DE MARCHA) / 1-9999 05.01.00 / 00 VARIABLE DISPLACEMENT PUMP (DRIVE) / 1-9999 5 4 3 3.05 3.07 3.17 22 2 4.04 4.06 1.01 22 1.02 22 1 3.09 3.08 3.01 3.08 3.01 5.01 5.05 3.02 4.05 5.04 3.11 3.10 3.03 50.01 50 2.01 4.01 5.02 5.03 3.06 4.04 28 3.16 4.03 5.04 4.02 3.04 2.02 4.07
  • 245.
    POS Nº DEIDENT. DESIGNAÇÃO DESIGNATION DESIGNACIÓN QUANT. VALIDADE 05.01.00 / 00 BOMBA VARIÁVEL (TRAÇÃO) / 1-9999 05.01.00 / 00 BOMBA REGULABLE (ACCIONAMIENTO DE MARCHA) / 1-9999 05.01.00 / 00 VARIABLE DISPLACEMENT PUMP (DRIVE) / 1-9999 2053642 5 2034188 DISPOSITIVO DE CONTROLE APARATO DE CONTROL 1,000 1-9999 CONTROL DEVICE 5.01 1287753 JUNTA JUNTA 1,000 1-9999 SEAL 5.02 1202804 ANEL O ANILLO TOROIDAL 1,000 1-9999 O-RING SEAL 5.03 1202812 ANEL O ANILLO TOROIDAL 1,000 1-9999 O-RING SEAL 5.04 242802 ANEL O ANILLO TOROIDAL 2,000 1-9999 O-RING SEAL 5.05 1202820 ANEL O ANILLO TOROIDAL 1,000 1-9999 O-RING SEAL 22 360066 BUJÃO TORNILLO DE CIERRE 6,000 1-9999 SCREW PLUG 28 1257129 BICO TOBERA 2,000 1-9999 NOZZLE 50 1297449 BOMBA VARIÁVEL (TRAÇÃO) BOMBA REGULABLE (ACCIONAMIENTO TRASLACIÓN) 1,000 1-9999 VARIABLE DISPLACEMENT PUMP (DRIVE) 50.01 2034192 KIT DE VEDAÇÃO KIT DE JUNTAS 1,000 1-9999 SET OF SEALS
  • 246.
    05.02.00 / 00BOMBA VARIÁVEL (VIBRAÇÃO) / 1-9999 05.02.00 / 00 BOMBA REGULABLE (VIBRACIÓN) / 1-9999 05.02.00 / 00 VARIABLE DISPLACEMENT PUMP (VIBRATION) / 1-9999 5 3 3.06 3.02 49 2 1.01 22 1.02 22 1 3.05 3.01 3.05 3.01 61 5.01 3.07 3.03 100.01 100 2.01 5.02 5.03 3.04 28 5.01 22 41 2.02
  • 247.
    POS Nº DEIDENT. DESIGNAÇÃO DESIGNATION DESIGNACIÓN QUANT. VALIDADE 05.02.00 / 00 BOMBA VARIÁVEL (VIBRAÇÃO) / 1-9999 05.02.00 / 00 BOMBA REGULABLE (VIBRACIÓN) / 1-9999 05.02.00 / 00 VARIABLE DISPLACEMENT PUMP (VIBRATION) / 1-9999 2053643 1 2034026 MECANISMO PROPULSOR MECANISMO PROPULSOR 1,000 1-9999 DRIVING GEAR 1.01 1283456 ANEL DE RETENÇÃO ANILLO FIJADOR 1,000 1-9999 LOCKING RING 1.02 1257226 RETENTOR DO EIXO JUNTA DE EJE 1,000 1-9999 SHAFT SEAL 2 1254235 REGULAGEM HIDRÁULICA REGULACIÓN HIDRÁULICA 1,000 1-9999 HYDRAULIC REGULATION 2.01 1226320 ANEL O ANILLO TOROIDAL 1,000 1-9999 O-RING SEAL 2.02 274860 ANEL O ANILLO TOROIDAL 1,000 1-9999 O-RING SEAL 3 2034027 TAMPA TRASEIRA DA BOMBA PLACA DE CONEXIÓN 1,000 1-9999 CONNECTION PLATE 3.01 1254251 VÁLVULA LIMITADORA DE PRESSÃO VÁLVULA LIMITADORA DE PRESIÓN 2,000 1-9999 PRESSURE-RELIEF VALVE 3.02 1278630 VÁLVULA DE PRESSÃO DE CARGA VÁLVULA PRESIÓN ALIMENTACIÓN 1,000 1-9999 FEEDING PRESSURE VALVE 3.03 1257080 VENTIL VÁLVULA 1,000 1-9999 VALVE 3.04 242802 ANEL O ANILLO TOROIDAL 1,000 1-9999 O-RING SEAL 3.05 1202782 ANEL O ANILLO TOROIDAL 1,000 1-9999 O-RING SEAL 3.06 1202782 ANEL O ANILLO TOROIDAL 2,000 1-9999 O-RING SEAL 3.07 202185 ANEL O ANILLO TOROIDAL 1,000 1-9999 O-RING SEAL
  • 248.
    05.02.00 / 00BOMBA VARIÁVEL (VIBRAÇÃO) / 1-9999 05.02.00 / 00 BOMBA REGULABLE (VIBRACIÓN) / 1-9999 05.02.00 / 00 VARIABLE DISPLACEMENT PUMP (VIBRATION) / 1-9999 5 3 3.06 3.02 49 2 1.01 22 1.02 22 1 3.05 3.01 3.05 3.01 61 5.01 3.07 3.03 100.01 100 2.01 5.02 5.03 3.04 28 5.01 22 41 2.02
  • 249.
    POS Nº DEIDENT. DESIGNAÇÃO DESIGNATION DESIGNACIÓN QUANT. VALIDADE 05.02.00 / 00 BOMBA VARIÁVEL (VIBRAÇÃO) / 1-9999 05.02.00 / 00 BOMBA REGULABLE (VIBRACIÓN) / 1-9999 05.02.00 / 00 VARIABLE DISPLACEMENT PUMP (VIBRATION) / 1-9999 2053643 5 2034032 VÁLVULA DIRECIONAL VÁLVULA DE DISTRIBUCIÓN 1,000 1-9999 DIRECTIONAL VALVE 5.01 1288687 BOBINA IMÁN DE CONMUTACIÓN 2,000 1-9999 CONTROL MAGNET 5.02 1287753 JUNTA JUNTA 1,000 1-9999 SEAL 5.03 1202820 ANEL O ANILLO TOROIDAL 1,000 1-9999 O-RING SEAL 22 360066 BUJÃO TORNILLO DE CIERRE 3,000 1-9999 SCREW PLUG 28 1257129 BICO TOBERA 1,000 1-9999 NOZZLE 41 1210475 ANEL O ANILLO TOROIDAL 1,000 1-9999 O-RING SEAL 49 1223054 BICO TOBERA 1,000 1-9999 NOZZLE 61 1202782 ANEL O ANILLO TOROIDAL 1,000 1-9999 O-RING SEAL 100 1298437 BOMBA VARIÁVEL (VIBRAÇÃO) BOMBA REGULABLE (VIBRACIÓN) 1,000 1-9999 VARIABLE DISPLACEMENT PUMP (VIBRATION) 100.01 2020546 KIT DE VEDAÇÃO KIT DE JUNTAS 1,000 1-9999 SET OF SEALS
  • 250.
    05.05.00 / 00MOTOR VARIÁVEL (ACIONAMENTO DO EIXO) / 1-9999 05.05.00 / 00 MOTOR REGULABLE (ACCIONAMIENTO DEL EJE) / 1-9999 05.05.00 / 00 VARIABLE DISPLACEMENT MOTOR (AXLE DRIVE) / 1-9999
  • 251.
    POS Nº DEIDENT. DESIGNAÇÃO DESIGNATION DESIGNACIÓN QUANT. VALIDADE 05.05.00 / 00 MOTOR VARIÁVEL (ACIONAMENTO DO EIXO) / 1-9999 05.05.00 / 00 MOTOR REGULABLE (ACCIONAMIENTO DEL EJE) / 1-9999 05.05.00 / 00 VARIABLE DISPLACEMENT MOTOR (AXLE DRIVE) / 1-9999 2053647 1 1269267 MECANISMO PROPULSOR MECANISMO PROPULSOR 1,000 1-9999 DRIVING GEAR 2 2034095 DISPOSITIVO DE AJUSTE AJUSTE 1,000 1-9999 ADJUSTMENT 2.01 1202782 ANEL O ANILLO TOROIDAL 1,000 1-9999 O-RING SEAL 2.02 202207 ANEL O ANILLO TOROIDAL 1,000 1-9999 O-RING SEAL 2.03 2031439 BOBINA IMÁN 1,000 1-9999 MAGNET 2.04 2046621 PORCA DE FIXAÇÃO TUERCA DE FIJACIÓN 1,000 1-9999 MOUNTING NUT 9 217565 ANEL DE RETENÇÃO ANILLO FIJADOR 1,000 1-9999 LOCKING RING 10 1269283 RETENTOR DO EIXO JUNTA DE EJE 1,000 1-9999 SHAFT SEAL 12 1275410 ANEL O ANILLO TOROIDAL 1,000 1-9999 O-RING SEAL 17 1270699 PINO ROSCADO ESPIGA ROSCADA 1,000 1-9999 THREADED PIN 18 1285963 PORCA VEDANTE TUERCA C/ COLLAR ESTANQUEIDAD 1,000 1-9999 SEAL NUT 19 1270710 CAPUZ CAPERUZA 1,000 1-9999 CAP 50 2032001 MOTOR HIDRÁULICO VERSÃO 3410 P, 3411 P MOTOR HIDRÁULICO VERSIÓN 3410 P, 3411 P 1,000 1-9999 HYDRAULIC MOTOR VERSION 3410 P, 3411 P 50 1707825 MOTOR HIDRÁULICO VERSÃO 3410, 3411 MOTOR HIDRÁULICO VERSIÓN 3410, 3411 1,000 1-9999 HYDRAULIC MOTOR VERSION 3410, 3411
  • 252.
    05.05.00 / 00MOTOR VARIÁVEL (ACIONAMENTO DO EIXO) / 1-9999 05.05.00 / 00 MOTOR REGULABLE (ACCIONAMIENTO DEL EJE) / 1-9999 05.05.00 / 00 VARIABLE DISPLACEMENT MOTOR (AXLE DRIVE) / 1-9999
  • 253.
    POS Nº DEIDENT. DESIGNAÇÃO DESIGNATION DESIGNACIÓN QUANT. VALIDADE 05.05.00 / 00 MOTOR VARIÁVEL (ACIONAMENTO DO EIXO) / 1-9999 05.05.00 / 00 MOTOR REGULABLE (ACCIONAMIENTO DEL EJE) / 1-9999 05.05.00 / 00 VARIABLE DISPLACEMENT MOTOR (AXLE DRIVE) / 1-9999 2053647 50.01 2020554 KIT DE VEDAÇÃO KIT DE JUNTAS 1,000 1-9999 SET OF SEALS
  • 254.
    05.06.00 / 00MOTOR FIXO (ACIONAMENTO DA VIBRAÇÃO) / 1-9999 05.06.00 / 00 MOTOR CONSTANTE (ACCIONAMIENTO DE VIBRACIÓN) / 1-9999 05.06.00 / 00 FIXED DISPLACEMENT MOTOR (VIBRATION DRIVE) / 1-9999
  • 255.
    POS Nº DEIDENT. DESIGNAÇÃO DESIGNATION DESIGNACIÓN QUANT. VALIDADE 05.06.00 / 00 MOTOR FIXO (ACIONAMENTO DA VIBRAÇÃO) / 1-9999 05.06.00 / 00 MOTOR CONSTANTE (ACCIONAMIENTO DE VIBRACIÓN) / 1-9999 05.06.00 / 00 FIXED DISPLACEMENT MOTOR (VIBRATION DRIVE) / 1-9999 2053651 6 2034096 TAMPA TRASEIRA PLACA DE CONEXIÓN 1,000 1-9999 CONNECTION PLATE 20 1253026 RETENTOR DO EIXO JUNTA DE EJE 1,000 1-9999 SHAFT SEAL 22 1253166 ANEL O ANILLO TOROIDAL 1,000 1-9999 O-RING SEAL 25 2034120 ANEL DE RETENÇÃO ANILLO FIJADOR 1,000 1-9999 LOCKING RING 50 1202804 ANEL O ANILLO TOROIDAL 1,000 1-9999 O-RING SEAL 51 202207 ANEL O ANILLO TOROIDAL 2,000 1-9999 O-RING SEAL 100 1298445 MOTOR HIDRÁULICO MOTOR HIDRÁULICO 1,000 1-9999 HYDRAULIC MOTOR 100.01 2020559 KIT DE VEDAÇÃO KIT DE JUNTAS 1,000 1-9999 SET OF SEALS
  • 256.
    05.10.00 / 00REDUTOR DE RODAS (ACIONAMENTO DO ROLO) / 1-9999 05.10.00 / 00 ENGRANAJE DE RUEDAS (ACCIONAMIENTO DE BANDAJE) / 1-9999 05.10.00 / 00 WHEEL GEAR (DRUM DRIVE) / 1-9999
  • 257.
    POS Nº DEIDENT. DESIGNAÇÃO DESIGNATION DESIGNACIÓN QUANT. VALIDADE 05.10.00 / 00 REDUTOR DE RODAS (ACIONAMENTO DO ROLO) / 1-9999 05.10.00 / 00 ENGRANAJE DE RUEDAS (ACCIONAMIENTO DE BANDAJE) / 1-9999 05.10.00 / 00 WHEEL GEAR (DRUM DRIVE) / 1-9999 2053656 1 1282166 ENGRENAGEM PLANETÁRIA RUEDA PLANETARIA 4,000 1-9999 PLANET WHEEL 2 1282174 ENGRENAGEM PLANETÁRIA RUEDA PLANETARIA 3,000 1-9999 PLANET WHEEL 3 1282190 ENGRENAGEM SOL RUEDA SOLAR 1,000 1-9999 SUN WHEEL 4 1283936 PORCA DO EIXO TUERCA ONDULADA 1,000 1-9999 SHAFT NUT 7 1282204 PORTA-SATÉLITE SOPORTE PLANETARIO 1,000 1-9999 PLANET CARRIER 8 1282212 TAMPA TAPA 1,000 1-9999 COVER 9 1282220 ROLO CILÍNDRICO RODILLO CILÍNDRICO 1,000 1-9999 CYLINDRICAL ROLLER 10 1281666 ROLAMENTO ROLOS CILÍNDRICOS COJINETE RODILLOS CILÍNDRICOS 3,000 1-9999 CYLINDRICAL ROLLER BEARING 11 1281917 ROLAMENTO ROLOS CILÍNDRICOS COJINETE RODILLOS CILÍNDRICOS 4,000 1-9999 CYLINDRICAL ROLLER BEARING 12 1280031 ROLAMENTO ESFERAS CONTATO ANGULAR RODAMIENTO RADIAL RÍGIDO 1,000 1-9999 GROOVED BALL BEARING 13 213748 PARAFUSO SEXTAVADO TORNILLO HEXAGONAL 12,000 1-9999 HEXAGON SCREW 14 1283677 ANEL DE RETENÇÃO ANILLO FIJADOR 3,000 1-9999 LOCKING RING 15 217166 ANEL DE RETENÇÃO ANILLO FIJADOR 4,000 1-9999 LOCKING RING 16 217204 ANEL DE RETENÇÃO ANILLO FIJADOR 1,000 1-9999 LOCKING RING
  • 258.
    05.10.00 / 00REDUTOR DE RODAS (ACIONAMENTO DO ROLO) / 1-9999 05.10.00 / 00 ENGRANAJE DE RUEDAS (ACCIONAMIENTO DE BANDAJE) / 1-9999 05.10.00 / 00 WHEEL GEAR (DRUM DRIVE) / 1-9999
  • 259.
    POS Nº DEIDENT. DESIGNAÇÃO DESIGNATION DESIGNACIÓN QUANT. VALIDADE 05.10.00 / 00 REDUTOR DE RODAS (ACIONAMENTO DO ROLO) / 1-9999 05.10.00 / 00 ENGRANAJE DE RUEDAS (ACCIONAMIENTO DE BANDAJE) / 1-9999 05.10.00 / 00 WHEEL GEAR (DRUM DRIVE) / 1-9999 2053656 18 217514 ANEL DE RETENÇÃO ANILLO FIJADOR 6,000 1-9999 LOCKING RING 19 1283022 ANEL O ANILLO TOROIDAL 1,000 1-9999 O-RING SEAL 20 2029601 VEDAÇÃO FACE SEAL JUNTA DESLIZANTE 1,000 1-9999 AXIAL FACE SEAL 21 293911 BUJÃO TORNILLO DE CIERRE 2,000 1-9999 SCREW PLUG 22 1283596 ANEL DE VEDAÇÃO ANILLO DE JUNTA 2,000 1-9999 SEALING RING 23 213829 PARAFUSO SEXTAVADO TORNILLO HEXAGONAL 2,000 1-9999 HEXAGON SCREW 30 1283758 ENGRENAGEM ANELAR RUEDA DENTADA INTERIOR 1,000 1-9999 RING GEAR 33 1283766 ANEL O ANILLO TOROIDAL 1,000 1-9999 O-RING SEAL 44 1283774 PINHÃO ÁRBOL DEL ENGRANAJE 1,000 1-9999 GEAR SHAFT 49 1282123 ARRUELA ESPAÇADORA DISCO DE DISTANCIA 1,000 1-9999 SPACER 60 2034078 MANCAL FLANGEADO COJINETE DE LA BRIDA 1,000 1-9999 FLANGED BEARING 61 1283790 ÊMBOLO EMBOLO 1,000 1-9999 PISTON 62 1283804 CUBO ESTRIADO ARBOL CANELADO 1,000 1-9999 DRIVER 63 1283812 ANEL INTERMEDIÁRIO ANILLO INTERMEDIO 1,000 1-9999 INTERMEDIATE RING
  • 260.
    05.10.00 / 00REDUTOR DE RODAS (ACIONAMENTO DO ROLO) / 1-9999 05.10.00 / 00 ENGRANAJE DE RUEDAS (ACCIONAMIENTO DE BANDAJE) / 1-9999 05.10.00 / 00 WHEEL GEAR (DRUM DRIVE) / 1-9999
  • 261.
    POS Nº DEIDENT. DESIGNAÇÃO DESIGNATION DESIGNACIÓN QUANT. VALIDADE 05.10.00 / 00 REDUTOR DE RODAS (ACIONAMENTO DO ROLO) / 1-9999 05.10.00 / 00 ENGRANAJE DE RUEDAS (ACCIONAMIENTO DE BANDAJE) / 1-9999 05.10.00 / 00 WHEEL GEAR (DRUM DRIVE) / 1-9999 2053656 64 1282131 ARRUELA ESPAÇADORA DISCO DE DISTANCIA 1,000 1-9999 SPACER 65 1282158 ARRUELA ESPAÇADORA DISCO DE DISTANCIA 1,000 1-9999 SPACER 67 217689 ANEL DE RETENÇÃO ANILLO FIJADOR 1,000 1-9999 LOCKING RING 68 1283928 ANEL DE RETENÇÃO ANILLO FIJADOR 1,000 1-9999 LOCKING RING 72 1283197 DISCO INTERNO DO FREIO DISCO INTERIOR DEL FRENO 4,000 1-9999 BRAKE DISC INTERNAL 73 2034079 DISCO EXTERNO DO FREIO DISCO EXTERIOR DEL FRENO 5,000 1-9999 BRAKE DISC EXTERNAL 74 1283847 MOLA DE COMPRESSÃO MUELLE DE PRESIÓN 28,000 1-9999 COMPRESSION SPRING 75 1283855 ANEL DE APOIO ANILLO DE APOYO 2,000 1-9999 SUPPORTING RING 76 1283863 ANEL TIPO QUAD-RING UNIÓN 1,000 1-9999 QUAD-RING 77 1283871 ANEL DE APOIO ANILLO DE APOYO 2,000 1-9999 SUPPORTING RING 78 1283898 ANEL TIPO QUAD-RING UNIÓN 1,000 1-9999 QUAD-RING 90 223425 BUJÃO TORNILLO DE CIERRE 3,000 1-9999 SCREW PLUG 91 1282689 ANEL DE VEDAÇÃO ANILLO DE JUNTA 3,000 1-9999 SEALING RING 95 2034080 PINO ESPIGA 1,000 1-9999 PIN
  • 262.
    05.10.00 / 00REDUTOR DE RODAS (ACIONAMENTO DO ROLO) / 1-9999 05.10.00 / 00 ENGRANAJE DE RUEDAS (ACCIONAMIENTO DE BANDAJE) / 1-9999 05.10.00 / 00 WHEEL GEAR (DRUM DRIVE) / 1-9999
  • 263.
    POS Nº DEIDENT. DESIGNAÇÃO DESIGNATION DESIGNACIÓN QUANT. VALIDADE 05.10.00 / 00 REDUTOR DE RODAS (ACIONAMENTO DO ROLO) / 1-9999 05.10.00 / 00 ENGRANAJE DE RUEDAS (ACCIONAMIENTO DE BANDAJE) / 1-9999 05.10.00 / 00 WHEEL GEAR (DRUM DRIVE) / 1-9999 2053656 100 2024034 REDUTOR DE RODA COMPLETO. ENGRANAJE DE RUEDAS COMPLETO 1,000 1-9999 WHEEL GEAR COMPLETE 100.01 1274147 KIT DE VEDAÇÃO (REDUTOR DE RODA ) POS.19,20,33 JUEGO IMPERMEAB (ENGR. RUEDAS) POS.19,20,33 1,000 1-9999 SEALING SET (WHEEL GEAR) POS.19,20,33 100.02 1274155 KIT DE VEDAÇÃO (FREIO) POS.75,76,77,78 JUEGO DE IMPERMEAB. (FRENOS) POS.75,76,77,78 1,000 1-9999 SEALING SET (BRAKE) POS.75,76,77,78 100.03 2034060 JOGO DE LAMELAS DE FREIO POS.63,72,73,74 JUEGO DE DISCOS DE FRENO POS.63,72,73,74 1,000 1-9999 BRAKE DISC SET POS.63,72,73,74
  • 264.
    05.11.00 / 00MOTOR VARIÁVEL (ACIONAMENTO DO ROLO) / 1-9999 05.11.00 / 00 MOTOR REGULABLE (ACCIONAMIENTO DE BANDAJE) / 1-9999 05.11.00 / 00 VARIABLE DISPLACEMENT MOTOR (DRUM DRIVE) / 1-9999 2.03 2.06 2.07 2.05 2.07 50.01 50 2 2.01 2.02 2.04 12 1 17 18 19 19 17 18 9 10
  • 265.
    POS Nº DEIDENT. DESIGNAÇÃO DESIGNATION DESIGNACIÓN QUANT. VALIDADE 05.11.00 / 00 MOTOR VARIÁVEL (ACIONAMENTO DO ROLO) / 1-9999 05.11.00 / 00 MOTOR REGULABLE (ACCIONAMIENTO DE BANDAJE) / 1-9999 05.11.00 / 00 VARIABLE DISPLACEMENT MOTOR (DRUM DRIVE) / 1-9999 2053662 1 2034091 MECANISMO PROPULSOR MECANISMO PROPULSOR 1,000 1-9999 DRIVING GEAR 2 2034092 DISPOSITIVO DE AJUSTE AJUSTE 1,000 1-9999 ADJUSTMENT 2.01 245224 ANEL O ANILLO TOROIDAL 1,000 1-9999 O-RING SEAL 2.02 202207 ANEL O ANILLO TOROIDAL 1,000 1-9999 O-RING SEAL 2.03 242802 ANEL O ANILLO TOROIDAL 3,000 1-9999 O-RING SEAL 2.04 2031439 BOBINA IMÁN 1,000 1-9999 MAGNET 2.05 2034121 VÁLVULA DE FLUSHING VÁLVULA DE ENJUAGUE 1,000 1-9999 FLUSH VALVE 2.06 1202804 ANEL O ANILLO TOROIDAL 1,000 1-9999 O-RING SEAL 2.07 202207 ANEL O ANILLO TOROIDAL 2,000 1-9999 O-RING SEAL 9 217514 ANEL DE RETENÇÃO ANILLO FIJADOR 1,000 1-9999 LOCKING RING 10 1278843 RETENTOR DO EIXO JUNTA DE EJE 1,000 1-9999 SHAFT SEAL 12 1278827 ANEL O ANILLO TOROIDAL 1,000 1-9999 O-RING SEAL 17 1270664 PINO ROSCADO ESPIGA ROSCADA 2,000 1-9999 THREADED PIN 18 2034118 PORCA VEDANTE TUERCA C/ COLLAR ESTANQUEIDAD 2,000 1-9999 SEAL NUT
  • 266.
    05.11.00 / 00MOTOR VARIÁVEL (ACIONAMENTO DO ROLO) / 1-9999 05.11.00 / 00 MOTOR REGULABLE (ACCIONAMIENTO DE BANDAJE) / 1-9999 05.11.00 / 00 VARIABLE DISPLACEMENT MOTOR (DRUM DRIVE) / 1-9999 2.03 2.06 2.07 2.05 2.07 50.01 50 2 2.01 2.02 2.04 12 1 17 18 19 19 17 18 9 10
  • 267.
    POS Nº DEIDENT. DESIGNAÇÃO DESIGNATION DESIGNACIÓN QUANT. VALIDADE 05.11.00 / 00 MOTOR VARIÁVEL (ACIONAMENTO DO ROLO) / 1-9999 05.11.00 / 00 MOTOR REGULABLE (ACCIONAMIENTO DE BANDAJE) / 1-9999 05.11.00 / 00 VARIABLE DISPLACEMENT MOTOR (DRUM DRIVE) / 1-9999 2053662 19 1270702 CAPUZ CAPERUZA 2,000 1-9999 CAP 50 1707833 MOTOR HIDRÁULICO VERSÃO 3410, 3411 MOTOR HIDRÁULICO VERSIÓN 3410, 3411 1,000 1-9999 HYDRAULIC MOTOR VERSION 3410, 3411 50 2032000 MOTOR HIDRÁULICO VERSÃO 3410 P, 3411 P MOTOR HIDRÁULICO VERSIÓN 3410 P, 3411 P 1,000 1-9999 HYDRAULIC MOTOR VERSION 3410 P, 3411 P 50.01 2024823 KIT DE VEDAÇÃO KIT DE JUNTAS 1,000 1-9999 SET OF SEALS
  • 268.
    05.20.00 / 00BLOCO DE VÁLVULAS (FREIO DE ESTACIONAMENTO) / 1-9999 05.20.00 / 00 BLOQUE DE VÁLVULAS (FRENO DE ESTACIONAMIENTO) / 1-9999 05.20.00 / 00 VALVE BLOCK (PARKING BRAKE) / 1-9999
  • 269.
    POS Nº DEIDENT. DESIGNAÇÃO DESIGNATION DESIGNACIÓN QUANT. VALIDADE 05.20.00 / 00 BLOCO DE VÁLVULAS (FREIO DE ESTACIONAMENTO) / 1-9999 05.20.00 / 00 BLOQUE DE VÁLVULAS (FRENO DE ESTACIONAMIENTO) / 1-9999 05.20.00 / 00 VALVE BLOCK (PARKING BRAKE) / 1-9999 2053663 1 1204491 BLOCO DE VÁLVULAS COMPLETO. BLOQUE DE VÁLVULA COMPLETO 1,000 1-9999 VALVE BLOCK COMPLETE 1.01 1263889 KIT DE VEDAÇÃO KIT DE JUNTAS 1,000 1-9999 SET OF SEALS 1.02 1237160 VÁLVULA DIRECIONAL VÁLVULA DE DISTRIBUCIÓN 1,000 1-9999 DIRECTIONAL VALVE 1.03 1237640 BOBINA IMÁN 1,000 1-9999 MAGNET 1.04 1254146 PARAFUSO DE REGULAGEM TORNILLO DE REGLAJE 1,000 1-9999 ADJUSTING SCREW
  • 270.
    05.21.00 / 00FILTRO (ÓLEO HIDRÁULICO) / 1-9999 05.21.00 / 00 FILTRO (ACEITE HIDRÁULICO) / 1-9999 05.21.00 / 00 FILTER (HYDRAULIC OIL) / 1-9999
  • 271.
    POS Nº DEIDENT. DESIGNAÇÃO DESIGNATION DESIGNACIÓN QUANT. VALIDADE 05.21.00 / 00 FILTRO (ÓLEO HIDRÁULICO) / 1-9999 05.21.00 / 00 FILTRO (ACEITE HIDRÁULICO) / 1-9999 05.21.00 / 00 FILTER (HYDRAULIC OIL) / 1-9999 2053666 1 1285475 FILTRO COMPLETO FILTRO COMPLETO 1,000 1-9999 FILTER COMPLETE 1.01 1287672 KIT DE VEDAÇÃO KIT DE JUNTAS 1,000 1-9999 SET OF SEALS 1.02 1285491 ELEMENTO FILTRANTE CARTUCHO DE FILTRO 1,000 1-9999 FILTER CARTRIDGE 1.03 1288989 CABEÇOTE DO FILTRO CABEZAL DEL FILTRO 1,000 1-9999 FILTER HEAD 1.04 1276689 INDICADOR ELÉTRICO DE CONTAMINAÇÃO INDICADOR SUCIEDAD ELÉCTRICO 1,000 1-9999 ELECTRICAL FILTER INDICATOR 1.05 1287664 CABEÇOTE DO FILTRO CUERPO DE FILTRO 1,000 1-9999 FILTER HOUSING
  • 272.
    05.22.00 / 00FILTRO (SISTEMA HIDRÁULICO DA DIREÇÃO) / 1-9999 05.22.00 / 00 FILTRO ( HIDRÁULICA DE DIRECCIÓN) / 1-9999 05.22.00 / 00 FILTER ( HYDRAULIC STEERING SYSTEM) / 1-9999
  • 273.
    POS Nº DEIDENT. DESIGNAÇÃO DESIGNATION DESIGNACIÓN QUANT. VALIDADE 05.22.00 / 00 FILTRO (SISTEMA HIDRÁULICO DA DIREÇÃO) / 1-9999 05.22.00 / 00 FILTRO ( HIDRÁULICA DE DIRECCIÓN) / 1-9999 05.22.00 / 00 FILTER ( HYDRAULIC STEERING SYSTEM) / 1-9999 2053667 1 1267620 FILTRO FILTRO 1,000 1-8 FILTER 1 2031491 FILTRO FILTRO 1,000 9-9999 FILTER 1.01 1268643 ELEMENTO FILTRANTE CARTUCHO DE FILTRO 1,000 1-8 FILTER CARTRIDGE 1.01 2031492 ELEMENTO FILTRANTE CARTUCHO DE FILTRO 1,000 9-9999 FILTER CARTRIDGE 1.02 1220322 ANEL O ANILLO TOROIDAL 1,000 1-9999 O-RING SEAL 1.03 1279076 ANEL DE APOIO ANILLO DE APOYO 1,000 1-9999 SUPPORTING RING
  • 274.
    05.23.00 / 00BOMBA (SISTEMA HIDRÁULICO DA DIREÇÃO) / 1-9999 05.23.00 / 00 BOMBA (HIDRÁULICA DE DIRECCIÓN) / 1-9999 05.23.00 / 00 PUMP (HYDRAULIC STEERING SYSTEM) / 1-9999
  • 275.
    POS Nº DEIDENT. DESIGNAÇÃO DESIGNATION DESIGNACIÓN QUANT. VALIDADE 05.23.00 / 00 BOMBA (SISTEMA HIDRÁULICO DA DIREÇÃO) / 1-9999 05.23.00 / 00 BOMBA (HIDRÁULICA DE DIRECCIÓN) / 1-9999 05.23.00 / 00 PUMP (HYDRAULIC STEERING SYSTEM) / 1-9999 2053668 1 240974 BOMBA DE ENGRENAGENS BOMBA DEL ENGRANAJE 1,000 1-9999 GEAR PUMP 1.01 1242822 KIT DE VEDAÇÃO KIT DE JUNTAS 1,000 1-9999 SET OF SEALS 1.02 354457 CHAVETA WOODRUFF CHAVETA DE DISCO 1,000 1-9999 DISK SPRING
  • 276.
    05.24.00 / 00BLOCO COLETOR (ÓLEO HIDRÁULICO) / 1-9999 05.24.00 / 00 BLOQUE COLECTOR (ACEITE HIDRÁULICO) / 1-9999 05.24.00 / 00 COLLECTING BLOCK (HYDRAULIC OIL) / 1-9999
  • 277.
    POS Nº DEIDENT. DESIGNAÇÃO DESIGNATION DESIGNACIÓN QUANT. VALIDADE 05.24.00 / 00 BLOCO COLETOR (ÓLEO HIDRÁULICO) / 1-9999 05.24.00 / 00 BLOQUE COLECTOR (ACEITE HIDRÁULICO) / 1-9999 05.24.00 / 00 COLLECTING BLOCK (HYDRAULIC OIL) / 1-9999 2053669 1 1488635 COLETOR COMPLETO BLOQUE DE CONEXIÓN COMPLETO 1,000 1-9999 CONNECTION BLOCK COMPLETE 1.01 1249479 VÁLVULA LIMITADORA DE PRESSÃO VÁLVULA LIMITADORA DE PRESIÓN 1,000 1-9999 PRESSURE-RELIEF VALVE
  • 278.
    05.95.00 / 00TANQUE DE ÓLEO HIDRÁULICO / 1-9999 05.95.00 / 00 DEPÓSITO DE ACEITE / 1-9999 05.95.00 / 00 OIL TANK / 1-9999
  • 279.
    POS Nº DEIDENT. DESIGNAÇÃO DESIGNATION DESIGNACIÓN QUANT. VALIDADE 05.95.00 / 00 TANQUE DE ÓLEO HIDRÁULICO / 1-9999 05.95.00 / 00 DEPÓSITO DE ACEITE / 1-9999 05.95.00 / 00 OIL TANK / 1-9999 2053670 1 891940 TANQUE DE ÓLEO HIDRÁULICO DEPÓSITO DE ACEITE HIDRÁULICO 1,000 1-9999 HYDRAULIC OIL RESERVOIR 2 2024555 TAMPA TAPA 1,000 1-9999 COVER 3 1236199 FILTRO DE SUCÇÃO FILTRO DE ASPIRACIÓN 1,000 1-9999 SUCTION FILTER 4 1501534 JUNTA JUNTA 1,000 1-9999 SEAL 5 1208489 PARAFUSO PRISIONEIRO ESPÁRRAGO 12,000 1-9999 STUD BOLT 6 216593 ARRUELA ARANDELA 12,000 1-9999 WASHER 7 216445 PORCA SEXTAVADA TUERCA HEXAGONAL 12,000 1-9999 HEXAGON NUT 8 2116085 BUJÃO TORNILLO DE CIERRE 1,000 1-9999 SCREW PLUG 10 274178 VISOR DE NÍVEL MIRILLA 1,000 1-9999 INSPECTION GLASS 11 1259334 FILTRO DE AR FILTRO DE VENTILACIÓN 1,000 1-9999 VENT FILTER 12 2116087 BUJÃO TORNILLO DE CIERRE 1,000 1-9999 SCREW PLUG 14 1489534 ARRUELA ARANDELA 1,000 1-9999 WASHER 15 211826 PARAFUSO SEXTAVADO TORNILLO HEXAGONAL 1,000 1-9999 HEXAGON SCREW 16 293873 ARRUELA ARANDELA 8,000 1-9999 WASHER
  • 280.
    05.95.00 / 00TANQUE DE ÓLEO HIDRÁULICO / 1-9999 05.95.00 / 00 DEPÓSITO DE ACEITE / 1-9999 05.95.00 / 00 OIL TANK / 1-9999
  • 281.
    POS Nº DEIDENT. DESIGNAÇÃO DESIGNATION DESIGNACIÓN QUANT. VALIDADE 05.95.00 / 00 TANQUE DE ÓLEO HIDRÁULICO / 1-9999 05.95.00 / 00 DEPÓSITO DE ACEITE / 1-9999 05.95.00 / 00 OIL TANK / 1-9999 2053670 17 212024 PARAFUSO SEXTAVADO TORNILLO HEXAGONAL 2,000 1-9999 HEXAGON SCREW 18 216461 PORCA SEXTAVADA TUERCA HEXAGONAL 2,000 1-9999 HEXAGON NUT 19 2116085 BUJÃO TORNILLO DE CIERRE 1,000 1-9999 SCREW PLUG 20 317128 CONEXÃO MACHO RETA RACOR PARA ENROSCAR RECTO 1,000 1-9999 STRAIGHT SCREWED SOCKET 21 223522 NIPEL BOQUILLA ROSCADA DOBLE 1,000 1-9999 TWIN NIPPLE 25 1488643 SUPORTE SOPORTE 1,000 1-9999 SUPPORT 26 211869 PARAFUSO SEXTAVADO TORNILLO HEXAGONAL 2,000 1-9999 HEXAGON SCREW 27 276243 ARRUELA DE TRAVAMENTO DISCO DE SEGURIDAD 2,000 1-9999 LOCKING WASHER 30 1488635 COLETOR BLOQUE DE CONEXIÓN 1,000 1-9999 CONNECTION BLOCK 31 1213822 PARAFUSO SEXTAVADO TORNILLO HEXAGONAL 2,000 1-9999 HEXAGON SCREW 32 216445 PORCA SEXTAVADA TUERCA HEXAGONAL 2,000 1-9999 HEXAGON NUT 33 216593 ARRUELA ARANDELA 4,000 1-9999 WASHER 35 2116085 BUJÃO TORNILLO DE CIERRE 1,000 1-9999 SCREW PLUG 39 282308 INTERRUPTOR DE TEMPERATURA INTERRUPTOR DE TEMPERATURA 1,000 1-9999 TEMPERATURE SWITCH
  • 282.
    05.95.00 / 00TANQUE DE ÓLEO HIDRÁULICO / 1-9999 05.95.00 / 00 DEPÓSITO DE ACEITE / 1-9999 05.95.00 / 00 OIL TANK / 1-9999
  • 283.
    POS Nº DEIDENT. DESIGNAÇÃO DESIGNATION DESIGNACIÓN QUANT. VALIDADE 05.95.00 / 00 TANQUE DE ÓLEO HIDRÁULICO / 1-9999 05.95.00 / 00 DEPÓSITO DE ACEITE / 1-9999 05.95.00 / 00 OIL TANK / 1-9999 2053670 40 219398 ANEL DE VEDAÇÃO ANILLO DE JUNTA 1,000 1-9999 SEALING RING 41 317101 CONEXÃO MACHO RETA RACOR PARA ENROSCAR RECTO 1,000 1-9999 STRAIGHT SCREWED SOCKET 42 1258850 MANGUEIRA MANGUERA 1,000 1-9999 FLEXIBLE TUBING 43 358452 CONEXÃO MACHO RETA RACOR PARA ENROSCAR RECTO 1,000 1-9999 STRAIGHT SCREWED SOCKET 44 211826 PARAFUSO SEXTAVADO TORNILLO HEXAGONAL 1,000 1-9999 HEXAGON SCREW 45 215996 PORCA SEXTAVADA TUERCA HEXAGONAL 1,000 1-9999 HEXAGON NUT
  • 284.
    05.96.00 / 00SISTEMA DO FILTRO DE ÓLEO / 1-9999 05.96.00 / 00 DISPOSITIVO DEL FILTRO DE ACEITE / 1-9999 05.96.00 / 00 OIL FILTER SYSTEM / 1-9999
  • 285.
    POS Nº DEIDENT. DESIGNAÇÃO DESIGNATION DESIGNACIÓN QUANT. VALIDADE 05.96.00 / 00 SISTEMA DO FILTRO DE ÓLEO / 1-9999 05.96.00 / 00 DISPOSITIVO DEL FILTRO DE ACEITE / 1-9999 05.96.00 / 00 OIL FILTER SYSTEM / 1-9999 2053671 1 315702 CONEXÃO MACHO RETA RACOR PARA ENROSCAR RECTO 1,000 1-9999 STRAIGHT SCREWED SOCKET 2 1206346 MANGUEIRA MANGUERA 1,000 1-9999 FLEXIBLE TUBING 3 317195 CONEXÃO MACHO RETA RACOR PARA ENROSCAR RECTO 2,000 1-9999 STRAIGHT SCREWED SOCKET 4 1285475 FILTRO COMPLETO FILTRO COMPLETO 1,000 1-9999 FILTER COMPLETE 5 213756 PARAFUSO SEXTAVADO TORNILLO HEXAGONAL 2,000 1-9999 HEXAGON SCREW 6 216607 ARRUELA ARANDELA 2,000 1-9999 WASHER 8 387738 MANGUEIRA MANGUERA 1,000 1-9999 FLEXIBLE TUBING 9 315702 CONEXÃO MACHO RETA RACOR PARA ENROSCAR RECTO 1,000 1-9999 STRAIGHT SCREWED SOCKET 10 317853 JOELHO ORIENTÁVEL RACOR ANGULAR AJUSTABLE 1,000 1-9999 ELBOW ADJUSTABLE
  • 286.
    06.05.01 / 00SISTEMA ELÉTRICO, PÁGINA 1 / 1-9999 06.05.01 / 00 SISTEMA ELÉCTRICO, PÁGINA 1 / 1-9999 06.05.01 / 00 ELECTRICAL SYSTEM, PAGE 1 / 1-9999
  • 287.
    POS Nº DEIDENT. DESIGNAÇÃO DESIGNATION DESIGNACIÓN QUANT. VALIDADE 06.05.01 / 00 SISTEMA ELÉTRICO, PÁGINA 1 / 1-9999 06.05.01 / 00 SISTEMA ELÉCTRICO, PÁGINA 1 / 1-9999 06.05.01 / 00 ELECTRICAL SYSTEM, PAGE 1 / 1-9999 2053672 2 213748 PARAFUSO SEXTAVADO TORNILLO HEXAGONAL 4,000 1-9999 HEXAGON SCREW 3 216593 ARRUELA ARANDELA 4,000 1-9999 WASHER 5 207330 BATERIA BATERÍA 1,000 1-9999 BATTERY 6 314080 PARAFUSO SEXTAVADO TORNILLO HEXAGONAL 2,000 1-9999 HEXAGON SCREW 7 350389 ARRUELA ARANDELA 2,000 1-9999 WASHER 8 216577 ARRUELA ARANDELA 2,000 1-9999 WASHER 9 216437 PORCA SEXTAVADA TUERCA HEXAGONAL 2,000 1-9999 HEXAGON NUT 10 394319 CHAVE DA BATERIA INTERRUPTOR DE BATERÍA 1,000 1-9999 BATTERY SWITCH 10.01 1203894 CHAVE LLAVE 1,000 1-9999 KEY 11 892246 CABO DA BATERIA CABLE DE BATERÍA 1,000 1-9999 BATTERY CABLE 12 866636 CABO DA BATERIA CABLE DE BATERÍA 1,000 1-9999 BATTERY CABLE 13 1258737 CAPUZ PROTETOR CAPACETE DE PROTECCIÓN 1,000 1-9999 PROTECTING CAP 14 226017 CAPUZ PROTETOR CAPERUZA DE PROTECCIÓN 3,000 1-9999 PROTECTING CAP 15 824674 CABO DA BATERIA CABLE DE BATERÍA 1,000 1-9999 BATTERY CABLE
  • 288.
    06.05.01 / 00SISTEMA ELÉTRICO, PÁGINA 1 / 1-9999 06.05.01 / 00 SISTEMA ELÉCTRICO, PÁGINA 1 / 1-9999 06.05.01 / 00 ELECTRICAL SYSTEM, PAGE 1 / 1-9999
  • 289.
    POS Nº DEIDENT. DESIGNAÇÃO DESIGNATION DESIGNACIÓN QUANT. VALIDADE 06.05.01 / 00 SISTEMA ELÉTRICO, PÁGINA 1 / 1-9999 06.05.01 / 00 SISTEMA ELÉCTRICO, PÁGINA 1 / 1-9999 06.05.01 / 00 ELECTRICAL SYSTEM, PAGE 1 / 1-9999 2053672 16 1209787 PARAFUSO SEXTAVADO TORNILLO HEXAGONAL 1,000 1-9999 HEXAGON SCREW 17 216607 ARRUELA ARANDELA 2,000 1-9999 WASHER 18 216453 PORCA SEXTAVADA TUERCA HEXAGONAL 1,000 1-9999 HEXAGON NUT 19 276243 ARRUELA DE TRAVAMENTO DISCO DE SEGURIDAD 1,000 1-9999 LOCKING WASHER 20 207365 BUZINA BOCINA 1,000 1-9999 SIGNAL HORN 21 213845 PARAFUSO SEXTAVADO TORNILLO HEXAGONAL 1,000 1-9999 HEXAGON SCREW 22 216593 ARRUELA ARANDELA 1,000 1-9999 WASHER 23 821136 DIODO DIODO 1,000 1-9999 DIODE 75 739529 CORDOALHA DE ATERRAMENTO CABLE DE TOMA DE TIERRA 1,000 1-9999 GROUND CABLE 76 213888 PARAFUSO SEXTAVADO TORNILLO HEXAGONAL 1,000 1-9999 HEXAGON SCREW 77 216097 PORCA SEXTAVADA TUERCA HEXAGONAL 2,000 1-9999 HEXAGON NUT 78 276243 ARRUELA DE TRAVAMENTO DISCO DE SEGURIDAD 2,000 1-9999 LOCKING WASHER
  • 290.
    06.05.02 / 00SISTEMA ELÉTRICO, PÁGINA 2 / 1-9999 06.05.02 / 00 SISTEMA ELÉCTRICO, PÁGINA 2 / 1-9999 06.05.02 / 00 ELECTRICAL SYSTEM, PAGE 2 / 1-9999
  • 291.
    POS Nº DEIDENT. DESIGNAÇÃO DESIGNATION DESIGNACIÓN QUANT. VALIDADE 06.05.02 / 00 SISTEMA ELÉTRICO, PÁGINA 2 / 1-9999 06.05.02 / 00 SISTEMA ELÉCTRICO, PÁGINA 2 / 1-9999 06.05.02 / 00 ELECTRICAL SYSTEM, PAGE 2 / 1-9999 2053673 30 866644 CABO DA BATERIA CABLE DE BATERÍA 1,000 1-9999 BATTERY CABLE 31 213853 PARAFUSO SEXTAVADO TORNILLO HEXAGONAL 1,000 1-9999 HEXAGON SCREW 32 276243 ARRUELA DE TRAVAMENTO DISCO DE SEGURIDAD 3,000 1-9999 LOCKING WASHER 33 216453 PORCA SEXTAVADA TUERCA HEXAGONAL 1,000 1-9999 HEXAGON NUT 34 213756 PARAFUSO SEXTAVADO TORNILLO HEXAGONAL 1,000 1-9999 HEXAGON SCREW 43 2108425 BOTÃO PARADA DE EMERGÊNCIA PULSADOR 1,000 1-9999 PUSH BUTTON SWITCH 201 213845 PARAFUSO SEXTAVADO TORNILLO HEXAGONAL 2,000 1-9999 HEXAGON SCREW 202 216445 PORCA SEXTAVADA TUERCA HEXAGONAL 2,000 1-9999 HEXAGON NUT 203 216593 ARRUELA ARANDELA 4,000 1-9999 WASHER 231 1426990 ANEL ESPAÇADOR ANILLO DE DISTANCIA 2,000 1-9999 RING 232 213845 PARAFUSO SEXTAVADO TORNILLO HEXAGONAL 2,000 1-9999 HEXAGON SCREW 233 260983 ARRUELA ARANDELA 2,000 1-9999 WASHER
  • 292.
    06.05.03 / 00SISTEMA ELÉTRICO, PÁGINA 3 / 1-9999 06.05.03 / 00 SISTEMA ELÉCTRICO, PÁGINA 3 / 1-9999 06.05.03 / 00 ELECTRICAL SYSTEM, PAGE 3 / 1-9999
  • 293.
    POS Nº DEIDENT. DESIGNAÇÃO DESIGNATION DESIGNACIÓN QUANT. VALIDADE 06.05.03 / 00 SISTEMA ELÉTRICO, PÁGINA 3 / 1-9999 06.05.03 / 00 SISTEMA ELÉCTRICO, PÁGINA 3 / 1-9999 06.05.03 / 00 ELECTRICAL SYSTEM, PAGE 3 / 1-9999 2033819 97 833525 TRANSMISSOR DE SINAL TRANSMISOR DE SEÑAL 1,000 1-9999 SIGNAL TRANSMITTER 98 396052 BUJÃO TAPÓN DE CIERRE 1,000 1-9999 FILLER CAP 100 380296 CHAVE DE PARTIDA INTERRUPTOR DE LLAVE 1,000 1-9999 IGNITION SWITCH 100.01 367125 CHAVE LLAVE 1,000 1-9999 KEY 101 335983 TAMPA TAPA ABATIBLE 1,000 1-9999 LID 102 207705 TOMADA ENCHUFE EMPOTRADO 1,000 1-9999 BUILT-IN SOCKET 131 1263005 TAMPA TAPA 4,000 1-9999 COVER 132 1268686 INTERRUPTOR INTERRUPTOR 1,000 1-9999 SWITCH 133 1497774 INTERRUPTOR, CONTROLE DE TRAÇÃO SOP. BASC, CONTROL DE TRACCIÓN 1,000 1-9999 ROCKER, TRACTION CONTROL 134 1267744 INTERRUPTOR, TROCA DE MARCHAS SOPORTE BASC., CAMBIO MARCHAS 1,000 1-9999 ROCKER, GEAR SHIFTING 135 1497804 INTERRUPTOR, VIBRAÇÃO SOPORTE BASCULANTE, VIBRACIÓN 1,000 1-9999 ROCKER, VIBRATION 136 1267752 INTERRUPTOR, BUZINA SOP. BASC., BOCINA ADVERTENCIA 1,000 1-9999 ROCKER, SIGNAL HORN 137 1267671 SENSOR PALPADOR 1,000 1-9999 SENSOR 138 1268678 INTERRUPTOR INTERRUPTOR 2,000 1-9999 SWITCH
  • 294.
    06.05.03 / 00SISTEMA ELÉTRICO, PÁGINA 3 / 1-9999 06.05.03 / 00 SISTEMA ELÉCTRICO, PÁGINA 3 / 1-9999 06.05.03 / 00 ELECTRICAL SYSTEM, PAGE 3 / 1-9999
  • 295.
    POS Nº DEIDENT. DESIGNAÇÃO DESIGNATION DESIGNACIÓN QUANT. VALIDADE 06.05.03 / 00 SISTEMA ELÉTRICO, PÁGINA 3 / 1-9999 06.05.03 / 00 SISTEMA ELÉCTRICO, PÁGINA 3 / 1-9999 06.05.03 / 00 ELECTRICAL SYSTEM, PAGE 3 / 1-9999 2033819 145 1264524 INTERRUPTOR DO PISCA-ALERTA INTERRUPTOR LUCES ADVERTENCIA 1,000 1-9999 ALARM SYSTEM SWITCH 240 892947 SENSOR DE NÍVEL SENSOR DE NIVEL DE LLENADO 1,000 1-9999 LEVEL SENSOR 241 314048 PLACA DE COBERTURA PLACA DE RECUBRIMIENTO 1,000 1-9999 COVER PLATE 242 276758 PARAFUSO AUTO ATARRAXANTE TORNILLO DE CHAPA 2,000 1-9999 SHEET METAL SCREW 243 892653 SENSOR SENSOR 1,000 1-9999 SENSOR 250 2068669 PAINEL DE INSTRUMENTOS CUADRO DE INSTRUMENTOS 1,000 1-9999 INSTRUMENT BOARD 260 1269437 BASTIDOR BASTIDOR 4,000 1-9999 FRAME 261 1269445 BASTIDOR BASTIDOR 4,000 1-9999 FRAME
  • 296.
    06.05.04 / 00SISTEMA ELÉTRICO, PÁGINA 4 / 1-40 06.05.04 / 00 SISTEMA ELÉCTRICO, PÁGINA 4 / 1-40 06.05.04 / 00 ELECTRICAL SYSTEM, PAGE 4 / 1-40
  • 297.
    POS Nº DEIDENT. DESIGNAÇÃO DESIGNATION DESIGNACIÓN QUANT. VALIDADE 06.05.04 / 00 SISTEMA ELÉTRICO, PÁGINA 4 / 1-40 06.05.04 / 00 SISTEMA ELÉCTRICO, PÁGINA 4 / 1-40 06.05.04 / 00 ELECTRICAL SYSTEM, PAGE 4 / 1-40 2053675 110 1514075 PLACA PLETINA 1,000 1-40 FLAT BAR 114 320862 ARRUELA DA TRAVAMENTO DENTADA ARANDELA ELÁSTICA DENTADA 8,000 1-40 SERRATED LOCK WASHER 115 216437 PORCA SEXTAVADA TUERCA HEXAGONAL 8,000 1-40 HEXAGON NUT 118 276332 ARRUELA DE TRAVAMENTO DISCO DE SEGURIDAD 1,000 1-40 LOCKING WASHER 119 216445 PORCA SEXTAVADA TUERCA HEXAGONAL 1,000 1-40 HEXAGON NUT 130 1300334 COXIM METAL-BORRACHA TOPE DE CAUCHO-METAL 7,000 1-40 SILENTBLOC 131 387223 PARAFUSO DE SEGURANÇA TORNILLO DE SEGURIDAD 7,000 1-40 SAFETY SCREW 132 216569 ARRUELA ARANDELA 14,000 1-40 WASHER 133 354589 ARRUELA DA TRAVAMENTO DENTADA ARANDELA ELÁSTICA DENTADA 14,000 1-40 SERRATED LOCK WASHER 134 216054 PORCA SEXTAVADA TUERCA HEXAGONAL 2,000 1-40 HEXAGON NUT 140 2024150 PINO BULÓN 5,000 1-40 BOLT 150 1289829 RELÉ RELE 1,000 1-40 RELAY 151 354589 ARRUELA DA TRAVAMENTO DENTADA ARANDELA ELÁSTICA DENTADA 2,000 1-40 SERRATED LOCK WASHER 152 216054 PORCA SEXTAVADA TUERCA HEXAGONAL 2,000 1-40 HEXAGON NUT
  • 298.
    06.05.04 / 00SISTEMA ELÉTRICO, PÁGINA 4 / 1-40 06.05.04 / 00 SISTEMA ELÉCTRICO, PÁGINA 4 / 1-40 06.05.04 / 00 ELECTRICAL SYSTEM, PAGE 4 / 1-40
  • 299.
    POS Nº DEIDENT. DESIGNAÇÃO DESIGNATION DESIGNACIÓN QUANT. VALIDADE 06.05.04 / 00 SISTEMA ELÉTRICO, PÁGINA 4 / 1-40 06.05.04 / 00 SISTEMA ELÉCTRICO, PÁGINA 4 / 1-40 06.05.04 / 00 ELECTRICAL SYSTEM, PAGE 4 / 1-40 2053675 153 898880 CABLAGEM MAZO DE CABLES 1,000 1-40 WIRE HARNESS 160 1706217 RELÉ RELE 1,000 1-40 RELAY 161 387223 PARAFUSO DE SEGURANÇA TORNILLO DE SEGURIDAD 1,000 1-40 SAFETY SCREW 170 1284037 DISPOSITIVO DE CONTROLE UNIDAD DE CONTROL 1,000 1-40 CONTROL DEVICE 171 387223 PARAFUSO DE SEGURANÇA TORNILLO DE SEGURIDAD 2,000 1-40 SAFETY SCREW 172 898260 CABLAGEM MAZO DE CABLES 1,000 1-40 WIRE HARNESS 180 898278 CORDOALHA DE ATERRAMENTO CABLE DE TOMA DE TIERRA 1,000 1-40 GROUND CABLE 181 276332 ARRUELA DE TRAVAMENTO DISCO DE SEGURIDAD 1,000 1-40 LOCKING WASHER 182 216445 PORCA SEXTAVADA TUERCA HEXAGONAL 1,000 1-40 HEXAGON NUT 189 898163 CABLAGEM (MOTOR) OPÇÃO MAZO DE CABLES (MOTOR) OPTION 1,000 1-40 WIRE HARNESS (ENGINE) OPTION 190 898759 CABLAGEM (MOTOR) MAZO DE CABLES (MOTOR) 1,000 1-40 WIRE HARNESS (ENGINE) 191 2024461 CABLAGEM (CABINE DO OPERADOR) MAZO CABLES (CABINA CONDUCTOR) 1,000 1-40 WIRE HARNESS (OPERAT. CABIN) 192 898953 CABLAGEM (PAINEL DE INSTRUMENTOS) MAZO CABLES (PANEL INSTRUMENT) 1,000 1-40 WIRE HARNESS (INSTRUMENT PANEL 193 898066 CABLAGEM (CONTROLE DE TRAÇÃO) MAZO CABLES (CONTROL MARCHA) 1,000 1-40 WIRE HARNESS (DRIVE CONTROL)
  • 300.
    06.05.04 / 00SISTEMA ELÉTRICO, PÁGINA 4 / 1-40 06.05.04 / 00 SISTEMA ELÉCTRICO, PÁGINA 4 / 1-40 06.05.04 / 00 ELECTRICAL SYSTEM, PAGE 4 / 1-40
  • 301.
    POS Nº DEIDENT. DESIGNAÇÃO DESIGNATION DESIGNACIÓN QUANT. VALIDADE 06.05.04 / 00 SISTEMA ELÉTRICO, PÁGINA 4 / 1-40 06.05.04 / 00 SISTEMA ELÉCTRICO, PÁGINA 4 / 1-40 06.05.04 / 00 ELECTRICAL SYSTEM, PAGE 4 / 1-40 2053675 194 1485253 TAMPA TAPA 1,000 1-40 COVER 195 1537121 CHAPA CHAPA 1,000 1-40 METAL PLATE 196 214418 PARAFUSO DE CABEÇA CILÍNDRICA TORNILLO CILÍNDRICO 20,000 1-40 CHEESE-HEAD SCREW 197 216577 ARRUELA ARANDELA 40,000 1-40 WASHER 198 216437 PORCA SEXTAVADA TUERCA HEXAGONAL 20,000 1-40 HEXAGON NUT 202 2024161 TAMPA TRANSPARENTE LUNA 1,000 1-40 PANE 210 2024136 PARAFUSO TORNILLO 5,000 1-40 SCREW 220 2024002 ARRUELA DE TRAVAMENTO DISCO DE SEGURIDAD 5,000 1-40 LOCKING WASHER 230 354589 ARRUELA DA TRAVAMENTO DENTADA ARANDELA ELÁSTICA DENTADA 5,000 1-40 SERRATED LOCK WASHER 240 1524631 ETIQUETA ETIQUETA 1,000 1-40 STICKER 300 898163 CHICOTE DO MOTOR (OPCIONAL) MAZO DE CABLES (OPCIÓNES) 1,000 1-40 WIRE HARNESS (OPTION)
  • 302.
    06.05.04 / 01SISTEMA ELÉTRICO, PÁGINA 4 / 41-9999 06.05.04 / 01 SISTEMA ELÉCTRICO, PÁGINA 4 / 41-9999 06.05.04 / 01 ELECTRICAL SYSTEM, PAGE 4 / 41-9999
  • 303.
    POS Nº DEIDENT. DESIGNAÇÃO DESIGNATION DESIGNACIÓN QUANT. VALIDADE 06.05.04 / 01 SISTEMA ELÉTRICO, PÁGINA 4 / 41-9999 06.05.04 / 01 SISTEMA ELÉCTRICO, PÁGINA 4 / 41-9999 06.05.04 / 01 ELECTRICAL SYSTEM, PAGE 4 / 41-9999 2130848 10 2042055 CENTRAL ELÉTRICA ELETRICIDAD CENTRAL 1,000 41-9999 CENTRAL ELECTRIC 13 380687 ABRAÇADEIRA SUJETACABLES 2,000 41-9999 WIRE FASTENER 14 2041840 ARRUELA ELÁSTICA ARANDELA ELÁSTICA 8,000 41-9999 SERRATED LOCK WASHER 15 2041835 PORCA SEXTAVADA TUERCA HEXAGONAL 8,000 41-9999 HEXAGONAL NUT 16 2041838 ARRUELA ELÁSTICA ARANDELA ELÁSTICA 1,000 41-9999 SERRATED LOCK WASHER 17 2041834 PORCA SEXTAVADA TUERCA HEXAGONAL 1,000 41-9999 HEXAGONAL NUT 18 2041841 ARRUELA ELÁSTICA ARANDELA ELÁSTICA 1,000 41-9999 SERRATED LOCK WASHER 19 2041836 PORCA SEXTAVADA TUERCA HEXAGONAL 1,000 41-9999 HEXAGONAL NUT 20 2041843 ARRUELA ELÁSTICA ARANDELA ELÁSTICA 1,000 41-9999 SERRATED LOCK WASHER 21 2041837 PORCA SEXTAVADA TUERCA HEXAGONAL 1,000 41-9999 HEXAGONAL NUT 22 2041830 PLUG ELÉTRICO ENCHUFRE DE CONEXIÓN 1,000 41-9999 ELECTRIC PLUG 30 1300334 AMORTECEDOR BORRACHA TOPE DE CAUCHO-METAL 7,000 41-9999 SILENTBLOC 31 387223 PARAFUSO DE SEGURANÇA TORNILLO DE SEGURIDAD 7,000 41-9999 SAFETY SCREW 33 354589 ARRUELA ELÁSTICA ARANDELA ELÁSTICA 7,000 41-9999 SERRATED LOCK WASHER
  • 304.
    06.05.04 / 01SISTEMA ELÉTRICO, PÁGINA 4 / 41-9999 06.05.04 / 01 SISTEMA ELÉCTRICO, PÁGINA 4 / 41-9999 06.05.04 / 01 ELECTRICAL SYSTEM, PAGE 4 / 41-9999
  • 305.
    POS Nº DEIDENT. DESIGNAÇÃO DESIGNATION DESIGNACIÓN QUANT. VALIDADE 06.05.04 / 01 SISTEMA ELÉTRICO, PÁGINA 4 / 41-9999 06.05.04 / 01 SISTEMA ELÉCTRICO, PÁGINA 4 / 41-9999 06.05.04 / 01 ELECTRICAL SYSTEM, PAGE 4 / 41-9999 2130848 34 216054 PORCA SEXTAVADA TUERCA HEXAGONAL 3,000 41-9999 HEXAGONAL NUT 40 2042057 PINO BULÓN 4,000 41-9999 BOLT 50 1289829 RELÉ RELE 1,000 41-9999 RELAY 51 2041838 ARRUELA ELÁSTICA ARANDELA ELÁSTICA 2,000 41-9999 SERRATED LOCK 52 2041834 PORCA SEXTAVADA TUERCA HEXAGONAL 2,000 41-9999 HEXAGONAL NUT 53 898880 CHICOTE MAZO DE CABLES 1,000 41-9999 WIRE HARNESS 60 1706217 RELÉ RELE 1,000 41-9999 RELAY 61 387223 PARAFUSO DE SEGURANÇA TORNILLO DE SEGURIDAD 1,000 41-9999 SAFETY SCREW 80 898278 CABO CABLE 1,000 41-9999 GROUND CABLE 89 898163 CHICOTE MAZO DE CABLE 1,000 41-9999 WIRE HARNESS 90 898759 CHICOTE MAZO DE CABLES 1,000 41-9999 WIRE HARNESS 91 2024461 CHICOTE MAZO DE CABLES 1,000 41-9999 WIRE HARNESS 92 898953 CHICOTE MAZO DE CABLES 1,000 41-999 WIRE HARNESS 93 898066 CHICOTE MAZO DE CABLES 1,000 41-9999 WIRE HARNESS
  • 306.
    06.05.04 / 01SISTEMA ELÉTRICO, PÁGINA 4 / 41-9999 06.05.04 / 01 SISTEMA ELÉCTRICO, PÁGINA 4 / 41-9999 06.05.04 / 01 ELECTRICAL SYSTEM, PAGE 4 / 41-9999
  • 307.
    POS Nº DEIDENT. DESIGNAÇÃO DESIGNATION DESIGNACIÓN QUANT. VALIDADE 06.05.04 / 01 SISTEMA ELÉTRICO, PÁGINA 4 / 41-9999 06.05.04 / 01 SISTEMA ELÉCTRICO, PÁGINA 4 / 41-9999 06.05.04 / 01 ELECTRICAL SYSTEM, PAGE 4 / 41-9999 2130848 94 1485253 TAMPA TAPA 1,000 41-9999 COVER 95 1537121 CHAPA CHAPA 1,000 41-9999 METAL PLATE 96 214418 PARAFUSO CILINDRICO TORNILLO CILINDRICO 20,000 41-9999 CHEESE-HEAD SCREW 97 216577 ARRUELA ARANDELA 40,000 41-9999 WASHER 98 216437 PORCA SEXTAVADA TUERCA HEXAGONAL 20,000 41-9999 HEXAGONAL NUT 110 396052 TAMPÃO DE FECHAMENTO TAPÓN DE CIERRE 1,000 41-9999 FILLER CAP 111 2029079 COBERTURA CUBIERTA 1,000 41-9999 COVER 112 2042056 PORCA RECARTILHADA TUERCA MOLETEADA 4,000 41-9999 KNURLED NUT 200 1263986 RELÉ RELE 1,000 41-9999 RELAY 201 1243705 FUSÍVEL LÂMINA 30A FISIBLE PLANO 30A 1,000 41-9999 BLADE FUSE 30A 202 1283391 RELÉ RELE 1,000 41-9999 RELAY 203 1263986 RELÉ RELE 3,000 41-9999 RELAY 205 384070 FUSÍVEL LÂMINA 25A FUSIBLE PLANO 25A 2,000 41-9999 BLADE FUSE 25A 206 386197 FUSÍVEL LÂMINA 5A FUSIBLE PLANO 5A 5,000 41-9999 BLADE FUSE 5A
  • 308.
    06.05.04 / 01SISTEMA ELÉTRICO, PÁGINA 4 / 41-9999 06.05.04 / 01 SISTEMA ELÉCTRICO, PÁGINA 4 / 41-9999 06.05.04 / 01 ELECTRICAL SYSTEM, PAGE 4 / 41-9999
  • 309.
    POS Nº DEIDENT. DESIGNAÇÃO DESIGNATION DESIGNACIÓN QUANT. VALIDADE 06.05.04 / 01 SISTEMA ELÉTRICO, PÁGINA 4 / 41-9999 06.05.04 / 01 SISTEMA ELÉCTRICO, PÁGINA 4 / 41-9999 06.05.04 / 01 ELECTRICAL SYSTEM, PAGE 4 / 41-9999 2130848 207 384046 FUSÍVEL LÂMINA 7,5A FUSIBLE PLANO 7,5A 5,000 41-9999 BLADE FUSE 7,5A 208 384054 FUSÍVEL LÂMINA 10A FUSIBLE PLANO 7,5A 5,000 41-9999 BLADE FUSE 7,5A 240 1524631 ETIQUETA ETIQUETA 1,000 41-9999 STICKER
  • 310.
    06.05.05 / 00SISTEMA ELÉTRICO, PÁGINA 5 / 1-9999 06.05.05 / 00 SISTEMA ELÉCTRICO, PÁGINA 5 / 1-9999 06.05.05 / 00 ELECTRICAL SYSTEM, PAGE 5 / 1-9999
  • 311.
    POS Nº DEIDENT. DESIGNAÇÃO DESIGNATION DESIGNACIÓN QUANT. VALIDADE 06.05.05 / 00 SISTEMA ELÉTRICO, PÁGINA 5 / 1-9999 06.05.05 / 00 SISTEMA ELÉCTRICO, PÁGINA 5 / 1-9999 06.05.05 / 00 ELECTRICAL SYSTEM, PAGE 5 / 1-9999 2053677 1 853682 CAIXA DA BATERIA CAJA DE BATERÍA 1,000 1-9999 BATTERY BOX 2 1468855 CHAPA CHAPA 1,000 1-9999 METAL PLATE 3 1488295 COXIM METAL-BORRACHA TOPE DE CAUCHO-METAL 3,000 1-9999 SILENTBLOC 4 216593 ARRUELA ARANDELA 6,000 1-9999 WASHER 5 294942 PARAFUSO SEXTAVADO TORNILLO HEXAGONAL 3,000 1-9999 HEXAGON SCREW 6 216445 PORCA SEXTAVADA TUERCA HEXAGONAL 3,000 1-9999 HEXAGON NUT 7 216062 PORCA SEXTAVADA TUERCA HEXAGONAL 2,000 1-9999 HEXAGON NUT 8 1464833 BARRA ROSCADA VARILLA ROSCADA 1,000 1-9999 THREADED ROD 9 860058 ESTRIBO DE FIJAÇÃO ESTRIBO DE SUJECIÓN 1,000 1-9999 CLIP 10 1445626 BARRA CHATA ACERO PLANO 1,000 1-9999 FLAT STEEL 11 1234250 PORCA SERRILHADA TUERCA MOLETEADA 2,000 1-9999 KNURLED NUT 12 1479156 GANCHO GANCHO 1,000 1-9999 HOOD 13 386570 FECHO CERRADURA INCORPORADA 1,000 1-9999 BUILT-IN LOCK 13.01 367125 CHAVE LLAVE 1,000 1-9999 KEY
  • 312.
    06.05.05 / 00SISTEMA ELÉTRICO, PÁGINA 5 / 1-9999 06.05.05 / 00 SISTEMA ELÉCTRICO, PÁGINA 5 / 1-9999 06.05.05 / 00 ELECTRICAL SYSTEM, PAGE 5 / 1-9999
  • 313.
    POS Nº DEIDENT. DESIGNAÇÃO DESIGNATION DESIGNACIÓN QUANT. VALIDADE 06.05.05 / 00 SISTEMA ELÉTRICO, PÁGINA 5 / 1-9999 06.05.05 / 00 SISTEMA ELÉCTRICO, PÁGINA 5 / 1-9999 06.05.05 / 00 ELECTRICAL SYSTEM, PAGE 5 / 1-9999 2053677 14 250228 PERFIL DE PROTEÇÃO (M) PROTECCIÓN DE CANTOS (M) 1,500 1-9999 EDGE PROTECTION (M) 15 392863 PARAFUSO TORNILLO 1,000 1-9999 SCREW 16 1454072 ESPAÇADOR PIEZA DISTANCIADORA 1,000 1-9999 SPACER BLOCK 17 216593 ARRUELA ARANDELA 1,000 1-9999 WASHER 18 216445 PORCA SEXTAVADA TUERCA HEXAGONAL 1,000 1-9999 HEXAGON NUT 20 2063862 BUCHA PROTETORA MANGUERA DE PROTECIÓN 1,000 1-9999 WIRE PROTECTING SLEEVE
  • 314.
    06.05.06 / 00SISTEMA ELÉTRICO, PÁGINA 6 / 1-9999 06.05.06 / 00 SISTEMA ELÉCTRICO, PÁGINA 6 / 1-9999 06.05.06 / 00 ELECTRICAL SYSTEM, PAGE 6 / 1-9999 74 73 60 53 54 51 66 21 23 25 1 19 11 9 3
  • 315.
    POS Nº DEIDENT. DESIGNAÇÃO DESIGNATION DESIGNACIÓN QUANT. VALIDADE 06.05.06 / 00 SISTEMA ELÉTRICO, PÁGINA 6 / 1-9999 06.05.06 / 00 SISTEMA ELÉCTRICO, PÁGINA 6 / 1-9999 06.05.06 / 00 ELECTRICAL SYSTEM, PAGE 6 / 1-9999 2053678 1 1506986 CAIXA DE FUSÍVEIS CAJA DE FUSIBLES 1,000 1-9999 FUSE BOX 3 892041 CABLAGEM MAZO DE CABLES 1,000 1-9999 WIRE HARNESS 9 1293001 FUSÍVEL FUSIBLE 1,000 1-9999 FUSE 11 1286919 FUSÍVEL FUSIBLE 1,000 1-9999 FUSE 19 892343 CABLAGEM MAZO DE CABLES 1,000 1-9999 WIRE HARNESS 21 1506099 CHAPA CHAPA 1,000 1-9999 METAL PLATE 23 276332 ARRUELA DE TRAVAMENTO DISCO DE SEGURIDAD 4,000 1-9999 LOCKING WASHER 25 216445 PORCA SEXTAVADA TUERCA HEXAGONAL 4,000 1-9999 HEXAGON NUT 51 1513834 SUPORTE SOPORTE 1,000 1-9999 SUPPORT 53 392480 PARAFUSO DE CABEÇA CILÍNDRICA TORNILLO CILÍNDRICO 2,000 1-9999 CHEESE-HEAD SCREW 54 216569 ARRUELA ARANDELA 2,000 1-9999 WASHER 60 1289829 RELÉ RELE 1,000 1-9999 RELAY 66 880604 CABLAGEM MAZO DE CABLES 1,000 1-9999 WIRE HARNESS 73 216062 PORCA SEXTAVADA TUERCA HEXAGONAL 2,000 1-9999 HEXAGON NUT
  • 316.
    06.05.06 / 00SISTEMA ELÉTRICO, PÁGINA 6 / 1-9999 06.05.06 / 00 SISTEMA ELÉCTRICO, PÁGINA 6 / 1-9999 06.05.06 / 00 ELECTRICAL SYSTEM, PAGE 6 / 1-9999 74 73 60 53 54 51 66 21 23 25 1 19 11 9 3
  • 317.
    POS Nº DEIDENT. DESIGNAÇÃO DESIGNATION DESIGNACIÓN QUANT. VALIDADE 06.05.06 / 00 SISTEMA ELÉTRICO, PÁGINA 6 / 1-9999 06.05.06 / 00 SISTEMA ELÉCTRICO, PÁGINA 6 / 1-9999 06.05.06 / 00 ELECTRICAL SYSTEM, PAGE 6 / 1-9999 2053678 74 320862 ARRUELA DA TRAVAMENTO DENTADA ARANDELA ELÁSTICA DENTADA 2,000 1-9999 SERRATED LOCK WASHER
  • 318.
    06.07.01 / 00SISTEMA ELÉTRICO (LUZES), PÁGINA 1 / 1-9999 06.07.01 / 00 SISTEMA ELÉCTRICO (LUCES), PÁGINA 1 / 1-9999 06.07.01 / 00 ELECTRICAL SYSTEM (LIGHTING), PAGE 1 / 1-9999
  • 319.
    POS Nº DEIDENT. DESIGNAÇÃO DESIGNATION DESIGNACIÓN QUANT. VALIDADE 06.07.01 / 00 SISTEMA ELÉTRICO (LUZES), PÁGINA 1 / 1-9999 06.07.01 / 00 SISTEMA ELÉCTRICO (LUCES), PÁGINA 1 / 1-9999 06.07.01 / 00 ELECTRICAL SYSTEM (LIGHTING), PAGE 1 / 1-9999 2053679 2 213969 PARAFUSO SEXTAVADO TORNILLO HEXAGONAL 4,000 1-9999 HEXAGON SCREW 3 216607 ARRUELA ARANDELA 8,000 1-9999 WASHER 4 216453 PORCA SEXTAVADA TUERCA HEXAGONAL 4,000 1-9999 HEXAGON NUT 10 1266985 FAROL EXTERNO FARO EXTERIOR 1,000 1-9999 HEADLAMP EXTERNAL 11 1266993 FAROL EXTERNO FARO EXTERIOR 1,000 1-9999 HEADLAMP EXTERNAL 20 2029166 SINALEIRA ESQUERDA LUZ DE POSICIÓN IZQUIERDA 1,000 1-9999 SIDE LAMP LEFT 21 339202 PARAFUSO CABEÇA LENTILHA TORNILLO ALOMADO PULIDO 4,000 1-9999 FILLISTER HEAD SCREW 22 219622 ARRUELA ELÁSTICA ARANDELA ELÁSTICA 4,000 1-9999 SPRING RING 23 2029266 SINALEIRA DIREITA LUZ DE POSICIÓN DERECHA 1,000 1-9999 SIDE LAMP RIGHT 24 2105541 CHICOTE SINALEIRA ESQUERDA MAZO DE CABLES LUZ DE POSICIÓN IZQUIERDA 1,000 1-9999 WIRE HARNESS SIDE LAMP LEFT 25 2105540 CHICOTE SINALEIRA DIREITA MAZO DE CABLES LUZ DE POSICIÓN DERECHA 1,000 1-9999 WIRE HARNESS SIDE LAMP RIGHT 27 1205307 JOELHO RACOR ANGULAR 2,000 1-9999 EQUAL ELBOW 35 870501 ARMAÇÃO DAS LANTERNAS CAJA DE LUCES 2,000 1-9999 LAMP BOX 36 212822 PARAFUSO SEXTAVADO TORNILLO HEXAGONAL 4,000 1-9999 HEXAGON SCREW
  • 320.
    06.07.01 / 00SISTEMA ELÉTRICO (LUZES), PÁGINA 1 / 1-9999 06.07.01 / 00 SISTEMA ELÉCTRICO (LUCES), PÁGINA 1 / 1-9999 06.07.01 / 00 ELECTRICAL SYSTEM (LIGHTING), PAGE 1 / 1-9999
  • 321.
    POS Nº DEIDENT. DESIGNAÇÃO DESIGNATION DESIGNACIÓN QUANT. VALIDADE 06.07.01 / 00 SISTEMA ELÉTRICO (LUZES), PÁGINA 1 / 1-9999 06.07.01 / 00 SISTEMA ELÉCTRICO (LUCES), PÁGINA 1 / 1-9999 06.07.01 / 00 ELECTRICAL SYSTEM (LIGHTING), PAGE 1 / 1-9999 2053679 37 216607 ARRUELA ARANDELA 4,000 1-9999 WASHER 40 311685 LANTERNA DIRECIONAL (SETA) INTERMITENTE 2,000 1-9999 DIRECTION INDICATOR 41 215449 PARAFUSO DE CABEÇA OVAL TORNILLO ALOMADO PULIDO 4,000 1-9999 FILLISTER HEAD SCREW 42 354589 ARRUELA DA TRAVAMENTO DENTADA ARANDELA ELÁSTICA DENTADA 4,000 1-9999 SERRATED LOCK WASHER 43 283150 LANTERNA LÁMPARA 2,000 1-9999 LAMP 45 330639 LUZ DE RÉ LUZ TRASERA 2,000 1-9999 TAIL LIGHT 46 215449 PARAFUSO DE CABEÇA OVAL TORNILLO ALOMADO PULIDO 4,000 1-9999 FILLISTER HEAD SCREW 47 354589 ARRUELA DA TRAVAMENTO DENTADA ARANDELA ELÁSTICA DENTADA 4,000 1-9999 SERRATED LOCK WASHER 48 283142 LANTERNA LÁMPARA 2,000 1-9999 LAMP 50 874345 CABLAGEM (ILUMINAÇÃO) MAZO DE CABLES (LUCES) 1,000 1-9999 WIRE HARNESS (LIGHTING) 51 874353 CABLAGEM (ILUMINAÇÃO) MAZO DE CABLES (LUCES) 1,000 1-9999 WIRE HARNESS (LIGHTING) 52 1501577 CHAPA ISOLANTE PLACA AISLANTE 2,000 1-9999 INSULATION PLATE 55 398225 REFLETOR TRASEIRO REFLECTOR TRASERO 2,000 1-9999 REAR REFLECTOR 56 1221108 REFLETOR TRASEIRO REFLECTOR TRASERO 6,000 1-9999 REAR REFLECTOR
  • 322.
    06.07.01 / 00SISTEMA ELÉTRICO (LUZES), PÁGINA 1 / 1-9999 06.07.01 / 00 SISTEMA ELÉCTRICO (LUCES), PÁGINA 1 / 1-9999 06.07.01 / 00 ELECTRICAL SYSTEM (LIGHTING), PAGE 1 / 1-9999
  • 323.
    POS Nº DEIDENT. DESIGNAÇÃO DESIGNATION DESIGNACIÓN QUANT. VALIDADE 06.07.01 / 00 SISTEMA ELÉTRICO (LUZES), PÁGINA 1 / 1-9999 06.07.01 / 00 SISTEMA ELÉCTRICO (LUCES), PÁGINA 1 / 1-9999 06.07.01 / 00 ELECTRICAL SYSTEM (LIGHTING), PAGE 1 / 1-9999 2053679 60 1485504 RELÉ DO PISCA RELÉ TRANSMISOR INTERMITENTE 1,000 1-9999 FLASHER RELAY 61 1263986 RELÉ RELE 1,000 1-9999 RELAY 70 869392 INTERRUPTOR DA COLUNA DE DIREÇÃO INTERRUPTOR COLUMNA DIRECCIÓN 1,000 1-9999 STEERING COLUMN SWITCH 71 1264524 INTERRUPTOR LUZES DE ADVERTÊNCIA INTERRUPTOR LUCES ADVERTENCIA 1,000 1-9999 ALARM SYSTEM SWITCH 80 2024064 SUPORTE SOPORTE 1,000 1-9999 SUPPORT 81 2024065 SUPORTE SOPORTE 1,000 1-9999 SUPPORT 82 1213792 PARAFUSO SEXTAVADO TORNILLO HEXAGONAL 4,000 1-9999 HEXAGONAL SCREW 83 1212346 PARAFUSO SEXTAVADO TORNILLO HEXAGONAL 4,000 1-9999 HEXAGONAL SCREW 84 250473 ARRUELA ARANDELA 4,000 1-999 WASHER 100 874221 SUPORTE SOPORTE 1,000 1-9999 SUPPORT 101 874248 SUPORTE SOPORTE 1,000 1-9999 SUPPORT 102 2105515 CHICOTE MAZO DE CABLES 2,000 1-9999 WIRE HARNESS
  • 324.
    06.07.02 / 00SISTEMA ELÉTRICO (LUZES), PÁGINA 2 / 1-9999 06.07.02 / 00 SISTEMA ELÉCTRICO (LUCES), PÁGINA 2 / 1-9999 06.07.02 / 00 ELECTRICAL SYSTEM (LIGHTING), PAGE 2 / 1-9999
  • 325.
    POS Nº DEIDENT. DESIGNAÇÃO DESIGNATION DESIGNACIÓN QUANT. VALIDADE 06.07.02 / 00 SISTEMA ELÉTRICO (LUZES), PÁGINA 2 / 1-9999 06.07.02 / 00 SISTEMA ELÉCTRICO (LUCES), PÁGINA 2 / 1-9999 06.07.02 / 00 ELECTRICAL SYSTEM (LIGHTING), PAGE 2 / 1-9999 2053680 10 1266985 FAROL EXTERNO FARO EXTERIOR 1,000 1-9999 HEADLAMP EXTERNAL 10.01 1277499 LÂMPADA 12V H7 LÁMPARA 12V H7 1,000 1-9999 LAMP 12V H7 10.02 209635 LÂMPADA 12V 4W LÁMPARA 12V 4W 1,000 1-9999 LAMP 12V 4W 10.03 283150 LÂMPADA 12V 21W LÁMPARA 12V 21W 1,000 1-9999 LAMP 12V 21W 10.04 1277545 LENTE DA LANTERNA (PISCA) CRISTAL DE LUZ INTERMITENTE 1,000 1-9999 FLASHER GLASS 10.05 1277553 LENTE DA LANTERNA (PISCA) CRISTAL DE LUZ INTERMITENTE 1,000 1-9999 FLASHER GLASS 10.06 1277529 KIT REPARO DO FAROL AÑADIDO DE FAROS 1,000 1-9999 HEADLAMP INSERT 10.07 1277537 CORPO DO FAROL BASTIDOR DE LOS FAROS 1,000 1-9999 HEADLAMP FRAME 11 1266993 FAROL EXTERNO FARO EXTERIOR 1,000 1-9999 HEADLAMP EXTERNAL 11.01 1277499 LÂMPADA 12V H7 LÁMPARA 12V H7 1,000 1-9999 LAMP 12V H7 11.02 209635 LÂMPADA 12V 4W LÁMPARA 12V 4W 1,000 1-9999 LAMP 12V 4W 11.03 283150 LÂMPADA 12V 21W LÁMPARA 12V 21W 1,000 1-9999 LAMP 12V 21W 11.04 1277545 LENTE DA LANTERNA (PISCA) CRISTAL DE LUZ INTERMITENTE 1,000 1-9999 FLASHER GLASS 11.05 1277553 LENTE DA LANTERNA (PISCA) CRISTAL DE LUZ INTERMITENTE 1,000 1-9999 FLASHER GLASS
  • 326.
    06.07.02 / 00SISTEMA ELÉTRICO (LUZES), PÁGINA 2 / 1-9999 06.07.02 / 00 SISTEMA ELÉCTRICO (LUCES), PÁGINA 2 / 1-9999 06.07.02 / 00 ELECTRICAL SYSTEM (LIGHTING), PAGE 2 / 1-9999
  • 327.
    POS Nº DEIDENT. DESIGNAÇÃO DESIGNATION DESIGNACIÓN QUANT. VALIDADE 06.07.02 / 00 SISTEMA ELÉTRICO (LUZES), PÁGINA 2 / 1-9999 06.07.02 / 00 SISTEMA ELÉCTRICO (LUCES), PÁGINA 2 / 1-9999 06.07.02 / 00 ELECTRICAL SYSTEM (LIGHTING), PAGE 2 / 1-9999 2053680 11.06 1277529 KIT REPARO DO FAROL AÑADIDO DE FAROS 1,000 1-9999 HEADLAMP INSERT 11.07 1277537 CORPO DO FAROL BASTIDOR DE LOS FAROS 1,000 1-9999 HEADLAMP FRAME
  • 328.
    06.15.00 / 00SISTEMA ELÉTRICO (RÁDIO) / 1-9999 06.15.00 / 00 SISTEMA ELÉCTRICO (RADIO) / 1-9999 06.15.00 / 00 ELECTRICAL SYSTEM (RADIO) / 1-9999
  • 329.
    POS Nº DEIDENT. DESIGNAÇÃO DESIGNATION DESIGNACIÓN QUANT. VALIDADE 06.15.00 / 00 SISTEMA ELÉTRICO (RÁDIO) / 1-9999 06.15.00 / 00 SISTEMA ELÉCTRICO (RADIO) / 1-9999 06.15.00 / 00 ELECTRICAL SYSTEM (RADIO) / 1-9999 2053684 1 2031076 RADIO COM CD RADIO CON CD 1,000 282-9999 RADIO WITH CD 2 1236849 JOGO DE ALTO-FALANTES JUEGO DE ALTAVOCES 2,000 1-9999 SET OF LOUDSPEAKERS 3 384836 ANTENA DE PÁRA-BRISA ANTENA DE LUNA FRONTAL 1,000 1-9999 ANTENNA
  • 330.
    08.10.00 / 00EIXO PLANETÁRIO E SUSPENSÃO / 1-214 08.10.00 / 00 EJE PLANETÁRIO Y SUSPENSIÓN / 1-214 08.10.00 / 00 PLANETARY AXLE AND SUSPENSION / 1-214 05.05.00 8 2.02 2.01 3 5 6 4 20 19 12 11 18 16 17 17 15 1 10 13 12 2
  • 331.
    POS Nº DEIDENT. DESIGNAÇÃO DESIGNATION DESIGNACIÓN QUANT. VALIDADE 08.10.00 / 00 EIXO PLANETÁRIO E SUSPENSÃO / 1-214 08.10.00 / 00 EJE PLANETÁRIO Y SUSPENSIÓN / 1-214 08.10.00 / 00 PLANETARY AXLE AND SUSPENSION / 1-214 2053686 1 1298151 EIXO EJE 1,000 1-214 AXLE 2 1259105 PEÇA DE CONEXÃO PIEZA DE CONEXIÓN 1,000 1-214 CONNECTION PIECE 2.01 1254634 FLANGE BRIDA 1,000 1-214 FLANGE 2.02 1254642 LUVA DE ACOPLAMENTO MANGUITO DE ACOPLAMIENTO 1,000 1-214 COUPLING SLEEVE 3 214639 PARAFUSO DE CABEÇA CILÍNDRICA TORNILLO CILÍNDRICO 6,000 1-214 CHEESE-HEAD SCREW 4 233897 ANEL O ANILLO TOROIDAL 1,000 1-214 O-RING SEAL 5 1212664 PARAFUSO DE CABEÇA CILÍNDRICA TORNILLO CILÍNDRICO 4,000 1-214 CHEESE-HEAD SCREW 6 1237608 ARRUELA DE TRAVAMENTO DISCO DE SEGURIDAD 4,000 1-214 LOCKING WASHER 8 2032001 MOTOR HIDRÁULICO VERSÃO 3410 P, 3411 P MOTOR HIDRÁULICO VERSIÓN 3410 P, 3411 P 1,000 1-214 HYDRAULIC MOTOR VERSION 3410 P, 3411 P 8 1707825 MOTOR HIDRÁULICO VERSÃO 3410,3411 MOTOR HIDRÁULICO VERSIÓN 3410,3411 1,000 1-214 HYDRAULIC MOTOR VERSION 3410,3411 10 1488058 CHAPA CHAPA 2,000 1-214 METAL PLATE 11 368733 PARAFUSO SEXTAVADO TORNILLO HEXAGONAL 8,000 1-214 HEXAGON SCREW 12 1481401 ARRUELA LISA DISCO EN U 16,000 1-214 U-WASHER 13 361763 PORCA SEXTAVADA TUERCA HEXAGONAL 8,000 1-214 HEXAGON NUT
  • 332.
    08.10.00 / 00EIXO PLANETÁRIO E SUSPENSÃO / 1-214 08.10.00 / 00 EJE PLANETÁRIO Y SUSPENSIÓN / 1-214 08.10.00 / 00 PLANETARY AXLE AND SUSPENSION / 1-214 05.05.00 8 2.02 2.01 3 5 6 4 20 19 12 11 18 16 17 17 15 1 10 13 12 2
  • 333.
    POS Nº DEIDENT. DESIGNAÇÃO DESIGNATION DESIGNACIÓN QUANT. VALIDADE 08.10.00 / 00 EIXO PLANETÁRIO E SUSPENSÃO / 1-214 08.10.00 / 00 EJE PLANETÁRIO Y SUSPENSIÓN / 1-214 08.10.00 / 00 PLANETARY AXLE AND SUSPENSION / 1-214 2053686 15 1498800 CHAPA CHAPA 2,000 1-214 METAL PLATE 16 1209809 PARAFUSO SEXTAVADO TORNILLO HEXAGONAL 8,000 1-214 HEXAGON SCREW 17 1481436 ARRUELA LISA DISCO EN U 16,000 1-214 U-WASHER 18 216496 PORCA SEXTAVADA TUERCA HEXAGONAL 8,000 1-214 HEXAGON NUT 19 265489 ARRUELA DE PRESSÃO ARANDELA ELÁSTICA 16,000 1-214 SPRING RING 20 279412 PORCA DE COLAR CHATO TUERCA DE CABEZA REBAJADA 16,000 1-214 FLAT COLLAR NUT
  • 334.
    08.10.00 / 01EIXO PLANETÁRIO E SUSPENSÃO / 215-9999 08.10.00 / 01 EJE PLANETÁRIO Y SUSPENSIÓN / 215-9999 08.10.00 / 01 PLANETARY AXLE AND SUSPENSION / 215-9999
  • 335.
    POS Nº DEIDENT. DESIGNAÇÃO DESIGNATION DESIGNACIÓN QUANT. VALIDADE 08.10.00 / 01 EIXO PLANETÁRIO E SUSPENSÃO / 215-9999 08.10.00 / 01 EJE PLANETÁRIO Y SUSPENSIÓN / 215-9999 08.10.00 / 01 PLANETARY AXLE AND SUSPENSION / 215-9999 2130590 1 2054909 EIXO PLANETÁRIO A PARTIR DA SÉRIE 1763825 KOMPL. EJE PLANETARIO A PARTIR DE LA SÉRIE 1763825 KOMPL; 1,000 215-9999 PLANETARY AXLE FROM SERIAL NO. 1763825 KOMPL. 2 1259113 CONJUNTO FLANGE/BUCHA KIT BRIDA/MANGUITO 1,000 215-9999 COUPLING SLEEVE/FLANGE KIT 2.01 1273027 FLANGE BRIDA 1,000 215-9999 FLANGE 2.02 1254642 BUCHA MANGUITO DE ACOPLAMIENTO 1,000 215-9999 COUPLING SLEEVE 3 214639 PARAFUSO CILINDRICO TORNILLO CILÍNDRICO 6,000 215-9999 CHEESE-HEAD SCREW 4 276146 ANEL O’RING ANILLO TOROIDAL 1,000 215-9999 O-RING SEAL 5 1212664 PARAFUSO CILINDRICO TORNILLO CILÍNDRICO 4,000 215-9999 CHEESE-HEAD SCREW 6 1237608 ARRUELA DE SEGURANÇA DISCO DE SEGURIDAD 4,000 215-9999 LOCKING WASHER 8 1271482 MOTOR DO EIXO MOTOR DEL EJE 1,000 215-9999 AXLE MOTOR 10 1488058 CHAPA CHAPA 2,000 215-9999 METAL PLATE 11 368733 PARAFUSO SEXTAVADO TORNILLO HEXAGONAL 8,000 215-9999 HEXAGONAL SCREW 12 1481401 ARRUELA DISCO EN U 16,000 215-9999 U-WASHER 13 361763 PORCA SEXTAVADA TUERCA HEXAGONAL 8,000 215-9999 HEXAGONAL NUT 15 1498800 CHAPA CHAPA 2,000 215-9999 METAL PLATE
  • 336.
    08.10.00 / 01EIXO PLANETÁRIO E SUSPENSÃO / 215-9999 08.10.00 / 01 EJE PLANETÁRIO Y SUSPENSIÓN / 215-9999 08.10.00 / 01 PLANETARY AXLE AND SUSPENSION / 215-9999
  • 337.
    POS Nº DEIDENT. DESIGNAÇÃO DESIGNATION DESIGNACIÓN QUANT. VALIDADE 08.10.00 / 01 EIXO PLANETÁRIO E SUSPENSÃO / 215-9999 08.10.00 / 01 EJE PLANETÁRIO Y SUSPENSIÓN / 215-9999 08.10.00 / 01 PLANETARY AXLE AND SUSPENSION / 215-9999 2130590 16 1209809 PARAFUSO SEXTAVADO TORNILLO HEXAGONAL 8,000 215-9999 HEXAGONAL SCREW 17 1481436 ARRUELA DISCO EN U 16,000 215-9999 WASHER 18 216496 PORCA SEXTAVADA TUERCA HEXAGONAL 8,000 215-9999 HEXAGONAL NUT 19 265489 ARRUELA ELÁSTICA ARANDELA ELÁSTICA 16,000 215-9999 SPRING RING 20 279412 PORCA TUERCA 16,000 215-9999 NUT
  • 338.
    08.15.01 / 00CARCAÇA DO DIFERENCIAL E CORPO DO EIXO, PÁGINA 1 / 1-214 08.15.01 / 00 CARCASA DEL DIFERENCIAL Y CUERPO DEL EJE, PÁGINA 1 / 1-214 08.15.01 / 00 DIFFERENTIAL CASE AND AXLE BODY, PAGE 1 / 1-214
  • 339.
    POS Nº DEIDENT. DESIGNAÇÃO DESIGNATION DESIGNACIÓN QUANT. VALIDADE 08.15.01 / 00 CARCAÇA DO DIFERENCIAL E CORPO DO EIXO, PÁGINA 1 / 1-214 08.15.01 / 00 CARCASA DEL DIFERENCIAL Y CUERPO DEL EJE, PÁGINA 1 / 1-214 08.15.01 / 00 DIFFERENTIAL CASE AND AXLE BODY, PAGE 1 / 1-214 2053687 240 1282794 BUJÃO TORNILLO DE CIERRE 1,000 1-214 SCREW PLUG 241 1280376 ANEL O ANILLO TOROIDAL 1,000 1-214 O-RING SEAL 250 1286331 BUJÃO TORNILLO DE CIERRE 1,000 1-214 SCREW PLUG 251 1280376 ANEL O ANILLO TOROIDAL 1,000 1-214 O-RING SEAL 350 1282999 RETENTOR DO EIXO JUNTA DE EJE 2,000 1-214 SHAFT SEAL 430 279242 RESPIRO VÁLVULA DE VENTILACIÓN 1,000 1-214 BREATHER VALVE 890 1282506 ARRUELA ESPAÇADORA T=2,0 DISCO DE DISTANCIA T=2,0 1,000 1-214 SPACER T=2,0 890 1282492 ARRUELA ESPAÇADORA T=3,0 DISCO DE DISTANCIA T=3,0 1,000 1-214 SPACER T=3,0 890 1282484 ARRUELA ESPAÇADORA T=0,3 DISCO DE DISTANCIA T=0,3 1,000 1-214 SPACER T=0,3 890 1282476 ARRUELA ESPAÇADORA T=0,5 DISCO DE DISTANCIA T=0,5 1,000 1-214 SPACER T=0,5 890 1282468 ARRUELA ESPAÇADORA T=1,0 DISCO DE DISTANCIA T=1,0 1,000 1-214 SPACER T=1,0 900 1283006 PINO BULÓN 2,000 1-214 BOLT 960 1282654 PARAFUSO PRISIONEIRO ESPÁRRAGO 16,000 1-214 STUD BOLT
  • 340.
    08.15.01 / 01CARCAÇA DO DIFERENCIAL E CORPO DO EIXO, PÁGINA 1 / 215-9999 08.15.01 / 01 CARCASA DEL DIFERENCIAL Y CUERPO DEL EJE, PÁGINA 1 / 215-9999 08.15.01 / 01 DIFFERENTIAL CASE AND AXLE BODY, PAGE 1 / 215-9999
  • 341.
    POS Nº DEIDENT. DESIGNAÇÃO DESIGNATION DESIGNACIÓN QUANT. VALIDADE 08.15.01 / 01 CARCAÇA DO DIFERENCIAL E CORPO DO EIXO, PÁGINA 1 / 215-9999 08.15.01 / 01 CARCASA DEL DIFERENCIAL Y CUERPO DEL EJE, PÁGINA 1 / 215-9999 08.15.01 / 01 DIFFERENTIAL CASE AND AXLE BODY, PAGE 1 / 215-9999 2130593 10 1282565 SUPORTE DO EIXO PORTAEJE 2,000 215-9999 AXLE SUPPORT 12 1282530 ANEL O-RING ANILLO TOROIDAL 4,000 215-9999 O-RING SEAL 120 1282522 ANEL O-RING ANILLO TOROIDAL 2,000 215-9999 O-RING SEAL 130 1220241 PARAFUSO SEXTAVADO TORNILLO HEXAGONAL 20,000 215-9999 HEXAGONAL SCREW 251 2122254 PARAFUSO TORNILLO DE CIERRE 1,000 215-9999 SCREW PLUG 252 1280376 ANEL O-RING ANILLO O-RING 1,000 215-9999 O-RING SEAL 960 2122256 PINO ESPÁRRAGO 16,000 215-9999 STUD BOLT
  • 342.
    08.15.02 / 00CARCAÇA DO DIFERENCIAL E CORPO DO EIXO, PÁGINA 2 / 1-214 08.15.02 / 00 CARCASA DEL DIFERENCIAL Y CUERPO DEL EJE, PÁGINA 2 / 1-214 08.15.02 / 00 DIFFERENTIAL CASE AND AXLE BODY, PAGE 2 / 1-214
  • 343.
    POS Nº DEIDENT. DESIGNAÇÃO DESIGNATION DESIGNACIÓN QUANT. VALIDADE 08.15.02 / 00 CARCAÇA DO DIFERENCIAL E CORPO DO EIXO, PÁGINA 2 / 1-214 08.15.02 / 00 CARCASA DEL DIFERENCIAL Y CUERPO DEL EJE, PÁGINA 2 / 1-214 08.15.02 / 00 DIFFERENTIAL CASE AND AXLE BODY, PAGE 2 / 1-214 2053689 10 1282921 CONJUNTO COROA-PINHÃO JUEGO RUEDA CÓNICA Y CORONA DIFERENCIAL 1,000 1-214 BEVEL WHEEL AND RING GEAR SET 804 1277707 ARRUELA DE AJUSTE ARANDELA DE AJUSTE 1,000 1-214 SPACER SHIM 806 1277693 ANEL O ANILLO TOROIDAL 1,000 1-214 O-RING SEAL 807 201820 ANEL O ANILLO TOROIDAL 1,000 1-214 O-RING SEAL 820 1282948 ROLAMENTO DE ROLOS CÔNICOS RODAMIENTO DE RODILLOS CÓNICOS 2,000 1-214 CONICAL ROLLER BEARING 830 1282956 BUCHA CASQUILLO 1,000 1-214 BUSHING 836 1281925 ARRUELA ESPAÇADORA T=1,55 DISCO DE DISTANCIA T=1,55 1,000 1-214 SPACER T=1,55 836 1281909 ARRUELA ESPAÇADORA T=0,10 DISCO DE DISTANCIA T=0,10 1,000 1-214 SPACER T=0,10 836 1281895 ARRUELA ESPAÇADORA T=0,20 DISCO DE DISTANCIA T=0,20 1,000 1-214 SPACER T=0,20 836 1281887 ARRUELA ESPAÇADORA T=0,30 DISCO DE DISTANCIA T=0,30 1,000 1-214 SPACER T=0,30 836 1281879 ARRUELA ESPAÇADORA T=0,85 DISCO DE DISTANCIA T=0,85 1,000 1-214 SPACER T=0,85 836 1281933 ARRUELA ESPAÇADORA T=1,60 DISCO DE DISTANCIA T=1,60 1,000 1-214 SPACER T=1,60 836 1281992 ARRUELA ESPAÇADORA T=1,90 DISCO DE DISTANCIA T=1,90 1,000 1-214 SPACER T=1,90 836 1281984 ARRUELA ESPAÇADORA T=1,85 DISCO DE DISTANCIA T=1,85 1,000 1-214 SPACER T=1,85
  • 344.
    08.15.02 / 00CARCAÇA DO DIFERENCIAL E CORPO DO EIXO, PÁGINA 2 / 1-214 08.15.02 / 00 CARCASA DEL DIFERENCIAL Y CUERPO DEL EJE, PÁGINA 2 / 1-214 08.15.02 / 00 DIFFERENTIAL CASE AND AXLE BODY, PAGE 2 / 1-214
  • 345.
    POS Nº DEIDENT. DESIGNAÇÃO DESIGNATION DESIGNACIÓN QUANT. VALIDADE 08.15.02 / 00 CARCAÇA DO DIFERENCIAL E CORPO DO EIXO, PÁGINA 2 / 1-214 08.15.02 / 00 CARCASA DEL DIFERENCIAL Y CUERPO DEL EJE, PÁGINA 2 / 1-214 08.15.02 / 00 DIFFERENTIAL CASE AND AXLE BODY, PAGE 2 / 1-214 2053689 836 1281976 ARRUELA ESPAÇADORA T=1,75 DISCO DE DISTANCIA T=1,75 1,000 1-214 SPACER T=1,75 836 1281968 ARRUELA ESPAÇADORA T=1,70 DISCO DE DISTANCIA T=1,70 1,000 1-214 SPACER T=1,70 836 1281941 ARRUELA ESPAÇADORA T=1,65 DISCO DE DISTANCIA T=1,65 1,000 1-214 SPACER T=1,65 836 1281798 ARRUELA ESPAÇADORA T=1,20 DISCO DE DISTANCIA T=1,20 1,000 1-214 SPACER T=1,20 836 1281771 ARRUELA ESPAÇADORA T=1,80 DISCO DE DISTANCIA T=1,80 1,000 1-214 SPACER T=1,80 836 1281763 ARRUELA ESPAÇADORA T=1,50 DISCO DE DISTANCIA T=1,50 1,000 1-214 SPACER T=1,50 836 1281755 ARRUELA ESPAÇADORA T=2,00 DISCO DE DISTANCIA T=2,00 1,000 1-214 SPACER T=2,00 836 1281003 ARRUELA ESPAÇADORA T=1,95 DISCO DE DISTANCIA T=1,95 1,000 1-214 SPACER T=1,95 836 1281801 ARRUELA ESPAÇADORA T=1,15 DISCO DE DISTANCIA T=1,15 1,000 1-214 SPACER T=1,15 836 1281860 ARRUELA ESPAÇADORA T=0,90 DISCO DE DISTANCIA T=0,90 1,000 1-214 SPACER T=0,90 836 1281852 ARRUELA ESPAÇADORA T=0,95 DISCO DE DISTANCIA T=0,95 1,000 1-214 SPACER T=0,95 836 1281844 ARRUELA ESPAÇADORA T=1,00 DISCO DE DISTANCIA T=1,00 1,000 1-214 SPACER T=1,00 836 1281836 ARRUELA ESPAÇADORA T=1,05 DISCO DE DISTANCIA T=1,05 1,000 1-214 SPACER T=1,05 836 1281828 ARRUELA ESPAÇADORA T=1,10 DISCO DE DISTANCIA T=1,10 1,000 1-214 SPACER T=1,10
  • 346.
    08.15.02 / 00CARCAÇA DO DIFERENCIAL E CORPO DO EIXO, PÁGINA 2 / 1-214 08.15.02 / 00 CARCASA DEL DIFERENCIAL Y CUERPO DEL EJE, PÁGINA 2 / 1-214 08.15.02 / 00 DIFFERENTIAL CASE AND AXLE BODY, PAGE 2 / 1-214
  • 347.
    POS Nº DEIDENT. DESIGNAÇÃO DESIGNATION DESIGNACIÓN QUANT. VALIDADE 08.15.02 / 00 CARCAÇA DO DIFERENCIAL E CORPO DO EIXO, PÁGINA 2 / 1-214 08.15.02 / 00 CARCASA DEL DIFERENCIAL Y CUERPO DEL EJE, PÁGINA 2 / 1-214 08.15.02 / 00 DIFFERENTIAL CASE AND AXLE BODY, PAGE 2 / 1-214 2053689 837 1281321 ARRUELA ESPAÇADORA T=1,76 DISCO DE DISTANCIA T=1,76 1,000 1-214 SPACER T=1,76 837 1281348 ARRUELA ESPAÇADORA T=1,78 DISCO DE DISTANCIA T=1,78 1,000 1-214 SPACER T=1,78 837 1281356 ARRUELA ESPAÇADORA T=1,82 DISCO DE DISTANCIA T=1,82 1,000 1-214 SPACER T=1,82 837 1281364 ARRUELA ESPAÇADORA T=1,84 DISCO DE DISTANCIA T=1,84 1,000 1-214 SPACER T=1,84 837 1281372 ARRUELA ESPAÇADORA T=1,86 DISCO DE DISTANCIA T=1,86 1,000 1-214 SPACER T=1,86 837 1281313 ARRUELA ESPAÇADORA T=1,74 DISCO DE DISTANCIA T=1,74 1,000 1-214 SPACER T=1,74 837 1281267 ARRUELA ESPAÇADORA T=2,35 DISCO DE DISTANCIA T=2,35 1,000 1-214 SPACER T=2,35 837 1281275 ARRUELA ESPAÇADORA T=2,40 DISCO DE DISTANCIA T=2,40 1,000 1-214 SPACER T=2,40 837 1281283 ARRUELA ESPAÇADORA T=2,45 DISCO DE DISTANCIA T=2,45 1,000 1-214 SPACER T=2,45 837 1281291 ARRUELA ESPAÇADORA T=2,50 DISCO DE DISTANCIA T=2,50 1,000 1-214 SPACER T=2,50 837 1281305 ARRUELA ESPAÇADORA T=1,72 DISCO DE DISTANCIA T=1,72 1,000 1-214 SPACER T=1,72 837 1281380 ARRUELA ESPAÇADORA T=1,88 DISCO DE DISTANCIA T=1,88 1,000 1-214 SPACER T=1,88 837 1281453 ARRUELA ESPAÇADORA T=2,06 DISCO DE DISTANCIA T=2,06 1,000 1-214 SPACER T=2,06 837 1281461 ARRUELA ESPAÇADORA T=2,08 DISCO DE DISTANCIA T=2,08 1,000 1-214 SPACER T=2,08
  • 348.
    08.15.02 / 00CARCAÇA DO DIFERENCIAL E CORPO DO EIXO, PÁGINA 2 / 1-214 08.15.02 / 00 CARCASA DEL DIFERENCIAL Y CUERPO DEL EJE, PÁGINA 2 / 1-214 08.15.02 / 00 DIFFERENTIAL CASE AND AXLE BODY, PAGE 2 / 1-214
  • 349.
    POS Nº DEIDENT. DESIGNAÇÃO DESIGNATION DESIGNACIÓN QUANT. VALIDADE 08.15.02 / 00 CARCAÇA DO DIFERENCIAL E CORPO DO EIXO, PÁGINA 2 / 1-214 08.15.02 / 00 CARCASA DEL DIFERENCIAL Y CUERPO DEL EJE, PÁGINA 2 / 1-214 08.15.02 / 00 DIFFERENTIAL CASE AND AXLE BODY, PAGE 2 / 1-214 2053689 837 1281488 ARRUELA ESPAÇADORA T=1,05 DISCO DE DISTANCIA T=1,05 1,000 1-214 SPACER T=1,05 837 1281496 ARRUELA ESPAÇADORA T=1,10 DISCO DE DISTANCIA T=1,10 1,000 1-214 SPACER T=1,10 837 1282018 ARRUELA ESPAÇADORA T=1,15 DISCO DE DISTANCIA T=1,15 1,000 1-214 SPACER T=1,15 837 1281445 ARRUELA ESPAÇADORA T=2,04 DISCO DE DISTANCIA T=2,04 1,000 1-214 SPACER T=2,04 837 1281399 ARRUELA ESPAÇADORA T=1,92 DISCO DE DISTANCIA T=1,92 1,000 1-214 SPACER T=1,92 837 1281402 ARRUELA ESPAÇADORA T=1,94 DISCO DE DISTANCIA T=1,94 1,000 1-214 SPACER T=1,94 837 1281410 ARRUELA ESPAÇADORA T=1,96 DISCO DE DISTANCIA T=1,96 1,000 1-214 SPACER T=1,96 837 1281429 ARRUELA ESPAÇADORA T=1,98 DISCO DE DISTANCIA T=1,98 1,000 1-214 SPACER T=1,98 837 1281437 ARRUELA ESPAÇADORA T=2,02 DISCO DE DISTANCIA T=2,02 1,000 1-214 SPACER T=2,02 837 1281089 ARRUELA ESPAÇADORA T=1,20 DISCO DE DISTANCIA T=1,20 1,000 1-214 SPACER T=1,20 837 1281097 ARRUELA ESPAÇADORA T=1,25 DISCO DE DISTANCIA T=1,25 1,000 1-214 SPACER T=1,25 837 1281100 ARRUELA ESPAÇADORA T=1,35 DISCO DE DISTANCIA T=1,35 1,000 1-214 SPACER T=1,35 837 1281119 ARRUELA ESPAÇADORA T=1,40 DISCO DE DISTANCIA T=1,40 1,000 1-214 SPACER T=1,40 837 1281127 ARRUELA ESPAÇADORA T=1,45 DISCO DE DISTANCIA T=1,45 1,000 1-214 SPACER T=1,45
  • 350.
    08.15.02 / 00CARCAÇA DO DIFERENCIAL E CORPO DO EIXO, PÁGINA 2 / 1-214 08.15.02 / 00 CARCASA DEL DIFERENCIAL Y CUERPO DEL EJE, PÁGINA 2 / 1-214 08.15.02 / 00 DIFFERENTIAL CASE AND AXLE BODY, PAGE 2 / 1-214
  • 351.
    POS Nº DEIDENT. DESIGNAÇÃO DESIGNATION DESIGNACIÓN QUANT. VALIDADE 08.15.02 / 00 CARCAÇA DO DIFERENCIAL E CORPO DO EIXO, PÁGINA 2 / 1-214 08.15.02 / 00 CARCASA DEL DIFERENCIAL Y CUERPO DEL EJE, PÁGINA 2 / 1-214 08.15.02 / 00 DIFFERENTIAL CASE AND AXLE BODY, PAGE 2 / 1-214 2053689 837 1281070 ARRUELA ESPAÇADORA T=2,30 DISCO DE DISTANCIA T=2,30 1,000 1-214 SPACER T=2,30 837 1281011 ARRUELA ESPAÇADORA T=1,30 DISCO DE DISTANCIA T=1,30 1,000 1-214 SPACER T=1,30 837 1281038 ARRUELA ESPAÇADORA T=1,50 DISCO DE DISTANCIA T=1,50 1,000 1-214 SPACER T=1,50 837 1281046 ARRUELA ESPAÇADORA T=1,70 DISCO DE DISTANCIA T=1,70 1,000 1-214 SPACER T=1,70 837 1281054 ARRUELA ESPAÇADORA T=1,90 DISCO DE DISTANCIA T=1,90 1,000 1-214 SPACER T=1,90 837 1281062 ARRUELA ESPAÇADORA T=2,10 DISCO DE DISTANCIA T=2,10 1,000 1-214 SPACER T=2,10 837 1281135 ARRUELA ESPAÇADORA T=1,55 DISCO DE DISTANCIA T=1,55 1,000 1-214 SPACER T=1,55 837 1281216 ARRUELA ESPAÇADORA T=2,00 DISCO DE DISTANCIA T=2,00 1,000 1-214 SPACER T=2,00 837 1281224 ARRUELA ESPAÇADORA T=2,05 DISCO DE DISTANCIA T=2,05 1,000 1-214 SPACER T=2,05 837 1281232 ARRUELA ESPAÇADORA T=2,15 DISCO DE DISTANCIA T=2,15 1,000 1-214 SPACER T=2,15 837 1281240 ARRUELA ESPAÇADORA T=2,20 DISCO DE DISTANCIA T=2,20 1,000 1-214 SPACER T=2,20 837 1281259 ARRUELA ESPAÇADORA T=2,25 DISCO DE DISTANCIA T=2,25 1,000 1-214 SPACER T=2,25 837 1281208 ARRUELA ESPAÇADORA T=1,95 DISCO DE DISTANCIA T=1,95 1,000 1-214 SPACER T=1,95 837 1281143 ARRUELA ESPAÇADORA T=1,60 DISCO DE DISTANCIA T=1,60 1,000 1-214 SPACER T=1,60
  • 352.
    08.15.02 / 00CARCAÇA DO DIFERENCIAL E CORPO DO EIXO, PÁGINA 2 / 1-214 08.15.02 / 00 CARCASA DEL DIFERENCIAL Y CUERPO DEL EJE, PÁGINA 2 / 1-214 08.15.02 / 00 DIFFERENTIAL CASE AND AXLE BODY, PAGE 2 / 1-214
  • 353.
    POS Nº DEIDENT. DESIGNAÇÃO DESIGNATION DESIGNACIÓN QUANT. VALIDADE 08.15.02 / 00 CARCAÇA DO DIFERENCIAL E CORPO DO EIXO, PÁGINA 2 / 1-214 08.15.02 / 00 CARCASA DEL DIFERENCIAL Y CUERPO DEL EJE, PÁGINA 2 / 1-214 08.15.02 / 00 DIFFERENTIAL CASE AND AXLE BODY, PAGE 2 / 1-214 2053689 837 1281151 ARRUELA ESPAÇADORA T=1,65 DISCO DE DISTANCIA T=1,65 1,000 1-214 SPACER T=1,65 837 1281178 ARRUELA ESPAÇADORA T=1,75 DISCO DE DISTANCIA T=1,75 1,000 1-214 SPACER T=1,75 837 1281186 ARRUELA ESPAÇADORA T=1,80 DISCO DE DISTANCIA T=1,80 1,000 1-214 SPACER T=1,80 837 1281194 ARRUELA ESPAÇADORA T=1,85 DISCO DE DISTANCIA T=1,85 1,000 1-214 SPACER T=1,85 840 1282549 PORCA RANHURADA TUERCA RANURADA 1,000 1-214 GROOVE NUT 860 240915 ANEL DE RETENÇÃO ANILLO FIJADOR 1,000 1-214 LOCKING RING
  • 354.
    08.15.02 / 01CARCAÇA DO DIFERENCIAL E CORPO DO EIXO, PÁGINA 2 / 215-9999 08.15.02 / 01 CARCASA DEL DIFERENCIAL Y CUERPO DEL EJE, PÁGINA 2 / 215-9999 08.15.02 / 01 DIFFERENTIAL CASE AND AXLE BODY, PAGE 2 / 215-9999
  • 355.
    POS Nº DEIDENT. DESIGNAÇÃO DESIGNATION DESIGNACIÓN QUANT. VALIDADE 08.15.02 / 01 CARCAÇA DO DIFERENCIAL E CORPO DO EIXO, PÁGINA 2 / 215-9999 08.15.02 / 01 CARCASA DEL DIFERENCIAL Y CUERPO DEL EJE, PÁGINA 2 / 215-9999 08.15.02 / 01 DIFFERENTIAL CASE AND AXLE BODY, PAGE 2 / 215-9999 2130597 10 2122108 CARCAÇA DO DIFERENCIAL CARCASA DEL DIFERENCIAL 1,000 215-9999 DIFFERENTIAL CASE 20 2122115 JOGO DE ENGRENAGENS CÔNICAS KIT DE RUEDAS CÔNICAS 1,000 215-9999 SET OF BEVEL WHEELS 41 2122118 PARAFUSO TORNILLO DE CIERRE 1,000 215-9999 SCREW PLUG 42 1226495 ANEL O-RING ANILLO TOROIDAL 1,000 215-9999 O-RING SEAL 780 2122136 ARRUELA ESPAÇADORA T=1,40 DISCO DE DISTÂNCIA T=1,40 1,000 215-9999 SPACER T=1,40 780 2122137 ARRUELA ESPAÇADORA T=1,35 DISCO DE DISTÂNCIA T=1,35 1,000 215-9999 SPACER T=1,35 780 2122140 ARRUELA ESPAÇADORA T=1,30 DISCO DE DISTÂNCIA T=1,30 1,000 215-9999 SPACER T=1,30 780 2122142 ARRUELA ESPAÇADORA T=1,25 DISCO DE DISTÂNCIA T=1,25 1,000 215-9999 SPACER T=1,25 780 2122143 ARRUELA ESPAÇADORA T=1,20 DISCO DE DISTÂNCIA T=1,20 1,000 215-9999 SPACER T=1,20 780 2122146 ARRUELA ESPAÇADORA T=1,15 DISCO DE DISTÂNCIA T=1,15 1,000 215-9999 SPACER T=1,15 780 2122155 ARRUELA ESPAÇADORA T=1,10 DISCO DE DISTÂNCIA T=1,10 1,000 215-9999 SPACER T=1,10 780 2122157 ARRUELA ESPAÇADORA T=1,05 DISCO DE DISTÂNCIA T=1,40 1,000 215-9999 SPACER T=1,05 780 2122158 ARRUELA ESPAÇADORA T=1,00 DISCO DE DISTÂNCIA T=1,00 1,000 215-9999 SPACER T=1,00 780 2122159 ARRUELA ESPAÇADORA T=0,95 DISCO DE DISTÂNCIA T=0,95 1,000 215-9999 SPACER T=0,95
  • 356.
    08.15.02 / 01CARCAÇA DO DIFERENCIAL E CORPO DO EIXO, PÁGINA 2 / 215-9999 08.15.02 / 01 CARCASA DEL DIFERENCIAL Y CUERPO DEL EJE, PÁGINA 2 / 215-9999 08.15.02 / 01 DIFFERENTIAL CASE AND AXLE BODY, PAGE 2 / 215-9999
  • 357.
    POS Nº DEIDENT. DESIGNAÇÃO DESIGNATION DESIGNACIÓN QUANT. VALIDADE 08.15.02 / 01 CARCAÇA DO DIFERENCIAL E CORPO DO EIXO, PÁGINA 2 / 215-9999 08.15.02 / 01 CARCASA DEL DIFERENCIAL Y CUERPO DEL EJE, PÁGINA 2 / 215-9999 08.15.02 / 01 DIFFERENTIAL CASE AND AXLE BODY, PAGE 2 / 215-9999 2130597 780 2122160 ARRUELA ESPAÇADORA T=0,90 DISCO DE DISTÂNCIA T=0,90 1,000 215-9999 SPACER T=0,90 780 2122121 ARRUELA ESPAÇADORA T=1,95 DISCO DE DISTÂNCIA T=1,95 1,000 215-9999 SPACER T=1,95 780 2122122 ARRUELA ESPAÇADORA T=1,90 DISCO DE DISTÂNCIA T=1,90 1,000 215-9999 SPACER T=1,90 780 2122123 ARRUELA ESPAÇADORA T=1,85 DISCO DE DISTÂNCIA T=1,85 1,000 215-9999 SPACER T=1,85 780 2122124 ARRUELA ESPAÇADORA T=1,80 DISCO DE DISTÂNCIA T=1,80 1,000 215-9999 SPACER T=1,80 780 2122125 ARRUELA ESPAÇADORA T=1,75 DISCO DE DISTÂNCIA T=1,75 1,000 215-9999 SPACER T=1,75 780 2122127 ARRUELA ESPAÇADORA T=1,70 DISCO DE DISTÂNCIA T=1,70 1,000 215-9999 SPACER T=1,70 780 2122128 ARRUELA ESPAÇADORA T=1,65 DISCO DE DISTÂNCIA T=1,65 1,000 215-9999 SPACER T=1,65 780 2122129 ARRUELA ESPAÇADORA T=1,60 DISCO DE DISTÂNCIA T=1,60 1,000 215-9999 SPACER T=1,60 780 2122131 ARRUELA ESPAÇADORA T=1,55 DISCO DE DISTÂNCIA T=1,55 1,000 215-9999 SPACER T=1,55 780 2122133 ARRUELA ESPAÇADORA T=1,50 DISCO DE DISTÂNCIA T=1,50 1,000 215-9999 SPACER T=1,50 780 2122134 ARRUELA ESPAÇADORA T=1,45 DISCO DE DISTÂNCIA T=1,45 1,000 215-9999 SPACER T=1,45 780 2122184 ARRUELA ESPAÇADORA T=1,20 DISCO DE DISTÂNCIA T=1,20 1,000 215-9999 SPACER T=1,20 790 2122183 ARRUELA ESPAÇADORA T=1,10 DISCO DE DISTÂNCIA T=1,10 1,000 215-9999 SPACER T=1,10
  • 358.
    08.15.02 / 01CARCAÇA DO DIFERENCIAL E CORPO DO EIXO, PÁGINA 2 / 215-9999 08.15.02 / 01 CARCASA DEL DIFERENCIAL Y CUERPO DEL EJE, PÁGINA 2 / 215-9999 08.15.02 / 01 DIFFERENTIAL CASE AND AXLE BODY, PAGE 2 / 215-9999
  • 359.
    POS Nº DEIDENT. DESIGNAÇÃO DESIGNATION DESIGNACIÓN QUANT. VALIDADE 08.15.02 / 01 CARCAÇA DO DIFERENCIAL E CORPO DO EIXO, PÁGINA 2 / 215-9999 08.15.02 / 01 CARCASA DEL DIFERENCIAL Y CUERPO DEL EJE, PÁGINA 2 / 215-9999 08.15.02 / 01 DIFFERENTIAL CASE AND AXLE BODY, PAGE 2 / 215-9999 2130597 790 2122165 ARRUELA ESPAÇADORA T=1,00 DISCO DE DISTÂNCIA T=1,00 1,000 215-9999 SPACER T=1,00 790 2122164 ARRUELA ESPAÇADORA T=0,90 DISCO DE DISTÂNCIA T=0,90 1,000 215-9999 SPACER T=0,90 790 2122163 ARRUELA ESPAÇADORA T=0,80 DISCO DE DISTÂNCIA T=0,80 1,000 215-9999 SPACER T=0,80 804 1277707 ARRUELA DE AJUSTE ARANDELA DE AJUSTE 1,000 215-9999 SPACER SHIM 806 2122210 ANEL O-RING ANILLO TOROIDAL 1,000 215-9999 O-RING SEAL 807 201820 ANEL O-RING ANILLO TOROIDAL 1,000 215-9999 O-RING SEAL 820 1282948 ROLAMENTO DE ROLOS CÔNICOS RODAMIENTO DE RODILLOS CÓNICOS 2,000 215-9999 TAPER ROLLER BEARING 830 1282956 BUCHA CASQUILLO 1,000 215-9999 BUSHING 836 1281879 ARRUELA ESPAÇADORA T=0,85 DISCO DE DISTÂNCIA T=0,85 1,000 215-9999 SPACER T=0,85 836 1281887 ARRUELA ESPAÇADORA T=0,30 DISCO DE DISTÂNCIA T=0,30 1,000 215-9999 SPACER T=0,30 836 1281895 ARRUELA ESPAÇADORA T=0,20 DISCO DE DISTÂNCIA T=0,20 1,000 215-9999 SPACER T=0,20 836 1281909 ARRUELA ESPAÇADORA T=0,10 DISCO DE DISTÂNCIA T=0,10 1,000 215-9999 SPACER T=0,10 836 1281925 ARRUELA ESPAÇADORA T=1,55 DISCO DE DISTÂNCIA T=1,55 1,000 215-9999 SPACER T=1,55 836 1281933 ARRUELA ESPAÇADORA T=1,60 DISCO DE DISTÂNCIA T=1,60 1,000 215-9999 SPACER T=1,60
  • 360.
    08.15.02 / 01CARCAÇA DO DIFERENCIAL E CORPO DO EIXO, PÁGINA 2 / 215-9999 08.15.02 / 01 CARCASA DEL DIFERENCIAL Y CUERPO DEL EJE, PÁGINA 2 / 215-9999 08.15.02 / 01 DIFFERENTIAL CASE AND AXLE BODY, PAGE 2 / 215-9999
  • 361.
    POS Nº DEIDENT. DESIGNAÇÃO DESIGNATION DESIGNACIÓN QUANT. VALIDADE 08.15.02 / 01 CARCAÇA DO DIFERENCIAL E CORPO DO EIXO, PÁGINA 2 / 215-9999 08.15.02 / 01 CARCASA DEL DIFERENCIAL Y CUERPO DEL EJE, PÁGINA 2 / 215-9999 08.15.02 / 01 DIFFERENTIAL CASE AND AXLE BODY, PAGE 2 / 215-9999 2130597 836 1281941 ARRUELA ESPAÇADORA T=1,65 DISCO DE DISTÂNCIA T=1,65 1,000 215-9999 SPACER T=1,65 836 1281968 ARRUELA ESPAÇADORA T=1,70 DISCO DE DISTÂNCIA T=1,70 1,000 215-9999 SPACER T=1,70 836 1281976 ARRUELA ESPAÇADORA T=1,75 DISCO DE DISTÂNCIA T=1,75 1,000 215-9999 SPACER T=1,75 836 1281984 ARRUELA ESPAÇADORA T=1,85 DISCO DE DISTÂNCIA T=1,85 1,000 215-9999 SPACER T=1,85 836 1281992 ARRUELA ESPAÇADORA T=1,90 DISCO DE DISTÂNCIA T=1,90 1,000 215-9999 SPACER T=1,90 836 1281003 ARRUELA ESPAÇADORA T=1,95 DISCO DE DISTÂNCIA T=1,95 1,000 215-9999 SPACER T=1,95 836 1281755 ARRUELA ESPAÇADORA T=2,00 DISCO DE DISTÂNCIA T=2,00 1,000 215-9999 SPACER T=2,00 836 1281763 ARRUELA ESPAÇADORA T=1,50 DISCO DE DISTÂNCIA T=1,50 1,000 215-9999 SPACER T=1,50 836 1281771 ARRUELA ESPAÇADORA T=1,80 DISCO DE DISTÂNCIA T=1,80 1,000 215-9999 SPACER T=1,80 836 1281798 ARRUELA ESPAÇADORA T=1,20 DISCO DE DISTÂNCIA T=1,20 1,000 215-9999 SPACER T=1,20 836 1281801 ARRUELA ESPAÇADORA T=1,15 DISCO DE DISTÂNCIA T=1,15 1,000 215-9999 SPACER T=1,15 836 1281828 ARRUELA ESPAÇADORA T=1,10 DISCO DE DISTÂNCIA T=1,10 1,000 215-9999 SPACER T=1,10 836 1281836 ARRUELA ESPAÇADORA T=1,05 DISCO DE DISTÂNCIA T=1,05 1,000 215-9999 SPACER T=1,05 836 1281844 ARRUELA ESPAÇADORA T=1,00 DISCO DE DISTÂNCIA T=1,00 1,000 215-9999 SPACER T=1,00
  • 362.
    08.15.02 / 01CARCAÇA DO DIFERENCIAL E CORPO DO EIXO, PÁGINA 2 / 215-9999 08.15.02 / 01 CARCASA DEL DIFERENCIAL Y CUERPO DEL EJE, PÁGINA 2 / 215-9999 08.15.02 / 01 DIFFERENTIAL CASE AND AXLE BODY, PAGE 2 / 215-9999
  • 363.
    POS Nº DEIDENT. DESIGNAÇÃO DESIGNATION DESIGNACIÓN QUANT. VALIDADE 08.15.02 / 01 CARCAÇA DO DIFERENCIAL E CORPO DO EIXO, PÁGINA 2 / 215-9999 08.15.02 / 01 CARCASA DEL DIFERENCIAL Y CUERPO DEL EJE, PÁGINA 2 / 215-9999 08.15.02 / 01 DIFFERENTIAL CASE AND AXLE BODY, PAGE 2 / 215-9999 2130597 836 1281852 ARRUELA ESPAÇADORA T=0,95 DISCO DE DISTÂNCIA T=0,95 1,000 215-9999 SPACER T=0,95 836 1281860 ARRUELA ESPAÇADORA T=0,90 DISCO DE DISTÂNCIA T=0,90 1,000 215-9999 SPACER T=0,90 837 1281372 ARRUELA ESPAÇADORA T=1,86 DISCO DE DISTÂNCIA T=1,86 1,000 215-9999 SPACER T=1,86 837 1281364 ARRUELA ESPAÇADORA T=1,84 DISCO DE DISTÂNCIA T=1,84 1,000 215-9999 SPACER T=1,84 837 1281356 ARRUELA ESPAÇADORA T=1,82 DISCO DE DISTÂNCIA T=1,82 1,000 215-9999 SPACER T=1,82 837 1281348 ARRUELA ESPAÇADORA T=1,78 DISCO DE DISTÂNCIA T=1,78 1,000 215-9999 SPACER T=1,78 837 1281321 ARRUELA ESPAÇADORA T=1,76 DISCO DE DISTÂNCIA T=1,76 1,000 215-9999 SPACER T=1,76 837 1281313 ARRUELA ESPAÇADORA T=1,74 DISCO DE DISTÂNCIA T=1,74 1,000 215-9999 SPACER T=1,74 837 1281305 ARRUELA ESPAÇADORA T=1,72 DISCO DE DISTÂNCIA T=1,72 1,000 215-9999 SPACER T=1,72 837 1281291 ARRUELA ESPAÇADORA T=2,50 DISCO DE DISTÂNCIA T=2,50 1,000 215-9999 SPACER T=2,50 837 1281283 ARRUELA ESPAÇADORA T=2,45 DISCO DE DISTÂNCIA T=2,45 1,000 215-9999 SPACER T=2,45 837 1281275 ARRUELA ESPAÇADORA T=2,40 DISCO DE DISTÂNCIA T=2,40 1,000 215-9999 SPACER T=2,40 837 1281267 ARRUELA ESPAÇADORA T=2,35 DISCO DE DISTÂNCIA T=2,35 1,000 215-9999 SPACER T=2,35 837 1281380 ARRUELA ESPAÇADORA T=1,88 DISCO DE DISTÂNCIA T=1,88 1,000 215-9999 SPACER T=1,88
  • 364.
    08.15.02 / 01CARCAÇA DO DIFERENCIAL E CORPO DO EIXO, PÁGINA 2 / 215-9999 08.15.02 / 01 CARCASA DEL DIFERENCIAL Y CUERPO DEL EJE, PÁGINA 2 / 215-9999 08.15.02 / 01 DIFFERENTIAL CASE AND AXLE BODY, PAGE 2 / 215-9999
  • 365.
    POS Nº DEIDENT. DESIGNAÇÃO DESIGNATION DESIGNACIÓN QUANT. VALIDADE 08.15.02 / 01 CARCAÇA DO DIFERENCIAL E CORPO DO EIXO, PÁGINA 2 / 215-9999 08.15.02 / 01 CARCASA DEL DIFERENCIAL Y CUERPO DEL EJE, PÁGINA 2 / 215-9999 08.15.02 / 01 DIFFERENTIAL CASE AND AXLE BODY, PAGE 2 / 215-9999 2130597 837 1281399 ARRUELA ESPAÇADORA T=1,92 DISCO DE DISTÂNCIA T=1,92 1,000 215-9999 SPACER T=1,92 837 1281402 ARRUELA ESPAÇADORA T=1,94 DISCO DE DISTÂNCIA T=1,94 1,000 215-9999 SPACER T=1,94 837 1281410 ARRUELA ESPAÇADORA T=1,96 DISCO DE DISTÂNCIA T=1,96 1,000 215-9999 SPACER T=1,96 837 1281429 ARRUELA ESPAÇADORA T=1,98 DISCO DE DISTÂNCIA T=1,98 1,000 215-9999 SPACER T=1,98 837 1281437 ARRUELA ESPAÇADORA T=2,02 DISCO DE DISTÂNCIA T=2,02 1,000 215-9999 SPACER T=2,02 837 1281445 ARRUELA ESPAÇADORA T=2,04 DISCO DE DISTÂNCIA T=2,04 1,000 215-9999 SPACER T=2,04 837 1281453 ARRUELA ESPAÇADORA T=2,06 DISCO DE DISTÂNCIA T=2,06 1,000 215-9999 SPACER T=2,06 837 1281461 ARRUELA ESPAÇADORA T=2,08 DISCO DE DISTÂNCIA T=2,08 1,000 215-9999 SPACER T=2,08 837 1281488 ARRUELA ESPAÇADORA T=1,05 DISCO DE DISTÂNCIA T=1,05 1,000 215-9999 SPACER T=1,05 837 1281496 ARRUELA ESPAÇADORA T=1,10 DISCO DE DISTÂNCIA T=1,10 1,000 215-9999 SPACER T=1,10 837 1282018 ARRUELA ESPAÇADORA T=1,15 DISCO DE DISTÂNCIA T=1,15 1,000 215-9999 SPACER T=1,15 837 1281011 ARRUELA ESPAÇADORA T=1,30 DISCO DE DISTÂNCIA T=1,30 1,000 215-9999 SPACER T=1,30 837 1281038 ARRUELA ESPAÇADORA T=1,50 DISCO DE DISTÂNCIA T=1,50 1,000 215-9999 SPACER T=1,50 837 1281046 ARRUELA ESPAÇADORA T=1,70 DISCO DE DISTÂNCIA T=1,70 1,000 215-9999 SPACER T=1,70
  • 366.
    08.15.02 / 01CARCAÇA DO DIFERENCIAL E CORPO DO EIXO, PÁGINA 2 / 215-9999 08.15.02 / 01 CARCASA DEL DIFERENCIAL Y CUERPO DEL EJE, PÁGINA 2 / 215-9999 08.15.02 / 01 DIFFERENTIAL CASE AND AXLE BODY, PAGE 2 / 215-9999
  • 367.
    POS Nº DEIDENT. DESIGNAÇÃO DESIGNATION DESIGNACIÓN QUANT. VALIDADE 08.15.02 / 01 CARCAÇA DO DIFERENCIAL E CORPO DO EIXO, PÁGINA 2 / 215-9999 08.15.02 / 01 CARCASA DEL DIFERENCIAL Y CUERPO DEL EJE, PÁGINA 2 / 215-9999 08.15.02 / 01 DIFFERENTIAL CASE AND AXLE BODY, PAGE 2 / 215-9999 2130597 837 1281054 ARRUELA ESPAÇADORA T=1,90 DISCO DE DISTÂNCIA T=1,90 1,000 215-9999 SPACER T=1,90 837 1281062 ARRUELA ESPAÇADORA T=2,10 DISCO DE DISTÂNCIA T=2,10 1,000 215-9999 SPACER T=2,10 837 1281070 ARRUELA ESPAÇADORA T=2,30 DISCO DE DISTÂNCIA T=2,30 1,000 215-9999 SPACER T=2,30 837 1281089 ARRUELA ESPAÇADORA T=1,20 DISCO DE DISTÂNCIA T=1,20 1,000 215-9999 SPACER T=1,20 837 1281097 ARRUELA ESPAÇADORA T=1,25 DISCO DE DISTÂNCIA T=1,25 1,000 215-9999 SPACER T=1,25 837 1281100 ARRUELA ESPAÇADORA T=1,35 DISCO DE DISTÂNCIA T=1,35 1,000 215-9999 SPACER T=1,35 837 1281119 ARRUELA ESPAÇADORA T=1,40 DISCO DE DISTÂNCIA T=1,40 1,000 215-9999 SPACER T=1,40 837 1281127 ARRUELA ESPAÇADORA T=1,45 DISCO DE DISTÂNCIA T=1,45 1,000 215-9999 SPACER T=1,45 837 1281135 ARRUELA ESPAÇADORA T=1,55 DISCO DE DISTÂNCIA T=1,55 1,000 215-9999 SPACER T=1,55 837 1281259 ARRUELA ESPAÇADORA T=2,25 DISCO DE DISTÂNCIA T=2,25 1,000 215-9999 SPACER T=2,25 837 1281240 ARRUELA ESPAÇADORA T=2,20 DISCO DE DISTÂNCIA T=2,20 1,000 215-9999 SPACER T=2,20 837 1281232 ARRUELA ESPAÇADORA T=2,15 DISCO DE DISTÂNCIA T=2,15 1,000 215-9999 SPACER T=2,15 837 1281224 ARRUELA ESPAÇADORA T=2,05 DISCO DE DISTÂNCIA T=2,05 1,000 215-9999 SPACER T=2,05 837 1281216 ARRUELA ESPAÇADORA T=2,00 DISCO DE DISTÂNCIA T=2,00 1,000 215-9999 SPACER T=2,00
  • 368.
    08.15.02 / 01CARCAÇA DO DIFERENCIAL E CORPO DO EIXO, PÁGINA 2 / 215-9999 08.15.02 / 01 CARCASA DEL DIFERENCIAL Y CUERPO DEL EJE, PÁGINA 2 / 215-9999 08.15.02 / 01 DIFFERENTIAL CASE AND AXLE BODY, PAGE 2 / 215-9999
  • 369.
    POS Nº DEIDENT. DESIGNAÇÃO DESIGNATION DESIGNACIÓN QUANT. VALIDADE 08.15.02 / 01 CARCAÇA DO DIFERENCIAL E CORPO DO EIXO, PÁGINA 2 / 215-9999 08.15.02 / 01 CARCASA DEL DIFERENCIAL Y CUERPO DEL EJE, PÁGINA 2 / 215-9999 08.15.02 / 01 DIFFERENTIAL CASE AND AXLE BODY, PAGE 2 / 215-9999 2130597 837 1281208 ARRUELA ESPAÇADORA T=1,95 DISCO DE DISTÂNCIA T=1,95 1,000 215-9999 SPACER T=1,95 837 1281194 ARRUELA ESPAÇADORA T=1,85 DISCO DE DISTÂNCIA T=1,85 1,000 215-9999 SPACER T=1,85 837 1281186 ARRUELA ESPAÇADORA T=1,80 DISCO DE DISTÂNCIA T=1,80 1,000 215-9999 SPACER T=1,80 837 1281178 ARRUELA ESPAÇADORA T=1,75 DISCO DE DISTÂNCIA T=1,75 1,000 215-9999 SPACER T=1,75 837 1281151 ARRUELA ESPAÇADORA T=1,65 DISCO DE DISTÂNCIA T=1,65 1,000 215-9999 SPACER T=1,65 837 1281143 ARRUELA ESPAÇADORA T=1,60 DISCO DE DISTÂNCIA T=1,60 1,000 215-9999 SPACER T=1,60 840 1282549 PORCA RANHURADA TUERCA RANURADA 1,000 215-9999 GROOVE NUT 860 217174 ANEL FIXADOR ANILLO FIJADOR 1,000 215-9999 LOCKING RING
  • 370.
    08.20.00 / 00DIFERENCIAL COM BLOQUEIO DO DIFERENCIAL / 1-214 08.20.00 / 00 DIFERENCIAL CON BLOQUEO DEL DIFERENCIAL / 1-214 08.20.00 / 00 DIFFERENTIAL WITH DIFFERENTIAL LOCK / 1-214 110 10 130 60 70 20 14 36 30 40 50 80 90 100
  • 371.
    POS Nº DEIDENT. DESIGNAÇÃO DESIGNATION DESIGNACIÓN QUANT. VALIDADE 08.20.00 / 00 DIFERENCIAL COM BLOQUEIO DO DIFERENCIAL / 1-214 08.20.00 / 00 DIFERENCIAL CON BLOQUEO DEL DIFERENCIAL / 1-214 08.20.00 / 00 DIFFERENTIAL WITH DIFFERENTIAL LOCK / 1-214 2053690 10 2030191 CARCAÇA DO DIFERENCIAL CARCASA DEL DIFERENCIAL 1,000 1-214 DIFFERENTIAL CASE 14 2030359 TAMPA TAPA 6,000 1-214 COVER 20 2030361 ANEL DE RETENÇÃO ARO DE FIJACIÓN 1,000 1-214 RETAINING RING 30 2030386 ARRUELA BATENTE DISCO DE ARRANQUE 2,000 1-214 STOP WASHER 36 2030394 ARRUELA BATENTE DISCO DE ARRANQUE 1,000 1-214 STOP WASHER 40 2030435 DISCO EXTERNO DO FREIO DISCO EXTERIOR DEL FRENO T=2,1 4,000 1-214 BRAKE DISC EXTERNAL T=2,1 40 2030434 DISCO EXTERNO DO FREIO T=2,5 DISCO EXTERIOR DEL FRENO T=2,5 4,000 1-214 BRAKE DISC EXTERNAL T=2,5 40 2030419 DISCO EXTERNO DO FREIO T=2,4 DISCO EXTERIOR DEL FRENO T=2,4 4,000 1-214 BRAKE DISC EXTERNAL T=2,4 40 2030396 DISCO EXTERNO DO FREIO T=2,3 DISCO EXTERIOR DEL FRENO T=2,3 4,000 1-214 BRAKE DISC EXTERNAL T=2,3 40 2030395 DISCO EXTERNO DO FREIO T=2,2 DISCO EXTERIOR DEL FRENO T=2,2 4,000 1-214 BRAKE DISC EXTERNAL T=2,2 50 2030450 DISCO INTERNO DO FREIO DISCO INTERIOR DEL FRENO 4,000 1-214 BRAKE DISC INTERNAL 60 2030475 ANEL ANILLO 2,000 1-214 RING 70 2030477 EIXO EJE 2,000 1-214 AXLE 80 2030485 ENGRENAGENS CÔNICAS RUEDAS CÓNICA 2,000 1-214 BEVEL WHEEL
  • 372.
    08.20.00 / 00DIFERENCIAL COM BLOQUEIO DO DIFERENCIAL / 1-214 08.20.00 / 00 DIFERENCIAL CON BLOQUEO DEL DIFERENCIAL / 1-214 08.20.00 / 00 DIFFERENTIAL WITH DIFFERENTIAL LOCK / 1-214 110 10 130 60 70 20 14 36 30 40 50 80 90 100
  • 373.
    POS Nº DEIDENT. DESIGNAÇÃO DESIGNATION DESIGNACIÓN QUANT. VALIDADE 08.20.00 / 00 DIFERENCIAL COM BLOQUEIO DO DIFERENCIAL / 1-214 08.20.00 / 00 DIFERENCIAL CON BLOQUEO DEL DIFERENCIAL / 1-214 08.20.00 / 00 DIFFERENTIAL WITH DIFFERENTIAL LOCK / 1-214 2053690 90 2030486 ENGRENAGEM CÔNICA COMPENSADORA RUEDA CÓNICA DE COMPENSACIÓN 4,000 1-214 AXLE DRIVE BEVEL GEAR 100 2030487 PINO BULÓN 12,000 1-214 BOLT 110 2030511 TAMPA TAPA 1,000 1-214 COVER 130 2030517 PARAFUSO DE SEGURANÇA TORNILLO DE SEGURIDAD 12,000 1-214 SAFETY SCREW
  • 374.
    08.20.00 / 01DIFERENCIAL COM BLOQUEIO DO DIFERENCIAL / 215-9999 08.20.00 / 01 DIFERENCIAL CON BLOQUEO DEL DIFERENCIAL / 215-9999 08.20.00 / 01 DIFFERENTIAL WITH DIFFERENTIAL LOCK / 215-9999
  • 375.
    POS Nº DEIDENT. DESIGNAÇÃO DESIGNATION DESIGNACIÓN QUANT. VALIDADE 08.20.00 / 01 DIFERENCIAL COM BLOQUEIO DO DIFERENCIAL / 215-9999 08.20.00 / 01 DIFERENCIAL CON BLOQUEO DEL DIFERENCIAL / 215-9999 08.20.00 / 01 DIFFERENTIAL WITH DIFFERENTIAL LOCK / 215-9999 2130598 10 2122222 DISCO EXTERIOR DO FREIO T=3,5 DISCO EXTERIOR DEL FRENO T=3,5 10,000 215-9999 BRAKE DISC EXTERNAL T=3,5 10 2122221 DISCO EXTERIOR DO FREIO T=1,5 DISCO EXTERIOR DEL FRENO T=1,5 10,000 215-9999 BRAKE DISC EXTERNAL T=1,5 10 2122219 DISCO EXTERIOR DO FREIO T=1,4 DISCO EXTERIOR DEL FRENO T=1,4 10,000 215-9999 BRAKE DISC EXTERNAL T=1,4 10 2122217 DISCO EXTERIOR DO FREIO T=2,0 DISCO EXTERIOR DEL FRENO T=2,0 10,000 215-9999 BRAKE DISC EXTERNAL T=2,0 10 2122216 DISCO EXTERIOR DO FREIO T=1,9 DISCO EXTERIOR DEL FRENO T=1,9 10,000 215-9999 BRAKE DISC EXTERNAL T=1,9 10 2122214 DISCO EXTERIOR DO FREIO T=1,8 DISCO EXTERIOR DEL FRENO T=1,8 10,000 215-9999 BRAKE DISC EXTERNAL T=1,8 20 2122225 DISCO INTERIOR DO FREIO DISCO INTERIOR DEL FRENO 8,000 215-9999 BRAKE DISC INTERNAL 30 2122226 DISCO DE PRESSÃO DISCO DE PRESIÓN 2,000 215-9999 THRUST WASHER 40 2122227 ENGRENAGEM CÔNICA RUEDAS CÓNICAS 2,000 215-9999 BEVEL WHEEL 50 2122233 ENGRENAGEM CÔNICA DE COMPENSAÇÃO RUEDA CÓNICA DE COMPENSACIÓN 4,000 215-9999 AXLE DRIVE BEVEL GEAR 60 2122235 DISCO DE ARRANQUE DISCO DE ARRANQUE 4,000 215-9999 STOP WASHER 70 2122238 CAIXA DO DIFERENCIAL JAULA DEL DIFERENCIAL 1,000 215-9999 DIFERENCIAL CAGE 100 2122241 EIXO EJE 1,000 215-9999 AXLE 110 2122243 PARAFUSO CILINDRICO TORNILLO CILINDRICO 16,000 215-9999 CHEESE-HEAD SCREW
  • 376.
    08.20.00 / 01DIFERENCIAL COM BLOQUEIO DO DIFERENCIAL / 215-9999 08.20.00 / 01 DIFERENCIAL CON BLOQUEO DEL DIFERENCIAL / 215-9999 08.20.00 / 01 DIFFERENTIAL WITH DIFFERENTIAL LOCK / 215-9999
  • 377.
    POS Nº DEIDENT. DESIGNAÇÃO DESIGNATION DESIGNACIÓN QUANT. VALIDADE 08.20.00 / 01 DIFERENCIAL COM BLOQUEIO DO DIFERENCIAL / 215-9999 08.20.00 / 01 DIFERENCIAL CON BLOQUEO DEL DIFERENCIAL / 215-9999 08.20.00 / 01 DIFFERENTIAL WITH DIFFERENTIAL LOCK / 215-9999 2130598 120 214647 PARAFUSO CILINDRICO TORNILLO CILÍNDRICO 4,000 215-9999 CHEESE-HEAD SCREW 760 2122245 ROLAMENTO DE ROLOS CÔNICOS RODAMIENTO DE RODILLOS CÓNICOS 1,000 215-9999 TAPER ROLLER BEARING 770 2122250 ROLAMENTO DE ROLOS CÔNICOS RODAMIENTO DE RODILLOS CÓNICOS 1,000 215-9999 TAPER ROLLER BEARING
  • 378.
    08.25.00 / 00FREIO DE ESTACIONAMENTO / 1-214 08.25.00 / 00 FRENO DE ESTACIONAMIENTO / 1-214 08.25.00 / 00 PARKING BRAKE / 1-214
  • 379.
    POS Nº DEIDENT. DESIGNAÇÃO DESIGNATION DESIGNACIÓN QUANT. VALIDADE 08.25.00 / 00 FREIO DE ESTACIONAMENTO / 1-214 08.25.00 / 00 FRENO DE ESTACIONAMIENTO / 1-214 08.25.00 / 00 PARKING BRAKE / 1-214 2053692 600 1282700 TAMPA DO ROLAMENTO TAPA DEL COJINETE 2,000 1-214 BEARING CAP 620 1282719 ANEL ANILLO 4,000 1-214 RING 630 1282727 PARAFUSO DE CABEÇA CILÍNDRICA TORNILLO CILÍNDRICO 32,000 1-214 CHEESE-HEAD SCREW 650 378151 ANEL O ANILLO TOROIDAL 2,000 1-214 O-RING SEAL 660 1282735 ANEL RANHURADO ANILLO ACANALADO 2,000 1-214 GROOVE RING 680 1282743 ANEL RANHURADO ANILLO ACANALADO 2,000 1-214 GROOVE RING 700 1282778 ÊMBOLO EMBOLO 2,000 1-214 PISTON 710 1282786 CARCAÇA DO FREIO CARCASA DEL FRENO 2,000 1-214 BRAKE HOUSING 720 1282794 BUJÃO TORNILLO DE CIERRE 4,000 1-214 SCREW PLUG 721 1280376 ANEL O ANILLO TOROIDAL 4,000 1-214 O-RING SEAL 730 1282808 MOLA PRATO MUELLE DE DISCO 4,000 1-214 CUP SPRING 740 1282832 DISCO EXTERNO DO FREIO T=2,0 DISCO EXTERIOR DEL FRENO T=2,0 1,000 1-214 BRAKE DISC EXTERNAL T=2,0 740 1282824 DISCO EXTERNO DO FREIO T=3,0 DISCO EXTERIOR DEL FRENO T=3,0 1,000 1-214 BRAKE DISC EXTERNAL T=3,0 740 1282816 DISCO EXTERNO DO FREIO T=2,5 DISCO EXTERIOR DEL FRENO T=2,5 1,000 1-214 BRAKE DISC EXTERNAL T=2,5
  • 380.
    08.25.00 / 00FREIO DE ESTACIONAMENTO / 1-214 08.25.00 / 00 FRENO DE ESTACIONAMIENTO / 1-214 08.25.00 / 00 PARKING BRAKE / 1-214
  • 381.
    POS Nº DEIDENT. DESIGNAÇÃO DESIGNATION DESIGNACIÓN QUANT. VALIDADE 08.25.00 / 00 FREIO DE ESTACIONAMENTO / 1-214 08.25.00 / 00 FRENO DE ESTACIONAMIENTO / 1-214 08.25.00 / 00 PARKING BRAKE / 1-214 2053692 750 1286358 DISCO INTERNO DO FREIO DISCO INTERIOR DEL FRENO 6,000 1-214 BRAKE DISC INTERNAL 750 1282840 DISCO INTERNO DO FREIO DISCO INTERIOR DEL FRENO 6,000 1-214 BRAKE DISC INTERNAL 760 1282859 ROLAMENTO DE ROLOS CÔNICOS RODAMIENTO DE RODILLOS CÓNICOS 2,000 1-214 CONICAL ROLLER BEARING 780 1282271 ARRUELA ESPAÇADORA T=0,75 DISCO DE DISTANCIA T=0,75 1,000 1-214 SPACER T=0,75 780 1282263 ARRUELA ESPAÇADORA T=0,80 DISCO DE DISTANCIA T=0,80 1,000 1-214 SPACER T=0,80 780 1282255 ARRUELA ESPAÇADORA T=0,85 DISCO DE DISTANCIA T=0,85 1,000 1-214 SPACER T=0,85 780 1282247 ARRUELA ESPAÇADORA T=0,90 DISCO DE DISTANCIA T=0,90 1,000 1-214 SPACER T=0,90 780 1282239 ARRUELA ESPAÇADORA T=0,95 DISCO DE DISTANCIA T=0,95 1,000 1-214 SPACER T=0,95 780 1282344 ARRUELA ESPAÇADORA T=0,50 DISCO DE DISTANCIA T=0,50 1,000 1-214 SPACER T=0,50 780 1282336 ARRUELA ESPAÇADORA T=0,55 DISCO DE DISTANCIA T=0,55 1,000 1-214 SPACER T=0,55 780 1282328 ARRUELA ESPAÇADORA T=0,60 DISCO DE DISTANCIA T=0,60 1,000 1-214 SPACER T=0,60 780 1282301 ARRUELA ESPAÇADORA T=0,65 DISCO DE DISTANCIA T=0,65 1,000 1-214 SPACER T=0,65 780 1282298 ARRUELA ESPAÇADORA T=0,70 DISCO DE DISTANCIA T=0,70 1,000 1-214 SPACER T=0,70 780 1282069 ARRUELA ESPAÇADORA T=1,75 DISCO DE DISTANCIA T=1,75 1,000 1-214 SPACER T=1,75
  • 382.
    08.25.00 / 00FREIO DE ESTACIONAMENTO / 1-214 08.25.00 / 00 FRENO DE ESTACIONAMIENTO / 1-214 08.25.00 / 00 PARKING BRAKE / 1-214
  • 383.
    POS Nº DEIDENT. DESIGNAÇÃO DESIGNATION DESIGNACIÓN QUANT. VALIDADE 08.25.00 / 00 FREIO DE ESTACIONAMENTO / 1-214 08.25.00 / 00 FRENO DE ESTACIONAMIENTO / 1-214 08.25.00 / 00 PARKING BRAKE / 1-214 2053692 780 1282050 ARRUELA ESPAÇADORA T=1,80 DISCO DE DISTANCIA T=1,80 1,000 1-214 SPACER T=1,80 780 1282042 ARRUELA ESPAÇADORA T=1,85 DISCO DE DISTANCIA T=1,85 1,000 1-214 SPACER T=1,85 780 1282034 ARRUELA ESPAÇADORA T=1,90 DISCO DE DISTANCIA T=1,90 1,000 1-214 SPACER T=1,90 780 1282026 ARRUELA ESPAÇADORA T=2,00 DISCO DE DISTANCIA T=2,00 1,000 1-214 SPACER T=2,00 780 1282115 ARRUELA ESPAÇADORA T=1,50 DISCO DE DISTANCIA T=1,50 1,000 1-214 SPACER T=1,50 780 1282107 ARRUELA ESPAÇADORA T=1,55 DISCO DE DISTANCIA T=1,55 1,000 1-214 SPACER T=1,55 780 1282093 ARRUELA ESPAÇADORA T=1,60 DISCO DE DISTANCIA T=1,60 1,000 1-214 SPACER T=1,60 780 1282085 ARRUELA ESPAÇADORA T=1,65 DISCO DE DISTANCIA T=1,65 1,000 1-214 SPACER T=1,65 780 1282077 ARRUELA ESPAÇADORA T=1,70 DISCO DE DISTANCIA T=1,70 1,000 1-214 SPACER T=1,70 800 1282697 RESPIRO VÁLVULA DE VENTILACIÓN 2,000 1-214 BREATHER VALVE
  • 384.
    08.25.00 / 01FREIO DE ESTACIONAMENTO / 215-9999 08.25.00 / 01 FRENO DE ESTACIONAMIENTO / 215-9999 08.25.00 / 01 PARKING BRAKE / 215-9999
  • 385.
    POS Nº DEIDENT. DESIGNAÇÃO DESIGNATION DESIGNACIÓN QUANT. VALIDADE 08.25.00 / 01 FREIO DE ESTACIONAMENTO / 215-9999 08.25.00 / 01 FRENO DE ESTACIONAMIENTO / 215-9999 08.25.00 / 01 PARKING BRAKE / 215-9999 2130601 520 2122257 ARRUELA ARANDELA 2,000 215-9999 WASHER 600 2122262 CARCAÇA DO MANCAL CARCASA DEL COJINETE 1,000 215-9999 BEARING HOUSING 610 214426 PARAFUSO CILINDRICO TORNILLO CILÍNDRICO 2,000 215-9999 CHEESE-HEAD SCREW 620 1207474 DISCO DE APOIO DISCO DE APOYO 2,000 215-9999 SUPPORTING RING 625 2122271 ARRUELA DE AJUSTE ARANDELA DE AJUSTE 2,000 215-9999 SPACER SHIM 630 356158 PARAFUSO CILINDRICO TORNILLO CILÍNDRICO 32,000 215-9999 CHEESE-HEAD SCREW 650 378151 ANEL O-RING ANILLO TOROIDAL 2,000 215-9999 O-RING SEAL 660 2122278 ANEL ANILLO ACANALADO 2,000 215-9999 GROOVE RING 680 1282743 ANEL ANILLO ACANALADO 2,000 215-9999 GROOVE RING 700 2122285 EMBOLO EMBOLO 2,000 215-9999 PISTON 710 2122287 CARCAÇA DO FREIO CARCASA DEL FRENO 2,000 215-9999 BRAKE HOUSING 721 2122253 PARAFUSO TORNILLO DE CIERRE 1,000 215-9999 SCREW PLUG 722 1282514 ANEL O-RING ANILLO TOROIDAL 1,000 215-9999 O-RING SEAL 730 2122292 ARRUELA MUELLE DE DISCO 2,000 215-9999 CUP SPRING
  • 386.
    08.25.00 / 01FREIO DE ESTACIONAMENTO / 215-9999 08.25.00 / 01 FRENO DE ESTACIONAMIENTO / 215-9999 08.25.00 / 01 PARKING BRAKE / 215-9999
  • 387.
    POS Nº DEIDENT. DESIGNAÇÃO DESIGNATION DESIGNACIÓN QUANT. VALIDADE 08.25.00 / 01 FREIO DE ESTACIONAMENTO / 215-9999 08.25.00 / 01 FRENO DE ESTACIONAMIENTO / 215-9999 08.25.00 / 01 PARKING BRAKE / 215-9999 2130601 740 2129029 DISCO EXTERIOR DO FREIO T=4,0 DISCO EXTERIOR DEL FRENO T=4,0 8,000 215-9999 BRAKE DISC EXTERNAL T=4,0 740 2129030 DISCO EXTERIOR DO FREIO T=3,5 DISCO EXTERIOR DEL FRENO T=3,5 8,000 215-9999 BRAKE DISC EXTERNAL T=3,5 740 2129031 DISCO EXTERIOR DO FREIO T=3,0 DISCO EXTERIOR DEL FRENO T=3,0 8,000 215-9999 BRAKE DISC EXTERNAL T=3,0 750 1282840 DISCO INTERIOR DO FREIO DISCO INTERIOR DEL FRENO 6,000 215-9999 BRAKE DISC INTERNAL 800 1282697 VÁLVULA DE VENTILAÇÃO VÁLVULA DE VENTILACIÓN 2,000 215-9999 BREATHER VALVE
  • 388.
    08.30.00 / 00REDUÇÃO PLANETÁRIA / 1-214 08.30.00 / 00 ENGRANAJE PLANETÁRIO / 1-214 08.30.00 / 00 PLANETARY GEAR / 1-214
  • 389.
    POS Nº DEIDENT. DESIGNAÇÃO DESIGNATION DESIGNACIÓN QUANT. VALIDADE 08.30.00 / 00 REDUÇÃO PLANETÁRIA / 1-214 08.30.00 / 00 ENGRANAJE PLANETÁRIO / 1-214 08.30.00 / 00 PLANETARY GEAR / 1-214 2053693 340 2030641 EIXO ARBOL 2,000 1-214 SHAFT 340 1282867 EIXO ARBOL 2,000 1-214 SHAFT 390 1286374 PORTA-SATÉLITE SOPORTE PLANETARIO 2,000 1-214 PLANET CARRIER 400 2029870 ENGRENAGEM PLANETÁRIA RUEDA PLANETARIA 7,000 1-214 PLANET WHEEL 410 1282891 ROLAMENTO DE ROLOS CÔNICOS RODAMIENTO DE RODILLOS CÓNICOS 8,000 1-214 CONICAL ROLLER BEARING 420 1286390 ARRUELA ARANDELA 16,000 1-214 WASHER 420 1282352 ARRUELA ARANDELA 12,000 1-214 WASHER 430 1286404 ANEL DE RETENÇÃO ARO DE FIJACIÓN 16,000 1-214 RETAINING RING 430 1282905 ANEL DE RETENÇÃO ARO DE FIJACIÓN 12,000 1-214 RETAINING RING 480 217204 ANEL DE RETENÇÃO ANILLO FIJADOR 8,000 1-214 LOCKING RING 500 1282360 ARRUELA BATENTE DISCO DE ARRANQUE 2,000 1-214 STOP WASHER 510 217212 ANEL DE RETENÇÃO ANILLO FIJADOR 2,000 1-214 LOCKING RING 520 1282913 ARRUELA ARANDELA 2,000 1-214 WASHER 530 1282417 ARRUELA ESPAÇADORA T=0,7 DISCO DE DISTANCIA T=0,7 1,000 1-214 SPACER T=0,7
  • 390.
    08.30.00 / 00REDUÇÃO PLANETÁRIA / 1-214 08.30.00 / 00 ENGRANAJE PLANETÁRIO / 1-214 08.30.00 / 00 PLANETARY GEAR / 1-214
  • 391.
    POS Nº DEIDENT. DESIGNAÇÃO DESIGNATION DESIGNACIÓN QUANT. VALIDADE 08.30.00 / 00 REDUÇÃO PLANETÁRIA / 1-214 08.30.00 / 00 ENGRANAJE PLANETÁRIO / 1-214 08.30.00 / 00 PLANETARY GEAR / 1-214 2053693 530 1282425 ARRUELA ESPAÇADORA T=0,8 DISCO DE DISTANCIA T=0,8 1,000 1-214 SPACER T=0,8 530 1282433 ARRUELA ESPAÇADORA T=0,9 DISCO DE DISTANCIA T=0,9 1,000 1-214 SPACER T=0,9 530 1282441 ARRUELA ESPAÇADORA T=1,0 DISCO DE DISTANCIA T=1,0 1,000 1-214 SPACER T=1,0 530 1282409 ARRUELA ESPAÇADORA T=1,5 DISCO DE DISTANCIA T=1,5 1,000 1-214 SPACER T=1,5 530 276898 ARRUELA ESPAÇADORA T=0,5 DISCO DE DISTANCIA T=0,5 1,000 1-214 SPACER T=0,5 530 1282379 ARRUELA ESPAÇADORA T=0,3 DISCO DE DISTANCIA T=0,3 1,000 1-214 SPACER T=0,3 530 1282387 ARRUELA ESPAÇADORA T=0,2 DISCO DE DISTANCIA T=0,2 1,000 1-214 SPACER T=0,2 530 1282395 ARRUELA ESPAÇADORA T=2,0 DISCO DE DISTANCIA T=2,0 1,000 1-214 SPACER T=2,0
  • 392.
    08.30.00 / 01REDUÇÃO PLANETÁRIA / 215-9999 08.30.00 / 01 ENGRANAJE PLANETÁRIO / 215-9999 08.30.00 / 01 PLANETARY GEAR / 215-9999
  • 393.
    POS Nº DEIDENT. DESIGNAÇÃO DESIGNATION DESIGNACIÓN QUANT. VALIDADE 08.30.00 / 01 REDUÇÃO PLANETÁRIA / 215-9999 08.30.00 / 01 ENGRANAJE PLANETÁRIO / 215-9999 08.30.00 / 01 PLANETARY GEAR / 215-9999 2130602 200 1282964 ROLAMENTO DE ROLOS CÔNICOS RODAMIENTO DE RODILLOS CÓNICOS 2,000 215-9999 TAPER ROLLER BEARING 210 1282972 ROLAMENTO DE ROLOS CÔNICOS RODAMIENTO DE RODILLOS CÓNICOS 2,000 215-9999 TAPER ROLLER BEARING 220 1282980 EIXO DE ACIONAMENTO ARBOL DE ACCIONAMIENTO 2,000 215-9999 DRIVING SHAFT 230 1282557 PORCA RANHURADA TUERCA RANURADA 2,000 215-9999 GROOVE NUT 232 1283014 PINO PASADOR HENDIDO 2,000 215-9999 GROOVED PIN 340 2122297 EIXO ARBOL 2,000 215-9999 SHAFT 350 2122299 ANEL ANILLO 2,000 215-9999 RING 390 1286374 SUPORTE PLANETÁRIO SOPORTE PLANETARIO 2,000 215-9999 PLANET CARRIER 400 2122300 RODA PLANETÁRIA RUEDA PLANETARIA 6,000 215-9999 PLANET WHEEL 410 2122301 ROLAMENTO DE ROLOS CILINDRICOS COJINETE DE RODILLOS CILÍNDRICOS 6,000 215-9999 CYLINDRICAL ROLLER BEARING 480 217204 ANEL FIXADOR ANILLO FIJADOR 6,000 215-9999 LOCKING RING 500 1282360 DISCO DE ARRANQUE DISCO DE ARRANQUE 2,000 215-9999 STOP WASHER 510 2122333 ANEL FIXADOR ANILLO FIJADOR 2,000 215-9999 LOCKING RING 530 1282441 ARRUELA ESPAÇADORA T=1,0 DISCO DE DISTANCIA T=1,0 2,000 215-9999 SPACER T=1,0
  • 394.
    08.30.00 / 01REDUÇÃO PLANETÁRIA / 215-9999 08.30.00 / 01 ENGRANAJE PLANETÁRIO / 215-9999 08.30.00 / 01 PLANETARY GEAR / 215-9999
  • 395.
    POS Nº DEIDENT. DESIGNAÇÃO DESIGNATION DESIGNACIÓN QUANT. VALIDADE 08.30.00 / 01 REDUÇÃO PLANETÁRIA / 215-9999 08.30.00 / 01 ENGRANAJE PLANETÁRIO / 215-9999 08.30.00 / 01 PLANETARY GEAR / 215-9999 2130602 530 1282433 ARRUELA ESPAÇADORA T=0,9 DISCO DE DISTANCIA T=0,9 2,000 215-9999 SPACER T=0,9 530 1282425 ARRUELA ESPAÇADORA T=0,8 DISCO DE DISTANCIA T=0,8 2,000 215-9999 SPACER T=0,8 530 1282417 ARRUELA ESPAÇADORA T=0,7 DISCO DE DISTANCIA T=0,7 2,000 215-9999 SPACER T=0,7 530 1282409 ARRUELA ESPAÇADORA T=1,5 DISCO DE DISTANCIA T=1,5 2,000 215-9999 SPACER T=1,5 530 1282395 ARRUELA ESPAÇADORA T=2,0 DISCO DE DISTANCIA T=2,0 2,000 215-9999 SPACER T=2,0 530 1282387 ARRUELA ESPAÇADORA T=0,2 DISCO DE DISTANCIA T=0,2 2,000 215-9999 SPACER T=0,2 530 1282379 ARRUELA ESPAÇADORA T=0,3 DISCO DE DISTANCIA T=0,3 2,000 215-9999 SPACER T=0,3 530 276898 ARRUELA ESPAÇADORA T=0,5 DISCO DE DISTANCIA T=0,5 2,000 215-9999 SPACER T=0,5 890 1282506 ARRUELA ESPAÇADORA T=2,0 DISCO DE DISTANCIA T=2,0 2,000 215-9999 SPACER T=2,0 890 1282492 ARRUELA ESPAÇADORA T=3,0 DISCO DE DISTANCIA T=3,0 2,000 215-9999 SPACER T=3,0 890 1282484 ARRUELA ESPAÇADORA T=0,3 DISCO DE DISTANCIA T=0,3 2,000 215-9999 SPACER T=0,3 890 1282476 ARRUELA ESPAÇADORA T=0,5 DISCO DE DISTANCIA T=0,5 2,000 215-9999 SPACER T=0,5 890 1282468 ARRUELA ESPAÇADORA T=1,0 DISCO DE DISTANCIA T=1,0 2,000 215-9999 SPACER T=1,0 900 1283006 PINO BULÓN 2,000 215-9999 BOLT
  • 396.
    08.40.00 / 00PNEUS / 1-9999 08.40.00 / 00 NEUMÁTICOS / 1-9999 08.40.00 / 00 TIRE EQUIPMENT / 1-9999
  • 397.
    POS Nº DEIDENT. DESIGNAÇÃO DESIGNATION DESIGNACIÓN QUANT. VALIDADE 08.40.00 / 00 PNEUS / 1-9999 08.40.00 / 00 NEUMÁTICOS / 1-9999 08.40.00 / 00 TIRE EQUIPMENT / 1-9999 2053694 22 853607 RODA RUEDA 2,000 1-9999 WHEEL 22.01 1480510 ARO DA RODA LLANTA 1,000 1-9999 RIM 22.02 387851 PNEU PERFILADO NEUMÁTICOS PERFILADOS 1,000 1-9999 PROFILE TIRES 22.03 337757 VÁLVULA DO PNEU VÁLVULA DE NEUMÁTICO 1,000 1-9999 TIRE VALVE 22.04 337838 CLORETO DE MAGNÉSIO (KG) CLORURO MAGNÉSICO (KG) 75,000 1-9999 MAGNESIUM CHLORIDE (KG) 23 864463 RODA ESQUERDA RUEDA IZQUIERDA 1,000 1-9999 WHEEL LEFT 23.01 1480510 ARO DA RODA LLANTA 1,000 1-9999 RIM 23.02 342009 PNEU PERFILADO NEUMÁTICOS PERFILADOS 1,000 1-9999 PROFILE TIRES 23.03 337757 VÁLVULA DO PNEU VÁLVULA DE NEUMÁTICO 1,000 1-9999 TIRE VALVE 23.04 337838 CLORETO DE MAGNÉSIO (KG) CLORURO MAGNÉSICO (KG) 75,000 1-9999 MAGNESIUM CHLORIDE (KG) 24 864455 RODA DIREITA RUEDA DERECHA 1,000 1-9999 WHEEL RIGHT 24.01 1480510 ARO DA RODA LLANTA 1,000 1-9999 RIM 24.02 342009 PNEU PERFILADO NEUMÁTICOS PERFILADOS 1,000 1-9999 PROFILE TIRES 24.03 337757 VÁLVULA DO PNEU VÁLVULA DE NEUMÁTICO 1,000 1-9999 TIRE VALVE
  • 398.
    08.40.00 / 00PNEUS / 1-9999 08.40.00 / 00 NEUMÁTICOS / 1-9999 08.40.00 / 00 TIRE EQUIPMENT / 1-9999
  • 399.
    POS Nº DEIDENT. DESIGNAÇÃO DESIGNATION DESIGNACIÓN QUANT. VALIDADE 08.40.00 / 00 PNEUS / 1-9999 08.40.00 / 00 NEUMÁTICOS / 1-9999 08.40.00 / 00 TIRE EQUIPMENT / 1-9999 2053694 24.04 337838 CLORETO DE MAGNÉSIO (KG) CLORURO MAGNÉSICO (KG) 75,000 1-9999 MAGNESIUM CHLORIDE (KG)
  • 400.
    08.50.01 / 00SISTEMA DE TRAÇÃO, PÁGINA 1 / 1-9999 08.50.01 / 00 ACCIONAMIENTOS DE TRANSLACIÓN, PÁGINA 1 / 1-9999 08.50.01 / 00 DRIVE, PAGE 1 / 1-9999
  • 401.
    POS Nº DEIDENT. DESIGNAÇÃO DESIGNATION DESIGNACIÓN QUANT. VALIDADE 08.50.01 / 00 SISTEMA DE TRAÇÃO, PÁGINA 1 / 1-9999 08.50.01 / 00 ACCIONAMIENTOS DE TRANSLACIÓN, PÁGINA 1 / 1-9999 08.50.01 / 00 DRIVE, PAGE 1 / 1-9999 2053695 30 1259806 MANGUEIRA MANGUERA 1,000 1-9999 FLEXIBLE TUBING 31 1302132 MANGUEIRA MANGUERA 1,000 1-9999 FLEXIBLE TUBING 35 348430 JOELHO FLANGE PIEZA INTERMEDIA 2,000 1-9999 INTERMEDIATE PIECE 36 267465 ANEL O ANILLO TOROÏDAL 2,000 1-9999 O-RING SEAL 37 267457 CONCHA FLANGE SAE MITAD DE LA BRIDA SAE 4,000 1-9999 SAE-FLANGE HALF 38 1264893 PARAFUSO DE SEGURANÇA TORNILLO DE SEGURIDAD 8,000 1-9999 SAFETY SCREW 40 1486918 CHAPA CHAPA 1,000 1-9999 METAL PLATE 41 1200240 PARAFUSO CABEÇA LENTILHA TORNILLO CIL. CABEZA REBAJADA 2,000 1-9999 MUSHROOM HEAD SCREW 42 216607 ARRUELA ARANDELA 4,000 1-9999 WASHER 43 216453 PORCA SEXTAVADA TUERCA HEXAGONAL 2,000 1-9999 HEXAGON NUT 45 1486926 CHAPA CHAPA 1,000 1-9999 METAL PLATE 46 213853 PARAFUSO SEXTAVADO TORNILLO HEXAGONAL 2,000 1-9999 HEXAGON SCREW 47 216607 ARRUELA ARANDELA 4,000 1-9999 WASHER 48 216453 PORCA SEXTAVADA TUERCA HEXAGONAL 2,000 1-9999 HEXAGON NUT
  • 402.
    08.50.01 / 00SISTEMA DE TRAÇÃO, PÁGINA 1 / 1-9999 08.50.01 / 00 ACCIONAMIENTOS DE TRANSLACIÓN, PÁGINA 1 / 1-9999 08.50.01 / 00 DRIVE, PAGE 1 / 1-9999
  • 403.
    POS Nº DEIDENT. DESIGNAÇÃO DESIGNATION DESIGNACIÓN QUANT. VALIDADE 08.50.01 / 00 SISTEMA DE TRAÇÃO, PÁGINA 1 / 1-9999 08.50.01 / 00 ACCIONAMIENTOS DE TRANSLACIÓN, PÁGINA 1 / 1-9999 08.50.01 / 00 DRIVE, PAGE 1 / 1-9999 2053695 50 1418467 MEIA ABRAÇADEIRA MEDIA ABRAZADERA 2,000 1-9999 HALF-CLIP 51 488216 BARRA CHATA ACERO PLANO 1,000 1-9999 FLAT STEEL 52 1212710 PARAFUSO SEXTAVADO TORNILLO HEXAGONAL 2,000 1-9999 HEXAGON SCREW 53 216607 ARRUELA ARANDELA 4,000 1-9999 WASHER 54 216453 PORCA SEXTAVADA TUERCA HEXAGONAL 2,000 1-9999 HEXAGON NUT 60 1418467 MEIA ABRAÇADEIRA MEDIA ABRAZADERA 2,000 1-9999 HALF-CLIP 61 488216 BARRA CHATA ACERO PLANO 1,000 1-9999 FLAT STEEL 62 1212710 PARAFUSO SEXTAVADO TORNILLO HEXAGONAL 2,000 1-9999 HEXAGON SCREW 63 216607 ARRUELA ARANDELA 4,000 1-9999 WASHER 64 216453 PORCA SEXTAVADA TUERCA HEXAGONAL 2,000 1-9999 HEXAGON NUT 65 1486861 CHAPA CHAPA 1,000 1-9999 METAL PLATE 66 213853 PARAFUSO SEXTAVADO TORNILLO HEXAGONAL 2,000 1-9999 HEXAGON SCREW 67 216607 ARRUELA ARANDELA 4,000 1-9999 WASHER 68 216453 PORCA SEXTAVADA TUERCA HEXAGONAL 2,000 1-9999 HEXAGON NUT
  • 404.
    08.50.01 / 00SISTEMA DE TRAÇÃO, PÁGINA 1 / 1-9999 08.50.01 / 00 ACCIONAMIENTOS DE TRANSLACIÓN, PÁGINA 1 / 1-9999 08.50.01 / 00 DRIVE, PAGE 1 / 1-9999
  • 405.
    POS Nº DEIDENT. DESIGNAÇÃO DESIGNATION DESIGNACIÓN QUANT. VALIDADE 08.50.01 / 00 SISTEMA DE TRAÇÃO, PÁGINA 1 / 1-9999 08.50.01 / 00 ACCIONAMIENTOS DE TRANSLACIÓN, PÁGINA 1 / 1-9999 08.50.01 / 00 DRIVE, PAGE 1 / 1-9999 2053695 70 2024309 CHAPA CHAPA 1,000 167-9999 METAL PLATE 71 214671 PARAFUSO DE CABEÇA CILÍNDRICA TORNILLO CILÍNDRICO 4,000 1-9999 CHEESE-HEAD SCREW 72 216453 PORCA SEXTAVADA TUERCA HEXAGONAL 4,000 1-9999 HEXAGON NUT 73 216607 ARRUELA ARANDELA 4,000 1-9999 WASHER 75 1418467 MEIA ABRAÇADEIRA MEDIA ABRAZADERA 4,000 1-9999 HALF-CLIP 76 488216 BARRA CHATA ACERO PLANO 2,000 1-9999 FLAT STEEL 77 1212710 PARAFUSO SEXTAVADO TORNILLO HEXAGONAL 4,000 1-9999 HEXAGON SCREW 78 216607 ARRUELA ARANDELA 4,000 1-9999 WASHER 79 216453 PORCA SEXTAVADA TUERCA HEXAGONAL 4,000 1-9999 HEXAGON NUT 84 205966 UNIÃO ORIENTÁVEL SIMPLES RACOR GIRATORIO 1,000 1-9999 BANJO 85 1302140 MANGUEIRA MANGUERA 1,000 1-9999 FLEXIBLE TUBING 86 206415 CONEXÃO MACHO RETA RACOR PARA ENROSCAR RECTO 1,000 1-9999 STRAIGHT SCREWED SOCKET 88 1242466 MANGUEIRA MANGUERA 1,000 1-9999 FLEXIBLE TUBING 89 315699 CONEXÃO MACHO RETA RACOR PARA ENROSCAR RECTO 1,000 1-9999 STRAIGHT SCREWED SOCKET
  • 406.
    08.50.01 / 00SISTEMA DE TRAÇÃO, PÁGINA 1 / 1-9999 08.50.01 / 00 ACCIONAMIENTOS DE TRANSLACIÓN, PÁGINA 1 / 1-9999 08.50.01 / 00 DRIVE, PAGE 1 / 1-9999
  • 407.
    POS Nº DEIDENT. DESIGNAÇÃO DESIGNATION DESIGNACIÓN QUANT. VALIDADE 08.50.01 / 00 SISTEMA DE TRAÇÃO, PÁGINA 1 / 1-9999 08.50.01 / 00 ACCIONAMIENTOS DE TRANSLACIÓN, PÁGINA 1 / 1-9999 08.50.01 / 00 DRIVE, PAGE 1 / 1-9999 2053695 105 1200593 BUJÃO TORNILLO DE CIERRE 1,000 1-9999 SCREW PLUG
  • 408.
    08.50.02 / 00SISTEMA DE TRAÇÃO, PÁGINA 2 / 1-9999 08.50.02 / 00 ACCIONAMIENTOS DE TRANSLACIÓN, PÁGINA 2 / 1-9999 08.50.02 / 00 DRIVE, PAGE 2 / 1-9999
  • 409.
    POS Nº DEIDENT. DESIGNAÇÃO DESIGNATION DESIGNACIÓN QUANT. VALIDADE 08.50.02 / 00 SISTEMA DE TRAÇÃO, PÁGINA 2 / 1-9999 08.50.02 / 00 ACCIONAMIENTOS DE TRANSLACIÓN, PÁGINA 2 / 1-9999 08.50.02 / 00 DRIVE, PAGE 2 / 1-9999 2053696 1 1486586 BLOCO DE CONEXÃO BLOQUE DE CONEXIÓN 2,000 1-9999 CONNECTION BLOCK 2 228516 ANEL O ANILLO TOROÏDAL 2,000 1-9999 O-RING SEAL 3 287199 CONCHA FLANGE SAE MITAD DE LA BRIDA SAE 4,000 1-9999 SAE-FLANGE HALF 4 228516 ANEL O ANILLO TOROÏDAL 2,000 1-9999 O-RING SEAL 5 1268856 PARAFUSO DE CABEÇA CILÍNDRICA TORNILLO CILÍNDRICO 8,000 1-9999 CHEESE-HEAD SCREW 6 1291726 CURVA FLANGE SAE CODO DEL TUBO 2,000 1-9999 PIPE BEND 7 1302094 MANGUEIRA MANGUERA 1,000 1-9999 FLEXIBLE TUBING 8 228516 ANEL O ANILLO TOROÏDAL 2,000 1-9999 O-RING SEAL 9 287199 CONCHA FLANGE SAE MITAD DE LA BRIDA SAE 4,000 1-9999 SAE-FLANGE HALF 10 1260774 PARAFUSO DE SEGURANÇA TORNILLO DE SEGURIDAD 8,000 1-9999 SAFETY SCREW 12 1486721 BARRA CHATA ACERO PLANO 1,000 1-9999 FLAT STEEL 13 211826 PARAFUSO SEXTAVADO TORNILLO HEXAGONAL 1,000 1-9999 HEXAGON SCREW 14 293873 ARRUELA ARANDELA 1,000 1-9999 WASHER 15 1486772 MEIA ABRAÇADEIRA MEDIA ABRAZADERA 2,000 1-9999 HALF-CLIP
  • 410.
    08.50.02 / 00SISTEMA DE TRAÇÃO, PÁGINA 2 / 1-9999 08.50.02 / 00 ACCIONAMIENTOS DE TRANSLACIÓN, PÁGINA 2 / 1-9999 08.50.02 / 00 DRIVE, PAGE 2 / 1-9999
  • 411.
    POS Nº DEIDENT. DESIGNAÇÃO DESIGNATION DESIGNACIÓN QUANT. VALIDADE 08.50.02 / 00 SISTEMA DE TRAÇÃO, PÁGINA 2 / 1-9999 08.50.02 / 00 ACCIONAMIENTOS DE TRANSLACIÓN, PÁGINA 2 / 1-9999 08.50.02 / 00 DRIVE, PAGE 2 / 1-9999 2053696 16 1486748 BARRA CHATA ACERO PLANO 1,000 1-9999 FLAT STEEL 17 359270 PARAFUSO PRISIONEIRO ESPÁRRAGO 2,000 1-9999 STUD BOLT 18 216593 ARRUELA ARANDELA 2,000 1-9999 WASHER 19 216445 PORCA SEXTAVADA TUERCA HEXAGONAL 2,000 1-9999 HEXAGON NUT 21 1302108 MANGUEIRA MANGUERA 1,000 1-9999 FLEXIBLE TUBING 25 389269 ADAPTADOR PIEZA INTERMEDIA 2,000 1-9999 INTERMEDIATE PIECE 26 267465 ANEL O ANILLO TOROÏDAL 2,000 1-9999 O-RING SEAL 27 267457 CONCHA FLANGE SAE MITAD DE LA BRIDA SAE 4,000 1-9999 SAE-FLANGE HALF 28 214639 PARAFUSO DE CABEÇA CILÍNDRICA TORNILLO CILÍNDRICO 8,000 1-9999 CHEESE-HEAD SCREW 30 1259806 MANGUEIRA MANGUERA 1,000 1-9999 FLEXIBLE TUBING 31 1302132 MANGUEIRA MANGUERA 1,000 1-9999 FLEXIBLE TUBING 87 206369 CONEXÃO MACHO RETA RACOR PARA ENROSCAR RECTO 1,000 1-9999 STRAIGHT SCREWED SOCKET 88 1242466 MANGUEIRA MANGUERA 1,000 1-9999 FLEXIBLE TUBING 90 315702 CONEXÃO MACHO RETA RACOR PARA ENROSCAR RECTO 1,000 1-9999 STRAIGHT SCREWED SOCKET
  • 412.
    08.50.02 / 00SISTEMA DE TRAÇÃO, PÁGINA 2 / 1-9999 08.50.02 / 00 ACCIONAMIENTOS DE TRANSLACIÓN, PÁGINA 2 / 1-9999 08.50.02 / 00 DRIVE, PAGE 2 / 1-9999
  • 413.
    POS Nº DEIDENT. DESIGNAÇÃO DESIGNATION DESIGNACIÓN QUANT. VALIDADE 08.50.02 / 00 SISTEMA DE TRAÇÃO, PÁGINA 2 / 1-9999 08.50.02 / 00 ACCIONAMIENTOS DE TRANSLACIÓN, PÁGINA 2 / 1-9999 08.50.02 / 00 DRIVE, PAGE 2 / 1-9999 2053696 91 387738 MANGUEIRA MANGUERA 1,000 1-9999 FLEXIBLE TUBING 93 327832 CONEXÃO MACHO RETA RACOR PARA ENROSCAR RECTO 1,000 1-9999 STRAIGHT SCREWED SOCKET 94 267341 FIXADOR DE CABOS SUJETACABLES 30,000 1-9999 WIRE FASTENER 109 317810 CONEXÃO T VERTICAL PIEZA EN T AJUSTABLE 1,000 1-9999 T-PIECE ADJUSTABLE 110 317624 ADAPTADOR DE REDUÇÃO RACOR REDUCTOR 1,000 1-9999 REDUCING PIECE
  • 414.
    08.50.03 / 00SISTEMA DE TRAÇÃO, PÁGINA 3 / 1-9999 08.50.03 / 00 ACCIONAMIENTOS DE TRANSLACIÓN, PÁGINA 3 / 1-9999 08.50.03 / 00 DRIVE, PAGE 3 / 1-9999
  • 415.
    POS Nº DEIDENT. DESIGNAÇÃO DESIGNATION DESIGNACIÓN QUANT. VALIDADE 08.50.03 / 00 SISTEMA DE TRAÇÃO, PÁGINA 3 / 1-9999 08.50.03 / 00 ACCIONAMIENTOS DE TRANSLACIÓN, PÁGINA 3 / 1-9999 08.50.03 / 00 DRIVE, PAGE 3 / 1-9999 2053697 90 315702 CONEXÃO MACHO RETA RACOR PARA ENROSCAR RECTO 1,000 1-9999 STRAIGHT SCREWED SOCKET 91 387738 MANGUEIRA MANGUERA 1,000 1-9999 FLEXIBLE TUBING 92 317853 JOELHO ORIENTÁVEL RACOR ANGULAR AJUSTABLE 2,000 1-9999 ELBOW ADJUSTABLE 93 327832 CONEXÃO MACHO RETA RACOR PARA ENROSCAR RECTO 1,000 1-9999 STRAIGHT SCREWED SOCKET 112 1486721 BARRA CHATA ACERO PLANO 1,000 1-9999 FLAT STEEL 113 211826 PARAFUSO SEXTAVADO TORNILLO HEXAGONAL 1,000 1-9999 HEXAGON SCREW 114 293873 ARRUELA ARANDELA 1,000 1-9999 WASHER 115 1486772 MEIA ABRAÇADEIRA MEDIA ABRAZADERA 2,000 1-9999 HALF-CLIP 116 1486756 BARRA CHATA ACERO PLANO 1,000 1-9999 FLAT STEEL 117 359270 PARAFUSO PRISIONEIRO ESPÁRRAGO 2,000 1-9999 STUD BOLT 118 216593 ARRUELA ARANDELA 2,000 1-9999 WASHER 119 216445 PORCA SEXTAVADA TUERCA HEXAGONAL 2,000 1-9999 HEXAGON NUT
  • 416.
    08.51.00 / 00CONTROLE DE TRAÇÃO / 1-9999 08.51.00 / 00 MANDO DE CONDUCCIÓN / 1-9999 08.51.00 / 00 DRIVE SHIFTING / 1-9999
  • 417.
    POS Nº DEIDENT. DESIGNAÇÃO DESIGNATION DESIGNACIÓN QUANT. VALIDADE 08.51.00 / 00 CONTROLE DE TRAÇÃO / 1-9999 08.51.00 / 00 MANDO DE CONDUCCIÓN / 1-9999 08.51.00 / 00 DRIVE SHIFTING / 1-9999 2053698 1 1537571 MANÍPULO COM CABO DE ACIONAMENTO PALANCA MANUAL CON CABLE ACCIONAMIENTO 1,000 1-9999 HAND LEVER WITH ACTUATING CABLE 1.01 2035110 MANÍPULO COM CABO DE ACIONAMENTO PALANCA MANUAL 1,000 1-9999 HAND LEVER 1.02 2035109 CABO DE ACIONAMENTO CABLE DE ACCIONAMIENTO 1,000 1-9999 ACTUATING CABLE 2 2024111 CABLAGEM MAZO DE CABLES 1,000 1-9999 WIRE HARNESS 3 806420 MANÍPULO MULTI-FUNÇÃO MANDO MULTIFUNCIONAL 1,000 1-9999 MULTIFUNCTION HANDLE 4 806447 SISTEMA ELETRÔNICO MFG SISTEMA ELECTRÓNICO MFG 1,000 1-9999 MFG ELECTRONIC SYSTEM 5 393053 PARAFUSO DE CABEÇA ESCAREADA TORNILLO AVELLANADO DE LENTE 4,000 1-9999 RAISED COUNTERSUNK HEAD SCREW 6 396095 PARAFUSO DE CABEÇA ESCAREADA TORNILLO AVELLANADO DE LENTE 2,000 1-9999 RAISED COUNTERSUNK HEAD SCREW 7 389765 ANEL O ANILLO TOROIDAL 1,000 1-9999 O-RING SEAL 8 1401548 TAMPA CUBIERTA 1,000 1-9999 COVER 9 613697 CABO REDONDO (M) CABLE REDONDO (M) 1,000 1-9999 ROUND CABLE (M) 50 2024313 SUPORTE SOPORTE 1,000 1-9999 SUPPORT 51 213748 PARAFUSO SEXTAVADO TORNILLO HEXAGONAL 2,000 1-9999 HEXAGON SCREW 52 216593 ARRUELA ARANDELA 2,000 1-9999 WASHER
  • 418.
    08.53.00 / 00FREIO DE ESTACIONAMENTO / 1-9999 08.53.00 / 00 FRENO DE ESTACIONAMIENTO / 1-9999 08.53.00 / 00 PARKING BRAKE / 1-9999
  • 419.
    POS Nº DEIDENT. DESIGNAÇÃO DESIGNATION DESIGNACIÓN QUANT. VALIDADE 08.53.00 / 00 FREIO DE ESTACIONAMENTO / 1-9999 08.53.00 / 00 FRENO DE ESTACIONAMIENTO / 1-9999 08.53.00 / 00 PARKING BRAKE / 1-9999 2053699 1 1204491 BLOCO DE VÁLVULAS BLOQUE DE VÁLVULA 1,000 1-9999 VALVE BLOCK 1.01 1263889 KIT DE VEDAÇÃO KIT DE JUNTAS 1,000 1-9999 SET OF SEALS 1.02 1237160 VÁLVULA DIRECIONAL VÁLVULA DE DISTRIBUCIÓN 1,000 1-9999 DIRECTIONAL VALVE 1.03 1237640 BOBINA IMÁN 1,000 1-9999 MAGNET 2 1210068 PARAFUSO DE CABEÇA CILÍNDRICA TORNILLO CILÍNDRICO 2,000 1-9999 CHEESE-HEAD SCREW 3 216445 PORCA SEXTAVADA TUERCA HEXAGONAL 2,000 1-9999 HEXAGON NUT 4 216593 ARRUELA ARANDELA 2,000 1-9999 WASHER 5 1301020 PRESSOSTATO, FREIO DE ESTACIONAMENTO INTERRUPTOR PRESIÓN, FRENO EST 1,000 1-9999 PRESSURE SWITCH, PARKING BRAKE 6 278777 CONEXÃO MACHO RETA RACOR PARA ENROSCAR RECTO 1,000 1-9999 STRAIGHT SCREWED SOCKET 7 1241826 MANGUEIRA MANGUERA 1,000 1-9999 FLEXIBLE TUBING 8 322261 CONEXÃO MACHO RETA RACOR PARA ENROSCAR RECTO 1,000 1-9999 STRAIGHT SCREWED SOCKET 10 397610 CONEXÃO MACHO RETA RACOR PARA ENROSCAR RECTO 1,000 1-9999 STRAIGHT SCREWED SOCKET 11 396575 JOELHO ORIENTÁVEL RACOR ANGULAR AJUSTABLE 1,000 1-9999 ELBOW ADJUSTABLE 12 1302175 MANGUEIRA MANGUERA 1,000 1-9999 FLEXIBLE TUBING
  • 420.
    08.53.00 / 00FREIO DE ESTACIONAMENTO / 1-9999 08.53.00 / 00 FRENO DE ESTACIONAMIENTO / 1-9999 08.53.00 / 00 PARKING BRAKE / 1-9999
  • 421.
    POS Nº DEIDENT. DESIGNAÇÃO DESIGNATION DESIGNACIÓN QUANT. VALIDADE 08.53.00 / 00 FREIO DE ESTACIONAMENTO / 1-9999 08.53.00 / 00 FRENO DE ESTACIONAMIENTO / 1-9999 08.53.00 / 00 PARKING BRAKE / 1-9999 2053699 13 278769 CONEXÃO MACHO RETA RACOR PARA ENROSCAR RECTO 1,000 1-9999 STRAIGHT SCREWED SOCKET 15 398004 CONEXÃO T VERTICAL PIEZA EN T AJUSTABLE 1,000 1-9999 T-PIECE ADJUSTABLE 16 397610 CONEXÃO MACHO RETA RACOR PARA ENROSCAR RECTO 2,000 1-9999 STRAIGHT SCREWED SOCKET 17 397660 MANGUEIRA MANGUERA 1,000 1-9999 FLEXIBLE TUBING 18 317098 CONEXÃO MACHO RETA RACOR PARA ENROSCAR RECTO 1,000 1-9999 STRAIGHT SCREWED SOCKET 19 387835 MANGUEIRA MANGUERA 1,000 1-9999 FLEXIBLE TUBING 20 317837 JOELHO ORIENTÁVEL RACOR ANGULAR AJUSTABLE 1,000 1-9999 ELBOW ADJUSTABLE 21 206415 CONEXÃO MACHO RETA RACOR PARA ENROSCAR RECTO 1,000 1-9999 STRAIGHT SCREWED SOCKET 25 1249959 MANGUEIRA MANGUERA 1,000 1-9999 FLEXIBLE TUBING
  • 422.
    09.01.01 / 00ARTICULAÇÃO CENTRAL, PÁGINA 1 / 1-9999 09.01.01 / 00 ARTICULACIÓN PENDULAR DEL CODO, PÁGINA 1 / 1-9999 09.01.01 / 00 CENTRE PIVOT ASSEMBLY, PAGE 1 / 1-9999
  • 423.
    POS Nº DEIDENT. DESIGNAÇÃO DESIGNATION DESIGNACIÓN QUANT. VALIDADE 09.01.01 / 00 ARTICULAÇÃO CENTRAL, PÁGINA 1 / 1-9999 09.01.01 / 00 ARTICULACIÓN PENDULAR DEL CODO, PÁGINA 1 / 1-9999 09.01.01 / 00 CENTRE PIVOT ASSEMBLY, PAGE 1 / 1-9999 2053700 2 1254863 PARAFUSO SEXTAVADO TORNILLO HEXAGONAL 8,000 1-9999 HEXAGON SCREW 3 1481401 ARRUELA LISA DISCO EN U 16,000 1-9999 U-WASHER 4 361763 PORCA SEXTAVADA TUERCA HEXAGONAL 8,000 1-9999 HEXAGON NUT 5 1302183 PARAFUSO SEXTAVADO TORNILLO HEXAGONAL 6,000 1-9999 HEXAGON SCREW 6 1501119 ESPAÇADOR PIEZA DISTANCIADORA 6,000 1-9999 SPACER BLOCK 8 1254863 PARAFUSO SEXTAVADO TORNILLO HEXAGONAL 4,000 1-9999 HEXAGON SCREW 9 1481401 ARRUELA LISA DISCO EN U 14,000 1-9999 U-WASHER 10 361763 PORCA SEXTAVADA TUERCA HEXAGONAL 10,000 1-9999 HEXAGON NUT 12 1535188 CILINDRO DE DIREÇÃO CILINDRO DE DIRECCIÓN 2,000 1-9999 STEERING CYLINDER 12.01 1456776 KIT DE VEDAÇÃO KIT DE JUNTAS 1,000 1-9999 SET OF SEALS 12.02 311103 RÓTULA COJINETE ARTICULADO 4,000 1-9999 PIVOTING BEARING 13 1535595 MORDENTE MORDAZA 4,000 1-9999 CLAMPING PIECE 14 1213865 PARAFUSO SEXTAVADO TORNILLO HEXAGONAL 8,000 1-9999 HEXAGON SCREW 15 1237608 ARRUELA DE TRAVAMENTO DISCO DE SEGURIDAD 8,000 1-9999 LOCKING WASHER
  • 424.
    09.01.01 / 00ARTICULAÇÃO CENTRAL, PÁGINA 1 / 1-9999 09.01.01 / 00 ARTICULACIÓN PENDULAR DEL CODO, PÁGINA 1 / 1-9999 09.01.01 / 00 CENTRE PIVOT ASSEMBLY, PAGE 1 / 1-9999
  • 425.
    POS Nº DEIDENT. DESIGNAÇÃO DESIGNATION DESIGNACIÓN QUANT. VALIDADE 09.01.01 / 00 ARTICULAÇÃO CENTRAL, PÁGINA 1 / 1-9999 09.01.01 / 00 ARTICULACIÓN PENDULAR DEL CODO, PÁGINA 1 / 1-9999 09.01.01 / 00 CENTRE PIVOT ASSEMBLY, PAGE 1 / 1-9999 2053700 16 1535579 PINO BULÓN 2,000 1-9999 BOLT 17 1535587 ANEL ESPAÇADOR ANILLO DE DISTANCIA 2,000 1-9999 RING 18 1535609 JUNTA JUNTA 4,000 1-9999 SEAL 19 1537555 ARRUELA ESPAÇADORA DISCO DE DISTANCIA 2,000 1-9999 SPACER 20 1535579 PINO BULÓN 2,000 1-9999 BOLT 21 1535587 ANEL ESPAÇADOR ANILLO DE DISTANCIA 4,000 1-9999 RING 22 1535609 JUNTA JUNTA 4,000 1-9999 SEAL 23 1237608 ARRUELA DE TRAVAMENTO DISCO DE SEGURIDAD 8,000 1-9999 LOCKING WASHER 24 1253913 ANEL O ANILLO TOROIDAL 16,000 1-9999 O-RING SEAL 25 395560 TAMPÃO TAPÓN DE CIERRE 8,000 1-9999 FILLER CAP 30 239984 PARAFUSO DE CABEÇA CILÍNDRICA TORNILLO CILÍNDRICO 8,000 1-9999 CHEESE-HEAD SCREW
  • 426.
    09.01.02 / 00ARTICULAÇÃO CENTRAL, PÁGINA 2 / 1-9999 09.01.02 / 00 ARTICULACIÓN PENDULAR DEL CODO, PÁGINA 2 / 1-9999 09.01.02 / 00 CENTRE PIVOT ASSEMBLY, PAGE 2 / 1-9999 7 20 19 12 13 6 1 20 16 17 15 11 9 14 19 2 7 8 6 20 18 10 5
  • 427.
    POS Nº DEIDENT. DESIGNAÇÃO DESIGNATION DESIGNACIÓN QUANT. VALIDADE 09.01.02 / 00 ARTICULAÇÃO CENTRAL, PÁGINA 2 / 1-9999 09.01.02 / 00 ARTICULACIÓN PENDULAR DEL CODO, PÁGINA 2 / 1-9999 09.01.02 / 00 CENTRE PIVOT ASSEMBLY, PAGE 2 / 1-9999 2053701 1 891835 ARTICULAÇÃO PENDULAR ARTICULACIÓN PENDULAR 1,000 1-9999 PENDULUM JOINT 2 891827 ARTICULAÇÃO PENDULAR ARTICULACIÓN PENDULAR 1,000 1-9999 PENDULUM JOINT 5 1252909 ROLAMENTO DA RÓTULA RADIAL COJINETE ARTICULACIÓN RADIAL 1,000 1-9999 RADIAL ROD END BEARING 6 1469894 CHAPA CHAPA 3,000 1-9999 METAL PLATE 7 214566 PARAFUSO DE CABEÇA CILÍNDRICA TORNILLO CILÍNDRICO 8,000 1-9999 CHEESE-HEAD SCREW 8 1535315 TAMPA DO ROLAMENTO TAPA DEL COJINETE 1,000 1-9999 BEARING CAP 9 1494309 TAMPA TAPA 1,000 1-9999 COVER 10 211877 PARAFUSO SEXTAVADO TORNILLO HEXAGONAL 6,000 1-9999 HEXAGON SCREW 11 210072 GRAXEIRA ENGRASADOR 3,000 1-9999 GREASING NIPPLE 12 1535234 BIELA BIELA DE SUSPENSIÓN 1,000 1-9999 PENDULUM SUSPENSION 13 362158 ROLAMENTO DA RÓTULA RADIAL COJINETE ARTICULACIÓN RADIAL 2,000 1-9999 RADIAL ROD END BEARING 14 1487353 FLANGE BRIDA 2,000 1-9999 FLANGE 15 1487418 TAMPA TAPA 2,000 1-9999 COVER 16 213926 PARAFUSO SEXTAVADO TORNILLO HEXAGONAL 12,000 1-9999 HEXAGON SCREW
  • 428.
    09.01.02 / 00ARTICULAÇÃO CENTRAL, PÁGINA 2 / 1-9999 09.01.02 / 00 ARTICULACIÓN PENDULAR DEL CODO, PÁGINA 2 / 1-9999 09.01.02 / 00 CENTRE PIVOT ASSEMBLY, PAGE 2 / 1-9999 7 20 19 12 13 6 1 20 16 17 15 11 9 14 19 2 7 8 6 20 18 10 5
  • 429.
    POS Nº DEIDENT. DESIGNAÇÃO DESIGNATION DESIGNACIÓN QUANT. VALIDADE 09.01.02 / 00 ARTICULAÇÃO CENTRAL, PÁGINA 2 / 1-9999 09.01.02 / 00 ARTICULACIÓN PENDULAR DEL CODO, PÁGINA 2 / 1-9999 09.01.02 / 00 CENTRE PIVOT ASSEMBLY, PAGE 2 / 1-9999 2053701 17 276243 ARRUELA DE TRAVAMENTO DISCO DE SEGURIDAD 12,000 1-9999 LOCKING WASHER 18 216860 ARRUELA DE TRAVAMENTO DISCO DE SEGURIDAD 6,000 1-9999 LOCKING WASHER 19 210072 GRAXEIRA ENGRASADOR 2,000 1-9999 GREASING NIPPLE 20 1486640 ANEL DE VEDAÇÃO ANILLO DE JUNTA 3,000 1-9999 SEALING RING
  • 430.
    09.05.01 / 00DIREÇÃO, PÁGINA 1 / 1-8 09.05.01 / 00 DIRECCIÓN, PÁGINA 1 / 1-8 09.05.01 / 00 STEERING, PAGE 1 / 1-8
  • 431.
    POS Nº DEIDENT. DESIGNAÇÃO DESIGNATION DESIGNACIÓN QUANT. VALIDADE 09.05.01 / 00 DIREÇÃO, PÁGINA 1 / 1-8 09.05.01 / 00 DIRECCIÓN, PÁGINA 1 / 1-8 09.05.01 / 00 STEERING, PAGE 1 / 1-8 2053705 2 2014222 MANGUEIRA MANGUERA 1,000 1-8 FLEXIBLE TUBING 3 1297562 ADAPTADOR INTERMEDIÁRIO PIEZA INTERMEDIA 1,000 1-8 INTERMEDIATE PIECE 4 1297538 CONEXÃO FLANGE CACHIMBO RACOR DE LA BRIDA ANGULAR 1,000 1-8 ANGLE FLANGE SCREWING 4.01 1215426 ANEL O ANILLO TOROIDAL 1,000 1-8 O-RING SEAL 5 240974 BOMBA DE ENGRENAGENS BOMBA DEL ENGRANAJE 1,000 1-8 GEAR PUMP 6 341991 PARAFUSO DE CABEÇA CILÍNDRICA TORNILLO CILÍNDRICO 2,000 1-8 CHEESE-HEAD SCREW 7 1485245 ARRUELA LISA DISCO EN U 2,000 1-8 U-WASHER 8 1207377 ENGRENAGEM PIÑON 1,000 1-8 GEARWHEEL 9 388343 PORCA DE SEGURANÇA TUERCA DE SEGURIDAD 1,000 1-8 SAFETY NUT 10 262323 JUNTA JUNTA 1,000 1-8 SEAL 11 206695 CONEXÃO FLANGE RETA RACOR DE BRIDA RECTO 1,000 1-8 STRAIGHT FLANGE JOINT 11.01 396532 ANEL O ANILLO TOROIDAL 1,000 1-8 O-RING SEAL 11.02 214418 PARAFUSO DE CABEÇA CILÍNDRICA TORNILLO CILÍNDRICO 4,000 1-8 CHEESE-HEAD SCREW 11.03 216666 ARRUELA DE PRESSÃO ARANDELA ELÁSTICA 4,000 1-8 SPRING RING
  • 432.
    09.05.01 / 00DIREÇÃO, PÁGINA 1 / 1-8 09.05.01 / 00 DIRECCIÓN, PÁGINA 1 / 1-8 09.05.01 / 00 STEERING, PAGE 1 / 1-8
  • 433.
    POS Nº DEIDENT. DESIGNAÇÃO DESIGNATION DESIGNACIÓN QUANT. VALIDADE 09.05.01 / 00 DIREÇÃO, PÁGINA 1 / 1-8 09.05.01 / 00 DIRECCIÓN, PÁGINA 1 / 1-8 09.05.01 / 00 STEERING, PAGE 1 / 1-8 2053705 20 304182 MANGUEIRA MANGUERA 1,000 1-8 FLEXIBLE TUBING 21 1535420 MEIA ABRAÇADEIRA MEDIA ABRAZADERA 2,000 1-8 HALF-CLIP 22 1486756 BARRA CHATA ACERO PLANO 1,000 1-8 FLAT STEEL 23 359270 PARAFUSO PRISIONEIRO ESPÁRRAGO 2,000 1-8 STUD BOLT 24 216593 ARRUELA ARANDELA 2,000 1-8 WASHER 25 216445 PORCA SEXTAVADA TUERCA HEXAGONAL 2,000 1-8 HEXAGON NUT 51 214434 PARAFUSO DE CABEÇA CILÍNDRICA TORNILLO CILÍNDRICO 4,000 1-8 CHEESE-HEAD SCREW 52 276243 ARRUELA DE TRAVAMENTO DISCO DE SEGURIDAD 4,000 1-8 LOCKING WASHER 53 245569 PARAFUSO DE CABEÇA CILÍNDRICA TORNILLO CILÍNDRICO 4,000 1-8 CHEESE-HEAD SCREW 54 276243 ARRUELA DE TRAVAMENTO DISCO DE SEGURIDAD 4,000 1-8 LOCKING WASHER 55 1256971 COLUNA DE DIREÇÃO COLUMNA DE DIRECCIÓN 1,000 1-8 STEERING COLUMN 56 214639 PARAFUSO DE CABEÇA CILÍNDRICA TORNILLO CILÍNDRICO 4,000 1-8 CHEESE-HEAD SCREW 57 216607 ARRUELA ARANDELA 8,000 1-8 WASHER 58 216453 PORCA SEXTAVADA TUERCA HEXAGONAL 4,000 1-8 HEXAGON NUT
  • 434.
    09.05.01 / 00DIREÇÃO, PÁGINA 1 / 1-8 09.05.01 / 00 DIRECCIÓN, PÁGINA 1 / 1-8 09.05.01 / 00 STEERING, PAGE 1 / 1-8
  • 435.
    POS Nº DEIDENT. DESIGNAÇÃO DESIGNATION DESIGNACIÓN QUANT. VALIDADE 09.05.01 / 00 DIREÇÃO, PÁGINA 1 / 1-8 09.05.01 / 00 DIRECCIÓN, PÁGINA 1 / 1-8 09.05.01 / 00 STEERING, PAGE 1 / 1-8 2053705 59 870153 CONSOLE DE DIREÇÃO CONSOLA DE DIRECCIÓN 1,000 1-8 STEERING CONSOLE 60 358363 VOLANTE DE DIRÇÃO VOLANTE 1,000 1-8 STEERING WHEEL 61 358398 MANÍPULO GIRATÓRIO MANECILLA GIRATORIA 1,000 1-8 TURNING HANDLE 62 358371 TAMPA TAPA 1,000 1-8 COVER 90 2024542 BLOCO DE VÁLVULAS BLOQUE DE VÁLVULA 1,000 1-8 VALVE BLOCK 90.01 1239139 VÁLVULA LIMITADORA DE PRESSÃO VÁLVULA LIMITADORA DE PRESIÓN 1,000 1-8 PRESSURE-RELIEF VALVE 91 396532 ANEL O ANILLO TOROIDAL 1,000 1-8 O-RING SEAL 92 1203320 PARAFUSO DE CABEÇA CILÍNDRICA M6X70 TORNILLO CILÍNDRICO M6X70 4,000 1-8 CHEESE-HEAD SCREW M6X70 93 216771 ARRUELA DE PRESSÃO ARANDELA ELÁSTICA 4,000 1-8 SPRING RING 98 397610 CONEXÃO MACHO RETA RACOR PARA ENROSCAR RECTO 1,000 1-8 STRAIGHT SCREWED SOCKET 99 1249959 MANGUEIRA MANGUERA 1,000 1-8 FLEXIBLE TUBING
  • 436.
    09.05.01 / 01DIREÇÃO, PÁGINA 1 / 9-9999 09.05.01 / 01 DIRECCIÓN, PÁGINA 1 / 9-9999 09.05.01 / 01 STEERING, PAGE 1 / 9-9999
  • 437.
    POS Nº DEIDENT. DESIGNAÇÃO DESIGNATION DESIGNACIÓN QUANT. VALIDADE 09.05.01 / 01 DIREÇÃO, PÁGINA 1 / 9-9999 09.05.01 / 01 DIRECCIÓN, PÁGINA 1 / 9-9999 09.05.01 / 01 STEERING, PAGE 1 / 9-9999 2053706 2 2014222 MANGUEIRA MANGUERA 1,000 9-9999 FLEXIBLE TUBING 3 1297562 PEÇA INTERMEDIÁRIA PIEZA INTERMEDIA 1,000 9-9999 INTERMEDIATE PIECE 4 1297538 CONEXÃO RACOR DE LA BRIDA ANGULAR 1,000 9-9999 ANGLE FLANGE SCREWING 4.01 1215426 ANEL O-RING ANILLO TOROIDAL 1,000 9-9999 O-RING SEAL 4.02 214418 PARAFUSO CILINDRICO TORNILLO CILÍNDRICO 2,000 9-9999 CHEESE-HEAD SCREW 4.03 325449 PARAFUSO CILINDRICO TORNILLO CILÍNDRICO 2,000 9-9999 CHEESE-HEAD SCREW 4.04 216666 ARRUELA ELÁSTICA ARANDELA ELÁSTICA 4,000 9-9999 SPRING RING 5 240974 BOMBA DE ENGRENAGEM BOMBA DEL ENGRENAJE 1,000 9-9999 GEAR PUMP 5.01 1234286 KIT DE JUNTAS KIT DE JUNTAS 1,000 9-9999 SET OF SEALS 5.02 354457 CHAVETA MEIA LUA CHAVETA DE DISCO 1,000 9-9999 SIK SPRING 6 341991 PARAFUSO CILINDRICO TORNILLO CILÍNDRICO 1,000 9-9999 CHEESE-HEAD SCREW 7 1485245 ARRUELA EM U DISCO EN U 2,000 9-9999 U-WASHER 8 1207377 PINHÃO PIÑON 1,000 9-9999 GEARWHEEL 9 388343 PORCA DE SEGURANÇA TUERCA DE SEGURIDAD 1,000 9-9999 SAFETY NUT
  • 438.
    09.05.01 / 01DIREÇÃO, PÁGINA 1 / 9-9999 09.05.01 / 01 DIRECCIÓN, PÁGINA 1 / 9-9999 09.05.01 / 01 STEERING, PAGE 1 / 9-9999
  • 439.
    POS Nº DEIDENT. DESIGNAÇÃO DESIGNATION DESIGNACIÓN QUANT. VALIDADE 09.05.01 / 01 DIREÇÃO, PÁGINA 1 / 9-9999 09.05.01 / 01 DIRECCIÓN, PÁGINA 1 / 9-9999 09.05.01 / 01 STEERING, PAGE 1 / 9-9999 2053706 10 599573 JUNTA JUNTA 1,000 9-9999 SEAL 11 206695 CONEXÃO RACOR DE BRIDA RECTO 1,000 9-9999 STRAIGHT FLANGE JOINT 11.01 396532 ANEL O-RING ANILLO TOROIDAL 1,000 9-9999 O-RING SEAL 20 304182 MANGUEIRA MANGUERA 1,000 9-9999 FLEXIBLE TUBING 21 1535420 ABRAÇADEIRA MEDIA ABRAZADERA 2,000 9-9999 HALF-CLIP 22 1486756 CHAPA ACERO PLANO 1,000 9-9999 FLAT STEEL 23 359270 PARAFUSO PRISIONEIRO ESPÁRRAGO 2,000 9-9999 STUP BOLT 24 216593 ARRUELA ARANDELA 2,000 9-9999 WASHER 25 216445 PORCA SEXTAVADA TUERCA HEXAGONAL 2,000 9-9999 HEXAGONAL NUT 51 214434 PARAFUSO CILINDRICO TORNILLO CILÍNDRICO 4,000 9-9999 CHEESE-HEAD SCREW 52 276243 ARRUELA DE SEGURANÇA DISCO DE SEGURIDAD 4,000 9-9999 LOCKING WASHER 53 245569 PARAFUSO CILINDRICO TORNILLO CILINDRICO 4,000 9-9999 CHEESE-HEAD SCREW 54 276243 ARRUELA DE SEGURANÇA DISCO DE SEGURIDAD 4,000 9-9999 LOCKING WASHER 55 1256971 COLUNA DE DIREÇÃO COLUMNA DE DIRECCIÓN 1,000 9-9999 STEERING COLUMN
  • 440.
    09.05.01 / 01DIREÇÃO, PÁGINA 1 / 9-9999 09.05.01 / 01 DIRECCIÓN, PÁGINA 1 / 9-9999 09.05.01 / 01 STEERING, PAGE 1 / 9-9999
  • 441.
    POS Nº DEIDENT. DESIGNAÇÃO DESIGNATION DESIGNACIÓN QUANT. VALIDADE 09.05.01 / 01 DIREÇÃO, PÁGINA 1 / 9-9999 09.05.01 / 01 DIRECCIÓN, PÁGINA 1 / 9-9999 09.05.01 / 01 STEERING, PAGE 1 / 9-9999 2053706 56 214639 PARAFUSO CILINDRICO TORNILLO CILÍNDRICO 4,000 9-9999 CHEESE-HEAD SCREW 57 216607 ARRUELA ARANDELA 8,000 9-9999 WASHER 58 216453 PORCA SEXTAVADA TUERCA HEXAGONAL 4,000 9-9999 HEXAGONAL NUT 59 870153 CONSOLE DA COLUNA DE DIREÇÃO CONSOLA DE DIRECCIÓN 1,000 9-9999 STEERING CONSOLE 60 358363 VOLANTE VOLANTE 1,000 9-9999 STEERING WHEEL 61 358398 MANÍPULO DA DIREÇÃO MANECILLA GIRATÓRIA 1,000 9-9999 TURNING HANDLE 62 358371 TAMPA TAPA 1,000 9-9999 COVER 90 2030383 BLOCO DE VÁLVULAS BLOQUE DE VÁLVULA 1,000 9-9999 VALVE BLOCK 90.01 2034414 VÁLVULA LIMITADORA DE PRESSÃO VÁLVULA LIMITADORA DE PRESIÓN 1,000 9-9999 PRESSURE-RELIEF VALVE 91 396532 ANEL O-RING ANILLO TOROIDAL 1,000 9-9999 O-RING SEAL 92 351393 PARAFUSO CILINDRICO TORNILLO CILINDRICO 4,000 9-9999 CHEESE-HEAD SCREW 93 216771 ARRUELA ELÁSTICA ARANDELA ELÁSTICA 4,000 9-9999 SPRING RING 95 225355 CONEXÃO RACOR GIRATORIO 1,000 9-9999 BANJO 96 366633 FECHAMENTO TAPÓN DE CIERRE 1,000 9-9999 FILLER CAP
  • 442.
    09.05.01 / 01DIREÇÃO, PÁGINA 1 / 9-9999 09.05.01 / 01 DIRECCIÓN, PÁGINA 1 / 9-9999 09.05.01 / 01 STEERING, PAGE 1 / 9-9999
  • 443.
    POS Nº DEIDENT. DESIGNAÇÃO DESIGNATION DESIGNACIÓN QUANT. VALIDADE 09.05.01 / 01 DIREÇÃO, PÁGINA 1 / 9-9999 09.05.01 / 01 DIRECCIÓN, PÁGINA 1 / 9-9999 09.05.01 / 01 STEERING, PAGE 1 / 9-9999 2053706 97 206822 PORCA ROSCADA TUERCA ROSCADA 1,000 9-9999 CAP NUT 98 397610 CONEXÃO RACOR PARA ENROSCAR RECTO 1,000 9-9999 STRAIGHT SCREWED SOCKET 99 1249959 MANGUEIRA MANGUERA 1,000 9-9999 FLEXIBLE TUBING 109 317810 CONEXÃO EM T PIEZA EN T AJUSTABLE 1,000 9-9999 T-PIECE ADJUSTABLE 110 317624 CONEXÃO REDUTORA RACOR REDUCTOR 1,000 9-9999 REDUCING PIECE
  • 444.
    09.05.02 / 00DIREÇÃO, PÁGINA 2 / 1-9999 09.05.02 / 00 DIRECCIÓN, PÁGINA 2 / 1-9999 09.05.02 / 00 STEERING, PAGE 2 / 1-9999
  • 445.
    POS Nº DEIDENT. DESIGNAÇÃO DESIGNATION DESIGNACIÓN QUANT. VALIDADE 09.05.02 / 00 DIREÇÃO, PÁGINA 2 / 1-9999 09.05.02 / 00 DIRECCIÓN, PÁGINA 2 / 1-9999 09.05.02 / 00 STEERING, PAGE 2 / 1-9999 2053707 66 1221051 MANGUEIRA MANGUERA 1,000 1-9999 FLEXIBLE TUBING 67 1259962 MANGUEIRA MANGUERA 1,000 1-9999 FLEXIBLE TUBING 68 317098 CONEXÃO MACHO RETA RACOR PARA ENROSCAR RECTO 2,000 1-9999 STRAIGHT SCREWED SOCKET 80 317098 CONEXÃO MACHO RETA RACOR PARA ENROSCAR RECTO 4,000 1-9999 STRAIGHT SCREWED SOCKET 81 233730 MANGUEIRA MANGUERA 2,000 1-9999 FLEXIBLE TUBING 82 267341 FIXADOR DE CABOS SUJETACABLES 30,000 1-9999 WIRE FASTENER 100 1535188 CILINDRO DE DIREÇÃO CILINDRO DE DIRECCIÓN 2,000 1-9999 STEERING CYLINDER 100.01 1456776 KIT DE VEDAÇÃO KIT DE JUNTAS 2,000 1-9999 SET OF SEALS 100.02 311103 RÓTULA COJINETE ARTICULADO 4,000 1-9999 PIVOTING BEARING
  • 446.
    09.05.03 / 00DIREÇÃO, PÁGINA 3 / 1-9999 09.05.03 / 00 DIRECCIÓN, PÁGINA 3 / 1-9999 09.05.03 / 00 STEERING, PAGE 3 / 1-9999
  • 447.
    POS Nº DEIDENT. DESIGNAÇÃO DESIGNATION DESIGNACIÓN QUANT. VALIDADE 09.05.03 / 00 DIREÇÃO, PÁGINA 3 / 1-9999 09.05.03 / 00 DIRECCIÓN, PÁGINA 3 / 1-9999 09.05.03 / 00 STEERING, PAGE 3 / 1-9999 2053708 2 2014222 MANGUEIRA MANGUERA 1,000 1-9999 FLEXIBLE TUBING 20 304182 MANGUEIRA MANGUERA 1,000 1-9999 FLEXIBLE TUBING 30 2031491 FILTRO FILTRO 1,000 1-9999 FILTER 31 213748 PARAFUSO SEXTAVADO TORNILLO HEXAGONAL 2,000 1-9999 HEXAGON SCREW 32 216593 ARRUELA ARANDELA 2,000 1-9999 WASHER 35 396710 CONEXÃO MACHO RETA RACOR PARA ENROSCAR RECTO 2,000 1-9999 STRAIGHT SCREWED SOCKET 36 1245031 MANGUEIRA MANGUERA 1,000 1-9999 FLEXIBLE TUBING 37 317179 CONEXÃO MACHO RETA RACOR PARA ENROSCAR RECTO 1,000 1-9999 STRAIGHT SCREWED SOCKET 38 317187 CONEXÃO MACHO RETA RACOR PARA ENROSCAR RECTO 1,000 1-9999 STRAIGHT SCREWED SOCKET 39 329878 MANGUEIRA MANGUERA 1,000 1-9999 FLEXIBLE TUBING 40 315699 CONEXÃO MACHO RETA RACOR PARA ENROSCAR RECTO 1,000 1-9999 STRAIGHT SCREWED SOCKET 44 1200593 BUJÃO TORNILLO DE CIERRE 1,000 1-9999 SCREW PLUG 45 219487 ANEL DE VEDAÇÃO ANILLO DE JUNTA 1,000 1-9999 SEALING RING 50 1238930 UNIDADE DE DIREÇÃO HIDRÁULICA UNIDAD DE DIRECCIÓN 1,000 1-9999 STEERING UNIT
  • 448.
    09.05.03 / 00DIREÇÃO, PÁGINA 3 / 1-9999 09.05.03 / 00 DIRECCIÓN, PÁGINA 3 / 1-9999 09.05.03 / 00 STEERING, PAGE 3 / 1-9999
  • 449.
    POS Nº DEIDENT. DESIGNAÇÃO DESIGNATION DESIGNACIÓN QUANT. VALIDADE 09.05.03 / 00 DIREÇÃO, PÁGINA 3 / 1-9999 09.05.03 / 00 DIRECCIÓN, PÁGINA 3 / 1-9999 09.05.03 / 00 STEERING, PAGE 3 / 1-9999 2053708 63 2101398 PARAFUSO TORNILLO DE AJUSTE 1,000 1-9999 PLATE 65 317179 CONEXÃO MACHO RETA RACOR PARA ENROSCAR RECTO 2,000 1-9999 STRAIGHT SCREWED SOCKET 66 1221051 MANGUEIRA MANGUERA 1,000 1-9999 FLEXIBLE TUBING 67 1259962 MANGUEIRA MANGUERA 1,000 1-9999 FLEXIBLE TUBING 68 317098 CONEXÃO MACHO RETA RACOR PARA ENROSCAR RECTO 2,000 1-9999 STRAIGHT SCREWED SOCKET 70 387401 MEIA ABRAÇADEIRA MEDIA ABRAZADERA 2,000 1-9999 HALF-CLIP 71 387380 PLACA DE COBERTURA PLACA DE RECUBRIMIENTO 1,000 1-9999 COVER PLATE 72 211907 PARAFUSO SEXTAVADO TORNILLO HEXAGONAL 1,000 1-9999 HEXAGON SCREW
  • 450.
    09.05.04 / 00DIREÇÃO, PÁGINA 4 / 1-9999 09.05.04 / 00 DIRECCIÓN, PÁGINA 4 / 1-9999 09.05.04 / 00 STEERING, PAGE 4 / 1-9999
  • 451.
    POS Nº DEIDENT. DESIGNAÇÃO DESIGNATION DESIGNACIÓN QUANT. VALIDADE 09.05.04 / 00 DIREÇÃO, PÁGINA 4 / 1-9999 09.05.04 / 00 DIRECCIÓN, PÁGINA 4 / 1-9999 09.05.04 / 00 DIRECTION, PAGE 4 / 1-9999 2053709 73 1209159 MEIA ABRAÇADEIRA MEDIA ABRAZADERA 4,000 1-9999 HALF-CLIP 74 387380 CHAPA PLACA DE RECUBRIMIENTO 2,000 1-9999 COVER PLATE 75 211907 PARAFUSO HEXAGONAL TORNILLO HEXAGONAL 2,000 1-9999 HEXAGON SCREW
  • 452.
    15.08.00 / 00LÂMINA / 1-9999 15.08.00 / 00 PALA DE EMPUJE / 1-9999 15.08.00 / 00 BLADE / 1-9999 30 27 28 25 26 27 25 23 29 41 42 74 43 45 46 72 45 44 73 4 36 38 3 2 1 5 11 70 55 12 35 10 37 40.01 40 50 56 22 24 71 34 13 10 40.01 40
  • 453.
    POS Nº DEIDENT. DESIGNAÇÃO DESIGNATION DESIGNACIÓN QUANT. VALIDADE 15.08.00 / 00 LÂMINA / 1-9999 15.08.00 / 00 PALA DE EMPUJE / 1-9999 15.08.00 / 00 BLADE / 1-9999 2053711 1 864579 LÂMINA PALA DE EMPUJE 1,000 1-9999 BLADE 2 1408178 FACA ACERO DE CUCHILLO 1,000 1-9999 KNIFE STEEL 3 214272 PARAFUSO DE CABEÇA ESCAREADA TORNILLO AVELLANADO 15,000 1-9999 COUNTERSUNK SCREW 4 216690 ARRUELA DE PRESSÃO ARANDELA ELÁSTICA 15,000 1-9999 SPRING RING 5 216119 PORCA SEXTAVADA TUERCA HEXAGONAL 15,000 1-9999 HEXAGON NUT 10 1491547 CHAPA SUPORTE PLACA SOPORTE 2,000 1-9999 RETAINING PLATE 11 249920 PARAFUSO SEXTAVADO TORNILLO HEXAGONAL 10,000 1-9999 HEXAGON SCREW 12 1481401 ARRUELA LISA DISCO EN U 20,000 1-9999 U-WASHER 13 361763 PORCA SEXTAVADA TUERCA HEXAGONAL 10,000 1-9999 HEXAGON NUT 22 482641 PINO BULÓN 2,000 1-9999 BOLT 23 210129 GRAXEIRA ENGRASADOR 2,000 1-9999 GREASING NIPPLE 24 381594 PORCA DO PINO TUERCA ONDULADA 2,000 1-9999 SHAFT NUT 25 482668 ANEL ANILLO 4,000 1-9999 RING 26 261386 RÓTULA RADIAL COJINETE ARTICULACIÓN RADIAL 2,000 1-9999 RADIAL ROD END BEARING
  • 454.
    15.08.00 / 00LÂMINA / 1-9999 15.08.00 / 00 PALA DE EMPUJE / 1-9999 15.08.00 / 00 BLADE / 1-9999 30 27 28 25 26 27 25 23 29 41 42 74 43 45 46 72 45 44 73 4 36 38 3 2 1 5 11 70 55 12 35 10 37 40.01 40 50 56 22 24 71 34 13 10 40.01 40
  • 455.
    POS Nº DEIDENT. DESIGNAÇÃO DESIGNATION DESIGNACIÓN QUANT. VALIDADE 15.08.00 / 00 LÂMINA / 1-9999 15.08.00 / 00 PALA DE EMPUJE / 1-9999 15.08.00 / 00 BLADE / 1-9999 2053711 27 371432 JUNTA JUNTA 4,000 1-9999 SEAL 28 482625 TAMPA TAPA 2,000 1-9999 COVER 29 482633 TAMPA TAPA 2,000 1-9999 COVER 30 381586 PARAFUSO DE CABEÇA ESCAREADA TORNILLO AVELLANADO 16,000 1-9999 COUNTERSUNK SCREW 34 864625 CHAPA SUPORTE PLACA SOPORTE 1,000 1-9999 RETAINING PLATE 35 864633 CHAPA SUPORTE PLACA SOPORTE 1,000 1-9999 RETAINING PLATE 36 229482 PARAFUSO SEXTAVADO TORNILLO HEXAGONAL 6,000 1-9999 HEXAGON SCREW 37 1481401 ARRUELA LISA DISCO ENU 16,000 1-9999 U-WASHER 38 361763 PORCA SEXTAVADA TUERCA HEXAGONAL 8,000 1-9999 HEXAGON NUT 40 1455966 CILINDRO HIDRÁULICO CILINDRO HIDRÁULICO 2,000 1-9999 HYDRAULIC CYLINDER 40.01 1456776 KIT DE VEDAÇÃO KIT DE JUNTAS 1,000 1-9999 SET OF SEALS 41 477206 PINO BULÓN 4,000 1-9999 BOLT 42 210129 GRAXEIRA ENGRASADOR 4,000 1-9999 GREASING NIPPLE 43 381608 PORCA RANHURADA TUERCA RANURADA 4,000 1-9999 GROOVE NUT
  • 456.
    15.08.00 / 00LÂMINA / 1-9999 15.08.00 / 00 PALA DE EMPUJE / 1-9999 15.08.00 / 00 BLADE / 1-9999 30 27 28 25 26 27 25 23 29 41 42 74 43 45 46 72 45 44 73 4 36 38 3 2 1 5 11 70 55 12 35 10 37 40.01 40 50 56 22 24 71 34 13 10 40.01 40
  • 457.
    POS Nº DEIDENT. DESIGNAÇÃO DESIGNATION DESIGNACIÓN QUANT. VALIDADE 15.08.00 / 00 LÂMINA / 1-9999 15.08.00 / 00 PALA DE EMPUJE / 1-9999 15.08.00 / 00 BLADE / 1-9999 2053711 44 529834 RÓTULA COJINETE ARTICULADO 4,000 1-9999 PIVOTING BEARING 45 800015 ARRUELA VEDANTE DISCO DE ESTANQUEIDAD 8,000 1-9999 SEALING WASHER 46 1481428 ARRUELA LISA DISCO EN U 4,000 1-9999 U-WASHER 50 1537563 CHAPA CHAPA 2,000 1-9999 METAL PLATE 55 213748 PARAFUSO SEXTAVADO TORNILLO HEXAGONAL 12,000 1-9999 HEXAGON SCREW 56 216593 ARRUELA ARANDELA 24,000 1-9999 WASHER 70 873357 INDICADOR INDICADOR 1,000 1-9999 INDICATOR 71 1271296 CAPUZ PROTETOR CAPERUZA DE PROTECCIÓN 1,000 1-9999 PROTECTING CAP 72 213470 PARAFUSO SEXTAVADO TORNILLO HEXAGONAL 1,000 1-9999 HEXAGON SCREW 73 381543 ARRUELA ARANDELA 2,000 1-9999 WASHER 74 216461 PORCA SEXTAVADA TUERCA HEXAGONAL 1,000 1-9999 HEXAGON NUT
  • 458.
    15.09.01 / 00SISTEMA HIDRÁULICO (LÂMINA), PÁGINA 1 / 1-9999 15.09.01 / 00 SISTEMA HIDRÁULICO (PALA DE EMPUJE), PÁGINA 1 / 1-9999 15.09.01 / 00 HYDRAULIC SYSTEM (BLADE), PAGE 1 / 1-9999
  • 459.
    POS Nº DEIDENT. DESIGNAÇÃO DESIGNATION DESIGNACIÓN QUANT. VALIDADE 15.09.01 / 00 SISTEMA HIDRÁULICO (LÂMINA), PÁGINA 1 / 1-9999 15.09.01 / 00 SISTEMA HIDRÁULICO (PALA DE EMPUJE), PÁGINA 1 / 1-9999 15.09.01 / 00 HYDRAULIC SYSTEM (BLADE), PAGE 1 / 1-9999 2053712 1 398837 BLOCO DE CONTROLE BLOQUE DE MANDO 1,000 1-9999 CONTROL BLOCK 1.01 1227602 VÁLVULA DIRECIONAL VÁLVULA DE DISTRIBUCIÓN 1,000 1-9999 DIRECTIONAL VALVE 1.02 1227629 KIT DE VEDAÇÃO KIT DE JUNTAS 1,000 1-9999 SET OF SEALS 1.03 1227637 BOBINA BOBINA MAGNÉTICA 2,000 1-9999 SOLENOID 1.05 1227610 VÁLVULA VÁLVULA 1,000 1-9999 VALVE 1.06 1201387 KIT DE VEDAÇÃO KIT DE JUNTAS 1,000 1-9999 SET OF SEALS 1.07 1201409 BOBINA BOBINA MAGNÉTICA 2,000 1-9999 SOLENOID 1.10 1214055 VÁLVULA LIMITADORA DE PRESSÃO VÁLVULA LIMITADORA DE PRESIÓN 1,000 1-9999 PRESSURE-RELIEF VALVE 2 1212729 PARAFUSO SEXTAVADO TORNILLO HEXAGONAL 2,000 1-9999 HEXAGON SCREW 3 216674 ARRUELA DE PRESSÃO ARANDELA ELÁSTICA 2,000 1-9999 SPRING RING 4 231355 ARRUELA ARANDELA 2,000 1-9999 WASHER 7 1291408 MANGUEIRA MANGUERA 1,000 1-9999 FLEXIBLE TUBING 13 317098 CONEXÃO MACHO RETA RACOR PARA ENROSCAR RECTO 2,000 1-9999 STRAIGHT SCREWED SOCKET 14 329517 MANGUEIRA MANGUERA 1,000 1-9999 FLEXIBLE TUBING
  • 460.
    15.09.01 / 00SISTEMA HIDRÁULICO (LÂMINA), PÁGINA 1 / 1-9999 15.09.01 / 00 SISTEMA HIDRÁULICO (PALA DE EMPUJE), PÁGINA 1 / 1-9999 15.09.01 / 00 HYDRAULIC SYSTEM (BLADE), PAGE 1 / 1-9999
  • 461.
    POS Nº DEIDENT. DESIGNAÇÃO DESIGNATION DESIGNACIÓN QUANT. VALIDADE 15.09.01 / 00 SISTEMA HIDRÁULICO (LÂMINA), PÁGINA 1 / 1-9999 15.09.01 / 00 SISTEMA HIDRÁULICO (PALA DE EMPUJE), PÁGINA 1 / 1-9999 15.09.01 / 00 HYDRAULIC SYSTEM (BLADE), PAGE 1 / 1-9999 2053712 15 206415 CONEXÃO MACHO RETA RACOR PARA ENROSCAR RECTO 1,000 1-9999 STRAIGHT SCREWED SOCKET 20 382523 CONEXÃO MACHO RETA RACOR PARA ENROSCAR RECTO 2,000 1-9999 STRAIGHT SCREWED SOCKET 21 353620 JOELHO ORIENTÁVEL RACOR ANGULAR AJUSTABLE 2,000 1-9999 ELBOW ADJUSTABLE 22 317829 JOELHO ORIENTÁVEL RACOR ANGULAR AJUSTABLE 2,000 1-9999 ELBOW ADJUSTABLE 25 382523 CONEXÃO MACHO RETA RACOR PARA ENROSCAR RECTO 4,000 1-9999 STRAIGHT SCREWED SOCKET 28 1270982 MANGUEIRA MANGUERA 2,000 1-9999 FLEXIBLE TUBING 29 1270990 MANGUEIRA MANGUERA 2,000 1-9999 FLEXIBLE TUBING 39 397857 MEIA ABRAÇADEIRA MEDIA ABRAZADERA 20,000 1-9999 HALF-CLIP 40 387282 PLACA DE COBERTURA PLACA DE RECUBRIMIENTO 10,000 1-9999 COVER PLATE 41 1209930 PARAFUSO SEXTAVADO TORNILLO HEXAGONAL 8,000 1-9999 HEXAGON SCREW 42 216445 PORCA SEXTAVADA TUERCA HEXAGONAL 8,000 1-9999 HEXAGON NUT 43 216593 ARRUELA ARANDELA 16,000 1-9999 WASHER 45 1213822 PARAFUSO SEXTAVADO TORNILLO HEXAGONAL 2,000 1-9999 HEXAGON SCREW 46 216445 PORCA SEXTAVADA TUERCA HEXAGONAL 2,000 1-9999 HEXAGON NUT
  • 462.
    15.09.01 / 00SISTEMA HIDRÁULICO (LÂMINA), PÁGINA 1 / 1-9999 15.09.01 / 00 SISTEMA HIDRÁULICO (PALA DE EMPUJE), PÁGINA 1 / 1-9999 15.09.01 / 00 HYDRAULIC SYSTEM (BLADE), PAGE 1 / 1-9999
  • 463.
    POS Nº DEIDENT. DESIGNAÇÃO DESIGNATION DESIGNACIÓN QUANT. VALIDADE 15.09.01 / 00 SISTEMA HIDRÁULICO (LÂMINA), PÁGINA 1 / 1-9999 15.09.01 / 00 SISTEMA HIDRÁULICO (PALA DE EMPUJE), PÁGINA 1 / 1-9999 15.09.01 / 00 HYDRAULIC SYSTEM (BLADE), PAGE 1 / 1-9999 2053712 47 216593 ARRUELA ARANDELA 4,000 1-9999 WASHER 50 1455966 CILINDRO HIDRÁULICO CILINDRO HIDRÁULICO 2,000 1-9999 HYDRAULIC CYLINDER 50.01 1456776 KIT DE VEDAÇÃO KIT DE JUNTAS 1,000 1-9999 SET OF SEALS
  • 464.
    15.09.02 / 00SISTEMA HIDRÁULICO (LÂMINA), PÁGINA 2 / 1-9999 15.09.02 / 00 SISTEMA HIDRÁULICO (PALA DE EMPUJE), PÁGINA 2 / 1-9999 15.09.02 / 00 HYDRAULIC SYSTEM (BLADE), PAGE 2 / 1-9999
  • 465.
    POS Nº DEIDENT. DESIGNAÇÃO DESIGNATION DESIGNACIÓN QUANT. VALIDADE 15.09.02 / 00 SISTEMA HIDRÁULICO (LÂMINA), PÁGINA 2 / 1-9999 15.09.02 / 00 SISTEMA HIDRÁULICO (PALA DE EMPUJE), PÁGINA 2 / 1-9999 15.09.02 / 00 HYDRAULIC SYSTEM (BLADE), PAGE 2 / 1-9999 2053713 7 1291408 MANGUEIRA MANGUERA 1,000 1-9999 FLEXIBLE TUBING 8 1236199 FILTRO DE SUCÇÃO FILTRO DE ASPIRACIÓN 1,000 1-9999 SUCTION FILTER 9 315702 CONEXÃO MACHO RETA RACOR PARA ENROSCAR RECTO 1,000 1-9999 STRAIGHT SCREWED SOCKET 10 1291394 MANGUEIRA MANGUERA 1,000 1-9999 FLEXIBLE TUBING 11 1291424 ADAPTADOR INTERMEDIÁRIO PIEZA INTERMEDIA 1,000 1-9999 INTERMEDIATE PIECE 30 1291343 BOMBA DE ENGRENAGENS BOMBA DEL ENGRANAJE 1,000 1-9999 GEAR PUMP 30.01 1242822 KIT DE VEDAÇÃO KIT DE JUNTAS 1,000 1-9999 SET OF SEALS 31 1210025 PARAFUSO DE CABEÇA CILÍNDRICA TORNILLO CILÍNDRICO 2,000 1-9999 CHEESE-HEAD SCREW 32 1504282 KIT DE MONTAGEM PIEZA DE MONTAJE 1,000 1-9999 ADD-ON PIECE 32.01 1215833 ANEL DE VEDAÇÃO ANILLO DE JUNTA 1,000 1-9999 SEALING RING 33 599573 JUNTA JUNTA 1,000 1-9999 SEAL 35 206644 CONEXÃO FLANGE RETA RACOR DE BRIDA ANGULAR 1,000 1-9999 ANGLE FLANGE SCREWING 35.01 396532 ANEL O ANILLO TOROIDAL 1,000 1-9999 O-RING SEAL 35.02 214418 PARAFUSO DE CABEÇA CILÍNDRICA TORNILLO CILÍNDRICO 2,000 1-9999 CHEESE-HEAD SCREW
  • 466.
    15.09.02 / 00SISTEMA HIDRÁULICO (LÂMINA), PÁGINA 2 / 1-9999 15.09.02 / 00 SISTEMA HIDRÁULICO (PALA DE EMPUJE), PÁGINA 2 / 1-9999 15.09.02 / 00 HYDRAULIC SYSTEM (BLADE), PAGE 2 / 1-9999
  • 467.
    POS Nº DEIDENT. DESIGNAÇÃO DESIGNATION DESIGNACIÓN QUANT. VALIDADE 15.09.02 / 00 SISTEMA HIDRÁULICO (LÂMINA), PÁGINA 2 / 1-9999 15.09.02 / 00 SISTEMA HIDRÁULICO (PALA DE EMPUJE), PÁGINA 2 / 1-9999 15.09.02 / 00 HYDRAULIC SYSTEM (BLADE), PAGE 2 / 1-9999 2053713 35.03 226467 PARAFUSO DE CABEÇA CILÍNDRICA TORNILLO CILÍNDRICO 2,000 1-9999 CHEESE-HEAD SCREW 35.04 216666 ARRUELA PRESSÃO ARANDELA ELÁSTICA 4,000 1-9999 SPRING RING 36 206660 CONEXÃO FLANGE CACHIMBO RACOR DE LA BRIDA ANGULAR 1,000 1-9999 ANGLE FLANGE SCREWING 36.01 1215426 ANEL O ANILLO TOROIDAL 1,000 1-9999 O-RING SEAL 36.02 214418 PARAFUSO DE CABEÇA CILÍNDRICA TORNILLO CILÍNDRICO 4,000 1-9999 CHEESE-HEAD SCREW 36.03 216666 ARRUELA DE PRESSÃO ARANDELA ELÁSTICA 4,000 1-9999 SPRING RING
  • 468.
    15.10.00 / 00SISTEMA ELÉTRICO (LÂMINA) / 1-9999 15.10.00 / 00 SISTEMA ELÉCTRICO (PALA DE EMPUJE) / 1-9999 15.10.00 / 00 ELECTRICAL SYSTEM (BLADE) / 1-9999
  • 469.
    POS Nº DEIDENT. DESIGNAÇÃO DESIGNATION DESIGNACIÓN QUANT. VALIDADE 15.10.00 / 00 SISTEMA ELÉTRICO (LÂMINA) / 1-9999 15.10.00 / 00 SISTEMA ELÉCTRICO (PALA DE EMPUJE) / 1-9999 15.10.00 / 00 ELECTRICAL SYSTEM (BLADE) / 1-9999 2053714 1 806463 SISTEMA ELETRÔNICO MFG SISTEMA ELECTRÓNICO MFG 1,000 1-9999 MFG ELECTRONIC SYSTEM 10 1263986 RELÉ RELE 2,000 1-9999 RELAY 15 272116 CONECTOR DA BOBINA, PRETO ENCHUFE DEL APARATO, NEGRO 2,000 1-9999 COUPLER SOCKET, BLACK 20 392839 CONECTOR DA BOBINA, CINZA ENCHUFE DEL APARATO, GRIS 2,000 1-9999 COUPLER SOCKET, GREY 25 284351 DIODO DIODO 4,000 1-9999 DIODE
  • 470.
    15.17.10 / 00TETO SOLAR / 1-9999 15.17.10 / 00 TECHO CORREDIZO / 1-9999 15.17.10 / 00 SUN ROOF / 1-9999 14 2 1 15 13 7 12 10 8 9 11 14 5 4 4 6 3 3
  • 471.
    POS Nº DEIDENT. DESIGNAÇÃO DESIGNATION DESIGNACIÓN QUANT. VALIDADE 15.17.10 / 00 TETO SOLAR / 1-9999 15.17.10 / 00 TECHO CORREDIZO / 1-9999 15.17.10 / 00 SUN ROOF / 1-9999 2053715 1 870846 SUPORTE DO TETO SOPORTE DE TECHO 1,000 1-9999 ROOF SUPPORT 2 870838 SUPORTE DO TETO SOPORTE DE TECHO 1,000 1-9999 ROOF SUPPORT 3 1249991 ABRAÇADEIRA T ABRAZADERA EN T 4,000 1-9999 T-CLIP 4 345490 ARRUELA ARANDELA 4,000 1-9999 WASHER 5 1209779 PARAFUSO SEXTAVADO TORNILLO HEXAGONAL 2,000 1-9999 HEXAGON SCREW 6 216453 PORCA SEXTAVADA TUERCA HEXAGONAL 2,000 1-9999 HEXAGON NUT 7 870781 TETO SOLAR TECHO CORREDIZO 1,000 1-9999 SUN ROOF 8 345490 ARRUELA ARANDELA 8,000 1-9999 WASHER 9 1267566 PARAFUSO CABEÇA LENTILHA TORNILLO CIL. CABEZA REBAJADA 4,000 1-9999 MUSHROOM HEAD SCREW 10 388823 PORCA CEGA TUERCA DE CAPERUZA 4,000 1-9999 CAP NUT 11 1213830 PARAFUSO DE CABEÇA CILÍNDRICA TORNILLO CILÍNDRICO 4,000 1-9999 CHEESE-HEAD SCREW 12 1210106 ARRUELA ARANDELA 4,000 1-9999 WASHER 13 216496 PORCA SEXTAVADA TUERCA HEXAGONAL 4,000 1-9999 HEXAGON NUT 14 353434 BUJÃO TAPÓN DE CIERRE 6,000 1-9999 FILLER CAP
  • 472.
    15.17.10 / 00TETO SOLAR / 1-9999 15.17.10 / 00 TECHO CORREDIZO / 1-9999 15.17.10 / 00 SUN ROOF / 1-9999 14 2 1 15 13 7 12 10 8 9 11 14 5 4 4 6 3 3
  • 473.
    POS Nº DEIDENT. DESIGNAÇÃO DESIGNATION DESIGNACIÓN QUANT. VALIDADE 15.17.10 / 00 TETO SOLAR / 1-9999 15.17.10 / 00 TECHO CORREDIZO / 1-9999 15.17.10 / 00 SUN ROOF / 1-9999 2053715 15 710547 TETO DA CABINA TECHADO 1,000 1-9999 CANOPY
  • 474.
    15.17.20 / 00TETO SOLAR / 1-9999 15.17.20 / 00 TECHO CORREDIZO / 1-9999 15.17.20 / 00 SUN ROOF / 1-9999 1 2 2 1 12 5 4 3 3 4 6 10 8 7 10 8 9 9 11 5 4 6 4 3 3
  • 475.
    POS Nº DEIDENT. DESIGNAÇÃO DESIGNATION DESIGNACIÓN QUANT. VALIDADE 15.17.20 / 00 TETO SOLAR / 1-9999 15.17.20 / 00 TECHO CORREDIZO / 1-9999 15.17.20 / 00 SUN ROOF / 1-9999 2033842 1 870846 SUPORTE DO TETO SOPORTE DE TECHO 1,000 1-9999 ROOF SUPPORT 2 870838 SUPORTE DO TETO SOPORTE DE TECHO 1,000 1-9999 ROOF SUPPORT 3 1249991 ABRAÇADEIRA T ABRAZADERA EN T 4,000 1-9999 T-CLIP 4 345490 ARRUELA ARANDELA 4,000 1-9999 WASHER 5 1209779 PARAFUSO SEXTAVADO TORNILLO HEXAGONAL 2,000 1-9999 HEXAGON SCREW 6 216453 PORCA SEXTAVADA TUERCA HEXAGONAL 2,000 1-9999 HEXAGON NUT 7 870781 TETO SOLAR TECHO CORREDIZO 1,000 1-9999 SUN ROOF 8 345490 ARRUELA ARANDELA 8,000 1-9999 WASHER 9 1267566 PARAFUSO CABEÇA LENTILHA TORNILLO CIL.. CABEZA REBAJADA 4,000 1-9999 MUSHROOM HEAD SCREW 10 388823 PORCA CEGA TUERCA DE CAPERUZA 4,000 1-9999 CAP NUT 11 353434 BUJÃO TAPÓN DE CIERRE 6,000 1-9999 FILLER CAP 12 710547 TETO DA CABINA TECHADO 1,000 1-9999 CANOPY
  • 476.
    15.20.00 / 00PROTEÇÃO DE LUMINÁRIA / 1-9999 15.20.00 / 00 PROTECTION DE LAMPE / 1-9999 15.20.00 / 00 LAMP PROTECTION / 1-9999
  • 477.
    POS Nº DEIDENT. DESIGNAÇÃO DESIGNATION DESIGNACIÓN QUANT. VALIDADE 15.20.00 / 00 PROTEÇÃO DE LUMINÁRIA / 1-9999 15.20.00 / 00 PROTECCIÓN DE BOMBILLA / 1-9999 15.20.00 / 00 PROTECTION DE LAMPE / 1-9999 2053717 1 1505696 PROTEÇÃO DA LUMINÁRIA DE TRÁS PROTECCIÓN DE BOMBILLA DETRÁS 2,000 1-9999 LAMP PROTECTION REAR 2 1537482 PROTEÇÃO DA LUMINÁRIA DA FRENTE ESQUERDA PROTECCIÓN DE BOMBILLA DELANTE, IZQUIERDA 1,000 1-9999 LAMP PROTECTION FRONT, LEFT 3 1537490 PROTEÇÃO DA LUMINÁRIA DA FRENTE DIREITA PROTECCIÓN DE BOMBILLA DELANTE, DERECHA 1,000 1-9999 LAMP PROTECTION FRONT, RIGHT
  • 478.
    15.24.00 / 00SEGMENTOS DO PÉ-DE-CARNEIRO / 1-9999 15.24.00 / 00 LÁMINAS DE PIE DE APISONADO / 1-9999 15.24.00 / 00 PADFOOT SEGMENTS / 1-9999 12 10 11 13 1 13 1 5 2 4 6 4 3 12 10 11
  • 479.
    POS Nº DEIDENT. DESIGNAÇÃO DESIGNATION DESIGNACIÓN QUANT. VALIDADE 15.24.00 / 00 SEGMENTOS DO PÉ-DE-CARNEIRO / 1-9999 15.24.00 / 00 LÁMINAS DE PIE DE APISONADO / 1-9999 15.24.00 / 00 PADFOOT SEGMENTS / 1-9999 2053718 1 891746 SEGMENTOS PÉ-DE-CARNEIRO LÁMINAS DE PIE DE APISONADO 3,000 1-9999 PADFOOT SEGMENTS 2 1213776 PARAFUSO SEXTAVADO TORNILLO HEXAGONAL 18,000 1-9999 HEXAGON SCREW 3 216496 PORCA SEXTAVADA TUERCA HEXAGONAL 18,000 1-9999 HEXAGON NUT 4 250473 ARRUELA ARANDELA 36,000 1-9999 WASHER 5 395340 PARAFUSO SEXTAVADO TORNILLO HEXAGONAL 6,000 1-9999 HEXAGON SCREW 6 212954 PARAFUSO SEXTAVADO TORNILLO HEXAGONAL 6,000 1-9999 HEXAGON SCREW 10 1489267 DENTE DO RASCADOR DIENTE DEL DESVIADOR 18,000 1-9999 SCRAPER 11 1485199 BARRA CHATA ACERO PLANO 18,000 1-9999 FLAT STEEL 12 1495542 BARRA CHATA ACERO PLANO 18,000 1-9999 FLAT STEEL 13 1209809 PARAFUSO SEXTAVADO TORNILLO HEXAGONAL 36,000 1-9999 HEXAGON SCREW
  • 480.
    15.33.00 / 00LUZES ADICIONAIS, ROPS / 1-9999 15.33.00 / 00 LUCES ADICIONALES, PROTECCIÓN ANTIVUELCO / 1-9999 15.33.00 / 00 ADDITIONAL LIGHTING, ROPS / 1-9999 31 26 30 27 21 22 23 28 34 33 29 25 2 2 1.01 1 2 2 1.01 1 4 3 4 6 8 6 7
  • 481.
    POS Nº DEIDENT. DESIGNAÇÃO DESIGNATION DESIGNACIÓN QUANT. VALIDADE 15.33.00 / 00 LUZES ADICIONAIS, ROPS / 1-9999 15.33.00 / 00 LUCES ADICIONALES, PROTECCIÓN ANTIVUELCO / 1-9999 15.33.00 / 00 ADDITIONAL LIGHTING, ROPS / 1-9999 2053719 1 1272209 FAROL DE TRABALHO FARO DE TRABAJO 4,000 1-9999 WORKING LIGHT 1.01 366528 LANTERNA LÁMPARA 1,000 1-9999 LAMP 2 877379 CABLAGEM MAZO DE CABLES 1,000 1-9999 WIRE HARNESS 3 320870 PARAFUSO DE CABEÇA OVAL TORNILLO ALOMADO PULIDO 6,000 1-9999 FILLISTER HEAD SCREW 4 1278975 ABRAÇADEIRA ABRAZADERA 6,000 1-9999 CLAMP 6 337889 BOTÃO PULSADOR INTERRUPTOR PULSADOR 2,000 1-9999 PUSH BUTTON SWITCH 7 385387 BOTÃO COMUTADOR BOTÓN DE CONMUTACIÓN 1,000 1-9999 PUSHBUTTON 8 385395 BOTÃO COMUTADOR BOTÓN DE CONMUTACIÓN 1,000 1-9999 PUSHBUTTON 21 1505386 FIXAÇÃO FIJACIÓN 1,000 1-9999 MOUNTING DEVICE 22 283568 PARAFUSO SEXTAVADO TORNILLO HEXAGONAL 4,000 1-9999 HEXAGON SCREW 23 216577 ARRUELA ARANDELA 4,000 1-9999 WASHER 25 1273035 CAIXA DE FUSÍVEIS CAJA DE FUSIBLES 1,000 1-9999 FUSE BOX 26 339202 PARAFUSO DE CABEÇA OVAL TORNILLO ALOMADO PULIDO 2,000 1-9999 FILLISTER HEAD SCREW 27 1264362 PORCA SEXTAVADA TUERCA HEXAGONAL 2,000 1-9999 HEXAGON NUT
  • 482.
    15.33.00 / 00LUZES ADICIONAIS, ROPS / 1-9999 15.33.00 / 00 LUCES ADICIONALES, PROTECCIÓN ANTIVUELCO / 1-9999 15.33.00 / 00 ADDITIONAL LIGHTING, ROPS / 1-9999 31 26 30 27 21 22 23 28 34 33 29 25 2 2 1.01 1 2 2 1.01 1 4 3 4 6 8 6 7
  • 483.
    POS Nº DEIDENT. DESIGNAÇÃO DESIGNATION DESIGNACIÓN QUANT. VALIDADE 15.33.00 / 00 LUZES ADICIONAIS, ROPS / 1-9999 15.33.00 / 00 LUCES ADICIONALES, PROTECCIÓN ANTIVUELCO / 1-9999 15.33.00 / 00 ADDITIONAL LIGHTING, ROPS / 1-9999 2053719 28 320862 ARRUELA DA TRAVAMENTO DENTADA ARANDELA ELÁSTICA DENTADA 2,000 1-9999 SERRATED LOCK WASHER 29 353434 BUJÃO TAPÓN DE CIERRE 3,000 1-9999 FILLER CAP 30 877387 CABLAGEM MAZO DE CABLES 1,000 1-9999 WIRE HARNESS 31 877360 CABLAGEM MAZO DE CABLES 1,000 1-9999 WIRE HARNESS 33 384054 FUSÍVEL TIPO LÂMINA 10A FUSIBLE PLANO 10A 1,000 1-9999 BLADE FUSE 10A 34 384062 FUSÍVEL TIPO LÂMINA 15A FUSIBLE PLANO 15A 1,000 1-9999 BLADE FUSE 15A
  • 484.
    15.34.00 / 00SISTEMA VIBRADOR AUTOMÁTICO / 1-9999 15.34.00 / 00 SISTEMA VIBRADOR AUTOMÁTICO / 1-9999 15.34.00 / 00 VIBRO AUTOMATIC / 1-9999
  • 485.
    POS Nº DEIDENT. DESIGNAÇÃO DESIGNATION DESIGNACIÓN QUANT. VALIDADE 15.34.00 / 00 SISTEMA VIBRADOR AUTOMÁTICO / 1-9999 15.34.00 / 00 SISTEMA VIBRADOR AUTOMÁTICO / 1-9999 15.34.00 / 00 VIBRO AUTOMATIC / 1-9999 2053733 1 2024388 CHAPA CHAPA 1,000 1-9999 METAL PLATE 2 314161 MEIA ABRAÇADEIRA MEDIA ABRAZADERA 2,000 1-9999 HALF-CLIP 3 314005 PLACA DE COBERTURA PLACA DE RECUBRIMIENTO 1,000 1-9999 COVER PLATE 4 314099 PARAFUSO SEXTAVADO TORNILLO HEXAGONAL 2,000 1-9999 HEXAGON SCREW 5 216577 ARRUELA ARANDELA 4,000 1-9999 WASHER 6 2024389 CHAPA CHAPA 1,000 1-9999 METAL PLATE 7 216437 PORCA SEXTAVADA TUERCA HEXAGONAL 2,000 1-9999 HEXAGON NUT 8 240451 PARAFUSO TORNILLO 1,000 1-9999 SCREW 9 216437 PORCA SEXTAVADA TUERCA HEXAGONAL 1,000 1-9999 HEXAGON NUT 10 216577 ARRUELA ARANDELA 1,000 1-9999 WASHER 11 817570 SENSOR SENSOR 1,000 1-9999 SENSOR 12 1268686 INTERRUPTOR INTERRUPTOR 1,000 1-9999 SWITCH 13 1497766 INTERRUPTOR, VIBRAÇÃO MANUAL-AUTOMÁTICO SOP BASC, VIBRACIÓN MODO MANUAL-AUTOMÁTICO 1,000 1-9999 ROCKER, VIBRATION MODE MANUAL-AUTOMATIC
  • 486.
    15.40.01 / 00CALEFAÇÃO E AR CONDICIONADO, PÁGINA 1 / 1-9999 15.40.01 / 00 CALEFACCIÓN Y AIRE ACONDICIONADO, PÁGINA 1 / 1-9999 15.40.01 / 00 HEATING AND AIR CONDITIONING, PAGE 1 / 1-9999 2 1.03 215.04 215.01 215 252 2.01 2.02 1.02 1.04 1.05 1.06 1 1.01 125 132 128 127 133 131 130 126 30 110 112 28 117 119 118 114 113 300 116 115 111 114 27 25 26 26.01 25 32 31 1 114 220 134 119
  • 487.
    POS Nº DEIDENT. DESIGNAÇÃO DESIGNATION DESIGNACIÓN QUANT. VALIDADE 15.40.01 / 00 CALEFAÇÃO E AR CONDICIONADO, PÁGINA 1 / 1-9999 15.40.01 / 00 CALEFACCIÓN Y AIRE ACONDICIONADO, PÁGINA 1 / 1-9999 15.40.01 / 00 HEATING AND AIR CONDITIONING, PAGE 1 / 1-9999 2053735 1 1502670 AR CONDICIONADO COMPLETA POS. 1.01-1.06 AIRE ACONDICIONADO COMPLETA POS. 1.01-1.06 1,000 1-9999 AIR CONDITIONING COMPLETE POS. 1.01-1.06 1.01 1270834 TERMOSTATO TERMOSTATO 1,000 1-9999 THERMOSTAT 1.02 1276859 VENTIL VÁLVULA 1,000 1-9999 VALVE 1.03 1276956 CLIP FIXADOR MORDAZA 1,000 1-9999 CLAMPING PIECE 1.04 1276948 CLIP FIXADOR MORDAZA 1,000 1-9999 CLAMPING PIECE 1.05 1284118 VENTILADOR RADIAL DUPLO VENTILADOR RADIAL DOBLE 1,000 1-9999 DOUBLE RADIAL BLOWER 1.06 1284096 TROCADOR DE CALORWÄRMETAUSCHER INTERCAMBIADOR DE CALOR 1,000 1-9999 HEAT EXCHANGER 2 891657 PEÇA DE REVESTIMENTO COMPLETA PIEZA DE RECUBRIMIENTO COMPLETA 1,000 248-9999 COVERING PART COMPLETE 2.01 1527851 PEÇA DE REVESTIMENTO DIREITA PIEZA DE RECUBRIMIENTO DERECHA 1,000 1-9999 COVERING PART RIGHT 2.02 1527878 PEÇA DE REVESTIMENTO ESQUERDA PIEZA DE RECUBRIMIENTO IZQUIERDA 1,000 1-9999 COVERING PART LEFT 25 615444 FITA VEDANTE CINTA IMPERMEABILIZANTE 1,500 1-9999 SEALING TAPE 26 1502824 PLACA ISOLANTE PLACA AISLANTE 1,000 1-9999 INSULATION PLATE 26.01 1502166 PLACA ISOLANTE PLACA AISLANTE 1,000 1-9999 INSULATION PLATE 27 1271113 FITA VEDANTE CINTA IMPERMEABILIZANTE 2,000 1-9999 SEALING TAPE
  • 488.
    15.40.01 / 00CALEFAÇÃO E AR CONDICIONADO, PÁGINA 1 / 1-9999 15.40.01 / 00 CALEFACCIÓN Y AIRE ACONDICIONADO, PÁGINA 1 / 1-9999 15.40.01 / 00 HEATING AND AIR CONDITIONING, PAGE 1 / 1-9999 2 1.03 215.04 215.01 215 252 2.01 2.02 1.02 1.04 1.05 1.06 1 1.01 125 132 128 127 133 131 130 126 30 110 112 28 117 119 118 114 113 300 116 115 111 114 27 25 26 26.01 25 32 31 1 114 220 134 119
  • 489.
    POS Nº DEIDENT. DESIGNAÇÃO DESIGNATION DESIGNACIÓN QUANT. VALIDADE 15.40.01 / 00 CALEFAÇÃO E AR CONDICIONADO, PÁGINA 1 / 1-9999 15.40.01 / 00 CALEFACCIÓN Y AIRE ACONDICIONADO, PÁGINA 1 / 1-9999 15.40.01 / 00 HEATING AND AIR CONDITIONING, PAGE 1 / 1-9999 2053735 28 255769 FITA VEDANTE CINTA IMPERMEABILIZANTE 0,010 1-9999 SEALING TAPE 30 213799 PARAFUSO SEXTAVADO TORNILLO HEXAGONAL 4,000 1-9999 HEXAGON SCREW 31 216445 PORCA SEXTAVADA TUERCA HEXAGONAL 4,000 1-9999 HEXAGON NUT 32 216593 ARRUELA ARANDELA 8,000 1-9999 WASHER 110 615312 MANGUEIRA DE AR QUENTE (M) MANGUERA DE AIRE CALIENTE (M) 0,400 1-9999 HOT AIR HOSE (M) 111 615312 MANGUEIRA DE AR QUENTE (M) MANGUERA DE AIRE CALIENTE (M) 0,400 1-9999 HOT AIR HOSE (M) 112 615312 MANGUEIRA DE AR QUENTE (M) MANGUERA DE AIRE CALIENTE (M) 2,200 1-9999 HOT AIR HOSE (M) 113 615312 MANGUEIRA DE AR QUENTE (M) MANGUERA DE AIRE CALIENTE (M) 2,200 1-9999 HOT AIR HOSE (M) 114 260827 ABRAÇADEIRA ABRAZADERA 8,000 1-9999 HOSE CLIP 115 615444 FITA VEDANTE CINTA IMPERMEABILIZANTE 0,200 1-9999 SEALING TAPE 116 615444 FITA VEDANTE CINTA IMPERMEABILIZANTE 0,200 1-9999 SEALING TAPE 117 1274325 PRÉ-FILTRO FILTRO PREVIO 1,000 1-9999 PREFILTER 118 1502719 CHAPA CHAPA 1,000 1-9999 METAL PLATE 119 391484 PARAFUSO TORNILLO 2,000 1-9999 SCREW
  • 490.
    15.40.01 / 00CALEFAÇÃO E AR CONDICIONADO, PÁGINA 1 / 1-9999 15.40.01 / 00 CALEFACCIÓN Y AIRE ACONDICIONADO, PÁGINA 1 / 1-9999 15.40.01 / 00 HEATING AND AIR CONDITIONING, PAGE 1 / 1-9999 2 1.03 215.04 215.01 215 252 2.01 2.02 1.02 1.04 1.05 1.06 1 1.01 125 132 128 127 133 131 130 126 30 110 112 28 117 119 118 114 113 300 116 115 111 114 27 25 26 26.01 25 32 31 1 114 220 134 119
  • 491.
    POS Nº DEIDENT. DESIGNAÇÃO DESIGNATION DESIGNACIÓN QUANT. VALIDADE 15.40.01 / 00 CALEFAÇÃO E AR CONDICIONADO, PÁGINA 1 / 1-9999 15.40.01 / 00 CALEFACCIÓN Y AIRE ACONDICIONADO, PÁGINA 1 / 1-9999 15.40.01 / 00 HEATING AND AIR CONDITIONING, PAGE 1 / 1-9999 2053735 125 875635 CARCAÇA DO FILTRO CARCASA DEL FILTRO 1,000 1-9999 FILTER HOUSING 126 875422 CARCAÇA DO FILTRO CARCASA DEL FILTRO 1,000 1-9999 FILTER HOUSING 127 234605 PARAFUSO DE CABEÇA CILÍNDRICA TORNILLO CILÍNDRICO 4,000 1-9999 CHEESE-HEAD SCREW 128 216577 ARRUELA ARANDELA 4,000 1-9999 WASHER 130 875392 TELA PARA AR REJA PARA EL AIRE 2,000 1-9999 FAN GRILLE 131 1502751 FILTRO FILTRO 2,000 1-9999 FILTER 132 255769 FITA VEDANTE CINTA IMPERMEABILIZANTE 0,010 1-9999 SEALING TAPE 133 1274317 PORCA SERRILHADA TUERCA MOLETEADA 4,000 1-9999 KNURLED NUT 134 1264168 BUJÃO TAPÓN DE CIERRE 1,000 1-9999 FILLER CAP 215 1502832 KIT DE VEDAÇÃO COMPLETO KIT DE JUNTAS COMPLETO 1,000 1-9999 SET OF SEALS COMPLETE 215.01 2022493 ANEL O NW8 ANILLO TOROIDAL NW8 4,000 1-9999 O-RING SEAL NW8 215.04 2023864 ANEL O NW12 ANILLO TOROIDAL NW12 1,000 1-9999 O-RING SEAL NW12 220 1502301 ETIQUETA ETIQUETA 1,000 1-9999 STICKER 252 384062 FUSÍVEL TIPO LÂMINA FUSIBLE PLANO 1,000 1-9999 BLADE FUSE
  • 492.
    15.40.01 / 00CALEFAÇÃO E AR CONDICIONADO, PÁGINA 1 / 1-9999 15.40.01 / 00 CALEFACCIÓN Y AIRE ACONDICIONADO, PÁGINA 1 / 1-9999 15.40.01 / 00 HEATING AND AIR CONDITIONING, PAGE 1 / 1-9999 2 1.03 215.04 215.01 215 252 2.01 2.02 1.02 1.04 1.05 1.06 1 1.01 125 132 128 127 133 131 130 126 30 110 112 28 117 119 118 114 113 300 116 115 111 114 27 25 26 26.01 25 32 31 1 114 220 134 119
  • 493.
    POS Nº DEIDENT. DESIGNAÇÃO DESIGNATION DESIGNACIÓN QUANT. VALIDADE 15.40.01 / 00 CALEFAÇÃO E AR CONDICIONADO, PÁGINA 1 / 1-9999 15.40.01 / 00 CALEFACCIÓN Y AIRE ACONDICIONADO, PÁGINA 1 / 1-9999 15.40.01 / 00 HEATING AND AIR CONDITIONING, PAGE 1 / 1-9999 2053735 300 267341 FIXADOR DE CABOS SUJETACABLES 40,000 1-9999 WIRE FASTENER
  • 494.
    15.40.02 / 00CALEFAÇÃO E AR CONDICIONADO, PÁGINA 2 / 1-9999 15.40.02 / 00 CALEFACCIÓN Y AIRE ACONDICIONADO, PÁGINA 2 / 1-9999 15.40.02 / 00 HEATING AND AIR CONDITIONING, PAGE 2 / 1-9999 300 150 45 51 57 58 59 56 22 55 22 20 250 1 151 152 153 186 185 254 253 254 255 251
  • 495.
    POS Nº DEIDENT. DESIGNAÇÃO DESIGNATION DESIGNACIÓN QUANT. VALIDADE 15.40.02 / 00 CALEFAÇÃO E AR CONDICIONADO, PÁGINA 2 / 1-9999 15.40.02 / 00 CALEFACCIÓN Y AIRE ACONDICIONADO, PÁGINA 2 / 1-9999 15.40.02 / 00 HEATING AND AIR CONDITIONING, PAGE 2 / 1-9999 2053737 1 1502670 AR CONDICIONADO COMPLETA POS. 1.01-1.06 AIRE ACONDICIONADO COMPLETO POS. 1.01-1.06 1,000 1-9999 AIR CONDITIONING COMPLETE POS. 1.01-1.06 20 1261150 UNIDADE DE CONTROLE UNIDAD DE MANDO 1,000 1-9999 CONTROL UNIT 22 1263145 CABO DE ACIONAMENTO CABLE BOWDEN 1,000 1-9999 BOWDEN CABLE 45 1292455 MANGUEIRA MANGUERA 1,000 1-9999 FLEXIBLE TUBING 51 1292447 MANGUEIRA MANGUERA 1,000 1-9999 FLEXIBLE TUBING 55 317837 JOELHO ORIENTÁVEL RACOR ANGULAR AJUSTABLE 1,000 1-9999 ELBOW ADJUSTABLE 56 1274392 CONEXÃO MACHO RETA RACOR PARA ENROSCAR RECTO 1,000 1-9999 STRAIGHT SCREWED SOCKET 57 1263404 VÁLVULA DE ESFERA ROBINETE DE BOLA 1,000 1-9999 BALL-CLOSURE COCK 58 1263390 ALAVANCA PALANCA 1,000 1-9999 LEVER 59 1502778 UNIÃO MACHO RACOR PARA ENROSCAR RECTO 1,000 1-9999 MALE STUD COUPLING 150 1502298 CHAPA CHAPA 1,000 1-9999 METAL PLATE 151 354244 PARAFUSO CABEÇA LENTILHA TORNILLO CIL.. CABEZA REBAJADA 2,000 1-9999 MUSHROOM HEAD SCREW 152 216445 PORCA SEXTAVADA TUERCA HEXAGONAL 2,000 1-9999 HEXAGON NUT 153 216593 ARRUELA ARANDELA 2,000 1-9999 WASHER
  • 496.
    15.40.02 / 00CALEFAÇÃO E AR CONDICIONADO, PÁGINA 2 / 1-9999 15.40.02 / 00 CALEFACCIÓN Y AIRE ACONDICIONADO, PÁGINA 2 / 1-9999 15.40.02 / 00 HEATING AND AIR CONDITIONING, PAGE 2 / 1-9999 300 150 45 51 57 58 59 56 22 55 22 20 250 1 151 152 153 186 185 254 253 254 255 251
  • 497.
    POS Nº DEIDENT. DESIGNAÇÃO DESIGNATION DESIGNACIÓN QUANT. VALIDADE 15.40.02 / 00 CALEFAÇÃO E AR CONDICIONADO, PÁGINA 2 / 1-9999 15.40.02 / 00 CALEFACCIÓN Y AIRE ACONDICIONADO, PÁGINA 2 / 1-9999 15.40.02 / 00 HEATING AND AIR CONDITIONING, PAGE 2 / 1-9999 2053737 185 1527010 MANGUEIRA MANGUERA 1,000 1-9999 FLEXIBLE TUBING 186 1527029 MANGUEIRA MANGUERA 1,000 1-9999 FLEXIBLE TUBING 250 866784 CABLAGEM (CALEFAÇÃO) MAZO DE CABLES (CALEFACCIÓN) 1,000 1-9999 WIRE HARNESS (HEATING) 251 875120 CABLAGEM MAZO DE CABLES 1,000 1-9999 WIRE HARNESS 253 213713 PARAFUSO SEXTAVADO TORNILLO HEXAGONAL 2,000 1-9999 HEXAGON SCREW 254 216569 ARRUELA ARANDELA 4,000 1-9999 WASHER 255 216054 PORCA SEXTAVADA TUERCA HEXAGONAL 2,000 1-9999 HEXAGON NUT 300 267341 FIXADOR DE CABOS SUJETACABLES 40,000 1-9999 WIRE FASTENER
  • 498.
    15.40.03 / 00CALEFAÇÃO E AR CONDICIONADO, PÁGINA 3 / 1-9999 15.40.03 / 00 CALEFACCIÓN Y AIRE ACONDICIONADO, PÁGINA 3 / 1-9999 15.40.03 / 00 HEATING AND AIR CONDITIONING, PAGE 3 / 1-9999
  • 499.
    POS Nº DEIDENT. DESIGNAÇÃO DESIGNATION DESIGNACIÓN QUANT. VALIDADE 15.40.03 / 00 CALEFAÇÃO E AR CONDICIONADO, PÁGINA 3 / 1-9999 15.40.03 / 00 CALEFACCIÓN Y AIRE ACONDICIONADO, PÁGINA 3 / 1-9999 15.40.03 / 00 HEATING AND AIR CONDITIONING, PAGE 3 / 1-9999 2053738 2 891657 PEÇA DE REVESTIMENTO COMPLETA PIEZA DE RECUBRIMIENTO COMPLETO 1,000 1-9999 COVERING PART COMPLETE 3 232513 PARAFUSO DE CABEÇA OVAL TORNILLO ALOMADO PULIDO 10,000 1-9999 FILLISTER HEAD SCREW 4 274356 ARRUELA ARANDELA 10,000 1-9999 WASHER 10 385719 BICO REDONDO TOBERA REDONDA 4,000 1-9999 ROUND NOZZLE 11 384771 PARAFUSO AUTO ATARRAXANTE TORNILLO DE CHAPA 16,000 1-9999 SHEET METAL SCREW 15 1263153 SAÍDA DE AR SALIDA DE AIRE 4,000 1-9999 AIR OUTLET 16 384771 PARAFUSO AUTO ATARRAXANTE TORNILLO DE CHAPA 8,000 1-9999 SHEET METAL SCREW 20 1261150 UNIDADE DE CONTROLE UNIDAD DE MANDO 1,000 1-9999 CONTROL UNIT 21 232513 PARAFUSO DE CABEÇA OVAL TORNILLO ALOMADO PULIDO 4,000 1-9999 FILLISTER HEAD SCREW 22 1263145 CABO DE ACIONAMENTO CABLE BOWDEN 1,000 1-9999 BOWDEN CABLE 65 1519050 POLIA V POLEA DE CORREA TRAPEZOÏDAL 1,000 1-9999 V-BELT PULLEY 66 214507 PARAFUSO DE CABEÇA CILÍNDRICA TORNILLO CILÍNDRICO 4,000 1-9999 CHEESE-HEAD SCREW 70 201359 CORREIA V CORREA TRAPEZOÏDAL 1,000 1-9999 V-BELT 75 1519182 CHAPA CHAPA 1,000 1-9999 METAL PLATE
  • 500.
    15.40.03 / 00CALEFAÇÃO E AR CONDICIONADO, PÁGINA 3 / 1-9999 15.40.03 / 00 CALEFACCIÓN Y AIRE ACONDICIONADO, PÁGINA 3 / 1-9999 15.40.03 / 00 HEATING AND AIR CONDITIONING, PAGE 3 / 1-9999
  • 501.
    POS Nº DEIDENT. DESIGNAÇÃO DESIGNATION DESIGNACIÓN QUANT. VALIDADE 15.40.03 / 00 CALEFAÇÃO E AR CONDICIONADO, PÁGINA 3 / 1-9999 15.40.03 / 00 CALEFACCIÓN Y AIRE ACONDICIONADO, PÁGINA 3 / 1-9999 15.40.03 / 00 HEATING AND AIR CONDITIONING, PAGE 3 / 1-9999 2053738 76 213853 PARAFUSO SEXTAVADO TORNILLO HEXAGONAL 2,000 1-9999 HEXAGON SCREW 77 345490 ARRUELA ARANDELA 2,000 1-9999 WASHER 85 1220810 PARAFUSO TORNILLO 1,000 1-9999 SCREW 86 1209787 PARAFUSO SEXTAVADO TORNILLO HEXAGONAL 1,000 1-9999 HEXAGON SCREW 87 216453 PORCA SEXTAVADA TUERCA HEXAGONAL 1,000 1-9999 HEXAGON NUT 88 216607 ARRUELA ARANDELA 2,000 1-9999 WASHER 89 1220829 BUCHA CASQUILLO 1,000 1-9999 BUSHING 90 1270850 COMPRESSOR COMPRESOR 1,000 1-9999 COMPRESSOR 95 212822 PARAFUSO SEXTAVADO TORNILLO HEXAGONAL 1,000 1-9999 HEXAGON SCREW 96 216453 PORCA SEXTAVADA TUERCA HEXAGONAL 1,000 1-9999 HEXAGON NUT 97 216607 ARRUELA ARANDELA 2,000 1-9999 WASHER 100 1446835 GUIA GUÍA 1,000 1-9999 GUIDE 101 1502352 BUCHA DISTANCIADORA CASQUILLO DISTANCIADOR 1,000 1-9999 DISTANCE BUSH 102 1209760 PARAFUSO SEXTAVADO TORNILLO HEXAGONAL 1,000 1-9999 HEXAGON SCREW
  • 502.
    15.40.03 / 00CALEFAÇÃO E AR CONDICIONADO, PÁGINA 3 / 1-9999 15.40.03 / 00 CALEFACCIÓN Y AIRE ACONDICIONADO, PÁGINA 3 / 1-9999 15.40.03 / 00 HEATING AND AIR CONDITIONING, PAGE 3 / 1-9999
  • 503.
    POS Nº DEIDENT. DESIGNAÇÃO DESIGNATION DESIGNACIÓN QUANT. VALIDADE 15.40.03 / 00 CALEFAÇÃO E AR CONDICIONADO, PÁGINA 3 / 1-9999 15.40.03 / 00 CALEFACCIÓN Y AIRE ACONDICIONADO, PÁGINA 3 / 1-9999 15.40.03 / 00 HEATING AND AIR CONDITIONING, PAGE 3 / 1-9999 2053738 103 216453 PORCA SEXTAVADA TUERCA HEXAGONAL 1,000 1-9999 HEXAGON NUT 104 216607 ARRUELA ARANDELA 2,000 1-9999 WASHER 105 216119 PORCA SEXTAVADA TUERCA HEXAGONAL 2,000 1-9999 HEXAGON NUT 106 216615 ARRUELA ARANDELA 2,000 1-9999 WASHER 140 213667 PARAFUSO SEXTAVADO TORNILLO HEXAGONAL 4,000 1-9999 HEXAGON SCREW 141 216577 ARRUELA ARANDELA 4,000 1-9999 WASHER 142 1502239 CONDENSADOR CONDENSADOR 1,000 1-9999 CONDENSER 145 615444 FITA VEDANTE CINTA IMPERMEABILIZANTE 0,500 1-9999 SEALING TAPE 146 1269909 ADAPTADOR ROSCADO ACCESSORIO DE MANGUEIRA 1,000 1-9999 HOSE FITTING 170 1519999 MANGUEIRA MANGUERA 1,000 1-9999 FLEXIBLE TUBING 200 1241710 ABRAÇADEIRA PARA TUBO ABRAZADERA 1,000 1-9999 PIPE CLIP 201 213845 PARAFUSO SEXTAVADO TORNILLO HEXAGONAL 1,000 1-9999 HEXAGON SCREW 202 216445 PORCA SEXTAVADA TUERCA HEXAGONAL 1,000 1-9999 HEXAGON NUT 203 216593 ARRUELA ARANDELA 2,000 1-9999 WASHER
  • 504.
    15.40.03 / 00CALEFAÇÃO E AR CONDICIONADO, PÁGINA 3 / 1-9999 15.40.03 / 00 CALEFACCIÓN Y AIRE ACONDICIONADO, PÁGINA 3 / 1-9999 15.40.03 / 00 HEATING AND AIR CONDITIONING, PAGE 3 / 1-9999
  • 505.
    POS Nº DEIDENT. DESIGNAÇÃO DESIGNATION DESIGNACIÓN QUANT. VALIDADE 15.40.03 / 00 CALEFAÇÃO E AR CONDICIONADO, PÁGINA 3 / 1-9999 15.40.03 / 00 CALEFACCIÓN Y AIRE ACONDICIONADO, PÁGINA 3 / 1-9999 15.40.03 / 00 HEATING AND AIR CONDITIONING, PAGE 3 / 1-9999 2053738 210 1265857 ARRUELA DE BORRACHA BOQUILLA DE CABLE 2,000 1-9999 CABLE BUSHING 215.02 2022493 ANEL O NW8 ANILLO TOROIDAL NW8 4,000 1-9999 O-RING SEAL NW8 215.03 2023822 ANEL O NW10 ANILLO TOROIDAL NW10 1,000 1-9999 O-RING SEAL NW10
  • 506.
    15.40.04 / 00CALEFAÇÃO E AR CONDICIONADO, PÁGINA 4 / 1-9999 15.40.04 / 00 CALEFACCIÓN Y AIRE ACONDICIONADO, PÁGINA 4 / 1-9999 15.40.04 / 00 HEATING AND AIR CONDITIONING, PAGE 4 / 1-9999
  • 507.
    POS Nº DEIDENT. DESIGNAÇÃO DESIGNATION DESIGNACIÓN QUANT. VALIDADE 15.40.04 / 00 CALEFAÇÃO E AR CONDICIONADO, PÁGINA 4 / 1-9999 15.40.04 / 00 CALEFACCIÓN Y AIRE ACONDICIONADO, PÁGINA 4 / 1-9999 15.40.04 / 00 HEATING AND AIR CONDITIONING, PAGE 4 / 1-9999 2053739 40 206369 CONEXÃO MACHO RETA RACOR PARA ENROSCAR RECTO 1,000 1-9999 STRAIGHT SCREWED SOCKET 41 317632 ADAPTADOR DE REDUÇÃO REDUCTOR 1,000 1-9999 REDUCING INSERT 45 1292455 MANGUEIRA MANGUERA 1,000 1-9999 FLEXIBLE TUBING 50 317098 CONEXÃO MACHO RETA RACOR PARA ENROSCAR RECTO 1,000 1-9999 STRAIGHT SCREWED SOCKET 51 1292447 MANGUEIRA MANGUERA 1,000 1-9999 FLEXIBLE TUBING 80 1519069 SUPORTE SOPORTE 1,000 1-9999 SUPPORT 81 214469 PARAFUSO DE CABEÇA CILÍNDRICA TORNILLO CILÍNDRICO 3,000 1-9999 CHEESE-HEAD SCREW 160 875627 ESPAÇADOR PIEZA DISTANCIADORA 1,000 1-9999 SPACER BLOCK 161 1209914 PARAFUSO SEXTAVADO TORNILLO HEXAGONAL 1,000 1-9999 HEXAGON SCREW 162 216445 PORCA SEXTAVADA TUERCA HEXAGONAL 1,000 1-9999 HEXAGON NUT 163 216593 ARRUELA ARANDELA 2,000 1-9999 WASHER 164 1510266 SECADOR COMPLETO SECADOR COMPLETO 1,000 1-9999 DRIER COMPLETE 164.01 1272950 SECADOR SECADOR 1,000 1-9999 DRIER 164.02 1278290 SUPORTE SOPORTE 1,000 1-9999 SUPPORT
  • 508.
    15.40.04 / 00CALEFAÇÃO E AR CONDICIONADO, PÁGINA 4 / 1-9999 15.40.04 / 00 CALEFACCIÓN Y AIRE ACONDICIONADO, PÁGINA 4 / 1-9999 15.40.04 / 00 HEATING AND AIR CONDITIONING, PAGE 4 / 1-9999
  • 509.
    POS Nº DEIDENT. DESIGNAÇÃO DESIGNATION DESIGNACIÓN QUANT. VALIDADE 15.40.04 / 00 CALEFAÇÃO E AR CONDICIONADO, PÁGINA 4 / 1-9999 15.40.04 / 00 CALEFACCIÓN Y AIRE ACONDICIONADO, PÁGINA 4 / 1-9999 15.40.04 / 00 HEATING AND AIR CONDITIONING, PAGE 4 / 1-9999 2053739 164.03 1278304 INTERRUPTOR DE PRESSÃO INTERRUPTOR DE PRESIÓN 1,000 1-9999 PRESSURE SWITCH 171 1527002 MANGUEIRA MANGUERA 1,000 1-9999 FLEXIBLE TUBING 172 1207571 ABRAÇADEIRA PARA TUBO ABRAZADERA 3,000 1-9999 PIPE CLIP 173 213748 PARAFUSO SEXTAVADO TORNILLO HEXAGONAL 2,000 1-9999 HEXAGON SCREW 174 216445 PORCA SEXTAVADA TUERCA HEXAGONAL 2,000 1-9999 HEXAGON NUT 175 216593 ARRUELA ARANDELA 4,000 1-9999 WASHER 185 1527010 MANGUEIRA MANGUERA 1,000 1-9999 FLEXIBLE TUBING 186 1527029 MANGUEIRA MANGUERA 1,000 1-9999 FLEXIBLE TUBING 190 1527037 CHAPA CHAPA 3,000 1-9999 METAL PLATE 191 1527045 CHAPA CHAPA 1,000 1-9999 METAL PLATE 192 211850 PARAFUSO SEXTAVADO TORNILLO HEXAGONAL 4,000 1-9999 HEXAGON SCREW 193 216445 PORCA SEXTAVADA TUERCA HEXAGONAL 4,000 1-9999 HEXAGON NUT 194 216593 ARRUELA ARANDELA 8,000 1-9999 WASHER 195 1527924 MEIA ABRAÇADEIRA MEDIA ABRAZADERA 8,000 1-9999 HALF-CLIP
  • 510.
    15.40.04 / 00CALEFAÇÃO E AR CONDICIONADO, PÁGINA 4 / 1-9999 15.40.04 / 00 CALEFACCIÓN Y AIRE ACONDICIONADO, PÁGINA 4 / 1-9999 15.40.04 / 00 HEATING AND AIR CONDITIONING, PAGE 4 / 1-9999
  • 511.
    POS Nº DEIDENT. DESIGNAÇÃO DESIGNATION DESIGNACIÓN QUANT. VALIDADE 15.40.04 / 00 CALEFAÇÃO E AR CONDICIONADO, PÁGINA 4 / 1-9999 15.40.04 / 00 CALEFACCIÓN Y AIRE ACONDICIONADO, PÁGINA 4 / 1-9999 15.40.04 / 00 HEATING AND AIR CONDITIONING, PAGE 4 / 1-9999 2053739 196 242535 PARAFUSO DE CABEÇA CILÍNDRICA TORNILLO CILÍNDRICO 4,000 1-9999 CHEESE-HEAD SCREW 210 1265857 ARRUELA DE BORRACHA BOQUILLA DE CABLE 2,000 1-9999 CABLE BUSHING 215.01 2022480 ANEL O NW6 ANILLO TOROIDAL NW6 6,000 1-9999 O-RING SEAL NW6 300 267341 FIXADOR DE CABOS SUJETACABLES 40,000 1-9999 WIRE FASTENER
  • 512.
    15.50.11 / 00SINALIZADOR ROTATIVO (CABINA DO OPERADOR), PÁGINA 1 / 1-9999 15.50.11 / 00 LUZ OMNIDIRECCIONAL (CABINA DEL CONDUCTOR), PÁGINA 1 / 1-9999 15.50.11 / 00 ROTARY BEACON (DRIVER’S CABIN), PAGE 1 / 1-9999 10 4 3 2 1 5.01 5 13 12 11
  • 513.
    POS Nº DEIDENT. DESIGNAÇÃO DESIGNATION DESIGNACIÓN QUANT. VALIDADE 15.50.11 / 00 SINALIZADOR ROTATIVO (CABINA DO OPERADOR), PÁGINA 1 / 1-9999 15.50.11 / 00 LUZ OMNIDIRECCIONAL (CABINA DEL CONDUCTOR), PÁGINA 1 / 1-9999 15.50.11 / 00 ROTARY BEACON (DRIVER’S CABIN), PAGE 1 / 1-9999 2053740 1 395846 TUBO TUBO 1,000 1-9999 PIPE 2 213756 PARAFUSO SEXTAVADO TORNILLO HEXAGONAL 2,000 1-9999 HEXAGON SCREW 3 216097 PORCA SEXTAVADA TUERCA HEXAGONAL 2,000 1-9999 HEXAGON NUT 4 216607 ARRUELA ARANDELA 2,000 1-9999 WASHER 5 342505 SINALIZADOR ROTATIVO LUZ OMNIDIRECCIONAL 1,000 1-9999 ROTARY BEACON 5.01 355283 LANTERNA LÁMPARA 1,000 1-9999 LAMP 10 1501011 SUPORTE SOPORTE 1,000 1-9999 SUPPORT 11 213853 PARAFUSO SEXTAVADO TORNILLO HEXAGONAL 2,000 1-9999 HEXAGON SCREW 1 2 216453 PORCA SEXTAVADA TUERCA HEXAGONAL 2,000 1-9999 HEXAGON NUT 13 216607 ARRUELA ARANDELA 2,000 1-9999 WASHER
  • 514.
    15.50.12 / 00SINALIZADOR ROTATIVO (CABINE DO CONDUTOR), PÁGINA 2 / 1-9999 15.50.12 / 00 LUZ OMNIDIRECCIONAL (CABINA DEL CONDUCTOR), PÁGINA 2 / 1-9999 15.50.12 / 00 ROTARY BEACON (DRIVER’S CABIN), PAGE 2 / 1-9999
  • 515.
    POS Nº DEIDENT. DESIGNAÇÃO DESIGNATION DESIGNACIÓN QUANT. VALIDADE 15.50.12 / 00 SINALIZADOR ROTATIVO (CABINE DO CONDUTOR), PÁGINA 2 / 1-9999 15.50.12 / 00 LUZ OMNIDIRECCIONAL (CABINA DEL CONDUCTOR), PÁGINA 2 / 1-9999 15.50.12 / 00 ROTARY BEACON (DRIVER’S CABIN), PAGE 2 / 1-9999 2053741 15 1509489 SUPORTE SOPORTE 1,000 1-9999 SUPPORT 16 213748 PARAFUSO SEXTAVADO TORNILLO HEXAGONAL 2,000 1-9999 HEXAGON SCREW 17 216593 ARRUELA ARANDELA 2,000 1-9999 WASHER
  • 516.
    15.50.21 / 00SINALIZADOR ROTATIVO (ROPS), PÁGINA 1 / 1-9999 15.50.21 / 00 LUZ OMNIDIRECCIONAL (ROPS), PÁGINA 1 / 1-9999 15.50.21 / 00 ROTARY BEACON (ROPS), PAGE 1 / 1-9999 28 27 25 23 22 21 29 29 34 33 26 30 31 32 12 5.01 5 1 11.01 11 10 2 4 3 4 12 2
  • 517.
    POS Nº DEIDENT. DESIGNAÇÃO DESIGNATION DESIGNACIÓN QUANT. VALIDADE 15.50.21 / 00 SINALIZADOR ROTATIVO (ROPS), PÁGINA 1 / 1-9999 15.50.21 / 00 LUZ OMNIDIRECCIONAL (ROPS), PÁGINA 1 / 1-9999 15.50.21 / 00 ROTARY BEACON (ROPS), PAGE 1 / 1-9999 2053742 1 395846 TUBO TUBO 1,000 1-9999 PIPE 2 213756 PARAFUSO SEXTAVADO TORNILLO HEXAGONAL 4,000 1-9999 HEXAGON SCREW 3 216097 PORCA SEXTAVADA TUERCA HEXAGONAL 2,000 1-9999 HEXAGON NUT 4 216607 ARRUELA ARANDELA 4,000 1-9999 WASHER 5 342505 SINALIZADOR ROTATIVO LUZ OMNIDIRECCIONAL 1,000 1-9999 ROTARY BEACON 5.01 355283 LANTERNA LÁMPARA 1,000 1-9999 LAMP 10 1501011 SUPORTE SOPORTE 1,000 1-9999 SUPPORT 11 347701 BOTÃO PULSADOR INTERRUPTOR PULSADOR 1,000 1-9999 PUSH BUTTON SWITCH 11.01 231754 LANTERNA LÁMPARA 1,000 1-9999 LAMP 12 877352 CABLAGEM MAZO DE CABLES 1,000 1-9999 WIRE HARNESS 21 1505386 FIXAÇÃO FIJACIÓN 1,000 1-9999 MOUNTING DEVICE 22 283568 PARAFUSO SEXTAVADO TORNILLO HEXAGONAL 4,000 1-9999 HEXAGON SCREW 23 216577 ARRUELA ARANDELA 4,000 1-9999 WASHER 25 1273035 CAIXA DE FUSÍVEIS CAJA DE FUSIBLES 1,000 1-9999 FUSE BOX
  • 518.
    15.50.21 / 00SINALIZADOR ROTATIVO (ROPS), PÁGINA 1 / 1-9999 15.50.21 / 00 LUZ OMNIDIRECCIONAL (ROPS), PÁGINA 1 / 1-9999 15.50.21 / 00 ROTARY BEACON (ROPS), PAGE 1 / 1-9999 28 27 25 23 22 21 29 29 34 33 26 30 31 32 12 5.01 5 1 11.01 11 10 2 4 3 4 12 2
  • 519.
    POS Nº DEIDENT. DESIGNAÇÃO DESIGNATION DESIGNACIÓN QUANT. VALIDADE 15.50.21 / 00 SINALIZADOR ROTATIVO (ROPS), PÁGINA 1 / 1-9999 15.50.21 / 00 LUZ OMNIDIRECCIONAL (ROPS), PÁGINA 1 / 1-9999 15.50.21 / 00 ROTARY BEACON (ROPS), PAGE 1 / 1-9999 2053742 26 339202 PARAFUSO DE CABEÇA OVAL TORNILLO ALOMADO PULIDO 2,000 1-9999 FILLISTER HEAD SCREW 27 1264362 PORCA SEXTAVADA TUERCA HEXAGONAL 2,000 1-9999 HEXAGON NUT 28 320862 ARRUELA DA TRAVAMENTO DENTADA ARANDELA ELÁSTICA DENTADA 2,000 1-9999 SERRATED LOCK WASHER 29 353434 BUJÃO TAPÓN DE CIERRE 2,000 1-9999 FILLER CAP 30 877387 CABLAGEM MAZO DE CABLES 1,000 1-9999 WIRE HARNESS 31 877360 CABLAGEM MAZO DE CABLES 1,000 1-9999 WIRE HARNESS 32 1505440 ETIQUETA ETIQUETA 1,000 1-9999 STICKER 33 384054 FUSÍVEL TIPO LÂMINA 10A FUSIBLE PLANO 10A 1,000 1-9999 BLADE FUSE 10A 34 384062 FUSÍVEL TIPO LÂMINA 15A FUSIBLE PLANO 15A 1,000 1-9999 BLADE FUSE 15A
  • 520.
    15.50.22 / 00SINALIZADOR ROTATIVO (ROPS), PÁGINA 2 / 1-9999 15.50.22 / 00 LUZ OMNIDIRECCIONAL (ROPS), PÁGINA 2 / 1-9999 15.50.22 / 00 ROTARY BEACON (ROPS), PAGE 2 / 1-9999
  • 521.
    POS Nº DEIDENT. DESIGNAÇÃO DESIGNATION DESIGNACIÓN QUANT. VALIDADE 15.50.22 / 00 SINALIZADOR ROTATIVO (ROPS), PÁGINA 2 / 1-9999 15.50.22 / 00 LUZ OMNIDIRECCIONAL (ROPS), PÁGINA 2 / 1-9999 15.50.22 / 00 ROTARY BEACON (ROPS), PAGE 2 / 1-9999 2053743 15 1509489 SUPORTE SOPORTE 1,000 1-9999 SUPPORT 16 213748 PARAFUSO SEXTAVADO TORNILLO HEXAGONAL 2,000 1-9999 HEXAGON SCREW 17 216593 ARRUELA ARANDELA 2,000 1-9999 WASHER
  • 522.
    15.50.30 / 00LUZ GIRATÓRIA / 1-9999 15.50.30 / 00 LUZ GIRATORIA TECHO CORREDIZO / 1-9999 15.50.30 / 00 WARNING LIGHT SUN ROOF/ 1-9999
  • 523.
    POS Nº DEIDENT. DESIGNAÇÃO DESIGNATION DESIGNACIÓN QUANT. VALIDADE 15.50.30 / 00 LUZ GIRATÓRIA / 1-9999 15.50.30 / 00 LUZ GIRATORIA TECHO CORREDIZO / 1-9999 15.50.30 / 00 WARNING LIGHT SUN ROOF / 1-9999 2053744 1 342505 GIROFLEX AMARELO LUZ OMNIDIRECCIONAL 1,000 1-9999 ROTARY BEACON 1.01 355283 LÂMPADA LÁMPARA 1,000 1-9999 LAMP 2 342513 TUBO TUBO 1,000 1-9999 PIPE 3 2028233 CHAPA CHAPA 1,000 1-9999 METAL PLATE 4 313963 ABRAÇADEIRA MEDIA ABRAZADERA 4,000 1-9999 HALF-CLIP 5 314048 CHAPA PLACA DE RECUBRIMIENTO 1,000 1-9999 COVER PLATE 6 1212737 PARAFUSO SEXTAVADO TORNILLO HEXAGONAL 2,000 1-9999 HEXAGON SCREW 7 314242 ABRAÇADEIRA MEDIA ABRAZADERA 2,000 1-9999 HALF-CLIP 8 314021 CHAPA PLACA DE RECUBRIMIENTO 1,000 1-9999 COVER PLATE 9 314099 PARAFUSO SEXTAVADO TORNILLO HEXAGONAL 2,000 1-9999 HEXAGON SCREW 11 347701 CHAVE DE ACIONAMENTO INTERRUPTOR PULSADOR 1,000 1-9999 PUSH BUTTON SWITCH 12 877352 CHICOTE MAZO DE CABLES 1,000 1-9999 WIRE HARNESS 15 1505386 SUPORTE DE ILUMINAÇÃO FIJACIÓN 1,000 1-9999 MOUNTING DEVICE 16 240885 PARAFUSO TORNILLO AVELLANADO 4,000 1-9999 COUNTERSUNK SCREW
  • 524.
    15.50.30 / 00LUZ GIRATÓRIA / 1-9999 15.50.30 / 00 LUZ GIRATORIA TECHO CORREDIZO / 1-9999 15.50.30 / 00 WARNING LIGHT SUN ROOF/ 1-9999
  • 525.
    POS Nº DEIDENT. DESIGNAÇÃO DESIGNATION DESIGNACIÓN QUANT. VALIDADE 15.50.30 / 00 LUZ GIRATÓRIA / 1-9999 15.50.30 / 00 LUZ GIRATORIA TECHO CORREDIZO / 1-9999 15.50.30 / 00 WARNING LIGHT SUN ROOF / 1-9999 2053744 17 216666 ARRUELA ELÁSTICA ARANDELA ELÁSTICA 4,000 1-9999 SPRING RING 18 216062 PORCA SEXTAVADA TUERCA HEXAGONAL 4,000 1-9999 HEXAGON NUT 19 2028182 CHAPA CHAPA 1,000 1-9999 METAL PLATE 20 213748 PARAFUSO SEXTAVADO TORNILLO HEXAGONAL 2,000 1-9999 HEXAGON SCREW 21 216593 ARRUELA ARANDELA 2,000 1-9999 WASHER 22 260983 ARRUELA ARANDELA 2,000 1-9999 WASHER 23 216445 PORCA SEXTAVADA TUERCA HEXAGONAL 2,000 1-9999 HEXAGON NUT 24 1273035 CAIXA DE FUSÍVEIS CAJA DE FUSIBLES 1,000 1-9999 FUSE BOX 25 339202 PARAFUSO CABEÇA LENTILHA TORNILLO ALOMADO PULIDO 2,000 1-9999 FILLISTER HEAD SCREW 26 1264362 PORCA SEXTAVADA TUERCA HEXAGONAL 2,000 1-9999 HEXAGON NUT 27 320862 ARRUELA DENTADA ARANDELA ELÁSTICA DENTADA 2,000 1-9999 SERRATED LOCK WASHER 28 353434 TAMPÃO DE FECHAMENTO TAPÓN DE CIERRE 3,000 1-9999 FILLER CAP 29 877387 CHICOTE MAZO DE CABLES 1,000 1-9999 WIRE HARNESS 30 2028189 CHICOTES MAZO DE CABLES 1,000 1-9999 WIRE HARNESS
  • 526.
    15.50.40 / 00LUZ GIRATÓRIA / 1-9999 15.50.40 / 00 LUZ GIRATORIA TECHO CORREDIZO / 1-9999 15.50.40 / 00 WARNING LIGHT SUN ROOF/ 1-9999
  • 527.
    POS Nº DEIDENT. DESIGNAÇÃO DESIGNATION DESIGNACIÓN QUANT. VALIDADE 15.50.40 / 00 LUZ GIRATÓRIA / 1-9999 15.50.40 / 00 LUZ GIRATORIA TECHO CORREDIZO / 1-9999 15.50.40 / 00 WARNING LIGHT SUN ROOF / 1-9999 2053745 1 342505 GIROFLEX AMARELO LUZ OMNIDIRECCIONAL 1,000 1-9999 ROTARY BEACON 1.01 355283 LÂMPADA LÁMPARA 1,000 1-9999 LAMP 2 342513 TUBO TUBO 1,000 1-9999 PIPE 3 2028233 CHAPA CHAPA 1,000 1-9999 METAL PLATE 4 313963 ABRAÇADEIRA MEDIA ABRAZADERA 4,000 1-9999 HALF-CLIP 5 314048 CHAPA PLACA DE RECUBRIMIENTO 1,000 1-9999 COVER PLATE 6 1212737 PARAFUSO SEXTAVADO TORNILLO HEXAGONAL 2,000 1-9999 HEXAGON SCREW 7 314242 ABRAÇADEIRA MEDIA ABRAZADERA 2,000 1-9999 HALF-CLIP 8 314021 CHAPA PLACA DE RECUBRIMIENTO 1,000 1-9999 COVER PLATE 9 314099 PARAFUSO SEXTAVADO TORNILLO HEXAGONAL 2,000 1-9999 HEXAGON SCREW 11 347701 CHAVE DE ACIONAMENTO INTERRUPTOR PULSADOR 1,000 1-9999 PUSH BUTTON SWITCH 12 877352 CHICOTE MAZO DE CABLES 1,000 1-9999 WIRE HARNESS 15 1505386 SUPORTE DE ILUMINAÇÃO FIJACIÓN 1,000 1-9999 MOUNTING DEVICE 16 283568 PARAFUSO SEXTAVADO TORNILLO HEXAGONAL 4,000 1-9999 HEXAGON SCREW
  • 528.
    15.50.40 / 00LUZ GIRATÓRIA / 1-9999 15.50.40 / 00 LUZ GIRATORIA TECHO CORREDIZO / 1-9999 15.50.40 / 00 WARNING LIGHT SUN ROOF/ 1-9999
  • 529.
    POS Nº DEIDENT. DESIGNAÇÃO DESIGNATION DESIGNACIÓN QUANT. VALIDADE 15.50.40 / 00 LUZ GIRATÓRIA / 1-9999 15.50.40 / 00 LUZ GIRATORIA TECHO CORREDIZO / 1-9999 15.50.40 / 00 WARNING LIGHT SUN ROOF / 1-9999 2053745 17 216577 ARRUELA ARANDELA 4,000 1-9999 WASHER 18 1273035 CAIXA DE FUSÍVEIS CAJA DE FUSIBLES 1,000 1-9999 FUSE BOX 19 339202 PARAFUSO CABEÇA LENTILHA CAJA DE FUSIBLES 2,000 1-9999 FILLISTER HEAD SCREW 20 1264362 PORCA SEXTAVADA TUERCA HEXAGONAL 2,000 1-9999 HEXAGON NUT 21 320862 ARRUELA DENTADA ARANDELA ELÁSTICA DENTADA 2,000 1-9999 SERRATED LOCK WASHER 22 353434 TAMPÃO DE FECHAMENTO TAPÓN DE CIERRE 3,000 1-9999 FILLER CAP 23 877387 CHICOTE MAZO DE CABLES 1,000 1-9999 WIRE HARNESS 24 877360 CHICOTE MAZO DE CABLES 1,000 1-9999 WIRE HARNESS
  • 530.
    15.51.00 / 00MEDIDOR DE FREQÜÊNCIAS (VIBRAÇÃO) / 1-9999 15.51.00 / 00 MEDIDOR DE FRECUENCIAS (VIBRACIÓN) / 1-9999 15.51.00 / 00 FREQUENCY METER (VIBRATION) / 1-9999
  • 531.
    POS Nº DEIDENT. DESIGNAÇÃO DESIGNATION DESIGNACIÓN QUANT. VALIDADE 15.51.00 / 00 MEDIDOR DE FREQÜÊNCIAS (VIBRAÇÃO) / 1-9999 15.51.00 / 00 MEDIDOR DE FRECUENCIAS (VIBRACIÓN) / 1-9999 15.51.00 / 00 FREQUENCY METER (VIBRATION) / 1-9999 2053746 1 865222 SENSOR DE VELOCIDADE COMPLETO SENSOR DE REVOLUCIONES COMPLETO 1,000 1-9999 SPEED SENSOR COMPLETE 2 201944 ANEL O ANILLO TOROÏDAL 2,000 1-9999 O-RING SEAL 3 367575 PARAFUSO DE CABEÇA CILÍNDRICA TORNILLO CILÍNDRICO 1,000 1-9999 CHEESE-HEAD SCREW 4 865168 UNIDADE ELETRÔNICA COM CARCAÇA UNIDAD ELECTRÓNICA CON CARCASA 1,000 1-9999 ELECTRONIC UNIT WITH HOUSING 5 272809 PARAFUSO DE CABEÇA OVAL TORNILLO ALOMADO PULIDO 2,000 1-9999 FILLISTER HEAD SCREW 6 274356 ARRUELA ARANDELA 2,000 1-9999 WASHER 7 216046 PORCA SEXTAVADA TUERCA HEXAGONAL 4,000 1-9999 HEXAGON NUT
  • 532.
    15.52.00 / 00ALARME DE MARCHA-A-RÉ (ALARME BACK-UP) / 1-9999 15.52.00 / 00 DISPOSITIVO DE ADVERTENCIA DE MARCHA ATRÁS (ALARMA BACK-UP) / 1-9999 15.52.00 / 00 BACK-UP ALARM (BACK-UP) / 1-9999
  • 533.
    POS Nº DEIDENT. DESIGNAÇÃO DESIGNATION DESIGNACIÓN QUANT. VALIDADE 15.52.00 / 00 ALARME DE MARCHA-A-RÉ (ALARME BACK-UP) / 1-9999 15.52.00 / 00 DISPOSITIVO DE ADVERTENCIA DE MARCHA ATRÁS (ALARMA BACK-UP) / 1-9999 15.52.00 / 00 BACK-UP ALARM (BACK-UP) / 1-9999 2053747 1 2024388 CHAPA CHAPA 1,000 1-9999 METAL PLATE 3 314161 MEIA ABRAÇADEIRA MEDIA ABRAZADERA 2,000 1-9999 HALF-CLIP 4 314064 PARAFUSO SEXTAVADO TORNILLO HEXAGONAL 2,000 1-9999 HEXAGON SCREW 5 216577 ARRUELA ARANDELA 2,000 1-9999 WASHER 6 2024389 CHAPA CHAPA 1,000 1-9999 METAL PLATE 7 240451 PARAFUSO TORNILLO 1,000 1-9999 SCREW 8 216437 PORCA SEXTAVADA TUERCA HEXAGONAL 1,000 1-9999 HEXAGON NUT 9 216577 ARRUELA ARANDELA 1,000 1-9999 WASHER 10 2024390 CHAPA CHAPA 1,000 1-9999 METAL PLATE 16 399825 PARAFUSO CABEÇA LENTILHA TORNILLO CIL. CABEZA REBAJADA 1,000 1-9999 MUSHROOM HEAD SCREW 17 216437 PORCA SEXTAVADA TUERCA HEXAGONAL 1,000 1-9999 HEXAGON NUT 18 216577 ARRUELA ARANDELA 1,000 1-9999 WASHER 19 840696 ALARME SONORO DE RÉ DISPOSITIVO ADV. MARCHA ATRÁS 1,000 1-9999 BACK-UP ALARM 20 1509284 CHAPA CHAPA 1,000 1-9999 METAL PLATE
  • 534.
    15.52.00 / 00ALARME DE MARCHA-A-RÉ (ALARME BACK-UP) / 1-9999 15.52.00 / 00 DISPOSITIVO DE ADVERTENCIA DE MARCHA ATRÁS (ALARMA BACK-UP) / 1-9999 15.52.00 / 00 BACK-UP ALARM (BACK-UP) / 1-9999
  • 535.
    POS Nº DEIDENT. DESIGNAÇÃO DESIGNATION DESIGNACIÓN QUANT. VALIDADE 15.52.00 / 00 ALARME DE MARCHA-A-RÉ (ALARME BACK-UP) / 1-9999 15.52.00 / 00 DISPOSITIVO DE ADVERTENCIA DE MARCHA ATRÁS (ALARMA BACK-UP) / 1-9999 15.52.00 / 00 BACK-UP ALARM (BACK-UP) / 1-9999 2053747 25 817570 CHICOTE (SENSOR) MAZO DE CABLES (SENSOR) 1,000 1-9999 WIRE HARNESS (SENSOR) 26 1263986 RELÉ RELE 1,000 1-9999 RELAY 27 384054 FUSÍVEL TIPO LÂMINA FUSIBLE PLANO 1,000 1-9999 BLADE FUSE
  • 536.
    15.54.00 / 00MEDIDOR DE ROTAÇÕES (MOTOR DIESEL) / 1-9999 15.54.00 / 00 MEDIDOR DE REVOLUCIONES (MOTOR DIESEL) / 1-9999 15.54.00 / 00 REVOLUTION COUNTER (DIESEL ENGINE) / 1-9999
  • 537.
    POS Nº DEIDENT. DESIGNAÇÃO DESIGNATION DESIGNACIÓN QUANT. VALIDADE 15.54.00 / 00 MEDIDOR DE ROTAÇÕES (MOTOR DIESEL) / 1-9999 15.54.00 / 00 MEDIDOR DE REVOLUCIONES (MOTOR DIESEL) / 1-9999 15.54.00 / 00 REVOLUTION COUNTER (DIESEL ENGINE) / 1-9999 2053748 1 1263781 SENSOR DE ROTAÇÕES SENSOR DE REVOLUCIONES 1,000 1-9999 SPEED SENSOR 2 216577 ARRUELA ARANDELA 1,000 1-9999 WASHER 3 213780 PARAFUSO SEXTAVADO TORNILLO HEXAGONAL 1,000 1-9999 HEXAGONAL SCREW 3 213721 PARAFUSO SEXTAVADO TORNILLO HEXAGONAL 1,000 1-9999 HEXAGONAL SCREW 4 1288008 LUVA CÁPSULA/MANGUITO/CASQUILLO 1,000 1-9999 SLEEVE
  • 538.
    15.56.00 / 00VELOCÍMETRO / 1-9999 15.56.00 / 00 VELOCÍMETRO / 1-9999 15.56.00 / 00 SPEEDOMETER / 1-9999
  • 539.
    POS Nº DEIDENT. DESIGNAÇÃO DESIGNATION DESIGNACIÓN QUANT. VALIDADE 15.56.00 / 00 VELOCÍMETRO / 1-9999 15.56.00 / 00 VELOCÍMETRO / 1-9999 15.56.00 / 00 SPEEDOMETER / 1-9999 2053749 1 881899 SENSOR DE ROTAÇÃO SENSOR DE REVOLUCIONES 1,000 1-9999 SPEED SENSOR 1.01 1200755 ANEL O ANILLO TOROIDAL 1,000 1-9999 O-RING SEAL
  • 540.
    15.59.00 / 00COMPACTÔMETRO, HCM-3 / 1-9999 15.59.00 / 00 COMPACTÓMETRO, HCM-3 / 1-9999 15.59.00 / 00 COMPACTOMETER, HCM-3 / 1-9999 A ILUSTRAÇÃO NÃO ESTAVA DISPONÍVEL NO MOMENTO DA IMPRESSÃO LA ILUSTRACIÓN NO ESTABA DISPONIBLE EN EL MOMENTO DE LA IMPRESIÓN ILLUSTRATION WAS NOT AVAILABLE AT THE POINT OF PRINTING
  • 541.
    POS Nº DEIDENT. DESIGNAÇÃO DESIGNATION DESIGNACIÓN QUANT. VALIDADE 15.59.00 / 00 COMPACTÔMETRO, HCM-3 / 1-9999 15.59.00 / 00 COMPACTÓMETRO, HCM-3 / 1-9999 15.59.00 / 00 COMPACTOMETER, HCM-3 / 1-9999 2053750 1 2028559 MICROPROCESSADOR HCM-3 ORDENADOR HCM-3 1,000 1-9999 CALCULATOR HCM-3 2 213748 PARAFUSO SEXTAVADO TORNILLO HEXAGONAL 4,000 1-9999 HEXAGON SCREW 3 216593 ARRUELA ARANDELA 4,000 1-9999 WASHER 5 2025018 SENSOR DE ACELERAÇÃO SENSOR DE ACELERACIÓN 1,000 1-9999 ACCELERATION SENSOR 6 314102 PARAFUSO SEXTAVADO TORNILLO HEXAGONAL 2,000 1-9999 HEXAGON SCREW 7 216577 ARRUELA ARANDELA 4,000 1-9999 WASHER 8 216437 PORCA SEXTAVADA TUERCA HEXAGONAL 2,000 1-9999 HEXAGON NUT 9 384054 FUSÍVEL TIPO LÂMINA FUSIBLE PLANO 1,000 1-9999 BLADE FUSE 10 898961 CABLAGEM MAZO DE CABLES 1,000 1-9999 WIRE HARNESS
  • 542.
    15.63.01 / 00TACÓGRAFO / 1-9999 15.63.01 / 00 TACÓGRAFO / 1-9999 15.63.01 / 00 TACHOGRAPH / 1-9999 11 5 7 9 10 4 6 3 7 9 8 2 1 5 8 9
  • 543.
    POS Nº DEIDENT. DESIGNAÇÃO DESIGNATION DESIGNACIÓN QUANT. VALIDADE 15.63.01 / 00 TACÓGRAFO / 1-9999 15.63.01 / 00 TACÓGRAFO / 1-9999 15.63.01 / 00 TACHOGRAPH / 1-9999 2053751 1 891061 TACÓGRAFO TACÓGRAFO 1,000 1-9999 TACHOGRAPH 2 1209019 SICO DO TACÓGRAFO DISCO DEL TACÓGRAFO 10,000 1-9999 TACHOGRAPH CHART 3 866660 SUPORTE SOPORTE 1,000 1-9999 SUPPORT 4 392472 PARAFUSO DE CABEÇA CILÍNDRICA TORNILLO CILÍNDRICO 1,000 1-9999 CHEESE-HEAD SCREW 5 274356 ARRUELA ARANDELA 2,000 1-9999 WASHER 6 216046 PORCA SEXTAVADA TUERCA HEXAGONAL 1,000 1-9999 HEXAGON NUT 7 1245805 COXIM METAL-BORRACHA TOPE DE CAUCHO-METAL 2,000 1-9999 SILENTBLOC 8 247588 PARAFUSO DE CABEÇA CILÍNDRICA TORNILLO CILÍNDRICO 2,000 1-9999 CHEESE-HEAD SCREW 9 274356 ARRUELA ARANDELA 4,000 1-9999 WASHER 10 216046 PORCA SEXTAVADA TUERCA HEXAGONAL 2,000 1-9999 HEXAGON NUT 11 850063 CABLAGEM MAZO DE CABLES 1,000 1-9999 WIRE HARNESS
  • 544.
    15.63.02 / 00TACÓGRAFO / 1-9999 15.63.02 / 00 TACÓGRAFO / 1-9999 15.63.02 / 00 TACHOGRAPH / 1-9999
  • 545.
    POS Nº DEIDENT. DESIGNAÇÃO DESIGNATION DESIGNACIÓN QUANT. VALIDADE 15.63.02 / 00 TACÓGRAFO / 1-9999 15.63.02 / 00 TACÓGRAFO / 1-9999 15.63.02 / 00 TACHOGRAPH / 1-9999 2053752 21 881899 SENSOR DE ROTAÇÕES SENSOR DE REVOLUCIONES 1,000 1-9999 SPEED SENSOR 21.01 1200755 ANEL O ANILLO TOROIDAL 1,000 1-9999 O-RING SEAL 31 865222 SENSOR DE ROTAÇÕES SENSOR DE REVOLUCIONES 1,000 1-9999 SPEED SENSOR 32 201944 ANEL O ANILLO TOROIDAL 2,000 1-9999 O-RING SEAL 33 367575 PARAFUSO DE CABEÇA CILÍNDRICA TORNILLO CILÍNDRICO 1,000 1-9999 CHEESE-HEAD SCREW 34 865168 UNIDADE ELETRÔNICA COM CARCAÇA UNIDAD ELECTRÓNICA CON CARCASA 1,000 1-9999 ELECTRONIC UNIT WITH HOUSING 35 272809 PARAFUSO DE CABEÇA OVAL TORNILLO ALOMADO PULIDO 2,000 1-9999 FILLISTER HEAD SCREW 36 274356 ARRUELA ARANDELA 2,000 1-9999 WASHER 37 216046 PORCA SEXTAVADA TUERCA HEXAGONAL 4,000 1-9999 HEXAGON NUT
  • 546.
    15.81.00 / 00PROTEÇÃO DAS MANGUEIRAS (CHASSI DIANTEIRO) / 1-9999 15.81.00 / 00 PROTECCIÓN DE TUBE FLEXIBLE (BASTIDOR DELANTERO) / 1-9999 15.81.00 / 00 HOSE PROTECTION (FRONT FRAME) / 1-9999 2 1 3 5 3 6 6 6 7 10 11 11 5 6 7 10
  • 547.
    POS Nº DEIDENT. DESIGNAÇÃO DESIGNATION DESIGNACIÓN QUANT. VALIDADE 15.81.00 / 00 PROTEÇÃO DAS MANGUEIRAS (CHASSI DIANTEIRO) / 1-9999 15.81.00 / 00 PROTECCIÓN DE TUBE FLEXIBLE (BASTIDOR DELANTERO) / 1-9999 15.81.00 / 00 HOSE PROTECTION (FRONT FRAME) / 1-9999 2053753 1 2024311 CHAPA PROTETORA ESQUERDA CHAPA DE PROTECCIÓN IZQUIERDA 1,000 1-9999 PROTECTING PLATE LEFT 2 2024312 CHAPA PROTETORA DIREITA CHAPA DE PROTECCIÓN DERECHA 1,000 1-9999 PROTECTING PLATE RIGHT 3 1527703 CHAPA CHAPA 4,000 1-9999 METAL PLATE 5 1213857 PARAFUSO SEXTAVADO TORNILLO HEXAGONAL 8,000 1-9999 HEXAGON SCREW 6 216607 ARRUELA ARANDELA 16,000 1-9999 WASHER 7 216453 PORCA SEXTAVADA TUERCA HEXAGONAL 8,000 1-9999 HEXAGON NUT 10 213748 PARAFUSO SEXTAVADO TORNILLO HEXAGONAL 8,000 1-9999 HEXAGON SCREW 11 231355 ARRUELA ARANDELA 8,000 1-9999 WASHER
  • 548.
    15.99.01 / 00ILUMINAÇÃO DE TRABALHO / 1-9999 15.99.01 / 00 ILUMINACIÓN DE TRABAJO / 1-9999 15.99.01 / 00 WORK LIGHTING / 1-9999 19 29-30 17 16 7-8-18 1-31-32 2 5 27 26 15 4 3 6 13-28
  • 549.
    POS Nº DEIDENT. DESIGNAÇÃO DESIGNATION DESIGNACIÓN QUANT. VALIDADE 15.99.01 / 00 ILUMINAÇÃO DE TRABALHO/ 1-9999 15.99.01 / 00 ILUMINACIÓN DE TRABAJO / 1-9999 15.99.01 / 00 WORK LIGHTING / 1-9999 768412 1 86232 FAROL DE TRABALHO FAROL DE TRABAJO 4,000 1-9999 WORK LIGHT 2 10658 ARRUELA ARANDELA 32,000 1-9999 WASHER 3 10569 PARAFUSO SEXTAVADO TORNILLO HEXAGONAL 4,000 1-9999 HEXAGON SCREW 4 84838 SUPORTE SINALEIRA ESQUERDA SOPORTE LUZ IZQUIERDA 1,000 1-9999 LEFT TURN SIGNAL SUPPORT 5 20978 PORCA SEXTAVADA TUERCA HEXAGONAL 16,000 1-9999 HEXAGON NUT 6 84837 SUPORTE SINALEIRA DIREITA SOPORTE LUZ DERECHA 1,000 1-9999 RIGHT TURN SIGNAL SUPPORT 7 10815 PARAFUSO SEXTAVADO TORNILLO HEXAGONAL 0,000 1-9999 HEXAGON SCREW 8 10645 ARRUELA ARANDELA 0,000 1-9999 WASHER 13 350224 BOTOEIRA ILUMINAÇÃO TRABALHO BOTONERA ILUMINACIÓN DE TRABAJO 1,000 1-9999 WORK LIGHTING CONTROL PANEL 15 350007 CHAPA SUPORTE FAROL TRASEIRO DIREITO PLANCHA SOPORTE FAROL TRASERO DERECHO 1,000 1-9999 RIGHT REAR LIGHT SUPPORT PLATE 16 350006 CHAPA SUPORTE FAROL TRASEIRO ESQUERDO PLANCHA SOPORTE FAROL TRASERO IZQUIERDO 1,000 1-9999 LEFT REAR LIGHT SUPPORT PLATE 17 350001 CHAPA FIXAÇÃO FAROL TRASEIRO PLANCHA FIJACIÓN FAROL TRASERO 2,000 1-9999 REAR LIGHT FASTENING PLATE 18 9675 PARAFUSO SEXTAVADO TORNILLO HEXAGONAL 12,000 1-9999 HEXAGON SCREW 19 350000 PROTEÇÃO DO FAROL TRASEIRO PROTECCIÓN DEL FAROL TRASERO 2,000 1-9999 REAR LIGHT PROTECTION
  • 550.
    15.99.01 / 00ILUMINAÇÃO DE TRABALHO / 1-9999 15.99.01 / 00 ILUMINACIÓN DE TRABAJO / 1-9999 15.99.01 / 00 WORK LIGHTING / 1-9999 19 29-30 17 16 7-8-18 1-31-32 2 5 27 26 15 4 3 6 13-28
  • 551.
    POS Nº DEIDENT. DESIGNAÇÃO DESIGNATION DESIGNACIÓN QUANT. VALIDADE 15.99.01 / 00 ILUMINAÇÃO DE TRABALHO/ 1-9999 15.99.01 / 00 ILUMINACIÓN DE TRABAJO / 1-9999 15.99.01 / 00 WORK LIGHTING / 1-9999 768412 26 9140 PARAFUSO SEXTAVADO TORNILLO HEXAGONAL 4,000 1-9999 HEXAGON SCREW 27 10659 ARRUELA ARANDELA 4,000 1-9999 WASHER 28 350056 CHICOTE ILUMINAÇÃO CHICOTE ILUMINACIÓN 1,000 1-9999 LIGHTING HARNESS 29 15487 COMUTADOR CONMUTADOR 0,000 1-9999 SWITCH 30 26808 CHAVE AUXILIAR LLAVE AUXILIAR 0,000 1-9999 AUXILIAR SWITCH 31 22437 LÂMPADA PARA FAROL LÁMPARA PARA FAROL 4,000 1-9999 LIGHT BULB FOR LIGHT 32 15900 TOMADA ENCHUFE 0,000 1-9999 PLUG-IN
  • 552.
    26.01.00 / 00SUSPENSÃO (ROLO) / 1-9999 26.01.00 / 00 SUSPENCIÓN (BANDAJE) / 1-9999 26.01.00 / 00 SUSPENSION (ROLLER DRUM) / 1-9999 12 11 55 54 16 10 14 13 30 29 22 21 19 25 28 20 33 32 31 17 18 60 59 53 57 56 19 20 63 62 61 50 52 51 58 16 22 21 19 27 26 280 Nm 560 Nm 280 Nm 280 Nm 117 Nm 117 Nm Y X 280 Nm 560 Nm 117 Nm 117 Nm 560 Nm DETALHE Y DETALHE X Aplicar na superfície de montagem do redutor de roda Aplicar na superfície de montagem do redutor de roda
  • 553.
    POS Nº DEIDENT. DESIGNAÇÃO DESIGNATION DESIGNACIÓN QUANT. VALIDADE 26.01.00 / 00 SUSPENSÃO (ROLO) / 1-9999 26.01.00 / 00 SUSPENCIÓN (BANDAJE) / 1-9999 26.01.00 / 00 SUSPENSION (ROLLER DRUM) / 1-9999 2053754 10 1487116 COXIM AMORTECEDOR TAMPÓN DE CUELLO REDUCIDO 8,000 1-9999 SILENTBLOC 11 1278479 PARAFUSO SEXTAVADO TORNILLO HEXAGONAL 16,000 1-9999 HEXAGON SCREW 12 381543 ARRUELA ARANDELA 16,000 1-9999 WASHER 13 213942 PARAFUSO SEXTAVADO TORNILLO HEXAGONAL 16,000 1-9999 HEXAGON SCREW 14 381543 ARRUELA ARANDELA 16,000 1-9999 WASHER 16 1535501 ESTRELA DE ARRASTAMENTO ESTRELLA DE ARRASTRE 1,000 1-9999 CARRIER STAR 17 239984 PARAFUSO DE CABEÇA CILÍNDRICA TORNILLO CILÍNDRICO 16,000 1-9999 CHEESE-HEAD SCREW 18 1509276 SEGMENTO SEGMENTO 4,000 1-9999 SEGMENT 19 2024034 REDUTOR DA RODA ENGRANAJE DE RUEDAS 1,000 1-9999 WHEEL GEAR 20 891908 SUSPENSÃO SUSPENSIÓN 1,000 1-9999 SUSPENSION 21 1278576 PARAFUSO SEXTAVADO TORNILLO HEXAGONAL 16,000 1-9999 HEXAGON SCREW 22 383120 ARRUELA ARANDELA 16,000 1-9999 WASHER 25 1707833 MOTOR HIDRÁULICO VERSÃO 3410, 3411 MOTOR HIDRÁULICO VERSIÓN 3410, 3411 1,000 1-9999 HYDRAULIC MOTOR VERSION 3410, 3411 25 2032000 MOTOR HIDRÁULICO VERSÃO 3410 P, 3411 P MOTOR HIDRÁULICO VERSIÓN 3410 P, 3411 P 1,000 1-9999 HYDRAULIC MOTOR VERSION 3410 P, 3411 P
  • 554.
    26.01.00 / 00SUSPENSÃO (ROLO) / 1-9999 26.01.00 / 00 SUSPENCIÓN (BANDAJE) / 1-9999 26.01.00 / 00 SUSPENSION (ROLLER DRUM) / 1-9999 12 11 55 54 16 10 14 13 30 29 22 21 19 25 28 20 33 32 31 17 18 60 59 53 57 56 19 20 63 62 61 50 52 51 58 16 22 21 19 27 26 280 Nm 560 Nm 280 Nm 280 Nm 117 Nm 117 Nm Y X 280 Nm 560 Nm 117 Nm 117 Nm 560 Nm DETALHE Y DETALHE X Aplicar na superfície de montagem do redutor de roda Aplicar na superfície de montagem do redutor de roda
  • 555.
    POS Nº DEIDENT. DESIGNAÇÃO DESIGNATION DESIGNACIÓN QUANT. VALIDADE 26.01.00 / 00 SUSPENSÃO (ROLO) / 1-9999 26.01.00 / 00 SUSPENCIÓN (BANDAJE) / 1-9999 26.01.00 / 00 SUSPENSION (ROLLER DRUM) / 1-9999 2053754 26 383619 PARAFUSO SEXTAVADO TORNILLO HEXAGONAL 2,000 1-9999 HEXAGON SCREW 27 250473 ARRUELA ARANDELA 2,000 1-9999 WASHER 28 349364 ANEL O ANILLO TOROÏDAL 1,000 1-9999 O-RING SEAL 29 1504703 CHAPA ESPAÇADORA T=6 CHAPA DE DISTANCIA T=6 2,000 1-9999 SPACER PLATE T=6 30 1487051 CHAPA ESPAÇADORA T=2 CHAPA DE DISTANCIA T=2 4,000 1-9999 SPACER PLATE T=2 31 1297759 PARAFUSO DE CABEÇA CILÍNDRICA TORNILLO CILÍNDRICO 8,000 1-9999 CHEESE-HEAD SCREW 32 1481401 ARRUELA LISA DISCO EN U 8,000 1-9999 U-WASHER 33 361763 PORCA SEXTAVADA TUERCA HEXAGONAL 8,000 1-9999 HEXAGON NUT 50 1513354 DISCO DE ARRASTAMENTO ARBOL CANELADO 1,000 1-9999 DRIVER 51 1210033 PARAFUSO DE CABEÇA CILÍNDRICA TORNILLO CILÍNDRICO 6,000 1-9999 CHEESE-HEAD SCREW 52 250473 ARRUELA ARANDELA 6,000 1-9999 WASHER 53 1487116 COXIM AMORTECEDOR TAMPÓN DE CUELLO REDUCIDO 6,000 1-9999 SILENTBLOC 54 1278479 PARAFUSO SEXTAVADO TORNILLO HEXAGONAL 12,000 1-9999 HEXAGON SCREW 55 381543 ARRUELA ARANDELA 12,000 1-9999 WASHER
  • 556.
    26.01.00 / 00SUSPENSÃO (ROLO) / 1-9999 26.01.00 / 00 SUSPENCIÓN (BANDAJE) / 1-9999 26.01.00 / 00 SUSPENSION (ROLLER DRUM) / 1-9999 12 11 55 54 16 10 14 13 30 29 22 21 19 25 28 20 33 32 31 17 18 60 59 53 57 56 19 20 63 62 61 50 52 51 58 16 22 21 19 27 26 280 Nm 560 Nm 280 Nm 280 Nm 117 Nm 117 Nm Y X 280 Nm 560 Nm 117 Nm 117 Nm 560 Nm DETALHE Y DETALHE X Aplicar na superfície de montagem do redutor de roda Aplicar na superfície de montagem do redutor de roda
  • 557.
    POS Nº DEIDENT. DESIGNAÇÃO DESIGNATION DESIGNACIÓN QUANT. VALIDADE 26.01.00 / 00 SUSPENSÃO (ROLO) / 1-9999 26.01.00 / 00 SUSPENCIÓN (BANDAJE) / 1-9999 26.01.00 / 00 SUSPENSION (ROLLER DRUM) / 1-9999 2053754 56 213985 PARAFUSO SEXTAVADO TORNILLO HEXAGONAL 12,000 1-9999 HEXAGON SCREW 57 381543 ARRUELA ARANDELA 12,000 1-9999 WASHER 58 891916 SUSPENSÃO SUSPENSIÓN 1,000 1-9999 SUSPENSION 59 1504703 CHAPA ESPAÇADORA T=6 CHAPA DE DISTANCIA T=6 2,000 1-9999 SPACER PLATE T=6 60 1487051 CHAPA ESPAÇADORA T=2 CHAPA DE DISTANCIA T=2 4,000 1-9999 SPACER PLATE T=2 61 1245740 PARAFUSO DE CABEÇA CILÍNDRICA TORNILLO CILÍNDRICO 8,000 1-9999 CHEESE-HEAD SCREW 62 1481401 ARRUELA LISA DISCO EN U 8,000 1-9999 U-WASHER 63 361763 PORCA SEXTAVADA TUERCA HEXAGONAL 8,000 1-9999 HEXAGON NUT
  • 558.
    26.03.11 / 00RASCADOR (ROLO LISO), PÁGINA 1 / 1-9999 26.03.11 / 00 RASCADOR (BANDAJE LISO), PÁGINA 1 / 1-9999 26.03.11 / 00 SCRAPER (SMOOTH ROLLER DRUM), PAGE 1 / 1-9999 26.03.12 26.03.12 4 2 8 7 1 7 8 2 1 4
  • 559.
    POS Nº DEIDENT. DESIGNAÇÃO DESIGNATION DESIGNACIÓN QUANT. VALIDADE 26.03.11 / 00 RASCADOR (ROLO LISO), PÁGINA 1 / 1-9999 26.03.11 / 00 RASCADOR (BANDAJE LISO), PÁGINA 1 / 1-9999 26.03.11 / 00 SCRAPER (SMOOTH ROLLER DRUM), PAGE 1 / 1-9999 2053755 1 869430 RASCADOR COMPLETO RASCADOR COMPLETO 2,000 1-9999 SCRAPER COMPLETE 2 1485199 BARRA CHATA ACERO PLANO 8,000 1-9999 FLAT STEEL 4 1495542 BARRA CHATA ACERO PLANO 8,000 1-9999 FLAT STEEL 7 1213733 PARAFUSO SEXTAVADO TORNILLO HEXAGONAL 16,000 1-9999 HEXAGON SCREW 8 1237608 ARRUELA DE TRAVAMENTO DISCO DE SEGURIDAD 16,000 1-9999 LOCKING WASHER
  • 560.
    26.03.12 / 00RASCADOR (ROLO LISO), PÁGINA 2 / 1-9999 26.03.12 / 00 RASCADOR (BANDAJE LISO), PÁGINA 2 / 1-9999 26.03.12 / 00 SCRAPER (SMOOTH ROLLER DRUM), PAGE 2 / 1-9999 10 5 6 1 2 3 6 4
  • 561.
    POS Nº DEIDENT. DESIGNAÇÃO DESIGNATION DESIGNACIÓN QUANT. VALIDADE 26.03.12 / 00 RASCADOR (ROLO LISO), PÁGINA 2 / 1-9999 26.03.12 / 00 RASCADOR (BANDAJE LISO), PÁGINA 2 / 1-9999 26.03.12 / 00 SCRAPER (SMOOTH ROLLER DRUM), PAGE 2 / 1-9999 2053756 1 873071 SUPORTE PARA RASCADOR SOPORTE PARA SEPARADOR 1,000 1-9999 MOUNT FOR SCRAPER 2 1499327 RASCADOR RASCADOR 1,000 1-9999 SCRAPER 3 1499335 BARRA CHATA ACERO PLANO 1,000 1-9999 FLAT STEEL 4 1209833 PARAFUSO SEXTAVADO TORNILLO HEXAGONAL 12,000 1-9999 HEXAGON SCREW 5 216453 PORCA SEXTAVADA TUERCA HEXAGONAL 12,000 1-9999 HEXAGON NUT 6 216607 ARRUELA ARANDELA 24,000 1-9999 WASHER 10 869430 RASCADOR RASCADOR 2,000 1-9999 SCRAPER
  • 562.
    26.03.20 / 00RASCADOR (ROLO PÉ-DE-CARNEIRO) / 1-9999 26.03.20 / 00 RASCADOR (BANDAJE DE PIE DE APISONADO) / 1-9999 26.03.20 / 00 SCRAPER (PADFOOT DRUM) / 1-9999 3 1 2 4 1 3 2 4 1 2 2 1
  • 563.
    POS Nº DEIDENT. DESIGNAÇÃO DESIGNATION DESIGNACIÓN QUANT. VALIDADE 26.03.20 / 00 RASCADOR (ROLO PÉ-DE-CARNEIRO) / 1-9999 26.03.20 / 00 RASCADOR (BANDAJE DE PIE DE APISONADO) / 1-9999 26.03.20 / 00 SCRAPER (PADFOOT DRUM) / 1-9999 2053757 1 1489267 DENTE DO RASCADOR DIENTE DEL DESVIADOR 18,000 1-9999 SCRAPER 2 1485199 BARRA CHATA ACERO PLANO 18,000 1-9999 FLAT STEEL 3 1495542 BARRA CHATA ACERO PLANO 18,000 1-9999 FLAT STEEL 4 1209809 PARAFUSO SEXTAVADO TORNILLO HEXAGONAL 36,000 1-9999 HEXAGON SCREW
  • 564.
    26.03.30 / 00RASCADOR (AÇO MOLA) / 1-9999 26.03.30 / 00 RASCADOR (ACERO PARA MUELLES) / 1-9999 26.03.30 / 00 SCRAPER (SPRING STEEL) / 1-9999 1 1.07 1.05 1.06 1.01 1.02 1.03 1.06 1.04 4 3 2 8 7 1 7 8 2 3 1 4
  • 565.
    POS Nº DEIDENT. DESIGNAÇÃO DESIGNATION DESIGNACIÓN QUANT. VALIDADE 26.03.30 / 00 RASCADOR (AÇO MOLA) / 1-9999 26.03.30 / 00 RASCADOR (ACERO PARA MUELLES) / 1-9999 26.03.30 / 00 SCRAPER (SPRING STEEL) / 1-9999 2053758 1 869430 RASCADOR COMPLETO POS. 1.01-1.06 RASCADOR COMPLETO POS. 1.01-1.06 2,000 1-9999 SCRAPER COMPLETE POS. 1.01-1.06 1.01 873071 SUPORTE DO RASCADOR SOPORTE PARA SEPARADOR 1,000 1-9999 MOUNT FOR SCRAPER 1.02 1499327 RASCADOR RASCADOR 1,000 1-9999 SCRAPER 1.03 1499335 BARRA CHATA ACERO PLANO 1,000 1-9999 FLAT STEEL 1.04 1209833 PARAFUSO SEXTAVADO TORNILLO HEXAGONAL 12,000 1-9999 HEXAGON SCREW 1.05 216453 PORCA SEXTAVADA TUERCA HEXAGONAL 12,000 1-9999 HEXAGON NUT 1.06 216607 ARRUELA ARANDELA 24,000 1-9999 WASHER 1.07 1499505 CHAPA DE AÇO DO RASCADOR RASCADOR CHAPA DE ACERO 1,000 1-9999 SCRAPER SHEET STEEL 2 1485199 BARRA CHATA ACERO PLANO 8,000 1-9999 FLAT STEEL 3 866474 FIXAÇÃO FIJACIÓN 8,000 1-9999 MOUNTING 4 866318 CHAPA SUPORTE CHAPA DE ASIENTO 8,000 1-9999 SUPPORTING PLATE 7 212458 PARAFUSO SEXTAVADO TORNILLO HEXAGONAL 16,000 1-9999 HEXAGON SCREW 8 1237608 ARRUELA DE TRAVAMENTO DISCO DE SEGURIDAD 16,000 1-9999 LOCKING WASHER
  • 566.
    26.05.01 / 00ROLO COM VIBRADOR (COM ACIONAMENTO DO ROLO), PÁGINA 1 / 1-9999 26.05.01 / 00 BANDAJE CON VIBRADOR (CON ACCIONAMIENTO DE BANDAJE), PÁGINA 1 / 1-9999 26.05.01 / 00 DRUM WITH VIBRATOR (WITH DRUM DRIVE), PAGE 1 / 1-9999 26.05.03 26.05.02 05.06.00 105 52 52 122 12 11 51 8 120 121 123 50 112 126 131 130 114 111 101 102 100 106 103 118 119 104 97 125 110 115 2 11 9 116 113 3 4 5 12 117 126 Superfície vedada
  • 567.
    POS Nº DEIDENT. DESIGNAÇÃO DESIGNATION DESIGNACIÓN QUANT. VALIDADE 26.05.01 / 00 ROLO COM VIBRADOR (COM ACIONAMENTO DO ROLO), PÁGINA 1 / 1-9999 26.05.01 / 00 BANDAJE CON VIBRADOR (CON ACCIONAMIENTO DE BANDAJE), PÁGINA 1 / 1-9999 26.05.01 / 00 DRUM WITH VIBRATOR (WITH DRUM DRIVE), PAGE 1 / 1-9999 2053759 2 873861 ROLO LISO BANDAJE LISO 1,000 1-9999 SMOOTH ROLLER DRUM 2 873888 ROLO PÉ-DE-CARNEIRO BANDAJE DE PIE DE APISONADO 1,000 1-9999 PADFOOT DRUM 3 446033 TAMPA TAPA 1,000 1-9999 COVER 4 213683 PARAFUSO SEXTAVADO TORNILLO HEXAGONAL 4,000 1-9999 HEXAGON SCREW 5 276243 ARRUELA DE TRAVAMENTO DISCO DE SEGURIDAD 4,000 1-9999 LOCKING WASHER 8 2035656 VIBRADOR VIBRADOR 1,000 1-9999 VIBRATOR 9 2035657 VIBRADOR VIBRADOR 1,000 1-9999 VIBRATOR 11 213276 PARAFUSO SEXTAVADO TORNILLO HEXAGONAL 24,000 1-9999 HEXAGON SCREW 12 383120 ARRUELA ARANDELA 24,000 1-9999 WASHER 50 873896 EIXO DE ACOPLAMENTO ARBOL DE EMBRAGUE 1,000 1-9999 SHAFT 51 1524305 TUBO TUBO 1,000 1-9999 PIPE 52 385859 ANEL O ANILLO TOROIDAL 8,000 1-9999 O-RING SEAL 97 383260 RETENTOR JUNTA DESLIZANTE 1,000 1-9999 AXIAL FACE SEAL 100 288268 ROLAMENTO RADIAL RODAMIENTO RADIAL RÍGIDO 1,000 1-9999 GROOVED BALL BEARING
  • 568.
    26.05.01 / 00ROLO COM VIBRADOR (COM ACIONAMENTO DO ROLO), PÁGINA 1 / 1-9999 26.05.01 / 00 BANDAJE CON VIBRADOR (CON ACCIONAMIENTO DE BANDAJE), PÁGINA 1 / 1-9999 26.05.01 / 00 DRUM WITH VIBRATOR (WITH DRUM DRIVE), PAGE 1 / 1-9999 26.05.03 26.05.02 05.06.00 105 52 52 122 12 11 51 8 120 121 123 50 112 126 131 130 114 111 101 102 100 106 103 118 119 104 97 125 110 115 2 11 9 116 113 3 4 5 12 117 126 Superfície vedada
  • 569.
    POS Nº DEIDENT. DESIGNAÇÃO DESIGNATION DESIGNACIÓN QUANT. VALIDADE 26.05.01 / 00 ROLO COM VIBRADOR (COM ACIONAMENTO DO ROLO), PÁGINA 1 / 1-9999 26.05.01 / 00 BANDAJE CON VIBRADOR (CON ACCIONAMIENTO DE BANDAJE), PÁGINA 1 / 1-9999 26.05.01 / 00 DRUM WITH VIBRATOR (WITH DRUM DRIVE), PAGE 1 / 1-9999 2053759 101 370665 ROLAMENTO RADIAL RODAMIENTO RADIAL RÍGIDO 1,000 1-9999 GROOVED BALL BEARING 102 477494 ANEL ANILLO 1,000 1-9999 RING 103 477486 TAMPA TAPA 1,000 1-9999 COVER 104 312886 PARAFUSO DE CABEÇA CILÍNDRICA TORNILLO CILÍNDRICO 8,000 1-9999 CHEESE-HEAD SCREW 105 1232932 ARRUELA DE AJUSTE ARANDELA DE AJUSTE 1,000 1-9999 SPACER SHIM 106 486922 FALNGE BRIDA 1,000 1-9999 FLANGE 110 1524437 FLANGE BRIDA 1,000 1-9999 FLANGE 111 213799 PARAFUSO SEXTAVADO TORNILLO HEXAGONAL 8,000 1-9999 HEXAGON SCREW 112 276332 ARRUELA DE TRAVAMENTO DISCO DE SEGURIDAD 8,000 1-9999 LOCKING WASHER 113 1464868 CHAPA DE COBERTURA CHAPA DE RECUBRIMIENTO 1,000 1-9999 COVER PLATE 114 213624 PARAFUSO SEXTAVADO TORNILLO HEXAGONAL 2,000 1-9999 HEXAGON SCREW 115 1298445 MOTOR HIDRÁULICO MOTOR HIDRÁULICO 1,000 1-9999 HYDRAULIC MOTOR 116 337609 ANEL O ANILLO TOROIDAL 1,000 1-9999 O-RING SEAL 117 213942 PARAFUSO SEXTAVADO TORNILLO HEXAGONAL 2,000 1-9999 HEXAGON SCREW
  • 570.
    26.05.01 / 00ROLO COM VIBRADOR (COM ACIONAMENTO DO ROLO), PÁGINA 1 / 1-9999 26.05.01 / 00 BANDAJE CON VIBRADOR (CON ACCIONAMIENTO DE BANDAJE), PÁGINA 1 / 1-9999 26.05.01 / 00 DRUM WITH VIBRATOR (WITH DRUM DRIVE), PAGE 1 / 1-9999 26.05.03 26.05.02 05.06.00 105 52 52 122 12 11 51 8 120 121 123 50 112 126 131 130 114 111 101 102 100 106 103 118 119 104 97 125 110 115 2 11 9 116 113 3 4 5 12 117 126 Superfície vedada
  • 571.
    POS Nº DEIDENT. DESIGNAÇÃO DESIGNATION DESIGNACIÓN QUANT. VALIDADE 26.05.01 / 00 ROLO COM VIBRADOR (COM ACIONAMENTO DO ROLO), PÁGINA 1 / 1-9999 26.05.01 / 00 BANDAJE CON VIBRADOR (CON ACCIONAMIENTO DE BANDAJE), PÁGINA 1 / 1-9999 26.05.01 / 00 DRUM WITH VIBRATOR (WITH DRUM DRIVE), PAGE 1 / 1-9999 2053759 118 381543 ARRUELA ARANDELA 2,000 1-9999 WASHER 119 1524488 BUJÃO TORNILLO DE CIERRE 1,000 1-9999 SCREW PLUG 120 873985 EIXO ESTRIADO ARBOL CANELADO 1,000 1-9999 DRIVER 121 231355 ARRUELA ARANDELA 1,000 1-9999 WASHER 122 1298488 PARAFUSO SEXTAVADO TORNILLO HEXAGONAL 1,000 1-9999 HEXAGON SCREW 123 1524461 ESPAÇADOR PIEZA DISTANCIADORA 1,000 1-9999 SPACER BLOCK 125 422258 CUBO DE ACOPLAMENTO CASQUILLO DENTADO 1,000 1-9999 COUPLING 126 217735 ANEL DE TRAVAMENTO ANILLO FIJADOR 2,000 1-9999 LOCKING RING 130 205850 BUJÃO TORNILLO DE CIERRE 1,000 1-9999 SCREW PLUG 131 219509 ANEL DE VEDAÇÃO ANILLO DE JUNTA 1,000 1-9999 SEALING RING
  • 572.
    26.05.02 / 00ROLO COM VIBRADOR (COM ACIONAMENTO DO ROLO), PÁGINA 2 / 1-9999 26.05.02 / 00 BANDAJE CON VIBRADOR (CON ACCIONAMIENTO DE BANDAJE), PÁGINA 2 / 1-9999 26.05.02 / 00 DRUM WITH VIBRATOR (WITH DRUM DRIVE), PAGE 2 / 1-9999 95 69 70 94 31 56 65 69 100 33 30 71 68 23 20 22 10 40 66 90 41 21 24 70 96 47 45 67 31 32 91 57 41 40
  • 573.
    POS Nº DEIDENT. DESIGNAÇÃO DESIGNATION DESIGNACIÓN QUANT. VALIDADE 26.05.02 / 00 ROLO COM VIBRADOR (COM ACIONAMENTO DO ROLO), PÁGINA 2 / 1-9999 26.05.02 / 00 BANDAJE CON VIBRADOR (CON ACCIONAMIENTO DE BANDAJE), PÁGINA 2 / 1-9999 26.05.02 / 00 DRUM WITH VIBRATOR (WITH DRUM DRIVE), PAGE 2 / 1-9999 2053760 10 486973 CARCAÇA CARCASA 1,000 1-9999 HOUSING 20 1402641 FLANGE BRIDA 1,000 1-9999 FLANGE 21 1210203 PARAFUSO SEXTAVADO TORNILLO HEXAGONAL 6,000 1-9999 HEXAGON SCREW 22 250473 ARRUELA ARANDELA 6,000 1-9999 WASHER 23 383341 ANEL O ANILLO TOROIDAL 1,000 1-9999 O-RING SEAL 24 202010 ANEL O ANILLO TOROIDAL 5,000 1-9999 O-RING SEAL 30 1420062 EIXO ARBOL 1,000 1-9999 SHAFT 31 336009 ROLAMENTO DE ROLOS CILÍNDRICOS COJINETE RODILLOS CILÍNDRICOS 2,000 1-9999 CYLINDRICAL ROLLER BEARING 32 817252 CONTRA-PESO DESEQUILIBRIO 1,000 1-9999 UNBALANCE 33 386871 PARAFUSO DE CABEÇA CILÍNDRICA TORNILLO CILÍNDRICO 2,000 1-9999 CHEESE-HEAD SCREW 40 488526 CHAPA CHAPA 6,000 1-9999 METAL PLATE 41 213624 PARAFUSO SEXTAVADO TORNILLO HEXAGONAL 24,000 1-9999 HEXAGON SCREW 45 808679 CUBO DE ACOPLAMENTO ARBOL CANELADO 1,000 1-9999 DRIVER 47 214639 PARAFUSO DE CABEÇA CILÍNDRICA TORNILLO CILÍNDRICO 6,000 1-9999 CHEESE-HEAD SCREW
  • 574.
    26.05.02 / 00ROLO COM VIBRADOR (COM ACIONAMENTO DO ROLO), PÁGINA 2 / 1-9999 26.05.02 / 00 BANDAJE CON VIBRADOR (CON ACCIONAMIENTO DE BANDAJE), PÁGINA 2 / 1-9999 26.05.02 / 00 DRUM WITH VIBRATOR (WITH DRUM DRIVE), PAGE 2 / 1-9999 95 69 70 94 31 56 65 69 100 33 30 71 68 23 20 22 10 40 66 90 41 21 24 70 96 47 45 67 31 32 91 57 41 40
  • 575.
    POS Nº DEIDENT. DESIGNAÇÃO DESIGNATION DESIGNACIÓN QUANT. VALIDADE 26.05.02 / 00 ROLO COM VIBRADOR (COM ACIONAMENTO DO ROLO), PÁGINA 2 / 1-9999 26.05.02 / 00 BANDAJE CON VIBRADOR (CON ACCIONAMIENTO DE BANDAJE), PÁGINA 2 / 1-9999 26.05.02 / 00 DRUM WITH VIBRATOR (WITH DRUM DRIVE), PAGE 2 / 1-9999 2053760 56 486868 EIXO ESTRIADO ÁRBOL DENTADO 1,000 1-9999 INVOLUTE SPLINE SHAFT 57 214639 PARAFUSO DE CABEÇA CILÍNDRICA TORNILLO CILÍNDRICO 6,000 1-9999 CHEESE-HEAD SCREW 65 487007 FLANGE BRIDA 1,000 1-9999 FLANGE 66 1210203 PARAFUSO SEXTAVADO TORNILLO HEXAGONAL 12,000 1-9999 HEXAGON SCREW 67 250473 ARRUELA ARANDELA 12,000 1-9999 WASHER 68 383465 ANEL O ANILLO TOROIDAL 1,000 1-9999 O-RING SEAL 69 1402684 BUJÃO TORNILLO DE CIERRE 2,000 1-9999 SCREW PLUG 70 219487 ANEL DE VEDAÇÃO ANILLO DE JUNTA 2,000 1-9999 SEALING RING 71 237256 VISOR DE NÍVEL MIRILLA 1,000 1-9999 INSPECTION GLASS 90 486892 FLANGE CÔNICA BRIDA CÓNICA 1,000 1-9999 CONE FLANGE 91 383341 ANEL O ANILLO TOROIDAL 1,000 1-9999 O-RING SEAL 94 486930 ANEL ANILLO 1,000 1-9999 RING 95 1213318 PARAFUSO SEXTAVADO TORNILLO HEXAGONAL 12,000 1-9999 HEXAGON SCREW 96 250473 ARRUELA ARANDELA 12,000 1-9999 WASHER
  • 576.
    26.05.02 / 00ROLO COM VIBRADOR (COM ACIONAMENTO DO ROLO), PÁGINA 2 / 1-9999 26.05.02 / 00 BANDAJE CON VIBRADOR (CON ACCIONAMIENTO DE BANDAJE), PÁGINA 2 / 1-9999 26.05.02 / 00 DRUM WITH VIBRATOR (WITH DRUM DRIVE), PAGE 2 / 1-9999 95 69 70 94 31 56 65 69 100 33 30 71 68 23 20 22 10 40 66 90 41 21 24 70 96 47 45 67 31 32 91 57 41 40
  • 577.
    POS Nº DEIDENT. DESIGNAÇÃO DESIGNATION DESIGNACIÓN QUANT. VALIDADE 26.05.02 / 00 ROLO COM VIBRADOR (COM ACIONAMENTO DO ROLO), PÁGINA 2 / 1-9999 26.05.02 / 00 BANDAJE CON VIBRADOR (CON ACCIONAMIENTO DE BANDAJE), PÁGINA 2 / 1-9999 26.05.02 / 00 DRUM WITH VIBRATOR (WITH DRUM DRIVE), PAGE 2 / 1-9999 2053760 100 820423 VIBRADOR COMPLETO VIBRADOR COMPLETO 1,000 1-9999 VIBRATOR COMPLETE
  • 578.
    26.05.03 / 00ROLO LISO COM VIBRADOR (SEM ACIONAMENTO DO ROLO), PÁGINA 3 / 1-9999 26.05.03 / 00 BANDAJE LISO CON VIBRADOR (SIN ACCIONAMIENTO DE BANDAJE), PÁGINA 3 / 1-9999 26.05.03 / 00 SMOOTH ROLLER DRUM WITH VIBRATOR (WITHOUT DRUM DRIVE), PAGE 3 / 1-9999 71 66 21 41 40 20 79 70 32 65 100 40 69 33 75 77 76 55 78 31 23 47 80 24 67 22 54 31 69 68 30 10 70 41 45
  • 579.
    POS Nº DEIDENT. DESIGNAÇÃO DESIGNATION DESIGNACIÓN QUANT. VALIDADE 26.05.03 / 00 ROLO LISO COM VIBRADOR (SEM ACIONAMENTO DO ROLO), PÁGINA 3 / 1-9999 26.05.03 / 00 BANDAJE LISO CON VIBRADOR (SIN ACCIONAMIENTO DE BANDAJE), PÁGINA 3 / 1-9999 26.05.03 / 00 SMOOTH ROLLER DRUM WITH VIBRATOR (WITHOUT DRUM DRIVE), PAGE 3 / 1-9999 2053761 10 486973 CARCAÇA CARCASA 1,000 1-9999 HOUSING 20 1402641 FLANGE BRIDA 1,000 1-9999 FLANGE 21 1210203 PARAFUSO SEXTAVADO TORNILLO HEXAGONAL 6,000 1-9999 HEXAGON SCREW 22 250473 ARRUELA ARANDELA 6,000 1-9999 WASHER 23 383341 ANEL O ANILLO TOROIDAL 1,000 1-9999 O-RING SEAL 24 202010 ANEL O ANILLO TOROIDAL 5,000 1-9999 O-RING SEAL 30 1420062 EIXO ARBOL 1,000 1-9999 SHAFT 31 336009 ROLAMENTO DE ROLOS CILÍNDRICOS COJINETE RODILLOS CILÍNDRICOS 2,000 1-9999 CYLINDRICAL ROLLER BEARING 32 817252 CONTRA-PESO DESEQUILIBRIO 1,000 1-9999 UNBALANCE 33 386871 PARAFUSO DE CABEÇA CILÍNDRICA TORNILLO CILÍNDRICO 2,000 1-9999 CHEESE-HEAD SCREW 40 488526 CHAPA CHAPA 6,000 1-9999 METAL PLATE 41 213624 PARAFUSO SEXTAVADO TORNILLO HEXAGONAL 24,000 1-9999 HEXAGON SCREW 45 808679 CUBO DE ACOPLAMENTO ARBOL CANELADO 1,000 1-9999 DRIVER 47 214639 PARAFUSO DE CABEÇA CILÍNDRICA TORNILLO CILÍNDRICO 6,000 1-9999 CHEESE-HEAD SCREW
  • 580.
    26.05.03 / 00ROLO LISO COM VIBRADOR (SEM ACIONAMENTO DO ROLO), PÁGINA 3 / 1-9999 26.05.03 / 00 BANDAJE LISO CON VIBRADOR (SIN ACCIONAMIENTO DE BANDAJE), PÁGINA 3 / 1-9999 26.05.03 / 00 SMOOTH ROLLER DRUM WITH VIBRATOR (WITHOUT DRUM DRIVE), PAGE 3 / 1-9999 71 66 21 41 40 20 79 70 32 65 100 40 69 33 75 77 76 55 78 31 23 47 80 24 67 22 54 31 69 68 30 10 70 41 45
  • 581.
    POS Nº DEIDENT. DESIGNAÇÃO DESIGNATION DESIGNACIÓN QUANT. VALIDADE 26.05.03 / 00 ROLO LISO COM VIBRADOR (SEM ACIONAMENTO DO ROLO), PÁGINA 3 / 1-9999 26.05.03 / 00 BANDAJE LISO CON VIBRADOR (SIN ACCIONAMIENTO DE BANDAJE), PÁGINA 3 / 1-9999 26.05.03 / 00 SMOOTH ROLLER DRUM WITH VIBRATOR (WITHOUT DRUM DRIVE), PAGE 3 / 1-9999 2053761 54 486906 TAMPA TAPA 1,000 1-9999 COVER 55 214639 PARAFUSO DE CABEÇA CILÍNDRICA TORNILLO CILÍNDRICO 6,000 1-9999 CHEESE-HEAD SCREW 65 487007 FLANGE COJINETE DE LA BRIDA 1,000 1-9999 FLANGED BEARING 66 1210203 PARAFUSO SEXTAVADO TORNILLO HEXAGONAL 12,000 1-9999 HEXAGON SCREW 67 250473 ARRUELA ARANDELA 12,000 1-9999 WASHER 68 383465 ANEL O ANILLO TOROIDAL 1,000 1-9999 O-RING SEAL 69 1402684 BUJÃO TORNILLO DE CIERRE 2,000 1-9999 SCREW PLUG 70 219487 ANEL DE VEDAÇÃO ANILLO DE JUNTA 2,000 1-9999 SEALING RING 71 237256 VISOR DE NÍVEL MIRILLA 1,000 1-9999 INSPECTION GLASS 75 1417819 TAMPA TAPA 1,000 1-9999 COVER 76 1210203 PARAFUSO SEXTAVADO TORNILLO HEXAGONAL 6,000 1-9999 HEXAGON SCREW 77 250473 ARRUELA ARANDELA 6,000 1-9999 WASHER 78 383341 ANEL O ANILLO TOROIDAL 1,000 1-9999 O-RING SEAL 79 396354 BUJÃO TORNILLO DE CIERRE 1,000 1-9999 SCREW PLUG
  • 582.
    26.05.03 / 00ROLO LISO COM VIBRADOR (SEM ACIONAMENTO DO ROLO), PÁGINA 3 / 1-9999 26.05.03 / 00 BANDAJE LISO CON VIBRADOR (SIN ACCIONAMIENTO DE BANDAJE), PÁGINA 3 / 1-9999 26.05.03 / 00 SMOOTH ROLLER DRUM WITH VIBRATOR (WITHOUT DRUM DRIVE), PAGE 3 / 1-9999 71 66 21 41 40 20 79 70 32 65 100 40 69 33 75 77 76 55 78 31 23 47 80 24 67 22 54 31 69 68 30 10 70 41 45
  • 583.
    POS Nº DEIDENT. DESIGNAÇÃO DESIGNATION DESIGNACIÓN QUANT. VALIDADE 26.05.03 / 00 ROLO LISO COM VIBRADOR (SEM ACIONAMENTO DO ROLO), PÁGINA 3 / 1-9999 26.05.03 / 00 BANDAJE LISO CON VIBRADOR (SIN ACCIONAMIENTO DE BANDAJE), PÁGINA 3 / 1-9999 26.05.03 / 00 SMOOTH ROLLER DRUM WITH VIBRATOR (WITHOUT DRUM DRIVE), PAGE 3 / 1-9999 2053761 80 219495 ANEL DE VEDAÇÃO ANILLO DE JUNTA 1,000 1-9999 SEALING RING 100 820431 VIBRADOR COMPLETO VIBRADOR COMPLETO 1,000 1-9999 VIBRATOR COMPLETE
  • 584.
    26.10.01 / 00ACIONAMENTO DA VIBRAÇÃO, PÁGINA 1 / 1-9999 26.10.01 / 00 ACCIONAMIENTO DE VIBRACIÓN, PÁGINA 1 / 1-9999 26.10.01 / 00 VIBRATION DRIVE, PAGE 1 / 1-9999
  • 585.
    POS Nº DEIDENT. DESIGNAÇÃO DESIGNATION DESIGNACIÓN QUANT. VALIDADE 26.10.01 / 00 ACIONAMENTO DA VIBRAÇÃO, PÁGINA 1 / 1-9999 26.10.01 / 00 ACCIONAMIENTO DE VIBRACIÓN, PÁGINA 1 / 1-9999 26.10.01 / 00 VIBRATION DRIVE, PAGE 1 / 1-9999 2053762 5 1302159 MANGUEIRA MANGUERA 1,000 1-9999 FLEXIBLE TUBING 6 1302167 MANGUEIRA MANGUERA 1,000 1-9999 FLEXIBLE TUBING 7 267465 ANEL O ANILLO TOROIDAL 2,000 1-9999 O-RING SEAL 8 267457 CONCHA FLANGE SAE MITAD DE LA BRIDA SAE 4,000 1-9999 SAE-FLANGE HALF 9 1264893 PARAFUSO DE SEGURANÇA TORNILLO DE SEGURIDAD 8,000 1-9999 SAFETY SCREW 10 488232 MEIA ABRAÇADEIRA MEDIA ABRAZADERA 2,000 1-9999 HALF-CLIP 11 488216 BARRA CHATA ACERO PLANO 1,000 1-9999 FLAT STEEL 12 1212710 PARAFUSO SEXTAVADO TORNILLO HEXAGONAL 2,000 1-9999 HEXAGON SCREW 13 216607 ARRUELA ARANDELA 4,000 1-9999 WASHER 14 216453 PORCA SEXTAVADA TUERCA HEXAGONAL 2,000 1-9999 HEXAGON NUT 20 488232 MEIA ABRAÇADEIRA MEDIA ABRAZADERA 2,000 1-9999 HALF-CLIP 21 488216 BARRA CHATA ACERO PLANO 1,000 1-9999 FLAT STEEL 22 1212710 PARAFUSO SEXTAVADO TORNILLO HEXAGONAL 2,000 1-9999 HEXAGON SCREW 23 216607 ARRUELA ARANDELA 4,000 1-9999 WASHER
  • 586.
    26.10.01 / 00ACIONAMENTO DA VIBRAÇÃO, PÁGINA 1 / 1-9999 26.10.01 / 00 ACCIONAMIENTO DE VIBRACIÓN, PÁGINA 1 / 1-9999 26.10.01 / 00 VIBRATION DRIVE, PAGE 1 / 1-9999
  • 587.
    POS Nº DEIDENT. DESIGNAÇÃO DESIGNATION DESIGNACIÓN QUANT. VALIDADE 26.10.01 / 00 ACIONAMENTO DA VIBRAÇÃO, PÁGINA 1 / 1-9999 26.10.01 / 00 ACCIONAMIENTO DE VIBRACIÓN, PÁGINA 1 / 1-9999 26.10.01 / 00 VIBRATION DRIVE, PAGE 1 / 1-9999 2053762 24 216453 PORCA SEXTAVADA TUERCA HEXAGONAL 2,000 1-9999 HEXAGON NUT 25 1486861 CHAPA CHAPA 1,000 1-9999 METAL PLATE 26 213853 PARAFUSO SEXTAVADO TORNILLO HEXAGONAL 2,000 1-9999 HEXAGON SCREW 27 216607 ARRUELA ARANDELA 4,000 1-9999 WASHER 28 216453 PORCA SEXTAVADA TUERCA HEXAGONAL 2,000 1-9999 HEXAGON NUT 30 2024308 CHAPA CHAPA 1,000 167-9999 METAL PLATE 31 214671 PARAFUSO DE CABEÇA CILÍNDRICA TORNILLO CILÍNDRICO 4,000 1-9999 CHEESE-HEAD SCREW 32 216453 PORCA SEXTAVADA TUERCA HEXAGONAL 4,000 1-9999 HEXAGON NUT 33 216607 ARRUELA ARANDELA 4,000 1-9999 WASHER 35 488232 MEIA ABRAÇADEIRA MEDIA ABRAZADERA 4,000 1-9999 HALF-CLIP 36 488216 BARRA CHATA ACERO PLANO 2,000 1-9999 FLAT STEEL 37 1212710 PARAFUSO SEXTAVADO TORNILLO HEXAGONAL 4,000 1-9999 HEXAGON SCREW 38 216607 ARRUELA ARANDELA 4,000 1-9999 WASHER 39 216453 PORCA SEXTAVADA TUERCA HEXAGONAL 4,000 1-9999 HEXAGON NUT
  • 588.
    26.10.01 / 00ACIONAMENTO DA VIBRAÇÃO, PÁGINA 1 / 1-9999 26.10.01 / 00 ACCIONAMIENTO DE VIBRACIÓN, PÁGINA 1 / 1-9999 26.10.01 / 00 VIBRATION DRIVE, PAGE 1 / 1-9999
  • 589.
    POS Nº DEIDENT. DESIGNAÇÃO DESIGNATION DESIGNACIÓN QUANT. VALIDADE 26.10.01 / 00 ACIONAMENTO DA VIBRAÇÃO, PÁGINA 1 / 1-9999 26.10.01 / 00 ACCIONAMIENTO DE VIBRACIÓN, PÁGINA 1 / 1-9999 26.10.01 / 00 VIBRATION DRIVE, PAGE 1 / 1-9999 2053762 42 206415 CONEXÃO MACHO RETA RACOR PARA ENROSCAR RECTO 1,000 1-9999 STRAIGHT SCREWED SOCKET 43 1302124 CONEXÃO MACHO RETA RACOR PARA ENROSCAR RECTO 1,000 1-9999 STRAIGHT SCREWED SOCKET 44 1264397 MANGUEIRA MANGUERA 1,000 1-9999 FLEXIBLE TUBING 61 387738 MANGUEIRA MANGUERA 1,000 1-9999 FLEXIBLE TUBING 62 327832 CONEXÃO MACHO RETA RACOR PARA ENROSCAR RECTO 1,000 1-9999 STRAIGHT SCREWED SOCKET
  • 590.
    26.10.02 / 00ACIONAMENTO DA VIBRAÇÃO, PÁGINA 2 / 1-9999 26.10.02 / 00 ACCIONAMIENTO DE VIBRACIÓN, PÁGINA 2 / 1-9999 26.10.02 / 00 VIBRATION DRIVE, PAGE 2 / 1-9999
  • 591.
    POS Nº DEIDENT. DESIGNAÇÃO DESIGNATION DESIGNACIÓN QUANT. VALIDADE 26.10.02 / 00 ACIONAMENTO DA VIBRAÇÃO, PÁGINA 2 / 1-9999 26.10.02 / 00 ACCIONAMIENTO DE VIBRACIÓN, PÁGINA 2 / 1-9999 26.10.02 / 00 VIBRATION DRIVE, PAGE 2 / 1-9999 2053763 1 267457 CONCHA FLANGE SAE MITAD DE LA BRIDA SAE 4,000 1-9999 SAE-FLANGE HALF 2 214639 PARAFUSO DE CABEÇA CILÍNDRICA TORNILLO CILÍNDRICO 8,000 1-9999 CHEESE-HEAD SCREW 3 354651 CONEXÃO JOELHO FLANGE BRIDA ANGULAR 2,000 1-9999 ANGLE FLANGE 4 267465 ANEL O ANILLO TOROIDAL 2,000 1-9999 O-RING SEAL 5 1302159 MANGUEIRA MANGUERA 1,000 1-9999 FLEXIBLE TUBING 6 1302167 MANGUEIRA MANGUERA 1,000 1-9999 FLEXIBLE TUBING 45 206415 CONEXÃO MACHO RETA RACOR PARA ENROSCAR RECTO 1,000 1-9999 STRAIGHT SCREWED SOCKET 46 317837 JOELHO ORIENTÁVEL RACOR ANGULAR AJUSTABLE 1,000 1-9999 ELBOW ADJUSTABLE 47 1256483 MANGUEIRA MANGUERA 1,000 1-9999 FLEXIBLE TUBING 48 317098 CONEXÃO MACHO RETA RACOR PARA ENROSCAR RECTO 1,000 1-9999 STRAIGHT SCREWED SOCKET 60 327832 CONEXÃO MACHO RETA RACOR PARA ENROSCAR RECTO 1,000 1-9999 STRAIGHT SCREWED SOCKET 61 387738 MANGUEIRA MANGUERA 1,000 1-9999 FLEXIBLE TUBING