Embed presentation
Downloaded 58 times




















































































































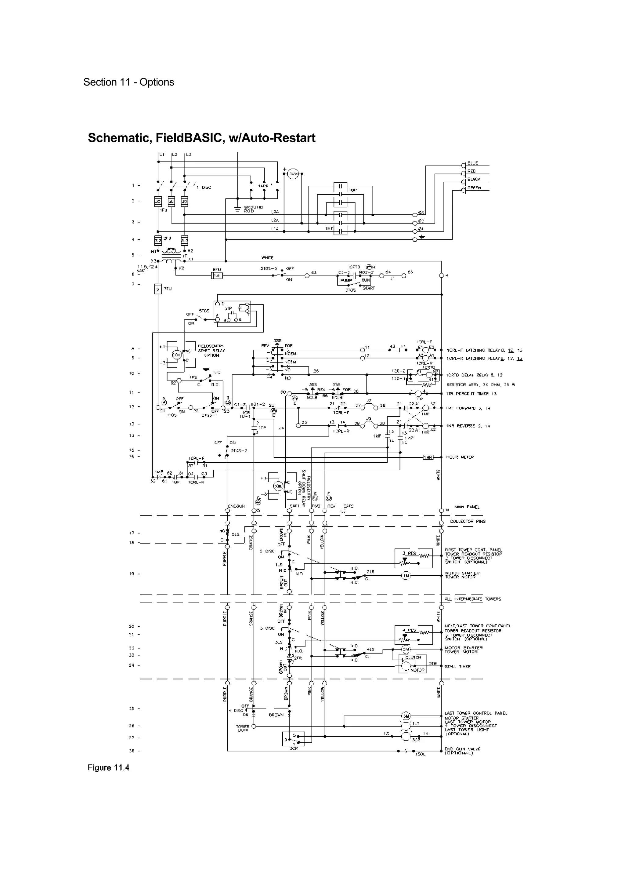
The document provides specifications and dimensions for different types of pipe systems including pipe size, span length, and measurements for various components. The specifications include overall system dimensions, center point dimensions for different types of systems, and overhang lengths. Dimensions are provided in both imperial and metric units.



















































































































