More Related Content
PDF
Storytelling For The Web: Integrate Storytelling in your Design Process PDF
2024 Trend Updates: What Really Works In SEO & Content Marketing PDF
PDF
PDF
DOCX
PDF
DOCX
Featured
PDF
Artificial Intelligence, Data and Competition – SCHREPEL – June 2024 OECD dis... PDF
How to Leverage AI to Boost Employee Wellness - Lydia Di Francesco - SocialHR... PDF
2024 State of Marketing Report – by Hubspot PDF
Everything You Need To Know About ChatGPT PDF
Product Design Trends in 2024 | Teenage Engineerings PDF
How Race, Age and Gender Shape Attitudes Towards Mental Health PDF
AI Trends in Creative Operations 2024 by Artwork Flow.pdf PDF
PDF
PEPSICO Presentation to CAGNY Conference Feb 2024 PDF
Content Methodology: A Best Practices Report (Webinar) PPTX
How to Prepare For a Successful Job Search for 2024 PDF
Social Media Marketing Trends 2024 // The Global Indie Insights PDF
Trends In Paid Search: Navigating The Digital Landscape In 2024 PDF
5 Public speaking tips from TED - Visualized summary PDF
ChatGPT and the Future of Work - Clark Boyd PDF
Getting into the tech field. what next PDF
Google's Just Not That Into You: Understanding Core Updates & Search Intent PDF
How to have difficult conversations PDF
Introduction to Data Science PDF
Time Management & Productivity - Best Practices EZZ lab-23
- 1.
ЛАБОРАТОРИ № 23.
ЭДАНГИУДЫГ УГСРАХ (ASSEMBLY)
Хэрэглэгдэх командууд:
Insert Component, Rotate Component, Mate, Design Library болон бусад
Гүйцэтгэх ажил:
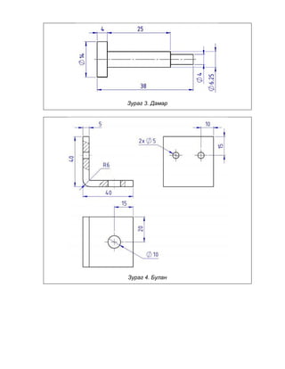
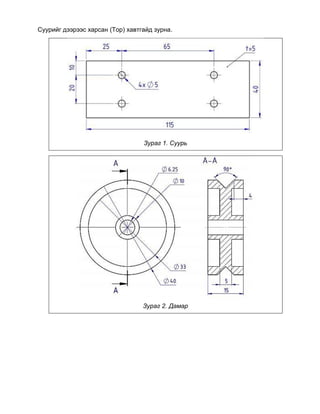
Өгөгдсөн эд ангиудыг зурж, файл болгон хадгалж, угсрах.
Дүгнэх шалгуур үзүүлэлт:
Эд ангиудыг хэмжээсийн дагуу зурж гүйцэтгэн хадгалах;
Угсрах нөхцөл ашиглан (Mate) угсрах.
Гүйцэтгэх жишээ
Нэмэлт санамж.
1. Өгөгдсөн эд ангиудыг үүсгэнэ.
2. Стандарт эд ангиуд болох 20 мм урттай М5 боолт, эрэг, даравч тус бүр 4 ш,
М4 эрэг, даравч тус бүр 1 ш-ийг эд ангийн сан (Design Library)-гаас авч
хэрэглэнэ.
3. Эд ангиудыг угсралтын нөхцөл ашиглан хооронд нь угсрана.
- 2.
- 3.
- 4.