Embed presentation
Download to read offline

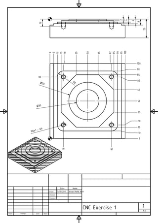
This document appears to be a technical drawing containing dimensions and specifications for a machined part. It includes labels for dimensions, tolerances, hole sizes, radii, and changes. The drawing provides the key geometric details needed to manufacture the part as designed.
