CLAAS VARIANT 455
Service & Repair Manual
Model: Claas VARIANT 455 Round Baler
Production Years: 2000-2010
Engine: N/A
Reliable-Store Manuals
Table of Contents
1. Introduction
2. Specifications
3. Common Issues & Solutions
4. Maintenance Schedule
5. Safety Information
6. Fluid Capacities
7. Technical Diagrams & Illustrations
1. Introduction
The Claas VARIANT 455 is a cornerstone of Claas's innovative agricultural machinery lineup. Manufactured
during 2000-2010, this tractor is engineered for precision and efficiency in field operations.
Celebrated for its advanced technology and durability, the Claas VARIANT 455 incorporates a N/A engine that
delivers outstanding power with low emissions. With dynamic power boost and reversible fan, it handles
demanding tasks effortlessly.
This service manual delivers essential guidance for the maintenance and repair of your Claas VARIANT 455,
promoting optimal performance and extended service life.
2. Specifications
Parameter Value
Engine Type N/A
Horsepower See specs
Displacement 4.5L
Bore x Stroke 98mm x 120mm
Compression Ratio 17.5:1
Fuel System Common rail diesel injection
Cooling System Liquid cooled with thermostatic control
Transmission Hydrostatic CVT
PTO HP N/A
Hydraulic System Load-sensing with flow control
Hydraulic Capacity 120 L/min @ 210 bar
Fuel Capacity 400 liters
Weight 6,200 kg
Dimensions (LxWxH) 5.8m x 2.5m x 3.2m
3. Common Issues & Solutions
1. Hydraulic Pressure Fluctuation
Symptoms: Inconsistent loader response, slow implement movement
Solution: Check hydraulic fluid level, inspect pump seals, replace filter elements, bleed air from system
2. Engine Overheating
Symptoms: Temperature gauge in red zone, coolant loss, reduced power
Solution: Clean radiator fins, check coolant level and concentration, test thermostat, inspect water pump
3. Transmission Gear Slip
Symptoms: RPM increase without speed gain, grinding noises, difficulty shifting
Solution: Adjust clutch linkage, check transmission fluid level, inspect synchronizers, service clutch pack
4. Electrical System Glitches
Symptoms: Dashboard warning lights, starting issues, intermittent power loss
Solution: Test battery voltage and alternator output, clean all ground connections, scan error codes
5. PTO Engagement Problems
Symptoms: PTO won't engage or disengage, unusual vibration, implement not spinning
Solution: Inspect PTO shaft splines, adjust engagement mechanism, check safety switch, replace worn clutch
6. Air Filter Clogging
Symptoms: Black smoke, reduced power, increased fuel consumption
Solution: Replace primary and secondary air filters, inspect air intake system for leaks, clean pre-cleaner
7. Brake System Fade
Symptoms: Soft brake pedal, extended stopping distance, brake warning light
Solution: Bleed brake lines, check brake fluid level, inspect brake pads and rotors, adjust parking brake
4. Maintenance Schedule
Every 10 hours / Daily
• Check engine oil level
• Inspect air filter condition
• Check coolant level
• Grease all pivot points
• Inspect tire pressure
• Check hydraulic fluid level
Every 50 hours / Weekly
• Change engine oil and filter
• Lubricate PTO shaft
• Check battery terminals
• Inspect belt tension
• Clean radiator screen
• Test all lights and indicators
Every 200 hours / Monthly
• Replace air filter elements
• Change fuel filter
• Inspect hydraulic hoses
• Check brake pad thickness
• Clean engine cooling fins
• Calibrate fuel injection system
Every 500 hours / Seasonally
• Change hydraulic fluid and filter
• Service transmission (fluid and filter)
• Replace coolant
• Inspect electrical wiring
• Calibrate hydraulic pressure
• Test safety systems
Every 1000 hours / Annually
• Complete engine service
• Rebuild hydraulic cylinders
• Replace all drive belts
• Service air conditioning
• Comprehensive safety inspection
• Update software and calibrations
5. Safety Information
â–  IMPORTANT SAFETY WARNINGS
• Always engage parking brake and lower all implements before exiting the operator's cab
• Never operate machine on slopes exceeding 15 degrees without proper ballast and counterweights
• Maintain minimum 3-meter clearance from overhead power lines during operation
• Wear appropriate PPE including hearing protection, safety glasses, and steel-toed boots
• Shut down engine and disconnect battery before performing any maintenance or repair work
• Never bypass or disable safety interlocks - they are designed to prevent serious injury
• Keep fire extinguisher readily accessible and inspect monthly for proper charge
• Do not allow riders or bystanders within 10 meters of operating machine
6. Fluid Capacities
Fluid Type Capacity
Engine Oil with Filter 18 liters (SAE 15W-40 CI-4)
Transmission/Hydraulic Oil 85 liters (Claas Ambra Multi G 15W-40)
Coolant System 32 liters (50/50 ethylene glycol mix)
Fuel Tank 400 liters (Diesel #2 or biodiesel B20)
DEF/AdBlue 45 liters (ISO 22241)
Front Axle 12 liters (SAE 85W-140 GL-5)
7. Technical Diagrams & Illustrations
The following pages contain technical diagrams, schematics, and illustrations relevant to the Claas VARIANT
455. These include electrical wiring diagrams, hydraulic system layouts, and component exploded views.
ARES 566-546 RX/RZ / ARES 550-540 RX/RZ
BGZ: 0102010
No. 10101A Remark:
Page 1
Reliable-Store Manuals — Claas VARIANT 455 Service Manual
Page 10 of 26
BGZ: 0102010
010 COMPLETE ENGINE
Pos. Part No. Description Dimension Quanti
ty
Conditions
1 77 0006 016 5 ENGINE 1 1)
1 77 0006 016 6 ENGINE 1 2)
1 77 0006 016 7 ENGINE 1 3)
1) Homologationtype + 5312
->PL.10.1.03.A
2) Homologationtype + 5322
->PL.10.1.03.A
3) Homologationtype + 5332
->PL.10.1.03.A
ARES 566-546 RX/RZ / ARES 550-540 RX/RZ
No. 10101A Remark:
Page 2
Reliable-Store Manuals — Claas VARIANT 455 Service Manual
Page 11 of 26
ARES 566-546 RX/RZ / ARES 550-540 RX/RZ
BGZ: 0110100
No. 11105A Remark:
Page 1
Reliable-Store Manuals — Claas VARIANT 455 Service Manual
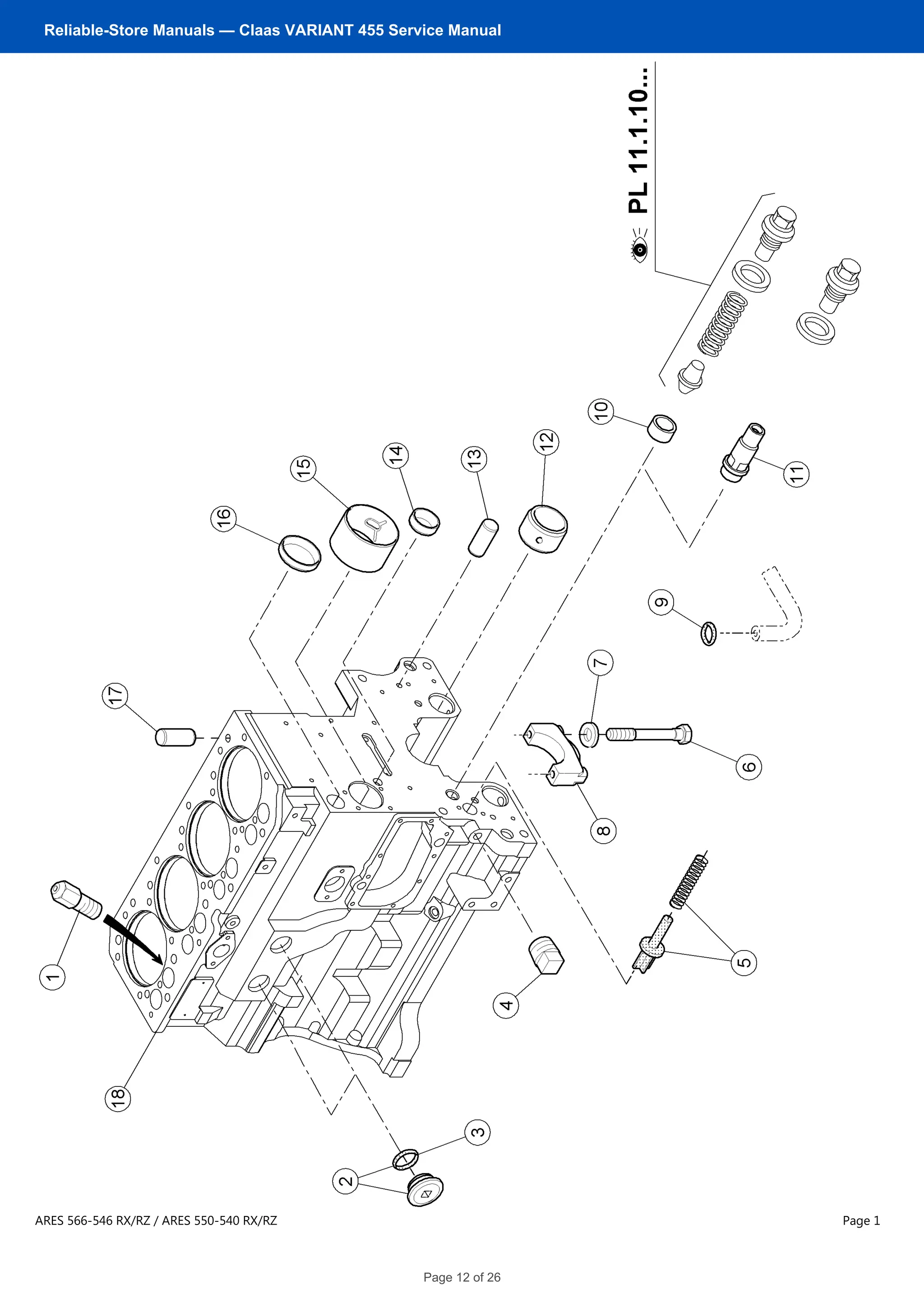
Page 12 of 26
BGZ: 0110100
100 CRANKCASE
Pos. Part No. Description Dimension Quanti
ty
Conditions
1 60 0502 143 6 SPRAY NOZZLE 4
2 60 0502 339 5 LOCK 2
3 60 0502 339 4 O-RING 2
4 60 0501 320 2 LOCK 1
5 60 0501 402 9 VALVE 1
6 60 0501 320 6 SCREW 8
7 60 0502 143 7 WASHER 13X22X2,5 8
8 60 0502 143 8 COVER 4
9 60 0501 320 3 O-RING 1
10 60 0501 319 9 BUSHING 1 1)
11 60 0502 869 1 VALVE 1 2)
12 60 0502 593 1 RING 6
13 60 0501 319 6 CENTRING PIN 2
14 60 0501 319 8 BLANKING COVER 2
15 60 0501 294 1 BEARING 1
16 60 0502 143 9 BLANKING COVER 1
17 60 0501 317 4 CENTRING PIN 4
18 FA-CONSIGN
ES
Consignes - CS 1
-
00 1130 608 0
60 0502 866 8
60 0503 025 4
60 0503 052 4
60 0503 052 5
Please order!
SEALING RING SET
SCREW
SHORT BLOCK
CRANKSHAFT PULLEY
WASHER
1,000
1,000
1,000
1,000
1,000
1) Motor 4045TRT53
4045TRT54
4045TRT55
up to CD4045T663165
up to CD4045T663165
up to CD4045T663165
2) Motor 4045TRT53
4045TRT54
4045TRT55
from CD4045T663166
from CD4045T663166
from CD4045T663166
ARES 566-546 RX/RZ / ARES 550-540 RX/RZ
No. 11105A Remark:
Page 2
Reliable-Store Manuals — Claas VARIANT 455 Service Manual
Page 13 of 26
ARES 566-546 RX/RZ / ARES 550-540 RX/RZ
BGZ: 0110100
No. 11105A Remark:
Page 3
Reliable-Store Manuals — Claas VARIANT 455 Service Manual
Page 14 of 26
BGZ: 0110100
100 CRANKCASE
Pos. Part No. Description Dimension Quanti
ty
Conditions
1 60 0501 320 7 VALVE 1 1)
2 60 0502 665 3 PLUG 1
3 60 0501 321 0 PLUG 1 1)
4 60 0502 144 0 LOCK 5
5 60 0501 317 4 CENTRING PIN 4
6 60 0501 320 6 SCREW 2
7 60 0502 143 7 WASHER 13X22X2,5 2
8 60 0502 144 1 COVER 1
9 60 0501 319 8 BLANKING COVER 2
1) Remarks S.R.
ARES 566-546 RX/RZ / ARES 550-540 RX/RZ
No. 11105A Remark:
Page 4
Reliable-Store Manuals — Claas VARIANT 455 Service Manual
Page 15 of 26
ARES 566-546 RX/RZ / ARES 550-540 RX/RZ
BGZ: 0110100
No. 11105A Remark:
Page 5
Reliable-Store Manuals — Claas VARIANT 455 Service Manual
Page 16 of 26
BGZ: 0110100
100 CRANKCASE
Pos. Part No. Description Dimension Quanti
ty
Conditions
1 60 0501 342 7 TRANSMITTER 1
ARES 566-546 RX/RZ / ARES 550-540 RX/RZ
No. 11105A Remark:
Page 6
Reliable-Store Manuals — Claas VARIANT 455 Service Manual
Page 17 of 26
ARES 566-546 RX/RZ / ARES 550-540 RX/RZ
BGZ: 0110120
No. 11110A Remark:
Page 1
Reliable-Store Manuals — Claas VARIANT 455 Service Manual
Page 18 of 26
BGZ: 0110120
120 TIMING CASE 1)
Pos. Part No. Description Dimension Quanti
ty
Conditions
1 FA-CONSIGN
ES
Consignes - CS 1
-
60 0502 869 0
Please order!
HOUSING 1,000
2 60 0502 144 3 GASKET 1
3 60 0502 895 5 SCREW PLUG F-M20X1,5 1
4 77 0002 464 6 O-RING 17X2-N ERS.D.
0238209.0
1
5 60 0502 144 4 SCREW M8X35 1
6 60 0502 144 5 SCREW M8X45 6
7 60 0502 144 6 O-RING 1
8 60 0502 144 7 COVER 1 2)
9 60 0502 144 8 SCREW M6X16 3 2)
10 60 0502 144 9 NUT 6
11 60 0502 145 0 SCREW M08X60 1
12 60 0502 339 6 SCREW 1
1) Motor 4045TRT53
4045TRT54
4045TRT55
up to CD4045T693156
up to CD4045T693156
up to CD4045T693156
2) Motor 4045TRT53
4045TRT54
4045TRT55
up to CD4045T663165
up to CD4045T663165
up to CD4045T663165
ARES 566-546 RX/RZ / ARES 550-540 RX/RZ
No. 11110A Remark:
Page 2
Reliable-Store Manuals — Claas VARIANT 455 Service Manual
Page 19 of 26
ARES 566-546 RX/RZ / ARES 550-540 RX/RZ
BGZ: 0110120
No. 11110A Remark:
Page 3
Reliable-Store Manuals — Claas VARIANT 455 Service Manual
Page 20 of 26
BGZ: 0110120
120 TIMING CASE 1)
Pos. Part No. Description Dimension Quanti
ty
Conditions
1 60 0502 145 2 PLATE 1
2 60 0502 339 7 SCREW 4
3 60 0502 145 4 FLANGE NUT M08 3
4 60 0502 145 5 STUD BOLT 3
5 60 0502 145 6 SCREW M8X25 1
6 60 0502 145 7 STUD BOLT 4
7 60 0502 144 9 NUT 6
8 60 0501 277 5 VALVE 1
9 60 0502 593 4 SPRING 1
10 60 0502 145 8 SCREW 2
11 60 0501 277 2 WASHER 1
12 60 0501 277 1 SCREW 1
13 60 0502 339 8 STUD BOLT 2
1) Motor 4045TRT53
4045TRT54
4045TRT55
up to CD4045T693156
up to CD4045T693156
up to CD4045T693156
ARES 566-546 RX/RZ / ARES 550-540 RX/RZ
No. 11110A Remark:
Page 4
Reliable-Store Manuals — Claas VARIANT 455 Service Manual
Page 21 of 26
ARES 566-546 RX/RZ / ARES 550-540 RX/RZ
BGZ: 0110120
No. 11110B Remark:
Page 1
Reliable-Store Manuals — Claas VARIANT 455 Service Manual
Page 22 of 26
BGZ: 0110120
120 TIMING CASE 1)
Pos. Part No. Description Dimension Quanti
ty
Conditions
1 60 0502 869 0 HOUSING 1
2 60 0502 144 3 GASKET 1
3 60 0502 895 5 SCREW PLUG F-M20X1,5 1
4 77 0002 464 6 O-RING 17X2-N ERS.D.
0238209.0
1
5 60 0502 163 0 SEALING RING 1
6 60 0502 869 1 VALVE 1
7 60 0503 024 7 SEALING RING 1
8 60 0502 144 5 SCREW M8X45 6
9 60 0502 145 8 SCREW 2
10 60 0502 144 9 NUT 6
11 60 0502 145 0 SCREW M08X60 1
12 60 0502 339 6 SCREW 1
13 60 0502 144 6 O-RING 1
14 60 0502 144 7 COVER 1
15 60 0502 144 8 SCREW M6X16 3
16 60 0502 144 4 SCREW M8X35 1
17 60 0500 796 4 O-RING 37,69 X 3,53 NBR 80 1
1) Motor 4045TRT53
4045TRT54
4045TRT55
from CD4045T691357
from CD4045T691357
from CD4045T691357
ARES 566-546 RX/RZ / ARES 550-540 RX/RZ
No. 11110B Remark:
Page 2
Reliable-Store Manuals — Claas VARIANT 455 Service Manual
Page 23 of 26
ARES 566-546 RX/RZ / ARES 550-540 RX/RZ
BGZ: 0110120
No. 11110B Remark:
Page 3
Reliable-Store Manuals — Claas VARIANT 455 Service Manual
Page 24 of 26
Complete Manual Available
This is a sample of the complete service manual.
Get the full version with all diagrams and procedures.
Click Here to Download Complete Manual

Claas VARIANT 455 Workshop and Maintenance Manual

  • 1.
    CLAAS VARIANT 455 Service& Repair Manual Model: Claas VARIANT 455 Round Baler Production Years: 2000-2010 Engine: N/A Reliable-Store Manuals
  • 2.
    Table of Contents 1.Introduction 2. Specifications 3. Common Issues & Solutions 4. Maintenance Schedule 5. Safety Information 6. Fluid Capacities 7. Technical Diagrams & Illustrations
  • 3.
    1. Introduction The ClaasVARIANT 455 is a cornerstone of Claas's innovative agricultural machinery lineup. Manufactured during 2000-2010, this tractor is engineered for precision and efficiency in field operations. Celebrated for its advanced technology and durability, the Claas VARIANT 455 incorporates a N/A engine that delivers outstanding power with low emissions. With dynamic power boost and reversible fan, it handles demanding tasks effortlessly. This service manual delivers essential guidance for the maintenance and repair of your Claas VARIANT 455, promoting optimal performance and extended service life.
  • 4.
    2. Specifications Parameter Value EngineType N/A Horsepower See specs Displacement 4.5L Bore x Stroke 98mm x 120mm Compression Ratio 17.5:1 Fuel System Common rail diesel injection Cooling System Liquid cooled with thermostatic control Transmission Hydrostatic CVT PTO HP N/A Hydraulic System Load-sensing with flow control Hydraulic Capacity 120 L/min @ 210 bar Fuel Capacity 400 liters Weight 6,200 kg Dimensions (LxWxH) 5.8m x 2.5m x 3.2m
  • 5.
    3. Common Issues& Solutions 1. Hydraulic Pressure Fluctuation Symptoms: Inconsistent loader response, slow implement movement Solution: Check hydraulic fluid level, inspect pump seals, replace filter elements, bleed air from system 2. Engine Overheating Symptoms: Temperature gauge in red zone, coolant loss, reduced power Solution: Clean radiator fins, check coolant level and concentration, test thermostat, inspect water pump 3. Transmission Gear Slip Symptoms: RPM increase without speed gain, grinding noises, difficulty shifting Solution: Adjust clutch linkage, check transmission fluid level, inspect synchronizers, service clutch pack 4. Electrical System Glitches Symptoms: Dashboard warning lights, starting issues, intermittent power loss Solution: Test battery voltage and alternator output, clean all ground connections, scan error codes 5. PTO Engagement Problems Symptoms: PTO won't engage or disengage, unusual vibration, implement not spinning Solution: Inspect PTO shaft splines, adjust engagement mechanism, check safety switch, replace worn clutch 6. Air Filter Clogging Symptoms: Black smoke, reduced power, increased fuel consumption Solution: Replace primary and secondary air filters, inspect air intake system for leaks, clean pre-cleaner 7. Brake System Fade Symptoms: Soft brake pedal, extended stopping distance, brake warning light Solution: Bleed brake lines, check brake fluid level, inspect brake pads and rotors, adjust parking brake
  • 6.
    4. Maintenance Schedule Every10 hours / Daily • Check engine oil level • Inspect air filter condition • Check coolant level • Grease all pivot points • Inspect tire pressure • Check hydraulic fluid level Every 50 hours / Weekly • Change engine oil and filter • Lubricate PTO shaft • Check battery terminals • Inspect belt tension • Clean radiator screen • Test all lights and indicators Every 200 hours / Monthly • Replace air filter elements • Change fuel filter • Inspect hydraulic hoses • Check brake pad thickness • Clean engine cooling fins • Calibrate fuel injection system Every 500 hours / Seasonally • Change hydraulic fluid and filter • Service transmission (fluid and filter) • Replace coolant • Inspect electrical wiring • Calibrate hydraulic pressure
  • 7.
    • Test safetysystems Every 1000 hours / Annually • Complete engine service • Rebuild hydraulic cylinders • Replace all drive belts • Service air conditioning • Comprehensive safety inspection • Update software and calibrations
  • 8.
    5. Safety Information ■IMPORTANT SAFETY WARNINGS • Always engage parking brake and lower all implements before exiting the operator's cab • Never operate machine on slopes exceeding 15 degrees without proper ballast and counterweights • Maintain minimum 3-meter clearance from overhead power lines during operation • Wear appropriate PPE including hearing protection, safety glasses, and steel-toed boots • Shut down engine and disconnect battery before performing any maintenance or repair work • Never bypass or disable safety interlocks - they are designed to prevent serious injury • Keep fire extinguisher readily accessible and inspect monthly for proper charge • Do not allow riders or bystanders within 10 meters of operating machine
  • 9.
    6. Fluid Capacities FluidType Capacity Engine Oil with Filter 18 liters (SAE 15W-40 CI-4) Transmission/Hydraulic Oil 85 liters (Claas Ambra Multi G 15W-40) Coolant System 32 liters (50/50 ethylene glycol mix) Fuel Tank 400 liters (Diesel #2 or biodiesel B20) DEF/AdBlue 45 liters (ISO 22241) Front Axle 12 liters (SAE 85W-140 GL-5) 7. Technical Diagrams & Illustrations The following pages contain technical diagrams, schematics, and illustrations relevant to the Claas VARIANT 455. These include electrical wiring diagrams, hydraulic system layouts, and component exploded views.
  • 10.
    ARES 566-546 RX/RZ/ ARES 550-540 RX/RZ BGZ: 0102010 No. 10101A Remark: Page 1 Reliable-Store Manuals — Claas VARIANT 455 Service Manual Page 10 of 26
  • 11.
    BGZ: 0102010 010 COMPLETEENGINE Pos. Part No. Description Dimension Quanti ty Conditions 1 77 0006 016 5 ENGINE 1 1) 1 77 0006 016 6 ENGINE 1 2) 1 77 0006 016 7 ENGINE 1 3) 1) Homologationtype + 5312 ->PL.10.1.03.A 2) Homologationtype + 5322 ->PL.10.1.03.A 3) Homologationtype + 5332 ->PL.10.1.03.A ARES 566-546 RX/RZ / ARES 550-540 RX/RZ No. 10101A Remark: Page 2 Reliable-Store Manuals — Claas VARIANT 455 Service Manual Page 11 of 26
  • 12.
    ARES 566-546 RX/RZ/ ARES 550-540 RX/RZ BGZ: 0110100 No. 11105A Remark: Page 1 Reliable-Store Manuals — Claas VARIANT 455 Service Manual Page 12 of 26
  • 13.
    BGZ: 0110100 100 CRANKCASE Pos.Part No. Description Dimension Quanti ty Conditions 1 60 0502 143 6 SPRAY NOZZLE 4 2 60 0502 339 5 LOCK 2 3 60 0502 339 4 O-RING 2 4 60 0501 320 2 LOCK 1 5 60 0501 402 9 VALVE 1 6 60 0501 320 6 SCREW 8 7 60 0502 143 7 WASHER 13X22X2,5 8 8 60 0502 143 8 COVER 4 9 60 0501 320 3 O-RING 1 10 60 0501 319 9 BUSHING 1 1) 11 60 0502 869 1 VALVE 1 2) 12 60 0502 593 1 RING 6 13 60 0501 319 6 CENTRING PIN 2 14 60 0501 319 8 BLANKING COVER 2 15 60 0501 294 1 BEARING 1 16 60 0502 143 9 BLANKING COVER 1 17 60 0501 317 4 CENTRING PIN 4 18 FA-CONSIGN ES Consignes - CS 1 - 00 1130 608 0 60 0502 866 8 60 0503 025 4 60 0503 052 4 60 0503 052 5 Please order! SEALING RING SET SCREW SHORT BLOCK CRANKSHAFT PULLEY WASHER 1,000 1,000 1,000 1,000 1,000 1) Motor 4045TRT53 4045TRT54 4045TRT55 up to CD4045T663165 up to CD4045T663165 up to CD4045T663165 2) Motor 4045TRT53 4045TRT54 4045TRT55 from CD4045T663166 from CD4045T663166 from CD4045T663166 ARES 566-546 RX/RZ / ARES 550-540 RX/RZ No. 11105A Remark: Page 2 Reliable-Store Manuals — Claas VARIANT 455 Service Manual Page 13 of 26
  • 14.
    ARES 566-546 RX/RZ/ ARES 550-540 RX/RZ BGZ: 0110100 No. 11105A Remark: Page 3 Reliable-Store Manuals — Claas VARIANT 455 Service Manual Page 14 of 26
  • 15.
    BGZ: 0110100 100 CRANKCASE Pos.Part No. Description Dimension Quanti ty Conditions 1 60 0501 320 7 VALVE 1 1) 2 60 0502 665 3 PLUG 1 3 60 0501 321 0 PLUG 1 1) 4 60 0502 144 0 LOCK 5 5 60 0501 317 4 CENTRING PIN 4 6 60 0501 320 6 SCREW 2 7 60 0502 143 7 WASHER 13X22X2,5 2 8 60 0502 144 1 COVER 1 9 60 0501 319 8 BLANKING COVER 2 1) Remarks S.R. ARES 566-546 RX/RZ / ARES 550-540 RX/RZ No. 11105A Remark: Page 4 Reliable-Store Manuals — Claas VARIANT 455 Service Manual Page 15 of 26
  • 16.
    ARES 566-546 RX/RZ/ ARES 550-540 RX/RZ BGZ: 0110100 No. 11105A Remark: Page 5 Reliable-Store Manuals — Claas VARIANT 455 Service Manual Page 16 of 26
  • 17.
    BGZ: 0110100 100 CRANKCASE Pos.Part No. Description Dimension Quanti ty Conditions 1 60 0501 342 7 TRANSMITTER 1 ARES 566-546 RX/RZ / ARES 550-540 RX/RZ No. 11105A Remark: Page 6 Reliable-Store Manuals — Claas VARIANT 455 Service Manual Page 17 of 26
  • 18.
    ARES 566-546 RX/RZ/ ARES 550-540 RX/RZ BGZ: 0110120 No. 11110A Remark: Page 1 Reliable-Store Manuals — Claas VARIANT 455 Service Manual Page 18 of 26
  • 19.
    BGZ: 0110120 120 TIMINGCASE 1) Pos. Part No. Description Dimension Quanti ty Conditions 1 FA-CONSIGN ES Consignes - CS 1 - 60 0502 869 0 Please order! HOUSING 1,000 2 60 0502 144 3 GASKET 1 3 60 0502 895 5 SCREW PLUG F-M20X1,5 1 4 77 0002 464 6 O-RING 17X2-N ERS.D. 0238209.0 1 5 60 0502 144 4 SCREW M8X35 1 6 60 0502 144 5 SCREW M8X45 6 7 60 0502 144 6 O-RING 1 8 60 0502 144 7 COVER 1 2) 9 60 0502 144 8 SCREW M6X16 3 2) 10 60 0502 144 9 NUT 6 11 60 0502 145 0 SCREW M08X60 1 12 60 0502 339 6 SCREW 1 1) Motor 4045TRT53 4045TRT54 4045TRT55 up to CD4045T693156 up to CD4045T693156 up to CD4045T693156 2) Motor 4045TRT53 4045TRT54 4045TRT55 up to CD4045T663165 up to CD4045T663165 up to CD4045T663165 ARES 566-546 RX/RZ / ARES 550-540 RX/RZ No. 11110A Remark: Page 2 Reliable-Store Manuals — Claas VARIANT 455 Service Manual Page 19 of 26
  • 20.
    ARES 566-546 RX/RZ/ ARES 550-540 RX/RZ BGZ: 0110120 No. 11110A Remark: Page 3 Reliable-Store Manuals — Claas VARIANT 455 Service Manual Page 20 of 26
  • 21.
    BGZ: 0110120 120 TIMINGCASE 1) Pos. Part No. Description Dimension Quanti ty Conditions 1 60 0502 145 2 PLATE 1 2 60 0502 339 7 SCREW 4 3 60 0502 145 4 FLANGE NUT M08 3 4 60 0502 145 5 STUD BOLT 3 5 60 0502 145 6 SCREW M8X25 1 6 60 0502 145 7 STUD BOLT 4 7 60 0502 144 9 NUT 6 8 60 0501 277 5 VALVE 1 9 60 0502 593 4 SPRING 1 10 60 0502 145 8 SCREW 2 11 60 0501 277 2 WASHER 1 12 60 0501 277 1 SCREW 1 13 60 0502 339 8 STUD BOLT 2 1) Motor 4045TRT53 4045TRT54 4045TRT55 up to CD4045T693156 up to CD4045T693156 up to CD4045T693156 ARES 566-546 RX/RZ / ARES 550-540 RX/RZ No. 11110A Remark: Page 4 Reliable-Store Manuals — Claas VARIANT 455 Service Manual Page 21 of 26
  • 22.
    ARES 566-546 RX/RZ/ ARES 550-540 RX/RZ BGZ: 0110120 No. 11110B Remark: Page 1 Reliable-Store Manuals — Claas VARIANT 455 Service Manual Page 22 of 26
  • 23.
    BGZ: 0110120 120 TIMINGCASE 1) Pos. Part No. Description Dimension Quanti ty Conditions 1 60 0502 869 0 HOUSING 1 2 60 0502 144 3 GASKET 1 3 60 0502 895 5 SCREW PLUG F-M20X1,5 1 4 77 0002 464 6 O-RING 17X2-N ERS.D. 0238209.0 1 5 60 0502 163 0 SEALING RING 1 6 60 0502 869 1 VALVE 1 7 60 0503 024 7 SEALING RING 1 8 60 0502 144 5 SCREW M8X45 6 9 60 0502 145 8 SCREW 2 10 60 0502 144 9 NUT 6 11 60 0502 145 0 SCREW M08X60 1 12 60 0502 339 6 SCREW 1 13 60 0502 144 6 O-RING 1 14 60 0502 144 7 COVER 1 15 60 0502 144 8 SCREW M6X16 3 16 60 0502 144 4 SCREW M8X35 1 17 60 0500 796 4 O-RING 37,69 X 3,53 NBR 80 1 1) Motor 4045TRT53 4045TRT54 4045TRT55 from CD4045T691357 from CD4045T691357 from CD4045T691357 ARES 566-546 RX/RZ / ARES 550-540 RX/RZ No. 11110B Remark: Page 2 Reliable-Store Manuals — Claas VARIANT 455 Service Manual Page 23 of 26
  • 24.
    ARES 566-546 RX/RZ/ ARES 550-540 RX/RZ BGZ: 0110120 No. 11110B Remark: Page 3 Reliable-Store Manuals — Claas VARIANT 455 Service Manual Page 24 of 26
  • 25.
    Complete Manual Available Thisis a sample of the complete service manual. Get the full version with all diagrams and procedures. Click Here to Download Complete Manual