BRZ
ELECTRICAL WIRING DIAGRAM
                                                                     Section Code      Page

INTRODUCTION . . . . . . . . . . . . . . . . . . . . . . . . . . . . . . . A . . . .    2

HOW TO USE THIS MANUAL . . . . . . . . . . . . . . . . . . B . . . .                    3

TROUBLESHOOTING . . . . . . . . . . . . . . . . . . . . . . . . . C . . . .            12

ABBREVIATIONS . . . . . . . . . . . . . . . . . . . . . . . . . . . . . . D . . . .    17

GLOSSARY OF TERMS AND SYMBOLS . . . . . . E . . . .                                    18

RELAY LOCATIONS . . . . . . . . . . . . . . . . . . . . . . . . . . . F . . . .        20

ELECTRICAL WIRING ROUTING . . . . . . . . . . . . . . G . . . .                        38

SYSTEM CIRCUITS . . . . . . . . . . . . . . . . . . . . . . . . . . . . H . . . .      50

GROUND POINT . . . . . . . . . . . . . . . . . . . . . . . . . . . . . . . I . . . .   370

POWER SOURCE (Current Flow Chart) . . . . . . . J . . . .                              378

CONNECTOR LIST . . . . . . . . . . . . . . . . . . . . . . . . . . . . K . . . .       388




                                                                                            1

                                BRZ (G4400BE)
$ ,1752'8&7,21
7KLV PDQXDO FRQVLVWV RI WKH IROORZLQJ  VHFWLRQV

    1R           6HFWLRQ                                                'HVFULSWLRQ

          ,1'(;                  ,QGH[ RI WKH FRQWHQWV RI WKLV PDQXDO
    $
          ,1752'87,21           %ULHI H[SODQDWLRQ RI HDFK VHFWLRQ

          +2: 72 86( 7+,6
    %                            ,QVWUXFWLRQV RQ KRZ WR XVH WKLV PDQXDO
          0$18$/

          7528%/(±
                                'HVFULEHV WKH EDVLF LQVSHFWLRQ SURFHGXUHV IRU HOHFWULFDO FLUFXLWV
          6+227,1*

    '     $%%5(9,$7,216          'HILQHV WKH DEEUHYLDWLRQV XVHG LQ WKLV PDQXDO

          */266$5 2)
    (     7(506 $1'              'HILQHV WKH VPEROV DQG IXQFWLRQV RI PDMRU SDUWV
          60%2/6

                                 6KRZV SRVLWLRQ RI WKH (OHFWURQLF RQWURO 8QLW 5HODV 5HOD %ORFN HWF
    )     5(/$ /2$7,216
                                 7KLV VHFWLRQ LV FORVHO UHODWHG WR WKH VVWHP FLUFXLW

          (/(75,$/             'HVFULEHV SRVLWLRQ RI 3DUWV RQQHFWRUV 6SOLFH SRLQWV *URXQG SRLQWV HWF
    *
          :,5,1* 5287,1*         7KLV VHFWLRQ LV FORVHO UHODWHG WR WKH VVWHP FLUFXLW

          ,1'(;                  ,QGH[ RI WKH VVWHP FLUFXLWV


    +                            (OHFWULFDO FLUFXLWV RI HDFK VVWHP DUH VKRZQ IURP WKH SRZHU VXSSO WKURXJK JURXQG
                                 SRLQWV :LULQJ FRQQHFWLRQV DQG WKHLU SRVLWLRQV DUH VKRZQ DQG FODVVLILHG E FRGH
          667(0 ,58,76        DFFRUGLQJ WR WKH FRQQHFWLRQ PHWKRG 5HIHU WR WKH VHFWLRQ ´+RZ WR XVH WKLV PDQXDO´
2QO ZLULQJ LQIRUPDWLRQ IRU FRPSOHWH FLUFXLWV LV LQFOXGHG

     ,    *5281' 32,17           6KRZV JURXQG SRVLWLRQV RI DOO SDUWV GHVFULEHG LQ WKLV PDQXDO

          32:(5 6285(
     -                           'HVFULEHV SRZHU GLVWULEXWLRQ IURP WKH SRZHU VXSSO WR YDULRXV HOHFWULFDO ORDGV
          XUUHQW )ORZ KDUW
'HVFULEHV WKH IRUP RI WKH FRQQHFWRUV IRU WKH SDUWV DSSHDUHG LQ WKLV ERRN
    .     211(725 /,67
                                 7KLV VHFWLRQ LV FORVHO UHODWHG WR WKH VVWHP FLUFXLW




2

                                                 BRZ (G4400BE)
+2: 72 86( 7+,6 0$18$/ %

7KLV PDQXDO SURYLGHV LQIRUPDWLRQ RQ WKH HOHFWULFDO FLUFXLWV LQVWDOOHG RQ YHKLFOHV E
GLYLGLQJ WKHP LQWR D FLUFXLW IRU HDFK VVWHP

7KH DFWXDO ZLULQJ RI HDFK VVWHP FLUFXLW LV VKRZQ IURP WKH SRLQW ZKHUH WKH SRZHU
VRXUFH LV UHFHLYHG IURP WKH EDWWHU DV IDU DV HDFK JURXQG SRLQW $OO FLUFXLW
GLDJUDPV DUH VKRZQ ZLWK WKH VZLWFKHV LQ WKH 2)) SRVLWLRQ
:KHQ WURXEOHVKRRWLQJ DQ SUREOHP ILUVW XQGHUVWDQG WKH RSHUDWLRQ RI WKH FLUFXLW
ZKHUH WKH SUREOHP ZDV GHWHFWHG VHH 6VWHP LUFXLW VHFWLRQ
WKH SRZHU VRXUFH
VXSSOLQJ SRZHU WR WKDW FLUFXLW VHH 3RZHU 6RXUFH VHFWLRQ
DQG WKH JURXQG SRLQWV
VHH *URXQG 3RLQW VHFWLRQ
:KHQ WKH FLUFXLW RSHUDWLRQ LV XQGHUVWRRG EHJLQ WURXEOHVKRRWLQJ RI WKH SUREOHP
FLUFXLW WR LVRODWH WKH FDXVH 8VH 5HOD /RFDWLRQ DQG (OHFWULFDO :LULQJ 5RXWLQJ
VHFWLRQV WR ILQG HDFK SDUW MXQFWLRQ EORFN DQG ZLULQJ KDUQHVV FRQQHFWRUV ZLULQJ
KDUQHVV DQG ZLULQJ KDUQHVV FRQQHFWRUV DQG JURXQG SRLQWV RI HDFK VVWHP FLUFXLW
,QWHUQDO ZLULQJ IRU HDFK MXQFWLRQ EORFN LV DOVR SURYLGHG IRU EHWWHU XQGHUVWDQGLQJI R
FRQQHFWLRQ ZLWKLQ D MXQFWLRQ EORFN
:LULQJ UHODWHG WR HDFK VVWHP LV LQGLFDWHG LQ HDFK VVWHP FLUFXLW E DUURZV
IURPBB WRBB
:KHQ RYHUDOO FRQQHFWLRQV DUH UHTXLUHG VHH WKH 2YHUDOO (OHFWULFDO
:LULQJ 'LDJUDP DW WKH HQG RI WKLV PDQXDO




                                           ([DPSOH

7KH LQIRUPDWLRQ LQ WKLV PDQXDO LV         )URQW ULJKW GRRU                   :KHQ LQVSHFWLQJ RU UHSDLULQJ
                                                                              UHIHU WR WKH 5HSDLU 0DQXDO
 DERXW WKH ZLUH KDUQHVVHV
 ,QIRUPDWLRQ DERXW FRPSRQHQW DQG
 DVVHPEO SDUWV LV IRU UHIHUHQFH
 EXW LQ VRPH FDVHV WKLV UHIHUHQFH
 LQIRUPDWLRQ PLJKW QRW EH LQFOXGHG RU
 PLJKW GLIIHU IURP WKH DFWXDO YHKLFOH
 :KHQ LQVSHFWLQJ RU UHSDLULQJ D YHKLFOH
 UHIHU WR WKH UHOHYDQW 5HSDLU 0DQXDO
                                                                      :LUH KDUQHVV
                                                                                          RPSRQHQW SDUWV
                                                     $VVHPEO SDUWV




                                                                                                              3

                                       BRZ (G4400BE)
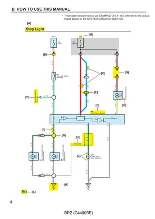
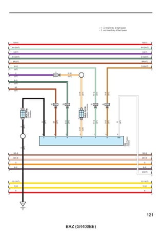
% +2: 72 86( 7+,6 0$18$/
                                                                                         
 7KH VVWHP VKRZQ KHUH LV DQ (;$03/( 21/ ,W LV GLIIHUHQW WR WKH DFWXDO
                                                                                           FLUFXLW VKRZQ LQ WKH 667(0 ,58,76 6(7,21
         $@

     6WRS /LJKW
                                                                                                                                                  0@
                                                                   %$7
,*
$                          $
                                                                                6723                         *$8*(


                                                                   


                                                  %@                                                                ,%                                                        ,%




                                                                                                                                                                                 5±/
                                                                   :±5




                                                                                                                                          6'
/
                                                                   
                                                                                                                                                                 @                                    *@
                                                                             +
                                                                             6WRS /LJKW 6ZLWFK
                                                                             $VVHPEO                                          +                                             

                                                                   




                                                                                                                                                                                 5±/
                                                                                                                            :*
6'
5



                                                                                                                                    /
                                                                   *±:




                                                                                                                                                                                                  RPELQDWLRQ 0HWHU
                                                                                                                                                                                 
                 6NLG RQWURO (8




                                                                                                                               +                    (@




                                                                                                                                                                                        /LJKWV
                                                                                                                                                                                        5HDU
                                                         *±:
                 $VVHPEO




     '@




                                                                                                                                                                                                  +
                                                                                                                                          6'
/
                                                                   *±:




                                                                                                                                                                                 ±*
                                                                                                                                                         )@                                     2@

                                                                                                                                                   +
                                                                                                                                                 /LJKW )DLOXUH 6HQVRU          




                                                                                                                                                                        
                                                                   *±5




                                                ,@
                                          
                                                             *±5
                                         +-                                            1@
                                                                                                                 +@
                                                                                                                                                                          :±%
                                                                                                                                        *±%
           *±5




                                                                   *±5




                                                                                                               6KLHOGHG
5HDU RPELQDWLRQ /LJKW




                                                                                    5HDU RPELQDWLRQ /LJKW




                                                                  
                                    $VVHPEO 5+




                                                                                    $VVHPEO /+




                                                                                                                                        
                                                                                                                                                   +
                                                                                                                   -@
                   6WRS




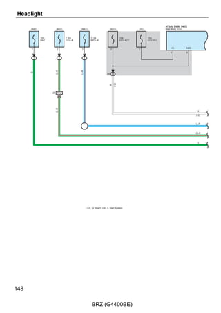
                                                                             6WRS




                                                                                                                                                   HQWHU 6WRS
                                                                                                                                                   /LJKW $VVHPEO
                                                                                    +




                                                                                                                                        
                                    -




                                                                  
           :±%




                                                                   :±%




                                                                                                                                        :±%




                                          
                                                             :±%
                                         +-
                                                                   :±%




                                                                       +                           .@                                   +




             /@


4

                                                                                                     BRZ (G4400BE)
%
$@  6VWHP 7LWOH                                           ,@    ,QGLFDWHV WKH ZLULQJ FRORU
%@  ,QGLFDWHV D 5HOD %ORFN 1R VKDGLQJ LV XVHG DQG               :LUH FRORUV DUH LQGLFDWHG E DQ DOSKDEHWLFDO FRGH
      RQO WKH 5HOD %ORFN 1R LV VKRZQ WR GLVWLQJXLVK LW          RSSHU ZLUHV
      IURP WKH -%
                                                                    %      %ODFN      :      :KLWH       %5     %URZQ
      ([DPSOH       ,QGLFDWHV 5HOD %ORFN 1R
                                                                    /      %OXH       9      9LROHW      6%     6N %OXH
@
LV XVHG WR LQGLFDWH GLIIHUHQW ZLULQJ DQG                  5      5HG        *      *UHHQ       /*     /LJKW *UHHQ
      FRQQHFWRU HWF ZKHQ WKH YHKLFOH PRGHO HQJLQH
      WSH RU VSHFLILFDWLRQ LV GLIIHUHQW                          3      3LQN             HOORZ      *5     *UD
'@  ,QGLFDWHV UHODWHG VVWHP                                     2      2UDQJH %(         %HLJH       '*     'DUN *UD
(@  ,QGLFDWHV WKH FRGH IRU WKH PDOH DQG IHPDOH
$OXPLQXP ZLUHV
      FRQQHFWRUV ZKLFK DUH XVHG WR MRLQ WZR ZLUH                    /$     /DYHQGHU
      KDUQHVVHV 7KH FRQQHFWRU FRGH FRQVLVWV RI WZR                  127,('R QRW VSOLFH LQWR DOXPLQXP ZLUHV IRU SRZHU
      DOSKDEHWLFDO DQG RQH QXPHULFDO FKDUDFWHUV                            VRXUFHV RU VLJQDOV
                                                                    7KH ILUVW OHWWHU LQGLFDWHV WKH EDVLF ZLUH FRORU DQG WKH
                                                                    VHFRQG OHWWHU LQGLFDWHV WKH FRORU RI WKH VWULSH
                                                                     ([DPSOH      /±

       )HPDOH                              0DOH
7KH ILUVW FKDUDFWHU RI WKH FRQQHFWRU FRGH LQGLFDWHV                                         /            
     WKH DOSKDEHWLFDO FRGH DOORFDWHG WR WKH ZLUH KDUQHVV                                       %OXH
HOORZ
ZKLFK KDV WKH IHPDOH FRQQHFWRU DQG WKH VHFRQG          -@  ,QGLFDWHV WKH SLQ QXPEHU RI WKH FRQQHFWRU
     VKRZV WKDW RI WKH ZLUH KDUQHVV ZKLFK KDV WKH PDOH             7KH QXPEHULQJ VVWHP LV GLIIHUHQW IRU IHPDOH DQG
     FRQQHFWRU                                                    PDOH FRQQHFWRUV
     7KH WKLUG FKDUDFWHU LQGLFDWHV D VHULDO QXPEHU XVHG
     WR GLVWLQJXLVK EHWZHHQ WKH ZLUH KDUQHVV                         ([DPSOH 1XPEHUHG LQ RUGHU         1XPEHUHG LQ RUGHU
     FRPELQDWLRQV LQ FDVHV ZKHQ PRUH WKDQ RQH RI WKH                          IURP XSSHU OHIW WR        IURP XSSHU ULJKW WR
     VDPH FRPELQDWLRQ RI ZLUH KDUQHVVHV H[LVW                                 ORZHU ULJKW               ORZHU OHIW
     HJ + DQG +
6PERO
LQGLFDWHV WKH PDOH WHUPLQDO FRQQHFWRU
     1XPEHUV RXWVLGH FRQQHFWRU FRGHV LQGLFDWH WKH SLQ                               )HPDOH                      0DOH
     QXPEHUV RI ERWK PDOH DQG IHPDOH FRQQHFWRUV
                                                             .@  ,QGLFDWHV WKH JURXQG SRLQW 7KH FRGH FRQVLVWV RI WKH
)@  5HSUHVHQWV D SDUW DOO SDUWV DUH VKRZQ LQ VN EOXH
WZR FKDUDFWHUV $ OHWWHU DQG QXPEHU
      7KH FRGH LV WKH VDPH DV WKH FRGH XVHG LQ SDUWV
                                                                   7KH ILUVW FKDUDFWHU RI WKH FRGH LQGLFDWHV WKH
      SRVLWLRQ
                                                                   DOSKDEHWLFDO FRGH DOORFDWHG WR WKH ZLUH KDUQHVV
*@  -XQFWLRQ %ORFN 7KH QXPEHU LQ WKH FLUFOH LV WKH -%          7KH VHFRQG FKDUDFWHU LQGLFDWHV D VHULDO QXPEHU
      1R DQG WKH FRQQHFWRU FRGH LV VKRZQ EHVLGH LW
XVHG WR GLVWLQJXLVK EHWZHHQ WKH JURXQG SRLQWV LQ
      -XQFWLRQ %ORFNV DUH VKDGHG WR FOHDUO VHSDUDWH               FDVHV ZKHQ PRUH WKDQ RQH JURXQG SRLQW H[LVW RQ WKH
      WKHP IURP RWKHU SDUWV                                       VDPH ZLUH KDUQHVV
                                                             /@  3DJH 1R
     ([DPSOH                                                0@  ,QGLFDWHV WKH LJQLWLRQ NH SRVLWLRQV
ZKHQ WKH
                                                                   SRZHU LV VXSSOLHG WR WKH IXVHV
LQGLFDWHV WKDW
                             LW LV LQVLGH
                             -XQFWLRQ %ORFN
                             1R




+@  ,QGLFDWHV D VKLHOGHG FDEOH




                                                                                                                              5

                                                    BRZ (G4400BE)
% +2: 72 86( 7+,6 0$18$/
1@  ,QGLFDWHV D ZLULQJ 6SOLFH 3RLQW

      ([DPSOH




2@  :LUH +DUQHVV RGH
      (DFK ZLUH KDUQHVV LV UHSUHVHQWHG E D FRGH
      :LUH KDUQHVV FRGHV DUH XVHG LQ WKH SDUWV FRGHV
      FRQQHFWRU MRLQLQJ ZLUH KDUQHVV DQG ZLUH KDUQHVV
      FRGHV DQG JURXQG SRLQW FRGHV )RU H[DPSOH
      + FRPELQDWLRQ PHWHU
+ PDOH FRQQHFWRU
      MRLQLQJ ZLUH KDUQHVV DQG ZLUH KDUQHVV
DQG +
      JURXQG SRLQW
LQGLFDWH WKDW WKH DUH WKH SDUWV
      EHORQJLQJ WR WKH VDPH ZLUH KDUQHVV + 




6

                                           BRZ (G4400BE)
%
3@            3DUWV /RFDWLRQ
        RGH                   6HH 3DJH                 RGH                 6HH 3DJH                  RGH         6HH 3DJH
         +                                             +                                          +    
         +                                             +                                            -   



4@            5HOD %ORFNV

        RGH            6HH 3DJH      5HOD %ORFNV 5HOD %ORFN /RFDWLRQ
5% 1R ,QVWUXPHQW 3DQHO %UDFH /+
5@            -XQFWLRQ %ORFN DQG :LUH +DUQHVV RQQHFWRU

        RGH            6HH 3DJH      -XQFWLRQ %ORFN DQG :LUH +DUQHVV RQQHFWRU /RFDWLRQ
,QVWUXPHQW 3DQHO :LUH DQG -% 1R ,QVWUXPHQW 3DQHO %UDFH /+
,%                         ,QVWUXPHQW 3DQHO :LUH DQG ,QVWUXPHQW 3DQHO -% /RZHU )LQLVK 3DQHO
6@            RQQHFWRU -RLQLQJ :LUH +DUQHVV DQG :LUH +DUQHVV
        RGH            6HH 3DJH      -RLQLQJ :LUH +DUQHVV DQG :LUH +DUQHVV RQQHFWRU /RFDWLRQ
+                         (QJLQH 5RRP 0DLQ :LUH DQG ,QVWUXPHQW 3DQHO :LUH /HIW .LFN 3DQHO
+-                         ,QVWUXPHQW 3DQHO :LUH DQG )ORRU :LUH 5LJKW .LFN 3DQHO
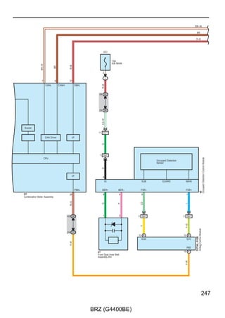
7@            *URXQG 3RLQWV

        RGH            6HH 3DJH      *URXQG 3RLQWV /RFDWLRQ
         +                         8QGHU WKH /HIW HQWHU 3LOODU
         +                         %DFN 3DQHO HQWHU




3@  ,QGLFDWHV UHIHUHQFH SDJHV VKRZLQJ WKH SDUWV ORFDWLRQV LQ WKH VVWHP FLUFXLW RQ WKH YHKLFOH
      ([DPSOH  RGH ´+´ /LJKW )DLOXUH 6HQVRU
LV RQ SDJH  RI WKH PDQXDO
                
 7KH ILUVW FKDUDFWHU RI WKH FRGH LQGLFDWHV WKH DOSKDEHWLFDO FRGH DOORFDWHG WR WKH ZLUH KDUQHVV DQG WKH
                  VHFRQG FKDUDFWHU LQGLFDWHV WKH VHULDO QXPEHU RI WKH SDUWV FRQQHFWHG WR WKH ZLUH KDUQHVV

      ([DPSOH  + 
                                 6HULDO QXPEHU IRU WKH FRQQHFWHG SDUWV
                                 RGH IRU WKH ZLUH KDUQHVV


4@  ,QGLFDWHV WKH UHIHUHQFH SDJH VKRZLQJ WKH SRVLWLRQ RQ WKH YHKLFOH RI 5HOD %ORFN RQQHFWRUV LQ WKH VVWHP FLUFXLW
      ([DPSOH  RQQHFWRU ´´ LV GHVFULEHG RQ SDJH  RI WKLV PDQXDO DQG LV LQVWDOOHG RQ WKH OHIW VLGH RI WKH LQVWUXPHQW
                SDQHO


5@  ,QGLFDWHV WKH UHIHUHQFH SDJH VKRZLQJ WKH SRVLWLRQ RQ WKH YHKLFOH RI -% DQG :LUH +DUQHVV LQ WKH VVWHP FLUFXLW
      ([DPSOH  RQQHFWRU ´´ FRQQHFWV WKH ,QVWUXPHQW 3DQHO :LUH DQG -% 1R ,W LV GHVFULEHG RQ SDJH  RI WKLV
                PDQXDO DQG LV LQVWDOOHG RQ WKH LQVWUXPHQW SDQHO OHIW VLGH


6@  ,QGLFDWHV WKH UHIHUHQFH SDJH GHVFULELQJ WKH ZLULQJ KDUQHVV DQG ZLULQJ KDUQHVV FRQQHFWRU WKH IHPDOH ZLULQJ
      KDUQHVV LV VKRZQ ILUVW IROORZHG E WKH PDOH ZLULQJ KDUQHVV
([DPSOH  RQQHFWRU ´+´ FRQQHFWV WKH (QJLQH 5RRP 0DLQ :LUH IHPDOH
DQG ,QVWUXPHQW 3DQHO :LUH PDOH
,W LV GHVFULEHG RQ SDJH  RI WKLV PDQXDO DQG LV LQVWDOOHG RQ WKH OHIW VLGH NLFN SDQHO


7@  ,QGLFDWHV WKH UHIHUHQFH SDJH VKRZLQJ WKH SRVLWLRQ RI WKH JURXQG SRLQWV RQ WKH YHKLFOH
      ([DPSOH  *URXQG SRLQW ´+´ LV GHVFULEHG RQ SDJH  RI WKLV PDQXDO DQG LV LQVWDOOHG RQ WKH EDFN SDQHO FHQWHU


                                                                                                                               7

                                                           BRZ (G4400BE)
% +2: 72 86( 7+,6 0$18$/
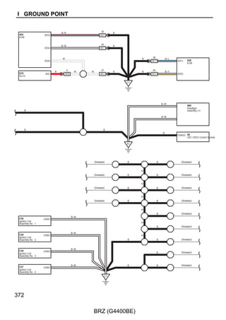
7KH JURXQG SRLQWV FLUFXLW GLDJUDP VKRZV WKH FRQQHFWLRQV IURP DOO PDMRU SDUWV WR WKH UHVSHFWLYH JURXQG SRLQWV :KHQ
WURXEOHVKRRWLQJ D IDXOW JURXQG SRLQW FKHFNLQJ WKH VVWHP FLUFXLWV ZKLFK XVH D FRPPRQ JURXQG PD KHOS RX LGHQWLI
WKH SUREOHP JURXQG TXLFNO 7KH UHODWLRQVKLS EHWZHHQ JURXQG SRLQWV  $  $ DQG ' VKRZQ EHORZ
FDQ DOVR EH
FKHFNHG WKLV ZD




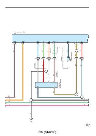
                  , *5281' 32,17
                                                                                                                                         '
                                                                                                                                         -XQFWLRQ
                  +                                                                                                                    RQQHFWRU
                                                                               
                  '/                            %5                %5                                             %5                                   6KLHOGHG
6*
+%                     '%


                                                                                                                                                                                           '
                                                                                                                                                                       %5                 7KURWWOH %RG




                                                                                                      6KLHOGHG
6KLHOGHG
/
$VVHPEO


                                                                                                                                                                                           '
                  $                                                                                                                                                 %5                 ,QMHFWRU 'ULYHU
                                                  :±%                                                                                                                            (
%DQN
+HDGOLJKW /+
                                      /+ (
/                                                                                                                                                 %5
                                                  :±%                         :±%                                                                                               (
0DOWLSOH[ 1HWZRUN
                  0DVWHU 6ZLWFK $VVHPEO(
/$
                                                                                                                                                                                          '
                                                                                                                                                                        %5                 (0
                                                                                                                                                                                  (
RQQHFWRU
                  $




                                                                                                                                             %5
                                                  :±%                                           -XQFWLRQ
                  RROLQJ )DQ
                                            (
$

                  0RWRU 1R                                                                                                                                            %5
                                                                                                                                                                                  (
:±%




                                                                                                                                                            '    /±(
$
                  +HDGOLJKW 5+                    :±%
                                      5+ (
$                                                                                                                                                                       
                                                                                          :±%




                  )URQW 6SHHG                     :±%                                                                                                                   :±%                )RJ /LJKW
                  6HQVRU /+                ±6
(
$VVHPEO /+


                  $                                                                                                                                                                     
                  6LGH 7XUQ 6LJQDO /LJKW          :±%                                                              :±%                       :±%                        :±%                )RJ /LJKW
                  $VVHPEO /+               (
$                                             (
$VVHPEO 5+


                  $                                                                                                                                                                      $
                                                                                          :±%




                  :LQGVKLHOG                      :±%                                                                                                                   :±%                )URQW :LSHU 'HLFHU
                  :LSHU 0RWRU $VVHPEO (
(
:LQGVKLHOG *ODVV
,                                                                                                                                                                    $
                  2XWHU 0LUURU                    :±%           :±%               :±%                                                                                   :±%                6LGH 7XUQ 6LJQDO
                  6ZLWFK $VVHPEO           (
,+               +$                                                                                                     (
/LJKW $VVHPEO /+
                                                                                          :±%




                  $
                  +HDGOLJKW $VVHPEO 5+           :±%                                                                                                                                      .
                                            (
:±%                                                  :±%                ORFN $VVHPEO
                                                                                                                                   .$                                            (
:±%




                  $
                  +HDGOLJKW $VVHPEO /+           :±%                                                                            :±%
                                            (
: ± %          6KLHOGHG
$

                                                                                                                                                             : ± %          6KLHOGHG
:±%
                                     *1'
: ± %          6KLHOGHG
$
                  %UDNH %RRVWHU
                                                                                                                                         RQQHFWRU




                  3XPS $VVHPEO                   :±%
                                                                                                                                         -XQFWLRQ




                                     *1'
:±%




                                                                                                                                                             : ± %          6KLHOGHG
%




                                                                                                                                                   
                                                  :±%                    :±%
                                                                                                                                                     :±%




                                      *1'
$%
                  %
                  6NLG RQWURO (8
                  $VVHPEO                                                                                                            
                                                  :±%                    :±%                                            :±%
                                      *1'
$%                                                                      $%
                                                                                :±%




                                                                                                :±%




                                                                                                                                 :±%




                                                                                                  $




    
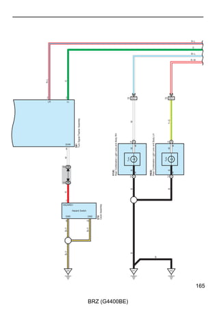
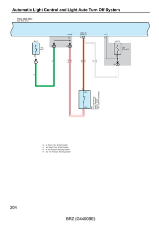
   7KH VVWHP VKRZQ KHUH LV DQ (;$03/( 21/ ,W LV GLIIHUHQW WR WKH DFWXDO FLUFXLW VKRZQ LQ WKH 667(0 ,58,76 6(7,21



8

                                                                           BRZ (G4400BE)
%
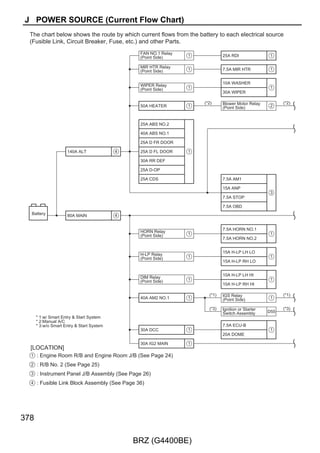
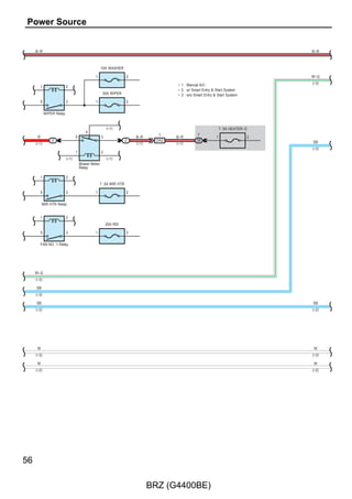
7KH ´XUUHQW )ORZ KDUW´ VHFWLRQ GHVFULEHV ZKLFK SDUWV HDFK SRZHU VRXUFH IXVHV IXVLEOH OLQNV DQG FLUFXLW EUHDNHUV
WUDQVPLWV FXUUHQW WR ,Q WKH 3RZHU 6RXUFH FLUFXLW GLDJUDP WKH FRQGLWLRQV ZKHQ EDWWHU SRZHU LV VXSSOLHG WR HDFK VVWHP
DUH H[SODLQHG 6LQFH DOO 6VWHP LUFXLW GLDJUDPV VWDUW IURP WKH SRZHU VRXUFH WKH SRZHU VRXUFH VVWHP PXVW EH IXOO
XQGHUVWRRG



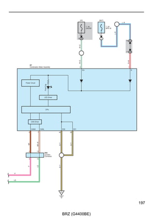
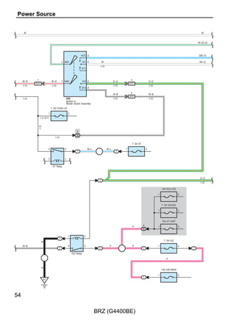
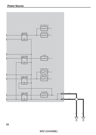
                - 32:(5 6285( XUUHQW )ORZ KDUW
7KH FKDUW EHORZ VKRZV WKH URXWH E ZKLFK FXUUHQW IORZV IURP WKH EDWWHU WR HDFK HOHFWULFDO VRXUFH
                  )XVLEOH /LQN LUFXLW %UHDNHU )XHV HWF
DQG RWKHU SDUWV

                                                                                                                                                  $ (8±%
                                                                                                          6KRUW 3LQ                                                          
                                                                                                                                                  $ '20(

                                                                                                          $ (),

                 %DWWHU       $ $0                           )XVLEOH /LQN %ORFN                     $ +$=$5'
                                                                                                                                        
                                                                                                          $ 5$',2 12
                               6WDUWHU                  6
                                                                                                          $ +251


                                                                  $ $/7                               $ $%6                       




               (QJLQH 5RRP 5% 6HH 3DJH
)XVH                            6VWHP                                                                                                3DJH
                                                                  $%6                                                                                                   
                                                                  $%6 DQG 7UDFWLRQ RQWURO                                                                              
                     $         6723                             UXLVH RQWURO                                                                                        
                                                                  (OHFWURQLFDOO RQWUROOHG 7UDQVPLVVLRQ                                                                
                                                                  0XOWLSOH[ RPPXQLFDWLRQ 6VWHP                                                                        
                                                                  LJDUHWWH /LJKWHU                                                                                     
                                                                  RPELQDWLRQ 0HWHU                                                                                     
                                                                  +HDGOLJKW                                                                                             
                     $         '20(                             ,QWHULRU /LJKW                                                                                        
                                                                  .H 5HPLQGHU DQG 6HDW %HOW :DUQLQJ
                                                                  /LJKW $XWR 7XUQ 2II 6VWHP
                                                                  7KHIW 'HWHUUHQW DQG 'RRU /RFN RQWURO

                  3RZHU 6RXUFH
                                                %
                      %                        )/ 0$,1
                                         :
                           %$


                                                                          %DWWHU
                                             $ 0$,1                                                                                       $ '20(
                      %                                             :                     :                     :                                                    5
                                                       
                                                                         $+                                                                                 


                                             $ $0
                      %                                           :±5       
                                                       
                                                                         $+
                                                                                                    :
                                                                                    :±5




                                         $ +$=±5$',2

                                                                  :
                                                              
                                                                                                   
                                                                                    $0




                                                                                                    $0




                                                                                                                      +
                                                                                                                      ,JQLWLRQ RU 6WDUWHU
                                                                                                                      6ZLWFK $VVHPEO
                                                                             $




                                                                                          67




                                                                                                           67
                                                                                    ,*




                                                                                                    ,*




                                                                                    
                                                                                                                                            $ '()2*
                                                                                                          %±                                                         :±5
                                                                                                                                                                   




  
   7KH VVWHP VKRZQ KHUH LV DQ (;$03/( 21/ ,W LV GLIIHUHQW WR WKH DFWXDO FLUFXLW VKRZQ LQ WKH 667(0 ,58,76 6(7,21



                                                                                                                                                                                      9

                                                                  BRZ (G4400BE)
% +2: 72 86( 7+,6 0$18$/


             . 211(725 /,67
                     $            $@                  $                              $          @
                    %ODFN                                                           *UD


                                                                                
                                                              
                                                              




                                                        %@                                           '@
                                  %                                                         %
                                 %ODFN                                                       *UD




                            
                          
                                                                                
                                                                         



             . 211(725 /,67
                                         %$   %ODFN
                                                                     (@                              %'   *UD        )@



                                                                                                                  
                                                                                               
                                          




$@  ,QGLFDWHV FRQQHFWRU WR EH FRQQHFWHG WR D SDUW 7KH QXPHUDO LQGLFDWHV WKH SLQ 1R
%@  -XQFWLRQ RQQHFWRU
      ,QGLFDWHV D FRQQHFWRU ZKLFK LV FRQQHFWHG WR D VKRUW WHUPLQDO
                            -XQFWLRQ RQQHFWRU




                                                                     -XQFWLRQ FRQQHFWRU LQ WKLV PDQXDO LQFOXGH D VKRUW WHUPLQDO ZKLFK LV
                                                                     FRQQHFWHG WR D QXPEHU RI ZLUH KDUQHVVHV $OZDV SHUIRUP
                                                                     LQVSHFWLRQ ZLWK WKH VKRUW WHUPLQDO LQVWDOOHG




                                       6KRUW 7HUPLQDO

@  3DUWV RGH
      7KH ILUVW OHWWHU RI WKH FRGH LV WDNHQ IURP WKH ILUVW OHWWHU RI SDUW DQG WKH QXPEHUV LQGLFDWHV LWV RUGHU LQ SDUWV ZKLFK
      VWDUW ZLWK WKH VDPH OHWWHU

'@  RQQHFWRU RORU
      RQQHFWRUV QRW LQGLFDWHG DUH PLON ZKLWH LQ FRORU

(@  ,QGLFDWHV WKH FRQQHFWRU VKDSHV ZKLFK DUH XVHG WR MRLQ ZLUH KDUQHVVHV
      2Q /HIW  )HPDOH FRQQHFWRU VKDSHV
      2Q 5LJKW  0DOH FRQQHFWRU VKDSHV
      1XPEHUV LQGLFDWH SLQ QXPEHUV

)@  ,QGLFDWHV FRQQHFWRU FRORUV RQQHFWRUV ZLWK QRW LQGLFDWHG FRORUV DUH ZKLWH
10

                                                                 BRZ (G4400BE)
Memo




                   11

BRZ (G4400BE)
7528%/(6+227,1*
                        7R ,JQLWLRQ 6:            92/7$*( +(.
                        ,* 7HUPLQDO
                                                    D
(VWDEOLVK FRQGLWLRQV LQ ZKLFK YROWDJH LV SUHVHQW DW WKH FKHFN
                                                        SRLQW
                                                       ([DPSOH
                        )XVH                              $@ ± ,JQLWLRQ 6: RQ
                                                          %@ ± ,JQLWLRQ 6: DQG 6:  RQ
                              $@                         @ ± ,JQLWLRQ 6: 6:  DQG 5HOD RQ 6:  RII
E
8VLQJ D YROWPHWHU FRQQHFW WKH QHJDWLYH OHDG WR D JRRG JURXQG
                       6:           9ROWPHWHU          SRLQW RU QHJDWLYH EDWWHU WHUPLQDO DQG WKH SRVLWLYH OHDG WR WKH
                                                        FRQQHFWRU RU FRPSRQHQW WHUPLQDO
                              %@                       7KLV FKHFN FDQ EH GRQH ZLWK D WHVW OLJKW LQVWHDG RI D YROWPHWHU


                       5HOD
                              @



 6:                   6ROHQRLG




                                                  217,18,7 $1' 5(6,67$1( +(.
                                                    D
'LVFRQQHFW WKH EDWWHU WHUPLQDO RU ZLUH VR WKHUH LV QR YROWDJH
                                                        EHWZHHQ WKH FKHFN SRLQWV
          2KPPHWHU
                                                    E
RQWDFW WKH WZR OHDGV RI DQ RKPPHWHU WR HDFK RI WKH FKHFN
                                                        SRLQWV




                6:



                                                       ,I WKH FLUFXLW KDV GLRGHV UHYHUVH WKH WZR OHDGV DQG FKHFN
                                                       DJDLQ
                                                       :KHQ FRQWDFWLQJ WKH QHJDWLYH OHDG WR WKH GLRGH SRVLWLYH VLGH
     2KPPHWHU                                          DQG WKH SRVLWLYH OHDG WR WKH QHJDWLYH VLGH WKHUH VKRXOG EH
                                                       FRQWLQXLW
                                                       :KHQ FRQWDFWLQJ WKH WZR OHDGV LQ UHYHUVH WKHUH VKRXOG EH QR
                                                       FRQWLQXLW



      'LRGH



        'LJLWDO 7SH           $QDORJ 7SH          F
8VH D YROWRKPPHWHU ZLWK KLJK LPSHGDQFH N               9
                                                        PLQLPXP
IRU WURXEOHVKRRWLQJ RI WKH HOHFWULFDO FLUFXLW




12

                                                 BRZ (G4400BE)
7R ,JQLWLRQ 6:          ),1',1* $ 6+257 ,58,7
                 ,* 7HUPLQDO
                                           D
5HPRYH WKH EORZQ IXVH DQG GLVFRQQHFW DOO ORDGV RI WKH IXVH
                                           E
RQQHFW D WHVW OLJKW LQ SODFH RI WKH IXVH
                                           F
(VWDEOLVK FRQGLWLRQV LQ ZKLFK WKH WHVW OLJKW FRPHV RQ
   7HVW /LJKW      )XVH DVH                   ([DPSOH
                                                  $@ ± ,JQLWLRQ 6: RQ
                          6KRUW $@
                                                  %@ ± ,JQLWLRQ 6: DQG 6:  RQ
                                                  @ ± ,JQLWLRQ 6: 6:  DQG 5HOD RQ RQQHFW WKH
                                                        5HOD
DQG 6:  RII RU 'LVFRQQHFW 6:
6:                      G
'LVFRQQHFW DQG UHFRQQHFW WKH FRQQHFWRUV ZKLOH ZDWFKLQJ WKH
                                               WHVW OLJKW
                          6KRUW %@            7KH VKRUW OLHV EHWZHHQ WKH FRQQHFWRU ZKHUH WKH WHVW OLJKW
                                               VWDV OLW DQG WKH FRQQHFWRU ZKHUH WKH OLJKW JRHV RXW
'LVFRQQHFW
                      'LVFRQQHFW           H
)LQG WKH H[DFW ORFDWLRQ RI WKH VKRUW E OLJKWO VKDNLQJ WKH
                                               SUREOHP ZLUH DORQJ WKH ERG
  /LJKW           5HOD
                                         $87,21
                                           D
'R QRW RSHQ WKH FRYHU RU WKH FDVH RI WKH (8 XQOHVV
                          6KRUW @            DEVROXWHO QHFHVVDU ,I WKH , WHUPLQDOV DUH WRXFKHG
                                               WKH , PD EH GHVWURHG E VWDWLF HOHFWULFLW
E
:KHQ UHSODFLQJ WKH LQWHUQDO PHFKDQLVP (8 SDUW
RI
                      'LVFRQQHFW
                                               WKH GLJLWDO PHWHU EH FDUHIXO WKDW QR SDUW RI RXU ERG RU
                                               FORWKLQJ FRPHV LQ FRQWDFW ZLWK WKH WHUPLQDOV RI OHDGV
          6:     6ROHQRLG                     IURP WKH , HWF RI WKH UHSODFHPHQW SDUW VSDUH SDUW
',6211(7,21 2) 0$/( $1' )(0$/(
                                         211(7256
                                              7R SXOO DSDUW WKH FRQQHFWRUV SXOO RQ WKH FRQQHFWRU LWVHOI QRW
                                              WKH ZLUH KDUQHVV
                                                +,17KHFN WR VHH ZKDW NLQG RI FRQQHFWRU RX DUH
                                                     GLVFRQQHFWLQJ EHIRUH SXOOLQJ DSDUW




                    3XOO 8S                                           3XOO 8S




                            3UHVV 'RZQ                                    3UHVV 'RZQ




                                                                                                             13

                                      BRZ (G4400BE)
Memo




14

       BRZ (G4400BE)
0HPR




                  15

BRZ (G4400BE)
Memo




16

       BRZ (G4400BE)
ABBREVIATIONS D
                      ABBREVIATIONS
                      The following abbreviations are used in this manual.

                      A/C           = Air Conditioning
                      A/T           = Automatic Transmission
                      ABS           = Anti-Lock Brake System
                      CAN           = Controller Area Network
                      CPU           = Central Processing Unit
                      DLC3          = Data Link Connector 3
                      E.F.I.        = Electronic Fuel Injection
                      ECM           = Engine Control Module
                      ECU           = Electronic Control Unit
                      EDU           = Electronic Driving Unit
                      EPS           = Electric Motor Power Steering
                      J/B           = Junction Block
                      LED           = Light Emitting Diode
                      LH            = Left-Hand
                      M/T           = Manual Transmission
                      R/B           = Relay Block
                      RH            = Right-Hand
                      SRS           = Supplemental Restraint System
                      TRAC          = Traction Control
                      VSC           = Vehicle Stability Control
                      VSV           = Vacuum Switching Valve
                      VVT           = Variable Valve Timing
                      w/            = With
                      w/o           = Without




* The titles given inside the components are the names of the terminals (terminal codes) and are not treated as being
  abbreviations.

                                                                                                                  17

                                              BRZ (G4400BE)
( */266$5 2) 7(506 $1' 60%2/6
                         %$77(5                                                         *5281'
                           6WRUHV FKHPLFDO HQHUJ DQG                                      7KH SRLQW DW ZKLFK ZLULQJ DWWDFKHV WR
                           FRQYHUWV LW LQWR HOHFWULFDO HQHUJ                             WKH %RG WKHUHE SURYLGLQJ D UHWXUQ
                           3URYLGHV ' FXUUHQW IRU WKH DXWR¶V                              SDWK IRU DQ HOHFWULFDO FLUFXLW ZLWKRXW D
                           YDULRXV HOHFWULFDO FLUFXLWV                                    JURXQG FXUUHQW FDQQRW IORZ


                         $3$,725 RQGHQVHU
+($'/,*+76
                           $ VPDOO KROGLQJ XQLW IRU WHPSRUDU                            XUUHQW IORZ FDXVHV D KHDGOLJKW
                                                                             6,1*/(
                           VWRUDJH RI HOHFWULFDO YROWDJH                      ),/$0(17 ILODPHQW WR KHDW XS DQG HPLW OLJKW $
                                                                                         KHDGOLJKW PD KDYH HLWKHU D VLQJOH
ILODPHQW RU D GRXEOH
ILODPHQW

                         ,*$5(77( /,*+7(5
                            $Q HOHFWULF UHVLVWDQFH KHDWLQJ                   '28%/(
                                                                               ),/$0(17
                            HOHPHQW




                         ,58,7 %5($.(5                                                 +251
                            %DVLFDOO D UHXVDEOH IXVH D FLUFXLW                           $Q HOHFWULF GHYLFH ZKLFK VRXQGV D
                            EUHDNHU ZLOO KHDW DQG RSHQ LI WRR                              ORXG DXGLEOH VLJQDO
                            PXFK FXUUHQW IORZV WKURXJK LW
                            6RPH XQLWV DXWRPDWLFDOO UHVHW ZKHQ
                            FRRO RWKHUV PXVW EH PDQXDOO UHVHW
                         ',2'(                                                           ,*1,7,21 2,/
                            $ VHPLFRQGXFWRU ZKLFK DOORZV                                    RQYHUWV ORZ±YROWDJH ' FXUUHQW
                            FXUUHQW IORZ LQ RQO RQH GLUHFWLRQ                             LQWR KLJK±YROWDJH LJQLWLRQ FXUUHQW IRU
                                                                                            ILULQJ WKH VSDUN SOXJV



                         ',2'( =(1(5                                                    /,*+7
                             $ GLRGH ZKLFK DOORZV FXUUHQW IORZ LQ RQH                       XUUHQW IORZ WKURXJK D ILODPHQW
                             GLUHFWLRQ EXW EORFNV UHYHUVH IORZ RQO XS                      FDXVHV WKH ILODPHQW WR KHDW XS DQG
                             WR D VSHFLILF YROWDJH $ERYH WKDW SRWHQWLDO
                                                                                            HPLW OLJKW
                             LW SDVVHV WKH H[FHVV YROWDJH 7KLV DFWV DV
                             D VLPSOH YROWDJH UHJXODWRU

                         3+272',2'(                                                      /(' /,*+7 (0,77,1* ',2'(
7KH SKRWRGLRGH LV D VHPLFRQGXFWRU                               8SRQ FXUUHQW IORZ WKHVH GLRGHV HPLW
                           ZKLFK FRQWUROV WKH FXUUHQW IORZ                                 OLJKW ZLWKRXW SURGXFLQJ WKH KHDW RI D
                           DFFRUGLQJ WR WKH DPRXQW RI OLJKW                               FRPSDUDEOH OLJKW



                         ',675,%8725 ,,$                                                0(7(5 $1$/2*
                            KDQQHOV KLJK±YROWDJH FXUUHQW IURP                             XUUHQW IORZ DFWLYDWHV D PDJQHWLF
                            WKH LJQLWLRQ FRLO WR WKH LQGLYLGXDO                            FRLO ZKLFK FDXVHV D QHHGOH WR PRYH
                            VSDUN SOXJV                                                   WKHUHE SURYLGLQJ D UHODWLYH GLVSOD
                                                                                           DJDLQVW D EDFNJURXQG FDOLEUDWLRQ


                         )86(                                                            0(7(5 ',*,7$/
                             $ WKLQ PHWDO VWULS ZKLFK EXUQV WKURXJK                        XUUHQW IORZ DFWLYDWHV RQH RU PDQ
                             ZKHQ WRR PXFK FXUUHQW IORZV WKURXJK LW        )8(/
                                                                                           /('¶V /'¶V RU IOXRUHVFHQW
                             WKHUHE VWRSSLQJ FXUUHQW IORZ DQG                             GLVSODV ZKLFK SURYLGH D UHODWLYH RU
                             SURWHFWLQJ D FLUFXLW IURP GDPDJH                             GLJLWDO GLVSOD
                         )86,%/( /,1.
 IRU 0HGLXP XUUHQW )XVH
$ KHDY±JDXJH ZLUH SODFHG LQ KLJK
                                                                                         02725
                             DPSHUDJH FLUFXLWV ZKLFK EXUQV WKURXJK RQ
                             RYHUORDGV WKHUHE SURWHFWLQJ WKH FLUFXLW
                                                                                           $ SRZHU XQLW ZKLFK FRQYHUWV
                             7KH QXPEHUV LQGLFDWH WKH FURVVVHFWLRQ          0              HOHFWULFDO HQHUJ LQWR PHFKDQLFDO
                             VXUIDFH DUHD RI WKH ZLUHV                                    HQHUJ HVSHFLDOO URWDU PRWLRQ
 IRU +LJK XUUHQW )XVH RU
  )XVLEOH /LQN
18

                                                         BRZ (G4400BE)
(
                   5(/$                                              63($.(5
                     %DVLFDOO DQ HOHFWULFDOO RSHUDWHG                $Q HOHFWURPHFKDQLFDO GHYLFH ZKLFK
          1250$// VZLWFK ZKLFK PD EH QRUPDOO                       FUHDWHV VRXQG ZDYHV IURP FXUUHQW
            /26('   FORVHG
RU RSHQ
IORZ
                     XUUHQW IORZ WKURXJK D VPDOO FRLO
                     FUHDWHV D PDJQHWLF ILHOG ZKLFK HLWKHU
                     RSHQV RU FORVHV DQ DWWDFKHG VZLWFK
          1250$//                                                  6:,7+ 0$18$/
            23(1                                                                    2SHQV DQG FORVHV
                                                                                    FLUFXLWV WKHUHE
                                                                        1250$//
                                                                          23(1      VWRSSLQJ
RU
                                                                                    DOORZLQJ
FXUUHQW
                                                                                    IORZ
                     5(/$ '28%/( 7+52:
                       $ UHOD ZKLFK SDVVHV FXUUHQW                      1250$//
                       WKURXJK RQH VHW RI FRQWDFWV RU WKH                  /26('
                       RWKHU



                     5(6,6725                                        6:,7+ '28%/( 7+52:
                       $Q HOHFWULFDO FRPSRQHQW ZLWK D IL[HG            $ VZLWFK ZKLFK FRQWLQXRXVO SDVVHV
                       UHVLVWDQFH SODFHG LQ D FLUFXLW WR              FXUUHQW WKURXJK RQH VHW RI FRQWDFWV
                       UHGXFH YROWDJH WR D VSHFLILF YDOXH             RU WKH RWKHU



                     5(6,6725 7$33('                                 6:,7+ ,*1,7,21
                       $ UHVLVWRU ZKLFK VXSSOLHV WZR RU                 $ NH RSHUDWHG VZLWFK ZLWK VHYHUDO
                       PRUH GLIIHUHQW QRQ DGMXVWDEOH                    SRVLWLRQV ZKLFK DOORZV YDULRXV
                       UHVLVWDQFH YDOXHV                               FLUFXLWV SDUWLFXODUO WKH SULPDU
                                                                        LJQLWLRQ FLUFXLW WR EHFRPH
                                                                        RSHUDWLRQDO
                     5(6,6725 9$5,$%/( RU 5+(267$7
                       $ FRQWUROODEOH UHVLVWRU ZLWK D YDULDEOH
                       UDWH RI UHVLVWDQFH
                       $OVR FDOOHG D SRWHQWLRPHWHU RU
                       UKHRVWDW

                     6(1625 7KHUPLVWRU
6:,7+ :,3(5 3$5.
                       $ UHVLVWRU ZKLFK YDULHV LWV UHVLVWDQFH           $XWRPDWLFDOO UHWXUQV ZLSHUV WR WKH
                       ZLWK WHPSHUDWXUH                                VWRS SRVLWLRQ ZKHQ WKH ZLSHU VZLWFK
                                                                        LV WXUQHG RII



                     6(1625 63(('                                    75$16,6725
                       8VHV PDJQHWLF LPSXOVHV WR RSHQ                   $ VROLGVWDWH GHYLFH WSLFDOO XVHG DV
                       DQG FORVH D VZLWFK WR FUHDWH D VLJQDO            DQ HOHFWURQLF UHOD VWRSV RU SDVVHV
                       IRU DFWLYDWLRQ RI RWKHU FRPSRQHQWV              FXUUHQW GHSHQGLQJ RQ WKH YROWDJH
5HHG 6ZLWFK 7SH
DSSOLHG DW ´EDVH´

                     6+257 3,1
                                                                      :,5(6
                       8VHG WR SURYLGH DQ XQEURNHQ
                                                                               :LUHV DUH DOZDV GUDZQ DV
                       FRQQHFWLRQ ZLWKLQ D MXQFWLRQ EORFN
127       VWUDLJKW OLQHV RQ ZLULQJ
                                                                     211(7(' GLDJUDPV
                                                                               URVVHG ZLUHV
ZLWKRXW D
                                                                               EODFN GRW DW WKH MXQFWLRQ DUH
                     62/(12,'                                                  QRW MRLQHG
                       $Q HOHFWURPDJQHWLF FRLO ZKLFK IRUPV                     FURVVHG ZLUHV
ZLWK D
                       D PDJQHWLF ILHOG ZKHQ FXUUHQW IORZV
63/,('   EODFN GRW RU RFWDJRQDO
WR PRYH D SOXQJHU HWF                                 PDUN DW WKH MXQFWLRQ DUH
                                                                               VSOLFHG MRLQHG
FRQQHFWLRQV



                                                                                                             19

                                                 BRZ (G4400BE)
F RELAY LOCATIONS
[Engine Compartment]




                   Fusible Link Block
                   Assembly




 Engine Room R/B                                  VSC (VDC)
 Engine Room J/B                                  Control Module




                          Injector Driver (EDU)




20

                                 BRZ (G4400BE)
F
[Instrument Panel]




                        Transponder Key   ID Code Box (*1)          * 1:w/ Smart Entry  Start System
                        Amplifier         Transponder Key           * 2:w/o Smart Entry  Start System
                                          ECU Assembly (*2)



                                                                                                  ECM

 Transmission Control
 Module
 Turn Signal Flasher                                                                    Certification
 Assembly                                                                               ECU Assembly

 Main Body ECU                                                                               R/B No. 2
 Instrument Panel
 J/B Assembly




                 Power Steering Steering Lock   Airbag Control A/C Amplifier
                 ECU Assembly Actuator Assembly Module         Assembly




                                                                                                         21

                                          BRZ (G4400BE)
F RELAY LOCATIONS
[Body]




              Occupant Detection         Tire Pressure Warning ECU and Receiver
              Control Module             (Door Control and Tire Pressure
                                         Monitoring System Receiver Assembly)




                                   Stereo Component        Fuel Pump Control
                                   Amplifier Assembly      ECU Assembly




22

                         BRZ (G4400BE)
Memo




                   23

BRZ (G4400BE)
F RELAY LOCATIONS
 1   : Engine Room R/B
                                                            Engine Compartment Right (See Page 20)
     : Engine Room J/B


       EFI MAIN1         EFI MAIN3 EFI MAIN2 C/OPEN                              INHIBITOR
       Relay             Relay     Relay     Relay                               Relay

                   HORN              ETCS              ST CUT          DRL                              1        2                     FAN NO.2
                   Relay             Relay             Relay           Relay                                                           Relay
                                                                                                  (Engine Room
                                                                                                  Main Wire)
                                                                                                                 1E



                           1                   3              2        1
                               5 3             5
                           2                                       5             2        1                                                2 4 1
                                           1       2               3
                                                                                     5                  1        2                           5
              1 15A 2      1                                                         3                                                       3
              A/B MAIN         5 3                      2 7.5A 1
                           2                               ST                                                                                              ST Relay
             1                                          2 7.5A 1                     2                                                 2
                                                                                                                                                           INJ Relay
                 5 3                                     ALT-S             3 5                     2 7.5A 1                                                IGS Relay
             2                          1 7.5A 2
                                        HORN NO.2 1 7.5A 2                           1             PUSH-AT
                           1                                                                                                 3              5              IG2 Relay
                               5 3      1 7.5A 2 STR LOCK
             1             2            HORN NO.1 1 20A 2                                               3
                                                     D/L                             2                  5                              1
                 5 3                                                       3         4
             2                                     1 15A 2                           1
                                        1 15A 2     ETCS                                            1        2                                              MIR HTR
                           1            H-LP LH LO 1 7.5A 2                                                                                                 Relay
                               5 3      1 15A 2                                                                              1
             1                                      AT+B                             2                                             5 3          1 7.5A 2
                 5 3       2            H-LP RH LO 1 7.5A 2
                                                                           3 5                                               2                  MIR HTR
             2                                     AM2 NO.2                                                  3
                                                                                     1
                                                                                                             5
                                        1 10A 2
                                                                                                                             1
            2 7.5A 1


            DOME 1




                           1            H-LP LH HI 1 15A 2                                              1            2
             ECU-B




                                                                                                                                   5 3
            2 7.5A




                                                                                                                                                1 25A 2
            2 20A
              IG2




                               5 3      1 10A 2 EFI(CTRL)                        2
                           2            H-LP RH HI 1 15A 2                                                                   2                    RDI
                                                   EFI(HTR)                3                  5
                                                   1 15A 2
 FAN NO.3                               1 2 *5 EFI(IGN)                                                                  2
                                                                                 1
 Relay                                             1 7.5A 2                                                                                                FAN NO.1
                                        1 2 *4 EFI(+B)                                                               3             5                       Relay
                                                                                 WASHER
                                                                                 2 30A 1

                                                                                 2 10A 1
                                                                                  WIPER




                                                   1 15A 2
                                        1 2 *3       HAZ                                                                 1                                 WIPER
      HEATER           H-LP                        1 7.5A 2                                                                                                Relay
                       Relay                        MPX-B
                                                                           D FR DOOR




      Relay
                                                                           D FL DOOR

                                                                           ABS NO.2




                                                   1 20A 2
                                                                           1 25A 2

                                                                           1 25A 2

                                                                           1 25A 2

                                                                           1 25A 2

                                                                           1 25A 2



                                                                                                                         1 30A 2
                                                                                                                         RR DEF




                          DIM           1    2                                                                                         1   2 *2
                                                                            D-OP




                                                    F/PMP
                                                                             CDS




                          Relay                    1 30A 2
                                          *6       IG2 MAIN                                                                            1   2 *1
                                                        1 30A 2
                                                          DCC
                                                           2     1
                                                          DELIVERY


                                                               RR DEF
                                                   1D          Relay                 1C                                   1A

                                                        1                                     1                                    1
                                       (Engine Room                    (Engine Room                          (Engine Room
                                       Main Wire)                      Main Wire)                            Main Wire)
                                       Wire Color : W                  Wire Color : W                        Wire Color : B
                                                                                                            1B
 * 1:50A HEATER (for High Current)
 * 2:40A ABS NO.1 (for High Current)                                                                             1
 * 3:40A AM2 NO.1 (for High Current)                                                     (Engine Room
 * 4:30A H-LP WASHER (for High Current)                                                  Main Wire)
 * 5:30A INJ (for High Current)                                                          Wire Color : B-R
 * 6:80A EPS (for High Current)




24

                                                            BRZ (G4400BE)
F
 2   : R/B No. 2   Behind Glove Box (See Page 21)
(Automatic A/C)


                   Blower Motor Relay




                            3



                     1             2



                            5




(Manual A/C)


                   Blower Motor Relay




                           3



                    1      4      2



                           5




                                                    25

                    BRZ (G4400BE)
F RELAY LOCATIONS

     : Instrument Panel J/B Assembly   Instrument Panel Reinforcement (See Page 21)




                                       1 2 3 45 6 7 8 91011121314151617181920 21222324252627282930 3132
                                                            Main Body ECU




                    View A                                                                                View B




                                                                      View C




26

                                        BRZ (G4400BE)
F




     View A



          12 27   36
             26   35                   36   27
          11 25   34                             12
                                       35   26
          10 24   33                   34   25   11
             23   32                   33   24
           9 22   31                             10
                                       32   23
           8 21   30                   31   22   9
             20   29                   30   21
           7 19   28     3D                      8
                                       29   20
                                       28   19   7

           6      18
           5      17                   18        6
           4      16                   17        5
                                       16        4
           3      15
                                       15        3
           2      14
                                       14        2
           1      13
                                       13        1

(from Instrument Panel Wire)


                                       40 25     10
                                       39 24
           10 25 40                    38 23     9
              24 39
            9 23 38                    37 22     8
                                       36 21
            8 22 37                    35 20     7
              21 36
            7 20 35                    34 19     6
                         3C            33 18
            6 19 34                              5
              18 33                    32 17
            5 17 32
                                       31 16     4
                                       30 15
           4   16 31                   29 14     3
               15 30                   28 13     2
           3   14 29                   27 12
           2   13 28                   26 11     1
               12 27
           1   11 26

(from Engine Room Main Wire)




                         3E
           1                                          1




(from Engine Room Main Wire)




                                                          27

                               BRZ (G4400BE)
F RELAY LOCATIONS

     : Instrument Panel J/B Assembly   Instrument Panel Reinforcement (See Page 21)



         View B




                                               1 11   26                  26 11   1
                                                 12   27                  27 12
                                               2 13                       28 13   2
                                                      28
                                                                          29 14   3
                                               3 14   29
                                                 15   30                  30 15
                                               4 16                       31 16   4
                                                      31
                                                              3B
                                                5 17 32                   32 17   5
                                                  18 33                   33 18
                                                6 19 34                           6
                                                                          34 19
                                                7 20 35                   35 20   7
                                                  21 36                   36 21
                                                8 22 37                   37 22   8
                                                9 23 38                   38 23   9
                                                  24 39                   39 24
                                               10 25 40                   40 25   10


                                                               (from Instrument Panel Wire)


                                               1 15 36
                                                 16 37
                                               2 17 38
                                                                          36 15   1
                                               3 18 39                    37 16
                                                 19 40                    38 17   2
                                               4 20 41                    39 18   3
                                               5 21 42                    40 19
                                                 22 43                    41 20   4
                                               6 23 44                    42 21   5
                                                                          43 22
                                                                          44 23   6
                                               7 24 45
                                                 25 46        3A
                                               8 26 47                    45 24 7
                                                                          46 25
                                                                          47 26 8
                                               9 27 48
                                                 28 49
                                              10 29 50                    48 27   9
                                              11 30 51                    49 28
                                                 31 52                    50 29   10
                                              12 32 53                    51 30   11
                                              13 33 54                    52 31
                                                 34 55                    53 32   12
                                              14 35 56                    54 33   13
                                                                          55 34
                                                                          56 35   14


                                                               (from Instrument Panel Wire)




28

                                       BRZ (G4400BE)
View C




                                                   1
                                                             2
                                                      15A
                                                   P/POINT NO.1




                     1
                                2
                                                   1
                                                             2
                         7.5A                         7.5A
                         OBD                         RADIO




                                                   1
                                                             2




                                    2
                                               1
                                        7.5A          10A
                                        AM1        SEAT HTR RH




                                                   1
                                                             2
                                                      10A
                                                   SEAT HTR LH




                     1
                                2
                                                   1
                                                             2
                         7.5A                         10A
                         STOP                       ECU IG2




                                                   1
                                                             2
                                                      7.5A
                                                    GAUGE




                                                   1
                                                      15A    2
                                                    AT UNIT




                                    2
                                               1
                                       10A
                                    ECU IG1




                     1
                                2
                                    2
                                               1
                         10A           7.5A
                         DRL        BK/UP LP


                                    2
                                               1
                                       10A




BRZ (G4400BE)
                                    FR FOG RH




                     1
                                2
                                    2
                                               1



                         10A           10A
                         TAIL       FR FOG LH


                     1
                                2
                                    2
                                               1




                         10A           10A
                       PANEL        HEATER
                     1
                                2
                                    2
                                               1




                         15A           7.5A
                     P/POINT NO.2   HEATER-S
                     1
                                2




                         10A
                      ECU ACC
                                                   1
                                                             2




                                                       15A
                                                       ANP
                                                                           F




                29
F RELAY LOCATIONS
[Instrument Panel J/B Assembly Inner Circuit]




     1 3E
     43 3A
     45 3A
     24 3C
     7 3A
     23 3A
                     1     2
     42 3A                                                              14 3A
                     7.5A AM1
     24 3A
     38 3A                                                              8 3D
     46 3A                                                              12 3D
                     1     2
     44 3A                                                              5 3B
                     15A ANP
     25 3A
     48 3A
                                FR FOG Relay
     26 3A                                                1       2
                                                                        5 3C
     4 3A                                               10A FR FOG RH
     21 3A                                                1       2
                                                                        3 3C
     20 3C                                              10A FR FOG LH
                                                                        26 3C
     32 3C
                                                                        13 3C
     1 3D
                                                                        12 3C
     34 3D
                                                                        21 3B
     6 3A
                                 TAIL Relay                             24 3D
     22 3A                                                1       2
                                                                        33 3D
     16 3C                                                 10A TAIL
     31 3C                                                1       2
                                                                        31 3B
     18 3D                                               10A PANEL
                                                                        36 3A
     30 3D
                                                                        22 3D
     19 3C
                                                                        50 3A
     26 3B
     17 3B
     19 3D
     7 3D
     17 3C
     49 3A
     29 3A
     30 3C


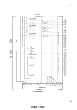
                                    (Cont. Next Page)




30

                                 BRZ (G4400BE)
F




             (Cont'd)




39 3B
23 3D
28 3D
7 3C
10 3D
9 3D
                                             15 3D
                                             14 3D
                                             3 3B
6 3C                                         2 3B



                             A DR LOCK/SET
                             Relay


                                             11 3D



                             D DR UNLOCK
                             Relay
                                             4 3D
                                             1 3D



                             P DR UNLOCK
                             Relay
                                             3 3D
                                             2 3D



                               DL UNSET
                               Relay


                                             6 3B



                              BK/DR Relay




         (Cont. Next Page)




                                                     31

        BRZ (G4400BE)
F RELAY LOCATIONS
[Instrument Panel J/B Assembly Inner Circuit]

                                       (Cont'd)




                                                     1       2
                                                                       11 3A
                          ACC1 Relay                15A P/POINT NO.2
                                                     1       2
                                                                       28 3B
                                                  10A ECU ACC
                                                                       34 3A
     20 3A
                                                                       12 3B
                                                                       27 3B
                                                                       55 3A
                                                                       56 3A

                          ACC2 Relay
                                                     1       2
                                                                       10 3A
                                                    15A P/POINT NO.1
                                                     1       2
                                                                       38 3B
                                                   7.5A RADIO
                         IG1 NO.1 Relay                                36 3B
                                                     1       2
                                                                       35 3C
                                                    10A ECU IG1
                                                                       36 3C
     15 3A
                                                                       37 3C
                                                                       15 3C
                                                                       29 3C
                                                                       14 3C
                                                                       28 3C
                                                                       19 3A
                                                                       40 3A
                                                                       20 3D
                                                                       25 3D


                                                     1       2
                                                                       2 3C
                                                  7.5A BK/UP LP




                                (Cont. Next Page)




32

                             BRZ (G4400BE)
F



                                 (Cont'd)


                  IG1 NO.2 Relay
                                                                                  5 3A
                                                1      2
                                                                                  34 3C
                                                10A DRL
                                                                                  40 3C
                  IG1 NO.4 Relay
                                                1      2
                                                                                  3 3A
                                              10A SEAT HTR RH
                                               1       2
                                                                                  5 3D
                                             10A SEAT HTR LH
                                                                                  21 3C
                  IG1 NO.3 Relay
                                                1      2
                                                                                  32 3A
                                              10A HEATER
                                                                                  22 3C
                                                                                  25 3C
12 3A
                                                                                  23 3C
13 3A
                                                                                  39 3C
                                                                                  38 3C
                    1      2
                                                                                  35 3A
                    7.5A OBD
                    1      2
                                                                                  9 3A
18 3B               7.5A STOP
                     1      2
7 3B                                                                              8 3B
                  7.5A HEATER-S
                                                                                  9 3B
                    1      2
4 3C                                                                              11 3C
                   10A ECU IG2
                                                                                  18 3A
                                                                                  39 3A
                                                                                  19 3B
                    1      2
                                                                                  2 3A
                   7.5A GAUGE
                                                                                  37 3A
                                                                                  40 3B
                                                                                  16 3A
                                                                                  17 3A
                    1      2
                                                                                  1 3C
                   15A AT UNIT




        11 15      2               32   30            6 7       5 29 4 28 8 9
        GND STR   KSWD             BMPX              ACT+         ACTR ACTD ACC
                                                               ACTP  TR+   IG

                                       Main Body ECU


                         (Cont. Next Page)




                                                                                          33

                        BRZ (G4400BE)
F RELAY LOCATIONS
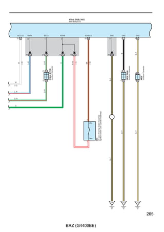
[Instrument Panel J/B Assembly Inner Circuit]

                                     (Cont'd)


                   23
      10 3C             BKUP
       4 3D
                    1
      27 3A             BECU
                   13
       9 3C
                   21
      30 3B             HU
                   18
      15 3B             HF
                   10
      13 3B             FPCY
      29 3B
                   27
      22 3B             IND
      17 3D
                   20
      34 3B
                   17
      51 3A             L
      41 3A
                   19
      30 3A             UL
      20 3B
                   24
      23 3B
      37 3B
                   26
      31 3D             HO
      32 3D                                Main Body ECU
                   31
      36 3D
                   25
      27 3C
                   22
      18 3C             STP
      33 3C
       8 3C
      16 3D
      32 3B
                   14
      35 3B             PKB
      24 3B
      29 3D
                    3
      14 3B             HZR
      16 3B
      33 3B
                   16
      28 3A             FDCY
      53 3A
      31 3A
                   12
      11 3B             TSW5
      26 3D
      35 3D




34

                               BRZ (G4400BE)
Memo




                   35

BRZ (G4400BE)
F RELAY LOCATIONS
Fusible Link Block Assembly Engine Compartment Right (See Page 20)




                                               Battery




     140A ALT                                                                 80A MAIN
     (for High Current)                                                       (for High Current)




                                 A75                           A76
                                       1                             1

                          (from Engine Wire)             (from Engine Wire)
                          Wire Color : W                 Wire Color : W




36

                                           BRZ (G4400BE)
F
[Fusible Link Block Assembly Inner Circuit]




                            A75(A), A76(B)
                            Fusible Link Block Assembly



                                                          1
                  Battery                                 A
                                     140A ALT

                                                          1
                                                          B
                                     80A MAIN




                                                              37

                             BRZ (G4400BE)
G ELECTRICAL WIRING ROUTING
                            Position of Parts in Engine Compartment

                                      C9    C11   C37   C10    C36    C35    C15    C33    C18    C34    C19   C31




                                                                                                                                     C30


C3                                                                                                                                   C29


C4                                                                                                                                   C27


C1                                                                                                                                   C28


C2                                                                                                                                   C26


C8                                                                                                                                   C24


C39

C38




                    C12   C13   C14    C7    C5    C6    C16    C17    C20    C22    C21    C23    C25



C1    Injector Driver (EDU)                                            C20     Fuel Injector Assembly (for Direct Injection No. 2)
C2    Injector Driver (EDU)                                            C21     Oil Temperature Sensor
C3    Injector Driver (EDU)                                            C22     Engine Oil Pressure Switch Assembly
C4    Injector Driver (EDU)                                            C23     Camshaft Timing Oil Control Valve Assembly
C5    Camshaft Timing Oil Control Valve Assembly                               (Bank 2 Exhaust Side)
      (Bank 1 Exhaust Side)                                            C24     Camshaft Timing Oil Control Valve Assembly
C6    VVT Sensor (Camshaft Position Sensor)                                    (Bank 2 Intake Side)
      (Bank 1 Exhaust Side)                                            C25     VVT Sensor (Camshaft Position Sensor)
C7    Camshaft Timing Oil Control Valve Assembly                               (Bank 2 Exhaust Side)
      (Bank 1 Intake Side)                                             C26     VVT Sensor (Camshaft Position Sensor)
C8    Fuel Injector Assembly (for Port Injection No. 1)                        (Bank 2 Intake Side)
C9    Fuel Injector Assembly (for Port Injection No. 3)                C27     Ignition Coil Assembly No. 4
C10   Fuel Pressure Sensor                                             C28     Ignition Coil Assembly No. 2
C11   Fuel Injector Assembly (for Direct Injection No. 1)              C29     Spill Control Valve (Fuel Pump Assembly)
C12   VVT Sensor (Camshaft Position Sensor)                            C30     Fuel Injector Assembly (for Port Injection No. 2)
      (Bank 1 Intake Side)                                             C31     Fuel Injector Assembly (for Port Injection No. 4)
C13   Heated Oxygen Sensor (Bank 1 Sensor 2)                           C33     Crankshaft Position Sensor
C14   Wide Range Air Fuel Ratio Sensor (Bank 1 Sensor 1)               C34     Knock Control Sensor (Bank 2)
C15   Throttle Body with Motor Assembly                                C35     E.F.I. Engine Coolant Temperature Sensor
C16   Intake Mass Air Flow Meter Sub-Assembly                          C36     Knock Control Sensor (Bank 1)
C17   Compressor with Magnet Clutch                                    C37     Fuel Injector Assembly (for Direct Injection No. 3)
C18   VSV                                                              C38     Ignition Coil Assembly No. 1
C19   Fuel Injector Assembly (for Direct Injection No. 4)              C39     Ignition Coil Assembly No. 3




38

                                                    BRZ (G4400BE)
G
                           Position of Parts in Engine Compartment

                     A11   A75   A76   B2   A43   A77   L2    L3     A54    L4   L5    A53    A55   d1   A59




                                                                                                                             A7


B1                                                                                                                           A12


A42                                                                                                                          A5


A40                                                                                                                          A62


A44                                                                                                                          A3


A38                                                                                                                          A60


A41                                                                                                                          A4


A52




                                            A51   A49   A48   A45    A46   A58   A63   A1



A1    Windshield Washer Motor and Pump Assembly                     A53    Back-Up Light Switch Assembly
A3    Side Marker Light LH                                          A54    Park/Neutral Position Switch Assembly
A4    Headlight Assembly LH                                         A55    Front Wiper Motor and Link Assembly
A5    VSC (VDC) Control Module                                      A58    Front Sub Sensor LH
A7    Pressure Switch (Liquid Tube Sub-Assembly)                    A59    Brake Fluid Level Warning Switch
A11   Battery Current Sensor Assembly                                      (Brake Master Cylinder Sub-Assembly)
A12   Front Speed Sensor LH                                         A60    Headlight Assembly LH
A38   Headlight Assembly RH                                         A62    Headlight Assembly LH
A40   Headlight Assembly RH                                         A63    Wireless Door Lock Buzzer
A41   Headlight Assembly RH                                         A75    Fusible Link Block Assembly
A42   Front Speed Sensor RH                                         A76    Fusible Link Block Assembly
A43   Generator Assembly                                            A77    Generator Assembly
A44   Side Marker Light RH
A45   Cooling Fan Motor                                             B1     Starter Assembly
A46   No. 2 Cooling Fan Motor                                       B2     Starter Assembly
A48   Ambient Temperature Sensor (Thermistor Assembly)
A49   High Pitched Horn Assembly                                    L2     Park/Neutral Position Switch Assembly
A51   Front Sub Sensor RH                                           L3     Transmission Revolution Sensor (SP2)
A52   Low Pitched Horn Assembly                                     L4     Electronically Controlled Transmission Solenoid
                                                                    L5     Transmission Revolution Sensor (NT)

                                                                    d1     CPC Solenoid




                                                                                                                             39

                                                  BRZ (G4400BE)
G ELECTRICAL WIRING ROUTING
                               Position of Parts in Instrument Panel

                                D8   D9   D11   D17   D16   D13   D29   D14   D30   D39   D38




D7

D12

D18
                                                                                                                            D21
D24
                                                                                                                            D20
D6
                                                                                                                            D23
D5
                                                                                                                            D22
D1
                                                                                                                            D26




                          D2    D3   D4   D10   D19   D25   D27   D28   D31   D35   D36   D32   D33   D34



D1    Option Connector                                        D21       No. 1 Heater Control Sub-Assembly
D2    Light Control Rheostat                                  D22       No. 3 Heater Control Sub-Assembly
D3    Headlight Leveling Switch                               D23       No. 3 Heater Control Sub-Assembly
D4    Luggage Door Opening Switch Assembly                    D24       Heater Control Sub-Assembly
D5    Main Body ECU                                           D25       Engine Switch
D6    Main Body ECU                                           D26       Indoor Electrical Key Oscillator Assembly
D7    Combination Meter Assembly                              D27       Airbag Control Module
D8    Junction Connector                                      D28       Shift Lever Position Sensor (Floor Shift Control Lever)
D9    Junction Connector                                      D29       Option Connector
D10   DLC3                                                    D30       Passenger's Airbag Module
D11   Radio Receiver Assembly                                 D31       Parking Brake Switch Assembly
D12   Radio Receiver Assembly                                 D32       Seat Heater Switch LH
D13   Radio Receiver Assembly                                 D33       Seat Heater Switch RH
D14   Radio Receiver Assembly                                 D34       No. 2 Power Outlet Socket Assembly
D16   Junction Connector                                      D35       Pattern Select Switch Assembly
D17   Junction Connector                                      D36       Shift Position Indicator
D18   Clock Assembly                                          D38       Front No. 3 Speaker Assembly RH
D19   A/C Amplifier Assembly                                  D39       Front No. 2 Speaker Assembly RH
D20   A/C Amplifier Assembly




40

                                                BRZ (G4400BE)
G
                                Position of Parts in Instrument Panel

                               D54   D60   D59   D53   D58   D57   D71   D49   D45   D46   D47




                                                                                                                      D43

                                                                                                                      D44
D66
                                                                                                                      D42
D65
                                                                                                                      D40
D64
                                                                                                                      D41
D61
                                                                                                                      D48
D50

D52




                                                               D74   D51   D56   D55



D40   Certification ECU Assembly                                   D54     Transponder Key Amplifier
D41   Certification ECU Assembly                                   D55     Ignition or Starter Switch Assembly
D42   Shift Lock Release Button Cover                              D56     Steering Sensor
D43   Junction Connector                                           D57     Windshield Wiper Switch Assembly
D44   No. 1 Power Outlet Socket Assembly                           D58     Windshield Wiper Switch Assembly
D45   Automatic Light Control Sensor                               D59     Steering Lock Actuator Assembly
D46   Junction Connector                                           D60     Key Inter Lock Solenoid
D47   Junction Connector                                                   (Ignition Switch Lock Cylinder Assembly)
D48   Certification ECU Assembly                                   D61     Turn Signal Flasher Assembly
D49   Junction Connector                                           D64     Trip Switch
D50   Headlight Dimmer Switch Assembly                             D65     Front No. 3 Speaker Assembly LH
D51   Roll Connector                                               D66     Front No. 2 Speaker Assembly LH
D52   Roll Connector                                               D71     Antenna Amplifier
D53   Un-Lock Warning Switch Assembly                              D74     No. 1 Cooler Thermistor
      (Ignition Switch Lock Cylinder Assembly)




                                                                                                                      41

                                                 BRZ (G4400BE)
G ELECTRICAL WIRING ROUTING
                                       Position of Parts in Instrument Panel

             (*2)   (*1)                     (*3)   (*4)
             A19    A20    A23   z1    A22   A30    A64    A29    A37    A36   A35   A34   A33




      (*2)
A18

      (*1)
A21

A9

A10

A17

A13
                                                                                                                                  A32
 z2
                                                                                                                                  A28
A73
                                                                                                                                  A31
 * 1:A/T
 * 2:M/T                                                                                                                   (*5)
 * 3:w/ Smart Entry  Start System                                                                                                A26
 * 4:w/o Smart Entry  Start System
 * 5:Manual A/C                                                                                                            (*6)
 * 6:Automatic A/C                                                                                                                A27
 * 7:w/ Cruise Control
 * 8:w/o Cruise Control

                                 A15   A14   A24    A25    z5     z8     z4    z7    z6    H17   G1   a1   a2
                                                           (*7)   (*8)


A9      Junction Connector                                                     A73    Main Body ECU
A10     Junction Connector
A13     Noise Filter                                                           G1     Airbag Control Module
A14     Power Steering ECU Assembly
A15     Power Steering ECU Assembly                                            H17    Airbag Control Module
A17     Junction Connector
A18     Transmission Control Module                                            a1     No. 1 Stereo Jack Adapter Assembly
A19     Transmission Control Module                                            a2     Radio Receiver Assembly
A20     Clutch Start Switch Assembly
A21     Clutch Switch Assembly                                                 z1     Power Steering ECU Assembly
A22     Stop Light Switch Assembly                                                    Steering Column Assembly
A23     Accelerator Pedal Sensor Assembly                                      z2     Power Steering ECU Assembly
A24     No. 1 A/C Radiator Damper Servo Sub-Assembly                                  Steering Column Assembly
A25     Cooler Thermistor (Room Temperature Sensor)                            z4     Roll Connector
A26     Blower Resistor                                                               Paddle Shift Switch
A27     Blower Assembly                                                        z5     Roll Connector
A28     No. 3 A/C Radiator Damper Servo Sub-Assembly                                  Cruise Control Main Switch
A29     No. 4 A/C Radiator Damper Servo Sub-Assembly                           z6     Roll Connector
A30     ID Code Box                                                                   Driver's Airbag Module
A31     Blower with Fan Motor Sub-Assembly                                     z7     Roll Connector
A32     No. 5 A/C Radiator Damper Servo Sub-Assembly                                  Driver's Airbag Module
A33     ECM                                                                    z8     Roll Connector
A34     ECM                                                                           Horn Button Assembly
A35     ECM
A36     ECM
A37     Junction Connector
A64     Transponder Key ECU Assembly

42

                                                           BRZ (G4400BE)
Memo




                   43

BRZ (G4400BE)
G ELECTRICAL WIRING ROUTING
                                     Position of Parts in Body

                                              F9        F8        F6        F1        F2   F5        F3   G18




E5

E9
                                                                                                                                      G11
E7
                                                                                                                                      G10
E6
                                                                                                                                      G12
E8
                                                                                                                                      G14
E4
                                                                                                                                      G15

                                                                                                                                      G16

                                                                                                                                      G9




                               E1   E2   E3        G7        G4        G6        F4    G17      G8



E1   Electrical Key Antenna LH                                              G4         Seat Heater RH
     (Front Door Outside Handle Assembly LH)                                G6         No. 2 Fuel Sender Gage Assembly
E2   Front Courtesy Light Assembly LH                                       G7         Fuel Sender Gage Assembly
E3   Door Lock with Motor Assembly LH                                       G8         Canister Pump Module
E4   Front Door Impact Sensor LH                                            G9         Rear Speed Sensor RH
E5   Power Window Regulator Motor Assembly LH                               G10        Rear Window Defogger (Back Window Glass)
E6   Front No. 1 Speaker Assembly LH                                        G11        Curtain Airbag Module RH
E7   Outer Rear View Mirror Assembly LH                                     G12        Fuel Pump Control ECU Assembly
E8   Power Window Regulator Master Switch Assembly                          G14        Curtain Airbag Sensor RH
E9   Outer Mirror Switch Assembly                                           G15        Rear Speaker Assembly RH
                                                                            G16        Side Airbag Sensor RH
F1   Power Window Regulator Motor Assembly RH                               G17        Pretensioner RH
F2   Front Door Impact Sensor RH                                            G18        Front Door Courtesy Light Switch Assembly RH
F3   Door Lock with Motor Assembly RH
F4   Front Courtesy Light Assembly RH
F5   Electrical Key Antenna RH
     (Front Door Outside Handle Assembly RH)
F6   Power Window Regulator Switch Assembly
F8   Outer Rear View Mirror Assembly RH
F9   Front No. 1 Speaker Assembly RH




44

                                              BRZ (G4400BE)
G
                                               Position of Parts in Body

                         H19   H18    b1     H16   K5   H15   H30    K3        K4    K1    e2   H29   c1    H10




                                                                                                                                       H9

                                                                                                                                (*1)
                                                                                                                                       H26

                                                                                                                                (*2)
                                                                                                                                       H27

                                                                                                                                (*3)
                                                                                                                                       H28
H24

                                                                                                                                       H1
H21

                                                                                                                                       J2
H23

                                                                                                                                       J3
H22

                                                                                                                                       J1

                                                                                                                                       J4


      * 1:w/ Smart Entry  Start System                                                                                                H2
          w/o Tire Pressure Warning System
      * 2:w/o Smart Entry  Start System
          w/o Tire Pressure Warning System
      * 3:w/ Tire Pressure Warning System
                                                        H25   e1    H12    H14      H7    H13   H6    H8    H3



H1    Rear Combination Light Lens and Body RH                             J1        License Plate Light Lens LH
H2    Back-Up Light Lens and Body                                         J2        Back Door Opener Switch Assembly
H3    Rear Electrical Key Antenna                                         J3        Luggage Compartment Door Striker Assembly
H6    Rear Combination Light Lens and Body LH                             J4        License Plate Light Lens RH
H7    Luggage Door Opening Cancel Switch Assembly
H8    No. 1 Luggage Compartment Light Assembly                            K1        Vanity Light Assembly RH (Visor Assembly RH)
H9    No. 2 Indoor Electrical Key Oscillator Assembly                     K3        Map Light Assembly
H10   Center Stop Light Assembly                                          K4        Microphone Amplifier Assembly (Map Light Assembly)
H12   Rear Speed Sensor LH                                                K5        Vanity Light Assembly LH (Visor Assembly LH)
H13   Stereo Component Amplifier Assembly
H14   Stereo Component Amplifier Assembly                                 b1        Side Airbag Module LH
H15   No. 3 Indoor Electrical Key Oscillator Assembly
H16   Satellite Safing Sensor                                             c1        Side Airbag Module RH
H18   Seat Heater LH
H19   Front Seat Inner Belt Assembly LH                                   e1        Front Seat Inner Belt Assembly RH
H21   Front Door Courtesy Light Switch Assembly LH                        e2        Occupant Detection Control Module
H22   Pretensioner LH
H23   Side Airbag Sensor LH
H24   Rear Speaker Assembly LH
H25   Curtain Airbag Sensor LH
H26   Door Control Receiver
H27   Door Control Receiver
H28   Tire Pressure Warning ECU and Receiver
      (Door Control and Tire Pressure Monitoring System
      Receiver Assembly)
H29   Rear Window Defogger (Back Window Glass)
H30   Curtain Airbag Module LH

                                                                                                                                       45

                                                        BRZ (G4400BE)
G ELECTRICAL WIRING ROUTING
     : Location of Connector Joining Wire Harness and Wire Harness
     : Location of Ground Points




                        AB1 AC2 AC1   Transmission   AL2 AL1   C1   Cd1
                                      Wire




No. 2 Engine Room                                                         No. 1 Engine Wire
Wire
                                                                               Engine Wire

                                                                              Engine Room
                                                                              Main Wire




                          A7                          A1




46

                               BRZ (G4400BE)
G
      : Location of Connector Joining Wire Harness and Wire Harness


                                        aD1 DA2 DA1 DA3 FD1 DK1




                                                                                                    AD1

AD2                                                                                                 FD2

AD3                                                                                                 FG1

DD1                                                                                                 GD1

EH1                                                                                                 GD2

HD2
HD1




                                    ED1 ED2

      : Location of Ground Points
             A2    Engine Room Instrument Panel      D2     D3   Engine Room Roof Wire
                   Main Wire   Wire                              Main Wire




                                                                                                     A3



                                                                                              Front Door
                                                                                              Wire RH

                                                                                                     D4
Front Door
Wire LH                                                                                  No. 1 Froor Wire



 D1




                                Instrument Panel
             No. 2 Froor Wire   Wire Assembly      No. 2 Froor Wire No. 1 Froor Wire


                                                                                                      47

                                          BRZ (G4400BE)
G ELECTRICAL WIRING ROUTING
     : Location of Connector Joining Wire Harness and Wire Harness
     : Location of Ground Points




                                 Ge1 Gc1    Roof Wire   H4   Front Door   G2        G1
                                                             Wire RH




Front Door
Wire LH
                                                                                         No. 1 Froor Wire

 Hb1

                                                                                         Back Door Wire
No. 2 Froor Wire




                            H3    Occupant Detection                           H1
             Seat Wire LH         Sensor Wire        Seat Wire RH   JH1




48

                                           BRZ (G4400BE)
G
[Antenna]




                No. 2 Antenna Cord   No. 3 Antenna Cord
                Sub-Assembly         Sub-Assembly




 Antenna Cord
 Sub-Assembly


                                                          Amplifier Antenna
                                                          Assembly
 Antenna Cord
 Sub-Assembly




                                                                          49

                           BRZ (G4400BE)
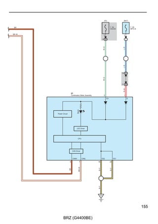
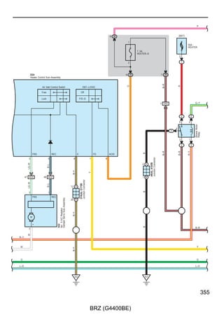
H SYSTEM CIRCUITS

                           BRZ
     ELECTRICAL WIRING DIAGRAM
               SYSTEM CIRCUITS
                                                                                                                                                 Page
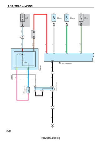
                    ABS ......................................................................................................................   220
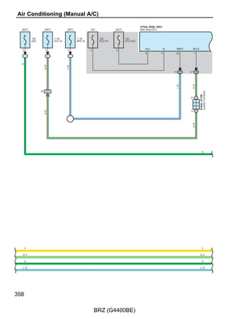
                    Air Conditioning (Automatic A/C) .....................................................................                       342
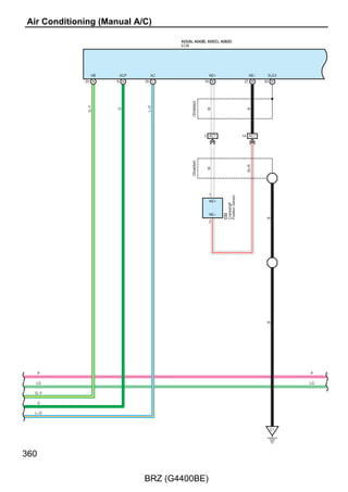
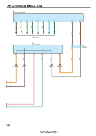
                    Air Conditioning (Manual A/C) ..........................................................................                     354
                    Audio System .....................................................................................................           316
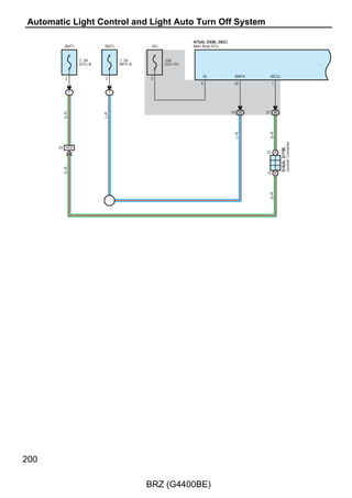
                    Automatic Light Control ....................................................................................                 200
                    Back-Up Light .....................................................................................................          162
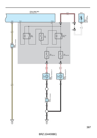
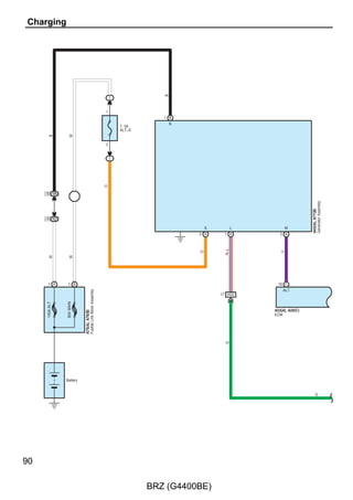
                    Charging ..............................................................................................................      90
                    Clock ....................................................................................................................   256
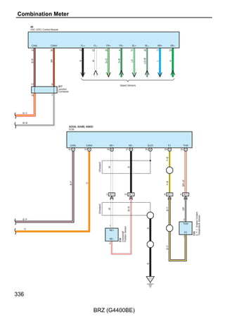
                    Combination Meter .............................................................................................              326
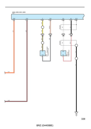
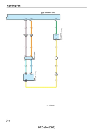
                    Cooling Fan .........................................................................................................        338
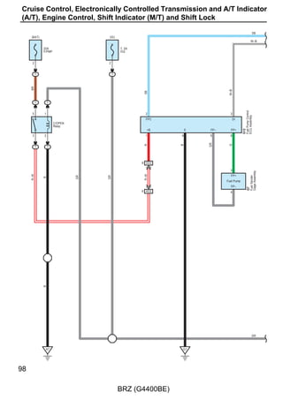
                    Cruise Control ....................................................................................................          98
                    DLC3 ....................................................................................................................    140
                    Door Lock Control ..............................................................................................             264
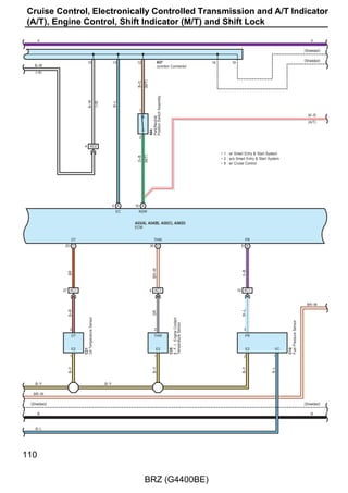
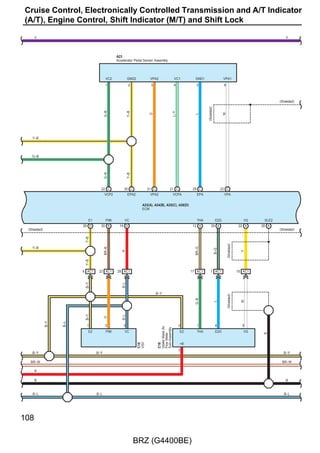
                    Electronically Controlled Transmission and A/T Indicator (A/T) ...................                                           98
                    Engine Control ....................................................................................................          98
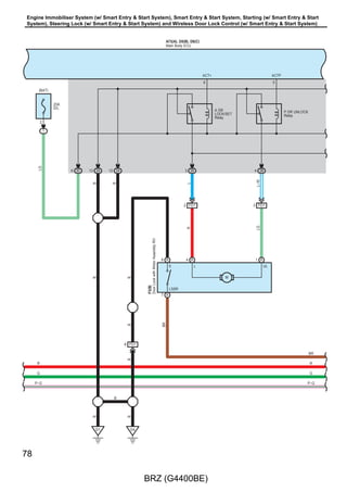
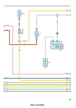
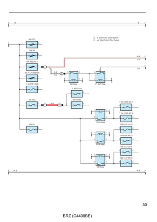
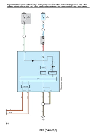
                    Engine Immobiliser System (w/ Smart Entry  Start System) .......................                                            60
                    Engine Immobiliser System (w/o Smart Entry  Start System) .....................                                             134
                    EPS ......................................................................................................................   240
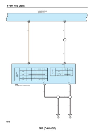
                    Front Fog Light ...................................................................................................          192
                    Front Wiper and Washer ....................................................................................                  288
                    Headlight .............................................................................................................      148
                    Headlight Beam Level Control ..........................................................................                      208
                    Horn .....................................................................................................................   302
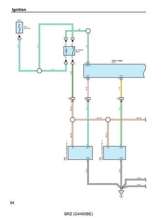
                    Ignition ................................................................................................................    94
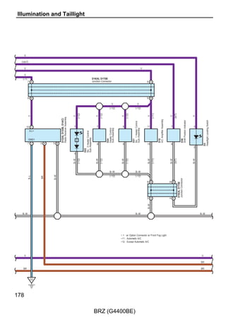
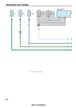
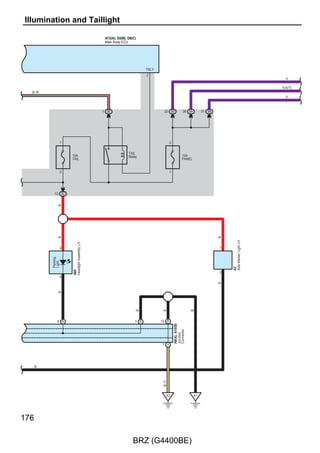
                    Illumination .........................................................................................................       170
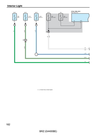
                    Interior Light .......................................................................................................       182
                    Key Reminder (w/o Smart Entry  Start System) ............................................                                   214
                    Light Auto Turn Off System ..............................................................................                    200
                    Light Reminder ...................................................................................................           214
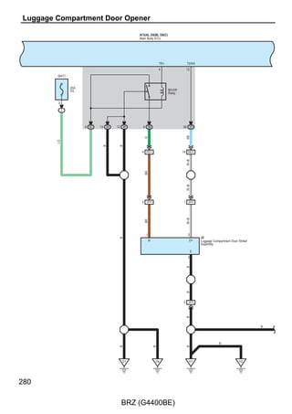
                    Luggage Compartment Door Opener ...............................................................                              278
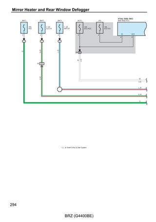
                    Mirror Heater .......................................................................................................        294
                    Multiplex Communication System (CAN) ........................................................                                144
                    Option Connector ...............................................................................................             364
                    Power Outlet .......................................................................................................         304
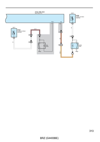
                    Power Source .....................................................................................................           52
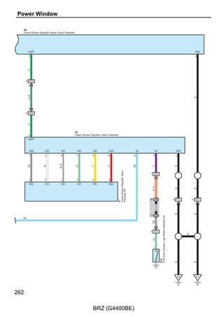
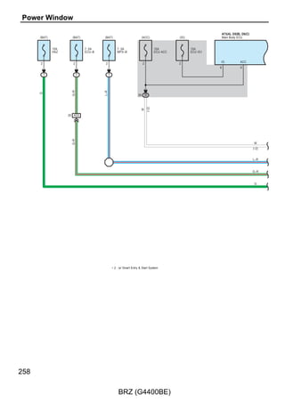
                    Power Window ....................................................................................................            258
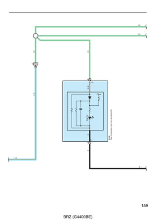
                    Rear Window Defogger ......................................................................................                  294
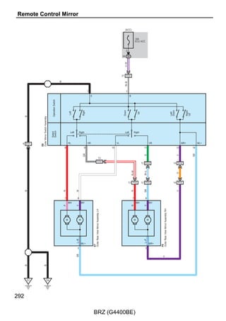
                    Remote Control Mirror .......................................................................................                292
                    Seat Belt Warning ...............................................................................................            246
                    Seat Heater ..........................................................................................................       300
                    Shift Indicator (M/T) ...........................................................................................            98
                    Shift Lock ............................................................................................................      98


50

                                 BRZ (G4400BE)
H




                                                                                                                             Page
Smart Entry  Start System ..............................................................................                     60
SRS ......................................................................................................................   233
Starting (w/ Smart Entry  Start System) ........................................................                            60
Starting (w/o Smart Entry  Start System) ......................................................                             86
Steering Lock (w/ Smart Entry  Start System) ..............................................                                 60
Stop Light ............................................................................................................      158
Taillight ................................................................................................................   170
Theft Deterrent ....................................................................................................         306
Tire Pressure Warning System .........................................................................                       250
TRAC ...................................................................................................................     220
Turn Signal and Hazard Warning Light ............................................................                            164
VSC ......................................................................................................................   220
Wireless Door Lock Control (w/ Smart Entry  Start System) .......................                                           60
Wireless Door Lock Control (w/o Smart Entry  Start System) ....................                                             270




                                                                                                                              51

             BRZ (G4400BE)
Power Source


                                                                                                                 W



                                                                                        7. 5A ALT–S

                                                                   W               1                     2
                                                                        1




                                                                                         15A ETCS
                                                                         1
                                                                   W               1                     2
                                                                        1D


                                                                                         20A F/PMP

                                                                                   1                     2



                                                                                        7. 5A MPX–B

                                                                                   1                     2



                                                                                          15A HAZ

                                                                                   1                     2
                  W




                             W




                                                                                        7. 5A EFI(+B)

                                                                                   1                     2



                                                                                        15A EFI(IGN)

                                                                                   1                     2



                                                                                        15A EFI(HTR)

                                                                                   1                     2



                1 A        1 B                                                         15A EFI(CTRL)
                                     Fusible Link Block Assembly




                                                                                   1                     2
                          80A MAIN
               140A ALT




                                                                                         7. 5A AT+B
                                     A75(A), A76(B)




                                                                                   1                     2



                                                                                       7. 5A AM2 NO. 2

                                                                                   1                     2




                                                                                        30A IG2 MAIN

                                                                                   1                     2       W–B
                                                                                                             1


                          Battery




52

                                                                   BRZ (G4400BE)
W                                                                                                                                              W




                                                                                   ∗ 2 : w/ Smart Entry  Start System
             80A EPS                                                               ∗ 3 : w/o Smart Entry  Start System
      1                    2



             30A INJ

      1                    2
                                                                                                                                               W–R
                                                                                                                                               (∗3)
          40A AM2 NO. 1

      1                    2
                               1
                                                                                                                                               (∗2)
                                                                                            4
      30A H–LP WASHER                    W–B             5               3          3
                                                    1
                                         (∗2)
      1                    2
                                                         1               2          2                  1

          7. 5A STR LOCK                                     IGS Relay                  ST CUT Relay

      1                    2                                     7. 5A ECU–B

                                                             1                 2



             30A DCC                                             20A DOME
                                                                                                                          7. 5A HORN NO. 1
      1                    2       R–B                       1                 2
                               1                1                                                                     1                    2

                                                                                    1                  2
                                                                                                                          7. 5A HORN NO. 2

                                                                                    5                  3              1                    2

                                                                                        HORN Relay
             20A D/L                                                                                                      15A H–LP LH LO

      1                    2                                                                                          1                    2

                                                                                    1                  2
                                                                                                                          15A H–LP RH LO

                                                                                    5                  3              1                    2

                                                                                         H–LP Relay
                                                                                                                          10A H–LP LH HI

                                                                                                                      1                    2

                                                                                    1                  2
                                                                                                                          10A H–LP RH HI

                                                                                    5                  3              1                    2

                                                                                         DIM Relay

W–B                                                                                                                                            W–B




                                                                                                                                                      53

                                                        BRZ (G4400BE)
Power Source


     W                                                                                                                                                        W


                                                                                                                                                            W–G(∗3)




                                                            ACC 3                                                                                           SB(∗3)

                                          2 AM1                 IG1 4           W                                                                            W(∗3)
                                                                             (∗3)
                                                            ST1



             1                                                                                        3
     W–R                      W–R         7 AM2                 IG2 6                     G–O                             G–O
            AD3                                                                                      AD3
     (∗3)                      (∗3)                                                       (∗3)                            (∗3)
                                                            ST2 8

                                                                                                      4
                                                                                          W–B                             W–B
                                                                                                     AD3
     (∗2)                                   D55                                           (∗3)                            (∗3)
                                            Ignition or
                                            Starter Switch Assembly
                              7. 5A PUSH–AT

                          1                     2
                  (∗2 A/T)
              (∗2)




                                                        2
                                                       1E
                                  (∗3)

                                                                                                      7. 5A ST

                          5                 3                        W–L            W–L          1                    2
                                                        1                                   1

                          2                 1

                               ST Relay



                                                                                                                                                             G–O
                                                                            1
                                                                                                                                                             (∗2)

                                                                                                                                     10A ECU IG2

                                                                                                                                 1                  2



                                                                                                                                     7. 5A GAUGE

                                                                                                                                 1                  2



                                                                                                                                     15A AT UNIT
                                                                                                                  4
                                                                                                       P                         1                  2
                                                                                                                 3C

                                                1                2
                                      1
                                                                                                                                       7. 5A IG2
                  B




     W–B                                        5                3                    P                P                         1                  2
                                      1                                     1                                    1                                      1

                                                    IG2 Relay

                                                                                                                                         P
                  B




                                                                                                                                     15A A/B MAIN

                                                                                                                                 1                  2
                                                                                                                 1
                     A7




54

                                                                           BRZ (G4400BE)
1                                                                                                                                1
  W                                                                                                                                             B–R
          1C                                                                                                                               1B

W–G(∗3)                                                               25A D FR DOOR

                                                                  1                   2

SB(∗3)
                                                                      25A ABS NO. 2
 W(∗3)
                                                                  1                   2




                                                                      25A D FL DOOR                                    50A HEATER

                                                                  1                   2                            1                   2         R
                                                                                                                                           1
                                                                                                                                                (∗1)

                                                                        25A D–OP                                        30A RR DEF

                                                                  1                   2                            1                   2




                                                                        25A CDS

                                                                  1                   2

                                                                                                                       40A ABS NO. 1

                                                                                                                   1                   2
                                 ∗ 1 : Manual A/C
                                 ∗ 2 : w/ Smart Entry  Start System
                                 ∗ 3 : w/o Smart Entry  Start System




                                                                                                                                                W–G
 G–O                                                                                                                                            (∗3)
 (∗2)
                                                                                                                                                SB
                           34 AD2                                                                                                               (∗3)

                                                                                                                                                SB
                                                                                                                                                (∗2)
                                   (∗2)




                                                           (∗2)




                                                                                          (∗2)
                                                      SB




                                                                                    W
                             V




                            9 C                      4 B                           6 B
                                                                                                 D41(B), D48(C)
                             IG2D                     ACCD                            IG1D       Certification
                                                                                                 ECU Assembly


                             SSW1             SSW2                                  AGND                                                        W
                            28 B            30 B                                   24 B                                                         (∗3)

                                                                                                                                                W
                                   (∗2)




                                                   (∗2)




                                                                                          (∗2)
                                              BE
                             P




                                                                                    B




                                                                                                                                                (∗2)

                             5                 1                                      6
                                                                                                   D25
                                   SSW1            SSW2                                   AGND     Engine Switch

                              SS1              SS2                GND

                 Free

               Full
               Traveling




                                                                                                                                                       55

                                                                       BRZ (G4400BE)
Power Source


     B–R                                                                                                                                B–R



                                                      10A WASHER

                                                1                   2                                                                   W–G

                                                                                        ∗ 1 : Manual A/C                                (∗3)
          1                 2
                                                                                        ∗ 2 : w/ Smart Entry  Start System
                                                      30A WIPER                         ∗ 3 : w/o Smart Entry  Start System
          5                 3                   1                   2

              WIPER Relay


                                                          (∗1)                                                     7. 5A HEATER–S
                                          4
                                                                                  1                 7
      R                            5                  3                 B–R            B–R                     1                    2
                  2                                                 2            DA2               3B                                   SB
     (∗1)                                                               (∗1)           (∗1)
                                                                                                                                        (∗3)
                                   1                  2
                            (∗1)                          (∗1)
                                       Blower Motor
                                       Relay

          1                 2
                                                    7. 5A MIR HTR

          5                 3                   1                   2

          MIR HTR Relay


          1                 2
                                                          25A RDI

          5                 3                   1                   2

          FAN NO. 1 Relay




     W–G
     (∗3)

     SB
     (∗3)

     SB                                                                                                                                 SB
     (∗2)                                                                                                                               (∗2)




     W                                                                                                                                  W
     (∗3)                                                                                                                               (∗3)

     W                                                                                                                                  W
     (∗2)                                                                                                                               (∗2)




56

                                                                               BRZ (G4400BE)
1
B–R
       3E


                7. 5A AM1             15A ANP
       14
W–G         2               1    1                2                          10A PANEL
       3A                                               TAIL Relay
(∗3)
                                                                        1                    2



                                                                              10A TAIL

                                                                        1                    2




       20
SB
       3A
(∗3)                                                                    15A P/POINT NO. 1
                                                       ACC2 Relay
                                                                        1                    2



                                                                             7. 5A RADIO
                                     7. 5A OBD
                                                                        1                    2
                                 1                2




                                                                             10A ECU IG1
                                                      IG1 NO. 1 Relay
                                                                        1                    2



                                                                            7. 5A BK/UP LP

                                     7. 5A STOP                         1                    2

                                 1                2




                                                                            10A FR FOG LH
SB                                                    FR FOG Relay
(∗2)                                                                    1                    2



                                                                            10A FR FOG RH

                                                                        1                    2


W
(∗3)
       15
W
       3A
(∗2)




                                                                                                 57

                                BRZ (G4400BE)
Power Source




                           15A P/POINT NO. 2

                           1                 2



                               10A ECU ACC
          ACC1 Relay
                           1                 2




                                 10A DRL
         IG1 NO. 2 Relay
                           1                 2




                           10A SEAT HTR LH

                           1                 2



                           10A SEAT HTR RH
         IG1 NO. 4 Relay
                           1                 2




                               10A HEATER        13
         IG1 NO. 3 Relay                              B
                           1                 2   3A


                                                 12
                                                      B
                                                 3A
                                                          B




                                                               B




                                                          D1   D4




58

                           BRZ (G4400BE)
: Parts Location
  Code                     See Page              Code                  See Page                Code                  See Page
A75    A        36, 39                            D25        40                              D48    C      41
A76    B        36, 39                         D41    B      41                                 D55        41


       : Relay Blocks
Code            See Page      Relay Blocks (Relay Block Location)
 1         24                 Engine Room R/B (Engine Compartment Right)
 2         25                 R/B No. 2 (Behind Glove Box)


       : Junction Block and Wire Harness Connector
Code            See Page      Junction Block and Wire Harness (Connector Location)
 1B
 1C
           24                 Engine Room Main Wire and Engine Room J/B (Engine Compartment Right)
 1D
 1E
 3A
           26                 Instrument Panel Wire and Instrument Panel J/B Assembly (Instrument Panel Reinforcement)
 3B
 3C
           26                 Engine Room Main Wire and Instrument Panel J/B Assembly (Instrument Panel Reinforcement)
 3E


       : Connector Joining Wire Harness and Wire Harness
Code            See Page      Joining Wire Harness and Wire Harness (Connector Location)
AD2        47                 Engine Room Main Wire and Instrument Panel Wire (Instrument Panel Reinforcement)
AD3        47                 Engine Room Main Wire and Instrument Panel Wire (Cowl Side Panel LH)
DA2        47                 Instrument Panel Wire and Engine Room Main Wire (Around A/C Unit)


       : Ground Points
Code            See Page      Ground Points Location
 A7        46                 Front Fender Apron RH
 D1        47                 Cowl Side Panel LH
 D4        47                 Cowl Side Panel RH




                                                                                                                                59

                                                       BRZ (G4400BE)
Engine Immobiliser System (w/ Smart Entry  Start System), Smart Entry  Start System, Starting (w/ Smart Entry  Start
System), Steering Lock (w/ Smart Entry  Start System) and Wireless Door Lock Control (w/ Smart Entry  Start System)



                                                      A37
                                                      Junction Connector

                        13              12




                                              (M/T)
                                        B–O
                                                                                                           # : There is no wire color information.




                                                      Park/Neutral Position
                                         1




                                                      Switch Assembly
                                                                                                                                                     W–R(A/T)

                                                      A54

                                                                                                                                                       BR
                                         2
                               (M/T)




                                              (M/T)
                                        G–B
                        B–L




                                                                                                     B–L




                        4 A            16 A                                          14 A    26 C
                          EC            NSW                                          STSW2     STA

                                         A33(A), A35(C)
                                         ECM


                         TACH           STSW                                  IMO     ACCR    STAR
                       15 C            17 A                             25 C         32 C    34 C
                        GR–R




                                                                                              LG–R
                                        G–W




                                                                                      G–Y
                                                                              Y




                                                                                                                                                       B–L




                                                                                                                                                      LG–R

                                                                                                                                                       G–Y

                                                                                                                                                        Y

                                                                                                                                                      G–W

                                                                                                                                                      GR–R




60

                                                                                  BRZ (G4400BE)
(BAT)                                                                                                           Y–P(M/T)


                                 7. 5A
                                 AM2 NO. 2
                                                                                                                             W–L


            2

                 1




                                                          W–L




                                                                                                 W–L
                     (M/T)
           R–W




W–R(A/T)


            1
                             Switch Assembly




                                                                1
  BR
                             Clutch Start




                                                           1
                             A20




                                                                                                1 AB1
                                                                    7. 5A
            2                                                       ST
                     (M/T)
           Y–P




                                                                                                 #
                                                           2

                                                                1
                                           Y–P(M/T)                                       1 B   1 A




                                                                                                        Starter Assembly
                                               BR




                                                                                                        B1(A), B2(B)
                                                                                                   M
                     (M/T)
           Y–P




                                                                            #




                                                                                Battery




                                                                                                                           W–R(A/T)




  B–L                                                                                                                        B–L

                                                                                                                           Y–P(M/T)

 LG–R                                                                                                                       LG–R

  G–Y                                                                                                                        G–Y

   Y                                                                                                                          Y

 G–W                                                                                                                        G–W

 GR–R                                                                                                                       GR–R




                                                                                                                                      61

                                                      BRZ (G4400BE)
Engine Immobiliser System (w/ Smart Entry  Start System), Smart Entry  Start System, Starting (w/ Smart Entry  Start
System), Steering Lock (w/ Smart Entry  Start System) and Wireless Door Lock Control (w/ Smart Entry  Start System)



 Y–P(M/T)




                                                                                 (A/T)
     W–L                                                                 1


                                                                                         7. 5A
                                                                                         PUSH–AT


                                                                         2




                                                                                 (A/T)
                                        1




                                                                                 (A/T)


                                                                                                   (A/T)
                                   2         5                           5                2                                3    2
                          (A/T)
                      R




                                                      ST                                                   INHIBITOR   4                  ST CUT
                                                      Relay                                                Relay                          Relay

                                   1         3                           3                1                                     1


                                        1         1                          1                 1                                      1


                                                                                         W–R
                                                                                 (A/T)


                                                                                                   (A/T)
                                            W–L
                                  B–L




                                                                        R




                                                                                                                               LG–R




 W–R(A/T)                                                         W–R(A/T)                                                                         W–R
                                                                                                                                                   (A/T)


     B–L

 Y–P(M/T)                                                                                                                                     Y–P(M/T)

     LG–R

     G–Y                                                                                                                                           G–Y

      Y                                                                                                                                             Y

     G–W                                                                                                                                           G–W

     GR–R                                                                                                                                          GR–R




62

                                                              BRZ (G4400BE)
(BAT)                                                     (BAT)


                                                                               40A                                                      30A
                                                                               AM2 NO. 1                                                IG2 MAIN


                                                                     2                                                         2

                                                                          1                                                         1




                                                                    W–R




                                                                                                                              W–B


                                                                                                                                        G–O
                                                                               GR




                                                                                                             GR
                                                                          1         1                             1                 1         1


                                                                     5          1                            2                 5         2

                                                                                        IGS                                                       IG2
                                                                                        Relay                         7. 5A                       Relay
                                                                                                                      IG2

                                                                     3          2                                              3         1
                                                                                                             1

                                                                                    1                             1                 1         1
                                            Park/Neutral Position




                                                                                                                         P
                                            Switch Assembly




                     P
                                                                               B




                     N
                                            L2




                                                                                                                                        B
                                                                                        Junction Connector




                          4     5
                                                                    1 A        5 A
                                                                                        A9(A), A10(B)
                  (A/T)




                                    (A/T)
            W




                               Y




                                                                    1 B

           7 AL2              6 AL2
                                                                    B




                                                         B
                                                    (A/T)
            W–R
                  (A/T)




                                                                    B




                                                                                                                                        B




                                                                                                                                                            G–O

 W–R                                         W–R(A/T)                                                                                                     W–R(A/T)
 (A/T)




Y–P(M/T)                                                                                                                                                  Y–P(M/T)




  G–Y                                                                                                                                                       G–Y

   Y                                                                                                                                                         Y

 G–W                                                                                                                                                       G–W

 GR–R                                                                                                                                                      GR–R



                                                                      A1                                                                  A7




                                                                                                                                                                     63

                                                                              BRZ (G4400BE)
Engine Immobiliser System (w/ Smart Entry  Start System), Smart Entry  Start System, Starting (w/ Smart Entry  Start
System), Steering Lock (w/ Smart Entry  Start System) and Wireless Door Lock Control (w/ Smart Entry  Start System)



       (BAT)                (IG)           (BAT)                          D40(A), D41(B), D48(C)
                                                                          Certification ECU Assembly
                  7. 5A            7. 5A             7. 5A
                  STR              GAUGE             AM2 NO. 2
                  LOCK


          2                 2               2
                                                                     +B              IG2                 SLP        SLR+     LIN
              1                                  1                2 C              5 B                 26 B      29 B      17 B

                          40 3B    37 3A



                                           R–W
                           BR
       SB




                                                                                                        LG




                                                                                                                            W
                                                                   R
                                    Y




                                                                                   Y




                                                                                                                   Y
     35 AD2                                                      33 AD2


                                                                                                                                                           W


                                                                   R–W
                                                                                                                                                          (∗1)


                                                                                                                                                         R–W
       SB




                                                                                                                                                          (∗1)




                                                                                                                            W
                                                                                    6                   4           3       5
                                                                                    IGN1                 SLP        SLR+     LIN
                                                                                        D59
                                                                                        Steering Lock Actuator Assembly
                                                                                        B                                   GND
                                                                                    7                                       1
                                                                                   SB




                                                                                                                            B



                                                                                                                                   Junction Connector


                                                                                                                           10 B
                                                                                                                                   D8(A), D9(B)




                                                                                                                           7 A

     G–O                                                                                                                                                  G–O
                                                                                                                            B




 W–R(A/T)                                                                                                                                               W–R(A/T)




 Y–P(M/T)                                                                                                                                               Y–P(M/T)
                                                                                                                            B




     G–Y                                                                                                                                                  G–Y

      Y                                                                                                                                                    Y

     G–W                                                                                                                                                 G–W

     GR–R                                                                                                                                                GR–R



                                                                                                                             D1




64

                                                             BRZ (G4400BE)
D40(A), D41(B), D48(C)
                                                                                                 Certification ECU Assembly




                                                                                          IG2D               N–SW               CLUT            ACCR     EGIO
                                                                                         9 C                 5 C               10 C            28 A     13 C




                                                                                                                                      (M/T)
                                                                                                                   (A/T)




                                                                                                                                                               (∗2)
                           ∗ 1 : w/ ID Code Box




                                                                                                                                                BE
                                                                                                             W
                                                                                          V




                                                                                                                                Y




                                                                                                                                                         Y
                           ∗ 2 : w/o ID Code Box




                                                                                        34 AD2            14 AD2              13 AD2          15 AD2   32 AD2


   W




                                                                                                                                      (M/T)
                                                                                                             W–R
                                                                                                                   (A/T)
                                                                                          G–O




                                                                                                                                                G–Y
                                                                                                                                Y–P




                                                                                                                                                               (∗2)
                                                                                                                                                         Y
  (∗1)


 R–W
  (∗1)                      3 AD2
              R–W




                              R–G
                    (∗1)




                                    (∗1)




                                                          (∗1)
                                                    Y




                                                                                                                                                         Y
               1               2                     4
                +B              LIN                 IMO1



                                                    GND
           A30                                       5
           ID Code Box
                                                    B–Y
                                                          (∗1)

                                                                 Junction Connector
                                                                 A9(A), A10(B)




                                                   10 B




                                                   7 A

  G–O

W–R(A/T)
                                                    B–Y
                                                          (∗1)




Y–P(M/T)




  G–Y

   Y

 G–W                                                                                                                                                         G–W

 GR–R                                                                                                                                                        GR–R



                                                      A3




                                                                                                                                                                      65

                                                                                      BRZ (G4400BE)
Engine Immobiliser System (w/ Smart Entry  Start System), Smart Entry  Start System, Starting (w/ Smart Entry  Start
System), Steering Lock (w/ Smart Entry  Start System) and Wireless Door Lock Control (w/ Smart Entry  Start System)



                                                D40(A), D41(B), D48(C)
                                                Certification ECU Assembly




             STSW      TACH          GND                                  VC5         TXCT          CODE     AGND     SWIL
            7 C      17 C
                      GR           11 C                                  1 B         9 B            7 B     24 B     16 B




                                                                                                                      LG
                                                                                     W
                                                                         G




                                                                                                    R
             P




                                                                                                             B
           16 AD2   37 AD2
                      GR–R
             G–W




                                     B




                                                                         10           7              8        6        9
                                                                       VC5         TXCT           CODE     AGND     SWIL




                                                                                   Antenna Coil
                                            Junction Connector




                                                                   D25
                                                                   Engine Switch
                                            D16(A), D17(B)




                                   14 A




                                   20 B
                                     B–Y
                                     B–Y




     G–W

     GR–R



                                       D3




66

                                                                 BRZ (G4400BE)
D40(A), D41(B), D48(C)
                                             Certification ECU Assembly




                 SSW1     SSW2                            POS2        TSW2           SEN2    CLG2    CG2B
                28 B     30 B                           21 B         8 B        23 B        11 B    10 B



                          BE




                                                                                 W
                                                         R
                 P




                                                                                             P




                                                                                                     V
                                                                      L
                                                       5 FD2        2 FD2      1 FD2        4 FD2   3 FD2




                                                         W–B




                                                                      Y–B




                                                                                 GR




                                                                                             W




                                                                                                     L
                 5         1                              5            1             4        6       3
            SSW1        SSW2                                   B      TRG+           SENS    ANT1    ANT2




                                                                                                     GND
                  SS1      SS2   GND
                                                         F5                                           2
                                                         Electrical Key Antenna RH
  Free                                                   (Front Door Outside
                                                          Handle Assembly RH)




                                                                                                     B
Full
Traveling




D25
Engine Switch
                                                                                                     B




                                                                                                    6 FD1




                                                                                                            B




                                                                                                                67

                                       BRZ (G4400BE)
Engine Immobiliser System (w/ Smart Entry  Start System), Smart Entry  Start System, Starting (w/ Smart Entry  Start
System), Steering Lock (w/ Smart Entry  Start System) and Wireless Door Lock Control (w/ Smart Entry  Start System)



                                                   D40(A), D41(B), D48(C)
                                                   Certification ECU Assembly




           POS1        TSW1           SEN1    CLG1           CG1B                                     RCO                     RDA      RSSI
         19 B        20 B        22 B        12 B          13 B                                      5 A                  17 A        19 A




                                                            BR




                                                                                                     LG
                       G




                                                                                                                                       R
          V




                                              Y




                                                                                                                              P
                                      L




         5 ED2       2 ED2       1 ED2       4 ED2        3 ED2                                   47 HD1                 45 HD1      46 HD1
          W–B




                       Y–B




                                                                                                                                       BR
                                              SB
                                      W




                                                                                                                              G
                                                            R




                                                                                                     Y
                                                                                                   10 B                       9 B      6 B (∗23)
           5            1             4        6             3                                      4 A                       5 A      2 A (∗24)
                B      TRG+           SENS    ANT1           ANT2                                      +5                     DATA     RSSI




                                                             GND                                                                        GND
          E1                                                 2                                   H26(A)                               12 B (∗23)
          Electrical Key Antenna LH                                                              Door Control Receiver                 1 A (∗24)
          (Front Door Outside                                                                    H28(B)
           Handle Assembly LH)                                                                   Tire Pressure Warning
                                                                                                 ECU and Receiver
                                                                                                 (Door Control and Tire
                                                            B




                                                                                                  Pressure Monitoring
                                                                                                  System Receiver Assembly)




                                                                                                                                       B
                                                            B




                                                                                ∗23 : w/ Tire Pressure Warning System
                                                                                ∗24 : w/o Tire Pressure Warning System



                                                          6 ED1
                                                            B




     B
                                                                                                                                       B
                                                            B




                                                                                B




                                                              D1                  D4                                                    H3




68

                                                                    BRZ (G4400BE)
D40(A), D41(B), D48(C)
                               Certification ECU Assembly




    CLG5                CG5B                   CLG6           CG6B                                       CLG7                      CG7B
   3 B                  2 B                  11 A            10 A                                       9 A                        8 A




                                              W




                                                                                                         W




                                                                                                                                   R
                                                              B
                                           28 HD1           27 HD1                                   44 HD1                   43 HD1
    BE




                                                              LG




                                                                                                         SB




                                                                                                                                   R
                        P




                                              L




                                                                           Key Oscillator Assembly
     1                   3                     1              3                                          1                          3
   ANTE5                CLGB                        ANTE6           CLGB   No. 3 Indoor Electrical      ANTE7                      CLGB
                                                                           H15




D26                                                                                                  H9
Indoor Electrical Key                                                                                No. 2 Indoor Electrical Key
Oscillator Assembly                                                                                  Oscillator Assembly




                                                                                                                                          69

                                               BRZ (G4400BE)
Engine Immobiliser System (w/ Smart Entry  Start System), Smart Entry  Start System, Starting (w/ Smart Entry  Start
System), Steering Lock (w/ Smart Entry  Start System) and Wireless Door Lock Control (w/ Smart Entry  Start System)



                                                                                   D40(A), D41(B), D48(C)
                                                                                   Certification ECU Assembly




         CLG8                      CG8B                  TSW5                                        P                                                                       IG1D   ACCD
        2 A                        1 A             27 A                                       25 B                                                                           6 B    4 B




                                                                                                         (A/T)
                                                                                               Y




                                                                                                                                                                             W
        BR




                                   Y




                                                         Y
                                                                                             28 3D
                                                                                                                                                                                           SB

                                                29 HD1

     26 HD1                   25 HD1                     GR                                  23 3D




                                                                                                         (A/T)
                                                                                               W–L
                                                  6 JH1
        Y–B




                                   V




                                                         GR




                                                         2                                      2




                                                                                                                                               Shift Lever Position Sensor
         1                          2




                                                                                                                                               (Floor Shift Control Lever)
                                                                                                         STR
                                                         BR




              ANTE8                      ANT2
                                                                                                                 Park–Switch
                                                                Back Door Opener
                                                Opener




                                                                Switch Assembly
                                                         BR




                                                                                                                                               D28
     H3                                                                                                                  E
                                                                J2




     Rear Electrical Key Antenna                         1                                                          3
                                                                                                                         (A/T)
                                                                                                                   B–Y
                                                         B




                                                                                                                   1 B
                                                                                                                                 D9(B)
                                                                                                                                 Junction Connector

                                                                                                                   6 B
                                                         B




                                                                                                                                                                                           W




                                                  5 JH1
                                                         B




                                                                                                                         (A/T)
                                                                                                                   B–Y
                                                         B




                                                          H1                                                         D1




70

                                                              BRZ (G4400BE)
D40(A), D41(B), D48(C)
                                        Certification ECU Assembly




                                ACC1 Relay



     20
SB
     3A

           ACC2 Relay




                               IG1 NO. 2 Relay




          IG1 NO. 1 Relay




                               IG1 NO. 4 Relay




                                                                     10A HEATER       13
                               IG1 NO. 3 Relay                                             B
                                                              1                   2   3A


     15                                                                               12
W                                                                                          B
     3A                                                                               3A       B




                                                                                               D1




                                                                                                    71

                            BRZ (G4400BE)
Engine Immobiliser System (w/ Smart Entry  Start System), Smart Entry  Start System, Starting (w/ Smart Entry  Start
System), Steering Lock (w/ Smart Entry  Start System) and Wireless Door Lock Control (w/ Smart Entry  Start System)



                                            D40(A), D41(B), D48(C)
                                            Certification ECU Assembly




                       SPD                                        CANH     CANL     STP1
                     27 B                                       14 B      15 B    18 C




                                                                                          (A/T)
                                                                  G




                                                                           R
                      P




                                                                                   L
                                                                                  32 3B
                             Junction Connector




                     18 A
                             D16(A)




                                                                                  8 3C

                     16 A
                      P–G




                    13 AD1
                                                                                   BR–W
                                                                                          (A/T)
                      P–G




                                                                                                                 BR–W
                                                                                                                  (A/T)
                      P–G




                                                                                                                   R

                                                                                                                   G

                                                                                                                  P–G




72

                                                                       BRZ (G4400BE)
(BAT)


                         7. 5A
                         STOP


           2

         9 3A   (A/T)
          W–L




        12 AD1
                        (Shielded)
                (A/T)


                                     (A/T)


                                                   (A/T)




                                                                 (A/T)
          W–L




                                             P




                                                           L




           3                                  2             1                                          2
                                                           G–B
                                             Y–L




                                                                                                           A22
          R




                                                                                                           Stop Light
                                                                                                           Switch Assembly

                                                                                                       1
                                                                          Noise Filter
                                                                          A13
          B




           4
                                                                                           Connector




                                                            11 A                     3 A
                                                                                           Junction
                                                   (A/T)




                                                                                           A9(A)
                                             B




                                                            12 A                     6 A

BR–W
(A/T)                                                                     B
                                                                         (A/T)
                                                   (A/T)
                                             B




 R                                                                                                                           R

 G                                                                                                                           G

P–G                                                                                                                          P–G




                                               A7




                                                                                                                                   73

                                                            BRZ (G4400BE)
Engine Immobiliser System (w/ Smart Entry  Start System), Smart Entry  Start System, Starting (w/ Smart Entry  Start
System), Steering Lock (w/ Smart Entry  Start System) and Wireless Door Lock Control (w/ Smart Entry  Start System)


                                                                                                   A73(A), D5(B), D6(C)
           (BAT)           (BAT)             (BAT)              (ACC)             (IG)             Main Body ECU


                   15A               7. 5A             7. 5A            10A              10A
                   HAZ               ECU–B             MPX–B            ECU ACC          ECU IG1


                                                                                                        IG            ACC
           2                2                 2                  2                2
                                                                                                       8              9

               1           G–R   1                 1




                                             L–R
           G




                                                               28 3B




                                                                W
                         25 AD2
                           G–R




                                                                                                                            W




                                                                                                                            L–R


                                                                                                                            G–R


                                                                                                                            G




     R                                                                                                                      R

     G                                                                                                                      G

     P–G                                                                                                                    P–G




74

                                                       BRZ (G4400BE)
A73(A), D5(B), D6(C)
                                                       Main Body ECU




       ACC    BMPX    BECU                        KSWB                    GND      GND                         GND
      22 B    32       1                           2                     11        1 C                         4 A




                                                                                                               B–Y
                                                                                   B
             19 3C   27 3A                        7 3C                 18 3B

                      G–R
              L–R
       W




                                                  G
                             Junction Connector




                                                                                          Junction Connector




                                                                                                                      Junction Connector
                             D16(A), D17(B)


                     21 A                                                          4 A




                                                                                          D8(A), D9(B)
                                                                                                               9 A




                                                                                                                      A9(A)
                                                                         B–Y
                     12 B                                                          6 B                         7 A
W
                      G–R




L–R


G–R


G

                                                                                   B–Y




                                                                                                               B–Y
                                                                         B–Y




R                                                                                                                                          R

G                                                                                                                                          G

P–G                                                                                                                                        P–G




                                                                              D3     D1                          A3




                                                                                                                                                 75

                                        BRZ (G4400BE)
Engine Immobiliser System (w/ Smart Entry  Start System), Smart Entry  Start System, Starting (w/ Smart Entry  Start
System), Steering Lock (w/ Smart Entry  Start System) and Wireless Door Lock Control (w/ Smart Entry  Start System)


                                                          A73(A), D5(B), D6(C)
                                                          Main Body ECU




                                                                                                                       DOMR
                                                                                                                      7 B

                     (BAT)




                                                                                                                       L
                                     20A
                                     DOME


                     2


                         1




                                                                                                                       L
                    W




                   8 AD2                                            9 DK1                                             8 DK1




                                                                      LG
                    O




                                                  O




                                                                                                                       P
                             Junction Connector
                             D46(A), D47(B)




                   10 A
                                                                      LG




                                                                       2
                    7 B                                                    +B
                                                                                                 Map Light Assembly
                                                                            DOOR
                                                                     OFF
                                                                     ON




                                                                                       DOOR SW
                                                                                                 K3
                    O




                                                                                   3




                                                                                                      P




     R                                                                                                                        R

     G                                                                                                                        G

     P–G                                                                                                                      P–G




76

                                                      BRZ (G4400BE)
R

                                    G

                              P–G
                                                                           1
                                                                                                                                                                16
                                                                                              Y–B                                              V




                                                                                                                                                        28 3A




                                                                                                                    18 HD1
                                                                                                                                                                      FDCY
                                                               H21
                                                               Front Door
                                                               Courtesy Light
                                                               Switch Assembly LH




                                                                           1
                                                                                                                                                                10




                                                                                               LG                                              GR
                                                                                                                                                        13 3B




                                                                                                                    3 GD1
                                                                                                                                                                      FPCY




                                                               G18
                                                               Front Door
                                                               Courtesy Light
                                                               Switch Assembly RH
                                                                                                                                                                             Main Body ECU
                                                                                                                                                                             A73(A), D5(B), D6(C)




BRZ (G4400BE)
                                                                                2
                                                                                                                1

                          B                 B                          B                                                                 V




                                                1 B
                                                         2 B
                                                                                                                                                                1 A




                     A1
                                                                                                                                                                      BZR




                                                                                     –
                                                                                                        +


                                                  A10(B)
                                                  Junction Connector                A63
                                                                                    Wireless Door Lock Buzzer
                                                                                                                      D61
                                                                                                                                               8
                                                                                                                                                                3




                                                                                                                                                    W
                                                                                                                                                        16 3B
                                                                                                                                                                      HZR




                                                                                                                                         EHW




                                                                                                                      Turn Signal
                                                                                                                      Flasher Assembly




                                        R

                                    G

                              P–G




                77
Engine Immobiliser System (w/ Smart Entry  Start System), Smart Entry  Start System, Starting (w/ Smart Entry  Start
System), Steering Lock (w/ Smart Entry  Start System) and Wireless Door Lock Control (w/ Smart Entry  Start System)


                                                                                          A73(A), D5(B), D6(C)
                                                                                          Main Body ECU




                                                                                                                 ACT+                          ACTP
                                                                                                                 6                             5
      (BAT)


                 20A
                 D/L
                                                                                                                        A DR                          P DR UNLOCK
                                                                                                                        LOCK/SET                      Relay
                                                                                                                        Relay
         2

             1
      LG




                       6 3C   13 3A   12 3A                                                           3 3B                         4 3B




                                                                                                                                    L–W
                               B




                                       B




                                                                                                       L



                                                                                                      2 FD1                        3 FD1




                                                                                                                                    LG
                                                                                                       R
                                                      Door Lock with Motor Assembly RH




                                                                                         8 B          4 B                          1 B
                                                                                               E            L                             UL

                                                                                                                            M
                               B




                                               B




                                                      F3(B)




                                                                                               LSSR
                                                                                         7 B
                                                                                         BR
                                               B




                                              6 FD1

                                                                                                                                                                    BR
                                               B




     R                                                                                                                                                              R

     G                                                                                                                                                              G

     P–G                                                                                                                                                        P–G


                                        B
                               B




                                               B




                                 D1             D4




78

                                                      BRZ (G4400BE)
A73(A), D5(B), D6(C)
                                                            Main Body ECU




                                                                                               ACTD
                                                                                               28




                                                                                                      D DR UNLOCK
                                                                                                      Relay




                                                          2 3B                     11 3D




                                                                                    R–G
                                                           Y




                                                          2 ED1                    3 ED1



              B
                                                                                    LG
                                                           R
       B




                                          7 A             4 A                       1 A
                  Motor Assembly LH




                                                E               L                         UL
      6 ED1
                  Door Lock with




                                                                          M
                  E3(A)




                                                LSSR
                                          8 A
                                          BR
       B




                                                                                                                    BR

BR                                                                                                                  BR

R                                                                                                                   R

G                                                                                                                   G

P–G                                                                                                                 P–G
       B




                                      B




        D1                            D4




                                                                                                                          79

                                                       BRZ (G4400BE)
Engine Immobiliser System (w/ Smart Entry  Start System), Smart Entry  Start System, Starting (w/ Smart Entry  Start
System), Steering Lock (w/ Smart Entry  Start System) and Wireless Door Lock Control (w/ Smart Entry  Start System)


                                                                                 A73(A), D5(B), D6(C)
                                                                                 Main Body ECU




                                                 TR+                                    LSFD             LSFP    CANL    CANH      HO
                                                 4                                    11 C              12 C    13 B    14 B      26



                                                                                                                                31 3D

                                                       BK/DR
                                                       Relay




                                                                                                                                       (∗5)
                                                                                                                                  BR
                                                                                                         SB




                                                                                                                 LG
                                                                                       W




                                                                                                                         P
                                       6 3B
                                        G




                                                                                     6 ED2              6 FD2                   26 AD2




                                       4 HD1
                                                                                       BR




                                                                                                         BR
                                        BR




                                                                                                                                              BR–Y
                                                                                                                                              (∗5)
                                       2 JH1
                                        BR




                                                               B
               Luggage Compartment
               Door Striker Assembly




                                         1                     2
                                             B                     E
                                                                          B




                                                                         5 JH1
               J3




                                                                          B




                                                                                                                                               P
     BR
                                                                                                                                              LG
     BR

     R                                                                                                                                         R

     G                                                                                                                                         G

     P–G                                                                                                                                      P–G




                                                                                               B
                                                                          B




                                                                           H1                             H3




80

                                                                       BRZ (G4400BE)
(BAT)

                             A76(B)




       80A MAIN
                             Fusible Link                                            ∗ 5 : w/ Panic Alarm Function
                             Block Assembly




        1 B




                      (∗5)
          W
       1 1D



             1                 5                1                                                        1

                                   HORN
                                   Relay                                7. 5A                                                7. 5A
                                                                        HORN NO. 1                                           HORN NO. 2

             2                 3
                                                2                                                        2



                  1                                  1                                                        1
          BR–Y




                                                                                                        W–R
                                               B–G
                      (∗5)




                                                         (∗5)




                                                                                                                  (∗5)
                                                                Horn Assembly




                                                                                                                         Horn Assembly
                                                                High Pitched




                                                                                                                         Low Pitched
                                                2                                                        1

BR–Y
                                                                A49




                                                                                                                         A52
(∗5)                                            1
                                                         (∗5)
                                               B



                                                                Junction Connector
                                                                A9(A), A10(B)




                                              9 B




                                              11 A
                                                         (∗5)
                                               B




 P                                                                                                                                         P

LG                                                                                                                                        LG


 R                                                                                                                                        R

 G                                                                                                                                        G

P–G                                                                                                                                       P–G
                                                         (∗5)
                                               B




                                                 A7




                                                                                                                                                81

                                   BRZ (G4400BE)
Engine Immobiliser System (w/ Smart Entry  Start System), Smart Entry  Start System, Starting (w/ Smart Entry  Start
System), Steering Lock (w/ Smart Entry  Start System) and Wireless Door Lock Control (w/ Smart Entry  Start System)




                                                                  D43
                                                                  Junction Connector




           3          14          15           4             13                   2         1          12




                                                             BR–W




                                                                                           W–B




                                                                                                       R–Y
                                                                                 BR
                      LG




                                               G
                                   R
           P




                                                                                         21 AD1      39 AD1




                                                                                                                  R–Y


                                                                                                                  W–B




      P

     LG


     R

     G

     P–G                                                                                                          P–G




                                                                                                                  BR

                                                                                                                 BR–W




82

                                               BRZ (G4400BE)
A5
       VSC (VDC) Control Module




          CANH             CANL                SPD       FL+    FL–    FR+    FR–        RL+    RL–    RR+    RR–
          26               14                  2        19     32     16      4        31      18     17     29




                                                                                               LG–B
                                                                      G–O




                                                                             G–B
                                              P–G




                                                                                        LG
                                                               W




                                                                                                             G
                                                        B




                                                                                                      L
                           B–R
          BR




                                                                               Speed Sensors




           6               17
                                  A17
                                  Junction
                                  Connector
           7               18




R–Y


W–B




P–G




 BR                                                                                                                BR

BR–W                                                                                                              BR–W




                                                                                                                         83

                                                     BRZ (G4400BE)
Engine Immobiliser System (w/ Smart Entry  Start System), Smart Entry  Start System, Starting (w/ Smart Entry  Start
System), Steering Lock (w/ Smart Entry  Start System) and Wireless Door Lock Control (w/ Smart Entry  Start System)



                          (IG)                             (BAT)


                                     7. 5A                                7. 5A
                                     GAUGE                                MPX–B


                          2                                2

                      2 3A                                      1




                                                          L–R
                         W–G




                                                          L–R
                                                         19 3C




                                                         17 3B
                         W–G




                                                          R–W




                          2                                1
                               IG+                                  B
                                                                                    Electrical Key




                                                          Buzzer




                                                                                    LED Driver
                                                                                                     Combination Meter Assembly




                                                   CPU




                         CAN Driver
                                                                                                     D7




                          CANH              CANL                    ES2             ES1
                     6                7                   40                 20
                                     BR–W




                                                          B–Y




                                                                              B–Y
                    BR




      BR
                                                          B–Y




     BR–W



                                                            D3




84

                                                         BRZ (G4400BE)
: Parts Location
  Code                     See Page              Code                  See Page                   Code               See Page
    A5          39                             B2     B      39                                    D61     41
A9     A        42                             D5     B      40                                     E1     44
A10    B        42                             D6     C      40                                 E3     A   44
   A13          42                                 D7        40                                 F3     B   44
   A17          42                             D8     A      40                                     F5     44
   A20          42                             D9     B      40                                    G18     44
   A22          42                             D16    A      40                                     H3     45
   A30          42                             D17    B      40                                     H9     45
A33    A        42                                D25        40                                    H15     45
A35    C        42                                D26        40                                    H21     45
   A37          42                                D28        40                                 H26    A   45
   A49          39                             D40    A      41                                 H28    B   45
   A52          39                             D41    B      41                                     J2     45
   A54          39                                D43        41                                     J3     45
   A63          39                             D46    A      41                                     K3     45
A73    A        42                             D47    B      41                                     L2     39
A76    B        36, 39                         D48    C      41
B1     A        39                                D59        41


       : Relay Blocks
Code            See Page      Relay Blocks (Relay Block Location)
 1         24                 Engine Room R/B (Engine Compartment Right)


       : Junction Block and Wire Harness Connector
Code            See Page      Junction Block and Wire Harness (Connector Location)
 1D        24                 Engine Room Main Wire and Engine Room J/B (Engine Compartment Right)
 3A
           26                 Instrument Panel Wire and Instrument Panel J/B Assembly (Instrument Panel Reinforcement)
 3B
 3C        26                 Engine Room Main Wire and Instrument Panel J/B Assembly (Instrument Panel Reinforcement)
 3D        26                 Instrument Panel Wire and Instrument Panel J/B Assembly (Instrument Panel Reinforcement)


       : Connector Joining Wire Harness and Wire Harness
Code            See Page      Joining Wire Harness and Wire Harness (Connector Location)
AB1        46                 Engine Room Main Wire and No. 2 Engine Room Wire (Engine Unit)
AD1        47                 Engine Room Main Wire and Instrument Panel Wire (Cowl Side Panel RH)
AD2        47                 Engine Room Main Wire and Instrument Panel Wire (Instrument Panel Reinforcement)
AL2        46                 Engine Room Main Wire and Transmission Wire (Dash Panel)
DK1        47                 Instrument Panel Wire and Roof Wire (Front Body Inner Pillar RH)
ED1
           47                 Front Door Wire LH and Instrument Panel Wire (Cowl Side Panel LH)
ED2
FD1
           47                 Front Door Wire RH and Instrument Panel Wire (Cowl Side Panel RH)
FD2
GD1        47                 No. 1 Floor Wire and Instrument Panel Wire (Cowl Side Panel RH)
HD1        47                 No. 2 Floor Wire and Instrument Panel Wire (Cowl Side Panel LH)
JH1        48                 Luggage Room Wire and No. 2 Floor Wire (Quarter Panel LH)


       : Ground Points
Code            See Page      Ground Points Location
 A1        46                 Front Fender Apron LH
 A3        47                 Cowl Side Panel LH
 A7        46                 Front Fender Apron RH
 D1        47                 Cowl Side Panel LH
 D3        47                 Instrument Panel Brace RH
 D4        47                 Cowl Side Panel RH
 H1        48                 Lower Back Panel
 H3        48                 Quarter Wheel House Panel LH



                                                                                                                                85

                                                      BRZ (G4400BE)
Starting (w/o Smart Entry  Start System)

                  (BAT)                        (BAT)


                           40A                         7. 5A
                           AM2 NO. 1                   AM1


                  2                            2

                       1                     14 3A


                 W–R
                                                                                           ACC

                                                               W–G        2 AM1             IG1
                1 AD3
                                                                                            ST1 1         R–W                                      R–W




                                                                W–R       7 AM2             IG2

                                                                                            ST2 8         W–B



                                                                            D55
                                                                            Ignition or Starter Switch
                                                                            Assembly                                  4 AD3




                                                                                                                       W–B


                                                                                                                                 B–L
                                       W–L




                                                                             W–L




                                                                                                    W–L




                                                                                                                      2 1E             1

                                   1 AB1                                           1                                    5         1

                                                                              1                                                            ST
                                                                                                                                           Relay
                                       #




                                                                                       7. 5A
                                                                                       ST                               3         2

                           1 B         1 A                                                                                   1         1
                                                                              2
                                                       Starter Assembly




                                                                                   1                                                               Y–P
                                                       B1(A), B2(B)




                                                                                                                                                   (M/T)
            #




                                         M                                                                                                          R
                                                                                                                                                   (A/T)
                                                                             BR




                                                                            17 A                            26 C
                                                                             STSW2                              STA


                Battery
                                                                          A33(A), A35(C)
                                                                          ECM




86

                                               BRZ (G4400BE)
R
                                                          Y–P
                                                                                                                                                         R–W




                                  (A/T)
                                              (M/T)
                                                                        2
                                                                                                  1
                                                                  Y–P                                  R                       R




                                                                                                                                   36 AD2
                                                                (M/T)                                 (M/T)
                                                                            A20
                                                                            Clutch Start Switch
                                                                            Assembly




                                                                                                                       R
                                                                                                               (A/T)




                                                                        3
                                                                                                  5
                                                           R




                                                                    1
                                                                                                        1 1E
                                                          (A/T)




                                                                        1
                                                                                                  2
                                                      W–R




                                                                    1
                                                          (A/T)




                                                                                Relay
                                                                                INHIBITOR
                                                                                                                       W–R                   W
                                                                                                                                   7 AL2


                                                                                                                       (A/T)                (A/T)




BRZ (G4400BE)
                                                                                                                                                                 P

                                                                                                                                                          N
                                                                                                                                                                                       # : There is no wire color information.




                                                                                                                                                    4
                                                                                                                                                    5




                           B                          B                                                                 B                    Y




                                                                        1 B
                                                                                            1 A




                     A1
                                                                                                                                   6 AL2




                          (A/T)                (A/T)                                                                   (A/T)                (A/T)
                                                                            A9(A), A10(B)                                                               L2
                                                                            Junction Connector                                                          Park/Neutral Position Switch
                                                                                                                                                        Assembly




                87
Starting (w/o Smart Entry  Start System)
        : Parts Location
   Code                     See Page              Code                  See Page                 Code                 See Page
 A9     A        42                             A33    A      42                               B2     B     39
 A10    B        42                             A35    C      42                                  D55       41
    A20          42                             B1     A      39                                   L2       39


        : Relay Blocks
 Code            See Page      Relay Blocks (Relay Block Location)
  1         24                 Engine Room R/B (Engine Compartment Right)


        : Junction Block and Wire Harness Connector
 Code            See Page      Junction Block and Wire Harness (Connector Location)
  1E        24                 Engine Room Main Wire and Engine Room J/B (Engine Compartment Right)
  3A        26                 Instrument Panel Wire and Instrument Panel J/B Assembly (Instrument Panel Reinforcement)


        : Connector Joining Wire Harness and Wire Harness
 Code            See Page      Joining Wire Harness and Wire Harness (Connector Location)
 AB1        46                 Engine Room Main Wire and No. 2 Engine Room Wire (Engine Unit)
 AD2        47                 Engine Room Main Wire and Instrument Panel Wire (Instrument Panel Reinforcement)
 AD3        47                 Engine Room Main Wire and Instrument Panel Wire (Cowl Side Panel LH)
 AL2        46                 Engine Room Main Wire and Transmission Wire (Dash Panel)


        : Ground Points
 Code            See Page      Ground Points Location
  A1        46                 Front Fender Apron LH




88

                                                        BRZ (G4400BE)
Memo




                   89

BRZ (G4400BE)
Charging




                                                                            B
                                                             1


                                                         1
                                                                            1 B
                                                                                B
                                                                 7. 5A
                                                                 ALT–S
                   W
        B




                                                         2


                                                             1
                                                         O




     1 1A




                                                                                                                         Generator Assembly
                                                                                                                         A43(A), A77(B)
     1 1C

                                                                                        S           L        M
                                                                                    2 A      1 A           3 A
                                                                                              R–L
                                                                                    O




                                                                                                           V
        W




                   W




      1 A        1 B                                                                                      18 C
                                                                                                            ALT
                           Fusible Link Block Assembly




                                                                                            17 AD2
                80A MAIN
     140A ALT




                                                                                                        A33(A), A35(C)
                           A75(A), A76(B)




                                                                                                        ECM
                                                                                              G




                Battery


                                                                                                                             G




90

                                                                         BRZ (G4400BE)
(IG)


                                                                                 7. 5A
                                                                                 GAUGE


                                                                       2

                                                              2 3A




                                                                  W–G
                                                                  W–G
    A11
    Battery Current Sensor Assembly

                                                                       2
                                                                           IG+
        THB                IB           VIN    GND
        2              4                1       3




                                                                                   Combination Meter Assembly
       R–W




                                       G–B
                      R–B




                                               Y–B




                                                              Charge




                                                                           CHG–
                                                                                   D7




                                                                 15
                                                                  G
                                       G–B




                                               Y–B




      24 A          11 A              22 C    30 C
        THB                IB          VCP2    EPA2




                  A33(A), A35(C)
                  ECM




G




                                                                                                                91

                                                      BRZ (G4400BE)
Charging
        : Parts Location
   Code                     See Page              Code                  See Page                Code                  See Page
    A11          39                             A43    A      39                              A77    B      39
 A33    A        42                             A75    A      36, 39                              D7        40
 A35    C        42                             A76    B      36, 39


        : Relay Blocks
 Code            See Page      Relay Blocks (Relay Block Location)
  1         24                 Engine Room R/B (Engine Compartment Right)


        : Junction Block and Wire Harness Connector
 Code            See Page      Junction Block and Wire Harness (Connector Location)
  1A
            24                 Engine Room Main Wire and Engine Room J/B (Engine Compartment Right)
  1C
  3A        26                 Instrument Panel Wire and Instrument Panel J/B Assembly (Instrument Panel Reinforcement)


        : Connector Joining Wire Harness and Wire Harness
 Code            See Page      Joining Wire Harness and Wire Harness (Connector Location)
 AD2        47                 Engine Room Main Wire and Instrument Panel Wire (Instrument Panel Reinforcement)




92

                                                       BRZ (G4400BE)
Memo




                   93

BRZ (G4400BE)
Ignition

     (BAT)


               15A
               EFI(IGN)
                                                                                     LG


      2

           1                                     1                            1


                                        1                               5
     L–Y




                          L–Y




                                                                                               LG
                                                                                  EFI MAIN3
                                                                                  Relay

                                        2                               3

                                                                                                                                                A35(C), A36(D)
                                                 1                            1               13 C                                              ECM
                                                                                               SSHUT

                                L–Y
                                                                       G–R

                                                                                               IGT1                                                       IGT2
                                                                                              21 D                                                     10 D



                                                                                               W–R




                                                                                                                                                         Y–R
                                                                     49 AC1                   9 AC1                                                   20 AC1
                                                                       BR–W




                                                                                                                                                         G–Y
                                                                                               L–Y




                                                                                                       BR–W                                                      BR–W
                                                                       BR–W




                                                                                                                                        BR–W
                                      Ignition Coil Assembly No. 1




                                                                                                         Ignition Coil Assembly No. 2




                                                                        1                       3                                        1                3
                                                                          +B                   IGT1                                        +B             IGT2
                                      C38




                                                                                                         C28




                                                                                               GND                                                        GND
                                                                                                2                                                         2
                                                                                               B–W




                                                                                                                                                         B–W




                                                                                                                                                                 B–W


                                                                                                                                                                 B–W



                                                                                                                                                           C1




94

                                        BRZ (G4400BE)
A35(C), A36(D)
                                              ECM




                                                        IGT3                                            IGT4
                                                     31 D                                              8 D
                                                       W–G




                                                                                                        W–L




                                                    31 AC1                                            10 AC1
                                                       BR–Y




                                                                                                        Y




BR–W
                                      BR–W




                                                                                              BR–W
       Ignition Coil Assembly No. 3




                                                               Ignition Coil Assembly No. 4




                                       1                3                                      1         3
                                         +B             IGT3                                     +B     IGT4
       C39




                                                               C27




                                                        GND                                             GND
                                                        2                                                2
                                                       B–W




                                                                                                        B–W




B–W


B–W




                                                                                                               95

                                                                                              BRZ (G4400BE)
Ignition
        : Parts Location
   Code                     See Page               Code                 See Page            Code        See Page
 A35    C        42                                C27        38                            C38    38
 A36    D        42                                C28        38                            C39    38


        : Relay Blocks
 Code            See Page      Relay Blocks (Relay Block Location)
  1         24                 Engine Room R/B (Engine Compartment Right)


        : Connector Joining Wire Harness and Wire Harness
 Code            See Page      Joining Wire Harness and Wire Harness (Connector Location)
 AC1        46                 Engine Room Main Wire and Engine Wire (Engine Unit)


        : Ground Points
 Code            See Page      Ground Points Location
  C1        46                 Engine Unit




96

                                                        BRZ (G4400BE)
Memo




                   97

BRZ (G4400BE)
Cruise Control, Electronically Controlled Transmission and A/T Indicator
(A/T), Engine Control, Shift Indicator (M/T) and Shift Lock

                                                                                                        SB
     (BAT)                            (IG)
                                                                                                      W–B

               20A                            7. 5A
               F/PMP                          IG2


      2                              2


           1                              1
     BR




                                                                             W–B
                                                       SB
           1       1




                                                                                        Fuel Pump Control
      5        1                                        2                     3




                                                                                        ECU Assembly
                                                        FPC                    DI
                       C/OPEN
                       Relay




                                                                                        G12
                                                         +B       E   FP–     FP+
      3        2                                        1     4       5       6




                                                                      GR




                                                                             G
                                                       R




                                                              B
           1       1




                                                      8 GD2

                                                                              3




                                                                                               Gage Assembly
     R–W




                                                       R–W




                                                                              FP+




                                                                                               Fuel Sender
                                GR




                                     GR
               B




                                                                            Fuel Pump
                                                                              FP–




                                                                                               G7
                                                      6 AD2                   4
               B




                                                                                                       GR



                A7                                            G1




98

                                              BRZ (G4400BE)
SB                                                             SB

W–B                                                            W–B




                                          (BAT)


                                                    15A
                                                    EFI(HTR)


                                           2


                                                1




                                                               LG




                                          G–W
      LG




           1       1


      1        5

                       EFI MAIN2
                       Relay
                                    G–W




      2        3


           1       1


                              G–W




                                                               W–B

GR                                                             GR




                                                                     99

      BRZ (G4400BE)
Cruise Control, Electronically Controlled Transmission and A/T Indicator
(A/T), Engine Control, Shift Indicator (M/T) and Shift Lock

  SB                                                                            SB

  W–B                                                                           W–B

                                                                                 V

        (BAT)


                  15A
                  EFI(CTRL)


         2


              1




  LG                                                  LG                        LG
        R–L




                                     LG




                              R–L




                                          1       1


                                     1        5

                                                       EFI MAIN1
                                                       Relay
        R–L




                                                                   V




                                                                         V



                                     2        3


                                          1       1                    48 AC1
                                                                         R




                                                                                 R




  W–B                                                                           W–B

  GR                                                                            GR




100

                                    BRZ (G4400BE)
SB                                                                                                                            SB

W–B                                                                                                                          W–B

 V                                                                                                                            V




        (BAT)


                7. 5A
                STOP


                                                                                                                              L
         2

       9 3A
        W–L




LG




      12 AD1
                  (Shielded)
        W–L




                               P




                                      L




                                                                                                                              P

         3                      2      1                                            13 C
                                      G–B




                                                                                    SSHUT
                               Y–L
        R




                                                                                            A33(A), A34(B), A35(C), A36(D)
                                                                                            ECM


                                                                                     IGSW
                                                                                    27 A
                                              Noise Filter
        B




                                                                                     GR
                                              A13




         4
                                                               Junction Connector




                                       11 A              3 A
                                                               A9(A)
        BR–W




                               B




                                       12 A              6 A


                                              B
                               B




 R                                                                                                                            R

                                                                                                                             BR–W

W–B                                                                                                                          W–B

GR



                                 A7




                                                                                                                                   101

                                       BRZ (G4400BE)
Cruise Control, Electronically Controlled Transmission and A/T Indicator
(A/T), Engine Control, Shift Indicator (M/T) and Shift Lock

   SB

  W–B

      V                                                                                                                                                                                                                                        V


                                                     (IG)


                                                                                  10A




                                                                                                                                                                                                                               W–B




                                                                                                                                                                                                                                       SB
                                                                                  ECU IG2


                                                     2
      L
                                                                                                                                                                                                                    10 GD2            9 GD2
                                                 11 3C




                                                                                                                                                                                                                                       G–R
                                                                                                                                                                                                                               R–G
                                                                                                                      V




                                                                                                                                             V
                                                               (M/T)
                G–Y




                                                    G–Y



                                                                                                                                                                                                                        1 AD2         2 AD2
          2      3                                   1

                       A22                                                  A21                                                                                                     V                                                          V
                       Stop Light                                           Clutch Switch
                       Switch Assembly                                      Assembly

          1      4                                   2




                                                                                                                                                                                                                                       G–R
                                                                                                                                                                                                                               R–B
                                                                                                                                             V




                                                                                                                                                                                          V
                                                               (M/T)
                                                    R–Y
                R




      P

               7 A                                15 A                                                                                       6 B                                         1 A                             10 C         19 C
                 STP                                CLSW                                                                                      +B                                           +B2                                   DI     FPC

                                        A33(A), A34(B), A35(C), A36(D)
                                        ECM


                PRG                          # 10                                            # 20                                       # 30                                               # 40
               11 D                        12 D                                        22 D                                           32 D                                               13 D
                R–G




                                                                                                                                                                                          P–G
                                                                                                                                       P–B
                                                                                            P–L
                                            P




              11 AC1

                                         54 AC1                                       53 AC1                                         52 AC1                                             51 AC1
                Y–G




              2 Cd1
                Y–G




                                                                                                                                       B–R
                                                                                            B–Y




                                                                                                                                                                                          B–L
                                            W




                 2
                                                                                                    (for Port Injection No. 2)




                                                                                                                                                                                                  (for Port Injection No. 4)
                                                     (for Port Injection No. 1)




                                                                                                                                                   (for Port Injection No. 3)
                         CPC Solenoid




                                                                                                    Fuel Injector Assembly




                                                                                                                                                                                                  Fuel Injector Assembly
                                                     Fuel Injector Assembly




                                                                                                                                                   Fuel Injector Assembly




                                             2                                               2                                          2                                                  2
                         d1




                 1
                R




                                                                                                    C30




                                                                                                                                                                                                  C31
                                                     C8




                                                                                                                                                   C9




                                             1                                               1                                          1                                                  1
              1 Cd1
                R




                                            R




                                                                                            R




                                                                                                                                       R




                                                                                                                                                                                          R




      R                            R                                              R                                              R                                              R                                                              R

  BR–W                                                                                                                                                                                                                                        BR–W

  W–B                                                                                                                                                                                                                                         W–B




102

                                                                           BRZ (G4400BE)
V
                                                                                                                                                                                                                             V




                                   R




                      W–B
                            BR–W
                                           1
                                                                2
                                       R                              Y–G                        BR–Y




                                                                                                        25 B




                                                                                        26 AC1




                                                EV2–
                                                         EV2+
                                                                                                               EV2+




                                                                3
                                                                      L–R




                                                         VC




                                   R
                                               C25
                                               VVT Sensor                                                                                                            R–L




                                                                                                                                                              17 C
                                               (Camshaft Position




                                                                                                                                                       MCR
                                                Sensor)
                                               (Bank 2 Exhaust Side)




                                                                                                                                                                                           2
                                                                                                                                                                                                       1

                                                                                                                                                                               V




                                                                                                                                                                                       1
                                                                                                                                                                                                            1




                                           1
                                                                2
                                       R                              Y–L                        Y–BR




                                                                                                        14 B




                                                                                        15 AC1




                                                EV1–
                                                         EV1+
                                                                                                               EV1+
                                                                                                                                                                                           3
                                                                                                                                                                                                       5




                                                                                                                                                                     L–R



                                                                                                                                                                                       1
                                                                                                                                                                                                            1




                                                                                                                                                              7 C
                                                                                                                                                       +BM




                                                                3
                                                                      L–R
                                                                                                                                                                                               Relay
                                                                                                                                                                                               ETCS




                                                         VC
                                                                                                                                                                           V




                                   R
                                               C6
                                               VVT Sensor                                                                                                                                       P




                                                                                                                      ECM
                                               (Camshaft Position
                                                Sensor)




                                                                            L–R
                                               (Bank 1 Exhaust Side)




                                           1
                                                                2
                                       R                              G–R                        Y–V




                                                                                                        15 B
                                                                                                                                                                                                       2




                                                                                        13 AC1




                                                VV2–
                                                                                                               VV2+




                                                         VV2+
                                                                                                                                                                                               1
                                                                                                                                                                                                                     (BAT)




BRZ (G4400BE)
                                                                                                                      A33(A), A34(B), A35(C), A36(D)
                                                                                                                                                                                                           15A




                                                                3
                                                                      L–R
                                                                                                                                                                                                           ETCS




                                                         VC




                                   R
                                               C26
                                               VVT Sensor
                                               (Camshaft Position
                                                Sensor)




                                                                            L–R
                                               (Bank 2 Intake Side)




                                           1
                                                                2
                                       R                              G–W                        Y–P
                                                                                                        26 B




                                                                                        2 AC1




                                                VV1–
                                                                                                               VV1+




                                                         VV1+
                                                                                                                                                                                                       2




                                                                                                                                                                                   W
                                                                                                                                                                                               1




                                                                                                                                                              2 A




                                                                3
                                                                      L–R         L–R            G–B
                                                                                                                                                       BATT
                                                                                                                                                                                                                     (BAT)




                                                                                                        34 B




                                                         VC
                                                                                        5 AC1
                                                                                                               VCV
                                                                                                                                                                                                           7. 5A




                                               C12
                                                                                                                                                                                                           EFI(+B)




                                               VVT Sensor
                                               (Camshaft Position
                                                                                                                                                                                                                                 V
                                                                                                                                                                                                                                     V




                                   R
                                                Sensor)




                      W–B
                            BR–W
                                               (Bank 1 Intake Side)




                103
Cruise Control, Electronically Controlled Transmission and A/T Indicator
(A/T), Engine Control, Shift Indicator (M/T) and Shift Lock

      V                                                                                                                                                                                          V

      V                                                                                     G8
                                                                                            Canister Pump Module




                                                                                        3            5                        1          4                 7                     6        8




                                                                                                                                                                                         W–B
                                                                                                                                                                                Y–B
                                                                                                                            BR




                                                                                                                                        SB
                                                                                        V




                                                                                                     V




                                                                                                                                                         L
                                                                                                     V
                                                                                                6 GD1                  7 GD1          5 GD1          13 GD1                   14 GD1   12 GD1




                                                                                                                                                         O–B




                                                                                                                                                                                G–B
                                                                                                                                        O–L
                                                                                                                            P–L
                                                                                                     V




                                                                                                                                                                                         Y
                                                                                               42 AD2               41 AD2            43 AD2         45 AD2                   44 AD2   46 AD2




                                                                                                                                                         O–B
                                                                                                                                        O–L
                                                                                                                            P–L
                                                                                                     V                                                                                           Y


                                                                                                                                                                                                G–B



                                                                                                                          1 C          8 C            20 C
                                                                                                                            VPMP        MPMP             PPMP

                                                A33(A), A34(B), A35(C), A36(D)
                                                ECM


             OE2                                  OE1                                           OC2                                            OC1
           5 D                                   7 D                                         16 D                                        17 D

                                                                                                                                                                                                W–B
            BR–L




                                                                                                                                              G–W
                                                 R–W




                                                                                               GR




          44 AC1                                8 AC1                                       33 AC1                                      32 AC1
                                                 BR–R




                                                                                               Y–B
            L–R




                                                                                                                                              L–B
                   Control Valve Assembly




                                                           Control Valve Assembly




                                                                                                         Control Valve Assembly




                                                                                                                                                     Control Valve Assembly
                   (Bank 2 Exhaust Side)




                                                           (Bank 1 Exhaust Side)




                                                                                                         (Bank 2 Intake Side)




                                                                                                                                                     (Bank 1 Intake Side)
                   Camshaft Timing Oil




                                                           Camshaft Timing Oil




                                                                                                         Camshaft Timing Oil




                                                                                                                                                     Camshaft Timing Oil




             2                                    2                                             2                                              2
                   C23




                                                                                                         C24
                                                           C5




                                                                                                                                                     C7




             1                                    1                                             1                                              1
            R




                                                 R




                                                                                               R




                                                                                                                                              R




      R                                     R                                       R                                             R                                                              R

  BR–W                                                                                                                                                                                          BR–W

  W–B




104

                                                                                        BRZ (G4400BE)
V                                                                                                                                                                                                       V

                                                                                                                                                                                                         Y


                                                                                                                                                                                                       G–B




                                      Assembly No. 1




                                                                      Assembly No. 2




                                                                                                                    Assembly No. 3




                                                                                                                                                      Assembly No. 4
                                      Ignition Coil




                                                                      Ignition Coil




                                                                                                                    Ignition Coil




                                                                                                                                                      Ignition Coil
                                      C38




                                                                      C28




                                                                                                                    C39




                                                                                                                                                      C27
                                                         IGT1                                   IGT2                                        IGT3                                    IGT4
                                                          3                                     3                                           3                                        3




                                                                                                                                           BR–Y
                                                                                              G–Y
                                                         L–Y




                                                                                                                                                                                    Y
                                                       9 AC1                           20 AC1                                        31 AC1                            10 AC1
 Y




                                                                                                                                           W–G
                                                         W–R




                                                                                                                                                                                    W–L
                                                                                              Y–R




G–B



                                                        21 D                             10 D                                         31 D                                          8 D
                                                         IGT1                                   IGT2                                        IGT3                                    IGT4

                                                                A33(A), A34(B), A35(C), A36(D)
                                                                ECM


          E05      E04      E03      E01                  E02                                                                        HT1B                                                 OX1B
        3 B      2 B      1 B      4 D                  3 D                                                                          6 D                                             21 B

W–B                                                                                                                                                                                                    W–B
         W




                                                                                                                                                                       (Shielded)
                                                                                                                                                     W–B




                                                                                                                                                                                          L–W
                                                                                                                                     R–B




                                                                                       Y–B
                  B–W




                           B–R




                                                         B–Y
                                    B–L




                                                                                                                                                                                                     (Shielded)

                                                                                                        21 AC1              47 AC1                 45 AC1                           19 AC1
         W




                                                                                                                                                                       (Shielded)




       37 AC1   34 AC1   35 AC1   36 AC1               40 AC1
                                                                                                                                                     G–W
                                                                                                                                     B–W
                                                                                                          R–Y




                                                                                                                                                                                          L
                                                                                 Heated Oxygen Sensor




                                                                                                           4                          1               2                                    3
         B




                  B




                           B




                                    B




                                                         B




                                                                                                            E2                       HT1B              +B                                 OX1B
                                                                                 (Bank 1 Sensor 2)




                                                                                                                                                                                                 B
                                                                                 C13




                                                                                                                                                                                                         B

                                                                                                                                                                                                       Y–B

 R                                                                                                                                                                                                       R

BR–W                                                                                                                                                                                                  BR–W


                                                                                                                B                                                                                        B




                    C1                                     C1




                                                                                                                                                                                                             105

                                                                BRZ (G4400BE)
Cruise Control, Electronically Controlled Transmission and A/T Indicator
(A/T), Engine Control, Shift Indicator (M/T) and Shift Lock

      V                                                                                                                                                                                                                                                                V

      Y                                                                                                                                                                                                                                                                Y


   G–B                                                                                                                                                                                                                                                                G–B




                                                                                                                                                           (Liquid Tube Sub–Assembly)
                                                     Generator Assembly




                                                                                                                                                           A/C Pressure Sensor




                                                                                                                                                                                                                                                Blower Motor Relay
                                                                                                  FAN NO. 1 Relay
                                                                                                  FAN NO. 2 Relay




                                                                                                                                    FAN NO. 3 Relay




                                                                                                                                                                                                  HEATER Relay
                                            M        A43(A)
                                           3 A




                                                                                                                                                                                                                                              G–Y
                                                                                                 B–R




                                                                                                                               R–Y




                                                                                                                                                                                                L–O




                                                                                                                                                                                                                                                               (∗7)
                                                                                                                                                          G
                                           V




                                          18 C                                                  12 C                          11 C                        8 A                               35 C                                     20 A
                                            ALT                                                  FAN1                              FAN2                    ACP                                    AC                                            HB

                                                                          A33(A), A34(B), A35(C), A36(D)
                                                                          ECM


                                    HA1A                                                  A1A+                        A1A–                                                                                        SLE1
                                   5 B                                                   19 B                        18 B                                                                                        30 B

   W–B
                                                                           (Shielded)




                                                                                                                                                                                                                  GR
                                                                                          W




                                                                                                                      O
                                                    W–B
                                    R–L




 (Shielded)                                                                                                                                                                                                              Junction Connector

                                  46 AC1          41 AC1                                29 AC1                      30 AC1
                                                                                                                                                                                        3   2                     1
                                                                           (Shielded)




                                                                                                                                                                                                                         A37
                                                    G–W




                                                                                          W–R
                                    L–W




                                                                                                                      W




                                     1               2                                     3                          4
                                          HA1A                  +B                              A1A+                        A1A–
              (Bank 1 Sensor 1)
              Fuel Ratio Sensor




                                                                                          W
                                                    B




                                                                                                                      B
                                    L
              Wide Range Air




                                                                                                                                                      B
              C14




      B                                                                                                                                                                                                                                                                B

   Y–B                                                                                                                                                                                                                                                                Y–B

      R                                                                                                                                                                                                                                                                R

  BR–W                                                                                                                                                                                                                                                                BR–W


      B




106

                                                                               BRZ (G4400BE)
V                                                                                                                                                                      V

   Y

                                                                      A11
 G–B                                                                  Battery Current Sensor Assembly




                                                                          THB                            IB                         VIN                         GND
                                                                          2                          4                              1                            3




                                                                         R–W




                                                                                                                                   G–B
                                                                                                    R–B




                                                                                                                                                                Y–B
∗ 7 : Except Automatic A/C




                                                         Y                                                                                                              Y–B




                                                       G–B                                                                                                              G–B




                                                                        24 A                   11 A
                                                                          THB                            IB

                                                     A33(A), A34(B), A35(C), A36(D)
                                                     ECM


                                                 M–              M+                           VTA2                           VTA1
                                               1 D             2 D                           28 D                           18 D
                                                                                                                                                                      (Shielded)
                                                                                                              (Shielded)
                                                               G–Y




                                                                                              R–Y
                                                SB




                                                                                                                             LG




                                                                                                                                                                        Y–B



                                              39 AC1         38 AC1                         24 AC1                         25 AC1
                                 (Shielded)

                                                W




                                                               R




                                                                               (Shielded)




                                                                                                                             W–R
                                                                                              W
                             B




                                                                                                                                          with Motor Assembly




                                                1               2                              4                              6
                                                                                                                                          Throttle Body




                                                 M–              M+                           VTA2                           VTA1
   B
                                                                                                                                          C15




 Y–B                                             VC                                                                            E2
                                                5                                                                             3
   R                                                                                                                                                                    B–Y

BR–W                                                                                                                                                                   BR–W

                                                                                                                                                                          R

                                                                                                                                                                          B


                                                                                                                                                                        B–L




                                                                                                                                                                              107

                                              BRZ (G4400BE)
Cruise Control, Electronically Controlled Transmission and A/T Indicator
(A/T), Engine Control, Shift Indicator (M/T) and Shift Lock

      V                                                                                                                                                                       V




                                                A23
                                                Accelerator Pedal Sensor Assembly




                                         VC2             GND2          VPA2                      VC1         GND1                       VPA1
                                         1                2            3                         4            5                         6



                                                                                                                                                                          (Shielded)




                                                                                                                    (Shielded)
                                        G–B




                                                         Y–B




                                                                                                L–Y




                                                                                                                                        W
                                                                       O




                                                                                                             L
   Y–B




   G–B
                                        G–B




                                                         Y–B




                                    22 C             30 C             31 C                21 C              29 C                       23 C
                                        VCP2             EPA2          VPA2                     VCPA          EPA                       VPA

                                                                  A33(A), A34(B), A35(C), A36(D)
                                                                  ECM


                             E1           PIM        VC                                                       THA                 E2G                       VG     SLE2
                          29 D      20 B          19 D                                                      12 A          29 A                            22 A    28 A
 (Shielded)                                                                                                                                                               (Shielded)
                           Y–B




                                                                                                                                            (Shielded)




   Y–B
                                                                                                             BR–G
                                        BR–B




                                                                                                                                 B–G
                                                   R




                                                                                                                                                           Y
                           Y–B




                          6 AC1    23 AC1       28 AC1                                                     17 AC1        7 AC1                           18 AC1
                           B–Y




                                                   B–L




                                                                             B–Y
                                                                                                                                            (Shielded)
                                                                                                             G–B




                                                                                                                                                           W
                                                                                                                                 L
                           B–Y




                                                   B–L
                                        O
              B–Y




                    B–L




                            1            2          3                                                 2       1                   4                        5
                                                                              Intake Mass Air
                                                                              Sub–Assembly




                             E2           PIM        VC                                               E2      THA                 E2G                       VG
                                                                                                                                                                   B
                                                                              Flow Meter
                                                                VSV
                                                                C18




                                                                              C16




                                                                                                      +B
                                                                                                      3
   B–Y                            B–Y                                                                                                                                       B–Y

  BR–W                                                                                                                                                                     BR–W

      R

      B                                                                                                                                                                       B


   B–L                            B–L                                                                                                                                       B–L




108

                                                               BRZ (G4400BE)
V                                                                                                                                                                                                                                      V




             17                  A37                               14
                                 Junction Connector                                                                                                                                                                                      B–W
                                                                                                                                                                                                                                          (∗8)




                                                                   B–R




                                                                                                                                                                                                  Roll Connector
                                                                                                                                                                                                  D51(A), z5(D)
                                                                                                                                                     11 A                         10 A
                                                                                                                                                                  CCS                    ECC

                                                                         1




                                                                                                                           W–L
                                                                                                                                 (∗8)
                                                                                                                                                            4 D                    3 D
(Shielded)




                                                                                                                                                            R




                                                                                                                                                                                    B
                                                                    2
                                                                                                                                                                      ON–OFF

                                                                                           DELIVERY

                                                                                                                                                                          + RES
                                                                    1                                              22 AD2
             ∗ 8 : w/ Cruise Control




                                                                                                                                                                                                  Cruise Control Main Switch
                                                                         1                                                                                                – SET



                                                                                                                           W–L
                                                                                                                                 (∗8)
                                                                   P




                                                                                                                                                                      CANCEL




                                                                                                                                                                                                  z5(D)
                                                                  13 A                                                30 A
                                                                                                                            CCS

                                                                    A33(A), A34(B), A35(C), A36(D)
                                                                    ECM


                                     KNK1                                                      KNK2                                     EKNK                          NE+                         NE–                           SLE3
                                   28 B                                                       17 B                               29 B                             16 B                          27 B                           35 B
(Shielded)
                    (Shielded)




                                                                                               G
                                    L




                                                                                                                                               (Shielded)


                                                                                                                                                                   W




                                                                                                                                                                                                 B



                                  1 AC1                                                      12 AC1
                                                                                                                                                                  3 AC1                        14 AC1
                    (Shielded)




                                                                              (Shielded)




                                                                                                                                               (Shielded)




                                                                                                                                                                                                 W–R
                                                                                                                                                                   W
                                    L




                                                                                               L




                                     2                                                          2                                                                     1
                                                                                                                                                                      NE+
                                                                                                                                                                                  Crankshaft
                                            Sensor (Bank 1)




                                                                                                         Sensor (Bank 2)




                                                                                                                                                                                  Position
                                            Knock Control




                                                                                                         Knock Control




                                                                                                                                                                                  Sensor
                                                                                                                                                                                  C33




                                                                                                                                                                      NE–
                                                              B




                                                                                                                                    B




                                                                                                                                                                                                                                B




                                                                                                                                                                      2
                                            C36




                                                                                                         C34




                                     1                                                          1
                                    B–Y




                                                                                               B–Y




  B–Y                                                                        B–Y                                                                                                                                                         B–Y

 BR–W                                                                                                                                                                                                                                   BR–W

                                                                                                                                                                                                                                       (Shielded)

    B                                                                                                B                                                            B                                                                        B


  B–L                                                                                                                                                                                                                                    B–L




                                                                                                                                                                                                                                                 109

                                                                                  BRZ (G4400BE)
Cruise Control, Electronically Controlled Transmission and A/T Indicator
(A/T), Engine Control, Shift Indicator (M/T) and Shift Lock

      V                                                                                                                                                                                                        V

                                                                                                                                                                                                           (Shielded)


                                                                                                 A37                                                                                                       (Shielded)
                              15                             13      12                                                                 16         18
   B–W                                                                                           Junction Connector
    (∗8)




                                                                           (M/T)
                                                                     B–O




                                                                                   Position Switch Assembly
                                B–W




                                                             B–L
                                                (∗8)


                                                                      1
                                                                                                                                                                                                             W–R




                                                                                   Park/Neutral
                                                                                                                                                                                                             (A/T)




                                                                                   A54
                                                                      2

                       4 AD2
                                                                                                                                             ∗ 1 : w/ Smart Entry  Start System
                                                                           (M/T)
                                                                     G–B



                                                                                                                                             ∗ 2 : w/o Smart Entry  Start System
                                                                                                                                             ∗ 8 : w/ Cruise Control




                                                             4 A    16 A
                                                               EC     NSW

                                                                    A33(A), A34(B), A35(C), A36(D)
                                                                    ECM


                  OT                                                                        THW                                                             PR
               20 D                                                                30 D                                                                  9 B
                                                                                          BR–W




                                                                                                                                                          V–B
                BR




              27 AC1                                                               4 AC1                                                                16 AC1


                                                                                                                                                                                                            BR–W
                                                                                                                                                          W–L
                B–R




                                                                                          GR
                       Oil Temperature Sensor




                                                                                                              E. F. I. Engine Coolant




                                                                                                                                                                                    Fuel Pressure Sensor
                                                                                                              Temperature Sensor




                 2                                                                          2                                                              3
                  OT                                                                        THW                                                             PR
                       C21




                                                                                                              C35




                                                                                                                                                                                    C10




                  E2                                                                           E2                                                           E2                VC
                 1                                                                          1                                                              2                 1
                B–Y




                                                                                          B–Y




                                                                                                                                                          B–Y




                                                                                                                                                                            B–L




   B–Y                                                 B–Y

  BR–W

 (Shielded)                                                                                                                                                                                                (Shielded)

      B                                                                                                                                                                                                        B


   B–L




110

                                                                           BRZ (G4400BE)
V                                                                                                                                                                              V

(Shielded)                                                                                                                                                                     (Shielded)

(Shielded)                                                                                                                                                                     (Shielded)



                         C1(A), C2(B), C3(C), C4(D)
                         Injector Driver (EDU)




                  IJF1       IJF2          IJT1        IJT4           IJT2                  IJT3                FPD           FPF
                 6 A        5 A          3 A          2 A           12 A                  11 A             8 A               7 A

  W–R                                                                                                                                                                          W–R(A/T)
  (A/T)
                                                                                                                                                                                 O–W
                                         BR–Y




                                                                                           G–R




                                                                                                                             L–W
                                                                                                            Y–R
                                                      B–L
                            R
                 Y




                                                                     L
                                                                                                                                                                                  BR

             4 AC2        3 AC2       2 AC2       1 AC2             8 AC2                 7 AC2          6 AC2          5 AC2
                                                                                           LG–W
                                                      LG–R




                                                                     LG–B




                                                                                                            R–W
                            R–G
                 R–Y




                                                                                                                             R–B
                                         W




                                                                                                                                                                                 B–L




                                                                                                                                              14 A (∗1)
             11 B          31 B        14 D       23 D              25 D                  24 D           32 B           13 B         5 C      17 A (∗2)     26 C       3 A
                  IJF1       IJF2           #1           #4             #2                    #3                FPD           FPF    IREL     STSW2              STA    ST1–

                                    A33(A), A34(B), A35(C), A36(D)                                                                                                               BR–B
                                    ECM
                                                                                                                                                                                BR–W
             WFSE                     IMO                                   TACH                   STSW                ACCR            CANL                CANH         STAR
          12 B                      25 C                               15 C                       17 A                32 C            18 A                19 A         34 C
                                                                            GR–R




                                                                                                   G–W




                                                                                                                       G–Y
                                           (∗2)




                                                             (∗1)




                                                                                   (∗1)




                                                                                                         (∗1)




                                                                                                                              (∗1)
                                     Y




                                                      Y
             R




 BR–W

                                                                                                                                                                               LG–R(∗1)

                                                                                                                                                                                   O

                                                                                                                                                                                 B–P

                                                                                                                                                                               G–Y(∗1)

                                                                                                                                                                                 Y(∗1)

                         R(A/T)                                                                                                                                                 R(A/T)

                                                                                                                                                                               G–W(∗1)

                                                                                                                                                                               GR–R(∗1)
             R




                                                                                                                                                                                 Y(∗2)

(Shielded)                                                                                                                                                                     (Shielded)

    B                                                                                                                                                                              B

                                                                                                                                                                                   R




                                                                                                                                                                                       111

                                                                                   BRZ (G4400BE)
Cruise Control, Electronically Controlled Transmission and A/T Indicator
(A/T), Engine Control, Shift Indicator (M/T) and Shift Lock

      V                                                                                            V

 (Shielded)                                                                                    (Shielded)

 (Shielded)                                                                                    (Shielded)



                             C1(A), C2(B), C3(C), C4(D)
                             Injector Driver (EDU)




                                                 IJ1–      IJ1+
                                                2 C       5 C

 W–R(A/T)




                                   (Shielded)
   O–W




                                                W




                                                          R
    BR




                                                                  Fuel Injector Assembly
                                                          1




                                                                   Injection No. 1)
   B–L




                                                                  (for Direct



                                                                                           B
                                                                  C11
                                                          2



                                                                                                   B

   BR–B                                                                                          BR–B

  BR–W                                                                                          BR–W




                                                                                                 O–W

                                                                                               W–R(A/T)

                                                                                                  BR




                                                                                                 B–L

 LG–R(∗1)                                                                                      LG–R(∗1)

      O                                                                                            O

   B–P                                                                                           B–P

 G–Y(∗1)                                                                                       G–Y(∗1)

   Y(∗1)                                                                                         Y(∗1)

  R(A/T)                                                                                        R(A/T)

 G–W(∗1)                                                                                       G–W(∗1)

 GR–R(∗1)                                                                                      GR–R(∗1)

   Y(∗2)                                                                                         Y(∗2)

 (Shielded)                                                                                    (Shielded)

      B                                                       B

      R                                                                                            R




112

                            BRZ (G4400BE)
V                                                                                                                                                                  V

(Shielded)                                                                                                                                                         (Shielded)

(Shielded)                                                                                                                                                         (Shielded)



                                                              C1(A), C2(B), C3(C), C4(D)
                                                              Injector Driver (EDU)




                  IJ3–    IJ3+                                              IJ2–        IJ2+
                 1 C     4 C                                               1 D         4 D
    (Shielded)




                                                              (Shielded)
                 L–Y




                         L–B




                                                                           W




                                                                                       R
                                 Fuel Injector Assembly




                                                                                               Fuel Injector Assembly
                                                                                                                            ∗ 1 : w/ Smart Entry  Start System
                          1                                                            1                                    ∗ 2 : w/o Smart Entry  Start System
                                  Injection No. 3)




                                                                                                Injection No. 2)
                                 (for Direct




                                                                                               (for Direct
                                                          B




                                                                                                                        B
                                 C37




                                                                                               C20
                          2                                                            2



    B                                                                              B                                                                                   B

  BR–B                                                                                                                                                               BR–B

 BR–W                                                                                                                                                               BR–W




  O–W                                                                                                                                                                O–W

W–R(A/T)                                                                                                                                                           W–R(A/T)

   BR                                                                                                                                                                 BR




  B–L                                                                                                                                                                B–L

LG–R(∗1)                                                                                                                                                           LG–R(∗1)

    O                                                                                                                                                                  O

  B–P                                                                                                                                                                B–P

G–Y(∗1)                                                                                                                                                            G–Y(∗1)

  Y(∗1)                                                                                                                                                              Y(∗1)

 R(A/T)                                                                                                                                                             R(A/T)

G–W(∗1)                                                                                                                                                            G–W(∗1)

GR–R(∗1)                                                                                                                                                           GR–R(∗1)

  Y(∗2)                                                                                                                                                              Y(∗2)

(Shielded)                                                                                                                                                         (Shielded)




    R                                                                                                                                                                  R




                                                                                                                                                                           113

                                                                  BRZ (G4400BE)
Cruise Control, Electronically Controlled Transmission and A/T Indicator
(A/T), Engine Control, Shift Indicator (M/T) and Shift Lock

      V                                                                                                                                                   V

 (Shielded)                                                                                                                                           (Shielded)

 (Shielded)                                                                                                                                           (Shielded)



                                                                    C1(A), C2(B), C3(C), C4(D)
                                                                    Injector Driver (EDU)




                            IJ4–    IJ4+                                                         FP–    FP+                               +B2    +B
                           3 D     6 D                                                          3 B    4 B                               2 B    1 B
              (Shielded)




                                                                                   (Shielded)




                                                                                                                                         L–R
                           L–Y




                                   L–B




                                                                                                W




                                                                                                       B




                                                                                                                                                L
                                                                                                                                     B
                                                                                                                                                          L
                                           Fuel Injector Assembly




                                                                                                              (Fuel Pump Assembly)
                                                                                                              Spill Control Valve
                                    1                                                                   1                                               L–R
                                            Injection No. 4)
                                           (for Direct



                                                                    B




                                                                                                                                                          B
                                           C19




                                                                                                              C29
                                    2                                                                   2




                                                                                                                                     B
      B

   BR–B                                                                                                                                                 BR–B

  BR–W                                                                                                                                                 BR–W




   O–W                                                                                                                                                  O–W

 W–R(A/T)                                                                                                                                             W–R(A/T)

    BR                                                                                                                                                   BR




   B–L                                                                                                                                                  B–L

 LG–R(∗1)                                                                                                                                             LG–R(∗1)

      O                                                                                                                                                   O

   B–P                                                                                                                                                  B–P

 G–Y(∗1)                                                                                                                                              G–Y(∗1)

   Y(∗1)                                                                                                                                                Y(∗1)

  R(A/T)                                                                                                                                               R(A/T)

 G–W(∗1)                                                                                                                                              G–W(∗1)

 GR–R(∗1)                                                                                                                                             GR–R(∗1)

   Y(∗2)                                                                                                                                                Y(∗2)

 (Shielded)                                                                                                                                           (Shielded)




      R                                                                                                                                                   R




114

                                                                              BRZ (G4400BE)
V
                         ∗ 1 : w/ Smart Entry  Start System                     (BAT)
(Shielded)               ∗ 2 : w/o Smart Entry  Start System

(Shielded)                                                                                30A
                                                                                          INJ


                                                                                 2


                                                                                     1




                                   (Shielded)


                                                      L–R




                                                                          L




                                                                                 O
                 B



                                                    43 AC1              42 AC1




                                   (Shielded)


                                                      L–W




                                                                          L–B
                     V
    L

  L–R


    B                                           1           1


                                       1               5

                                                                INJ
                                                                Relay

  BR–B
                                       2               3
                                                                                          BR–B
 BR–W
                                                1           1                             BR–W




  O–W

W–R(A/T)                                                                                 W–R(A/T)

   BR                                                                                      BR




  B–L                                                                                      B–L

LG–R(∗1)                                                                                 LG–R(∗1)

    O                                                                                       O

  B–P                                                                                      B–P

G–Y(∗1)                                                                                  G–Y(∗1)

  Y(∗1)                                                                                   Y(∗1)

 R(A/T)                                                                                   R(A/T)

G–W(∗1)                                                                                  G–W(∗1)

GR–R(∗1)                                                                                 GR–R(∗1)

  Y(∗2)                                                                                   Y(∗2)

(Shielded)                                                                                  R




    R




                                                                                                 115

             BRZ (G4400BE)
Cruise Control, Electronically Controlled Transmission and A/T Indicator
(A/T), Engine Control, Shift Indicator (M/T) and Shift Lock

            (BAT)                          (BAT)                                                                                         (BAT)
                                                                                       ∗ 1 : w/ Smart Entry  Start System
                                                                                       ∗ 2 : w/o Smart Entry  Start System
                             40A                       7. 5A                                                                                                      7. 5A
                             AM2 NO. 1                 AM1                                                                                                        AM2 NO. 2


             2                             2                                                                                              2

                  1                      14 3A                                                                                                 1

                                          W–G
            W–R
                      (∗2)




                                                (∗2)




                                                                                                                                                   (∗1 M/T)
                                                                                                                                         R–W
                                                                                                                   R             R
           1 AD3                                                                                                  (∗2)        (∗2 M/T)

                                                                                                                                          1




                                                                                                                                                              Switch Assembly
                                                                                                                                                              Clutch Start
                                                                               ACC                 36 AD2
            W–R
                      (∗2)




                                                          2 AM1                 IG1




                                                                                                                                                              A20
                                                                                                                                          2
                                                                               ST1 1       R–W




                                                                                                                                                   (M/T)
                                                                                            (∗2)




                                                                                                                                         Y–P
                                                          7 AM2                 IG2
                                                                                                                                                                                  Y–P
                                                                               ST2 8       W–B                                                                                   (M/T)
                                                                                            (∗2)

                                                               D55
                                                               Ignition or Starter
                                                               Switch Assembly                     4 AD3


  BR–B                                                                                                                                                                           BR–B

  BR–W                                                                                                                                                                           BR–W

                                                                                                                                                                                   R
                                                                                                     W–B
                                                                                                           (∗2)




                                                                                                                                                                                (∗2 A/T)

                                                                                                                                                                                W–B(∗2)

 W–R(A/T)                                                                                                                                                                       W–R(A/T)

   BR                                                                                                                                                                             BR




   B–L                                                                                                                                                                            B–L

 LG–R(∗1)                                                                                                                                                                       LG–R(∗1)

      O                                                                                                                                                                            O

   B–P                                                                                                                                                                            B–P

 G–Y(∗1)                                                                                                                                                                        G–Y(∗1)

  Y(∗1)                                                                                                                                                                          Y(∗1)

  R(A/T)                                                                                                                                                                         R(A/T)

 G–W(∗1)                                                                                                                                                                        G–W(∗1)

 GR–R(∗1)                                                                                                                                                                       GR–R(∗1)

  Y(∗2)                                                                                                                                                                          Y(∗2)

      R                                                                                                                                                                            R




116

                                                                               BRZ (G4400BE)
(∗1 A/T)
                                                                                               1


                                                                                                                  7. 5A
                                                                                                                  PUSH–AT


                                                                                               2




                                                                                                       (∗1 A/T)
                                                    1
                1




                                                                             (∗2 A/T)
           1                                   2         5




                                      (A/T)




                                                                                                       (A/T)


                                                                                                                            (A/T)
                            W–L




                                  R
                                                                  ST
                    7. 5A                                         Relay                        5                   2
                    ST

                                               1         3                                                                          INHIBITOR
           2                                                                                                                        Relay

                1                                   1         1                                3                   1


                                                                          1 1E                     1                    1                       2 1E
           BR




  Y–P




                                                                                                                  W–R
                                                                                                       (A/T)


                                                                                                                            (A/T)




                                                                                                                                                W–B
                                                        W–L
 (M/T)
                                              B–L




                                                                                                                                                      (∗2)
                                                                                              R
 BR–B                                                                                                                                                         BR–B

 BR–W                                                                                                                                                         BR–W

   R
(∗2 A/T)

W–B(∗2)

W–R(A/T)                                                                                W–R(A/T)                                                               W–R
                                                                                                                                                               (A/T)
  BR




  B–L

LG–R(∗1)                                                                                                                                                     LG–R(∗1)

   O                                                                                                                                                            O

  B–P                                                                                                                                                          B–P

G–Y(∗1)                                                                                                                                                      G–Y(∗1)

 Y(∗1)                                                                                                                                                        Y(∗1)

 R(A/T)                                                                                                                                                       R(A/T)

G–W(∗1)                                                                                                                                                      G–W(∗1)

GR–R(∗1)                                                                                                                                                     GR–R(∗1)

 Y(∗2)                                                                                                                                                        Y(∗2)

   R                                                                                                                                                            R




                                                                                                                                                                       117

                                  BRZ (G4400BE)
Cruise Control, Electronically Controlled Transmission and A/T Indicator
(A/T), Engine Control, Shift Indicator (M/T) and Shift Lock

                                                                                                     (BAT)                                                                               (BAT)


                                                                                                                           40A                                                                            30A
                                                                                                                           AM2 NO. 1                                                                      IG2 MAIN


                                                                                                      2                                                                                   2

                                                                                                           1                                                                                   1
                                                                                                                                                                                                                                     G–O
                                                                                                                                                                                                                                     (∗1)




                                                                                                     W–R




                                                                                                                                                                                         W–B


                                                                                                                                                                                                          G–O
                                                                                                               (∗1)


                                                                                                                                    (∗1)




                                                                                                                                                                         (∗1)




                                                                                                                                                                                                   (∗1)


                                                                                                                                                                                                                    (∗1)
                                                                                                                           GR




                                                                                                                                                                GR
                                                                                                           1                    1                                    1                         1                1


                3    2                                                                                5                     1                                   2                         5                2

            4                         ST CUT                                                                                               IGS                                                                             IG2
                                      Relay                                                                                                Relay                                7. 5A                                      Relay
                                                                                                                                                                                IG2

                     1                                                                                3                     2                                                             3                1
                                                                                                                                                                1
                                                                             Park/Neutral Position
                                                                             Switch Assembly




                           1                                                                                                    1                                    1                         1                1
                                                      P
                                                                                                                                                                                   P
                                                                                                                                    (∗1)
                                                      N
                                                                                                                           B
                                                                                                                                                                                  (∗1)
                                                                             L2




                                                                                                                                           Junction Connector
                                                           4     5
                                                                                                     1 A                   5 A
                                                                                                                                           A9(A), A10(B)
                    LG–R
                               (∗1)




                                                                                                                                                                                                                    (∗1)
                                                                                                                                                                                                          B
                                                   (A/T)




                                                                     (A/T)
                                               W




                                                                Y




  BR–B
                                                                                                     1 B
  BR–W
                                                                                                               (∗1, A/T)




                                          7 AL2                6 AL2
                                                                                                     B




                                                                                          B
                                                                                     (A/T)

   W–R
                                                                                                               (∗1, A/T)




   (A/T)

                                                                                                                                                                                                                    (∗1)
                                                                                                     B




                                                                                                                                                                                                          B

                                                                                                                                                                                                                                    BR–B

                                                                                                                                                                                                                                    BR–W

 LG–R(∗1)

      O                                                                                                                                                                                                                               O

   B–P                                                                                                                                                                                                                               B–P

 G–Y(∗1)                                                                                                                                                                                                                           G–Y(∗1)

  Y(∗1)                                                                                                                                                                                                                             Y(∗1)

  R(A/T)                                                                                                                                                                                                                            R(A/T)

 G–W(∗1)                                                                                                                                                                                                                           G–W(∗1)

 GR–R(∗1)                                                                                                                                                                                                                          GR–R(∗1)

  Y(∗2)                                                                                                                                                                                                                             Y(∗2)

      R                                                                                                                                                                                                                               R




                                                                                                       A1                                                                                                   A7




118

                                                                                      BRZ (G4400BE)
D40(A), D41(B), D48(C)
                                                        Certification ECU Assembly




                                            IG2D           ACCR               EGIO          STSW           TACH               P
                                           9 C            28 A              13 C           7 C            17 C           25 B
  G–O
  (∗1)




                                                                                                                                  (∗1 A/T)
                                                 (∗1)




                                                                 (∗1)




                                                                                   (∗1)




                                                                                                  (∗1)




                                                                                                                  (∗1)
                                                                                                           GR
                                                           BE
                                            V




                                                                              Y




                                                                                            P




                                                                                                                          Y
                                          34 AD2        15 AD2            32 AD2          16 AD2         37 AD2




                                                                                                           GR–R
                                                                                            G–W
                                                           G–Y
                                                                 (∗1)




                                                                                   (∗1)




                                                                                                  (∗1)




                                                                                                                  (∗1)
                                                                              Y




   ∗ 1 : w/ Smart Entry  Start System
   ∗ 2 : w/o Smart Entry  Start System




 BR–B                                                                                                                                         BR–B

 BR–W                                                                                                                                         BR–W




   O                                                                                                                                            O

  B–P                                                                                                                                          B–P

G–Y(∗1)

 Y(∗1)

 R(A/T)                                                                                                                                       R(A/T)

G–W(∗1)

GR–R(∗1)                                                                                                                                     Y(∗1 A/T)

 Y(∗2)                                                                                                                                        Y(∗2)

   R                                                                                                                                            R




                                                                                                                                                     119

                                                         BRZ (G4400BE)
Cruise Control, Electronically Controlled Transmission and A/T Indicator
(A/T), Engine Control, Shift Indicator (M/T) and Shift Lock

                (IG)


                             7. 5A
                             BK/UP LP


               2

             2 3C
                                                                                                                                         R(A/T)

                                                                                                                                        W–G(A/T)

                                                                                                                                         V(A/T)

                                                                                                                                        B–G(A/T)

                                                                                                                                        BR(A/T)

                                                                                                                                          W–G
                                                                                                                                          (A/T)

                                                                                                                                           V
                                                                                                                                          (A/T)

                                                                                                                                          B–G
                                                                                                                                          (A/T)

                                                                                                                                           BR
                                         W–G
                     (A/T)




                                               (A/T)




                                                                           (A/T)
              R–L




                                                                     V
                                                                                                                                          (A/T)




                                                                                                  (A/T)




                                                                                                                                (A/T)
                                                                                            B–G




                                                                                                                           BR
             4 AL2                      3 AL2                       2 AL2               1 AL2                             8 AL2
              BR–Y
                     (A/T)




                                               (A/T)




                                                                           (A/T)




                                                                                                  (A/T)




                                                                                                                                (A/T)
                                                                     B–W
                                         G–Y




                                                                                                                           R
                                                                                            L


                                                           2    6     1            9    7

                                                           RB   PL     RL          NL   DL

                                                       P
                                                                                                  Park/Neutral Position




  BR–B                                                 R
                                                                                                  Switch Assembly




  BR–W                                                 N

                                                       D
                                                                                                  L2




      O                                                                                                                                  BR–B

   B–P                                                                                                                                   BR–W

                                                                                                                                           O

                                                                                                                                          B–P

  R(A/T)




 Y(∗1 A/T)                                                                                                                              Y(∗1 A/T)

  Y(∗2)                                                                                                                                  Y(∗2)

      R                                                                                                                                    R




120

                                        BRZ (G4400BE)
∗ 1 : w/ Smart Entry  Start System
                                                                                                                                                            ∗ 2 : w/o Smart Entry  Start System




 R(A/T)                                                                                                                                                                                                           R(A/T)

W–G(A/T)                                                                                                                                                                                                         W–G(A/T)

 V(A/T)                                                                                                                                                                                                           V(A/T)

B–G(A/T)                                                                                                                                                                                                         B–G(A/T)

BR(A/T)                                                                                                                                                                                                          BR(A/T)

  W–G                                                                                                                                                                                                            O–B(A/T)
  (A/T)
                                                             11
   V                                                                                O–W
                                                            AD1
  (A/T)                                                                             (A/T)

  B–G
  (A/T)

   BR
  (A/T)

                                                                                                                                          W–G
                                                                                                 O–W
                                                                                                           (A/T)




                                                                                                                                                    (A/T)




                                                                                                                                                                            (A/T)
                                                                                                                                                                   O–B
                                                         30 AD1             29 AD1                                                      28 AD1                 44 AD1
                                                                                                                   Junction Connector
                                                                                                                   D46(A), D47(B)




            7 B                                                                                 7 A
                          D8(A), D9(B)
                          Connector
                          Junction




            7 A                                                                                 12 B
                                                                                                                                          W–G
                                                 (A/T)




                                                                    (A/T)




                                                                                        (A/T)




                                                                                                                                                    (A/T)




                                                                                                                                                                            (A/T)




                                                                                                                                                                                        (A/T)
                                                                                                                                                                   O–B
                                                                              B–G
                                                           BR




                                                                                                                                                                                    W
                                         B
                  (A/T)
            B




                                                                                                 O–W
                                                                                                           (A/T)




                                         9                 4                   3                  2                                        1                        5               6
                                                                                                                                                                                                Shift Position




                                             E                  D                   N                  R                                        P                       M           MM
                                                                                                                                                                                                Indicator
                                                                                                                                                                                                D36
                  (A/T)
            B




 BR–B                                                                                                                                                                                                             BR–B

 BR–W                                                                                                                                                                                                             BR–W

   O                                                                                                                                                                                                                O

  B–P                                                                                                                                                                                                              B–P

                                                                                                                                                                                                                  W(A/T)




Y(∗1 A/T)                                                                                                                                                                                                        Y(∗1 A/T)

 Y(∗2)                                                                                                                                                                                                            Y(∗2)

   R                                                                                                                                                                                                                R




             D1




                                                                                                                                                                                                                         121

                                                                               BRZ (G4400BE)
Cruise Control, Electronically Controlled Transmission and A/T Indicator
(A/T), Engine Control, Shift Indicator (M/T) and Shift Lock

                                                                                                                                                            (IG)                                                              (BAT)


                                              ∗ 1 : w/ Smart Entry  Start System                                                                                           15A                                                                 7. 5A
                                              ∗ 2 : w/o Smart Entry  Start System                                                                                          AT UNIT                                                             AT+B


                                                                                                                                                            2                                                                  2

                                                                                                                                                      1 3C                                                                          1
  R(A/T)

 W–G(A/T)

  V(A/T)




                                                                                                                                                                (A/T)




                                                                                                                                                                                                                                        (A/T)
                                                                                                                                                                                                                              Y–R
                                                                                                                                                        P
 B–G(A/T)

  BR(A/T)

 O–B(A/T)




                                                                                                                                                                (A/T)




                                                                                                                                                                                           (A/T)
                                                                                                                                                        P




                                                                                                                                                                                     P
              8 B                        9 B                  21 B              10 B    3 B                               22 B                      34 A                            35 A                                     26 A
                    M                         D                        N          R       P                                 TC                              IG1                       IG2                                      BM

                                                                                                       A18(A), A19(B)
                                                                                                       Transmission Control Module


               SNOW                           SPORT                                                                          EOIL              OIL                      SL2–             SL2+                SL1–             SL1+
              24 B                            13 B                                                                          23 A             22 A                11 A                    5 A                12 A             16 A




                                                                                                                                                                                         BR–R
                                                                                                                                                                    BR–B




                                                                                                                                                                                                             BR–Y
               W–R




                                                                                                                                                                                                                                        (A/T)
                                                                                                                                                                            (A/T)




                                                                                                                                                                                                   (A/T)




                                                                                                                                                                                                                    (A/T)
                        (A/T)




                                                      (A/T)




                                                                                                                                     (A/T)




                                                                                                                                                    (A/T)
                                               W–B




                                                                                                                             G–B




                                                                                                                                                                                                                              BR
                                                                                                                                              R




             47 AD1                       48 AD1                                                                            8 AL1            9 AL1              12 AL1               13 AL1                14 AL1           15 AL1
                                                                                                                                                                    W–G




                                                                                                                                                                                                                              G–W
               W–R




                                                                                                                                                                                                                                        (A/T)
                                                                                                                                                                            (A/T)




                                                                                                                                                                                                   (A/T)




                                                                                                                                                                                                                    (A/T)
                        (A/T)




                                                      (A/T)




                                                                                                                                     (A/T)




                                                                                                                                                    (A/T)




                                                                                                                                                                                                             Y–B
                                                                                                                             B–L




                                                                                                                                              W




                                                                                                                                                                                         R
                                               L




                6                                 4                                                                              1             9                        2                10                   3               11
                                                              Switch Assembly




                                                                                                                                     EOIL           OIL                     SL2–                   SL2+             SL1–                SL1+
                                                              Pattern Select
                                                      SPORT
               SNOW




                                                              D35




                                                                                              Electronically Controlled
                                                                                              Transmission Solenoid




                                 8
                                      (A/T)
                                B–Y




                                                                                              L4
                                      (A/T)
                                B–Y




  BR–B                                                                                                                                                                                                                                                  BR–B

  BR–W                                                                                                                                                                                                                                                  BR–W

      O                                                                                                                                                                                                                                                   O

   B–P                                                                                                                                                                                                                                                   B–P

  W(A/T)                                                                                                                                                                                                                                                W(A/T)




 Y(∗1 A/T)                                                                                                                                                                                                                                          Y(∗1 A/T)

   Y(∗2)                                                                                                                                                                                                                                                Y(∗2)

      R                                                                                                                                                                                                                                                   R




                                  D3




122

                                                                                       BRZ (G4400BE)
L3                                                                                                                              L5
                                      Transmission Revolution Sensor (SP2)                                                                                            Transmission Revolution Sensor (NT)




                                              SP2–                    SP2+                                                                                                    NT–                     NT+
                                               1                      2                                                                                                       1                      2
                       (Shielded)




                                                                                                                                                       (Shielded)


                                                                                                                                                                             W–R
                                    (A/T)


                                                       (A/T)




                                                                              (A/T)




                                                                                                                                                                    (A/T)


                                                                                                                                                                                    (A/T)




                                                                                                                                                                                                           (A/T)
                                                                                                                                                                                                     W
                                                                      G
                                              L




                                        23 AL1                  24 AL1                 22 AL1                                                                           20 AL1                  21 AL1                      19 AL1
                       (Shielded)




                                                                                                                                                       (Shielded)
                                    (A/T)


                                                       (A/T)




                                                                              (A/T)




                                                                                                                                                                    (A/T)


                                                                                                                                                                                    (A/T)




                                                                                                                                                                                                           (A/T)
                                              W




                                                                                                                                                                                                     G
                                                                      B




                                                                                                                                                                             L
                                              7 B                18 B                   19 B                                                                                28 B                    17 B                         29 B
                                              SP2–                    SP2+                                                                                                    NT–                     NT+

                                                                                                     A18(A), A19(B)
                                                                                                     Transmission Control Module


            SLU–                            SLU+                SLT–                   SLT+               S4              S3              S2                   S1                    SR                                                   E01                       E02
            1 A                      13 A                       9 A                    4 A            14 A             6 A             17 A            7 A                    15 A                                                      33 A                       3 A
            LG–Y




                                                                                                                                                                                            (A/T)
                                                                                                                                              (A/T)




                                                                                                                                                                    (A/T)
                                                                                                              (A/T)




                                                                                                                              (A/T)
                                                                      (A/T)




                                                                                             (A/T)
                   (A/T)




                                               (A/T)


                                                                R–W




                                                                                                       L–W




                                                                                                                                                                                   R–B
                                                                                                                                        L–O
                                                                                       L–R




                                                                                                                        L–Y
                                        LG




                                                                                                                                                       Y




                                                                                                                                                                                                                                               (A/T)




                                                                                                                                                                                                                                                                         (A/T)
                                                                                                                                                                                                                                         B–Y




                                                                                                                                                                                                                                                                   B–Y
         16 AL1                     17 AL1                     3 AL1                  4 AL1          18 AL1           10 AL1          11 AL1          1 AL1                   2 AL1
                                                                                                       BR–Y




                                                                                                                                                                                            (A/T)
                                                                                                                                              (A/T)




                                                                                                                                                                    (A/T)
                                                                                                              (A/T)




                                                                                                                              (A/T)
                                               (A/T)




                                                                      (A/T)




                                                                                             (A/T)
                   (A/T)


                                        G–R




                                                                                       G–Y
            R–Y




                                                                Y–L




                                                                                                                                                                                   W
                                                                                                                        R




                                                                                                                                                       Y
                                                                                                                                        L




             4                          12                       5                     13              14                7              15                 8                        6                                                          (A/T)
                                                                                                                                                                                                                                         B–Y


                   SLU–                        SLU+                   SLT–                   SLT+             S4              S3              S2                    S1                      SR


                                                                                                                                                                                                                                                                                  BR–B
                                                                                                                                                                                                                                                       Connector
                                                                                                                                                                                                                                        8 A
                                                                                                                                                                                                                                                       Junction
                                                                                                                                                                                                                                                       A9(A)
                                                                                                                                                                                                           Electronically Controlled




                                                                                                                                                                                                                                                                                  BR–W
                                                                                                                                                                                                           Transmission Solenoid




                                                                                                                                                                                                                                        7 A
                                                                                                                                                                                                                                               (A/T)
                                                                                                                                                                                                                                         B–Y
                                                                                                                                                                                                           L4




 BR–B                                                                                                                                                                                                                                                                               O

 BR–W

   O

  B–P                                                                                                                                                                                                                                                                              B–P

 W(A/T)                                                                                                                                                                                                                                                                           W(A/T)




Y(∗1 A/T)                                                                                                                                                                                                                                                                        Y(∗1 A/T)

 Y(∗2)                                                                                                                                                                                                                                                                            Y(∗2)

   R                                                                                                                                                                                                                                                                                R




                                                                                                                                                                                                                                           A3




                                                                                                                                                                                                                                                                                         123

                                                                                                                      BRZ (G4400BE)
Cruise Control, Electronically Controlled Transmission and A/T Indicator
(A/T), Engine Control, Shift Indicator (M/T) and Shift Lock

                                                                                                                                                                                                  SB
                                                                                                                                                                                                 (A/T)
                   ∗ 1 : w/ Smart Entry  Start System                                                                                                                                            O
                   ∗ 2 : w/o Smart Entry  Start System
                                                                                                                                                                                                 (A/T)

                                                                                  3 B             1 B




                                                                                                                 D16(A), D17(B)
                                                                                                                 Connector
                                                                                                                 Junction
                                    10 A    (A/T)          9 A                    8 A             11 A




                                                                  (A/T)
                                      BE




                                   46 AD1                   SB
                                                          45 AD1
                                            (A/T)




                                                                  (A/T)




                                                                                          (A/T)




                                                                                                         (A/T)




                                                                                                                                  (A/T)




                                                                                                                                                                  (A/T)
                                                                                                                           B–Y




                                                                                                                                                            B–Y
                                                            SB




                                                                                   SB




                                                                                                   BE
                                      Y




                                                                                                                                                                                                BR–B




                                                                                                                                                                          Junction Connector
                                                                                                                                                                                                BR–W
                                     2 B                   1 B                    2 A             1 A                    7 A                               19 B




                                                                                                                                          Roll Connector
                                                                                                                                          D51(A), z4(C)




                                                                                                                                                                          D17(B)
                                      SFTU                  SFTD                          SDN            SUP                      ECC

                                                                                                                                                           20 B
             A18(A), A19(B)
             Transmission Control Module
                                                                                  4 C             3 C                    1 C




                                                                                                                                                                  (A/T)
                                                                                                                                                            B–Y
                                      CANH                  CANL
                                    29 A                   28 A
                                                                                   Down




                                                                                                   Up
                                            (A/T)




                                                                  (A/T)
                                      B–W




                                                            L




                                                                                                                                                                  (A/T)
                                                                            z4(C)




                                                                                                                                                            B–Y
                                                                            Paddle Shift Switch




  BR–B

  BR–W




      O                                                                                                                                                                                           O


                                                                                                                                                                                                 B–P


   B–P                                                                                                                                                                                          L(A/T)

  W(A/T)                                                                                                                                                                                        W(A/T)

                                                                                                                                                                                               B–W(A/T)

 Y(∗1 A/T)                                                                                                                                                                                     Y(∗1 A/T)

  Y(∗2)                                                                                                                                                                                         Y(∗2)

      R                                                                                                                                                                                           R




                                                                                                                                                              D3




124

                                                                          BRZ (G4400BE)
SB                                                                                A73(A), D5(B), D6(C)
  (A/T)                                                                              Main Body ECU

   O
  (A/T)


                                                                                         SLS+                         STP      STR
                                                                                       20 B                         22        15




                                                                                                                                                   (∗1 A/T)
                                                                                                                                             Y
                                                                                                                                            28 3D
                                                     (A/T)




                                                                             (A/T)




                                                                                              (A/T)
                                                                  SB
                                           O




                                                                                        R
                                                                                                      33 3C        8 3C                     23 3D

 BR–B




                                                                                                                                                   (A/T)
                                                                                                                                             W–L
 BR–W

                                              8                 12                       4                                                    2                               1
                                                     SFTU+                   SFTD+            SLS+                                                 STR                            P

                                                                                                                                                              Park–Switch
                                                                Down–Shift
                         M–Mode




                                          Up–Shift




                                                                                                                Solenoid




                 MM+              MM–                SFTU–                   SFTD–            SLS–                                                                    E
            10           11                   9                 13                       5                    D28                                                3
                                                                                                              Shift Lever Position Sensor
                                                                                                              (Floor Shift Control Lever)
                 (A/T)




                                  (A/T)




                                                     (A/T)




                                                                             (A/T)




                                                                                              (A/T)




                                                                                                                                                                      (A/T)
                          B–Y




                                           B–Y




                                                                  B–Y




                                                                                        B–Y




                                                                                                                                                                B–Y
            W




                         4 B              3 B                   5 B                     2 B                                                                     1 B


                         6 B                                 D9(B)                                                                                                                      Y–B
                                                             Junction Connector                                                                                                       (∗2 A/T)




   O                                                                                                                                                                                     O


  B–P                                                                                                                                                                                   B–P


 L(A/T)                                                                                                                                                                                L(A/T)

 W(A/T)
                                  (A/T)
                          B–Y




B–W(A/T)                                                                                                                                                                              B–W(A/T)

Y(∗1 A/T)

 Y(∗2)                                                                                                                                                                                 Y(∗2)

   R                                                                                                                                                                                     R




                              D1




                                                                                                                                                                                              125

                                                                                      BRZ (G4400BE)
Cruise Control, Electronically Controlled Transmission and A/T Indicator
(A/T), Engine Control, Shift Indicator (M/T) and Shift Lock

      A73(A), D5(B), D6(C)
      Main Body ECU




                      IMO         GND                         GND                           GND   KSWB    BECU                         BMPX    BKUP
                     9 A          1 C                         4 A                          11      2       1                           32      23




                                                              B–Y
                           (∗2)
                     Y




                                  B



                                                                                          18 3B   7 3C   27 3A                        19 3C   10 3C




                                                                                                                                                    (M/T)
                                                                                                          G–R
                                                                                           B–Y




                                                                                                                                       L–R
                                                                                                  G




                                                                                                                                               V
                                         Junction Connector




                                                                     Junction Connector




                                                                                                                 Junction Connector
                                                                                                                 D16(A), D17(B)
                                  4 A                                                                    21 A
                                         D8(A), D9(B)




                                                              9 A
                                                                     A9(A)




                                  6 B                         7 A                                        12 B




                                                                                                                                                              V



                                                                                                          G–R
                                  B–Y




                                                              B–Y




                                                                                           B–Y




                                                                                                                                                            (M/T)

                                                                                                                                                            L–R


                                                                                                                                                            G–R


                                                                                                                                                              G


   Y–B                                                                                                                                                      Y–B
  (∗2 A/T)                                                                                                                                             (∗2 A/T)




      O                                                                                                                                                       O


   B–P                                                                                                                                                      B–P


  L(A/T)                                                                                                                                                    L(A/T)




 B–W(A/T)                                                                                                                                             B–W(A/T)




   Y(∗2)

      R                                                                                                                                                       R




                                    D1                          A3                           D3




126

                                                                    BRZ (G4400BE)
A73(A), D5(B), D6(C)
   Main Body ECU                                                 (IG)              (ACC)                  (IG)                           (BAT)               (BAT)


                                                                        10A                    10A                         7. 5A                   7. 5A                7. 5A
                                                                        ECU IG1                ECU ACC                     BK/UP                   MPX–B                ECU–B
                                                                                                                           LP

   ACC(∗1)         ACC                IG
                                                             2                      2                     2                               2                   2
  22 B             9                 8

                                                                                                                                               1                   1
           (∗1)
   W




                                                                                  28 3B                  2 3C




                                                                                                               (M/T)




                                                                                                                                                             G–R
                                                                                                         R–L




                                                                                                                                         L–R
                                                                                        (∗1)
                                                                                   W
                          ∗ 1 : w/ Smart Entry  Start System
                          ∗ 2 : w/o Smart Entry  Start System




                                                                                                               (M/T)
                                                                                                         R–L
                                                                                                          2




                                                                                                                       Switch Assembly
                                                                                                                       Back–Up Light
                                                                                                                                                           25 AD2




                                                                                                                       A53
                                                                                                          1

   V




                                                                                                                                                             G–R
 (M/T)

  L–R


  G–R


   G                                                                                                                                                                      G


  Y–B                                                                                                                                                                    Y–B
(∗2 A/T)                                                                                                                                                               (∗2 A/T)




   O                                                                                                                                                                      O


  B–P                                                                                                                                                                    B–P


 L(A/T)                                                                                                                                                                 L(A/T)




B–W(A/T)                                                                                                                                                               B–W(A/T)




   R                                                                                                                                                                      R




                                                                                                                                                                               127

                                                                        BRZ (G4400BE)
Cruise Control, Electronically Controlled Transmission and A/T Indicator
(A/T), Engine Control, Shift Indicator (M/T) and Shift Lock

             (BAT)                             (ACC)


                     15A                                       10A
                     HAZ                                       ECU ACC


             2                                  2

                                              27 3B
                 1


                                                                                                             ∗ 2 : w/o Smart Entry  Start System




                                                    (∗2 A/T)
                                               R
                            Y–B                                                                                            G
                           (∗2 A/T)                                                                                     (∗2 A/T)
             G




                                                                                                                                                       Key Inter Lock Solenoid
                                                                                                                                                       (Ignition Switch Lock
                                                                                                                                                        Cylinder Assembly)
                                      4         6                              5                                                       2
                                          P     ACC                           KLS+




                                                                                                   Shift Lock Release
                                                                                                   Button Cover




                                                                                                                                                       D60
                                                                                                                                       1



                                                                                                   D42
                                                                                    E
                                                                               1




                                                                                                                                            (∗2 A/T)
                                                                                                                                      B–Y
                                                                                                                                    1 DD1
                                                                                        (∗2 A/T)
                                                                              B




                                                                                                                                            (∗2 A/T)
                                                                                                                                      B–Y
                                                                          2 A                                                        3 A
                                                               D8(A), D9(B)




      G
                                                               Connector
                                                               Junction




   Y–B                                                                    6 B
  (∗2 A/T)
                                                                                        (∗2 A/T)
                                                                              B–Y




      O                                                                                                                                                                             O


   B–P                                                                                                                                                                             B–P


  L(A/T)                                                                                                                                                                          L(A/T)




 B–W(A/T)                                                                                                                                                                        B–W(A/T)




      R                                                                                                                                                                             R




                                                                                D1




128

                                              BRZ (G4400BE)
D43
                                                Junction Connector




             16         5       9        20        13                2       1       12




                                                   BR–W




                                                                            W–B




                                                                                     R–Y
                       B–Y




                                         B–P




                                                                     BR
             LG




                                O




                              21 AD2   39 AD2                             21 AD1   39 AD1




             14         6
              CANL     CANH



                         TC




                                                                            W–B




                                                                                     R–Y
                                         B–P
                                O




           D10         13
           DLC3
                       R–B




                     14 AD1
                       R




                                                                                              R–Y


                                                                                             W–B




   O


  B–P


 L(A/T)                                                                                      L(A/T)




B–W(A/T)                                                                                    B–W(A/T)




   R                                                                                          BR

                                                                                             BR–W




                                                                                                    129

                                       BRZ (G4400BE)
Cruise Control, Electronically Controlled Transmission and A/T Indicator
(A/T), Engine Control, Shift Indicator (M/T) and Shift Lock



            A5
            VSC (VDC) Control Module




               CANL          CANH            FL+        FL–         FR+           FR–        RL+    RL–    RR+    RR–
               14            26             19         32          16             4        31      18     17     29




                                                                                                   LG–B
                                                                   G–O




                                                                                 G–B




                                                                                            LG
                                                       W




                                                                                                                 G
                                            B




                                                                                                          L
               B–R




                             BR




                                                                                   Speed Sensors




               17             6
                                                            A17
                                                            Junction Connector




               18             7        16          5




   R–Y


  W–B




  L(A/T)




 B–W(A/T)




   BR                                                                                                                    BR

  BR–W                                                                                                                  BR–W




130

                                            BRZ (G4400BE)
(BAT)            (IG)


                                                       7. 5A                   7. 5A
                                                       MPX–B                   GAUGE


                       L–R
                                               2                2

                                                   1           2 3A
       19 3C


                                L–R




                                                               W–G
       17 3B




                                                               W–G
          R–W




           1                                                    2
                B                                                     IG+




                                                                                                                                  A/T OIL TEMP
                                                                           Malfunction




                                                                                                 SPORT




                                                                                                                   SNOW
                                                                           Indicator




                                      Buzzer
                                                                           Lamp




                                                        I/F                                               LED Driver
       Power Circuit




                                                                      CPU




                CAN Driver
                                                                                                                             Display


                CANH           CANL                                        ES2                 ES1
           6             7                                           40                  20              D7
                                                                                                         Combination Meter Assembly
                        BR–W




                                                                     B–Y




                                                                                         B–Y
          BR




                                                                     B–Y




 BR

BR–W



                                                                       D3




                                                                                                                                                 131

                                                       BRZ (G4400BE)
Cruise Control, Electronically Controlled Transmission and A/T Indicator
(A/T), Engine Control, Shift Indicator (M/T) and Shift Lock
        : Parts Location
   Code                     See Page               Code                 See Page                     Code             See Page
     A5          39                                 C10       38                                 D8       A   40
 A9     A        42                                 C11       38                                 D9       B   40
 A10    B        42                                 C12       38                                     D10      40
    A11          39                                 C13       38                                 D16      A   40
    A13          42                                 C14       38                                 D17      B   40
    A17          42                                 C15       38                                     D28      40
 A18    A        42                                 C16       38                                     D35      40
 A19    B        42                                 C18       38                                     D36      40
    A20          42                                 C19       38                                 D40      A   41
    A21          42                                 C20       38                                 D41      B   41
    A22          42                                 C21       38                                     D42      41
    A23          42                                 C23       38                                     D43      41
 A33    A        42                                 C24       38                                 D46      A   41
 A34    B        42                                 C25       38                                 D47      B   41
 A35    C        42                                 C26       38                                 D48      C   41
 A36    D        42                                 C27       38                                 D51      A   41
    A37          42                                 C28       38                                     D55      41
 A43    A        39                                 C29       38                                     D60      41
    A53          39                                 C30       38                                      G7      44
    A54          39                                 C31       38                                      G8      44
 A73    A        42                                 C33       38                                     G12      44
 C1     A        38                                 C34       38                                      L2      39
 C2     B        38                                 C35       38                                      L3      39
 C3     C        38                                 C36       38                                      L4      39
 C4     D        38                                 C37       38                                      L5      39
     C5          38                                 C38       38                                      d1      39
     C6          38                                 C39       38                                  z4      C   42
     C7          38                              D5     B     40                                  z5      D   42
     C8          38                              D6     C     40
     C9          38                                 D7        40


        : Relay Blocks
 Code            See Page      Relay Blocks (Relay Block Location)
  1         24                 Engine Room R/B (Engine Compartment Right)


        : Junction Block and Wire Harness Connector
 Code            See Page      Junction Block and Wire Harness (Connector Location)
  1E        24                 Engine Room Main Wire and Engine Room J/B (Engine Compartment Right)
  3A
            26                 Instrument Panel Wire and Instrument Panel J/B Assembly (Instrument Panel Reinforcement)
  3B
  3C        26                 Engine Room Main Wire and Instrument Panel J/B Assembly (Instrument Panel Reinforcement)
  3D        26                 Instrument Panel Wire and Instrument Panel J/B Assembly (Instrument Panel Reinforcement)


        : Connector Joining Wire Harness and Wire Harness
 Code            See Page      Joining Wire Harness and Wire Harness (Connector Location)
 AC1
            46                 Engine Room Main Wire and Engine Wire (Engine Unit)
 AC2
 AD1        47                 Engine Room Main Wire and Instrument Panel Wire (Cowl Side Panel RH)
 AD2        47                 Engine Room Main Wire and Instrument Panel Wire (Instrument Panel Reinforcement)
 AD3        47                 Engine Room Main Wire and Instrument Panel Wire (Cowl Side Panel LH)
 AL1
            46                 Engine Room Main Wire and Transmission Wire (Dash Panel)
 AL2
 Cd1        46                 Engine Wire and No. 1 Engine Wire (Engine Unit)
 DD1        47                 Instrument Panel Wire and Instrument Panel Wire (Cowl Side Panel LH)
 GD1
            47                 No. 1 Floor Wire and Instrument Panel Wire (Cowl Side Panel RH)
 GD2




132

                                                       BRZ (G4400BE)
: Ground Points
Code         See Page    Ground Points Location
 A1     46               Front Fender Apron LH
 A3     47               Cowl Side Panel LH
 A7     46               Front Fender Apron RH
 C1     46               Engine Unit
 D1     47               Cowl Side Panel LH
 D3     47               Instrument Panel Brace RH
 G1     48               Quarter Wheel House Panel RH




                                                               133

                                               BRZ (G4400BE)
Engine Immobiliser System (w/o Smart Entry  Start System)

                                                                             A73(A), D5(B), D6(C)
      (BAT)             (BAT)             (ACC)             (IG)             Main Body ECU


                7. 5A             7. 5A           10A              10A
                ECU–B             MPX–B           ECU ACC          ECU IG1


                                                                               IG            ACC     BMPX    BECU
       2                 2                2                 2
                                                                              8              9       32       1

            1                 1
      G–R




                        L–R




                                                                                                    19 3C   27 3A




                                                                                                             G–R
                                                                                                     L–R




                                                                                                                    Junction Connector
  25 AD2




                                                                                                                    D16(A), D17(B)
                                                                                                            21 A




                                                                                                            12 B
      G–R




                                                                                                             G–R




134

                                                    BRZ (G4400BE)
11
                           B–Y                                                                B–Y




                                                                                                        18 3B




                      D3
                                                                                                                                         GND
                                                                                                                                                Main Body ECU
                                                                                                                                                A73(A), D5(B), D6(C)




                           B–Y                                                                              B




                                                                       6 B
                                                                                       4 A
                                                                                                                                  1 C




                      D1
                                                                                                                                         GND
                                                                         D8(A), D9(B)
                                                                         Junction Connector


                           B–Y                                                                           B–Y




                                                                       7 A
                                                                                 9 A
                                                                                                                                  4 A




                      A3
                                                                                                                                         GND




                                                                         A9(A)
                                                                         Junction Connector
                                                                                                    2




                                                                             G
                                                                                              1
                                                                                                                          (BAT)


                                                                                                                15A
                                                                                                                HAZ




                                                                                              G
                                                                                                                  7 3C




BRZ (G4400BE)
                                                                                                                                  2




                                                                                              R–W
                                                                                                                  10 3D
                                                                                                                                         KSWB




                                 1
                                                                   2




                                                                                              BR
                                                                                                                                  22 B
                                                                                                                                         KSW




                                                             UN–




                                      UN+




                                     D53
                                     Un–Lock Warning
                                     Switch Assembly
                                     (Ignition Switch Lock
                                      Cylinder Assembly)




                135
Engine Immobiliser System (w/o Smart Entry  Start System)

  A73(A), D5(B), D6(C)
  Main Body ECU




                            VC5         TXCT         CODE          AGND                   UART
                          8 A          15 A          5 A          16 A                   17 A

                                                                                                                            (BAT)




                                                                   GR
                                                      LG
                                        W
                           R




                                                                                                                                             7. 5A
                                                                                                                                             MPX–B


                         43 AD1       42 AD1     41 AD1       40 AD1                                                         2


                                                                                                                                  1




                                                                                                                            L–R
                                                                                                                                      (∗1)
                                        W–G




                                                                                                (∗1)
                                                                   GR




                                                                                          SB
                                                      LG
                           R




                                                                                                                            L–R
                                                                                                                                      (∗1)


                                                                                                                                             Transponder Key ECU Assembly
                           1             5            4            7                       3                                 1
                                VC5           TXCT         CODE          AGND             UART                                +B




                                                                                          GND




                                                                                                                                             A64
                                       Transponder Key Coil
                                                                                           5
                          D54
                          Transponder Key Amplifier
                                                                                          B–Y
                                                                                                (∗1)

                                                                                                       Junction Connector




                                                                                         10 B
                                                                                                       A10(B)




                                                                                         12 B
                                                                                                (∗1)
                                                                                          B




                               ∗ 1 : w/ Transponder Key ECU Assembly
                                                                                                (∗1)
                                                                                          B




                                                                                            A1




136

                                                                         BRZ (G4400BE)
A73(A), D5(B), D6(C)
Main Body ECU




         CANH           CANL                                   IMO
       14 B            13 B                                  9 A
                        LG
         P




                               D43
          3             14     Junction Connector




          2             13            9               20
                        BR–W




                                                      B–P
         BR




                                     O




                                                              Y




                                  21 AD2            39 AD2
                                                      B–P
                                     O




                                    19 A             18 A    25 C
                                     CANH             CANL     IMO




                                 A33(A), A35(C)
                                 ECM




                                                                       BR–W




                                                                        BR




                                                                             137

                                                       BRZ (G4400BE)
Engine Immobiliser System (w/o Smart Entry  Start System)

  A73(A), D5(B), D6(C)
  Main Body ECU




                                                                                                                                                      IND
                                                                                                                                                     27
                                                                        (IG)               (BAT)
                                                                                                                                                    22 3B

                                                                                   7. 5A           7. 5A         L–R
                                                                                   GAUGE           MPX–B




                                                                                                                                                     V
                                                                        2                  2
                                                                                                                       19 3C
                                                                       2 3A                    1




                                                                                                           L–R
                                                                       W–G
                                                                                                                       17 3B




                                                                                                                                  R–W
                                                                       W–G



         D7
         Combination Meter Assembly                                     2                                                                   1        18
                                                                             IG+                                                                B         IND




                      Power Circuit




                                      CPU
                                                                                                                       Security Indicator




                      CAN Driver



                       CANL           CANH         ES2         ES1
                7               6            40          20
               BR–W




                                             B–Y




                                                         B–Y
                               BR




  BR–W
                                             B–Y




    BR




                                               D3




138

                                                                     BRZ (G4400BE)
: Parts Location
  Code                     See Page              Code                  See Page                Code                  See Page
A9     A        42                             D5     B      40                              D17    B      40
A10    B        42                             D6     C      40                                 D43        41
A33    A        42                                 D7        40                                 D53        41
A35    C        42                             D8     A      40                                 D54        41
   A64          42                             D9     B      40
A73    A        42                             D16    A      40


       : Relay Blocks
Code            See Page      Relay Blocks (Relay Block Location)
 1         24                 Engine Room R/B (Engine Compartment Right)


       : Junction Block and Wire Harness Connector
Code            See Page      Junction Block and Wire Harness (Connector Location)
 3A
           26                 Instrument Panel Wire and Instrument Panel J/B Assembly (Instrument Panel Reinforcement)
 3B
 3C        26                 Engine Room Main Wire and Instrument Panel J/B Assembly (Instrument Panel Reinforcement)
 3D        26                 Instrument Panel Wire and Instrument Panel J/B Assembly (Instrument Panel Reinforcement)


       : Connector Joining Wire Harness and Wire Harness
Code            See Page      Joining Wire Harness and Wire Harness (Connector Location)
AD1        47                 Engine Room Main Wire and Instrument Panel Wire (Cowl Side Panel RH)
AD2        47                 Engine Room Main Wire and Instrument Panel Wire (Instrument Panel Reinforcement)


       : Ground Points
Code            See Page      Ground Points Location
 A1        46                 Front Fender Apron LH
 A3
           47                 Cowl Side Panel LH
 D1
 D3        47                 Instrument Panel Brace RH




                                                                                                                                139

                                                       BRZ (G4400BE)
DLC3

                                                        (BAT)              (IG)


                                                                7. 5A             10A
                                                                OBD               ECU IG2


                                                        2                  2

                                                      35 3A             18 3A




                                                       W–B




                                                                          L–Y
                                                                                            D10
                                                       16                  8                DLC3
                                                        BAT                IG2




                                                         CG                 SG
                                                        4                  5
                                                       B–Y




                                                                          R




                                                                        5 AD2
                                               B–Y
                                                                          W
                                                                          W
                          Junction Connector




                   1 A
                          D8(A), D9(B)




                                                                        37 AC1


                   6 B
                   B–Y




                                                       B–Y




                                                                          B




           B   B




      D4             D1                                  D3                 C1




140

                                                     BRZ (G4400BE)
Junction Connector
                       B–Y




                                                    LG
D10
DLC3                    6                           14
                       CANH                         CANL




                                                      TC
                                                    13
                                                    R–B




                                    14 AD1
                                                    R
         (A/T)
   R




                                                    R




  22 B                                             12 B
       TC                                           WFSE




A19(B)                        A34(B)
Transmission Control          ECM
Module




                                                           141

                        BRZ (G4400BE)
DLC3
        : Parts Location
   Code                     See Page               Code                 See Page                 Code                 See Page
 A19    B        42                              D8     A     40                                 D10        40
 A34    B        42                              D9     B     40


        : Junction Block and Wire Harness Connector
 Code            See Page      Junction Block and Wire Harness (Connector Location)
  3A        26                 Instrument Panel Wire and Instrument Panel J/B Assembly (Instrument Panel Reinforcement)


        : Connector Joining Wire Harness and Wire Harness
 Code            See Page      Joining Wire Harness and Wire Harness (Connector Location)
 AC1        46                 Engine Room Main Wire and Engine Wire (Engine Unit)
 AD1        47                 Engine Room Main Wire and Instrument Panel Wire (Cowl Side Panel RH)
 AD2        47                 Engine Room Main Wire and Instrument Panel Wire (Instrument Panel Reinforcement)


        : Ground Points
 Code            See Page      Ground Points Location
  C1        46                 Engine Unit
  D1        47                 Cowl Side Panel LH
  D3        47                 Instrument Panel Brace RH
  D4        47                 Cowl Side Panel RH




142

                                                       BRZ (G4400BE)
Memo




                  143

BRZ (G4400BE)
Multiplex Communication System (CAN)




      D27(A)                         D7                           D56
      Airbag Control Module          Combination Meter Assembly   Steering Sensor




         CANH                 CANL      CANH             CANL        CANH            CANL
        13 A              22 A           6                7           3               2




                                                         BR–W




                                                                     G–W
                              R–W
         P–L




                                        BR




                                                                                     G
          8                   19         2               13           6              17




          1                   12                                      3              14     D43
                                                                                            Junction Connector
         W–B




                              R–Y




                                                                                     LG
                                                                     P




      21 AD1            39 AD1
         W–B




                              R–Y




                                                                    14 B            13 B
                                                                     CANH            CANL




                                                                  D5(B)
                                                                  Main Body ECU




                                                                                                                 R–Y


                                                                                                                 W–B




144

                                             BRZ (G4400BE)
∗ 1 : Automatic A/C
                                                              ∗ 2 : w/ Smart Entry  Start System




      D19(A)                                D41(B)
      A/C Amplifier Assembly                Certification ECU Assembly




         CANH                  CANL            CANH               CANL
        13 A              12 A                14 B              15 B
         L–W




                               L–Y
               (∗1)




                                     (∗1)




                                                     (∗2)




                                                                        (∗2)
                                               G




                                                                  R




         10                21                   4                15
                                                                               D43
                                                                               Junction Connector




          5                16                   9                20
         B–Y




                                                                  B–P
                               LG




                                               O




                                            21 AD2            39 AD2
                                                                  B–P
                                               O




          6                14                 19 A              18 A
         CANH                  CANL            CANH               CANL




      D10                                   A33(A)
      DLC3                                  ECM




R–Y                                                                                                 R–Y


W–B                                                                                                 W–B




                                                                                                          145

                                                BRZ (G4400BE)
Multiplex Communication System (CAN)




          A15(B)                              A5
          Power Steering ECU Assembly         VSC (VDC) Control Module




             CANH             CANL               CANH              CANL
             1 B             7 B                 26                14




                                                                   B–R
                                                 BR
                              W
             B




              8              19                   6                17
                                                                                 A17
                                                                                 Junction Connector




              7              18                   5                16
                                                       (A/T)




                                                                         (A/T)
             W–B




                                                 B–W
                              R–Y




                                                                   L




                                                29 A             28 A
                                                 CANH              CANL

  R–Y


  W–B                                         A18(A)
                                              Transmission Control Module




146

                                        BRZ (G4400BE)
: Parts Location
  Code                     See Page              Code                 See Page                Code               See Page
    A5          39                             D5     B      40                             D41    B      41
A15    B        42                                 D7        40                                D43        41
   A17          42                                D10        40                                D56        41
A18    A        42                             D19    A      40
A33    A        42                             D27    A      40


       : Connector Joining Wire Harness and Wire Harness
Code            See Page      Joining Wire Harness and Wire Harness (Connector Location)
AD1        47                 Engine Room Main Wire and Instrument Panel Wire (Cowl Side Panel RH)
AD2        47                 Engine Room Main Wire and Instrument Panel Wire (Instrument Panel Reinforcement)




                                                                                                                            147

                                                     BRZ (G4400BE)
Headlight

                                                                                                               A73(A), D5(B), D6(C)
      (BAT)           (BAT)             (BAT)                           (ACC)                 (IG)             Main Body ECU


              15A               7. 5A                 7. 5A                         10A              10A
              HAZ               ECU–B                 MPX–B                         ECU ACC          ECU IG1


                                                                                                                    IG            ACC
      2                2                 2                               2                    2
                                                                                                                   8              9

          1           G–R   1                 1




                                        L–R
      G




                                                                      28 3B




                                                                             (∗2)
                                                                        W
                    25 AD2
                      G–R




                                                                                                                                        W
                                                                                                                                        (∗2)


                                                                                                                                        L–R


                                                                                                                                        G–R


                                                                                                                                         G




                                                  ∗ 2 : w/ Smart Entry  Start System




148

                                                      BRZ (G4400BE)
A73(A), D5(B), D6(C)
                             Main Body ECU




       ACC(∗2)        BMPX         BECU                        KSWB     GND   GND                         GND
       22 B           32            1                           2      11     1 C                         4 A




                                                                                                          B–Y
                                                                              B
                     19 3C       27 3A                         7 3C   18 3B

                                   G–R
                      L–R
              (∗2)
        W




                                                               G
                                          Junction Connector




                                                                                     Junction Connector




                                                                                                                 Junction Connector
                                          D16(A), D17(B)


                                  21 A                                        4 A




                                                                                     D8(A), D9(B)
                                                                                                          9 A




                                                                                                                 A9(A)
                                                                       B–Y
                                  12 B                                        6 B                         7 A
W
(∗2)
                                   G–R




L–R


G–R


 G

                                                                              B–Y




                                                                                                          B–Y
                                                                       B–Y




                                                                         D3     D1                          A3




                                                                                                                                      149

                                                     BRZ (G4400BE)
Headlight

                                    A73(A), D5(B), D6(C)
                                    Main Body ECU




                                            HU             HF                           TAIL     HEAD1     HEAD2
                                          21          18                               25 B      2 B       12 A




                                        30 3B       15 3B




                                                                                                  W




                                                                                                            G
                                                                                                          26 AD1




                                                                                        BE
                                                      LG
                                          G




                                                                                                            W



                                                                                                                   Junction Connector
                                                                                                 2 A       1 A




                                                                                                                   D16(A), D17(B)
                                                                                                 10 B




                                                                                                  W
                                         11 A       17 A                               18 A      20 A
                                         HU          HF                                 T         H



                       EL    (HL)           HU             HF                                T        H     AUTO                        EL

               Flash                                                             Off
      Dimmer




                                                                Light Control
      Switch




               Low                                                              Tail
                                                                Switch




               High                                                             Head

                                                                                AUTO




                                                                                                                                   EL
                            D50(A)                                                                                             12 A
                            Headlight Dimmer Switch Assembly
                                                                                                                                        B
                                                                                                                                        B




                                                                                                                                             B




                                                                                                                                        D4   D1




150

                                                    BRZ (G4400BE)
A73(A), D5(B), D6(C)
                         Main Body ECU




 HRLY    HRLYD
 2 A     1 B


                                                                                                                                          G
 L




                                                                                  1                         1
                  L–B
         B
 L




                             1                    1                                          5          2
30 3C   29 3A    17 3C
                                                                                                                H–LP
                                     15A                  15A                                                   Relay
                                     H–LP LH LO           H–LP RH LO

                                                                                             3          1
                             2                    2


                                 1                    1
                            L




                                                                                            Solenoid




                                                                                                                        Headlight Assembly RH
                                                                                      B–W
                                                                   R




                                                                           B




                                                                                                  Y




                                                                                                                        A38




                                                                       5    6          7           8
                                                                           B–W




                                                                                                  B–W
                                                                   R




                                                                                                                                   R–W




                                                                                                                                           L




                                                                             A7




                                                                                                                                                151

                                         BRZ (G4400BE)
Headlight

                                            A73(A), D5(B), D6(C)
                                            Main Body ECU




                                                                                                                  DIM
                                                                                                                11 A        3 B                                                        23 A

                                                                                                                                                              (BAT)
      G                                                                        G                            G




                                                                                                                                                          80A MAIN




                                                                                                                                                                      Block Assembly
                                                                                                                                                                      Fusible Link
                                                        G




                                                                                                                                                                      A76(B)
                                                             1
                                                                                                                                                           1 B




                                                                                                 G




                                                                                                                            G
          1                1                    5        2


                  10A               10A                           DIM




                                                                                                                                                             W




                                                                                                                                                                                        Y
                  H–LP              H–LP                          Relay
                  RH HI             LH HI                                                      20 AD2
                                                3        1
          2                2


              1                 1                            1              1 1D
                          W–L




                                                                                   Solenoid
                                                                                                                                  Headlight Assembly LH
                                                                          B–W




                                                                                                        R
                                                                                         Y




                                                                                                                   B




                                                                                                                                  A60




                                                                           7              8             5              6
                                                                                         B–W




                                                                                                                   B–W
                                                                          W–L




                                                                                                        L




  R–W




      L




                                                                                                                       A1




152

                                                                 BRZ (G4400BE)
Daytime
                                                                                                            Running
                                                                                                            Light




                                                                                                      4
                                                                                                                        1
                                                                                                                                                                              5
                                                                                                                                                                                              3
                              B                        B                        B               B                           BR                         BR




                                                                                                                                                                          1




                                                                11 A
                                                                         10 A




                      A7
                                                                   A9(A)




                                                                                                                                                                              1
                                                                                                                                                                                              2
                                                                   Junction                               A4                                                                                                                     O




                                                                                                                                                                          1
                                                                                                                                                                                                                 1
                                                                                                                                                                                                                                             21 A
                                                                   Connector

                                                                                                                                                                                                                                                    DRL
                                                                                                          Headlight
                                                                                                          Assembly LH




                                                                                                                                                                                     DRL
                                                                                                                                                                                     Relay




                                                                                                                                                                          1
                                                                                                            Daytime
                                                                                                            Running
                                                                                                            Light




                                                                                                      4
                                                                                                                        1
                                                                                                B                           BR




                                                                                                                                                                                                                 2
                                                                                                                                                                              R–L




                                                                                                                                                                                                  34 3C
                                                                                                                                                                                                                                     (IG)




                                                                                                          A41




                                                                                                                                                      L–R
                                                                                                          Headlight
                                                                                                                                                                                                                      10A
                                                                                                                                                                                                                      DRL



                                                                                                          Assembly RH
                                                                                                                                                                                                                                                          Main Body ECU
                                                                                                                                                                                                                                                          A73(A), D5(B), D6(C)




                                                                                                                                                                                                                 2




                                                                                                                                                                              L–R
                                                                                                                                                                                                  1
                                                                                                                                                                                                                                     (BAT)


                                                                                                                                                                                                                      7. 5A
                                                                                                                                                                                                                      MPX–B


                                                                                                                                                                                                                 2




                                                                                BR–Y                R–L
                                                                                                                                                                                                          2 3C
                                                                                                                                                                                                                                     (IG)




                                                                                        4 AL2
                                                                                (A/T)               (A/T)
                                                                                                                                                                                                                      7. 5A




BRZ (G4400BE)
                                                   P




                             D
                                    N
                                          R
                                                                                G–Y                 W–G
                                                                                                                                                                                                                      BK/UP LP




                                                                                        3 AL2




                                                            2
                                                                                (A/T)               (A/T)




                                                       RB
                                                            6

                                                       PL
                                                            1
                                                                                B–W                  V




                                                       RL
                                                                                        2 AL2
                                                                                (A/T)               (A/T)




                                                            9

                                                       NL
                                                            7

                                                       DL
                                                                                    L               B–G




                                                                                        1 AL2
                                                                                                                                                                                                   1
                                                                                                                                                                                                                                             14




                           L2                                                   (A/T)               (A/T)                                                                                                        GR
                                                                                                                                                                                                                             24 3B
                                                                                                                                                                                                                                                    PKB




                           Park/Neutral Position
                           Switch Assembly
                                                                                                                                                                                    D31
                                                                                                                                                                                    Parking Brake
                                                                                    R               BR                                                                              Switch Assembly




                                                                                        8 AL2
                                                                                (A/T)               (A/T)
                                                                                                                                                      V(A/T)




                                                                                                                                 BR(A/T)
                                                                                                                                           B–G(A/T)
                                                                                                                                                               W–G(A/T)




                153
Headlight

                                          A73(A), D5(B), D6(C)
                                          Main Body ECU


                                                                                                                                                                                                  BR


                                                                                        CANH            CANL                                                                                     BR–W
                                                                                       14 B            13 B




                                                                                                        LG
                                                                                        P
                                                                                         3              14                                       2                13




                                                                                                                                                                          Connector
                                                                                                                                                                          Junction
                                                                                                                                                                          D43
                                                                                         1              12                                       9                20




                                                                                        W–B




                                                                                                        R–Y




                                                                                                                                                                  B–P
                                                                                                                                                 O
                                                                                      21 AD1          19 AD1                                   21 AD2       39 AD2



 W–G(A/T)
                                                                                              (A/T)




                                                                                                              (A/T)
                                                                                        W–B




                                                                                                        R–Y




                                                                                                                                                                  B–P
                                                                                                                                                 O
  V(A/T)


 B–G(A/T)


  BR(A/T)




                                                                                                                                                                           A33(A), A34(B)
                                                                                         7              18                                                                 ECM
                                                                                                                      Connector




                                                                                                                                                19 A           18 A
                                                                                                                      Junction




                                                                                                                                                 CANH              CANL
                                                                                                                      A17




                                                                                         5              16

                                                                                                                                                  NE+                        NE–       SLE3
                                                                                                                                                16 B                       27 B       35 B
                                                                                                                                  (Shielded)
                                                                   W–G
                     (A/T)




                                        (A/T)




                                                           (A/T)




                                                                             (A/T)




                                                                                              (A/T)




                                                                                                              (A/T)
                                                                                        B–W
                              B–G
            BR




                                                                                                                                                 W
                                                   V




                                                                                                                                                                            B
                                                                                                        L




                                                                                                                                               3 AC1                      14 AC1
                                                                                                                                  (Shielded)




                                                                                                                                                                            W–R
                                                                                                                                                 W




                                                                                                                                                                                       B




            9 B              21 B                10 B              3 B                 29 A            28 A                                      1
                                                                                                                                                        Position Sensor




                 D                  N                  R                 P              CANH            CANL                                      NE+
                                                                                                                                                        Crankshaft
                                                                                                                                                        C33




                                                                                                                                                  NE–
                                A18(A), A19(B)                                                                                                   2
                                Transmission Control Module
                                                                                                                                                                                       B




                                                                                                                                                                                            C1




154

                                                                                     BRZ (G4400BE)
(IG)                     (BAT)


 BR                                                                        7. 5A                      7. 5A
                                                                           GAUGE                      MPX–B


BR–W
                                                                2                        2

                                                               2 3A                           1




                                                               W–G




                                                                                        L–R
                                                                                        L–R
                                                                                       19 3C




                                                               W–G
                                                                                       17 3B




                                                                                        R–W
                           D7
                           Combination Meter Assembly           2                        1
                                                                     IG+                          B
                                   Beam




       Power Circuit




                                  LED Driver




                                    CPU




                            CAN Driver



                            CANH              CANL            ES2                ES1
                       6                  7             40                 20
                                     BR–W




                                                        B–Y




                                                                           B–Y
                       BR




                                                        B–Y




                                                          D3




                                                                                                              155

              BRZ (G4400BE)
Headlight
        : Parts Location
   Code                     See Page              Code                  See Page                Code                  See Page
     A4          39                                A41        39                              D8     A      40
 A9     A        42                                A60        39                              D9     B      40
    A17          42                             A73    A      42                              D16    A      40
 A18    A        42                             A76    B      36, 39                          D17    B      40
 A19    B        42                                C33        38                                 D31        40
 A33    A        42                             D5     B      40                                 D43        41
 A34    B        42                             D6     C      40                              D50    A      41
    A38          39                                 D7        40                                  L2        39


        : Relay Blocks
 Code            See Page      Relay Blocks (Relay Block Location)
  1         24                 Engine Room R/B (Engine Compartment Right)


        : Junction Block and Wire Harness Connector
 Code            See Page      Junction Block and Wire Harness (Connector Location)
  1D        24                 Engine Room Main Wire and Engine Room J/B (Engine Compartment Right)
  3A
            26                 Instrument Panel Wire and Instrument Panel J/B Assembly (Instrument Panel Reinforcement)
  3B
  3C        26                 Engine Room Main Wire and Instrument Panel J/B Assembly (Instrument Panel Reinforcement)


        : Connector Joining Wire Harness and Wire Harness
 Code            See Page      Joining Wire Harness and Wire Harness (Connector Location)
 AC1        46                 Engine Room Main Wire and Engine Wire (Engine Unit)
 AD1        47                 Engine Room Main Wire and Instrument Panel Wire (Cowl Side Panel RH)
 AD2        47                 Engine Room Main Wire and Instrument Panel Wire (Instrument Panel Reinforcement)
 AL2        46                 Engine Room Main Wire and Transmission Wire (Dash Panel)


        : Ground Points
 Code            See Page      Ground Points Location
  A1        46                 Front Fender Apron LH
  A3        47                 Cowl Side Panel LH
  A7        46                 Front Fender Apron RH
  C1        46                 Engine Unit
  D1        47                 Cowl Side Panel LH
  D3        47                 Instrument Panel Brace RH
  D4        47                 Cowl Side Panel RH




156

                                                       BRZ (G4400BE)
Memo




                  157

BRZ (G4400BE)
158
                                                                                                                                                                                    Stop Light




                                                                               4
                                                                                                                   3
                                                                                                                                                                2
                                     L–O                                BR–W          B                        R               W–L                 W–L




                                                                                                                                                         9 3A




                                           16 3D
                                                          8 3C
                                                                                                                                          12 AD1
                                                                                                                                                                            (BAT)




                                                                                                                             (Shielded)
                                                                                                                                                                    7. 5A
                                                                                                                                                                    STOP




                                                                                                                   2
                                                                                                             Y–L                   P




                                                                                                                   1
                                                                                                             G–B                   L



                                                                                   A13
                                                                                   Noise Filter




                                                   6 A
                                                                 3 A




                                            B
                                                   12 A
                                                                 11 A
                                                                                                  1
                                                                                                                   2




                                                      A9(A)
                                                      Junction                                        A22
                                                      Connector                                       Stop Light Switch Assembly




BRZ (G4400BE)
                           B                          B




                      A7
                               L–O
L–O
                                                                                    L–O                             LG




                                                                                                            6 HD1




                                                                  Stop/Tail
                                B              B                                          W–B                       LG




                                    2 A
                                                                                                      3 A




                                          E




BRZ (G4400BE)
                                                                                                STP




                                          H1(A)
                                          Rear Combination Light Lens and Body RH




                      B
                                                                                                                         LG
                                                                                                                              LG




                159
160
                                   B
                                                                                                                    LG
                                                                                                                         LG
                                                                                                                              Stop Light




                                                                            Stop/Tail
                               B       B                 B                                   W–B               LG




                                           2 A
                                                                                                         3 A




                      H1
                                                 E
                                                                                                   STP




                           B
                                                   H6(A)
                                                   Rear Combination Light Lens and Body LH




                      H3




BRZ (G4400BE)
                                           2
                                                                      1
                                       B                                                             LG




                                                               HMSL




                                                 EARTH
                                               H10
                                               Center Stop Light Assembly
: Parts Location
  Code                     See Page              Code                 See Page                Code                 See Page
A9     A        42                                A22        42                             H6     A      45
   A13          42                             H1     A      45                                H10        45


       : Junction Block and Wire Harness Connector
Code            See Page      Junction Block and Wire Harness (Connector Location)
 3A        26                 Instrument Panel Wire and Instrument Panel J/B Assembly (Instrument Panel Reinforcement)
 3C        26                 Engine Room Main Wire and Instrument Panel J/B Assembly (Instrument Panel Reinforcement)
 3D        26                 Instrument Panel Wire and Instrument Panel J/B Assembly (Instrument Panel Reinforcement)


       : Connector Joining Wire Harness and Wire Harness
Code            See Page      Joining Wire Harness and Wire Harness (Connector Location)
AD1        47                 Engine Room Main Wire and Instrument Panel Wire (Cowl Side Panel RH)
HD1        47                 No. 2 Floor Wire and Instrument Panel Wire (Cowl Side Panel LH)


       : Ground Points
Code            See Page      Ground Points Location
 A7        46                 Front Fender Apron RH
 H1        48                 Lower Back Panel
 H3        48                 Quarter Wheel House Panel LH




                                                                                                                              161

                                                     BRZ (G4400BE)
162
                                                                                                                 1
                                                                                                                                   2
                                                                                                                                                                                              2
                           O–W                                                                        V                                              R–L                         R–L




                                                                      4 3D
                                                                                         10 3C
                                                                                                                                                                                       2 3C
                                                                                                                                                                                                          (IG)




                           (M/T)                                                                     (M/T)                                       (M/T)
                                                                                                                                                                                                                 Back-Up Light




                                                                                                                     A53
                                                                                                                                                                                                  LP




                                                                                                                     Back–Up Light
                                                                                                                     Switch Assembly
                                                                                                                                                                                                  7. 5A
                                                                                                                                                                                                  BK/UP




                                                                                                                                                                           R–L
                                                                                                                                                                   (A/T)




                                                                                                                       R
                                                                                                                                   2
                                                                                                                                             BR–Y




                                                                                                                              RB
                                                                                                                                                           4 AL2
                                                                                                                                             (A/T)




                                                                                                                 1
                           O–W               V                             V                         B–W




                                                                                                                              RL




                                                                                         2 AL2




                                   11 AD1
                           (A/T)            (A/T)                     (A/T)                          (A/T)
                                                                                                                     L2
                                                                                                                     Park/Neutral Position
                                                                                                                     Switch Assembly




                           O–W                                        O–W                             P




                                                    7 A
                                                              9 A
                                                                                         5 HD1
                                                      D46(A)




BRZ (G4400BE)
                                                      Junction Connector




                                                                                                      Back–Up
                                                                               3
                                                                                                                                   1




                            B                             B                          W–B                                   R–L




                      H1
                                                                                                      Back–Up




                                                                                   H2
                                                                                   Back–Up Light Lens and Body
: Parts Location
  Code                     See Page               Code                See Page                 Code                See Page
   A53          39                                 H2        45
D46    A        41                                 L2        39


        : Junction Block and Wire Harness Connector
 Code           See Page      Junction Block and Wire Harness (Connector Location)
  3C       26                 Engine Room Main Wire and Instrument Panel J/B Assembly (Instrument Panel Reinforcement)
  3D       26                 Instrument Panel Wire and Instrument Panel J/B Assembly (Instrument Panel Reinforcement)


        : Connector Joining Wire Harness and Wire Harness
 Code           See Page      Joining Wire Harness and Wire Harness (Connector Location)
 AD1       47                 Engine Room Main Wire and Instrument Panel Wire (Cowl Side Panel RH)
 AL2       46                 Engine Room Main Wire and Transmission Wire (Dash Panel)
 HD1       47                 No. 2 Floor Wire and Instrument Panel Wire (Cowl Side Panel LH)


        : Ground Points
 Code           See Page      Ground Points Location
  H1       48                 Lower Back Panel




                                                                                                                              163

                                                       BRZ (G4400BE)
Turn Signal and Hazard Warning Light

      (BAT)                                                                                     (IG)

                        7 3C
              15A                                                                                         7. 5A
              HAZ                                                                                         GAUGE


      2                                                                                         2
                        9 3D
          1                                                                                   2 3A
                    G




                                                                                               W–G
                        R




                                                                                               W–G
                                        D61
                         4              Turn Signal Flasher Assembly                            1
                          +B                                                                     IG




                         GND                                            EL                       ER
                         7                                             5                        6
                                                                       BR




                                                                                               L
                        B




                                                                      15 A                    13 A
                                                                             TL                      TR
                                                                                                              Headlight Dimmer Switch Assembly




                                                                        TL          EL           TR
                                                   Turn Switch




                                                                 LH

                                                                 N

                                                                 RH
                                                                                                              D50(A)




                                                                                         EL
                                                                                  12 A
                                                                                   B
                        B




                               B




                                                                                   B




                          D1   D4                                                   D1




164

                                   BRZ (G4400BE)
2
                                                                                                                                                                                   R–L




                                                                                                                                                                     LR




                                           8
                                                                                 7
                                                                                                                                  8
                                                                                                                                                                           3
                               B–Y   B–Y                                             R                                       W                                                     G




                                                                                                                                                                     LL




                                                                                             14 3B
                                                                                                                   16 3B




                      D3
                                                 GND
                                                                                                                                       EHW




                                                                       HAZARD+
                                                                                                                                      D61
                                                                                                                                      Turn Signal Flasher Assembly




                                                       Hazard Switch



                                           14
                                     B–Y




                                                 GND
                                                D18
                                                Clock Assembly




                                                                                                       H1(A)
                                                                                                       Rear Combination Light Lens and Body RH




BRZ (G4400BE)
                                                                                                                           Turn
                               B                                                         B                     B                  W                          W




                                                                                                     2 A
                                                                                                                                             4 A




                      H1
                                                                                                                                                                          22 HD1




                                                                                                           E
                                                                                                                                      B

                                                                                                       H6(A)
                                                                                                       Rear Combination Light Lens and Body LH




                           B
                                                                                                                           Turn
                                                                                         B                     B                  W                         Y–G

                                                                                                     2 A
                                                                                                                                             4 A




                      H3
                                                                                                                                                                          23 HD1




                                                                                                           E
                                                                                                                                      B
                                                                                                                                                                                                     G
                                                                                                                                                                                                         R–L




                                                                                                                                                                                               W–L

                                                                                                                                                                                         R–W




                165
Turn Signal and Hazard Warning Light



  R–L

      G                                                                                                                                                      W–R

  W–L
                                                                                                                                                             GR
  R–W




                                                                                                                                      R–L
                                              18 3D                                         1 3D                               6 3A   4 3A   22 3A   21 3A




                                              16 3C                                       20 3C
                                                    W–R




                                                                                                GR
                                                                 Headlight Assembly RH




                                                     1                                           1
                     Headlight Assembly LH




                                                          B                                           B
                                             Turn




                                                                                         Turn




                                                          E                                           E
                     A60




                                                                 A38




                                                     4                                           4
                                                    B




                                                                                                B



                                                                                                          Junction Connector




                                                    6 B                                         5 B
                                                                                                          A9(A), A10(B)




             11 A   12 A                            6 A



                                             B
              B
              B




               A7




166

                                                              BRZ (G4400BE)
W–R


GR




                         W–R
          GR




         21             22
                LR             LL
      Turn RH




                     Turn LH




                                         CPU




                                              ES2         ES1
       D7                               40          20
       Combination Meter Assembly
                                        B–Y




                                                    B–Y
                                        B–Y




                                          D3




                                                                167

                                    BRZ (G4400BE)
Turn Signal and Hazard Warning Light
        : Parts Location
   Code                     See Page              Code                   See Page                  Code               See Page
 A9     A        42                                 D7         40                                H1     A   45
 A10    B        42                                D18         40                                H6     A   45
    A38          39                             D50    A       41
    A60          39                                D61         41


        : Relay Blocks
 Code            See Page      Relay Blocks (Relay Block Location)
  1         24                 Engine Room R/B (Engine Compartment Right)


        : Junction Block and Wire Harness Connector
 Code            See Page      Junction Block and Wire Harness (Connector Location)
  3A
            26                 Instrument Panel Wire and Instrument Panel J/B Assembly (Instrument Panel Reinforcement)
  3B
  3C        26                 Engine Room Main Wire and Instrument Panel J/B Assembly (Instrument Panel Reinforcement)
  3D        26                 Instrument Panel Wire and Instrument Panel J/B Assembly (Instrument Panel Reinforcement)


        : Connector Joining Wire Harness and Wire Harness
 Code            See Page      Joining Wire Harness and Wire Harness (Connector Location)
 HD1        47                 No. 2 Floor Wire and Instrument Panel Wire (Cowl Side Panel LH)


        : Ground Points
 Code            See Page      Ground Points Location
  A7        46                 Front Fender Apron RH
  D1        47                 Cowl Side Panel LH
  D3        47                 Instrument Panel Brace RH
  D4        47                 Cowl Side Panel RH
  H1        48                 Lower Back Panel
  H3        48                 Quarter Wheel House Panel LH




168

                                                       BRZ (G4400BE)
Memo




                  169

BRZ (G4400BE)
Illumination and Taillight

                                                                                                               A73(A), D5(B), D6(C)
      (BAT)           (BAT)             (BAT)                           (ACC)                 (IG)             Main Body ECU


              15A               7. 5A                 7. 5A                         10A              10A
              HAZ               ECU–B                 MPX–B                         ECU ACC          ECU IG1


                                                                                                                    IG            ACC
      2                2                 2                               2                    2
                                                                                                                   8              9

          1           G–R   1                 1




                                        L–R
      G




                                                                      28 3B




                                                                             (∗2)
                                                                        W
                    25 AD2
                      G–R




                                                                                                                                        W
                                                                                                                                        (∗2)


                                                                                                                                        L–R


                                                                                                                                        G–R


                                                                                                                                         G




                                                  ∗ 2 : w/ Smart Entry  Start System




170

                                                      BRZ (G4400BE)
A73(A), D5(B), D6(C)
                              Main Body ECU




       ACC(∗2)        BMPX    BECU                        KSWB     GND
       22 B           32       1                           2      11




                     19 3C   27 3A                        7 3C   18 3B

                              G–R




                                                                  B–Y
                      L–R
              (∗2)
        W




                                                          G
                                     Junction Connector
                                     D16(A), D17(B)


                             21 A




                             12 B
W
(∗2)
                              G–R




L–R


G–R


 G
                                                                  B–Y




                                                                    D3




                                                                         171

                                                BRZ (G4400BE)
Illumination and Taillight

                                                                   A73(A), D5(B), D6(C)
                                                                   Main Body ECU




      GND                         GND                                                       TAIL
      1 C                         4 A                                                      25 B


                                  B–Y
      B




                                                                                            BE
             Junction Connector




                                         Junction Connector




      4 A
             D8(A), D9(B)




                                  9 A
                                         A9(A)




      6 B                         7 A




                                                                                           18 A
                                                                                            T



                                                                                                 T   H   AUTO     EL

                                                                                     Off
                                                                    Light Control




                                                                                    Tail
                                                                    Switch




                                                                                    Head

                                                                                    AUTO
      B–Y




                                  B–Y




                                                                                                                EL
                                                              D50(A)                                            12 A
                                                              Headlight Dimmer Switch Assembly
                                                                                                                 B
                                                                                                                 B




        D1                          A3                                                                            D4




172

                                                              BRZ (G4400BE)
Stop/Tail
                           B       B             B     B




                                       2 A




                      H1
                                             E
                                                                                                                                       Main Body ECU




                                                                                                        G–Y   G–Y              R
                                                                                                                         1 A
                                                                                                                                       A73(A), D5(B), D6(C)




                                                                                                                    TL




BRZ (G4400BE)
                                                                                    Side Marker

                                                                 B                                G–Y




                                             H1(A)
                                             Rear Combination Light Lens and Body RH




                               B
                                                                                                                                   R




                173
174
                       B
                                                                                                                                           R
                                                                 Stop/Tail
                            B             B     B




                                2 A
                                      E
                                                                                                               G–Y   G–Y              R




                                                                                                                                1 A
                                                                                                                                                                             Illumination and Taillight




                                                                                                                           TL
                                                                             Side Marker
                                                                                                                                           R
                                                                                                                                                 R




                       B
                                                           B                                         G–Y
                                                                                                                                           4
                                                                                                                                                 7




                                                                                                                                          JH1
                                                                                                                                                HD1




                       5
                      JH1
                                      H6(A)
                                      Rear Combination Light Lens and Body LH
                                                                                                                                                      Main Body ECU




BRZ (G4400BE)
                                                                                                                                           R
                                                                                                                                                      A73(A), D5(B), D6(C)




                       B
                                                                   2
                                                                                           1
                                                       B                                                   R




                                                                        E
                                                                       J1              B
                                                                                                                                           R




                                                                       License Plate Light Lens LH




                                                                   2
                                                                                           1




                                                       B                E
                                                                                       B




                                                                       J4
                                                                       License Plate Light Lens RH
                                                                                                                                                 G
G




                                                                                                            5
                                                                                                                              8
                               B–Y                     B–Y                                 B–Y                                              Y




                                                                      20 B
                                                                                21 B
                                                                                                                 E
                                                                                                                          B
                                                                                                                                                        21 3B




                      D3
                                                                                                                                                                24 3D
                                                                         D17(B)
                                                                         Junction Connector                     D3
                                                                                                                Headlight Leveling Switch
                                                                                                                                                                                                                       Main Body ECU




                                                                                                     2
                                                                                                                       1
                                                                                       B
                                                                                                                                                                                                                       A73(A), D5(B), D6(C)




                                                                                                         A44




BRZ (G4400BE)
                                                A9(A), A10(B)
                                                Junction                                                 Side Marker Light RH
                                                                                                                                                                        W             140A ALT
                                                Connector
                                                                                                                                                                               1 A




                           B         B
                                                                                                                                                                                                               (BAT)




                                             11 A




                      A7
                                                                                                                                                                                            A75(A)




                                                                                                                                                W




                                             10 A
                                                                                                                                                                                            Fusible Link
                                                                                                                                                                                            Block Assembly




                                             12 A

                                         B
                                                                                                          Parking
                                                                                                          Light




                                                                                                 4
                                                                                                                       2
                                                                                       B                                        W                   W




                                             6 A
                                                                5 B
                                                                                                                                                        13 3C
                                                                                                                                                                                     1 1B




                                                                                                                                                                        1 1C




                                                                                                     A38
                                                                                                     Headlight Assembly RH




                                 B
                                                                                                                                                                                                         B–R




                175
Illumination and Taillight

                                                 A73(A), D5(B), D6(C)
                                                 Main Body ECU




                                                                            TRLY
                                                                            7
                                                                                                                                                          V

                                                                                                                                                        V(A/T)
  B–R
                                                                                                                                                          V



                                                1 3E                                22 3D               36 3A        31 3B




                    1                                                                     2

                                                                TAIL
                        10A                                     Relay                                  10A
                        TAIL                                                                           PANEL


                    2                                                                     1




           12 3C
               R
               R




                                                                                                                             R




                                                                                                                                 Side Marker Light LH
                        Headlight Assembly LH




                    2                                                                                                        1
          Parking
          Light




                                                                                                                                 A3
                        A60




                                                                                                                             2
                    4
                                                                                                                             B
               B




                                                                        B




                                                                                    B




                                                                                                              B




              6 B                                                   1 B            12 B
                                                                                              A9(A), A10(B)
                                                                                              Connector
                                                                                              Junction




                                                                                   7 A




      B
                                                                                    B–Y




                                                                                      A3                        A1




176

                                                                   BRZ (G4400BE)
∗ 1 : w/ Option Connector w/ Front Fog Light




  V                                                                                                                              V

V(A/T)                                                                                                                         V(A/T)

  V                 V                                                                V                                           V

                                                                                                                                 V
                                                                                                                                (∗1)
         V




                                       V




                                                                                           V
                                                    Pattern Select Switch Assembly




                                                                                                     (∗1)
                                                                                               V
         13                             2
                     Clock Assembly




                                                                                                            Option Connector
                                                                                                3
                     D18




                                                    D35




                                                                                                            D1
          1    9
                                        3                                                       2
              B–W




                                       B–W




                                                                                               B–W
                                                                                                     (∗1)
         BR




                                 B–W                                                 B–W                                       B–W




                                                                                                                                 V




                                                                                                                                BR




                                                                                                                                       177

                    BRZ (G4400BE)
178
                                     V
                                                                                                                                                                                                                                           V
                                                                                                                                                                                                                                               V
                                                                                                                                                                                                                                                            V




                           BR
                                                                                                                                                                                                                              (∗1)




                                                                                        B–W
                                                                                                                                                                                                                                                   V(A/T)
                                                                                                                         B–L                                                                 V




                                                                                                                                                                                                                6 B
                                                                                                                                                                                                                      7 A




                                                                                                                                                             7 C
                                                                                                                                                                                   10 C




                      D2
                                                                                                                                                                            ILL+


                                                                                                                                                                   GND1
                                                                                                                         BR




                                                                                                                                                             3 A
                                                                                                                         B–W




                                                                                                                                                             5 B
                                                                                                                                                                 D12(A), D13(B), D14(C)
                                                                                                                                                                 Radio Receiver Assembly




                                                                                                                                                 5
                                                                                                                                                                                   7
                                                                                                                                         B–W                                                 V
                                                                                                                                         (∗12)                                              (∗12)
                                                                                                                                                                                                                                                                Illumination and Taillight




                                                                                                                                                     D22
                                                                                                                                                     No. 3 Heater Control
                                                                                                                                                     Sub–Assembly




                                                                                                                                                            6
                                                                                                                                                                                   7
                                                                                                                                         B–W                                                 V
                                                                                                                                         (∗12)                                              (∗12)
                                                                                                                                                                                                                      D16(A), D17(B)




                                                                                                                                                                 D24
                                                                                                                                                                                                                      Junction Connector




                                                                                                                                                                 Heater Control
                                                                                                                                                                                                            V


                                                                                                                                                                 Sub–Assembly




                                                                                                                                   B–W
                                                                                                                           (∗12)
                                                                                                                                                                                                    (∗12)




                                                                                                                                                            6
                                                                                                                                                                                   5
                                                                                                                                         B–W                                                 V
                                                                                                                                         (∗12)                                              (∗12)

                                                                                                                                                                 D21




BRZ (G4400BE)
                                                                                                                                                                 No. 1 Heater Control
                                                                                                                                                                                                            V




                                                                                                                                                                 Sub–Assembly




                                                                                        B–W
                                                                                                                                   B–W
                                                                                                                           (∗12)
                                                                                                                                                                                                    (∗12)




                                         ∗11 : Automatic A/C
                                                                                                                                                                                                                                               V




                                         ∗12 : Except Automatic A/C
                                                                                                                                                            15
                                                                                                                                                                                   11




                                                                                              B–W                                        B–W                                                 V




                                                                                                    3 A
                                                                                                                   9 B
                                                                                                                                                                                                                5 B
                                                                                                                                                                                                                      5 A




                                                                                                                                         (∗11)                                              (∗11)

                                                                                                                                                                 D19
                                                                                                                                                                 A/C Amplifier Assembly




                                         ∗ 1 : w/ Option Connector w/ Front Fog Light
                                                                                                                                                            8
                                                                                                                                                                                   7




                                                                                                                                         B–W                                                 V




                                                                                                    4 A
                                                                                                                   8 B
                                                                                                                                         (A/T)                                              (A/T)
                                                                                                      D16(A), D17(B)
                                                                                                      Junction Connector                                         D36
                                                                                                                                                                 Shift Position Indicator
                                                                                                                                                        2
                                                                                                                                                                                   3




                                                                                                                                         B–W                                                 V




                                     V




                           BR
                                BR
                                                                                        B–W
                                                                                                                                                            D3
                                                                                                                                                            Headlight Leveling Switch
D7
      Combination Meter Assembly




                                                                 CPU




              I/F                        I/F             I/F                      I/F



                  ILL–                       T              TR          E              TC
             9                         32              31         30             33
                                       G–W
            B–W




                                                                  L–R




                                                                                 BR
                                                       Y




B–W                        B–W




                                   3    4               5          6
                                                                                                  D46(A), D47(B)




                                                                                 3 A        4 A
                                                                                                  Connector
                                                                                                  Junction




                                                                                                                   BR




                                                                                 4 B        3 B
                                   2   D2                          1
                                       Light Control Rheostat
 V                                                                          BR

BR                                                                          BR

BR




                                                                                                                        179

                                       BRZ (G4400BE)
Illumination and Taillight

                                          (IG)                      (BAT)


                                                     7. 5A                  7. 5A
                                                     GAUGE                  MPX–B


                                          2                         2
                                                                                          L–R
                                         2 3A                           1

                                                                                                19 3C




                                         W–G




                                                                                    L–R
                                                                                                17 3B




                                         W–G




                                                                                                 R–W
      D7
      Combination Meter Assembly          2                                                       1
                                               IG+                                                     B




                                         Power
                                         Circuit




                                   CPU




                                               ES2            ES1
                                         40             20
                                         B–Y




                                                        B–Y
                                         B–Y




                                           D3




180

                                         BRZ (G4400BE)
: Parts Location
  Code                     See Page              Code                  See Page                Code                  See Page
    A3          39                             D6     C      40                                 D22        40
A9     A        42                                 D7        40                                 D24        40
A10    B        42                             D8     A      40                                 D35        40
   A38          39                             D9     B      40                                 D36        40
   A44          39                             D12    A      40                              D46    A      41
   A60          39                             D13    B      40                              D47    B      41
A73    A        42                             D14    C      40                              D50    A      41
A75    A        36, 39                         D16    A      40                              H1     A      45
    D1          40                             D17    B      40                              H6     A      45
    D2          40                                D18        40                                  J1        45
    D3          40                                D19        40                                  J4        45
D5     B        40                                D21        40


       : Relay Blocks
Code            See Page      Relay Blocks (Relay Block Location)
 1         24                 Engine Room R/B (Engine Compartment Right)


       : Junction Block and Wire Harness Connector
Code            See Page      Junction Block and Wire Harness (Connector Location)
 1B
           24                 Engine Room Main Wire and Engine Room J/B (Engine Compartment Right)
 1C
 3A
           26                 Instrument Panel Wire and Instrument Panel J/B Assembly (Instrument Panel Reinforcement)
 3B
 3C        26                 Engine Room Main Wire and Instrument Panel J/B Assembly (Instrument Panel Reinforcement)
 3D        26                 Instrument Panel Wire and Instrument Panel J/B Assembly (Instrument Panel Reinforcement)
 3E        26                 Engine Room Main Wire and Instrument Panel J/B Assembly (Instrument Panel Reinforcement)


       : Connector Joining Wire Harness and Wire Harness
Code            See Page      Joining Wire Harness and Wire Harness (Connector Location)
AD2        47                 Engine Room Main Wire and Instrument Panel Wire (Instrument Panel Reinforcement)
HD1        47                 No. 2 Floor Wire and Instrument Panel Wire (Cowl Side Panel LH)
JH1        48                 Luggage Room Wire and No. 2 Floor Wire (Quarter Panel LH)


       : Ground Points
Code            See Page      Ground Points Location
 A1        46                 Front Fender Apron LH
 A3        47                 Cowl Side Panel LH
 A7        46                 Front Fender Apron RH
 D1        47                 Cowl Side Panel LH
 D2        47                 Instrument Panel Brace LH
 D3        47                 Instrument Panel Brace RH
 D4        47                 Cowl Side Panel RH
 H1        48                 Lower Back Panel




                                                                                                                                181

                                                      BRZ (G4400BE)
Interior Light

                                                                                                               A73(A), D5(B), D6(C)
      (BAT)           (BAT)             (BAT)                           (ACC)                 (IG)             Main Body ECU


              15A               7. 5A                 7. 5A                         10A              10A
              HAZ               ECU–B                 MPX–B                         ECU ACC          ECU IG1


                                                                                                                    IG            ACC
      2                2                 2                               2                    2
                                                                                                                   8              9

          1           G–R   1                 1




                                        L–R
      G




                                                                      28 3B




                                                                             (∗2)
                                                                        W
                    25 AD2
                      G–R




                                                                                                                                        W
                                                                                                                                        (∗2)


                                                                                                                                        L–R


                                                                                                                                        G–R


                                                                                                                                         G




                                                  ∗ 2 : w/ Smart Entry  Start System




182

                                                      BRZ (G4400BE)
A73(A), D5(B), D6(C)
                              Main Body ECU




       ACC(∗2)        BMPX    BECU                        KSWB     GND   GND                         GND
       22 B           32       1                           2      11     1 C                         4 A




                                                                                                     B–Y
                                                                         B
                     19 3C   27 3A                        7 3C   18 3B

                              G–R




                                                                  B–Y
                      L–R
              (∗2)
        W




                                                          G
                                     Junction Connector




                                                                                Junction Connector




                                                                                                            Junction Connector
                                     D16(A), D17(B)


                             21 A                                        4 A




                                                                                D8(A), D9(B)
                                                                                                     9 A




                                                                                                            A9(A)
                             12 B                                        6 B                         7 A
W
(∗2)
                              G–R




L–R


G–R


 G
                                                                  B–Y




                                                                         B–Y




                                                                                                     B–Y




                                                                    D3     D1                          A3




                                                                                                                                 183

                                                BRZ (G4400BE)
Interior Light

                                                                                   A73(A), D5(B), D6(C)
                                                                                   Main Body ECU




       FLCL                               FRCL
      5 B                                6 B

                                                            (BAT)


                                                                                20A
                                                                                DOME


                                                                                                                                                                                                                 O
                                                                2
                                                                                                                                                                                                                (∗30)

                                                            W       1                                                                                                                                            O




                                                          8 AD2



                                                                                                                                                                                                               LG(∗21)
            (∗22)




                                               (∗22)




                                                                                              (∗30)
       SB




                                                            O




                                                                                        O




                                                                                                                           O
                                          B




                                                                                                                                                                                                               LG(∗21)
                                                                                                      Junction Connector




                                                          10 A                         12 A




                                                                                                                                    (∗21)




                                                                                                                                                                            (∗21)
                                                                                                      D46(A), D47(B)




                                                                                                                               LG




                                                                                                                                                                       LG
                                                                                                                               1                                       1

                                                           7 B


                                                                                                                                            Vanity Light Assembly RH




                                                                                                                                                                                    Vanity Light Assembly LH
                                                            O




                                                                                                                                            (Visor Assembly RH)




                                                                                                                                                                                    (Visor Assembly LH)
                                 (∗22)




                                                                        (∗22)
                         O




                                                            O




                                                                                                                                            K1




                                                                                                                                                                                    K5
                                                                                                                               2                                       2
      8 ED2            1 ED1             8 FD2            1 FD1
                                                                                                                                                                            (∗21)
            (∗22)




                                 (∗22)




                                               (∗22)




                                                                        (∗22)




                                                                                                                                    (∗21)
       LG




                                          LG
                         G




                                                            G




                                                                                                                               B




                                                                                                                                                                       B




                                                                                                                                                                                                               B(∗21)
        1                    2             1                    2
                                                                                                                                                                                                               B(∗21)




      E2                                 F4
      Front Courtesy Light               Front Courtesy Light
      Assembly LH                        Assembly RH




                                                                    ∗21 : w/ Vanity Light Assembly
                                                                    ∗22 : w/ Courtesy Light
                                                                    ∗30 : w/ Luggage Compartment Light




184

                                                                                BRZ (G4400BE)
O
                                                                                                                                                                                                  O
                                                                                                                                                                                          (∗30)




                                                                 B(∗21)
                                                                          B(∗21)
                                                                                                                                            LG(∗21)
                                                                                                                                                      LG(∗21)




                                                                                             1
                           B                 B           B                          B




                      D1
                                                 3 DK1
                                                                                                  GND
                                                                                                            ON




                                                                                                                               2
                                                                                                            OFF                       LG                        LG




                                                                                                                                                                     9 DK1




                                                                                                                          +B
                                                                                                            DOOR




                                                                                             3
                           B




                      D4
                                                                                                  DOOR SW
                                                                                                 K3




                                                             P
                                                                                                 Map Light Assembly




                                                                                             2
                                                                                                                               1
                                                                                   W–B                                                          O




                                                                                                                                                                     21 HD1
                                                                                   (∗30)                                                    (∗30)

                                                                                                 H8
                                                                                                 No. 1 Luggage Compartment Light Assembly
                                                                                                                                                                                                                           Main Body ECU
                                                                                                                                                                                                                           A73(A), D5(B), D6(C)




                                                                                                                                                P                             L                       L
                                                                                                                                                                                                              7 B




                                                                                                                                                                     8 DK1
                                                                                                                                                                                                                    DOMR




BRZ (G4400BE)
                                                                                                  1
                                                                                                                                                                                                              16




                                                                                                                   Y–B                                                            V
                                                                                                                                                                                                      28 3A




                                                                                                                                   18 HD1
                                                                                                                                                                                                                    FDCY




                                                                                    H21
                                                                                    Front Door Courtesy Light Switch
                                                                                    Assembly LH
                                                                                                  1
                                                                                                                                                                                                              10




                                                                                                                   LG                                                             GR
                                                                                                                                                                                                      13 3B




                                                                                                                                   3 GD1
                                                                                                                                                                                                                    FPCY




                                                                                    G18
                                                                                    Front Door Courtesy Light Switch
                                                                                    Assembly RH




                                       W–B
                               (∗30)




                185
Interior Light

                                                                                                   A73(A), D5(B), D6(C)
                                                                                                   Main Body ECU




       PRG            RDA                                                                                                                                                                  ILL
      6 C           7 C                                                                                                                                                            28 B



                                         (BAT)                                  (BAT)                        (IG)                      (BAT)


                                                                 7. 5A                          7. 5A                      10A                                 20A
                                                                 ECU–B                          ECU–B                      ECU IG1                             DOME


                                          2                                      2                           2                          2




                                                                                                                                                                                               (∗3)
                                                                                                                                                                                      Y
                                               1                                      1                   20 3D                             1
                                               (∗3 ∗5)
                                         G–R




                                                                                                                                                (∗3)
                                                                                                                                       W
                                                                                      (∗3 ∗4)
                                                                                L–R




                                      25 AD2                                                                                         8 AD2                                                 6
                                                                                                                                                                                               ILL–
                                                                              19 3C
                                               (∗3 ∗5)
                                         G–R
            (∗3)




                          (∗3)




                                                                                                                 (∗3 ∗4)
      R




                     V




                                                                                                                                                                                                      Transponder Key Amplifier
                                                         Junction Connector




                                                                                                            Y




                                                                                                                                                                            Ignition Key
                                                         D16(A), D17(B)




                                                                                                                                                                            Cylinder
                                       12 B




                                                                                                                                                                            Light
                                                                              19 3D


                                                                                                                                                (∗3)
                                                                                                                                       O
                                       19 A
                                                                                      (∗3 ∗4)




                                                                                                                                                                                                      D54
                                                                                                                                                                                               ILL+
                                                                                R–Y
                                               (∗3 ∗5)




                                                                                                                                                       Junction Connector
                                         G–R




                                                                                                                                                                                           2
                                                                                                                                                       D46(A), D47(B)


                                                                                                                                     10 A

  34 HD1           35 HD1             38 HD1                                  39 HD1                     37 HD1




                                                                                                                                                                                               (∗3)
                                                                                                                                                                                      O
                                               (∗3 ∗5)




                                                                                      (∗3 ∗4)




                                                                                                                 (∗3 ∗4)




                                                                                                                                      8 B
                                                                                Y–R
            (∗3)




                          (∗3)




                                                                                                            W
                     R
      P




                                         Y




      3 A           2 A (∗5)
      5 B           4 B (∗4)            5 A                                    7 B                          1 B
       PRG            RDA                  +B                                     +B                          IG


                                                                                                            GND
      H27(A)                                                                                               1 A (∗5)
      Door Control Receiver                                                                               12 B (∗4)
      H28(B)
      Tire Pressure Warning ECU and Receiver
                                                                                                                  (∗3)




      (Door Control and Tire Pressure
                                                                                                            B




       Monitoring System Receiver Assembly)                                                                                          ∗ 2 : w/ Smart Entry  Start System
                                                                                                                                     ∗ 3 : w/o Smart Entry  Start System
                                                                                                                                     ∗ 4 : w/ Tire Pressure Warning System
                                                                                                                                     ∗ 5 : w/o Tire Pressure Warning System
                                                                                                                                     ∗30 : w/ Luggage Compartment Light
                                                                                                                  (∗3)
                                                                                                            B




  W–B                                                                                                                                                                                                 W–B
  (∗30)                                                                                                                                                                                               (∗30)




                                                                                                              H3




186

                                                                                                BRZ (G4400BE)
W–B
                                  (∗30)
                                                 B                               B              B




                                                                                                      8 B




                                                                        6 FD1
                                                                                                            E
                                                (∗2)                            (∗2)           (∗2)




                                                                                         BR




                                                                                                      7 B
                                                                                        (∗2)




                                                                                                            LSSR
                                                                                                        F3(B)
                                                                                                        Door Lock with Motor Assembly RH
                            B




                      D1
                           (∗2)
                                                                                                                                           Main Body ECU
                                                                                                                                           A73(A), D5(B), D6(C)




BRZ (G4400BE)
                            B                                                    B              B




                                                                                                      7 A




                      D4
                                                                                       6 ED1
                                                                                                            E
                           (∗2)                                                 (∗2)           (∗2)




                                                                                                      8 A
                                                                                                            LSSR




                                                                                                        E3(A)
                                                                                                        Door Lock with Motor Assembly LH




                                                       BR
                                                                   BR




                                                (∗2)
                                                            (∗2)




                                          W–B
                                  (∗30)




                187
Interior Light

                                             A73(A), D5(B), D6(C)
                                             Main Body ECU




           LSFD          LSFP           TSW5                         CANL                    CANH
          11 C          12 C            12                          13 B                   14 B




                                      26 3D




                                                                           (∗2)




                                                                                                  (∗2)
                                                                     LG




                                                                                             P
                                              (∗30)
                 (∗2)




                               (∗2)
                         SB




                                        SB
           W




          6 ED2         6 FD2         19 HD1
                                              (∗30)
                                        W–B
                 (∗2)




                               (∗2)
           BR




                         BR




                                                                                                                            P
                                                                                                                           (∗2)




                                                                                                                           LG
                                                                                                                           (∗2)




                                                                                  ∗ 2 : w/ Smart Entry  Start System
                                                                                  ∗ 4 : w/ Tire Pressure Warning System
                                                                                  ∗ 5 : w/o Tire Pressure Warning System
  BR                                                                              ∗30 : w/ Luggage Compartment Light

  (∗2)

  BR
  (∗2)

  W–B
  (∗30)




188

                                      BRZ (G4400BE)
D40(A), D41(B)
       Certification ECU Assembly




          CANH               CANL                       AGND           SWIL             RCO                    RDA             RSSI
         14 B              15 B                        24 B           16 B             5 A                   17 A             19 A
                (∗2)




                                  (∗2)




                                                              (∗2)




                                                                             (∗2)




                                                                                             (∗2)




                                                                                                                    (∗2)




                                                                                                                                     (∗2)
                                                                       LG




                                                                                       LG
          G




                             R




                                                                                                                               R
                                                        B




                                                                                                              P
                                                         6              9           47 HD1                 45 HD1            46 HD1
                                                     AGND            SWIL




                                                                                             (∗2)




                                                                                                                    (∗2)




                                                                                                                                     (∗2)
                                                                                                                               BR
                                                                                                              G
                                                                                       Y
           4                15
                                         D43
                                         Junction
                                         Connector
           3                14




                                                     D25
                (∗2)




                                  (∗2)
                             LG
          P




                                                     Engine Switch



                                                                                       4 A                    5 A             2 A (∗5)
                                                                                      10 B                    9 B             6 B (∗4)
                                                                                         +5                    DATA            RSSI
 P
(∗2)




                                                                                    H26(A)
LG                                                                                  Door Control Receiver
(∗2)                                                                                H28(B)
                                                                                    Tire Pressure Warning ECU and Receiver
                                                                                    (Door Control and Tire Pressure
                                                                                     Monitoring System Receiver Assembly)




                                                                                                                                            189

                                                              BRZ (G4400BE)
Interior Light

                               (BAT)                      (IG)


                                               7. 5A                    10A             ∗ 2 : w/ Smart Entry  Start System
                                               ECU–B                    ECU IG1         ∗ 4 : w/ Tire Pressure Warning System
                                                                                        ∗ 5 : w/o Tire Pressure Warning System

                                2                         2


                                     1
                                     (∗2 ∗4)           20 3D
                               L–R




                             19 3C

                                                              (∗2 ∗4)
                                                         Y




                             19 3D
                                     (∗2 ∗4)
                               R–Y




                            39 HD1                     37 HD1
                                     (∗2 ∗4)




                                                              (∗2 ∗4)
                               Y–R




                                                         W




                               7 B                      1 B
                                 +B                        IG




                                                          GND
  H26(A)                                                 1 A (∗5)
  Door Control Receiver                                 12 B (∗4)
  H28(B)
  Tire Pressure Warning ECU and Receiver
  (Door Control and Tire Pressure
   Monitoring System Receiver Assembly)
                                                              (∗2)
                                                         B
                                                              (∗2)
                                                         B




                                                          H3




190

                                                                        BRZ (G4400BE)
: Parts Location
  Code                     See Page              Code                  See Page                   Code               See Page
A9     A        42                             D41    B      41                                     H8     45
A73    A        42                                D43        41                                    H21     45
D5     B        40                             D46    A      41                                 H26    A   45
D6     C        40                             D47    B      41                                 H27    A   45
D8     A        40                                D54        41                                 H28    B   45
D9     B        40                                 E2        44                                     K1     45
D16    A        40                             E3     A      44                                     K3     45
D17    B        40                             F3     B      44                                     K5     45
   D25          40                                 F4        44
D40    A        41                                G18        44


        : Relay Blocks
 Code           See Page      Relay Blocks (Relay Block Location)
  1        24                 Engine Room R/B (Engine Compartment Right)


        : Junction Block and Wire Harness Connector
 Code           See Page      Junction Block and Wire Harness (Connector Location)
  3A
           26                 Instrument Panel Wire and Instrument Panel J/B Assembly (Instrument Panel Reinforcement)
  3B
  3C       26                 Engine Room Main Wire and Instrument Panel J/B Assembly (Instrument Panel Reinforcement)
  3D       26                 Instrument Panel Wire and Instrument Panel J/B Assembly (Instrument Panel Reinforcement)


        : Connector Joining Wire Harness and Wire Harness
 Code           See Page      Joining Wire Harness and Wire Harness (Connector Location)
 AD2       47                 Engine Room Main Wire and Instrument Panel Wire (Instrument Panel Reinforcement)
 DK1       47                 Instrument Panel Wire and Roof Wire (Front Body Inner Pillar RH)
 ED1
           47                 Front Door Wire LH and Instrument Panel Wire (Cowl Side Panel LH)
 ED2
 FD1
           47                 Front Door Wire RH and Instrument Panel Wire (Cowl Side Panel RH)
 FD2
 GD1       47                 No. 1 Floor Wire and Instrument Panel Wire (Cowl Side Panel RH)
 HD1       47                 No. 2 Floor Wire and Instrument Panel Wire (Cowl Side Panel LH)


        : Ground Points
 Code           See Page      Ground Points Location
  A3
           47                 Cowl Side Panel LH
  D1
  D3       47                 Instrument Panel Brace RH
  D4       47                 Cowl Side Panel RH
  H3       48                 Quarter Wheel House Panel LH




                                                                                                                                191

                                                       BRZ (G4400BE)
Front Fog Light

                                                                                                               A73(A), D5(B), D6(C)
      (BAT)           (BAT)             (BAT)                           (ACC)                 (IG)             Main Body ECU


              15A               7. 5A                 7. 5A                         10A              10A
              HAZ               ECU–B                 MPX–B                         ECU ACC          ECU IG1


                                                                                                                    IG            ACC
      2                2                 2                               2                    2
                                                                                                                   8              9

          1           G–R   1                 1




                                        L–R
      G




                                                                      28 3B




                                                                             (∗2)
                                                                        W
                    25 AD2
                      G–R




                                                                                                                                        W
                                                                                                                                        (∗2)


                                                                                                                                        L–R


                                                                                                                                        G–R


                                                                                                                                         G




                                                  ∗ 2 : w/ Smart Entry  Start System




192

                                                      BRZ (G4400BE)
A73(A), D5(B), D6(C)
                                         Main Body ECU




       ACC(∗2)        BMPX    BECU                        KSWB     GND   GND                         GND
       22 B           32       1                           2      11     1 C                         4 A




                                                                                                     B–Y
                                                                         B
                     19 3C   27 3A                        7 3C   18 3B

                              G–R
                      L–R
              (∗2)
        W




                                                          G
                                     Junction Connector




                                                                                Junction Connector




                                                                                                            Junction Connector
                                     D16(A), D17(B)


                             21 A                                        4 A




                                                                                D8(A), D9(B)
                                                                                                     9 A




                                                                                                            A9(A)
                                                                  B–Y
                             12 B                                        6 B                         7 A
W
(∗2)
                              G–R




L–R


G–R


 G

                                                                         B–Y




                                                                                                     B–Y
                                                                  B–Y




                                                                    D3     D1                          A3




                                                                                                                                 193

                                                BRZ (G4400BE)
Front Fog Light

                                             A73(A), D5(B), D6(C)
                                             Main Body ECU




                                 TAIL                                                         FFOG
                               25 B                                                          24 B




                                BE




                                                                                              W
                                                                                              W
                               18 A                                                           4 A
                                 T                                                           BFG



                                     T   H   AUTO          EL                                  BFG     LFG
                                                                    Fog Switch




                        Off                                                          Off
       Light Control




                       Tail                                                      Front Fog
       Switch




                                                                                 Light

                       Head

                       AUTO

                                                         EL                                          LFG
      D50(A)                                           12 A                                           3 A
      Headlight Dimmer Switch Assembly
                                                         B




                                                                                                      B




                                                                                               B
                                                                                 B




                                                                                                      B




                                                                                  D4                   D1




194

                                              BRZ (G4400BE)
A73(A), D5(B), D6(C)
                                                       Main Body ECU




                                                                                                                                            FFGO
                                                                                                                                            30


    (BAT)
                                                                                      B–R
            A75(A)
140A ALT




            Fusible Link
            Block Assembly

                             1 1B                                                                                           1 3E

 1 A


                             1 1C
   W




                                             1                                                 1

                                                                                                                                   FR FOG
                                                           10A                                      10A                            Relay
                                                           FR FOG LH                                FR FOG RH


                                             2                                                 2




                                        3 3C                                              5 3C
                                                                                              W–R
                                            R–W




                                                                                                    Headlight Assembly RH
                                                              Headlight Assembly LH




                                            3 A                                               3 A
                                    Front




                                                                                      Front
                                    Fog




                                                                                      Fog




                                                                                                    A41(A)
                                                              A4(A)




                                            4 A                                               4 A
                                            B




                                                                                              B
                                                   Junction Connector
                                            B




                                       10 A
                                                   A9(A)




                                       11 A
                                            B
                                            B




                                              A7




                                                                                                                                                   195

                                                              BRZ (G4400BE)
Front Fog Light

                          A73(A), D5(B), D6(C)
                          Main Body ECU




                           TRLY                   CANL    CANH
                           7                     13 B    14 B




      1




                                                  LG




                                                          P
                  TAIL
          10A     Relay
          TAIL


      2




                                                                 P


                                                                 LG




196

                           BRZ (G4400BE)
(IG)               (BAT)
                                                                                                                   L–R

                                                                                     7. 5A           7. 5A
                                                                                     GAUGE           MPX–B




                                                                                                             L–R
                                                                          2                  2

                                                                         2 3A                    1
                                                                                                                         19 3C




                                                                         W–G
                                                                                                                         17 3B




                                                                         W–G




                                                                                                                          R–W
             D7
             Combination Meter Assembly                                   2                                                1
                                                                               IG+                                              B




     Power Circuit
                                    Front Fog




                                    LED Driver




                                       CPU




              CAN Driver



              CANH           CANL                      ES2         ES1
         6             7                         40          20
                      BR–W




                                                 B–Y




                                                             B–Y
        BR




         2            13
                                    D43
                                    Junction
                                    Connector
         3            14
                                                 B–Y
                      LG
        P




P


LG




                                                   D3




                                                                                                                                    197

                                                       BRZ (G4400BE)
Front Fog Light
        : Parts Location
   Code                     See Page               Code                 See Page                Code                  See Page
 A4     A        39                              D5     B     40                              D16    A      40
 A9     A        42                              D6     C     40                              D17    B      40
 A41    A        39                                 D7        40                                 D43        41
 A73    A        42                              D8     A     40                              D50    A      41
 A75    A        36, 39                          D9     B     40


        : Relay Blocks
 Code            See Page      Relay Blocks (Relay Block Location)
  1         24                 Engine Room R/B (Engine Compartment Right)


        : Junction Block and Wire Harness Connector
 Code            See Page      Junction Block and Wire Harness (Connector Location)
  1B
            24                 Engine Room Main Wire and Engine Room J/B (Engine Compartment Right)
  1C
  3A
            26                 Instrument Panel Wire and Instrument Panel J/B Assembly (Instrument Panel Reinforcement)
  3B
  3C
            26                 Engine Room Main Wire and Instrument Panel J/B Assembly (Instrument Panel Reinforcement)
  3E


        : Connector Joining Wire Harness and Wire Harness
 Code            See Page      Joining Wire Harness and Wire Harness (Connector Location)
 AD2        47                 Engine Room Main Wire and Instrument Panel Wire (Instrument Panel Reinforcement)


        : Ground Points
 Code            See Page      Ground Points Location
  A3        47                 Cowl Side Panel LH
  A7        46                 Front Fender Apron RH
  D1        47                 Cowl Side Panel LH
  D3        47                 Instrument Panel Brace RH
  D4        47                 Cowl Side Panel RH




198

                                                       BRZ (G4400BE)
Memo




                  199

BRZ (G4400BE)
Automatic Light Control and Light Auto Turn Off System

                                                               A73(A), D5(B), D6(C)
         (BAT)             (BAT)              (IG)             Main Body ECU


                   7. 5A             7. 5A           10A
                   ECU–B             MPX–B           ECU IG1


                                                                    IG                 BMPX    BECU
          2                 2                2
                                                                   8                   32       1

               1                 1




                                                                                      19 3C   27 3A
         G–R




                           L–R




                                                                                               G–R
                                                                                       L–R




                                                                                                      Junction Connector
       25 AD2




                                                                                                      D16(A), D17(B)
                                                                                              21 A
         G–R




                                                                                              12 B




                                                                                               G–R




200

                                             BRZ (G4400BE)
A73(A), D5(B), D6(C)
Main Body ECU




                       GND    GND                          GND                          CLTB           CLTS             CLTE
                       11     1 C                          4 A                         15 C          14 C           13 C




                   18 3B




                                                           B–Y




                                                                                                       LG




                                                                                                                        G
                                                                                        R
                              B
                       B–Y




                                     Junction Connector




                                                                  Junction Connector
                              4 A
                                     D8(A), D9(B)




                                                           9 A                          3               4               6
                                                                  A9(A)                 CLTB           CLTS             CLTE

                              6 B                          7 A

                                                                                       D45
                                                                                       Automatic Light Control Sensor
                       B–Y




                              B–Y




                                                           B–Y




                         D3     D1                           A3




                                                                                                                               201

                                                          BRZ (G4400BE)
Automatic Light Control and Light Auto Turn Off System

      A73(A), D5(B), D6(C)
      Main Body ECU




                                                                        HF                      TAIL                     HEAD2 HEAD1         A
                                                                    18                         25 B                12 A        2 B     23 B




                                                                                                                                                 (∗6)
                                                                                                                                        SB
                                                                                                                               W
                                                                                                                         G
                                                                  15 3B
                                                                                                                26 AD1




                                                                                                BE
                                                                    LG




                                                                                                                         W
                                                                                                                      1 A      2 A




                                                                                                        D16(A), D17(B)
                                                                                                        Connector
                                                                                                        Junction
                                                                                                                              10 B




                                                                                                                               W
                                                                  17 A                                       18 A             20 A     19 A
                                                                   HF                                             T            H        A



                                EL          (HL)         HU             HF                                            T            H    AUTO              EL

                      Flash                                                                      Off
                                                                              Control Switch
            Dimmer
            Switch




                      Low                                                                        Tail
                                                                              Light




                      High                                                                      Head

                                                                                                AUTO




                                                                                                                                                        EL
                                          D50(A)                                                                                                        12 A
                                          Headlight Dimmer Switch Assembly
                                                                                                                                                         B




                              ∗ 6 : w/ Automatic Light Control System
                                                                                                                                                         B




                                                                                                                                                          D4




202

                                                                        BRZ (G4400BE)
A73(A), D5(B), D6(C)
Main Body ECU




    HRLY          HRLYD                                                                DIM
   2 A           1 B                                                                 11 A    3 B

                                                                                                       (BAT)
                                  L–B                            G               G
                  B
   L




                                                                                                   80A MAIN




                                                                                                               Block Assembly
                                                                                                               Fusible Link
                                                                                                               A76(B)
                                        1            1
   L




                                                                                                    1 B




                                                                          G




                                                                                             G
 30 3C          29 3A     17 3C


                                            5    2

                                                         H–LP




                                                                                                      W
                                                         Relay
                                                                        20 AD2
                                            3    1



                                                                 1 1D




                                                                                                                                203

                                                BRZ (G4400BE)
Automatic Light Control and Light Auto Turn Off System

      A73(A), D5(B), D6(C)
      Main Body ECU




                                                                                         ACC(∗2)
                                                                           KSWB          KSW(∗3)                                 ACC
                                                                             2           22 B                                    9
                             (BAT)                                                                                                      (ACC)

                                                     7 3C                10 3D
                                     15A                                                                                                        10A
                                     HAZ                                                                                                        ECU ACC


                             2                                                                                                           2




                                                                            R–W
                                                                                  (∗3)




                                                                                               (∗3)




                                                                                                                  (∗2)
                                                                                          BR




                                                                                                          W
                                                       G




                                 1
                                                                                                                                       28 3B
                             G




                                                                                           2




                                                                                                       Lock Cylinder Assembly)
                                                                                               UN–
                                                                                                      Un–Lock Warning
                                                                                                      Switch Assembly
                                                                                                      (Ignition Switch
                                                                                                      D53




                                                                                               UN+
                                                                                           1




                                      ∗   2   : w/ Smart Entry  Start System
                                      ∗   3   : w/o Smart Entry  Start System
                                      ∗   4   : w/ Tire Pressure Warning System
                                      ∗   5   : w/o Tire Pressure Warning System




204

                                                                          BRZ (G4400BE)
A73(A), D5(B), D6(C)
 Main Body ECU




  FPCY                                                    FDCY                                                    TSW5                                                    PRG            RDA
 10                                                       16                                                      12                                                     6 C           7 C

                                                                                                                                                                                                            (BAT)                                  (BAT)                      (IG)

13 3B                                                   28 3A                                                   26 3D
                                                                                                                                                                                                                                    7. 5A                          7. 5A                    10A
                                                                                                                                                                                                                                    ECU–B                          ECU–B                    ECU IG1
 GR




                                                                                                                  SB
                                                          V




                                                                                                                                                                                                             2                                      2                         2


                                                                                                                                                                                                                  1                                      1                 20 3D




                                                                                                                                                                                                                  (∗3 ∗5)
                                                                                                                                                                                                            G–R
                                                                                                                                                                               (∗3)




                                                                                                                                                                                             (∗3)
                                                                                                                                                                          R




                                                                                                                                                                                        V




                                                                                                                                                                                                                                                         (∗3 ∗4)
                                                                                                                                                                                                                                                   L–R
3 GD1                                                   18 HD1                                                  19 HD1                                                                                   25 AD2

                                                                                                                                                                                                                                                 19 3C




                                                                                                                                                                                                                  (∗3 ∗5)
                                                                                                                                                                                                            G–R




                                                                                                                                                                                                                                                                                  (∗3 ∗4)
                                                                                                                  W–B




                                                                                                                                                                                                                            Junction Connector




                                                                                                                                                                                                                                                                             Y
         Front Door Courtesy Light Switch Assembly RH




                                                                 Front Door Courtesy Light Switch Assembly LH




                                                                                                                                                                                                                            D16(A), D17(B)
                                                                                                                                                                                                          12 B
                                                                                                                                                                                                                                                 19 3D
                                                          Y–B
 LG




                                                                                                                                                                                                          19 A




                                                                                                                                                                                                                                                         (∗3 ∗4)
                                                                                                                                                                                                                                                   R–Y
                                                                                                                                                                                                                  (∗3 ∗5)
                                                                                                                                                                                                            G–R
                                                                                                                            Luggage Compartment Door Striker Assembly
                                                                                                                  W–B




  1                                                        1

                                                                                                                                                                        34 HD1        35 HD1             38 HD1                                  39 HD1                    37 HD1
                                                                                                                1 JH1                                                                                                                                    (∗3 ∗4)




                                                                                                                                                                                                                                                                                  (∗3 ∗4)
                                                                                                                                                                                                                  (∗3 ∗5)
         G18




                                                                 H21




                                                                                                                                                                                                                                                   Y–R
                                                                                                                                                                               (∗3)




                                                                                                                                                                                             (∗3)




                                                                                                                                                                                                                                                                             W
                                                                                                                                                                                        R
                                                                                                                                                                          P




                                                                                                                                                                                                            Y
                                                                                                                  W–B




                                                                                                                                                                         3 A           2 A (∗5)
                                                                                                                   3                                                     5 B           4 B (∗4)            5 A                                    7 B                       1 B
                                                                                                                    D+                                                    PRG            RDA                  +B                                     +B                        IG


                                                                                                                        E                                                                                                                                                     GND
                                                                                                                            J3




                                                                                                                   2                                                     H27(A)                                                                                              1 A (∗5)
                                                                                                                                                                         Door Control Receiver                                                                              12 B (∗4)
                                                                                                                                                                         H28(B)
                                                                                                                  B




                                                                                                                                                                         Tire Pressure Warning ECU and Receiver
                                                                                                                                                                         (Door Control and Tire Pressure
                                                                                                                                                                          Monitoring System Receiver Assembly)
                                                                                                                                                                                                                                                                                  (∗3)
                                                                                                                                                                                                                                                                             B
                                                                                                                  B




                                                                                                                5 JH1
                                                                                                                  B




                                                                                                                                                                                                                                                                                  (∗3)
                                                                                                                                                                                                                                                                             B
                                                                                                                  B




                                                                                                                    H1                                                                                                                                                        H3




                                                                                                                                                                                                                                                                                                      205

                                                                                                                                                                        BRZ (G4400BE)
Automatic Light Control and Light Auto Turn Off System

  A73(A), D5(B), D6(C)                                    D40(A), D41(B)
  Main Body ECU                                           Certification ECU Assembly                                                             (BAT)                      (IG)


                                                                                                                                                                 7. 5A                    10A
                                                                                                                                                                 ECU–B                    ECU IG1


   CANL                 CANH                                 CANH            CANL             RCO              RDA                 RSSI
                                                                                                                                                  2                         2
 13 B                  14 B                                 14 B           15 B              5 A             17 A             19 A

                                                                                                                                                       1                 20 3D
        (∗2)




                              (∗2)




                                                                   (∗2)




                                                                                  (∗2)




                                                                                                   (∗2)




                                                                                                                    (∗2)




                                                                                                                                        (∗2)
  LG




                                                                                             LG
                                                             G




                                                                             R




                                                                                                                                   R
                        P




                                                                                                               P




                                                                                                                                                       (∗2 ∗4)
                                                                                                                                                 L–R
                                                                                                                                               19 3C
                                     Junction Connector




                                                                                          47 HD1           45 HD1            46 HD1




                                                                                                                                                                                (∗2 ∗4)
                                                                                                                                                                           Y
  14                     3
                                     D43




                                                                                                                                               19 3D

                                                                                                   (∗2)




                                                                                                                    (∗2)




                                                                                                                                        (∗2)
  15                     4




                                                                                                                                   BR
                                                                                                               G
                                                                                             Y




                                                                                                                                                       (∗2 ∗4)
                                                                                                                                                 R–Y
                                                                                                                                               39 HD1                    37 HD1




                                                                                                                                                       (∗2 ∗4)




                                                                                                                                                                                (∗2 ∗4)
                                                                                                                                                 Y–R




                                                                                                                                                                           W
                                                                                             4 A              5 A              2 A (∗5)
                                                                                            10 B              9 B              6 B (∗4)         7 B                       1 B
                                                                                               +5              DATA                RSSI            +B                        IG




                                                                                                                                                                            GND
                                                                                          H26(A)                                                                           1 A (∗5)
                                                                                          Door Control Receiver                                                           12 B (∗4)
                                                                                          H28(B)
                                                                                          Tire Pressure Warning ECU and Receiver
                                                                                          (Door Control and Tire Pressure
                                                                                           Monitoring System Receiver Assembly)

                                                                                                                                                                                (∗2)
               ∗ 2 : w/ Smart Entry  Start System
                                                                                                                                                                           B


               ∗ 4 : w/ Tire Pressure Warning System
               ∗ 5 : w/o Tire Pressure Warning System
                                                                                                                                                                                (∗2)
                                                                                                                                                                           B




                                                                                                                                                                            H3




206

                                                                                         BRZ (G4400BE)
: Parts Location
  Code                     See Page              Code                  See Page                Code                  See Page
A9     A        42                             D16    A      40                                 D53        41
A73    A        42                             D17    B      40                                 G18        44
A76    B        36, 39                         D40    A      41                                 H21        45
D5     B        40                             D41    B      41                              H26    A      45
D6     C        40                                D43        41                              H27    A      45
D8     A        40                                D45        41                              H28    B      45
D9     B        40                             D50    A      41                                  J3        45


       : Relay Blocks
Code            See Page      Relay Blocks (Relay Block Location)
 1         24                 Engine Room R/B (Engine Compartment Right)


       : Junction Block and Wire Harness Connector
Code            See Page      Junction Block and Wire Harness (Connector Location)
 1D        24                 Engine Room Main Wire and Engine Room J/B (Engine Compartment Right)
 3A
           26                 Instrument Panel Wire and Instrument Panel J/B Assembly (Instrument Panel Reinforcement)
 3B
 3C        26                 Engine Room Main Wire and Instrument Panel J/B Assembly (Instrument Panel Reinforcement)
 3D        26                 Instrument Panel Wire and Instrument Panel J/B Assembly (Instrument Panel Reinforcement)


       : Connector Joining Wire Harness and Wire Harness
Code            See Page      Joining Wire Harness and Wire Harness (Connector Location)
AD1        47                 Engine Room Main Wire and Instrument Panel Wire (Cowl Side Panel RH)
AD2        47                 Engine Room Main Wire and Instrument Panel Wire (Instrument Panel Reinforcement)
GD1        47                 No. 1 Floor Wire and Instrument Panel Wire (Cowl Side Panel RH)
HD1        47                 No. 2 Floor Wire and Instrument Panel Wire (Cowl Side Panel LH)
JH1        48                 Luggage Room Wire and No. 2 Floor Wire (Quarter Panel LH)


       : Ground Points
Code            See Page      Ground Points Location
 A3
           47                 Cowl Side Panel LH
 D1
 D3        47                 Instrument Panel Brace RH
 D4        47                 Cowl Side Panel RH
 H1        48                 Lower Back Panel
 H3        48                 Quarter Wheel House Panel LH




                                                                                                                                207

                                                       BRZ (G4400BE)
Headlight Beam Level Control

                                                                                                               A73(A), D5(B), D6(C)
      (BAT)           (BAT)             (BAT)                           (ACC)                 (IG)             Main Body ECU


              15A               7. 5A                 7. 5A                         10A              10A
              HAZ               ECU–B                 MPX–B                         ECU ACC          ECU IG1


                                                                                                                    IG            ACC
      2                2                 2                               2                    2
                                                                                                                   8              9

          1           G–R   1                 1




                                        L–R
      G




                                                                      28 3B




                                                                             (∗3)
                                                                        W
                    25 AD2
                      G–R




                                                                                                                                        W
                                                                                                                                        (∗3)


                                                                                                                                        L–R


                                                                                                                                        G–R


                                                                                                                                         G




                                                  ∗ 3 : w/ Smart Entry  Start System




208

                                                      BRZ (G4400BE)
A73(A), D5(B), D6(C)
                              Main Body ECU




       ACC(∗3)        BMPX    BECU                        KSWB     GND
       22 B           32       1                           2      11




                     19 3C   27 3A                        7 3C   18 3B

                              G–R




                                                                  B–Y
                      L–R
              (∗3)
        W




                                                          G
                                     Junction Connector
                                     D16(A), D17(B)


                             21 A




                             12 B
W
(∗3)
                              G–R




L–R


G–R


 G
                                                                  B–Y




                                                                    D3




                                                                         209

                                                BRZ (G4400BE)
Headlight Beam Level Control

                                                                                           A73(A), D5(B), D6(C)
                                                                                           Main Body ECU




      GND                         GND                                                             TAIL
      1 C                         4 A                                                           25 B


                                  B–Y
      B




                                                                                                 BE
             Junction Connector




                                         Junction Connector




      4 A
             D8(A), D9(B)




                                  9 A
                                         A9(A)




      6 B                         7 A




                                                                                                18 A
                                                                                                  T



                                                                                                      T           H   AUTO     EL

                                                                                     Off
                                                                    Light Control




                                                                                    Tail
                                                                    Switch




                                                                                    Head

                                                                                    AUTO
      B–Y




                                  B–Y




                                                                                                                             EL
                                                              D50(A)                                                         12 A
                                                              Headlight Dimmer Switch Assembly
                                                                                                                              B
                                                                                                                              B




                                                                                                                                    B




        D1                          A3                                                                                         D4   D1




210

                                                              BRZ (G4400BE)
A73(A), D5(B), D6(C)
Main Body ECU              (BAT)




                       140A ALT
                                     A75(A)
                                     Fusible Link
                                     Block Assembly

             TRLY
             7          1 A




                          W
                       1 1C
                                                                                         R


                                                                                         W
                       1 1B

                                                                                         Y
                          B–R




                       1 3E                                      12 3C   13 3C   21 3B



                                                      1

                                   TAIL
                                   Relay                  10A
                                                          TAIL


                                                      2




                                                                                             211

                                             BRZ (G4400BE)
212
                                                                                                                                         Y
                                                                                                                                                 R


                                                                                                                                             W




                                                                                                                 8
                                                                                                          B
                                                                                                                 7
                                                                                                                     R–W           R–W




                                                                                                                           8 AD1




                                                                                                          T




                                                                         5
                                                                                                                 6
                           B–Y   B–Y                           B–Y                                                   R–B




                                       20 B
                                                 21 B




                      D3
                                                                                                                           7 AD1




                                                                                                          T




                                                                              E
                                          D17(B)
                                          Junction Connector

                                                                             D3
                                                                             Headlight Leveling Switch
                                                                                                                                                     Headlight Beam Level Control




                                                                                                                 2
                                                                                                                     R–B




                                                                                                          RHM+



                                                                                         Leveling Motor




                                                                         1
                                                                                                                 3
                           B     B                             B     B                                               W




BRZ (G4400BE)
                                       11 A
                                                        7 B




                      A7
                                                                              RHE
                                                                                                          RHB1
                                          A9(A), A10(B)
                                          Junction Connector
                                                                             A40
                                                                             Headlight Assembly RH               2



                                                                                                                     R–W
                                                                                                          LHM+



                                                                                         Leveling Motor




                                                                         1
                                                                                                                 3




                                                                     B                                                R
                                                                              LHE
                                                                                                          LHB1




                                                                             A62
                                                                             Headlight Assembly LH
: Parts Location
  Code                     See Page              Code                  See Page                Code                  See Page
A9     A        42                             A75    A      36, 39                          D9     B      40
A10    B        42                                 D3        40                              D16    A      40
   A40          39                             D5     B      40                              D17    B      40
   A62          39                             D6     C      40                              D50    A      41
A73    A        42                             D8     A      40


       : Relay Blocks
Code            See Page      Relay Blocks (Relay Block Location)
 1         24                 Engine Room R/B (Engine Compartment Right)


       : Junction Block and Wire Harness Connector
Code            See Page      Junction Block and Wire Harness (Connector Location)
 1B
           24                 Engine Room Main Wire and Engine Room J/B (Engine Compartment Right)
 1C
 3A
           26                 Instrument Panel Wire and Instrument Panel J/B Assembly (Instrument Panel Reinforcement)
 3B
 3C
           26                 Engine Room Main Wire and Instrument Panel J/B Assembly (Instrument Panel Reinforcement)
 3E


       : Connector Joining Wire Harness and Wire Harness
Code            See Page      Joining Wire Harness and Wire Harness (Connector Location)
AD1        47                 Engine Room Main Wire and Instrument Panel Wire (Cowl Side Panel RH)
AD2        47                 Engine Room Main Wire and Instrument Panel Wire (Instrument Panel Reinforcement)


       : Ground Points
Code            See Page      Ground Points Location
 A3        47                 Cowl Side Panel LH
 A7        46                 Front Fender Apron RH
 D1        47                 Cowl Side Panel LH
 D3        47                 Instrument Panel Brace RH
 D4        47                 Cowl Side Panel RH




                                                                                                                                213

                                                      BRZ (G4400BE)
Key Reminder (w/o Smart Entry  Start System) and Light Reminder

                                                                               A73(A), D5(B), D6(C)
        (BAT)             (BAT)             (ACC)             (IG)             Main Body ECU


                  7. 5A             7. 5A           10A              10A
                  ECU–B             MPX–B           ECU ACC          ECU IG1


                                                                                    IG            ACC    BMPX    BECU
         2                 2                2                 2
                                                                                   8              9      32       1

              1                 1
        G–R




                          L–R




                                                                                                        19 3C   27 3A




                                                                                                                 G–R
                                                                                                         L–R




                                                                                                                        Junction Connector
      25 AD2




                                                                                                                        D16(A), D17(B)
                                                                                                                21 A




                                                                                                                12 B
        G–R




                                                                                                                 G–R




214

                                                      BRZ (G4400BE)
A73(A), D5(B), D6(C)
Main Body ECU




       GND             GND                         GND                                                       TAIL
      11               1 C                         4 A                                                      25 B




                                                   B–Y
                       B




    18 3B




                                                                                                             BE
                              Junction Connector




                                                          Junction Connector

                       4 A
                              D8(A), D9(B)




                                                   9 A
                                                          A9(A)
      B–Y




                       6 B                         7 A




                                                                                                            18 A
                                                                                                             T



                                                                                                                  T   H   AUTO     EL

                                                                                                      Off
                                                                                     Light Control




                                                                                                     Tail
                                                                                     Switch




                                                                                                     Head

                                                                                                     AUTO
                       B–Y




                                                   B–Y




                                                                                                                                 EL
                                                                               D50(A)                                            12 A
                                                                               Headlight Dimmer Switch Assembly
                                                                                                                                  B
      B–Y




                                                                                                                                  B




        D3               D1                          A3                                                                            D4




                                                                                                                                        215

                                                                     BRZ (G4400BE)
Key Reminder (w/o Smart Entry  Start System) and Light Reminder

  A73(A), D5(B), D6(C)
  Main Body ECU




                                 KSWB    KSW                                                      FDCY
                                  2     22 B                                                      16
         (BAT)

                         7 3C   10 3D                                                           28 3A
                 15A
                 HAZ


         2
                                 R–W




                                         BR
                         G




                                                                                                  V
             1




                                                     (Ignition Switch Lock Cylinder Assembly)
        G




                                                                                                18 HD1

                                                     Un–Lock Warning Switch Assembly
                                         2
                                               UN–




                                                                                                  Y–B



                                                                                                         Front Door Courtesy Light Switch
                                                     D53




                                               UN+
                                                                                                   1
                                         1




                                                                                                         Assembly LH
                                                                                                         H21




216

                                        BRZ (G4400BE)
A73(A), D5(B), D6(C)
Main Body ECU                                                                                               (IG)                     (BAT)


                                                                                                                       7. 5A                      7. 5A
                                                                                                                       GAUGE                      MPX–B


      CANL             CANH
                                                                                                            2                        2
     13 B          14 B
                                                                                                           2 3A                           1




                                                                                                           W–G




                                                                                                                                    L–R
      LG




                       P



                              Junction Connector




                                                                                                                                    L–R
      14               3
                              D43




      13               2                                                                                                           19 3C




                                                                                                           W–G
      BR–W




                       BR




                                                                                                                                   17 3B




                                                                                                                                    R–W
                                                                       D7
                                                                       Combination Meter Assembly           2                        1
                                                                                                                 IG+                          B




                                                                                Buzzer
                                                   Power Circuit




                                                                               CPU




                                                                        CAN Driver



                                                                        CANH           CANL               ES2                ES1
                                                                   6             7                  40                 20
                                                                                BR–W




                                                                                                    B–Y




                                                                                                                       B–Y
                                                                   BR




                                                                                                    B–Y




                                                                                                      D3




                                                                                                                                                     217

                                                   BRZ (G4400BE)
Key Reminder (w/o Smart Entry  Start System) and Light Reminder
        : Parts Location
   Code                     See Page              Code                  See Page                Code                  See Page
 A9     A        42                             D8     A      40                              D50    A      41
 A73    A        42                             D9     B      40                                 D53        41
 D5     B        40                             D16    A      40                                 H21        45
 D6     C        40                             D17    B      40
     D7          40                                D43        41


        : Relay Blocks
 Code            See Page      Relay Blocks (Relay Block Location)
  1         24                 Engine Room R/B (Engine Compartment Right)


        : Junction Block and Wire Harness Connector
 Code            See Page      Junction Block and Wire Harness (Connector Location)
  3A
            26                 Instrument Panel Wire and Instrument Panel J/B Assembly (Instrument Panel Reinforcement)
  3B
  3C        26                 Engine Room Main Wire and Instrument Panel J/B Assembly (Instrument Panel Reinforcement)
  3D        26                 Instrument Panel Wire and Instrument Panel J/B Assembly (Instrument Panel Reinforcement)


        : Connector Joining Wire Harness and Wire Harness
 Code            See Page      Joining Wire Harness and Wire Harness (Connector Location)
 AD2        47                 Engine Room Main Wire and Instrument Panel Wire (Instrument Panel Reinforcement)
 HD1        47                 No. 2 Floor Wire and Instrument Panel Wire (Cowl Side Panel LH)


        : Ground Points
 Code            See Page      Ground Points Location
  A3
            47                 Cowl Side Panel LH
  D1
  D3        47                 Instrument Panel Brace RH
  D4        47                 Cowl Side Panel RH




218

                                                        BRZ (G4400BE)
Memo




                  219

BRZ (G4400BE)
ABS, TRAC and VSC

                           (BAT)                                                                       (BAT)                                         (BAT)                 (IG)


                                            7. 5A                                                                                    40A                     25A                  10A
                                            STOP                                                                                     ABS NO. 1               ABS NO. 2            ECU IG1


                                                                                                        2                                            2                     2

                                                                                                            1                                            1               15 3C
                          9 3A


                                                           18 3C
                           W–L




                         12 AD1                            8 3C
                                                            BR–W
                           W–L




                                                                                                                                                                          G–R
                                                                                                       W




                                                                                                                                                    G
                                                                                          R
                            3                                4
                           R




                                                            B




                                                                                          30            1                                           25                    28
                                                                                           STP          +BM                                          +BS                   IG1




                                                                                                  GND1
                                                                                                  38                                     A5
                                                                                                                                         VSC (VDC) Control Module
                                                                         Noise Filter




                                                                                                  B
                                                     G–B
                   Y–L




                                                                         A13




                    2                                 1
      (Shielded)


                   P




                                                                                                  B
                                                     L




                                                                                                                Junction Connector
                                 Stop Light Switch




                                                      2            3 A                           10 A
                                                                                                                A9(A)
                                 Assembly




                                                                   6 A           12 A            11 A
                                 A22




                                                      1
                                                                         B
                                                                                                  B
                                                                                                  B




                                                                                                   A7




220

                                                                                        BRZ (G4400BE)
A42                               A12
                                          Front Speed Sensor RH             Front Speed Sensor LH




                                                              W




                                                                                                W
                                             B




                                                                               B
                                                   FR–                FR+           FL–                 FL+
                                              1                   2             1                   2




                                                              G–O
                                             G–B




                                                                               W




                                                                                                B
                                              4              16                32               19
                                              FR–                 FR+           FL–                 FL+




GND2                                          RR+                 RR–           RL+                 RL–
13     A5                                    17              29                31               18
       VSC (VDC) Control Module




                                                                                                LG–B
                                                                               LG
                                                              G
B




                                             L




                                          19 AD1           20 AD1           37 AD1           38 AD1




                                                                                                LG–B
                                                                               LG
                                                              G
                                             L




                                           9 GD1           10 GD1           16 HD1           17 HD1
                                                                                                BR
                                                                               LG
                                             Y




                                                              P




                                              2                   1             2                   1
                                                   RR+                RR–           RL+                 RL–
                                             W




                                                                               W
                                                              B




                                                                                                B




                                          G9                                H12
                                          Rear Speed Sensor RH              Rear Speed Sensor LH




 A1




                                                                                                              221

                                  BRZ (G4400BE)
ABS, TRAC and VSC

                                                                                       (IG)


                                                                                              10A
                                                                                              ECU IG1


                                                                                       2

                                                                                     19 3A




                                                                                      P
      A5
      VSC (VDC) Control Module




                 CANH        CANL     CSW1              CSW2
                 26         14        12                27
                                      O




                                                         P




                                    18 AD1            17 AD1
                             B–R
                 BR




                                      G




                                                         P




                                         5                  1                          4                       Steering Sensor
                                                                                        IG
                                                       VSC SPORT
                                     VSC OFF




                                                                   Switch Assembly
                                                                   Pattern Select




                                                                                                               D56




                                                                                       ESS      CANH    CANL
                                                                                       1         3      2
                                                                   D35




                                                                                                G–W
                                                                                      B–Y




                                                8
                                                                                                        G
                                               B–Y
                                               B–Y




                                                                                                                                 G


                                                                                                                                 G–W


                                                                                                                                 B–R




                                                                                                                                 BR

                                                 D3




222

                                                     BRZ (G4400BE)
(IG)                              (BAT)


                                   7. 5A                              7. 5A                                                 ∗ 3 : USA
                                   GAUGE                              MPX–B                                                 ∗ 4 : Except USA

                                                                                         L–R
                        2                                  2

                      2 3A                                     1
                                                                                            19 3C




                       W–G




                                                                                   L–R
                                                                                            17 3B
                       W–G




                                                                                                    R–W
                                            D7
                        2                   Combination Meter Assembly                               1
                             IG+                                                                          B




                                                                                                                                    TRAC OFF (∗3)
                                                                                                                VSC SPORT




                                                                                                                                    TRC OFF (∗4)
                                      BRAKE (∗3)




                                                                              Slip OFF
                                      Brake (∗4)




                                                           ABS




                                                                                         Slip

                      I/F                                                                LED Driver
      Power Circuit




                                                          CPU




                                                                                                    CAN Driver



                                                    ES2              ES1                             CANH                   CANL
                                             40                20                               6              7
                                                                                                              BR–W
                                              B–Y




                                                               B–Y




                                                                                           BR




                                                                                                                                                    BR–W


                                                                                                                                                     BR
                                              B–Y




G                                                                                                                                                    G


G–W                                                                                                                                                 G–W


B–R                                                                                                                                                 B–R




BR                                                                                                                                                   BR

                                                   D3




                                                                                                                                                          223

                                     BRZ (G4400BE)
ABS, TRAC and VSC



                                                                  D10
                                                                  DLC3




                                                                    CANH   CANL
                                                                     6     14




                                                                    B–Y




                                                                           LG
          D43
          Junction Connector                                         5     16




          13                   2    17     6       1       12        3     14
          BR–W




                                          G–W




                                                  W–B




                                                           R–Y
                               BR




                                                                           LG
                                    G




                                                                    P
                                                21 AD1   39 AD1
                                                  W–B




                                                           R–Y




  BR–W


   BR


      G                                                                           LG

                                                                                   P
  G–W
                                                                                  R–Y

  B–R                                                                             B–R

                                                                                  W–B

   BR                                                                             BR




224

                                         BRZ (G4400BE)
D43                           A17
Junction Connector            Junction Connector




       9               20     18                    7     17        6    5            16
                       B–P
   O




21 AD2               39 AD2

                                                                              (A/T)




                                                                                           (A/T)
                                                   W–B




                                                                        B–W
                                                          B–R
                              R–Y




                                                                BR




                                                                                      L
                       B–P
   O




                                                                                                    L(A/T)

                                                                                                   B–W(A/T)




                                                                                                     B–P

                                                                                                      O

  LG                                                                                                 LG

   P                                                                                                  P

 R–Y

 B–R

 W–B

  BR




                                                                                                           225

                                                    BRZ (G4400BE)
ABS, TRAC and VSC

                                                                                                                                                                                (IG)


                                                                                                                                                                                             7. 5A
                                                                                                                                                                                             BK/UP LP


                                                                                                                                                                               2

                                                                                                                                                                             2 3C




            A18(A), A19(B)
            Transmission Control Module




             CANL           CANH                 P                                           R                                                 N                 D
            28 A           29 A            3 B                                   10 B                                           21 B                        9 B
                                           W–G
                   (A/T)




                                  (A/T)




                                                     (A/T)




                                                                                                 (A/T)




                                                                                                                                                   (A/T)




                                                                                                                                                                     (A/T)




                                                                                                                                                                                     (A/T)
                            B–W




                                                                                                                                      B–G




                                                                                                                                                                              R–L
                                                                                                                                                            BR
                                                                                  V
             L




                                           W–G
                                                     (A/T)




                                                                                                 (A/T)




                                                                                                                                                   (A/T)




                                                                                                                                                                     (A/T)
                                                                                                                                      B–G




                                                                                                                                                            BR
                                                                                  V




                                          3 AL2                                  2 AL2                                          1 AL2                      8 AL2             4 AL2
                                                                                  B–W(A/T)
                                                                      G–Y(A/T)




                                                                                                              R(A/T)
                                                                                                     L(A/T)




                                                                                                                                                                              BR–Y
                                                                                                                                                                                     (A/T)
                                                                        6           1                    9      7

                                                                 RB         PL          RL               NL       DL

                                                             P
                                                                                                                       Park/Neutral Position




                                                             R
                                                                                                                       Switch Assembly




                                                             N

  L(A/T)                                                     D
                                                                                                                       L2




                                                                 2
 B–W(A/T)




   B–P                                                                                                                                                                                                  B–P

      O                                                                                                                                                                                                 O

   LG                                                                                                                                                                                                   LG

      P                                                                                                                                                                                                 P




226

                                                                 BRZ (G4400BE)
A33(A), A34(B), A36(D)
         ECM




       CANL             CANH                            M–       M+     VTA2                  VTA1                                                     EC                           E1       VC
      18 A            19 A                           1 D      2 D      28 D                  18 D                                                    4 A                         29 D     19 D




                                                                                                                                                                                  Y–B
                                                                               (Shielded)
                                                               G–Y




                                                                        R–Y
       B–P




                                                                                                                                                     B–L
                                                      SB




                                                                                              LG
                        O




                                                                                                                                                                                           R
                                                                                                                                                            Junction Connector


                                                                                                                                                                                  Y–B
                                                                                                                                                     13



                                                                                                                                        (Shielded)
                                                    39 AC1   38 AC1   24 AC1                25 AC1                                                                               6 AC1   28 AC1




                                                                                                                                                            A37
                                                                                                                                                     16
                                       (Shielded)




                                                                                                                                                                                  B–Y




                                                                                                                                                                                           B–L
                                                      W




                                                               R




                                                                                                     (Shielded)
                                                                                              W–R
                                                                        W




                                                                                                                  with Motor Assembly




                                                       1        2        4                     6
                                                                                                                  Throttle Body




                                                        M–       M+     VTA2                  VTA1
                                  B




                                                                                                                  C15




                                                        VC                                      E2
                                                       5                                       3
                                                                                              B–Y
                                                      B–L




B–P

O                                                                                                                                                                                                 B

LG                                                                                                                                                                                                LG

P                                                                                                                                                                                                 P
                                  B




                                  C1




                                                                                                                                                                                                       227

                                                            BRZ (G4400BE)
ABS, TRAC and VSC




          A33(A), A34(B), A36(D)
          ECM




                            NE+                         NE–    SLE3
                          16 B                        27 B    35 B
             (Shielded)


                           W




                                                       B




                          3 AC1                      14 AC1
             (Shielded)




                                                       W–R
                           W




                            1
                                   Position Sensor




                            NE+
                                                               B
                                   Crankshaft
                                   C33




                            NE–
                            2




      B

  LG                                                                                 LG

      P                                                                              P




228

                                                                     BRZ (G4400BE)
A73(A), D5(B), D6(C)
     (BAT)           (BAT)             (BAT)                      (ACC)                 (IG)             Main Body ECU


             15A               7. 5A             7. 5A                        10A              10A
             HAZ               ECU–B             MPX–B                        ECU ACC          ECU IG1


                                                                                                           IG            ACC
     2                2                 2                          2                    2
                                                                                                          8              9

         1                 1                 1
                     G–R




                                       L–R
     G




                                                               28 3B




                                                                       (∗2)
                                                                  W
                   25 AD2
                     G–R




                                                                                                                                W
                                                                                                                                (∗2)


                                                                                                                                L–R


                                                                                                                                G–R


                                                                                                                                 G




                                                  ∗ 2 : w/ Smart Entry  Start System




LG                                                                                                                              LG

P                                                                                                                                P




                                                                                                                                       229

                                                 BRZ (G4400BE)
ABS, TRAC and VSC

                                                            A73(A), D5(B), D6(C)
                                                            Main Body ECU




          ACC(∗2)           BMPX                 BECU                        KSWB    CANL    CANH
          22 B             32                     1                           2     13 B    14 B




                         19 3C                 27 3A                         7 3C


                                                 G–R
                            L–R
                 (∗2)




                                                                                     LG
           W




                                                                             G




                                                                                             P
                                                        Junction Connector
                                                        D16(A), D17(B)

                                               21 A




                                               12 B
  W
  (∗2)
                                                 G–R




  L–R


  G–R


      G




                        ∗ 2 : w/ Smart Entry  Start System




  LG

      P




230

                                                                   BRZ (G4400BE)
B–Y                                            B




                                                         6 B
                                                                        4 A
                                                                                              1 C




                      D1
                                                                                                          Main Body ECU




                                                                                                    GND




                                                           D8(A), D9(B)
                                                                                                          A73(A), D5(B), D6(C)




                                                           Junction Connector


                                 B–Y                                            B–Y




                                                         7 A
                                                                  9 A
                                                                                              4 A




                      A3
                                                                                                    GND




                                                           A9(A)
                                                           Junction Connector
                                                                                              11




                           B–Y                                                  B–Y
                                                                                      18 3B




                      D3
                                                                                                    GND




BRZ (G4400BE)
                                                   1
                                                                                              14




                                                                                GR
                                                                                      24 3B
                                                                                                    PKB




                                       D31
                                       Parking Brake
                                       Switch Assembly




                231
ABS, TRAC and VSC
        : Parts Location
   Code                     See Page              Code                  See Page                Code                  See Page
     A5          39                                A37        42                              D16    A      40
 A9     A        42                                A42        39                              D17    B      40
    A12          39                             A73    A      42                                 D31        40
    A13          42                                C15        38                                 D35        40
    A17          42                                C33        38                                 D43        41
 A18    A        42                             D5     B      40                                 D56        41
 A19    B        42                             D6     C      40                                  G9        44
    A22          42                                 D7        40                                 H12        45
 A33    A        42                             D8     A      40                                  L2        39
 A34    B        42                             D9     B      40
 A36    D        42                                D10        40


        : Relay Blocks
 Code            See Page      Relay Blocks (Relay Block Location)
  1         24                 Engine Room R/B (Engine Compartment Right)


        : Junction Block and Wire Harness Connector
 Code            See Page      Junction Block and Wire Harness (Connector Location)
  3A
            26                 Instrument Panel Wire and Instrument Panel J/B Assembly (Instrument Panel Reinforcement)
  3B
  3C        26                 Engine Room Main Wire and Instrument Panel J/B Assembly (Instrument Panel Reinforcement)


        : Connector Joining Wire Harness and Wire Harness
 Code            See Page      Joining Wire Harness and Wire Harness (Connector Location)
 AC1        46                 Engine Room Main Wire and Engine Wire (Engine Unit)
 AD1        47                 Engine Room Main Wire and Instrument Panel Wire (Cowl Side Panel RH)
 AD2        47                 Engine Room Main Wire and Instrument Panel Wire (Instrument Panel Reinforcement)
 AL2        46                 Engine Room Main Wire and Transmission Wire (Dash Panel)
 GD1        47                 No. 1 Floor Wire and Instrument Panel Wire (Cowl Side Panel RH)
 HD1        47                 No. 2 Floor Wire and Instrument Panel Wire (Cowl Side Panel LH)


        : Ground Points
 Code            See Page      Ground Points Location
  A1        46                 Front Fender Apron LH
  A3        47                 Cowl Side Panel LH
  A7        46                 Front Fender Apron RH
  C1        46                 Engine Unit
  D1        47                 Cowl Side Panel LH
  D3        47                 Instrument Panel Brace RH




232

                                                       BRZ (G4400BE)
SRS
NOTICE : When inspecting or repairing the SRS, perform service in accordance with the following precautionary instructions
and the procedure, and precautions in the Repair Manual applicable for the model year.

 ● Malfunction symptoms of the SRS are difficult to confirm, so the DTCs become the most important source of information
   when troubleshooting. When troubleshooting the SRS, always inspect the DTCs before disconnecting the battery.

 ● Work must be started more than 90 seconds after the ignition or starter switch assembly is turned to the ”LOCK”
   position (Ignition switch type) or the engine switch is pushed to the ”OFF” position (Engine switch type) and the
   negative (-) terminal cable is disconnected from the battery.
   (The SRS is equipped with a back-up power source so that if work is started within 90 seconds from disconnecting
   the negative (-) terminal cable of the battery, the SRS may deploy.)

 ● When the negative (-) terminal cable is disconnected from the battery, the memory of the clock and audio system will be
   cleared. So before starting work, make a record of the contents in the audio memory system. When work is finished, reset
   the audio systems as they were before and adjust the clock. Some vehicles have power tilt steering, power telescopic
   steering, power seat and power outside rear view mirror which are all equipped with memory function. However, it is not
   possible to make a record of these memory contents. So when the work is finished, it will be necessary to explain it to your
   customer, and ask the customer to adjust the features and reset the memory. To avoid erasing the memory in each system,
   never use a back-up power supply from outside the vehicle.

 ● Before repair, remove the airbag sensor if shocks are likely to be applied to the sensor during repair.

 ● Do not expose the following parts directly to hot air or flame;

 ● Even in cases of a minor collision where the SRS does not deploy, the following parts should be inspected;

 ● Never use SRS parts from another vehicle. When replacing parts, replace with new parts.

 ● For the purpose of reuse, never disassemble and repair the following parts.

 ● If the following parts have been dropped, or have cracks, dents and other defects in their case, bracket, and connector,
   replace with new one.

 ● Use a volt/ohmmeter with high impedance (10 kΩ/V minimum) for troubleshooting electrical circuits of the system.

 ● Information labels are attached to the periphery of the SRS components. Follow the instructions of the notice.

 ● After work on the SRS is completed, check the SRS warning light.

 ● If the vehicle is equipped with a mobile communication system, refer to the precaution in the IN section of the Repair Manual.


                                     * Driver’s Airbag Module
                                     * Passenger’s Airbag Module
                                     * Side airbag Module
                                     * Curtain Airbag Module
                                     * Pretensioner
                                     * Airbag Control Module
                                     * Front Sub Sensor
                                     * Side Airbag Sensor
                                     * Curtain Airbag Sensor
                                     * Front Door Impact Sensor




                                                                                                                             233

                                                  BRZ (G4400BE)
SRS

            (IG)                                                                                              (IG)


                     15A                                                                                               15A
                     A/B MAIN                                                                                          A/B MAIN


           2                                                                                                 2

                 1                                                                                                 1
          R–B




                                                                                                            R–B
       24 3C




                                                                                                           24 3C
       23 3A
          LG–W




                                                                                                           7 3A




                                                                                                            LG–B
      11 GD1
          G




                                                                                                                        D27(A), G1(B), H17(C)
                                                                                                           21 A         Airbag Control Module
        1 Ge1                                                                                                  IG
                                          Occupant Detection           Occupant Detection Control Module
                                          Sensor
                                                                                                             FSR+             FSR–
          B




                                                                                                           12 B              13 B

           6
             IG                     SUB        GUARD            MAIN
                                                                                                            Y–G




                                                                                                                              Y
          BER+            BER–     FSR–                         FSR+
                                                                       e2




           8                  4     9                            1
                                   LG
          G




                          P




                                                                L




           1                  2   3 Ge1                        2 Ge1




      e1
      Front Seat Inner Belt
      Assembly RH




234

                                                BRZ (G4400BE)
z6(B), z7(C)                                                                       D30(A)
Driver' s Airbag Module                                                            Passenger' s Airbag Module




                                                    D52(A), z6(B), z7(C)
                                                    Roll Connector
1 B            2 B         1 C           2 C


       D2+           D2–         D+            D–
3 A            4 A         2 A           1 A




                                                                                      R–W




                                                                                                                         Y–G
                                                                                                       R




                                                                                                                                        Y
                                                                                            P–                P+               P2+            P2–
                                                                                      2 A              1 A               3 A            4 A
 BR




                LG




                           W




                                         Y




                                                                                                       Y–BR
                                                                                      Y–P




                                                                                                                         Y–B




                                                                                                                                        Y–V
                                                                                                                                                    D27(A), G1(B), H17(C)
8 A            7 A         5 A           6 A                                          3 A              4 A               1 A            2 A         Airbag Control Module
  D2+            D2–        D+             D–                                           P–                P+              P2+            P2–



 GND                 GND                  SL+                               SL–                  SR–               SR+                   PL+             PL–
25 A             26 A                  30 A                      28 A                       27 A              29 A                      2 C            1 C
                                                                                                               W–B
                                         L–W




                                                                                                                                                        Y–G
                                                                                                                                        Y–R
                                                                                             R–Y
                                                                           L–Y
 B–W




                     B




                                       4 DA3                    3 DA3                       1 DA3             2 DA3
                                                                                                               W–B
                                         L–W




                                                                                             R–Y
                                                                           L–Y




                                          2                                 1                    1                 2                     2               1
                                         BUSIN                             RTNIN             RTNIN             BUSIN



                                                                                                                                              Pretensioner
                                      A58                                               A51
                                      Front Sub Sensor LH                               Front Sub Sensor RH                          H22
                                                                                                                                     Pretensioner LH




   D4                D3




                                                                                                                                                                            235

                                                                            BRZ (G4400BE)
SRS




      H16                                                  H30                                                             G11
      Satellite Safing Sensor                              Curtain Airbag Module LH                                        Curtain Airbag Module RH




         BUSIN            RTNIN
                                                                       ICL–                ICL+                                         ICR–          ICR+
           2               1
                                                                  2                  1                                            2              1
          Y–G




                                                                                                                                 Y–G
                          Y–R




                                                                                                                                                Y–R
                                                                 Y–B




                                                                                     Y
                                  D27(A), G1(B), H17(C)
        11 C            12 C      Airbag Control Module          6 C                 7 C                                       10 B            9 B
         BBL2+            BBL2–                                   ICL–               ICL+                                         ICR–          ICR+



           PR+             PR–                                    BBL+         BBL–                                                    BBR+     BBR–
         4 B             5 B                                     8 C          15 C                                                     8 B     11 B
                                                                 Y–G




                                                                                                                                       Y–G




                                                                                                                                                Y–R
                                                                               Y–B




                                                                                                                                                             Side Airbag Sensor RH
                                                                                             Side Airbag Sensor LH
          Y–B




                          Y




                                                                  4             3                                                       4        3
                                                                 BUSIN         RTNIN                                                   BUSIN    RTNIN




                                                                                                                                                             G16
                                                                                             H23




                                                                BUSOUT        RTNOUT                                               BUSOUT      RTNOUT
                                                                  1             2                                                       1        2
                                                                 Y–R




                                                                                                                                       Y–B
                                                                               Y




                                                                                                                                                Y




                                                                  4             3                                                       4        3
                                                                                             Curtain Airbag




                                                                                                                                                             Curtain Airbag
                                                                 BUSIN         RTNIN                                                   BUSIN    RTNIN
                                                                                                                                                             Sensor RH
                                                                                             Sensor LH




                                                                                                                                                             G14
                                                                                             H25




                                                                BUSOUT        RTNOUT                                               BUSOUT      RTNOUT
                                                                  1             2                                                       1        2
                                                                 Y–G




                                                                                                                                                Y–G
                                                                                                                                       Y–R
                                                                               Y–B




           2               1

                                                               2 EH1          1 EH1                                               2 FG1        1 FG1
                                                                                                                                                             Front Door Impact Sensor RH
                                                                                             Front Door Impact Sensor LH




                Pretensioner
                                                                 Y–R




                                                                                                                                       Y–R
                                                                               Y–B




                                                                                                                                                Y–B




      G17
      Pretensioner RH
                                                                  2             1                                                       2        1
                                                                 BUSIN         RTNIN                                                   BUSIN    RTNIN
                                                                                             E4




                                                                                                                                                             F2




236

                                                          BRZ (G4400BE)
(BAT)                         (ACC)            (IG)


                                                                                                                             20A                   7. 5A           7. 5A
                                                                                                                             DOME                  RADIO           GAUGE


                                                                                                             2                              2               2

                                                                                                                 1                        36 3B            2 3A

b1                                  c1
Side Airbag Module LH               Side Airbag Module RH




                                                                                                             W
                                                                                                           8 AD2

            SFL+             SFL–                   SFR+           SFR–
       2                1                      2             1
      Y–B




                                              Y–B
                        Y




                                                            Y




                                                                                                                                                           W–G
                                                                                                                                           R–B
                                                                                                             O
    2 Hb1          1 Hb1                2 Gc1              1 Gc1
      Y–B




                                              Y–B
                        Y




                                                            Y




                                                                                                                     Junction Connector
                                                                          D27(A), G1(B), H17(C)
                                                                          Airbag Control Module




                                                                                                                     D46(A), D47(B)
      9 C          10 C                       7 B           6 B                                            10 A
       SFL+             SFL–                  SFR+           SFR–


                                                                                                            7 B
      CANL                  CANH       PAON                 PAOFF
    22 A                13 A         23 A                  17 A
                                       LG–R




                                                            LG–Y
      R–W




                            P–L




                                                                                                             O




                                     26 3A                 25 3A




                                                                                                                                                           W–G
                                                                                                                                           R–B




                                     48 3A                 44 3A
                                                                                                             O
                                       Y–R




                                                            L




                                        3                    5                                              12                             11              10
                                       PAON                  P–AB                                                                                           LAPB
                                                                                                                                                                   Clock Assembly



                                                                                                  PASSENGER AIRBAG
                                                                                                  ON–OFF Indicator
                                                                                                                                                                   D18




                                        GND                  GND
                                        8                   14
                                       B–Y




                                                            B–Y
                                       B–Y




                                                                                                                                                                                    P–L

                                                                                                                                                                                    R–W



                                          D3




                                                                                                                                                                                          237

                                                           BRZ (G4400BE)
SRS

         (IG)                        (BAT)


                    7. 5A                    7. 5A
                    GAUGE                    MPX–B
                                                                 L–R


         2                           2
                                                                       19 3C
        2 3A                             1
        W–G




                                                     L–R
                                                                       17 3B
        W–G




                                                                         R–W
         2                                                                1
              IG+                                                              B
                               SRS




          I/F                  LED Driver
                                                                   Power Circuit




                                             CPU
                                                                                                  Combination Meter Assembly




                                                                       CAN Driver



              ES2            ES1                                  CANH                     CANL
                                                                                                  D7




        40             20                                   6                        7
                                                                                    BR–W
        B–Y




                       B–Y




                                                                                                                                 B–P
                                                           BR




                                                                                                                                         O




                                                            2                       13                                           20       9



                                                                                                                                                21 AD2    39 AD2
                                                            8                       19       D43                                 16       5
                                                                                             Junction
                                                                                             Connector
                                                                                                                                         B–Y




                                                                                                                                                            B–P
                                                                                                                                 LG




                                                                                                                                                   O
                                                                                    R–W
        B–Y




                                                           P–L




                                                                                                                                 14       6      19 A      18 A
                                                                                                                                  CANL   CANH      CANH     CANL
  P–L

  R–W

                                                                                                                               D10              A33(A)
          D3                                                                                                                   DLC3             ECM




238

                                                            BRZ (G4400BE)
: Parts Location
  Code                     See Page              Code                  See Page                    Code              See Page
A33    A        42                             D52    A      41                                    H23        45
   A51          39                                 E4        44                                    H25        45
   A58          39                                 F2        44                                    H30        45
    D7          40                             G1     B      42                                     b1        45
   D10          40                                G11        44                                     c1        45
   D18          40                                G14        44                                     e1        45
D27    A        40                                G16        44                                     e2        45
D30    A        40                                G17        44                               z6          B   42
   D43          41                                H16        45                               z7          C   42
D46    A        41                             H17    C      42
D47    B        41                                H22        45


        : Relay Blocks
 Code           See Page      Relay Blocks (Relay Block Location)
  1        24                 Engine Room R/B (Engine Compartment Right)


        : Junction Block and Wire Harness Connector
 Code           See Page      Junction Block and Wire Harness (Connector Location)
  3A
           26                 Instrument Panel Wire and Instrument Panel J/B Assembly (Instrument Panel Reinforcement)
  3B
  3C       26                 Engine Room Main Wire and Instrument Panel J/B Assembly (Instrument Panel Reinforcement)


        : Connector Joining Wire Harness and Wire Harness
 Code           See Page      Joining Wire Harness and Wire Harness (Connector Location)
 AD2       47                 Engine Room Main Wire and Instrument Panel Wire (Instrument Panel Reinforcement)
 DA3       47                 Instrument Panel Wire and Engine Room Main Wire (Behind Glove Box)
 EH1       47                 Front Door Wire LH and No. 2 Floor Wire (Cowl Side Panel LH)
 FG1       47                 Front Door Wire RH and No. 1 Floor Wire (Cowl Side Panel RH)
 GD1       47                 No. 1 Floor Wire and Instrument Panel Wire (Cowl Side Panel RH)
 Gc1       48                 No. 1 Floor Wire and Seat Wire RH (Under Front Seat Cushion RH)
 Ge1       48                 No. 1 Floor Wire and Occupant Detection Sensor Wire (Under Front Seat Cushion RH)
 Hb1       48                 No. 2 Floor Wire and Seat Wire LH (Under Front Seat Cushion LH)


        : Ground Points
 Code           See Page      Ground Points Location
  D3       47                 Instrument Panel Brace RH
  D4       47                 Cowl Side Panel RH




                                                                                                                                239

                                                      BRZ (G4400BE)
EPS

                                                                                                                                                   W
      (BAT)               (IG)
                                                                                                                                                   B

               80A                10A
               EPS                ECU IG1


       2                  2

           1           14 3C
                         G–W
      W




                                                                              W




                                                                                            B

                                      A14(A), A15(B), z1(C), z2(D)
      1 A               6 B           Power Steering ECU Assembly            7 B          1 B
       PIG                 IG                                                 CANL          CANH



      PGND               TRQV       TRQG           TRQ1     TRQ2       RZSN          RZCS          RZG    RZV     V    W     U
      2 A               9 D        11 D           8 D      10 D       14 D         13 D         7 D      5 D    1 C   3 C   2 C




                                                                                                                                  Power Steering
                                                                                                                             M




                                                                                                                                  Motor
                                           Torque Sensor                               Resolver
      B




                z1(C), z2(D)
                Steering Column Assembly




       A2




240

                                                                  BRZ (G4400BE)
W

B



A5
VSC (VDC) Control Module




     FL+       FL–          FR+    FR–        RL+    RL–           RR+         RR–     CANH     CANL
    19        32           16      4        31      18            17          29       26       14




                                                    LG–B
                           G–O




                                  G–B




                                                                                                B–R
                                                                                       BR
                                             LG
              W




                                                                                                                               W
                                                                              G
    B




                                                                                                              B
                                                                  L
                                                                                        6       17             8               19
                                    Speed Sensors




                                                                                        7       18                 A17
                                                                                                                   Junction
                                                                                                                   Connector


                                                                                       W–B




                                                                                                R–Y
                                                                                     21 AD1   39 AD1
                                                                                       W–B




                                                                                                R–Y




                                                                                        1       12
                                                                                                       D43
                                                                                                       Junction
                                                                                                       Connector




                                                           13            2              9       20
                                                           BR–W




                                                                                                B–P
                                                                         BR




                                                                                       O




                                                                                     21 AD2   39 AD2



                                                                                                                                    B–P


                                                                                                                                     O


                                                                                                                                     BR

                                                                                                                                    BR–W




                                                                                                                                          241

                                                     BRZ (G4400BE)
EPS



                          A33(A), A34(B)
                          ECM




           CANL    CANH                        NE+                        NE–    SLE3
          18 A    19 A                       16 B                       27 B    35 B




                                (Shielded)
           B–P




                                              W
                   O




                                                                         B
                                             3 AC1                     14 AC1




                                (Shielded)




                                                                         W–R
                                              W


                                               1

                                                     Position Sensor
                                               NE+   Crankshaft
                                                     C33



                                               NE–




                                                                                 B
                                               2



                                                                                 B




  B–P


      O


   BR                                                                                    BR

  BR–W                                                                                  BR–W



                                                                                  C1




242

                    BRZ (G4400BE)
(IG)                  (BAT)


                   7. 5A                     7. 5A
                   GAUGE                     MPX–B


        2                      2

       2 3A                         1




                              L–R
       W–G




                              L–R
                           19 3C




                           17 3B
       W–G




                              R–W




                                                                            D7
        2                      1                                            Combination Meter Assembly
             IG+                        B




                                                                                                     Power Steering
                                                             Buzzer


                                                                                 I/F                LED Driver
                           Power Circuit




                                                                      CPU




                                        CAN Driver



                                        CANH          CANL                                                            ES2         ES1
                               6                7                                                  40                       20
                                               BR–W




                                                                                                   B–Y




                                                                                                                            B–Y
                              BR




 BR
                                                                                                   B–Y




BR–W



                                                                                                     D3




                                                                                                                                        243

                            BRZ (G4400BE)
EPS
        : Parts Location
   Code                     See Page              Code                  See Page                    Code              See Page
     A5          39                             A33    A      42                                    D43        41
 A14    A        42                             A34    B      42                               z1          C   42
 A15    B        42                                C33        38                               z2          D   42
    A17          42                                 D7        40


        : Relay Blocks
 Code            See Page      Relay Blocks (Relay Block Location)
  1         24                 Engine Room R/B (Engine Compartment Right)


        : Junction Block and Wire Harness Connector
 Code            See Page      Junction Block and Wire Harness (Connector Location)
  3A
            26                 Instrument Panel Wire and Instrument Panel J/B Assembly (Instrument Panel Reinforcement)
  3B
  3C        26                 Engine Room Main Wire and Instrument Panel J/B Assembly (Instrument Panel Reinforcement)


        : Connector Joining Wire Harness and Wire Harness
 Code            See Page      Joining Wire Harness and Wire Harness (Connector Location)
 AC1        46                 Engine Room Main Wire and Engine Wire (Engine Unit)
 AD1        47                 Engine Room Main Wire and Instrument Panel Wire (Cowl Side Panel RH)
 AD2        47                 Engine Room Main Wire and Instrument Panel Wire (Instrument Panel Reinforcement)


        : Ground Points
 Code            See Page      Ground Points Location
  A2        47                 Cowl Side Panel LH
  C1        46                 Engine Unit
  D3        47                 Instrument Panel Brace RH




244

                                                       BRZ (G4400BE)
Memo




                  245

BRZ (G4400BE)
Seat Belt Warning

       (IG)              (ACC)                 (BAT)                                              (IG)                     (BAT)


              7. 5A               7. 5A                           20A                                       7. 5A                        7. 5A
              GAUGE               RADIO                           DOME                                      GAUGE                        MPX–B
                                                                                                                                                               L–R


       2                  2                     2                                                 2                        2
                                                                                                                                                                     19 3C
  2 3A                 36 3B                          1                                   2 3A                                 1




                                                                                                                                                    L–R
                                                                                             W–G
                                               W
                                                                                                                                                                     17 3B
      W–G




                         R–B




                                                                                             W–G




                                                                                                                                                                      R–W
                                              8 AD2

                                                                                                  2                                                                    1
                                                                                                      IG+                                                                   B
                                               O



                                                          Junction Connector
                                                          D46(A), D47(B)


                                              10 A




                                              7 B
      W–G




                         R–B




                                                                                      Seat Belt
                                                                                      Driver' s
                                               O




                                                                                                                                                                  Power Circuit
                                               O




                                                                                        LED Driver
      10                 11                    12
      LAPB
                                                                     Clock Assembly




                       Front Passenger Seat
                       Belt Warning Light
                                                                                                                                         CPU
                                                                     D18




      GND         GND                          LAPL
       8         14                             6



                                                                                          I/F




                                                                                                  P/SB               ES2                 ES1
                                               BR–R
      B–Y




                 B–Y




                                                                                      13                       40                  20            D7
                                                                                                                                                 Combination Meter Assembly
                                                                                                               B–Y




                                                                                                                                   B–Y
                 B–Y




                   D3




246

                                                                               BRZ (G4400BE)
BR–W

                                                                                                                             BR

                                                                                                                           R–B




                                                                (IG)


                                                                         15A
                                                                         A/B MAIN
               BR–W




                                           R–B
                              BR




                                                               2

                                                                     1
                7             6            37




                                                              R–B
                       CANL        CANH          DBKL


                                                           24 3C




                                                           23 3A
                                                              LG–W




Buzzer
                                                          11 GD1
                      CAN Driver             I/F
                                                              G




                                                            1 Ge1




                                                                                                                                        Occupant Detection Control Module
                      CPU
                                                                                              Occupant Detection
                                                                                              Sensor
                                                              B




                                             I/F               6
                                                                 IG                     SUB        GUARD            MAIN


                                                 PBKL         BER+            BER–     FSR–                         FSR+



                                                                                                                                        e2
D7                                         38                  8                  4     9                            1
Combination Meter Assembly
                                           R–G




                                                                                       LG
                                                              G




                                                                              P




                                                                                                                    L




                                          42 3A                1                  2   3 Ge1                        2 Ge1
                                                                                                                    Y–G
                                                                                       Y




                                                                                                                           Airbag Control Module




                                          24 3A
                                                                                      13 B                         12 B
                                                                                                                           D27(A), G1(B)




                                                                                       SGD                           SVC
                                           Y–R




                                                                                                                     PBE
                                                          e1                                                       15 A
                                                          Front Seat Inner Belt
                                                          Assembly RH
                                                                                                                    Y–R




                                                                                                                                                  247

                                                        BRZ (G4400BE)
Seat Belt Warning

  BR–W

   BR

  R–B




                                                            2            13
                                                                                 D43
                                                                                 Junction
                                                                                 Connector
                                                            1            12




                                                           W–B
                                                  R–B




                                                                         R–Y
                                               24 HD1    21 AD1        39 AD1
                                                  W–B




                                                           W–B




                                                                         R–Y
           Front Seat Inner Belt Assembly LH




                                                            7            18
                                                                                 Connector




                                                 1 A
                                                                                 Junction
                                               Buckle
                                               Switch




                                                                                 A17
           H19(A)




                                                            6            17

                                                 2 A
                                                                         B–R
                                                           BR
                                                  B




                                                                                                    A5
                                                           26            14                         VSC (VDC) Control Module
                                                           CANH          CANL



                                                            FL+    FL–           FR+          FR–        RL+       RL–          RR+    RR–
                                                           19     32            16            4        31         18           17     29
                                                                                                                  LG–B
                                                                                G–O




                                                                                             G–B




                                                                                                        LG
                                                                  W




                                                                                                                                      G
                                                  B




                                                           B




                                                                                                                               L




                                                                                               Speed Sensors




                                                    H3




248

                                                         BRZ (G4400BE)
: Parts Location
 Code                   See Page              Code                  See Page                Code                  See Page
  A5         39                             D27    A      40                              G1     B      42
 A17         42                                D43        41                              H19    A      45
  D7         40                             D46    A      41                                  e1        45
 D18         40                             D47    B      41                                  e2        45


       : Relay Blocks
Code         See Page      Relay Blocks (Relay Block Location)
 1      24                 Engine Room R/B (Engine Compartment Right)


       : Junction Block and Wire Harness Connector
Code         See Page      Junction Block and Wire Harness (Connector Location)
 3A
        26                 Instrument Panel Wire and Instrument Panel J/B Assembly (Instrument Panel Reinforcement)
 3B
 3C     26                 Engine Room Main Wire and Instrument Panel J/B Assembly (Instrument Panel Reinforcement)


       : Connector Joining Wire Harness and Wire Harness
Code         See Page      Joining Wire Harness and Wire Harness (Connector Location)
AD1     47                 Engine Room Main Wire and Instrument Panel Wire (Cowl Side Panel RH)
AD2     47                 Engine Room Main Wire and Instrument Panel Wire (Instrument Panel Reinforcement)
GD1     47                 No. 1 Floor Wire and Instrument Panel Wire (Cowl Side Panel RH)
Ge1     48                 No. 1 Floor Wire and Occupant Detection Sensor Wire (Under Front Seat Cushion RH)
HD1     47                 No. 2 Floor Wire and Instrument Panel Wire (Cowl Side Panel LH)


       : Ground Points
Code         See Page      Ground Points Location
 D3     47                 Instrument Panel Brace RH
 H3     48                 Quarter Wheel House Panel LH




                                                                                                                             249

                                                   BRZ (G4400BE)
Tire Pressure Warning System

                                                                                              A73(A), D5(B), D6(C)
        (BAT)             (BAT)              (ACC)                         (IG)               Main Body ECU


                  7. 5A             7. 5A                10A                        10A
                  ECU–B             MPX–B                ECU ACC                    ECU IG1


                                                                                                  IG        ACC      ACC(∗1)
         2                 2                  2                            2
                                                                                                 8          9        22 B

              1                 1
        G–R




                          L–R




                                            28 3B




                                                  (∗1)




                                                                                                                            (∗1)
                                             W




                                                                                                                      W
      25 AD2
        G–R




                                                                                                                                   L–R


                                                                                                                                   G–R




                                                    ∗ 1 : w/ Smart Entry  Start System




250

                                                         BRZ (G4400BE)
A73(A), D5(B), D6(C)
                                           Main Body ECU




       BMPX    BECU                             GND               GND                         GND
       32       1                              11                 1 C                         4 A




                                                                                              B–Y
                                                                  B
      19 3C   27 3A                          18 3B
               G–R
       L–R




                      Junction Connector




                                                                         Junction Connector




                                                                                                     Junction Connector
                      D16(A), D17(B)




              21 A                                                4 A




                                                                         D8(A), D9(B)
                                                                                              9 A




                                                                                                     A9(A)
                                                B–Y




              12 B                                                6 B                         7 A
               G–R




L–R


G–R
                                                                  B–Y




                                                                                              B–Y
                                                B–Y




                                                  D3                D1                          A3




                                                                                                                          251

                                              BRZ (G4400BE)
Tire Pressure Warning System

                                   A73(A), D5(B), D6(C)
                                   Main Body ECU




                     PRG                    RDA
                    6 C                    7 C

                                                            (BAT)                (IG)


                                                                      7. 5A             10A
                                                                      ECU–B             ECU IG1


                                                             2                  2


                                                                  1           20 3D




                                                            L–R
                    R




                                           V




                                                          19 3C




                                                                                Y
                                                          19 3D
                                                            R–Y




                 34 HD1                 35 HD1            39 HD1              37 HD1
                                                            Y–R




                                                                                W
                                           R
                    P




                    5 B                    4 B             7 B                 1 B
                     PRG                    RDA               +B                 IG



                                                                                GND
                 H28(B)                                                        12 B
                 Tire Pressure Warning ECU and Receiver
                 (Door Control and Tire Pressure
                  Monitoring System Receiver Assembly)
                                                                                B
                                                                                B




                                                                                 H3




252

                                      BRZ (G4400BE)
A73(A), D5(B), D6(C)
Main Body ECU




           CANL         CANH
         13 B          14 B

           LG




                        P


          14            3




                                                    Connector
                                                    Junction
                                                    D43
          13            2        12           1
           BR–W




                                             W–B
                                 R–Y
                        BR




                               39 AD1   21 AD1
                                             W–B
                                 R–Y




                                 18           7
                                                    A17
                                                    Junction
                                                    Connector
                                 17           6
                                 B–R




                                             BR




                                                                          A5
                                 14          26                           VSC (VDC) Control Module
                                 CANL        CANH



                                  FL+    FL–           FR+       FR–        RL+       RL–        RR+    RR–
                                 19     32            16         4        31         18         17     29
                                                                                     LG–B
                                                      G–O




                                                                G–B




                                                                           LG
                                        W




                                                                                                       G
                                 B




                                                                                                 L




                                                                  Speed Sensors




                                                                                                               BR

                                                                                                              BR–W




                                                                                                                    253

                               BRZ (G4400BE)
Tire Pressure Warning System

               (IG)                                                           (BAT)


                          7. 5A                                                             7. 5A
                          GAUGE                                                             MPX–B


               2                                                               2

              2 3A                                                                  1

              W–G




                                                                              L–R
                                                                              L–R
                                                                           19 3C
              W–G




                                                                           17 3B




                                                                              R–W
                                              D7
               2                              Combination Meter Assembly       1
                    IG+                                                                 B
                                   Pressure
                                   Tire




                I/F                  LED Driver                            Power Circuit




                                                         CPU




                    CAN Driver



                    CANH          CANL
               6            7
                           BR–W
              BR




   BR

  BR–W




254

                                                  BRZ (G4400BE)
: Parts Location
  Code                     See Page              Code                  See Page                Code                  See Page
    A5          39                             D6     C      40                              D17    B      40
A9     A        42                                 D7        40                                 D43        41
   A17          42                             D8     A      40                              H28    B      45
A73    A        42                             D9     B      40
D5     B        40                             D16    A      40


       : Relay Blocks
Code            See Page      Relay Blocks (Relay Block Location)
 1         24                 Engine Room R/B (Engine Compartment Right)


       : Junction Block and Wire Harness Connector
Code            See Page      Junction Block and Wire Harness (Connector Location)
 3A
           26                 Instrument Panel Wire and Instrument Panel J/B Assembly (Instrument Panel Reinforcement)
 3B
 3C        26                 Engine Room Main Wire and Instrument Panel J/B Assembly (Instrument Panel Reinforcement)
 3D        26                 Instrument Panel Wire and Instrument Panel J/B Assembly (Instrument Panel Reinforcement)


       : Connector Joining Wire Harness and Wire Harness
Code            See Page      Joining Wire Harness and Wire Harness (Connector Location)
AD1        47                 Engine Room Main Wire and Instrument Panel Wire (Cowl Side Panel RH)
AD2        47                 Engine Room Main Wire and Instrument Panel Wire (Instrument Panel Reinforcement)
HD1        47                 No. 2 Floor Wire and Instrument Panel Wire (Cowl Side Panel LH)


       : Ground Points
Code            See Page      Ground Points Location
 A3
           47                 Cowl Side Panel LH
 D1
 D3        47                 Instrument Panel Brace RH
 H3        48                 Quarter Wheel House Panel LH




                                                                                                                                255

                                                       BRZ (G4400BE)
Clock

         (IG)             (ACC)             (BAT)


                7. 5A              7. 5A                     20A
                GAUGE              RADIO                     DOME


         2                 2                 2

        2 3A             36 3B                   1




                                            W
        W–G




                          R–B
                                           8 AD2




                                            O



                                                     Junction Connector
                                                     D46(A), D47(B)
                                           10 A




                                           7 B
        W–G




                          R–B




                                            O
                                            O




        10                11                12
         LAPB
                                                                Clock Assembly



                                  Clock
                                                                D18




         GND        GND
         8         14
        B–Y




                   B–Y
        B–Y




          D3




256

                                BRZ (G4400BE)
: Parts Location
 Code                   See Page              Code                  See Page                Code                  See Page
 D18         40                             D46    A      41                              D47    B      41


       : Relay Blocks
Code         See Page      Relay Blocks (Relay Block Location)
 1      24                 Engine Room R/B (Engine Compartment Right)


       : Junction Block and Wire Harness Connector
Code         See Page      Junction Block and Wire Harness (Connector Location)
 3A
        26                 Instrument Panel Wire and Instrument Panel J/B Assembly (Instrument Panel Reinforcement)
 3B


       : Connector Joining Wire Harness and Wire Harness
Code         See Page      Joining Wire Harness and Wire Harness (Connector Location)
AD2     47                 Engine Room Main Wire and Instrument Panel Wire (Instrument Panel Reinforcement)


       : Ground Points
Code         See Page      Ground Points Location
 D3     47                 Instrument Panel Brace RH




                                                                                                                             257

                                                   BRZ (G4400BE)
Power Window

                                                                                                                   A73(A), D5(B), D6(C)
      (BAT)           (BAT)             (BAT)                           (ACC)                 (IG)                 Main Body ECU


              15A               7. 5A                 7. 5A                         10A              10A
              HAZ               ECU–B                 MPX–B                         ECU ACC          ECU IG1


                                                                                                               IG               ACC
      2                2                 2                               2                    2
                                                                                                               8                9

          1           G–R   1                 1




                                        L–R
      G




                                                                      28 3B




                                                                             (∗2)
                                                                        W
                    25 AD2
                      G–R




                                                                                                                                          W
                                                                                                                                          (∗2)


                                                                                                                                          L–R


                                                                                                                                          G–R


                                                                                                                                           G




                                                  ∗ 2 : w/ Smart Entry  Start System




258

                                                      BRZ (G4400BE)
A73(A), D5(B), D6(C)
       Main Body ECU




               ACC(∗2)         BMPX    BECU                        KSWB     GND   GND                         GND
              22 B             32       1                           2      11     1 C                         4 A




                                                                                                              B–Y
                                                                                  B
                              19 3C   27 3A                        7 3C   18 3B

                                       G–R




                                                                           B–Y
                               L–R
                     (∗2)
                W




                                                                   G
                                              Junction Connector




                                                                                         Junction Connector




                                                                                                                     Junction Connector
                                              D16(A), D17(B)


                                      21 A                                        4 A




                                                                                         D8(A), D9(B)
                                                                                                              9 A




                                                                                                                     A9(A)
                                      12 B                                        6 B                         7 A
W
(∗2)
                                       G–R




L–R


G–R


 G
                                                                           B–Y




                                                                                  B–Y




                                                                                                              B–Y




                                                                             D3     D1                          A3




                                                                                                                                          259

                                                         BRZ (G4400BE)
Power Window

      A73(A), D5(B), D6(C)
      Main Body ECU                                                           (BAT)                   (BAT)


                                                                                         25A                    25A
                                                                                         D FR DOOR              D FL DOOR


            CANH              CANL                         LIN
                                                                                 2                     2
           14 B              13 B                         4 B

                                                                                     1                      1
                              LG
            P




                                     Junction Connector




                                                                              W–L




                                                                                                      R
             3                14



                                                          LG
                                     D43




                                                                             7 AD2                   5 AD1
             5                16




                                                                                                      W–L
                                                                              R
            B–Y




                              LG




             6                14                                             7 FD1                   7 ED1
            CANH              CANL


                                                                                                                            SB

        D10
        DLC3

                                                                              SB




                                                                                                                            SB




                                                                                                                            LG




260

                                                                 BRZ (G4400BE)
E8
     Power Window Regulator Master Switch Assembly




          +B                 LIN                     SN2   VCC    WU    WD   SN1   SGD                                DS
        12                  11                       1     3      6    7     8     14                                9




                                                                 W–B
                                                     GR




                                                                       LG
                                                           W




                                                                                   R
                                                                             Y
                            BR
        SB




                                                                                                                    V
                                                                                         Power Window Regulator
                         10 ED2                      2     5      1    3     6      4                             7 ED2




                                                                                         Motor Assembly LH
                                                     SN2   VCC    WU    WD   SN1   SGD
                            LG




                                                                                                                    P
                                                                                         E5
                                                                                                                  31 3A



SB

                                                                                                                  28 3A




                                                                                                                    V



                                                                                                                           Front Door Courtesy Light Switch Assembly LH
                                                                                                                  18 HD1




                                                                                                                    Y–B
                                                                                                                     1




                                                                                                                           H21




SB                                                                                                                                                          SB




LG




                                                                                                                                                                          261

                                                           BRZ (G4400BE)
Power Window

      E8
      Power Window Regulator Master Switch Assembly




         UART                                                                                                                                                                                           GND
          2                                                                                                                                                                                              5
         G




       9 ED2
         G–B




                                                                                                                                                                                                        B
       9 FD2
         G




                                                      F6
          2                                           Power Window Regulator Switch Assembly
         UART



          SN2           VCC            WU               WD           SN1           SGD                                         +B      DS                                                   GND
          1             3              6               7             8            14                                          12      9                                                      5
                                      W–B
         GR




                                                                                                                              SB
                                                      LG
                       W




                                                                                   R
                                                                    Y




                                                                                                                                     V




                                                                                                                                                                                            B
                                                                                               Power Window Regulator Motor




                                                                                                                                    7 FD2

          2             5              1               3             6             4
          SN2           VCC            WU               WD           SN1           SGD
                                                                                                                                     R–Y




                                                                                                                                                                                            B




                                                                                                                                                                                                        B
                                                                                               Assembly RH




                                                                                                                                    29 3B                                                  6 FD1       6 ED1
                                                                                               F1




                                                                                                                                                                                            B




                                                                                                                                                                                                        B




                                                                                                                                    13 3B
                                                                                                                                            Front Door Courtesy Light Switch Assembly RH




  SB
                                                                                                                                     GR




                                                                                                                                    3 GD1
                                                                                                                                                                                                   B
                                                                                                                                     LG




                                                                                                                                      1
                                                                                                                                            G18




                                                                                                                                                                                            B




                                                                                                                                                                                                        B




                                                                                                                                                                                             D4          D1




262

                                                                     BRZ (G4400BE)
: Parts Location
  Code                     See Page              Code                  See Page                   Code               See Page
A9     A        42                                D10        40                                    F1      44
A73    A        42                             D16    A      40                                    F6      44
D5     B        40                             D17    B      40                                   G18      44
D6     C        40                                D43        41                                   H21      45
D8     A        40                                 E5        44
D9     B        40                                 E8        44


       : Relay Blocks
Code            See Page      Relay Blocks (Relay Block Location)
 1         24                 Engine Room R/B (Engine Compartment Right)


       : Junction Block and Wire Harness Connector
Code            See Page      Junction Block and Wire Harness (Connector Location)
 3A
           26                 Instrument Panel Wire and Instrument Panel J/B Assembly (Instrument Panel Reinforcement)
 3B
 3C        26                 Engine Room Main Wire and Instrument Panel J/B Assembly (Instrument Panel Reinforcement)


       : Connector Joining Wire Harness and Wire Harness
Code            See Page      Joining Wire Harness and Wire Harness (Connector Location)
AD1        47                 Engine Room Main Wire and Instrument Panel Wire (Cowl Side Panel RH)
AD2        47                 Engine Room Main Wire and Instrument Panel Wire (Instrument Panel Reinforcement)
ED1
           47                 Front Door Wire LH and Instrument Panel Wire (Cowl Side Panel LH)
ED2
FD1
           47                 Front Door Wire RH and Instrument Panel Wire (Cowl Side Panel RH)
FD2
GD1        47                 No. 1 Floor Wire and Instrument Panel Wire (Cowl Side Panel RH)
HD1        47                 No. 2 Floor Wire and Instrument Panel Wire (Cowl Side Panel LH)


       : Ground Points
Code            See Page      Ground Points Location
 A3
           47                 Cowl Side Panel LH
 D1
 D3        47                 Instrument Panel Brace RH
 D4        47                 Cowl Side Panel RH




                                                                                                                                263

                                                       BRZ (G4400BE)
Door Lock Control

                                                                                                               A73(A), D5(B), D6(C)
      (BAT)           (BAT)             (BAT)                           (ACC)                 (IG)             Main Body ECU


              15A               7. 5A                 7. 5A                         10A              10A
              HAZ               ECU–B                 MPX–B                         ECU ACC          ECU IG1


                                                                                                                    IG            ACC
      2                2                 2                               2                    2
                                                                                                                   8              9

          1           G–R   1                 1




                                        L–R
      G




                                                                     28 3B




                                                                             (∗2)
                                                                        W
                    25 AD2
                      G–R




                                                                                                                                        W
                                                                                                                                        (∗2)


                                                                                                                                        L–R


                                                                                                                                        G–R


                                                                                                                                         G




                                                  ∗ 2 : w/ Smart Entry  Start System
                                                  ∗ 3 : w/o Smart Entry  Start System




264

                                                      BRZ (G4400BE)
G
                                                                                                       W
                                                                                                (∗2)


                                                                                          L–R


                                                                                    G–R
                                                                                                                                   W




                                                                                                                                                  22 B
                                                                                                                                   (∗2)




                                                                                                                                                         ACC(∗2)
                                                                                                                                                  32
                                                                                                                                   L–R




                                                                                                                                          19 3C
                                                                                                                                                         BMPX
                                                                                                                                                  1


                                                                                          G–R                                      G–R




                                                                                                           12 B
                                                                                                                           21 A
                                                                                                                                          27 3A
                                                                                                                                                         BECU




                                                                                                              D16(A), D17(B)
                                                                                                              Junction Connector
                                                                                                                                                  2




                                                                                                                                    G
                                                                                                                                          7 3C
                                                                                                                                                         KSWB




                                                                                                                                   R–W
                                                                                                                                          10 3D




                                                                                                                                   (∗3)
                                                                                                                                                                   Main Body ECU
                                                                                                                                                                   A73(A), D5(B), D6(C)




                                 1
                                                                 2
                                                                                                                                   BR
                                                                                                                                                  22 B




                                                                                                                                   (∗3)
                                                                                                                                                         KSW(∗3)




                                                           UN–




                                      UN+




BRZ (G4400BE)
                                     D53
                                     Un–Lock Warning Switch Assembly
                                     (Ignition Switch Lock Cylinder Assembly)
                                                                                                                                                  11




                           B–Y                                                                              B–Y
                                                                                                                                          18 3B




                      D3
                                                                                                                                                         GND




                                              B–Y                                                                                             B
                                                                                                           6 B
                                                                                                                           4 A
                                                                                                                                                  1 C




                      D1
                                                                                                                                                         GND




                                                                                                              D8(A), D9(B)
                                                                                                              Junction Connector


                                              B–Y                                                                                          B–Y
                                                                                                           7 A
                                                                                                                     9 A
                                                                                                                                                  4 A




                      A3
                                                                                                                                                         GND




                                                                                                              A9(A)
                                                                                                              Junction Connector




                265
Door Lock Control

                                             A73(A), D5(B), D6(C)
                                             Main Body ECU




                                                                              ACT+                           ACTP
                                                                              6                              5
      (BAT)


               20A
               D/L
                                                                                     A DR                           P DR UNLOCK
                                                                                     LOCK/SET                       Relay
      2                                                                              Relay

           1
      LG




                     6 3C   13 3A   12 3A                           3 3B                         4 3B




                                                                                                  L–W
                             B




                                     B




                                                                    L




                                                                2 FD1                            3 FD1




                                                                                                  LG
                                                                    R




                                                                    4 B                          1 B
                                                                          L                             UL

                                                                                         M


                                                              F3(B)
                                     B




                                                              Door Lock with Motor Assembly RH
                                     B




                                                            B




                                       D1                     D4




266

                                            BRZ (G4400BE)
A73(A), D5(B), D6(C)
                                                   Main Body ECU




                                              ACTD                                                           L                         UL
                                              28                                                        17                     19




                                                        D DR
                                                        UNLOCK
                                                        Relay                                  41 3A                         20 3B                                           51 3A                        30 3A




                                                                                                                                  W–R




                                                                                                                                                                                                               O–G
                                                                                                                                                                                      G–Y
                                                                                                        LG
  2 3B                        11 3D                                                         16 FD2                           15 FD2                                       16 ED2                          15 ED2
                                   R–G
   Y




                                                                                                                                  P




                                                                                                                                                                                                               P
                                                                                                        L




                                                                                                                                                                                      L
 2 ED1                        3 ED1
                                                                                                        16                     15                                              16 A                        15 A
                                                              Power Window Regulator




                                                                                                                                            Power Window Regulator
                                                                                                                                            Master Switch Assembly
                                                                                       Control Switch




                                                                                                                                                                     Control Switch
                                                                                                                              Unlock




                                                                                                                                                                                                           Unlock
                                                              Switch Assembly
                                                                                       Door Lock




                                                                                                                                                                     Door Lock
                                   LG
   R




                                                                                                                 Lock




                                                                                                                                                                                            Lock
                                                                                                                                            E8(A)



                                                                                                                            GND                                                                          GND
                                                              F6




                                                                                                                        5                                                                          5 A
   4 A                             1 A
         L                               UL
                                                                                                                        B




                                                                                                                                                                                                   B

                    M


E3(A)
Door Lock with Motor Assembly LH
                                                                                                                        B




                                                                                                                                                                                                   B




                                                                                                                    6 FD1                                                                      6 ED1
                                                                                                                        B




                                                                                                                                                                                                   B




                                                                                                                                              B
                                                                                                                        B




                                                                                                                                                                                                   B




                                                                                                                        D1                                                                          D4




                                                                                                                                                                                                                     267

                                              BRZ (G4400BE)
Door Lock Control

       A73(A), D5(B), D6(C)
       Main Body ECU




        FDCY                         FPCY
        16                           10



      28 3A                         13 3B

                                     GR
        V




      18 HD1                        3 GD1
        Y–B




                                     LG




                                            Switch Assembly RH
               Switch Assembly LH




         1                            1
               Courtesy Light




                                            Courtesy Light
               Front Door




                                            Front Door
                                            G18
               H21




268

                                                                 BRZ (G4400BE)
: Parts Location
  Code                     See Page              Code                  See Page                   Code               See Page
A9     A        42                             D9     B      40                                 E8     A   44
A73    A        42                             D16    A      40                                 F3     B   44
D5     B        40                             D17    B      40                                    F6      44
D6     C        40                                D53        41                                    G18     44
D8     A        40                             E3     A      44                                    H21     45


       : Relay Blocks
Code            See Page      Relay Blocks (Relay Block Location)
 1         24                 Engine Room R/B (Engine Compartment Right)


       : Junction Block and Wire Harness Connector
Code            See Page      Junction Block and Wire Harness (Connector Location)
 3A
           26                 Instrument Panel Wire and Instrument Panel J/B Assembly (Instrument Panel Reinforcement)
 3B
 3C        26                 Engine Room Main Wire and Instrument Panel J/B Assembly (Instrument Panel Reinforcement)
 3D        26                 Instrument Panel Wire and Instrument Panel J/B Assembly (Instrument Panel Reinforcement)


       : Connector Joining Wire Harness and Wire Harness
Code            See Page      Joining Wire Harness and Wire Harness (Connector Location)
AD2        47                 Engine Room Main Wire and Instrument Panel Wire (Instrument Panel Reinforcement)
ED1
           47                 Front Door Wire LH and Instrument Panel Wire (Cowl Side Panel LH)
ED2
FD1
           47                 Front Door Wire RH and Instrument Panel Wire (Cowl Side Panel RH)
FD2
GD1        47                 No. 1 Floor Wire and Instrument Panel Wire (Cowl Side Panel RH)
HD1        47                 No. 2 Floor Wire and Instrument Panel Wire (Cowl Side Panel LH)


       : Ground Points
Code            See Page      Ground Points Location
 A3
           47                 Cowl Side Panel LH
 D1
 D3        47                 Instrument Panel Brace RH
 D4        47                 Cowl Side Panel RH




                                                                                                                                269

                                                       BRZ (G4400BE)
Wireless Door Lock Control (w/o Smart Entry  Start System)

                                                                                             A73(A), D5(B), D6(C)
      (BAT)           (BAT)             (BAT)             (ACC)             (IG)             Main Body ECU


              15A               7. 5A             7. 5A           10A              10A
              HAZ               ECU–B             MPX–B           ECU ACC          ECU IG1


                                                                                               IG            ACC
      2                2                 2                2                 2
                                                                                              8              9

          1           G–R   1                 1




                                        L–R
      G




                    25 AD2
                      G–R




                                                                                                                    L–R


                                                                                                                    G–R


                                                                                                                    G




270

                                                  BRZ (G4400BE)
G
                                                                                    L–R


                                                                              G–R
                                                                                                                                32
                                                                                                                  L–R




                                                                                                                        19 3C
                                                                                                                                       BMPX
                                                                                                                                1
                                                                                    G–R                           G–R




                                                                                          12 B
                                                                                                          21 A
                                                                                                                        27 3A
                                                                                                                                       BECU




                                                                                             D16(A), D17(B)
                                                                                             Junction Connector
                                                                                                                                2




                                                                                                                  G
                                                                                                                        7 3C
                                                                                                                                       KSWB




                                                                                                                  R–W
                                                                                                                        10 3D
                                                                                                                                              Main Body ECU
                                                                                                                                              A73(A), D5(B), D6(C)




                           1
                                                           2
                                                                                                                  BR
                                                                                                                                22 B
                                                                                                                                       KSW




                                                     UN–




                                UN+
                               D53
                               Un–Lock Warning Switch Assembly




BRZ (G4400BE)
                               (Ignition Switch Lock Cylinder Assembly)
                                                                                                                                11




                                        B–Y                                                                       B–Y
                                                                                                                        18 3B




                      D3
                                                                                                                                       GND




                                        B–Y                                                                                 B
                                                                                          6 B
                                                                                                          4 A
                                                                                                                                1 C




                      D1
                                                                                                                                       GND




                                                                                             D8(A), D9(B)
                                                                                             Junction Connector



                                        B–Y                                                                              B–Y
                                                                                          7 A
                                                                                                    9 A
                                                                                                                                4 A




                      A3
                                                                                                                                       GND




                                                                                             A9(A)
                                                                                             Junction Connector




                271
Wireless Door Lock Control (w/o Smart Entry  Start System)

                                                                 A73(A), D5(B), D6(C)
                                                                 Main Body ECU




                                                                                           DOMR       HZR                 FDCY                                FPCY
                                                                                          7 B         3                   16                                  10
      (BAT)




                                                                                           L
                       20A
                       DOME
                                                                                                   16 3B                28 3A                                13 3B

       2




                                                                                                      W




                                                                                                                                                              GR
                                                                                                                          V
           1
                                                                                                      8




                                                                                           L
                                                                                                      EHW
      W




  8 AD2                                 9 DK1                                             8 DK1   D61
                                                                                                  Turn Signal Flasher   18 HD1                               3 GD1
                                                                                                  Assembly
                                         LG




                                                                                           P
      O




                                    O
               Junction Connector
               D46(A), D47(B)




  10 A
                                         LG




                                                                                                                          Y–B




                                                                                                                                                              LG
      7 B
                                          2
                                              +B
      O




                                                DOOR




                                                                     Map Light Assembly
                                        OFF
                                        ON




                                                                                                                                 Front Door Courtesy Light




                                                                                                                                                                     Front Door Courtesy Light
                                                                                                                                                                     Switch Assembly RH
                                                                                                                                 Switch Assembly LH
                                                                                                                           1                                   1
                                                           DOOR SW
                                                                     K3




                                                       3



                                                                                                                                                                     G18
                                                                                                                                 H21
                                                       P




                                                                 ∗ 2 : w/ Tire Pressure Warning System
                                                                 ∗ 3 : w/o Tire Pressure Warning System
                                                                 ∗ 9 : w/ Wireless Door Lock Buzzer




272

                                                               BRZ (G4400BE)
A73(A), D5(B), D6(C)
                                         Main Body ECU




    PRG                       RDA                                                                                                      BZR
   6 C                       7 C                                                                                                      1 A

                                             (BAT)                                  (BAT)                       (IG)


                                                                     7. 5A                           7. 5A                  10A
                                                                     ECU–B                           ECU–B                  ECU IG1


                                             2                                       2                          2


                                                  1                                       1                  20 3D




                                                                                                                                            (∗9)
                                                                                                                                      V
                                            G–R
                                                      (∗3)




                                                                                    L–R
                                                                                              (∗2)
                                         25 AD2
                                                                                  19 3C




                                                                                                                     (∗2)
                                            G–R




                                                                                                               Y
                                                      (∗3)
   R




                             V




                                                             Junction Connector




                                                                                                                                       1
                                                             D16(A), D17(B)




                                                                                                                                                              Wireless Door Lock Buzzer
                                           12 B                                   19 3D                                                     +



                                           19 A
                                                                                    R–Y
                                                                                              (∗2)
                                            G–R
                                                      (∗3)




                                                                                                                                            –




                                                                                                                                                              A63
                                                                                                                                       2

34 HD1                    35 HD1         38 HD1                                   39 HD1                     37 HD1
                                                                                    Y–R
                                                      (∗3)




                                                                                              (∗2)




                                                                                                                     (∗2)




                                                                                                                                            (∗9)
                                                                                                               W
                             R
   P




                                            Y




                                                                                                                                      B



                                                                                                                                                   Junction Connector
   3 A                       2 A (∗3)
   5 B                       4 B (∗2)       5 A                                    7 B                         1 B                    2 B


                                                                                                                                                   A10(B)
    PRG                       RDA             +B                                      +B                         IG

                                                                                                                                      1 B
                                                                                                                GND
H27(A)                                                                                                         1 A (∗3)
Door Control Receiver                                                                                         12 B (∗2)
H28(B)
Tire Pressure Warning ECU and Receiver
(Door Control and Tire Pressure
 Monitoring System Receiver Assembly)
                                                                                                                                            (∗9)
                                                                                                               B




                                                                                                                                      B
                                                                                                                                            (∗9)
                                                                                                               B




                                                                                                                                      B




                                                                                                                H3                     A1




                                                                                                                                                                                          273

                                                      BRZ (G4400BE)
Wireless Door Lock Control (w/o Smart Entry  Start System)

                                       A73(A), D5(B), D6(C)
                                       Main Body ECU




                                                                           ACT+                              ACTP
                                                                           6                                 5
      (BAT)


               20A
               D/L
                                                                                  A DR                              P DR UNLOCK
                                                                                  LOCK/SET                          Relay
                                                                                  Relay
      2

           1




                     6 3C   13 3A   12 3A                       3 3B                             4 3B
      LG




                             B




                                     B




                                                                                                  L–W
                                                                 L




                                                               2 FD1                             3 FD1




                                                                                                  LG
                                                                 R




                                                                 4 B                             1 B
                                     B




                                                                       L                                UL

                                                                                       M


                                                              F3(B)
                                                              Door Lock with Motor Assembly RH




                                       D1




274

                                              BRZ (G4400BE)
A73(A), D5(B), D6(C)
                                     Main Body ECU                                                                (BAT)




                                                                                                                                    Fusible Link Block
                                                                                                              80A MAIN




                                                                                                                                    Assembly
                                                                                                                                    A76(B)
                                              ACTD                      TR+                       HO
                                              28                        4                       26             1 B




                                                                                                                             (∗1)
                                                                                                                 W
                                                     D DR                     BK/DR           31 3D
                                                     UNLOCK                   Relay
                                                     Relay

                                                                                                              1 1D




                                                                                                       (∗1)
                                                                                                BR
                                                                                                                    1               5

                                                                                             26 AD2                                                HORN
  2 3B                          11 3D                         6 3B                                                                                 Relay




                                                               G
                                                                                                                    2               3
                                   R–G




                                                                                                BR–Y
    Y




                                                                                                       (∗1)
                                                                                                                         1

                                                              4 HD1
                                                               BR



 2 ED1                          3 ED1


                                                              2 JH1
                                   LG
    R




                                                               BR




   4 A                             1 A                          1
                                                                        J3
         L                               UL                         B   Luggage Compartment Door Striker
                                                                        Assembly
                     M                                              E
                                                                2
E3(A)
Door Lock with Motor Assembly LH
                                                               B
                                                               B




                                                              5 JH1


∗ 1 : w/ Panic Alarm Function
                                                               B
                                                               B




                                                                                      B




                                                                H1                                 H3




                                                                                                                                                         275

                                               BRZ (G4400BE)
Wireless Door Lock Control (w/o Smart Entry  Start System)
        : Parts Location
   Code                     See Page              Code                  See Page                Code                  See Page
 A9     A        42                             D9     B      40                              F3     B      44
 A10    B        42                             D16    A      40                                 G18        44
    A63          39                             D17    B      40                                 H21        45
 A73    A        42                             D46    A      41                              H27    A      45
 A76    B        36, 39                         D47    B      41                              H28    B      45
 D5     B        40                                D53        41                                  J3        45
 D6     C        40                                D61        41                                  K3        45
 D8     A        40                             E3     A      44


        : Relay Blocks
 Code            See Page      Relay Blocks (Relay Block Location)
  1         24                 Engine Room R/B (Engine Compartment Right)


        : Junction Block and Wire Harness Connector
 Code            See Page      Junction Block and Wire Harness (Connector Location)
  1D        24                 Engine Room Main Wire and Engine Room J/B (Engine Compartment Right)
  3A
            26                 Instrument Panel Wire and Instrument Panel J/B Assembly (Instrument Panel Reinforcement)
  3B
  3C        26                 Engine Room Main Wire and Instrument Panel J/B Assembly (Instrument Panel Reinforcement)
  3D        26                 Instrument Panel Wire and Instrument Panel J/B Assembly (Instrument Panel Reinforcement)


        : Connector Joining Wire Harness and Wire Harness
 Code            See Page      Joining Wire Harness and Wire Harness (Connector Location)
 AD2        47                 Engine Room Main Wire and Instrument Panel Wire (Instrument Panel Reinforcement)
 DK1        47                 Instrument Panel Wire and Roof Wire (Front Body Inner Pillar RH)
 ED1        47                 Front Door Wire LH and Instrument Panel Wire (Cowl Side Panel LH)
 FD1        47                 Front Door Wire RH and Instrument Panel Wire (Cowl Side Panel RH)
 GD1        47                 No. 1 Floor Wire and Instrument Panel Wire (Cowl Side Panel RH)
 HD1        47                 No. 2 Floor Wire and Instrument Panel Wire (Cowl Side Panel LH)
 JH1        48                 Luggage Room Wire and No. 2 Floor Wire (Quarter Panel LH)


        : Ground Points
 Code            See Page      Ground Points Location
  A1        46                 Front Fender Apron LH
  A3
            47                 Cowl Side Panel LH
  D1
  D3        47                 Instrument Panel Brace RH
  H1        48                 Lower Back Panel
  H3        48                 Quarter Wheel House Panel LH




276

                                                        BRZ (G4400BE)
Memo




                  277

BRZ (G4400BE)
Luggage Compartment Door Opener

                                                                                                               A73(A), D5(B), D6(C)
      (BAT)           (BAT)             (BAT)                           (ACC)                 (IG)             Main Body ECU


              15A               7. 5A                 7. 5A                         10A              10A
              HAZ               ECU–B                 MPX–B                         ECU ACC          ECU IG1


                                                                                                                    IG            ACC
      2                2                 2                               2                    2
                                                                                                                   8              9

          1           G–R   1                 1




                                        L–R
      G




                                                                      28 3B




                                                                             (∗2)
                                                                        W
                    25 AD2
                      G–R




                                                                                                                                        W
                                                                                                                                        (∗2)


                                                                                                                                        L–R


                                                                                                                                        G–R


                                                                                                                                         G




                                                  ∗ 2 : w/ Smart Entry  Start System




278

                                                      BRZ (G4400BE)
A73(A), D5(B), D6(C)
                                                               Main Body ECU




       ACC(∗2)        BMPX    BECU                        KSWB                    GND      GND                         GND
       22 B           32       1                           2                     11        1 C                         4 A




                                                                                                                       B–Y
                                                                                           B
                     19 3C   27 3A                        7 3C                 18 3B

                              G–R




                                                                                 B–Y
                      L–R
              (∗2)
        W




                                                          G
                                     Junction Connector




                                                                                                  Junction Connector




                                                                                                                              Junction Connector
                                     D16(A), D17(B)


                             21 A                                                          4 A




                                                                                                  D8(A), D9(B)
                                                                                                                       9 A




                                                                                                                              A9(A)
                             12 B                                                          6 B                         7 A
W
(∗2)
                              G–R




L–R


G–R


 G
                                                                                 B–Y




                                                                                           B–Y




                                                                                                                       B–Y




                                                                                      D3     D1                          A3




                                                                                                                                                   279

                                                BRZ (G4400BE)
Luggage Compartment Door Opener

                                              A73(A), D5(B), D6(C)
                                              Main Body ECU




                                                              TR+              TSW5
                                                              4                12
        (BAT)


                 20A
                 D/L                                                 BK/DR
                                                                     Relay

        2

             1




                       6 3C   13 3A   12 3A     6 3B                         26 3D




                                                                               SB
                                                 G
        LG




                               B




                                       B




                                               4 HD1                         19 HD1




                                                                               W–B
                                                 BR




                                                                               W–B



                                               2 JH1                         1 JH1
                                                                               W–B
                                                 BR




                                                  1                             3
                                                                                         J3
                                       B




                                                      B                          D+      Luggage Compartment Door Striker
                                                                                         Assembly

                                                                                     E
                                                                                2
                                                                               B
                                                                               B




                                                                             5 JH1
                                                                               B




                                                                                                                            B




                                                                                                     B
                                       B




                                                          B




                                                                               B




                                         D1               D4                     H1                                H3




280

                                        BRZ (G4400BE)
B
                                                2
                                                                1
                                          B                                                   P                G
                                                                                                                    27 B




                                                                                                  42 HD1
                                                    H7
                                                    Luggage Door Opening Cancel Switch Assembly




                                                1
                                                                4
                           B–Y            B–Y                                                              L
                                                                                                                                  Main Body ECU




                                                                                                                    16 C




                      D3
                                                                                                                           TSW
                                                                                                                                  A73(A), D5(B), D6(C)




                                                    D4
                                                    Luggage Door Opening Switch Assembly




                                                                                                               LG
                                                                                                                    13 B
                                                                                                                           CANL




BRZ (G4400BE)
                                                                                                               P
                                                                                                                    14 B
                                                                                                                           CANH




                                      P

                                 LG




                281
Luggage Compartment Door Opener
             (IG)


                          7. 5A
                          BK/UP LP


            2

          2 3C


                                                                                                                                        W–G(A/T)

                                                                                                                                         V(A/T)

                                                                                                                                        B–G(A/T)

                                                                                                                                        BR(A/T)




                                      W–G
                  (A/T)




                                            (A/T)




                                                                        (A/T)




                                                                                                                  (A/T)




                                                                                                                                (A/T)
                                                                                                         B–G
           R–L




                                                                                                                           BR
                                                                  V
          4 AL2                      3 AL2                       2 AL2                             1 AL2                  8 AL2
           BR–Y
                  (A/T)




                                            (A/T)




                                                                        (A/T)




                                                                                                                  (A/T)




                                                                                                                                (A/T)
                                                                  B–W
                                      G–Y




                                                                                                                           R
                                                                                                         L




                                                        2    6     1            9    7

                                                        RB   PL     RL          NL   DL

                                                    P
                                                                                          Park/Neutral Position




                                                    R
                                                                                          Switch Assembly




                                                    N

                                                    D
                                                                                          L2




      P                                                                                                                                    P

  LG                                                                                                                                      LG




282

                                     BRZ (G4400BE)
W–G(A/T)

 V(A/T)

B–G(A/T)

BR(A/T)




           9 B           21 B           10 B                3 B
             D               N                  R                P

                 A18(A), A19(B)
                 Transmission Control Module


                                          CANH               CANL
                                        29 A                28 A
                                                    (A/T)




                                                                     (A/T)
                                          B–W




                                                             L




   P                                                                          P

  LG                                                                         LG

                                                                              L
                                                                             (A/T)

                                                                             B–W
                                                                             (A/T)




                                                                                     283

                      BRZ (G4400BE)
Luggage Compartment Door Opener

                                                                                                                     ∗ 2 : w/ Smart Entry  Start System



                                                                                         D43
                                                                                         Junction Connector




          3   14    15                    4                                                                                        1                12




                                                                                                                                  W–B




                                                                                                                                                    R–Y
                          (∗2)




                                               (∗2)
              LG




                                          G
                    R
          P




                                                                                                                               21 AD1            39 AD1
                   15 B             14 B
                    CANL                  CANH         D40(A), D41(B)
                                                       Certification ECU Assembly


                                          TSW5
                                    27 A
                                               (∗2)
                                          Y




                                 29 HD1
                                               (∗2)
                                          GR




                                   6 JH1                                                                                                                   R–Y
                                               (∗2)
                                          GR




                                                      Back Door Opener Switch Assembly




                                                                                                                                                           W–B

                                          2
                                          BR
                                 Opener




                                                                                                              (∗2)
                                                                                                        B
                                          BR



                                                      J2




                                          1                                                           5 JH1
                                                                                             (∗2)




                                                                                                              (∗2)
                                                                                         B




                                                                                                        B




      P
                                                                                                              (∗2)
                                                                                                        B




  LG

      L                                                                                                                                                     L
  (A/T)                                                                                                                                                    (A/T)

  B–W                                                                                                                                                      B–W
  (A/T)                                                                                                                                                    (A/T)

                                                                                                          H1




284

                                          BRZ (G4400BE)
A5
        VSC (VDC) Control Module




           CANL       CANH               FL+      FL–                FR+        FR–        RL+    RL–    RR+    RR–
           14         26                19       32                 16          4         31     18     17     29




                                                                                                 LG–B
                                                                    G–O




                                                                               G–B




                                                                                          LG
                                                 W




                                                                                                               G
                                        B




                                                                                                        L
           B–R




                      BR




                                                                                 Speed Sensors




           17          6
                                                                     A17
                                                                     Junction Connector




           18          7           16                  5
                                         (A/T)




                                                            (A/T)
                                                      B–W
                                   L




R–Y


W–B




 L
(A/T)

B–W
(A/T)




                                                                                                                      285

                                    BRZ (G4400BE)

2012 BRZ wiring service manual

  • 1.
    BRZ ELECTRICAL WIRING DIAGRAM Section Code Page INTRODUCTION . . . . . . . . . . . . . . . . . . . . . . . . . . . . . . . A . . . . 2 HOW TO USE THIS MANUAL . . . . . . . . . . . . . . . . . . B . . . . 3 TROUBLESHOOTING . . . . . . . . . . . . . . . . . . . . . . . . . C . . . . 12 ABBREVIATIONS . . . . . . . . . . . . . . . . . . . . . . . . . . . . . . D . . . . 17 GLOSSARY OF TERMS AND SYMBOLS . . . . . . E . . . . 18 RELAY LOCATIONS . . . . . . . . . . . . . . . . . . . . . . . . . . . F . . . . 20 ELECTRICAL WIRING ROUTING . . . . . . . . . . . . . . G . . . . 38 SYSTEM CIRCUITS . . . . . . . . . . . . . . . . . . . . . . . . . . . . H . . . . 50 GROUND POINT . . . . . . . . . . . . . . . . . . . . . . . . . . . . . . . I . . . . 370 POWER SOURCE (Current Flow Chart) . . . . . . . J . . . . 378 CONNECTOR LIST . . . . . . . . . . . . . . . . . . . . . . . . . . . . K . . . . 388 1 BRZ (G4400BE)
  • 2.
    $ ,1752'8&7,21 7KLV PDQXDOFRQVLVWV RI WKH IROORZLQJ VHFWLRQV 1R 6HFWLRQ 'HVFULSWLRQ ,1'(; ,QGH[ RI WKH FRQWHQWV RI WKLV PDQXDO $ ,1752'87,21 %ULHI H[SODQDWLRQ RI HDFK VHFWLRQ +2: 72 86( 7+,6 % ,QVWUXFWLRQV RQ KRZ WR XVH WKLV PDQXDO 0$18$/ 7528%/(± 'HVFULEHV WKH EDVLF LQVSHFWLRQ SURFHGXUHV IRU HOHFWULFDO FLUFXLWV 6+227,1* ' $%%5(9,$7,216 'HILQHV WKH DEEUHYLDWLRQV XVHG LQ WKLV PDQXDO */266$5 2) ( 7(506 $1' 'HILQHV WKH VPEROV DQG IXQFWLRQV RI PDMRU SDUWV 60%2/6 6KRZV SRVLWLRQ RI WKH (OHFWURQLF RQWURO 8QLW 5HODV 5HOD %ORFN HWF ) 5(/$ /2$7,216 7KLV VHFWLRQ LV FORVHO UHODWHG WR WKH VVWHP FLUFXLW (/(75,$/ 'HVFULEHV SRVLWLRQ RI 3DUWV RQQHFWRUV 6SOLFH SRLQWV *URXQG SRLQWV HWF * :,5,1* 5287,1* 7KLV VHFWLRQ LV FORVHO UHODWHG WR WKH VVWHP FLUFXLW ,1'(; ,QGH[ RI WKH VVWHP FLUFXLWV + (OHFWULFDO FLUFXLWV RI HDFK VVWHP DUH VKRZQ IURP WKH SRZHU VXSSO WKURXJK JURXQG SRLQWV :LULQJ FRQQHFWLRQV DQG WKHLU SRVLWLRQV DUH VKRZQ DQG FODVVLILHG E FRGH 667(0 ,58,76 DFFRUGLQJ WR WKH FRQQHFWLRQ PHWKRG 5HIHU WR WKH VHFWLRQ ´+RZ WR XVH WKLV PDQXDO´
  • 3.
    2QO ZLULQJ LQIRUPDWLRQIRU FRPSOHWH FLUFXLWV LV LQFOXGHG , *5281' 32,17 6KRZV JURXQG SRVLWLRQV RI DOO SDUWV GHVFULEHG LQ WKLV PDQXDO 32:(5 6285( - 'HVFULEHV SRZHU GLVWULEXWLRQ IURP WKH SRZHU VXSSO WR YDULRXV HOHFWULFDO ORDGV XUUHQW )ORZ KDUW
  • 4.
    'HVFULEHV WKH IRUPRI WKH FRQQHFWRUV IRU WKH SDUWV DSSHDUHG LQ WKLV ERRN . 211(725 /,67 7KLV VHFWLRQ LV FORVHO UHODWHG WR WKH VVWHP FLUFXLW 2 BRZ (G4400BE)
  • 5.
    +2: 72 86(7+,6 0$18$/ % 7KLV PDQXDO SURYLGHV LQIRUPDWLRQ RQ WKH HOHFWULFDO FLUFXLWV LQVWDOOHG RQ YHKLFOHV E GLYLGLQJ WKHP LQWR D FLUFXLW IRU HDFK VVWHP 7KH DFWXDO ZLULQJ RI HDFK VVWHP FLUFXLW LV VKRZQ IURP WKH SRLQW ZKHUH WKH SRZHU VRXUFH LV UHFHLYHG IURP WKH EDWWHU DV IDU DV HDFK JURXQG SRLQW $OO FLUFXLW GLDJUDPV DUH VKRZQ ZLWK WKH VZLWFKHV LQ WKH 2)) SRVLWLRQ
  • 6.
    :KHQ WURXEOHVKRRWLQJ DQSUREOHP ILUVW XQGHUVWDQG WKH RSHUDWLRQ RI WKH FLUFXLW ZKHUH WKH SUREOHP ZDV GHWHFWHG VHH 6VWHP LUFXLW VHFWLRQ
  • 7.
    WKH SRZHU VRXUFH VXSSOLQJSRZHU WR WKDW FLUFXLW VHH 3RZHU 6RXUFH VHFWLRQ
  • 8.
    DQG WKH JURXQGSRLQWV VHH *URXQG 3RLQW VHFWLRQ
  • 9.
    :KHQ WKH FLUFXLWRSHUDWLRQ LV XQGHUVWRRG EHJLQ WURXEOHVKRRWLQJ RI WKH SUREOHP FLUFXLW WR LVRODWH WKH FDXVH 8VH 5HOD /RFDWLRQ DQG (OHFWULFDO :LULQJ 5RXWLQJ VHFWLRQV WR ILQG HDFK SDUW MXQFWLRQ EORFN DQG ZLULQJ KDUQHVV FRQQHFWRUV ZLULQJ KDUQHVV DQG ZLULQJ KDUQHVV FRQQHFWRUV DQG JURXQG SRLQWV RI HDFK VVWHP FLUFXLW ,QWHUQDO ZLULQJ IRU HDFK MXQFWLRQ EORFN LV DOVR SURYLGHG IRU EHWWHU XQGHUVWDQGLQJI R FRQQHFWLRQ ZLWKLQ D MXQFWLRQ EORFN :LULQJ UHODWHG WR HDFK VVWHP LV LQGLFDWHG LQ HDFK VVWHP FLUFXLW E DUURZV IURPBB WRBB
  • 10.
    :KHQ RYHUDOO FRQQHFWLRQVDUH UHTXLUHG VHH WKH 2YHUDOO (OHFWULFDO :LULQJ 'LDJUDP DW WKH HQG RI WKLV PDQXDO ([DPSOH 7KH LQIRUPDWLRQ LQ WKLV PDQXDO LV )URQW ULJKW GRRU :KHQ LQVSHFWLQJ RU UHSDLULQJ UHIHU WR WKH 5HSDLU 0DQXDO DERXW WKH ZLUH KDUQHVVHV ,QIRUPDWLRQ DERXW FRPSRQHQW DQG DVVHPEO SDUWV LV IRU UHIHUHQFH EXW LQ VRPH FDVHV WKLV UHIHUHQFH LQIRUPDWLRQ PLJKW QRW EH LQFOXGHG RU PLJKW GLIIHU IURP WKH DFWXDO YHKLFOH :KHQ LQVSHFWLQJ RU UHSDLULQJ D YHKLFOH UHIHU WR WKH UHOHYDQW 5HSDLU 0DQXDO :LUH KDUQHVV RPSRQHQW SDUWV $VVHPEO SDUWV 3 BRZ (G4400BE)
  • 11.
    % +2: 7286( 7+,6 0$18$/ 7KH VVWHP VKRZQ KHUH LV DQ (;$03/( 21/ ,W LV GLIIHUHQW WR WKH DFWXDO FLUFXLW VKRZQ LQ WKH 667(0 ,58,76 6(7,21 $@ 6WRS /LJKW 0@ %$7
  • 12.
  • 13.
    $ $ 6723 *$8*( %@ ,% ,% 5±/ :±5 6'
  • 14.
    / @ *@ + 6WRS /LJKW 6ZLWFK $VVHPEO + 5±/ :*
  • 15.
  • 16.
    5 / *±: RPELQDWLRQ 0HWHU 6NLG RQWURO (8 + (@ /LJKWV 5HDU *±: $VVHPEO '@ + 6'
  • 17.
    / *±: ±* )@ 2@ + /LJKW )DLOXUH 6HQVRU *±5 ,@ *±5 +- 1@ +@ :±% *±% *±5 *±5 6KLHOGHG
  • 18.
    5HDU RPELQDWLRQ /LJKW 5HDU RPELQDWLRQ /LJKW $VVHPEO 5+ $VVHPEO /+ + -@ 6WRS 6WRS HQWHU 6WRS /LJKW $VVHPEO + - :±% :±% :±% :±% +- :±% + .@ + /@ 4 BRZ (G4400BE)
  • 19.
    % $@ 6VWHP7LWOH ,@ ,QGLFDWHV WKH ZLULQJ FRORU %@ ,QGLFDWHV D 5HOD %ORFN 1R VKDGLQJ LV XVHG DQG :LUH FRORUV DUH LQGLFDWHG E DQ DOSKDEHWLFDO FRGH RQO WKH 5HOD %ORFN 1R LV VKRZQ WR GLVWLQJXLVK LW RSSHU ZLUHV IURP WKH -% % %ODFN : :KLWH %5 %URZQ ([DPSOH ,QGLFDWHV 5HOD %ORFN 1R / %OXH 9 9LROHW 6% 6N %OXH @
  • 20.
    LV XVHG WRLQGLFDWH GLIIHUHQW ZLULQJ DQG 5 5HG * *UHHQ /* /LJKW *UHHQ FRQQHFWRU HWF ZKHQ WKH YHKLFOH PRGHO HQJLQH WSH RU VSHFLILFDWLRQ LV GLIIHUHQW 3 3LQN HOORZ *5 *UD '@ ,QGLFDWHV UHODWHG VVWHP 2 2UDQJH %( %HLJH '* 'DUN *UD (@ ,QGLFDWHV WKH FRGH IRU WKH PDOH DQG IHPDOH
  • 21.
    $OXPLQXP ZLUHV FRQQHFWRUV ZKLFK DUH XVHG WR MRLQ WZR ZLUH /$ /DYHQGHU KDUQHVVHV 7KH FRQQHFWRU FRGH FRQVLVWV RI WZR 127,('R QRW VSOLFH LQWR DOXPLQXP ZLUHV IRU SRZHU DOSKDEHWLFDO DQG RQH QXPHULFDO FKDUDFWHUV VRXUFHV RU VLJQDOV 7KH ILUVW OHWWHU LQGLFDWHV WKH EDVLF ZLUH FRORU DQG WKH VHFRQG OHWWHU LQGLFDWHV WKH FRORU RI WKH VWULSH ([DPSOH /± )HPDOH 0DOH
  • 22.
    7KH ILUVW FKDUDFWHURI WKH FRQQHFWRU FRGH LQGLFDWHV / WKH DOSKDEHWLFDO FRGH DOORFDWHG WR WKH ZLUH KDUQHVV %OXH
  • 23.
  • 24.
    ZKLFK KDV WKHIHPDOH FRQQHFWRU DQG WKH VHFRQG -@ ,QGLFDWHV WKH SLQ QXPEHU RI WKH FRQQHFWRU VKRZV WKDW RI WKH ZLUH KDUQHVV ZKLFK KDV WKH PDOH 7KH QXPEHULQJ VVWHP LV GLIIHUHQW IRU IHPDOH DQG FRQQHFWRU PDOH FRQQHFWRUV 7KH WKLUG FKDUDFWHU LQGLFDWHV D VHULDO QXPEHU XVHG WR GLVWLQJXLVK EHWZHHQ WKH ZLUH KDUQHVV ([DPSOH 1XPEHUHG LQ RUGHU 1XPEHUHG LQ RUGHU FRPELQDWLRQV LQ FDVHV ZKHQ PRUH WKDQ RQH RI WKH IURP XSSHU OHIW WR IURP XSSHU ULJKW WR VDPH FRPELQDWLRQ RI ZLUH KDUQHVVHV H[LVW ORZHU ULJKW ORZHU OHIW HJ + DQG +
  • 25.
  • 26.
    LQGLFDWHV WKH PDOHWHUPLQDO FRQQHFWRU 1XPEHUV RXWVLGH FRQQHFWRU FRGHV LQGLFDWH WKH SLQ )HPDOH 0DOH QXPEHUV RI ERWK PDOH DQG IHPDOH FRQQHFWRUV .@ ,QGLFDWHV WKH JURXQG SRLQW 7KH FRGH FRQVLVWV RI WKH )@ 5HSUHVHQWV D SDUW DOO SDUWV DUH VKRZQ LQ VN EOXH
  • 27.
    WZR FKDUDFWHUV $OHWWHU DQG QXPEHU 7KH FRGH LV WKH VDPH DV WKH FRGH XVHG LQ SDUWV 7KH ILUVW FKDUDFWHU RI WKH FRGH LQGLFDWHV WKH SRVLWLRQ DOSKDEHWLFDO FRGH DOORFDWHG WR WKH ZLUH KDUQHVV *@ -XQFWLRQ %ORFN 7KH QXPEHU LQ WKH FLUFOH LV WKH -% 7KH VHFRQG FKDUDFWHU LQGLFDWHV D VHULDO QXPEHU 1R DQG WKH FRQQHFWRU FRGH LV VKRZQ EHVLGH LW
  • 28.
    XVHG WR GLVWLQJXLVKEHWZHHQ WKH JURXQG SRLQWV LQ -XQFWLRQ %ORFNV DUH VKDGHG WR FOHDUO VHSDUDWH FDVHV ZKHQ PRUH WKDQ RQH JURXQG SRLQW H[LVW RQ WKH WKHP IURP RWKHU SDUWV VDPH ZLUH KDUQHVV /@ 3DJH 1R ([DPSOH 0@ ,QGLFDWHV WKH LJQLWLRQ NH SRVLWLRQV
  • 29.
    ZKHQ WKH SRZHU LV VXSSOLHG WR WKH IXVHV
  • 30.
    LQGLFDWHV WKDW LW LV LQVLGH -XQFWLRQ %ORFN 1R +@ ,QGLFDWHV D VKLHOGHG FDEOH 5 BRZ (G4400BE)
  • 31.
    % +2: 7286( 7+,6 0$18$/ 1@ ,QGLFDWHV D ZLULQJ 6SOLFH 3RLQW ([DPSOH 2@ :LUH +DUQHVV RGH (DFK ZLUH KDUQHVV LV UHSUHVHQWHG E D FRGH :LUH KDUQHVV FRGHV DUH XVHG LQ WKH SDUWV FRGHV FRQQHFWRU MRLQLQJ ZLUH KDUQHVV DQG ZLUH KDUQHVV FRGHV DQG JURXQG SRLQW FRGHV )RU H[DPSOH + FRPELQDWLRQ PHWHU
  • 32.
    + PDOH FRQQHFWRU MRLQLQJ ZLUH KDUQHVV DQG ZLUH KDUQHVV
  • 33.
    DQG + JURXQG SRLQW
  • 34.
    LQGLFDWH WKDW WKHDUH WKH SDUWV EHORQJLQJ WR WKH VDPH ZLUH KDUQHVV + 6 BRZ (G4400BE)
  • 35.
    % 3@ 3DUWV /RFDWLRQ RGH 6HH 3DJH RGH 6HH 3DJH RGH 6HH 3DJH + + + + + - 4@ 5HOD %ORFNV RGH 6HH 3DJH 5HOD %ORFNV 5HOD %ORFN /RFDWLRQ
  • 36.
    5% 1R ,QVWUXPHQW3DQHO %UDFH /+
  • 37.
    5@ -XQFWLRQ %ORFN DQG :LUH +DUQHVV RQQHFWRU RGH 6HH 3DJH -XQFWLRQ %ORFN DQG :LUH +DUQHVV RQQHFWRU /RFDWLRQ
  • 38.
    ,QVWUXPHQW 3DQHO :LUHDQG -% 1R ,QVWUXPHQW 3DQHO %UDFH /+
  • 39.
    ,% ,QVWUXPHQW 3DQHO :LUH DQG ,QVWUXPHQW 3DQHO -% /RZHU )LQLVK 3DQHO
  • 40.
    6@ RQQHFWRU -RLQLQJ :LUH +DUQHVV DQG :LUH +DUQHVV RGH 6HH 3DJH -RLQLQJ :LUH +DUQHVV DQG :LUH +DUQHVV RQQHFWRU /RFDWLRQ
  • 41.
    + (QJLQH 5RRP 0DLQ :LUH DQG ,QVWUXPHQW 3DQHO :LUH /HIW .LFN 3DQHO
  • 42.
    +- ,QVWUXPHQW 3DQHO :LUH DQG )ORRU :LUH 5LJKW .LFN 3DQHO
  • 43.
    7@ *URXQG 3RLQWV RGH 6HH 3DJH *URXQG 3RLQWV /RFDWLRQ + 8QGHU WKH /HIW HQWHU 3LOODU + %DFN 3DQHO HQWHU 3@ ,QGLFDWHV UHIHUHQFH SDJHV VKRZLQJ WKH SDUWV ORFDWLRQV LQ WKH VVWHP FLUFXLW RQ WKH YHKLFOH ([DPSOH RGH ´+´ /LJKW )DLOXUH 6HQVRU
  • 44.
    LV RQ SDJH RI WKH PDQXDO 7KH ILUVW FKDUDFWHU RI WKH FRGH LQGLFDWHV WKH DOSKDEHWLFDO FRGH DOORFDWHG WR WKH ZLUH KDUQHVV DQG WKH VHFRQG FKDUDFWHU LQGLFDWHV WKH VHULDO QXPEHU RI WKH SDUWV FRQQHFWHG WR WKH ZLUH KDUQHVV ([DPSOH + 6HULDO QXPEHU IRU WKH FRQQHFWHG SDUWV RGH IRU WKH ZLUH KDUQHVV 4@ ,QGLFDWHV WKH UHIHUHQFH SDJH VKRZLQJ WKH SRVLWLRQ RQ WKH YHKLFOH RI 5HOD %ORFN RQQHFWRUV LQ WKH VVWHP FLUFXLW ([DPSOH RQQHFWRU ´´ LV GHVFULEHG RQ SDJH RI WKLV PDQXDO DQG LV LQVWDOOHG RQ WKH OHIW VLGH RI WKH LQVWUXPHQW SDQHO 5@ ,QGLFDWHV WKH UHIHUHQFH SDJH VKRZLQJ WKH SRVLWLRQ RQ WKH YHKLFOH RI -% DQG :LUH +DUQHVV LQ WKH VVWHP FLUFXLW ([DPSOH RQQHFWRU ´´ FRQQHFWV WKH ,QVWUXPHQW 3DQHO :LUH DQG -% 1R ,W LV GHVFULEHG RQ SDJH RI WKLV PDQXDO DQG LV LQVWDOOHG RQ WKH LQVWUXPHQW SDQHO OHIW VLGH 6@ ,QGLFDWHV WKH UHIHUHQFH SDJH GHVFULELQJ WKH ZLULQJ KDUQHVV DQG ZLULQJ KDUQHVV FRQQHFWRU WKH IHPDOH ZLULQJ KDUQHVV LV VKRZQ ILUVW IROORZHG E WKH PDOH ZLULQJ KDUQHVV
  • 45.
    ([DPSOH RQQHFWRU´+´ FRQQHFWV WKH (QJLQH 5RRP 0DLQ :LUH IHPDOH
  • 46.
  • 47.
    ,W LV GHVFULEHGRQ SDJH RI WKLV PDQXDO DQG LV LQVWDOOHG RQ WKH OHIW VLGH NLFN SDQHO 7@ ,QGLFDWHV WKH UHIHUHQFH SDJH VKRZLQJ WKH SRVLWLRQ RI WKH JURXQG SRLQWV RQ WKH YHKLFOH ([DPSOH *URXQG SRLQW ´+´ LV GHVFULEHG RQ SDJH RI WKLV PDQXDO DQG LV LQVWDOOHG RQ WKH EDFN SDQHO FHQWHU 7 BRZ (G4400BE)
  • 48.
    % +2: 7286( 7+,6 0$18$/ 7KH JURXQG SRLQWV FLUFXLW GLDJUDP VKRZV WKH FRQQHFWLRQV IURP DOO PDMRU SDUWV WR WKH UHVSHFWLYH JURXQG SRLQWV :KHQ WURXEOHVKRRWLQJ D IDXOW JURXQG SRLQW FKHFNLQJ WKH VVWHP FLUFXLWV ZKLFK XVH D FRPPRQ JURXQG PD KHOS RX LGHQWLI WKH SUREOHP JURXQG TXLFNO 7KH UHODWLRQVKLS EHWZHHQ JURXQG SRLQWV $ $ DQG ' VKRZQ EHORZ
  • 49.
    FDQ DOVR EH FKHFNHGWKLV ZD , *5281' 32,17 ' -XQFWLRQ + RQQHFWRU '/ %5 %5 %5 6KLHOGHG
  • 50.
  • 51.
    +% '% ' %5 7KURWWOH %RG 6KLHOGHG
  • 52.
  • 53.
  • 54.
    $VVHPEO ' $ %5 ,QMHFWRU 'ULYHU :±% (
  • 55.
  • 56.
  • 57.
    / %5 :±% :±% (
  • 58.
    0DOWLSOH[ 1HWZRUN 0DVWHU 6ZLWFK $VVHPEO(
  • 59.
    /$ ' %5 (0 (
  • 60.
    RQQHFWRU $ %5 :±% -XQFWLRQ RROLQJ )DQ (
  • 61.
    $ 0RWRU 1R %5 (
  • 62.
    :±% ' /±(
  • 63.
    $ +HDGOLJKW 5+ :±% 5+ (
  • 64.
    $ :±% )URQW 6SHHG :±% :±% )RJ /LJKW 6HQVRU /+ ±6
  • 65.
  • 66.
    $VVHPEO /+ $ 6LGH 7XUQ 6LJQDO /LJKW :±% :±% :±% :±% )RJ /LJKW $VVHPEO /+ (
  • 67.
    $ (
  • 68.
    $VVHPEO 5+ $ $ :±% :LQGVKLHOG :±% :±% )URQW :LSHU 'HLFHU :LSHU 0RWRU $VVHPEO (
  • 69.
  • 70.
  • 71.
    , $ 2XWHU 0LUURU :±% :±% :±% :±% 6LGH 7XUQ 6LJQDO 6ZLWFK $VVHPEO (
  • 72.
    ,+ +$ (
  • 73.
    /LJKW $VVHPEO /+ :±% $ +HDGOLJKW $VVHPEO 5+ :±% . (
  • 74.
    :±% :±% ORFN $VVHPEO .$ (
  • 75.
    :±% $ +HDGOLJKW $VVHPEO /+ :±% :±% (
  • 76.
    : ± % 6KLHOGHG
  • 77.
    $ : ± % 6KLHOGHG
  • 78.
    :±% *1'
  • 79.
    : ± % 6KLHOGHG
  • 80.
    $ %UDNH %RRVWHU RQQHFWRU 3XPS $VVHPEO :±% -XQFWLRQ *1'
  • 81.
    :±% : ± % 6KLHOGHG
  • 82.
    % :±% :±% :±% *1'
  • 83.
    $% % 6NLG RQWURO (8 $VVHPEO :±% :±% :±% *1'
  • 84.
    $% $% :±% :±% :±% $ 7KH VVWHP VKRZQ KHUH LV DQ (;$03/( 21/ ,W LV GLIIHUHQW WR WKH DFWXDO FLUFXLW VKRZQ LQ WKH 667(0 ,58,76 6(7,21 8 BRZ (G4400BE)
  • 85.
    % 7KH ´XUUHQW )ORZKDUW´ VHFWLRQ GHVFULEHV ZKLFK SDUWV HDFK SRZHU VRXUFH IXVHV IXVLEOH OLQNV DQG FLUFXLW EUHDNHUV
  • 86.
    WUDQVPLWV FXUUHQW WR,Q WKH 3RZHU 6RXUFH FLUFXLW GLDJUDP WKH FRQGLWLRQV ZKHQ EDWWHU SRZHU LV VXSSOLHG WR HDFK VVWHP DUH H[SODLQHG 6LQFH DOO 6VWHP LUFXLW GLDJUDPV VWDUW IURP WKH SRZHU VRXUFH WKH SRZHU VRXUFH VVWHP PXVW EH IXOO XQGHUVWRRG - 32:(5 6285( XUUHQW )ORZ KDUW
  • 87.
    7KH FKDUW EHORZVKRZV WKH URXWH E ZKLFK FXUUHQW IORZV IURP WKH EDWWHU WR HDFK HOHFWULFDO VRXUFH )XVLEOH /LQN LUFXLW %UHDNHU )XHV HWF
  • 88.
    DQG RWKHU SDUWV $ (8±% 6KRUW 3LQ $ '20( $ (), %DWWHU $ $0 )XVLEOH /LQN %ORFN $ +$=$5' $ 5$',2 12 6WDUWHU 6 $ +251 $ $/7 $ $%6 (QJLQH 5RRP 5% 6HH 3DJH
  • 89.
    )XVH 6VWHP 3DJH $%6 $%6 DQG 7UDFWLRQ RQWURO $ 6723 UXLVH RQWURO (OHFWURQLFDOO RQWUROOHG 7UDQVPLVVLRQ 0XOWLSOH[ RPPXQLFDWLRQ 6VWHP LJDUHWWH /LJKWHU RPELQDWLRQ 0HWHU +HDGOLJKW $ '20( ,QWHULRU /LJKW .H 5HPLQGHU DQG 6HDW %HOW :DUQLQJ /LJKW $XWR 7XUQ 2II 6VWHP 7KHIW 'HWHUUHQW DQG 'RRU /RFN RQWURO 3RZHU 6RXUFH % % )/ 0$,1 : %$ %DWWHU $ 0$,1 $ '20( % : : : 5 $+ $ $0 % :±5 $+ : :±5 $ +$=±5$',2 : $0 $0 + ,JQLWLRQ RU 6WDUWHU 6ZLWFK $VVHPEO $ 67 67 ,* ,* $ '()2* %± :±5 7KH VVWHP VKRZQ KHUH LV DQ (;$03/( 21/ ,W LV GLIIHUHQW WR WKH DFWXDO FLUFXLW VKRZQ LQ WKH 667(0 ,58,76 6(7,21 9 BRZ (G4400BE)
  • 90.
    % +2: 7286( 7+,6 0$18$/ . 211(725 /,67 $ $@ $ $ @ %ODFN *UD %@ '@ % % %ODFN *UD . 211(725 /,67 %$ %ODFN (@ %' *UD )@ $@ ,QGLFDWHV FRQQHFWRU WR EH FRQQHFWHG WR D SDUW 7KH QXPHUDO LQGLFDWHV WKH SLQ 1R
  • 91.
    %@ -XQFWLRQRQQHFWRU ,QGLFDWHV D FRQQHFWRU ZKLFK LV FRQQHFWHG WR D VKRUW WHUPLQDO -XQFWLRQ RQQHFWRU -XQFWLRQ FRQQHFWRU LQ WKLV PDQXDO LQFOXGH D VKRUW WHUPLQDO ZKLFK LV FRQQHFWHG WR D QXPEHU RI ZLUH KDUQHVVHV $OZDV SHUIRUP LQVSHFWLRQ ZLWK WKH VKRUW WHUPLQDO LQVWDOOHG 6KRUW 7HUPLQDO @ 3DUWV RGH 7KH ILUVW OHWWHU RI WKH FRGH LV WDNHQ IURP WKH ILUVW OHWWHU RI SDUW DQG WKH QXPEHUV LQGLFDWHV LWV RUGHU LQ SDUWV ZKLFK VWDUW ZLWK WKH VDPH OHWWHU '@ RQQHFWRU RORU RQQHFWRUV QRW LQGLFDWHG DUH PLON ZKLWH LQ FRORU (@ ,QGLFDWHV WKH FRQQHFWRU VKDSHV ZKLFK DUH XVHG WR MRLQ ZLUH KDUQHVVHV 2Q /HIW )HPDOH FRQQHFWRU VKDSHV 2Q 5LJKW 0DOH FRQQHFWRU VKDSHV 1XPEHUV LQGLFDWH SLQ QXPEHUV )@ ,QGLFDWHV FRQQHFWRU FRORUV RQQHFWRUV ZLWK QRW LQGLFDWHG FRORUV DUH ZKLWH
  • 92.
    10 BRZ (G4400BE)
  • 93.
    Memo 11 BRZ (G4400BE)
  • 94.
    7528%/(6+227,1* 7R ,JQLWLRQ 6: 92/7$*( +(. ,* 7HUPLQDO D
  • 95.
    (VWDEOLVK FRQGLWLRQV LQZKLFK YROWDJH LV SUHVHQW DW WKH FKHFN SRLQW ([DPSOH )XVH $@ ± ,JQLWLRQ 6: RQ %@ ± ,JQLWLRQ 6: DQG 6: RQ $@ @ ± ,JQLWLRQ 6: 6: DQG 5HOD RQ 6: RII
  • 96.
  • 97.
    8VLQJ D YROWPHWHUFRQQHFW WKH QHJDWLYH OHDG WR D JRRG JURXQG 6: 9ROWPHWHU SRLQW RU QHJDWLYH EDWWHU WHUPLQDO DQG WKH SRVLWLYH OHDG WR WKH FRQQHFWRU RU FRPSRQHQW WHUPLQDO %@ 7KLV FKHFN FDQ EH GRQH ZLWK D WHVW OLJKW LQVWHDG RI D YROWPHWHU 5HOD @ 6: 6ROHQRLG 217,18,7 $1' 5(6,67$1( +(. D
  • 98.
    'LVFRQQHFW WKH EDWWHUWHUPLQDO RU ZLUH VR WKHUH LV QR YROWDJH EHWZHHQ WKH FKHFN SRLQWV 2KPPHWHU E
  • 99.
    RQWDFW WKH WZROHDGV RI DQ RKPPHWHU WR HDFK RI WKH FKHFN SRLQWV 6: ,I WKH FLUFXLW KDV GLRGHV UHYHUVH WKH WZR OHDGV DQG FKHFN DJDLQ :KHQ FRQWDFWLQJ WKH QHJDWLYH OHDG WR WKH GLRGH SRVLWLYH VLGH 2KPPHWHU DQG WKH SRVLWLYH OHDG WR WKH QHJDWLYH VLGH WKHUH VKRXOG EH FRQWLQXLW :KHQ FRQWDFWLQJ WKH WZR OHDGV LQ UHYHUVH WKHUH VKRXOG EH QR FRQWLQXLW 'LRGH 'LJLWDO 7SH $QDORJ 7SH F
  • 100.
    8VH D YROWRKPPHWHUZLWK KLJK LPSHGDQFH N 9 PLQLPXP
  • 101.
    IRU WURXEOHVKRRWLQJ RIWKH HOHFWULFDO FLUFXLW 12 BRZ (G4400BE)
  • 102.
    7R ,JQLWLRQ 6: ),1',1* $ 6+257 ,58,7 ,* 7HUPLQDO D
  • 103.
    5HPRYH WKH EORZQIXVH DQG GLVFRQQHFW DOO ORDGV RI WKH IXVH E
  • 104.
    RQQHFW D WHVWOLJKW LQ SODFH RI WKH IXVH F
  • 105.
    (VWDEOLVK FRQGLWLRQV LQZKLFK WKH WHVW OLJKW FRPHV RQ 7HVW /LJKW )XVH DVH ([DPSOH $@ ± ,JQLWLRQ 6: RQ 6KRUW $@ %@ ± ,JQLWLRQ 6: DQG 6: RQ @ ± ,JQLWLRQ 6: 6: DQG 5HOD RQ RQQHFW WKH 5HOD
  • 106.
    DQG 6: RII RU 'LVFRQQHFW 6:
  • 107.
    6: G
  • 108.
    'LVFRQQHFW DQG UHFRQQHFWWKH FRQQHFWRUV ZKLOH ZDWFKLQJ WKH WHVW OLJKW 6KRUW %@ 7KH VKRUW OLHV EHWZHHQ WKH FRQQHFWRU ZKHUH WKH WHVW OLJKW VWDV OLW DQG WKH FRQQHFWRU ZKHUH WKH OLJKW JRHV RXW 'LVFRQQHFW 'LVFRQQHFW H
  • 109.
    )LQG WKH H[DFWORFDWLRQ RI WKH VKRUW E OLJKWO VKDNLQJ WKH SUREOHP ZLUH DORQJ WKH ERG /LJKW 5HOD $87,21 D
  • 110.
    'R QRW RSHQWKH FRYHU RU WKH FDVH RI WKH (8 XQOHVV 6KRUW @ DEVROXWHO QHFHVVDU ,I WKH , WHUPLQDOV DUH WRXFKHG WKH , PD EH GHVWURHG E VWDWLF HOHFWULFLW
  • 111.
  • 112.
    :KHQ UHSODFLQJ WKHLQWHUQDO PHFKDQLVP (8 SDUW
  • 113.
    RI 'LVFRQQHFW WKH GLJLWDO PHWHU EH FDUHIXO WKDW QR SDUW RI RXU ERG RU FORWKLQJ FRPHV LQ FRQWDFW ZLWK WKH WHUPLQDOV RI OHDGV 6: 6ROHQRLG IURP WKH , HWF RI WKH UHSODFHPHQW SDUW VSDUH SDUW
  • 114.
    ',6211(7,21 2) 0$/($1' )(0$/( 211(7256 7R SXOO DSDUW WKH FRQQHFWRUV SXOO RQ WKH FRQQHFWRU LWVHOI QRW WKH ZLUH KDUQHVV +,17KHFN WR VHH ZKDW NLQG RI FRQQHFWRU RX DUH GLVFRQQHFWLQJ EHIRUH SXOOLQJ DSDUW 3XOO 8S 3XOO 8S 3UHVV 'RZQ 3UHVV 'RZQ 13 BRZ (G4400BE)
  • 115.
    Memo 14 BRZ (G4400BE)
  • 116.
    0HPR 15 BRZ (G4400BE)
  • 117.
    Memo 16 BRZ (G4400BE)
  • 118.
    ABBREVIATIONS D ABBREVIATIONS The following abbreviations are used in this manual. A/C = Air Conditioning A/T = Automatic Transmission ABS = Anti-Lock Brake System CAN = Controller Area Network CPU = Central Processing Unit DLC3 = Data Link Connector 3 E.F.I. = Electronic Fuel Injection ECM = Engine Control Module ECU = Electronic Control Unit EDU = Electronic Driving Unit EPS = Electric Motor Power Steering J/B = Junction Block LED = Light Emitting Diode LH = Left-Hand M/T = Manual Transmission R/B = Relay Block RH = Right-Hand SRS = Supplemental Restraint System TRAC = Traction Control VSC = Vehicle Stability Control VSV = Vacuum Switching Valve VVT = Variable Valve Timing w/ = With w/o = Without * The titles given inside the components are the names of the terminals (terminal codes) and are not treated as being abbreviations. 17 BRZ (G4400BE)
  • 119.
    ( */266$5 2)7(506 $1' 60%2/6 %$77(5 *5281' 6WRUHV FKHPLFDO HQHUJ DQG 7KH SRLQW DW ZKLFK ZLULQJ DWWDFKHV WR FRQYHUWV LW LQWR HOHFWULFDO HQHUJ WKH %RG WKHUHE SURYLGLQJ D UHWXUQ 3URYLGHV ' FXUUHQW IRU WKH DXWR¶V SDWK IRU DQ HOHFWULFDO FLUFXLW ZLWKRXW D YDULRXV HOHFWULFDO FLUFXLWV JURXQG FXUUHQW FDQQRW IORZ $3$,725 RQGHQVHU
  • 120.
    +($'/,*+76 $ VPDOO KROGLQJ XQLW IRU WHPSRUDU XUUHQW IORZ FDXVHV D KHDGOLJKW 6,1*/( VWRUDJH RI HOHFWULFDO YROWDJH ),/$0(17 ILODPHQW WR KHDW XS DQG HPLW OLJKW $ KHDGOLJKW PD KDYH HLWKHU D VLQJOH
  • 121.
  • 122.
    ILODPHQW ,*$5(77( /,*+7(5 $Q HOHFWULF UHVLVWDQFH KHDWLQJ '28%/( ),/$0(17 HOHPHQW ,58,7 %5($.(5 +251 %DVLFDOO D UHXVDEOH IXVH D FLUFXLW $Q HOHFWULF GHYLFH ZKLFK VRXQGV D EUHDNHU ZLOO KHDW DQG RSHQ LI WRR ORXG DXGLEOH VLJQDO PXFK FXUUHQW IORZV WKURXJK LW 6RPH XQLWV DXWRPDWLFDOO UHVHW ZKHQ FRRO RWKHUV PXVW EH PDQXDOO UHVHW ',2'( ,*1,7,21 2,/ $ VHPLFRQGXFWRU ZKLFK DOORZV RQYHUWV ORZ±YROWDJH ' FXUUHQW FXUUHQW IORZ LQ RQO RQH GLUHFWLRQ LQWR KLJK±YROWDJH LJQLWLRQ FXUUHQW IRU ILULQJ WKH VSDUN SOXJV ',2'( =(1(5 /,*+7 $ GLRGH ZKLFK DOORZV FXUUHQW IORZ LQ RQH XUUHQW IORZ WKURXJK D ILODPHQW GLUHFWLRQ EXW EORFNV UHYHUVH IORZ RQO XS FDXVHV WKH ILODPHQW WR KHDW XS DQG WR D VSHFLILF YROWDJH $ERYH WKDW SRWHQWLDO HPLW OLJKW LW SDVVHV WKH H[FHVV YROWDJH 7KLV DFWV DV D VLPSOH YROWDJH UHJXODWRU 3+272',2'( /(' /,*+7 (0,77,1* ',2'(
  • 123.
    7KH SKRWRGLRGH LVD VHPLFRQGXFWRU 8SRQ FXUUHQW IORZ WKHVH GLRGHV HPLW ZKLFK FRQWUROV WKH FXUUHQW IORZ OLJKW ZLWKRXW SURGXFLQJ WKH KHDW RI D DFFRUGLQJ WR WKH DPRXQW RI OLJKW FRPSDUDEOH OLJKW ',675,%8725 ,,$ 0(7(5 $1$/2* KDQQHOV KLJK±YROWDJH FXUUHQW IURP XUUHQW IORZ DFWLYDWHV D PDJQHWLF WKH LJQLWLRQ FRLO WR WKH LQGLYLGXDO FRLO ZKLFK FDXVHV D QHHGOH WR PRYH VSDUN SOXJV WKHUHE SURYLGLQJ D UHODWLYH GLVSOD DJDLQVW D EDFNJURXQG FDOLEUDWLRQ )86( 0(7(5 ',*,7$/ $ WKLQ PHWDO VWULS ZKLFK EXUQV WKURXJK XUUHQW IORZ DFWLYDWHV RQH RU PDQ ZKHQ WRR PXFK FXUUHQW IORZV WKURXJK LW )8(/ /('¶V /'¶V RU IOXRUHVFHQW WKHUHE VWRSSLQJ FXUUHQW IORZ DQG GLVSODV ZKLFK SURYLGH D UHODWLYH RU SURWHFWLQJ D FLUFXLW IURP GDPDJH GLJLWDO GLVSOD )86,%/( /,1. IRU 0HGLXP XUUHQW )XVH
  • 124.
    $ KHDY±JDXJH ZLUHSODFHG LQ KLJK 02725 DPSHUDJH FLUFXLWV ZKLFK EXUQV WKURXJK RQ RYHUORDGV WKHUHE SURWHFWLQJ WKH FLUFXLW $ SRZHU XQLW ZKLFK FRQYHUWV 7KH QXPEHUV LQGLFDWH WKH FURVVVHFWLRQ 0 HOHFWULFDO HQHUJ LQWR PHFKDQLFDO VXUIDFH DUHD RI WKH ZLUHV HQHUJ HVSHFLDOO URWDU PRWLRQ IRU +LJK XUUHQW )XVH RU )XVLEOH /LQN
  • 125.
    18 BRZ (G4400BE)
  • 126.
    ( 5(/$ 63($.(5 %DVLFDOO DQ HOHFWULFDOO RSHUDWHG $Q HOHFWURPHFKDQLFDO GHYLFH ZKLFK 1250$// VZLWFK ZKLFK PD EH QRUPDOO FUHDWHV VRXQG ZDYHV IURP FXUUHQW /26(' FORVHG
  • 127.
  • 128.
    IORZ XUUHQW IORZ WKURXJK D VPDOO FRLO FUHDWHV D PDJQHWLF ILHOG ZKLFK HLWKHU RSHQV RU FORVHV DQ DWWDFKHG VZLWFK 1250$// 6:,7+ 0$18$/ 23(1 2SHQV DQG FORVHV FLUFXLWV WKHUHE 1250$// 23(1 VWRSSLQJ
  • 129.
    RU DOORZLQJ
  • 130.
    FXUUHQW IORZ 5(/$ '28%/( 7+52: $ UHOD ZKLFK SDVVHV FXUUHQW 1250$// WKURXJK RQH VHW RI FRQWDFWV RU WKH /26(' RWKHU 5(6,6725 6:,7+ '28%/( 7+52: $Q HOHFWULFDO FRPSRQHQW ZLWK D IL[HG $ VZLWFK ZKLFK FRQWLQXRXVO SDVVHV UHVLVWDQFH SODFHG LQ D FLUFXLW WR FXUUHQW WKURXJK RQH VHW RI FRQWDFWV UHGXFH YROWDJH WR D VSHFLILF YDOXH RU WKH RWKHU 5(6,6725 7$33(' 6:,7+ ,*1,7,21 $ UHVLVWRU ZKLFK VXSSOLHV WZR RU $ NH RSHUDWHG VZLWFK ZLWK VHYHUDO PRUH GLIIHUHQW QRQ DGMXVWDEOH SRVLWLRQV ZKLFK DOORZV YDULRXV UHVLVWDQFH YDOXHV FLUFXLWV SDUWLFXODUO WKH SULPDU LJQLWLRQ FLUFXLW WR EHFRPH RSHUDWLRQDO 5(6,6725 9$5,$%/( RU 5+(267$7 $ FRQWUROODEOH UHVLVWRU ZLWK D YDULDEOH UDWH RI UHVLVWDQFH $OVR FDOOHG D SRWHQWLRPHWHU RU UKHRVWDW 6(1625 7KHUPLVWRU
  • 131.
    6:,7+ :,3(5 3$5. $ UHVLVWRU ZKLFK YDULHV LWV UHVLVWDQFH $XWRPDWLFDOO UHWXUQV ZLSHUV WR WKH ZLWK WHPSHUDWXUH VWRS SRVLWLRQ ZKHQ WKH ZLSHU VZLWFK LV WXUQHG RII 6(1625 63((' 75$16,6725 8VHV PDJQHWLF LPSXOVHV WR RSHQ $ VROLGVWDWH GHYLFH WSLFDOO XVHG DV DQG FORVH D VZLWFK WR FUHDWH D VLJQDO DQ HOHFWURQLF UHOD VWRSV RU SDVVHV IRU DFWLYDWLRQ RI RWKHU FRPSRQHQWV FXUUHQW GHSHQGLQJ RQ WKH YROWDJH 5HHG 6ZLWFK 7SH
  • 132.
    DSSOLHG DW ´EDVH´ 6+257 3,1 :,5(6 8VHG WR SURYLGH DQ XQEURNHQ :LUHV DUH DOZDV GUDZQ DV FRQQHFWLRQ ZLWKLQ D MXQFWLRQ EORFN
  • 133.
    127 VWUDLJKW OLQHV RQ ZLULQJ 211(7(' GLDJUDPV URVVHG ZLUHV
  • 134.
    ZLWKRXW D EODFN GRW DW WKH MXQFWLRQ DUH 62/(12,' QRW MRLQHG $Q HOHFWURPDJQHWLF FRLO ZKLFK IRUPV FURVVHG ZLUHV
  • 135.
    ZLWK D D PDJQHWLF ILHOG ZKHQ FXUUHQW IORZV
  • 136.
    63/,(' EODFN GRW RU RFWDJRQDO
  • 137.
    WR PRYH DSOXQJHU HWF PDUN DW WKH MXQFWLRQ DUH VSOLFHG MRLQHG
  • 138.
    FRQQHFWLRQV 19 BRZ (G4400BE)
  • 139.
    F RELAY LOCATIONS [EngineCompartment] Fusible Link Block Assembly Engine Room R/B VSC (VDC) Engine Room J/B Control Module Injector Driver (EDU) 20 BRZ (G4400BE)
  • 140.
    F [Instrument Panel] Transponder Key ID Code Box (*1) * 1:w/ Smart Entry Start System Amplifier Transponder Key * 2:w/o Smart Entry Start System ECU Assembly (*2) ECM Transmission Control Module Turn Signal Flasher Certification Assembly ECU Assembly Main Body ECU R/B No. 2 Instrument Panel J/B Assembly Power Steering Steering Lock Airbag Control A/C Amplifier ECU Assembly Actuator Assembly Module Assembly 21 BRZ (G4400BE)
  • 141.
    F RELAY LOCATIONS [Body] Occupant Detection Tire Pressure Warning ECU and Receiver Control Module (Door Control and Tire Pressure Monitoring System Receiver Assembly) Stereo Component Fuel Pump Control Amplifier Assembly ECU Assembly 22 BRZ (G4400BE)
  • 142.
    Memo 23 BRZ (G4400BE)
  • 143.
    F RELAY LOCATIONS 1 : Engine Room R/B Engine Compartment Right (See Page 20) : Engine Room J/B EFI MAIN1 EFI MAIN3 EFI MAIN2 C/OPEN INHIBITOR Relay Relay Relay Relay Relay HORN ETCS ST CUT DRL 1 2 FAN NO.2 Relay Relay Relay Relay Relay (Engine Room Main Wire) 1E 1 3 2 1 5 3 5 2 5 2 1 2 4 1 1 2 3 5 1 2 5 1 15A 2 1 3 3 A/B MAIN 5 3 2 7.5A 1 2 ST ST Relay 1 2 7.5A 1 2 2 INJ Relay 5 3 ALT-S 3 5 2 7.5A 1 IGS Relay 2 1 7.5A 2 HORN NO.2 1 7.5A 2 1 PUSH-AT 1 3 5 IG2 Relay 5 3 1 7.5A 2 STR LOCK 1 2 HORN NO.1 1 20A 2 3 D/L 2 5 1 5 3 3 4 2 1 15A 2 1 1 15A 2 ETCS 1 2 MIR HTR 1 H-LP LH LO 1 7.5A 2 Relay 5 3 1 15A 2 1 1 AT+B 2 5 3 1 7.5A 2 5 3 2 H-LP RH LO 1 7.5A 2 3 5 2 MIR HTR 2 AM2 NO.2 3 1 5 1 10A 2 1 2 7.5A 1 DOME 1 1 H-LP LH HI 1 15A 2 1 2 ECU-B 5 3 2 7.5A 1 25A 2 2 20A IG2 5 3 1 10A 2 EFI(CTRL) 2 2 H-LP RH HI 1 15A 2 2 RDI EFI(HTR) 3 5 1 15A 2 FAN NO.3 1 2 *5 EFI(IGN) 2 1 Relay 1 7.5A 2 FAN NO.1 1 2 *4 EFI(+B) 3 5 Relay WASHER 2 30A 1 2 10A 1 WIPER 1 15A 2 1 2 *3 HAZ 1 WIPER HEATER H-LP 1 7.5A 2 Relay Relay MPX-B D FR DOOR Relay D FL DOOR ABS NO.2 1 20A 2 1 25A 2 1 25A 2 1 25A 2 1 25A 2 1 25A 2 1 30A 2 RR DEF DIM 1 2 1 2 *2 D-OP F/PMP CDS Relay 1 30A 2 *6 IG2 MAIN 1 2 *1 1 30A 2 DCC 2 1 DELIVERY RR DEF 1D Relay 1C 1A 1 1 1 (Engine Room (Engine Room (Engine Room Main Wire) Main Wire) Main Wire) Wire Color : W Wire Color : W Wire Color : B 1B * 1:50A HEATER (for High Current) * 2:40A ABS NO.1 (for High Current) 1 * 3:40A AM2 NO.1 (for High Current) (Engine Room * 4:30A H-LP WASHER (for High Current) Main Wire) * 5:30A INJ (for High Current) Wire Color : B-R * 6:80A EPS (for High Current) 24 BRZ (G4400BE)
  • 144.
    F 2 : R/B No. 2 Behind Glove Box (See Page 21) (Automatic A/C) Blower Motor Relay 3 1 2 5 (Manual A/C) Blower Motor Relay 3 1 4 2 5 25 BRZ (G4400BE)
  • 145.
    F RELAY LOCATIONS : Instrument Panel J/B Assembly Instrument Panel Reinforcement (See Page 21) 1 2 3 45 6 7 8 91011121314151617181920 21222324252627282930 3132 Main Body ECU View A View B View C 26 BRZ (G4400BE)
  • 146.
    F View A 12 27 36 26 35 36 27 11 25 34 12 35 26 10 24 33 34 25 11 23 32 33 24 9 22 31 10 32 23 8 21 30 31 22 9 20 29 30 21 7 19 28 3D 8 29 20 28 19 7 6 18 5 17 18 6 4 16 17 5 16 4 3 15 15 3 2 14 14 2 1 13 13 1 (from Instrument Panel Wire) 40 25 10 39 24 10 25 40 38 23 9 24 39 9 23 38 37 22 8 36 21 8 22 37 35 20 7 21 36 7 20 35 34 19 6 3C 33 18 6 19 34 5 18 33 32 17 5 17 32 31 16 4 30 15 4 16 31 29 14 3 15 30 28 13 2 3 14 29 27 12 2 13 28 26 11 1 12 27 1 11 26 (from Engine Room Main Wire) 3E 1 1 (from Engine Room Main Wire) 27 BRZ (G4400BE)
  • 147.
    F RELAY LOCATIONS : Instrument Panel J/B Assembly Instrument Panel Reinforcement (See Page 21) View B 1 11 26 26 11 1 12 27 27 12 2 13 28 13 2 28 29 14 3 3 14 29 15 30 30 15 4 16 31 16 4 31 3B 5 17 32 32 17 5 18 33 33 18 6 19 34 6 34 19 7 20 35 35 20 7 21 36 36 21 8 22 37 37 22 8 9 23 38 38 23 9 24 39 39 24 10 25 40 40 25 10 (from Instrument Panel Wire) 1 15 36 16 37 2 17 38 36 15 1 3 18 39 37 16 19 40 38 17 2 4 20 41 39 18 3 5 21 42 40 19 22 43 41 20 4 6 23 44 42 21 5 43 22 44 23 6 7 24 45 25 46 3A 8 26 47 45 24 7 46 25 47 26 8 9 27 48 28 49 10 29 50 48 27 9 11 30 51 49 28 31 52 50 29 10 12 32 53 51 30 11 13 33 54 52 31 34 55 53 32 12 14 35 56 54 33 13 55 34 56 35 14 (from Instrument Panel Wire) 28 BRZ (G4400BE)
  • 148.
    View C 1 2 15A P/POINT NO.1 1 2 1 2 7.5A 7.5A OBD RADIO 1 2 2 1 7.5A 10A AM1 SEAT HTR RH 1 2 10A SEAT HTR LH 1 2 1 2 7.5A 10A STOP ECU IG2 1 2 7.5A GAUGE 1 15A 2 AT UNIT 2 1 10A ECU IG1 1 2 2 1 10A 7.5A DRL BK/UP LP 2 1 10A BRZ (G4400BE) FR FOG RH 1 2 2 1 10A 10A TAIL FR FOG LH 1 2 2 1 10A 10A PANEL HEATER 1 2 2 1 15A 7.5A P/POINT NO.2 HEATER-S 1 2 10A ECU ACC 1 2 15A ANP F 29
  • 149.
    F RELAY LOCATIONS [InstrumentPanel J/B Assembly Inner Circuit] 1 3E 43 3A 45 3A 24 3C 7 3A 23 3A 1 2 42 3A 14 3A 7.5A AM1 24 3A 38 3A 8 3D 46 3A 12 3D 1 2 44 3A 5 3B 15A ANP 25 3A 48 3A FR FOG Relay 26 3A 1 2 5 3C 4 3A 10A FR FOG RH 21 3A 1 2 3 3C 20 3C 10A FR FOG LH 26 3C 32 3C 13 3C 1 3D 12 3C 34 3D 21 3B 6 3A TAIL Relay 24 3D 22 3A 1 2 33 3D 16 3C 10A TAIL 31 3C 1 2 31 3B 18 3D 10A PANEL 36 3A 30 3D 22 3D 19 3C 50 3A 26 3B 17 3B 19 3D 7 3D 17 3C 49 3A 29 3A 30 3C (Cont. Next Page) 30 BRZ (G4400BE)
  • 150.
    F (Cont'd) 39 3B 23 3D 28 3D 7 3C 10 3D 9 3D 15 3D 14 3D 3 3B 6 3C 2 3B A DR LOCK/SET Relay 11 3D D DR UNLOCK Relay 4 3D 1 3D P DR UNLOCK Relay 3 3D 2 3D DL UNSET Relay 6 3B BK/DR Relay (Cont. Next Page) 31 BRZ (G4400BE)
  • 151.
    F RELAY LOCATIONS [InstrumentPanel J/B Assembly Inner Circuit] (Cont'd) 1 2 11 3A ACC1 Relay 15A P/POINT NO.2 1 2 28 3B 10A ECU ACC 34 3A 20 3A 12 3B 27 3B 55 3A 56 3A ACC2 Relay 1 2 10 3A 15A P/POINT NO.1 1 2 38 3B 7.5A RADIO IG1 NO.1 Relay 36 3B 1 2 35 3C 10A ECU IG1 36 3C 15 3A 37 3C 15 3C 29 3C 14 3C 28 3C 19 3A 40 3A 20 3D 25 3D 1 2 2 3C 7.5A BK/UP LP (Cont. Next Page) 32 BRZ (G4400BE)
  • 152.
    F (Cont'd) IG1 NO.2 Relay 5 3A 1 2 34 3C 10A DRL 40 3C IG1 NO.4 Relay 1 2 3 3A 10A SEAT HTR RH 1 2 5 3D 10A SEAT HTR LH 21 3C IG1 NO.3 Relay 1 2 32 3A 10A HEATER 22 3C 25 3C 12 3A 23 3C 13 3A 39 3C 38 3C 1 2 35 3A 7.5A OBD 1 2 9 3A 18 3B 7.5A STOP 1 2 7 3B 8 3B 7.5A HEATER-S 9 3B 1 2 4 3C 11 3C 10A ECU IG2 18 3A 39 3A 19 3B 1 2 2 3A 7.5A GAUGE 37 3A 40 3B 16 3A 17 3A 1 2 1 3C 15A AT UNIT 11 15 2 32 30 6 7 5 29 4 28 8 9 GND STR KSWD BMPX ACT+ ACTR ACTD ACC ACTP TR+ IG Main Body ECU (Cont. Next Page) 33 BRZ (G4400BE)
  • 153.
    F RELAY LOCATIONS [InstrumentPanel J/B Assembly Inner Circuit] (Cont'd) 23 10 3C BKUP 4 3D 1 27 3A BECU 13 9 3C 21 30 3B HU 18 15 3B HF 10 13 3B FPCY 29 3B 27 22 3B IND 17 3D 20 34 3B 17 51 3A L 41 3A 19 30 3A UL 20 3B 24 23 3B 37 3B 26 31 3D HO 32 3D Main Body ECU 31 36 3D 25 27 3C 22 18 3C STP 33 3C 8 3C 16 3D 32 3B 14 35 3B PKB 24 3B 29 3D 3 14 3B HZR 16 3B 33 3B 16 28 3A FDCY 53 3A 31 3A 12 11 3B TSW5 26 3D 35 3D 34 BRZ (G4400BE)
  • 154.
    Memo 35 BRZ (G4400BE)
  • 155.
    F RELAY LOCATIONS FusibleLink Block Assembly Engine Compartment Right (See Page 20) Battery 140A ALT 80A MAIN (for High Current) (for High Current) A75 A76 1 1 (from Engine Wire) (from Engine Wire) Wire Color : W Wire Color : W 36 BRZ (G4400BE)
  • 156.
    F [Fusible Link BlockAssembly Inner Circuit] A75(A), A76(B) Fusible Link Block Assembly 1 Battery A 140A ALT 1 B 80A MAIN 37 BRZ (G4400BE)
  • 157.
    G ELECTRICAL WIRINGROUTING Position of Parts in Engine Compartment C9 C11 C37 C10 C36 C35 C15 C33 C18 C34 C19 C31 C30 C3 C29 C4 C27 C1 C28 C2 C26 C8 C24 C39 C38 C12 C13 C14 C7 C5 C6 C16 C17 C20 C22 C21 C23 C25 C1 Injector Driver (EDU) C20 Fuel Injector Assembly (for Direct Injection No. 2) C2 Injector Driver (EDU) C21 Oil Temperature Sensor C3 Injector Driver (EDU) C22 Engine Oil Pressure Switch Assembly C4 Injector Driver (EDU) C23 Camshaft Timing Oil Control Valve Assembly C5 Camshaft Timing Oil Control Valve Assembly (Bank 2 Exhaust Side) (Bank 1 Exhaust Side) C24 Camshaft Timing Oil Control Valve Assembly C6 VVT Sensor (Camshaft Position Sensor) (Bank 2 Intake Side) (Bank 1 Exhaust Side) C25 VVT Sensor (Camshaft Position Sensor) C7 Camshaft Timing Oil Control Valve Assembly (Bank 2 Exhaust Side) (Bank 1 Intake Side) C26 VVT Sensor (Camshaft Position Sensor) C8 Fuel Injector Assembly (for Port Injection No. 1) (Bank 2 Intake Side) C9 Fuel Injector Assembly (for Port Injection No. 3) C27 Ignition Coil Assembly No. 4 C10 Fuel Pressure Sensor C28 Ignition Coil Assembly No. 2 C11 Fuel Injector Assembly (for Direct Injection No. 1) C29 Spill Control Valve (Fuel Pump Assembly) C12 VVT Sensor (Camshaft Position Sensor) C30 Fuel Injector Assembly (for Port Injection No. 2) (Bank 1 Intake Side) C31 Fuel Injector Assembly (for Port Injection No. 4) C13 Heated Oxygen Sensor (Bank 1 Sensor 2) C33 Crankshaft Position Sensor C14 Wide Range Air Fuel Ratio Sensor (Bank 1 Sensor 1) C34 Knock Control Sensor (Bank 2) C15 Throttle Body with Motor Assembly C35 E.F.I. Engine Coolant Temperature Sensor C16 Intake Mass Air Flow Meter Sub-Assembly C36 Knock Control Sensor (Bank 1) C17 Compressor with Magnet Clutch C37 Fuel Injector Assembly (for Direct Injection No. 3) C18 VSV C38 Ignition Coil Assembly No. 1 C19 Fuel Injector Assembly (for Direct Injection No. 4) C39 Ignition Coil Assembly No. 3 38 BRZ (G4400BE)
  • 158.
    G Position of Parts in Engine Compartment A11 A75 A76 B2 A43 A77 L2 L3 A54 L4 L5 A53 A55 d1 A59 A7 B1 A12 A42 A5 A40 A62 A44 A3 A38 A60 A41 A4 A52 A51 A49 A48 A45 A46 A58 A63 A1 A1 Windshield Washer Motor and Pump Assembly A53 Back-Up Light Switch Assembly A3 Side Marker Light LH A54 Park/Neutral Position Switch Assembly A4 Headlight Assembly LH A55 Front Wiper Motor and Link Assembly A5 VSC (VDC) Control Module A58 Front Sub Sensor LH A7 Pressure Switch (Liquid Tube Sub-Assembly) A59 Brake Fluid Level Warning Switch A11 Battery Current Sensor Assembly (Brake Master Cylinder Sub-Assembly) A12 Front Speed Sensor LH A60 Headlight Assembly LH A38 Headlight Assembly RH A62 Headlight Assembly LH A40 Headlight Assembly RH A63 Wireless Door Lock Buzzer A41 Headlight Assembly RH A75 Fusible Link Block Assembly A42 Front Speed Sensor RH A76 Fusible Link Block Assembly A43 Generator Assembly A77 Generator Assembly A44 Side Marker Light RH A45 Cooling Fan Motor B1 Starter Assembly A46 No. 2 Cooling Fan Motor B2 Starter Assembly A48 Ambient Temperature Sensor (Thermistor Assembly) A49 High Pitched Horn Assembly L2 Park/Neutral Position Switch Assembly A51 Front Sub Sensor RH L3 Transmission Revolution Sensor (SP2) A52 Low Pitched Horn Assembly L4 Electronically Controlled Transmission Solenoid L5 Transmission Revolution Sensor (NT) d1 CPC Solenoid 39 BRZ (G4400BE)
  • 159.
    G ELECTRICAL WIRINGROUTING Position of Parts in Instrument Panel D8 D9 D11 D17 D16 D13 D29 D14 D30 D39 D38 D7 D12 D18 D21 D24 D20 D6 D23 D5 D22 D1 D26 D2 D3 D4 D10 D19 D25 D27 D28 D31 D35 D36 D32 D33 D34 D1 Option Connector D21 No. 1 Heater Control Sub-Assembly D2 Light Control Rheostat D22 No. 3 Heater Control Sub-Assembly D3 Headlight Leveling Switch D23 No. 3 Heater Control Sub-Assembly D4 Luggage Door Opening Switch Assembly D24 Heater Control Sub-Assembly D5 Main Body ECU D25 Engine Switch D6 Main Body ECU D26 Indoor Electrical Key Oscillator Assembly D7 Combination Meter Assembly D27 Airbag Control Module D8 Junction Connector D28 Shift Lever Position Sensor (Floor Shift Control Lever) D9 Junction Connector D29 Option Connector D10 DLC3 D30 Passenger's Airbag Module D11 Radio Receiver Assembly D31 Parking Brake Switch Assembly D12 Radio Receiver Assembly D32 Seat Heater Switch LH D13 Radio Receiver Assembly D33 Seat Heater Switch RH D14 Radio Receiver Assembly D34 No. 2 Power Outlet Socket Assembly D16 Junction Connector D35 Pattern Select Switch Assembly D17 Junction Connector D36 Shift Position Indicator D18 Clock Assembly D38 Front No. 3 Speaker Assembly RH D19 A/C Amplifier Assembly D39 Front No. 2 Speaker Assembly RH D20 A/C Amplifier Assembly 40 BRZ (G4400BE)
  • 160.
    G Position of Parts in Instrument Panel D54 D60 D59 D53 D58 D57 D71 D49 D45 D46 D47 D43 D44 D66 D42 D65 D40 D64 D41 D61 D48 D50 D52 D74 D51 D56 D55 D40 Certification ECU Assembly D54 Transponder Key Amplifier D41 Certification ECU Assembly D55 Ignition or Starter Switch Assembly D42 Shift Lock Release Button Cover D56 Steering Sensor D43 Junction Connector D57 Windshield Wiper Switch Assembly D44 No. 1 Power Outlet Socket Assembly D58 Windshield Wiper Switch Assembly D45 Automatic Light Control Sensor D59 Steering Lock Actuator Assembly D46 Junction Connector D60 Key Inter Lock Solenoid D47 Junction Connector (Ignition Switch Lock Cylinder Assembly) D48 Certification ECU Assembly D61 Turn Signal Flasher Assembly D49 Junction Connector D64 Trip Switch D50 Headlight Dimmer Switch Assembly D65 Front No. 3 Speaker Assembly LH D51 Roll Connector D66 Front No. 2 Speaker Assembly LH D52 Roll Connector D71 Antenna Amplifier D53 Un-Lock Warning Switch Assembly D74 No. 1 Cooler Thermistor (Ignition Switch Lock Cylinder Assembly) 41 BRZ (G4400BE)
  • 161.
    G ELECTRICAL WIRINGROUTING Position of Parts in Instrument Panel (*2) (*1) (*3) (*4) A19 A20 A23 z1 A22 A30 A64 A29 A37 A36 A35 A34 A33 (*2) A18 (*1) A21 A9 A10 A17 A13 A32 z2 A28 A73 A31 * 1:A/T * 2:M/T (*5) * 3:w/ Smart Entry Start System A26 * 4:w/o Smart Entry Start System * 5:Manual A/C (*6) * 6:Automatic A/C A27 * 7:w/ Cruise Control * 8:w/o Cruise Control A15 A14 A24 A25 z5 z8 z4 z7 z6 H17 G1 a1 a2 (*7) (*8) A9 Junction Connector A73 Main Body ECU A10 Junction Connector A13 Noise Filter G1 Airbag Control Module A14 Power Steering ECU Assembly A15 Power Steering ECU Assembly H17 Airbag Control Module A17 Junction Connector A18 Transmission Control Module a1 No. 1 Stereo Jack Adapter Assembly A19 Transmission Control Module a2 Radio Receiver Assembly A20 Clutch Start Switch Assembly A21 Clutch Switch Assembly z1 Power Steering ECU Assembly A22 Stop Light Switch Assembly Steering Column Assembly A23 Accelerator Pedal Sensor Assembly z2 Power Steering ECU Assembly A24 No. 1 A/C Radiator Damper Servo Sub-Assembly Steering Column Assembly A25 Cooler Thermistor (Room Temperature Sensor) z4 Roll Connector A26 Blower Resistor Paddle Shift Switch A27 Blower Assembly z5 Roll Connector A28 No. 3 A/C Radiator Damper Servo Sub-Assembly Cruise Control Main Switch A29 No. 4 A/C Radiator Damper Servo Sub-Assembly z6 Roll Connector A30 ID Code Box Driver's Airbag Module A31 Blower with Fan Motor Sub-Assembly z7 Roll Connector A32 No. 5 A/C Radiator Damper Servo Sub-Assembly Driver's Airbag Module A33 ECM z8 Roll Connector A34 ECM Horn Button Assembly A35 ECM A36 ECM A37 Junction Connector A64 Transponder Key ECU Assembly 42 BRZ (G4400BE)
  • 162.
    Memo 43 BRZ (G4400BE)
  • 163.
    G ELECTRICAL WIRINGROUTING Position of Parts in Body F9 F8 F6 F1 F2 F5 F3 G18 E5 E9 G11 E7 G10 E6 G12 E8 G14 E4 G15 G16 G9 E1 E2 E3 G7 G4 G6 F4 G17 G8 E1 Electrical Key Antenna LH G4 Seat Heater RH (Front Door Outside Handle Assembly LH) G6 No. 2 Fuel Sender Gage Assembly E2 Front Courtesy Light Assembly LH G7 Fuel Sender Gage Assembly E3 Door Lock with Motor Assembly LH G8 Canister Pump Module E4 Front Door Impact Sensor LH G9 Rear Speed Sensor RH E5 Power Window Regulator Motor Assembly LH G10 Rear Window Defogger (Back Window Glass) E6 Front No. 1 Speaker Assembly LH G11 Curtain Airbag Module RH E7 Outer Rear View Mirror Assembly LH G12 Fuel Pump Control ECU Assembly E8 Power Window Regulator Master Switch Assembly G14 Curtain Airbag Sensor RH E9 Outer Mirror Switch Assembly G15 Rear Speaker Assembly RH G16 Side Airbag Sensor RH F1 Power Window Regulator Motor Assembly RH G17 Pretensioner RH F2 Front Door Impact Sensor RH G18 Front Door Courtesy Light Switch Assembly RH F3 Door Lock with Motor Assembly RH F4 Front Courtesy Light Assembly RH F5 Electrical Key Antenna RH (Front Door Outside Handle Assembly RH) F6 Power Window Regulator Switch Assembly F8 Outer Rear View Mirror Assembly RH F9 Front No. 1 Speaker Assembly RH 44 BRZ (G4400BE)
  • 164.
    G Position of Parts in Body H19 H18 b1 H16 K5 H15 H30 K3 K4 K1 e2 H29 c1 H10 H9 (*1) H26 (*2) H27 (*3) H28 H24 H1 H21 J2 H23 J3 H22 J1 J4 * 1:w/ Smart Entry Start System H2 w/o Tire Pressure Warning System * 2:w/o Smart Entry Start System w/o Tire Pressure Warning System * 3:w/ Tire Pressure Warning System H25 e1 H12 H14 H7 H13 H6 H8 H3 H1 Rear Combination Light Lens and Body RH J1 License Plate Light Lens LH H2 Back-Up Light Lens and Body J2 Back Door Opener Switch Assembly H3 Rear Electrical Key Antenna J3 Luggage Compartment Door Striker Assembly H6 Rear Combination Light Lens and Body LH J4 License Plate Light Lens RH H7 Luggage Door Opening Cancel Switch Assembly H8 No. 1 Luggage Compartment Light Assembly K1 Vanity Light Assembly RH (Visor Assembly RH) H9 No. 2 Indoor Electrical Key Oscillator Assembly K3 Map Light Assembly H10 Center Stop Light Assembly K4 Microphone Amplifier Assembly (Map Light Assembly) H12 Rear Speed Sensor LH K5 Vanity Light Assembly LH (Visor Assembly LH) H13 Stereo Component Amplifier Assembly H14 Stereo Component Amplifier Assembly b1 Side Airbag Module LH H15 No. 3 Indoor Electrical Key Oscillator Assembly H16 Satellite Safing Sensor c1 Side Airbag Module RH H18 Seat Heater LH H19 Front Seat Inner Belt Assembly LH e1 Front Seat Inner Belt Assembly RH H21 Front Door Courtesy Light Switch Assembly LH e2 Occupant Detection Control Module H22 Pretensioner LH H23 Side Airbag Sensor LH H24 Rear Speaker Assembly LH H25 Curtain Airbag Sensor LH H26 Door Control Receiver H27 Door Control Receiver H28 Tire Pressure Warning ECU and Receiver (Door Control and Tire Pressure Monitoring System Receiver Assembly) H29 Rear Window Defogger (Back Window Glass) H30 Curtain Airbag Module LH 45 BRZ (G4400BE)
  • 165.
    G ELECTRICAL WIRINGROUTING : Location of Connector Joining Wire Harness and Wire Harness : Location of Ground Points AB1 AC2 AC1 Transmission AL2 AL1 C1 Cd1 Wire No. 2 Engine Room No. 1 Engine Wire Wire Engine Wire Engine Room Main Wire A7 A1 46 BRZ (G4400BE)
  • 166.
    G : Location of Connector Joining Wire Harness and Wire Harness aD1 DA2 DA1 DA3 FD1 DK1 AD1 AD2 FD2 AD3 FG1 DD1 GD1 EH1 GD2 HD2 HD1 ED1 ED2 : Location of Ground Points A2 Engine Room Instrument Panel D2 D3 Engine Room Roof Wire Main Wire Wire Main Wire A3 Front Door Wire RH D4 Front Door Wire LH No. 1 Froor Wire D1 Instrument Panel No. 2 Froor Wire Wire Assembly No. 2 Froor Wire No. 1 Froor Wire 47 BRZ (G4400BE)
  • 167.
    G ELECTRICAL WIRINGROUTING : Location of Connector Joining Wire Harness and Wire Harness : Location of Ground Points Ge1 Gc1 Roof Wire H4 Front Door G2 G1 Wire RH Front Door Wire LH No. 1 Froor Wire Hb1 Back Door Wire No. 2 Froor Wire H3 Occupant Detection H1 Seat Wire LH Sensor Wire Seat Wire RH JH1 48 BRZ (G4400BE)
  • 168.
    G [Antenna] No. 2 Antenna Cord No. 3 Antenna Cord Sub-Assembly Sub-Assembly Antenna Cord Sub-Assembly Amplifier Antenna Assembly Antenna Cord Sub-Assembly 49 BRZ (G4400BE)
  • 169.
    H SYSTEM CIRCUITS BRZ ELECTRICAL WIRING DIAGRAM SYSTEM CIRCUITS Page ABS ...................................................................................................................... 220 Air Conditioning (Automatic A/C) ..................................................................... 342 Air Conditioning (Manual A/C) .......................................................................... 354 Audio System ..................................................................................................... 316 Automatic Light Control .................................................................................... 200 Back-Up Light ..................................................................................................... 162 Charging .............................................................................................................. 90 Clock .................................................................................................................... 256 Combination Meter ............................................................................................. 326 Cooling Fan ......................................................................................................... 338 Cruise Control .................................................................................................... 98 DLC3 .................................................................................................................... 140 Door Lock Control .............................................................................................. 264 Electronically Controlled Transmission and A/T Indicator (A/T) ................... 98 Engine Control .................................................................................................... 98 Engine Immobiliser System (w/ Smart Entry Start System) ....................... 60 Engine Immobiliser System (w/o Smart Entry Start System) ..................... 134 EPS ...................................................................................................................... 240 Front Fog Light ................................................................................................... 192 Front Wiper and Washer .................................................................................... 288 Headlight ............................................................................................................. 148 Headlight Beam Level Control .......................................................................... 208 Horn ..................................................................................................................... 302 Ignition ................................................................................................................ 94 Illumination ......................................................................................................... 170 Interior Light ....................................................................................................... 182 Key Reminder (w/o Smart Entry Start System) ............................................ 214 Light Auto Turn Off System .............................................................................. 200 Light Reminder ................................................................................................... 214 Luggage Compartment Door Opener ............................................................... 278 Mirror Heater ....................................................................................................... 294 Multiplex Communication System (CAN) ........................................................ 144 Option Connector ............................................................................................... 364 Power Outlet ....................................................................................................... 304 Power Source ..................................................................................................... 52 Power Window .................................................................................................... 258 Rear Window Defogger ...................................................................................... 294 Remote Control Mirror ....................................................................................... 292 Seat Belt Warning ............................................................................................... 246 Seat Heater .......................................................................................................... 300 Shift Indicator (M/T) ........................................................................................... 98 Shift Lock ............................................................................................................ 98 50 BRZ (G4400BE)
  • 170.
    H Page Smart Entry Start System .............................................................................. 60 SRS ...................................................................................................................... 233 Starting (w/ Smart Entry Start System) ........................................................ 60 Starting (w/o Smart Entry Start System) ...................................................... 86 Steering Lock (w/ Smart Entry Start System) .............................................. 60 Stop Light ............................................................................................................ 158 Taillight ................................................................................................................ 170 Theft Deterrent .................................................................................................... 306 Tire Pressure Warning System ......................................................................... 250 TRAC ................................................................................................................... 220 Turn Signal and Hazard Warning Light ............................................................ 164 VSC ...................................................................................................................... 220 Wireless Door Lock Control (w/ Smart Entry Start System) ....................... 60 Wireless Door Lock Control (w/o Smart Entry Start System) .................... 270 51 BRZ (G4400BE)
  • 171.
    Power Source W 7. 5A ALT–S W 1 2 1 15A ETCS 1 W 1 2 1D 20A F/PMP 1 2 7. 5A MPX–B 1 2 15A HAZ 1 2 W W 7. 5A EFI(+B) 1 2 15A EFI(IGN) 1 2 15A EFI(HTR) 1 2 1 A 1 B 15A EFI(CTRL) Fusible Link Block Assembly 1 2 80A MAIN 140A ALT 7. 5A AT+B A75(A), A76(B) 1 2 7. 5A AM2 NO. 2 1 2 30A IG2 MAIN 1 2 W–B 1 Battery 52 BRZ (G4400BE)
  • 172.
    W W ∗ 2 : w/ Smart Entry Start System 80A EPS ∗ 3 : w/o Smart Entry Start System 1 2 30A INJ 1 2 W–R (∗3) 40A AM2 NO. 1 1 2 1 (∗2) 4 30A H–LP WASHER W–B 5 3 3 1 (∗2) 1 2 1 2 2 1 7. 5A STR LOCK IGS Relay ST CUT Relay 1 2 7. 5A ECU–B 1 2 30A DCC 20A DOME 7. 5A HORN NO. 1 1 2 R–B 1 2 1 1 1 2 1 2 7. 5A HORN NO. 2 5 3 1 2 HORN Relay 20A D/L 15A H–LP LH LO 1 2 1 2 1 2 15A H–LP RH LO 5 3 1 2 H–LP Relay 10A H–LP LH HI 1 2 1 2 10A H–LP RH HI 5 3 1 2 DIM Relay W–B W–B 53 BRZ (G4400BE)
  • 173.
    Power Source W W W–G(∗3) ACC 3 SB(∗3) 2 AM1 IG1 4 W W(∗3) (∗3) ST1 1 3 W–R W–R 7 AM2 IG2 6 G–O G–O AD3 AD3 (∗3) (∗3) (∗3) (∗3) ST2 8 4 W–B W–B AD3 (∗2) D55 (∗3) (∗3) Ignition or Starter Switch Assembly 7. 5A PUSH–AT 1 2 (∗2 A/T) (∗2) 2 1E (∗3) 7. 5A ST 5 3 W–L W–L 1 2 1 1 2 1 ST Relay G–O 1 (∗2) 10A ECU IG2 1 2 7. 5A GAUGE 1 2 15A AT UNIT 4 P 1 2 3C 1 2 1 7. 5A IG2 B W–B 5 3 P P 1 2 1 1 1 1 IG2 Relay P B 15A A/B MAIN 1 2 1 A7 54 BRZ (G4400BE)
  • 174.
    1 1 W B–R 1C 1B W–G(∗3) 25A D FR DOOR 1 2 SB(∗3) 25A ABS NO. 2 W(∗3) 1 2 25A D FL DOOR 50A HEATER 1 2 1 2 R 1 (∗1) 25A D–OP 30A RR DEF 1 2 1 2 25A CDS 1 2 40A ABS NO. 1 1 2 ∗ 1 : Manual A/C ∗ 2 : w/ Smart Entry Start System ∗ 3 : w/o Smart Entry Start System W–G G–O (∗3) (∗2) SB 34 AD2 (∗3) SB (∗2) (∗2) (∗2) (∗2) SB W V 9 C 4 B 6 B D41(B), D48(C) IG2D ACCD IG1D Certification ECU Assembly SSW1 SSW2 AGND W 28 B 30 B 24 B (∗3) W (∗2) (∗2) (∗2) BE P B (∗2) 5 1 6 D25 SSW1 SSW2 AGND Engine Switch SS1 SS2 GND Free Full Traveling 55 BRZ (G4400BE)
  • 175.
    Power Source B–R B–R 10A WASHER 1 2 W–G ∗ 1 : Manual A/C (∗3) 1 2 ∗ 2 : w/ Smart Entry Start System 30A WIPER ∗ 3 : w/o Smart Entry Start System 5 3 1 2 WIPER Relay (∗1) 7. 5A HEATER–S 4 1 7 R 5 3 B–R B–R 1 2 2 2 DA2 3B SB (∗1) (∗1) (∗1) (∗3) 1 2 (∗1) (∗1) Blower Motor Relay 1 2 7. 5A MIR HTR 5 3 1 2 MIR HTR Relay 1 2 25A RDI 5 3 1 2 FAN NO. 1 Relay W–G (∗3) SB (∗3) SB SB (∗2) (∗2) W W (∗3) (∗3) W W (∗2) (∗2) 56 BRZ (G4400BE)
  • 176.
    1 B–R 3E 7. 5A AM1 15A ANP 14 W–G 2 1 1 2 10A PANEL 3A TAIL Relay (∗3) 1 2 10A TAIL 1 2 20 SB 3A (∗3) 15A P/POINT NO. 1 ACC2 Relay 1 2 7. 5A RADIO 7. 5A OBD 1 2 1 2 10A ECU IG1 IG1 NO. 1 Relay 1 2 7. 5A BK/UP LP 7. 5A STOP 1 2 1 2 10A FR FOG LH SB FR FOG Relay (∗2) 1 2 10A FR FOG RH 1 2 W (∗3) 15 W 3A (∗2) 57 BRZ (G4400BE)
  • 177.
    Power Source 15A P/POINT NO. 2 1 2 10A ECU ACC ACC1 Relay 1 2 10A DRL IG1 NO. 2 Relay 1 2 10A SEAT HTR LH 1 2 10A SEAT HTR RH IG1 NO. 4 Relay 1 2 10A HEATER 13 IG1 NO. 3 Relay B 1 2 3A 12 B 3A B B D1 D4 58 BRZ (G4400BE)
  • 178.
    : Parts Location Code See Page Code See Page Code See Page A75 A 36, 39 D25 40 D48 C 41 A76 B 36, 39 D41 B 41 D55 41 : Relay Blocks Code See Page Relay Blocks (Relay Block Location) 1 24 Engine Room R/B (Engine Compartment Right) 2 25 R/B No. 2 (Behind Glove Box) : Junction Block and Wire Harness Connector Code See Page Junction Block and Wire Harness (Connector Location) 1B 1C 24 Engine Room Main Wire and Engine Room J/B (Engine Compartment Right) 1D 1E 3A 26 Instrument Panel Wire and Instrument Panel J/B Assembly (Instrument Panel Reinforcement) 3B 3C 26 Engine Room Main Wire and Instrument Panel J/B Assembly (Instrument Panel Reinforcement) 3E : Connector Joining Wire Harness and Wire Harness Code See Page Joining Wire Harness and Wire Harness (Connector Location) AD2 47 Engine Room Main Wire and Instrument Panel Wire (Instrument Panel Reinforcement) AD3 47 Engine Room Main Wire and Instrument Panel Wire (Cowl Side Panel LH) DA2 47 Instrument Panel Wire and Engine Room Main Wire (Around A/C Unit) : Ground Points Code See Page Ground Points Location A7 46 Front Fender Apron RH D1 47 Cowl Side Panel LH D4 47 Cowl Side Panel RH 59 BRZ (G4400BE)
  • 179.
    Engine Immobiliser System(w/ Smart Entry Start System), Smart Entry Start System, Starting (w/ Smart Entry Start System), Steering Lock (w/ Smart Entry Start System) and Wireless Door Lock Control (w/ Smart Entry Start System) A37 Junction Connector 13 12 (M/T) B–O # : There is no wire color information. Park/Neutral Position 1 Switch Assembly W–R(A/T) A54 BR 2 (M/T) (M/T) G–B B–L B–L 4 A 16 A 14 A 26 C EC NSW STSW2 STA A33(A), A35(C) ECM TACH STSW IMO ACCR STAR 15 C 17 A 25 C 32 C 34 C GR–R LG–R G–W G–Y Y B–L LG–R G–Y Y G–W GR–R 60 BRZ (G4400BE)
  • 180.
    (BAT) Y–P(M/T) 7. 5A AM2 NO. 2 W–L 2 1 W–L W–L (M/T) R–W W–R(A/T) 1 Switch Assembly 1 BR Clutch Start 1 A20 1 AB1 7. 5A 2 ST (M/T) Y–P # 2 1 Y–P(M/T) 1 B 1 A Starter Assembly BR B1(A), B2(B) M (M/T) Y–P # Battery W–R(A/T) B–L B–L Y–P(M/T) LG–R LG–R G–Y G–Y Y Y G–W G–W GR–R GR–R 61 BRZ (G4400BE)
  • 181.
    Engine Immobiliser System(w/ Smart Entry Start System), Smart Entry Start System, Starting (w/ Smart Entry Start System), Steering Lock (w/ Smart Entry Start System) and Wireless Door Lock Control (w/ Smart Entry Start System) Y–P(M/T) (A/T) W–L 1 7. 5A PUSH–AT 2 (A/T) 1 (A/T) (A/T) 2 5 5 2 3 2 (A/T) R ST INHIBITOR 4 ST CUT Relay Relay Relay 1 3 3 1 1 1 1 1 1 1 W–R (A/T) (A/T) W–L B–L R LG–R W–R(A/T) W–R(A/T) W–R (A/T) B–L Y–P(M/T) Y–P(M/T) LG–R G–Y G–Y Y Y G–W G–W GR–R GR–R 62 BRZ (G4400BE)
  • 182.
    (BAT) (BAT) 40A 30A AM2 NO. 1 IG2 MAIN 2 2 1 1 W–R W–B G–O GR GR 1 1 1 1 1 5 1 2 5 2 IGS IG2 Relay 7. 5A Relay IG2 3 2 3 1 1 1 1 1 1 Park/Neutral Position P Switch Assembly P B N L2 B Junction Connector 4 5 1 A 5 A A9(A), A10(B) (A/T) (A/T) W Y 1 B 7 AL2 6 AL2 B B (A/T) W–R (A/T) B B G–O W–R W–R(A/T) W–R(A/T) (A/T) Y–P(M/T) Y–P(M/T) G–Y G–Y Y Y G–W G–W GR–R GR–R A1 A7 63 BRZ (G4400BE)
  • 183.
    Engine Immobiliser System(w/ Smart Entry Start System), Smart Entry Start System, Starting (w/ Smart Entry Start System), Steering Lock (w/ Smart Entry Start System) and Wireless Door Lock Control (w/ Smart Entry Start System) (BAT) (IG) (BAT) D40(A), D41(B), D48(C) Certification ECU Assembly 7. 5A 7. 5A 7. 5A STR GAUGE AM2 NO. 2 LOCK 2 2 2 +B IG2 SLP SLR+ LIN 1 1 2 C 5 B 26 B 29 B 17 B 40 3B 37 3A R–W BR SB LG W R Y Y Y 35 AD2 33 AD2 W R–W (∗1) R–W SB (∗1) W 6 4 3 5 IGN1 SLP SLR+ LIN D59 Steering Lock Actuator Assembly B GND 7 1 SB B Junction Connector 10 B D8(A), D9(B) 7 A G–O G–O B W–R(A/T) W–R(A/T) Y–P(M/T) Y–P(M/T) B G–Y G–Y Y Y G–W G–W GR–R GR–R D1 64 BRZ (G4400BE)
  • 184.
    D40(A), D41(B), D48(C) Certification ECU Assembly IG2D N–SW CLUT ACCR EGIO 9 C 5 C 10 C 28 A 13 C (M/T) (A/T) (∗2) ∗ 1 : w/ ID Code Box BE W V Y Y ∗ 2 : w/o ID Code Box 34 AD2 14 AD2 13 AD2 15 AD2 32 AD2 W (M/T) W–R (A/T) G–O G–Y Y–P (∗2) Y (∗1) R–W (∗1) 3 AD2 R–W R–G (∗1) (∗1) (∗1) Y Y 1 2 4 +B LIN IMO1 GND A30 5 ID Code Box B–Y (∗1) Junction Connector A9(A), A10(B) 10 B 7 A G–O W–R(A/T) B–Y (∗1) Y–P(M/T) G–Y Y G–W G–W GR–R GR–R A3 65 BRZ (G4400BE)
  • 185.
    Engine Immobiliser System(w/ Smart Entry Start System), Smart Entry Start System, Starting (w/ Smart Entry Start System), Steering Lock (w/ Smart Entry Start System) and Wireless Door Lock Control (w/ Smart Entry Start System) D40(A), D41(B), D48(C) Certification ECU Assembly STSW TACH GND VC5 TXCT CODE AGND SWIL 7 C 17 C GR 11 C 1 B 9 B 7 B 24 B 16 B LG W G R P B 16 AD2 37 AD2 GR–R G–W B 10 7 8 6 9 VC5 TXCT CODE AGND SWIL Antenna Coil Junction Connector D25 Engine Switch D16(A), D17(B) 14 A 20 B B–Y B–Y G–W GR–R D3 66 BRZ (G4400BE)
  • 186.
    D40(A), D41(B), D48(C) Certification ECU Assembly SSW1 SSW2 POS2 TSW2 SEN2 CLG2 CG2B 28 B 30 B 21 B 8 B 23 B 11 B 10 B BE W R P P V L 5 FD2 2 FD2 1 FD2 4 FD2 3 FD2 W–B Y–B GR W L 5 1 5 1 4 6 3 SSW1 SSW2 B TRG+ SENS ANT1 ANT2 GND SS1 SS2 GND F5 2 Electrical Key Antenna RH Free (Front Door Outside Handle Assembly RH) B Full Traveling D25 Engine Switch B 6 FD1 B 67 BRZ (G4400BE)
  • 187.
    Engine Immobiliser System(w/ Smart Entry Start System), Smart Entry Start System, Starting (w/ Smart Entry Start System), Steering Lock (w/ Smart Entry Start System) and Wireless Door Lock Control (w/ Smart Entry Start System) D40(A), D41(B), D48(C) Certification ECU Assembly POS1 TSW1 SEN1 CLG1 CG1B RCO RDA RSSI 19 B 20 B 22 B 12 B 13 B 5 A 17 A 19 A BR LG G R V Y P L 5 ED2 2 ED2 1 ED2 4 ED2 3 ED2 47 HD1 45 HD1 46 HD1 W–B Y–B BR SB W G R Y 10 B 9 B 6 B (∗23) 5 1 4 6 3 4 A 5 A 2 A (∗24) B TRG+ SENS ANT1 ANT2 +5 DATA RSSI GND GND E1 2 H26(A) 12 B (∗23) Electrical Key Antenna LH Door Control Receiver 1 A (∗24) (Front Door Outside H28(B) Handle Assembly LH) Tire Pressure Warning ECU and Receiver (Door Control and Tire B Pressure Monitoring System Receiver Assembly) B B ∗23 : w/ Tire Pressure Warning System ∗24 : w/o Tire Pressure Warning System 6 ED1 B B B B B D1 D4 H3 68 BRZ (G4400BE)
  • 188.
    D40(A), D41(B), D48(C) Certification ECU Assembly CLG5 CG5B CLG6 CG6B CLG7 CG7B 3 B 2 B 11 A 10 A 9 A 8 A W W R B 28 HD1 27 HD1 44 HD1 43 HD1 BE LG SB R P L Key Oscillator Assembly 1 3 1 3 1 3 ANTE5 CLGB ANTE6 CLGB No. 3 Indoor Electrical ANTE7 CLGB H15 D26 H9 Indoor Electrical Key No. 2 Indoor Electrical Key Oscillator Assembly Oscillator Assembly 69 BRZ (G4400BE)
  • 189.
    Engine Immobiliser System(w/ Smart Entry Start System), Smart Entry Start System, Starting (w/ Smart Entry Start System), Steering Lock (w/ Smart Entry Start System) and Wireless Door Lock Control (w/ Smart Entry Start System) D40(A), D41(B), D48(C) Certification ECU Assembly CLG8 CG8B TSW5 P IG1D ACCD 2 A 1 A 27 A 25 B 6 B 4 B (A/T) Y W BR Y Y 28 3D SB 29 HD1 26 HD1 25 HD1 GR 23 3D (A/T) W–L 6 JH1 Y–B V GR 2 2 Shift Lever Position Sensor 1 2 (Floor Shift Control Lever) STR BR ANTE8 ANT2 Park–Switch Back Door Opener Opener Switch Assembly BR D28 H3 E J2 Rear Electrical Key Antenna 1 3 (A/T) B–Y B 1 B D9(B) Junction Connector 6 B B W 5 JH1 B (A/T) B–Y B H1 D1 70 BRZ (G4400BE)
  • 190.
    D40(A), D41(B), D48(C) Certification ECU Assembly ACC1 Relay 20 SB 3A ACC2 Relay IG1 NO. 2 Relay IG1 NO. 1 Relay IG1 NO. 4 Relay 10A HEATER 13 IG1 NO. 3 Relay B 1 2 3A 15 12 W B 3A 3A B D1 71 BRZ (G4400BE)
  • 191.
    Engine Immobiliser System(w/ Smart Entry Start System), Smart Entry Start System, Starting (w/ Smart Entry Start System), Steering Lock (w/ Smart Entry Start System) and Wireless Door Lock Control (w/ Smart Entry Start System) D40(A), D41(B), D48(C) Certification ECU Assembly SPD CANH CANL STP1 27 B 14 B 15 B 18 C (A/T) G R P L 32 3B Junction Connector 18 A D16(A) 8 3C 16 A P–G 13 AD1 BR–W (A/T) P–G BR–W (A/T) P–G R G P–G 72 BRZ (G4400BE)
  • 192.
    (BAT) 7. 5A STOP 2 9 3A (A/T) W–L 12 AD1 (Shielded) (A/T) (A/T) (A/T) (A/T) W–L P L 3 2 1 2 G–B Y–L A22 R Stop Light Switch Assembly 1 Noise Filter A13 B 4 Connector 11 A 3 A Junction (A/T) A9(A) B 12 A 6 A BR–W (A/T) B (A/T) (A/T) B R R G G P–G P–G A7 73 BRZ (G4400BE)
  • 193.
    Engine Immobiliser System(w/ Smart Entry Start System), Smart Entry Start System, Starting (w/ Smart Entry Start System), Steering Lock (w/ Smart Entry Start System) and Wireless Door Lock Control (w/ Smart Entry Start System) A73(A), D5(B), D6(C) (BAT) (BAT) (BAT) (ACC) (IG) Main Body ECU 15A 7. 5A 7. 5A 10A 10A HAZ ECU–B MPX–B ECU ACC ECU IG1 IG ACC 2 2 2 2 2 8 9 1 G–R 1 1 L–R G 28 3B W 25 AD2 G–R W L–R G–R G R R G G P–G P–G 74 BRZ (G4400BE)
  • 194.
    A73(A), D5(B), D6(C) Main Body ECU ACC BMPX BECU KSWB GND GND GND 22 B 32 1 2 11 1 C 4 A B–Y B 19 3C 27 3A 7 3C 18 3B G–R L–R W G Junction Connector Junction Connector Junction Connector D16(A), D17(B) 21 A 4 A D8(A), D9(B) 9 A A9(A) B–Y 12 B 6 B 7 A W G–R L–R G–R G B–Y B–Y B–Y R R G G P–G P–G D3 D1 A3 75 BRZ (G4400BE)
  • 195.
    Engine Immobiliser System(w/ Smart Entry Start System), Smart Entry Start System, Starting (w/ Smart Entry Start System), Steering Lock (w/ Smart Entry Start System) and Wireless Door Lock Control (w/ Smart Entry Start System) A73(A), D5(B), D6(C) Main Body ECU DOMR 7 B (BAT) L 20A DOME 2 1 L W 8 AD2 9 DK1 8 DK1 LG O O P Junction Connector D46(A), D47(B) 10 A LG 2 7 B +B Map Light Assembly DOOR OFF ON DOOR SW K3 O 3 P R R G G P–G P–G 76 BRZ (G4400BE)
  • 196.
    R G P–G 1 16 Y–B V 28 3A 18 HD1 FDCY H21 Front Door Courtesy Light Switch Assembly LH 1 10 LG GR 13 3B 3 GD1 FPCY G18 Front Door Courtesy Light Switch Assembly RH Main Body ECU A73(A), D5(B), D6(C) BRZ (G4400BE) 2 1 B B B V 1 B 2 B 1 A A1 BZR – + A10(B) Junction Connector A63 Wireless Door Lock Buzzer D61 8 3 W 16 3B HZR EHW Turn Signal Flasher Assembly R G P–G 77
  • 197.
    Engine Immobiliser System(w/ Smart Entry Start System), Smart Entry Start System, Starting (w/ Smart Entry Start System), Steering Lock (w/ Smart Entry Start System) and Wireless Door Lock Control (w/ Smart Entry Start System) A73(A), D5(B), D6(C) Main Body ECU ACT+ ACTP 6 5 (BAT) 20A D/L A DR P DR UNLOCK LOCK/SET Relay Relay 2 1 LG 6 3C 13 3A 12 3A 3 3B 4 3B L–W B B L 2 FD1 3 FD1 LG R Door Lock with Motor Assembly RH 8 B 4 B 1 B E L UL M B B F3(B) LSSR 7 B BR B 6 FD1 BR B R R G G P–G P–G B B B D1 D4 78 BRZ (G4400BE)
  • 198.
    A73(A), D5(B), D6(C) Main Body ECU ACTD 28 D DR UNLOCK Relay 2 3B 11 3D R–G Y 2 ED1 3 ED1 B LG R B 7 A 4 A 1 A Motor Assembly LH E L UL 6 ED1 Door Lock with M E3(A) LSSR 8 A BR B BR BR BR R R G G P–G P–G B B D1 D4 79 BRZ (G4400BE)
  • 199.
    Engine Immobiliser System(w/ Smart Entry Start System), Smart Entry Start System, Starting (w/ Smart Entry Start System), Steering Lock (w/ Smart Entry Start System) and Wireless Door Lock Control (w/ Smart Entry Start System) A73(A), D5(B), D6(C) Main Body ECU TR+ LSFD LSFP CANL CANH HO 4 11 C 12 C 13 B 14 B 26 31 3D BK/DR Relay (∗5) BR SB LG W P 6 3B G 6 ED2 6 FD2 26 AD2 4 HD1 BR BR BR BR–Y (∗5) 2 JH1 BR B Luggage Compartment Door Striker Assembly 1 2 B E B 5 JH1 J3 B P BR LG BR R R G G P–G P–G B B H1 H3 80 BRZ (G4400BE)
  • 200.
    (BAT) A76(B) 80A MAIN Fusible Link ∗ 5 : w/ Panic Alarm Function Block Assembly 1 B (∗5) W 1 1D 1 5 1 1 HORN Relay 7. 5A 7. 5A HORN NO. 1 HORN NO. 2 2 3 2 2 1 1 1 BR–Y W–R B–G (∗5) (∗5) (∗5) Horn Assembly Horn Assembly High Pitched Low Pitched 2 1 BR–Y A49 A52 (∗5) 1 (∗5) B Junction Connector A9(A), A10(B) 9 B 11 A (∗5) B P P LG LG R R G G P–G P–G (∗5) B A7 81 BRZ (G4400BE)
  • 201.
    Engine Immobiliser System(w/ Smart Entry Start System), Smart Entry Start System, Starting (w/ Smart Entry Start System), Steering Lock (w/ Smart Entry Start System) and Wireless Door Lock Control (w/ Smart Entry Start System) D43 Junction Connector 3 14 15 4 13 2 1 12 BR–W W–B R–Y BR LG G R P 21 AD1 39 AD1 R–Y W–B P LG R G P–G P–G BR BR–W 82 BRZ (G4400BE)
  • 202.
    A5 VSC (VDC) Control Module CANH CANL SPD FL+ FL– FR+ FR– RL+ RL– RR+ RR– 26 14 2 19 32 16 4 31 18 17 29 LG–B G–O G–B P–G LG W G B L B–R BR Speed Sensors 6 17 A17 Junction Connector 7 18 R–Y W–B P–G BR BR BR–W BR–W 83 BRZ (G4400BE)
  • 203.
    Engine Immobiliser System(w/ Smart Entry Start System), Smart Entry Start System, Starting (w/ Smart Entry Start System), Steering Lock (w/ Smart Entry Start System) and Wireless Door Lock Control (w/ Smart Entry Start System) (IG) (BAT) 7. 5A 7. 5A GAUGE MPX–B 2 2 2 3A 1 L–R W–G L–R 19 3C 17 3B W–G R–W 2 1 IG+ B Electrical Key Buzzer LED Driver Combination Meter Assembly CPU CAN Driver D7 CANH CANL ES2 ES1 6 7 40 20 BR–W B–Y B–Y BR BR B–Y BR–W D3 84 BRZ (G4400BE)
  • 204.
    : Parts Location Code See Page Code See Page Code See Page A5 39 B2 B 39 D61 41 A9 A 42 D5 B 40 E1 44 A10 B 42 D6 C 40 E3 A 44 A13 42 D7 40 F3 B 44 A17 42 D8 A 40 F5 44 A20 42 D9 B 40 G18 44 A22 42 D16 A 40 H3 45 A30 42 D17 B 40 H9 45 A33 A 42 D25 40 H15 45 A35 C 42 D26 40 H21 45 A37 42 D28 40 H26 A 45 A49 39 D40 A 41 H28 B 45 A52 39 D41 B 41 J2 45 A54 39 D43 41 J3 45 A63 39 D46 A 41 K3 45 A73 A 42 D47 B 41 L2 39 A76 B 36, 39 D48 C 41 B1 A 39 D59 41 : Relay Blocks Code See Page Relay Blocks (Relay Block Location) 1 24 Engine Room R/B (Engine Compartment Right) : Junction Block and Wire Harness Connector Code See Page Junction Block and Wire Harness (Connector Location) 1D 24 Engine Room Main Wire and Engine Room J/B (Engine Compartment Right) 3A 26 Instrument Panel Wire and Instrument Panel J/B Assembly (Instrument Panel Reinforcement) 3B 3C 26 Engine Room Main Wire and Instrument Panel J/B Assembly (Instrument Panel Reinforcement) 3D 26 Instrument Panel Wire and Instrument Panel J/B Assembly (Instrument Panel Reinforcement) : Connector Joining Wire Harness and Wire Harness Code See Page Joining Wire Harness and Wire Harness (Connector Location) AB1 46 Engine Room Main Wire and No. 2 Engine Room Wire (Engine Unit) AD1 47 Engine Room Main Wire and Instrument Panel Wire (Cowl Side Panel RH) AD2 47 Engine Room Main Wire and Instrument Panel Wire (Instrument Panel Reinforcement) AL2 46 Engine Room Main Wire and Transmission Wire (Dash Panel) DK1 47 Instrument Panel Wire and Roof Wire (Front Body Inner Pillar RH) ED1 47 Front Door Wire LH and Instrument Panel Wire (Cowl Side Panel LH) ED2 FD1 47 Front Door Wire RH and Instrument Panel Wire (Cowl Side Panel RH) FD2 GD1 47 No. 1 Floor Wire and Instrument Panel Wire (Cowl Side Panel RH) HD1 47 No. 2 Floor Wire and Instrument Panel Wire (Cowl Side Panel LH) JH1 48 Luggage Room Wire and No. 2 Floor Wire (Quarter Panel LH) : Ground Points Code See Page Ground Points Location A1 46 Front Fender Apron LH A3 47 Cowl Side Panel LH A7 46 Front Fender Apron RH D1 47 Cowl Side Panel LH D3 47 Instrument Panel Brace RH D4 47 Cowl Side Panel RH H1 48 Lower Back Panel H3 48 Quarter Wheel House Panel LH 85 BRZ (G4400BE)
  • 205.
    Starting (w/o SmartEntry Start System) (BAT) (BAT) 40A 7. 5A AM2 NO. 1 AM1 2 2 1 14 3A W–R ACC W–G 2 AM1 IG1 1 AD3 ST1 1 R–W R–W W–R 7 AM2 IG2 ST2 8 W–B D55 Ignition or Starter Switch Assembly 4 AD3 W–B B–L W–L W–L W–L 2 1E 1 1 AB1 1 5 1 1 ST Relay # 7. 5A ST 3 2 1 B 1 A 1 1 2 Starter Assembly 1 Y–P B1(A), B2(B) (M/T) # M R (A/T) BR 17 A 26 C STSW2 STA Battery A33(A), A35(C) ECM 86 BRZ (G4400BE)
  • 206.
    R Y–P R–W (A/T) (M/T) 2 1 Y–P R R 36 AD2 (M/T) (M/T) A20 Clutch Start Switch Assembly R (A/T) 3 5 R 1 1 1E (A/T) 1 2 W–R 1 (A/T) Relay INHIBITOR W–R W 7 AL2 (A/T) (A/T) BRZ (G4400BE) P N # : There is no wire color information. 4 5 B B B Y 1 B 1 A A1 6 AL2 (A/T) (A/T) (A/T) (A/T) A9(A), A10(B) L2 Junction Connector Park/Neutral Position Switch Assembly 87
  • 207.
    Starting (w/o SmartEntry Start System) : Parts Location Code See Page Code See Page Code See Page A9 A 42 A33 A 42 B2 B 39 A10 B 42 A35 C 42 D55 41 A20 42 B1 A 39 L2 39 : Relay Blocks Code See Page Relay Blocks (Relay Block Location) 1 24 Engine Room R/B (Engine Compartment Right) : Junction Block and Wire Harness Connector Code See Page Junction Block and Wire Harness (Connector Location) 1E 24 Engine Room Main Wire and Engine Room J/B (Engine Compartment Right) 3A 26 Instrument Panel Wire and Instrument Panel J/B Assembly (Instrument Panel Reinforcement) : Connector Joining Wire Harness and Wire Harness Code See Page Joining Wire Harness and Wire Harness (Connector Location) AB1 46 Engine Room Main Wire and No. 2 Engine Room Wire (Engine Unit) AD2 47 Engine Room Main Wire and Instrument Panel Wire (Instrument Panel Reinforcement) AD3 47 Engine Room Main Wire and Instrument Panel Wire (Cowl Side Panel LH) AL2 46 Engine Room Main Wire and Transmission Wire (Dash Panel) : Ground Points Code See Page Ground Points Location A1 46 Front Fender Apron LH 88 BRZ (G4400BE)
  • 208.
    Memo 89 BRZ (G4400BE)
  • 209.
    Charging B 1 1 1 B B 7. 5A ALT–S W B 2 1 O 1 1A Generator Assembly A43(A), A77(B) 1 1C S L M 2 A 1 A 3 A R–L O V W W 1 A 1 B 18 C ALT Fusible Link Block Assembly 17 AD2 80A MAIN 140A ALT A33(A), A35(C) A75(A), A76(B) ECM G Battery G 90 BRZ (G4400BE)
  • 210.
    (IG) 7. 5A GAUGE 2 2 3A W–G W–G A11 Battery Current Sensor Assembly 2 IG+ THB IB VIN GND 2 4 1 3 Combination Meter Assembly R–W G–B R–B Y–B Charge CHG– D7 15 G G–B Y–B 24 A 11 A 22 C 30 C THB IB VCP2 EPA2 A33(A), A35(C) ECM G 91 BRZ (G4400BE)
  • 211.
    Charging : Parts Location Code See Page Code See Page Code See Page A11 39 A43 A 39 A77 B 39 A33 A 42 A75 A 36, 39 D7 40 A35 C 42 A76 B 36, 39 : Relay Blocks Code See Page Relay Blocks (Relay Block Location) 1 24 Engine Room R/B (Engine Compartment Right) : Junction Block and Wire Harness Connector Code See Page Junction Block and Wire Harness (Connector Location) 1A 24 Engine Room Main Wire and Engine Room J/B (Engine Compartment Right) 1C 3A 26 Instrument Panel Wire and Instrument Panel J/B Assembly (Instrument Panel Reinforcement) : Connector Joining Wire Harness and Wire Harness Code See Page Joining Wire Harness and Wire Harness (Connector Location) AD2 47 Engine Room Main Wire and Instrument Panel Wire (Instrument Panel Reinforcement) 92 BRZ (G4400BE)
  • 212.
    Memo 93 BRZ (G4400BE)
  • 213.
    Ignition (BAT) 15A EFI(IGN) LG 2 1 1 1 1 5 L–Y L–Y LG EFI MAIN3 Relay 2 3 A35(C), A36(D) 1 1 13 C ECM SSHUT L–Y G–R IGT1 IGT2 21 D 10 D W–R Y–R 49 AC1 9 AC1 20 AC1 BR–W G–Y L–Y BR–W BR–W BR–W BR–W Ignition Coil Assembly No. 1 Ignition Coil Assembly No. 2 1 3 1 3 +B IGT1 +B IGT2 C38 C28 GND GND 2 2 B–W B–W B–W B–W C1 94 BRZ (G4400BE)
  • 214.
    A35(C), A36(D) ECM IGT3 IGT4 31 D 8 D W–G W–L 31 AC1 10 AC1 BR–Y Y BR–W BR–W BR–W Ignition Coil Assembly No. 3 Ignition Coil Assembly No. 4 1 3 1 3 +B IGT3 +B IGT4 C39 C27 GND GND 2 2 B–W B–W B–W B–W 95 BRZ (G4400BE)
  • 215.
    Ignition : Parts Location Code See Page Code See Page Code See Page A35 C 42 C27 38 C38 38 A36 D 42 C28 38 C39 38 : Relay Blocks Code See Page Relay Blocks (Relay Block Location) 1 24 Engine Room R/B (Engine Compartment Right) : Connector Joining Wire Harness and Wire Harness Code See Page Joining Wire Harness and Wire Harness (Connector Location) AC1 46 Engine Room Main Wire and Engine Wire (Engine Unit) : Ground Points Code See Page Ground Points Location C1 46 Engine Unit 96 BRZ (G4400BE)
  • 216.
    Memo 97 BRZ (G4400BE)
  • 217.
    Cruise Control, ElectronicallyControlled Transmission and A/T Indicator (A/T), Engine Control, Shift Indicator (M/T) and Shift Lock SB (BAT) (IG) W–B 20A 7. 5A F/PMP IG2 2 2 1 1 BR W–B SB 1 1 Fuel Pump Control 5 1 2 3 ECU Assembly FPC DI C/OPEN Relay G12 +B E FP– FP+ 3 2 1 4 5 6 GR G R B 1 1 8 GD2 3 Gage Assembly R–W R–W FP+ Fuel Sender GR GR B Fuel Pump FP– G7 6 AD2 4 B GR A7 G1 98 BRZ (G4400BE)
  • 218.
    SB SB W–B W–B (BAT) 15A EFI(HTR) 2 1 LG G–W LG 1 1 1 5 EFI MAIN2 Relay G–W 2 3 1 1 G–W W–B GR GR 99 BRZ (G4400BE)
  • 219.
    Cruise Control, ElectronicallyControlled Transmission and A/T Indicator (A/T), Engine Control, Shift Indicator (M/T) and Shift Lock SB SB W–B W–B V (BAT) 15A EFI(CTRL) 2 1 LG LG LG R–L LG R–L 1 1 1 5 EFI MAIN1 Relay R–L V V 2 3 1 1 48 AC1 R R W–B W–B GR GR 100 BRZ (G4400BE)
  • 220.
    SB SB W–B W–B V V (BAT) 7. 5A STOP L 2 9 3A W–L LG 12 AD1 (Shielded) W–L P L P 3 2 1 13 C G–B SSHUT Y–L R A33(A), A34(B), A35(C), A36(D) ECM IGSW 27 A Noise Filter B GR A13 4 Junction Connector 11 A 3 A A9(A) BR–W B 12 A 6 A B B R R BR–W W–B W–B GR A7 101 BRZ (G4400BE)
  • 221.
    Cruise Control, ElectronicallyControlled Transmission and A/T Indicator (A/T), Engine Control, Shift Indicator (M/T) and Shift Lock SB W–B V V (IG) 10A W–B SB ECU IG2 2 L 10 GD2 9 GD2 11 3C G–R R–G V V (M/T) G–Y G–Y 1 AD2 2 AD2 2 3 1 A22 A21 V V Stop Light Clutch Switch Switch Assembly Assembly 1 4 2 G–R R–B V V (M/T) R–Y R P 7 A 15 A 6 B 1 A 10 C 19 C STP CLSW +B +B2 DI FPC A33(A), A34(B), A35(C), A36(D) ECM PRG # 10 # 20 # 30 # 40 11 D 12 D 22 D 32 D 13 D R–G P–G P–B P–L P 11 AC1 54 AC1 53 AC1 52 AC1 51 AC1 Y–G 2 Cd1 Y–G B–R B–Y B–L W 2 (for Port Injection No. 2) (for Port Injection No. 4) (for Port Injection No. 1) (for Port Injection No. 3) CPC Solenoid Fuel Injector Assembly Fuel Injector Assembly Fuel Injector Assembly Fuel Injector Assembly 2 2 2 2 d1 1 R C30 C31 C8 C9 1 1 1 1 1 Cd1 R R R R R R R R R R R BR–W BR–W W–B W–B 102 BRZ (G4400BE)
  • 222.
    V V R W–B BR–W 1 2 R Y–G BR–Y 25 B 26 AC1 EV2– EV2+ EV2+ 3 L–R VC R C25 VVT Sensor R–L 17 C (Camshaft Position MCR Sensor) (Bank 2 Exhaust Side) 2 1 V 1 1 1 2 R Y–L Y–BR 14 B 15 AC1 EV1– EV1+ EV1+ 3 5 L–R 1 1 7 C +BM 3 L–R Relay ETCS VC V R C6 VVT Sensor P ECM (Camshaft Position Sensor) L–R (Bank 1 Exhaust Side) 1 2 R G–R Y–V 15 B 2 13 AC1 VV2– VV2+ VV2+ 1 (BAT) BRZ (G4400BE) A33(A), A34(B), A35(C), A36(D) 15A 3 L–R ETCS VC R C26 VVT Sensor (Camshaft Position Sensor) L–R (Bank 2 Intake Side) 1 2 R G–W Y–P 26 B 2 AC1 VV1– VV1+ VV1+ 2 W 1 2 A 3 L–R L–R G–B BATT (BAT) 34 B VC 5 AC1 VCV 7. 5A C12 EFI(+B) VVT Sensor (Camshaft Position V V R Sensor) W–B BR–W (Bank 1 Intake Side) 103
  • 223.
    Cruise Control, ElectronicallyControlled Transmission and A/T Indicator (A/T), Engine Control, Shift Indicator (M/T) and Shift Lock V V V G8 Canister Pump Module 3 5 1 4 7 6 8 W–B Y–B BR SB V V L V 6 GD1 7 GD1 5 GD1 13 GD1 14 GD1 12 GD1 O–B G–B O–L P–L V Y 42 AD2 41 AD2 43 AD2 45 AD2 44 AD2 46 AD2 O–B O–L P–L V Y G–B 1 C 8 C 20 C VPMP MPMP PPMP A33(A), A34(B), A35(C), A36(D) ECM OE2 OE1 OC2 OC1 5 D 7 D 16 D 17 D W–B BR–L G–W R–W GR 44 AC1 8 AC1 33 AC1 32 AC1 BR–R Y–B L–R L–B Control Valve Assembly Control Valve Assembly Control Valve Assembly Control Valve Assembly (Bank 2 Exhaust Side) (Bank 1 Exhaust Side) (Bank 2 Intake Side) (Bank 1 Intake Side) Camshaft Timing Oil Camshaft Timing Oil Camshaft Timing Oil Camshaft Timing Oil 2 2 2 2 C23 C24 C5 C7 1 1 1 1 R R R R R R R R R BR–W BR–W W–B 104 BRZ (G4400BE)
  • 224.
    V V Y G–B Assembly No. 1 Assembly No. 2 Assembly No. 3 Assembly No. 4 Ignition Coil Ignition Coil Ignition Coil Ignition Coil C38 C28 C39 C27 IGT1 IGT2 IGT3 IGT4 3 3 3 3 BR–Y G–Y L–Y Y 9 AC1 20 AC1 31 AC1 10 AC1 Y W–G W–R W–L Y–R G–B 21 D 10 D 31 D 8 D IGT1 IGT2 IGT3 IGT4 A33(A), A34(B), A35(C), A36(D) ECM E05 E04 E03 E01 E02 HT1B OX1B 3 B 2 B 1 B 4 D 3 D 6 D 21 B W–B W–B W (Shielded) W–B L–W R–B Y–B B–W B–R B–Y B–L (Shielded) 21 AC1 47 AC1 45 AC1 19 AC1 W (Shielded) 37 AC1 34 AC1 35 AC1 36 AC1 40 AC1 G–W B–W R–Y L Heated Oxygen Sensor 4 1 2 3 B B B B B E2 HT1B +B OX1B (Bank 1 Sensor 2) B C13 B Y–B R R BR–W BR–W B B C1 C1 105 BRZ (G4400BE)
  • 225.
    Cruise Control, ElectronicallyControlled Transmission and A/T Indicator (A/T), Engine Control, Shift Indicator (M/T) and Shift Lock V V Y Y G–B G–B (Liquid Tube Sub–Assembly) Generator Assembly A/C Pressure Sensor Blower Motor Relay FAN NO. 1 Relay FAN NO. 2 Relay FAN NO. 3 Relay HEATER Relay M A43(A) 3 A G–Y B–R R–Y L–O (∗7) G V 18 C 12 C 11 C 8 A 35 C 20 A ALT FAN1 FAN2 ACP AC HB A33(A), A34(B), A35(C), A36(D) ECM HA1A A1A+ A1A– SLE1 5 B 19 B 18 B 30 B W–B (Shielded) GR W O W–B R–L (Shielded) Junction Connector 46 AC1 41 AC1 29 AC1 30 AC1 3 2 1 (Shielded) A37 G–W W–R L–W W 1 2 3 4 HA1A +B A1A+ A1A– (Bank 1 Sensor 1) Fuel Ratio Sensor W B B L Wide Range Air B C14 B B Y–B Y–B R R BR–W BR–W B 106 BRZ (G4400BE)
  • 226.
    V V Y A11 G–B Battery Current Sensor Assembly THB IB VIN GND 2 4 1 3 R–W G–B R–B Y–B ∗ 7 : Except Automatic A/C Y Y–B G–B G–B 24 A 11 A THB IB A33(A), A34(B), A35(C), A36(D) ECM M– M+ VTA2 VTA1 1 D 2 D 28 D 18 D (Shielded) (Shielded) G–Y R–Y SB LG Y–B 39 AC1 38 AC1 24 AC1 25 AC1 (Shielded) W R (Shielded) W–R W B with Motor Assembly 1 2 4 6 Throttle Body M– M+ VTA2 VTA1 B C15 Y–B VC E2 5 3 R B–Y BR–W BR–W R B B–L 107 BRZ (G4400BE)
  • 227.
    Cruise Control, ElectronicallyControlled Transmission and A/T Indicator (A/T), Engine Control, Shift Indicator (M/T) and Shift Lock V V A23 Accelerator Pedal Sensor Assembly VC2 GND2 VPA2 VC1 GND1 VPA1 1 2 3 4 5 6 (Shielded) (Shielded) G–B Y–B L–Y W O L Y–B G–B G–B Y–B 22 C 30 C 31 C 21 C 29 C 23 C VCP2 EPA2 VPA2 VCPA EPA VPA A33(A), A34(B), A35(C), A36(D) ECM E1 PIM VC THA E2G VG SLE2 29 D 20 B 19 D 12 A 29 A 22 A 28 A (Shielded) (Shielded) Y–B (Shielded) Y–B BR–G BR–B B–G R Y Y–B 6 AC1 23 AC1 28 AC1 17 AC1 7 AC1 18 AC1 B–Y B–L B–Y (Shielded) G–B W L B–Y B–L O B–Y B–L 1 2 3 2 1 4 5 Intake Mass Air Sub–Assembly E2 PIM VC E2 THA E2G VG B Flow Meter VSV C18 C16 +B 3 B–Y B–Y B–Y BR–W BR–W R B B B–L B–L B–L 108 BRZ (G4400BE)
  • 228.
    V V 17 A37 14 Junction Connector B–W (∗8) B–R Roll Connector D51(A), z5(D) 11 A 10 A CCS ECC 1 W–L (∗8) 4 D 3 D (Shielded) R B 2 ON–OFF DELIVERY + RES 1 22 AD2 ∗ 8 : w/ Cruise Control Cruise Control Main Switch 1 – SET W–L (∗8) P CANCEL z5(D) 13 A 30 A CCS A33(A), A34(B), A35(C), A36(D) ECM KNK1 KNK2 EKNK NE+ NE– SLE3 28 B 17 B 29 B 16 B 27 B 35 B (Shielded) (Shielded) G L (Shielded) W B 1 AC1 12 AC1 3 AC1 14 AC1 (Shielded) (Shielded) (Shielded) W–R W L L 2 2 1 NE+ Crankshaft Sensor (Bank 1) Sensor (Bank 2) Position Knock Control Knock Control Sensor C33 NE– B B B 2 C36 C34 1 1 B–Y B–Y B–Y B–Y B–Y BR–W BR–W (Shielded) B B B B B–L B–L 109 BRZ (G4400BE)
  • 229.
    Cruise Control, ElectronicallyControlled Transmission and A/T Indicator (A/T), Engine Control, Shift Indicator (M/T) and Shift Lock V V (Shielded) A37 (Shielded) 15 13 12 16 18 B–W Junction Connector (∗8) (M/T) B–O Position Switch Assembly B–W B–L (∗8) 1 W–R Park/Neutral (A/T) A54 2 4 AD2 ∗ 1 : w/ Smart Entry Start System (M/T) G–B ∗ 2 : w/o Smart Entry Start System ∗ 8 : w/ Cruise Control 4 A 16 A EC NSW A33(A), A34(B), A35(C), A36(D) ECM OT THW PR 20 D 30 D 9 B BR–W V–B BR 27 AC1 4 AC1 16 AC1 BR–W W–L B–R GR Oil Temperature Sensor E. F. I. Engine Coolant Fuel Pressure Sensor Temperature Sensor 2 2 3 OT THW PR C21 C35 C10 E2 E2 E2 VC 1 1 2 1 B–Y B–Y B–Y B–L B–Y B–Y BR–W (Shielded) (Shielded) B B B–L 110 BRZ (G4400BE)
  • 230.
    V V (Shielded) (Shielded) (Shielded) (Shielded) C1(A), C2(B), C3(C), C4(D) Injector Driver (EDU) IJF1 IJF2 IJT1 IJT4 IJT2 IJT3 FPD FPF 6 A 5 A 3 A 2 A 12 A 11 A 8 A 7 A W–R W–R(A/T) (A/T) O–W BR–Y G–R L–W Y–R B–L R Y L BR 4 AC2 3 AC2 2 AC2 1 AC2 8 AC2 7 AC2 6 AC2 5 AC2 LG–W LG–R LG–B R–W R–G R–Y R–B W B–L 14 A (∗1) 11 B 31 B 14 D 23 D 25 D 24 D 32 B 13 B 5 C 17 A (∗2) 26 C 3 A IJF1 IJF2 #1 #4 #2 #3 FPD FPF IREL STSW2 STA ST1– A33(A), A34(B), A35(C), A36(D) BR–B ECM BR–W WFSE IMO TACH STSW ACCR CANL CANH STAR 12 B 25 C 15 C 17 A 32 C 18 A 19 A 34 C GR–R G–W G–Y (∗2) (∗1) (∗1) (∗1) (∗1) Y Y R BR–W LG–R(∗1) O B–P G–Y(∗1) Y(∗1) R(A/T) R(A/T) G–W(∗1) GR–R(∗1) R Y(∗2) (Shielded) (Shielded) B B R 111 BRZ (G4400BE)
  • 231.
    Cruise Control, ElectronicallyControlled Transmission and A/T Indicator (A/T), Engine Control, Shift Indicator (M/T) and Shift Lock V V (Shielded) (Shielded) (Shielded) (Shielded) C1(A), C2(B), C3(C), C4(D) Injector Driver (EDU) IJ1– IJ1+ 2 C 5 C W–R(A/T) (Shielded) O–W W R BR Fuel Injector Assembly 1 Injection No. 1) B–L (for Direct B C11 2 B BR–B BR–B BR–W BR–W O–W W–R(A/T) BR B–L LG–R(∗1) LG–R(∗1) O O B–P B–P G–Y(∗1) G–Y(∗1) Y(∗1) Y(∗1) R(A/T) R(A/T) G–W(∗1) G–W(∗1) GR–R(∗1) GR–R(∗1) Y(∗2) Y(∗2) (Shielded) (Shielded) B B R R 112 BRZ (G4400BE)
  • 232.
    V V (Shielded) (Shielded) (Shielded) (Shielded) C1(A), C2(B), C3(C), C4(D) Injector Driver (EDU) IJ3– IJ3+ IJ2– IJ2+ 1 C 4 C 1 D 4 D (Shielded) (Shielded) L–Y L–B W R Fuel Injector Assembly Fuel Injector Assembly ∗ 1 : w/ Smart Entry Start System 1 1 ∗ 2 : w/o Smart Entry Start System Injection No. 3) Injection No. 2) (for Direct (for Direct B B C37 C20 2 2 B B B BR–B BR–B BR–W BR–W O–W O–W W–R(A/T) W–R(A/T) BR BR B–L B–L LG–R(∗1) LG–R(∗1) O O B–P B–P G–Y(∗1) G–Y(∗1) Y(∗1) Y(∗1) R(A/T) R(A/T) G–W(∗1) G–W(∗1) GR–R(∗1) GR–R(∗1) Y(∗2) Y(∗2) (Shielded) (Shielded) R R 113 BRZ (G4400BE)
  • 233.
    Cruise Control, ElectronicallyControlled Transmission and A/T Indicator (A/T), Engine Control, Shift Indicator (M/T) and Shift Lock V V (Shielded) (Shielded) (Shielded) (Shielded) C1(A), C2(B), C3(C), C4(D) Injector Driver (EDU) IJ4– IJ4+ FP– FP+ +B2 +B 3 D 6 D 3 B 4 B 2 B 1 B (Shielded) (Shielded) L–R L–Y L–B W B L B L Fuel Injector Assembly (Fuel Pump Assembly) Spill Control Valve 1 1 L–R Injection No. 4) (for Direct B B C19 C29 2 2 B B BR–B BR–B BR–W BR–W O–W O–W W–R(A/T) W–R(A/T) BR BR B–L B–L LG–R(∗1) LG–R(∗1) O O B–P B–P G–Y(∗1) G–Y(∗1) Y(∗1) Y(∗1) R(A/T) R(A/T) G–W(∗1) G–W(∗1) GR–R(∗1) GR–R(∗1) Y(∗2) Y(∗2) (Shielded) (Shielded) R R 114 BRZ (G4400BE)
  • 234.
    V ∗ 1 : w/ Smart Entry Start System (BAT) (Shielded) ∗ 2 : w/o Smart Entry Start System (Shielded) 30A INJ 2 1 (Shielded) L–R L O B 43 AC1 42 AC1 (Shielded) L–W L–B V L L–R B 1 1 1 5 INJ Relay BR–B 2 3 BR–B BR–W 1 1 BR–W O–W W–R(A/T) W–R(A/T) BR BR B–L B–L LG–R(∗1) LG–R(∗1) O O B–P B–P G–Y(∗1) G–Y(∗1) Y(∗1) Y(∗1) R(A/T) R(A/T) G–W(∗1) G–W(∗1) GR–R(∗1) GR–R(∗1) Y(∗2) Y(∗2) (Shielded) R R 115 BRZ (G4400BE)
  • 235.
    Cruise Control, ElectronicallyControlled Transmission and A/T Indicator (A/T), Engine Control, Shift Indicator (M/T) and Shift Lock (BAT) (BAT) (BAT) ∗ 1 : w/ Smart Entry Start System ∗ 2 : w/o Smart Entry Start System 40A 7. 5A 7. 5A AM2 NO. 1 AM1 AM2 NO. 2 2 2 2 1 14 3A 1 W–G W–R (∗2) (∗2) (∗1 M/T) R–W R R 1 AD3 (∗2) (∗2 M/T) 1 Switch Assembly Clutch Start ACC 36 AD2 W–R (∗2) 2 AM1 IG1 A20 2 ST1 1 R–W (M/T) (∗2) Y–P 7 AM2 IG2 Y–P ST2 8 W–B (M/T) (∗2) D55 Ignition or Starter Switch Assembly 4 AD3 BR–B BR–B BR–W BR–W R W–B (∗2) (∗2 A/T) W–B(∗2) W–R(A/T) W–R(A/T) BR BR B–L B–L LG–R(∗1) LG–R(∗1) O O B–P B–P G–Y(∗1) G–Y(∗1) Y(∗1) Y(∗1) R(A/T) R(A/T) G–W(∗1) G–W(∗1) GR–R(∗1) GR–R(∗1) Y(∗2) Y(∗2) R R 116 BRZ (G4400BE)
  • 236.
    (∗1 A/T) 1 7. 5A PUSH–AT 2 (∗1 A/T) 1 1 (∗2 A/T) 1 2 5 (A/T) (A/T) (A/T) W–L R ST 7. 5A Relay 5 2 ST 1 3 INHIBITOR 2 Relay 1 1 1 3 1 1 1E 1 1 2 1E BR Y–P W–R (A/T) (A/T) W–B W–L (M/T) B–L (∗2) R BR–B BR–B BR–W BR–W R (∗2 A/T) W–B(∗2) W–R(A/T) W–R(A/T) W–R (A/T) BR B–L LG–R(∗1) LG–R(∗1) O O B–P B–P G–Y(∗1) G–Y(∗1) Y(∗1) Y(∗1) R(A/T) R(A/T) G–W(∗1) G–W(∗1) GR–R(∗1) GR–R(∗1) Y(∗2) Y(∗2) R R 117 BRZ (G4400BE)
  • 237.
    Cruise Control, ElectronicallyControlled Transmission and A/T Indicator (A/T), Engine Control, Shift Indicator (M/T) and Shift Lock (BAT) (BAT) 40A 30A AM2 NO. 1 IG2 MAIN 2 2 1 1 G–O (∗1) W–R W–B G–O (∗1) (∗1) (∗1) (∗1) (∗1) GR GR 1 1 1 1 1 3 2 5 1 2 5 2 4 ST CUT IGS IG2 Relay Relay 7. 5A Relay IG2 1 3 2 3 1 1 Park/Neutral Position Switch Assembly 1 1 1 1 1 P P (∗1) N B (∗1) L2 Junction Connector 4 5 1 A 5 A A9(A), A10(B) LG–R (∗1) (∗1) B (A/T) (A/T) W Y BR–B 1 B BR–W (∗1, A/T) 7 AL2 6 AL2 B B (A/T) W–R (∗1, A/T) (A/T) (∗1) B B BR–B BR–W LG–R(∗1) O O B–P B–P G–Y(∗1) G–Y(∗1) Y(∗1) Y(∗1) R(A/T) R(A/T) G–W(∗1) G–W(∗1) GR–R(∗1) GR–R(∗1) Y(∗2) Y(∗2) R R A1 A7 118 BRZ (G4400BE)
  • 238.
    D40(A), D41(B), D48(C) Certification ECU Assembly IG2D ACCR EGIO STSW TACH P 9 C 28 A 13 C 7 C 17 C 25 B G–O (∗1) (∗1 A/T) (∗1) (∗1) (∗1) (∗1) (∗1) GR BE V Y P Y 34 AD2 15 AD2 32 AD2 16 AD2 37 AD2 GR–R G–W G–Y (∗1) (∗1) (∗1) (∗1) Y ∗ 1 : w/ Smart Entry Start System ∗ 2 : w/o Smart Entry Start System BR–B BR–B BR–W BR–W O O B–P B–P G–Y(∗1) Y(∗1) R(A/T) R(A/T) G–W(∗1) GR–R(∗1) Y(∗1 A/T) Y(∗2) Y(∗2) R R 119 BRZ (G4400BE)
  • 239.
    Cruise Control, ElectronicallyControlled Transmission and A/T Indicator (A/T), Engine Control, Shift Indicator (M/T) and Shift Lock (IG) 7. 5A BK/UP LP 2 2 3C R(A/T) W–G(A/T) V(A/T) B–G(A/T) BR(A/T) W–G (A/T) V (A/T) B–G (A/T) BR W–G (A/T) (A/T) (A/T) R–L V (A/T) (A/T) (A/T) B–G BR 4 AL2 3 AL2 2 AL2 1 AL2 8 AL2 BR–Y (A/T) (A/T) (A/T) (A/T) (A/T) B–W G–Y R L 2 6 1 9 7 RB PL RL NL DL P Park/Neutral Position BR–B R Switch Assembly BR–W N D L2 O BR–B B–P BR–W O B–P R(A/T) Y(∗1 A/T) Y(∗1 A/T) Y(∗2) Y(∗2) R R 120 BRZ (G4400BE)
  • 240.
    ∗ 1 :w/ Smart Entry Start System ∗ 2 : w/o Smart Entry Start System R(A/T) R(A/T) W–G(A/T) W–G(A/T) V(A/T) V(A/T) B–G(A/T) B–G(A/T) BR(A/T) BR(A/T) W–G O–B(A/T) (A/T) 11 V O–W AD1 (A/T) (A/T) B–G (A/T) BR (A/T) W–G O–W (A/T) (A/T) (A/T) O–B 30 AD1 29 AD1 28 AD1 44 AD1 Junction Connector D46(A), D47(B) 7 B 7 A D8(A), D9(B) Connector Junction 7 A 12 B W–G (A/T) (A/T) (A/T) (A/T) (A/T) (A/T) O–B B–G BR W B (A/T) B O–W (A/T) 9 4 3 2 1 5 6 Shift Position E D N R P M MM Indicator D36 (A/T) B BR–B BR–B BR–W BR–W O O B–P B–P W(A/T) Y(∗1 A/T) Y(∗1 A/T) Y(∗2) Y(∗2) R R D1 121 BRZ (G4400BE)
  • 241.
    Cruise Control, ElectronicallyControlled Transmission and A/T Indicator (A/T), Engine Control, Shift Indicator (M/T) and Shift Lock (IG) (BAT) ∗ 1 : w/ Smart Entry Start System 15A 7. 5A ∗ 2 : w/o Smart Entry Start System AT UNIT AT+B 2 2 1 3C 1 R(A/T) W–G(A/T) V(A/T) (A/T) (A/T) Y–R P B–G(A/T) BR(A/T) O–B(A/T) (A/T) (A/T) P P 8 B 9 B 21 B 10 B 3 B 22 B 34 A 35 A 26 A M D N R P TC IG1 IG2 BM A18(A), A19(B) Transmission Control Module SNOW SPORT EOIL OIL SL2– SL2+ SL1– SL1+ 24 B 13 B 23 A 22 A 11 A 5 A 12 A 16 A BR–R BR–B BR–Y W–R (A/T) (A/T) (A/T) (A/T) (A/T) (A/T) (A/T) (A/T) W–B G–B BR R 47 AD1 48 AD1 8 AL1 9 AL1 12 AL1 13 AL1 14 AL1 15 AL1 W–G G–W W–R (A/T) (A/T) (A/T) (A/T) (A/T) (A/T) (A/T) (A/T) Y–B B–L W R L 6 4 1 9 2 10 3 11 Switch Assembly EOIL OIL SL2– SL2+ SL1– SL1+ Pattern Select SPORT SNOW D35 Electronically Controlled Transmission Solenoid 8 (A/T) B–Y L4 (A/T) B–Y BR–B BR–B BR–W BR–W O O B–P B–P W(A/T) W(A/T) Y(∗1 A/T) Y(∗1 A/T) Y(∗2) Y(∗2) R R D3 122 BRZ (G4400BE)
  • 242.
    L3 L5 Transmission Revolution Sensor (SP2) Transmission Revolution Sensor (NT) SP2– SP2+ NT– NT+ 1 2 1 2 (Shielded) (Shielded) W–R (A/T) (A/T) (A/T) (A/T) (A/T) (A/T) W G L 23 AL1 24 AL1 22 AL1 20 AL1 21 AL1 19 AL1 (Shielded) (Shielded) (A/T) (A/T) (A/T) (A/T) (A/T) (A/T) W G B L 7 B 18 B 19 B 28 B 17 B 29 B SP2– SP2+ NT– NT+ A18(A), A19(B) Transmission Control Module SLU– SLU+ SLT– SLT+ S4 S3 S2 S1 SR E01 E02 1 A 13 A 9 A 4 A 14 A 6 A 17 A 7 A 15 A 33 A 3 A LG–Y (A/T) (A/T) (A/T) (A/T) (A/T) (A/T) (A/T) (A/T) (A/T) R–W L–W R–B L–O L–R L–Y LG Y (A/T) (A/T) B–Y B–Y 16 AL1 17 AL1 3 AL1 4 AL1 18 AL1 10 AL1 11 AL1 1 AL1 2 AL1 BR–Y (A/T) (A/T) (A/T) (A/T) (A/T) (A/T) (A/T) (A/T) (A/T) G–R G–Y R–Y Y–L W R Y L 4 12 5 13 14 7 15 8 6 (A/T) B–Y SLU– SLU+ SLT– SLT+ S4 S3 S2 S1 SR BR–B Connector 8 A Junction A9(A) Electronically Controlled BR–W Transmission Solenoid 7 A (A/T) B–Y L4 BR–B O BR–W O B–P B–P W(A/T) W(A/T) Y(∗1 A/T) Y(∗1 A/T) Y(∗2) Y(∗2) R R A3 123 BRZ (G4400BE)
  • 243.
    Cruise Control, ElectronicallyControlled Transmission and A/T Indicator (A/T), Engine Control, Shift Indicator (M/T) and Shift Lock SB (A/T) ∗ 1 : w/ Smart Entry Start System O ∗ 2 : w/o Smart Entry Start System (A/T) 3 B 1 B D16(A), D17(B) Connector Junction 10 A (A/T) 9 A 8 A 11 A (A/T) BE 46 AD1 SB 45 AD1 (A/T) (A/T) (A/T) (A/T) (A/T) (A/T) B–Y B–Y SB SB BE Y BR–B Junction Connector BR–W 2 B 1 B 2 A 1 A 7 A 19 B Roll Connector D51(A), z4(C) D17(B) SFTU SFTD SDN SUP ECC 20 B A18(A), A19(B) Transmission Control Module 4 C 3 C 1 C (A/T) B–Y CANH CANL 29 A 28 A Down Up (A/T) (A/T) B–W L (A/T) z4(C) B–Y Paddle Shift Switch BR–B BR–W O O B–P B–P L(A/T) W(A/T) W(A/T) B–W(A/T) Y(∗1 A/T) Y(∗1 A/T) Y(∗2) Y(∗2) R R D3 124 BRZ (G4400BE)
  • 244.
    SB A73(A), D5(B), D6(C) (A/T) Main Body ECU O (A/T) SLS+ STP STR 20 B 22 15 (∗1 A/T) Y 28 3D (A/T) (A/T) (A/T) SB O R 33 3C 8 3C 23 3D BR–B (A/T) W–L BR–W 8 12 4 2 1 SFTU+ SFTD+ SLS+ STR P Park–Switch Down–Shift M–Mode Up–Shift Solenoid MM+ MM– SFTU– SFTD– SLS– E 10 11 9 13 5 D28 3 Shift Lever Position Sensor (Floor Shift Control Lever) (A/T) (A/T) (A/T) (A/T) (A/T) (A/T) B–Y B–Y B–Y B–Y B–Y W 4 B 3 B 5 B 2 B 1 B 6 B D9(B) Y–B Junction Connector (∗2 A/T) O O B–P B–P L(A/T) L(A/T) W(A/T) (A/T) B–Y B–W(A/T) B–W(A/T) Y(∗1 A/T) Y(∗2) Y(∗2) R R D1 125 BRZ (G4400BE)
  • 245.
    Cruise Control, ElectronicallyControlled Transmission and A/T Indicator (A/T), Engine Control, Shift Indicator (M/T) and Shift Lock A73(A), D5(B), D6(C) Main Body ECU IMO GND GND GND KSWB BECU BMPX BKUP 9 A 1 C 4 A 11 2 1 32 23 B–Y (∗2) Y B 18 3B 7 3C 27 3A 19 3C 10 3C (M/T) G–R B–Y L–R G V Junction Connector Junction Connector Junction Connector D16(A), D17(B) 4 A 21 A D8(A), D9(B) 9 A A9(A) 6 B 7 A 12 B V G–R B–Y B–Y B–Y (M/T) L–R G–R G Y–B Y–B (∗2 A/T) (∗2 A/T) O O B–P B–P L(A/T) L(A/T) B–W(A/T) B–W(A/T) Y(∗2) R R D1 A3 D3 126 BRZ (G4400BE)
  • 246.
    A73(A), D5(B), D6(C) Main Body ECU (IG) (ACC) (IG) (BAT) (BAT) 10A 10A 7. 5A 7. 5A 7. 5A ECU IG1 ECU ACC BK/UP MPX–B ECU–B LP ACC(∗1) ACC IG 2 2 2 2 2 22 B 9 8 1 1 (∗1) W 28 3B 2 3C (M/T) G–R R–L L–R (∗1) W ∗ 1 : w/ Smart Entry Start System ∗ 2 : w/o Smart Entry Start System (M/T) R–L 2 Switch Assembly Back–Up Light 25 AD2 A53 1 V G–R (M/T) L–R G–R G G Y–B Y–B (∗2 A/T) (∗2 A/T) O O B–P B–P L(A/T) L(A/T) B–W(A/T) B–W(A/T) R R 127 BRZ (G4400BE)
  • 247.
    Cruise Control, ElectronicallyControlled Transmission and A/T Indicator (A/T), Engine Control, Shift Indicator (M/T) and Shift Lock (BAT) (ACC) 15A 10A HAZ ECU ACC 2 2 27 3B 1 ∗ 2 : w/o Smart Entry Start System (∗2 A/T) R Y–B G (∗2 A/T) (∗2 A/T) G Key Inter Lock Solenoid (Ignition Switch Lock Cylinder Assembly) 4 6 5 2 P ACC KLS+ Shift Lock Release Button Cover D60 1 D42 E 1 (∗2 A/T) B–Y 1 DD1 (∗2 A/T) B (∗2 A/T) B–Y 2 A 3 A D8(A), D9(B) G Connector Junction Y–B 6 B (∗2 A/T) (∗2 A/T) B–Y O O B–P B–P L(A/T) L(A/T) B–W(A/T) B–W(A/T) R R D1 128 BRZ (G4400BE)
  • 248.
    D43 Junction Connector 16 5 9 20 13 2 1 12 BR–W W–B R–Y B–Y B–P BR LG O 21 AD2 39 AD2 21 AD1 39 AD1 14 6 CANL CANH TC W–B R–Y B–P O D10 13 DLC3 R–B 14 AD1 R R–Y W–B O B–P L(A/T) L(A/T) B–W(A/T) B–W(A/T) R BR BR–W 129 BRZ (G4400BE)
  • 249.
    Cruise Control, ElectronicallyControlled Transmission and A/T Indicator (A/T), Engine Control, Shift Indicator (M/T) and Shift Lock A5 VSC (VDC) Control Module CANL CANH FL+ FL– FR+ FR– RL+ RL– RR+ RR– 14 26 19 32 16 4 31 18 17 29 LG–B G–O G–B LG W G B L B–R BR Speed Sensors 17 6 A17 Junction Connector 18 7 16 5 R–Y W–B L(A/T) B–W(A/T) BR BR BR–W BR–W 130 BRZ (G4400BE)
  • 250.
    (BAT) (IG) 7. 5A 7. 5A MPX–B GAUGE L–R 2 2 1 2 3A 19 3C L–R W–G 17 3B W–G R–W 1 2 B IG+ A/T OIL TEMP Malfunction SPORT SNOW Indicator Buzzer Lamp I/F LED Driver Power Circuit CPU CAN Driver Display CANH CANL ES2 ES1 6 7 40 20 D7 Combination Meter Assembly BR–W B–Y B–Y BR B–Y BR BR–W D3 131 BRZ (G4400BE)
  • 251.
    Cruise Control, ElectronicallyControlled Transmission and A/T Indicator (A/T), Engine Control, Shift Indicator (M/T) and Shift Lock : Parts Location Code See Page Code See Page Code See Page A5 39 C10 38 D8 A 40 A9 A 42 C11 38 D9 B 40 A10 B 42 C12 38 D10 40 A11 39 C13 38 D16 A 40 A13 42 C14 38 D17 B 40 A17 42 C15 38 D28 40 A18 A 42 C16 38 D35 40 A19 B 42 C18 38 D36 40 A20 42 C19 38 D40 A 41 A21 42 C20 38 D41 B 41 A22 42 C21 38 D42 41 A23 42 C23 38 D43 41 A33 A 42 C24 38 D46 A 41 A34 B 42 C25 38 D47 B 41 A35 C 42 C26 38 D48 C 41 A36 D 42 C27 38 D51 A 41 A37 42 C28 38 D55 41 A43 A 39 C29 38 D60 41 A53 39 C30 38 G7 44 A54 39 C31 38 G8 44 A73 A 42 C33 38 G12 44 C1 A 38 C34 38 L2 39 C2 B 38 C35 38 L3 39 C3 C 38 C36 38 L4 39 C4 D 38 C37 38 L5 39 C5 38 C38 38 d1 39 C6 38 C39 38 z4 C 42 C7 38 D5 B 40 z5 D 42 C8 38 D6 C 40 C9 38 D7 40 : Relay Blocks Code See Page Relay Blocks (Relay Block Location) 1 24 Engine Room R/B (Engine Compartment Right) : Junction Block and Wire Harness Connector Code See Page Junction Block and Wire Harness (Connector Location) 1E 24 Engine Room Main Wire and Engine Room J/B (Engine Compartment Right) 3A 26 Instrument Panel Wire and Instrument Panel J/B Assembly (Instrument Panel Reinforcement) 3B 3C 26 Engine Room Main Wire and Instrument Panel J/B Assembly (Instrument Panel Reinforcement) 3D 26 Instrument Panel Wire and Instrument Panel J/B Assembly (Instrument Panel Reinforcement) : Connector Joining Wire Harness and Wire Harness Code See Page Joining Wire Harness and Wire Harness (Connector Location) AC1 46 Engine Room Main Wire and Engine Wire (Engine Unit) AC2 AD1 47 Engine Room Main Wire and Instrument Panel Wire (Cowl Side Panel RH) AD2 47 Engine Room Main Wire and Instrument Panel Wire (Instrument Panel Reinforcement) AD3 47 Engine Room Main Wire and Instrument Panel Wire (Cowl Side Panel LH) AL1 46 Engine Room Main Wire and Transmission Wire (Dash Panel) AL2 Cd1 46 Engine Wire and No. 1 Engine Wire (Engine Unit) DD1 47 Instrument Panel Wire and Instrument Panel Wire (Cowl Side Panel LH) GD1 47 No. 1 Floor Wire and Instrument Panel Wire (Cowl Side Panel RH) GD2 132 BRZ (G4400BE)
  • 252.
    : Ground Points Code See Page Ground Points Location A1 46 Front Fender Apron LH A3 47 Cowl Side Panel LH A7 46 Front Fender Apron RH C1 46 Engine Unit D1 47 Cowl Side Panel LH D3 47 Instrument Panel Brace RH G1 48 Quarter Wheel House Panel RH 133 BRZ (G4400BE)
  • 253.
    Engine Immobiliser System(w/o Smart Entry Start System) A73(A), D5(B), D6(C) (BAT) (BAT) (ACC) (IG) Main Body ECU 7. 5A 7. 5A 10A 10A ECU–B MPX–B ECU ACC ECU IG1 IG ACC BMPX BECU 2 2 2 2 8 9 32 1 1 1 G–R L–R 19 3C 27 3A G–R L–R Junction Connector 25 AD2 D16(A), D17(B) 21 A 12 B G–R G–R 134 BRZ (G4400BE)
  • 254.
    11 B–Y B–Y 18 3B D3 GND Main Body ECU A73(A), D5(B), D6(C) B–Y B 6 B 4 A 1 C D1 GND D8(A), D9(B) Junction Connector B–Y B–Y 7 A 9 A 4 A A3 GND A9(A) Junction Connector 2 G 1 (BAT) 15A HAZ G 7 3C BRZ (G4400BE) 2 R–W 10 3D KSWB 1 2 BR 22 B KSW UN– UN+ D53 Un–Lock Warning Switch Assembly (Ignition Switch Lock Cylinder Assembly) 135
  • 255.
    Engine Immobiliser System(w/o Smart Entry Start System) A73(A), D5(B), D6(C) Main Body ECU VC5 TXCT CODE AGND UART 8 A 15 A 5 A 16 A 17 A (BAT) GR LG W R 7. 5A MPX–B 43 AD1 42 AD1 41 AD1 40 AD1 2 1 L–R (∗1) W–G (∗1) GR SB LG R L–R (∗1) Transponder Key ECU Assembly 1 5 4 7 3 1 VC5 TXCT CODE AGND UART +B GND A64 Transponder Key Coil 5 D54 Transponder Key Amplifier B–Y (∗1) Junction Connector 10 B A10(B) 12 B (∗1) B ∗ 1 : w/ Transponder Key ECU Assembly (∗1) B A1 136 BRZ (G4400BE)
  • 256.
    A73(A), D5(B), D6(C) MainBody ECU CANH CANL IMO 14 B 13 B 9 A LG P D43 3 14 Junction Connector 2 13 9 20 BR–W B–P BR O Y 21 AD2 39 AD2 B–P O 19 A 18 A 25 C CANH CANL IMO A33(A), A35(C) ECM BR–W BR 137 BRZ (G4400BE)
  • 257.
    Engine Immobiliser System(w/o Smart Entry Start System) A73(A), D5(B), D6(C) Main Body ECU IND 27 (IG) (BAT) 22 3B 7. 5A 7. 5A L–R GAUGE MPX–B V 2 2 19 3C 2 3A 1 L–R W–G 17 3B R–W W–G D7 Combination Meter Assembly 2 1 18 IG+ B IND Power Circuit CPU Security Indicator CAN Driver CANL CANH ES2 ES1 7 6 40 20 BR–W B–Y B–Y BR BR–W B–Y BR D3 138 BRZ (G4400BE)
  • 258.
    : Parts Location Code See Page Code See Page Code See Page A9 A 42 D5 B 40 D17 B 40 A10 B 42 D6 C 40 D43 41 A33 A 42 D7 40 D53 41 A35 C 42 D8 A 40 D54 41 A64 42 D9 B 40 A73 A 42 D16 A 40 : Relay Blocks Code See Page Relay Blocks (Relay Block Location) 1 24 Engine Room R/B (Engine Compartment Right) : Junction Block and Wire Harness Connector Code See Page Junction Block and Wire Harness (Connector Location) 3A 26 Instrument Panel Wire and Instrument Panel J/B Assembly (Instrument Panel Reinforcement) 3B 3C 26 Engine Room Main Wire and Instrument Panel J/B Assembly (Instrument Panel Reinforcement) 3D 26 Instrument Panel Wire and Instrument Panel J/B Assembly (Instrument Panel Reinforcement) : Connector Joining Wire Harness and Wire Harness Code See Page Joining Wire Harness and Wire Harness (Connector Location) AD1 47 Engine Room Main Wire and Instrument Panel Wire (Cowl Side Panel RH) AD2 47 Engine Room Main Wire and Instrument Panel Wire (Instrument Panel Reinforcement) : Ground Points Code See Page Ground Points Location A1 46 Front Fender Apron LH A3 47 Cowl Side Panel LH D1 D3 47 Instrument Panel Brace RH 139 BRZ (G4400BE)
  • 259.
    DLC3 (BAT) (IG) 7. 5A 10A OBD ECU IG2 2 2 35 3A 18 3A W–B L–Y D10 16 8 DLC3 BAT IG2 CG SG 4 5 B–Y R 5 AD2 B–Y W W Junction Connector 1 A D8(A), D9(B) 37 AC1 6 B B–Y B–Y B B B D4 D1 D3 C1 140 BRZ (G4400BE)
  • 260.
    Junction Connector B–Y LG D10 DLC3 6 14 CANH CANL TC 13 R–B 14 AD1 R (A/T) R R 22 B 12 B TC WFSE A19(B) A34(B) Transmission Control ECM Module 141 BRZ (G4400BE)
  • 261.
    DLC3 : Parts Location Code See Page Code See Page Code See Page A19 B 42 D8 A 40 D10 40 A34 B 42 D9 B 40 : Junction Block and Wire Harness Connector Code See Page Junction Block and Wire Harness (Connector Location) 3A 26 Instrument Panel Wire and Instrument Panel J/B Assembly (Instrument Panel Reinforcement) : Connector Joining Wire Harness and Wire Harness Code See Page Joining Wire Harness and Wire Harness (Connector Location) AC1 46 Engine Room Main Wire and Engine Wire (Engine Unit) AD1 47 Engine Room Main Wire and Instrument Panel Wire (Cowl Side Panel RH) AD2 47 Engine Room Main Wire and Instrument Panel Wire (Instrument Panel Reinforcement) : Ground Points Code See Page Ground Points Location C1 46 Engine Unit D1 47 Cowl Side Panel LH D3 47 Instrument Panel Brace RH D4 47 Cowl Side Panel RH 142 BRZ (G4400BE)
  • 262.
    Memo 143 BRZ (G4400BE)
  • 263.
    Multiplex Communication System(CAN) D27(A) D7 D56 Airbag Control Module Combination Meter Assembly Steering Sensor CANH CANL CANH CANL CANH CANL 13 A 22 A 6 7 3 2 BR–W G–W R–W P–L BR G 8 19 2 13 6 17 1 12 3 14 D43 Junction Connector W–B R–Y LG P 21 AD1 39 AD1 W–B R–Y 14 B 13 B CANH CANL D5(B) Main Body ECU R–Y W–B 144 BRZ (G4400BE)
  • 264.
    ∗ 1 :Automatic A/C ∗ 2 : w/ Smart Entry Start System D19(A) D41(B) A/C Amplifier Assembly Certification ECU Assembly CANH CANL CANH CANL 13 A 12 A 14 B 15 B L–W L–Y (∗1) (∗1) (∗2) (∗2) G R 10 21 4 15 D43 Junction Connector 5 16 9 20 B–Y B–P LG O 21 AD2 39 AD2 B–P O 6 14 19 A 18 A CANH CANL CANH CANL D10 A33(A) DLC3 ECM R–Y R–Y W–B W–B 145 BRZ (G4400BE)
  • 265.
    Multiplex Communication System(CAN) A15(B) A5 Power Steering ECU Assembly VSC (VDC) Control Module CANH CANL CANH CANL 1 B 7 B 26 14 B–R BR W B 8 19 6 17 A17 Junction Connector 7 18 5 16 (A/T) (A/T) W–B B–W R–Y L 29 A 28 A CANH CANL R–Y W–B A18(A) Transmission Control Module 146 BRZ (G4400BE)
  • 266.
    : Parts Location Code See Page Code See Page Code See Page A5 39 D5 B 40 D41 B 41 A15 B 42 D7 40 D43 41 A17 42 D10 40 D56 41 A18 A 42 D19 A 40 A33 A 42 D27 A 40 : Connector Joining Wire Harness and Wire Harness Code See Page Joining Wire Harness and Wire Harness (Connector Location) AD1 47 Engine Room Main Wire and Instrument Panel Wire (Cowl Side Panel RH) AD2 47 Engine Room Main Wire and Instrument Panel Wire (Instrument Panel Reinforcement) 147 BRZ (G4400BE)
  • 267.
    Headlight A73(A), D5(B), D6(C) (BAT) (BAT) (BAT) (ACC) (IG) Main Body ECU 15A 7. 5A 7. 5A 10A 10A HAZ ECU–B MPX–B ECU ACC ECU IG1 IG ACC 2 2 2 2 2 8 9 1 G–R 1 1 L–R G 28 3B (∗2) W 25 AD2 G–R W (∗2) L–R G–R G ∗ 2 : w/ Smart Entry Start System 148 BRZ (G4400BE)
  • 268.
    A73(A), D5(B), D6(C) Main Body ECU ACC(∗2) BMPX BECU KSWB GND GND GND 22 B 32 1 2 11 1 C 4 A B–Y B 19 3C 27 3A 7 3C 18 3B G–R L–R (∗2) W G Junction Connector Junction Connector Junction Connector D16(A), D17(B) 21 A 4 A D8(A), D9(B) 9 A A9(A) B–Y 12 B 6 B 7 A W (∗2) G–R L–R G–R G B–Y B–Y B–Y D3 D1 A3 149 BRZ (G4400BE)
  • 269.
    Headlight A73(A), D5(B), D6(C) Main Body ECU HU HF TAIL HEAD1 HEAD2 21 18 25 B 2 B 12 A 30 3B 15 3B W G 26 AD1 BE LG G W Junction Connector 2 A 1 A D16(A), D17(B) 10 B W 11 A 17 A 18 A 20 A HU HF T H EL (HL) HU HF T H AUTO EL Flash Off Dimmer Light Control Switch Low Tail Switch High Head AUTO EL D50(A) 12 A Headlight Dimmer Switch Assembly B B B D4 D1 150 BRZ (G4400BE)
  • 270.
    A73(A), D5(B), D6(C) Main Body ECU HRLY HRLYD 2 A 1 B G L 1 1 L–B B L 1 1 5 2 30 3C 29 3A 17 3C H–LP 15A 15A Relay H–LP LH LO H–LP RH LO 3 1 2 2 1 1 L Solenoid Headlight Assembly RH B–W R B Y A38 5 6 7 8 B–W B–W R R–W L A7 151 BRZ (G4400BE)
  • 271.
    Headlight A73(A), D5(B), D6(C) Main Body ECU DIM 11 A 3 B 23 A (BAT) G G G 80A MAIN Block Assembly Fusible Link G A76(B) 1 1 B G G 1 1 5 2 10A 10A DIM W Y H–LP H–LP Relay RH HI LH HI 20 AD2 3 1 2 2 1 1 1 1 1D W–L Solenoid Headlight Assembly LH B–W R Y B A60 7 8 5 6 B–W B–W W–L L R–W L A1 152 BRZ (G4400BE)
  • 272.
    Daytime Running Light 4 1 5 3 B B B B BR BR 1 11 A 10 A A7 A9(A) 1 2 Junction A4 O 1 1 21 A Connector DRL Headlight Assembly LH DRL Relay 1 Daytime Running Light 4 1 B BR 2 R–L 34 3C (IG) A41 L–R Headlight 10A DRL Assembly RH Main Body ECU A73(A), D5(B), D6(C) 2 L–R 1 (BAT) 7. 5A MPX–B 2 BR–Y R–L 2 3C (IG) 4 AL2 (A/T) (A/T) 7. 5A BRZ (G4400BE) P D N R G–Y W–G BK/UP LP 3 AL2 2 (A/T) (A/T) RB 6 PL 1 B–W V RL 2 AL2 (A/T) (A/T) 9 NL 7 DL L B–G 1 AL2 1 14 L2 (A/T) (A/T) GR 24 3B PKB Park/Neutral Position Switch Assembly D31 Parking Brake R BR Switch Assembly 8 AL2 (A/T) (A/T) V(A/T) BR(A/T) B–G(A/T) W–G(A/T) 153
  • 273.
    Headlight A73(A), D5(B), D6(C) Main Body ECU BR CANH CANL BR–W 14 B 13 B LG P 3 14 2 13 Connector Junction D43 1 12 9 20 W–B R–Y B–P O 21 AD1 19 AD1 21 AD2 39 AD2 W–G(A/T) (A/T) (A/T) W–B R–Y B–P O V(A/T) B–G(A/T) BR(A/T) A33(A), A34(B) 7 18 ECM Connector 19 A 18 A Junction CANH CANL A17 5 16 NE+ NE– SLE3 16 B 27 B 35 B (Shielded) W–G (A/T) (A/T) (A/T) (A/T) (A/T) (A/T) B–W B–G BR W V B L 3 AC1 14 AC1 (Shielded) W–R W B 9 B 21 B 10 B 3 B 29 A 28 A 1 Position Sensor D N R P CANH CANL NE+ Crankshaft C33 NE– A18(A), A19(B) 2 Transmission Control Module B C1 154 BRZ (G4400BE)
  • 274.
    (IG) (BAT) BR 7. 5A 7. 5A GAUGE MPX–B BR–W 2 2 2 3A 1 W–G L–R L–R 19 3C W–G 17 3B R–W D7 Combination Meter Assembly 2 1 IG+ B Beam Power Circuit LED Driver CPU CAN Driver CANH CANL ES2 ES1 6 7 40 20 BR–W B–Y B–Y BR B–Y D3 155 BRZ (G4400BE)
  • 275.
    Headlight : Parts Location Code See Page Code See Page Code See Page A4 39 A41 39 D8 A 40 A9 A 42 A60 39 D9 B 40 A17 42 A73 A 42 D16 A 40 A18 A 42 A76 B 36, 39 D17 B 40 A19 B 42 C33 38 D31 40 A33 A 42 D5 B 40 D43 41 A34 B 42 D6 C 40 D50 A 41 A38 39 D7 40 L2 39 : Relay Blocks Code See Page Relay Blocks (Relay Block Location) 1 24 Engine Room R/B (Engine Compartment Right) : Junction Block and Wire Harness Connector Code See Page Junction Block and Wire Harness (Connector Location) 1D 24 Engine Room Main Wire and Engine Room J/B (Engine Compartment Right) 3A 26 Instrument Panel Wire and Instrument Panel J/B Assembly (Instrument Panel Reinforcement) 3B 3C 26 Engine Room Main Wire and Instrument Panel J/B Assembly (Instrument Panel Reinforcement) : Connector Joining Wire Harness and Wire Harness Code See Page Joining Wire Harness and Wire Harness (Connector Location) AC1 46 Engine Room Main Wire and Engine Wire (Engine Unit) AD1 47 Engine Room Main Wire and Instrument Panel Wire (Cowl Side Panel RH) AD2 47 Engine Room Main Wire and Instrument Panel Wire (Instrument Panel Reinforcement) AL2 46 Engine Room Main Wire and Transmission Wire (Dash Panel) : Ground Points Code See Page Ground Points Location A1 46 Front Fender Apron LH A3 47 Cowl Side Panel LH A7 46 Front Fender Apron RH C1 46 Engine Unit D1 47 Cowl Side Panel LH D3 47 Instrument Panel Brace RH D4 47 Cowl Side Panel RH 156 BRZ (G4400BE)
  • 276.
    Memo 157 BRZ (G4400BE)
  • 277.
    158 Stop Light 4 3 2 L–O BR–W B R W–L W–L 9 3A 16 3D 8 3C 12 AD1 (BAT) (Shielded) 7. 5A STOP 2 Y–L P 1 G–B L A13 Noise Filter 6 A 3 A B 12 A 11 A 1 2 A9(A) Junction A22 Connector Stop Light Switch Assembly BRZ (G4400BE) B B A7 L–O
  • 278.
    L–O L–O LG 6 HD1 Stop/Tail B B W–B LG 2 A 3 A E BRZ (G4400BE) STP H1(A) Rear Combination Light Lens and Body RH B LG LG 159
  • 279.
    160 B LG LG Stop Light Stop/Tail B B B W–B LG 2 A 3 A H1 E STP B H6(A) Rear Combination Light Lens and Body LH H3 BRZ (G4400BE) 2 1 B LG HMSL EARTH H10 Center Stop Light Assembly
  • 280.
    : Parts Location Code See Page Code See Page Code See Page A9 A 42 A22 42 H6 A 45 A13 42 H1 A 45 H10 45 : Junction Block and Wire Harness Connector Code See Page Junction Block and Wire Harness (Connector Location) 3A 26 Instrument Panel Wire and Instrument Panel J/B Assembly (Instrument Panel Reinforcement) 3C 26 Engine Room Main Wire and Instrument Panel J/B Assembly (Instrument Panel Reinforcement) 3D 26 Instrument Panel Wire and Instrument Panel J/B Assembly (Instrument Panel Reinforcement) : Connector Joining Wire Harness and Wire Harness Code See Page Joining Wire Harness and Wire Harness (Connector Location) AD1 47 Engine Room Main Wire and Instrument Panel Wire (Cowl Side Panel RH) HD1 47 No. 2 Floor Wire and Instrument Panel Wire (Cowl Side Panel LH) : Ground Points Code See Page Ground Points Location A7 46 Front Fender Apron RH H1 48 Lower Back Panel H3 48 Quarter Wheel House Panel LH 161 BRZ (G4400BE)
  • 281.
    162 1 2 2 O–W V R–L R–L 4 3D 10 3C 2 3C (IG) (M/T) (M/T) (M/T) Back-Up Light A53 LP Back–Up Light Switch Assembly 7. 5A BK/UP R–L (A/T) R 2 BR–Y RB 4 AL2 (A/T) 1 O–W V V B–W RL 2 AL2 11 AD1 (A/T) (A/T) (A/T) (A/T) L2 Park/Neutral Position Switch Assembly O–W O–W P 7 A 9 A 5 HD1 D46(A) BRZ (G4400BE) Junction Connector Back–Up 3 1 B B W–B R–L H1 Back–Up H2 Back–Up Light Lens and Body
  • 282.
    : Parts Location Code See Page Code See Page Code See Page A53 39 H2 45 D46 A 41 L2 39 : Junction Block and Wire Harness Connector Code See Page Junction Block and Wire Harness (Connector Location) 3C 26 Engine Room Main Wire and Instrument Panel J/B Assembly (Instrument Panel Reinforcement) 3D 26 Instrument Panel Wire and Instrument Panel J/B Assembly (Instrument Panel Reinforcement) : Connector Joining Wire Harness and Wire Harness Code See Page Joining Wire Harness and Wire Harness (Connector Location) AD1 47 Engine Room Main Wire and Instrument Panel Wire (Cowl Side Panel RH) AL2 46 Engine Room Main Wire and Transmission Wire (Dash Panel) HD1 47 No. 2 Floor Wire and Instrument Panel Wire (Cowl Side Panel LH) : Ground Points Code See Page Ground Points Location H1 48 Lower Back Panel 163 BRZ (G4400BE)
  • 283.
    Turn Signal andHazard Warning Light (BAT) (IG) 7 3C 15A 7. 5A HAZ GAUGE 2 2 9 3D 1 2 3A G W–G R W–G D61 4 Turn Signal Flasher Assembly 1 +B IG GND EL ER 7 5 6 BR L B 15 A 13 A TL TR Headlight Dimmer Switch Assembly TL EL TR Turn Switch LH N RH D50(A) EL 12 A B B B B D1 D4 D1 164 BRZ (G4400BE)
  • 284.
    2 R–L LR 8 7 8 3 B–Y B–Y R W G LL 14 3B 16 3B D3 GND EHW HAZARD+ D61 Turn Signal Flasher Assembly Hazard Switch 14 B–Y GND D18 Clock Assembly H1(A) Rear Combination Light Lens and Body RH BRZ (G4400BE) Turn B B B W W 2 A 4 A H1 22 HD1 E B H6(A) Rear Combination Light Lens and Body LH B Turn B B W Y–G 2 A 4 A H3 23 HD1 E B G R–L W–L R–W 165
  • 285.
    Turn Signal andHazard Warning Light R–L G W–R W–L GR R–W R–L 18 3D 1 3D 6 3A 4 3A 22 3A 21 3A 16 3C 20 3C W–R GR Headlight Assembly RH 1 1 Headlight Assembly LH B B Turn Turn E E A60 A38 4 4 B B Junction Connector 6 B 5 B A9(A), A10(B) 11 A 12 A 6 A B B B A7 166 BRZ (G4400BE)
  • 286.
    W–R GR W–R GR 21 22 LR LL Turn RH Turn LH CPU ES2 ES1 D7 40 20 Combination Meter Assembly B–Y B–Y B–Y D3 167 BRZ (G4400BE)
  • 287.
    Turn Signal andHazard Warning Light : Parts Location Code See Page Code See Page Code See Page A9 A 42 D7 40 H1 A 45 A10 B 42 D18 40 H6 A 45 A38 39 D50 A 41 A60 39 D61 41 : Relay Blocks Code See Page Relay Blocks (Relay Block Location) 1 24 Engine Room R/B (Engine Compartment Right) : Junction Block and Wire Harness Connector Code See Page Junction Block and Wire Harness (Connector Location) 3A 26 Instrument Panel Wire and Instrument Panel J/B Assembly (Instrument Panel Reinforcement) 3B 3C 26 Engine Room Main Wire and Instrument Panel J/B Assembly (Instrument Panel Reinforcement) 3D 26 Instrument Panel Wire and Instrument Panel J/B Assembly (Instrument Panel Reinforcement) : Connector Joining Wire Harness and Wire Harness Code See Page Joining Wire Harness and Wire Harness (Connector Location) HD1 47 No. 2 Floor Wire and Instrument Panel Wire (Cowl Side Panel LH) : Ground Points Code See Page Ground Points Location A7 46 Front Fender Apron RH D1 47 Cowl Side Panel LH D3 47 Instrument Panel Brace RH D4 47 Cowl Side Panel RH H1 48 Lower Back Panel H3 48 Quarter Wheel House Panel LH 168 BRZ (G4400BE)
  • 288.
    Memo 169 BRZ (G4400BE)
  • 289.
    Illumination and Taillight A73(A), D5(B), D6(C) (BAT) (BAT) (BAT) (ACC) (IG) Main Body ECU 15A 7. 5A 7. 5A 10A 10A HAZ ECU–B MPX–B ECU ACC ECU IG1 IG ACC 2 2 2 2 2 8 9 1 G–R 1 1 L–R G 28 3B (∗2) W 25 AD2 G–R W (∗2) L–R G–R G ∗ 2 : w/ Smart Entry Start System 170 BRZ (G4400BE)
  • 290.
    A73(A), D5(B), D6(C) Main Body ECU ACC(∗2) BMPX BECU KSWB GND 22 B 32 1 2 11 19 3C 27 3A 7 3C 18 3B G–R B–Y L–R (∗2) W G Junction Connector D16(A), D17(B) 21 A 12 B W (∗2) G–R L–R G–R G B–Y D3 171 BRZ (G4400BE)
  • 291.
    Illumination and Taillight A73(A), D5(B), D6(C) Main Body ECU GND GND TAIL 1 C 4 A 25 B B–Y B BE Junction Connector Junction Connector 4 A D8(A), D9(B) 9 A A9(A) 6 B 7 A 18 A T T H AUTO EL Off Light Control Tail Switch Head AUTO B–Y B–Y EL D50(A) 12 A Headlight Dimmer Switch Assembly B B D1 A3 D4 172 BRZ (G4400BE)
  • 292.
    Stop/Tail B B B B 2 A H1 E Main Body ECU G–Y G–Y R 1 A A73(A), D5(B), D6(C) TL BRZ (G4400BE) Side Marker B G–Y H1(A) Rear Combination Light Lens and Body RH B R 173
  • 293.
    174 B R Stop/Tail B B B 2 A E G–Y G–Y R 1 A Illumination and Taillight TL Side Marker R R B B G–Y 4 7 JH1 HD1 5 JH1 H6(A) Rear Combination Light Lens and Body LH Main Body ECU BRZ (G4400BE) R A73(A), D5(B), D6(C) B 2 1 B R E J1 B R License Plate Light Lens LH 2 1 B E B J4 License Plate Light Lens RH G
  • 294.
    G 5 8 B–Y B–Y B–Y Y 20 B 21 B E B 21 3B D3 24 3D D17(B) Junction Connector D3 Headlight Leveling Switch Main Body ECU 2 1 B A73(A), D5(B), D6(C) A44 BRZ (G4400BE) A9(A), A10(B) Junction Side Marker Light RH W 140A ALT Connector 1 A B B (BAT) 11 A A7 A75(A) W 10 A Fusible Link Block Assembly 12 A B Parking Light 4 2 B W W 6 A 5 B 13 3C 1 1B 1 1C A38 Headlight Assembly RH B B–R 175
  • 295.
    Illumination and Taillight A73(A), D5(B), D6(C) Main Body ECU TRLY 7 V V(A/T) B–R V 1 3E 22 3D 36 3A 31 3B 1 2 TAIL 10A Relay 10A TAIL PANEL 2 1 12 3C R R R Side Marker Light LH Headlight Assembly LH 2 1 Parking Light A3 A60 2 4 B B B B B 6 B 1 B 12 B A9(A), A10(B) Connector Junction 7 A B B–Y A3 A1 176 BRZ (G4400BE)
  • 296.
    ∗ 1 :w/ Option Connector w/ Front Fog Light V V V(A/T) V(A/T) V V V V V (∗1) V V V Pattern Select Switch Assembly (∗1) V 13 2 Clock Assembly Option Connector 3 D18 D35 D1 1 9 3 2 B–W B–W B–W (∗1) BR B–W B–W B–W V BR 177 BRZ (G4400BE)
  • 297.
    178 V V V V BR (∗1) B–W V(A/T) B–L V 6 B 7 A 7 C 10 C D2 ILL+ GND1 BR 3 A B–W 5 B D12(A), D13(B), D14(C) Radio Receiver Assembly 5 7 B–W V (∗12) (∗12) Illumination and Taillight D22 No. 3 Heater Control Sub–Assembly 6 7 B–W V (∗12) (∗12) D16(A), D17(B) D24 Junction Connector Heater Control V Sub–Assembly B–W (∗12) (∗12) 6 5 B–W V (∗12) (∗12) D21 BRZ (G4400BE) No. 1 Heater Control V Sub–Assembly B–W B–W (∗12) (∗12) ∗11 : Automatic A/C V ∗12 : Except Automatic A/C 15 11 B–W B–W V 3 A 9 B 5 B 5 A (∗11) (∗11) D19 A/C Amplifier Assembly ∗ 1 : w/ Option Connector w/ Front Fog Light 8 7 B–W V 4 A 8 B (A/T) (A/T) D16(A), D17(B) Junction Connector D36 Shift Position Indicator 2 3 B–W V V BR BR B–W D3 Headlight Leveling Switch
  • 298.
    D7 Combination Meter Assembly CPU I/F I/F I/F I/F ILL– T TR E TC 9 32 31 30 33 G–W B–W L–R BR Y B–W B–W 3 4 5 6 D46(A), D47(B) 3 A 4 A Connector Junction BR 4 B 3 B 2 D2 1 Light Control Rheostat V BR BR BR BR 179 BRZ (G4400BE)
  • 299.
    Illumination and Taillight (IG) (BAT) 7. 5A 7. 5A GAUGE MPX–B 2 2 L–R 2 3A 1 19 3C W–G L–R 17 3B W–G R–W D7 Combination Meter Assembly 2 1 IG+ B Power Circuit CPU ES2 ES1 40 20 B–Y B–Y B–Y D3 180 BRZ (G4400BE)
  • 300.
    : Parts Location Code See Page Code See Page Code See Page A3 39 D6 C 40 D22 40 A9 A 42 D7 40 D24 40 A10 B 42 D8 A 40 D35 40 A38 39 D9 B 40 D36 40 A44 39 D12 A 40 D46 A 41 A60 39 D13 B 40 D47 B 41 A73 A 42 D14 C 40 D50 A 41 A75 A 36, 39 D16 A 40 H1 A 45 D1 40 D17 B 40 H6 A 45 D2 40 D18 40 J1 45 D3 40 D19 40 J4 45 D5 B 40 D21 40 : Relay Blocks Code See Page Relay Blocks (Relay Block Location) 1 24 Engine Room R/B (Engine Compartment Right) : Junction Block and Wire Harness Connector Code See Page Junction Block and Wire Harness (Connector Location) 1B 24 Engine Room Main Wire and Engine Room J/B (Engine Compartment Right) 1C 3A 26 Instrument Panel Wire and Instrument Panel J/B Assembly (Instrument Panel Reinforcement) 3B 3C 26 Engine Room Main Wire and Instrument Panel J/B Assembly (Instrument Panel Reinforcement) 3D 26 Instrument Panel Wire and Instrument Panel J/B Assembly (Instrument Panel Reinforcement) 3E 26 Engine Room Main Wire and Instrument Panel J/B Assembly (Instrument Panel Reinforcement) : Connector Joining Wire Harness and Wire Harness Code See Page Joining Wire Harness and Wire Harness (Connector Location) AD2 47 Engine Room Main Wire and Instrument Panel Wire (Instrument Panel Reinforcement) HD1 47 No. 2 Floor Wire and Instrument Panel Wire (Cowl Side Panel LH) JH1 48 Luggage Room Wire and No. 2 Floor Wire (Quarter Panel LH) : Ground Points Code See Page Ground Points Location A1 46 Front Fender Apron LH A3 47 Cowl Side Panel LH A7 46 Front Fender Apron RH D1 47 Cowl Side Panel LH D2 47 Instrument Panel Brace LH D3 47 Instrument Panel Brace RH D4 47 Cowl Side Panel RH H1 48 Lower Back Panel 181 BRZ (G4400BE)
  • 301.
    Interior Light A73(A), D5(B), D6(C) (BAT) (BAT) (BAT) (ACC) (IG) Main Body ECU 15A 7. 5A 7. 5A 10A 10A HAZ ECU–B MPX–B ECU ACC ECU IG1 IG ACC 2 2 2 2 2 8 9 1 G–R 1 1 L–R G 28 3B (∗2) W 25 AD2 G–R W (∗2) L–R G–R G ∗ 2 : w/ Smart Entry Start System 182 BRZ (G4400BE)
  • 302.
    A73(A), D5(B), D6(C) Main Body ECU ACC(∗2) BMPX BECU KSWB GND GND GND 22 B 32 1 2 11 1 C 4 A B–Y B 19 3C 27 3A 7 3C 18 3B G–R B–Y L–R (∗2) W G Junction Connector Junction Connector Junction Connector D16(A), D17(B) 21 A 4 A D8(A), D9(B) 9 A A9(A) 12 B 6 B 7 A W (∗2) G–R L–R G–R G B–Y B–Y B–Y D3 D1 A3 183 BRZ (G4400BE)
  • 303.
    Interior Light A73(A), D5(B), D6(C) Main Body ECU FLCL FRCL 5 B 6 B (BAT) 20A DOME O 2 (∗30) W 1 O 8 AD2 LG(∗21) (∗22) (∗22) (∗30) SB O O O B LG(∗21) Junction Connector 10 A 12 A (∗21) (∗21) D46(A), D47(B) LG LG 1 1 7 B Vanity Light Assembly RH Vanity Light Assembly LH O (Visor Assembly RH) (Visor Assembly LH) (∗22) (∗22) O O K1 K5 2 2 8 ED2 1 ED1 8 FD2 1 FD1 (∗21) (∗22) (∗22) (∗22) (∗22) (∗21) LG LG G G B B B(∗21) 1 2 1 2 B(∗21) E2 F4 Front Courtesy Light Front Courtesy Light Assembly LH Assembly RH ∗21 : w/ Vanity Light Assembly ∗22 : w/ Courtesy Light ∗30 : w/ Luggage Compartment Light 184 BRZ (G4400BE)
  • 304.
    O O (∗30) B(∗21) B(∗21) LG(∗21) LG(∗21) 1 B B B B D1 3 DK1 GND ON 2 OFF LG LG 9 DK1 +B DOOR 3 B D4 DOOR SW K3 P Map Light Assembly 2 1 W–B O 21 HD1 (∗30) (∗30) H8 No. 1 Luggage Compartment Light Assembly Main Body ECU A73(A), D5(B), D6(C) P L L 7 B 8 DK1 DOMR BRZ (G4400BE) 1 16 Y–B V 28 3A 18 HD1 FDCY H21 Front Door Courtesy Light Switch Assembly LH 1 10 LG GR 13 3B 3 GD1 FPCY G18 Front Door Courtesy Light Switch Assembly RH W–B (∗30) 185
  • 305.
    Interior Light A73(A), D5(B), D6(C) Main Body ECU PRG RDA ILL 6 C 7 C 28 B (BAT) (BAT) (IG) (BAT) 7. 5A 7. 5A 10A 20A ECU–B ECU–B ECU IG1 DOME 2 2 2 2 (∗3) Y 1 1 20 3D 1 (∗3 ∗5) G–R (∗3) W (∗3 ∗4) L–R 25 AD2 8 AD2 6 ILL– 19 3C (∗3 ∗5) G–R (∗3) (∗3) (∗3 ∗4) R V Transponder Key Amplifier Junction Connector Y Ignition Key D16(A), D17(B) Cylinder 12 B Light 19 3D (∗3) O 19 A (∗3 ∗4) D54 ILL+ R–Y (∗3 ∗5) Junction Connector G–R 2 D46(A), D47(B) 10 A 34 HD1 35 HD1 38 HD1 39 HD1 37 HD1 (∗3) O (∗3 ∗5) (∗3 ∗4) (∗3 ∗4) 8 B Y–R (∗3) (∗3) W R P Y 3 A 2 A (∗5) 5 B 4 B (∗4) 5 A 7 B 1 B PRG RDA +B +B IG GND H27(A) 1 A (∗5) Door Control Receiver 12 B (∗4) H28(B) Tire Pressure Warning ECU and Receiver (∗3) (Door Control and Tire Pressure B Monitoring System Receiver Assembly) ∗ 2 : w/ Smart Entry Start System ∗ 3 : w/o Smart Entry Start System ∗ 4 : w/ Tire Pressure Warning System ∗ 5 : w/o Tire Pressure Warning System ∗30 : w/ Luggage Compartment Light (∗3) B W–B W–B (∗30) (∗30) H3 186 BRZ (G4400BE)
  • 306.
    W–B (∗30) B B B 8 B 6 FD1 E (∗2) (∗2) (∗2) BR 7 B (∗2) LSSR F3(B) Door Lock with Motor Assembly RH B D1 (∗2) Main Body ECU A73(A), D5(B), D6(C) BRZ (G4400BE) B B B 7 A D4 6 ED1 E (∗2) (∗2) (∗2) 8 A LSSR E3(A) Door Lock with Motor Assembly LH BR BR (∗2) (∗2) W–B (∗30) 187
  • 307.
    Interior Light A73(A), D5(B), D6(C) Main Body ECU LSFD LSFP TSW5 CANL CANH 11 C 12 C 12 13 B 14 B 26 3D (∗2) (∗2) LG P (∗30) (∗2) (∗2) SB SB W 6 ED2 6 FD2 19 HD1 (∗30) W–B (∗2) (∗2) BR BR P (∗2) LG (∗2) ∗ 2 : w/ Smart Entry Start System ∗ 4 : w/ Tire Pressure Warning System ∗ 5 : w/o Tire Pressure Warning System BR ∗30 : w/ Luggage Compartment Light (∗2) BR (∗2) W–B (∗30) 188 BRZ (G4400BE)
  • 308.
    D40(A), D41(B) Certification ECU Assembly CANH CANL AGND SWIL RCO RDA RSSI 14 B 15 B 24 B 16 B 5 A 17 A 19 A (∗2) (∗2) (∗2) (∗2) (∗2) (∗2) (∗2) LG LG G R R B P 6 9 47 HD1 45 HD1 46 HD1 AGND SWIL (∗2) (∗2) (∗2) BR G Y 4 15 D43 Junction Connector 3 14 D25 (∗2) (∗2) LG P Engine Switch 4 A 5 A 2 A (∗5) 10 B 9 B 6 B (∗4) +5 DATA RSSI P (∗2) H26(A) LG Door Control Receiver (∗2) H28(B) Tire Pressure Warning ECU and Receiver (Door Control and Tire Pressure Monitoring System Receiver Assembly) 189 BRZ (G4400BE)
  • 309.
    Interior Light (BAT) (IG) 7. 5A 10A ∗ 2 : w/ Smart Entry Start System ECU–B ECU IG1 ∗ 4 : w/ Tire Pressure Warning System ∗ 5 : w/o Tire Pressure Warning System 2 2 1 (∗2 ∗4) 20 3D L–R 19 3C (∗2 ∗4) Y 19 3D (∗2 ∗4) R–Y 39 HD1 37 HD1 (∗2 ∗4) (∗2 ∗4) Y–R W 7 B 1 B +B IG GND H26(A) 1 A (∗5) Door Control Receiver 12 B (∗4) H28(B) Tire Pressure Warning ECU and Receiver (Door Control and Tire Pressure Monitoring System Receiver Assembly) (∗2) B (∗2) B H3 190 BRZ (G4400BE)
  • 310.
    : Parts Location Code See Page Code See Page Code See Page A9 A 42 D41 B 41 H8 45 A73 A 42 D43 41 H21 45 D5 B 40 D46 A 41 H26 A 45 D6 C 40 D47 B 41 H27 A 45 D8 A 40 D54 41 H28 B 45 D9 B 40 E2 44 K1 45 D16 A 40 E3 A 44 K3 45 D17 B 40 F3 B 44 K5 45 D25 40 F4 44 D40 A 41 G18 44 : Relay Blocks Code See Page Relay Blocks (Relay Block Location) 1 24 Engine Room R/B (Engine Compartment Right) : Junction Block and Wire Harness Connector Code See Page Junction Block and Wire Harness (Connector Location) 3A 26 Instrument Panel Wire and Instrument Panel J/B Assembly (Instrument Panel Reinforcement) 3B 3C 26 Engine Room Main Wire and Instrument Panel J/B Assembly (Instrument Panel Reinforcement) 3D 26 Instrument Panel Wire and Instrument Panel J/B Assembly (Instrument Panel Reinforcement) : Connector Joining Wire Harness and Wire Harness Code See Page Joining Wire Harness and Wire Harness (Connector Location) AD2 47 Engine Room Main Wire and Instrument Panel Wire (Instrument Panel Reinforcement) DK1 47 Instrument Panel Wire and Roof Wire (Front Body Inner Pillar RH) ED1 47 Front Door Wire LH and Instrument Panel Wire (Cowl Side Panel LH) ED2 FD1 47 Front Door Wire RH and Instrument Panel Wire (Cowl Side Panel RH) FD2 GD1 47 No. 1 Floor Wire and Instrument Panel Wire (Cowl Side Panel RH) HD1 47 No. 2 Floor Wire and Instrument Panel Wire (Cowl Side Panel LH) : Ground Points Code See Page Ground Points Location A3 47 Cowl Side Panel LH D1 D3 47 Instrument Panel Brace RH D4 47 Cowl Side Panel RH H3 48 Quarter Wheel House Panel LH 191 BRZ (G4400BE)
  • 311.
    Front Fog Light A73(A), D5(B), D6(C) (BAT) (BAT) (BAT) (ACC) (IG) Main Body ECU 15A 7. 5A 7. 5A 10A 10A HAZ ECU–B MPX–B ECU ACC ECU IG1 IG ACC 2 2 2 2 2 8 9 1 G–R 1 1 L–R G 28 3B (∗2) W 25 AD2 G–R W (∗2) L–R G–R G ∗ 2 : w/ Smart Entry Start System 192 BRZ (G4400BE)
  • 312.
    A73(A), D5(B), D6(C) Main Body ECU ACC(∗2) BMPX BECU KSWB GND GND GND 22 B 32 1 2 11 1 C 4 A B–Y B 19 3C 27 3A 7 3C 18 3B G–R L–R (∗2) W G Junction Connector Junction Connector Junction Connector D16(A), D17(B) 21 A 4 A D8(A), D9(B) 9 A A9(A) B–Y 12 B 6 B 7 A W (∗2) G–R L–R G–R G B–Y B–Y B–Y D3 D1 A3 193 BRZ (G4400BE)
  • 313.
    Front Fog Light A73(A), D5(B), D6(C) Main Body ECU TAIL FFOG 25 B 24 B BE W W 18 A 4 A T BFG T H AUTO EL BFG LFG Fog Switch Off Off Light Control Tail Front Fog Switch Light Head AUTO EL LFG D50(A) 12 A 3 A Headlight Dimmer Switch Assembly B B B B B D4 D1 194 BRZ (G4400BE)
  • 314.
    A73(A), D5(B), D6(C) Main Body ECU FFGO 30 (BAT) B–R A75(A) 140A ALT Fusible Link Block Assembly 1 1B 1 3E 1 A 1 1C W 1 1 FR FOG 10A 10A Relay FR FOG LH FR FOG RH 2 2 3 3C 5 3C W–R R–W Headlight Assembly RH Headlight Assembly LH 3 A 3 A Front Front Fog Fog A41(A) A4(A) 4 A 4 A B B Junction Connector B 10 A A9(A) 11 A B B A7 195 BRZ (G4400BE)
  • 315.
    Front Fog Light A73(A), D5(B), D6(C) Main Body ECU TRLY CANL CANH 7 13 B 14 B 1 LG P TAIL 10A Relay TAIL 2 P LG 196 BRZ (G4400BE)
  • 316.
    (IG) (BAT) L–R 7. 5A 7. 5A GAUGE MPX–B L–R 2 2 2 3A 1 19 3C W–G 17 3B W–G R–W D7 Combination Meter Assembly 2 1 IG+ B Power Circuit Front Fog LED Driver CPU CAN Driver CANH CANL ES2 ES1 6 7 40 20 BR–W B–Y B–Y BR 2 13 D43 Junction Connector 3 14 B–Y LG P P LG D3 197 BRZ (G4400BE)
  • 317.
    Front Fog Light : Parts Location Code See Page Code See Page Code See Page A4 A 39 D5 B 40 D16 A 40 A9 A 42 D6 C 40 D17 B 40 A41 A 39 D7 40 D43 41 A73 A 42 D8 A 40 D50 A 41 A75 A 36, 39 D9 B 40 : Relay Blocks Code See Page Relay Blocks (Relay Block Location) 1 24 Engine Room R/B (Engine Compartment Right) : Junction Block and Wire Harness Connector Code See Page Junction Block and Wire Harness (Connector Location) 1B 24 Engine Room Main Wire and Engine Room J/B (Engine Compartment Right) 1C 3A 26 Instrument Panel Wire and Instrument Panel J/B Assembly (Instrument Panel Reinforcement) 3B 3C 26 Engine Room Main Wire and Instrument Panel J/B Assembly (Instrument Panel Reinforcement) 3E : Connector Joining Wire Harness and Wire Harness Code See Page Joining Wire Harness and Wire Harness (Connector Location) AD2 47 Engine Room Main Wire and Instrument Panel Wire (Instrument Panel Reinforcement) : Ground Points Code See Page Ground Points Location A3 47 Cowl Side Panel LH A7 46 Front Fender Apron RH D1 47 Cowl Side Panel LH D3 47 Instrument Panel Brace RH D4 47 Cowl Side Panel RH 198 BRZ (G4400BE)
  • 318.
    Memo 199 BRZ (G4400BE)
  • 319.
    Automatic Light Controland Light Auto Turn Off System A73(A), D5(B), D6(C) (BAT) (BAT) (IG) Main Body ECU 7. 5A 7. 5A 10A ECU–B MPX–B ECU IG1 IG BMPX BECU 2 2 2 8 32 1 1 1 19 3C 27 3A G–R L–R G–R L–R Junction Connector 25 AD2 D16(A), D17(B) 21 A G–R 12 B G–R 200 BRZ (G4400BE)
  • 320.
    A73(A), D5(B), D6(C) MainBody ECU GND GND GND CLTB CLTS CLTE 11 1 C 4 A 15 C 14 C 13 C 18 3B B–Y LG G R B B–Y Junction Connector Junction Connector 4 A D8(A), D9(B) 9 A 3 4 6 A9(A) CLTB CLTS CLTE 6 B 7 A D45 Automatic Light Control Sensor B–Y B–Y B–Y D3 D1 A3 201 BRZ (G4400BE)
  • 321.
    Automatic Light Controland Light Auto Turn Off System A73(A), D5(B), D6(C) Main Body ECU HF TAIL HEAD2 HEAD1 A 18 25 B 12 A 2 B 23 B (∗6) SB W G 15 3B 26 AD1 BE LG W 1 A 2 A D16(A), D17(B) Connector Junction 10 B W 17 A 18 A 20 A 19 A HF T H A EL (HL) HU HF T H AUTO EL Flash Off Control Switch Dimmer Switch Low Tail Light High Head AUTO EL D50(A) 12 A Headlight Dimmer Switch Assembly B ∗ 6 : w/ Automatic Light Control System B D4 202 BRZ (G4400BE)
  • 322.
    A73(A), D5(B), D6(C) MainBody ECU HRLY HRLYD DIM 2 A 1 B 11 A 3 B (BAT) L–B G G B L 80A MAIN Block Assembly Fusible Link A76(B) 1 1 L 1 B G G 30 3C 29 3A 17 3C 5 2 H–LP W Relay 20 AD2 3 1 1 1D 203 BRZ (G4400BE)
  • 323.
    Automatic Light Controland Light Auto Turn Off System A73(A), D5(B), D6(C) Main Body ECU ACC(∗2) KSWB KSW(∗3) ACC 2 22 B 9 (BAT) (ACC) 7 3C 10 3D 15A 10A HAZ ECU ACC 2 2 R–W (∗3) (∗3) (∗2) BR W G 1 28 3B G 2 Lock Cylinder Assembly) UN– Un–Lock Warning Switch Assembly (Ignition Switch D53 UN+ 1 ∗ 2 : w/ Smart Entry Start System ∗ 3 : w/o Smart Entry Start System ∗ 4 : w/ Tire Pressure Warning System ∗ 5 : w/o Tire Pressure Warning System 204 BRZ (G4400BE)
  • 324.
    A73(A), D5(B), D6(C) Main Body ECU FPCY FDCY TSW5 PRG RDA 10 16 12 6 C 7 C (BAT) (BAT) (IG) 13 3B 28 3A 26 3D 7. 5A 7. 5A 10A ECU–B ECU–B ECU IG1 GR SB V 2 2 2 1 1 20 3D (∗3 ∗5) G–R (∗3) (∗3) R V (∗3 ∗4) L–R 3 GD1 18 HD1 19 HD1 25 AD2 19 3C (∗3 ∗5) G–R (∗3 ∗4) W–B Junction Connector Y Front Door Courtesy Light Switch Assembly RH Front Door Courtesy Light Switch Assembly LH D16(A), D17(B) 12 B 19 3D Y–B LG 19 A (∗3 ∗4) R–Y (∗3 ∗5) G–R Luggage Compartment Door Striker Assembly W–B 1 1 34 HD1 35 HD1 38 HD1 39 HD1 37 HD1 1 JH1 (∗3 ∗4) (∗3 ∗4) (∗3 ∗5) G18 H21 Y–R (∗3) (∗3) W R P Y W–B 3 A 2 A (∗5) 3 5 B 4 B (∗4) 5 A 7 B 1 B D+ PRG RDA +B +B IG E GND J3 2 H27(A) 1 A (∗5) Door Control Receiver 12 B (∗4) H28(B) B Tire Pressure Warning ECU and Receiver (Door Control and Tire Pressure Monitoring System Receiver Assembly) (∗3) B B 5 JH1 B (∗3) B B H1 H3 205 BRZ (G4400BE)
  • 325.
    Automatic Light Controland Light Auto Turn Off System A73(A), D5(B), D6(C) D40(A), D41(B) Main Body ECU Certification ECU Assembly (BAT) (IG) 7. 5A 10A ECU–B ECU IG1 CANL CANH CANH CANL RCO RDA RSSI 2 2 13 B 14 B 14 B 15 B 5 A 17 A 19 A 1 20 3D (∗2) (∗2) (∗2) (∗2) (∗2) (∗2) (∗2) LG LG G R R P P (∗2 ∗4) L–R 19 3C Junction Connector 47 HD1 45 HD1 46 HD1 (∗2 ∗4) Y 14 3 D43 19 3D (∗2) (∗2) (∗2) 15 4 BR G Y (∗2 ∗4) R–Y 39 HD1 37 HD1 (∗2 ∗4) (∗2 ∗4) Y–R W 4 A 5 A 2 A (∗5) 10 B 9 B 6 B (∗4) 7 B 1 B +5 DATA RSSI +B IG GND H26(A) 1 A (∗5) Door Control Receiver 12 B (∗4) H28(B) Tire Pressure Warning ECU and Receiver (Door Control and Tire Pressure Monitoring System Receiver Assembly) (∗2) ∗ 2 : w/ Smart Entry Start System B ∗ 4 : w/ Tire Pressure Warning System ∗ 5 : w/o Tire Pressure Warning System (∗2) B H3 206 BRZ (G4400BE)
  • 326.
    : Parts Location Code See Page Code See Page Code See Page A9 A 42 D16 A 40 D53 41 A73 A 42 D17 B 40 G18 44 A76 B 36, 39 D40 A 41 H21 45 D5 B 40 D41 B 41 H26 A 45 D6 C 40 D43 41 H27 A 45 D8 A 40 D45 41 H28 B 45 D9 B 40 D50 A 41 J3 45 : Relay Blocks Code See Page Relay Blocks (Relay Block Location) 1 24 Engine Room R/B (Engine Compartment Right) : Junction Block and Wire Harness Connector Code See Page Junction Block and Wire Harness (Connector Location) 1D 24 Engine Room Main Wire and Engine Room J/B (Engine Compartment Right) 3A 26 Instrument Panel Wire and Instrument Panel J/B Assembly (Instrument Panel Reinforcement) 3B 3C 26 Engine Room Main Wire and Instrument Panel J/B Assembly (Instrument Panel Reinforcement) 3D 26 Instrument Panel Wire and Instrument Panel J/B Assembly (Instrument Panel Reinforcement) : Connector Joining Wire Harness and Wire Harness Code See Page Joining Wire Harness and Wire Harness (Connector Location) AD1 47 Engine Room Main Wire and Instrument Panel Wire (Cowl Side Panel RH) AD2 47 Engine Room Main Wire and Instrument Panel Wire (Instrument Panel Reinforcement) GD1 47 No. 1 Floor Wire and Instrument Panel Wire (Cowl Side Panel RH) HD1 47 No. 2 Floor Wire and Instrument Panel Wire (Cowl Side Panel LH) JH1 48 Luggage Room Wire and No. 2 Floor Wire (Quarter Panel LH) : Ground Points Code See Page Ground Points Location A3 47 Cowl Side Panel LH D1 D3 47 Instrument Panel Brace RH D4 47 Cowl Side Panel RH H1 48 Lower Back Panel H3 48 Quarter Wheel House Panel LH 207 BRZ (G4400BE)
  • 327.
    Headlight Beam LevelControl A73(A), D5(B), D6(C) (BAT) (BAT) (BAT) (ACC) (IG) Main Body ECU 15A 7. 5A 7. 5A 10A 10A HAZ ECU–B MPX–B ECU ACC ECU IG1 IG ACC 2 2 2 2 2 8 9 1 G–R 1 1 L–R G 28 3B (∗3) W 25 AD2 G–R W (∗3) L–R G–R G ∗ 3 : w/ Smart Entry Start System 208 BRZ (G4400BE)
  • 328.
    A73(A), D5(B), D6(C) Main Body ECU ACC(∗3) BMPX BECU KSWB GND 22 B 32 1 2 11 19 3C 27 3A 7 3C 18 3B G–R B–Y L–R (∗3) W G Junction Connector D16(A), D17(B) 21 A 12 B W (∗3) G–R L–R G–R G B–Y D3 209 BRZ (G4400BE)
  • 329.
    Headlight Beam LevelControl A73(A), D5(B), D6(C) Main Body ECU GND GND TAIL 1 C 4 A 25 B B–Y B BE Junction Connector Junction Connector 4 A D8(A), D9(B) 9 A A9(A) 6 B 7 A 18 A T T H AUTO EL Off Light Control Tail Switch Head AUTO B–Y B–Y EL D50(A) 12 A Headlight Dimmer Switch Assembly B B B D1 A3 D4 D1 210 BRZ (G4400BE)
  • 330.
    A73(A), D5(B), D6(C) MainBody ECU (BAT) 140A ALT A75(A) Fusible Link Block Assembly TRLY 7 1 A W 1 1C R W 1 1B Y B–R 1 3E 12 3C 13 3C 21 3B 1 TAIL Relay 10A TAIL 2 211 BRZ (G4400BE)
  • 331.
    212 Y R W 8 B 7 R–W R–W 8 AD1 T 5 6 B–Y B–Y B–Y R–B 20 B 21 B D3 7 AD1 T E D17(B) Junction Connector D3 Headlight Leveling Switch Headlight Beam Level Control 2 R–B RHM+ Leveling Motor 1 3 B B B B W BRZ (G4400BE) 11 A 7 B A7 RHE RHB1 A9(A), A10(B) Junction Connector A40 Headlight Assembly RH 2 R–W LHM+ Leveling Motor 1 3 B R LHE LHB1 A62 Headlight Assembly LH
  • 332.
    : Parts Location Code See Page Code See Page Code See Page A9 A 42 A75 A 36, 39 D9 B 40 A10 B 42 D3 40 D16 A 40 A40 39 D5 B 40 D17 B 40 A62 39 D6 C 40 D50 A 41 A73 A 42 D8 A 40 : Relay Blocks Code See Page Relay Blocks (Relay Block Location) 1 24 Engine Room R/B (Engine Compartment Right) : Junction Block and Wire Harness Connector Code See Page Junction Block and Wire Harness (Connector Location) 1B 24 Engine Room Main Wire and Engine Room J/B (Engine Compartment Right) 1C 3A 26 Instrument Panel Wire and Instrument Panel J/B Assembly (Instrument Panel Reinforcement) 3B 3C 26 Engine Room Main Wire and Instrument Panel J/B Assembly (Instrument Panel Reinforcement) 3E : Connector Joining Wire Harness and Wire Harness Code See Page Joining Wire Harness and Wire Harness (Connector Location) AD1 47 Engine Room Main Wire and Instrument Panel Wire (Cowl Side Panel RH) AD2 47 Engine Room Main Wire and Instrument Panel Wire (Instrument Panel Reinforcement) : Ground Points Code See Page Ground Points Location A3 47 Cowl Side Panel LH A7 46 Front Fender Apron RH D1 47 Cowl Side Panel LH D3 47 Instrument Panel Brace RH D4 47 Cowl Side Panel RH 213 BRZ (G4400BE)
  • 333.
    Key Reminder (w/oSmart Entry Start System) and Light Reminder A73(A), D5(B), D6(C) (BAT) (BAT) (ACC) (IG) Main Body ECU 7. 5A 7. 5A 10A 10A ECU–B MPX–B ECU ACC ECU IG1 IG ACC BMPX BECU 2 2 2 2 8 9 32 1 1 1 G–R L–R 19 3C 27 3A G–R L–R Junction Connector 25 AD2 D16(A), D17(B) 21 A 12 B G–R G–R 214 BRZ (G4400BE)
  • 334.
    A73(A), D5(B), D6(C) MainBody ECU GND GND GND TAIL 11 1 C 4 A 25 B B–Y B 18 3B BE Junction Connector Junction Connector 4 A D8(A), D9(B) 9 A A9(A) B–Y 6 B 7 A 18 A T T H AUTO EL Off Light Control Tail Switch Head AUTO B–Y B–Y EL D50(A) 12 A Headlight Dimmer Switch Assembly B B–Y B D3 D1 A3 D4 215 BRZ (G4400BE)
  • 335.
    Key Reminder (w/oSmart Entry Start System) and Light Reminder A73(A), D5(B), D6(C) Main Body ECU KSWB KSW FDCY 2 22 B 16 (BAT) 7 3C 10 3D 28 3A 15A HAZ 2 R–W BR G V 1 (Ignition Switch Lock Cylinder Assembly) G 18 HD1 Un–Lock Warning Switch Assembly 2 UN– Y–B Front Door Courtesy Light Switch D53 UN+ 1 1 Assembly LH H21 216 BRZ (G4400BE)
  • 336.
    A73(A), D5(B), D6(C) MainBody ECU (IG) (BAT) 7. 5A 7. 5A GAUGE MPX–B CANL CANH 2 2 13 B 14 B 2 3A 1 W–G L–R LG P Junction Connector L–R 14 3 D43 13 2 19 3C W–G BR–W BR 17 3B R–W D7 Combination Meter Assembly 2 1 IG+ B Buzzer Power Circuit CPU CAN Driver CANH CANL ES2 ES1 6 7 40 20 BR–W B–Y B–Y BR B–Y D3 217 BRZ (G4400BE)
  • 337.
    Key Reminder (w/oSmart Entry Start System) and Light Reminder : Parts Location Code See Page Code See Page Code See Page A9 A 42 D8 A 40 D50 A 41 A73 A 42 D9 B 40 D53 41 D5 B 40 D16 A 40 H21 45 D6 C 40 D17 B 40 D7 40 D43 41 : Relay Blocks Code See Page Relay Blocks (Relay Block Location) 1 24 Engine Room R/B (Engine Compartment Right) : Junction Block and Wire Harness Connector Code See Page Junction Block and Wire Harness (Connector Location) 3A 26 Instrument Panel Wire and Instrument Panel J/B Assembly (Instrument Panel Reinforcement) 3B 3C 26 Engine Room Main Wire and Instrument Panel J/B Assembly (Instrument Panel Reinforcement) 3D 26 Instrument Panel Wire and Instrument Panel J/B Assembly (Instrument Panel Reinforcement) : Connector Joining Wire Harness and Wire Harness Code See Page Joining Wire Harness and Wire Harness (Connector Location) AD2 47 Engine Room Main Wire and Instrument Panel Wire (Instrument Panel Reinforcement) HD1 47 No. 2 Floor Wire and Instrument Panel Wire (Cowl Side Panel LH) : Ground Points Code See Page Ground Points Location A3 47 Cowl Side Panel LH D1 D3 47 Instrument Panel Brace RH D4 47 Cowl Side Panel RH 218 BRZ (G4400BE)
  • 338.
    Memo 219 BRZ (G4400BE)
  • 339.
    ABS, TRAC andVSC (BAT) (BAT) (BAT) (IG) 7. 5A 40A 25A 10A STOP ABS NO. 1 ABS NO. 2 ECU IG1 2 2 2 1 1 15 3C 9 3A 18 3C W–L 12 AD1 8 3C BR–W W–L G–R W G R 3 4 R B 30 1 25 28 STP +BM +BS IG1 GND1 38 A5 VSC (VDC) Control Module Noise Filter B G–B Y–L A13 2 1 (Shielded) P B L Junction Connector Stop Light Switch 2 3 A 10 A A9(A) Assembly 6 A 12 A 11 A A22 1 B B B A7 220 BRZ (G4400BE)
  • 340.
    A42 A12 Front Speed Sensor RH Front Speed Sensor LH W W B B FR– FR+ FL– FL+ 1 2 1 2 G–O G–B W B 4 16 32 19 FR– FR+ FL– FL+ GND2 RR+ RR– RL+ RL– 13 A5 17 29 31 18 VSC (VDC) Control Module LG–B LG G B L 19 AD1 20 AD1 37 AD1 38 AD1 LG–B LG G L 9 GD1 10 GD1 16 HD1 17 HD1 BR LG Y P 2 1 2 1 RR+ RR– RL+ RL– W W B B G9 H12 Rear Speed Sensor RH Rear Speed Sensor LH A1 221 BRZ (G4400BE)
  • 341.
    ABS, TRAC andVSC (IG) 10A ECU IG1 2 19 3A P A5 VSC (VDC) Control Module CANH CANL CSW1 CSW2 26 14 12 27 O P 18 AD1 17 AD1 B–R BR G P 5 1 4 Steering Sensor IG VSC SPORT VSC OFF Switch Assembly Pattern Select D56 ESS CANH CANL 1 3 2 D35 G–W B–Y 8 G B–Y B–Y G G–W B–R BR D3 222 BRZ (G4400BE)
  • 342.
    (IG) (BAT) 7. 5A 7. 5A ∗ 3 : USA GAUGE MPX–B ∗ 4 : Except USA L–R 2 2 2 3A 1 19 3C W–G L–R 17 3B W–G R–W D7 2 Combination Meter Assembly 1 IG+ B TRAC OFF (∗3) VSC SPORT TRC OFF (∗4) BRAKE (∗3) Slip OFF Brake (∗4) ABS Slip I/F LED Driver Power Circuit CPU CAN Driver ES2 ES1 CANH CANL 40 20 6 7 BR–W B–Y B–Y BR BR–W BR B–Y G G G–W G–W B–R B–R BR BR D3 223 BRZ (G4400BE)
  • 343.
    ABS, TRAC andVSC D10 DLC3 CANH CANL 6 14 B–Y LG D43 Junction Connector 5 16 13 2 17 6 1 12 3 14 BR–W G–W W–B R–Y BR LG G P 21 AD1 39 AD1 W–B R–Y BR–W BR G LG P G–W R–Y B–R B–R W–B BR BR 224 BRZ (G4400BE)
  • 344.
    D43 A17 Junction Connector Junction Connector 9 20 18 7 17 6 5 16 B–P O 21 AD2 39 AD2 (A/T) (A/T) W–B B–W B–R R–Y BR L B–P O L(A/T) B–W(A/T) B–P O LG LG P P R–Y B–R W–B BR 225 BRZ (G4400BE)
  • 345.
    ABS, TRAC andVSC (IG) 7. 5A BK/UP LP 2 2 3C A18(A), A19(B) Transmission Control Module CANL CANH P R N D 28 A 29 A 3 B 10 B 21 B 9 B W–G (A/T) (A/T) (A/T) (A/T) (A/T) (A/T) (A/T) B–W B–G R–L BR V L W–G (A/T) (A/T) (A/T) (A/T) B–G BR V 3 AL2 2 AL2 1 AL2 8 AL2 4 AL2 B–W(A/T) G–Y(A/T) R(A/T) L(A/T) BR–Y (A/T) 6 1 9 7 RB PL RL NL DL P Park/Neutral Position R Switch Assembly N L(A/T) D L2 2 B–W(A/T) B–P B–P O O LG LG P P 226 BRZ (G4400BE)
  • 346.
    A33(A), A34(B), A36(D) ECM CANL CANH M– M+ VTA2 VTA1 EC E1 VC 18 A 19 A 1 D 2 D 28 D 18 D 4 A 29 D 19 D Y–B (Shielded) G–Y R–Y B–P B–L SB LG O R Junction Connector Y–B 13 (Shielded) 39 AC1 38 AC1 24 AC1 25 AC1 6 AC1 28 AC1 A37 16 (Shielded) B–Y B–L W R (Shielded) W–R W with Motor Assembly 1 2 4 6 Throttle Body M– M+ VTA2 VTA1 B C15 VC E2 5 3 B–Y B–L B–P O B LG LG P P B C1 227 BRZ (G4400BE)
  • 347.
    ABS, TRAC andVSC A33(A), A34(B), A36(D) ECM NE+ NE– SLE3 16 B 27 B 35 B (Shielded) W B 3 AC1 14 AC1 (Shielded) W–R W 1 Position Sensor NE+ B Crankshaft C33 NE– 2 B LG LG P P 228 BRZ (G4400BE)
  • 348.
    A73(A), D5(B), D6(C) (BAT) (BAT) (BAT) (ACC) (IG) Main Body ECU 15A 7. 5A 7. 5A 10A 10A HAZ ECU–B MPX–B ECU ACC ECU IG1 IG ACC 2 2 2 2 2 8 9 1 1 1 G–R L–R G 28 3B (∗2) W 25 AD2 G–R W (∗2) L–R G–R G ∗ 2 : w/ Smart Entry Start System LG LG P P 229 BRZ (G4400BE)
  • 349.
    ABS, TRAC andVSC A73(A), D5(B), D6(C) Main Body ECU ACC(∗2) BMPX BECU KSWB CANL CANH 22 B 32 1 2 13 B 14 B 19 3C 27 3A 7 3C G–R L–R (∗2) LG W G P Junction Connector D16(A), D17(B) 21 A 12 B W (∗2) G–R L–R G–R G ∗ 2 : w/ Smart Entry Start System LG P 230 BRZ (G4400BE)
  • 350.
    B–Y B 6 B 4 A 1 C D1 Main Body ECU GND D8(A), D9(B) A73(A), D5(B), D6(C) Junction Connector B–Y B–Y 7 A 9 A 4 A A3 GND A9(A) Junction Connector 11 B–Y B–Y 18 3B D3 GND BRZ (G4400BE) 1 14 GR 24 3B PKB D31 Parking Brake Switch Assembly 231
  • 351.
    ABS, TRAC andVSC : Parts Location Code See Page Code See Page Code See Page A5 39 A37 42 D16 A 40 A9 A 42 A42 39 D17 B 40 A12 39 A73 A 42 D31 40 A13 42 C15 38 D35 40 A17 42 C33 38 D43 41 A18 A 42 D5 B 40 D56 41 A19 B 42 D6 C 40 G9 44 A22 42 D7 40 H12 45 A33 A 42 D8 A 40 L2 39 A34 B 42 D9 B 40 A36 D 42 D10 40 : Relay Blocks Code See Page Relay Blocks (Relay Block Location) 1 24 Engine Room R/B (Engine Compartment Right) : Junction Block and Wire Harness Connector Code See Page Junction Block and Wire Harness (Connector Location) 3A 26 Instrument Panel Wire and Instrument Panel J/B Assembly (Instrument Panel Reinforcement) 3B 3C 26 Engine Room Main Wire and Instrument Panel J/B Assembly (Instrument Panel Reinforcement) : Connector Joining Wire Harness and Wire Harness Code See Page Joining Wire Harness and Wire Harness (Connector Location) AC1 46 Engine Room Main Wire and Engine Wire (Engine Unit) AD1 47 Engine Room Main Wire and Instrument Panel Wire (Cowl Side Panel RH) AD2 47 Engine Room Main Wire and Instrument Panel Wire (Instrument Panel Reinforcement) AL2 46 Engine Room Main Wire and Transmission Wire (Dash Panel) GD1 47 No. 1 Floor Wire and Instrument Panel Wire (Cowl Side Panel RH) HD1 47 No. 2 Floor Wire and Instrument Panel Wire (Cowl Side Panel LH) : Ground Points Code See Page Ground Points Location A1 46 Front Fender Apron LH A3 47 Cowl Side Panel LH A7 46 Front Fender Apron RH C1 46 Engine Unit D1 47 Cowl Side Panel LH D3 47 Instrument Panel Brace RH 232 BRZ (G4400BE)
  • 352.
    SRS NOTICE : Wheninspecting or repairing the SRS, perform service in accordance with the following precautionary instructions and the procedure, and precautions in the Repair Manual applicable for the model year. ● Malfunction symptoms of the SRS are difficult to confirm, so the DTCs become the most important source of information when troubleshooting. When troubleshooting the SRS, always inspect the DTCs before disconnecting the battery. ● Work must be started more than 90 seconds after the ignition or starter switch assembly is turned to the ”LOCK” position (Ignition switch type) or the engine switch is pushed to the ”OFF” position (Engine switch type) and the negative (-) terminal cable is disconnected from the battery. (The SRS is equipped with a back-up power source so that if work is started within 90 seconds from disconnecting the negative (-) terminal cable of the battery, the SRS may deploy.) ● When the negative (-) terminal cable is disconnected from the battery, the memory of the clock and audio system will be cleared. So before starting work, make a record of the contents in the audio memory system. When work is finished, reset the audio systems as they were before and adjust the clock. Some vehicles have power tilt steering, power telescopic steering, power seat and power outside rear view mirror which are all equipped with memory function. However, it is not possible to make a record of these memory contents. So when the work is finished, it will be necessary to explain it to your customer, and ask the customer to adjust the features and reset the memory. To avoid erasing the memory in each system, never use a back-up power supply from outside the vehicle. ● Before repair, remove the airbag sensor if shocks are likely to be applied to the sensor during repair. ● Do not expose the following parts directly to hot air or flame; ● Even in cases of a minor collision where the SRS does not deploy, the following parts should be inspected; ● Never use SRS parts from another vehicle. When replacing parts, replace with new parts. ● For the purpose of reuse, never disassemble and repair the following parts. ● If the following parts have been dropped, or have cracks, dents and other defects in their case, bracket, and connector, replace with new one. ● Use a volt/ohmmeter with high impedance (10 kΩ/V minimum) for troubleshooting electrical circuits of the system. ● Information labels are attached to the periphery of the SRS components. Follow the instructions of the notice. ● After work on the SRS is completed, check the SRS warning light. ● If the vehicle is equipped with a mobile communication system, refer to the precaution in the IN section of the Repair Manual. * Driver’s Airbag Module * Passenger’s Airbag Module * Side airbag Module * Curtain Airbag Module * Pretensioner * Airbag Control Module * Front Sub Sensor * Side Airbag Sensor * Curtain Airbag Sensor * Front Door Impact Sensor 233 BRZ (G4400BE)
  • 353.
    SRS (IG) (IG) 15A 15A A/B MAIN A/B MAIN 2 2 1 1 R–B R–B 24 3C 24 3C 23 3A LG–W 7 3A LG–B 11 GD1 G D27(A), G1(B), H17(C) 21 A Airbag Control Module 1 Ge1 IG Occupant Detection Occupant Detection Control Module Sensor FSR+ FSR– B 12 B 13 B 6 IG SUB GUARD MAIN Y–G Y BER+ BER– FSR– FSR+ e2 8 4 9 1 LG G P L 1 2 3 Ge1 2 Ge1 e1 Front Seat Inner Belt Assembly RH 234 BRZ (G4400BE)
  • 354.
    z6(B), z7(C) D30(A) Driver' s Airbag Module Passenger' s Airbag Module D52(A), z6(B), z7(C) Roll Connector 1 B 2 B 1 C 2 C D2+ D2– D+ D– 3 A 4 A 2 A 1 A R–W Y–G R Y P– P+ P2+ P2– 2 A 1 A 3 A 4 A BR LG W Y Y–BR Y–P Y–B Y–V D27(A), G1(B), H17(C) 8 A 7 A 5 A 6 A 3 A 4 A 1 A 2 A Airbag Control Module D2+ D2– D+ D– P– P+ P2+ P2– GND GND SL+ SL– SR– SR+ PL+ PL– 25 A 26 A 30 A 28 A 27 A 29 A 2 C 1 C W–B L–W Y–G Y–R R–Y L–Y B–W B 4 DA3 3 DA3 1 DA3 2 DA3 W–B L–W R–Y L–Y 2 1 1 2 2 1 BUSIN RTNIN RTNIN BUSIN Pretensioner A58 A51 Front Sub Sensor LH Front Sub Sensor RH H22 Pretensioner LH D4 D3 235 BRZ (G4400BE)
  • 355.
    SRS H16 H30 G11 Satellite Safing Sensor Curtain Airbag Module LH Curtain Airbag Module RH BUSIN RTNIN ICL– ICL+ ICR– ICR+ 2 1 2 1 2 1 Y–G Y–G Y–R Y–R Y–B Y D27(A), G1(B), H17(C) 11 C 12 C Airbag Control Module 6 C 7 C 10 B 9 B BBL2+ BBL2– ICL– ICL+ ICR– ICR+ PR+ PR– BBL+ BBL– BBR+ BBR– 4 B 5 B 8 C 15 C 8 B 11 B Y–G Y–G Y–R Y–B Side Airbag Sensor RH Side Airbag Sensor LH Y–B Y 4 3 4 3 BUSIN RTNIN BUSIN RTNIN G16 H23 BUSOUT RTNOUT BUSOUT RTNOUT 1 2 1 2 Y–R Y–B Y Y 4 3 4 3 Curtain Airbag Curtain Airbag BUSIN RTNIN BUSIN RTNIN Sensor RH Sensor LH G14 H25 BUSOUT RTNOUT BUSOUT RTNOUT 1 2 1 2 Y–G Y–G Y–R Y–B 2 1 2 EH1 1 EH1 2 FG1 1 FG1 Front Door Impact Sensor RH Front Door Impact Sensor LH Pretensioner Y–R Y–R Y–B Y–B G17 Pretensioner RH 2 1 2 1 BUSIN RTNIN BUSIN RTNIN E4 F2 236 BRZ (G4400BE)
  • 356.
    (BAT) (ACC) (IG) 20A 7. 5A 7. 5A DOME RADIO GAUGE 2 2 2 1 36 3B 2 3A b1 c1 Side Airbag Module LH Side Airbag Module RH W 8 AD2 SFL+ SFL– SFR+ SFR– 2 1 2 1 Y–B Y–B Y Y W–G R–B O 2 Hb1 1 Hb1 2 Gc1 1 Gc1 Y–B Y–B Y Y Junction Connector D27(A), G1(B), H17(C) Airbag Control Module D46(A), D47(B) 9 C 10 C 7 B 6 B 10 A SFL+ SFL– SFR+ SFR– 7 B CANL CANH PAON PAOFF 22 A 13 A 23 A 17 A LG–R LG–Y R–W P–L O 26 3A 25 3A W–G R–B 48 3A 44 3A O Y–R L 3 5 12 11 10 PAON P–AB LAPB Clock Assembly PASSENGER AIRBAG ON–OFF Indicator D18 GND GND 8 14 B–Y B–Y B–Y P–L R–W D3 237 BRZ (G4400BE)
  • 357.
    SRS (IG) (BAT) 7. 5A 7. 5A GAUGE MPX–B L–R 2 2 19 3C 2 3A 1 W–G L–R 17 3B W–G R–W 2 1 IG+ B SRS I/F LED Driver Power Circuit CPU Combination Meter Assembly CAN Driver ES2 ES1 CANH CANL D7 40 20 6 7 BR–W B–Y B–Y B–P BR O 2 13 20 9 21 AD2 39 AD2 8 19 D43 16 5 Junction Connector B–Y B–P LG O R–W B–Y P–L 14 6 19 A 18 A CANL CANH CANH CANL P–L R–W D10 A33(A) D3 DLC3 ECM 238 BRZ (G4400BE)
  • 358.
    : Parts Location Code See Page Code See Page Code See Page A33 A 42 D52 A 41 H23 45 A51 39 E4 44 H25 45 A58 39 F2 44 H30 45 D7 40 G1 B 42 b1 45 D10 40 G11 44 c1 45 D18 40 G14 44 e1 45 D27 A 40 G16 44 e2 45 D30 A 40 G17 44 z6 B 42 D43 41 H16 45 z7 C 42 D46 A 41 H17 C 42 D47 B 41 H22 45 : Relay Blocks Code See Page Relay Blocks (Relay Block Location) 1 24 Engine Room R/B (Engine Compartment Right) : Junction Block and Wire Harness Connector Code See Page Junction Block and Wire Harness (Connector Location) 3A 26 Instrument Panel Wire and Instrument Panel J/B Assembly (Instrument Panel Reinforcement) 3B 3C 26 Engine Room Main Wire and Instrument Panel J/B Assembly (Instrument Panel Reinforcement) : Connector Joining Wire Harness and Wire Harness Code See Page Joining Wire Harness and Wire Harness (Connector Location) AD2 47 Engine Room Main Wire and Instrument Panel Wire (Instrument Panel Reinforcement) DA3 47 Instrument Panel Wire and Engine Room Main Wire (Behind Glove Box) EH1 47 Front Door Wire LH and No. 2 Floor Wire (Cowl Side Panel LH) FG1 47 Front Door Wire RH and No. 1 Floor Wire (Cowl Side Panel RH) GD1 47 No. 1 Floor Wire and Instrument Panel Wire (Cowl Side Panel RH) Gc1 48 No. 1 Floor Wire and Seat Wire RH (Under Front Seat Cushion RH) Ge1 48 No. 1 Floor Wire and Occupant Detection Sensor Wire (Under Front Seat Cushion RH) Hb1 48 No. 2 Floor Wire and Seat Wire LH (Under Front Seat Cushion LH) : Ground Points Code See Page Ground Points Location D3 47 Instrument Panel Brace RH D4 47 Cowl Side Panel RH 239 BRZ (G4400BE)
  • 359.
    EPS W (BAT) (IG) B 80A 10A EPS ECU IG1 2 2 1 14 3C G–W W W B A14(A), A15(B), z1(C), z2(D) 1 A 6 B Power Steering ECU Assembly 7 B 1 B PIG IG CANL CANH PGND TRQV TRQG TRQ1 TRQ2 RZSN RZCS RZG RZV V W U 2 A 9 D 11 D 8 D 10 D 14 D 13 D 7 D 5 D 1 C 3 C 2 C Power Steering M Motor Torque Sensor Resolver B z1(C), z2(D) Steering Column Assembly A2 240 BRZ (G4400BE)
  • 360.
    W B A5 VSC (VDC) ControlModule FL+ FL– FR+ FR– RL+ RL– RR+ RR– CANH CANL 19 32 16 4 31 18 17 29 26 14 LG–B G–O G–B B–R BR LG W W G B B L 6 17 8 19 Speed Sensors 7 18 A17 Junction Connector W–B R–Y 21 AD1 39 AD1 W–B R–Y 1 12 D43 Junction Connector 13 2 9 20 BR–W B–P BR O 21 AD2 39 AD2 B–P O BR BR–W 241 BRZ (G4400BE)
  • 361.
    EPS A33(A), A34(B) ECM CANL CANH NE+ NE– SLE3 18 A 19 A 16 B 27 B 35 B (Shielded) B–P W O B 3 AC1 14 AC1 (Shielded) W–R W 1 Position Sensor NE+ Crankshaft C33 NE– B 2 B B–P O BR BR BR–W BR–W C1 242 BRZ (G4400BE)
  • 362.
    (IG) (BAT) 7. 5A 7. 5A GAUGE MPX–B 2 2 2 3A 1 L–R W–G L–R 19 3C 17 3B W–G R–W D7 2 1 Combination Meter Assembly IG+ B Power Steering Buzzer I/F LED Driver Power Circuit CPU CAN Driver CANH CANL ES2 ES1 6 7 40 20 BR–W B–Y B–Y BR BR B–Y BR–W D3 243 BRZ (G4400BE)
  • 363.
    EPS : Parts Location Code See Page Code See Page Code See Page A5 39 A33 A 42 D43 41 A14 A 42 A34 B 42 z1 C 42 A15 B 42 C33 38 z2 D 42 A17 42 D7 40 : Relay Blocks Code See Page Relay Blocks (Relay Block Location) 1 24 Engine Room R/B (Engine Compartment Right) : Junction Block and Wire Harness Connector Code See Page Junction Block and Wire Harness (Connector Location) 3A 26 Instrument Panel Wire and Instrument Panel J/B Assembly (Instrument Panel Reinforcement) 3B 3C 26 Engine Room Main Wire and Instrument Panel J/B Assembly (Instrument Panel Reinforcement) : Connector Joining Wire Harness and Wire Harness Code See Page Joining Wire Harness and Wire Harness (Connector Location) AC1 46 Engine Room Main Wire and Engine Wire (Engine Unit) AD1 47 Engine Room Main Wire and Instrument Panel Wire (Cowl Side Panel RH) AD2 47 Engine Room Main Wire and Instrument Panel Wire (Instrument Panel Reinforcement) : Ground Points Code See Page Ground Points Location A2 47 Cowl Side Panel LH C1 46 Engine Unit D3 47 Instrument Panel Brace RH 244 BRZ (G4400BE)
  • 364.
    Memo 245 BRZ (G4400BE)
  • 365.
    Seat Belt Warning (IG) (ACC) (BAT) (IG) (BAT) 7. 5A 7. 5A 20A 7. 5A 7. 5A GAUGE RADIO DOME GAUGE MPX–B L–R 2 2 2 2 2 19 3C 2 3A 36 3B 1 2 3A 1 L–R W–G W 17 3B W–G R–B W–G R–W 8 AD2 2 1 IG+ B O Junction Connector D46(A), D47(B) 10 A 7 B W–G R–B Seat Belt Driver' s O Power Circuit O LED Driver 10 11 12 LAPB Clock Assembly Front Passenger Seat Belt Warning Light CPU D18 GND GND LAPL 8 14 6 I/F P/SB ES2 ES1 BR–R B–Y B–Y 13 40 20 D7 Combination Meter Assembly B–Y B–Y B–Y D3 246 BRZ (G4400BE)
  • 366.
    BR–W BR R–B (IG) 15A A/B MAIN BR–W R–B BR 2 1 7 6 37 R–B CANL CANH DBKL 24 3C 23 3A LG–W Buzzer 11 GD1 CAN Driver I/F G 1 Ge1 Occupant Detection Control Module CPU Occupant Detection Sensor B I/F 6 IG SUB GUARD MAIN PBKL BER+ BER– FSR– FSR+ e2 D7 38 8 4 9 1 Combination Meter Assembly R–G LG G P L 42 3A 1 2 3 Ge1 2 Ge1 Y–G Y Airbag Control Module 24 3A 13 B 12 B D27(A), G1(B) SGD SVC Y–R PBE e1 15 A Front Seat Inner Belt Assembly RH Y–R 247 BRZ (G4400BE)
  • 367.
    Seat Belt Warning BR–W BR R–B 2 13 D43 Junction Connector 1 12 W–B R–B R–Y 24 HD1 21 AD1 39 AD1 W–B W–B R–Y Front Seat Inner Belt Assembly LH 7 18 Connector 1 A Junction Buckle Switch A17 H19(A) 6 17 2 A B–R BR B A5 26 14 VSC (VDC) Control Module CANH CANL FL+ FL– FR+ FR– RL+ RL– RR+ RR– 19 32 16 4 31 18 17 29 LG–B G–O G–B LG W G B B L Speed Sensors H3 248 BRZ (G4400BE)
  • 368.
    : Parts Location Code See Page Code See Page Code See Page A5 39 D27 A 40 G1 B 42 A17 42 D43 41 H19 A 45 D7 40 D46 A 41 e1 45 D18 40 D47 B 41 e2 45 : Relay Blocks Code See Page Relay Blocks (Relay Block Location) 1 24 Engine Room R/B (Engine Compartment Right) : Junction Block and Wire Harness Connector Code See Page Junction Block and Wire Harness (Connector Location) 3A 26 Instrument Panel Wire and Instrument Panel J/B Assembly (Instrument Panel Reinforcement) 3B 3C 26 Engine Room Main Wire and Instrument Panel J/B Assembly (Instrument Panel Reinforcement) : Connector Joining Wire Harness and Wire Harness Code See Page Joining Wire Harness and Wire Harness (Connector Location) AD1 47 Engine Room Main Wire and Instrument Panel Wire (Cowl Side Panel RH) AD2 47 Engine Room Main Wire and Instrument Panel Wire (Instrument Panel Reinforcement) GD1 47 No. 1 Floor Wire and Instrument Panel Wire (Cowl Side Panel RH) Ge1 48 No. 1 Floor Wire and Occupant Detection Sensor Wire (Under Front Seat Cushion RH) HD1 47 No. 2 Floor Wire and Instrument Panel Wire (Cowl Side Panel LH) : Ground Points Code See Page Ground Points Location D3 47 Instrument Panel Brace RH H3 48 Quarter Wheel House Panel LH 249 BRZ (G4400BE)
  • 369.
    Tire Pressure WarningSystem A73(A), D5(B), D6(C) (BAT) (BAT) (ACC) (IG) Main Body ECU 7. 5A 7. 5A 10A 10A ECU–B MPX–B ECU ACC ECU IG1 IG ACC ACC(∗1) 2 2 2 2 8 9 22 B 1 1 G–R L–R 28 3B (∗1) (∗1) W W 25 AD2 G–R L–R G–R ∗ 1 : w/ Smart Entry Start System 250 BRZ (G4400BE)
  • 370.
    A73(A), D5(B), D6(C) Main Body ECU BMPX BECU GND GND GND 32 1 11 1 C 4 A B–Y B 19 3C 27 3A 18 3B G–R L–R Junction Connector Junction Connector Junction Connector D16(A), D17(B) 21 A 4 A D8(A), D9(B) 9 A A9(A) B–Y 12 B 6 B 7 A G–R L–R G–R B–Y B–Y B–Y D3 D1 A3 251 BRZ (G4400BE)
  • 371.
    Tire Pressure WarningSystem A73(A), D5(B), D6(C) Main Body ECU PRG RDA 6 C 7 C (BAT) (IG) 7. 5A 10A ECU–B ECU IG1 2 2 1 20 3D L–R R V 19 3C Y 19 3D R–Y 34 HD1 35 HD1 39 HD1 37 HD1 Y–R W R P 5 B 4 B 7 B 1 B PRG RDA +B IG GND H28(B) 12 B Tire Pressure Warning ECU and Receiver (Door Control and Tire Pressure Monitoring System Receiver Assembly) B B H3 252 BRZ (G4400BE)
  • 372.
    A73(A), D5(B), D6(C) MainBody ECU CANL CANH 13 B 14 B LG P 14 3 Connector Junction D43 13 2 12 1 BR–W W–B R–Y BR 39 AD1 21 AD1 W–B R–Y 18 7 A17 Junction Connector 17 6 B–R BR A5 14 26 VSC (VDC) Control Module CANL CANH FL+ FL– FR+ FR– RL+ RL– RR+ RR– 19 32 16 4 31 18 17 29 LG–B G–O G–B LG W G B L Speed Sensors BR BR–W 253 BRZ (G4400BE)
  • 373.
    Tire Pressure WarningSystem (IG) (BAT) 7. 5A 7. 5A GAUGE MPX–B 2 2 2 3A 1 W–G L–R L–R 19 3C W–G 17 3B R–W D7 2 Combination Meter Assembly 1 IG+ B Pressure Tire I/F LED Driver Power Circuit CPU CAN Driver CANH CANL 6 7 BR–W BR BR BR–W 254 BRZ (G4400BE)
  • 374.
    : Parts Location Code See Page Code See Page Code See Page A5 39 D6 C 40 D17 B 40 A9 A 42 D7 40 D43 41 A17 42 D8 A 40 H28 B 45 A73 A 42 D9 B 40 D5 B 40 D16 A 40 : Relay Blocks Code See Page Relay Blocks (Relay Block Location) 1 24 Engine Room R/B (Engine Compartment Right) : Junction Block and Wire Harness Connector Code See Page Junction Block and Wire Harness (Connector Location) 3A 26 Instrument Panel Wire and Instrument Panel J/B Assembly (Instrument Panel Reinforcement) 3B 3C 26 Engine Room Main Wire and Instrument Panel J/B Assembly (Instrument Panel Reinforcement) 3D 26 Instrument Panel Wire and Instrument Panel J/B Assembly (Instrument Panel Reinforcement) : Connector Joining Wire Harness and Wire Harness Code See Page Joining Wire Harness and Wire Harness (Connector Location) AD1 47 Engine Room Main Wire and Instrument Panel Wire (Cowl Side Panel RH) AD2 47 Engine Room Main Wire and Instrument Panel Wire (Instrument Panel Reinforcement) HD1 47 No. 2 Floor Wire and Instrument Panel Wire (Cowl Side Panel LH) : Ground Points Code See Page Ground Points Location A3 47 Cowl Side Panel LH D1 D3 47 Instrument Panel Brace RH H3 48 Quarter Wheel House Panel LH 255 BRZ (G4400BE)
  • 375.
    Clock (IG) (ACC) (BAT) 7. 5A 7. 5A 20A GAUGE RADIO DOME 2 2 2 2 3A 36 3B 1 W W–G R–B 8 AD2 O Junction Connector D46(A), D47(B) 10 A 7 B W–G R–B O O 10 11 12 LAPB Clock Assembly Clock D18 GND GND 8 14 B–Y B–Y B–Y D3 256 BRZ (G4400BE)
  • 376.
    : Parts Location Code See Page Code See Page Code See Page D18 40 D46 A 41 D47 B 41 : Relay Blocks Code See Page Relay Blocks (Relay Block Location) 1 24 Engine Room R/B (Engine Compartment Right) : Junction Block and Wire Harness Connector Code See Page Junction Block and Wire Harness (Connector Location) 3A 26 Instrument Panel Wire and Instrument Panel J/B Assembly (Instrument Panel Reinforcement) 3B : Connector Joining Wire Harness and Wire Harness Code See Page Joining Wire Harness and Wire Harness (Connector Location) AD2 47 Engine Room Main Wire and Instrument Panel Wire (Instrument Panel Reinforcement) : Ground Points Code See Page Ground Points Location D3 47 Instrument Panel Brace RH 257 BRZ (G4400BE)
  • 377.
    Power Window A73(A), D5(B), D6(C) (BAT) (BAT) (BAT) (ACC) (IG) Main Body ECU 15A 7. 5A 7. 5A 10A 10A HAZ ECU–B MPX–B ECU ACC ECU IG1 IG ACC 2 2 2 2 2 8 9 1 G–R 1 1 L–R G 28 3B (∗2) W 25 AD2 G–R W (∗2) L–R G–R G ∗ 2 : w/ Smart Entry Start System 258 BRZ (G4400BE)
  • 378.
    A73(A), D5(B), D6(C) Main Body ECU ACC(∗2) BMPX BECU KSWB GND GND GND 22 B 32 1 2 11 1 C 4 A B–Y B 19 3C 27 3A 7 3C 18 3B G–R B–Y L–R (∗2) W G Junction Connector Junction Connector Junction Connector D16(A), D17(B) 21 A 4 A D8(A), D9(B) 9 A A9(A) 12 B 6 B 7 A W (∗2) G–R L–R G–R G B–Y B–Y B–Y D3 D1 A3 259 BRZ (G4400BE)
  • 379.
    Power Window A73(A), D5(B), D6(C) Main Body ECU (BAT) (BAT) 25A 25A D FR DOOR D FL DOOR CANH CANL LIN 2 2 14 B 13 B 4 B 1 1 LG P Junction Connector W–L R 3 14 LG D43 7 AD2 5 AD1 5 16 W–L R B–Y LG 6 14 7 FD1 7 ED1 CANH CANL SB D10 DLC3 SB SB LG 260 BRZ (G4400BE)
  • 380.
    E8 Power Window Regulator Master Switch Assembly +B LIN SN2 VCC WU WD SN1 SGD DS 12 11 1 3 6 7 8 14 9 W–B GR LG W R Y BR SB V Power Window Regulator 10 ED2 2 5 1 3 6 4 7 ED2 Motor Assembly LH SN2 VCC WU WD SN1 SGD LG P E5 31 3A SB 28 3A V Front Door Courtesy Light Switch Assembly LH 18 HD1 Y–B 1 H21 SB SB LG 261 BRZ (G4400BE)
  • 381.
    Power Window E8 Power Window Regulator Master Switch Assembly UART GND 2 5 G 9 ED2 G–B B 9 FD2 G F6 2 Power Window Regulator Switch Assembly UART SN2 VCC WU WD SN1 SGD +B DS GND 1 3 6 7 8 14 12 9 5 W–B GR SB LG W R Y V B Power Window Regulator Motor 7 FD2 2 5 1 3 6 4 SN2 VCC WU WD SN1 SGD R–Y B B Assembly RH 29 3B 6 FD1 6 ED1 F1 B B 13 3B Front Door Courtesy Light Switch Assembly RH SB GR 3 GD1 B LG 1 G18 B B D4 D1 262 BRZ (G4400BE)
  • 382.
    : Parts Location Code See Page Code See Page Code See Page A9 A 42 D10 40 F1 44 A73 A 42 D16 A 40 F6 44 D5 B 40 D17 B 40 G18 44 D6 C 40 D43 41 H21 45 D8 A 40 E5 44 D9 B 40 E8 44 : Relay Blocks Code See Page Relay Blocks (Relay Block Location) 1 24 Engine Room R/B (Engine Compartment Right) : Junction Block and Wire Harness Connector Code See Page Junction Block and Wire Harness (Connector Location) 3A 26 Instrument Panel Wire and Instrument Panel J/B Assembly (Instrument Panel Reinforcement) 3B 3C 26 Engine Room Main Wire and Instrument Panel J/B Assembly (Instrument Panel Reinforcement) : Connector Joining Wire Harness and Wire Harness Code See Page Joining Wire Harness and Wire Harness (Connector Location) AD1 47 Engine Room Main Wire and Instrument Panel Wire (Cowl Side Panel RH) AD2 47 Engine Room Main Wire and Instrument Panel Wire (Instrument Panel Reinforcement) ED1 47 Front Door Wire LH and Instrument Panel Wire (Cowl Side Panel LH) ED2 FD1 47 Front Door Wire RH and Instrument Panel Wire (Cowl Side Panel RH) FD2 GD1 47 No. 1 Floor Wire and Instrument Panel Wire (Cowl Side Panel RH) HD1 47 No. 2 Floor Wire and Instrument Panel Wire (Cowl Side Panel LH) : Ground Points Code See Page Ground Points Location A3 47 Cowl Side Panel LH D1 D3 47 Instrument Panel Brace RH D4 47 Cowl Side Panel RH 263 BRZ (G4400BE)
  • 383.
    Door Lock Control A73(A), D5(B), D6(C) (BAT) (BAT) (BAT) (ACC) (IG) Main Body ECU 15A 7. 5A 7. 5A 10A 10A HAZ ECU–B MPX–B ECU ACC ECU IG1 IG ACC 2 2 2 2 2 8 9 1 G–R 1 1 L–R G 28 3B (∗2) W 25 AD2 G–R W (∗2) L–R G–R G ∗ 2 : w/ Smart Entry Start System ∗ 3 : w/o Smart Entry Start System 264 BRZ (G4400BE)
  • 384.
    G W (∗2) L–R G–R W 22 B (∗2) ACC(∗2) 32 L–R 19 3C BMPX 1 G–R G–R 12 B 21 A 27 3A BECU D16(A), D17(B) Junction Connector 2 G 7 3C KSWB R–W 10 3D (∗3) Main Body ECU A73(A), D5(B), D6(C) 1 2 BR 22 B (∗3) KSW(∗3) UN– UN+ BRZ (G4400BE) D53 Un–Lock Warning Switch Assembly (Ignition Switch Lock Cylinder Assembly) 11 B–Y B–Y 18 3B D3 GND B–Y B 6 B 4 A 1 C D1 GND D8(A), D9(B) Junction Connector B–Y B–Y 7 A 9 A 4 A A3 GND A9(A) Junction Connector 265
  • 385.
    Door Lock Control A73(A), D5(B), D6(C) Main Body ECU ACT+ ACTP 6 5 (BAT) 20A D/L A DR P DR UNLOCK LOCK/SET Relay 2 Relay 1 LG 6 3C 13 3A 12 3A 3 3B 4 3B L–W B B L 2 FD1 3 FD1 LG R 4 B 1 B L UL M F3(B) B Door Lock with Motor Assembly RH B B D1 D4 266 BRZ (G4400BE)
  • 386.
    A73(A), D5(B), D6(C) Main Body ECU ACTD L UL 28 17 19 D DR UNLOCK Relay 41 3A 20 3B 51 3A 30 3A W–R O–G G–Y LG 2 3B 11 3D 16 FD2 15 FD2 16 ED2 15 ED2 R–G Y P P L L 2 ED1 3 ED1 16 15 16 A 15 A Power Window Regulator Power Window Regulator Master Switch Assembly Control Switch Control Switch Unlock Unlock Switch Assembly Door Lock Door Lock LG R Lock Lock E8(A) GND GND F6 5 5 A 4 A 1 A L UL B B M E3(A) Door Lock with Motor Assembly LH B B 6 FD1 6 ED1 B B B B B D1 D4 267 BRZ (G4400BE)
  • 387.
    Door Lock Control A73(A), D5(B), D6(C) Main Body ECU FDCY FPCY 16 10 28 3A 13 3B GR V 18 HD1 3 GD1 Y–B LG Switch Assembly RH Switch Assembly LH 1 1 Courtesy Light Courtesy Light Front Door Front Door G18 H21 268 BRZ (G4400BE)
  • 388.
    : Parts Location Code See Page Code See Page Code See Page A9 A 42 D9 B 40 E8 A 44 A73 A 42 D16 A 40 F3 B 44 D5 B 40 D17 B 40 F6 44 D6 C 40 D53 41 G18 44 D8 A 40 E3 A 44 H21 45 : Relay Blocks Code See Page Relay Blocks (Relay Block Location) 1 24 Engine Room R/B (Engine Compartment Right) : Junction Block and Wire Harness Connector Code See Page Junction Block and Wire Harness (Connector Location) 3A 26 Instrument Panel Wire and Instrument Panel J/B Assembly (Instrument Panel Reinforcement) 3B 3C 26 Engine Room Main Wire and Instrument Panel J/B Assembly (Instrument Panel Reinforcement) 3D 26 Instrument Panel Wire and Instrument Panel J/B Assembly (Instrument Panel Reinforcement) : Connector Joining Wire Harness and Wire Harness Code See Page Joining Wire Harness and Wire Harness (Connector Location) AD2 47 Engine Room Main Wire and Instrument Panel Wire (Instrument Panel Reinforcement) ED1 47 Front Door Wire LH and Instrument Panel Wire (Cowl Side Panel LH) ED2 FD1 47 Front Door Wire RH and Instrument Panel Wire (Cowl Side Panel RH) FD2 GD1 47 No. 1 Floor Wire and Instrument Panel Wire (Cowl Side Panel RH) HD1 47 No. 2 Floor Wire and Instrument Panel Wire (Cowl Side Panel LH) : Ground Points Code See Page Ground Points Location A3 47 Cowl Side Panel LH D1 D3 47 Instrument Panel Brace RH D4 47 Cowl Side Panel RH 269 BRZ (G4400BE)
  • 389.
    Wireless Door LockControl (w/o Smart Entry Start System) A73(A), D5(B), D6(C) (BAT) (BAT) (BAT) (ACC) (IG) Main Body ECU 15A 7. 5A 7. 5A 10A 10A HAZ ECU–B MPX–B ECU ACC ECU IG1 IG ACC 2 2 2 2 2 8 9 1 G–R 1 1 L–R G 25 AD2 G–R L–R G–R G 270 BRZ (G4400BE)
  • 390.
    G L–R G–R 32 L–R 19 3C BMPX 1 G–R G–R 12 B 21 A 27 3A BECU D16(A), D17(B) Junction Connector 2 G 7 3C KSWB R–W 10 3D Main Body ECU A73(A), D5(B), D6(C) 1 2 BR 22 B KSW UN– UN+ D53 Un–Lock Warning Switch Assembly BRZ (G4400BE) (Ignition Switch Lock Cylinder Assembly) 11 B–Y B–Y 18 3B D3 GND B–Y B 6 B 4 A 1 C D1 GND D8(A), D9(B) Junction Connector B–Y B–Y 7 A 9 A 4 A A3 GND A9(A) Junction Connector 271
  • 391.
    Wireless Door LockControl (w/o Smart Entry Start System) A73(A), D5(B), D6(C) Main Body ECU DOMR HZR FDCY FPCY 7 B 3 16 10 (BAT) L 20A DOME 16 3B 28 3A 13 3B 2 W GR V 1 8 L EHW W 8 AD2 9 DK1 8 DK1 D61 Turn Signal Flasher 18 HD1 3 GD1 Assembly LG P O O Junction Connector D46(A), D47(B) 10 A LG Y–B LG 7 B 2 +B O DOOR Map Light Assembly OFF ON Front Door Courtesy Light Front Door Courtesy Light Switch Assembly RH Switch Assembly LH 1 1 DOOR SW K3 3 G18 H21 P ∗ 2 : w/ Tire Pressure Warning System ∗ 3 : w/o Tire Pressure Warning System ∗ 9 : w/ Wireless Door Lock Buzzer 272 BRZ (G4400BE)
  • 392.
    A73(A), D5(B), D6(C) Main Body ECU PRG RDA BZR 6 C 7 C 1 A (BAT) (BAT) (IG) 7. 5A 7. 5A 10A ECU–B ECU–B ECU IG1 2 2 2 1 1 20 3D (∗9) V G–R (∗3) L–R (∗2) 25 AD2 19 3C (∗2) G–R Y (∗3) R V Junction Connector 1 D16(A), D17(B) Wireless Door Lock Buzzer 12 B 19 3D + 19 A R–Y (∗2) G–R (∗3) – A63 2 34 HD1 35 HD1 38 HD1 39 HD1 37 HD1 Y–R (∗3) (∗2) (∗2) (∗9) W R P Y B Junction Connector 3 A 2 A (∗3) 5 B 4 B (∗2) 5 A 7 B 1 B 2 B A10(B) PRG RDA +B +B IG 1 B GND H27(A) 1 A (∗3) Door Control Receiver 12 B (∗2) H28(B) Tire Pressure Warning ECU and Receiver (Door Control and Tire Pressure Monitoring System Receiver Assembly) (∗9) B B (∗9) B B H3 A1 273 BRZ (G4400BE)
  • 393.
    Wireless Door LockControl (w/o Smart Entry Start System) A73(A), D5(B), D6(C) Main Body ECU ACT+ ACTP 6 5 (BAT) 20A D/L A DR P DR UNLOCK LOCK/SET Relay Relay 2 1 6 3C 13 3A 12 3A 3 3B 4 3B LG B B L–W L 2 FD1 3 FD1 LG R 4 B 1 B B L UL M F3(B) Door Lock with Motor Assembly RH D1 274 BRZ (G4400BE)
  • 394.
    A73(A), D5(B), D6(C) Main Body ECU (BAT) Fusible Link Block 80A MAIN Assembly A76(B) ACTD TR+ HO 28 4 26 1 B (∗1) W D DR BK/DR 31 3D UNLOCK Relay Relay 1 1D (∗1) BR 1 5 26 AD2 HORN 2 3B 11 3D 6 3B Relay G 2 3 R–G BR–Y Y (∗1) 1 4 HD1 BR 2 ED1 3 ED1 2 JH1 LG R BR 4 A 1 A 1 J3 L UL B Luggage Compartment Door Striker Assembly M E 2 E3(A) Door Lock with Motor Assembly LH B B 5 JH1 ∗ 1 : w/ Panic Alarm Function B B B H1 H3 275 BRZ (G4400BE)
  • 395.
    Wireless Door LockControl (w/o Smart Entry Start System) : Parts Location Code See Page Code See Page Code See Page A9 A 42 D9 B 40 F3 B 44 A10 B 42 D16 A 40 G18 44 A63 39 D17 B 40 H21 45 A73 A 42 D46 A 41 H27 A 45 A76 B 36, 39 D47 B 41 H28 B 45 D5 B 40 D53 41 J3 45 D6 C 40 D61 41 K3 45 D8 A 40 E3 A 44 : Relay Blocks Code See Page Relay Blocks (Relay Block Location) 1 24 Engine Room R/B (Engine Compartment Right) : Junction Block and Wire Harness Connector Code See Page Junction Block and Wire Harness (Connector Location) 1D 24 Engine Room Main Wire and Engine Room J/B (Engine Compartment Right) 3A 26 Instrument Panel Wire and Instrument Panel J/B Assembly (Instrument Panel Reinforcement) 3B 3C 26 Engine Room Main Wire and Instrument Panel J/B Assembly (Instrument Panel Reinforcement) 3D 26 Instrument Panel Wire and Instrument Panel J/B Assembly (Instrument Panel Reinforcement) : Connector Joining Wire Harness and Wire Harness Code See Page Joining Wire Harness and Wire Harness (Connector Location) AD2 47 Engine Room Main Wire and Instrument Panel Wire (Instrument Panel Reinforcement) DK1 47 Instrument Panel Wire and Roof Wire (Front Body Inner Pillar RH) ED1 47 Front Door Wire LH and Instrument Panel Wire (Cowl Side Panel LH) FD1 47 Front Door Wire RH and Instrument Panel Wire (Cowl Side Panel RH) GD1 47 No. 1 Floor Wire and Instrument Panel Wire (Cowl Side Panel RH) HD1 47 No. 2 Floor Wire and Instrument Panel Wire (Cowl Side Panel LH) JH1 48 Luggage Room Wire and No. 2 Floor Wire (Quarter Panel LH) : Ground Points Code See Page Ground Points Location A1 46 Front Fender Apron LH A3 47 Cowl Side Panel LH D1 D3 47 Instrument Panel Brace RH H1 48 Lower Back Panel H3 48 Quarter Wheel House Panel LH 276 BRZ (G4400BE)
  • 396.
    Memo 277 BRZ (G4400BE)
  • 397.
    Luggage Compartment DoorOpener A73(A), D5(B), D6(C) (BAT) (BAT) (BAT) (ACC) (IG) Main Body ECU 15A 7. 5A 7. 5A 10A 10A HAZ ECU–B MPX–B ECU ACC ECU IG1 IG ACC 2 2 2 2 2 8 9 1 G–R 1 1 L–R G 28 3B (∗2) W 25 AD2 G–R W (∗2) L–R G–R G ∗ 2 : w/ Smart Entry Start System 278 BRZ (G4400BE)
  • 398.
    A73(A), D5(B), D6(C) Main Body ECU ACC(∗2) BMPX BECU KSWB GND GND GND 22 B 32 1 2 11 1 C 4 A B–Y B 19 3C 27 3A 7 3C 18 3B G–R B–Y L–R (∗2) W G Junction Connector Junction Connector Junction Connector D16(A), D17(B) 21 A 4 A D8(A), D9(B) 9 A A9(A) 12 B 6 B 7 A W (∗2) G–R L–R G–R G B–Y B–Y B–Y D3 D1 A3 279 BRZ (G4400BE)
  • 399.
    Luggage Compartment DoorOpener A73(A), D5(B), D6(C) Main Body ECU TR+ TSW5 4 12 (BAT) 20A D/L BK/DR Relay 2 1 6 3C 13 3A 12 3A 6 3B 26 3D SB G LG B B 4 HD1 19 HD1 W–B BR W–B 2 JH1 1 JH1 W–B BR 1 3 J3 B B D+ Luggage Compartment Door Striker Assembly E 2 B B 5 JH1 B B B B B B D1 D4 H1 H3 280 BRZ (G4400BE)
  • 400.
    B 2 1 B P G 27 B 42 HD1 H7 Luggage Door Opening Cancel Switch Assembly 1 4 B–Y B–Y L Main Body ECU 16 C D3 TSW A73(A), D5(B), D6(C) D4 Luggage Door Opening Switch Assembly LG 13 B CANL BRZ (G4400BE) P 14 B CANH P LG 281
  • 401.
    Luggage Compartment DoorOpener (IG) 7. 5A BK/UP LP 2 2 3C W–G(A/T) V(A/T) B–G(A/T) BR(A/T) W–G (A/T) (A/T) (A/T) (A/T) (A/T) B–G R–L BR V 4 AL2 3 AL2 2 AL2 1 AL2 8 AL2 BR–Y (A/T) (A/T) (A/T) (A/T) (A/T) B–W G–Y R L 2 6 1 9 7 RB PL RL NL DL P Park/Neutral Position R Switch Assembly N D L2 P P LG LG 282 BRZ (G4400BE)
  • 402.
    W–G(A/T) V(A/T) B–G(A/T) BR(A/T) 9 B 21 B 10 B 3 B D N R P A18(A), A19(B) Transmission Control Module CANH CANL 29 A 28 A (A/T) (A/T) B–W L P P LG LG L (A/T) B–W (A/T) 283 BRZ (G4400BE)
  • 403.
    Luggage Compartment DoorOpener ∗ 2 : w/ Smart Entry Start System D43 Junction Connector 3 14 15 4 1 12 W–B R–Y (∗2) (∗2) LG G R P 21 AD1 39 AD1 15 B 14 B CANL CANH D40(A), D41(B) Certification ECU Assembly TSW5 27 A (∗2) Y 29 HD1 (∗2) GR 6 JH1 R–Y (∗2) GR Back Door Opener Switch Assembly W–B 2 BR Opener (∗2) B BR J2 1 5 JH1 (∗2) (∗2) B B P (∗2) B LG L L (A/T) (A/T) B–W B–W (A/T) (A/T) H1 284 BRZ (G4400BE)
  • 404.
    A5 VSC (VDC) Control Module CANL CANH FL+ FL– FR+ FR– RL+ RL– RR+ RR– 14 26 19 32 16 4 31 18 17 29 LG–B G–O G–B LG W G B L B–R BR Speed Sensors 17 6 A17 Junction Connector 18 7 16 5 (A/T) (A/T) B–W L R–Y W–B L (A/T) B–W (A/T) 285 BRZ (G4400BE)