Embed presentation
Download as PDF, PPTX

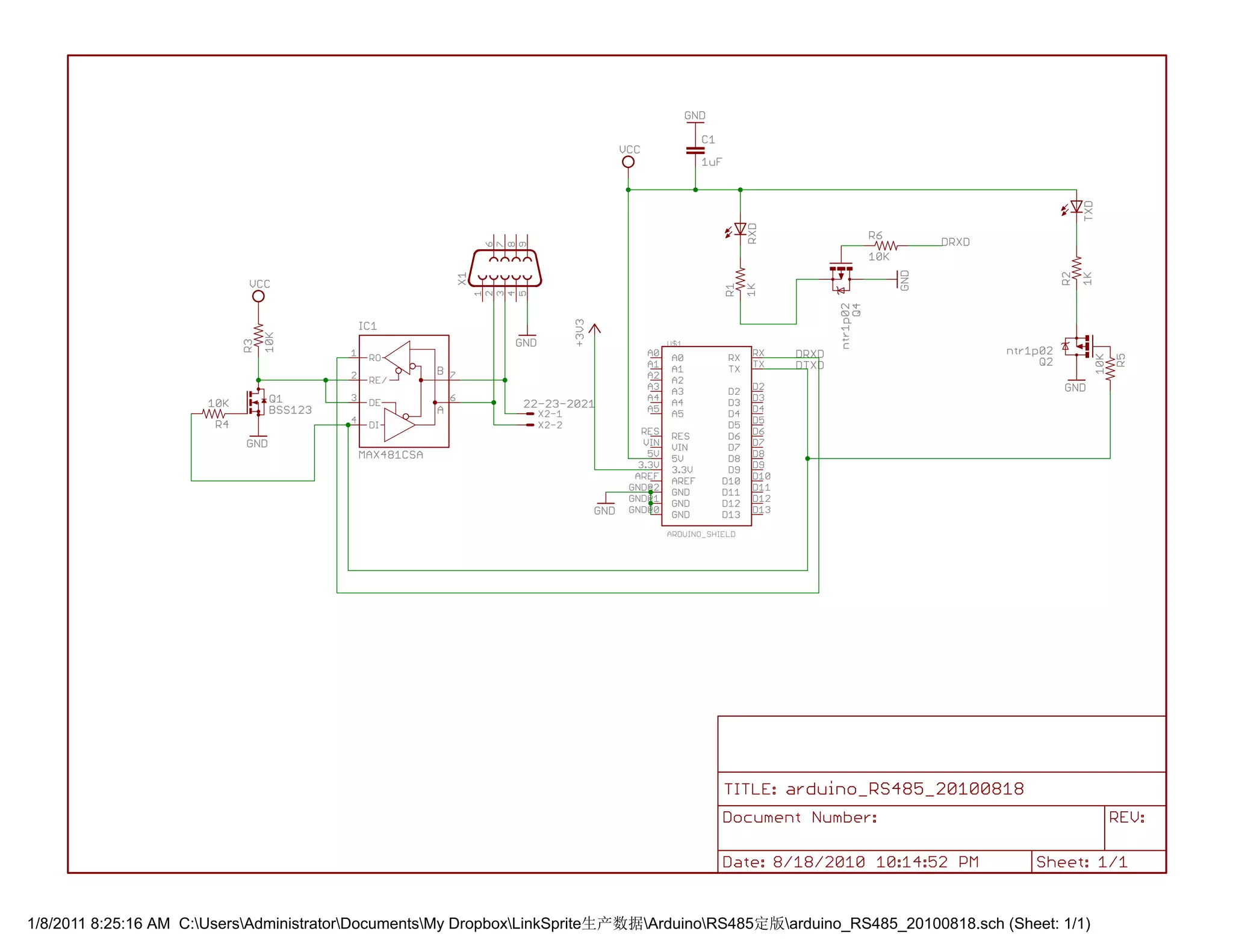
This is a one sentence document providing a file path and name for an Arduino RS485 circuit schematic dated August 18, 2010 located in the Dropbox folder of a user called Administrator on drive C. The schematic is for a finalized version of an Arduino RS485 circuit.
