Review on non-isolated DC-DC converters and their control techniques
for renewable energy applications
Farhan Mumtaz a,⇑
, Nor Zaihar Yahaya a
, Sheikh Tanzim Meraj a
, Balbir Singh a
, Ramani Kannan a
,
Oladimeji Ibrahim b
a
Dept. of Electrical and Electronic Engineering, Universiti Teknologi PETRONAS, 32610 Perak, Malaysia
b
Dept. of Electrical Engineering, University of Ilorin, 240103 Kwara, Nigeria
a r t i c l e i n f o
Article history:
Received 2 September 2020
Revised 9 February 2021
Accepted 2 March 2021
Available online 14 May 2021
Keywords:
DC-DC converters
Non-isolated converters
Hybrid renewable energy sources (HRES)
Control techniques
Converter topologies
a b s t r a c t
In recent times, the need for energy consumption is drastically increasing to fulfill the global require-
ments of commercial and domestic consumer demands. Energy generation using conventional methods
such as oil and gas are not appreciated in the modern era since they are the major contributors for pol-
lution and global warming. To tackle these issues, energy generation using hybrid renewable energy is
being opted and studied universally. However, renewable energy sources have their fair share of draw-
backs such as photovoltaic systems rely on the surrounding irradiance and temperature, wind system
experiences irregular wind speed, and fuel cells are expensive and less efficient. Also, the energy
extracted from renewable sources persist with stochastic behavior. To deal with these issues, researchers
utilize different power electronic devices such as inverters, active power filters, voltage regulators, power
quality conditioners, and DC-DC converters. Among these power electronic devices DC-DC converters are
highly effective for DC voltage regulation and to improve the efficiency of renewable energy systems.
Appropriate selection of the DC-DC converter is an important factor that has significant contribution in
overall performance of the power systems. Besides, the selection of an efficient DC-DC converter topol-
ogy, for its optimum operation integration of a suitable control technique is equally important. This paper
highlights the characteristics of available and on-going trends of non-isolated converters that includes
buck-boost, single ended primary inductor converter, cuk, z-source, zeta, and hybrid DC-DC converters
based on the performance parameters that are analyzed using MATLAB Simulink. Control techniques that
include proportional integral derivative (PID), slide mode control (SMC), model predictive control (MPC),
state space modeling (SSM), and fuzzy logic control (FLC) are also discussed considering the parameters
settling issue, response time and complexity while integrating with non-isolated DC-DC converters in
power systems.
Ó 2021 THE AUTHORS. Published by Elsevier BV on behalf of Faculty of Engineering, Ain Shams Uni-
versity. This is an open access article under the CC BY-NC-ND license (http://creativecommons.org/licenses/
by-nc-nd/4.0/).
1. Introduction
The increasing demand for clean energy has led renewable
energy sources (RES) to be a potential method to contribute in
energy generation [1,2]. Eradication of hazardous methods for
energy generation is becoming a contemporary requirement
around the globe [3]. Conventional ways of energy generation have
caused major environmental impacts globally along with being
highly wasteful and expensive. Renewable energy sources (RES)
in this regard has appeared as a blessing being cost-effective and
environment friendly at the same time [4,5]. In the past, crude
oil-based power generation plants were utilized. Lately, it was real-
ized that due to the massive consumption of crude oil, eventually,
crude oil became scarce and scientist developed hybrid power gen-
eration systems that can be operated on natural gas along with
crude oil [6,7]. However, the decline in the efficiency of power gen-
eration plants were observed due to hybrid operation of fuel that
eventually contributed in the scarcity of natural gas [8]. Besides,
the burning of fossil fuels has led to some serious impacts on the
https://doi.org/10.1016/j.asej.2021.03.022
2090-4479/Ó 2021 THE AUTHORS. Published by Elsevier BV on behalf of Faculty of Engineering, Ain Shams University.
This is an open access article under the CC BY-NC-ND license (http://creativecommons.org/licenses/by-nc-nd/4.0/).
⇑ Corresponding author.
E-mail address: farhan_19001785@utp.edu.my (F. Mumtaz).
Peer review under responsibility of Ain Shams University.
Production and hosting by Elsevier
Ain Shams Engineering Journal 12 (2021) 3747–3763
Contents lists available at ScienceDirect
Ain Shams Engineering Journal
journal homepage: www.sciencedirect.com
environment and steadily became a costly method of power gener-
ation [9]. Hence, the emerging concept of renewable energy
sources is studied in detail and is being utilized [10,11]. Since they
are highly abundant and has no negative impacts on the environ-
ment [12,13]. Additionally, renewable energy sources have moder-
ate efficiency and require less maintenance [14–17]. RES has now
become the emerging method of energy generation globally and
numerous converter topologies along with control techniques have
also been developed to make it more robust and efficient [18–21].
Renewable energy sources (RES) individually lack to perform as
an independent power generation system since they are intermit-
tent in nature [14,22]. Therefore, the integration of two or more
RES’s is a possible solution to this issue. The integration of multiple
renewable energy generation sources are known as hybrid renew-
able energy systems (HRES) [23]. Generally, they are utilized to
construct an independent power generation system that increases
the efficacy of the RES [24]. Hence, HRES systems have become
highly popular and they are implemented universally for high-
quality power generation [25,26]. Fig. 1 depicts the range of all
possible HRES combinations along with the management system.
Furthermore, the possible range of storage systems for power
back-up during intermittent conditions is also depicted in Fig. 1.
Power converters are primarily utilized to regulate the input
voltage as per the application requirement. Power converters play
a predominant role in power engineering and drives since decades
[27]. Vast applications of converters can be found in industrial
applications and RES systems [28,29]. Power converters have been
adapted to replace the conventional voltage divider circuits that
include rheostat and power conversion circuits. These conven-
tional methods tend to have low output voltage and efficiency [30].
Converters are the most significant part of any hybrid renew-
able energy system since they can stabilize the voltage output dur-
ing intermittent conditions [31,32]. Power quality of renewable
energy systems heavily relies on the stable operation of the power
converter and its control technique [33]. For instance, a boost con-
verter is a widely used device with solar MPPT system. Along with
boosting the low input voltage of PV cells, a closed loop-controlled
boost converter can also keep the DC-link voltage stable [34,35].
However, most of the conventional converters and control tech-
niques have various drawbacks that overshadow their efficacy in
HRES systems. Therefore, in recent times researchers have started
to give high emphasis on designing improved DC-DC converters
and effective control techniques. Electronics based DC-DC convert-
ers are more efficient than the conventional power conversion
techniques. Conventional techniques based on transformers and
rectifiers tend to have numerous drawbacks along with being
highly expensive. On the flip side, power converters have reduced
size, low component count and are insensitive to voltage ripples
and electromagnetic interference (EMI) noise [30]. Furthermore,
the output of power converter can easily be filtered using simple
filter and it can be tuned or manipulated by implementing a suit-
able control technique depending on the system requirements
[30,36].
Fig. 2 depicts the complete structure and integration of HRES
with DC-DC converters [32,37]. The first stage demonstrates the
input power-generation scheme that is based on renewable energy
sources that include photovoltaic (PV), wind turbine, and fuel cell
[17]. The aforementioned energy generation sources persist con-
straints which means they have discontinuous output behavior
that is catered in the second stage. The power enhancement stage,
this stage boosts the input power generated by RES that is usually
Fig. 1. The possible combination of HRES systems [4].
F. Mumtaz, N. Zaihar Yahaya, S. Tanzim Meraj et al. Ain Shams Engineering Journal 12 (2021) 3747–3763
3748
low in comparison to the load demands. The final stage is con-
nected to the load that consists of DC microgrids, AC load, and
direct DC load. During the load varying conditions, the power qual-
ity and sustainability rely upon the optimum operation of the DC-
DC converter [38,39].
Nowadays, numerous DC-DC converters are opted to regulate
the input voltage based on the application requirement. DC-DC
converters are generally categorized into two categories namely
isolated and non-isolated converters. Isolated converters contain
galvanic isolation as it utilizes a transformer that isolates the input
and the output side of the DC-DC converter [40]. Having a separate
ground, it does not impose any effect of the input over the output
side of the converter. The output value of the converter can either
have positive or negative polarity depends on the converter config-
uration. It can operate on a wide range of inputs and generate a
stable output. Isolated converters persist some significant issues
such as leakage inductance, core saturation, thermal effect, high
voltage spikes across the switches, and huge size that also makes
it costly compared to non-isolated converters. Non-isolated con-
verter topology does not have any galvanic isolation between the
input and output side, variations on the input side directly affect
the output side of the converters. Their component count is less
in comparison to the isolated converter topology [41]. However,
they also have some small issues that need to be addressed such
as high duty cycle ratio, poor voltage gain, and additional circuitry
for optimum operations. Both categories of converter topologies
have their own share of advantages and disadvantages. The selec-
tion is based on application requirements. Fig. 3 depicts the power
converter family highlighting the conventional converter topolo-
gies in both categories.
To validate the contribution of this manuscript, this work is
compared with some recently published review articles on DC-
DC converters. In [27,42,43], the review of non-isolated conven-
tional DC-DC converters are presented. These articles also
addressed the applications of the conventional DC-DC converters
in renewable energy applications. Furthermore, they comprise of
the limitations and the recent developments of the conventional
DC-DC converters. However, none of these articles have discussed
regarding the available control techniques for the operation of DC-
DC converters. The discussion of control techniques is highly sig-
nificant since they play a vital role in evaluating the performance
of DC-DC converters in renewable energy applications. Further-
more, these studies did not include any discussion regarding the
recently developed interleaved DC-DC converters and thus are only
limited to the performance analysis of conventional non-isolated
DC-DC converter topologies. The configurational and performance
analysis of the non-isolated interleaved DC-DC converters are also
of high significance since in renewable energy applications, they
have almost substituted the conventional converters because of
their superior performance, structural simplicity, cost effectiveness
and higher efficiency. In [30], established DC-DC converter topolo-
gies are discussed along with their performance evaluation in
renewable energy applications. This article also elaborately dis-
cussed the implementation of state space modelling and control
conventional non-isolated converter topologies. However, it did
not include any other control techniques apart from state space
modelling for the operation of DC-DC converters. Therefore, study
also failed to provide any comparative analysis between different
control techniques and their performance on various DC-DC con-
verters. It is clear from the above discussions that reviews on the
conventional and interleaved non-isolated DC-DC converter
topologies, and, their control techniques for renewable energy
applications are still not properly addressed, which are the main
focuses of the present review paper. This paper focuses on the
characteristic analysis of several non-isolated DC-DC converters.
The selection of the converter topology is further categorized into
conventional DC-DC converter topologies that include buck-boost,
single ended primary inductor converter (SEPIC), cuk, z-source,
zeta converter and the interleaved DC-DC converter topologies that
include high-efficiency high step-up DC-DC converter, high gain
input-parallel output-series DC-DC converter, high gain
transformer-less double-duty-triple-mode DC-DC converter and
high gain three-state switching hybrid boost converter. On the
other hand, this paper also presents the advantages and limitation
of control techniques that includes proportional integral derivative
(PID), slide mode control (SMC), model predictive control (MPC),
state space modeling (SSM), and fuzzy logic control (FLC).
Converter topology’s efficacy also relies on the control tech-
nique. Incompatible control technique can affect the performance
of converter topology that eventually deteriorate the overall sys-
Fig. 2. DC-DC converter integration in HRES system [30].
F. Mumtaz, N. Zaihar Yahaya, S. Tanzim Meraj et al. Ain Shams Engineering Journal 12 (2021) 3747–3763
3749
tem’s performance [44,45]. There are two categories in control the-
ory, named as classical control and modern control. The classical
theory control technique is compatible with single-input and
single-output (SISO) system applications. The working of the clas-
sical theory is based on time-domain using differential equations,
in a complex-s domain with Laplace transform or in a frequency
domain by transforming from the complex-s domain [46]. Classical
theory has implications when integrated with higher-order sys-
tems. Thus, the systems are considered as second-order having a
single variable. Higher-order system responses and multivariable
effects are ignored. On-site tuning is required due to design
approximation while implementing classical control [44]. How-
ever, due to the design simplicity and easier implementation of
classical controller design in comparison to the modern control
theory, classical controllers are still being preferred for numerous
industrial and domestic applications [47]. PID control technique
is the most preferable and common control technique in the clas-
sical control category [48].
Contrary to classical control theory, the working phenomenon
of modern control theory is based on the complex-s or the
frequency domain. Modern control theory has the capability to
control multi-input multi-output (MIMO) system applications
[49–51]. Modern control theory overcomes the limitations associ-
ated with the classical control theory in numerous applications in a
sophisticated manner. To minimize the computational time in
modern design, the system is denoted by the first-order differential
equations by using state variables. Moreover, modern control the-
ory also includes nonlinear, multivariable, adaptive, and robust
control theories [52–54].
Control techniques have a significant role in optimizing the
overall operation of the DC-DC converters [55]. Different control
techniques are selected as per the requirement of the response
time and efficiency [10,56]. All the aspects cannot be optimized
at the same time and thus, the tradeoff is compulsory in some
parameters, which can be done on the basis of priority of the sys-
tem requirements [4,57]. Fig. 4 illustrates the working of the power
converter along with the control technique, to stabilize the load
and source simultaneously. Furthermore, the control technique is
using the feedback from the load side and comparing it with the
desired reference value for optimum operation of the DC-DC
converter.
2. Non-isolated DC-DC converter topologies
As validated in the previous section, DC-DC converters are
extensively utilized for renewable energy generation applications.
However, non-isolated DC-DC converter topologies are more bene-
ficial than the isolated converter topologies. Although they also
have some small issues such as high duty cycle ratio, poor voltage
gain, and additional circuitry, these topologies are still a more fea-
sible option to integrate with renewable energy applications over
isolated converter topology counterparts.
2.1. Buck-boost converter
Buck-boost converter topology is a fusion of two different con-
verter topologies as shown in Fig. 5. The buck converter and the
boost converter, the buck converter steps down the output voltage
level and the boost converter steps up the output voltage level.
This hybrid converter topology is used in numerous applications
such as drive applications, stand-alone, and grid-connected photo-
voltaic (PV) energy generation systems. However, buck-boost con-
verter topology is still under on-going research to enhance the
efficacy of the photovoltaic (PV) energy generation system. World-
wide researchers are working to enhance the voltage gain of non-
isolated DC-DC converters, as a result, numerous DC-DC converters
are developed that includes SEPIC, Cuk, Lou, and Z-source these are
based on buck-boost topology.
In [58], a novel configuration of a double switch buck-boost
converter is proposed. It was proved experimentally that the con-
verter is able to effectively track maximum power point for the
photovoltaic application and also maintained optimum efficiency
during load varying conditions. In [59], a hybrid fuel cell-based
power generation system is utilized having an inductor coupled
buck-boost converter. The converter has achieved higher effi-
ciency, non-inverting output, and reduced input–output ripples.
Apart, from renewable energy applications, the buck-boost con-
verter is well established in industries and has a wide range of
applications. A bridgeless converter the buck-boost topology is
proposed in [60] for the application of motor drives. In this config-
uration, the converter is integrated with the motor drive that has
reduced switching losses and conduction losses in the AC mains
associated with the power supply of the drives. In another applica-
tion shown in [61], a new two-switch topology known to be boost-
interleaved buck-boost converter arrangement is utilized for the
power factor correction and it has provided the advantage of lower
switching voltage stress, reduced inductor losses, and reduced size
of the magnetic interference. Furthermore, to power up the LED
lamps, an integrated buck-boost topology is adopted having two
buck-boost converters connected in a cascaded manner having
one control switch for operation. This configuration has reduced
the capacitance filter value and improvised efficiency [62]. For
electric vehicle applications, a buck-boost converter topology is
proposed in [63]. Here the converter is used for controlling the
power transfer between the batteries and ultra-capacitors using
interleaved bi-directional converter control by means of field pro-
grammable gate array (FPGA). In [64], a buck-boost converter is
integrated in order to sustain the telecommunication power sys-
tem. In this topology, multiple input power sources are utilized
along with multiple-input buck-boost converters integrated as an
Fig. 3. Converter family tree [43].
F. Mumtaz, N. Zaihar Yahaya, S. Tanzim Meraj et al. Ain Shams Engineering Journal 12 (2021) 3747–3763
3750
interface between the micro sources and the DC bus. The system
has successfully reduced the switching losses between the sources.
Additionally in [65], a novel compensation technique was utilized
for the smooth transition between the switching modes of the non-
inverting buck-boost converter.
2.2. Single ended primary inductor converter (SEPIC)
Single ended primary inductor converter (SEPIC) is similar to
the buck-boost converter topology as shown in Fig. 6. It can also
step up and step down the output voltage levels. SEPIC converter
topology is used in numerous applications such as solar power
generation field to regulate the flickering DC voltage and to
improve the power factor in AC lines. It has a non-inverting output
which makes it more appealing than the buck-boost converters
and it is preferred for high power applications. In order to achieve
high output voltage using the SEPIC converter the ON switch time
should be longer than OFF time, otherwise, it will not be able to
generate the required output voltage.
SEPIC converter is proposed and opted for numerous applica-
tions. In [66], an inductor coupled SEPIC converter utilized for
renewable energy application. The configuration benefits with a
continuous input current and lowered the switching stress that
contributes to high power efficiency. For high-power factor correc-
tion, a novel SEPIC is proposed in [67]. This topology is a bridgeless
isolated version of SEPIC and operates as a single-phase rectifier
integrated with slide mode control to enhance the high-power fac-
tor in AC source. This configuration resulted in reduced total har-
monic distortion and also exhibits adequate performance in
power factor correction. [68] proposed a modified topology of
SEPIC converter having two high static gain DC-DC converters inte-
grated. It was developed for renewable energy applications having
low switching stress with low input voltage and high output volt-
age. In [69] an integrated double boost SEPIC (IDBS) converter
topology is proposed for photovoltaic and fuel cell applications,
having a single controlled switch and two inductors. The topology
is able to generate high voltage gain avoiding excessive duty-cycle.
For alternate energy applications, SEPIC is utilized in [70] to
increase the voltage gain and reduce the voltage stress on the main
switch. In this system, SEPIC is coupled with an inductor and two
voltage multipliers. The continuous input current makes it a good
choice to be utilized for renewable and sustainable energy applica-
tions. Furthermore, another application can be found in [71] where
a frequently used LED street light power driver circuit is proposed
based on a single-stage SEPIC converter that has increased the effi-
ciency and the high-power factor for overall operating range hav-
ing low total harmonic distortions.
2.3. Cuk converter
Cuk converter is basically a boost converter followed by a buck
converter as shown in Fig. 7. Cuk converter is utilized for voltage
regulation and power factor correction (PFC) in numerous applica-
tions. The output polarity is inverted in comparison to the input
with less switching losses and better efficiency. Voltage boosting
Fig. 4. Working of DC-DC Converter.
Fig. 5. Buck-Boost Converter [62].
Fig. 6. SEPIC Converter [72]. Fig. 7. Cuk Converter [79].
F. Mumtaz, N. Zaihar Yahaya, S. Tanzim Meraj et al. Ain Shams Engineering Journal 12 (2021) 3747–3763
3751
is concerned with the ON time and OFF time period of the control
switch, during the ON time period of the switch capacitors dis-
charges while inductors stores energy similarly during the OFF
time period of a switch, the diode is in conduction mode and starts
delivering the current. The capacitor is used as an energy storage
component while other topologies usually use inductors as an
energy storage component instead of a capacitor.
For the photovoltaic AC module, a Cuk converter coupled with a
switched inductor is utilized to achieve high static gain with
reduced switching voltage in [73]. A modified high step-up DC-
DC Cuk converter topology is integrated with a fuel cell-based
application in [74] that provides a wide range of duty cycle and
high output gain. In [75], a motor drive of an airconditioning sys-
tem is powered using a Cuk converter to enhance the power factor
correction (PFC) and power quality (PQ). The smooth operation of
the motor drive was achieved considering no variations at the
input AC lines. Over a wide range of the operation, the converter
was able to keep the power factor near to unity at the AC mains.
Furthermore, for power correction applications, a Cuk converter
is utilized in [76]. The modified bridgeless Cuk converter topology
reduced the conduction losses and switching losses tested in recti-
fier application and has the ability to reduce the inductance value
for power factor correction (PFC). For lighting applications, a
bridgeless Cuk converter was proposed in [77]. The topology
proved to be highly efficient and was successful in reducing the
number of conduction devices and power utility devices with
improved efficiency and reduced losses. To improve the efficiency
of battery charging application, [78] proposed a conventional
power system for electric bike battery charging having two stage
converter replaced with single stage switched inductor Cuk con-
verter. The topology enhanced the overall efficiency that consist
of power factor correction and reduced total harmonic distortion.
2.4. Z-Source converter
Z-Source converter topology is one of the efficient converter
topologies. It possesses the features for step-up and step-down
output voltage. Its construction is based on a distinct inductor-
capacitance (LC) impedance design structure that connects the
converter main circuit to the power source as shown in Fig. 8. Z-
source converter is mostly preferable for medium and high power
applications. It has low output ripple noise. The duty cycle of the
converter is less than 0.5. Having the same amount of duty cycle
it can boost more voltage as compared to the conventional boost
converter. Besides having a moderate efficiency, the size and cost
of this converter topology is more competent than others.
A topology having a z-source network, flyback, and voltage mul-
tiplier have achieved 89% efficiency [80]. This topology is having a
higher component count than the conventional z-source converter
topologies. However, it has a nominal duty cycle than other z-
source converter configurations. Another [74] modified z-source
converter topology is integrated for photovoltaic power generation
with a common input and output ground having reduced size and
low switching stress. To maintain a constant input and output vari-
able of fuel cell along with a constant DC link voltage is proposed in
[74]. Hybrid z-source converter topologies that are suitable for
motor drive applications are suggested in [81]. For another applica-
tion in [82], electric traction systems are controlled using a perma-
nent magnet synchronous machine by implementing a z-source
converter. The converter was regulated using sliding mode control
(SMC). It further validated the voltage adaption strategy and
enhanced the efficiency of the system. Furthermore, improvement
in the power factor correction in wireless power transfer applica-
tions for electric vehicles and transportation has been accom-
plished by using a z-source converter topology in [83]. Power
factor correction and the regulated system output voltage is
demonstrated without additional integration of semiconductor
devices and along with control circuitry.
2.5. Zeta converter
Zeta converter topology is also known to be a power optimizer.
It is similar to the SEPIC converter topology and can be utilized in
numerous applications including solar systems. Zeta converter
topology has a moderate component count and complexity as
shown in Fig. 9. It possesses features like non-inverting output,
regulated output voltage, and continuous output current. It has
the advantage of lower output ripple and easier compensation.
Several applications are found in studies such as in [84], zeta con-
verter topology is integrated with the photovoltaic energy genera-
tion system, to power up the BLDC pump for water pumping.
Providing less power losses and maximum power utilizing the PV
cells without requiring any additional control circuitry. Another
study in [85], zeta converter topology achieved and maintained a
constant output under load varying conditions in wind turbine
energy generation application. In [86,87], modified zeta converter
topology is utilized for high voltage conversion ratio with impro-
vised efficiency in high voltage gain applications. Stacked and cas-
caded configuration modes are operated using a single active
switch. Moreover, a smart combination of ZETA-SEPIC converter
topology is implemented for plugin electric vehicles that provides
the operation in three i.e. plug-in charging (PFC mode), propulsion,
and regenerative modes. This smart combination provides the
capability of voltage boosting in all the modes that enhance the
overall efficiency of the electric vehicles [88].
2.6. Recently developed non-isolated converters
Currently, non-isolated converter topologies are emerging dras-
tically considering the demands of modern applications. Conven-
tional non-isolated converter topologies persists with
implications that effect the efficiency of the converter topology
and also reduces the life span of the equipments integrated with
the system. Hence, the hybridization of converter topologies is sig-
Fig. 8. Z-source Converter [74]. Fig. 9. Zeta Converter [89].
F. Mumtaz, N. Zaihar Yahaya, S. Tanzim Meraj et al. Ain Shams Engineering Journal 12 (2021) 3747–3763
3752
nificantly being an active way of emerging converter topologies.
The hybridization of converter topologies is solely based on the
features and limitations associated with them. Non-isolated con-
verter topologies consist of implications such as high input and
output ripples, discontinuous input and output current, higher
switching stress, and higher duty cycle ratio. Furthermore, the
advantages and disadvantages are elaborated in Table 1.
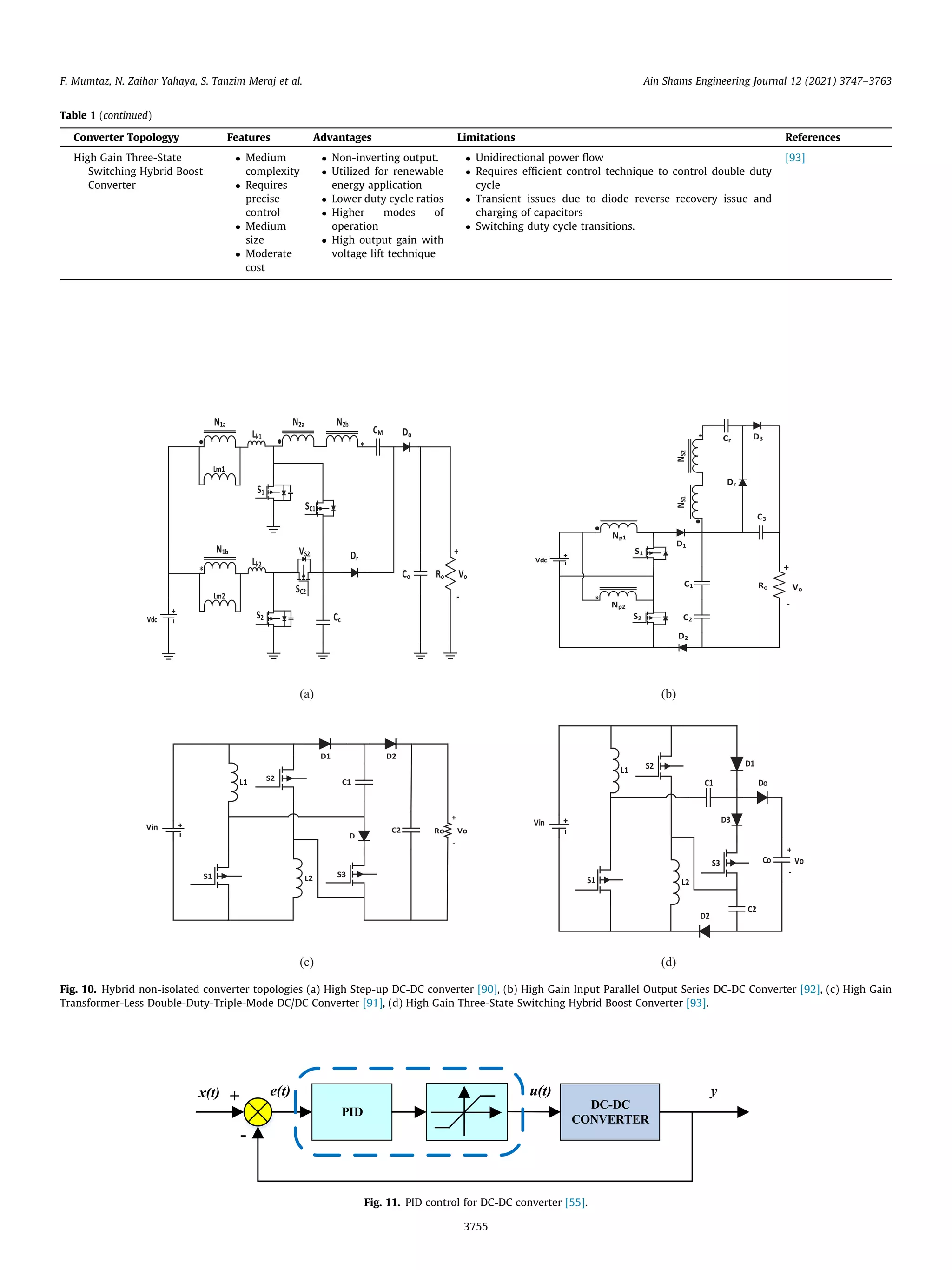
However, recently developed hybrid non-isolated DC-DC con-
verter topologies are shown in Fig. 10. The high step-up DC-DC
converter shown in Fig. 10(a) is a hybrid topology having a capabil-
ity of a voltage step up and step down both [90]. Besides that it has
a common input and output ground that make it a transformer-less
grid-connected topology, hence it perfectly fits for the photovoltaic
energy generation systems. It also possesses soft-switching that
includes zero voltage and zero current switching for active and
passive devices. Circuit design having dual coupled inductors in
series to the output allows to obtain maximum voltage gain. More-
over, it operates on a minimal duty cycle and delivers high gain
and continuous output during intermittent conditions.
In Fig. 10(b), high gain input parallel output series DC-DC con-
verter topology is shown. It is a hybridized converter topology, that
incorporates parallel input and series boost converter having dual
coupled inductors along with a voltage multiplier [91]. The input
side of the converter topology have two inductors connected in
parallel which shares the input current and input voltage ripples.
The output side is integrated with interleaved series-connected
capacitors. This converter topology can be used for industrial and
domestic applications. Moreover, it posses nominal switching
stress, lower ripples on the output, and high voltage gain.
In Fig. 10(c), a high gain transformer-less double-duty-tripple
mode DC-DC converter topology is shown [91]. This topology has
reduced component count and high efficiency as compared to con-
ventional non-isolated converter topologies. It works on two dif-
ferent duty cycles that reduce the implications of a higher duty
cycle ratio. It has three different modes of operation and a perfect
utilization of power electronics components which allows this
topology to have higher voltage gain and stable output. Thus, it
does not require unnecessary complex circuit structures that
include voltage lift technique, voltage multiplier circuit, and cou-
pled transformers. An experimental setup has verified its suitable
application for DC-Microgrid. Hence, it can be integrated into the
renewable energy system for smooth operation and improvising
the life span of renewable energy extracting equipment such as
photovoltaic (PV) cell.
Another non-isolated converter topology is proposed in [93]
which is named as high gain three-state switching hybrid boost
converter that is shown in Fig. 10(d). It is similar to the aforemen-
tioned hybrid converter topologies. However, it utilizes an addi-
tional voltage lift circuit for higher voltage gain. Furthermore, it
possesses reduce component count and higher output voltage gain
with optimum switching duty cycle ratios. Having two different
duty cycle ratios and three different modes of operation gives per-
fect voltage boosting characteristics. Moreover, this topology is
applicable for voltage boosting applications with optimum effi-
ciency for renewable energy generation that includes photovoltaic
(PV) and fuel cells.
3. Control techniques
To attain the maximum efficiency of the non-isolated DC-DC
converters, control techniques have vital roles. This is due to the
fact that control techniques have the ability to optimize the overall
operations of these converter topologies. Control parameters for
DC-DC converters are the input voltage, duty cycle ratio, reference
voltage, and output voltage. Considering the following parameters,
a particular control technique can regulate the operation of DC-DC
converters. For low input and output voltages the control tech-
nique increases the duty cycle ratio to perform the voltage step-
up operation considering the reference output voltage. On the
other hand, if the input and output voltages are higher than, the
duty cycle is reduced by the applied control technique to perform
voltage step-down operation. Considering all the scenarios control
technique is applied for the optimum control of DC-DC converters
that maintains the switching operation of DC-DC converters to ful-
fill the output requirements accordingly [94]. Numerous control
techniques are available with different features that includes
response time, efficiency, and robustness [95,96]. Converter
topologies persist different characteristics that are taken into
account before integrating them with DC-DC converters. However,
all the aspects of the control technique cannot be optimized simul-
taneously, tradeoff is mandatory for a few parameters, that are
chosen as per the priority of application requirements. Moreover,
some converter topologies are the best fit with a specific control
technique that makes it a significant combination for numerous
applications.
3.1. PID control
Proportional integral derivate (PID) control is the most common
control technique used in industry and has been universally
accepted for numerous applications that includes renewable
energy and motor drive applications. Preference given to the PID
control technique over the other control technique is due to the
robust response over a wide range of operating conditions and sim-
ple functionality as shown in Table 4.
PID being a conventional and effective control technique is still
integrated with numerous applications, controlling the DC-DC con-
verter is one of them that can be seen in Fig. 11. It takes the feed-
back from the output of the DC-DC converter and changes the
input switching duty cycle of the DC-DC converter that controls
the gain. It has a nominal efficiency in numerous applications. Hav-
ing low control complexity is an additive advantage among other
control techniques. Moreover, hybridization of PID with modern
control techniques are improvising the control and efficiency in
renewable energy applications [102,103].
3.2. Sliding mode control
Sliding mode control (SMC) is a non-linear discontinuous con-
trol technique. SMC can perform properly even with external dis-
turbances and uncertainties. The system converges to the sliding
surface in order to reduce the error and tends to slide on the sliding
surface for continuous stability, during this operation an error is
observed that is called the chattering effect [104–106]. The chat-
tering effect is the oscillation that can be seen before the system
tends to operate in constant sliding mode. Multiple other control
techniques are integrated with SMC in order to overcome the chat-
tering error.
Slide mode control technique is an adaptive and robust control
technique that has a wide scope of applications in the industry that
includes drive control, RES generation, and electric vehicles. The
operation of slide mode-based control is to maintain the output
values equal or close to the values assigned on the sliding surface.
In Fig. 12 SMC control technique is integrated with the DC-DC con-
verter topology for optimum operation during varying load condi-
tions. The feedback is sent to the SMC to perform the iterations for
the switching operation of the DC-DC converter.
F. Mumtaz, N. Zaihar Yahaya, S. Tanzim Meraj et al. Ain Shams Engineering Journal 12 (2021) 3747–3763
3753
Table 1
Comparison of Non-Isolated DC-DC Converter Topologies.
Converter Topologyy Features Advantages Limitations References
Buck Boost Converter  Low
complexity
 Easy to
control
 Compact
size
 Cost
effective
 Suitable for low power
applications
 Compatible to work
with high switching
frequencies
 Non-linear relation-
ship between duty
cycle and output
voltage
 Voltage imbalance for multi-input and multi-output
applications
 High output ripples
 Excessive duty cycle ratio is required for higher voltage gain.
 Discontinuous output current
[27,58,59,79,97]
Single Ended Primary
Inductor Converter
(SEPIC)
 Low
complexity
 Easy to
control
 Compact
size
 Cost
effective
 Non-inverting output.
 Utilized for power fac-
tor correction in A.C
lines
 Non-linear relation-
ship between duty
cycle and output
voltage
 Difficult to control duty cycle for multi-input and multi-out-
put configuration.
 Poor voltage gain
 Duty cycle imbalance for effective operation the ON time
must be greater than OFF time in order to get higher output
voltage.
[21,30,66,67,98]
CUK Converter  Low
complexity
 Easy to
control
 Compact
size
 Cost
effective
 Suitable for low power
applications
 It uses capacitor for
power transfer and
energy storage
 Non-linear relation-
ship between duty
cycle and output
voltage
 Negative output polarity with respect to input
 Efficiency is reduced in multiple output network
 Complex compensation circuitry is required to operate the
converter properly
 Discontinuous output current that is uncontrolled due to res-
onance of L-C pair, that leads to excessive voltage across
capacitor which can damage the circuit
[43,44,73,74,80,99]
Z-Source Converter  Medium
complexity
 Easy to
control
 Compact
size
 Cost
effective
 Non-inverting output.
 Utilized for power con-
version applications
 Non-linear relation-
ship between duty
cycle and output
voltage
 Unidirectional power flow
 Discontinuous input current
 Large reverse recovery issue
 Difficult to synchronize for multiple output network
 It cannot achieve soft-start capability
[74,80,81,100,101]
Zeta Converter  Medium
complexity
 Easy to
control
 Smaller in
size
 Cost
effective
 Suitable for medium
and high-power
applications
 Non-inverting output.
 Utilized for power con-
version applications
 Non-linear relation-
ship between duty
cycle and output
voltage
 Unidirectional power flow
 Voltage imbalance for multiple output
 Compensation circuitry is often required
[27,42,72,84,85]
High Step-Up DC-DC
Converter
 Medium
complexity
 Requires
precise
control
 Smaller in
size
 Moderate
cost
 Non-inverting output.
 Utilized for renewable
energy applications
 Requires less capaci-
tive filter values
 Common input and
output ground
 Higher modes of
operation
 Soft-switching and low
input ripples
 Suitable for multi-input single-output configuration.
 Requires efficient control technique to control double duty
cycle
 Duty cycle of each switch shall not be less than 50% under
interleaved control with 180° phase shift
 Input conduction losses due to coupled inductors
[90]
High Gain Input-Parallel
Output-Series DC-DC
Converter
 Medium
complexity
 Requires
precise
control
 Medium
size
 Moderate
cost
 Non-inverting output
 Utilized for renewable
energy applications
 Input current sharing
 Higher modes of
operation
 Less reverse recovery
period and low output
ripples
 Unidirectional power flow
 Requires efficient control technique to control double duty
cycle
 Transient issues due to diode reverse recovery issue and
charging of capacitors
 Switching duty cycle transitions.
[92]
High Gain Transformer-less
Double-Duty-Triple-
Mode DC-DC Converter
 Medium
complexity
 Requires
precise
control
 Medium
size
 Moderate
cost
 Non-inverting output.
 Utilized for low input
power applications
(RES)
 Wide range of duty
cycle
 Higher modes of
operation
 High output gain with-
out using complex
techniques.
 Unidirectional power flow
 Requires efficient control technique to control double duty
cycle
 Transient issues due to diode reverse recovery issue and
charging of capacitors
 Voltage fluctuations during switching modes.
[91]
F. Mumtaz, N. Zaihar Yahaya, S. Tanzim Meraj et al. Ain Shams Engineering Journal 12 (2021) 3747–3763
3754
Table 1 (continued)
Converter Topologyy Features Advantages Limitations References
High Gain Three-State
Switching Hybrid Boost
Converter
 Medium
complexity
 Requires
precise
control
 Medium
size
 Moderate
cost
 Non-inverting output.
 Utilized for renewable
energy application
 Lower duty cycle ratios
 Higher modes of
operation
 High output gain with
voltage lift technique
 Unidirectional power flow
 Requires efficient control technique to control double duty
cycle
 Transient issues due to diode reverse recovery issue and
charging of capacitors
 Switching duty cycle transitions.
[93]
Fig. 10. Hybrid non-isolated converter topologies (a) High Step-up DC-DC converter [90], (b) High Gain Input Parallel Output Series DC-DC Converter [92], (c) High Gain
Transformer-Less Double-Duty-Triple-Mode DC/DC Converter [91], (d) High Gain Three-State Switching Hybrid Boost Converter [93].
PID
+
-
DC-DC
CONVERTER
y
e(t) u(t)
x(t)
Fig. 11. PID control for DC-DC converter [55].
F. Mumtaz, N. Zaihar Yahaya, S. Tanzim Meraj et al. Ain Shams Engineering Journal 12 (2021) 3747–3763
3755
3.3. Model predictive control
The model predictive control (MPC) technique belongs to the
non-conventional control technique. The working of MPC is based
on the feedback loop that utilizes a control algorithm. The model of
a system is translated into the control algorithm to predict the
future values of a system being controlled. MPC is seldom
announced for the coordinate control of multiple non-isolated
DC-DC converters in renewable energy applications [107]. MPC
has the capability of handling multi-input and multi-output
(MIMO) systems as illustrated in Table 4. Being a multivariable
controller tends to be the greatest advantage of MPC. It handles
the outputs and iterations between system variables simultane-
ously. Moreover, MPC has significant contributions in multiple
attributes that include significant minimization of the cost func-
tion, operating cost, economic load dispatch, and optimized power
flow management.
Controlling a DC-DC converter is a critical task even though the
converter topology being an efficient converter topology, features
of the control technique must be responsive to the intermittent
changes occurring and uncertain behavior of the DC-DC converter.
Fig. 13 illustrates the implementation of the modern predictive
control technique (MPC) for the working of the DC-DC converter.
Utilizing the output feedback of the DC-DC converter, the control
technique predicts the future values using the algorithm and
enhances the control for a smooth output operation. Variations
can occur at the input side and on the output side of the DC-DC
converter associated with the load.
3.4. State space modelling
The state space modeling (SSM) is a mathematical representa-
tion of a physical system by means of a set of inputs and outputs,
state variables and differential equations, SSM of a physical system
is built by using two types of equations which are called the state
equation. The order of SSM or the number of the differential equa-
tions required to represent a physical model depend on the num-
ber of input and output variables that the corresponding physical
system comprises [109,110]. It has the ability to easily represent
higher order physical system using time domain approach. Since
fundamental representations of physical systems are a prior
requirement of SSM based control, it can analyze any system which
is non-linear and has multiple inputs and outputs [43].
Fig. 14 depicts the implementation of the state space modeling
technique controlling the operation of the DC-DC converter. State
space modeling is a mathematical control technique that uses a
mathematical model to control different states of the system. It
has more efficiency than the other control techniques. Also, being
very effective while iteration of parameters. The unique feature
of reducing the order of the complex system helps to minimize
the computational time. Fig. 14 demonstrates the feedback control
loop of SSM connected with the DC-DC converter. Thus, by utilizing
the output response of the DC-DC converter compensation values
are iterated accordingly. However, SSM is a robust controlling tech-
nique opted in numerous control applications that require high
precision. Table 2 illustrates the mathematical expression of con-
ventional non-isolated DC-DC converters.
+
-
DC-DC
CONVERTER
y
e(t)
x(t)
Switching
Controller
Sliding
Surface
PWM
SMC
Fig. 12. SMC integration with DC-DC converter [67].
PID
+
-
PWM
DC-DC
CONVERTER
Model
Predictive
Control
Current
Observer
u y
y(k)
rd(k)
r(k)
Fig. 13. Controlling of the DC-DC converter using the MPC control technique [108].
F. Mumtaz, N. Zaihar Yahaya, S. Tanzim Meraj et al. Ain Shams Engineering Journal 12 (2021) 3747–3763
3756
3.5. Fuzzy logic control
Fuzzy logic control (FLC) lies under the category of non-
conventional and non-linear control techniques. FLC is a heuristic
approach that mimics the human thought process. In order to
implement the thought process, it requires pre-define rules. Lin-
guistic rules are set for the input and output of the system known
to be membership functions. FLC is comparatively much simpler as
it does not require any exact mathematical model of the system
unlike SSM. Furthermore, it is also capable of handling non-
linearities similar to MPC and SSM. FLC has a unique control pro-
cess that takes the feedback of the system’s crisp value, converts
it into linguistic form, and finally compares it with the member-
ship functions which is also known as fuzzification. After fuzzifica-
tion, it converters the linguistic form back into the crisp value
which is called defuzzification. FLC has an efficient response spe-
cially tracking behavior in non-linear control systems that has
ambiguous boundary conditions. Besides, having numerous advan-
tages, FLC also possesses some drawbacks that include higher com-
putational time as illustrated in Table 4. To overcome this issue of
computational time FLC is often integrated with other control tech-
niques and used in offline mode [111].
Being an effective control technique, FLC is utilized in both
domestic and industrial applications. In the automotive sector,
FLC is applied for the automatic car braking system and for the
charge control in electric vehicles [112,113]. It is also utilized for
the surveillance and guidance of marine surface vessels and under-
water vehicles [114]. FLC has also opted for industrial applications
and the power generation sectors [115–117]. In [118] the FLC is
applied to multi-input non-isolated DC-DC converters to operate
PID
+
-
DC-DC
CONVERTER
Compensation
y
SSM of DC-DC
CONVERTER
+
+
Vref
Fig. 14. SSM Control for DC-DC Converter.
Table 2
State Space Representation of Conventional Non-Isolated DC-DC Converters.
Converter State Space Equations
Buck-Boost
x ¼
iL
vc
 
¼
0 1=L 1  D
ð Þ
1  D=C 1=RoC
 
iL
vc
 
þ
D=L
0
 
vdc
½ 
Vo
ii
 
¼
0 1
D 0
 
iL
vc
 
SEPIC
x ¼
iL1
iL2
vc1
vc2
2
6
4
3
7
5 ¼
0 0 1  D=L1 1  D=L1
0 0 1  D=L2 1  D=L2
1  D=C1 D  1=C1 0 0
1  D=C2 1  D=C2 0 1  2D=C2Ro
2
6
6
4
3
7
7
5
iL1
iL2
vc1
vc2
2
6
4
3
7
5 þ
1  2D=L1
D  1=L2
0
0
2
6
4
3
7
5
vdc
½ 
Vo
ii
 
¼
0 0 0 1
1 0 0 0
  iL1
iL2
vc1
vc2
2
6
4
3
7
5
Cuk
x ¼
iL1
iL2
vc1
vc2
2
6
4
3
7
5 ¼
0 0 D=L2 0
0 0 D  1=L2 1=L2
D=C1 1  D=C1 0 0
0 1=C2 0 1=C2Ro
2
6
6
4
3
7
7
5
iL1
iL2
vc1
vc2
2
6
4
3
7
5+
1  2D=L1
0
0
0
2
6
4
3
7
5
vdc
½ 
Vo
ii
 
¼
0 0 0 1
1 0 0 0
  iL1
iL2
vc1
vc2
2
6
4
3
7
5
Z-Source
x ¼
iL1
iL2
vc1
vc2
2
6
4
3
7
5 ¼
0 0 D=L ð1  DÞ=L
0 0 ð1  DÞ=L D=L
D=C ð1  DÞ=C 0 0
ð1  DÞ=C D=C 0 0
2
6
6
4
3
7
7
5
iL1
iL2
vc1
vc2
2
6
4
3
7
5 þ
ð1  DÞVDC =L
ð1  DÞVDC =L
ð1  DÞIDC =C
ð1  DÞIDC =C
2
6
6
4
3
7
7
5
Zeta
x ¼
iL1
iL2
vc1
vc2
2
6
4
3
7
5 ¼
L1 0 D  1=L1 0
0 L2 D=L2 1=L2
1  D=C1 D=C1 0 0
0 1=C3 0 1=RC3
2
6
6
4
3
7
7
5
iL1
iL2
vc1
vc2
2
6
4
3
7
5+
D=L1
D=L2
0
0
2
6
4
3
7
5
vdc
½ 
Vo
ii
 
¼
0 0 0 1
1 0 0 0
  iL1
iL2
vc1
vc2
2
6
4
3
7
5
iLn = Current of nth
inductor, ii = Input current, iDC = DC current, VCn = Voltage of nth
Capacitor, Vdc = DC voltage, Vo = Output voltage, D = Duty cycle, Ln = nth
Inductor, Cn = nth
Capacitor, Rn = nth
Resistor. (n = 1,2,3. . .).
F. Mumtaz, N. Zaihar Yahaya, S. Tanzim Meraj et al. Ain Shams Engineering Journal 12 (2021) 3747–3763
3757
in a boost mode in a grid-connected scheme. To increase the effi-
ciency of photovoltaic (PV) panels integrated with SEPIC converter
topology using FLC have also been tested in [119]. Fig. 15 depicts
the control architecture of a DC-DC converter using a fuzzy logic
controller, the output of the DC-DC converter is utilized as feed-
back for the FLC.
4. Comparative performance analysis
This section comprises of the comparative performance analysis
of non-isolated DC-DC converters that are utilized in renewable
energy generation applications. The theoretical analysis is carried
out considering the parameters that includes voltage gain, maxi-
mum voltage stress across the switches, maximum voltage stress
across the diodes, and the component count for conventional and
hybrid non-isolated DC-DC converters. The component count
includes power devices, switching devices, and energy-storing
devices as illustrated in Table 3. The comparison is done using
the aforementioned parameters of non-isolated converters using
MATLAB Simulink simulations and the results can be seen in
Fig. 16. It can be observed from Table 3 the characteristics of the
conventional non-isolated converter topologies are quite similar
to each other. Whereas the hybrid non-isolated converter topolo-
gies consist of a different set of parameters that includes more than
one switching device allowing the converters to operate in multi-
ple modes. However, the hybrid non-isolated converter topologies
have significantly reduced the issues associated with conventional
non-isolated converter topologies. Table 3 depicts that having mul-
tiple duty cycle reduces the duty cycle stress in hybrid non-
isolated converter topologies ultimately increasing the efficiency
of the renewable energy power generation system. However, the
component count in hybrid converter topologies has increased in
comparison to the conventional converter topologies. Neverthe-
less, the increasing component count is not that significant consid-
ering the efficiencies and greater life span of the hybrid topologies.
The additional components that are integrated are basic semi-
conductor devices that do not have implications in the size of the
converter and the overall cost of device. Hybrid non-isolated con-
verter topologies have the design flexibility that can be optimized
according to the application requirements.
Primarily while selecting or designing the DC-DC converters for
power system application’s efficiency and voltage gain are the
prime factors that are taken into account. Fig. 16(a) illustrates
the efficiency performance for the non-isolated DC-DC converters
and it can be seen that [90] achieves the maximum efficiency
whereas the [91] is close to the [90] but its efficiency is deteriorat-
ing while increasing the power. [92] gradually achieves optimum
efficiency and has a better performance for high power applica-
tions. High gain three-state switching hybrid boost converter is
quite similar to the [91]. Furthermore, in conventional converters,
Cuk has overall better efficiency in comparison to other conven-
tional converters. SEPIC and Zeta were found to have similar effi-
ciency performance. The overall efficiency of the buck-boost
converter is nominal and seems to be better for low power appli-
cations. Z-source converter having the least efficiency in low
power applications but it is quite stable for high power
applications.
Buck-boost, SEPIC, Zeta, and Cuk DC-DC converters are prefer-
able for photovoltaic energy generation systems as their perfor-
mance is better in maximum power point tracking (MPPT)
algorithms [30]. These conventional converters can make sure that
the system operates with optimum efficiency in varying solar irra-
diation and load condition. However, to reduce the output ripples
the filter capacitance must be larger than the maximum value of
boundary capacitance for buck-boost and Cuk DC-DC converters.
Z-source converter topology is best suited for high power applica-
tions as validated from Fig. 16(a). It can be clearly observed that
the efficiency of the z-source does not deteriorate like other
topologies while the load is increasing. It can be noticed from
Fig. 16(a) that [90] initially has the maximum efficiency among
all the non-isolated converters, with the increasing value of load
it starts to deteriorate all of a sudden after 1000 W. It is clear from
Fig. 16(a) that the overall efficiency of [90] heavily depends on the
coupled inductors. Therefore, [90] are only suitable for low and
medium power applications. For higher power applications, the
inductance value needs to be increased that will decrease the per-
formance because additional core losses will be induced by the lar-
ger inductors. Apart from this, the proposed configuration in [92]
possesses the following merits such as shared input current, low
ON state switching resistance, low voltage stress, and reduced turn
OFF voltage spike.
[92] holds a unique efficiency performance it increases with the
load and it does not deteriorate drastically compared to other con-
verters. The comparative analysis has depicted that it has the opti-
mum performance with load variation or power factor variation.
Therefore, it is suitable for both medium and high power applica-
tions unlike the converter proposed in [90]. Along with this it also
has features that include reduced duty cycle, low voltage stress
that is one-fourth of the output voltage, reduced diode reverse
recovery, and less leakage inductance. Moreover, it has one main
disadvantage which is the duty cycle of each switch shall not be
less than 50% during interleaved control with a 180° phase shift.
[91] DC-DC converter persists with an optimum efficiency ini-
tially that reduces very drastically with the increasing load as this
topology does not utilize any voltage multiplier technique. Thus, it
is only suitable for low power applications having control
simplicity.
Fig. 15. Fuzzy Logic Control for DC-DC Converter [120].
F. Mumtaz, N. Zaihar Yahaya, S. Tanzim Meraj et al. Ain Shams Engineering Journal 12 (2021) 3747–3763
3758
From Fig. 16(a) showing the efficiency performance of [93]
hybrid boost converter, it is suitable for low power application as
the load increases it begins to lose efficiency very quickly similar
to the converters proposed in [90] and [91]. From Table 3 it can
be observed that for better performance at higher loads it needs
to increase the inductance value. However, the topology has the
following benefits that include low-rating of semiconductor com-
ponents, and the low duty cycle ratio is mathematically expressed
in Table 3.
Table 3
Mathematical Expressions for Characteristics of Non-Isolated Converter Topologies.
Converters Voltage Gain (G) Maximum Voltage Stress across
switches
Maximum Voltage Stress Across
diodes
Diodes Switches Inductors Capacitors
Buck-Boost D1/1-D1 Vo/G Vo/G 1 1 1 1
SEPIC D1/1-D1 Vo/G Vo/G 1 1 2 1
Cuk D1/1-D1 Vo/G Vo/G 1 1 2 1
Zeta D1/1-D1 Vo/G Vo/G 1 1 1 1
Z-source 1-D1/1-2D1 Vin/1-2D1 Vin/3-4D1 1 1 2 1
[90] 4/1-d1 Vo/4 (3/4)Vo 2 3 2 3
[92] 4/1-d1 Vo/2(N + 1) NVo(N + 1) 4 2 4 3
[91] (2-d2)/(1-d1-d2) S1 = S2 = 0.5, S3=(G-1)/G (G-1)/G 3 3 2 2
[93] (3-d1-d2)/(1-d1-
d2)
S1 = S2=(100/(3-D1-D2)), S3 = 0.5 S1 = S2=(100/(3-D1-D2)), S3 = 1 4 3 2 3
G = Voltage Gain, D1 = Single switch duty cycle, d1 = Switch one duty cycle, d2 = Switch two duty cycle, Vo = Output voltage.
Table 4
Characteristics of Control Techniques.
Control Technique Features Advantages Limitations References
Proportional Integral
Derivate (PID)
 Easy to implement
 Suitable for linear control
 Low complexity
 Simple implementation
 Faster transient response
 Easy to integrate with numerous
control techniques
 Cannot respond to external dis-
turbance load variations
 high settling time, steady-state
error, overshoots
[44,55,97,102]
Sliding Mode Control
(SMC)
 Robust and non-linear control
 Converge towards sliding
surface
 Simple implementation
 Can respond to external
disturbance
 Quick settling time
 Fast Dynamics
 Robust
 Chattering problems due to dis-
continuous control law
 High overshoots
[44,104,105,121,122]
Model Predictive
Control (MPC)
 Easier to iterate online
 Robust and non-linear control
 Future state predictions
 Optimized transient performance
with external constraints
 Quick response
 Efficient tracking with estimation-
based techniques
 Sensitive to circuit parameters
 High computational burden
 Need to know detailed model
[97,107,123,124]
State Space Modeling
(SSM)
 Robust and non-linear control
 Suitable for MIMO systems
 Ability to continuously estimate
plant state
 Improved transient response
 Less overshoots during load vary-
ing conditions
 Requires more time for initial
implementation.
 Need to know detailed model
[49,109,110,125]
Fuzzy Logic Control
(FLC)
 Robust and non-linear control
 Stability over large variations
 Suitable for systems having
vague boundary conditions
 Less overshoots
 Efficient tracking response
 No mathematical model required
 High computational burden
 Requires rule’s for operation
 Higher settling time
[111,113,117,120]
0 0.1 0.2 0.3 0.4 0.5 0.6 0.7 0.8 0.9
0
10
30
20
40
50
60
80
70
Duty Cycle (D)
(
n
i
a
G
e
g
a
t
l
o
V
G)
Z-source
Buck-boost, SEPIC,
CUK, Zeta
[93]
[92]
[90]
[91]
Z-source
100 200 300 400 500 600 700 800 900 1000 1100 1200
0.925
0.93
0.935
0.94
0.945
0.95
0.955
[91]
(
y
c
n
e
i
c
i
f
f
E
n)
Power (P)
[92]
[93]
Buck-Boost
CUK
[90]
SEPIC  Zeta
Fig. 16. Comparative performance analysis between different converter topologies: (a) Efficiency versus output power, (b) Voltage gain versus duty cycle.
F. Mumtaz, N. Zaihar Yahaya, S. Tanzim Meraj et al. Ain Shams Engineering Journal 12 (2021) 3747–3763
3759
Fig. 16(b) illustrates the comparison based on voltage gain (G)
of non-isolated DC-DC converters under varying duty cycle ratios
(D). [90] achieves the maximum voltage gain with a lower duty
cycle. The initial performance of [91] has a resemblance with
[90] but gradually a slight difference is observed. [91] DC-DC con-
verter requires a higher duty cycle. [93] and z-source converter
persists with similar behavior and requires a higher duty cycle
for optimum voltage gain. Moreover, the conventional non-
isolated converters that include buck-boost, SEPIC, cuk, and zeta
attains similar performance of voltage gain and duty cycle regard-
less of having different configurations. Conventional non-isolated
converters have a lower duty cycle ratio for optimum voltage gain
that is applicable for low and medium power applications.
Table 3 illustrates the characteristics of all the non-isolated DC-
DC converters. Conventional non-isolated DC-DC converters
possess a similar procedure to calculate the duty cycle ratio and
voltage gain. And the results are shown in Fig. 16(b). Whereas on
the other side the hybrid non-isolated converter topologies have
two different duty cycles. For this analysis, only the maximum
duty cycle ratio has been taken into account. [90] DC-DC converter
has a high-voltage gain and lower duty cycle ratio due to coupled
inductors. The switching losses are also minimized due to zero
voltage switching (ZVS) of diodes. Whereas in [92] has a similar
response as [90] as it possesses with a unique configuration design
having three different modes of operation with a wide range of
duty cycle to attain higher voltage gain. [92] has an intermediate
performance with respect to voltage gain. The performance is
based on the turn ratio of coupled inductors, increasing the turn
ratio will deteriorate the performance due to additional core losses.
[93] converter and z-source converter both share a similar kind of
behavior shown in Fig. 16(b). [93] utilize a voltage lift technique to
improvise the voltage gain. By increasing the voltage lift it will pos-
sess other losses that will affect the overall performance of the
converter. Z-source having an impedance network of inductors
possesses with a nominal voltage gain and duty cycle ratio.
Numerous control techniques are already established for DC-DC
converters according to the application requirements as mentioned
in Section 2. Among these proportional integral derivative (PID),
slide mode control (SMC), modern predictive control (MPC), state
space modeling (SSM), and fuzzy logic control (FLC) are selected
in this manuscript and compared in Table 4. The hybridization
method of control techniques are evolving. Table 4 depicts the
comparative analysis of control techniques that are based on the
features, advantages, and limitations. Furthermore, it includes the
response time, complexity of the system that can deal with
higher-order systems, overshoots and stability has been compared.
According to Table 4, the most simple control technique is PID con-
trol since it does not depend on the characteristics of the model. It
requires simple tuning of the three parameters to get the best pos-
sible results from the converters. However, the biggest drawback
of this technique is that it cannot meet the requirement of fast
dynamic response, imbalance in input voltage or current of the
converter, or the control optimization. In this regard, SMC pos-
sesses a great advantage as it can ensure the stable operation of
the DC-DC converters during large disturbances and faster
dynamic response. The discontinuous nature of SMC gives its upper
hand in outstanding system performance and stability. However,
SMC also demands high switching frequency operation from the
switching devices of the DC-DC converters which can incur high
switching losses and a significant reduction in converter efficiency.
To tackle this issue MPC is a well-suited technique that is devel-
oped based on the characteristics of the converters. Based on the
converter’s features, it can provide the best optimum performance
in terms of control and thus, reduce switching losses significantly
by controlling the duty cycles of the converter. The major down-
side of this technique is it is highly complex to implement and
requires several stages of trial and error to determine the optimum
parameters. The implementation becomes even more difficult
while dealing with a non-linear model of converters. In this regard,
SSM gives the most accurate analysis and robust performance. As
mentioned earlier, since the SSM model is based on the energy
equipment used in the converters, it can deal with the non-
linearity and other parameter complexities very easily. The imple-
mentation is also very simple and requires some mathematical
expressions as shown in Table 2. It can also be implemented with
other control techniques mentioned in this manuscript to improve
the performance of the converters and increase their reliabilities in
industrial applications profoundly. Fuzzy logic control technique is
a modern control technique that is utilized to control the non-
linear systems with better reference tracking response. It does
not require any mathematical model of the system, it has a unique
feature of membership functions that mimics as a human thought
process. It is highly recommended for controlling renewable power
generation systems. Besides, having a good reference tracking
response it possesses with a drawback of high computational time
and high processing controllers.
5. Conclusion
The aim of this review paper is based on the performance anal-
ysis of non-isolated DC-DC converter topologies. Numerous advan-
tages of non-isolated converters are addressed along with their
applications. The paper further addresses the advantages and dis-
advantages of control techniques and their stability for the non-
isolated DC-DC converter topologies for renewable energy applica-
tions. The non-isolated DC-DC converters reviewed in this paper
include the conventional and the hybrid converter topologies con-
sidering the benefits of individual performance characteristics.
Conventional converter topology includes buck-boost, SEPIC, cuk,
z-source, and zeta converter topology whereas high step-up DC-
DC converter, high gain input parallel output series DC-DC con-
verter, high gain transformer-less double-duty-triple-mode DC-
DC, and high gain three-state switching hybrid boost are the cur-
rent hybrid DC-DC non-isolated converter topologies. For efficiency
and voltage gain analysis, MATLAB Simulink simulation has been
carried out for all the aforementioned non-isolated DC-DC con-
verter topologies. The assessment is based on the comparative per-
formance characteristics that include the voltage gain, voltage
stress across the switches, voltage stress across the diodes, and
the component count is theoretically demonstrated.
Declaration of Competing Interest
The authors declare that they have no known competing finan-
cial interests or personal relationships that could have appeared
to influence the work reported in this paper.
Acknowledgment
The project is supported by Universiti Teknologi PETRONAS
(UTP), Malaysia for research-based work under Graduate Assistant
(GA) sponsorship.
References
[1] Sinha A, Shahbaz M. Estimation of Environmental Kuznets Curve for CO2
emission: role of renewable energy generation in India. Renew Energy
2018;119:703–11.
[2] Ma W, Xue X, Liu G. Techno-economic evaluation for hybrid renewable
energy system: application and merits. Energy 2018;159:385–409.
[3] Acar C, Dincer I. Environmental impact assessment of renewables and
conventional fuels for different end use purposes. Int J Glob Warm 2017;13
(3–4):260–77.
F. Mumtaz, N. Zaihar Yahaya, S. Tanzim Meraj et al. Ain Shams Engineering Journal 12 (2021) 3747–3763
3760
[4] Singh R, Bansal RC. Review of HRESs based on storage options, system
architecture and optimisation criteria and methodologies. IET Renew Power
Gener 2018;12(7):747–60.
[5] Al-Ammar EA et al. Residential community load management based on
optimal design of standalone HRES with model predictive control. IEEE Access
2020;8:12542–72.
[6] Vieira MDM, Huijbregts MAJ. Comparing mineral and fossil surplus costs of
renewable and non-renewable electricity production. Int J Life Cycle Assess
2018;23(4):840–50.
[7] Day C, Day G. Climate change, fossil fuel prices and depletion: the rationale
for a falling export tax. Econ Model 2017;63(December 2016):153–60.
[8] Martins F, Felgueiras C, Smitkova M, Caetano N. Analysis of fossil fuel energy
consumption and environmental impacts in european countries. Energies
2019;12(6):1–11.
[9] Perera F. Pollution from fossil-fuel combustion is the leading environmental
threat to global pediatric health and equity: solutions exist. Int J Environ Res
Public Health 2018;15(1).
[10] Liang X. Emerging power quality challenges due to integration of renewable
energy sources. IEEE Trans Ind Appl 2017;53(2):855–66.
[11] Burmester D, Rayudu R, Seah W, Akinyele D. A review of nanogrid topologies
and technologies. Renew Sustain Energy Rev 2017;67:760–75.
[12] Qais MH, Hasanien HM, Alghuwainem S. Optimal transient search algorithm-
based PI controllers for enhancing low voltage ride-through ability of grid-
linked PMSG-based wind turbine. Electron 2020;9(11):1–21.
[13] Soliman MA, Hasanien HM, Alkuhayli A. Marine predators algorithm for
parameters identification of triple-diode photovoltaic models. IEEE Access
2020;8:155832–42.
[14] Colmenar-Santos A, Monteagudo-Mencucci M, Rosales-Asensio E, de Simón-
Martín M, Pérez-Molina C. Optimized design method for storage systems in
photovoltaic plants with delivery limitation. Sol Energy 2019;180(February
2018):468–88.
[15] Sabouhi H, Abbaspour A, Fotuhi-Firuzabad M, Dehghanian P. Reliability
modeling and availability analysis of combined cycle power plants. Int J Electr
Power Energy Syst 2016;79:108–19.
[16] Hernández-Callejo L, Gallardo-Saavedra S, Alonso-Gómez V. A review of
photovoltaic systems: design, operation and maintenance. Sol Energy
2019;188(June):426–40.
[17] Meraj ST, Yahaya NZ, Singh B, Singh M, Kannan R, Engineering E.
Implementation of a robust hydrogen-based grid system to enhance power
quality. 2021;153–58.
[18] Qais MH, Hasanien HM, Alghuwainem S. A novel LMSRE-based adaptive PI
control scheme for grid-integrated PMSG-based variable-speed wind turbine.
Int J Electr Power Energy Syst 2021;125(May 2020):106505.
[19] Vera YEG, Dufo-López R, Bernal-Agustín JL. Energy management in
microgrids with renewable energy sources: a literature review. Appl Sci
2019;9(18).
[20] Ibrahim O, Yahaya NZ, Saad N, Ahmed KY. Design and simulation of phase-
shifted full bridge converter for hybrid energy systems. Int Conf Intell Adv
Syst ICIAS 2017;2016:1–6.
[21] Hossain MZ, Rahim NA, Selvaraj J. Recent progress and development on
power DC-DC converter topology, control, design and applications: a review.
Renew Sustain Energy Rev 2018;81(October 2017):205–30.
[22] Siddaiah R, Saini RP. A review on planning, configurations, modeling and
optimization techniques of hybrid renewable energy systems for off grid
applications. Renew Sustain Energy Rev 2016;58:376–96.
[23] Ma T, Javed MS. Integrated sizing of hybrid PV-wind-battery system for
remote island considering the saturation of each renewable energy resource.
Energy Convers Manag 2019;182(December 2018):178–90.
[24] Majeed Butt O, Zulqarnain M, Majeed Butt T. Recent advancement in smart
grid technology: future prospects in the electrical power network. Ain Shams
Eng J 2020.
[25] Mumtaz F, Yahaya NZ, Meraj ST, Kannan R, Singh BSM, Ibrahim O. Multi-input
multi-output DC-DC converter network for hybrid renewable energy
applications. 2021:1–6.
[26] Zhang Y, Yang Y, Dai L. Energy efficiency maximization for device-to-device
communication underlaying cellular networks on multiple bands. IEEE
Access 2016;4:7682–91.
[27] DG, Singh SN. Selection of non-isolated DC-DC converters for solar
photovoltaic system. Renew Sustain Energy Rev 2017;76 (August
2016):1230–1247.
[28] Farhani S, Barhoumi EM, Bacha F. Design and hardware investigation of a new
configuration of an isolated DC-DC converter for fuel cell vehicle. Ain Shams
Eng J 2020.
[29] Espinoza-B M et al. An integrated converter and machine control system for
MMC-based high-power drives. IEEE Trans Ind Electron 2019;66(3):2343–54.
[30] Sivakumar S, Sathik MJ, Manoj PS, Sundararajan G. An assessment on
performance of DC-DC converters for renewable energy applications.
Renew Sustain Energy Rev 2016;58:1475–85.
[31] Ibrahim O, Yahaya NZ, Saad N, Umar MW. Matlab/Simulink model of solar PV
array with perturb and observe MPPT for maximising PV array efficiency. In:
2015 IEEE Conf. Energy Conversion, CENCON 2015. 2015: 254–58.
[32] Kolli A, Gaillard A, De Bernardinis A, Bethoux O, Hissel D, Khatir Z. A review
on DC/DC converter architectures for power fuel cell applications. Energy
Convers Manag 2015;105:716–30.
[33] Meraj ST et al. A diamond shaped multilevel inverter with dual mode of
operation. IEEE Access 2021;9:59873–87.
[34] Padmanaban S, Bhaskar MS, Maroti PK, Blaabjerg F, Fedák V. An original
transformer and switched-capacitor (T  SC)-based extension for DC-DC boost
converter for high-voltage/low-current renewable energy applications:
Hardware implementation of a new T  SC boost converter. Energies 2018;11(4).
[35] Reddy KJ, Sudhakar N. High voltage gain interleaved boost converter with
neural network based mppt controller for fuel cell based electric vehicle
applications. IEEE Access 2017;6:3899–908.
[36] Meraj ST, Yahaya NZ, Hasan K, Masaoud A. A hybrid T-type (HT-type)
multilevel inverter with reduced components. Ain Shams Eng J 2021.
[37] Khan MJ, Mathew L. Comparative study of maximum power point tracking
techniques for hybrid renewable energy system. Int J Electron 2019;106
(8):1216–28.
[38] Kaipia T, Salonen P, Lassila J, Partanen J. Possibilities of the low voltage DC
distribution systems. Nord. Nord. Distrib. Asset Manag. Conf. 2006;
(August):1–10.
[39] Arunkumari T, Indragandhi V. An overview of high voltage conversion ratio
DC-DC converter configurations used in DC micro-grid architectures. Renew
Sustain Energy Rev 2017;77(December 2016):670–87.
[40] Gopi A, Saravanakumar R. High step-up isolated efficient single switch DC-DC
converter for renewable energy source. Ain Shams Eng J 2014;5(4):1115–27.
[41] Divya Navamani J, Vijayakumar K, Jegatheesan R. Non-isolated high gain DC-
DC converter by quadratic boost converter and voltage multiplier cell. Ain
Shams Eng J 2018;9(4):1397–406.
[42] Jeremy LJ, Ooi CA, Teh J. Non-isolated conventional DC-DC converter
comparison for a photovoltaic system: a review. J Renew Sustain Energy
2020;12(1).
[43] Kummara VGR, et al. A comprehensive review of DC–DC converter topologies
and modulation strategies with recent advances in solar photovoltaic
systems 2020;9(1).
[44] Nikhar AR, Apte SM, Somalwar R. Review of various control techniques for
DC-DC interleaved boost converters. In: Proc. - Int. Conf. Glob. Trends Signal
Process. Inf. Comput. Commun. ICGTSPICC 2016. p. 432–7.
[45] Vergara-Dietrich JD, Morato MM, Mendes PRC, Cani AA, Normey-Rico JE,
Bordons C. Advanced chance-constrained predictive control for the efficient
energy management of renewable power systems. J Process Control
2019;74:120–32.
[46] Chen Z. PI and sliding mode control of a Cuk converter. IEEE Trans Power
Electron 2012;27(8):3695–703.
[47] Sharma P, Kumar P, Sharma H, Pal N. Closed loop controlled boost converter
using a pid controller for solar wind power system installation. Int J Eng
Technol 2018;7(2). pp. 8, p. 255.
[48] Khather SI, Ibrahim MA. Modeling and simulation of SEPIC controlled
converter using PID controller. Int J Power Electron Drive Syst 2020;11
(2):833–43.
[49] Tahir S, Wang J, Baloch MH, Kaloi GS. Digital control techniques based on
voltage source inverters in renewable energy applications: a review. Electron
2018;7(2).
[50] Mardani MM, Khooban MH, Masoudian A, Dragicevic T. Model predictive
control of DC-DC converters to mitigate the effects of pulsed power loads in
naval DC microgrids. IEEE Trans Ind Electron 2019;66(7):5676–85.
[51] Rosa AHR, De Souza TM, Morais LMF, Seleme SI. Adaptive and nonlinear
control techniques applied to SEPIC converter in DC-DC, PFC, CCM and DCM
modes using HIL simulation. Energies 2018;11(3):1–22.
[52] Cucuzzella M, Trip S, De Persis C, Cheng X, Ferrara A, Van Der Schaft A. A
robust consensus algorithm for current sharing and voltage regulation in DC
microgrids. IEEE Trans Control Syst Technol 2019;27(4):1583–95.
[53] Safa A, Madjid Berkouk EL, Messlem Y, Gouichiche A. A robust control
algorithm for a multifunctional grid tied inverter to enhance the power
quality of a microgrid under unbalanced conditions. Int J Electr Power Energy
Syst 2018;100(July 2017):253–64.
[54] Allison J. Robust multi-objective control of hybrid renewable
microgeneration systems with energy storage. Appl Therm Eng
2017;114:1498–506.
[55] Adnan Mirza Fuad, Oninda Mohammad Abdul Moin, Nishat Mirza Muntasir,
Islam Nafiul. Design and simulation of a DC - DC boost converter with PID
controller for enhanced performance. Int J Eng Res 2017;6(09):27–32.
[56] Sultana WR, Sahoo SK, Sukchai S, Yamuna S, Venkatesh D. A review on state of
art development of model predictive control for renewable energy
applications. Renew Sustain Energy Rev 2017;76(March):391–406.
[57] Hossain MZ, Rahim NA, Selvaraj J. Recent progress and development on
power DC-DC converter topology, control, design and applications: a review.
Renew Sustain Energy Rev 2018;81(July 2017):205–30.
[58] Kaouane M, Boukhelifa A, Cheriti A. Regulated output voltage double switch
Buck-Boost converter for photovoltaic energy application. Int J Hydrogen
Energy 2016;41(45):20847–57.
[59] Ramírez-Murillo H et al. An efficiency comparison of fuel-cell hybrid systems
based on the versatile buck-boost converter. IEEE Trans Power Electron
2018;33(2):1237–46.
[60] Bist V, Singh B. An adjustable-speed PFC bridgeless buck-boost converter-fed
BLDC motor drive. IEEE Trans Ind Electron 2014;61(6):2665–77.
[61] Chen J, Maksimović D, Erickson RW. Analysis and design of a low-stress buck-
boost converter in universal-input PFC applications. IEEE Trans Power
Electron 2006;21(2):320–9.
[62] Alonso JM, Viña J, Vaquero DG, Martínez G, Osorio R. Analysis and design of
the integrated double buck-boost converter as a high-power-factor driver for
power-led lamps. IEEE Trans Ind Electron 2012;59(4):1689–97.
F. Mumtaz, N. Zaihar Yahaya, S. Tanzim Meraj et al. Ain Shams Engineering Journal 12 (2021) 3747–3763
3761
[63] Blanes JM, Gutiérrez R, Garrigós A, Lizán JL, Cuadrado JM. Electric vehicle
battery life extension using ultracapacitors and an FPGA controlled
interleaved buck-boost converter. IEEE Trans Power Electron 2013;28
(12):5940–8.
[64] Onar OC, Shirazi OHA, Khaligh A. Grid interaction operation of a
telecommunications power system with a novel topology for multiple-
input buck-boost converter. IEEE Trans Power Deliv 2010;25(4):2633–45.
[65] Lee YJ, Khaligh A, Emadi A. A compensation technique for smooth transitions
in a noninverting buck-boost converter. IEEE Trans Power Electron 2009;24
(4):1002–15.
[66] Moradpour R, Ardi H, Tavakoli A. Design and implementation of a new SEPIC-
based high step-up DC/DC converter for renewable energy applications. IEEE
Trans Ind Electron 2017;65(2):1290–7.
[67] Lopez-Santos O, Cabeza-Cabeza AJ, Garcia G, Martinez-Salamero L. Sliding
mode control of the isolated bridgeless SEPIC high power factor rectifier
interfacing an AC source with a LVDC distribution bus. Energies 2019;12(18).
[68] Gules R, Dos Santos WM, Dos Reis FA, Romaneli EFR, Badin AA. A modified
SEPIC converter with high static gain for renewable applications. IEEE Trans
Power Electron 2014;29(11):5860–71.
[69] Sabzali AJ, Ismail EH, Behbehani HM. High voltage step-up integrated double
Boost-Sepic DC-DC converter for fuel-cell and photovoltaic applications.
Renew Energy 2015;82:44–53.
[70] Ardi H, Ajami A. Study on a high voltage gain SEPIC-based DC-DC converter
with continuous input current for sustainable energy applications. IEEE Trans
Power Electron 2018;33(12):10403–9.
[71] Ali M, Orabi M, Ahmed ME, El-Aroudi A. A single stage SEPIC PFC converter for
LED stage lighting applications. In: PECon2010 - 2010 IEEE Int. Conf. Power
Energy. 2010:501–6.
[72] Siddharthan N, Balasubramanian B. Performance evaluation of SEPIC, Luo and
ZETA converter. Int J Power Electron Drive Syst 2019;10(1):374.
[73] De Morais JCDS, De Morais JLDS, Gules R. Photovoltaic AC module based on a
Cuk converter with a switched-inductor structure. IEEE Trans Ind Electron
2019;66(5):3881–90.
[74] Babaei E, Abu-Rub H, Suryawanshi HM. Z-source converters: topologies,
modulation techniques, and application-part I. IEEE Trans Ind Electron
2018;65(6):5092–5.
[75] Singh B, Bist V. Improved power quality bridgeless Cuk converter fed
brushless DC motor drive for air conditioning system. IET Power Electron
2013;6(5):902–13.
[76] Fardoun AA, Ismail EH, Sabzali AJ, Al-Saffar MA. New efficient bridgeless cuk
rectifiers for PFC applications. IEEE Trans Power Electron 2012;27
(7):3292–301.
[77] Saravanan D, Gopinath M. A novel power factor correction modified bridge
less-CUK converter for LED lamp applications. Int J Power Electron Drive Syst
2016;7(3):880–91.
[78] Ananthapadmanabha BR, Maurya R, Arya SR. Improved power quality
switched inductor Cuk converter for battery charging applications. IEEE
Trans Power Electron 2018;33(11):9412–23.
[79] Dawood NB. Review of different DC to DC converters based for renewable
energy applications. Int Res J Eng Technol 2016:47–50.
[80] Torkan A, Ehsani M. A novel nonisolated Z-source DC-DC converter for
photovoltaic applications. IEEE Trans Ind Appl 2018;54(5):4574–83.
[81] Ellabban O, Abu-Rub H. An overview for the Z-Source Converter in motor
drive applications. Renew Sustain Energy Rev 2016;61:537–55.
[82] Battiston A, Miliani EH, Martin JP, Nahid-Mobarakeh B, Pierfederici S,
Meibody-Tabar F. A control strategy for electric traction systems using a
PM-motor fed by a bidirectional Z-source inverter. IEEE Trans Veh Technol
2014;63(9):4178–91.
[83] González-Santini NS, Zeng H, Yu Y, Peng FZ. Z-source resonant converter with
power factor correction for wireless power transfer applications. IEEE Trans
Power Electron 2016;31(11):7691–700.
[84] Vikram AA, Navaneeth R, Kumar MN, Vinoth R. Solar PV array fed BLDC motor
using zeta converter for water pumping applications. 2018;3(4):8–19.
[85] Keerthana R, Chintu NJ. Performance analysis of zeta converter in wind power
application. 2017;1(3):199–203.
[86] Andrade AMSS, Martins MLDS. Quadratic-boost with stacked zeta converter
for high voltage gain applications. IEEE J Emerg Sel Top Power Electron
2017;5(4):1787–96.
[87] Hosseini SH, Alishah RS, Kurdkandi NV. Design of a new extended zeta
converter with high voltage gain for photovoltaic applications. In: 9th Int.
Conf. Power Electron. - ECCE Asia ‘‘Green World with Power Electron. ICPE
2015-ECCE Asia; 2015, p. 970–77.
[88] Singh AK, Pathak MK. Single-stage ZETA-SEPIC-based multifunctional
integrated converter for plug-in electric vehicles. IET Electr Syst Transp
2018;8(2):101–11.
[89] Song MS, Son YD, Lee KH. Non-isolated bidirectional soft-switching SEPIC/
ZETA converter with reduced ripple currents. J Power Electron 2014;14
(4):649–60.
[90] Forouzesh M, Shen Y, Yari K, Siwakoti YP, Blaabjerg F. High-efficiency high
step-up DC-DC converter with dual coupled inductors for grid-connected
photovoltaic systems. IEEE Trans Power Electron 2018;33(7):5967–82.
[91] Bhaskar MS, Meraj M, Iqbal A, Padmanaban S, Maroti PK, Alammari R. High
gain transformer-less double-duty-triple-mode DC/DC converter for DC
microgrid. IEEE Access 2019;7:36353–70.
[92] Hu X, Gong C. A high gain input-parallel output-series DC / DC. 2015;30
(3):1306–17.
[93] Maroti PK, Padmanaban S, Bhaskar MS, Meraj M, Iqbal A, Al-Ammari R. High
gain three-state switching hybrid boost converter for DC microgrid
applications. IET Power Electron 2019;12(14).
[94] Qais MH, Hasanien HM, Alghuwainem S. Enhanced whale optimization
algorithm for maximum power point tracking of variable-speed wind
generators. Appl Soft Comput J 2020;86:105937.
[95] Qais M, Hasanien HM, Alghuwainem S. Salp swarm algorithm-based TS-FLCs
for MPPT and fault ride-through capability enhancement of wind generators.
ISA Trans 2020;101:211–24.
[96] Mahmoud HY, Hasanien HM, Besheer AH, Abdelaziz AY. Hybrid cuckoo search
algorithm and grey wolf optimiser-based optimal control strategy for
performance enhancement of HVDC-based offshore wind farms. IET Gener
Transm Distrib 2020;14(10):1902–11.
[97] Xu Q, Vafamand N, Chen L, Dragicevic T, Xie L, Blaabjerg F. Review on
advanced control technologies for bidirectional DC/DC converters in DC
microgrids. IEEE J Emerg Sel Top Power Electron 2020;6777(c):1.
[98] Amir A, Amir A, Che HS, Elkhateb A, Rahim NA. Comparative analysis of high
voltage gain DC-DC converter topologies for photovoltaic systems. Renew
Energy 2019;136:1147–63.
[99] Reshma Gopi R, Sreejith S. Converter topologies in photovoltaic applications –
A review. Renew Sustain Energy Rev 2018;94(June):1–14.
[100] Poorali B, Torkan A, Adib E. High step-up Z-source DC-DC converter with
coupled inductors and switched capacitor cell. IET Power Electron 2015;8
(8):1394–402.
[101] Dharmasena S, Olowu TO, Sarwat AI. Bidirectional AC / DC converter
topologies: a review; 2019.
[102] Hekimo B. Balina Optimizasyon Algoritmas ı Kullan ı larak DA- DA Dü s
ß ürücü
Dönü s
ß türücünün Optimum PID Denetleyici Tasar ı m ı Optimal PID
Controller Design of DC-DC Buck Converter using Whale Optimization
Algorithm. In: 2018 Int. Conf. Artif. Intell. Data Process.; 2018.
[103] Alhejji A, Mosaad MI. Performance enhancement of grid-connected PV
systems using adaptive reference PI controller. Ain Shams Eng J 2020.
[104] Utkin V, Poznyak A, Orlov Y, Polyakov A. Conventional and high order sliding
mode control. J Franklin Inst 2020;357(15):10244–61.
[105] Fatoorehchi H, Ghorbanian SA. Sliding mode control for heartbeat
electrocardiogram tracking problem. 2019;53(2):265–72.
[106] Mostafa MR, Saad NH, El-sattar AA. Tracking the maximum power point of PV
array by sliding mode control method. Ain Shams Eng J 2020;11(1):119–31.
[107] Wei Q, Wu B, Xu D, Zargari NR. Model predictive control of capacitor voltage
balancing for cascaded modular DC-DC converters. IEEE Trans Power Electron
2017;32(1):752–61.
[108] Yfoulis C, Papadopoulou S, Voutetakis S. Enhanced control of a buck-boost
DC-DC converter via a closed-form MPC reference governor scheme. In:
IECON Proc. (Industrial Electron. Conf., vol. 2019-Octob; 2019. pp. 365–70.
[109] Ibrahim O, Yahaya NZ, Saad N. State-space modelling and digital controller
design for DC-DC converter. Telkomnika (Telecommunication Comput
Electron Control 2016;14(2):497–506.
[110] Freytes J, Bergna G, Are Suul J, D’Arco S, Saad H, Guillaud X. State-space
modelling with steady-state time invariant representation of energy based
controllers for modular multilevel converters. 2017 IEEE Manchester
PowerTech, Powertech 2017 2017;2(2):1–7.
[111] Tarbosh QA et al. Review and investigation of simplified rules fuzzy logic
speed controller of high performance induction motor drives. IEEE Access
2020;8:49377–94.
[112] Hassan SA, Iqbal S. Automatic car braking system using fuzzy logic controller
with environmental factors. In: Proc. - 22nd Int. Multitopic Conf. INMIC 2019;
2019.
[113] Araria R, Berkani A, Negadi K, Marignetti F, Boudiaf M. Performance analysis
of DC-DC converter and DTC based fuzzy logic control for power
management in electric vehicle application. J Eur des Syst Autom 2020;53
(1):1–9.
[114] Xiang X, Yu C, Lapierre L, Zhang J, Zhang Q. Survey on fuzzy-logic-based
guidance and control of marine surface vehicles and underwater vehicles. Int
J Fuzzy Syst 2018;20(2):572–86.
[115] Loukil K, Abbes H, Abid H, Abid M, Toumi A. Design and implementation of
reconfigurable MPPT fuzzy controller for photovoltaic systems. Ain Shams
Eng J 2020;11(2):319–28.
[116] Velayudhan AKD. Design of a supervisory fuzzy logic controller for
monitoring the inflow and purging of gas through lift bags for a safe and
viable salvaging operation. Ocean Eng 2019;171(April 2018):193–201.
[117] Soliman MA, Hasanien HM, Azazi HZ, El-Kholy EE, Mahmoud SA. An adaptive
fuzzy logic control strategy for performance enhancement of a grid-
connected PMSG-Based wind turbine. IEEE Trans Ind Informatics 2019;15
(6):3163–73.
[118] Hema Rani P, Navasree S, George S, Ashok S. Fuzzy logic supervisory
controller for multi-input non-isolated DC to DC converter connected to DC
grid. Int J Electr Power Energy Syst 2019;112(November 2018):49–60.
[119] Oudda M, Hazzab A. Photovoltaic system with SEPIC converter controlled by
the fuzzy logic. Int J Power Electron Drive Syst 2016;7(4):1283–93.
[120] Silva JF, Pinto SF. Linear and nonlinear control of switching power converters;
2018.
[121] Zaihidee FM, Mekhilef S, Mubin M. Robust speed control of pmsm using
sliding mode control (smc)-a review. Energies 2019;12(9).
[122] Augustine M. Sliding mode control and chattering: the concept zeno
phenomenon and limit cycles in switched systems view project sliding
mode control view project. 2019;(March).
F. Mumtaz, N. Zaihar Yahaya, S. Tanzim Meraj et al. Ain Shams Engineering Journal 12 (2021) 3747–3763
3762
[123] An F, Song W, Yang K, Hou N, Ma J. Improved dynamic performance of dual
active bridge dc-dc converters using MPC scheme. IET Power Electron
2018;11(11):1–10.
[124] Irmak E, Güler N. A model predictive control-based hybrid MPPT method for
boost converters. Int J Electron 2020;107(1):1–16.
[125] Azer P, Emadi A. Generalized state space average model for multi-phase
interleaved buck, boost and buck-boost DC-DC converters: transient, steady-
state and switching dynamics. IEEE Access 2020;8:77735–45.
Farhan Mumtaz received his B.Sc degree in electronic
engineering from Sir Syed University of Engineering 
Technology, Karachi, Pakistan in 2012. He received his
M.Eng degree from the department of electrical engi-
neering, Hamdard University, Karachi, Pakistan in 2017.
He is currently working as a graduate research assistant
in the department of electrical and electronic Engi-
neering, Universiti Teknologi PETRONAS, Perak, Malay-
sia. He is actively involved in research-based work with
specific research focuses on power electronics and
applications.
Nor Zaihar Yahaya was born in Lumut, Malaysia. He
went to the University of Missouri-Kansas City, USA to
study electronics. He graduated with BSc in Electrical
Engineering in 1996. After that he served 5 years in the
industry in Malaysia. In 2002, he was awarded MSc in
Microelectronics from the University of Newcastle Upon
Tyne, UK. Then, in 2011, he received PhD from the
Universiti Teknologi PETRONAS, Malaysia. He is cur-
rently an Associate Professor, teaching and doing
research in the area of Power Electronics  Drives. He
has published more than 70 papers in proceedings,
journals and book chapter with several Patent and
Copyright granted. Additionally, he is actively working on projects related to
Renewable Energy applications for the government, industry and PETRONAS.
Sheikh Tanzim Meraj received his B.Sc degree in elec-
trical and electronic engineering from Ahsanullah
University of Science and Technology, Dhaka, Bangla-
desh in 2015. He received his M.Eng degree from the
department of electrical and computer engineering,
Curtin University, Miri, Malaysia in 2018. He is currently
working as a graduate research assistant in the
department of Electrical and Electronic Engineering,
University Technology PETRONAS, Perak, Malaysia. He is
actively involved in research-based work with specific
research focuses on power electronics and applications.
Balbir Singh graduated with a BSc (Ed) Hons (Physics)
in 1991, obtained his MSc (Physics) in 1996 and PhD in
2004 from Universiti Sains Malaysia. He joined Univer-
siti Teknologi PETRONAS as a lecturer in 1999. Currently
he is an Associate Professor in Applied Sciences
Department. His research interest is in the area of solar
energy utilization for electricity generation, solar
hydrogen production and hybrid renewable energy-
based electricity generating systems.
Ramani Kannan is a Senior lecturer in Universiti
Teknologi PETRONAS, Malaysia. He received his B.E
degree from Bharathiyar University, India. Later on,
completed his M.E and PhD in Power Electronics and
Drives from Anna University respectively. He holds
more than 95 publications in reputed international and
national journals and conferences. He is an active senior
member in IEEE, IETE, ISTE and Institute of advance
engineering and science. Dr. Ramani is recognized with
many awards, including ‘‘Career Award for Young
Teacher” from AICTE India, 2012; ‘‘Young Scientist
Award” in power electronics and Drives, 2015; ‘‘Highest
Research publication Award” 2017. He is the Editor-in-Chief for the journal of Asian
Scientific Research since 2011 and Regional editor for International Journal of
Computer Aided Engineering and technology, Inderscience Publisher, UK from
2015.He is a Associate Editor in IEEE Access since 2018. Dr Ramani is servicing
many guest editors such as Elsevier journal, Inderscience, IGI Global and IJPAM etc.
His research interest involves in power electronics, inverters, modeling of induction
motor and optimization techniques.
Oladimeji Ibrahim graduated with B.Eng degree in
Electrical Engineering from the University of Ilorin,
Nigeria in 2005. He obtained his Master’s degree in
Applied Instrumentation and Control from Glasgow
Caledonian University, the UK in 2009 and PhD degree
in Electrical and Electronics Engineering from the
Universiti Teknologi PETRONAS (UTP), Malaysia in 2018.
He is a lecturer in the Department of Electrical and
Electronics Engineering, University of Ilorin, Ilorin
Nigeria. His research interests include modelling and
control of switching power converters, renewable
energy interface scheme, microgrid and demand-side
management. Oladimeji is a member of The Nigerian Society of Engineers (MNSE),
The Institute of Electrical  Electronics Engineers (MIEEE) and The Institute of
Measurement and Control (MInstMC).
F. Mumtaz, N. Zaihar Yahaya, S. Tanzim Meraj et al. Ain Shams Engineering Journal 12 (2021) 3747–3763
3763

Introduction 1

  • 1.
    Review on non-isolatedDC-DC converters and their control techniques for renewable energy applications Farhan Mumtaz a,⇑ , Nor Zaihar Yahaya a , Sheikh Tanzim Meraj a , Balbir Singh a , Ramani Kannan a , Oladimeji Ibrahim b a Dept. of Electrical and Electronic Engineering, Universiti Teknologi PETRONAS, 32610 Perak, Malaysia b Dept. of Electrical Engineering, University of Ilorin, 240103 Kwara, Nigeria a r t i c l e i n f o Article history: Received 2 September 2020 Revised 9 February 2021 Accepted 2 March 2021 Available online 14 May 2021 Keywords: DC-DC converters Non-isolated converters Hybrid renewable energy sources (HRES) Control techniques Converter topologies a b s t r a c t In recent times, the need for energy consumption is drastically increasing to fulfill the global require- ments of commercial and domestic consumer demands. Energy generation using conventional methods such as oil and gas are not appreciated in the modern era since they are the major contributors for pol- lution and global warming. To tackle these issues, energy generation using hybrid renewable energy is being opted and studied universally. However, renewable energy sources have their fair share of draw- backs such as photovoltaic systems rely on the surrounding irradiance and temperature, wind system experiences irregular wind speed, and fuel cells are expensive and less efficient. Also, the energy extracted from renewable sources persist with stochastic behavior. To deal with these issues, researchers utilize different power electronic devices such as inverters, active power filters, voltage regulators, power quality conditioners, and DC-DC converters. Among these power electronic devices DC-DC converters are highly effective for DC voltage regulation and to improve the efficiency of renewable energy systems. Appropriate selection of the DC-DC converter is an important factor that has significant contribution in overall performance of the power systems. Besides, the selection of an efficient DC-DC converter topol- ogy, for its optimum operation integration of a suitable control technique is equally important. This paper highlights the characteristics of available and on-going trends of non-isolated converters that includes buck-boost, single ended primary inductor converter, cuk, z-source, zeta, and hybrid DC-DC converters based on the performance parameters that are analyzed using MATLAB Simulink. Control techniques that include proportional integral derivative (PID), slide mode control (SMC), model predictive control (MPC), state space modeling (SSM), and fuzzy logic control (FLC) are also discussed considering the parameters settling issue, response time and complexity while integrating with non-isolated DC-DC converters in power systems. Ó 2021 THE AUTHORS. Published by Elsevier BV on behalf of Faculty of Engineering, Ain Shams Uni- versity. This is an open access article under the CC BY-NC-ND license (http://creativecommons.org/licenses/ by-nc-nd/4.0/). 1. Introduction The increasing demand for clean energy has led renewable energy sources (RES) to be a potential method to contribute in energy generation [1,2]. Eradication of hazardous methods for energy generation is becoming a contemporary requirement around the globe [3]. Conventional ways of energy generation have caused major environmental impacts globally along with being highly wasteful and expensive. Renewable energy sources (RES) in this regard has appeared as a blessing being cost-effective and environment friendly at the same time [4,5]. In the past, crude oil-based power generation plants were utilized. Lately, it was real- ized that due to the massive consumption of crude oil, eventually, crude oil became scarce and scientist developed hybrid power gen- eration systems that can be operated on natural gas along with crude oil [6,7]. However, the decline in the efficiency of power gen- eration plants were observed due to hybrid operation of fuel that eventually contributed in the scarcity of natural gas [8]. Besides, the burning of fossil fuels has led to some serious impacts on the https://doi.org/10.1016/j.asej.2021.03.022 2090-4479/Ó 2021 THE AUTHORS. Published by Elsevier BV on behalf of Faculty of Engineering, Ain Shams University. This is an open access article under the CC BY-NC-ND license (http://creativecommons.org/licenses/by-nc-nd/4.0/). ⇑ Corresponding author. E-mail address: farhan_19001785@utp.edu.my (F. Mumtaz). Peer review under responsibility of Ain Shams University. Production and hosting by Elsevier Ain Shams Engineering Journal 12 (2021) 3747–3763 Contents lists available at ScienceDirect Ain Shams Engineering Journal journal homepage: www.sciencedirect.com
  • 2.
    environment and steadilybecame a costly method of power gener- ation [9]. Hence, the emerging concept of renewable energy sources is studied in detail and is being utilized [10,11]. Since they are highly abundant and has no negative impacts on the environ- ment [12,13]. Additionally, renewable energy sources have moder- ate efficiency and require less maintenance [14–17]. RES has now become the emerging method of energy generation globally and numerous converter topologies along with control techniques have also been developed to make it more robust and efficient [18–21]. Renewable energy sources (RES) individually lack to perform as an independent power generation system since they are intermit- tent in nature [14,22]. Therefore, the integration of two or more RES’s is a possible solution to this issue. The integration of multiple renewable energy generation sources are known as hybrid renew- able energy systems (HRES) [23]. Generally, they are utilized to construct an independent power generation system that increases the efficacy of the RES [24]. Hence, HRES systems have become highly popular and they are implemented universally for high- quality power generation [25,26]. Fig. 1 depicts the range of all possible HRES combinations along with the management system. Furthermore, the possible range of storage systems for power back-up during intermittent conditions is also depicted in Fig. 1. Power converters are primarily utilized to regulate the input voltage as per the application requirement. Power converters play a predominant role in power engineering and drives since decades [27]. Vast applications of converters can be found in industrial applications and RES systems [28,29]. Power converters have been adapted to replace the conventional voltage divider circuits that include rheostat and power conversion circuits. These conven- tional methods tend to have low output voltage and efficiency [30]. Converters are the most significant part of any hybrid renew- able energy system since they can stabilize the voltage output dur- ing intermittent conditions [31,32]. Power quality of renewable energy systems heavily relies on the stable operation of the power converter and its control technique [33]. For instance, a boost con- verter is a widely used device with solar MPPT system. Along with boosting the low input voltage of PV cells, a closed loop-controlled boost converter can also keep the DC-link voltage stable [34,35]. However, most of the conventional converters and control tech- niques have various drawbacks that overshadow their efficacy in HRES systems. Therefore, in recent times researchers have started to give high emphasis on designing improved DC-DC converters and effective control techniques. Electronics based DC-DC convert- ers are more efficient than the conventional power conversion techniques. Conventional techniques based on transformers and rectifiers tend to have numerous drawbacks along with being highly expensive. On the flip side, power converters have reduced size, low component count and are insensitive to voltage ripples and electromagnetic interference (EMI) noise [30]. Furthermore, the output of power converter can easily be filtered using simple filter and it can be tuned or manipulated by implementing a suit- able control technique depending on the system requirements [30,36]. Fig. 2 depicts the complete structure and integration of HRES with DC-DC converters [32,37]. The first stage demonstrates the input power-generation scheme that is based on renewable energy sources that include photovoltaic (PV), wind turbine, and fuel cell [17]. The aforementioned energy generation sources persist con- straints which means they have discontinuous output behavior that is catered in the second stage. The power enhancement stage, this stage boosts the input power generated by RES that is usually Fig. 1. The possible combination of HRES systems [4]. F. Mumtaz, N. Zaihar Yahaya, S. Tanzim Meraj et al. Ain Shams Engineering Journal 12 (2021) 3747–3763 3748
  • 3.
    low in comparisonto the load demands. The final stage is con- nected to the load that consists of DC microgrids, AC load, and direct DC load. During the load varying conditions, the power qual- ity and sustainability rely upon the optimum operation of the DC- DC converter [38,39]. Nowadays, numerous DC-DC converters are opted to regulate the input voltage based on the application requirement. DC-DC converters are generally categorized into two categories namely isolated and non-isolated converters. Isolated converters contain galvanic isolation as it utilizes a transformer that isolates the input and the output side of the DC-DC converter [40]. Having a separate ground, it does not impose any effect of the input over the output side of the converter. The output value of the converter can either have positive or negative polarity depends on the converter config- uration. It can operate on a wide range of inputs and generate a stable output. Isolated converters persist some significant issues such as leakage inductance, core saturation, thermal effect, high voltage spikes across the switches, and huge size that also makes it costly compared to non-isolated converters. Non-isolated con- verter topology does not have any galvanic isolation between the input and output side, variations on the input side directly affect the output side of the converters. Their component count is less in comparison to the isolated converter topology [41]. However, they also have some small issues that need to be addressed such as high duty cycle ratio, poor voltage gain, and additional circuitry for optimum operations. Both categories of converter topologies have their own share of advantages and disadvantages. The selec- tion is based on application requirements. Fig. 3 depicts the power converter family highlighting the conventional converter topolo- gies in both categories. To validate the contribution of this manuscript, this work is compared with some recently published review articles on DC- DC converters. In [27,42,43], the review of non-isolated conven- tional DC-DC converters are presented. These articles also addressed the applications of the conventional DC-DC converters in renewable energy applications. Furthermore, they comprise of the limitations and the recent developments of the conventional DC-DC converters. However, none of these articles have discussed regarding the available control techniques for the operation of DC- DC converters. The discussion of control techniques is highly sig- nificant since they play a vital role in evaluating the performance of DC-DC converters in renewable energy applications. Further- more, these studies did not include any discussion regarding the recently developed interleaved DC-DC converters and thus are only limited to the performance analysis of conventional non-isolated DC-DC converter topologies. The configurational and performance analysis of the non-isolated interleaved DC-DC converters are also of high significance since in renewable energy applications, they have almost substituted the conventional converters because of their superior performance, structural simplicity, cost effectiveness and higher efficiency. In [30], established DC-DC converter topolo- gies are discussed along with their performance evaluation in renewable energy applications. This article also elaborately dis- cussed the implementation of state space modelling and control conventional non-isolated converter topologies. However, it did not include any other control techniques apart from state space modelling for the operation of DC-DC converters. Therefore, study also failed to provide any comparative analysis between different control techniques and their performance on various DC-DC con- verters. It is clear from the above discussions that reviews on the conventional and interleaved non-isolated DC-DC converter topologies, and, their control techniques for renewable energy applications are still not properly addressed, which are the main focuses of the present review paper. This paper focuses on the characteristic analysis of several non-isolated DC-DC converters. The selection of the converter topology is further categorized into conventional DC-DC converter topologies that include buck-boost, single ended primary inductor converter (SEPIC), cuk, z-source, zeta converter and the interleaved DC-DC converter topologies that include high-efficiency high step-up DC-DC converter, high gain input-parallel output-series DC-DC converter, high gain transformer-less double-duty-triple-mode DC-DC converter and high gain three-state switching hybrid boost converter. On the other hand, this paper also presents the advantages and limitation of control techniques that includes proportional integral derivative (PID), slide mode control (SMC), model predictive control (MPC), state space modeling (SSM), and fuzzy logic control (FLC). Converter topology’s efficacy also relies on the control tech- nique. Incompatible control technique can affect the performance of converter topology that eventually deteriorate the overall sys- Fig. 2. DC-DC converter integration in HRES system [30]. F. Mumtaz, N. Zaihar Yahaya, S. Tanzim Meraj et al. Ain Shams Engineering Journal 12 (2021) 3747–3763 3749
  • 4.
    tem’s performance [44,45].There are two categories in control the- ory, named as classical control and modern control. The classical theory control technique is compatible with single-input and single-output (SISO) system applications. The working of the clas- sical theory is based on time-domain using differential equations, in a complex-s domain with Laplace transform or in a frequency domain by transforming from the complex-s domain [46]. Classical theory has implications when integrated with higher-order sys- tems. Thus, the systems are considered as second-order having a single variable. Higher-order system responses and multivariable effects are ignored. On-site tuning is required due to design approximation while implementing classical control [44]. How- ever, due to the design simplicity and easier implementation of classical controller design in comparison to the modern control theory, classical controllers are still being preferred for numerous industrial and domestic applications [47]. PID control technique is the most preferable and common control technique in the clas- sical control category [48]. Contrary to classical control theory, the working phenomenon of modern control theory is based on the complex-s or the frequency domain. Modern control theory has the capability to control multi-input multi-output (MIMO) system applications [49–51]. Modern control theory overcomes the limitations associ- ated with the classical control theory in numerous applications in a sophisticated manner. To minimize the computational time in modern design, the system is denoted by the first-order differential equations by using state variables. Moreover, modern control the- ory also includes nonlinear, multivariable, adaptive, and robust control theories [52–54]. Control techniques have a significant role in optimizing the overall operation of the DC-DC converters [55]. Different control techniques are selected as per the requirement of the response time and efficiency [10,56]. All the aspects cannot be optimized at the same time and thus, the tradeoff is compulsory in some parameters, which can be done on the basis of priority of the sys- tem requirements [4,57]. Fig. 4 illustrates the working of the power converter along with the control technique, to stabilize the load and source simultaneously. Furthermore, the control technique is using the feedback from the load side and comparing it with the desired reference value for optimum operation of the DC-DC converter. 2. Non-isolated DC-DC converter topologies As validated in the previous section, DC-DC converters are extensively utilized for renewable energy generation applications. However, non-isolated DC-DC converter topologies are more bene- ficial than the isolated converter topologies. Although they also have some small issues such as high duty cycle ratio, poor voltage gain, and additional circuitry, these topologies are still a more fea- sible option to integrate with renewable energy applications over isolated converter topology counterparts. 2.1. Buck-boost converter Buck-boost converter topology is a fusion of two different con- verter topologies as shown in Fig. 5. The buck converter and the boost converter, the buck converter steps down the output voltage level and the boost converter steps up the output voltage level. This hybrid converter topology is used in numerous applications such as drive applications, stand-alone, and grid-connected photo- voltaic (PV) energy generation systems. However, buck-boost con- verter topology is still under on-going research to enhance the efficacy of the photovoltaic (PV) energy generation system. World- wide researchers are working to enhance the voltage gain of non- isolated DC-DC converters, as a result, numerous DC-DC converters are developed that includes SEPIC, Cuk, Lou, and Z-source these are based on buck-boost topology. In [58], a novel configuration of a double switch buck-boost converter is proposed. It was proved experimentally that the con- verter is able to effectively track maximum power point for the photovoltaic application and also maintained optimum efficiency during load varying conditions. In [59], a hybrid fuel cell-based power generation system is utilized having an inductor coupled buck-boost converter. The converter has achieved higher effi- ciency, non-inverting output, and reduced input–output ripples. Apart, from renewable energy applications, the buck-boost con- verter is well established in industries and has a wide range of applications. A bridgeless converter the buck-boost topology is proposed in [60] for the application of motor drives. In this config- uration, the converter is integrated with the motor drive that has reduced switching losses and conduction losses in the AC mains associated with the power supply of the drives. In another applica- tion shown in [61], a new two-switch topology known to be boost- interleaved buck-boost converter arrangement is utilized for the power factor correction and it has provided the advantage of lower switching voltage stress, reduced inductor losses, and reduced size of the magnetic interference. Furthermore, to power up the LED lamps, an integrated buck-boost topology is adopted having two buck-boost converters connected in a cascaded manner having one control switch for operation. This configuration has reduced the capacitance filter value and improvised efficiency [62]. For electric vehicle applications, a buck-boost converter topology is proposed in [63]. Here the converter is used for controlling the power transfer between the batteries and ultra-capacitors using interleaved bi-directional converter control by means of field pro- grammable gate array (FPGA). In [64], a buck-boost converter is integrated in order to sustain the telecommunication power sys- tem. In this topology, multiple input power sources are utilized along with multiple-input buck-boost converters integrated as an Fig. 3. Converter family tree [43]. F. Mumtaz, N. Zaihar Yahaya, S. Tanzim Meraj et al. Ain Shams Engineering Journal 12 (2021) 3747–3763 3750
  • 5.
    interface between themicro sources and the DC bus. The system has successfully reduced the switching losses between the sources. Additionally in [65], a novel compensation technique was utilized for the smooth transition between the switching modes of the non- inverting buck-boost converter. 2.2. Single ended primary inductor converter (SEPIC) Single ended primary inductor converter (SEPIC) is similar to the buck-boost converter topology as shown in Fig. 6. It can also step up and step down the output voltage levels. SEPIC converter topology is used in numerous applications such as solar power generation field to regulate the flickering DC voltage and to improve the power factor in AC lines. It has a non-inverting output which makes it more appealing than the buck-boost converters and it is preferred for high power applications. In order to achieve high output voltage using the SEPIC converter the ON switch time should be longer than OFF time, otherwise, it will not be able to generate the required output voltage. SEPIC converter is proposed and opted for numerous applica- tions. In [66], an inductor coupled SEPIC converter utilized for renewable energy application. The configuration benefits with a continuous input current and lowered the switching stress that contributes to high power efficiency. For high-power factor correc- tion, a novel SEPIC is proposed in [67]. This topology is a bridgeless isolated version of SEPIC and operates as a single-phase rectifier integrated with slide mode control to enhance the high-power fac- tor in AC source. This configuration resulted in reduced total har- monic distortion and also exhibits adequate performance in power factor correction. [68] proposed a modified topology of SEPIC converter having two high static gain DC-DC converters inte- grated. It was developed for renewable energy applications having low switching stress with low input voltage and high output volt- age. In [69] an integrated double boost SEPIC (IDBS) converter topology is proposed for photovoltaic and fuel cell applications, having a single controlled switch and two inductors. The topology is able to generate high voltage gain avoiding excessive duty-cycle. For alternate energy applications, SEPIC is utilized in [70] to increase the voltage gain and reduce the voltage stress on the main switch. In this system, SEPIC is coupled with an inductor and two voltage multipliers. The continuous input current makes it a good choice to be utilized for renewable and sustainable energy applica- tions. Furthermore, another application can be found in [71] where a frequently used LED street light power driver circuit is proposed based on a single-stage SEPIC converter that has increased the effi- ciency and the high-power factor for overall operating range hav- ing low total harmonic distortions. 2.3. Cuk converter Cuk converter is basically a boost converter followed by a buck converter as shown in Fig. 7. Cuk converter is utilized for voltage regulation and power factor correction (PFC) in numerous applica- tions. The output polarity is inverted in comparison to the input with less switching losses and better efficiency. Voltage boosting Fig. 4. Working of DC-DC Converter. Fig. 5. Buck-Boost Converter [62]. Fig. 6. SEPIC Converter [72]. Fig. 7. Cuk Converter [79]. F. Mumtaz, N. Zaihar Yahaya, S. Tanzim Meraj et al. Ain Shams Engineering Journal 12 (2021) 3747–3763 3751
  • 6.
    is concerned withthe ON time and OFF time period of the control switch, during the ON time period of the switch capacitors dis- charges while inductors stores energy similarly during the OFF time period of a switch, the diode is in conduction mode and starts delivering the current. The capacitor is used as an energy storage component while other topologies usually use inductors as an energy storage component instead of a capacitor. For the photovoltaic AC module, a Cuk converter coupled with a switched inductor is utilized to achieve high static gain with reduced switching voltage in [73]. A modified high step-up DC- DC Cuk converter topology is integrated with a fuel cell-based application in [74] that provides a wide range of duty cycle and high output gain. In [75], a motor drive of an airconditioning sys- tem is powered using a Cuk converter to enhance the power factor correction (PFC) and power quality (PQ). The smooth operation of the motor drive was achieved considering no variations at the input AC lines. Over a wide range of the operation, the converter was able to keep the power factor near to unity at the AC mains. Furthermore, for power correction applications, a Cuk converter is utilized in [76]. The modified bridgeless Cuk converter topology reduced the conduction losses and switching losses tested in recti- fier application and has the ability to reduce the inductance value for power factor correction (PFC). For lighting applications, a bridgeless Cuk converter was proposed in [77]. The topology proved to be highly efficient and was successful in reducing the number of conduction devices and power utility devices with improved efficiency and reduced losses. To improve the efficiency of battery charging application, [78] proposed a conventional power system for electric bike battery charging having two stage converter replaced with single stage switched inductor Cuk con- verter. The topology enhanced the overall efficiency that consist of power factor correction and reduced total harmonic distortion. 2.4. Z-Source converter Z-Source converter topology is one of the efficient converter topologies. It possesses the features for step-up and step-down output voltage. Its construction is based on a distinct inductor- capacitance (LC) impedance design structure that connects the converter main circuit to the power source as shown in Fig. 8. Z- source converter is mostly preferable for medium and high power applications. It has low output ripple noise. The duty cycle of the converter is less than 0.5. Having the same amount of duty cycle it can boost more voltage as compared to the conventional boost converter. Besides having a moderate efficiency, the size and cost of this converter topology is more competent than others. A topology having a z-source network, flyback, and voltage mul- tiplier have achieved 89% efficiency [80]. This topology is having a higher component count than the conventional z-source converter topologies. However, it has a nominal duty cycle than other z- source converter configurations. Another [74] modified z-source converter topology is integrated for photovoltaic power generation with a common input and output ground having reduced size and low switching stress. To maintain a constant input and output vari- able of fuel cell along with a constant DC link voltage is proposed in [74]. Hybrid z-source converter topologies that are suitable for motor drive applications are suggested in [81]. For another applica- tion in [82], electric traction systems are controlled using a perma- nent magnet synchronous machine by implementing a z-source converter. The converter was regulated using sliding mode control (SMC). It further validated the voltage adaption strategy and enhanced the efficiency of the system. Furthermore, improvement in the power factor correction in wireless power transfer applica- tions for electric vehicles and transportation has been accom- plished by using a z-source converter topology in [83]. Power factor correction and the regulated system output voltage is demonstrated without additional integration of semiconductor devices and along with control circuitry. 2.5. Zeta converter Zeta converter topology is also known to be a power optimizer. It is similar to the SEPIC converter topology and can be utilized in numerous applications including solar systems. Zeta converter topology has a moderate component count and complexity as shown in Fig. 9. It possesses features like non-inverting output, regulated output voltage, and continuous output current. It has the advantage of lower output ripple and easier compensation. Several applications are found in studies such as in [84], zeta con- verter topology is integrated with the photovoltaic energy genera- tion system, to power up the BLDC pump for water pumping. Providing less power losses and maximum power utilizing the PV cells without requiring any additional control circuitry. Another study in [85], zeta converter topology achieved and maintained a constant output under load varying conditions in wind turbine energy generation application. In [86,87], modified zeta converter topology is utilized for high voltage conversion ratio with impro- vised efficiency in high voltage gain applications. Stacked and cas- caded configuration modes are operated using a single active switch. Moreover, a smart combination of ZETA-SEPIC converter topology is implemented for plugin electric vehicles that provides the operation in three i.e. plug-in charging (PFC mode), propulsion, and regenerative modes. This smart combination provides the capability of voltage boosting in all the modes that enhance the overall efficiency of the electric vehicles [88]. 2.6. Recently developed non-isolated converters Currently, non-isolated converter topologies are emerging dras- tically considering the demands of modern applications. Conven- tional non-isolated converter topologies persists with implications that effect the efficiency of the converter topology and also reduces the life span of the equipments integrated with the system. Hence, the hybridization of converter topologies is sig- Fig. 8. Z-source Converter [74]. Fig. 9. Zeta Converter [89]. F. Mumtaz, N. Zaihar Yahaya, S. Tanzim Meraj et al. Ain Shams Engineering Journal 12 (2021) 3747–3763 3752
  • 7.
    nificantly being anactive way of emerging converter topologies. The hybridization of converter topologies is solely based on the features and limitations associated with them. Non-isolated con- verter topologies consist of implications such as high input and output ripples, discontinuous input and output current, higher switching stress, and higher duty cycle ratio. Furthermore, the advantages and disadvantages are elaborated in Table 1. However, recently developed hybrid non-isolated DC-DC con- verter topologies are shown in Fig. 10. The high step-up DC-DC converter shown in Fig. 10(a) is a hybrid topology having a capabil- ity of a voltage step up and step down both [90]. Besides that it has a common input and output ground that make it a transformer-less grid-connected topology, hence it perfectly fits for the photovoltaic energy generation systems. It also possesses soft-switching that includes zero voltage and zero current switching for active and passive devices. Circuit design having dual coupled inductors in series to the output allows to obtain maximum voltage gain. More- over, it operates on a minimal duty cycle and delivers high gain and continuous output during intermittent conditions. In Fig. 10(b), high gain input parallel output series DC-DC con- verter topology is shown. It is a hybridized converter topology, that incorporates parallel input and series boost converter having dual coupled inductors along with a voltage multiplier [91]. The input side of the converter topology have two inductors connected in parallel which shares the input current and input voltage ripples. The output side is integrated with interleaved series-connected capacitors. This converter topology can be used for industrial and domestic applications. Moreover, it posses nominal switching stress, lower ripples on the output, and high voltage gain. In Fig. 10(c), a high gain transformer-less double-duty-tripple mode DC-DC converter topology is shown [91]. This topology has reduced component count and high efficiency as compared to con- ventional non-isolated converter topologies. It works on two dif- ferent duty cycles that reduce the implications of a higher duty cycle ratio. It has three different modes of operation and a perfect utilization of power electronics components which allows this topology to have higher voltage gain and stable output. Thus, it does not require unnecessary complex circuit structures that include voltage lift technique, voltage multiplier circuit, and cou- pled transformers. An experimental setup has verified its suitable application for DC-Microgrid. Hence, it can be integrated into the renewable energy system for smooth operation and improvising the life span of renewable energy extracting equipment such as photovoltaic (PV) cell. Another non-isolated converter topology is proposed in [93] which is named as high gain three-state switching hybrid boost converter that is shown in Fig. 10(d). It is similar to the aforemen- tioned hybrid converter topologies. However, it utilizes an addi- tional voltage lift circuit for higher voltage gain. Furthermore, it possesses reduce component count and higher output voltage gain with optimum switching duty cycle ratios. Having two different duty cycle ratios and three different modes of operation gives per- fect voltage boosting characteristics. Moreover, this topology is applicable for voltage boosting applications with optimum effi- ciency for renewable energy generation that includes photovoltaic (PV) and fuel cells. 3. Control techniques To attain the maximum efficiency of the non-isolated DC-DC converters, control techniques have vital roles. This is due to the fact that control techniques have the ability to optimize the overall operations of these converter topologies. Control parameters for DC-DC converters are the input voltage, duty cycle ratio, reference voltage, and output voltage. Considering the following parameters, a particular control technique can regulate the operation of DC-DC converters. For low input and output voltages the control tech- nique increases the duty cycle ratio to perform the voltage step- up operation considering the reference output voltage. On the other hand, if the input and output voltages are higher than, the duty cycle is reduced by the applied control technique to perform voltage step-down operation. Considering all the scenarios control technique is applied for the optimum control of DC-DC converters that maintains the switching operation of DC-DC converters to ful- fill the output requirements accordingly [94]. Numerous control techniques are available with different features that includes response time, efficiency, and robustness [95,96]. Converter topologies persist different characteristics that are taken into account before integrating them with DC-DC converters. However, all the aspects of the control technique cannot be optimized simul- taneously, tradeoff is mandatory for a few parameters, that are chosen as per the priority of application requirements. Moreover, some converter topologies are the best fit with a specific control technique that makes it a significant combination for numerous applications. 3.1. PID control Proportional integral derivate (PID) control is the most common control technique used in industry and has been universally accepted for numerous applications that includes renewable energy and motor drive applications. Preference given to the PID control technique over the other control technique is due to the robust response over a wide range of operating conditions and sim- ple functionality as shown in Table 4. PID being a conventional and effective control technique is still integrated with numerous applications, controlling the DC-DC con- verter is one of them that can be seen in Fig. 11. It takes the feed- back from the output of the DC-DC converter and changes the input switching duty cycle of the DC-DC converter that controls the gain. It has a nominal efficiency in numerous applications. Hav- ing low control complexity is an additive advantage among other control techniques. Moreover, hybridization of PID with modern control techniques are improvising the control and efficiency in renewable energy applications [102,103]. 3.2. Sliding mode control Sliding mode control (SMC) is a non-linear discontinuous con- trol technique. SMC can perform properly even with external dis- turbances and uncertainties. The system converges to the sliding surface in order to reduce the error and tends to slide on the sliding surface for continuous stability, during this operation an error is observed that is called the chattering effect [104–106]. The chat- tering effect is the oscillation that can be seen before the system tends to operate in constant sliding mode. Multiple other control techniques are integrated with SMC in order to overcome the chat- tering error. Slide mode control technique is an adaptive and robust control technique that has a wide scope of applications in the industry that includes drive control, RES generation, and electric vehicles. The operation of slide mode-based control is to maintain the output values equal or close to the values assigned on the sliding surface. In Fig. 12 SMC control technique is integrated with the DC-DC con- verter topology for optimum operation during varying load condi- tions. The feedback is sent to the SMC to perform the iterations for the switching operation of the DC-DC converter. F. Mumtaz, N. Zaihar Yahaya, S. Tanzim Meraj et al. Ain Shams Engineering Journal 12 (2021) 3747–3763 3753
  • 8.
    Table 1 Comparison ofNon-Isolated DC-DC Converter Topologies. Converter Topologyy Features Advantages Limitations References Buck Boost Converter Low complexity Easy to control Compact size Cost effective Suitable for low power applications Compatible to work with high switching frequencies Non-linear relation- ship between duty cycle and output voltage Voltage imbalance for multi-input and multi-output applications High output ripples Excessive duty cycle ratio is required for higher voltage gain. Discontinuous output current [27,58,59,79,97] Single Ended Primary Inductor Converter (SEPIC) Low complexity Easy to control Compact size Cost effective Non-inverting output. Utilized for power fac- tor correction in A.C lines Non-linear relation- ship between duty cycle and output voltage Difficult to control duty cycle for multi-input and multi-out- put configuration. Poor voltage gain Duty cycle imbalance for effective operation the ON time must be greater than OFF time in order to get higher output voltage. [21,30,66,67,98] CUK Converter Low complexity Easy to control Compact size Cost effective Suitable for low power applications It uses capacitor for power transfer and energy storage Non-linear relation- ship between duty cycle and output voltage Negative output polarity with respect to input Efficiency is reduced in multiple output network Complex compensation circuitry is required to operate the converter properly Discontinuous output current that is uncontrolled due to res- onance of L-C pair, that leads to excessive voltage across capacitor which can damage the circuit [43,44,73,74,80,99] Z-Source Converter Medium complexity Easy to control Compact size Cost effective Non-inverting output. Utilized for power con- version applications Non-linear relation- ship between duty cycle and output voltage Unidirectional power flow Discontinuous input current Large reverse recovery issue Difficult to synchronize for multiple output network It cannot achieve soft-start capability [74,80,81,100,101] Zeta Converter Medium complexity Easy to control Smaller in size Cost effective Suitable for medium and high-power applications Non-inverting output. Utilized for power con- version applications Non-linear relation- ship between duty cycle and output voltage Unidirectional power flow Voltage imbalance for multiple output Compensation circuitry is often required [27,42,72,84,85] High Step-Up DC-DC Converter Medium complexity Requires precise control Smaller in size Moderate cost Non-inverting output. Utilized for renewable energy applications Requires less capaci- tive filter values Common input and output ground Higher modes of operation Soft-switching and low input ripples Suitable for multi-input single-output configuration. Requires efficient control technique to control double duty cycle Duty cycle of each switch shall not be less than 50% under interleaved control with 180° phase shift Input conduction losses due to coupled inductors [90] High Gain Input-Parallel Output-Series DC-DC Converter Medium complexity Requires precise control Medium size Moderate cost Non-inverting output Utilized for renewable energy applications Input current sharing Higher modes of operation Less reverse recovery period and low output ripples Unidirectional power flow Requires efficient control technique to control double duty cycle Transient issues due to diode reverse recovery issue and charging of capacitors Switching duty cycle transitions. [92] High Gain Transformer-less Double-Duty-Triple- Mode DC-DC Converter Medium complexity Requires precise control Medium size Moderate cost Non-inverting output. Utilized for low input power applications (RES) Wide range of duty cycle Higher modes of operation High output gain with- out using complex techniques. Unidirectional power flow Requires efficient control technique to control double duty cycle Transient issues due to diode reverse recovery issue and charging of capacitors Voltage fluctuations during switching modes. [91] F. Mumtaz, N. Zaihar Yahaya, S. Tanzim Meraj et al. Ain Shams Engineering Journal 12 (2021) 3747–3763 3754
  • 9.
    Table 1 (continued) ConverterTopologyy Features Advantages Limitations References High Gain Three-State Switching Hybrid Boost Converter Medium complexity Requires precise control Medium size Moderate cost Non-inverting output. Utilized for renewable energy application Lower duty cycle ratios Higher modes of operation High output gain with voltage lift technique Unidirectional power flow Requires efficient control technique to control double duty cycle Transient issues due to diode reverse recovery issue and charging of capacitors Switching duty cycle transitions. [93] Fig. 10. Hybrid non-isolated converter topologies (a) High Step-up DC-DC converter [90], (b) High Gain Input Parallel Output Series DC-DC Converter [92], (c) High Gain Transformer-Less Double-Duty-Triple-Mode DC/DC Converter [91], (d) High Gain Three-State Switching Hybrid Boost Converter [93]. PID + - DC-DC CONVERTER y e(t) u(t) x(t) Fig. 11. PID control for DC-DC converter [55]. F. Mumtaz, N. Zaihar Yahaya, S. Tanzim Meraj et al. Ain Shams Engineering Journal 12 (2021) 3747–3763 3755
  • 10.
    3.3. Model predictivecontrol The model predictive control (MPC) technique belongs to the non-conventional control technique. The working of MPC is based on the feedback loop that utilizes a control algorithm. The model of a system is translated into the control algorithm to predict the future values of a system being controlled. MPC is seldom announced for the coordinate control of multiple non-isolated DC-DC converters in renewable energy applications [107]. MPC has the capability of handling multi-input and multi-output (MIMO) systems as illustrated in Table 4. Being a multivariable controller tends to be the greatest advantage of MPC. It handles the outputs and iterations between system variables simultane- ously. Moreover, MPC has significant contributions in multiple attributes that include significant minimization of the cost func- tion, operating cost, economic load dispatch, and optimized power flow management. Controlling a DC-DC converter is a critical task even though the converter topology being an efficient converter topology, features of the control technique must be responsive to the intermittent changes occurring and uncertain behavior of the DC-DC converter. Fig. 13 illustrates the implementation of the modern predictive control technique (MPC) for the working of the DC-DC converter. Utilizing the output feedback of the DC-DC converter, the control technique predicts the future values using the algorithm and enhances the control for a smooth output operation. Variations can occur at the input side and on the output side of the DC-DC converter associated with the load. 3.4. State space modelling The state space modeling (SSM) is a mathematical representa- tion of a physical system by means of a set of inputs and outputs, state variables and differential equations, SSM of a physical system is built by using two types of equations which are called the state equation. The order of SSM or the number of the differential equa- tions required to represent a physical model depend on the num- ber of input and output variables that the corresponding physical system comprises [109,110]. It has the ability to easily represent higher order physical system using time domain approach. Since fundamental representations of physical systems are a prior requirement of SSM based control, it can analyze any system which is non-linear and has multiple inputs and outputs [43]. Fig. 14 depicts the implementation of the state space modeling technique controlling the operation of the DC-DC converter. State space modeling is a mathematical control technique that uses a mathematical model to control different states of the system. It has more efficiency than the other control techniques. Also, being very effective while iteration of parameters. The unique feature of reducing the order of the complex system helps to minimize the computational time. Fig. 14 demonstrates the feedback control loop of SSM connected with the DC-DC converter. Thus, by utilizing the output response of the DC-DC converter compensation values are iterated accordingly. However, SSM is a robust controlling tech- nique opted in numerous control applications that require high precision. Table 2 illustrates the mathematical expression of con- ventional non-isolated DC-DC converters. + - DC-DC CONVERTER y e(t) x(t) Switching Controller Sliding Surface PWM SMC Fig. 12. SMC integration with DC-DC converter [67]. PID + - PWM DC-DC CONVERTER Model Predictive Control Current Observer u y y(k) rd(k) r(k) Fig. 13. Controlling of the DC-DC converter using the MPC control technique [108]. F. Mumtaz, N. Zaihar Yahaya, S. Tanzim Meraj et al. Ain Shams Engineering Journal 12 (2021) 3747–3763 3756
  • 11.
    3.5. Fuzzy logiccontrol Fuzzy logic control (FLC) lies under the category of non- conventional and non-linear control techniques. FLC is a heuristic approach that mimics the human thought process. In order to implement the thought process, it requires pre-define rules. Lin- guistic rules are set for the input and output of the system known to be membership functions. FLC is comparatively much simpler as it does not require any exact mathematical model of the system unlike SSM. Furthermore, it is also capable of handling non- linearities similar to MPC and SSM. FLC has a unique control pro- cess that takes the feedback of the system’s crisp value, converts it into linguistic form, and finally compares it with the member- ship functions which is also known as fuzzification. After fuzzifica- tion, it converters the linguistic form back into the crisp value which is called defuzzification. FLC has an efficient response spe- cially tracking behavior in non-linear control systems that has ambiguous boundary conditions. Besides, having numerous advan- tages, FLC also possesses some drawbacks that include higher com- putational time as illustrated in Table 4. To overcome this issue of computational time FLC is often integrated with other control tech- niques and used in offline mode [111]. Being an effective control technique, FLC is utilized in both domestic and industrial applications. In the automotive sector, FLC is applied for the automatic car braking system and for the charge control in electric vehicles [112,113]. It is also utilized for the surveillance and guidance of marine surface vessels and under- water vehicles [114]. FLC has also opted for industrial applications and the power generation sectors [115–117]. In [118] the FLC is applied to multi-input non-isolated DC-DC converters to operate PID + - DC-DC CONVERTER Compensation y SSM of DC-DC CONVERTER + + Vref Fig. 14. SSM Control for DC-DC Converter. Table 2 State Space Representation of Conventional Non-Isolated DC-DC Converters. Converter State Space Equations Buck-Boost x ¼ iL vc ¼ 0 1=L 1 D ð Þ 1 D=C 1=RoC iL vc þ D=L 0 vdc ½ Vo ii ¼ 0 1 D 0 iL vc SEPIC x ¼ iL1 iL2 vc1 vc2 2 6 4 3 7 5 ¼ 0 0 1 D=L1 1 D=L1 0 0 1 D=L2 1 D=L2 1 D=C1 D 1=C1 0 0 1 D=C2 1 D=C2 0 1 2D=C2Ro 2 6 6 4 3 7 7 5 iL1 iL2 vc1 vc2 2 6 4 3 7 5 þ 1 2D=L1 D 1=L2 0 0 2 6 4 3 7 5 vdc ½ Vo ii ¼ 0 0 0 1 1 0 0 0 iL1 iL2 vc1 vc2 2 6 4 3 7 5 Cuk x ¼ iL1 iL2 vc1 vc2 2 6 4 3 7 5 ¼ 0 0 D=L2 0 0 0 D 1=L2 1=L2 D=C1 1 D=C1 0 0 0 1=C2 0 1=C2Ro 2 6 6 4 3 7 7 5 iL1 iL2 vc1 vc2 2 6 4 3 7 5+ 1 2D=L1 0 0 0 2 6 4 3 7 5 vdc ½ Vo ii ¼ 0 0 0 1 1 0 0 0 iL1 iL2 vc1 vc2 2 6 4 3 7 5 Z-Source x ¼ iL1 iL2 vc1 vc2 2 6 4 3 7 5 ¼ 0 0 D=L ð1 DÞ=L 0 0 ð1 DÞ=L D=L D=C ð1 DÞ=C 0 0 ð1 DÞ=C D=C 0 0 2 6 6 4 3 7 7 5 iL1 iL2 vc1 vc2 2 6 4 3 7 5 þ ð1 DÞVDC =L ð1 DÞVDC =L ð1 DÞIDC =C ð1 DÞIDC =C 2 6 6 4 3 7 7 5 Zeta x ¼ iL1 iL2 vc1 vc2 2 6 4 3 7 5 ¼ L1 0 D 1=L1 0 0 L2 D=L2 1=L2 1 D=C1 D=C1 0 0 0 1=C3 0 1=RC3 2 6 6 4 3 7 7 5 iL1 iL2 vc1 vc2 2 6 4 3 7 5+ D=L1 D=L2 0 0 2 6 4 3 7 5 vdc ½ Vo ii ¼ 0 0 0 1 1 0 0 0 iL1 iL2 vc1 vc2 2 6 4 3 7 5 iLn = Current of nth inductor, ii = Input current, iDC = DC current, VCn = Voltage of nth Capacitor, Vdc = DC voltage, Vo = Output voltage, D = Duty cycle, Ln = nth Inductor, Cn = nth Capacitor, Rn = nth Resistor. (n = 1,2,3. . .). F. Mumtaz, N. Zaihar Yahaya, S. Tanzim Meraj et al. Ain Shams Engineering Journal 12 (2021) 3747–3763 3757
  • 12.
    in a boostmode in a grid-connected scheme. To increase the effi- ciency of photovoltaic (PV) panels integrated with SEPIC converter topology using FLC have also been tested in [119]. Fig. 15 depicts the control architecture of a DC-DC converter using a fuzzy logic controller, the output of the DC-DC converter is utilized as feed- back for the FLC. 4. Comparative performance analysis This section comprises of the comparative performance analysis of non-isolated DC-DC converters that are utilized in renewable energy generation applications. The theoretical analysis is carried out considering the parameters that includes voltage gain, maxi- mum voltage stress across the switches, maximum voltage stress across the diodes, and the component count for conventional and hybrid non-isolated DC-DC converters. The component count includes power devices, switching devices, and energy-storing devices as illustrated in Table 3. The comparison is done using the aforementioned parameters of non-isolated converters using MATLAB Simulink simulations and the results can be seen in Fig. 16. It can be observed from Table 3 the characteristics of the conventional non-isolated converter topologies are quite similar to each other. Whereas the hybrid non-isolated converter topolo- gies consist of a different set of parameters that includes more than one switching device allowing the converters to operate in multi- ple modes. However, the hybrid non-isolated converter topologies have significantly reduced the issues associated with conventional non-isolated converter topologies. Table 3 depicts that having mul- tiple duty cycle reduces the duty cycle stress in hybrid non- isolated converter topologies ultimately increasing the efficiency of the renewable energy power generation system. However, the component count in hybrid converter topologies has increased in comparison to the conventional converter topologies. Neverthe- less, the increasing component count is not that significant consid- ering the efficiencies and greater life span of the hybrid topologies. The additional components that are integrated are basic semi- conductor devices that do not have implications in the size of the converter and the overall cost of device. Hybrid non-isolated con- verter topologies have the design flexibility that can be optimized according to the application requirements. Primarily while selecting or designing the DC-DC converters for power system application’s efficiency and voltage gain are the prime factors that are taken into account. Fig. 16(a) illustrates the efficiency performance for the non-isolated DC-DC converters and it can be seen that [90] achieves the maximum efficiency whereas the [91] is close to the [90] but its efficiency is deteriorat- ing while increasing the power. [92] gradually achieves optimum efficiency and has a better performance for high power applica- tions. High gain three-state switching hybrid boost converter is quite similar to the [91]. Furthermore, in conventional converters, Cuk has overall better efficiency in comparison to other conven- tional converters. SEPIC and Zeta were found to have similar effi- ciency performance. The overall efficiency of the buck-boost converter is nominal and seems to be better for low power appli- cations. Z-source converter having the least efficiency in low power applications but it is quite stable for high power applications. Buck-boost, SEPIC, Zeta, and Cuk DC-DC converters are prefer- able for photovoltaic energy generation systems as their perfor- mance is better in maximum power point tracking (MPPT) algorithms [30]. These conventional converters can make sure that the system operates with optimum efficiency in varying solar irra- diation and load condition. However, to reduce the output ripples the filter capacitance must be larger than the maximum value of boundary capacitance for buck-boost and Cuk DC-DC converters. Z-source converter topology is best suited for high power applica- tions as validated from Fig. 16(a). It can be clearly observed that the efficiency of the z-source does not deteriorate like other topologies while the load is increasing. It can be noticed from Fig. 16(a) that [90] initially has the maximum efficiency among all the non-isolated converters, with the increasing value of load it starts to deteriorate all of a sudden after 1000 W. It is clear from Fig. 16(a) that the overall efficiency of [90] heavily depends on the coupled inductors. Therefore, [90] are only suitable for low and medium power applications. For higher power applications, the inductance value needs to be increased that will decrease the per- formance because additional core losses will be induced by the lar- ger inductors. Apart from this, the proposed configuration in [92] possesses the following merits such as shared input current, low ON state switching resistance, low voltage stress, and reduced turn OFF voltage spike. [92] holds a unique efficiency performance it increases with the load and it does not deteriorate drastically compared to other con- verters. The comparative analysis has depicted that it has the opti- mum performance with load variation or power factor variation. Therefore, it is suitable for both medium and high power applica- tions unlike the converter proposed in [90]. Along with this it also has features that include reduced duty cycle, low voltage stress that is one-fourth of the output voltage, reduced diode reverse recovery, and less leakage inductance. Moreover, it has one main disadvantage which is the duty cycle of each switch shall not be less than 50% during interleaved control with a 180° phase shift. [91] DC-DC converter persists with an optimum efficiency ini- tially that reduces very drastically with the increasing load as this topology does not utilize any voltage multiplier technique. Thus, it is only suitable for low power applications having control simplicity. Fig. 15. Fuzzy Logic Control for DC-DC Converter [120]. F. Mumtaz, N. Zaihar Yahaya, S. Tanzim Meraj et al. Ain Shams Engineering Journal 12 (2021) 3747–3763 3758
  • 13.
    From Fig. 16(a)showing the efficiency performance of [93] hybrid boost converter, it is suitable for low power application as the load increases it begins to lose efficiency very quickly similar to the converters proposed in [90] and [91]. From Table 3 it can be observed that for better performance at higher loads it needs to increase the inductance value. However, the topology has the following benefits that include low-rating of semiconductor com- ponents, and the low duty cycle ratio is mathematically expressed in Table 3. Table 3 Mathematical Expressions for Characteristics of Non-Isolated Converter Topologies. Converters Voltage Gain (G) Maximum Voltage Stress across switches Maximum Voltage Stress Across diodes Diodes Switches Inductors Capacitors Buck-Boost D1/1-D1 Vo/G Vo/G 1 1 1 1 SEPIC D1/1-D1 Vo/G Vo/G 1 1 2 1 Cuk D1/1-D1 Vo/G Vo/G 1 1 2 1 Zeta D1/1-D1 Vo/G Vo/G 1 1 1 1 Z-source 1-D1/1-2D1 Vin/1-2D1 Vin/3-4D1 1 1 2 1 [90] 4/1-d1 Vo/4 (3/4)Vo 2 3 2 3 [92] 4/1-d1 Vo/2(N + 1) NVo(N + 1) 4 2 4 3 [91] (2-d2)/(1-d1-d2) S1 = S2 = 0.5, S3=(G-1)/G (G-1)/G 3 3 2 2 [93] (3-d1-d2)/(1-d1- d2) S1 = S2=(100/(3-D1-D2)), S3 = 0.5 S1 = S2=(100/(3-D1-D2)), S3 = 1 4 3 2 3 G = Voltage Gain, D1 = Single switch duty cycle, d1 = Switch one duty cycle, d2 = Switch two duty cycle, Vo = Output voltage. Table 4 Characteristics of Control Techniques. Control Technique Features Advantages Limitations References Proportional Integral Derivate (PID) Easy to implement Suitable for linear control Low complexity Simple implementation Faster transient response Easy to integrate with numerous control techniques Cannot respond to external dis- turbance load variations high settling time, steady-state error, overshoots [44,55,97,102] Sliding Mode Control (SMC) Robust and non-linear control Converge towards sliding surface Simple implementation Can respond to external disturbance Quick settling time Fast Dynamics Robust Chattering problems due to dis- continuous control law High overshoots [44,104,105,121,122] Model Predictive Control (MPC) Easier to iterate online Robust and non-linear control Future state predictions Optimized transient performance with external constraints Quick response Efficient tracking with estimation- based techniques Sensitive to circuit parameters High computational burden Need to know detailed model [97,107,123,124] State Space Modeling (SSM) Robust and non-linear control Suitable for MIMO systems Ability to continuously estimate plant state Improved transient response Less overshoots during load vary- ing conditions Requires more time for initial implementation. Need to know detailed model [49,109,110,125] Fuzzy Logic Control (FLC) Robust and non-linear control Stability over large variations Suitable for systems having vague boundary conditions Less overshoots Efficient tracking response No mathematical model required High computational burden Requires rule’s for operation Higher settling time [111,113,117,120] 0 0.1 0.2 0.3 0.4 0.5 0.6 0.7 0.8 0.9 0 10 30 20 40 50 60 80 70 Duty Cycle (D) ( n i a G e g a t l o V G) Z-source Buck-boost, SEPIC, CUK, Zeta [93] [92] [90] [91] Z-source 100 200 300 400 500 600 700 800 900 1000 1100 1200 0.925 0.93 0.935 0.94 0.945 0.95 0.955 [91] ( y c n e i c i f f E n) Power (P) [92] [93] Buck-Boost CUK [90] SEPIC Zeta Fig. 16. Comparative performance analysis between different converter topologies: (a) Efficiency versus output power, (b) Voltage gain versus duty cycle. F. Mumtaz, N. Zaihar Yahaya, S. Tanzim Meraj et al. Ain Shams Engineering Journal 12 (2021) 3747–3763 3759
  • 14.
    Fig. 16(b) illustratesthe comparison based on voltage gain (G) of non-isolated DC-DC converters under varying duty cycle ratios (D). [90] achieves the maximum voltage gain with a lower duty cycle. The initial performance of [91] has a resemblance with [90] but gradually a slight difference is observed. [91] DC-DC con- verter requires a higher duty cycle. [93] and z-source converter persists with similar behavior and requires a higher duty cycle for optimum voltage gain. Moreover, the conventional non- isolated converters that include buck-boost, SEPIC, cuk, and zeta attains similar performance of voltage gain and duty cycle regard- less of having different configurations. Conventional non-isolated converters have a lower duty cycle ratio for optimum voltage gain that is applicable for low and medium power applications. Table 3 illustrates the characteristics of all the non-isolated DC- DC converters. Conventional non-isolated DC-DC converters possess a similar procedure to calculate the duty cycle ratio and voltage gain. And the results are shown in Fig. 16(b). Whereas on the other side the hybrid non-isolated converter topologies have two different duty cycles. For this analysis, only the maximum duty cycle ratio has been taken into account. [90] DC-DC converter has a high-voltage gain and lower duty cycle ratio due to coupled inductors. The switching losses are also minimized due to zero voltage switching (ZVS) of diodes. Whereas in [92] has a similar response as [90] as it possesses with a unique configuration design having three different modes of operation with a wide range of duty cycle to attain higher voltage gain. [92] has an intermediate performance with respect to voltage gain. The performance is based on the turn ratio of coupled inductors, increasing the turn ratio will deteriorate the performance due to additional core losses. [93] converter and z-source converter both share a similar kind of behavior shown in Fig. 16(b). [93] utilize a voltage lift technique to improvise the voltage gain. By increasing the voltage lift it will pos- sess other losses that will affect the overall performance of the converter. Z-source having an impedance network of inductors possesses with a nominal voltage gain and duty cycle ratio. Numerous control techniques are already established for DC-DC converters according to the application requirements as mentioned in Section 2. Among these proportional integral derivative (PID), slide mode control (SMC), modern predictive control (MPC), state space modeling (SSM), and fuzzy logic control (FLC) are selected in this manuscript and compared in Table 4. The hybridization method of control techniques are evolving. Table 4 depicts the comparative analysis of control techniques that are based on the features, advantages, and limitations. Furthermore, it includes the response time, complexity of the system that can deal with higher-order systems, overshoots and stability has been compared. According to Table 4, the most simple control technique is PID con- trol since it does not depend on the characteristics of the model. It requires simple tuning of the three parameters to get the best pos- sible results from the converters. However, the biggest drawback of this technique is that it cannot meet the requirement of fast dynamic response, imbalance in input voltage or current of the converter, or the control optimization. In this regard, SMC pos- sesses a great advantage as it can ensure the stable operation of the DC-DC converters during large disturbances and faster dynamic response. The discontinuous nature of SMC gives its upper hand in outstanding system performance and stability. However, SMC also demands high switching frequency operation from the switching devices of the DC-DC converters which can incur high switching losses and a significant reduction in converter efficiency. To tackle this issue MPC is a well-suited technique that is devel- oped based on the characteristics of the converters. Based on the converter’s features, it can provide the best optimum performance in terms of control and thus, reduce switching losses significantly by controlling the duty cycles of the converter. The major down- side of this technique is it is highly complex to implement and requires several stages of trial and error to determine the optimum parameters. The implementation becomes even more difficult while dealing with a non-linear model of converters. In this regard, SSM gives the most accurate analysis and robust performance. As mentioned earlier, since the SSM model is based on the energy equipment used in the converters, it can deal with the non- linearity and other parameter complexities very easily. The imple- mentation is also very simple and requires some mathematical expressions as shown in Table 2. It can also be implemented with other control techniques mentioned in this manuscript to improve the performance of the converters and increase their reliabilities in industrial applications profoundly. Fuzzy logic control technique is a modern control technique that is utilized to control the non- linear systems with better reference tracking response. It does not require any mathematical model of the system, it has a unique feature of membership functions that mimics as a human thought process. It is highly recommended for controlling renewable power generation systems. Besides, having a good reference tracking response it possesses with a drawback of high computational time and high processing controllers. 5. Conclusion The aim of this review paper is based on the performance anal- ysis of non-isolated DC-DC converter topologies. Numerous advan- tages of non-isolated converters are addressed along with their applications. The paper further addresses the advantages and dis- advantages of control techniques and their stability for the non- isolated DC-DC converter topologies for renewable energy applica- tions. The non-isolated DC-DC converters reviewed in this paper include the conventional and the hybrid converter topologies con- sidering the benefits of individual performance characteristics. Conventional converter topology includes buck-boost, SEPIC, cuk, z-source, and zeta converter topology whereas high step-up DC- DC converter, high gain input parallel output series DC-DC con- verter, high gain transformer-less double-duty-triple-mode DC- DC, and high gain three-state switching hybrid boost are the cur- rent hybrid DC-DC non-isolated converter topologies. For efficiency and voltage gain analysis, MATLAB Simulink simulation has been carried out for all the aforementioned non-isolated DC-DC con- verter topologies. The assessment is based on the comparative per- formance characteristics that include the voltage gain, voltage stress across the switches, voltage stress across the diodes, and the component count is theoretically demonstrated. Declaration of Competing Interest The authors declare that they have no known competing finan- cial interests or personal relationships that could have appeared to influence the work reported in this paper. Acknowledgment The project is supported by Universiti Teknologi PETRONAS (UTP), Malaysia for research-based work under Graduate Assistant (GA) sponsorship. References [1] Sinha A, Shahbaz M. Estimation of Environmental Kuznets Curve for CO2 emission: role of renewable energy generation in India. Renew Energy 2018;119:703–11. [2] Ma W, Xue X, Liu G. Techno-economic evaluation for hybrid renewable energy system: application and merits. Energy 2018;159:385–409. [3] Acar C, Dincer I. Environmental impact assessment of renewables and conventional fuels for different end use purposes. Int J Glob Warm 2017;13 (3–4):260–77. F. Mumtaz, N. Zaihar Yahaya, S. Tanzim Meraj et al. Ain Shams Engineering Journal 12 (2021) 3747–3763 3760
  • 15.
    [4] Singh R,Bansal RC. Review of HRESs based on storage options, system architecture and optimisation criteria and methodologies. IET Renew Power Gener 2018;12(7):747–60. [5] Al-Ammar EA et al. Residential community load management based on optimal design of standalone HRES with model predictive control. IEEE Access 2020;8:12542–72. [6] Vieira MDM, Huijbregts MAJ. Comparing mineral and fossil surplus costs of renewable and non-renewable electricity production. Int J Life Cycle Assess 2018;23(4):840–50. [7] Day C, Day G. Climate change, fossil fuel prices and depletion: the rationale for a falling export tax. Econ Model 2017;63(December 2016):153–60. [8] Martins F, Felgueiras C, Smitkova M, Caetano N. Analysis of fossil fuel energy consumption and environmental impacts in european countries. Energies 2019;12(6):1–11. [9] Perera F. Pollution from fossil-fuel combustion is the leading environmental threat to global pediatric health and equity: solutions exist. Int J Environ Res Public Health 2018;15(1). [10] Liang X. Emerging power quality challenges due to integration of renewable energy sources. IEEE Trans Ind Appl 2017;53(2):855–66. [11] Burmester D, Rayudu R, Seah W, Akinyele D. A review of nanogrid topologies and technologies. Renew Sustain Energy Rev 2017;67:760–75. [12] Qais MH, Hasanien HM, Alghuwainem S. Optimal transient search algorithm- based PI controllers for enhancing low voltage ride-through ability of grid- linked PMSG-based wind turbine. Electron 2020;9(11):1–21. [13] Soliman MA, Hasanien HM, Alkuhayli A. Marine predators algorithm for parameters identification of triple-diode photovoltaic models. IEEE Access 2020;8:155832–42. [14] Colmenar-Santos A, Monteagudo-Mencucci M, Rosales-Asensio E, de Simón- Martín M, Pérez-Molina C. Optimized design method for storage systems in photovoltaic plants with delivery limitation. Sol Energy 2019;180(February 2018):468–88. [15] Sabouhi H, Abbaspour A, Fotuhi-Firuzabad M, Dehghanian P. Reliability modeling and availability analysis of combined cycle power plants. Int J Electr Power Energy Syst 2016;79:108–19. [16] Hernández-Callejo L, Gallardo-Saavedra S, Alonso-Gómez V. A review of photovoltaic systems: design, operation and maintenance. Sol Energy 2019;188(June):426–40. [17] Meraj ST, Yahaya NZ, Singh B, Singh M, Kannan R, Engineering E. Implementation of a robust hydrogen-based grid system to enhance power quality. 2021;153–58. [18] Qais MH, Hasanien HM, Alghuwainem S. A novel LMSRE-based adaptive PI control scheme for grid-integrated PMSG-based variable-speed wind turbine. Int J Electr Power Energy Syst 2021;125(May 2020):106505. [19] Vera YEG, Dufo-López R, Bernal-Agustín JL. Energy management in microgrids with renewable energy sources: a literature review. Appl Sci 2019;9(18). [20] Ibrahim O, Yahaya NZ, Saad N, Ahmed KY. Design and simulation of phase- shifted full bridge converter for hybrid energy systems. Int Conf Intell Adv Syst ICIAS 2017;2016:1–6. [21] Hossain MZ, Rahim NA, Selvaraj J. Recent progress and development on power DC-DC converter topology, control, design and applications: a review. Renew Sustain Energy Rev 2018;81(October 2017):205–30. [22] Siddaiah R, Saini RP. A review on planning, configurations, modeling and optimization techniques of hybrid renewable energy systems for off grid applications. Renew Sustain Energy Rev 2016;58:376–96. [23] Ma T, Javed MS. Integrated sizing of hybrid PV-wind-battery system for remote island considering the saturation of each renewable energy resource. Energy Convers Manag 2019;182(December 2018):178–90. [24] Majeed Butt O, Zulqarnain M, Majeed Butt T. Recent advancement in smart grid technology: future prospects in the electrical power network. Ain Shams Eng J 2020. [25] Mumtaz F, Yahaya NZ, Meraj ST, Kannan R, Singh BSM, Ibrahim O. Multi-input multi-output DC-DC converter network for hybrid renewable energy applications. 2021:1–6. [26] Zhang Y, Yang Y, Dai L. Energy efficiency maximization for device-to-device communication underlaying cellular networks on multiple bands. IEEE Access 2016;4:7682–91. [27] DG, Singh SN. Selection of non-isolated DC-DC converters for solar photovoltaic system. Renew Sustain Energy Rev 2017;76 (August 2016):1230–1247. [28] Farhani S, Barhoumi EM, Bacha F. Design and hardware investigation of a new configuration of an isolated DC-DC converter for fuel cell vehicle. Ain Shams Eng J 2020. [29] Espinoza-B M et al. An integrated converter and machine control system for MMC-based high-power drives. IEEE Trans Ind Electron 2019;66(3):2343–54. [30] Sivakumar S, Sathik MJ, Manoj PS, Sundararajan G. An assessment on performance of DC-DC converters for renewable energy applications. Renew Sustain Energy Rev 2016;58:1475–85. [31] Ibrahim O, Yahaya NZ, Saad N, Umar MW. Matlab/Simulink model of solar PV array with perturb and observe MPPT for maximising PV array efficiency. In: 2015 IEEE Conf. Energy Conversion, CENCON 2015. 2015: 254–58. [32] Kolli A, Gaillard A, De Bernardinis A, Bethoux O, Hissel D, Khatir Z. A review on DC/DC converter architectures for power fuel cell applications. Energy Convers Manag 2015;105:716–30. [33] Meraj ST et al. A diamond shaped multilevel inverter with dual mode of operation. IEEE Access 2021;9:59873–87. [34] Padmanaban S, Bhaskar MS, Maroti PK, Blaabjerg F, Fedák V. An original transformer and switched-capacitor (T SC)-based extension for DC-DC boost converter for high-voltage/low-current renewable energy applications: Hardware implementation of a new T SC boost converter. Energies 2018;11(4). [35] Reddy KJ, Sudhakar N. High voltage gain interleaved boost converter with neural network based mppt controller for fuel cell based electric vehicle applications. IEEE Access 2017;6:3899–908. [36] Meraj ST, Yahaya NZ, Hasan K, Masaoud A. A hybrid T-type (HT-type) multilevel inverter with reduced components. Ain Shams Eng J 2021. [37] Khan MJ, Mathew L. Comparative study of maximum power point tracking techniques for hybrid renewable energy system. Int J Electron 2019;106 (8):1216–28. [38] Kaipia T, Salonen P, Lassila J, Partanen J. Possibilities of the low voltage DC distribution systems. Nord. Nord. Distrib. Asset Manag. Conf. 2006; (August):1–10. [39] Arunkumari T, Indragandhi V. An overview of high voltage conversion ratio DC-DC converter configurations used in DC micro-grid architectures. Renew Sustain Energy Rev 2017;77(December 2016):670–87. [40] Gopi A, Saravanakumar R. High step-up isolated efficient single switch DC-DC converter for renewable energy source. Ain Shams Eng J 2014;5(4):1115–27. [41] Divya Navamani J, Vijayakumar K, Jegatheesan R. Non-isolated high gain DC- DC converter by quadratic boost converter and voltage multiplier cell. Ain Shams Eng J 2018;9(4):1397–406. [42] Jeremy LJ, Ooi CA, Teh J. Non-isolated conventional DC-DC converter comparison for a photovoltaic system: a review. J Renew Sustain Energy 2020;12(1). [43] Kummara VGR, et al. A comprehensive review of DC–DC converter topologies and modulation strategies with recent advances in solar photovoltaic systems 2020;9(1). [44] Nikhar AR, Apte SM, Somalwar R. Review of various control techniques for DC-DC interleaved boost converters. In: Proc. - Int. Conf. Glob. Trends Signal Process. Inf. Comput. Commun. ICGTSPICC 2016. p. 432–7. [45] Vergara-Dietrich JD, Morato MM, Mendes PRC, Cani AA, Normey-Rico JE, Bordons C. Advanced chance-constrained predictive control for the efficient energy management of renewable power systems. J Process Control 2019;74:120–32. [46] Chen Z. PI and sliding mode control of a Cuk converter. IEEE Trans Power Electron 2012;27(8):3695–703. [47] Sharma P, Kumar P, Sharma H, Pal N. Closed loop controlled boost converter using a pid controller for solar wind power system installation. Int J Eng Technol 2018;7(2). pp. 8, p. 255. [48] Khather SI, Ibrahim MA. Modeling and simulation of SEPIC controlled converter using PID controller. Int J Power Electron Drive Syst 2020;11 (2):833–43. [49] Tahir S, Wang J, Baloch MH, Kaloi GS. Digital control techniques based on voltage source inverters in renewable energy applications: a review. Electron 2018;7(2). [50] Mardani MM, Khooban MH, Masoudian A, Dragicevic T. Model predictive control of DC-DC converters to mitigate the effects of pulsed power loads in naval DC microgrids. IEEE Trans Ind Electron 2019;66(7):5676–85. [51] Rosa AHR, De Souza TM, Morais LMF, Seleme SI. Adaptive and nonlinear control techniques applied to SEPIC converter in DC-DC, PFC, CCM and DCM modes using HIL simulation. Energies 2018;11(3):1–22. [52] Cucuzzella M, Trip S, De Persis C, Cheng X, Ferrara A, Van Der Schaft A. A robust consensus algorithm for current sharing and voltage regulation in DC microgrids. IEEE Trans Control Syst Technol 2019;27(4):1583–95. [53] Safa A, Madjid Berkouk EL, Messlem Y, Gouichiche A. A robust control algorithm for a multifunctional grid tied inverter to enhance the power quality of a microgrid under unbalanced conditions. Int J Electr Power Energy Syst 2018;100(July 2017):253–64. [54] Allison J. Robust multi-objective control of hybrid renewable microgeneration systems with energy storage. Appl Therm Eng 2017;114:1498–506. [55] Adnan Mirza Fuad, Oninda Mohammad Abdul Moin, Nishat Mirza Muntasir, Islam Nafiul. Design and simulation of a DC - DC boost converter with PID controller for enhanced performance. Int J Eng Res 2017;6(09):27–32. [56] Sultana WR, Sahoo SK, Sukchai S, Yamuna S, Venkatesh D. A review on state of art development of model predictive control for renewable energy applications. Renew Sustain Energy Rev 2017;76(March):391–406. [57] Hossain MZ, Rahim NA, Selvaraj J. Recent progress and development on power DC-DC converter topology, control, design and applications: a review. Renew Sustain Energy Rev 2018;81(July 2017):205–30. [58] Kaouane M, Boukhelifa A, Cheriti A. Regulated output voltage double switch Buck-Boost converter for photovoltaic energy application. Int J Hydrogen Energy 2016;41(45):20847–57. [59] Ramírez-Murillo H et al. An efficiency comparison of fuel-cell hybrid systems based on the versatile buck-boost converter. IEEE Trans Power Electron 2018;33(2):1237–46. [60] Bist V, Singh B. An adjustable-speed PFC bridgeless buck-boost converter-fed BLDC motor drive. IEEE Trans Ind Electron 2014;61(6):2665–77. [61] Chen J, Maksimović D, Erickson RW. Analysis and design of a low-stress buck- boost converter in universal-input PFC applications. IEEE Trans Power Electron 2006;21(2):320–9. [62] Alonso JM, Viña J, Vaquero DG, Martínez G, Osorio R. Analysis and design of the integrated double buck-boost converter as a high-power-factor driver for power-led lamps. IEEE Trans Ind Electron 2012;59(4):1689–97. F. Mumtaz, N. Zaihar Yahaya, S. Tanzim Meraj et al. Ain Shams Engineering Journal 12 (2021) 3747–3763 3761
  • 16.
    [63] Blanes JM,Gutiérrez R, Garrigós A, Lizán JL, Cuadrado JM. Electric vehicle battery life extension using ultracapacitors and an FPGA controlled interleaved buck-boost converter. IEEE Trans Power Electron 2013;28 (12):5940–8. [64] Onar OC, Shirazi OHA, Khaligh A. Grid interaction operation of a telecommunications power system with a novel topology for multiple- input buck-boost converter. IEEE Trans Power Deliv 2010;25(4):2633–45. [65] Lee YJ, Khaligh A, Emadi A. A compensation technique for smooth transitions in a noninverting buck-boost converter. IEEE Trans Power Electron 2009;24 (4):1002–15. [66] Moradpour R, Ardi H, Tavakoli A. Design and implementation of a new SEPIC- based high step-up DC/DC converter for renewable energy applications. IEEE Trans Ind Electron 2017;65(2):1290–7. [67] Lopez-Santos O, Cabeza-Cabeza AJ, Garcia G, Martinez-Salamero L. Sliding mode control of the isolated bridgeless SEPIC high power factor rectifier interfacing an AC source with a LVDC distribution bus. Energies 2019;12(18). [68] Gules R, Dos Santos WM, Dos Reis FA, Romaneli EFR, Badin AA. A modified SEPIC converter with high static gain for renewable applications. IEEE Trans Power Electron 2014;29(11):5860–71. [69] Sabzali AJ, Ismail EH, Behbehani HM. High voltage step-up integrated double Boost-Sepic DC-DC converter for fuel-cell and photovoltaic applications. Renew Energy 2015;82:44–53. [70] Ardi H, Ajami A. Study on a high voltage gain SEPIC-based DC-DC converter with continuous input current for sustainable energy applications. IEEE Trans Power Electron 2018;33(12):10403–9. [71] Ali M, Orabi M, Ahmed ME, El-Aroudi A. A single stage SEPIC PFC converter for LED stage lighting applications. In: PECon2010 - 2010 IEEE Int. Conf. Power Energy. 2010:501–6. [72] Siddharthan N, Balasubramanian B. Performance evaluation of SEPIC, Luo and ZETA converter. Int J Power Electron Drive Syst 2019;10(1):374. [73] De Morais JCDS, De Morais JLDS, Gules R. Photovoltaic AC module based on a Cuk converter with a switched-inductor structure. IEEE Trans Ind Electron 2019;66(5):3881–90. [74] Babaei E, Abu-Rub H, Suryawanshi HM. Z-source converters: topologies, modulation techniques, and application-part I. IEEE Trans Ind Electron 2018;65(6):5092–5. [75] Singh B, Bist V. Improved power quality bridgeless Cuk converter fed brushless DC motor drive for air conditioning system. IET Power Electron 2013;6(5):902–13. [76] Fardoun AA, Ismail EH, Sabzali AJ, Al-Saffar MA. New efficient bridgeless cuk rectifiers for PFC applications. IEEE Trans Power Electron 2012;27 (7):3292–301. [77] Saravanan D, Gopinath M. A novel power factor correction modified bridge less-CUK converter for LED lamp applications. Int J Power Electron Drive Syst 2016;7(3):880–91. [78] Ananthapadmanabha BR, Maurya R, Arya SR. Improved power quality switched inductor Cuk converter for battery charging applications. IEEE Trans Power Electron 2018;33(11):9412–23. [79] Dawood NB. Review of different DC to DC converters based for renewable energy applications. Int Res J Eng Technol 2016:47–50. [80] Torkan A, Ehsani M. A novel nonisolated Z-source DC-DC converter for photovoltaic applications. IEEE Trans Ind Appl 2018;54(5):4574–83. [81] Ellabban O, Abu-Rub H. An overview for the Z-Source Converter in motor drive applications. Renew Sustain Energy Rev 2016;61:537–55. [82] Battiston A, Miliani EH, Martin JP, Nahid-Mobarakeh B, Pierfederici S, Meibody-Tabar F. A control strategy for electric traction systems using a PM-motor fed by a bidirectional Z-source inverter. IEEE Trans Veh Technol 2014;63(9):4178–91. [83] González-Santini NS, Zeng H, Yu Y, Peng FZ. Z-source resonant converter with power factor correction for wireless power transfer applications. IEEE Trans Power Electron 2016;31(11):7691–700. [84] Vikram AA, Navaneeth R, Kumar MN, Vinoth R. Solar PV array fed BLDC motor using zeta converter for water pumping applications. 2018;3(4):8–19. [85] Keerthana R, Chintu NJ. Performance analysis of zeta converter in wind power application. 2017;1(3):199–203. [86] Andrade AMSS, Martins MLDS. Quadratic-boost with stacked zeta converter for high voltage gain applications. IEEE J Emerg Sel Top Power Electron 2017;5(4):1787–96. [87] Hosseini SH, Alishah RS, Kurdkandi NV. Design of a new extended zeta converter with high voltage gain for photovoltaic applications. In: 9th Int. Conf. Power Electron. - ECCE Asia ‘‘Green World with Power Electron. ICPE 2015-ECCE Asia; 2015, p. 970–77. [88] Singh AK, Pathak MK. Single-stage ZETA-SEPIC-based multifunctional integrated converter for plug-in electric vehicles. IET Electr Syst Transp 2018;8(2):101–11. [89] Song MS, Son YD, Lee KH. Non-isolated bidirectional soft-switching SEPIC/ ZETA converter with reduced ripple currents. J Power Electron 2014;14 (4):649–60. [90] Forouzesh M, Shen Y, Yari K, Siwakoti YP, Blaabjerg F. High-efficiency high step-up DC-DC converter with dual coupled inductors for grid-connected photovoltaic systems. IEEE Trans Power Electron 2018;33(7):5967–82. [91] Bhaskar MS, Meraj M, Iqbal A, Padmanaban S, Maroti PK, Alammari R. High gain transformer-less double-duty-triple-mode DC/DC converter for DC microgrid. IEEE Access 2019;7:36353–70. [92] Hu X, Gong C. A high gain input-parallel output-series DC / DC. 2015;30 (3):1306–17. [93] Maroti PK, Padmanaban S, Bhaskar MS, Meraj M, Iqbal A, Al-Ammari R. High gain three-state switching hybrid boost converter for DC microgrid applications. IET Power Electron 2019;12(14). [94] Qais MH, Hasanien HM, Alghuwainem S. Enhanced whale optimization algorithm for maximum power point tracking of variable-speed wind generators. Appl Soft Comput J 2020;86:105937. [95] Qais M, Hasanien HM, Alghuwainem S. Salp swarm algorithm-based TS-FLCs for MPPT and fault ride-through capability enhancement of wind generators. ISA Trans 2020;101:211–24. [96] Mahmoud HY, Hasanien HM, Besheer AH, Abdelaziz AY. Hybrid cuckoo search algorithm and grey wolf optimiser-based optimal control strategy for performance enhancement of HVDC-based offshore wind farms. IET Gener Transm Distrib 2020;14(10):1902–11. [97] Xu Q, Vafamand N, Chen L, Dragicevic T, Xie L, Blaabjerg F. Review on advanced control technologies for bidirectional DC/DC converters in DC microgrids. IEEE J Emerg Sel Top Power Electron 2020;6777(c):1. [98] Amir A, Amir A, Che HS, Elkhateb A, Rahim NA. Comparative analysis of high voltage gain DC-DC converter topologies for photovoltaic systems. Renew Energy 2019;136:1147–63. [99] Reshma Gopi R, Sreejith S. Converter topologies in photovoltaic applications – A review. Renew Sustain Energy Rev 2018;94(June):1–14. [100] Poorali B, Torkan A, Adib E. High step-up Z-source DC-DC converter with coupled inductors and switched capacitor cell. IET Power Electron 2015;8 (8):1394–402. [101] Dharmasena S, Olowu TO, Sarwat AI. Bidirectional AC / DC converter topologies: a review; 2019. [102] Hekimo B. Balina Optimizasyon Algoritmas ı Kullan ı larak DA- DA Dü s ß ürücü Dönü s ß türücünün Optimum PID Denetleyici Tasar ı m ı Optimal PID Controller Design of DC-DC Buck Converter using Whale Optimization Algorithm. In: 2018 Int. Conf. Artif. Intell. Data Process.; 2018. [103] Alhejji A, Mosaad MI. Performance enhancement of grid-connected PV systems using adaptive reference PI controller. Ain Shams Eng J 2020. [104] Utkin V, Poznyak A, Orlov Y, Polyakov A. Conventional and high order sliding mode control. J Franklin Inst 2020;357(15):10244–61. [105] Fatoorehchi H, Ghorbanian SA. Sliding mode control for heartbeat electrocardiogram tracking problem. 2019;53(2):265–72. [106] Mostafa MR, Saad NH, El-sattar AA. Tracking the maximum power point of PV array by sliding mode control method. Ain Shams Eng J 2020;11(1):119–31. [107] Wei Q, Wu B, Xu D, Zargari NR. Model predictive control of capacitor voltage balancing for cascaded modular DC-DC converters. IEEE Trans Power Electron 2017;32(1):752–61. [108] Yfoulis C, Papadopoulou S, Voutetakis S. Enhanced control of a buck-boost DC-DC converter via a closed-form MPC reference governor scheme. In: IECON Proc. (Industrial Electron. Conf., vol. 2019-Octob; 2019. pp. 365–70. [109] Ibrahim O, Yahaya NZ, Saad N. State-space modelling and digital controller design for DC-DC converter. Telkomnika (Telecommunication Comput Electron Control 2016;14(2):497–506. [110] Freytes J, Bergna G, Are Suul J, D’Arco S, Saad H, Guillaud X. State-space modelling with steady-state time invariant representation of energy based controllers for modular multilevel converters. 2017 IEEE Manchester PowerTech, Powertech 2017 2017;2(2):1–7. [111] Tarbosh QA et al. Review and investigation of simplified rules fuzzy logic speed controller of high performance induction motor drives. IEEE Access 2020;8:49377–94. [112] Hassan SA, Iqbal S. Automatic car braking system using fuzzy logic controller with environmental factors. In: Proc. - 22nd Int. Multitopic Conf. INMIC 2019; 2019. [113] Araria R, Berkani A, Negadi K, Marignetti F, Boudiaf M. Performance analysis of DC-DC converter and DTC based fuzzy logic control for power management in electric vehicle application. J Eur des Syst Autom 2020;53 (1):1–9. [114] Xiang X, Yu C, Lapierre L, Zhang J, Zhang Q. Survey on fuzzy-logic-based guidance and control of marine surface vehicles and underwater vehicles. Int J Fuzzy Syst 2018;20(2):572–86. [115] Loukil K, Abbes H, Abid H, Abid M, Toumi A. Design and implementation of reconfigurable MPPT fuzzy controller for photovoltaic systems. Ain Shams Eng J 2020;11(2):319–28. [116] Velayudhan AKD. Design of a supervisory fuzzy logic controller for monitoring the inflow and purging of gas through lift bags for a safe and viable salvaging operation. Ocean Eng 2019;171(April 2018):193–201. [117] Soliman MA, Hasanien HM, Azazi HZ, El-Kholy EE, Mahmoud SA. An adaptive fuzzy logic control strategy for performance enhancement of a grid- connected PMSG-Based wind turbine. IEEE Trans Ind Informatics 2019;15 (6):3163–73. [118] Hema Rani P, Navasree S, George S, Ashok S. Fuzzy logic supervisory controller for multi-input non-isolated DC to DC converter connected to DC grid. Int J Electr Power Energy Syst 2019;112(November 2018):49–60. [119] Oudda M, Hazzab A. Photovoltaic system with SEPIC converter controlled by the fuzzy logic. Int J Power Electron Drive Syst 2016;7(4):1283–93. [120] Silva JF, Pinto SF. Linear and nonlinear control of switching power converters; 2018. [121] Zaihidee FM, Mekhilef S, Mubin M. Robust speed control of pmsm using sliding mode control (smc)-a review. Energies 2019;12(9). [122] Augustine M. Sliding mode control and chattering: the concept zeno phenomenon and limit cycles in switched systems view project sliding mode control view project. 2019;(March). F. Mumtaz, N. Zaihar Yahaya, S. Tanzim Meraj et al. Ain Shams Engineering Journal 12 (2021) 3747–3763 3762
  • 17.
    [123] An F,Song W, Yang K, Hou N, Ma J. Improved dynamic performance of dual active bridge dc-dc converters using MPC scheme. IET Power Electron 2018;11(11):1–10. [124] Irmak E, Güler N. A model predictive control-based hybrid MPPT method for boost converters. Int J Electron 2020;107(1):1–16. [125] Azer P, Emadi A. Generalized state space average model for multi-phase interleaved buck, boost and buck-boost DC-DC converters: transient, steady- state and switching dynamics. IEEE Access 2020;8:77735–45. Farhan Mumtaz received his B.Sc degree in electronic engineering from Sir Syed University of Engineering Technology, Karachi, Pakistan in 2012. He received his M.Eng degree from the department of electrical engi- neering, Hamdard University, Karachi, Pakistan in 2017. He is currently working as a graduate research assistant in the department of electrical and electronic Engi- neering, Universiti Teknologi PETRONAS, Perak, Malay- sia. He is actively involved in research-based work with specific research focuses on power electronics and applications. Nor Zaihar Yahaya was born in Lumut, Malaysia. He went to the University of Missouri-Kansas City, USA to study electronics. He graduated with BSc in Electrical Engineering in 1996. After that he served 5 years in the industry in Malaysia. In 2002, he was awarded MSc in Microelectronics from the University of Newcastle Upon Tyne, UK. Then, in 2011, he received PhD from the Universiti Teknologi PETRONAS, Malaysia. He is cur- rently an Associate Professor, teaching and doing research in the area of Power Electronics Drives. He has published more than 70 papers in proceedings, journals and book chapter with several Patent and Copyright granted. Additionally, he is actively working on projects related to Renewable Energy applications for the government, industry and PETRONAS. Sheikh Tanzim Meraj received his B.Sc degree in elec- trical and electronic engineering from Ahsanullah University of Science and Technology, Dhaka, Bangla- desh in 2015. He received his M.Eng degree from the department of electrical and computer engineering, Curtin University, Miri, Malaysia in 2018. He is currently working as a graduate research assistant in the department of Electrical and Electronic Engineering, University Technology PETRONAS, Perak, Malaysia. He is actively involved in research-based work with specific research focuses on power electronics and applications. Balbir Singh graduated with a BSc (Ed) Hons (Physics) in 1991, obtained his MSc (Physics) in 1996 and PhD in 2004 from Universiti Sains Malaysia. He joined Univer- siti Teknologi PETRONAS as a lecturer in 1999. Currently he is an Associate Professor in Applied Sciences Department. His research interest is in the area of solar energy utilization for electricity generation, solar hydrogen production and hybrid renewable energy- based electricity generating systems. Ramani Kannan is a Senior lecturer in Universiti Teknologi PETRONAS, Malaysia. He received his B.E degree from Bharathiyar University, India. Later on, completed his M.E and PhD in Power Electronics and Drives from Anna University respectively. He holds more than 95 publications in reputed international and national journals and conferences. He is an active senior member in IEEE, IETE, ISTE and Institute of advance engineering and science. Dr. Ramani is recognized with many awards, including ‘‘Career Award for Young Teacher” from AICTE India, 2012; ‘‘Young Scientist Award” in power electronics and Drives, 2015; ‘‘Highest Research publication Award” 2017. He is the Editor-in-Chief for the journal of Asian Scientific Research since 2011 and Regional editor for International Journal of Computer Aided Engineering and technology, Inderscience Publisher, UK from 2015.He is a Associate Editor in IEEE Access since 2018. Dr Ramani is servicing many guest editors such as Elsevier journal, Inderscience, IGI Global and IJPAM etc. His research interest involves in power electronics, inverters, modeling of induction motor and optimization techniques. Oladimeji Ibrahim graduated with B.Eng degree in Electrical Engineering from the University of Ilorin, Nigeria in 2005. He obtained his Master’s degree in Applied Instrumentation and Control from Glasgow Caledonian University, the UK in 2009 and PhD degree in Electrical and Electronics Engineering from the Universiti Teknologi PETRONAS (UTP), Malaysia in 2018. He is a lecturer in the Department of Electrical and Electronics Engineering, University of Ilorin, Ilorin Nigeria. His research interests include modelling and control of switching power converters, renewable energy interface scheme, microgrid and demand-side management. Oladimeji is a member of The Nigerian Society of Engineers (MNSE), The Institute of Electrical Electronics Engineers (MIEEE) and The Institute of Measurement and Control (MInstMC). F. Mumtaz, N. Zaihar Yahaya, S. Tanzim Meraj et al. Ain Shams Engineering Journal 12 (2021) 3747–3763 3763