SVTH : TRẦN HỮU HƯNG GVHD: HÀ A THỒI
Đồ án môn học 1 1
LỜI CẢM ƠN

Sau một khoảng thời gian thực hiện đề tài, và cuối cùng đồ án 1 của em đã
hoàn thành. Ngoài sự cố gắng của bản thân, em cũng đã nhận được rất nhiều sự
giúp đỡ từ bạn bè, thầy cô bộ môn khoa Điện, đặc biệt là sự tận tình của thầy
Hà A Thồi. Thầy đã tận tình chỉ dẫn cho em hướng đi và hướng dẫn cụ thể từng
yêu cầu của đề tài, đồng thời cũng truyền đạt rất nhiều kinh nghiệm của thầy
cho em để em có thể hoàn thành bài tập lớn này.
Và do kiến thức còn rất hạn hẹp nên trong quá trình thực hiện đồ án em
không tránh khỏi những sai sót, mong quý thầy cô trong hội đồng khảo thi bỏ
qua và hướng dẫn em chỉnh sửa những sai sót để em có thể hoàn chỉnh đồ án
của mình.
SVTH : TRẦN HỮU HƯNG GVHD: HÀ A THỒI
Đồ án môn học 1 2
LỜI MỞ ĐẦU

Thế hệ trẻ chúng ta nếu không ngừng phấn đấu học hỏi thì chúng ta sẽ
nhanh chóng lạc hậu và thụt lùi. Chính vì nhận ra điều đó Trường Đại học SƯ
PHẠM KỸ THUẬT THÀNH PHỐ HỒ CHÍ MINH đã chú trọng đào tạo
sâu rộng, từ thấp đến cao. Để tăng chất lượng học tập và kiểm tra lại kiến thức
của sinh viên nhà trường nói chung và khoa Điện nói riêng, nhà trường đã tổ
chức cho sinh viên làm các đồ án môn học nhằm tạo nền tảng kiến thức cho
sinh viên khi ra trường, đáp ứng nhu cầu tuyển dụng việc làm. Chính vì vậy,
em đã chọn đề tài:” Mạch điều chỉnh âm lượng từ xa 16 bước có hiển thị
trên LED 7 đoạn”.
Hiện nay, như chúng ta thường thấy các thiết bị âm thanh thường được
điều khiển âm lượng bằng những núm vặn hay những thanh trượt để tăng độ to
nhỏ của âm thanh, tăng độ Streble, Bass, Echo….chính vì thế rất bất tiện khi sử
dụng. Để tài này sẽ giúp chúng ta giải quyết được khó khăn trên, dùng nút nhấn
để điều khiển thiết bị từ xa bằng hồng ngoại.
Sinh viên thực hiện
Trần Hữu Hưng
SVTH : TRẦN HỮU HƯNG GVHD: HÀ A THỒI
Đồ án môn học 1 3
MỤC LỤC
Chương 1: Thiết lập sơ đồ khối và giải thích
nguyên lí làm việc tổng quát .......................................................................4
Chương 2: Giới thiệu về thu phát hồng ngoại.............................................5
Tia hồng ngoại............................................................................................5
Kết cấu hệ thống.........................................................................................5
Giới thiệu IC PT2248..................................................................................6
Giới thiệu IC PT2249..................................................................................7
Giới thiệu IC nhận hồng ngoại....................................................................8
Chương 3: Chức năng nhiệm vụ và phương án thực hiện từng khối ...........9
Khối remote điều khiển...............................................................................9
Khối thu ,giải mã và tạo xung ...................................................................12
Khối mạch đếm.........................................................................................14
Khối chia áp..............................................................................................16
Khối giải mã và hiển thị............................................................................18
Khối nguồn...............................................................................................23
Một số linh kiện sử dụng trong mạch ........................................................26
Chương 4: Sơ đồ nguyên lí và hoạt động chi tiết......................................28
Sơ đồ nguyên lí.........................................................................................28
Giải thích hoạt động chi tiết......................................................................29
Sơ đồ bố trí linh kiện.................................................................................31
Chương 5: Báo cáo kết quả thi công.........................................................32
SVTH : TRẦN HỮU HƯNG GVHD: HÀ A THỒI
Đồ án môn học 1 4
CHƯƠNG I: THIẾT LẬP SƠ ĐỒ KHỐI VÀ GIẢI THÍCH NGUYÊN LÝ
LÀM VIỆC TỔNG QUÁT.
I. Sơ đồ khối.
II. Chức năng và nhiệm vụ từng khối.
1. Khối remote điều khiển: Tạo và phát mã với từng nút được nhấn.
2. Khối thu, giải mã và tạo xung: Tách sóng mang , giải mã và đưa ra tín hiệu
xung để điều khiển mạch đếm.
3. Khối mạch đếm: Nhận xung từ mạch thu ,giải mã va tao xung để tiến hành
đếm lên hoặc đếm xuống số nhị phân 4 bit .
4. Khối chia áp: Nhận các giá trị các số nhị phân từ mạch đếm, tiến hành lựa
chọn mức điện áp của tín hiệu ngõ ra.
5. Khối giải mã và hiển thị: Chuyển số nhị phân từ mạch đếm sang số BCD và
tiến hành giải mã để hiển thị ra led 7 đoạn mức điện áp thu được ở ngõ ra của
mạch chia áp.
6. Khối nguồn: Tạo ra dòng ổn định cung cấp cho toàn mạch.
III. Nguyên lí làm việc tổng quát.
Mạch hoạt động dựa trên nguyên lí chung là lựa chọn mức điện áp tín hiệu ngõ
ra dựa vào tín hiệu số. Tín hiệu đầu vào sẽ được đưa qua 1 dãy điện trở thông
qua cầu phân áp để tạo ra các mức điện áp khác nhau tạo thành các nấc tín hiệu
. Sau đó được lựa chọn đưa tới ngõ ra dựa vào các số nhị phân tương ứng với
các mức ,các số nhị phân hoạt động tương tự như các Switch.
NGUỒN
NUÔI
REMOTE
ĐIỀU
KHIỂN
THU, GIẢI
MÃ VÀ
TAO XUNG
MẠCH
ĐẾM
CHIA ÁP KHỐI GIẢI
MÃ & HIỂN
THỊ
SVTH : TRẦN HỮU HƯNG GVHD: HÀ A THỒI
Đồ án môn học 1 5
CHƯƠNG II: GIỚI THIỆU VỀ THU PHÁT HỒNG NGOẠI
2.1 Tia hồng ngoại (ánh sáng hồng ngoại) :
Tia hồng ngoại là bức xạ điện từ có bước sóng trong khoảng từ
400.000nm đến 760nm, dài hơn bước sóng ánh sáng khả kiến nhưng ngắn hơn
tia bức xạ vi ba. Tên “hồng ngoại” có nghĩa là “dưới mức đỏ”, màu đỏ là màu
sắc có bước sóng dài nhất trong ánh sáng thường. Mọi vật có nhiệt độ lớn hơn
0OK đều phát ra tia hồng ngoại.. Sóng hồng ngoại có những đặc tính quan
trọng giống như ánh sáng ( sự hội tụ qua thấu kính, tiêu cự… ).
2.2 Kết cấu hệ thống :
Do hệ thống điều khiển từ xa có những đường truyền dẫn xa nên chúng
ta cần phải nghiên cứu về kết cấu hệ thống để đảm bảo tín hiệu được truyền đi
chính xác và nhanh chóng. Đây là sơ đồ kết cấu hệ thống:
Sơ đồ kết cấu hệ thống
- Thiết bị phát: biến đổi lệnh điều khiển thành tin tức tín hiệu và phát đi.
- Đường truyền: đưa tín hiệu điều khiển từ thiết bị phát đến thiết bị thu.
- Thiết bị thu: nhận tín hiệu điều khiển từ đường truyền, qua quá trình biến
đổi, biến dịch để tái hiện lại lệnh điều khiển rồi đưa đến các thiết bị thi hành.
2.3 Giới thiệu IC PT2248 (Mạch phát ):
Chức năng các chân:
SVTH : TRẦN HỮU HƯNG GVHD: HÀ A THỒI
Đồ án môn học 1 6
Hình 7:IC PT 2248
 Chân 1 (GND): là chân cấp nguồn âm.
 Chân 2 (XT) và chân 3(/XT): là đầu vào và đầu ra của bộ dao động bên
trong. 2 chân này kết nối với thạch anh 455kHz .
 Chân 4 đến chân 9(K1->k6) kết hợp với chân 10 đến chân 12(T1->T3):
là các đầu vào tín hiệu của ma trận phím 18 phím nhấn. Chia làm 3
nhóm phím tương ứng với T1 , T2 ,T3:
1. Nhóm phím T1:goi là nhóm phím liên tục . Khi nhấn phím chuỗi
mã sẽ được phát liên tục, bên nhận ứng với nhóm phím T1 sẽ giứ
được mức tích cực khi buông phím.Trong nhóm này sẽ không có
thứ tự ưu tiên , ta có thể nhấn 2 phím cùng một lúc.
2. Nhóm phím T2 và T3: khi nhấn những phím này chuỗi mã sẽ chí
được phát đi một lần cho dù phím đó có được giữ hay không .
Nhóm này cũng không có thứ tụ ưu tiên .
3. Khi có nhấn phím thuộc nhóm T1 và T2 (T3) được nhấn cùng lúc
thì ngõ ra sẽ phát chuỗi mã T2(T3) liên tục theo từng chu kỳ
 Chân 13 (code): Chân tạo mã người dung, mã này dung để phân biệt đối
tượng phát và nhận khi có nhiều nguồn phát và nguồn nhận.
Ở PT2248: có 3 bit mã người dung C1, C2 , C3 . Để bên phát và bên
nhận hiểu nhau thì mã này 2 bên phải giống nhau . Cách tạo mã : “1” nối
diode , “0” không nối .
 Chân 14 (Test): là chân đo thử ,bình thường khi sử dụng có thể bỏ
trống.
 Chân 15 (Out): là đầu ra tín hiệu truyền tải.
 Chân 16 (Vcc):là chân cấp nguồn dương.
SVTH : TRẦN HỮU HƯNG GVHD: HÀ A THỒI
Đồ án môn học 1 7
2.4 Giới thiệu IC PT2249 (Mạch thu) :.
Chức năng các chân:
Hình 11: IC PT 2249
 Chân 1 (Vss): là chân mass được nối với cực âm của nguồn điện.
 Chân 2 (Rxin): là đầu vào tín hiệu thu.
 Các chân 3 – 7 (HP1 - HP5): là đầu ra tín hiệu liên tục. Chỉ cần thu được
tín hiệu tương ứng với đầu ra nào thì đầu ra đó sẽ luôn duy trì ở mức
logic “1”.
 Các chân 8 – 12 (SP5 – SP1): là đầu ra tín hiệu không liên tục. Chỉ cần
thu được tín hiệu tương ứng với đầu ra nào thì đầu ra đó sẽ duy trì ở
mức logic “1” trong khoảng thời gian là 107ms.
 Chân 14 và 13 (CODE 2 và CODE 3): để tạo ra các tổ hợp mã hệ thống
giữa phần phát và phần thu. Mã số của 2 chân này phải giống tổ hợp
mã hệ thống của phần phát thì mới thu được tín hiệu.
 Chân 15 (OSC): dùng để nối với tụ điện và điện trở bên ngoài tạo ra dao
động cho mạch.
 Chân 16 (Vcc): là chân được nối với cực dương của nguồn cung cấp.
SVTH : TRẦN HỮU HƯNG GVHD: HÀ A THỒI
Đồ án môn học 1 8
2.5 IC nhận hồng ngoại .
Hình 15 Mắt thu hồng ngoại
Đối với modul mắt thu trên thì trường có 2 loại module mắt thu tín hiệu
hồng ngoại. Một loại vỏ sắt và 1 loại vỏ bằng nhựa. Dùng loại module này
chống được nhiễu bên ngoài và thu được tín hiệu xung quanh nó. Các xác định
chân rất đơn giản là:
-Chân 1 là chân tín hiệu out.
-Chân 2 là chân GND.
- Chân 3 là chân VCC.
-Ở mạch này em dùng mắt thu tín hiệu hồng ngoại có tên là KSM-603LM
Mắt nhận hồng ngoại thực chất là 1 IC tích hợp được dùng để thu và tách
sóng hồng ngoại. Bởi vì sóng hồng ngoại truyền đi đã được điều chế với song
mang , vì vậy cần có mạch tách song để thu được tín hiệu cần thiết cho IC giải
mã.
SVTH : TRẦN HỮU HƯNG GVHD: HÀ A THỒI
Đồ án môn học 1 9
CHƯƠNG III: CHỨC NĂNG NHIỆM VỤ VÀ PHƯƠNG ÁN THỰC
HIỆN TỪNG KHỐI
1. Khối remote điều khiển.
Sử dụng IC chuyên dụng là PT2248.
SVTH : TRẦN HỮU HƯNG GVHD: HÀ A THỒI
Đồ án môn học 1 10
Chọn mã người dung là C1=C2=C3=1.
Mạch phát có 3 nút điều khiển ,yêu cầu ở mạch này chỉ cần có xung kích trong
thời gian ngắn để cấp cho mạch đếm , nên ta sẽ chọn ngõ ra nhóm điều khiển
T2.
Để hiểu rõ hơn nguyên lý của mạch phát ta xem xét sơ đồ sau :
Giải thích sơ đồ :
 Khối chọn chức năng và khối mã hóa : khi ta nhấn một phím để phát lện
yêu cầu của mình, mối phím chức năng ứng 1 số thập phân.Mạch mã
hóa sẽ chuyển thành mã nhị phân tương ứng dưới dạng mã lệnh tín
hiệu số gồm các bit o và 1.
 Khối dao động có điều kiện : Khi ta nhán 1 phím thì đồng thời mạch
động sẽ tạo xung đồng hồ , tần số xung đồng hồ xác định thời gian
chuẩn của mỗi bit.
 Khối chốt dữ liệu và khối chuyển đổi song song ra nối tiếp: Mã nhị phân
tại mạch mã hóa sẽ được chốt để đưa vào mạch chuyển đổi dữ liệu
song song ra nối tiếp. Mạch chuyển đổi dữ liệu được điều khiển bởi
SVTH : TRẦN HỮU HƯNG GVHD: HÀ A THỒI
Đồ án môn học 1 11
xung đồng hồ và mạch định thời nhằm đảm bảo kết thúc đúng lúc việc
chuyển đổi đủ số bí của mã lệnh .
 Khối điều chế và phát FM: mã lệnh dưới dạng nối tiếp sẽ được qua
mạch điều chế và phát FM để ghép mã lệnh vào song mang .tần số
song mang truyền là tần số sau khi tiến hành chia 12 lần đối với tần số
dao dộng của bộ cộng hướng thạch anh được đấu ở bên ngoài . Cho
nên mức độ ổn định tần số này phụ thuộc vào chất lượng của thạch
anh . Đối với mạch phát trên thì ta chọn tần số của thạch anh là
455kHz . Nên tần số song mang là fsc=455/12=38kHz.
 Khối thiết bị phát : là 1 LED hồng ngoại. Khi mã lệnh có giá trị bit “1”
thì LED hồng ngoại phát trong hkoangr thời gian T của bit đó. Khi mã
lệnh có giá trị bit “0” thì LED không sáng . Do đó bên thu không nhận
được tín hiệu xem như bit “0”. Chú ý rằng ngõ ra của PT2248 có dòng
tải tối đa là 5mA vì thế không đủ kéo dòng cho LED phát hồng ngoại ,
nên ta dung thêm 2 transistor mắc theo kẻo darlington để kéo đủ dòng
phát cho LED.
SVTH : TRẦN HỮU HƯNG GVHD: HÀ A THỒI
Đồ án môn học 1 12
2. Khối thu ,giải mã và tạo xung.
Sử dụng IC chuyên dùng là PT2249
Chọn mã người dung là C1=C2=C3=1.
Có 3 ngõ ra tương ứng với 3 nút nhấn bên phát.
Ngõ vào tính hiệu được lấy từ IC thu hông ngoại. IC thu hồng ngoại có nhiệm
vụ thu và tách sóng mang.
Ngõ ra IC bình thường mức 1 khi có tín hiệu xuống mức không. Trong khi đó
mức tích cực ngõ vào IC PT2249 tích cực mức cao. Vì vậy IC thu PT2249 phải
qua 1 công NOT.
SVTH : TRẦN HỮU HƯNG GVHD: HÀ A THỒI
Đồ án môn học 1 13
Để hiểu rõ hơn nguyên lý của mạch thu ta xem xét sơ đồ sau :
Giải thích sơ đồ :
 Khối thiết bị thu và tách song mang: tia hồng ngoại thu được và đưa qua
mạch tách tín hiệu triệt song mang và tách lấy dữ liệu cần thiết là mã
lệnh.
 Khối chuyển đổi nối tiếp sang song song và khối giải mã : mã lệnh được
đưa vào mạch chuyển đổi nối tiếp sang song song và đưa tiếp qua khối
giải mã thành ra số thập phân tương dưới dạng 1 xung kích tại ngõ ra
tương ứng để kích mạch điều khiển.
SVTH : TRẦN HỮU HƯNG GVHD: HÀ A THỒI
Đồ án môn học 1 14
3. Khối mạch đếm.
Chức năng khối này như đã được trình bày ở trên là đếm lên, đếm xuống nhị
phân 4 bit. Ở mạch này ta lựa chọn sử dụng IC 74193 : IC này có chức năng là
đếm lên ,đếm xuống nhị phân 4 bit , thỏa mãn yêu cầu của đề tài.
Dựa vào sơ đồ khối mạch đếm ở trên thì ta thấy rằng IC 74193 sẽ nhận xung
kích từ khối thu , giải mã và tạo xung và tiến hành đếm lên đếm xuống số nhị
phân 4 bit tương ứng với ngõ vào cấp xung .
Ta có 3 tín hiệu xung , đó là : CKU , CKD và RESET . Tương ứng với 3 chức
năng đếm lên , đếm xuống và reset các ngõ ra của mạch đếm. Ta chú ý 1 điều
rằng IC 74193 khi đếm lên mà ngõ ra nó là “ 1111” thì khi cấp xung cho đếm
lên thì các ngõ ra của nó sẽ về lại “0000” bắt đầu 1 chu kỳ đếm lên mới ,
tương tự ta cũng có khi đếm xuống tới “0000” mà vẫn cấp xung cho đếm
SVTH : TRẦN HỮU HƯNG GVHD: HÀ A THỒI
Đồ án môn học 1 15
xuống thì các ngõ ra của IC này sẽ lên “1111” bắt đầu 1 chu ky đếm xuống
mới.
Nhưng yêu cầu của mạch thì khi ta cấp xung CKU cho IC 74193 đếm lên tới
sô thập phân tương ứng là 15 thì ta phải ngắt nguồn xung cho IC74193, cho dù
ngõ ra của mạch tạo xung có xung đến ngõ vào của mạch đếm . Tương tự cũng
như khi cấp CKD , thì khi đếm xuống khi tới số thập phân tương ứng là 0 thì
ngắt việc cấp xung cho IC 74193 . Để giải quyết được vần đề này , người thực
hiện đề tài đã sử dụng 2 IC so sánh số nhị phân 4 bít đó là 7485 . Các ngõ vào
của số nhị phân thứ nhất của 2 IC này sẽ được nối đến các ngõ ra của mạch
đếm ( ngõ ra IC 74193) . Các ngõ vào còn lại của IC 7485 thứ nhất sẽ được
nối xuống mass ( tương ứng với số thập phân tương ứng là số 0) , để nhằm
thực hiện chức năng là ngắt xung ngõ vào khi mạch đếm xuống tới số 0.
Tương tự ngõ vào còn lại của IC 7485 sẽ được nối lên nguồn ( tương ứng với
số thâp phân là 15 ), nhằm mục đích thực hiện chức năng ngắt xung ngõ vào
mạch đếm khi mạch đếm lên tới số 15.
Bảng trạng thái IC 74193.
SVTH : TRẦN HỮU HƯNG GVHD: HÀ A THỒI
Đồ án môn học 1 16
4. Khối chia áp.
Chức năng chính khối này là chia mức điện áp ngõ vào của tín hiệu cần điều
chỉnh để tạo các mức điện áp khác nhau tại ngõ ra của mạch . Yêu cầu của
mạch này là ta chia thành 16 mức ( từ 0 -> 15). Để thực hiện được chức năng
này người làm đề tài đã chọn IC 4067 . IC 4067 là một IC có chức năng như là
một analog switch . Các switch ở đây là các ngõ ra số lấy ra từ mạch đếm . Ứng
với 1 số nhị phân thì ngõ ra sẽ được nối đến 1 ngõ vào tương ứng đã được chia
áp ( ở đây ta có 16 ngõ vào ứng với 16 mức điện áp khác nhau của tín hiệu điều
chỉnh ).
SVTH : TRẦN HỮU HƯNG GVHD: HÀ A THỒI
Đồ án môn học 1 17
Bảng trạng thái IC 4067.
SVTH : TRẦN HỮU HƯNG GVHD: HÀ A THỒI
Đồ án môn học 1 18
5. Khối giải mã và hiển thị.
a. Khối giải mã.
Chức năng chính của khối này là chuyển đổi số nhị phân 4 bit thành số
BCD để đưa đến các IC giải mã led 7 đoạn dung để hiển thị số thập phân tương
ứng của mạch đếm.
Như ta đã biết từ 0000->1001 , số nhị phân cũng là số BCD , nhưng từ 1010
đến 1111 thì nó không phải là sô BCD . Vậy yêu cầu đặt ra ở đây là : từ số
0000 đến 1001 thì hiển thị ra led 7 đoạn số thập phân tương ứng bình thường ,
nhưng từ 1010 đến 1111 , ta phải chuyển số nhị phân này về các số BCD. Theo
kiến thức đã được tìm hiểu ở môn KỸ THUẬT SỐ , thì ta biết được là muốn
chuyển các sô 1010 đến 1111 sang sô BCD tương ứng thì ta tiến hành công
thêm nó với 0110 . Số nhị phân thu được sẽ được chia thành tưng nhóm 4 bit :
SVTH : TRẦN HỮU HƯNG GVHD: HÀ A THỒI
Đồ án môn học 1 19
4 bit thấp nhất sẽ tương ứng với phần đơn vị của số BCD đó , và 4 bit tiếp theo
tương ứng là hang chục của số BCD đó .
Vậy để giải quyết được vấn đề này ta phải có một biến trạng thái kiểm tra ,
nếu ngõ ra của mạch đếm từ 1010 đến 1111 thì ta sẽ tiến hành cộng nó với
0110 để chuyển về số BCD . Ta gọi biến trang thái đó là Y , các ngõ ra mạch
đếm là Q0 đến Q3 :
Ta có bảng trang thái như sau :
Q3 Q2 Q1 Q0 Y
0 0 0 0 0
0 0 0 1 0
0 0 1 0 0
0 0 1 1 0
0 1 0 0 0
0 1 0 1 0
0 1 1 0 0
0 1 1 1 0
1 0 0 0 0
1 0 0 1 0
1 0 1 0 1
1 0 1 1 1
1 1 0 0 1
1 1 0 1 1
1 1 1 0 1
1 1 1 1 1
Từ bảng trang thái trên ta được : Y = (Q1+Q2)Q3
Nên ở sơ đồ mạch ta sẽ sử dụng 1 cổng OR và một cổng AND để thực làm
mạch tác động mô tả trang thái của biến Y .
Để thực hiện chức năng cộng các số nhị phân ( ở mạch này là số nhị phân 4 bit)
ta sử dụng IC 7483 là IC có chức năng cộng 2 số nhị phân 4 bit toàn phần . Các
ngõ ra của IC 7483 chính là các số BCD tương ứng . Ta đưa các giá trị này đến
SVTH : TRẦN HỮU HƯNG GVHD: HÀ A THỒI
Đồ án môn học 1 20
các IC giải mã hiển thị led 7 đoạn để hiển thị. Ở mạch này ta sử dụng IC giải
mã led 7 đoạn là IC 74247.
IC 74247 là loại IC có các ngõ ra tác động ớ mức thấp chỉ thích hợp sử dụng
cho những LED 7 đoạn loại Anode chung, vì ngõ ra là tác động mức thấp.
Bảng trạng thái 74LS247.
b. Khối hiển thị.
Chức năng là hiển thị giá trị thập phân bằng LED 7 đoạn.
LED 7 cấu trúc nó là 7 thanh LED đơn và có 1 Led tròn dùng để hiển thị
dấu chấm ở dưới góc phải của LED 7 đoạn.
SVTH : TRẦN HỮU HƯNG GVHD: HÀ A THỒI
Đồ án môn học 1 21
8 LED đơn trên thanh LED 7 đoạn sẽ có loại là nối dương chung ( Anode
chung ) hoặc là loại nối âm chung ( Kathode chung ) được đưa ra ngoài để kết
nối với nguồn. Còn các chân riêng lẻ kia sẽ dược nối đến bộ phận điều khiển.
Phổ biến hiện nay là loại Anode chung vì IC giải mã 74247 được sự dụng phổ
biến nên loại Kathode chúng thường ít sử dụng trong mạch.
Sơ đồ cấu trúc LED 7 đoạn của loại Cathode chung và Anode chung
+ Gnd, Vcc là chân nối chung.
+ Các chân a, b, c, d, e, f, g là các chân điều khiển các thanh LED đơn của
LED 7 đoạn. Ngoài ra còn có chân Dp để hiển thị dấu chấm.
Loại dùng Cathode chung
SVTH : TRẦN HỮU HƯNG GVHD: HÀ A THỒI
Đồ án môn học 1 22
Đối với LED dùng Anode chung thì chân COM phải có mức logic 1, muốn
sáng thì các chân a, b, c, d, e, g, f, dp phải có mức logic 0.
Bảng mã LED 7 đoạn dùng Anode chung.
Loại dùng Cathode chung
Đối với LED dùng Cathode chung thì chân a, b, c, d, e, g, f, dp phải ở mức
logic 1, chân COM ở mức logic 0 thì LED sáng.
SVTH : TRẦN HỮU HƯNG GVHD: HÀ A THỒI
Đồ án môn học 1 23
Bảng mã LED 7 đoạn Cathode chung
Đối với LED 7 đoạn bên trong nó là 8 LED đơn, do đó khi kết nối cần chú ý
đảm bảo đủ dòng cho mỗi LED đơn sáng có dòng khoảng từ 10 – 20 mA.
Trong mạch ta kết nối nguồn 5V thì có thể hạn dòng bằng cách mắc điện trở
có giá trị là 330 Ω.
6. Khối nguồn.
Chức năng chính là tạo nguồn nuôi cho toàn mạch, đảm bảo dòng làm việc
ổn định.
Để tạo ra nguồn điện một chiều ổn định 5V cho toàn mạch ta sẽ sử dụng IC
ổn áp 7805 để lúc nào cũng ghim điện áp cố định ở mức cho phép.
a. Mạch chỉnh lưu và ổn áp.
Nguồn điện chúng ta đang sử dụng là nguồn xoay chiều 220V, để có thể
sử dụng cho mạch thì ta phải biến đổi nó thành một chiều.
Bộ chuyển đổi cơ bản bao gồm:
SVTH : TRẦN HỮU HƯNG GVHD: HÀ A THỒI
Đồ án môn học 1 24
- Biến áp nguồn: hạ áp từ nguồn xoay chiều từ 220V xuống các mức áp thấp
hơn như 12V, 9V, 6V…
- Mạch chỉnh lưu: biến đổi nguồn xoay chiều thành một chiều, cụ thể ở đây ta
dùng cầu Diode.
- Mạch lọc: giúp dòng điện sau khi chỉnh lưu được phẳng hơn, thường dùng tụ
có điện dung lớn như: 1000uF, 2200uF…
- Mạch ổn áp: giữ cho giá trị điện áp cần dùng ổn định, ở đây ta dùng Ic ổn áp
7805 để lấy nguồn 5V sự dụng cho toàn mạch.
Hình 3.1: Sơ đồ chuyển đổi nguồn AC thành DC
b. Tìm hiểu IC ổn áp 7805.
Hình 3.2 IC ổn áp 7805
Loại IC ổn áp này chỉ cho dòng tiêu thụ khoảng 1A trở xuống. Khi lắp ráp
trong mạch thì Vin > Vout từ 3 đến 5V là hoạt động ở trạng thái tốt nhất.
 Nguyên lí làm việc:
Thông qua điện trở R và diode Zener ghim cố định điện áp chân B của
transistor, giả sử khi điện áp chân E giảm thì khi đó điện áp ở UBE tăng làm cho
dòng transistor tăng qua đó làm dòng chân E cũng tăng theo và ngược lại.
 Sơ đồ và nguyên lí hoạt động của mạch ổn áp một chiều 5V.
SVTH : TRẦN HỮU HƯNG GVHD: HÀ A THỒI
Đồ án môn học 1 25
Nguồn 9V AC từ cuộn thứ cấp của máy biến áp được chỉnh lưu thành DC
tại điểm A thong qua chỉnh lưu cầu 4 diode. Sau khi chỉnh lưu dòng điện ra
vẫn còn nhấp nhô gợn song nên khi gắn tụ C1 vào sẽ giảm được độ gợn song
trước khi cho qua IC 7805 để thực hiện chức năng giữ ổn định áp ra là 5V nếu
Vin > 5V để cung cấp cho tải.
Tra cứu datasheet của các IC thì công suất tiêu thụ của các IC này chỉ có từ
uW đến mW. Linh kiện tiêu thụ đáng kể nhất là LED 7 đoạn nên cần phải tính
toán nguồn để đảm bảo mạch hoạt động tốt. Trong mạch có sử dụng 2 LED 7
đoạn, mỗi con gồm có 7 thanh LED nhỏ, nếu cả 7 LED nhỏ này sáng hết thì
cứ mỗi thanh LED nhỏ sáng là phải cần dòng 10 mA. Vậy dòng điện tối thiều
cần cho cả 2 LED 7 đoạn là:
I= 2 x 7 x 10 = 140 mA
Vậy ta chỉ cần chọn IC ổn áp 7805 loại 1A là đủ.
SVTH : TRẦN HỮU HƯNG GVHD: HÀ A THỒI
Đồ án môn học 1 26
7. Một số linh kiện được sử dụng trong mạch.
a. IC 7400
b. IC 7414
SVTH : TRẦN HỮU HƯNG GVHD: HÀ A THỒI
Đồ án môn học 1 27
c. IC 7408
d.IC 7432
SVTH : TRẦN HỮU HƯNG GVHD: HÀ A THỒI
Đồ án môn học 1 28
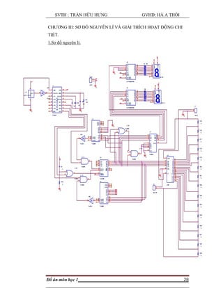
CHƯƠNG III: SƠ ĐỒ NGUYÊN LÍ VÀ GIẢI THÍCH HOẠT ĐỘNG CHI
TIẾT.
1.Sơ đồ nguyên lí.
SVTH : TRẦN HỮU HƯNG GVHD: HÀ A THỒI
Đồ án môn học 1 29
2. Giải thích hoạt động chi tiết.
a.Khi cấp nguồn
Khi mới cấp nguồn tụ C1 chưa nạp nên ngõ ra của công OR sữ lên mức một .
Điều này đồng nghĩa với việc là sẽ reset hết tất cả ngõ ra của 74193. Sau một
khoảng thời gian T tụ nạp đầy ngõ ra công OR sẽ về mức 0 , cho phép mạch
đếm hoạt động bình thường khi có xung CKU , CKD.
Chú ý rằng khi cấp nguồn , như đã trình bày ở trên thì các ngõ ra của bộ đếm sẽ
đều ở mức không. Nên ngõ ra chân số 6 của IC so sánh U2 (IC 7485 dùng để so
sánh với số thâp phân là 15) sẽ ở mức 0 , qua một cổng NOT thì nó sẽ trơ thành
mức 1,ngõ ra này đưa đến một cổng NAND , nên nó sẽ cho phép xung CKU
cấp cho mạch đếm khi nhấn phím UP. Còn IC so sánh U4 (IC 7485 dùng để so
sánh với số thâp phân là 0) sẽ lên mức 1 , qua công NOT xuống mức 0 , điều
này sẽ không cho cấp xung CKD cấp cho mạch đếm khi nhấn nut DOW. Nên
khi cấp điện ta chỉ có thể cấp xung cho mạch đếm lên .
Nguyên nhân ở mạch này chúng ta sử dụng cổng NAND là vì : dựa vào
datasheet của 74193 , ta nhận thấy rằng khi ta cấp xung cho một ngõ vào (
CKU hoặc CKD ) thì ngõ vào cấp xung còn lại ở trạng thái bình thường phải ở
mức logic 1 , mà ngõ ra của mạch tạo xung ở trạng thái bình thường nó lại ở
mức logic 0 , nên ở đây ta phải bắt buộc sử dụng 1 cổng NAND kết hợp với các
IC 7414 và IC 7485, để đảm bảo được yêu cầu về trạng thái hoạt động bình
thường của IC đếm 74193 và các yêu cầu của mạch đếm.
b. Khi nhấn nút UP/DOW
 Như đã trình bày ở trên thì ban đầu ta chỉ có thể nhấn nút UP . Khi ta
nhấn nút UP thì có xung CKU cấp cho mạch đếm . Mạch đếm tiến hành
đếm lên nhị phân 4 bit . Các ngõ ra Q của mạch đếm sẽ được đến mạch
chia áp để lựa chọn mức tín hiệu ngõ ra. Nguyên lý chọn mức tín hiệu
đã được trình bày ở phần trước, ngoài ra các ngõ ra của mạch đếm cũng
sẽ được cấp cho mạch giải mã và hiển thị , để hiển thị ra mức tín hiêu
ngõ ra. Khi ngõ ra các của mach đếm đều là 1111 , thì ngõ ra chân số 6
của IC so sánh U2 (IC 7485 dùng để so sánh với số thâp phân là 15) sẽ
SVTH : TRẦN HỮU HƯNG GVHD: HÀ A THỒI
Đồ án môn học 1 30
lên mức 1 , qua cổng NOT , xuông mức 0 , như thế sẽ ngắt việc cấp
xung cho mạch đếm cho dù ta có nhấn phím UP.
 Ban đầu thì không thể nhấn phím DOW được , nhưng ta chỉ cần nhấn
phim UP để mạch đếm , đếm lên 1 giá trị nào đó khác 0000, thì ngõ ra
chân số 6 của IC so sánh U4 (IC 7485 dùng để so sánh với số thâp phân
là 0) sẽ về mức 0 , qua cổng NOT sẽ lên mức 1 , và như thế sẽ cho phép
xung CKD cấp cho mạch đếm , làm cho mạch đếm xuống , và cũng như
trên các ngõ ra mạch đếm , sẽ được đưa tới mạch chia áp và giải mã
,hiển thị . Nhấn UP đến khi ngõ ra của mạch đếm về lại 0000 , thì ngõ
ra chân số 6 của IC so sánh U4 (IC 7485 dùng để so sánh với số thâp
phân là 0) sẽ lên mức 1 qua công NOT sẽ xuống mức 0 , như thế sẽ
ngắt việc cấp xũng CKD cho mạch đếm , lam cho mạch đếm không thể
đếm xuống được nữa.
 Chu trình cứ lăp lại như vây . mạch chỉ được phép đếm lên tới 1111 thì
dừng chỉ được phép đếm xuống . tương tự như vậy mạch cũng sẽ đếm
xuống tới 0000, sẽ không đếm xuống được nữa và chỉ được phép đếm
lên.
c. Khi nhấn nút RESET
Khi nhấn nút RESET thì sẽ có 1 xung tác động lên chân RESET của mạch
đếm . Làm tất cả ngõ ra mạch đếm đều về 0000.Mạch trở về trạng thái ban đầu.
SVTH : TRẦN HỮU HƯNG GVHD: HÀ A THỒI
Đồ án môn học 1 31
3. Sơ đồ mạch bố trí linh kiện.
SVTH : TRẦN HỮU HƯNG GVHD: HÀ A THỒI
Đồ án môn học 1 32
Chương 4: BÁO CÁO KẾT QUẢ THI CÔNG
CÁC BƯỚC THI CÔNG MẠCH
- Nghiên cứu và vẽ mạch nguyên lý
- Chuyển mạch nguyên lí thành sơ đồ mạch in.
- In và ủi mạch lên bo đồng.
- Rửa mạch
- Khoan và tiến hành hàn gắn linh kiện lên bo đồng.
- Tiến hành chạy thử và kiểm tra mạch
KẾT QUẢ THU ĐƯỢC
Mạch chạy tốt trên mô phỏng và cả mạch thực tế cũng đã chạy theo đúng
yêu cầu, nhưng tín hiệu âm thanh ra vẫn còn bị nhiễu.
SVTH : TRẦN HỮU HƯNG GVHD: HÀ A THỒI
Đồ án môn học 1 33
Nhận xét, đánh giá của giáo viên hướng dẫn
…………………………………………………………………………………
…………………………………………………………………………………
…………………………………………………………………………………
…………………………………………………………………………………
…………………………………………………………………………………
…………………………………………………………………………………
…………………………………………………………………………………
…………………………………………………………………………………
…………………………………………………………………………………
…………………………………………………………………………………
…………………………………………………………………………………
…………………………………………………………………………………
…………………………………………………………………………………
…………………………………………………………………………………
…………………………………………………………………………………
…………………………………………………………………………………
…………………………………………………………………………………
…………………………………………………………………………………
…………………………………………………………………………………
…………………………………………………………………………………
…………………………………………………………………………………
…………………………………………………………………………………
…………………………………………………………………………………
…………………………………………………………………………………
…………………………………………………………………………………
…………………………………………………………………………………
TP.HCM, ngày…tháng…năm 2014
Giáo viên hướng dẫn

Bao cao đồ án môn học

  • 1.
    SVTH : TRẦNHỮU HƯNG GVHD: HÀ A THỒI Đồ án môn học 1 1 LỜI CẢM ƠN  Sau một khoảng thời gian thực hiện đề tài, và cuối cùng đồ án 1 của em đã hoàn thành. Ngoài sự cố gắng của bản thân, em cũng đã nhận được rất nhiều sự giúp đỡ từ bạn bè, thầy cô bộ môn khoa Điện, đặc biệt là sự tận tình của thầy Hà A Thồi. Thầy đã tận tình chỉ dẫn cho em hướng đi và hướng dẫn cụ thể từng yêu cầu của đề tài, đồng thời cũng truyền đạt rất nhiều kinh nghiệm của thầy cho em để em có thể hoàn thành bài tập lớn này. Và do kiến thức còn rất hạn hẹp nên trong quá trình thực hiện đồ án em không tránh khỏi những sai sót, mong quý thầy cô trong hội đồng khảo thi bỏ qua và hướng dẫn em chỉnh sửa những sai sót để em có thể hoàn chỉnh đồ án của mình.
  • 2.
    SVTH : TRẦNHỮU HƯNG GVHD: HÀ A THỒI Đồ án môn học 1 2 LỜI MỞ ĐẦU  Thế hệ trẻ chúng ta nếu không ngừng phấn đấu học hỏi thì chúng ta sẽ nhanh chóng lạc hậu và thụt lùi. Chính vì nhận ra điều đó Trường Đại học SƯ PHẠM KỸ THUẬT THÀNH PHỐ HỒ CHÍ MINH đã chú trọng đào tạo sâu rộng, từ thấp đến cao. Để tăng chất lượng học tập và kiểm tra lại kiến thức của sinh viên nhà trường nói chung và khoa Điện nói riêng, nhà trường đã tổ chức cho sinh viên làm các đồ án môn học nhằm tạo nền tảng kiến thức cho sinh viên khi ra trường, đáp ứng nhu cầu tuyển dụng việc làm. Chính vì vậy, em đã chọn đề tài:” Mạch điều chỉnh âm lượng từ xa 16 bước có hiển thị trên LED 7 đoạn”. Hiện nay, như chúng ta thường thấy các thiết bị âm thanh thường được điều khiển âm lượng bằng những núm vặn hay những thanh trượt để tăng độ to nhỏ của âm thanh, tăng độ Streble, Bass, Echo….chính vì thế rất bất tiện khi sử dụng. Để tài này sẽ giúp chúng ta giải quyết được khó khăn trên, dùng nút nhấn để điều khiển thiết bị từ xa bằng hồng ngoại. Sinh viên thực hiện Trần Hữu Hưng
  • 3.
    SVTH : TRẦNHỮU HƯNG GVHD: HÀ A THỒI Đồ án môn học 1 3 MỤC LỤC Chương 1: Thiết lập sơ đồ khối và giải thích nguyên lí làm việc tổng quát .......................................................................4 Chương 2: Giới thiệu về thu phát hồng ngoại.............................................5 Tia hồng ngoại............................................................................................5 Kết cấu hệ thống.........................................................................................5 Giới thiệu IC PT2248..................................................................................6 Giới thiệu IC PT2249..................................................................................7 Giới thiệu IC nhận hồng ngoại....................................................................8 Chương 3: Chức năng nhiệm vụ và phương án thực hiện từng khối ...........9 Khối remote điều khiển...............................................................................9 Khối thu ,giải mã và tạo xung ...................................................................12 Khối mạch đếm.........................................................................................14 Khối chia áp..............................................................................................16 Khối giải mã và hiển thị............................................................................18 Khối nguồn...............................................................................................23 Một số linh kiện sử dụng trong mạch ........................................................26 Chương 4: Sơ đồ nguyên lí và hoạt động chi tiết......................................28 Sơ đồ nguyên lí.........................................................................................28 Giải thích hoạt động chi tiết......................................................................29 Sơ đồ bố trí linh kiện.................................................................................31 Chương 5: Báo cáo kết quả thi công.........................................................32
  • 4.
    SVTH : TRẦNHỮU HƯNG GVHD: HÀ A THỒI Đồ án môn học 1 4 CHƯƠNG I: THIẾT LẬP SƠ ĐỒ KHỐI VÀ GIẢI THÍCH NGUYÊN LÝ LÀM VIỆC TỔNG QUÁT. I. Sơ đồ khối. II. Chức năng và nhiệm vụ từng khối. 1. Khối remote điều khiển: Tạo và phát mã với từng nút được nhấn. 2. Khối thu, giải mã và tạo xung: Tách sóng mang , giải mã và đưa ra tín hiệu xung để điều khiển mạch đếm. 3. Khối mạch đếm: Nhận xung từ mạch thu ,giải mã va tao xung để tiến hành đếm lên hoặc đếm xuống số nhị phân 4 bit . 4. Khối chia áp: Nhận các giá trị các số nhị phân từ mạch đếm, tiến hành lựa chọn mức điện áp của tín hiệu ngõ ra. 5. Khối giải mã và hiển thị: Chuyển số nhị phân từ mạch đếm sang số BCD và tiến hành giải mã để hiển thị ra led 7 đoạn mức điện áp thu được ở ngõ ra của mạch chia áp. 6. Khối nguồn: Tạo ra dòng ổn định cung cấp cho toàn mạch. III. Nguyên lí làm việc tổng quát. Mạch hoạt động dựa trên nguyên lí chung là lựa chọn mức điện áp tín hiệu ngõ ra dựa vào tín hiệu số. Tín hiệu đầu vào sẽ được đưa qua 1 dãy điện trở thông qua cầu phân áp để tạo ra các mức điện áp khác nhau tạo thành các nấc tín hiệu . Sau đó được lựa chọn đưa tới ngõ ra dựa vào các số nhị phân tương ứng với các mức ,các số nhị phân hoạt động tương tự như các Switch. NGUỒN NUÔI REMOTE ĐIỀU KHIỂN THU, GIẢI MÃ VÀ TAO XUNG MẠCH ĐẾM CHIA ÁP KHỐI GIẢI MÃ & HIỂN THỊ
  • 5.
    SVTH : TRẦNHỮU HƯNG GVHD: HÀ A THỒI Đồ án môn học 1 5 CHƯƠNG II: GIỚI THIỆU VỀ THU PHÁT HỒNG NGOẠI 2.1 Tia hồng ngoại (ánh sáng hồng ngoại) : Tia hồng ngoại là bức xạ điện từ có bước sóng trong khoảng từ 400.000nm đến 760nm, dài hơn bước sóng ánh sáng khả kiến nhưng ngắn hơn tia bức xạ vi ba. Tên “hồng ngoại” có nghĩa là “dưới mức đỏ”, màu đỏ là màu sắc có bước sóng dài nhất trong ánh sáng thường. Mọi vật có nhiệt độ lớn hơn 0OK đều phát ra tia hồng ngoại.. Sóng hồng ngoại có những đặc tính quan trọng giống như ánh sáng ( sự hội tụ qua thấu kính, tiêu cự… ). 2.2 Kết cấu hệ thống : Do hệ thống điều khiển từ xa có những đường truyền dẫn xa nên chúng ta cần phải nghiên cứu về kết cấu hệ thống để đảm bảo tín hiệu được truyền đi chính xác và nhanh chóng. Đây là sơ đồ kết cấu hệ thống: Sơ đồ kết cấu hệ thống - Thiết bị phát: biến đổi lệnh điều khiển thành tin tức tín hiệu và phát đi. - Đường truyền: đưa tín hiệu điều khiển từ thiết bị phát đến thiết bị thu. - Thiết bị thu: nhận tín hiệu điều khiển từ đường truyền, qua quá trình biến đổi, biến dịch để tái hiện lại lệnh điều khiển rồi đưa đến các thiết bị thi hành. 2.3 Giới thiệu IC PT2248 (Mạch phát ): Chức năng các chân:
  • 6.
    SVTH : TRẦNHỮU HƯNG GVHD: HÀ A THỒI Đồ án môn học 1 6 Hình 7:IC PT 2248  Chân 1 (GND): là chân cấp nguồn âm.  Chân 2 (XT) và chân 3(/XT): là đầu vào và đầu ra của bộ dao động bên trong. 2 chân này kết nối với thạch anh 455kHz .  Chân 4 đến chân 9(K1->k6) kết hợp với chân 10 đến chân 12(T1->T3): là các đầu vào tín hiệu của ma trận phím 18 phím nhấn. Chia làm 3 nhóm phím tương ứng với T1 , T2 ,T3: 1. Nhóm phím T1:goi là nhóm phím liên tục . Khi nhấn phím chuỗi mã sẽ được phát liên tục, bên nhận ứng với nhóm phím T1 sẽ giứ được mức tích cực khi buông phím.Trong nhóm này sẽ không có thứ tự ưu tiên , ta có thể nhấn 2 phím cùng một lúc. 2. Nhóm phím T2 và T3: khi nhấn những phím này chuỗi mã sẽ chí được phát đi một lần cho dù phím đó có được giữ hay không . Nhóm này cũng không có thứ tụ ưu tiên . 3. Khi có nhấn phím thuộc nhóm T1 và T2 (T3) được nhấn cùng lúc thì ngõ ra sẽ phát chuỗi mã T2(T3) liên tục theo từng chu kỳ  Chân 13 (code): Chân tạo mã người dung, mã này dung để phân biệt đối tượng phát và nhận khi có nhiều nguồn phát và nguồn nhận. Ở PT2248: có 3 bit mã người dung C1, C2 , C3 . Để bên phát và bên nhận hiểu nhau thì mã này 2 bên phải giống nhau . Cách tạo mã : “1” nối diode , “0” không nối .  Chân 14 (Test): là chân đo thử ,bình thường khi sử dụng có thể bỏ trống.  Chân 15 (Out): là đầu ra tín hiệu truyền tải.  Chân 16 (Vcc):là chân cấp nguồn dương.
  • 7.
    SVTH : TRẦNHỮU HƯNG GVHD: HÀ A THỒI Đồ án môn học 1 7 2.4 Giới thiệu IC PT2249 (Mạch thu) :. Chức năng các chân: Hình 11: IC PT 2249  Chân 1 (Vss): là chân mass được nối với cực âm của nguồn điện.  Chân 2 (Rxin): là đầu vào tín hiệu thu.  Các chân 3 – 7 (HP1 - HP5): là đầu ra tín hiệu liên tục. Chỉ cần thu được tín hiệu tương ứng với đầu ra nào thì đầu ra đó sẽ luôn duy trì ở mức logic “1”.  Các chân 8 – 12 (SP5 – SP1): là đầu ra tín hiệu không liên tục. Chỉ cần thu được tín hiệu tương ứng với đầu ra nào thì đầu ra đó sẽ duy trì ở mức logic “1” trong khoảng thời gian là 107ms.  Chân 14 và 13 (CODE 2 và CODE 3): để tạo ra các tổ hợp mã hệ thống giữa phần phát và phần thu. Mã số của 2 chân này phải giống tổ hợp mã hệ thống của phần phát thì mới thu được tín hiệu.  Chân 15 (OSC): dùng để nối với tụ điện và điện trở bên ngoài tạo ra dao động cho mạch.  Chân 16 (Vcc): là chân được nối với cực dương của nguồn cung cấp.
  • 8.
    SVTH : TRẦNHỮU HƯNG GVHD: HÀ A THỒI Đồ án môn học 1 8 2.5 IC nhận hồng ngoại . Hình 15 Mắt thu hồng ngoại Đối với modul mắt thu trên thì trường có 2 loại module mắt thu tín hiệu hồng ngoại. Một loại vỏ sắt và 1 loại vỏ bằng nhựa. Dùng loại module này chống được nhiễu bên ngoài và thu được tín hiệu xung quanh nó. Các xác định chân rất đơn giản là: -Chân 1 là chân tín hiệu out. -Chân 2 là chân GND. - Chân 3 là chân VCC. -Ở mạch này em dùng mắt thu tín hiệu hồng ngoại có tên là KSM-603LM Mắt nhận hồng ngoại thực chất là 1 IC tích hợp được dùng để thu và tách sóng hồng ngoại. Bởi vì sóng hồng ngoại truyền đi đã được điều chế với song mang , vì vậy cần có mạch tách song để thu được tín hiệu cần thiết cho IC giải mã.
  • 9.
    SVTH : TRẦNHỮU HƯNG GVHD: HÀ A THỒI Đồ án môn học 1 9 CHƯƠNG III: CHỨC NĂNG NHIỆM VỤ VÀ PHƯƠNG ÁN THỰC HIỆN TỪNG KHỐI 1. Khối remote điều khiển. Sử dụng IC chuyên dụng là PT2248.
  • 10.
    SVTH : TRẦNHỮU HƯNG GVHD: HÀ A THỒI Đồ án môn học 1 10 Chọn mã người dung là C1=C2=C3=1. Mạch phát có 3 nút điều khiển ,yêu cầu ở mạch này chỉ cần có xung kích trong thời gian ngắn để cấp cho mạch đếm , nên ta sẽ chọn ngõ ra nhóm điều khiển T2. Để hiểu rõ hơn nguyên lý của mạch phát ta xem xét sơ đồ sau : Giải thích sơ đồ :  Khối chọn chức năng và khối mã hóa : khi ta nhấn một phím để phát lện yêu cầu của mình, mối phím chức năng ứng 1 số thập phân.Mạch mã hóa sẽ chuyển thành mã nhị phân tương ứng dưới dạng mã lệnh tín hiệu số gồm các bit o và 1.  Khối dao động có điều kiện : Khi ta nhán 1 phím thì đồng thời mạch động sẽ tạo xung đồng hồ , tần số xung đồng hồ xác định thời gian chuẩn của mỗi bit.  Khối chốt dữ liệu và khối chuyển đổi song song ra nối tiếp: Mã nhị phân tại mạch mã hóa sẽ được chốt để đưa vào mạch chuyển đổi dữ liệu song song ra nối tiếp. Mạch chuyển đổi dữ liệu được điều khiển bởi
  • 11.
    SVTH : TRẦNHỮU HƯNG GVHD: HÀ A THỒI Đồ án môn học 1 11 xung đồng hồ và mạch định thời nhằm đảm bảo kết thúc đúng lúc việc chuyển đổi đủ số bí của mã lệnh .  Khối điều chế và phát FM: mã lệnh dưới dạng nối tiếp sẽ được qua mạch điều chế và phát FM để ghép mã lệnh vào song mang .tần số song mang truyền là tần số sau khi tiến hành chia 12 lần đối với tần số dao dộng của bộ cộng hướng thạch anh được đấu ở bên ngoài . Cho nên mức độ ổn định tần số này phụ thuộc vào chất lượng của thạch anh . Đối với mạch phát trên thì ta chọn tần số của thạch anh là 455kHz . Nên tần số song mang là fsc=455/12=38kHz.  Khối thiết bị phát : là 1 LED hồng ngoại. Khi mã lệnh có giá trị bit “1” thì LED hồng ngoại phát trong hkoangr thời gian T của bit đó. Khi mã lệnh có giá trị bit “0” thì LED không sáng . Do đó bên thu không nhận được tín hiệu xem như bit “0”. Chú ý rằng ngõ ra của PT2248 có dòng tải tối đa là 5mA vì thế không đủ kéo dòng cho LED phát hồng ngoại , nên ta dung thêm 2 transistor mắc theo kẻo darlington để kéo đủ dòng phát cho LED.
  • 12.
    SVTH : TRẦNHỮU HƯNG GVHD: HÀ A THỒI Đồ án môn học 1 12 2. Khối thu ,giải mã và tạo xung. Sử dụng IC chuyên dùng là PT2249 Chọn mã người dung là C1=C2=C3=1. Có 3 ngõ ra tương ứng với 3 nút nhấn bên phát. Ngõ vào tính hiệu được lấy từ IC thu hông ngoại. IC thu hồng ngoại có nhiệm vụ thu và tách sóng mang. Ngõ ra IC bình thường mức 1 khi có tín hiệu xuống mức không. Trong khi đó mức tích cực ngõ vào IC PT2249 tích cực mức cao. Vì vậy IC thu PT2249 phải qua 1 công NOT.
  • 13.
    SVTH : TRẦNHỮU HƯNG GVHD: HÀ A THỒI Đồ án môn học 1 13 Để hiểu rõ hơn nguyên lý của mạch thu ta xem xét sơ đồ sau : Giải thích sơ đồ :  Khối thiết bị thu và tách song mang: tia hồng ngoại thu được và đưa qua mạch tách tín hiệu triệt song mang và tách lấy dữ liệu cần thiết là mã lệnh.  Khối chuyển đổi nối tiếp sang song song và khối giải mã : mã lệnh được đưa vào mạch chuyển đổi nối tiếp sang song song và đưa tiếp qua khối giải mã thành ra số thập phân tương dưới dạng 1 xung kích tại ngõ ra tương ứng để kích mạch điều khiển.
  • 14.
    SVTH : TRẦNHỮU HƯNG GVHD: HÀ A THỒI Đồ án môn học 1 14 3. Khối mạch đếm. Chức năng khối này như đã được trình bày ở trên là đếm lên, đếm xuống nhị phân 4 bit. Ở mạch này ta lựa chọn sử dụng IC 74193 : IC này có chức năng là đếm lên ,đếm xuống nhị phân 4 bit , thỏa mãn yêu cầu của đề tài. Dựa vào sơ đồ khối mạch đếm ở trên thì ta thấy rằng IC 74193 sẽ nhận xung kích từ khối thu , giải mã và tạo xung và tiến hành đếm lên đếm xuống số nhị phân 4 bit tương ứng với ngõ vào cấp xung . Ta có 3 tín hiệu xung , đó là : CKU , CKD và RESET . Tương ứng với 3 chức năng đếm lên , đếm xuống và reset các ngõ ra của mạch đếm. Ta chú ý 1 điều rằng IC 74193 khi đếm lên mà ngõ ra nó là “ 1111” thì khi cấp xung cho đếm lên thì các ngõ ra của nó sẽ về lại “0000” bắt đầu 1 chu kỳ đếm lên mới , tương tự ta cũng có khi đếm xuống tới “0000” mà vẫn cấp xung cho đếm
  • 15.
    SVTH : TRẦNHỮU HƯNG GVHD: HÀ A THỒI Đồ án môn học 1 15 xuống thì các ngõ ra của IC này sẽ lên “1111” bắt đầu 1 chu ky đếm xuống mới. Nhưng yêu cầu của mạch thì khi ta cấp xung CKU cho IC 74193 đếm lên tới sô thập phân tương ứng là 15 thì ta phải ngắt nguồn xung cho IC74193, cho dù ngõ ra của mạch tạo xung có xung đến ngõ vào của mạch đếm . Tương tự cũng như khi cấp CKD , thì khi đếm xuống khi tới số thập phân tương ứng là 0 thì ngắt việc cấp xung cho IC 74193 . Để giải quyết được vần đề này , người thực hiện đề tài đã sử dụng 2 IC so sánh số nhị phân 4 bít đó là 7485 . Các ngõ vào của số nhị phân thứ nhất của 2 IC này sẽ được nối đến các ngõ ra của mạch đếm ( ngõ ra IC 74193) . Các ngõ vào còn lại của IC 7485 thứ nhất sẽ được nối xuống mass ( tương ứng với số thập phân tương ứng là số 0) , để nhằm thực hiện chức năng là ngắt xung ngõ vào khi mạch đếm xuống tới số 0. Tương tự ngõ vào còn lại của IC 7485 sẽ được nối lên nguồn ( tương ứng với số thâp phân là 15 ), nhằm mục đích thực hiện chức năng ngắt xung ngõ vào mạch đếm khi mạch đếm lên tới số 15. Bảng trạng thái IC 74193.
  • 16.
    SVTH : TRẦNHỮU HƯNG GVHD: HÀ A THỒI Đồ án môn học 1 16 4. Khối chia áp. Chức năng chính khối này là chia mức điện áp ngõ vào của tín hiệu cần điều chỉnh để tạo các mức điện áp khác nhau tại ngõ ra của mạch . Yêu cầu của mạch này là ta chia thành 16 mức ( từ 0 -> 15). Để thực hiện được chức năng này người làm đề tài đã chọn IC 4067 . IC 4067 là một IC có chức năng như là một analog switch . Các switch ở đây là các ngõ ra số lấy ra từ mạch đếm . Ứng với 1 số nhị phân thì ngõ ra sẽ được nối đến 1 ngõ vào tương ứng đã được chia áp ( ở đây ta có 16 ngõ vào ứng với 16 mức điện áp khác nhau của tín hiệu điều chỉnh ).
  • 17.
    SVTH : TRẦNHỮU HƯNG GVHD: HÀ A THỒI Đồ án môn học 1 17 Bảng trạng thái IC 4067.
  • 18.
    SVTH : TRẦNHỮU HƯNG GVHD: HÀ A THỒI Đồ án môn học 1 18 5. Khối giải mã và hiển thị. a. Khối giải mã. Chức năng chính của khối này là chuyển đổi số nhị phân 4 bit thành số BCD để đưa đến các IC giải mã led 7 đoạn dung để hiển thị số thập phân tương ứng của mạch đếm. Như ta đã biết từ 0000->1001 , số nhị phân cũng là số BCD , nhưng từ 1010 đến 1111 thì nó không phải là sô BCD . Vậy yêu cầu đặt ra ở đây là : từ số 0000 đến 1001 thì hiển thị ra led 7 đoạn số thập phân tương ứng bình thường , nhưng từ 1010 đến 1111 , ta phải chuyển số nhị phân này về các số BCD. Theo kiến thức đã được tìm hiểu ở môn KỸ THUẬT SỐ , thì ta biết được là muốn chuyển các sô 1010 đến 1111 sang sô BCD tương ứng thì ta tiến hành công thêm nó với 0110 . Số nhị phân thu được sẽ được chia thành tưng nhóm 4 bit :
  • 19.
    SVTH : TRẦNHỮU HƯNG GVHD: HÀ A THỒI Đồ án môn học 1 19 4 bit thấp nhất sẽ tương ứng với phần đơn vị của số BCD đó , và 4 bit tiếp theo tương ứng là hang chục của số BCD đó . Vậy để giải quyết được vấn đề này ta phải có một biến trạng thái kiểm tra , nếu ngõ ra của mạch đếm từ 1010 đến 1111 thì ta sẽ tiến hành cộng nó với 0110 để chuyển về số BCD . Ta gọi biến trang thái đó là Y , các ngõ ra mạch đếm là Q0 đến Q3 : Ta có bảng trang thái như sau : Q3 Q2 Q1 Q0 Y 0 0 0 0 0 0 0 0 1 0 0 0 1 0 0 0 0 1 1 0 0 1 0 0 0 0 1 0 1 0 0 1 1 0 0 0 1 1 1 0 1 0 0 0 0 1 0 0 1 0 1 0 1 0 1 1 0 1 1 1 1 1 0 0 1 1 1 0 1 1 1 1 1 0 1 1 1 1 1 1 Từ bảng trang thái trên ta được : Y = (Q1+Q2)Q3 Nên ở sơ đồ mạch ta sẽ sử dụng 1 cổng OR và một cổng AND để thực làm mạch tác động mô tả trang thái của biến Y . Để thực hiện chức năng cộng các số nhị phân ( ở mạch này là số nhị phân 4 bit) ta sử dụng IC 7483 là IC có chức năng cộng 2 số nhị phân 4 bit toàn phần . Các ngõ ra của IC 7483 chính là các số BCD tương ứng . Ta đưa các giá trị này đến
  • 20.
    SVTH : TRẦNHỮU HƯNG GVHD: HÀ A THỒI Đồ án môn học 1 20 các IC giải mã hiển thị led 7 đoạn để hiển thị. Ở mạch này ta sử dụng IC giải mã led 7 đoạn là IC 74247. IC 74247 là loại IC có các ngõ ra tác động ớ mức thấp chỉ thích hợp sử dụng cho những LED 7 đoạn loại Anode chung, vì ngõ ra là tác động mức thấp. Bảng trạng thái 74LS247. b. Khối hiển thị. Chức năng là hiển thị giá trị thập phân bằng LED 7 đoạn. LED 7 cấu trúc nó là 7 thanh LED đơn và có 1 Led tròn dùng để hiển thị dấu chấm ở dưới góc phải của LED 7 đoạn.
  • 21.
    SVTH : TRẦNHỮU HƯNG GVHD: HÀ A THỒI Đồ án môn học 1 21 8 LED đơn trên thanh LED 7 đoạn sẽ có loại là nối dương chung ( Anode chung ) hoặc là loại nối âm chung ( Kathode chung ) được đưa ra ngoài để kết nối với nguồn. Còn các chân riêng lẻ kia sẽ dược nối đến bộ phận điều khiển. Phổ biến hiện nay là loại Anode chung vì IC giải mã 74247 được sự dụng phổ biến nên loại Kathode chúng thường ít sử dụng trong mạch. Sơ đồ cấu trúc LED 7 đoạn của loại Cathode chung và Anode chung + Gnd, Vcc là chân nối chung. + Các chân a, b, c, d, e, f, g là các chân điều khiển các thanh LED đơn của LED 7 đoạn. Ngoài ra còn có chân Dp để hiển thị dấu chấm. Loại dùng Cathode chung
  • 22.
    SVTH : TRẦNHỮU HƯNG GVHD: HÀ A THỒI Đồ án môn học 1 22 Đối với LED dùng Anode chung thì chân COM phải có mức logic 1, muốn sáng thì các chân a, b, c, d, e, g, f, dp phải có mức logic 0. Bảng mã LED 7 đoạn dùng Anode chung. Loại dùng Cathode chung Đối với LED dùng Cathode chung thì chân a, b, c, d, e, g, f, dp phải ở mức logic 1, chân COM ở mức logic 0 thì LED sáng.
  • 23.
    SVTH : TRẦNHỮU HƯNG GVHD: HÀ A THỒI Đồ án môn học 1 23 Bảng mã LED 7 đoạn Cathode chung Đối với LED 7 đoạn bên trong nó là 8 LED đơn, do đó khi kết nối cần chú ý đảm bảo đủ dòng cho mỗi LED đơn sáng có dòng khoảng từ 10 – 20 mA. Trong mạch ta kết nối nguồn 5V thì có thể hạn dòng bằng cách mắc điện trở có giá trị là 330 Ω. 6. Khối nguồn. Chức năng chính là tạo nguồn nuôi cho toàn mạch, đảm bảo dòng làm việc ổn định. Để tạo ra nguồn điện một chiều ổn định 5V cho toàn mạch ta sẽ sử dụng IC ổn áp 7805 để lúc nào cũng ghim điện áp cố định ở mức cho phép. a. Mạch chỉnh lưu và ổn áp. Nguồn điện chúng ta đang sử dụng là nguồn xoay chiều 220V, để có thể sử dụng cho mạch thì ta phải biến đổi nó thành một chiều. Bộ chuyển đổi cơ bản bao gồm:
  • 24.
    SVTH : TRẦNHỮU HƯNG GVHD: HÀ A THỒI Đồ án môn học 1 24 - Biến áp nguồn: hạ áp từ nguồn xoay chiều từ 220V xuống các mức áp thấp hơn như 12V, 9V, 6V… - Mạch chỉnh lưu: biến đổi nguồn xoay chiều thành một chiều, cụ thể ở đây ta dùng cầu Diode. - Mạch lọc: giúp dòng điện sau khi chỉnh lưu được phẳng hơn, thường dùng tụ có điện dung lớn như: 1000uF, 2200uF… - Mạch ổn áp: giữ cho giá trị điện áp cần dùng ổn định, ở đây ta dùng Ic ổn áp 7805 để lấy nguồn 5V sự dụng cho toàn mạch. Hình 3.1: Sơ đồ chuyển đổi nguồn AC thành DC b. Tìm hiểu IC ổn áp 7805. Hình 3.2 IC ổn áp 7805 Loại IC ổn áp này chỉ cho dòng tiêu thụ khoảng 1A trở xuống. Khi lắp ráp trong mạch thì Vin > Vout từ 3 đến 5V là hoạt động ở trạng thái tốt nhất.  Nguyên lí làm việc: Thông qua điện trở R và diode Zener ghim cố định điện áp chân B của transistor, giả sử khi điện áp chân E giảm thì khi đó điện áp ở UBE tăng làm cho dòng transistor tăng qua đó làm dòng chân E cũng tăng theo và ngược lại.  Sơ đồ và nguyên lí hoạt động của mạch ổn áp một chiều 5V.
  • 25.
    SVTH : TRẦNHỮU HƯNG GVHD: HÀ A THỒI Đồ án môn học 1 25 Nguồn 9V AC từ cuộn thứ cấp của máy biến áp được chỉnh lưu thành DC tại điểm A thong qua chỉnh lưu cầu 4 diode. Sau khi chỉnh lưu dòng điện ra vẫn còn nhấp nhô gợn song nên khi gắn tụ C1 vào sẽ giảm được độ gợn song trước khi cho qua IC 7805 để thực hiện chức năng giữ ổn định áp ra là 5V nếu Vin > 5V để cung cấp cho tải. Tra cứu datasheet của các IC thì công suất tiêu thụ của các IC này chỉ có từ uW đến mW. Linh kiện tiêu thụ đáng kể nhất là LED 7 đoạn nên cần phải tính toán nguồn để đảm bảo mạch hoạt động tốt. Trong mạch có sử dụng 2 LED 7 đoạn, mỗi con gồm có 7 thanh LED nhỏ, nếu cả 7 LED nhỏ này sáng hết thì cứ mỗi thanh LED nhỏ sáng là phải cần dòng 10 mA. Vậy dòng điện tối thiều cần cho cả 2 LED 7 đoạn là: I= 2 x 7 x 10 = 140 mA Vậy ta chỉ cần chọn IC ổn áp 7805 loại 1A là đủ.
  • 26.
    SVTH : TRẦNHỮU HƯNG GVHD: HÀ A THỒI Đồ án môn học 1 26 7. Một số linh kiện được sử dụng trong mạch. a. IC 7400 b. IC 7414
  • 27.
    SVTH : TRẦNHỮU HƯNG GVHD: HÀ A THỒI Đồ án môn học 1 27 c. IC 7408 d.IC 7432
  • 28.
    SVTH : TRẦNHỮU HƯNG GVHD: HÀ A THỒI Đồ án môn học 1 28 CHƯƠNG III: SƠ ĐỒ NGUYÊN LÍ VÀ GIẢI THÍCH HOẠT ĐỘNG CHI TIẾT. 1.Sơ đồ nguyên lí.
  • 29.
    SVTH : TRẦNHỮU HƯNG GVHD: HÀ A THỒI Đồ án môn học 1 29 2. Giải thích hoạt động chi tiết. a.Khi cấp nguồn Khi mới cấp nguồn tụ C1 chưa nạp nên ngõ ra của công OR sữ lên mức một . Điều này đồng nghĩa với việc là sẽ reset hết tất cả ngõ ra của 74193. Sau một khoảng thời gian T tụ nạp đầy ngõ ra công OR sẽ về mức 0 , cho phép mạch đếm hoạt động bình thường khi có xung CKU , CKD. Chú ý rằng khi cấp nguồn , như đã trình bày ở trên thì các ngõ ra của bộ đếm sẽ đều ở mức không. Nên ngõ ra chân số 6 của IC so sánh U2 (IC 7485 dùng để so sánh với số thâp phân là 15) sẽ ở mức 0 , qua một cổng NOT thì nó sẽ trơ thành mức 1,ngõ ra này đưa đến một cổng NAND , nên nó sẽ cho phép xung CKU cấp cho mạch đếm khi nhấn phím UP. Còn IC so sánh U4 (IC 7485 dùng để so sánh với số thâp phân là 0) sẽ lên mức 1 , qua công NOT xuống mức 0 , điều này sẽ không cho cấp xung CKD cấp cho mạch đếm khi nhấn nut DOW. Nên khi cấp điện ta chỉ có thể cấp xung cho mạch đếm lên . Nguyên nhân ở mạch này chúng ta sử dụng cổng NAND là vì : dựa vào datasheet của 74193 , ta nhận thấy rằng khi ta cấp xung cho một ngõ vào ( CKU hoặc CKD ) thì ngõ vào cấp xung còn lại ở trạng thái bình thường phải ở mức logic 1 , mà ngõ ra của mạch tạo xung ở trạng thái bình thường nó lại ở mức logic 0 , nên ở đây ta phải bắt buộc sử dụng 1 cổng NAND kết hợp với các IC 7414 và IC 7485, để đảm bảo được yêu cầu về trạng thái hoạt động bình thường của IC đếm 74193 và các yêu cầu của mạch đếm. b. Khi nhấn nút UP/DOW  Như đã trình bày ở trên thì ban đầu ta chỉ có thể nhấn nút UP . Khi ta nhấn nút UP thì có xung CKU cấp cho mạch đếm . Mạch đếm tiến hành đếm lên nhị phân 4 bit . Các ngõ ra Q của mạch đếm sẽ được đến mạch chia áp để lựa chọn mức tín hiệu ngõ ra. Nguyên lý chọn mức tín hiệu đã được trình bày ở phần trước, ngoài ra các ngõ ra của mạch đếm cũng sẽ được cấp cho mạch giải mã và hiển thị , để hiển thị ra mức tín hiêu ngõ ra. Khi ngõ ra các của mach đếm đều là 1111 , thì ngõ ra chân số 6 của IC so sánh U2 (IC 7485 dùng để so sánh với số thâp phân là 15) sẽ
  • 30.
    SVTH : TRẦNHỮU HƯNG GVHD: HÀ A THỒI Đồ án môn học 1 30 lên mức 1 , qua cổng NOT , xuông mức 0 , như thế sẽ ngắt việc cấp xung cho mạch đếm cho dù ta có nhấn phím UP.  Ban đầu thì không thể nhấn phím DOW được , nhưng ta chỉ cần nhấn phim UP để mạch đếm , đếm lên 1 giá trị nào đó khác 0000, thì ngõ ra chân số 6 của IC so sánh U4 (IC 7485 dùng để so sánh với số thâp phân là 0) sẽ về mức 0 , qua cổng NOT sẽ lên mức 1 , và như thế sẽ cho phép xung CKD cấp cho mạch đếm , làm cho mạch đếm xuống , và cũng như trên các ngõ ra mạch đếm , sẽ được đưa tới mạch chia áp và giải mã ,hiển thị . Nhấn UP đến khi ngõ ra của mạch đếm về lại 0000 , thì ngõ ra chân số 6 của IC so sánh U4 (IC 7485 dùng để so sánh với số thâp phân là 0) sẽ lên mức 1 qua công NOT sẽ xuống mức 0 , như thế sẽ ngắt việc cấp xũng CKD cho mạch đếm , lam cho mạch đếm không thể đếm xuống được nữa.  Chu trình cứ lăp lại như vây . mạch chỉ được phép đếm lên tới 1111 thì dừng chỉ được phép đếm xuống . tương tự như vậy mạch cũng sẽ đếm xuống tới 0000, sẽ không đếm xuống được nữa và chỉ được phép đếm lên. c. Khi nhấn nút RESET Khi nhấn nút RESET thì sẽ có 1 xung tác động lên chân RESET của mạch đếm . Làm tất cả ngõ ra mạch đếm đều về 0000.Mạch trở về trạng thái ban đầu.
  • 31.
    SVTH : TRẦNHỮU HƯNG GVHD: HÀ A THỒI Đồ án môn học 1 31 3. Sơ đồ mạch bố trí linh kiện.
  • 32.
    SVTH : TRẦNHỮU HƯNG GVHD: HÀ A THỒI Đồ án môn học 1 32 Chương 4: BÁO CÁO KẾT QUẢ THI CÔNG CÁC BƯỚC THI CÔNG MẠCH - Nghiên cứu và vẽ mạch nguyên lý - Chuyển mạch nguyên lí thành sơ đồ mạch in. - In và ủi mạch lên bo đồng. - Rửa mạch - Khoan và tiến hành hàn gắn linh kiện lên bo đồng. - Tiến hành chạy thử và kiểm tra mạch KẾT QUẢ THU ĐƯỢC Mạch chạy tốt trên mô phỏng và cả mạch thực tế cũng đã chạy theo đúng yêu cầu, nhưng tín hiệu âm thanh ra vẫn còn bị nhiễu.
  • 33.
    SVTH : TRẦNHỮU HƯNG GVHD: HÀ A THỒI Đồ án môn học 1 33 Nhận xét, đánh giá của giáo viên hướng dẫn ………………………………………………………………………………… ………………………………………………………………………………… ………………………………………………………………………………… ………………………………………………………………………………… ………………………………………………………………………………… ………………………………………………………………………………… ………………………………………………………………………………… ………………………………………………………………………………… ………………………………………………………………………………… ………………………………………………………………………………… ………………………………………………………………………………… ………………………………………………………………………………… ………………………………………………………………………………… ………………………………………………………………………………… ………………………………………………………………………………… ………………………………………………………………………………… ………………………………………………………………………………… ………………………………………………………………………………… ………………………………………………………………………………… ………………………………………………………………………………… ………………………………………………………………………………… ………………………………………………………………………………… ………………………………………………………………………………… ………………………………………………………………………………… ………………………………………………………………………………… ………………………………………………………………………………… TP.HCM, ngày…tháng…năm 2014 Giáo viên hướng dẫn