ओઞ৷৐प૑ङउഭाऎटऔः
型式:2 - 8083348
半自動溶接機
COMPACT MIG 201
■このたびは弊社の製品をお買い上げいただきありがとうございました。
■本製品をご使用される前に必ず本取扱説明書をお読みください。
■本取扱説明書をいつまでも大切に保管ください。
【M - MC201】
2
‫ٹ‬৯ઃ
■1.  一般説明
■2. 安全上のご注意
■3. 組み立て方法①
   
「キャスター」
   
「電源接続」
   
「トーチ」
   
「ワイヤースプール」
■4. 組み立て方法②
   
「アースケーブル」
   
「ガスボンベ接続」
■5. ユニットの構成
■6. 本体フロントパネルの名称について
■7. 溶接方法
■8. 電圧の設定
■9. 溶接条件例
   
「アルミの MIG 溶接」
   
「MIG ブレージング(CuSi3)
」
■10. 故障と対策
■11. 定期点検について
■12. パーツリスト
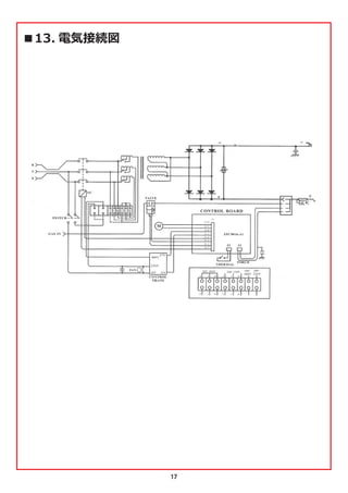
■13. 電気接続図
3 ページ
4 ページ
6 ページ
7 ページ
8 ページ
9 ページ
10 ページ
11 ページ
12 ページ
13 ページ
14 ページ
15 ページ
16 ページ
17 ページ
■本製品を日本国外に設置、移転する場合のご注意
・本製品の設計、製作は、日本国内の法令および基準
を達成しています。
・本製品を日本国外に設置、移転する場合、その国の
定めた法令や基準に適合しないケースもありますの
で、ご注意ください。
・本製品を日本国外へ移転や転売される際は、必ず当
社へ事前にご相談ください。
■免責事項
下記のいずれかに該当する場合は、弊社ならびに本製
品の販売者は免責とさせていただきます。
・正常な設置・保守・整備および定期点検が行われな
かった場合の不都合。
・天変地異、その他不可抗力による損害。
・弊社納入品以外の製品・部品不良、または不都合に
伴う本製品の問題、さらには本製品と弊社納入品以外
の製品、部品、回路、ソフトウェア等との組み合わせ
に起因する問題。
・誤操作・異常運転、その他弊社の責任に起因せざる
不具合。
・本製品の使用(本製品の使用により製造された製品
が紛争の対象となる場合を含みます)に起因する、知
的財産権に関する問題。
(プロセス特許に関する問題)
・本製品が原因で生じる逸失利益・操業損失等の損害、
またはその他の間接損害・派生損害・結果損害。
【本製品廃棄上のご注意】
本製品を廃棄される場合は、認可を受けた産業廃棄物
処理業者と廃棄処理委託契約を締結し、廃棄処理を委
託してください。
・本書の記載内容は、2012 年 10 月現在のものです。
・本書の記載内容は、改良のため予告なしに変更する
ことがあります。
3
‫ٹ‬ ঳ಹହ৥
 
・本取扱説明書は、本溶接機を安全に末永くご使用していただくための方法を記載しています。
・本製品は、自動車の補修作業に使用するための機械工具です。他の用途での使用により生じた損失、損害、もし
くは傷害などについて、メーカーおよび株式会社エムエスジャパンサービスは一切の責任を負いかねます。
・本取扱説明書に記載されている製品のご使用にあたっては、注意事項に充分留意されるようお願いします。特に、
本取扱説明書に記載されている警告マークや注意マークを付した注意事項や禁止事項を厳守してください。ご使用
方法を間違えると十分な性能を発揮できないばかりか、ご使用になる方や他の人への被害、財産への損害などにつ
ながりかねません。なお、個別の注意事項と重複した場合は、個別の注意事項を優先します。
・本取扱説明書を熟読されるとともに、作業者がいつまでもご活用できるように身近な場所に保管してください。
・本取扱説明書の明記されている注意、禁止事項に従わない、本製品を改変するなどの不適切な処置は、人身事故
や製品本体の破損、さらにはお客様の財産への損害につながる恐れがあります。株式会社エムエスジャパンサービ
スは、上記の事態により生じた事故や損害について、一切の保証責任を負いかねます。
※その他のリスク
・本製品は安全設計されています。しかしながら、作業者が安全保護に努めて作業しても、予期せぬ事態で危険 
を招くこともあります。くれぐれも注意して使用してください。
【本書の記載内容は、改良のため予告なしに変更する場合があります。ご了承ください】
・本製品および本書の内容について、ご質問がある場合は、お買い上げいただきました販売会社または株式会社エ
ムエスジャパンサービスまでお問い合わせください。
■本溶接機について
 操作性、経済性に優れた高性能半自動溶接機です。
①美しいスチールおよびステンレスの溶接における
 仕上がり品質
 安定したアークにより、スパッタの発生が少なく、
 母材への溶け込みが良好。
 ビンツェル・トーチ(3m)を標準装備。
 
(※4m トーチも別売りで用意しています)
②少ない電力で最大の効果を発揮
 15A の電力でもアークが安定。
0.6mm の板厚から溶接可能。
 200A(使用率 35%)の電流で、
5.0mm の板厚まで溶接可能。
③小型・軽量かつ、頑丈設計。使い勝手に優れています
 ワイヤーとガスボンベを本体と一体化することで、
 
 簡単に移動できます。
 ワイヤースプールはΦ300mm、15kg 巻きまで使用
 できます。
 本体上部は、作業台として利用可能(ゴム製マット付)
。
 トーチ、アースケーブルは簡単かつ素早く本体に脱
 着できます。
 オーバーヒートによる故障を事前に防ぐ「サーモス
 タット」機能を搭載。
■テクニカルデータ
※モデル・シリアルナンバー・製造年度は、本体のプ
レートに明記されております。また、本取扱説明書に
同封された品質保証書にも明記していますので、ご参
照ください。
相数
定格入力電圧
定格周波数
最大使用電力
定格入力
定格出力電流
使用率
適用ワイヤー/径
格納ワイヤースプール
冷却方式
総重量
外形寸法
三相
220V
50 / 60Hz
4.5KW
6kVA 45% / 4.6kVA 60%
15A ∼ 190A
200A(35%)
、165A( 45%)
140A(60%)
、110A(100%)
カーボン、ステンレス
(アルミニウム)
Φ0.6 /Φ0.8mm(Φ1.0mm)
Φ300mm / 15kg
空冷
53.5kg
幅 345× 奥行き 810× 高さ 615mm
・
本製品および本書の内容について、
ご質問がある場合は、
お買い上げいただきました販売会社またはファインピ
ース株式会社までお問合せください。
4
‫ٹ‬ ਍৸঱भओିਔ‫ق‬૑ङउஹॉऎटऔः‫ك‬
■本取扱説明書に使用している記号の意味について
 本取扱説明書では、本製品を使用するうえでの注意事項を下記のとおり区分しています。
 
【   注意】
 
【   危険・警告】
 なお、
【注意】に記載した項目でも、誤った取扱いをした時に、状況によっては重大なトラブルなどにつながる
可能性があります。いずれも安全に関する重要な内容を記載していますので、必ず守ってください。
 このほか、上記以外に製品の据付け、操作、メンテナンスなどに関する重要な注意事項は、
【注】にて表示して
います。安全上の注意事項と同様、必ず守ってください。 
■保護具
(1) 溶接作業の際に作業者は、
溶接用革製手袋、
長袖の作業服、
脚カバー、革製前掛け、遮光保護メガネ ( 溶接用保護面 )、耳
栓などを装着し、安全を確保してください。
(2) 騒音のレベルが高い場合は、耳栓などの防音保護具の種類
は、法規に従ってください。
(3) 溶接作業時に発生するアーク光が他の人の目に入らないように、
不用意に人が立ち入らないよう、注意・保護してください。
■回転部
(1) 回転中の冷却ファンなどに手や指、髪の毛、衣類などを近
づけないでください。回転部に巻き込まれてけがをすること
があります。
(2) 保守点検、修理などでケースやカバーを外す時は、有資格
者または溶接機をよく理解した人が行ってください。
■電磁傷害
(1) 心臓のペースメーカーなど医療器具を使用している人は、
医師の許可を得てください。高周波が医療器具の作動に悪影
響を及ぼすことがあります。
(2) 車を溶接する場合、車載コンピューターなどの電子機器に
悪影響を及ぼす恐れがあります。車載のバッテリーに過電流
保護装置 ( 別売 ) を装着するなどの対策を行ってください。
(3) 溶接ケーブルはできるだけ、地面に近づけてください。
(4) 母材および溶接機のアースは、ほかの溶接機と共用しない
でください。
■絶縁劣化
(1) 溶接作業で発生するスパッタや鉄粉が溶接電源内部に入ら
ないように本体を溶接作業場所から離してください。
(2) 鉄粉やホコリなどが本体や電源およびアースケーブルに堆
積し、絶縁劣化につながる場合があります。エアブローなど
による清掃を定期的に行ってください。
(3) 傷ついた電源ケーブルは絶縁劣化を起こす危険がありま
す。新品に交換してください。
使用者が死亡または重症を負う危険が切迫して生じることが想定、または
使用者が死亡または重症を負う可能性が想定される場合があります。
使用者が傷害を負う危険が想定される場合、および物的損害などが想定される場合があります。
回転部は、けがの原因になります。
溶接で発生するアーク光、飛散するスパッタや
スラグなどは、
目や耳、
肌をはじめ人体にダメー
ジを与える原因となります。
溶接電源の絶縁劣化は、火災事故を誘発する場
合があります。
アーク点火時の高周波は、周辺の機器、家電製
品などに電磁傷害を与える場合があります。
注意
5
■溶接電源:重大な人身事故を避けるため、必ず次のことを
お守りください。
(1) 本製品のご使用にあたり注意項目を必ず守ってください。
(2) 入力側の動力源の工事、設置場所の選定、溶接後の製造物
の保管、廃棄物の処理などは、法規および貴社の社内基準に
従ってください。
(3) 溶接機、溶接作業場所の周囲に不用意に人が立ち入らない
よう、注意・保護してください。
(4) 本製品の据付、保守点検、修理は、有資格者または溶接装
置の仕組みなどをよく理解した人が行ってください。
(5) 本製品の操作は、取扱説明書などの内容をよく理解し、安
全な取扱ができる知識と技術のある人が行ってください。
(6) 本製品は溶接以外の用途に使用しないでください。
■感電
(1) 溶接電源、
母材などには、
電気工事士の資格を有する人が法規 ( 電
気設備技術基準 ) に従って設置工事を実施してください。
(2) 溶接電源の据付、保守点検は全ての入力側の電源を切り、
10 分以上経過待機したうえで、本体内部に電気がないことを
確認してから作業してください。
(3) 各ケーブルは容量不足のものや、損傷により導体がむき出
しになったものは使用しないでください。
(4) 各ケーブルの接続部は、
確実に締付け、
絶縁してください。
(5) 本製品のケース、カバーを取り外した状態で使用しないで
ください。
(6) 破れたり、ぬれた手袋を使用しないでください。
(7) 定期的に保守点検を実施し、不具合のある部分は修理して
から使用してください。
(8) 使用しない際は、全ての装置の入力側電源を切ってください。
(9) 作業者は感電から身を守るため、腕時計、指輪などの貴金
属を外してから作業してください。
■分解禁止
修理は販売店にご相談ください。
■廃棄施設や保護具
(1) 法規 ( 労働安全衛生規則、酸素欠乏症等防止規則など ) で
定められた場所では、充分な換気をするか、空気呼吸器等な
どを使用してください。
(2) 法規 ( 労働安全衛生規則、粉じん傷害防止規則 ) で定めら
れた局所排気装置および、呼吸用保護具を使用してください。
(3) タンクやボイラー、船倉などの狭い場所では、必ず充分な
換気をするか、空気呼吸器を使用し、訓練された監視員の監
視のもとで作業してください。
(4) 脱脂、洗浄、噴霧作業などの近くでは、溶接作業をしては
いけません。
(5) 被覆鋼板を溶接すると、有害なガスやヒュームが発生しま
す。必ず充分に換気するとともに、呼吸用保護具を使用して
ください。
■火災や爆発、破裂
(1) 飛散するスパッタが可燃物に当たらないよう、可燃物を除
去するか、不燃性カバーでしっかりと養生してください。
(2) 可燃性ガスの近くでは、溶接しないでください。
(3) 溶接直後の熱を帯びた母材を可燃物に近づけないでください。
(4) 溶接する母材の裏面、または周囲に可燃物が付着している
場合は、可燃物を取り除いてください。
(5) ケーブル接続部は、確実に締付けて絶縁してください。
(6) 母材側のアースケーブルは、できるだけ溶接する場所の近
くに接続してください。
(7) 内部にガスの入ったガス管や、密閉されたタンクなどの容
器を溶接してはいけません。
(8) 溶接作業を行う場所には近くに消火器を配置し、万一の場
合に備えてください。
(9) 凍結したパイプの溶解に溶接電源を使用しないでください。
帯電部に触れると、致命的な電撃や火傷を負う
ことがあります
火災や感電、故障につながります。分解や改造
をしないでください。
狭い場所での溶接作業は酸素の欠乏により、窒
息する危険性があります。
溶接時に発生するガスやヒュームガスを吸引す
ると、健康を害する原因になります。
火災や爆発、破裂を防ぐために、必ず次のこと
をお守りください。
危 険・警 告
6
‫ٹ‬ ੌाয়थ্১⋇
※各部品の名称はパーツリスト(16 ページ)を参照ください。
①キャスター
 操作パネル側から前輪(可動式)
、後輪(固定式)となります。
 しっかりと取付、ボルトで固定してください。
②電源接続(本製品は三相、200V です)
(1)本体側の各配線に丸端子を取り付けます
(2)三相四極プラグに結線します。本体側の配線で「緑・黄色ストライプ線はアース」です。
 プラグ結線の際は、アースの場所を間違えないよう注意し結線してください。
 それ以外は、配線の色に関係なくプラグ側の結線場所にそれぞれつなげてください。
③トーチの取り付け
(1)本体正面のトーチコネクターにトーチの本体トーチコネクター接続部を差し込みます。
(2)トーチコネクター接続部の外側にあるリングネジを時計方向に回転し、本体にしっかりと固定してください。
④ワイヤースプールの取り付け
(1)本体のワイヤー格納部の扉を開けます。
(扉はノブを横に引くとロックが解除されます)
(2)本体側の送給用軸に付いているスプールのホルダーとスペーサーを取り外し、下の写真の順番にワイヤース
プールを取り付けてください。
(3)ワイヤースプールを送給用軸に取り付けます。
【注意:ワイヤースプール取付けの際には、スプールサポートのワイヤー固定用のピンが、ワイヤースプールのピ
ン用の穴に刺さっているか確認してください】
(4)
ワイヤースプールからワイヤーを引き出し、
ワイヤー送給装置のワイヤー送給パイプの中に通します。ワイヤー
送給装置内の送給ローラーの溝と、
ワイヤーの太さが適切か、
またはワイヤー自体に異常がないか確認したうえで、
下の写真の順に準備します。
(5)加圧レバーを閉じて、加圧調整ノブを上げるとワイヤーが固定されます。
(6)本体の主電源を入れ、トーチのスイッチを ON にするとワイヤーが送給されます。
トーチコネクターを本体にしっかりと接続できていない場合、写
真のようにスパークが発生し本溶接機を破損する危険がありま
す。
しっかりと接続されているか確認してから作業してください。
7
‫ٹ‬ ੌाয়थ্১⋈
⑤アースケーブル
 アースケーブルの接続部の形状を確かめ、本体に差し込みます。
⑥ガスボンベ接続
(1)本溶接機後方にあるガスボンベ固定用ブラケットにガスボンベをセットします。
(2)ガスボンベ固定用ブラケットの固定用チェーンを取付け、ガスボンベに巻きつけしっかりと固定します。
(3)流量計の調節ノブを左いっぱいに回し、ノブが閉じているか確認します。
(4)ガスボンベに流量計を接続します(ナットサイズ 28mm)
。
(5)本体のガスホースに付属の結束バンドを通します。
(6)流量計の接続部にガスホースを差し込みます。
(7)結束バンドを締めて流量計とガスホースをしっかりと固定します。
【アドバイス】ワイヤーがスムーズに送給されない場合がございます。次の内容を確認してください。
①スプールサポートのナットや、本体とスプールサポートをつなぐ六角ボルトなどが強く締めつけてある場合、ワ
イヤースプールがスムーズに回転しなくなります。ワイヤー送給に支障を与えるため、
溶接不良をはじめ、
電極チッ
プの損傷などにつながる原因となります。このため、スプールサポートのナットを締めた後で、ワイヤースプール
を手で回し、抵抗を感じる程度に調節してください。なお、六角レンチ(8mm)で固定してある部位は、分解し
てはいけません。
②本体のワイヤー送給ローラーには、
Φ0.6 とΦ0.8mm の使用するワイ
ヤーの太さに応じて溝が彫ってあります。このため、溝のサイズと使用
するワイヤーの太さが一致しない場合、ワイヤーがスリップしスムーズ
に送給されません。送給ローラーの溝がワイヤーに合っているか確認し
てください。
※送給ローラーは、右図のイモネジを緩めると取り外すことができます。
③ワイヤー自体に折れやネジレ、曲がりなどの変形、またはワイヤーに
サビがある場合、送給に不具合が生じます。正常な状態のワイヤーを使
用してください。
本体モーター軸 送給ローラー
Φ0.6mm
ワイヤー用溝
Φ0.8mm
ワイヤー用溝
イモネジ
8
‫ٹ‬ ঘॽॵॺभଡਛ
【注 1】
:本製品をセットアップされる際には、
必ず平らな場所でセットアップ作業を行ってください。
【注 2】
:トーチを本体に接続する際には、
必ず主電源を切った状態であることを確認してください。
【アドバイス②】
④本体のワイヤー送給ローラーの溝に対して、ワイヤーがずれた状態
でセットされているとワイヤーがスムーズに送給されません。送給ロー
ラーの溝にワイヤーが重なるようにセットされているか確認してくだ
さい。もし、
ローラーの溝とワイヤーがずれている場合は、
送給ローラー
固定ナットを緩め送給ローラーを調節し、溝にワイヤーが収まってい
る状態にしてから、締め付けてください。
⑤ワイヤーがヨレたり折れて送給される時は、
加圧調整ノブの圧力を下げて下さい。また、
ワイヤーと送給ローラー
に隙間があり、送給時にスリップする場合は、圧力を上げて下さい。
スリップの原因としては、ワイヤースプールの締めすぎも有りますので確認して適正な圧力でご使用下さい。
【加圧調整ノブ設定時の目安について】
加圧調整ノブには、目盛りが刻んであります。
溶接作業の内容に応じて圧力を調節してください。
調整方法はノブを左右に回してください。
・ノブ右回し→加圧【強く】
・ノブ左回し→加圧【弱く】
 
ガス流量調整計 ガスボンベ
取付ナット
ガスホース取付口
トーチケーブル
ガ
ス
ボ
ン
ベ
母材
母材側アースケーブル
Φ0.6mm
ワイヤー用溝
Φ0.6mm
ワイヤー
Φ0.8mm
ワイヤー用溝
アルゴン
タンサンガス
(アルタンガス)
アルゴンガス 80%
+
炭酸ガス 20%
(※目盛り 1=スタンダード状態です)
9
‫ٹ‬ ম৬ইটথॺঃॿঝभ੡ูपणःथ
③
②
①
④ ⑤
⑧
⑦
⑥
①
②
③
④
⑤
⑥
⑦
⑧
ワイヤー送給速度調節ダイアル
トーチ接続口
メインスイッチ
電源ランプ(電源 ON で点灯します)
サーモスタットランプ
(異常な温度を検出した際に点灯)
溶接タイマーダイアル
電圧調節ダイアル
アース端子接続口
10
‫ٹ‬ ྃம্১
【アドバイス】トーチ先端部からワイヤーを突き
出した時の長さについて
ワイヤーの突出す長さの設定は、溶接電流・ワイ
ヤー径・ノズル口径によって決定されます。ワイ
ヤー突出し長さの設定を誤るとブローホールや
バーンバックの発生、アーク不安定やスパッター
の増加に繋がる恐れがあります。なお、連続溶接
中にワイヤーの突き出し量が多少変化しても、溶
け込みの深さは一定に保たれます。
1. ガスの選択
溶接する母材、使用するワイヤーの種類により、溶接ガスは異なります。
「カーボンスチールの場合」
…推奨は【アルゴンガス:80%】
+
【炭酸ガス:20%】
、または炭酸ガス
 
(※炭酸ガスよりも混合のアルゴン・炭酸ガスの方が、スパッタの発生が少ないため綺麗な溶接ができます)
「ステンレスの場合」
…アルゴンガス:98%+酸素:2%
2. 溶接ガスの流量調節を行います。
※溶接ガス流量の目安は、12 ∼ 15ℓ/ min 前後です
3. メインスイッチを ON にし、電源ランプが点灯しているかを確認します。
4. 溶接する条件に合わせて、電圧調節ダイアルをセットします。
5. 溶接する条件に合わせて、ワイヤー送給速度調節ダイアルをセットします。
6. 溶接する母材にアースクリップを接続します。
※アースクリップを接続する際に、母材の表面が鉄板素地になっていることを確認してください。
「塗料」や「汚れ」
、
「鉄板に凹凸」などがある場合は、アースがとれないので溶接不良になります。
7. トーチの角度は下記イラストのような状態が理想的です。
【アドバイス】トーチを当てる場所について
11
‫ٹ‬ ਗ਼ಓभਝ৒
使用ガス
アルゴン
+
炭酸
の混合ガス
(アルタン)
板厚
0.8mm
1.0mm
2.0mm
3.0mm
4.0mm 以上
ワイヤー径
Φ0.6mm
Φ0.6mm
Φ0.6mm /Φ0.8mm
Φ0.6mm /Φ0.8mm
Φ0.8mm
本体設定
電圧調節ダイアル No
②∼
③∼
⑤∼
⑥∼
⑦
ワイヤー送給速度
4.0 ∼ 5.0
4.5 ∼ 5.5
6.5 ∼ 7.5
7.0 ∼ 10.0
7.0 ∼ 10.0
※溶接される母材の厚さに応じて、電圧を調節します。
溶接時は、連続した溶接音が安定して聞こえるまで、ワイヤーの供給速度を調節してください。
なお、ワイヤーの供給速度が速すぎると、ワイヤーが母材に当たるので跳ね返ってしまいます。
また、ワイヤーの供給速度が遅すぎると、ワイヤーが不規則に溶けてしまいます。
いずれにしても、溶接不良につながりますので、母材の厚さに適した電圧とワイヤー送給速度に本製品をセットし
てください。
【板厚に応じた溶接電圧および、ワイヤー送給速度調節の目安表】
※例:カーボンスチール 重ね継手溶接/下向きの場合
12
‫ٹ‬ ྃம૖੯୻
※Φ0.8mm ワイヤーは不可。
Φ1.0mm ワイヤーを使用してください
使用
ガス
ア
ル
ゴ
ン
ガ
ス
板厚
0.8mm
1.2mm
2.0mm
3.0mm
4.0mm 以上
ワイヤー径
Φ0.8mm
Φ0.8mm
Φ0.8mm
Φ0.8mm
Φ0.8mm
Φ1.0mm
本体設定
電圧調節ダイアル No
①
トーチの送り速度に
注意 !! 点付け
①
②
③∼④
⑤
溶接条件
重ね
突き合せ
T 型隅肉
T 型隅肉
T 型隅肉
T 型隅肉
ワイヤー送給速度
5.0 ∼ 6.0
6.0 ∼ 7.0
7.0 ∼ 8.0
8.0 ∼ 9.0
9.0 ∼ 10.0
『アルミの MIG 溶接』
アルミの MIG 溶接をされる前の注意点
1. アルミの溶接時には必ず専用トーチ(ビンツェル・トーチ 型式:MB25AL)を使用してください。
2. 溶接ワイヤーはアルミ専用ワイヤー(型式:A5356)を使用してください。
板厚に応じた溶接電圧および、ワイヤー送給速度調節の目安表
【※注意:上記表はあくまで目安です。作業の前に必ず溶接テストを実施し、最適な状態に設定してください】
(P11参照)
14
‫ٹ‬ ௛௽धৌੁ
[症 状 ]ワイヤー送給不良について、ワイヤーがスムーズにトーチから送給されない
[対策 1 ]
 トーチ内部のコンジェットチューブ内に汚れが付着し、
ワイヤーに干渉している場合があります。ノズル先端のチッ
プを取り外しチューブ内に圧縮エアーを流し内部の汚れを外に押し出してください。
[対策 2 ]
 溶接機本体のワイヤー送給装置にほこりなどの汚れが付着し、ワイヤーに干渉している場合があります。圧縮エ
アーやブラシなどで汚れを除去してください。
[対策 3 ]
 溶接機本体のワイヤー送給装置にワイヤーをセットする際に、ワイヤースプールサポートの固定用ハンドルが締
めすぎ、または締めがゆるいとワイヤーはスムーズに送給されません。ワイヤースプールサポートの固定用ハンド
ルの締め付け状態を確認してください。
[対策 4 ]
 ワイヤーの径が本体のワイヤー送給ローラーの溝のサイズと一致しないと、ワイヤーはスムーズに送給されませ
ん。ワイヤーと送給ローラーの溝のサイズを確認してください。
[対策 5 ]
 トーチの形状がゆがんでいたり、変形しているとワイヤーはスムーズに送給されません。トーチを新たにお買い
求めください。
[症 状]溶接不良が起こる
[対策 1]
 コンタクトチップの穴が変形、または内側にスラッジなどの付着がある場合は、チップを新たにお買い求めくだ
さい。
[対策 2]
 正しい溶接条件を選択していますか。母材の材質や板厚などを再確認してください。
[対策 3]
 ガスの流量が適正値の 10 ∼ 12ℓ/ 分になっているか、また、ガスに空気が混入していないか確かめてください。
[対策 4]
 母材の溶接前処理はきちんとできているか確認してください。
[対策 5]
 ワイヤーに錆が付いてないか確認してください。長期間ワイヤーを使用しない場合は、ワイヤーを本体から取り
外し、さびないように保管してください。
 
15
‫ٹ‬ ৒਋ਡਫ਼पणःथ
【   危険】
本体の電気部品を点検される際には、必ず主電源を OFF にした状態で作業してください。
■日常点検項目
1. ワイヤー送給ローラーの溝にワイヤーのクズやホコリなどが付着すると、
スムーズにワイヤーが送給されません。
こまめにエアブローやブラシなどで清掃してください。また、ローラーの溝は磨耗しますので、溝が減ってきたら
ワイヤー送給ローラーを交換してください。
2. トーチのライナーにワイヤーのクズやホコリなどが付着し、ワイヤー送給の妨げになる場合があります。使用前
にはエアブローなどでゴミを除去し、スムーズにワイヤーが送給されていることを確認してください。
■半年(6 ヵ月)点検項目
1. 電源プラグおよびアース接続部の点検について
 電源プラグやアースなどの端子に、
①異常な発熱がないか
②ゆるみがないか
③コード類の配線がむき出しになっていないか
④錆が発生していないか
を確認してください。
2. アースについて
 電源のアースが完全に接地しているか、確認してください。
3. 本体内部の清掃について
 本体内部に付着したチリやホコリを除去してください。とくに整流器、トランス、電流調整スイッチは常にきれ
いな状態を維持してください。これらの汚れが付着した状態が続くと故障の原因となります。
■1 年(12 ヵ月)点検項目
・ワイヤー送給モーターについて
 本溶接機は、モーターでワイヤーを送給する仕組みを採用しています。モーターに内蔵されたブラシは消耗しま
す。このため、ワイヤー送給モーターは定期的な交換が必要となります。本溶接機の使用状態により、ブラシの消
耗度合いは異なるものの、目安としては、400 時間(毎日 4 時間使用したと仮定すると約 3 年)です。
 モーターブラシの消耗度合いは概観から判断するのが困難ですので、異常を感じたらお買い求めいただいた販売
店にご相談ください。
16
‫ٹ‬ ঃ‫ॶش‬জ५ॺ
Code.
1
4
7
8
9
10
13
14
16
17
18
19
20
24
25
27
28
EY1311Q0101B1
SE055001
KE055005
JC055019-4
JC055019-2
JA055003
PT055006-E
KC055001
EY1311S0101R1
EY1311Z0101B1
JB064000-1
MC055000-1
SG055009-1
VC055001-E
KB055007
EY1311X0102B1
SG055000
Description
Front Panel
Wire Speed Knob
Power Switch
Ground Socket
Ground Plug
Earth Clamp
Control Circuit Board PCB
7 Steps Switch
Top Tray
Inside Baffle
Torch Connector With Case
Wire Feeder Motor(0.6/0.8)
Wire Support
Control Transformer
Magnetic Switch
Bottom Board
Front Swivel Caster
Description
Back Fixed Wheel
Main Transformer
Rectifier
Right Panel
Back Panel
Power Cord
Gas Pipe
Heating Socket
Solenoid Valve
Fan
Ground Cable
Closing
Handle
Chain
Gland
Door Panel
Temperature Contorol Support
SG055001
VM055002-1-E
AA055015
EY1311R0101R1
EY1311H0101B1
XF055000-1
SD055001
JG063000
BF055011-3E
MF055000-1
XC055001
SE055010-1
SC055003
EE055000
SE055004-2E
EY1311M0101R1
EH071000
Code.
29
30
31
34
35
36
37
39
40
41
58
67
68
69
70
71
72
1
4
7
8
9
10
13
14
16
17
18
19
20
24
25
27
28 29
30
31
34
35
36
37
39
40
41
58
67
68
69
70
71
72
17
‫ٹ‬ ਗ਼ਞமਢ௕
18
‫ٹ‬PHPR
19
‫ٹ‬PHPR

コンパクトミグ マニュアル_210504_2.pdf