Ad
Ad
Ad
Ad
Ad
Ad
Ad
Ad
Ad
Ad
Ad
vasanza 1
SISTEMAS DIGITALES I
EXAMEN MEJORAMIENTO
Fecha: 2018/09/12 I termino 2018-2019
Nombre: _________________________...
vasanza 2
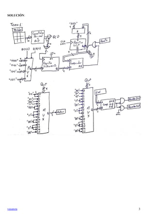
Para llevar el control del tiempo de lavado, podrá utilizar el siguiente circuito contador, el mismo
que cuenta ...
vasanza 3
SOLUCIÓN:
1 of 3 Ad