TOPICS IN DSP (  Polyphase decomposition,DCT,Gibbs phenomenon,Oversampled ADC ) PRESENTED BY MUHAMMAD YOUNAS ROLL NO: SE-18 Department of Electrical Engineering PIEAS
POLYPHASE DECOMPOSITION Polyphase representation permits great simplification of theoretical results and also leads to computational efficient implementation of decimation/interpolation filters. Let
M-Branch Polyphase decomposition E l (z) is called the Polyphase component of H(z) Z L M h[n] e l [n] Schematic of the Diagram Showing relation ship  between h[n] and Lth Polyphase component .
Polyphase Representation for FIR and IIR   Filters
Efficient Structure for Fractional Decimation. Fractional Decimator  (Decimates by rational factor M/L) Polyphase Implementation of the fractional Decimator
COMPUTATION COMPARISON Implementation without Polyphase: Half of the input samples being processed are zeros and only one out of M output samples is being retained. If N is the order of the filter then 2N Multiplications and 2N-1 additions are performed and only 3rd sample is being retained at the output. Implementation with Polyphase: N/3 is the order of each filter. so (2/3)*(N/3) multiplications  and (2/3)*(N/3-1) additions performed by each filter. Total multiplications are (2N)/3 and additions 2*(N/3-1)+2
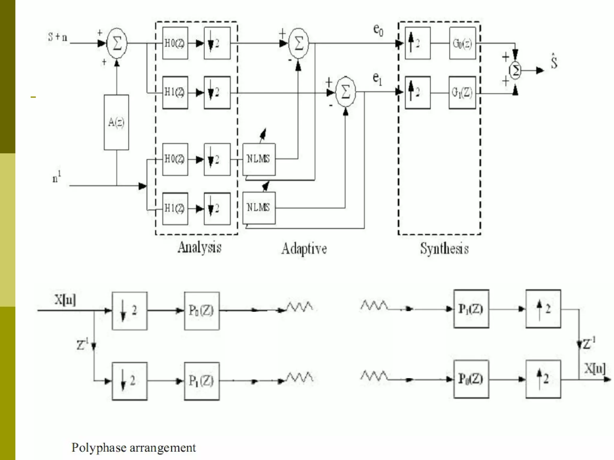
Improved, Low Complexity Noise Cancellation   Technique for Speech Signals In speech applications, slow convergence and high computational burden are the main problems incorporating with conventional noise cancellation method.  In applications such as the elimination of background noise  from speech signals, a very long  filter length required due to the requirement to model very long acoustic  path impulse response.  A technique used to overcome the above problems is  split the signal into subbands and adapt each subband, using separate adaptive filter.So that the order of the filter is reduced. The computational  power is greatly reduced by Polyphase implementation of the filter and the noble identities.
 
Improved, Low Complexity Noise Cancellation Technique for Speech Signals   By Ali O. Abid Noor, Salina Abdul Samad and Aini Hussain Department of Electrical, Electronic and System Engineering,  Faculty of Engineering and Built Environment, Universiti Kebangsaan Malaysia, UKM,  43600 Bangi, Selangor, Malaysia Paper details
OVERSAMPLING ADC Oversampling mean to sample the signal at a rate much greater than Nyquist rate (which is to sample the signal at twice the maximum frequency contained in the signal) The ratio between actual sampling rate and Nyquist rate is called the oversampling ratio. Oversampling ratio=M=  F s /2 f max
BENEFITS OF OVERSAMPLING Simplification of Anti-aliasing Filter Reduction in ADC noise floor by spreading the quantization noise over a wider bandwidth. This makes it possible to use an ADC with fewer bits to achieve the same SNR performance as a high resolution ADC. Quantization error in the coarse digital output can be removed by the digital decimation filter
OVERSAMPLED ADC ARCHITECTURE
Assumptions   x a (t) is zero mean wide sense stationary random process with power spectral density  and  autocorrelation function  x a (t) is bandlimited to  e[n] is assumed to be uniformly distributed white noise sequence with zero mean value and variance of
Signal power component remains same from   input to output
  Cont… Power in x[n] is independent of oversampling ratio (M).
As the oversampling ratio M increases, Less of the quantization noise overlaps with the signal spectrum it is this effect of the oversampling that let us to improve the SNR .
Increasing M improves SNR The low pass filter removes the quantization noise in the band  pi/M <w <pi while signal component is unaltered. Noise power at output of LPF  For a Fixed quantization noise power P de Doubling the sampling ratio we need  ½ bit less to achieve a given signal to quantization noise ratio.
GIBBS PHENOMENON Uniform convergence cannot be achieved at the point of discontinuity because there always persists an overshoot even when infinite terms of Fourier series are utilized. Since Fourier series represents continuous time periodic signals in terms of complex exponentials (continuous functions)therfore it does not seem to be possible to reconstruct a discontinuous function from set of continuous one. In fact it is not. That is the reconstruction is the same as original signal except at discontinuities.
Explanation Find the Fourier series for square wave (finite discontinuities) and then Try to reconstruct it from its coefficients. The more coefficients are used the more signal resemble the original. At discontinuities we see ripples that do not subside ,using more coefficient makes them narrower, but do not shorten. AT infinite terms  the ripples will not vanish however there width goes to zero which means that they posses zero energy. Now we can assert that the reconstruction is exactly the original except at the point of discontinuity. The extraneous peaks in the square wave's Fourier series never disappear; they are termed Gibb's phenomenon after the American physicist Willard Gibbs. They will always occur whenever the signal is discontinuous.
Fourier series approximation of square wave
  Discrete Cosine Transform . DCT corresponds to forming a periodic and symmetric sequence from a finite length sequence in such away that original signal can be uniquely recovered. In the same family as the Fourier Transform Converts data to frequency domain. Represents data via summation of variable frequency cosine waves. Since it is a discrete version, conducive to problems formatted for computer analysis. Captures only real components of the function. Discrete Sine Transform (DST) captures odd (imaginary) components -> not as useful. Discrete Fourier Transform (DFT) captures both odd and even components -> computationally intense.
DCT-I and DCT-II DCT-I is one dimensional transform. Any finite N length sequence is first modified  at the endpoints and then extended to have period 2N-2.The resulting sequence is
Cont… The resulting periodic sequence x 1 ~ [n] has even periodic symmetry about points n=0 and n=N-1,2N-2 etc which is referred to as Type 1 periodic symmetry. DCTI is defined by the Transform pair
  DCTII DCTII is two dimensional Transform. X[n] is extended to have period 2N and the periodic sequence is  Type II symmetry ,The periodic sequence x 2 ~ [n] has even periodic symmetry about “half sample” points -1/2,N-1/2,2N-1/2 etc.The DCT-II is defined by the Transform pair
Steps in Compression (Application of DCT-II) 1.  Divide the file into 8 X 8 blocks. 2.  Transform the pixel information from the spatial domain to the frequency domain with the Discrete Cosine Transform.  3.  Quantize the resulting values by dividing each coefficient by an integer value and rounding off to the nearest integer.  4.  Look at the resulting coefficients in a zigzag order. Follow by run length and Huffman coding.
DCT on 8x8 blocks 64 pixels 64 pixels 8 pixels 8 pixels We will break the image into non-overlapping 8x8 blocks.  For each block u(m,n), we will take an 8x8 DCT
2-D DCT USED IN IMAGE COMPRESSION The spatial domain shows the amplitude of the color as you move through space The frequency domain shows how quickly the amplitude of the color is changing from one pixel to the next in an image file. The 2-D DCT is performed as two sequential 1-D DCTs Image y: 1-D DCT  x: 1-D DCT 2-D DCT
Step 2:Transform •  DC level shifting •  2D DCT -128 DCT
Step 2: Quantization Q-table Q the upper-left corner coefficient is called the  DC coefficient , which is a measure of the average of the energy of the block Other coefficients are called  AC coefficients , coefficients correspond to high frequencies tend to be zero or near zero for most natural images DC coefficient
Why Quantization??? To achieve further compression by representing DCT coefficients with no greater precision than is necessary to achieve the desired image quality Generally, the “high frequency coefficients” has larger  quantization values  Quantization makes most coefficients to be zero, it makes the  compression system efficient, but it’s the main source that make the system “lossy”
    Frequency distribution The human eye is not very sensitive to high frequency changes – especially in photographic images, so the high frequency data can, to some extent, be discarded.
Step 3: Zigzag Scanning Zigzag Scan (20,5,-3,-1,-2,-3,1,1,-1,-1, 0,0,1,2,3,-2,1,1,0,0,0,0,0, 0,1,1,0,1,EOB) Zigzag Scan End Of the Block: All following coefficients  are zero which is followed by run length and Huffman encoding

Dct,gibbs phen,oversampled adc,polyphase decomposition

  • 1.
    TOPICS IN DSP( Polyphase decomposition,DCT,Gibbs phenomenon,Oversampled ADC ) PRESENTED BY MUHAMMAD YOUNAS ROLL NO: SE-18 Department of Electrical Engineering PIEAS
  • 2.
    POLYPHASE DECOMPOSITION Polyphaserepresentation permits great simplification of theoretical results and also leads to computational efficient implementation of decimation/interpolation filters. Let
  • 3.
    M-Branch Polyphase decompositionE l (z) is called the Polyphase component of H(z) Z L M h[n] e l [n] Schematic of the Diagram Showing relation ship between h[n] and Lth Polyphase component .
  • 4.
    Polyphase Representation forFIR and IIR Filters
  • 5.
    Efficient Structure forFractional Decimation. Fractional Decimator (Decimates by rational factor M/L) Polyphase Implementation of the fractional Decimator
  • 6.
    COMPUTATION COMPARISON Implementationwithout Polyphase: Half of the input samples being processed are zeros and only one out of M output samples is being retained. If N is the order of the filter then 2N Multiplications and 2N-1 additions are performed and only 3rd sample is being retained at the output. Implementation with Polyphase: N/3 is the order of each filter. so (2/3)*(N/3) multiplications and (2/3)*(N/3-1) additions performed by each filter. Total multiplications are (2N)/3 and additions 2*(N/3-1)+2
  • 7.
    Improved, Low ComplexityNoise Cancellation Technique for Speech Signals In speech applications, slow convergence and high computational burden are the main problems incorporating with conventional noise cancellation method. In applications such as the elimination of background noise from speech signals, a very long filter length required due to the requirement to model very long acoustic path impulse response. A technique used to overcome the above problems is split the signal into subbands and adapt each subband, using separate adaptive filter.So that the order of the filter is reduced. The computational power is greatly reduced by Polyphase implementation of the filter and the noble identities.
  • 8.
  • 9.
    Improved, Low ComplexityNoise Cancellation Technique for Speech Signals By Ali O. Abid Noor, Salina Abdul Samad and Aini Hussain Department of Electrical, Electronic and System Engineering, Faculty of Engineering and Built Environment, Universiti Kebangsaan Malaysia, UKM, 43600 Bangi, Selangor, Malaysia Paper details
  • 10.
    OVERSAMPLING ADC Oversamplingmean to sample the signal at a rate much greater than Nyquist rate (which is to sample the signal at twice the maximum frequency contained in the signal) The ratio between actual sampling rate and Nyquist rate is called the oversampling ratio. Oversampling ratio=M= F s /2 f max
  • 11.
    BENEFITS OF OVERSAMPLINGSimplification of Anti-aliasing Filter Reduction in ADC noise floor by spreading the quantization noise over a wider bandwidth. This makes it possible to use an ADC with fewer bits to achieve the same SNR performance as a high resolution ADC. Quantization error in the coarse digital output can be removed by the digital decimation filter
  • 12.
  • 13.
    Assumptions x a (t) is zero mean wide sense stationary random process with power spectral density and autocorrelation function x a (t) is bandlimited to e[n] is assumed to be uniformly distributed white noise sequence with zero mean value and variance of
  • 14.
    Signal power componentremains same from input to output
  • 15.
    Cont…Power in x[n] is independent of oversampling ratio (M).
  • 16.
    As the oversamplingratio M increases, Less of the quantization noise overlaps with the signal spectrum it is this effect of the oversampling that let us to improve the SNR .
  • 17.
    Increasing M improvesSNR The low pass filter removes the quantization noise in the band pi/M <w <pi while signal component is unaltered. Noise power at output of LPF For a Fixed quantization noise power P de Doubling the sampling ratio we need ½ bit less to achieve a given signal to quantization noise ratio.
  • 18.
    GIBBS PHENOMENON Uniformconvergence cannot be achieved at the point of discontinuity because there always persists an overshoot even when infinite terms of Fourier series are utilized. Since Fourier series represents continuous time periodic signals in terms of complex exponentials (continuous functions)therfore it does not seem to be possible to reconstruct a discontinuous function from set of continuous one. In fact it is not. That is the reconstruction is the same as original signal except at discontinuities.
  • 19.
    Explanation Find theFourier series for square wave (finite discontinuities) and then Try to reconstruct it from its coefficients. The more coefficients are used the more signal resemble the original. At discontinuities we see ripples that do not subside ,using more coefficient makes them narrower, but do not shorten. AT infinite terms the ripples will not vanish however there width goes to zero which means that they posses zero energy. Now we can assert that the reconstruction is exactly the original except at the point of discontinuity. The extraneous peaks in the square wave's Fourier series never disappear; they are termed Gibb's phenomenon after the American physicist Willard Gibbs. They will always occur whenever the signal is discontinuous.
  • 20.
  • 21.
    DiscreteCosine Transform . DCT corresponds to forming a periodic and symmetric sequence from a finite length sequence in such away that original signal can be uniquely recovered. In the same family as the Fourier Transform Converts data to frequency domain. Represents data via summation of variable frequency cosine waves. Since it is a discrete version, conducive to problems formatted for computer analysis. Captures only real components of the function. Discrete Sine Transform (DST) captures odd (imaginary) components -> not as useful. Discrete Fourier Transform (DFT) captures both odd and even components -> computationally intense.
  • 22.
    DCT-I and DCT-IIDCT-I is one dimensional transform. Any finite N length sequence is first modified at the endpoints and then extended to have period 2N-2.The resulting sequence is
  • 23.
    Cont… The resultingperiodic sequence x 1 ~ [n] has even periodic symmetry about points n=0 and n=N-1,2N-2 etc which is referred to as Type 1 periodic symmetry. DCTI is defined by the Transform pair
  • 24.
    DCTIIDCTII is two dimensional Transform. X[n] is extended to have period 2N and the periodic sequence is Type II symmetry ,The periodic sequence x 2 ~ [n] has even periodic symmetry about “half sample” points -1/2,N-1/2,2N-1/2 etc.The DCT-II is defined by the Transform pair
  • 25.
    Steps in Compression(Application of DCT-II) 1. Divide the file into 8 X 8 blocks. 2. Transform the pixel information from the spatial domain to the frequency domain with the Discrete Cosine Transform. 3. Quantize the resulting values by dividing each coefficient by an integer value and rounding off to the nearest integer. 4. Look at the resulting coefficients in a zigzag order. Follow by run length and Huffman coding.
  • 26.
    DCT on 8x8blocks 64 pixels 64 pixels 8 pixels 8 pixels We will break the image into non-overlapping 8x8 blocks. For each block u(m,n), we will take an 8x8 DCT
  • 27.
    2-D DCT USEDIN IMAGE COMPRESSION The spatial domain shows the amplitude of the color as you move through space The frequency domain shows how quickly the amplitude of the color is changing from one pixel to the next in an image file. The 2-D DCT is performed as two sequential 1-D DCTs Image y: 1-D DCT x: 1-D DCT 2-D DCT
  • 28.
    Step 2:Transform • DC level shifting • 2D DCT -128 DCT
  • 29.
    Step 2: QuantizationQ-table Q the upper-left corner coefficient is called the DC coefficient , which is a measure of the average of the energy of the block Other coefficients are called AC coefficients , coefficients correspond to high frequencies tend to be zero or near zero for most natural images DC coefficient
  • 30.
    Why Quantization??? Toachieve further compression by representing DCT coefficients with no greater precision than is necessary to achieve the desired image quality Generally, the “high frequency coefficients” has larger quantization values Quantization makes most coefficients to be zero, it makes the compression system efficient, but it’s the main source that make the system “lossy”
  • 31.
    Frequency distribution The human eye is not very sensitive to high frequency changes – especially in photographic images, so the high frequency data can, to some extent, be discarded.
  • 32.
    Step 3: ZigzagScanning Zigzag Scan (20,5,-3,-1,-2,-3,1,1,-1,-1, 0,0,1,2,3,-2,1,1,0,0,0,0,0, 0,1,1,0,1,EOB) Zigzag Scan End Of the Block: All following coefficients are zero which is followed by run length and Huffman encoding