Successfully reported this slideshow.
We use your LinkedIn profile and activity data to personalize ads and to show you more relevant ads. You can change your ad preferences anytime.

Instruction for installation guidelines vertical turbine pump

7,210 views

Published on

This slide cover instructions for installation of Vertical Turbine Pump - open and enclosed type bowl assemblies used in Ruhrpumpen Instructions for disassemble,
maintenance, and reassembly are given in section II. List of parts covering all models of
the bowl assembly, and instructions for ordering parts, are given in section III.

Published in: Technology, Business
  • Secret to making $$$ with paid surveys https://paidsurveyseveryday.blogspot.com
       Reply 
    Are you sure you want to  Yes  No
    Your message goes here

Instruction for installation guidelines vertical turbine pump

  1. 1. 2 / 27 VERTICAL TURBINE PUMP Type VTP Ruhrpumpen, Inc. products are the result of more than a century of progressive study and development. Advanced design, proper selection of materials, and precision construction reflect this wide experience. Ruhrpumpen products will give trouble-free efficient operation with minimum maintenance and repair. This instruction book will familiarize management and operating personnel with pertinent details and proper procedures for the installation, operation, and maintenance of one of these products. Designate below your identification of the equipment for which this book applies. NOTE: BOWL SERIAL NUMBER IS STAMPED ON DISCHARGE CASE FLANGE AS SHOWN IN FIGURE 2-1 STUDY THIS INSTRUCTION BOOK The descriptions and instructions included in this book cover the standard design of the equipment and any common deviations when possible. this book does not cover all design details and variations nor does it provide for every possible contingency which may be encountered. When information cannot be found in this book, contact the nearest Ruhrpumpen office. Do not operate this equipment in excess of its rated speed, pressure and temperature, nor otherwise than in accordance with the instructions contained in this manual. This equipment (or a prototype) has been shop tested and found satisfactory for the conditions for which it was sold, but its operation in excess of these conditions will
  2. 2. 3 / 27 VERTICAL TURBINE PUMP Type VTP subject it to stresses and strains which it was not designed to withstand. Failure to heed this warning may result in a accident causing personal injury. SECTION l INTRODUCTION AND GENERAL DESCRIPTION 1-1. INTRODUCTION 1-2. This instruction book contains a description of and instructions for open and enclosed type bowl assemblies used in Ruhrpumpen vertical turbine pumps and manufactured by the vertical Pump Division of the Ruhrpumpen. Instructions for disassembly, maintenance, and reassembly are given in section II. A list of parts covering all models of the bowl assembly, and instructions for ordering parts, are given in section III. 1-3. GENERAL DESCRIPTION 1-4 Ruhrpumpen vertical turbine pumps are normally designed to operate in wells or sumps. The bowl assembly (see figure 1-1) consists primarily of a suction case or bell, one or more pump bowls, and a discharge case. The number of stages (bowls) employed is determined by the head requirements of the installation. The pump bowl assembly is positioned in the sump or well at a depth to provide the proper submergence. A pump shaft, common to all moving parts in the bowl assembly, provides mechanical linkage to the pump driver unit. 1-5. two basic configurations of the bowl assembly are the open type and the enclosed type. Functional differences in the two types are in the methods employed to lubricate the line shaft. In the enclosed type , a tube is placed over the line shaft and lubricants are supplied to the bearings through the shaft tube. In the open type, no lubricants are used other than the fluid being pumped 1-6 SUCTION BELL 1-7. The suction bell serves as the input port to the pump bowls. Internal guides or vanes perform the dual function of directing fluids into the eye of the first stage impeller and supporting the housing for the suction case bearing. A bell type suction is normally employed, but in applications where it is necessary to attach a suction column, a flanged type of suction case may be used. 1-8 PUMP BOWLS. 1-9. Two types of pumps bowls, top and intermediate, are available for the vertical turbine pump. Operation of the bowls is identical, with the exception that the top bowl discharges fluids into the discharge case and that the intermediate bowl or bowls discharge fluids into the eye of the impeller of the next stage. Each type of bowl contains an impeller which is mechanically connected to the pump shaft. Liquid flow in the impeller is both axial and radial. the upper portions of the bowls contain vanes which direct the fluids from the impeller out of the bowl. The vanes also support the housing for the bowl bearings, intermediate bowls contain a bronze bearing press fitted into the housing. Top bowls contain a single bronze bearing which extends up into the discharge case. Bearing materials may be varied to suit specific application. A multiple stage assembly contains a top bowl and one or more intermediate bowls. A single stage assembly contains only a top bowl. 1-10. IMPELLER 1-11. Impellers used in Ruhrpumpen turbine pumps are of the enclosed centrifugal or mixed flow type. Sealing of interstage leakage is accomplished by insertion of wearing rings to provide close radial fitting between the bowl and impeller sealing surface. Impellers are mechanically connected to the pump shaft by impeller collets and lock nuts which press the impeller tightly against the collets. Position of the impeller on the shaft is determined by an impeller lock pin. The lock pins are inserted at the plant and the provide accurate positioning of impellers on the pump shafts.
  3. 3. 4 / 27 VERTICAL TURBINE PUMP Type VTP 1-12. DISCHARGE CASE 1-13. The discharge case receives the fluid from the top bowl and directs it to the column pipe, if one is used, or directly into the discharge head. Vanes that guide the fluid also act as a support for the pump shaft bearing. When the discharge case is used with enclosed shaft pumps, the tapped holes in the external boss of the discharge case provide venting of the pump discharge pressure, and permits correct flow of lubricants down the enclosing tube. When the discharge case is used with an open type pump, threaded plugs are screwed into the holes to prevent by-passing of liquids through the vent ports. FIGURE 1-1. VERTICAL TURBINE PUMP INSTALLATION
  4. 4. 5 / 27 VERTICAL TURBINE PUMP Type VTP SECTION II PRE-INSTALATION 2-1. INSPECTION OF EQUIPMENT 2-2. Immediately on receipt of the equipment inspect and check it against the shipping manifest. Examine the create and wrapping before discharging. Parts or accessories are sometimes wrapped individually or fastened to the crate. Report any damage or shortage to the transportation company’s local agent. 2-3 STORAGE 2-4. When it is necessary to store a pump for a short time before it can be installed, place it in a dry location. Protect it thoroughly from dust and moisture. If a pump is schedule for storage for an extend period of time, that section of the pump above the bearing bracket should be dismantled and all internal surfaces subject to corrosion should be coated with a protective fluid. 2-5 CLEANING PRIOR TO INSTALLATION 2-6. If a rust preventative has been used on stored parts, they should be thoroughly cleaned prior to putting the pump into service. Kerosene or any coal tar distillate will generally serve as a good solvent for most rust preventative compounds. Extreme care must be taken to assure that all traces of the protective coating are removed unless standard lubricating oil has been used for protection. SECTION III INSTALATION 3-1 LOCATION OF EQUIPMENT 3-2. The pump should be placed so that it can be easily removed for inspection and repair, giving due attention to desirability of simplifying the discharge piping layout. There should be ample head room to allow the use of an overhead crane of lifting device with sufficient capacity lo lift the entire unit. 3-3 FOUNDATION 3-4. The foundation may consist of any material that will afford permanent rigid support to the full area of the pump or driver supporting member an will absorb expected strains and shocks that may be encountered in service. If the pump is to be mounted on a concrete floor, foundation bolts of the specified size should be located according to the elevation drawing. Each bolt should be surrounded by a pipe sleeve 2 to 3 times the diameter of the bolt. The sleeve should be held rigidly yet allowing the bolts to be removed.. 3-5. When the pump unit is mounted directly on a sump cover, it should be located as near as possible to supporting beams or building walls to prevent deflection and vibration. The pump support and motor base should be bolted and doweled to the sump cover to retain proper alignment of piping. 3-6 EQUIPMENT NECESSARY FOR INSTALLATION 3-7. The equipment necessary for the equipment is the following: A. Foundation bolts and nut when is necessary. B. Leveling pieces as wedges. C. Adapted the derrick, tripod or common crane with hoisting chain or similar accessory that has hook and revolvable link.
  5. 5. 6 / 27 VERTICAL TURBINE PUMP Type VTP 3-8 INSTALLATIONS 3-9. Before start the installation is recommended to hire and electrician to connect the motor after the instillation. WARRING: You should take out the residuals and loose materials of the well before installing the pump. If is used a strainer, be carefully during the transportation. 3-10 CLOSE LINE PUMPS A. Cover the opening of the foundation with wooden or any another material to protect the well from objects that can fall in. B. Place in the due position the hoist, with the hook and the revolvable link centered on the foundation opening. C. If it will use a strainer and a suction tube, install the strainer in the bottom end of the suction tube. Then put a clamp to the suction tube top end and lift until the tube is centered on the foundation opening. D. Take off the wooden that cover the foundation and put the suction tube with the strainer inside the well until the clamp rest over the foundation. NOTE: Before you continue the bowl assembly installation, measure the shaft length to compare it later when the impeller be adjusted. E. Put the tube clam on the top bowl assembly and lift until it is over the suction tube. Note: when bowl assembly of 6 or 8 inches is installed keep the bowl firmly locked to the same wood that was join when was shipped, until de bowl assembly is vertically. F. Down the bowl assembly and thread it in the suction tube. Warring: On the close shaft pump do not cover the discharge case openings. H. Down the bowl assembly until the clamp rest over the foundation. I. Take of the line plugs and pre-ensemble close tube and take out the line 8 inches. Note: If the line that will be used has a smaller diameter than the shaft of the pump, the close tube should be reduce and should use a pre- ensambled assembly instead of the line and the pre-ensambled close tube should be used for the first section that is over the bowl assembly. J. Insert the line and the close tube or the assembly in the column tube and let the line extreme stood out 1 feet. K. With a rope makes you two simple moorings around the close tube and two simple moorings around the column tube. L. Put a clamp in the column tube just down of the coupling. Installation of the Bowl Assembly
  6. 6. 7 / 27 VERTICAL TURBINE PUMP Type VTP Installation of the Column Tube M. Fasten the sling to the column tube clamp, and lift until the bottom end of the tube is centered on the bowl assembly. N. Down slowly the column tube, the line and the close tube until the line can fit en the shaft line. Take out the thread protector. O. Take out the line rope, putt oil on the line threads and turn the line to the left to fit it on the shaft line. P. Take out the rope of the line close tube and of the column tube. Turn the close tube to the left to fit the discharge tube connector bearing. Q. Down the column tube and turn it to the right to fit it with the bowl assembly. R. Lift a little the column tube and the bowl assembly and take out the bowl assembly clamps. S. Take out the column tube and the bowl assembly until the column tube clamp rest over the foundation. T. Put the spacer on the column tube and check that the dimensions of the top part of the spacer to the top part of the line is 15½ inches. U. Check that the dimension of the top part of the close tube to the top part of the line is 9½ inches. V. Putt oil inside de close tube during the installation of each section to assure the appropriate lubrication of the line bearings for the initial mounting. See lubrication instructions, section V. W. Install a line bearing on the close tube stood out . Use thread antihardening in all the line bearing thread. X. Put oil on the line thread and then install a coupling on the line stood out, make sure that the coupling is centered. NOTE: Put the column tube retainer bearing on intervals of 30 feet for axes of ¾ and 1 inches and on intervals of 50 feet for axes of 1¼ inches and up. Y. Repeat operations from "I" to "W” until the bowl assembly have gone down to the appropriate depth of the well. Z. If you are going to put the discharge under the floor install on the discharge “T” on the appropriate place. Aa. Connect the pump top line to the line. Ab. Connect the top line close tube to the line close tube. Ac. Invest the pump head, center the top column flange packing on the bottom of the head and assure with bolts the top column tube on the bottom of the head.
  7. 7. 8 / 27 VERTICAL TURBINE PUMP Type VTP NOTE: During the assembly of the top column flange tube to the bottom of the head, check carefully that the packing is center and that all the tube is aligned after assembly. Ad. Fasten a sling to the head elevator hooks. Ae. Ascend the head with the top column tube, take out the thread protector and descend them over the top line. Af. Turn the top column tube and the head to the right to thread the top column tube in the column tube coupling. Ag. Ascend a little the head and the column tube and take out the tube clamp. Ah. Turn the pump until the discharge head o the “T” under floor be in front in the properly direction to join the discharge tube and the assembly holes with the foundation assembly holes Ai. Settle the pump over the foundation and level it. Aj. Take out the pump sling. Ak. Insert a “O” ring in the groove that is inside the split gland y descend the split gland over the top line. Al. Center the split gland over the close tube of the top line and descend it carefully permitting to the ring “O” and the split gland to slide to the outside of the top line close tube. Am. Fasten with bolts the split gland to the discharge head. An. Slide the tube tension bearing or sees the top line and turns it to the left, pressing it manually. Then press one or one and a half turn approximately for each 100 feet of pump length to achieve the properly tension if the close tube. NOTE: On the pumps with close line water lubrication should additional assembly packing, split gland and its nuts. Ao. Align the hole of the adjust screw of the tension bearing with the thread hole closest to the split gland top. Then insert the adjust screw and tight. Ap. Fasten with bolts the assembly support and the oiler to the head side. Aq. Connect the manual valve or solenoid, the visual feeding valve of oil, and the accessories to the oiler. Ar. Connect the lubrication accessories to the tension bearing. 3-10 OPEN LINE PUMPS Cover the opening of the foundation with wooden or any another material to protect the well from objects that can fall in. B. Place in the due position the hoist, with the hook and the revolvable link centered on the foundation opening. C. If it will use a strainer and a suction tube, install the strainer in the bottom end of the suction tube. Then put a clamp to the suction tube top end and lift until the tube is centered on the foundation opening. D. Take off the wooden that cover the foundation and put the suction tube with the strainer inside the well until the clamp rest over the foundation. NOTE: Before you continue the bowl assembly installation, measure the shaft length to compare it later when the impeller be adjusted. E. Put the tube clam on the top bowl assembly and lift until it is over the suction tube. NOTE: when bowl assembly of 6 or 8 inches is installed keep the bowl firmly locked to the same wood that was join when was shipped, until de bowl assembly is vertically. F. Down the bowl assembly and thread it in the suction tube.
  8. 8. 9 / 27 VERTICAL TURBINE PUMP Type VTP G. Ascend the bowl assembly with the suction tube and take out its clamp. H. Descend the bowl assembly until the clamp rest over the foundation. I. Insert a line section inside a column tube section, having care that the sleeve is on the top extreme. Leave to the line stand out 1 feet on the bottom column tube. J. With a rope make two simple moorings around the close tube and two simple moorings around the column tube. K. Fasten a top column tube clamp and then ascend the column with the line and center the bowl assembly. I. Descend the column tube with the line, take out the thread protector and continue descending until the line rest over the axe pump coupling. M. Take out the line rope, put oil on the threads of the line. N. Connect the line to the pump line, turning th line to the left. O. Tight the connection. P. Descend the column tube over the coupling of the bowl assembly and turn the column tube to the right until be tightly coupled to the bowl assembly. Q. Ascend the bowl assembly and take out its clamps. R. Guide by hand the bowl assembly and the column tube inside the well and descend it until the discharge tube clamp rest over the foundation. S. Insert a bearing support over the line and tight on the coupling of the column tube until it stay firmly over the column tube, check that the dimension to the top flange to the top line stand out15½ inches. T. Install a coupling in the top line stand out taking care that the coupling is center. U. Repeat the operations from “I” to “T” until the bowl assembly have gone down to the appropriate depth of the well. V. If you are going to put the discharge under the floor install the discharge “T” on the appropriate place. W. Connect the pump top line to the line. Pump head Installation X. Invest the head and center the packing of the top column flange on the top of the head. Then assure them with bolts. NOTE: During the assembly of the top column flange tube to the bottom of the head, check carefully that the packing is center and that all the tube is aligned after assembly.
  9. 9. 10 / 27 VERTICAL TURBINE PUMP Type VTP Y. Fasten a sling to the head elevator hooks. Z. Ascend the head with the column tube attached, take off the thread protector y descend the top axe. Aa. Turn the top column and the head to the right to thread the top column tube on the coupling of the column tube. Ab. Ascend a little the head and the column tube. Ac. Take off the clamp of the tube. Ad. Turn the pump until the discharge head or the “T” under the floor be in front the properly direction to join the discharge tube an the assembly holes with the foundation assembly holes. Ae. Settle the pump over the foundation and level it. Af. Take off the pump sling. Ag. Slide the split gland over the line and assure with bolts the discharge head. Ah. Install the packing on the split gland, settle each ring of the split gland. NOTE: When is used a retainer cage, install tree packing rings, followed by the retainer cage and 2 packing rings. Ai. Install the split gland and tight only with the hand the nuts of the split gland bolts. Aj. Install the water deflector. 3-12 HOLLOWSHAFT DRIVERS A. Take out the driver clutch. B. Fasten a sling to the driver. C. Ascend the driver and center it on the top shaft. D. Descend slowly the driver over the head of the pump taking care that the assembly holes and head are aligned. E. Take out the sling of the pump and the elevator. F. Fasten with bolts the driver to the head and fasten with bolts the head to the foundation. G. Connect the discharge pipeline, taking care of align the pipeline with the discharge. The pipeline support should be independent. H. Check that the top shaft is on the center of the hollowshaft driver. If is necessary center de top shaft and should have the security that the driver is rotating in the property direction, putting in operation the driver just for a second. I. Install the adjusting nut on the top shaft and tight until the adjusting nut rest on the clutch and the pump rotate without problems. NOTE: The pump shaft goes lengthening by the hydraulic push of the pump. It is necessary to ascend the impellers to compensate the lengthening. K. Ascend the impellers the same quantity of the lengthening tightening the adjust nut. L. Tight the adjust nut one o twice turns. M. If the total adjustment is larger than the longitudinal game wrote the paragraph 3-10 o 3-11, go back the nut until the total adjustment is slightly smaller than the longitudinal game. 3-13. PROPULSION IN RIGHT ANGLE FOR THE HOLLOWSHAFT A. Take out the clutch of the propulsion in right angle. B. Fasten a sling to the propulsion in right angle.
  10. 10. 11 / 27 VERTICAL TURBINE PUMP Type VTP C. Ascend the propulsion in right angle and center it over the head. D. Descend slowly the propulsion in right angle over the head, taking care that the assembly holes of the two units are aligned and the coupling of the propulsion in right angle is turned to de driver. E. Take out the propulsion and the elevator equipment. F. Fasten the propulsion bolts to the head and the head bolt to the foundation. G. Connect the discharge pipeline to the pump, taking care to align it. The pipeline support should be independent of the pump. H. Check that the top shaft is in the center of the hollowshaft of the propulsion right angle. If is necessary center the top shaft. I. Install the clutch on the top shaft with a cotter and assure the clutch of the hollowshaft of the propulsion right angle. J. Repeat the operation form “J” to “M” of the paragraph. 3-14 GROUT 3-15.The grout avoids the lateral displacement of the discharge but it doesn't correct the irregularities of the foundation. To grout the pump follow the next steps: A. Build a wooden form around the discharge head to contain the grout. B. Mix the grout using a part of cement and two parts of construction sand and enough water to make pasta. C. Wet the foundation very well with water and toss the grout in the wooden form, making sure that the mixture flows freely under the discharge head. D. With a rigid wire revolve the grout to make the air, that can have, come out. E. Cover the surface of the grout with wet sackcloth so that it can drying off slowly. After the grout has forged for 48 hours, remove the wooden form and plane the surface. Let the grout forged 72 hours before operate the pump.
  11. 11. 12 / 27 VERTICAL TURBINE PUMP Type VTP Pump Push Factors Adjust Nut Installation Installing the Driver on the Hollowshaft
  12. 12. 13 / 27 VERTICAL TURBINE PUMP Type VTP Centering the Line Calculate the hydraulic push multiplying the total high per the pump push factor. The shaft lengthening taken of the graphic should not exceed impeller shaft longitudinal game that is shown on the operational curve. Placement depth – Feet (meters in parenthesis)
  13. 13. 14 / 27 VERTICAL TURBINE PUMP Type VTP SECCION IV FUNCIONAMIENTO 4-1. PREVIOUS TO STARTING RECOMMENDATIONS 4.2 Previous to starting recommendations, check the following thinks: A. The discharge valve is partially open and the discharge pipeline is property connected. B. The impellers have been adjusted properly during the installation and the motor line and the pump turn without inconvenient. C. All the bolts are tight. 4-3. STARTING 4-4. Start up the pump like it follows: A. Pre-lubricate the line in the pump of open line injecting water per the opening injection of the discharge head. Inject water for a minimum of three minutes in the pump whose shaft longitude is bigger than 40 feet. Continue the injection for one minute for each 100 additional feet of longitude of the shaft. B. Close the outburst switch. C. Observe if the pump begins to work easily and if it works without excessive vibration. If there is a difficulty to begin or an excessive vibration, stop the bomb immediately and consult the section V to determine the probable cause. D. Open the discharge valve slowly until the discharge pressure arrives to the wanted degree. E. In the open line pumps, tight the nuts of the split gland gradually during a lingering period. (See you the paragraph 5-8). 4-5. FINAL ADJUSTMENT 4-6. After the pump start to worked for a while enough to press the line coupling and to clean the liquid pumped of abrasive materials that can have, the position of the impellers should be checked and to readjust them for a turn of the adjust nut in the motors of hollowshaft. 4-7. STOPPING UNIT 4-8. Close the discharge valve slowly and then stop the motor. With this pulsations are avoided in the system and that the liquid is returned through the pump. SECTION V CONSERVATION 5-1. PREVENTIVE CONSERVATION 5-2. INSPECTION 5-3. the pumps with hidden shaft are built to lend service without inconveniences for a long time and to only need a minimum attention. Periodically inspect the oiler to see if it is working appropriately and if it has enough oil, as well as the split gland to see if it has the appropriate escape, and the pumps to see if there are slack fasteners, excessive vibration, dirt and corrosion. 5-4. CLEANING 5.5. Remove the rust or corrosion with a brush of fine wire and cloths. Clean all the pieces, if is necessary, except the electric contacts, wetting the cloths or the brush with an appropriate solvent. 5-6. PUMPS WITH OVERDRAFT SHAFT 5-7. The pumps with overdraft shaft are equipped with split gland that do not need
  14. 14. 15 / 27 VERTICAL TURBINE PUMP Type VTP attention, however it need an occasional approve of the scape. 5-8. Don't press the case of the split gland as much as to impede all escape. The packing should have a slight escape for the lubrication or the shaft will be lined or it will suffer excessive waste if was impeded that escape completely. The best rule is to loosen the case so that it can be given turns to the nut with the fingers and to let the split fland to have an abundant escape during an initial period of setting in march or after the packing of the split gland has been changed. Tight then the nut of the case gradually letting that the packing settles, until the escape is reduced to between 40 and 60 drops per minute. 5-9.The modeled rings that can be requested as reserve packing, give the best results to renovate the packing. Nevertheless, it can be formed the material rings in rolls, if it is necessary. In that case the pieces will be cut individually and will be adjusted carefully with juncture to bevel to avoid the deformation of the pieces. Put each new ring inside the split gland and set individually with the case. Make sure that the junctures are not aligned. The best thing is to stagger them to 180 degrees as they go settling the new rings in the split gland. 5-10. CLOSE SHAFT PUMP 5-11. This kind of shaft are provided with a oil lubricant tank, that should be filled periodically. Fill the tank like is recommended in the next paragraph. 5-12. LUBRICATION 5-13. OPEN SHAFT PUMP This kind of pump depend mainly on the liquid that is pumped for the lubrication of the bearings, intermediate and superior bowls, the bearing of the discharge case and the bearings of the shaft. Conserve the grease cup of the split gland full with good quality grease. The bearing of the suction case is packed with grease in the factory and it doesn't need lubrication until it is dismantled to inspect it or to repair it. After the disassembly, repack the suction box bearing with grease of medium viscosity to the temperature of the liquid pumped (approximately 500SSU to 100 degrees). Is convenient an oxidation inhibitor and usually have it the most of the good quality grease. 5-14. CLOSE SHAFT PUMP These pumps have the bearings of the discharge case and shaft lubricated with oil. The lubricant for those bearings is contained in the oil tank and it is fed to the bearing of tension tube. Maintain the oil tank full with a thin oil of turbine of good quality, of around 150 SSU to the temperature of the liquid that is pumped. A less thicken oil maybe doesn't flow appropriately through the bearings. Adjust the oiler so that it feeds from 4 to 6 drops per minute (twice that quantity for pumps larger than 200 feet, inside the shaft tube. As in the pumps open pumps, the bearings of the bowls are lubricated for the liquid that is pumped. The bearing of the suction case is greased and sealed in the factory and you only have to repack after disassembling to inspect it or to repair it. After disassembling it repack that bearing like is recommended for the open shaft pumps. 5-15. CONSERVATION CORRECTIVE 5-16. INCONVENIENCES AND THEIR POSSIBLE CAUSES 5-17. THE PUMP DO NOT START UP The possible causes are: A. The voltage given to the driver is very low. B. The electric circuit is open. C. The motor is faulty. D. The pump is forced inside a bent hole or against an obstruction in the hole or drain. E. The impellers are begun against the bowl because the bearing has a faulty adjustment or is wear.
  15. 15. 16 / 27 VERTICAL TURBINE PUMP Type VTP 5-18. THE PUMP DOESN’T DISCHARGE LIQUID. The possible causes are: A. Low velocity because the voltage or the shaft frequency is low. B. Incorrect direction of the rotation. C. The total height of pumping can be bigger than the height for the one that the pump is built. D. The strainer is obstructed or has strange matters blocking the liquid. E. The lowest impeller is not always submerged. F. The shaft is broken. 5-19. INSUFFICIENT CAPACITY. The capacity cannot be enough for the next causes: A. Little speed of the pump for reasons of low voltage to low frequency in the line. B. The total height of pumping can be bigger than the height for the one the bomb is built C. The liquid pipes or the strainer can be partially obstructed. D. The impeller is slack. E. To the suction head is entering air or vapor. F. The level of the liquid in the well or drain is too low. 5-20. THE PUMP LOSS THE PRIMING AFTER START. The pump can lose its priming after starting up if the level of the liquid descends under the pump. This can happen when the quantity of the liquid pumped it is smaller than the capacity of the pump. 5-21. THE PUMP OVERLOADS TO THE DRIVER. The cause that the pump can overload to the driver are: A. Operation in a point of the curve different to the design. B. The liquid pumped is not of the specific gravity for which the pump was built. C. The line voltage is very low or the driver is faulty. D. The impellers touch up or below. 5-22. THE PUMP VIBRATES. The vibration of the bomb can be caused for: A. Worn bearings. B. The shaft is out of line or bent. C. The assembly bolts are slack or the foundation is not rigid D. The impeller causes an imbalance to be corrode or partially obstructed. E. To the bowl body is entering air or vapor. F. Effort due to misalignment of the pipe. G. The well is bent or there are an obstruction that causes an obstacle effect. 5-23 WEAR EXCESSIVE. The cause of the excessive waste can be: A. Sand or another abrasive material in the liquid pumped. B. The well is bent or there are an obstruction that causes an obstacle effect. C. Vibration, if is not remedied immediately. 5-24. CORROSION. The corrosion can be caused by sludge in the water or for the liquid class that is pumped. It can decrease the corrosion to the minimum using pieces of stainless steel, brass or metal model.
  16. 16. 17 / 27 VERTICAL TURBINE PUMP Type VTP 5-25. REPAIRS 5-26. CLOSE SHAFT PUMP The repairs of the close shaft pump consists on take out the pump and to dismantle it to replace the faulty pieces. A elevator is needed, like the described in the installation, to take out the pump of the well. Take out the bomb and disarmament as follows: A. Disconnect the electrical force and the electric drivers that go to the motor, putting labels. This should be made by a competent electrician. Disconnect the electric force of the motor and also the electric conductive that go to the motor, putting labels. This should be made by a competent electrician. B. Remove the covered with the top part of the motor and remove the screw of the adjust nut (2) and the adjust nut (1) of the top end the top shaft. C. Take out the driver clutch. D. Take out the bolts (457) that assure the driver to the discharge head. E. Fasten a sling to the elevator holes of the driver and ascend the driver vertically until the top shaft gets free. F. Descend the motor on an appropriate support that has gotten ready. NOTE: Have the security to have a clean and sufficiently wide space to go placing the pieces in the same order in that you leave taking out. G. Disconnect the oil pipe of the tension nut of the shaft tube. NOTE: In the close shaft pumps water lubrication should be taken out the packing and the additional packing cases before taking out the tension nut of the pipeline. H. Remove the adjustment screw that holds the tension nut of the pipeline giving turns to the right I. Take out the split gland removing the bolts that assure it (458) J. Disconnect the discharge pipeline of the pump K. Remove the bolts that assure the pump to the foundation. L. Fasten a sling to the hooks elevators of the pump until the column tube overdraft. M. Place the clamp to the column pipe band in the column tube under the first coupling and descend the pump until the clamp rests on the foundation. N. Disconnect the top column tube of the column tube coupling giving turns to the left. O. Ascend the pump and the top column tube and take off the top shaft and the top close tube. P. Ascend the column tube until the next coupling is overdraft (24). Q. Place a clamp in the column tube over the coupling and descend the column tube until the clamp rest on the foundation. R. Disconnect the column tube on the coupling and ascend the column tube to leave overdraft the conjunction of the close tube. S. Assure with a rope the close tube to the column tube. T. Disconnect the close tube on the coupling and ascend the column tube with the close tube until overdraft the coupling of the shaft (23). U. Assure with a rope the shaft to the close tube and the column tube. V. Disconnect the shaft.
  17. 17. 18 / 27 VERTICAL TURBINE PUMP Type VTP W. Descend the column tube, the close tube and the shaft until placing them on an appropriate support. X. Disassembly the individual sections of the shaft and of the close tube. Y. Disconnect the other sections of the column tube, of the close tube and the shaft, repeating the operations from " K " until " S " until arriving to the bowls assembly. Z. Ascend bowl assembly until overdraft the suction tube, if this is installed. Aa. Place a clamp in the suction tube and descend the bowl assembly until the clamp rests on the foundation. Ab. Disconnect the bowl assembly and place it in and horizontal position to dismantle it. Ac. Ascend the suction tube taking it out of the well and descend it until place on an appropriate support. 5-27. Clean all the pieces minutely with an appropriate solvent, put on the shaft oil lightly with a thin turbine oil and arm the pump in inverse order of disassembly like it is described in the operation "Y" of the paragraph 5-26. Reinstall the pump like it is described in the section III. 5-28. OPEN SHAFT PUMP The repair for these pumps is similar to the repair of the close shaft pumps. Take out and disassembly the bomb like it continues: A. Take out the driver like it is described in the operations from "A" to "F" of the paragraph 5-26. B. Disconnect the discharge pipe. C. Remove the water deflector (6) D. Take out the split gland (9) removing the nuts (8) of this split and lifting it. E. Take out the split gland (17W) removing the bolts that assure it. F. Take out and discard the packing (15W) of the split gland. G. Remove the bolts that assure the pump to the foundation. H. Fasten a sling to the elevator hooks of the pump and ascend the pump vertically until it overdraft the column tube. I. Place a clamp in the column tube under the first coupling and descend the pump until the clamp rests on the foundation. J. Disconnect the top column tube of their coupling giving him turns to the left. K. Ascend the head and the top column tube until taking them out of the top shaft (19). L. Disconnect the top shaft (19) of the shaft (23) in the coupling, holding the coupling and giving turns to the shaft to the right. The threads are to the left. M. Ascend the column tube until it overdraft the following coupling. N. Place a clamp in the column tube under the coupling and descend the column tube until the clamp rests on the foundation. O. Disconnect the shaft of the coupling, holding the coupling and giving turns to the shaft to the right. P. Ascend the column tube with the shaft and then descend until placing it on an appropriate support. Q. Repeat operations from " R " to " P " until arrive to the bowl assembly. R. Ascend the bowl assembly until it overdraft the suction tube, if is installed. S. Place a clamp in the suction tube and descend the group until the clamp rests on the foundation.
  18. 18. 19 / 27 VERTICAL TURBINE PUMP Type VTP T. Disconnect the bowl assembly of the suction tube and place in horizontal position to dismantle it. U. Ascend the suction tube taking it out of the well and descend until placing it on an appropriate support. 5-29. Clean all the pieces minutely with an appropriate solvent, put on the shaft oil lightly with a thin turbine oil and arm the pump in inverse order of disassembly like it is described in the operation "Y" of the paragraph 5-26. Reinstall the pump like it is described in the section III. SECCION VI LIST OF PARTS 6-1. GENERAL 6-2. The requirement for stock of spare parts will vary with the severity of conditions of service, the extend of field maintenance anticipated, and the number of units installed. A minimum of one spare of each moving part should be stocked, as well as a complete set of bearing and seals. 6-3 ORDERING PARTS 6-4. When ordering spare and replacement parts the pump serial number, size and type of pumps must be given. Refer to the nameplate. This information is essential in order that Ruhrpumpen may identify the pump and furnish the correct repair parts. Give the name and number of the part as listed in the parts list of the sectional drawing applicable to the pump, the quantity required and where possible, the complete symbols stamped on the old part. Orders for replacement parts should be sent to the nearest Ruhrpumpen office.
  19. 19. 20 / 27 VERTICAL TURBINE PUMP Type VTP PART LIST HEAD TYPE T
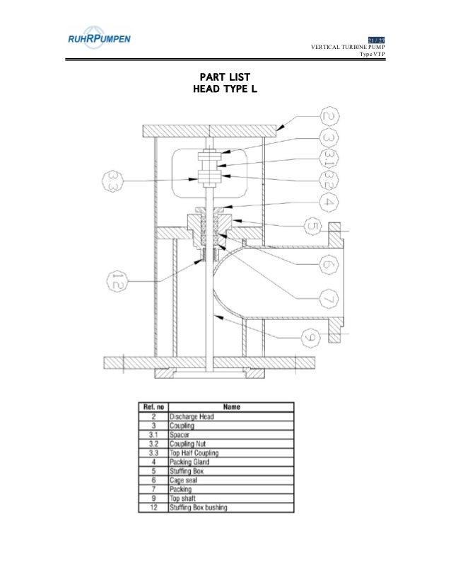
  20. 20. 21 / 27 VERTICAL TURBINE PUMP Type VTP PART LIST HEAD TYPE L
  21. 21. 22 / 27 VERTICAL TURBINE PUMP Type VTP PART LIST FLANGED BOWL ASSEMBLY WATER LUBRICATION
  22. 22. 23 / 27 VERTICAL TURBINE PUMP Type VTP PART LIST THREADED BOWL ASSEMBLY WATER LUBRICATION
  23. 23. 24 / 27 VERTICAL TURBINE PUMP Type VTP PART LIST FLANGED BOWL ASSEMBLY OIL LUBRICATION
  24. 24. 25 / 27 VERTICAL TURBINE PUMP Type VTP PART LIST THREADED BOWL ASSEMBLY OIL LUBRICATION
  25. 25. 26 / 27 VERTICAL TURBINE PUMP Type VTP   USA   RUHRPUMPEN,  Inc.   4501  South  86th  East  Ave.   Tulsa,  Oklahoma  74145  USA   Phone:+1  (918)  627-­‐8400     GERMANY   RUHRPUMPEN  GmbH   Stockumer  Strasse  28   58453  Witten/Germany   P.O.  BOX  6309   58432  Witten/Germany   Phone:  +49  (2302)  661-­‐03     MEXICO   RUHRPUMPEN  S.A.  de  C.V.   Níquel  No.  9204   Ciudad  Industrial  Mitras   García,  NL  México  66000   Phone:  +52  (81)  8158-­‐5500     EGYPT   RUHRPUMPEN  Egypt   2  New  Marwa  Building   Ahmed  Tayssir  Str.  2nd  Floor   Heliopolis  Cairo,  Egypt   Phone:  +20  (02)  2290-­‐5246     ARGENTINA   RUHRPUMPEN  S.A.   Oliden  3177  |  C1439FNG   Buenos  Aires,  Argentina   Tel:  +54  (11)  4115-­‐7867    
  26. 26. 27 / 27 VERTICAL TURBINE PUMP Type VTP May  2004  

×