Successfully reported this slideshow.
We use your LinkedIn profile and activity data to personalize ads and to show you more relevant ads. You can change your ad preferences anytime.

Diodos

449 views

Published on

diodo y su clasificacion
documento de aprendisaje fisica

  • Be the first to comment

Diodos

  1. 1. EL DIODOPED 2002-03 3.1
  2. 2. DIODOS • Símbolo. Polarización • Tipos de diodos • Curva característica • Aproximaciones lineales del diodo rectificador • Aproximaciones lineales del diodo Zener • Resolución de circuitos con diodos • AplicacionesPED 2002-03 3.2
  3. 3. Características. Símbolo • Diodo semiconductor: union PN. Referencia: diodos de silicio (Si) • Elemento biterminal. Terminales diferentes. Ánodo + – Cátodo Polarización directa Polarización inversa + – + – I I + – – + E EPED 2002-03 3.3
  4. 4. Tipos de diodos Diodo rectificador • En P.D. conduce corriente. En P.I. no conduce. Diodo LED • En P.D. conduce corriente y emite luz. • En P.I. no conduce corriente y no emite luz. Fotodiodo • Opuesto al anterior. En P.I. absorbe luz detectada y conduce corriente Diodo Zener •PED 2002-03 3.4
  5. 5. Curva característica corriente/tensión Diodo rectificador • Relación exponencial ID ID ID I.P. D.P. + VD – VD 0,7 V • P.I. corriente de saturación (pocos nA)   qVD       I D = IS ⋅  e  KT  −1 • P.D. tensión umbral • P.I.: ruptura    PED 2002-03 3.5
  6. 6. Curva característica corriente/tensión Diodo Zener • Peculiaridad en P.I: superada Vz, “ruptura Zener” ID conduce corriente sentido inverso I.P. D.P. ID ID −V Z VD + VD – 0,7 VPED 2002-03 3.6
  7. 7. Aproximaciones lineales del diodo rectificador Primera aproximación: diodo ideal • P.D. conduce como un cortocircuito • P.I. no conduce • Aproximación más alejada ID I.P. D.P. VDPED 2002-03 3.7
  8. 8. ID ID A B + VD – ID Ecuación Condición D. P. : A B VD = 0 ID ≥ 0 + VD = 0 – ID = 0 I. P. : A B ID = 0 VD ≤0 + VD –PED 2002-03 3.8
  9. 9. Aproximaciones lineales del diodo rectificador Segunda aproximación (más frecuente) • P.D. conduce a partir de 0,7V • P.I. no conduce • Tiene en cuenta la tensión umbral ID I.P. D.P. VD 0,7 VPED 2002-03 3.9
  10. 10. ID ID A B + VD – Ecuación Condición ID 0,7 V ID D. P. : A +– B VD = 0,7 V ID ≥ 0 + VD = 0,7 V – ID = 0 ID = 0 VD ≤0, 7 V I. P. : A B + VD –PED 2002-03 3.10
  11. 11. Aproximaciones lineales del diodo rectificador Tercera • P.D. conduce a partir de 0,7V, pero la tensión aumenta si la corriente aumenta • P.I. no conduce ID I.P. D.P. VD 0,7 VPED 2002-03 3.11
  12. 12. ID ID A B + VD – Ecuación Condición ID 0,7 V r D. P. : A +– B VD = 0,7 + rID ID ≥ 0 + – ( r = 0,5 Ω - 1 Ω) V D = 0, 7 + rID r resistencia interna ID = 0 I. P. : A B ID = 0 VD ≤ 0, 7 V + VD –PED 2002-03 3.12
  13. 13. Aproximaciones lineales del diodo Zener • Sólo una aproximación (se pueden hacer más) • Similar a la 2ª aprox. del diodo rectificador • En P.D. se comporta igual, también a partir de 7V • En P.I. al llegar a la tensión Zener, conduce corriente en sentido contrario ID I.P. D.P. −V Z región normal VD 0,7 V región ZenerPED 2002-03 3.13
  14. 14. ID ID IZ IZ A B + VD – – VZ + ID 0,7 V Ecuación Condición D. P. : A + – B VD = 0,7 V ID ≥ 0 ≡ IZ ≤ 0 + VD = 0,7 V – I. P. : ID = 0 ID = 0 −VZ ≤VD ≤0,7 V región normal: A B VZ parámetro conocido + VD – IZ VZ IZ región Zener: A –+ B VD = −VZ IZ ≥ 0 ≡ ID ≤ 0 + VD = −VZ –PED 2002-03 3.14
  15. 15. Resolución gráfica de circuitos con diodos • Punto de operación del diodo • Recta de carga ID RTh A + I.P. D.P. ETh + ID VD – – VD 0,7 V B ETh = RTh I D + VD ETh 1 ID = − ⋅ VD RTh RThPED 2002-03 3.15
  16. 16. Resolución gráfica de circuitos con diodos • Intersección: punto de operación del diodo ID ETh RTh Punto de operación (VQ ,IQ ) IQ Q VD VQ EThPED 2002-03 3.16
  17. 17. Una aplicación del diodo: el rectificador • Generador de tensión continua o fuente de alimentación Transformador Fuente de alimentación Rectificador Regulador 6V Filtro 220 V 5V 50 Hz 50 HzPED 2002-03 3.17
  18. 18. 1. Transformador Transformador + + señal de señal de c.a. c.a. vE vS más pequeña – –PED 2002-03 3.18
  19. 19. 2.a Rectificador de media onda Rectificador c.a. + + (positiva y vE vS c. pseudocontinua negativa) vS ≥ 0 – – Entrada D Salida + + vE RL Rectificador vS = vR – –PED 2002-03 3.19
  20. 20. 1.- VE> 0 → i > 0 0 ≤ t ≤ T/2 D + i + vE ≥ 0 RL vS =vE ≥ 0 – – 2.- VE < 0 → i < 0 T/2≤ t ≤ T D + – + vE ≤ 0 >0 i = 0 RL vS =0 – + –PED 2002-03 3.20
  21. 21. vE T t T 2 vS tPED 2002-03 3.21
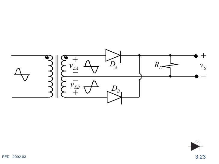
  22. 22. 2.b Rectificador de onda completa: primera opción DA + vEA = vE vEA – RL – – v + vEB = −vE vEB S + DBPED 2002-03 3.22
  23. 23. + + v EA DA RL vS – – – v EB DB +PED 2002-03 3.23
  24. 24. 1.- VEA> 0 y VEB < 0 DA + vEA + RL vS – – 2.- VEA< 0 y VEB > 0 + RL vS – – vEB + DBPED 2002-03 3.24
  25. 25. vE T vEA vEB t vS tPED 2002-03 3.25
  26. 26. 3. Filtro Entrada D Filtro Salida + Rectificador + vE vS = vR C – –PED 2002-03 3.26
  27. 27. • Filtro con rectificador de media onda vS t T 5T 4 vE 4 vE = vC vE = vC • Filtro con rectificador de onda completa vS t T 3T 4 4 vEA vEB vEB = vC vEA = vCPED 2002-03 3.27
  28. 28. 4. Regulador Regulador Entrada D Salida + + vE RL vS = vR C – – • Regulador con rectificador de media onda vS Vmin V Z tPED 2002-03 3.28
  29. 29. • Regulador con rectificador de onda completa vS Vmin VZ tPED 2002-03 3.29

×